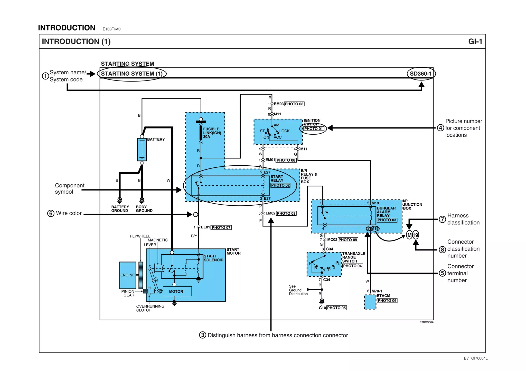
INTRODUCTION E103F6A0
GI-1INTRODUCTION (1)
STARTING SYSTEM (1)
STARTING SYSTEM
System name/
System code
Component
symbol
Wire color
SD360-1
E2RG360A
START
SOLENOID
START
MOTOR
BATTERY
BATTERY
GROUND
BODY
GROUND
MOTOR
ENGINE
LEVER
MAGNETIC
OVERRUNNING
CLUTCH
PINION
GEAR
FLYWHEEL
WBB
P
R
N D
L
2
TRANSAXLE
RANGE
SWITCH
ETACM
IGNITION
SWITCH
ON
ST
ACC
LOCK
AM
6
R
R
M11
M11
E27
E27
8 C34
7 C34
5
2 3
M19
M19
3
M70-16
M1951
4
51
START
RELAY
E/R
RELAY &
FUSE
BOX
BURGLAR
ALARM
RELAY
I/P
JUNCTION
BOX
4
FUSIBLE
LINK(IGN)
30A
1 EE01
L
B
G10
1 EM01
1 EM03 PHOTO 08
PHOTO 01
PHOTO 08
PHOTO 08
PHOTO 09
PHOTO 04
PHOTO 06
PHOTO 07
PHOTO 05
PHOTO 03
PHOTO 02
W
W
G
R
R
EM025
MC027
P
P
W
Gr
Gr
B
B
B/Y
See
Ground
Distribution
Distinguish harness from harness connection connector3
Picture number
for component
locations
4
1
Harness
classification
7
Connector
classification
number
Connector
terminal
number
8
5
6
EVTGI70001L
INTRODUCTION
GI-2INTRODUCTION (2)
Connector
configurations
(components)
Explanation of
connector code
2
M05 a : Connector manufacturer
b : Terminal series number
c : The number of connector terminals
d : Connector distinguishing
e : Connector color
abbreviations
KET_090II_04F_W
1
a b c d e
234
B (Black)
Br (Brown)
G (Green)
Gr (Gray)
L (Blue)
R (Red)
W (White)
Y (Yellow)
Female Pin : F
Male Pin : M
M05
KET_090II_04F_W KET_090II_10M_W
AMP_PLM2_02F_B KET_090II_06M_W
KUM_AR_04F_W KET_090II_10F_W
M06 M11 M13
BLANK BLANK
M81M67
*234
1 2
*
*
4
5 6 8 9 10 1234
134
5678
12 1 2
3 4 5 6
Unused
pin
*
**
STARTING SYSTEM (2)
STARTING SYSTEM
SD360-2
E2RG360B
EVTGI70002L
INTRODUCTION
GI-3INTRODUCTION (3)
Pages by system/ Name of Schematic diagram
Each page is consisted of circuits by system. This schematic
diagram includes the path of electricity flow, connection condition
for each switch, and the function of other relevant circuits at once.
It is applicable to real service work.
1
Connector configurations (connection between harnesses)
The connector figure of components in the schematic diagram
by system is indicated on the last page of schematic diagram.
It shows the front of the connector on the harness side when not
to the harness connector. The terminal number on each connector
can be obtained by following the pattern used in 5 connector view
and numbering order. Unused terminals are marked with an asterisk ( ).
When connecting the harness with connector between harnesses,
it shows female and male connectors and indicates them on the
connector configurations group.
To find the components easily, a component locations diagram is
indicated with "PHOTO NO" on the lower portion of the component name.
To make it easy to distinguish connectors, the connector in the
picture is indicated being installed in the vehicle.
Circuits by system depends upon part number and are indicated
on schematic diagram index.
10 9 8 7 6 5 4 3
2122
12
17181920 16 15 1314 12 11
109876543
21 22
1 2
17 18 19 20161513 141211
EM02
PHOTO 03
3 2 1
6 5 4
1 2 3
4 5 6
3 2 1
6 5 4
1 2 3
4 5 6
Connector configuration (components)2
3
Component locations4
CONNECTOR VIEW AND NUMBERING ORDER5
It is very important to understand relevant circuits exactly before
troubleshooting diagnosis.
Male
It is not the shape of the connector
housing, but the connector pin
that distinguishes between male
or female connectors.
When numbering female and male
connectors, refer to the numbering
order in the following table.
Some connectors may not follow this
method of numbering order.
For individual detailed numbering,
refer to the CONNECTOR
CONFIGURATIONS.
Female Remarks
Locking point
Housing Pin
Locking point
Pin
Housing
Numbered in order from upper
right to lower left
Numbered in order from upper
left to lower right
NOTE
UNLESS OTHERWISE STATED, ALL CONNECTOR VIEWS ARE FROM
THE TERMINAL SIDE OF THE CONNECTOR.
*
EVTGI70003L
INTRODUCTION
GI-4INTRODUCTION (4)
WIRE COLOR ABBREVIATIONS
The following abbreviations are used to identify wire colors in the
circuit schematics.
6
A connector identification symbol consists of a wiring harness location
classification symbol corresponding to a wiring harness location and
number corresponding to the connector.
These connector locations can be found in the HARNESS LAYOUTS.
HARNESS CLASSIFICATION
Electrical wiring connectors are classified according to the wiring parts in the
Harness Layouts.
7
CONNECTOR IDENTIFICATION8
It depends on vehicles, it is necessary to check the harness name symbol
on the harness layouts for detailed symbol.
Black
Brown
Green
Gray
Blue
Light Green
Tan
Orange
Pink
Red
White
Yellow
Purple
Light Blue
the color of
background
the color of
stripe
For example:
For example:
For example:
O
P
R
W
Y
Pp
LI
B
Br
G
Gr
L
Lg
T
Symbol Color of wire Symbol Color of wire
E 10 -1
NOTE
Connectors which connect each wiring harness are represented by
the following symbols.
JUNCTION BLOCK IDENTIFICATION
A junction block identification symbol consists of a wiring harness
location classification symbol corresponding to a wiring harness location
and number corresponding to the connector in the junction block.
M R 01
I/P- A
Symbol indicating wiring harness (Engine wiring harness)
Number corresponding to main connector (Serial Number)
Number corresponding to sub-connector (Serial Number)
Number corresponding to main connector (Serial Number)
Rear wiring harness
Main wiring harness
Abbreviation of the word
"Passenger compartment junction block"
Connector name
Y / B : Black stripe with yellow ground (2 colors)*
Engine harness
Main, Floor, Floor center,
Roof harness
Chassis, Side marker,
EXH M/V harness
Air con, A.B.S harness
Door harness
E
A
D
LocationHarness nameSymbol
C
M
Engine compartment
Passenger compartment,
Floor, Roof
Under crash pad and Floor
Door
Chassis compartment
EVTGI70004L
INTRODUCTION
GI-5INTRODUCTION (5)
HARNESS LAYOUTS
Harness layouts show the routing of the major wiring harnesses,
the in-line connectors and the splices between the major harnesses.
These layouts will make electrical troubleshooting easier.
MM02 G14 G12 M26 M31 M34 M35
M32
M22
M21
M23
M25-1,2,3
MM01
MM03
M33
SM01 SM02
M36
MM04
M41
VIEW 'B'
VIEW 'A'
M30
Z03M29 M15
M13 M19-2
SM06
SM08
SM07
M37
M02
M03-1,2
MI04
MI06
MI03
MI05
M20
M11M16 Z01
G11
M14
MC06
MC05 MC04
M09-3 M09-1,2
MI01
Z02
Passenger
Compartment
Junction Block
(I/P-E,F,G,H,J)
EVTGI70005L
SYMBOLS EBB531CD
GI-6SYMBOLS (1)
C
O
M
P
O
N
E
N
T
G
R
O
U
N
D
S
P
L
I
C
E
S
C
O
N
N
E
C
T
O
R
W
I
R
E
Symbol
Sec-
tion
Sec-
tion
Sec-
tion
Sec-
tion
A solid line means the entire
component is shown.
Shows the name of each connector
on the component location index
for reference.
Indicates the number of
corresponding terminal.
(Only relevant terminal on the
corresponding schematic diagram).
The dashed-line means each of
two wires connect with same
connector(E35)
A broken line indicates only
part of the component is
shown.
Meaning Symbol Meaning Symbol Meaning Symbol Meaning
STOP
LAMP
SWITCH
PHOTO 03
Female
connector
Male
connector
10 M05-2
E35
R Y/L
R Y/L
13
B
A
R
Y/R
A
From C52
To MC02
G
G G
L
L
D
I
O
D
E
TR
C
B
E
F
U
S
E
G
E
N
E
R
A
L
C
O
M
P
O
N
E
N
T
S
Y
M
B
O
L
L
A
M
P
Diode
Led diode
Zener diode
Switch (1 contact point)
Heater
NPN
PNP
NPN
PNP
Power supplied at all times.
Control battery power at all times
Double filament
Single filament
Name
Capacity
HOT IN ON
FUSE 10
10A
DASH
FUSE
BOX
C
B
E
S
H
I
E
L
D
W
I
R
E
J
O
I
N
T
C
O
N
N
E
C
T
O
R
S
L
O
W
B
L
O
W
P
O
W
E
R
G06
This means the connector
connects directly to the
component.
This indicates a screw terminal
on the component.
This means power is supplied
with the ignition on position.
Identification
Current rating
This means the short bar
connects to other fuses.
This indicates the connector
connects to a lead (pigtail),
wired directly to the com-
ponent.
Automatic
Transaxle
Manual
Transaxle
This symbol means the end
of the wire is attached to a
metal part of the vehicle.
This ground symbol (dot and
3 lines overlapping the com-
ponent) means the housing
of the component is attached
to a metal part of the vehicle.
The name of the component
appears next to its upper right
corner.
Shows the number of pictures
for component location.
Splices are numbered and
shown as a dot with circle.
The exact location and con-
nection of these splices may
vary among vehicles.
Wire choices for options or
different models are labeled
and shown with a "choice"
bracket like this.
Name of Circuit
A wire connects to another
circuit. The wire is shown
again on that circuit which
the arrow is pointing.
Current path is continued on
the same page or another
page.The arrow shows the
direction of current flow.
You should look for the "A"
in the marked position.
A wavy line means the
wire is broken but
is to be continued.
Wire insulation is yellow
with a red strip.
C
O
N
N
E
C
T
O
R
This represents RFI (Radio
Frequency Interference)
Shielding around a wire.
The shielding is always
connected to ground.
This is a connector showing
the joining wires.
These switches move
together:
a dashed line shows a
mechanical connection
between them.
F/FOG
FUSE
15A
E/R FUSE &
RELAY
BOX
HOT AT ALL TIMES
G06
EVTGI70006L
SYMBOLS
GI-7SYMBOLS (2)
Sec-
tion
Sec-
tion
G
E
N
E
R
A
L
C
O
M
P
O
N
E
N
T
S
S
Y
M
B
O
L
G
E
N
E
R
A
L
C
O
M
P
O
N
E
N
T
S
S
Y
M
B
O
L
R
E
L
A
Y
Solenoid
Injector
Normally open contact
Motor
Battery
Condenser
Speaker
Horn, Buzzer, Siren,
Chime Bell
Sensor
Sender
M
+
-
This is a relay shown with no
current flowing through its coil.
When a current flows through
coil, contact will toggle.
Diode interior relay
Resistance interior relay
Symbol Meaning Symbol Meaning
EVTGI70007L
TROUBLESHOOTING INSTRUCTIONS E69D8CAB
GI-8TROUBLESHOOTING INSTRUCTIONS (1)
TROUBLESHOOTING INSTRUCTIONS
TROUBLESHOOTING PROCEDURES TROUBLESHOOTING EQUIPMENT
CAUTION
The following five-step troubleshooting procedure is recommended.
Turn on all the components in the problem circuit to check the accuracy of the
customer's complaints. Note the symptoms.
Do not begin disassembly or testing until you have narrowed down the probable
causes.
1. Verify the customer's complaints Use a test lamp or a voltmeter on circuits without solidstate units and use a test
lamp to check for voltage. A test lamp is made up of a 12-volt light bulb with a
pair of leads attached. After grounding one lead, touch the other lead to various
points along the circuit where voltage should be present.
When the bulb goes on, there is voltage at the point being tested.
SELF-POWERED TEST LAMP AND OHMMETER
Use a self-powered test lamp or an ohmmeter to check for continuity.
The ohmmeter shows how much resistance there is between two points along
a circuit. Low resistance means good continuity.
A number of circuits include solid-state modules, such as the Engine
Control Module(ECM), used with computer command control injection.
Voltage in these circuits should be tested only with a 10-megaohm or
higher impedance digital multimeter. Never use a test lamp on circuits
that contain solid state modules. Damage to the modules may result.
VOLTMETER AND TEST LAMP
Make a circuit test to check the diagnosis you made in step 2. Remember that a
logical, simple procedure is the key to efficient troubleshooting. Narrow down the
probable causes using the troubleshooting hints and system diagnosis charts.
Test for the most likely cause of failure first.
Try to make tests at points that are easily accessible.
3. Inspect the circuit/ component with the problem isolated
Once the problem is found, make the necessary repairs.
4. Repair the problem
Repeat the system check to be sure you have repaired the problem. If the
problem was a blown fuse, be sure to test all of the circuits on that fuse.
5. Make sure the circuit works
Locate the schematic for the problem circuit. Determine how the circuit is
supposed to work by tracing the current paths from the power source through
the system components to ground. If you do not understand how the circuit
should work, read the circuit operation text. Also check other circuits that share
with the problem circuit. The name of circuits that share the same fuse, ground,
or switch, for example, are referred to on each diagram. Try to operate any
shared circuits you did not check in step 1. If the shared circuit works, the
shared wiring is okay, and the cause must be within the wiring used only by the
problem circuit.
If several circuits fail at the same time, the fuse or ground is a likely cause.
2. Read and analyze the schematic diagram
TEST LAMP
A voltmeter can be used in place of a test lamp. While a test lamp shows
whether the voltage is present or not, a voltmeter indicates how much voltage
is present.
EVTGI70008L
TROUBLESHOOTING INSTRUCTIONS
GI-9TROUBLESHOOTING INSTRUCTIONS (2)
Never use a self-powered test lamp on circuits that contain solid state
modules. Damage to these modules may result.
An ohmmeter can be used in place of a self-powered test lamp.
The ohmmeter shows how much resistance there is between two points along a
circuit. Low resistance means good continuity.
Circuits which include any solid-state devices should be tested only with a
10-megaohm or higher impedance digital multimeter. When measuring
resistance with a digital multimeter, the battery negative terminal should be
disconnected. Otherwise, there may be incorrect readings. Diodes and
solid-state devices in a circuit can make an ohmmeter give a false reading.
To find out if a component is affecting a measurement, take one reading,
reverse the leads and take a second reading.
If different the solid-state device is affecting the measurement.
Use a jumper wire with a fuse to by-pass an open circuit.
A jumper wire is made up of an in-line fuse holder connected to a set of test leads.
This tool is available with small clamp connectors providing adaption to most con-
nectors without damage.
CAUTION
Do not use a fuse with a higher rating than the specified fuse that protects the
circuit being tested. Do not use this tool in any situation to substitute an input
or output at the solid-state control module, such as ECM, TCM, etc.
CAUTION
JUMPER WIRE WITH FUSE
A short finder is available to locate a short to ground. The short finder creates a
pulsing magnetic field in the shorted circuit and shows you the location of the
short through body trim or sheet metal.
SHORT FINDER
SELF-
POWERED
TEST LAMP
5A
TROUBLESHOOTING TEST
This test measures voltage in a circuit. When testing for voltage at a con-
nector, you do not have to separate the two halves of the connector. lnstead,
probe the connector from the back(backprobe). Always check both sides of
the connector because dirt and corrosion between its contact surfaces can
cause electrical problems.
A. Connect one lead of a test lamp or voltmeter to a ground. If you are using
a voltmeter, be sure it is the voltmeter's negative test lead you have con-
nected to ground.
B. Connect the other lead of the test lamp or voltmeter to a selected test
point(connector or terminal).
C. If the test lamp glows, there is voltage present. If you are using a
voltmeter, note the voltage reading. A loss of more than 1 volt from
specification indicates a problem.
1. TESTING FOR VOLTAGE
EVTGI70009L
TROUBLESHOOTING INSTRUCTIONS
GI-10TROUBLESHOOTING INSTRUCTIONS (3)
A. Disconnect the battery negative terminal.
B. Connect one lead of a self-powered test lamp or ohmmeter to one end of
the part of the circuit you wish to test. If you are using an ohmmeter, hold
the leads together and adjust the ohmmeter to read zero ohms.
C. Connect the other lead to the other end.
D. If the self-power test lamp glows, there is continuity. If you are using an
ohmmeter, low or zero resistance means good continuity.
2. TESTING FOR CONTINUITY
A. Disconnect the battery negative terminal.
B. Connect one lead of a self-powered test lamp or an ohmmeter to the fuse
terminal on the load side.
C. Connect the other lead to a ground.
D. Beginning near the fuse block move the harness from side to side.
Continue this proceedure(about six inches apart) while watching the
self-powered test lamp or ohmmeter.
E. When the self-powered test lamp glows, or ohmmeter registers, there is a
short to a ground in the wiring near that point.
3. TESTING FOR SHORT TO GROUNDHOT AT ALL TIMES
DASH
FUSE
BOX
SWITCH
SOLENOID
TEST LAMP
OR
VOLTMETER
RON
OFF
G
4 M11
SELF-
POWERED
TEST LAMP
OR
OHMMETER
STOP
LAMP
SWITCH
SOLENOID
G
SELF-POWERED
TEST LAMP
OR
VOLTMETER
Short to ground
Battery
disconnected
FUSE BOX
(Fuse removed)
Load
disconnected
SWITCH
4 M11
1 M11
R
EVTGI70010L
TROUBLESHOOTING INSTRUCTIONS
GI-11TROUBLESHOOTING INSTRUCTIONS (4)
A. Remove the blown fuse. Leave the battery connected.
B. Connect the short finder across the fuse terminals.
C. Close all switches in series in the circuit that is being testing.
D. Turn on the short circuit locator. It sends pulses of current to the short.
This creates a pulsing magnetic field around the wiring between the fuse
box and the short.
E. Beginning at the fuse box, slowly move the short finder along the circuit
wiring. The meter will show current pulses through sheet metal and body
trim. As long as the meter is between the fuse and the short, the needle
will move with each current pulse. Once the meter is moved past the point
of the short, the needle will stop moving. Check around this area to locate
the cause of the short circuit.
4. TESTING FOR A SHORT WITH A SHORT FINDER
SHORT
FINDER
FUSE BOX
(Fuse removed)
R
4 M11
SWITCH
SOLENOID
G
Short to ground
Battery
disconnected
M111
METER
Move meter
along wire
Needle stops
moving here
Pulsing
magnetic
field
Pulsing
magnetic
field
EVTGI70011L
FUSE & RELAY INFORMATION EBF7DCCF
SD100-1FUSE & RELAY INFORMATION (1)
<D4DD>
<D4AF/D4AL>
USE THE DESIGNATED FUSE ONLY
FUSE 1
15A
FUSE 2
5A
FUSE 3
10A
FUSE 4
10A
FUSE 5
15A
FUSE 6
5A
FUSE 7
5A
FUSE 8
10A
FUSE 9
10A
FUSE 10
15A
FUSE 11
10A
FUSE 12
10A
FUSE 14
15A
FUSE 15
10A
FUSE 16
20A
FUSE 17
10A
FUSE 18
15A
FUSE 19
10A
FUSE 20
20A
FUSE 21
20A
FUSE 23
10A
FUSE 24
15A
FUSE 25
10A
FUSE 26
10A
FUSE 27
10A
FUSE 28
10A
FUSE 29
10A
FUSE 30
10A
FUSE 31
10A
FUSE 32
5A
FUSE 33
20A
FUSE 34
15A
FUSE 35
10A
FUSE 36
15A
FUSE 1
15A
FUSE 2
5A
FUSE 3
10A
FUSE 4
10A
FUSE 5
15A
FUSE 6
5A
FUSE 7
5A
FUSE 9
15A
FUSE 11
10A
FUSE 12
10A
FUSE 13
20A
FUSE 14
10A
FUSE 15
10A
FUSE 16
10A
FUSE 17
10A
FUSE 18
15A
FUSE 19
15A
FUSE 23
10A
FUSE 24
15A
FUSE 25
10A
FUSE 26
10A
FUSE 27
10A
FUSE 28
10A
FUSE 29
10A
FUSE 30
10A
FUSE 31
10A
FUSE 33
15A
FUSE 34
15A
FUSE 36
15A
FUSE BOX
EVTSD7100AL
FUSE & RELAY INFORMATION
SD100-2FUSE & RELAY INFORMATION (2)
USE THE DESIGNATED FUSE ONLY
CIRCUIT
Working lamp switch
Head lamp leveling actuator(D4AF/D4AL), Head lamp leveling switch(D4AF/D4AL), Head lamp relay(High/Low)
Mode switch, Intake switch, A/C switch, Evaporator sensor, Blower relay, Condenser fan relay
Wiper motor, Washer motor, Wiper relay(High/Low)
ABS control module
PTO relay, Dump relay, PTO control switch
Main ECM(D4DD)
Neutral switch(D4DD)
Power window relay(D4AF/D4AL)
Cab tilting switch, Flasher unit
Power door lock relay, Power door unlock relay
ABS relay box(Fail safe relay)
Engine ECM relay(D4DD), Main ECM(D4DD)
Fuel heater relay(D4DD)
ETACM(D4AF/D4AL), Start solenoid, Sub start switch, Main ECM(D4DD)
Head lamp LH(Lo)
Head lamp RH(Lo)
Head lamp LH(Hi), Instrument cluster(High-beam indicator)
Head lamp RH(Hi)
Hazard switch, Defogger switch, A/C switch, Front fog lamp switch, License lamp, Rear combination lamp LH, Rear fog lamp switch(D4AF/D4AL),
Rear marker lamp LH(D4AF/D4AL), Front outside marker lamp(D4AF/D4AL), Cigarette lighter(D4DD)
Position lamp RH, Front room lamp, Endout marker lamp, Rear combination lamp RH, Rear marker lamp RH(D4AF/D4AL),
Rear outside marker lamp(D4AF/D4AL)
Front fog lamp relay
Engine PTO cab in switch(D4DD), Accelerator pedal sensor(D4DD), Exhaust brake clutch pedal position switch(D4DD), Stop lamp switch(D4DD),
Multifunction switch(Exhaust brake switch)(D4DD), Idle up/down switch(D4DD)
Blower relay
Not used(D4DD)
Cigarette lighter, Audio, Instrument cluster(Clock)
Neutral switch(D4AF/D4AL), Main ECM(D4DD), Exhaust brake relay(D4DD)
Cold start switch(D4AF/D4AL), Exhaust brake clutch pedal position switch(D4AF/D4AL), Tachograph, High speed warning device(D4AF/D4AL),
High speed warning buzzer(D4AF/D4AL), Glow relay(D4DD), Fuel heater relay(D4DD), Exhaust brake relay(D4DD), ABS relay
15A
5A
10A
10A
15A
5A
5A
10A(D4DD)
15A(D4AF/D4AL)
10A(D4DD)
15A(D4DD)
20A
10A(D4AF/D4AL)
15A(D4DD)
10A
10A(D4AF/D4AL)
20A(D4DD)
10A
15A
15A(D4AF/D4AL)
10A(D4DD)
20A(D4DD)
20A(D4DD)
15A
10A
10A
10A
10A
10A
15A(D4AF/D4AL)
20A(D4DD)
15A
10A(D4DD)
15A
WORKING LAMP
HEAD LP (RELAY)
A/CON
D4AF/D4AL(COLD START),
D4DD(TACHOGRAPH, GLOW, ABS),
EXH. BRAKE
WIPER WASHER
A. B. S (ECU)
P. T. O (OPT)
D4DD(ENG ECU)
D4AF/D4AL(SUB START),
D4DD(ENG ECU, EXH BRAKE)
D4DD(SUB START)
D4AF/D4AL(OVERHEAT BZ),
REVERSE LP, SPD SENSOR
D4AF/D4AL(ALTR (R)),
CLUSTER, ETACS
D4AF/D4AL(P/WINDOW)
D4AF/D4AL(STOP LP, HORN)
D4DD(HEAT'G MIRROR)
HAZARD, T/SIG LP, CAB TILT'G
D4AF/D4AL(RR FOG LAMP)
D4DD(P/WINDOW)
C/DOOR LOCK
A. B. S (VALVE)
D4AF/D4AL(HEAT'G MIRROR)
D4DD(STOP LP, HORN, DIAG CONN)
D4DD(ENG ECU)
D4DD(FUEL HEATER)
D4DD(ETACS, TACHOGRAPH),
AUDIO, ROOM LP, CLOCK
START MOTOR
HEAD LP (DIM. LH)
HEAD LP (DIM. RH)
HEAD LP (MAIN. LH)
HEAD LP (MAIN. RH)
FOG LAMP
D4AF/D4AL(CONDENSER FAN)
D4DD(A/C COMP, CONDENSER)
HEATER BLOWER
D4DD(ETACS)
CIGAR, AUDIO, CLOCK
1
2
3
4
5
6
7
8
10
13
15
17
18
20
21
24
25
26
27
28
31
34
35
36
9
Overheat buzzer relay(D4AF/D4AL), Vehicle speed sensor, Back-up lamp switch, Water separator sensor(D4DD), Generator(D4DD)11
Instrument cluster(Indicator), ETACM, Generator(D4AF/D4AL)12
Data link connector(D4AF/D4AL), Stop lamp switch(D4AF/D4AL), Horn(D4AF/D4AL), Outside mirror defogger relay(D4DD)14
Rear fog lamp relay(D4AF/D4AL), Rear fog indicator relay(D4AF/D4AL), Power window relay(D4DD)16
Outside mirror defogger relay(D4AF/D4AL), Data link connector(D4DD), Stop lamp switch(D4DD), Horn(D4DD), Horn relay(D4DD)19
Instrument cluster(Clock), ETACM, Audio, Front room lamp, Rear room lamp, Tachograph23
Condenser fan relay, A/C relay33
29 TAIL LP (LH) 10A
30 TAIL LP (RH) 10A
32 D4DD(ENG ECU) 5A(D4DD)
Fuse Description (A) Circuit protected
10A
10A
10A
EVTSD7100BL
FUSE & RELAY INFORMATION
SD100-3FUSE & RELAY INFORMATION (3)
USE THE DESIGNATED FUSE ONLY
FUSIBLE LINK BOX
BODY
40A
ALTERNATOR
60A
ABS
30A
A/CON
30A
IGN SW
30A
ABS relay box(Pump motor relay)
Fuse box(Fuse 33, Fuse 34)
Ignition switch
Relay box(Head lamp relay (High/Low), Tail lamp relay),
Fuse box(D4AF/D4AL(Fuse 13~19), D4DD(Fuse 15~21), Fuse 31)
Generator
30A
30A
30A
60A
Description (A) Circuit protected
ABS
A/CON
IGN SW
ALTERNATOR
40ABODY
CIRCUIT
EVTSD7100CL
FUSE & RELAY INFORMATION
SD100-4FUSE & RELAY INFORMATION (4)
USE THE DESIGNATED FUSE ONLY
M01
FRONT FOG
LAMP RELAY
M15
ABS
RELAY
M05
POWER
DOOR
LOCK
RELAY
M06
POWER
DOOR
UNLOCK
RELAY
M07
OUTSIDE
MIRROR
DEFOGGER
RELAY
M08
PTO
RELAY
M09
DUMP
RELAY
M93
EXHAUST
BRAKE RELAY
M11
WIPER
RELAY (HIGH)
M12
WIPER
RELAY (LOW)
M13
HEAD LAMP
RELAY (HIGH)
M04
POWER
WINDOW RELAY
M14
HEAD LAMP
RELAY (LOW)
M90
FUEL HEATER
RELAY
M91
ENGINE
ECM RELAY
M02
TAIL LAMP
RELAY
M01
FRONT FOG
LAMP RELAY
M16
REAR FOG
LAMP RELAY
M97
OVERHEAT
BUZZER RELAY
M15
ABS
RELAY
M88
HORN
RELAY
M05
POWER
DOOR
LOCK
RELAY
M06
POWER
DOOR
UNLOCK
RELAY
M07
OUTSIDE
MIRROR
DEFOGGER
RELAY
M08
PTO
RELAY
M09
DUMP
RELAY
M11
WIPER
RELAY (HIGH)
M12
WIPER
RELAY (LOW)
M13
HEAD LAMP
RELAY (HIGH)
M04
POWER
WINDOW RELAY
M14
HEAD LAMP
RELAY (LOW)
M86
REAR FOG
INDICATOR RELAY
M02
TAIL LAMP
RELAY
M94
GLOW
RELAY
*
1
24
5
*
1
24
5
*
1
24
5
*
1
24
5
*
1
24
5
*
1
24
5
<D4DD> <D4AF/D4AL>
1 2
3
5
*
1 2 4
3
5
1 2 4
3
5
1 2
3
5
* 1 2
3
5
*
1 4
3
5
*
1 4
3
5
* 1 2 4
3
5
1 2 4
3
5
1 2 4
3
5
1 2
3
5
*1 4
3
5
*
1 4
3
5
*
1 4
3
5
*
1 4
3
5
* 1 2
3
5
* 1 2
3
5
*
1 2
3
5
* 1 2
3
5
*
1
234
5
1
234
5
*
1
24
5
*
1
24
5
*
1
24
5
*
1
24
5
*
1
24
5
1
234
5
1
234
5
RELAY BOX
EVTSD7100DL
POWER DISTRIBUTION EA007534
SD110-1POWER DISTRIBUTION (1)
1CC031
C131
CC012
3.0Y
3.0G
8.0W
3.0G
BATTERY
GROUND
+
-
1
FUSIBLE
LINK
BOX
BATTERY
+
-
BATTERY
E17
ABS
RELAY
BOX
START
MOTOR
GENE-
RATOR
1
ABS
FUSIBLE
LINK
30A
ALTERNATOR
FUSIBLE
LINK
60A
A/CON
FUSIBLE
LINK
30A
BODY
FUSIBLE
LINK
40A
FUSE 34
15A
FUSE 23
10A
C34-21
3.0L3.0R
HEAD
LAMP
RELAY
(LOW)
MC0363
M145
1.25G
3.0L
1.25O
2.0L 2.0L
3.0L
2.0L 0.5L
3.0R
1.25G/O
3.0R
3.0R
CC022
M141
HEAD
LAMP
RELAY
(HIGH)
TAIL
LAMP
RELAY
M135
M131
RELAY
BOX
5 M02
4 M02
2
1
See Tail, Parking
& License Lamps
(SD928-1)(SD928-2)
2.0R
FUSE BOX
FUSE
15
10A
A
To IGN SW
Fusible Link 30A
(SD110-2)
2
8.0L
8.0L
8.0W
EC031
5.0W
8.0L
FUSE 33
15A(D4AF/D4AL)
20A(D4DD)
FUSE
26
10A
FUSE
25
10A
FUSE
28
10A
FUSE
27
10A
FUSE
30
10A
FUSE
29
10A
FUSE
16
20A
FUSE
17
10A
FUSE
18
15A
FUSE
19
10A
FUSE
20
20A
FUSE
21
20A
FUSE
13
20A
FUSE
14
10A
FUSE
15
10A
FUSE
16
10A
FUSE
17
10A
FUSE
18
15A
FUSE
19
15A
FUSE
31
10A
D4DD D4AF/D4AL
See Passenger
Compartment Fuse Details
(SD120-7)
See Passenger
Compartment Fuse Details
(SD120-5)
See Passenger
Compartment Fuse Details
(SD120-7)
See Passenger
Compartment Fuse Details
(SD120-5)(SD120-6)
See Passenger
Compartment Fuse Details
(SD120-3)(SD120-4)
EVTSD7110AL
POWER DISTRIBUTION
SD110-2POWER DISTRIBUTION (2)
3.0W
CC01
MC03
1
5
3.0W
2.0G 2.0L
M426
M422 4 3
IGNITION
SWITCH
LOCK
ACC ON
START
AM
HOT WITH ENGINE ECM RELAY ON
FUSE 36
15A
FUSE 32
5A
FUSE 24
15A
FUSE
BOX
FUSE 35
10A
FUSIBLE
LINK
BOX
IGN SW
FUSIBLE
LINK
30A
A
From
Battery Power
(SD110-1)
FUSE 1
15A
FUSE 3
10A
FUSE 4
10A
FUSE 5
15A
FUSE 6
5A
FUSE 7
5A
FUSE 8
10A
FUSE 11
10A
FUSE 12
10A
FUSE 14
15A
FUSE 9
15A(D4AF/D4AL)
10A(D4DD)
FUSE 10
15A
FUSE 2
5A
3.0O
3.0O 3.0O
3.0O
D4AF/D4AL D4DD
See Passenger
Compartment Fuse Details
(SD120-3)
See Passenger
Compartment Fuse Details
(SD120-7)
See Passenger
Compartment Fuse Details
(SD120-5)
See Passenger
Compartment Fuse Details
(SD120-7)
See Passenger
Compartment Fuse Details
(SD120-1)(SD120-2)
EVTSD7110BL
PASSENGER COMPARTMENT FUSE DETAILS EC996EEF
SD120-1PASSENGER COMPARTMENT FUSE DETAILS (1)
FUSE
BOX
RELAY
BOX
4 MA02
11 M8012
13 M80
JOINT
CONNECTOR
25
2 M90
FUEL
HEATER
RELAY
HOT IN ON
FUSE 1
15A
1.25W
1 M75
WORKING
LAMP
SWITCH
0.5O
2 M33
MODE
ACTUATOR
FUSE 3
10A
0.5O
1 M28
INTAKE
SWITCH
0.5O
1 M64
A/C
SWITCH
0.85O
5 M21
EVAPORATOR
SENSOR
0.5R
0.5L/B
0.5O
4 A16
CONDENSER
FAN RELAY
0.5R
4 A15
BLOWER
RELAY
FUSE 6
5A
1.25Br
1.25Br 0.85O
1 A01
ABS
CONTROL
MODULE
1 MA01
0.5L
1 M93
EXHAUST
BRAKE
RELAY
0.5L
5 M15
ABS
RELAY
0.5L
1 M22
HIGH SPEED
WARNING
BUZZER
0.5L
8 M45
TACHOGRAPH
(CASSETTE TYPE)
M78
6 M78
JOINT
CONNECTOR
0.5L
0.5L 0.5L
1 M94
GLOW
RELAY
FUSE 4
10A
0.5L
3 M24
TACHOGRAPH
(ELECTRONIC)
0.5L
4 M73
HIGH SPEED
WARNING
DEVICE
0.5L 0.5L
1 M49
EXHAUST
BRAKE CLUTCH
PEDAL POSITION
SWITCH
0.5L
0.5L
3 M47
COLD
START
SWITCH
A
To FUSE 5
15A
(SD120-2)
D4AF/
D4AL
D4AF/
D4AL
D4AF/
D4AL
D4AF/
D4AL
D4AF/
D4AL
D4AF/
D4AL
D4AF/
D4AL
1
D4DD D4DD
D4AF/
D4AL
D4DD
4
D4DD
38 M549
10 M54
JOINT
CONNEC-
TOR
0.85Br
1 M53
HEAD LAMP
LEVELING
ACTUATOR LH
0.5Br
2 M13
HEAD
LAMP RELAY
(HIGH)
FUSE 2
5A
0.5Br
4 M44
HEAD LAMP
LEVELING
SWITCH
0.5Br
2 M14
HEAD
LAMP RELAY
(LOW)
0.85Br
0.5Br
1 M60
HEAD LAMP
LEVELING
ACTUATOR RH
EVTSD7120AL
PASSENGER COMPARTMENT FUSE DETAILS
SD120-2PASSENGER COMPARTMENT FUSE DETAILS (2)
0.85O
0.5R
0.85O
15
0.85Br/O
0.85Br/O
0.85Br/O
MM07100.5O
0.5O
0.5O
MC0116
EC021
RELAY
BOX
0.5R
5
PTO
RELAY
D4DD
D4DD
1 M08
PTO
RELAY
2 M107
7 MM02 5
4
MC01
(D4AF/D4AL)
MC05(D4DD)
58 M8097
10 M80
JOINT
CONNEC-
TOR
5 M31 3 C57
WASHER
MOTOR
2 C12
BACK-UP
LAMP
SWITCH
1.25L
0.85L 0.5R
0.85L
WIPER
MOTOR
2 C14
0.85R
PTO
CONTROL
SWITCH
0.85L 0.85L
2 M12
WIPER
RELAY
(LOW)
2 M11
WIPER
RELAY
(HIGH)
1.25L
FUSE
BOX
FUSE 5
15A
M7814
16 M78
JOINT
CONNEC-
TOR
0.85O
FUSE 12
10A
1 M08
16 M5415
17 M54
JOINT
CONNEC-
TOR
0.5R 0.5R
0.5R
FUSE 7
5A
FUSE 10
15A
A
From
HOT IN ON
(SD120-1)
5 M93
EXHAUST
BRAKE
RELAY
0.5R
11 MC01
0.85Br/O
0.85Br/O
2 MC05
0.85Br/O
0.85Br/O
0.85Br/O
0.85Br/O
0.5Br/O
VEHICLE
SPEED
SENSOR
M99-3
MAIN ECM
5
DUMP
RELAY
1 M09
0.5R
5
OVERHEAT
BUZZER
RELAY
1 M97
0.85R
NEUTRAL
SWITCH
1.25R
1 C11
11 MC06
2.0R
NEUTRAL
SWITCH
2.0R
2 C11
2 MC01
0.5O
INSTRUMENT
CLUSTER
2 M36-3
D4DD
7 M99-2
M99-2
1.25Y0.85Y
0.85Br/O 0.85Br/O
0.85Br/O1.25Y
FUSE 9
15A(D4AF/D4AL)
10A(D4DD)
D4DD
FUSE 11
10A
1
1.25Y
12
0.5R0.5R
0.5R
MAIN ECM
FUSE 8
10A
22
D4DD
1 C45
WATER
SEPARATOR
SENSOR
1 C57
VEHICLE
SPEED
SENSOR
6 M56-2
ETACM
1 C39
GENERATOR
D4DD
1 E10
GENERATOR
D4DD
D4AF/
D4AL
D4AF/
D4AL
D4AF/
D4AL
D4AF/
D4AL
D4AF/
D4AL
D4AF/
D4AL
D4AF/
D4AL
EVTSD7120BL
PASSENGER COMPARTMENT FUSE DETAILS
SD120-3PASSENGER COMPARTMENT FUSE DETAILS (3)
D4DD
RELAY BOX
2 M104
0.85O
2 C34-2
9 MC05
ABS
RELAY
BOX
2 M41
STOP
LAMP
SWITCH
1.25R
1.25R
CAB
TILTING
SWITCH
6 M10
8 MM01
FLASHER
UNIT
0.85O
0.85O
5 M88
HORN
RELAY
POWER
WINDOW
RELAY
5 M90
FUEL
HEATER
RELAY
1.25W
1
OUTSIDE MIRROR
DEFOGGER RELAY
5 M07
0.85P 0.5P
0.85P
2 5 M04
0.5Y/O 1.25
Y/O
POWER DOOR
LOCK RELAY
2 5 M05
0.85L 0.5L
POWER DOOR
UNLOCK RELAY
2 5 M06
0.85L 0.5L
1.25Y/O
FUSE
BOX
FUSE 18
15A
FUSE 15
10A
MAIN ECM
FUSE 20
20A
0.5O
W/O
Double
Cab
B
To FUSE
32 5A
(SD120-7)
RELAY
BOX2 M915
ENGINE
ECM
RELAY
2.0R/O
0.85R/O2.0R/O
M99-3
0.5L0.5L
6 5
0.5L
1.25G/O 1.25G/O1.25G/O
65 M99-17
1.25G/O
0.85L/G
41 M91 6 MC06
HORN
0.85Y
0.85Y
0.85Y
0.5Y
9 M72
DATA LINK
CONNECTOR
2 C18
0.85Y
11 M7812
13 M78
JOINT
CONNEC-
TOR
0.85Y
5 M546
7 M54
JOINT
CONNEC-
TOR
FUSE 19
10A
FUSE 21
20A
FUSE 16
20A
FUSE 17
10A
FUSE 14
15A
0.85Y
HOT AT ALL TIMES
0.85L
HOT IN ON
EVTSD7120CL
PASSENGER COMPARTMENT FUSE DETAILS
0.5R
SD120-4PASSENGER COMPARTMENT FUSE DETAILS (4)
D4AF/D4AL
RELAY
BOX2 M104
0.85O
2 C34-2
6 CA01
4 MA01
ABS
RELAY
BOX
2 M41
STOP
LAMP
SWITCH
1.25R
1.25R
1.25R
CAB
TILTING
SWITCH
6 M10
8 MM01
FLASHER
UNIT
5 M86
REAR FOG
INDICATOR
RELAY
0.85O
0.85O
POWER
WINDOW
RELAY
1
OUTSIDE MIRROR
DEFOGGER RELAY
5 M07
0.85P 0.5P
0.85P
2 5 M04
0.5Y/O 1.25Y/O
POWER DOOR
LOCK RELAY
2 5 M05
0.85L 0.5L
POWER DOOR
UNLOCK RELAY
2 5 M06
0.85L 0.5L
1.25Y/O
FUSE
BOX
FUSE 18
15A
FUSE 15
10A
0.5O
W/O
Double
Cab
5 MC02
HORN
0.85Y
0.85Y
0.5Y
9 M72
DATA LINK
CONNECTOR
2 C18
11 M7812
13 M78
JOINT
CONNEC-
TOR
0.85Y
5 M546
7 M54
JOINT
CONNEC-
TOR
FUSE 14
10A
FUSE 13
20A
FUSE 17
10A
FUSE 19
15A
1
REAR FOG
LAMP RELAY
5 M16
0.85R 0.5R
0.85R
FUSE 16
10A
0.85Y
HOT AT ALL TIMES
0.85L
EVTSD7120DL
PASSENGER COMPARTMENT FUSE DETAILS
SD120-5PASSENGER COMPARTMENT FUSE DETAILS (5)
HOT AT ALL TIMES
HOT WITH HEAD LAMP
RELAY (LOW) ON
2 MM03
0.5Gr
W/O
Double Cab
With
Double Cab
1 MM07
10 MC01
2 C01
FUSE
BOX
HOT IN START
FUSE 24
15A
FUSE 23
10A
0.5Gr
4 M56-1
ETACM
0.5Gr
10 M26
AUDIO
0.5Gr
4 M36-3
INSTRUMENT
CLUSTER
0.5Gr
7 M45
TACHOGRAPH
(CASSETTE TYPE)
0.5Gr
1 M24
TACHOGRAPH
(ELECTRONIC)
0.5Gr
1 M56-2
ETACM
0.5Gr
0.5Gr
0.5Gr
4 M56-1
ETACM
0.5Gr
1 M56-2
0.5G/B
3 M110
FRONT
ROOM
LAMP
0.5R
3 M110
FRONT
ROOM
LAMP
0.5R 0.5R
3 M114
REAR
ROOM
LAMP
0.5B/O
7 M56-2
ETACM
2.0B/O
2.0B/O
1 C44
START
SOLENOID
2.0B/O
SUB
START
SWITCH
2.0B/O 0.5L/R
2.0B/O
1 C44
START
SOLENOID
1.25B/O
14 M99-2
MAIN
ECM
1.25G
1 M50
HEAD
LAMP LH
1.25G
1 M57
HEAD
LAMP RH
D4AF/
D4AL
D4AF/
D4AL
16 M77
20 M77
JOINT
CONNECTOR
0.85Gr 2.0B/O
1 MC05
1.25B/O
1.25B/O
18 19 17
FUSE 26
10A
FUSE 25
10A
HOT WITH HEAD LAMP
RELAY (HIGH) ON
FUSE 28
10A
FUSE 27
10A
D4AF/
D4AL D4DD
D4AF/
D4AL D4DD
D4AF/
D4AL
D4DD
Low
Low
1.25B/O
1.25B/O
3 M50
HEAD
LAMP LH
0.85B/O
8 M36-1
INSTRUMENT
CLUSTER
Hi
1.25Gr
3 M57
HEAD
LAMP RH
Hi
EVTSD7120EL
PASSENGER COMPARTMENT FUSE DETAILS
SD120-6PASSENGER COMPARTMENT FUSE DETAILS (6)
M8412
11 M8414
M632
FRONT
FOG LAMP
SWITCH
FRONT
ROOM
LAMP
ENDOUT
MARKER
LAMP 'A'
ENDOUT
MARKER
LAMP 'B'
ENDOUT
MARKER
LAMP 'C'
ENDOUT
MARKER
LAMP 'D'
REAR
FOG LAMP
SWITCH
HAZARD
SWITCH
LICENSE
LAMP
1 C05
FUSE
BOX
FUSE 29
10A
HOT WITH TAIL LAMP RELAY ON
2 M62
0.5G/O 1.25G/O
0.5G/O0.85G/O 0.85G/W
18 MC05
0.85G/O
0.85G/O
M1202
M541112
14 M54
JOINT
CONNECTOR
JOINT
CONNECTOR
2 M113
FUSE 30
10A
0.85G
0.85G/W
0.5G/W
M1212
0.5G/W0.85G/W
ENDOUT
MARKER
LAMP 'E'
M1222
0.5G/W
2 M112
0.5G/W
2 M110
0.5R/B
0.85G
2 M67
0.5G/O
13
CIGARETTE
LIGHTER
1 M68
0.5G/O
2 M64
0.5G/O
17 MC01
1 CC05
REAR
OUTSIDE
MARKER
LAMP LH
REAR
MARKER
LAMP RH
REAR
OUTSIDE
MARKER
LAMP RH
1 C53 1 C73 1 C74
0.85G
0.85G
0.85G/W 0.85G/W
0.85G/W
0.85G
0.85G
LICENSE
LAMP
1
C05
C05-1
(EUROPE)
0.85G/O
0.85G/W0.85G/O0.85G/O
0.85G/W0.85G/W
1 MC02
17 MC05
0.85G/O1.25G/O
0.85G/O
EUROPE EUROPE
0.85G/O
REAR
COMBINATION
LAMP LH
3 C07
FRONT
OUTSIDE
MARKER
LAMP RH
1 C72
REAR
MARKER
LAMP LH
1 C52
FRONT
OUTSIDE
MARKER
LAMP LH
1 C70
1 CC04
See Illuminations
(SD941-1)
A/C
SWITCH
2 M65
0.5G/O
DEFOGGER
SWITCH
15
D4AF/D4AL D4DD D4AF/D4ALD4DD
D4AF/D4ALD4DD
D4AF/D4AL D4DD
0.85G0.85G
REAR
COMBINATION
LAMP RH
3 C08
EUROPE
EUROPE
0.85G
POSITION
LAMP RH
13
1 MM03
0.85G
W/O
Double Cab
With
Double Cab
1 M58
EVTSD7120FL
PASSENGER COMPARTMENT FUSE DETAILS
RELAY
BOX
SD120-7PASSENGER COMPARTMENT FUSE DETAILS (7)
FUSE 31
10A
FUSE 32
5A
1 M01
0.85L/O
0.85W
FUSE
BOX
FUSE 34
15A
FUSE 33
15A(D4AF/D4AL)
20A(D4DD)
HOT AT ALL TIMESHOT AT ALL TIMES
FUSE 36
15A
FUSE 35
10A
HOT IN ACC OR ON
9 3 MA02
3 A16 1 A15
0.85G/W2.0G
16 MM06
3 A17 5 M36-3
INSTRUMENT
CLUSTER
AUDIOCIGARETTE
LIGHTER
BLOWER
RELAY
A/C
RELAY
CONDENSER
FAN
RELAY
IDLE
UP/DOWN
SWITCH
MULTIFUNCTION
SWITCH
STOP
LAMP
SWITCH
ACCELERATOR
PEDAL
SENSOR
ENGINE
PTO CAB
IN SWITCH
FRONT
FOG LAMP
RELAY
EXHAUST
BRAKE CLUTCH
PEDAL POSITION
SWITCH
2.0G
2.0P
0.85G
0.85L/O 0.5L/O0.85L/O
0.85L/O0.5L0.85P
3 M68 11 M26
0.5L/O0.85L/O0.5L/O 0.85L/O
8 MC04
2 M43-14 M414 M32
0.5L/O
3 M17
PTO
5 M39
0.85L/O
2 M49
0.85L/O
0.5L/O
Not used
1 EC04
B
From Engine
ECM Relay
(SD120-3)
D4DD
D4DD
EVTSD7120GL
PASSENGER COMPARTMENT FUSE DETAILS
SD120-8PASSENGER COMPARTMENT FUSE DETAILS (8)
MEMO
EVTSD7120HL
GROUND DISTRIBUTION EC2E9F76
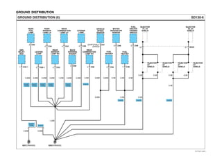
SD130-1GROUND DISTRIBUTION (1)
3 M27
BLOWER
SWITCH
IDLE
UP/DOWN
SWITCH
COLD
START
SWITCH
1.25B
7 M26
AUDIO
0.5B
8
MULTIFUNCTION SWITCH INSTRUMENT CLUSTER
0.5B 0.5B 0.5B 0.5B 0.5B
12 M43-1
0.5B
14 2 8 M43-2
G01(MAIN)
5 M76
1 M17 1 M47
0.5B0.5B
2
PTO SWITCH
0.5B 0.5B 0.5B 0.5B 0.5B 0.5B 0.5B
8 M36-2 M36-1
0.5B
13
0.5B
M36-11 10 1 M36-4 3 M376
HEAD LAMP
LEVELING
SWITCH
0.5B 0.5B
5 M443
7 M762 3 4 81 6
JOINT
CONNECTOR
D4AF/
D4AL
D4AF/
D4AL
D4AF/
D4AL
D4DD
EVTSD7130AL
GROUND DISTRIBUTION
SD130-2GROUND DISTRIBUTION (2)
2 M68
10 M84
6 M641 M336 M29
MODE
SWITCH
MODE
ACTUATOR
WIPER
MOTOR
CIGARETTE
LIGHTER
A/C
SWITCH
ASHTRAY
ILL.
0.5B
0.85B0.5B
0.5B0.5B 0.5B 0.5B 0.85B0.5B
0.85B
165
0.85B
4
3 M60
HEAD LAMP
LEVELING
ACTUATOR RH
0.85B
1
6 M67
REAR
FOG LAMP
SWITCH
0.5B
9
G01(MAIN)
2 M28
INTAKE
SWITCH
DEFOGGER
SWITCH
3
15 M7712 13 14
JOINT
CONNECTOR
0.85B 0.5B
5 M62
HAZARD
SWITCH
6
7
11 M77
2 M31 2 M30
0.5B 0.5B
0.5B
M842 17
JOINT
CONNEC-
TOR
6 M653 5
0.5B 0.5B
4 M24
TACHOGRAPH
(ELECTRONIC)
5
20
FRONT
FOG LAMP
SWITCH
0.5B 0.5B
0.5B
6 18
6 M633 5
D4AF/
D4AL
D4AF/
D4AL
D4AF/
D4AL
9 M45
TACHOGRAPH
(CASSETTE TYPE)
0.5B
819
D4AF/
D4AL
EVTSD7130BL
GROUND DISTRIBUTION
0.5B0.5B
0.5B
6 M393
ENGINE PTO
CAB IN SWITCH
2 M48
0.5B
PTO CLUTCH
PEDAL POSITION
SWITCH
SD130-3GROUND DISTRIBUTION (3)
5 M79
M79
RELAY
BOX
3 M081 M88
HORN
RELAY
PTO
RELAY
GLOW
RELAY
POWER
DOOR LOCK
RELAY
POWER
DOOR UNLOCK
RELAY
REAR FOG
INDICATOR
RELAY
WIPER
RELAY
(LOW)
3 M94 1 M12 4 M05 4 M86
0.85B
0.5B
0.5B0.5B
0.85B 0.85B 0.5B
0.85B
2
0.85B
1
0.5B
ETACM
POWER
WINDOW
MAIN SWITCH
HIGH SPEED
WARNING
DEVICE
SIDE
REPEATER
LAMP LH
OUTSIDE
MIRROR
DEFOGGER LH
OUTSIDE
MIRROR
DEFOGGER LH ETACM
5
0.5B
20 M56-1
0.5B
19
4 6
JOINT
CONNECTOR
4 M06
0.85B
7
0.5B
2 M102
2 M51
3 D051 D04
6 MD01
2 M52
3 D06
0.85B
1 M46
2 M50
16 M72
DATA LINK
CONNECTOR
DATA LINK
CONNECTOR
1.25B
1.25B
0.85B
0.85B
1.25B
0.5B
0.85B0.85B
1.25B0.85B
SIDE
REPEATER
LAMP LH
1 D04
0.85B
2 M73
0.5B
0.5B0.5B 0.5B 0.85B 0.5B 1.25B 0.5B
5
0.5B 0.5B
16
0.5B
4 M72
0.5B
6 M38
M38
5
0.5B
5
0.5B/O
19 M56-1
0.5B
0.5B
0.5B
20
0.5B
0.5B
2
9 MM01 4 MD02
1 7 11 14
JOINT
CONNEC-
TOR
13
49
3 M53
0.85B
HEAD LAMP
LEVELING
ACTUATOR LH
3
G01(MAIN) G02(MAIN)
With Power
Window
W/O Power
Window
D4DD D4DD D4DDD4DD
A
To Ground
(SD130-4)
D4DDD4AF/D4AL
D4DDD4AF/D4AL
11 MM0718
POSITION
LAMP LH
SEAT BELT
SWITCH
HEAD
LAMP LH
FRONT
TURN SIGNAL
LAMP LH
POWER
DOOR LOCK
ACTUATOR LH
BRAKE
FLUID LEVEL
SENSOR
D4AF/
D4AL
D4AF/
D4AL
D4AF/
D4AL
D4AF/
D4AL
D4AF/
D4AL
1 D02 1 D02
EVTSD7130CL
GROUND DISTRIBUTION
SD130-4GROUND DISTRIBUTION (4)
8
5
2 M57
2 M59
FRONT
TURN SIGNAL
LAMP RH
POWER
DOOR LOCK
ACTUATOR RH
POWER
WINDOW
SUB SWITCH
OUTSIDE
MIRROR
DEFOGGER RH
OUTSIDE
MIRROR
DEFOGGER RH
SIDE
REPEATER
LAMP RH
SIDE
REPEATER
LAMP RH
ENDOUT
MARKER
LAMP 'A'
ENDOUT
MARKER
LAMP 'B'
FRONT
ROOM
LAMP
ENDOUT
MARKER
LAMP 'C'
ENDOUT
MARKER
LAMP 'D'
ENDOUT
MARKER
LAMP 'E'
FRONT
ROOM
LAMP
REAR
ROOM
LAMP
HEAD
LAMP RH
VACUUM
SWITCH
0.5B
2.0B 3.0B
1.25B
1 D14
0.85B
1 D12
0.85B
1 D14
0.85B
1 D12
0.85B
0.85B 1.25B
3 D15
1.25B 0.5B
1 M112
0.5B
1 M113
0.5B
1 M110
0.85B
1 M120
0.5B
1 M121
0.5B
1 M122
0.5B
1 M110
0.5B
0.85B 0.5B
1 M114
0.5B
3 D16
0.85B
0.85B0.5B
0.85B
M81
6 MD034 MD04 2 MA02
2 4 MC03
31
1.25B
2
M81
6
A152
A172
JOINT
CONNECTOR
5 C10-1C10-2
ENGINE ECM
1 4
G02(MAIN)G05(CHASSIS/D4DD)G04(A.B.S)
7
0.5B0.5B
0.5B
3.0B 2.0B
0.5B 0.5B
2 M58
0.85B 0.85B 1.25B 0.85B
55
ABS CONTROL MODULE
30 29 28 A01
1.25B
1.25B
1.25B
1.25B 0.5B
G03(CHASSIS)
MAIN ECM
34 28 M99-1M99-3
1.25B 1.25B
0.85B 0.85B
1.25B
1.25B
0.85B
0.85B 0.85B 0.85B 0.85B
0.5B
4 MM03
W/O Power
Window
With Power
Window
W/O
Double Cab
With
Double Cab
D4DD
BLOWER
RELAY
A/C
RELAY
POSITION
LAMP RH
2 M71
0.85B 1.25B
1.25B
1.25B
D4DD
D4AF/
D4AL
D4AF/
D4ALA
From
Joint Connector
(SD130-3)
REAR
OUTSIDE MARKER
LAMP RH
REAR
OUTSIDE MARKER
LAMP LH
FRONT
OUTSIDE MARKER
LAMP LH
FRONT
OUTSIDE MARKER
LAMP RH
2 C74
2 C73
2 C70
2 C72
2 CC05 2 CC04
2 MC04
EVTSD7130DL
GROUND DISTRIBUTION
SD130-5GROUND DISTRIBUTION (5)
G03(CHASSIS)
1 E05 1 C25
INTAKE
SHUTTER
VALVE
TACHO-
METER
SENSOR
See P.T.O Control System/
Exhaust Parking Brakes
(SD471-1)(SD471-2)
(SD596-1)(SD596-2)
0.85L/B
DIODE
Z03
W/O
Double Cab
With
Double Cab
0.85B 0.85B0.85B
0.85B
0.85B
0.85B0.5B
0.85B
0.85B0.85B
1 C26
EXHAUST
MAGNETIC
VALVE
1 CC066 EC02
W/O
Double Cab
With
Double Cab
0.85B 0.85B
W/O
Double Cab
With
Double Cab
0.85B
1.25B
0.85B
0.85B1.25B
2 C15(D4AF)1 C19 1 C24
PTO
MAGNETIC
VALVE
1.25B
1 C17
0.85B
1 C40
IDLE UP
MAGNETIC
VALVE
2 C15(D4DD)
C20(D4AL)
CONDENSER
FAN
MOTOR
(TCI)
FRONT
FOG
LAMP RH
FRONT
FOG
LAMP LH
1.25B
WORKING
LAMP
0.85B
1.25B
1 C03
1.25B
REAR
COMBI-
NATION
LAMP RH
DUMP
WARNING
SWITCH
CONDENSER
FAN MOTOR
(NA)
1.25B1.25B
D4DD D4DD D4DD D4DD
D4AF/
D4AL
D4AF/
D4AL
4 C081 C02
D4AF/
D4AL
D4AF/
D4AL
D4AF/
D4AL
D4AF/
D4AL
D4AF/
D4AL
EVTSD7130EL
GROUND DISTRIBUTION
SD130-6GROUND DISTRIBUTION (6)
G07(CHASSIS)
0.85B
2.0B
2.0B 0.5B
0.5B
1.25B 0.85B0.85B 0.5B
0.5B0.5B 0.5B 0.5B
C57
2 C04
FUEL
SENDER
WATER
SEPARATOR
SENSOR
FUEL
HEATER
THERMO
SWITCH
4 C08 1 C46
0.5B
3 C45 2 C49
0.85B
1.25B
0.85B0.85B0.85B 1.25B 0.85B 0.85B
2 C05-1 2 C53
2 C054 C072 C52
REAR
COMBINATION
LAMP LH
2 C55
REAR
FOG
LAMP
REAR
MARKER
LAMP LH
LICENSE
LAMP
2 C50
BACK
WARNING
BUZZER
VEHICLE
SPEED
SENSOR
REAR
COMBINATION
LAMP RH
1 C34-1
ABS
RELAY
BOX
REAR
MARKER
LAMP RH
FUEL
HEATER
LICENSE
LAMP
INJECTOR
#2
SHIELD
12
INJECTOR
#3
SHIELD
INJECTOR
#4
SHIELD
INJECTOR
#1, #4
SHIELD
INJECTOR
#2, #3
SHIELD
EC01
INJECTOR
#1
SHIELD
21
(D4AF/D4AL)1
(D4DD)2
D4DD
D4DD D4DD D4DD
D4AF/
D4AL
D4AF/
D4AL
D4AF/
D4AL
D4AF/
D4AL
D4AF/
D4AL
D4DD
0.85B0.85B
D4AF/
D4AL
G03(CHASSIS)
EVTSD7130FL
DATA LINK DETAILS EA9D0332
1934 M99-1M99-2
ABS
CONTROL
MODULE
JOINT
CONNECTOR
L-Line ECM
8 7 6 5 4 3 2 1
16 15 14 13 12 11 10 9
G01
1.25B
1.25B
FUSE 14
10A
FUSE
BOX
0.85Y0.85Y0.5W/R0.5Y
0.5Y
0.5W
0.5W
0.5Y
HOT AT ALL TIMES HOT AT ALL TIMES
FUSE 19
10A
16 A01
0.85W
M386
M3813
M7813
M7812
PHOTO
26
PHOTO 21
PHOTO
4
PHOTO
19
PHOTO
2
MAIN
ECM
PHOTO 17
PHOTO 15
SD200-1DATA LINK DETAILS (1)
D4AF/D4ALD4DD
D4AF/D4AL D4DD D4DD
See Passenger
Compartment
Fuse Details
(SD120-3)(SD120-4)
M72
DATA LINK
CONNECTOR
Memory
PowerK-Line
GroundGround
Ground
8 MA01
ABS
CONTROL
MODULE
46 A01
0.5Y/O
0.5Y/O0.5Y/O
0.5Y/O0.5Y/O
PHOTO 26
PHOTO 20PHOTO 21
3 MA01 9 MM06
Not Used
0.5B
0.5B
0.5B0.5B
0.5B
See Ground
Distribution
(SD130-3)
JOINT
CONNECTOR
D4AF/D4ALD4DD D4AF/D4AL D4DD
EVTSD7200AL
DATA LINK DETAILS
DATA LINK DETAILS (2) SD200-2
CR55F005 CR16F007 CR16F044
A01 M72(D4AF/D4AL) M72(D4DD)
BLANK BLANK
CR34F003 CR35F009
M99-1 M99-2
* * *
* * * * *
*2345
91116
* * * *
* * * * * * * * * **
* *
* * * * * * * * * * * * * * * * * * * * * * * * * * *
* * * * * * *
55
28
54 53 49 48 46 45 40 39 37 35 34 33 2931 30
26 25 19 16 14 13 12 11 10 9 7 6 5 1
* * * *
*********
*****
* * ***
7 6 5
9
1921222327
32 28
*
*
* *****
* ** *
3
16 11 9
**
*
**
* * * *
*
*
12567
19 17 16
2425
34 32 31
23 22 21 20
14 1213 11 10 915
EVTSD7200BL
MFI CONTROL SYSTEM E87F9AB6
SD313-1MFI CONTROL SYSTEM (D4DD) (1)
HOT AT ALL TIMES HOT IN ON
FUSE
BOX
FUSE 20
20A
ENGINE
ECM
RELAY
RELAY
BOX
FUSE 32
5A
M99-3
0.5L 0.5L
65
0.5L
2.0R/O
2.0R/O0.85R/O
1.25G/O 1.25G/O1.25G/O
65 M99-17
1.25G/O
0.85L/G
0.85L/O
To Accelerator
Pedal Sensor
(SD313-2)
2 5 M91
4 1 M91
FUSE 8
10A
FUSE 9
10A
0.5R 0.5R
M99-3M99-21222
1.25Y 1.25Y
0.5R 1.25Y
71
Engine ECM
Relay Control
Engine ECM
Relay 'ON' Input
ON Input
PHOTO
1
PHOTO
20
MAIN
ECM
PHOTO
4
FUSE 12
10A
RPM
Signal
ENGINE
CHECK
IND.
EXHAUST
BRAKE
IND.
GLOW
IND.
OVERHEAT
IND.
0.85O
0.5O
14 M78
16 M78
2 M36-3
8 M36-3
9 M99-1 13 M99-3 10
ENGINE
PTO
IND.
13 11 9
0.5Y
3 M36-4
0.5G/O
7 M36-1
0.5L/G
11 M36-3 M36-2
0.5L/O
11
0.5W/B
3
0.5G/Y
M99-2
ENGINE
CHECK
TACHO
METER
A
JOINT
CONNECTOR
PHOTO 19
INSTRU-
MENT
CLUSTER
CHECK
ENG
ENGINE
PTO
EXHAUST
BRAKE
OVER
HEATGLOW
PHOTO
10
FUSE 10
15A
See
Starting System
(SD360-1)
0.85L
0.85L
NEUTRAL
SWITCH
0.85R
1.25R
Neutral
Switch
32
0.5L
M99-2
2 C11
11 MC06
1 C11
11 MC04
PHOTO 59
PHOTO 20
See Passenger
Compartment
Fuse Details
(SD120-2)
EVTSD7313AL
MFI CONTROL SYSTEM
SD313-2MFI CONTROL SYSTEM (D4DD) (2)
0.5L/O
19
0.5L/G
3 M41
Exhaust
Brake Switch
Signal
Brake
Switch
Exhaust
Brake Relay
Control
4 M41
0.85Y
0.85L/O
1
2
ABS
RELAY
RELAY
BOX
0.85Y
With ABS W/O ABS
0.5L/O
0.85L/O
2
0.85W/B
15 M99-2
3 M43-1
2 M43-1
0.5R
4 M15
Clutch Switch
Signal
MAIN
ECM
8
0.5L
1 M49
MULTIFUN-
CTION
SWITCH
EXHAUST
BRAKE
SWITCH
1 M15
0.5L
PHOTO
4
0.85L/O
0.85L/O
0.5Y0.5P/O
0.5P/O
22M99-3 M99-319 17
DOWN UP SNR 2SNR 1
M99-224 M99-121
4
16
SW1SW2
M32
M32
ACCELE-
RATOR
PEDAL
SENSOR
2 3
0.5L/O
UP ILL.DOWN
0.5L0.5G/O 0.5G/R
3
65 M17
MC04
M17
IDLE
UP/DOWN
SWITCH
Idle
Switch
PTO
Switch
1
9
0.5Y0.5B
0.5Y0.85B
10
0.5G/O 0.85L/O
2
C
B
PHOTO
20
PHOTO
3
PHOTO
15
PHOTO
5
A
See Exhaust
Parking Brakes
See Stop Lamps
(SD927-1)
See Stop Lamps
(SD927-1)
(SD596-2)
STOP
LAMP
SWITCH
PHOTO
2
PHOTO
18
PHOTO 2
0.5B
See Illuminations
(SD941-1)
0.5L/O
PHOTO
1
See P.T.O
Control System
(SD471-2)
EXHAUST
BRAKE CLUTCH
PEDAL POSITION
SWITCH
2 M49
To
Engine
ECM
(SD313-4)
From
Engine
ECM
See Illuminations
(SD941-1)
See Illuminations
(SD941-1)
From FUSE 32 5A
(SD313-1)
G
To PTO
(SD313-3)
See Ground
Distribution
(SD130-3)
JOINT
CONNEC-
TOR
1.25B
1.25B
13 M38
9 M38
G01
PHOTO
17
PHOTO 15
20
0.5L/O
0.5G
0.5G0.5G/Y
5
1 4
M39
ENGINE
PTO CAB
IN SWITCH
0.5B0.5B
0.5B
6 3 M39
0.5G/O
2
EVTSD7313BL
MFI CONTROL SYSTEM
SD313-3MFI CONTROL SYSTEM (D4DD) (3)
HOT IN ON
FUSE
BOX
FUSE 4
10A
GLOW
RELAY
N.E
SENSOR
AIR
HEATER
RELAY
GLOW
PLUG
Ground
0.5L
HOT IN START
FUSE 24
15A
0.5L
0.5L
0.5B
0.5B
0.85B/O
From
Battery (+)
0.85B/O
0.5G/R
0.5G/R
0.5B
0.5B
0.5Y/O
1 M78
6 M78
0.85B
1.25B
5 M79
2 M79
M99-3 14
(-)
N.E Sensor
7
(+)
61 2
1
2
MAIN
ECMGlow Relay
Control
Start
Input
1 3 M94
2 5 M94
0.5L/R
1.25B/O
0.5R0.5 0.5B
0.5R0.5 0.5B
0.5R 0.5B
0.5R 0.5B
0.5R 0.5B
0.5R 0.5B
16 MC05
2 C42
M99-1
MC04
23
G02
1.25B
4 M99-3M99-3
0.5B
28 M99-1
1.25B
3
G05
23 24 25 EC01
5 12 MC0413
2 1 E12
0.5R
0.5R
7
7
31
0.5W/O
0.5W/O
10
6
16
0.5L/O
0.85L/O
8
1
Shield
PTO
Accel
Signal
PTO
Accel
Power
Engine
Stop
Switch Up
OUT-CAB
PTO SwitchDown
Remote PTO
Idle Switch
MC04
EC01
0.5B
0.5B
0.5B
0.5B/W
0.5B
0.5B
3
35
21
EC02
0.5B
4
CASE
Ground
Sensor
Ground
5
PTO
PHOTO
4
PHOTO 1
PHOTO 2
PHOTO 1
PHOTO
20
PHOTO
20
PHOTO
48
PHOTO
54
BOOST
PRESSURE
& AIR
TEMPERATURE
SENSOR
PHOTO
47
PHOTO
50
PHOTO
48
PHOTO 48
See Ground
Distribution
(SD130-3)
See Ground
Distribution
(SD130-4)
JOINT
CONNECTOR
PHOTO 19
JOINT
CONNECTOR
PHOTO
1
PHOTO
20
PHOTO
20 PHOTO
71
PHOTO 20
PHOTO 20
PHOTO 60
RELAY
BOX
EF
3 EC04
From Engine Coolant
Temperature
Sensor & Sender
(SD313-4)
M99-2 32
0.5L
M99-1 M99-3
4
20
0.5B
4
0.5B
6
0.5B
6
23
0.5W
2
0.5W
14
0.5W
7
3 1
0.5L
0.5L
E14
0.5Y
0.5Y
9 8
Boost Sensor
Air Temp.
Sensor
A/C
Pressure
Switch
Ground Power
D
From
Engine ECM
(SD313-4)
From Fuel
Temperature
Sensor
(SD313-4)
MC04
1.25B
1.25B
2
PHOTO
20
0.5R/B
0.5R/B
12
8
M99-2
MC06
25
0.5Y
0.5Y
20
4
11
0.5G/O
0.5G/O
9
5
24G
From
FUSE 32 5A
(SD313-2)
See Passenger
Compartment Fuse Details
(SD120-1)
See Passenger
Compartment Fuse Details
(SD120-5)
Vehicle
Speed
Sensor
27
0.5O
DATA LINK
CONNECTOR
0.5Y
0.5Y
0.5W/R
34
3
19
2 M72
M99-2
See Vehicle
Speed Sensor
System
(SD436-1)
See Data
Link Details
(SD200-1)
Data Link
Connector
A/C
COMPRE-
SSOR
MC06
A/C
PRESSURE
SWITCH
12
0.5G/O
14
0.85G/O
0.85G/O
0.85G/O
1 C21
1 C22
PHOTO
50
PHOTO 44
EVTSD7313CL
MFI CONTROL SYSTEM
SD313-4MFI CONTROL SYSTEM (D4DD) (4)
1.25B
ENGINE
ECM
C10-2 C10-1 C10-2
C10-2C10-1
EC01 EC02
E15C75 E13
SCV
1
S/PUMP
Control High
Power
Sensor Signal
Power
CAM
Power
CAM
Signal
1.25B
4
1.25B
5
0.5W
11
0.5W
10
Ground
CAN
Sensor
Signal
From
Accelerator
Pedal Sensor
(SD313-2)
To
Accelerator
Pedal Sensor
(SD313-2)
To Boost
Pressure & Air
Temperature Sensor
(SD313-3)
Fuel
Temp.
Sensor
Ground
RAIL
PRESSURE
SENSOR
Ground
S/PUMP
Control Low
G05
32
0.5W 0.5W 0.5Br 0.5Y
2
0.5Br
9
0.5Y
20
0.5Br 0.5B
8
31
0.5Br
1
0.5B
33
15
3
0.5W
0.5W
25
16
1
0.5Y
0.5W 0.5Br 0.5Y
0.5Y
31
17
2 E03
CAM
SPEED
SENSOR
0.5W
0.5W
32
6
1
0.5B
0.5B
30
7
2
LowHigh
0.5B
21
2
0.5W
22
1
0.5Y/B
0.5Y
19
Sensor
Signal
0.5Y
27
8
3
To Main ECM
(SD313-3)
To Main ECM
(SD313-3)
24
0.5Y
EC02
0.5Y
0.5Y
0.5Y/O
0.85Y/O
0.5P
19
2
C
0.5B/O
35
0.5B
34
0.5B
B
E072
3
0.5B
1 E07
3 EC02
FUEL
TEMPERATURE
SENSOR
EC01
0.5W
0.5W
0.5B
27
34
2 E16
1 E16
PHOTO 60
PHOTO 4
PHOTO 49 PHOTO 46
PHOTO 50PHOTO 48
PHOTO
49
PHOTO
4
PHOTO 46
PHOTO
50
PHOTO
48
PHOTO
47
PHOTO
47
PHOTO
47
PHOTO
47
MC068
PHOTO 20
PHOTO 50
PHOTO 49
PHOTO 48PHOTO 48
PHOTO
48
CAN TOOL
1.25B
7 C10-2C10-2
E11-212
1.25B
Injector #2
INJECTOR
#2
Injector #3Injector #4 Injector #1 Ground
1012
1.25R
2
1.25R
11
1.25B
1.25B
6
E11-3
C10-1
12
1.25B
INJECTOR
#3
19
1.25R
1
1.25R
20
1.25B
6
E11-412
1.25B
INJECTOR
#4
28
1.25R
3
1.25R
29
1.25B
5
E11-1
EC01
12
1.25B
INJECTOR
#1
1
1.25R
1.25B 1.25R 1.25R1.25B 1.25R
0.5B
0.5B 0.5B
0.5B
0.5B 0.5B
1.25B 1.25R
2
1.25R
1.25B 1.25R 1.25B 1.25R1.25B 1.25R 1.25B 1.25R
2
G03
21
G03
D
E
F
ENGINE
COOLANT
TEMPERATURE
SENSOR &
SENDER
SENDER
SENSOR
INSTRUMENT
CLUSTER
2 M36-1
PHOTO 10
EVTSD7313DL
MFI CONTROL SYSTEM
SD313-5MFI CONTROL SYSTEM (D4DD) (5)
CR02F025
C21
CR01F020 CR02F040 CR02F046 CR03F230
C22 C42 C75 E03
234 1
CR04F091
E14
CR02F040
C11
2 1
CR31F002 CR35F008
C10-1 C10-2
*
* * * * * * * * * *
***** *
* *
12
19
303132333435
20242527
356
*
* * * * * *
* * * *
* * * * *
*
1
8910
192122
27
11
24567
2
*
CR03M019
E07
321
CR02F154
E12
2 1
CR02F152
E11-1
2 1
CR02F152
E11-2
2 1
CR02F152
E11-3
2 1
CR02F152
E11-4
2 1
123
CR07F002
M17
* *6 5
123
CR03F230
E13
123
1 2 1
2 1
CR02F152
E15
2 1
CR02F175
E16
2 1
CR05F011
M15
*
5 4 3
1
EVTSD7313EL
MFI CONTROL SYSTEM
CR32F004
M99-3
******
*** ** *
*****
*
1
812 11
192024
13
234567
CR06F017
M39
2 1
6 5 4 3
CR12F001
M36-4
12 11 10 9 8 3 2 1
* * * *
CR14F007
M36-3
11 68 5 24 3
* * * * * * *
CR14F007
M36-2
14 13 11 10 9 8 7 5 2 14 3
* *
CR04F016
M41
2 1
4 3
CR14F019
M43-1
3 2 1
121314 891011 7
* * *
CR02F187
M49
2
1
CR16F044
M72
* * *
* * * * *
*2345
91116
CR05F019
M91
*
1
5
4 2
CR05F011
M94
*
2
5 3
1
CR35F009
M99-2
**
*
**
* * * *
*
*
12567
19 17 16
2425
34 32 31
23 22 21 20
14 1213 11 10 915
CR34F003
M99-1
* * * *
*********
*****
* * ***
7 6 5
9
1921222327
32 28
CR10F005
M36-1
10 9 8 7 6 5 4 3 2 1
CR06F043
M32
3 2 1
6
* 4
SD313-6MFI CONTROL SYSTEM (D4DD) (6)
BLANKBLANKBLANK
EVTSD7313FL
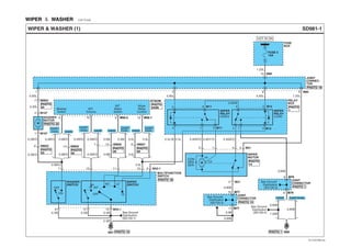
STARTING SYSTEM E568CE8E
SD360-1STARTING SYSTEM (1)
+
-
8.0W
+
-
2.0G
0.5B/O
ETACM
M56-27
1 CC01
1 C13
IGN SW
FUSIBLE
LINK
30A
FUSIBLE
LINK BOX
IGNITION
SWITCH
3.0W
3.0W
6 M42
2
5 MC03
3 M42
AM
START
ON ACC
LOCK
FUSE 24
15A
FUSE 9
15A
FUSE 10
15A
PHOTO
24
PHOTO
61
PHOTO
20
PHOTO
20
PHOTO
20
PHOTO
4
PHOTO
4
PHOTO 6
FUSE
BOX
PHOTO 61
PHOTO 59
PHOTO 60
PHOTO 4
0.5L/R
MAIN
ECM
M99-214
0.5L
0.85L
M99-232
PHOTO
4
D4AF/D4AL D4DD
D4AF/D4AL D4DD
C11
C11
NEUTRAL
SWITCH
(Closed with
Transmission
in netural)
2.0B/O
2.0B/O
2.0B/O 2.0B/O
2.0B/O
2.0B/O
1.25B/O
1.25B/O
1.25B/O
2 C01
1 C01
SUB
START
SWITCH
1 MC0510 MC01
1 C44
MOTOR
ENGINE
PINION
GEAR
OVERRUNNING
CLUTCH
START
MOTOR
LEVER
MAGNETICFLY WHEEL
BATTERY
GROUND
BATTERY
BATTERY
START
SOLENOID
D4AF/D4AL D4DD
3.0O
3.0O
3.0O
2.0R
2.0R
D4AF/D4AL
(D4AF/D4AL)1
(D4DD)2
(D4AF/D4AL)2
(D4DD)1
D4DD
D4AF/D4AL D4DD
2.0R
0.85L
0.85L
See Power
Distribution
(SD110-2)
2 MC01
1.25R
0.85R
11 MC06
11 MC04
PHOTO
48/51
EVTSD7360AL
STARTING SYSTEM
SD360-2STARTING SYSTEM (2)
CR02F040 CR02F040 CR01F002 CR01F035
C01 C11
CR16F002
M56-2(D4AF/D4AL)
C13
CR35F009
M99-2
C44
CR06F014
M42
BLANK3 2
*
*6 4
12 1 2 1
**
*
**
* * * *
*
*
12567
19 17 16
2425
34 32 31
23 22 21 20
14 13 12 11 10 915
4 15678
**
*15 1316 14 11 10 9
EVTSD7360BL
FUEL FILTER HEATING SYSTEM EDDDA2BA
SD361-1FUEL FILTER HEATING SYSTEM (D4DD) (1)
HOT IN ONHOT AT ALL TIMES
FUSE 21
20A
FUSE
BOX
FUSE 4
10A
FUEL
HEATER
RELAY
RELAY
BOX
FUSE 11
10A
5 2
1.25W
M90
1 4 M90
5 M36-1
0.85W
0.5W1.25G/O 0.5G
0.85Br/O
0.5Br/O
0.85G
Ground
Indicator ON
Input
WATER
SEPARATOR
SENSOR
FUEL
HEATER
THERMO
SWITCH
FUEL
HEATER
3 C45
12 C45
0.5B0.5B
0.85Br/O
1.25G/O
2 C49
1 C49
2.0B
2.0B
1 C46
2 C46
1811 17
2 MC05
G03
PHOTO 62
PHOTO 20
MC06
PHOTO 20
MC05
PHOTO 20
PHOTO 62
PHOTO 62
PHOTO 1 PHOTO 10
INSTRUMENT
CLUSTER
PHOTO 48
JOINT
CONNECTOR
0.5L
0.5L
0.5L
M786
M781
PHOTO 19
Water
Separator
Indicator
See Passenger
Compartment
Fuse Details
(SD120-2)
See Passenger
Compartment
Fuse Details
(SD120-1)
EVTSD7361AL
FUEL FILTER HEATING SYSTEM
SD361-2FUEL FILTER HEATING SYSTEM (D4DD) (2)
CR03F083 CR02F156 CR02F155 CR10F005
C45 C46 C49 M36-1
CR05F019
M90
BLANKBLANKBLANK
1
*
5
4 2
3 2 1 2 1 2 1 10 9 4 3 2 18 7 6 5
EVTSD7361BL
CHARGING SYSTEM E019BE1B
FIELD
COIL
0.5 F
GENERATOR
BATTERY
STATOR COIL
RECTIFIER
FR LAMP
I.C REGULATOR
PHOTO
50
SD373-1CHARGING SYSTEM (1)
E17
ALTERNATOR
FUSIBLE
LINK
60A
1
BATTERY
GROUND
BATTERY+
-
8.0W
8.0L
8.0L
FUSE 12
10A
FUSE
BOX
CHARGE
D4AF/D4AL
INSTRUMENT
CLUSTER
2
11 M36-2
2 EC02
E101
HOT IN ON
M36-3
2
0.5Y
0.5Y
0.5Y
BATTERY+
-
2
8.0W
FUSIBLE
LINK BOX
1 C13
0.85Y
0.85Y
0.85O
0.5R
3 M56-1
ETACM
PHOTO 24
8.0L
5.0W
1 EC03
PHOTO 50
2 CC01
PHOTO 61
PHOTO 60
PHOTO 10
PHOTO 50
6 MC01
1
0.85O
16
PHOTO 4
0.85O
0.5O
JOINT
CONNECTOR
16 M78
14 M7815
PHOTO 19
See Indicators
& Gauges
(SD940-1)
EVTSD7373AL
CHARGING SYSTEM
SD373-2CHARGING SYSTEM (2)
E17
ALTERNATOR
FUSIBLE
LINK
60A
1
BATTERY
GROUND
BATTERY+
-
8.0W
8.0L
8.0L
0.85O
0.5O
0.85Br/O
FUSE 12
10A
FUSE
BOX D4DD
MC05
HOT IN ON
2
0.5Y/W
0.5Y/W 0.5Y/W
0.5Y
BATTERY+
-
2
8.0W
FUSIBLE
LINK BOX
FUSE 11
10A
1 C13
0.85Y/W
0.85Br/O
0.85Br/O
3 M56-1
ETACM
PHOTO 26
8.0L
5.0W
1 EC03
2 CC01
5 MC05 2 MM07
FIELD
COIL
1 2 C39
0.5 F
GENERATOR
BATTERY
STATOR COIL
RECTIFIER
FR LAMP
I.C REGULATOR
16 M78
14 M78
JOINT
CONNECTOR
See Passenger
Compartment
Fuse Details
(SD120-2)
CHARGE
INSTRUMENT
CLUSTER
2
11 M36-2
M36-3
See Indicators
& Gauges
(SD940-1)
PHOTO
50
PHOTO 50 PHOTO 20
PHOTO 61
PHOTO 60
PHOTO 10
PHOTO 20 PHOTO 20
PHOTO 19
EVTSD7373BL
CHARGING SYSTEM
BLANK
SD373-3CHARGING SYSTEM (3)
CR01F002 CR02F002 CR02F012 CR02F002
C13 C39 E10(D4AF) E10(D4AL)
CR14F007
CR01F002 CR14F007
CR14F007
CR14F007
E17 M36-2(D4AF/D4AL)
M36-2(D4DD) M36-3(D4AF/D4AL)
M36-3(D4DD)
2 1
1
2
2 1
14 13 12 11 10 9 8 7 5 2 14 3
*
14 13 11 10 9 8 7 5 2 14 3
**
* * * * * * *11 6 58 24 3
* * * * * * * * *11 245 3
* * * *
* *
8 6 5 4 3 2
15 14 13 1220 19 18 17
CR20F001 CR20F001
M56-1(D4AF/D4AL) M56-1(D4DD)
* * * * **
** *
6 5 4 3
15 14 13 1220 19 18
EVTSD7373CL
CHARGING SYSTEM
SD373-4CHARGING SYSTEM (4)
MEMO
EVTSD7373DL
VEHICLE SPEED SENSOR SYSTEM E38A1D8C
SD436-1VEHICLE SPEED SENSOR SYSTEM (1)
VEHICLE
SPEED
SENSOR
HALL IC
+
_
G03
4 M36-2
9
15
MC01(D4AF/D4AL)
MC06(D4DD)
0.85P
0.85P 0.5P0.85B
0.85P0.85B
INSTRUMENT
CLUSTER
11 M45
FUSE 11
10A
HOT IN ON
C57
C57(D4AF/D4AL)1
(D4DD)2
PHOTO 48
27 M99-1
MAIN
ECM
11 M45
TACHOGRAPH
(CASSETTE TYPE)
PHOTO 8
TACHOGRAPH
(CASSETTE TYPE)
PHOTO 8PHOTO 10PHOTO 4
PHOTO 20
PHOTO 4/20
PHOTO 4
PHOTO 59
FUSE
BOX
0.85Br/O
0.85Br/O
0.85Br/O
D4AF/D4ALD4DD
2 MC05
0.85Br/O
0.85Br/O
0.85Br/O
0.85Br/O
11 MC01
(D4AF/D4AL)3
(D4DD)1
(D4AF/D4AL)2
(D4DD)3
See Ground
Distribution
(SD130-5)
W/O
EUROPE
0.85P
0.5O
0.5O
0.5O 0.5O0.5O
MM061
PHOTO 20
MM0617
PHOTO 20
See Passenger
Compartment
Fuse Details
(SD120-2)
See Passenger
Compartment
Fuse Details
(SD120-2)
D4AF/D4ALD4DD
EVTSD7436AL
VEHICLE SPEED SENSOR SYSTEM
SD436-2VEHICLE SPEED SENSOR SYSTEM (2)
CR03F020 CR14F007
C57 M36-2(D4AF/D4AL)
CR14F007 CR20F001 CR34F003
M36-2(D4DD) M45 M99-1
2 1
3
9 8 7
*
* * * * * * * *
* * * * * *
12 11
* * * *
*********
*****
* * ***
7 6 5
9
1921222327
32 28
BLANK14 13 12 11 10 9 8 7 5 2 14 3
*
14 13 11 10 9 8 7 5 2 14 3
**
EVTSD7436BL
P.T.O CONTROL SYSTEM E1995DA3
SD471-1P.T.O CONTROL SYSTEM (1)
JOINT
CONNECTOR
IND. ILL.
FUSE
BOX
FUSE 7
5A
HOT IN ON
0.5R
0.5R 0.5R
0.85R
0.85R/O
0.5G/O0.5R/B
0.85B
0.5B
0.85L/O
0.85L/O
0.85L/O
0.5B
0.5B
0.5B
1.25B
1.25B
0.5B
0.5R/O0.5R/O0.5R/B
0.5R/O
0.5R/B0.5R/O
1.25B
G01G03G01
PTO
MAGNETIC
VALVE
1 C24
5 M76
2 C24
3 M7667
15
DIODE
Z05
16 M54
17 M54
JOINT
CONNECTOR
5 MC01
15 MC01
PTO
SWITCH
2 M48
1 M48
1 C14
2 C14
5 2 M37
4
0.5L/O
1 3 6 M37
0.5L
Normally closed Normally open
0.5R
RELAY
BOX
3 4 2 M08
1 M085
PTO
RELAY
MM042
MC0114
PTO
CONTROL
SWITCH
See Exhaust
Parking Brakes
(SD596-1)
See Illuminations
(SD941-2)
13 M38
4 M38
JOINT
CONNECTOR
See Ground
Distribution
(SD130-3)
See Ground
Distribution
(SD130-1)
See Ground
Distribution
(SD130-5)
PTO CLUTCH
PEDAL POSITION
SWITCH
(closed with clutch
pedal depressed)
D4AF/D4AL
PTO
INSTRUMENT
CLUSTER
4
13 M36-2
M36-1
PHOTO 10
PHOTO 19
PHOTO 58
PHOTO 4
PHOTO 4
PHOTO 4
PHOTO 1
PHOTO 2
PHOTO 13
PHOTO 23
PHOTO 13
PHOTO 16PHOTO 17
PHOTO 15 PHOTO 48
PHOTO 58
PHOTO 15
EVTSD7471AL
P.T.O CONTROL SYSTEM
D4DD
SD471-2P.T.O CONTROL SYSTEM (2)
0.5L
8 M99-3
MAIN
ECM
PHOTO 4
JOINT
CONNECTOR
IND. ILL.
FUSE
BOX
FUSE 7
5A
HOT IN ON
0.5R
0.5R 0.5R
0.85R
0.85R/O
0.5G/O0.5R/B
0.85B
0.5B0.85L/O
0.85L/O
0.5B
0.5B
0.5B
1.25B
0.85B
0.5R/O0.5R/O0.5R/B
0.5R/O
0.5R/B0.5B
0.5B
1.25B
G01G03G02
PTO
MAGNETIC
VALVE
1 C24
5 M76
2 C24
3 M7667
15
DIODE
Z05
16 M54
17 M54
JOINT
CONNECTOR
4 MC05
15 MC05
PTO
SWITCH
1 C14
2 C14
5 2 M37
4
0.5G/O
1 3 6 M37
0.5L
RELAY
BOX
3 4 M08
1 M085
PTO
RELAY
MC0514
PTO
CONTROL
SWITCH
See Illuminations
(SD941-2)
5 M79
2 M79
JOINT
CONNECTOR
See Ground
Distribution
(SD130-3)
See Ground
Distribution
(SD130-4)
See Ground
Distribution
(SD130-1)
See Ground
Distribution
(SD130-5)
PTO
INSTRUMENT
CLUSTER
4
13 M36-2
M36-1
PHOTO 10
PHOTO 19
PHOTO 58
PHOTO 20
PHOTO 13
PHOTO 20
PHOTO 20
PHOTO 1
PHOTO 13
PHOTO 16
PHOTO 1
PHOTO 1 PHOTO 48
PHOTO 58
PHOTO 15
See MFI
Control System
(SD313-2)
EVTSD7471BL
P.T.O CONTROL SYSTEM
SD471-3P.T.O CONTROL SYSTEM (3)
CR02F040 CR02F040 CR05F011 CR05F011
C14 C24 M08(D4AF/D4AL) M08(D4DD)
CR14F007
CR32F004
CR14F007
CR10F005 CR06F003 CR02F051
M36-2(D4AF/D4AL) M36-2(D4DD)
M36-1 M37 M48 M99-3
*
5 4 3
1
5 4 3
1
22 1 2 1
10 9 8 7 6 5 4 3 2 1
14 13 12 11 10 9 8 7 5 2 14 3
* 14 13 11 10 9 8 7 5 2 14 3
**
2 1
6 5 4 3
******
*** ** *
*****
*
1
812 11
192024
13
2345671
2
EVTSD7471CL
P.T.O CONTROL SYSTEM
SD471-4P.T.O CONTROL SYSTEM (4)
MEMO
EVTSD7471DL
ABS CONTROL SYSTEM E0DC8F71
SD587-1ABS CONTROL SYSTEM (1)
HOT IN ON
FUSE 6
5A
FUSE
BOX
0.85Y
0.5L 0.5G(D4AF/D4AL)
0.85Y(D4DD)
0.5O
0.5L 0.85O
ON Input
(-) (+) (-) (+) (+) (-) (-) (+)
L-LineK-Line ABS Relay
Control
ABS Indicator
Control
3
1646
0.5Y/O 0.85W
FUSE 4
10A
0.5G/O(D4AF/D4AL)
0.5L/O(D4DD)
FUSE 12
10A
0.85Y1.25Br
83
1.25Br
6 16 M78
5 14 M78
1 45 31 A01
ABS
CONTROL
MODULE
1 5
B
Ground
553029
1.25B 0.85B 0.85B
28
0.85B
M7211
G04
A013940
0.5B/O0.5W/B0.5Gr
1 C302
9
7
CA02(D4AF/D4AL)
CA03(D4DD)
8
5
2 C361 2 C31
CA01(D4AF/D4AL)
CA03(D4DD)
1 1 C372
109
13
17
14
18
1112
12
16
11
15
0.5R/O(D4AF/D4AL)
0.5B/O(D4DD)
0.5B
0.5B
0.5B
0.5B
1314
10
14
9
13
0.5W/B
0.5W/B
0.5W/B
0.5W
0.5W
0.5W
0.5W0.5Gr
PHOTO 1
PHOTO 2
PHOTO
1
PHOTO 26
0.5W
0.5Y
0.5W
See Data
Link Details
(SD200-1)
D4AF/D4AL D4AF/D4ALD4DD D4DD
0.5Y/O
0.5Y/O
0.5Y/O
0.5G
0.5G
0.5G
A0.85G
0.85G
0.85G
2 MA01
PHOTO 21
PHOTO 1/4PHOTO 1/4
To ABS
Relay Box
(SD587-2)
See Exhaust
Parking Brakes
(SD596-1)
(SD596-2)
FRONT
WHEEL
SENSOR RH
PHOTO 57
REAR
WHEEL
SENSOR RH
PHOTO 67
FRONT
WHEEL
SENSOR LH
PHOTO 56
REAR
WHEEL
SENSOR LH
PHOTO 67
DATA LINK CONNECTOR
PHOTO 19
JOINT
CONNECTOR
See Passenger
Compartment Fuse Details
(SD120-1)(SD120-2)
RELAY
BOX
3 4 M15
1 M155
ABS
RELAY
INSTRUMENT
CLUSTER
2
9 M36-4
M36-3
PHOTO 10
ABS
( )ABS
D4AF/D4AL D4DD
D4AF/D4ALD4DD
EVTSD7587AL
ABS CONTROL SYSTEM
SD587-2ABS CONTROL SYSTEM (2)
ABS
CONTROL
MODULE
7 35
5 54 26 53 25 6 34 A01
FUSE
BOX
1.25B/O
Fail Safe
Relay Control
A
From ABS Control Module
(SD587-1)
ABS
HYDRAULIC
MODULE
M
33
F/L IV F/L OV F/R IV F/R OV R/L IV R/L OV R/R IV R/R OV
4 8 3 7 1 5 2 6 C32
1.25G 1.25W1.25O 1.25R 1.25Y 1.25L 1.25Br
1 22
0.85Y
3
0.85W
4
49 37
0.85L
5
0.85B
1
ABS
RELAY
BOX
C34-1
C34-2C34-2
FUSIBLE
LINK
BOX
ABS
FUSIBLE
LINK
30A
HOT AT ALL TIMES HOT AT ALL TIMES
2.0R
3.0Y
0.85G
C34-1
CA01
FUSE 18
15A
4
1 CC03
6
2
3
8
12
5
6
3
4
0.85G
4
9
11
20
5
10
1
1
6
11
2
2
3
8
10
19
0.85G
0.85Y0.85W 0.85L0.85G
Solenoid Valve Control
Pump Motor
Monitor
Pump Motor
Relay Control
1.25B/O 1.25G 1.25W1.25O 1.25R 1.25Y 1.25L 1.25Br
ABS
PUMP
MOTOR
12
3.0R
FRONT
INLET
VALVE
LH
FRONT
OUTLET
VALVE
LH
FRONT
INLET
VALVE
RH
FRONT
OUTLET
VALVE
RH
REAR
INLET
VALVE
LH
REAR
OUTLET
VALVE
LH
REAR
INLET
VALVE
RH
REAR
OUTLET
VALVE
RH
G03(D4DD)
G07(D4AF/D4AL)
21
2 M41
11 M78
13 M78
1 M41
FUSE 14(D4AF/D4AL)
FUSE 19(D4DD)
10A
STOP
LAMP
SWITCH
48
0.85Y
0.85Y
0.85L/O
Stop Lamp
Switch Input
Exhaust
Brake
Signal
0.5L/O
0.85L/O
7
A01
PHOTO 63
PHOTO 26
MA01
PHOTO 21
PHOTO 21
PHOTO 1
PHOTO 48/66
PHOTO 61
B
0.85G
MC064
0.5G
D4AF/D4ALD4DD
D4AF/D4AL D4DD
31
FAIL
SAFE
RELAY
52
44
PUMP
MOTOR
RELAY
21
5
1.25R
1.25R
1.25R
6 CA01
4 MA01
1.25R
1.25R
9 MC05
PHOTO
63
PHOTO
20
PHOTO
1
PHOTO
20
PHOTO 19
JOINT
CONNECTOR
0.5L/O
D4AF/D4AL D4DD
CA02(D4AF/D4AL)
CA03(D4DD)
19
0.5L
6
0.5L/B
MA01
PHOTO 1/4
PHOTO 21
CA01(D4AF/D4AL)
CA03(D4DD)
PHOTO 1/4
See Exhaust
Parking Brakes
(SD596-1)
(SD596-2)
See Passenger
Compartment Fuse Details
(SD120-3)(SD120-4)
0.85Y
1 M41
2 M41
0.5L/O
0.5L/G
3
4
See Stop Lamps
(SD927-1)
See Stop Lamps
(SD927-1)
STOP
LAMP
SWITCH
PHOTO
2
PHOTO
2
See
Stop Lamps
(SD927-1)
0.85L/O
EVTSD7587BL
ABS CONTROL SYSTEM
SD587-3ABS CONTROL SYSTEM (3)
CR55F005 CR02F040 CR02F040
A01 C30 C31
CR08F021 CR06F016 CR02F002 CR02M017
C32 C34-1 C34-2 C36
CR02F040 CR05F011 CR14F007
C37 M15 M36-3(D4AF/D4AL)
CR14F007 CR12F001
M36-3(D4DD) M36-4
CR04F016 CR04F016 CR16F007
M41(D4AF/D4AL) M41(D4DD) M72(D4AF/D4AL)
55
28
* * * *
* * *
* **
* * * * * * * * * * * * * * * * * * * * * * * * * * *
* * * * * * * *
* * * * * *
54 53 49 48 46 45 40 39 37 35 34 33 2931 30
26 25 19 16 14 13 12 11 10 9 7 6 5 1
2 1 2 1
4 3 2 1
678 5
3 2 1
6 5 4
2 1 1 2
2 1 *
5 4 3
1
* * * * * * * * *11 245 3
* * * * * * *11 6 58 24 3
* * * *12 11 10 9 8 3 2 1
*
* * * * *
* **** * 3
16 11 9
2 1 2 1
4 3* *
CR16F044
M72(D4DD)
* * *
* * * * *
*2345
91116
EVTSD7587CL
ABS CONTROL SYSTEM
SD587-4ABS CONTROL SYSTEM (4)
MEMO
EVTSD7587DL
EXHAUST PARKING BRAKES E797D4F8
D4AF/D4AL
6 MA01
SD596-1EXHAUST PARKING BRAKES (1)
FUSE
BOX
HOT IN ON
0.5L0.5L
0.85L/B 0.85L/B
0.85L/B
0.5L/O
0.5L/O
0.5L
0.5L
0.5G
0.5G/O
0.85Y
0.85Y
0.5L/B
0.5L
0.5G/O
0.5G
0.5B
0.5L/O
0.85L/B
0.5B
G01
EXHAUST
BRAKE
SWITCH
MULTIFUNCTION
SWITCH
INTAKE
SHUTTER
VALVE
INSTRUMENT
CLUSTER
DIODE
Z01
5 M76
3 M76
1 C25
2 C25
EXHAUST
MAGNETIC
VALVE
1 C26
2 C26
JOINT
CONNECTOR
53 1 M78
6 M78
JOINT
CONNECTOR
13 M36-2
1 MM04
12 MC01
1 M32
2 M32
3 M36-1
See
Preheating System
(SD950-1)
45
6 M47
COLD
START
SWITCH
3
ONOFF
M47
RELAY
BOX
4 3 M15
5 M151
ABS
RELAY
(Open
with ABS
operated)
2 M49
EXHAUST BRAKE
CLUTCH PEDAL
POSITION SWITCH
(Open with clutch
pedal depressed)
1 M49
ACCELERATOR
PEDAL POSITION SWITCH
(Open with accelerator
pedal depressed)
19 A01
ABS
CONTROL
MODULE
5
3 M43-1
2 M43-1
MM042
W/O ABS With ABS
1.25B
0.85B
0.85L/B
0.85L/B
0.85L/B0.85L/B
0.5B
0.85B 0.85B
G03
DIODE
Z03
See P.T.O
Control System
(SD471-1)
See Ground
Distribution
(SD130-5)
See Ground
Distribution
(SD130-1)
See Passenger
Compartment Fuse Details
(SD120-1)
FUSE 4
10A
EXHAUST
BRAKE
PHOTO 19
PHOTO 23
PHOTO 23
PHOTO 18
PHOTO 21
PHOTO 26
PHOTO 16
PHOTO 10
PHOTO 15
PHOTO
55
PHOTO
55
PHOTO
55
PHOTO 48
PHOTO 7
PHOTO 4
PHOTO 2
PHOTO 5
PHOTO 1
PHOTO
3
EVTSD7596AL
EXHAUST PARKING BRAKES
D4DD
G03 PHOTO 48
SD596-2EXHAUST PARKING BRAKES (2)
FUSE
BOX
FUSE 4
10A
HOT IN ON
HOT WITH ENGINE
ECM RELAY ON
0.5L
0.5L
0.5O
0.5W/B 1.25Y
1.25Y
0.85Y
0.85Y
0.85L/O
0.85Y
0.85W/B
0.85L/B
514 M78
616
7
JOINT
CONNECTOR
10 M99-2 M99-3
M78
45 A01
FUSE 32
5A
0.85L/O
FUSE 12
10A
0.85O
FUSE 9
10A
ABS
CONTROL
MODULE
5 MA01
INSTRU-
MENT
CLUSTER
3 M36-1
2 M36-3
PHOTO 26
15 M99-2
MAIN
ECM
PHOTO 4
PHOTO 1
2 M99-2
MAIN
ECM
PHOTO 4
PHOTO 21
PHOTO 19
M78
JOINT
CONNECTOR
M78
PHOTO 19
PHOTO
10
PHOTO
20
PHOTO
18
1 C25
INTAKE
SHUTTER
VALVE
0.85L/B
0.85L/B 0.85L/B 0.85L/B
0.85L/B
DIODE
Z03
W/O
Double Cab
With
Double Cab
0.85B
0.85L/B
0.85L/B
0.85L/B
0.85B
0.85B
0.85B0.85B0.85B
1 C26
EXHAUST
MAGNETIC
VALVE
1 CC06
2 CC06
W/O
Double Cab
With
Double Cab
W/O
Double Cab
With
Double Cab
0.85B
W/O
Double Cab
With
Double Cab
0.85B
1.25B
2 C25 2 C26
W/O
Double Cab
With
Double Cab
W/O
Double Cab
With
Double Cab
See Ground
Distribution
(SD130-5)
See Passenger
Compartment
Fuse Details
(SD120-7)See Passenger
Compartment
Fuse Details
(SD120-1)
EXHAUST
BRAKE
SWITCH
MULTIFUN-
CTION
SWITCH
3 M43-1
2 M43-1
EXHAUST
BRAKE
0.5L/O
0.85Y
0.5R
0.5L
4
RELAY
BOX
43 M15
5 M151
ABS
RELAY
1.25Y
1
W/O ABSWith ABS
0.5L/B
0.5L
19
6
23 M93
5 M931
EXHAUST
BRAKE
RELAY
0.85L/B
0.85L/B
8 MC05
PHOTO 65
PHOTO 65
PHOTO
54
PHOTO
55
PHOTO
54
EVTSD7596BL
EXHAUST PARKING BRAKES
SD596-3EXHAUST PARKING BRAKES (3)
CR14F007
M36-2(D4AF/D4AL)
14 13 12 11 10 9 8 7 5 2 14 3
*
CR55F005 CR02F040 CR02F040
A01 C25 C26
CR07F002
CR05F011 CR10F005
CR14F007
CR14F019 CR05F011
M15 M36-1
M36-3(D4DD)
M43-1 M47 M93
2 1 2 155
28
* * * *
* * *
* **
* * * * * * * * * * * * * * * * * * * * * * * * * * *
* * * * * * * *
* * * * * *
54 53 49 48 46 45 40 39 37 35 34 33 2931 30
26 25 19 16 14 13 12 11 10 9 7 6 5 1
*
5 4 3
1
10 9 8 7 6 5 4 3 2 1
* * * * * * *11 6 58 24 3
*** 3 2
121314 8
1
791011 7 6 4
1
*
3 2
*5
2
3
1
CR02F187
M49
1
2
CR02F187
M32
1
2
CR32F004CR35F009
M99-2 M99-3
**
*
**
* * * *
*
*
12567
19 17 16
2425
34 32 31
23 22 21 20
14 1213 11 10 915
******
*** ** *
*****
*
1
812 11
192024
13
234567
BLANK
BLANKBLANK
EVTSD7596CL
EXHAUST PARKING BRAKES
SD596-4EXHAUST PARKING BRAKES (4)
MEMO
EVTSD7596DL
POWER DOOR LOCKS ED034227
SD813-1POWER DOOR LOCKS (1)
M
LOCK
UN-
LOCK
M
LOCK
UN-
LOCK
HOT AT ALL TIMES
FUSE
BOX
4 1 D1621 D06
1 M063
POWER
DOOR
UNLOCK
RELAY
0.85B
0.5R/O
0.85R/O0.5P
16 MD02
0.85O
0.5R/O
65 MD04
0.85O 0.5P
2 3 D16
1 4 MD04
0.85R/O 0.85B
43 D06
0.85B 0.85O
54 MD02
0.85O
0.85B
0.5B
1.25B
1.25B
0.85B
0.85B
1.25B
1.25B
0.85O
POWER
DOOR LOCK
ACTUATOR
LH
POWER
DOOR LOCK
ACTUATOR
RH
1.25B
JOINT
CONNECTOR
JOINT
CONNECTOR
0.85B
5
7 M79
4
POWER
DOOR
LOCK
RELAY
FUSE 17
10A
6 5 M54
7 M54
5 2 M06
15 M56-1
14 M56-2
14
13
ETACM
0.5R/O
0.85L 0.5L
0.85L
0.5L 0.85L
0.85B
JOINT
CONNECTOR
RELAY
BOX
6 M79
M387
M3813
See Ground
Distribution
(SD130-3)
Door lock/unlock relay control
Door lock actuator control
JOINT
CONNEC-
TOR
M813
M815
See Ground
Distribution
(SD130-4)
See Ground
Distribution
(SD130-3)
G02G01
314 M05
5 M052
D4DDD4DDD4AF/D4AL D4AF/D4AL
0.5P
0.5P
0.5P 2
0.5R/B 0.5R/B
0.5R/B
D4DDD4DD D4AF/D4AL
D4DD D4AF/D4AL
D4AF/D4AL
MM063
0.5R/O
0.5R/O
0.5R/O
D4DD
16
0.5O
0.5O
0.5O
D4AF/D4AL
MM0717
PHOTO 19
PHOTO 24
PHOTO 23
PHOTO 24
PHOTO 20
PHOTO 41
PHOTO 17
PHOTO 15
PHOTO 20
PHOTO 1
PHOTO 1
PHOTO 7
PHOTO 7
PHOTO
1
PHOTO
42
PHOTO
24/26
EVTSD7813AL
POWER DOOR LOCKS
4 156
****
**15 1316 14 11 10
4 15678
**
*15 1316 14 11 10 9
* * * *
* *
8 6 5 4 3 2
15 14 13 1220 19 18 17
SD813-2POWER DOOR LOCKS (2)
CR04F001 CR04F001 CR05F011 CR05F011
D06 D16 M05 M06
CR16F002CR20F001 CR20F001 CR16F002
M56-1(D4AF/D4AL) M56-1(D4DD) M56-2(D4AF/D4AL) M56-2(D4DD)
5 4 3
1
2
5 4 3
1
2
2 1
4 3
2 1
4 3
* * * * **
** *
6 5 4 3
15 14 13 1220 19 18
EVTSD7813BL
POWER WINDOWS EB8321D0
SD824-1POWER WINDOWS (1)
PHOTO 1 PHOTO 15
PHOTO 24
PHOTO 38 PHOTO 37
1
8 MD01
MD016
0.85B
0.85B
1.25B
1.25B
0.85R/O
4 9 3 D05
51
0.85Y 0.85R/O 0.85G
0.85Y 0.85G
7 MD01
1.25R
1.25R
POWER
WINDOW
RELAY
2 M04
13 M56-1
0.5Y/O
ETACM
1 M04
1.25B
1.25B
0.85B
5
4
RELAY
BOX
1.25B
1.25Y/O
1.25Y/O
5 6
G02 G01
M813
MD036
M81
JOINT
CONNEC-
TOR
5
PHOTO 1
PHOTO 7
PHOTO 7
PHOTO
24
PHOTO
23
PHOTO
24/26
PHOTO
7
PHOTO
39
PHOTO 20
POWER
WINDOW
MAIN
SWITCH
See Ground
Distribution
(SD130-3)
See Ground
Distribution
(SD130-4)
1.25B
1.25B
1.25B
D4DDD4AF/D4AL
D4DD D4AF/D4AL
0.5Br
0.5Br
0.5Br
MM076
HOT AT ALL TIMES
FUSE
BOX
FUSE 13(D4AF/D4AL)
FUSE 16(D4DD)
20A
M
PHOTO
40
POWER
WINDOW
SUB
SWITCH
POWER WINDOW
MOTOR RH
0.85L
DOWN
OFF
UPDOWN ILL.
OFF
UP
0.85G
0.85Y 0.5G/O0.85G1.25R
6
9 D15
871 MD03
21 D11
24
D155
See
Illuminations
(SD941-2)
8
3
M
POWER WINDOW
MOTOR LH
0.85L 0.85G
21 D01
POWER WINDOW SWITCH RH
DOWN
OFF
UPDOWN
OFF
UP
POWER WINDOW SWITCH LH
DOWN
OFF
UPDOWN
OFF
UP ILL.
0.5G/O
D05
See
Illuminations
(SD941-2)
82
ILL.
EVTSD7824AL
POWER WINDOWS
* * * * **
** *
6 5 4 3
15 14 13 1220 19 18
* * * *
* *
8 6 5 4 3 2
15 14 13 1220 19 18 17
BLANK
SD824-2POWER WINDOWS (2)
CR02F001 CR09F001 CR02F011 CR09F001
D01 D05 D11 D15
CR05F019 CR20F001 CR20F001
M04 M56-1(D4AF/D4AL) M56-1(D4DD)
2 1 2 1
4 3 2 1
9 8
* 6 5
4 3 2
9 8
*
*
6 5
1
*
5
4 2
EVTSD7824BL
CIGARETTE LIGHTER EBBE1B7D
SD846-1CIGARETTE LIGHTER (1)
FUSE 36
15A
FUSE
BOX
HOT IN ACC OR ON
3
G01
0.85B
0.85B
0.85B0.85B 0.5B
0.85L/O
See Passenger
Compartment
Fuse Details
(SD120-7)
1 M68
2 M68
1 M30
2 M30
10 M84
4 16 M84
ILL.
CIGARETTE
LIGHTER
ASHTRAY
ILL.
JOINT
CONNECTOR
See Illuminations
(SD941-1)
0.5G/O 0.5G/O0.85L/O
PUSH:ON
PHOTO 8
3
0.85L/O
See Passenger
Compartment
Fuse Details
(SD120-7)
M68
2 M68
ILL.
CIGARETTE
LIGHTER
0.85L/O
PUSH:ON
PHOTO 8
PHOTO 12
PHOTO 15
PHOTO 15
See Ground
Distribution
(SD130-2)
D4AF/D4AL D4DD
EVTSD7846AL
CIGARETTE LIGHTER
BLANK
SD846-2CIGARETTE LIGHTER (2)
CR02F046 CR03F005 CR03F005
M30 M68(D4AF/D4AL) M68(D4DD)
2 1
1
3 23 2
*
EVTSD7846BL
OUTSIDE MIRROR DEFOGGER E050DEFD
SD879-1OUTSIDE MIRROR DEFOGGER (1)
1.25B(With P/Window)
0.85B(W/O P/Window)
1.25B(With P/Window)
0.85B(W/O P/Window)
D4AF/
D4AL
FUSE
BOX
ETACM
6
2 4
M653
1 M65
OUTSIDE
MIRROR
DEFOGGER
RELAY
RELAY
BOX
3 M072
MD034
M8014
M8020191718
See Illuminations
(SD941-1)
5 M071
ONOFF
M56-118
FUSE 19
15A
M56-215
0.85P 0.85P
0.85W
0.5Y/B
0.5Y/B
0.5Y/B
0.5P 0.85P
0.85B
OUTSIDE
MIRROR
DEFOGGER
RH0.5G/O
HOT AT ALL TIMESHOT IN ON
0.85W
0.85B
DEFOGGER
SWITCH
MIRROR
DEFOGGER
MD014
0.85B
D022
OUTSIDE
MIRROR
DEFOGGER
LH
0.85W
0.85B
0.85B
1.25B
INSTRUMENT
CLUSTER
M36-213
M36-15
Defogger Relay
Control
Defogger Switch
"ON" Input
MD036
6
0.5B 0.5B
0.85B
0.85W0.85W
0.5B
0.5B
0.85B
MD01
JOINT
CONNECTOR
JOINT
CONNECTOR
See Ground
Distribution
(SD130-3)
0.85W
0.85W
G01 G02
M84217
M8410
M763
M765
See Ground
Distribution
(SD130-1)
See Ground
Distribution
(SD130-2)
D122
D021 D121
5
0.5B
JOINT
CONNECTOR
JOINT
CONNECTOR
M813
M815
See Ground
Distribution
(SD130-4)
FUSE 14
15A
D4DD D4AF/D4AL
D4DD D4AF/D4AL
0.5Y/O
0.5Y/O
0.5Y/O
D4DD D4AF/D4AL
MM073
ILL. IND.
See
Charging System
(SD373-1)(SD373-2)
0.5Y
3
Engine
Running
Input
MM0613
D4AF/D4AL D4DD
1.25B
1.25B
1.25B
PHOTO 8
PHOTO 1
PHOTO 1
PHOTO 7
PHOTO
7
PHOTO
24/26
PHOTO 15
PHOTO 15 PHOTO 16
PHOTO 23
PHOTO 24
PHOTO 38PHOTO 37
PHOTO 24
PHOTO 19
PHOTO 10PHOTO 20
PHOTO 20
EVTSD7879AL
OUTSIDE MIRROR DEFOGGER
BLANK
SD879-2OUTSIDE MIRROR DEFOGGER (2)
CR02M002 CR02M002 CR05F011 CR10F005
D02 D12 M07 M36-1
CR20F001CR14F007 CR20F001
CR16F002 CR16F002 CR06F017
M36-2(D4AF/D4AL) M56-1(D4AF/D4AL) M56-1(D4DD)
M56-2(D4AF/D4AL) M56-2(D4DD) M65
2
5 * 3
1
10 9 8 7 6 5 4 3 2 1
14 13 12 11 10 9 8 7 5 2 14 3
*
2 1
6 5 4 3
1 2 1 2
4 156
****
**15 1316 14 11 10
4 15678
**
*15 1316 14 11 10 9
* * * *
* *
8 6 5 4 3 2
15 14 13 1220 19 18 17
* * * * **
** *
6 5 4 3
15 14 13 1220 19 18
EVTSD7879BL
HEAD LAMPS EBF4153D
SD921-1HEAD LAMPS (1)
0.5Br
FUSE 2
5A
FUSE
BOX
HOT IN ONHOT AT ALL TIMES
FUSE 25
10A
FUSE
BOX
FUSE 27
10A
FUSE 28
10A
FUSE 26
10A
3.0L
3.0R
3.0L
2.0L 2.0L 0.5Br0.5Br
G01
2 CC02
6 MC03
715 M43-2
2 M43-2
3 M76
5 M76
108 M54
9 M54
RELAY
BOX
1.25G
1.25G
0.5R/B
0.5R/O
(D4AF/D4AL)
0.5R(D4DD)
1.25Gr 0.85B/O
1.25B/O
0.5B
0.5B
1.25O
BODY
FUSIBLE
LINK
40A
FUSIBLE
LINK
BOX
8
13 M36-2
M36-1
HIGH
BEAM
LIGHT
SWITCH
DIMMER/
PASSING
SWITCH
HIGH
LOWFLASH
PARK HEAD
OFF
REAR
FOG
0.5W/O
PHOTO 15G02 PHOTO 1G01 PHOTO 15
PHOTO 18
PHOTO 4
PHOTO 61
See Power Distribution
(SD110-1)
PHOTO 19
JOINT
CONNECTOR
See Ground
Distribution
(SD130-1) PHOTO 16
JOINT
CONNECTOR
PHOTO 10
INSTRUMENT
CLUSTER
MULTIFUN-
CTION
SWITCH
See Ground
Distribution
(SD130-1)
0.5B
0.5B
See Tail, Parking
& License Lamps
(SD928-1)(SD928-2)
HEAD
LAMP
RELAY
(LOW)
4 M141
2 M145
HEAD
LAMP
RELAY
(HIGH)
1 M134
5 M132
1.25B
JOINT
CONNEC-
TOR
M812
M815
See Ground
Distribution
(SD130-4)
D4AF/D4AL D4DD
1.25B
1.25B
1.25B
2 M57
HEAD
LAMP RH
LO HI
31 M57
PHOTO
36
1.25G 1.25B/O
G01 PHOTO 15
1.25B
JOINT
CONNEC-
TOR
M3814
M3813
See Ground
Distribution
(SD130-3)
1.25B
1.25B
2 M50
HEAD
LAMP LH
LO HI
31 M50
PHOTO
17
PHOTO
35
PHOTO
1
PHOTO
23
EVTSD7921AL
HEAD LAMPS
SD921-2HEAD LAMPS (2)
CR05F019 CR05F019 CR10F005
M13 M14 M36-1
CR14F007
CR03F020
CR14F007
CR10F014 CR10F014 CR03F020
M36-2(D4AF/D4AL) M36-2(D4DD)
M43-2(D4AF/D4AL) M43-2(D4DD) M50 M57
10 9 8 7 6 5 4 3 2 1
1
*
5
4 2
1
*
5
4 2
14 13 12 11 10 9 8 7 5 2 14 3
* 14 13 11 10 9 8 7 5 2 14 3
**
*
*
* 2 1
8910 7 5
** 2 1
8910 7 56
2 1
3
2 1
3
BLANK
EVTSD7921BL
HEAD LAMP LEVELING DEVICE E911E10E
M
D4AF/D4AL
(EUROPE ONLY)
SD922-1HEAD LAMP LEVELING DEVICE (1)
G01
0.5Br
0.5Br 0.5G/O
FUSE 2
5A
FUSE
BOX
See Illuminations
(SD941-2)
HOT IN ON
JOINT
CONNECTOR
10 M54
8 9 M54
14 M44
532 M44
HEAD LAMP
LEVELING
SWITCH
HEAD LAMP
LEVELING
ACTUATOR
LH
HEAD LAMP
LEVELING
ACTUATOR
RH
321 M53 123 M60
G01
JOINT
CONNECTOR
See Ground
Distribution
(SD130-2)
1 M84
10 M84
0.85B
0.5B0.85L
0.85L 0.85B
1.25B
1.25B 0.85B
0.85B 0.85L 0.85Br
0.85Br
0.5B 0.5B
JOINT
CONNECTOR
See Ground
Distribution
(SD130-3)
3 M38
13 M38
M
ILL.
PHOTO 3
PHOTO 19
PHOTO 15
PHOTO 17 PHOTO 15
PHOTO 15
PHOTO 36PHOTO 35
See Ground
Distribution
(SD130-1)
EVTSD7922AL
HEAD LAMP LEVELING DEVICE
BLANK
SD922-2HEAD LAMP LEVELING DEVICE (2)
CR05F013 CR03F001
M44 M53
3 2 1 3 2 1
1
2345
CR03F001
M60
EVTSD7922BL
FOG LAMPS EDEBA7B4
ONOFFILL. IND.
SD924-1FOG LAMPS (1)
3.0R
3.0L
1.25G/O
2.0L
3.0L 3.0L
0.5L
HOT AT ALL TIMES
6 MC03
G01 G03
BODY
FUSIBLE
LINK
40A
FUSIBLE
LINK
BOX
RELAY
BOX
CC022
1.25G/O
FUSE
BOX
FUSE 29
10A
FUSE 31
10A
11 M84
15 M84
5 M43-2
LIGHT
SWITCH
MULTIFUNCTION
SWITCH
2 M43-2
1.25G/O
0.85W
See Illuminations
(SD941-1)
8 M77
7 M77
142 M63
56 M63
0.5G/O
0.5L
0.5B
0.85B
0.5B
0.85B
0.5B
0.5B
0.5R
0.85R0.85R
1.25B 1.25B
1.25B
0.85R
18
13
MC02(D4AF/D4AL)
MC06(D4DD)
C19
C191
2
0.85R
0.85R
C17
C171
2
FRONT
FOG LAMP
LH
FRONT
FOG LAMP
SWITCH
3
0.5G/O
0.5B
18 M846
10 M84
HEAD
PARK
OFF
PHOTO
18
PHOTO 61
PHOTO 4/20
PHOTO 1
PHOTO 4
PHOTO
43
FRONT
FOG LAMP
RH
PHOTO
43
PHOTO 48PHOTO 15
PHOTO 8
See Power
Distribution
(SD110-1)
See Ground
Distribution
(SD130-1)
0.5R/O
D4AF/D4AL D4DD
0.5Y/O
0.5Br/B
0.5R
4 MM06
MM075
PHOTO 20
PHOTO 20
See Passenger
Compartment
Fuse Details
(SD120-6)
JOINT
CONNECTOR
PHOTO 15
JOINT
CONNECTOR
PHOTO 15
See Illuminations
(SD941-2)
JOINT
CONNECTOR
PHOTO 15
See Ground
Distribution
(SD130-2)
See Ground
Distribution
(SD130-5)
FRONT FOG LAMP
TAIL
LAMP
RELAY
4 M021
2 M025
FRONT
FOG
LAMP
RELAY
3 M012
5 M011
EVTSD7924AL
FOG LAMPS
SD924-2FOG LAMPS (2)
REAR FOG LAMP/
D4AF/D4AL (EUROPE ONLY)
0.85R
0.85R0.5R
0.85R/O
HOT AT ALL TIMES
FUSE
BOX
RELAY
BOX
FUSE 16
10A
PARK HEAD
OFF
LIGHT
SWITCH
MULTIFUNCTION
SWITCH
REAR
FOG
See Tail, Parking
& License Lamps
(SD928-1)
M43-26
M43-22
5
JOINT
CONNECTOR
See Ground
Distribution
(SD130-3)
7 M79
5 M79
See Courtesy Lamps
(SD929-1)
MC013
C55
C552
1
REAR
FOG
LAMP
G03 G02
See Ground
Distribution
(SD130-1)
See Ground
Distribution
(SD130-6)
G01
0.85R/O
0.5R/B
0.5R/O
0.5R/O
0.5R
0.85R/O
0.5B
1.25B
0.85B
0.5R/O 0.5R
0.5B 0.5R/O
0.85B
0.5B
0.5R/B
0.5R/B 0.5R/B
1 M19
2 M19
REAR
FOG LAMP
WARNING
BUZZER
PHOTO 15
0.5R/O
DIODE
Z04
6 MM01
ONOFFILL. IND.
See
Illuminations
(SD941-1)
See
Illuminations
(SD941-1)
142 M67
56 M67
0.5B0.5B
REAR
FOG LAMP
SWITCH
3
0.5G/O
PHOTO 8
REAR
FOG
LAMP
RELAY
3 M162
5 M161
REAR FOG
INDICATOR
RELAY
4 M861
2 M865
PHOTO
69
PHOTO
19
PHOTO
7
PHOTO
1
PHOTO
4
PHOTO 18
PHOTO 15
PHOTO 48 PHOTO 1
PHOTO 1
EVTSD7924BL
FOG LAMPS
SD924-3FOG LAMPS (3)
CR02F040 CR02F040 CR02F040 CR05F011
C17 C19 C55 M01
CR10F014
CR05F019
CR05F019 CR05F011 CR02F049
CR10F014 CR06F017 CR06F017
M02 M16 M19 M43-2(D4AF/D4AL)
M43-2(D4DD) M63 M67 M86
2 1 2 12 1
2
5 * 3
1
1
*
5
4 2
*
*
* 2 1
8910 7 5
** 2 1
8910 7 56
2 1
6 5 4 3
2
5
* 3
1
1
*
5
4 2
2 1
6 5 4 3
2 1
EVTSD7924CL
FOG LAMPS
SD924-4FOG LAMPS (4)
MEMO
EVTSD7924DL
TURN & HAZARD LAMPS ECEE2BCB
SD925-1TURN & HAZARD LAMPS (1)
0.85O
0.85O
6 M10
5324 M10
0.85Br
ILL.
0.85R/O
0.85
R/O
0.85Y/O
0.85Y/O
0.5G/O
0.85
R/O
0.85
Y/O
0.85B
0.85Br/O
181917 M78
2 MD01
3 M62
6 M62
6 MD01
10
1
MC02
(D4AF/D4AL)
MC06(D4DD)
20 M78
78 M78
10 M78
9
2
5
4
9 M43-2
8 M43-2
10
0.5B
0.5B
0.85Br
Coil Control Coil Control
Power
RHLH
9 M84
10 M84
0.5B
7
0.85B
0.85B
0.85Br/O0.5Br/O
0.5Br/O
1 C07
4 C07
2.0Br/O
(D4AF/D4AL)
0.85Br/O(D4DD)
0.85
Br/O
0.85Br/O
0.5B
1.25B
1.25B
5 M38
13 M38
FLASHER
UNIT
G01 G03
1.25B
1.25B
1 M52
FRONT
TURN
SIGNAL
LAMP LH
SIDE
REPEATER
LAMP LH
REAR
COMBINATION
LAMP LH
2 M52
0.85B
1.25B(With P/Window)
0.85B(W/O P/Window)
0.85B
SIDE
REPEA-
TER
LAMP RH
2 D04
1 D04
2 MD03
6 MD03
0.5Br
0.5Br/O
0.85Br
0.5B
FRONT
TURN
SIGNAL
LAMP RH
1 M81
5 M81
3
JOINT
CON-
NECTOR
1 M59
2 M59
1.25B(With P/Window)
0.85B(W/O P/Window)
0.85B
0.85B
0.85B
2 D14
1 D14
PHOTO 30 PHOTO 37
PHOTO 68
PHOTO 48 G03 PHOTO 48PHOTO 15 G01 PHOTO 15 G02 PHOTO 1
G01 PHOTO 15
PHOTO 18
PHOTO
17
HAZARD
SWITCH
PHOTO
8
PHOTO
10
PHOTO 2
See Ground
Distribution
(SD130-6)
JOINT
CONNEC-
TOR
TURN
LAMP
11
2
MC02(D4AF/D4AL)
MC06(D4DD)
1 C08
4 C08
0.85Br
0.85Br
1.25B
1.25B
REAR
COMBI-
NATION
LAMP RH
PHOTO 70
See Ground
Distribution
(SD130-5)
(SD130-6)
TURN
LAMP
TURN
SIGNAL
LAMP
SWITCH
PHOTO 19
JOINT
CONNECTOR
JOINT
CONNEC-
TOR
PHOTO 15
MULTIFUN-
CTION
SWITCH
See
Illuminations
(SD941-1)
D4AF/D4ALD4DD
1.25B
1.25B
1.25B
JOINT
CON-
NECTOR
See Ground
Distribution
(SD130-4)
PHOTO 24
PHOTO 24
PHOTO 19
HOT AT ALL TIMES
FUSE
BOX
FUSE 15
10A
See Passenger
Compartment Fuse Details
(SD120-3)(SD120-4)
See Ground
Distribution
(SD130-3)
0.5B
0.5B
1 M76
5 M76
PHOTO
16
JOINT
CONNEC-
TOR
See Ground
Distribution
(SD130-1)
See Ground
Distribution
(SD130-4)See Ground
Distribution
(SD130-2)
See Ground
Distribution
(SD130-1)
See Ground
Distribution
(SD130-3)
M36-23
M36-22
1
LEFT
TURN
RIGHT
TURN
INSTRUMENT
CLUSTER
PHOTO
7
PHOTO
7
PHOTO
4/20
PHOTO
4/20
PHOTO
23
PHOTO
31
PHOTO
38
EVTSD7925AL
TURN & HAZARD LAMPS
CR14F007
M36-2(D4AF/D4AL)
CR14F007
M36-2(D4DD)
14 13 12 11 10 9 8 7 5 2 14 3
*
14 13 11 10 9 8 7 5 2 14 3
**
BLANK
BLANK
SD925-2TURN & HAZARD LAMPS (2)
CR06F016 CR06F016 CR02F001 CR02F001
C07 C08 D04 D14
CR06F002
M10
CR10F014 CR10F014
M43-2(D4AF/D4AL) M43-2(D4DD)
CR02F001 CR02F001 CR06F017
M52 M59 M62
3
* 1
6 5 4
3
* 1
6 5 4
2 1 2 1
*3 2
6 5 4
*
*
* 2 1
8910 7 5
** 2 1
8910 7 56
2 1 2 1
*2
6 5 4 3
EVTSD7925BL
BACK-UP LAMPS EF9CCF95
SD926-1BACK-UP LAMPS (1)
G03
BACK-UP
LAMP
REAR
COMBINATION
LAMP LH
BACK
WARNING
BUZZER
4 C07
6 C07
See Ground Distribution
(SD130-5)(SD130-6)
1.25B1.25B
1.25B1.25B1.25B0.85B
0.85L0.85L
0.85L
0.85Br/O
0.85Br/O
0.85Br/O
0.85Br/O
0.85L
HOT IN ON
BACK-UP
LAMP
SWITCH
2 C12
1 C12
11 MC01
0.85Br/O
0.85Br/O
0.85Br/O
2 MC05
D4AF/D4AL
D4AF/D4AL
D4DD
See Passenger
Compartment
Fuse Details
(SD120-2)
See Passenger
Compartment
Fuse Details
(SD120-2)
FUSE
BOX
FUSE 11
10A
BACK-UP
LAMP
REAR
COMBINATION
LAMP RH
4 C08
6 C08
2 C50
1 C50
D4AF/D4ALD4DD
PHOTO 59
PHOTO 70
PHOTO 68 PHOTO 70
PHOTO 48
PHOTO 20 PHOTO 4
EVTSD7926AL
BACK-UP LAMPS
SD926-2BACK-UP LAMPS (2)
CR06F016 CR06F016 CR02F040 CR02F001
C07 C08 C12 C50
2 1
3
* 1
6 5 4
3
* 1
6 5 4
2 1
EVTSD7926BL
STOP LAMPS EA2A1D92
SD927-1STOP LAMPS (1)
0.85L/O
0.85Y
HOT AT ALL TIMES HOT WITH ENGINE ECM RELAY ON
FUSE
BOX
FUSE 14(D4AF/D4AL)
FUSE 19(D4DD)
10A
FUSE 32
5A
6
7
MC02(D4AF/D4AL)
MC06(D4DD)
11 M78
13 M78
JOINT
CONNECTOR
0.5L/G
0.85L/O
D4AF/D4AL D4DD
48 A01
ABS
CONTROL
MODULE
PHOTO 26 PHOTO 48
0.85L/O
19 M99-2
MAIN
ECM
PHOTO 4
7 MA01
PHOTO 21
PHOTO 19
PHOTO 70PHOTO 68
PHOTO 4/20
See Passenger
Compartment Fuse Details
(SD120-3)(SD120-4)
See Passenger
Compartment
Fuse Details
(SD120-7)
G03
STOP
LAMP
REAR
COMBINATION
LAMP LH
4 C07
5 C07
See Ground Distribution
(SD130-5)(SD130-6)
1.25B1.25B
1.25B1.25B1.25B
0.85L/O 0.85L/O
STOP
LAMP
REAR
COMBINATION
LAMP RH
4 C08
5 C08
D4AF/D4ALD4DD
2 M41
1 M41
STOP
LAMP
SWITCH
0.85Y
0.85L/O
0.85L/O
0.5L/O0.5L/O
0.85L/O
D4AF/D4AL D4DD
0.85Y
1 M41
2 M41
0.5L/O
3
4
STOP
LAMP
SWITCH
PHOTO
2
PHOTO
2
0.85L/O
EVTSD7927AL
STOP LAMPS
STOP LAMPS (2)
CR35F009
M99-2
2 1 2 1
4 3* *
SD927-2
CR55F005 CR06F016 CR06F016
A01 C07 C08
BLANK
CR04F016 CR04F016
M41(D4AF/D4AL) M41(D4DD)
* * * *
* * * * * * * * * **
* *
* * * * * * * * * * * * * * * * * * * * * * * * * * *
* * * * * * *
55
28
54 53 49 48 46 45 40 39 37 35 34 33 2931 30
26 25 19 16 14 13 12 11 10 9 7 6 5 1
**
*
**
* * * *
*
*
12567
19 17 16
2425
34 32 31
23 22 21 20
14 1213 11 10 915
3
* 1
6 5 4
3
* 1
6 5 4
EVTSD7927BL
TAIL, PARKING & LICENSE LAMPS EA53A21C
SD928-1TAIL, PARKING & LICENSE LAMPS (1)
See Ground
Distribution
(SD130-1) See Ground
Distribution
(SD130-6)
HOT AT ALL TIMES
FUSIBLE
LINK
BOX
BODY
FUSIBLE
LINK
40A
CC022
MC036
FUSE 29
10A
FUSE 30
10A
3.0L
3.0L
3.0R
2.0L
1 M51
POSITION
LAMP LH
2 M51
0.5B
1.25B
1.25B
1.25G/O
1.25G/O
0.5L
RELAY
BOX
0.5R/O
0.5B
0.5B
FUSE
BOX
0.85G
G01 G03
G02
JOINT
CONNECTOR
JOINT
CONNECTOR
11 M84
15 12 M84
JOINT
CONNEC-
TOR
See
Illuminations
(SD941-1)
8 M77
0.5B
0.5G/O
1.25G/O
6 M77
14 M54
1311 M54
0.85G
JOINT
CONNEC-
TOR
See Ground
Distribution
(SD130-3)
1 M38
13 M38
1.25B
JOINT
CONNECTOR
See Ground
Distribution
(SD130-4)
8 M81
5 M81
See Ground
Distribution
(SD130-5)
1
C05
C05-1
(EUROPE)
LICENSE
LAMP
2 C05
C05-1
(EUROPE)
0.85G/O
1
0.85G/O
0.85G/O
0.85G
0.85G
0.85G/O
1.25B0.85B
1.25B 1.25B
17 MC01
MC02
0.85G
3 C07
4 C07
REAR
COMBI-
NATION
LAMP
LH
TAIL
LAMP
3 C08
4 C08
REAR
COMBI-
NATION
LAMP
RH
TAIL
LAMP
1 C52
REAR
MARKER
LAMP LH
2 C52
0.85G/O
0.85B
1 C70
FRONT
OUTSIDE
MARKER
LAMP LH
2 C70
1 CC04
0.85G/W
0.85G/W
0.85G/O
0.85B
1 C72
FRONT
OUTSIDE
MARKER
LAMP RH
2 C72
0.85G/W
0.85B
1 M58
POSITION
LAMP RH
2 M58
1.25B
2 CC04 2 CC05
0.85B
1 C73
REAR
OUTSIDE
MARKER
LAMP LH
2 C73
1 CC05
0.85G/W
0.85G/W
0.85G
0.85B
1 C53
REAR
MARKER
LAMP RH
2 C53
0.85G
0.85B
1 C74
REAR
OUTSIDE
MARKER
LAMP RH
2 C74
0.85G/W
0.85B
0.85B
0.85B 1.25B
1.25B
See Power
Distribution
(SD110-1) See Passenger
Compartment Fuse Details
(SD120-6)
See Passenger
Compartment Fuse Details
(SD120-6)
D4AF/
D4AL
TAIL
LAMP
RELAY
4 M021
2 M025
5 M43-2
LIGHT
SWITCH
MULTIFUN-
CTION
SWITCH
2 M43-2
HEAD
PARK
OFF PHOTO 18
PHOTO 15
PHOTO 17 PHOTO 69
PHOTO 69
PHOTO 68
PHOTO 64
PHOTO 64
PHOTO 15
PHOTO 15
PHOTO 61
PHOTO 64
PHOTO 64
PHOTO 64
PHOTO 64 PHOTO 64
PHOTO 48
PHOTO 64
PHOTO 69
PHOTO 70
PHOTO 23
PHOTO 31
PHOTO 19
PHOTO 1
PHOTO 4
PHOTO 4
PHOTO 4
PHOTO
1
PHOTO 30
EVTSD7928AL
TAIL, PARKING & LICENSE LAMPS
SD928-2TAIL, PARKING & LICENSE LAMPS (2)
D4DD
See Ground
Distribution
(SD130-1)
HOT AT ALL TIMES
FUSIBLE
LINK
BOX
BODY
FUSIBLE
LINK
40A
CC022
MC036
FUSE 29
10A
FUSE 30
10A
5 MM07
4 MM06
3.0L
3.0L
3.0R
2.0L
1 M51
POSITION
LAMP LH
2 M51
0.5B
1.25B
1.25B
1.25G/O
1.25G/O
0.5L
0.5Y/O
0.5Br/B
0.5R
0.5B
0.5B
FUSE
BOX
0.85G
G01 G03 G02
JOINT
CONNECTOR
11 M84
15 12 M84
JOINT
CONNECTORSee Illuminations
(SD941-1)
8 M77
0.5B
0.5G/O
0.5G/O 0.5G/O
1.25G/O
6 M77
14 M54
1311 M54
0.85G
JOINT
CONNECTOR
See Ground
Distribution
(SD130-3)
1 M38
13 M38
1.25B
1.25B
JOINT
CONNECTOR
See Ground
Distribution
(SD130-4)
8 M81
5 M81
See Ground
Distribution
(SD130-6)
1 C05
LICENSE
LAMP
2 C05
0.85G/W
18
0.85G/O
0.85G/O
0.85G
0.85G
0.85G/O
1.25B0.85B
1.25B
17 MC05
3 C07
4 C07
REAR
COMBINATION
LAMP LHTAIL
LAMP
3 C08
4 C08
REAR
COMBINATION
LAMP RHTAIL
LAMP
1 M58
POSITION
LAMP RH
2 M58
1.25B
See Passenger
Compartment
Fuse Details
(SD120-6)
JOINT
CONNECTOR
See Passenger
Compartment
Fuse Details
(SD120-6)
See Power
Distribution
(SD110-1)
5 M43-2
LIGHT
SWITCH
MULTIFUNCTION
SWITCH
2 M43-2
HEAD
PARK
OFF
PHOTO 18
PHOTO
1
PHOTO 17
PHOTO 30
PHOTO 20
PHOTO 61
PHOTO 4
PHOTO 20
PHOTO 69
PHOTO 15
PHOTO 15
PHOTO 20
PHOTO 19
PHOTO 70
PHOTO 31
PHOTO 23
PHOTO 1
PHOTO 68
PHOTO 15 PHOTO 48
RELAY
BOX
TAIL
LAMP
RELAY
4 M021
2 M025
EVTSD7928BL
TAIL, PARKING & LICENSE LAMPS
SD928-3TAIL, PARKING & LICENSE LAMPS (3)
CR02F001 CR02F001 CR06F016 CR06F016
C05 C05-1 C07 C08
CR02F040 CR02F040 CR02F001 CR02F001
C52 C53 C70 C72
CR02F001
C73
CR02F001
M51
CR02F001
C74
CR05F019
M02
CR10F014
M43-2(D4AF/D4AL)
CR10F014
M43-2(D4DD)
CR02F001
M58
BLANK
2 1 2 1
2 1 2 1
2 1 2 1
2 12 1
2 1 2 1
3
* 1
6 5 4
3
* 1
6 5 4
1
*
5
4 2
*
*
* 2 1
8910 7 5
** 2 1
8910 7 56
EVTSD7928CL
TAIL, PARKING & LICENSE LAMPS
SD928-4TAIL, PARKING & LICENSE LAMPS (4)
MEMO
EVTSD7928DL
COURTESY LAMPS EACB1C6F
OFF
ONDOOR
OFF
ON DOOR
DOOR
OPEN
SD929-1COURTESY LAMPS (1)
HOT IN ON
FUSE
BOX
FUSE 12
10A
G02
HOT AT ALL TIMES
FUSE 23
10A
HOT WITH TAIL LAMP RELAY ON
FUSE 30
10A
See Passenger
Compartment
Fuse Details
(SD120-2)
16 M78
14 M78
2 M36-3
3 M114
INSTRUMENT
CLUSTER
REAR
ROOM
LAMP
2 M36-4
JOINT
CONNECTOR
See Passenger
Compartment
Fuse Details
(SD120-5)
JOINT
CONNECTOR
See Passenger
Compartment
Fuse Details
(SD120-6)
JOINT
CONNECTOR
20 M77
2 1 MM03
17 M77
WITH
DOUBLE CAB
14 M54
12 M54
JOINT
CONNECTOR
See Ground
Distribution
(SD130-4)
6 M81
5 M81
See
Fog Lamps
(SD924-2)
0.85O 0.85Gr 0.85G
0.5O
0.5Gr 0.85G
0.5R
0.5R 0.5R/B
0.5R/O
0.5R/B
0.5R/O
0.5B
0.85R/O
(D4AF/D4AL)
0.5R/O(D4DD)
0.5R/O 0.5R/O
0.5B
0.5R/O
0.5R/O
0.5R/O
0.5R/B
0.5R/B
8 MM02
4 MM03
3 MM03
M80
2 4 M80
2 1 M114
31
1 M106
6 MM01
DIODE
Z04
JOINT
CONNECTOR
FRONT
DOOR
SWITCH
RH
FRONT
DOOR
SWITCH
LH
1 M105
0.5B 0.5B
3 M110
FRONT
ROOM
LAMP
0.5R
1 2 M110
D4AF/D4AL D4AF/D4AL
0.5R/O
1 M117
REAR
DOOR
SWITCH
RH
0.5R/O
REAR
DOOR
SWITCH
LH
1 M118
With EUROPE W/O EUROPE
1.25B
1.25B
1.25B
D4DDD4AF/D4AL
11 M56-2
ETACMDoor
switch
0.5R/O
0.5R/B
0.5R/B0.5R/B
0.5R/B
DIODE
Z07
D4DD
0.5R/O 0.5R/O
D4DD D4AF/D4AL
D4DD D4AF/D4AL
11 MM0610
Not Used
PHOTO 10
PHOTO 19 PHOTO 15
PHOTO 19
PHOTO 19
PHOTO 23
PHOTO 23
PHOTO 23
PHOTO 1
PHOTO 29PHOTO 29
PHOTO 7
PHOTO 28PHOTO 28
PHOTO 23
PHOTO 21
PHOTO 19
PHOTO 23
PHOTO
24/26
PHOTO
20
EVTSD7929AL
COURTESY LAMPS
SD929-2COURTESY LAMPS (2)
0.85G/W
0.5G/W 0.5G/W
0.85B
4 MM03
0.5B 0.5B
M122
M1221
2M121
M1211
2
ENDOUT
MARKER
LAMP 'D'
ENDOUT
MARKER
LAMP 'E'
0.5G/W
0.5B
M120
M1201
2
ENDOUT
MARKER
LAMP 'C'
0.85G/W
0.5B
M113
M1131
2
ENDOUT
MARKER
LAMP 'B'
0.5G/W
0.5B
M112
M1121
2
ENDOUT
MARKER
LAMP 'A'
OFF
ONDOOR
DOOR
OPEN
HOT IN ON
FUSE
BOX
FUSE 12
10A
G02
HOT AT ALL TIMES
FUSE 23
10A
HOT WITH TAIL LAMP RELAY ON
FUSE 30
10A
See Passenger
Compartment
Fuse Details
(SD120-2)
16 M78
14 M78
2 M36-3
3 M110
INSTRUMENT
CLUSTER
FRONT
ROOM
LAMP
2 M36-4
JOINT
CONNECTOR
See Passenger
Compartment
Fuse Details
(SD120-5)
JOINT
CONNECTOR
See Passenger
Compartment
Fuse Details
(SD120-6)
JOINT
CONNECTOR
20 M77
2 1 MM03
17 M77
W/O
DOUBLE CAB
14 M54
12 M54
JOINT
CONNECTOR
See Ground
Distribution
(SD130-4)
6 M81
5 M81
See
Fog Lamps
(SD924-2)
0.85O 0.85Gr 0.85G
0.5O
0.5Gr 0.85G
0.5G/B
0.5R/O
0.5R/B
0.5R/O
0.85R/O
(D4AF/D4AL)
0.5R/O(D4DD)
0.5R/O 0.5R/O
0.5B
0.5R/O
0.5R/O
0.5R/B
0.5R/B8 MM02
3 MM03
M80
2 4 M80
2 1 M110
31
1 M106
6 MM01
DIODE
Z04
JOINT
CONNECTOR
FRONT
DOOR
SWITCH
RH
FRONT
DOOR
SWITCH
LH
1 M105
0.85B
D4AF/D4AL D4AF/D4AL
With EUROPE W/O EUROPE
1.25B
1.25B
1.25B
D4DDD4AF/D4AL
11 M56-2
ETACMDoor
switch
0.5R/O
0.5R/B
0.5R/B0.5R/B
0.5R/B
DIODE
Z07
D4DD
0.5R/O 0.5R/O
D4DD D4AF/D4AL
D4DD D4AF/D4AL
11 MM0610
Not Used
PHOTO 10
PHOTO 19 PHOTO 15
PHOTO
25
PHOTO
72
PHOTO
72
PHOTO
72
PHOTO
72
PHOTO
72
PHOTO 19
PHOTO 19
PHOTO 23
PHOTO 23
PHOTO 23
PHOTO 1
PHOTO 29
PHOTO 7
PHOTO 28
PHOTO 23
PHOTO 21
PHOTO 19
PHOTO 23
PHOTO
24/26
PHOTO
20
EVTSD7929BL
COURTESY LAMPS
SD929-3COURTESY LAMPS (3)
BLANK BLANK
CR14F007 CR14F007
M36-3(D4AF/D4AL) M36-3(D4DD)
CR01F043
CR02F096
CR12F001 CR16F002 CR16F002
CR01F043 CR03F007 CR02F096
CR03F007
M36-4 M56-2(D4AF/D4AL) M56-2(D4DD) M105
M106 M110 M112 M113
CR02F096CR01F043 CR01F043
M117 M118 M120M114
1
1 1
1
3 2 1 2 1
2 12 1
2 1
2 1
3 2 1
CR02F096 CR02F096
M122M121
* * * * * * *11 6 58 24 3
* * * * * * * * *11 245 3
4 156
****
**15 1316 14 11 10
4 15678
**
*15 1316 14 11 10 9
12 11 10 9 8 3 2 1
* * * *
EVTSD7929CL
COURTESY LAMPS
SD929-4COURTESY LAMPS (4)
MEMO
EVTSD7929DL
WORKING LAMP & DUMP WARNING BUZZER E4E47DDF
See Passenger
Compartment
Fuse Details
(SD120-2)
16 M78
14 M78
2 M36-3
INSTRUMENT
CLUSTER
JOINT
CONNECTOR
0.5O
PARKING
BRAKE
SWITCH
(W/O Double Cab)
PHOTO 27
PARKING WORKING
LAMP
( P )
SD930-1WORKING LAMP & DUMP WARNING BUZZER (1)
1.25W
2 C02
1 C02
1 M75
2 M75
JOINT
CONNECTOR
3 M76
7 M36-1
13 M36-2
5 M76
WORKING
LAMP
SWITCH
15
10
MC02(D4AF/D4AL)
MC05(D4DD)
1.25Gr
1.25B
0.5B
0.5Gr 0.5Gr
7
6
M36-2(D4AF/D4AL)
M36-3(D4DD)
0.5B
FUSE
BOX
FUSE 7
5A
FUSE 1
15A
0.85O
FUSE 12
10A
HOT IN ON
0.5R
0.5R/B
0.5W
0.5L/O0.85W
0.5L/O
1.25B
0.85B
0.5L/O
0.5R
0.5R
RELAY
BOX
G03
16 15 M54
17 M54
JOINT
CONNECTOR
1 M23
2
19
MC02(D4AF/D4AL)
MC06(D4DD)
2 MM01
2 M23
1 C03
DUMP
WARNING
SWITCH
2 C03
2 M103
PHOTO 4/20
PHOTO 64
DUMP
WARNING
BUZZER
PHOTO 15
PHOTO 48 G01 PHOTO 15
0.5L/O
0.5L/O
PARKING
BRAKE
SWITCH
(With Double Cab)
2 M34
PHOTO 15
PHOTO 7
PHOTO 16
PHOTO 61
PHOTO 19
PHOTO 19
PHOTO 10
PHOTO 1
PHOTO 3
D4AF/D4ALD4DD
1.25Gr
1.25Gr
1.25Gr
See Indicators & Gauges
(SD940-1) WORKING
LAMP
D4AF/
D4AL
See Ground
Distribution
(SD130-1)
See Ground
Distribution
(SD130-5)
1.25B
G03 PHOTO 48
See Ground
Distribution
(SD130-5)
DUMP
RELAY
4 M093
1 M095
D4AF/D4ALD4DD
PHOTO 4/20
EVTSD7930AL
WORKING LAMP & DUMP WARNING BUZZER
SD930-2WORKING LAMP & DUMP WARNING BUZZER (2)
CR14F007
M36-3(D4DD)
* * * * * * *11 6 58 24 3
CR14F007
M36-3(D4AF/D4AL)
* * * * * * * * *11 245 3
CR02F010 CR02F001 CR05F011 CR02F012
C02 C03
CR10F005
M36-1
M09 M23
CR14F007CR02F046
M34 M36-2(D4AF/D4AL)
CR14F007
M36-2(D4DD)
CR03F026 CR02F046
M75 M103
*
5 4 3
1
1
2
2 1 2 1
10 9 8 7 6 5 4 3 2 1 14 13 12 11 10 9 8 7 5 2 14 3
*
14 13 11 10 9 8 7 5 2 14 3
**
* 2 1 *2
*2
EVTSD7930BL
INDICATORS & GAUGES EC6CE401
SD940-1INDICATORS & GAUGES (1)
0.5Y(D4AF/D4AL)
0.5Y/W(D4DD)
11 510 M36-27
0.5Y/O
See ETACS
(SD952-1)See MFI Control System (D4DD)
(SD313-1)
INSTRUMENT CLUSTER
0.5G/O
M36-4 M36-2(D4DD)
To Indicators
(SD940-2)
(SD940-3)
A
3
0.5Y0.5G/O
PHOTO 10
EC02
9
(D4AF/D4AL)7
(D4DD)1
MC02(D4AF/D4AL)
MC06(D4DD)
16
3
E061
0.5Y/B
0.85Y/B
0.5Y/R(D4AF/D4AL)
0.5Y(D4DD)
OIL
PRESSURE
SWITCH
See Charging System
(SD373-1)(SD373-2)
JOINT
CONNECTOR
See Ground
Distribution
(SD130-3)
M3811
M3813
0.5B
1.25B
1.25B
0.5G
G01
2 M46
1 M46
BRAKE
FLUID
LEVEL
SENSOR
FUSE
BOX
0.85O
0.5O
HOT IN ON
M36-32
FUSE 11
10A
OIL
PRESSURE CHARGE BRAKE
( ! )
PARKING
( P )
SEAT
BELT
0.85Br/O
0.85Br/O0.85Br/O
FUSE 12
10A
0.5L 0.5P
0.5R/O
0.5L/O
0.5G/O 0.5L/O
1 M87
2 M87
18 MC01
M36-2
(D4AF/D4AL)
M36-3(D4DD)
7
6
1 E09
OVERHEAT
UNIT
0.85G/O
0.5G/O
8 EC02
0.5G
0.5L/O
12 MM06
OVERHEAT
BUZZER
D4AF/D4AL
D4AF/
D4AL
D4AF/
D4AL
D4DD
D4DD
DIODE
Z02
See Passenger
Compartment
Fuse Details
(SD120-2)
Not Used
D4DD
RELAY
BOX
PHOTO 1
PHOTO 4
PHOTO 7
OVERHEAT
BUZZER
RELAY
4 M973
1 M975
See Passenger
Compartment
Fuse Details
(SD120-2)
16 M78
14 M78
JOINT
CONNECTOR
PARKING
BRAKE
SWITCH
(W/O Double Cab)
PHOTO 27
PHOTO
46/53
PHOTO
4/20
PHOTO 15
PHOTO 50
PHOTO 19
PHOTO 17
PHOTO 17
0.5L/O
0.5L/O
2 MM01
2 M103
0.5L/O
PARKING
BRAKE
SWITCH
(With Double Cab)
2 M34
PHOTO 15
PHOTO 20PHOTO 50
PHOTO 53
PHOTO 15 PHOTO 23
See Working
Lamp & Dump
Warning Buzzer
(SD930-1)
ENGINE
CHECK
CHECK
ENG
8
0.5G/Y
M36-3(D4DD)
D4DD
OVER
HEAT
ENGINE
PTO
EVTSD7940AL
INDICATORS & GAUGES
SD940-2INDICATORS & GAUGES (2)
JOINT
CONNECTOR
0.5L
2
From
FUSE 12
10A
(SD940-1)
A
0.5Y
0.5L/O
0.5B
0.85Y
0.85L/O
0.5L/R
0.5B 0.85B
0.85B
0.85B
4 M36-2
12 M36-2(D4AF/D4AL)
TACHO-
METER
3
5 EC02
6 EC02
2 E05
1 E05 2 C04
FUEL
SENDER
TACHO-
METER
SENSOR
See Ground
Distribution
(SD130-6)
See Vehicle
Speed Sensor
System
(SD436-1)
8
13
14
18 M36-4
0.5G
0.85G
1 C04
9
FUEL
GAUGE
TEMP
GAUGE
SPEEDO-
METER
0.5L
6
0.5L
0.5L/O0.5Lg 0.5B
M784
1 M22
2 M22
HIGH SPEED
WARNING
BUZZER
See Passenger
Compartment
Fuse Details
(SD120-1)
4 M73
2 M731
HIGH SPEED
WARNING
DEVICE
ON Input
Buzzer Signal Ground
3
G02 PHOTO 1
PHOTO 4
PHOTO 4
PHOTO 4
PHOTO 3
PHOTO 4
LOW
FUEL
MC02
(D4AF/D4AL)
MC05(D4DD)
4
3
MC01
(D4AF/D4AL)
MC05(D4DD)
MC02
B
0.85P(D4AF/D4AL)
0.5O(D4DD)
D4AF/D4AL
D4AF/D4ALD4DD
D4AF/D4AL
INSTRUMENT CLUSTER
PHOTO 10
FUSE
BOX
HOT IN ON
FUSE 4
10A
G02
0.5G
0.5B
0.85B
1.25B
1.25B
M711
M712
M813
M815
VACUUM
SWITCH
PHOTO 23
PHOTO 44
PHOTO
44
PHOTO 1 G03 G01
JOINT
CONNECTOR
See Ground
Distribution
(SD130-4)
0.5L/O0.5R
D4AF/D4AL D4DD D4AF/D4ALD4DDD4AF/D4AL D4DD
1110
0.85G
0.5G
MC0217
C331
VACUUM
SWITCH
9 M36-4
See
Preheating
System
(SD950-1)
See
MFI Control
System
(SD313-1)
0.5L/G
See
MFI Control
System
(SD313-1)
0.5Y/O
See
MFI Control
System
(SD313-4)
0.5G
See ABS
Control System
(SD587-1)
To Ground
(SD940-3)
VACUUM GLOWABS
( )ABS
2
0.5R/O
See
Courtesy
Lamps
(SD929-1)
(SD929-2)
DOOR
OPEN
D4AF/D4AL D4DD
0.5L/B
0.85Y
0.5L/O
0.5L/B
0.5Y/O
0.85Y/O
3 EC02
7 MC02
2 M36-1
9 MC02
4 EC02
2 E07-1
E07-1
COLD
START
SWITCH
1
ENGINE
COOLANT
TEMPE-
RATURE
SENSOR
2 M47
11 M36-3
PHOTO 15
PHOTO 19
PHOTO 20
PHOTO 48 PHOTO 15
PHOTO 50
PHOTO 50
PHOTO 52
PHOTO 50
PHOTO 53
PHOTO
4/20
PHOTO
4/20PHOTO
50
PHOTO
64
EVTSD7940BL
INDICATORS & GAUGES
0.85Gr
HOT AT ALL TIMES HOT IN ACC OR ON
FUSE 23
10A
FUSE 36
15A
0.85O
0.5O
HOT AT ALL TIMES
FUSE 15
10A
0.85O JOINT
CONNECTOR
FUSE
BOX
FUSE
BOX
20 M77
19 M77
0.85L/O
SD940-3INDICATORS & GAUGES (3)
INSTRUMENT
CLUSTER
PHOTO 10
PHOTO 16
PHOTO 15
PHOTO 15
0.5Gr 0.5R/O
0.85W
(D4AF/D4AL)
0.85G(D4DD) 0.85B/O 0.85L/B
0.5B
13 M36-2
385 47 M36-1M36-1
M36-1
(D4AF/D4AL)
See Working
Lamp & Dump
Warning Buzzer
(SD930-1)
See Fuel Filter
Heating System(D4DD)/
Outside Mirror
Defogger(D4AF/D4AL)
(SD361-1)(SD879-1)
See
Head Lamps
(SD921-1)
See Exhaust
Parking Brakes
(SD596-1)
See P.T.O
Control System
(SD471-1)
(SD471-2)
0.5G/O
See
Illuminations
(SD941-2)
0.5W/B
13 M36-1(D4DD)
PTO
CAB
TILT
0.5G
6
0.85G
HIGH
BEAM
EXHAUST
BRAKE
WORKING
LAMP
Dimmer
input
Memory
power
Ground
ACC/ON
input
ILL.
ILL.
(5EA)
ILL.
(2EA)
See Illuminations
(SD941-2)
See Turn
& Hazard Lamps
(SD925-1)
0.5B 0.5B
0.5G/O 0.5G/O 0.85Br/O 0.85Br 0.5Gr 0.85L/O
0.5B 0.5B
JOINT
CONNECTOR
13 2 M76
82 M36-2
534 M36-331 M36-212 M36-4 14
1 M36-4 10 M36-1
5 M76
LEFT
TURN
RIGHT
TURN
G01
0.5B
48
A
From
FUSE 12 10A
(SD940-1)
See MFI Control System/
Exhaust Parking Brakes
(SD313-1)(SD596-2)
B
From
Speedometer
(SD940-2)
See Ground
Distribution
(SD130-1)
2 M104
1 M104
CAB
TILTING
SWITCH
(W/O Double Cab)
MM018
MM017
See Passenger
Compartment Fuse Details
(SD120-3)(SD120-4)
D4AF/D4ALD4DD
D4AF/D4AL D4DD
D4AF/D4ALD4DD
WATER
SEPA-
RATOR
MIRROR
DEFOG-
GER
See Passenger
Compartment Fuse Details
(SD120-5) See Passenger
Compartment
Fuse Details
(SD120-7)
PHOTO 32
PHOTO 7
PHOTO 7
EVTSD7940CL
INDICATORS & GAUGES
SD940-4INDICATORS & GAUGES (4)
CR03F016 CR01F001 CR02F040 CR01F020
C04 C33 E05 E06
CR02F046
CR14F007
CR12F001
CR02F064 CR01F002 CR02F046
CR10F005 CR14F007
CR14F007
CR14F007
E07-1 E09 M22 M34
M36-1 M36-2(D4AF/D4AL)
M36-2(D4DD) M36-3(D4AF/D4AL)
M36-3(D4DD) M36-4
2 1
2 11 1
14 13 12 11 10 9 8 7 5 2 14 3
*
14 13 11 10 9 8 7 5 2 14 3
**
* * * * * * *11 6 58 24 3
* * * * * * * * *11 245 3
1
2 *2
12 11 10 9 8 3 2 1
* * * *
10 9 8 7 6 5 4 3 2 1 BLANK
3 2 1
EVTSD7940DL
INDICATORS & GAUGES
SD940-5INDICATORS & GAUGES (5)
CR02F046 CR07F002 CR02F118 CR04F048
M46 M47 M71 M73
CR02F001CR02F049 CR05F011 CR02F046
M87 M97 M103 M104
2 1 7 6
2
4
1
*
3
4 3 2 12 1
*
5 4 3
1
2 1 2 1*2
EVTSD7940EL
INDICATORS & GAUGES
SD940-6INDICATORS & GAUGES (6)
MEMO
EVTSD7940FL
ILLUMINATIONS E89E0A01
SD941-1ILLUMINATIONS (1)
MULTIFUNCTION
SWITCH
See Ground
Distribution
(SD130-1)
5 M43-2
2 M43-2
0.5B
0.5B
G01
HOT AT ALL TIMES
FUSIBLE
LINK BOX
BODY
FUSIBLE
LINK
40A
CC022
MC036
FUSE 29
10A
0.5R/O
3.0L
3.0L
3.0R
2.0L
1.25G/O
0.5L
RELAY
BOX
FUSE
BOX
M67
M676
2
CIGARE-
TTE
LIGHTER
M63
M636
2
FRONT
FOG
LAMP
SWITCH
M62
M625
2
HAZARD
SWITCH
1 M68
2 M68
REAR
FOG
LAMP
SWITCH
0.5G/O 0.5G/O
JOINT
CONNECTOR
JOINT
CONNECTOR
11 M84
13 12
0.5G/O
0.85B
1.25G/O
0.5G/O
0.5B 0.5B0.5B
0.85B
JOINT
CONNECTOR
7 4 9 18
See Ground
Distribution
(SD130-2)
See Ground
Distribution
(SD130-1)
See Power
Distribution
(SD110-1)
5 MM07
4 MM06
0.5Y/O
0.5Br/B
0.5R
D4DD
M64
M646
2
A/C
SWITCH
0.5G/O
0.5B
M39
M396
2
ENGINE
PTO CAB
IN SWITCH
0.5B
0.5B
0.5G/O
M17
M171
2
IDLE
UP
/DOWN
SWITCH
0.5B
0.5B
0.5G/O
0.5G/O0.5G/O
0.5
G/O
M65
M656
2
DEFOG-
GER
SWITCH
0.5G/O
0.5B
5 17
14
0.85B
0.85B
M24
5
2
TACHO-
GRAPH
(ELEC-
TRONIC)
0.5G/O
0.5G/O
1.25G/O
0.5B
M244
0.5B
M8419 20 16
M8410
CIGA-
RETTE
LIGHTER
M682
15 M84
8 M77
M771 6
1 M30
ASHT-
RAY
ILL.
2 M30
0.5B
D4AF/D4AL
A
To Joint
Connector
(SD941-2)
See
Cigarette
Lighter
(SD846-1)
D4AF/
D4AL
D4DD D4AF/D4AL D4DD
JOINT
CONNEC-
TOR
M389
M3813
See Ground
Distribution
(SD130-3)
See Tail, Parking
& License Lamps
(SD928-1)(SD928-2)
1.25B
1.25B
G01
PHOTO 15
PHOTO 18
PHOTO 20
PHOTO 20
PHOTO 61
PHOTO 4
PHOTO 8
PHOTO 15
PHOTO 15
PHOTO 15
PHOTO
8
PHOTO
8
PHOTO
8
PHOTO
3
PHOTO
15
PHOTO
15
PHOTO
17
PHOTO
12
PHOTO
8
PHOTO
8
PHOTO
8
PHOTO
8
PHOTO
1
LIGHT
SWITCH
HEAD
PARK
OFF
TAIL
LAMP
RELAY
4 M021
2 M025
D4DDD4AF/
D4AL
D4DD
D4AF/
D4AL
EVTSD7941AL
ILLUMINATIONS
SD941-2ILLUMINATIONS (2)
JOINT
CONNECTOR
G01
JOINT
CONNEC-
TOR
13 M77
6 MD01
0.5B
0.85B
0.85B
1.25B
11 M77
JOINT
CONNEC-
TOR
8 M84
0.85B
10 M84
See Ground
Distribution
(SD130-1)
M26
M267
14
AUDIO
0.5G/O
0.5B
M28
M282
6
INTAKE
SWITCH
MD013
0.5G/O
0.5B
D05
D053
8
POWER
WINDOW
MAIN
SWITCH
0.5G/O
0.5G/O0.5G/O
1.25B
1.25B
M45
M459
12
TACHO-
GRAPH
(CASSETTE
TYPE)
0.5B
4 2
G02
JOINT
CONNECTOR
See Ground
Distribution
(SD130-4)
3 M81
5 M81
See Ground
Distribution
(SD130-1)
See Ground
Distribution
(SD130-2)
See Ground
Distribution
(SD130-2)
M44
M445
1
HEAD
LAMP
LEVELING
SWITCH
M37
M376
2
PTO
SWITCH
D15
D153
8
MD033
POWER
WINDOW
SUB
SWITCH
MD036
M36-2
M36-110
ILL.
(2EA)
ILL.
(5EA)
CLOCK
ILL.
14
INSTRU-
MENT
CLUSTER
M36-4
M36-41
12 M36-3
M36-28
3
See Ground
Distribution
(SD130-3)
See Ground
Distribution
(SD130-3)
0.5B
0.5B
0.5B
0.5B 0.5B 0.5B 0.5B 1.25B
1.25B
0.85B
0.85B
0.5G/O
0.5G/O 0.5G/O0.5G/O0.5G/O0.5G/O0.5G/O 0.5G/O
M777593
M768 2 64
M765
JOINT
CONNECTOR
D4AF/
D4AL
A
From
FUSE 29 10A
(SD941-1)
See Ground
Distribution
(SD130-4)
See
Fog Lamps
(SD924-1)
1.25B
1.25B
1.25B
D4DD D4AF/D4AL
PHOTO 15 PHOTO 1
PHOTO 23
PHOTO 24
PHOTO 16
PHOTO 40
PHOTO 24
PHOTO 15
PHOTO 7
PHOTO 7
PHOTO
39
PHOTO
8
PHOTO
9
PHOTO
11
PHOTO
3
PHOTO
10
PHOTO
13
PHOTO
15
PHOTO
15
EVTSD7941BL
ILLUMINATIONS
BLANK
SD941-3ILLUMINATIONS (3)
CR09F001 CR09F001 CR05F019 CR07F002
D05 D15 M02 M17
CR02F046
CR06F003
CR06F017 CR14F001 CR06F003
CR10F005
CR12F001
M24 M26 M28 M30
M36-1
M36-4 M37
4 3 2 1
9 8
* 6 5
4 3 2
9 8
*
*
6 5
1
*
5
4 2
** 6 5
123
* *
*
*
*
*4 3
14 12 11 10 9 7
2 1
6 5 4 3
2 1
*
2 1
5 4 3
10 9 8 7 6 5 4 3 2 1
CR14F007
M36-2(D4AF/D4AL)
14 13 12 11 10 9 8 7 5 2 14 3
*
CR14F007
M36-2(D4DD)
14 13 11 10 9 8 7 5 2 14 3
**
CR14F007
M36-3(D4DD)
* * * * * * *11 6 58 24 3
CR14F007
M36-3(D4AF/D4AL)
* * * * * * * * *11 245 3
2 1
6 5 4 3
* * * *12 11 10 9 8 3 2 1
EVTSD7941CL
ILLUMINATIONS
SD941-4ILLUMINATIONS (4)
CR10F014
M43-2(D4DD)
*
*
* 2 1
8910 7 5
CR10F014
M43-2(D4AF/D4AL)
** 2 1
8910 7 56
CR20F001
M45
* * * * * * * *
* * * * * * * *
9 8 7
12 11
CR03F005
M68(D4DD)
1
3 2
CR03F005
M68(D4AF/D4AL)
3 2
*
CR06F017
M67
2 1
6 5 4 3
CR06F017
M39
2 1
6 5 4 3
CR06F017 CR06F017 CR06F017
M62 M63 M64
2 1
6 5 4 3
2
6 5 4 3
2 1
6 5 4 3
CR06F017
M65
2 1
6 5 4 3
CR05F013
M44
1
2345
EVTSD7941DL
TACHOGRAPH EED16AB5
SD943-1TACHOGRAPH (1)
ON
Input
Vehicle
SpeedILL.(+) Ground
0.5L 0.5L
G01
FUSE
BOX
HOT IN ON HOT AT ALL TIMES
0.5L
FUSE 4
10A
0.85Gr
FUSE 23
10A
8 M45
M45
0.5P(D4AF/D4AL)
0.5O(D4DD)
11
0.5G/O
12
0.5B
9
JOINT
CONNECTOR
JOINT
CONNECTOR
M786
3 M782
See Passenger
Compartment Fuse Details
(SD120-1)
Memory
Power
TACHOGRAPH
0.5Gr
7
M7720
M7716
0.85B
0.85B
M848
M8410
PHOTO 15
PHOTO 19 PHOTO 15
PHOTO 8
D4AF/D4ALD4DD
GENERAL TYPE
See Passenger
Compartment Fuse Details
(SD120-5)
JOINT
CONNECTOR
PHOTO 15
See Ground
Distribution
(SD130-2)
See Vehicle Speed
Sensor System
(SD436-1)
See Illuminations
(SD941-2)
EVTSD7943AL
TACHOGRAPH
SD943-2TACHOGRAPH (2)
ON
Input
ILL.(+)
0.5L
G01
FUSE
BOX
HOT IN ON HOT AT ALL TIMES
0.5L
FUSE 4
10A
0.85Gr
FUSE 23
10A
3 M24
M24
0.5G/O
2
0.5B
5
JOINT
CONNECTOR
JOINT
CONNECTOR
M786
4 M78
See Passenger
Compartment Fuse Details
(SD120-1)
Memory
Power
Ground
TACHOGRAPH
0.5Gr
1
M7720
M7716
0.85B
0.85B
M8419
M8410
PHOTO 15
PHOTO 19 PHOTO 15
PHOTO 8
ELECTRONIC
(D4AF/D4AL)
See Passenger
Compartment Fuse Details
(SD120-5)
JOINT
CONNECTOR
PHOTO 15
See Ground
Distribution
(SD130-2)
0.5B
4
20
See Illuminations
(SD941-1)
EVTSD7943BL
TACHOGRAPH
TACHOGRAPH (3) SD943-3
CR06F017 CR20F001
M24 M45
*
2 1
5 4 3
9 8 7
*
* * * * * * * *
* * * * * *
12 11
BLANK BLANK
EVTSD7943CL
TACHOGRAPH
SD943-4TACHOGRAPH (4)
MEMO
EVTSD7943DL
PREHEATING SYSTEM E4AF3C26
D4AF/D4AL
+
-
BATTERY
0.5B/O
Memory Power
Air Heater Relay Control
Start Switch
12 MC02
7172 M56-1
0.85B/O
2.0B/O
2.0B/O
1 C42
0.5G/O
13
0.85G/O
1 C43
BATTERY
GROUND
START
MOTOR
BODY
GROUND
AIR
HEATER
RELAY
ETACM
INTAKE
AIR
HEATER
AIR
HEATER
RELAY
FUSE
0.5B/O
1 C44
START
SOLENOID
10 MC01
14 M56-1
1 C13
0.85Gr
0.5Gr0.5Gr
HOT AT ALL TIMES
FUSE 23
10A
FUSE 12
10A
JOINT
CONNECTOR
FUSE
BOX
20 M77
1718 M77
+
-
BATTERY
EC024
0.5L/B
0.5L/O
0.5L/B
MC029
0.85Y
E07-12
1
See Indicators & Gauges
(SD940-2)
ENGINE
COOLANT
TEMPERATURE
SENSOR
M36-32
INSTRUMENT
CLUSTER
See
Charging System
(SD373-2)
M36-411
86 M56-1
GLOW
M56-2
M47
3
M56-298
MC016
GENERATOR
(L, S)
E10
E07-1
2
0.85Y
0.5Y
EC022
0.85Y
0.5Y
COLD
START
SWITCH
ON OFF ON OFF
IND.
HOT IN ON
FUSE 4
10A
JOINT
CONNECTOR
16
14 1
See Passenger
Compartment Fuse Details
(SD120-1)(SD120-2)
M78
6 M78
0.85O
0.5O 0.5L
0.5R
0.5O
64 7
M4721 3
0.5L/O 0.5L/O
'ON' Input
Cold Start
Switch
Engine Coolant
Temperature Input
Glow IND.Engine
Running Input
0.5L
0.5L/O0.5L/O
0.5Br/B
0.5B
0.5B
See Ground
Distribution
(SD130-1)
See
Starting System
(SD360-1)
G01
SD950-1PREHEATING SYSTEM (1)
See Passenger
Compartment
Fuse Details
(SD120-5)
DIODE
Z01
See Exhaust
Parking Brakes
(SD596-1)
PHOTO 50
PHOTO 50
PHOTO 4
PHOTO 15
PHOTO 19
PHOTO 10
PHOTO 4
PHOTO 50
PHOTO 52
PHOTO 15
PHOTO 51
PHOTO 4
PHOTO 7
PHOTO
60
PHOTO
24
PHOTO
3
PHOTO
51
PHOTO
4
EVTSD7950AL
PREHEATING SYSTEM
BLANK BLANK
BLANK
CR14F007
M36-3
* * * * * * * * *11 245 3
SD950-2PREHEATING SYSTEM (2)
CR01F002 CR01F020 CR01F038 CR01F035
C13 C42 C43 C44
CR07F002
CR02F064 CR02F012 CR02F002
CR12F001
CR20F001 CR16F002
E07-1 E10(D4AF) E10(D4AL)
M36-4 M47
M56-1 M56-2
11 1
2 1
1
2
1
2
*67 4
123
12 11 10 9 8 3 2 1
* * * *
* * * *
* *
8 6 5 4 3 2
15 14 13 1220 19 18 17
4 15678
**
*15 1316 14 11 10 9
EVTSD7950BL
ETACS E696EAD5
SD952-1ETACS (1)
16 M78
14 M78
5
INSTRU-
MENT
CLUSTER
SEAT
BELT
M36-210
ETACM
M36-32
0.5B/O
12
0.5L
See Wiper & Washer
(SD981-1)
See Power Door Locks
(SD813-1)
Wiper
Relay
Control
Washer
Switch
"ON" Input Seat Belt
IND.
Door
Switch
RHLHLockUnlock
Start
Switch
Power Door Lock
Actuator Control
Power Door
Relay Control
Memory power
See Courtesy
Lamps
(SD929-1)
15
0.5O
M56-1M56-2 M56-214
0.5R/O
13
0.5P
14
0.5R/B
10
0.5W/O
4
0.5Br
INT.
Wiper
Switch
INT.
Volume
Ground
11
0.5R/O
(D4AF/D4AL)
0.5R/B(D4DD)
M56-14 M56-26 M56-16
0.5Gr
0.5Gr
0.5Gr
0.5Gr
M56-215
0.5Y/O
18
0.5Y/B
13
0.5Br
M56-13
0.5Y
8
0.5R
2
0.5G/O
17
0.5B/O
8
0.5L/O
79
0.5Br/B 0.5B/O
M56-216
MM013
M1021
M1022
MM019
JOINT
CONNECTOR
See Outside Mirror
Defogger
(SD879-1)
See Preheating System(D4AF/D4AL)
(SD950-1)
See Power
Windows
(SD824-1)
See Charging
System
(SD373-1)
(SD373-2)
13
SEAT
BELT
SWITCH
0.5Y
0.5B
0.5B
1.25B
1.25B
Air Heater
Relay Control
MM066
0.5Y 0.5Y
0.5Y
M382
Defogger
Switch
"ON" Input
Defogger
Relay
Control
Glow
IND.
Engine
Running
Input
Power Window
Relay Control
Cold Start
Switch
Engine Coolant
Temperature Input
Seat Belt
Switch
0.85Gr 0.85O
HOT AT ALL TIMES HOT IN ON
FUSE
BOX
FUSE 23
10A
FUSE 12
10A
JOINT
CONNEC-
TOR
JOINT
CONNEC-
TOR
20 M77
1718 M77
G01G02
D4AF/D4ALD4DD
PHOTO 17
PHOTO 27
PHOTO 15PHOTO 1
PHOTO 7
PHOTO 7
PHOTO 20
M56-119
D4DD
20
MM0711
0.5B
0.5B 0.5B
0.5B
D4DD
PHOTO 20
18
0.5B 0.5B/O0.5B
0.5B
0.5B
5
0.5B
0.5B
D4DD
See Ground
Distribution
(SD130-3)
PHOTO
24/26
D4AF/
D4AL
D4AF/
D4AL
D4AF/
D4AL
1
0.5Gr
0.5Gr
D4AF/D4ALD4DD
D4DD
D4DDD4DD
D4DD D4AF/D4AL
0.5O 0.5Y/O
D4AF/D4AL
D4AF/D4ALD4AF/D4AL
MM071
0.5O
0.5O
10
0.5Y/O
0.5Y/O
0.5O
See Passenger
Compartment
Fuse Details
(SD120-2)
See Passenger
Compartment
Fuse Details
(SD120-5)
MM0715
PHOTO 20
PHOTO
20
PHOTO
19
PHOTO
15
PHOTO
10
EVTSD7952AL
ETACS
SD952-2ETACS (2)
CR02F046
M102
CR14F007
M36-3(D4DD)
* * * * * * *11 6 58 24 3
CR14F007
M36-3(D4AF/D4AL)
* * * * * * * * *11 245 3
CR14F007
M36-2(D4AF/D4AL)
14 13 12 11 10 9 8 7 5 2 14 3
*
CR14F007
M36-2(D4DD)
14 13 11 10 9 8 7 5 2 14 3
**
CR20F001
M56-1(D4DD)
* * * * **
** *
6 5 4 3
15 14 13 1220 19 18
CR20F001
M56-1(D4AF/D4AL)
* * * *
* *
8 6 5 4 3 2
15 14 13 1220 19 18 17
CR16F002
M56-2(D4DD)
4 156
****
**15 1316 14 11 10
CR16F002
M56-2(D4AF/D4AL)
4 15678
**
*15 1316 14 11 10 9
2 1
BLANK BLANK BLANK
EVTSD7952BL
AUDIO SYSTEM E24ECCFC
SD961-1AUDIO SYSTEM (1)
7 M26
14 M261011
12493
G01
AUDIO
SPEAKER
LH
2 D03
1 D03
SPEAKER
RH
2 D13
1 D13
2 MD023 2 MD043
Speaker LH Speaker RH
See Illuminations
(SD941-2)
ANTENNA
ILL. (+)ACC/ON
Input
Memory
Power
Ground(+) (+)(-) (-)
0.85Gr0.85L/O
0.5Gr 0.5G/O0.5L/O
0.5Y/O 0.5Gr/O 0.5Gr/B0.5Y/B
0.5Y/O 0.5Gr/O 0.5Gr/O 0.5B0.5Y/O
HOT IN ACC OR ON
FUSE
BOX
FUSE 36
15A
HOT AT ALL TIMES
FUSE 23
10A
18 M77
20 M77
JOINT
CONNECTOR
See Passenger
Compartment
Fuse Details
(SD120-5)
See Passenger
Compartment
Fuse Details
(SD120-7)
PHOTO 15
PHOTO 38PHOTO 37
PHOTO 7 PHOTO 24
PHOTO
15
PHOTO
11
EVTSD7961AL
AUDIO SYSTEM
SD961-2AUDIO SYSTEM (2)
CR02F010 CR02F010 CR14F001
D03 D13 M26
BLANK
2 1 2 1
4 3
***
* *
*14 12 11 10 9 7
EVTSD7961BL
HORN EBE1D3AB
SD968-1HORN (1)
5 MC02
0.85Y
0.85G
0.85B0.85G/O 0.85G
0.85Y
0.85Y
0.85Y
FUSE
BOX
5 M79
1 M79
JOINT
CONNECTOR
See Ground
Distribution
(SD130-3)
See Ground
Distribution
(SD130-4)
13 M78
JOINT
CONNECTOR
G02
0.85B
1.25B
RELAY
BOX
FUSE 14(D4AF/D4AL)
FUSE 19(D4DD)
10A
HOT AT ALL TIMES
MC024
MULTIFUNCTION
SWITCH
MULTIFUNCTION
SWITCH
(on steering column)HORN
SWITCH
0.85G
0.85G
MC065
M43-11
HORN
SWITCH
M43-11
6 MC06
0.85Y
0.85Y
0.85Y
See Passenger
Compartment Fuse Details
(SD120-3)(SD120-4) D4AF/D4ALD4DD
D4AF/D4ALD4DD
HORN
1 C18
2 C18
PHOTO 19
PHOTO 34
PHOTO 20 PHOTO 4
PHOTO 1
PHOTO 1
PHOTO 18
PHOTO 18
PHOTO 20 PHOTO 4
PHOTO
1
HORN
RELAY
3 M881
5 M882
EVTSD7968AL
HORN
SD968-2HORN (2)
CR02F003 CR14F019 CR05F011
C18 M43-1 M88
BLANK
2 1
3 2
1213
1
714 891011
***
*
2
5 3
1
EVTSD7968BL
BLOWER & A/C CONTROLS E584ED1E
SD971-1BLOWER & A/C CONTROLS (1)
0.5O0.85P
0.5R
0.5R 0.5L/B2.0P
2.0L
2.0O
0.5B
0.85O
0.5O0.5B 0.5G/O
0.5B
2.0O
To Condenser
Fan Relay
(SD971-2)
To Ground
(SD971-2)
0.85O
0.85L/O 0.85G 0.85G/O 1.25L 0.5R/B 0.5W 0.5B/O 0.5W 0.5W
BLOWER
MOTOR
To A/C Relay (SD971-2)
From Condenser
Fan Relay
(SD971-2)
See Illuminations
(SD941-1)
See Illuminations
(SD941-1)
See Illuminations
(SD941-2)
56 M21
473218 M21
3 M27
24156 M27
BLOWER
SWITCH
FUSE 34
15A
FUSE
BOX
HOT AT ALL TIMES HOT IN ON
FUSE 3
10A
BLOWER
RELAY
1 A15
2 A15
1 A18
2 A18
M
4
5
G01
1.25B
3 4 MA02
JOINT
CONNECTOR
13 M80
1211 M80
BLOWER
RESISTOR
Thermistor
IIII
IIIIII
EVAPO-
RATOR
SENSOR
10 MA02
A
D
C
B
OFF
CONTACT
POINT
A/C
SWITCH
ILL.
M64215
M64634
IND.
6
0.85B
0.5B
0.5G/O 0.5O 0.5B
REC.
VENT DEF.
DEF/
FOOT
FOOTBI-
LEVEL
ILL.
FRE.
0.5B 0.5B/O
0.5B/O 0.5R
0.5B 0.5B
0.5W 0.5G 0.5L0.5Y0.5R
0.5O
0.5R
M28
INTAKE
SWITCH
INTAKE
ACTUA-
TOR
MODE
SWITCH
MODE
ACTUA-
TOR
3
M332
M3374563
M297
M296
4513
1
A194
A196
42
16
7 MA02
M285
M
M MODE CONTROL
JOINT
CONNECTOR
1412 M7713
11 M77
PHOTO 9
PHOTO 15
PHOTO
22
PHOTO 15
PHOTO 21
PHOTO
9
PHOTO
23
PHOTO
9
PHOTO
8
PHOTO
14
PHOTO 19
PHOTO 21
PHOTO
22
PHOTO
22
PHOTO
21
See Ground
Distribution
(SD130-2)
See Ground
Distribution
(SD130-2)
EVTSD7971AL
BLOWER & A/C CONTROLS
SD971-2BLOWER & A/C CONTROLS (2)
3 4
A161 2
CONDENSER
FAN RELAY
FUSE
BOX
HOT AT ALL TIMES
A
To A/C Switch
(SD971-1)
From FUSE 3 10A
(SD971-1)
9
0.85G
2.0G
5
2.0R
0.5L/B
M
C15
MC02(D4AF/D4AL)
MC05(D4DD)
1
C152
CONDENSER
FAN MOTOR
0.85R
A/C
PRESSURE
SWITCH
C212
C211
0.85Gr/O
1.25B
B
0.5W
FUSE 33
15A(D4AF/D4AL)
20A(D4DD)
A173 4
A171 2
1
3
12
0.85R(D4AF/D4AL)
1.25R(D4DD) MC01(D4AF/D4AL)
MC06(D4DD)
13
16
0.5W
A/C
RELAY
From Evaporator Sensor
(SD971-1)
C
0.5R/B
8
11
0.5R/B
C221
0.85Gr/O 0.5B
0.85Gr/O
2.0G
1.25B
A16
A/C
COMPRESSOR
0.85G/W
MA02
0.5B
0.5B
0.5B
1.25B
From
Blower Relay
(SD971-1)
G02
1.25B
1.25B
JOINT
CONNECTOR
7 M81
5 M81
2 MA02
D
PHOTO 45
PHOTO 23
PHOTO 4/20
PHOTO 4/20
PHOTO 23
PHOTO 21
PHOTO 21
PHOTO 23
PHOTO 50
IDLE UP
MAGNETIC
VALVE
PHOTO 45
PHOTO 44
See Ground
Distribution
(SD130-4)
See Ground
Distribution
(SD130-5)
G03
M
C201
C202
CONDENSER
FAN MOTOR
(TCI)
0.85R
0.85R
1.25B
1.25B
PHOTO 48 PHOTO 1
PHOTO 45
CONDENSER
FAN MOTOR
(NA)
PHOTO 45
M
C151
C152
0.85R
0.85B
D4AF/D4ALD4DD
D4AF/D4AL D4DD
D4AF/D4AL D4DD
0.85G/O
0.85G/O0.85G/O
0.85B
0.85G/O
0.85G/O 0.85G/O
12 M99-3
MAIN
ECM
PHOTO 4
0.5G/O
14 MC06
PHOTO 20
1 C40
2 C40
EVTSD7971BL
BLOWER & A/C CONTROLS
BLANK
SD971-3BLOWER & A/C CONTROLS (3)
CR05F001 CR04F001 CR04F001 CR02F012
A15 A16 A17 A18
CR07F009
A19
1
5
4 2
2 1
4 3
2 1
4 3
1
2
CR02F075
C15(D4AF/D4AL)
2 1
CR02F075
C20
2 1
CR02F075
C40
2 1
CR02F025
C21
2 1
CR02F040
C15(D4DD)
2 1
CR01F001
C22(D4AF/D4AL)
1
CR01F020
C22(D4DD)
1
CR06F002CR08F010
M21 M27
2 1
7 6 5 4
3
8
3 2 1
6 5 4
CR06F003 CR07F002
M28 M29
2 1
6 5 4 3 7 6 5 4
1
*3
6 4
*
*
*
* *
*
CR06F017CR08F010
M33 M64
*
2 1
7 6 5 4
3 2 1
6 5 4 3
CR32F004
M99-3
******
*** ** *
*****
*
1
812 11
192024
13
234567
EVTSD7971CL
BLOWER & A/C CONTROLS
SD971-4BLOWER & A/C CONTROLS (4)
MEMO
EVTSD7971DL
WIPER & WASHER EDF7C44D
SD981-1WIPER & WASHER (1)
FUSE
BOX
FUSE 5
15A
HOT IN ON
1.25L
RELAY
BOX
1 M124
5 M122
M8010
MM026
M80985
WIPER
RELAY
(HIGH)
WIPER
RELAY
(LOW)
3M114 1
2 M115
3
0.85W
0.85L 0.85L
0.5L/B 0.5L 0.85R/O 0.85Y/O 0.85B/O
1.25L
0.85L
0.85L
MM027
M
CON-
DEN-
SER-
HI
2
4 M313 1
M31
5
LO
WIPER
MOTOR
M
WASHER
MOTOR
M1072
M1071
JOINT
CONNECTOR
M7715
M7711
See Ground
Distribution
(SD130-2)
Washer
Switch
INT LO
HI
INT
WASHER
SWITCH
OFF
ON
WIPER
SWITCH
0.5B0.5B 0.5B
0.5B
MULTIFUNCTION
SWITCH
0.5B/O 0.5L
0.85B
0.85B
0.5B
0.85B
13 11 10 97
5
8 14 12
G01 G02
JOINT
CONNECTOR
JOINT
CONNEC-
TOR
M794
M795
0.5B/O
0.5B/O
7
OFF
D4DD
0.5B/O
0.5B/O
0.5B/O
MM0614
D4AF/
D4AL
D4AF/
D4AL
ETACM
M56-112
D4DD
0.5L
0.5L
0.5L0.5Br
MM07
M43-1
M43-1
8
D4AF/
D4AL
INT.
Wiper
Switch
Wiper
Relay
Control
M56-24
0.5Br
0.5Br
MM0615
D4AF/
D4AL
INT.
Volume
10
D4DD D4DD
0.5W/O
0.5W/O
0.5W/O
7
See Ground
Distribution
(SD130-3)
See Ground
Distribution
(SD130-4)See Ground
Distribution
(SD130-1)
0.85B
1.25B
0.85B
D4DD D4AF/D4AL
PHOTO 33
PHOTO 18
PHOTO 19
PHOTO 15
PHOTO 15 PHOTO 1
PHOTO 1
PHOTO
20
PHOTO
14
PHOTO
1
PHOTO
20PHOTO
20
PHOTO
23
PHOTO
24/26
PHOTO
23
EVTSD7981AL
WIPER & WASHER
SD981-2WIPER & WASHER (2)
BLANK BLANK BLANK
* * * * **
** *
6 5 4 3
15 14 13 1220 19 18
CR20F001
M56-1(D4DD)
* * * *
* *
8 6 5 4 3 2
15 14 13 1220 19 18 17
CR20F001
M56-1(D4AF/D4AL)
4 156
****
**15 1316 14 11 10
CR16F002
M56-2(D4DD)
4 15678
**
*15 1316 14 11 10 9
CR16F002
M56-2(D4AF/D4AL)
CR05F019 CR05F019 CR06F017 CR14F019
M11 M12 M31 M43-1
CR02F075
M107
1
3
5
4 2
1
3
5
4 2
2 1
*** 3 2
121314 8
1
791011
*
2 1
5 4 3
EVTSD7981BL
COMPONENT LOCATIONS E7F78BCE
EVTCL70001L
COMPONENT LOCATIONS
EVTCL70002L
COMPONENT LOCATIONS
EVTCL70003L
COMPONENT LOCATIONS
EVTCL70004L
COMPONENT LOCATIONS
EVTCL70005L
COMPONENT LOCATIONS
EVTCL70006L
COMPONENT LOCATIONS
EVTCL70007L
COMPONENT LOCATIONS
EVTCL70008L
COMPONENT LOCATIONS
EVTCL70009L
COMPONENT LOCATIONS
EVTCL70010L
COMPONENT LOCATIONS
EVTCL70011L
COMPONENT LOCATIONS
EVTCL70012L
HARNESS CONNECTORS E1917FB2
CC-1HARNESS CONNECTORS (1)
CC01
CC03
CC05
CA03
CC02
CC04
CC06 EC02
CR02B006
CR08B005
CR02B005
CR02B006
CR02B005
CR02B011
CR20B007
CR02B006
CA01 CA02
CR14B011 CR11B004
9876543
19 20
1 2
15 16 17 181412 131110
9 8 7 6 5 4 3 2
1920
1
15161718 14 13 1112 10
1
2
1
2
1
2
1
2
6 5 4 3 2
121314 891011
*
*
32 654
12 13 148 9 10 11
*
*
4 3 2 1
11 10 9 8 56
*
4321
1110985 6
*
1
*
1
*
2 1 1 2 2 1 1 2
1 22 1
4 3 2 1
8 7 6 5
1 2 3 4
5 6 7 8
EVTCC7001AL
HARNESS CONNECTORS
CC-2HARNESS CONNECTORS (2)
EC04
MA02
MC02
MA01
MC01
MC03 MC04
CR11B004
CR14B011
CR18B005
CR08B005
CR18B005
CR06B009
CR42B001
CR08B006
EC01 EC03
CR02B020
1
101112151617
192021
232425
2829
31323435
26789
***
*
*
*
* * * * * *
*
*
* *
*
*
1
10 11 12 15 16 17
19 20 21
2423 25
28 29
31 32 34 35
2 6 7 8 9
* * *
* *
*
*
**
** ** **
**
*
2 1 1 2
4 3 2 1
8 7 6 5
1 2 3 4
5 6 7 8
1 2 3
5 6 7 84
3
8
2
7 6 5 4
1 4 3 2 1
11 10 9 8 7 56
4321
1110985 6 7
* * *6 5 4 3 2
15161718 11121314 10 9
2 3 4 5 6
11 12109 16151413 17 18
*** 6 58 7 4 3 2 1
15161718 11121314 10 9
21 3 4 5 6 7 8
11 12109 16151413 17 18
3 2 1
6 5 4
1 2 3
4 5 6
6 5 4 3 2
121314 8
1
791011
32 654
12 13 148
1
7 9 10 11
EVTCC7001BL
HARNESS CONNECTORS
CC-3HARNESS CONNECTORS (3)
MD02
MD04
MM02
MD01
MD03
MM01
MM03 MM04
CR06B006
CR02B012
CR10B006
CR06B006
CR10B006
CR04B013
CR08B006
CR08B006
MC05 MC06
CR18B005 CR20B007
58 4 3 2 1
15161718 11121314 10 9
* * 21 3 4 5 8
11 12109 16151413 17 18
* * 9876543
19 20
1 2
15 16 17 181412 131110
9 8 7 6 5 4 3 2
1920
1
15161718 14 13 1112 10
1 2
3 4 5 6
2
6 5 4
1
3
1 2 3
4 5 6 7 8
3
8
2
7 6 5
1
4
1 2
3 4 5 6
2
6 5 4
1
3
3
8
2
7 6
1
4
*
1 2 3
4 6 7 8
*
4 3 2 1 1 2 3 4
*
*
*
*
*
*
* 876
* *
*
*
*
*
* 8 7 6*
*
*
*
32
9876
*
*
*
*
3 2
9 8 7 6
2 1 1 2
EVTCC7001CL
HARNESS CONNECTORS
CC-4HARNESS CONNECTORS (4)
MM06 MM07
CR18B005 CR20B007
4 3 27 6 1
1517 1314 10
**
* * * **
21 3 6 74
11 12109 16151413 17
* *
*
8 6 5 3 2 1
15161718 11 10
* *
*
*
** **
86531 2
15 16 17 181110
*
* **
**
**
EVTCC7001DL
JOINT CONNECTORS EFA3F682
CC-5JOINT CONNECTORS (1)
M77
M79
M81
M76
M78
M80
M84
CR14B012
CR08B027
CR20B022
CR20B022
CR20B022
CR08B027
CR20B022
M38 M54
CR14B019 CR20B022
3 2 1456
13
7
14 11 9
* * *
17 16 15 14 13 11
9 8
12
10 7 6 5
* * *
* * * *
17 16 1520 19 18 14 13 11
9 8
12
7 6 5 4 3 2 1
*
17 16 1520 19 18 14 13 11
910 8
12
7 6 5 4 3 2 1
3 2 1
7
4
58 6
2 14567
*
* * * * * * *
1720 19 18 14 13 11
910 8
12
7 5 4 3 2 1
*
* *
3 2 1
7 58 6
*
17 16 1520 19 18 14 13 11
910 8
12
7 6 5 4 2 1
* BLANK
EVTCC7002AL
MAIN HARNESS E5ACE9B5
HL-1MAIN HARNESS (1)
D4DD:
M36-1
M43-1,2
M36-2 M36-4
M36-3
M50
M37M76 M63
M27
M26
M28
M64
M29 M67 M30
M65 M68 M79
M78
M54
M80 MA01
G02
MM06,
MM07
MC01~MC06
MM04
MA02
MM03
MD03
MD04
M56-1
M56-2
M81
MM02
M59
M53
M42 M55
M41
M32
M34/M39
M87
G01M33
M31 M19
M23
M22 Relay box
(M01~M16,
M86~M97)
FUSE BOX
M21
M60 M57
M58
M25
M44
N17/M47
M46
M38
M72
MD01
MD02
M49
M48
M75
MM01
M52
M51 M71M99-1,2,3
M77 M62
M98M45
M10
D4AF/D4AL:
EVTHL7001AL
MAIN HARNESS
HL-2MAIN HARNESS (2)
MAIN HARNESS
Front fog lamp relay
Tail lamp relay
Power window relay
Power door lock relay
Power door unlock relay
Outside mirror defogger relay
PTO relay
Dump relay
Flasher unit
Wiper relay(High)
Wiper relay(Low)
Head lamp relay(High)
Head lamp relay(Low)
ABS relay
Rear fog lamp relay(D4AF/D4AL)
Idle up/down switch(D4DD)
Rear fog lamp warning buzzer(D4AF/D4AL)
Evaporator sensor
High speed warning buzzer(D4AF/D4AL)
Dump warning buzzer
Tachograph(Electronic)(D4AF/D4AL)
Audio
Blower switch
Intake switch
Mode switch
Ashtray ILL.
Wiper motor
Accelerator pedal position switch
Mode actuator
Parking brake switch
(With double cab)(D4AF/D4AL)
Instrument cluster
Instrument cluster
Instrument cluster
Instrument cluster
PTO switch
Joint connector
Engine PTO cab in switch(D4DD)
Stop lamp switch
Ignition switch
M01
M02
M04
M05
M06
M07
M08
M09
M10
M11
M12
M13
M14
M15
M16
M17
M19
M21
M22
M23
M24
M26
M27
M28
M29
M30
M31
M32
M33
M34
M36-1
M36-2
M36-3
M36-4
M37
M38
M39
M41
M42
M43-1
M43-2
M44
M45
M46
M47
M48
M49
M50
M51
M52
M53
M54
M56-1
M56-2
M57
M58
M59
M60
M62
M63
M64
M65
M67
M68
M71
M72
M73
M75
M76
M77
M78
M79
M80
Multifunction switch(Wiper)
Multifunction switch(Lamp)
Head lamp leveling
switch(D4AF/D4AL)
Tachograph(Cassette type)
Brake fluid level sensor
Cold start switch(D4AF/D4AL)
PTO clutch pedal position
switch(D4AF/D4AL)
Exhaust brake clutch
pedal position switch
Head lamp LH
Position lamp LH
Front turn signal lamp LH
Head lamp leveling
actuator LH(D4AF/D4AL)
Joint connector
ETACM(D4AF/D4AL)
ETACM(D4AF/D4AL)
Head lamp RH
Position lamp RH
Front turn signal lamp RH
Head lamp leveling
actuator RH(D4AF/D4AL)
Hazard switch
Front fog lamp switch
A/C switch
Defogger switch
Rear fog lamp switch(D4AF/D4AL)
Cigarette lighter
Vacuum switch(D4DD)
Data link connector
High speed warning
device(D4AF/D4AL)
Working lamp switch
Joint connector
Joint connector
Joint connector
Joint connector
Joint connector
M81
M84
M86
M87
M88
M90
M91
M93
M94
M97
M99-1
M99-2
M99-3
MA01
MA02
MC01
MC02
MC03
MC04
MC05
MC06
MD01
MD02
MD03
MD04
MM01
MM02
MM03
MM04
MM06
MM07
G01
G02
Z01
Z02
Z04
Z05
Z07
Joint connector
Joint connector
Rear fog indicator relay(D4AF/D4AL)
Overheat buzzer(D4AF/D4AL)
Horn relay(D4DD)
Fuel heater relay(D4DD)
Engine ECM relay(D4DD)
Exhaust brake relay(D4DD)
Glow relay(D4DD)
Overheat buzzer relay(D4AF/D4AL)
Main ECM(D4DD)
Main ECM(D4DD)
Main ECM(D4DD)
Connection With A.B.S Harness
Connection With AIR CON Harness
Connection With CHASSIS Harness(D4AF/D4AL)
Connection With CHASSIS Harness(D4AF/D4AL)
Connection With CHASSIS Harness
Connection With CHASSIS Harness(D4DD)
Connection With CHASSIS Harness(D4DD)
Connection With CHASSIS Harness(D4DD)
Connection With DOOR LH Harness
Connection With DOOR LH Harness
Connection With DOOR RH Harness
Connection With DOOR RH Harness
Connection With FLOOR LH Harness
Connection With FLOOR RH Harness
Connection With ROOF Harness(D4AF/D4AL)
Connection With MAIN(JUMP) Harness(D4AF/D4AL)
Connection With FLOOR CENTER Harness(D4DD)
Connection With FLOOR CENTER Harness(D4DD)
Ground
Ground
Diode(D4AF/D4AL)
Diode(D4AF/D4AL)
Diode(D4AF/D4AL)
Diode
Diode(D4DD)
EVTHL7001BL
CHASSIS HARNESS E4AB6D12
HL-3CHASSIS HARNESS (1)
D4AF/D4AL
C20
C21
C52
C17 C15
C18
C31 C40 C42 C43 C44 G03 C14 C11 C12 C57 C04 CC04 C03 G07 C32 C37 CC05 C07
C55
C05
C05-1
C53
CA02
CA01
MC03
MC02
MC01
C19
C16
C30C22 EC02EC03 C26C25 C01C24 C13C02
CC01~CC03
C34-1 C34-2 C36 C50 C08
EVTHL7002AL
CHASSIS HARNESS
HL-4CHASSIS HARNESS (2)
CHASSIS HARNESS(D4AF/D4AL)
SIDE MARKER HARNESS(D4AF/D4AL)
Sub start switch
Working lamp
Dump warning switch
Fuel sender
License lamp
License lamp(Europe)
Rear combination lamp LH
Rear combination lamp RH
Neutral switch
Back-up lamp switch
Battery
PTO control switch
Condenser fan motor(D4AF)
Front fog lamp LH
Horn
Front fog lamp RH
Condenser fan motor(D4AL)
A/C pressure switch
A/C compressor
PTO magnetic valve
Intake shutter valve
Exhaust magnetic valve
Front wheel sensor RH
Front wheel sensor LH
ABS hydraulic module
Vacuum switch
ABS relay box
ABS relay box
Rear wheel sensor RH
Rear wheel sensor LH
Idle up magnetic valve
Air heater relay
Air heater relay
Start solenoid
Back warning buzzer
C01
C02
C03
C04
C05
C05-1
C07
C08
C11
C12
C13
C14
C15
C17
C18
C19
C20
C21
C22
C24
C25
C26
C30
C31
C32
C33
C34-1
C34-2
C36
C37
C40
C42
C43
C44
C50
C52
C53
C55
C57
CA01
CA02
CC01
CC02
CC03
CC04
CC05
EC02
EC03
MC01
MC02
MC03
G03
G07
Z03
Rear marker lamp LH
Rear marker lamp RH
Rear fog lamp
Vehicle speed sensor
Connection With A.B.S Harness
Connection With A.B.S Harness
Connection With Fusible Link Box
Connection With Fusible Link Box
Connection With Fusible Link Box
Connection With SIDE MARKER Harness
Connection With SIDE MARKER Harness
Connection With ENGINE RH Harness
Connection With ENGINE Harness
Connection With MAIN Harness
Connection With MAIN Harness
Connection With MAIN Harness
Ground
Ground
Diode
C70
C72
C73
C74
CC04
CC05
Front outside marker lamp LH
Front outside marker lamp RH
Rear outside marker lamp LH
Rear outside marker lamp RH
Connection With CHASSIS Harness
Connection With CHASSIS Harness
EVTHL7002BL
CHASSIS HARNESS
HL-5CHASSIS HARNESS (3)
D4DD
C21
C17
C18
C15
C31 EC01 C42 C44G03 EC04 C14 C24C11 C12 C57 C49 C45C46 C03 C04 C32 C37 C07
C05
MC06
C10-1
C10-2
C75
MC05
MC03
MC04
CA03
C19
C30C22 EC02EC03 C26C25C39 C01 C13C02 CC06G05
CC01~CC03
C34-1 C34-2 C36 C08
EVTHL7002CL
CHASSIS HARNESS
HL-6CHASSIS HARNESS (4)
CHASSIS HARNESS(D4DD)
EXH M/V HARNESS(W/O DOUBLE CAB)
Sub start switch
Working lamp
Dump warning switch
Fuel sender
License lamp
Rear combination lamp LH
Rear combination lamp RH
Engine ECM
Engine ECM
Neutral switch
Back-up lamp switch
Battery
PTO control switch
Condenser fan motor
Front fog lamp LH
Horn
Front fog lamp RH
A/C pressure switch
A/C compressor
PTO magnetic valve
Intake shutter valve(With double cab)
Exhaust magnetic valve(With double cab)
Front wheel sensor RH
Front wheel sensor LH
ABS hydraulic module
ABS relay box
ABS relay box
Rear wheel sensor RH
Rear wheel sensor LH
Generator
Air heater relay
Start solenoid
Water separator sensor
Fuel heater
Fuel heater thermo switch
C01
C02
C03
C04
C05
C07
C08
C10-1
C10-2
C11
C12
C13
C14
C15
C17
C18
C19
C21
C22
C24
C25
C26
C30
C31
C32
C34-1
C34-2
C36
C37
C39
C42
C44
C45
C46
C49
C57
C75
CA03
CC01
CC02
CC03
CC06
EC01
EC02
EC03
EC04
MC03
MC04
MC05
MC06
G03
G05
Z03
Vehicle speed sensor
Can tool
Connection With A.B.S Harness
Connection With Fusible Link Box
Connection With Fusible Link Box
Connection With Fusible Link Box
Connection With EXH M/V Harness
Connection With ENGINE LH Harness
Connection With ENGINE RH Harness
Connection With ENGINE Harness
Connection With ENGINE PTO Harness
Connection With MAIN Harness
Connection With MAIN Harness
Connection With MAIN Harness
Connection With MAIN Harness
Ground
Ground
Diode(With double cab)
C25
C26
CC06
Z03
Intake shutter valve
Exhaust magnetic valve
Connection With CHASSIS Harness
Diode
EVTHL7002DL
ENGINE HARNESS EBAF4FA7
HL-7ENGINE HARNESS (1)
D4DD
E17 E05 E06 E10
EC03 EC02 E09E07-1
E11-1 E11-2 E11-3 E14 EC02 E07
E03E06
E11-4
E12
E13E15
E16
EC01
D4AF/D4AL
ENG LH ENG RH
EVTHL7003AL
ENGINE HARNESS
HL-8ENGINE HARNESS (2)
ENGINE HARNESS RH(D4AF/D4AL)ENGINE HARNESS
Generator
Connection With CHASSIS Harness
E17
EC03
Tachometer sensor
Oil pressure switch
Engine coolant temperature sensor
Overheat unit
Generator
Connection With CHASSIS Harness
E05
E06
E07-1
E09
E10
EC02ENGINE HARNESS LH(D4DD)
E11-1
E11-2
E11-3
E11-4
E12
E13
E14
E15
E16
EC01
Injector #1
Injector #2
Injector #3
Injector #4
N.E sensor
Rail pressure sensor
Boost pressure & air temperature sensor
SCV
Fuel temperature sensor
Connection With CHASSIS Harness
ENGINE HARNESS RH(D4DD)
E03
E06
E07
EC02
Cam speed sensor
Oil pressure switch
Engine coolant temperature sensor & sender
Connection With CHASSIS Harness
EVTHL7003BL
FLOOR & ROOF HARNESS E3E1BBD4
HL-9FLOOR & ROOF HARNESS (1)
FLOOR HARNESS LH
Seat belt switch
Parking brake switch(W/O double cab)
Cab tilting switch(W/O double cab)
Front door swtich LH
Rear door swtich LH(With double cab)
Connection With MAIN Harness
M102
M103
M104
M105
M118
MM01
FLOOR HARNESS RH
Front door swtich RH
Washer motor
Rear door swtich RH
Connection With MAIN Harness
M106
M107
M117
MM02
FLOOR CENTER HARNESS(D4DD)
ETACM
ETACM
Connection With MAIN Harness
Connection With MAIN Harness
M56-1
M56-2
MM06
MM07
ROOF HARNESS
Front room lamp
Endout marker lamp 'A'(W/O double cab)
Endout marker lamp 'B'(W/O double cab)
Rear room lamp(With double cab)
Endout marker lamp 'C'(W/O double cab)
Endout marker lamp 'D'(W/O double cab)
Endout marker lamp 'E'(W/O double cab)
Connection With MAIN Harness
M110
M112
M113
M114
M120
M121
M122
MM03
M112
M122
MM03
M103 MM01 M102
M113
M104
M105
M107 M56-1,2 M110
M106
MM02
MM06
M121
M114M120
MM07
EVTHL7004AL
DOOR HARNESS E80ED506
HL-10DOOR HARNESS (1)
DOOR HARNESS LH
Power window motor LH
Outside mirror defogger LH
Speaker LH
Side repeater lamp LH
Power window main switch
Power door lock actuator LH
Connection With MAIN Harness
Connection With MAIN Harness
D01
D02
D03
D04
D05
D06
MD01
MD02
DOOR HARNESS RH
Power window motor RH
Outside mirror defogger RH
Speaker RH
Side repeater lamp RH
Power window sub switch
Power door lock actuator RH
Connection With MAIN Harness
Connection With MAIN Harness
D11
D12
D13
D14
D15
D16
MD03
MD04
D06(D16) MD02(MD04)D04(D14)D03(D13)
D05(D15) D01(D11) D02(D12) MD01(MD03)
( ) : RIGHT
EVTHL7005AL
A.B.S & AIR CON HARNESS E5D56119
HL-11A.B.S & AIR CON HARNESS (1)
A.B.S HARNESS(D4AF/D4AL)
ABS control module
Connection With CHASSIS Harness
Connection With CHASSIS Harness
Connection With MAIN Harness
Ground
A01
CA01
CA02
MA01
G04
A.B.S HARNESS(D4DD)
ABS control module
Connection With CHASSIS Harness
Connection With MAIN Harness
Ground
A01
CA03
MA01
G04
G04
MA01
CA01/CA03 CA02
A01
AIR CON
A.B.S
AIR CON HARNESS
Blower relay
Condenser fan relay
A/C relay
Blower motor
Intake actuator
Connection With MAIN Harness
A15
A16
A17
A18
A19
MA02
A15 A18 A17 A16
MA02 A19
EVTHL7006AL

HD78 электросхема

  • 1.
    INTRODUCTION E103F6A0 GI-1INTRODUCTION (1) STARTINGSYSTEM (1) STARTING SYSTEM System name/ System code Component symbol Wire color SD360-1 E2RG360A START SOLENOID START MOTOR BATTERY BATTERY GROUND BODY GROUND MOTOR ENGINE LEVER MAGNETIC OVERRUNNING CLUTCH PINION GEAR FLYWHEEL WBB P R N D L 2 TRANSAXLE RANGE SWITCH ETACM IGNITION SWITCH ON ST ACC LOCK AM 6 R R M11 M11 E27 E27 8 C34 7 C34 5 2 3 M19 M19 3 M70-16 M1951 4 51 START RELAY E/R RELAY & FUSE BOX BURGLAR ALARM RELAY I/P JUNCTION BOX 4 FUSIBLE LINK(IGN) 30A 1 EE01 L B G10 1 EM01 1 EM03 PHOTO 08 PHOTO 01 PHOTO 08 PHOTO 08 PHOTO 09 PHOTO 04 PHOTO 06 PHOTO 07 PHOTO 05 PHOTO 03 PHOTO 02 W W G R R EM025 MC027 P P W Gr Gr B B B/Y See Ground Distribution Distinguish harness from harness connection connector3 Picture number for component locations 4 1 Harness classification 7 Connector classification number Connector terminal number 8 5 6 EVTGI70001L
  • 2.
    INTRODUCTION GI-2INTRODUCTION (2) Connector configurations (components) Explanation of connectorcode 2 M05 a : Connector manufacturer b : Terminal series number c : The number of connector terminals d : Connector distinguishing e : Connector color abbreviations KET_090II_04F_W 1 a b c d e 234 B (Black) Br (Brown) G (Green) Gr (Gray) L (Blue) R (Red) W (White) Y (Yellow) Female Pin : F Male Pin : M M05 KET_090II_04F_W KET_090II_10M_W AMP_PLM2_02F_B KET_090II_06M_W KUM_AR_04F_W KET_090II_10F_W M06 M11 M13 BLANK BLANK M81M67 *234 1 2 * * 4 5 6 8 9 10 1234 134 5678 12 1 2 3 4 5 6 Unused pin * ** STARTING SYSTEM (2) STARTING SYSTEM SD360-2 E2RG360B EVTGI70002L
  • 3.
    INTRODUCTION GI-3INTRODUCTION (3) Pages bysystem/ Name of Schematic diagram Each page is consisted of circuits by system. This schematic diagram includes the path of electricity flow, connection condition for each switch, and the function of other relevant circuits at once. It is applicable to real service work. 1 Connector configurations (connection between harnesses) The connector figure of components in the schematic diagram by system is indicated on the last page of schematic diagram. It shows the front of the connector on the harness side when not to the harness connector. The terminal number on each connector can be obtained by following the pattern used in 5 connector view and numbering order. Unused terminals are marked with an asterisk ( ). When connecting the harness with connector between harnesses, it shows female and male connectors and indicates them on the connector configurations group. To find the components easily, a component locations diagram is indicated with "PHOTO NO" on the lower portion of the component name. To make it easy to distinguish connectors, the connector in the picture is indicated being installed in the vehicle. Circuits by system depends upon part number and are indicated on schematic diagram index. 10 9 8 7 6 5 4 3 2122 12 17181920 16 15 1314 12 11 109876543 21 22 1 2 17 18 19 20161513 141211 EM02 PHOTO 03 3 2 1 6 5 4 1 2 3 4 5 6 3 2 1 6 5 4 1 2 3 4 5 6 Connector configuration (components)2 3 Component locations4 CONNECTOR VIEW AND NUMBERING ORDER5 It is very important to understand relevant circuits exactly before troubleshooting diagnosis. Male It is not the shape of the connector housing, but the connector pin that distinguishes between male or female connectors. When numbering female and male connectors, refer to the numbering order in the following table. Some connectors may not follow this method of numbering order. For individual detailed numbering, refer to the CONNECTOR CONFIGURATIONS. Female Remarks Locking point Housing Pin Locking point Pin Housing Numbered in order from upper right to lower left Numbered in order from upper left to lower right NOTE UNLESS OTHERWISE STATED, ALL CONNECTOR VIEWS ARE FROM THE TERMINAL SIDE OF THE CONNECTOR. * EVTGI70003L
  • 4.
    INTRODUCTION GI-4INTRODUCTION (4) WIRE COLORABBREVIATIONS The following abbreviations are used to identify wire colors in the circuit schematics. 6 A connector identification symbol consists of a wiring harness location classification symbol corresponding to a wiring harness location and number corresponding to the connector. These connector locations can be found in the HARNESS LAYOUTS. HARNESS CLASSIFICATION Electrical wiring connectors are classified according to the wiring parts in the Harness Layouts. 7 CONNECTOR IDENTIFICATION8 It depends on vehicles, it is necessary to check the harness name symbol on the harness layouts for detailed symbol. Black Brown Green Gray Blue Light Green Tan Orange Pink Red White Yellow Purple Light Blue the color of background the color of stripe For example: For example: For example: O P R W Y Pp LI B Br G Gr L Lg T Symbol Color of wire Symbol Color of wire E 10 -1 NOTE Connectors which connect each wiring harness are represented by the following symbols. JUNCTION BLOCK IDENTIFICATION A junction block identification symbol consists of a wiring harness location classification symbol corresponding to a wiring harness location and number corresponding to the connector in the junction block. M R 01 I/P- A Symbol indicating wiring harness (Engine wiring harness) Number corresponding to main connector (Serial Number) Number corresponding to sub-connector (Serial Number) Number corresponding to main connector (Serial Number) Rear wiring harness Main wiring harness Abbreviation of the word "Passenger compartment junction block" Connector name Y / B : Black stripe with yellow ground (2 colors)* Engine harness Main, Floor, Floor center, Roof harness Chassis, Side marker, EXH M/V harness Air con, A.B.S harness Door harness E A D LocationHarness nameSymbol C M Engine compartment Passenger compartment, Floor, Roof Under crash pad and Floor Door Chassis compartment EVTGI70004L
  • 5.
    INTRODUCTION GI-5INTRODUCTION (5) HARNESS LAYOUTS Harnesslayouts show the routing of the major wiring harnesses, the in-line connectors and the splices between the major harnesses. These layouts will make electrical troubleshooting easier. MM02 G14 G12 M26 M31 M34 M35 M32 M22 M21 M23 M25-1,2,3 MM01 MM03 M33 SM01 SM02 M36 MM04 M41 VIEW 'B' VIEW 'A' M30 Z03M29 M15 M13 M19-2 SM06 SM08 SM07 M37 M02 M03-1,2 MI04 MI06 MI03 MI05 M20 M11M16 Z01 G11 M14 MC06 MC05 MC04 M09-3 M09-1,2 MI01 Z02 Passenger Compartment Junction Block (I/P-E,F,G,H,J) EVTGI70005L
  • 6.
    SYMBOLS EBB531CD GI-6SYMBOLS (1) C O M P O N E N T G R O U N D S P L I C E S C O N N E C T O R W I R E Symbol Sec- tion Sec- tion Sec- tion Sec- tion Asolid line means the entire component is shown. Shows the name of each connector on the component location index for reference. Indicates the number of corresponding terminal. (Only relevant terminal on the corresponding schematic diagram). The dashed-line means each of two wires connect with same connector(E35) A broken line indicates only part of the component is shown. Meaning Symbol Meaning Symbol Meaning Symbol Meaning STOP LAMP SWITCH PHOTO 03 Female connector Male connector 10 M05-2 E35 R Y/L R Y/L 13 B A R Y/R A From C52 To MC02 G G G L L D I O D E TR C B E F U S E G E N E R A L C O M P O N E N T S Y M B O L L A M P Diode Led diode Zener diode Switch (1 contact point) Heater NPN PNP NPN PNP Power supplied at all times. Control battery power at all times Double filament Single filament Name Capacity HOT IN ON FUSE 10 10A DASH FUSE BOX C B E S H I E L D W I R E J O I N T C O N N E C T O R S L O W B L O W P O W E R G06 This means the connector connects directly to the component. This indicates a screw terminal on the component. This means power is supplied with the ignition on position. Identification Current rating This means the short bar connects to other fuses. This indicates the connector connects to a lead (pigtail), wired directly to the com- ponent. Automatic Transaxle Manual Transaxle This symbol means the end of the wire is attached to a metal part of the vehicle. This ground symbol (dot and 3 lines overlapping the com- ponent) means the housing of the component is attached to a metal part of the vehicle. The name of the component appears next to its upper right corner. Shows the number of pictures for component location. Splices are numbered and shown as a dot with circle. The exact location and con- nection of these splices may vary among vehicles. Wire choices for options or different models are labeled and shown with a "choice" bracket like this. Name of Circuit A wire connects to another circuit. The wire is shown again on that circuit which the arrow is pointing. Current path is continued on the same page or another page.The arrow shows the direction of current flow. You should look for the "A" in the marked position. A wavy line means the wire is broken but is to be continued. Wire insulation is yellow with a red strip. C O N N E C T O R This represents RFI (Radio Frequency Interference) Shielding around a wire. The shielding is always connected to ground. This is a connector showing the joining wires. These switches move together: a dashed line shows a mechanical connection between them. F/FOG FUSE 15A E/R FUSE & RELAY BOX HOT AT ALL TIMES G06 EVTGI70006L
  • 7.
    SYMBOLS GI-7SYMBOLS (2) Sec- tion Sec- tion G E N E R A L C O M P O N E N T S S Y M B O L G E N E R A L C O M P O N E N T S S Y M B O L R E L A Y Solenoid Injector Normally opencontact Motor Battery Condenser Speaker Horn, Buzzer, Siren, Chime Bell Sensor Sender M + - This is a relay shown with no current flowing through its coil. When a current flows through coil, contact will toggle. Diode interior relay Resistance interior relay Symbol Meaning Symbol Meaning EVTGI70007L
  • 8.
    TROUBLESHOOTING INSTRUCTIONS E69D8CAB GI-8TROUBLESHOOTINGINSTRUCTIONS (1) TROUBLESHOOTING INSTRUCTIONS TROUBLESHOOTING PROCEDURES TROUBLESHOOTING EQUIPMENT CAUTION The following five-step troubleshooting procedure is recommended. Turn on all the components in the problem circuit to check the accuracy of the customer's complaints. Note the symptoms. Do not begin disassembly or testing until you have narrowed down the probable causes. 1. Verify the customer's complaints Use a test lamp or a voltmeter on circuits without solidstate units and use a test lamp to check for voltage. A test lamp is made up of a 12-volt light bulb with a pair of leads attached. After grounding one lead, touch the other lead to various points along the circuit where voltage should be present. When the bulb goes on, there is voltage at the point being tested. SELF-POWERED TEST LAMP AND OHMMETER Use a self-powered test lamp or an ohmmeter to check for continuity. The ohmmeter shows how much resistance there is between two points along a circuit. Low resistance means good continuity. A number of circuits include solid-state modules, such as the Engine Control Module(ECM), used with computer command control injection. Voltage in these circuits should be tested only with a 10-megaohm or higher impedance digital multimeter. Never use a test lamp on circuits that contain solid state modules. Damage to the modules may result. VOLTMETER AND TEST LAMP Make a circuit test to check the diagnosis you made in step 2. Remember that a logical, simple procedure is the key to efficient troubleshooting. Narrow down the probable causes using the troubleshooting hints and system diagnosis charts. Test for the most likely cause of failure first. Try to make tests at points that are easily accessible. 3. Inspect the circuit/ component with the problem isolated Once the problem is found, make the necessary repairs. 4. Repair the problem Repeat the system check to be sure you have repaired the problem. If the problem was a blown fuse, be sure to test all of the circuits on that fuse. 5. Make sure the circuit works Locate the schematic for the problem circuit. Determine how the circuit is supposed to work by tracing the current paths from the power source through the system components to ground. If you do not understand how the circuit should work, read the circuit operation text. Also check other circuits that share with the problem circuit. The name of circuits that share the same fuse, ground, or switch, for example, are referred to on each diagram. Try to operate any shared circuits you did not check in step 1. If the shared circuit works, the shared wiring is okay, and the cause must be within the wiring used only by the problem circuit. If several circuits fail at the same time, the fuse or ground is a likely cause. 2. Read and analyze the schematic diagram TEST LAMP A voltmeter can be used in place of a test lamp. While a test lamp shows whether the voltage is present or not, a voltmeter indicates how much voltage is present. EVTGI70008L
  • 9.
    TROUBLESHOOTING INSTRUCTIONS GI-9TROUBLESHOOTING INSTRUCTIONS(2) Never use a self-powered test lamp on circuits that contain solid state modules. Damage to these modules may result. An ohmmeter can be used in place of a self-powered test lamp. The ohmmeter shows how much resistance there is between two points along a circuit. Low resistance means good continuity. Circuits which include any solid-state devices should be tested only with a 10-megaohm or higher impedance digital multimeter. When measuring resistance with a digital multimeter, the battery negative terminal should be disconnected. Otherwise, there may be incorrect readings. Diodes and solid-state devices in a circuit can make an ohmmeter give a false reading. To find out if a component is affecting a measurement, take one reading, reverse the leads and take a second reading. If different the solid-state device is affecting the measurement. Use a jumper wire with a fuse to by-pass an open circuit. A jumper wire is made up of an in-line fuse holder connected to a set of test leads. This tool is available with small clamp connectors providing adaption to most con- nectors without damage. CAUTION Do not use a fuse with a higher rating than the specified fuse that protects the circuit being tested. Do not use this tool in any situation to substitute an input or output at the solid-state control module, such as ECM, TCM, etc. CAUTION JUMPER WIRE WITH FUSE A short finder is available to locate a short to ground. The short finder creates a pulsing magnetic field in the shorted circuit and shows you the location of the short through body trim or sheet metal. SHORT FINDER SELF- POWERED TEST LAMP 5A TROUBLESHOOTING TEST This test measures voltage in a circuit. When testing for voltage at a con- nector, you do not have to separate the two halves of the connector. lnstead, probe the connector from the back(backprobe). Always check both sides of the connector because dirt and corrosion between its contact surfaces can cause electrical problems. A. Connect one lead of a test lamp or voltmeter to a ground. If you are using a voltmeter, be sure it is the voltmeter's negative test lead you have con- nected to ground. B. Connect the other lead of the test lamp or voltmeter to a selected test point(connector or terminal). C. If the test lamp glows, there is voltage present. If you are using a voltmeter, note the voltage reading. A loss of more than 1 volt from specification indicates a problem. 1. TESTING FOR VOLTAGE EVTGI70009L
  • 10.
    TROUBLESHOOTING INSTRUCTIONS GI-10TROUBLESHOOTING INSTRUCTIONS(3) A. Disconnect the battery negative terminal. B. Connect one lead of a self-powered test lamp or ohmmeter to one end of the part of the circuit you wish to test. If you are using an ohmmeter, hold the leads together and adjust the ohmmeter to read zero ohms. C. Connect the other lead to the other end. D. If the self-power test lamp glows, there is continuity. If you are using an ohmmeter, low or zero resistance means good continuity. 2. TESTING FOR CONTINUITY A. Disconnect the battery negative terminal. B. Connect one lead of a self-powered test lamp or an ohmmeter to the fuse terminal on the load side. C. Connect the other lead to a ground. D. Beginning near the fuse block move the harness from side to side. Continue this proceedure(about six inches apart) while watching the self-powered test lamp or ohmmeter. E. When the self-powered test lamp glows, or ohmmeter registers, there is a short to a ground in the wiring near that point. 3. TESTING FOR SHORT TO GROUNDHOT AT ALL TIMES DASH FUSE BOX SWITCH SOLENOID TEST LAMP OR VOLTMETER RON OFF G 4 M11 SELF- POWERED TEST LAMP OR OHMMETER STOP LAMP SWITCH SOLENOID G SELF-POWERED TEST LAMP OR VOLTMETER Short to ground Battery disconnected FUSE BOX (Fuse removed) Load disconnected SWITCH 4 M11 1 M11 R EVTGI70010L
  • 11.
    TROUBLESHOOTING INSTRUCTIONS GI-11TROUBLESHOOTING INSTRUCTIONS(4) A. Remove the blown fuse. Leave the battery connected. B. Connect the short finder across the fuse terminals. C. Close all switches in series in the circuit that is being testing. D. Turn on the short circuit locator. It sends pulses of current to the short. This creates a pulsing magnetic field around the wiring between the fuse box and the short. E. Beginning at the fuse box, slowly move the short finder along the circuit wiring. The meter will show current pulses through sheet metal and body trim. As long as the meter is between the fuse and the short, the needle will move with each current pulse. Once the meter is moved past the point of the short, the needle will stop moving. Check around this area to locate the cause of the short circuit. 4. TESTING FOR A SHORT WITH A SHORT FINDER SHORT FINDER FUSE BOX (Fuse removed) R 4 M11 SWITCH SOLENOID G Short to ground Battery disconnected M111 METER Move meter along wire Needle stops moving here Pulsing magnetic field Pulsing magnetic field EVTGI70011L
  • 12.
    FUSE & RELAYINFORMATION EBF7DCCF SD100-1FUSE & RELAY INFORMATION (1) <D4DD> <D4AF/D4AL> USE THE DESIGNATED FUSE ONLY FUSE 1 15A FUSE 2 5A FUSE 3 10A FUSE 4 10A FUSE 5 15A FUSE 6 5A FUSE 7 5A FUSE 8 10A FUSE 9 10A FUSE 10 15A FUSE 11 10A FUSE 12 10A FUSE 14 15A FUSE 15 10A FUSE 16 20A FUSE 17 10A FUSE 18 15A FUSE 19 10A FUSE 20 20A FUSE 21 20A FUSE 23 10A FUSE 24 15A FUSE 25 10A FUSE 26 10A FUSE 27 10A FUSE 28 10A FUSE 29 10A FUSE 30 10A FUSE 31 10A FUSE 32 5A FUSE 33 20A FUSE 34 15A FUSE 35 10A FUSE 36 15A FUSE 1 15A FUSE 2 5A FUSE 3 10A FUSE 4 10A FUSE 5 15A FUSE 6 5A FUSE 7 5A FUSE 9 15A FUSE 11 10A FUSE 12 10A FUSE 13 20A FUSE 14 10A FUSE 15 10A FUSE 16 10A FUSE 17 10A FUSE 18 15A FUSE 19 15A FUSE 23 10A FUSE 24 15A FUSE 25 10A FUSE 26 10A FUSE 27 10A FUSE 28 10A FUSE 29 10A FUSE 30 10A FUSE 31 10A FUSE 33 15A FUSE 34 15A FUSE 36 15A FUSE BOX EVTSD7100AL
  • 13.
    FUSE & RELAYINFORMATION SD100-2FUSE & RELAY INFORMATION (2) USE THE DESIGNATED FUSE ONLY CIRCUIT Working lamp switch Head lamp leveling actuator(D4AF/D4AL), Head lamp leveling switch(D4AF/D4AL), Head lamp relay(High/Low) Mode switch, Intake switch, A/C switch, Evaporator sensor, Blower relay, Condenser fan relay Wiper motor, Washer motor, Wiper relay(High/Low) ABS control module PTO relay, Dump relay, PTO control switch Main ECM(D4DD) Neutral switch(D4DD) Power window relay(D4AF/D4AL) Cab tilting switch, Flasher unit Power door lock relay, Power door unlock relay ABS relay box(Fail safe relay) Engine ECM relay(D4DD), Main ECM(D4DD) Fuel heater relay(D4DD) ETACM(D4AF/D4AL), Start solenoid, Sub start switch, Main ECM(D4DD) Head lamp LH(Lo) Head lamp RH(Lo) Head lamp LH(Hi), Instrument cluster(High-beam indicator) Head lamp RH(Hi) Hazard switch, Defogger switch, A/C switch, Front fog lamp switch, License lamp, Rear combination lamp LH, Rear fog lamp switch(D4AF/D4AL), Rear marker lamp LH(D4AF/D4AL), Front outside marker lamp(D4AF/D4AL), Cigarette lighter(D4DD) Position lamp RH, Front room lamp, Endout marker lamp, Rear combination lamp RH, Rear marker lamp RH(D4AF/D4AL), Rear outside marker lamp(D4AF/D4AL) Front fog lamp relay Engine PTO cab in switch(D4DD), Accelerator pedal sensor(D4DD), Exhaust brake clutch pedal position switch(D4DD), Stop lamp switch(D4DD), Multifunction switch(Exhaust brake switch)(D4DD), Idle up/down switch(D4DD) Blower relay Not used(D4DD) Cigarette lighter, Audio, Instrument cluster(Clock) Neutral switch(D4AF/D4AL), Main ECM(D4DD), Exhaust brake relay(D4DD) Cold start switch(D4AF/D4AL), Exhaust brake clutch pedal position switch(D4AF/D4AL), Tachograph, High speed warning device(D4AF/D4AL), High speed warning buzzer(D4AF/D4AL), Glow relay(D4DD), Fuel heater relay(D4DD), Exhaust brake relay(D4DD), ABS relay 15A 5A 10A 10A 15A 5A 5A 10A(D4DD) 15A(D4AF/D4AL) 10A(D4DD) 15A(D4DD) 20A 10A(D4AF/D4AL) 15A(D4DD) 10A 10A(D4AF/D4AL) 20A(D4DD) 10A 15A 15A(D4AF/D4AL) 10A(D4DD) 20A(D4DD) 20A(D4DD) 15A 10A 10A 10A 10A 10A 15A(D4AF/D4AL) 20A(D4DD) 15A 10A(D4DD) 15A WORKING LAMP HEAD LP (RELAY) A/CON D4AF/D4AL(COLD START), D4DD(TACHOGRAPH, GLOW, ABS), EXH. BRAKE WIPER WASHER A. B. S (ECU) P. T. O (OPT) D4DD(ENG ECU) D4AF/D4AL(SUB START), D4DD(ENG ECU, EXH BRAKE) D4DD(SUB START) D4AF/D4AL(OVERHEAT BZ), REVERSE LP, SPD SENSOR D4AF/D4AL(ALTR (R)), CLUSTER, ETACS D4AF/D4AL(P/WINDOW) D4AF/D4AL(STOP LP, HORN) D4DD(HEAT'G MIRROR) HAZARD, T/SIG LP, CAB TILT'G D4AF/D4AL(RR FOG LAMP) D4DD(P/WINDOW) C/DOOR LOCK A. B. S (VALVE) D4AF/D4AL(HEAT'G MIRROR) D4DD(STOP LP, HORN, DIAG CONN) D4DD(ENG ECU) D4DD(FUEL HEATER) D4DD(ETACS, TACHOGRAPH), AUDIO, ROOM LP, CLOCK START MOTOR HEAD LP (DIM. LH) HEAD LP (DIM. RH) HEAD LP (MAIN. LH) HEAD LP (MAIN. RH) FOG LAMP D4AF/D4AL(CONDENSER FAN) D4DD(A/C COMP, CONDENSER) HEATER BLOWER D4DD(ETACS) CIGAR, AUDIO, CLOCK 1 2 3 4 5 6 7 8 10 13 15 17 18 20 21 24 25 26 27 28 31 34 35 36 9 Overheat buzzer relay(D4AF/D4AL), Vehicle speed sensor, Back-up lamp switch, Water separator sensor(D4DD), Generator(D4DD)11 Instrument cluster(Indicator), ETACM, Generator(D4AF/D4AL)12 Data link connector(D4AF/D4AL), Stop lamp switch(D4AF/D4AL), Horn(D4AF/D4AL), Outside mirror defogger relay(D4DD)14 Rear fog lamp relay(D4AF/D4AL), Rear fog indicator relay(D4AF/D4AL), Power window relay(D4DD)16 Outside mirror defogger relay(D4AF/D4AL), Data link connector(D4DD), Stop lamp switch(D4DD), Horn(D4DD), Horn relay(D4DD)19 Instrument cluster(Clock), ETACM, Audio, Front room lamp, Rear room lamp, Tachograph23 Condenser fan relay, A/C relay33 29 TAIL LP (LH) 10A 30 TAIL LP (RH) 10A 32 D4DD(ENG ECU) 5A(D4DD) Fuse Description (A) Circuit protected 10A 10A 10A EVTSD7100BL
  • 14.
    FUSE & RELAYINFORMATION SD100-3FUSE & RELAY INFORMATION (3) USE THE DESIGNATED FUSE ONLY FUSIBLE LINK BOX BODY 40A ALTERNATOR 60A ABS 30A A/CON 30A IGN SW 30A ABS relay box(Pump motor relay) Fuse box(Fuse 33, Fuse 34) Ignition switch Relay box(Head lamp relay (High/Low), Tail lamp relay), Fuse box(D4AF/D4AL(Fuse 13~19), D4DD(Fuse 15~21), Fuse 31) Generator 30A 30A 30A 60A Description (A) Circuit protected ABS A/CON IGN SW ALTERNATOR 40ABODY CIRCUIT EVTSD7100CL
  • 15.
    FUSE & RELAYINFORMATION SD100-4FUSE & RELAY INFORMATION (4) USE THE DESIGNATED FUSE ONLY M01 FRONT FOG LAMP RELAY M15 ABS RELAY M05 POWER DOOR LOCK RELAY M06 POWER DOOR UNLOCK RELAY M07 OUTSIDE MIRROR DEFOGGER RELAY M08 PTO RELAY M09 DUMP RELAY M93 EXHAUST BRAKE RELAY M11 WIPER RELAY (HIGH) M12 WIPER RELAY (LOW) M13 HEAD LAMP RELAY (HIGH) M04 POWER WINDOW RELAY M14 HEAD LAMP RELAY (LOW) M90 FUEL HEATER RELAY M91 ENGINE ECM RELAY M02 TAIL LAMP RELAY M01 FRONT FOG LAMP RELAY M16 REAR FOG LAMP RELAY M97 OVERHEAT BUZZER RELAY M15 ABS RELAY M88 HORN RELAY M05 POWER DOOR LOCK RELAY M06 POWER DOOR UNLOCK RELAY M07 OUTSIDE MIRROR DEFOGGER RELAY M08 PTO RELAY M09 DUMP RELAY M11 WIPER RELAY (HIGH) M12 WIPER RELAY (LOW) M13 HEAD LAMP RELAY (HIGH) M04 POWER WINDOW RELAY M14 HEAD LAMP RELAY (LOW) M86 REAR FOG INDICATOR RELAY M02 TAIL LAMP RELAY M94 GLOW RELAY * 1 24 5 * 1 24 5 * 1 24 5 * 1 24 5 * 1 24 5 * 1 24 5 <D4DD> <D4AF/D4AL> 1 2 3 5 * 1 2 4 3 5 1 2 4 3 5 1 2 3 5 * 1 2 3 5 * 1 4 3 5 * 1 4 3 5 * 1 2 4 3 5 1 2 4 3 5 1 2 4 3 5 1 2 3 5 *1 4 3 5 * 1 4 3 5 * 1 4 3 5 * 1 4 3 5 * 1 2 3 5 * 1 2 3 5 * 1 2 3 5 * 1 2 3 5 * 1 234 5 1 234 5 * 1 24 5 * 1 24 5 * 1 24 5 * 1 24 5 * 1 24 5 1 234 5 1 234 5 RELAY BOX EVTSD7100DL
  • 16.
    POWER DISTRIBUTION EA007534 SD110-1POWERDISTRIBUTION (1) 1CC031 C131 CC012 3.0Y 3.0G 8.0W 3.0G BATTERY GROUND + - 1 FUSIBLE LINK BOX BATTERY + - BATTERY E17 ABS RELAY BOX START MOTOR GENE- RATOR 1 ABS FUSIBLE LINK 30A ALTERNATOR FUSIBLE LINK 60A A/CON FUSIBLE LINK 30A BODY FUSIBLE LINK 40A FUSE 34 15A FUSE 23 10A C34-21 3.0L3.0R HEAD LAMP RELAY (LOW) MC0363 M145 1.25G 3.0L 1.25O 2.0L 2.0L 3.0L 2.0L 0.5L 3.0R 1.25G/O 3.0R 3.0R CC022 M141 HEAD LAMP RELAY (HIGH) TAIL LAMP RELAY M135 M131 RELAY BOX 5 M02 4 M02 2 1 See Tail, Parking & License Lamps (SD928-1)(SD928-2) 2.0R FUSE BOX FUSE 15 10A A To IGN SW Fusible Link 30A (SD110-2) 2 8.0L 8.0L 8.0W EC031 5.0W 8.0L FUSE 33 15A(D4AF/D4AL) 20A(D4DD) FUSE 26 10A FUSE 25 10A FUSE 28 10A FUSE 27 10A FUSE 30 10A FUSE 29 10A FUSE 16 20A FUSE 17 10A FUSE 18 15A FUSE 19 10A FUSE 20 20A FUSE 21 20A FUSE 13 20A FUSE 14 10A FUSE 15 10A FUSE 16 10A FUSE 17 10A FUSE 18 15A FUSE 19 15A FUSE 31 10A D4DD D4AF/D4AL See Passenger Compartment Fuse Details (SD120-7) See Passenger Compartment Fuse Details (SD120-5) See Passenger Compartment Fuse Details (SD120-7) See Passenger Compartment Fuse Details (SD120-5)(SD120-6) See Passenger Compartment Fuse Details (SD120-3)(SD120-4) EVTSD7110AL
  • 17.
    POWER DISTRIBUTION SD110-2POWER DISTRIBUTION(2) 3.0W CC01 MC03 1 5 3.0W 2.0G 2.0L M426 M422 4 3 IGNITION SWITCH LOCK ACC ON START AM HOT WITH ENGINE ECM RELAY ON FUSE 36 15A FUSE 32 5A FUSE 24 15A FUSE BOX FUSE 35 10A FUSIBLE LINK BOX IGN SW FUSIBLE LINK 30A A From Battery Power (SD110-1) FUSE 1 15A FUSE 3 10A FUSE 4 10A FUSE 5 15A FUSE 6 5A FUSE 7 5A FUSE 8 10A FUSE 11 10A FUSE 12 10A FUSE 14 15A FUSE 9 15A(D4AF/D4AL) 10A(D4DD) FUSE 10 15A FUSE 2 5A 3.0O 3.0O 3.0O 3.0O D4AF/D4AL D4DD See Passenger Compartment Fuse Details (SD120-3) See Passenger Compartment Fuse Details (SD120-7) See Passenger Compartment Fuse Details (SD120-5) See Passenger Compartment Fuse Details (SD120-7) See Passenger Compartment Fuse Details (SD120-1)(SD120-2) EVTSD7110BL
  • 18.
    PASSENGER COMPARTMENT FUSEDETAILS EC996EEF SD120-1PASSENGER COMPARTMENT FUSE DETAILS (1) FUSE BOX RELAY BOX 4 MA02 11 M8012 13 M80 JOINT CONNECTOR 25 2 M90 FUEL HEATER RELAY HOT IN ON FUSE 1 15A 1.25W 1 M75 WORKING LAMP SWITCH 0.5O 2 M33 MODE ACTUATOR FUSE 3 10A 0.5O 1 M28 INTAKE SWITCH 0.5O 1 M64 A/C SWITCH 0.85O 5 M21 EVAPORATOR SENSOR 0.5R 0.5L/B 0.5O 4 A16 CONDENSER FAN RELAY 0.5R 4 A15 BLOWER RELAY FUSE 6 5A 1.25Br 1.25Br 0.85O 1 A01 ABS CONTROL MODULE 1 MA01 0.5L 1 M93 EXHAUST BRAKE RELAY 0.5L 5 M15 ABS RELAY 0.5L 1 M22 HIGH SPEED WARNING BUZZER 0.5L 8 M45 TACHOGRAPH (CASSETTE TYPE) M78 6 M78 JOINT CONNECTOR 0.5L 0.5L 0.5L 1 M94 GLOW RELAY FUSE 4 10A 0.5L 3 M24 TACHOGRAPH (ELECTRONIC) 0.5L 4 M73 HIGH SPEED WARNING DEVICE 0.5L 0.5L 1 M49 EXHAUST BRAKE CLUTCH PEDAL POSITION SWITCH 0.5L 0.5L 3 M47 COLD START SWITCH A To FUSE 5 15A (SD120-2) D4AF/ D4AL D4AF/ D4AL D4AF/ D4AL D4AF/ D4AL D4AF/ D4AL D4AF/ D4AL D4AF/ D4AL 1 D4DD D4DD D4AF/ D4AL D4DD 4 D4DD 38 M549 10 M54 JOINT CONNEC- TOR 0.85Br 1 M53 HEAD LAMP LEVELING ACTUATOR LH 0.5Br 2 M13 HEAD LAMP RELAY (HIGH) FUSE 2 5A 0.5Br 4 M44 HEAD LAMP LEVELING SWITCH 0.5Br 2 M14 HEAD LAMP RELAY (LOW) 0.85Br 0.5Br 1 M60 HEAD LAMP LEVELING ACTUATOR RH EVTSD7120AL
  • 19.
    PASSENGER COMPARTMENT FUSEDETAILS SD120-2PASSENGER COMPARTMENT FUSE DETAILS (2) 0.85O 0.5R 0.85O 15 0.85Br/O 0.85Br/O 0.85Br/O MM07100.5O 0.5O 0.5O MC0116 EC021 RELAY BOX 0.5R 5 PTO RELAY D4DD D4DD 1 M08 PTO RELAY 2 M107 7 MM02 5 4 MC01 (D4AF/D4AL) MC05(D4DD) 58 M8097 10 M80 JOINT CONNEC- TOR 5 M31 3 C57 WASHER MOTOR 2 C12 BACK-UP LAMP SWITCH 1.25L 0.85L 0.5R 0.85L WIPER MOTOR 2 C14 0.85R PTO CONTROL SWITCH 0.85L 0.85L 2 M12 WIPER RELAY (LOW) 2 M11 WIPER RELAY (HIGH) 1.25L FUSE BOX FUSE 5 15A M7814 16 M78 JOINT CONNEC- TOR 0.85O FUSE 12 10A 1 M08 16 M5415 17 M54 JOINT CONNEC- TOR 0.5R 0.5R 0.5R FUSE 7 5A FUSE 10 15A A From HOT IN ON (SD120-1) 5 M93 EXHAUST BRAKE RELAY 0.5R 11 MC01 0.85Br/O 0.85Br/O 2 MC05 0.85Br/O 0.85Br/O 0.85Br/O 0.85Br/O 0.5Br/O VEHICLE SPEED SENSOR M99-3 MAIN ECM 5 DUMP RELAY 1 M09 0.5R 5 OVERHEAT BUZZER RELAY 1 M97 0.85R NEUTRAL SWITCH 1.25R 1 C11 11 MC06 2.0R NEUTRAL SWITCH 2.0R 2 C11 2 MC01 0.5O INSTRUMENT CLUSTER 2 M36-3 D4DD 7 M99-2 M99-2 1.25Y0.85Y 0.85Br/O 0.85Br/O 0.85Br/O1.25Y FUSE 9 15A(D4AF/D4AL) 10A(D4DD) D4DD FUSE 11 10A 1 1.25Y 12 0.5R0.5R 0.5R MAIN ECM FUSE 8 10A 22 D4DD 1 C45 WATER SEPARATOR SENSOR 1 C57 VEHICLE SPEED SENSOR 6 M56-2 ETACM 1 C39 GENERATOR D4DD 1 E10 GENERATOR D4DD D4AF/ D4AL D4AF/ D4AL D4AF/ D4AL D4AF/ D4AL D4AF/ D4AL D4AF/ D4AL D4AF/ D4AL EVTSD7120BL
  • 20.
    PASSENGER COMPARTMENT FUSEDETAILS SD120-3PASSENGER COMPARTMENT FUSE DETAILS (3) D4DD RELAY BOX 2 M104 0.85O 2 C34-2 9 MC05 ABS RELAY BOX 2 M41 STOP LAMP SWITCH 1.25R 1.25R CAB TILTING SWITCH 6 M10 8 MM01 FLASHER UNIT 0.85O 0.85O 5 M88 HORN RELAY POWER WINDOW RELAY 5 M90 FUEL HEATER RELAY 1.25W 1 OUTSIDE MIRROR DEFOGGER RELAY 5 M07 0.85P 0.5P 0.85P 2 5 M04 0.5Y/O 1.25 Y/O POWER DOOR LOCK RELAY 2 5 M05 0.85L 0.5L POWER DOOR UNLOCK RELAY 2 5 M06 0.85L 0.5L 1.25Y/O FUSE BOX FUSE 18 15A FUSE 15 10A MAIN ECM FUSE 20 20A 0.5O W/O Double Cab B To FUSE 32 5A (SD120-7) RELAY BOX2 M915 ENGINE ECM RELAY 2.0R/O 0.85R/O2.0R/O M99-3 0.5L0.5L 6 5 0.5L 1.25G/O 1.25G/O1.25G/O 65 M99-17 1.25G/O 0.85L/G 41 M91 6 MC06 HORN 0.85Y 0.85Y 0.85Y 0.5Y 9 M72 DATA LINK CONNECTOR 2 C18 0.85Y 11 M7812 13 M78 JOINT CONNEC- TOR 0.85Y 5 M546 7 M54 JOINT CONNEC- TOR FUSE 19 10A FUSE 21 20A FUSE 16 20A FUSE 17 10A FUSE 14 15A 0.85Y HOT AT ALL TIMES 0.85L HOT IN ON EVTSD7120CL
  • 21.
    PASSENGER COMPARTMENT FUSEDETAILS 0.5R SD120-4PASSENGER COMPARTMENT FUSE DETAILS (4) D4AF/D4AL RELAY BOX2 M104 0.85O 2 C34-2 6 CA01 4 MA01 ABS RELAY BOX 2 M41 STOP LAMP SWITCH 1.25R 1.25R 1.25R CAB TILTING SWITCH 6 M10 8 MM01 FLASHER UNIT 5 M86 REAR FOG INDICATOR RELAY 0.85O 0.85O POWER WINDOW RELAY 1 OUTSIDE MIRROR DEFOGGER RELAY 5 M07 0.85P 0.5P 0.85P 2 5 M04 0.5Y/O 1.25Y/O POWER DOOR LOCK RELAY 2 5 M05 0.85L 0.5L POWER DOOR UNLOCK RELAY 2 5 M06 0.85L 0.5L 1.25Y/O FUSE BOX FUSE 18 15A FUSE 15 10A 0.5O W/O Double Cab 5 MC02 HORN 0.85Y 0.85Y 0.5Y 9 M72 DATA LINK CONNECTOR 2 C18 11 M7812 13 M78 JOINT CONNEC- TOR 0.85Y 5 M546 7 M54 JOINT CONNEC- TOR FUSE 14 10A FUSE 13 20A FUSE 17 10A FUSE 19 15A 1 REAR FOG LAMP RELAY 5 M16 0.85R 0.5R 0.85R FUSE 16 10A 0.85Y HOT AT ALL TIMES 0.85L EVTSD7120DL
  • 22.
    PASSENGER COMPARTMENT FUSEDETAILS SD120-5PASSENGER COMPARTMENT FUSE DETAILS (5) HOT AT ALL TIMES HOT WITH HEAD LAMP RELAY (LOW) ON 2 MM03 0.5Gr W/O Double Cab With Double Cab 1 MM07 10 MC01 2 C01 FUSE BOX HOT IN START FUSE 24 15A FUSE 23 10A 0.5Gr 4 M56-1 ETACM 0.5Gr 10 M26 AUDIO 0.5Gr 4 M36-3 INSTRUMENT CLUSTER 0.5Gr 7 M45 TACHOGRAPH (CASSETTE TYPE) 0.5Gr 1 M24 TACHOGRAPH (ELECTRONIC) 0.5Gr 1 M56-2 ETACM 0.5Gr 0.5Gr 0.5Gr 4 M56-1 ETACM 0.5Gr 1 M56-2 0.5G/B 3 M110 FRONT ROOM LAMP 0.5R 3 M110 FRONT ROOM LAMP 0.5R 0.5R 3 M114 REAR ROOM LAMP 0.5B/O 7 M56-2 ETACM 2.0B/O 2.0B/O 1 C44 START SOLENOID 2.0B/O SUB START SWITCH 2.0B/O 0.5L/R 2.0B/O 1 C44 START SOLENOID 1.25B/O 14 M99-2 MAIN ECM 1.25G 1 M50 HEAD LAMP LH 1.25G 1 M57 HEAD LAMP RH D4AF/ D4AL D4AF/ D4AL 16 M77 20 M77 JOINT CONNECTOR 0.85Gr 2.0B/O 1 MC05 1.25B/O 1.25B/O 18 19 17 FUSE 26 10A FUSE 25 10A HOT WITH HEAD LAMP RELAY (HIGH) ON FUSE 28 10A FUSE 27 10A D4AF/ D4AL D4DD D4AF/ D4AL D4DD D4AF/ D4AL D4DD Low Low 1.25B/O 1.25B/O 3 M50 HEAD LAMP LH 0.85B/O 8 M36-1 INSTRUMENT CLUSTER Hi 1.25Gr 3 M57 HEAD LAMP RH Hi EVTSD7120EL
  • 23.
    PASSENGER COMPARTMENT FUSEDETAILS SD120-6PASSENGER COMPARTMENT FUSE DETAILS (6) M8412 11 M8414 M632 FRONT FOG LAMP SWITCH FRONT ROOM LAMP ENDOUT MARKER LAMP 'A' ENDOUT MARKER LAMP 'B' ENDOUT MARKER LAMP 'C' ENDOUT MARKER LAMP 'D' REAR FOG LAMP SWITCH HAZARD SWITCH LICENSE LAMP 1 C05 FUSE BOX FUSE 29 10A HOT WITH TAIL LAMP RELAY ON 2 M62 0.5G/O 1.25G/O 0.5G/O0.85G/O 0.85G/W 18 MC05 0.85G/O 0.85G/O M1202 M541112 14 M54 JOINT CONNECTOR JOINT CONNECTOR 2 M113 FUSE 30 10A 0.85G 0.85G/W 0.5G/W M1212 0.5G/W0.85G/W ENDOUT MARKER LAMP 'E' M1222 0.5G/W 2 M112 0.5G/W 2 M110 0.5R/B 0.85G 2 M67 0.5G/O 13 CIGARETTE LIGHTER 1 M68 0.5G/O 2 M64 0.5G/O 17 MC01 1 CC05 REAR OUTSIDE MARKER LAMP LH REAR MARKER LAMP RH REAR OUTSIDE MARKER LAMP RH 1 C53 1 C73 1 C74 0.85G 0.85G 0.85G/W 0.85G/W 0.85G/W 0.85G 0.85G LICENSE LAMP 1 C05 C05-1 (EUROPE) 0.85G/O 0.85G/W0.85G/O0.85G/O 0.85G/W0.85G/W 1 MC02 17 MC05 0.85G/O1.25G/O 0.85G/O EUROPE EUROPE 0.85G/O REAR COMBINATION LAMP LH 3 C07 FRONT OUTSIDE MARKER LAMP RH 1 C72 REAR MARKER LAMP LH 1 C52 FRONT OUTSIDE MARKER LAMP LH 1 C70 1 CC04 See Illuminations (SD941-1) A/C SWITCH 2 M65 0.5G/O DEFOGGER SWITCH 15 D4AF/D4AL D4DD D4AF/D4ALD4DD D4AF/D4ALD4DD D4AF/D4AL D4DD 0.85G0.85G REAR COMBINATION LAMP RH 3 C08 EUROPE EUROPE 0.85G POSITION LAMP RH 13 1 MM03 0.85G W/O Double Cab With Double Cab 1 M58 EVTSD7120FL
  • 24.
    PASSENGER COMPARTMENT FUSEDETAILS RELAY BOX SD120-7PASSENGER COMPARTMENT FUSE DETAILS (7) FUSE 31 10A FUSE 32 5A 1 M01 0.85L/O 0.85W FUSE BOX FUSE 34 15A FUSE 33 15A(D4AF/D4AL) 20A(D4DD) HOT AT ALL TIMESHOT AT ALL TIMES FUSE 36 15A FUSE 35 10A HOT IN ACC OR ON 9 3 MA02 3 A16 1 A15 0.85G/W2.0G 16 MM06 3 A17 5 M36-3 INSTRUMENT CLUSTER AUDIOCIGARETTE LIGHTER BLOWER RELAY A/C RELAY CONDENSER FAN RELAY IDLE UP/DOWN SWITCH MULTIFUNCTION SWITCH STOP LAMP SWITCH ACCELERATOR PEDAL SENSOR ENGINE PTO CAB IN SWITCH FRONT FOG LAMP RELAY EXHAUST BRAKE CLUTCH PEDAL POSITION SWITCH 2.0G 2.0P 0.85G 0.85L/O 0.5L/O0.85L/O 0.85L/O0.5L0.85P 3 M68 11 M26 0.5L/O0.85L/O0.5L/O 0.85L/O 8 MC04 2 M43-14 M414 M32 0.5L/O 3 M17 PTO 5 M39 0.85L/O 2 M49 0.85L/O 0.5L/O Not used 1 EC04 B From Engine ECM Relay (SD120-3) D4DD D4DD EVTSD7120GL
  • 25.
    PASSENGER COMPARTMENT FUSEDETAILS SD120-8PASSENGER COMPARTMENT FUSE DETAILS (8) MEMO EVTSD7120HL
  • 26.
    GROUND DISTRIBUTION EC2E9F76 SD130-1GROUNDDISTRIBUTION (1) 3 M27 BLOWER SWITCH IDLE UP/DOWN SWITCH COLD START SWITCH 1.25B 7 M26 AUDIO 0.5B 8 MULTIFUNCTION SWITCH INSTRUMENT CLUSTER 0.5B 0.5B 0.5B 0.5B 0.5B 12 M43-1 0.5B 14 2 8 M43-2 G01(MAIN) 5 M76 1 M17 1 M47 0.5B0.5B 2 PTO SWITCH 0.5B 0.5B 0.5B 0.5B 0.5B 0.5B 0.5B 8 M36-2 M36-1 0.5B 13 0.5B M36-11 10 1 M36-4 3 M376 HEAD LAMP LEVELING SWITCH 0.5B 0.5B 5 M443 7 M762 3 4 81 6 JOINT CONNECTOR D4AF/ D4AL D4AF/ D4AL D4AF/ D4AL D4DD EVTSD7130AL
  • 27.
    GROUND DISTRIBUTION SD130-2GROUND DISTRIBUTION(2) 2 M68 10 M84 6 M641 M336 M29 MODE SWITCH MODE ACTUATOR WIPER MOTOR CIGARETTE LIGHTER A/C SWITCH ASHTRAY ILL. 0.5B 0.85B0.5B 0.5B0.5B 0.5B 0.5B 0.85B0.5B 0.85B 165 0.85B 4 3 M60 HEAD LAMP LEVELING ACTUATOR RH 0.85B 1 6 M67 REAR FOG LAMP SWITCH 0.5B 9 G01(MAIN) 2 M28 INTAKE SWITCH DEFOGGER SWITCH 3 15 M7712 13 14 JOINT CONNECTOR 0.85B 0.5B 5 M62 HAZARD SWITCH 6 7 11 M77 2 M31 2 M30 0.5B 0.5B 0.5B M842 17 JOINT CONNEC- TOR 6 M653 5 0.5B 0.5B 4 M24 TACHOGRAPH (ELECTRONIC) 5 20 FRONT FOG LAMP SWITCH 0.5B 0.5B 0.5B 6 18 6 M633 5 D4AF/ D4AL D4AF/ D4AL D4AF/ D4AL 9 M45 TACHOGRAPH (CASSETTE TYPE) 0.5B 819 D4AF/ D4AL EVTSD7130BL
  • 28.
    GROUND DISTRIBUTION 0.5B0.5B 0.5B 6 M393 ENGINEPTO CAB IN SWITCH 2 M48 0.5B PTO CLUTCH PEDAL POSITION SWITCH SD130-3GROUND DISTRIBUTION (3) 5 M79 M79 RELAY BOX 3 M081 M88 HORN RELAY PTO RELAY GLOW RELAY POWER DOOR LOCK RELAY POWER DOOR UNLOCK RELAY REAR FOG INDICATOR RELAY WIPER RELAY (LOW) 3 M94 1 M12 4 M05 4 M86 0.85B 0.5B 0.5B0.5B 0.85B 0.85B 0.5B 0.85B 2 0.85B 1 0.5B ETACM POWER WINDOW MAIN SWITCH HIGH SPEED WARNING DEVICE SIDE REPEATER LAMP LH OUTSIDE MIRROR DEFOGGER LH OUTSIDE MIRROR DEFOGGER LH ETACM 5 0.5B 20 M56-1 0.5B 19 4 6 JOINT CONNECTOR 4 M06 0.85B 7 0.5B 2 M102 2 M51 3 D051 D04 6 MD01 2 M52 3 D06 0.85B 1 M46 2 M50 16 M72 DATA LINK CONNECTOR DATA LINK CONNECTOR 1.25B 1.25B 0.85B 0.85B 1.25B 0.5B 0.85B0.85B 1.25B0.85B SIDE REPEATER LAMP LH 1 D04 0.85B 2 M73 0.5B 0.5B0.5B 0.5B 0.85B 0.5B 1.25B 0.5B 5 0.5B 0.5B 16 0.5B 4 M72 0.5B 6 M38 M38 5 0.5B 5 0.5B/O 19 M56-1 0.5B 0.5B 0.5B 20 0.5B 0.5B 2 9 MM01 4 MD02 1 7 11 14 JOINT CONNEC- TOR 13 49 3 M53 0.85B HEAD LAMP LEVELING ACTUATOR LH 3 G01(MAIN) G02(MAIN) With Power Window W/O Power Window D4DD D4DD D4DDD4DD A To Ground (SD130-4) D4DDD4AF/D4AL D4DDD4AF/D4AL 11 MM0718 POSITION LAMP LH SEAT BELT SWITCH HEAD LAMP LH FRONT TURN SIGNAL LAMP LH POWER DOOR LOCK ACTUATOR LH BRAKE FLUID LEVEL SENSOR D4AF/ D4AL D4AF/ D4AL D4AF/ D4AL D4AF/ D4AL D4AF/ D4AL 1 D02 1 D02 EVTSD7130CL
  • 29.
    GROUND DISTRIBUTION SD130-4GROUND DISTRIBUTION(4) 8 5 2 M57 2 M59 FRONT TURN SIGNAL LAMP RH POWER DOOR LOCK ACTUATOR RH POWER WINDOW SUB SWITCH OUTSIDE MIRROR DEFOGGER RH OUTSIDE MIRROR DEFOGGER RH SIDE REPEATER LAMP RH SIDE REPEATER LAMP RH ENDOUT MARKER LAMP 'A' ENDOUT MARKER LAMP 'B' FRONT ROOM LAMP ENDOUT MARKER LAMP 'C' ENDOUT MARKER LAMP 'D' ENDOUT MARKER LAMP 'E' FRONT ROOM LAMP REAR ROOM LAMP HEAD LAMP RH VACUUM SWITCH 0.5B 2.0B 3.0B 1.25B 1 D14 0.85B 1 D12 0.85B 1 D14 0.85B 1 D12 0.85B 0.85B 1.25B 3 D15 1.25B 0.5B 1 M112 0.5B 1 M113 0.5B 1 M110 0.85B 1 M120 0.5B 1 M121 0.5B 1 M122 0.5B 1 M110 0.5B 0.85B 0.5B 1 M114 0.5B 3 D16 0.85B 0.85B0.5B 0.85B M81 6 MD034 MD04 2 MA02 2 4 MC03 31 1.25B 2 M81 6 A152 A172 JOINT CONNECTOR 5 C10-1C10-2 ENGINE ECM 1 4 G02(MAIN)G05(CHASSIS/D4DD)G04(A.B.S) 7 0.5B0.5B 0.5B 3.0B 2.0B 0.5B 0.5B 2 M58 0.85B 0.85B 1.25B 0.85B 55 ABS CONTROL MODULE 30 29 28 A01 1.25B 1.25B 1.25B 1.25B 0.5B G03(CHASSIS) MAIN ECM 34 28 M99-1M99-3 1.25B 1.25B 0.85B 0.85B 1.25B 1.25B 0.85B 0.85B 0.85B 0.85B 0.85B 0.5B 4 MM03 W/O Power Window With Power Window W/O Double Cab With Double Cab D4DD BLOWER RELAY A/C RELAY POSITION LAMP RH 2 M71 0.85B 1.25B 1.25B 1.25B D4DD D4AF/ D4AL D4AF/ D4ALA From Joint Connector (SD130-3) REAR OUTSIDE MARKER LAMP RH REAR OUTSIDE MARKER LAMP LH FRONT OUTSIDE MARKER LAMP LH FRONT OUTSIDE MARKER LAMP RH 2 C74 2 C73 2 C70 2 C72 2 CC05 2 CC04 2 MC04 EVTSD7130DL
  • 30.
    GROUND DISTRIBUTION SD130-5GROUND DISTRIBUTION(5) G03(CHASSIS) 1 E05 1 C25 INTAKE SHUTTER VALVE TACHO- METER SENSOR See P.T.O Control System/ Exhaust Parking Brakes (SD471-1)(SD471-2) (SD596-1)(SD596-2) 0.85L/B DIODE Z03 W/O Double Cab With Double Cab 0.85B 0.85B0.85B 0.85B 0.85B 0.85B0.5B 0.85B 0.85B0.85B 1 C26 EXHAUST MAGNETIC VALVE 1 CC066 EC02 W/O Double Cab With Double Cab 0.85B 0.85B W/O Double Cab With Double Cab 0.85B 1.25B 0.85B 0.85B1.25B 2 C15(D4AF)1 C19 1 C24 PTO MAGNETIC VALVE 1.25B 1 C17 0.85B 1 C40 IDLE UP MAGNETIC VALVE 2 C15(D4DD) C20(D4AL) CONDENSER FAN MOTOR (TCI) FRONT FOG LAMP RH FRONT FOG LAMP LH 1.25B WORKING LAMP 0.85B 1.25B 1 C03 1.25B REAR COMBI- NATION LAMP RH DUMP WARNING SWITCH CONDENSER FAN MOTOR (NA) 1.25B1.25B D4DD D4DD D4DD D4DD D4AF/ D4AL D4AF/ D4AL 4 C081 C02 D4AF/ D4AL D4AF/ D4AL D4AF/ D4AL D4AF/ D4AL D4AF/ D4AL EVTSD7130EL
  • 31.
    GROUND DISTRIBUTION SD130-6GROUND DISTRIBUTION(6) G07(CHASSIS) 0.85B 2.0B 2.0B 0.5B 0.5B 1.25B 0.85B0.85B 0.5B 0.5B0.5B 0.5B 0.5B C57 2 C04 FUEL SENDER WATER SEPARATOR SENSOR FUEL HEATER THERMO SWITCH 4 C08 1 C46 0.5B 3 C45 2 C49 0.85B 1.25B 0.85B0.85B0.85B 1.25B 0.85B 0.85B 2 C05-1 2 C53 2 C054 C072 C52 REAR COMBINATION LAMP LH 2 C55 REAR FOG LAMP REAR MARKER LAMP LH LICENSE LAMP 2 C50 BACK WARNING BUZZER VEHICLE SPEED SENSOR REAR COMBINATION LAMP RH 1 C34-1 ABS RELAY BOX REAR MARKER LAMP RH FUEL HEATER LICENSE LAMP INJECTOR #2 SHIELD 12 INJECTOR #3 SHIELD INJECTOR #4 SHIELD INJECTOR #1, #4 SHIELD INJECTOR #2, #3 SHIELD EC01 INJECTOR #1 SHIELD 21 (D4AF/D4AL)1 (D4DD)2 D4DD D4DD D4DD D4DD D4AF/ D4AL D4AF/ D4AL D4AF/ D4AL D4AF/ D4AL D4AF/ D4AL D4DD 0.85B0.85B D4AF/ D4AL G03(CHASSIS) EVTSD7130FL
  • 32.
    DATA LINK DETAILSEA9D0332 1934 M99-1M99-2 ABS CONTROL MODULE JOINT CONNECTOR L-Line ECM 8 7 6 5 4 3 2 1 16 15 14 13 12 11 10 9 G01 1.25B 1.25B FUSE 14 10A FUSE BOX 0.85Y0.85Y0.5W/R0.5Y 0.5Y 0.5W 0.5W 0.5Y HOT AT ALL TIMES HOT AT ALL TIMES FUSE 19 10A 16 A01 0.85W M386 M3813 M7813 M7812 PHOTO 26 PHOTO 21 PHOTO 4 PHOTO 19 PHOTO 2 MAIN ECM PHOTO 17 PHOTO 15 SD200-1DATA LINK DETAILS (1) D4AF/D4ALD4DD D4AF/D4AL D4DD D4DD See Passenger Compartment Fuse Details (SD120-3)(SD120-4) M72 DATA LINK CONNECTOR Memory PowerK-Line GroundGround Ground 8 MA01 ABS CONTROL MODULE 46 A01 0.5Y/O 0.5Y/O0.5Y/O 0.5Y/O0.5Y/O PHOTO 26 PHOTO 20PHOTO 21 3 MA01 9 MM06 Not Used 0.5B 0.5B 0.5B0.5B 0.5B See Ground Distribution (SD130-3) JOINT CONNECTOR D4AF/D4ALD4DD D4AF/D4AL D4DD EVTSD7200AL
  • 33.
    DATA LINK DETAILS DATALINK DETAILS (2) SD200-2 CR55F005 CR16F007 CR16F044 A01 M72(D4AF/D4AL) M72(D4DD) BLANK BLANK CR34F003 CR35F009 M99-1 M99-2 * * * * * * * * *2345 91116 * * * * * * * * * * * * * ** * * * * * * * * * * * * * * * * * * * * * * * * * * * * * * * * * * * * 55 28 54 53 49 48 46 45 40 39 37 35 34 33 2931 30 26 25 19 16 14 13 12 11 10 9 7 6 5 1 * * * * ********* ***** * * *** 7 6 5 9 1921222327 32 28 * * * ***** * ** * 3 16 11 9 ** * ** * * * * * * 12567 19 17 16 2425 34 32 31 23 22 21 20 14 1213 11 10 915 EVTSD7200BL
  • 34.
    MFI CONTROL SYSTEME87F9AB6 SD313-1MFI CONTROL SYSTEM (D4DD) (1) HOT AT ALL TIMES HOT IN ON FUSE BOX FUSE 20 20A ENGINE ECM RELAY RELAY BOX FUSE 32 5A M99-3 0.5L 0.5L 65 0.5L 2.0R/O 2.0R/O0.85R/O 1.25G/O 1.25G/O1.25G/O 65 M99-17 1.25G/O 0.85L/G 0.85L/O To Accelerator Pedal Sensor (SD313-2) 2 5 M91 4 1 M91 FUSE 8 10A FUSE 9 10A 0.5R 0.5R M99-3M99-21222 1.25Y 1.25Y 0.5R 1.25Y 71 Engine ECM Relay Control Engine ECM Relay 'ON' Input ON Input PHOTO 1 PHOTO 20 MAIN ECM PHOTO 4 FUSE 12 10A RPM Signal ENGINE CHECK IND. EXHAUST BRAKE IND. GLOW IND. OVERHEAT IND. 0.85O 0.5O 14 M78 16 M78 2 M36-3 8 M36-3 9 M99-1 13 M99-3 10 ENGINE PTO IND. 13 11 9 0.5Y 3 M36-4 0.5G/O 7 M36-1 0.5L/G 11 M36-3 M36-2 0.5L/O 11 0.5W/B 3 0.5G/Y M99-2 ENGINE CHECK TACHO METER A JOINT CONNECTOR PHOTO 19 INSTRU- MENT CLUSTER CHECK ENG ENGINE PTO EXHAUST BRAKE OVER HEATGLOW PHOTO 10 FUSE 10 15A See Starting System (SD360-1) 0.85L 0.85L NEUTRAL SWITCH 0.85R 1.25R Neutral Switch 32 0.5L M99-2 2 C11 11 MC06 1 C11 11 MC04 PHOTO 59 PHOTO 20 See Passenger Compartment Fuse Details (SD120-2) EVTSD7313AL
  • 35.
    MFI CONTROL SYSTEM SD313-2MFICONTROL SYSTEM (D4DD) (2) 0.5L/O 19 0.5L/G 3 M41 Exhaust Brake Switch Signal Brake Switch Exhaust Brake Relay Control 4 M41 0.85Y 0.85L/O 1 2 ABS RELAY RELAY BOX 0.85Y With ABS W/O ABS 0.5L/O 0.85L/O 2 0.85W/B 15 M99-2 3 M43-1 2 M43-1 0.5R 4 M15 Clutch Switch Signal MAIN ECM 8 0.5L 1 M49 MULTIFUN- CTION SWITCH EXHAUST BRAKE SWITCH 1 M15 0.5L PHOTO 4 0.85L/O 0.85L/O 0.5Y0.5P/O 0.5P/O 22M99-3 M99-319 17 DOWN UP SNR 2SNR 1 M99-224 M99-121 4 16 SW1SW2 M32 M32 ACCELE- RATOR PEDAL SENSOR 2 3 0.5L/O UP ILL.DOWN 0.5L0.5G/O 0.5G/R 3 65 M17 MC04 M17 IDLE UP/DOWN SWITCH Idle Switch PTO Switch 1 9 0.5Y0.5B 0.5Y0.85B 10 0.5G/O 0.85L/O 2 C B PHOTO 20 PHOTO 3 PHOTO 15 PHOTO 5 A See Exhaust Parking Brakes See Stop Lamps (SD927-1) See Stop Lamps (SD927-1) (SD596-2) STOP LAMP SWITCH PHOTO 2 PHOTO 18 PHOTO 2 0.5B See Illuminations (SD941-1) 0.5L/O PHOTO 1 See P.T.O Control System (SD471-2) EXHAUST BRAKE CLUTCH PEDAL POSITION SWITCH 2 M49 To Engine ECM (SD313-4) From Engine ECM See Illuminations (SD941-1) See Illuminations (SD941-1) From FUSE 32 5A (SD313-1) G To PTO (SD313-3) See Ground Distribution (SD130-3) JOINT CONNEC- TOR 1.25B 1.25B 13 M38 9 M38 G01 PHOTO 17 PHOTO 15 20 0.5L/O 0.5G 0.5G0.5G/Y 5 1 4 M39 ENGINE PTO CAB IN SWITCH 0.5B0.5B 0.5B 6 3 M39 0.5G/O 2 EVTSD7313BL
  • 36.
    MFI CONTROL SYSTEM SD313-3MFICONTROL SYSTEM (D4DD) (3) HOT IN ON FUSE BOX FUSE 4 10A GLOW RELAY N.E SENSOR AIR HEATER RELAY GLOW PLUG Ground 0.5L HOT IN START FUSE 24 15A 0.5L 0.5L 0.5B 0.5B 0.85B/O From Battery (+) 0.85B/O 0.5G/R 0.5G/R 0.5B 0.5B 0.5Y/O 1 M78 6 M78 0.85B 1.25B 5 M79 2 M79 M99-3 14 (-) N.E Sensor 7 (+) 61 2 1 2 MAIN ECMGlow Relay Control Start Input 1 3 M94 2 5 M94 0.5L/R 1.25B/O 0.5R0.5 0.5B 0.5R0.5 0.5B 0.5R 0.5B 0.5R 0.5B 0.5R 0.5B 0.5R 0.5B 16 MC05 2 C42 M99-1 MC04 23 G02 1.25B 4 M99-3M99-3 0.5B 28 M99-1 1.25B 3 G05 23 24 25 EC01 5 12 MC0413 2 1 E12 0.5R 0.5R 7 7 31 0.5W/O 0.5W/O 10 6 16 0.5L/O 0.85L/O 8 1 Shield PTO Accel Signal PTO Accel Power Engine Stop Switch Up OUT-CAB PTO SwitchDown Remote PTO Idle Switch MC04 EC01 0.5B 0.5B 0.5B 0.5B/W 0.5B 0.5B 3 35 21 EC02 0.5B 4 CASE Ground Sensor Ground 5 PTO PHOTO 4 PHOTO 1 PHOTO 2 PHOTO 1 PHOTO 20 PHOTO 20 PHOTO 48 PHOTO 54 BOOST PRESSURE & AIR TEMPERATURE SENSOR PHOTO 47 PHOTO 50 PHOTO 48 PHOTO 48 See Ground Distribution (SD130-3) See Ground Distribution (SD130-4) JOINT CONNECTOR PHOTO 19 JOINT CONNECTOR PHOTO 1 PHOTO 20 PHOTO 20 PHOTO 71 PHOTO 20 PHOTO 20 PHOTO 60 RELAY BOX EF 3 EC04 From Engine Coolant Temperature Sensor & Sender (SD313-4) M99-2 32 0.5L M99-1 M99-3 4 20 0.5B 4 0.5B 6 0.5B 6 23 0.5W 2 0.5W 14 0.5W 7 3 1 0.5L 0.5L E14 0.5Y 0.5Y 9 8 Boost Sensor Air Temp. Sensor A/C Pressure Switch Ground Power D From Engine ECM (SD313-4) From Fuel Temperature Sensor (SD313-4) MC04 1.25B 1.25B 2 PHOTO 20 0.5R/B 0.5R/B 12 8 M99-2 MC06 25 0.5Y 0.5Y 20 4 11 0.5G/O 0.5G/O 9 5 24G From FUSE 32 5A (SD313-2) See Passenger Compartment Fuse Details (SD120-1) See Passenger Compartment Fuse Details (SD120-5) Vehicle Speed Sensor 27 0.5O DATA LINK CONNECTOR 0.5Y 0.5Y 0.5W/R 34 3 19 2 M72 M99-2 See Vehicle Speed Sensor System (SD436-1) See Data Link Details (SD200-1) Data Link Connector A/C COMPRE- SSOR MC06 A/C PRESSURE SWITCH 12 0.5G/O 14 0.85G/O 0.85G/O 0.85G/O 1 C21 1 C22 PHOTO 50 PHOTO 44 EVTSD7313CL
  • 37.
    MFI CONTROL SYSTEM SD313-4MFICONTROL SYSTEM (D4DD) (4) 1.25B ENGINE ECM C10-2 C10-1 C10-2 C10-2C10-1 EC01 EC02 E15C75 E13 SCV 1 S/PUMP Control High Power Sensor Signal Power CAM Power CAM Signal 1.25B 4 1.25B 5 0.5W 11 0.5W 10 Ground CAN Sensor Signal From Accelerator Pedal Sensor (SD313-2) To Accelerator Pedal Sensor (SD313-2) To Boost Pressure & Air Temperature Sensor (SD313-3) Fuel Temp. Sensor Ground RAIL PRESSURE SENSOR Ground S/PUMP Control Low G05 32 0.5W 0.5W 0.5Br 0.5Y 2 0.5Br 9 0.5Y 20 0.5Br 0.5B 8 31 0.5Br 1 0.5B 33 15 3 0.5W 0.5W 25 16 1 0.5Y 0.5W 0.5Br 0.5Y 0.5Y 31 17 2 E03 CAM SPEED SENSOR 0.5W 0.5W 32 6 1 0.5B 0.5B 30 7 2 LowHigh 0.5B 21 2 0.5W 22 1 0.5Y/B 0.5Y 19 Sensor Signal 0.5Y 27 8 3 To Main ECM (SD313-3) To Main ECM (SD313-3) 24 0.5Y EC02 0.5Y 0.5Y 0.5Y/O 0.85Y/O 0.5P 19 2 C 0.5B/O 35 0.5B 34 0.5B B E072 3 0.5B 1 E07 3 EC02 FUEL TEMPERATURE SENSOR EC01 0.5W 0.5W 0.5B 27 34 2 E16 1 E16 PHOTO 60 PHOTO 4 PHOTO 49 PHOTO 46 PHOTO 50PHOTO 48 PHOTO 49 PHOTO 4 PHOTO 46 PHOTO 50 PHOTO 48 PHOTO 47 PHOTO 47 PHOTO 47 PHOTO 47 MC068 PHOTO 20 PHOTO 50 PHOTO 49 PHOTO 48PHOTO 48 PHOTO 48 CAN TOOL 1.25B 7 C10-2C10-2 E11-212 1.25B Injector #2 INJECTOR #2 Injector #3Injector #4 Injector #1 Ground 1012 1.25R 2 1.25R 11 1.25B 1.25B 6 E11-3 C10-1 12 1.25B INJECTOR #3 19 1.25R 1 1.25R 20 1.25B 6 E11-412 1.25B INJECTOR #4 28 1.25R 3 1.25R 29 1.25B 5 E11-1 EC01 12 1.25B INJECTOR #1 1 1.25R 1.25B 1.25R 1.25R1.25B 1.25R 0.5B 0.5B 0.5B 0.5B 0.5B 0.5B 1.25B 1.25R 2 1.25R 1.25B 1.25R 1.25B 1.25R1.25B 1.25R 1.25B 1.25R 2 G03 21 G03 D E F ENGINE COOLANT TEMPERATURE SENSOR & SENDER SENDER SENSOR INSTRUMENT CLUSTER 2 M36-1 PHOTO 10 EVTSD7313DL
  • 38.
    MFI CONTROL SYSTEM SD313-5MFICONTROL SYSTEM (D4DD) (5) CR02F025 C21 CR01F020 CR02F040 CR02F046 CR03F230 C22 C42 C75 E03 234 1 CR04F091 E14 CR02F040 C11 2 1 CR31F002 CR35F008 C10-1 C10-2 * * * * * * * * * * * ***** * * * 12 19 303132333435 20242527 356 * * * * * * * * * * * * * * * * * 1 8910 192122 27 11 24567 2 * CR03M019 E07 321 CR02F154 E12 2 1 CR02F152 E11-1 2 1 CR02F152 E11-2 2 1 CR02F152 E11-3 2 1 CR02F152 E11-4 2 1 123 CR07F002 M17 * *6 5 123 CR03F230 E13 123 1 2 1 2 1 CR02F152 E15 2 1 CR02F175 E16 2 1 CR05F011 M15 * 5 4 3 1 EVTSD7313EL
  • 39.
    MFI CONTROL SYSTEM CR32F004 M99-3 ****** ***** * ***** * 1 812 11 192024 13 234567 CR06F017 M39 2 1 6 5 4 3 CR12F001 M36-4 12 11 10 9 8 3 2 1 * * * * CR14F007 M36-3 11 68 5 24 3 * * * * * * * CR14F007 M36-2 14 13 11 10 9 8 7 5 2 14 3 * * CR04F016 M41 2 1 4 3 CR14F019 M43-1 3 2 1 121314 891011 7 * * * CR02F187 M49 2 1 CR16F044 M72 * * * * * * * * *2345 91116 CR05F019 M91 * 1 5 4 2 CR05F011 M94 * 2 5 3 1 CR35F009 M99-2 ** * ** * * * * * * 12567 19 17 16 2425 34 32 31 23 22 21 20 14 1213 11 10 915 CR34F003 M99-1 * * * * ********* ***** * * *** 7 6 5 9 1921222327 32 28 CR10F005 M36-1 10 9 8 7 6 5 4 3 2 1 CR06F043 M32 3 2 1 6 * 4 SD313-6MFI CONTROL SYSTEM (D4DD) (6) BLANKBLANKBLANK EVTSD7313FL
  • 40.
    STARTING SYSTEM E568CE8E SD360-1STARTINGSYSTEM (1) + - 8.0W + - 2.0G 0.5B/O ETACM M56-27 1 CC01 1 C13 IGN SW FUSIBLE LINK 30A FUSIBLE LINK BOX IGNITION SWITCH 3.0W 3.0W 6 M42 2 5 MC03 3 M42 AM START ON ACC LOCK FUSE 24 15A FUSE 9 15A FUSE 10 15A PHOTO 24 PHOTO 61 PHOTO 20 PHOTO 20 PHOTO 20 PHOTO 4 PHOTO 4 PHOTO 6 FUSE BOX PHOTO 61 PHOTO 59 PHOTO 60 PHOTO 4 0.5L/R MAIN ECM M99-214 0.5L 0.85L M99-232 PHOTO 4 D4AF/D4AL D4DD D4AF/D4AL D4DD C11 C11 NEUTRAL SWITCH (Closed with Transmission in netural) 2.0B/O 2.0B/O 2.0B/O 2.0B/O 2.0B/O 2.0B/O 1.25B/O 1.25B/O 1.25B/O 2 C01 1 C01 SUB START SWITCH 1 MC0510 MC01 1 C44 MOTOR ENGINE PINION GEAR OVERRUNNING CLUTCH START MOTOR LEVER MAGNETICFLY WHEEL BATTERY GROUND BATTERY BATTERY START SOLENOID D4AF/D4AL D4DD 3.0O 3.0O 3.0O 2.0R 2.0R D4AF/D4AL (D4AF/D4AL)1 (D4DD)2 (D4AF/D4AL)2 (D4DD)1 D4DD D4AF/D4AL D4DD 2.0R 0.85L 0.85L See Power Distribution (SD110-2) 2 MC01 1.25R 0.85R 11 MC06 11 MC04 PHOTO 48/51 EVTSD7360AL
  • 41.
    STARTING SYSTEM SD360-2STARTING SYSTEM(2) CR02F040 CR02F040 CR01F002 CR01F035 C01 C11 CR16F002 M56-2(D4AF/D4AL) C13 CR35F009 M99-2 C44 CR06F014 M42 BLANK3 2 * *6 4 12 1 2 1 ** * ** * * * * * * 12567 19 17 16 2425 34 32 31 23 22 21 20 14 13 12 11 10 915 4 15678 ** *15 1316 14 11 10 9 EVTSD7360BL
  • 42.
    FUEL FILTER HEATINGSYSTEM EDDDA2BA SD361-1FUEL FILTER HEATING SYSTEM (D4DD) (1) HOT IN ONHOT AT ALL TIMES FUSE 21 20A FUSE BOX FUSE 4 10A FUEL HEATER RELAY RELAY BOX FUSE 11 10A 5 2 1.25W M90 1 4 M90 5 M36-1 0.85W 0.5W1.25G/O 0.5G 0.85Br/O 0.5Br/O 0.85G Ground Indicator ON Input WATER SEPARATOR SENSOR FUEL HEATER THERMO SWITCH FUEL HEATER 3 C45 12 C45 0.5B0.5B 0.85Br/O 1.25G/O 2 C49 1 C49 2.0B 2.0B 1 C46 2 C46 1811 17 2 MC05 G03 PHOTO 62 PHOTO 20 MC06 PHOTO 20 MC05 PHOTO 20 PHOTO 62 PHOTO 62 PHOTO 1 PHOTO 10 INSTRUMENT CLUSTER PHOTO 48 JOINT CONNECTOR 0.5L 0.5L 0.5L M786 M781 PHOTO 19 Water Separator Indicator See Passenger Compartment Fuse Details (SD120-2) See Passenger Compartment Fuse Details (SD120-1) EVTSD7361AL
  • 43.
    FUEL FILTER HEATINGSYSTEM SD361-2FUEL FILTER HEATING SYSTEM (D4DD) (2) CR03F083 CR02F156 CR02F155 CR10F005 C45 C46 C49 M36-1 CR05F019 M90 BLANKBLANKBLANK 1 * 5 4 2 3 2 1 2 1 2 1 10 9 4 3 2 18 7 6 5 EVTSD7361BL
  • 44.
    CHARGING SYSTEM E019BE1B FIELD COIL 0.5F GENERATOR BATTERY STATOR COIL RECTIFIER FR LAMP I.C REGULATOR PHOTO 50 SD373-1CHARGING SYSTEM (1) E17 ALTERNATOR FUSIBLE LINK 60A 1 BATTERY GROUND BATTERY+ - 8.0W 8.0L 8.0L FUSE 12 10A FUSE BOX CHARGE D4AF/D4AL INSTRUMENT CLUSTER 2 11 M36-2 2 EC02 E101 HOT IN ON M36-3 2 0.5Y 0.5Y 0.5Y BATTERY+ - 2 8.0W FUSIBLE LINK BOX 1 C13 0.85Y 0.85Y 0.85O 0.5R 3 M56-1 ETACM PHOTO 24 8.0L 5.0W 1 EC03 PHOTO 50 2 CC01 PHOTO 61 PHOTO 60 PHOTO 10 PHOTO 50 6 MC01 1 0.85O 16 PHOTO 4 0.85O 0.5O JOINT CONNECTOR 16 M78 14 M7815 PHOTO 19 See Indicators & Gauges (SD940-1) EVTSD7373AL
  • 45.
    CHARGING SYSTEM SD373-2CHARGING SYSTEM(2) E17 ALTERNATOR FUSIBLE LINK 60A 1 BATTERY GROUND BATTERY+ - 8.0W 8.0L 8.0L 0.85O 0.5O 0.85Br/O FUSE 12 10A FUSE BOX D4DD MC05 HOT IN ON 2 0.5Y/W 0.5Y/W 0.5Y/W 0.5Y BATTERY+ - 2 8.0W FUSIBLE LINK BOX FUSE 11 10A 1 C13 0.85Y/W 0.85Br/O 0.85Br/O 3 M56-1 ETACM PHOTO 26 8.0L 5.0W 1 EC03 2 CC01 5 MC05 2 MM07 FIELD COIL 1 2 C39 0.5 F GENERATOR BATTERY STATOR COIL RECTIFIER FR LAMP I.C REGULATOR 16 M78 14 M78 JOINT CONNECTOR See Passenger Compartment Fuse Details (SD120-2) CHARGE INSTRUMENT CLUSTER 2 11 M36-2 M36-3 See Indicators & Gauges (SD940-1) PHOTO 50 PHOTO 50 PHOTO 20 PHOTO 61 PHOTO 60 PHOTO 10 PHOTO 20 PHOTO 20 PHOTO 19 EVTSD7373BL
  • 46.
    CHARGING SYSTEM BLANK SD373-3CHARGING SYSTEM(3) CR01F002 CR02F002 CR02F012 CR02F002 C13 C39 E10(D4AF) E10(D4AL) CR14F007 CR01F002 CR14F007 CR14F007 CR14F007 E17 M36-2(D4AF/D4AL) M36-2(D4DD) M36-3(D4AF/D4AL) M36-3(D4DD) 2 1 1 2 2 1 14 13 12 11 10 9 8 7 5 2 14 3 * 14 13 11 10 9 8 7 5 2 14 3 ** * * * * * * *11 6 58 24 3 * * * * * * * * *11 245 3 * * * * * * 8 6 5 4 3 2 15 14 13 1220 19 18 17 CR20F001 CR20F001 M56-1(D4AF/D4AL) M56-1(D4DD) * * * * ** ** * 6 5 4 3 15 14 13 1220 19 18 EVTSD7373CL
  • 47.
  • 48.
    VEHICLE SPEED SENSORSYSTEM E38A1D8C SD436-1VEHICLE SPEED SENSOR SYSTEM (1) VEHICLE SPEED SENSOR HALL IC + _ G03 4 M36-2 9 15 MC01(D4AF/D4AL) MC06(D4DD) 0.85P 0.85P 0.5P0.85B 0.85P0.85B INSTRUMENT CLUSTER 11 M45 FUSE 11 10A HOT IN ON C57 C57(D4AF/D4AL)1 (D4DD)2 PHOTO 48 27 M99-1 MAIN ECM 11 M45 TACHOGRAPH (CASSETTE TYPE) PHOTO 8 TACHOGRAPH (CASSETTE TYPE) PHOTO 8PHOTO 10PHOTO 4 PHOTO 20 PHOTO 4/20 PHOTO 4 PHOTO 59 FUSE BOX 0.85Br/O 0.85Br/O 0.85Br/O D4AF/D4ALD4DD 2 MC05 0.85Br/O 0.85Br/O 0.85Br/O 0.85Br/O 11 MC01 (D4AF/D4AL)3 (D4DD)1 (D4AF/D4AL)2 (D4DD)3 See Ground Distribution (SD130-5) W/O EUROPE 0.85P 0.5O 0.5O 0.5O 0.5O0.5O MM061 PHOTO 20 MM0617 PHOTO 20 See Passenger Compartment Fuse Details (SD120-2) See Passenger Compartment Fuse Details (SD120-2) D4AF/D4ALD4DD EVTSD7436AL
  • 49.
    VEHICLE SPEED SENSORSYSTEM SD436-2VEHICLE SPEED SENSOR SYSTEM (2) CR03F020 CR14F007 C57 M36-2(D4AF/D4AL) CR14F007 CR20F001 CR34F003 M36-2(D4DD) M45 M99-1 2 1 3 9 8 7 * * * * * * * * * * * * * * * 12 11 * * * * ********* ***** * * *** 7 6 5 9 1921222327 32 28 BLANK14 13 12 11 10 9 8 7 5 2 14 3 * 14 13 11 10 9 8 7 5 2 14 3 ** EVTSD7436BL
  • 50.
    P.T.O CONTROL SYSTEME1995DA3 SD471-1P.T.O CONTROL SYSTEM (1) JOINT CONNECTOR IND. ILL. FUSE BOX FUSE 7 5A HOT IN ON 0.5R 0.5R 0.5R 0.85R 0.85R/O 0.5G/O0.5R/B 0.85B 0.5B 0.85L/O 0.85L/O 0.85L/O 0.5B 0.5B 0.5B 1.25B 1.25B 0.5B 0.5R/O0.5R/O0.5R/B 0.5R/O 0.5R/B0.5R/O 1.25B G01G03G01 PTO MAGNETIC VALVE 1 C24 5 M76 2 C24 3 M7667 15 DIODE Z05 16 M54 17 M54 JOINT CONNECTOR 5 MC01 15 MC01 PTO SWITCH 2 M48 1 M48 1 C14 2 C14 5 2 M37 4 0.5L/O 1 3 6 M37 0.5L Normally closed Normally open 0.5R RELAY BOX 3 4 2 M08 1 M085 PTO RELAY MM042 MC0114 PTO CONTROL SWITCH See Exhaust Parking Brakes (SD596-1) See Illuminations (SD941-2) 13 M38 4 M38 JOINT CONNECTOR See Ground Distribution (SD130-3) See Ground Distribution (SD130-1) See Ground Distribution (SD130-5) PTO CLUTCH PEDAL POSITION SWITCH (closed with clutch pedal depressed) D4AF/D4AL PTO INSTRUMENT CLUSTER 4 13 M36-2 M36-1 PHOTO 10 PHOTO 19 PHOTO 58 PHOTO 4 PHOTO 4 PHOTO 4 PHOTO 1 PHOTO 2 PHOTO 13 PHOTO 23 PHOTO 13 PHOTO 16PHOTO 17 PHOTO 15 PHOTO 48 PHOTO 58 PHOTO 15 EVTSD7471AL
  • 51.
    P.T.O CONTROL SYSTEM D4DD SD471-2P.T.OCONTROL SYSTEM (2) 0.5L 8 M99-3 MAIN ECM PHOTO 4 JOINT CONNECTOR IND. ILL. FUSE BOX FUSE 7 5A HOT IN ON 0.5R 0.5R 0.5R 0.85R 0.85R/O 0.5G/O0.5R/B 0.85B 0.5B0.85L/O 0.85L/O 0.5B 0.5B 0.5B 1.25B 0.85B 0.5R/O0.5R/O0.5R/B 0.5R/O 0.5R/B0.5B 0.5B 1.25B G01G03G02 PTO MAGNETIC VALVE 1 C24 5 M76 2 C24 3 M7667 15 DIODE Z05 16 M54 17 M54 JOINT CONNECTOR 4 MC05 15 MC05 PTO SWITCH 1 C14 2 C14 5 2 M37 4 0.5G/O 1 3 6 M37 0.5L RELAY BOX 3 4 M08 1 M085 PTO RELAY MC0514 PTO CONTROL SWITCH See Illuminations (SD941-2) 5 M79 2 M79 JOINT CONNECTOR See Ground Distribution (SD130-3) See Ground Distribution (SD130-4) See Ground Distribution (SD130-1) See Ground Distribution (SD130-5) PTO INSTRUMENT CLUSTER 4 13 M36-2 M36-1 PHOTO 10 PHOTO 19 PHOTO 58 PHOTO 20 PHOTO 13 PHOTO 20 PHOTO 20 PHOTO 1 PHOTO 13 PHOTO 16 PHOTO 1 PHOTO 1 PHOTO 48 PHOTO 58 PHOTO 15 See MFI Control System (SD313-2) EVTSD7471BL
  • 52.
    P.T.O CONTROL SYSTEM SD471-3P.T.OCONTROL SYSTEM (3) CR02F040 CR02F040 CR05F011 CR05F011 C14 C24 M08(D4AF/D4AL) M08(D4DD) CR14F007 CR32F004 CR14F007 CR10F005 CR06F003 CR02F051 M36-2(D4AF/D4AL) M36-2(D4DD) M36-1 M37 M48 M99-3 * 5 4 3 1 5 4 3 1 22 1 2 1 10 9 8 7 6 5 4 3 2 1 14 13 12 11 10 9 8 7 5 2 14 3 * 14 13 11 10 9 8 7 5 2 14 3 ** 2 1 6 5 4 3 ****** *** ** * ***** * 1 812 11 192024 13 2345671 2 EVTSD7471CL
  • 53.
    P.T.O CONTROL SYSTEM SD471-4P.T.OCONTROL SYSTEM (4) MEMO EVTSD7471DL
  • 54.
    ABS CONTROL SYSTEME0DC8F71 SD587-1ABS CONTROL SYSTEM (1) HOT IN ON FUSE 6 5A FUSE BOX 0.85Y 0.5L 0.5G(D4AF/D4AL) 0.85Y(D4DD) 0.5O 0.5L 0.85O ON Input (-) (+) (-) (+) (+) (-) (-) (+) L-LineK-Line ABS Relay Control ABS Indicator Control 3 1646 0.5Y/O 0.85W FUSE 4 10A 0.5G/O(D4AF/D4AL) 0.5L/O(D4DD) FUSE 12 10A 0.85Y1.25Br 83 1.25Br 6 16 M78 5 14 M78 1 45 31 A01 ABS CONTROL MODULE 1 5 B Ground 553029 1.25B 0.85B 0.85B 28 0.85B M7211 G04 A013940 0.5B/O0.5W/B0.5Gr 1 C302 9 7 CA02(D4AF/D4AL) CA03(D4DD) 8 5 2 C361 2 C31 CA01(D4AF/D4AL) CA03(D4DD) 1 1 C372 109 13 17 14 18 1112 12 16 11 15 0.5R/O(D4AF/D4AL) 0.5B/O(D4DD) 0.5B 0.5B 0.5B 0.5B 1314 10 14 9 13 0.5W/B 0.5W/B 0.5W/B 0.5W 0.5W 0.5W 0.5W0.5Gr PHOTO 1 PHOTO 2 PHOTO 1 PHOTO 26 0.5W 0.5Y 0.5W See Data Link Details (SD200-1) D4AF/D4AL D4AF/D4ALD4DD D4DD 0.5Y/O 0.5Y/O 0.5Y/O 0.5G 0.5G 0.5G A0.85G 0.85G 0.85G 2 MA01 PHOTO 21 PHOTO 1/4PHOTO 1/4 To ABS Relay Box (SD587-2) See Exhaust Parking Brakes (SD596-1) (SD596-2) FRONT WHEEL SENSOR RH PHOTO 57 REAR WHEEL SENSOR RH PHOTO 67 FRONT WHEEL SENSOR LH PHOTO 56 REAR WHEEL SENSOR LH PHOTO 67 DATA LINK CONNECTOR PHOTO 19 JOINT CONNECTOR See Passenger Compartment Fuse Details (SD120-1)(SD120-2) RELAY BOX 3 4 M15 1 M155 ABS RELAY INSTRUMENT CLUSTER 2 9 M36-4 M36-3 PHOTO 10 ABS ( )ABS D4AF/D4AL D4DD D4AF/D4ALD4DD EVTSD7587AL
  • 55.
    ABS CONTROL SYSTEM SD587-2ABSCONTROL SYSTEM (2) ABS CONTROL MODULE 7 35 5 54 26 53 25 6 34 A01 FUSE BOX 1.25B/O Fail Safe Relay Control A From ABS Control Module (SD587-1) ABS HYDRAULIC MODULE M 33 F/L IV F/L OV F/R IV F/R OV R/L IV R/L OV R/R IV R/R OV 4 8 3 7 1 5 2 6 C32 1.25G 1.25W1.25O 1.25R 1.25Y 1.25L 1.25Br 1 22 0.85Y 3 0.85W 4 49 37 0.85L 5 0.85B 1 ABS RELAY BOX C34-1 C34-2C34-2 FUSIBLE LINK BOX ABS FUSIBLE LINK 30A HOT AT ALL TIMES HOT AT ALL TIMES 2.0R 3.0Y 0.85G C34-1 CA01 FUSE 18 15A 4 1 CC03 6 2 3 8 12 5 6 3 4 0.85G 4 9 11 20 5 10 1 1 6 11 2 2 3 8 10 19 0.85G 0.85Y0.85W 0.85L0.85G Solenoid Valve Control Pump Motor Monitor Pump Motor Relay Control 1.25B/O 1.25G 1.25W1.25O 1.25R 1.25Y 1.25L 1.25Br ABS PUMP MOTOR 12 3.0R FRONT INLET VALVE LH FRONT OUTLET VALVE LH FRONT INLET VALVE RH FRONT OUTLET VALVE RH REAR INLET VALVE LH REAR OUTLET VALVE LH REAR INLET VALVE RH REAR OUTLET VALVE RH G03(D4DD) G07(D4AF/D4AL) 21 2 M41 11 M78 13 M78 1 M41 FUSE 14(D4AF/D4AL) FUSE 19(D4DD) 10A STOP LAMP SWITCH 48 0.85Y 0.85Y 0.85L/O Stop Lamp Switch Input Exhaust Brake Signal 0.5L/O 0.85L/O 7 A01 PHOTO 63 PHOTO 26 MA01 PHOTO 21 PHOTO 21 PHOTO 1 PHOTO 48/66 PHOTO 61 B 0.85G MC064 0.5G D4AF/D4ALD4DD D4AF/D4AL D4DD 31 FAIL SAFE RELAY 52 44 PUMP MOTOR RELAY 21 5 1.25R 1.25R 1.25R 6 CA01 4 MA01 1.25R 1.25R 9 MC05 PHOTO 63 PHOTO 20 PHOTO 1 PHOTO 20 PHOTO 19 JOINT CONNECTOR 0.5L/O D4AF/D4AL D4DD CA02(D4AF/D4AL) CA03(D4DD) 19 0.5L 6 0.5L/B MA01 PHOTO 1/4 PHOTO 21 CA01(D4AF/D4AL) CA03(D4DD) PHOTO 1/4 See Exhaust Parking Brakes (SD596-1) (SD596-2) See Passenger Compartment Fuse Details (SD120-3)(SD120-4) 0.85Y 1 M41 2 M41 0.5L/O 0.5L/G 3 4 See Stop Lamps (SD927-1) See Stop Lamps (SD927-1) STOP LAMP SWITCH PHOTO 2 PHOTO 2 See Stop Lamps (SD927-1) 0.85L/O EVTSD7587BL
  • 56.
    ABS CONTROL SYSTEM SD587-3ABSCONTROL SYSTEM (3) CR55F005 CR02F040 CR02F040 A01 C30 C31 CR08F021 CR06F016 CR02F002 CR02M017 C32 C34-1 C34-2 C36 CR02F040 CR05F011 CR14F007 C37 M15 M36-3(D4AF/D4AL) CR14F007 CR12F001 M36-3(D4DD) M36-4 CR04F016 CR04F016 CR16F007 M41(D4AF/D4AL) M41(D4DD) M72(D4AF/D4AL) 55 28 * * * * * * * * ** * * * * * * * * * * * * * * * * * * * * * * * * * * * * * * * * * * * * * * * * * 54 53 49 48 46 45 40 39 37 35 34 33 2931 30 26 25 19 16 14 13 12 11 10 9 7 6 5 1 2 1 2 1 4 3 2 1 678 5 3 2 1 6 5 4 2 1 1 2 2 1 * 5 4 3 1 * * * * * * * * *11 245 3 * * * * * * *11 6 58 24 3 * * * *12 11 10 9 8 3 2 1 * * * * * * * **** * 3 16 11 9 2 1 2 1 4 3* * CR16F044 M72(D4DD) * * * * * * * * *2345 91116 EVTSD7587CL
  • 57.
    ABS CONTROL SYSTEM SD587-4ABSCONTROL SYSTEM (4) MEMO EVTSD7587DL
  • 58.
    EXHAUST PARKING BRAKESE797D4F8 D4AF/D4AL 6 MA01 SD596-1EXHAUST PARKING BRAKES (1) FUSE BOX HOT IN ON 0.5L0.5L 0.85L/B 0.85L/B 0.85L/B 0.5L/O 0.5L/O 0.5L 0.5L 0.5G 0.5G/O 0.85Y 0.85Y 0.5L/B 0.5L 0.5G/O 0.5G 0.5B 0.5L/O 0.85L/B 0.5B G01 EXHAUST BRAKE SWITCH MULTIFUNCTION SWITCH INTAKE SHUTTER VALVE INSTRUMENT CLUSTER DIODE Z01 5 M76 3 M76 1 C25 2 C25 EXHAUST MAGNETIC VALVE 1 C26 2 C26 JOINT CONNECTOR 53 1 M78 6 M78 JOINT CONNECTOR 13 M36-2 1 MM04 12 MC01 1 M32 2 M32 3 M36-1 See Preheating System (SD950-1) 45 6 M47 COLD START SWITCH 3 ONOFF M47 RELAY BOX 4 3 M15 5 M151 ABS RELAY (Open with ABS operated) 2 M49 EXHAUST BRAKE CLUTCH PEDAL POSITION SWITCH (Open with clutch pedal depressed) 1 M49 ACCELERATOR PEDAL POSITION SWITCH (Open with accelerator pedal depressed) 19 A01 ABS CONTROL MODULE 5 3 M43-1 2 M43-1 MM042 W/O ABS With ABS 1.25B 0.85B 0.85L/B 0.85L/B 0.85L/B0.85L/B 0.5B 0.85B 0.85B G03 DIODE Z03 See P.T.O Control System (SD471-1) See Ground Distribution (SD130-5) See Ground Distribution (SD130-1) See Passenger Compartment Fuse Details (SD120-1) FUSE 4 10A EXHAUST BRAKE PHOTO 19 PHOTO 23 PHOTO 23 PHOTO 18 PHOTO 21 PHOTO 26 PHOTO 16 PHOTO 10 PHOTO 15 PHOTO 55 PHOTO 55 PHOTO 55 PHOTO 48 PHOTO 7 PHOTO 4 PHOTO 2 PHOTO 5 PHOTO 1 PHOTO 3 EVTSD7596AL
  • 59.
    EXHAUST PARKING BRAKES D4DD G03PHOTO 48 SD596-2EXHAUST PARKING BRAKES (2) FUSE BOX FUSE 4 10A HOT IN ON HOT WITH ENGINE ECM RELAY ON 0.5L 0.5L 0.5O 0.5W/B 1.25Y 1.25Y 0.85Y 0.85Y 0.85L/O 0.85Y 0.85W/B 0.85L/B 514 M78 616 7 JOINT CONNECTOR 10 M99-2 M99-3 M78 45 A01 FUSE 32 5A 0.85L/O FUSE 12 10A 0.85O FUSE 9 10A ABS CONTROL MODULE 5 MA01 INSTRU- MENT CLUSTER 3 M36-1 2 M36-3 PHOTO 26 15 M99-2 MAIN ECM PHOTO 4 PHOTO 1 2 M99-2 MAIN ECM PHOTO 4 PHOTO 21 PHOTO 19 M78 JOINT CONNECTOR M78 PHOTO 19 PHOTO 10 PHOTO 20 PHOTO 18 1 C25 INTAKE SHUTTER VALVE 0.85L/B 0.85L/B 0.85L/B 0.85L/B 0.85L/B DIODE Z03 W/O Double Cab With Double Cab 0.85B 0.85L/B 0.85L/B 0.85L/B 0.85B 0.85B 0.85B0.85B0.85B 1 C26 EXHAUST MAGNETIC VALVE 1 CC06 2 CC06 W/O Double Cab With Double Cab W/O Double Cab With Double Cab 0.85B W/O Double Cab With Double Cab 0.85B 1.25B 2 C25 2 C26 W/O Double Cab With Double Cab W/O Double Cab With Double Cab See Ground Distribution (SD130-5) See Passenger Compartment Fuse Details (SD120-7)See Passenger Compartment Fuse Details (SD120-1) EXHAUST BRAKE SWITCH MULTIFUN- CTION SWITCH 3 M43-1 2 M43-1 EXHAUST BRAKE 0.5L/O 0.85Y 0.5R 0.5L 4 RELAY BOX 43 M15 5 M151 ABS RELAY 1.25Y 1 W/O ABSWith ABS 0.5L/B 0.5L 19 6 23 M93 5 M931 EXHAUST BRAKE RELAY 0.85L/B 0.85L/B 8 MC05 PHOTO 65 PHOTO 65 PHOTO 54 PHOTO 55 PHOTO 54 EVTSD7596BL
  • 60.
    EXHAUST PARKING BRAKES SD596-3EXHAUSTPARKING BRAKES (3) CR14F007 M36-2(D4AF/D4AL) 14 13 12 11 10 9 8 7 5 2 14 3 * CR55F005 CR02F040 CR02F040 A01 C25 C26 CR07F002 CR05F011 CR10F005 CR14F007 CR14F019 CR05F011 M15 M36-1 M36-3(D4DD) M43-1 M47 M93 2 1 2 155 28 * * * * * * * * ** * * * * * * * * * * * * * * * * * * * * * * * * * * * * * * * * * * * * * * * * * 54 53 49 48 46 45 40 39 37 35 34 33 2931 30 26 25 19 16 14 13 12 11 10 9 7 6 5 1 * 5 4 3 1 10 9 8 7 6 5 4 3 2 1 * * * * * * *11 6 58 24 3 *** 3 2 121314 8 1 791011 7 6 4 1 * 3 2 *5 2 3 1 CR02F187 M49 1 2 CR02F187 M32 1 2 CR32F004CR35F009 M99-2 M99-3 ** * ** * * * * * * 12567 19 17 16 2425 34 32 31 23 22 21 20 14 1213 11 10 915 ****** *** ** * ***** * 1 812 11 192024 13 234567 BLANK BLANKBLANK EVTSD7596CL
  • 61.
    EXHAUST PARKING BRAKES SD596-4EXHAUSTPARKING BRAKES (4) MEMO EVTSD7596DL
  • 62.
    POWER DOOR LOCKSED034227 SD813-1POWER DOOR LOCKS (1) M LOCK UN- LOCK M LOCK UN- LOCK HOT AT ALL TIMES FUSE BOX 4 1 D1621 D06 1 M063 POWER DOOR UNLOCK RELAY 0.85B 0.5R/O 0.85R/O0.5P 16 MD02 0.85O 0.5R/O 65 MD04 0.85O 0.5P 2 3 D16 1 4 MD04 0.85R/O 0.85B 43 D06 0.85B 0.85O 54 MD02 0.85O 0.85B 0.5B 1.25B 1.25B 0.85B 0.85B 1.25B 1.25B 0.85O POWER DOOR LOCK ACTUATOR LH POWER DOOR LOCK ACTUATOR RH 1.25B JOINT CONNECTOR JOINT CONNECTOR 0.85B 5 7 M79 4 POWER DOOR LOCK RELAY FUSE 17 10A 6 5 M54 7 M54 5 2 M06 15 M56-1 14 M56-2 14 13 ETACM 0.5R/O 0.85L 0.5L 0.85L 0.5L 0.85L 0.85B JOINT CONNECTOR RELAY BOX 6 M79 M387 M3813 See Ground Distribution (SD130-3) Door lock/unlock relay control Door lock actuator control JOINT CONNEC- TOR M813 M815 See Ground Distribution (SD130-4) See Ground Distribution (SD130-3) G02G01 314 M05 5 M052 D4DDD4DDD4AF/D4AL D4AF/D4AL 0.5P 0.5P 0.5P 2 0.5R/B 0.5R/B 0.5R/B D4DDD4DD D4AF/D4AL D4DD D4AF/D4AL D4AF/D4AL MM063 0.5R/O 0.5R/O 0.5R/O D4DD 16 0.5O 0.5O 0.5O D4AF/D4AL MM0717 PHOTO 19 PHOTO 24 PHOTO 23 PHOTO 24 PHOTO 20 PHOTO 41 PHOTO 17 PHOTO 15 PHOTO 20 PHOTO 1 PHOTO 1 PHOTO 7 PHOTO 7 PHOTO 1 PHOTO 42 PHOTO 24/26 EVTSD7813AL
  • 63.
    POWER DOOR LOCKS 4156 **** **15 1316 14 11 10 4 15678 ** *15 1316 14 11 10 9 * * * * * * 8 6 5 4 3 2 15 14 13 1220 19 18 17 SD813-2POWER DOOR LOCKS (2) CR04F001 CR04F001 CR05F011 CR05F011 D06 D16 M05 M06 CR16F002CR20F001 CR20F001 CR16F002 M56-1(D4AF/D4AL) M56-1(D4DD) M56-2(D4AF/D4AL) M56-2(D4DD) 5 4 3 1 2 5 4 3 1 2 2 1 4 3 2 1 4 3 * * * * ** ** * 6 5 4 3 15 14 13 1220 19 18 EVTSD7813BL
  • 64.
    POWER WINDOWS EB8321D0 SD824-1POWERWINDOWS (1) PHOTO 1 PHOTO 15 PHOTO 24 PHOTO 38 PHOTO 37 1 8 MD01 MD016 0.85B 0.85B 1.25B 1.25B 0.85R/O 4 9 3 D05 51 0.85Y 0.85R/O 0.85G 0.85Y 0.85G 7 MD01 1.25R 1.25R POWER WINDOW RELAY 2 M04 13 M56-1 0.5Y/O ETACM 1 M04 1.25B 1.25B 0.85B 5 4 RELAY BOX 1.25B 1.25Y/O 1.25Y/O 5 6 G02 G01 M813 MD036 M81 JOINT CONNEC- TOR 5 PHOTO 1 PHOTO 7 PHOTO 7 PHOTO 24 PHOTO 23 PHOTO 24/26 PHOTO 7 PHOTO 39 PHOTO 20 POWER WINDOW MAIN SWITCH See Ground Distribution (SD130-3) See Ground Distribution (SD130-4) 1.25B 1.25B 1.25B D4DDD4AF/D4AL D4DD D4AF/D4AL 0.5Br 0.5Br 0.5Br MM076 HOT AT ALL TIMES FUSE BOX FUSE 13(D4AF/D4AL) FUSE 16(D4DD) 20A M PHOTO 40 POWER WINDOW SUB SWITCH POWER WINDOW MOTOR RH 0.85L DOWN OFF UPDOWN ILL. OFF UP 0.85G 0.85Y 0.5G/O0.85G1.25R 6 9 D15 871 MD03 21 D11 24 D155 See Illuminations (SD941-2) 8 3 M POWER WINDOW MOTOR LH 0.85L 0.85G 21 D01 POWER WINDOW SWITCH RH DOWN OFF UPDOWN OFF UP POWER WINDOW SWITCH LH DOWN OFF UPDOWN OFF UP ILL. 0.5G/O D05 See Illuminations (SD941-2) 82 ILL. EVTSD7824AL
  • 65.
    POWER WINDOWS * ** * ** ** * 6 5 4 3 15 14 13 1220 19 18 * * * * * * 8 6 5 4 3 2 15 14 13 1220 19 18 17 BLANK SD824-2POWER WINDOWS (2) CR02F001 CR09F001 CR02F011 CR09F001 D01 D05 D11 D15 CR05F019 CR20F001 CR20F001 M04 M56-1(D4AF/D4AL) M56-1(D4DD) 2 1 2 1 4 3 2 1 9 8 * 6 5 4 3 2 9 8 * * 6 5 1 * 5 4 2 EVTSD7824BL
  • 66.
    CIGARETTE LIGHTER EBBE1B7D SD846-1CIGARETTELIGHTER (1) FUSE 36 15A FUSE BOX HOT IN ACC OR ON 3 G01 0.85B 0.85B 0.85B0.85B 0.5B 0.85L/O See Passenger Compartment Fuse Details (SD120-7) 1 M68 2 M68 1 M30 2 M30 10 M84 4 16 M84 ILL. CIGARETTE LIGHTER ASHTRAY ILL. JOINT CONNECTOR See Illuminations (SD941-1) 0.5G/O 0.5G/O0.85L/O PUSH:ON PHOTO 8 3 0.85L/O See Passenger Compartment Fuse Details (SD120-7) M68 2 M68 ILL. CIGARETTE LIGHTER 0.85L/O PUSH:ON PHOTO 8 PHOTO 12 PHOTO 15 PHOTO 15 See Ground Distribution (SD130-2) D4AF/D4AL D4DD EVTSD7846AL
  • 67.
    CIGARETTE LIGHTER BLANK SD846-2CIGARETTE LIGHTER(2) CR02F046 CR03F005 CR03F005 M30 M68(D4AF/D4AL) M68(D4DD) 2 1 1 3 23 2 * EVTSD7846BL
  • 68.
    OUTSIDE MIRROR DEFOGGERE050DEFD SD879-1OUTSIDE MIRROR DEFOGGER (1) 1.25B(With P/Window) 0.85B(W/O P/Window) 1.25B(With P/Window) 0.85B(W/O P/Window) D4AF/ D4AL FUSE BOX ETACM 6 2 4 M653 1 M65 OUTSIDE MIRROR DEFOGGER RELAY RELAY BOX 3 M072 MD034 M8014 M8020191718 See Illuminations (SD941-1) 5 M071 ONOFF M56-118 FUSE 19 15A M56-215 0.85P 0.85P 0.85W 0.5Y/B 0.5Y/B 0.5Y/B 0.5P 0.85P 0.85B OUTSIDE MIRROR DEFOGGER RH0.5G/O HOT AT ALL TIMESHOT IN ON 0.85W 0.85B DEFOGGER SWITCH MIRROR DEFOGGER MD014 0.85B D022 OUTSIDE MIRROR DEFOGGER LH 0.85W 0.85B 0.85B 1.25B INSTRUMENT CLUSTER M36-213 M36-15 Defogger Relay Control Defogger Switch "ON" Input MD036 6 0.5B 0.5B 0.85B 0.85W0.85W 0.5B 0.5B 0.85B MD01 JOINT CONNECTOR JOINT CONNECTOR See Ground Distribution (SD130-3) 0.85W 0.85W G01 G02 M84217 M8410 M763 M765 See Ground Distribution (SD130-1) See Ground Distribution (SD130-2) D122 D021 D121 5 0.5B JOINT CONNECTOR JOINT CONNECTOR M813 M815 See Ground Distribution (SD130-4) FUSE 14 15A D4DD D4AF/D4AL D4DD D4AF/D4AL 0.5Y/O 0.5Y/O 0.5Y/O D4DD D4AF/D4AL MM073 ILL. IND. See Charging System (SD373-1)(SD373-2) 0.5Y 3 Engine Running Input MM0613 D4AF/D4AL D4DD 1.25B 1.25B 1.25B PHOTO 8 PHOTO 1 PHOTO 1 PHOTO 7 PHOTO 7 PHOTO 24/26 PHOTO 15 PHOTO 15 PHOTO 16 PHOTO 23 PHOTO 24 PHOTO 38PHOTO 37 PHOTO 24 PHOTO 19 PHOTO 10PHOTO 20 PHOTO 20 EVTSD7879AL
  • 69.
    OUTSIDE MIRROR DEFOGGER BLANK SD879-2OUTSIDEMIRROR DEFOGGER (2) CR02M002 CR02M002 CR05F011 CR10F005 D02 D12 M07 M36-1 CR20F001CR14F007 CR20F001 CR16F002 CR16F002 CR06F017 M36-2(D4AF/D4AL) M56-1(D4AF/D4AL) M56-1(D4DD) M56-2(D4AF/D4AL) M56-2(D4DD) M65 2 5 * 3 1 10 9 8 7 6 5 4 3 2 1 14 13 12 11 10 9 8 7 5 2 14 3 * 2 1 6 5 4 3 1 2 1 2 4 156 **** **15 1316 14 11 10 4 15678 ** *15 1316 14 11 10 9 * * * * * * 8 6 5 4 3 2 15 14 13 1220 19 18 17 * * * * ** ** * 6 5 4 3 15 14 13 1220 19 18 EVTSD7879BL
  • 70.
    HEAD LAMPS EBF4153D SD921-1HEADLAMPS (1) 0.5Br FUSE 2 5A FUSE BOX HOT IN ONHOT AT ALL TIMES FUSE 25 10A FUSE BOX FUSE 27 10A FUSE 28 10A FUSE 26 10A 3.0L 3.0R 3.0L 2.0L 2.0L 0.5Br0.5Br G01 2 CC02 6 MC03 715 M43-2 2 M43-2 3 M76 5 M76 108 M54 9 M54 RELAY BOX 1.25G 1.25G 0.5R/B 0.5R/O (D4AF/D4AL) 0.5R(D4DD) 1.25Gr 0.85B/O 1.25B/O 0.5B 0.5B 1.25O BODY FUSIBLE LINK 40A FUSIBLE LINK BOX 8 13 M36-2 M36-1 HIGH BEAM LIGHT SWITCH DIMMER/ PASSING SWITCH HIGH LOWFLASH PARK HEAD OFF REAR FOG 0.5W/O PHOTO 15G02 PHOTO 1G01 PHOTO 15 PHOTO 18 PHOTO 4 PHOTO 61 See Power Distribution (SD110-1) PHOTO 19 JOINT CONNECTOR See Ground Distribution (SD130-1) PHOTO 16 JOINT CONNECTOR PHOTO 10 INSTRUMENT CLUSTER MULTIFUN- CTION SWITCH See Ground Distribution (SD130-1) 0.5B 0.5B See Tail, Parking & License Lamps (SD928-1)(SD928-2) HEAD LAMP RELAY (LOW) 4 M141 2 M145 HEAD LAMP RELAY (HIGH) 1 M134 5 M132 1.25B JOINT CONNEC- TOR M812 M815 See Ground Distribution (SD130-4) D4AF/D4AL D4DD 1.25B 1.25B 1.25B 2 M57 HEAD LAMP RH LO HI 31 M57 PHOTO 36 1.25G 1.25B/O G01 PHOTO 15 1.25B JOINT CONNEC- TOR M3814 M3813 See Ground Distribution (SD130-3) 1.25B 1.25B 2 M50 HEAD LAMP LH LO HI 31 M50 PHOTO 17 PHOTO 35 PHOTO 1 PHOTO 23 EVTSD7921AL
  • 71.
    HEAD LAMPS SD921-2HEAD LAMPS(2) CR05F019 CR05F019 CR10F005 M13 M14 M36-1 CR14F007 CR03F020 CR14F007 CR10F014 CR10F014 CR03F020 M36-2(D4AF/D4AL) M36-2(D4DD) M43-2(D4AF/D4AL) M43-2(D4DD) M50 M57 10 9 8 7 6 5 4 3 2 1 1 * 5 4 2 1 * 5 4 2 14 13 12 11 10 9 8 7 5 2 14 3 * 14 13 11 10 9 8 7 5 2 14 3 ** * * * 2 1 8910 7 5 ** 2 1 8910 7 56 2 1 3 2 1 3 BLANK EVTSD7921BL
  • 72.
    HEAD LAMP LEVELINGDEVICE E911E10E M D4AF/D4AL (EUROPE ONLY) SD922-1HEAD LAMP LEVELING DEVICE (1) G01 0.5Br 0.5Br 0.5G/O FUSE 2 5A FUSE BOX See Illuminations (SD941-2) HOT IN ON JOINT CONNECTOR 10 M54 8 9 M54 14 M44 532 M44 HEAD LAMP LEVELING SWITCH HEAD LAMP LEVELING ACTUATOR LH HEAD LAMP LEVELING ACTUATOR RH 321 M53 123 M60 G01 JOINT CONNECTOR See Ground Distribution (SD130-2) 1 M84 10 M84 0.85B 0.5B0.85L 0.85L 0.85B 1.25B 1.25B 0.85B 0.85B 0.85L 0.85Br 0.85Br 0.5B 0.5B JOINT CONNECTOR See Ground Distribution (SD130-3) 3 M38 13 M38 M ILL. PHOTO 3 PHOTO 19 PHOTO 15 PHOTO 17 PHOTO 15 PHOTO 15 PHOTO 36PHOTO 35 See Ground Distribution (SD130-1) EVTSD7922AL
  • 73.
    HEAD LAMP LEVELINGDEVICE BLANK SD922-2HEAD LAMP LEVELING DEVICE (2) CR05F013 CR03F001 M44 M53 3 2 1 3 2 1 1 2345 CR03F001 M60 EVTSD7922BL
  • 74.
    FOG LAMPS EDEBA7B4 ONOFFILL.IND. SD924-1FOG LAMPS (1) 3.0R 3.0L 1.25G/O 2.0L 3.0L 3.0L 0.5L HOT AT ALL TIMES 6 MC03 G01 G03 BODY FUSIBLE LINK 40A FUSIBLE LINK BOX RELAY BOX CC022 1.25G/O FUSE BOX FUSE 29 10A FUSE 31 10A 11 M84 15 M84 5 M43-2 LIGHT SWITCH MULTIFUNCTION SWITCH 2 M43-2 1.25G/O 0.85W See Illuminations (SD941-1) 8 M77 7 M77 142 M63 56 M63 0.5G/O 0.5L 0.5B 0.85B 0.5B 0.85B 0.5B 0.5B 0.5R 0.85R0.85R 1.25B 1.25B 1.25B 0.85R 18 13 MC02(D4AF/D4AL) MC06(D4DD) C19 C191 2 0.85R 0.85R C17 C171 2 FRONT FOG LAMP LH FRONT FOG LAMP SWITCH 3 0.5G/O 0.5B 18 M846 10 M84 HEAD PARK OFF PHOTO 18 PHOTO 61 PHOTO 4/20 PHOTO 1 PHOTO 4 PHOTO 43 FRONT FOG LAMP RH PHOTO 43 PHOTO 48PHOTO 15 PHOTO 8 See Power Distribution (SD110-1) See Ground Distribution (SD130-1) 0.5R/O D4AF/D4AL D4DD 0.5Y/O 0.5Br/B 0.5R 4 MM06 MM075 PHOTO 20 PHOTO 20 See Passenger Compartment Fuse Details (SD120-6) JOINT CONNECTOR PHOTO 15 JOINT CONNECTOR PHOTO 15 See Illuminations (SD941-2) JOINT CONNECTOR PHOTO 15 See Ground Distribution (SD130-2) See Ground Distribution (SD130-5) FRONT FOG LAMP TAIL LAMP RELAY 4 M021 2 M025 FRONT FOG LAMP RELAY 3 M012 5 M011 EVTSD7924AL
  • 75.
    FOG LAMPS SD924-2FOG LAMPS(2) REAR FOG LAMP/ D4AF/D4AL (EUROPE ONLY) 0.85R 0.85R0.5R 0.85R/O HOT AT ALL TIMES FUSE BOX RELAY BOX FUSE 16 10A PARK HEAD OFF LIGHT SWITCH MULTIFUNCTION SWITCH REAR FOG See Tail, Parking & License Lamps (SD928-1) M43-26 M43-22 5 JOINT CONNECTOR See Ground Distribution (SD130-3) 7 M79 5 M79 See Courtesy Lamps (SD929-1) MC013 C55 C552 1 REAR FOG LAMP G03 G02 See Ground Distribution (SD130-1) See Ground Distribution (SD130-6) G01 0.85R/O 0.5R/B 0.5R/O 0.5R/O 0.5R 0.85R/O 0.5B 1.25B 0.85B 0.5R/O 0.5R 0.5B 0.5R/O 0.85B 0.5B 0.5R/B 0.5R/B 0.5R/B 1 M19 2 M19 REAR FOG LAMP WARNING BUZZER PHOTO 15 0.5R/O DIODE Z04 6 MM01 ONOFFILL. IND. See Illuminations (SD941-1) See Illuminations (SD941-1) 142 M67 56 M67 0.5B0.5B REAR FOG LAMP SWITCH 3 0.5G/O PHOTO 8 REAR FOG LAMP RELAY 3 M162 5 M161 REAR FOG INDICATOR RELAY 4 M861 2 M865 PHOTO 69 PHOTO 19 PHOTO 7 PHOTO 1 PHOTO 4 PHOTO 18 PHOTO 15 PHOTO 48 PHOTO 1 PHOTO 1 EVTSD7924BL
  • 76.
    FOG LAMPS SD924-3FOG LAMPS(3) CR02F040 CR02F040 CR02F040 CR05F011 C17 C19 C55 M01 CR10F014 CR05F019 CR05F019 CR05F011 CR02F049 CR10F014 CR06F017 CR06F017 M02 M16 M19 M43-2(D4AF/D4AL) M43-2(D4DD) M63 M67 M86 2 1 2 12 1 2 5 * 3 1 1 * 5 4 2 * * * 2 1 8910 7 5 ** 2 1 8910 7 56 2 1 6 5 4 3 2 5 * 3 1 1 * 5 4 2 2 1 6 5 4 3 2 1 EVTSD7924CL
  • 77.
    FOG LAMPS SD924-4FOG LAMPS(4) MEMO EVTSD7924DL
  • 78.
    TURN & HAZARDLAMPS ECEE2BCB SD925-1TURN & HAZARD LAMPS (1) 0.85O 0.85O 6 M10 5324 M10 0.85Br ILL. 0.85R/O 0.85 R/O 0.85Y/O 0.85Y/O 0.5G/O 0.85 R/O 0.85 Y/O 0.85B 0.85Br/O 181917 M78 2 MD01 3 M62 6 M62 6 MD01 10 1 MC02 (D4AF/D4AL) MC06(D4DD) 20 M78 78 M78 10 M78 9 2 5 4 9 M43-2 8 M43-2 10 0.5B 0.5B 0.85Br Coil Control Coil Control Power RHLH 9 M84 10 M84 0.5B 7 0.85B 0.85B 0.85Br/O0.5Br/O 0.5Br/O 1 C07 4 C07 2.0Br/O (D4AF/D4AL) 0.85Br/O(D4DD) 0.85 Br/O 0.85Br/O 0.5B 1.25B 1.25B 5 M38 13 M38 FLASHER UNIT G01 G03 1.25B 1.25B 1 M52 FRONT TURN SIGNAL LAMP LH SIDE REPEATER LAMP LH REAR COMBINATION LAMP LH 2 M52 0.85B 1.25B(With P/Window) 0.85B(W/O P/Window) 0.85B SIDE REPEA- TER LAMP RH 2 D04 1 D04 2 MD03 6 MD03 0.5Br 0.5Br/O 0.85Br 0.5B FRONT TURN SIGNAL LAMP RH 1 M81 5 M81 3 JOINT CON- NECTOR 1 M59 2 M59 1.25B(With P/Window) 0.85B(W/O P/Window) 0.85B 0.85B 0.85B 2 D14 1 D14 PHOTO 30 PHOTO 37 PHOTO 68 PHOTO 48 G03 PHOTO 48PHOTO 15 G01 PHOTO 15 G02 PHOTO 1 G01 PHOTO 15 PHOTO 18 PHOTO 17 HAZARD SWITCH PHOTO 8 PHOTO 10 PHOTO 2 See Ground Distribution (SD130-6) JOINT CONNEC- TOR TURN LAMP 11 2 MC02(D4AF/D4AL) MC06(D4DD) 1 C08 4 C08 0.85Br 0.85Br 1.25B 1.25B REAR COMBI- NATION LAMP RH PHOTO 70 See Ground Distribution (SD130-5) (SD130-6) TURN LAMP TURN SIGNAL LAMP SWITCH PHOTO 19 JOINT CONNECTOR JOINT CONNEC- TOR PHOTO 15 MULTIFUN- CTION SWITCH See Illuminations (SD941-1) D4AF/D4ALD4DD 1.25B 1.25B 1.25B JOINT CON- NECTOR See Ground Distribution (SD130-4) PHOTO 24 PHOTO 24 PHOTO 19 HOT AT ALL TIMES FUSE BOX FUSE 15 10A See Passenger Compartment Fuse Details (SD120-3)(SD120-4) See Ground Distribution (SD130-3) 0.5B 0.5B 1 M76 5 M76 PHOTO 16 JOINT CONNEC- TOR See Ground Distribution (SD130-1) See Ground Distribution (SD130-4)See Ground Distribution (SD130-2) See Ground Distribution (SD130-1) See Ground Distribution (SD130-3) M36-23 M36-22 1 LEFT TURN RIGHT TURN INSTRUMENT CLUSTER PHOTO 7 PHOTO 7 PHOTO 4/20 PHOTO 4/20 PHOTO 23 PHOTO 31 PHOTO 38 EVTSD7925AL
  • 79.
    TURN & HAZARDLAMPS CR14F007 M36-2(D4AF/D4AL) CR14F007 M36-2(D4DD) 14 13 12 11 10 9 8 7 5 2 14 3 * 14 13 11 10 9 8 7 5 2 14 3 ** BLANK BLANK SD925-2TURN & HAZARD LAMPS (2) CR06F016 CR06F016 CR02F001 CR02F001 C07 C08 D04 D14 CR06F002 M10 CR10F014 CR10F014 M43-2(D4AF/D4AL) M43-2(D4DD) CR02F001 CR02F001 CR06F017 M52 M59 M62 3 * 1 6 5 4 3 * 1 6 5 4 2 1 2 1 *3 2 6 5 4 * * * 2 1 8910 7 5 ** 2 1 8910 7 56 2 1 2 1 *2 6 5 4 3 EVTSD7925BL
  • 80.
    BACK-UP LAMPS EF9CCF95 SD926-1BACK-UPLAMPS (1) G03 BACK-UP LAMP REAR COMBINATION LAMP LH BACK WARNING BUZZER 4 C07 6 C07 See Ground Distribution (SD130-5)(SD130-6) 1.25B1.25B 1.25B1.25B1.25B0.85B 0.85L0.85L 0.85L 0.85Br/O 0.85Br/O 0.85Br/O 0.85Br/O 0.85L HOT IN ON BACK-UP LAMP SWITCH 2 C12 1 C12 11 MC01 0.85Br/O 0.85Br/O 0.85Br/O 2 MC05 D4AF/D4AL D4AF/D4AL D4DD See Passenger Compartment Fuse Details (SD120-2) See Passenger Compartment Fuse Details (SD120-2) FUSE BOX FUSE 11 10A BACK-UP LAMP REAR COMBINATION LAMP RH 4 C08 6 C08 2 C50 1 C50 D4AF/D4ALD4DD PHOTO 59 PHOTO 70 PHOTO 68 PHOTO 70 PHOTO 48 PHOTO 20 PHOTO 4 EVTSD7926AL
  • 81.
    BACK-UP LAMPS SD926-2BACK-UP LAMPS(2) CR06F016 CR06F016 CR02F040 CR02F001 C07 C08 C12 C50 2 1 3 * 1 6 5 4 3 * 1 6 5 4 2 1 EVTSD7926BL
  • 82.
    STOP LAMPS EA2A1D92 SD927-1STOPLAMPS (1) 0.85L/O 0.85Y HOT AT ALL TIMES HOT WITH ENGINE ECM RELAY ON FUSE BOX FUSE 14(D4AF/D4AL) FUSE 19(D4DD) 10A FUSE 32 5A 6 7 MC02(D4AF/D4AL) MC06(D4DD) 11 M78 13 M78 JOINT CONNECTOR 0.5L/G 0.85L/O D4AF/D4AL D4DD 48 A01 ABS CONTROL MODULE PHOTO 26 PHOTO 48 0.85L/O 19 M99-2 MAIN ECM PHOTO 4 7 MA01 PHOTO 21 PHOTO 19 PHOTO 70PHOTO 68 PHOTO 4/20 See Passenger Compartment Fuse Details (SD120-3)(SD120-4) See Passenger Compartment Fuse Details (SD120-7) G03 STOP LAMP REAR COMBINATION LAMP LH 4 C07 5 C07 See Ground Distribution (SD130-5)(SD130-6) 1.25B1.25B 1.25B1.25B1.25B 0.85L/O 0.85L/O STOP LAMP REAR COMBINATION LAMP RH 4 C08 5 C08 D4AF/D4ALD4DD 2 M41 1 M41 STOP LAMP SWITCH 0.85Y 0.85L/O 0.85L/O 0.5L/O0.5L/O 0.85L/O D4AF/D4AL D4DD 0.85Y 1 M41 2 M41 0.5L/O 3 4 STOP LAMP SWITCH PHOTO 2 PHOTO 2 0.85L/O EVTSD7927AL
  • 83.
    STOP LAMPS STOP LAMPS(2) CR35F009 M99-2 2 1 2 1 4 3* * SD927-2 CR55F005 CR06F016 CR06F016 A01 C07 C08 BLANK CR04F016 CR04F016 M41(D4AF/D4AL) M41(D4DD) * * * * * * * * * * * * * ** * * * * * * * * * * * * * * * * * * * * * * * * * * * * * * * * * * * * 55 28 54 53 49 48 46 45 40 39 37 35 34 33 2931 30 26 25 19 16 14 13 12 11 10 9 7 6 5 1 ** * ** * * * * * * 12567 19 17 16 2425 34 32 31 23 22 21 20 14 1213 11 10 915 3 * 1 6 5 4 3 * 1 6 5 4 EVTSD7927BL
  • 84.
    TAIL, PARKING &LICENSE LAMPS EA53A21C SD928-1TAIL, PARKING & LICENSE LAMPS (1) See Ground Distribution (SD130-1) See Ground Distribution (SD130-6) HOT AT ALL TIMES FUSIBLE LINK BOX BODY FUSIBLE LINK 40A CC022 MC036 FUSE 29 10A FUSE 30 10A 3.0L 3.0L 3.0R 2.0L 1 M51 POSITION LAMP LH 2 M51 0.5B 1.25B 1.25B 1.25G/O 1.25G/O 0.5L RELAY BOX 0.5R/O 0.5B 0.5B FUSE BOX 0.85G G01 G03 G02 JOINT CONNECTOR JOINT CONNECTOR 11 M84 15 12 M84 JOINT CONNEC- TOR See Illuminations (SD941-1) 8 M77 0.5B 0.5G/O 1.25G/O 6 M77 14 M54 1311 M54 0.85G JOINT CONNEC- TOR See Ground Distribution (SD130-3) 1 M38 13 M38 1.25B JOINT CONNECTOR See Ground Distribution (SD130-4) 8 M81 5 M81 See Ground Distribution (SD130-5) 1 C05 C05-1 (EUROPE) LICENSE LAMP 2 C05 C05-1 (EUROPE) 0.85G/O 1 0.85G/O 0.85G/O 0.85G 0.85G 0.85G/O 1.25B0.85B 1.25B 1.25B 17 MC01 MC02 0.85G 3 C07 4 C07 REAR COMBI- NATION LAMP LH TAIL LAMP 3 C08 4 C08 REAR COMBI- NATION LAMP RH TAIL LAMP 1 C52 REAR MARKER LAMP LH 2 C52 0.85G/O 0.85B 1 C70 FRONT OUTSIDE MARKER LAMP LH 2 C70 1 CC04 0.85G/W 0.85G/W 0.85G/O 0.85B 1 C72 FRONT OUTSIDE MARKER LAMP RH 2 C72 0.85G/W 0.85B 1 M58 POSITION LAMP RH 2 M58 1.25B 2 CC04 2 CC05 0.85B 1 C73 REAR OUTSIDE MARKER LAMP LH 2 C73 1 CC05 0.85G/W 0.85G/W 0.85G 0.85B 1 C53 REAR MARKER LAMP RH 2 C53 0.85G 0.85B 1 C74 REAR OUTSIDE MARKER LAMP RH 2 C74 0.85G/W 0.85B 0.85B 0.85B 1.25B 1.25B See Power Distribution (SD110-1) See Passenger Compartment Fuse Details (SD120-6) See Passenger Compartment Fuse Details (SD120-6) D4AF/ D4AL TAIL LAMP RELAY 4 M021 2 M025 5 M43-2 LIGHT SWITCH MULTIFUN- CTION SWITCH 2 M43-2 HEAD PARK OFF PHOTO 18 PHOTO 15 PHOTO 17 PHOTO 69 PHOTO 69 PHOTO 68 PHOTO 64 PHOTO 64 PHOTO 15 PHOTO 15 PHOTO 61 PHOTO 64 PHOTO 64 PHOTO 64 PHOTO 64 PHOTO 64 PHOTO 48 PHOTO 64 PHOTO 69 PHOTO 70 PHOTO 23 PHOTO 31 PHOTO 19 PHOTO 1 PHOTO 4 PHOTO 4 PHOTO 4 PHOTO 1 PHOTO 30 EVTSD7928AL
  • 85.
    TAIL, PARKING &LICENSE LAMPS SD928-2TAIL, PARKING & LICENSE LAMPS (2) D4DD See Ground Distribution (SD130-1) HOT AT ALL TIMES FUSIBLE LINK BOX BODY FUSIBLE LINK 40A CC022 MC036 FUSE 29 10A FUSE 30 10A 5 MM07 4 MM06 3.0L 3.0L 3.0R 2.0L 1 M51 POSITION LAMP LH 2 M51 0.5B 1.25B 1.25B 1.25G/O 1.25G/O 0.5L 0.5Y/O 0.5Br/B 0.5R 0.5B 0.5B FUSE BOX 0.85G G01 G03 G02 JOINT CONNECTOR 11 M84 15 12 M84 JOINT CONNECTORSee Illuminations (SD941-1) 8 M77 0.5B 0.5G/O 0.5G/O 0.5G/O 1.25G/O 6 M77 14 M54 1311 M54 0.85G JOINT CONNECTOR See Ground Distribution (SD130-3) 1 M38 13 M38 1.25B 1.25B JOINT CONNECTOR See Ground Distribution (SD130-4) 8 M81 5 M81 See Ground Distribution (SD130-6) 1 C05 LICENSE LAMP 2 C05 0.85G/W 18 0.85G/O 0.85G/O 0.85G 0.85G 0.85G/O 1.25B0.85B 1.25B 17 MC05 3 C07 4 C07 REAR COMBINATION LAMP LHTAIL LAMP 3 C08 4 C08 REAR COMBINATION LAMP RHTAIL LAMP 1 M58 POSITION LAMP RH 2 M58 1.25B See Passenger Compartment Fuse Details (SD120-6) JOINT CONNECTOR See Passenger Compartment Fuse Details (SD120-6) See Power Distribution (SD110-1) 5 M43-2 LIGHT SWITCH MULTIFUNCTION SWITCH 2 M43-2 HEAD PARK OFF PHOTO 18 PHOTO 1 PHOTO 17 PHOTO 30 PHOTO 20 PHOTO 61 PHOTO 4 PHOTO 20 PHOTO 69 PHOTO 15 PHOTO 15 PHOTO 20 PHOTO 19 PHOTO 70 PHOTO 31 PHOTO 23 PHOTO 1 PHOTO 68 PHOTO 15 PHOTO 48 RELAY BOX TAIL LAMP RELAY 4 M021 2 M025 EVTSD7928BL
  • 86.
    TAIL, PARKING &LICENSE LAMPS SD928-3TAIL, PARKING & LICENSE LAMPS (3) CR02F001 CR02F001 CR06F016 CR06F016 C05 C05-1 C07 C08 CR02F040 CR02F040 CR02F001 CR02F001 C52 C53 C70 C72 CR02F001 C73 CR02F001 M51 CR02F001 C74 CR05F019 M02 CR10F014 M43-2(D4AF/D4AL) CR10F014 M43-2(D4DD) CR02F001 M58 BLANK 2 1 2 1 2 1 2 1 2 1 2 1 2 12 1 2 1 2 1 3 * 1 6 5 4 3 * 1 6 5 4 1 * 5 4 2 * * * 2 1 8910 7 5 ** 2 1 8910 7 56 EVTSD7928CL
  • 87.
    TAIL, PARKING &LICENSE LAMPS SD928-4TAIL, PARKING & LICENSE LAMPS (4) MEMO EVTSD7928DL
  • 88.
    COURTESY LAMPS EACB1C6F OFF ONDOOR OFF ONDOOR DOOR OPEN SD929-1COURTESY LAMPS (1) HOT IN ON FUSE BOX FUSE 12 10A G02 HOT AT ALL TIMES FUSE 23 10A HOT WITH TAIL LAMP RELAY ON FUSE 30 10A See Passenger Compartment Fuse Details (SD120-2) 16 M78 14 M78 2 M36-3 3 M114 INSTRUMENT CLUSTER REAR ROOM LAMP 2 M36-4 JOINT CONNECTOR See Passenger Compartment Fuse Details (SD120-5) JOINT CONNECTOR See Passenger Compartment Fuse Details (SD120-6) JOINT CONNECTOR 20 M77 2 1 MM03 17 M77 WITH DOUBLE CAB 14 M54 12 M54 JOINT CONNECTOR See Ground Distribution (SD130-4) 6 M81 5 M81 See Fog Lamps (SD924-2) 0.85O 0.85Gr 0.85G 0.5O 0.5Gr 0.85G 0.5R 0.5R 0.5R/B 0.5R/O 0.5R/B 0.5R/O 0.5B 0.85R/O (D4AF/D4AL) 0.5R/O(D4DD) 0.5R/O 0.5R/O 0.5B 0.5R/O 0.5R/O 0.5R/O 0.5R/B 0.5R/B 8 MM02 4 MM03 3 MM03 M80 2 4 M80 2 1 M114 31 1 M106 6 MM01 DIODE Z04 JOINT CONNECTOR FRONT DOOR SWITCH RH FRONT DOOR SWITCH LH 1 M105 0.5B 0.5B 3 M110 FRONT ROOM LAMP 0.5R 1 2 M110 D4AF/D4AL D4AF/D4AL 0.5R/O 1 M117 REAR DOOR SWITCH RH 0.5R/O REAR DOOR SWITCH LH 1 M118 With EUROPE W/O EUROPE 1.25B 1.25B 1.25B D4DDD4AF/D4AL 11 M56-2 ETACMDoor switch 0.5R/O 0.5R/B 0.5R/B0.5R/B 0.5R/B DIODE Z07 D4DD 0.5R/O 0.5R/O D4DD D4AF/D4AL D4DD D4AF/D4AL 11 MM0610 Not Used PHOTO 10 PHOTO 19 PHOTO 15 PHOTO 19 PHOTO 19 PHOTO 23 PHOTO 23 PHOTO 23 PHOTO 1 PHOTO 29PHOTO 29 PHOTO 7 PHOTO 28PHOTO 28 PHOTO 23 PHOTO 21 PHOTO 19 PHOTO 23 PHOTO 24/26 PHOTO 20 EVTSD7929AL
  • 89.
    COURTESY LAMPS SD929-2COURTESY LAMPS(2) 0.85G/W 0.5G/W 0.5G/W 0.85B 4 MM03 0.5B 0.5B M122 M1221 2M121 M1211 2 ENDOUT MARKER LAMP 'D' ENDOUT MARKER LAMP 'E' 0.5G/W 0.5B M120 M1201 2 ENDOUT MARKER LAMP 'C' 0.85G/W 0.5B M113 M1131 2 ENDOUT MARKER LAMP 'B' 0.5G/W 0.5B M112 M1121 2 ENDOUT MARKER LAMP 'A' OFF ONDOOR DOOR OPEN HOT IN ON FUSE BOX FUSE 12 10A G02 HOT AT ALL TIMES FUSE 23 10A HOT WITH TAIL LAMP RELAY ON FUSE 30 10A See Passenger Compartment Fuse Details (SD120-2) 16 M78 14 M78 2 M36-3 3 M110 INSTRUMENT CLUSTER FRONT ROOM LAMP 2 M36-4 JOINT CONNECTOR See Passenger Compartment Fuse Details (SD120-5) JOINT CONNECTOR See Passenger Compartment Fuse Details (SD120-6) JOINT CONNECTOR 20 M77 2 1 MM03 17 M77 W/O DOUBLE CAB 14 M54 12 M54 JOINT CONNECTOR See Ground Distribution (SD130-4) 6 M81 5 M81 See Fog Lamps (SD924-2) 0.85O 0.85Gr 0.85G 0.5O 0.5Gr 0.85G 0.5G/B 0.5R/O 0.5R/B 0.5R/O 0.85R/O (D4AF/D4AL) 0.5R/O(D4DD) 0.5R/O 0.5R/O 0.5B 0.5R/O 0.5R/O 0.5R/B 0.5R/B8 MM02 3 MM03 M80 2 4 M80 2 1 M110 31 1 M106 6 MM01 DIODE Z04 JOINT CONNECTOR FRONT DOOR SWITCH RH FRONT DOOR SWITCH LH 1 M105 0.85B D4AF/D4AL D4AF/D4AL With EUROPE W/O EUROPE 1.25B 1.25B 1.25B D4DDD4AF/D4AL 11 M56-2 ETACMDoor switch 0.5R/O 0.5R/B 0.5R/B0.5R/B 0.5R/B DIODE Z07 D4DD 0.5R/O 0.5R/O D4DD D4AF/D4AL D4DD D4AF/D4AL 11 MM0610 Not Used PHOTO 10 PHOTO 19 PHOTO 15 PHOTO 25 PHOTO 72 PHOTO 72 PHOTO 72 PHOTO 72 PHOTO 72 PHOTO 19 PHOTO 19 PHOTO 23 PHOTO 23 PHOTO 23 PHOTO 1 PHOTO 29 PHOTO 7 PHOTO 28 PHOTO 23 PHOTO 21 PHOTO 19 PHOTO 23 PHOTO 24/26 PHOTO 20 EVTSD7929BL
  • 90.
    COURTESY LAMPS SD929-3COURTESY LAMPS(3) BLANK BLANK CR14F007 CR14F007 M36-3(D4AF/D4AL) M36-3(D4DD) CR01F043 CR02F096 CR12F001 CR16F002 CR16F002 CR01F043 CR03F007 CR02F096 CR03F007 M36-4 M56-2(D4AF/D4AL) M56-2(D4DD) M105 M106 M110 M112 M113 CR02F096CR01F043 CR01F043 M117 M118 M120M114 1 1 1 1 3 2 1 2 1 2 12 1 2 1 2 1 3 2 1 CR02F096 CR02F096 M122M121 * * * * * * *11 6 58 24 3 * * * * * * * * *11 245 3 4 156 **** **15 1316 14 11 10 4 15678 ** *15 1316 14 11 10 9 12 11 10 9 8 3 2 1 * * * * EVTSD7929CL
  • 91.
  • 92.
    WORKING LAMP &DUMP WARNING BUZZER E4E47DDF See Passenger Compartment Fuse Details (SD120-2) 16 M78 14 M78 2 M36-3 INSTRUMENT CLUSTER JOINT CONNECTOR 0.5O PARKING BRAKE SWITCH (W/O Double Cab) PHOTO 27 PARKING WORKING LAMP ( P ) SD930-1WORKING LAMP & DUMP WARNING BUZZER (1) 1.25W 2 C02 1 C02 1 M75 2 M75 JOINT CONNECTOR 3 M76 7 M36-1 13 M36-2 5 M76 WORKING LAMP SWITCH 15 10 MC02(D4AF/D4AL) MC05(D4DD) 1.25Gr 1.25B 0.5B 0.5Gr 0.5Gr 7 6 M36-2(D4AF/D4AL) M36-3(D4DD) 0.5B FUSE BOX FUSE 7 5A FUSE 1 15A 0.85O FUSE 12 10A HOT IN ON 0.5R 0.5R/B 0.5W 0.5L/O0.85W 0.5L/O 1.25B 0.85B 0.5L/O 0.5R 0.5R RELAY BOX G03 16 15 M54 17 M54 JOINT CONNECTOR 1 M23 2 19 MC02(D4AF/D4AL) MC06(D4DD) 2 MM01 2 M23 1 C03 DUMP WARNING SWITCH 2 C03 2 M103 PHOTO 4/20 PHOTO 64 DUMP WARNING BUZZER PHOTO 15 PHOTO 48 G01 PHOTO 15 0.5L/O 0.5L/O PARKING BRAKE SWITCH (With Double Cab) 2 M34 PHOTO 15 PHOTO 7 PHOTO 16 PHOTO 61 PHOTO 19 PHOTO 19 PHOTO 10 PHOTO 1 PHOTO 3 D4AF/D4ALD4DD 1.25Gr 1.25Gr 1.25Gr See Indicators & Gauges (SD940-1) WORKING LAMP D4AF/ D4AL See Ground Distribution (SD130-1) See Ground Distribution (SD130-5) 1.25B G03 PHOTO 48 See Ground Distribution (SD130-5) DUMP RELAY 4 M093 1 M095 D4AF/D4ALD4DD PHOTO 4/20 EVTSD7930AL
  • 93.
    WORKING LAMP &DUMP WARNING BUZZER SD930-2WORKING LAMP & DUMP WARNING BUZZER (2) CR14F007 M36-3(D4DD) * * * * * * *11 6 58 24 3 CR14F007 M36-3(D4AF/D4AL) * * * * * * * * *11 245 3 CR02F010 CR02F001 CR05F011 CR02F012 C02 C03 CR10F005 M36-1 M09 M23 CR14F007CR02F046 M34 M36-2(D4AF/D4AL) CR14F007 M36-2(D4DD) CR03F026 CR02F046 M75 M103 * 5 4 3 1 1 2 2 1 2 1 10 9 8 7 6 5 4 3 2 1 14 13 12 11 10 9 8 7 5 2 14 3 * 14 13 11 10 9 8 7 5 2 14 3 ** * 2 1 *2 *2 EVTSD7930BL
  • 94.
    INDICATORS & GAUGESEC6CE401 SD940-1INDICATORS & GAUGES (1) 0.5Y(D4AF/D4AL) 0.5Y/W(D4DD) 11 510 M36-27 0.5Y/O See ETACS (SD952-1)See MFI Control System (D4DD) (SD313-1) INSTRUMENT CLUSTER 0.5G/O M36-4 M36-2(D4DD) To Indicators (SD940-2) (SD940-3) A 3 0.5Y0.5G/O PHOTO 10 EC02 9 (D4AF/D4AL)7 (D4DD)1 MC02(D4AF/D4AL) MC06(D4DD) 16 3 E061 0.5Y/B 0.85Y/B 0.5Y/R(D4AF/D4AL) 0.5Y(D4DD) OIL PRESSURE SWITCH See Charging System (SD373-1)(SD373-2) JOINT CONNECTOR See Ground Distribution (SD130-3) M3811 M3813 0.5B 1.25B 1.25B 0.5G G01 2 M46 1 M46 BRAKE FLUID LEVEL SENSOR FUSE BOX 0.85O 0.5O HOT IN ON M36-32 FUSE 11 10A OIL PRESSURE CHARGE BRAKE ( ! ) PARKING ( P ) SEAT BELT 0.85Br/O 0.85Br/O0.85Br/O FUSE 12 10A 0.5L 0.5P 0.5R/O 0.5L/O 0.5G/O 0.5L/O 1 M87 2 M87 18 MC01 M36-2 (D4AF/D4AL) M36-3(D4DD) 7 6 1 E09 OVERHEAT UNIT 0.85G/O 0.5G/O 8 EC02 0.5G 0.5L/O 12 MM06 OVERHEAT BUZZER D4AF/D4AL D4AF/ D4AL D4AF/ D4AL D4DD D4DD DIODE Z02 See Passenger Compartment Fuse Details (SD120-2) Not Used D4DD RELAY BOX PHOTO 1 PHOTO 4 PHOTO 7 OVERHEAT BUZZER RELAY 4 M973 1 M975 See Passenger Compartment Fuse Details (SD120-2) 16 M78 14 M78 JOINT CONNECTOR PARKING BRAKE SWITCH (W/O Double Cab) PHOTO 27 PHOTO 46/53 PHOTO 4/20 PHOTO 15 PHOTO 50 PHOTO 19 PHOTO 17 PHOTO 17 0.5L/O 0.5L/O 2 MM01 2 M103 0.5L/O PARKING BRAKE SWITCH (With Double Cab) 2 M34 PHOTO 15 PHOTO 20PHOTO 50 PHOTO 53 PHOTO 15 PHOTO 23 See Working Lamp & Dump Warning Buzzer (SD930-1) ENGINE CHECK CHECK ENG 8 0.5G/Y M36-3(D4DD) D4DD OVER HEAT ENGINE PTO EVTSD7940AL
  • 95.
    INDICATORS & GAUGES SD940-2INDICATORS& GAUGES (2) JOINT CONNECTOR 0.5L 2 From FUSE 12 10A (SD940-1) A 0.5Y 0.5L/O 0.5B 0.85Y 0.85L/O 0.5L/R 0.5B 0.85B 0.85B 0.85B 4 M36-2 12 M36-2(D4AF/D4AL) TACHO- METER 3 5 EC02 6 EC02 2 E05 1 E05 2 C04 FUEL SENDER TACHO- METER SENSOR See Ground Distribution (SD130-6) See Vehicle Speed Sensor System (SD436-1) 8 13 14 18 M36-4 0.5G 0.85G 1 C04 9 FUEL GAUGE TEMP GAUGE SPEEDO- METER 0.5L 6 0.5L 0.5L/O0.5Lg 0.5B M784 1 M22 2 M22 HIGH SPEED WARNING BUZZER See Passenger Compartment Fuse Details (SD120-1) 4 M73 2 M731 HIGH SPEED WARNING DEVICE ON Input Buzzer Signal Ground 3 G02 PHOTO 1 PHOTO 4 PHOTO 4 PHOTO 4 PHOTO 3 PHOTO 4 LOW FUEL MC02 (D4AF/D4AL) MC05(D4DD) 4 3 MC01 (D4AF/D4AL) MC05(D4DD) MC02 B 0.85P(D4AF/D4AL) 0.5O(D4DD) D4AF/D4AL D4AF/D4ALD4DD D4AF/D4AL INSTRUMENT CLUSTER PHOTO 10 FUSE BOX HOT IN ON FUSE 4 10A G02 0.5G 0.5B 0.85B 1.25B 1.25B M711 M712 M813 M815 VACUUM SWITCH PHOTO 23 PHOTO 44 PHOTO 44 PHOTO 1 G03 G01 JOINT CONNECTOR See Ground Distribution (SD130-4) 0.5L/O0.5R D4AF/D4AL D4DD D4AF/D4ALD4DDD4AF/D4AL D4DD 1110 0.85G 0.5G MC0217 C331 VACUUM SWITCH 9 M36-4 See Preheating System (SD950-1) See MFI Control System (SD313-1) 0.5L/G See MFI Control System (SD313-1) 0.5Y/O See MFI Control System (SD313-4) 0.5G See ABS Control System (SD587-1) To Ground (SD940-3) VACUUM GLOWABS ( )ABS 2 0.5R/O See Courtesy Lamps (SD929-1) (SD929-2) DOOR OPEN D4AF/D4AL D4DD 0.5L/B 0.85Y 0.5L/O 0.5L/B 0.5Y/O 0.85Y/O 3 EC02 7 MC02 2 M36-1 9 MC02 4 EC02 2 E07-1 E07-1 COLD START SWITCH 1 ENGINE COOLANT TEMPE- RATURE SENSOR 2 M47 11 M36-3 PHOTO 15 PHOTO 19 PHOTO 20 PHOTO 48 PHOTO 15 PHOTO 50 PHOTO 50 PHOTO 52 PHOTO 50 PHOTO 53 PHOTO 4/20 PHOTO 4/20PHOTO 50 PHOTO 64 EVTSD7940BL
  • 96.
    INDICATORS & GAUGES 0.85Gr HOTAT ALL TIMES HOT IN ACC OR ON FUSE 23 10A FUSE 36 15A 0.85O 0.5O HOT AT ALL TIMES FUSE 15 10A 0.85O JOINT CONNECTOR FUSE BOX FUSE BOX 20 M77 19 M77 0.85L/O SD940-3INDICATORS & GAUGES (3) INSTRUMENT CLUSTER PHOTO 10 PHOTO 16 PHOTO 15 PHOTO 15 0.5Gr 0.5R/O 0.85W (D4AF/D4AL) 0.85G(D4DD) 0.85B/O 0.85L/B 0.5B 13 M36-2 385 47 M36-1M36-1 M36-1 (D4AF/D4AL) See Working Lamp & Dump Warning Buzzer (SD930-1) See Fuel Filter Heating System(D4DD)/ Outside Mirror Defogger(D4AF/D4AL) (SD361-1)(SD879-1) See Head Lamps (SD921-1) See Exhaust Parking Brakes (SD596-1) See P.T.O Control System (SD471-1) (SD471-2) 0.5G/O See Illuminations (SD941-2) 0.5W/B 13 M36-1(D4DD) PTO CAB TILT 0.5G 6 0.85G HIGH BEAM EXHAUST BRAKE WORKING LAMP Dimmer input Memory power Ground ACC/ON input ILL. ILL. (5EA) ILL. (2EA) See Illuminations (SD941-2) See Turn & Hazard Lamps (SD925-1) 0.5B 0.5B 0.5G/O 0.5G/O 0.85Br/O 0.85Br 0.5Gr 0.85L/O 0.5B 0.5B JOINT CONNECTOR 13 2 M76 82 M36-2 534 M36-331 M36-212 M36-4 14 1 M36-4 10 M36-1 5 M76 LEFT TURN RIGHT TURN G01 0.5B 48 A From FUSE 12 10A (SD940-1) See MFI Control System/ Exhaust Parking Brakes (SD313-1)(SD596-2) B From Speedometer (SD940-2) See Ground Distribution (SD130-1) 2 M104 1 M104 CAB TILTING SWITCH (W/O Double Cab) MM018 MM017 See Passenger Compartment Fuse Details (SD120-3)(SD120-4) D4AF/D4ALD4DD D4AF/D4AL D4DD D4AF/D4ALD4DD WATER SEPA- RATOR MIRROR DEFOG- GER See Passenger Compartment Fuse Details (SD120-5) See Passenger Compartment Fuse Details (SD120-7) PHOTO 32 PHOTO 7 PHOTO 7 EVTSD7940CL
  • 97.
    INDICATORS & GAUGES SD940-4INDICATORS& GAUGES (4) CR03F016 CR01F001 CR02F040 CR01F020 C04 C33 E05 E06 CR02F046 CR14F007 CR12F001 CR02F064 CR01F002 CR02F046 CR10F005 CR14F007 CR14F007 CR14F007 E07-1 E09 M22 M34 M36-1 M36-2(D4AF/D4AL) M36-2(D4DD) M36-3(D4AF/D4AL) M36-3(D4DD) M36-4 2 1 2 11 1 14 13 12 11 10 9 8 7 5 2 14 3 * 14 13 11 10 9 8 7 5 2 14 3 ** * * * * * * *11 6 58 24 3 * * * * * * * * *11 245 3 1 2 *2 12 11 10 9 8 3 2 1 * * * * 10 9 8 7 6 5 4 3 2 1 BLANK 3 2 1 EVTSD7940DL
  • 98.
    INDICATORS & GAUGES SD940-5INDICATORS& GAUGES (5) CR02F046 CR07F002 CR02F118 CR04F048 M46 M47 M71 M73 CR02F001CR02F049 CR05F011 CR02F046 M87 M97 M103 M104 2 1 7 6 2 4 1 * 3 4 3 2 12 1 * 5 4 3 1 2 1 2 1*2 EVTSD7940EL
  • 99.
    INDICATORS & GAUGES SD940-6INDICATORS& GAUGES (6) MEMO EVTSD7940FL
  • 100.
    ILLUMINATIONS E89E0A01 SD941-1ILLUMINATIONS (1) MULTIFUNCTION SWITCH SeeGround Distribution (SD130-1) 5 M43-2 2 M43-2 0.5B 0.5B G01 HOT AT ALL TIMES FUSIBLE LINK BOX BODY FUSIBLE LINK 40A CC022 MC036 FUSE 29 10A 0.5R/O 3.0L 3.0L 3.0R 2.0L 1.25G/O 0.5L RELAY BOX FUSE BOX M67 M676 2 CIGARE- TTE LIGHTER M63 M636 2 FRONT FOG LAMP SWITCH M62 M625 2 HAZARD SWITCH 1 M68 2 M68 REAR FOG LAMP SWITCH 0.5G/O 0.5G/O JOINT CONNECTOR JOINT CONNECTOR 11 M84 13 12 0.5G/O 0.85B 1.25G/O 0.5G/O 0.5B 0.5B0.5B 0.85B JOINT CONNECTOR 7 4 9 18 See Ground Distribution (SD130-2) See Ground Distribution (SD130-1) See Power Distribution (SD110-1) 5 MM07 4 MM06 0.5Y/O 0.5Br/B 0.5R D4DD M64 M646 2 A/C SWITCH 0.5G/O 0.5B M39 M396 2 ENGINE PTO CAB IN SWITCH 0.5B 0.5B 0.5G/O M17 M171 2 IDLE UP /DOWN SWITCH 0.5B 0.5B 0.5G/O 0.5G/O0.5G/O 0.5 G/O M65 M656 2 DEFOG- GER SWITCH 0.5G/O 0.5B 5 17 14 0.85B 0.85B M24 5 2 TACHO- GRAPH (ELEC- TRONIC) 0.5G/O 0.5G/O 1.25G/O 0.5B M244 0.5B M8419 20 16 M8410 CIGA- RETTE LIGHTER M682 15 M84 8 M77 M771 6 1 M30 ASHT- RAY ILL. 2 M30 0.5B D4AF/D4AL A To Joint Connector (SD941-2) See Cigarette Lighter (SD846-1) D4AF/ D4AL D4DD D4AF/D4AL D4DD JOINT CONNEC- TOR M389 M3813 See Ground Distribution (SD130-3) See Tail, Parking & License Lamps (SD928-1)(SD928-2) 1.25B 1.25B G01 PHOTO 15 PHOTO 18 PHOTO 20 PHOTO 20 PHOTO 61 PHOTO 4 PHOTO 8 PHOTO 15 PHOTO 15 PHOTO 15 PHOTO 8 PHOTO 8 PHOTO 8 PHOTO 3 PHOTO 15 PHOTO 15 PHOTO 17 PHOTO 12 PHOTO 8 PHOTO 8 PHOTO 8 PHOTO 8 PHOTO 1 LIGHT SWITCH HEAD PARK OFF TAIL LAMP RELAY 4 M021 2 M025 D4DDD4AF/ D4AL D4DD D4AF/ D4AL EVTSD7941AL
  • 101.
    ILLUMINATIONS SD941-2ILLUMINATIONS (2) JOINT CONNECTOR G01 JOINT CONNEC- TOR 13 M77 6MD01 0.5B 0.85B 0.85B 1.25B 11 M77 JOINT CONNEC- TOR 8 M84 0.85B 10 M84 See Ground Distribution (SD130-1) M26 M267 14 AUDIO 0.5G/O 0.5B M28 M282 6 INTAKE SWITCH MD013 0.5G/O 0.5B D05 D053 8 POWER WINDOW MAIN SWITCH 0.5G/O 0.5G/O0.5G/O 1.25B 1.25B M45 M459 12 TACHO- GRAPH (CASSETTE TYPE) 0.5B 4 2 G02 JOINT CONNECTOR See Ground Distribution (SD130-4) 3 M81 5 M81 See Ground Distribution (SD130-1) See Ground Distribution (SD130-2) See Ground Distribution (SD130-2) M44 M445 1 HEAD LAMP LEVELING SWITCH M37 M376 2 PTO SWITCH D15 D153 8 MD033 POWER WINDOW SUB SWITCH MD036 M36-2 M36-110 ILL. (2EA) ILL. (5EA) CLOCK ILL. 14 INSTRU- MENT CLUSTER M36-4 M36-41 12 M36-3 M36-28 3 See Ground Distribution (SD130-3) See Ground Distribution (SD130-3) 0.5B 0.5B 0.5B 0.5B 0.5B 0.5B 0.5B 1.25B 1.25B 0.85B 0.85B 0.5G/O 0.5G/O 0.5G/O0.5G/O0.5G/O0.5G/O0.5G/O 0.5G/O M777593 M768 2 64 M765 JOINT CONNECTOR D4AF/ D4AL A From FUSE 29 10A (SD941-1) See Ground Distribution (SD130-4) See Fog Lamps (SD924-1) 1.25B 1.25B 1.25B D4DD D4AF/D4AL PHOTO 15 PHOTO 1 PHOTO 23 PHOTO 24 PHOTO 16 PHOTO 40 PHOTO 24 PHOTO 15 PHOTO 7 PHOTO 7 PHOTO 39 PHOTO 8 PHOTO 9 PHOTO 11 PHOTO 3 PHOTO 10 PHOTO 13 PHOTO 15 PHOTO 15 EVTSD7941BL
  • 102.
    ILLUMINATIONS BLANK SD941-3ILLUMINATIONS (3) CR09F001 CR09F001CR05F019 CR07F002 D05 D15 M02 M17 CR02F046 CR06F003 CR06F017 CR14F001 CR06F003 CR10F005 CR12F001 M24 M26 M28 M30 M36-1 M36-4 M37 4 3 2 1 9 8 * 6 5 4 3 2 9 8 * * 6 5 1 * 5 4 2 ** 6 5 123 * * * * * *4 3 14 12 11 10 9 7 2 1 6 5 4 3 2 1 * 2 1 5 4 3 10 9 8 7 6 5 4 3 2 1 CR14F007 M36-2(D4AF/D4AL) 14 13 12 11 10 9 8 7 5 2 14 3 * CR14F007 M36-2(D4DD) 14 13 11 10 9 8 7 5 2 14 3 ** CR14F007 M36-3(D4DD) * * * * * * *11 6 58 24 3 CR14F007 M36-3(D4AF/D4AL) * * * * * * * * *11 245 3 2 1 6 5 4 3 * * * *12 11 10 9 8 3 2 1 EVTSD7941CL
  • 103.
    ILLUMINATIONS SD941-4ILLUMINATIONS (4) CR10F014 M43-2(D4DD) * * * 21 8910 7 5 CR10F014 M43-2(D4AF/D4AL) ** 2 1 8910 7 56 CR20F001 M45 * * * * * * * * * * * * * * * * 9 8 7 12 11 CR03F005 M68(D4DD) 1 3 2 CR03F005 M68(D4AF/D4AL) 3 2 * CR06F017 M67 2 1 6 5 4 3 CR06F017 M39 2 1 6 5 4 3 CR06F017 CR06F017 CR06F017 M62 M63 M64 2 1 6 5 4 3 2 6 5 4 3 2 1 6 5 4 3 CR06F017 M65 2 1 6 5 4 3 CR05F013 M44 1 2345 EVTSD7941DL
  • 104.
    TACHOGRAPH EED16AB5 SD943-1TACHOGRAPH (1) ON Input Vehicle SpeedILL.(+)Ground 0.5L 0.5L G01 FUSE BOX HOT IN ON HOT AT ALL TIMES 0.5L FUSE 4 10A 0.85Gr FUSE 23 10A 8 M45 M45 0.5P(D4AF/D4AL) 0.5O(D4DD) 11 0.5G/O 12 0.5B 9 JOINT CONNECTOR JOINT CONNECTOR M786 3 M782 See Passenger Compartment Fuse Details (SD120-1) Memory Power TACHOGRAPH 0.5Gr 7 M7720 M7716 0.85B 0.85B M848 M8410 PHOTO 15 PHOTO 19 PHOTO 15 PHOTO 8 D4AF/D4ALD4DD GENERAL TYPE See Passenger Compartment Fuse Details (SD120-5) JOINT CONNECTOR PHOTO 15 See Ground Distribution (SD130-2) See Vehicle Speed Sensor System (SD436-1) See Illuminations (SD941-2) EVTSD7943AL
  • 105.
    TACHOGRAPH SD943-2TACHOGRAPH (2) ON Input ILL.(+) 0.5L G01 FUSE BOX HOT INON HOT AT ALL TIMES 0.5L FUSE 4 10A 0.85Gr FUSE 23 10A 3 M24 M24 0.5G/O 2 0.5B 5 JOINT CONNECTOR JOINT CONNECTOR M786 4 M78 See Passenger Compartment Fuse Details (SD120-1) Memory Power Ground TACHOGRAPH 0.5Gr 1 M7720 M7716 0.85B 0.85B M8419 M8410 PHOTO 15 PHOTO 19 PHOTO 15 PHOTO 8 ELECTRONIC (D4AF/D4AL) See Passenger Compartment Fuse Details (SD120-5) JOINT CONNECTOR PHOTO 15 See Ground Distribution (SD130-2) 0.5B 4 20 See Illuminations (SD941-1) EVTSD7943BL
  • 106.
    TACHOGRAPH TACHOGRAPH (3) SD943-3 CR06F017CR20F001 M24 M45 * 2 1 5 4 3 9 8 7 * * * * * * * * * * * * * * * 12 11 BLANK BLANK EVTSD7943CL
  • 107.
  • 108.
    PREHEATING SYSTEM E4AF3C26 D4AF/D4AL + - BATTERY 0.5B/O MemoryPower Air Heater Relay Control Start Switch 12 MC02 7172 M56-1 0.85B/O 2.0B/O 2.0B/O 1 C42 0.5G/O 13 0.85G/O 1 C43 BATTERY GROUND START MOTOR BODY GROUND AIR HEATER RELAY ETACM INTAKE AIR HEATER AIR HEATER RELAY FUSE 0.5B/O 1 C44 START SOLENOID 10 MC01 14 M56-1 1 C13 0.85Gr 0.5Gr0.5Gr HOT AT ALL TIMES FUSE 23 10A FUSE 12 10A JOINT CONNECTOR FUSE BOX 20 M77 1718 M77 + - BATTERY EC024 0.5L/B 0.5L/O 0.5L/B MC029 0.85Y E07-12 1 See Indicators & Gauges (SD940-2) ENGINE COOLANT TEMPERATURE SENSOR M36-32 INSTRUMENT CLUSTER See Charging System (SD373-2) M36-411 86 M56-1 GLOW M56-2 M47 3 M56-298 MC016 GENERATOR (L, S) E10 E07-1 2 0.85Y 0.5Y EC022 0.85Y 0.5Y COLD START SWITCH ON OFF ON OFF IND. HOT IN ON FUSE 4 10A JOINT CONNECTOR 16 14 1 See Passenger Compartment Fuse Details (SD120-1)(SD120-2) M78 6 M78 0.85O 0.5O 0.5L 0.5R 0.5O 64 7 M4721 3 0.5L/O 0.5L/O 'ON' Input Cold Start Switch Engine Coolant Temperature Input Glow IND.Engine Running Input 0.5L 0.5L/O0.5L/O 0.5Br/B 0.5B 0.5B See Ground Distribution (SD130-1) See Starting System (SD360-1) G01 SD950-1PREHEATING SYSTEM (1) See Passenger Compartment Fuse Details (SD120-5) DIODE Z01 See Exhaust Parking Brakes (SD596-1) PHOTO 50 PHOTO 50 PHOTO 4 PHOTO 15 PHOTO 19 PHOTO 10 PHOTO 4 PHOTO 50 PHOTO 52 PHOTO 15 PHOTO 51 PHOTO 4 PHOTO 7 PHOTO 60 PHOTO 24 PHOTO 3 PHOTO 51 PHOTO 4 EVTSD7950AL
  • 109.
    PREHEATING SYSTEM BLANK BLANK BLANK CR14F007 M36-3 ** * * * * * * *11 245 3 SD950-2PREHEATING SYSTEM (2) CR01F002 CR01F020 CR01F038 CR01F035 C13 C42 C43 C44 CR07F002 CR02F064 CR02F012 CR02F002 CR12F001 CR20F001 CR16F002 E07-1 E10(D4AF) E10(D4AL) M36-4 M47 M56-1 M56-2 11 1 2 1 1 2 1 2 *67 4 123 12 11 10 9 8 3 2 1 * * * * * * * * * * 8 6 5 4 3 2 15 14 13 1220 19 18 17 4 15678 ** *15 1316 14 11 10 9 EVTSD7950BL
  • 110.
    ETACS E696EAD5 SD952-1ETACS (1) 16M78 14 M78 5 INSTRU- MENT CLUSTER SEAT BELT M36-210 ETACM M36-32 0.5B/O 12 0.5L See Wiper & Washer (SD981-1) See Power Door Locks (SD813-1) Wiper Relay Control Washer Switch "ON" Input Seat Belt IND. Door Switch RHLHLockUnlock Start Switch Power Door Lock Actuator Control Power Door Relay Control Memory power See Courtesy Lamps (SD929-1) 15 0.5O M56-1M56-2 M56-214 0.5R/O 13 0.5P 14 0.5R/B 10 0.5W/O 4 0.5Br INT. Wiper Switch INT. Volume Ground 11 0.5R/O (D4AF/D4AL) 0.5R/B(D4DD) M56-14 M56-26 M56-16 0.5Gr 0.5Gr 0.5Gr 0.5Gr M56-215 0.5Y/O 18 0.5Y/B 13 0.5Br M56-13 0.5Y 8 0.5R 2 0.5G/O 17 0.5B/O 8 0.5L/O 79 0.5Br/B 0.5B/O M56-216 MM013 M1021 M1022 MM019 JOINT CONNECTOR See Outside Mirror Defogger (SD879-1) See Preheating System(D4AF/D4AL) (SD950-1) See Power Windows (SD824-1) See Charging System (SD373-1) (SD373-2) 13 SEAT BELT SWITCH 0.5Y 0.5B 0.5B 1.25B 1.25B Air Heater Relay Control MM066 0.5Y 0.5Y 0.5Y M382 Defogger Switch "ON" Input Defogger Relay Control Glow IND. Engine Running Input Power Window Relay Control Cold Start Switch Engine Coolant Temperature Input Seat Belt Switch 0.85Gr 0.85O HOT AT ALL TIMES HOT IN ON FUSE BOX FUSE 23 10A FUSE 12 10A JOINT CONNEC- TOR JOINT CONNEC- TOR 20 M77 1718 M77 G01G02 D4AF/D4ALD4DD PHOTO 17 PHOTO 27 PHOTO 15PHOTO 1 PHOTO 7 PHOTO 7 PHOTO 20 M56-119 D4DD 20 MM0711 0.5B 0.5B 0.5B 0.5B D4DD PHOTO 20 18 0.5B 0.5B/O0.5B 0.5B 0.5B 5 0.5B 0.5B D4DD See Ground Distribution (SD130-3) PHOTO 24/26 D4AF/ D4AL D4AF/ D4AL D4AF/ D4AL 1 0.5Gr 0.5Gr D4AF/D4ALD4DD D4DD D4DDD4DD D4DD D4AF/D4AL 0.5O 0.5Y/O D4AF/D4AL D4AF/D4ALD4AF/D4AL MM071 0.5O 0.5O 10 0.5Y/O 0.5Y/O 0.5O See Passenger Compartment Fuse Details (SD120-2) See Passenger Compartment Fuse Details (SD120-5) MM0715 PHOTO 20 PHOTO 20 PHOTO 19 PHOTO 15 PHOTO 10 EVTSD7952AL
  • 111.
    ETACS SD952-2ETACS (2) CR02F046 M102 CR14F007 M36-3(D4DD) * ** * * * *11 6 58 24 3 CR14F007 M36-3(D4AF/D4AL) * * * * * * * * *11 245 3 CR14F007 M36-2(D4AF/D4AL) 14 13 12 11 10 9 8 7 5 2 14 3 * CR14F007 M36-2(D4DD) 14 13 11 10 9 8 7 5 2 14 3 ** CR20F001 M56-1(D4DD) * * * * ** ** * 6 5 4 3 15 14 13 1220 19 18 CR20F001 M56-1(D4AF/D4AL) * * * * * * 8 6 5 4 3 2 15 14 13 1220 19 18 17 CR16F002 M56-2(D4DD) 4 156 **** **15 1316 14 11 10 CR16F002 M56-2(D4AF/D4AL) 4 15678 ** *15 1316 14 11 10 9 2 1 BLANK BLANK BLANK EVTSD7952BL
  • 112.
    AUDIO SYSTEM E24ECCFC SD961-1AUDIOSYSTEM (1) 7 M26 14 M261011 12493 G01 AUDIO SPEAKER LH 2 D03 1 D03 SPEAKER RH 2 D13 1 D13 2 MD023 2 MD043 Speaker LH Speaker RH See Illuminations (SD941-2) ANTENNA ILL. (+)ACC/ON Input Memory Power Ground(+) (+)(-) (-) 0.85Gr0.85L/O 0.5Gr 0.5G/O0.5L/O 0.5Y/O 0.5Gr/O 0.5Gr/B0.5Y/B 0.5Y/O 0.5Gr/O 0.5Gr/O 0.5B0.5Y/O HOT IN ACC OR ON FUSE BOX FUSE 36 15A HOT AT ALL TIMES FUSE 23 10A 18 M77 20 M77 JOINT CONNECTOR See Passenger Compartment Fuse Details (SD120-5) See Passenger Compartment Fuse Details (SD120-7) PHOTO 15 PHOTO 38PHOTO 37 PHOTO 7 PHOTO 24 PHOTO 15 PHOTO 11 EVTSD7961AL
  • 113.
    AUDIO SYSTEM SD961-2AUDIO SYSTEM(2) CR02F010 CR02F010 CR14F001 D03 D13 M26 BLANK 2 1 2 1 4 3 *** * * *14 12 11 10 9 7 EVTSD7961BL
  • 114.
    HORN EBE1D3AB SD968-1HORN (1) 5MC02 0.85Y 0.85G 0.85B0.85G/O 0.85G 0.85Y 0.85Y 0.85Y FUSE BOX 5 M79 1 M79 JOINT CONNECTOR See Ground Distribution (SD130-3) See Ground Distribution (SD130-4) 13 M78 JOINT CONNECTOR G02 0.85B 1.25B RELAY BOX FUSE 14(D4AF/D4AL) FUSE 19(D4DD) 10A HOT AT ALL TIMES MC024 MULTIFUNCTION SWITCH MULTIFUNCTION SWITCH (on steering column)HORN SWITCH 0.85G 0.85G MC065 M43-11 HORN SWITCH M43-11 6 MC06 0.85Y 0.85Y 0.85Y See Passenger Compartment Fuse Details (SD120-3)(SD120-4) D4AF/D4ALD4DD D4AF/D4ALD4DD HORN 1 C18 2 C18 PHOTO 19 PHOTO 34 PHOTO 20 PHOTO 4 PHOTO 1 PHOTO 1 PHOTO 18 PHOTO 18 PHOTO 20 PHOTO 4 PHOTO 1 HORN RELAY 3 M881 5 M882 EVTSD7968AL
  • 115.
    HORN SD968-2HORN (2) CR02F003 CR14F019CR05F011 C18 M43-1 M88 BLANK 2 1 3 2 1213 1 714 891011 *** * 2 5 3 1 EVTSD7968BL
  • 116.
    BLOWER & A/CCONTROLS E584ED1E SD971-1BLOWER & A/C CONTROLS (1) 0.5O0.85P 0.5R 0.5R 0.5L/B2.0P 2.0L 2.0O 0.5B 0.85O 0.5O0.5B 0.5G/O 0.5B 2.0O To Condenser Fan Relay (SD971-2) To Ground (SD971-2) 0.85O 0.85L/O 0.85G 0.85G/O 1.25L 0.5R/B 0.5W 0.5B/O 0.5W 0.5W BLOWER MOTOR To A/C Relay (SD971-2) From Condenser Fan Relay (SD971-2) See Illuminations (SD941-1) See Illuminations (SD941-1) See Illuminations (SD941-2) 56 M21 473218 M21 3 M27 24156 M27 BLOWER SWITCH FUSE 34 15A FUSE BOX HOT AT ALL TIMES HOT IN ON FUSE 3 10A BLOWER RELAY 1 A15 2 A15 1 A18 2 A18 M 4 5 G01 1.25B 3 4 MA02 JOINT CONNECTOR 13 M80 1211 M80 BLOWER RESISTOR Thermistor IIII IIIIII EVAPO- RATOR SENSOR 10 MA02 A D C B OFF CONTACT POINT A/C SWITCH ILL. M64215 M64634 IND. 6 0.85B 0.5B 0.5G/O 0.5O 0.5B REC. VENT DEF. DEF/ FOOT FOOTBI- LEVEL ILL. FRE. 0.5B 0.5B/O 0.5B/O 0.5R 0.5B 0.5B 0.5W 0.5G 0.5L0.5Y0.5R 0.5O 0.5R M28 INTAKE SWITCH INTAKE ACTUA- TOR MODE SWITCH MODE ACTUA- TOR 3 M332 M3374563 M297 M296 4513 1 A194 A196 42 16 7 MA02 M285 M M MODE CONTROL JOINT CONNECTOR 1412 M7713 11 M77 PHOTO 9 PHOTO 15 PHOTO 22 PHOTO 15 PHOTO 21 PHOTO 9 PHOTO 23 PHOTO 9 PHOTO 8 PHOTO 14 PHOTO 19 PHOTO 21 PHOTO 22 PHOTO 22 PHOTO 21 See Ground Distribution (SD130-2) See Ground Distribution (SD130-2) EVTSD7971AL
  • 117.
    BLOWER & A/CCONTROLS SD971-2BLOWER & A/C CONTROLS (2) 3 4 A161 2 CONDENSER FAN RELAY FUSE BOX HOT AT ALL TIMES A To A/C Switch (SD971-1) From FUSE 3 10A (SD971-1) 9 0.85G 2.0G 5 2.0R 0.5L/B M C15 MC02(D4AF/D4AL) MC05(D4DD) 1 C152 CONDENSER FAN MOTOR 0.85R A/C PRESSURE SWITCH C212 C211 0.85Gr/O 1.25B B 0.5W FUSE 33 15A(D4AF/D4AL) 20A(D4DD) A173 4 A171 2 1 3 12 0.85R(D4AF/D4AL) 1.25R(D4DD) MC01(D4AF/D4AL) MC06(D4DD) 13 16 0.5W A/C RELAY From Evaporator Sensor (SD971-1) C 0.5R/B 8 11 0.5R/B C221 0.85Gr/O 0.5B 0.85Gr/O 2.0G 1.25B A16 A/C COMPRESSOR 0.85G/W MA02 0.5B 0.5B 0.5B 1.25B From Blower Relay (SD971-1) G02 1.25B 1.25B JOINT CONNECTOR 7 M81 5 M81 2 MA02 D PHOTO 45 PHOTO 23 PHOTO 4/20 PHOTO 4/20 PHOTO 23 PHOTO 21 PHOTO 21 PHOTO 23 PHOTO 50 IDLE UP MAGNETIC VALVE PHOTO 45 PHOTO 44 See Ground Distribution (SD130-4) See Ground Distribution (SD130-5) G03 M C201 C202 CONDENSER FAN MOTOR (TCI) 0.85R 0.85R 1.25B 1.25B PHOTO 48 PHOTO 1 PHOTO 45 CONDENSER FAN MOTOR (NA) PHOTO 45 M C151 C152 0.85R 0.85B D4AF/D4ALD4DD D4AF/D4AL D4DD D4AF/D4AL D4DD 0.85G/O 0.85G/O0.85G/O 0.85B 0.85G/O 0.85G/O 0.85G/O 12 M99-3 MAIN ECM PHOTO 4 0.5G/O 14 MC06 PHOTO 20 1 C40 2 C40 EVTSD7971BL
  • 118.
    BLOWER & A/CCONTROLS BLANK SD971-3BLOWER & A/C CONTROLS (3) CR05F001 CR04F001 CR04F001 CR02F012 A15 A16 A17 A18 CR07F009 A19 1 5 4 2 2 1 4 3 2 1 4 3 1 2 CR02F075 C15(D4AF/D4AL) 2 1 CR02F075 C20 2 1 CR02F075 C40 2 1 CR02F025 C21 2 1 CR02F040 C15(D4DD) 2 1 CR01F001 C22(D4AF/D4AL) 1 CR01F020 C22(D4DD) 1 CR06F002CR08F010 M21 M27 2 1 7 6 5 4 3 8 3 2 1 6 5 4 CR06F003 CR07F002 M28 M29 2 1 6 5 4 3 7 6 5 4 1 *3 6 4 * * * * * * CR06F017CR08F010 M33 M64 * 2 1 7 6 5 4 3 2 1 6 5 4 3 CR32F004 M99-3 ****** *** ** * ***** * 1 812 11 192024 13 234567 EVTSD7971CL
  • 119.
    BLOWER & A/CCONTROLS SD971-4BLOWER & A/C CONTROLS (4) MEMO EVTSD7971DL
  • 120.
    WIPER & WASHEREDF7C44D SD981-1WIPER & WASHER (1) FUSE BOX FUSE 5 15A HOT IN ON 1.25L RELAY BOX 1 M124 5 M122 M8010 MM026 M80985 WIPER RELAY (HIGH) WIPER RELAY (LOW) 3M114 1 2 M115 3 0.85W 0.85L 0.85L 0.5L/B 0.5L 0.85R/O 0.85Y/O 0.85B/O 1.25L 0.85L 0.85L MM027 M CON- DEN- SER- HI 2 4 M313 1 M31 5 LO WIPER MOTOR M WASHER MOTOR M1072 M1071 JOINT CONNECTOR M7715 M7711 See Ground Distribution (SD130-2) Washer Switch INT LO HI INT WASHER SWITCH OFF ON WIPER SWITCH 0.5B0.5B 0.5B 0.5B MULTIFUNCTION SWITCH 0.5B/O 0.5L 0.85B 0.85B 0.5B 0.85B 13 11 10 97 5 8 14 12 G01 G02 JOINT CONNECTOR JOINT CONNEC- TOR M794 M795 0.5B/O 0.5B/O 7 OFF D4DD 0.5B/O 0.5B/O 0.5B/O MM0614 D4AF/ D4AL D4AF/ D4AL ETACM M56-112 D4DD 0.5L 0.5L 0.5L0.5Br MM07 M43-1 M43-1 8 D4AF/ D4AL INT. Wiper Switch Wiper Relay Control M56-24 0.5Br 0.5Br MM0615 D4AF/ D4AL INT. Volume 10 D4DD D4DD 0.5W/O 0.5W/O 0.5W/O 7 See Ground Distribution (SD130-3) See Ground Distribution (SD130-4)See Ground Distribution (SD130-1) 0.85B 1.25B 0.85B D4DD D4AF/D4AL PHOTO 33 PHOTO 18 PHOTO 19 PHOTO 15 PHOTO 15 PHOTO 1 PHOTO 1 PHOTO 20 PHOTO 14 PHOTO 1 PHOTO 20PHOTO 20 PHOTO 23 PHOTO 24/26 PHOTO 23 EVTSD7981AL
  • 121.
    WIPER & WASHER SD981-2WIPER& WASHER (2) BLANK BLANK BLANK * * * * ** ** * 6 5 4 3 15 14 13 1220 19 18 CR20F001 M56-1(D4DD) * * * * * * 8 6 5 4 3 2 15 14 13 1220 19 18 17 CR20F001 M56-1(D4AF/D4AL) 4 156 **** **15 1316 14 11 10 CR16F002 M56-2(D4DD) 4 15678 ** *15 1316 14 11 10 9 CR16F002 M56-2(D4AF/D4AL) CR05F019 CR05F019 CR06F017 CR14F019 M11 M12 M31 M43-1 CR02F075 M107 1 3 5 4 2 1 3 5 4 2 2 1 *** 3 2 121314 8 1 791011 * 2 1 5 4 3 EVTSD7981BL
  • 122.
  • 123.
  • 124.
  • 125.
  • 126.
  • 127.
  • 128.
  • 129.
  • 130.
  • 131.
  • 132.
  • 133.
  • 134.
    HARNESS CONNECTORS E1917FB2 CC-1HARNESSCONNECTORS (1) CC01 CC03 CC05 CA03 CC02 CC04 CC06 EC02 CR02B006 CR08B005 CR02B005 CR02B006 CR02B005 CR02B011 CR20B007 CR02B006 CA01 CA02 CR14B011 CR11B004 9876543 19 20 1 2 15 16 17 181412 131110 9 8 7 6 5 4 3 2 1920 1 15161718 14 13 1112 10 1 2 1 2 1 2 1 2 6 5 4 3 2 121314 891011 * * 32 654 12 13 148 9 10 11 * * 4 3 2 1 11 10 9 8 56 * 4321 1110985 6 * 1 * 1 * 2 1 1 2 2 1 1 2 1 22 1 4 3 2 1 8 7 6 5 1 2 3 4 5 6 7 8 EVTCC7001AL
  • 135.
    HARNESS CONNECTORS CC-2HARNESS CONNECTORS(2) EC04 MA02 MC02 MA01 MC01 MC03 MC04 CR11B004 CR14B011 CR18B005 CR08B005 CR18B005 CR06B009 CR42B001 CR08B006 EC01 EC03 CR02B020 1 101112151617 192021 232425 2829 31323435 26789 *** * * * * * * * * * * * * * * * 1 10 11 12 15 16 17 19 20 21 2423 25 28 29 31 32 34 35 2 6 7 8 9 * * * * * * * ** ** ** ** ** * 2 1 1 2 4 3 2 1 8 7 6 5 1 2 3 4 5 6 7 8 1 2 3 5 6 7 84 3 8 2 7 6 5 4 1 4 3 2 1 11 10 9 8 7 56 4321 1110985 6 7 * * *6 5 4 3 2 15161718 11121314 10 9 2 3 4 5 6 11 12109 16151413 17 18 *** 6 58 7 4 3 2 1 15161718 11121314 10 9 21 3 4 5 6 7 8 11 12109 16151413 17 18 3 2 1 6 5 4 1 2 3 4 5 6 6 5 4 3 2 121314 8 1 791011 32 654 12 13 148 1 7 9 10 11 EVTCC7001BL
  • 136.
    HARNESS CONNECTORS CC-3HARNESS CONNECTORS(3) MD02 MD04 MM02 MD01 MD03 MM01 MM03 MM04 CR06B006 CR02B012 CR10B006 CR06B006 CR10B006 CR04B013 CR08B006 CR08B006 MC05 MC06 CR18B005 CR20B007 58 4 3 2 1 15161718 11121314 10 9 * * 21 3 4 5 8 11 12109 16151413 17 18 * * 9876543 19 20 1 2 15 16 17 181412 131110 9 8 7 6 5 4 3 2 1920 1 15161718 14 13 1112 10 1 2 3 4 5 6 2 6 5 4 1 3 1 2 3 4 5 6 7 8 3 8 2 7 6 5 1 4 1 2 3 4 5 6 2 6 5 4 1 3 3 8 2 7 6 1 4 * 1 2 3 4 6 7 8 * 4 3 2 1 1 2 3 4 * * * * * * * 876 * * * * * * * 8 7 6* * * * 32 9876 * * * * 3 2 9 8 7 6 2 1 1 2 EVTCC7001CL
  • 137.
    HARNESS CONNECTORS CC-4HARNESS CONNECTORS(4) MM06 MM07 CR18B005 CR20B007 4 3 27 6 1 1517 1314 10 ** * * * ** 21 3 6 74 11 12109 16151413 17 * * * 8 6 5 3 2 1 15161718 11 10 * * * * ** ** 86531 2 15 16 17 181110 * * ** ** ** EVTCC7001DL
  • 138.
    JOINT CONNECTORS EFA3F682 CC-5JOINTCONNECTORS (1) M77 M79 M81 M76 M78 M80 M84 CR14B012 CR08B027 CR20B022 CR20B022 CR20B022 CR08B027 CR20B022 M38 M54 CR14B019 CR20B022 3 2 1456 13 7 14 11 9 * * * 17 16 15 14 13 11 9 8 12 10 7 6 5 * * * * * * * 17 16 1520 19 18 14 13 11 9 8 12 7 6 5 4 3 2 1 * 17 16 1520 19 18 14 13 11 910 8 12 7 6 5 4 3 2 1 3 2 1 7 4 58 6 2 14567 * * * * * * * * 1720 19 18 14 13 11 910 8 12 7 5 4 3 2 1 * * * 3 2 1 7 58 6 * 17 16 1520 19 18 14 13 11 910 8 12 7 6 5 4 2 1 * BLANK EVTCC7002AL
  • 139.
    MAIN HARNESS E5ACE9B5 HL-1MAINHARNESS (1) D4DD: M36-1 M43-1,2 M36-2 M36-4 M36-3 M50 M37M76 M63 M27 M26 M28 M64 M29 M67 M30 M65 M68 M79 M78 M54 M80 MA01 G02 MM06, MM07 MC01~MC06 MM04 MA02 MM03 MD03 MD04 M56-1 M56-2 M81 MM02 M59 M53 M42 M55 M41 M32 M34/M39 M87 G01M33 M31 M19 M23 M22 Relay box (M01~M16, M86~M97) FUSE BOX M21 M60 M57 M58 M25 M44 N17/M47 M46 M38 M72 MD01 MD02 M49 M48 M75 MM01 M52 M51 M71M99-1,2,3 M77 M62 M98M45 M10 D4AF/D4AL: EVTHL7001AL
  • 140.
    MAIN HARNESS HL-2MAIN HARNESS(2) MAIN HARNESS Front fog lamp relay Tail lamp relay Power window relay Power door lock relay Power door unlock relay Outside mirror defogger relay PTO relay Dump relay Flasher unit Wiper relay(High) Wiper relay(Low) Head lamp relay(High) Head lamp relay(Low) ABS relay Rear fog lamp relay(D4AF/D4AL) Idle up/down switch(D4DD) Rear fog lamp warning buzzer(D4AF/D4AL) Evaporator sensor High speed warning buzzer(D4AF/D4AL) Dump warning buzzer Tachograph(Electronic)(D4AF/D4AL) Audio Blower switch Intake switch Mode switch Ashtray ILL. Wiper motor Accelerator pedal position switch Mode actuator Parking brake switch (With double cab)(D4AF/D4AL) Instrument cluster Instrument cluster Instrument cluster Instrument cluster PTO switch Joint connector Engine PTO cab in switch(D4DD) Stop lamp switch Ignition switch M01 M02 M04 M05 M06 M07 M08 M09 M10 M11 M12 M13 M14 M15 M16 M17 M19 M21 M22 M23 M24 M26 M27 M28 M29 M30 M31 M32 M33 M34 M36-1 M36-2 M36-3 M36-4 M37 M38 M39 M41 M42 M43-1 M43-2 M44 M45 M46 M47 M48 M49 M50 M51 M52 M53 M54 M56-1 M56-2 M57 M58 M59 M60 M62 M63 M64 M65 M67 M68 M71 M72 M73 M75 M76 M77 M78 M79 M80 Multifunction switch(Wiper) Multifunction switch(Lamp) Head lamp leveling switch(D4AF/D4AL) Tachograph(Cassette type) Brake fluid level sensor Cold start switch(D4AF/D4AL) PTO clutch pedal position switch(D4AF/D4AL) Exhaust brake clutch pedal position switch Head lamp LH Position lamp LH Front turn signal lamp LH Head lamp leveling actuator LH(D4AF/D4AL) Joint connector ETACM(D4AF/D4AL) ETACM(D4AF/D4AL) Head lamp RH Position lamp RH Front turn signal lamp RH Head lamp leveling actuator RH(D4AF/D4AL) Hazard switch Front fog lamp switch A/C switch Defogger switch Rear fog lamp switch(D4AF/D4AL) Cigarette lighter Vacuum switch(D4DD) Data link connector High speed warning device(D4AF/D4AL) Working lamp switch Joint connector Joint connector Joint connector Joint connector Joint connector M81 M84 M86 M87 M88 M90 M91 M93 M94 M97 M99-1 M99-2 M99-3 MA01 MA02 MC01 MC02 MC03 MC04 MC05 MC06 MD01 MD02 MD03 MD04 MM01 MM02 MM03 MM04 MM06 MM07 G01 G02 Z01 Z02 Z04 Z05 Z07 Joint connector Joint connector Rear fog indicator relay(D4AF/D4AL) Overheat buzzer(D4AF/D4AL) Horn relay(D4DD) Fuel heater relay(D4DD) Engine ECM relay(D4DD) Exhaust brake relay(D4DD) Glow relay(D4DD) Overheat buzzer relay(D4AF/D4AL) Main ECM(D4DD) Main ECM(D4DD) Main ECM(D4DD) Connection With A.B.S Harness Connection With AIR CON Harness Connection With CHASSIS Harness(D4AF/D4AL) Connection With CHASSIS Harness(D4AF/D4AL) Connection With CHASSIS Harness Connection With CHASSIS Harness(D4DD) Connection With CHASSIS Harness(D4DD) Connection With CHASSIS Harness(D4DD) Connection With DOOR LH Harness Connection With DOOR LH Harness Connection With DOOR RH Harness Connection With DOOR RH Harness Connection With FLOOR LH Harness Connection With FLOOR RH Harness Connection With ROOF Harness(D4AF/D4AL) Connection With MAIN(JUMP) Harness(D4AF/D4AL) Connection With FLOOR CENTER Harness(D4DD) Connection With FLOOR CENTER Harness(D4DD) Ground Ground Diode(D4AF/D4AL) Diode(D4AF/D4AL) Diode(D4AF/D4AL) Diode Diode(D4DD) EVTHL7001BL
  • 141.
    CHASSIS HARNESS E4AB6D12 HL-3CHASSISHARNESS (1) D4AF/D4AL C20 C21 C52 C17 C15 C18 C31 C40 C42 C43 C44 G03 C14 C11 C12 C57 C04 CC04 C03 G07 C32 C37 CC05 C07 C55 C05 C05-1 C53 CA02 CA01 MC03 MC02 MC01 C19 C16 C30C22 EC02EC03 C26C25 C01C24 C13C02 CC01~CC03 C34-1 C34-2 C36 C50 C08 EVTHL7002AL
  • 142.
    CHASSIS HARNESS HL-4CHASSIS HARNESS(2) CHASSIS HARNESS(D4AF/D4AL) SIDE MARKER HARNESS(D4AF/D4AL) Sub start switch Working lamp Dump warning switch Fuel sender License lamp License lamp(Europe) Rear combination lamp LH Rear combination lamp RH Neutral switch Back-up lamp switch Battery PTO control switch Condenser fan motor(D4AF) Front fog lamp LH Horn Front fog lamp RH Condenser fan motor(D4AL) A/C pressure switch A/C compressor PTO magnetic valve Intake shutter valve Exhaust magnetic valve Front wheel sensor RH Front wheel sensor LH ABS hydraulic module Vacuum switch ABS relay box ABS relay box Rear wheel sensor RH Rear wheel sensor LH Idle up magnetic valve Air heater relay Air heater relay Start solenoid Back warning buzzer C01 C02 C03 C04 C05 C05-1 C07 C08 C11 C12 C13 C14 C15 C17 C18 C19 C20 C21 C22 C24 C25 C26 C30 C31 C32 C33 C34-1 C34-2 C36 C37 C40 C42 C43 C44 C50 C52 C53 C55 C57 CA01 CA02 CC01 CC02 CC03 CC04 CC05 EC02 EC03 MC01 MC02 MC03 G03 G07 Z03 Rear marker lamp LH Rear marker lamp RH Rear fog lamp Vehicle speed sensor Connection With A.B.S Harness Connection With A.B.S Harness Connection With Fusible Link Box Connection With Fusible Link Box Connection With Fusible Link Box Connection With SIDE MARKER Harness Connection With SIDE MARKER Harness Connection With ENGINE RH Harness Connection With ENGINE Harness Connection With MAIN Harness Connection With MAIN Harness Connection With MAIN Harness Ground Ground Diode C70 C72 C73 C74 CC04 CC05 Front outside marker lamp LH Front outside marker lamp RH Rear outside marker lamp LH Rear outside marker lamp RH Connection With CHASSIS Harness Connection With CHASSIS Harness EVTHL7002BL
  • 143.
    CHASSIS HARNESS HL-5CHASSIS HARNESS(3) D4DD C21 C17 C18 C15 C31 EC01 C42 C44G03 EC04 C14 C24C11 C12 C57 C49 C45C46 C03 C04 C32 C37 C07 C05 MC06 C10-1 C10-2 C75 MC05 MC03 MC04 CA03 C19 C30C22 EC02EC03 C26C25C39 C01 C13C02 CC06G05 CC01~CC03 C34-1 C34-2 C36 C08 EVTHL7002CL
  • 144.
    CHASSIS HARNESS HL-6CHASSIS HARNESS(4) CHASSIS HARNESS(D4DD) EXH M/V HARNESS(W/O DOUBLE CAB) Sub start switch Working lamp Dump warning switch Fuel sender License lamp Rear combination lamp LH Rear combination lamp RH Engine ECM Engine ECM Neutral switch Back-up lamp switch Battery PTO control switch Condenser fan motor Front fog lamp LH Horn Front fog lamp RH A/C pressure switch A/C compressor PTO magnetic valve Intake shutter valve(With double cab) Exhaust magnetic valve(With double cab) Front wheel sensor RH Front wheel sensor LH ABS hydraulic module ABS relay box ABS relay box Rear wheel sensor RH Rear wheel sensor LH Generator Air heater relay Start solenoid Water separator sensor Fuel heater Fuel heater thermo switch C01 C02 C03 C04 C05 C07 C08 C10-1 C10-2 C11 C12 C13 C14 C15 C17 C18 C19 C21 C22 C24 C25 C26 C30 C31 C32 C34-1 C34-2 C36 C37 C39 C42 C44 C45 C46 C49 C57 C75 CA03 CC01 CC02 CC03 CC06 EC01 EC02 EC03 EC04 MC03 MC04 MC05 MC06 G03 G05 Z03 Vehicle speed sensor Can tool Connection With A.B.S Harness Connection With Fusible Link Box Connection With Fusible Link Box Connection With Fusible Link Box Connection With EXH M/V Harness Connection With ENGINE LH Harness Connection With ENGINE RH Harness Connection With ENGINE Harness Connection With ENGINE PTO Harness Connection With MAIN Harness Connection With MAIN Harness Connection With MAIN Harness Connection With MAIN Harness Ground Ground Diode(With double cab) C25 C26 CC06 Z03 Intake shutter valve Exhaust magnetic valve Connection With CHASSIS Harness Diode EVTHL7002DL
  • 145.
    ENGINE HARNESS EBAF4FA7 HL-7ENGINEHARNESS (1) D4DD E17 E05 E06 E10 EC03 EC02 E09E07-1 E11-1 E11-2 E11-3 E14 EC02 E07 E03E06 E11-4 E12 E13E15 E16 EC01 D4AF/D4AL ENG LH ENG RH EVTHL7003AL
  • 146.
    ENGINE HARNESS HL-8ENGINE HARNESS(2) ENGINE HARNESS RH(D4AF/D4AL)ENGINE HARNESS Generator Connection With CHASSIS Harness E17 EC03 Tachometer sensor Oil pressure switch Engine coolant temperature sensor Overheat unit Generator Connection With CHASSIS Harness E05 E06 E07-1 E09 E10 EC02ENGINE HARNESS LH(D4DD) E11-1 E11-2 E11-3 E11-4 E12 E13 E14 E15 E16 EC01 Injector #1 Injector #2 Injector #3 Injector #4 N.E sensor Rail pressure sensor Boost pressure & air temperature sensor SCV Fuel temperature sensor Connection With CHASSIS Harness ENGINE HARNESS RH(D4DD) E03 E06 E07 EC02 Cam speed sensor Oil pressure switch Engine coolant temperature sensor & sender Connection With CHASSIS Harness EVTHL7003BL
  • 147.
    FLOOR & ROOFHARNESS E3E1BBD4 HL-9FLOOR & ROOF HARNESS (1) FLOOR HARNESS LH Seat belt switch Parking brake switch(W/O double cab) Cab tilting switch(W/O double cab) Front door swtich LH Rear door swtich LH(With double cab) Connection With MAIN Harness M102 M103 M104 M105 M118 MM01 FLOOR HARNESS RH Front door swtich RH Washer motor Rear door swtich RH Connection With MAIN Harness M106 M107 M117 MM02 FLOOR CENTER HARNESS(D4DD) ETACM ETACM Connection With MAIN Harness Connection With MAIN Harness M56-1 M56-2 MM06 MM07 ROOF HARNESS Front room lamp Endout marker lamp 'A'(W/O double cab) Endout marker lamp 'B'(W/O double cab) Rear room lamp(With double cab) Endout marker lamp 'C'(W/O double cab) Endout marker lamp 'D'(W/O double cab) Endout marker lamp 'E'(W/O double cab) Connection With MAIN Harness M110 M112 M113 M114 M120 M121 M122 MM03 M112 M122 MM03 M103 MM01 M102 M113 M104 M105 M107 M56-1,2 M110 M106 MM02 MM06 M121 M114M120 MM07 EVTHL7004AL
  • 148.
    DOOR HARNESS E80ED506 HL-10DOORHARNESS (1) DOOR HARNESS LH Power window motor LH Outside mirror defogger LH Speaker LH Side repeater lamp LH Power window main switch Power door lock actuator LH Connection With MAIN Harness Connection With MAIN Harness D01 D02 D03 D04 D05 D06 MD01 MD02 DOOR HARNESS RH Power window motor RH Outside mirror defogger RH Speaker RH Side repeater lamp RH Power window sub switch Power door lock actuator RH Connection With MAIN Harness Connection With MAIN Harness D11 D12 D13 D14 D15 D16 MD03 MD04 D06(D16) MD02(MD04)D04(D14)D03(D13) D05(D15) D01(D11) D02(D12) MD01(MD03) ( ) : RIGHT EVTHL7005AL
  • 149.
    A.B.S & AIRCON HARNESS E5D56119 HL-11A.B.S & AIR CON HARNESS (1) A.B.S HARNESS(D4AF/D4AL) ABS control module Connection With CHASSIS Harness Connection With CHASSIS Harness Connection With MAIN Harness Ground A01 CA01 CA02 MA01 G04 A.B.S HARNESS(D4DD) ABS control module Connection With CHASSIS Harness Connection With MAIN Harness Ground A01 CA03 MA01 G04 G04 MA01 CA01/CA03 CA02 A01 AIR CON A.B.S AIR CON HARNESS Blower relay Condenser fan relay A/C relay Blower motor Intake actuator Connection With MAIN Harness A15 A16 A17 A18 A19 MA02 A15 A18 A17 A16 MA02 A19 EVTHL7006AL