Vocational Training Report
Chemical Engineering Department
Sardar Vallabhbhai National Institute of Technology
AMIT KUMAR GOMEY
U12CH026
Training Period:
15 June- 11 July 2015
1Page
CERTIFICATE FROM COMPANY
2Page
ACKNOWLEDGEMENT
I’m immensely thankful to Mr. Hemant Bhati, Senior Instrumentation Engineer, IOCL
Digboy to give me opportunity to interact with professionals at the IOCL Gujarat Refinery
plant, Vadodara. I thank my mentor and guide Mr. M M Parmar (CPMN) and all other
employees to guide me throughout the training course and helping me to understand the
working of various units, their processes and equipment etc. I would like to thank my
college to motivate me to undergo the training.
3Page
TABLE OF CONTENTS
CERTIFICATE FROM COMPANY…………………..1
ACKNOWLEDGEMENT .................................................... 2
INTRODUCTION .................................................................. 5
COMPANY OVERVIEW..................................................... 6
AU (ATMOSPHERIC UNIT) V – INTRODUCTION.. 7
CHAPTER 1: AU V – PROCESS DESCRIPTION........ 8
1.1: CRUDE CHARGING INTO UNIT............................10
1.2: FURNACE......................................................................13
1.3: MAIN FRACTIONATING COLUMN.......................14
1.4: PRODUCT STRIPPERS..............................................17
1.5: HEAVY NAPHTHA STRIPPER.................................17
1.6: KERO/ATF STRIPPER................................................18
1.7: NAPHTHA STABILISER.............................................19
1.8: LPG-AMINE ABSORPTION SECTION ..................19
1.9: CHEMICAL INJECTION FACILITIES...................20
CHAPTER 2: DEMAND AND SUPPLY DATA.........23
2.1: FEED: CRUDE.............................................................23
2.2: PRODUCTS...................................................................24
Specification...........................................................................24
Value........................................................................................24
2.3: PRODUCT AND THEIR END USES.......................26
MARKETING – REACH IN EVERY PART OF INDIA.27
CHAPTER 3: Pumps and Valves......................................28
3.1: PUMPS............................................................................28
4Page
3.2: VALVES...........................................................................31
CHAPTER 4: LINE SIZING..............................................42
CHAPTER 5: INSTRUMENTATION POWER SYSTEM 44
CHAPTER 6: SAFETY MEASURES ADOPTED.......45
6.1: FIRE PREVENTION ACTIVITIES:..........................45
6.2: SOUND ENGINEERING:...........................................45
6.3: GOOD HOUSE KEEPING: .......................................45
6.4: INSTRUCTION TO PERSONNEL............................45
6.5: REGULAR TRAINING OF EMPLOYEES ..............45
6.6: FIRE PROTECTION SYSTEM IN THE UNIT.......46
6.7: WORK PERMIT SYSTEM...........................................46
6.8: CORRECTIVE ACTION TO BE TAKEN TO PREVENT HAZADOUS SITUATION FROM
ESCALATING ........................................................................49
6.9: SAFETY SYSTEM AND THEIR FUNCTIONS.......50
CHAPTER 7: ENVIRONMENTAL ISSUES................52
5Page
INTRODUCTION
Indian Oil Corporation (Indian Oil) is India’s largest
Commercial enterprise, with a sales turnover of Rs. 4,
50,756 crores (US$ 73.7 billion) and profits of Rs. 5,273
crores for the year 2014-15. It is also the leading Indian
corporate in Fortune’s prestigious 'Global 500' listing of
the world’s largest corporates, ranked at the 96th
position for the year 2014.
As India’s flagship national oil company, with a
33,000- strong work-force currently, Indian Oil has been
meeting India’s energy demands for over half a century.
With a corporate vision to be 'The Energy of India' and
to become 'A globally admired company,' Indian Oil’s
business interests straddle the entire hydrocarbon value-
chain – from refining, pipeline transportation and
marketing of petroleum products to exploration & production of crude oil & gas, marketing
of natural gas and petrochemicals, besides forays into alternative energy and globalization
of downstream operations.
IndianOil accounts for nearly half of India’s petroleum products market share, 31%
national refining capacity (together with its subsidiary Chennai Petroleum Corporation
Ltd., or CPCL), and 71% downstream sector.
The IndianOil Group owns and operates 10 of India’s 22 refineries with a combined
refining capacity of 65.7 MMTPA (million metric tonnes per annum), i.e., approx. 1.31
million barrels per day. The 15-MMTPA refinery under commissioning at Paradip on the
east coast will raise the capacity to over 80 MMTPA.
The Corporation has a portfolio of leading energy brands that includes Indane LPG
cooking gas, SERVO lubricants, XTRAPREMIUM petrol, and XTRAMILE diesel,
PROPEL petrochemicals, etc. Besides IndianOil, both SERVO and Indane have earned the
coveted Superbrand status.
6Page
COMPANY OVERVIEW
The Gujarat Refinery is an oil refinery located at Koyali (Near Vadodara) in Gujarat,
Western India. It is the Second largest refinery owned by Indian Oil Corporation after
Panipat Refinery. The refinery is currently under projected expansion to 18 MMTPA.
Following the conclusion of the Indo-Soviet Treaty of Friendship and Cooperation in
February 1961, a site for the establishment of a 2 million metric ton per annum (MMTPA)
oil refinery was selected on 17 April 1961. Soviet and Indian engineers signed a contract
in October 1961 for the preparation of the project. Prime Minister Jawaharlal Nehru laid
the foundation stone of the refinery on 10 May 1963.
The refinery was commissioned with Soviet assistance at a cost of Rs.26 crores began
production in October 1965. The first crude distillation unit with a capacity of 1 MMTPA
was commissioned for trial production on 11 October 1965 and achieved its rated capacity
on 6 December 1965. Throughput reached 20% beyond its designed capacity in January
1966. President Sarvepalli Radhakrishnan dedicated the refinery to the nation with the
commissioning of second crude distillation unit and catalytic reforming unit on 18 October
1966. The refinery’s facilities include five atmospheric crude distillation units. The major
secondary units include:
1. Catalytic Reforming Unit (CRU),
2. Fluidized Catalytic Cracking Unit (FCCU) and
3. The first hydrocracking unit of the country.
Through a pipeline to Ahmedabad and a pipeline connecting to the BKPL pipeline and also
by rail and truck, the refinery primarily serves the demand for petroleum products in
western and northern India. When commissioned, the refinery had an installed capacity of
2 MMTPA and was designed to process crude from Ankleshwar, Kalol and Nawagam
oilfields of ONGC in Gujarat. The refinery was modified to handle imported and Bombay
High crude. The refinery also produces a wide range of specialty products such as benzene,
toluene, MTO, food grade hexane, solvents and LABFS. The Gujarat Refinery is the first
refinery in India to have completed the diesel hydrodesulphurization project in June 1999,
when the refinery started production of HSD with low sulfur content of 0.25% wt. (max).
7Page
AU (ATMOSPHERIC UNIT) V – INTRODUCTION
 The atmospheric Unit AU-V of Gujarat Refinery is designed to process 3.0 MMTPA
of Arab Mix Crude (50:50 by weight of Light and Heavy Arab Crude).
 This unit was commissioned in the year 1997.
 The unit was revamped during August/Sept ’02 to increase the on stream factor and
flexibility of operation by providing additional heat exchanger train and increase in the
number of pumps for different products & circulating refluxes.
The unit comprises of:
 Crude Preheat Train,
 Crude Desalting,
 Atmospheric Distillation,
 Naphtha Stabilization,
 LPG Amine wash and Caustic wash,
 Light Naphtha Caustic wash, and
 Kerosene/ATF caustic wash.
The main products from the unit are:
 LPG,
 Light Naphtha,
 Heavy Naphtha,
 Kerosene,
 Gas Oil and
 Long residue.
Provision is also there for with drawl of ATF (boiling range 140-240) during alternate
mode of operation. During ATF mode of operation Kerosene will not be withdrawn and
the material boiling in the range of 240-370° C will be withdrawn as Gas Oil stream.
8Page
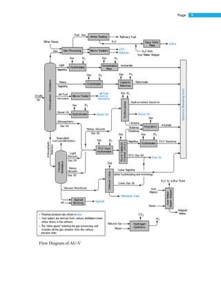
CHAPTER 1: AU V – PROCESS DESCRIPTION
In Atmospheric Unit, Crude Oil is separated into various fractions in fractionation column
based on relative volatility, boiling point and condensation temperature ranges of the
various components. These fractions have different properties. Most of them are lighter
then crude accepting the bottom product LR (Long Residue).
Basic operations involved in AU are as follows:-
 Crude Preheating and Desalting
 Crude heating in Charge Heater
 Atmospheric Distillation
 Naphtha Stabilization
 LPG Amine and Caustic washing
 Light Naphtha Caustic washing
 Kero/ATF Caustic washing
For the sake of simplicity in process description, Atmospheric Unit is divided into a
Number of subsections as given below:
 Crude Preheat Train I (old and new)
 Crude Desalter
 Crude Preheat Train II (old and new)
 Crude Charge Heater
 Atmospheric Distillation Column
 Naphtha Stabilizer
 Product Cooling and Run Down system
 LPG Amine wash system
 LPG Caustic wash system
 Light Naphtha Caustic Wash system
 Kero/ATF Caustic wash system
 Chemical Injection system.
9Page
Flow Diagram of AU-V
10Page
1.1: CRUDE CHARGING INTO UNIT
Crude from crude storage tanks in GRE crude offsite area is pumped into Atmospheric
Unit. In the battery limit of AU double block valve and a spectacle blind is provided for
positive isolation. Crude is received at 9.5 Kg/cm2
g pressure and ambient temperature.
The following instruments are provided in the crude inlet line to the Unit within Unit
battery limit.
 Local pressure gauge
 Pressure Transmitter with DCS indication
Crude Booster take suction and deliver crude to the preheat Train-I through a discharge
header. The following connections are provided in the suction line of booster pumps inside
battery limit.
 1” Caustic solution line in order to maintain pH of Desalter effluent.
 2” demulsifier solution line to break crude and water emulsion.
 10” LR circulation line for start-up purpose.
 2” service water line for unit flushing.
 3” slop line from CBD Pump Discharge for reprocessing the slop.
The crude booster pumps have a capacity of 261 m3
/hr. The normal discharge pressure
of crude booster pump is 23.87 Kg/cm2
g. Normally two crude pumps will be in operation
and one will remain standby.
1.1-1: CRUDE PREHEAT TRAIN-I
Crude preheat trains are provided to accomplish the following.
 To heat the crude oil and bring it to the required desalting temperature.
 To further heat the crude oil after desalting.
 To recover heat from outgoing products and circulating reflux streams by heating the
crude oil, thereby improving fuel economy in operation at unit.
Crude Preheat Train–I is described below:
11Page
 There are total 15 nos. of heat exchangers in this section where crude is preheated
to 135-140 ̊C before going to desalter.
 Crude, which is at ambient temperature, goes to the heat exchanger where it is
treated against LGO and heated upto 60 ̊C. Crude is further divided into two parallel
passes with the help of a differential temperature controller DTC (3 way C/V).
 Both the passes travel through separate heat exchangers, exchange heat with
products and are heated upto 140 ̊C. Crude from the passes combine together and
goes to desalter.
1.1-2: CRUDE DESALTING
Crude oil brings along with it salts, particularly those of sodium, Magnesium etc.,
metals like Arsenic, Vanadium etc., and mud. Although these are present only in small
amounts, their presence can result in serious problems in downstream equipment’s viz.
Heat exchangers, charge heater and Atmospheric column. Hence the need of their removal
is important before processing.
At high temperatures, Magnesium chloride decomposes and forms Hydrochloric acid,
corroding trays in the top section of column and tubes of overhead condensers etc. The
presence of calcium and sodium salts can cause plugging of heat exchanger and heater
tubes, there by rapidly reducing heat transfer co-efficient. The presence of Arsenic acts as
a poison to platinum catalysts if it is used in downstream process units. Presence of these
salts also promotes coke formation in heater tubes which results in increased pressure drop
as well as less heat transfer rates. The excessive coke formation results in escalation of hot
spots on heater tubes which can have serious and disastrous consequences for heater tubes.
At high temperature salts in crude oil show a tendency to deposit along heat exchange
surface of the equipment.
Caustic injection upstream of Desalter in crude is done to neutralize acids present in
crude and convert them into water solvable salts. These salts are then removed by desalter
12Page
water in desalter. Caustic injection downstream Desalter is provided to neutralize any other
acid traces formed at desalter operating conditions.
Brine is associated with crude both as a fine suspension of droplets and more permanent
emulsion. To break this tight emulsion, Demulsifier is added. This ensures better function
of Desalter. Demulsifier is injected into crude upstream of desalter. Provision also Exists
for injection of Demulsifier into the crude line at B/L for better mixing.
In fact, both caustic solution and Demulsifier are added into the crude before the first
exchanger in the preheat train I. Process is described below:
 The desalting process consists of three main stages-heating, mixing and separation.
 For effective separation of salt and water from crude oil, it is heated upto about
140 ̊C thoroughly mixed with extra water (3-4% on crude flow) by passing through
mixing valve at the inlet of desalter (mixing valve pressure drop is generally kept
at about 1.0 kg/sq.cm).
 The extra water is added to collect and dissolve all the water soluble salts in the
crude.
 The rate at which water is injected into the crude is dependant primarily upon the
salt and BS&W content of crude being treated.
 In some instances, it is not possible to achieve sufficient mixing across the mixing
valve alone; provision is therefore given to inject water ahead of desalter heat
exchangers. This water is preheated to 100 ̊C.
 The mixing valve, with isolation and bypass facility, is located at the inlet of the
desalter. By varying pressure drop across the valve the desired mixing can be
achieved. The normal operating pressure is 10.5 to 11.0 kg/sq.cm(g).
13Page
1.1-4: CRUDE PREHEAT TRAIN – II
Crude preheat train–II is desalter outlet to crude charge heater (05-FF-01). Major
equipment at this section are shell and tube type heat exchangers. Crude preheat train – II
can be subdivided to crude preheat train – II (old) and Crude preheat Train – II (New).
 Booster pump pumps crude from desalter outlet to one of the heat exchangers where
crude is treated against Kero CR.
 At outlet, the crude flow is divided into two parallel passes by DTC. Crude in both
the passes exchanges heat with LGO and RCO respectively. Both the passes
combine in the end where the crude temperature is around 175 ̊C.
 The two passes that combine are again divided into two passes, and is treated
against HGO CR. LGO CR and HGO.
 Crude after passing through a series of heat exchangers is fed to the flash zone of
pre-fractionator column at a temperature of 225 ̊C.
1.2: FURNACE
Major equipment of this section is atmospheric heater, air pre-heaters, ID fan, FD fans
and Steam air decoking pot.
 In the heaters, crude is further heated and partially vapourised by rising temperature
from 275-370 ̊C in case of imported and upto 355 ̊C in case of BH/SG crude.
 Here, furnace is a box type, horizontal tubes, balanced draft furnace. Crude feed
flows to the heater in four passes. The four passes join together and combine at the
outlet to go to the distillation column. There are total 20 nos. of dual (oil and gas)
fired burners and one gas burner in the heater.
 Fuel oil pressure of 6.0 kg/sq.cm is maintained by the controller. The atomizing
steam pressure to the burners is controlled by differential pressure controller.
 Fuel gas is supplied to the heater at about 3.4 kg/sq.cm.
14Page
 If fuel gas pressure falls below 1.8 kg/sq.cm low pressure alarm will sound in the
control room and a safety shutdown valve SDV will automatically cut off fuel gas
flow to the heater, thus eliminating the possibility of back fire.
 A return is provided on the fuel oil heater. A 1:1 ratio of fuel oil consumption to
return is provided in the design to obtain a good control on firing and prevent
congealing of the internal fuel oil (IFO) system.
 The globe valve provided on the IFO return line should be adjusted to give the
desired circulation rate. For recovering heat from fuel gases, boiler feed water is
circulated through BFW coils at convection section.
1.3: MAIN FRACTIONATING COLUMN
The crude after final heating in furnace is fed to the Atmospheric Column for separation
of products by fractionation. Atmospheric column contains 51 valve type trays for side
stream withdrawal. The column has a stripping section at the bottom. It has lower diameters
at top and bottom sections than middle to cater to higher vapor load in middle section.
Local pressure gauges and DCS mounted TI are provided to indicate pressure/temperature
profile inside the column.
Description of entire column has been taken up zone wise below:
1.3-1: FLASH ZONE
Heated and partly vaporized crude feed coming from fired heater enters the flash zone
of the column above tray no.6 at 375 C. Hydrocarbon vapors flash in this zone and get
liberated. Non-flashed liquid moves down ward, which is largely bottom product, called
Long Residue. Certain degree of over flashing of crude is desirable for proper stabilization
of LR and fractionation of gas oil components. Over flash is achieved by setting up COT
at slightly higher than actually required. This over flashed material is washed with gas oil
coming down from below of 15th
tray. It strips out heavier vapor components coming up
which otherwise would move-up & cause coloration of gas oil stream. Tray 7th
to 14th
forms
the wash zone section of atmospheric column along with LR. Flow of over flash liquid can
15Page
be increased by both increasing COT and condensing more material on 7th
tray gas oil draw
off. However, this will result in less gas oil yield and higher energy consumption without
any advantage. Too large flow of over flash liquid may result in drop in bottom temperature
and lighter bottom product, LR.
1.3-2: OVERHEAD SECTION
The overhead vapors of Atmospheric Column at 1120
C/1150
C passes through the
overhead air condensers (Fin fan cooler) and trim condenser. The condensed Naphtha &
steam are accumulated in crude column overhead reflux drum.
Condensed hydrocarbons are allowed to settle in reflux drum where steam condensate
settles in vessel boot and is pumped to desalter water drum or sour water stripper of SRU
unit under inter phase controller. Sour water flow is measured by FI-1801 & its pH is
indicated by PHI-1601. On actuation of boot level alarm low shall be closed by operation
and the flow has cut off. A part of accumulated hydrocarbons is pumped back to
atmospheric column as top reflux by Column reflux pumps under flow control to control
top temperature. This flow controller can be cascaded with atmospheric column top
temperature controller for precise control of column top temperature.
Ahuralan is dozed at the top of column to arrest corrosion and ammonia solution is
dozed O/H vapor outlet line to maintain sour water PH level @ 6 to 6.5. Excess quantity
of Naphtha in reflux drum is pumped by stabilizer feed pumps to stabilizer as feed.
Reflux drum level controller can be cascaded with discharge of stabilizer feed pump flow
controller.
Minimum flow protection controllers are provided for discharge of reflux pumps &
stabilizer feed pumps respectively. In the event of low flow in reflux or stabilizer feed lines
due to throttling of control valves, minimum continuous flow to each pump, this
arrangement prevents heating of pump due to closed discharge operation & resultant
damage to pump.
16Page
1.3-3: MIDDLE SECTION:
Middle section of the column has circulating refluxes and product withdrawal network.
In order to maximize heat recovery and balance the column loading for maintaining proper
temperature profile across the column, three circulating refluxes (CR) systems are provided
viz. Heavy Naphtha CR, Kero/ATF CR, and Gas Oil CR. These circulating refluxes are
drawn from their respective product draw off trays and are routed to preheat recovery trains
for heat recovery before entering back to the column again.
Duty controllers are provided on CR circuits to control CR flow rates to column. These
duty controllers take corrective action based on actual CR duty & desire CR duty. For a
particular type of crude and crude through put, the CR under reference will have certain
duty. This will be governed by total crude flow and specific heat of CR and is called desired
CR duty. Actual CR duty is also computed by duty controller based on real time
measurement of temperature difference between CR draw off and CR return stream, CR
flow rate and specific heat of CR. Total crude flow, CR temperature difference and CR
flow are measured by various instruments. Specific heat of CR is fixed by operator in
software for computation purpose and no on line measurement for this property is
available. Actual and desired CR duty is calculated in the duty controller as under:
Actual CR duty = (Measured CR flow)X(CR temp. Difference)X(sp. Heat of CR
stream)
Desired CR duty = (Desired CR duty/Desired total crude Flow)X(Actual Crude
flow)
Inputs to be manually configured by operator are specific heat of CR stream and ratio
(Desired CR duty/ desired total crude flow) for each crude. Desired CR duty should be
estimated on pro-data feed rate basis to CDU. This is typical to all such duty controllers on
circulating reflux lines. Desired CR duty is compared with actual CR & the flow of CR is
varied to achieve desired CR duty.
17Page
1.3-4: BOTTOM SECTION (RCO CIRCUIT)
Long Residue product is collected at bottom of the column. Column bottom level is
indicated and controlled by level controller. Column bottom level control can be done
either by manipulating LR flow to FPU/Storage during normal operation or by
manipulating LR flow. LR at a temperature of 365 C is pumped out from the bottom of the
column by LR pumps to LR Storage (or) FPU Independent level control with high & low
level software alarm is provided to have redundancy of indication. Selector switch is also
provided for cutting the LR flow to LR Storage/FPU when the atmospheric column level
is low. A low level switch along with alarm is also given. Bottom temperature and LR
pump suction temperature are indicated by temperature indicator.
1.3-5: CIRCULATING REFLUXES/PUMP AROUND CIRCUITS
Three circulating refluxes are described below.
(1) Top CR (2) Kero CR (3) G.O. CR.
(1) Top CR – Drawn from tray – 43 to pumps @ temp ~ 150° C discharge to exchangers
tube side tube outlet stream returns back to column.
(2) Kero C.R. - Drawn from tray 25 to pumps @ temp 200° C to 220° C.
(3) G.O. CR - Drawn from tray-16 to pump at temperature ~ 300° C to 315° C.
1.4: PRODUCT STRIPPERS
There are three side strippers for stripping out side draw off products from atmosphere
column, viz. Heavy Naphtha, Kero /ATF and GO.
They are described as under:
1.5: HEAVY NAPHTHA STRIPPER
Ten valve type trays are provided in HN stripper. Local PG and LP steam connections
are also provided on this stripper. LP steam is used to purge the column. HN to be stripped
is admitted on 10th
tray under its level control. Minimum 1500 mm elevation difference is
provided between stripper entry nozzle and piping to provide back pressure and prevent
18Page
flashing in piping. HN in bottom is re-boiled in re-boiler by HGO C/R. HN is stripped off
by its hot vapors generated in re-boiler. Mass transfer between down coming HN liquid
from tray 10 to bottom and uprising HN vapors takes place on each tray. Finally stripped
HN is drawn by pumps and sent to product cooling section. Outgoing HN temp. Is indicated
by. Stripped light vapor goes back to 36th
tray of atmospheric column.
Gas oil CR supplies heat to Heavy Naphtha Stripper Re-boiler. Pumps get suction from
bottom of column.
1.6: KERO/ATF STRIPPER
Six valve type trays are provided in Kero/ATF stripper. Local PG and LP steam out
connections are also provided on this stripper. Kero/ATF to be stripped is admitted on 6th
tray of KERO/ATF stripper under its level control. Minimum 1500 mm elevation
difference is provided between stripper entry nozzle and piping to provide back pressure
and prevent flashing in piping. MP steam is used as stripping medium in this stripper.
Steam flow is regulated by FIC-1508 on steam line. It regulates MP steam flow to stripper
based on per unit mass of Kero/ATF product outflow.. Steam to product ratio is decided
by operator and configured in software for routine control. MP steam reduces partial
pressure of hydrocarbon components inside stripper and helps them vaporize at relatively
low temp. Mass transfer between down coming Kero/ATF liquid from tray 6 to bottom and
uprising vapors takes place on each tray. Finally lighter end stripped Kero/ATF is drawn
by pumps and sent to preheat train I for exchanging its heat to crude. It is further cooled in
cooler before routing to caustic wash system. Provision is made for Pump getting suction
from same suction header of pump, which discharges to cooler Outlet of both the circuits’
joins together & flows to caustic wash system. Stripped light vapors goes to 28th
tray of
atmospheric column.
Design data: salt to load: 61 Mt.
Inlet moisture: 1300-1500 ppm.
Outlet moisture: <200 ppm
19Page
1.7: NAPHTHA STABILISER
Naphtha obtained in atmospheric column overhead Naphtha reflux drum contains some
light ends like C3 and C4, which vaporize at normal atmospheric conditions. This naphtha
if stored as such in storage tanks will release lot of hydrocarbon vapors and can create
unsafe conditions and pressurization of the storage. To avoid these problems, the lighter
components from naphtha are removed. This process is called Naphtha stabilization.
Naphtha stabilization is carried out in naphtha stabilizer where C1/C2/C3 and C4
hydrocarbons are removed from naphtha. Stabilizer column has 43 nos. of valve type trays.
The column is provided with a set of safety valves set at 15-kg/cm2
g. Their discharge is
routed to flare header. MP steam connection is provided for steam purging of the column
during shut down. DCS mounted temperature indication of top outlet; tray 38, tray 5 and
bottom outlet are provided. Local PG at tray 43, and below tray I is also provided to monitor
pressure profile in the column.
Un-stabilized naphtha feed to the stabilizer is first heated up to 119 0
C in feed/
Stabilizer Bottom Exchanger parallel by exchanging heat with outgoing stabilized naphtha
product stream from stabilizer bottom. Feed from drum enters the column on the 20th
tray
under flow control that is normally cascaded with level controllers. Local PG, TG and TI-
are also provided on feed line to monitor feed temperature pickup.
1.8: LPG-AMINE ABSORPTION SECTION
LPG mixture from Naphtha Stabilizer reflux drum is sent to LPG surge drum. Sour LPG
from outside battery limit (from AU4 (or) AU-3) also joins at downstream. The surge drum
pressure is maintained at 10.0 Kg/cm2
, releasing to fuel gas system i.e. upstream of FG
K.O. Drum. The level of the surge drum should always be maintained at 50%.
The LPG from the surge drum is pumped by the LPG booster pumps to the bottom of
LPG Amine absorber column under flow control.
20Page
1.9: CHEMICAL INJECTION FACILITIES
Hydrochloric acid from the salt in the crude and hydrogen sulphide dissolved in the
crude (or formed from the dissociation of heavy Sulphur compounds present in crude)
concentrates in the overhead system. Both form of acid solutions, which are corrosive.
Measures must be taken to overcome their effects. The overhead system including
condensers and reflux drum is made of carbon steel. In order to protect this section, caustic
solution, ammonia solution and corrosion inhibitors are added at various points. The
purpose of injection caustic at the outlet of desalter is to achieve better mixing of these
chemicals with crude and neutralize the acids and salts, mainly HCL and H2S as soon as
they are formed (at a temp. Of 120 C and above) the reaction products i.e. sodium and
ammonia salts go along with reduced crude. The balance acids and acid gases if any will
go up to the overhead system where ammonia is injected in the overhead vapor line to
neutralize. Amount of ammonia should be controlled in such a way that pH of reflux drum
water remains at 6.5±0.2.
Injection of caustic at the outlet of desalter should be maintained in such a way that the
salt formation should be low in the overhead circuit, which might scale up the overhead
condenser tubes.
A slightly acidic condition of the overhead system is desirable to keep ammonium salts
in solution, which if precipitates would foul and plug the condensers. Corrosion against
slightly acidic conditions is minimized by adding corrosion inhibitors in the overhead
vapor line. The inhibitor is also added in reflux line. Top section of the column is also
benefited from the injection of corrosion inhibitors mainly in the reflux line. These
inhibitors are high boiling compounds and can perform satisfactorily at higher column top
temperature also.
The amount of inhibitor injected depends upon the type of inhibitor used and generally
specified by the vendor. However slight adjustment is made by operating personal
depending upon iron content in the reflux drum water. These inhibitors are filming organic
21Page
compounds, which cover entire metal surface of the system with a thin film. This prevents
contact of corrosive water with metal surface.
Various points of chemical injections are listed below:
 De-emulsifier
 De-emulsifier is injected in the crude pump suction to break oil and water emulsion
in desalter. Normal injection rate is 4 to 5 ppm. However, if oil is observed in
desalter drain water, de-emulsifier injection rate has to be increased.
 De-emulsifier chemical is brought in drums and offloaded into the vessel. The de-
emulsifier injection pumps are dosing pumps provided with a safety valve. The rate
of injection can be varied by adjusting the knob on the pump.
 Caustic Solution
 Caustic is injected in the crude pump suction, as water separation from oil in
desalter becomes better in alkaline medium. For this, brine water pH is maintained
at about 8.0 to 9.2. 3% wt caustic solution is prepared in the tank and injected by
pump.
 At the desalter also, the same caustic is injected to neutralize the chloride salt. The
chloride salt in the crude produces HCl (Hydrochloric Acid) at higher temperature.
 This HCl is highly corrosive to column overhead, vapour line and the reflux drum.
Hence, caustic is injected to neutralize HCl to NaCl (sodium chloride).
 Finally NaCl goes out from bottom of the main fractionator along with RCO. Any
left over HCl vapour goes to the top and finally comes along with sour water.
 Hence, if sour water chloride contents are reported more than 6 ppm, caustic
injection post desalter has to be increased. Also sour water pH is to be maintained
at 6.5 to 7.0 with the help of ammonia injection.
 Ammonia Injection
 Ammonia solution is injected in the crude fractionating column overhead and in
pre-fractionator column to neutralize highly corrosive acid HCl.
22Page
 Ammonia converts HCl to ammonium chloride (NH4Cl). About 1% strength
ammonia solution is injected in the top vapour line and in the top reflux line.
 It is very important to know that the use of excessive ammonia will cause leak in
the overhead condenser tubes. This is because ammonia reacts very fast with the
brass metal and eats away the metal.
 Hence, sour water pH to be maintained strictly not more than 6.5. Ammonia is
brought in the unit in cylinders. Water is received in the two solution vessels.
 Ammonia solution is prepared by injection of ammonia from ammonia cylinder
into the solution vessel. A pressure gauge and safety valve are provided on the
ammonia connection manifold.
 To prevent cooling and icing of the cylinders when preparing ammonia solution, a
connection to spray water is provided. The solution vessels are provided with seal
to minimize the loss of ammonia.
 Corrosion Inhibitor Injection
 Corrosion inhibitor is an organic chemical. It acts as corrosion inhibitor by forming
continuously a monomolecular layer on the metal surfaces, by direct contact
between metal and the corrosive elements present in the system.
 This is injected at the top f the vapour line of the crude fractionating column
overhead and in the stabilizer column to protect vapour line and condenser.
 Normal injection rate of 4 to 6 ppm is maintained by the pump.
23Page
CHAPTER 2: DEMAND AND SUPPLY DATA
2.1: FEED: CRUDE
a) 100% Arab mix Crude consisting of Light and Heavy Arab Crude in 50:50
proportion by weight.
b) Main Column along with overhead condensers and furnace have flexibility to
process 3.0 MMTPA Arab mix crude in 50:50 weight proportion with respect
to flow and hydraulics alone.
The properties of Arab Crude mix are as follows:
Sr.
No.
Specification Unit Value
1. Specific gravity @15 o
C 0.8728
2. TBP Distillation (%
volume)
o
C
3 IBP o
C 27.3
4 5 o
C 52.9
5 10 o
C 97.2
6 30 o
C 223.0
7 50 o
C 344.4
8 70 o
C 476.8
24Page
9 90 o
C 658.3
10 95 o
C 709.3
11 EP o
C 732.2
12 API Gravity o
C 30.6
13 Viscosity @37.8 o
C Cst 10.5
14 Pour Point o
C -124
15 RVP@38 o
C Kg/cm2
0.6
16 Salt content(max) Ppm 165
17 BS&W %Vol 2.0
2.2: PRODUCTS
Sr.No. Product
Specification Value
1. O/H Naphtha TBP cut o
C IBP-170 o
C
2. Heavy
Naphtha
TBP cut o
C 120-170 o
C
3.
ATF
TBP cut o
C
Flash Point o
C
Freezing point o
C
ASTM D-86 EP
140-240
38 (min)
-50 (max)
288 o
C
25Page
4. SKO TBP cut o
C
Flash Point o
C
ASTM D-86 EP
140-270
36 (min)
300 (max)
5. Gas Oil TBP cut o
C
Flash Point o
C
ASTM D-86 95%
240/270-370
34 (min)
Not to exceed 365o
C
6. Long residue TBP cut o
C Shall not contain
more than 8% vol
(max) of material
boiling below 370 o
C
7. LPG Vapor pressure 6.5
Kg/cm2
Weathering o
C
Not more than 16.87
Kg/cm2
95% vol to contain no
more than 2% of C5+
component.
26Page
2.3: PRODUCT AND THEIR END USES
PRODUCT END USES
LPG Cooking Gas (marketed as ‗INDANE‘)
Benzene Raw material for petrochemicals
Toluene Raw material for petrochemicals
Naphtha Raw material for petrochemicals
Motor Spirit (90 Octane) ‗Petrol‘ for vehicles
Aviation Turbine Fuel (ATF) Fuel for jet aircraft
Superior Kerosene (SK) Illuminant, domestic purpose
High Speed Diesel (HSD) Diesel locos, trucks, buses, ships
Light Diesel Oil (LDO) Small engines attached to irrigation pumps
Low Sulphur Heavy Stoke (LSHS) Fuel in thermal power stations
Fuel Oil (FO) Industrial Furnaces/Boilers
Bitumen Road surfacing
n-Heptane As solvent
ARO Used in aluminium rolling industries
Linear Alkyl Benzene (LAB) Detergent Manufacture
Butene Co-polymer for producing polyethylene
and
Polypropylene
Methyl Tertiary Butyl Ether (MTBE) Blending in gasoline for increasing octane
number and oxygen content
Food Grade Hexane (FGH) Solvent for oil seed extraction.
Glues/Adhesives for foot wear
Polymerization reactions in industries like
27Page
Pharmaceuticals & printing ink.
Retreading of car tyres
Sulphur Sulphuric acid and tyre manufacture
MARKETING – REACH IN EVERY PART OF INDIA
Over 41,600 touch points (51.5% of industry)
Cross country retail network comprising of 23,993 (45.9%) outlets
Continued Rural thrust: 6,002 Kisan Seva Kendras
LPG supply to over 81 million households with over 7,000 (50.6%) LPG distributorship
Reaching the doors of bulk customers: Bulk Customer Pumps 6,359(86.0%)
Growing oil Demand
28Page
CHAPTER 3: Pumps and Valves
3.1: PUMPS
Pump
No
PA
Service KW Rated
Amps
Capacity
M3/hr.
max
DP
Kg/cm2
1A to E Crude Feed 240 25 287 16
2A to E Desalted Crude 300 31 310 22
5A/B/C Top Reflux 45 75 146 11
6A/B/C CC-05 Feed 75 126 79 20
29Page
7A/B Top CR 37 62 242 9
8A/B HN r/d 30 52 18 15
9A/B Kero r/d 75 126 124 17
10A/B/C Kero CR 75 126 358 10
11A/B GO r/d 75 126 125 14
12A/B/C GO CR 160 260 361 15
14A/B LPG Reflux 22 37 78 14
15A/B Desalter Water Stage-I 15 26 38 17.5
16A/B Desalter Water Stage-II 55 93 38 19
17A/B LPG NaOH Circulation 75 14 36 11
18A/B LPG water wash 75 14 36 12
19A/B LN caustic wash 5.5 10 25 9
20A/B LN water wash 5.5 10 25 13
23A/B Kero caustic wash 7.5 14 34 18
24A/B Kero Water wash 7.5 14 34 17
25A/B LPG Caustic / Water
makeup
18.5 32 5 20
26A/B NH3 Injection 0.37 1.1 7 Lit/hr 8.5
Pump
No
Service KW Rated
Amps
Capacity DP
Kg/cm2
30Page
PA M3/hr.
max
27A/B Demulsifier Injection 0.37 1.1 11 Lit/hr 11
29A/B Ahuralan Injection 0.37 1.1 24 Lit/hr 10
31A/B Caustic injection 0.75 2.7 410 Lit/hr 15.8
32A/B Caustic Circulation / m- up 11 20 5 11.5
33 47% caustic transfer 3.7 5 3.1
40A/B Wash water make up 11 20 5 10.5
41A/B LN rundown 15 26 58 8
42A/B VV-2 sour water 3.7 7.3 9 6
43A/B Spent caustic 5.5 10.2 10 6.5
44A/B Kero / ATF caustic M/up 15 28 5 19.3
45A/B IFO 45 75 30 15.5
46 CBD 18.5 37 20 6.8
48 ABD 7.5 9.6 6 5
50A/B LPG booster 45 75 37 22
51A/B/C LR 180 19 275 16.8
52A/B Coolant Water 30 50 98 5.5
102A/B Kero-I CR 90 150 371 11
103A/B LGO product 90 150 132 15.1
31Page
104A/B HGO CR 90 150 470 9
101A/B Kero-I 110 183 106 21.6
Brief description of pressure and temp. Safety valves: -
3.2: VALVES
3.2-1: LIST OF PSV’s
TAG NO. Service LOCATION Set
pressure
Kg/cm2 g
Relieving
Temp ° C
Selection
Basis
PSV1201A/B H/C Desalter-I
stage
16.00 Hold Hold
PSV1202A/B H/C Desalter-II sta 16.00 Hold Hold
PSV-1501 H/C 05-CC-001 4.5 130 Block
discharge
PSV-1502 H/C 05-CC-001 4.5 130 Block
discharge
PSV-1503 H/C 05-CC-001 4.5 130 Block
discharge
PSV-1601 H/C 05-VV-002 4.5 128 Fire
PSV-1602 H/C 05-VV-002 4.5 128 Fire
PSV-1701 H/C 05-CC-005 15 87 Block
discharge
32Page
PSV-1702 H/C 05-CC-005 15 87 Block
discharge
PSV-1703 H/C 05-CC-003 15 97 Fire
PSV-1704 H/C 05-CC-003 15 97 Fire
PSV-1901 H/C 05-VV-006 29.5 132 Fire
PSV-1902 H/C 05-VV-006 29.5 243 Fire
PSV-1903 H/C 05-VV-007 29.5 132 Fire
PSV-1904 H/C 05-VV-007 29.5 243 Fire
PSV-2001 H/C 05-VV-009 16 205 Fire
PSV-2002 H/C 05-VV-009 16 212 Fire
PSV-2003 H/C 05-VV-0010 16 205 Fire
PSV-2004 H/C 05-VV-0010 16 212 Fire
PSV-2201 H/C 05-VV-013 23 316 Fire
PSV-2202 H/C 05-VV-013 23 230 Fire
PSV-2203 H/C 05-VV-014 23 316 Fire
PSV-2204 H/C 05-VV-014 23 230 Fire
PSV-2501A LPG 05-VV-020 14.5 85 Fire
TAG NO. Service LOCATION Set
pressure
Kg/cm2 g
Relieving
Temp ° C
Selection
Basis
33Page
PSV-2501B LPG 05-VV-020 14.5 85 Fire
PSV-2601A LPG 05-CC-006 29.5 110 External fire
PSV-2601B LPG 05-CC-006 29.5 110 External fire
PSV-3101 Fuel oil 05-VV-026 3.5 526 External fire
PSV-3102 Fuel oil 05-VV-026 3.5 526 External fire
PSV-3105 HP
steam
05-VV-027 43 266 Fire
PSV-3108 LP
steam
05-VV-035 6.5 173.5 Fire
PSV-3109 LP
steam
05-VV-035 6.5 173.5 Fire
PSV-3201 LPG 05-VV-029 14.5 96 Fire
PSV-3202 LPG 05-VV-029 14.5 96 Fire
PSV-3203 FG 05-VV-020 14.5 60 Fire
PSV-3204 FG 05-VV-020 14.5 60 Fire
PSV-
43002A/B
Inst Air 05-
VV0037A/B
9.0 186.6 Fire
PSV-4401 MP
Steam
05-MD-001 15 285 C/V failure
PSV-4402 MP
Steam
05-MD-001 15 285 C/V failure
PSV-0000 HC Salt dryer 16 Ambient
34Page
PSV-0000 HC Salt dryer 16 Ambient
3.2-2: LIST OF TSV’s
TAG.NO SERVICE LOCATION SP kg/cm2 Relieving
Temp.
Selection Basis
TSV-1101 Crude 35.5 150 Thermal Expansion
TSV-1102 Crude 35.5 150 “
TSV-1103 Crude 35.5 150 “
TSV-1104 Crude 35.5 150 “
TSV-1105 Crude 35.5 150 “
TSV-1201 CW 6 65 “
TSV-1202 CW 22 65 “
TSV 1301 Crude 43 215 “
TAG.NO SERVICE LOCATION SP kg/cm2 Relieving
Temp.
Selection Basis
TSV 1302 Crude 43 175 “
TSV 1303 Crude 43 215 “
TSV 1304 Crude 43 225 “
TSV 1305 Crude 43 255 “
TSV 1307 Crude 43 305 “
35Page
TSV 1308 Crude 43 65 “
TSV 1604 CW 6.0 65 “
TSV 1605 CW 6.0 65 “
TSV 1606 CW 6.0 65 “
TSV 1703 CW 6.0 65 “
TSV 1704 CW 6.0 65 “
TSV 1705 CW 6.0 65 “
TSV 1801 CW 6.0 65 “
TSV 1802 CW 6.0 65 “
TSV 1803 CW 6.0 65 “
TSV 1805 CW 6.0 65 “
TSV 1806 CW 6.0 65 “
TSV 1807 CW 6.0 65 “
TSV 1808 CW 6.0 65 “
TSV 1809 CW 6.0 65 “
TSV 1810 CW 6.0 65 “
TSV 1811 CW 6.0 65 “
TSV 1812 CW 6.0 65 “
TSV 3101 FO 16.5 245 “
36Page
TSV 3102 FO 16.5 245 “
TSV 3103 FO 3.5 245 “
TSV 3104 FO 3.5 245 “
TSV 3105 FO 16.5 245 “
TSV 3106 FO 16.5 245 “
TSV 5002 H/C EE-102A/B 35.5 150 THER.EXPANSION
TSV 5003 H/C EE-103A/B 35.5 150 “
TSV 5004 H/C EE-104A/B 35.5 150 “
TSV 5005 WATER EE-13B 6.9 65 “
TSV 5006 WATER EE-12 A/B/C 2.2 130 “
TSV 5007 WATER EE-16D 6.9 65 “
TSV 5008 WATER EE-16E 6.9 65 “
TSV 5009 WATER EE-16F 6.9 65 “
TSV 5010 H/C EE-106A/B 43 210 “
TSV 5011 H/C EE-105A/B 43 250 “
TSV 5012 H/C EE-107A/B 43 310 “
TSV 5013 H/C EE-108A/B 43 310 “
TSV 5014 H/C EE-18 C/D 2.5 150 “
TSV 5015 WATER EE-17D 6.9 65 “
37Page
TAG.NO SERVICE LOCATION SP kg/cm2 Relieving
Temp.
Selection Basis
TSV 5016 WATER EE-19B 6.9 65 “
TSV 5017 WATER EE-109 6.9 65 “
TSV 5018 WATER EE-110A/B 6.9 65 “
TSV 5019 WATER 6.9 65 “
TSV 5020 WATER EE-111A 6.9 65 “
TSV 5021 WATER EE-111B 6.9 65 “
TSV 5022 H/C EE-103C 35.5 150 “
TSV 5023 H/C 43 210 “
TSV 5024 H/C EE105C/D 43 250 “
TSV 5025 H/C EE-105 A/B 43 250 “
TSV 5026 H/C EE-107 C/D 43 310 “
3.2-3: LIST OF CONTROL VALVES
S.No. TAG NO. SERVICE SIZE(in.) Action
1 BOILER FEED WTR 1
2 5LV2602 RICH AMINE TO ARU 1 A/O
3 5LV3104 STM CONDEN. TO FLASH DRM 1 A/O
4 5LV3106 LP STM COND. FRM VV-035 1 A/O
5 5FV1807 HY. NAPHTHA FOR GAS OIL 1.5 A/O
38Page
6 5FV2502 LPG BOOSTER PMP FLW 1.5 A/O
7 5LV3202 LPG TO LPG DRM VV-029 1.5 A/O
8 5PV1701 VENT FRM VV-003 1.5 A/O
9 5FV2501 LPG SURGE DRM 2 A/C
10 5PV3111 FO TO VV-026(BPC) 2 A/C
11 5FV1508 STRIPPING STM TO CC-001 BTM. 2 A/C
12 5FV2011 HY. NAPHTHA TO KERO R/D 2 A/O
13 5FV2503 LPG FRM PA-014A/B 2 A/O
14 5PV1415 FO TO HTR 2 A/O
15 5PV1504A FG TO FLARE FRM CC-001 2 A/O
16 5PV1504B FG TO VV-002 2 A/O
17 5PV1912 LPG PRODUCT R/D 2 A/O
18 5PV2011 HY. NAPHTHA TO STORAGE 2 A/O
19 5PV3203 LPG TO FG KOD VV-028 2 A/O
20 5PV4406 HP STM TO DESUPER HTR 2 A/O
21 5SDV1406 FG SUPPLY(PILOT) 2 A/O
22 5SDV1701 DRAIN FRM VV-003 2 A/O
23 5SDV1901 CAUSTIC SOL. EX VV-006 2 A/O
24 5SDV1902 WASH WTR EX VV-007 2 A/O
39Page
25 5SDV1903 WTR EX VV-008 2 A/O
26 5SDV1904 CAUST. WASH WTR EX VV-016 2 A/O
27 5SDV2001 CASTIC EX VV-009 2 A/O
S.No. TAG NO. SERVICE SIZE(in.) A/O
28 5SDV2002 WASH WTR EX VV-010 2 A/O
29 5SDV2003 WTR FRM VV-025 2 A/O
30 5SDV2201 CAUSTIC EX VV-013 2 A/O
31 5SDV2202 WASH WTR EX-VV-014 2 A/O
32 5SDV2203 WASH WTR EX VV-015 2 A/O
33 5SDV2601 AMINE SETTLER BTM 2 A/O
34 5SDV2602 LPG AMINE ABSORBER BTM 2 A/O
35 5LV1201 BR IN FRM DSTLR TO DGASR 2 A/O
36 5LV3103 FO TO VV-026 3 A/O
37 5FV1201 2nd STAGE DESAL. WTR I/L 3 A/O
38 5FV1409 PLANT AIR FOR DECOCKING 3 A/O
39 5FV2501 LPG TO AMINE ABSORBER 3 A/O
40 5LV1602 SOUR WTR TO VV-005 3 A/O
41 5PV3202 LP STM TO LPG VAPORISER 3 A/O
42 5SDV1401 FO RETURN 3 A/O
40Page
43 5LV1202 1st STAGE DIST. WTR I/L 3 A/O
44 5TV1702 NAPH. STAB. BTM. SAT. EE-018A/B 4 LOCK
45 5FV1401 CRUDE TO HTR PASS-1 4 A/C
46 5FV1402 CRUDE I/L PASS-2 4 A/C
47 5FV1403 CRUDE I/L PASS-3 4 A/C
48 5FV1404 CRUDE I/L PASS-4 4 A/C
49 5FV1804 HSD R/D 4 A/O
50 5FV2206 KERO/ATF COALASCER O/L 4 A/O
51 5FV3102 HP STM TO EE-028A/B/C/D 4 A/O
52 5HV1701 STABISER O/H VAPOUR 4 A/O
53 5PDV1420 ATM STM TO HTR 4 A/O
54 5SDV1402 FO SUPPLY 4 A/O
55 5SDV1601 SOUR WTR TO SRU 4 A/O
56 5SDV2501 LPG TO LPG SURGE DRM 4 A/O
57 5PV1423 FG TO HTR 6 A/O
58 5FV1410 DECOCKING STM TO HTR PASS-1 6 A/C
59 5FV1412 DECOCKING STM TO HTR PASS-3 6 A/C
60 5FV1413 DECOCKING STM TO HTR PASS-4 6 A/C
61 5FV1414 DECOCKING STM TO HTR PASS-2 6 A/C
41Page
62 5FV1505 TOP RFLX TO CC-001 6 A/C
63 5FV1805 LR TO BL(FPU) 6 A/O
64 5FV1806 LR TO BL STORAGE 6 A/O
65 5HV2001 LN+CAUSTIC TO VV-009 6 A/C
66 5HV2002 LN WTR TO VV-010 6 A/C
67 5HV2201 KERO+ATF+CAUST. TO VV-013 6 A/C
68 5HV2202 KERO+ATF+WASH WTR TO VV-014 6 A/C
69 5SDV1801 LN TO CAUSTIC WASH 6 A/O
70 5FV1501 TOP CIR. RETURN TO CC-001 8 A/C
71 5LV1508 KERO STRIPPER FEED 8
A/O
72 5LV1510 GAS OIL STRIPPER FEED 8
A/O
S.No. TAG NO. SERVICE SIZE(in.)
73 5SDV1403 FG SUPPLY 8 A/O
74 5LV1206 CRUDE BOOSTER PMP D/S 8 A/C
75 5FV1502 ATF/KERO CR RETURNED TO CC-001 10 A/C
76 5TV1116 EXCH-05-EE-006 A/B BYPASS 12 A/C
77 5FV6201 SKO TO DHDT 8 A/O
42Page
CHAPTER 4: LINE SIZING
This specification provides guidelines for designing and installing the gaseous low-
pressure (<275 psig) and high-pressure (276 to 7,000 psig) high-purity product process
piping. For both low- and high-pressure, stainless steel (303, 304, and 316) tubing, piping,
fittings, and components are preferred. Maximum hardness is 80Rb.
MAXIMUM ALLOWABLE WORKING PRESSURE
Maximum allowable working pressures (MAWP) for commercially available tubing
and piping are given below. Piping systems must be designed so that the process pressure
of the gas will not exceed the MAWP of the pipe, tubing, or components.
Low-pressure (<275 psig)
For all sizes from 0.25- to 1-in OD stainless steel tubing, 0.035-in. wall thickness is
acceptable. Schedule 10S to Schedule 80S stainless steel pipe is also acceptable for both
plain end and threaded end styles. Threaded ends should be 80S.
High-pressure (275 to 7000 psig)
See the Tables below. The product system downstream of the compressor will operate
at 6,000 psig. The high-pressure storage tubes are designed to a maximum allowable
working pressure of 6,667 psig. The tubing or piping for these high-pressure circuits should
be selected to meet or exceed this pressure. To this end, the high-pressure piping/tubing
will be designed for 7,000 psig. Acceptable sizes and wall thicknesses are:
 1/4-in. OD tubing: 0.049 and 0.065-in. wall thickness; 0.065-in.
 3/8-in. OD tubing: 0.065 and 0.083-in. wall thickness; 0.083-in.
78 5FV6202 SKO TO ATF MEROX 8 A/O
79 5FV6203 HOT RCO TO DCU 8 A/O
80 5FC6204 HN TO DHDT 2 A/O
81 5FV6205 GO TO DHDT 6 A/O
82 5FV7218 LN TO ISOM 4 A/O
43Page
 1/2-in. OD tubing: 0.083 and 0.095-in. wall thickness; 0.095-in.
 3/4-in. OD tubing: Not Allowed
 1-in. OD tubing: Not Allowed
 3/4-in. Schedule 80 piping: Limited to 6,550 psig with plain ends
The components specified in the Instrument Summary are primarily 1/2-in. and are
configured with either 1/2-in. female pipe ports or compression style tube fittings,
depending on availability. The piping designer/contractor may choose to modify the
specified end connection when ordering the components to facilitate installation. If the end
connections are modified, then confirm with the supplier that the pressure rating for the
component with the new end connection still meets the required MAWP for the system
(7,000 psig).
44Page
CHAPTER 5: INSTRUMENTATION POWER SYSTEM
Main features of electrical instrumentation power system are described below:
 Through a battery bank in main unit sub-station, 110 V DC supply is available to
all solenoid valve infield and auxiliary consoles in Control Room. On auxiliary
consoles are mounted Push Buttons, Running Status, Lamps & Selector Switches
to PLC interlocks etc. few spare outlets of 110 V DC supply are also provided in
control room to carry out miscellaneous testing jobs etc. battery backup will remain
available for a period of 1 hour for UPS & other Instrument requirements.
 110 V AC power supply (uninterrupted) is available to all Hard Wire Alarms,
Hooters, and Multipoint. Digital Temp. indicators (TJI), Density Analyzers,
Supervisory Computers, Printer, Video Hot copier, DCS monitor (CRT) & hand
indicator controllers.
 In the event of power failure, 110 V AC supply will remain available for a
maximum period of 60 min to above instrument to facilitate safe shut down of
process units. If power from main feeder is still not resumed plant instrument will
assume safe shut down position according to logic built in PLC. After power is
resumed DCS system and supervisory computer should be booted before reverting
back to normal operations.
.
45Page
CHAPTER 6: SAFETY MEASURES ADOPTED
6.1: FIRE PREVENTION ACTIVITIES:
Regulation for the prevention of fire:
1) Ban on carrying of a potential source of ignition, ban on lighting fires in battery area.
Ban on smoking, Ban on carrying lamps, use of spark arrestors.
2) General precautions: Maintain good housekeeping. Follow the laid down procedure
strictly. Sampling and draining of hydrocarbon should be done under strict supervision. Do
not operate equipment unauthorized. Use only approved type of tools, anticipate the
hazards during vessel cleaning and take preventive step in advance.
6.2: SOUND ENGINEERING:
Design of the plant materials used for construction means of escape etc.
6.3: GOOD HOUSE KEEPING:
 Cleanliness of the plant, methods of storage.
 Good habits: observation of fire prevention rules etc.
 Common sense: No smoking near inflammable material etc.
6.4: INSTRUCTION TO PERSONNEL
 Knowledge of job.
 Safe practices.
 Action in case of fire.
 Knowledge of fire extinguishers etc.
6.5: REGULAR TRAINING OF EMPLOYEES
 Induction training program.
 Refresh course.
 Special listed training programmes.
46Page
6.6: FIRE PROTECTION SYSTEM IN THE UNIT
A. Fire extinguisher 200 NOS.(10 kg DCP)
B. Fire glass: 20 NOS.(25 kg DCP)
C. Fire water monitors: from all four sides.
D. Tower platform monitors: 3 NOS.
E. Water sprinkler system: in pump house and at
Caustic/water vessels and on
fin coolers
F. Hydrocarbons gas detector: near P-5A/B,P-6A/B,
P-14A/B,
P-50A/B,
PA- 07A/B
G. Safety shower and eye washer: 2 No. (Near caustic tank, near
furnace)
H. Riser hydrant: A) At vessel platform
B) all columns.
6.7: WORK PERMIT SYSTEM
Work permit is a written document that categorically spells out
 The task.
 Equipment involved & its condition.
 Its location.
 Personnel involved.
47Page
 Time limitation
 Precautionary measure to be taken together with likely hazard to be encountered, if
any.
 Act as a predetermined checklist for various safety precautions.
 Serves as a media of information.
 Instills a sense of security from accident.
Work permit system is required in the refinery as per, Sec.7 (2a) SSW
OISD-105
Rule 172 of petroleum rules, 1976
OBJECTIVE:
 To make the procedure of the work foolproof.
 To guarantee against accidental starting of machinery or entry of
any hazardous liquid or gas into a vessel whose jobs are proposed.
6.7-1: TYPES OF WORK PERMITS:
 Hot work permit
 Cold work permit
 Excavation permit
 Work at height permit
 Work at depths
 Electrical work permit
 Vessel entry permit
48Page
6.7-2: POINTS TO BE ENSURED WHILE GIVING CLEARANCE:
1) Equipment / Area inspected.
2) Surrounding area checked / cleaned.
3) Sewers, Manholes, CBD etc and hot surfaces covered.
4) Consider & ensure no hazard from other routine / non-routine operation and alters
surrounding / concerned persons.
5) Equipment electrically isolated and tagged.
6) Running water hose/ portable extinguisher provided.
7) Equipment blinded / disconnected / closed / isolated wedged open.
8) Equipment properly drained / depressurized, steamed / purged.
9) Firewater system checked for readiness.
10) Equipment water flushed.
11) Gas / oxygen deficiency test done and found OK.
12) Shield against sparks provided.
13) Proper ventilation and lighting provided.
14) Proper means of exit provided.
15) Precautionary tags / boards provided.
16) Portable equipment / Hose nozzles properly grounded.
17) Standby personnel provided for fire watch from process / maintenance / contractor
/ fire and safety department.
18) Iron sulfide removal / kept wet.
19) Area cordoned off.
20) Precautions against public traffic taken.
21) Clearance obtained for excavation / road cutting from technical / fire / concerned
departments.
22) Clearance obtained for dyke cutting.
23) Checked spark arrestors on mobile equipment.
24) Checked for oil / gas trapped behind lining in equipment.
25) Check for hot tapping.
49Page
6.8: CORRECTIVE ACTION TO BE TAKEN TO PREVENT HAZADOUS
SITUATION FROM ESCALATING
HAZARDOUS SITUATION ACTION
Severe hydrocarbon leakage  Cut off all furnace
 Take unit on circulation. If required
shutdown totally.
 Block adjacent roads
 Inform F&S
 Isolate leaky section using PPEs &
depressurize to flare.
 Inform RSM/CPNM
Furnace Coil Rupture  Open STD
 Cut off fuel to furnace
 Cut off feed
 Put coil purging steam.
 Take emergency S/D of entire
plant
 Inform RSM / CPNM
Severe Exchanger Leakage  Bypass exchanger-using PPE & isolate it.
 Depressurize
 Keep steam Lancer
 Inform RSM / CPNM
 Cut off furnace if H/C vapor travels
towards furnace
Pump Seal Leakage  Start stand by pump
 Isolate the leaky pump
 Depressurize
 Keep fire Engine standby.
 Inform RSM / CPNM
50Page
6.9: SAFETY SYSTEM AND THEIR FUNCTIONS
Following safety systems are available in the unit
1. PSVs
2. Interlocks
3. Hydro-carbon leak detectors
4. Fire water sprinkler system
5. PPEs
6.9-1: PSVs
Purpose: PSVs are provided to protect the equipment like columns, vessels, pipe line etc
by relieving excess pressure to flare / atmosphere when there is abnormal pressurization
due to CW failure or fire etc.
Where Situated: Normally it is situated at column top vessel top, compressor discharge and
positive displacement pump discharge.
Relieve Where: Normally to flare system.
Flare Knock Out Drum: All PSV discharge is routed to flare connected to a header which
is routed to flare KOD located at AU5 battery limit. Liquid which is carried along with gas
is settled in this vessel are drained out to CBD. Only gas from its top is send to flare. It is
provided with a level indication (with alarm). Level indication is transmitted to DCS CR.
In normal condition once in a shift draining is done.
6.9-2: Interlocks
Purpose: Meant for protecting of equipment in case of extreme deviation in parameter
from operating limit, before it reaches the equipment design limit.
Location: Furnaces
What all interlocks: (Furnace fuel will cut off if there is)
Low Combined pass flow
51Page
Low FG pressure
Low Fuel Oil pressure.
FD fan failure
ID fan failure (STD does not open within 30 sec)
6.9-3: Hydrocarbon Leak detectors:
Facility: The unit is provided with 05 numbers of hydrocarbon detectors located at
vulnerable points where chances for leak is more. It senses the leak & if concentration is
more than the specified limit, will give signal to DCS control room through alarm. After
getting the alarm, Panel operator instructs the field operator to check physically the area,
for any leakage.
6.9-4: Fire water Sprinkler:
Firewater Sprinkler is provided on all black hot hydrocarbon pump for cooling purpose.
During pump seal leak & subsequent fire, sprinkler system is activated to cool the pump to
avoid damage to piping & structure. This system will be provided to all hot pump in near
future.
6.9-5: PPEs:
Safety helmet, safety shoe, rubber / canvas hand gloves, apron, Breathing apparatus, gas
mask/ canister for use in different gas atmosphere etc. are provided for safe operation and
emergency handling in case of abnormal condition. BA set is kept in DCS control room.
Safety helmet & safety shoes have been provided to all operating personnel. Other PPEs
are available in Check & Change room of operators.
6.9-6: HVLR.
High Velocity Long Range monitor has been provided for spraying water jet at top of high
column during fire fighting
52Page
CHAPTER 7: ENVIRONMENTAL ISSUES
Indian Oil Corporation is committed to conduct business with strong environment
conscience ensuring sustainable development, safe workplaces and enrichment of quality
of life of Employees, Customers and the Community. We, at IndianOil, believe that good
S, H & E performance is an integral part of efficient and profitable business management.
We shall: Accordingly, the Corporation's endeavour is to: Establish and maintain good
standards for safety of the people, the processes and the assets. Comply with all Rules and
Regulations on Safety, Occupational Health and Environmental Protection. Plan, design,
operate and maintain all facilities, processes and procedures to secure sustained Safety,
Health and Environmental Protection. Remain trained, equipped and ready for effective
and prompt response to accidents and emergencies. Welcome audit of our S, H & E conduct
by external body, so that stakeholder confidence is safeguarded. Adopt and promote
industry best practices to avert accidents and improve our S, H & E performance. Remain
committed to be a leader in Safety, Occupational Health and Environmental Protection
through continuing improvement. Make efforts to preserve ecological balance and heritage.
Green Belts as Pollution Sinks Scientifically designed green belts have been developed at
IndianOil's Gujarat and Panipat refineries to serve as pollution sinks and to enhance the
aesthetic look of the refinery area.
Extensive tree plantation has been undertaken by Guwahati, Digboi, Mathura, Haldia
and Barauni refineries and townships to develop green cover. Mathura Refinery has planted
about 115,000 trees in the Taj Reserve Forest near Taj Mahal under the 10-Point Initiative
of the Ministry of Petroleum & Natural Gas for improvement of environment in the Taj
Trapezium. Mathura Refinery has developed a sprawling area of 18,000 sq. m. around its
polishing ponds into an ecological park. A large number of migratory birds have made the
ecological park as their habitat. Experts from the Bombay Natural History Society (BNHS)
have identified about 96 varieties of birds in the park.
53Page
Similar parks have also been developed at Barauni and Gujarat refineries. The existence
of rich flora and fauna in these parks is a clear testimony of the clean and eco-friendly
environment in and around the refineries. The other refineries are in the process of
developing such ecological parks. SMOKELESS FLARING As a minimum, start-up and
normal off-spec flaring is to be considered for smokeless flaring. The flare design must
allow for smokeless flaring through this capacity range. In addition, the flare may need to
be designed for smokeless burning for other capacities as might be mandated by local
environmental or regulatory requirements.

Iocl training report

  • 1.
    Vocational Training Report ChemicalEngineering Department Sardar Vallabhbhai National Institute of Technology AMIT KUMAR GOMEY U12CH026 Training Period: 15 June- 11 July 2015
  • 2.
  • 3.
    2Page ACKNOWLEDGEMENT I’m immensely thankfulto Mr. Hemant Bhati, Senior Instrumentation Engineer, IOCL Digboy to give me opportunity to interact with professionals at the IOCL Gujarat Refinery plant, Vadodara. I thank my mentor and guide Mr. M M Parmar (CPMN) and all other employees to guide me throughout the training course and helping me to understand the working of various units, their processes and equipment etc. I would like to thank my college to motivate me to undergo the training.
  • 4.
    3Page TABLE OF CONTENTS CERTIFICATEFROM COMPANY…………………..1 ACKNOWLEDGEMENT .................................................... 2 INTRODUCTION .................................................................. 5 COMPANY OVERVIEW..................................................... 6 AU (ATMOSPHERIC UNIT) V – INTRODUCTION.. 7 CHAPTER 1: AU V – PROCESS DESCRIPTION........ 8 1.1: CRUDE CHARGING INTO UNIT............................10 1.2: FURNACE......................................................................13 1.3: MAIN FRACTIONATING COLUMN.......................14 1.4: PRODUCT STRIPPERS..............................................17 1.5: HEAVY NAPHTHA STRIPPER.................................17 1.6: KERO/ATF STRIPPER................................................18 1.7: NAPHTHA STABILISER.............................................19 1.8: LPG-AMINE ABSORPTION SECTION ..................19 1.9: CHEMICAL INJECTION FACILITIES...................20 CHAPTER 2: DEMAND AND SUPPLY DATA.........23 2.1: FEED: CRUDE.............................................................23 2.2: PRODUCTS...................................................................24 Specification...........................................................................24 Value........................................................................................24 2.3: PRODUCT AND THEIR END USES.......................26 MARKETING – REACH IN EVERY PART OF INDIA.27 CHAPTER 3: Pumps and Valves......................................28 3.1: PUMPS............................................................................28
  • 5.
    4Page 3.2: VALVES...........................................................................31 CHAPTER 4:LINE SIZING..............................................42 CHAPTER 5: INSTRUMENTATION POWER SYSTEM 44 CHAPTER 6: SAFETY MEASURES ADOPTED.......45 6.1: FIRE PREVENTION ACTIVITIES:..........................45 6.2: SOUND ENGINEERING:...........................................45 6.3: GOOD HOUSE KEEPING: .......................................45 6.4: INSTRUCTION TO PERSONNEL............................45 6.5: REGULAR TRAINING OF EMPLOYEES ..............45 6.6: FIRE PROTECTION SYSTEM IN THE UNIT.......46 6.7: WORK PERMIT SYSTEM...........................................46 6.8: CORRECTIVE ACTION TO BE TAKEN TO PREVENT HAZADOUS SITUATION FROM ESCALATING ........................................................................49 6.9: SAFETY SYSTEM AND THEIR FUNCTIONS.......50 CHAPTER 7: ENVIRONMENTAL ISSUES................52
  • 6.
    5Page INTRODUCTION Indian Oil Corporation(Indian Oil) is India’s largest Commercial enterprise, with a sales turnover of Rs. 4, 50,756 crores (US$ 73.7 billion) and profits of Rs. 5,273 crores for the year 2014-15. It is also the leading Indian corporate in Fortune’s prestigious 'Global 500' listing of the world’s largest corporates, ranked at the 96th position for the year 2014. As India’s flagship national oil company, with a 33,000- strong work-force currently, Indian Oil has been meeting India’s energy demands for over half a century. With a corporate vision to be 'The Energy of India' and to become 'A globally admired company,' Indian Oil’s business interests straddle the entire hydrocarbon value- chain – from refining, pipeline transportation and marketing of petroleum products to exploration & production of crude oil & gas, marketing of natural gas and petrochemicals, besides forays into alternative energy and globalization of downstream operations. IndianOil accounts for nearly half of India’s petroleum products market share, 31% national refining capacity (together with its subsidiary Chennai Petroleum Corporation Ltd., or CPCL), and 71% downstream sector. The IndianOil Group owns and operates 10 of India’s 22 refineries with a combined refining capacity of 65.7 MMTPA (million metric tonnes per annum), i.e., approx. 1.31 million barrels per day. The 15-MMTPA refinery under commissioning at Paradip on the east coast will raise the capacity to over 80 MMTPA. The Corporation has a portfolio of leading energy brands that includes Indane LPG cooking gas, SERVO lubricants, XTRAPREMIUM petrol, and XTRAMILE diesel, PROPEL petrochemicals, etc. Besides IndianOil, both SERVO and Indane have earned the coveted Superbrand status.
  • 7.
    6Page COMPANY OVERVIEW The GujaratRefinery is an oil refinery located at Koyali (Near Vadodara) in Gujarat, Western India. It is the Second largest refinery owned by Indian Oil Corporation after Panipat Refinery. The refinery is currently under projected expansion to 18 MMTPA. Following the conclusion of the Indo-Soviet Treaty of Friendship and Cooperation in February 1961, a site for the establishment of a 2 million metric ton per annum (MMTPA) oil refinery was selected on 17 April 1961. Soviet and Indian engineers signed a contract in October 1961 for the preparation of the project. Prime Minister Jawaharlal Nehru laid the foundation stone of the refinery on 10 May 1963. The refinery was commissioned with Soviet assistance at a cost of Rs.26 crores began production in October 1965. The first crude distillation unit with a capacity of 1 MMTPA was commissioned for trial production on 11 October 1965 and achieved its rated capacity on 6 December 1965. Throughput reached 20% beyond its designed capacity in January 1966. President Sarvepalli Radhakrishnan dedicated the refinery to the nation with the commissioning of second crude distillation unit and catalytic reforming unit on 18 October 1966. The refinery’s facilities include five atmospheric crude distillation units. The major secondary units include: 1. Catalytic Reforming Unit (CRU), 2. Fluidized Catalytic Cracking Unit (FCCU) and 3. The first hydrocracking unit of the country. Through a pipeline to Ahmedabad and a pipeline connecting to the BKPL pipeline and also by rail and truck, the refinery primarily serves the demand for petroleum products in western and northern India. When commissioned, the refinery had an installed capacity of 2 MMTPA and was designed to process crude from Ankleshwar, Kalol and Nawagam oilfields of ONGC in Gujarat. The refinery was modified to handle imported and Bombay High crude. The refinery also produces a wide range of specialty products such as benzene, toluene, MTO, food grade hexane, solvents and LABFS. The Gujarat Refinery is the first refinery in India to have completed the diesel hydrodesulphurization project in June 1999, when the refinery started production of HSD with low sulfur content of 0.25% wt. (max).
  • 8.
    7Page AU (ATMOSPHERIC UNIT)V – INTRODUCTION  The atmospheric Unit AU-V of Gujarat Refinery is designed to process 3.0 MMTPA of Arab Mix Crude (50:50 by weight of Light and Heavy Arab Crude).  This unit was commissioned in the year 1997.  The unit was revamped during August/Sept ’02 to increase the on stream factor and flexibility of operation by providing additional heat exchanger train and increase in the number of pumps for different products & circulating refluxes. The unit comprises of:  Crude Preheat Train,  Crude Desalting,  Atmospheric Distillation,  Naphtha Stabilization,  LPG Amine wash and Caustic wash,  Light Naphtha Caustic wash, and  Kerosene/ATF caustic wash. The main products from the unit are:  LPG,  Light Naphtha,  Heavy Naphtha,  Kerosene,  Gas Oil and  Long residue. Provision is also there for with drawl of ATF (boiling range 140-240) during alternate mode of operation. During ATF mode of operation Kerosene will not be withdrawn and the material boiling in the range of 240-370° C will be withdrawn as Gas Oil stream.
  • 9.
    8Page CHAPTER 1: AUV – PROCESS DESCRIPTION In Atmospheric Unit, Crude Oil is separated into various fractions in fractionation column based on relative volatility, boiling point and condensation temperature ranges of the various components. These fractions have different properties. Most of them are lighter then crude accepting the bottom product LR (Long Residue). Basic operations involved in AU are as follows:-  Crude Preheating and Desalting  Crude heating in Charge Heater  Atmospheric Distillation  Naphtha Stabilization  LPG Amine and Caustic washing  Light Naphtha Caustic washing  Kero/ATF Caustic washing For the sake of simplicity in process description, Atmospheric Unit is divided into a Number of subsections as given below:  Crude Preheat Train I (old and new)  Crude Desalter  Crude Preheat Train II (old and new)  Crude Charge Heater  Atmospheric Distillation Column  Naphtha Stabilizer  Product Cooling and Run Down system  LPG Amine wash system  LPG Caustic wash system  Light Naphtha Caustic Wash system  Kero/ATF Caustic wash system  Chemical Injection system.
  • 10.
  • 11.
    10Page 1.1: CRUDE CHARGINGINTO UNIT Crude from crude storage tanks in GRE crude offsite area is pumped into Atmospheric Unit. In the battery limit of AU double block valve and a spectacle blind is provided for positive isolation. Crude is received at 9.5 Kg/cm2 g pressure and ambient temperature. The following instruments are provided in the crude inlet line to the Unit within Unit battery limit.  Local pressure gauge  Pressure Transmitter with DCS indication Crude Booster take suction and deliver crude to the preheat Train-I through a discharge header. The following connections are provided in the suction line of booster pumps inside battery limit.  1” Caustic solution line in order to maintain pH of Desalter effluent.  2” demulsifier solution line to break crude and water emulsion.  10” LR circulation line for start-up purpose.  2” service water line for unit flushing.  3” slop line from CBD Pump Discharge for reprocessing the slop. The crude booster pumps have a capacity of 261 m3 /hr. The normal discharge pressure of crude booster pump is 23.87 Kg/cm2 g. Normally two crude pumps will be in operation and one will remain standby. 1.1-1: CRUDE PREHEAT TRAIN-I Crude preheat trains are provided to accomplish the following.  To heat the crude oil and bring it to the required desalting temperature.  To further heat the crude oil after desalting.  To recover heat from outgoing products and circulating reflux streams by heating the crude oil, thereby improving fuel economy in operation at unit. Crude Preheat Train–I is described below:
  • 12.
    11Page  There aretotal 15 nos. of heat exchangers in this section where crude is preheated to 135-140 ̊C before going to desalter.  Crude, which is at ambient temperature, goes to the heat exchanger where it is treated against LGO and heated upto 60 ̊C. Crude is further divided into two parallel passes with the help of a differential temperature controller DTC (3 way C/V).  Both the passes travel through separate heat exchangers, exchange heat with products and are heated upto 140 ̊C. Crude from the passes combine together and goes to desalter. 1.1-2: CRUDE DESALTING Crude oil brings along with it salts, particularly those of sodium, Magnesium etc., metals like Arsenic, Vanadium etc., and mud. Although these are present only in small amounts, their presence can result in serious problems in downstream equipment’s viz. Heat exchangers, charge heater and Atmospheric column. Hence the need of their removal is important before processing. At high temperatures, Magnesium chloride decomposes and forms Hydrochloric acid, corroding trays in the top section of column and tubes of overhead condensers etc. The presence of calcium and sodium salts can cause plugging of heat exchanger and heater tubes, there by rapidly reducing heat transfer co-efficient. The presence of Arsenic acts as a poison to platinum catalysts if it is used in downstream process units. Presence of these salts also promotes coke formation in heater tubes which results in increased pressure drop as well as less heat transfer rates. The excessive coke formation results in escalation of hot spots on heater tubes which can have serious and disastrous consequences for heater tubes. At high temperature salts in crude oil show a tendency to deposit along heat exchange surface of the equipment. Caustic injection upstream of Desalter in crude is done to neutralize acids present in crude and convert them into water solvable salts. These salts are then removed by desalter
  • 13.
    12Page water in desalter.Caustic injection downstream Desalter is provided to neutralize any other acid traces formed at desalter operating conditions. Brine is associated with crude both as a fine suspension of droplets and more permanent emulsion. To break this tight emulsion, Demulsifier is added. This ensures better function of Desalter. Demulsifier is injected into crude upstream of desalter. Provision also Exists for injection of Demulsifier into the crude line at B/L for better mixing. In fact, both caustic solution and Demulsifier are added into the crude before the first exchanger in the preheat train I. Process is described below:  The desalting process consists of three main stages-heating, mixing and separation.  For effective separation of salt and water from crude oil, it is heated upto about 140 ̊C thoroughly mixed with extra water (3-4% on crude flow) by passing through mixing valve at the inlet of desalter (mixing valve pressure drop is generally kept at about 1.0 kg/sq.cm).  The extra water is added to collect and dissolve all the water soluble salts in the crude.  The rate at which water is injected into the crude is dependant primarily upon the salt and BS&W content of crude being treated.  In some instances, it is not possible to achieve sufficient mixing across the mixing valve alone; provision is therefore given to inject water ahead of desalter heat exchangers. This water is preheated to 100 ̊C.  The mixing valve, with isolation and bypass facility, is located at the inlet of the desalter. By varying pressure drop across the valve the desired mixing can be achieved. The normal operating pressure is 10.5 to 11.0 kg/sq.cm(g).
  • 14.
    13Page 1.1-4: CRUDE PREHEATTRAIN – II Crude preheat train–II is desalter outlet to crude charge heater (05-FF-01). Major equipment at this section are shell and tube type heat exchangers. Crude preheat train – II can be subdivided to crude preheat train – II (old) and Crude preheat Train – II (New).  Booster pump pumps crude from desalter outlet to one of the heat exchangers where crude is treated against Kero CR.  At outlet, the crude flow is divided into two parallel passes by DTC. Crude in both the passes exchanges heat with LGO and RCO respectively. Both the passes combine in the end where the crude temperature is around 175 ̊C.  The two passes that combine are again divided into two passes, and is treated against HGO CR. LGO CR and HGO.  Crude after passing through a series of heat exchangers is fed to the flash zone of pre-fractionator column at a temperature of 225 ̊C. 1.2: FURNACE Major equipment of this section is atmospheric heater, air pre-heaters, ID fan, FD fans and Steam air decoking pot.  In the heaters, crude is further heated and partially vapourised by rising temperature from 275-370 ̊C in case of imported and upto 355 ̊C in case of BH/SG crude.  Here, furnace is a box type, horizontal tubes, balanced draft furnace. Crude feed flows to the heater in four passes. The four passes join together and combine at the outlet to go to the distillation column. There are total 20 nos. of dual (oil and gas) fired burners and one gas burner in the heater.  Fuel oil pressure of 6.0 kg/sq.cm is maintained by the controller. The atomizing steam pressure to the burners is controlled by differential pressure controller.  Fuel gas is supplied to the heater at about 3.4 kg/sq.cm.
  • 15.
    14Page  If fuelgas pressure falls below 1.8 kg/sq.cm low pressure alarm will sound in the control room and a safety shutdown valve SDV will automatically cut off fuel gas flow to the heater, thus eliminating the possibility of back fire.  A return is provided on the fuel oil heater. A 1:1 ratio of fuel oil consumption to return is provided in the design to obtain a good control on firing and prevent congealing of the internal fuel oil (IFO) system.  The globe valve provided on the IFO return line should be adjusted to give the desired circulation rate. For recovering heat from fuel gases, boiler feed water is circulated through BFW coils at convection section. 1.3: MAIN FRACTIONATING COLUMN The crude after final heating in furnace is fed to the Atmospheric Column for separation of products by fractionation. Atmospheric column contains 51 valve type trays for side stream withdrawal. The column has a stripping section at the bottom. It has lower diameters at top and bottom sections than middle to cater to higher vapor load in middle section. Local pressure gauges and DCS mounted TI are provided to indicate pressure/temperature profile inside the column. Description of entire column has been taken up zone wise below: 1.3-1: FLASH ZONE Heated and partly vaporized crude feed coming from fired heater enters the flash zone of the column above tray no.6 at 375 C. Hydrocarbon vapors flash in this zone and get liberated. Non-flashed liquid moves down ward, which is largely bottom product, called Long Residue. Certain degree of over flashing of crude is desirable for proper stabilization of LR and fractionation of gas oil components. Over flash is achieved by setting up COT at slightly higher than actually required. This over flashed material is washed with gas oil coming down from below of 15th tray. It strips out heavier vapor components coming up which otherwise would move-up & cause coloration of gas oil stream. Tray 7th to 14th forms the wash zone section of atmospheric column along with LR. Flow of over flash liquid can
  • 16.
    15Page be increased byboth increasing COT and condensing more material on 7th tray gas oil draw off. However, this will result in less gas oil yield and higher energy consumption without any advantage. Too large flow of over flash liquid may result in drop in bottom temperature and lighter bottom product, LR. 1.3-2: OVERHEAD SECTION The overhead vapors of Atmospheric Column at 1120 C/1150 C passes through the overhead air condensers (Fin fan cooler) and trim condenser. The condensed Naphtha & steam are accumulated in crude column overhead reflux drum. Condensed hydrocarbons are allowed to settle in reflux drum where steam condensate settles in vessel boot and is pumped to desalter water drum or sour water stripper of SRU unit under inter phase controller. Sour water flow is measured by FI-1801 & its pH is indicated by PHI-1601. On actuation of boot level alarm low shall be closed by operation and the flow has cut off. A part of accumulated hydrocarbons is pumped back to atmospheric column as top reflux by Column reflux pumps under flow control to control top temperature. This flow controller can be cascaded with atmospheric column top temperature controller for precise control of column top temperature. Ahuralan is dozed at the top of column to arrest corrosion and ammonia solution is dozed O/H vapor outlet line to maintain sour water PH level @ 6 to 6.5. Excess quantity of Naphtha in reflux drum is pumped by stabilizer feed pumps to stabilizer as feed. Reflux drum level controller can be cascaded with discharge of stabilizer feed pump flow controller. Minimum flow protection controllers are provided for discharge of reflux pumps & stabilizer feed pumps respectively. In the event of low flow in reflux or stabilizer feed lines due to throttling of control valves, minimum continuous flow to each pump, this arrangement prevents heating of pump due to closed discharge operation & resultant damage to pump.
  • 17.
    16Page 1.3-3: MIDDLE SECTION: Middlesection of the column has circulating refluxes and product withdrawal network. In order to maximize heat recovery and balance the column loading for maintaining proper temperature profile across the column, three circulating refluxes (CR) systems are provided viz. Heavy Naphtha CR, Kero/ATF CR, and Gas Oil CR. These circulating refluxes are drawn from their respective product draw off trays and are routed to preheat recovery trains for heat recovery before entering back to the column again. Duty controllers are provided on CR circuits to control CR flow rates to column. These duty controllers take corrective action based on actual CR duty & desire CR duty. For a particular type of crude and crude through put, the CR under reference will have certain duty. This will be governed by total crude flow and specific heat of CR and is called desired CR duty. Actual CR duty is also computed by duty controller based on real time measurement of temperature difference between CR draw off and CR return stream, CR flow rate and specific heat of CR. Total crude flow, CR temperature difference and CR flow are measured by various instruments. Specific heat of CR is fixed by operator in software for computation purpose and no on line measurement for this property is available. Actual and desired CR duty is calculated in the duty controller as under: Actual CR duty = (Measured CR flow)X(CR temp. Difference)X(sp. Heat of CR stream) Desired CR duty = (Desired CR duty/Desired total crude Flow)X(Actual Crude flow) Inputs to be manually configured by operator are specific heat of CR stream and ratio (Desired CR duty/ desired total crude flow) for each crude. Desired CR duty should be estimated on pro-data feed rate basis to CDU. This is typical to all such duty controllers on circulating reflux lines. Desired CR duty is compared with actual CR & the flow of CR is varied to achieve desired CR duty.
  • 18.
    17Page 1.3-4: BOTTOM SECTION(RCO CIRCUIT) Long Residue product is collected at bottom of the column. Column bottom level is indicated and controlled by level controller. Column bottom level control can be done either by manipulating LR flow to FPU/Storage during normal operation or by manipulating LR flow. LR at a temperature of 365 C is pumped out from the bottom of the column by LR pumps to LR Storage (or) FPU Independent level control with high & low level software alarm is provided to have redundancy of indication. Selector switch is also provided for cutting the LR flow to LR Storage/FPU when the atmospheric column level is low. A low level switch along with alarm is also given. Bottom temperature and LR pump suction temperature are indicated by temperature indicator. 1.3-5: CIRCULATING REFLUXES/PUMP AROUND CIRCUITS Three circulating refluxes are described below. (1) Top CR (2) Kero CR (3) G.O. CR. (1) Top CR – Drawn from tray – 43 to pumps @ temp ~ 150° C discharge to exchangers tube side tube outlet stream returns back to column. (2) Kero C.R. - Drawn from tray 25 to pumps @ temp 200° C to 220° C. (3) G.O. CR - Drawn from tray-16 to pump at temperature ~ 300° C to 315° C. 1.4: PRODUCT STRIPPERS There are three side strippers for stripping out side draw off products from atmosphere column, viz. Heavy Naphtha, Kero /ATF and GO. They are described as under: 1.5: HEAVY NAPHTHA STRIPPER Ten valve type trays are provided in HN stripper. Local PG and LP steam connections are also provided on this stripper. LP steam is used to purge the column. HN to be stripped is admitted on 10th tray under its level control. Minimum 1500 mm elevation difference is provided between stripper entry nozzle and piping to provide back pressure and prevent
  • 19.
    18Page flashing in piping.HN in bottom is re-boiled in re-boiler by HGO C/R. HN is stripped off by its hot vapors generated in re-boiler. Mass transfer between down coming HN liquid from tray 10 to bottom and uprising HN vapors takes place on each tray. Finally stripped HN is drawn by pumps and sent to product cooling section. Outgoing HN temp. Is indicated by. Stripped light vapor goes back to 36th tray of atmospheric column. Gas oil CR supplies heat to Heavy Naphtha Stripper Re-boiler. Pumps get suction from bottom of column. 1.6: KERO/ATF STRIPPER Six valve type trays are provided in Kero/ATF stripper. Local PG and LP steam out connections are also provided on this stripper. Kero/ATF to be stripped is admitted on 6th tray of KERO/ATF stripper under its level control. Minimum 1500 mm elevation difference is provided between stripper entry nozzle and piping to provide back pressure and prevent flashing in piping. MP steam is used as stripping medium in this stripper. Steam flow is regulated by FIC-1508 on steam line. It regulates MP steam flow to stripper based on per unit mass of Kero/ATF product outflow.. Steam to product ratio is decided by operator and configured in software for routine control. MP steam reduces partial pressure of hydrocarbon components inside stripper and helps them vaporize at relatively low temp. Mass transfer between down coming Kero/ATF liquid from tray 6 to bottom and uprising vapors takes place on each tray. Finally lighter end stripped Kero/ATF is drawn by pumps and sent to preheat train I for exchanging its heat to crude. It is further cooled in cooler before routing to caustic wash system. Provision is made for Pump getting suction from same suction header of pump, which discharges to cooler Outlet of both the circuits’ joins together & flows to caustic wash system. Stripped light vapors goes to 28th tray of atmospheric column. Design data: salt to load: 61 Mt. Inlet moisture: 1300-1500 ppm. Outlet moisture: <200 ppm
  • 20.
    19Page 1.7: NAPHTHA STABILISER Naphthaobtained in atmospheric column overhead Naphtha reflux drum contains some light ends like C3 and C4, which vaporize at normal atmospheric conditions. This naphtha if stored as such in storage tanks will release lot of hydrocarbon vapors and can create unsafe conditions and pressurization of the storage. To avoid these problems, the lighter components from naphtha are removed. This process is called Naphtha stabilization. Naphtha stabilization is carried out in naphtha stabilizer where C1/C2/C3 and C4 hydrocarbons are removed from naphtha. Stabilizer column has 43 nos. of valve type trays. The column is provided with a set of safety valves set at 15-kg/cm2 g. Their discharge is routed to flare header. MP steam connection is provided for steam purging of the column during shut down. DCS mounted temperature indication of top outlet; tray 38, tray 5 and bottom outlet are provided. Local PG at tray 43, and below tray I is also provided to monitor pressure profile in the column. Un-stabilized naphtha feed to the stabilizer is first heated up to 119 0 C in feed/ Stabilizer Bottom Exchanger parallel by exchanging heat with outgoing stabilized naphtha product stream from stabilizer bottom. Feed from drum enters the column on the 20th tray under flow control that is normally cascaded with level controllers. Local PG, TG and TI- are also provided on feed line to monitor feed temperature pickup. 1.8: LPG-AMINE ABSORPTION SECTION LPG mixture from Naphtha Stabilizer reflux drum is sent to LPG surge drum. Sour LPG from outside battery limit (from AU4 (or) AU-3) also joins at downstream. The surge drum pressure is maintained at 10.0 Kg/cm2 , releasing to fuel gas system i.e. upstream of FG K.O. Drum. The level of the surge drum should always be maintained at 50%. The LPG from the surge drum is pumped by the LPG booster pumps to the bottom of LPG Amine absorber column under flow control.
  • 21.
    20Page 1.9: CHEMICAL INJECTIONFACILITIES Hydrochloric acid from the salt in the crude and hydrogen sulphide dissolved in the crude (or formed from the dissociation of heavy Sulphur compounds present in crude) concentrates in the overhead system. Both form of acid solutions, which are corrosive. Measures must be taken to overcome their effects. The overhead system including condensers and reflux drum is made of carbon steel. In order to protect this section, caustic solution, ammonia solution and corrosion inhibitors are added at various points. The purpose of injection caustic at the outlet of desalter is to achieve better mixing of these chemicals with crude and neutralize the acids and salts, mainly HCL and H2S as soon as they are formed (at a temp. Of 120 C and above) the reaction products i.e. sodium and ammonia salts go along with reduced crude. The balance acids and acid gases if any will go up to the overhead system where ammonia is injected in the overhead vapor line to neutralize. Amount of ammonia should be controlled in such a way that pH of reflux drum water remains at 6.5±0.2. Injection of caustic at the outlet of desalter should be maintained in such a way that the salt formation should be low in the overhead circuit, which might scale up the overhead condenser tubes. A slightly acidic condition of the overhead system is desirable to keep ammonium salts in solution, which if precipitates would foul and plug the condensers. Corrosion against slightly acidic conditions is minimized by adding corrosion inhibitors in the overhead vapor line. The inhibitor is also added in reflux line. Top section of the column is also benefited from the injection of corrosion inhibitors mainly in the reflux line. These inhibitors are high boiling compounds and can perform satisfactorily at higher column top temperature also. The amount of inhibitor injected depends upon the type of inhibitor used and generally specified by the vendor. However slight adjustment is made by operating personal depending upon iron content in the reflux drum water. These inhibitors are filming organic
  • 22.
    21Page compounds, which coverentire metal surface of the system with a thin film. This prevents contact of corrosive water with metal surface. Various points of chemical injections are listed below:  De-emulsifier  De-emulsifier is injected in the crude pump suction to break oil and water emulsion in desalter. Normal injection rate is 4 to 5 ppm. However, if oil is observed in desalter drain water, de-emulsifier injection rate has to be increased.  De-emulsifier chemical is brought in drums and offloaded into the vessel. The de- emulsifier injection pumps are dosing pumps provided with a safety valve. The rate of injection can be varied by adjusting the knob on the pump.  Caustic Solution  Caustic is injected in the crude pump suction, as water separation from oil in desalter becomes better in alkaline medium. For this, brine water pH is maintained at about 8.0 to 9.2. 3% wt caustic solution is prepared in the tank and injected by pump.  At the desalter also, the same caustic is injected to neutralize the chloride salt. The chloride salt in the crude produces HCl (Hydrochloric Acid) at higher temperature.  This HCl is highly corrosive to column overhead, vapour line and the reflux drum. Hence, caustic is injected to neutralize HCl to NaCl (sodium chloride).  Finally NaCl goes out from bottom of the main fractionator along with RCO. Any left over HCl vapour goes to the top and finally comes along with sour water.  Hence, if sour water chloride contents are reported more than 6 ppm, caustic injection post desalter has to be increased. Also sour water pH is to be maintained at 6.5 to 7.0 with the help of ammonia injection.  Ammonia Injection  Ammonia solution is injected in the crude fractionating column overhead and in pre-fractionator column to neutralize highly corrosive acid HCl.
  • 23.
    22Page  Ammonia convertsHCl to ammonium chloride (NH4Cl). About 1% strength ammonia solution is injected in the top vapour line and in the top reflux line.  It is very important to know that the use of excessive ammonia will cause leak in the overhead condenser tubes. This is because ammonia reacts very fast with the brass metal and eats away the metal.  Hence, sour water pH to be maintained strictly not more than 6.5. Ammonia is brought in the unit in cylinders. Water is received in the two solution vessels.  Ammonia solution is prepared by injection of ammonia from ammonia cylinder into the solution vessel. A pressure gauge and safety valve are provided on the ammonia connection manifold.  To prevent cooling and icing of the cylinders when preparing ammonia solution, a connection to spray water is provided. The solution vessels are provided with seal to minimize the loss of ammonia.  Corrosion Inhibitor Injection  Corrosion inhibitor is an organic chemical. It acts as corrosion inhibitor by forming continuously a monomolecular layer on the metal surfaces, by direct contact between metal and the corrosive elements present in the system.  This is injected at the top f the vapour line of the crude fractionating column overhead and in the stabilizer column to protect vapour line and condenser.  Normal injection rate of 4 to 6 ppm is maintained by the pump.
  • 24.
    23Page CHAPTER 2: DEMANDAND SUPPLY DATA 2.1: FEED: CRUDE a) 100% Arab mix Crude consisting of Light and Heavy Arab Crude in 50:50 proportion by weight. b) Main Column along with overhead condensers and furnace have flexibility to process 3.0 MMTPA Arab mix crude in 50:50 weight proportion with respect to flow and hydraulics alone. The properties of Arab Crude mix are as follows: Sr. No. Specification Unit Value 1. Specific gravity @15 o C 0.8728 2. TBP Distillation (% volume) o C 3 IBP o C 27.3 4 5 o C 52.9 5 10 o C 97.2 6 30 o C 223.0 7 50 o C 344.4 8 70 o C 476.8
  • 25.
    24Page 9 90 o C658.3 10 95 o C 709.3 11 EP o C 732.2 12 API Gravity o C 30.6 13 Viscosity @37.8 o C Cst 10.5 14 Pour Point o C -124 15 RVP@38 o C Kg/cm2 0.6 16 Salt content(max) Ppm 165 17 BS&W %Vol 2.0 2.2: PRODUCTS Sr.No. Product Specification Value 1. O/H Naphtha TBP cut o C IBP-170 o C 2. Heavy Naphtha TBP cut o C 120-170 o C 3. ATF TBP cut o C Flash Point o C Freezing point o C ASTM D-86 EP 140-240 38 (min) -50 (max) 288 o C
  • 26.
    25Page 4. SKO TBPcut o C Flash Point o C ASTM D-86 EP 140-270 36 (min) 300 (max) 5. Gas Oil TBP cut o C Flash Point o C ASTM D-86 95% 240/270-370 34 (min) Not to exceed 365o C 6. Long residue TBP cut o C Shall not contain more than 8% vol (max) of material boiling below 370 o C 7. LPG Vapor pressure 6.5 Kg/cm2 Weathering o C Not more than 16.87 Kg/cm2 95% vol to contain no more than 2% of C5+ component.
  • 27.
    26Page 2.3: PRODUCT ANDTHEIR END USES PRODUCT END USES LPG Cooking Gas (marketed as ‗INDANE‘) Benzene Raw material for petrochemicals Toluene Raw material for petrochemicals Naphtha Raw material for petrochemicals Motor Spirit (90 Octane) ‗Petrol‘ for vehicles Aviation Turbine Fuel (ATF) Fuel for jet aircraft Superior Kerosene (SK) Illuminant, domestic purpose High Speed Diesel (HSD) Diesel locos, trucks, buses, ships Light Diesel Oil (LDO) Small engines attached to irrigation pumps Low Sulphur Heavy Stoke (LSHS) Fuel in thermal power stations Fuel Oil (FO) Industrial Furnaces/Boilers Bitumen Road surfacing n-Heptane As solvent ARO Used in aluminium rolling industries Linear Alkyl Benzene (LAB) Detergent Manufacture Butene Co-polymer for producing polyethylene and Polypropylene Methyl Tertiary Butyl Ether (MTBE) Blending in gasoline for increasing octane number and oxygen content Food Grade Hexane (FGH) Solvent for oil seed extraction. Glues/Adhesives for foot wear Polymerization reactions in industries like
  • 28.
    27Page Pharmaceuticals & printingink. Retreading of car tyres Sulphur Sulphuric acid and tyre manufacture MARKETING – REACH IN EVERY PART OF INDIA Over 41,600 touch points (51.5% of industry) Cross country retail network comprising of 23,993 (45.9%) outlets Continued Rural thrust: 6,002 Kisan Seva Kendras LPG supply to over 81 million households with over 7,000 (50.6%) LPG distributorship Reaching the doors of bulk customers: Bulk Customer Pumps 6,359(86.0%) Growing oil Demand
  • 29.
    28Page CHAPTER 3: Pumpsand Valves 3.1: PUMPS Pump No PA Service KW Rated Amps Capacity M3/hr. max DP Kg/cm2 1A to E Crude Feed 240 25 287 16 2A to E Desalted Crude 300 31 310 22 5A/B/C Top Reflux 45 75 146 11 6A/B/C CC-05 Feed 75 126 79 20
  • 30.
    29Page 7A/B Top CR37 62 242 9 8A/B HN r/d 30 52 18 15 9A/B Kero r/d 75 126 124 17 10A/B/C Kero CR 75 126 358 10 11A/B GO r/d 75 126 125 14 12A/B/C GO CR 160 260 361 15 14A/B LPG Reflux 22 37 78 14 15A/B Desalter Water Stage-I 15 26 38 17.5 16A/B Desalter Water Stage-II 55 93 38 19 17A/B LPG NaOH Circulation 75 14 36 11 18A/B LPG water wash 75 14 36 12 19A/B LN caustic wash 5.5 10 25 9 20A/B LN water wash 5.5 10 25 13 23A/B Kero caustic wash 7.5 14 34 18 24A/B Kero Water wash 7.5 14 34 17 25A/B LPG Caustic / Water makeup 18.5 32 5 20 26A/B NH3 Injection 0.37 1.1 7 Lit/hr 8.5 Pump No Service KW Rated Amps Capacity DP Kg/cm2
  • 31.
    30Page PA M3/hr. max 27A/B DemulsifierInjection 0.37 1.1 11 Lit/hr 11 29A/B Ahuralan Injection 0.37 1.1 24 Lit/hr 10 31A/B Caustic injection 0.75 2.7 410 Lit/hr 15.8 32A/B Caustic Circulation / m- up 11 20 5 11.5 33 47% caustic transfer 3.7 5 3.1 40A/B Wash water make up 11 20 5 10.5 41A/B LN rundown 15 26 58 8 42A/B VV-2 sour water 3.7 7.3 9 6 43A/B Spent caustic 5.5 10.2 10 6.5 44A/B Kero / ATF caustic M/up 15 28 5 19.3 45A/B IFO 45 75 30 15.5 46 CBD 18.5 37 20 6.8 48 ABD 7.5 9.6 6 5 50A/B LPG booster 45 75 37 22 51A/B/C LR 180 19 275 16.8 52A/B Coolant Water 30 50 98 5.5 102A/B Kero-I CR 90 150 371 11 103A/B LGO product 90 150 132 15.1
  • 32.
    31Page 104A/B HGO CR90 150 470 9 101A/B Kero-I 110 183 106 21.6 Brief description of pressure and temp. Safety valves: - 3.2: VALVES 3.2-1: LIST OF PSV’s TAG NO. Service LOCATION Set pressure Kg/cm2 g Relieving Temp ° C Selection Basis PSV1201A/B H/C Desalter-I stage 16.00 Hold Hold PSV1202A/B H/C Desalter-II sta 16.00 Hold Hold PSV-1501 H/C 05-CC-001 4.5 130 Block discharge PSV-1502 H/C 05-CC-001 4.5 130 Block discharge PSV-1503 H/C 05-CC-001 4.5 130 Block discharge PSV-1601 H/C 05-VV-002 4.5 128 Fire PSV-1602 H/C 05-VV-002 4.5 128 Fire PSV-1701 H/C 05-CC-005 15 87 Block discharge
  • 33.
    32Page PSV-1702 H/C 05-CC-00515 87 Block discharge PSV-1703 H/C 05-CC-003 15 97 Fire PSV-1704 H/C 05-CC-003 15 97 Fire PSV-1901 H/C 05-VV-006 29.5 132 Fire PSV-1902 H/C 05-VV-006 29.5 243 Fire PSV-1903 H/C 05-VV-007 29.5 132 Fire PSV-1904 H/C 05-VV-007 29.5 243 Fire PSV-2001 H/C 05-VV-009 16 205 Fire PSV-2002 H/C 05-VV-009 16 212 Fire PSV-2003 H/C 05-VV-0010 16 205 Fire PSV-2004 H/C 05-VV-0010 16 212 Fire PSV-2201 H/C 05-VV-013 23 316 Fire PSV-2202 H/C 05-VV-013 23 230 Fire PSV-2203 H/C 05-VV-014 23 316 Fire PSV-2204 H/C 05-VV-014 23 230 Fire PSV-2501A LPG 05-VV-020 14.5 85 Fire TAG NO. Service LOCATION Set pressure Kg/cm2 g Relieving Temp ° C Selection Basis
  • 34.
    33Page PSV-2501B LPG 05-VV-02014.5 85 Fire PSV-2601A LPG 05-CC-006 29.5 110 External fire PSV-2601B LPG 05-CC-006 29.5 110 External fire PSV-3101 Fuel oil 05-VV-026 3.5 526 External fire PSV-3102 Fuel oil 05-VV-026 3.5 526 External fire PSV-3105 HP steam 05-VV-027 43 266 Fire PSV-3108 LP steam 05-VV-035 6.5 173.5 Fire PSV-3109 LP steam 05-VV-035 6.5 173.5 Fire PSV-3201 LPG 05-VV-029 14.5 96 Fire PSV-3202 LPG 05-VV-029 14.5 96 Fire PSV-3203 FG 05-VV-020 14.5 60 Fire PSV-3204 FG 05-VV-020 14.5 60 Fire PSV- 43002A/B Inst Air 05- VV0037A/B 9.0 186.6 Fire PSV-4401 MP Steam 05-MD-001 15 285 C/V failure PSV-4402 MP Steam 05-MD-001 15 285 C/V failure PSV-0000 HC Salt dryer 16 Ambient
  • 35.
    34Page PSV-0000 HC Saltdryer 16 Ambient 3.2-2: LIST OF TSV’s TAG.NO SERVICE LOCATION SP kg/cm2 Relieving Temp. Selection Basis TSV-1101 Crude 35.5 150 Thermal Expansion TSV-1102 Crude 35.5 150 “ TSV-1103 Crude 35.5 150 “ TSV-1104 Crude 35.5 150 “ TSV-1105 Crude 35.5 150 “ TSV-1201 CW 6 65 “ TSV-1202 CW 22 65 “ TSV 1301 Crude 43 215 “ TAG.NO SERVICE LOCATION SP kg/cm2 Relieving Temp. Selection Basis TSV 1302 Crude 43 175 “ TSV 1303 Crude 43 215 “ TSV 1304 Crude 43 225 “ TSV 1305 Crude 43 255 “ TSV 1307 Crude 43 305 “
  • 36.
    35Page TSV 1308 Crude43 65 “ TSV 1604 CW 6.0 65 “ TSV 1605 CW 6.0 65 “ TSV 1606 CW 6.0 65 “ TSV 1703 CW 6.0 65 “ TSV 1704 CW 6.0 65 “ TSV 1705 CW 6.0 65 “ TSV 1801 CW 6.0 65 “ TSV 1802 CW 6.0 65 “ TSV 1803 CW 6.0 65 “ TSV 1805 CW 6.0 65 “ TSV 1806 CW 6.0 65 “ TSV 1807 CW 6.0 65 “ TSV 1808 CW 6.0 65 “ TSV 1809 CW 6.0 65 “ TSV 1810 CW 6.0 65 “ TSV 1811 CW 6.0 65 “ TSV 1812 CW 6.0 65 “ TSV 3101 FO 16.5 245 “
  • 37.
    36Page TSV 3102 FO16.5 245 “ TSV 3103 FO 3.5 245 “ TSV 3104 FO 3.5 245 “ TSV 3105 FO 16.5 245 “ TSV 3106 FO 16.5 245 “ TSV 5002 H/C EE-102A/B 35.5 150 THER.EXPANSION TSV 5003 H/C EE-103A/B 35.5 150 “ TSV 5004 H/C EE-104A/B 35.5 150 “ TSV 5005 WATER EE-13B 6.9 65 “ TSV 5006 WATER EE-12 A/B/C 2.2 130 “ TSV 5007 WATER EE-16D 6.9 65 “ TSV 5008 WATER EE-16E 6.9 65 “ TSV 5009 WATER EE-16F 6.9 65 “ TSV 5010 H/C EE-106A/B 43 210 “ TSV 5011 H/C EE-105A/B 43 250 “ TSV 5012 H/C EE-107A/B 43 310 “ TSV 5013 H/C EE-108A/B 43 310 “ TSV 5014 H/C EE-18 C/D 2.5 150 “ TSV 5015 WATER EE-17D 6.9 65 “
  • 38.
    37Page TAG.NO SERVICE LOCATIONSP kg/cm2 Relieving Temp. Selection Basis TSV 5016 WATER EE-19B 6.9 65 “ TSV 5017 WATER EE-109 6.9 65 “ TSV 5018 WATER EE-110A/B 6.9 65 “ TSV 5019 WATER 6.9 65 “ TSV 5020 WATER EE-111A 6.9 65 “ TSV 5021 WATER EE-111B 6.9 65 “ TSV 5022 H/C EE-103C 35.5 150 “ TSV 5023 H/C 43 210 “ TSV 5024 H/C EE105C/D 43 250 “ TSV 5025 H/C EE-105 A/B 43 250 “ TSV 5026 H/C EE-107 C/D 43 310 “ 3.2-3: LIST OF CONTROL VALVES S.No. TAG NO. SERVICE SIZE(in.) Action 1 BOILER FEED WTR 1 2 5LV2602 RICH AMINE TO ARU 1 A/O 3 5LV3104 STM CONDEN. TO FLASH DRM 1 A/O 4 5LV3106 LP STM COND. FRM VV-035 1 A/O 5 5FV1807 HY. NAPHTHA FOR GAS OIL 1.5 A/O
  • 39.
    38Page 6 5FV2502 LPGBOOSTER PMP FLW 1.5 A/O 7 5LV3202 LPG TO LPG DRM VV-029 1.5 A/O 8 5PV1701 VENT FRM VV-003 1.5 A/O 9 5FV2501 LPG SURGE DRM 2 A/C 10 5PV3111 FO TO VV-026(BPC) 2 A/C 11 5FV1508 STRIPPING STM TO CC-001 BTM. 2 A/C 12 5FV2011 HY. NAPHTHA TO KERO R/D 2 A/O 13 5FV2503 LPG FRM PA-014A/B 2 A/O 14 5PV1415 FO TO HTR 2 A/O 15 5PV1504A FG TO FLARE FRM CC-001 2 A/O 16 5PV1504B FG TO VV-002 2 A/O 17 5PV1912 LPG PRODUCT R/D 2 A/O 18 5PV2011 HY. NAPHTHA TO STORAGE 2 A/O 19 5PV3203 LPG TO FG KOD VV-028 2 A/O 20 5PV4406 HP STM TO DESUPER HTR 2 A/O 21 5SDV1406 FG SUPPLY(PILOT) 2 A/O 22 5SDV1701 DRAIN FRM VV-003 2 A/O 23 5SDV1901 CAUSTIC SOL. EX VV-006 2 A/O 24 5SDV1902 WASH WTR EX VV-007 2 A/O
  • 40.
    39Page 25 5SDV1903 WTREX VV-008 2 A/O 26 5SDV1904 CAUST. WASH WTR EX VV-016 2 A/O 27 5SDV2001 CASTIC EX VV-009 2 A/O S.No. TAG NO. SERVICE SIZE(in.) A/O 28 5SDV2002 WASH WTR EX VV-010 2 A/O 29 5SDV2003 WTR FRM VV-025 2 A/O 30 5SDV2201 CAUSTIC EX VV-013 2 A/O 31 5SDV2202 WASH WTR EX-VV-014 2 A/O 32 5SDV2203 WASH WTR EX VV-015 2 A/O 33 5SDV2601 AMINE SETTLER BTM 2 A/O 34 5SDV2602 LPG AMINE ABSORBER BTM 2 A/O 35 5LV1201 BR IN FRM DSTLR TO DGASR 2 A/O 36 5LV3103 FO TO VV-026 3 A/O 37 5FV1201 2nd STAGE DESAL. WTR I/L 3 A/O 38 5FV1409 PLANT AIR FOR DECOCKING 3 A/O 39 5FV2501 LPG TO AMINE ABSORBER 3 A/O 40 5LV1602 SOUR WTR TO VV-005 3 A/O 41 5PV3202 LP STM TO LPG VAPORISER 3 A/O 42 5SDV1401 FO RETURN 3 A/O
  • 41.
    40Page 43 5LV1202 1stSTAGE DIST. WTR I/L 3 A/O 44 5TV1702 NAPH. STAB. BTM. SAT. EE-018A/B 4 LOCK 45 5FV1401 CRUDE TO HTR PASS-1 4 A/C 46 5FV1402 CRUDE I/L PASS-2 4 A/C 47 5FV1403 CRUDE I/L PASS-3 4 A/C 48 5FV1404 CRUDE I/L PASS-4 4 A/C 49 5FV1804 HSD R/D 4 A/O 50 5FV2206 KERO/ATF COALASCER O/L 4 A/O 51 5FV3102 HP STM TO EE-028A/B/C/D 4 A/O 52 5HV1701 STABISER O/H VAPOUR 4 A/O 53 5PDV1420 ATM STM TO HTR 4 A/O 54 5SDV1402 FO SUPPLY 4 A/O 55 5SDV1601 SOUR WTR TO SRU 4 A/O 56 5SDV2501 LPG TO LPG SURGE DRM 4 A/O 57 5PV1423 FG TO HTR 6 A/O 58 5FV1410 DECOCKING STM TO HTR PASS-1 6 A/C 59 5FV1412 DECOCKING STM TO HTR PASS-3 6 A/C 60 5FV1413 DECOCKING STM TO HTR PASS-4 6 A/C 61 5FV1414 DECOCKING STM TO HTR PASS-2 6 A/C
  • 42.
    41Page 62 5FV1505 TOPRFLX TO CC-001 6 A/C 63 5FV1805 LR TO BL(FPU) 6 A/O 64 5FV1806 LR TO BL STORAGE 6 A/O 65 5HV2001 LN+CAUSTIC TO VV-009 6 A/C 66 5HV2002 LN WTR TO VV-010 6 A/C 67 5HV2201 KERO+ATF+CAUST. TO VV-013 6 A/C 68 5HV2202 KERO+ATF+WASH WTR TO VV-014 6 A/C 69 5SDV1801 LN TO CAUSTIC WASH 6 A/O 70 5FV1501 TOP CIR. RETURN TO CC-001 8 A/C 71 5LV1508 KERO STRIPPER FEED 8 A/O 72 5LV1510 GAS OIL STRIPPER FEED 8 A/O S.No. TAG NO. SERVICE SIZE(in.) 73 5SDV1403 FG SUPPLY 8 A/O 74 5LV1206 CRUDE BOOSTER PMP D/S 8 A/C 75 5FV1502 ATF/KERO CR RETURNED TO CC-001 10 A/C 76 5TV1116 EXCH-05-EE-006 A/B BYPASS 12 A/C 77 5FV6201 SKO TO DHDT 8 A/O
  • 43.
    42Page CHAPTER 4: LINESIZING This specification provides guidelines for designing and installing the gaseous low- pressure (<275 psig) and high-pressure (276 to 7,000 psig) high-purity product process piping. For both low- and high-pressure, stainless steel (303, 304, and 316) tubing, piping, fittings, and components are preferred. Maximum hardness is 80Rb. MAXIMUM ALLOWABLE WORKING PRESSURE Maximum allowable working pressures (MAWP) for commercially available tubing and piping are given below. Piping systems must be designed so that the process pressure of the gas will not exceed the MAWP of the pipe, tubing, or components. Low-pressure (<275 psig) For all sizes from 0.25- to 1-in OD stainless steel tubing, 0.035-in. wall thickness is acceptable. Schedule 10S to Schedule 80S stainless steel pipe is also acceptable for both plain end and threaded end styles. Threaded ends should be 80S. High-pressure (275 to 7000 psig) See the Tables below. The product system downstream of the compressor will operate at 6,000 psig. The high-pressure storage tubes are designed to a maximum allowable working pressure of 6,667 psig. The tubing or piping for these high-pressure circuits should be selected to meet or exceed this pressure. To this end, the high-pressure piping/tubing will be designed for 7,000 psig. Acceptable sizes and wall thicknesses are:  1/4-in. OD tubing: 0.049 and 0.065-in. wall thickness; 0.065-in.  3/8-in. OD tubing: 0.065 and 0.083-in. wall thickness; 0.083-in. 78 5FV6202 SKO TO ATF MEROX 8 A/O 79 5FV6203 HOT RCO TO DCU 8 A/O 80 5FC6204 HN TO DHDT 2 A/O 81 5FV6205 GO TO DHDT 6 A/O 82 5FV7218 LN TO ISOM 4 A/O
  • 44.
    43Page  1/2-in. ODtubing: 0.083 and 0.095-in. wall thickness; 0.095-in.  3/4-in. OD tubing: Not Allowed  1-in. OD tubing: Not Allowed  3/4-in. Schedule 80 piping: Limited to 6,550 psig with plain ends The components specified in the Instrument Summary are primarily 1/2-in. and are configured with either 1/2-in. female pipe ports or compression style tube fittings, depending on availability. The piping designer/contractor may choose to modify the specified end connection when ordering the components to facilitate installation. If the end connections are modified, then confirm with the supplier that the pressure rating for the component with the new end connection still meets the required MAWP for the system (7,000 psig).
  • 45.
    44Page CHAPTER 5: INSTRUMENTATIONPOWER SYSTEM Main features of electrical instrumentation power system are described below:  Through a battery bank in main unit sub-station, 110 V DC supply is available to all solenoid valve infield and auxiliary consoles in Control Room. On auxiliary consoles are mounted Push Buttons, Running Status, Lamps & Selector Switches to PLC interlocks etc. few spare outlets of 110 V DC supply are also provided in control room to carry out miscellaneous testing jobs etc. battery backup will remain available for a period of 1 hour for UPS & other Instrument requirements.  110 V AC power supply (uninterrupted) is available to all Hard Wire Alarms, Hooters, and Multipoint. Digital Temp. indicators (TJI), Density Analyzers, Supervisory Computers, Printer, Video Hot copier, DCS monitor (CRT) & hand indicator controllers.  In the event of power failure, 110 V AC supply will remain available for a maximum period of 60 min to above instrument to facilitate safe shut down of process units. If power from main feeder is still not resumed plant instrument will assume safe shut down position according to logic built in PLC. After power is resumed DCS system and supervisory computer should be booted before reverting back to normal operations. .
  • 46.
    45Page CHAPTER 6: SAFETYMEASURES ADOPTED 6.1: FIRE PREVENTION ACTIVITIES: Regulation for the prevention of fire: 1) Ban on carrying of a potential source of ignition, ban on lighting fires in battery area. Ban on smoking, Ban on carrying lamps, use of spark arrestors. 2) General precautions: Maintain good housekeeping. Follow the laid down procedure strictly. Sampling and draining of hydrocarbon should be done under strict supervision. Do not operate equipment unauthorized. Use only approved type of tools, anticipate the hazards during vessel cleaning and take preventive step in advance. 6.2: SOUND ENGINEERING: Design of the plant materials used for construction means of escape etc. 6.3: GOOD HOUSE KEEPING:  Cleanliness of the plant, methods of storage.  Good habits: observation of fire prevention rules etc.  Common sense: No smoking near inflammable material etc. 6.4: INSTRUCTION TO PERSONNEL  Knowledge of job.  Safe practices.  Action in case of fire.  Knowledge of fire extinguishers etc. 6.5: REGULAR TRAINING OF EMPLOYEES  Induction training program.  Refresh course.  Special listed training programmes.
  • 47.
    46Page 6.6: FIRE PROTECTIONSYSTEM IN THE UNIT A. Fire extinguisher 200 NOS.(10 kg DCP) B. Fire glass: 20 NOS.(25 kg DCP) C. Fire water monitors: from all four sides. D. Tower platform monitors: 3 NOS. E. Water sprinkler system: in pump house and at Caustic/water vessels and on fin coolers F. Hydrocarbons gas detector: near P-5A/B,P-6A/B, P-14A/B, P-50A/B, PA- 07A/B G. Safety shower and eye washer: 2 No. (Near caustic tank, near furnace) H. Riser hydrant: A) At vessel platform B) all columns. 6.7: WORK PERMIT SYSTEM Work permit is a written document that categorically spells out  The task.  Equipment involved & its condition.  Its location.  Personnel involved.
  • 48.
    47Page  Time limitation Precautionary measure to be taken together with likely hazard to be encountered, if any.  Act as a predetermined checklist for various safety precautions.  Serves as a media of information.  Instills a sense of security from accident. Work permit system is required in the refinery as per, Sec.7 (2a) SSW OISD-105 Rule 172 of petroleum rules, 1976 OBJECTIVE:  To make the procedure of the work foolproof.  To guarantee against accidental starting of machinery or entry of any hazardous liquid or gas into a vessel whose jobs are proposed. 6.7-1: TYPES OF WORK PERMITS:  Hot work permit  Cold work permit  Excavation permit  Work at height permit  Work at depths  Electrical work permit  Vessel entry permit
  • 49.
    48Page 6.7-2: POINTS TOBE ENSURED WHILE GIVING CLEARANCE: 1) Equipment / Area inspected. 2) Surrounding area checked / cleaned. 3) Sewers, Manholes, CBD etc and hot surfaces covered. 4) Consider & ensure no hazard from other routine / non-routine operation and alters surrounding / concerned persons. 5) Equipment electrically isolated and tagged. 6) Running water hose/ portable extinguisher provided. 7) Equipment blinded / disconnected / closed / isolated wedged open. 8) Equipment properly drained / depressurized, steamed / purged. 9) Firewater system checked for readiness. 10) Equipment water flushed. 11) Gas / oxygen deficiency test done and found OK. 12) Shield against sparks provided. 13) Proper ventilation and lighting provided. 14) Proper means of exit provided. 15) Precautionary tags / boards provided. 16) Portable equipment / Hose nozzles properly grounded. 17) Standby personnel provided for fire watch from process / maintenance / contractor / fire and safety department. 18) Iron sulfide removal / kept wet. 19) Area cordoned off. 20) Precautions against public traffic taken. 21) Clearance obtained for excavation / road cutting from technical / fire / concerned departments. 22) Clearance obtained for dyke cutting. 23) Checked spark arrestors on mobile equipment. 24) Checked for oil / gas trapped behind lining in equipment. 25) Check for hot tapping.
  • 50.
    49Page 6.8: CORRECTIVE ACTIONTO BE TAKEN TO PREVENT HAZADOUS SITUATION FROM ESCALATING HAZARDOUS SITUATION ACTION Severe hydrocarbon leakage  Cut off all furnace  Take unit on circulation. If required shutdown totally.  Block adjacent roads  Inform F&S  Isolate leaky section using PPEs & depressurize to flare.  Inform RSM/CPNM Furnace Coil Rupture  Open STD  Cut off fuel to furnace  Cut off feed  Put coil purging steam.  Take emergency S/D of entire plant  Inform RSM / CPNM Severe Exchanger Leakage  Bypass exchanger-using PPE & isolate it.  Depressurize  Keep steam Lancer  Inform RSM / CPNM  Cut off furnace if H/C vapor travels towards furnace Pump Seal Leakage  Start stand by pump  Isolate the leaky pump  Depressurize  Keep fire Engine standby.  Inform RSM / CPNM
  • 51.
    50Page 6.9: SAFETY SYSTEMAND THEIR FUNCTIONS Following safety systems are available in the unit 1. PSVs 2. Interlocks 3. Hydro-carbon leak detectors 4. Fire water sprinkler system 5. PPEs 6.9-1: PSVs Purpose: PSVs are provided to protect the equipment like columns, vessels, pipe line etc by relieving excess pressure to flare / atmosphere when there is abnormal pressurization due to CW failure or fire etc. Where Situated: Normally it is situated at column top vessel top, compressor discharge and positive displacement pump discharge. Relieve Where: Normally to flare system. Flare Knock Out Drum: All PSV discharge is routed to flare connected to a header which is routed to flare KOD located at AU5 battery limit. Liquid which is carried along with gas is settled in this vessel are drained out to CBD. Only gas from its top is send to flare. It is provided with a level indication (with alarm). Level indication is transmitted to DCS CR. In normal condition once in a shift draining is done. 6.9-2: Interlocks Purpose: Meant for protecting of equipment in case of extreme deviation in parameter from operating limit, before it reaches the equipment design limit. Location: Furnaces What all interlocks: (Furnace fuel will cut off if there is) Low Combined pass flow
  • 52.
    51Page Low FG pressure LowFuel Oil pressure. FD fan failure ID fan failure (STD does not open within 30 sec) 6.9-3: Hydrocarbon Leak detectors: Facility: The unit is provided with 05 numbers of hydrocarbon detectors located at vulnerable points where chances for leak is more. It senses the leak & if concentration is more than the specified limit, will give signal to DCS control room through alarm. After getting the alarm, Panel operator instructs the field operator to check physically the area, for any leakage. 6.9-4: Fire water Sprinkler: Firewater Sprinkler is provided on all black hot hydrocarbon pump for cooling purpose. During pump seal leak & subsequent fire, sprinkler system is activated to cool the pump to avoid damage to piping & structure. This system will be provided to all hot pump in near future. 6.9-5: PPEs: Safety helmet, safety shoe, rubber / canvas hand gloves, apron, Breathing apparatus, gas mask/ canister for use in different gas atmosphere etc. are provided for safe operation and emergency handling in case of abnormal condition. BA set is kept in DCS control room. Safety helmet & safety shoes have been provided to all operating personnel. Other PPEs are available in Check & Change room of operators. 6.9-6: HVLR. High Velocity Long Range monitor has been provided for spraying water jet at top of high column during fire fighting
  • 53.
    52Page CHAPTER 7: ENVIRONMENTALISSUES Indian Oil Corporation is committed to conduct business with strong environment conscience ensuring sustainable development, safe workplaces and enrichment of quality of life of Employees, Customers and the Community. We, at IndianOil, believe that good S, H & E performance is an integral part of efficient and profitable business management. We shall: Accordingly, the Corporation's endeavour is to: Establish and maintain good standards for safety of the people, the processes and the assets. Comply with all Rules and Regulations on Safety, Occupational Health and Environmental Protection. Plan, design, operate and maintain all facilities, processes and procedures to secure sustained Safety, Health and Environmental Protection. Remain trained, equipped and ready for effective and prompt response to accidents and emergencies. Welcome audit of our S, H & E conduct by external body, so that stakeholder confidence is safeguarded. Adopt and promote industry best practices to avert accidents and improve our S, H & E performance. Remain committed to be a leader in Safety, Occupational Health and Environmental Protection through continuing improvement. Make efforts to preserve ecological balance and heritage. Green Belts as Pollution Sinks Scientifically designed green belts have been developed at IndianOil's Gujarat and Panipat refineries to serve as pollution sinks and to enhance the aesthetic look of the refinery area. Extensive tree plantation has been undertaken by Guwahati, Digboi, Mathura, Haldia and Barauni refineries and townships to develop green cover. Mathura Refinery has planted about 115,000 trees in the Taj Reserve Forest near Taj Mahal under the 10-Point Initiative of the Ministry of Petroleum & Natural Gas for improvement of environment in the Taj Trapezium. Mathura Refinery has developed a sprawling area of 18,000 sq. m. around its polishing ponds into an ecological park. A large number of migratory birds have made the ecological park as their habitat. Experts from the Bombay Natural History Society (BNHS) have identified about 96 varieties of birds in the park.
  • 54.
    53Page Similar parks havealso been developed at Barauni and Gujarat refineries. The existence of rich flora and fauna in these parks is a clear testimony of the clean and eco-friendly environment in and around the refineries. The other refineries are in the process of developing such ecological parks. SMOKELESS FLARING As a minimum, start-up and normal off-spec flaring is to be considered for smokeless flaring. The flare design must allow for smokeless flaring through this capacity range. In addition, the flare may need to be designed for smokeless burning for other capacities as might be mandated by local environmental or regulatory requirements.