R1
R2
D202IN4148
C201 102
JACK
D203IN4148
R2251K
R2263.3K
C202102
1 2 3 4 5 6 7 8 9 10
SW702
P
O
M
TUNEIN
ANT
R21156R20910K
L2021UH
C207103
C206100uF
C21122uF
C210103
R2145.6K
R21556
R219680K
C2140.22uF
C218100uF
R221560C2163.3uF
C21547
VR2025K
R22020K
VIDEO
TP1
TP2
R210 600
C206 103
C208 103
R217 4.7K
C206 103
Q201 9018H
C204 102
R206 39
SF201
C210 102
R2085.6K
R212158
C208103
C217 680
CF301 C301 56
AUDIO
A2
R304 10K
C307 10uF
A2
VR301 10K
R306 220
R301 680 C303 472
R303 8.2K
C306 123
L301
C302
47
R302
15
C304 330
R801 220
L204
56P
R808
R603 82K
C604103
C609471
C30515P
R2231K
1 2 3 4 5 6 7 8 9 10 11 12 13 14
28 27 26 25 24 23 22 21 20 19 18 17 16 15
IC202 KA2915(CD5151GP)
1 2 3 4 5 6 7 8 9
IC 301
KA2212(CD7313SP)
C309 22uF
C312 222
C311 10uF
C316 47uF
JK301
0.5W
SP1
R802 150 C801 2A104J R803 1.5K
5.5CRT
CF801
Q801 AN5551
F
R608 220K
R807 56
R8056.8K
R804360K
R30722
C3171000uF
C318100uF
R308220
C313683
C316103
C314220uF
C
C203 10uF D201 9V1
R203 10K
R201 1.5K
VR201 B100K
R7 680
C219103
TA
GND
AG
AS
TB+
CT
FUS7043A260VDC
JACK
R1 2W10
P1
P2
B1(12V)
SW703
D1IN4004
D703 IN4004
R312
6.8K
TP2
R528 6.8K
C502 223
C501 22uF
R701 1K
9.5V
D704
IN4004
Q701 2SB834
D706
IN4148
Q703 9012G
R703 5.6K
A3 A0 A2
Q702 9013G
R702 220R
D70 6V2
R704 3.6K
VR701
1K
C7081000uF
R7052.7K
R516390
C51110uF
D701IN4004
C7011000uF
C5103.3uF
R513100K
R501150
R513100K
R50222K
C601103
C5121uF
C611470uF
R60656K
VR80122K
R610120
C610103
R60415K
C608472
C607273
C605470uF
R60156K
C603223
C602223
R52224K
VR501100K
C60610uF
VR601
10K
R607 600
C804 471
R224 8.2
B1
R504 1K R505 270
C506 471
R508 39K
C503 471
Q502
C2328Y
R509 100
D602 IN4148
C621 1uF
R609 8.2K
C620 10uF
Q602
D362
Q501
9013G
C504 100uF
Q503
C928Y
Q601
9013Y
R517 39
VR502 1K
R510 330
R519 1
R515 39
D501IN4148
R5071R
C5072200uF
C50847uF
R51110K
C612222
D605IN4004
R5061
C506473
R51033K
R5121
C509120uF
R503220
C803 100uF
C802391
R8061K
R8101K
C805823
VR802R81233K
C616 102
C618
2A223KC624 220uF
D603 IN4004
D602
IN4004
T602 F-B-035
C619 4.7uF
R611100
C615222
D601IN4004
C6142E223J
C613 391
C622 100
D604 IN4004
C623 220uF
SW701
BOB.VERT.
BOB.HORIZ.
R3133.3K
R2011.5K
ZD3333V
EDSON DA SILVA
NELSON DUARTE
Lenoxx Sound
TV
TV-600
TV PB COM
PORTÁTIL COM CD
D.A.T.
NFD

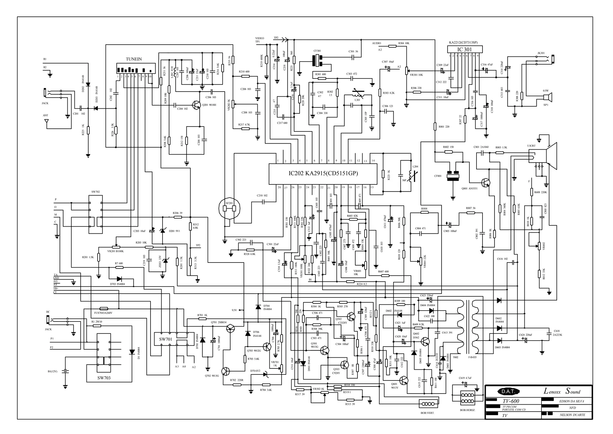
esquema Tv portátil AM/FM 5,5 polegadas

  • 1.
    R1 R2 D202IN4148 C201 102 JACK D203IN4148 R2251K R2263.3K C202102 1 23 4 5 6 7 8 9 10 SW702 P O M TUNEIN ANT R21156R20910K L2021UH C207103 C206100uF C21122uF C210103 R2145.6K R21556 R219680K C2140.22uF C218100uF R221560C2163.3uF C21547 VR2025K R22020K VIDEO TP1 TP2 R210 600 C206 103 C208 103 R217 4.7K C206 103 Q201 9018H C204 102 R206 39 SF201 C210 102 R2085.6K R212158 C208103 C217 680 CF301 C301 56 AUDIO A2 R304 10K C307 10uF A2 VR301 10K R306 220 R301 680 C303 472 R303 8.2K C306 123 L301 C302 47 R302 15 C304 330 R801 220 L204 56P R808 R603 82K C604103 C609471 C30515P R2231K 1 2 3 4 5 6 7 8 9 10 11 12 13 14 28 27 26 25 24 23 22 21 20 19 18 17 16 15 IC202 KA2915(CD5151GP) 1 2 3 4 5 6 7 8 9 IC 301 KA2212(CD7313SP) C309 22uF C312 222 C311 10uF C316 47uF JK301 0.5W SP1 R802 150 C801 2A104J R803 1.5K 5.5CRT CF801 Q801 AN5551 F R608 220K R807 56 R8056.8K R804360K R30722 C3171000uF C318100uF R308220 C313683 C316103 C314220uF C C203 10uF D201 9V1 R203 10K R201 1.5K VR201 B100K R7 680 C219103 TA GND AG AS TB+ CT FUS7043A260VDC JACK R1 2W10 P1 P2 B1(12V) SW703 D1IN4004 D703 IN4004 R312 6.8K TP2 R528 6.8K C502 223 C501 22uF R701 1K 9.5V D704 IN4004 Q701 2SB834 D706 IN4148 Q703 9012G R703 5.6K A3 A0 A2 Q702 9013G R702 220R D70 6V2 R704 3.6K VR701 1K C7081000uF R7052.7K R516390 C51110uF D701IN4004 C7011000uF C5103.3uF R513100K R501150 R513100K R50222K C601103 C5121uF C611470uF R60656K VR80122K R610120 C610103 R60415K C608472 C607273 C605470uF R60156K C603223 C602223 R52224K VR501100K C60610uF VR601 10K R607 600 C804 471 R224 8.2 B1 R504 1K R505 270 C506 471 R508 39K C503 471 Q502 C2328Y R509 100 D602 IN4148 C621 1uF R609 8.2K C620 10uF Q602 D362 Q501 9013G C504 100uF Q503 C928Y Q601 9013Y R517 39 VR502 1K R510 330 R519 1 R515 39 D501IN4148 R5071R C5072200uF C50847uF R51110K C612222 D605IN4004 R5061 C506473 R51033K R5121 C509120uF R503220 C803 100uF C802391 R8061K R8101K C805823 VR802R81233K C616 102 C618 2A223KC624 220uF D603 IN4004 D602 IN4004 T602 F-B-035 C619 4.7uF R611100 C615222 D601IN4004 C6142E223J C613 391 C622 100 D604 IN4004 C623 220uF SW701 BOB.VERT. BOB.HORIZ. R3133.3K R2011.5K ZD3333V EDSON DA SILVA NELSON DUARTE Lenoxx Sound TV TV-600 TV PB COM PORTÁTIL COM CD D.A.T. NFD