Chưng cất hỗn hợp
nhiều cấu tử
Mục lục
1. Khái niệm cơ bản...........................................................................................1
2. Các đường cân bằng pha................................................................................1
2.1. Phương trình cơ bản................................................................................1
2.2. Giản đồ pha ............................................................................................2
3. Chưng cất hỗn hợp cấu tử đơn giản ...............................................................4
4. Chưng cất hỗn hợp cấu tử phức tạp................................................................5
4.1. Chưng cất dầu thô...................................................................................5
4.2. Chưng phản ứng ...................................................................................10
4.3. Chưng dị đẳng phí ................................................................................11
4.4. Chưng đẳng phí ....................................................................................11
4.5 Chưng trích ly........................................................................................12
Tài liệu tham khảo...........................................................................................14
1
1. Khái niệm cơ bản
- Hỗn hợp nhiều cấu tử đơn giản là hỗn hợp mà các cấu tử có thể xác định được về
số lượng, thành phần, chủng loại.
- Hỗn hợp nhiều cấu tử phức tạp là hỗn hợp có số lượng cấu tử rất lớn và đa dạng
mà ta không thể xác định được số lượng và thành phần của chúng.
Đối với hệ nhiều cấu tử phức tạp thì khi chưng cất thu được 2 hoặc nhiều hơn
phân đoạn (đối với chưng 2 cấu tử thì thu được 2 phân đoạn, đỉnh và đáy) tùy vào yêu
cầu sản phẩm. Để thuận tiện cho tính toán một phân đoạn, người ta quy ước một phân
đoạn bằng 1 cấu tử giả (pseudo-component).
Trong hỗn hợp nhiều cấu tử, ta phải chọn ra một cấu tử chìa khóa, là cấu tử trung
tâm để tính theo nó.
2. Các đường cân bằng pha
2.1. Phương trình cơ bản
Trạng thái cân bằng khi:
- Nhiệt độ pha hơi bằng với nhiệt độ pha lỏng
- Tổng áp suất trong toàn bộ pha hơi bằng trong toàn bộ pha lỏng
- Cấu tử chuyển từ pha lỏng sang pha hơi sẽ bằng cấu tử chuyển từ pha hơi
sang pha lỏng
Định luật Raoult thể hiện đầy đủ cân bằng trên cho hỗn hợp lí tưởng hoặc xem
như lí tưởng:
iii xPP 0

Trong đó: Pi là áp suất riêng phần của cấu tử i ở nhiệt độ T
xi là phần mol cấu tử i trong pha lỏng.
Nếu chọn một cấu tử j làm cấu tử chìa khóa, thì độ bay hơi tương đối của cấu tử i
bất kì là:
0
0
i
ij
j
P
P
 
Đối với hệ không lý tưởng thì hằng số cân bằng được xác định bằng thực nghiệm
và phụ thuộc vào nhiệt độ và áp suất:
*
*
ji i
ij
j j i
xK y
K y x
   
2
Vì độ bay hơi tương đối thay đổi theo nhiệt độ ít hơn theo áp suất hơi riêng phần
nên ta có thể xác định được nồng độ cân bằng của cấu tử chìa khóa j:
* j
j n
ij i
x
y
x


Nồng độ cân bằng cho cấu tử i bất kì:
*
1
ij i
i n
ij i
x
y
x




*
*
1
i
ij
i n
ij i
y
x
x




2.2. Giản đồ pha
Trong hệ 2 cấu tử giản đồ pha thường là Txy, Pxy,…, hệ 3 cấu tử thì biểu thị trên
đường cân bằng tam giác. Đối với hệ đa cấu tử thì biểu điễn bằng tỷ lệ thể tích dung dịch
cất so với ban đầu với nhiệt độ sôi của hỗn hợp.
2.2.1 Đường cong chưng cất thực (TBP)
TBP (True Boiling Point- Hình 1) là đường cong mô tả sự thay đổi nhiệt độ sôi
của dung dịch theo dịch ngưng thu được bằng cách chưng gián đoạn với vài chục đĩa và
có chỉ số hồi lưu khá lớn trong PTN. Từ đường cong này ta có thể xác định được số phân
đoạn hay số pseudo trong chưng cất và tính chất của pseudo.
Hình 1. Đường cong chưng cất điểm sôi thực.
3
2.2.2 Đường cong chưng đơn giản (đường ASTM)
Đường cong chưng cất ASTM (Hình 2) hay còn gọi là đường cong chưng cất
angle, thu được bằng cách chưng đơn giản, tức là hơi bay lên đem ngưng tụ lấy sản phẩm
luôn. (xem ASTM D86), có ứng dụng để đánh giá chất lượng mẫu dầu thô ban đầu trước
khi sản xuất.
Hình 2. Đường cong chưng cất đơn giản
2.2.3 Đường cong bay hơi cân bằng (đường EFV)
Đường cong EFV (Equilibrium Flash Vaporization - Hình 3) hoặc đường FC
(Flash Curve) mô tả mối quan hệ cân bằng 2 pha lỏng và hơi (theo % thể tích) ở những
nhiệt độ bay hơi cân bằng khác nhau với áp suất xác định. Đường cong này bắt đầu từ
điểm sôi và kết thúc ở điểm sương của hỗn hợp và thay đổi theo nồng độ ban đầu của hệ,
dùng để xác đinh nhiệt độ chưng cất phân đoạn theo yêu cầu sản xuất.
Hình 3. Đường cong EFV
4
2.2.4. Tính toán cân bằng pha
Để tính toán cân bằng pha cần tính nhiệt độ sôi cân bằng, nhiệt độ điểm sương, áp
suất chưng, nồng độ pha, phần trăm pha (đối với hệ cấu tử đơn giản).
- Tính cho hệ cấu tử đơn giản (xem giáo trình chế biến khí).
- Tính cho hệ cấu tử phức tạp: ta dùng các đường cong cân bằng.
3. Chưng cất hỗn hợp cấu tử đơn giản
 Chỉ số hồi lưu tối thiểu:
𝑅 𝑥𝑚𝑖𝑛 =
𝑥 𝑝 − 𝑦 𝐹
𝑦𝐹
∗
− 𝑥 𝐹
Trong đó: yF là nồng độ cấu tử dễ bay hơi trong pha hơi cân bằng với nồng độ trong
pha lỏng xF của hỗn hợp đầu.
Chỉ số hồi lưu làm việc thường được xác định qua chỉ số hồi lưu tối thiểu:
Rx = b.Rxmin
Trong đó b là hệ số dư.
Vấn đề chọn chỉ số hồi lưu thích hợp rất quan trọng. Khi chỉ số hồi lưu nhỏ, thì số
đĩa của tháp lớn nhưng năng lượng tiêu tốn ít. Ngược lại, khi chỉ số hồi lưu lớn, thì số đĩa
của tháp có ít hơn, nhưng năng lượng tiêu tốn lại rất lớn.
Trong tính toán công nghiệp, có thể lựa chọn hệ số b:
b = 1,2 ÷ 2,5 hoặc Rx = 1,3.Rxmin + 0,3
 Xác định số đĩa lý thuyết tối thiểu
Có 3 phương pháp xác định số đĩa lý thuyết tối thiểu:
- Theo phương trình chuyển khối
- Theo số bậc thay đổi nồng độ
- Theo số đơn vị chuyển khối
Công thức Fenske tính số đĩa lý thuyết tối thiểu được sử dụng phổ biến:
min
lg
lg
iD iW
jD jW
ij
x x
x x
N

 
 
  
Trong đó xD, xW là phần mol cấu tử trong pha lỏng của đỉnh và đáy.
5
 Phương pháp đơn giản hóa Gilliland xác định mối quan hệ giữa chỉ số hồi lưu R
và số bậc thay đổi nồng độ N
min
min
( )
1
(R)
1
N N
N
N
R R
R

 


 

Quan hệ giữa 2 hệ số này được biển diễn bằng đường cong thực nghiệm:
4. Chưng cất hỗn hợp cấu tử phức tạp
4.1. Chưng cất dầu thô
Dầu mỏ là một hỗn hợp phức tạp, trong dầu có chứa tới hàng trăm chất khác nhau,
nhưng các nguyên tố cơ bản chứa trong dầu là cacbon và hydro. Trong đó C chiếm 83-
87%, H chiếm 11,5-14%. Ngoài các nguyên tố chính trên, trong dầu còn có các nguyên tố
khác như lưu huỳnh S chiếm 0,1 -7%, nitơ N chiếm 0,001 – 1,8 %, oxy O chiếm 0,05-
1,0 % và một lượng nhỏ các nguyên tố khác như halogen (Cl, I) các kim loại như : Ni,
Vanadi, Volfram…
6
Dầu mỏ càng chứa nhiều hydrocacbon, càng ít các thành phần dị nguyên tố (nói
chung tốt nhất là loại dầu ngọt nhẹ), chất lượng càng tốt và loại dầu mỏ đó có giá trị kinh
tế cao.
Quá trình chưng cất dầu là một quá trình vật lý phân chia dầu thô thành các phần
gọi là các phân đoạn. Quá trình này được thực hiện bằng các biện pháp khác nhau nhằm
tách các phần dầu theo nhiệt độ sôi của các cấu tử có trong dầu mà không làm phân hủy
chúng. Hơi nhẹ bay lên, ngưng tụ thành phần lỏng. Tùy theo biện pháp tiến hành chưng
cất mà người ta phân chia quá trình chưng cất thành chưng cất đơn giản, chưng cất phức
tạp, chưng cất nhờ cấu tử bay hơi hay chưng cất trong chân không.
Quá trình chưng cất dầu thô yêu cầu là không làm thay đổi hay phân hủy cấu tử có
trong dầu thô. Sau khi chưng cất khí quyển, các cấu tử có mạch cacbon càng dài, nhiệt độ
phân hủy càng thấp, vì vậy người ta phải tiến hành chưng cất chân không hoặc cặn của
quá trình chưng cất khí quyển có thể đưa qua FCC, hoặc đưa đi sản xuất dầu nhờn, các
sản phẩm khác như nhựa đường, bitum, …
i) Chưng khí quyển
Nguyên liệu được gia nhiệt đến nhiệt độ sôi (dạng cân bằng lỏng hơi) rồi được đưa
vào tháp chưng. Sản phẩm lấy ra ở cạnh sườn là các phân đoạn xăng, kerosen, diesel.
Đây là các sản phẩm trắng có giá trị kinh tế cao (Hình 1.4).
Tháp chưng dầu thô khí quyển giống tháp chưng thông thường, tuy nhiên nó có có
một số cấu tạo đặc biệt khác:
 Có các bơm hồi lưu cạnh sườn (pump around, hình 1.5) với mục đích:
- Giảm công suất thiết bị ngưng tụ đỉnh và cân bằng nhiệt lượng trong tháp:
một phần nhiệt lượng được rút ra ở sườn tháp có thể được tận dụng để gia
nhiệt cho các dòng lưu chất khác. Nếu không có PA, toàn bộ nhiệt lượng sẽ bị
lãng phí tại condenser, mặt khác nhiệt độ của dòng nước làm lạnh tăng cao
làm ngưng tụ các muối carbonate gây hư hỏng cho đường ống.
- Tránh hiện tượng lụt đĩa ở đỉnh (top – tray flooding): khi nhiệt độ đỉnh tháp
tăng lên, nếu không có PA, kỹ sư vận hành sẽ tăng lượng tuần hoàn đỉnh, điều
này dẫn đến hiện tượng lụt đĩa và làm tăng nhiệt độ đỉnh (trái với mong muốn
người vận hành). Để giải quyết triệt để, cần tăng công suất trao đổi nhiệt của
dòng PA. Lượng hơi đi lên đĩa trên và ngưng tụ giảm, do đó làm giảm mực
chất lỏng.
- Thường đĩa rút cho PA cũng là đĩa rút sản phẩm sườn, thiết bị trao đổi nhiệt
với PA sẽ đảm bảo nhiệt độ sản phẩm rút ra đúng như yêu cầu, đảm bảo chất
lượng sản phẩm.
7
- PA giảm công suất trao đổi nhiệt cho top condenser, do đó làm giảm nhiệt độ
reflux drum, có nhiều khí đi vào sản phẩm cất và giảm lượng khí không mong
muốn ra khỏi drum.
Hình 1.4. Chưng cất dầu thô ở áp suất khí quyển
Hình 1.5. Hồi lưu cạnh sườn (Pump Around)
8
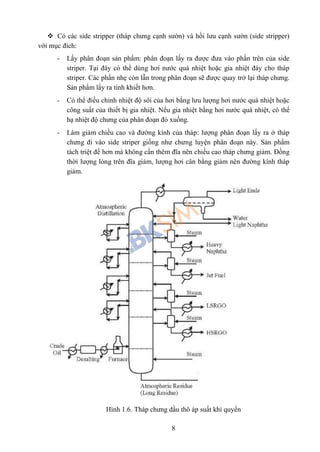
 Có các side stripper (tháp chưng cạnh sườn) và hồi lưu cạnh sườn (side stripper)
với mục đích:
- Lấy phân đoạn sản phẩm: phân đoạn lấy ra được đưa vào phần trên của side
striper. Tại đây có thể dùng hơi nước quá nhiệt hoặc gia nhiệt đáy cho tháp
striper. Các phần nhẹ còn lẫn trong phân đoạn sẽ được quay trở lại tháp chưng.
Sản phẩm lấy ra tinh khiết hơn.
- Có thể điều chỉnh nhiệt độ sôi của hơi bằng lưu lượng hơi nước quá nhiệt hoặc
công suất của thiết bị gia nhiệt. Nếu gia nhiệt bằng hơi nước quá nhiệt, có thể
hạ nhiệt độ chưng của phân đoạn đó xuống.
- Làm giảm chiều cao và đường kính của tháp: lượng phân đoạn lấy ra ở tháp
chưng đi vào side striper giống như chưng luyện phân đoạn này. Sản phẩm
tách triệt để hơn mà không cần thêm đĩa nên chiều cao tháp chưng giảm. Đồng
thời lượng lỏng trên đĩa giảm, lượng hơi cân bằng giảm nên đường kính tháp
giảm.
Hình 1.6. Tháp chưng dầu thô áp suất khí quyển
9
ii) Chưng chân không
Giống tháp chưng khí quyển nhưng có hệ thống bơm chân không tuy-e (hình 1.7).
Hình 1.7. Chưng cất chân không
Áp suất của tháp chưng chân không có thể được xác định bằng giản đồ sau:
Hình 1.8. Giản đồ xác định áp suất tháp chưng chân không
10
Trục bên phải là áp suất chân không, trục ở giữa là nhiệt độ sôi ở áp suất khí
quyển, trục bên trái là nhiệt độ sôi tại áp suất chân không. Nối đường giữa điểm thể hiện
nhiệt độ sôi của sản phẩm tại áp suất khí quyển và điểm thể hiện nhiệt độ sôi mong
muốn, đường thẳng này cắt trục áp suất tại giá trị áp suất chân không cần thiết (tính bằng
đơn vị torr).
4.2. Chưng phản ứng
Chưng phản ứng là quá trình có diễn ra đồng thời các phản ứng. Việc tách sản
phẩm ra khỏi hỗn hợp phản ứng không cần một tháp chưng riêng, điều này giúp tiết kiệm
năng lượng và vật liệu. Công nghệ này thích hợp cho những loại phản ứng bị giói hạn bởi
cân bằng như phản ứng este hóa hay phản ứng thủy phân. Hiệu suất có thể được tăng lên
nhiều so với cân bằng do quá trình phân tách liên tục của sản phẩm. Điều này giúp giảm
chi phí đầu tư, nâng cao hiệu quả sử dụng.
Tuy vậy có một số khó khăn khi thực hiện công nghệ này, mặc dù được đề xuất từ
năm 1921 nhưng đến những năm 1980 mới được ứng dụng thương mại:
- Phải tối ưu hóa đồng thời cho cả phản ứng hóa học và quá trình chưng cất.
- Quá trình phân tách đồng thời trong vùng phản ứng cũng như quá trình phản ứng
có thể xảy ra trong vùng chưng cất, tạo thách thức lớn cho việc thiết kể và xây dựng hệ
thống.
- Với hệ thống nối giữa tháp chưng phản ứng và thiết bị phản ứng sẽ làm việc tốt
nếu điều kiện tối ưu hóa của hai thiết bị
khác xa nhau.
Hình 1.9 mô tả môt tháp chưng phản
ứng. Trong tháp có vùng phản ứng là lớp
đệm có nhồi xúc tác. Vùng chưng cất có thể
là đĩa hoặc đệm. Hỗn hợp phản ứng được
đưa vào trước vùng phản ứng. Để nâng cao
hiệu quả của quá trình có thể chia nhỏ hỗn
hợp phản ứng (hoặc 1 cấu tử phản ứng)
thành nhiều phần đưa vào các vùng phản
ứng khác nhau.
Hình 1.9. Tháp chưng phản ứng
11
4.3. Chưng dị đẳng phí
Hình 1.10. Chưng dị đẳng phí
Hỗn hợp dị đẳng phí là hỗn hợp 2 hoặc nhiều cấu tử tạo điểm đẳng phí, ở thể lỏng
chúng tồn tại ở các pha khác nhau, nhưng ở cùng một pha khí.
Phương pháp đơn giản nhất để tách hỗn hợp hai cấu tử dị đẳng phí là sử dụng một
hệ thống 2 tháp chưng và 1 decanter. Hỗn hợp hai cấu tử được đưa vào tháp chưng đầu
tiên hoặc decanter. Mỗi tháp chưng sẽ cho sản phẩm đáy là một cấu tử tinh khiết.
Trong sơ đồ trên, hỗn hợp cấu tử A và B được nạp vào tháp đầu tiên, sản phẩm A
được rút ra từ đáy tháp. Hỗn hợp hơi A và B đỉnh tháp được ngưng tụ và chuyển vào
decanter. Tại đây xảy ra quá trình tách pha. Pha giàu cấu tử A là dòng tuần hoàn quay lại
tháp đầu tiên. Pha giàu cấu tử B nhẹ hơn chuyển sang tháp chưng thứ 2. Tại đây cấu tử B
tinh khiết thu được ở đáy tháp và hỗn hợp hơi A+B được ngưng tụ quay lại decanter.
4.4. Chưng đẳng phí
Hỗn hợp đẳng phí của hai hay nhiều cấu tử tại điểm đẳng phí chúng có thành phần
pha lỏng và pha hơi giống nhau nên không thể tách bằng phương pháp chưng thông
thường.
Biện pháp thường dùng với hỗn hợp hai cấu tử đắng phí là thêm một cấu tử phá
điểm đẳng phí. Cấu tử này sẽ tạo hỗn hợp dị đẳng phí với một trong hai cấu tử hoặc tạo
với cả hai (tốt nhất chỉ nên tạo với một cấu tử).
Ví dụ hồn hợp đẳng phí nước và rượu ethanol tạo hỗn hợp đẳng phí ở nồng độ
96.5%. Không thể sử dụng phương pháo chưng cất thông thường để tiếp tục tách nước
12
thu được rượu tinh khiết hơn. Hỗn hợp gần đến điểm đẳng phí sẽ được cho vào tháp
chưng đẳng phí. Có nhiều cấu tử phá đẳng phí được sử dụng như benzene, pentane,
cyclohexane, hexane, heptane, isooctane, acetone hoặc diethyl ether. Benzene và
cyclohexane được sử dụng nhiều nhất. Tuy vậy do benzene là tác nhân gây ung thư nên
nó hiện không được sử dụng và có thể được thay thế bởi toluene.
Hình 1.11. Chưng đẳng phí
Sơ đồ trên cho thấy hệ thống chưng đẳng phí gồm hai tháp chưng và một decanter.
Hỗn hợp rượu – nước được đưa vào tháp đầu tiên. Cấu tử phá đẳng phí sẽ được cho thêm
tại decanter và tạo hỗn hợp dị đẳng phí với nước. Tại tháp thứ nhất, rượu tinh khiết là sản
phẩm đáy, sản phẩm hơi rượu – nước được ngưng tụ và đưa sang decanter. Pha nhẹ giàu
ethanol được tuần hoàn lại làm dòng hồi lưu cho tháp thứ nhất, pha nặng giàu ethanol
được chuyển sang tháp thứ hai, nước tinh khiết được tháo ở đáy, hỗn hợp hơi rượu –
nước được ngưng tụ quay trở lại decanter. Có thể thêm một tháp chưng và một decanter
như hệ thống chưng dị đẳng phí để thu được dung môi tinh khiết, tuy vậy do đây không
phải sản phẩm chính nên điều này không cần thiết.
4.5 Chưng trích ly
Chưng trích ly sử dụng cho hỗn hợp tạo điểm đẳng phí hoặc hỗn hợp có độ bay
hơi tương đối nhỏ, không thể tách bằng phương pháp chưng cất thông thường.
Phương pháp chưng trích ly sẽ sử dụng một dung môi, thương là chất không bay
hơi, có nhiệt độ sôi lớn và dễ hòa tan với hỗn hợp cần tách nhưng không tạo điểm đẳng
phí và làm thay đổi độ bay hơi tương đối của hai cấu tử. Sản phẩm đỉnh sẽ là cấu tử có độ
bay hơi lớn hơn, trong khi đó sản phẩm đáy là hỗn hợp của dung môi với cấu tử còn lại.
Hỗn hợp này không tạo điểm đẳng phí nên có thể dễ dàng phân tách bằng một táp chưng
thứ hai hoặc phân tách bằng phương pháp khác. Điều này ngược với phương pháo chưng
trích ly khi dung môi tạo với một cấu tử hỗn hợp có độ bay hơi lớn hơn và sản phẩm tinh
khiết được tách ra ở đáy hai tháp chưng.
13
Việc lựa chọn một dung môi phù hợp là rất quan trọng. Dung môi phải làm thay
đổi độ bay hơi tương đối trong một khoảng đủ rộng, phải dễ dàng tách ra khỏi sản phẩm
đáy, không phản ứng với các cấu tử cần tách, không gây ăn mòn và có giá thành hợp lý.
Hình 1.12. Chưng trích ly
Hình trên minh họa quá trình chưng trích ly để tách hỗn hợp toluene và
methylcyclohexane. Dung môi sẽ tạo hỗn hợp có độ bay hơi nhỏ hơn với touluene.
Methylcyclohexane là sản phẩm đỉnh của tháp chưng đầu tiên. Sản phẩm đáy được đưa
sang tháp chưng thứ hai, toluene tách ra bay lên đỉnh còn dung môi ở đáy được tuần hoàn
quay trở lại tháp thứ nhất.
Makeup
Solvent
Fresh Feed
Recycle Solvent
Methylcyclohecxane
Product
Toluene
Product
Extractive
Distillation
Tower
Solvent
Recovery
Tower
14
Tài liệu tham khảo
1. Nguyễn Bin. Các quá trình, thiết bị trong công nghệ hóa chất và thực phẩm (tập 4).
NXB Khoa học và kỹ thuật, 2005.
2. Nguyễn Thị Minh Hiền. Công nghệ chế biến khí tự nhiên và khí đồng hành. NXB
Khoa học và kỹ thuật, 2010.
3. Lê Văn Hiếu. Công nghệ chế biến dầu mỏ. NXB Khoa học và kỹ thuật, 2008.
4. Henry Z.Kister. Disillation Design. McGraw-Hill, 1992.
5. Võ Thị Ngọc Tươi, Hoàng Minh Nam. Các quá trình và thiết bị công nghệ hóa học và
thực phẩm: tập 14: chưng cất hỗn hợp nhiều cấu tử. NXB Đại học Quốc gia Tp. Hồ
Chí Minh, 2007.
6. Charles Donald Holland. Fundamentals of multicomponent distillation. McGraw-Hill,
1981.
7. Norman Lieberman, Elizabeth Lieberman. Working Guide to Process Equipment, 3rd
ed. McGraw-Hill, 2008.

Chung nhieu cau tu

  • 1.
    Chưng cất hỗnhợp nhiều cấu tử
  • 2.
    Mục lục 1. Kháiniệm cơ bản...........................................................................................1 2. Các đường cân bằng pha................................................................................1 2.1. Phương trình cơ bản................................................................................1 2.2. Giản đồ pha ............................................................................................2 3. Chưng cất hỗn hợp cấu tử đơn giản ...............................................................4 4. Chưng cất hỗn hợp cấu tử phức tạp................................................................5 4.1. Chưng cất dầu thô...................................................................................5 4.2. Chưng phản ứng ...................................................................................10 4.3. Chưng dị đẳng phí ................................................................................11 4.4. Chưng đẳng phí ....................................................................................11 4.5 Chưng trích ly........................................................................................12 Tài liệu tham khảo...........................................................................................14
  • 3.
    1 1. Khái niệmcơ bản - Hỗn hợp nhiều cấu tử đơn giản là hỗn hợp mà các cấu tử có thể xác định được về số lượng, thành phần, chủng loại. - Hỗn hợp nhiều cấu tử phức tạp là hỗn hợp có số lượng cấu tử rất lớn và đa dạng mà ta không thể xác định được số lượng và thành phần của chúng. Đối với hệ nhiều cấu tử phức tạp thì khi chưng cất thu được 2 hoặc nhiều hơn phân đoạn (đối với chưng 2 cấu tử thì thu được 2 phân đoạn, đỉnh và đáy) tùy vào yêu cầu sản phẩm. Để thuận tiện cho tính toán một phân đoạn, người ta quy ước một phân đoạn bằng 1 cấu tử giả (pseudo-component). Trong hỗn hợp nhiều cấu tử, ta phải chọn ra một cấu tử chìa khóa, là cấu tử trung tâm để tính theo nó. 2. Các đường cân bằng pha 2.1. Phương trình cơ bản Trạng thái cân bằng khi: - Nhiệt độ pha hơi bằng với nhiệt độ pha lỏng - Tổng áp suất trong toàn bộ pha hơi bằng trong toàn bộ pha lỏng - Cấu tử chuyển từ pha lỏng sang pha hơi sẽ bằng cấu tử chuyển từ pha hơi sang pha lỏng Định luật Raoult thể hiện đầy đủ cân bằng trên cho hỗn hợp lí tưởng hoặc xem như lí tưởng: iii xPP 0  Trong đó: Pi là áp suất riêng phần của cấu tử i ở nhiệt độ T xi là phần mol cấu tử i trong pha lỏng. Nếu chọn một cấu tử j làm cấu tử chìa khóa, thì độ bay hơi tương đối của cấu tử i bất kì là: 0 0 i ij j P P   Đối với hệ không lý tưởng thì hằng số cân bằng được xác định bằng thực nghiệm và phụ thuộc vào nhiệt độ và áp suất: * * ji i ij j j i xK y K y x    
  • 4.
    2 Vì độ bayhơi tương đối thay đổi theo nhiệt độ ít hơn theo áp suất hơi riêng phần nên ta có thể xác định được nồng độ cân bằng của cấu tử chìa khóa j: * j j n ij i x y x   Nồng độ cân bằng cho cấu tử i bất kì: * 1 ij i i n ij i x y x     * * 1 i ij i n ij i y x x     2.2. Giản đồ pha Trong hệ 2 cấu tử giản đồ pha thường là Txy, Pxy,…, hệ 3 cấu tử thì biểu thị trên đường cân bằng tam giác. Đối với hệ đa cấu tử thì biểu điễn bằng tỷ lệ thể tích dung dịch cất so với ban đầu với nhiệt độ sôi của hỗn hợp. 2.2.1 Đường cong chưng cất thực (TBP) TBP (True Boiling Point- Hình 1) là đường cong mô tả sự thay đổi nhiệt độ sôi của dung dịch theo dịch ngưng thu được bằng cách chưng gián đoạn với vài chục đĩa và có chỉ số hồi lưu khá lớn trong PTN. Từ đường cong này ta có thể xác định được số phân đoạn hay số pseudo trong chưng cất và tính chất của pseudo. Hình 1. Đường cong chưng cất điểm sôi thực.
  • 5.
    3 2.2.2 Đường congchưng đơn giản (đường ASTM) Đường cong chưng cất ASTM (Hình 2) hay còn gọi là đường cong chưng cất angle, thu được bằng cách chưng đơn giản, tức là hơi bay lên đem ngưng tụ lấy sản phẩm luôn. (xem ASTM D86), có ứng dụng để đánh giá chất lượng mẫu dầu thô ban đầu trước khi sản xuất. Hình 2. Đường cong chưng cất đơn giản 2.2.3 Đường cong bay hơi cân bằng (đường EFV) Đường cong EFV (Equilibrium Flash Vaporization - Hình 3) hoặc đường FC (Flash Curve) mô tả mối quan hệ cân bằng 2 pha lỏng và hơi (theo % thể tích) ở những nhiệt độ bay hơi cân bằng khác nhau với áp suất xác định. Đường cong này bắt đầu từ điểm sôi và kết thúc ở điểm sương của hỗn hợp và thay đổi theo nồng độ ban đầu của hệ, dùng để xác đinh nhiệt độ chưng cất phân đoạn theo yêu cầu sản xuất. Hình 3. Đường cong EFV
  • 6.
    4 2.2.4. Tính toáncân bằng pha Để tính toán cân bằng pha cần tính nhiệt độ sôi cân bằng, nhiệt độ điểm sương, áp suất chưng, nồng độ pha, phần trăm pha (đối với hệ cấu tử đơn giản). - Tính cho hệ cấu tử đơn giản (xem giáo trình chế biến khí). - Tính cho hệ cấu tử phức tạp: ta dùng các đường cong cân bằng. 3. Chưng cất hỗn hợp cấu tử đơn giản  Chỉ số hồi lưu tối thiểu: 𝑅 𝑥𝑚𝑖𝑛 = 𝑥 𝑝 − 𝑦 𝐹 𝑦𝐹 ∗ − 𝑥 𝐹 Trong đó: yF là nồng độ cấu tử dễ bay hơi trong pha hơi cân bằng với nồng độ trong pha lỏng xF của hỗn hợp đầu. Chỉ số hồi lưu làm việc thường được xác định qua chỉ số hồi lưu tối thiểu: Rx = b.Rxmin Trong đó b là hệ số dư. Vấn đề chọn chỉ số hồi lưu thích hợp rất quan trọng. Khi chỉ số hồi lưu nhỏ, thì số đĩa của tháp lớn nhưng năng lượng tiêu tốn ít. Ngược lại, khi chỉ số hồi lưu lớn, thì số đĩa của tháp có ít hơn, nhưng năng lượng tiêu tốn lại rất lớn. Trong tính toán công nghiệp, có thể lựa chọn hệ số b: b = 1,2 ÷ 2,5 hoặc Rx = 1,3.Rxmin + 0,3  Xác định số đĩa lý thuyết tối thiểu Có 3 phương pháp xác định số đĩa lý thuyết tối thiểu: - Theo phương trình chuyển khối - Theo số bậc thay đổi nồng độ - Theo số đơn vị chuyển khối Công thức Fenske tính số đĩa lý thuyết tối thiểu được sử dụng phổ biến: min lg lg iD iW jD jW ij x x x x N         Trong đó xD, xW là phần mol cấu tử trong pha lỏng của đỉnh và đáy.
  • 7.
    5  Phương phápđơn giản hóa Gilliland xác định mối quan hệ giữa chỉ số hồi lưu R và số bậc thay đổi nồng độ N min min ( ) 1 (R) 1 N N N N R R R         Quan hệ giữa 2 hệ số này được biển diễn bằng đường cong thực nghiệm: 4. Chưng cất hỗn hợp cấu tử phức tạp 4.1. Chưng cất dầu thô Dầu mỏ là một hỗn hợp phức tạp, trong dầu có chứa tới hàng trăm chất khác nhau, nhưng các nguyên tố cơ bản chứa trong dầu là cacbon và hydro. Trong đó C chiếm 83- 87%, H chiếm 11,5-14%. Ngoài các nguyên tố chính trên, trong dầu còn có các nguyên tố khác như lưu huỳnh S chiếm 0,1 -7%, nitơ N chiếm 0,001 – 1,8 %, oxy O chiếm 0,05- 1,0 % và một lượng nhỏ các nguyên tố khác như halogen (Cl, I) các kim loại như : Ni, Vanadi, Volfram…
  • 8.
    6 Dầu mỏ càngchứa nhiều hydrocacbon, càng ít các thành phần dị nguyên tố (nói chung tốt nhất là loại dầu ngọt nhẹ), chất lượng càng tốt và loại dầu mỏ đó có giá trị kinh tế cao. Quá trình chưng cất dầu là một quá trình vật lý phân chia dầu thô thành các phần gọi là các phân đoạn. Quá trình này được thực hiện bằng các biện pháp khác nhau nhằm tách các phần dầu theo nhiệt độ sôi của các cấu tử có trong dầu mà không làm phân hủy chúng. Hơi nhẹ bay lên, ngưng tụ thành phần lỏng. Tùy theo biện pháp tiến hành chưng cất mà người ta phân chia quá trình chưng cất thành chưng cất đơn giản, chưng cất phức tạp, chưng cất nhờ cấu tử bay hơi hay chưng cất trong chân không. Quá trình chưng cất dầu thô yêu cầu là không làm thay đổi hay phân hủy cấu tử có trong dầu thô. Sau khi chưng cất khí quyển, các cấu tử có mạch cacbon càng dài, nhiệt độ phân hủy càng thấp, vì vậy người ta phải tiến hành chưng cất chân không hoặc cặn của quá trình chưng cất khí quyển có thể đưa qua FCC, hoặc đưa đi sản xuất dầu nhờn, các sản phẩm khác như nhựa đường, bitum, … i) Chưng khí quyển Nguyên liệu được gia nhiệt đến nhiệt độ sôi (dạng cân bằng lỏng hơi) rồi được đưa vào tháp chưng. Sản phẩm lấy ra ở cạnh sườn là các phân đoạn xăng, kerosen, diesel. Đây là các sản phẩm trắng có giá trị kinh tế cao (Hình 1.4). Tháp chưng dầu thô khí quyển giống tháp chưng thông thường, tuy nhiên nó có có một số cấu tạo đặc biệt khác:  Có các bơm hồi lưu cạnh sườn (pump around, hình 1.5) với mục đích: - Giảm công suất thiết bị ngưng tụ đỉnh và cân bằng nhiệt lượng trong tháp: một phần nhiệt lượng được rút ra ở sườn tháp có thể được tận dụng để gia nhiệt cho các dòng lưu chất khác. Nếu không có PA, toàn bộ nhiệt lượng sẽ bị lãng phí tại condenser, mặt khác nhiệt độ của dòng nước làm lạnh tăng cao làm ngưng tụ các muối carbonate gây hư hỏng cho đường ống. - Tránh hiện tượng lụt đĩa ở đỉnh (top – tray flooding): khi nhiệt độ đỉnh tháp tăng lên, nếu không có PA, kỹ sư vận hành sẽ tăng lượng tuần hoàn đỉnh, điều này dẫn đến hiện tượng lụt đĩa và làm tăng nhiệt độ đỉnh (trái với mong muốn người vận hành). Để giải quyết triệt để, cần tăng công suất trao đổi nhiệt của dòng PA. Lượng hơi đi lên đĩa trên và ngưng tụ giảm, do đó làm giảm mực chất lỏng. - Thường đĩa rút cho PA cũng là đĩa rút sản phẩm sườn, thiết bị trao đổi nhiệt với PA sẽ đảm bảo nhiệt độ sản phẩm rút ra đúng như yêu cầu, đảm bảo chất lượng sản phẩm.
  • 9.
    7 - PA giảmcông suất trao đổi nhiệt cho top condenser, do đó làm giảm nhiệt độ reflux drum, có nhiều khí đi vào sản phẩm cất và giảm lượng khí không mong muốn ra khỏi drum. Hình 1.4. Chưng cất dầu thô ở áp suất khí quyển Hình 1.5. Hồi lưu cạnh sườn (Pump Around)
  • 10.
    8  Có cácside stripper (tháp chưng cạnh sườn) và hồi lưu cạnh sườn (side stripper) với mục đích: - Lấy phân đoạn sản phẩm: phân đoạn lấy ra được đưa vào phần trên của side striper. Tại đây có thể dùng hơi nước quá nhiệt hoặc gia nhiệt đáy cho tháp striper. Các phần nhẹ còn lẫn trong phân đoạn sẽ được quay trở lại tháp chưng. Sản phẩm lấy ra tinh khiết hơn. - Có thể điều chỉnh nhiệt độ sôi của hơi bằng lưu lượng hơi nước quá nhiệt hoặc công suất của thiết bị gia nhiệt. Nếu gia nhiệt bằng hơi nước quá nhiệt, có thể hạ nhiệt độ chưng của phân đoạn đó xuống. - Làm giảm chiều cao và đường kính của tháp: lượng phân đoạn lấy ra ở tháp chưng đi vào side striper giống như chưng luyện phân đoạn này. Sản phẩm tách triệt để hơn mà không cần thêm đĩa nên chiều cao tháp chưng giảm. Đồng thời lượng lỏng trên đĩa giảm, lượng hơi cân bằng giảm nên đường kính tháp giảm. Hình 1.6. Tháp chưng dầu thô áp suất khí quyển
  • 11.
    9 ii) Chưng chânkhông Giống tháp chưng khí quyển nhưng có hệ thống bơm chân không tuy-e (hình 1.7). Hình 1.7. Chưng cất chân không Áp suất của tháp chưng chân không có thể được xác định bằng giản đồ sau: Hình 1.8. Giản đồ xác định áp suất tháp chưng chân không
  • 12.
    10 Trục bên phảilà áp suất chân không, trục ở giữa là nhiệt độ sôi ở áp suất khí quyển, trục bên trái là nhiệt độ sôi tại áp suất chân không. Nối đường giữa điểm thể hiện nhiệt độ sôi của sản phẩm tại áp suất khí quyển và điểm thể hiện nhiệt độ sôi mong muốn, đường thẳng này cắt trục áp suất tại giá trị áp suất chân không cần thiết (tính bằng đơn vị torr). 4.2. Chưng phản ứng Chưng phản ứng là quá trình có diễn ra đồng thời các phản ứng. Việc tách sản phẩm ra khỏi hỗn hợp phản ứng không cần một tháp chưng riêng, điều này giúp tiết kiệm năng lượng và vật liệu. Công nghệ này thích hợp cho những loại phản ứng bị giói hạn bởi cân bằng như phản ứng este hóa hay phản ứng thủy phân. Hiệu suất có thể được tăng lên nhiều so với cân bằng do quá trình phân tách liên tục của sản phẩm. Điều này giúp giảm chi phí đầu tư, nâng cao hiệu quả sử dụng. Tuy vậy có một số khó khăn khi thực hiện công nghệ này, mặc dù được đề xuất từ năm 1921 nhưng đến những năm 1980 mới được ứng dụng thương mại: - Phải tối ưu hóa đồng thời cho cả phản ứng hóa học và quá trình chưng cất. - Quá trình phân tách đồng thời trong vùng phản ứng cũng như quá trình phản ứng có thể xảy ra trong vùng chưng cất, tạo thách thức lớn cho việc thiết kể và xây dựng hệ thống. - Với hệ thống nối giữa tháp chưng phản ứng và thiết bị phản ứng sẽ làm việc tốt nếu điều kiện tối ưu hóa của hai thiết bị khác xa nhau. Hình 1.9 mô tả môt tháp chưng phản ứng. Trong tháp có vùng phản ứng là lớp đệm có nhồi xúc tác. Vùng chưng cất có thể là đĩa hoặc đệm. Hỗn hợp phản ứng được đưa vào trước vùng phản ứng. Để nâng cao hiệu quả của quá trình có thể chia nhỏ hỗn hợp phản ứng (hoặc 1 cấu tử phản ứng) thành nhiều phần đưa vào các vùng phản ứng khác nhau. Hình 1.9. Tháp chưng phản ứng
  • 13.
    11 4.3. Chưng dịđẳng phí Hình 1.10. Chưng dị đẳng phí Hỗn hợp dị đẳng phí là hỗn hợp 2 hoặc nhiều cấu tử tạo điểm đẳng phí, ở thể lỏng chúng tồn tại ở các pha khác nhau, nhưng ở cùng một pha khí. Phương pháp đơn giản nhất để tách hỗn hợp hai cấu tử dị đẳng phí là sử dụng một hệ thống 2 tháp chưng và 1 decanter. Hỗn hợp hai cấu tử được đưa vào tháp chưng đầu tiên hoặc decanter. Mỗi tháp chưng sẽ cho sản phẩm đáy là một cấu tử tinh khiết. Trong sơ đồ trên, hỗn hợp cấu tử A và B được nạp vào tháp đầu tiên, sản phẩm A được rút ra từ đáy tháp. Hỗn hợp hơi A và B đỉnh tháp được ngưng tụ và chuyển vào decanter. Tại đây xảy ra quá trình tách pha. Pha giàu cấu tử A là dòng tuần hoàn quay lại tháp đầu tiên. Pha giàu cấu tử B nhẹ hơn chuyển sang tháp chưng thứ 2. Tại đây cấu tử B tinh khiết thu được ở đáy tháp và hỗn hợp hơi A+B được ngưng tụ quay lại decanter. 4.4. Chưng đẳng phí Hỗn hợp đẳng phí của hai hay nhiều cấu tử tại điểm đẳng phí chúng có thành phần pha lỏng và pha hơi giống nhau nên không thể tách bằng phương pháp chưng thông thường. Biện pháp thường dùng với hỗn hợp hai cấu tử đắng phí là thêm một cấu tử phá điểm đẳng phí. Cấu tử này sẽ tạo hỗn hợp dị đẳng phí với một trong hai cấu tử hoặc tạo với cả hai (tốt nhất chỉ nên tạo với một cấu tử). Ví dụ hồn hợp đẳng phí nước và rượu ethanol tạo hỗn hợp đẳng phí ở nồng độ 96.5%. Không thể sử dụng phương pháo chưng cất thông thường để tiếp tục tách nước
  • 14.
    12 thu được rượutinh khiết hơn. Hỗn hợp gần đến điểm đẳng phí sẽ được cho vào tháp chưng đẳng phí. Có nhiều cấu tử phá đẳng phí được sử dụng như benzene, pentane, cyclohexane, hexane, heptane, isooctane, acetone hoặc diethyl ether. Benzene và cyclohexane được sử dụng nhiều nhất. Tuy vậy do benzene là tác nhân gây ung thư nên nó hiện không được sử dụng và có thể được thay thế bởi toluene. Hình 1.11. Chưng đẳng phí Sơ đồ trên cho thấy hệ thống chưng đẳng phí gồm hai tháp chưng và một decanter. Hỗn hợp rượu – nước được đưa vào tháp đầu tiên. Cấu tử phá đẳng phí sẽ được cho thêm tại decanter và tạo hỗn hợp dị đẳng phí với nước. Tại tháp thứ nhất, rượu tinh khiết là sản phẩm đáy, sản phẩm hơi rượu – nước được ngưng tụ và đưa sang decanter. Pha nhẹ giàu ethanol được tuần hoàn lại làm dòng hồi lưu cho tháp thứ nhất, pha nặng giàu ethanol được chuyển sang tháp thứ hai, nước tinh khiết được tháo ở đáy, hỗn hợp hơi rượu – nước được ngưng tụ quay trở lại decanter. Có thể thêm một tháp chưng và một decanter như hệ thống chưng dị đẳng phí để thu được dung môi tinh khiết, tuy vậy do đây không phải sản phẩm chính nên điều này không cần thiết. 4.5 Chưng trích ly Chưng trích ly sử dụng cho hỗn hợp tạo điểm đẳng phí hoặc hỗn hợp có độ bay hơi tương đối nhỏ, không thể tách bằng phương pháp chưng cất thông thường. Phương pháp chưng trích ly sẽ sử dụng một dung môi, thương là chất không bay hơi, có nhiệt độ sôi lớn và dễ hòa tan với hỗn hợp cần tách nhưng không tạo điểm đẳng phí và làm thay đổi độ bay hơi tương đối của hai cấu tử. Sản phẩm đỉnh sẽ là cấu tử có độ bay hơi lớn hơn, trong khi đó sản phẩm đáy là hỗn hợp của dung môi với cấu tử còn lại. Hỗn hợp này không tạo điểm đẳng phí nên có thể dễ dàng phân tách bằng một táp chưng thứ hai hoặc phân tách bằng phương pháp khác. Điều này ngược với phương pháo chưng trích ly khi dung môi tạo với một cấu tử hỗn hợp có độ bay hơi lớn hơn và sản phẩm tinh khiết được tách ra ở đáy hai tháp chưng.
  • 15.
    13 Việc lựa chọnmột dung môi phù hợp là rất quan trọng. Dung môi phải làm thay đổi độ bay hơi tương đối trong một khoảng đủ rộng, phải dễ dàng tách ra khỏi sản phẩm đáy, không phản ứng với các cấu tử cần tách, không gây ăn mòn và có giá thành hợp lý. Hình 1.12. Chưng trích ly Hình trên minh họa quá trình chưng trích ly để tách hỗn hợp toluene và methylcyclohexane. Dung môi sẽ tạo hỗn hợp có độ bay hơi nhỏ hơn với touluene. Methylcyclohexane là sản phẩm đỉnh của tháp chưng đầu tiên. Sản phẩm đáy được đưa sang tháp chưng thứ hai, toluene tách ra bay lên đỉnh còn dung môi ở đáy được tuần hoàn quay trở lại tháp thứ nhất. Makeup Solvent Fresh Feed Recycle Solvent Methylcyclohecxane Product Toluene Product Extractive Distillation Tower Solvent Recovery Tower
  • 16.
    14 Tài liệu thamkhảo 1. Nguyễn Bin. Các quá trình, thiết bị trong công nghệ hóa chất và thực phẩm (tập 4). NXB Khoa học và kỹ thuật, 2005. 2. Nguyễn Thị Minh Hiền. Công nghệ chế biến khí tự nhiên và khí đồng hành. NXB Khoa học và kỹ thuật, 2010. 3. Lê Văn Hiếu. Công nghệ chế biến dầu mỏ. NXB Khoa học và kỹ thuật, 2008. 4. Henry Z.Kister. Disillation Design. McGraw-Hill, 1992. 5. Võ Thị Ngọc Tươi, Hoàng Minh Nam. Các quá trình và thiết bị công nghệ hóa học và thực phẩm: tập 14: chưng cất hỗn hợp nhiều cấu tử. NXB Đại học Quốc gia Tp. Hồ Chí Minh, 2007. 6. Charles Donald Holland. Fundamentals of multicomponent distillation. McGraw-Hill, 1981. 7. Norman Lieberman, Elizabeth Lieberman. Working Guide to Process Equipment, 3rd ed. McGraw-Hill, 2008.