Building the Minima 
An Arduino based HF Transceiver 
Thomas - KK6AHT 
Pacificon 2014
Licensed in 2012 at Pacificon 
Extra license with K6BJ classes in Dec 2012
Farhan aka VU2ESE 
Author of the BITX20
The Minima 
Announced on January 16th 2014
General coverage HF Receiver 0 to 30 Mhz 
CW and SSB operation 
Power output 5 watts (w/ amplifier) 
LCD Display - Arduino controlled 
Open Source Code 
RIT and two VFOs 
Super Heterodyne with IF at 20 Mhz 
Cost under $100
Arduino - LCD Display 
Si570 XO (VFO+20Mhz) 
CQ CQ … 
14.285 
KISS Mixer 
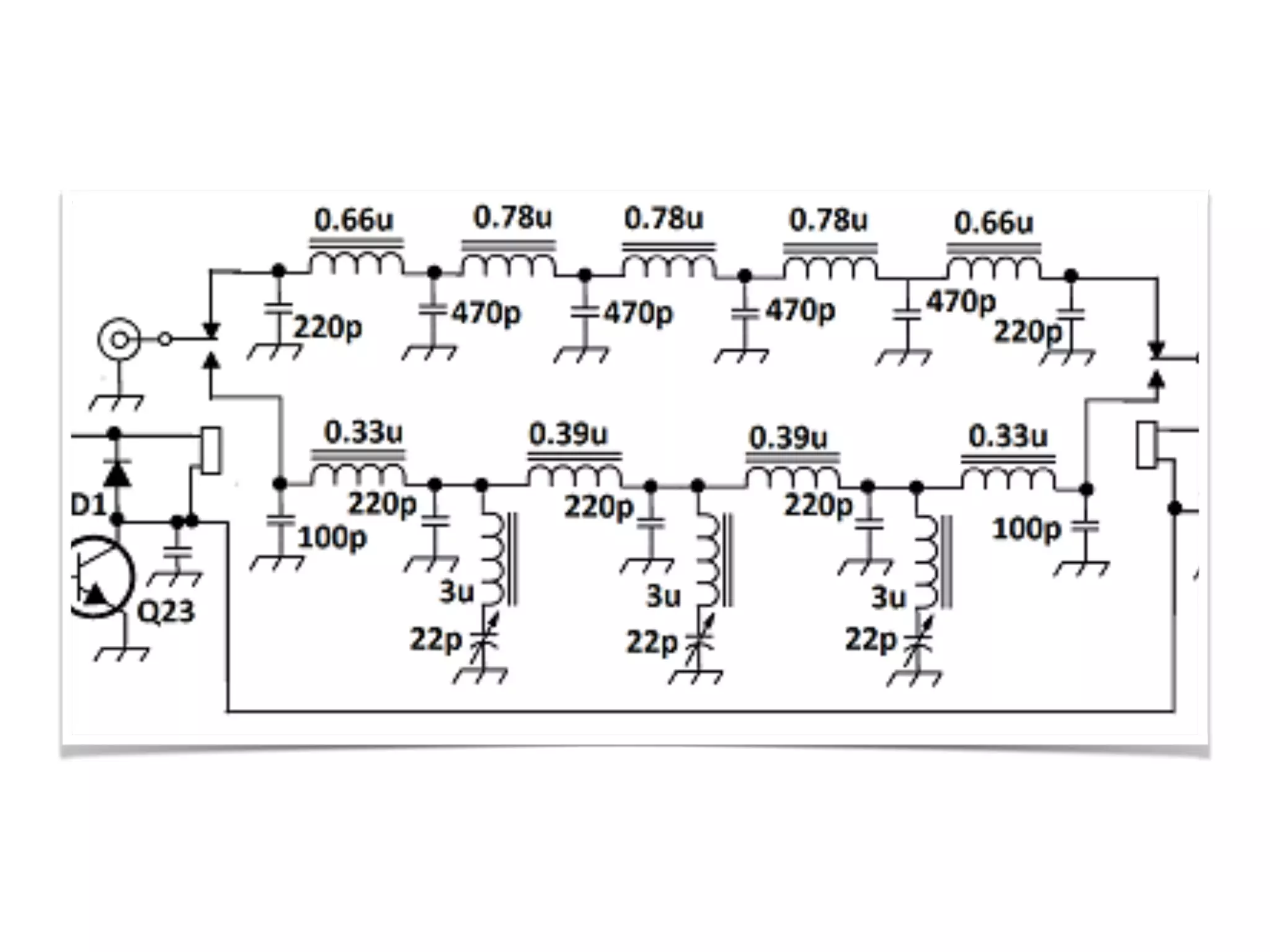
Crystal Filter 
20 Mhz 
RX 
Pre-amp 
BFO 
20 Mhz 
Diode 
Mixer 
AF 
Pre-amp 
AF 
Amp 
34.285 
CQ CQ … 
20 Mhz 
CQ CQ … 
20 Mhz 
CQ CQ …
Arduino - LCD 
Display 
Si570 XO (VFO 
+20Mhz) 
KISS 
Mixer 
Crystal Filter 
20 Mhz 
RX 
Pre-amp 
BFO 
20 Mhz Diode 
Mixer 
AF 
Pre-amp AF 
Amp
Arduino - LCD Display 
Si570 XO (VFO+20Mhz) 
KISS Mixer 
Crystal Filter 
20 Mhz 
TX 
Pre-amp 
BFO 
20 Mhz 
Diode 
Mixer 
Mic Amp 
34.285 
CQ CQ … 
20 Mhz 
CQ CQ … 
14.285 
CQ CQ … 
20 Mhz 
CQ CQ … 
LPFs
Arduino - LCD 
Display 
LPFs 
Si570 XO (VFO 
+20Mhz) 
KISS 
Mixer 
Crystal Filter 
20 Mhz 
RX 
Pre-amp 
BFO 
20 Mhz Diode 
Mixer 
AF 
Pre-amp AF 
Amp 
Mic Amp 
TX 
Pre-amp 
CW Tone 
TX / RX 
Serial Port
Homebrewing the 
Minima
Measuring the crystal filter
Measuring the crystal filter 
• Converting Voltage into Power? 
• Impedance of my signal generator? 
• Impedance conversion? 
• Termination?
Measuring the crystal filter
Reminds me of the roman army in the Asterix and the Roman Agent.! 
- f
Toroids … 
• Do not be afraid 
• Get a LCR meter (AADE - $100) 
• Watch YouTube videos 
• Get multi color magnetic wires for transformers
Home made Arduino
Home made Arduino 
• Get a Atmega328P with an Arduino bootloader 
• Or better, burn the bootloader yourself 
• Enjoy the binary (works / does not work) aspects of 
the controller board ;) 
• If you are not familiar with Arduino, stick to the 
standard setup for now
Arduino - LCD 
Display 
Si570 XO (VFO 
+20Mhz) 
KISS 
Mixer 
Crystal Filter 
20 Mhz 
RX 
Pre-amp 
BFO 
20 Mhz Diode 
Mixer 
AF 
Pre-amp AF 
Amp
Receiving signals 
• It is a lot easier than you think! 
• Learnt how to debug amplifiers via transistor 
biases, temperature and AC-coupled 
measurements 
• Built my first VXO and generating sine waves at 20 
Mhz
Finishing up 
• Mixer fun: Carrier Suppression, Conversion Loss 
and IIP3 
• Output power, Harmonics and the FCC 
• From 50mV to 50V
Lessons learnt
Blocks 
• Learnt to see a circuit as blocks and stages 
• Everything can be tested and measured independently 
• Build, Test, Move on - Each stage is a project 
• Keep a notebook - Take lots of notes
Tools 
• DVM, Scope 
• Soldering Iron, MePads, Glue 
• LCR Meter 
• Some sort of signal generator 
• BNC Connectors, 50 Ohm termination, Cables, etc 
• Spectrum Analyzer or PHSNA is nice to have
Reference 
• Minima Initial Article 
http://www.phonestack.com/farhan/minima.html 
• Minima Mailing List 
• And all the Minimas that have been built! 
• Experimental Methods in RF Design (EMRFD) 
• ARRL Handbook 
• Chat With The Designer Podcast (cwtd.org)
Solder Smoke 
Bill Meara - N2CQR 
Book 
Blog 
Podcast!! 
http://soldersmoke.blogspot.com
Closing Remarks
Project Status 
• Still actively being developed and designed 
• The KISS Mixer will probably be replaced by 
another mixer in the future 
• This should not stop you! 
! 
• A few PCBs were made but distribution is limited 
until the design is finalized 
! 
• You will need the RF386 Power Amplifier (or similar)
Open Source Software 
• Many contributions to the Minima software 
https://github.com/afarhan/radiono 
• WA0UWH leading the charge with WSPR support, CW 
ID, Rotary encoder, etc 
https://github.com/wa0uwh/radiono_erb
Join the club! 
Already 4 known Minimas in the 
bay area. 
! 
! 
Questions? Demo!! 
! 
! 
Thomas - KK6AHT 
http://sarfata.org/ham/minima 
@sarfata 
This presentation is licensed under a Creative Commons Attribution-ShareAlike 3.0 Unported License.

Building the Minima - Pacificon 2014

  • 1.
    Building the Minima An Arduino based HF Transceiver Thomas - KK6AHT Pacificon 2014
  • 2.
    Licensed in 2012at Pacificon Extra license with K6BJ classes in Dec 2012
  • 3.
    Farhan aka VU2ESE Author of the BITX20
  • 4.
    The Minima Announcedon January 16th 2014
  • 5.
    General coverage HFReceiver 0 to 30 Mhz CW and SSB operation Power output 5 watts (w/ amplifier) LCD Display - Arduino controlled Open Source Code RIT and two VFOs Super Heterodyne with IF at 20 Mhz Cost under $100
  • 7.
    Arduino - LCDDisplay Si570 XO (VFO+20Mhz) CQ CQ … 14.285 KISS Mixer Crystal Filter 20 Mhz RX Pre-amp BFO 20 Mhz Diode Mixer AF Pre-amp AF Amp 34.285 CQ CQ … 20 Mhz CQ CQ … 20 Mhz CQ CQ …
  • 8.
    Arduino - LCD Display Si570 XO (VFO +20Mhz) KISS Mixer Crystal Filter 20 Mhz RX Pre-amp BFO 20 Mhz Diode Mixer AF Pre-amp AF Amp
  • 9.
    Arduino - LCDDisplay Si570 XO (VFO+20Mhz) KISS Mixer Crystal Filter 20 Mhz TX Pre-amp BFO 20 Mhz Diode Mixer Mic Amp 34.285 CQ CQ … 20 Mhz CQ CQ … 14.285 CQ CQ … 20 Mhz CQ CQ … LPFs
  • 10.
    Arduino - LCD Display LPFs Si570 XO (VFO +20Mhz) KISS Mixer Crystal Filter 20 Mhz RX Pre-amp BFO 20 Mhz Diode Mixer AF Pre-amp AF Amp Mic Amp TX Pre-amp CW Tone TX / RX Serial Port
  • 11.
  • 14.
  • 15.
    Measuring the crystalfilter • Converting Voltage into Power? • Impedance of my signal generator? • Impedance conversion? • Termination?
  • 16.
  • 18.
    Reminds me ofthe roman army in the Asterix and the Roman Agent.! - f
  • 19.
    Toroids … •Do not be afraid • Get a LCR meter (AADE - $100) • Watch YouTube videos • Get multi color magnetic wires for transformers
  • 21.
  • 22.
    Home made Arduino • Get a Atmega328P with an Arduino bootloader • Or better, burn the bootloader yourself • Enjoy the binary (works / does not work) aspects of the controller board ;) • If you are not familiar with Arduino, stick to the standard setup for now
  • 23.
    Arduino - LCD Display Si570 XO (VFO +20Mhz) KISS Mixer Crystal Filter 20 Mhz RX Pre-amp BFO 20 Mhz Diode Mixer AF Pre-amp AF Amp
  • 27.
    Receiving signals •It is a lot easier than you think! • Learnt how to debug amplifiers via transistor biases, temperature and AC-coupled measurements • Built my first VXO and generating sine waves at 20 Mhz
  • 29.
    Finishing up •Mixer fun: Carrier Suppression, Conversion Loss and IIP3 • Output power, Harmonics and the FCC • From 50mV to 50V
  • 31.
  • 32.
    Blocks • Learntto see a circuit as blocks and stages • Everything can be tested and measured independently • Build, Test, Move on - Each stage is a project • Keep a notebook - Take lots of notes
  • 33.
    Tools • DVM,Scope • Soldering Iron, MePads, Glue • LCR Meter • Some sort of signal generator • BNC Connectors, 50 Ohm termination, Cables, etc • Spectrum Analyzer or PHSNA is nice to have
  • 34.
    Reference • MinimaInitial Article http://www.phonestack.com/farhan/minima.html • Minima Mailing List • And all the Minimas that have been built! • Experimental Methods in RF Design (EMRFD) • ARRL Handbook • Chat With The Designer Podcast (cwtd.org)
  • 35.
    Solder Smoke BillMeara - N2CQR Book Blog Podcast!! http://soldersmoke.blogspot.com
  • 36.
  • 37.
    Project Status •Still actively being developed and designed • The KISS Mixer will probably be replaced by another mixer in the future • This should not stop you! ! • A few PCBs were made but distribution is limited until the design is finalized ! • You will need the RF386 Power Amplifier (or similar)
  • 38.
    Open Source Software • Many contributions to the Minima software https://github.com/afarhan/radiono • WA0UWH leading the charge with WSPR support, CW ID, Rotary encoder, etc https://github.com/wa0uwh/radiono_erb
  • 39.
    Join the club! Already 4 known Minimas in the bay area. ! ! Questions? Demo!! ! ! Thomas - KK6AHT http://sarfata.org/ham/minima @sarfata This presentation is licensed under a Creative Commons Attribution-ShareAlike 3.0 Unported License.