BJT Q- POINT DESIGN
PRESENTATION
A P P L I E D E X P E R I M E N T S A N D
E L E C T R O N I C S
Presented By:
茱席拉 4090H430
孟沙克 4090H439
馬希布 4090H411
艾米略 4090H424
柯多明 4090H434
倫諾思 C100H004
奧洛林 4090H445
Date:
7th
January, 2022
OVERVIE
W
• Goals
• Constraints
• Given Information
Sources of Information
• Fundamental Equations/
Laws
• Questions during design
process
• Test of Values
• Final result for BJT bias
GOALS
1
• Design a quiescent point,
Q1 to be Icq=50 mA
• The goal of Transistor
Biasing is to establish a
known quiescent
operating point, or Q-
point for the bipolar
transistor to work
CONSTRAINTS
• BJT operates in the
active region.
• BJT gain; Beta=100
• Power consumption of
the bias circuit cannot
exceed 3 Watts.
2
GIVEN
INFORMATION
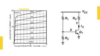
3
•BJT output characteristics graph
•Bias circuit (Voltage divider Bias
Configuration) ~in our case there is no
resistor at the emitter a.k.a (Resistive Divider
Biasing without Emitter Degeneration)
•Saturation current, Is=5×10-16
WOOD
Fundamental
Equations/
Laws
4
•KVL: Kirchhoff's voltage law
•Ohm's law: V=IR
•Power equation: P=IV
•Textbook equations from pgs. 117, 164-
165
Fundamental Equations/
Laws (cntd)
Design thought-process
(with calculations)
5
• Since BJT operates in the active region and Icq=50mA, what should the max
value of Ic be?
• With a maximum power consumption of 3W, what is the maximum supply
voltage Vcc allowed?
• Now that we have the max Vcc allowed, what value should we actually use,
considering possible fluctuations in current and voltage drops throughout
the circuit?
• With the agreed value of Vcc, and using the BJT characteristic graph, what
Design thought-process
(Contd)
•What should the maximum value of Rc be?
•Since saturation current value is given and Icq is known, what should be the
Vbe value of the transistor?
•Taking into account the rule of thumb
{ I2=~Ic÷10 } for a voltage divider circuit,
where I2 is the current flowing through R2,
what is a suitable value for R2?
•What should be the value of R1 that coincides
with the calculated values of R2, Vcc?
What should be the value of R1 that coincides
with the calculated values of R2, Vcc?
Using the redrawn equivalent circuit: (Thevenin
equivalent circuit)
•How can the calculated values be verified?
6
TEST VALUES
•Number of sets of trial values of Vce, R1, R2, Rc : ~12
Some Trial values:
1) R1=1.86kΩ, R2= 140Ω, Rc = 80Ω, Vcc= 10V, VceQ =6V
2) R1 = 6kΩ, R2= 500Ω, Rc = 150Ω, Vcc= 15V, VceQ = 7.5V
3) R1 =3.8k , R2= 200Ω, Rc = 200Ω, Vcc= 20V, VceQ =10V
7
Final values agreed
on:
•R1 = 6.5k Ω
•R2 = 500Ω
•Rc = 150Ω
•VceQ = 7.5V
•Vcc = 15V
Additional Suggestions for Circuit Design
“While proper choice of R1 and R2 in the circuit
makes the bias relatively insensitive to Beta, the
exponential dependence of Ic upon the resistive
divider, leads to substantial bias variations.
(Such variations were encountered in the design
process). Thus the circuit is still not practical.”
The following voltage divider biasing
configuration alleviates the problem of
sensitivity to β and VBE and is the most widely
used transistor biasing method . This occurs
because Re exhibits a linear (rather than
exponential) I-V relationship. Thus an error in
Vb due to inaccuracies in R1, R2 or Vcc is
Additional Suggestions for Circuit
Design
Possible Circuit Values for this configuration*:
R1 = 23.7kΩ ,R2= 2kΩ, Rc = 90Ω, Re = 10Ω Vcc= 20V, VceQ =10V
Voltage divider network biasing makes the transistor circuit
independent of changes in beta as the biasing voltages set at the
transistors base, emitter, and collector terminals are not
dependent on external circuit values.
CLASS DISCUSSION
(Q/A)
INFORMATION…………………………………
…..
SOURCE OF
INFORMATION
REFERENCES
•https://www.eeeguide.com/voltage-divider-bias-
circuit/
•https://www.youtube.com/watch?
v=i4I2Ae6FQ9ghttps://youtu.be/MNp-WxkF5h4
•https://youtu.be/VKr9SB3cULc
•Microelectronics Text (Behzad Razavi)
•https://www.electronics-tutorials.ws/amplifier/tr
ansistor-biasing.html
謝謝大家 ! Sank you for
your
cooperation
OHH HOH HOH OOOH HOOOO…..

BJT QPoint design Electronics Presentation

  • 1.
    BJT Q- POINTDESIGN PRESENTATION A P P L I E D E X P E R I M E N T S A N D E L E C T R O N I C S Presented By: 茱席拉 4090H430 孟沙克 4090H439 馬希布 4090H411 艾米略 4090H424 柯多明 4090H434 倫諾思 C100H004 奧洛林 4090H445 Date: 7th January, 2022
  • 2.
    OVERVIE W • Goals • Constraints •Given Information Sources of Information • Fundamental Equations/ Laws • Questions during design process • Test of Values • Final result for BJT bias
  • 3.
    GOALS 1 • Design aquiescent point, Q1 to be Icq=50 mA • The goal of Transistor Biasing is to establish a known quiescent operating point, or Q- point for the bipolar transistor to work
  • 4.
    CONSTRAINTS • BJT operatesin the active region. • BJT gain; Beta=100 • Power consumption of the bias circuit cannot exceed 3 Watts. 2
  • 5.
    GIVEN INFORMATION 3 •BJT output characteristicsgraph •Bias circuit (Voltage divider Bias Configuration) ~in our case there is no resistor at the emitter a.k.a (Resistive Divider Biasing without Emitter Degeneration) •Saturation current, Is=5×10-16
  • 6.
  • 7.
    Fundamental Equations/ Laws 4 •KVL: Kirchhoff's voltagelaw •Ohm's law: V=IR •Power equation: P=IV •Textbook equations from pgs. 117, 164- 165
  • 8.
  • 9.
    Design thought-process (with calculations) 5 •Since BJT operates in the active region and Icq=50mA, what should the max value of Ic be? • With a maximum power consumption of 3W, what is the maximum supply voltage Vcc allowed? • Now that we have the max Vcc allowed, what value should we actually use, considering possible fluctuations in current and voltage drops throughout the circuit? • With the agreed value of Vcc, and using the BJT characteristic graph, what
  • 10.
    Design thought-process (Contd) •What shouldthe maximum value of Rc be? •Since saturation current value is given and Icq is known, what should be the Vbe value of the transistor?
  • 11.
    •Taking into accountthe rule of thumb { I2=~Ic÷10 } for a voltage divider circuit, where I2 is the current flowing through R2, what is a suitable value for R2? •What should be the value of R1 that coincides with the calculated values of R2, Vcc?
  • 12.
    What should bethe value of R1 that coincides with the calculated values of R2, Vcc? Using the redrawn equivalent circuit: (Thevenin equivalent circuit) •How can the calculated values be verified?
  • 15.
    6 TEST VALUES •Number ofsets of trial values of Vce, R1, R2, Rc : ~12 Some Trial values: 1) R1=1.86kΩ, R2= 140Ω, Rc = 80Ω, Vcc= 10V, VceQ =6V 2) R1 = 6kΩ, R2= 500Ω, Rc = 150Ω, Vcc= 15V, VceQ = 7.5V 3) R1 =3.8k , R2= 200Ω, Rc = 200Ω, Vcc= 20V, VceQ =10V
  • 16.
    7 Final values agreed on: •R1= 6.5k Ω •R2 = 500Ω •Rc = 150Ω •VceQ = 7.5V •Vcc = 15V
  • 17.
    Additional Suggestions forCircuit Design “While proper choice of R1 and R2 in the circuit makes the bias relatively insensitive to Beta, the exponential dependence of Ic upon the resistive divider, leads to substantial bias variations. (Such variations were encountered in the design process). Thus the circuit is still not practical.” The following voltage divider biasing configuration alleviates the problem of sensitivity to β and VBE and is the most widely used transistor biasing method . This occurs because Re exhibits a linear (rather than exponential) I-V relationship. Thus an error in Vb due to inaccuracies in R1, R2 or Vcc is
  • 18.
    Additional Suggestions forCircuit Design Possible Circuit Values for this configuration*: R1 = 23.7kΩ ,R2= 2kΩ, Rc = 90Ω, Re = 10Ω Vcc= 20V, VceQ =10V Voltage divider network biasing makes the transistor circuit independent of changes in beta as the biasing voltages set at the transistors base, emitter, and collector terminals are not dependent on external circuit values.
  • 19.
  • 20.
  • 21.
    謝謝大家 ! Sankyou for your cooperation OHH HOH HOH OOOH HOOOO…..