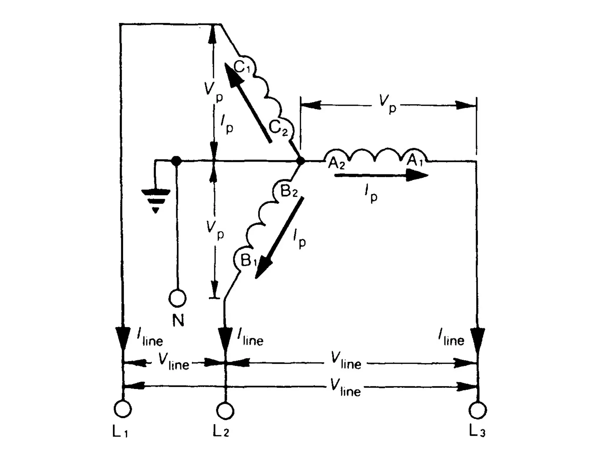
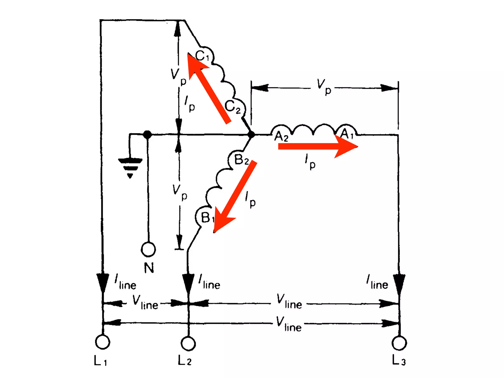
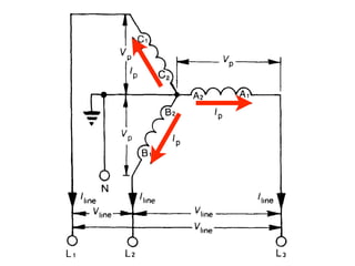
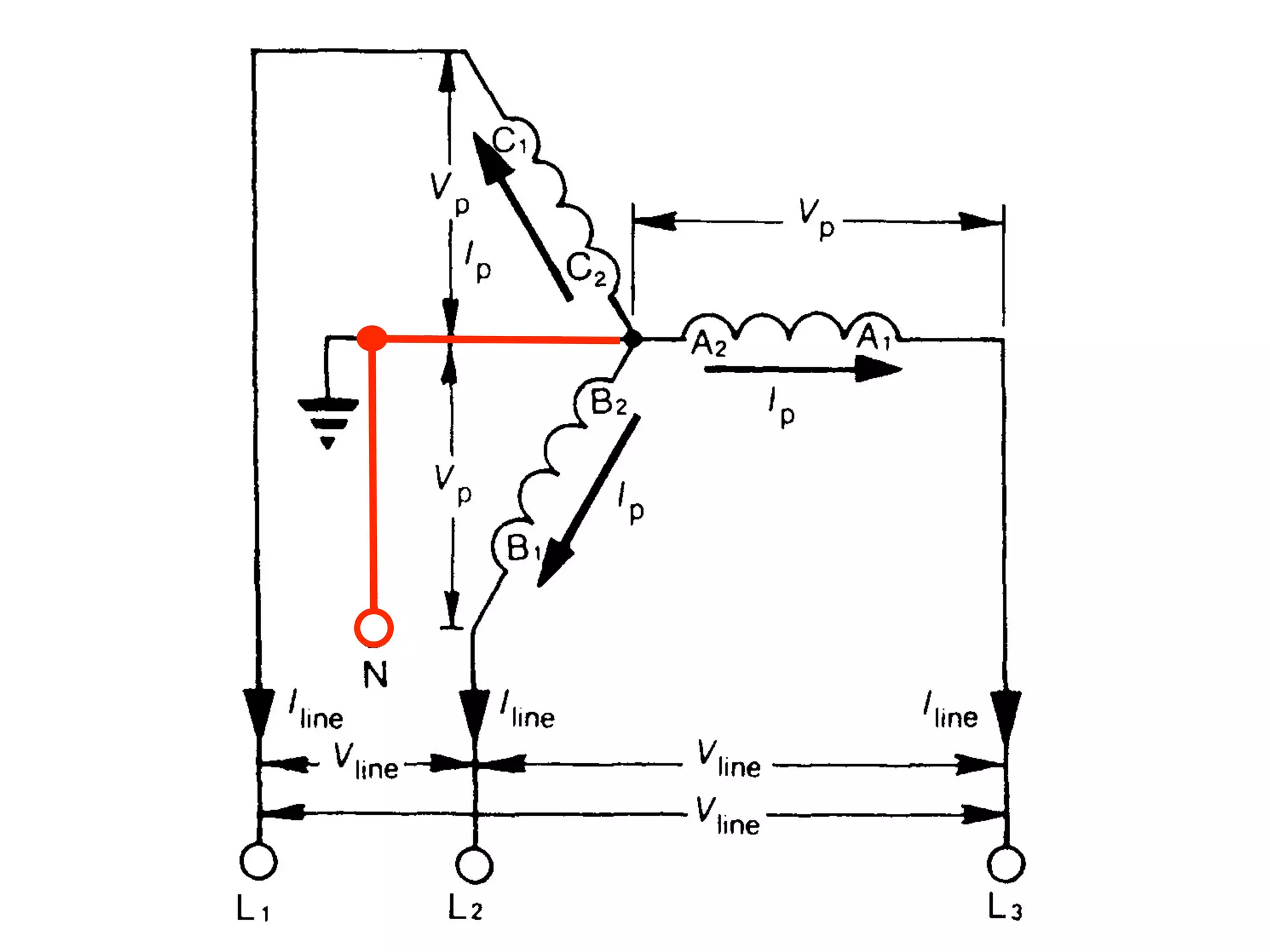
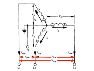
The line voltage V line is a combination of two phase voltages in a star-connected system. The line voltage is derived from the phase voltages in a three-phase power system connected in a star configuration.