ORGANISASI & ARSITEKTUR KOMPUTER 2 
UNIT CONTROL 
IBP WIDJA, MT
Pendahuluan 
 Eksekusi instruksi melibatkan rangkaian sub-langkah 
yg disebut siklus. Setiap siklus terdiri atas rangkaian 
operasi fundamental yg disebut operasi mikro. 
 Unit Kontrol memiliki 2 tugas: 
- Membuat processor melakukan operasi mikro pada urutan 
yg sesuai yg ditentukan oleh program 
- Menghasilkan sinyal kontrol yg menyebabkan setiap 
operasi mikro bisa dieksekusi 
 Sinyal kontrol yg dihasilkan oleh unit kontrol akan 
mempengaruhi logic gate shg data dapat berpindah. 
 Teknik untuk menerapkan unit kontrol dapat 
dilakukan sebagai implementasi Hardwire atau 
implementasi Termikroprogram
Operasi Mikro 
 Setiap satu instruksi dapat dianggap sbg 
susunan sejumlah satuan siklus yg lebih kecil, 
misal (Fetch–execute di pipeline). Setiap 
satuan siklus kecil tersebut terdiri dari 
langkah2 operasi mikro 
 Kata mikro mengacu pada fakta bahwa tiap 
langkah adalah sederhana dan akan 
menyelesaikan operasi terkecil 
 Operasi mikro merupakan operasi prosessor 
yang fungsional dan atomic.
Elemen2 Eksekusi Program
op.m Siklus Fetch 
Contoh Siklus Fetch: 
 Saat awal PC berisi 1100100 
 Memindahkan alamat ke 
MAR 
 Bus Alamat mengandung 
alamat yg disimpan di MAR 
 Unit kontrol mengeluarkan 
perintah READ pada kontrol 
bus. Hasilnya muncul di bus 
data dan disalin ke MBR 
 Untuk menyiapkan instruksi 
berikutnya PC dinaikkan 1 
 Lankah terakhir adalah 
memindahkan isi MBR ke IR 
 Dengan demikian siklus Fetch 
sederhana sebenarnya terdiri 
atas 3 langkah dan 4 operasi 
mikro 
 Secara simbolik dapat ditulis 
sbb: 
t1: MAR <-- (PC) 
t2: MBR <-- Memory 
PC <-- (PC) + I 
t3: IR <-- (MBR) 
 t1,t2 dan t3 mrpk unit waktu 
yg berdurasi sama & berurutan
Urutan Event op.m Siklus Fetch
op.m Siklus Fetch tak langsung 
 Operasi mikro sederhana 
untuk siklus fetch tidak 
langsung: 
t1: MAR <-- (IR (alamat)) 
t2: MBR <-- Memory 
t3: IR (alamat) <--( MBR 
(alamat)) 
 Bidang alamat instruksi 
dipindahkan ke MAR 
 Bidang alamat tersebut 
digunakan untuk 
mengambil alamat 
operand 
 Alamat IR diperbaharui 
oleh MBR sedemikian shg 
berisi alamat langsung 
bukannya alamat tak 
langsung
op.m  Siklus Interupsi 
 Diakhir siklus eksekusi akan 
terjadi pengujian apakah ada 
interupsi, bila ada interupsi 
maka terjadilah siklus interupsi 
 Conoth Operasi mikro siklus 
interupsi serdernaha: 
t1: MBR <-- (PC) 
t2: MAR <-- Alamat_simpan 
PC <--- Alamat_rutin 
t3: Memory <-- (MBR) 
 Isi PC ditransfer ke MBR 
 MAR kemudian dimuati oleh 
alamat isi PC yg akan 
disimpan. PC akan dimuati 
awal rutin pengolahan 
interupsi. 
 Menyimpan MBR yg berisi 
isi PC yg lama ke dalam 
memori
op.m Siklus Eksekusi 
 Siklus Eksekusi merupakan 
siklus yg tidak mudah untuk 
diprediksi dng demikian 
diambil contoh: 
- ADD R1, X 
- operasi mikro yg terjadi: 
 t1: MAR<--IR(alamat) 
 t2: MBR<--Memory 
 t3: R1<--R1+MBR 
 operasi diatas mrpk op. yg 
sangat sederhana, masih 
dibutuhkan beberapa 
op.m lagi untuk menyimpan 
result ke memory 
 Contoh lain eksekusi branch 
and save address pd instruksi: 
- BSA X 
- Alamat instruksi yg berada 
setelah instruksi BSA 
disimpan di lokasi X. Dan 
eksekusi dilanjutkan pada 
lokasi X+1 
- op.m nya: 
 t1: MAR<--(IR (Alamat)) 
MBR<--(PC) 
 t2: PC<--(IR (Alamat)) 
memory<--(MBR) 
 t3: PC<--(PC) + I
op.m Siklus Instruksi 
 Jadi setiap fase siklus instruksi akan diuraikan 
menjadi rangkaian op.m elementer. 
 Seluruh rangkaian op.m dapat digambarkan secara 
utuh dgn mengandaikan register 2-bit yg berisi ICC 
(Instruction Code Cycle): 
00: Fetch 
01: Indirect Fetch 
10: Eksekusi 
11: Interupsi 
 Siklus tidak langsung selalu diikuti siklus eksekusi. 
Siklus Interupsi selalu diikuti siklus fetch 
 Diagram dibawah menggambarkan rangkaian 
op.m lengkap yg hanya tergantung rangkain instruksi 
dan pola interupsi
op.m Siklus Instruksi 
 Jadi setiap fase siklus instruksi akan diuraikan 
menjadi rangkaian op.m elementer. 
 Seluruh rangkaian op.m dapat digambarkan secara 
utuh dgn mengandaikan register 2-bit yg berisi ICC 
(Instruction Code Cycle): 
00: Fetch 
01: Indirect Fetch 
10: Eksekusi 
11: Interupsi 
 Siklus tidak langsung selalu diikuti siklus eksekusi. 
Siklus Interupsi selalu diikuti siklus fetch 
 Diagram dibawah menggambarkan rangkaian 
op.m lengkap yg hanya tergantung rangkain instruksi 
dan pola interupsi
Opcode? 
Eksekusi Instruksi 
Inter?upsi 
ICC=11 ICC=00 
Baca 
Alamat 
ICC=10 
ICC ? 
Mengambil 
Instruksi 
Pengalamatan 
tak langsung ? 
ICC=10 ICC=01 
Interupsi 
Setup 
ICC=00 
11 (interupsi) 00 (fetch) 
ya tidak tidak ya
Kontrol Prosessor 
 Definisi fungsional dari tentang apa yang 
dilakukan oleh unit kontrol adalah: 
- Pengurutan: unit kontrol menyebabkan prosessor 
menuju sejumlah operasi mikro dalam urutan yg 
benar berdasarkan pada program yang sedang 
dieksekusi 
- Eksekusi: Unit kontrol menyebabkan setiap 
operasi mikro dilakukan 
 Cara unit kontrol beroperasi yaitu dengan 
menggunakan sinyal-sinyal kontrol
Sinyal Kontrol 
 Spesifikasi eksternal: Dalam melaksanakan fungsinya, 
Unit Kontrol harus memiliki input yg memungkinkan 
untuk mengetahui status sistem dan memiliki output yg 
dapat mengatur prilaku sistem 
 Spesifikasi internal: Unit kontrol harus memiliki logika yg 
diperlukan untuk membentuk fungsi pengurutan dan 
fungsi eksekusinya 
 Elemen2 sinyal kontrol: 
- Sinyal yg mengaktivasi fungsi-fungsi ALU 
- Sinyal yg mengaktivasi alur-alur data 
- Sinyal pd bus sistem eksternal atau interface lainnya
Model Unit Kontrol 
Unit 
Kontrol 
Flag 
Clock 
Register Instruksi 
Sinyal Kontrol 
dalam CPU 
Sinyal Kontrol 
dari bus sistem 
Bus Kontrol 
Sinyal Kontrol 
pd bus sistem
Input Unit Kontrol 
Unit kontrol mempunyai beberapa input, diantaranya: 
 Clock: berfungsi untuk sinkronisasi operasi antar 
komponen 
 Flag: flag-flag ini diperlukan unit kontrol untuk 
mengetahui status CPU. Flag diset ALU sebagai hasil dari 
suatu operasi, misalnya: overflow flag, diset 1 bila hasil 
komputasi melampaui panjang register tempat flag 
disimpan. 
 Instruction register: menggunakan opcode untuk 
menentukan operasi mikro yang akan dilakukan selama 
siklus eksekusi 
 Sinyal kontrol dari ”bus control”: memberi jalur ke 
unit kontrol untuk sinyal-sinyal tertentu, seperti sinyal 
interrupt dan sinyal acknowledgment
Output Sinyal Kontrol 
1. Sinyal kontrol di dalam CPU (control signals within CPU): 
output unit kontrol terdiri dari dua macam sinyal, yaitu: 
 Sinyal-sinyal yang dapat mengaktifkan fungsi ALU 
yang spesifik 
 sinyal-sinyal yang menyebabkan perpindahan data 
antar register 
1. Sinyal kontrol ke ”bus control” juga terdiri atas 2 sinyal, 
yaitu. 
 sinyal kontrol ke memori 
 sinyal kontrol ke modul-modul I/O
Implementasi Unit Kontrol 
 Implementasi Hardwired 
 Implementasi Microprogrammed
Implementasi Hardwired 
 Unit kontrol merupakan rangkaian kombinatorial. Sinyal-sinyal 
logika inputnya akan didekodekan menjadi sinyal-sinyal logika 
output, yang merupakan sinyal-sinyal kontrol ke sistem 
komputer. Sinyal-sinyal input tersebut, seperti clock, flag, 
register instruction, dan sinyal kontrol merupakan input bagi 
unit kontrol untuk mengetahui status komputer. Sinyal 
keluaran yang dihasilkan akan mengendalikan sistem kerja 
komputer. 
 N buah input biner akan menghasilkan 2N output biner. Setiap 
instruksi memiliki opcode yang berbeda beda. 
 Opcode yang berbeda dalam instruksi akan menghasilkan 
sinyal kontrol yang berbeda pula. Pewaktu unit kontrol 
mengeluarkan rangkaian pulsa yang periodik. 
 Pulsa waktu ini digunakan untuk mengukur durasi setiap 
operasi mikro yang dijalankan CPU, intinya digunakan untuk 
sinkronisasi kerja masing-masing bagian.
Implementasi Hardwired... 
 Masalah dalam Merancang Implementasi 
Hardwired: 
- Memiliki kompleksitas dalam pengurutan dan 
operasi mikronya 
- Sulit didesain dan dilakukan pengetesan 
- Tidak fleksibel 
- Sulit untuk menambahkan instruksi baru
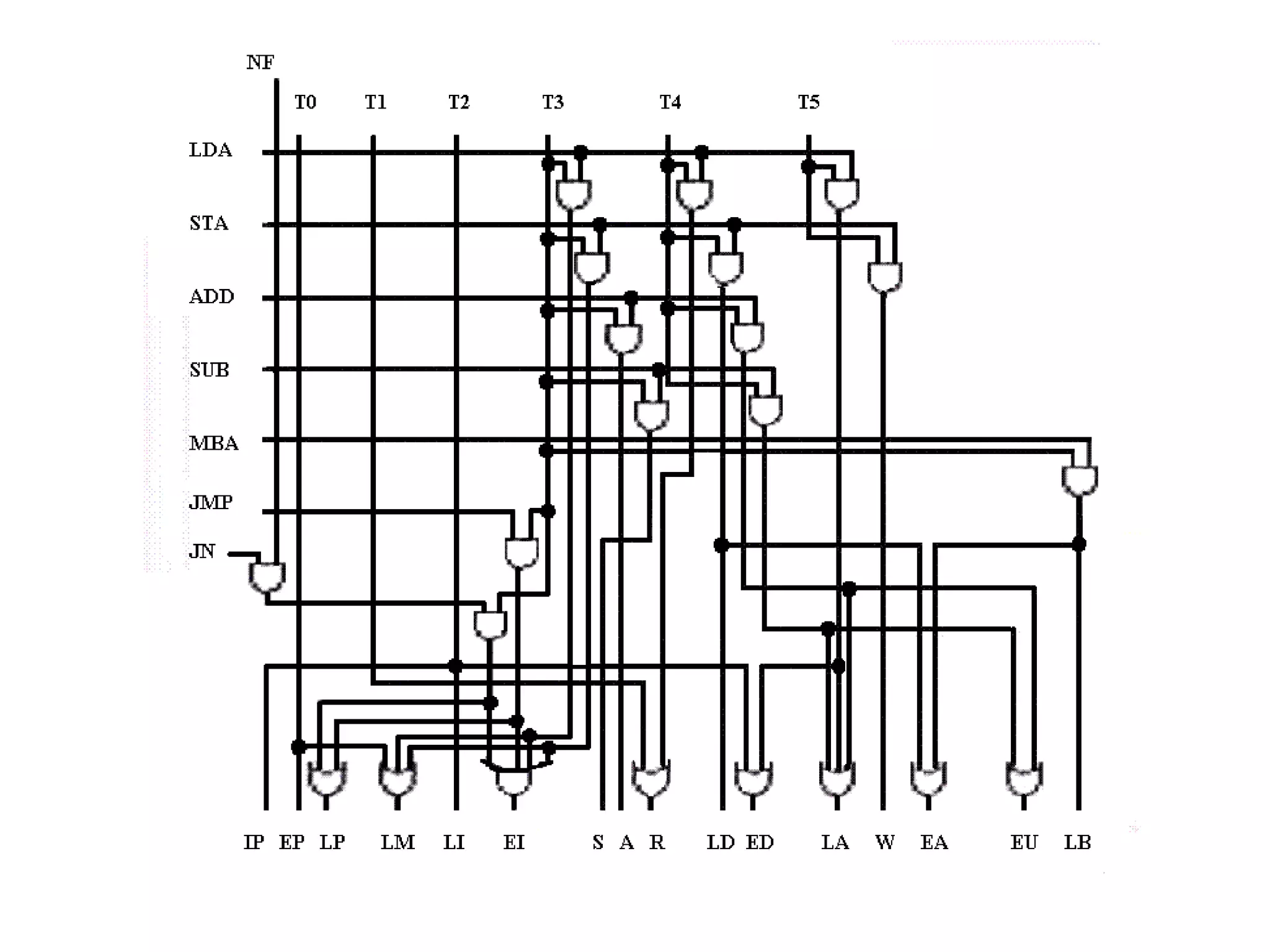
A Matrix of Times at which Each Control Signal Must Be Active in Order to 
Execute the Hard-wired Basic Computer's Instructions 
Control Signal: IP LP EP LM R W LD ED LI EI LA EA A S EU LB 
Instruction: 
­­­­­­­­­­­­­­­­­­­­­­­­­­­­­­­­­­­­­­­­­­­­­­­­­­­­­­­­­­­­­­­­­­­­­­­­­­­­­" 
Fetch" T2 T0 T0 T1 T2 T2 
LDA T3 T4 T5 T3 T5 
STA T3 T5 T4 T3 T4 
MBA T3 T3 
ADD T4 T3 T4 
SUB T4 T3 T4 
JMP T3 T3 
JN T3*NF T3*NF
Implementasi Microprogrammed 
Implementasi yang paling reliabel saat ini adalah 
implementasi microprogrammed. Unit kontrol 
memerlukan sebuah memori untuk menyimpan 
program kontrolnya. 
Fungsi–fungsi pengontrolan dilakukan berdasarkan 
program kontrol yang tersimpan pada unit kontrol. 
Selain itu, fungsi–fungsi pengontrolan tidak 
berdasarkan dekode dari input unit kontrol lagi. 
Teknik ini dapat menjawab kesulitan–kesulitan yang 
ditemui dalam implementasi hardwired.
Unit Kontrol Termikroprogram 
 Set instruksi mikro 
disimpan didalam 
memori kontrol 
 Register alamat kontrol 
berisi alamat instruksi 
mikro berikut yg akan 
dibaca 
 Ketika instruksi mikro 
dibaca dari memori 
kontrol, instruksi 
tersebut dipindahkan ke 
register buffer kontrol 
 Sequence logic 
memuatkan register 
alamat kontrol dan 
mengelarkan instruksi 
read
Unit Kontrol Termikroprogram ... 
 Untuk mengeksekusi 
instruksi SL mengeluarkan 
read ke CM 
 Word yg terbaca dng alamat 
dari CAR akan ditransfer dari 
CM ke CBR 
 Isi dari CBR menghasilkan 
sinyal kontrol & informasi 
alamat berikutnya untuk 
menuntun SL 
 SL akan memuat sebuah 
alamat baru ke CAR 
berdasarkan informasi dari 
CBR dan ALU flag 
 Semua kejadian diatas 
terjadi selama 1 pulsa clock
Kelebihan dan Kekurangan 
pada unit Kontrol Termikroprogram 
 Kelebihan: 
- Dapat menyederhanakan perancangan unit kontrol 
- Lebih murah dan lebih sedikit kesalahan yg bisa terjadi 
pada saat implementasi 
- Penerapan Sequence Logic dan Dekoder merupakan bagian 
logika yg mudah daripada unit kontrol hardwire yg 
merupakan circuit logic yg sangat kompleks . 
 Kekurangan 
- Unit Termikroprogram akan lebih lambat daripada unit 
hardwired 
Teknik ini banyak pada CISC dan unit kontrol 
hardwired lebih digunakan pada RISC
Eksekusi Instruksi Mikro 
 Pada dasarnya 
eksekusi ini adalah 
untuk menghasilkan 
sinyal-sinyal kontrol 
 Sebagian sinyal-sinyal 
tersebut 
menuju ke dalam 
CPU dan sebagian 
lagi ke bus kontrol 
eksternal atau 
antarmuka eksternal 
lainnya
Aplikasi Pemrograman Mikro 
 Semenjak pemrograman mikro populer di th 1960 
maka terdapat banyak variasi implementasi. 
 Aplikasi tsb meliputi: 
- Realisasi Komputer 
- Emulasi : mengemulasi mesin lain 
- Dukungan sistem operasi: peningkatan kinerja dng implementasi 
bentuk2 primitif untuk menggantikan bagian penting software 
SO 
- Realisasi spesial equipment: Card modem, dsg 
- Dukungan bahasa tingkat tinggi: Jenis yg dapat langsung 
diterapkan pada firmware Cobol, Foltran 
- Dianostic mikro: firmware untuk mendukung pengawasan, 
pendeteksian, isolasi dan perbaikan kesalahan sistem 
- Penyesuaian pemakai: memori kontrol pd RAM bukan ROM shg 
user dapat melakukan program mikro sesuai dengan keperluan 
user tsb.
end of slide

unit kontrol

  • 1.
    ORGANISASI & ARSITEKTURKOMPUTER 2 UNIT CONTROL IBP WIDJA, MT
  • 2.
    Pendahuluan  Eksekusiinstruksi melibatkan rangkaian sub-langkah yg disebut siklus. Setiap siklus terdiri atas rangkaian operasi fundamental yg disebut operasi mikro.  Unit Kontrol memiliki 2 tugas: - Membuat processor melakukan operasi mikro pada urutan yg sesuai yg ditentukan oleh program - Menghasilkan sinyal kontrol yg menyebabkan setiap operasi mikro bisa dieksekusi  Sinyal kontrol yg dihasilkan oleh unit kontrol akan mempengaruhi logic gate shg data dapat berpindah.  Teknik untuk menerapkan unit kontrol dapat dilakukan sebagai implementasi Hardwire atau implementasi Termikroprogram
  • 3.
    Operasi Mikro Setiap satu instruksi dapat dianggap sbg susunan sejumlah satuan siklus yg lebih kecil, misal (Fetch–execute di pipeline). Setiap satuan siklus kecil tersebut terdiri dari langkah2 operasi mikro  Kata mikro mengacu pada fakta bahwa tiap langkah adalah sederhana dan akan menyelesaikan operasi terkecil  Operasi mikro merupakan operasi prosessor yang fungsional dan atomic.
  • 4.
  • 5.
    op.m Siklus Fetch Contoh Siklus Fetch:  Saat awal PC berisi 1100100  Memindahkan alamat ke MAR  Bus Alamat mengandung alamat yg disimpan di MAR  Unit kontrol mengeluarkan perintah READ pada kontrol bus. Hasilnya muncul di bus data dan disalin ke MBR  Untuk menyiapkan instruksi berikutnya PC dinaikkan 1  Lankah terakhir adalah memindahkan isi MBR ke IR  Dengan demikian siklus Fetch sederhana sebenarnya terdiri atas 3 langkah dan 4 operasi mikro  Secara simbolik dapat ditulis sbb: t1: MAR <-- (PC) t2: MBR <-- Memory PC <-- (PC) + I t3: IR <-- (MBR)  t1,t2 dan t3 mrpk unit waktu yg berdurasi sama & berurutan
  • 6.
    Urutan Event op.mSiklus Fetch
  • 7.
    op.m Siklus Fetchtak langsung  Operasi mikro sederhana untuk siklus fetch tidak langsung: t1: MAR <-- (IR (alamat)) t2: MBR <-- Memory t3: IR (alamat) <--( MBR (alamat))  Bidang alamat instruksi dipindahkan ke MAR  Bidang alamat tersebut digunakan untuk mengambil alamat operand  Alamat IR diperbaharui oleh MBR sedemikian shg berisi alamat langsung bukannya alamat tak langsung
  • 8.
    op.m SiklusInterupsi  Diakhir siklus eksekusi akan terjadi pengujian apakah ada interupsi, bila ada interupsi maka terjadilah siklus interupsi  Conoth Operasi mikro siklus interupsi serdernaha: t1: MBR <-- (PC) t2: MAR <-- Alamat_simpan PC <--- Alamat_rutin t3: Memory <-- (MBR)  Isi PC ditransfer ke MBR  MAR kemudian dimuati oleh alamat isi PC yg akan disimpan. PC akan dimuati awal rutin pengolahan interupsi.  Menyimpan MBR yg berisi isi PC yg lama ke dalam memori
  • 9.
    op.m Siklus Eksekusi  Siklus Eksekusi merupakan siklus yg tidak mudah untuk diprediksi dng demikian diambil contoh: - ADD R1, X - operasi mikro yg terjadi:  t1: MAR<--IR(alamat)  t2: MBR<--Memory  t3: R1<--R1+MBR  operasi diatas mrpk op. yg sangat sederhana, masih dibutuhkan beberapa op.m lagi untuk menyimpan result ke memory  Contoh lain eksekusi branch and save address pd instruksi: - BSA X - Alamat instruksi yg berada setelah instruksi BSA disimpan di lokasi X. Dan eksekusi dilanjutkan pada lokasi X+1 - op.m nya:  t1: MAR<--(IR (Alamat)) MBR<--(PC)  t2: PC<--(IR (Alamat)) memory<--(MBR)  t3: PC<--(PC) + I
  • 10.
    op.m Siklus Instruksi  Jadi setiap fase siklus instruksi akan diuraikan menjadi rangkaian op.m elementer.  Seluruh rangkaian op.m dapat digambarkan secara utuh dgn mengandaikan register 2-bit yg berisi ICC (Instruction Code Cycle): 00: Fetch 01: Indirect Fetch 10: Eksekusi 11: Interupsi  Siklus tidak langsung selalu diikuti siklus eksekusi. Siklus Interupsi selalu diikuti siklus fetch  Diagram dibawah menggambarkan rangkaian op.m lengkap yg hanya tergantung rangkain instruksi dan pola interupsi
  • 11.
    op.m Siklus Instruksi  Jadi setiap fase siklus instruksi akan diuraikan menjadi rangkaian op.m elementer.  Seluruh rangkaian op.m dapat digambarkan secara utuh dgn mengandaikan register 2-bit yg berisi ICC (Instruction Code Cycle): 00: Fetch 01: Indirect Fetch 10: Eksekusi 11: Interupsi  Siklus tidak langsung selalu diikuti siklus eksekusi. Siklus Interupsi selalu diikuti siklus fetch  Diagram dibawah menggambarkan rangkaian op.m lengkap yg hanya tergantung rangkain instruksi dan pola interupsi
  • 12.
    Opcode? Eksekusi Instruksi Inter?upsi ICC=11 ICC=00 Baca Alamat ICC=10 ICC ? Mengambil Instruksi Pengalamatan tak langsung ? ICC=10 ICC=01 Interupsi Setup ICC=00 11 (interupsi) 00 (fetch) ya tidak tidak ya
  • 13.
    Kontrol Prosessor Definisi fungsional dari tentang apa yang dilakukan oleh unit kontrol adalah: - Pengurutan: unit kontrol menyebabkan prosessor menuju sejumlah operasi mikro dalam urutan yg benar berdasarkan pada program yang sedang dieksekusi - Eksekusi: Unit kontrol menyebabkan setiap operasi mikro dilakukan  Cara unit kontrol beroperasi yaitu dengan menggunakan sinyal-sinyal kontrol
  • 14.
    Sinyal Kontrol Spesifikasi eksternal: Dalam melaksanakan fungsinya, Unit Kontrol harus memiliki input yg memungkinkan untuk mengetahui status sistem dan memiliki output yg dapat mengatur prilaku sistem  Spesifikasi internal: Unit kontrol harus memiliki logika yg diperlukan untuk membentuk fungsi pengurutan dan fungsi eksekusinya  Elemen2 sinyal kontrol: - Sinyal yg mengaktivasi fungsi-fungsi ALU - Sinyal yg mengaktivasi alur-alur data - Sinyal pd bus sistem eksternal atau interface lainnya
  • 15.
    Model Unit Kontrol Unit Kontrol Flag Clock Register Instruksi Sinyal Kontrol dalam CPU Sinyal Kontrol dari bus sistem Bus Kontrol Sinyal Kontrol pd bus sistem
  • 16.
    Input Unit Kontrol Unit kontrol mempunyai beberapa input, diantaranya:  Clock: berfungsi untuk sinkronisasi operasi antar komponen  Flag: flag-flag ini diperlukan unit kontrol untuk mengetahui status CPU. Flag diset ALU sebagai hasil dari suatu operasi, misalnya: overflow flag, diset 1 bila hasil komputasi melampaui panjang register tempat flag disimpan.  Instruction register: menggunakan opcode untuk menentukan operasi mikro yang akan dilakukan selama siklus eksekusi  Sinyal kontrol dari ”bus control”: memberi jalur ke unit kontrol untuk sinyal-sinyal tertentu, seperti sinyal interrupt dan sinyal acknowledgment
  • 17.
    Output Sinyal Kontrol 1. Sinyal kontrol di dalam CPU (control signals within CPU): output unit kontrol terdiri dari dua macam sinyal, yaitu:  Sinyal-sinyal yang dapat mengaktifkan fungsi ALU yang spesifik  sinyal-sinyal yang menyebabkan perpindahan data antar register 1. Sinyal kontrol ke ”bus control” juga terdiri atas 2 sinyal, yaitu.  sinyal kontrol ke memori  sinyal kontrol ke modul-modul I/O
  • 18.
    Implementasi Unit Kontrol  Implementasi Hardwired  Implementasi Microprogrammed
  • 19.
    Implementasi Hardwired Unit kontrol merupakan rangkaian kombinatorial. Sinyal-sinyal logika inputnya akan didekodekan menjadi sinyal-sinyal logika output, yang merupakan sinyal-sinyal kontrol ke sistem komputer. Sinyal-sinyal input tersebut, seperti clock, flag, register instruction, dan sinyal kontrol merupakan input bagi unit kontrol untuk mengetahui status komputer. Sinyal keluaran yang dihasilkan akan mengendalikan sistem kerja komputer.  N buah input biner akan menghasilkan 2N output biner. Setiap instruksi memiliki opcode yang berbeda beda.  Opcode yang berbeda dalam instruksi akan menghasilkan sinyal kontrol yang berbeda pula. Pewaktu unit kontrol mengeluarkan rangkaian pulsa yang periodik.  Pulsa waktu ini digunakan untuk mengukur durasi setiap operasi mikro yang dijalankan CPU, intinya digunakan untuk sinkronisasi kerja masing-masing bagian.
  • 20.
    Implementasi Hardwired... Masalah dalam Merancang Implementasi Hardwired: - Memiliki kompleksitas dalam pengurutan dan operasi mikronya - Sulit didesain dan dilakukan pengetesan - Tidak fleksibel - Sulit untuk menambahkan instruksi baru
  • 22.
    A Matrix ofTimes at which Each Control Signal Must Be Active in Order to Execute the Hard-wired Basic Computer's Instructions Control Signal: IP LP EP LM R W LD ED LI EI LA EA A S EU LB Instruction: ­­­­­­­­­­­­­­­­­­­­­­­­­­­­­­­­­­­­­­­­­­­­­­­­­­­­­­­­­­­­­­­­­­­­­­­­­­­­­" Fetch" T2 T0 T0 T1 T2 T2 LDA T3 T4 T5 T3 T5 STA T3 T5 T4 T3 T4 MBA T3 T3 ADD T4 T3 T4 SUB T4 T3 T4 JMP T3 T3 JN T3*NF T3*NF
  • 23.
    Implementasi Microprogrammed Implementasiyang paling reliabel saat ini adalah implementasi microprogrammed. Unit kontrol memerlukan sebuah memori untuk menyimpan program kontrolnya. Fungsi–fungsi pengontrolan dilakukan berdasarkan program kontrol yang tersimpan pada unit kontrol. Selain itu, fungsi–fungsi pengontrolan tidak berdasarkan dekode dari input unit kontrol lagi. Teknik ini dapat menjawab kesulitan–kesulitan yang ditemui dalam implementasi hardwired.
  • 24.
    Unit Kontrol Termikroprogram  Set instruksi mikro disimpan didalam memori kontrol  Register alamat kontrol berisi alamat instruksi mikro berikut yg akan dibaca  Ketika instruksi mikro dibaca dari memori kontrol, instruksi tersebut dipindahkan ke register buffer kontrol  Sequence logic memuatkan register alamat kontrol dan mengelarkan instruksi read
  • 25.
    Unit Kontrol Termikroprogram...  Untuk mengeksekusi instruksi SL mengeluarkan read ke CM  Word yg terbaca dng alamat dari CAR akan ditransfer dari CM ke CBR  Isi dari CBR menghasilkan sinyal kontrol & informasi alamat berikutnya untuk menuntun SL  SL akan memuat sebuah alamat baru ke CAR berdasarkan informasi dari CBR dan ALU flag  Semua kejadian diatas terjadi selama 1 pulsa clock
  • 26.
    Kelebihan dan Kekurangan pada unit Kontrol Termikroprogram  Kelebihan: - Dapat menyederhanakan perancangan unit kontrol - Lebih murah dan lebih sedikit kesalahan yg bisa terjadi pada saat implementasi - Penerapan Sequence Logic dan Dekoder merupakan bagian logika yg mudah daripada unit kontrol hardwire yg merupakan circuit logic yg sangat kompleks .  Kekurangan - Unit Termikroprogram akan lebih lambat daripada unit hardwired Teknik ini banyak pada CISC dan unit kontrol hardwired lebih digunakan pada RISC
  • 27.
    Eksekusi Instruksi Mikro  Pada dasarnya eksekusi ini adalah untuk menghasilkan sinyal-sinyal kontrol  Sebagian sinyal-sinyal tersebut menuju ke dalam CPU dan sebagian lagi ke bus kontrol eksternal atau antarmuka eksternal lainnya
  • 28.
    Aplikasi Pemrograman Mikro  Semenjak pemrograman mikro populer di th 1960 maka terdapat banyak variasi implementasi.  Aplikasi tsb meliputi: - Realisasi Komputer - Emulasi : mengemulasi mesin lain - Dukungan sistem operasi: peningkatan kinerja dng implementasi bentuk2 primitif untuk menggantikan bagian penting software SO - Realisasi spesial equipment: Card modem, dsg - Dukungan bahasa tingkat tinggi: Jenis yg dapat langsung diterapkan pada firmware Cobol, Foltran - Dianostic mikro: firmware untuk mendukung pengawasan, pendeteksian, isolasi dan perbaikan kesalahan sistem - Penyesuaian pemakai: memori kontrol pd RAM bukan ROM shg user dapat melakukan program mikro sesuai dengan keperluan user tsb.
  • 29.