B B 
A A 
St_ccruz 4/9/2013 
5 
C.G. Cruz 
A A 
SECTION A-A 
SCALE 1 / 2 
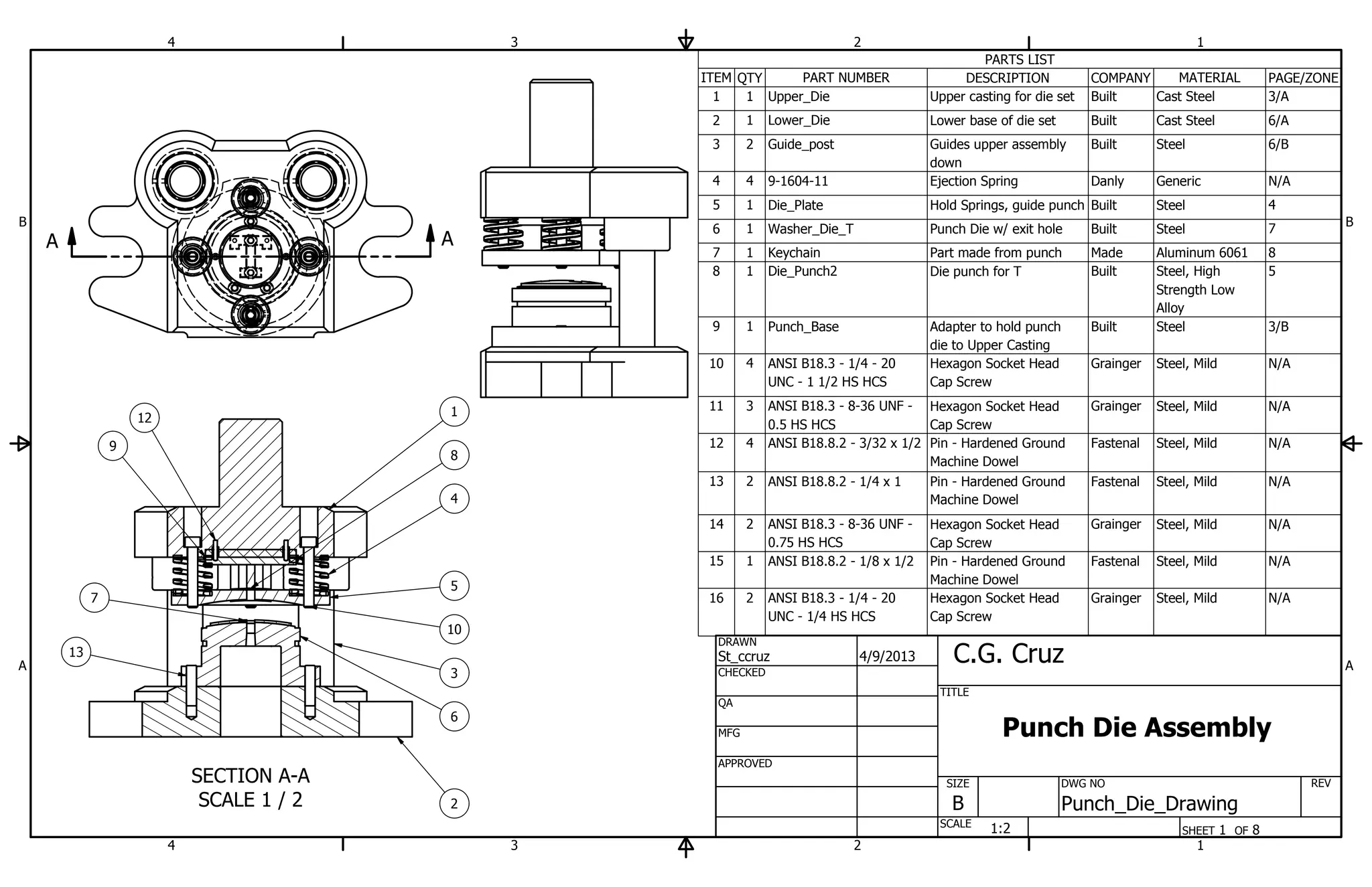
PARTS LIST 
1 
ITEM QTY PART NUMBER DESCRIPTION COMPANY MATERIAL PAGE/ZONE 
1 1 Upper_Die Upper casting for die set Built Cast Steel 3/A 
2 1 Lower_Die Lower base of die set Built Cast Steel 6/A 
3 2 Guide_post Guides upper assembly 
down 
Built Steel 6/B 
4 4 9-1604-11 Ejection Spring Danly Generic N/A 
5 1 Die_Plate Hold Springs, guide punch Built Steel 4 
6 1 Washer_Die_T Punch Die w/ exit hole Built Steel 7 
7 1 Keychain Part made from punch Made Aluminum 6061 8 
8 1 Die_Punch2 Die punch for T Built Steel, High 
Strength Low 
Alloy 
5 
9 1 Punch_Base Adapter to hold punch 
die to Upper Casting 
Built Steel 3/B 
10 4 ANSI B18.3 - 1/4 - 20 
UNC - 1 1/2 HS HCS 
Hexagon Socket Head 
Cap Screw 
Grainger Steel, Mild N/A 
11 3 ANSI B18.3 - 8-36 UNF - 
0.5 HS HCS 
Hexagon Socket Head 
Cap Screw 
Grainger Steel, Mild N/A 
12 4 ANSI B18.8.2 - 3/32 x 1/2 Pin - Hardened Ground 
Machine Dowel 
Fastenal Steel, Mild N/A 
13 2 ANSI B18.8.2 - 1/4 x 1 Pin - Hardened Ground 
Machine Dowel 
Fastenal Steel, Mild N/A 
14 2 ANSI B18.3 - 8-36 UNF - 
0.75 HS HCS 
Hexagon Socket Head 
Cap Screw 
Grainger Steel, Mild N/A 
15 1 ANSI B18.8.2 - 1/8 x 1/2 Pin - Hardened Ground 
Machine Dowel 
Fastenal Steel, Mild N/A 
16 2 ANSI B18.3 - 1/4 - 20 
UNC - 1/4 HS HCS 
Hexagon Socket Head 
Cap Screw 
Grainger Steel, Mild N/A 
1 
2 
2 
3 
3 
4 
4 
SHEET 1 OF 8 
DRAWN 
CHECKED 
QA 
MFG 
APPROVED 
DWG NO 
Punch_Die_Drawing 
TITLE 
SIZE 
B 
SCALE 
REV 
10 
3 
6 
13 
2 
7 
4 
12 
8 
9 
1 
Punch Die Assembly 
1:2
PARTS LIST 
ITEM QTY PART NUMBER DESCRIPTION COMPANY MATERIAL PAGE/ZONE 
1 1 Upper_Die Upper casting for die set Built Cast Steel 3/A 
2 1 Lower_Die Lower base of die set Built Cast Steel 6/A 
Guides upper assembly Built Steel 6/B 
down 
3 2 Guide_post 
4 4 9-1604-11 Ejection Spring Danly Generic N/A 
Hold Springs, guide Built Steel 4 
punch 
5 1 Die_Plate 
B B 
6 1 Washer_Die_T Punch Die w/ exit hole Built Steel 7 
Aluminum 8 
6061 
7 1 Keychain Part made from punch Made 
Steel, 5 
High 
Strength 
Low Alloy 
8 1 Die_Punch2 Die punch for T Built 
Adapter to hold punch Built Steel 3/B 
die to Upper Casting 
9 1 Punch_Base 
Hexagon Socket Head Grainger Steel, Mild N/A 
Cap Screw 
ANSI B18.3 - 
1/4 - 20 UNC - 
1 1/2 HS HCS 
10 4 
Hexagon Socket Head Grainger Steel, Mild N/A 
Cap Screw 
ANSI B18.3 - 
8-36 UNF - 0.5 
HS HCS 
11 3 
Pin - Hardened Ground Fastenal Steel, Mild N/A 
Machine Dowel 
ANSI B18.8.2 - 
3/32 x 1/2 
12 4 
Pin - Hardened Ground Fastenal Steel, Mild N/A 
Machine Dowel 
ANSI B18.8.2 - 
1/4 x 1 
13 2 
Hexagon Socket Head Grainger Steel, Mild N/A 
Cap Screw 
ANSI B18.3 - 
8-36 UNF - 
0.75 HS HCS 
14 2 
Pin - Hardened Ground Fastenal Steel, Mild N/A 
Machine Dowel 
ANSI B18.8.2 - 
1/8 x 1/2 
15 1 
St_ccruz 4/9/2013 
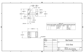
Exploded View 
A A 
Hexagon Socket Head Grainger Steel, Mild N/A 
Cap Screw 
ANSI B18.3 - 
1/4 - 20 UNC - 
1/4 HS HCS 
16 2 
1 
1 
2 
2 
3 
3 
4 
4 
SHEET 2 OF 8 
DRAWN 
CHECKED 
QA 
MFG 
APPROVED 
DWG NO 
Punch_Die_Drawing 
TITLE 
SIZE 
B 
SCALE 
REV 
10 1 9 14 12 11 8 4 5 15 7 13 6 16 3 2 
C.G. Cruz 
1:2
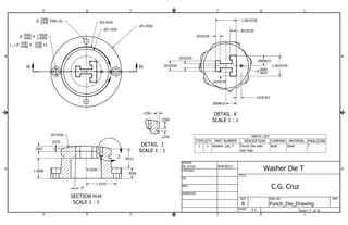
R1.2500 
8-32 UNC - 2B 
X P .3130 
.3136 Z .1640 
.1645 X2 
.1004 Z .2500 
.1004 Z .2500 
B B 
.1605 Z .2500 
St_ccruz 4/9/2013 
2.0625 
1.8750 1.4400 
.1605 Z .2500 
.4000 
.1775 Z 1.0000 
.3136 Z .1640 
.4000 
.8750 
A A 
DETAIL B 
SCALE 1 : 1 
B 
PARTS LIST 
ITEM QTY PART NUMBER DESCRIPTION COMPANY MATERIAL PAGE/ZONE SCALE 
1 1 Upper Die Upper Casting for Die Set Built Cast Steel 3/A 1:2 
PARTS LIST 
ITEM QTY PART NUMBER DESCRIPTION COMPANY MATERIAL PAGE/ZONE SCALE 
Adapter to hold Punch Built Steel 3/B 1:1 
Die to Upper Casting 
1 1 Punch_Base 
1 
1 
2 
2 
3 
3 
4 
4 
SHEET 3 OF 8 
DRAWN 
CHECKED 
QA 
MFG 
APPROVED 
DWG NO 
Punch_Die_Drawing 
TITLE 
SIZE 
B 
SCALE 
REV 
.5000 .1250 
1.5620 
.0750 X 45.00Ć’ Chamfer 
2.1750 
1.2500 
.2500 X 26.57Ć’ Chamfer 
4.1250 
P1.3710 
3.2500 
4.8750 
3.8750 
P.2660 THRU 
X P.4380 Z 1.0000 X4 
R.8750 
P .1600 
.2505 
8-32 UNC - 2B X3 
P .1600 
.2505 
TOP BOTTOM 
TOP 
BOTTOM 
P .1000 
.2504 X2 
P .1000 
.2504 x2 
P .1770 
1.0005 
X P .3130 
.1644 X3 
.4000 
.8750 
.4000 
.8750 
.3750 2.2500 
.7782 
.7782 
.4000 
C.G. Cruz 
.4000
.8512 Z .1460 
P .8500 
.1472 X4 
B B 
SECTION C-C 
SCALE 1 : 1 
DETAIL L 
SCALE 1 : 1 
L 
C C 
St_ccruz 4/9/2013 
A A 
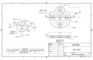
PARTS LIST 
ITEM QTY PART NUMBER DESCRIPTION COMPANY MATERIAL PAGE/ZONE 
Plate to hold springs Built Steel 4 
and guide die punch 
1 1 Die_Plate 
1 
1 
2 
2 
3 
3 
4 
4 
SHEET 4 OF 8 
DRAWN 
CHECKED 
QA 
MFG 
APPROVED 
DWG NO 
Punch_Die_Drawing 
TITLE 
SIZE 
B 
SCALE 
REV 
P2.8800 
1/4-20 UNC - 2B X4 
R.. 99337835 x2 
R1.9615 
1.0019230 
1.0019230 
.2019230 
.5009615 
.5009615 
.3019230 
.2019230 
.2019230 
.5019230 
.2509615 
1.6250 
1.8750 
R6.0000 
3.9230 
.3750 
1:1 
Die Plate 
C.G. Cruz
.1004 Z .2500 
.4980770 
B B 
PARTS LIST 
ITEM QTY PART NUMBER DESCRIPTION COMPANY MATERIAL PAGE/ZONE 
Steel, 5 
High 
Strength 
Low Alloy 
Die Punch for Built 
T, Sized for 
shearing 
1 1 Die_Punch2 
1 
St_ccruz 4/9/2013 
.1961540 
A A 
1 
2 
2 
3 
3 
4 
4 
SHEET 5 OF 8 
DRAWN 
CHECKED 
QA 
MFG 
APPROVED 
DWG NO 
Punch_Die_Drawing 
TITLE 
SIZE 
B 
SCALE 
REV 
.9980770 
.6225319 
R6.0000000 
P .1000 
.2504 x2 
.9980770 
.2961540 
.1000000 
.4000000 
8-32 UNC - 2B x2 
.1980770 
.4980770 
.2480770 
Die Punch 
2:1 
C.G. Cruz
1.4524 
B B 
St_ccruz 4/9/2013 
.6250 
21Ć’ 1.1250 
.2500 X 26.57Ć’ Chamfer 
A A 
PARTS LIST 
ITEM QTY PART NUMBER DESCRIPTION COMPANY MATERIAL PAGE/ZONE SCALE 
1 1 Lower_Die Lower Base of Die Set Built Cast Steel 6/A 1:2 
PARTS LIST 
ITEM QTY PART NUMBER DESCRIPTION COMPANY MATERIAL PAGE/ZONE SCALE 
Guids upper Built Steel 6/B 1:1 
assembly down 
1 1 Guide_post 
1 
1 
2 
2 
3 
3 
4 
4 
SHEET 6 OF 8 
DRAWN 
CHECKED 
QA 
MFG 
APPROVED 
DWG NO 
Punch_Die_Drawing 
TITLE 
SIZE 
B 
SCALE 
REV 
.8750 
1.2500 
R.2500 
R.3750 x4 
R.. 55000007 x2 
R1.2500 
P 11..55000006 THRU 
P.. 22666606 THRU X4 
.5000 .1250 
3.1875 
.4337 
1.7500 
.8750 
P.. 88775506 THRU X2 
1.4710 
2.0000 
1.8750 
1.6250 
2.0625 
P.. 88773427 
5.5000 
.0625 X 45.00Ć’ Chamfer 
C.G. Cruz
.2506 THRU X2 
.2666 Z 1.0000 
.4387 Z .2500 
B B 
.2019230 
St_ccruz 4/9/2013 
.9510 
A A 
SECTION H-H 
SCALE 1 : 1 
DETAIL J 
SCALE 1 : 1 
DETAIL K 
SCALE 1 : 1 
H H 
J 
K 
PARTS LIST 
ITEM QTY PART NUMBER DESCRIPTION COMPANY MATERIAL PAGE/ZONE 
Punch Die with Built Steel 7 
exit hole 
1 1 Washer_Die_T 
1 
1 
2 
2 
3 
3 
4 
4 
SHEET 7 OF 8 
DRAWN 
CHECKED 
QA 
MFG 
APPROVED 
DWG NO 
Punch_Die_Drawing 
TITLE 
SIZE 
B 
SCALE 
REV 
P .2500 
P .2660 
1.0008 
X P .4380 
.2506 X2 
P3.4420 
1.4710 
.5000 
R5.9350 
.0379 
3Ć’ 
R.0350 
.2667 
.3260 
.1250 
.1250 
R.. 00662655 
P2.4420 
P2.1920 
1.0019230 
.5009615 
.5009615 
.5019230 
.2019230 
.2019230 
1.0019230 
.3019230 
.2476707 
1:1 
Washer Die T 
C.G. Cruz 
1.0000
B B 
F .1000 .2000 
F 
.2000 .2000 
SECTION F-F 
SCALE 2 : 1 
PARTS LIST 
ITEM QTY PART NUMBER DESCRIPTION COMPANY MATERIAL PAGE/ZONE 
Aluminum 8 
6061 
Part made after Made 
punch 
1 1 Keychain 
1 
St_ccruz 4/9/2013 
R6.0000 
A A 
1 
2 
2 
3 
3 
4 
4 
SHEET 8 OF 8 
DRAWN 
CHECKED 
QA 
MFG 
APPROVED 
DWG NO 
Punch_Die_Drawing 
TITLE 
SIZE 
B 
SCALE 
REV 
P2.0000 
.7495 
.0641 
.5000 
.2500 
.1000 
.3000 
1.0000 
1.0000 
.2000 .4000 
.5000 
.5000 R.0625 
2:1 
Keychain 
C.G. Cruz

Punch_Die_Drawing1-8

  • 1.
    B B AA St_ccruz 4/9/2013 5 C.G. Cruz A A SECTION A-A SCALE 1 / 2 PARTS LIST 1 ITEM QTY PART NUMBER DESCRIPTION COMPANY MATERIAL PAGE/ZONE 1 1 Upper_Die Upper casting for die set Built Cast Steel 3/A 2 1 Lower_Die Lower base of die set Built Cast Steel 6/A 3 2 Guide_post Guides upper assembly down Built Steel 6/B 4 4 9-1604-11 Ejection Spring Danly Generic N/A 5 1 Die_Plate Hold Springs, guide punch Built Steel 4 6 1 Washer_Die_T Punch Die w/ exit hole Built Steel 7 7 1 Keychain Part made from punch Made Aluminum 6061 8 8 1 Die_Punch2 Die punch for T Built Steel, High Strength Low Alloy 5 9 1 Punch_Base Adapter to hold punch die to Upper Casting Built Steel 3/B 10 4 ANSI B18.3 - 1/4 - 20 UNC - 1 1/2 HS HCS Hexagon Socket Head Cap Screw Grainger Steel, Mild N/A 11 3 ANSI B18.3 - 8-36 UNF - 0.5 HS HCS Hexagon Socket Head Cap Screw Grainger Steel, Mild N/A 12 4 ANSI B18.8.2 - 3/32 x 1/2 Pin - Hardened Ground Machine Dowel Fastenal Steel, Mild N/A 13 2 ANSI B18.8.2 - 1/4 x 1 Pin - Hardened Ground Machine Dowel Fastenal Steel, Mild N/A 14 2 ANSI B18.3 - 8-36 UNF - 0.75 HS HCS Hexagon Socket Head Cap Screw Grainger Steel, Mild N/A 15 1 ANSI B18.8.2 - 1/8 x 1/2 Pin - Hardened Ground Machine Dowel Fastenal Steel, Mild N/A 16 2 ANSI B18.3 - 1/4 - 20 UNC - 1/4 HS HCS Hexagon Socket Head Cap Screw Grainger Steel, Mild N/A 1 2 2 3 3 4 4 SHEET 1 OF 8 DRAWN CHECKED QA MFG APPROVED DWG NO Punch_Die_Drawing TITLE SIZE B SCALE REV 10 3 6 13 2 7 4 12 8 9 1 Punch Die Assembly 1:2
  • 2.
    PARTS LIST ITEMQTY PART NUMBER DESCRIPTION COMPANY MATERIAL PAGE/ZONE 1 1 Upper_Die Upper casting for die set Built Cast Steel 3/A 2 1 Lower_Die Lower base of die set Built Cast Steel 6/A Guides upper assembly Built Steel 6/B down 3 2 Guide_post 4 4 9-1604-11 Ejection Spring Danly Generic N/A Hold Springs, guide Built Steel 4 punch 5 1 Die_Plate B B 6 1 Washer_Die_T Punch Die w/ exit hole Built Steel 7 Aluminum 8 6061 7 1 Keychain Part made from punch Made Steel, 5 High Strength Low Alloy 8 1 Die_Punch2 Die punch for T Built Adapter to hold punch Built Steel 3/B die to Upper Casting 9 1 Punch_Base Hexagon Socket Head Grainger Steel, Mild N/A Cap Screw ANSI B18.3 - 1/4 - 20 UNC - 1 1/2 HS HCS 10 4 Hexagon Socket Head Grainger Steel, Mild N/A Cap Screw ANSI B18.3 - 8-36 UNF - 0.5 HS HCS 11 3 Pin - Hardened Ground Fastenal Steel, Mild N/A Machine Dowel ANSI B18.8.2 - 3/32 x 1/2 12 4 Pin - Hardened Ground Fastenal Steel, Mild N/A Machine Dowel ANSI B18.8.2 - 1/4 x 1 13 2 Hexagon Socket Head Grainger Steel, Mild N/A Cap Screw ANSI B18.3 - 8-36 UNF - 0.75 HS HCS 14 2 Pin - Hardened Ground Fastenal Steel, Mild N/A Machine Dowel ANSI B18.8.2 - 1/8 x 1/2 15 1 St_ccruz 4/9/2013 Exploded View A A Hexagon Socket Head Grainger Steel, Mild N/A Cap Screw ANSI B18.3 - 1/4 - 20 UNC - 1/4 HS HCS 16 2 1 1 2 2 3 3 4 4 SHEET 2 OF 8 DRAWN CHECKED QA MFG APPROVED DWG NO Punch_Die_Drawing TITLE SIZE B SCALE REV 10 1 9 14 12 11 8 4 5 15 7 13 6 16 3 2 C.G. Cruz 1:2
  • 3.
    R1.2500 8-32 UNC- 2B X P .3130 .3136 Z .1640 .1645 X2 .1004 Z .2500 .1004 Z .2500 B B .1605 Z .2500 St_ccruz 4/9/2013 2.0625 1.8750 1.4400 .1605 Z .2500 .4000 .1775 Z 1.0000 .3136 Z .1640 .4000 .8750 A A DETAIL B SCALE 1 : 1 B PARTS LIST ITEM QTY PART NUMBER DESCRIPTION COMPANY MATERIAL PAGE/ZONE SCALE 1 1 Upper Die Upper Casting for Die Set Built Cast Steel 3/A 1:2 PARTS LIST ITEM QTY PART NUMBER DESCRIPTION COMPANY MATERIAL PAGE/ZONE SCALE Adapter to hold Punch Built Steel 3/B 1:1 Die to Upper Casting 1 1 Punch_Base 1 1 2 2 3 3 4 4 SHEET 3 OF 8 DRAWN CHECKED QA MFG APPROVED DWG NO Punch_Die_Drawing TITLE SIZE B SCALE REV .5000 .1250 1.5620 .0750 X 45.00Ć’ Chamfer 2.1750 1.2500 .2500 X 26.57Ć’ Chamfer 4.1250 P1.3710 3.2500 4.8750 3.8750 P.2660 THRU X P.4380 Z 1.0000 X4 R.8750 P .1600 .2505 8-32 UNC - 2B X3 P .1600 .2505 TOP BOTTOM TOP BOTTOM P .1000 .2504 X2 P .1000 .2504 x2 P .1770 1.0005 X P .3130 .1644 X3 .4000 .8750 .4000 .8750 .3750 2.2500 .7782 .7782 .4000 C.G. Cruz .4000
  • 4.
    .8512 Z .1460 P .8500 .1472 X4 B B SECTION C-C SCALE 1 : 1 DETAIL L SCALE 1 : 1 L C C St_ccruz 4/9/2013 A A PARTS LIST ITEM QTY PART NUMBER DESCRIPTION COMPANY MATERIAL PAGE/ZONE Plate to hold springs Built Steel 4 and guide die punch 1 1 Die_Plate 1 1 2 2 3 3 4 4 SHEET 4 OF 8 DRAWN CHECKED QA MFG APPROVED DWG NO Punch_Die_Drawing TITLE SIZE B SCALE REV P2.8800 1/4-20 UNC - 2B X4 R.. 99337835 x2 R1.9615 1.0019230 1.0019230 .2019230 .5009615 .5009615 .3019230 .2019230 .2019230 .5019230 .2509615 1.6250 1.8750 R6.0000 3.9230 .3750 1:1 Die Plate C.G. Cruz
  • 5.
    .1004 Z .2500 .4980770 B B PARTS LIST ITEM QTY PART NUMBER DESCRIPTION COMPANY MATERIAL PAGE/ZONE Steel, 5 High Strength Low Alloy Die Punch for Built T, Sized for shearing 1 1 Die_Punch2 1 St_ccruz 4/9/2013 .1961540 A A 1 2 2 3 3 4 4 SHEET 5 OF 8 DRAWN CHECKED QA MFG APPROVED DWG NO Punch_Die_Drawing TITLE SIZE B SCALE REV .9980770 .6225319 R6.0000000 P .1000 .2504 x2 .9980770 .2961540 .1000000 .4000000 8-32 UNC - 2B x2 .1980770 .4980770 .2480770 Die Punch 2:1 C.G. Cruz
  • 6.
    1.4524 B B St_ccruz 4/9/2013 .6250 21Ć’ 1.1250 .2500 X 26.57Ć’ Chamfer A A PARTS LIST ITEM QTY PART NUMBER DESCRIPTION COMPANY MATERIAL PAGE/ZONE SCALE 1 1 Lower_Die Lower Base of Die Set Built Cast Steel 6/A 1:2 PARTS LIST ITEM QTY PART NUMBER DESCRIPTION COMPANY MATERIAL PAGE/ZONE SCALE Guids upper Built Steel 6/B 1:1 assembly down 1 1 Guide_post 1 1 2 2 3 3 4 4 SHEET 6 OF 8 DRAWN CHECKED QA MFG APPROVED DWG NO Punch_Die_Drawing TITLE SIZE B SCALE REV .8750 1.2500 R.2500 R.3750 x4 R.. 55000007 x2 R1.2500 P 11..55000006 THRU P.. 22666606 THRU X4 .5000 .1250 3.1875 .4337 1.7500 .8750 P.. 88775506 THRU X2 1.4710 2.0000 1.8750 1.6250 2.0625 P.. 88773427 5.5000 .0625 X 45.00Ć’ Chamfer C.G. Cruz
  • 7.
    .2506 THRU X2 .2666 Z 1.0000 .4387 Z .2500 B B .2019230 St_ccruz 4/9/2013 .9510 A A SECTION H-H SCALE 1 : 1 DETAIL J SCALE 1 : 1 DETAIL K SCALE 1 : 1 H H J K PARTS LIST ITEM QTY PART NUMBER DESCRIPTION COMPANY MATERIAL PAGE/ZONE Punch Die with Built Steel 7 exit hole 1 1 Washer_Die_T 1 1 2 2 3 3 4 4 SHEET 7 OF 8 DRAWN CHECKED QA MFG APPROVED DWG NO Punch_Die_Drawing TITLE SIZE B SCALE REV P .2500 P .2660 1.0008 X P .4380 .2506 X2 P3.4420 1.4710 .5000 R5.9350 .0379 3Ć’ R.0350 .2667 .3260 .1250 .1250 R.. 00662655 P2.4420 P2.1920 1.0019230 .5009615 .5009615 .5019230 .2019230 .2019230 1.0019230 .3019230 .2476707 1:1 Washer Die T C.G. Cruz 1.0000
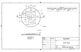
  • 8.
    B B F.1000 .2000 F .2000 .2000 SECTION F-F SCALE 2 : 1 PARTS LIST ITEM QTY PART NUMBER DESCRIPTION COMPANY MATERIAL PAGE/ZONE Aluminum 8 6061 Part made after Made punch 1 1 Keychain 1 St_ccruz 4/9/2013 R6.0000 A A 1 2 2 3 3 4 4 SHEET 8 OF 8 DRAWN CHECKED QA MFG APPROVED DWG NO Punch_Die_Drawing TITLE SIZE B SCALE REV P2.0000 .7495 .0641 .5000 .2500 .1000 .3000 1.0000 1.0000 .2000 .4000 .5000 .5000 R.0625 2:1 Keychain C.G. Cruz