Embed presentation
Download as PDF, PPTX

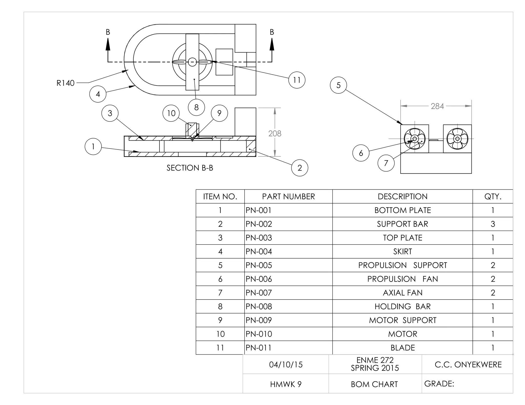
This bill of materials chart contains 11 items needed to build a propulsion device. It lists each item's part number, description, and quantity required. The items include components like a bottom plate, support bar, top plate, skirt, propulsion support, propulsion fan, axial fan, holding bar, motor support, motor, and blade.
