PROGRAMA EN BASCOM ,UTILIZANDO COMANDOS AT Y UN ATMEGA8

$regfile = "m8def.dat"

$crystal = 8000000

$baud = 115200

Config Serialin = Buffered , Size = 100

Config Lcd = 16 * 2

Config Lcdbus = 4

Config Lcdpin = Pin , Db4 = Portd.5 , Db5 = Portd.4 , Db6 = Portd.3 , Db7 = Portd.2 , Rs = Portd.7 , E
= Portd.6

Dim Dato As String * 2                        'variable A tipo string

Dim Conf As String * 1

Dim Login As String * 3                       'variable Btipo string

Config Portb.0 = Output



Enable Interrupts

Dim C As Byte

Ddrb.1 = 0

Portb.1 = 1

Senmag Alias Pinb.1



Ddrd.2 = 0                                'SENSOR MAGNETICO1

Portd.2 = 1

Ddrd.3 = 0                                'SENSOR MAGNETICO2

Portd.3 = 1

Sensor1 Alias Pind.2

Sensor2 Alias Pind.3
Cls

Cursor Off

Home U

Lcd "PROYECTO TESIS"

Waitms 100                                 '' cambiar 1

Home L

Lcd "RENATO SALAZAR"

Waitms 100

Do                                     'cambiar1

Inicio:

'sensores ACTIVADOS

If Sensor1 = 0 Then                          ' Or Sensor2 = 0 Then

          If Sensor1 = 0 Then C = 1

          'If Sensor2 = 0 Then C = 2

 Waitms 100                                'cambiar 1

Print "AT"

Waitms 200                                 '500

Print "AT+CMGF=1"

Waitms 200                                 '500

Print "AT+CMGS=" ; Chr(34) ; "0992793090" ; Chr(34)

Waitms 200                                 'w 1

   If C = 1 Then

   Print "SENSOR 1 ACTIVADO" ; Chr(26)

   Waitms 100                              'cambiar1

   Cls
Home U

  Lcd "SENSOR 1"

  Home L

  Lcd "ACTIVADO"

  End If



End If



 'SENSOR DESACTIVADO

If Sensor1 = 1 Then

    If Sensor1 = 1 Then C = 1                 ' Or Sensor2 = 1 Then

    'If Sensor2 = 1 Then C = 2

           Waitms 100                  'w 1

           Print "AT"

           Waitms 200                  '500                     '

           Print "AT+CMGF=1"

           Waitms 200                   '500

           Print "AT+CMGS=" ; Chr(34) ; "099XXXXXXX" ; Chr(34)

           Waitms 100                  'cambiar 1



           If C = 1 Then

           Print "SENSOR 1 DESACTIVADO" ; Chr(26)

            Cls

            Home U

             Lcd "SENSOR 1 "

             Home L
Lcd "DESACTIVADO"

               Waitms 400           'cambiar 4

            End If

           Wait 5



End If



Print "AT"                         'comando GSM de identificacion de modem

Waitms 100                          'cambiar 1

Print "AT+CMGF=1"

Waitms 100                          'cambiar 1

Print "AT+CMGL="rec Unread ""

Cls

Home U

Lcd "ESPERANDO DATO "

Home L

Lcd "PARA EJECUTAR"

Waitms 100                          'cambiar1

'Inicio:

'Portb = 0

Print "INGRESE A=APAGADO P=PRENDIDO"

Waitms 200

Input Conf

Waitms 100

If Conf = "A" Or Conf = "P" Then
'Print "DATO A o P"

'Input Dato                            'condicion para B

'Waitms 100

'If Dato = "OK" Then

  If Conf = "A" Then

  Portb.0 = 0

  Cls

  Home U

  Lcd "FOCO APAGADO"



  Print "ESTatado del foco " ; Conf ; " (A = Apagado P = Prendido) "

  End If

  If Conf = "P" Then

  Print "Estatado del foco " ; Conf ; " (A = Apagado P = Prendido) "

  Portb.0 = 1

  Cls

  Home U

  Lcd "FOCO PRENDIDO"

  End If

'End If

Else

Goto Inicio

                           'COMPLETA EL LAZO DEL MODEM

End If

Loop                                'Fin dde la condicion

End
LCD1
                                                                                            LM016L


                                                                                                                    RXD

                                                                                                                    TXD

                                                                                                                    RTS
                                                                RV1




                                                                                               VDD
                                                                                               VSS

                                                                                               VEE


                                                                                                     RW
                                                                                                     RS



                                                                                                           D0
                                                                                                           D1
                                                                                                           D2
                                                                                                           D3
                                                                                                           D4
                                                                                                           D5
                                                                                                           D6
                                                                                                           D7
                                                                                                                    CTS




                                                                                                     E
                            ?




                                                                                              1
                                                                                              2
                                                                                              3

                                                                                                     4
                                                                                                     5
                                                                                                     6

                                                                                                           7
                                                                                                           8
                                                                                                           9
                                                                                                          10
                                                                                                          11
                                                                                                          12
                                                                                                          13
                                                                                                          14
                                                          55%
                                                                                                                                  C3

                                                                1k                                                                1u                                  P1
                                                                                                                                                                  1
                                                                                                                                                                       DCD
                  D1                                                                                                                                              6
                                                                                                                                                                       DSR
                  LED-YELLOW                                                                                               1             3         U2             2
                                                                                                                                                                       RXD
            ?                                                                                                                                                     7
C1




                                                                                                                                                                       RTS
                                                                                                                                                                  3
                                            U1                                                                             C1+           C1-                           TXD
                                                                                                                                                                  8
                                                                                                                                                                       CTS
                                       14                                              23                           11                              14            4
                       C1                    PB0/ICP1                     PC0/ADC0                                        T1IN          T1OUT                          DTR
     R1         Q2                     15
                                             PB1/OC1A                     PC1/ADC1
                                                                                       24                           12
                                                                                                                          R1OUT           R1IN
                                                                                                                                                    13            9
                                                                                                                                                                       RI
                2N3904                 16                                              25                           10                              7
                                             PB2/SS/OC1B                  PC2/ADC2                                        T2IN          T2OUT
     330R                              17                                              26                            9                              8
                                             PB3/MOSI/OC2                 PC3/ADC3                                        R2OUT           R2IN              C6
                                       18                                              27
                                             PB4/MISO                 PC4/ADC4/SDA                                                                                         ERROR
                                       19                                              28                                                           2
                                             PB5/SCK                  PC5/ADC5/SCL                                                           VS+
                                        9                                              1                                                            6                 COMPIM
                                             PB6/TOSC1/XTAL1            PC6/RESET                                                            VS-
                                       10                                                                                                                   10u
                                             PB7/TOSC2/XTAL2
                                                                                       2
                                                                          PD0/RXD                                          C2+           C2-                C5
                                                                                       3
                                                                          PD1/TXD
                                                                                       4
                                                                                                     SW1
                                                                          PD2/INT0
                                                                                       5                                   4             5         MAX232
                                                                          PD3/INT1
                                                                                       6             SW-SPST                                                10u
                                                                        PD4/T0/XCK                                                C4
                                                                                       11
                                                                            PD5/T1
                                       21                                              12
                                       20
                                             AREF                         PD6/AIN0
                                                                                       13
                                                                                                          SW2
                                             AVCC                         PD7/AIN1
                                                                                                                                  10u
                                            ATMEGA8                                                       SW-SPST


                                C1
                                100n
                                                                      C2             R2
                                                                                     470R
                                                                      10u

Programa en bascom

  • 1.
    PROGRAMA EN BASCOM,UTILIZANDO COMANDOS AT Y UN ATMEGA8 $regfile = "m8def.dat" $crystal = 8000000 $baud = 115200 Config Serialin = Buffered , Size = 100 Config Lcd = 16 * 2 Config Lcdbus = 4 Config Lcdpin = Pin , Db4 = Portd.5 , Db5 = Portd.4 , Db6 = Portd.3 , Db7 = Portd.2 , Rs = Portd.7 , E = Portd.6 Dim Dato As String * 2 'variable A tipo string Dim Conf As String * 1 Dim Login As String * 3 'variable Btipo string Config Portb.0 = Output Enable Interrupts Dim C As Byte Ddrb.1 = 0 Portb.1 = 1 Senmag Alias Pinb.1 Ddrd.2 = 0 'SENSOR MAGNETICO1 Portd.2 = 1 Ddrd.3 = 0 'SENSOR MAGNETICO2 Portd.3 = 1 Sensor1 Alias Pind.2 Sensor2 Alias Pind.3
  • 2.
    Cls Cursor Off Home U Lcd"PROYECTO TESIS" Waitms 100 '' cambiar 1 Home L Lcd "RENATO SALAZAR" Waitms 100 Do 'cambiar1 Inicio: 'sensores ACTIVADOS If Sensor1 = 0 Then ' Or Sensor2 = 0 Then If Sensor1 = 0 Then C = 1 'If Sensor2 = 0 Then C = 2 Waitms 100 'cambiar 1 Print "AT" Waitms 200 '500 Print "AT+CMGF=1" Waitms 200 '500 Print "AT+CMGS=" ; Chr(34) ; "0992793090" ; Chr(34) Waitms 200 'w 1 If C = 1 Then Print "SENSOR 1 ACTIVADO" ; Chr(26) Waitms 100 'cambiar1 Cls
  • 3.
    Home U Lcd "SENSOR 1" Home L Lcd "ACTIVADO" End If End If 'SENSOR DESACTIVADO If Sensor1 = 1 Then If Sensor1 = 1 Then C = 1 ' Or Sensor2 = 1 Then 'If Sensor2 = 1 Then C = 2 Waitms 100 'w 1 Print "AT" Waitms 200 '500 ' Print "AT+CMGF=1" Waitms 200 '500 Print "AT+CMGS=" ; Chr(34) ; "099XXXXXXX" ; Chr(34) Waitms 100 'cambiar 1 If C = 1 Then Print "SENSOR 1 DESACTIVADO" ; Chr(26) Cls Home U Lcd "SENSOR 1 " Home L
  • 4.
    Lcd "DESACTIVADO" Waitms 400 'cambiar 4 End If Wait 5 End If Print "AT" 'comando GSM de identificacion de modem Waitms 100 'cambiar 1 Print "AT+CMGF=1" Waitms 100 'cambiar 1 Print "AT+CMGL="rec Unread "" Cls Home U Lcd "ESPERANDO DATO " Home L Lcd "PARA EJECUTAR" Waitms 100 'cambiar1 'Inicio: 'Portb = 0 Print "INGRESE A=APAGADO P=PRENDIDO" Waitms 200 Input Conf Waitms 100 If Conf = "A" Or Conf = "P" Then
  • 5.
    'Print "DATO Ao P" 'Input Dato 'condicion para B 'Waitms 100 'If Dato = "OK" Then If Conf = "A" Then Portb.0 = 0 Cls Home U Lcd "FOCO APAGADO" Print "ESTatado del foco " ; Conf ; " (A = Apagado P = Prendido) " End If If Conf = "P" Then Print "Estatado del foco " ; Conf ; " (A = Apagado P = Prendido) " Portb.0 = 1 Cls Home U Lcd "FOCO PRENDIDO" End If 'End If Else Goto Inicio 'COMPLETA EL LAZO DEL MODEM End If Loop 'Fin dde la condicion End
  • 6.
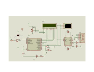
    LCD1 LM016L RXD TXD RTS RV1 VDD VSS VEE RW RS D0 D1 D2 D3 D4 D5 D6 D7 CTS E ? 1 2 3 4 5 6 7 8 9 10 11 12 13 14 55% C3 1k 1u P1 1 DCD D1 6 DSR LED-YELLOW 1 3 U2 2 RXD ? 7 C1 RTS 3 U1 C1+ C1- TXD 8 CTS 14 23 11 14 4 C1 PB0/ICP1 PC0/ADC0 T1IN T1OUT DTR R1 Q2 15 PB1/OC1A PC1/ADC1 24 12 R1OUT R1IN 13 9 RI 2N3904 16 25 10 7 PB2/SS/OC1B PC2/ADC2 T2IN T2OUT 330R 17 26 9 8 PB3/MOSI/OC2 PC3/ADC3 R2OUT R2IN C6 18 27 PB4/MISO PC4/ADC4/SDA ERROR 19 28 2 PB5/SCK PC5/ADC5/SCL VS+ 9 1 6 COMPIM PB6/TOSC1/XTAL1 PC6/RESET VS- 10 10u PB7/TOSC2/XTAL2 2 PD0/RXD C2+ C2- C5 3 PD1/TXD 4 SW1 PD2/INT0 5 4 5 MAX232 PD3/INT1 6 SW-SPST 10u PD4/T0/XCK C4 11 PD5/T1 21 12 20 AREF PD6/AIN0 13 SW2 AVCC PD7/AIN1 10u ATMEGA8 SW-SPST C1 100n C2 R2 470R 10u