1                                                           2                                                                           3                                                   4                                                                5                                                                           6



                                                                                                                                                                                                                                                                                                                                          JMCR SSTC V1.0 - 2006
                                       S1              F1                                                            C2                F2
             L
                                                                                                                                                                                                                      ALIMENTACIÓN
                   INTERRUPTOR
                                                       220V/2A                                                       2.2n/4kv          130mA/220v
    240VAC




                                                                          L1                                                                                           T1
A                                                                                          0.1uF                                                                                                          D1                                          U1                                                                                                                                                                A
             GND
                                                                                           C1             R1                                                                                                                                          7812
                                                                                                          1.5M                                                                                                                                    1                      3
                                                                                                                                                                                                                                                       IN      OUT                                                        +12
                                                                         FILTRO
                                                                                           VAR1                                                                                                                                                              GND
             N                                                                                                                                                                                                         C4
                                                                                                                                                                                                          1N4002 x4                                                                         R5
                                                                                                   250                                                            220/15v/1A                                           3300uF/35v      C5                                                   1K2




                                                                                                                                                                                                                                                             2
                                                                                                                     C3                                                                                                                100N
                                                                                                                                                                                                                                                                                                  R7                      12VCC
                                                                                                                                                                                                                                                                       C6          C7             100
                                                                                                                     2.2n/4kv                                                                                                                                                                           CON1
                                                                                                                                                                                                                                                                                                         1
                                                                                                                                                                                                                                                                              100N
                                                                                                                                                                                                                                                                   10uf/25v                              2




                                                                                                                                                                                                                                                                                        1
                                                                               R6                                                                                 S2                                                                                                                        LD1
                                                                               270K                                                                                                                                                                                                         LED    VENT. 120mA MAX.
                                                                                                                                                                                                +300
                                                                                                                                                                  Pulsador 16A-250vAC                                                                                                                                                                                                                           +300V
                                                                                                                  D2




                                                                                                                                                                                                                                                                                        2
                                                                                  NE1                                                                                                         295v con C5                                                                                                                 -
                                                                                                                                                                                                                                                                                                                                                            BOBINA DE TESLA
                                                                                  NEÓN
                                                                                                                  BY255 x4       C5
                                                                                                                                 OPCIONAL              NTC1                                                                                                                                                                                                               OUT HV
                                                                                                                                                                                                -
                                                                                                                                                       10
B                                                                                                                                                                                                                                                                                            ETAPA DE POTENCIA                     D11                                                                                  B

                                                                               OSCILADOR                                                                                                                  DRIVER
                                                                                                                                                                                                                                                                                                                                   1N5822
             +12
                                                                                                                                                                                                                                                                                                                              Q5
                                                                                                                                                                                                                                                                                                                              IRF740

                                                                                                                                                                                                       Q1              Q2                                                                               D7




                                                                                                                                                                                                                                                                                                                                                                              SECUNDARIO
                                                                                                                                                                                                                                                                                                                                                D13       C11
                                            R4                                                                                                                                                         BC639           BC639        D3            D4                                                    15V                                     BYV29/500 470N/630
                                            33K                                                                                                                                                                                     1N5820        1N5820     C9
                                                                  U1
                                                             15                                    8                            U2-4041: TRUE COMPLEMENT BUFFER
                                                                    ZEN                  GND                                                                                                                                                                100N
                                                             10                                                                                                                                                                                                              T2
                                                                    DMD OUT
                                                                                                   5                                                                                                                                                       C10




                                                                                                                                                                                                                                                                                                                                                              PRIMARIO
                                                                                     INH
                                                              9                                    12                                                                                                                                                                                                                            D12
                   +/- 50Hz a 430Khz




                                                                    VCO IN             R2
                                                                                                   11         C8                                                                                                                                                                                                                 1N5822
                                                                                       R1                                                                                                                                                                  10uF
                                                              1                                    7                                            U2A                                                                                                                                                     D8                                                           L1      L2
                                                                    PH PULSE         C1B
                                   RV1                       13                                    6                                                          1                                                                                                                                         15V
                                                                    PH COMP2 OUT     C1A                      47pF
                                                              2                                    4                                        3
                                                                    PH COMP1 OUT VCO OUT
                                                                                                   3                                                          2                                                                                                                                                               Q6
                                                                                 COMP IN
                                   10K                       16                                    14                                                                                                                                                                                                                         IRF740
                                                                    VCC            SIG IN                                                       4041
                                                                  4046                                                                                                                                 Q3              Q4           D5            D6                                                    D9
                                                                                                                                                U2B                                                                                 1N5820        1N5820                                                15V
                                                                                                                                                              4                                        BC640           BC640
C                                                                                                                                                                                                                                                                                                                                                                                                                       C
                                            R3                                                          R2                                  6
                                            2K2 ENTRADA OPCIONAL                                        22k                                                   5
                                                                                                                                                                            U2 PIN 14: +12V                                                                                                                                                                                  TUNER OPCIONAL
                                                                                                                                                4041                                                                                                                         16Turns X3
                                                                                                                                                U2C
                                                                                                                                                              8             U2 PIN 7: -                                                                                                                 D10                                     D14       C12
                                                            U1-4046: PHASE LOCKED LOOP (PLL)                                             10                                                                                                                                                             15V                                     BYV29/500 470N/630
                                                                                                                                                              9
                                                                                                                                                4041
             -
                                                                                                                                                U2D
                                                                                                                                                              11
                                                                                                                                         13
                                                                                                                                                              12
                                                                                                                                                4041
                                                                                                                                                                                                                                                      D15
                          ENTRADA OPCIONAL                                                                                                                                                                                                            1N4937              TUNER OPCIONAL
                                                                                                                                                                                                                                                                                                                                                                             NEGATIVO FUENTE DE 300V




                                                                                                                                                                                                                                                                   1
                                                            R6
                                                            1K
                                                                                                                                                                                                                                                      D17                    LD2
                                                                                                                                                                                                                                        D18           1N4937                 LED
                                                             C13                                                                                                                                                                        1N4937




                                                                                                                                                                                                                                                                   2
                                                             1uF/16V
D                                                                                                                                                                                                                                                                                                                                                                                                                       D
    ENTRADA OPCIONAL RV2
                                                                                                                                                                                                                                                      D16                                                          Title
                                                                                                                                                                                                                                                      1N4937                                                                     SSTC JMCR V1.0
                                                  1K
                                                                  NEGATIVO FUENTE 12V                                                                                                                                                                                                                              Size           Number                                                       Revision
                                                              -
                                                                                                                                                                                                                                                                                                                    B
                                                                                                                                                                                                                                                                                                                                            1                                                             1.0
                                                                                                                                                                                                                                                                                                                   Date:         14/11/2006                       Sheet 1of 1
                                                                                                                                                                                                                                                                                                                   File:         D:PaginaWeb..ESQUEMASSTCJMCR1.0.SCHDOC JMCR
                                                                                                                                                                                                                                                                                                                                                                  Drawn By:
                                                  1                                                           2                                                                           3                                                   4                                                                5                                                                           6

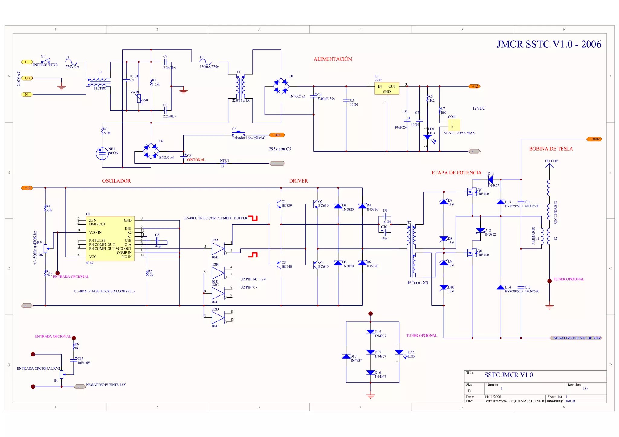
plano esquema

  • 1.
    1 2 3 4 5 6 JMCR SSTC V1.0 - 2006 S1 F1 C2 F2 L ALIMENTACIÓN INTERRUPTOR 220V/2A 2.2n/4kv 130mA/220v 240VAC L1 T1 A 0.1uF D1 U1 A GND C1 R1 7812 1.5M 1 3 IN OUT +12 FILTRO VAR1 GND N C4 1N4002 x4 R5 250 220/15v/1A 3300uF/35v C5 1K2 2 C3 100N R7 12VCC C6 C7 100 2.2n/4kv CON1 1 100N 10uf/25v 2 1 R6 S2 LD1 270K LED VENT. 120mA MAX. +300 Pulsador 16A-250vAC +300V D2 2 NE1 295v con C5 - BOBINA DE TESLA NEÓN BY255 x4 C5 OPCIONAL NTC1 OUT HV - 10 B ETAPA DE POTENCIA D11 B OSCILADOR DRIVER 1N5822 +12 Q5 IRF740 Q1 Q2 D7 SECUNDARIO D13 C11 R4 BC639 BC639 D3 D4 15V BYV29/500 470N/630 33K 1N5820 1N5820 C9 U1 15 8 U2-4041: TRUE COMPLEMENT BUFFER ZEN GND 100N 10 T2 DMD OUT 5 C10 PRIMARIO INH 9 12 D12 +/- 50Hz a 430Khz VCO IN R2 11 C8 1N5822 R1 10uF 1 7 U2A D8 L1 L2 PH PULSE C1B RV1 13 6 1 15V PH COMP2 OUT C1A 47pF 2 4 3 PH COMP1 OUT VCO OUT 3 2 Q6 COMP IN 10K 16 14 IRF740 VCC SIG IN 4041 4046 Q3 Q4 D5 D6 D9 U2B 1N5820 1N5820 15V 4 BC640 BC640 C C R3 R2 6 2K2 ENTRADA OPCIONAL 22k 5 U2 PIN 14: +12V TUNER OPCIONAL 4041 16Turns X3 U2C 8 U2 PIN 7: - D10 D14 C12 U1-4046: PHASE LOCKED LOOP (PLL) 10 15V BYV29/500 470N/630 9 4041 - U2D 11 13 12 4041 D15 ENTRADA OPCIONAL 1N4937 TUNER OPCIONAL NEGATIVO FUENTE DE 300V 1 R6 1K D17 LD2 D18 1N4937 LED C13 1N4937 2 1uF/16V D D ENTRADA OPCIONAL RV2 D16 Title 1N4937 SSTC JMCR V1.0 1K NEGATIVO FUENTE 12V Size Number Revision - B 1 1.0 Date: 14/11/2006 Sheet 1of 1 File: D:PaginaWeb..ESQUEMASSTCJMCR1.0.SCHDOC JMCR Drawn By: 1 2 3 4 5 6