E4800 / UNIT 9 / 1
___________________________________________________________________

UNIT 9

CONTOH APLIKASI PLC

                                                        

OBJEKTIF

OBJEKTIF AM
•

Memahami cara menulis aturcara PLC.

•

Menulis aturcara berdasarkan format yang betul.

OBJEKTIF KHUSUS
Di akhir unit ini anda dapat mempelajari cara :
•

Menulis aturcara Kawalan Motor Berpenghantar ( Motor Conveyor ).

•

Menulis aturcara Kawalan Pemilihan Bahan ( Part Sorting ).

•

Menulis aturcara Kawalan Pembungkusan.

•

Menulis aturcara Kawalan Lampu Trafik.

•

Menulis aturcara Pengisian dan Pengeluaran.
E4800 / UNIT 9 / 2
___________________________________________________________________

INPUT

9.0

PENGENALAN
Unit ini akan mendedahkan anda kepada contoh-contoh penulisan aturcara PLC
dalam aplikasi sistem kawalan automasi . Oleh yang demikian , kefahaman arahan
dan format aturcara PLC seperti rajah tangga , kod mnemonik dan carta fungsi
turutan yang telah dibincangkan dalam unit 4 diperlukan untuk membantu anda
mengkaji dan menganalisa contoh-contoh aturcara yang diberikan.

9.1

KAWALAN MOTOR BERPENGHANTAR ( CONVEYOR )
Rajah 9.1 menunjukkan PLC digunakan untuk memula dan mematikan motor
yang digunakan pada talisawat penghantar. Bahagian ini membolehkan sebarang
objek seperti plet besi digerakkan daripada satu bahagian ke bahagian yang lain.
Penderia jenis suis penghad ( Sensor - proximity switch ) yang dipasang pada
setiap segmen talisawat penghantar diperlukan untuk mengesan kehadiran plet
yang digerakkan oleh penghantar. Motor penghantar akan berfungsi selagi plet
berada di dalam julat penderia yang telah ditetapkan. Motor pada talisawat akan
berhenti sekiranya plet bergerak melebihi julat yang ditetapkan atau pemasa akan
diaktifkan bila masa yang ditetapkan tamat

Masukan

Peranti

Keluaran

Peranti
E4800 / UNIT 9 / 3
___________________________________________________________________

00000
00001
00002

Sensor 1 ( S1 )
Sensor 2 ( S2 )
Sensor 3 ( S3 )

10000
10001
10002

Motor 1 ( M1 )
Motor 2 ( M2 )
Motor 3 ( M3 )

Jadual 9.1 : Jadual Umpukan

Rajah 9.1 : Kawalan Motor Berpenghantar
Kendalian Kawalan Motor Berpenghantar
i.

Motor 2 akan ON apabila sensor 3 mengesan kehadiran objek.

ii.

Motor 2 akan OFF apabila Motor 1 di ON dan objek berada diluar julat
pengesan sensor 2.

iii.

Motor 1 akan ON apabila sensor 2 mengesan kehadiran objek.

iv.

Motor 1 akan OFF apabila objek berada diluar julat pengesan sensor 1.

Rajah tangga untuk operasi kawalan motor berpenghantar.
S3 ( 00002 )

TIM 000

M2
10001

M2 (10001)

Motor 2
E4800 / UNIT 9 / 4
___________________________________________________________________

TIM 001

S2(00001)

M1
10000

Motor 1

TIM 000
# 0020

2 saat

M1( 10000)
M1(10000 )

00001

S1(00000)

TIM 001
04000

04000

04000

00000

TIM 001
# 0020

2 saat

10002

Motor 3

25313 ( Sedia Tutup )

FUN (01)

9.2

KAWALAN PEMILIHAN BAHAN ( PART SORTING )
Rajah 9.2 menunjukkan sistem kawalan pemilihan bahan. Aplikasi ini bertujuan
untuk mengesan kehadiran sekelompok produk yang rosak dari kumpulannya
yang dibawa oleh penghantar.
E4800 / UNIT 9 / 5
___________________________________________________________________

Rajah 9.2 : Sistem Kawalan Pemilihan Bahan
Penderia Photoelectric 1 ( PH1 – 00002 ) berfungsi sebagai data masukan pada
shift register. Apabila objek yang rosak dikesan oleh pengesan, isyarat keluaran
pada sensor akan di ONkan.
Penderia Photoelectric 2 ( PH2 - 00003 ) digunakan sebagai penjana masa yang
berfungsi sebagai masa masukan pada shift register. Satu denyut akan dijanakan
setiap masa pada jarak yang ditetapkan pada awalnya. Semasa produk yang rosak
dikesan oleh PH1, ia dikesan oleh shift register sehingga produk tersebut tiba
pada posisi yang ditetapkan pada penghantar yang akan dipicukan oleh injap
magnetik ( MV – 10000 ).
Rajah tangga untuk operasi sistem kawalan pemilihan bahan .

PH1 ( 00002 )
SFT
PH2 ( 00003 )
25314 ( Always OFF Flag )

H00
E4800 / UNIT 9 / 6
___________________________________________________________________

10000

FUN (01)

Kod Mnemonik untuk operasi sistem kawalan pemilihan bahan
Alamat
0000
0001
0002
0003
0004
0005
0006

9.3

Arahan
LD
LD
LD
SFT
LD
OUT
FUN 01

Data
00002
00003
25314
H00
H00
H0004
10000

KAWALAN PEMBUNGKUSAN ( PACKING LINE CONTROL )
Merujuk kepada rajah 9.3 dan jadual 9.3 , kotak yang berada di atas penghantar
akan bergerak apabila PB1 ditekan. Motor penghantar kotak akan berhenti dan
motor penghantar epal mula bergerak apabila kotak tersebut di kesan. Penderia
bahagian akan mengira sehingga 10 biji epal. Selepas itu motor penghantar epal
akan berhenti dan motor penghantar kotak akan bergerak semula. Pembilang akan
di set dan operasi akan berulang semula sehingga PB2 ditekan.
E4800 / UNIT 9 / 7
___________________________________________________________________

Rajah 9.3 : Kawalan Pembungkusaan
Masukan
00000
00001
00002
00003
Keluaran
10000
10001

Peranti
Suis Punat Tekan Mula ( PB1 )
Suis Punat Tekan Henti ( PB2 )
Penderia Bahagian ( SE1 )
Penderia Kotak ( SE2 )
Peranti
Penghantar Epal
Penghantar Kotak

Jadual 9.3 : Jadual Umpukan
Rajah tangga untuk kawalan pembungkusan

PB1 (00000 )

PB2 (00001)
01000

01000
01000

10001
10000
SE1 (00002)
SE2 (00003 )

CNT 010
# 0010

CNT 010

01000
10001
E4800 / UNIT 9 / 8
___________________________________________________________________

SE2 (00003 )
END(01)

Kod mnemonik untuk kawalan pembungkusan.
Alamat
0000
0001
0002
0003
0004
0005
0006
0007
0008
0009

Arahan
LD
OR
AND NOT
OUT
LD
AND NOT
OUT
LD
LD NOT
CNT

0010
0011
0012
0013
0014
0012
0013
0014

LD CNT
OR NOT
AND
OUT
FUN 01
LD TIM
AND NOT TIM
OUT

Data
00000
01000
00001
01000
01000
10001
10000
00002
00003
010
#0010
010
00003
01000
10001
002
003
10002
E4800 / UNIT 9 / 9
___________________________________________________________________

AKTIVITI 9a

JAWAB SEMUA SOALAN
9.1

Lengkapkan jadual kod mnemonik yang di beri berdasarkan rajah tangga di
bawah:
00001
10000

10000

Alamat

Arahan

Data

0001

LD

00001

0003

9.2

Terangkan fungsi utama proximity switch dalam kawalan motor berpenghantar?

9.3

Padankan simbol – simbol di bawah.
00000
TIMER

10000
CNT
010

TAMAT
# 0010

OUTPUT
E4800 / UNIT 9 / 10
___________________________________________________________________

END(01)

INPUT

MAKLUMBALAS 9a

JAWAPAN 9.1
Alamat
0001
0002
0003

Arahan
LD
OR
OUT

Data
00001
10000
10000

JAWAPAN 9.2
Fungsi utama proximity switch dalam kawalan motor berpenghantar ialah untuk
mengesan kehadiran plet besi.
JAWAPAN 9.3
00000
TIMER

10000
CNT
010

TAMAT
# 0010

END(01)

9.4

KAWALAN LAMPU TRAFIK

OUTPUT

INPUT
E4800 / UNIT 9 / 11
___________________________________________________________________

Rajah 9.4 menunjukkan kawalan lampu trafik yang dipasang di sebatang jalanraya
yang sedang diperbaiki. Sepasang lampu trafik dipasang bertentangan arah di
kedua-dua laluan jalanraya untuk mengawal kesesakan lalulintas. Lampu tersebut
akan berkendali secara berselang-seli. Apabila lampu trafik L1 berwarna hijau,
lampu trafik L2 akan memaparkan warna merah dan keadaan sebaliknya akan
berulang. Penukaran nyalaan setiap lampu dikawal oleh pemasa selama 30 saat.

Rajah 9.4 :

Kawalan Lampu Trafik

Rajah Tangga untuk operasi kawalan lampu trafik.
TIM 001
TIM
000

# 0300
E4800 / UNIT 9 / 12
___________________________________________________________________

TIM 000

TIM
001

TIM 000
10000

10000
10001

10001

# 0600

# 0150

# 0150

TIM
002

# 0150

TIM
003

# 0300

TIM 002
TIM 002

TIM 003
10002

10002

10003

END(01)

Kod mnemonik bagi rajah tangga kawalan lampu trafik.
Alamat
00000
00001

Arahan
LD NOT TIM
TIM

00002
00003

LD TIM
TIM

Data
001
000
#0300
000
001
E4800 / UNIT 9 / 13
___________________________________________________________________

00004
00005
00006
00007
00008
00009
00010
00011

LD TIM
TIM

00012
00013
00014
00015
00016
00017

9.5

LD NOT TIM
OUT
LD NOT
OUT
LD
TIM

LD TIM
AND NOT TIM
OUT
LD NOT
OUT
FUN 01

#0600
000
10000
10000
10001
10001
002
#0150
002
003
#0300
002
003
10002
10002
10003

KAWALN PENGISIAN DAN PENGELUARAN
MVI

Rajah 9.5 : Pengisian dan Pengeluaran
Rajah 9.5 menunjukkan operasi pengawalan paras cecair dalam sebuah tangki. Dalam
proses ini, dua sensor (TLB1 dan TLB2) digunakan untuk mengesan paras cecair yang
E4800 / UNIT 9 / 14
___________________________________________________________________

dimasukkan ke dalam tangki. Injap MVI berfungsi sebagai pengawal kepada masukan
cecair melalui saluran paip dan injap MV2 pula mengawal keluaran cecair.
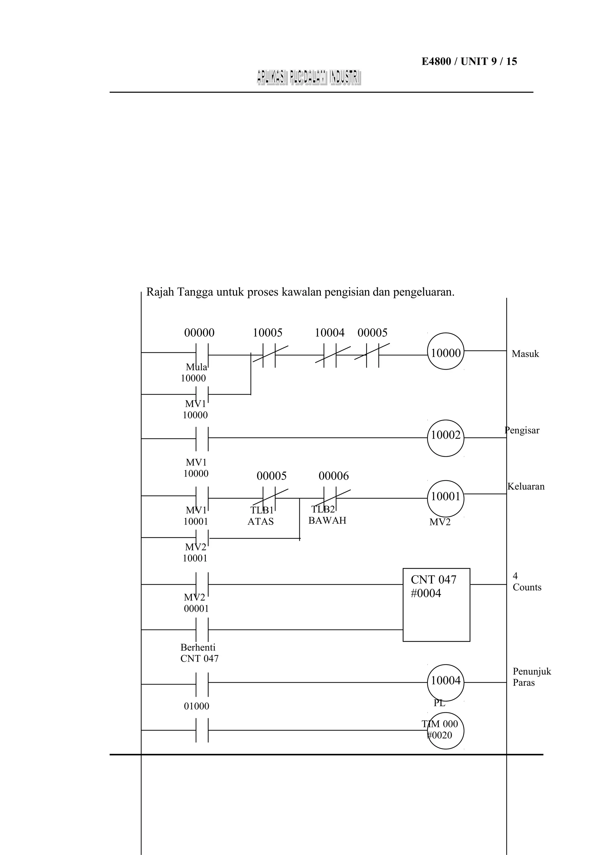
Kendaliannya:
1.

Apabila punat tekan mula (PB1) ditekan, injap MV1 akan terbuka dan cecair
akan dialirkan ke dalam tangki. Di waktu yang sama, motor pengisar mula
berfungsi.

2.

Apabila cecair melepasi TLB2 dan mencecah ke TLB1, injap MV1 akan tutup
dan motor pengisar mula berhenti.

3.

Apabila PB1 ditekan semula, injap MV2 akan terbuka dan cecair mula
dialirkan keluar daripada tangki. MV2 akan tertutup apabila paras cecair
berada di bawah paras TLB2.

4.

Setelah proses berulang sebanyak empat kali, lampu pertunjuk paras (PL)
akan terpadam. Proses pengisian dan pengeluaran cecair pada tangki akan
dihentikan walaupun PB1 ditekan.

Masukan
00000 – Punat Tekan Mula (PB1)
00001 – Punat Tekan Henti (PB2)
00005 – Suis Paras Atas (TLB1)
00006 – Suis Paras Bawah (TLB2)

Keluaran
10000 – Injap Bekalan Air (MV1)
10001 – Injap Keluaran Air (MV2)
10002 – Motor Pengisar (M)
10004 – Penunjuk Paras
10005 - Buzzer

Jadual 9.5 : Jadual Umpukan
E4800 / UNIT 9 / 15
___________________________________________________________________

Rajah Tangga untuk proses kawalan pengisian dan pengeluaran.
00000

10005

10004

00005
10000

Masuk

10002

Pengisar

Mula
10000
MV1
10000

MV1
10000

00005

00006
10001

MV1
10001

TLB1
ATAS

TLB2
BAWAH

Keluaran

MV2

MV2
10001

MV2
00001

CNT 047
#0004
CNT 047

4
Counts

Berhenti
CNT 047

10004
01000

PL
TIM 000
#0020

Penunjuk
Paras
E4800 / UNIT 9 / 16
___________________________________________________________________
Reset

CNT 047

TIM 000
10005

01000

BZ

Reset

FUN(01)

Kod Mnemonik bagi proses kawalan pengisian dan pengeluaran.
Alamat
0000
0001
0002
0003
0004
0005
0006
0007
0008
0009
0010
0011
0012
0013
0014
0015

Arahan
LD
OR
AND NOT
AND NOT
AND NOT
OUT
LD
OUT
LD
AND NOT
OR
AND NOT
OUT
LD
LD
CNT

0016
0017
0018
0019

LD
OUT
LD
TIM

0020
0021
0022
0023
0024

LD
OR
AND NOT
OUT
FUN 01

Data
00000
10000
10005
10004
00005
10000
10000
10002
10000
00005
10001
00006
10001
10001
00001
047
#0004
CNT 047
10004
01000
000
#0020
CNT 047
01000
TIM 000
10005

Buzzer
E4800 / UNIT 9 / 17
___________________________________________________________________

AKTIVITI 9b .
JAWAB SEMUA SOALAN
9.1 Berdasarkan kod mnemonik yang diberikan pada jadual di bawah, tuliskan rajah
tangga.
Alamat
00000
00001
00002
00003
00004

9.2
MV1

Arahan
LD
LD
LD
SFT
FUN (01 )

M
1

Data
00000
00001
00002
100
100

Masukan
00000 – Punat Tekan Mula (PB1)
00001 – Punat Tekan Henti

Motor

Kipas Pengisar

BL1

MV2

(PB2)
00002 – Sensor (BL1)
00003 – Sensor (BL2)
Keluaran
10000 – Injap Air (MV1)
10001 – Injap Air (MV2)
10002 – Motor 1 (M)

Kendaliannya:
1. Injap MV1 akan dibuka sehingga air mencecah ke paras BL1.
2. Kipas pengisar di Onkan selama 30 saat.
3. Selepas itu injap MV2 akan di buka sehingga air mencecah ke paras BL2.
4. Masukan dan keluaran air akan berulang sebanyak 4 kali.
5. Proses

masukan dan keluaran air akan di tamatkan setelah proses tersebut

berulang sebanyak empat kali.
Berdasarkan kenyataan kendalian diatas :
a. Lukiskan Rajah Tangga.
E4800 / UNIT 9 / 18
___________________________________________________________________

b. Tuliskan Kod Mnemonik.

MAKLUMBALAS 9b

JAWAPAN 9.1
00000
Set
00001

00002

S

Pulse

CP

Reset

R

SFT
100

100

JAWAPAN 9.2
a.

Rajah tangga:
00000

00002
10000

In

MV1

10000
MV1
00002

10002
10002

TIM 000
CNT 047
#0300

Tim 000

10001
MV2
END(01)

Motor 1

30
Seconds
E4800 / UNIT 9 / 19
___________________________________________________________________

b.

Kod Mnemonik bagi rajah tangga untuk jawapan 9.2
Alamat
00000
00001
00002
00003
00004
00005
00006
00007

Arahan
LD
OR
AND NOT
OUT
LD
OUT
LD
TIM

00008
00009
00010

AND NOT TIM
OUT
FUN (01)

Data
00000
10000
00002
10000
00002
10002
10002
000
#0300
000
10001

PENILAIAN KENDIRI
E4800 / UNIT 9 / 20
___________________________________________________________________

SOALAN 1
1. Luliskan rajah tangga berdasarkan kod mnemonik pada jadual di bawah.
Alamat
00000
00001
00002

Arahan
LD
OUT
CMP(20)

00003
00004
00005
00006
00007
00008
00009
00010

AND
OUT

Data
25313
TR 0
#01F0
000
25505
10000

LD
AND
OUT
LD
AND
OUT

TR 0
25506
10001
TR 0
25507
10002

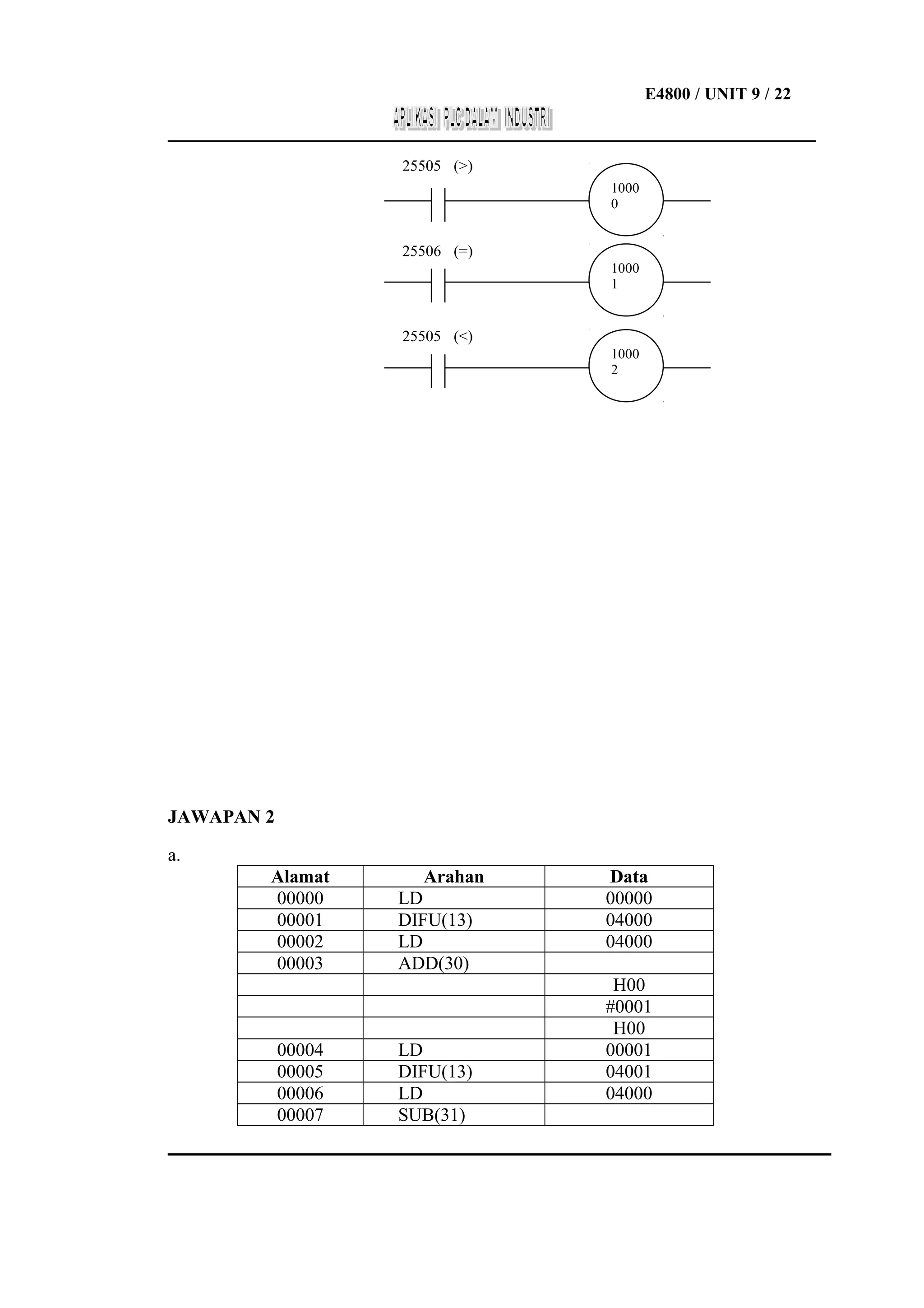
SOALAN 2
2. Berdasarkan rajah tangga di bawah, tuliskan kod mnemoniknya.
04001
S1

DIFU(13) 04000

04000

ADD(30)
H00
#0001
E4800 / UNIT 9 / 21
___________________________________________________________________

00001

DIFU(13) 04000

S2
04001

SUB(31)
H00
#0001

25313

CMP(20)
H00
25506 (=)
1000
0

25505 (>)

DIFU(13) 04000

MAKLUMBALAS PENILAIAN KENDIRI
JAWAPAN 1
25313
1.

CMP(20)
#01F0
000
E4800 / UNIT 9 / 22
___________________________________________________________________
25505 (>)
1000
0

25506 (=)
1000
1

25505 (<)
1000
2

JAWAPAN 2
a.
Alamat
00000
00001
00002
00003

00004
00005
00006
00007

Arahan
LD
DIFU(13)
LD
ADD(30)

LD
DIFU(13)
LD
SUB(31)

Data
00000
04000
04000
H00
#0001
H00
00001
04001
04000
E4800 / UNIT 9 / 23
___________________________________________________________________

00008
00009
00010
00011
00012
00013
00014
00015
00016

LD
OUT
CMP(20)
AND
LD
AND
OR LD
OUT
FUN(01)

H00
#0001
H00
25313
TR 0
H00
#0100
25506
TR 0
25505
10000

Nota plc

  • 1.
    E4800 / UNIT9 / 1 ___________________________________________________________________ UNIT 9 CONTOH APLIKASI PLC                                                          OBJEKTIF OBJEKTIF AM • Memahami cara menulis aturcara PLC. • Menulis aturcara berdasarkan format yang betul. OBJEKTIF KHUSUS Di akhir unit ini anda dapat mempelajari cara : • Menulis aturcara Kawalan Motor Berpenghantar ( Motor Conveyor ). • Menulis aturcara Kawalan Pemilihan Bahan ( Part Sorting ). • Menulis aturcara Kawalan Pembungkusan. • Menulis aturcara Kawalan Lampu Trafik. • Menulis aturcara Pengisian dan Pengeluaran.
  • 2.
    E4800 / UNIT9 / 2 ___________________________________________________________________ INPUT 9.0 PENGENALAN Unit ini akan mendedahkan anda kepada contoh-contoh penulisan aturcara PLC dalam aplikasi sistem kawalan automasi . Oleh yang demikian , kefahaman arahan dan format aturcara PLC seperti rajah tangga , kod mnemonik dan carta fungsi turutan yang telah dibincangkan dalam unit 4 diperlukan untuk membantu anda mengkaji dan menganalisa contoh-contoh aturcara yang diberikan. 9.1 KAWALAN MOTOR BERPENGHANTAR ( CONVEYOR ) Rajah 9.1 menunjukkan PLC digunakan untuk memula dan mematikan motor yang digunakan pada talisawat penghantar. Bahagian ini membolehkan sebarang objek seperti plet besi digerakkan daripada satu bahagian ke bahagian yang lain. Penderia jenis suis penghad ( Sensor - proximity switch ) yang dipasang pada setiap segmen talisawat penghantar diperlukan untuk mengesan kehadiran plet yang digerakkan oleh penghantar. Motor penghantar akan berfungsi selagi plet berada di dalam julat penderia yang telah ditetapkan. Motor pada talisawat akan berhenti sekiranya plet bergerak melebihi julat yang ditetapkan atau pemasa akan diaktifkan bila masa yang ditetapkan tamat Masukan Peranti Keluaran Peranti
  • 3.
    E4800 / UNIT9 / 3 ___________________________________________________________________ 00000 00001 00002 Sensor 1 ( S1 ) Sensor 2 ( S2 ) Sensor 3 ( S3 ) 10000 10001 10002 Motor 1 ( M1 ) Motor 2 ( M2 ) Motor 3 ( M3 ) Jadual 9.1 : Jadual Umpukan Rajah 9.1 : Kawalan Motor Berpenghantar Kendalian Kawalan Motor Berpenghantar i. Motor 2 akan ON apabila sensor 3 mengesan kehadiran objek. ii. Motor 2 akan OFF apabila Motor 1 di ON dan objek berada diluar julat pengesan sensor 2. iii. Motor 1 akan ON apabila sensor 2 mengesan kehadiran objek. iv. Motor 1 akan OFF apabila objek berada diluar julat pengesan sensor 1. Rajah tangga untuk operasi kawalan motor berpenghantar. S3 ( 00002 ) TIM 000 M2 10001 M2 (10001) Motor 2
  • 4.
    E4800 / UNIT9 / 4 ___________________________________________________________________ TIM 001 S2(00001) M1 10000 Motor 1 TIM 000 # 0020 2 saat M1( 10000) M1(10000 ) 00001 S1(00000) TIM 001 04000 04000 04000 00000 TIM 001 # 0020 2 saat 10002 Motor 3 25313 ( Sedia Tutup ) FUN (01) 9.2 KAWALAN PEMILIHAN BAHAN ( PART SORTING ) Rajah 9.2 menunjukkan sistem kawalan pemilihan bahan. Aplikasi ini bertujuan untuk mengesan kehadiran sekelompok produk yang rosak dari kumpulannya yang dibawa oleh penghantar.
  • 5.
    E4800 / UNIT9 / 5 ___________________________________________________________________ Rajah 9.2 : Sistem Kawalan Pemilihan Bahan Penderia Photoelectric 1 ( PH1 – 00002 ) berfungsi sebagai data masukan pada shift register. Apabila objek yang rosak dikesan oleh pengesan, isyarat keluaran pada sensor akan di ONkan. Penderia Photoelectric 2 ( PH2 - 00003 ) digunakan sebagai penjana masa yang berfungsi sebagai masa masukan pada shift register. Satu denyut akan dijanakan setiap masa pada jarak yang ditetapkan pada awalnya. Semasa produk yang rosak dikesan oleh PH1, ia dikesan oleh shift register sehingga produk tersebut tiba pada posisi yang ditetapkan pada penghantar yang akan dipicukan oleh injap magnetik ( MV – 10000 ). Rajah tangga untuk operasi sistem kawalan pemilihan bahan . PH1 ( 00002 ) SFT PH2 ( 00003 ) 25314 ( Always OFF Flag ) H00
  • 6.
    E4800 / UNIT9 / 6 ___________________________________________________________________ 10000 FUN (01) Kod Mnemonik untuk operasi sistem kawalan pemilihan bahan Alamat 0000 0001 0002 0003 0004 0005 0006 9.3 Arahan LD LD LD SFT LD OUT FUN 01 Data 00002 00003 25314 H00 H00 H0004 10000 KAWALAN PEMBUNGKUSAN ( PACKING LINE CONTROL ) Merujuk kepada rajah 9.3 dan jadual 9.3 , kotak yang berada di atas penghantar akan bergerak apabila PB1 ditekan. Motor penghantar kotak akan berhenti dan motor penghantar epal mula bergerak apabila kotak tersebut di kesan. Penderia bahagian akan mengira sehingga 10 biji epal. Selepas itu motor penghantar epal akan berhenti dan motor penghantar kotak akan bergerak semula. Pembilang akan di set dan operasi akan berulang semula sehingga PB2 ditekan.
  • 7.
    E4800 / UNIT9 / 7 ___________________________________________________________________ Rajah 9.3 : Kawalan Pembungkusaan Masukan 00000 00001 00002 00003 Keluaran 10000 10001 Peranti Suis Punat Tekan Mula ( PB1 ) Suis Punat Tekan Henti ( PB2 ) Penderia Bahagian ( SE1 ) Penderia Kotak ( SE2 ) Peranti Penghantar Epal Penghantar Kotak Jadual 9.3 : Jadual Umpukan Rajah tangga untuk kawalan pembungkusan PB1 (00000 ) PB2 (00001) 01000 01000 01000 10001 10000 SE1 (00002) SE2 (00003 ) CNT 010 # 0010 CNT 010 01000 10001
  • 8.
    E4800 / UNIT9 / 8 ___________________________________________________________________ SE2 (00003 ) END(01) Kod mnemonik untuk kawalan pembungkusan. Alamat 0000 0001 0002 0003 0004 0005 0006 0007 0008 0009 Arahan LD OR AND NOT OUT LD AND NOT OUT LD LD NOT CNT 0010 0011 0012 0013 0014 0012 0013 0014 LD CNT OR NOT AND OUT FUN 01 LD TIM AND NOT TIM OUT Data 00000 01000 00001 01000 01000 10001 10000 00002 00003 010 #0010 010 00003 01000 10001 002 003 10002
  • 9.
    E4800 / UNIT9 / 9 ___________________________________________________________________ AKTIVITI 9a JAWAB SEMUA SOALAN 9.1 Lengkapkan jadual kod mnemonik yang di beri berdasarkan rajah tangga di bawah: 00001 10000 10000 Alamat Arahan Data 0001 LD 00001 0003 9.2 Terangkan fungsi utama proximity switch dalam kawalan motor berpenghantar? 9.3 Padankan simbol – simbol di bawah. 00000 TIMER 10000 CNT 010 TAMAT # 0010 OUTPUT
  • 10.
    E4800 / UNIT9 / 10 ___________________________________________________________________ END(01) INPUT MAKLUMBALAS 9a JAWAPAN 9.1 Alamat 0001 0002 0003 Arahan LD OR OUT Data 00001 10000 10000 JAWAPAN 9.2 Fungsi utama proximity switch dalam kawalan motor berpenghantar ialah untuk mengesan kehadiran plet besi. JAWAPAN 9.3 00000 TIMER 10000 CNT 010 TAMAT # 0010 END(01) 9.4 KAWALAN LAMPU TRAFIK OUTPUT INPUT
  • 11.
    E4800 / UNIT9 / 11 ___________________________________________________________________ Rajah 9.4 menunjukkan kawalan lampu trafik yang dipasang di sebatang jalanraya yang sedang diperbaiki. Sepasang lampu trafik dipasang bertentangan arah di kedua-dua laluan jalanraya untuk mengawal kesesakan lalulintas. Lampu tersebut akan berkendali secara berselang-seli. Apabila lampu trafik L1 berwarna hijau, lampu trafik L2 akan memaparkan warna merah dan keadaan sebaliknya akan berulang. Penukaran nyalaan setiap lampu dikawal oleh pemasa selama 30 saat. Rajah 9.4 : Kawalan Lampu Trafik Rajah Tangga untuk operasi kawalan lampu trafik. TIM 001 TIM 000 # 0300
  • 12.
    E4800 / UNIT9 / 12 ___________________________________________________________________ TIM 000 TIM 001 TIM 000 10000 10000 10001 10001 # 0600 # 0150 # 0150 TIM 002 # 0150 TIM 003 # 0300 TIM 002 TIM 002 TIM 003 10002 10002 10003 END(01) Kod mnemonik bagi rajah tangga kawalan lampu trafik. Alamat 00000 00001 Arahan LD NOT TIM TIM 00002 00003 LD TIM TIM Data 001 000 #0300 000 001
  • 13.
    E4800 / UNIT9 / 13 ___________________________________________________________________ 00004 00005 00006 00007 00008 00009 00010 00011 LD TIM TIM 00012 00013 00014 00015 00016 00017 9.5 LD NOT TIM OUT LD NOT OUT LD TIM LD TIM AND NOT TIM OUT LD NOT OUT FUN 01 #0600 000 10000 10000 10001 10001 002 #0150 002 003 #0300 002 003 10002 10002 10003 KAWALN PENGISIAN DAN PENGELUARAN MVI Rajah 9.5 : Pengisian dan Pengeluaran Rajah 9.5 menunjukkan operasi pengawalan paras cecair dalam sebuah tangki. Dalam proses ini, dua sensor (TLB1 dan TLB2) digunakan untuk mengesan paras cecair yang
  • 14.
    E4800 / UNIT9 / 14 ___________________________________________________________________ dimasukkan ke dalam tangki. Injap MVI berfungsi sebagai pengawal kepada masukan cecair melalui saluran paip dan injap MV2 pula mengawal keluaran cecair. Kendaliannya: 1. Apabila punat tekan mula (PB1) ditekan, injap MV1 akan terbuka dan cecair akan dialirkan ke dalam tangki. Di waktu yang sama, motor pengisar mula berfungsi. 2. Apabila cecair melepasi TLB2 dan mencecah ke TLB1, injap MV1 akan tutup dan motor pengisar mula berhenti. 3. Apabila PB1 ditekan semula, injap MV2 akan terbuka dan cecair mula dialirkan keluar daripada tangki. MV2 akan tertutup apabila paras cecair berada di bawah paras TLB2. 4. Setelah proses berulang sebanyak empat kali, lampu pertunjuk paras (PL) akan terpadam. Proses pengisian dan pengeluaran cecair pada tangki akan dihentikan walaupun PB1 ditekan. Masukan 00000 – Punat Tekan Mula (PB1) 00001 – Punat Tekan Henti (PB2) 00005 – Suis Paras Atas (TLB1) 00006 – Suis Paras Bawah (TLB2) Keluaran 10000 – Injap Bekalan Air (MV1) 10001 – Injap Keluaran Air (MV2) 10002 – Motor Pengisar (M) 10004 – Penunjuk Paras 10005 - Buzzer Jadual 9.5 : Jadual Umpukan
  • 15.
    E4800 / UNIT9 / 15 ___________________________________________________________________ Rajah Tangga untuk proses kawalan pengisian dan pengeluaran. 00000 10005 10004 00005 10000 Masuk 10002 Pengisar Mula 10000 MV1 10000 MV1 10000 00005 00006 10001 MV1 10001 TLB1 ATAS TLB2 BAWAH Keluaran MV2 MV2 10001 MV2 00001 CNT 047 #0004 CNT 047 4 Counts Berhenti CNT 047 10004 01000 PL TIM 000 #0020 Penunjuk Paras
  • 16.
    E4800 / UNIT9 / 16 ___________________________________________________________________ Reset CNT 047 TIM 000 10005 01000 BZ Reset FUN(01) Kod Mnemonik bagi proses kawalan pengisian dan pengeluaran. Alamat 0000 0001 0002 0003 0004 0005 0006 0007 0008 0009 0010 0011 0012 0013 0014 0015 Arahan LD OR AND NOT AND NOT AND NOT OUT LD OUT LD AND NOT OR AND NOT OUT LD LD CNT 0016 0017 0018 0019 LD OUT LD TIM 0020 0021 0022 0023 0024 LD OR AND NOT OUT FUN 01 Data 00000 10000 10005 10004 00005 10000 10000 10002 10000 00005 10001 00006 10001 10001 00001 047 #0004 CNT 047 10004 01000 000 #0020 CNT 047 01000 TIM 000 10005 Buzzer
  • 17.
    E4800 / UNIT9 / 17 ___________________________________________________________________ AKTIVITI 9b . JAWAB SEMUA SOALAN 9.1 Berdasarkan kod mnemonik yang diberikan pada jadual di bawah, tuliskan rajah tangga. Alamat 00000 00001 00002 00003 00004 9.2 MV1 Arahan LD LD LD SFT FUN (01 ) M 1 Data 00000 00001 00002 100 100 Masukan 00000 – Punat Tekan Mula (PB1) 00001 – Punat Tekan Henti Motor Kipas Pengisar BL1 MV2 (PB2) 00002 – Sensor (BL1) 00003 – Sensor (BL2) Keluaran 10000 – Injap Air (MV1) 10001 – Injap Air (MV2) 10002 – Motor 1 (M) Kendaliannya: 1. Injap MV1 akan dibuka sehingga air mencecah ke paras BL1. 2. Kipas pengisar di Onkan selama 30 saat. 3. Selepas itu injap MV2 akan di buka sehingga air mencecah ke paras BL2. 4. Masukan dan keluaran air akan berulang sebanyak 4 kali. 5. Proses masukan dan keluaran air akan di tamatkan setelah proses tersebut berulang sebanyak empat kali. Berdasarkan kenyataan kendalian diatas : a. Lukiskan Rajah Tangga.
  • 18.
    E4800 / UNIT9 / 18 ___________________________________________________________________ b. Tuliskan Kod Mnemonik. MAKLUMBALAS 9b JAWAPAN 9.1 00000 Set 00001 00002 S Pulse CP Reset R SFT 100 100 JAWAPAN 9.2 a. Rajah tangga: 00000 00002 10000 In MV1 10000 MV1 00002 10002 10002 TIM 000 CNT 047 #0300 Tim 000 10001 MV2 END(01) Motor 1 30 Seconds
  • 19.
    E4800 / UNIT9 / 19 ___________________________________________________________________ b. Kod Mnemonik bagi rajah tangga untuk jawapan 9.2 Alamat 00000 00001 00002 00003 00004 00005 00006 00007 Arahan LD OR AND NOT OUT LD OUT LD TIM 00008 00009 00010 AND NOT TIM OUT FUN (01) Data 00000 10000 00002 10000 00002 10002 10002 000 #0300 000 10001 PENILAIAN KENDIRI
  • 20.
    E4800 / UNIT9 / 20 ___________________________________________________________________ SOALAN 1 1. Luliskan rajah tangga berdasarkan kod mnemonik pada jadual di bawah. Alamat 00000 00001 00002 Arahan LD OUT CMP(20) 00003 00004 00005 00006 00007 00008 00009 00010 AND OUT Data 25313 TR 0 #01F0 000 25505 10000 LD AND OUT LD AND OUT TR 0 25506 10001 TR 0 25507 10002 SOALAN 2 2. Berdasarkan rajah tangga di bawah, tuliskan kod mnemoniknya. 04001 S1 DIFU(13) 04000 04000 ADD(30) H00 #0001
  • 21.
    E4800 / UNIT9 / 21 ___________________________________________________________________ 00001 DIFU(13) 04000 S2 04001 SUB(31) H00 #0001 25313 CMP(20) H00 25506 (=) 1000 0 25505 (>) DIFU(13) 04000 MAKLUMBALAS PENILAIAN KENDIRI JAWAPAN 1 25313 1. CMP(20) #01F0 000
  • 22.
    E4800 / UNIT9 / 22 ___________________________________________________________________ 25505 (>) 1000 0 25506 (=) 1000 1 25505 (<) 1000 2 JAWAPAN 2 a. Alamat 00000 00001 00002 00003 00004 00005 00006 00007 Arahan LD DIFU(13) LD ADD(30) LD DIFU(13) LD SUB(31) Data 00000 04000 04000 H00 #0001 H00 00001 04001 04000
  • 23.
    E4800 / UNIT9 / 23 ___________________________________________________________________ 00008 00009 00010 00011 00012 00013 00014 00015 00016 LD OUT CMP(20) AND LD AND OR LD OUT FUN(01) H00 #0001 H00 25313 TR 0 H00 #0100 25506 TR 0 25505 10000