THYRISTOR
https://m-edukasi.kemdikbud.go.id/medukasi/produk-
files/kontenonline/online2008/thyristor/simula01.html
- DIODE EMPAT LAPIS
- SCR
- DIAC
- TRIAC
- UJT
• Thyristor adalah komponen semikonduktor
untuk pensaklaran yang berdasarkan pada
strukturPNPN. Komponen ini memiliki
kestabilan dalam dua keadaan yaitu on dan
off serta memiliki umpan-balik regenerasi
internal. Thyristor memiliki kemampuan
untuk mensaklar arus searah (DC) yaitu
jenis SCR, maupun arus bolak-balik (AC),
jenis TRIAC.
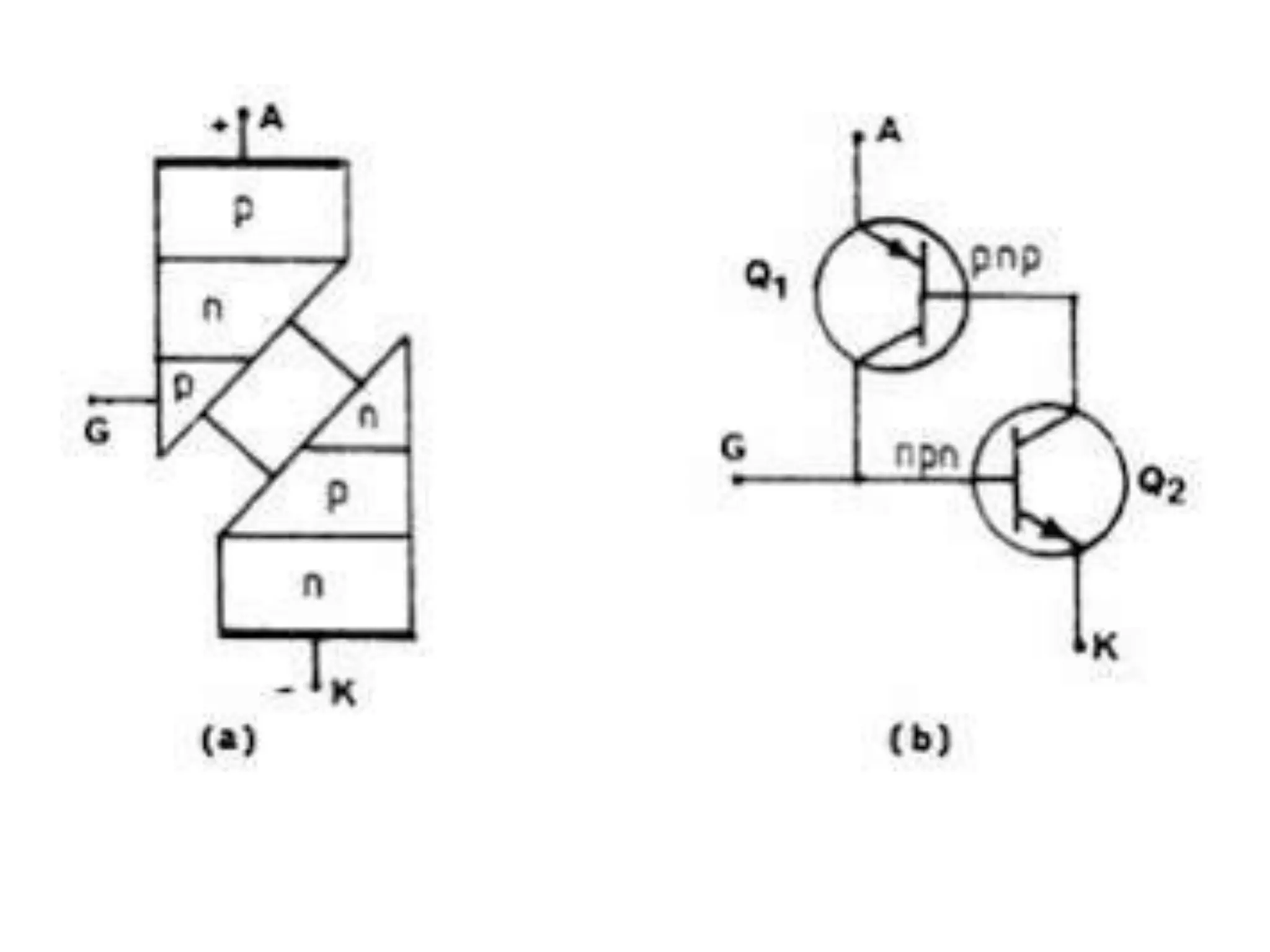
Struktur Dioda Empat Lapis
• Gambar-1 : Struktur Thyristor Gambar-2 : visualisasi dengan transistor
• Gambar-2 : visualisasi dengan transistor
terdiri dari transistor PNP dan NPN
• C Q1 tersambung pada B Q2 dan sebaliknya C
Q2 tersambung pada B Q1. Rangkaian
transistor yang demikian menunjukkan adanya
loop penguatan arus di bagian tengah. Dimana
diketahui bahwa Ic1 = Ib2, yaitu arus kolektor
adalah penguatan dari arus base.
• Gambar 2. Rangkaian simulasi alarm
anti pencuri
• CARA KERJA
• Saklar S2 untuk menset rangkaian
pada kondisi siap (stand by), S1
merupakan saklar yang dapat
ditempatkan di pintu atau di jendela.
• Jika ada tamu membuka pintu
atau jendela dengan paksa maka
saklar akan membuka, Gate SCR
mendapat bias dari sumber tegangan
lewat R = 1K, selanjutnya SCR akan
ON dan Bel berbunyi.
dua buah transistor PNP dan NPN yang tersambung
pada masing-masing kolektor dan base. Jika
divisualisasikan sebagai transistor Q1 dan Q2, maka
struktur thyristor ini dapat diperlihatkan seperti
pada gambar-2 yang berikut ini.
Gambar-2 : visualisasi dengan transistor
Terlihat di sini kolektor transistor Q1 tersambung
pada base transistor Q2 dan sebaliknya kolektor
transistor Q2 tersambung pada base transistor Q1.
Rangkaian transistor yang demikian menunjukkan
adanya loop penguatan arus di bagian tengah.
Dimana diketahui bahwa Ic = Ib, yaitu arus
kolektor adalah penguatan dari arus base.
Silicon Controlled Rectifier (SCR)
SCR dirancang untuk
mengendalikan daya ac
hingga 10 MW dengan
rating I : 2K A pada V :
1,8K V dan f = 50 kHz.
Tahanan konduk
dinamis suatu SCR
sekitar 0,01 sampai 0,1
ohm sedangkan Rr :
100.000 ohm atau lebih
Konstruksi dasar dan
simbolnya
Pengertian dan Prinsip Kerja Dasar
Silicon Controlled Rectifier (SCR)
• SCR mempunyai tiga buah elektroda, yaitu
Anoda, Kathoda dan Gate dimana anoda
berpolaritas positip dan kathoda berpolaritas
negatip sebagai layaknya sebuah dioda
penyearah (rectifier). Kaki Gate juga
berpolaritas positip. Gambar dibawah ini
memperlihatkan pengembangan konstruksi
dan diekuivalenkan dengan rangkaian
kaskade transistor.
1. Penyulutan SCR
• SCR dapat dihidupkan dengan arus penyulut
singkat melalui terminal Gate, dimana arus
gate ini akan mengalir melalui junction
antara gate dan kathoda dan keluar dari
kathodanya. Arus gate ini harus positip
besarnya sekitar 0,1 sampai 35 mA
sedangkan tegangan antara gate dan
kathodanya biasanya 0,7 volt.
• Jika arus anoka ke kathoda turun dibawah
nilai minimum (Holding Current = IHO), maka
SCR akan segera mati (Off). Untuk SCR yang
berkemampuan daya sedang,
besar IHOsekitar 10 mA. Tegangan
maksimum arah maju (UBRF) akan terjadi jika
gate dalam keadaan terbuka atau IGO = 0.
Jika arus gate diperbesar dari IGO, misal IG1,
maka tegangan majunya akan lebih rendah
lagi.
cara penyulutan SCR
dengan sumber searah
(dc), dimana SCR akan
bekerja dengan
indikasi menyalanya
lampu dengan syarat
saklar PB1 dan PB2 di
ON kan terlebih
dahulu.
• Triggering untuk penyulutan SCR
dengan sumber dc ini tidak perlu
dilakukan secara terus menerus, jika
saklar PB1 dibuka, maka lampu
akan tetap menyala atau dengan
perkataan lain SCR tetap
bekerja. Dibawah ini
Memperlihatkan cara penyulutan
SCR dengan sumber bolak-balik (ac).
Dengan mengatur nilai R2
(potensiometer), maka kita
seolah mengatur sudut
penyalaan (firing delay)
SCR. Untuk penyulutan SCR
dengan sumber arus bolak-
balik, harus dilakukan secara
terus menerus, jadi saklar S
jika dilepas, maka SCR akan
kembali tidak bekerja.
• Gambar dibawah ini memperlihatkan bentuk
tegangan dan pada terminal SCR dan
beban. Pengendalian sumber daya dengan
SCR terbatas hanya dari 00 sampai 900.
•
Salah satu cara untuk
meng-ON kan
(menyambungkan antara A
dan K) adalah dengan
memberikan tegangan picu
terhadap G (gate). Sekali
SCR tersambung maka SCR
akan terjaga dalam kondisi
ON (dapat dilihat pada
struktur transistor
Karakteristik dari SCR
2. Pengujian SCR
• Kondisi SCR dapat diuji dengan menggunakan sebuah
ohmmeter seperti layaknya dioda, namun
dikarenakan konstruksinya pengujian SCR ini harus
dibantu dengan penyulutan kaki gate dengan pulsa
positip. Jadi dengan menghubung singkat kaki anoda
dengan gate, kemudian diberikan sumber positip dari
meter secara bersama dan katoda diberi sumber
negatipnya, maka akan tampak gerakan jarum
ohmmeter yang menuju nilai rendah penunjukkan
ohm dan kondisi ini menyatakan SCR masih layak
digunakan. Sedangkan jika penunjukkan jarum
menunjuk pada nilai resistansi yang tinggi, maka
dikatakan kondisi SCR menyumbat atau rusak.
DIAC
diac diambil dari Dioda AC yang merupakan
salah satu dari keluarga thyristor dan termasuk
dalam jenis Bidirectional Thyristor. Diac
mempunyai dua buah elektroda atau terminal
dan dapat menghantar dari kedua arah oleh
karenanya diac dianggap sebagai homo atau
non-polar. Diac tersusun dari empat lapis
semikonduktor seperti dioda lapis empat.
Gambar ini memperlihatkan ekuivalen dan
simbol diac.
1. Prinsip kerja Diac
• Diac mempunyai impedansi yang tinggi
dalam dua arah,guna mencapai titik
konduknya diperlukan tegangan antara 28
sampai 36 volt. Kita perhatikan gambar a
diatas, jika tegangan diberikan pada diac
menyamai atau melebihi tegangan
konduknya, maka salah satu saklar akan
menutup, demikian sebaliknya untuk kondisi
yang sama salah satu saklarnya juga akan
menutup.
2. Identifikasi Diac
• Karena homopolar, maka untuk menentukan
kaki diac adalah sama saja baik yang kiri
maupun yang kanan. Bentuk fisiknya
menyerupai dioda rectifier dengan ciri-ciri
seperti yang digambarkan ini.
3. Karakteristik DIAC
3.Penggunaan Diac dalam rangkaian
• Piranti Diac banyak digunakan sebagai
pemicu rangkaian pengendali daya, misalnya
pemicu TRIAC. Gambar dibawah ini
memperlihatkan salah satu contoh rangkaian
yang melibatkan Diac
TRIAC
• Triac singkatan dari Triode Alternating
Current Switch. Atinya saklar trioda untuk
arus bolak-balik. Triac adalah merupakan dua
SCR (thyristor) yang dirangkaikan anti paralel
dan diberi satu elektroda baru yang disebut
gate.
• Triac dipersiapkan untuk mengendalikan daya
bolak-balik secara penuh dari 0o hingga
180o. Triac mempunyai tiga elektroda mirip
dengan SCR, namun Triac dapat
menghantarkan arus dalam dua arah.
Simbol dan konstruksi Triac
Sifat Dasar Triac
Cara kerja triac
• Gambar tersebut kita lihat bahwa elektroda
terdiri dari Anoda (A), Katoda (K) dan Gate (G).
Dengan bantuan gambar 6.15(b) maka dapat
dijelaskan prinsip kerja / cara kerja Triac
sebagai berikut :
• Jika ke anoda diberi forward bias, maka saklar
S1 menutup (ON).
• Sebaliknya jika anoda diberi reverse bias,
maka saklar S2 menutup (ON).
Dari penjelasan di atas, dapat ditarik
kesimpulan bahwa pemberian
tegangan arus bolak-balik seperti gbr
dibawah adalah seperti pemberian
tegangan forward dan reverse , lihat
gmb (a), (b) di bawah ini .
Karakteristik TRIAC
• Bila diperhatikan gambar di atas, terlihat bahwa
karakteristik maju dan karakteristik terbalik Triac tidak
ada perbedaan. Tegangan tembus (break over) dapat
diatur dengan mengatur arus gate seperti halnya pada
SCR. jadi arus Triac akan mengalir dengan mengatur
arus gatenya.
5. Uni Jungtion Transistor
• (UJT) merupakan sebuah Komponen
semikonduktor yang terdiri atas hubungan PN
• Type P dihubungkan dengan emiter sedangkan
Type N membentuk Base B1 dan B2.
Komponen ini dikenal dengan nama “Dioda
dua Basis”.
Sifat UJT
• Transistor ini dapat dipandang sebagai suatu
pembagi tegangan yang terdiri dari dua buah
tahanan yang berderet yaitu RB1 dan RB2
• Adapun pertemuan PN bekerja sebagai Dioda
• Dioda akan menghantar / Konduksi bila diberi
tegangan bias maju (Forward Bias), sebaliknya
Dioda tidak akan menghantar bila diberi
tegangan bias mundur (Reverse Bias).
Prinsip Kerja UJT
• Perhatikan Gambar, antara terminal-terminal B1-B2
kita beri tegangan UB1 B2 = 9 Volt. Maka terjadilah
pembagian tegangan antara RB1 dan RB2, Dioda tidak
bekerja.
• Mula-mula tegangan catu pada Emiter sama dengan
nol, maka Dioda Emiter berada dalam keadaan
Reverse bias. Bila tegangan ini diperbesar maka UE
akan ikut bertambah besar,tetapi Emiter tetap tidak
akan menghantar sebelum UE>U1 + UK. UK = Knee
Voltage dari Dioda tersebut.
Lanjutan……….
• Setelah UE>U1+ UK, maka Dioda dalam
keadaan Forward bias dan dia mulai
menghantar. Oleh karena daerah P mendapat
doping yang berat sedangkan daerah N
didoping ringan, maka pada saat forward bias
banyak hole dari daerah P ini yang tidak dapat
berkombinasi dengan elektron bebas dari
daerah N

Kd 3. 15 thyristor

  • 1.
  • 2.
    • Thyristor adalahkomponen semikonduktor untuk pensaklaran yang berdasarkan pada strukturPNPN. Komponen ini memiliki kestabilan dalam dua keadaan yaitu on dan off serta memiliki umpan-balik regenerasi internal. Thyristor memiliki kemampuan untuk mensaklar arus searah (DC) yaitu jenis SCR, maupun arus bolak-balik (AC), jenis TRIAC.
  • 3.
    Struktur Dioda EmpatLapis • Gambar-1 : Struktur Thyristor Gambar-2 : visualisasi dengan transistor
  • 4.
    • Gambar-2 :visualisasi dengan transistor terdiri dari transistor PNP dan NPN • C Q1 tersambung pada B Q2 dan sebaliknya C Q2 tersambung pada B Q1. Rangkaian transistor yang demikian menunjukkan adanya loop penguatan arus di bagian tengah. Dimana diketahui bahwa Ic1 = Ib2, yaitu arus kolektor adalah penguatan dari arus base.
  • 5.
    • Gambar 2.Rangkaian simulasi alarm anti pencuri • CARA KERJA • Saklar S2 untuk menset rangkaian pada kondisi siap (stand by), S1 merupakan saklar yang dapat ditempatkan di pintu atau di jendela. • Jika ada tamu membuka pintu atau jendela dengan paksa maka saklar akan membuka, Gate SCR mendapat bias dari sumber tegangan lewat R = 1K, selanjutnya SCR akan ON dan Bel berbunyi.
  • 6.
    dua buah transistorPNP dan NPN yang tersambung pada masing-masing kolektor dan base. Jika divisualisasikan sebagai transistor Q1 dan Q2, maka struktur thyristor ini dapat diperlihatkan seperti pada gambar-2 yang berikut ini. Gambar-2 : visualisasi dengan transistor Terlihat di sini kolektor transistor Q1 tersambung pada base transistor Q2 dan sebaliknya kolektor transistor Q2 tersambung pada base transistor Q1. Rangkaian transistor yang demikian menunjukkan adanya loop penguatan arus di bagian tengah. Dimana diketahui bahwa Ic = Ib, yaitu arus kolektor adalah penguatan dari arus base.
  • 7.
    Silicon Controlled Rectifier(SCR) SCR dirancang untuk mengendalikan daya ac hingga 10 MW dengan rating I : 2K A pada V : 1,8K V dan f = 50 kHz. Tahanan konduk dinamis suatu SCR sekitar 0,01 sampai 0,1 ohm sedangkan Rr : 100.000 ohm atau lebih Konstruksi dasar dan simbolnya
  • 8.
    Pengertian dan PrinsipKerja Dasar Silicon Controlled Rectifier (SCR)
  • 9.
    • SCR mempunyaitiga buah elektroda, yaitu Anoda, Kathoda dan Gate dimana anoda berpolaritas positip dan kathoda berpolaritas negatip sebagai layaknya sebuah dioda penyearah (rectifier). Kaki Gate juga berpolaritas positip. Gambar dibawah ini memperlihatkan pengembangan konstruksi dan diekuivalenkan dengan rangkaian kaskade transistor.
  • 11.
    1. Penyulutan SCR •SCR dapat dihidupkan dengan arus penyulut singkat melalui terminal Gate, dimana arus gate ini akan mengalir melalui junction antara gate dan kathoda dan keluar dari kathodanya. Arus gate ini harus positip besarnya sekitar 0,1 sampai 35 mA sedangkan tegangan antara gate dan kathodanya biasanya 0,7 volt.
  • 12.
    • Jika arusanoka ke kathoda turun dibawah nilai minimum (Holding Current = IHO), maka SCR akan segera mati (Off). Untuk SCR yang berkemampuan daya sedang, besar IHOsekitar 10 mA. Tegangan maksimum arah maju (UBRF) akan terjadi jika gate dalam keadaan terbuka atau IGO = 0. Jika arus gate diperbesar dari IGO, misal IG1, maka tegangan majunya akan lebih rendah lagi.
  • 13.
    cara penyulutan SCR dengansumber searah (dc), dimana SCR akan bekerja dengan indikasi menyalanya lampu dengan syarat saklar PB1 dan PB2 di ON kan terlebih dahulu.
  • 14.
    • Triggering untukpenyulutan SCR dengan sumber dc ini tidak perlu dilakukan secara terus menerus, jika saklar PB1 dibuka, maka lampu akan tetap menyala atau dengan perkataan lain SCR tetap bekerja. Dibawah ini Memperlihatkan cara penyulutan SCR dengan sumber bolak-balik (ac).
  • 15.
    Dengan mengatur nilaiR2 (potensiometer), maka kita seolah mengatur sudut penyalaan (firing delay) SCR. Untuk penyulutan SCR dengan sumber arus bolak- balik, harus dilakukan secara terus menerus, jadi saklar S jika dilepas, maka SCR akan kembali tidak bekerja.
  • 16.
    • Gambar dibawahini memperlihatkan bentuk tegangan dan pada terminal SCR dan beban. Pengendalian sumber daya dengan SCR terbatas hanya dari 00 sampai 900. •
  • 17.
    Salah satu carauntuk meng-ON kan (menyambungkan antara A dan K) adalah dengan memberikan tegangan picu terhadap G (gate). Sekali SCR tersambung maka SCR akan terjaga dalam kondisi ON (dapat dilihat pada struktur transistor Karakteristik dari SCR
  • 18.
    2. Pengujian SCR •Kondisi SCR dapat diuji dengan menggunakan sebuah ohmmeter seperti layaknya dioda, namun dikarenakan konstruksinya pengujian SCR ini harus dibantu dengan penyulutan kaki gate dengan pulsa positip. Jadi dengan menghubung singkat kaki anoda dengan gate, kemudian diberikan sumber positip dari meter secara bersama dan katoda diberi sumber negatipnya, maka akan tampak gerakan jarum ohmmeter yang menuju nilai rendah penunjukkan ohm dan kondisi ini menyatakan SCR masih layak digunakan. Sedangkan jika penunjukkan jarum menunjuk pada nilai resistansi yang tinggi, maka dikatakan kondisi SCR menyumbat atau rusak.
  • 19.
    DIAC diac diambil dariDioda AC yang merupakan salah satu dari keluarga thyristor dan termasuk dalam jenis Bidirectional Thyristor. Diac mempunyai dua buah elektroda atau terminal dan dapat menghantar dari kedua arah oleh karenanya diac dianggap sebagai homo atau non-polar. Diac tersusun dari empat lapis semikonduktor seperti dioda lapis empat. Gambar ini memperlihatkan ekuivalen dan simbol diac.
  • 21.
    1. Prinsip kerjaDiac • Diac mempunyai impedansi yang tinggi dalam dua arah,guna mencapai titik konduknya diperlukan tegangan antara 28 sampai 36 volt. Kita perhatikan gambar a diatas, jika tegangan diberikan pada diac menyamai atau melebihi tegangan konduknya, maka salah satu saklar akan menutup, demikian sebaliknya untuk kondisi yang sama salah satu saklarnya juga akan menutup.
  • 22.
    2. Identifikasi Diac •Karena homopolar, maka untuk menentukan kaki diac adalah sama saja baik yang kiri maupun yang kanan. Bentuk fisiknya menyerupai dioda rectifier dengan ciri-ciri seperti yang digambarkan ini.
  • 23.
  • 24.
    3.Penggunaan Diac dalamrangkaian • Piranti Diac banyak digunakan sebagai pemicu rangkaian pengendali daya, misalnya pemicu TRIAC. Gambar dibawah ini memperlihatkan salah satu contoh rangkaian yang melibatkan Diac
  • 25.
    TRIAC • Triac singkatandari Triode Alternating Current Switch. Atinya saklar trioda untuk arus bolak-balik. Triac adalah merupakan dua SCR (thyristor) yang dirangkaikan anti paralel dan diberi satu elektroda baru yang disebut gate. • Triac dipersiapkan untuk mengendalikan daya bolak-balik secara penuh dari 0o hingga 180o. Triac mempunyai tiga elektroda mirip dengan SCR, namun Triac dapat menghantarkan arus dalam dua arah.
  • 26.
  • 27.
  • 28.
    Cara kerja triac •Gambar tersebut kita lihat bahwa elektroda terdiri dari Anoda (A), Katoda (K) dan Gate (G). Dengan bantuan gambar 6.15(b) maka dapat dijelaskan prinsip kerja / cara kerja Triac sebagai berikut : • Jika ke anoda diberi forward bias, maka saklar S1 menutup (ON). • Sebaliknya jika anoda diberi reverse bias, maka saklar S2 menutup (ON).
  • 29.
    Dari penjelasan diatas, dapat ditarik kesimpulan bahwa pemberian tegangan arus bolak-balik seperti gbr dibawah adalah seperti pemberian tegangan forward dan reverse , lihat gmb (a), (b) di bawah ini .
  • 30.
    Karakteristik TRIAC • Biladiperhatikan gambar di atas, terlihat bahwa karakteristik maju dan karakteristik terbalik Triac tidak ada perbedaan. Tegangan tembus (break over) dapat diatur dengan mengatur arus gate seperti halnya pada SCR. jadi arus Triac akan mengalir dengan mengatur arus gatenya.
  • 32.
    5. Uni JungtionTransistor • (UJT) merupakan sebuah Komponen semikonduktor yang terdiri atas hubungan PN • Type P dihubungkan dengan emiter sedangkan Type N membentuk Base B1 dan B2. Komponen ini dikenal dengan nama “Dioda dua Basis”.
  • 34.
    Sifat UJT • Transistorini dapat dipandang sebagai suatu pembagi tegangan yang terdiri dari dua buah tahanan yang berderet yaitu RB1 dan RB2 • Adapun pertemuan PN bekerja sebagai Dioda • Dioda akan menghantar / Konduksi bila diberi tegangan bias maju (Forward Bias), sebaliknya Dioda tidak akan menghantar bila diberi tegangan bias mundur (Reverse Bias).
  • 35.
  • 36.
    • Perhatikan Gambar,antara terminal-terminal B1-B2 kita beri tegangan UB1 B2 = 9 Volt. Maka terjadilah pembagian tegangan antara RB1 dan RB2, Dioda tidak bekerja. • Mula-mula tegangan catu pada Emiter sama dengan nol, maka Dioda Emiter berada dalam keadaan Reverse bias. Bila tegangan ini diperbesar maka UE akan ikut bertambah besar,tetapi Emiter tetap tidak akan menghantar sebelum UE>U1 + UK. UK = Knee Voltage dari Dioda tersebut.
  • 37.
    Lanjutan………. • Setelah UE>U1+UK, maka Dioda dalam keadaan Forward bias dan dia mulai menghantar. Oleh karena daerah P mendapat doping yang berat sedangkan daerah N didoping ringan, maka pada saat forward bias banyak hole dari daerah P ini yang tidak dapat berkombinasi dengan elektron bebas dari daerah N