INDUSTRIAL TRAINING
REPORT ON
EMBEDDED SYSTEMS
Submitted to
BADDI UNIVERSITY OF EMERGING SCIENCES &
TECHNOLOGY
In partial fulfillment of the requirements for the degree of
Bachelor ofTechnology (B.Tech)
In ECE 3rd
Semester
Submitted by:-
NITESH CHAUHAN
16UEC002
Submitted to:-
Ms.Ramanpreet kaur
Mr.Deepak saini
Page 1 of 1
Introduction of embeddedsystems
Embedded systems are some specific systems which are designed to perform a specific
task. The task or work provided to these system are very specific and remain same as
once defined by programmer. Micro controllers are used in and as embedded systems.
As for example automatic street light, home automation system, a simple automated
electric stove etc.
Trainingcontent
How to Design PCB
Designing of development board
Interfacing with Atmega 8A
LED Interfacing
Switch Interfacing
LM35
LCD Interfacing
DC motor
Stepper motor
IR Sensor
L293D
Scope of Embedded systems:-
Embedded systems are used in navigation tools like global positioning system
(GPS), automated teller machines (ATMs), networking equipment, digital video
cameras, mobile phones, aerospace applications, telecom applications, etc.
Introduction to Electronics Components
Resistor
Capacitor
Multi-meter
Power Supply
Resistor:-
A resistor is a passive electronic component that we use in electronic
circuits either to limit current through an active component or to reduce
voltage in the circuit (by dropping voltage across the resistor)
Ratings:-
1. Resistance
Page 2 of 2
2. Power dissipation
Low power resistor have maximum power rating less than 5 watts ,
cylindrical in shape
High power resistors are those with maximum power rating higher than 5
watts and always comes with a heat sink
P =Vrms2
/R
4k9 means 4900ohm
If the supply voltage is 12 volts, then maximum possible power is
calculated using V2
/R - which [(12 * 12 )/330 ]= 0.435 watts.
RESISTOR SYMBOLS:-
Capacitor symbols:-
Page 3 of 3
s
ge
Factors to be considered while selecting acapacitor
Type of construction
Tolerance
working voltage
Temperature coefficients
Types of capacitor:-
Non polarized
Mica, glass, Ceramic (disk), film, paper
Polarized
Electrolytic capacitor
Super capacitor
Ceramic Capacitor:-
1 pico-farad --- 0.01 Microfarad
Work up-to 50V
Always measured in pico-farad
Most commonly used (cheap, reliable and low
loss factor)
103=10,000 PF
Paper capacitor:-
Made up of paper (oil-impregnated paper and aluminum foil layers rolled
into a cylinder and sealed with wax)
Major drawbacks: Bulky, soaks moisture
500pF to 50µF
<600 volts
Replaced by the plastic or polymer capacitor
Mica capacitor:-
Mica as the dielectric medium.
Mica does not change physically and chemically with a
Used when small values are required, high stability
50 Pico-farads - 0.02 Microfarad
cost is very high
Mica is such a material which is available in a thin layer in the nature
Page 4 of 4
Since winding of mica is not possible therefore mica capacitor are always
flat in shape.
Electrolytic:-
Large amount of capacitance is required. Polarized.
0.1µF to 500,000µF
10V to 100V used for low frequency applications
positive pin -- anode , negative pin-- cathode
Have a wide tolerance range, usually ±20% or more.
This makes them poor in applications where precise values are needed.
Regulated Power Supply:-
Transformer:-
1…Current rating:
Depends on current required for load to be driven
Page 5 of 5
P age 6 of 6
2…Secondary voltage of the transformer:
Any transformer which gives secondary peak voltage up-to 35V can be
used
Rectifying Circuit:-
Diode: IN4007
(Due to high Peak InverseVoltage ) current 1A
Capacitor:-
Electrolytic Capacitor
1000 mF or greater depending upon the current requirement of the load to
be driven
Regulator:-
The most popular type of voltage regulator IC is the 78XX series,
sometimes called the LM78XX series
LM 7805
Input voltage 7V-35V
Current rating 1A
Out-putVoltage V-max=5.2 V
V-min=4.8 v
Multi-meter:-
A multi-meter is a measuring device used for measurement of various parameter
such as
current voltage resistance and so on.
EmbeddedSystem:-
• An Embedded System is one that has
computer hardware with software
embedded in it as one of its important
components.
• It is an electronic system which
includes a single microcontroller to
perform dedicated function
Microcontroller and Microprocessor:-
• Microprocessor
No RAM, ROM, I/O on CPU chip itself
Page 7 of 7
AVR Atmega8 Microcontroller – An
Introduction
The pin diagram of Atmega8 microcontroller:-
Memory: It has 8 Kb of Flash program memory (10,000 Write/Erase
cycles durability), 512 Bytes of EEPROM (100,000 Write/Erase
Cycles). 1Kbyte Internal SRA1M
I/O Ports: 23 I/ line can be obtained from three ports; namely Port B,
Port C and Port D.
Interrupts: Two External Interrupt source, located at port D. 19
different interrupt vectors supporting 19 events generated by internal
peripherals.
Timer/Counter: Three Internal Timers are available, two 8 bit, one 16
bit, offering various operating modes and supporting internal or
external clocking.
SPI (Serial Peripheral interface): ATmega8 holds three communication
devices integrated. One of them is Serial Peripheral Interface. Four
pins are assigned to Atmega8 to implement this scheme of
communication.
USART: One of the most powerful communication solutions
is USART and ATmega8 supports both synchronous and asynchronous
data transfer schemes. It has three pins assigned for that. In many
projects, this module is extensively used for PC-Micro controller
communication.
TWI (Two Wire Interface): Another communication device that is
present in ATmega8 is Two Wire Interface. It allows designers to set up
a commutation between two devices using just two wires along with a
common ground connection, As the TWI output is made by means of
open collector outputs, thus external pull up resistors are required to
make the circuit.
Analog Comparator: A comparator module is integrated in the IC that
provides comparison facility between two voltages connected to the
two inputs of the Analog comparator via External pins attached to the
micro controller.
Analog to Digital Converter: Inbuilt analog to digital converter can
convert an analog input signal into digital data of 10bit resolution. For
most of the low end application, this much resolution is enough.
LCD INTERFACING • LCD s a e all a ou d us so li uid ystal displays a e
very useful in these days.
• It is a kind of display that is made up of a special matter state formed
usi g li uid a d ystal oth , it s a fo th state of atte
• The most popular one is 16x2 LCD module. It has 2 rows & 16
columns.The intelligent displays are two types: Text Display Graphics
Display PIN DESCRIPTION pin configuration for 16 X 2 LCD 8 data pins
D7:D0 Bi-directional data/command pins. Alphanumeric characters are
sent in ASCII format. RS: Register Select RS = 0 -> Command Register is
selected RS = 1 -> Data Register is selected R/W: Read or Write
Write, 1 -> Read E: Enable (Latch data) Used to latch the data present
on the data pins. A high-to-low edge is needed to latch the data. VEE:
contrast control. VDD & VSS: Power supply VDD= +5V VSS=GND .
What Is Motor Driver IC?
A motor driver IC is an integrated circuit chip which is usually used to
control motors in autonomous robots. Motor driver ICs act as an
interface between microprocessors in robots and the motors in the
o ot. The ost o o ly used oto d i e IC s a e f o the L 9
series such as L293D, L293NE, etc. These ICs are designed to control
2 DC motors simultaneously. L293D consist of two H-bridge. H-bridge
is the simplest circuit for controlling a low current rated motor. For
this tutorial we will be referring the motor driver IC as L293D only.
L293D has 16 pins, they are comprised as follows:
Ground Pins - 4
Input Pins - 4
Output Pins - 4
Enable pins - 2
Voltage Pins - 2
The workings of the individual pins are explained in detail, later in
the tutorial.
Why We Need Motor Driver IC?
Motor Driver ICs are primarily used in autonomous robotics only.
Also most microprocessors operate at low voltages and require a
small amount of current to operate while the motors require a
relatively higher voltages and current . Thus current cannot be
supplied to the motors from the microprocessor. This is the primary
need for the motor driver IC.
How Motor Driver Operates?
The L293D IC receives signals from the microprocessor and
transmits the relative signal to the motors. It has two voltage pins,
one of which is used to draw current for the working of the L293D
and the other is used to apply voltage to the motors. The L293D
switches it output signal according to the input received from the
microcontroller.
For Example: If the microprocessor sends a 1(digital high) to
the Input Pin of L293D, then the L293D transmits a 1(digital
high) to the motor from its Output Pin. An important thing to
note is that the L293D simply transmits the signal it receives. It
does not change the signal in any case.
L293D And Its Working
The L293D is a 16 pin IC, with eight pins, on each side, dedicated to
the controlling of a motor. There are 2 INPUT pins, 2 OUTPUT pins
and 1 ENABLE pin for each motor. L293D consist of two H-bridge. H-
bridge is the simplest circuit for controlling a low current rated
motor.
The Theory for working of a H-bridge is given below.
Working Of A H-bridge
H-bridge is given this name because it can be modelled as four
s it hes o the o e s of H. The asi diag a of H-bridge is given
below :
In the given diagram, the arrow on the left points to the higher
potential side of the input voltage of the circuit. Now if the
switches S1 & S4 are kept in a closed position while the
switches S2 & S3 are kept in a open position meaning that the
circuit gets shorted across the switches S1 & S4. This creates a path
for the current to flow, starting from the V input to switch S1 to
the motor, then to switch S4 and then the exiting from the circuit.
This flow of the current would make the motor turn in one
direction. The direction of motion of the motor can be clockwise or
anti-clockwise, this is because the rotation of the motor depends
upon the connection of the terminals of the motor with the
switches
For simplicity, lets assume that in this condition the motor rotates in a
clockwise direction.
Now, when S3 and S2 are closed then and S1 and S4 are
kept open then the current flows from the other direction and the
motor will now definitely rotates in counter-clockwise direction
When S1 and S3 are closed and S2 and S4 are open then
the STALL condition will occur(The motor will break).
Stall Condition:
When the motor is applied positive voltage on both sides then the
voltage from both the sides brings the motor shaft to a halt
L293D Pin Diagram :
Pin No. Pin Characteristics
1 Enable 1-2, when this is HIGH the left part of the IC will
o k a d he it is lo the left pa t o t o k. So, this is the
Master Control pin for the left part of IC
2 INPUT 1, when this pin is HIGH the current will flow though
output 1
3 OUTPUT 1, this pin should be connected to one of the
terminal of motor
4,5 GND, ground pins
6 OUTPUT 2, this pin should be connected to one of the
terminal of motor
7 INPUT 2, when this pin is HIGH the current will flow though
output 2
8 VC, this is the voltage which will be supplied to the motor.
So, if you are driving 12 V DC motors then make sure that this pin is
supplied with 12 V
16 VSS, this is the power source to the IC. So, this pin should
be supplied with 5 V
15 INPUT 4, when this pin is HIGH the current will flow though
output 4
14 OUTPUT 4, this pin should be connected to one of the
terminal of motor
13,12 GND, ground pins
11 OUTPUT 3, this pin should be connected to one of the
terminal of motor
10 INPUT 3, when this pin is HIGH the current will flow though
output 3
9 Enable 3-4, when this is HIGH the right part of the IC will
o k a d he it is lo the ight pa t o t o k. So, this is the
Master Control pin for the right part of IC
Working Mechanism
Now depending upon the values of the Input and Enable the
motors will rotate in either clockwise or anticlockwise direction
with full speed (when Enable is HIGH) or with less speed (when
Enable is provided with PWM).
Let us assume for Left Motor when Enable is HIGH and Input 1
and Input 2 are HIGH and LOW respectively then the motor will
move in clockwise direction.
So the behaviour of the motor depending on the input
conditions will be as follows :
INPUT 1 INPUT 2 ENABLE 1, Result
0 0 1 Stop
0 1 1 Anti-clockwise rotation
1 0 1 Clockwise rotation
1 1 1 Stop
0 1 50% duty cycle Anti-clockwise
rotation with half speed
1 0 50% duty cycle Clockwise rotation
with half speed
Why 4 grounds in the IC?
The motor driver IC deals with heavy currents. Due to so much
current flow the IC gets heated. So, we need a heat sink to reduce the
heating. Therefore, there are 4 ground pins. When we solder the pins
on PCB, we get a huge metalllic area between the grounds where the
heat can be released.
Why Capacitors?
The DC motor is an inductive load. So, it develops a back EMF when
supplied by a voltage. There can be fluctuations of voltage while using
the motor say when suddenly we take a reverse while the motor was
moving in some direction. At this point the fluctuation in voltage is
quite high and this can damage the IC. Thus, we use four capacitors
that help to dampen the extreme variation in current.
LM35 Precision Centigrade Temperature Sensors
1 Features
• Cali ated Di e tly i Celsius Ce tig ade
• Li ea + -mV/°C Scale Factor
• . °C Ensured Accuracy (at 25°C)
• ‘ated fo Full − °C to 150°C ‘a ge • Suita le fo ‘e ote
Applications
• Lo -Cost Due to Wafer-Le el T i i g • Ope ates f o V to V
• Less tha -μA Cu e t D ai
• Lo Self-Heating, 0.08°C in Still Air
• No -Linearity Only ±¼°C Typical
• Lo -I peda e Output, . Ω fo -mA Load 2
Applications
• Po e Supplies
• Batte y Ma age e t
• HVAC
• Applia es
Description The LM35 series are precision integrated-circuit temperature
devices with an output voltage linearlyproportional to the Centigrade
temperature. The LM35 device has an advantage over linear temperature
sensors calibrated in Kelvin, as the user is not required to subtract a large
constant voltage from the output to obtain convenient Centigrade scaling.
The LM35 device does not require any external calibration or trimming to
provide typical accuracies of ±¼°C at room temperature and ±¾°C over a
full − °C to 150°C temperature range. Lower cost is assured by trimming
and calibration at the wafer level. The low-output impedance, linear
output, and precise inherent calibration of the LM35 device makes
interfacing to readout or control circuitry especially easy. The device is
used with single power supplies, or with plus and minus supplies. As the
LM35 device draws only 60 μA from the supply, it has very low self-
heating of less than 0.1°C in still air. The LM35 device is rated to operate
o e a − °C to 150°C temperature range, while the LM35C device is rated
fo a − °C to 110°C a ge − ° with improved accuracy)
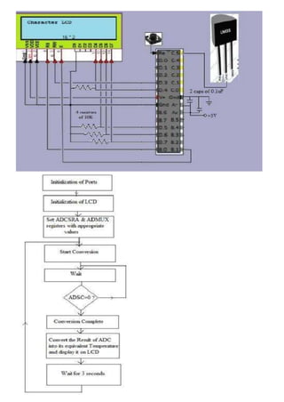
CODE Interfacing LCD and LM35 temp sensor:-
#include<LiquidCrystal.h>
LiquidCrystal lcd(12, 11, 5, 4, 3, 2);
const int sensor=A1; // Assigning analog pin A1 to variable 'sensor'
float tempc; //variable to store temperature in degree Celsius
float tempf; //variable to store temperature in Fahreinheit
float vout; //temporary variable to hold sensor reading
void setup()
{
pinMode(sensor,INPUT); // Configuring pin A1 as input
Serial.begin(9600);
lcd.begin(16,2);
delay(500);
}
void loop()
{
vout=analogRead(sensor);
vout=(vout*500)/1023;
tempc=vout; // Storing value in Degree Celsius
tempf=(vout*1.8)+32; // Converting to Fahrenheit
lcd.setCursor(0,0);
lcd.print("in DegreeC= ");
lcd.print(tempc);
lcd.setCursor(0,1);
lcd.print("in Fahrenheit=");
lcd.print(tempf);
delay(1000); //Delay of 1 second for ease of viewing in serial monitor
}
PRESS SWITCH 1 ALL LED WILL GLOW RESPECTIVELY
int switch1;
int switch2;
int switch3;
void setup()
{
pinMode(5,INPUT_PULLUP);
pinMode(8,OUTPUT);
pinMode(9,OUTPUT);
pinMode(10,OUTPUT);
pinMode(11,OUTPUT);
pinMode(12,OUTPUT);
pinMode(13,OUTPUT);
}
void loop()
{
switch1=digitalRead(5);
if(switch1==0)
{
digitalWrite(8,LOW);
}
else
{
digitalWrite(8,HIGH);
}
switch1=digitalRead(5);
if(switch1==0)
{
digitalWrite(8,LOW);
digitalWrite(9,LOW);
}
else
{
digitalWrite(8,HIGH);
digitalWrite(9,HIGH);
}
switch1=digitalRead(5);
if(switch1==0)
{
digitalWrite(8,LOW);
digitalWrite(9,LOW);
digitalWrite(10,LOW);
}
else
{
digitalWrite(8,HIGH);
digitalWrite(9,HIGH);
digitalWrite(10,HIGH);
}
switch1=digitalRead(5);
if(switch1==0)
{
digitalWrite(8,LOW);
digitalWrite(9,LOW);
digitalWrite(10,LOW);
digitalWrite(11,LOW);
}
else
{
digitalWrite(8,HIGH);
digitalWrite(9,HIGH);
digitalWrite(10,HIGH);
digitalWrite(11,HIGH);
}
switch1=digitalRead(5);
if(switch1==0)
{
digitalWrite(8,LOW);
digitalWrite(9,LOW);
digitalWrite(10,LOW);
digitalWrite(11,LOW);
digitalWrite(12,LOW);
}
}
else
{
digitalWrite(8,HIGH);
digitalWrite(9,HIGH);
digitalWrite(10,HIGH);
digitalWrite(11,HIGH);
digitalWrite(12,HIGH);
}
switch1=digitalRead(5);
if(switch1==0)
{
digitalWrite(8,LOW);
digitalWrite(9,LOW);
digitalWrite(10,LOW);
digitalWrite(11,LOW);
digitalWrite(12,LOW);
digitalWrite(13,LOW);
}
else
{
digitalWrite(8,HIGH);
digitalWrite(9,HIGH);
digitalWrite(10,HIGH);
digitalWrite(11,HIGH);
digitalWrite(12,HIGH);
digitalWrite(13,HIGH);
}
}
L239D interfacing dc motor using Atmega 8A
#include <avr/io.h>
#include <util/delay.h> // for _delay_ms()
int main(void)
{
DDRC = 0x0F; // initialize port C
// motors connected across PC0...Pc3
while(1)
{
// clockwise rotation
PORTC = 0b00000101; // PC0 = High = Vcc
// PC1 = Low = 0
// PC2 = High = Vcc
// PC3 = Low = 0
_delay_ms(500); // wait 0.5s
// counter-clockwise rotation
PORTC = 0b00001010; // PC0 = Low = 0
// PC1 = High = Vcc
// PC2 = Low = 0
// PC3 = High = Vcc
_delay_ms(500); // wait 0.5s
}
}
FINISH
CANDIDATE'S DECLARATION
I “NITESH KUMAR CHAUHAM” hereby declare that I have undertaken 6 weeks
Software Training at “EUREKA ELECTROSOFT SOLUTIONS PVT LTD” during
a period from 5 JUNE To 14 JULY 2017 in partial fulfillment of requirements for the
award of degree of B.Tech (Electronics and communication Engineering) at SCHOOL
OF ENGINEERING AND EMERGING TECHNOLOGY, BUEST,
BADDI. The work which is being presented in the training report submitted to
Department of electronic and communication Engineering at SCHOOL OF
ENGINEERING AND EMERGING TECHNOLOGY, BUEST, BADDI is an authentic
record of training work.
Signature of the Student
The software / industrial training Viva–Voce Examination of has been held on
and accepted.
Signature of Internal Examiner
SCHOOL OF ENGINEERING AND EMERGING TECHNOLOGY,
BUEST, BADDI.
BIBLIOGRAPHY
This report has been compiled with valuable contribution
from:
BOOKS:
1.Mazidi and mazidi
2.Ayala
3.Sanjeev Gupta
WEB RESOURCES:
1.www.atmelprojects.com
2.www.rickeysworld.com
3.www.electronics4u.com
4.www.efy.com
5.www.projectsguide.com
6.www.google.com

INDUSTRIAL_TRAINING_REPORT_ON_EMBEDDED_S.pdf

  • 1.
    INDUSTRIAL TRAINING REPORT ON EMBEDDEDSYSTEMS Submitted to BADDI UNIVERSITY OF EMERGING SCIENCES & TECHNOLOGY In partial fulfillment of the requirements for the degree of Bachelor ofTechnology (B.Tech) In ECE 3rd Semester Submitted by:- NITESH CHAUHAN 16UEC002 Submitted to:- Ms.Ramanpreet kaur Mr.Deepak saini Page 1 of 1
  • 2.
    Introduction of embeddedsystems Embeddedsystems are some specific systems which are designed to perform a specific task. The task or work provided to these system are very specific and remain same as once defined by programmer. Micro controllers are used in and as embedded systems. As for example automatic street light, home automation system, a simple automated electric stove etc. Trainingcontent How to Design PCB Designing of development board Interfacing with Atmega 8A LED Interfacing Switch Interfacing LM35 LCD Interfacing DC motor Stepper motor IR Sensor L293D Scope of Embedded systems:- Embedded systems are used in navigation tools like global positioning system (GPS), automated teller machines (ATMs), networking equipment, digital video cameras, mobile phones, aerospace applications, telecom applications, etc. Introduction to Electronics Components Resistor Capacitor Multi-meter Power Supply Resistor:- A resistor is a passive electronic component that we use in electronic circuits either to limit current through an active component or to reduce voltage in the circuit (by dropping voltage across the resistor) Ratings:- 1. Resistance Page 2 of 2
  • 3.
    2. Power dissipation Lowpower resistor have maximum power rating less than 5 watts , cylindrical in shape High power resistors are those with maximum power rating higher than 5 watts and always comes with a heat sink P =Vrms2 /R 4k9 means 4900ohm If the supply voltage is 12 volts, then maximum possible power is calculated using V2 /R - which [(12 * 12 )/330 ]= 0.435 watts. RESISTOR SYMBOLS:- Capacitor symbols:- Page 3 of 3
  • 4.
    s ge Factors to beconsidered while selecting acapacitor Type of construction Tolerance working voltage Temperature coefficients Types of capacitor:- Non polarized Mica, glass, Ceramic (disk), film, paper Polarized Electrolytic capacitor Super capacitor Ceramic Capacitor:- 1 pico-farad --- 0.01 Microfarad Work up-to 50V Always measured in pico-farad Most commonly used (cheap, reliable and low loss factor) 103=10,000 PF Paper capacitor:- Made up of paper (oil-impregnated paper and aluminum foil layers rolled into a cylinder and sealed with wax) Major drawbacks: Bulky, soaks moisture 500pF to 50µF <600 volts Replaced by the plastic or polymer capacitor Mica capacitor:- Mica as the dielectric medium. Mica does not change physically and chemically with a Used when small values are required, high stability 50 Pico-farads - 0.02 Microfarad cost is very high Mica is such a material which is available in a thin layer in the nature Page 4 of 4
  • 5.
    Since winding ofmica is not possible therefore mica capacitor are always flat in shape. Electrolytic:- Large amount of capacitance is required. Polarized. 0.1µF to 500,000µF 10V to 100V used for low frequency applications positive pin -- anode , negative pin-- cathode Have a wide tolerance range, usually ±20% or more. This makes them poor in applications where precise values are needed. Regulated Power Supply:- Transformer:- 1…Current rating: Depends on current required for load to be driven Page 5 of 5
  • 6.
    P age 6of 6 2…Secondary voltage of the transformer: Any transformer which gives secondary peak voltage up-to 35V can be used Rectifying Circuit:- Diode: IN4007 (Due to high Peak InverseVoltage ) current 1A Capacitor:- Electrolytic Capacitor 1000 mF or greater depending upon the current requirement of the load to be driven Regulator:- The most popular type of voltage regulator IC is the 78XX series, sometimes called the LM78XX series LM 7805 Input voltage 7V-35V Current rating 1A Out-putVoltage V-max=5.2 V V-min=4.8 v Multi-meter:- A multi-meter is a measuring device used for measurement of various parameter such as current voltage resistance and so on.
  • 7.
    EmbeddedSystem:- • An EmbeddedSystem is one that has computer hardware with software embedded in it as one of its important components. • It is an electronic system which includes a single microcontroller to perform dedicated function Microcontroller and Microprocessor:- • Microprocessor No RAM, ROM, I/O on CPU chip itself Page 7 of 7
  • 8.
    AVR Atmega8 Microcontroller– An Introduction The pin diagram of Atmega8 microcontroller:- Memory: It has 8 Kb of Flash program memory (10,000 Write/Erase cycles durability), 512 Bytes of EEPROM (100,000 Write/Erase Cycles). 1Kbyte Internal SRA1M I/O Ports: 23 I/ line can be obtained from three ports; namely Port B, Port C and Port D.
  • 9.
    Interrupts: Two ExternalInterrupt source, located at port D. 19 different interrupt vectors supporting 19 events generated by internal peripherals. Timer/Counter: Three Internal Timers are available, two 8 bit, one 16 bit, offering various operating modes and supporting internal or external clocking. SPI (Serial Peripheral interface): ATmega8 holds three communication devices integrated. One of them is Serial Peripheral Interface. Four pins are assigned to Atmega8 to implement this scheme of communication. USART: One of the most powerful communication solutions is USART and ATmega8 supports both synchronous and asynchronous data transfer schemes. It has three pins assigned for that. In many projects, this module is extensively used for PC-Micro controller communication. TWI (Two Wire Interface): Another communication device that is present in ATmega8 is Two Wire Interface. It allows designers to set up a commutation between two devices using just two wires along with a common ground connection, As the TWI output is made by means of open collector outputs, thus external pull up resistors are required to make the circuit. Analog Comparator: A comparator module is integrated in the IC that provides comparison facility between two voltages connected to the two inputs of the Analog comparator via External pins attached to the micro controller. Analog to Digital Converter: Inbuilt analog to digital converter can convert an analog input signal into digital data of 10bit resolution. For most of the low end application, this much resolution is enough.
  • 10.
    LCD INTERFACING •LCD s a e all a ou d us so li uid ystal displays a e very useful in these days. • It is a kind of display that is made up of a special matter state formed usi g li uid a d ystal oth , it s a fo th state of atte • The most popular one is 16x2 LCD module. It has 2 rows & 16 columns.The intelligent displays are two types: Text Display Graphics Display PIN DESCRIPTION pin configuration for 16 X 2 LCD 8 data pins D7:D0 Bi-directional data/command pins. Alphanumeric characters are sent in ASCII format. RS: Register Select RS = 0 -> Command Register is selected RS = 1 -> Data Register is selected R/W: Read or Write Write, 1 -> Read E: Enable (Latch data) Used to latch the data present on the data pins. A high-to-low edge is needed to latch the data. VEE: contrast control. VDD & VSS: Power supply VDD= +5V VSS=GND .
  • 11.
    What Is MotorDriver IC? A motor driver IC is an integrated circuit chip which is usually used to control motors in autonomous robots. Motor driver ICs act as an interface between microprocessors in robots and the motors in the o ot. The ost o o ly used oto d i e IC s a e f o the L 9 series such as L293D, L293NE, etc. These ICs are designed to control 2 DC motors simultaneously. L293D consist of two H-bridge. H-bridge is the simplest circuit for controlling a low current rated motor. For this tutorial we will be referring the motor driver IC as L293D only. L293D has 16 pins, they are comprised as follows: Ground Pins - 4 Input Pins - 4 Output Pins - 4 Enable pins - 2 Voltage Pins - 2 The workings of the individual pins are explained in detail, later in the tutorial. Why We Need Motor Driver IC? Motor Driver ICs are primarily used in autonomous robotics only. Also most microprocessors operate at low voltages and require a small amount of current to operate while the motors require a relatively higher voltages and current . Thus current cannot be supplied to the motors from the microprocessor. This is the primary need for the motor driver IC. How Motor Driver Operates? The L293D IC receives signals from the microprocessor and transmits the relative signal to the motors. It has two voltage pins, one of which is used to draw current for the working of the L293D and the other is used to apply voltage to the motors. The L293D switches it output signal according to the input received from the microcontroller.
  • 12.
    For Example: Ifthe microprocessor sends a 1(digital high) to the Input Pin of L293D, then the L293D transmits a 1(digital high) to the motor from its Output Pin. An important thing to note is that the L293D simply transmits the signal it receives. It does not change the signal in any case. L293D And Its Working The L293D is a 16 pin IC, with eight pins, on each side, dedicated to the controlling of a motor. There are 2 INPUT pins, 2 OUTPUT pins and 1 ENABLE pin for each motor. L293D consist of two H-bridge. H- bridge is the simplest circuit for controlling a low current rated motor. The Theory for working of a H-bridge is given below. Working Of A H-bridge H-bridge is given this name because it can be modelled as four s it hes o the o e s of H. The asi diag a of H-bridge is given below : In the given diagram, the arrow on the left points to the higher potential side of the input voltage of the circuit. Now if the switches S1 & S4 are kept in a closed position while the switches S2 & S3 are kept in a open position meaning that the circuit gets shorted across the switches S1 & S4. This creates a path for the current to flow, starting from the V input to switch S1 to the motor, then to switch S4 and then the exiting from the circuit. This flow of the current would make the motor turn in one direction. The direction of motion of the motor can be clockwise or anti-clockwise, this is because the rotation of the motor depends upon the connection of the terminals of the motor with the switches
  • 13.
    For simplicity, letsassume that in this condition the motor rotates in a clockwise direction. Now, when S3 and S2 are closed then and S1 and S4 are kept open then the current flows from the other direction and the motor will now definitely rotates in counter-clockwise direction When S1 and S3 are closed and S2 and S4 are open then the STALL condition will occur(The motor will break). Stall Condition: When the motor is applied positive voltage on both sides then the voltage from both the sides brings the motor shaft to a halt L293D Pin Diagram :
  • 14.
    Pin No. PinCharacteristics 1 Enable 1-2, when this is HIGH the left part of the IC will o k a d he it is lo the left pa t o t o k. So, this is the Master Control pin for the left part of IC 2 INPUT 1, when this pin is HIGH the current will flow though output 1 3 OUTPUT 1, this pin should be connected to one of the terminal of motor 4,5 GND, ground pins 6 OUTPUT 2, this pin should be connected to one of the terminal of motor 7 INPUT 2, when this pin is HIGH the current will flow though output 2 8 VC, this is the voltage which will be supplied to the motor. So, if you are driving 12 V DC motors then make sure that this pin is supplied with 12 V 16 VSS, this is the power source to the IC. So, this pin should be supplied with 5 V 15 INPUT 4, when this pin is HIGH the current will flow though output 4 14 OUTPUT 4, this pin should be connected to one of the terminal of motor 13,12 GND, ground pins 11 OUTPUT 3, this pin should be connected to one of the terminal of motor 10 INPUT 3, when this pin is HIGH the current will flow though output 3 9 Enable 3-4, when this is HIGH the right part of the IC will o k a d he it is lo the ight pa t o t o k. So, this is the Master Control pin for the right part of IC
  • 15.
    Working Mechanism Now dependingupon the values of the Input and Enable the motors will rotate in either clockwise or anticlockwise direction with full speed (when Enable is HIGH) or with less speed (when Enable is provided with PWM). Let us assume for Left Motor when Enable is HIGH and Input 1 and Input 2 are HIGH and LOW respectively then the motor will move in clockwise direction. So the behaviour of the motor depending on the input conditions will be as follows : INPUT 1 INPUT 2 ENABLE 1, Result 0 0 1 Stop 0 1 1 Anti-clockwise rotation 1 0 1 Clockwise rotation 1 1 1 Stop 0 1 50% duty cycle Anti-clockwise rotation with half speed 1 0 50% duty cycle Clockwise rotation with half speed Why 4 grounds in the IC? The motor driver IC deals with heavy currents. Due to so much current flow the IC gets heated. So, we need a heat sink to reduce the heating. Therefore, there are 4 ground pins. When we solder the pins on PCB, we get a huge metalllic area between the grounds where the heat can be released. Why Capacitors? The DC motor is an inductive load. So, it develops a back EMF when supplied by a voltage. There can be fluctuations of voltage while using the motor say when suddenly we take a reverse while the motor was moving in some direction. At this point the fluctuation in voltage is quite high and this can damage the IC. Thus, we use four capacitors that help to dampen the extreme variation in current.
  • 16.
    LM35 Precision CentigradeTemperature Sensors 1 Features • Cali ated Di e tly i Celsius Ce tig ade • Li ea + -mV/°C Scale Factor • . °C Ensured Accuracy (at 25°C) • ‘ated fo Full − °C to 150°C ‘a ge • Suita le fo ‘e ote Applications • Lo -Cost Due to Wafer-Le el T i i g • Ope ates f o V to V • Less tha -μA Cu e t D ai • Lo Self-Heating, 0.08°C in Still Air • No -Linearity Only ±¼°C Typical • Lo -I peda e Output, . Ω fo -mA Load 2 Applications • Po e Supplies • Batte y Ma age e t • HVAC • Applia es Description The LM35 series are precision integrated-circuit temperature devices with an output voltage linearlyproportional to the Centigrade temperature. The LM35 device has an advantage over linear temperature sensors calibrated in Kelvin, as the user is not required to subtract a large constant voltage from the output to obtain convenient Centigrade scaling. The LM35 device does not require any external calibration or trimming to provide typical accuracies of ±¼°C at room temperature and ±¾°C over a full − °C to 150°C temperature range. Lower cost is assured by trimming and calibration at the wafer level. The low-output impedance, linear output, and precise inherent calibration of the LM35 device makes interfacing to readout or control circuitry especially easy. The device is used with single power supplies, or with plus and minus supplies. As the LM35 device draws only 60 μA from the supply, it has very low self- heating of less than 0.1°C in still air. The LM35 device is rated to operate o e a − °C to 150°C temperature range, while the LM35C device is rated fo a − °C to 110°C a ge − ° with improved accuracy)
  • 18.
    CODE Interfacing LCDand LM35 temp sensor:- #include<LiquidCrystal.h> LiquidCrystal lcd(12, 11, 5, 4, 3, 2); const int sensor=A1; // Assigning analog pin A1 to variable 'sensor' float tempc; //variable to store temperature in degree Celsius float tempf; //variable to store temperature in Fahreinheit float vout; //temporary variable to hold sensor reading void setup() { pinMode(sensor,INPUT); // Configuring pin A1 as input Serial.begin(9600); lcd.begin(16,2); delay(500); } void loop() { vout=analogRead(sensor); vout=(vout*500)/1023; tempc=vout; // Storing value in Degree Celsius tempf=(vout*1.8)+32; // Converting to Fahrenheit lcd.setCursor(0,0); lcd.print("in DegreeC= "); lcd.print(tempc); lcd.setCursor(0,1); lcd.print("in Fahrenheit="); lcd.print(tempf); delay(1000); //Delay of 1 second for ease of viewing in serial monitor }
  • 19.
    PRESS SWITCH 1ALL LED WILL GLOW RESPECTIVELY int switch1; int switch2; int switch3; void setup() { pinMode(5,INPUT_PULLUP); pinMode(8,OUTPUT); pinMode(9,OUTPUT); pinMode(10,OUTPUT); pinMode(11,OUTPUT); pinMode(12,OUTPUT); pinMode(13,OUTPUT); } void loop() { switch1=digitalRead(5); if(switch1==0) { digitalWrite(8,LOW); } else { digitalWrite(8,HIGH); } switch1=digitalRead(5); if(switch1==0) { digitalWrite(8,LOW); digitalWrite(9,LOW); } else { digitalWrite(8,HIGH); digitalWrite(9,HIGH); }
  • 20.
  • 21.
  • 22.
    L239D interfacing dcmotor using Atmega 8A #include <avr/io.h> #include <util/delay.h> // for _delay_ms() int main(void) { DDRC = 0x0F; // initialize port C // motors connected across PC0...Pc3 while(1) { // clockwise rotation PORTC = 0b00000101; // PC0 = High = Vcc // PC1 = Low = 0 // PC2 = High = Vcc // PC3 = Low = 0 _delay_ms(500); // wait 0.5s // counter-clockwise rotation PORTC = 0b00001010; // PC0 = Low = 0 // PC1 = High = Vcc // PC2 = Low = 0 // PC3 = High = Vcc _delay_ms(500); // wait 0.5s } }
  • 23.
  • 24.
    CANDIDATE'S DECLARATION I “NITESHKUMAR CHAUHAM” hereby declare that I have undertaken 6 weeks Software Training at “EUREKA ELECTROSOFT SOLUTIONS PVT LTD” during a period from 5 JUNE To 14 JULY 2017 in partial fulfillment of requirements for the award of degree of B.Tech (Electronics and communication Engineering) at SCHOOL OF ENGINEERING AND EMERGING TECHNOLOGY, BUEST, BADDI. The work which is being presented in the training report submitted to Department of electronic and communication Engineering at SCHOOL OF ENGINEERING AND EMERGING TECHNOLOGY, BUEST, BADDI is an authentic record of training work. Signature of the Student The software / industrial training Viva–Voce Examination of has been held on and accepted. Signature of Internal Examiner SCHOOL OF ENGINEERING AND EMERGING TECHNOLOGY, BUEST, BADDI.
  • 25.
    BIBLIOGRAPHY This report hasbeen compiled with valuable contribution from: BOOKS: 1.Mazidi and mazidi 2.Ayala 3.Sanjeev Gupta WEB RESOURCES: 1.www.atmelprojects.com 2.www.rickeysworld.com 3.www.electronics4u.com 4.www.efy.com 5.www.projectsguide.com 6.www.google.com