Stresses in Soil Mass
Stresses are induced in a soil mass
• Due to self weight of soil and
• Due to applied structural loads.
GEOSTATIC STRESSES
• Vertical stress in soil due to self weight is called geostatic
stress.
• Due to self weight of soils stresses are large.
• When the ground surface is horizontal the stresses due to self
weight of soil are normal to the horizontal and vertical planes
• No shearing stresses on principal planes.
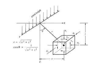
 Vertical Stresses
The vertical stress at depth z below ground surface
where,
= vertical stress
z = depth below ground surface
γ = unit weight of soil
 Horizontal Stresses
• Depends upon vertical stresses, type of soil and conditions
weather the soil is stretched or compressed.
• Horizontal stress,
where,
k0 =coefficient of lateral earth pressure at rest =
(μ= Poison’s ratio)
BOUSSINESQ’S SOLUTION
 Boussinesq (1885) gave the theoretical solution for the stress
distribution in an elastic medium (soil) subjected to an applied
external load on its surface.
 Assumptions:
1. The soil mass is an elastic medium (elasticity is constant)
2. The soil is homogeneous.
3. The soil is isotropic.
4. The soil mass is semi-infinite.
5. Self weight of soil is neglected.
6. The soil is initially stress free.
7. The change in volume of soil is neglected.
8. Community of stress is considered to exist in the medium.
Variation of I2 with m and n.
• Based on homogeneous, weightless, elastic, isotropic infinitely
large half-space free of initial stress and deformation. The
modulus of elasticity is assumed constant and the principle of
linear superposition is assumed valid (EM1110-1-1904, 1990).
Not accurate for layered soil stratigraphy with substantial
thickness (NAVFAC DM7.01, 1986).
• Rigid Surface Layer Over Weaker Underlying Layer: If the surface layer
is the more rigid, it acts as a distributing mat and the vertical stresses
in the underlying soil layer are less than Boussinesq values.
• Weaker Surface Layer Over Stronger Underlying Layers: If the surface
layer is less rigid than the underlying layer, then vertical stresses in
both layers exceed the Boussinesq values.
Limitations of Boussinesq Method
WESTERGAARD'S FORMULA FOR POINT LOADS
• Actual soil is neither isotropic nor homogenous.
• Westergaard, a British Scientist, proposed (1938) a formula for the computation of
vertical stress бz by a point load, Q, at the surface as
• in which µ, is Poisson's ratio. If µ, is taken as zero for all practical purposes,
• The variation of /B with the ratios of (r/z) is shown graphically on next slide along
with the Boussinesq's coefficient IB. The value of Iw at r/z = 0 is 0.32 which is less
than that of IB by 33 per cent.
• Geotechnical engineers prefer to use Boussinesq's solution as this gives
conservative results. 19
Values of IB or Iw for use in the Boussinesq or Westergaard formula
20
geotech Vertical Stress (3rd Week).pptx...

geotech Vertical Stress (3rd Week).pptx...

  • 1.
    Stresses in SoilMass Stresses are induced in a soil mass • Due to self weight of soil and • Due to applied structural loads.
  • 2.
    GEOSTATIC STRESSES • Verticalstress in soil due to self weight is called geostatic stress. • Due to self weight of soils stresses are large. • When the ground surface is horizontal the stresses due to self weight of soil are normal to the horizontal and vertical planes • No shearing stresses on principal planes.
  • 3.
     Vertical Stresses Thevertical stress at depth z below ground surface where, = vertical stress z = depth below ground surface γ = unit weight of soil  Horizontal Stresses • Depends upon vertical stresses, type of soil and conditions weather the soil is stretched or compressed. • Horizontal stress, where, k0 =coefficient of lateral earth pressure at rest = (μ= Poison’s ratio)
  • 7.
    BOUSSINESQ’S SOLUTION  Boussinesq(1885) gave the theoretical solution for the stress distribution in an elastic medium (soil) subjected to an applied external load on its surface.  Assumptions: 1. The soil mass is an elastic medium (elasticity is constant) 2. The soil is homogeneous. 3. The soil is isotropic. 4. The soil mass is semi-infinite. 5. Self weight of soil is neglected. 6. The soil is initially stress free. 7. The change in volume of soil is neglected. 8. Community of stress is considered to exist in the medium.
  • 17.
    Variation of I2with m and n.
  • 18.
    • Based onhomogeneous, weightless, elastic, isotropic infinitely large half-space free of initial stress and deformation. The modulus of elasticity is assumed constant and the principle of linear superposition is assumed valid (EM1110-1-1904, 1990). Not accurate for layered soil stratigraphy with substantial thickness (NAVFAC DM7.01, 1986). • Rigid Surface Layer Over Weaker Underlying Layer: If the surface layer is the more rigid, it acts as a distributing mat and the vertical stresses in the underlying soil layer are less than Boussinesq values. • Weaker Surface Layer Over Stronger Underlying Layers: If the surface layer is less rigid than the underlying layer, then vertical stresses in both layers exceed the Boussinesq values. Limitations of Boussinesq Method
  • 19.
    WESTERGAARD'S FORMULA FORPOINT LOADS • Actual soil is neither isotropic nor homogenous. • Westergaard, a British Scientist, proposed (1938) a formula for the computation of vertical stress бz by a point load, Q, at the surface as • in which µ, is Poisson's ratio. If µ, is taken as zero for all practical purposes, • The variation of /B with the ratios of (r/z) is shown graphically on next slide along with the Boussinesq's coefficient IB. The value of Iw at r/z = 0 is 0.32 which is less than that of IB by 33 per cent. • Geotechnical engineers prefer to use Boussinesq's solution as this gives conservative results. 19
  • 20.
    Values of IBor Iw for use in the Boussinesq or Westergaard formula 20