Optimization of a TEG
dehydration unit with
recent advances in tech-
nology CPD (3425)
Team 10
TechnischeUniversiteitDelft
Optimization of a TEG dehydration
unit with recent advances in
technology CPD (3425)
by
Team 10
Javier Leyva Rico - 4415027 - +31617370757
Agnes van Endhoven - 4174933 - +31627117687
Ameya Thakurdesai - 4411153 - +31617327604
Toon Nieboer - 4114965 - +31641317731
Assignment issued: 28-04-2015
Report issued: 26-06-2015
Appraisal: 30-06-2015
in partial fulfillment of the requirements for the course of
Design Project
in Chemical Engineering
at the Delft University of Technology,
Technical advisor: Dr. P. Hamersma, TU Delft
Creativity Coach: Prof. dr. B. Dam, TU Delft
Principals: Ir. A. Didden, Frames Group
Ir. A. Malhotra, Frames Group
Preface
For the conceptual design project of the master Chemical Engineering we, a group of four students,
have been put together to work on an assignment for M/s Frames. The main purpose of the project is
to decrease the size and costs of an offshore TEG gas dehydration unit, a widely used technique for gas
dehydration. This has been done by adding new technologies from industry. For the past 10 weeks,
literature studies were performed, contacts with professors and companies have been made and many
simulations and calculations were done.
After a study, some thorough & some brief, out of nine different technologies three were chosen to
be added to the conventional process in order to try to decrease the CAPEX, OPEX and weight of the
unit. Pervoparation membranes, a liquid turbochargers and injection of semi-lean TEG were included.
The conventionally used process has been simulated to set a benchmark and the impact of all
different techniques has been calculated. Thereafter the hybrid process was simulated. This resulted
in a reduction of OPEX of € 70,000 per year, but also an increase of 15 million €, which means the
CAPEX has doubled. The weight of the unit stayed more or less the same as is shown in the report.
In the end it is concluded that the addition of liquid turbochargers has a positive effect on the total
energy needed for the TEG transport throughout the plant. A reduction of 70% of energy consumption
is achieved. The pervaporation membranes decrease the energy needed for reboiling but turn out to
be very costly in capital expenses. As of now it is not yet beneficial to add these membranes as the
rate of return is too low. It is expected that after more research the price of these membranes can
drop however, as a larger surface area per unit can be achieved. This will cut down the capital costs of
the membranes and make them a viable option in the future. The addition of semi-lean TEG injection
proved a useful addition. It resulted in a size reduction of the still column, reboiler and surge vessel. To
implement this technology in the conventional process however the design of the still column needs to
be altered or the distillation needs to be done in two steps in order to provide a semi-lean TEG stream
to return to the contactor (absorption tower).
Team 10: Javier Leyva, Ameya Thakurdesai, Agnes van Endhoven & Toon Nieboer
Delft, June 2015
iii
Contents
1 Introduction and Project Charter 1
1.1 Background . . . . . . . . . . . . . . . . . . . . . . . . . . . . . . . . . . . . . . . . . . 1
1.2 Objectives . . . . . . . . . . . . . . . . . . . . . . . . . . . . . . . . . . . . . . . . . . . 2
1.3 Concept Stage. . . . . . . . . . . . . . . . . . . . . . . . . . . . . . . . . . . . . . . . . 3
1.3.1 Process synthesis. . . . . . . . . . . . . . . . . . . . . . . . . . . . . . . . . . . 3
1.3.2 Requirements . . . . . . . . . . . . . . . . . . . . . . . . . . . . . . . . . . . . . 3
1.3.3 Plant capacity and location . . . . . . . . . . . . . . . . . . . . . . . . . . . . . 4
1.4 Database. . . . . . . . . . . . . . . . . . . . . . . . . . . . . . . . . . . . . . . . . . . . 5
1.4.1 Component list . . . . . . . . . . . . . . . . . . . . . . . . . . . . . . . . . . . . 5
1.4.2 Component and thermodynamic properties . . . . . . . . . . . . . . . . . . . 5
2 Conventional Process 7
2.1 Process description. . . . . . . . . . . . . . . . . . . . . . . . . . . . . . . . . . . . . . 7
2.1.1 Contactor (C101) . . . . . . . . . . . . . . . . . . . . . . . . . . . . . . . . . . . 8
2.1.2 Flash (V201). . . . . . . . . . . . . . . . . . . . . . . . . . . . . . . . . . . . . . 9
2.1.3 Filters (S201) . . . . . . . . . . . . . . . . . . . . . . . . . . . . . . . . . . . . . 9
2.1.4 Reboiler (V202) & Still column (C201) . . . . . . . . . . . . . . . . . . . . . . 9
2.1.5 Stripping column (C202) . . . . . . . . . . . . . . . . . . . . . . . . . . . . . . 9
2.1.6 Surge (V203) . . . . . . . . . . . . . . . . . . . . . . . . . . . . . . . . . . . . . 10
2.2 Mass and energy balance . . . . . . . . . . . . . . . . . . . . . . . . . . . . . . . . . . 10
2.2.1 Simulation on Aspen Hysys. . . . . . . . . . . . . . . . . . . . . . . . . . . . . 10
2.3 Equipment sizing . . . . . . . . . . . . . . . . . . . . . . . . . . . . . . . . . . . . . . . 11
2.4 Total weight . . . . . . . . . . . . . . . . . . . . . . . . . . . . . . . . . . . . . . . . . . 12
2.5 Health, Safety & Environment . . . . . . . . . . . . . . . . . . . . . . . . . . . . . . . 13
2.5.1 Preliminary study of risks. . . . . . . . . . . . . . . . . . . . . . . . . . . . . . 13
2.5.2 Dow’s Fire and Explosion Index (F&EI) . . . . . . . . . . . . . . . . . . . . . . 14
2.5.3 Waste. . . . . . . . . . . . . . . . . . . . . . . . . . . . . . . . . . . . . . . . . . 17
2.6 Bottlenecks and possible improvements . . . . . . . . . . . . . . . . . . . . . . . . . 17
3 Innovation Map 19
3.1 Description of alternatives . . . . . . . . . . . . . . . . . . . . . . . . . . . . . . . . . 19
3.1.1 Improved TEG injection . . . . . . . . . . . . . . . . . . . . . . . . . . . . . . . 19
3.1.2 Microwave heating . . . . . . . . . . . . . . . . . . . . . . . . . . . . . . . . . . 19
3.1.3 Super-X packing . . . . . . . . . . . . . . . . . . . . . . . . . . . . . . . . . . . 20
3.1.4 Liquid turbochargers . . . . . . . . . . . . . . . . . . . . . . . . . . . . . . . . 21
3.1.5 Pervaporation membranes . . . . . . . . . . . . . . . . . . . . . . . . . . . . . 21
3.1.6 Molecular sieves + TEG unit . . . . . . . . . . . . . . . . . . . . . . . . . . . . 22
3.1.7 Addition of entrainer. . . . . . . . . . . . . . . . . . . . . . . . . . . . . . . . . 23
3.1.8 Vacuum operation in still column . . . . . . . . . . . . . . . . . . . . . . . . . 23
3.1.9 Rotating packed beds (HiGee) . . . . . . . . . . . . . . . . . . . . . . . . . . . 23
3.2 Selection of alternatives . . . . . . . . . . . . . . . . . . . . . . . . . . . . . . . . . . . 24
3.2.1 Turbochargers and split-flow injection . . . . . . . . . . . . . . . . . . . . . . 25
3.2.2 Alternative 1: Process scheme with microwave heating . . . . . . . . . . . . 28
3.2.3 Alternative 2: Process scheme with pervaporation membranes and semi
lean injection . . . . . . . . . . . . . . . . . . . . . . . . . . . . . . . . . . . . . 30
3.2.4 Alternative 3: Process scheme with hybrid system . . . . . . . . . . . . . . . 38
3.3 Selection of the optimized process scheme. . . . . . . . . . . . . . . . . . . . . . . . 39
v
vi Contents
4 Hybrid Process 41
4.1 Process description. . . . . . . . . . . . . . . . . . . . . . . . . . . . . . . . . . . . . . 41
4.2 Material and energy balance . . . . . . . . . . . . . . . . . . . . . . . . . . . . . . . . 42
4.2.1 Energy demands . . . . . . . . . . . . . . . . . . . . . . . . . . . . . . . . . . . 43
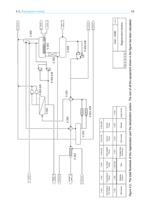
4.3 Equipment sizing . . . . . . . . . . . . . . . . . . . . . . . . . . . . . . . . . . . . . . . 43
4.4 Total weight . . . . . . . . . . . . . . . . . . . . . . . . . . . . . . . . . . . . . . . . . . 47
4.5 Safety, Health & Environment . . . . . . . . . . . . . . . . . . . . . . . . . . . . . . . 47
4.5.1 Hazard and Operability study (HAZOP) . . . . . . . . . . . . . . . . . . . . . . 47
4.6 Process control and instrumentation . . . . . . . . . . . . . . . . . . . . . . . . . . . 48
5 Economic Analysis 51
5.1 CAPEX . . . . . . . . . . . . . . . . . . . . . . . . . . . . . . . . . . . . . . . . . . . . . 51
5.1.1 Conventional . . . . . . . . . . . . . . . . . . . . . . . . . . . . . . . . . . . . . 51
5.1.2 Hybrid . . . . . . . . . . . . . . . . . . . . . . . . . . . . . . . . . . . . . . . . . 52
5.1.3 Conclusions regarding CAPEX . . . . . . . . . . . . . . . . . . . . . . . . . . . 53
5.2 OPEX . . . . . . . . . . . . . . . . . . . . . . . . . . . . . . . . . . . . . . . . . . . . . . 53
5.2.1 Pumping . . . . . . . . . . . . . . . . . . . . . . . . . . . . . . . . . . . . . . . . 53
5.2.2 Heating. . . . . . . . . . . . . . . . . . . . . . . . . . . . . . . . . . . . . . . . . 54
5.2.3 Cooling . . . . . . . . . . . . . . . . . . . . . . . . . . . . . . . . . . . . . . . . . 55
5.2.4 Conclusion regarding OPEX . . . . . . . . . . . . . . . . . . . . . . . . . . . . 55
6 Creativity & Group Process Methods 57
6.1 Team division, process tools and results . . . . . . . . . . . . . . . . . . . . . . . . . 57
6.2 Creativity tools and results . . . . . . . . . . . . . . . . . . . . . . . . . . . . . . . . . 60
6.3 Process planning and results. . . . . . . . . . . . . . . . . . . . . . . . . . . . . . . . 61
6.3.1 Overall planning and deadlines . . . . . . . . . . . . . . . . . . . . . . . . . . 61
6.3.2 Work division . . . . . . . . . . . . . . . . . . . . . . . . . . . . . . . . . . . . . 62
7 Conclusions & Recommendations 63
List of Symbols 66
A Unit sizing 67
A.1 Contactor (C-101) . . . . . . . . . . . . . . . . . . . . . . . . . . . . . . . . . . . . . . 67
A.2 Vessel sizing (V201, V202 & V203) . . . . . . . . . . . . . . . . . . . . . . . . . . . . 68
A.3 Heat exchangers (E-201,202 & 203) . . . . . . . . . . . . . . . . . . . . . . . . . . . 69
A.4 Still Column (C-201) . . . . . . . . . . . . . . . . . . . . . . . . . . . . . . . . . . . . . 70
A.5 Pumps (P-101 A/B and 202 A/B) . . . . . . . . . . . . . . . . . . . . . . . . . . . . . 70
A.6 Pervaporation membrane module (S-202) . . . . . . . . . . . . . . . . . . . . . . . . 70
B Used graphs 73
C Flow sheet conventional design 77
D Stream Summary - Conventional Design Case 79
E Stream Summary - Turndown Case 83
F Microwave heating model 87
G Split flow model 89
H Model used for hybrid system 91
I Stream Summary - Hybrid: Design Flow 93
J Stream Summary - Hybrid: Turndown Case 97
K Stream Summary - Hybrid: Max Flow Case 101
L HAZOP and FEI 105
M Equipment Summary 109
Bibliography 135
1
Introduction and Project Charter
In this first section of the project, it will be described the background of the process as well as the
objectives and requirements of the dehydration unit for the natural gas. Moreover, all relevant data
necessary for further understanding of the process and design will be also displayed.
1.1. Background
During the last 40 years, the production of natural gas has increased by more than a factor 3, resulting
in a fast increase of the amount and size of production plants. This, plus the on going scarcity of oil and
gas, forces companies to place drilling platforms on more remote and violent locations. These offshore
platforms, where huge feeds of oil and gas are processed, must operate with as few equipment as
possible to avoid the extra weight, trying to keep the production as cheap as possible.
In 2010, 4.359 billion (4395·10 ) cubic meters of natural gas were produced worldwide. Norway is
situated 2nd in the ranking of biggest natural gas producing countries with a production of 114.7 billion
cubic meters. In 2010, production of crude oil, Natural Gas and pipeline services accounted for 50%
of the export value of Norway and 21% of the GDP (gross domestic product). All of the oil and natural
gas fields in Norway are located subsea on the Norwegian Continental Shelf, being the Troll field the
largest single one, representing one-third of the country’s natural gas production. When natural gas is
taken out of the ground it needs to be processed before it can be used commercially. A conventional
gas sweetening process is displayed in figure 1.1.
Figure 1.1: Simplified liquid natural gas plant diagram. Here the purple block indicates the gas well,
the blue ones indicate process steps and the orange ones are the products of this industry.
1
2 1. Introduction and Project Charter
Natural gas that comes out of a well is saturated water. It often also contains other compounds
such as Hydrogen Sulfide, souring the gas. These components must be removed following the scheme
of figure 1.1. Moreover, several crucial reasons why water need to be taken out are presented below:
• It can trigger the production of hydrates and of crystals. When transport of the natural gas is
lead through long pipes, the chance of clogging becomes high and the removal of these plugs is
expensive.
• Water can cause corrosion to the pipelines.
• It can cause slugging flow conditions which increases the pressure drop over the pipeline.
• In presence of water, the heating value of gas decreases radically. [1] [2] [3]
One of the most used dehydration processes is Glycol dehydration, with about 30,000 units in
operation in the USA alone. This method can be performed with any Glycol solvent, but the mostly
tri-ethylene glycol (TEG) is used. This process started to be used in the 1970’s and has not changed
much since. In a contactor column of perforated trays or a packing, the wet gas stream and the TEG
stream will meet in counter current. After absorption the TEG rich in water goes to a regenerator,
where the water is taken out in a still column. The pressure difference between these two processes
is usually very high, going from 160-170 bar to atmospheric.
As mentioned before, the dehydration of Natural Gas using TEG has been used for over 40 years.
Not much has changed to the way this process works over all the years. However, with a growing
interest in process intensification and many developments in this field, it could be possible to decrease
the size of the TEG unit while maintaining or even increasing the effectiveness.
Parts of the system in which a potential weight loss can be significant are the TEG inventory and
the size of the regeneration system. Examples of techniques that will be looked into are pervaporation
membranes and microwave heating, among others, having the potential to reduce the size and price
of the unit significantly.
1.2. Objectives
The assignment, provided by Frames group, is to find and design a new dehydration unit by introducing
new innovations in order to lower the CAPEX, OPEX and weight of the conventional TEG dehydration
unit for an offshore platform using recent advances in science.
Therefore, the first task that needs to be done is the definition of the conventional process.Then,
the CAPEX, OPEX and weight of it will be set as benchmark. In the next stage, improvements will be
proposed and their impact will be estimated especially in terms of CAPEX, OPEX and weight. Finally,
conclusions and remarks will be posed about the proposed design of the unit.
1.3. Concept Stage 3
1.3. Concept Stage
1.3.1. Process synthesis
The typical process for dehydration of wet natural gas can be simplified by splitting it in two parts, as
shown in figure 1.2.
The first part is where the actual absorption takes place. Lean water-free Glycol is contacted with
wet Natural Gas in a contactor where the Glycol removes the water from the gas. Then, after this
absorption, the dry gas rich in Methane is sent for downstream processing, whereas the rich TEG
needs to be dehydrated and purified for reuse. From the regeneration subsystem also some overhead
and waste streams are formed, that then will be treated. However, this part is out of the scope of this
project.
Figure 1.2: Block diagram of the process. Orange blocks represent the battery limits of the
dehydration process whereas blue blocks represent steps taken in TEG dehydration.
Hence, the battery limits of the unit are represented by the four orange circles shown in figure 1.2.
There is only one inlet flow to the system, wet gas, and three outlet flows, dry gas product, drain and
overhead gases.
1.3.2. Requirements
The requirements for natural gas after dehydration are presented in table 1.1.
Table 1.1: List of requirements as provided by Frames group
Location Offshore fixed platform in Norway
Water specification 24 mg/Sm
Turndown 10%
Pressure drop ≤ 0.25 bar
Glycol losses contactor ≤ 10 l/MMNm (0.07 UGS/MMSCF)
Others No mercury
Notes. S= Standard Conditions of 1 bar and 15 °C
N= Normal Conditions of 1 bar and 0 °C.
(As agreed with Frames during Kick-off meeting)
Although the implementation will be on a Norwegian offshore oil plant, the host country regulations
will not be taken into account and the extra costs that come from the installation being on an offshore
location need not have to be considered as this difference works for both the conventional and the
suggested processes.
4 1. Introduction and Project Charter
1.3.3. Plant capacity and location
The capacity of the plant will be 380617 kg/h of wet natural gas which comes as feed stream to the
unit. Once the mass balance and streams study is completed, it results that the plant will produce
around 340000 kg/h of dry gas which includes small amount of water (24 mg/Sm3) coming out of the
unit. This means that 2594 kg/h (purity wt 99.4%) of lean TEG are needed to absorb the 131 kg/h of
water which needs to be removed. Given that the expected results are subject to 10% of turn down,
the capacity of the plant must hold these fluctuations too.
Figure 1.3: Norwegian geographical map,
green areas are open for petroleum and gas
platforms, red and orange are considered to
be opened for industrial uses [4]
The TEG dehydration unit will be located in the
European country Norway, specifically in an offshore
platform of its coasts situated in the North Sea. As
shown in figure 1.3 the whole western part of the Nor-
wegian coast in the North Sea is open for petroleum
and gas industry.
Norway is the world’s second biggest exporter of
natural gas and the fifth biggest exporter of oil, at
the same trying to become one of the world’s most
environmentally friendly industries in this field. This
country has high pollution standards and there is con-
tinued work on reducing emissions and avoiding ac-
cidents or spills. This sector is vital for the country’s
economy, representing about 25% of the gross do-
mestic product, 30% of the state income, more than
50% of export earnings and providing approximately
250,000 jobs, directly and indirectly. In addition, this
industry not only helps to its own wealth fare, but also
is a very important contributor for the innovation and
technological development in other related sectors.[5]
Norway has been producing gas for about 40 years,
but at this moment its production has lowered till 20%
of its highest peak. The development in natural gas
exports from facilities on the Norwegian Continental
Shelf (NCS) has drastically decreased as reported by
the Norwegian Petroleum Directorate (NPD) from 2006 to 2013. [6] The natural gas extraction has
reduced total sales gas volumes with around 4% relative to what was exported from the production
installations. In spite of this trend, optimism is present because of the discovery of new reserves, even
in mature areas. Together, these will amount to 400-600 million barrels of oil equivalents allowing new
projects in Norwegian waters in the next 10-15 years.
Although the production costs are relatively high in the North sea, the quality of the oil and gas,
the political stability of the region, and the close proximity to important markets in western Europe has
made it an important oil and gas producing region. The largest natural gas field in the North Sea, the
Troll gas field, lies in the Norwegian trench dropping over 300 metres. This required the construction
of the enormous Troll A platform to access it. Besides it, in the Ekofisk oil field, the Statfjord platform
is also notable as it was the cause of the first pipeline to span the Norwegian trench.
The average air temperature in summer is 17°C while it is 6°C during the winter. The average
temperatures have been trending higher since 1988, which has been attributed to climate change. Air
temperatures in January range on average between 0 to 4°C and in July between 13 to 18°C. The
salinity averages between 34 to 35 grams of salt per litre of water, having its highest variability where
there is fresh water inflow, such as at the Rhine and Elbe estuaries, the Baltic Sea exit and along the
coast of Norway.
With growing demand for improved gas technology, this field is suitable to process intensification.
As stated in the Petroleum White Paper, the Government has confirmed the strategy for developing the
petroleum and gas with a proactive, parallel commitment to increased recovery from production fields,
developing commercial/profitable discoveries, exploring in open acreage and opening up new areas.
1.4. Database 5
1.4. Database
In this section of the project, all relevant data of the compounds involved is tabulated. This is also the
data that is used in the simulations.
1.4.1. Component list
In this project only three different species are observed. TEG, natural gas and water. The natural gas
coming out of the well consist of the components shown in table 1.2. The properties of the different
species are discussed later in this section.
Table 1.2: List of components in Natural gas provided by Frames
Component name Mol. %
H O @saturation
N 0.18
CO 3.58
Methane (CH ) 86.49
Ethane (C H ) 5.33
Propane (C H ) 2.18
i-Butane (C H ) 0.49
n-Butane (C H ) 0.89
i-Pentane (C H ) 0.25
n-Pentane (C H ) 0.24
C + 0.33
1.4.2. Component and thermodynamic properties
Table 1.3: Component and thermodynamic properties of Triethylene Glycol and water
Property Value TEG Value water
Molecular Formula C H O H O
Molecular Weight 150.17kg/kmol [7] 18 kg/kmol
Boiling Point 285 °C[8] @ 1 atm 100 °C @1 atm
Melting Point -7 °C [8] 0 °C @ 1 atm
Density 1127.4 m @ 15 °C [8] 998.3 kg/m @ 200 °C[9]
Viscosity 0.00478 Pa.s @ 200 °C[8] 0.001003 Pa.s @ 200 °C [9]
Vapour Pressure <0.001 kPa [7] 2337 Pa @ 200 °C [9]
Heat of Vaporisation 61.04 kJ/mol @ 1 atm [8] 2257 kJ/kg @ 1 atm[10]
Triethylene Glycol (TEG)
TEG is the water absorbing species in this system. It is a colorless, viscous liquid, well known for
its hygroscopic properties and its ability for dehumidifying fluids. It is used especially as a desiccant
for dehydration of Natural gas. It will however degrade when the temperature rises above 204 °C,
this makes good temperature control important and hotspots should be avoided. It’s thermodynamic
properties can be found in table 1.3.
Water
Water is the universal solvent. Industrially, water has been used for many purposes, especially for
cooling. The natural gas obtained from wells is saturated with water which needs to be removed due
6 1. Introduction and Project Charter
to the reasons mentioned in section 1. The thermodynamic properties of water are also listed in table
1.3
Natural gas
Table 1.4: Component and thermodynamic properties of natural gas
Property Value natural gas
Molecular Formula 86.49% CH
Molecular Weight 19.5 kg/kmol (Frames specified)
Density [11] 0.79-0.9 kg/m @ STP
Net Heating Value [11] 46054800 J/kg (11000 kcal/kg)
Natural gas, consisting of predominantly Methane, is a hydrocarbon gas formed due to fossilization
of buried plants and animals. For these species to become natural gas they were below the earths
surface for over a thousand years. It is a non-renewable source of energy and is typically used for
heating (industrial) and cooking (domestic). Some of the properties of Natural gas are given in table
1.4. The specification of the natural gas that comes from the specific well in Norway are given in table
1.2.
2
Conventional Process
In this chapter the conventional process currently used in the industry to dehydrate natural gas is
described. Firstly a process scheme is shown and later every step is explained into detail. A few
remarks on how this process is modelled in Aspen Hysys are given. All equipment sizing is explained
and a safety assessment is done. Lastly a few comments on bottlenecks and areas to improve will be
mentioned.
2.1. Process description
In this section the conventional process for dehydration using TEG widely used in industries is described
with all details taking into consideration the technical and feed requirements stated. These will be
used to define the conventional benchmark as well as rooms for improvement in the different pieces
of equipment. The conventional process is depicted in figure 2.1.
Figure 2.1: Flowsheet of currently used TEG dehydration process. In green the Absorption unit
(U100) and in purple the Regeneration unit (U200).
7
8 2. Conventional Process
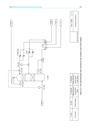
2.1.1. Contactor (C101)
Streams in: Wet gas <102>, Lean TEG <103>. Streams out: Dry gas, Rich TEG <104>.
The absorption column, also called the contactor in this process, is the main piece of equipment of
a TEG dehydration process. In the absorption process, a liquid is used to contact wet gas and remove
the water vapor. With absorption, the water content in the gas stream is dissolved in a relatively pure
liquid solvent stream. To achieve this it is necessary to create a surface area as large as possible
between the two phases. This can be achieved using several pieces of internal equipment, such as:
• Division into trays.
• Random packing.
• Structured packing.
Trays
Figure 2.2: Typical
bubble cap plate
column for TEG
dehydration
contractor[12]
One way to achieve a high surface area between the two phases is to divide
the column into trays as displayed in figure 2.2. Gas flows from below each tray
through bubble caps, which ensures the formation of small bubbles of gas. Each
tray is filled with liquid glycol which accumulates due to an overflow wall at the
tray. The small gas bubbles provide a large surface area which is needed for
the mass transfer. Because the bubbles rise relatively fast the contacting time is
short. Hence equilibrium is not reached. Therefore several trays are needed to
reach the dehydration specifications for gas transport, usually 6 to 20 trays are
used, spaced approximately 61 cm apart.[13]
Random packing
Various types of random packing are also used in glycol contactors to achieve a
high surface area for mass transfer. The total height of the packing in the vessel
can be calculated from the number of theoretical stages used in the design.
Typically suppliers of the packings have correlations for packing height needed
per theoretical stage.
Structured Packing
Structured packing is to load the column with arrangements of steel internals
over which the glycol flows downward. The gas flows upward through the pack-
ing and has a large contact area with the glycol. This provides a very efficient way for mass transfer to
occur and is therefore used the most throughout offshore dehydration[13]. Just as in random packing,
suppliers have developed a relationship between the packing height needed and the number of theo-
retical stages. When designing the column it is essential that the glycol is distributed evenly over the
top of the packing, to ensure a good mass transfer area. A typical structured packing is displayed in
figure 2.3.
Usually a structured packing is used as it provides the best mass transfer surface area compared to
random packing and tray columns. A larger surface area provides a better mass transfer and therefore
a smaller column. The wet gas is fed at the bottom of the column and dry gas leaves the top. At the
top the lean glycol is fed and the rich glycol will be returned below the wet gas feed.
2.1. Process description 9
Figure 2.3: Typical structured packing used in the industry[14]
2.1.2. Flash (V201)
Streams in: From HX (E201) <203>, Streams out: Drain, OVHD & to filters (S201) <205>.
(The stream numbers depicted refer to Figure C.1 in Appendix C)
Due to the high pressure used in the contactor some gas is physically dissolved in the liquid glycol. The
higher the pressure in the contactor, the more gas dissolves in the liquid. A flash tank is needed to take
that portion of gas out of the liquid. The liquid first gets heated in the still column and afterwards it is
depressurised in the flash tank. With these changes the gases evolve from the glycol in the gas tank.
It is designed as a three-phase separator to help remove any condensate in the liquid and therefore
increase the lifetime of the downstream filters.
2.1.3. Filters (S201)
Streams in: From flash (V201) <205>, Streams out: to HX (E202) <206>.
To prevent clogging and optimal conditions for glycol it is very important to keep the glycol as clean
as possible. Impurities might also cause foaming in the still or contactor. Therefore filters are installed
to take out impurities. Particle filter are usually in operation all the time to take out any condensate in
the liquid. Carbon filters can be bypassed most of the time and will be installed on stream, if there are
no hydrocarbons in the stream.
2.1.4. Reboiler (V202) & Still column (C201)
Streams in: From HX (E202) <207> & OVHD, Streams out: to OVHD & to Surge <208>.
The rich glycol is preheated through heat exchange with the lean glycol leaving the reboiler and
enters the top of the still column. By taking the temperature near the boiling point of glycol the glycol
release the absorbed water and any other compounds until a purity of 99.4% is reached. The reboiler
is heated through a fire tube in which natural gas, sometimes from the flash, is burned. The reboiler
and the still run at near atmospheric pressures.
2.1.5. Stripping column (C202)
Streams in: From reboiler (V202), Streams out: To Surge (V203).
A stripping column is inserted between the reboiler and surge to achieve the highest purity possible.
As stripping gas the gas phase from the flash vessel is used. A part of the water will dissolve in the
gas phase and be taken out to overhead treatment. The opposite happens from what is happening in
the contactor.
10 2. Conventional Process
2.1.6. Surge (V203)
Streams in: From Stripping (C202), Streams out: To booster pump (P201) <210>.
Due to the fluctuations in the gas feed, the circulation might not always be even. A surge drum is
installed to allow for these fluctuations and to achieve a constant recirculation of TEG. An additional
benefit is the fact that it can be used as a check to see if everything is still working correctly. When
the level is significant lower then the needed of the vessel either a leak or holdup is present in the
system.
2.2. Mass and energy balance
The inlet wet Natural gas flow for the design case is given to be 380617 kg/hr at 156.5 bar(a) and 35 °C
, the outlet dry gas water fraction and the glycol loses must be lower then 24 mg/Sm , as described in
Table 1.1. From the above information, the quantity of water required to be removed in the design case
and in the turndown case were calculated. For systematic design of the Dehydration unit,a step-wise
method given by Campbell [15] was used. It consists of following steps:
• Calculation of TEG concentration: The minimum concentration of lean TEG required for dehy-
dration of natural gas was calculated by first estimating the dew point of the outlet dry gas at
given conditions from the water content in natural gas v/s water dew point graph available in
[15] and figure B.2. From the calculated dew point, the concentration of lean TEG required was
calculated from the equilibrium dew point v/s inlet gas temperature graph available in [15] and
figure B.1.From this procedure, we find that the minimum concentration of the lean TEG required
for our case is 99.2% wt.
• Calculation of lean TEG circulation rate: From the knowledge of the water content in and targeted
water content out of the contactor, the TEG circulation rate was calculated by considering a ratio
20 kg TEG/ kg water removed for a number of theoretical stages of N=1.5. This ratio was agreed
upon during the BOD meeting with Frames. The number of stages were chosen taking into
account that most TEG contactors work with 6 actual trays (tray efficiency is considered to be
0.25). The circulation rate for TEG was calculated to be around 2594 kg/hr for the design case
using this method.
In the regeneration section, the stripper column was assumed to have 3 stages.This was assumed
taking into consideration that normally the stripper column(or still column) has a lower number
of stages than the contactor.
The exhaust gas from the flash is also diverted to the stripping column so as to aid in removing water
from rich TEG.It enters the stripping column via the reboiler. Before it enters the reboiler, it is contacted
with outgoing hot TEG. For determining the pressure of the flash drum,the still top was assumed to
be at 1 bar and subsequently heat exchanger pressure drops(0.5 bar each) were added. This gave
around 4 bar operating pressure for the flash drum including some margin.
2.2.1. Simulation on Aspen Hysys
Using the background calculations as basis, the process was simulated for design and turndown case
in Aspen Hysys platform using the Glycol Package for thermodynamic calculations. This package was
chosen as it is highly recommended for systems involving dehydration of gas with TEG. The following
observations were made during simulation:
• The concentration of TEG from the regeneration increased to 99.4% on simulation and so to be
consistent, the lean TEG concentration of 99.4% was used for the complete simulation. The total
stream summary can be found in appendix C.
• It was argued that by decreasing the TEG flow proportionately for a 10% turndown would cause
cavitation in pumps and may even lead to weeping in the regeneration column. Therefore, the
lean TEG flow for the turndown case was maintained at 33% (which corresponds to 877 kg/hr).
The total stream summary can be found in appendix E.
2.3. Equipment sizing 11
Energy demands
From the Aspen Hysys simulations the energy demands in pumping and heating can be found.
Table 2.1: Energy demands per type
Location Type Energy duty [kW]
P101 Electrical energy 13.4
P202 Electrical energy 0.155
Reboiler Gas heating 191.5
Total 205.055
Cooling
E203 Sea water cooler -103.5
C201 TEG Condenser -49.85
Total -153.35
Heat exchanger
E201 HX 88.5
E202 HX 168.5
2.3. Equipment sizing
All sizing presented in this section has been done following the methods described in appendix A. Every
size is reported tabulated and with equipment name. Vessel weight estimation have been preformed
using the method described in Sieder et al[16]. There it is estimated that vessel weight depends on
wall thickness of the shell, assuming the shell to be evenly thick throughout the vessel.
𝑊 = 𝜋(𝐷 + 𝑡 )(𝐿 + 0.8𝐷 )𝑡 𝜌 (2.1)
With:
L = length of vessel [m]
𝐷 = Diameter of the vessel [m]
𝜌 = Density [kg/m ]
𝑡 = Wall thickness [m]
Heat exchanger weights are estimated using Aspen Hysys. Only motor weights have been used to
estimate weight of pumps[17].
Contactor
Table 2.2: Size and weight comparison of the conventional contactor column
Name Type Diameter [m] Height [m] Wall Thickness [mm] Weight [kg]
C-101 Column 2.04 12.2 190 143135
12 2. Conventional Process
Vessels
Table 2.3: Vessel volumes
Name Type Volume Diameter Length Wall Thickness Weight
[m ] [m] [m] [mm] [kg]
V-201 Flash 0.535 0.554 2.217 6 221
V-202 Reboiler 0.465 0.529 2.117 6 202
V-203 Surge 1.16 0.719 2.875 6 371
Heat exchangers
Table 2.4: Total surface area needed per heat exchanger
Heat exchanger Surface area [m ] Weight [kg]
E-201 28.45 1253
E-202 147.0 3390
E-203 17.3 800
Basis and method of calculation of the area of heat exchanger is given in Appendix A Section
Still column
Table 2.5: Size of the conventional still column
Name Type Diameter [m] Height [m] Wall Thickness [mm] Weight [kg]
C-201 Still column 0.28 6.5 10 476
Stripping Column
Table 2.6: Size of the conventional stripping column between the reboiler and the surge
Name Type Diameter [m] Height [m] Wall Thickness [mm] Weight [kg]
C-202 Stripping column 0.25 0.5 6 32
Pumps
Table 2.7: Power requirement per pump
Pump Head [mlc] Power [kW] Weight [kg]
P-101A/B 1370 13.4 564
P-202A/B 20 0.155 22
2.4. Total weight
Adding all the weights of the separate pieces of equipment together, a total weight for the whole unit
can be estimated. In the case of the conventional process, this weight is estimated to be 150466 kg.
This is the dead weight of the unit without the weight of piping and the weight of the framework where
the unit is build.
2.5. Health, Safety & Environment 13
2.5. Health, Safety & Environment
2.5.1. Preliminary study of risks
One of the major points of the project is the analysis of risks and dangers arising from the unit. In
order to reduce them from a process design point of view the Dow’s Fire and Explosion Index (FEI)
has been performed on the absorber unit in the process. In addition, an analysis of the hazards of the
compounds present in the system as well as the possible waste generated was also carried.
The two major two flows present in the system are triethylene glycol and natural gas, described
below.
Triethylene Glycol
Figure 2.4: Safety of TEG
Some of the most important properties of triethylene glycol
(TEG) regarding safety are stated in table 2.8, where one
can appreciate that the boiling point is really high as well
as the auto-ignition temperature, reducing its risk.
Furthermore, there will be no explosion danger and
there is little toxicity danger, as shown in figure 2.4. Re-
lease of TEG into in the environment should be avoided as
much as possible, because the products of its biodegrada-
tion are more toxic than TEG itself. Moreover, in the case
of leak, the TEG should be diluted with water and absorbed into an inert material, whereas in the case
of fire, the fire should be extinguished with powder, water spray or foam. No water jet should be used.
Contact with heat sources should be avoided. Finally, direct contact with TEG should be avoided. When
in contact with eyes or digested a doctor should be contacted.
Table 2.8: List of properties for TEG [18]
Properties of TEG Value
Boiling point 285 C
Auto-ignition temperature 371 C
Flash point Closed cup 177 C
Open cup 165 C
Flammable limit Upper limit 0.9 %
Lower limit 9.2 %
LD (oral) 4700 mg/kg
TLV 10 ml/m
Natural gas
Figure 2.5: Safety of natural gas
Natural gas is highly flammable, creating the risk of explo-
sions, as can be seen in figure 2.5. Table 2.9 shows the
explosion limits of methane, which is a key component of
natural gas. A fire can not be extinguished unless the source
of the gas has been closed. So, it is advisable to let all the
gas burn up and then extinguish the fire with dry chemicals,
foam or CO .
In addition, when the gas is kept under pressure it can lead to the risk of frostbite, which occurs
when high-pressure gas is released, expanding and cooling down. This is however more dangerous
when handling liquefied gas, but in this system the natural gas remains in the gas phase. The gas is
not toxic but when released can be highly dangerous because it can cause asphyxiation by drawing
out all the oxygen. It has been found that up to concentrations of 10 000 ppm no physical changes
occur when a human is exposed. Studies have shown that there are some physical complications in
test animals who are exposed to high concentrations of methane (up to 70%) while having enough
14 2. Conventional Process
oxygen, but not much has been documented on these phenomenon and it seems unlikely that these
circumstances will occur on the plant.[19]
Table 2.9: Explosion limits of methane (key component in natural gas)[20]
Properties of methane Value
Explosion limits Lower 5%
Upper 15%
Health, Safety and Environment assessment
In conclusion, both components in the system are not extremely toxic. Good ventilation is important
to prevent a build up of natural gas in closed spaces because this can lead to asphyxiation.
Then, natural gas should not end up in the environment, hence if natural gas needs to be disposed
of, it should be burned, leading to mostly H O and CO . A danger of high concentrations of CO is that
it is heavier than oxygen and can therefor accumulate at the surface. This can cause asphyxiation.
Also, although TEG is not very toxic, the products of the degradation are. The liquid TEG needs to get
diluted with water and then absorbed into an inert and collected. When this is done, what remains can
be diluted again and disposed of through the waste water system.
Finally, the conditions at which the system operates are relatively mild. The highest temperature
reached will be around 200 °C. Only one recorded incident has been found. In may 2013 in Spain a
fire occurred after TEG was added via the TEG inlet. The TEG inlet was aimed at a hot spot and the
TEG vapor caught fire. It was only reported as a level 1 emergency shut down. [21]
If TEG or natural gas leak from the system, the chance of it reaching a hot surface or an ignition
spot should be decreased as much as possible. Another big risk comes with the high pressure in the
absorption tower. When the vessel or piping at high pressure breaks, it can result in an explosion
and both TEG and Natural gas can be released. The sudden expansion of the natural gas can cause
frostbite. Also the chance of an explosion of natural gas will increase in these conditions, resulting in
big amount of natural gas released in a very short time.
In addition to the HSE assessment, a bow tie diagram has been made, shown in figure 2.6. For this,
it was selected that the high pressure of 156.5 bar in the contactor is the most hazardous condition
present in the process and the selected top event is a rupture in the wall of the contactor. The bow tie
can be used to identify threats that increase the chance of the top event happening. It also contains
the consequences of that top event. Also barriers to decrease the treats and the consequences of the
top event are added.
2.5.2. Dow’s Fire and Explosion Index (F&EI)
In order to classify the risk of the dehydration process, a fire and explosion index has been made. The
tabel with assigned values and the final F&EI can be found in appendix L
The two species in the system that are capable of creating a fire or explosion are TEG and natural
gas. Because natural gas exists of multiple species, the properties of methane have been used, since
the largest part of natural gas consists of this. The information needed for the F&EI is in table L.1.
For the F&EI the material with the highest Material Factor(MF) needs to be used for the calculations.
In this case this will be the natural gas because the methane has an MF of 21. Also the unit which
will be looked at needs to be specified, in this case the contactor. The species present in this unit are
natural gas, TEG and water.
Base factors
This subject is cut into multiple items. The only items which get a penalty are: Material Handling
and Transfer, Access and Drainage and Spill Control. These items get penalties because of the highly
flammable nature of natural gas, the inaccessibility of an offshore platform and the difficulty in im-
2.5. Health, Safety & Environment 15
Figure2.6:Bowtie
16 2. Conventional Process
Table 2.10: List of properties of TEG and Methane for determining the F&EI
Properties TEG Methane
Material Factor 4 21
H 9.3·10 21.5·10
N 1 1
N 1 4
N 0 0
Flash point 350 °F Gas
Boiling point 546 °F -258 °F
plementing a draining system and prevention measures for spills. The total penalty adds up to be
2.70.
Special process hazards
Some of the items that got a penalty in this subject were the pressure, which is high in the contactor,
which receives a penalty of 0.48. Also the quantity of flammable material got a high penalty, 3. The
total penalty for Special Process Hazards adds up to 5.18.
Conclusion
The final Fire & explosion index turns out to be 294 which categorizes this unit in the severe degree of
hazard region. The exposure radius for this F&EI will be 70 m. This will mean that a large part of the
platform will be affected by an explosion. There are no structures around the platform which makes
the consequences for second parties minimal.
Loss control credit factors
The fire and explosion index can be reduced when measures against fire and explosions are present.
Therefor a few thinks need to be present in the final design of the unit itself and the surrounding plant
• Emergency power
In case of an emergency there can be a power outage, it can be possible to automatically go to
emergency energy. If we have a power outage there will be no drying of the gas anymore but
there will be no possibility for for instance a runaway reaction or agitation for which it might be
necessary to have a big emergency supply of energy.
• Cooling
Our system does now only have one cooling device and no backup, but because there is no
chemical reaction in our system but only separation the consequences of losing a cooler will not
directly cause a fire or explosion.
• Emergency shutdown
If something abnormal happens the entire system should be shut down completely. If this hap-
pens automatically than the reduction of the F&EI is bigger than when it only sounds an alarm.
• Computer control
The bigger part of the system is controlled via computers, the more reduction is given to the
system. The more advanced the system the better.
Material isolation credit factor
In this section items that prevent the build up or spilling of material to places where they should not
be, both within or outside the system.
2.6. Bottlenecks and possible improvements 17
• Remote Control Valves
These are valves that can isolate different sections of the process. This can prevent spreading of
hazardous material or fire.
• Dump/Blow-down
This means that there is a vent with flair present in case the natural gas present needs to be
released. Also a way to remove the TEG from the system should be present.
• Drainage
On land the ground has to have a slope of 2% that leads to a drainage trench. This will be more
difficult on a platform since we will not have much space for draining reservoirs.
• Interlocks
Thee prevent incorrect material flows within the system.
Fire protection credit factors
These are things that should be present on a plant in case a fire breaks out.
• Leak detection
Gas detectors should be present on the plant. These need to sound an alarm, and even better
would automatically start the protective system to prevent a fire or explosion.
• Structural steel
The weight bearing steel steel needs to be fireproofed.
• Fire extinguishing
On the offshore plant enough water will be present. Only thing extra needed are pumps that can
create enough water pressure. If the fire is burning on TEG it should be extinguished with CO
or foam. This requires a special system. There should be an automatic water or foam sprinkler
system present.
• Hand extinguishers/monitors
There should be an adequate supply of hand extinguishers present on the plant. These will have
no effect when the fire is from a big spill.
• Cable protection
The cables needed for the equipment are vulnerable to fire and need extra protection. These
should not be forgotten when the plant is set up.
2.5.3. Waste
There are two waste streams leaving the TEG dehydration system, both from the regeneration unit.
One is a liquid outflow from the flash equipment which will prevent buildup from unwanted species.
The second one is a combination of the vapour gas outflow from the flash and the water rich outflow
from the separation units (still column and pervaporation membranes). Because this specific unit is on
an offshore gas platform, using a flair to burn the waist would be too dangerous. Therefore, all waste
streams will be incinerated.
2.6. Bottlenecks and possible improvements
The requirement in offshore engineering is striving for the lightest and smallest equipment as a gain
in weight will have an effect on the total investment for a platform. The biggest piece and heaviest
piece of equipment is the absorption column (C101). As only approximately 40% of a typical contactor
column consist of the packing and transfer area and the rest is filled with equipment and spargers it is
not expected that a large weight gain can be achieved there.
18 2. Conventional Process
Thus, it was identified that the majority of changes according to the objectives of the project can
be done in the regeneration subsystem, because it contains more pieces of equipment, almost all the
TEG stored and the conditions on the TEG are more strict in this section (i.e. 150-200 °C). For these
reasons the focus of the alternative technologies will be in this unit of the system.
Furthermore, the TEG inventory and regeneration loop can provide also some weight loss. By using
a more effective separation in the contactor the TEG circulation rate can be lowered. This leads then
to a reduction of TEG inventory, which leads to smaller equipment especially in the form of the reboiler
and the surge (V-202) & (V-203), with volume of respectively 0.667 m and 1.16m . This will lead to
a weight reduction as less steal is needed. Also different techniques of TEG dehydration need to be
considered to reduce the size and costs of the total regeneration loop.
Finally, the biggest energy demand is identified from the reboiler which requires 194 kW to run
efficiently. Also the injection pump of 13.4 kW contributes to the total energy demand. By reducing
both, the total operational costs can be cut down and more efficient and cheap operations can be carried
out. This reduction in energy demands can also be achieved using a completely different technique of
TEG dehydration, as mentioned before.
In the next chapters recent advances from science will be discussed and reviewed in order to check
its usability in this process. From these concepts, a new system will be then proposed and the possible
optimization and improvements achieved will be calculated and reviewed.
3
Innovation Map
All innovation and improvement opportunities are described in this chapter. First all considered alterna-
tives are described in a technological and more qualitative way and their beneficial effects are touched
upon. After that a preliminary cut will be made to discard technologies which have too many down-
sides. Later different process schemes are proposed and studied quantitatively and then researched for
beneficial effects on this system, regarding CAPEX, OPEX & weight. Here calculations and simulations
are tried upon the new technologies which were earlier proposed. Lastly the final system is chosen
which will be modeled and designed in the rest of this report.
3.1. Description of alternatives
Carrying out an analysis on the different parts of the TEG dehydration unit, it is clearly observed that
improvements can be implemented in every piece of equipment such as the contactor, reboiler, still
column, heat exchangers, flash vessel and/or pumps. A change of solvent for the dehydration process
was also considered, but it was decided to continue the optimization of the process with TEG, because
it is the most used solvent used in the natural gas dehydration industry. Therefore, taking into account
new advances and approaches in process engineering, an extensive research was made based on
different criteria (feasibility, applicability, cost, experience, effectiveness, weight and size), leading to
the descriptions and final selection of the more appropriate alternative for this process.
3.1.1. Improved TEG injection
This technology basically splits the TEG inlet stream introducing the lean solvent in different stages
of the contactor column instead of only one. Hence, as there are multiple TEG injection points, lean
TEG contacts wet gas earlier in the column, increasing the effectiveness of the water removal due to a
better mass transfer.
This option will not reduce too much the size of the contactor, because the packing (mass transfer
zone) only represents about 25% of the piece of equipment, but it might reduce the necessary inventory
of TEG and, therefore, the energy consumption, weight and costs.
An alternative TEG injection method is to use semi lean TEG out the reboiler, before the stripping
column. Injecting this semi lean TEG halfway the column, where there already is a lot of oxygen
absorbed in the TEG. This can lower the size and energy needed for reboiling and it will lower the size
needed for the surge. An extra injection pump however is needed to pressurise this semi lean TEG.
3.1.2. Microwave heating
Microwaves are electromagnetic waves with a wavelength between 1 mm to 1 m. These microwaves
affect the dielectric molecules, which start re-orienting themselves and try to follow the direction of
the field created by the waves. The friction that occurs because of this movement generates heat.
19
20 3. Innovation Map
Advantages of this technique are that there is no heat transfer zone so the heating occurs in the entire
volume that is being irradiated. The waves are selectively being absorbed and a rapid heating can
occur.
The dielectric component in the TEG regenerator is water, this is the species that needs to evaporate
out of the TEG. This will also be the target specie of the microwaves generating the heat, which means
that the water in the mixture can become warmer than the TEG, which will lead to faster evaporation.
TEG however has an interaction with water molecules as it contains alcohol groups. This can lead to
the TEG heating up as well. No test regarding this specific process to check if only the water heats has
been done as of now. The molar fraction of water molecules of the feed stream is 32 mol%. Regarding
this high molar concentration it can be expected that there is a lot of contact between water and glcyol
and therefor energy transfer. A different benefit is however, while there is no heat transfer area, the
total volume of TEG and water can be heated at once and uniformly.
Figure 3.1: Microwave heating[22]
Experiments showed that only heating up the liquid will not benefit the separation of the binary
mixture[22] and the stirring will also create a uniform temperature in the liquid phase which takes
away the advantages of the selective heating. However, when also the surface is irradiated with
microwaves the separation of the more volatile species is more effective than in a separation without
microwave heating. One explanation of this is that very locally high temperatures will occur, resulting
in a smaller column with fewer trays. These so called ”hot-spots” can lead to a fouling in TEG, as TEG
thermally degrades at temperatures above 210 C.[7] Discussion with professor Stankiewicz and Dr.
Guido Sturm however provided a different outlook as they mentioned new ways of heating which was
very controllable an predictable and therefor those hot-spots can be avoided.
The uniformity of microwave heating however is debatable. In literature it is described that by
absorption in the medium the intensity of the field will drop quickly. This leads to a large part of the
volume not heated and parts of the volume overly heated [23]. Dr. Guido Sturm mentioned however
that this effect can be reduced a lot, because the behaviour of microwaves can be described quite
good. By altering the field and radiation techniques these hot spots can be minimized. This is not done
on a larger scale then lab, but shows good promise.
The currents hurdles in the use of microwaves in industry are the yet unreliable scale up of the
process, which can be helped by modeling the field and design it that way. Another hurdle is the
implementation of microwave equipment into conventional chemical equipment.
3.1.3. Super-X packing
The Super X-pack packing is an innovation which is fabricated to mimic fractal structures. These fractal
structures, shown in figure 3.2, are known to enhance transfer rates, leading to a decrease in TEG
inventory. This packing could be beneficial in both the regenerator as well as in the absorber.
3.1. Description of alternatives 21
Figure 3.2: Nagaoka Corp. Super-X packing
The Nagaoka International Corporation, which
developed the Super X-pack packing, made very
interesting claims with the development of this
technology. The company claimed a reduction of
the pressure drop by a factor of 3, while the pack-
ing reduced the height of the column by a factor
of 5 compared to conventional column, achieving
up to 80% energy saving [24].
However, despite these advantages, severe
operational problems were encountered, mostly
due to the packing getting clogged and fouled,
which eventually lead to the stopping of the com-
mercialisation of the packing.
3.1.4. Liquid turbochargers
A turbocharger, is an induction device used to al-
low more power to be produced by an engine of
any given size. A engine with a turbocharger can
be more efficient than a naturally aspirated en-
gine, because the turbine forces more air, and proportionately more fuel, into the combustion chamber
than atmospheric pressure alone. [25]
Applied to process engineering it can be used to transfer pressure using kinetic energy. A high-
pressure fluid or gas is used to drive a turbine which pressurises a low pressure liquid. Within TEG
dehydration it can be used to pressurise the lean glycol heading for the contactor, by transferring the
energy available in the rich Glycol.
Figure 3.3: Liquid Turbocharger [26]
As 50% of the total cost of gas refining is represented by energy costs, the addition of a turbocharger
can provide a significant cut down in operational costs. By using a liquid charger less investments
need to be done regarding pressurising the glycol, therefore a cut down in capital expenditure is also
expected. The company Energy Recovery claims an energy efficiency of up to 80%. On the other
hand, this technology reduces the degrees of freedom of the system, as it combines different streams
of the process. These Glycol powered pumps are currently sold skid mounted by companies such as
Kimray and Rotor-Tech.
3.1.5. Pervaporation membranes
This technology is itself a combination of two others. On the one hand it there is a permeation,
transport through a membrane, on the other there is evaporation, changing its phase from the liquid
22 3. Innovation Map
to the vapour phase (see figure 3.4). Therefore, the water of TEG-water mixture in our regeneration
system might be taken out using a hydrophilic membrane as a selective barrier between the liquid
phase feed and the vapour phase permeate allowing the desired molecules to diffuse through it by
vaporization.
Figure 3.4: Pervaporation membrane for dehydration
One of its main benefits is not being a pressure driven process. Instead, the driving force is due
to a higher chemical potential on the feed side than on the permeate side. The gradient in chemical
potential is then maximized by using high feed temperatures and low pressures on the permeate side
as well as combining polymer properties for membrane. [27].
By replacing distillation by the pervaporation membranes for the Glycol regeneration subsystem,
according to Pervatech company savings up to 75% on regeneration equipment and 30 to 50% reduc-
tion on energy usage can be achieved. However, membrane units, including the need for vacuum, are
currently relatively expensive. Also, if the supply contains suspended matter or dissolved salts mem-
brane pollution may be encountered. In this case, an effective pretreatment must be implemented.
e.g. filtration.[28]
3.1.6. Molecular sieves + TEG unit
Molecular sieves are usually installed in applications in which very low residual water content is required,
such as ahead of a low temperature hydrocarbon extraction process. They are suitable for drying very
sour natural gas that also contains aromatic compounds. However, heavier hydrocarbons might be
difficult to remove from the silica gel during the regeneration step. These solid compounds (silica gel
or zeolites) used as molecular sieves are prepared as round or slightly elliptical beads having a diameter
of about 4 to 6 mm. Each of these compounds has its own characteristic affinity and adsorptive capacity
for water, so a good selection is crucial in the process.[29]
While dehydration with Glycol is the most common process used to meet the water dew point
specification for sale the gas, under certain conditions solid adsorbents are also used for this purpose.
i.e. Molecular sieves are used for many offshore applications such as floaters (FPSO’s). The positive
side of molecular sieves is that they can handle wave-motions very well. The downside is the scale
and weight of the units.
A molecular sieve dehydration unit after a TEG dehydration unit, will be used for polishing and
increasing water removal efficiency. It will be able to achieve very low dew points which are required
for cryogenic plants. Additionally, molecular sieve units can also handle large flow variations as well as
higher inlet gas temperatures. However, they have higher initial capital investments, are way bigger
and heavier than comparable Glycol units.
3.1. Description of alternatives 23
Figure 3.5: Molecular sieve for water adsorption
3.1.7. Addition of entrainer
Heterogeneous azeotropic distillation is a widely used technique to separate non-ideal mixtures. The
procedure is incorporating a new component (entrainer) in the system such as toluene or octane. The
entrainer will form a heterogeneous azeotrope with water of the initial mixture. Then, the azeotrope
having minimum boiling point goes to a decanter and splits in two liquid phases. The stream rich in
the entrainer is recycled back to the azeotropic column and the other water rich goes to treatment.
This azeotropic distillation has various advantages such as a high efficiency of separation, low reflux
ratio and a reduced heat energy and it can be a suitable solution for the regeneration part. However,
adding a third component always increases the complexity of the separation. The gas-liquid composition
distribution in the column is much more complicated than that in the usual one, and a stable operation
of a distillation column is very difficult. It is also necessary to add more pieces of equipment for the
entrainer recovery, resulting in a bigger and heavier unit.[30] [31]
3.1.8. Vacuum operation in still column
At vacuum conditions the concentration of TEG obtained in the still column will be higher for the
same reboiler temperature used for atmospheric operation, as the boiling point decreases for the same
rich solvent. Another possibility of vacuum operation, if not so pure TEG is required, is reducing the
temperature in the reboiler. In addition, it helps extend the useful life of the system Glycol.
However, reboilers are operated under vacuum conditions in rare cases due to its complexity, vacuum
generation equipment and the fact that any air in the process may result in degradation of the TEG.
Hence, it is usually cheaper to use stripping gas. [32]
3.1.9. Rotating packed beds (HiGee)
Firstly described by Ramshaw and Mallinson[33], rotating bed reactors or HiGee (short for high gravity)
distillation, have taken a large role in offshore oil dehydration. It is used widely in China and the benefits
were readily recognized by the American market and is currently being introduced there. The European
industry however lacks behind regarding HiGee distillation.
By rotating the reactor the gravitational field increases 100-1000 times and therefore the shear flow
is enhanced. The high centrifugal speeds allows for packing with relatively higher specific surface area
and achieves order(s) of magnitude higher gas liquid throughput and possible mass-transfer rates.[34]
These factors lead to a significant reduction in size of conventional mass-transfer equipment such as
absorption and distillation towers. Ramshaw and Mallinson [33] claim achieving an up to 100-fold
reduction in equipment size. Later experimental studies however tempered these claims and found an
5-10 fold reduction in HETP [35] which is still an significant decrease in size.
The main downsides however are that moving parts are introduced which are more maintenance
sensitive than conventional techniques. The inside rotating bed has a dynamic seal, which prevents
the gas from bypassing the rotor, but compromises the reliability and longevity due to its contact with
24 3. Innovation Map
working fluid. Also, one unit can not be competent for continuous distillation owing to incapability of
feeding the rotor at radial position, equivalent to middle plate of traditional distillation column. Thus two
units of rotating bed are required for continuous distillation; one as rectifying and the other stripping.
HiGee technology can both be used in the contactor part of the process as well as the TEG regener-
ation. By using rotating bed reactors the size and weight of the contactor and still column and therefor
the total unit can decrease significantly.
Figure 3.6: HiGee distillation: (a) RPB integrated with reboiler and condenser; (b) RPB with off center
feed and integrated with reboiler [34]
3.2. Selection of alternatives
In this case, from stated above it is decided to gather the information in a way such that it can be
compiled and presented in a consistent, high visualization chart, showing the strengths and weaknesses
of each application for each criteria, accompanied by focused comments from the team, resulting in
the selection table 3.1.
There is no such thing as one solution which fits all requirements when it comes to chemical solvent
recycling or dehydration. Solutions are therefore necessarily hybrid in nature where a combination
of traditional and improved technologies is used. Each technology provides a part of the separation
required within a customized sequence and overall methodology and further research must be carried
out in terms of OPEX, CAPEX and weight to determine the improvement of the alternative.
However, there are already five possible technologies that will be rejected directly. The first one will
be Super-X packing, because it is not being commercialized anymore, avoiding any possibility of its real
implementation. Secondly, the hybrid molecular sieve plus TEG unit is not going to be implemented
due to its weight and scale makes it not suitable for platform location, which is one of the requisites.
3.2. Selection of alternatives 25
Table 3.1: List of alternatives with strengths and weaknesses
Technology Strengths Weaknesses
Improved TEG injection Less lean TEG inventory More complex design
No reduction of size
Microwave heating Direct energy coupling Design into conventional equipment
Volumetric heating
Rapid and selective heating
Super-X Packing High transfer rates Clogging
Less lean TEG inventory Fouling
P drop column ↓ 3 times No commercialization
Height column ↓ 5 times No experience
Liquid Turbochargers Large energy saving Less system flexibility
Smaller OPEX Availability of companies
Pervaporation membranes 100% efficiency TEG-wat sep. Expensive
Selectivity No solids allowed
30-50% energy saving Availability of companies
Molecular sieves + TEG unit High efficiency Expensive
Low dew points Higher CAPEX
Large flow variations Heavy & big
High inlet gas T
Addition of entrainer High separation efficiency More equipment
Low heat energy More components
Heavy & big
Vacuum operation Less lean TEG inventory Complexity
High TEG purity More equipment
Possible TEG degradation
HiGee distillation High Efficiency Moving parts
Smaller equipment (5-10 fold) Very unknown technology
More maintenance
Also, the addition of the entrainer is rejected as it will increase the size of the unit as well as it is not an
innovative solution, which is in conflict with the objectives of the project. Also earlier proposed toluene
will dissolve into TEG as well, working against all benefits as proposed earlier. Finally, the vacuum
operation in a conventional equipment setup in the regeneration part is not investigated anymore as
an alternative, because to gain energy savings, the vacuum was meant to be created by ejectors that
work with existing flash gases going out. However, this will result in a pressure drop avoiding these
gases to reach the flare header which takes them into the incineration flame. The HiGee distillation
is discarded as the introduction of moving parts and such an unknown technology is hard to achieve
offshore. Several onshore application should be achieved first to look at the effects it will have on the
structure of the platform. If it will change the integrity of the drilling platform and question like that
need to be answered first.
For the other four technologies, a full study and design was done, resulting in three combined new
process schemes shown below, stating the several assumptions used in each.
3.2.1. Turbochargers and split-flow injection
Turbocharger and semi-lean split fraction techniques will be implemented together in each different
scheme, as they do not interfere with the other alternatives. A detailed scheme is provided below in
figure 3.7.
26 3. Innovation Map
Figure 3.7: Process scheme with turbocharger and semi-lean TEG split flow injection, shown in yellow
boxes
Turbochargers
The size, and therefore weight, of the injection pump system can be lowered by using a turbocharger,
because as mentioned, this device interchanges the energy of a high pressure stream with a low
pressure one. This can also decrease the total energy needed for the pumps as well as the number of
them.
The total operational costs for pumping, assuming a total cost of 10 ct €per kWh[36], is 1.34 €per
hour [37]. Assuming 24/7 operation the total costs per year of this pump will be € 11.738. Using
calculation tools provided by Energy Recovery©a recovery of 70 % of energy can be achieved. This
will result in a evenly large reduction of operational costs. So a reduction of € 8.216 on a yearly basis
can be achieved. Not only that, also a reduction of 9.38 kW is achieved at the pumping section. This
leads to a reduction of approximately 79.866 kg CO which is released on a yearly basis[38]. The
total energy requirement for the plant is 205 kW. By adding a liquid turbocharger into the conventional
process a reduction of 4,6 % can be achieved without increasing the capital expenses which will be a
real benefit.
Split Flow injection
This alternative is studied with an intention of reducing the TEG inventory in the recirculation system.
Following is the discussion of the study.
The incoming lean TEG is fed to the top-most stage of the contactor. As per the design of the
conventional process in section 2.2, the contactor has 6 theoretical stages, therefore, it is possible to
study injection of TEG ranging from 2 to 6 splits, simultaneously varying the percentage of flow flowing
through each split branch. However, it should be noted that while injections with 2 and 3 splits can
be studied extensively for symmetric arrangements between theoretical plates, for higher number of
splits(eg:4-6) there would be too many combinations possible.
3.2. Selection of alternatives 27
Hence, to restrict ourselves, we study only injections with 2 and 3 split flows with varying percentage
of flow through each split branch. Since the intention is to reduce TEG inventory, simulation was started
with lower conservative estimate for the lean TEG flow in order to check whether it is possible to still
achieve the desired specifications in the outlet dry gas. As it was found that it is indeed possible to
meet the outlet water requirements, all the simulations for split flow were started with lower estimate
of TEG flow, that of 1580 kg/h. The maximum outlet water content as per specification turns out to
be 8.5 kg/h. If the specification was found to be well within limits, TEG flow was reduced even further
for the split flow to an extent that the outlet water concentration never rises above maximum 7.7 kg/h.
On the other hand, if the specification was barely met, no further adjustments were done in that case.
Figure 3.8 summarizes the observations of the simulation modelled in Aspen Hysys G.1 which form
the basis of this study. Different types of splits were tested to see if adding more TEG in the beginning
or end has an advantage. Entries in bold represent lowest possible flow of TEG that can be achieved
for that particular split combination to achieve the water specification as mentioned above.
Figure 3.8: Results of calculations on split flow injection made in Aspen Hysys.
It can be seen that the lowest achievable flow of lean TEG in both 2-split and 3-split schemes is
1225 kg/h. There is no significant reduction of TEG on increasing the number of splits form 2 to 3. To
check whether this really adds value to the conventional process with no splits, the flow of lean TEG
was reduced to as low as possible in Hysys still ensuring that the above specs were met. This flow was
28 3. Innovation Map
found to be 1150 kg/h. This is a result contradictory to our expectation that split flow reduces TEG
inventory.
From the above study, it can also be seen that with Hysys simulations, it is possible to reduce
the lean TEG flow even below the theoretical minimum of 12 times the amount of water removed.
However,it must be understood that such reduction may not be practically feasible. Moreover, we
cannot completely trust the thermodynamic models in Aspen Hysys to be totally accurate in their
prediction. Hence, we limit ourselves to the theoretical minimum flow of 12 times the water removed
of lean TEG as mentioned above.
3.2.2. Alternative 1: Process scheme with microwave heating
The improvements and changes suggested were then included into the conventional process of fig-
ure 2.1, getting figure 3.9. This figure shows a still column heated by microwaves. The rest of the
equipment basically remains the same.
Figure 3.9: Process scheme with microwave heating (yellow box)
Microwave heating
Microwave heating has several benefits as mentioned before, including that it can be more efficient
and requires a smaller device than conventional heating with a reboiler. In some cases it can even be
replaced in total. It can also decrease the amount of stages needed for the regeneration.
The technology for continuous operation is now in the pilot plant stage. The company Sairem
(France) is working on this. Their reactor design has a flow capacity up to 1 L/min and has a microwave
generator that generates waves of 2450 MHz. 6 kW of power is generated and there is a significant
3.2. Selection of alternatives 29
part of the design devoted to cooling. The unit is a metallic vessel which assures pressure containment
and allows for fast thermal transfer.[39]
However, heating volatile, often flammable organic solvents, under well-controlled conditions is
not trivial on the large scale, but it can be done. Lastly, another Sairem 915 MHz batch reactor
was changed in the strategy to microwave scale-up through the use of a different wavelength, since
penetration depths, dielectric constants and loss factors vary with wave length as well as solvent nature
and temperature. In this case, the energy savings were due to a decrease in heating time and not in
energy efficiency, because normal household microwaves (central component of any microwave device)
has an efficiency of 50-65% transforming electricity into electromagnetic irradiation[40]. However dr.
Guido Sturm of TU Delft, a expert in microwave heating, mentioned an efficiency off up to 80 %.
Overall, there are reasons to think that together with the use of the stripping technique for glycol
regeneration, with a gas normally flowing upward counter currently to the descending liquid TEG, the
unit can achieve the requirements and reductions proposed. Depending on the stripping agent used,
i.e. outlet gas from the flash (V201), water, hydrocarbons, or both are absorbed from the glycol into
the stripping gas, thus regenerating the glycol for reuse in dehydrating the natural gas. But the reality
is that these processes produce an additional gaseous or aqueous waste stream that requires off-site
attention such as incineration, disposal, or further treatment.
An attempt has been made to model microwave in Aspen Hysys, but a working model is has not yet
been achieved. The column is split into three stages, modeled as flashes and a condenser and reboiler
part. At each stage a specific temperature is set, as is used with microwave distillation. These are all
separately heated. The feed enters the column at the middle stage, this because it gave the lowest
energy use. This model however leads to very high and fluctuating energy demands per stage. Three
different settings were used. Firstly the natural gradient occurring in the still column has been taken.
Secondly a linear decrease between the top and bottom stage has been tested and lastly the inverse
of the natural gradient is tested. This is displayed in table 3.2 and the model used is added in appendix
F.1.
Table 3.2: Energy demands from the different setting of the model described in appendix F.1
Setting 1 Setting 2
Stage
Set
Temperature (C)
Energy
Demand (kW)
Set
Temperature (C)
Energy
Demand (kW)
Condenser 97 -17.05 97 -6004
3 99.26 -162.6 125 5999
2 101.9 -16230 150 -30.85
1 150.7 16370 175 92.66
Reboiler 204 192.8 204 87.83
Setting 3 Conventional
Stage
Set
Temperature (C)
Energy
Demand (kW)
Set
Temperature (C)
Energy
Demand (kW)
Condenser 97 -7139 97 -49.85
3 145 7136 - -
2 165 32.69 - -
1 185 63.91 - -
Reboiler 204 55.17 204 191.5
As this model did not achieve realistic values different professionals in the field of modeling mi-
crowave heated column were contacted. From these conversations, it became apparent that, as this
is a very young field of research no real simulation models are achieved as for now.
The main fields in which microwave heated columns are used are pharmaceutical and food process-
ing technologies. Outside of these fields the benefits have not been sufficient enough to take the risk
of entering a new technology. To estimate the costs, the energy needed by a conventional still column
is used.
When designing the new column a few constraints should be kept in mind however. No magnetic
30 3. Innovation Map
materials can be used around microwave heated volumes. These magnetic properties cause extensive
heating effects on the magnetic walls and equipment. A still column made of carbon steel as proposed
earlier in this report is not feasible anymore as the microwaves will heat the carbon steel. A still column
of stainless steel or a copper coating on the carbon steel are needed to evade this effect. To power the
microwave a cable of 8000 Volts needs to be added to the plant. These high voltages impose a new
risk to the plant as well, as there were no high voltage operations present before. Microwave units
themselves are also an additional risk as, when they are displaced, can cause severe burning into the
skin. That way not only the skin is burnt but it will penetrate the skin and burn internally as well.
Moreover, an economic evaluation has been done. By adding microwave heating in the column the
total CAPEX will increase. A rough cost estimation is provided by Dr Guido Sturm. A 6 kW microwave
unit costs around € 20,000, which scales more or less linearly. From Aspen Hysys the energy require-
ment is calculated for a conventional unit. The figure found there is 141 kW for heating. Therefore an
investment of around € 470,000 is needed for the energy requirement leading from the conventional
process. Contact with the French company Sairem was also made. They are currently investigating
the use of microwave heated still columns. Their cost estimation is around € 550,000 for the internals
of such a column. The column itself will cost € 147,850 if it is made from stainless steel (SS316). This
is a significant rise in capital expenses, as the initial capital expenses, as will be calculated in chapter 5
are almost 10 times less. The weight of one 6 kW microwave unit is around 15 kg, so the total weight
of a column with this duty will be 352.5 kg which is in the same ballpark as a gas fire heater.
Using microwave heating an efficiency of 80% can be expected. If the system stays unaltered and
the energy demands are more or less and a cost of € 0.1 per kWh is used the total yearly cost of
reboiling with microwave technology is € 264,278. This is almost € 100,000 more then a gas fired
heater.
Dr. Guido Sturm also mentioned that microwave heating is only beneficial when a stream needs to
a lot of heating. Regarding this system, due to good heat integration, the inlet stream in the column
already is 170 °C. The additional 30 °C needed for distillation are presumably not enough to favor
microwave heating.
Considering all these additional costs and no guarantee that the reboiler can be taken out of the
system it is decided not to pursue this technology any further. The investment is 10 times higher then
a conventional still column and in OPEX no savings can be expected either. The presence of natural
gas at the platform makes a gas fired reboiler a better substitute for heating in the still column.
3.2.3. Alternative 2: Process scheme with pervaporation membranes and
semi lean injection
In this case, figure 3.10 shows a unit where the regeneration will be carried out with pervaporation
membranes.
Pervaporation membranes
With the use of only pervaporation membranes, the whole reboiler and still column may be replaced,
with the consequent reduction of size and weight. Also the benefit of only having one piece of equip-
ment to maintain is to be considered. However, it needs vacuum operation to improve the performance
of this technology for reaching the purity required (99.2% wt TEG). It will be created by condensation
in the heat exchangers E201 as shown in figure 3.10 plus a vacuum pump. Moreover, an extra heater
is needed to achieve the proper temperature of operation. However, to reach the purity described by
the water specifications a large amount of membranes modules are needed which can lead to large
and heavy equipment. That is the reason to consider a combination with a stripper column, too.
Furthermore, it should be mentioned that increasing the temperature till the required 150°C before
the flash unit will lead to a reduction of water content in the liquid that will be sent to the membrane
unit. However, this could not be done due to the high losses over the limits (around 0.08 kg/h TEG in
the vapour flash stream) in TEG encountered in the flash unit. Thus, the heating of the liquid stream
is done after flash without creating vapour in that stream (0.004 vapour fraction) which will lower the
effectivness of the pervaporation membrane unit. It has been decided to follow with the design shown
in 3.10.
3.2. Selection of alternatives 31
Figure 3.10: Process scheme with pervaporation membranes (yellow box)
For a specific organic mixture (in this case TEG with water) one has to test to determine selectivity
and fluxes during the process of dehydration, because the binding force of TEG to water is high, so
fluxes will be lower compared to some other organics e.g. ethanol or IPA. In addition, it is more
difficult to dehydrate to such low water concentrations. Then a preliminary study of different types of
membranes was carried out to find out these fluxes on basis of the conventional process outlet vapour
stream from the flash.
First of all, apart from company claims, a paper was found which states that with commercial silica
membrane modules of the company Pervatech, if a feed of 0.054 wt water, 0.936 wt TEG and 0.005
wt Toluene and 0.005 wt Hexane at 150 °C, a 99.99+% wt of water purity in the permeate can be
achieved, at an average flux of 0.255 kg/m ·h [41].
In addition, an experiment performed to determine the water flux of a zeolite membrane module
from Mitsui USA was tested at 100 °C with a TEG mixture containing 5% wt water resulting in 0.13
kg/m ·h as permeate.
Other sources say that 95% wt water purity can be achieved with NaA zeolite membranes exhibiting
high separation performance and fluxes of 0.5 kg/m ·h for 5% wt feed water content at 120 °C. [42]
Also, a realistic research with improved membranes such as Sulfonated Poly-ether-ether Ketone
(SPEEK) was carried, resulting in only 98% of water purity the permeate side with 5% wt water content
in the feed at 32 °C and flux of 0.2 kg/m ·h as depicted in Huang et al (2002) [43].
In other words, in order to estimate the area required for a complete separation we carried this
analysis. It means roughly, avoiding pressure drops, no TEG losses in permeate, constant flux, 100%
water permeation and no membrane size limitation, that if our stream of 1657 kg/h (0.0033 wt others,
32 3. Innovation Map
0.912 wt TEG and 0.0847 wt water, see figure 3.11) from the flash is fed to a membrane unit we will
obtain the results shown in table 3.3 and explained with two examples below.
Figure 3.11: Schematic representation of pervaporation membrane unit with inflow of 1657 kg/h
coming from liquid stream of flash unit.
• Example calculation for silica membranes:
All water in feed goes into permeate
1657 · 0.0847 = 140.35 kg/h, representing the 0.9999+ wt water in that stream, because this is
the maximum for this membrane.
Therefore, 1657 - 140.35 = 1516.65 kg/h of TEG plus other compounds in retentate. All TEG in
feed goes to retentate,
1657 · 0.912 = 1511.18 kg/h, representing the 1511.18 / 1516.65 = 0.996 wt TEG and 0.004 wt
of others in that stream.
Hence, if the average flux of permeate is 0.255 kg/m ·h, we need 140.35 / 0.255 = 550 m of
membrane.
• Example calculation for SPEEK membranes:
All water in feed goes into permeate
1657 · 0.084 = 140.35 kg/h, representing the 0.98 wt water in that stream, because that is the
maximum for this membrane. It means that the total permeate flow is 140.35/0.98=143.21 kg/h,
where 143.21 - 140.35 = 2.86 kg/h are other compounds except from TEG.
Therefore, if in the feed there were 1657 · 0.0033 = 5.47 kg/h of others, 5.47 - 2.86 = 2.61 kg/h
go to retentate. Hence, if all TEG in feed goes to retentate,
1657 · 0.912 = 1511.18 kg/h plus 2.61 kg/h results into 1513.79 kg/h of TEG plus other com-
pounds in permeate, representing the 1511.18/1513.79= 0.998 wt TEG and 0.002 wt of others
in that stream.
Finally, if the average flux of permeate is 0.2 kg/m ·h, we need 143.21 / 0.2 = 716 m of mem-
brane.
Following the same reasoning, the results shown in table 3.3 were calculated, which in all cases is
3.2. Selection of alternatives 33
more than the minimum required in the design case.
Table 3.3: Results of membrane area estimation
Membrane Temperature TEG in retentate water in permeate Area
type °C wt wt m
Silica 130-150 0.996 0.999 562
Zeolite 92-100 0.996 0.999 1080
NaA Zeolite 120 1.00 0.950 295
SPEEK 30-70 0.998 0.980 716
It is observed that nowadays there is a lot of research on new membranes and that most of them
fulfill the requirements for our dehydration purpose. However, there are not many supplier companies.
Examples are Sulzer Chemtech Membrane Systems, based in Heinitz, Germany; and Pervatech BV of
Enter, The Netherlands, allowing a wide range of different temperatures, modules and flows.
Furthermore, although the major component in the over head vent is water stream, as shown, this
stream may contain organic compounds, including aromatic and non-aromatic organic vapours, such
as BTEX. The emissions of them are now classified as Hazardous Air Pollutants (HAPs), and are subject
to regulations which can be better handled by these membranes.
This is, therefore, a simple and reliable method to reduce or eliminate the release of these compo-
nents, basically caused by the hydrophilic membranes which in one step both regenerate the solvent
and capture any hazardous components. Despite efforts, a cost-effective regeneration technology that
truly minimizes or eliminates HAP emissions has not yet been developed.
To finish, also a comparison of the energy consumption based on the heat requirement for evap-
oration for the removal of 1 kg water from feed mixtures can be seen in the following figure 3.12,
extracted from Huang et al (2002) [43].
It is clear in figure 3.12 that the advantage of applying pervaporation for dehydration of Glycol
becomes significant when the water content in the feed is significantly low. It should also be pointed
out that this simple comparison was based only on the theoretical energy consumption at a constant
pressure. Many other factors such as cooling of distillation, thermodynamic heat effectiveness, and
capital cost are not considered, all of which are important for the economic evaluation of these two
separation technologies.
To maintain more realism in the design, Pervatech membranes were selected for further consider-
ations. In the following study, a commercial Pervatech module PVM-080 SS 316 37×4-tube (120cm)
with 3,7 m² membrane surface was used with these assumptions and characteristics[44] [45] [46].
In the following images 3.13 and 3.14, a commercial Pervatech module is presented to get an overall
impression of the module we are using. In our case, instead of 7 elements of 4 channels each, we will
used 37 elements of 4 channels each.
• Membrane element characteristics:
– Size: 1200 x 25 mm (LxD), effective area 0,10 m² (standard). Each element has 4 channels
with 7 mm inside diameter.
– Membrane type: Hybrid silica hydrophilic membrane.
– Substrate material: α-Al2O3.
– Intermediate layer: Gamma alumina.
– Top layer: Hybrid Silica coated on inside of the support tube.
– Pore Size: 0.3–0.5 nm.
• Limits of membrane:
– Temperature: limit max. 150 °C.
– Pressure: limit max. 50 bar.
34 3. Innovation Map
Figure 3.12: Theoretical comparison of the energy consumption of pervaporation against distillation.
Energy consumption (P) based on the heat requirement for evaporation for the removal of 1 kg water
from feed mixtures using 𝑃 = ∆𝐻 + ((1/𝑌 ) − 1) · ∆𝐻 where ∆H and ∆H represent the
evaporation heat (kcal/kg) of water and Ethylene Glycol, respectively.
– pH: 2-8.5.
• Limits of operation:
– Maximal allowable working pressure 20 bar at 175 °C.
– Minimum design material temperate -20 °C at 20 bar.
– Vacuum: Level of vacuum depends on the application.
– Feed pump capacity: Linear velocity of the feed to be high enough to guarantee turbu-
lent flow inside the tubes (Re ≥19000), this to prevent concentration polarization and limit
fouling.
• Assumptions:
– 3.7 m of membrane/module (37 elements).
– TEG composition of 0.9895 wt in retentate, because it is needed for the semi-lean TEG split
strategy.
– Water composition of 1.0000 wt in permeate (only water permeates).
– Temperature: 150°C.
3.2. Selection of alternatives 35
Figure 3.13: Front view of PVM-094 SS 316 7×4-tube (120cm).
Figure 3.14: Side view of PVM-094 SS 316 7×4-tube (120cm).
– Pressure: 3 bar inlet feed, 20 mbar in permeate side and 1.5 bar retentate side.
– Permeate flux 0.255 kg/m ·h from the sensitivity analysis over a range between 120°C-
150°C explained below 3.15.
The reason to do is analysis is helping to decide the optimum temperature conditions of our
membrane system. Therefore, it was tested the temperature effect versus different water
compositions for different temperatures which are presented in the following figure 3.15.
Due to the fact that the flux depends on the water content along the length of the membrane
because the chemical potential changes with water concentration in the TEG, a logarithmic average of
the inlet value of water and the outlet was taken into account at 8.5% wt of water at the inlet and
0.7% wt of water at the outlet. Hence, taking into account the assumptions mentioned, it led to the
results in table 3.4. One example of calculation has been provided below.
36 3. Innovation Map
Figure 3.15: Feed water concentration against water flux in permeate for Ethylene Glycol- water
mixtures [41]. In red is represented extrapolated data.
• Example of calculation of number of modules estimation:
At 150 °C, the inflow for the membrane module is 1657 kg/h (0.0033 wt others, 0.912 wt TEG
and 0.0847 wt water), this is take from Aspen Hysys. For achieving the purity required after
membrane module (98.95% wt TEG) we follow:
All TEG goes to the retentate 1657 · 0.912 = 1511.18 kg/h of TEG, representing 0.9895 wt of
that stream. Therefore, the total flow of retentate is 1511.18 / 0.9895 = 1527.22 kg/h.
Hence, 1527.22 - 1511.18 = 16.04 kg of water plus other compounds. All other compounds go
to the retentate too, due to high water selectivity of the membrane, 1657·0.0033 = 5.47 kg/h
of other compounds(BTEX etc.). 16.04 - 5.47 = 10.57 kg/h of water goes into the retentate,
representing 10.57/1527.22 = 0.0069 wt water purity in that stream.
If 1657·0.0847 = 140.35 kg/h of water is fed, 140.35 - 10.57 = 129.8 kg/h is in the permeate
with 1.00 wt water purity.
At the entrance of the module, the water content in TEG is 0.085 wt, which represents a flux
of 0.612 kg/m ·h, while at the exit of the module the water content is the required 0.007 wt
of water in TEG, which gives a flux of 0.075 kg/m ·h. Therefore, doing an logarithmic average
3.2. Selection of alternatives 37
(0.612-0.075)/ln(0.612/0.075) = 0.255 kg/m ·h.
Finally, if the permeate flow is calculated to be 129.8 kg/h, 129.8 / 0.255 = 509 m is needed. If
every module gives 3.7 m of effective membrane, around 509 / 3.7 = 138 modules are estimated.
Table 3.4: Results of number of modules estimation with PVM-080 SS 316 37×4-tube
Temp. Flux Retent. TEG Water Others Perm. Water Area Modules
°C kg/m ·h kg/h wt wt wt kg/h wt m Nr
150 0.255 1527.22 0.9895 0.0069 0.0036 129.8 1.00 509 138
140 0.206 1527.22 0.9895 0.0069 0.0036 129.8 1.00 629 170
130 0.255 1527.22 0.9895 0.0069 0.0036 129.8 1.00 828 224
120 0.255 1527.22 0.9895 0.0069 0.0036 129.8 1.00 1350 365
To conclude with the temperature selection sensitivity analysis, it was decided to follow with 150°C,
because it is the maximum allowed temperature for such a module as well as it gives the minimum
number of modules. Furthermore, this temperature will be achieve thanks to a heater before the
pervaporation module and not before the flash for the already mentioned high TEG losses in the flash
at 150°C.
It is also very instructive and valuable to follow a sensitivity analysis about the maximum purity
that can be achieved with these membranes modules at 150°C if the semi lean split technique is
neglected. Hence, taking into account the previous considerations and way of calculate the purity, the
results shown below were obtained for an inlet feed of 1657 kg/h (0.0033 wt others, 0.912 wt TEG
and 0.0847 wt water, see figure 3.11) and a flux of 0.255 kg/m ·h .
Table 3.5: Results of TEG purity estimation in retentate with PVM-080 SS 316 37×4-tube
Retentate TEG Water Others Permeate Water Area Modules
kg/h wt wt wt kg/h wt m nr
1557.9 0.9700 0.02649 0.00351 99.1 1.00 389 105
1542.0 0.9800 0.01645 0.00355 115.0 1.00 451 122
1527.2 0.9895 0.00692 0.00358 129.8 1.00 509 138
1523.4 0.9920 0.00441 0.00359 133.6 1.00 524 142
1516.7 0.9964 0.00000 0.00361 140.3 1.00 550 149
In table 3.5 it can be observed how the TEG purity increases as the membrane area increases and
therefore the number of modules, due to an increment in permeate flow. Three important values of
the study should be noticed:
The first one is 98.95% wt TEG purity, which would be the value that allows the removal of the
still column, resulting in only one unit where a stripper increases the purity further from 98.95% till
99.2%. This scheme is discarded however as TEG losses in the stripper column will be higher than the
specified limit, as shown in the proposed scheme 3.10.
Secondly, 523 m representing 142 modules would be the theoretical value needed to directly
achieve the minimum purity required for the process (99.2 %wt of TEG), with the removal of the still
column and stripper too.
Finally, with 149 modules would achieve the maximum of 99.64% wt TEG purity with only perva-
poration modules, which is above the minimum.
However, as conservative criteria are always more intelligent in design-wise thinking it is decided
not to go for the maximum purity, so the 98.95 %wt purity of TEG as the outlet stream unit is selected.
The rest of the water needs to be taken out using a still and stripping column.
To check if the process can still be improvised with the lean TEG flow at theoretical minimum,
another strategy was studied, called semi-lean TEG split flow.
38 3. Innovation Map
Here, a part (50%) of incompletely regenerated TEG (98.95% wt TEG) exiting the Pervaporation
is fed back to the contactor in the middle (above 4 stage).The choice of this flow and the stage in
the contactor to which it is sent is completely arbitrary. To maintain the total flow to contactor at the
theoretical minimum, the lean TEG flow is also reduced accordingly. Furthermore, these flows have
not been studied by splitting them to different contactor stages. This is based on the fact that we are
restricting ourselves to the theoretical minimum flow based on the findings of study of TEG split flow
study done earlier in section 3.2.1.
It was observed that by using the above strategy, the stripping gas to the regeneration section
can be reduced by up to 20% of the conventional process without affecting the quality of lean TEG
regenerated. The remaining 80% can be sent to overhead treatment or used somewhere else. By
reducing the flow to 50% after the Pervaporation membranes, the still column and surge vessel size
can be reduced. The power requirement for the booster pump and the high pressure injection pump
would also reduce in this case. But, in order to pump the 98.95% wt TEG to the contactor, an additional
high pressure pump would then be required. So to conclude with, this suggestion is added into the
final different proposals shown below.
3.2.4. Alternative 3: Process scheme with hybrid system
The third option considered is a combination of previous schemes with some little changes such as the
incorporation of one heat exchange and a pump, resulting in figure 3.16 shown below.
Figure 3.16: Process scheme with hybrid system (turbocharge plus semi-lean split injection and
pervaporation module (yellow boxes))
A pervaporation unit can be added to the still column heated with a gas fired reboiler. Pervaporation
3.3. Selection of the optimized process scheme 39
membranes can reduce the size of that still column as well as the reboiler, as they will separate the
majority of the water (until reaching a purity of 98.98% wt TEG) from TEG and therefore reduce the
weight of the unit. Also, it will reduce the emissions of BTEX and HAP gases. However, a pump
(P201) must be added between these two pieces of equipment to overcome the head loss between
pervaporation membranes and the still column as well as the pipes. Therefore, there will be two extra
subunits to maintain.
It should be mentioned that it was decided to firstly set the pervaporation membranes before the
still column due to the fact that these membrane modules work better with higher water content in the
feed. Thus, a stripping column before will reduce the percentage of water, avoiding a good performance
of the hybrid unit. Furthermore, as mentioned before, the pervaporation unit will be connected to the
vacuum pump P-203 and also a heat exchanger E-204 is added to reach 150 °C before this unit. It was
decided not to connect the still column to the vacuum pump P-203, because it was enough to add a
stripping column in which 20% of the vapour outlet stream from flash (V201) is used as stripping gas
and a still column operating at atmospheric pressure to achieve the needed 99.2% wt TEG purity.
Semi-lean TEG will be taken out of the outlet stream of the membrane modules unit, representing
50% of the flow, and injected halfway the absorption column. This will add a new injection pump
(P-103) before the column. Also a turbocharger pressurizing both streams is added to the system to
cut down on size of that pump.
3.3. Selection of the optimized process scheme
In conclusion, after having looked deeply into these three schemes, it was decided to go further with
the hybrid process system for the optimization study.
This is being proposed primarily because it would give us an opportunity to explore most of the
new technologies while reaching the high purity required in an optimized way.
Also, the benefits of all assumptions paint a very idealistic picture as far as the optimization in
CAPEX, OPEX and weight is concerned. Although exact benefits of this proposal will be quantified in
the following sections of the project, verifying or denying its final feasibility.
4
Hybrid Process
As was done in chapter 2 the total process will be walked through, describing it step by step. This time
however the newly proposed hybrid system from chapter 3 are added. The new hybrid system will be
sized and designed. Also some comments and schemes about process control are added.
4.1. Process description
A detailed description of the process is given below. To start with, the wet gas is fed to the contactor
(C-101), where it is contacted with lean TEG of 99.2% wt and semi-lean TEG of 98.95% wt in a column
with a total of 6 packed stages to dehydrate the incoming gas below the outlet gas specifications
mentioned in earlier parts. The flow of lean TEG is the lower conservative estimate, below which it is
not realistically possible to achieve the specifications even if such a separation is shown to be possible
in Aspen Hysys. More details about this are given in section 3.2.4.
The energy of water-rich TEG leaving from C-101 at an approximate pressure of 156 bar is utilized
to drive a Turbocharger (P-101), thereby reducing the pressure of the rich TEG stream to 4.5 bar. This
same energy is used by P-101 to increase the pressure of the incoming lean TEG and semi-lean TEG
to 78 and 77.5 bar (considering 50% of the energy can be transferred between the streams using the
Turbocharger).
Thereafter, the rich TEG-stream is preheated to 36°C by heat exchange with the exhaust gases
from the still column (C-201) top. Before sending these to the flash vessel, it is again heated in the
Glycol-Glycol preheater (E-201) to 38 °C.
The Flash vessel(V-201) is operated at 4.5 bar. Here, a fraction of dissolved gases is separated
from the rich TEG stream. A fraction of 0.2 of these gases are further used for stripping in the reboiler
(V-202) and C-201.
The liquid stream from V-201 is passed through Filter (S-201 A/B) to remove any suspended solid
impurities. Thereafter it is heated in the Glycol-Glycol Heater (E-202) to 107 °C and again upto 150°C
by Pervaporation Heater (E-204) using steam before it enters the Pervaporation membrane unit (S-
202). The high temperature enhances the separation in the Pervaporation membranes. Here, using
chemical potential as the driving force, the water from the TEG stream is removed. To further enhance
the transfer, vacuum of 20 mbar is employed using a vacuum pump (P203). The outlet stream from
S-202 has 98.95% wt of TEG. To further increase the concentration from 98.95% wt to 99.1% wt, this
stream is sent to C-201 via Intermediate pumps (P-201 A/B). 50% of the outgoing liquid from S-202
is sent back to the 4 stage of C-101 first via the second compartment of P-101 where its pressure is
raised to 77.5 bar and then via Semi-lean Injection Pump P-103A/B which raises its pressure to 156.5
bar.
The TEG stream is stripped off the water and dissolved gas content in C-201. Exhaust gases from
C-201 are sent to overhead treatment. The remaining stream then passes through the inbuilt stripper
column in the reboiler where its concentration is finally increased to 99.2% wt using 20% of the exhaust
41
42 4. Hybrid Process
gases from V-201 in the still column.
The hot lean-TEG obtained this way is sent to the surge vessel (V-203) and from there it is pumped
back via the booster pump (P-202 A/B) to the contactor section. On its way to the contactor section,
it is cooled by E-202, E-201 and Sea water cooler E-203 to a final temperature of 34 °C
From E-203, the lean TEG is sent to P-101, where its pressure is increased from 1.5 bar to 78 bar.
The pressure is further raised to 156.5 bar using High Pressure Pump (P-102 A/B) through which the
lean TEG is finally sent back to C-101.
4.2. Material and energy balance
The details of steps taken to model the plant in Aspen have been discussed in section 3.2.4. It is to
be noted that unlike the conventional process, it was possible to simulate using 99.2% wt TEG for the
hybrid process.
Accordingly, three cases of mass balances were simulated in Aspen Hysys namely: Design Case,
Turndown case and Max. flow case (120% gas flow). The Max. flow case is only being considered for
sensitivity analysis.The sizing of the equipment will be based on the design flow case. All three cases
are attached in Appendices I,J & K.
The Tables 4.1 and 4.2 summarizes the Mass and Energy balance of the Hybrid system for the
Design Flow case as obtained from simulations in Aspen Hysys. The component flow of water in the
Dry Gas is 6.7 kg/hr which is well below the limit of 24 mg/Sm3 (or 8.5 kg/hr).
Table 4.1: Overall Mass Balance for the Hybrid Design Case as obtained from Aspen Hysys
IN OUT
Stream No Energy Flow kJ/hr Stream No Energy Flow kJ/hr
<102> 3.37 ∗ 10 <Dry Gas> 3.37 ∗ 10
<Make Up> 24.11 <OVHD-1> 2.635
<OVHD> 3.231
<Permeate> 130
Total 3.37 ∗ 10 3.37 ∗ 10
Table 4.2: Overall energy balance for the hybrid design case obtained from Aspen Hysys
IN OUT
Stream No Energy Flow kJ/hr Stream No Energy Flow kJ/hr
<102> −1.47 · 10 <Dry Gas> −1.47 · 10
<Make Up> −1.30 · 10 <OVHD-1> −1.23 · 10
<P-102> 7333 <OVHD> −1.54 · 10
<P-103> 7804 <E-203> −4.10 · 10
<P-201> 97.38 <Permeate> −2.00 · 10
<P-202> 164.1
<V-203> 1.28 · 10
<E-204> 2.27 · 10
Total −1.47 · 10 −1.47 · 10
It was observed that in the case of turndown flow, all the gases from flash Vessel V-201 can be
sent to the overhead treatment. This makes the stripper column C-202 redundant in this case.
4.3. Equipment sizing 43
4.2.1. Energy demands
All calculations are from Aspen Hysys. For the liquid turbocharger an energy recovery of 50 % is
assumed as explained earlier.
Pumping
Table 4.3: Pump duties for the hybrid system
Type Head [mLc] Power [kW]
P-102 A/B 692.9 2.04
P-103 A/B 758.2 2.17
P-201 A/B 7.9 0.027
P-202 A/B 15.5 0.045
P-203 A/B - 49
Heating
Table 4.4: Heating duties for the hybrid system
Name Type Power [kW]
E204 Steam 61.31
V202 Gas fired 35.56
Cooling
Table 4.5: Cooling duties for the hybrid system
Name Type Power [kW]
E203 Sea water 11.37
4.3. Equipment sizing
Equipment sizing has been done for all the pieces of equipment mentioned in figure 4.1 and 4.2.
Also, as requested in the assignment for this course, a total equipment summary is added in the last
appendix, Appendix M.
All sizing has been done following the methods described in appendix A. All determined sizes are
reported and tabulated. Sizes of similar kinds of equipment related the conventional process, if present,
are also reported.
Furthermore, in this case also weight of each equipment is included in order to get a good compar-
ison between conventional and hybryd units.
Vessel weight estimation have been preformed using the method described in Sieder et al[16].
There, it is estimated that vessel weight depends on wall thickness of the shell, assuming the shell to
be evenly thick throughout the vessel with equation 2.1. It was decided also to take the pervaporation
membrane unit as a set of vessel modules.
Finally, heat exchanger weights are estimated using Aspen Hysys, whereas only motor weights have
been used to estimate weight of pumps.
44 4. Hybrid Process
Figure4.1:Thetotalflowsheetofthecontactorpartofthedehydrationsystem.Thesizeofalltheequipmentshowninthefigurehasbeencalculated.
4.3. Equipment sizing 45
Figure4.2:Thetotalflowsheetoftheregenerationpartthedehydrationsystem.Thesizeofalltheequipmentshowninthefigurehasbeencalculated.
46 4. Hybrid Process
Contactor (C-101)
The height of the column in the hybrid system is assumed to be the same as the conventional. This
is because the estimation has been done with trays which later on will be packed. There is significant
space between packing levels for an additional sparger so here there is no gain nor a loss in size.
Table 4.6: Size and weight comparison of both conventional and hybrid contactor column
Type Diameter [m] Height [m] Thickness [mm] Weight [kg]
Conventional 2.04 12.19 190 143135
Hybrid 2.04 12.19 190 143135
Vessel sizing (V201, V202 & V203)
Table 4.7: Vessel volumes
Vessel Type Volume Diameter Length Thickness Weight
[m ] [m] [m] [mm] [kg]
Flash (V-201) Conventional 0.535 0.554 2.217 6 220
Hybrid 0.313 0.46 1.85 6 154
Reboiler (V-202) Conventional 0.465 0.529 2.117 6 201
Hybrid 0.132 0.347 1.392 6 87.6
Surge (V-203) Conventional 1.16 0.719 2.875 6 370
Hybrid 0.342 0.476 1.906 6 164
Still column (C-201)
Table 4.8: Size and weight comparison of both conventional and hybrid still column
Type Diameter [m] Height [m] Thickness [mm] Weight [kg]
Conventional 0.28 6.5 10 476
Hybrid 0.145 6 13 310
Pervaporation membranes (S-202)
For complete detailed calculations see appendix A. In this case, due to the uncertainty of size and
weight, all the results have a 50% of security factor with following assumptions:
• The width and height of the unit were calculated, then multiplied by 1.5 to include space for
maintenance and pipes and finally normalized into round dimensions.
• The length was taken equal as commercial Pervatech PVM-094 SS 316 7×4-tube module with 0,7
m², because the membranes used inside for both are the same.
• The total size of the unit was calculated as rectangular set of 14x10 modules (WxH) of 1.402 m
length each, supposing there is no space limitation.
• For the weight, each module was considered a cylindrical vessel. Then a factor of 1.5 was included
for accounting the weight of internal and membranes inside it.
The results for the pervaporation unit are displayed in the following tables 4.9 and 4.10
Pumps (P-101, P-102 A/B, P-103 A/B, P-201 A/B, P-202 A/B)
In the hybrid system two new pumps are added and also a liquid turbocharger, or Glycol pump (P-
101), is considered to be a pump. The first pump P-103 is added to injection the TEG straight from
4.4. Total weight 47
Table 4.9: Pervaporation membrane module size and weight
Module Type Flange Diameter Length Thickness Weight
[m] [m] [m] [mm] [kg]
Pervap. memb. Hybrid 0.302 0.260 1.405 6 97
Table 4.10: Pervaporation membrane unit size and weight
Unit Type Modules Width Length Height Weight
[Nr] [m] [m] [m] [kg]
Pervap. (S-202) Hybrid 138 7 1.405 5 13386
the pervaporation membranes. The other added pump, P-201, is used to transport the TEG from the
pervaporation membranes to the still column. The duties of all the pumps are in table 4.11. The duties
of P-102 & P-103 can be lowered however due to the addition of a liquid turbocharger. This will be
discussed further in 5.2.1.
Table 4.11: Pump duties for the hybrid system
Type Head [mLc] Power [kW] Weight [kg]
P-102 A/B 692 2.04 88
P-103 A/B 758.2 2.17 88
P-201 A/B 7.9 0.027 22
P-202 A/B 15.5 0.045 22
P-203 A/B - 49 1666
4.4. Total weight
The total dead weight of the new hybrid system is 161,086 kg. This is calculated by adding all different
weights together. The conventional process had a total weight of 150,433 kg. This means the total
weight of the process increased with the introduction of the new innovations. The biggest differences
can be seen in the introduction of pervaporation membranes. The introduction of the membranes did
not cut down the weight of the still column enough to also cut down on the total weight of the system
even though the weight of the reboiler is reduced with more then half. The split flow injection however
helped a great deal, it sized down all equipment after the split.
4.5. Safety, Health & Environment
In the proposed hybrid system the species present are still the same as in the conventional process
and therefore safety, health and environmentally aspects can be taken as equal as in the conventional
unit.
However, the only things that did change and can have an effect on the risk and hazard of this
system are for instance the vacuum present with the pervaporation membranes unit. Also extra pumps
have been added such as injection pump or vacuum pump.
Finally, there are now two inlet points of TEG into the contactor column instead of only one, which
brings an extra risk of leaking and malfunctioning of joints.
Furthermore, in the next subsection a HAZOP analysis will be conducted in order to select and
evaluate problems that may represent future dangers to workers or pieces of equipment, or prevent
efficient operation.
4.5.1. Hazard and Operability study (HAZOP)
For the hybrid system a HAZOP has been performed. For this study three points in the flow scheme
have been chosen as mentioned below.
48 4. Hybrid Process
The first one is the TEG flow coming from the pervaporation membranes. The second point is the
natural gas outflow from the contactor. The last point is the TEG outflow from the surge. At these point
the consequences and solutions for problems like too much flow or no flow have been considered. The
results of the HAZOP can be found in appendix L.
Resulting the HAZOP, a few actions need to be taken. In the pipeline of point one, after the
pervaporation membranes should be a concentration and a flow meter which need to be connected to
an alarm. If there are inconsistencies in the values that these controls show then there is something
wrong with either the membranes or the pumps. Also there should be a reverse flow prevention in this
pipe. At point 2, after the contactor there should be a flow meter, for when the flow is too little big or
too little either water is not removed from the gas or gas is leaving via an other route. This controller
should also be connected to an alarm. In order to prevent flow problems at point 3, after the surge, a
level controller has been put on the surge and has been connected to the valves controlling the in and
outflow of TEG from the entire system.
The meters that are only connected to an alarm have not been added to the control scheme in
order to keep the figure clear and readable.
4.6. Process control and instrumentation
The choices have been made following the plan found in the book of Seider, Seader, Lewin and Widagdo
[16]. This book presents 9 steps to end up with a controlled system. The system has been split into
two separate flow schemes, one which contains the contactor, and one that contains the regeneration
steps. In this case both schemes will be dealt with simultaneously. The resulting process control
schemes are shown in figure 4.3 and 4.4.
The entire process starts with the inflow of wet natural gas. The amount of natural gas coming in
is not controlled for this unit but is set at the well head. The amount of TEG needed to dehydrate the
natural gas is dependent on the water content of the natural gas entering the system. The amount of
water present in the natural gas inflow is measured by concentration controller CC-101. This controller
is connected to the valve that controls the inflow of TEG coming from the surge(CV-101). The second
TEG inflow, coming from the pervaporation membranes, is controlled with a ration controller (RC-101)
connected to the previously mentioned stream via RV-101. The rich TEG flow from the contactor is
controlled with a level controller(LC-101) in the contactor via valve LV-101. This is because there should
be a constant level of TEG present in the bottom of the contactor. The natural gas outflow from the top
of the column is controlled with a pressure controller(PC-101) which will be set to a certain pressure
and that way control the outflow via valve PV-101.
The rich TEG first goes to the flash (V-201). Here the gas outflow is controlled with pressure
controller PC-201 with a valve on the outflow (PV-201). The liquid outflow is controlled with a level
controller (LC-201) via valve LV-201. To prevent build up of contaminants in the flash there is an extra
liquid outflow, the drain, which will be manually controlled.
The TEG will now go through the pervaporation membranes to the still column. The gas outflow
from the still column is controlled with pressure controller PC-202 via valve PV-202. The liquid TEG will
go to the reboiler and then the surge without passing another valve. The surge needs a liquid level
between certain values. Liquid controller LC-202 is in charge of this. When the level gets too low, valve
LV-203 will open end lean TEG from storage will come in. If the level gets too high, LV-202 will open
and TEG will flow to the storage tank.
The amount of water that is taken out of the TEG in the still column is primarily determined by the
energy input into the reboiler. There will be a temperature controller (TC-202) which will try to keep
the reboiler at a certain set point by increasing or decreasing the fuel gas going into the reboiler via
valve TV-202. The set point will be determined with the concentration controller CC-201. When the
concentration of water gets too high the temperature in the reboiler needs to be increased and vice
versa.
From the surge the TEG will go through two heat exchangers and then a sea water cooler. The
amount of sea water passing through the cooler is controlled with temperature controller TC-201 which
is placed behind the cooler. The water flow is controlled with valve TV-201.
4.6. Process control and instrumentation 49
Figure4.3:Thetotalflowsheetwithcontrolsforthecontactorpartofthesystem.
50 4. Hybrid Process
Figure4.4:Thetotalflowsheetwithcontrolsfortheregenerationpartofthesystem.
5
Economic Analysis
In this chapter all investments for both the conventional as the hybrid system are estimated. The
sizes are taken from appendix A. First the total investment costs are estimated using Lang’s method
and secondly the OPEX is estimated. All economic reduction achieved by the new process are in this
chapter.
5.1. CAPEX
All prices are estimated using the Prijzenboekje of the Dutch Association of Cost Engineers [47]. Except
from C-101, P-101 & P-202. These are estimated using the Matche’s website [48]. All prices have been
adjusted to 2014 using CEPCI numbers. If a price was found in US dollars an exchange rate of 1.25
euros per dollar was used to convert it [49]. Finally, a factor of 1.25 is used to transform this prices
from USA to EU displacement.
5.1.1. Conventional
Vessels & columns
Table 5.1: CAPEX for all vessels and columns in the conventional process
Equipment Number Diameter (m) Length (m) Thickness (mm) Price (Euro)
C-101 1 2.04 12.2 190 €1,160,000
C-201 1 0.27 6.5 10 €68,738
C-202 1 0.25 0.5 6 €27,236
S-201 A/B 2 0.0254 - - €6,459
V-201 1 0.55 2.22 6 €23,750
V-202 1 0.53 2.12 6 €23,594
V-203 1 0.72 2.88 6 €25,781
Pumps
Prices of pumps were estimated with the Prijzenboekje [47].
Table 5.2: CAPEX for all pumps inside the conventional process
Equipment Number Capacity (m /h) Head mLc Max. Power (kW) Price (Euro)
P-101 2 2.3 1370 13.4 €19,973
P-202 A/B 2 2.7 20 0.155 €11,932
51
52 5. Economic Analysis
Heaters & Coolers
Prices of heaters were estimated with the Prijzenboekje [47].
Table 5.3: CAPEX for all heaters & coolers inside the conventional process
Equipment Number Area (m ) Price (Euro)
E-201 1 28.45 €35,017
E-202 1 147 €89,489
E-203 1 17.3 €33,720
Total costs
The total investment costs for equipment can be calculated now by adding all these prices. As this
is a fluid and gas plant a Lang factor for process equipment and installation of 5.93 is estimated[50].
This gives a final investment of € 9,047,332. As mentioned by frames a conventional unit has a price
between 5-10 million euros, so this estimate seems to be accurate.
5.1.2. Hybrid
Vessels & Columns
For the calculation of a membrane module price, the following assumptions were take into account:
• The module is considered as a vessel of SS 316. Therefore with 0.26 m diameter, 1.402 m of
length and 6 mm thickness.
• The price of SS 316 is calculated by its weight (97 kg obtained in unit sizing, Chapter 4) following
Matche’s web page [48]. Then a factor of 1.5 of security is added to account the price of the
membrane elements.
The results for the estimated price of one module are presented in the following table 5.4.
Table 5.4: CAPEX for a pervaporation membrane module
Equipment Number Diameter (m) Length (m) Thickness (mm) Price (Euro)
PV module 138 0.26 1.402 6 €20,156
From contact with Pervatech, it was given that a module of 4 elements on 50 cm length with a
weight of 10 kg costs about €5,000. Thus, having a module of around €20,000 is totally feasible. The
other vessels are estimated using the same methods as with the conventional process.
Table 5.5: CAPEX for all vessels and columns in the hybrid process
Equipment Number Dimension (m) Length (m) Thickness (mm) Price (Euro)
C-101 1 D=2.04 12.2 190 €1,160,000
C-201 1 D=0.145 6 13 €73,925
C-202 1 D= 0.25 0.5 6 €27,236
S-201 A/B 2 D=0.0254 - - €6,459
S-202 1 W=7 and H=5 1.402 - €2,781,000
V-201 1 D=0.46 1.85 6 €22,813
V-202 1 D=0.35 1.39 6 €21,563
V-203 1 D=0.48 1.91 6 €22,969
5.2. OPEX 53
Pumps
Prices of pumps were estimated with the Prijzenboekje [47].
Table 5.6: CAPEX for all pumps inside the hybrid process
Equipment Number Capacity (m /h) Head mLc Max. Power (kW) Price (Euro)
P-101 1 2.5/0.8/0.7 - - €12,813
P-102 A/B 2 0.7 692 2.04 €25,625
P-103 A/B 2 0.7 758 2.17 €25.625
P-201 A/B 2 1.2 7.9 0.027 €13,229
P-202 A/B 2 0.8 15.5 0.045 €13,229
P-203 252.3 - 49 €28.750
Heaters & Coolers
Prices of heaters were estimated with the Prijzenboekje [47].
Equipment Number Area (m ) Price (Euro)
E-201 1 4.424 €33,720
E-202 1 24.35 €35,017
E-203 1 2.64 €27,236
E-204 1 2.44 €27,236
5.1.3. Conclusions regarding CAPEX
When all the prices for hybrid are added to each other and the Lang factor has been incorporated a
price of €25,845,566 arises for total ownership. This is almost three times higher as the conventional
process, which costs € 9,047,332. While all equipment is reduced in size and price the introduction
of membranes is such a big investment that the end price is much higher. This observation is also done
with regard to the weight of the total unit.
5.2. OPEX
As this process only represents one step in a whole offshore process the OPEX is only calculated
regarding the pumping, heating, cooling and some remarks about maintenance will be done. It is
expected that only these factors are changed with the introduction of new technologies.
5.2.1. Pumping
Conventional
In the conventional process two pumps are present, P-101 and P-202. With the specification given in
table 5.7. These were taken from Aspen Hysys simulations.
Table 5.7: Specifications of both pumps in the conventional
Equipment Number Capacity (m /h) Head mLc Max. Power (kW) Price per year (€)
P-101 1 2.3 1370 13.4 € 11,738
P-202 A/B 2 2.7 20 0.155 € 135
Total 3 - - 13.555 € 11,873
Hybrid
As pump P-202 is used to compensate the pressure drop in the system it is a vital and unchangeable
part of the process. P-101 however can be powered by using the pressure which is released from
54 5. Economic Analysis
the rich Glycol stream. The total operational costs, assuming a total cost of 10 ct €per kWh[36], is
1.34 €per hour [37]. Assuming 24/7 operation the total costs per year of this pump will be € 11,738.
Using calculation tools provided by Energy Recovery©a recovery of 70 % of energy can be achieved.
This will result in a evenly large reduction of operational costs. So a reduction of € 8,216 on a yearly
basis can be achieved. Not only that, also a reduction of 9.38 kW is achieved at the pumping section.
This leads to a reduction of approximately 79,866 kg CO which is released on a yearly basis[38]. By
adding a split injection system however the injection pumps change. An additional pump is needed
because of the addition of an extra stream. An extra pump is also needed to transport the TEG from
the pervaporation membranes to the still column. The power duties are displayed in Table 4.11. The
second injection pump makes it harder to have the same beneficial effects of the turbocharger as in
the conventional process as not one stream with more or less the same needs to be pressurized, but
two streams with half the size. Contact has been made with Energy Recovery regarding this. They
mentioned that it is possible to use the power released and transfer it to two separate streams, but
it makes the system less efficient and harder to control. A maximum efficiency of 50% of recovery is
assumed to use in calculations.
Table 5.8: Pump duties for the hybrid system
Type Head [mLc] Power [kW] Price per year [€]
P-102 A/B 1426 2.040 € 1,787
P-103 A/B 1647 2.168 € 1,899
P-201 A/B 7.9 0.027 € 24
P-202 A/B 15.5 0.045 € 39
P-203 A/B - 49 € 42,924
Total € 46,673
5.2.2. Heating
Conventional
A large energy consumer in this process is the reboiler. From Aspen Hysys the energy requirement is
calculated. The figure found there is 241.35 kW for heating. Assuming an efficiency of 90% for a gas
fired heater and a gas price of € 0.07 per kWh a total yearly cost of € 164,439 for natural is needed[36].
This figure can drop however as the natural gas coming from the flash can be used as a ”free” source
of natural gas.
Table 5.9: Heating duties for the conventional system
Name Type Power [kW] Price per year [€]
V-202 Gas fired 241.35 €164,439
Hybrid
In the hybrid system heating is done at two places. Firstly before the pervaporation membranes and
secondly in the reboiler section. It is chosen, for weight limiting reasons, to use heat exchange with
steam before the pervaporation. The amount of steam needed is calculated via the total flux needed.
A price of €25 per ton is assumed[51] [52]. The reboiler will still be heated using a gas fired heater.
Table 5.10: Heating duties for the hybrid system
Name Type Power [kW] Price per year [€]
E-204 Steam 61.31 € 23,257
V-202 Gas fired 35.56 € 37,595
5.2. OPEX 55
5.2.3. Cooling
Conventional
Table 5.11: Energy duties needed for cooling in conventional
Location Type Energy duty [kW] kg/h needed
E-203 Sea water cooler -103.5 8,988 kg/h seawater
C-201 TEG condenser -49.85 -
The condenser is cooled using the rich TEG before flash. By using this heat integration the heating
duty of the reboiler is lowered and this cooling can be performed for free. For the cooling of the lean
TEG before entering the absorption column sea water is used. As the process is done off shore this
water can be gained for free as well. The water needed is calculated using the method as described in
A.
Hybrid
Table 5.12: Energy duties needed for cooling in hybrid
Location Type Energy duty [kW] kg/h needed
E203 Sea water cooler -84.5 978.3 kg/h seawater
C201 TEG condenser -40.36 -
5.2.4. Conclusion regarding OPEX
Table 5.13: Total operational expenses
Type Expenses per year [€]
Conventional € 176,312
Hybrid € 107,525
As shown in Table 5.13 the total expenses towards energy are reduced. Yearly almost € 70,000 is
saved due to better energy use. The introduction of pervaporation membranes and the use of a split
flow has decreased the energy needed for the reboiler with 85%. Furthermore the introduction of a
liquid turbocharger and the overall lower TEG inventory has decreased the total kWh per year needed for
pumping of TEG with 70%. The addition of a vacuum pump at the pervaporation membranes however
has a relatively high duty in comparison with the other pumps of 49 kW needed. The introduction
of these new innovation has a positive effect on OPEX and total energy consumption making this a
greener alternative to the conventional process.
6
Creativity & Group Process Methods
In the following chapter of the project, several strategies for improving the team’s development and
creativity have been carried out in order to facilitate the communication, coherence and connection
within the team as well as generation of new technological ideas. The results are shown below ordered
by date. After this the project planning and creativity methods used are described.
6.1. Team division, process tools and results
During the PPD course a Belbin Test was executed by each team member to identify their best own role
and behaviour in group work. As this is seen as a valid way to find the different skills of each member,
the test is going to be used to divide and allocate responsibilities.
In such way, we have defined Agnes as the Coordinator, the person in charge of delegation of work
and selection other member of the group by talent. Therefore, it also is decided that she will be our
main Planner and will decide who does which tasks. On the other hand, the other team members
need to mind that she does not off load her own share of the work as well. Secondly, Javier is an
Implementor, which means he will prove himself to be a valuable and efficient worker. His organized
way of working can also be of great value for the rest of the team as he can help planning and come
up with a practical and effective ways of working. However, the rest of the group should mind the
fact that he maybe has to put in more effort to adapt new ways of working, when a decision has been
turned around and his nervousness when you have to work under pressure. In third case, Ameya has
the role of a Monitor Evaluator, which makes him a sober and strategic mind. Hence, when it comes
to decision making, he can prove to be a valid asset. But, as the rest of the team may depend on
him about specific decisions, he makes himself sometimes over-responsible and only focuses in one
task. Finally, Toon is a Recourse Investigator, which means he easily makes contacts and explores
opportunities. This results in a valuable way of doing the communication for the group and towards
others. He will also take up the role of the group Secretary and do most of the reporting. However, he
might make ‘silent’ decisions without asking others.
Apart from team members, we had the figure of Creativity Coach helpings us ignite our minds with
creative approach to reach the final goal. In cases of standstill creativity, we expect advice on how to
continue and come up with new ideas or methods. Moreover, the Technical Supervisor would be the
one with whom we would be in contact on regular basis, to guide us in case of technical doubts and
like a guiding lantern, bring us back to our path if we digress too much from the goal. Last, but not
least, from the principals, we would like to get necessary process details with full clarity on the project
expectations. Also, we expect the principals to be approachable and open to queries, if any, in the
course of project.
From the above, it was defined the group division for this project. Despite the fact that each one had
their own responsibilities and strengths, one should never forget that in engineering projects proper
communication is the key to avoid misunderstandings or vagueness. This can only be done if the
57
58 6. Creativity & Group Process Methods
weaknesses of each member are known in the whole group, so everyone try to overcome his/her own
problems with the help and support of the others. It must be taken into account also all the feedback
received from the people involved in the project, creating a ping-pong information chain where all
information, advises and critics were considered. For those reasons, some activities were done as
mentioned below:
• (27-04-2015) Creation of an online database: All the files and documents related to the project
were shared with team members and supervisors. In this way, information was available for
everyone anytime.
• (27-04-2015) Creation of a calendar: Definition of task distribution according to team members
allocation, main milestones and tentative deadlines, in order to define a structured planning of
the whole project.
• (27-04-2015) Creation central mail account: This was used as the main communication hub. In
that way everyone could look back in previous contact with whomever and have always a clear
view of what was going on.
• Everyday’s meeting in the morning: Revision of the calendar and project development, what
had been done, needed to be improved or changed. Below, it is shown a summary of the main
decisions taken in each week because of these meetings.
– Week 1 (from 27-05 to 01-05): After having the first meeting with the technical supervisor
and with the creativity coach in this week, we defined the main points to be discussed in the
kick-off meeting with Frames’ principals as well as the tools we were going to use for the
generation of new alternatives of the process (See section 6.2 Creativity tools and results).
– Week 2 (from 04-05 to 08-05): Visiting our principals in Frames building situated in Alphen
aan den Rijn resulted in a enriching and valuable experience. It gave us the opportunity to
get to know each other and discuss several points that were unclear. For instance, the scope
of the project, the alternatives to be investigated and the conditions used as reference were
defined. In addition, two of the alternatives shown were criticized (Molecular sieves + TEG
unit and Super X-packing) due to the fact that they do not meet the objectives. A tentative
planning was also proposed and approved. (See section 6.3 Process planning).
– Week 3 (from 11-05 to 15-05): With all the feedback and the points clear we made a series
of creativity activities in order to generate more alternatives apart from the ones Frames
principals gave us. The result was the finding of three realistic technologies that can be used
in this unit, and that will be presented in the Basics of Design (BoD) meeting scheduled for
week 5. In this week 3, we also had a meeting with P. Hamersma, where some questions
were posed, clarifying that we need to be more specific and consistent in our selection of
alternatives, including quantitative descriptions and equipment functioning principles and
fundamentals. In this way, knowing how the piece of equipment really works, we would
understand how to improve it and why one alternative is more suitable than other. Hence,
we started the (BoD) with all the input required.
– Week 4 (from 18-05 to 22-05): We still worked in the BoD and the design of the process
in Aspen Plus, scheduled to be handed-in on 22nd May. We had a meeting with B. Dam
to discuss about the results of the creativity tools. It was pointed out that more images
and tables would be used, because they are the best option to shown a list of alternatives,
instead so much text. The BoD report was given to all implicates for review and feedback.
– Week 5 (from 25-05 to 29-05): In the BoD meeting, where all people involved in the project
were present, the final 8 technological possibilities were shown. It was decided to follow
with hybrid one, in which it would be used split injection, turbochargers and a combination of
still column heated by microwaves and pervaporation membranes (See section 3 Innovation
map). It was also settle the conventional process that would work as benchmark as well as
the change into Aspen Hysys to simulate the process, because Aspen Plus does not fulfill
some requirements. Furthermore, some professors and specialists in microwave heating
and pervaporation membranes were contacted such as PhD. Guido Sturm.
6.1. Team division, process tools and results 59
– Week 6 (from 01-06 to 05-06): It was introduced an important change in the simulation.
Now the feed of wet natural gas is saturated before entering the column, which will be the
worst scenario possible for the unit. Then, the conventional process was finished. The size
and price of the unit is decided as benchmark. The project follows as scheduled and not
more important changes are made.
– Week 7 (from 08-06 to 12-06): The company Sairem was contacted regarding microwaves
generators and prices of them were obtained and incorporated to the unit.
Also, Mr. Sturm gave us his advice about microwaves, stating that they are feasible in
concept, but no company has tried yet.
– Week 8 (from 15-06 to 19-06): On Monday the 15th June, the final draft report was sub-
mitted to all the parts involved in the project in order to get feedback of it.
Furthermore, an important change was introduced. Finally, all results led to bad perfor-
mance as well as an increment of the unit price when microwaves are incorporated due to
the immaturity of this devices yet. Therefore, it was decided to erase them of the hybrid
proposed solution.
Finally, Pervatech was asked to provide details of the membranes modules used in the design.
– Week 9 (from 22-06 to 26-06): The comments on the draft report were given and included
in the final report. It was submitted on Friday 26th.
• Meetings with creativity coach, technical supervisor, professors or experts: Discussion of main
doubts and problems as well as forecasts for the next steps.
– Dr. P. J. Hamersma, Technical supervisor: Thanks to the experience of the technical su-
pervisor, we were able to go on with the project every time a problem arose, especially in
the selection of improvements for the conventional process. He pointed out that the best
way to overcome any problem is understanding ‘the chemistry’ behinds it. This advice was
followed in every piece of equipment in order to come up with new technologies that will
improve the performance of the unit. Moreover, he mentioned that every figure, graph
or image should contribute with valuable information and should be followed by extensive
explanatory description.
– Dr. B. Dam, Creativity coach: His contribution was very important in the generation of new
ideas. He provided us with another approach of the project where the technical rules were
not the most important aspect, implementing the creativity of new designs. Team division,
progression and the roles of each member were followed by him with relevant feedback
about our behaviour within the team.
– (18-05-2015) Ir. S. Groenendijk, Process Eng. at Fluor: He solved our doubts about the
turndown case, ending in decreasing only 50% the amount TEG compared to the design
case, because less can create cavitation and the still column can start weeping. After con-
sulting principals from Frames, it was decided to maintain only 33% of the TEG.
– (28-05-2015) Pr. A. Stankiewicz, Professor: As process intensification expert, he helped
us in the definition of our improved process, giving tips and boundaries such as realistic
temperatures for microwave heating that could not be found in literature. He also proposed
a radical new design based on rotating packed beds.
– (28-05-2015) J. James, PDeng: Mr. James shared with us his knowledge about Aspen and
tips on the relationship between high pressure systems and the thermodynamic model used
in the simulation, resulting in different model for each piece of equipment that simulates
better the process.
– (29-05-2015) M. Radiou, R&D Eng at Sairem: Always ready to help regarding to microwave
systems, she gave us some useful information as well as prices for such devices.
– (9-06-2015) G. Sturm, PhD: As a PhD in P&E institute at TU Delft, he shared with us his
microwave related thesis where we could find information about how this equipment works
intrinsically.
– (14-06-2015) Prof. Dr. Ir. Anton A. Kiss, R&D Eng at AkzoNobel: With his advise over the
pervaporation membranes, we were able to complete the Aspen Hysys simulation.
60 6. Creativity & Group Process Methods
Besides those activities, we do believe that productivity and efficiency can be enhanced if there is
a relax atmosphere in the group. So, we also take into account the relationships between us:
• Weekly dinner: Taking advantage of our international team, we decided that everyone needs to
hold a dinner with food of his/her own country, and it seems it is working perfectly.
• Card games: During breaks, we play different card games to chill out and rest from the project
itself, resulting in a better work environment.
6.2. Creativity tools and results
The following creativity techniques, whose description, date and results are shown below, were planned
and used in the course of this project.
• (08-05-2015) Brainstorming: We used this technique at the starting point of the conception stage.
It requires a minimum of 4 people.
For using this technique, the participants were required to come up with a large number of
ideas without inhibition. Seemingly wild and unexpected ideas were also considered equally.
Thereafter, the ideas were grouped and an overview of all solutions was created. We started
with a warming-up round about Norway, natural gas and Frames. Then, we continued with
Dehydration with TEG process. Brainstorming has the advantage of generating large amount of
ideas, which are advantageous for in this project helping us in suggesting as many optimisation
strategies to reduce the CAPEX ,OPEX and weight of the TEG unit, which is the main goal of the
project. We realised that we have three groups of ideas: Environment and weather (cold, fjords,
ice,...), technology (offshore, pipeline,energy,...) and company (oil, gas, money, future,...). It
should mention that they also appeared bad ideas such as toxic, pollution, fire, old technology,...;
meaning that this technology may still has the stereotype of petroleum industry.
• (12-05-2015) List of ideas and dream power: This approach was used after the Brainstorming.
During some days, team members were asked to come up with 10 solutions or improvements to
the bottlenecks found in the project without taking into account the objectives of it and if they are
fool. It was also stated that this should be done right before going to sleep, because specialists
claim this can help to the generation of ideas.
The result was the creation and presentation of about 40 ideas, such as integration of absorption
and regeneration in one single column, using of supercritical solvents, pipelines with desiccant,
using the outlet gas from flash as a motive fluid for vacuum ejector or condensers in every tray
to remove the water, among others. Two of these ideas were selected for further study in the
project: Addition of a entrainer in the regeneration column and the combination of molecular
sieves with a TEG dehydration unit.
• (12-05-2015) Mind map and visual thinking: This technique involves graphical representation of
ideas, depicting how these ideas are related to each other. This technique can be used at different
stages of the project, but we employed it in the conception or the idea generation phase, getting
a graphically structured overview of thoughts or ideas and providing a thorough understanding
of a equipment main functions and sub-functions.
In this technique, first all the members voted the 2 best ideas of each other, after they were asked
to draw 2 of them without any explanation from his/her creator. Every aspect of each design was
explained and discussed with the creator of the idea. This way, we realized what different points
of view a single idea can have and how some of them are maybe good enough for ourselves in
our mind but not in reality.
• (12-05-2015) 4x4x4: This is more a technique for improving decision making, connection, coher-
ence and communication in the group. In this case, each member has to take 4 out of his/her
10 ideas, then in pairs, both members has to select 4 out of the previous 8 (the chosen 4) and
finally, the whole group must choose 4 out of the las 8 (4 of each couple).
6.3. Process planning and results 61
Eventually, it came that among the last 4 selected ideas, 1 was of each member. The most
probable reason for this can be that each of us strives for his/her own ideas, while also we
support other choices, always maintaining the balance in the group.
• (15-05-2015) Collage: This method is the way to view your problem in a total overview of what
you know about it. By printing out images and facts about the problem, new connections, previ-
ously unseen, can arise. This was the last approach used in the basic of design and generation
of ideas. In our case the problem of size is a nice one to try to observe in this manner. By look-
ing for connection between different process steps, maybe a scale down or a potential different
connection which we have not seen before could be found.
The team members needed to collect data and 5 images about the problem we are struggling
with. The process of choosing images should be totally random and nothing should be hold back
because it does not seem to fit in the scope of your problem. Everything was hang upon the wall
in our office and after the group started arranging everything in one way or another to look for
new plans or methods to implement in the system.
6.3. Process planning and results
6.3.1. Overall planning and deadlines
The project was divided in three stages: The preparation stage, the concept stage and the feasibility
and development stage. Each of which were ended with a presentation. All details can be seen in
figure 6.1.
Figure 6.1: Planning used during the project. There are three main phases: Preparation stage(left
orange line), conceptual stage (middle orange line) and feasibility & development stage (right orange
line).
Preparation stage
The main focus is laid upon the question if this project is worth pursuing. Initial goals and deadlines
were stated and planned as shown in Figure 7.1. The first alternatives would be briefly researched to
62 6. Creativity & Group Process Methods
get a preliminary feeling about them all. The preparation stage ended on the 7th of May, and the kick
off meeting was conducted on that day, too.
Concept stage
During the concept stage the work revolved around the process itself, what are customer requirements
and how to get there. The existing process was worked out to provide a benchmark for later improve-
ments. All different improvements suggested before were divided between the team and everyone did
a more extensive research into them. The first Aspen Plus simulation was made to provide a bench-
mark for calculation of the impact of the different technological improvements in the feasibility stage.
Furthermore all the data needed to calculate later on was searched and inventoried for later use. This
phase would lead to a BoD report which will be finished 22nd May, whereas, on 27 May the report was
presented.
Feasibility & Development stage
Last stage of the project. The team worked on implementing the new technologies selected and seeing
the impact they would have upon the process. Financial calculation was done to estimate the CAPEX
and OPEX of the new and old system to see demonstrate the way improvements helped. Weight
estimates needed to be made to compare them as well. Also, the final report was produced in this
stage, ending on 30th June with the final presentation.
6.3.2. Work division
To make better use of time, effort and our capabilities, every team member had been allocated different
tasks and responsibilities considering team division (See section 6.1 Team division, process tools and
results). As the focus lied upon 4 technologies every team member was chosen to be expert of that
area. Agnes would focus on microwave heating and coordination of all the tasks. Ameya on TEG split
injection system and Aspen simulation,too. In addition, Javier was upon pervaporation models and the
organization and planning of the project. Finally, Toon would research liquid turbochargers and would
be in charge of the reporting and communication.
Furthermore every team member gets an part of the assignment for which he or she will be held
responsible. If the team member feels that it will not be done on time it will communicated with the
rest of the team and he or she can offload some work to someone with less. Agnes is responsible for
writing the parts concerning the safety of the process. Ameya will be working on the Aspen Plus with
help of the rest of the group, but he will be the one having the overview and is responsible to have
it finished on time. Javier is responsible for the financial and creative part of the operation.Toon is in
charge of making the report and the planning of all the different tasks. Toon and Ameya would also
look into the equipment sizing, CAPEX and OPEX research.
7
Conclusions & Recommendations
When taking in account all the information given throughout the report, it can be concluded that the
introduction of semi-lean TEG injection, pervaporation membranes modules and liquid turbochargers
leads to a lot of changes in CAPEX and OPEX, while the weight of the total new unit does not change
too much, but remaining within the same range. This can however be due to error margins of the
calculations done.
First of all, by introducing the specific combination of techniques, the CAPEX has doubled. All ex-
isting equipment from the conventional process, except the absorption column, have been reduced.
However, the investment costs for the special kind of membranes used for pervaporation is so large
that the benefits from using smaller equipment are counteracted. So, this separation technology may
become interesting in terms of CAPEX if in coming years it matures, achieving more effective mem-
brane area per module with the same water selectivity, leading to higher permeate fluxes. Then this
investment price will drop drastically. It should be pointed out that the price estimation for pervapora-
tion membrane modules a very crude one, due to the lack of reliable information and the scale of the
project. For instance, Pervatech themselves did not know the possible prices of this proposed large
pervaporation system. Hence, because of this uncertainty, the margin of error in cost estimation of
the hybrid process is much larger than that of the conventional.
On the other hand, the OPEX has been lowered a lot in comparison to the conventional system.
A total saving of almost € 70,000 per year has been achieved. This was solely done by savings in
energy, which makes the hybrid system a more energy efficient and greener alternative compared to
the conventional process.
Furthermore, as mentioned, the weight of the total unit has increased from 150 tons for the conven-
tional dehydration system to 160 for the hybrid system. But as mentioned before, this approximately
10,000 kilograms gain is so low that it lies within the calculation error.
To sum up, the introduction of pervaporation membranes has decreased the total energy consump-
tion, but it increased the total capital expenses, leading to a rate of return for all the changes introduced
of around 200 years, which is too long for this kind of industry. As stated, if the surface area of the
membranes increases and so the total capital expenses decreases, then membranes can be a good
option for improving TEG dehydration. However, as these membranes are currently too expensive, it
is not advisable to add them to the process now.
Liquid turbochargers however have decreased 70% of the power needed for TEG transport. Ac-
cordingly, this decrease is a feasible help in energy demand reduction, as for TEG pumps the energy
consumption in the conventional system is really high. For this reason, they are already being deployed
in process industry. The recommendation is to add these TEG turbochargers to newly developed pro-
cesses and to implement them in already existing plants since this is also possible.
Finally, the injection of semi-lean TEG into the absorption column has sized down the reboiler and
surge vessel with 30% even when it has not been optimized yet. Thus, room for improvement are
analyzing different injection points in the column, purity of semi-lean TEG and flow of split optimizing
63
64 7. Conclusions & Recommendations
the gain of this setting. However, because the pervaporation membranes are not present in the con-
ventional process, there is not an easy way of getting semi-lean TEG from the regeneration unit. For
instance, the still column needs to have an additional middle outlet altering the design of the distilla-
tion equipment. For this purpose, a distillation column can be considered first to achieve the necessary
semi-lean TEG purity, sending afterwards the stream to other possible technologies such as molecular
sieves where to reach the total lean purity required (99.2% in our Hybrid case). To find out if this is
beneficial will requires a completely new research project.
List of Symbols
ΔP Pressure rise [kPa]
𝜌 Density of vapor [kg/m ]
𝜌 Density [kg/m ]
𝜌 Density liquid [kg/m ]
𝜏 residence time [hr]
A Surface [m ]
A Downcomer are [m ]
A Tower inside cross-sectional area [m ]
D external vessel diameter [inches]
D outside diameter [inches]
D Diameter of the tank [m]
E Fractional weld efficiency
E modulus of elasticity [psi]
F Liquid flowrate [kg/hr]
f*U Fraction of the vapor flooding velocity [m/s]
G Mass flow rate of gas [kg/s]
h Height [m]
L Length [m]
L vessel length [m]
L tangent-to-tangent height of the column[inches]
LMTD Log mean temperature difference [C]
P internal design pressure [psig]
P internal design pressure [psig]
q Heat duty [kJ/hr]
S maximum allowable stress of the shell material at design temperature [pounds/inch ]
S maximum allowable stress of the shell material at design temperature [pounds/inch ]
t Wall thickness of vessel [inches]
t Wall thickness of vessel [inches]
t Wall thickness of vessel [inches]
t Thickness to withstand seismic and wind
65
66 7. Conclusions & Recommendations
U Overall heat transfer coefficient [kJ/hr*m *C]
V Volume of vessel [m ]
wt% Weight percent
A
Unit sizing
In this appendix all different technique for size estimation are explained. To enhance readability ex-
ample calculations regarding the conventional process are included.
A.1. Contactor (C-101)
The contactor is sized using the method proposed in Seider et al[16]. Later it is checked using Aspen
Hysys simulations.
𝐷 = √
4 ∗ 𝐺
(𝑓𝑈 ) ∗ 𝜋 ∗ 𝜌
(A.1)
With:
G = Mass flow rate of gas [kg/s]
f*U = fraction of the vapor flooding velocity [m/s]
𝜌 = Density of vapor [kg/m ]
The vapor flooding velocity is calculated using the correlation proposed by Fair et al [53], which
was edited by Seider et al [16]. This results in a contactor diameter of 2.04 m. Aspen Hysys gives
an estimate of 2.3 meters. The height of packing coming from Aspen Hysys simulations is 3.5 meters.
For Mellapack ©packing from Sulzur Corp. the HETP is defined in the range of 0.5 to 0.7 meters[54].
Using 6 theoretical stages this results in a range of 2.1 to 4.2 meters of packing height. For this project
a packing height of 3 meters is used and a diameter of 2.3 meters. As the packing is assumed to be
25% of the contactor the total height is estimated to be 12 meters. The wall thickness t is calculated
to be 20 cm using the Sieder et al [16] method which uses equation A.3. In this equation the design
pressure is considered to be 1.1 times the operating pressure since the operating pressure is above
1000 psig. For vertical columns wind and seismic loads are to be taken into account,too. The thickness
of vessel required to withstand these effects have been calculated using the following equation[16]:
𝑡 =
0.22 ∗ (𝐷 + 18) ∗ 𝐿
𝑆 ∗ 𝐷
(A.2)
With:
D = external vessel diameter [inches]
t =Wall thickness of vessel [inches]
S = maximum allowable stress of the shell material at design temperature [pounds/inch ]
L = tangent-to-tangent height of the column[inches].
Where the term 18 ( in inches) accounts for the column cage ladders. This method assumes a wind
load based on the wind velocity of 140 miles/hr acting uniformly over the height of the column.
67
68 A. Unit sizing
The wall thickness to withstand pressure is calculated using the ASME pressure vessel code formula
[16]:
𝑡 =
𝑃 ∗ 𝐷
2 ∗ 𝑆 ∗ 𝐸 − 1.2 ∗ 𝑃
(A.3)
With:
P = internal design pressure [psig]
S = maximum allowable stress of the shell material at design temperature [pounds/inch ]
E = Fractional weld efficiency
With the following assumptions:
• For pressures between 0-5 psig, P has been taken to be 10psig.[16]
• For pressures between 10 psig to 1000 psig, the following equation has been used: P =
exp{0.60608+ 0.91615[ln(P )]+0.0015655[ln(P )] }[16]
• Maximum allowable stress of carbon steel has been taken to be 15000 pounds/inch [16]
• Minimum thickness has been assumed in all cases to be 6mm. [16]
The average vessel thickness t is calculated as the average of t and t +t as described in Seider
et al [16]. The t will be needed at the top of the vessel and t +t at the bottom. A linear gradient of
wall thickness is assumed.
A.2. Vessel sizing (V201, V202 & V203)
All vessel sizing is done via the Biegler-Grossman-Westerberg method [55]. Firstly the volume of the
drum is calculated using the following equation.
𝑉 = (
1
𝐿𝑖𝑞𝑢𝑖𝑑𝐹𝑟𝑎𝑐𝑡𝑖𝑜𝑛
) ∗ (
𝐹 ∗ 𝜏
𝜌
) (A.4)
With:
F = liquid flowrate [kg/hr] V =Volume of vessel [m ]
𝜏 = residence time [hr]
𝜌 = Density liquid [kg/m ]
With the following assumptions:
• For V-201 and V-203, the liquid fraction has been assumed to be 0.8, whereas that for V-202 the
same has been considered to be 0.5.
• The residence times for vessels V-201,202 and 203 have been taken as 10, 5 and 20 min respec-
tively.
• The flowrates and the densities for the respective streams have been taken from Aspen Hysys.
See Appendix C.
Which gives the following results for the surge, flash & reboiler.
The aspect ratio, is assumed to be 4 as described in Biegler et al [55].
Which gives the following results for the flash, reboiler & surge.
A.3. Heat exchangers (E-201,202 & 203) 69
Table A.1: Vessel volumes
Vessel Volume [m ] Diameter [m] Length [m]
V-201 0.535 0.554 2.217
V-202 0.465 0.529 2.117
V-203 1.16 0.719 2.875
Vessel Wall thickness [mm]
V-201 6
V-202 6
V-203 6
Table A.2: Thickness of the wall of all different Vessels
A.3. Heat exchangers (E-201,202 & 203)
Aspen Hysys simulations were used to get the total surface area needed for the heat exchangers E-201
& E-202. Calculation of area of Sea-Water Cooler E-203 was done manually as follows:
• The heat duty was taken from Hysys simulations which is 3.726·10 kJ/h.
• The water inlet and outlet were assumed to be at 10 °C and 20 °C respectively.The approach of
10°C has been been taken from a cooling tower vendor website [56]
• Accordingly, the flow if sea-water required was calculated to be 8898.9 kg/hr (Heat Capacity of
sea-water is assumed 4.187 kJ/(kg°C))[9]
• The inlet and oulet temperatures for the lean TEG solution were taken from Hysys, which are
81.85 °C and 33.85°C respectively.
• The log-mean-temperature difference for counter-current heat-exchange was thus calculated to
be 39.87 °C.
• The overall heat-transfer coefficient was conservatively assumed to be 150 W/(m .K) [57]
• Accordingly, the area required for this heat exchanger was calculated to be 17.3 m .
Which is used in the following equations:
𝑞 = 𝑈 ∗ 𝐴 ∗ 𝐿𝑀𝑇𝐷[58] (A.5)
𝐿𝑀𝑇𝐷 =
Δ𝑇 − Δ𝑇
𝑙𝑛( )
[58] (A.6)
The results are displayed in table A.3.
Heat exchanger Surface area [m ]
E-201 28.45
E-202 147.0
E-203 17.3
Table A.3: Total surface area needed per heat exchanger
70 A. Unit sizing
A.4. Still Column (C-201)
The still column has been sized using following the method given in [16]. The equation used is:
𝐷 = √
4 ∗ 𝐺
(𝑓𝑈 ) ∗ (1 − )𝜋 ∗ 𝜌
(A.7)
With:
A = Downcomer area,
A = Tower inside cross-sectional area,
The fraction A /A is calculated as per the following equations:
𝐴
𝐴
= 0.1 (A.8)
if F , the gas flooding velocity <= 0.1
𝐴
𝐴
= 0.1 +
𝐹 − 0.1
9
(A.9)
if 0.1<= F <= 1.0 &
𝐴
𝐴
= 2 (A.10)
if F >= 1.0. This results in Still Column Diameter of 0.277 m or 27.7 cm and height of 6.5 m (which
includes tray spacing height, height for disengagement at the top and height of holdup of 5min at the
bottom assuming it is not mounted directly on reboiler).
The wall thickness for the still column has been calculated on the same lines as that of the contactor,
but by using criteria of lower operating pressures. The average column thickness is thus estimated to
be 10 mm.
A.5. Pumps (P-101 A/B and 202 A/B)
The head requirement for individual pump was calculated by using the Hydrostatic Equation:
Δ𝑃 = ℎ ∗ 𝜌 ∗ 𝑔[59] (A.11)
With:
Δ P = Pressure rise in the pump[kPa],
h = height of liquid column [m],
𝜌 =density of the liquid [kg/m ].
The power requirement for the two- pumps was obtained as a result of Hysys simulation.
Finally, all of this has been tabulated in table A.4:
Pump Head [mlc] Power [kW]
P-101A/B 1370 13.4
P-202A/B 20 0.155
Table A.4: Power requirement per pump
A.6. Pervaporation membrane module (S-202)
The pervaporation membrane module sizing will be based on the commercial PVM-094 SS 316 7×4-tube
(120cm) from Pervatech shown in the figure A.1, which displays the dimensions of it in the image.
As mentioned in the figure A.1, the diameter of a module with 7 elements of 25 mm diame-
ter each is totally 0.1143 m (114.3 mm). Therefore, the circular area of the vessel tube is around
A.6. Pervaporation membrane module (S-202) 71
(pi/4)·0.1143 =0.01 m . Hence, if there are 7 elements, each element (plus the space needed sur-
rounding it for the water vapour flow) is 0.01/7=0.0014 m .
In our case, it is required a number of 37 elements per module, so 0.0014·37=0.053 m of circular
surface, which transformed into diameter is 0.260 m (260mm) of vessel tube.
Then, as stated in table 3.5, 509 m are needed. The module designed will provide 3.7 m of
effective membrane are, representing 509 / 3.7 = 138 modules. It is assumed that there is no especial
requirements for the space such as a particular length or height. Hence, it was selected a rectangular
14x10 modules disposition in parallel. As we only need 138 modules, there is space for 2 more modules.
The separation between modules is calculated as follows. The figure A.1 shows that for a PVM-094
SS 316 7×4-tube module the height is 100 mm from the center of the tube. From those 100 mm, we
subtract 114.3 / 2 = 57.15 mm of radius, leading to 42.85 mm of height taken from the outer part of
the vessel circumference until the highest point of the tube to be added to the diameter. Therefore,
260 mm + 42.85 mm = 302.85 mm, around 0.302 m of actual diameter of flange. If 14 modules are
set in parallel, the total width is 14 · 0.302 = 4.24 m. However, a security factor of 50% is taken in
order to count the pipes needed between modules for the vapour flow as well as maintenance duties,
resulting in 6.36 m, which is normalized to 7 m width.
For the height, we have 10 modules in parallel resulting in 10 · 0.302 = 3.02 m. Following the same
reasoning, the security factor of 50% is taken. The total height is 4.53 m, which is normalized to 5 m.
Furthermore, the length will be taken as equal due to the fact that the membrane length and type
is the same (silica membrane of 120 cm) as in the PVM-094 SS 316 7×4-tube module. Hence, the
length will be 1.405 m.
Figure A.1: Dimensions of PVM-094 SS 316 7×4-tube (120cm) from Pervatech.
The thickness required for each module is sized using the method proposed in Seider et al [16],
considering that each module is an empty cylindrical vessel of SS 316 of 0.260 m diameter.
Due to the fact that thickness should be sufficiently big to withstand the vacuum collapsing pressure,
Mulet et. al presented a method for computing the necessary wall thickness t , based in the vessel
length-to-outside diameter ratio.
72 A. Unit sizing
𝑡 = 1.3 ∗ 𝐷 (
𝑃 ∗ 𝐿
𝐸 ∗ 𝐷
) .
(A.12)
With:
D = outside diameter [inches]
E = modulus of elasticity [psi], 27.6·10 for SS 316. [60]
P = internal design pressure [psig] for operating pressures between 0 and 5, 10 psig should be taken
[16]. L = vessel length [inches]
However, to the value of t the following correction, t must be added
𝑡 = 𝐿 ∗ (0.18 ∗ 𝐷 − 2.2) ∗ 10 − 0.19 (A.13)
Therefore, the total thickness for a vacuum vessel is
𝑡 = 𝑡 + 𝑡 (A.14)
The results are displayed in table A.5.
Table A.5: Results for thickness pervaporation module vessel calculation
Type t [mm] t 𝐶 [mm] t [mm]
Vessel 1.4 4.6 6.0
B
Used graphs
73
74 B. Used graphs
The incoming lean TEG is assumed to be in equilibrium with the outgoing dry gas. This graph, there-
fore, provides the minimum concentration of lean TEG required for dehydration when the Contactor
temperature (which is inlet gas temperature assuming the contactor to be isothermal) and Equilibrium
water dew point of gas obtainable at temperature is known.
Figure B.1: Equilibrium Water Dew Point in °C versus Inlet Gas Temperature [15]
75
From the water content of the outgoing dehydrated gas, its dew point at the contactor temperature
and pressure is calculated using this graph. A conservative approach of about 8.5 °C [15]is subtracted
from the dew point estimated from the graph.
Figure B.2: Water Content of Sweet Natural Gas , kg/(10 std m ) (100 kPa and 15 °C) vs Water Dew
point in °C [15]
C
Flow sheet conventional design
77
78 C. Flow sheet conventional design
FigureC.1:Thetotalflowsheetandmodelusedinhysys,themassbalancesareinthefollowingappendices
D
Stream Summary - Conventional
Design Case
Table D.1: Stream Summary - Conventional Design
Name <001> <002> <101> <102> <103> <104> DRY GAS
Vapour Fraction 0 0 1 1 0 0 1
Temperature [C] 35 35 35 35 35 35 35
Pressure [bar] 157 157 157 157 157 157 156
Molar Flow [kgmole/h] 555090 556744 19438 17784 18 26 17776
Mass Flow [kg/h] 9999999 10043330 380657 337325 2594 2717 337203
Liq Volume Flow [m3/h] 10020 10110 1112 1022 2 2 1021
Heat Flow [kJ/h] (*10^5) -158126,43 -158436,62 -1783,75 -1473,70 -14,23 -16,23 -1471,69
Name <201> <202> <203> <204> Waste <205> <206>
Vapour Fraction 0 0 1,56E-02 1 0 0 1,99E-04
Temperature [C] 55 94 98 98 98 98 98
Pressure [bar] 156 156 4 4 4 4 3
Molar Flow [kgmole/h] 26 26 26 0 0 25 25
Mass Flow [kg/h] 2717 2717 2717 10 0 2707 2707
Liq Volume Flow [m3/h] 2 2 2 0 0 2 2
Heat Flow [kJ/h] -16,07 -15,75 -15,75 -0,05 0,00 -15,70 -15,70
Name <207> <208> <209> <210> <211> <212> <213>
Vapour Fraction 0 0 1 0 0 0 0
Temperature [C] 170 204 201 201 199 199 123
Pressure [bar] 3 1 1 1 1 3 2
Molar Flow [kgmole/h] 25 19 1 18 18 18 18
Mass Flow [kg/h] 2707 2587 30 2567 2592 2592 2594
Liq Volume Flow [m3/h] 2 2 0 2 2 2 2
Heat Flow [kJ/h] -15,10 -13,01 -0,22 -12,84 -12,97 -12,97 -13,59
Name <214> <215> Make Up OVHD
Vapour Fraction 0 0 0 1
Temperature [C] 82 34 35 98
Pressure [bar] 2 1 1 1
Molar Flow [kgmole/h] 18 18 0 8
Mass Flow [kg/h] 2594 2594 24 149
Liq Volume Flow [m3/h] 2 2 0 0
Heat Flow [kJ/h] -13,91 -14,28 -0,13 -1,80
79
80 D. Stream Summary - Conventional Design Case
Table D.2: Mass fraction design case conventional 1/2
Name <001> <002> <101> <102> <103> <104> DRY GAS
Methane 0,0000 0,0017 0,7087 0,7501 0,0000 0,0016 0,7504
Ethane 0,0000 0,0001 0,0819 0,0892 0,0000 0,0002 0,0892
Propane 0,0000 0,0000 0,0491 0,0545 0,0000 0,0004 0,0545
n-Butane 0,0000 0,0000 0,0264 0,0296 0,0000 0,0002 0,0296
n-Pentane 0,0000 0,0000 0,0089 0,0100 0,0000 0,0001 0,0100
n-Hexane 0,0000 0,0000 0,0033 0,0037 0,0000 0,0000 0,0037
n-Heptane 0,0000 0,0000 0,0038 0,0043 0,0000 0,0000 0,0043
n-Octane 0,0000 0,0000 0,0044 0,0049 0,0000 0,0000 0,0049
n-Nonane 0,0000 0,0000 0,0049 0,0055 0,0000 0,0000 0,0055
Benzene 0,0000 0,0000 0,0003 0,0002 0,0000 0,0001 0,0002
Toluene 0,0000 0,0000 0,0004 0,0003 0,0000 0,0003 0,0003
m-Xylene 0,0000 0,0000 0,0005 0,0005 0,0000 0,0007 0,0005
E-Benzene 0,0000 0,0000 0,0005 0,0005 0,0000 0,0006 0,0005
TEGlycol 0,0000 0,0000 0,0000 0,0000 0,9932 0,9385 0,0001
H2O 1,0000 0,9957 0,0000 0,0004 0,0067 0,0547 0,0000
Nitrogen 0,0000 0,0000 0,0026 0,0028 0,0000 0,0000 0,0028
CO2 0,0000 0,0025 0,0805 0,0166 0,0000 0,0008 0,0166
i-Butane 0,0000 0,0000 0,0146 0,0164 0,0000 0,0009 0,0164
i-Pentane 0,0000 0,0000 0,0092 0,0104 0,0000 0,0007 0,0104
Name <201> <202> <203> <204> Waste <205> <206>
Methane 0,0016 0,0016 0,0016 0,4325 0,0001 0,0001 0,0001
Ethane 0,0002 0,0002 0,0002 0,0564 0,0000 0,0000 0,0000
Propane 0,0004 0,0004 0,0004 0,0837 0,0001 0,0001 0,0001
n-Butane 0,0002 0,0002 0,0002 0,0412 0,0001 0,0001 0,0001
n-Pentane 0,0001 0,0001 0,0001 0,0192 0,0001 0,0001 0,0001
n-Hexane 0,0000 0,0000 0,0000 0,0000 0,0000 0,0000 0,0000
n-Heptane 0,0000 0,0000 0,0000 0,0000 0,0000 0,0000 0,0000
n-Octane 0,0000 0,0000 0,0000 0,0000 0,0000 0,0000 0,0000
n-Nonane 0,0000 0,0000 0,0000 0,0000 0,0000 0,0000 0,0000
Benzene 0,0001 0,0001 0,0001 0,0017 0,0001 0,0001 0,0001
Toluene 0,0003 0,0003 0,0003 0,0023 0,0003 0,0003 0,0003
m-Xylene 0,0007 0,0007 0,0007 0,0020 0,0007 0,0007 0,0007
E-Benzene 0,0006 0,0006 0,0006 0,0018 0,0006 0,0006 0,0006
TEGlycol 0,9385 0,9385 0,9385 0,0004 0,9420 0,9420 0,9420
H2O 0,0547 0,0547 0,0547 0,0398 0,0548 0,0548 0,0548
Nitrogen 0,0000 0,0000 0,0000 0,0014 0,0000 0,0000 0,0000
CO2 0,0008 0,0008 0,0008 0,1479 0,0003 0,0003 0,0003
i-Butane 0,0009 0,0009 0,0009 0,1103 0,0005 0,0005 0,0005
i-Pentane 0,0007 0,0007 0,0007 0,0592 0,0005 0,0005 0,0005
Name <207> <208> <209> <210> <211> <212> <213>
Methane 0,0001 0,0000 0,1443 0,0000 0,0000 0,0000 0,0000
Ethane 0,0000 0,0000 0,0186 0,0000 0,0000 0,0000 0,0000
Propane 0,0001 0,0000 0,0272 0,0000 0,0000 0,0000 0,0000
n-Butane 0,0001 0,0000 0,0129 0,0000 0,0000 0,0000 0,0000
n-Pentane 0,0001 0,0000 0,0062 0,0000 0,0000 0,0000 0,0000
n-Hexane 0,0000 0,0000 0,0000 0,0000 0,0000 0,0000 0,0000
n-Heptane 0,0000 0,0000 0,0000 0,0000 0,0000 0,0000 0,0000
n-Octane 0,0000 0,0000 0,0000 0,0000 0,0000 0,0000 0,0000
n-Nonane 0,0000 0,0000 0,0000 0,0000 0,0000 0,0000 0,0000
Benzene 0,0001 0,0000 0,0004 0,0000 0,0000 0,0000 0,0000
Toluene 0,0003 0,0000 0,0007 0,0000 0,0000 0,0000 0,0000
m-Xylene 0,0007 0,0000 0,0014 0,0000 0,0000 0,0000 0,0000
E-Benzene 0,0006 0,0000 0,0013 0,0000 0,0000 0,0000 0,0000
TEGlycol 0,9420 0,9895 0,3378 0,9931 0,9932 0,9932 0,9932
H2O 0,0548 0,0105 0,3467 0,0067 0,0067 0,0067 0,0067
Nitrogen 0,0000 0,0000 0,0005 0,0000 0,0000 0,0000 0,0000
CO2 0,0003 0,0000 0,0483 0,0000 0,0000 0,0000 0,0000
i-Butane 0,0005 0,0000 0,0351 0,0000 0,0000 0,0000 0,0000
i-Pentane 0,0005 0,0000 0,0185 0,0000 0,0000 0,0000 0,0000
81
Table D.3: Mass fraction design case conventional 2/2
Name <214> <215> Make Up OVHD
Methane 0,0000 0,0000 0,0000 0,0296
Ethane 0,0000 0,0000 0,0000 0,0040
Propane 0,0000 0,0000 0,0000 0,0068
n-Butane 0,0000 0,0000 0,0000 0,0037
n-Pentane 0,0000 0,0000 0,0000 0,0023
n-Hexane 0,0000 0,0000 0,0000 0,0000
n-Heptane 0,0000 0,0000 0,0000 0,0000
n-Octane 0,0000 0,0000 0,0000 0,0000
n-Nonane 0,0000 0,0000 0,0000 0,0000
Benzene 0,0000 0,0000 0,0000 0,0025
Toluene 0,0000 0,0000 0,0000 0,0058
m-Xylene 0,0000 0,0000 0,0000 0,0124
E-Benzene 0,0000 0,0000 0,0000 0,0110
TEGlycol 0,9932 0,9932 0,9940 0,0000
H2O 0,0067 0,0067 0,0060 0,8797
Nitrogen 0,0000 0,0000 0,0000 0,0001
CO2 0,0000 0,0000 0,0000 0,0142
i-Butane 0,0000 0,0000 0,0000 0,0154
i-Pentane 0,0000 0,0000 0,0000 0,0125
E
Stream Summary - Turndown Case
Table E.1: Stream summary turndown case hybrid
Name <001> <002> <101> <102> <103> <104> DRY GAS
Vapour Fraction 0 0 1 1 0 0 1
Temperature [C] 35 35 35 35 32 35 35
Pressure [bar] 157 157 157 157 157 157 156
Molar Flow [kgmole/h] 55509 55674 1944 1778 6 7 1777
Mass Flow [kg/h] 1000000 1004333 38062 33729 877 897 33709
Liquid Volume Flow [m3/h] 1002 1011 111 102 1 1 102
Heat Flow [kJ/h] [*10^5] -158126,45 -158437,17 -1783,58 -1473,56 -48,10 -50,29 -1471,37
Name <201> <202> <203> <204> WASTE <205> <206>
Vapour Fraction 0 0 0 1 0 0 0
Temperature [C] 55 92 96 96 96 96 96
Pressure [bar] 156 156 4 4 4 4 3
Molar Flow [kgmole/h] 7 7 7 0 0 7 7
Mass Flow [kg/h] 897 897 897 6 0 891 891
Liquid Volume Flow [m3/h] 1 1 1 0 0 1 1
Heat Flow [kJ/h] [*10^5] -49,75 -48,77 -48,77 -0,25 0,00 -48,52 -48,52
Name <207> <208> <209> <210> <211> <212> <213>
Vapour Fraction 0 0 1 0 0 0 0
Temperature [C] 176 204 199 199 198 198 117
Pressure [bar] 3 1 1 1 1 3 2
Molar Flow [kgmole/h] 7 6 1 6 6 6 6
Mass Flow [kg/h] 891 884 15 875 882 882 877
Liquid Volume Flow [m3/h] 1 1 0 1 1 1 1
Heat Flow [kJ/h] [*10^5] -46,35 -44,42 -1,01 -43,66 -44,06 -44,06 -46,00
Name <214> <215> MAKE UP OVHD
Vapour Fraction 0 0 0 1
Temperature [C] 80 31 35 90
Pressure [bar] 2 2 1 1
Molar Flow [kgmole/h] 6 6 0 1
Mass Flow [kg/h] 877 877 7 22
Liquid Volume Flow [m3/h] 1 1 0 0
Heat Flow [kJ/h] [*10^5] -46,98 -48,27 -0,40 -2,04
83
84 E. Stream Summary - Turndown Case
Table E.2: Mass fraction turndown case hybrid 1/2
Name <001> <002> <101> <102> <103> <104> DRY GAS
Methane 0,0000 0,0017 0,7088 0,7502 0,0000 0,0033 0,7506
Ethane 0,0000 0,0001 0,0819 0,0892 0,0000 0,0006 0,0892
Propane 0,0000 0,0000 0,0491 0,0545 0,0000 0,0007 0,0545
n-Butane 0,0000 0,0000 0,0264 0,0296 0,0000 0,0003 0,0296
n-Pentane 0,0000 0,0000 0,0089 0,0100 0,0000 0,0002 0,0100
n-Hexane 0,0000 0,0000 0,0033 0,0037 0,0000 0,0000 0,0037
n-Heptane 0,0000 0,0000 0,0038 0,0043 0,0000 0,0000 0,0043
n-Octane 0,0000 0,0000 0,0044 0,0049 0,0000 0,0000 0,0049
n-Nonane 0,0000 0,0000 0,0049 0,0055 0,0000 0,0000 0,0055
Benzene 0,0000 0,0000 0,0003 0,0002 0,0000 0,0002 0,0002
Toluene 0,0000 0,0000 0,0004 0,0003 0,0000 0,0005 0,0003
m-Xylene 0,0000 0,0000 0,0005 0,0005 0,0001 0,0008 0,0004
E-Benzene 0,0000 0,0000 0,0005 0,0005 0,0001 0,0007 0,0005
TEGlycol 0,0000 0,0000 0,0000 0,0000 0,9941 0,9692 0,0001
H2O 1,0000 0,9957 0,0000 0,0004 0,0056 0,0202 0,0000
Nitrogen 0,0000 0,0000 0,0026 0,0028 0,0000 0,0000 0,0028
CO2 0,0000 0,0025 0,0805 0,0165 0,0000 0,0010 0,0165
i-Butane 0,0000 0,0000 0,0145 0,0164 0,0000 0,0012 0,0164
i-Pentane 0,0000 0,0000 0,0092 0,0104 0,0000 0,0010 0,0103
Name <201> <202> <203> <204> WASTE <205> <206>
Methane 0,0033 0,0033 0,0033 0,4854 0,0001 0,0001 0,0001
Ethane 0,0006 0,0006 0,0006 0,0859 0,0000 0,0000 0,0000
Propane 0,0007 0,0007 0,0007 0,0832 0,0001 0,0001 0,0001
n-Butane 0,0003 0,0003 0,0003 0,0346 0,0001 0,0001 0,0001
n-Pentane 0,0002 0,0002 0,0002 0,0154 0,0001 0,0001 0,0001
n-Hexane 0,0000 0,0000 0,0000 0,0001 0,0000 0,0000 0,0000
n-Heptane 0,0000 0,0000 0,0000 0,0001 0,0000 0,0000 0,0000
n-Octane 0,0000 0,0000 0,0000 0,0001 0,0000 0,0000 0,0000
n-Nonane 0,0000 0,0000 0,0000 0,0000 0,0000 0,0000 0,0000
Benzene 0,0002 0,0002 0,0002 0,0018 0,0002 0,0002 0,0002
Toluene 0,0005 0,0005 0,0005 0,0024 0,0005 0,0005 0,0005
m-Xylene 0,0008 0,0008 0,0008 0,0020 0,0008 0,0008 0,0008
E-Benzene 0,0007 0,0007 0,0007 0,0018 0,0007 0,0007 0,0007
TEGlycol 0,9692 0,9692 0,9692 0,0005 0,9756 0,9756 0,9756
H2O 0,0202 0,0202 0,0202 0,0161 0,0203 0,0203 0,0203
Nitrogen 0,0000 0,0000 0,0000 0,0009 0,0000 0,0000 0,0000
CO2 0,0010 0,0010 0,0010 0,1174 0,0002 0,0002 0,0002
i-Butane 0,0012 0,0012 0,0012 0,0978 0,0006 0,0006 0,0006
i-Pentane 0,0010 0,0010 0,0010 0,0544 0,0006 0,0006 0,0006
Name <207> <208> <209> <210> <211> <212> <213>
Methane 0,0001 0,0000 0,1886 0,0000 0,0000 0,0000 0,0000
Ethane 0,0000 0,0000 0,0332 0,0000 0,0000 0,0000 0,0000
Propane 0,0001 0,0000 0,0318 0,0000 0,0000 0,0000 0,0000
n-Butane 0,0001 0,0000 0,0129 0,0000 0,0000 0,0000 0,0000
n-Pentane 0,0001 0,0000 0,0059 0,0000 0,0000 0,0000 0,0000
n-Hexane 0,0000 0,0000 0,0000 0,0000 0,0000 0,0000 0,0000
n-Heptane 0,0000 0,0000 0,0000 0,0000 0,0000 0,0000 0,0000
n-Octane 0,0000 0,0000 0,0000 0,0000 0,0000 0,0000 0,0000
n-Nonane 0,0000 0,0000 0,0000 0,0000 0,0000 0,0000 0,0000
Benzene 0,0002 0,0000 0,0008 0,0000 0,0000 0,0000 0,0000
Toluene 0,0005 0,0000 0,0017 0,0000 0,0000 0,0000 0,0000
m-Xylene 0,0008 0,0001 0,0045 0,0001 0,0001 0,0001 0,0001
E-Benzene 0,0007 0,0001 0,0042 0,0001 0,0001 0,0001 0,0001
TEGlycol 0,9756 0,9893 0,3262 0,9941 0,9941 0,9941 0,9941
H2O 0,0203 0,0104 0,2878 0,0056 0,0057 0,0057 0,0056
Nitrogen 0,0000 0,0000 0,0003 0,0000 0,0000 0,0000 0,0000
CO2 0,0002 0,0000 0,0450 0,0000 0,0000 0,0000 0,0000
i-Butane 0,0006 0,0000 0,0368 0,0000 0,0000 0,0000 0,0000
i-Pentane 0,0006 0,0000 0,0202 0,0000 0,0000 0,0000 0,0000
85
Table E.3: Mass fraction turndown case hybrid 2/2
Name <214> <215> MAKE UP OVHD
Methane 0,0000 0,0000 0,0000 0,1314
Ethane 0,0000 0,0000 0,0000 0,0242
Propane 0,0000 0,0000 0,0000 0,0259
n-Butane 0,0000 0,0000 0,0000 0,0112
n-Pentane 0,0000 0,0000 0,0000 0,0061
n-Hexane 0,0000 0,0000 0,0000 0,0000
n-Heptane 0,0000 0,0000 0,0000 0,0000
n-Octane 0,0000 0,0000 0,0000 0,0000
n-Nonane 0,0000 0,0000 0,0000 0,0000
Benzene 0,0000 0,0000 0,0000 0,0091
Toluene 0,0000 0,0000 0,0000 0,0193
m-Xylene 0,0001 0,0001 0,0000 0,0304
E-Benzene 0,0001 0,0001 0,0000 0,0270
TEGlycol 0,9941 0,9941 0,9940 0,0000
H2O 0,0056 0,0056 0,0060 0,5889
Nitrogen 0,0000 0,0000 0,0000 0,0002
CO2 0,0000 0,0000 0,0000 0,0398
i-Butane 0,0000 0,0000 0,0000 0,0488
i-Pentane 0,0000 0,0000 0,0000 0,0376
F
Microwave heating model
Figure F.1: Model used in Hysys to estimate energy consumption in a microwave heated column
87
G
Split flow model
89
90 G. Split flow model
FigureG.1:ModelusedinHysystomodelsplitflowinjectionintheabsorptioncolumn
H
Model used for hybrid system
91
92 H. Model used for hybrid system
FigureH.1:Thetotalflowsheetandmodelusedinhysys,themassbalancesareinthefollowingappendices
I
Stream Summary - Hybrid: Design
Flow
93
94 I. Stream Summary - Hybrid: Design Flow
Table I.1: Stream summary design case hybrid
Name <102> DRY GAS <104> <201> <202> <204>
Vapour Fraction 1,0000 1,0000 0,0000 0,0000 0,0000 1,0000
Temperature [C] 35 36 35 36 38 42
Pressure [bar] 157 156 157 156 156 4
Molar Flow [kgmole/h] 17784 17777 18 18 18 0
Mass Flow [kg/h] 337306 337197 1660 1660 1660 3
Liq Volume Flow [m3/h] 1022 1021 1 1 1 0
Heat Flow [kJ/h] -1,47E+09 -1,47E+09 -1,04E+07 -1,04E+07 -1,04E+07 -1,53E+04
Name Waste <205> <203> <206> <207> OVHD
Vapour Fraction 0,0000 0 8,14E-03 9,35E-05 4,14E-04 1
Temperature [C] 42 42 42 42 108 70
Pressure [bar] 4 4 4 3 3 1
Molar Flow [kgmole/h] 0 18 18 18 18 0
Mass Flow [kg/h] 0 1657 1660 1657 1657 3
Liq Volume Flow [m3/h] 0 1 1 1 1 0
Heat Flow [kJ/h] 0,00E+00 -1,04E+07 -1,04E+07 -1,04E+07 -1,01E+07 -1,54E+04
Name <208> <209> <210> <213> <212> Make Up
Vapour Fraction 0,0000 1,0000 0,0000 0,0000 0,0000 0,0000
Temperature [C] 204 203 203 57 198 35
Pressure [bar] 1 1 1 2 3 1
Molar Flow [kgmole/h] 5 0 5 5 5 0
Mass Flow [kg/h] 763 3 761 786 785 24
Liq Volume Flow [m3/h] 1 0 1 1 1 0
Heat Flow [kJ/h] -3,81E+06 -1,84E+04 -3,79E+06 -4,27E+06 -3,93E+06 -1,33E+05
Name <211> <214> <215> <103> <204.2> OVHD-1
Vapour Fraction 0,0000 0 0 0 1 1
Temperature [C] 198 52 35 37 42 42
Pressure [bar] 1 2 2 156 4 4
Molar Flow [kgmole/h] 5 5 5 5 0 0
Mass Flow [kg/h] 785 786 786 786 1 3
Liq Volume Flow [m3/h] 1 1 1 1 0 0
Heat Flow [kJ/h] -3,93E+06 -4,28E+06 -4,32E+06 -4,30E+06 -3,07E+03 -1,23E+04
Name <101> <207.1> <207.2> <207.3> <207.4> <207.5>
Vapour Fraction 1,0000 0,0048 0,0056 5,64E-03 0,0000 0,0000
Temperature [C] 35 150 150 150 159 159
Pressure [bar] 157 3 2 2 157 157
Molar Flow [kgmole/h] 19438 18 11 5 5 5
Mass Flow [kg/h] 380629 1657 1527 764 764 765
Liq Volume Flow [m3/h] 1112 1 1 1 1 1
Heat Flow [kJ/h] -1,78E+09 -9,86E+06 -7,86E+06 -3,93E+06 -3,90E+06 -3,91E+06
Name <207.6> <207.7>
Vapour Fraction 5,64E-03 4,75E-03
Temperature [C] 150 150
Pressure [bar] 2 2
Molar Flow [kgmole/h] 5 5
Mass Flow [kg/h] 764 764
Liq Volume Flow [m3/h] 1 1
Heat Flow [kJ/h] -3,93E+06 -3,93E+06
95
Table I.2: Mass fraction design case 1/2
Name <102> <104> <201> <202> <204> Waste <205>
Methane 0,7502 0,0011 0,0011 0,0011 0,5557 0,0000 0,0000
Ethane 0,0892 0,0001 0,0001 0,0001 0,0585 0,0000 0,0000
Propane 0,0545 0,0003 0,0003 0,0003 0,0933 0,0001 0,0001
n-Butane 0,0296 0,0002 0,0002 0,0002 0,0455 0,0001 0,0001
n-Pentane 0,0100 0,0001 0,0001 0,0001 0,0139 0,0001 0,0001
n-Hexane 0,0037 0,0000 0,0000 0,0000 0,0000 0,0000 0,0000
n-Heptane 0,0043 0,0000 0,0000 0,0000 0,0000 0,0000 0,0000
n-Octane 0,0049 0,0000 0,0000 0,0000 0,0000 0,0000 0,0000
n-Nonane 0,0055 0,0000 0,0000 0,0000 0,0000 0,0000 0,0000
Benzene 0,0002 0,0001 0,0001 0,0001 0,0004 0,0001 0,0001
Toluene 0,0003 0,0002 0,0002 0,0002 0,0004 0,0002 0,0002
m-Xylene 0,0005 0,0007 0,0007 0,0007 0,0003 0,0007 0,0007
E-Benzene 0,0005 0,0006 0,0006 0,0006 0,0002 0,0006 0,0006
TEGlycol 0,0000 0,9101 0,9101 0,9101 0,0000 0,9119 0,9119
H2O 0,0004 0,0845 0,0845 0,0845 0,0050 0,0847 0,0847
Nitrogen 0,0028 0,0000 0,0000 0,0000 0,0028 0,0000 0,0000
CO2 0,0166 0,0007 0,0007 0,0007 0,1503 0,0004 0,0004
i-Butane 0,0164 0,0007 0,0007 0,0007 0,0531 0,0006 0,0006
i-Pentane 0,0104 0,0006 0,0006 0,0006 0,0207 0,0005 0,0005
Name <203> <206> <207> OVHD <208> <209> <210>
Methane 0,0011 0,0000 0,0000 0,1184 0,0000 0,1250 0,0000
Ethane 0,0001 0,0000 0,0000 0,0129 0,0000 0,0128 0,0000
Propane 0,0003 0,0001 0,0001 0,0871 0,0000 0,0242 0,0000
n-Butane 0,0002 0,0001 0,0001 0,0761 0,0000 0,0178 0,0000
n-Pentane 0,0001 0,0001 0,0001 0,0721 0,0000 0,0114 0,0000
n-Hexane 0,0000 0,0000 0,0000 0,0000 0,0000 0,0000 0,0000
n-Heptane 0,0000 0,0000 0,0000 0,0000 0,0000 0,0000 0,0000
n-Octane 0,0000 0,0000 0,0000 0,0000 0,0000 0,0000 0,0000
n-Nonane 0,0000 0,0000 0,0000 0,0000 0,0000 0,0000 0,0000
Benzene 0,0001 0,0001 0,0001 0,0273 0,0003 0,0222 0,0002
Toluene 0,0002 0,0002 0,0002 0,0220 0,0003 0,0189 0,0002
m-Xylene 0,0007 0,0007 0,0007 0,0174 0,0003 0,0161 0,0002
E-Benzene 0,0006 0,0006 0,0006 0,0197 0,0003 0,0183 0,0003
TEGlycol 0,9101 0,9119 0,9119 0,0000 0,9912 0,3358 0,9928
H2O 0,0845 0,0847 0,0847 0,1793 0,0073 0,3070 0,0062
Nitrogen 0,0000 0,0000 0,0000 0,0847 0,0000 0,0007 0,0000
CO2 0,0007 0,0004 0,0004 0,1109 0,0000 0,0374 0,0000
i-Butane 0,0007 0,0006 0,0006 0,0904 0,0001 0,0257 0,0000
i-Pentane 0,0006 0,0005 0,0005 0,0816 0,0001 0,0268 0,0000
Name <213> <212> Make Up <211> <214> <215> <103>
Methane 0,0000 0,0000 0,0000 0,0000 0,0000 0,0000 0,0000
Ethane 0,0000 0,0000 0,0000 0,0000 0,0000 0,0000 0,0000
Propane 0,0000 0,0000 0,0000 0,0000 0,0000 0,0000 0,0000
n-Butane 0,0000 0,0000 0,0000 0,0000 0,0000 0,0000 0,0000
n-Pentane 0,0000 0,0000 0,0000 0,0000 0,0000 0,0000 0,0000
n-Hexane 0,0000 0,0000 0,0000 0,0000 0,0000 0,0000 0,0000
n-Heptane 0,0000 0,0000 0,0000 0,0000 0,0000 0,0000 0,0000
n-Octane 0,0000 0,0000 0,0000 0,0000 0,0000 0,0000 0,0000
n-Nonane 0,0000 0,0000 0,0000 0,0000 0,0000 0,0000 0,0000
Benzene 0,0002 0,0002 0,0000 0,0002 0,0002 0,0002 0,0002
Toluene 0,0002 0,0002 0,0000 0,0002 0,0002 0,0002 0,0002
m-Xylene 0,0002 0,0002 0,0000 0,0002 0,0002 0,0002 0,0002
E-Benzene 0,0003 0,0003 0,0000 0,0003 0,0003 0,0003 0,0003
TEGlycol 0,9928 0,9928 0,9920 0,9928 0,9928 0,9928 0,9928
H2O 0,0062 0,0062 0,0080 0,0062 0,0062 0,0062 0,0062
Nitrogen 0,0000 0,0000 0,0000 0,0000 0,0000 0,0000 0,0000
CO2 0,0000 0,0000 0,0000 0,0000 0,0000 0,0000 0,0000
i-Butane 0,0000 0,0000 0,0000 0,0000 0,0000 0,0000 0,0000
i-Pentane 0,0000 0,0000 0,0000 0,0000 0,0000 0,0000 0,0000
96 I. Stream Summary - Hybrid: Design Flow
Table I.3: Mass fraction design case 2/2
Name <204.2> OVHD-1 <101> <207.1> <207.2> <207.3> <207.4>
Methane 0,5554 0,5557 0,7088 0,0000 0,0000 0,0000 0,0000
Ethane 0,0585 0,0585 0,0819 0,0000 0,0000 0,0000 0,0000
Propane 0,0933 0,0933 0,0491 0,0001 0,0003 0,0003 0,0003
n-Butane 0,0455 0,0455 0,0264 0,0001 0,0003 0,0003 0,0003
n-Pentane 0,0139 0,0139 0,0089 0,0001 0,0003 0,0003 0,0003
n-Hexane 0,0000 0,0000 0,0033 0,0000 0,0000 0,0000 0,0000
n-Heptane 0,0000 0,0000 0,0038 0,0000 0,0000 0,0000 0,0000
n-Octane 0,0000 0,0000 0,0044 0,0000 0,0000 0,0000 0,0000
n-Nonane 0,0000 0,0000 0,0049 0,0000 0,0000 0,0000 0,0000
Benzene 0,0004 0,0004 0,0003 0,0001 0,0003 0,0003 0,0003
Toluene 0,0004 0,0004 0,0004 0,0002 0,0003 0,0003 0,0003
m-Xylene 0,0003 0,0003 0,0005 0,0007 0,0003 0,0003 0,0003
E-Benzene 0,0002 0,0002 0,0005 0,0006 0,0004 0,0004 0,0004
TEGlycol 0,0000 0,0000 0,0000 0,9119 0,9895 0,9895 0,9895
H2O 0,0050 0,0050 0,0000 0,0847 0,0069 0,0069 0,0069
Nitrogen 0,0028 0,0028 0,0026 0,0000 0,0004 0,0004 0,0004
CO2 0,1504 0,1503 0,0805 0,0004 0,0004 0,0004 0,0004
i-Butane 0,0532 0,0531 0,0145 0,0006 0,0004 0,0004 0,0004
i-Pentane 0,0207 0,0207 0,0092 0,0005 0,0004 0,0004 0,0004
Name <207.5> <207.6> <207.7> DRY GAS <001> <002>
Methane 0,0000 0,0000 0,0000 0,7504 0,0000 0,0017
Ethane 0,0000 0,0000 0,0000 0,0892 0,0000 0,0001
Propane 0,0003 0,0003 0,0003 0,0545 0,0000 0,0000
n-Butane 0,0003 0,0003 0,0003 0,0296 0,0000 0,0000
n-Pentane 0,0003 0,0003 0,0003 0,0100 0,0000 0,0000
n-Hexane 0,0000 0,0000 0,0000 0,0037 0,0000 0,0000
n-Heptane 0,0000 0,0000 0,0000 0,0043 0,0000 0,0000
n-Octane 0,0000 0,0000 0,0000 0,0049 0,0000 0,0000
n-Nonane 0,0000 0,0000 0,0000 0,0055 0,0000 0,0000
Benzene 0,0003 0,0003 0,0003 0,0002 0,0000 0,0000
Toluene 0,0003 0,0003 0,0003 0,0003 0,0000 0,0000
m-Xylene 0,0003 0,0003 0,0003 0,0005 0,0000 0,0000
E-Benzene 0,0004 0,0004 0,0004 0,0005 0,0000 0,0000
TEGlycol 0,9895 0,9895 0,9895 0,0001 0,0000 0,0000
H2O 0,0069 0,0069 0,0069 0,0000 1,0000 0,9957
Nitrogen 0,0004 0,0004 0,0004 0,0028 0,0000 0,0000
CO2 0,0004 0,0004 0,0004 0,0166 0,0000 0,0025
i-Butane 0,0004 0,0004 0,0004 0,0164 0,0000 0,0000
i-Pentane 0,0004 0,0004 0,0004 0,0104 0,0000 0,0000
J
Stream Summary - Hybrid:
Turndown Case
97
98 J. Stream Summary - Hybrid: Turndown Case
Table J.1: Stream summary hybrid system turndown case
Name <102> Dry Gas <104> <201> <202> <204>
Vapour Fraction 1,0000 1,0000 0,0000 0,0000 0,0000 1,0000
Temperature [C] 35 37 35 36 41 45
Pressure [bar] 157 156 157 156 156 4
Molar Flow [kgmole/h] 755 755 4 4 4 0
Mass Flow [kg/h] 16189 16183 452 452 452 3
Liq Volume Flow [m3/h] 46 46 0 0 0 0
Heat Flow [kJ/h] -6,39E+07 -6,38E+07 -2,53E+06 -2,53E+06 -2,52E+06 -9,80E+03
Name Waste <205> <203> <206> <207> OVHD
Vapour Fraction 0 0 3,34E-02 3,84E-04 1,51E-03 1
Temperature [C] 45 45 45 45 121 35
Pressure [bar] 4 4 4 3 2,994208 1
Molar Flow [kgmole/h] 0 3 4 3 3 0
Mass Flow [kg/h] 0 449 452 449 449 1
Liq Volume Flow [m3/h] 0 0 0 0 0 0
Heat Flow [kJ/h] 0,00E+00 -2,51E+06 -2,52E+06 -2,51E+06 -2,41E+06 -2,13E+03
Name <208> <209> <210> Make Up <211> <212>
Vapour Fraction 0,0000 1 0,00E+00 0,00E+00 4,33E-04 0
Temperature [C] 204 204 204 35 203 203
Pressure [bar] 1 1 1 1 1 3
Molar Flow [kgmole/h] 2 0 2 0 2 2
Mass Flow [kg/h] 221 0 221 2 223 223
Liq Volume Flow [m3/h] 0 0 0 0 0 0
Heat Flow [kJ/h] -1,10E+06 -1,90E-02 -1,10E+06 -1,10E+04 -1,11E+06 -1,11E+06
Name <204.1> <101> <103> <213> <214> <215>
Vapour Fraction 1,0000 1,0000 0 0 0 0
Temperature [C] 45 35 37 51 41 35
Pressure [bar] 4 157 156 2 2 1
Molar Flow [kgmole/h] 0 1944 2 2 2 2
Mass Flow [kg/h] 0 38063 223 223 223 223
Liq Volume Flow [m3/h] 0 111 0 0 0 0
Heat Flow [kJ/h] 0,00E+00 -1,78E+08 -1,22E+06 -1,21E+06 -1,22E+06 -1,23E+06
Name <204.2> <OVHD-1> <207.1> <207.2> <207.3> <207.4>
Vapour Fraction 1 1 3,84E-03 1,19E-02 1,19E-02 0,0000
Temperature [C] 45 45 146 150 150 166
Pressure [bar] 4 4 2 2 2 157
Molar Flow [kgmole/h] 0 0 3 3 2 2
Mass Flow [kg/h] 0 3 449 444 222 222
Liq Volume Flow [m3/h] 0 0 0 0 0 0
Heat Flow [kJ/h] 0,00E+00 -9,80E+03 -2,38E+06 -2,28E+06 -1,14E+06 -1,13E+06
Name <207.5> <207.6> <207.7>
Vapour Fraction 0,0000 1,19E-02 1,06E-02
Temperature [C] 166 150 150
Pressure [bar] 157 2 2
Molar Flow [kgmole/h] 2 2 2
Mass Flow [kg/h] 223 222 222
Liq Volume Flow [m3/h] 0 0 0
Heat Flow [kJ/h] -1,13E+06 -1,14E+06 -1,14E+06
99
Table J.2: Mass fraction hybrid turndown 1/2
Name <102> Dry Gas <104> <201> <202> <204> Waste
Methane 0,6052 0,6054 0,0032 0,0032 0,0032 0,5065 0,0001
Ethane 0,1238 0,1238 0,0009 0,0009 0,0009 0,1351 0,0001
Propane 0,0959 0,0959 0,0011 0,0011 0,0011 0,1409 0,0003
n-Butane 0,0581 0,0581 0,0005 0,0005 0,0005 0,0575 0,0001
n-Pentane 0,0203 0,0203 0,0003 0,0003 0,0003 0,0192 0,0001
n-Hexane 0,0077 0,0077 0,0000 0,0000 0,0000 0,0003 0,0000
n-Heptane 0,0090 0,0090 0,0000 0,0000 0,0000 0,0002 0,0000
n-Octane 0,0103 0,0103 0,0000 0,0000 0,0000 0,0001 0,0000
n-Nonane 0,0115 0,0115 0,0000 0,0000 0,0000 0,0001 0,0000
Benzene 0,0000 0,0000 0,0000 0,0000 0,0000 0,0000 0,0000
Toluene 0,0000 0,0000 0,0000 0,0000 0,0000 0,0000 0,0000
m-Xylene 0,0000 0,0000 0,0000 0,0000 0,0000 0,0000 0,0000
E-Benzene 0,0003 0,0003 0,0003 0,0003 0,0003 0,0001 0,0003
TEGlycol 0,0000 0,0002 0,9704 0,9704 0,9704 0,0000 0,9763
H2O 0,0004 0,0000 0,0194 0,0194 0,0194 0,0017 0,0195
Nitrogen 0,0032 0,0032 0,0000 0,0000 0,0000 0,0014 0,0000
CO2 0,0000 0,0000 0,0000 0,0000 0,0000 0,0000 0,0000
i-Butane 0,0334 0,0333 0,0023 0,0023 0,0023 0,0987 0,0017
i-Pentane 0,0210 0,0210 0,0016 0,0016 0,0016 0,0380 0,0014
Name <205> <203> <206> <207> OVHD <208> <209>
Methane 0,0001 0,0032 0,0001 0,0001 0,1520 0,0000 0,0209
Ethane 0,0001 0,0009 0,0001 0,0001 0,1494 0,0000 0,0367
Propane 0,0003 0,0011 0,0003 0,0003 0,1437 0,0000 0,0511
n-Butane 0,0001 0,0005 0,0001 0,0001 0,1351 0,0001 0,0501
n-Pentane 0,0001 0,0003 0,0001 0,0001 0,1367 0,0001 0,0729
n-Hexane 0,0000 0,0000 0,0000 0,0000 0,0000 0,0000 0,0000
n-Heptane 0,0000 0,0000 0,0000 0,0000 0,0000 0,0000 0,0000
n-Octane 0,0000 0,0000 0,0000 0,0000 0,0000 0,0000 0,0000
n-Nonane 0,0000 0,0000 0,0000 0,0000 0,0000 0,0000 0,0000
Benzene 0,0000 0,0000 0,0000 0,0000 0,0000 0,0000 0,0000
Toluene 0,0000 0,0000 0,0000 0,0000 0,0000 0,0000 0,0000
m-Xylene 0,0000 0,0000 0,0000 0,0000 0,0009 0,0000 0,0020
E-Benzene 0,0003 0,0003 0,0003 0,0003 0,0126 0,0005 0,0256
TEGlycol 0,9763 0,9704 0,9763 0,9763 0,0000 0,9928 0,2852
H2O 0,0195 0,0194 0,0195 0,0195 0,0284 0,0064 0,2632
Nitrogen 0,0000 0,0000 0,0000 0,0000 0,0000 0,0000 0,0000
CO2 0,0000 0,0000 0,0000 0,0000 0,0000 0,0000 0,0000
i-Butane 0,0017 0,0023 0,0017 0,0017 0,1277 0,0001 0,0907
i-Pentane 0,0014 0,0016 0,0014 0,0014 0,1134 0,0001 0,1017
Name <210> Make Up <211> <212> <213> <214> <215>
Methane 0,0000 0,0000 0,0000 0,0000 0,0000 0,0000 0,0000
Ethane 0,0000 0,0000 0,0000 0,0000 0,0000 0,0000 0,0000
Propane 0,0000 0,0000 0,0000 0,0000 0,0000 0,0000 0,0000
n-Butane 0,0001 0,0000 0,0001 0,0001 0,0001 0,0001 0,0001
n-Pentane 0,0001 0,0000 0,0001 0,0001 0,0001 0,0001 0,0001
n-Hexane 0,0000 0,0000 0,0000 0,0000 0,0000 0,0000 0,0000
n-Heptane 0,0000 0,0000 0,0000 0,0000 0,0000 0,0000 0,0000
n-Octane 0,0000 0,0000 0,0000 0,0000 0,0000 0,0000 0,0000
n-Nonane 0,0000 0,0000 0,0000 0,0000 0,0000 0,0000 0,0000
Benzene 0,0000 0,0000 0,0000 0,0000 0,0000 0,0000 0,0000
Toluene 0,0000 0,0000 0,0000 0,0000 0,0000 0,0000 0,0000
m-Xylene 0,0000 0,0000 0,0000 0,0000 0,0000 0,0000 0,0000
E-Benzene 0,0005 0,0000 0,0005 0,0005 0,0005 0,0005 0,0005
TEGlycol 0,9928 0,9920 0,9928 0,9928 0,9928 0,9928 0,9928
H2O 0,0064 0,0080 0,0064 0,0064 0,0064 0,0064 0,0064
Nitrogen 0,0000 0,0000 0,0000 0,0000 0,0000 0,0000 0,0000
CO2 0,0000 0,0000 0,0000 0,0000 0,0000 0,0000 0,0000
i-Butane 0,0001 0,0000 0,0001 0,0001 0,0001 0,0001 0,0001
i-Pentane 0,0001 0,0000 0,0001 0,0001 0,0001 0,0001 0,0001
100 J. Stream Summary - Hybrid: Turndown Case
Table J.3: Mass fraction hybrid turndown 2/2
Name <103> <204.2> <OVHD-1> <101> <207.1> <207.2> <207.3>
Methane 0,0000 0,5065 0,5065 0,7088 0,0001 0,0005 0,0005
Ethane 0,0000 0,1351 0,1351 0,0819 0,0001 0,0005 0,0005
Propane 0,0000 0,1409 0,1409 0,0491 0,0003 0,0005 0,0005
n-Butane 0,0001 0,0575 0,0575 0,0264 0,0001 0,0005 0,0005
n-Pentane 0,0001 0,0192 0,0192 0,0089 0,0001 0,0005 0,0005
n-Hexane 0,0000 0,0003 0,0003 0,0033 0,0000 0,0000 0,0000
n-Heptane 0,0000 0,0002 0,0002 0,0038 0,0000 0,0000 0,0000
n-Octane 0,0000 0,0001 0,0001 0,0044 0,0000 0,0000 0,0000
n-Nonane 0,0000 0,0001 0,0001 0,0049 0,0000 0,0000 0,0000
Benzene 0,0000 0,0000 0,0000 0,0003 0,0000 0,0000 0,0000
Toluene 0,0000 0,0000 0,0000 0,0004 0,0000 0,0000 0,0000
m-Xylene 0,0000 0,0000 0,0000 0,0005 0,0000 0,0000 0,0000
E-Benzene 0,0005 0,0001 0,0001 0,0005 0,0003 0,0005 0,0005
TEGlycol 0,9928 0,0000 0,0000 0,0000 0,9763 0,9895 0,9895
H2O 0,0064 0,0017 0,0017 0,0000 0,0195 0,0064 0,0064
Nitrogen 0,0000 0,0014 0,0014 0,0026 0,0000 0,0000 0,0000
CO2 0,0000 0,0000 0,0000 0,0805 0,0000 0,0000 0,0000
i-Butane 0,0001 0,0988 0,0987 0,0145 0,0017 0,0005 0,0005
i-Pentane 0,0001 0,0381 0,0380 0,0092 0,0014 0,0005 0,0005
Name <207.4> <207.5> <207.6> <207.7>
Methane 0,0005 0,0005 0,0005 0,0005
Ethane 0,0005 0,0005 0,0005 0,0005
Propane 0,0005 0,0005 0,0005 0,0005
n-Butane 0,0005 0,0005 0,0005 0,0005
n-Pentane 0,0005 0,0005 0,0005 0,0005
n-Hexane 0,0000 0,0000 0,0000 0,0000
n-Heptane 0,0000 0,0000 0,0000 0,0000
n-Octane 0,0000 0,0000 0,0000 0,0000
n-Nonane 0,0000 0,0000 0,0000 0,0000
Benzene 0,0000 0,0000 0,0000 0,0000
Toluene 0,0000 0,0000 0,0000 0,0000
m-Xylene 0,0000 0,0000 0,0000 0,0000
E-Benzene 0,0005 0,0005 0,0005 0,0005
TEGlycol 0,9895 0,9895 0,9895 0,9895
H2O 0,0064 0,0064 0,0064 0,0064
Nitrogen 0,0000 0,0000 0,0000 0,0000
CO2 0,0000 0,0000 0,0000 0,0000
i-Butane 0,0005 0,0005 0,0005 0,0005
i-Pentane 0,0005 0,0005 0,0005 0,0005
K
Stream Summary - Hybrid: Max
Flow Case
101
102 K. Stream Summary - Hybrid: Max Flow Case
Table K.1: Stream summary max flow case hybrid
Name Dry Gas <104> <201> <202> <204> Waste
Vapour Fraction 1,0000 0,0000 0,0000 0,0000 1,0000 0,0000
Temperature [C] 36 35 36 41 45 45
Pressure [bar] 156 157 156 156 4 4
Molar Flow [kgmole/h] 21664 22 22 22 0 0
Mass Flow [kg/h] 413320 2042 2042 2042 5 0
Liq Volume Flow [m3/h] 1244 2 2 2 0 0
Heat Flow [kJ/h] -1,83E+09 -1,28E+07 -1,28E+07 -1,28E+07 -2,46E+04 0,00E+00
Name <205> <203> <206> <207> OVHD <208>
Vapour Fraction 0,0000 8,95E-03 1,06E-04 8,37E-04 1 0
Temperature [C] 45 45 45 115 70 204
Pressure [bar] 4 4 3 3 1 1
Molar Flow [kgmole/h] 22 22 22 22 0 7
Mass Flow [kg/h] 2038 2042 2038 2038 4 937
Liq Volume Flow [m3/h] 2 2 2 2 0 1
Heat Flow [kJ/h] -1,28E+07 -1,28E+07 -1,28E+07 -1,23E+07 -2,06E+04 -4,67E+06
Name <209> <210> <211> Make up <212> <213>
Vapour Fraction 1,0000 0,0000 0,0000 0,0000 0,0000 0,0000
Temperature [C] 203 203 197 35 197 47
Pressure [bar] 1 1 1 157 3 2
Molar Flow [kgmole/h] 0 6 7 0 7 7
Mass Flow [kg/h] 4 935 974 39 974 974
Liq Volume Flow [m3/h] 0 1 1 0 1 1
Heat Flow [kJ/h] -2,32E+04 -4,65E+06 -4,87E+06 -2,14E+05 -4,87E+06 -5,31E+06
Name <214> <215> <103> <204.2> OVHD-1 <101>
Vapour Fraction 0,0000 0 0 1 1 1,0000
Temperature [C] 37 19 20 45 45 35
Pressure [bar] 2 1 156 4 4 157
Molar Flow [kgmole/h] 7 7 7 0 0 23325
Mass Flow [kg/h] 974 974 974 1 4 456755
Liq Volume Flow [m3/h] 1 1 1 0 0 1334
Heat Flow [kJ/h] -5,34E+06 -5,39E+06 -5,37E+06 -4,92E+03 -1,97E+04 -2,14E+09
Name <102> <207.1> <207.2> <207.3> <207.4> <207.5>
Vapour Fraction 1,0000 0,0053 0,0034 0,0034 0,0000 0
Temperature [C] 35 143 150 150 156 156
Pressure [bar] 157 2 2 2 157 157
Molar Flow [kgmole/h] 21673 22 13 7 7 7
Mass Flow [kg/h] 413455 2038 1876 938 938 934
Liq Volume Flow [m3/h] 1244 2 2 1 1 1
Heat Flow [kJ/h] -1,83E+09 -1,22E+07 -9,64E+06 -4,82E+06 -4,79E+06 -4,77E+06
Name <207.6> <207.7>
Vapour Fraction 0,0034 1,98E-03
Temperature [C] 150 150
Pressure [bar] 2 2
Molar Flow [kgmole/h] 7 7
Mass Flow [kg/h] 938 938
Liq Volume Flow [m3/h] 1 1
Heat Flow [kJ/h] -4,82E+06 -4,82E+06
103
Table K.2: Mass fraction max flow case 1/2
Name Dry Gas <104> <201> <202> <204> Waste <205>
Methane 0,7428 0,0012 0,0012 0,0012 0,4740 0,0000 0,0000
Ethane 0,0879 0,0001 0,0001 0,0001 0,0502 0,0000 0,0000
Propane 0,0535 0,0003 0,0003 0,0003 0,0836 0,0001 0,0001
n-Butane 0,0290 0,0002 0,0002 0,0002 0,0424 0,0001 0,0001
n-Pentane 0,0098 0,0001 0,0001 0,0001 0,0139 0,0001 0,0001
n-Hexane 0,0036 0,0000 0,0000 0,0000 0,0000 0,0000 0,0000
n-Heptane 0,0042 0,0000 0,0000 0,0000 0,0000 0,0000 0,0000
n-Octane 0,0048 0,0000 0,0000 0,0000 0,0000 0,0000 0,0000
n-Nonane 0,0054 0,0000 0,0000 0,0000 0,0000 0,0000 0,0000
Benzene 0,0003 0,0001 0,0001 0,0001 0,0005 0,0001 0,0001
Toluene 0,0004 0,0003 0,0003 0,0003 0,0004 0,0003 0,0003
m-Xylene 0,0005 0,0007 0,0007 0,0007 0,0003 0,0007 0,0007
E-Benzene 0,0005 0,0006 0,0006 0,0006 0,0003 0,0006 0,0006
TEGlycol 0,0001 0,9102 0,9102 0,9102 0,0000 0,9123 0,9123
H2O 0,0000 0,0839 0,0839 0,0839 0,0059 0,0841 0,0841
Nitrogen 0,0028 0,0000 0,0000 0,0000 0,0023 0,0000 0,0000
CO2 0,0283 0,0012 0,0012 0,0012 0,2485 0,0006 0,0006
i-Butane 0,0160 0,0007 0,0007 0,0007 0,0554 0,0005 0,0005
i-Pentane 0,0102 0,0006 0,0006 0,0006 0,0222 0,0005 0,0005
Name <203> <206> <207> OVHD <208> <209> <210>
Methane 0,0012 0,0000 0,0000 0,1116 0,0000 0,1183 0,0000
Ethane 0,0001 0,0000 0,0000 0,0122 0,0000 0,0122 0,0000
Propane 0,0003 0,0001 0,0001 0,1048 0,0000 0,0250 0,0000
n-Butane 0,0002 0,0001 0,0001 0,0938 0,0001 0,0202 0,0000
n-Pentane 0,0001 0,0001 0,0001 0,0900 0,0000 0,0133 0,0000
n-Hexane 0,0000 0,0000 0,0000 0,0000 0,0000 0,0000 0,0000
n-Heptane 0,0000 0,0000 0,0000 0,0000 0,0000 0,0000 0,0000
n-Octane 0,0000 0,0000 0,0000 0,0000 0,0000 0,0000 0,0000
n-Nonane 0,0000 0,0000 0,0000 0,0000 0,0000 0,0000 0,0000
Benzene 0,0001 0,0001 0,0001 0,0339 0,0004 0,0283 0,0002
Toluene 0,0003 0,0003 0,0003 0,0273 0,0004 0,0241 0,0003
m-Xylene 0,0007 0,0007 0,0007 0,0216 0,0004 0,0206 0,0003
E-Benzene 0,0006 0,0006 0,0006 0,0207 0,0004 0,0196 0,0003
TEGlycol 0,9102 0,9123 0,9123 0,0000 0,9913 0,3223 0,9929
H2O 0,0839 0,0841 0,0841 0,1617 0,0068 0,2757 0,0058
Nitrogen 0,0000 0,0000 0,0000 0,0006 0,0000 0,0006 0,0000
CO2 0,0012 0,0006 0,0006 0,1387 0,0000 0,0636 0,0000
i-Butane 0,0007 0,0005 0,0005 0,0964 0,0001 0,0276 0,0000
i-Pentane 0,0006 0,0005 0,0005 0,0868 0,0001 0,0285 0,0000
Name <211> Make up <212> <213> <214> <215> <103>
Methane 0,0000 0,0000 0,0000 0,0000 0,0000 0,0000 0,0000
Ethane 0,0000 0,0000 0,0000 0,0000 0,0000 0,0000 0,0000
Propane 0,0000 0,0000 0,0000 0,0000 0,0000 0,0000 0,0000
n-Butane 0,0000 0,0000 0,0000 0,0000 0,0000 0,0000 0,0000
n-Pentane 0,0000 0,0000 0,0000 0,0000 0,0000 0,0000 0,0000
n-Hexane 0,0000 0,0000 0,0000 0,0000 0,0000 0,0000 0,0000
n-Heptane 0,0000 0,0000 0,0000 0,0000 0,0000 0,0000 0,0000
n-Octane 0,0000 0,0000 0,0000 0,0000 0,0000 0,0000 0,0000
n-Nonane 0,0000 0,0000 0,0000 0,0000 0,0000 0,0000 0,0000
Benzene 0,0002 0,0000 0,0002 0,0002 0,0002 0,0002 0,0002
Toluene 0,0003 0,0000 0,0003 0,0003 0,0003 0,0003 0,0003
m-Xylene 0,0003 0,0000 0,0003 0,0003 0,0003 0,0003 0,0003
E-Benzene 0,0003 0,0000 0,0003 0,0003 0,0003 0,0003 0,0003
TEGlycol 0,9932 0,9990 0,9932 0,9932 0,9932 0,9932 0,9932
H2O 0,0056 0,0010 0,0056 0,0056 0,0056 0,0056 0,0056
Nitrogen 0,0000 0,0000 0,0000 0,0000 0,0000 0,0000 0,0000
CO2 0,0000 0,0000 0,0000 0,0000 0,0000 0,0000 0,0000
i-Butane 0,0000 0,0000 0,0000 0,0000 0,0000 0,0000 0,0000
i-Pentane 0,0000 0,0000 0,0000 0,0000 0,0000 0,0000 0,0000
104 K. Stream Summary - Hybrid: Max Flow Case
Table K.3: Mass fraction max flow case 2/2
Name <204.2> OVHD-1 <101> <102> <207.1> <207.2> <207.3>
Methane 0,4740 0,4740 0,7088 0,7425 0,0000 0,0000 0,0000
Ethane 0,0502 0,0502 0,0819 0,0878 0,0000 0,0000 0,0000
Propane 0,0836 0,0836 0,0491 0,0535 0,0001 0,0004 0,0004
n-Butane 0,0424 0,0424 0,0264 0,0290 0,0001 0,0004 0,0004
n-Pentane 0,0140 0,0139 0,0089 0,0098 0,0001 0,0004 0,0004
n-Hexane 0,0000 0,0000 0,0033 0,0036 0,0000 0,0000 0,0000
n-Heptane 0,0000 0,0000 0,0038 0,0042 0,0000 0,0000 0,0000
n-Octane 0,0000 0,0000 0,0044 0,0048 0,0000 0,0000 0,0000
n-Nonane 0,0000 0,0000 0,0049 0,0054 0,0000 0,0000 0,0000
Benzene 0,0005 0,0005 0,0003 0,0003 0,0001 0,0004 0,0004
Toluene 0,0004 0,0004 0,0004 0,0004 0,0003 0,0004 0,0004
m-Xylene 0,0003 0,0003 0,0005 0,0005 0,0007 0,0004 0,0004
E-Benzene 0,0003 0,0003 0,0005 0,0005 0,0006 0,0004 0,0004
TEGlycol 0,0000 0,0000 0,0000 0,0000 0,9123 0,9895 0,9895
H2O 0,0059 0,0059 0,0000 0,0004 0,0841 0,0065 0,0065
Nitrogen 0,0023 0,0023 0,0026 0,0028 0,0000 0,0000 0,0000
CO2 0,2486 0,2485 0,0805 0,0283 0,0006 0,0004 0,0004
i-Butane 0,0555 0,0554 0,0145 0,0160 0,0005 0,0004 0,0004
i-Pentane 0,0222 0,0222 0,0092 0,0102 0,0005 0,0004 0,0004
Name <207.4> <207.5> <207.6> <207.7>
Methane 0,0000 0,0000 0,0000 0,0000
Ethane 0,0000 0,0000 0,0000 0,0000
Propane 0,0004 0,0004 0,0004 0,0004
n-Butane 0,0004 0,0004 0,0004 0,0004
n-Pentane 0,0004 0,0004 0,0004 0,0004
n-Hexane 0,0000 0,0000 0,0000 0,0000
n-Heptane 0,0000 0,0000 0,0000 0,0000
n-Octane 0,0000 0,0000 0,0000 0,0000
n-Nonane 0,0000 0,0000 0,0000 0,0000
Benzene 0,0004 0,0004 0,0004 0,0004
Toluene 0,0004 0,0004 0,0004 0,0004
m-Xylene 0,0004 0,0004 0,0004 0,0004
E-Benzene 0,0004 0,0004 0,0004 0,0004
TEGlycol 0,9895 0,9895 0,9895 0,9895
H2O 0,0065 0,0065 0,0065 0,0065
Nitrogen 0,0000 0,0000 0,0000 0,0000
CO2 0,0004 0,0004 0,0004 0,0004
i-Butane 0,0004 0,0004 0,0004 0,0004
i-Pentane 0,0004 0,0004 0,0004 0,0004
L
HAZOP and FEI
Figure L.1: Point 2 op the HAZOP is at the natural gas outflow from the contactor
Figure L.2: Point 1 op the HAZOP is between the pervaporation membranes and the pumps. Point 3
is at the TEG outflow of the Surge.
105
106 L. HAZOP and FEI
TableL.1:HAZOP
No.GuidewordDeviationPossiblecauseConsequencesSafeguardaction
1NoNoflowPumpsshutdownNoseparationinthemembranesBackuppumppresent
pipecloggedRegularflushingofthepipes
MoreMoreflowPumpspumptoohardlessseparationwilltakeplaceConcentrationcontrol
LesswaterpassesthroughthemembranesLowerqualityofTEGFLowcontrolerwithalarm
LessLessflowLeakageTEGisleavingthesystemuncontrolledLeakdetection
Flowmeasurementtodetectlosses
ReverseReverseflowLeakingthroughmembranesNoregenerationvalvesthatpreventreverseflow
Brokenpump
Changedpressuredifference
2NoNoflowGaswellhasshutdownNodehydrationatallTEGloopshouldalsoshutdown
Valveisclosed
LessLessflowLeakingofgasLossofgasAlarmongasoutflow
GasleavesthroughTEGoutletComparegasoutflowwithinflow
AswellasBothwaterandLeanTEGcontainedtoomuchwaterGasisnotdriedenoughTEGqualitycontrol
gasinthestreamTooshortresidencetimeSetamaximumgasinflow
3LessLessflowLowTEGlevelinsurgeInteruptedTEGrecycleDirectTEGaddition
LeakBaddehydrationfromfreshsource
NoNoflowEmptysurgeNodehydrationprocessAlarmonlowTEGlevel
BrokenpumpBackuppump
BackupTEGstorage
MoreMoreFlowPumpworkstoohardToomuchTEGincirculationMaximumflowonpumps
TEGoutletisopenSurgelevelwilldecreaseControlindicationfortheoutlet
107
Fire & Explosion Index
Area/Country: Division: Location Date
Norway - -
Site Manufacturing Unit Process Unit
- TEG dehydrogenation Contactor
Materials in Process Unit
Natural gas, water, tri ethyleneglycol
State of Operation Basic Materials for Material Factor
Normal operation Methane
Material Factor 21
1. General Process Hazards Penalty Factor Penalty
Range Used
Base Factor 1,00 1,00
A. Exothermic Chemical Reactions 0.30 - 1.25 0,00
B. Endothermic Processes 0.20 - 0.40 0,00
C. Material Handling and Transfer 0.25 - 1.05 0,85
D. Enclosed or Indoor Process Units 0.25 - 0.90 0,00
E. Acces 0.20 - 0.35 0,35
F. Drainage and Spill Control 0.25 - 0.50 0,50
General Process Hazards Factor (F1) 2,70
2. Special Process Hazards Penalty Factor Penalty
Range Used
Base Factor 1,00 1,00
A. Toxic Material(s) 0.20 - 0.80 0,20
B. Sub-Atmosferic Pressure (< 500 mm Hg) 0,50 0,00
C. Operation In or Near Flammable Range
1. Tank Farms Storage Flammable Liquids 0,50 0,00
2. Process Upset or Purge Failure 0,30 0,00
3. Always in Flammable Range 0,80 0,00
D. Dust Explosion 0.25 - 2.00 0,00
E. Pressure Operating Pressure: 156,5 kPa 0,48
Relief Setting: 180 kPa
F. Low Temperature 0.20 - 0.30 0,00
G. Quantity of Flammable Material: 139852 lb
Hc = 21,5*10^3 kcal/kg
1. Liquids or Gases in Process 3,00
2. Liquids or Gases in Storage 0,00
3. Combustible Solids in Storage, Dust in Process 0,00
H. Corrosion and Erosion 0.10 - 0.75 0,10
I. Leakage - Joints and Packing 0.10 - 1.50 0,30
J. Use of Fired Equipment 0,10
K. Hot Oil Heat Exchange System 0.15 - 1.15 0,00
L. Rotating Equipment 0,50 0,00
Special Process Hazards Factor (F2) 5,18
Process Units Hazards Factor (F1 x F2) = F3 13,99
Fire and Explosion Index (F3 x MF = F&EI) 294
M
Equipment Summary
109
REACTORS, COLUMNS & VESSELS – SUMMARY
EQUIPMENT NR. :
NAME :
C-101
Contactor :
C-201
Still Column :
C-202
Stripping
Column :
V-201
Flash Vessel :
V-202
Reboiler
Packed
Column
Tray Column Packed
Column
Horizontal Horizontal
Pressure [bara] : 156.25/156.5 1/1.1 1.1 4.5 1.1
Temp. [o
C] : 35 70.3/204 204 42 204
Volume [m3
] :
Diameter [m] :
L or H [m] :
2.04
12.2
0.15
6
0.25
0.5
0.31 (1)
0.46
1.85
0.14 (2)
0.35
1.4
Internals
- Tray Type :
- Tray Number :
- Fixed Packing
Type :
Shape :
- Catalyst
Type :
Shape :
-
-
-
n.a.
n.a.
Mellapack.
n.a.
n.a.
n.a.
Sieve Tray
2
n.a.
n.a.
n.a.
n.a.
n.a.
n.a.
Mellapack
n.a.
n.a.
n.a.
n.a.
n.a.
n.a.
n.a.
n.a.
n.a.
n.a.
n.a.
n.a.
n.a.
n.a.
n.a.
Gas Fired
Number
- Series :
- Parallel :
1
-
1
-
1
-
1
-
1
-
Materials of
Construction (3) :
Column: SS Column: CS
Tray: SS
Column: CS CS Shell: CS
Tubes:
CS/Inconel
Other :
Remarks:
(1) V-201: For Residence time of 10 min and 80% Liquid filled.
(2) V-202: For Residence time of 5 min and 50% Liquid filled.
(3) SS = Stainless Steel;CS = Carbon Steel
Designers : Project ID-Number : CPD3425
Date : June 2015
REACTORS, COLUMNS & VESSELS – SUMMARY
EQUIPMENT NR. :
NAME :
V-203
Surge Vessel :
S-201 A/B
Filter
S-202
Pervaporation
(3)
Horizontal In Line Horizontal
Pressure [bara] : 1 4.5/3.5 (4)
Temp. [o
C] : 202 42 150
Volume [m3
] :
Diameter [m] :
L or H [m] :
0.34 (1)
0.48
1.9
-
0.0254
-
0.074
0.26
1.402
Internals
- Tray Type :
- Tray Number :
- Fixed Packing
Type :
Shape :
- Catalyst
Type :
Shape :
- Tubes
Type :
- Type
-
n.a.
n.a.
n.a.
n.a.
n.a.
n.a.
n.a.
n.a.
n.a.
n.a.
n.a.
n.a.
Inline Strainer
n.a.
n.a.
n.a.
n.a.
n.a.
n.a.
Number
- Series :
- Parallel :
1
-
1
-
-
138
Materials of
Construction (2) :
CS SS SS
Other :
Remarks:
(1) SS = Stainless Steel; CS = Carbon Steel
(2) V-203: For residence time of 20 min and 80% liquid filled.
(3) Data for pervaporation membrane module only.
(4) 3 bar in feed, 20 mbar in permeate side and 1.5 bar in retentate.
Designers : Project ID-Number : CPD3425
Date : June 2015
HEAT EXCHANGERS & FURNACES – SUMMARY
EQUIPMENT NR. :
NAME :
E-201
Glycol/Glycol
Preheater :
E-202
Glycol/Glycol
Heater :
E-203
Sea-Water
Cooler :
E-204
Pervaporation
Heater
Shell and
Tube
Shell and
Tube
Shell and Tube Shell and Tube
Substance
- Tubes :
- Shell :
Rich TEG
Lean TEG
Rich TEG
Lean TEG
Cooling Water.
Lean TEG
Rich TEG
LP Steam
Duty [kW] : 2.8 93.36 11.37 61.31
Heat Exchange
area [m2
] : 4.24 (1) 24.35(1) 2.6(1) 2.44(1)
Number
- Series :
- Parallel : :
1
-
1
-
1
-
1
-
Pressure [bara]
- Tubes :
- Shell :
5
2.5
3.5
2.5
4
2
3
6.5
Temperature
In / Out [o
C]
- Tubes :
- Shell :
36 / 38
57 / 52
42 / 107.8
198/ 57
10/20
53 / 35
107.8/150
162
Special Materials of
Construction (2) :
Tubes : CS
Shell : CS
Tubes : CS
Shell : CS
Tubes : CS
Shell : CS
Tubes : CS
Shell : CS
Other :
Remarks:
(1) Bare tube surface.
(2) CS = Carbon Steel;
Designers : Project ID-Number : CPD3425
Date : June 2015
PUMPS, BLOWERS & COMPRESSORS – SUMMARY
EQUIPMENT NR. :
NAME :
P-101
Turbocharger
P-102 A/B
High
Pressure
Pump
P-103 A/B
Semi-Lean
Injection
Pump :
P-201 A/B
Intermediate
Pump :
P-202 A/B
Booster
Pump
Type :
Number :
-
1
Centrifugal
2
Centrifugal
2
Centrifugal
2
Centrifugal
2
Medium
transferred : Rich TEG / Lean
TEG/Semi-Lean
TEG
Lean TEG Semi-Lean
TEG
Semi-Lean
TEG
Lean TEG
Capacity
[kg/s] :
[m3
/h] : 2.5/0.8/0.7 0.8 0.7 1.2 0.8
Density [kg/m3
] : 705.1/1133/1042 1133 1042 636.3 969.6
Pressure [bara]
Suct. / Disch. : (156.5-4.5)
&(1.5-78)&
(1.5-77.5)
78 / 156.5 1.1/156.5 1.5/2 1/2.5
Temperature
In / Out [o
C] : 42/37/160 36/37 150/160 150/150 198
Power [kW]
- Theor. :
- Actual : 2.04 2.17 0.027 0.045
Number
- Theor. :
- Actual : 1 2 (1) 2 (1) 2 (1) 2(1)
Special Materials of
Construction : SS 316 SS 316 SS 316 SS 316 SS 316
Other : Double
mechanical seals
Double
mechanical
seals
Double
mechanical
seals
Double
mechanical
seals
Double
mechanical
seals
Remarks:
(1) One installed spare included.
Designers : Project ID-Number : CPD3425
Date : June 2015
PUMPS, BLOWERS & COMPRESSORS – SUMMARY
EQUIPMENT NR. :
NAME :
P-203 A/B
Vacuum Pump
Type :
Number :
-
1
Medium
transferred : Water Vapour
Capacity
[kg/s] :
[m3
/h] : 252.3
Density [kg/m3
] : 1
Pressure [bara]
Suct. / Disch. : 0.02/1
Temperature
In / Out [o
C] : 150/150
Power [kW]
- Theor. :
- Actual : 49
Number
- Theor. :
- Actual : 2 (1)
Special Materials of
Construction : SS 316
Other : Double
mechanical seals
Remarks:
(1) One installed spare included.
Designers : Project ID-Number : CPD3425
Date : June 2015
COLUMN – SPECIFICATION SHEET
EQUIPMENT NUMBER : C-101
NAME : Contactor
General Data
Service : - distillation / extraction / absorption /
Column Type : - packed / tray / spray /
Tray Type : - cap / sieve / valve /
Tray Number (1)
- Theoretical : 6
- Actual : -
- Feed (actual) : Top and Middle (1st
and 4th
theoretical trays)
Tray Distance (HETP) [m] : 0.61 Tray Material : SS314 (2)
Column Diameter [m] : 2.04 Column Material : SS (2)
Column Height [m] : 12.2
Heating : - none / open steam / reboiler /
Process Conditions
Stream Details Feed Gas Feed Liquid Dry Gas
Rich Liquid
Extractant /
side stream
Lean
TEG
Semi
Lean
TEG
Temp. [o
C]
Pressure [bara]
Density [kg/m3
]
Mass Flow [kg/hr]
: 35
156.5
159.5
380617
:36.5
156.5
1133
786.4
160
156.5
1042
764.8
: 35.7
156.3
158.7
3.372E+05
: 35.4
156.5
1125
1660
Composition mol% wt% wt% wt% mol% wt% mol% wt% mol% wt%
TEG
Water
Other
0
0.4
99.6
99.2
0.62
0.18
98.95
0.69
0.33
0.01
0
99.99
91.01
8.45
0.54
Column Internals (3)
Trays Not Applicable
Number of
caps / sieve holes / : …
Active Tray Area [m2
] : …
Weir Length [mm] : …
Diameter of
chute pipe / hole / [mm] : …
Packing
Type : Mellapack
Material :
Volume [m3
] : 9.8 (Total)
Length [m] :-
Width [m] :-
Height [m] : 3 (2 beds of 1.5 m)
Remarks:
(1) Tray numbering from top to bottom.
(2) SS = Stainless Steel; CS = Carbon Steel.
(3) Sketch & measures of Column & Tray layout should have been provided.
Designers : Project ID-Number : CPD3425
Date : June 2015
DISTILLATION COLUMN – SPECIFICATION SHEET
EQUIPMENT NUMBER : C-201
NAME : Still Column
General Data
Service : - distillation / extraction / absorption /
Column Type : - packed / tray / spray /
Tray Type : - cap / sieve / valve /
Tray Number (1)
- Theoretical : 2
- Actual : 2
- Feed (actual) : 2
Tray Distance (HETP) [m] : 0.61 Tray Material : SS314 (2)
Column Diameter [m] : 0.145 Column Material : CS (2)
Column Height [m] : 6
Heating : - none / open steam / reboiler / Natural Gas (3)
Process Conditions
Stream Details Feed Top Bottom Reflux /
Absorbent
Extractant /
side stream
Liq Gas
Temp. [o
C]
Pressure [bara]
Density [kg/m3
]
Mass Flow [kg/hr]
: 150
2
636.3
763.6
202.9
1.1
0.9
2.811
: 70.3
1
1.13
3.23
: 204
1.1
962.4
763.2
: 70.3
1
972.6
1.018
Composition wt% wt% mol% wt% mol% wt% mol% wt% mol% wt%
TEG
Water
Other
98.95
0.69
0.36
33.6
30.71
35.7
0
17.93
82.07
99.12
0.73
0.15
0.01
99.88
0.02
Column Internals (4)
Trays (5)
Number of
caps / sieve holes / : …
Active Tray Area [m2
] : …
Weir Length [mm] : …
Diameter of
chute pipe / hole / [mm] : …
Packing Not Applicable
Type :
Material :
Volume [m3
] :
Length [m] :
Width [m] :
Height [m] :
Remarks:
(1) Tray numbering from top to bottom.
(2) SS = Stainless Steel; CS = Carbon Steel.
(3) Reboiler is V-202; operates with Natural Gas
(4) Sketch & measures of Column & Tray layout should have been provided.
(5) Tray layout valid for whole column.
Designers : Project ID-Number : CPD3425
Date : June 2015
COLUMN – SPECIFICATION SHEET
EQUIPMENT NUMBER : C-202
NAME : Stripping Column
General Data
Service : - distillation / extraction / absorption /
Column Type : - packed / tray / spray /
Tray Type : - cap / sieve / valve /
Tray Number (1)
- Theoretical : 1
- Actual : 1
- Feed (actual) : 1
Tray Distance (HETP) [m] : - Tray Material : SS314 (2)
Column Diameter [m] : 0.25 Column Material : CS (2)
Column Height [m] : 0.5
Heating : - none / open steam / reboiler / Natural Gas
Process Conditions
Stream Details Feed Top Bottom Reflux /
Absorbent
Extractant /
side stream
Liq Gas
Temp. [o
C]
Pressure [bara]
Density [kg/m3
]
Mass Flow [kg/hr]
: 204
1.1
962.4
763.2
42.14
4.5
3.86
0.7
: 203
1.1
0.9
2.8
: 203
1.1
964.2
761
:
Composition wt% wt% mol% wt% mol% wt% mol% wt% mol% wt%
TEG
Water
Other
99.12
0.73
0.15
0
0.5
99.5
33.58
30.7
35.72
99.2
0.6
0.2
Column Internals (3)
Trays Not Applicable
Number of
caps / sieve holes / : …
Active Tray Area [m2
] : …
Weir Length [mm] : …
Diameter of
chute pipe / hole / [mm] : …
Packing
Type : Mellapack
Material :-
Volume [m3
] :0.012
Length [m] :-
Width [m] :-
Height [m] :0.25
Remarks:
(1) Tray numbering from top to bottom.
(2) SS = Stainless Steel; CS = Carbon Steel.
(3) Sketch & measures of Column & Tray layout should have been provided.
Designers : Project ID-Number : CPD3425
Date : June 2015
HEAT EXCHANGER – SPECIFICATION SHEET
EQUIPMENT NUMBER : E-201 In Series : 1
NAME : Glycol/Glycol Preheater In Parallel : none
General Data
Service : - Heat Exchanger - Vaporizer
- Cooler - Reboiler
- Condenser (Air cooled) (1), (2), (3)
Type : - Fixed Tube Sheets - Plate Heat Exchanger
- Floating Head - Finned Tubes
- Hair Pin - Thermosyphon
- Double Tube -
Position : - Horizontal
- Vertical
Capacity [kW] : 2.85 (1)
Heat Exchange Area [m2
] : 4.24 (1)
Overall Heat Transfer Coefficient [W/m2
o
C] : 333.28 (1)
Log. Mean Temperature Diff. (LMTD) [o
C] :
Passes Tube Side : 1
Passes Shell Side : n.a.
Correction Factor LMTD (min. 0.75) :
Corrected LMTD [o
C] : 7.257 (1)
Process Conditions
Medium :
Mass Stream [kg/hr] :
Mass Stream to
- Evaporize [kg/s] :
- Condense [kg/s] :
Average Specific Heat [kJ/kgo
C] :
Heat of Evap. / Condensation [kJ/kg] :
Temperature IN [o
C] :
Temperature OUT [o
C] :
Pressure [bara] :
Material :
Shell Side Tube Side
Lean TEG solution
787
n.a.
3
-
57
52
2.5
C.S
Rich TEG solution
1660
n.a
3
-
36
38
5
CS
Remarks:
(1) Calculation of Air Cooler: “Applied Chemical Process Design”, F. Aerstin and G. Street.
(2) Cooler requires 40 x 40 meters plot space, which may not be available.
(3) Requires Fan(s) for forced air circulation with 960 kW for electrical drive(s).
(1) As simulated in Aspen Hysys.
Designers : Project ID-Number : CPD3425
Date : June 2015
HEAT EXCHANGER – SPECIFICATION SHEET
EQUIPMENT NUMBER : E-202 In Series : 1
NAME : Glycol/Glycol Heater In Parallel : none
General Data
Service : - Heat Exchanger - Vaporizer
- Cooler - Reboiler
- Condenser
Type : - Fixed Tube Sheets - Plate Heat Exchanger
- Floating Head - Finned Tubes
- Hair Pin - Thermosyphon
- Double Tube -
Position : - Horizontal
- Vertical
Capacity [kW] : 93.36 (1)
Heat Exchange Area [m2
] : 24.35 (1)
Overall Heat Transfer Coefficient [W/m2
o
C] : 327.8 (1)
Log. Mean Temperature Diff. (LMTD) [o
C] :
Passes Tube Side : 1
Passes Shell Side : n.a
Correction Factor LMTD (min. 0.75) :
Corrected LMTD [o
C] : 42.13 (1)
Process Conditions
Medium :
Mass Stream [kg/hr] :
Mass Stream to
- Evaporize [kg/s] :
- Condense [kg/s] :
Average Specific Heat [kJ/kgo
C] :
Heat of Evap. / Condensation [kJ/kg] :
Temperature IN [o
C] :
Temperature OUT [o
C] :
Pressure [bara] :
Material :
Shell Side Tube Side
Rich TEG
786.4
-
-
3
-
198.0
57.0
2.5
CS
Lean TEG
1657
-
-
3
-
42
107.8
3.5
CS
Remarks:
(1) As simulated in Aspen Hysys.
Designers : Project ID-Number : CPD3425
Date : June 2015
HEAT EXCHANGER – SPECIFICATION SHEET
EQUIPMENT NUMBER : E-203 In Series : 1
NAME : Sea Water Cooler In Parallel : none
General Data
Service : - Heat Exchanger - Vaporizer
- Cooler - Reboiler
- Condenser
Type : - Fixed Tube Sheets - Plate Heat Exchanger
- Floating Head - Finned Tubes
- Hair Pin - Thermosyphon
- Double Tube -
Position : - Horizontal
- Vertical
Capacity [kW] : 11.37 (Aspen)
Heat Exchange Area [m2
] : 2.64 (Calc.)
Overall Heat Transfer Coefficient [W/m2
o
C] : 150 (Assumed).
Log. Mean Temperature Diff. (LMTD) [o
C] : 28.68 (Calc.)
Passes Tube Side : 1
Passes Shell Side : n.a
Correction Factor LMTD (min. 0.75) :
Corrected LMTD [o
C] :
Process Conditions
Medium :
Mass Stream [kg/hr] :
Mass Stream to
- Evaporize [kg/s] :
- Condense [kg/s] :
Average Specific Heat [kJ/kgo
C] :
Heat of Evap. / Condensation [kJ/kg] :
Temperature IN [o
C] :
Temperature OUT [o
C] :
Pressure [bara] :
Material (1) :
Shell Side Tube Side
Lean TEG solution
786.4
-
-
3
-
53
35
2
CS
Sea Water
978.03
-
-
4.18
-
10
20
4
C.S
Remarks:
(1) CS = Carbon Steel;
Designers : Project ID-Number : CPD3425
Date : June 2015
HEAT EXCHANGER – SPECIFICATION SHEET
EQUIPMENT NUMBER : E-204 In Series : 1
NAME : Pervaporation Heater In Parallel : none
General Data
Service : - Heat Exchanger - Vaporizer
- Cooler - Reboiler
- Condenser
Type : - Fixed Tube Sheets - Plate Heat Exchanger
- Floating Head - Finned Tubes
- Hair Pin - Thermosyphon
- Double Tube -
Position : - Horizontal
- Vertical
Capacity [kW] : 61.31 (Aspen)
Heat Exchange Area [m2
] : 2.44 (Calc.)
Overall Heat Transfer Coefficient [W/m2
o
C] : 900 (Assumed).
Log. Mean Temperature Diff. (LMTD) [o
C] : 27.8 (Calc.)
Passes Tube Side : 1
Passes Shell Side : n.a
Correction Factor LMTD (min. 0.75) :
Corrected LMTD [o
C] :
Process Conditions
Medium :
Mass Stream [kg/hr] :
Mass Stream to
- Condense [kg/hr]
- Evaporate [kg/s] :
Average Specific Heat [kJ/kgo
C] :
Heat of Evap. / Condensation [kJ/kg] :
Temperature IN [o
C] :
Temperature OUT [o
C] :
Pressure [bara] :
Material (1) :
Shell Side Tube Side
Steam
106.02
106.02
-
2075.11
162.06
162.06
6.5
CS
Rich TEG solution
1657
-
-
3
-
107.8
150
3
CS
Remarks:
(1) CS = Carbon Steel;
Designers : Project ID-Number : CPD3425
Date : June 2015
CENTRIFUGAL PUMP – SPECIFICATION SHEET
EQUIPMENT NUMBER : P-101 Operating : 1
NAME : Turbocharger Installed Spare : 0
Service : TEG Solution
Type :
Number : 1
Operating Conditions & Physical Data
Pumped liquid : TEG Rich/TEG Lean/TEG Semi-Lean
Temperature (T) [o
C] : 42/37/160
Density () [kg/m3
] : 705.1/1133/1042
Viscosity () [Ns/m2
] : 0.000012/0.0197/0.001141
Vapour Pressure (pv) [bara] : 154.6/0.425/30.64 at Temperature [o
C]: 37.8
Power
Capacity (v) [m3
/hr] : 2.5/0.8/0.7
Pressure Levels (ps) [bara] : (156.5-4.5) &(1.5-78)& (1.5-77.5)
Theoretical Power [kW] : none { = v( pd - ps)102
}
Pump Efficiency [-] :
Power at Shaft [kW] :
Construction Details (1)
RPM :
Drive :
Type electrical motor :
Tension [V] :
Rotational direction : Clock /
Counter Cl.
Foundation Plate : Combined /
two parts
Flexible Coupling : Yes
Pressure Gauge Suction : No
Pressure Gauge Discharge : Yes
Min. Overpressure above
pv/pm [bar] :
Nominal diameter
Suction Nozzle […] :
Discharge Nozzle […] :
Cooled Bearings : Yes / No
Cooled Stuffing Box : Yes / No
Smothering Gland : Yes / No
If yes
- Seal Liquid : Yes / No
- Splash Rings : Yes / No
- Packing Type :
- Mechanical Seal : Yes / No
- N.P.S.H. [m] :
{ = pmg }
Construction Materials (2)
Pump House :
Pump Rotor :
Shaft :
Special provisions : none
Operating Pressure [bara] : 156.5/78
Wear Rings :
Shaft Box :
Test Pressure [bara] :
Remarks:
(1) Double mechanical seals and seal fluid required for LPG service. Further details to be specified by
Rotating Equipment specialist.
(2) MS = Mild Steel; HT Steel = High Tensile Steel
Designers : Project ID-Number : CPD3425
Date : June 2015
CENTRIFUGAL PUMP – SPECIFICATION SHEET
EQUIPMENT NUMBER : P-102 A/B Operating : 1
NAME : High Pressure Pump Installed Spare : 1
Service : TEG solution
Type : Centrifugal
Number : 2
Operating Conditions & Physical Data
Pumped liquid : TEG Lean
Temperature (T) [o
C] : 37
Density () [kg/m3
] : 1133
Viscosity () [Ns/m2
] : 0.019
Vapour Pressure (pv) [bara] : 0.425 at Temperature [o
C] :37.8
Power
Capacity (v) [m3
/hr] : 0.8
Suction (ps) [bara] : 78
Discharge (pd) [bara] : 156.5
Theoretical Power [kW] : 2.037 { = v( pd - ps)102
}
Pump Efficiency [-] :
Power at Shaft [kW] :
Construction Details (1)
RPM :
Drive :
Type electrical motor :
Tension [V] :
Rotational direction : Clock /
Counter Cl.
Foundation Plate : Combined /
two parts
Flexible Coupling : Yes
Pressure Gauge Suction : No
Pressure Gauge Discharge : Yes
Min. Overpressure above
pv/pm [bar] :
Nominal diameter
Suction Nozzle […] :
Discharge Nozzle […] :
Cooled Bearings : Yes / No
Cooled Stuffing Box : Yes / No
Smothering Gland : Yes / No
If yes
- Seal Liquid : Yes / No
- Splash Rings : Yes / No
- Packing Type :
- Mechanical Seal : Yes / No
- N.P.S.H. [m] :
{ = pmg }
Construction Materials (2)
Pump House :
Pump Rotor :
Shaft :
Special provisions : none
Operating Pressure [bara] : 156.5
Wear Rings :
Shaft Box :
Test Pressure [bara] :
Remarks:
(1) Double mechanical seals and seal fluid required for LPG service. Further details to be specified by
Rotating Equipment specialist.
(2) MS = Mild Steel; HT Steel = High Tensile Steel
Designers : Project ID-Number : CPD3425
Date : June 2015
CENTRIFUGAL PUMP – SPECIFICATION SHEET
EQUIPMENT NUMBER : P-103 A/B Operating : 1
NAME : Semi-Lean Injection Pump Installed Spare : 1
Service : TEG solution
Type : Centrifugal
Number : 2
Operating Conditions & Physical Data
Pumped liquid : Semi-Lean TEG
Temperature (T) [o
C] : 160
Density () [kg/m3
] : 1042
Viscosity () [Ns/m2
] : 0.001141
Vapour Pressure (pv) [bara] : 30.64 at Temperature [o
C] :37.8
Power
Capacity (v) [m3
/hr] : 0.7
Suction (ps) [bara] : 1.1
Discharge (pd) [bara] : 156.5
Theoretical Power [kW] : 2.17 { = v( pd - ps)102
}
Pump Efficiency [-] :
Power at Shaft [kW] :
Construction Details (1)
RPM :
Drive :
Type electrical motor :
Tension [V] :
Rotational direction : Clock /
Counter Cl.
Foundation Plate : Combined /
two parts
Flexible Coupling : Yes
Pressure Gauge Suction : No
Pressure Gauge Discharge : Yes
Min. Overpressure above
pv/pm [bar] :
Nominal diameter
Suction Nozzle […] :
Discharge Nozzle […] :
Cooled Bearings : Yes / No
Cooled Stuffing Box : Yes / No
Smothering Gland : Yes / No
If yes
- Seal Liquid : Yes / No
- Splash Rings : Yes / No
- Packing Type :
- Mechanical Seal : Yes / No
- N.P.S.H. [m] :
{ = pmg }
Construction Materials (2)
Pump House :
Pump Rotor :
Shaft :
Special provisions : none
Operating Pressure [bara] : 156.5
Wear Rings :
Shaft Box :
Test Pressure [bara] :
Remarks:
(3) Double mechanical seals and seal fluid required for LPG service. Further details to be specified by
Rotating Equipment specialist.
(4) MS = Mild Steel; HT Steel = High Tensile Steel
Designers : Project ID-Number : CPD3425
Date : June 2015
CENTRIFUGAL PUMP – SPECIFICATION SHEET
EQUIPMENT NUMBER : P-201 A/B Operating : 1
NAME : Intermediate Pump Installed Spare : 1
Service : TEG solution
Type : Centrifugal
Number : 2
Operating Conditions & Physical Data
Pumped liquid : Semi-Lean TEG
Temperature (T) [o
C] : 150
Density () [kg/m3
] : 636.3
Viscosity () [Ns/m2
] : 0.00001684
Vapour Pressure (pv) [bara] : 30.64 at Temperature [o
C] : 37.8
Power
Capacity (v) [m3
/hr] : 1.2
Suction (ps) [bara] : 1.5
Discharge (pd) [bara] : 2
Theoretical Power [kW] : 0.027 { = v( pd - ps)102
}
Pump Efficiency [-] :
Power at Shaft [kW] :
Construction Details (1)
RPM :
Drive :
Type electrical motor :
Tension [V] :
Rotational direction : Clock /
Counter Cl.
Foundation Plate : Combined /
two parts
Flexible Coupling : Yes
Pressure Gauge Suction : No
Pressure Gauge Discharge : Yes
Min. Overpressure above
pv/pm [bar] :
Nominal diameter
Suction Nozzle […] :
Discharge Nozzle […] :
Cooled Bearings : Yes / No
Cooled Stuffing Box : Yes / No
Smothering Gland : Yes / No
If yes
- Seal Liquid : Yes / No
- Splash Rings : Yes / No
- Packing Type :
- Mechanical Seal : Yes / No
- N.P.S.H. [m] :
{ = pmg }
Construction Materials (2)
Pump House :
Pump Rotor :
Shaft :
Special provisions : none
Operating Pressure [bara] :
Wear Rings :
Shaft Box :
Test Pressure [bara] :
Remarks:
(5) Double mechanical seals and seal fluid required for LPG service. Further details to be specified by
Rotating Equipment specialist.
(6) MS = Mild Steel; HT Steel = High Tensile Steel
Designers : Project ID-Number : CPD3425
Date : June 2015
CENTRIFUGAL PUMP – SPECIFICATION SHEET
EQUIPMENT NUMBER : P-202 A/B Operating : 1
NAME : Booster Pump Installed Spare : 1
Service : TEG solution
Type : Centrifugal
Number : 2
Operating Conditions & Physical Data
Pumped liquid : Lean TEG
Temperature (T) [o
C] : 198
Density () [kg/m3
] : 969.6
Viscosity () [Ns/m2
] : 0.0006234
Vapour Pressure (pv) [bara] : 0.4308 at Temperature [o
C] : 37.8
Power
Capacity (v) [m3
/hr] : 0.8
Suction (ps) [bara] : 1
Discharge (pd) [bara] : 2.5
Theoretical Power [kW] : 0.045 { = v( pd - ps)102
}
Pump Efficiency [-] :
Power at Shaft [kW] :
Construction Details (1)
RPM :
Drive :
Type electrical motor :
Tension [V] :
Rotational direction : Clock /
Counter Cl.
Foundation Plate : Combined /
two parts
Flexible Coupling : Yes
Pressure Gauge Suction : No
Pressure Gauge Discharge : Yes
Min. Overpressure above
pv/pm [bar] :
Nominal diameter
Suction Nozzle […] :
Discharge Nozzle […] :
Cooled Bearings : Yes / No
Cooled Stuffing Box : Yes / No
Smothering Gland : Yes / No
If yes
- Seal Liquid : Yes / No
- Splash Rings : Yes / No
- Packing Type :
- Mechanical Seal : Yes / No
- N.P.S.H. [m] :
{ = pmg }
Construction Materials (2)
Pump House :
Pump Rotor :
Shaft :
Special provisions : none
Operating Pressure [bara] : 2.5
Wear Rings :
Shaft Box :
Test Pressure [bara] :
Remarks:
(7) Double mechanical seals and seal fluid required for LPG service. Further details to be specified by
Rotating Equipment specialist.
(8) MS = Mild Steel; HT Steel = High Tensile Steel
Designers : Project ID-Number : CPD3425
Date : June 2015
VACUUM PUMP – SPECIFICATION SHEET
EQUIPMENT NUMBER : P-203 A/B Operating : 1
NAME : Vacuum Pump Installed Spare : 1
Service : TEG solution
Type : Roots Blower
Number : 2
Operating Conditions & Physical Data
Pumped liquid : Lean TEG
Temperature (T) [o
C] : 150
Density () [kg/m3
] : 1
Viscosity () [Ns/m2
] : 0.000014
Vapour Pressure (pv) [bara] : at Temperature [o
C] :
Power
Capacity (v) [m3
/hr] : 252.3
Suction (ps) [bara] : 0.02
Discharge (pd) [bara] : 1
Theoretical Power [kW] : 49 { = v( pd - ps)102
}
Pump Efficiency [-] :
Power at Shaft [kW] :
Construction Details (1)
RPM :
Drive :
Type electrical motor :
Tension [V] :
Rotational direction : Clock /
Counter Cl.
Foundation Plate : Combined /
two parts
Flexible Coupling : Yes
Pressure Gauge Suction : No
Pressure Gauge Discharge : Yes
Min. Overpressure above
pv/pm [bar] :
Nominal diameter
Suction Nozzle […] :
Discharge Nozzle […] :
Cooled Bearings : Yes / No
Cooled Stuffing Box : Yes / No
Smothering Gland : Yes / No
If yes
- Seal Liquid : Yes / No
- Splash Rings : Yes / No
- Packing Type :
- Mechanical Seal : Yes / No
- N.P.S.H. [m] :
{ = pmg }
Construction Materials (2)
Pump House :
Pump Rotor :
Shaft :
Special provisions : none
Operating Pressure [bara] : 0.02/1
Wear Rings :
Shaft Box :
Test Pressure [bara] :
Remarks:
(9) Double mechanical seals and seal fluid required for LPG service. Further details to be specified by
Rotating Equipment specialist.
(10) MS = Mild Steel; HT Steel = High Tensile Steel
Designers : Project ID-Number : CPD3425
Date : June 2015
VESSEL – SPECIFICATION SHEET
EQUIPMENT NUMBER : V-201 In Series : 1
NAME : Flash Vessel In Parallel : none
General Data
Service : - Buffer / Storage / Separation / Reaction
Type : Vessel
Position : - Horizontal
- Vertical
Internals : - Demister / Plate / Coil / _________
Heating/Cooling medium : - none / Open / Closed / External Hxgr /________
- Type : n.a.
- Quantity [kg/s] : n.a.
- Press./Temp.’s [bara/o
C] : n.a.
Vessel Diameter (ID) [m] : 0.46
Vessel Height [m] : 1.85
Vessel Tot. Volume [m3
] : 0.31
Vessel Material : C.S.
Other :
Process Conditions
Stream Data Feed Top Bottom
Temperature [o
C]
Pressure [bara]
Density [kg/m3
]
Mass Flow [kg/hr]
: 42.05
: 4.5
:686
:1660
: 42.05
: 4.5
:3.86
:3.3
: 42.05
: 4.5
:1104
:1657
Composition mol% wt% mol% wt% mol% wt%
TEG
Water
Others
91.01
8.45
0.54
0
0.5
99.5
91.19
8.47
0.34
Remarks:
Designers : Project ID-Number : CPD3425
Date : June 2015
VESSEL – SPECIFICATION SHEET
EQUIPMENT NUMBER : V-202 In Series : 1
NAME : Reboiler In Parallel : none
General Data
Service : - Buffer / Storage / Separation / Reaction
Type : Vessel
Position : - Horizontal
- Vertical
Internals : - Demister / Plate / Coil /Tubes
Heating/Cooling medium : - none / Open / Closed / External Hxgr /Natural Gas
- Type : Fuel
- Quantity [kg/hr] : 2.66
- Press./Temp.’s [bara/o
C] : n.a.
Vessel Diameter (ID) [m] : 0.35
Vessel Height [m] : 1.4
Vessel Tot. Volume [m3
] : 0.14
Vessel Material : C.S.
Other :
Process Conditions
Stream Data Feed Top Bottom
Temperature [o
C]
Pressure [bara]
Density [kg/m3
]
Mass Flow [kg/hr]
: 150.3
: 1.1
:1012
:764.3
: 204
: 1.1
:1.104
:1.12
: 204
: 1.1
:962.4
:763.2
Composition mol% wt% mol% wt% mol% wt%
TEG
Water
Others
99.02
0.77
0.28
28.37
30.03
41.6
99.12
0.7
0.18
Remarks:
Designers : Project ID-Number : CPD3425
Date : June 2015
VESSEL – SPECIFICATION SHEET
EQUIPMENT NUMBER : V-203 In Series : 1
NAME : Surge Vessel In Parallel : none
General Data
Service : - Buffer / Storage / Separation / Reaction
Type : Vessel
Position : - Horizontal
- Vertical
Internals : - Demister / Plate / Coil /Tubes
Heating/Cooling medium : - none / Open / Closed / External Hxgr /
- Type : n.a
- Quantity [kg/hr] : n.a
- Press./Temp.’s [bara/o
C] : n.a.
Vessel Diameter (ID) [m] : 0.48
Vessel Height [m] : 1.9
Vessel Tot. Volume [m3
] : 0.34
Vessel Material : C.S.
Other :
Process Conditions
Stream Data Feed Make up Bottom
Temperature [o
C]
Pressure [bara]
Density [kg/m3
]
Mass Flow [kg/hr]
: 202.9
: 1.1
:964.2
:761
35
1
1110
24.11
: 198.0
: 2.5
:969.6
:785.2
Composition mol% wt% mol% wt% mol% wt%
TEG
Water
Others
99.2
0.06
0.2
99.2
0.8
0
99.2
0.06
0.2
Remarks:
Designers : Project ID-Number : CPD3425
Date : June 2015
FILTER–SPECIFICATION SHEET
EQUIPMENT NUMBER : S-201A/B In Series : 1
NAME : Filter In Parallel : 1
General Data
Service : - Buffer / Storage / Separation / Reaction/Filtration
Type : Filter
Position : - Horizontal In-Line
- Vertical
- Type : Strainer
- Quantity [kg/hr] : 1657
- Press./Temp.’s [bara/o
C] : 3.5/42.
Strainer Diameter (ID) [m] : 0.48
Strainer Material : S.S.
Other :
Remarks:
Designers : Project ID-Number : CPD3425
Date : June 2015
PERVAPORATION MEMBRANE MODULE – SPECIFICATION SHEET
EQUIPMENT NUMBER : S-202 (1) In Series : none
NAME : Pervaporation membrane module In Parallel : 138
General Data
Service : - Buffer / Storage / Separation / Reaction
Type : Vessel
Position : - Horizontal
- Vertical
Internals : - Demister / Plate / Coil / Tubes / Membranes tubes
Heating/Cooling medium : - none / Open / Closed / External Hxgr / Natural Gas
- Type : n.a
- Quantity [kg/hr] : n.a
- Press./Temp.’s [bara/o
C] : n.a.
Vessel Diameter (ID) [m] : 0.26
Vessel Length [m] : 1.402
Vessel Tot. Volume [m3
] : 0.074
Vessel Material : S.S.
Other :
Process Conditions
Stream Data Feed Retentate Permeate
Temperature [o
C]
Pressure [bara]
Density [kg/m3
]
Mass Flow [kg/hr]
: 150.3
: 3.0
: 621
: 1657
: 150.3
: 1.5
: 522
: 1529
: 150.3
: 0.02
: 1
: 128
Composition mol% wt% mol% wt% mol% wt%
TEG
Water
Others
91.20
8.47
0.33
98.95
0.69
0.36
-
100
-
Remarks: (1) 138 modules in rectangular disposal 14 x 10.
Then, 7 x 5 m (WxH) in the pervaporation membrane unit.
Designers : Project ID-Number : CPD3425
Date : June 2015
Bibliography
[1] J. Pettersen, Natural gas fundamentals (2006).
[2] E. Kirk-Othmer, of chem, Tech., 1, 733 (1983).
[3] S. Mokhatab and M. J. Economides, Process selection is critical to onshore lng economics, World
oil 227, 95 (2006).
[4] Opening the area around jan mayen for petroleum activities – public hear-
ing on impact assessment, https://www.regjeringen.no/en/aktuelt/
opening-the-area-around-jan-mayen-for-pe/id705121/, (Visited on 06/01/2015).
[5] Oil and gas - invest in norway, http://www.invinor.no/no/Industries/Oil-and-Gas/,
(Visited on 06/01/2015).
[6] Status of norwegian natural gas and a forecast towards 2025
fractional flow, http://fractionalflow.com/2014/10/05/
status-of-norwegian-natural-gas-and-a-forecast-towards-2025/, (Visited
on 06/01/2015).
[7] msdssearch.dow.com/publishedliteraturedowcom/dh 004d/0901b8038004d042.pdf filepath=
ethyleneglycol/pdfs/noreg/612-00004.pdf&frompage=getdoc, http://msdssearch.dow.
com/PublishedLiteratureDOWCOM/dh_004d/0901b8038004d042.pdf?filepath=
ethyleneglycol/pdfs/noreg/612-00004.pdf&fromPage=GetDoc, (Visited on
06/11/2015).
[8] Triethylene glycol c6h14o4 - pubchem, http://pubchem.ncbi.nlm.nih.gov/compound/
triethylene_glycol, (Visited on 06/01/2015).
[9] Water, density, specific enthalpy, viscosity, http://www.thermexcel.com/english/
tables/eau_atm.htm, (Visited on 06/01/2015).
[10] Engineering toolbox, http://www.engineeringtoolbox.com/
fluids-evaporation-latent-heat-d_147.html, (Visited on 06/01/2015).
[11] Engineering toolbox, http://www.engineeringtoolbox.com/, (Visited on 06/01/2015).
[12] Mother earth alcohol fuel: Chapter 7 - still designs, http://journeytoforever.org/
biofuel_library/ethanol_motherearth/meCh7.html, (Visited on 05/28/2015).
[13] G. GPSA, Engineering data book, Gas Processors Suppliers Association , 16 (2004).
[14] Sulzer - mellapak and mellapakplus , http://www.sulzer.com/en/
Products-and-Services/Separation-Technology/Structured-Packings/
Mellapak-MellapakPlus-Mellapak-Plastic, (Visited on 05/28/2015).
[15] J. M. Campbell, Gas conditioning and processing. volume 2: The equipment modules, (1998).
[16] D. L. S. W. W.D.Seider, J.D. Seader, Product and Process Design Principles; Synthesis, Analysis,
and Evaluation, third edition ed. (Wiley, 2010).
[17] www.bharatbijlee.com/motors/industrial-catalogue.pdf, http://www.bharatbijlee.com/
motors/Industrial-Catalogue.pdf, (Visited on 06/25/2015).
[18] Dow ethylene glycols, http://www.dow.com/ethyleneglycol/about/properties.htm,
(Visited on 06/10/2015).
135
136 Bibliography
[19] C. O. TOXICOLOGY, EMERGENCY AND CONTINUOUS EXPOSURE LIMITS FOR SELECTED AIR-
BORNE CONTAMINANTS, Vol. 1 (National Academy Press, Washington, D.C., 1984).
[20] Gases - explosive and flammability concentration limits, http://www.engineeringtoolbox.
com/explosive-concentration-limits-d_423.html, (Visited on 06/10/2015).
[21] T. I. A. of Oil & Gas Producers, Monday accident & lessons learned: Ogp safety alert – teg fire
at gas dehydration unit, http://www.taproot.com/archives/40586 (2013), (Visited on
06/10/2015).
[22] E. Altman, P. Kreis, T. van Gerven, G. Stefanidis, A. Stankiewicz, and A. Górak, Experimental,
modeling and simulation of reactive distillation, Microwave Enhanced Reactive Distillation 49, 95
(2010).
[23] J. Robinson, S. Kingman, D. Irvine, P. Licence, A. Smith, G. Dimitrakis, D. Obermayer, and
C. O. Kappe, Understanding microwave heating effects in single mode type cavities theory and
experiment, Physical Chemistry Chemical Physics 12, 4750 (2010).
[24] A. Stankiewicz and J. A. Moulijn, Re-engineering the chemical processing plant: process intensi-
fication (CRC Press, 2003).
[25] Automobile technology: Turbocharger, http://automobiletechinfo.blogspot.nl/
2013/09/turbocharger.html, (Visited on 06/26/2015).
[26] Energy recovery turbocharger energy analysis - energy recovery, http://www.
energyrecovery.com/resource/turbocharger-energy-analysis/, (Visited on
06/11/2015).
[27] Technologies - membrane distillation - kmx corp. - kmx corporation,azeotropic waste
streams,membrane technology,wastewater treatment,chemical users,chemical waste gen-
erators,clean tech,converting waste into valuable recycled products,greenhouse gas re-
ductions,hazardous waste recycling,hollow fiber membranes,offsite recycling,pervaporation
membranes,recovery of hazardous waste,separation of volatile organic compound(s),solvent
recovery,toxic waste recycling,waste chemical recovery,waste water recycling,water purifica-
tion, http://www.kmxcorp.com/water_chemical_purification.php?division=
Technologies&area=Membrane%20Distillation&page=Introduction, (Visited on
06/11/2015).
[28] Membrane filtration emis, http://emis.vito.be/node/19492, (Visited on 06/11/2015).
[29] P. Kraychy and A. Masuda, Molecular sieves dehydrate high-acid gas at pine creek, Oil and Gas
Journal (1966).
[30] M. F. Doherty and M. F. Malone, Conceptual design of distillation systems (McGraw-Hill Sci-
ence/Engineering/Math, 2001).
[31] W. L. Luyben and I.-L. Chien, Design and control of distillation systems for separating azeotropes
(John Wiley & Sons, 2011).
[32] www.graham-mfg.com/usr/pdf/techlibvacuum/210.pdf, http://www.graham-mfg.com/
usr/pdf/techlibvacuum/210.pdf, (Visited on 06/11/2015).
[33] C. Ramshaw and R. H. Mallinson, Mass transfer apparatus and process, (1983), uS Patent
4,400,275.
[34] L. Agarwal, V. Pavani, D. Rao, and N. Kaistha, Process intensification in higee absorption and
distillation: design procedure and applications, Industrial & Engineering Chemistry Research 49,
10046 (2010).
[35] T. Kelleher and J. R. Fair, Distillation studies in a high-gravity contactor, Industrial & engineering
chemistry research 35, 4646 (1996).
Bibliography 137
[36] File:half-yearly electricity and gas prices, second half of year, 2012–14 (eur per kwh) yb15.png -
statistics explained, http://ec.europa.eu/eurostat/statistics-explained/index.
php/File:Half-yearly_electricity_and_gas_prices,_second_half_of_year,
(Visited on 06/10/2015).
[37] Pumping costs, http://www.engineeringtoolbox.com/water-pumping-costs-d_
1527.html, (Visited on 06/08/2015).
[38] How much carbon dioxide is produced per kilowatthour when generating electricity with fossil
fuels - faq - u.s. energy information administration (eia), http://www.eia.gov/tools/
faqs/faq.cfm?id=74&t=11, (Visited on 06/10/2015).
[39] N. E. Leadbeater, Microwave heating as a tool for sustainable chemistry (CRC Press, 2010).
[40] C. O. Kappe, A. Stadler, and D. Dallinger, Microwaves in organic and medicinal chemistry (John
Wiley & Sons, 2012).
[41] J. Wijmans, A. Ng, and A. Mairal, Natural gas dehydration process and apparatus, (2004), uS
Patent App. 10/280,147.
[42] C. Yu, C. Zhong, Y. Liu, X. Gu, G. Yang, W. Xing, and N. Xu, Pervaporation dehydration of ethylene
glycol by naa zeolite membranes, Chemical Engineering Research and Design 90, 1372 (2012).
[43] R. Huang, P. Shao, X. Feng, and W. Anderson, Separation of ethylene glycol-water mixtures
using sulfonated poly (ether ether ketone) pervaporation membranes: membrane relaxation and
separation performance analysis, Industrial & engineering chemistry research 41, 2957 (2002).
[44] pervaporation-membranes.com/wp-content/uploads/2014/10/datasheet-pvm-094-version-16-
10-2014.pdf, http://pervaporation-membranes.com/wp-content/uploads/2014/
10/Datasheet-PVM-094-version-16-10-2014.pdf (), (Visited on 06/11/2015).
[45] pervaporation-membranes.com/wp-content/uploads/2014/10/datasheet-
4-channel-hybrid-silica-membranes-version-23-9-2014.pdf, http://
pervaporation-membranes.com/wp-content/uploads/2014/10/
Datasheet-4-Channel-Hybrid-Silica-membranes-Version-23-9-2014.pdf (),
(Visited on 06/15/2015).
[46] pervaporation-membranes.com/wp-content/uploads/2014/10/datasheet-pvm-094-version-16-
10-2014.pdf, http://pervaporation-membranes.com/wp-content/uploads/2014/
10/Datasheet-PVM-094-version-16-10-2014.pdf (), (Visited on 06/15/2015).
[47] W. U. W. Werkgroep Begrotingsproblemen in de Chemische Industrie (Webci), Dace prijzenboekje,
Kostengegevens tbv ramingen , 254 (2005).
[48] Matches’ engineering to chemical energy manufacturing metallurgical industries, http://www.
matche.com/, (Visited on 06/08/2015).
[49] Eur to usd exchange rate - bloomberg markets, http://www.bloomberg.com/quote/
EURUSD:CUR, (Visited on 06/23/2015).
[50] J. R. Couper, W. R. Penney, and J. R. Fair, Chemical Process Equipment revised 2E: Selection and
Design (Gulf Professional Publishing, 2009).
[51] Calculator: Saturated steam table by pressure tlv, http://www.tlv.com/global/TI/
calculator/steam-table-pressure.html (), (Visited on 06/25/2015).
[52] Heat transfer coefficients in heat exchangers, http://www.engineeringtoolbox.com/
heat-transfer-coefficients-exchangers-d_450.html (), (Visited on 06/25/2015).
[53] J. Fair, How to predict sieve tray entrainment and flooding, Petro/Chem Eng 33, 45 (1961).
138 Bibliography
[54] www.sulzer.com/nl/-/media/documents/productsandservices/separation technology/structured
packings/brochures/structured packings.pdf, http://www.sulzer.com/nl/-/media/
Documents/ProductsAndServices/Separation_Technology/Structured_
Packings/Brochures/Structured_Packings.pdf, (Visited on 06/04/2015).
[55] L. T. Biegler, I. E. Grossmann, and A. W. Westerberg, Systematic methods for chemical process
design, (1997).
[56] Siddhant equipments limited, www.aquacoolct.com/articles.htm, (Visited on
06/25/2015).
[57] Heat transfer coefficients in heat exchangers, http://www.engineeringtoolbox.com/
heat-transfer-coefficients-exchangers-d_450.html, (Visited on 06/11/2015).
[58] Heat exchanger mean temperature differences for refrigerant mixtures, http://www-old.me.
gatech.edu/energy/pubs/imece/imece.html, (Visited on 06/26/2015).
[59] Physics 203, https://spot.davidjulrich.com/blog/112/, (Visited on 06/26/2015).
[60] Modulus of elasticity, average properties of structural materials, shear modulus, poisson’s ra-
tio, density engineers edge www.engineersedge.com, http://www.engineersedge.com/
manufacturing_spec/average_properties_structural_materials.htm, (Visited on
06/25/2015).

CDP FINAL REPORT

  • 1.
    Optimization of aTEG dehydration unit with recent advances in tech- nology CPD (3425) Team 10 TechnischeUniversiteitDelft
  • 3.
    Optimization of aTEG dehydration unit with recent advances in technology CPD (3425) by Team 10 Javier Leyva Rico - 4415027 - +31617370757 Agnes van Endhoven - 4174933 - +31627117687 Ameya Thakurdesai - 4411153 - +31617327604 Toon Nieboer - 4114965 - +31641317731 Assignment issued: 28-04-2015 Report issued: 26-06-2015 Appraisal: 30-06-2015 in partial fulfillment of the requirements for the course of Design Project in Chemical Engineering at the Delft University of Technology, Technical advisor: Dr. P. Hamersma, TU Delft Creativity Coach: Prof. dr. B. Dam, TU Delft Principals: Ir. A. Didden, Frames Group Ir. A. Malhotra, Frames Group
  • 5.
    Preface For the conceptualdesign project of the master Chemical Engineering we, a group of four students, have been put together to work on an assignment for M/s Frames. The main purpose of the project is to decrease the size and costs of an offshore TEG gas dehydration unit, a widely used technique for gas dehydration. This has been done by adding new technologies from industry. For the past 10 weeks, literature studies were performed, contacts with professors and companies have been made and many simulations and calculations were done. After a study, some thorough & some brief, out of nine different technologies three were chosen to be added to the conventional process in order to try to decrease the CAPEX, OPEX and weight of the unit. Pervoparation membranes, a liquid turbochargers and injection of semi-lean TEG were included. The conventionally used process has been simulated to set a benchmark and the impact of all different techniques has been calculated. Thereafter the hybrid process was simulated. This resulted in a reduction of OPEX of € 70,000 per year, but also an increase of 15 million €, which means the CAPEX has doubled. The weight of the unit stayed more or less the same as is shown in the report. In the end it is concluded that the addition of liquid turbochargers has a positive effect on the total energy needed for the TEG transport throughout the plant. A reduction of 70% of energy consumption is achieved. The pervaporation membranes decrease the energy needed for reboiling but turn out to be very costly in capital expenses. As of now it is not yet beneficial to add these membranes as the rate of return is too low. It is expected that after more research the price of these membranes can drop however, as a larger surface area per unit can be achieved. This will cut down the capital costs of the membranes and make them a viable option in the future. The addition of semi-lean TEG injection proved a useful addition. It resulted in a size reduction of the still column, reboiler and surge vessel. To implement this technology in the conventional process however the design of the still column needs to be altered or the distillation needs to be done in two steps in order to provide a semi-lean TEG stream to return to the contactor (absorption tower). Team 10: Javier Leyva, Ameya Thakurdesai, Agnes van Endhoven & Toon Nieboer Delft, June 2015 iii
  • 7.
    Contents 1 Introduction andProject Charter 1 1.1 Background . . . . . . . . . . . . . . . . . . . . . . . . . . . . . . . . . . . . . . . . . . 1 1.2 Objectives . . . . . . . . . . . . . . . . . . . . . . . . . . . . . . . . . . . . . . . . . . . 2 1.3 Concept Stage. . . . . . . . . . . . . . . . . . . . . . . . . . . . . . . . . . . . . . . . . 3 1.3.1 Process synthesis. . . . . . . . . . . . . . . . . . . . . . . . . . . . . . . . . . . 3 1.3.2 Requirements . . . . . . . . . . . . . . . . . . . . . . . . . . . . . . . . . . . . . 3 1.3.3 Plant capacity and location . . . . . . . . . . . . . . . . . . . . . . . . . . . . . 4 1.4 Database. . . . . . . . . . . . . . . . . . . . . . . . . . . . . . . . . . . . . . . . . . . . 5 1.4.1 Component list . . . . . . . . . . . . . . . . . . . . . . . . . . . . . . . . . . . . 5 1.4.2 Component and thermodynamic properties . . . . . . . . . . . . . . . . . . . 5 2 Conventional Process 7 2.1 Process description. . . . . . . . . . . . . . . . . . . . . . . . . . . . . . . . . . . . . . 7 2.1.1 Contactor (C101) . . . . . . . . . . . . . . . . . . . . . . . . . . . . . . . . . . . 8 2.1.2 Flash (V201). . . . . . . . . . . . . . . . . . . . . . . . . . . . . . . . . . . . . . 9 2.1.3 Filters (S201) . . . . . . . . . . . . . . . . . . . . . . . . . . . . . . . . . . . . . 9 2.1.4 Reboiler (V202) & Still column (C201) . . . . . . . . . . . . . . . . . . . . . . 9 2.1.5 Stripping column (C202) . . . . . . . . . . . . . . . . . . . . . . . . . . . . . . 9 2.1.6 Surge (V203) . . . . . . . . . . . . . . . . . . . . . . . . . . . . . . . . . . . . . 10 2.2 Mass and energy balance . . . . . . . . . . . . . . . . . . . . . . . . . . . . . . . . . . 10 2.2.1 Simulation on Aspen Hysys. . . . . . . . . . . . . . . . . . . . . . . . . . . . . 10 2.3 Equipment sizing . . . . . . . . . . . . . . . . . . . . . . . . . . . . . . . . . . . . . . . 11 2.4 Total weight . . . . . . . . . . . . . . . . . . . . . . . . . . . . . . . . . . . . . . . . . . 12 2.5 Health, Safety & Environment . . . . . . . . . . . . . . . . . . . . . . . . . . . . . . . 13 2.5.1 Preliminary study of risks. . . . . . . . . . . . . . . . . . . . . . . . . . . . . . 13 2.5.2 Dow’s Fire and Explosion Index (F&EI) . . . . . . . . . . . . . . . . . . . . . . 14 2.5.3 Waste. . . . . . . . . . . . . . . . . . . . . . . . . . . . . . . . . . . . . . . . . . 17 2.6 Bottlenecks and possible improvements . . . . . . . . . . . . . . . . . . . . . . . . . 17 3 Innovation Map 19 3.1 Description of alternatives . . . . . . . . . . . . . . . . . . . . . . . . . . . . . . . . . 19 3.1.1 Improved TEG injection . . . . . . . . . . . . . . . . . . . . . . . . . . . . . . . 19 3.1.2 Microwave heating . . . . . . . . . . . . . . . . . . . . . . . . . . . . . . . . . . 19 3.1.3 Super-X packing . . . . . . . . . . . . . . . . . . . . . . . . . . . . . . . . . . . 20 3.1.4 Liquid turbochargers . . . . . . . . . . . . . . . . . . . . . . . . . . . . . . . . 21 3.1.5 Pervaporation membranes . . . . . . . . . . . . . . . . . . . . . . . . . . . . . 21 3.1.6 Molecular sieves + TEG unit . . . . . . . . . . . . . . . . . . . . . . . . . . . . 22 3.1.7 Addition of entrainer. . . . . . . . . . . . . . . . . . . . . . . . . . . . . . . . . 23 3.1.8 Vacuum operation in still column . . . . . . . . . . . . . . . . . . . . . . . . . 23 3.1.9 Rotating packed beds (HiGee) . . . . . . . . . . . . . . . . . . . . . . . . . . . 23 3.2 Selection of alternatives . . . . . . . . . . . . . . . . . . . . . . . . . . . . . . . . . . . 24 3.2.1 Turbochargers and split-flow injection . . . . . . . . . . . . . . . . . . . . . . 25 3.2.2 Alternative 1: Process scheme with microwave heating . . . . . . . . . . . . 28 3.2.3 Alternative 2: Process scheme with pervaporation membranes and semi lean injection . . . . . . . . . . . . . . . . . . . . . . . . . . . . . . . . . . . . . 30 3.2.4 Alternative 3: Process scheme with hybrid system . . . . . . . . . . . . . . . 38 3.3 Selection of the optimized process scheme. . . . . . . . . . . . . . . . . . . . . . . . 39 v
  • 8.
    vi Contents 4 HybridProcess 41 4.1 Process description. . . . . . . . . . . . . . . . . . . . . . . . . . . . . . . . . . . . . . 41 4.2 Material and energy balance . . . . . . . . . . . . . . . . . . . . . . . . . . . . . . . . 42 4.2.1 Energy demands . . . . . . . . . . . . . . . . . . . . . . . . . . . . . . . . . . . 43 4.3 Equipment sizing . . . . . . . . . . . . . . . . . . . . . . . . . . . . . . . . . . . . . . . 43 4.4 Total weight . . . . . . . . . . . . . . . . . . . . . . . . . . . . . . . . . . . . . . . . . . 47 4.5 Safety, Health & Environment . . . . . . . . . . . . . . . . . . . . . . . . . . . . . . . 47 4.5.1 Hazard and Operability study (HAZOP) . . . . . . . . . . . . . . . . . . . . . . 47 4.6 Process control and instrumentation . . . . . . . . . . . . . . . . . . . . . . . . . . . 48 5 Economic Analysis 51 5.1 CAPEX . . . . . . . . . . . . . . . . . . . . . . . . . . . . . . . . . . . . . . . . . . . . . 51 5.1.1 Conventional . . . . . . . . . . . . . . . . . . . . . . . . . . . . . . . . . . . . . 51 5.1.2 Hybrid . . . . . . . . . . . . . . . . . . . . . . . . . . . . . . . . . . . . . . . . . 52 5.1.3 Conclusions regarding CAPEX . . . . . . . . . . . . . . . . . . . . . . . . . . . 53 5.2 OPEX . . . . . . . . . . . . . . . . . . . . . . . . . . . . . . . . . . . . . . . . . . . . . . 53 5.2.1 Pumping . . . . . . . . . . . . . . . . . . . . . . . . . . . . . . . . . . . . . . . . 53 5.2.2 Heating. . . . . . . . . . . . . . . . . . . . . . . . . . . . . . . . . . . . . . . . . 54 5.2.3 Cooling . . . . . . . . . . . . . . . . . . . . . . . . . . . . . . . . . . . . . . . . . 55 5.2.4 Conclusion regarding OPEX . . . . . . . . . . . . . . . . . . . . . . . . . . . . 55 6 Creativity & Group Process Methods 57 6.1 Team division, process tools and results . . . . . . . . . . . . . . . . . . . . . . . . . 57 6.2 Creativity tools and results . . . . . . . . . . . . . . . . . . . . . . . . . . . . . . . . . 60 6.3 Process planning and results. . . . . . . . . . . . . . . . . . . . . . . . . . . . . . . . 61 6.3.1 Overall planning and deadlines . . . . . . . . . . . . . . . . . . . . . . . . . . 61 6.3.2 Work division . . . . . . . . . . . . . . . . . . . . . . . . . . . . . . . . . . . . . 62 7 Conclusions & Recommendations 63 List of Symbols 66 A Unit sizing 67 A.1 Contactor (C-101) . . . . . . . . . . . . . . . . . . . . . . . . . . . . . . . . . . . . . . 67 A.2 Vessel sizing (V201, V202 & V203) . . . . . . . . . . . . . . . . . . . . . . . . . . . . 68 A.3 Heat exchangers (E-201,202 & 203) . . . . . . . . . . . . . . . . . . . . . . . . . . . 69 A.4 Still Column (C-201) . . . . . . . . . . . . . . . . . . . . . . . . . . . . . . . . . . . . . 70 A.5 Pumps (P-101 A/B and 202 A/B) . . . . . . . . . . . . . . . . . . . . . . . . . . . . . 70 A.6 Pervaporation membrane module (S-202) . . . . . . . . . . . . . . . . . . . . . . . . 70 B Used graphs 73 C Flow sheet conventional design 77 D Stream Summary - Conventional Design Case 79 E Stream Summary - Turndown Case 83 F Microwave heating model 87 G Split flow model 89 H Model used for hybrid system 91 I Stream Summary - Hybrid: Design Flow 93 J Stream Summary - Hybrid: Turndown Case 97 K Stream Summary - Hybrid: Max Flow Case 101 L HAZOP and FEI 105 M Equipment Summary 109 Bibliography 135
  • 9.
    1 Introduction and ProjectCharter In this first section of the project, it will be described the background of the process as well as the objectives and requirements of the dehydration unit for the natural gas. Moreover, all relevant data necessary for further understanding of the process and design will be also displayed. 1.1. Background During the last 40 years, the production of natural gas has increased by more than a factor 3, resulting in a fast increase of the amount and size of production plants. This, plus the on going scarcity of oil and gas, forces companies to place drilling platforms on more remote and violent locations. These offshore platforms, where huge feeds of oil and gas are processed, must operate with as few equipment as possible to avoid the extra weight, trying to keep the production as cheap as possible. In 2010, 4.359 billion (4395·10 ) cubic meters of natural gas were produced worldwide. Norway is situated 2nd in the ranking of biggest natural gas producing countries with a production of 114.7 billion cubic meters. In 2010, production of crude oil, Natural Gas and pipeline services accounted for 50% of the export value of Norway and 21% of the GDP (gross domestic product). All of the oil and natural gas fields in Norway are located subsea on the Norwegian Continental Shelf, being the Troll field the largest single one, representing one-third of the country’s natural gas production. When natural gas is taken out of the ground it needs to be processed before it can be used commercially. A conventional gas sweetening process is displayed in figure 1.1. Figure 1.1: Simplified liquid natural gas plant diagram. Here the purple block indicates the gas well, the blue ones indicate process steps and the orange ones are the products of this industry. 1
  • 10.
    2 1. Introductionand Project Charter Natural gas that comes out of a well is saturated water. It often also contains other compounds such as Hydrogen Sulfide, souring the gas. These components must be removed following the scheme of figure 1.1. Moreover, several crucial reasons why water need to be taken out are presented below: • It can trigger the production of hydrates and of crystals. When transport of the natural gas is lead through long pipes, the chance of clogging becomes high and the removal of these plugs is expensive. • Water can cause corrosion to the pipelines. • It can cause slugging flow conditions which increases the pressure drop over the pipeline. • In presence of water, the heating value of gas decreases radically. [1] [2] [3] One of the most used dehydration processes is Glycol dehydration, with about 30,000 units in operation in the USA alone. This method can be performed with any Glycol solvent, but the mostly tri-ethylene glycol (TEG) is used. This process started to be used in the 1970’s and has not changed much since. In a contactor column of perforated trays or a packing, the wet gas stream and the TEG stream will meet in counter current. After absorption the TEG rich in water goes to a regenerator, where the water is taken out in a still column. The pressure difference between these two processes is usually very high, going from 160-170 bar to atmospheric. As mentioned before, the dehydration of Natural Gas using TEG has been used for over 40 years. Not much has changed to the way this process works over all the years. However, with a growing interest in process intensification and many developments in this field, it could be possible to decrease the size of the TEG unit while maintaining or even increasing the effectiveness. Parts of the system in which a potential weight loss can be significant are the TEG inventory and the size of the regeneration system. Examples of techniques that will be looked into are pervaporation membranes and microwave heating, among others, having the potential to reduce the size and price of the unit significantly. 1.2. Objectives The assignment, provided by Frames group, is to find and design a new dehydration unit by introducing new innovations in order to lower the CAPEX, OPEX and weight of the conventional TEG dehydration unit for an offshore platform using recent advances in science. Therefore, the first task that needs to be done is the definition of the conventional process.Then, the CAPEX, OPEX and weight of it will be set as benchmark. In the next stage, improvements will be proposed and their impact will be estimated especially in terms of CAPEX, OPEX and weight. Finally, conclusions and remarks will be posed about the proposed design of the unit.
  • 11.
    1.3. Concept Stage3 1.3. Concept Stage 1.3.1. Process synthesis The typical process for dehydration of wet natural gas can be simplified by splitting it in two parts, as shown in figure 1.2. The first part is where the actual absorption takes place. Lean water-free Glycol is contacted with wet Natural Gas in a contactor where the Glycol removes the water from the gas. Then, after this absorption, the dry gas rich in Methane is sent for downstream processing, whereas the rich TEG needs to be dehydrated and purified for reuse. From the regeneration subsystem also some overhead and waste streams are formed, that then will be treated. However, this part is out of the scope of this project. Figure 1.2: Block diagram of the process. Orange blocks represent the battery limits of the dehydration process whereas blue blocks represent steps taken in TEG dehydration. Hence, the battery limits of the unit are represented by the four orange circles shown in figure 1.2. There is only one inlet flow to the system, wet gas, and three outlet flows, dry gas product, drain and overhead gases. 1.3.2. Requirements The requirements for natural gas after dehydration are presented in table 1.1. Table 1.1: List of requirements as provided by Frames group Location Offshore fixed platform in Norway Water specification 24 mg/Sm Turndown 10% Pressure drop ≤ 0.25 bar Glycol losses contactor ≤ 10 l/MMNm (0.07 UGS/MMSCF) Others No mercury Notes. S= Standard Conditions of 1 bar and 15 °C N= Normal Conditions of 1 bar and 0 °C. (As agreed with Frames during Kick-off meeting) Although the implementation will be on a Norwegian offshore oil plant, the host country regulations will not be taken into account and the extra costs that come from the installation being on an offshore location need not have to be considered as this difference works for both the conventional and the suggested processes.
  • 12.
    4 1. Introductionand Project Charter 1.3.3. Plant capacity and location The capacity of the plant will be 380617 kg/h of wet natural gas which comes as feed stream to the unit. Once the mass balance and streams study is completed, it results that the plant will produce around 340000 kg/h of dry gas which includes small amount of water (24 mg/Sm3) coming out of the unit. This means that 2594 kg/h (purity wt 99.4%) of lean TEG are needed to absorb the 131 kg/h of water which needs to be removed. Given that the expected results are subject to 10% of turn down, the capacity of the plant must hold these fluctuations too. Figure 1.3: Norwegian geographical map, green areas are open for petroleum and gas platforms, red and orange are considered to be opened for industrial uses [4] The TEG dehydration unit will be located in the European country Norway, specifically in an offshore platform of its coasts situated in the North Sea. As shown in figure 1.3 the whole western part of the Nor- wegian coast in the North Sea is open for petroleum and gas industry. Norway is the world’s second biggest exporter of natural gas and the fifth biggest exporter of oil, at the same trying to become one of the world’s most environmentally friendly industries in this field. This country has high pollution standards and there is con- tinued work on reducing emissions and avoiding ac- cidents or spills. This sector is vital for the country’s economy, representing about 25% of the gross do- mestic product, 30% of the state income, more than 50% of export earnings and providing approximately 250,000 jobs, directly and indirectly. In addition, this industry not only helps to its own wealth fare, but also is a very important contributor for the innovation and technological development in other related sectors.[5] Norway has been producing gas for about 40 years, but at this moment its production has lowered till 20% of its highest peak. The development in natural gas exports from facilities on the Norwegian Continental Shelf (NCS) has drastically decreased as reported by the Norwegian Petroleum Directorate (NPD) from 2006 to 2013. [6] The natural gas extraction has reduced total sales gas volumes with around 4% relative to what was exported from the production installations. In spite of this trend, optimism is present because of the discovery of new reserves, even in mature areas. Together, these will amount to 400-600 million barrels of oil equivalents allowing new projects in Norwegian waters in the next 10-15 years. Although the production costs are relatively high in the North sea, the quality of the oil and gas, the political stability of the region, and the close proximity to important markets in western Europe has made it an important oil and gas producing region. The largest natural gas field in the North Sea, the Troll gas field, lies in the Norwegian trench dropping over 300 metres. This required the construction of the enormous Troll A platform to access it. Besides it, in the Ekofisk oil field, the Statfjord platform is also notable as it was the cause of the first pipeline to span the Norwegian trench. The average air temperature in summer is 17°C while it is 6°C during the winter. The average temperatures have been trending higher since 1988, which has been attributed to climate change. Air temperatures in January range on average between 0 to 4°C and in July between 13 to 18°C. The salinity averages between 34 to 35 grams of salt per litre of water, having its highest variability where there is fresh water inflow, such as at the Rhine and Elbe estuaries, the Baltic Sea exit and along the coast of Norway. With growing demand for improved gas technology, this field is suitable to process intensification. As stated in the Petroleum White Paper, the Government has confirmed the strategy for developing the petroleum and gas with a proactive, parallel commitment to increased recovery from production fields, developing commercial/profitable discoveries, exploring in open acreage and opening up new areas.
  • 13.
    1.4. Database 5 1.4.Database In this section of the project, all relevant data of the compounds involved is tabulated. This is also the data that is used in the simulations. 1.4.1. Component list In this project only three different species are observed. TEG, natural gas and water. The natural gas coming out of the well consist of the components shown in table 1.2. The properties of the different species are discussed later in this section. Table 1.2: List of components in Natural gas provided by Frames Component name Mol. % H O @saturation N 0.18 CO 3.58 Methane (CH ) 86.49 Ethane (C H ) 5.33 Propane (C H ) 2.18 i-Butane (C H ) 0.49 n-Butane (C H ) 0.89 i-Pentane (C H ) 0.25 n-Pentane (C H ) 0.24 C + 0.33 1.4.2. Component and thermodynamic properties Table 1.3: Component and thermodynamic properties of Triethylene Glycol and water Property Value TEG Value water Molecular Formula C H O H O Molecular Weight 150.17kg/kmol [7] 18 kg/kmol Boiling Point 285 °C[8] @ 1 atm 100 °C @1 atm Melting Point -7 °C [8] 0 °C @ 1 atm Density 1127.4 m @ 15 °C [8] 998.3 kg/m @ 200 °C[9] Viscosity 0.00478 Pa.s @ 200 °C[8] 0.001003 Pa.s @ 200 °C [9] Vapour Pressure <0.001 kPa [7] 2337 Pa @ 200 °C [9] Heat of Vaporisation 61.04 kJ/mol @ 1 atm [8] 2257 kJ/kg @ 1 atm[10] Triethylene Glycol (TEG) TEG is the water absorbing species in this system. It is a colorless, viscous liquid, well known for its hygroscopic properties and its ability for dehumidifying fluids. It is used especially as a desiccant for dehydration of Natural gas. It will however degrade when the temperature rises above 204 °C, this makes good temperature control important and hotspots should be avoided. It’s thermodynamic properties can be found in table 1.3. Water Water is the universal solvent. Industrially, water has been used for many purposes, especially for cooling. The natural gas obtained from wells is saturated with water which needs to be removed due
  • 14.
    6 1. Introductionand Project Charter to the reasons mentioned in section 1. The thermodynamic properties of water are also listed in table 1.3 Natural gas Table 1.4: Component and thermodynamic properties of natural gas Property Value natural gas Molecular Formula 86.49% CH Molecular Weight 19.5 kg/kmol (Frames specified) Density [11] 0.79-0.9 kg/m @ STP Net Heating Value [11] 46054800 J/kg (11000 kcal/kg) Natural gas, consisting of predominantly Methane, is a hydrocarbon gas formed due to fossilization of buried plants and animals. For these species to become natural gas they were below the earths surface for over a thousand years. It is a non-renewable source of energy and is typically used for heating (industrial) and cooking (domestic). Some of the properties of Natural gas are given in table 1.4. The specification of the natural gas that comes from the specific well in Norway are given in table 1.2.
  • 15.
    2 Conventional Process In thischapter the conventional process currently used in the industry to dehydrate natural gas is described. Firstly a process scheme is shown and later every step is explained into detail. A few remarks on how this process is modelled in Aspen Hysys are given. All equipment sizing is explained and a safety assessment is done. Lastly a few comments on bottlenecks and areas to improve will be mentioned. 2.1. Process description In this section the conventional process for dehydration using TEG widely used in industries is described with all details taking into consideration the technical and feed requirements stated. These will be used to define the conventional benchmark as well as rooms for improvement in the different pieces of equipment. The conventional process is depicted in figure 2.1. Figure 2.1: Flowsheet of currently used TEG dehydration process. In green the Absorption unit (U100) and in purple the Regeneration unit (U200). 7
  • 16.
    8 2. ConventionalProcess 2.1.1. Contactor (C101) Streams in: Wet gas <102>, Lean TEG <103>. Streams out: Dry gas, Rich TEG <104>. The absorption column, also called the contactor in this process, is the main piece of equipment of a TEG dehydration process. In the absorption process, a liquid is used to contact wet gas and remove the water vapor. With absorption, the water content in the gas stream is dissolved in a relatively pure liquid solvent stream. To achieve this it is necessary to create a surface area as large as possible between the two phases. This can be achieved using several pieces of internal equipment, such as: • Division into trays. • Random packing. • Structured packing. Trays Figure 2.2: Typical bubble cap plate column for TEG dehydration contractor[12] One way to achieve a high surface area between the two phases is to divide the column into trays as displayed in figure 2.2. Gas flows from below each tray through bubble caps, which ensures the formation of small bubbles of gas. Each tray is filled with liquid glycol which accumulates due to an overflow wall at the tray. The small gas bubbles provide a large surface area which is needed for the mass transfer. Because the bubbles rise relatively fast the contacting time is short. Hence equilibrium is not reached. Therefore several trays are needed to reach the dehydration specifications for gas transport, usually 6 to 20 trays are used, spaced approximately 61 cm apart.[13] Random packing Various types of random packing are also used in glycol contactors to achieve a high surface area for mass transfer. The total height of the packing in the vessel can be calculated from the number of theoretical stages used in the design. Typically suppliers of the packings have correlations for packing height needed per theoretical stage. Structured Packing Structured packing is to load the column with arrangements of steel internals over which the glycol flows downward. The gas flows upward through the pack- ing and has a large contact area with the glycol. This provides a very efficient way for mass transfer to occur and is therefore used the most throughout offshore dehydration[13]. Just as in random packing, suppliers have developed a relationship between the packing height needed and the number of theo- retical stages. When designing the column it is essential that the glycol is distributed evenly over the top of the packing, to ensure a good mass transfer area. A typical structured packing is displayed in figure 2.3. Usually a structured packing is used as it provides the best mass transfer surface area compared to random packing and tray columns. A larger surface area provides a better mass transfer and therefore a smaller column. The wet gas is fed at the bottom of the column and dry gas leaves the top. At the top the lean glycol is fed and the rich glycol will be returned below the wet gas feed.
  • 17.
    2.1. Process description9 Figure 2.3: Typical structured packing used in the industry[14] 2.1.2. Flash (V201) Streams in: From HX (E201) <203>, Streams out: Drain, OVHD & to filters (S201) <205>. (The stream numbers depicted refer to Figure C.1 in Appendix C) Due to the high pressure used in the contactor some gas is physically dissolved in the liquid glycol. The higher the pressure in the contactor, the more gas dissolves in the liquid. A flash tank is needed to take that portion of gas out of the liquid. The liquid first gets heated in the still column and afterwards it is depressurised in the flash tank. With these changes the gases evolve from the glycol in the gas tank. It is designed as a three-phase separator to help remove any condensate in the liquid and therefore increase the lifetime of the downstream filters. 2.1.3. Filters (S201) Streams in: From flash (V201) <205>, Streams out: to HX (E202) <206>. To prevent clogging and optimal conditions for glycol it is very important to keep the glycol as clean as possible. Impurities might also cause foaming in the still or contactor. Therefore filters are installed to take out impurities. Particle filter are usually in operation all the time to take out any condensate in the liquid. Carbon filters can be bypassed most of the time and will be installed on stream, if there are no hydrocarbons in the stream. 2.1.4. Reboiler (V202) & Still column (C201) Streams in: From HX (E202) <207> & OVHD, Streams out: to OVHD & to Surge <208>. The rich glycol is preheated through heat exchange with the lean glycol leaving the reboiler and enters the top of the still column. By taking the temperature near the boiling point of glycol the glycol release the absorbed water and any other compounds until a purity of 99.4% is reached. The reboiler is heated through a fire tube in which natural gas, sometimes from the flash, is burned. The reboiler and the still run at near atmospheric pressures. 2.1.5. Stripping column (C202) Streams in: From reboiler (V202), Streams out: To Surge (V203). A stripping column is inserted between the reboiler and surge to achieve the highest purity possible. As stripping gas the gas phase from the flash vessel is used. A part of the water will dissolve in the gas phase and be taken out to overhead treatment. The opposite happens from what is happening in the contactor.
  • 18.
    10 2. ConventionalProcess 2.1.6. Surge (V203) Streams in: From Stripping (C202), Streams out: To booster pump (P201) <210>. Due to the fluctuations in the gas feed, the circulation might not always be even. A surge drum is installed to allow for these fluctuations and to achieve a constant recirculation of TEG. An additional benefit is the fact that it can be used as a check to see if everything is still working correctly. When the level is significant lower then the needed of the vessel either a leak or holdup is present in the system. 2.2. Mass and energy balance The inlet wet Natural gas flow for the design case is given to be 380617 kg/hr at 156.5 bar(a) and 35 °C , the outlet dry gas water fraction and the glycol loses must be lower then 24 mg/Sm , as described in Table 1.1. From the above information, the quantity of water required to be removed in the design case and in the turndown case were calculated. For systematic design of the Dehydration unit,a step-wise method given by Campbell [15] was used. It consists of following steps: • Calculation of TEG concentration: The minimum concentration of lean TEG required for dehy- dration of natural gas was calculated by first estimating the dew point of the outlet dry gas at given conditions from the water content in natural gas v/s water dew point graph available in [15] and figure B.2. From the calculated dew point, the concentration of lean TEG required was calculated from the equilibrium dew point v/s inlet gas temperature graph available in [15] and figure B.1.From this procedure, we find that the minimum concentration of the lean TEG required for our case is 99.2% wt. • Calculation of lean TEG circulation rate: From the knowledge of the water content in and targeted water content out of the contactor, the TEG circulation rate was calculated by considering a ratio 20 kg TEG/ kg water removed for a number of theoretical stages of N=1.5. This ratio was agreed upon during the BOD meeting with Frames. The number of stages were chosen taking into account that most TEG contactors work with 6 actual trays (tray efficiency is considered to be 0.25). The circulation rate for TEG was calculated to be around 2594 kg/hr for the design case using this method. In the regeneration section, the stripper column was assumed to have 3 stages.This was assumed taking into consideration that normally the stripper column(or still column) has a lower number of stages than the contactor. The exhaust gas from the flash is also diverted to the stripping column so as to aid in removing water from rich TEG.It enters the stripping column via the reboiler. Before it enters the reboiler, it is contacted with outgoing hot TEG. For determining the pressure of the flash drum,the still top was assumed to be at 1 bar and subsequently heat exchanger pressure drops(0.5 bar each) were added. This gave around 4 bar operating pressure for the flash drum including some margin. 2.2.1. Simulation on Aspen Hysys Using the background calculations as basis, the process was simulated for design and turndown case in Aspen Hysys platform using the Glycol Package for thermodynamic calculations. This package was chosen as it is highly recommended for systems involving dehydration of gas with TEG. The following observations were made during simulation: • The concentration of TEG from the regeneration increased to 99.4% on simulation and so to be consistent, the lean TEG concentration of 99.4% was used for the complete simulation. The total stream summary can be found in appendix C. • It was argued that by decreasing the TEG flow proportionately for a 10% turndown would cause cavitation in pumps and may even lead to weeping in the regeneration column. Therefore, the lean TEG flow for the turndown case was maintained at 33% (which corresponds to 877 kg/hr). The total stream summary can be found in appendix E.
  • 19.
    2.3. Equipment sizing11 Energy demands From the Aspen Hysys simulations the energy demands in pumping and heating can be found. Table 2.1: Energy demands per type Location Type Energy duty [kW] P101 Electrical energy 13.4 P202 Electrical energy 0.155 Reboiler Gas heating 191.5 Total 205.055 Cooling E203 Sea water cooler -103.5 C201 TEG Condenser -49.85 Total -153.35 Heat exchanger E201 HX 88.5 E202 HX 168.5 2.3. Equipment sizing All sizing presented in this section has been done following the methods described in appendix A. Every size is reported tabulated and with equipment name. Vessel weight estimation have been preformed using the method described in Sieder et al[16]. There it is estimated that vessel weight depends on wall thickness of the shell, assuming the shell to be evenly thick throughout the vessel. 𝑊 = 𝜋(𝐷 + 𝑡 )(𝐿 + 0.8𝐷 )𝑡 𝜌 (2.1) With: L = length of vessel [m] 𝐷 = Diameter of the vessel [m] 𝜌 = Density [kg/m ] 𝑡 = Wall thickness [m] Heat exchanger weights are estimated using Aspen Hysys. Only motor weights have been used to estimate weight of pumps[17]. Contactor Table 2.2: Size and weight comparison of the conventional contactor column Name Type Diameter [m] Height [m] Wall Thickness [mm] Weight [kg] C-101 Column 2.04 12.2 190 143135
  • 20.
    12 2. ConventionalProcess Vessels Table 2.3: Vessel volumes Name Type Volume Diameter Length Wall Thickness Weight [m ] [m] [m] [mm] [kg] V-201 Flash 0.535 0.554 2.217 6 221 V-202 Reboiler 0.465 0.529 2.117 6 202 V-203 Surge 1.16 0.719 2.875 6 371 Heat exchangers Table 2.4: Total surface area needed per heat exchanger Heat exchanger Surface area [m ] Weight [kg] E-201 28.45 1253 E-202 147.0 3390 E-203 17.3 800 Basis and method of calculation of the area of heat exchanger is given in Appendix A Section Still column Table 2.5: Size of the conventional still column Name Type Diameter [m] Height [m] Wall Thickness [mm] Weight [kg] C-201 Still column 0.28 6.5 10 476 Stripping Column Table 2.6: Size of the conventional stripping column between the reboiler and the surge Name Type Diameter [m] Height [m] Wall Thickness [mm] Weight [kg] C-202 Stripping column 0.25 0.5 6 32 Pumps Table 2.7: Power requirement per pump Pump Head [mlc] Power [kW] Weight [kg] P-101A/B 1370 13.4 564 P-202A/B 20 0.155 22 2.4. Total weight Adding all the weights of the separate pieces of equipment together, a total weight for the whole unit can be estimated. In the case of the conventional process, this weight is estimated to be 150466 kg. This is the dead weight of the unit without the weight of piping and the weight of the framework where the unit is build.
  • 21.
    2.5. Health, Safety& Environment 13 2.5. Health, Safety & Environment 2.5.1. Preliminary study of risks One of the major points of the project is the analysis of risks and dangers arising from the unit. In order to reduce them from a process design point of view the Dow’s Fire and Explosion Index (FEI) has been performed on the absorber unit in the process. In addition, an analysis of the hazards of the compounds present in the system as well as the possible waste generated was also carried. The two major two flows present in the system are triethylene glycol and natural gas, described below. Triethylene Glycol Figure 2.4: Safety of TEG Some of the most important properties of triethylene glycol (TEG) regarding safety are stated in table 2.8, where one can appreciate that the boiling point is really high as well as the auto-ignition temperature, reducing its risk. Furthermore, there will be no explosion danger and there is little toxicity danger, as shown in figure 2.4. Re- lease of TEG into in the environment should be avoided as much as possible, because the products of its biodegrada- tion are more toxic than TEG itself. Moreover, in the case of leak, the TEG should be diluted with water and absorbed into an inert material, whereas in the case of fire, the fire should be extinguished with powder, water spray or foam. No water jet should be used. Contact with heat sources should be avoided. Finally, direct contact with TEG should be avoided. When in contact with eyes or digested a doctor should be contacted. Table 2.8: List of properties for TEG [18] Properties of TEG Value Boiling point 285 C Auto-ignition temperature 371 C Flash point Closed cup 177 C Open cup 165 C Flammable limit Upper limit 0.9 % Lower limit 9.2 % LD (oral) 4700 mg/kg TLV 10 ml/m Natural gas Figure 2.5: Safety of natural gas Natural gas is highly flammable, creating the risk of explo- sions, as can be seen in figure 2.5. Table 2.9 shows the explosion limits of methane, which is a key component of natural gas. A fire can not be extinguished unless the source of the gas has been closed. So, it is advisable to let all the gas burn up and then extinguish the fire with dry chemicals, foam or CO . In addition, when the gas is kept under pressure it can lead to the risk of frostbite, which occurs when high-pressure gas is released, expanding and cooling down. This is however more dangerous when handling liquefied gas, but in this system the natural gas remains in the gas phase. The gas is not toxic but when released can be highly dangerous because it can cause asphyxiation by drawing out all the oxygen. It has been found that up to concentrations of 10 000 ppm no physical changes occur when a human is exposed. Studies have shown that there are some physical complications in test animals who are exposed to high concentrations of methane (up to 70%) while having enough
  • 22.
    14 2. ConventionalProcess oxygen, but not much has been documented on these phenomenon and it seems unlikely that these circumstances will occur on the plant.[19] Table 2.9: Explosion limits of methane (key component in natural gas)[20] Properties of methane Value Explosion limits Lower 5% Upper 15% Health, Safety and Environment assessment In conclusion, both components in the system are not extremely toxic. Good ventilation is important to prevent a build up of natural gas in closed spaces because this can lead to asphyxiation. Then, natural gas should not end up in the environment, hence if natural gas needs to be disposed of, it should be burned, leading to mostly H O and CO . A danger of high concentrations of CO is that it is heavier than oxygen and can therefor accumulate at the surface. This can cause asphyxiation. Also, although TEG is not very toxic, the products of the degradation are. The liquid TEG needs to get diluted with water and then absorbed into an inert and collected. When this is done, what remains can be diluted again and disposed of through the waste water system. Finally, the conditions at which the system operates are relatively mild. The highest temperature reached will be around 200 °C. Only one recorded incident has been found. In may 2013 in Spain a fire occurred after TEG was added via the TEG inlet. The TEG inlet was aimed at a hot spot and the TEG vapor caught fire. It was only reported as a level 1 emergency shut down. [21] If TEG or natural gas leak from the system, the chance of it reaching a hot surface or an ignition spot should be decreased as much as possible. Another big risk comes with the high pressure in the absorption tower. When the vessel or piping at high pressure breaks, it can result in an explosion and both TEG and Natural gas can be released. The sudden expansion of the natural gas can cause frostbite. Also the chance of an explosion of natural gas will increase in these conditions, resulting in big amount of natural gas released in a very short time. In addition to the HSE assessment, a bow tie diagram has been made, shown in figure 2.6. For this, it was selected that the high pressure of 156.5 bar in the contactor is the most hazardous condition present in the process and the selected top event is a rupture in the wall of the contactor. The bow tie can be used to identify threats that increase the chance of the top event happening. It also contains the consequences of that top event. Also barriers to decrease the treats and the consequences of the top event are added. 2.5.2. Dow’s Fire and Explosion Index (F&EI) In order to classify the risk of the dehydration process, a fire and explosion index has been made. The tabel with assigned values and the final F&EI can be found in appendix L The two species in the system that are capable of creating a fire or explosion are TEG and natural gas. Because natural gas exists of multiple species, the properties of methane have been used, since the largest part of natural gas consists of this. The information needed for the F&EI is in table L.1. For the F&EI the material with the highest Material Factor(MF) needs to be used for the calculations. In this case this will be the natural gas because the methane has an MF of 21. Also the unit which will be looked at needs to be specified, in this case the contactor. The species present in this unit are natural gas, TEG and water. Base factors This subject is cut into multiple items. The only items which get a penalty are: Material Handling and Transfer, Access and Drainage and Spill Control. These items get penalties because of the highly flammable nature of natural gas, the inaccessibility of an offshore platform and the difficulty in im-
  • 23.
    2.5. Health, Safety& Environment 15 Figure2.6:Bowtie
  • 24.
    16 2. ConventionalProcess Table 2.10: List of properties of TEG and Methane for determining the F&EI Properties TEG Methane Material Factor 4 21 H 9.3·10 21.5·10 N 1 1 N 1 4 N 0 0 Flash point 350 °F Gas Boiling point 546 °F -258 °F plementing a draining system and prevention measures for spills. The total penalty adds up to be 2.70. Special process hazards Some of the items that got a penalty in this subject were the pressure, which is high in the contactor, which receives a penalty of 0.48. Also the quantity of flammable material got a high penalty, 3. The total penalty for Special Process Hazards adds up to 5.18. Conclusion The final Fire & explosion index turns out to be 294 which categorizes this unit in the severe degree of hazard region. The exposure radius for this F&EI will be 70 m. This will mean that a large part of the platform will be affected by an explosion. There are no structures around the platform which makes the consequences for second parties minimal. Loss control credit factors The fire and explosion index can be reduced when measures against fire and explosions are present. Therefor a few thinks need to be present in the final design of the unit itself and the surrounding plant • Emergency power In case of an emergency there can be a power outage, it can be possible to automatically go to emergency energy. If we have a power outage there will be no drying of the gas anymore but there will be no possibility for for instance a runaway reaction or agitation for which it might be necessary to have a big emergency supply of energy. • Cooling Our system does now only have one cooling device and no backup, but because there is no chemical reaction in our system but only separation the consequences of losing a cooler will not directly cause a fire or explosion. • Emergency shutdown If something abnormal happens the entire system should be shut down completely. If this hap- pens automatically than the reduction of the F&EI is bigger than when it only sounds an alarm. • Computer control The bigger part of the system is controlled via computers, the more reduction is given to the system. The more advanced the system the better. Material isolation credit factor In this section items that prevent the build up or spilling of material to places where they should not be, both within or outside the system.
  • 25.
    2.6. Bottlenecks andpossible improvements 17 • Remote Control Valves These are valves that can isolate different sections of the process. This can prevent spreading of hazardous material or fire. • Dump/Blow-down This means that there is a vent with flair present in case the natural gas present needs to be released. Also a way to remove the TEG from the system should be present. • Drainage On land the ground has to have a slope of 2% that leads to a drainage trench. This will be more difficult on a platform since we will not have much space for draining reservoirs. • Interlocks Thee prevent incorrect material flows within the system. Fire protection credit factors These are things that should be present on a plant in case a fire breaks out. • Leak detection Gas detectors should be present on the plant. These need to sound an alarm, and even better would automatically start the protective system to prevent a fire or explosion. • Structural steel The weight bearing steel steel needs to be fireproofed. • Fire extinguishing On the offshore plant enough water will be present. Only thing extra needed are pumps that can create enough water pressure. If the fire is burning on TEG it should be extinguished with CO or foam. This requires a special system. There should be an automatic water or foam sprinkler system present. • Hand extinguishers/monitors There should be an adequate supply of hand extinguishers present on the plant. These will have no effect when the fire is from a big spill. • Cable protection The cables needed for the equipment are vulnerable to fire and need extra protection. These should not be forgotten when the plant is set up. 2.5.3. Waste There are two waste streams leaving the TEG dehydration system, both from the regeneration unit. One is a liquid outflow from the flash equipment which will prevent buildup from unwanted species. The second one is a combination of the vapour gas outflow from the flash and the water rich outflow from the separation units (still column and pervaporation membranes). Because this specific unit is on an offshore gas platform, using a flair to burn the waist would be too dangerous. Therefore, all waste streams will be incinerated. 2.6. Bottlenecks and possible improvements The requirement in offshore engineering is striving for the lightest and smallest equipment as a gain in weight will have an effect on the total investment for a platform. The biggest piece and heaviest piece of equipment is the absorption column (C101). As only approximately 40% of a typical contactor column consist of the packing and transfer area and the rest is filled with equipment and spargers it is not expected that a large weight gain can be achieved there.
  • 26.
    18 2. ConventionalProcess Thus, it was identified that the majority of changes according to the objectives of the project can be done in the regeneration subsystem, because it contains more pieces of equipment, almost all the TEG stored and the conditions on the TEG are more strict in this section (i.e. 150-200 °C). For these reasons the focus of the alternative technologies will be in this unit of the system. Furthermore, the TEG inventory and regeneration loop can provide also some weight loss. By using a more effective separation in the contactor the TEG circulation rate can be lowered. This leads then to a reduction of TEG inventory, which leads to smaller equipment especially in the form of the reboiler and the surge (V-202) & (V-203), with volume of respectively 0.667 m and 1.16m . This will lead to a weight reduction as less steal is needed. Also different techniques of TEG dehydration need to be considered to reduce the size and costs of the total regeneration loop. Finally, the biggest energy demand is identified from the reboiler which requires 194 kW to run efficiently. Also the injection pump of 13.4 kW contributes to the total energy demand. By reducing both, the total operational costs can be cut down and more efficient and cheap operations can be carried out. This reduction in energy demands can also be achieved using a completely different technique of TEG dehydration, as mentioned before. In the next chapters recent advances from science will be discussed and reviewed in order to check its usability in this process. From these concepts, a new system will be then proposed and the possible optimization and improvements achieved will be calculated and reviewed.
  • 27.
    3 Innovation Map All innovationand improvement opportunities are described in this chapter. First all considered alterna- tives are described in a technological and more qualitative way and their beneficial effects are touched upon. After that a preliminary cut will be made to discard technologies which have too many down- sides. Later different process schemes are proposed and studied quantitatively and then researched for beneficial effects on this system, regarding CAPEX, OPEX & weight. Here calculations and simulations are tried upon the new technologies which were earlier proposed. Lastly the final system is chosen which will be modeled and designed in the rest of this report. 3.1. Description of alternatives Carrying out an analysis on the different parts of the TEG dehydration unit, it is clearly observed that improvements can be implemented in every piece of equipment such as the contactor, reboiler, still column, heat exchangers, flash vessel and/or pumps. A change of solvent for the dehydration process was also considered, but it was decided to continue the optimization of the process with TEG, because it is the most used solvent used in the natural gas dehydration industry. Therefore, taking into account new advances and approaches in process engineering, an extensive research was made based on different criteria (feasibility, applicability, cost, experience, effectiveness, weight and size), leading to the descriptions and final selection of the more appropriate alternative for this process. 3.1.1. Improved TEG injection This technology basically splits the TEG inlet stream introducing the lean solvent in different stages of the contactor column instead of only one. Hence, as there are multiple TEG injection points, lean TEG contacts wet gas earlier in the column, increasing the effectiveness of the water removal due to a better mass transfer. This option will not reduce too much the size of the contactor, because the packing (mass transfer zone) only represents about 25% of the piece of equipment, but it might reduce the necessary inventory of TEG and, therefore, the energy consumption, weight and costs. An alternative TEG injection method is to use semi lean TEG out the reboiler, before the stripping column. Injecting this semi lean TEG halfway the column, where there already is a lot of oxygen absorbed in the TEG. This can lower the size and energy needed for reboiling and it will lower the size needed for the surge. An extra injection pump however is needed to pressurise this semi lean TEG. 3.1.2. Microwave heating Microwaves are electromagnetic waves with a wavelength between 1 mm to 1 m. These microwaves affect the dielectric molecules, which start re-orienting themselves and try to follow the direction of the field created by the waves. The friction that occurs because of this movement generates heat. 19
  • 28.
    20 3. InnovationMap Advantages of this technique are that there is no heat transfer zone so the heating occurs in the entire volume that is being irradiated. The waves are selectively being absorbed and a rapid heating can occur. The dielectric component in the TEG regenerator is water, this is the species that needs to evaporate out of the TEG. This will also be the target specie of the microwaves generating the heat, which means that the water in the mixture can become warmer than the TEG, which will lead to faster evaporation. TEG however has an interaction with water molecules as it contains alcohol groups. This can lead to the TEG heating up as well. No test regarding this specific process to check if only the water heats has been done as of now. The molar fraction of water molecules of the feed stream is 32 mol%. Regarding this high molar concentration it can be expected that there is a lot of contact between water and glcyol and therefor energy transfer. A different benefit is however, while there is no heat transfer area, the total volume of TEG and water can be heated at once and uniformly. Figure 3.1: Microwave heating[22] Experiments showed that only heating up the liquid will not benefit the separation of the binary mixture[22] and the stirring will also create a uniform temperature in the liquid phase which takes away the advantages of the selective heating. However, when also the surface is irradiated with microwaves the separation of the more volatile species is more effective than in a separation without microwave heating. One explanation of this is that very locally high temperatures will occur, resulting in a smaller column with fewer trays. These so called ”hot-spots” can lead to a fouling in TEG, as TEG thermally degrades at temperatures above 210 C.[7] Discussion with professor Stankiewicz and Dr. Guido Sturm however provided a different outlook as they mentioned new ways of heating which was very controllable an predictable and therefor those hot-spots can be avoided. The uniformity of microwave heating however is debatable. In literature it is described that by absorption in the medium the intensity of the field will drop quickly. This leads to a large part of the volume not heated and parts of the volume overly heated [23]. Dr. Guido Sturm mentioned however that this effect can be reduced a lot, because the behaviour of microwaves can be described quite good. By altering the field and radiation techniques these hot spots can be minimized. This is not done on a larger scale then lab, but shows good promise. The currents hurdles in the use of microwaves in industry are the yet unreliable scale up of the process, which can be helped by modeling the field and design it that way. Another hurdle is the implementation of microwave equipment into conventional chemical equipment. 3.1.3. Super-X packing The Super X-pack packing is an innovation which is fabricated to mimic fractal structures. These fractal structures, shown in figure 3.2, are known to enhance transfer rates, leading to a decrease in TEG inventory. This packing could be beneficial in both the regenerator as well as in the absorber.
  • 29.
    3.1. Description ofalternatives 21 Figure 3.2: Nagaoka Corp. Super-X packing The Nagaoka International Corporation, which developed the Super X-pack packing, made very interesting claims with the development of this technology. The company claimed a reduction of the pressure drop by a factor of 3, while the pack- ing reduced the height of the column by a factor of 5 compared to conventional column, achieving up to 80% energy saving [24]. However, despite these advantages, severe operational problems were encountered, mostly due to the packing getting clogged and fouled, which eventually lead to the stopping of the com- mercialisation of the packing. 3.1.4. Liquid turbochargers A turbocharger, is an induction device used to al- low more power to be produced by an engine of any given size. A engine with a turbocharger can be more efficient than a naturally aspirated en- gine, because the turbine forces more air, and proportionately more fuel, into the combustion chamber than atmospheric pressure alone. [25] Applied to process engineering it can be used to transfer pressure using kinetic energy. A high- pressure fluid or gas is used to drive a turbine which pressurises a low pressure liquid. Within TEG dehydration it can be used to pressurise the lean glycol heading for the contactor, by transferring the energy available in the rich Glycol. Figure 3.3: Liquid Turbocharger [26] As 50% of the total cost of gas refining is represented by energy costs, the addition of a turbocharger can provide a significant cut down in operational costs. By using a liquid charger less investments need to be done regarding pressurising the glycol, therefore a cut down in capital expenditure is also expected. The company Energy Recovery claims an energy efficiency of up to 80%. On the other hand, this technology reduces the degrees of freedom of the system, as it combines different streams of the process. These Glycol powered pumps are currently sold skid mounted by companies such as Kimray and Rotor-Tech. 3.1.5. Pervaporation membranes This technology is itself a combination of two others. On the one hand it there is a permeation, transport through a membrane, on the other there is evaporation, changing its phase from the liquid
  • 30.
    22 3. InnovationMap to the vapour phase (see figure 3.4). Therefore, the water of TEG-water mixture in our regeneration system might be taken out using a hydrophilic membrane as a selective barrier between the liquid phase feed and the vapour phase permeate allowing the desired molecules to diffuse through it by vaporization. Figure 3.4: Pervaporation membrane for dehydration One of its main benefits is not being a pressure driven process. Instead, the driving force is due to a higher chemical potential on the feed side than on the permeate side. The gradient in chemical potential is then maximized by using high feed temperatures and low pressures on the permeate side as well as combining polymer properties for membrane. [27]. By replacing distillation by the pervaporation membranes for the Glycol regeneration subsystem, according to Pervatech company savings up to 75% on regeneration equipment and 30 to 50% reduc- tion on energy usage can be achieved. However, membrane units, including the need for vacuum, are currently relatively expensive. Also, if the supply contains suspended matter or dissolved salts mem- brane pollution may be encountered. In this case, an effective pretreatment must be implemented. e.g. filtration.[28] 3.1.6. Molecular sieves + TEG unit Molecular sieves are usually installed in applications in which very low residual water content is required, such as ahead of a low temperature hydrocarbon extraction process. They are suitable for drying very sour natural gas that also contains aromatic compounds. However, heavier hydrocarbons might be difficult to remove from the silica gel during the regeneration step. These solid compounds (silica gel or zeolites) used as molecular sieves are prepared as round or slightly elliptical beads having a diameter of about 4 to 6 mm. Each of these compounds has its own characteristic affinity and adsorptive capacity for water, so a good selection is crucial in the process.[29] While dehydration with Glycol is the most common process used to meet the water dew point specification for sale the gas, under certain conditions solid adsorbents are also used for this purpose. i.e. Molecular sieves are used for many offshore applications such as floaters (FPSO’s). The positive side of molecular sieves is that they can handle wave-motions very well. The downside is the scale and weight of the units. A molecular sieve dehydration unit after a TEG dehydration unit, will be used for polishing and increasing water removal efficiency. It will be able to achieve very low dew points which are required for cryogenic plants. Additionally, molecular sieve units can also handle large flow variations as well as higher inlet gas temperatures. However, they have higher initial capital investments, are way bigger and heavier than comparable Glycol units.
  • 31.
    3.1. Description ofalternatives 23 Figure 3.5: Molecular sieve for water adsorption 3.1.7. Addition of entrainer Heterogeneous azeotropic distillation is a widely used technique to separate non-ideal mixtures. The procedure is incorporating a new component (entrainer) in the system such as toluene or octane. The entrainer will form a heterogeneous azeotrope with water of the initial mixture. Then, the azeotrope having minimum boiling point goes to a decanter and splits in two liquid phases. The stream rich in the entrainer is recycled back to the azeotropic column and the other water rich goes to treatment. This azeotropic distillation has various advantages such as a high efficiency of separation, low reflux ratio and a reduced heat energy and it can be a suitable solution for the regeneration part. However, adding a third component always increases the complexity of the separation. The gas-liquid composition distribution in the column is much more complicated than that in the usual one, and a stable operation of a distillation column is very difficult. It is also necessary to add more pieces of equipment for the entrainer recovery, resulting in a bigger and heavier unit.[30] [31] 3.1.8. Vacuum operation in still column At vacuum conditions the concentration of TEG obtained in the still column will be higher for the same reboiler temperature used for atmospheric operation, as the boiling point decreases for the same rich solvent. Another possibility of vacuum operation, if not so pure TEG is required, is reducing the temperature in the reboiler. In addition, it helps extend the useful life of the system Glycol. However, reboilers are operated under vacuum conditions in rare cases due to its complexity, vacuum generation equipment and the fact that any air in the process may result in degradation of the TEG. Hence, it is usually cheaper to use stripping gas. [32] 3.1.9. Rotating packed beds (HiGee) Firstly described by Ramshaw and Mallinson[33], rotating bed reactors or HiGee (short for high gravity) distillation, have taken a large role in offshore oil dehydration. It is used widely in China and the benefits were readily recognized by the American market and is currently being introduced there. The European industry however lacks behind regarding HiGee distillation. By rotating the reactor the gravitational field increases 100-1000 times and therefore the shear flow is enhanced. The high centrifugal speeds allows for packing with relatively higher specific surface area and achieves order(s) of magnitude higher gas liquid throughput and possible mass-transfer rates.[34] These factors lead to a significant reduction in size of conventional mass-transfer equipment such as absorption and distillation towers. Ramshaw and Mallinson [33] claim achieving an up to 100-fold reduction in equipment size. Later experimental studies however tempered these claims and found an 5-10 fold reduction in HETP [35] which is still an significant decrease in size. The main downsides however are that moving parts are introduced which are more maintenance sensitive than conventional techniques. The inside rotating bed has a dynamic seal, which prevents the gas from bypassing the rotor, but compromises the reliability and longevity due to its contact with
  • 32.
    24 3. InnovationMap working fluid. Also, one unit can not be competent for continuous distillation owing to incapability of feeding the rotor at radial position, equivalent to middle plate of traditional distillation column. Thus two units of rotating bed are required for continuous distillation; one as rectifying and the other stripping. HiGee technology can both be used in the contactor part of the process as well as the TEG regener- ation. By using rotating bed reactors the size and weight of the contactor and still column and therefor the total unit can decrease significantly. Figure 3.6: HiGee distillation: (a) RPB integrated with reboiler and condenser; (b) RPB with off center feed and integrated with reboiler [34] 3.2. Selection of alternatives In this case, from stated above it is decided to gather the information in a way such that it can be compiled and presented in a consistent, high visualization chart, showing the strengths and weaknesses of each application for each criteria, accompanied by focused comments from the team, resulting in the selection table 3.1. There is no such thing as one solution which fits all requirements when it comes to chemical solvent recycling or dehydration. Solutions are therefore necessarily hybrid in nature where a combination of traditional and improved technologies is used. Each technology provides a part of the separation required within a customized sequence and overall methodology and further research must be carried out in terms of OPEX, CAPEX and weight to determine the improvement of the alternative. However, there are already five possible technologies that will be rejected directly. The first one will be Super-X packing, because it is not being commercialized anymore, avoiding any possibility of its real implementation. Secondly, the hybrid molecular sieve plus TEG unit is not going to be implemented due to its weight and scale makes it not suitable for platform location, which is one of the requisites.
  • 33.
    3.2. Selection ofalternatives 25 Table 3.1: List of alternatives with strengths and weaknesses Technology Strengths Weaknesses Improved TEG injection Less lean TEG inventory More complex design No reduction of size Microwave heating Direct energy coupling Design into conventional equipment Volumetric heating Rapid and selective heating Super-X Packing High transfer rates Clogging Less lean TEG inventory Fouling P drop column ↓ 3 times No commercialization Height column ↓ 5 times No experience Liquid Turbochargers Large energy saving Less system flexibility Smaller OPEX Availability of companies Pervaporation membranes 100% efficiency TEG-wat sep. Expensive Selectivity No solids allowed 30-50% energy saving Availability of companies Molecular sieves + TEG unit High efficiency Expensive Low dew points Higher CAPEX Large flow variations Heavy & big High inlet gas T Addition of entrainer High separation efficiency More equipment Low heat energy More components Heavy & big Vacuum operation Less lean TEG inventory Complexity High TEG purity More equipment Possible TEG degradation HiGee distillation High Efficiency Moving parts Smaller equipment (5-10 fold) Very unknown technology More maintenance Also, the addition of the entrainer is rejected as it will increase the size of the unit as well as it is not an innovative solution, which is in conflict with the objectives of the project. Also earlier proposed toluene will dissolve into TEG as well, working against all benefits as proposed earlier. Finally, the vacuum operation in a conventional equipment setup in the regeneration part is not investigated anymore as an alternative, because to gain energy savings, the vacuum was meant to be created by ejectors that work with existing flash gases going out. However, this will result in a pressure drop avoiding these gases to reach the flare header which takes them into the incineration flame. The HiGee distillation is discarded as the introduction of moving parts and such an unknown technology is hard to achieve offshore. Several onshore application should be achieved first to look at the effects it will have on the structure of the platform. If it will change the integrity of the drilling platform and question like that need to be answered first. For the other four technologies, a full study and design was done, resulting in three combined new process schemes shown below, stating the several assumptions used in each. 3.2.1. Turbochargers and split-flow injection Turbocharger and semi-lean split fraction techniques will be implemented together in each different scheme, as they do not interfere with the other alternatives. A detailed scheme is provided below in figure 3.7.
  • 34.
    26 3. InnovationMap Figure 3.7: Process scheme with turbocharger and semi-lean TEG split flow injection, shown in yellow boxes Turbochargers The size, and therefore weight, of the injection pump system can be lowered by using a turbocharger, because as mentioned, this device interchanges the energy of a high pressure stream with a low pressure one. This can also decrease the total energy needed for the pumps as well as the number of them. The total operational costs for pumping, assuming a total cost of 10 ct €per kWh[36], is 1.34 €per hour [37]. Assuming 24/7 operation the total costs per year of this pump will be € 11.738. Using calculation tools provided by Energy Recovery©a recovery of 70 % of energy can be achieved. This will result in a evenly large reduction of operational costs. So a reduction of € 8.216 on a yearly basis can be achieved. Not only that, also a reduction of 9.38 kW is achieved at the pumping section. This leads to a reduction of approximately 79.866 kg CO which is released on a yearly basis[38]. The total energy requirement for the plant is 205 kW. By adding a liquid turbocharger into the conventional process a reduction of 4,6 % can be achieved without increasing the capital expenses which will be a real benefit. Split Flow injection This alternative is studied with an intention of reducing the TEG inventory in the recirculation system. Following is the discussion of the study. The incoming lean TEG is fed to the top-most stage of the contactor. As per the design of the conventional process in section 2.2, the contactor has 6 theoretical stages, therefore, it is possible to study injection of TEG ranging from 2 to 6 splits, simultaneously varying the percentage of flow flowing through each split branch. However, it should be noted that while injections with 2 and 3 splits can be studied extensively for symmetric arrangements between theoretical plates, for higher number of splits(eg:4-6) there would be too many combinations possible.
  • 35.
    3.2. Selection ofalternatives 27 Hence, to restrict ourselves, we study only injections with 2 and 3 split flows with varying percentage of flow through each split branch. Since the intention is to reduce TEG inventory, simulation was started with lower conservative estimate for the lean TEG flow in order to check whether it is possible to still achieve the desired specifications in the outlet dry gas. As it was found that it is indeed possible to meet the outlet water requirements, all the simulations for split flow were started with lower estimate of TEG flow, that of 1580 kg/h. The maximum outlet water content as per specification turns out to be 8.5 kg/h. If the specification was found to be well within limits, TEG flow was reduced even further for the split flow to an extent that the outlet water concentration never rises above maximum 7.7 kg/h. On the other hand, if the specification was barely met, no further adjustments were done in that case. Figure 3.8 summarizes the observations of the simulation modelled in Aspen Hysys G.1 which form the basis of this study. Different types of splits were tested to see if adding more TEG in the beginning or end has an advantage. Entries in bold represent lowest possible flow of TEG that can be achieved for that particular split combination to achieve the water specification as mentioned above. Figure 3.8: Results of calculations on split flow injection made in Aspen Hysys. It can be seen that the lowest achievable flow of lean TEG in both 2-split and 3-split schemes is 1225 kg/h. There is no significant reduction of TEG on increasing the number of splits form 2 to 3. To check whether this really adds value to the conventional process with no splits, the flow of lean TEG was reduced to as low as possible in Hysys still ensuring that the above specs were met. This flow was
  • 36.
    28 3. InnovationMap found to be 1150 kg/h. This is a result contradictory to our expectation that split flow reduces TEG inventory. From the above study, it can also be seen that with Hysys simulations, it is possible to reduce the lean TEG flow even below the theoretical minimum of 12 times the amount of water removed. However,it must be understood that such reduction may not be practically feasible. Moreover, we cannot completely trust the thermodynamic models in Aspen Hysys to be totally accurate in their prediction. Hence, we limit ourselves to the theoretical minimum flow of 12 times the water removed of lean TEG as mentioned above. 3.2.2. Alternative 1: Process scheme with microwave heating The improvements and changes suggested were then included into the conventional process of fig- ure 2.1, getting figure 3.9. This figure shows a still column heated by microwaves. The rest of the equipment basically remains the same. Figure 3.9: Process scheme with microwave heating (yellow box) Microwave heating Microwave heating has several benefits as mentioned before, including that it can be more efficient and requires a smaller device than conventional heating with a reboiler. In some cases it can even be replaced in total. It can also decrease the amount of stages needed for the regeneration. The technology for continuous operation is now in the pilot plant stage. The company Sairem (France) is working on this. Their reactor design has a flow capacity up to 1 L/min and has a microwave generator that generates waves of 2450 MHz. 6 kW of power is generated and there is a significant
  • 37.
    3.2. Selection ofalternatives 29 part of the design devoted to cooling. The unit is a metallic vessel which assures pressure containment and allows for fast thermal transfer.[39] However, heating volatile, often flammable organic solvents, under well-controlled conditions is not trivial on the large scale, but it can be done. Lastly, another Sairem 915 MHz batch reactor was changed in the strategy to microwave scale-up through the use of a different wavelength, since penetration depths, dielectric constants and loss factors vary with wave length as well as solvent nature and temperature. In this case, the energy savings were due to a decrease in heating time and not in energy efficiency, because normal household microwaves (central component of any microwave device) has an efficiency of 50-65% transforming electricity into electromagnetic irradiation[40]. However dr. Guido Sturm of TU Delft, a expert in microwave heating, mentioned an efficiency off up to 80 %. Overall, there are reasons to think that together with the use of the stripping technique for glycol regeneration, with a gas normally flowing upward counter currently to the descending liquid TEG, the unit can achieve the requirements and reductions proposed. Depending on the stripping agent used, i.e. outlet gas from the flash (V201), water, hydrocarbons, or both are absorbed from the glycol into the stripping gas, thus regenerating the glycol for reuse in dehydrating the natural gas. But the reality is that these processes produce an additional gaseous or aqueous waste stream that requires off-site attention such as incineration, disposal, or further treatment. An attempt has been made to model microwave in Aspen Hysys, but a working model is has not yet been achieved. The column is split into three stages, modeled as flashes and a condenser and reboiler part. At each stage a specific temperature is set, as is used with microwave distillation. These are all separately heated. The feed enters the column at the middle stage, this because it gave the lowest energy use. This model however leads to very high and fluctuating energy demands per stage. Three different settings were used. Firstly the natural gradient occurring in the still column has been taken. Secondly a linear decrease between the top and bottom stage has been tested and lastly the inverse of the natural gradient is tested. This is displayed in table 3.2 and the model used is added in appendix F.1. Table 3.2: Energy demands from the different setting of the model described in appendix F.1 Setting 1 Setting 2 Stage Set Temperature (C) Energy Demand (kW) Set Temperature (C) Energy Demand (kW) Condenser 97 -17.05 97 -6004 3 99.26 -162.6 125 5999 2 101.9 -16230 150 -30.85 1 150.7 16370 175 92.66 Reboiler 204 192.8 204 87.83 Setting 3 Conventional Stage Set Temperature (C) Energy Demand (kW) Set Temperature (C) Energy Demand (kW) Condenser 97 -7139 97 -49.85 3 145 7136 - - 2 165 32.69 - - 1 185 63.91 - - Reboiler 204 55.17 204 191.5 As this model did not achieve realistic values different professionals in the field of modeling mi- crowave heated column were contacted. From these conversations, it became apparent that, as this is a very young field of research no real simulation models are achieved as for now. The main fields in which microwave heated columns are used are pharmaceutical and food process- ing technologies. Outside of these fields the benefits have not been sufficient enough to take the risk of entering a new technology. To estimate the costs, the energy needed by a conventional still column is used. When designing the new column a few constraints should be kept in mind however. No magnetic
  • 38.
    30 3. InnovationMap materials can be used around microwave heated volumes. These magnetic properties cause extensive heating effects on the magnetic walls and equipment. A still column made of carbon steel as proposed earlier in this report is not feasible anymore as the microwaves will heat the carbon steel. A still column of stainless steel or a copper coating on the carbon steel are needed to evade this effect. To power the microwave a cable of 8000 Volts needs to be added to the plant. These high voltages impose a new risk to the plant as well, as there were no high voltage operations present before. Microwave units themselves are also an additional risk as, when they are displaced, can cause severe burning into the skin. That way not only the skin is burnt but it will penetrate the skin and burn internally as well. Moreover, an economic evaluation has been done. By adding microwave heating in the column the total CAPEX will increase. A rough cost estimation is provided by Dr Guido Sturm. A 6 kW microwave unit costs around € 20,000, which scales more or less linearly. From Aspen Hysys the energy require- ment is calculated for a conventional unit. The figure found there is 141 kW for heating. Therefore an investment of around € 470,000 is needed for the energy requirement leading from the conventional process. Contact with the French company Sairem was also made. They are currently investigating the use of microwave heated still columns. Their cost estimation is around € 550,000 for the internals of such a column. The column itself will cost € 147,850 if it is made from stainless steel (SS316). This is a significant rise in capital expenses, as the initial capital expenses, as will be calculated in chapter 5 are almost 10 times less. The weight of one 6 kW microwave unit is around 15 kg, so the total weight of a column with this duty will be 352.5 kg which is in the same ballpark as a gas fire heater. Using microwave heating an efficiency of 80% can be expected. If the system stays unaltered and the energy demands are more or less and a cost of € 0.1 per kWh is used the total yearly cost of reboiling with microwave technology is € 264,278. This is almost € 100,000 more then a gas fired heater. Dr. Guido Sturm also mentioned that microwave heating is only beneficial when a stream needs to a lot of heating. Regarding this system, due to good heat integration, the inlet stream in the column already is 170 °C. The additional 30 °C needed for distillation are presumably not enough to favor microwave heating. Considering all these additional costs and no guarantee that the reboiler can be taken out of the system it is decided not to pursue this technology any further. The investment is 10 times higher then a conventional still column and in OPEX no savings can be expected either. The presence of natural gas at the platform makes a gas fired reboiler a better substitute for heating in the still column. 3.2.3. Alternative 2: Process scheme with pervaporation membranes and semi lean injection In this case, figure 3.10 shows a unit where the regeneration will be carried out with pervaporation membranes. Pervaporation membranes With the use of only pervaporation membranes, the whole reboiler and still column may be replaced, with the consequent reduction of size and weight. Also the benefit of only having one piece of equip- ment to maintain is to be considered. However, it needs vacuum operation to improve the performance of this technology for reaching the purity required (99.2% wt TEG). It will be created by condensation in the heat exchangers E201 as shown in figure 3.10 plus a vacuum pump. Moreover, an extra heater is needed to achieve the proper temperature of operation. However, to reach the purity described by the water specifications a large amount of membranes modules are needed which can lead to large and heavy equipment. That is the reason to consider a combination with a stripper column, too. Furthermore, it should be mentioned that increasing the temperature till the required 150°C before the flash unit will lead to a reduction of water content in the liquid that will be sent to the membrane unit. However, this could not be done due to the high losses over the limits (around 0.08 kg/h TEG in the vapour flash stream) in TEG encountered in the flash unit. Thus, the heating of the liquid stream is done after flash without creating vapour in that stream (0.004 vapour fraction) which will lower the effectivness of the pervaporation membrane unit. It has been decided to follow with the design shown in 3.10.
  • 39.
    3.2. Selection ofalternatives 31 Figure 3.10: Process scheme with pervaporation membranes (yellow box) For a specific organic mixture (in this case TEG with water) one has to test to determine selectivity and fluxes during the process of dehydration, because the binding force of TEG to water is high, so fluxes will be lower compared to some other organics e.g. ethanol or IPA. In addition, it is more difficult to dehydrate to such low water concentrations. Then a preliminary study of different types of membranes was carried out to find out these fluxes on basis of the conventional process outlet vapour stream from the flash. First of all, apart from company claims, a paper was found which states that with commercial silica membrane modules of the company Pervatech, if a feed of 0.054 wt water, 0.936 wt TEG and 0.005 wt Toluene and 0.005 wt Hexane at 150 °C, a 99.99+% wt of water purity in the permeate can be achieved, at an average flux of 0.255 kg/m ·h [41]. In addition, an experiment performed to determine the water flux of a zeolite membrane module from Mitsui USA was tested at 100 °C with a TEG mixture containing 5% wt water resulting in 0.13 kg/m ·h as permeate. Other sources say that 95% wt water purity can be achieved with NaA zeolite membranes exhibiting high separation performance and fluxes of 0.5 kg/m ·h for 5% wt feed water content at 120 °C. [42] Also, a realistic research with improved membranes such as Sulfonated Poly-ether-ether Ketone (SPEEK) was carried, resulting in only 98% of water purity the permeate side with 5% wt water content in the feed at 32 °C and flux of 0.2 kg/m ·h as depicted in Huang et al (2002) [43]. In other words, in order to estimate the area required for a complete separation we carried this analysis. It means roughly, avoiding pressure drops, no TEG losses in permeate, constant flux, 100% water permeation and no membrane size limitation, that if our stream of 1657 kg/h (0.0033 wt others,
  • 40.
    32 3. InnovationMap 0.912 wt TEG and 0.0847 wt water, see figure 3.11) from the flash is fed to a membrane unit we will obtain the results shown in table 3.3 and explained with two examples below. Figure 3.11: Schematic representation of pervaporation membrane unit with inflow of 1657 kg/h coming from liquid stream of flash unit. • Example calculation for silica membranes: All water in feed goes into permeate 1657 · 0.0847 = 140.35 kg/h, representing the 0.9999+ wt water in that stream, because this is the maximum for this membrane. Therefore, 1657 - 140.35 = 1516.65 kg/h of TEG plus other compounds in retentate. All TEG in feed goes to retentate, 1657 · 0.912 = 1511.18 kg/h, representing the 1511.18 / 1516.65 = 0.996 wt TEG and 0.004 wt of others in that stream. Hence, if the average flux of permeate is 0.255 kg/m ·h, we need 140.35 / 0.255 = 550 m of membrane. • Example calculation for SPEEK membranes: All water in feed goes into permeate 1657 · 0.084 = 140.35 kg/h, representing the 0.98 wt water in that stream, because that is the maximum for this membrane. It means that the total permeate flow is 140.35/0.98=143.21 kg/h, where 143.21 - 140.35 = 2.86 kg/h are other compounds except from TEG. Therefore, if in the feed there were 1657 · 0.0033 = 5.47 kg/h of others, 5.47 - 2.86 = 2.61 kg/h go to retentate. Hence, if all TEG in feed goes to retentate, 1657 · 0.912 = 1511.18 kg/h plus 2.61 kg/h results into 1513.79 kg/h of TEG plus other com- pounds in permeate, representing the 1511.18/1513.79= 0.998 wt TEG and 0.002 wt of others in that stream. Finally, if the average flux of permeate is 0.2 kg/m ·h, we need 143.21 / 0.2 = 716 m of mem- brane. Following the same reasoning, the results shown in table 3.3 were calculated, which in all cases is
  • 41.
    3.2. Selection ofalternatives 33 more than the minimum required in the design case. Table 3.3: Results of membrane area estimation Membrane Temperature TEG in retentate water in permeate Area type °C wt wt m Silica 130-150 0.996 0.999 562 Zeolite 92-100 0.996 0.999 1080 NaA Zeolite 120 1.00 0.950 295 SPEEK 30-70 0.998 0.980 716 It is observed that nowadays there is a lot of research on new membranes and that most of them fulfill the requirements for our dehydration purpose. However, there are not many supplier companies. Examples are Sulzer Chemtech Membrane Systems, based in Heinitz, Germany; and Pervatech BV of Enter, The Netherlands, allowing a wide range of different temperatures, modules and flows. Furthermore, although the major component in the over head vent is water stream, as shown, this stream may contain organic compounds, including aromatic and non-aromatic organic vapours, such as BTEX. The emissions of them are now classified as Hazardous Air Pollutants (HAPs), and are subject to regulations which can be better handled by these membranes. This is, therefore, a simple and reliable method to reduce or eliminate the release of these compo- nents, basically caused by the hydrophilic membranes which in one step both regenerate the solvent and capture any hazardous components. Despite efforts, a cost-effective regeneration technology that truly minimizes or eliminates HAP emissions has not yet been developed. To finish, also a comparison of the energy consumption based on the heat requirement for evap- oration for the removal of 1 kg water from feed mixtures can be seen in the following figure 3.12, extracted from Huang et al (2002) [43]. It is clear in figure 3.12 that the advantage of applying pervaporation for dehydration of Glycol becomes significant when the water content in the feed is significantly low. It should also be pointed out that this simple comparison was based only on the theoretical energy consumption at a constant pressure. Many other factors such as cooling of distillation, thermodynamic heat effectiveness, and capital cost are not considered, all of which are important for the economic evaluation of these two separation technologies. To maintain more realism in the design, Pervatech membranes were selected for further consider- ations. In the following study, a commercial Pervatech module PVM-080 SS 316 37×4-tube (120cm) with 3,7 m² membrane surface was used with these assumptions and characteristics[44] [45] [46]. In the following images 3.13 and 3.14, a commercial Pervatech module is presented to get an overall impression of the module we are using. In our case, instead of 7 elements of 4 channels each, we will used 37 elements of 4 channels each. • Membrane element characteristics: – Size: 1200 x 25 mm (LxD), effective area 0,10 m² (standard). Each element has 4 channels with 7 mm inside diameter. – Membrane type: Hybrid silica hydrophilic membrane. – Substrate material: α-Al2O3. – Intermediate layer: Gamma alumina. – Top layer: Hybrid Silica coated on inside of the support tube. – Pore Size: 0.3–0.5 nm. • Limits of membrane: – Temperature: limit max. 150 °C. – Pressure: limit max. 50 bar.
  • 42.
    34 3. InnovationMap Figure 3.12: Theoretical comparison of the energy consumption of pervaporation against distillation. Energy consumption (P) based on the heat requirement for evaporation for the removal of 1 kg water from feed mixtures using 𝑃 = ∆𝐻 + ((1/𝑌 ) − 1) · ∆𝐻 where ∆H and ∆H represent the evaporation heat (kcal/kg) of water and Ethylene Glycol, respectively. – pH: 2-8.5. • Limits of operation: – Maximal allowable working pressure 20 bar at 175 °C. – Minimum design material temperate -20 °C at 20 bar. – Vacuum: Level of vacuum depends on the application. – Feed pump capacity: Linear velocity of the feed to be high enough to guarantee turbu- lent flow inside the tubes (Re ≥19000), this to prevent concentration polarization and limit fouling. • Assumptions: – 3.7 m of membrane/module (37 elements). – TEG composition of 0.9895 wt in retentate, because it is needed for the semi-lean TEG split strategy. – Water composition of 1.0000 wt in permeate (only water permeates). – Temperature: 150°C.
  • 43.
    3.2. Selection ofalternatives 35 Figure 3.13: Front view of PVM-094 SS 316 7×4-tube (120cm). Figure 3.14: Side view of PVM-094 SS 316 7×4-tube (120cm). – Pressure: 3 bar inlet feed, 20 mbar in permeate side and 1.5 bar retentate side. – Permeate flux 0.255 kg/m ·h from the sensitivity analysis over a range between 120°C- 150°C explained below 3.15. The reason to do is analysis is helping to decide the optimum temperature conditions of our membrane system. Therefore, it was tested the temperature effect versus different water compositions for different temperatures which are presented in the following figure 3.15. Due to the fact that the flux depends on the water content along the length of the membrane because the chemical potential changes with water concentration in the TEG, a logarithmic average of the inlet value of water and the outlet was taken into account at 8.5% wt of water at the inlet and 0.7% wt of water at the outlet. Hence, taking into account the assumptions mentioned, it led to the results in table 3.4. One example of calculation has been provided below.
  • 44.
    36 3. InnovationMap Figure 3.15: Feed water concentration against water flux in permeate for Ethylene Glycol- water mixtures [41]. In red is represented extrapolated data. • Example of calculation of number of modules estimation: At 150 °C, the inflow for the membrane module is 1657 kg/h (0.0033 wt others, 0.912 wt TEG and 0.0847 wt water), this is take from Aspen Hysys. For achieving the purity required after membrane module (98.95% wt TEG) we follow: All TEG goes to the retentate 1657 · 0.912 = 1511.18 kg/h of TEG, representing 0.9895 wt of that stream. Therefore, the total flow of retentate is 1511.18 / 0.9895 = 1527.22 kg/h. Hence, 1527.22 - 1511.18 = 16.04 kg of water plus other compounds. All other compounds go to the retentate too, due to high water selectivity of the membrane, 1657·0.0033 = 5.47 kg/h of other compounds(BTEX etc.). 16.04 - 5.47 = 10.57 kg/h of water goes into the retentate, representing 10.57/1527.22 = 0.0069 wt water purity in that stream. If 1657·0.0847 = 140.35 kg/h of water is fed, 140.35 - 10.57 = 129.8 kg/h is in the permeate with 1.00 wt water purity. At the entrance of the module, the water content in TEG is 0.085 wt, which represents a flux of 0.612 kg/m ·h, while at the exit of the module the water content is the required 0.007 wt of water in TEG, which gives a flux of 0.075 kg/m ·h. Therefore, doing an logarithmic average
  • 45.
    3.2. Selection ofalternatives 37 (0.612-0.075)/ln(0.612/0.075) = 0.255 kg/m ·h. Finally, if the permeate flow is calculated to be 129.8 kg/h, 129.8 / 0.255 = 509 m is needed. If every module gives 3.7 m of effective membrane, around 509 / 3.7 = 138 modules are estimated. Table 3.4: Results of number of modules estimation with PVM-080 SS 316 37×4-tube Temp. Flux Retent. TEG Water Others Perm. Water Area Modules °C kg/m ·h kg/h wt wt wt kg/h wt m Nr 150 0.255 1527.22 0.9895 0.0069 0.0036 129.8 1.00 509 138 140 0.206 1527.22 0.9895 0.0069 0.0036 129.8 1.00 629 170 130 0.255 1527.22 0.9895 0.0069 0.0036 129.8 1.00 828 224 120 0.255 1527.22 0.9895 0.0069 0.0036 129.8 1.00 1350 365 To conclude with the temperature selection sensitivity analysis, it was decided to follow with 150°C, because it is the maximum allowed temperature for such a module as well as it gives the minimum number of modules. Furthermore, this temperature will be achieve thanks to a heater before the pervaporation module and not before the flash for the already mentioned high TEG losses in the flash at 150°C. It is also very instructive and valuable to follow a sensitivity analysis about the maximum purity that can be achieved with these membranes modules at 150°C if the semi lean split technique is neglected. Hence, taking into account the previous considerations and way of calculate the purity, the results shown below were obtained for an inlet feed of 1657 kg/h (0.0033 wt others, 0.912 wt TEG and 0.0847 wt water, see figure 3.11) and a flux of 0.255 kg/m ·h . Table 3.5: Results of TEG purity estimation in retentate with PVM-080 SS 316 37×4-tube Retentate TEG Water Others Permeate Water Area Modules kg/h wt wt wt kg/h wt m nr 1557.9 0.9700 0.02649 0.00351 99.1 1.00 389 105 1542.0 0.9800 0.01645 0.00355 115.0 1.00 451 122 1527.2 0.9895 0.00692 0.00358 129.8 1.00 509 138 1523.4 0.9920 0.00441 0.00359 133.6 1.00 524 142 1516.7 0.9964 0.00000 0.00361 140.3 1.00 550 149 In table 3.5 it can be observed how the TEG purity increases as the membrane area increases and therefore the number of modules, due to an increment in permeate flow. Three important values of the study should be noticed: The first one is 98.95% wt TEG purity, which would be the value that allows the removal of the still column, resulting in only one unit where a stripper increases the purity further from 98.95% till 99.2%. This scheme is discarded however as TEG losses in the stripper column will be higher than the specified limit, as shown in the proposed scheme 3.10. Secondly, 523 m representing 142 modules would be the theoretical value needed to directly achieve the minimum purity required for the process (99.2 %wt of TEG), with the removal of the still column and stripper too. Finally, with 149 modules would achieve the maximum of 99.64% wt TEG purity with only perva- poration modules, which is above the minimum. However, as conservative criteria are always more intelligent in design-wise thinking it is decided not to go for the maximum purity, so the 98.95 %wt purity of TEG as the outlet stream unit is selected. The rest of the water needs to be taken out using a still and stripping column. To check if the process can still be improvised with the lean TEG flow at theoretical minimum, another strategy was studied, called semi-lean TEG split flow.
  • 46.
    38 3. InnovationMap Here, a part (50%) of incompletely regenerated TEG (98.95% wt TEG) exiting the Pervaporation is fed back to the contactor in the middle (above 4 stage).The choice of this flow and the stage in the contactor to which it is sent is completely arbitrary. To maintain the total flow to contactor at the theoretical minimum, the lean TEG flow is also reduced accordingly. Furthermore, these flows have not been studied by splitting them to different contactor stages. This is based on the fact that we are restricting ourselves to the theoretical minimum flow based on the findings of study of TEG split flow study done earlier in section 3.2.1. It was observed that by using the above strategy, the stripping gas to the regeneration section can be reduced by up to 20% of the conventional process without affecting the quality of lean TEG regenerated. The remaining 80% can be sent to overhead treatment or used somewhere else. By reducing the flow to 50% after the Pervaporation membranes, the still column and surge vessel size can be reduced. The power requirement for the booster pump and the high pressure injection pump would also reduce in this case. But, in order to pump the 98.95% wt TEG to the contactor, an additional high pressure pump would then be required. So to conclude with, this suggestion is added into the final different proposals shown below. 3.2.4. Alternative 3: Process scheme with hybrid system The third option considered is a combination of previous schemes with some little changes such as the incorporation of one heat exchange and a pump, resulting in figure 3.16 shown below. Figure 3.16: Process scheme with hybrid system (turbocharge plus semi-lean split injection and pervaporation module (yellow boxes)) A pervaporation unit can be added to the still column heated with a gas fired reboiler. Pervaporation
  • 47.
    3.3. Selection ofthe optimized process scheme 39 membranes can reduce the size of that still column as well as the reboiler, as they will separate the majority of the water (until reaching a purity of 98.98% wt TEG) from TEG and therefore reduce the weight of the unit. Also, it will reduce the emissions of BTEX and HAP gases. However, a pump (P201) must be added between these two pieces of equipment to overcome the head loss between pervaporation membranes and the still column as well as the pipes. Therefore, there will be two extra subunits to maintain. It should be mentioned that it was decided to firstly set the pervaporation membranes before the still column due to the fact that these membrane modules work better with higher water content in the feed. Thus, a stripping column before will reduce the percentage of water, avoiding a good performance of the hybrid unit. Furthermore, as mentioned before, the pervaporation unit will be connected to the vacuum pump P-203 and also a heat exchanger E-204 is added to reach 150 °C before this unit. It was decided not to connect the still column to the vacuum pump P-203, because it was enough to add a stripping column in which 20% of the vapour outlet stream from flash (V201) is used as stripping gas and a still column operating at atmospheric pressure to achieve the needed 99.2% wt TEG purity. Semi-lean TEG will be taken out of the outlet stream of the membrane modules unit, representing 50% of the flow, and injected halfway the absorption column. This will add a new injection pump (P-103) before the column. Also a turbocharger pressurizing both streams is added to the system to cut down on size of that pump. 3.3. Selection of the optimized process scheme In conclusion, after having looked deeply into these three schemes, it was decided to go further with the hybrid process system for the optimization study. This is being proposed primarily because it would give us an opportunity to explore most of the new technologies while reaching the high purity required in an optimized way. Also, the benefits of all assumptions paint a very idealistic picture as far as the optimization in CAPEX, OPEX and weight is concerned. Although exact benefits of this proposal will be quantified in the following sections of the project, verifying or denying its final feasibility.
  • 49.
    4 Hybrid Process As wasdone in chapter 2 the total process will be walked through, describing it step by step. This time however the newly proposed hybrid system from chapter 3 are added. The new hybrid system will be sized and designed. Also some comments and schemes about process control are added. 4.1. Process description A detailed description of the process is given below. To start with, the wet gas is fed to the contactor (C-101), where it is contacted with lean TEG of 99.2% wt and semi-lean TEG of 98.95% wt in a column with a total of 6 packed stages to dehydrate the incoming gas below the outlet gas specifications mentioned in earlier parts. The flow of lean TEG is the lower conservative estimate, below which it is not realistically possible to achieve the specifications even if such a separation is shown to be possible in Aspen Hysys. More details about this are given in section 3.2.4. The energy of water-rich TEG leaving from C-101 at an approximate pressure of 156 bar is utilized to drive a Turbocharger (P-101), thereby reducing the pressure of the rich TEG stream to 4.5 bar. This same energy is used by P-101 to increase the pressure of the incoming lean TEG and semi-lean TEG to 78 and 77.5 bar (considering 50% of the energy can be transferred between the streams using the Turbocharger). Thereafter, the rich TEG-stream is preheated to 36°C by heat exchange with the exhaust gases from the still column (C-201) top. Before sending these to the flash vessel, it is again heated in the Glycol-Glycol preheater (E-201) to 38 °C. The Flash vessel(V-201) is operated at 4.5 bar. Here, a fraction of dissolved gases is separated from the rich TEG stream. A fraction of 0.2 of these gases are further used for stripping in the reboiler (V-202) and C-201. The liquid stream from V-201 is passed through Filter (S-201 A/B) to remove any suspended solid impurities. Thereafter it is heated in the Glycol-Glycol Heater (E-202) to 107 °C and again upto 150°C by Pervaporation Heater (E-204) using steam before it enters the Pervaporation membrane unit (S- 202). The high temperature enhances the separation in the Pervaporation membranes. Here, using chemical potential as the driving force, the water from the TEG stream is removed. To further enhance the transfer, vacuum of 20 mbar is employed using a vacuum pump (P203). The outlet stream from S-202 has 98.95% wt of TEG. To further increase the concentration from 98.95% wt to 99.1% wt, this stream is sent to C-201 via Intermediate pumps (P-201 A/B). 50% of the outgoing liquid from S-202 is sent back to the 4 stage of C-101 first via the second compartment of P-101 where its pressure is raised to 77.5 bar and then via Semi-lean Injection Pump P-103A/B which raises its pressure to 156.5 bar. The TEG stream is stripped off the water and dissolved gas content in C-201. Exhaust gases from C-201 are sent to overhead treatment. The remaining stream then passes through the inbuilt stripper column in the reboiler where its concentration is finally increased to 99.2% wt using 20% of the exhaust 41
  • 50.
    42 4. HybridProcess gases from V-201 in the still column. The hot lean-TEG obtained this way is sent to the surge vessel (V-203) and from there it is pumped back via the booster pump (P-202 A/B) to the contactor section. On its way to the contactor section, it is cooled by E-202, E-201 and Sea water cooler E-203 to a final temperature of 34 °C From E-203, the lean TEG is sent to P-101, where its pressure is increased from 1.5 bar to 78 bar. The pressure is further raised to 156.5 bar using High Pressure Pump (P-102 A/B) through which the lean TEG is finally sent back to C-101. 4.2. Material and energy balance The details of steps taken to model the plant in Aspen have been discussed in section 3.2.4. It is to be noted that unlike the conventional process, it was possible to simulate using 99.2% wt TEG for the hybrid process. Accordingly, three cases of mass balances were simulated in Aspen Hysys namely: Design Case, Turndown case and Max. flow case (120% gas flow). The Max. flow case is only being considered for sensitivity analysis.The sizing of the equipment will be based on the design flow case. All three cases are attached in Appendices I,J & K. The Tables 4.1 and 4.2 summarizes the Mass and Energy balance of the Hybrid system for the Design Flow case as obtained from simulations in Aspen Hysys. The component flow of water in the Dry Gas is 6.7 kg/hr which is well below the limit of 24 mg/Sm3 (or 8.5 kg/hr). Table 4.1: Overall Mass Balance for the Hybrid Design Case as obtained from Aspen Hysys IN OUT Stream No Energy Flow kJ/hr Stream No Energy Flow kJ/hr <102> 3.37 ∗ 10 <Dry Gas> 3.37 ∗ 10 <Make Up> 24.11 <OVHD-1> 2.635 <OVHD> 3.231 <Permeate> 130 Total 3.37 ∗ 10 3.37 ∗ 10 Table 4.2: Overall energy balance for the hybrid design case obtained from Aspen Hysys IN OUT Stream No Energy Flow kJ/hr Stream No Energy Flow kJ/hr <102> −1.47 · 10 <Dry Gas> −1.47 · 10 <Make Up> −1.30 · 10 <OVHD-1> −1.23 · 10 <P-102> 7333 <OVHD> −1.54 · 10 <P-103> 7804 <E-203> −4.10 · 10 <P-201> 97.38 <Permeate> −2.00 · 10 <P-202> 164.1 <V-203> 1.28 · 10 <E-204> 2.27 · 10 Total −1.47 · 10 −1.47 · 10 It was observed that in the case of turndown flow, all the gases from flash Vessel V-201 can be sent to the overhead treatment. This makes the stripper column C-202 redundant in this case.
  • 51.
    4.3. Equipment sizing43 4.2.1. Energy demands All calculations are from Aspen Hysys. For the liquid turbocharger an energy recovery of 50 % is assumed as explained earlier. Pumping Table 4.3: Pump duties for the hybrid system Type Head [mLc] Power [kW] P-102 A/B 692.9 2.04 P-103 A/B 758.2 2.17 P-201 A/B 7.9 0.027 P-202 A/B 15.5 0.045 P-203 A/B - 49 Heating Table 4.4: Heating duties for the hybrid system Name Type Power [kW] E204 Steam 61.31 V202 Gas fired 35.56 Cooling Table 4.5: Cooling duties for the hybrid system Name Type Power [kW] E203 Sea water 11.37 4.3. Equipment sizing Equipment sizing has been done for all the pieces of equipment mentioned in figure 4.1 and 4.2. Also, as requested in the assignment for this course, a total equipment summary is added in the last appendix, Appendix M. All sizing has been done following the methods described in appendix A. All determined sizes are reported and tabulated. Sizes of similar kinds of equipment related the conventional process, if present, are also reported. Furthermore, in this case also weight of each equipment is included in order to get a good compar- ison between conventional and hybryd units. Vessel weight estimation have been preformed using the method described in Sieder et al[16]. There, it is estimated that vessel weight depends on wall thickness of the shell, assuming the shell to be evenly thick throughout the vessel with equation 2.1. It was decided also to take the pervaporation membrane unit as a set of vessel modules. Finally, heat exchanger weights are estimated using Aspen Hysys, whereas only motor weights have been used to estimate weight of pumps.
  • 52.
    44 4. HybridProcess Figure4.1:Thetotalflowsheetofthecontactorpartofthedehydrationsystem.Thesizeofalltheequipmentshowninthefigurehasbeencalculated.
  • 53.
    4.3. Equipment sizing45 Figure4.2:Thetotalflowsheetoftheregenerationpartthedehydrationsystem.Thesizeofalltheequipmentshowninthefigurehasbeencalculated.
  • 54.
    46 4. HybridProcess Contactor (C-101) The height of the column in the hybrid system is assumed to be the same as the conventional. This is because the estimation has been done with trays which later on will be packed. There is significant space between packing levels for an additional sparger so here there is no gain nor a loss in size. Table 4.6: Size and weight comparison of both conventional and hybrid contactor column Type Diameter [m] Height [m] Thickness [mm] Weight [kg] Conventional 2.04 12.19 190 143135 Hybrid 2.04 12.19 190 143135 Vessel sizing (V201, V202 & V203) Table 4.7: Vessel volumes Vessel Type Volume Diameter Length Thickness Weight [m ] [m] [m] [mm] [kg] Flash (V-201) Conventional 0.535 0.554 2.217 6 220 Hybrid 0.313 0.46 1.85 6 154 Reboiler (V-202) Conventional 0.465 0.529 2.117 6 201 Hybrid 0.132 0.347 1.392 6 87.6 Surge (V-203) Conventional 1.16 0.719 2.875 6 370 Hybrid 0.342 0.476 1.906 6 164 Still column (C-201) Table 4.8: Size and weight comparison of both conventional and hybrid still column Type Diameter [m] Height [m] Thickness [mm] Weight [kg] Conventional 0.28 6.5 10 476 Hybrid 0.145 6 13 310 Pervaporation membranes (S-202) For complete detailed calculations see appendix A. In this case, due to the uncertainty of size and weight, all the results have a 50% of security factor with following assumptions: • The width and height of the unit were calculated, then multiplied by 1.5 to include space for maintenance and pipes and finally normalized into round dimensions. • The length was taken equal as commercial Pervatech PVM-094 SS 316 7×4-tube module with 0,7 m², because the membranes used inside for both are the same. • The total size of the unit was calculated as rectangular set of 14x10 modules (WxH) of 1.402 m length each, supposing there is no space limitation. • For the weight, each module was considered a cylindrical vessel. Then a factor of 1.5 was included for accounting the weight of internal and membranes inside it. The results for the pervaporation unit are displayed in the following tables 4.9 and 4.10 Pumps (P-101, P-102 A/B, P-103 A/B, P-201 A/B, P-202 A/B) In the hybrid system two new pumps are added and also a liquid turbocharger, or Glycol pump (P- 101), is considered to be a pump. The first pump P-103 is added to injection the TEG straight from
  • 55.
    4.4. Total weight47 Table 4.9: Pervaporation membrane module size and weight Module Type Flange Diameter Length Thickness Weight [m] [m] [m] [mm] [kg] Pervap. memb. Hybrid 0.302 0.260 1.405 6 97 Table 4.10: Pervaporation membrane unit size and weight Unit Type Modules Width Length Height Weight [Nr] [m] [m] [m] [kg] Pervap. (S-202) Hybrid 138 7 1.405 5 13386 the pervaporation membranes. The other added pump, P-201, is used to transport the TEG from the pervaporation membranes to the still column. The duties of all the pumps are in table 4.11. The duties of P-102 & P-103 can be lowered however due to the addition of a liquid turbocharger. This will be discussed further in 5.2.1. Table 4.11: Pump duties for the hybrid system Type Head [mLc] Power [kW] Weight [kg] P-102 A/B 692 2.04 88 P-103 A/B 758.2 2.17 88 P-201 A/B 7.9 0.027 22 P-202 A/B 15.5 0.045 22 P-203 A/B - 49 1666 4.4. Total weight The total dead weight of the new hybrid system is 161,086 kg. This is calculated by adding all different weights together. The conventional process had a total weight of 150,433 kg. This means the total weight of the process increased with the introduction of the new innovations. The biggest differences can be seen in the introduction of pervaporation membranes. The introduction of the membranes did not cut down the weight of the still column enough to also cut down on the total weight of the system even though the weight of the reboiler is reduced with more then half. The split flow injection however helped a great deal, it sized down all equipment after the split. 4.5. Safety, Health & Environment In the proposed hybrid system the species present are still the same as in the conventional process and therefore safety, health and environmentally aspects can be taken as equal as in the conventional unit. However, the only things that did change and can have an effect on the risk and hazard of this system are for instance the vacuum present with the pervaporation membranes unit. Also extra pumps have been added such as injection pump or vacuum pump. Finally, there are now two inlet points of TEG into the contactor column instead of only one, which brings an extra risk of leaking and malfunctioning of joints. Furthermore, in the next subsection a HAZOP analysis will be conducted in order to select and evaluate problems that may represent future dangers to workers or pieces of equipment, or prevent efficient operation. 4.5.1. Hazard and Operability study (HAZOP) For the hybrid system a HAZOP has been performed. For this study three points in the flow scheme have been chosen as mentioned below.
  • 56.
    48 4. HybridProcess The first one is the TEG flow coming from the pervaporation membranes. The second point is the natural gas outflow from the contactor. The last point is the TEG outflow from the surge. At these point the consequences and solutions for problems like too much flow or no flow have been considered. The results of the HAZOP can be found in appendix L. Resulting the HAZOP, a few actions need to be taken. In the pipeline of point one, after the pervaporation membranes should be a concentration and a flow meter which need to be connected to an alarm. If there are inconsistencies in the values that these controls show then there is something wrong with either the membranes or the pumps. Also there should be a reverse flow prevention in this pipe. At point 2, after the contactor there should be a flow meter, for when the flow is too little big or too little either water is not removed from the gas or gas is leaving via an other route. This controller should also be connected to an alarm. In order to prevent flow problems at point 3, after the surge, a level controller has been put on the surge and has been connected to the valves controlling the in and outflow of TEG from the entire system. The meters that are only connected to an alarm have not been added to the control scheme in order to keep the figure clear and readable. 4.6. Process control and instrumentation The choices have been made following the plan found in the book of Seider, Seader, Lewin and Widagdo [16]. This book presents 9 steps to end up with a controlled system. The system has been split into two separate flow schemes, one which contains the contactor, and one that contains the regeneration steps. In this case both schemes will be dealt with simultaneously. The resulting process control schemes are shown in figure 4.3 and 4.4. The entire process starts with the inflow of wet natural gas. The amount of natural gas coming in is not controlled for this unit but is set at the well head. The amount of TEG needed to dehydrate the natural gas is dependent on the water content of the natural gas entering the system. The amount of water present in the natural gas inflow is measured by concentration controller CC-101. This controller is connected to the valve that controls the inflow of TEG coming from the surge(CV-101). The second TEG inflow, coming from the pervaporation membranes, is controlled with a ration controller (RC-101) connected to the previously mentioned stream via RV-101. The rich TEG flow from the contactor is controlled with a level controller(LC-101) in the contactor via valve LV-101. This is because there should be a constant level of TEG present in the bottom of the contactor. The natural gas outflow from the top of the column is controlled with a pressure controller(PC-101) which will be set to a certain pressure and that way control the outflow via valve PV-101. The rich TEG first goes to the flash (V-201). Here the gas outflow is controlled with pressure controller PC-201 with a valve on the outflow (PV-201). The liquid outflow is controlled with a level controller (LC-201) via valve LV-201. To prevent build up of contaminants in the flash there is an extra liquid outflow, the drain, which will be manually controlled. The TEG will now go through the pervaporation membranes to the still column. The gas outflow from the still column is controlled with pressure controller PC-202 via valve PV-202. The liquid TEG will go to the reboiler and then the surge without passing another valve. The surge needs a liquid level between certain values. Liquid controller LC-202 is in charge of this. When the level gets too low, valve LV-203 will open end lean TEG from storage will come in. If the level gets too high, LV-202 will open and TEG will flow to the storage tank. The amount of water that is taken out of the TEG in the still column is primarily determined by the energy input into the reboiler. There will be a temperature controller (TC-202) which will try to keep the reboiler at a certain set point by increasing or decreasing the fuel gas going into the reboiler via valve TV-202. The set point will be determined with the concentration controller CC-201. When the concentration of water gets too high the temperature in the reboiler needs to be increased and vice versa. From the surge the TEG will go through two heat exchangers and then a sea water cooler. The amount of sea water passing through the cooler is controlled with temperature controller TC-201 which is placed behind the cooler. The water flow is controlled with valve TV-201.
  • 57.
    4.6. Process controland instrumentation 49 Figure4.3:Thetotalflowsheetwithcontrolsforthecontactorpartofthesystem.
  • 58.
    50 4. HybridProcess Figure4.4:Thetotalflowsheetwithcontrolsfortheregenerationpartofthesystem.
  • 59.
    5 Economic Analysis In thischapter all investments for both the conventional as the hybrid system are estimated. The sizes are taken from appendix A. First the total investment costs are estimated using Lang’s method and secondly the OPEX is estimated. All economic reduction achieved by the new process are in this chapter. 5.1. CAPEX All prices are estimated using the Prijzenboekje of the Dutch Association of Cost Engineers [47]. Except from C-101, P-101 & P-202. These are estimated using the Matche’s website [48]. All prices have been adjusted to 2014 using CEPCI numbers. If a price was found in US dollars an exchange rate of 1.25 euros per dollar was used to convert it [49]. Finally, a factor of 1.25 is used to transform this prices from USA to EU displacement. 5.1.1. Conventional Vessels & columns Table 5.1: CAPEX for all vessels and columns in the conventional process Equipment Number Diameter (m) Length (m) Thickness (mm) Price (Euro) C-101 1 2.04 12.2 190 €1,160,000 C-201 1 0.27 6.5 10 €68,738 C-202 1 0.25 0.5 6 €27,236 S-201 A/B 2 0.0254 - - €6,459 V-201 1 0.55 2.22 6 €23,750 V-202 1 0.53 2.12 6 €23,594 V-203 1 0.72 2.88 6 €25,781 Pumps Prices of pumps were estimated with the Prijzenboekje [47]. Table 5.2: CAPEX for all pumps inside the conventional process Equipment Number Capacity (m /h) Head mLc Max. Power (kW) Price (Euro) P-101 2 2.3 1370 13.4 €19,973 P-202 A/B 2 2.7 20 0.155 €11,932 51
  • 60.
    52 5. EconomicAnalysis Heaters & Coolers Prices of heaters were estimated with the Prijzenboekje [47]. Table 5.3: CAPEX for all heaters & coolers inside the conventional process Equipment Number Area (m ) Price (Euro) E-201 1 28.45 €35,017 E-202 1 147 €89,489 E-203 1 17.3 €33,720 Total costs The total investment costs for equipment can be calculated now by adding all these prices. As this is a fluid and gas plant a Lang factor for process equipment and installation of 5.93 is estimated[50]. This gives a final investment of € 9,047,332. As mentioned by frames a conventional unit has a price between 5-10 million euros, so this estimate seems to be accurate. 5.1.2. Hybrid Vessels & Columns For the calculation of a membrane module price, the following assumptions were take into account: • The module is considered as a vessel of SS 316. Therefore with 0.26 m diameter, 1.402 m of length and 6 mm thickness. • The price of SS 316 is calculated by its weight (97 kg obtained in unit sizing, Chapter 4) following Matche’s web page [48]. Then a factor of 1.5 of security is added to account the price of the membrane elements. The results for the estimated price of one module are presented in the following table 5.4. Table 5.4: CAPEX for a pervaporation membrane module Equipment Number Diameter (m) Length (m) Thickness (mm) Price (Euro) PV module 138 0.26 1.402 6 €20,156 From contact with Pervatech, it was given that a module of 4 elements on 50 cm length with a weight of 10 kg costs about €5,000. Thus, having a module of around €20,000 is totally feasible. The other vessels are estimated using the same methods as with the conventional process. Table 5.5: CAPEX for all vessels and columns in the hybrid process Equipment Number Dimension (m) Length (m) Thickness (mm) Price (Euro) C-101 1 D=2.04 12.2 190 €1,160,000 C-201 1 D=0.145 6 13 €73,925 C-202 1 D= 0.25 0.5 6 €27,236 S-201 A/B 2 D=0.0254 - - €6,459 S-202 1 W=7 and H=5 1.402 - €2,781,000 V-201 1 D=0.46 1.85 6 €22,813 V-202 1 D=0.35 1.39 6 €21,563 V-203 1 D=0.48 1.91 6 €22,969
  • 61.
    5.2. OPEX 53 Pumps Pricesof pumps were estimated with the Prijzenboekje [47]. Table 5.6: CAPEX for all pumps inside the hybrid process Equipment Number Capacity (m /h) Head mLc Max. Power (kW) Price (Euro) P-101 1 2.5/0.8/0.7 - - €12,813 P-102 A/B 2 0.7 692 2.04 €25,625 P-103 A/B 2 0.7 758 2.17 €25.625 P-201 A/B 2 1.2 7.9 0.027 €13,229 P-202 A/B 2 0.8 15.5 0.045 €13,229 P-203 252.3 - 49 €28.750 Heaters & Coolers Prices of heaters were estimated with the Prijzenboekje [47]. Equipment Number Area (m ) Price (Euro) E-201 1 4.424 €33,720 E-202 1 24.35 €35,017 E-203 1 2.64 €27,236 E-204 1 2.44 €27,236 5.1.3. Conclusions regarding CAPEX When all the prices for hybrid are added to each other and the Lang factor has been incorporated a price of €25,845,566 arises for total ownership. This is almost three times higher as the conventional process, which costs € 9,047,332. While all equipment is reduced in size and price the introduction of membranes is such a big investment that the end price is much higher. This observation is also done with regard to the weight of the total unit. 5.2. OPEX As this process only represents one step in a whole offshore process the OPEX is only calculated regarding the pumping, heating, cooling and some remarks about maintenance will be done. It is expected that only these factors are changed with the introduction of new technologies. 5.2.1. Pumping Conventional In the conventional process two pumps are present, P-101 and P-202. With the specification given in table 5.7. These were taken from Aspen Hysys simulations. Table 5.7: Specifications of both pumps in the conventional Equipment Number Capacity (m /h) Head mLc Max. Power (kW) Price per year (€) P-101 1 2.3 1370 13.4 € 11,738 P-202 A/B 2 2.7 20 0.155 € 135 Total 3 - - 13.555 € 11,873 Hybrid As pump P-202 is used to compensate the pressure drop in the system it is a vital and unchangeable part of the process. P-101 however can be powered by using the pressure which is released from
  • 62.
    54 5. EconomicAnalysis the rich Glycol stream. The total operational costs, assuming a total cost of 10 ct €per kWh[36], is 1.34 €per hour [37]. Assuming 24/7 operation the total costs per year of this pump will be € 11,738. Using calculation tools provided by Energy Recovery©a recovery of 70 % of energy can be achieved. This will result in a evenly large reduction of operational costs. So a reduction of € 8,216 on a yearly basis can be achieved. Not only that, also a reduction of 9.38 kW is achieved at the pumping section. This leads to a reduction of approximately 79,866 kg CO which is released on a yearly basis[38]. By adding a split injection system however the injection pumps change. An additional pump is needed because of the addition of an extra stream. An extra pump is also needed to transport the TEG from the pervaporation membranes to the still column. The power duties are displayed in Table 4.11. The second injection pump makes it harder to have the same beneficial effects of the turbocharger as in the conventional process as not one stream with more or less the same needs to be pressurized, but two streams with half the size. Contact has been made with Energy Recovery regarding this. They mentioned that it is possible to use the power released and transfer it to two separate streams, but it makes the system less efficient and harder to control. A maximum efficiency of 50% of recovery is assumed to use in calculations. Table 5.8: Pump duties for the hybrid system Type Head [mLc] Power [kW] Price per year [€] P-102 A/B 1426 2.040 € 1,787 P-103 A/B 1647 2.168 € 1,899 P-201 A/B 7.9 0.027 € 24 P-202 A/B 15.5 0.045 € 39 P-203 A/B - 49 € 42,924 Total € 46,673 5.2.2. Heating Conventional A large energy consumer in this process is the reboiler. From Aspen Hysys the energy requirement is calculated. The figure found there is 241.35 kW for heating. Assuming an efficiency of 90% for a gas fired heater and a gas price of € 0.07 per kWh a total yearly cost of € 164,439 for natural is needed[36]. This figure can drop however as the natural gas coming from the flash can be used as a ”free” source of natural gas. Table 5.9: Heating duties for the conventional system Name Type Power [kW] Price per year [€] V-202 Gas fired 241.35 €164,439 Hybrid In the hybrid system heating is done at two places. Firstly before the pervaporation membranes and secondly in the reboiler section. It is chosen, for weight limiting reasons, to use heat exchange with steam before the pervaporation. The amount of steam needed is calculated via the total flux needed. A price of €25 per ton is assumed[51] [52]. The reboiler will still be heated using a gas fired heater. Table 5.10: Heating duties for the hybrid system Name Type Power [kW] Price per year [€] E-204 Steam 61.31 € 23,257 V-202 Gas fired 35.56 € 37,595
  • 63.
    5.2. OPEX 55 5.2.3.Cooling Conventional Table 5.11: Energy duties needed for cooling in conventional Location Type Energy duty [kW] kg/h needed E-203 Sea water cooler -103.5 8,988 kg/h seawater C-201 TEG condenser -49.85 - The condenser is cooled using the rich TEG before flash. By using this heat integration the heating duty of the reboiler is lowered and this cooling can be performed for free. For the cooling of the lean TEG before entering the absorption column sea water is used. As the process is done off shore this water can be gained for free as well. The water needed is calculated using the method as described in A. Hybrid Table 5.12: Energy duties needed for cooling in hybrid Location Type Energy duty [kW] kg/h needed E203 Sea water cooler -84.5 978.3 kg/h seawater C201 TEG condenser -40.36 - 5.2.4. Conclusion regarding OPEX Table 5.13: Total operational expenses Type Expenses per year [€] Conventional € 176,312 Hybrid € 107,525 As shown in Table 5.13 the total expenses towards energy are reduced. Yearly almost € 70,000 is saved due to better energy use. The introduction of pervaporation membranes and the use of a split flow has decreased the energy needed for the reboiler with 85%. Furthermore the introduction of a liquid turbocharger and the overall lower TEG inventory has decreased the total kWh per year needed for pumping of TEG with 70%. The addition of a vacuum pump at the pervaporation membranes however has a relatively high duty in comparison with the other pumps of 49 kW needed. The introduction of these new innovation has a positive effect on OPEX and total energy consumption making this a greener alternative to the conventional process.
  • 65.
    6 Creativity & GroupProcess Methods In the following chapter of the project, several strategies for improving the team’s development and creativity have been carried out in order to facilitate the communication, coherence and connection within the team as well as generation of new technological ideas. The results are shown below ordered by date. After this the project planning and creativity methods used are described. 6.1. Team division, process tools and results During the PPD course a Belbin Test was executed by each team member to identify their best own role and behaviour in group work. As this is seen as a valid way to find the different skills of each member, the test is going to be used to divide and allocate responsibilities. In such way, we have defined Agnes as the Coordinator, the person in charge of delegation of work and selection other member of the group by talent. Therefore, it also is decided that she will be our main Planner and will decide who does which tasks. On the other hand, the other team members need to mind that she does not off load her own share of the work as well. Secondly, Javier is an Implementor, which means he will prove himself to be a valuable and efficient worker. His organized way of working can also be of great value for the rest of the team as he can help planning and come up with a practical and effective ways of working. However, the rest of the group should mind the fact that he maybe has to put in more effort to adapt new ways of working, when a decision has been turned around and his nervousness when you have to work under pressure. In third case, Ameya has the role of a Monitor Evaluator, which makes him a sober and strategic mind. Hence, when it comes to decision making, he can prove to be a valid asset. But, as the rest of the team may depend on him about specific decisions, he makes himself sometimes over-responsible and only focuses in one task. Finally, Toon is a Recourse Investigator, which means he easily makes contacts and explores opportunities. This results in a valuable way of doing the communication for the group and towards others. He will also take up the role of the group Secretary and do most of the reporting. However, he might make ‘silent’ decisions without asking others. Apart from team members, we had the figure of Creativity Coach helpings us ignite our minds with creative approach to reach the final goal. In cases of standstill creativity, we expect advice on how to continue and come up with new ideas or methods. Moreover, the Technical Supervisor would be the one with whom we would be in contact on regular basis, to guide us in case of technical doubts and like a guiding lantern, bring us back to our path if we digress too much from the goal. Last, but not least, from the principals, we would like to get necessary process details with full clarity on the project expectations. Also, we expect the principals to be approachable and open to queries, if any, in the course of project. From the above, it was defined the group division for this project. Despite the fact that each one had their own responsibilities and strengths, one should never forget that in engineering projects proper communication is the key to avoid misunderstandings or vagueness. This can only be done if the 57
  • 66.
    58 6. Creativity& Group Process Methods weaknesses of each member are known in the whole group, so everyone try to overcome his/her own problems with the help and support of the others. It must be taken into account also all the feedback received from the people involved in the project, creating a ping-pong information chain where all information, advises and critics were considered. For those reasons, some activities were done as mentioned below: • (27-04-2015) Creation of an online database: All the files and documents related to the project were shared with team members and supervisors. In this way, information was available for everyone anytime. • (27-04-2015) Creation of a calendar: Definition of task distribution according to team members allocation, main milestones and tentative deadlines, in order to define a structured planning of the whole project. • (27-04-2015) Creation central mail account: This was used as the main communication hub. In that way everyone could look back in previous contact with whomever and have always a clear view of what was going on. • Everyday’s meeting in the morning: Revision of the calendar and project development, what had been done, needed to be improved or changed. Below, it is shown a summary of the main decisions taken in each week because of these meetings. – Week 1 (from 27-05 to 01-05): After having the first meeting with the technical supervisor and with the creativity coach in this week, we defined the main points to be discussed in the kick-off meeting with Frames’ principals as well as the tools we were going to use for the generation of new alternatives of the process (See section 6.2 Creativity tools and results). – Week 2 (from 04-05 to 08-05): Visiting our principals in Frames building situated in Alphen aan den Rijn resulted in a enriching and valuable experience. It gave us the opportunity to get to know each other and discuss several points that were unclear. For instance, the scope of the project, the alternatives to be investigated and the conditions used as reference were defined. In addition, two of the alternatives shown were criticized (Molecular sieves + TEG unit and Super X-packing) due to the fact that they do not meet the objectives. A tentative planning was also proposed and approved. (See section 6.3 Process planning). – Week 3 (from 11-05 to 15-05): With all the feedback and the points clear we made a series of creativity activities in order to generate more alternatives apart from the ones Frames principals gave us. The result was the finding of three realistic technologies that can be used in this unit, and that will be presented in the Basics of Design (BoD) meeting scheduled for week 5. In this week 3, we also had a meeting with P. Hamersma, where some questions were posed, clarifying that we need to be more specific and consistent in our selection of alternatives, including quantitative descriptions and equipment functioning principles and fundamentals. In this way, knowing how the piece of equipment really works, we would understand how to improve it and why one alternative is more suitable than other. Hence, we started the (BoD) with all the input required. – Week 4 (from 18-05 to 22-05): We still worked in the BoD and the design of the process in Aspen Plus, scheduled to be handed-in on 22nd May. We had a meeting with B. Dam to discuss about the results of the creativity tools. It was pointed out that more images and tables would be used, because they are the best option to shown a list of alternatives, instead so much text. The BoD report was given to all implicates for review and feedback. – Week 5 (from 25-05 to 29-05): In the BoD meeting, where all people involved in the project were present, the final 8 technological possibilities were shown. It was decided to follow with hybrid one, in which it would be used split injection, turbochargers and a combination of still column heated by microwaves and pervaporation membranes (See section 3 Innovation map). It was also settle the conventional process that would work as benchmark as well as the change into Aspen Hysys to simulate the process, because Aspen Plus does not fulfill some requirements. Furthermore, some professors and specialists in microwave heating and pervaporation membranes were contacted such as PhD. Guido Sturm.
  • 67.
    6.1. Team division,process tools and results 59 – Week 6 (from 01-06 to 05-06): It was introduced an important change in the simulation. Now the feed of wet natural gas is saturated before entering the column, which will be the worst scenario possible for the unit. Then, the conventional process was finished. The size and price of the unit is decided as benchmark. The project follows as scheduled and not more important changes are made. – Week 7 (from 08-06 to 12-06): The company Sairem was contacted regarding microwaves generators and prices of them were obtained and incorporated to the unit. Also, Mr. Sturm gave us his advice about microwaves, stating that they are feasible in concept, but no company has tried yet. – Week 8 (from 15-06 to 19-06): On Monday the 15th June, the final draft report was sub- mitted to all the parts involved in the project in order to get feedback of it. Furthermore, an important change was introduced. Finally, all results led to bad perfor- mance as well as an increment of the unit price when microwaves are incorporated due to the immaturity of this devices yet. Therefore, it was decided to erase them of the hybrid proposed solution. Finally, Pervatech was asked to provide details of the membranes modules used in the design. – Week 9 (from 22-06 to 26-06): The comments on the draft report were given and included in the final report. It was submitted on Friday 26th. • Meetings with creativity coach, technical supervisor, professors or experts: Discussion of main doubts and problems as well as forecasts for the next steps. – Dr. P. J. Hamersma, Technical supervisor: Thanks to the experience of the technical su- pervisor, we were able to go on with the project every time a problem arose, especially in the selection of improvements for the conventional process. He pointed out that the best way to overcome any problem is understanding ‘the chemistry’ behinds it. This advice was followed in every piece of equipment in order to come up with new technologies that will improve the performance of the unit. Moreover, he mentioned that every figure, graph or image should contribute with valuable information and should be followed by extensive explanatory description. – Dr. B. Dam, Creativity coach: His contribution was very important in the generation of new ideas. He provided us with another approach of the project where the technical rules were not the most important aspect, implementing the creativity of new designs. Team division, progression and the roles of each member were followed by him with relevant feedback about our behaviour within the team. – (18-05-2015) Ir. S. Groenendijk, Process Eng. at Fluor: He solved our doubts about the turndown case, ending in decreasing only 50% the amount TEG compared to the design case, because less can create cavitation and the still column can start weeping. After con- sulting principals from Frames, it was decided to maintain only 33% of the TEG. – (28-05-2015) Pr. A. Stankiewicz, Professor: As process intensification expert, he helped us in the definition of our improved process, giving tips and boundaries such as realistic temperatures for microwave heating that could not be found in literature. He also proposed a radical new design based on rotating packed beds. – (28-05-2015) J. James, PDeng: Mr. James shared with us his knowledge about Aspen and tips on the relationship between high pressure systems and the thermodynamic model used in the simulation, resulting in different model for each piece of equipment that simulates better the process. – (29-05-2015) M. Radiou, R&D Eng at Sairem: Always ready to help regarding to microwave systems, she gave us some useful information as well as prices for such devices. – (9-06-2015) G. Sturm, PhD: As a PhD in P&E institute at TU Delft, he shared with us his microwave related thesis where we could find information about how this equipment works intrinsically. – (14-06-2015) Prof. Dr. Ir. Anton A. Kiss, R&D Eng at AkzoNobel: With his advise over the pervaporation membranes, we were able to complete the Aspen Hysys simulation.
  • 68.
    60 6. Creativity& Group Process Methods Besides those activities, we do believe that productivity and efficiency can be enhanced if there is a relax atmosphere in the group. So, we also take into account the relationships between us: • Weekly dinner: Taking advantage of our international team, we decided that everyone needs to hold a dinner with food of his/her own country, and it seems it is working perfectly. • Card games: During breaks, we play different card games to chill out and rest from the project itself, resulting in a better work environment. 6.2. Creativity tools and results The following creativity techniques, whose description, date and results are shown below, were planned and used in the course of this project. • (08-05-2015) Brainstorming: We used this technique at the starting point of the conception stage. It requires a minimum of 4 people. For using this technique, the participants were required to come up with a large number of ideas without inhibition. Seemingly wild and unexpected ideas were also considered equally. Thereafter, the ideas were grouped and an overview of all solutions was created. We started with a warming-up round about Norway, natural gas and Frames. Then, we continued with Dehydration with TEG process. Brainstorming has the advantage of generating large amount of ideas, which are advantageous for in this project helping us in suggesting as many optimisation strategies to reduce the CAPEX ,OPEX and weight of the TEG unit, which is the main goal of the project. We realised that we have three groups of ideas: Environment and weather (cold, fjords, ice,...), technology (offshore, pipeline,energy,...) and company (oil, gas, money, future,...). It should mention that they also appeared bad ideas such as toxic, pollution, fire, old technology,...; meaning that this technology may still has the stereotype of petroleum industry. • (12-05-2015) List of ideas and dream power: This approach was used after the Brainstorming. During some days, team members were asked to come up with 10 solutions or improvements to the bottlenecks found in the project without taking into account the objectives of it and if they are fool. It was also stated that this should be done right before going to sleep, because specialists claim this can help to the generation of ideas. The result was the creation and presentation of about 40 ideas, such as integration of absorption and regeneration in one single column, using of supercritical solvents, pipelines with desiccant, using the outlet gas from flash as a motive fluid for vacuum ejector or condensers in every tray to remove the water, among others. Two of these ideas were selected for further study in the project: Addition of a entrainer in the regeneration column and the combination of molecular sieves with a TEG dehydration unit. • (12-05-2015) Mind map and visual thinking: This technique involves graphical representation of ideas, depicting how these ideas are related to each other. This technique can be used at different stages of the project, but we employed it in the conception or the idea generation phase, getting a graphically structured overview of thoughts or ideas and providing a thorough understanding of a equipment main functions and sub-functions. In this technique, first all the members voted the 2 best ideas of each other, after they were asked to draw 2 of them without any explanation from his/her creator. Every aspect of each design was explained and discussed with the creator of the idea. This way, we realized what different points of view a single idea can have and how some of them are maybe good enough for ourselves in our mind but not in reality. • (12-05-2015) 4x4x4: This is more a technique for improving decision making, connection, coher- ence and communication in the group. In this case, each member has to take 4 out of his/her 10 ideas, then in pairs, both members has to select 4 out of the previous 8 (the chosen 4) and finally, the whole group must choose 4 out of the las 8 (4 of each couple).
  • 69.
    6.3. Process planningand results 61 Eventually, it came that among the last 4 selected ideas, 1 was of each member. The most probable reason for this can be that each of us strives for his/her own ideas, while also we support other choices, always maintaining the balance in the group. • (15-05-2015) Collage: This method is the way to view your problem in a total overview of what you know about it. By printing out images and facts about the problem, new connections, previ- ously unseen, can arise. This was the last approach used in the basic of design and generation of ideas. In our case the problem of size is a nice one to try to observe in this manner. By look- ing for connection between different process steps, maybe a scale down or a potential different connection which we have not seen before could be found. The team members needed to collect data and 5 images about the problem we are struggling with. The process of choosing images should be totally random and nothing should be hold back because it does not seem to fit in the scope of your problem. Everything was hang upon the wall in our office and after the group started arranging everything in one way or another to look for new plans or methods to implement in the system. 6.3. Process planning and results 6.3.1. Overall planning and deadlines The project was divided in three stages: The preparation stage, the concept stage and the feasibility and development stage. Each of which were ended with a presentation. All details can be seen in figure 6.1. Figure 6.1: Planning used during the project. There are three main phases: Preparation stage(left orange line), conceptual stage (middle orange line) and feasibility & development stage (right orange line). Preparation stage The main focus is laid upon the question if this project is worth pursuing. Initial goals and deadlines were stated and planned as shown in Figure 7.1. The first alternatives would be briefly researched to
  • 70.
    62 6. Creativity& Group Process Methods get a preliminary feeling about them all. The preparation stage ended on the 7th of May, and the kick off meeting was conducted on that day, too. Concept stage During the concept stage the work revolved around the process itself, what are customer requirements and how to get there. The existing process was worked out to provide a benchmark for later improve- ments. All different improvements suggested before were divided between the team and everyone did a more extensive research into them. The first Aspen Plus simulation was made to provide a bench- mark for calculation of the impact of the different technological improvements in the feasibility stage. Furthermore all the data needed to calculate later on was searched and inventoried for later use. This phase would lead to a BoD report which will be finished 22nd May, whereas, on 27 May the report was presented. Feasibility & Development stage Last stage of the project. The team worked on implementing the new technologies selected and seeing the impact they would have upon the process. Financial calculation was done to estimate the CAPEX and OPEX of the new and old system to see demonstrate the way improvements helped. Weight estimates needed to be made to compare them as well. Also, the final report was produced in this stage, ending on 30th June with the final presentation. 6.3.2. Work division To make better use of time, effort and our capabilities, every team member had been allocated different tasks and responsibilities considering team division (See section 6.1 Team division, process tools and results). As the focus lied upon 4 technologies every team member was chosen to be expert of that area. Agnes would focus on microwave heating and coordination of all the tasks. Ameya on TEG split injection system and Aspen simulation,too. In addition, Javier was upon pervaporation models and the organization and planning of the project. Finally, Toon would research liquid turbochargers and would be in charge of the reporting and communication. Furthermore every team member gets an part of the assignment for which he or she will be held responsible. If the team member feels that it will not be done on time it will communicated with the rest of the team and he or she can offload some work to someone with less. Agnes is responsible for writing the parts concerning the safety of the process. Ameya will be working on the Aspen Plus with help of the rest of the group, but he will be the one having the overview and is responsible to have it finished on time. Javier is responsible for the financial and creative part of the operation.Toon is in charge of making the report and the planning of all the different tasks. Toon and Ameya would also look into the equipment sizing, CAPEX and OPEX research.
  • 71.
    7 Conclusions & Recommendations Whentaking in account all the information given throughout the report, it can be concluded that the introduction of semi-lean TEG injection, pervaporation membranes modules and liquid turbochargers leads to a lot of changes in CAPEX and OPEX, while the weight of the total new unit does not change too much, but remaining within the same range. This can however be due to error margins of the calculations done. First of all, by introducing the specific combination of techniques, the CAPEX has doubled. All ex- isting equipment from the conventional process, except the absorption column, have been reduced. However, the investment costs for the special kind of membranes used for pervaporation is so large that the benefits from using smaller equipment are counteracted. So, this separation technology may become interesting in terms of CAPEX if in coming years it matures, achieving more effective mem- brane area per module with the same water selectivity, leading to higher permeate fluxes. Then this investment price will drop drastically. It should be pointed out that the price estimation for pervapora- tion membrane modules a very crude one, due to the lack of reliable information and the scale of the project. For instance, Pervatech themselves did not know the possible prices of this proposed large pervaporation system. Hence, because of this uncertainty, the margin of error in cost estimation of the hybrid process is much larger than that of the conventional. On the other hand, the OPEX has been lowered a lot in comparison to the conventional system. A total saving of almost € 70,000 per year has been achieved. This was solely done by savings in energy, which makes the hybrid system a more energy efficient and greener alternative compared to the conventional process. Furthermore, as mentioned, the weight of the total unit has increased from 150 tons for the conven- tional dehydration system to 160 for the hybrid system. But as mentioned before, this approximately 10,000 kilograms gain is so low that it lies within the calculation error. To sum up, the introduction of pervaporation membranes has decreased the total energy consump- tion, but it increased the total capital expenses, leading to a rate of return for all the changes introduced of around 200 years, which is too long for this kind of industry. As stated, if the surface area of the membranes increases and so the total capital expenses decreases, then membranes can be a good option for improving TEG dehydration. However, as these membranes are currently too expensive, it is not advisable to add them to the process now. Liquid turbochargers however have decreased 70% of the power needed for TEG transport. Ac- cordingly, this decrease is a feasible help in energy demand reduction, as for TEG pumps the energy consumption in the conventional system is really high. For this reason, they are already being deployed in process industry. The recommendation is to add these TEG turbochargers to newly developed pro- cesses and to implement them in already existing plants since this is also possible. Finally, the injection of semi-lean TEG into the absorption column has sized down the reboiler and surge vessel with 30% even when it has not been optimized yet. Thus, room for improvement are analyzing different injection points in the column, purity of semi-lean TEG and flow of split optimizing 63
  • 72.
    64 7. Conclusions& Recommendations the gain of this setting. However, because the pervaporation membranes are not present in the con- ventional process, there is not an easy way of getting semi-lean TEG from the regeneration unit. For instance, the still column needs to have an additional middle outlet altering the design of the distilla- tion equipment. For this purpose, a distillation column can be considered first to achieve the necessary semi-lean TEG purity, sending afterwards the stream to other possible technologies such as molecular sieves where to reach the total lean purity required (99.2% in our Hybrid case). To find out if this is beneficial will requires a completely new research project.
  • 73.
    List of Symbols ΔPPressure rise [kPa] 𝜌 Density of vapor [kg/m ] 𝜌 Density [kg/m ] 𝜌 Density liquid [kg/m ] 𝜏 residence time [hr] A Surface [m ] A Downcomer are [m ] A Tower inside cross-sectional area [m ] D external vessel diameter [inches] D outside diameter [inches] D Diameter of the tank [m] E Fractional weld efficiency E modulus of elasticity [psi] F Liquid flowrate [kg/hr] f*U Fraction of the vapor flooding velocity [m/s] G Mass flow rate of gas [kg/s] h Height [m] L Length [m] L vessel length [m] L tangent-to-tangent height of the column[inches] LMTD Log mean temperature difference [C] P internal design pressure [psig] P internal design pressure [psig] q Heat duty [kJ/hr] S maximum allowable stress of the shell material at design temperature [pounds/inch ] S maximum allowable stress of the shell material at design temperature [pounds/inch ] t Wall thickness of vessel [inches] t Wall thickness of vessel [inches] t Wall thickness of vessel [inches] t Thickness to withstand seismic and wind 65
  • 74.
    66 7. Conclusions& Recommendations U Overall heat transfer coefficient [kJ/hr*m *C] V Volume of vessel [m ] wt% Weight percent
  • 75.
    A Unit sizing In thisappendix all different technique for size estimation are explained. To enhance readability ex- ample calculations regarding the conventional process are included. A.1. Contactor (C-101) The contactor is sized using the method proposed in Seider et al[16]. Later it is checked using Aspen Hysys simulations. 𝐷 = √ 4 ∗ 𝐺 (𝑓𝑈 ) ∗ 𝜋 ∗ 𝜌 (A.1) With: G = Mass flow rate of gas [kg/s] f*U = fraction of the vapor flooding velocity [m/s] 𝜌 = Density of vapor [kg/m ] The vapor flooding velocity is calculated using the correlation proposed by Fair et al [53], which was edited by Seider et al [16]. This results in a contactor diameter of 2.04 m. Aspen Hysys gives an estimate of 2.3 meters. The height of packing coming from Aspen Hysys simulations is 3.5 meters. For Mellapack ©packing from Sulzur Corp. the HETP is defined in the range of 0.5 to 0.7 meters[54]. Using 6 theoretical stages this results in a range of 2.1 to 4.2 meters of packing height. For this project a packing height of 3 meters is used and a diameter of 2.3 meters. As the packing is assumed to be 25% of the contactor the total height is estimated to be 12 meters. The wall thickness t is calculated to be 20 cm using the Sieder et al [16] method which uses equation A.3. In this equation the design pressure is considered to be 1.1 times the operating pressure since the operating pressure is above 1000 psig. For vertical columns wind and seismic loads are to be taken into account,too. The thickness of vessel required to withstand these effects have been calculated using the following equation[16]: 𝑡 = 0.22 ∗ (𝐷 + 18) ∗ 𝐿 𝑆 ∗ 𝐷 (A.2) With: D = external vessel diameter [inches] t =Wall thickness of vessel [inches] S = maximum allowable stress of the shell material at design temperature [pounds/inch ] L = tangent-to-tangent height of the column[inches]. Where the term 18 ( in inches) accounts for the column cage ladders. This method assumes a wind load based on the wind velocity of 140 miles/hr acting uniformly over the height of the column. 67
  • 76.
    68 A. Unitsizing The wall thickness to withstand pressure is calculated using the ASME pressure vessel code formula [16]: 𝑡 = 𝑃 ∗ 𝐷 2 ∗ 𝑆 ∗ 𝐸 − 1.2 ∗ 𝑃 (A.3) With: P = internal design pressure [psig] S = maximum allowable stress of the shell material at design temperature [pounds/inch ] E = Fractional weld efficiency With the following assumptions: • For pressures between 0-5 psig, P has been taken to be 10psig.[16] • For pressures between 10 psig to 1000 psig, the following equation has been used: P = exp{0.60608+ 0.91615[ln(P )]+0.0015655[ln(P )] }[16] • Maximum allowable stress of carbon steel has been taken to be 15000 pounds/inch [16] • Minimum thickness has been assumed in all cases to be 6mm. [16] The average vessel thickness t is calculated as the average of t and t +t as described in Seider et al [16]. The t will be needed at the top of the vessel and t +t at the bottom. A linear gradient of wall thickness is assumed. A.2. Vessel sizing (V201, V202 & V203) All vessel sizing is done via the Biegler-Grossman-Westerberg method [55]. Firstly the volume of the drum is calculated using the following equation. 𝑉 = ( 1 𝐿𝑖𝑞𝑢𝑖𝑑𝐹𝑟𝑎𝑐𝑡𝑖𝑜𝑛 ) ∗ ( 𝐹 ∗ 𝜏 𝜌 ) (A.4) With: F = liquid flowrate [kg/hr] V =Volume of vessel [m ] 𝜏 = residence time [hr] 𝜌 = Density liquid [kg/m ] With the following assumptions: • For V-201 and V-203, the liquid fraction has been assumed to be 0.8, whereas that for V-202 the same has been considered to be 0.5. • The residence times for vessels V-201,202 and 203 have been taken as 10, 5 and 20 min respec- tively. • The flowrates and the densities for the respective streams have been taken from Aspen Hysys. See Appendix C. Which gives the following results for the surge, flash & reboiler. The aspect ratio, is assumed to be 4 as described in Biegler et al [55]. Which gives the following results for the flash, reboiler & surge.
  • 77.
    A.3. Heat exchangers(E-201,202 & 203) 69 Table A.1: Vessel volumes Vessel Volume [m ] Diameter [m] Length [m] V-201 0.535 0.554 2.217 V-202 0.465 0.529 2.117 V-203 1.16 0.719 2.875 Vessel Wall thickness [mm] V-201 6 V-202 6 V-203 6 Table A.2: Thickness of the wall of all different Vessels A.3. Heat exchangers (E-201,202 & 203) Aspen Hysys simulations were used to get the total surface area needed for the heat exchangers E-201 & E-202. Calculation of area of Sea-Water Cooler E-203 was done manually as follows: • The heat duty was taken from Hysys simulations which is 3.726·10 kJ/h. • The water inlet and outlet were assumed to be at 10 °C and 20 °C respectively.The approach of 10°C has been been taken from a cooling tower vendor website [56] • Accordingly, the flow if sea-water required was calculated to be 8898.9 kg/hr (Heat Capacity of sea-water is assumed 4.187 kJ/(kg°C))[9] • The inlet and oulet temperatures for the lean TEG solution were taken from Hysys, which are 81.85 °C and 33.85°C respectively. • The log-mean-temperature difference for counter-current heat-exchange was thus calculated to be 39.87 °C. • The overall heat-transfer coefficient was conservatively assumed to be 150 W/(m .K) [57] • Accordingly, the area required for this heat exchanger was calculated to be 17.3 m . Which is used in the following equations: 𝑞 = 𝑈 ∗ 𝐴 ∗ 𝐿𝑀𝑇𝐷[58] (A.5) 𝐿𝑀𝑇𝐷 = Δ𝑇 − Δ𝑇 𝑙𝑛( ) [58] (A.6) The results are displayed in table A.3. Heat exchanger Surface area [m ] E-201 28.45 E-202 147.0 E-203 17.3 Table A.3: Total surface area needed per heat exchanger
  • 78.
    70 A. Unitsizing A.4. Still Column (C-201) The still column has been sized using following the method given in [16]. The equation used is: 𝐷 = √ 4 ∗ 𝐺 (𝑓𝑈 ) ∗ (1 − )𝜋 ∗ 𝜌 (A.7) With: A = Downcomer area, A = Tower inside cross-sectional area, The fraction A /A is calculated as per the following equations: 𝐴 𝐴 = 0.1 (A.8) if F , the gas flooding velocity <= 0.1 𝐴 𝐴 = 0.1 + 𝐹 − 0.1 9 (A.9) if 0.1<= F <= 1.0 & 𝐴 𝐴 = 2 (A.10) if F >= 1.0. This results in Still Column Diameter of 0.277 m or 27.7 cm and height of 6.5 m (which includes tray spacing height, height for disengagement at the top and height of holdup of 5min at the bottom assuming it is not mounted directly on reboiler). The wall thickness for the still column has been calculated on the same lines as that of the contactor, but by using criteria of lower operating pressures. The average column thickness is thus estimated to be 10 mm. A.5. Pumps (P-101 A/B and 202 A/B) The head requirement for individual pump was calculated by using the Hydrostatic Equation: Δ𝑃 = ℎ ∗ 𝜌 ∗ 𝑔[59] (A.11) With: Δ P = Pressure rise in the pump[kPa], h = height of liquid column [m], 𝜌 =density of the liquid [kg/m ]. The power requirement for the two- pumps was obtained as a result of Hysys simulation. Finally, all of this has been tabulated in table A.4: Pump Head [mlc] Power [kW] P-101A/B 1370 13.4 P-202A/B 20 0.155 Table A.4: Power requirement per pump A.6. Pervaporation membrane module (S-202) The pervaporation membrane module sizing will be based on the commercial PVM-094 SS 316 7×4-tube (120cm) from Pervatech shown in the figure A.1, which displays the dimensions of it in the image. As mentioned in the figure A.1, the diameter of a module with 7 elements of 25 mm diame- ter each is totally 0.1143 m (114.3 mm). Therefore, the circular area of the vessel tube is around
  • 79.
    A.6. Pervaporation membranemodule (S-202) 71 (pi/4)·0.1143 =0.01 m . Hence, if there are 7 elements, each element (plus the space needed sur- rounding it for the water vapour flow) is 0.01/7=0.0014 m . In our case, it is required a number of 37 elements per module, so 0.0014·37=0.053 m of circular surface, which transformed into diameter is 0.260 m (260mm) of vessel tube. Then, as stated in table 3.5, 509 m are needed. The module designed will provide 3.7 m of effective membrane are, representing 509 / 3.7 = 138 modules. It is assumed that there is no especial requirements for the space such as a particular length or height. Hence, it was selected a rectangular 14x10 modules disposition in parallel. As we only need 138 modules, there is space for 2 more modules. The separation between modules is calculated as follows. The figure A.1 shows that for a PVM-094 SS 316 7×4-tube module the height is 100 mm from the center of the tube. From those 100 mm, we subtract 114.3 / 2 = 57.15 mm of radius, leading to 42.85 mm of height taken from the outer part of the vessel circumference until the highest point of the tube to be added to the diameter. Therefore, 260 mm + 42.85 mm = 302.85 mm, around 0.302 m of actual diameter of flange. If 14 modules are set in parallel, the total width is 14 · 0.302 = 4.24 m. However, a security factor of 50% is taken in order to count the pipes needed between modules for the vapour flow as well as maintenance duties, resulting in 6.36 m, which is normalized to 7 m width. For the height, we have 10 modules in parallel resulting in 10 · 0.302 = 3.02 m. Following the same reasoning, the security factor of 50% is taken. The total height is 4.53 m, which is normalized to 5 m. Furthermore, the length will be taken as equal due to the fact that the membrane length and type is the same (silica membrane of 120 cm) as in the PVM-094 SS 316 7×4-tube module. Hence, the length will be 1.405 m. Figure A.1: Dimensions of PVM-094 SS 316 7×4-tube (120cm) from Pervatech. The thickness required for each module is sized using the method proposed in Seider et al [16], considering that each module is an empty cylindrical vessel of SS 316 of 0.260 m diameter. Due to the fact that thickness should be sufficiently big to withstand the vacuum collapsing pressure, Mulet et. al presented a method for computing the necessary wall thickness t , based in the vessel length-to-outside diameter ratio.
  • 80.
    72 A. Unitsizing 𝑡 = 1.3 ∗ 𝐷 ( 𝑃 ∗ 𝐿 𝐸 ∗ 𝐷 ) . (A.12) With: D = outside diameter [inches] E = modulus of elasticity [psi], 27.6·10 for SS 316. [60] P = internal design pressure [psig] for operating pressures between 0 and 5, 10 psig should be taken [16]. L = vessel length [inches] However, to the value of t the following correction, t must be added 𝑡 = 𝐿 ∗ (0.18 ∗ 𝐷 − 2.2) ∗ 10 − 0.19 (A.13) Therefore, the total thickness for a vacuum vessel is 𝑡 = 𝑡 + 𝑡 (A.14) The results are displayed in table A.5. Table A.5: Results for thickness pervaporation module vessel calculation Type t [mm] t 𝐶 [mm] t [mm] Vessel 1.4 4.6 6.0
  • 81.
  • 82.
    74 B. Usedgraphs The incoming lean TEG is assumed to be in equilibrium with the outgoing dry gas. This graph, there- fore, provides the minimum concentration of lean TEG required for dehydration when the Contactor temperature (which is inlet gas temperature assuming the contactor to be isothermal) and Equilibrium water dew point of gas obtainable at temperature is known. Figure B.1: Equilibrium Water Dew Point in °C versus Inlet Gas Temperature [15]
  • 83.
    75 From the watercontent of the outgoing dehydrated gas, its dew point at the contactor temperature and pressure is calculated using this graph. A conservative approach of about 8.5 °C [15]is subtracted from the dew point estimated from the graph. Figure B.2: Water Content of Sweet Natural Gas , kg/(10 std m ) (100 kPa and 15 °C) vs Water Dew point in °C [15]
  • 85.
  • 86.
    78 C. Flowsheet conventional design FigureC.1:Thetotalflowsheetandmodelusedinhysys,themassbalancesareinthefollowingappendices
  • 87.
    D Stream Summary -Conventional Design Case Table D.1: Stream Summary - Conventional Design Name <001> <002> <101> <102> <103> <104> DRY GAS Vapour Fraction 0 0 1 1 0 0 1 Temperature [C] 35 35 35 35 35 35 35 Pressure [bar] 157 157 157 157 157 157 156 Molar Flow [kgmole/h] 555090 556744 19438 17784 18 26 17776 Mass Flow [kg/h] 9999999 10043330 380657 337325 2594 2717 337203 Liq Volume Flow [m3/h] 10020 10110 1112 1022 2 2 1021 Heat Flow [kJ/h] (*10^5) -158126,43 -158436,62 -1783,75 -1473,70 -14,23 -16,23 -1471,69 Name <201> <202> <203> <204> Waste <205> <206> Vapour Fraction 0 0 1,56E-02 1 0 0 1,99E-04 Temperature [C] 55 94 98 98 98 98 98 Pressure [bar] 156 156 4 4 4 4 3 Molar Flow [kgmole/h] 26 26 26 0 0 25 25 Mass Flow [kg/h] 2717 2717 2717 10 0 2707 2707 Liq Volume Flow [m3/h] 2 2 2 0 0 2 2 Heat Flow [kJ/h] -16,07 -15,75 -15,75 -0,05 0,00 -15,70 -15,70 Name <207> <208> <209> <210> <211> <212> <213> Vapour Fraction 0 0 1 0 0 0 0 Temperature [C] 170 204 201 201 199 199 123 Pressure [bar] 3 1 1 1 1 3 2 Molar Flow [kgmole/h] 25 19 1 18 18 18 18 Mass Flow [kg/h] 2707 2587 30 2567 2592 2592 2594 Liq Volume Flow [m3/h] 2 2 0 2 2 2 2 Heat Flow [kJ/h] -15,10 -13,01 -0,22 -12,84 -12,97 -12,97 -13,59 Name <214> <215> Make Up OVHD Vapour Fraction 0 0 0 1 Temperature [C] 82 34 35 98 Pressure [bar] 2 1 1 1 Molar Flow [kgmole/h] 18 18 0 8 Mass Flow [kg/h] 2594 2594 24 149 Liq Volume Flow [m3/h] 2 2 0 0 Heat Flow [kJ/h] -13,91 -14,28 -0,13 -1,80 79
  • 88.
    80 D. StreamSummary - Conventional Design Case Table D.2: Mass fraction design case conventional 1/2 Name <001> <002> <101> <102> <103> <104> DRY GAS Methane 0,0000 0,0017 0,7087 0,7501 0,0000 0,0016 0,7504 Ethane 0,0000 0,0001 0,0819 0,0892 0,0000 0,0002 0,0892 Propane 0,0000 0,0000 0,0491 0,0545 0,0000 0,0004 0,0545 n-Butane 0,0000 0,0000 0,0264 0,0296 0,0000 0,0002 0,0296 n-Pentane 0,0000 0,0000 0,0089 0,0100 0,0000 0,0001 0,0100 n-Hexane 0,0000 0,0000 0,0033 0,0037 0,0000 0,0000 0,0037 n-Heptane 0,0000 0,0000 0,0038 0,0043 0,0000 0,0000 0,0043 n-Octane 0,0000 0,0000 0,0044 0,0049 0,0000 0,0000 0,0049 n-Nonane 0,0000 0,0000 0,0049 0,0055 0,0000 0,0000 0,0055 Benzene 0,0000 0,0000 0,0003 0,0002 0,0000 0,0001 0,0002 Toluene 0,0000 0,0000 0,0004 0,0003 0,0000 0,0003 0,0003 m-Xylene 0,0000 0,0000 0,0005 0,0005 0,0000 0,0007 0,0005 E-Benzene 0,0000 0,0000 0,0005 0,0005 0,0000 0,0006 0,0005 TEGlycol 0,0000 0,0000 0,0000 0,0000 0,9932 0,9385 0,0001 H2O 1,0000 0,9957 0,0000 0,0004 0,0067 0,0547 0,0000 Nitrogen 0,0000 0,0000 0,0026 0,0028 0,0000 0,0000 0,0028 CO2 0,0000 0,0025 0,0805 0,0166 0,0000 0,0008 0,0166 i-Butane 0,0000 0,0000 0,0146 0,0164 0,0000 0,0009 0,0164 i-Pentane 0,0000 0,0000 0,0092 0,0104 0,0000 0,0007 0,0104 Name <201> <202> <203> <204> Waste <205> <206> Methane 0,0016 0,0016 0,0016 0,4325 0,0001 0,0001 0,0001 Ethane 0,0002 0,0002 0,0002 0,0564 0,0000 0,0000 0,0000 Propane 0,0004 0,0004 0,0004 0,0837 0,0001 0,0001 0,0001 n-Butane 0,0002 0,0002 0,0002 0,0412 0,0001 0,0001 0,0001 n-Pentane 0,0001 0,0001 0,0001 0,0192 0,0001 0,0001 0,0001 n-Hexane 0,0000 0,0000 0,0000 0,0000 0,0000 0,0000 0,0000 n-Heptane 0,0000 0,0000 0,0000 0,0000 0,0000 0,0000 0,0000 n-Octane 0,0000 0,0000 0,0000 0,0000 0,0000 0,0000 0,0000 n-Nonane 0,0000 0,0000 0,0000 0,0000 0,0000 0,0000 0,0000 Benzene 0,0001 0,0001 0,0001 0,0017 0,0001 0,0001 0,0001 Toluene 0,0003 0,0003 0,0003 0,0023 0,0003 0,0003 0,0003 m-Xylene 0,0007 0,0007 0,0007 0,0020 0,0007 0,0007 0,0007 E-Benzene 0,0006 0,0006 0,0006 0,0018 0,0006 0,0006 0,0006 TEGlycol 0,9385 0,9385 0,9385 0,0004 0,9420 0,9420 0,9420 H2O 0,0547 0,0547 0,0547 0,0398 0,0548 0,0548 0,0548 Nitrogen 0,0000 0,0000 0,0000 0,0014 0,0000 0,0000 0,0000 CO2 0,0008 0,0008 0,0008 0,1479 0,0003 0,0003 0,0003 i-Butane 0,0009 0,0009 0,0009 0,1103 0,0005 0,0005 0,0005 i-Pentane 0,0007 0,0007 0,0007 0,0592 0,0005 0,0005 0,0005 Name <207> <208> <209> <210> <211> <212> <213> Methane 0,0001 0,0000 0,1443 0,0000 0,0000 0,0000 0,0000 Ethane 0,0000 0,0000 0,0186 0,0000 0,0000 0,0000 0,0000 Propane 0,0001 0,0000 0,0272 0,0000 0,0000 0,0000 0,0000 n-Butane 0,0001 0,0000 0,0129 0,0000 0,0000 0,0000 0,0000 n-Pentane 0,0001 0,0000 0,0062 0,0000 0,0000 0,0000 0,0000 n-Hexane 0,0000 0,0000 0,0000 0,0000 0,0000 0,0000 0,0000 n-Heptane 0,0000 0,0000 0,0000 0,0000 0,0000 0,0000 0,0000 n-Octane 0,0000 0,0000 0,0000 0,0000 0,0000 0,0000 0,0000 n-Nonane 0,0000 0,0000 0,0000 0,0000 0,0000 0,0000 0,0000 Benzene 0,0001 0,0000 0,0004 0,0000 0,0000 0,0000 0,0000 Toluene 0,0003 0,0000 0,0007 0,0000 0,0000 0,0000 0,0000 m-Xylene 0,0007 0,0000 0,0014 0,0000 0,0000 0,0000 0,0000 E-Benzene 0,0006 0,0000 0,0013 0,0000 0,0000 0,0000 0,0000 TEGlycol 0,9420 0,9895 0,3378 0,9931 0,9932 0,9932 0,9932 H2O 0,0548 0,0105 0,3467 0,0067 0,0067 0,0067 0,0067 Nitrogen 0,0000 0,0000 0,0005 0,0000 0,0000 0,0000 0,0000 CO2 0,0003 0,0000 0,0483 0,0000 0,0000 0,0000 0,0000 i-Butane 0,0005 0,0000 0,0351 0,0000 0,0000 0,0000 0,0000 i-Pentane 0,0005 0,0000 0,0185 0,0000 0,0000 0,0000 0,0000
  • 89.
    81 Table D.3: Massfraction design case conventional 2/2 Name <214> <215> Make Up OVHD Methane 0,0000 0,0000 0,0000 0,0296 Ethane 0,0000 0,0000 0,0000 0,0040 Propane 0,0000 0,0000 0,0000 0,0068 n-Butane 0,0000 0,0000 0,0000 0,0037 n-Pentane 0,0000 0,0000 0,0000 0,0023 n-Hexane 0,0000 0,0000 0,0000 0,0000 n-Heptane 0,0000 0,0000 0,0000 0,0000 n-Octane 0,0000 0,0000 0,0000 0,0000 n-Nonane 0,0000 0,0000 0,0000 0,0000 Benzene 0,0000 0,0000 0,0000 0,0025 Toluene 0,0000 0,0000 0,0000 0,0058 m-Xylene 0,0000 0,0000 0,0000 0,0124 E-Benzene 0,0000 0,0000 0,0000 0,0110 TEGlycol 0,9932 0,9932 0,9940 0,0000 H2O 0,0067 0,0067 0,0060 0,8797 Nitrogen 0,0000 0,0000 0,0000 0,0001 CO2 0,0000 0,0000 0,0000 0,0142 i-Butane 0,0000 0,0000 0,0000 0,0154 i-Pentane 0,0000 0,0000 0,0000 0,0125
  • 91.
    E Stream Summary -Turndown Case Table E.1: Stream summary turndown case hybrid Name <001> <002> <101> <102> <103> <104> DRY GAS Vapour Fraction 0 0 1 1 0 0 1 Temperature [C] 35 35 35 35 32 35 35 Pressure [bar] 157 157 157 157 157 157 156 Molar Flow [kgmole/h] 55509 55674 1944 1778 6 7 1777 Mass Flow [kg/h] 1000000 1004333 38062 33729 877 897 33709 Liquid Volume Flow [m3/h] 1002 1011 111 102 1 1 102 Heat Flow [kJ/h] [*10^5] -158126,45 -158437,17 -1783,58 -1473,56 -48,10 -50,29 -1471,37 Name <201> <202> <203> <204> WASTE <205> <206> Vapour Fraction 0 0 0 1 0 0 0 Temperature [C] 55 92 96 96 96 96 96 Pressure [bar] 156 156 4 4 4 4 3 Molar Flow [kgmole/h] 7 7 7 0 0 7 7 Mass Flow [kg/h] 897 897 897 6 0 891 891 Liquid Volume Flow [m3/h] 1 1 1 0 0 1 1 Heat Flow [kJ/h] [*10^5] -49,75 -48,77 -48,77 -0,25 0,00 -48,52 -48,52 Name <207> <208> <209> <210> <211> <212> <213> Vapour Fraction 0 0 1 0 0 0 0 Temperature [C] 176 204 199 199 198 198 117 Pressure [bar] 3 1 1 1 1 3 2 Molar Flow [kgmole/h] 7 6 1 6 6 6 6 Mass Flow [kg/h] 891 884 15 875 882 882 877 Liquid Volume Flow [m3/h] 1 1 0 1 1 1 1 Heat Flow [kJ/h] [*10^5] -46,35 -44,42 -1,01 -43,66 -44,06 -44,06 -46,00 Name <214> <215> MAKE UP OVHD Vapour Fraction 0 0 0 1 Temperature [C] 80 31 35 90 Pressure [bar] 2 2 1 1 Molar Flow [kgmole/h] 6 6 0 1 Mass Flow [kg/h] 877 877 7 22 Liquid Volume Flow [m3/h] 1 1 0 0 Heat Flow [kJ/h] [*10^5] -46,98 -48,27 -0,40 -2,04 83
  • 92.
    84 E. StreamSummary - Turndown Case Table E.2: Mass fraction turndown case hybrid 1/2 Name <001> <002> <101> <102> <103> <104> DRY GAS Methane 0,0000 0,0017 0,7088 0,7502 0,0000 0,0033 0,7506 Ethane 0,0000 0,0001 0,0819 0,0892 0,0000 0,0006 0,0892 Propane 0,0000 0,0000 0,0491 0,0545 0,0000 0,0007 0,0545 n-Butane 0,0000 0,0000 0,0264 0,0296 0,0000 0,0003 0,0296 n-Pentane 0,0000 0,0000 0,0089 0,0100 0,0000 0,0002 0,0100 n-Hexane 0,0000 0,0000 0,0033 0,0037 0,0000 0,0000 0,0037 n-Heptane 0,0000 0,0000 0,0038 0,0043 0,0000 0,0000 0,0043 n-Octane 0,0000 0,0000 0,0044 0,0049 0,0000 0,0000 0,0049 n-Nonane 0,0000 0,0000 0,0049 0,0055 0,0000 0,0000 0,0055 Benzene 0,0000 0,0000 0,0003 0,0002 0,0000 0,0002 0,0002 Toluene 0,0000 0,0000 0,0004 0,0003 0,0000 0,0005 0,0003 m-Xylene 0,0000 0,0000 0,0005 0,0005 0,0001 0,0008 0,0004 E-Benzene 0,0000 0,0000 0,0005 0,0005 0,0001 0,0007 0,0005 TEGlycol 0,0000 0,0000 0,0000 0,0000 0,9941 0,9692 0,0001 H2O 1,0000 0,9957 0,0000 0,0004 0,0056 0,0202 0,0000 Nitrogen 0,0000 0,0000 0,0026 0,0028 0,0000 0,0000 0,0028 CO2 0,0000 0,0025 0,0805 0,0165 0,0000 0,0010 0,0165 i-Butane 0,0000 0,0000 0,0145 0,0164 0,0000 0,0012 0,0164 i-Pentane 0,0000 0,0000 0,0092 0,0104 0,0000 0,0010 0,0103 Name <201> <202> <203> <204> WASTE <205> <206> Methane 0,0033 0,0033 0,0033 0,4854 0,0001 0,0001 0,0001 Ethane 0,0006 0,0006 0,0006 0,0859 0,0000 0,0000 0,0000 Propane 0,0007 0,0007 0,0007 0,0832 0,0001 0,0001 0,0001 n-Butane 0,0003 0,0003 0,0003 0,0346 0,0001 0,0001 0,0001 n-Pentane 0,0002 0,0002 0,0002 0,0154 0,0001 0,0001 0,0001 n-Hexane 0,0000 0,0000 0,0000 0,0001 0,0000 0,0000 0,0000 n-Heptane 0,0000 0,0000 0,0000 0,0001 0,0000 0,0000 0,0000 n-Octane 0,0000 0,0000 0,0000 0,0001 0,0000 0,0000 0,0000 n-Nonane 0,0000 0,0000 0,0000 0,0000 0,0000 0,0000 0,0000 Benzene 0,0002 0,0002 0,0002 0,0018 0,0002 0,0002 0,0002 Toluene 0,0005 0,0005 0,0005 0,0024 0,0005 0,0005 0,0005 m-Xylene 0,0008 0,0008 0,0008 0,0020 0,0008 0,0008 0,0008 E-Benzene 0,0007 0,0007 0,0007 0,0018 0,0007 0,0007 0,0007 TEGlycol 0,9692 0,9692 0,9692 0,0005 0,9756 0,9756 0,9756 H2O 0,0202 0,0202 0,0202 0,0161 0,0203 0,0203 0,0203 Nitrogen 0,0000 0,0000 0,0000 0,0009 0,0000 0,0000 0,0000 CO2 0,0010 0,0010 0,0010 0,1174 0,0002 0,0002 0,0002 i-Butane 0,0012 0,0012 0,0012 0,0978 0,0006 0,0006 0,0006 i-Pentane 0,0010 0,0010 0,0010 0,0544 0,0006 0,0006 0,0006 Name <207> <208> <209> <210> <211> <212> <213> Methane 0,0001 0,0000 0,1886 0,0000 0,0000 0,0000 0,0000 Ethane 0,0000 0,0000 0,0332 0,0000 0,0000 0,0000 0,0000 Propane 0,0001 0,0000 0,0318 0,0000 0,0000 0,0000 0,0000 n-Butane 0,0001 0,0000 0,0129 0,0000 0,0000 0,0000 0,0000 n-Pentane 0,0001 0,0000 0,0059 0,0000 0,0000 0,0000 0,0000 n-Hexane 0,0000 0,0000 0,0000 0,0000 0,0000 0,0000 0,0000 n-Heptane 0,0000 0,0000 0,0000 0,0000 0,0000 0,0000 0,0000 n-Octane 0,0000 0,0000 0,0000 0,0000 0,0000 0,0000 0,0000 n-Nonane 0,0000 0,0000 0,0000 0,0000 0,0000 0,0000 0,0000 Benzene 0,0002 0,0000 0,0008 0,0000 0,0000 0,0000 0,0000 Toluene 0,0005 0,0000 0,0017 0,0000 0,0000 0,0000 0,0000 m-Xylene 0,0008 0,0001 0,0045 0,0001 0,0001 0,0001 0,0001 E-Benzene 0,0007 0,0001 0,0042 0,0001 0,0001 0,0001 0,0001 TEGlycol 0,9756 0,9893 0,3262 0,9941 0,9941 0,9941 0,9941 H2O 0,0203 0,0104 0,2878 0,0056 0,0057 0,0057 0,0056 Nitrogen 0,0000 0,0000 0,0003 0,0000 0,0000 0,0000 0,0000 CO2 0,0002 0,0000 0,0450 0,0000 0,0000 0,0000 0,0000 i-Butane 0,0006 0,0000 0,0368 0,0000 0,0000 0,0000 0,0000 i-Pentane 0,0006 0,0000 0,0202 0,0000 0,0000 0,0000 0,0000
  • 93.
    85 Table E.3: Massfraction turndown case hybrid 2/2 Name <214> <215> MAKE UP OVHD Methane 0,0000 0,0000 0,0000 0,1314 Ethane 0,0000 0,0000 0,0000 0,0242 Propane 0,0000 0,0000 0,0000 0,0259 n-Butane 0,0000 0,0000 0,0000 0,0112 n-Pentane 0,0000 0,0000 0,0000 0,0061 n-Hexane 0,0000 0,0000 0,0000 0,0000 n-Heptane 0,0000 0,0000 0,0000 0,0000 n-Octane 0,0000 0,0000 0,0000 0,0000 n-Nonane 0,0000 0,0000 0,0000 0,0000 Benzene 0,0000 0,0000 0,0000 0,0091 Toluene 0,0000 0,0000 0,0000 0,0193 m-Xylene 0,0001 0,0001 0,0000 0,0304 E-Benzene 0,0001 0,0001 0,0000 0,0270 TEGlycol 0,9941 0,9941 0,9940 0,0000 H2O 0,0056 0,0056 0,0060 0,5889 Nitrogen 0,0000 0,0000 0,0000 0,0002 CO2 0,0000 0,0000 0,0000 0,0398 i-Butane 0,0000 0,0000 0,0000 0,0488 i-Pentane 0,0000 0,0000 0,0000 0,0376
  • 95.
    F Microwave heating model FigureF.1: Model used in Hysys to estimate energy consumption in a microwave heated column 87
  • 97.
  • 98.
    90 G. Splitflow model FigureG.1:ModelusedinHysystomodelsplitflowinjectionintheabsorptioncolumn
  • 99.
    H Model used forhybrid system 91
  • 100.
    92 H. Modelused for hybrid system FigureH.1:Thetotalflowsheetandmodelusedinhysys,themassbalancesareinthefollowingappendices
  • 101.
    I Stream Summary -Hybrid: Design Flow 93
  • 102.
    94 I. StreamSummary - Hybrid: Design Flow Table I.1: Stream summary design case hybrid Name <102> DRY GAS <104> <201> <202> <204> Vapour Fraction 1,0000 1,0000 0,0000 0,0000 0,0000 1,0000 Temperature [C] 35 36 35 36 38 42 Pressure [bar] 157 156 157 156 156 4 Molar Flow [kgmole/h] 17784 17777 18 18 18 0 Mass Flow [kg/h] 337306 337197 1660 1660 1660 3 Liq Volume Flow [m3/h] 1022 1021 1 1 1 0 Heat Flow [kJ/h] -1,47E+09 -1,47E+09 -1,04E+07 -1,04E+07 -1,04E+07 -1,53E+04 Name Waste <205> <203> <206> <207> OVHD Vapour Fraction 0,0000 0 8,14E-03 9,35E-05 4,14E-04 1 Temperature [C] 42 42 42 42 108 70 Pressure [bar] 4 4 4 3 3 1 Molar Flow [kgmole/h] 0 18 18 18 18 0 Mass Flow [kg/h] 0 1657 1660 1657 1657 3 Liq Volume Flow [m3/h] 0 1 1 1 1 0 Heat Flow [kJ/h] 0,00E+00 -1,04E+07 -1,04E+07 -1,04E+07 -1,01E+07 -1,54E+04 Name <208> <209> <210> <213> <212> Make Up Vapour Fraction 0,0000 1,0000 0,0000 0,0000 0,0000 0,0000 Temperature [C] 204 203 203 57 198 35 Pressure [bar] 1 1 1 2 3 1 Molar Flow [kgmole/h] 5 0 5 5 5 0 Mass Flow [kg/h] 763 3 761 786 785 24 Liq Volume Flow [m3/h] 1 0 1 1 1 0 Heat Flow [kJ/h] -3,81E+06 -1,84E+04 -3,79E+06 -4,27E+06 -3,93E+06 -1,33E+05 Name <211> <214> <215> <103> <204.2> OVHD-1 Vapour Fraction 0,0000 0 0 0 1 1 Temperature [C] 198 52 35 37 42 42 Pressure [bar] 1 2 2 156 4 4 Molar Flow [kgmole/h] 5 5 5 5 0 0 Mass Flow [kg/h] 785 786 786 786 1 3 Liq Volume Flow [m3/h] 1 1 1 1 0 0 Heat Flow [kJ/h] -3,93E+06 -4,28E+06 -4,32E+06 -4,30E+06 -3,07E+03 -1,23E+04 Name <101> <207.1> <207.2> <207.3> <207.4> <207.5> Vapour Fraction 1,0000 0,0048 0,0056 5,64E-03 0,0000 0,0000 Temperature [C] 35 150 150 150 159 159 Pressure [bar] 157 3 2 2 157 157 Molar Flow [kgmole/h] 19438 18 11 5 5 5 Mass Flow [kg/h] 380629 1657 1527 764 764 765 Liq Volume Flow [m3/h] 1112 1 1 1 1 1 Heat Flow [kJ/h] -1,78E+09 -9,86E+06 -7,86E+06 -3,93E+06 -3,90E+06 -3,91E+06 Name <207.6> <207.7> Vapour Fraction 5,64E-03 4,75E-03 Temperature [C] 150 150 Pressure [bar] 2 2 Molar Flow [kgmole/h] 5 5 Mass Flow [kg/h] 764 764 Liq Volume Flow [m3/h] 1 1 Heat Flow [kJ/h] -3,93E+06 -3,93E+06
  • 103.
    95 Table I.2: Massfraction design case 1/2 Name <102> <104> <201> <202> <204> Waste <205> Methane 0,7502 0,0011 0,0011 0,0011 0,5557 0,0000 0,0000 Ethane 0,0892 0,0001 0,0001 0,0001 0,0585 0,0000 0,0000 Propane 0,0545 0,0003 0,0003 0,0003 0,0933 0,0001 0,0001 n-Butane 0,0296 0,0002 0,0002 0,0002 0,0455 0,0001 0,0001 n-Pentane 0,0100 0,0001 0,0001 0,0001 0,0139 0,0001 0,0001 n-Hexane 0,0037 0,0000 0,0000 0,0000 0,0000 0,0000 0,0000 n-Heptane 0,0043 0,0000 0,0000 0,0000 0,0000 0,0000 0,0000 n-Octane 0,0049 0,0000 0,0000 0,0000 0,0000 0,0000 0,0000 n-Nonane 0,0055 0,0000 0,0000 0,0000 0,0000 0,0000 0,0000 Benzene 0,0002 0,0001 0,0001 0,0001 0,0004 0,0001 0,0001 Toluene 0,0003 0,0002 0,0002 0,0002 0,0004 0,0002 0,0002 m-Xylene 0,0005 0,0007 0,0007 0,0007 0,0003 0,0007 0,0007 E-Benzene 0,0005 0,0006 0,0006 0,0006 0,0002 0,0006 0,0006 TEGlycol 0,0000 0,9101 0,9101 0,9101 0,0000 0,9119 0,9119 H2O 0,0004 0,0845 0,0845 0,0845 0,0050 0,0847 0,0847 Nitrogen 0,0028 0,0000 0,0000 0,0000 0,0028 0,0000 0,0000 CO2 0,0166 0,0007 0,0007 0,0007 0,1503 0,0004 0,0004 i-Butane 0,0164 0,0007 0,0007 0,0007 0,0531 0,0006 0,0006 i-Pentane 0,0104 0,0006 0,0006 0,0006 0,0207 0,0005 0,0005 Name <203> <206> <207> OVHD <208> <209> <210> Methane 0,0011 0,0000 0,0000 0,1184 0,0000 0,1250 0,0000 Ethane 0,0001 0,0000 0,0000 0,0129 0,0000 0,0128 0,0000 Propane 0,0003 0,0001 0,0001 0,0871 0,0000 0,0242 0,0000 n-Butane 0,0002 0,0001 0,0001 0,0761 0,0000 0,0178 0,0000 n-Pentane 0,0001 0,0001 0,0001 0,0721 0,0000 0,0114 0,0000 n-Hexane 0,0000 0,0000 0,0000 0,0000 0,0000 0,0000 0,0000 n-Heptane 0,0000 0,0000 0,0000 0,0000 0,0000 0,0000 0,0000 n-Octane 0,0000 0,0000 0,0000 0,0000 0,0000 0,0000 0,0000 n-Nonane 0,0000 0,0000 0,0000 0,0000 0,0000 0,0000 0,0000 Benzene 0,0001 0,0001 0,0001 0,0273 0,0003 0,0222 0,0002 Toluene 0,0002 0,0002 0,0002 0,0220 0,0003 0,0189 0,0002 m-Xylene 0,0007 0,0007 0,0007 0,0174 0,0003 0,0161 0,0002 E-Benzene 0,0006 0,0006 0,0006 0,0197 0,0003 0,0183 0,0003 TEGlycol 0,9101 0,9119 0,9119 0,0000 0,9912 0,3358 0,9928 H2O 0,0845 0,0847 0,0847 0,1793 0,0073 0,3070 0,0062 Nitrogen 0,0000 0,0000 0,0000 0,0847 0,0000 0,0007 0,0000 CO2 0,0007 0,0004 0,0004 0,1109 0,0000 0,0374 0,0000 i-Butane 0,0007 0,0006 0,0006 0,0904 0,0001 0,0257 0,0000 i-Pentane 0,0006 0,0005 0,0005 0,0816 0,0001 0,0268 0,0000 Name <213> <212> Make Up <211> <214> <215> <103> Methane 0,0000 0,0000 0,0000 0,0000 0,0000 0,0000 0,0000 Ethane 0,0000 0,0000 0,0000 0,0000 0,0000 0,0000 0,0000 Propane 0,0000 0,0000 0,0000 0,0000 0,0000 0,0000 0,0000 n-Butane 0,0000 0,0000 0,0000 0,0000 0,0000 0,0000 0,0000 n-Pentane 0,0000 0,0000 0,0000 0,0000 0,0000 0,0000 0,0000 n-Hexane 0,0000 0,0000 0,0000 0,0000 0,0000 0,0000 0,0000 n-Heptane 0,0000 0,0000 0,0000 0,0000 0,0000 0,0000 0,0000 n-Octane 0,0000 0,0000 0,0000 0,0000 0,0000 0,0000 0,0000 n-Nonane 0,0000 0,0000 0,0000 0,0000 0,0000 0,0000 0,0000 Benzene 0,0002 0,0002 0,0000 0,0002 0,0002 0,0002 0,0002 Toluene 0,0002 0,0002 0,0000 0,0002 0,0002 0,0002 0,0002 m-Xylene 0,0002 0,0002 0,0000 0,0002 0,0002 0,0002 0,0002 E-Benzene 0,0003 0,0003 0,0000 0,0003 0,0003 0,0003 0,0003 TEGlycol 0,9928 0,9928 0,9920 0,9928 0,9928 0,9928 0,9928 H2O 0,0062 0,0062 0,0080 0,0062 0,0062 0,0062 0,0062 Nitrogen 0,0000 0,0000 0,0000 0,0000 0,0000 0,0000 0,0000 CO2 0,0000 0,0000 0,0000 0,0000 0,0000 0,0000 0,0000 i-Butane 0,0000 0,0000 0,0000 0,0000 0,0000 0,0000 0,0000 i-Pentane 0,0000 0,0000 0,0000 0,0000 0,0000 0,0000 0,0000
  • 104.
    96 I. StreamSummary - Hybrid: Design Flow Table I.3: Mass fraction design case 2/2 Name <204.2> OVHD-1 <101> <207.1> <207.2> <207.3> <207.4> Methane 0,5554 0,5557 0,7088 0,0000 0,0000 0,0000 0,0000 Ethane 0,0585 0,0585 0,0819 0,0000 0,0000 0,0000 0,0000 Propane 0,0933 0,0933 0,0491 0,0001 0,0003 0,0003 0,0003 n-Butane 0,0455 0,0455 0,0264 0,0001 0,0003 0,0003 0,0003 n-Pentane 0,0139 0,0139 0,0089 0,0001 0,0003 0,0003 0,0003 n-Hexane 0,0000 0,0000 0,0033 0,0000 0,0000 0,0000 0,0000 n-Heptane 0,0000 0,0000 0,0038 0,0000 0,0000 0,0000 0,0000 n-Octane 0,0000 0,0000 0,0044 0,0000 0,0000 0,0000 0,0000 n-Nonane 0,0000 0,0000 0,0049 0,0000 0,0000 0,0000 0,0000 Benzene 0,0004 0,0004 0,0003 0,0001 0,0003 0,0003 0,0003 Toluene 0,0004 0,0004 0,0004 0,0002 0,0003 0,0003 0,0003 m-Xylene 0,0003 0,0003 0,0005 0,0007 0,0003 0,0003 0,0003 E-Benzene 0,0002 0,0002 0,0005 0,0006 0,0004 0,0004 0,0004 TEGlycol 0,0000 0,0000 0,0000 0,9119 0,9895 0,9895 0,9895 H2O 0,0050 0,0050 0,0000 0,0847 0,0069 0,0069 0,0069 Nitrogen 0,0028 0,0028 0,0026 0,0000 0,0004 0,0004 0,0004 CO2 0,1504 0,1503 0,0805 0,0004 0,0004 0,0004 0,0004 i-Butane 0,0532 0,0531 0,0145 0,0006 0,0004 0,0004 0,0004 i-Pentane 0,0207 0,0207 0,0092 0,0005 0,0004 0,0004 0,0004 Name <207.5> <207.6> <207.7> DRY GAS <001> <002> Methane 0,0000 0,0000 0,0000 0,7504 0,0000 0,0017 Ethane 0,0000 0,0000 0,0000 0,0892 0,0000 0,0001 Propane 0,0003 0,0003 0,0003 0,0545 0,0000 0,0000 n-Butane 0,0003 0,0003 0,0003 0,0296 0,0000 0,0000 n-Pentane 0,0003 0,0003 0,0003 0,0100 0,0000 0,0000 n-Hexane 0,0000 0,0000 0,0000 0,0037 0,0000 0,0000 n-Heptane 0,0000 0,0000 0,0000 0,0043 0,0000 0,0000 n-Octane 0,0000 0,0000 0,0000 0,0049 0,0000 0,0000 n-Nonane 0,0000 0,0000 0,0000 0,0055 0,0000 0,0000 Benzene 0,0003 0,0003 0,0003 0,0002 0,0000 0,0000 Toluene 0,0003 0,0003 0,0003 0,0003 0,0000 0,0000 m-Xylene 0,0003 0,0003 0,0003 0,0005 0,0000 0,0000 E-Benzene 0,0004 0,0004 0,0004 0,0005 0,0000 0,0000 TEGlycol 0,9895 0,9895 0,9895 0,0001 0,0000 0,0000 H2O 0,0069 0,0069 0,0069 0,0000 1,0000 0,9957 Nitrogen 0,0004 0,0004 0,0004 0,0028 0,0000 0,0000 CO2 0,0004 0,0004 0,0004 0,0166 0,0000 0,0025 i-Butane 0,0004 0,0004 0,0004 0,0164 0,0000 0,0000 i-Pentane 0,0004 0,0004 0,0004 0,0104 0,0000 0,0000
  • 105.
    J Stream Summary -Hybrid: Turndown Case 97
  • 106.
    98 J. StreamSummary - Hybrid: Turndown Case Table J.1: Stream summary hybrid system turndown case Name <102> Dry Gas <104> <201> <202> <204> Vapour Fraction 1,0000 1,0000 0,0000 0,0000 0,0000 1,0000 Temperature [C] 35 37 35 36 41 45 Pressure [bar] 157 156 157 156 156 4 Molar Flow [kgmole/h] 755 755 4 4 4 0 Mass Flow [kg/h] 16189 16183 452 452 452 3 Liq Volume Flow [m3/h] 46 46 0 0 0 0 Heat Flow [kJ/h] -6,39E+07 -6,38E+07 -2,53E+06 -2,53E+06 -2,52E+06 -9,80E+03 Name Waste <205> <203> <206> <207> OVHD Vapour Fraction 0 0 3,34E-02 3,84E-04 1,51E-03 1 Temperature [C] 45 45 45 45 121 35 Pressure [bar] 4 4 4 3 2,994208 1 Molar Flow [kgmole/h] 0 3 4 3 3 0 Mass Flow [kg/h] 0 449 452 449 449 1 Liq Volume Flow [m3/h] 0 0 0 0 0 0 Heat Flow [kJ/h] 0,00E+00 -2,51E+06 -2,52E+06 -2,51E+06 -2,41E+06 -2,13E+03 Name <208> <209> <210> Make Up <211> <212> Vapour Fraction 0,0000 1 0,00E+00 0,00E+00 4,33E-04 0 Temperature [C] 204 204 204 35 203 203 Pressure [bar] 1 1 1 1 1 3 Molar Flow [kgmole/h] 2 0 2 0 2 2 Mass Flow [kg/h] 221 0 221 2 223 223 Liq Volume Flow [m3/h] 0 0 0 0 0 0 Heat Flow [kJ/h] -1,10E+06 -1,90E-02 -1,10E+06 -1,10E+04 -1,11E+06 -1,11E+06 Name <204.1> <101> <103> <213> <214> <215> Vapour Fraction 1,0000 1,0000 0 0 0 0 Temperature [C] 45 35 37 51 41 35 Pressure [bar] 4 157 156 2 2 1 Molar Flow [kgmole/h] 0 1944 2 2 2 2 Mass Flow [kg/h] 0 38063 223 223 223 223 Liq Volume Flow [m3/h] 0 111 0 0 0 0 Heat Flow [kJ/h] 0,00E+00 -1,78E+08 -1,22E+06 -1,21E+06 -1,22E+06 -1,23E+06 Name <204.2> <OVHD-1> <207.1> <207.2> <207.3> <207.4> Vapour Fraction 1 1 3,84E-03 1,19E-02 1,19E-02 0,0000 Temperature [C] 45 45 146 150 150 166 Pressure [bar] 4 4 2 2 2 157 Molar Flow [kgmole/h] 0 0 3 3 2 2 Mass Flow [kg/h] 0 3 449 444 222 222 Liq Volume Flow [m3/h] 0 0 0 0 0 0 Heat Flow [kJ/h] 0,00E+00 -9,80E+03 -2,38E+06 -2,28E+06 -1,14E+06 -1,13E+06 Name <207.5> <207.6> <207.7> Vapour Fraction 0,0000 1,19E-02 1,06E-02 Temperature [C] 166 150 150 Pressure [bar] 157 2 2 Molar Flow [kgmole/h] 2 2 2 Mass Flow [kg/h] 223 222 222 Liq Volume Flow [m3/h] 0 0 0 Heat Flow [kJ/h] -1,13E+06 -1,14E+06 -1,14E+06
  • 107.
    99 Table J.2: Massfraction hybrid turndown 1/2 Name <102> Dry Gas <104> <201> <202> <204> Waste Methane 0,6052 0,6054 0,0032 0,0032 0,0032 0,5065 0,0001 Ethane 0,1238 0,1238 0,0009 0,0009 0,0009 0,1351 0,0001 Propane 0,0959 0,0959 0,0011 0,0011 0,0011 0,1409 0,0003 n-Butane 0,0581 0,0581 0,0005 0,0005 0,0005 0,0575 0,0001 n-Pentane 0,0203 0,0203 0,0003 0,0003 0,0003 0,0192 0,0001 n-Hexane 0,0077 0,0077 0,0000 0,0000 0,0000 0,0003 0,0000 n-Heptane 0,0090 0,0090 0,0000 0,0000 0,0000 0,0002 0,0000 n-Octane 0,0103 0,0103 0,0000 0,0000 0,0000 0,0001 0,0000 n-Nonane 0,0115 0,0115 0,0000 0,0000 0,0000 0,0001 0,0000 Benzene 0,0000 0,0000 0,0000 0,0000 0,0000 0,0000 0,0000 Toluene 0,0000 0,0000 0,0000 0,0000 0,0000 0,0000 0,0000 m-Xylene 0,0000 0,0000 0,0000 0,0000 0,0000 0,0000 0,0000 E-Benzene 0,0003 0,0003 0,0003 0,0003 0,0003 0,0001 0,0003 TEGlycol 0,0000 0,0002 0,9704 0,9704 0,9704 0,0000 0,9763 H2O 0,0004 0,0000 0,0194 0,0194 0,0194 0,0017 0,0195 Nitrogen 0,0032 0,0032 0,0000 0,0000 0,0000 0,0014 0,0000 CO2 0,0000 0,0000 0,0000 0,0000 0,0000 0,0000 0,0000 i-Butane 0,0334 0,0333 0,0023 0,0023 0,0023 0,0987 0,0017 i-Pentane 0,0210 0,0210 0,0016 0,0016 0,0016 0,0380 0,0014 Name <205> <203> <206> <207> OVHD <208> <209> Methane 0,0001 0,0032 0,0001 0,0001 0,1520 0,0000 0,0209 Ethane 0,0001 0,0009 0,0001 0,0001 0,1494 0,0000 0,0367 Propane 0,0003 0,0011 0,0003 0,0003 0,1437 0,0000 0,0511 n-Butane 0,0001 0,0005 0,0001 0,0001 0,1351 0,0001 0,0501 n-Pentane 0,0001 0,0003 0,0001 0,0001 0,1367 0,0001 0,0729 n-Hexane 0,0000 0,0000 0,0000 0,0000 0,0000 0,0000 0,0000 n-Heptane 0,0000 0,0000 0,0000 0,0000 0,0000 0,0000 0,0000 n-Octane 0,0000 0,0000 0,0000 0,0000 0,0000 0,0000 0,0000 n-Nonane 0,0000 0,0000 0,0000 0,0000 0,0000 0,0000 0,0000 Benzene 0,0000 0,0000 0,0000 0,0000 0,0000 0,0000 0,0000 Toluene 0,0000 0,0000 0,0000 0,0000 0,0000 0,0000 0,0000 m-Xylene 0,0000 0,0000 0,0000 0,0000 0,0009 0,0000 0,0020 E-Benzene 0,0003 0,0003 0,0003 0,0003 0,0126 0,0005 0,0256 TEGlycol 0,9763 0,9704 0,9763 0,9763 0,0000 0,9928 0,2852 H2O 0,0195 0,0194 0,0195 0,0195 0,0284 0,0064 0,2632 Nitrogen 0,0000 0,0000 0,0000 0,0000 0,0000 0,0000 0,0000 CO2 0,0000 0,0000 0,0000 0,0000 0,0000 0,0000 0,0000 i-Butane 0,0017 0,0023 0,0017 0,0017 0,1277 0,0001 0,0907 i-Pentane 0,0014 0,0016 0,0014 0,0014 0,1134 0,0001 0,1017 Name <210> Make Up <211> <212> <213> <214> <215> Methane 0,0000 0,0000 0,0000 0,0000 0,0000 0,0000 0,0000 Ethane 0,0000 0,0000 0,0000 0,0000 0,0000 0,0000 0,0000 Propane 0,0000 0,0000 0,0000 0,0000 0,0000 0,0000 0,0000 n-Butane 0,0001 0,0000 0,0001 0,0001 0,0001 0,0001 0,0001 n-Pentane 0,0001 0,0000 0,0001 0,0001 0,0001 0,0001 0,0001 n-Hexane 0,0000 0,0000 0,0000 0,0000 0,0000 0,0000 0,0000 n-Heptane 0,0000 0,0000 0,0000 0,0000 0,0000 0,0000 0,0000 n-Octane 0,0000 0,0000 0,0000 0,0000 0,0000 0,0000 0,0000 n-Nonane 0,0000 0,0000 0,0000 0,0000 0,0000 0,0000 0,0000 Benzene 0,0000 0,0000 0,0000 0,0000 0,0000 0,0000 0,0000 Toluene 0,0000 0,0000 0,0000 0,0000 0,0000 0,0000 0,0000 m-Xylene 0,0000 0,0000 0,0000 0,0000 0,0000 0,0000 0,0000 E-Benzene 0,0005 0,0000 0,0005 0,0005 0,0005 0,0005 0,0005 TEGlycol 0,9928 0,9920 0,9928 0,9928 0,9928 0,9928 0,9928 H2O 0,0064 0,0080 0,0064 0,0064 0,0064 0,0064 0,0064 Nitrogen 0,0000 0,0000 0,0000 0,0000 0,0000 0,0000 0,0000 CO2 0,0000 0,0000 0,0000 0,0000 0,0000 0,0000 0,0000 i-Butane 0,0001 0,0000 0,0001 0,0001 0,0001 0,0001 0,0001 i-Pentane 0,0001 0,0000 0,0001 0,0001 0,0001 0,0001 0,0001
  • 108.
    100 J. StreamSummary - Hybrid: Turndown Case Table J.3: Mass fraction hybrid turndown 2/2 Name <103> <204.2> <OVHD-1> <101> <207.1> <207.2> <207.3> Methane 0,0000 0,5065 0,5065 0,7088 0,0001 0,0005 0,0005 Ethane 0,0000 0,1351 0,1351 0,0819 0,0001 0,0005 0,0005 Propane 0,0000 0,1409 0,1409 0,0491 0,0003 0,0005 0,0005 n-Butane 0,0001 0,0575 0,0575 0,0264 0,0001 0,0005 0,0005 n-Pentane 0,0001 0,0192 0,0192 0,0089 0,0001 0,0005 0,0005 n-Hexane 0,0000 0,0003 0,0003 0,0033 0,0000 0,0000 0,0000 n-Heptane 0,0000 0,0002 0,0002 0,0038 0,0000 0,0000 0,0000 n-Octane 0,0000 0,0001 0,0001 0,0044 0,0000 0,0000 0,0000 n-Nonane 0,0000 0,0001 0,0001 0,0049 0,0000 0,0000 0,0000 Benzene 0,0000 0,0000 0,0000 0,0003 0,0000 0,0000 0,0000 Toluene 0,0000 0,0000 0,0000 0,0004 0,0000 0,0000 0,0000 m-Xylene 0,0000 0,0000 0,0000 0,0005 0,0000 0,0000 0,0000 E-Benzene 0,0005 0,0001 0,0001 0,0005 0,0003 0,0005 0,0005 TEGlycol 0,9928 0,0000 0,0000 0,0000 0,9763 0,9895 0,9895 H2O 0,0064 0,0017 0,0017 0,0000 0,0195 0,0064 0,0064 Nitrogen 0,0000 0,0014 0,0014 0,0026 0,0000 0,0000 0,0000 CO2 0,0000 0,0000 0,0000 0,0805 0,0000 0,0000 0,0000 i-Butane 0,0001 0,0988 0,0987 0,0145 0,0017 0,0005 0,0005 i-Pentane 0,0001 0,0381 0,0380 0,0092 0,0014 0,0005 0,0005 Name <207.4> <207.5> <207.6> <207.7> Methane 0,0005 0,0005 0,0005 0,0005 Ethane 0,0005 0,0005 0,0005 0,0005 Propane 0,0005 0,0005 0,0005 0,0005 n-Butane 0,0005 0,0005 0,0005 0,0005 n-Pentane 0,0005 0,0005 0,0005 0,0005 n-Hexane 0,0000 0,0000 0,0000 0,0000 n-Heptane 0,0000 0,0000 0,0000 0,0000 n-Octane 0,0000 0,0000 0,0000 0,0000 n-Nonane 0,0000 0,0000 0,0000 0,0000 Benzene 0,0000 0,0000 0,0000 0,0000 Toluene 0,0000 0,0000 0,0000 0,0000 m-Xylene 0,0000 0,0000 0,0000 0,0000 E-Benzene 0,0005 0,0005 0,0005 0,0005 TEGlycol 0,9895 0,9895 0,9895 0,9895 H2O 0,0064 0,0064 0,0064 0,0064 Nitrogen 0,0000 0,0000 0,0000 0,0000 CO2 0,0000 0,0000 0,0000 0,0000 i-Butane 0,0005 0,0005 0,0005 0,0005 i-Pentane 0,0005 0,0005 0,0005 0,0005
  • 109.
    K Stream Summary -Hybrid: Max Flow Case 101
  • 110.
    102 K. StreamSummary - Hybrid: Max Flow Case Table K.1: Stream summary max flow case hybrid Name Dry Gas <104> <201> <202> <204> Waste Vapour Fraction 1,0000 0,0000 0,0000 0,0000 1,0000 0,0000 Temperature [C] 36 35 36 41 45 45 Pressure [bar] 156 157 156 156 4 4 Molar Flow [kgmole/h] 21664 22 22 22 0 0 Mass Flow [kg/h] 413320 2042 2042 2042 5 0 Liq Volume Flow [m3/h] 1244 2 2 2 0 0 Heat Flow [kJ/h] -1,83E+09 -1,28E+07 -1,28E+07 -1,28E+07 -2,46E+04 0,00E+00 Name <205> <203> <206> <207> OVHD <208> Vapour Fraction 0,0000 8,95E-03 1,06E-04 8,37E-04 1 0 Temperature [C] 45 45 45 115 70 204 Pressure [bar] 4 4 3 3 1 1 Molar Flow [kgmole/h] 22 22 22 22 0 7 Mass Flow [kg/h] 2038 2042 2038 2038 4 937 Liq Volume Flow [m3/h] 2 2 2 2 0 1 Heat Flow [kJ/h] -1,28E+07 -1,28E+07 -1,28E+07 -1,23E+07 -2,06E+04 -4,67E+06 Name <209> <210> <211> Make up <212> <213> Vapour Fraction 1,0000 0,0000 0,0000 0,0000 0,0000 0,0000 Temperature [C] 203 203 197 35 197 47 Pressure [bar] 1 1 1 157 3 2 Molar Flow [kgmole/h] 0 6 7 0 7 7 Mass Flow [kg/h] 4 935 974 39 974 974 Liq Volume Flow [m3/h] 0 1 1 0 1 1 Heat Flow [kJ/h] -2,32E+04 -4,65E+06 -4,87E+06 -2,14E+05 -4,87E+06 -5,31E+06 Name <214> <215> <103> <204.2> OVHD-1 <101> Vapour Fraction 0,0000 0 0 1 1 1,0000 Temperature [C] 37 19 20 45 45 35 Pressure [bar] 2 1 156 4 4 157 Molar Flow [kgmole/h] 7 7 7 0 0 23325 Mass Flow [kg/h] 974 974 974 1 4 456755 Liq Volume Flow [m3/h] 1 1 1 0 0 1334 Heat Flow [kJ/h] -5,34E+06 -5,39E+06 -5,37E+06 -4,92E+03 -1,97E+04 -2,14E+09 Name <102> <207.1> <207.2> <207.3> <207.4> <207.5> Vapour Fraction 1,0000 0,0053 0,0034 0,0034 0,0000 0 Temperature [C] 35 143 150 150 156 156 Pressure [bar] 157 2 2 2 157 157 Molar Flow [kgmole/h] 21673 22 13 7 7 7 Mass Flow [kg/h] 413455 2038 1876 938 938 934 Liq Volume Flow [m3/h] 1244 2 2 1 1 1 Heat Flow [kJ/h] -1,83E+09 -1,22E+07 -9,64E+06 -4,82E+06 -4,79E+06 -4,77E+06 Name <207.6> <207.7> Vapour Fraction 0,0034 1,98E-03 Temperature [C] 150 150 Pressure [bar] 2 2 Molar Flow [kgmole/h] 7 7 Mass Flow [kg/h] 938 938 Liq Volume Flow [m3/h] 1 1 Heat Flow [kJ/h] -4,82E+06 -4,82E+06
  • 111.
    103 Table K.2: Massfraction max flow case 1/2 Name Dry Gas <104> <201> <202> <204> Waste <205> Methane 0,7428 0,0012 0,0012 0,0012 0,4740 0,0000 0,0000 Ethane 0,0879 0,0001 0,0001 0,0001 0,0502 0,0000 0,0000 Propane 0,0535 0,0003 0,0003 0,0003 0,0836 0,0001 0,0001 n-Butane 0,0290 0,0002 0,0002 0,0002 0,0424 0,0001 0,0001 n-Pentane 0,0098 0,0001 0,0001 0,0001 0,0139 0,0001 0,0001 n-Hexane 0,0036 0,0000 0,0000 0,0000 0,0000 0,0000 0,0000 n-Heptane 0,0042 0,0000 0,0000 0,0000 0,0000 0,0000 0,0000 n-Octane 0,0048 0,0000 0,0000 0,0000 0,0000 0,0000 0,0000 n-Nonane 0,0054 0,0000 0,0000 0,0000 0,0000 0,0000 0,0000 Benzene 0,0003 0,0001 0,0001 0,0001 0,0005 0,0001 0,0001 Toluene 0,0004 0,0003 0,0003 0,0003 0,0004 0,0003 0,0003 m-Xylene 0,0005 0,0007 0,0007 0,0007 0,0003 0,0007 0,0007 E-Benzene 0,0005 0,0006 0,0006 0,0006 0,0003 0,0006 0,0006 TEGlycol 0,0001 0,9102 0,9102 0,9102 0,0000 0,9123 0,9123 H2O 0,0000 0,0839 0,0839 0,0839 0,0059 0,0841 0,0841 Nitrogen 0,0028 0,0000 0,0000 0,0000 0,0023 0,0000 0,0000 CO2 0,0283 0,0012 0,0012 0,0012 0,2485 0,0006 0,0006 i-Butane 0,0160 0,0007 0,0007 0,0007 0,0554 0,0005 0,0005 i-Pentane 0,0102 0,0006 0,0006 0,0006 0,0222 0,0005 0,0005 Name <203> <206> <207> OVHD <208> <209> <210> Methane 0,0012 0,0000 0,0000 0,1116 0,0000 0,1183 0,0000 Ethane 0,0001 0,0000 0,0000 0,0122 0,0000 0,0122 0,0000 Propane 0,0003 0,0001 0,0001 0,1048 0,0000 0,0250 0,0000 n-Butane 0,0002 0,0001 0,0001 0,0938 0,0001 0,0202 0,0000 n-Pentane 0,0001 0,0001 0,0001 0,0900 0,0000 0,0133 0,0000 n-Hexane 0,0000 0,0000 0,0000 0,0000 0,0000 0,0000 0,0000 n-Heptane 0,0000 0,0000 0,0000 0,0000 0,0000 0,0000 0,0000 n-Octane 0,0000 0,0000 0,0000 0,0000 0,0000 0,0000 0,0000 n-Nonane 0,0000 0,0000 0,0000 0,0000 0,0000 0,0000 0,0000 Benzene 0,0001 0,0001 0,0001 0,0339 0,0004 0,0283 0,0002 Toluene 0,0003 0,0003 0,0003 0,0273 0,0004 0,0241 0,0003 m-Xylene 0,0007 0,0007 0,0007 0,0216 0,0004 0,0206 0,0003 E-Benzene 0,0006 0,0006 0,0006 0,0207 0,0004 0,0196 0,0003 TEGlycol 0,9102 0,9123 0,9123 0,0000 0,9913 0,3223 0,9929 H2O 0,0839 0,0841 0,0841 0,1617 0,0068 0,2757 0,0058 Nitrogen 0,0000 0,0000 0,0000 0,0006 0,0000 0,0006 0,0000 CO2 0,0012 0,0006 0,0006 0,1387 0,0000 0,0636 0,0000 i-Butane 0,0007 0,0005 0,0005 0,0964 0,0001 0,0276 0,0000 i-Pentane 0,0006 0,0005 0,0005 0,0868 0,0001 0,0285 0,0000 Name <211> Make up <212> <213> <214> <215> <103> Methane 0,0000 0,0000 0,0000 0,0000 0,0000 0,0000 0,0000 Ethane 0,0000 0,0000 0,0000 0,0000 0,0000 0,0000 0,0000 Propane 0,0000 0,0000 0,0000 0,0000 0,0000 0,0000 0,0000 n-Butane 0,0000 0,0000 0,0000 0,0000 0,0000 0,0000 0,0000 n-Pentane 0,0000 0,0000 0,0000 0,0000 0,0000 0,0000 0,0000 n-Hexane 0,0000 0,0000 0,0000 0,0000 0,0000 0,0000 0,0000 n-Heptane 0,0000 0,0000 0,0000 0,0000 0,0000 0,0000 0,0000 n-Octane 0,0000 0,0000 0,0000 0,0000 0,0000 0,0000 0,0000 n-Nonane 0,0000 0,0000 0,0000 0,0000 0,0000 0,0000 0,0000 Benzene 0,0002 0,0000 0,0002 0,0002 0,0002 0,0002 0,0002 Toluene 0,0003 0,0000 0,0003 0,0003 0,0003 0,0003 0,0003 m-Xylene 0,0003 0,0000 0,0003 0,0003 0,0003 0,0003 0,0003 E-Benzene 0,0003 0,0000 0,0003 0,0003 0,0003 0,0003 0,0003 TEGlycol 0,9932 0,9990 0,9932 0,9932 0,9932 0,9932 0,9932 H2O 0,0056 0,0010 0,0056 0,0056 0,0056 0,0056 0,0056 Nitrogen 0,0000 0,0000 0,0000 0,0000 0,0000 0,0000 0,0000 CO2 0,0000 0,0000 0,0000 0,0000 0,0000 0,0000 0,0000 i-Butane 0,0000 0,0000 0,0000 0,0000 0,0000 0,0000 0,0000 i-Pentane 0,0000 0,0000 0,0000 0,0000 0,0000 0,0000 0,0000
  • 112.
    104 K. StreamSummary - Hybrid: Max Flow Case Table K.3: Mass fraction max flow case 2/2 Name <204.2> OVHD-1 <101> <102> <207.1> <207.2> <207.3> Methane 0,4740 0,4740 0,7088 0,7425 0,0000 0,0000 0,0000 Ethane 0,0502 0,0502 0,0819 0,0878 0,0000 0,0000 0,0000 Propane 0,0836 0,0836 0,0491 0,0535 0,0001 0,0004 0,0004 n-Butane 0,0424 0,0424 0,0264 0,0290 0,0001 0,0004 0,0004 n-Pentane 0,0140 0,0139 0,0089 0,0098 0,0001 0,0004 0,0004 n-Hexane 0,0000 0,0000 0,0033 0,0036 0,0000 0,0000 0,0000 n-Heptane 0,0000 0,0000 0,0038 0,0042 0,0000 0,0000 0,0000 n-Octane 0,0000 0,0000 0,0044 0,0048 0,0000 0,0000 0,0000 n-Nonane 0,0000 0,0000 0,0049 0,0054 0,0000 0,0000 0,0000 Benzene 0,0005 0,0005 0,0003 0,0003 0,0001 0,0004 0,0004 Toluene 0,0004 0,0004 0,0004 0,0004 0,0003 0,0004 0,0004 m-Xylene 0,0003 0,0003 0,0005 0,0005 0,0007 0,0004 0,0004 E-Benzene 0,0003 0,0003 0,0005 0,0005 0,0006 0,0004 0,0004 TEGlycol 0,0000 0,0000 0,0000 0,0000 0,9123 0,9895 0,9895 H2O 0,0059 0,0059 0,0000 0,0004 0,0841 0,0065 0,0065 Nitrogen 0,0023 0,0023 0,0026 0,0028 0,0000 0,0000 0,0000 CO2 0,2486 0,2485 0,0805 0,0283 0,0006 0,0004 0,0004 i-Butane 0,0555 0,0554 0,0145 0,0160 0,0005 0,0004 0,0004 i-Pentane 0,0222 0,0222 0,0092 0,0102 0,0005 0,0004 0,0004 Name <207.4> <207.5> <207.6> <207.7> Methane 0,0000 0,0000 0,0000 0,0000 Ethane 0,0000 0,0000 0,0000 0,0000 Propane 0,0004 0,0004 0,0004 0,0004 n-Butane 0,0004 0,0004 0,0004 0,0004 n-Pentane 0,0004 0,0004 0,0004 0,0004 n-Hexane 0,0000 0,0000 0,0000 0,0000 n-Heptane 0,0000 0,0000 0,0000 0,0000 n-Octane 0,0000 0,0000 0,0000 0,0000 n-Nonane 0,0000 0,0000 0,0000 0,0000 Benzene 0,0004 0,0004 0,0004 0,0004 Toluene 0,0004 0,0004 0,0004 0,0004 m-Xylene 0,0004 0,0004 0,0004 0,0004 E-Benzene 0,0004 0,0004 0,0004 0,0004 TEGlycol 0,9895 0,9895 0,9895 0,9895 H2O 0,0065 0,0065 0,0065 0,0065 Nitrogen 0,0000 0,0000 0,0000 0,0000 CO2 0,0004 0,0004 0,0004 0,0004 i-Butane 0,0004 0,0004 0,0004 0,0004 i-Pentane 0,0004 0,0004 0,0004 0,0004
  • 113.
    L HAZOP and FEI FigureL.1: Point 2 op the HAZOP is at the natural gas outflow from the contactor Figure L.2: Point 1 op the HAZOP is between the pervaporation membranes and the pumps. Point 3 is at the TEG outflow of the Surge. 105
  • 114.
    106 L. HAZOPand FEI TableL.1:HAZOP No.GuidewordDeviationPossiblecauseConsequencesSafeguardaction 1NoNoflowPumpsshutdownNoseparationinthemembranesBackuppumppresent pipecloggedRegularflushingofthepipes MoreMoreflowPumpspumptoohardlessseparationwilltakeplaceConcentrationcontrol LesswaterpassesthroughthemembranesLowerqualityofTEGFLowcontrolerwithalarm LessLessflowLeakageTEGisleavingthesystemuncontrolledLeakdetection Flowmeasurementtodetectlosses ReverseReverseflowLeakingthroughmembranesNoregenerationvalvesthatpreventreverseflow Brokenpump Changedpressuredifference 2NoNoflowGaswellhasshutdownNodehydrationatallTEGloopshouldalsoshutdown Valveisclosed LessLessflowLeakingofgasLossofgasAlarmongasoutflow GasleavesthroughTEGoutletComparegasoutflowwithinflow AswellasBothwaterandLeanTEGcontainedtoomuchwaterGasisnotdriedenoughTEGqualitycontrol gasinthestreamTooshortresidencetimeSetamaximumgasinflow 3LessLessflowLowTEGlevelinsurgeInteruptedTEGrecycleDirectTEGaddition LeakBaddehydrationfromfreshsource NoNoflowEmptysurgeNodehydrationprocessAlarmonlowTEGlevel BrokenpumpBackuppump BackupTEGstorage MoreMoreFlowPumpworkstoohardToomuchTEGincirculationMaximumflowonpumps TEGoutletisopenSurgelevelwilldecreaseControlindicationfortheoutlet
  • 115.
    107 Fire & ExplosionIndex Area/Country: Division: Location Date Norway - - Site Manufacturing Unit Process Unit - TEG dehydrogenation Contactor Materials in Process Unit Natural gas, water, tri ethyleneglycol State of Operation Basic Materials for Material Factor Normal operation Methane Material Factor 21 1. General Process Hazards Penalty Factor Penalty Range Used Base Factor 1,00 1,00 A. Exothermic Chemical Reactions 0.30 - 1.25 0,00 B. Endothermic Processes 0.20 - 0.40 0,00 C. Material Handling and Transfer 0.25 - 1.05 0,85 D. Enclosed or Indoor Process Units 0.25 - 0.90 0,00 E. Acces 0.20 - 0.35 0,35 F. Drainage and Spill Control 0.25 - 0.50 0,50 General Process Hazards Factor (F1) 2,70 2. Special Process Hazards Penalty Factor Penalty Range Used Base Factor 1,00 1,00 A. Toxic Material(s) 0.20 - 0.80 0,20 B. Sub-Atmosferic Pressure (< 500 mm Hg) 0,50 0,00 C. Operation In or Near Flammable Range 1. Tank Farms Storage Flammable Liquids 0,50 0,00 2. Process Upset or Purge Failure 0,30 0,00 3. Always in Flammable Range 0,80 0,00 D. Dust Explosion 0.25 - 2.00 0,00 E. Pressure Operating Pressure: 156,5 kPa 0,48 Relief Setting: 180 kPa F. Low Temperature 0.20 - 0.30 0,00 G. Quantity of Flammable Material: 139852 lb Hc = 21,5*10^3 kcal/kg 1. Liquids or Gases in Process 3,00 2. Liquids or Gases in Storage 0,00 3. Combustible Solids in Storage, Dust in Process 0,00 H. Corrosion and Erosion 0.10 - 0.75 0,10 I. Leakage - Joints and Packing 0.10 - 1.50 0,30 J. Use of Fired Equipment 0,10 K. Hot Oil Heat Exchange System 0.15 - 1.15 0,00 L. Rotating Equipment 0,50 0,00 Special Process Hazards Factor (F2) 5,18 Process Units Hazards Factor (F1 x F2) = F3 13,99 Fire and Explosion Index (F3 x MF = F&EI) 294
  • 117.
  • 118.
    REACTORS, COLUMNS &VESSELS – SUMMARY EQUIPMENT NR. : NAME : C-101 Contactor : C-201 Still Column : C-202 Stripping Column : V-201 Flash Vessel : V-202 Reboiler Packed Column Tray Column Packed Column Horizontal Horizontal Pressure [bara] : 156.25/156.5 1/1.1 1.1 4.5 1.1 Temp. [o C] : 35 70.3/204 204 42 204 Volume [m3 ] : Diameter [m] : L or H [m] : 2.04 12.2 0.15 6 0.25 0.5 0.31 (1) 0.46 1.85 0.14 (2) 0.35 1.4 Internals - Tray Type : - Tray Number : - Fixed Packing Type : Shape : - Catalyst Type : Shape : - - - n.a. n.a. Mellapack. n.a. n.a. n.a. Sieve Tray 2 n.a. n.a. n.a. n.a. n.a. n.a. Mellapack n.a. n.a. n.a. n.a. n.a. n.a. n.a. n.a. n.a. n.a. n.a. n.a. n.a. n.a. n.a. Gas Fired Number - Series : - Parallel : 1 - 1 - 1 - 1 - 1 - Materials of Construction (3) : Column: SS Column: CS Tray: SS Column: CS CS Shell: CS Tubes: CS/Inconel Other :
  • 119.
    Remarks: (1) V-201: ForResidence time of 10 min and 80% Liquid filled. (2) V-202: For Residence time of 5 min and 50% Liquid filled. (3) SS = Stainless Steel;CS = Carbon Steel Designers : Project ID-Number : CPD3425 Date : June 2015
  • 120.
    REACTORS, COLUMNS &VESSELS – SUMMARY EQUIPMENT NR. : NAME : V-203 Surge Vessel : S-201 A/B Filter S-202 Pervaporation (3) Horizontal In Line Horizontal Pressure [bara] : 1 4.5/3.5 (4) Temp. [o C] : 202 42 150 Volume [m3 ] : Diameter [m] : L or H [m] : 0.34 (1) 0.48 1.9 - 0.0254 - 0.074 0.26 1.402 Internals - Tray Type : - Tray Number : - Fixed Packing Type : Shape : - Catalyst Type : Shape : - Tubes Type : - Type - n.a. n.a. n.a. n.a. n.a. n.a. n.a. n.a. n.a. n.a. n.a. n.a. Inline Strainer n.a. n.a. n.a. n.a. n.a. n.a. Number - Series : - Parallel : 1 - 1 - - 138 Materials of Construction (2) : CS SS SS Other : Remarks: (1) SS = Stainless Steel; CS = Carbon Steel (2) V-203: For residence time of 20 min and 80% liquid filled. (3) Data for pervaporation membrane module only. (4) 3 bar in feed, 20 mbar in permeate side and 1.5 bar in retentate. Designers : Project ID-Number : CPD3425 Date : June 2015
  • 121.
    HEAT EXCHANGERS &FURNACES – SUMMARY EQUIPMENT NR. : NAME : E-201 Glycol/Glycol Preheater : E-202 Glycol/Glycol Heater : E-203 Sea-Water Cooler : E-204 Pervaporation Heater Shell and Tube Shell and Tube Shell and Tube Shell and Tube Substance - Tubes : - Shell : Rich TEG Lean TEG Rich TEG Lean TEG Cooling Water. Lean TEG Rich TEG LP Steam Duty [kW] : 2.8 93.36 11.37 61.31 Heat Exchange area [m2 ] : 4.24 (1) 24.35(1) 2.6(1) 2.44(1) Number - Series : - Parallel : : 1 - 1 - 1 - 1 - Pressure [bara] - Tubes : - Shell : 5 2.5 3.5 2.5 4 2 3 6.5 Temperature In / Out [o C] - Tubes : - Shell : 36 / 38 57 / 52 42 / 107.8 198/ 57 10/20 53 / 35 107.8/150 162 Special Materials of Construction (2) : Tubes : CS Shell : CS Tubes : CS Shell : CS Tubes : CS Shell : CS Tubes : CS Shell : CS Other : Remarks: (1) Bare tube surface. (2) CS = Carbon Steel; Designers : Project ID-Number : CPD3425 Date : June 2015
  • 122.
    PUMPS, BLOWERS &COMPRESSORS – SUMMARY EQUIPMENT NR. : NAME : P-101 Turbocharger P-102 A/B High Pressure Pump P-103 A/B Semi-Lean Injection Pump : P-201 A/B Intermediate Pump : P-202 A/B Booster Pump Type : Number : - 1 Centrifugal 2 Centrifugal 2 Centrifugal 2 Centrifugal 2 Medium transferred : Rich TEG / Lean TEG/Semi-Lean TEG Lean TEG Semi-Lean TEG Semi-Lean TEG Lean TEG Capacity [kg/s] : [m3 /h] : 2.5/0.8/0.7 0.8 0.7 1.2 0.8 Density [kg/m3 ] : 705.1/1133/1042 1133 1042 636.3 969.6 Pressure [bara] Suct. / Disch. : (156.5-4.5) &(1.5-78)& (1.5-77.5) 78 / 156.5 1.1/156.5 1.5/2 1/2.5 Temperature In / Out [o C] : 42/37/160 36/37 150/160 150/150 198 Power [kW] - Theor. : - Actual : 2.04 2.17 0.027 0.045 Number - Theor. : - Actual : 1 2 (1) 2 (1) 2 (1) 2(1) Special Materials of Construction : SS 316 SS 316 SS 316 SS 316 SS 316 Other : Double mechanical seals Double mechanical seals Double mechanical seals Double mechanical seals Double mechanical seals Remarks: (1) One installed spare included. Designers : Project ID-Number : CPD3425 Date : June 2015
  • 123.
    PUMPS, BLOWERS &COMPRESSORS – SUMMARY EQUIPMENT NR. : NAME : P-203 A/B Vacuum Pump Type : Number : - 1 Medium transferred : Water Vapour Capacity [kg/s] : [m3 /h] : 252.3 Density [kg/m3 ] : 1 Pressure [bara] Suct. / Disch. : 0.02/1 Temperature In / Out [o C] : 150/150 Power [kW] - Theor. : - Actual : 49 Number - Theor. : - Actual : 2 (1) Special Materials of Construction : SS 316 Other : Double mechanical seals Remarks: (1) One installed spare included. Designers : Project ID-Number : CPD3425 Date : June 2015
  • 124.
    COLUMN – SPECIFICATIONSHEET EQUIPMENT NUMBER : C-101 NAME : Contactor General Data Service : - distillation / extraction / absorption / Column Type : - packed / tray / spray / Tray Type : - cap / sieve / valve / Tray Number (1) - Theoretical : 6 - Actual : - - Feed (actual) : Top and Middle (1st and 4th theoretical trays) Tray Distance (HETP) [m] : 0.61 Tray Material : SS314 (2) Column Diameter [m] : 2.04 Column Material : SS (2) Column Height [m] : 12.2 Heating : - none / open steam / reboiler / Process Conditions Stream Details Feed Gas Feed Liquid Dry Gas Rich Liquid Extractant / side stream Lean TEG Semi Lean TEG Temp. [o C] Pressure [bara] Density [kg/m3 ] Mass Flow [kg/hr] : 35 156.5 159.5 380617 :36.5 156.5 1133 786.4 160 156.5 1042 764.8 : 35.7 156.3 158.7 3.372E+05 : 35.4 156.5 1125 1660 Composition mol% wt% wt% wt% mol% wt% mol% wt% mol% wt% TEG Water Other 0 0.4 99.6 99.2 0.62 0.18 98.95 0.69 0.33 0.01 0 99.99 91.01 8.45 0.54 Column Internals (3) Trays Not Applicable Number of caps / sieve holes / : … Active Tray Area [m2 ] : … Weir Length [mm] : … Diameter of chute pipe / hole / [mm] : … Packing Type : Mellapack Material : Volume [m3 ] : 9.8 (Total) Length [m] :- Width [m] :- Height [m] : 3 (2 beds of 1.5 m) Remarks: (1) Tray numbering from top to bottom. (2) SS = Stainless Steel; CS = Carbon Steel. (3) Sketch & measures of Column & Tray layout should have been provided. Designers : Project ID-Number : CPD3425 Date : June 2015
  • 125.
    DISTILLATION COLUMN –SPECIFICATION SHEET EQUIPMENT NUMBER : C-201 NAME : Still Column General Data Service : - distillation / extraction / absorption / Column Type : - packed / tray / spray / Tray Type : - cap / sieve / valve / Tray Number (1) - Theoretical : 2 - Actual : 2 - Feed (actual) : 2 Tray Distance (HETP) [m] : 0.61 Tray Material : SS314 (2) Column Diameter [m] : 0.145 Column Material : CS (2) Column Height [m] : 6 Heating : - none / open steam / reboiler / Natural Gas (3) Process Conditions Stream Details Feed Top Bottom Reflux / Absorbent Extractant / side stream Liq Gas Temp. [o C] Pressure [bara] Density [kg/m3 ] Mass Flow [kg/hr] : 150 2 636.3 763.6 202.9 1.1 0.9 2.811 : 70.3 1 1.13 3.23 : 204 1.1 962.4 763.2 : 70.3 1 972.6 1.018 Composition wt% wt% mol% wt% mol% wt% mol% wt% mol% wt% TEG Water Other 98.95 0.69 0.36 33.6 30.71 35.7 0 17.93 82.07 99.12 0.73 0.15 0.01 99.88 0.02 Column Internals (4) Trays (5) Number of caps / sieve holes / : … Active Tray Area [m2 ] : … Weir Length [mm] : … Diameter of chute pipe / hole / [mm] : … Packing Not Applicable Type : Material : Volume [m3 ] : Length [m] : Width [m] : Height [m] : Remarks: (1) Tray numbering from top to bottom. (2) SS = Stainless Steel; CS = Carbon Steel. (3) Reboiler is V-202; operates with Natural Gas (4) Sketch & measures of Column & Tray layout should have been provided. (5) Tray layout valid for whole column. Designers : Project ID-Number : CPD3425 Date : June 2015
  • 126.
    COLUMN – SPECIFICATIONSHEET EQUIPMENT NUMBER : C-202 NAME : Stripping Column General Data Service : - distillation / extraction / absorption / Column Type : - packed / tray / spray / Tray Type : - cap / sieve / valve / Tray Number (1) - Theoretical : 1 - Actual : 1 - Feed (actual) : 1 Tray Distance (HETP) [m] : - Tray Material : SS314 (2) Column Diameter [m] : 0.25 Column Material : CS (2) Column Height [m] : 0.5 Heating : - none / open steam / reboiler / Natural Gas Process Conditions Stream Details Feed Top Bottom Reflux / Absorbent Extractant / side stream Liq Gas Temp. [o C] Pressure [bara] Density [kg/m3 ] Mass Flow [kg/hr] : 204 1.1 962.4 763.2 42.14 4.5 3.86 0.7 : 203 1.1 0.9 2.8 : 203 1.1 964.2 761 : Composition wt% wt% mol% wt% mol% wt% mol% wt% mol% wt% TEG Water Other 99.12 0.73 0.15 0 0.5 99.5 33.58 30.7 35.72 99.2 0.6 0.2 Column Internals (3) Trays Not Applicable Number of caps / sieve holes / : … Active Tray Area [m2 ] : … Weir Length [mm] : … Diameter of chute pipe / hole / [mm] : … Packing Type : Mellapack Material :- Volume [m3 ] :0.012 Length [m] :- Width [m] :- Height [m] :0.25 Remarks: (1) Tray numbering from top to bottom. (2) SS = Stainless Steel; CS = Carbon Steel. (3) Sketch & measures of Column & Tray layout should have been provided. Designers : Project ID-Number : CPD3425 Date : June 2015
  • 127.
    HEAT EXCHANGER –SPECIFICATION SHEET EQUIPMENT NUMBER : E-201 In Series : 1 NAME : Glycol/Glycol Preheater In Parallel : none General Data Service : - Heat Exchanger - Vaporizer - Cooler - Reboiler - Condenser (Air cooled) (1), (2), (3) Type : - Fixed Tube Sheets - Plate Heat Exchanger - Floating Head - Finned Tubes - Hair Pin - Thermosyphon - Double Tube - Position : - Horizontal - Vertical Capacity [kW] : 2.85 (1) Heat Exchange Area [m2 ] : 4.24 (1) Overall Heat Transfer Coefficient [W/m2 o C] : 333.28 (1) Log. Mean Temperature Diff. (LMTD) [o C] : Passes Tube Side : 1 Passes Shell Side : n.a. Correction Factor LMTD (min. 0.75) : Corrected LMTD [o C] : 7.257 (1) Process Conditions Medium : Mass Stream [kg/hr] : Mass Stream to - Evaporize [kg/s] : - Condense [kg/s] : Average Specific Heat [kJ/kgo C] : Heat of Evap. / Condensation [kJ/kg] : Temperature IN [o C] : Temperature OUT [o C] : Pressure [bara] : Material : Shell Side Tube Side Lean TEG solution 787 n.a. 3 - 57 52 2.5 C.S Rich TEG solution 1660 n.a 3 - 36 38 5 CS Remarks: (1) Calculation of Air Cooler: “Applied Chemical Process Design”, F. Aerstin and G. Street. (2) Cooler requires 40 x 40 meters plot space, which may not be available. (3) Requires Fan(s) for forced air circulation with 960 kW for electrical drive(s). (1) As simulated in Aspen Hysys. Designers : Project ID-Number : CPD3425 Date : June 2015
  • 128.
    HEAT EXCHANGER –SPECIFICATION SHEET EQUIPMENT NUMBER : E-202 In Series : 1 NAME : Glycol/Glycol Heater In Parallel : none General Data Service : - Heat Exchanger - Vaporizer - Cooler - Reboiler - Condenser Type : - Fixed Tube Sheets - Plate Heat Exchanger - Floating Head - Finned Tubes - Hair Pin - Thermosyphon - Double Tube - Position : - Horizontal - Vertical Capacity [kW] : 93.36 (1) Heat Exchange Area [m2 ] : 24.35 (1) Overall Heat Transfer Coefficient [W/m2 o C] : 327.8 (1) Log. Mean Temperature Diff. (LMTD) [o C] : Passes Tube Side : 1 Passes Shell Side : n.a Correction Factor LMTD (min. 0.75) : Corrected LMTD [o C] : 42.13 (1) Process Conditions Medium : Mass Stream [kg/hr] : Mass Stream to - Evaporize [kg/s] : - Condense [kg/s] : Average Specific Heat [kJ/kgo C] : Heat of Evap. / Condensation [kJ/kg] : Temperature IN [o C] : Temperature OUT [o C] : Pressure [bara] : Material : Shell Side Tube Side Rich TEG 786.4 - - 3 - 198.0 57.0 2.5 CS Lean TEG 1657 - - 3 - 42 107.8 3.5 CS Remarks: (1) As simulated in Aspen Hysys. Designers : Project ID-Number : CPD3425 Date : June 2015
  • 129.
    HEAT EXCHANGER –SPECIFICATION SHEET EQUIPMENT NUMBER : E-203 In Series : 1 NAME : Sea Water Cooler In Parallel : none General Data Service : - Heat Exchanger - Vaporizer - Cooler - Reboiler - Condenser Type : - Fixed Tube Sheets - Plate Heat Exchanger - Floating Head - Finned Tubes - Hair Pin - Thermosyphon - Double Tube - Position : - Horizontal - Vertical Capacity [kW] : 11.37 (Aspen) Heat Exchange Area [m2 ] : 2.64 (Calc.) Overall Heat Transfer Coefficient [W/m2 o C] : 150 (Assumed). Log. Mean Temperature Diff. (LMTD) [o C] : 28.68 (Calc.) Passes Tube Side : 1 Passes Shell Side : n.a Correction Factor LMTD (min. 0.75) : Corrected LMTD [o C] : Process Conditions Medium : Mass Stream [kg/hr] : Mass Stream to - Evaporize [kg/s] : - Condense [kg/s] : Average Specific Heat [kJ/kgo C] : Heat of Evap. / Condensation [kJ/kg] : Temperature IN [o C] : Temperature OUT [o C] : Pressure [bara] : Material (1) : Shell Side Tube Side Lean TEG solution 786.4 - - 3 - 53 35 2 CS Sea Water 978.03 - - 4.18 - 10 20 4 C.S Remarks: (1) CS = Carbon Steel; Designers : Project ID-Number : CPD3425 Date : June 2015
  • 130.
    HEAT EXCHANGER –SPECIFICATION SHEET EQUIPMENT NUMBER : E-204 In Series : 1 NAME : Pervaporation Heater In Parallel : none General Data Service : - Heat Exchanger - Vaporizer - Cooler - Reboiler - Condenser Type : - Fixed Tube Sheets - Plate Heat Exchanger - Floating Head - Finned Tubes - Hair Pin - Thermosyphon - Double Tube - Position : - Horizontal - Vertical Capacity [kW] : 61.31 (Aspen) Heat Exchange Area [m2 ] : 2.44 (Calc.) Overall Heat Transfer Coefficient [W/m2 o C] : 900 (Assumed). Log. Mean Temperature Diff. (LMTD) [o C] : 27.8 (Calc.) Passes Tube Side : 1 Passes Shell Side : n.a Correction Factor LMTD (min. 0.75) : Corrected LMTD [o C] : Process Conditions Medium : Mass Stream [kg/hr] : Mass Stream to - Condense [kg/hr] - Evaporate [kg/s] : Average Specific Heat [kJ/kgo C] : Heat of Evap. / Condensation [kJ/kg] : Temperature IN [o C] : Temperature OUT [o C] : Pressure [bara] : Material (1) : Shell Side Tube Side Steam 106.02 106.02 - 2075.11 162.06 162.06 6.5 CS Rich TEG solution 1657 - - 3 - 107.8 150 3 CS Remarks: (1) CS = Carbon Steel; Designers : Project ID-Number : CPD3425 Date : June 2015
  • 131.
    CENTRIFUGAL PUMP –SPECIFICATION SHEET EQUIPMENT NUMBER : P-101 Operating : 1 NAME : Turbocharger Installed Spare : 0 Service : TEG Solution Type : Number : 1 Operating Conditions & Physical Data Pumped liquid : TEG Rich/TEG Lean/TEG Semi-Lean Temperature (T) [o C] : 42/37/160 Density () [kg/m3 ] : 705.1/1133/1042 Viscosity () [Ns/m2 ] : 0.000012/0.0197/0.001141 Vapour Pressure (pv) [bara] : 154.6/0.425/30.64 at Temperature [o C]: 37.8 Power Capacity (v) [m3 /hr] : 2.5/0.8/0.7 Pressure Levels (ps) [bara] : (156.5-4.5) &(1.5-78)& (1.5-77.5) Theoretical Power [kW] : none { = v( pd - ps)102 } Pump Efficiency [-] : Power at Shaft [kW] : Construction Details (1) RPM : Drive : Type electrical motor : Tension [V] : Rotational direction : Clock / Counter Cl. Foundation Plate : Combined / two parts Flexible Coupling : Yes Pressure Gauge Suction : No Pressure Gauge Discharge : Yes Min. Overpressure above pv/pm [bar] : Nominal diameter Suction Nozzle […] : Discharge Nozzle […] : Cooled Bearings : Yes / No Cooled Stuffing Box : Yes / No Smothering Gland : Yes / No If yes - Seal Liquid : Yes / No - Splash Rings : Yes / No - Packing Type : - Mechanical Seal : Yes / No - N.P.S.H. [m] : { = pmg } Construction Materials (2) Pump House : Pump Rotor : Shaft : Special provisions : none Operating Pressure [bara] : 156.5/78 Wear Rings : Shaft Box : Test Pressure [bara] : Remarks: (1) Double mechanical seals and seal fluid required for LPG service. Further details to be specified by Rotating Equipment specialist. (2) MS = Mild Steel; HT Steel = High Tensile Steel Designers : Project ID-Number : CPD3425 Date : June 2015
  • 132.
    CENTRIFUGAL PUMP –SPECIFICATION SHEET EQUIPMENT NUMBER : P-102 A/B Operating : 1 NAME : High Pressure Pump Installed Spare : 1 Service : TEG solution Type : Centrifugal Number : 2 Operating Conditions & Physical Data Pumped liquid : TEG Lean Temperature (T) [o C] : 37 Density () [kg/m3 ] : 1133 Viscosity () [Ns/m2 ] : 0.019 Vapour Pressure (pv) [bara] : 0.425 at Temperature [o C] :37.8 Power Capacity (v) [m3 /hr] : 0.8 Suction (ps) [bara] : 78 Discharge (pd) [bara] : 156.5 Theoretical Power [kW] : 2.037 { = v( pd - ps)102 } Pump Efficiency [-] : Power at Shaft [kW] : Construction Details (1) RPM : Drive : Type electrical motor : Tension [V] : Rotational direction : Clock / Counter Cl. Foundation Plate : Combined / two parts Flexible Coupling : Yes Pressure Gauge Suction : No Pressure Gauge Discharge : Yes Min. Overpressure above pv/pm [bar] : Nominal diameter Suction Nozzle […] : Discharge Nozzle […] : Cooled Bearings : Yes / No Cooled Stuffing Box : Yes / No Smothering Gland : Yes / No If yes - Seal Liquid : Yes / No - Splash Rings : Yes / No - Packing Type : - Mechanical Seal : Yes / No - N.P.S.H. [m] : { = pmg } Construction Materials (2) Pump House : Pump Rotor : Shaft : Special provisions : none Operating Pressure [bara] : 156.5 Wear Rings : Shaft Box : Test Pressure [bara] : Remarks: (1) Double mechanical seals and seal fluid required for LPG service. Further details to be specified by Rotating Equipment specialist. (2) MS = Mild Steel; HT Steel = High Tensile Steel Designers : Project ID-Number : CPD3425 Date : June 2015
  • 133.
    CENTRIFUGAL PUMP –SPECIFICATION SHEET EQUIPMENT NUMBER : P-103 A/B Operating : 1 NAME : Semi-Lean Injection Pump Installed Spare : 1 Service : TEG solution Type : Centrifugal Number : 2 Operating Conditions & Physical Data Pumped liquid : Semi-Lean TEG Temperature (T) [o C] : 160 Density () [kg/m3 ] : 1042 Viscosity () [Ns/m2 ] : 0.001141 Vapour Pressure (pv) [bara] : 30.64 at Temperature [o C] :37.8 Power Capacity (v) [m3 /hr] : 0.7 Suction (ps) [bara] : 1.1 Discharge (pd) [bara] : 156.5 Theoretical Power [kW] : 2.17 { = v( pd - ps)102 } Pump Efficiency [-] : Power at Shaft [kW] : Construction Details (1) RPM : Drive : Type electrical motor : Tension [V] : Rotational direction : Clock / Counter Cl. Foundation Plate : Combined / two parts Flexible Coupling : Yes Pressure Gauge Suction : No Pressure Gauge Discharge : Yes Min. Overpressure above pv/pm [bar] : Nominal diameter Suction Nozzle […] : Discharge Nozzle […] : Cooled Bearings : Yes / No Cooled Stuffing Box : Yes / No Smothering Gland : Yes / No If yes - Seal Liquid : Yes / No - Splash Rings : Yes / No - Packing Type : - Mechanical Seal : Yes / No - N.P.S.H. [m] : { = pmg } Construction Materials (2) Pump House : Pump Rotor : Shaft : Special provisions : none Operating Pressure [bara] : 156.5 Wear Rings : Shaft Box : Test Pressure [bara] : Remarks: (3) Double mechanical seals and seal fluid required for LPG service. Further details to be specified by Rotating Equipment specialist. (4) MS = Mild Steel; HT Steel = High Tensile Steel Designers : Project ID-Number : CPD3425 Date : June 2015
  • 134.
    CENTRIFUGAL PUMP –SPECIFICATION SHEET EQUIPMENT NUMBER : P-201 A/B Operating : 1 NAME : Intermediate Pump Installed Spare : 1 Service : TEG solution Type : Centrifugal Number : 2 Operating Conditions & Physical Data Pumped liquid : Semi-Lean TEG Temperature (T) [o C] : 150 Density () [kg/m3 ] : 636.3 Viscosity () [Ns/m2 ] : 0.00001684 Vapour Pressure (pv) [bara] : 30.64 at Temperature [o C] : 37.8 Power Capacity (v) [m3 /hr] : 1.2 Suction (ps) [bara] : 1.5 Discharge (pd) [bara] : 2 Theoretical Power [kW] : 0.027 { = v( pd - ps)102 } Pump Efficiency [-] : Power at Shaft [kW] : Construction Details (1) RPM : Drive : Type electrical motor : Tension [V] : Rotational direction : Clock / Counter Cl. Foundation Plate : Combined / two parts Flexible Coupling : Yes Pressure Gauge Suction : No Pressure Gauge Discharge : Yes Min. Overpressure above pv/pm [bar] : Nominal diameter Suction Nozzle […] : Discharge Nozzle […] : Cooled Bearings : Yes / No Cooled Stuffing Box : Yes / No Smothering Gland : Yes / No If yes - Seal Liquid : Yes / No - Splash Rings : Yes / No - Packing Type : - Mechanical Seal : Yes / No - N.P.S.H. [m] : { = pmg } Construction Materials (2) Pump House : Pump Rotor : Shaft : Special provisions : none Operating Pressure [bara] : Wear Rings : Shaft Box : Test Pressure [bara] : Remarks: (5) Double mechanical seals and seal fluid required for LPG service. Further details to be specified by Rotating Equipment specialist. (6) MS = Mild Steel; HT Steel = High Tensile Steel Designers : Project ID-Number : CPD3425 Date : June 2015
  • 135.
    CENTRIFUGAL PUMP –SPECIFICATION SHEET EQUIPMENT NUMBER : P-202 A/B Operating : 1 NAME : Booster Pump Installed Spare : 1 Service : TEG solution Type : Centrifugal Number : 2 Operating Conditions & Physical Data Pumped liquid : Lean TEG Temperature (T) [o C] : 198 Density () [kg/m3 ] : 969.6 Viscosity () [Ns/m2 ] : 0.0006234 Vapour Pressure (pv) [bara] : 0.4308 at Temperature [o C] : 37.8 Power Capacity (v) [m3 /hr] : 0.8 Suction (ps) [bara] : 1 Discharge (pd) [bara] : 2.5 Theoretical Power [kW] : 0.045 { = v( pd - ps)102 } Pump Efficiency [-] : Power at Shaft [kW] : Construction Details (1) RPM : Drive : Type electrical motor : Tension [V] : Rotational direction : Clock / Counter Cl. Foundation Plate : Combined / two parts Flexible Coupling : Yes Pressure Gauge Suction : No Pressure Gauge Discharge : Yes Min. Overpressure above pv/pm [bar] : Nominal diameter Suction Nozzle […] : Discharge Nozzle […] : Cooled Bearings : Yes / No Cooled Stuffing Box : Yes / No Smothering Gland : Yes / No If yes - Seal Liquid : Yes / No - Splash Rings : Yes / No - Packing Type : - Mechanical Seal : Yes / No - N.P.S.H. [m] : { = pmg } Construction Materials (2) Pump House : Pump Rotor : Shaft : Special provisions : none Operating Pressure [bara] : 2.5 Wear Rings : Shaft Box : Test Pressure [bara] : Remarks: (7) Double mechanical seals and seal fluid required for LPG service. Further details to be specified by Rotating Equipment specialist. (8) MS = Mild Steel; HT Steel = High Tensile Steel Designers : Project ID-Number : CPD3425 Date : June 2015
  • 136.
    VACUUM PUMP –SPECIFICATION SHEET EQUIPMENT NUMBER : P-203 A/B Operating : 1 NAME : Vacuum Pump Installed Spare : 1 Service : TEG solution Type : Roots Blower Number : 2 Operating Conditions & Physical Data Pumped liquid : Lean TEG Temperature (T) [o C] : 150 Density () [kg/m3 ] : 1 Viscosity () [Ns/m2 ] : 0.000014 Vapour Pressure (pv) [bara] : at Temperature [o C] : Power Capacity (v) [m3 /hr] : 252.3 Suction (ps) [bara] : 0.02 Discharge (pd) [bara] : 1 Theoretical Power [kW] : 49 { = v( pd - ps)102 } Pump Efficiency [-] : Power at Shaft [kW] : Construction Details (1) RPM : Drive : Type electrical motor : Tension [V] : Rotational direction : Clock / Counter Cl. Foundation Plate : Combined / two parts Flexible Coupling : Yes Pressure Gauge Suction : No Pressure Gauge Discharge : Yes Min. Overpressure above pv/pm [bar] : Nominal diameter Suction Nozzle […] : Discharge Nozzle […] : Cooled Bearings : Yes / No Cooled Stuffing Box : Yes / No Smothering Gland : Yes / No If yes - Seal Liquid : Yes / No - Splash Rings : Yes / No - Packing Type : - Mechanical Seal : Yes / No - N.P.S.H. [m] : { = pmg } Construction Materials (2) Pump House : Pump Rotor : Shaft : Special provisions : none Operating Pressure [bara] : 0.02/1 Wear Rings : Shaft Box : Test Pressure [bara] : Remarks: (9) Double mechanical seals and seal fluid required for LPG service. Further details to be specified by Rotating Equipment specialist. (10) MS = Mild Steel; HT Steel = High Tensile Steel Designers : Project ID-Number : CPD3425 Date : June 2015
  • 137.
    VESSEL – SPECIFICATIONSHEET EQUIPMENT NUMBER : V-201 In Series : 1 NAME : Flash Vessel In Parallel : none General Data Service : - Buffer / Storage / Separation / Reaction Type : Vessel Position : - Horizontal - Vertical Internals : - Demister / Plate / Coil / _________ Heating/Cooling medium : - none / Open / Closed / External Hxgr /________ - Type : n.a. - Quantity [kg/s] : n.a. - Press./Temp.’s [bara/o C] : n.a. Vessel Diameter (ID) [m] : 0.46 Vessel Height [m] : 1.85 Vessel Tot. Volume [m3 ] : 0.31 Vessel Material : C.S. Other : Process Conditions Stream Data Feed Top Bottom Temperature [o C] Pressure [bara] Density [kg/m3 ] Mass Flow [kg/hr] : 42.05 : 4.5 :686 :1660 : 42.05 : 4.5 :3.86 :3.3 : 42.05 : 4.5 :1104 :1657 Composition mol% wt% mol% wt% mol% wt% TEG Water Others 91.01 8.45 0.54 0 0.5 99.5 91.19 8.47 0.34 Remarks: Designers : Project ID-Number : CPD3425 Date : June 2015
  • 138.
    VESSEL – SPECIFICATIONSHEET EQUIPMENT NUMBER : V-202 In Series : 1 NAME : Reboiler In Parallel : none General Data Service : - Buffer / Storage / Separation / Reaction Type : Vessel Position : - Horizontal - Vertical Internals : - Demister / Plate / Coil /Tubes Heating/Cooling medium : - none / Open / Closed / External Hxgr /Natural Gas - Type : Fuel - Quantity [kg/hr] : 2.66 - Press./Temp.’s [bara/o C] : n.a. Vessel Diameter (ID) [m] : 0.35 Vessel Height [m] : 1.4 Vessel Tot. Volume [m3 ] : 0.14 Vessel Material : C.S. Other : Process Conditions Stream Data Feed Top Bottom Temperature [o C] Pressure [bara] Density [kg/m3 ] Mass Flow [kg/hr] : 150.3 : 1.1 :1012 :764.3 : 204 : 1.1 :1.104 :1.12 : 204 : 1.1 :962.4 :763.2 Composition mol% wt% mol% wt% mol% wt% TEG Water Others 99.02 0.77 0.28 28.37 30.03 41.6 99.12 0.7 0.18 Remarks: Designers : Project ID-Number : CPD3425 Date : June 2015
  • 139.
    VESSEL – SPECIFICATIONSHEET EQUIPMENT NUMBER : V-203 In Series : 1 NAME : Surge Vessel In Parallel : none General Data Service : - Buffer / Storage / Separation / Reaction Type : Vessel Position : - Horizontal - Vertical Internals : - Demister / Plate / Coil /Tubes Heating/Cooling medium : - none / Open / Closed / External Hxgr / - Type : n.a - Quantity [kg/hr] : n.a - Press./Temp.’s [bara/o C] : n.a. Vessel Diameter (ID) [m] : 0.48 Vessel Height [m] : 1.9 Vessel Tot. Volume [m3 ] : 0.34 Vessel Material : C.S. Other : Process Conditions Stream Data Feed Make up Bottom Temperature [o C] Pressure [bara] Density [kg/m3 ] Mass Flow [kg/hr] : 202.9 : 1.1 :964.2 :761 35 1 1110 24.11 : 198.0 : 2.5 :969.6 :785.2 Composition mol% wt% mol% wt% mol% wt% TEG Water Others 99.2 0.06 0.2 99.2 0.8 0 99.2 0.06 0.2 Remarks: Designers : Project ID-Number : CPD3425 Date : June 2015
  • 140.
    FILTER–SPECIFICATION SHEET EQUIPMENT NUMBER: S-201A/B In Series : 1 NAME : Filter In Parallel : 1 General Data Service : - Buffer / Storage / Separation / Reaction/Filtration Type : Filter Position : - Horizontal In-Line - Vertical - Type : Strainer - Quantity [kg/hr] : 1657 - Press./Temp.’s [bara/o C] : 3.5/42. Strainer Diameter (ID) [m] : 0.48 Strainer Material : S.S. Other : Remarks: Designers : Project ID-Number : CPD3425 Date : June 2015
  • 141.
    PERVAPORATION MEMBRANE MODULE– SPECIFICATION SHEET EQUIPMENT NUMBER : S-202 (1) In Series : none NAME : Pervaporation membrane module In Parallel : 138 General Data Service : - Buffer / Storage / Separation / Reaction Type : Vessel Position : - Horizontal - Vertical Internals : - Demister / Plate / Coil / Tubes / Membranes tubes Heating/Cooling medium : - none / Open / Closed / External Hxgr / Natural Gas - Type : n.a - Quantity [kg/hr] : n.a - Press./Temp.’s [bara/o C] : n.a. Vessel Diameter (ID) [m] : 0.26 Vessel Length [m] : 1.402 Vessel Tot. Volume [m3 ] : 0.074 Vessel Material : S.S. Other : Process Conditions Stream Data Feed Retentate Permeate Temperature [o C] Pressure [bara] Density [kg/m3 ] Mass Flow [kg/hr] : 150.3 : 3.0 : 621 : 1657 : 150.3 : 1.5 : 522 : 1529 : 150.3 : 0.02 : 1 : 128 Composition mol% wt% mol% wt% mol% wt% TEG Water Others 91.20 8.47 0.33 98.95 0.69 0.36 - 100 - Remarks: (1) 138 modules in rectangular disposal 14 x 10. Then, 7 x 5 m (WxH) in the pervaporation membrane unit. Designers : Project ID-Number : CPD3425 Date : June 2015
  • 143.
    Bibliography [1] J. Pettersen,Natural gas fundamentals (2006). [2] E. Kirk-Othmer, of chem, Tech., 1, 733 (1983). [3] S. Mokhatab and M. J. Economides, Process selection is critical to onshore lng economics, World oil 227, 95 (2006). [4] Opening the area around jan mayen for petroleum activities – public hear- ing on impact assessment, https://www.regjeringen.no/en/aktuelt/ opening-the-area-around-jan-mayen-for-pe/id705121/, (Visited on 06/01/2015). [5] Oil and gas - invest in norway, http://www.invinor.no/no/Industries/Oil-and-Gas/, (Visited on 06/01/2015). [6] Status of norwegian natural gas and a forecast towards 2025 fractional flow, http://fractionalflow.com/2014/10/05/ status-of-norwegian-natural-gas-and-a-forecast-towards-2025/, (Visited on 06/01/2015). [7] msdssearch.dow.com/publishedliteraturedowcom/dh 004d/0901b8038004d042.pdf filepath= ethyleneglycol/pdfs/noreg/612-00004.pdf&frompage=getdoc, http://msdssearch.dow. com/PublishedLiteratureDOWCOM/dh_004d/0901b8038004d042.pdf?filepath= ethyleneglycol/pdfs/noreg/612-00004.pdf&fromPage=GetDoc, (Visited on 06/11/2015). [8] Triethylene glycol c6h14o4 - pubchem, http://pubchem.ncbi.nlm.nih.gov/compound/ triethylene_glycol, (Visited on 06/01/2015). [9] Water, density, specific enthalpy, viscosity, http://www.thermexcel.com/english/ tables/eau_atm.htm, (Visited on 06/01/2015). [10] Engineering toolbox, http://www.engineeringtoolbox.com/ fluids-evaporation-latent-heat-d_147.html, (Visited on 06/01/2015). [11] Engineering toolbox, http://www.engineeringtoolbox.com/, (Visited on 06/01/2015). [12] Mother earth alcohol fuel: Chapter 7 - still designs, http://journeytoforever.org/ biofuel_library/ethanol_motherearth/meCh7.html, (Visited on 05/28/2015). [13] G. GPSA, Engineering data book, Gas Processors Suppliers Association , 16 (2004). [14] Sulzer - mellapak and mellapakplus , http://www.sulzer.com/en/ Products-and-Services/Separation-Technology/Structured-Packings/ Mellapak-MellapakPlus-Mellapak-Plastic, (Visited on 05/28/2015). [15] J. M. Campbell, Gas conditioning and processing. volume 2: The equipment modules, (1998). [16] D. L. S. W. W.D.Seider, J.D. Seader, Product and Process Design Principles; Synthesis, Analysis, and Evaluation, third edition ed. (Wiley, 2010). [17] www.bharatbijlee.com/motors/industrial-catalogue.pdf, http://www.bharatbijlee.com/ motors/Industrial-Catalogue.pdf, (Visited on 06/25/2015). [18] Dow ethylene glycols, http://www.dow.com/ethyleneglycol/about/properties.htm, (Visited on 06/10/2015). 135
  • 144.
    136 Bibliography [19] C.O. TOXICOLOGY, EMERGENCY AND CONTINUOUS EXPOSURE LIMITS FOR SELECTED AIR- BORNE CONTAMINANTS, Vol. 1 (National Academy Press, Washington, D.C., 1984). [20] Gases - explosive and flammability concentration limits, http://www.engineeringtoolbox. com/explosive-concentration-limits-d_423.html, (Visited on 06/10/2015). [21] T. I. A. of Oil & Gas Producers, Monday accident & lessons learned: Ogp safety alert – teg fire at gas dehydration unit, http://www.taproot.com/archives/40586 (2013), (Visited on 06/10/2015). [22] E. Altman, P. Kreis, T. van Gerven, G. Stefanidis, A. Stankiewicz, and A. Górak, Experimental, modeling and simulation of reactive distillation, Microwave Enhanced Reactive Distillation 49, 95 (2010). [23] J. Robinson, S. Kingman, D. Irvine, P. Licence, A. Smith, G. Dimitrakis, D. Obermayer, and C. O. Kappe, Understanding microwave heating effects in single mode type cavities theory and experiment, Physical Chemistry Chemical Physics 12, 4750 (2010). [24] A. Stankiewicz and J. A. Moulijn, Re-engineering the chemical processing plant: process intensi- fication (CRC Press, 2003). [25] Automobile technology: Turbocharger, http://automobiletechinfo.blogspot.nl/ 2013/09/turbocharger.html, (Visited on 06/26/2015). [26] Energy recovery turbocharger energy analysis - energy recovery, http://www. energyrecovery.com/resource/turbocharger-energy-analysis/, (Visited on 06/11/2015). [27] Technologies - membrane distillation - kmx corp. - kmx corporation,azeotropic waste streams,membrane technology,wastewater treatment,chemical users,chemical waste gen- erators,clean tech,converting waste into valuable recycled products,greenhouse gas re- ductions,hazardous waste recycling,hollow fiber membranes,offsite recycling,pervaporation membranes,recovery of hazardous waste,separation of volatile organic compound(s),solvent recovery,toxic waste recycling,waste chemical recovery,waste water recycling,water purifica- tion, http://www.kmxcorp.com/water_chemical_purification.php?division= Technologies&area=Membrane%20Distillation&page=Introduction, (Visited on 06/11/2015). [28] Membrane filtration emis, http://emis.vito.be/node/19492, (Visited on 06/11/2015). [29] P. Kraychy and A. Masuda, Molecular sieves dehydrate high-acid gas at pine creek, Oil and Gas Journal (1966). [30] M. F. Doherty and M. F. Malone, Conceptual design of distillation systems (McGraw-Hill Sci- ence/Engineering/Math, 2001). [31] W. L. Luyben and I.-L. Chien, Design and control of distillation systems for separating azeotropes (John Wiley & Sons, 2011). [32] www.graham-mfg.com/usr/pdf/techlibvacuum/210.pdf, http://www.graham-mfg.com/ usr/pdf/techlibvacuum/210.pdf, (Visited on 06/11/2015). [33] C. Ramshaw and R. H. Mallinson, Mass transfer apparatus and process, (1983), uS Patent 4,400,275. [34] L. Agarwal, V. Pavani, D. Rao, and N. Kaistha, Process intensification in higee absorption and distillation: design procedure and applications, Industrial & Engineering Chemistry Research 49, 10046 (2010). [35] T. Kelleher and J. R. Fair, Distillation studies in a high-gravity contactor, Industrial & engineering chemistry research 35, 4646 (1996).
  • 145.
    Bibliography 137 [36] File:half-yearlyelectricity and gas prices, second half of year, 2012–14 (eur per kwh) yb15.png - statistics explained, http://ec.europa.eu/eurostat/statistics-explained/index. php/File:Half-yearly_electricity_and_gas_prices,_second_half_of_year, (Visited on 06/10/2015). [37] Pumping costs, http://www.engineeringtoolbox.com/water-pumping-costs-d_ 1527.html, (Visited on 06/08/2015). [38] How much carbon dioxide is produced per kilowatthour when generating electricity with fossil fuels - faq - u.s. energy information administration (eia), http://www.eia.gov/tools/ faqs/faq.cfm?id=74&t=11, (Visited on 06/10/2015). [39] N. E. Leadbeater, Microwave heating as a tool for sustainable chemistry (CRC Press, 2010). [40] C. O. Kappe, A. Stadler, and D. Dallinger, Microwaves in organic and medicinal chemistry (John Wiley & Sons, 2012). [41] J. Wijmans, A. Ng, and A. Mairal, Natural gas dehydration process and apparatus, (2004), uS Patent App. 10/280,147. [42] C. Yu, C. Zhong, Y. Liu, X. Gu, G. Yang, W. Xing, and N. Xu, Pervaporation dehydration of ethylene glycol by naa zeolite membranes, Chemical Engineering Research and Design 90, 1372 (2012). [43] R. Huang, P. Shao, X. Feng, and W. Anderson, Separation of ethylene glycol-water mixtures using sulfonated poly (ether ether ketone) pervaporation membranes: membrane relaxation and separation performance analysis, Industrial & engineering chemistry research 41, 2957 (2002). [44] pervaporation-membranes.com/wp-content/uploads/2014/10/datasheet-pvm-094-version-16- 10-2014.pdf, http://pervaporation-membranes.com/wp-content/uploads/2014/ 10/Datasheet-PVM-094-version-16-10-2014.pdf (), (Visited on 06/11/2015). [45] pervaporation-membranes.com/wp-content/uploads/2014/10/datasheet- 4-channel-hybrid-silica-membranes-version-23-9-2014.pdf, http:// pervaporation-membranes.com/wp-content/uploads/2014/10/ Datasheet-4-Channel-Hybrid-Silica-membranes-Version-23-9-2014.pdf (), (Visited on 06/15/2015). [46] pervaporation-membranes.com/wp-content/uploads/2014/10/datasheet-pvm-094-version-16- 10-2014.pdf, http://pervaporation-membranes.com/wp-content/uploads/2014/ 10/Datasheet-PVM-094-version-16-10-2014.pdf (), (Visited on 06/15/2015). [47] W. U. W. Werkgroep Begrotingsproblemen in de Chemische Industrie (Webci), Dace prijzenboekje, Kostengegevens tbv ramingen , 254 (2005). [48] Matches’ engineering to chemical energy manufacturing metallurgical industries, http://www. matche.com/, (Visited on 06/08/2015). [49] Eur to usd exchange rate - bloomberg markets, http://www.bloomberg.com/quote/ EURUSD:CUR, (Visited on 06/23/2015). [50] J. R. Couper, W. R. Penney, and J. R. Fair, Chemical Process Equipment revised 2E: Selection and Design (Gulf Professional Publishing, 2009). [51] Calculator: Saturated steam table by pressure tlv, http://www.tlv.com/global/TI/ calculator/steam-table-pressure.html (), (Visited on 06/25/2015). [52] Heat transfer coefficients in heat exchangers, http://www.engineeringtoolbox.com/ heat-transfer-coefficients-exchangers-d_450.html (), (Visited on 06/25/2015). [53] J. Fair, How to predict sieve tray entrainment and flooding, Petro/Chem Eng 33, 45 (1961).
  • 146.
    138 Bibliography [54] www.sulzer.com/nl/-/media/documents/productsandservices/separationtechnology/structured packings/brochures/structured packings.pdf, http://www.sulzer.com/nl/-/media/ Documents/ProductsAndServices/Separation_Technology/Structured_ Packings/Brochures/Structured_Packings.pdf, (Visited on 06/04/2015). [55] L. T. Biegler, I. E. Grossmann, and A. W. Westerberg, Systematic methods for chemical process design, (1997). [56] Siddhant equipments limited, www.aquacoolct.com/articles.htm, (Visited on 06/25/2015). [57] Heat transfer coefficients in heat exchangers, http://www.engineeringtoolbox.com/ heat-transfer-coefficients-exchangers-d_450.html, (Visited on 06/11/2015). [58] Heat exchanger mean temperature differences for refrigerant mixtures, http://www-old.me. gatech.edu/energy/pubs/imece/imece.html, (Visited on 06/26/2015). [59] Physics 203, https://spot.davidjulrich.com/blog/112/, (Visited on 06/26/2015). [60] Modulus of elasticity, average properties of structural materials, shear modulus, poisson’s ra- tio, density engineers edge www.engineersedge.com, http://www.engineersedge.com/ manufacturing_spec/average_properties_structural_materials.htm, (Visited on 06/25/2015).