TABLE OF CONTENTS
1      INTRODUCTION ..................................................................................................................................... 1
2      MODELLING........................................................................................................................................... 2
3      PROCESS PLANNING .............................................................................................................................. 5
4      NC MACHINING ..................................................................................................................................... 6
5      LITERATURE SEARCH ............................................................................................................................. 9
    5.1     The latest capabilities and features in leading commercial CAD/CAM systems in production of
    tooling and dies.................................................................................................................................... 9
       5.1.1          STEP-NC .................................................................................................................... 9
       5.1.2          IKMOULD ................................................................................................................ 10
       5.1.3          COLLABORATIVE MOULD DESIGN .......................................................................... 10
       5.1.4          VIRTUAL ENVIRONMENT FOR DESIGN AND MANUFACTURING (VEDAM) ............ 10
    5.2   The latest developments and systems in Computer Aided Process planning to overcome the
    problems of traditional process planning. ......................................................................................... 11
       5.2.1          COMPLAN SYSTEM ........................................................................................... 11
       5.2.2          ESTPAR ................................................................................................................... 11
       5.2.3          IKOOPP SYSTEM ..................................................................................................... 11
       5.2.4          KAPLAN SYSTEM ..................................................................................................... 12
       5.2.5          HYBRID CAPP SYSTEM ............................................................................................ 12
       5.2.6          GENETIC ALGORITHMS (GA) .................................................................................. 12
    5.3     The latest trends and systems in rapid prototyping technologies in fabrication of dies for
    injection moulding ............................................................................................................................. 14
       5.3.1          SELECTIVE LASER SINTERING.................................................................................. 14
       5.3.2          DIRECT METAL LASER SINTERING .......................................................................... 14
       5.3.3          ELECTRON BEAM MELTING .................................................................................... 14
       5.3.4          FUSED DEPOSITION MOULDING (FDM) ................................................................. 14
       5.3.5          STEREOLITHOGRAPHY/3D PRINTING ..................................................................... 15
6      REFERENCES ........................................................................................................................................ 16
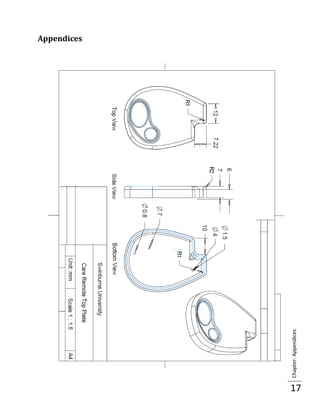
Appendices.................................................................................................................................................. 17
1 INTRODUCTION
        An injection moulded plastic part is to be designed using Pro/Engineer software. The part chosen
in our project is a car remote control top part. Pro/Engineer was used throughout the designing of the
module in order to obtain the modelling, mould cavity and NC machining of the module.

This practical design task required us to use all the knowledge gained in the semester to obtain the final
product. The main purpose of doing this project was to get an insight in to the design of plastic parts
which will better prepare us once we are in the industry as engineers. The CAD/CAM techniques
involved in the design were sketching the product and then extruding it. Creating the mould of the
completed rough part and also using NC machining to obtain the final market ready product.

The literature search conducted in order to obtain newest and latest technologies, knowledge and features
in CAD/CAM manufacturing systems. Computer Aided Process Planning (CAPP) overcome the
problems in the areas of rapid prototyping, injection moulding and fabrication technologies.




                                                                                                             Chapter: INTRODUCTION




                                                                                                             1
2 MODELLING
The top view and bottom view of the fully drawn remote control cover has been shown below;




                             Figure 1: Top View and Bottom View of the Pro E model


The basic steps taken to draw the part was to;

    1. Sketch the outline




                                                                                             Chapter: MODELLING




                                                                                             2
2. Extrude




3. Create shell




4. Draw datum plane on top surface




                                     Chapter: MODELLING




                                     3
5. Sketch holes on datum plane and make through holes




6. Drafting work on the model.




                                                        Chapter: MODELLING




                                                        4
3 PROCESS PLANNING
        Process planning is a procedure of showing processes which are used in what sequence, with
what tooling and work holding devices are to be used to manufacture the part. Manual process planning is
generally used when designing a part. Computer Aided Process Plan (CAPP) is used to trounce the
problems of the manual process planning method. Nevertheless, CAPP process is intricate compared to
the Manual Process Planning.

The process plan is depending in regards to the process planner’s knowledge about the manufacturing
techniques, sequences, tooling, materials, and standard practices. Accuracy, surface finish, part quantity
and type of material were the contributing factors are a part the process plan.

                     Operation        Tool      Machine Cutting Step              Step    Clear
   Part name
                    Description      Length      Speed   Feed   Depth             Over    Dist.
 Car-Remote         NC Milling      100mm           500      80 1mm                   5         2
 Top Plate          - Window
 (Cavity)
                    NC Milling      60mm             1000            50 0.5mm         2        2
                    - Finishing



 Car-Remote         NC Milling      80mm               500           70 2mm           6        2
 Top Plate          - Window
 (Core)
                    NC Milling      80mm               800           60 2mm           3        2
                    - Finishing



                                          Table 1: Process and Tooling

During the process of NC machining involves following procedures as indicates below;

    1. Study the part drawing
    2. Block material preparation
    3. Process selection
                                                                                                             Chapter: PROCESS PLANNING



    4. Process sequencing
    5. Machine selection
    6. Tool path planning
    7. Tool selection
    8. Fixture selection
    9. Machining parameters selection


                                                                                                             5
4 NC MACHINING
    In the real world the plastic part we drew on Pro/E has to be moulded. The Core and Cavity to create
the part can be designed on Pro/E. In production injection moulding will be used to create the part. The
basic moulding process can be summarised in seven steps as

   1. Preparing and analysing design models – Drafts, draft thickness check
   2. Creating the mould model – Reference model, shrinkage, work piece
   3. Creating mould volumes (optional) – Sliders and other sketched volume
   4. Creating the parting surface
   5. Creating mould components – Split mould volumes, creating cavity insert parts
   6. Creating mould features (optional) – Waterlines, runners, ejector pin holes
   7. Filling and opening the mould




                 Figure 2: Core Part                                   Figure 3: Cavity Part




                                                                                                           Chapter: NC MACHINING




    Figure 4: Wire frame of the Core & Cavity            Figure 5: Isometric View of the explited Core
                      parts                                             & Cavity parts



                                                                                                           6
Accordingly, as an initial approach for NC milling process check the model (Draft check);




                                Figure 6: Draft check did Top View of the model




                                                                                            Chapter: NC MACHINING




                       Figure 7: Draft check did Bottom View of the model




                                                                                            7
Also NC machining for the Core and Cavity as follows;




                Figure 8: NC Toolong play path




                                                        Chapter: NC MACHINING




               Figure 9: NC Toolong play path




                                                        8
5 LITERATURE SEARCH
In this section we will discuss about;

            1. The latest capabilities and features in leading commercial CAD/CAM systems in
                production of tooling and dies.
            2. The latest developments and systems in Computer Aided Process Planning to overcome
                the problems of traditional process planning.
            3. The latest trends and systems in rapid prototyping technologies in fabrication of dies for
                injection moulding.

Both tools and dies require good design for strength, durability. In order to obtain the specific shape or
the stamp most of the designing is done using CAD/CAM due to its higher accuracy and precision and
adaptability.

5.1 The latest capabilities and features in leading commercial CAD/CAM systems
        in production of tooling and dies.

5.1.1    STEP-NC
         In the machining domain, over-loading of spindle torque, excessive cutting force, chatter, tool
wear and other constraints may lead to major problems such as tool breakage and product quality
deterioration. These problems increase the cost of a product so that it becomes less competitive in the
market. To reduce production costs and guarantee sustained product quality, it is necessary to keep
tolerances checked as well as actively monitor machine tool conditions. Tool wear and surface roughness
are commonly used as sources of information about machine tool conditions. The STEP-NC data model
introduces feed-rate optimisation based on a cutting force prediction model implemented at the process
planning stage, and real-time process control at shop-floor. [1]

This data model was introduced to reduce the 3 common errors that can happen in CNC machining which
                                                                                                             Chapter: LITERATURE SEARCH



are static errors, dimensional errors and surface roughness errors[1] it provides an object oriented data
model for CNCs with a detailed and structured data interface that incorporates feature-based
programming where a range of information           is   represented   such   as   the   features   to   be
machined, tool types used, the operations to perform, and the sequence of operations to follow.[2]




                                                                                                             9
5.1.2   IKMOULD
        This is a practical prototype knowledge-based system, for mould design in the injection moulding
process. It attempts to tackle the problem in a practical and integrative way, unlike the stand-alone and
mathematical programs which have been developed in the past to solve only a part of the problem. A total
quantitative and structured approach is not feasible in dealing with the complex and multi related design
problems generally involved in mould design. In this system, the

    1. computational module
    2. the knowledge-based module
    3. the graphic module
for generating mould features are integrated within an interactive CAD based framework. The knowledge
base of the system can be accessed by mould designers through interactive programs so that their own
intelligence and experience can also be incorporated with the total mould design. The approach adopted
both speeds up the design process and facilitates design standardisation which in turn increases the speed
of mould manufacture.[3]

5.1.3   COLLABORATIVE MOULD DESIGN
        In the quest to reduce time consumption when designing moulds the concurrent/ collaborative
mould design system has stood out. The major contribution of the collaborative mould design navigation
system is the integration of the five major modules, conceptual design, mould split, mould base, drawing,
and design change, into the first-layer modules of conceptual design and mould design. [4]The moulds are
represented and stored as a complete geometric and topological solid in term of faces, edges, and vertices
in three dimension, so it is suitable for display, engineering analyses and simulation.[5]

5.1.4   VIRTUAL ENVIRONMENT FOR DESIGN AND MANUFACTURING (VEDAM)
        VEDAM is a fascinating modern and upcoming technology in the design and manufacturing
industry. This is a system which is designed and partially implemented to support virtual design of
manufacturing and l assembly which would extend the capabilities and the parametric of the CAD/CAM
systems. Also VEDAM system and its existing CAD/CAM system would allow quick and easy
modification of design in order to obtain the desired mould design which enhances the capability of
                                                                                                             Chapter: LITERATURE SEARCH



elimination of time through the stage of the product design. ―This is a technology would save time & cost
in the process of creating a design for moulding or welding‖. [16]




                                                                                                             10
5.2 The latest developments and systems in Computer Aided Process planning to
        overcome the problems of traditional process planning.
         Process planning is the systematic determination of the detailed methods by which parts can be
manufactured from raw material to finished product. In recent years, computer aided process planning
(CAPP) has been recognised as a key element in computer integrated manufacturing (CIM). [15]


A good process plan of a part is built up based on two elements:

         optimized sequence of the operations of the part
         optimized selection of the machine, cutting tool and tool access direction (TAD) for each
         operation [6]

5.2.1    COMPLAN SYSTEM
         COMPLAN is a generative/variant of CAPP systems. This process-planning system, has been
designed for small batch manufacturing of mechanical parts and is mainly developed in the C++
language. The modules of the COMPLAN system can be arranged in two main functional groups: process
planning and workshop scheduling. [15]


The COMPLAN system realises economic improvements such as: [15]
         A shortening of the lead time from design to manufacturing and reducing the effort spent to enter
         CAD data into a CAPP system, and by rationalising the process-planning effort needed.
         Achieving a leaner and more flexible production organisation.

5.2.2    ESTPAR
         ESTimator of PARameters (ESTPAR) is a generative approach to a CAPP system. The
knowledge-based expert system along with the GP code is called ESTPAR. The ESTPAR system can be
used by manufacturing personnel to determine the optimal machining parameters and the corresponding
machining costs when using different combinations of machines, tools, and fixtures (MTF). [15]               Chapter: LITERATURE SEARCH

5.2.3    IKOOPP SYSTEM
         Intelligent knowledge-based objective-oriented process planning (IKOOPP) is a generative CAPP
system. Because of the problems associated with manual process planning, and the inconsistencies of the
plans, the IKOOPP system has been developed to automate and standardise the process planning function
for the manufacture of progressive dies. [15]




                                                                                                             11
5.2.4   KAPLAN SYSTEM
        Knowledge-based approach to process planing (KAPLAN) is a generative CAPP system [16].
KAPLAN provides fully automatic generation of productions plans of rotational parts. The program
structure is based on knowledge base techniques and the knowledge required for the plan generation is
represented by IF-THEN rules, easily adapted to every workshop environment by means of a user
interface. [15]

5.2.5   HYBRID CAPP SYSTEM
        To trade off the advantages and disadvantages of a purely generative CAPP system and a variant
CAPP system, some researchers have proposed a semi-generative approach to CAPP, which is basically a
combination of the variant and generative methods. The aim of such a system is to reduce user interaction
by incorporating standard operation sequences, heuristic rules and mathematical formula to the system.
COMPLAN is such a system, and can be called a hybrid CAPP system. A hybrid CAPP system allows for
a low degree of automation in the early stages and increases the degree of automation for which a
knowledge base can easily be systematized. This characteristic avoids the long implementation time of
the CAPP system resulting from the need to create a knowledge base.[7]

5.2.6   GENETIC ALGORITHMS (GA)
        In the past two decades, GA has been widely applied for solving complex manufacturing
problems, e.g. job shop scheduling and process planning. Genetic algorithms (GA) are chosen for solving
optimization problems. The process planning is divided into preliminary planning and secondary/detailed
planning. In the preliminary stage, feasible sequences of operations is carried out considering compulsive
constraints of operations using the proposed GA and during the secondary and detailed level of planning,
the optimized sequence of the operations of the part, and the optimized selection of the machine, cutting
tool, and tool access directions (TAD) for each operation is acquired using a genetic algorithm
considering additive constraints as well. It means during the secondary of planning, relevant
manufacturing information, such as, machine tools, cutting tools, and TADs for the operations of the part
is determined.[6]

The GA mimics the process of natural evolution by combining the survival of the fittest among solution
                                                                                                             Chapter: LITERATURE SEARCH



structures with a structured, yet randomized, information exchange and creates offspring. In GA, a
candidate solution is represented by a sequence of numbers known as chromosome or string. In the
present work, each element (gene) in a string (chromosome) represents an operation. The order of the
elements in the string represents the sequence to be followed. A judiciously selected set of chromosomes
is called a population and the population at a given time is a generation. The population size, which
remains fixed from generation to generation, has a significant impact on the performance of the GA. This
size is to be specified by the user depending upon the number of elements in the string and the problem
                                                                                                             12
complexity. A randomly generated set of sequences (strings) makes the initial population. Optimization of
the initial sequences is done by GA, using an appropriately defined fitness function. [6]




                                                                                                            Chapter: LITERATURE SEARCH




                                                                                                            13
5.3 The latest trends and systems in rapid prototyping technologies in fabrication
        of dies for injection moulding

5.3.1    SELECTIVE LASER SINTERING
         Selective laser sintering (SLS) is a rapid prototyping process that allows to generate complex 3D
parts by solidifying successive layers of powder material on top of each other. Solidification is obtained
by fusing or sintering selected areas of the successive powder layers using thermal energy supplied
through a laser beam . A beam deflection system (galvano mirrors or XY table makes the beam scan each
layer according to the corresponding cross section of the part as calculated from a CAD model. A powder
deposition system is used for depositing the successive thin layers of powders (typically 0.1-0.3mm
thickness) in a building container before that layer is laser sintered.[11]

5.3.2    DIRECT METAL LASER SINTERING
         Direct metal laser sintering (DMLS) fabricates metal prototypes and tools directly from computer
aided design (CAD) data. The process is popular in rapid tooling (RT) ,since a suitable metal powder can
be used to produce the metal parts and tools. The powder system may be pre-alloyed powder or multi-
phase powder. The properties of the RT parts, however, depend on its composition and solidification
conditions. Accuracy, wear resistance and mechanical properties are critical on choosing the rapid tooling
mould as the production-grade tooling. Perhaps this fabrication has similar characteristics as target metal
characters’ but not a process of Laser Cladding or Laser process involves.

5.3.3    ELECTRON BEAM MELTING
         Surface melting and alloying of steel using an electron beam has been carried out to improve its
surface microstructure and properties. The solution of primary carbides, together with rapid solidification
and subsequent cooling, enhance the solubility of alloying elements in the y Fe phase and thus influence
the behaviour of the steel on subsequent tempering. The surface melted zone consists of dendrites without
primary carbides. [13]

5.3.4    FUSED DEPOSITION MOULDING (FDM)
         Fused deposition modelling (FDM) is one of the most widely used rapid prototyping systems in
                                                                                                              Chapter: LITERATURE SEARCH



the world.[12] The FDM systems, developed by Stratasys Inc, currently fabricate parts in elastomers,
ABS and investment casting wax using the layer by layer deposition of extruded material through a
nozzle using feedstock filaments from a spool. Most of the parts fabricated in these materials can be used
for design verification, form and fit checking and patterns for casting processes and medical application.
[12]




                                                                                                              14
5.3.5    STEREOLITHOGRAPHY/3D PRINTING
         Starting from a 3D image, a part is built slice by slice from bottom to top, in a vessel of liquid
polymer that hardens when struck by a laser beam. Starting from a STL file, the required supports for
overhangs and cavities are automatically generated in the model under construction. The support and
model files are then "cut" into thin horizontal slices and programmed into the stereo-lithography 3-d
printing machine.

This machine then uses a computer controlled laser to draw the bottom cross section onto the surface of a
liquid polymer that hardens where struck by the laser. The part is then lowered to a depth corresponding
to the section's thickness and the next cross section is then drawn directly on top of the previous one. This
is repeated until the part is finished. The supports are removed manually after the product is taken from
the stereo-lithography machine. [8]

The reasons to choose stereo-lithography can be the following [9]
    1.   Fast: Parts in as little as 2 days
    2.   High level of accuracy and high surface quality
    3.   Representative parts for visual testing
    4.   Functional parts
    5.   Small and large parts - from intricate switch component to car dashboard built in a single piece
    6.   Wide range of finishing options
    7.   Wide range of materials
Stereo-lithography (SLA) can be considered a rapid prototyping(RP) technology[10]




                                                                                                                Chapter: LITERATURE SEARCH




                                                                                                                15
6 REFERENCES
   1. F. Ridwan, X. Xu, G. Liu, A framework for machining optimisation based on STEP-NC,
       Published 23/1/2010
   2. X.W. Xua, S.T. Newman,           Making CNC machine tools more open, interoperable and
       intelligent—a review of the technologies, Published 10 October 2005
   3. C. K. Mok, K. S. Chin and John K. L Ho, An Interactive Knowledge-Based CAD System For
       Mould Design in Injection Moulding Processes, The International Journal Of Advanced
       Manufacturing Technology Volume 17, Number 1,Pgs 27-38
   4. Wen-Ren Jong ,C. Hsien Wu , H. H. Liu & Ming-Yan Li, A collaborative navigation system
       for concurrent mold design
   5. R. S. lee, Y. M. chen, and C. Z. Lee, Development of a concurrent mould design system : a
       knowledge based approach, published 1997, institute of manufacturing engineering, national
       Cheng Kung university , Tainan
   6. M. Salehi, R. Tavakkoli-Moghaddam, Application of genetic algorithm to computer-aided
       process planning in preliminary and detailed planning, Published 20 May 2009
   7. Y. Chen, Z. Huang, L. Chen and Q. Wang, Parametric process planning based on feature
       parameters of parts, Published 21 September 2005
   8. Stereolithography, http://www.materialise.com/Stereolithography, Viewed 20/5/2011
   9. Why      use    Stereolithography,   http://www.materialise.com/why-choose-stereolithography,
       Viewed 20/5/2011
   10. F. J. Lino, P. V. Vasconcelos, R. J.L. Neto, R. Paiva, stereolitography-the front end of rapid
       prototyping, Materials Science Forum (Volumes 587 - 588)
   11. J.P. Kruth, X. Wang, T. Laoui and L. Froyen, 2003, Lasers and materials in selective laser
       sintering, Assembly Automation, Volume 23 · Number 4 · pp. 357–371
   12. S. H. Masood and W. Q. Song, 2003, Development of new metal/polymer materials for rapid
       tooling using Fused deposition modelling
   13. Q. F. Peng, Z. Shi, A. Bloyce, T. Bell, 1990, Surface electron beam melting and alloying of
       tool steels
   14. M. W. Khaing, J. Y. H. Fuh, L. Lu, 2001, Direct metal laser sintering for rapid tooling:
                                                                                                        Chapter: REFERENCES




       processing and characterisation of EOS parts
   15. H. B. Marri, A. Gunasekaran and R. J. Grieve, 1998, Computer-Aided Process Planning: A
       State of Art
   16. A. Scott, S. Jeyaram, VEDAM: virtual environments for design and manufacturing, School
       Of Mechanical And Manufacturing Engineering, Washington state university ,Pullman


                                                                                                        16
Appendices




     Chapter: Appendices




17
Chapter: Appendices




18
Chapter: Appendices




19

Car Remote CAD/CAM

  • 1.
    TABLE OF CONTENTS 1 INTRODUCTION ..................................................................................................................................... 1 2 MODELLING........................................................................................................................................... 2 3 PROCESS PLANNING .............................................................................................................................. 5 4 NC MACHINING ..................................................................................................................................... 6 5 LITERATURE SEARCH ............................................................................................................................. 9 5.1 The latest capabilities and features in leading commercial CAD/CAM systems in production of tooling and dies.................................................................................................................................... 9 5.1.1 STEP-NC .................................................................................................................... 9 5.1.2 IKMOULD ................................................................................................................ 10 5.1.3 COLLABORATIVE MOULD DESIGN .......................................................................... 10 5.1.4 VIRTUAL ENVIRONMENT FOR DESIGN AND MANUFACTURING (VEDAM) ............ 10 5.2 The latest developments and systems in Computer Aided Process planning to overcome the problems of traditional process planning. ......................................................................................... 11 5.2.1 COMPLAN SYSTEM ........................................................................................... 11 5.2.2 ESTPAR ................................................................................................................... 11 5.2.3 IKOOPP SYSTEM ..................................................................................................... 11 5.2.4 KAPLAN SYSTEM ..................................................................................................... 12 5.2.5 HYBRID CAPP SYSTEM ............................................................................................ 12 5.2.6 GENETIC ALGORITHMS (GA) .................................................................................. 12 5.3 The latest trends and systems in rapid prototyping technologies in fabrication of dies for injection moulding ............................................................................................................................. 14 5.3.1 SELECTIVE LASER SINTERING.................................................................................. 14 5.3.2 DIRECT METAL LASER SINTERING .......................................................................... 14 5.3.3 ELECTRON BEAM MELTING .................................................................................... 14 5.3.4 FUSED DEPOSITION MOULDING (FDM) ................................................................. 14 5.3.5 STEREOLITHOGRAPHY/3D PRINTING ..................................................................... 15 6 REFERENCES ........................................................................................................................................ 16 Appendices.................................................................................................................................................. 17
  • 2.
    1 INTRODUCTION An injection moulded plastic part is to be designed using Pro/Engineer software. The part chosen in our project is a car remote control top part. Pro/Engineer was used throughout the designing of the module in order to obtain the modelling, mould cavity and NC machining of the module. This practical design task required us to use all the knowledge gained in the semester to obtain the final product. The main purpose of doing this project was to get an insight in to the design of plastic parts which will better prepare us once we are in the industry as engineers. The CAD/CAM techniques involved in the design were sketching the product and then extruding it. Creating the mould of the completed rough part and also using NC machining to obtain the final market ready product. The literature search conducted in order to obtain newest and latest technologies, knowledge and features in CAD/CAM manufacturing systems. Computer Aided Process Planning (CAPP) overcome the problems in the areas of rapid prototyping, injection moulding and fabrication technologies. Chapter: INTRODUCTION 1
  • 3.
    2 MODELLING The topview and bottom view of the fully drawn remote control cover has been shown below; Figure 1: Top View and Bottom View of the Pro E model The basic steps taken to draw the part was to; 1. Sketch the outline Chapter: MODELLING 2
  • 4.
    2. Extrude 3. Createshell 4. Draw datum plane on top surface Chapter: MODELLING 3
  • 5.
    5. Sketch holeson datum plane and make through holes 6. Drafting work on the model. Chapter: MODELLING 4
  • 6.
    3 PROCESS PLANNING Process planning is a procedure of showing processes which are used in what sequence, with what tooling and work holding devices are to be used to manufacture the part. Manual process planning is generally used when designing a part. Computer Aided Process Plan (CAPP) is used to trounce the problems of the manual process planning method. Nevertheless, CAPP process is intricate compared to the Manual Process Planning. The process plan is depending in regards to the process planner’s knowledge about the manufacturing techniques, sequences, tooling, materials, and standard practices. Accuracy, surface finish, part quantity and type of material were the contributing factors are a part the process plan. Operation Tool Machine Cutting Step Step Clear Part name Description Length Speed Feed Depth Over Dist. Car-Remote NC Milling 100mm 500 80 1mm 5 2 Top Plate - Window (Cavity) NC Milling 60mm 1000 50 0.5mm 2 2 - Finishing Car-Remote NC Milling 80mm 500 70 2mm 6 2 Top Plate - Window (Core) NC Milling 80mm 800 60 2mm 3 2 - Finishing Table 1: Process and Tooling During the process of NC machining involves following procedures as indicates below; 1. Study the part drawing 2. Block material preparation 3. Process selection Chapter: PROCESS PLANNING 4. Process sequencing 5. Machine selection 6. Tool path planning 7. Tool selection 8. Fixture selection 9. Machining parameters selection 5
  • 7.
    4 NC MACHINING In the real world the plastic part we drew on Pro/E has to be moulded. The Core and Cavity to create the part can be designed on Pro/E. In production injection moulding will be used to create the part. The basic moulding process can be summarised in seven steps as 1. Preparing and analysing design models – Drafts, draft thickness check 2. Creating the mould model – Reference model, shrinkage, work piece 3. Creating mould volumes (optional) – Sliders and other sketched volume 4. Creating the parting surface 5. Creating mould components – Split mould volumes, creating cavity insert parts 6. Creating mould features (optional) – Waterlines, runners, ejector pin holes 7. Filling and opening the mould Figure 2: Core Part Figure 3: Cavity Part Chapter: NC MACHINING Figure 4: Wire frame of the Core & Cavity Figure 5: Isometric View of the explited Core parts & Cavity parts 6
  • 8.
    Accordingly, as aninitial approach for NC milling process check the model (Draft check); Figure 6: Draft check did Top View of the model Chapter: NC MACHINING Figure 7: Draft check did Bottom View of the model 7
  • 9.
    Also NC machiningfor the Core and Cavity as follows; Figure 8: NC Toolong play path Chapter: NC MACHINING Figure 9: NC Toolong play path 8
  • 10.
    5 LITERATURE SEARCH Inthis section we will discuss about; 1. The latest capabilities and features in leading commercial CAD/CAM systems in production of tooling and dies. 2. The latest developments and systems in Computer Aided Process Planning to overcome the problems of traditional process planning. 3. The latest trends and systems in rapid prototyping technologies in fabrication of dies for injection moulding. Both tools and dies require good design for strength, durability. In order to obtain the specific shape or the stamp most of the designing is done using CAD/CAM due to its higher accuracy and precision and adaptability. 5.1 The latest capabilities and features in leading commercial CAD/CAM systems in production of tooling and dies. 5.1.1 STEP-NC In the machining domain, over-loading of spindle torque, excessive cutting force, chatter, tool wear and other constraints may lead to major problems such as tool breakage and product quality deterioration. These problems increase the cost of a product so that it becomes less competitive in the market. To reduce production costs and guarantee sustained product quality, it is necessary to keep tolerances checked as well as actively monitor machine tool conditions. Tool wear and surface roughness are commonly used as sources of information about machine tool conditions. The STEP-NC data model introduces feed-rate optimisation based on a cutting force prediction model implemented at the process planning stage, and real-time process control at shop-floor. [1] This data model was introduced to reduce the 3 common errors that can happen in CNC machining which Chapter: LITERATURE SEARCH are static errors, dimensional errors and surface roughness errors[1] it provides an object oriented data model for CNCs with a detailed and structured data interface that incorporates feature-based programming where a range of information is represented such as the features to be machined, tool types used, the operations to perform, and the sequence of operations to follow.[2] 9
  • 11.
    5.1.2 IKMOULD This is a practical prototype knowledge-based system, for mould design in the injection moulding process. It attempts to tackle the problem in a practical and integrative way, unlike the stand-alone and mathematical programs which have been developed in the past to solve only a part of the problem. A total quantitative and structured approach is not feasible in dealing with the complex and multi related design problems generally involved in mould design. In this system, the 1. computational module 2. the knowledge-based module 3. the graphic module for generating mould features are integrated within an interactive CAD based framework. The knowledge base of the system can be accessed by mould designers through interactive programs so that their own intelligence and experience can also be incorporated with the total mould design. The approach adopted both speeds up the design process and facilitates design standardisation which in turn increases the speed of mould manufacture.[3] 5.1.3 COLLABORATIVE MOULD DESIGN In the quest to reduce time consumption when designing moulds the concurrent/ collaborative mould design system has stood out. The major contribution of the collaborative mould design navigation system is the integration of the five major modules, conceptual design, mould split, mould base, drawing, and design change, into the first-layer modules of conceptual design and mould design. [4]The moulds are represented and stored as a complete geometric and topological solid in term of faces, edges, and vertices in three dimension, so it is suitable for display, engineering analyses and simulation.[5] 5.1.4 VIRTUAL ENVIRONMENT FOR DESIGN AND MANUFACTURING (VEDAM) VEDAM is a fascinating modern and upcoming technology in the design and manufacturing industry. This is a system which is designed and partially implemented to support virtual design of manufacturing and l assembly which would extend the capabilities and the parametric of the CAD/CAM systems. Also VEDAM system and its existing CAD/CAM system would allow quick and easy modification of design in order to obtain the desired mould design which enhances the capability of Chapter: LITERATURE SEARCH elimination of time through the stage of the product design. ―This is a technology would save time & cost in the process of creating a design for moulding or welding‖. [16] 10
  • 12.
    5.2 The latestdevelopments and systems in Computer Aided Process planning to overcome the problems of traditional process planning. Process planning is the systematic determination of the detailed methods by which parts can be manufactured from raw material to finished product. In recent years, computer aided process planning (CAPP) has been recognised as a key element in computer integrated manufacturing (CIM). [15] A good process plan of a part is built up based on two elements: optimized sequence of the operations of the part optimized selection of the machine, cutting tool and tool access direction (TAD) for each operation [6] 5.2.1 COMPLAN SYSTEM COMPLAN is a generative/variant of CAPP systems. This process-planning system, has been designed for small batch manufacturing of mechanical parts and is mainly developed in the C++ language. The modules of the COMPLAN system can be arranged in two main functional groups: process planning and workshop scheduling. [15] The COMPLAN system realises economic improvements such as: [15] A shortening of the lead time from design to manufacturing and reducing the effort spent to enter CAD data into a CAPP system, and by rationalising the process-planning effort needed. Achieving a leaner and more flexible production organisation. 5.2.2 ESTPAR ESTimator of PARameters (ESTPAR) is a generative approach to a CAPP system. The knowledge-based expert system along with the GP code is called ESTPAR. The ESTPAR system can be used by manufacturing personnel to determine the optimal machining parameters and the corresponding machining costs when using different combinations of machines, tools, and fixtures (MTF). [15] Chapter: LITERATURE SEARCH 5.2.3 IKOOPP SYSTEM Intelligent knowledge-based objective-oriented process planning (IKOOPP) is a generative CAPP system. Because of the problems associated with manual process planning, and the inconsistencies of the plans, the IKOOPP system has been developed to automate and standardise the process planning function for the manufacture of progressive dies. [15] 11
  • 13.
    5.2.4 KAPLAN SYSTEM Knowledge-based approach to process planing (KAPLAN) is a generative CAPP system [16]. KAPLAN provides fully automatic generation of productions plans of rotational parts. The program structure is based on knowledge base techniques and the knowledge required for the plan generation is represented by IF-THEN rules, easily adapted to every workshop environment by means of a user interface. [15] 5.2.5 HYBRID CAPP SYSTEM To trade off the advantages and disadvantages of a purely generative CAPP system and a variant CAPP system, some researchers have proposed a semi-generative approach to CAPP, which is basically a combination of the variant and generative methods. The aim of such a system is to reduce user interaction by incorporating standard operation sequences, heuristic rules and mathematical formula to the system. COMPLAN is such a system, and can be called a hybrid CAPP system. A hybrid CAPP system allows for a low degree of automation in the early stages and increases the degree of automation for which a knowledge base can easily be systematized. This characteristic avoids the long implementation time of the CAPP system resulting from the need to create a knowledge base.[7] 5.2.6 GENETIC ALGORITHMS (GA) In the past two decades, GA has been widely applied for solving complex manufacturing problems, e.g. job shop scheduling and process planning. Genetic algorithms (GA) are chosen for solving optimization problems. The process planning is divided into preliminary planning and secondary/detailed planning. In the preliminary stage, feasible sequences of operations is carried out considering compulsive constraints of operations using the proposed GA and during the secondary and detailed level of planning, the optimized sequence of the operations of the part, and the optimized selection of the machine, cutting tool, and tool access directions (TAD) for each operation is acquired using a genetic algorithm considering additive constraints as well. It means during the secondary of planning, relevant manufacturing information, such as, machine tools, cutting tools, and TADs for the operations of the part is determined.[6] The GA mimics the process of natural evolution by combining the survival of the fittest among solution Chapter: LITERATURE SEARCH structures with a structured, yet randomized, information exchange and creates offspring. In GA, a candidate solution is represented by a sequence of numbers known as chromosome or string. In the present work, each element (gene) in a string (chromosome) represents an operation. The order of the elements in the string represents the sequence to be followed. A judiciously selected set of chromosomes is called a population and the population at a given time is a generation. The population size, which remains fixed from generation to generation, has a significant impact on the performance of the GA. This size is to be specified by the user depending upon the number of elements in the string and the problem 12
  • 14.
    complexity. A randomlygenerated set of sequences (strings) makes the initial population. Optimization of the initial sequences is done by GA, using an appropriately defined fitness function. [6] Chapter: LITERATURE SEARCH 13
  • 15.
    5.3 The latesttrends and systems in rapid prototyping technologies in fabrication of dies for injection moulding 5.3.1 SELECTIVE LASER SINTERING Selective laser sintering (SLS) is a rapid prototyping process that allows to generate complex 3D parts by solidifying successive layers of powder material on top of each other. Solidification is obtained by fusing or sintering selected areas of the successive powder layers using thermal energy supplied through a laser beam . A beam deflection system (galvano mirrors or XY table makes the beam scan each layer according to the corresponding cross section of the part as calculated from a CAD model. A powder deposition system is used for depositing the successive thin layers of powders (typically 0.1-0.3mm thickness) in a building container before that layer is laser sintered.[11] 5.3.2 DIRECT METAL LASER SINTERING Direct metal laser sintering (DMLS) fabricates metal prototypes and tools directly from computer aided design (CAD) data. The process is popular in rapid tooling (RT) ,since a suitable metal powder can be used to produce the metal parts and tools. The powder system may be pre-alloyed powder or multi- phase powder. The properties of the RT parts, however, depend on its composition and solidification conditions. Accuracy, wear resistance and mechanical properties are critical on choosing the rapid tooling mould as the production-grade tooling. Perhaps this fabrication has similar characteristics as target metal characters’ but not a process of Laser Cladding or Laser process involves. 5.3.3 ELECTRON BEAM MELTING Surface melting and alloying of steel using an electron beam has been carried out to improve its surface microstructure and properties. The solution of primary carbides, together with rapid solidification and subsequent cooling, enhance the solubility of alloying elements in the y Fe phase and thus influence the behaviour of the steel on subsequent tempering. The surface melted zone consists of dendrites without primary carbides. [13] 5.3.4 FUSED DEPOSITION MOULDING (FDM) Fused deposition modelling (FDM) is one of the most widely used rapid prototyping systems in Chapter: LITERATURE SEARCH the world.[12] The FDM systems, developed by Stratasys Inc, currently fabricate parts in elastomers, ABS and investment casting wax using the layer by layer deposition of extruded material through a nozzle using feedstock filaments from a spool. Most of the parts fabricated in these materials can be used for design verification, form and fit checking and patterns for casting processes and medical application. [12] 14
  • 16.
    5.3.5 STEREOLITHOGRAPHY/3D PRINTING Starting from a 3D image, a part is built slice by slice from bottom to top, in a vessel of liquid polymer that hardens when struck by a laser beam. Starting from a STL file, the required supports for overhangs and cavities are automatically generated in the model under construction. The support and model files are then "cut" into thin horizontal slices and programmed into the stereo-lithography 3-d printing machine. This machine then uses a computer controlled laser to draw the bottom cross section onto the surface of a liquid polymer that hardens where struck by the laser. The part is then lowered to a depth corresponding to the section's thickness and the next cross section is then drawn directly on top of the previous one. This is repeated until the part is finished. The supports are removed manually after the product is taken from the stereo-lithography machine. [8] The reasons to choose stereo-lithography can be the following [9] 1. Fast: Parts in as little as 2 days 2. High level of accuracy and high surface quality 3. Representative parts for visual testing 4. Functional parts 5. Small and large parts - from intricate switch component to car dashboard built in a single piece 6. Wide range of finishing options 7. Wide range of materials Stereo-lithography (SLA) can be considered a rapid prototyping(RP) technology[10] Chapter: LITERATURE SEARCH 15
  • 17.
    6 REFERENCES 1. F. Ridwan, X. Xu, G. Liu, A framework for machining optimisation based on STEP-NC, Published 23/1/2010 2. X.W. Xua, S.T. Newman, Making CNC machine tools more open, interoperable and intelligent—a review of the technologies, Published 10 October 2005 3. C. K. Mok, K. S. Chin and John K. L Ho, An Interactive Knowledge-Based CAD System For Mould Design in Injection Moulding Processes, The International Journal Of Advanced Manufacturing Technology Volume 17, Number 1,Pgs 27-38 4. Wen-Ren Jong ,C. Hsien Wu , H. H. Liu & Ming-Yan Li, A collaborative navigation system for concurrent mold design 5. R. S. lee, Y. M. chen, and C. Z. Lee, Development of a concurrent mould design system : a knowledge based approach, published 1997, institute of manufacturing engineering, national Cheng Kung university , Tainan 6. M. Salehi, R. Tavakkoli-Moghaddam, Application of genetic algorithm to computer-aided process planning in preliminary and detailed planning, Published 20 May 2009 7. Y. Chen, Z. Huang, L. Chen and Q. Wang, Parametric process planning based on feature parameters of parts, Published 21 September 2005 8. Stereolithography, http://www.materialise.com/Stereolithography, Viewed 20/5/2011 9. Why use Stereolithography, http://www.materialise.com/why-choose-stereolithography, Viewed 20/5/2011 10. F. J. Lino, P. V. Vasconcelos, R. J.L. Neto, R. Paiva, stereolitography-the front end of rapid prototyping, Materials Science Forum (Volumes 587 - 588) 11. J.P. Kruth, X. Wang, T. Laoui and L. Froyen, 2003, Lasers and materials in selective laser sintering, Assembly Automation, Volume 23 · Number 4 · pp. 357–371 12. S. H. Masood and W. Q. Song, 2003, Development of new metal/polymer materials for rapid tooling using Fused deposition modelling 13. Q. F. Peng, Z. Shi, A. Bloyce, T. Bell, 1990, Surface electron beam melting and alloying of tool steels 14. M. W. Khaing, J. Y. H. Fuh, L. Lu, 2001, Direct metal laser sintering for rapid tooling: Chapter: REFERENCES processing and characterisation of EOS parts 15. H. B. Marri, A. Gunasekaran and R. J. Grieve, 1998, Computer-Aided Process Planning: A State of Art 16. A. Scott, S. Jeyaram, VEDAM: virtual environments for design and manufacturing, School Of Mechanical And Manufacturing Engineering, Washington state university ,Pullman 16
  • 18.
    Appendices Chapter: Appendices 17
  • 19.
  • 20.