Embed presentation
Downloaded 12 times




























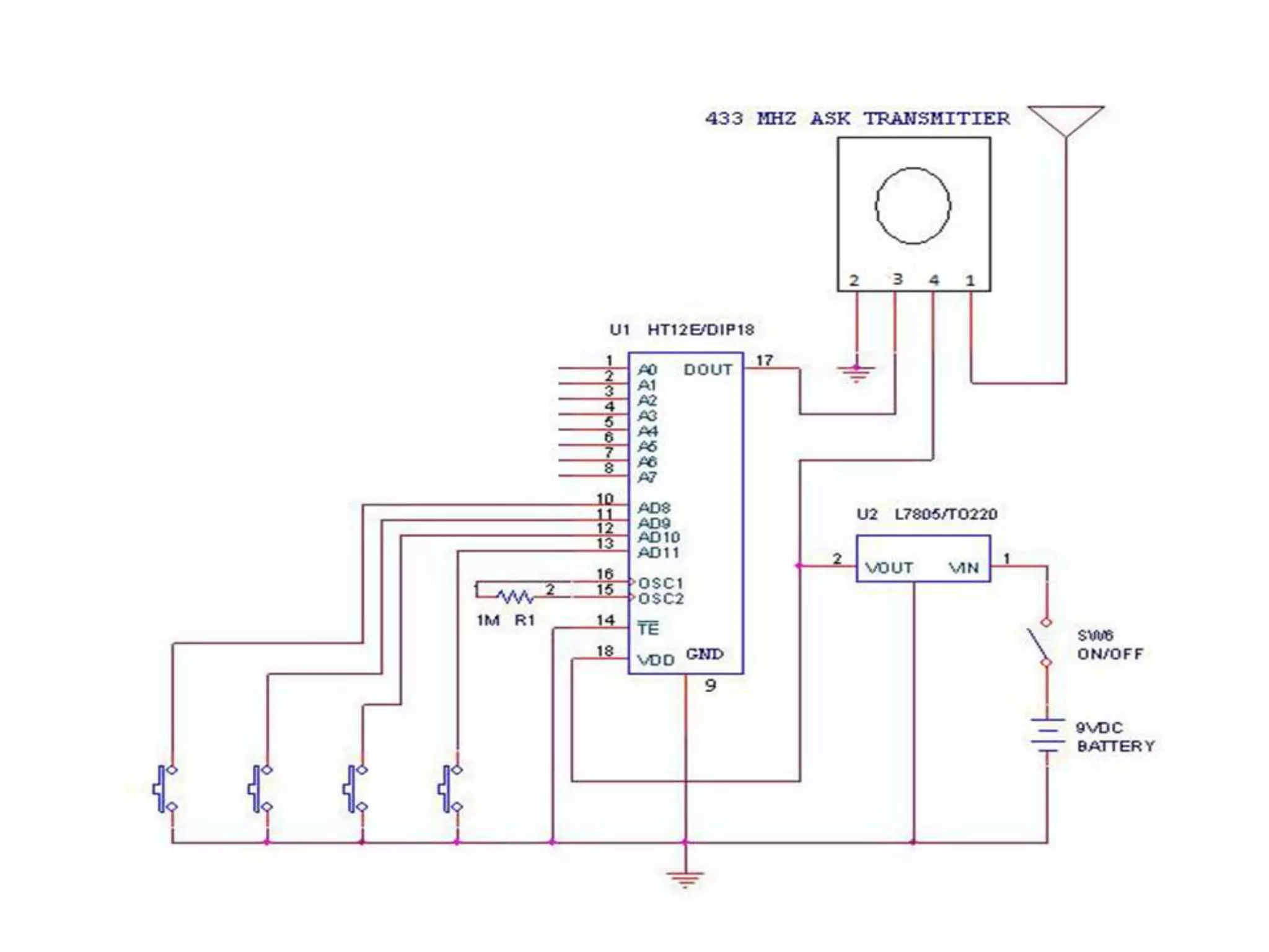
The document outlines various applications and projects using DTMF signals, including devices like line followers, water level indicators, and home automation systems. It mentions the use of RF434 modules in wireless applications of these projects. Additionally, it lists functional elements related to soldering relays and other electronic components.


























