REPORT
ON
INDUSTRIAL TRAINING
AT
KrishakBharti Co-operative Limited
Submitted in partial fulfilment of the requirement
For the award of the degree
BACHELOR OF ENGINEERING
In
CHEMICAL ENGINEERING
[Duration: 09-06-2014 to 14-07-2014]
Submitted to : Submitted by :
H.R.D. Department Aniruddh Singh Shekhawat
KRIBHCO CHEMICAL ENGG.
SURAT. SVNIT, SURAT
ACKNOWLEDGEMENT
Industrial Training is an integral part of engineering curriculum
providing engineers with first hand and practical aspects of their
studies. It gives us the knowledge about the work and circumstances
existing in the company.
It gives me great pleasure to have completed my training at
Ammonia and Urea plant at KrishakBhartiya Co-operative Ltd.
Hazira, Suratand I am submitting the training report for the same.
I express my deep sense of gratitude to Mr. AMARJIT SINGH and
Mr. SOLANKI sir for giving me the permission to visit the plant.
I am grateful to Mr. R.M. Mallya (D.G.M.), Mr.V.K.Singh,
Mr.Vikas (AMMONIA-1) , Mr. R.K.SINGHAL (A.G.M.) , Mr.
B.U. PATEL, Mr.Piyush and Mr.Debesh sir (UREA-2) for helping
me in understanding all the units of the plant and explaining the nitty-
gritty bits and pieces of each and every process.
And last but not the least I am also thankful to all the staff members
of the plant for their kind cooperation and valuable guidance
throughout the process of work.
Aniruddh Singh Shekhawat
CHEMICAL ENGG., SVNIT
SURAT
PREFACE
I underwent this industrial training to get a hands-on experience in the
application of chemical engg. in a fertilizer plant. I was able to gain
practical experience of all the equipments taught to me theoretically.
I shared my knowledge with all the staff members whom I met at
different units of the plant .
My goal was to apply my learning practically and see how all the
operations are carried out in reality.
We were formed into a team and we visited all the units of the
ammonia and urea plant at KRIBHCO(Hazira) where we were
explained the processes and our doubts were cleared. In this report I
have tried to summarize what I have learnt in KRIBHCO plant.
This study has primarily been undertaken by me with a view to
evaluate proper working process in the organization.
ANIRUDDH SINGH SHEKHAWAT
CHEMICAL ENGG., SVNIT
SURAT
INDEX
1. Introduction to the Industry
SR.
NO
TOPIC
1) Introduction to the Industry
2) Ammonia plant
1) Introductionto Ammonia
2)PropertiesofAmmonia
3)Usesof Ammonia
4)ProcessDescription
3) Urea plant
1) Propertiesof Urea
2)Applicationof Urea
3)ProcessDescription
4) Demand -SupplyData And Manufacturesin India
5) Some OFFSITES plants
1) Coolingtowers
2)Ammonia Storage And Handling
3)Urea Bagging Plant
6) Pumps And Valvesand Material of construction.
7) Environmental Issues.
8) ProblemsIdentificationAndsolutions.
KrishakBharati Cooperative Ltd. (KRIBHCO) is a Multi-state
Cooperative Society registered under the Multi-State
Cooperative Societies (MSCS) Act, 2002 (39 of 2002) and is a
fertilizer production unit in the Cooperative Sector and as per
item 5 of Schedule II to Rule 3 of the Government of India
(Allocation of Business) Rules is under the administrative
responsibility of the Department of Fertilizers. KRIBHCO is
primarily a fertilizer production cooperative having production
unit at Hazira (Surat) in the state of Gujarat. The capacity of the
plant has been revamped to produce additional 4.65 Lakh MT
of Urea.
KRIBHCO has setup a Fertilizer Complex to manufacture Urea,
Ammonia & Bio-fertilizers at Hazira in the State of Gujarat, on
the bank of river Tapti, 15 Kms from Surat city on Surat –
Hazira State Highway.
Late Smt. Indira Gandhi, former Prime Minister of India laid the
Foundation Stone on February 5, 1982.
Hazira Fertiliser Complex has 2 Streams of Ammonia Plant and
4 Streams of Urea Plant. Annual re-assessed capacity for Urea
and Ammonia is 1.729 million MT and 1.003 million MT
respectively, the total Project cost was Rs. 890 crores as
against the estimated cost of Rs. 957 crores. This shows a
saving of Rs. 67 crores (approximately 7%) in Capital Cost of
the Project.
The trial production commenced from November, 1985 and
within a very short time of 3 months, the commercial production
commenced from March 01, 1986. Since then, it has excelled in
performance in all areas of its operations.
Biofertilizer plant of 100 MT per year capacity was
commissioned at Hazira in August, 1995. KRIBHCO has also
completed the installation of an expansion of the Bio-Fertiliser
plant with an additional capacity of 150 MT and the same was
commissioned in December, 1998.
In a nutshell, KRIBHCO, world’s premier fertilizer producing
cooperative has an outstanding track record to its credit in all
spheres of its activities. KRIBHCO has fully imbibed the
cooperative philosophy and has made sustained efforts
towards promoting the cause of modern agriculture and
cooperatives in the country. Kribhco stands for commitment
sincerity and high standards of excellence. In its endeavor
towards achieving its goals it is impelled by the ideals set by its
predecessors and the devotion and dedication of its
employees.
2. AMMONIA PLANT
2.1 INTRODUCTION TO AMMONIA
Ammonia is one of the most important basic chemical of the
world, ranking with materials such as sulphuric acid and sodium
carbonate. In the fertilizer field, anhydrous ammonia itself has
become the major supplier of the fertilizer nitrogen in India and
it is also important intermediate in production of more complex
chemicals.
The major use of ammonia, both directly and indirectly, is as an
intermediate in the fertilizer area. There are many other uses,
although relatively minor, in both organic and inorganic
chemical production for e.g. manufacturing of explosives and
acrylonitrile. The main function of ammonia, both as an end
product and as an intermediate, is to supply nitrogen in a
relative form. Ammonia is unique in that, unlike the other basic
chemicals, the main constituents, nitrogen is readily available
without need for transport and in unlimited quantity.
Unfortunately, element nitrogen is a very uncreative and inert
material, of little use unless converted to a chemically reactive
form. To accomplish such conversion, it has been necessary to
adopt extremes of temperature and pressure that are not
required for the other basic materials. Conversion of
atmospheric nitrogen to usable form is often referred to as
Nitrogen Fixation. That is converting to solid or liquid form i.e.
reactive enough to be useful. Some plants have roots nodules
in which fixation of nitrogen by microbiological means takes
place during the growing process. Only a few plant types can
do this moreover, the process is so slow that it is not adequate
in modern farming practice. The production of ammonia has
been found to be more economical than either fixation by plants
or production other nitrogen compounds.
Since nitrogen is so readily available, the main problem is
getting hydrogen that will react with it to form ammonia, water,
also readily available is an obvious raw material for making
hydrogen. Therefore, the starting material of main importance is
the hydrocarbon or coal use to tie up oxygen in the water
molecule, thereby reading hydrogen. The major materials used,
the order of importance are natural, liquid hydrocarbon. All are
widely available, but bringing them to surface, purifying and
transporting them involve costs. Each differs in delivered cost
and in processing difficulty in hydrogen production.
A direct application of ammonia as a fertilizer involved injection
of ammonia under the surface of the soil where high pressure
ammonia after release of pressure is held by adsorption on soil
practical until converted by soil or plant mechanisms to other
forms. This unusual application procedure of ammonia (82%
nitrogen) has associated with some hazards because the liquid
is handled under pressure and it is toxic chemical. Ammonia
contributes significantly to the nutritional needs of terrestrial
organisms by serving as a precursor to foodstuffs and
fertilizers. It is either directly or indirectly building block for
synthesis of many pharmaceuticals. In spite of its wide usage,
ammonia is both caustic as well as hazardous.
Ammonia as used commercially is often called anhydrous
ammonia which signifies the absence of water in the material.
Its heat of vaporization is sufficiently high so that it can be
readily handled in ordinary beakers in a fume hood.
2.2 PROPERTIES OF AMMONIA:
2.2.1 Physical Properties:
 Ammonia is a colourless gas.
 It has a pungent odour with and an alkaline or soapy taste.
When inhaled suddenly, it brings tears into the eyes.
 It is lighter than air and is therefore collected by the
downward displacement of air.
 It is highly soluble in water: One volume of water dissolves
about 1300 volumes of ammonia gas. It is due to its high
solubility in water that the gas cannot be collected over
water.
 It can be easily liquefied at room temperature by applying
a pressure of about 8-10 atmosphere.
 Liquid ammonia boils at 239.6 K (- 33.5°C) under one
atmosphere pressure. It has a high latent heat of
vaporization (1370 J per gram) and is therefore used in
refrigeration plants of ice making machines.
 Liquid ammonia freezes at 195.3 K (-77.8°C) to give a
white crystalline solid.
Structure of ammonia
Ammonia is a covalent molecule as is shown by its dot
structure. The ammonia molecule is formed due to the overlap
of three sp3
hybrid orbital and orbital of three hydrogen. The
fourth sp3
hybrid orbital is occupied by a lone-pair. This gives a
trigonal pyramidal shape to ammonia molecule. The H-N-H
bond angle is 107.3°, which is slightly less than the tetrahedral
angle of 109°28. This is because the lone pair - bond pair
repulsions tend to push the N-H bonds slightly inwards. In liquid
and solid states, ammonia is associated through hydrogen
bonds.
2.2.2 Chemical Properties:
 Thermal stability
Ammonia is highly stable. However, it can be decomposed into
hydrogen and nitrogen by passing over heated metallic
catalysts or when electric discharge is passed through it.
 Combustibility
Ammonia is combustible in air. However, it will burn in an
atmosphere of oxygen
Nitric oxide is obtained when a mixture of ammonia and air is
passed over platinum - rhodium catalyst at 800°C
 Basic character
Ammonia molecule has a strong tendency to donate its lone
pair of electrons of
nitrogen to other molecules. Thus, it acts like a strong Lewis
base. In aqueous solutions, NH3 ionizes in accordance with the
reaction.
The equilibrium constant for this reaction at 298 K is 1.8 x 10-5
.
Thus, ammonia ionizes to a very small extent in aqueous
solution. The aqueous solution of ammonia acts as a weak
base due to the presence of OH-
ions therein.
Therefore, ammonia turns red litmus blue and reacts with acids
to form salts.
For example,
2.3 Uses of ammonia
Ammonia is the single most widely used compound in the
fertilizer industry. It is the
starting material for the production of a various number of
nitrogenous fertilizers like
ammonium phosphates, ammonium sulphate, ammonium
nitrate etc.
It is used directly or indirectly as the source for the production
of hexamethylenediamine for the manufacture of nylon 6,6. In
the manufacture of rayon, ammonia is used in the preparation
of ammonical copper hydroxide solution
for dissolving the copper linters. Oxidation of propylene with
ammonia gives acrylonitrile, used for the manufacture of acrylic
fibres, resins and elastomers.
Hexamethylenetetramine, produced from ammonia and
formaldehyde, is usedin the manufacture of phenolic
thermosetting resins. Toluene 2,4disocyanate(TDI), employed
in the production of polyurethane foam, indirectly
consumesammonia because nitric acid is a raw material in the
TDI manufacturing process.
Urea produced from ammonia is used in the manufacture of
urea-formaldehydesynthetic resins. Melamine is produced by
polymerization of dicyanidamine andhigh pressure high
temperature pyrolysis of urea, in the presence of ammonia.
Lesser known uses of Ammonia are
 As a refrigerant in both compression and absorption
systems
 In the pulp and paper industry for the pulping of wood
 As a corrosion inhibitor in petroleum refineries.
 In rubber production for the stabilization of natural and
synthetic latex to
prevent coagulation.
 In the food and beverage industry as a source of nitrogen
required for the
growth of yeast and micro-organism
 As a curing agent in tanning industries.
 In the manufacture of pharmaceuticals such as
sulphanilamide, sulfathiazole etc.
 In the manufacture of rayon and urea
 In furniture industry, as a cleansing agent for furniture and
glass surfaces.
 In the manufacture of nitric acid by Ostwald's process.
 In the manufacture of sodium carbonate by Solvay's
process.
2.4 PROCESS DESCRIPTION :
The Hazira Ammonia plant uses the “KBR PURIFIER
TECHNOLOGY” and has many features in common with the other
Kellog process even though the feed stock used is natural gas. First
the feed is subjected to pre-treatment where it is sent to KO drum for
moisture removal and then the process starts.
The manufacture of ammonia involves the following basics steps:
After moisture removal from the knockout drum,
 Desulfurisation:
Pre-treatment of natural gas feed stock for removal of sulphur,
which
is poison for catalysts used in ammonia plant.
 Reforming :
Reforming of the de-sulphurised natural gas with steam in two
steps to producea gas mixture of hydrogen and carbon dioxide
and addition of air in between two stages of reforming.
 CO Conversion :
Conversion of carbon monoxide to carbon dioxide.
 CO2 Absorption and Removal of Carbon Dioxide :
By absorption in alkali absorbent.
 Methanation:
Final purification of the gas in a methanator to give a pure
synthesis gas i.e. H2: N2 in a volumetric ratio 3:1.
 Cryogenics purification :
The purpose of cryogenic purification is to remove
impurities from the synthesis gas, by washing the gas with
excess nitrogen, and to adjust the hydrogen to nitrogen
ratio.
 Ammonia Synthesis:
Compression of pure synthesis gas and synthesis of H2& N2 in
ammonia converter to form ammonia.
 Refrigeration :
Separation and purification of ammonia to get the final
concentrated ammonia product.
Block Diagram of Ammonia Plant
1.)DESULPHURISATION
The High Pressure Natural Gas (HPNG) feed is delivered, to
battery limit at 42 kg/cm2
a and 34°C and passes through
HPNG knock out drum for removal of entrained liquid. The
pressure at the drum is maintained constant through
control valve at 42 kg/cm2
a.
The natural gas leaving the top of drum is heated in
desulphuriser preheater to a temperature of 371°C. There is
provision for addition of recycle hydrogen rich synthesis gas
into feed gas before pre-heating. This is to take care in the
event there is supply of organic sulphur feed gas.
The gas at 371°C passes through desulphuriser reactors,
operating in parallel.
Each desulphuriser reactor vessel comprises of three beds.
Topmost bed consists of 12.0 m3
CoMoX catalyst followed by
12.0 m3
ZnO catalyst in each of the remaining two beds.
The un reactive sulphur if any in the gas reacts with hydrogen
in presence of
CoMoX catalyst to form H2S. The H2S and other reactive
sulphur in the gas are absorbed by zinc oxide. The natural
gas at the exit of desulphuriser is expected to contain less
than 0.25 ppm of Sulphur based on 10 ppmv total sulphur in
inlet gas.
The sulphur free feed gas is mixed with process steam and the
combined stream enters the feed preheat coil in the H.T
convection section of Primary Reformer furnace.
Reactions involving in CoMoX catalyst bed:
In presence of hydrogen (mixed with feed gas) the catalyst
makes thefollowing reactions possible:
i. RSH+H2 2S
ii. R1SR2+2H2 1H+R2H+H2S
iii. COS+H2 2S
iv. O2+2H2 2H2O
Reaction involved in the ZnO bed:
The reaction is basically desulphurization by absorption.
ZnO+H2 2O
Sulphur compounds are poisonous for the catalyst in ammonia
plant. They should be removed from the feed stock before
sending the gas to Reformer. This is accomplished in
desulphuriser. Sulphur compounds present in the natural gas
feed are assumed to be of reactive type, that is they canl be
completely removed by hot zinc oxide alone.
Natural gas is heated to 300ºC in the de-sulphuriser pre-heater
by four gas fired burners. Provision is made to install a bed of
cobalt molybdate catalyst in the desulphuriser reactor, should
this ever be required to hydrogenate organic sulphur
compounds that might be found in the natural gas which might
not be eliminated by hot zinc oxide alone. Provision has also
been made to mix a recycle hydrogen stream from synthesis
gas compressor with natural gas upstream of the desulphuriser
pre-heater should this hydrogen be ever needed.
The preheated natural has enters desulphuriser from the top
and passed through a bed of zinc oxide. All sulphur in the
natural gas is assume to be of reactive type and thus absorbed
by zinc oxide. Natural gas exiting desulphuriser is expected to
contain less than 0.25 ppm sulphur.
NOTE :-
It is necessary to convert organic compounds to inorganic form
by the use of CoMoXbecause, ZnO2 can only remove sulphur if
it is present in inorganicform.The desulfurizer has 3 layers of
catalysts, one of CoMoX and the rest of zinc oxide each 12
cubic meter volume.
2.) REFORMING
* Primary Reforming
Raw synthesis gases is produced by reforming natural gas feed
(hydrocarbon) to an intermediate level in the primary reformer using
steam in presence of Nickel based catalyst at a pressure of about 33.1
kg/cm2. The hot desulphurised natural gas from desulphuriser outlet is
combined with medium pressure superheated steam carbon mole ratio
of 3.5 : 1.0.The actual amount of steam required is dependent on
Carbon/Hydrogen ratio of the feed.
The combined steam natural gas mixture is then preheated to 510ºC in
the mixed feed preheat coil located in the convection zone of the
primary Reformer furnace utilizing the heat from the hot flue gases
leaving the reformer, radiant section.
The Primary Reformer consists of 504 tubes suspended in 12 rows of
42 parallel tubes each, in the radiant section. Each row of tubes
terminates in a manifold placed within the radiant section of furnace.
There are 12 centrally located risers on each of these manifolds.
These risers lead the gas flow to a water jacketed transfer line located
over the top of primary Reformer furnace.
As the reforming reaction is endothermic heat is supplied externally
to the tubes. The furnace operates with down-firing of Natural gas
between the tubes to develop a process gas temperature of 818ºC at
the catalyst tube outlet.
There are 234 Arch burners arranged in 13 rows of 18 burners each.
Natural gas, purge and flash gases from ammonia synthesis loop and
Absorber K.O. drum are used as fuel for the reformer furnace.
Inside the catalyst tubes the natural gas-steam reforming reaction
takes place. The gas mixture is passing through the risers, attains a
temp of about 821ºC. Some heat leakage from gas, passing through
transfer line to the water jacket takes place. The transfer line directs
the partially reformed gas into the secondary reformer at the
following conditions:
Pressure : 33.1 Kg/cm2 Temperature : 824ºC
Reforming Reaction :
CH4 + H2O + Heat ==> CO + 3H2
CO + H2O ==> CO2 + H2 + Heat
Reforming Variables
TEMPERATURE:
As the temperature increases the methane and carbon dioxide
decrease and vice versa.
STEAM RATE:
The most economical steam to carbon mole ratio is 3.5 : 1.0. As we
increase this ratio the methane and CO2 decrease and vice versa.
Carbon Formation :
It is a serious problem in catalyst by tubes when higher hydrocarbons
are used as feed stock. Carbon deposition will hinder reforming and
reduce heat transfer. So that the tube wall temp will rise in that zone
producing “hot bands” and “hot tubes”. Carbon formation also causes
disintegration of catalyst resulting in higher pressure drop in reformer
tubes and consequent life catalyst.
Flue Gas System
The reformer furnace is designed to attain maximum thermal
efficiency by recovering heat from the flue gases leaving the reformer
radiant section.
The desired draft is induced by the induced draft fan, having a
condensing steam turbine drive. The reformer also comprises of an
auxiliary boiler for generation of 105.5 kg/cm2 steam. The cooled flue
gases leave the combustion air pre-heater at temp 135ºC and
discharged through a stack to atmosphere by induced draft fan
maintaining a negative reformer furnace pressure of 6mm water
gauge.
The combustion air is sent to the arch and auxiliary boilers by a
forced draft fan after preheating the combustion air to 427ºC. in the
air pre-heater by recovering sensible heat of the flue gases.
 Secondary Reforming
Partially reformed gas from the water jacketed transfer lined is
directed to the refractory lined and water jacketed secondary reformer
tangentially. Once it enters the secondary reformer, gases flow
downward where the gas and air are mixed before entering catalyst
bed of secondary reformed. Compressed process air supplied by
process air compressor at pressure of 34.5 kg/cm2 and 131.6ºC is
preheated to 482ºC. The amount of air is fixed by nitrogen
requirement for ammonia synthesis.
Preheated air-steam mixer from the coil enters the secondary reformer
vertically through the centrally located air burners. Instantaneous
mixing and rapid combustion of the air and reformed gas takes place
as per the following equation with sharp temperature rise at 1238ºC.
2H2 + (O2 + Air 3.8 N2) ==> 2H2O + 3.8N2 + Heat
CH4 + (O2 + Air 3.8 N2) ==> CO2 + CO + H2O + N2 + Heat
After combustion step the gas mixture flows downward through the
bed of secondary reforming catalyst. The heat produced by the
combustion is utilized in completing the methane steam reforming
reaction to reduce the CH4 content in secondary reformer outlet gas to
0.32 %.
The catalyst in secondary reformer is Chromium at the top and Nickel
reforming catalyst at the bottom. The shallow layer of chromium has
a high fusion temperature and protect the lower layer of Nickel
catalyst.
Nickel volume- 36 cubic meter
NOTE :K2O is added in the reformers to prevent choking. K20 gets
converted to K(OH) in the top section of the reformer.
Air to gas ratio in secondary reformer is :
In purifier mode : 3.25 : 1.0 In conventional mode : 2.85:1
Heat Recovery From Reformed Gas :
Reformed gas with process steam at 996ºC from secondary reformer
passes through the shell side of two parallel flow refractory lined
water jacketed primary waste heat boiler to cool to 482ºC. Then gas is
passed through tube side of secondary waste heat boiler to decrease
the temperature at 371ºC which is inlet temp of gas to high
temperature shift converter.
3.) SHIFT CONVERSION
HIGH TEMPERATURE SHIFT CONVERSION
It is actually a two converter system, high and low temperature. The
reformed gas enter the HT shift converter at 371ºC and 31.3 Kg/cm2
& flow through the catalyst (Chromium) bed.
CO + H2O ==> CO2 + H2 + Heat
As per this equation most of carbon monoxide is converting into
carbon dioxide gaining an additional mole of hydrogen.
Heat Recovery From HT Shifted Gas:
HT shifted gas coming out from HT shift converter passed through
the tube side of primary shift waste heat boiler to cool the gas at
332ºC temperature. The gas is then passed through the tube side of
methanator feed heater. Gas coming from the tube side of is 230ºC,
the gas next flows to LT shift inlet trim cooler.
LT SHIFT CONVERSION:
In this converter 3.3 % CO content is decrease to 0.3%. The catalyst
provided in LTS is copper zinc which is highly sensitive for sulfur
and chloride poisoning and high temp. With a fresh catalyst it is
desirable to operate it lower inlet temperature of 204ºC and as catalyst
ages the temperature gradually rises to 224ºC.
The gas comes out from the LT shift converter at 236ºC and 29.6
Kg/cm2
Heat Recovery from LT Shifted Gas
The heat is recovered and sent to the CO2 absorber. The steam from
the LTSC is passed through the various heat exchanger units to cool
at 93ºC and the stream enters the raw gas separator to separate
condensate and the gas flows to CO2 absorber.
NOTE:
We do not use a series arrangement though it yields high conversion
because it creates a very big pressure drop. Hence current trend is to
use a parallel arrangement which gives low pressure drop and low
conversion.
HTS - 73.5 cubic meter Cu promoted FeO catalyst.
LTS - 2 parallel beds: One bed has 22.65 cubic meter volume and
both bed contain Cu20 and ZnO with R2O3( Al2O3, Fe2O3 etc.)
Chlorine removal- Since KRIBHCO is located near the sea; the air
contains traces of NaCl in it. Hence a CONFIDENTIAL catalyst
along with Cu0 and ZnO is used for removal of chlorine.
Steam/Carbon ratio is as follows:
In purifier mode - 2.6 : 1
In conventional mode - 3.3 : 1
4.) CO2 ABSORPTION AND STRIPPING
Operating conditions
Absorber- Low temperature, high pressure. Packed bed is used.
Stripper- High temperature, low pressure. Solution with carbon
dioxide is stripped and a-AMDEA is recycled.
The raw synthesis gas is introduced to the bottom of CO2 absorber
tower. Absorber is a cylindrical tower and has four bed packed with
rings for large surface area and to increase a contact time between the
gas and Benfield solution while flowing counter currently to the gas.
A 30 % (By wt) K2CO3 solution enriched with 3 % of diethanol amine
(DEA) as an activator and 0.3 to 0.5 % by wt V2O5 as a corrosion
inhibitor is called the Benfield solution and is a good reagent to CO2
absorption stage. Partially regenerated Benfield solution is made to
contact with gas leaving 1 % of CO2. In secondary stage the fully
regenerated and cool solution is contacting gas to reduce the CO2 less
than 0.1 % by volume.
K2 CO3 + H2 + CO2 ==> 2KHCO3
The rich a-MDEA solution with absorbed CO2 from the bottom of the
absorber is send to the upper portion of CO2 stripper.
Regeneration of a-MDEA solution: In CO2 stripper a-MDEA is
regenerated for reuse. The stripper contain 3 beds packed with packed
rings. The upper two bed rich solution is partially stripped of CO2 at
122ºC to serve the partially regenerated stream delivered to the third
bed of the top of the absorber.
In the bottom of bed most of CO2 is stripped and delivered to the top
of absorber. The stripper is operated at 130ºC temperature and 1
Kg/cm2
Carbon dioxide saturated with water vapours at 101ºC flow to the
CO2 stripper condensers and is cooled with air to 55ºC. The
condensed water vapour in the gas is separated in CO2 reflux
drum.The carbon dioxide saturated with water vapours is cooled to
40ºC by cooling water. Condensed water vapour is separated in CO2
product drum CO2 product is sent to urea plant of vented to
atmosphere by pressure control valves.
5.) METHANATION
Raw synthesis gas from CO2 Absorber, after having the bulk of CO2
removed.
For Ammonia synthesis a very pure gas mixture of H2 and N2 in the
ratio of 3:1 by volume is required and the small amounts of CO2 and
CO is as seen in the above analysis are poisonous to the ammonia
synthesis catalyst. These oxides are removed by converting them into
methane in Methanator by a highly active nickel based catalyst in
presence of CO2.
Methanation reactions are given below:
CO + 3H2 ==> CH4 + H2O + Heat
CO2 + 4H2 ==> CH4 + 2H2O + Heat
Both these reactions are highly exothermic, and hence extreme care is
to be taken while operating Methanator. The design temperature of
the Methanator is 454ºC filled with a single bed of Nickel catalyst
operated at a temperature of around 315ºC inlet. As methanation
reaction takes place at elevated temperature the Absorber effluent gas
is heated to the reaction temperature in two Heat Exchangers, the first
being syn. gas Methanator Feed Exchanger and in the second
exchanger (Methanator Feed Heater) the gas after passing through
methanation catalyst bed leaves through the bottom of the reactor at
following condition.
Pressure: Approx. 27.75 Kg/cm2 Temp. : 345ºC.
6.) DEHYDRATION SYSTEM
 The process gas needs to be dried before entering the
cryogenic purification unit to prevent formation of ice in the
purification process.
 To minimize water content in the feed to the driers, a new
Molecular Sieve Suction Chiller has been installed. The
gas stream is cooled to4°C with ammonia refrigerant
before entering the K.O. Drum. Condensate collected in it
is removed via level control valve to condensate stripper.
Approximately 97% of the water contained in the process
gas stream from the methanator is removed in K.O. Drum.
This reduces the load on the driers.
 The gas stream from the Drum at 4°C and 27 kg/cm2
(g), is
sent to the 2 Molecular Sieve Driers. The driers are sized
to remove residual carbon dioxide, ammonia and water.
The drier desiccant is Type 13X Zeolite adsorbent. The
volume of desiccant is 44 m3
in each molecular sieve
drier. The driers are on a 24 hour drying cycle. One drier is
in service for 24 hours and the other is in regeneration or
standby.
 The gas stream leaving the online drier, containing a total
carbon dioxide, ammonia, and water content of less than
1.0 ppmv, passes through the Molecular Sieve Drier Filter
before being sent to the cryogenic purification system at
approximately 4°C, 26.6 kg/cm2(g).
7.) CRYOGENIC PURIFICATION
 Dry process gas from the dehydration system is sent to
the cryogenic purification system. The purpose of
cryogenic purification is to remove impurities from the
synthesis gas, by washing the gas with excess nitrogen,
and to adjust the hydrogen to nitrogen ratio.
 Dried raw synthesis gas is cooled to about minus 130°C in
the cryogenic purifier by heat exchange with make-up syn
gas and with purifier vent gas in the upper plate fin
exchanger.
 The gas then flows through a turbo expander where
energy is removed to develop the net refrigeration
required for the purifier. Expander energy is recovered by
generating electricity in Purifier Expander Generator. The
pressure drop across the expander is about 2.1 kg/cm2
.
 The expander effluent is further cooled to minus 175.5°C
and partially condensed in Purifier Condenser and then
enters the purifier rectifier column. Liquid from the bottom
of the rectifier is partially evaporated at reduced pressure
in the shell side of the rectifier overhead condenser. This
cools the rectifier overhead and generates reflux for the
rectifier.
 The rectifier bottoms contain the excess nitrogen, all of the
methane and about 53percent of the argon.
 The partially evaporated liquid leaving the shell side of the
rectifier overhead condenser is reheated and vaporized by
exchange with the purifier
feed and then leaves the purifier as waste gas. The waste
gas is used to regenerate the syn gas drier and then sent
as fuel to the auxiliary boiler in the primary reformer via.
Waste Gas Filter.
 The make-up syn gas from the top of the rectifier
overhead condenser is reheated by exchange with purifier
feed to about plus 2°C and sent to the syn gas
compressor at 24.4 Kg/cm2
(a). The operation of the
purifier is controlled by a hydrogen analyzer on the syn
gas; to maintain the exact ratio of 2.998 to 1 (hydrogen to
nitrogen) at synthesis gas compressor second stage
suction.
 The only remaining contaminant in the make-up syn gas is
about 0.23 percent argon.
8.) COMPRESSION OF PURIFIED SYNTHESIS GAS
The pure syn. gas is compressed in a turbine driven two stage
centrifugal compressor. Inter case cooling and chilling is provided for
optimum volumetric efficiency. Ammonia is separated in Ammonia
separator 1.7 % of ammonia is admitted in recycle stage of synthesis
compressor. The Compressor outlet gases at 19ºC are cooled with
cooling water in syn. gas compressor after 156 to 40ºC.
KRIBHCO uses purifier mode where more air is passed so more
nitrogen is available. Gas is cooled at -175 degree Celsius and
moisture etc. freezes. Hence the efficiency of purifier decreases. So
first drier is used where ZEOLITE 13Xis used as a catalyst to absorb
moisture. This zeolite is Al supported.
SYNTHESIS CONVERTER
Synthesis converter consists of high pressure shell containing catalyst
section and a heat exchanger. The catalyst section is a cylindrical
shell which fits inside a pressure shell and is called the basket. The
basket contains three catalyst beds, each supported on screen
converted grids.
The gas leaves the converter at a pressure of 203.6 Kg/cm2 and temp
of 325ºC.
9.) AMMONIA SYNTHESIS
Synthesis gas from the compressor second case discharge at a
pressure of 210 Kg/cm2 and 119ºC flows through the shell side of syn.
gas compressor after cooler to 40ºC by cooling water. It is further
cooled to 5.6ºC in tube side of make up gas chiller by means of
Refrigerant ammonia from stage refrigerant drum, recycle gas
discharges at a pressure of 219 Kg/cm2and now flows to ammonia
synthesis loop and heated to 140ºC in the tube side of ammonia
converter feed. In the ammonia converter synthesis reaction takes
place at a temperature of 480ºC.
N2 + 3H2 ==> 2NH3 + Heat
The converter outlet gas at a temperature of 325ºC.flows through tube
side of ammonia converter exchanger. Outlet temperature is 164ºC.
Converted gas then flows through shell side of ammonia converter
feed effluent exchanger. Temperature is reduced to 52ºC Gas is
further cooled to 40ºC in recycle gas cooler by means of cooling
water. Chilling of recycle gas is done in tube side of recycle
gas/converter fed exchanger and chilled to 6ºC. In second stage chiller
where it is chilled to –5.6ºC by refrigerant ammonia from third stage
refrigerant flash drum. It is further chilled to –12.5ºC in tube side of
feed and recycled gas/converter feed exchanger by using gas from
outlet of ammonia separator. Final chilling to –23.3º C is done by
using refrigerant ammonia from fourth stage refrigerant flash drum in
shell side. Liquid ammonia is separated in ammonia separator.
10.) REFRIGERATION SYSTEM
 The primary purpose of the refrigeration is to condense ammonia
for separating it from the converter feed. Further it is applied to
cool the make up gas for separation of water, to condense and
recover liquid ammonia from purge and flash gases, and to cool the
product to –33.0ºC.
 It consists of first, second, third and fourth stage refrigerant flash
drums. These four drums are combined in one single vessel with
partitions with operation pressure of 7.2 kg/cm2 and 1.014
kg/cm2 respectively. This pressure is controlled by refrigerant
compressor at different stages.
 The ammonia product, which is separated from the syn.
gas loop in ammonia separator is sub-cooled (-19°C) for
max. ammonia condensation. This subcooling at
176kg/cm2
(g) pressure level of syn. gas causes some
hydrogen, nitrogen, methane & argon to be absorbed by
the liquid and results in a contaminated ammonia product.
 To remove the absorbed gases from the ammonia
product, it is first flashed in the ammonia letdown drum
The flash gas leaving is released via PIC-8that is set to
hold (about 17.9 kg/cm2
a) backpressure preventing over
flash.
 The liquid ammonia leaving the drum is routed to two
points in the ammonia refrigeration system. One stream is
let down to the first stage refrigerant flash drum by flow
controller. The remaining stream is letdown to the fourth
stage refrigerant drum by level control.
 The design of the system is such that either warm
ammonia product at 18°C and 24kg/cm2
a can be supplied
or cold product at -33°C is supplied to atmospheric
storage.
 Warm product comes from refrigerant receiver at 38°C
and joins with the cold ammonia at the suction of warm
ammonia product pump.
 The major duty on the ammonia refrigeration compressor
is through the chillers which extract heat from the
synthesis loop. There are 4 chillers. Additional heat
extraction duty for the ammonia refrigeration system
includes synthesis gas compressor inter-case chiller and
flash gas chiller in ammonia refrigeration compressor final
discharge system. All of these chillers operate at different
temp levels, set by, the pressure levels of each
refrigeration stage flash drum.
11.) PURGE GAS SEPARATION
The purge gas separation plant allows in the first step to
recover ammonia contained in the purge gas coming from
two ammonia plants. Secondly the purge gas is washed
off from traces of ammonia and water in the purification
section before going to the cryogenic separation. The
recovered hydrogen product stream returns to the suction
of the second stage of synthesis gas compressor, while
the residual gas stream goes to the fuel gas network.
a. AMMONIA RECOVERY SYSTEM:
In this section ammonia is recovered from the incoming
gas as it contains considerable amount of ammonia, so as
not to clog the cryogenic section later.
In the Ammonia recovery system purge gas is washed off
of ammonia with demineralised water in the washing
column by absorption. The rich aqueous ammonia from
the bottom of the washing column is fed to the distillation
column where the ammonia is recovered in anhydrous
form and fed to the main ammonia receiver of both
ammonia plants. The regenerated solution again recycles
back to absorption column for absorption of ammonia in
the fresh gas.
b. PURIFICATION SECTION:
Traces of ammonia and water are removed so as to avoid
freezing in the
cryogenic section. This is performed in two steps. First the
purge gas is cooled to 35°C which is coming from washing
column top in an exchanger and in the second step the
purge gas is then purified in one of the two adsorbers.
Each of the adsorbers contains one bed of Activated
Alumina and one bed of molecular sieves.
Regeneration of adsorbers is done by part of the fuel gas
stream.
c. CRYOGENIC SEPARATION SECTION:
When a mixture of gases with relatively different
condensing temperatures is
progressively cooled down, the condensed liquid contains
a mixture of all absorbed gaseous constituents, but in
proportions different from that present initially in the gas
mixture. It mostly contains easily condensable products
which is only a small portion compared to the constituents
difficult to condense.
This is a very easy process of separation but it is only
possible for gas mixtures where the condensing
temperature of individual components are considerably
different from each other.
This separation process is used in the cold box to
separate hydrogen from methane and argon.
Nitrogen is partially recovered with hydrogen and partially
carried over into the
liquefied mixture, containing methane and argon.
The purified gas is cooled down in an aluminium
exchanger to a temperature low enough to obtain desired
purity of hydrogen. At the outlet of exchanger the gas and
liquid fractions are separated. Gaseous fraction is warmed
up as it passes up through exchanger, giving it’s cold to
warm purge gas.
The CH4 content of the purge gas from the purifier based
synthesis loop is very low. Therefore, a small amount of liquid
from the bottom of Purifier – Rectifier is added to the separation
the PGR unit. This liquid stream contains approx. 16.8% CH4 &
N2. This provides the necessary chilling requirement for the
COLD BOX. The separator operates at around 54.0 Kg/cm2
(g).
2. UREA PLANT
Urea is a white crystalline substance with the chemical formula
CO(NH2)2;it is highly water soluble and contains 46% nitrogen.
It was the first organic compound ever synthesized by
chemists; this was accomplished in the early 1800s. it is
produced in Prilled as well as in Granular forms.
UREA (also called CARBAMIDE) is the diamide of carbonic
acid. It is a colourless, crystalline substance that melts at
132.7º C and decomposes before boiling. Urea has important
uses as a fertilizer and feed supplement, as well as a starting
material for the manufacture of plastics and drugs. Urea is
prepared commercially in vast amounts from liquid ammonia
and liquid carbon dioxide. These two materials are combined
under high pressures and elevated temperatures to form
ammonium carbamate, which then decomposes at much lower
pressures to yield urea and water. Because its nitrogen content
is high and is readily converted to ammonia in the soil, urea is
one of the most concentrated nitrogenous fertilizers. An
inexpensive compound, it is incorporated in mixed fertilizers as
well as being applied alone to the soil or sprayed on foliage.
With formaldehyde it gives methylene-urea fertilizers, which
release nitrogen slowly, continuously, and uniformly, a full
year's supply being applied at one time. Although urea nitrogen
is in nonprotein form, it can be utilized by ruminant animals
(cattle, sheep), and a significant part of these animals' protein
requirements can be met in this way. The use of urea to make
urea-formaldehyde resin is second in importance only to its use
as a fertilizer. Large amounts of urea are also used for the
synthesis of barbiturates. Urea reacts with alcohols to form
urethanes and with malonic esters to give barbituric acids. With
certain straight-chain aliphatic hydrocarbons and their
derivatives, urea forms crystalline inclusion compounds, which
are useful for purifying the included substances.
Prilled Urea
Urea prills are formed by dropping liquid urea from a prilling
tower into droplets that dry into roughly spherical shapes 1mm
to 4 mm in diameter. The counter current of air is used as the
cooling media for solidification of prills falling from top of prilling
tower. Kribhco produces prilled urea at its manufacturing site at
Hazira.
3.1) PROPERTIES OF UREA
Physical Propertiesof Urea
Mol. wt : 60.05
Avg. Nitrogen : 46.4 %
Melting point : 132.70
C
Boiling point : Decomposes before boiling at
atmospheric pressure.
Sp. gravity : 1.330 at 250
C
1.225 at 132.70C.
Viscosity (at 132.70
C) : 2.58 Cp
Heat of solution in water : 57.8 KCal/kg
Sp. heat at 250
C : 0.321 KCal/kg0
C
Solubility at 200
C : 51.6/100 kg of Urea solution.
Crystallization temp.of Urea soln. : 1200
C at 95.5 % Urea
1300
C at 99.2 % Urea
Bulk density (Prilled Urea) : 0.65 tonne/ m3
Angle of repose : 230
for Urea prills by remeltprilling,
320
for Urea prills by evaporation prilling.
CHEMICAL PROPERTIES
White crystalline powder
General Description
Solid odorless white crystals or pellets.Density 1.335 gm
/cm3
.Noncombustible.
Air & Water Reactions
Water soluble.
Reactivity Profile
Urea is a weak base. Reacts with hypochlorites to form
nitrogen trichloride which explodes spontaneously in air .Same
is true for phosphorus pentachloride. Urea reacts with azo and
diazo compounds to generate toxic gases. Reacts with strong
reducing agents to form flammable gases (hydrogen). The
heating of improper stoichiometric amounts of Urea and sodium
nitrite lead to an explosion. Heated mixtures of oxalic acid and
Urea yielded rapid evolution of gases, carbon dioxide, carbon
monoxide and ammonia (if hot, can be explosive). Titanium
tetrachloride and Urea slowly formed a complex during 6 weeks
at 80°C., decomposed violently at 90°C. Urea ignites
spontaneously on stirring with nitrosyl perchlorate, (due to the
formation of the diazonium perchlorate). Oxalic acid and Urea
react at high temperatures to form toxic and flammable
ammonia and carbon monoxide gasses, and inert CO2 gas
Health Hazard
May cause irritation to eyes.
Fire Hazard
Behavior in Fire: Melts and decomposes, generating ammonia.
3.2- Applications of Urea :
1.Fertilizer Grade :
The principal field of application of Urea is for agriculture
purpose as a Nitrogenous fertilizer grade Urea is generally
marketed in the forms of prills due to its free flowing
characteristics. A certain quality of urea is also used for making
fertilizer like NP or NPK of different grades.
2.Feed Grade :
Apart from its use as a nitrogenous fertilizer urea is also used
for the purpose of animal feed as a protein supplement in some
of the advance countries.
3.TechnicalGrade :
Another important application of urea is for the manufacture of
thermosetting resins, the most important among which are urea
formaldehyde, urea melamine etc. Further is also used for
manufacture of several other chemicals and pharmaceuticals
etc.
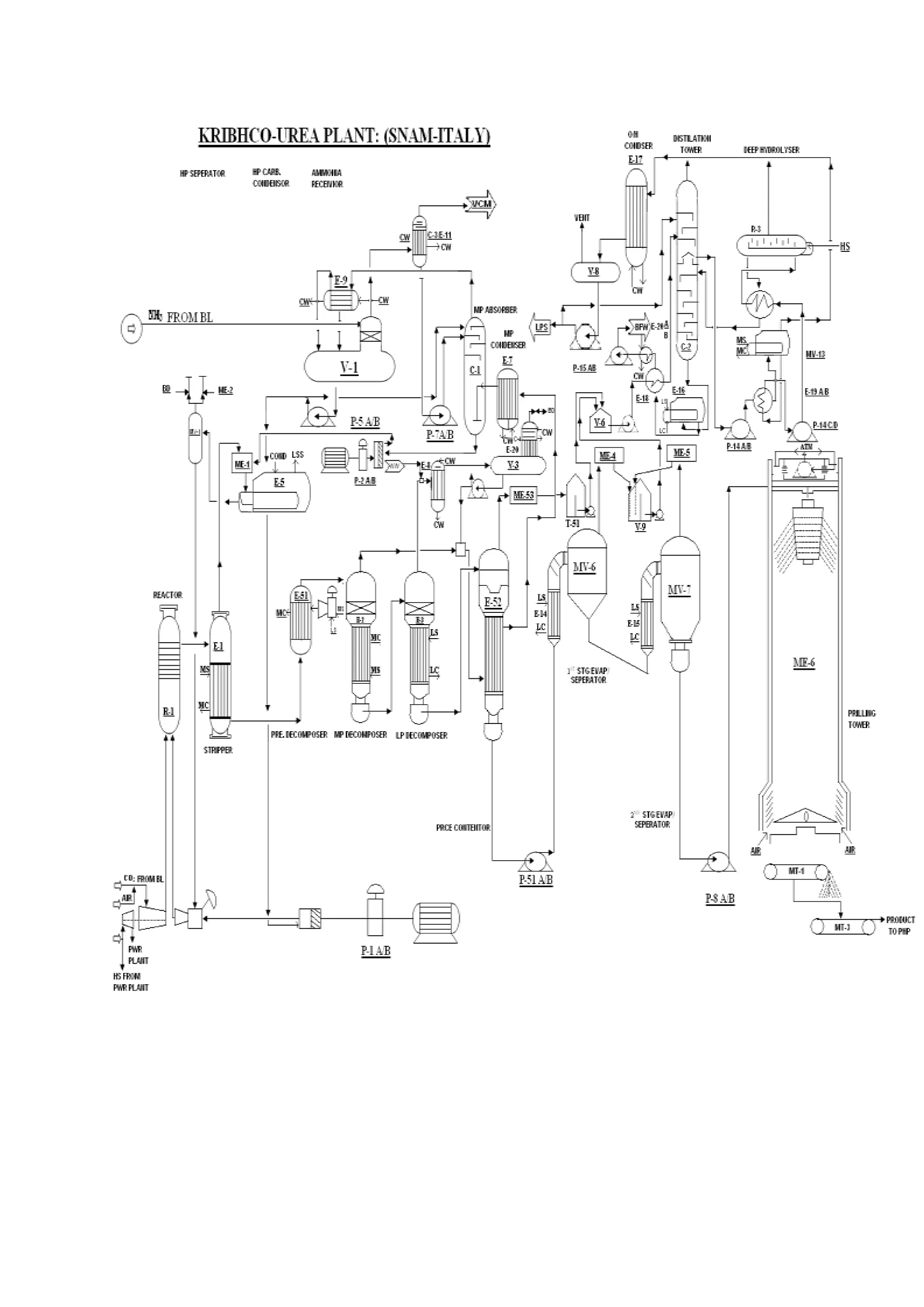
3.3-ProcessDescription :
In KRIBHCO the process employed is Snamprogetti process
from Italy.Urea today occupies the key position amongst the various
solid nitrogenous fertilizers by virtue of its highest nitrogen content
(Pure urea contains 46.64 % Nitrogen) which allows a considerable
saving in transportation and distribution cost.
The urea production takes place through the following main
operations:
a) Urea synthesis and high pressure recovery
b) Urea purification and low pressure recovery
c) Urea concentration
d) Urea prilling
e) Waste water treatment
 Urea synthesis and high pressure recovery
Urea is produced by synthesis from liquid NH3 and gaseous CO2. NH3
and CO2 react in the reactor to form ammonium carbamate, a portion
of which gets dehydrated to form Urea and water. The reactions are as
follows:
2 NH3 + CO2 =>NH2COONH4
NH2COONH4 => NH2CONH2 + H2O
Under synthesis conditions of 190ᵒC temperature and 160 kg/cm2
pressure, the first reaction occurs rapidly and goes to completion
while the second reaction is slow and determines the reactor volume.
The fraction of ammonium carbamate that dehydrates to form urea is
determined by NH3 /CO2 mole ratio, H2O/CO2 mole ratio, operating
temperature and pressure and the residence time in the reactor.
Here we have,
N/C = 3.6
H/C = 0.67
Residence time = 45 minutes (at 100% load)
CO2 conversion = 65%
The liquid NH3 coming directly from the battery limit at 25ᵒC is
collected in the ammonia receiver, from where it is drawn and
pumped at 23 atm pressure by means of an ammonia booster pump,
part of this NH3 is sent to M.P. absorber, the remaining part is
pumped by means of low speed heavy duty triplex plunger pump at a
pressure of 240 atm.
Before entering reactor, it is used as driving fluid in the carbamate
recycle ejector where the carbamate coming from carbamate separator
is pressurised up to the synthesis pressure for recycling it to reactor.
The liquid mixture of NH3 and carbamate enters the reactor where it
reacts with gaseous CO2.
CO2 drawn at urea plant battery limit at 1.4 atm pressure and 40 ᵒC
temperatures is sucked by a centrifugal compressor and compressed
up to a pressure of 160 atm. A small quantity of air is added to the
CO2at suction in order to passivate the stainless steel surfaces in H.P.
and M.P. sections thus protecting them from corrosion due to
carbamate/Urea solution.
The reaction products leaving reactor flow to the steam heated falling
film exchanger, stripper operating at almost the same pressure as
reactor. The solution is heated as it flows down the falling film
exchanger. The CO2content of the solution is reduced by the stripping
action of the excess NH3as is boils out of the solution in stripper
tubes.
The heat for carbamate decomposition and excess NH3 liberation is
supplied by 24 atm saturated steam (MS). The overhead gases from
the stripper are mixed in a mixer with the recovered solution from the
M.P. absorber and flow via an additional baffle mixer to H.P.
carbamate condenser where the total mixture, except for a few inert, is
condensed.
After inert separation in carbamate separator, it is recycled to reactor
by means of ejector. The non-condensable gases along with a little
quantity of NH3 and CO2from the top of carbamate separator are sent
to the bottom of M.P. decomposer. Condensing the gases at high
pressure and temperature permits the production of low pressure
steam at 4.5 atm pressure in the shell side of carbamate condenser.
 Urea purification and low pressure recovery
Urea purification takes place in two stage decreasing pressure.
FIRST STAGE AT 18 atm PRESSURE:
The solution with low residual CO2 content from the bottom of the
stripper is let down to pressure of 18 atm and enters the falling film
type medium pressure decomposer.
M.P decomposer is divided into three parts:
1. Top separator where released gases are removed before the solution
enters the tube bundles.
2. The decomposition sectionwhere the residual carbamate is
decomposed and the required heat is supplied by means of 24 atm
condensate flowing out of stripper.
3. Bottom holder to collect the Urea solution.
The NH3 and CO2 rich gas leaving the top separator are send to the
medium pressure condenser where they are partly absorbed in
aqueous carbamate solution coming from recovery section at 4.5 atm.
The absorption heat is removed by cooling water.
The liquid- vapor mixture from M.P condenser flows to M.P. absorber
which is a bubble-cap type tray column performing CO2 absorption
and NH3 rectification of the vapor phase. The trays are fed by pure
NH3; reflux is drawn from ammonia booster pump discharge which
eliminates residual CO2 and H2O from the exit gases.
MP condenser CO2 is almost totally absorbed the mixture from MP
condenser flows to the medium pressure absorber where the gas
coming from the solution enters the rectification. This is of bubble
cap tray type and performed CO2 absorption and H2 rectification. A
current of gases with ammonia and inert with a minimum CO2 residue
comes out of the top of rectification section and bottom solution is
recycled to H.P recovery section.
NH3 with inert gases leaving the column top is partially condensed in
the ammonia condenser. From where two phases are sent to ammonia
receiver. The inert gases saturated with NH3 leaving the receiver,
enter the ammonia recovery tower where additional amount of NH3 is
condensed by the cold NH3 coming from the urea plant battery limit.
The condensed NH3 is recovered in NH3 receiver.
The inert gases with the residual NH3 content are sent to the inert
wash tower where they meet counter current water flow which
absorbs gaseous NH3. The absorption heat is removed by cooling
water, from the bottom of the tower; water ammonia solution is
recycled back to medium pressure absorber by means of centrifugal
pump. Now there are three valves trays in inert wash tower where the
inert gases are submitted to final washing by means of the cold
condensate. The inert are sent to the blow down are free from
ammonia.
SECOND STAGE AT 4.5 atm PRESSURE:
The solution leaving the bottom of medium pressure decomposer is
expanded at 4.5 ata pressure and enters the low pressure decomposer
falling film type.
This is divided into three parts:
 Top separator where the flash gases are removed before the
solution enter the tube bundle.
 The decomposition section where the last residual carbamate is
decomposed and required heat is supplied by means of stream
saturated at 4.5 atm.
 Bottom holder to collect the Urea solution.
The gas is leaving the top separator are send to the low pressure
condenser where they are absorbed in aqueous carbamate solution
from the waste water treatment section. The absorption and
condensation heat is removed by the cooling water.
From the condenser bottom the liquid phase, with the remaining inert
gases is send to carbamate solution tank. From here carbamate
solution is recycled back to medium pressure condenser by means of
centrifugal pump.
The inert gases with essentially contain NH3vapour flow directly in to
the low pressure falling film absorber where the ammonia is absorbed
by a counter current water flow. The absorption heat is removed by
cooling water. The inert gases are washed in the low pressure inert
washing towerandare collected to blow down practically free from
ammonia.
BLOCK DIAGRAM OF UREA PLANT
 UREA CONCENTRATION
In order to concentrate the urea solution to 99.7 %, a two stage
vacuum concentration section has been provided. The urea solution
leaving medium pressure holder with about 69% urea is sent to tube
side of pre-concentrator is operating at 0.33 ata pressure.
The pre-concentrator is divided into three parts:
 First part is top separator where flashed gases are removed before
the solution enters the tube bundle. The vapors from top separator
are extracted by pre-concentrator vacuum system.
 Second part is concentrator section here the solution is being
concentrated up to 85 %. The heat is supplied by condensing the
M.P decomposer off gases along with absorbent from M.P
Carbonate pump discharge.
 Third part is bottom holder to collect the urea solution.
The urea solution leaving vacuum pre-concentrator separator is
pumped to 1st vacuum concentrator operating at 0.3 atm pressure by
one of the pumps vacuum concentrator feed pump.
The mixed phase coming out of enters I vacuum separator where from
the vapors are extracted by the 1st vacuum system, while the solution
with 95% urea enters the 2nd vacuum concentrator operating at 0.03
atm pressure.
The mixed phase coming out of 2nd vacuum concentrator enters the
2nd vacuum separator where from the vapors are extracted by the II
vacuum system. The two concentrators are fed by L.P. saturated
steam at 4.5 atm for supplying heat for water evaporation.
 Urea prilling
The melted Urea leaving the second vacuum separator is sent to the
prill bucket by means of centrifugal pump. The Urea coming out of
the bucket rotating at 250-300 rpm is in the form of drops falling
along the prilling tower and encounters a cold air flow which causes
its solidification and cooling.
The solid prills falling to the bottom of prilling towers are sent to the
belt conveyor by the rotary scraper. From here they are sent through
screeners to retain lumps only and then to belt conveyor which carries
the product to the automatic weighing machine and to the Urea
storage section or bagging unit.
 Waste water treatment
The water containing ammonia, urea and carbon dioxide, coming
from the first and second vacuum system is collected in the buffer
waste water tank. From this tank solution is pumped to the waste
buffer tank and then it is pumped to the waste water distillation tower
operating at a pressure of 2.5 atm. Before entering to distillation tower
the solution is preheated in exchangers by means of the purified water
flowing out of the reboiler of distillation tower.
From these after a first stripping of ammonia in upper part of tower, it
is pump to the M.P hydrolyser where urea is decomposed by means of
steam at 24 atm. Here before entering the M.P hydrolyser, the
solution is preheated in an exchanger with the solution coming out of
itself.
The vapors produced in M.P hydrolyser are sent to the overhead
condenser, while the solution after getting cooled in exchanger is
pumped by H.P hydrolyser feed pump to the deep hydrolyser where
urea is almost totally hydrolysed by direct mixing of H. P. steam in
H.P hydrolyser.
Before entering to H.P hydrolyser, the solution is preheated in
exchangers with the solution coming out of itself. The vapors
produced in hydrolyser are sent M.P hydrolyser for heat recovery
while the solution after getting cooled in exchanger returns to the top
of the lower part of tower in which the remaining NH3is stripped out
by means of vapour produced in reboiler of tower.
The vapors leaving the top of tower, along with those obtained from
M.P hydrolyser are condensed in overhead condenser where from the
carbonate solution flows to the reflux accumulator. The heat of
condensation in overhead condenser is removed by cooling water.
The carbonate solution from reflux accumulator is recycled back to
the L.P. condenser by means of reflux pump and the inert carrying
small quantity of NH3vapors are vented in air.
DEMAND - SUPPLY DATA
CO2 from the battery limit : 51031 kg/hr
NH3 and carbamate in reactor : 112068 kg/hr
Urea manufactured : 1662.5 MMTD
 MANUFACTURES IN INDIA
Urea is mainly required for fertilizer manufacturing . In India the
major urea manufacturing firms are :
1. IFFCO (INDIAN FARMERS FERTILIZER CORP.)
2. GSFC (GUJARAT STATE FERTILIZERS CO. Ltd)
3. HFC (HINDUSTAN FERTILIZER CORP.)
4. RCF (RASTRIYA CHEMICALS AND FERTILIZERS)
5. F&C (FERTILIZERS & CHEMICALS)
6. COROMANDEL FERTILIZERS Ltd.
4. SOME OFFSITE PLANTS:
4.1. COOLINGTOWERS:
The cooling water requirement of plants is around 80000 m3/hr. This water is
circulating in a loop for cooling purpose in various plants. So the temperature of
water increases. Due to scarcity of water it is necessary to cool this same water in
cooling towers. There are total five cooling towers one each for urea phase I & II.
One each for ammonia phase I & II and one for power plant and offsite facility. The
ammonia cooling tower is having 7 cells and dimensions are 77.01 x 22.89 x 14.42
M. Each cell is provided with an induced draft fan of 8 blade, 112 rpm speed and
handling around 543 m3/sec of air. The blade is made of fibre glass reinforced
polyester material for lesser energy consumption. The tower is capable to cool
22,231 m3/hr. of water from 45ºC to 35ºC, when wet bulb temp. is 30ºC that is a
range of 10ºC and approach of 5ºC.
The urea cooling tower is having 6 cells and cooling capacity of 17,000 m3/hr. The
construction is same as ammonia cooling tower.
The power plant cooling having 4 cells and capable to cool around 2000 m3/hr. of
water from 40ºC to 30ºC using 1,215 m3/hr of air through each cell.
The Hazira ammonia plant
The cooling water of all cooling towers are chemically treated and properly filtered for
quality as
pH : 6.2 to 6.8
Turbidity : less than 5 NTU
Total hardness: less than 450 ppm as CaCO3
The above quality is achieved by chemical dosing continuous blow down and side
streams filtration. The side stream filteration in sand filters keep turbidity around 1
NTU. The microorganism is controlled by dosing chlorine in outlet of cooling towers.
4.2. AMMONIA STORAGE TANK
Ammonia storage tank is vertical cylindrical type domed roof and designed as a
double integrity or cup in tank. The tank material of construction is A53b grade 70
impact tested at -50ºC because the boiling point of ammonia is -33ºC and ordinary
carbon steel vessels working at sub zero temperature are liable to tittle structure
under stress.
Internal Design of Tank
The liquid ammonia is help, up into the inner cup. The inner cup is covered at the top
by a suspended deck extending upto the outlet shell. The deck hangs about 250 mm
above the inner cup. One central hole is provided on the deck which allows ammonia
vapour to escape and fill up the annular tank portion and the top portion of the tank.
This vapour serves as inner insulation from heat and penetration to the liquid
ammonia, the deck is insulated on the top. The central hole of the deck is further
covered with a separate suspended deck to prevent direct penetration of heat.
Both the decks are of aluminium sheet 3.2 mm thickness. The top dome does not
require any insulation because of inner vapor insulation. There are further eight
number holes at the periphery of the deck cover through which vertical tubes are
hanged in to annular portion to allow the vapour ammonia to fill the annular portion.
This tubes are called balancing tubes.
Design data
(a) Tank numbers : Two
(b) Capacity : 10000 MT
(c) Diameter : Inner tank 40000 mm
: Outer tank 41600 mm
(d) Height : Inner tank 12500 mm
Outer tank 13500 mm
Top Dome cover 5574 mm
(On outer shell)
(e) Liquid level : 12.45 (max.)
(f) Storage : -33ºC
2. AMMONIA VAPOUR BLOWER
This unit maintains the tank pressure at 0.035 kg/cm2 g by withdrawing ammonia
vapour from the storage tank and sending to the refrigeration compressor of
ammonia plant.
3. AMMONIA VAPORIZER
One vaporizer is provided for each tank to keep the pressure in the tank within limit
particularly in the very colder days. Liquid ammonia will be taking from bottom of the
storage tank which flows by gravity to vaporizer and the liquid vaporized by electrical
heating arrangement in the pressure. In vaporizer, Ammonia vapour goes back to
the storage tank to maintain the pressure. The vaporizer comes in contact when tank
pressure goes below a set point of 0.0014 kg/cm2. The vaporizer is basically a hot
tank. The hot water tank will be filled with water containing 50 % ethylene glycol. The
water temperature is kept at 50ºC.
4. FLARE STACK
The basic function of flare stack is to burn the ammonia vapours coming from the
system and vent it at a safe height. Ammonia if not burnt, will pollute the surrounding
area and makes it hazardous to work. Flare stack has two burners: pilot burner and
main burner. Pilot and main burner support gas is Natural Gas. The flow of NG to
main burner is automatically adjusted depending upon the ammonia vapour flow with
the help of mass flow meter.
It has been found by experience that pilot burner fire gets puts off because of the
wind velocity extinguished flare remains unnoticed in the day fire. There is every
possibility of the NG getting accumulated in the atmosphere and may form explosive
mixture in case pilot burner is put off and the gas starts going to the main burner.
Also if the pilot burner is not burning, it will not light the main burner in case of
ammonia gas venting which may cause higher concentration of ammonia vapour in
the surrounding area. To avoid this all the main burner is always kept in light up
condition.
5. SAFETY VALVE
Each tank is provided with two numbers of safety valve, pilot operated safety valve
mounted on lockable type gate valves such as to provide an interlock that any one
valve will always on line while maintenance work can be done on the other. Each
valve is sized for over pressure and vacuum. The safety valve shall be open to
atmosphere. The safety valves are set for 0.0650 kg/cm2.
6. AMMONIA LOADING/UNLOADING
For ammonia loading, unloading system a 150 mm liquid ammonia header runs
through the gantry from discharge of ammonia transfer pump. Following point
must be considered while loading or rail tanker with liquid ammonia :-
 To confirm whether tanker is filled with nitrogen.
 To confirm whether tanker is depressurized.
 To hook up static electricity arrester with the tanker.
 Position the blocks under the wheels or types.
 Do not overfill the tanker.
 Tight shut the isolation valve after filling.
 Engine of the vehicle should be shut.
4.3.) BAGGINGPLANT:
General
Urea product handling plant is put upto receive the prilled urea (4400 MTPD) from
both the prilling towers to Urea Plants I & II and despatch the same in 50 Kg. bags.
The product urea Silos, 2 Nos. each of 45,000 MT (Total 20 days production) can
store the urea during off season. A bagging unit is provided to beg 6000 MT in two
shifts as well as to load and despatch it by Rail/Road transport, prilled urea from the
bottom of the prilling tower is taken either to any one of the storage Soils is
reclaimed with the help of scrapper reclaimers, screened and the lumps are broken
with the help of lump breakers. Later-on it is taken to the bagging plant filled in 50 kg.
bags with the help of automatic weighing cum tipping machine, stitched and taken to
the respective platforms with the help of series of conveyors and chutes. It will be
loaded in the tucks and wagons for despatch.
Photo cells are installed to count the number of bags loaded in the carriers, Day-to-
day production, Silo stock despatches are registered in the recently developed Data
Logger System, installed in the Control Room.
Urea wet dedusting system is provided to collect the dusts coming out of the chutes
and bunkers, which will be dissolved and concentrated in the dissolving and
concentrating plant and then sent to urea plant for recovery.
Process and instrument air requirement for bagging is met from the compressor
house of offsite plant.
5. PUMPS, VALVES& MOTORS
Reciprocating and Centrifugal are two most important pumps used
in the plant.
Screw pumps are used for the lube oil circulation.
 REACTOR AMMONIA FEED PUMP
TYPE : Horizontal triplex plunger pump
No. of Cylinders : 3
PISTON SPEED : 0.9 m/s
DRIVER RPM : 1470
MOTOR RATING : 850 KW
MATERIAL OF CONSTRUCTION
PLUNGER : EN-24(chrome plated
C.S)
PLUNGER GUIDE BUSHES : 25% carbon filled PTFE
VALVE PLATES & SEATS :stainless steel
LANTERN RINGS : stainless steel
CYLINDERS/VALVE BLOCKS : LTCS
STUFFING BOX : LTCS
PACKINGS : LTCS
CRANK SHAFT :Graphite PTFE with armide corner
FRAME : Cast Iron
A HYDRAULIC TORQUE CONVERTER attached.
 HP CARBAMATE PUMP
TYPE : Horizontal triplex plunger pump
No. of Cylinders : 3
PISTON SPEED : 0.587 m/s
DRIVER RPM : 1470
MOTOR RATING : 260 KW
MATERIAL OF CONSTRUCTION
PLUNGER : AISI-316L
PLUNGER GUIDE BUSHES : 25% carbon filled PTFE
VALVE PLATES & SEATS :HVD 1
LANTERN RINGS : AISI-316L
CYLINDERS/VALVE BLOCKS : AISI-316L
STUFFING BOX : AISI-316L
PACKINGS : PIFE
CRANK SHAFT : Low alloy steel( 1 Cr 1/4
Mo )
FRAME : Cast Iron
 CONDENSATE PUMPS
TYPE : Centrifugal
SIZE OF NOZZLES : 4" / 21/2"
MIN/MAX CAPACITY(M3/H) : 5.5/85
NPSH(m)- AVAILABLE/REQUIRED : 5/2.5
 LUBE OIL PUMPS
P-24A P-24B P-25
TYPE 3-Screw 3-Screw
Centrifugal
Manufacturer AllweilerAllweiler KSB
Flow rate (m3/h) 100 100 30
Pressure (kg/cm2g) 10 10 4
RPM 1450 1450 2900
Casing material C.S C.SC.S
A CENTRIFUGAL PUMP
TYPE OF VALVES USED
There are different types of valves used in Kribhco various plant
which are:
 Ball Valve
A ball valve is a valve with a spherical disc, the part of the valve
which controls the flow through it. The sphere has a hole, or port,
through the middle so that when the port is in line with both ends
of the valve, flow will occur. When the valve is closed, the hole is
perpendicular to the ends of the valve, and flow is blocked.
Ball valves are durable and usually work to achieve perfect shutoff
even after years of disuse. They are therefore an excellent choice
for shutoff applications. They do not offer the fine control that may
be necessary in throttling applications but are sometimes used for
this purpose. Ball valves are used extensively in industrial
applications because they are very versatile, supporting pressures
up to 1000 bars and temperatures up to 200°C. The ball is often
chrome plated to make it more durable.
 Butterfly Valve
A butterfly valve is a valve which can be used for isolating or
regulating flow. The closing mechanism takes the form of a disk.
Operation is similar to that of a ball valve, which allows for quick
shut off. Butterfly valves are generally favored because they are
lower in cost to other valve designs as well as being lighter in
weight. The disc is positioned in the center of the pipe, passing
through the disc is a rod connected to an actuator on the outside of
the valve. Rotating the actuator turns the disc either parallel or
perpendicular to the flow. Unlike a ball valve, the disc is always
present within the flow; therefore a pressure drop is always
induced in the flow, regardless of valve position. The valve may
also be opened incrementally to throttle flow.
 Gate Valve
A gate valve, also known as a sluice valve, is a valve that opens by
lifting a round or rectangular gate/wedge out of the path of the
fluid. The distinct feature of a gate valve is the sealing surfaces
between the gate and seats are planar, so gate valves are often used
when a straight-line flow of fluid and minimum restriction is
desired. The gate faces can form a wedge shape or they can be
parallel. Typical gate valves should never be used for regulating
flow, unless they are specifically designed for that purpose.
On opening the gate valve, the flow path is enlarged in a highly
nonlinear manner with respect to percent of opening. This means
that flow rate does not change evenly with stem travel. Also, a
partially open gate disk tends to vibrate from the fluid flow. Most
of the flow change occurs near shutoff with a relatively high fluid
velocity causing disk and seat wear and eventual leakage if used to
regulate flow. Typical gate valves are designed to be fully opened
or closed. When fully open, the typical gate valve has no
obstruction in the flow path, resulting in very low friction loss.
 Globe Valve
A globe valve is a type of valve used for regulating flow in a
pipeline, consisting of a movable disk-type element and a
stationary ring seat in a generally spherical body. Globe valves are
named for their spherical body shape with the two halves of the
body being separated by an internal baffle. This has an opening
that forms a seat onto which a movable plug can be screwed in to
close (or shut) the valve. The plug is also called a disc or disk.
Globe valves are used for applications requiring throttling and
frequent operation.
For example, globe valves or valves with a similar mechanism may
be used as sampling valves, which are normally shut except when
liquid samples are being taken. Since the baffle restricts flow,
they're not recommended where full, unobstructed flow is required.
 Check Valve
A check valve, clack valve, non-return valve or one-way valve is a
mechanical device, a valve, which normally allows fluid (liquid or
gas) to flow through it in only one direction.
Check valves are two-port valves, meaning they have two openings
in the body, one for fluid to enter and the other for fluid to leave.
There are various types of check valves used in a wide variety of
applications. Although they are available in a wide range of sizes
and costs, check valves generally are very small, simple, and/or
inexpensive.
Check valves work automatically and most are not controlled by a
person or any external control; accordingly, most do not have any
valve handle or stem. The bodies (external shells) of most check
valves are made of plastic or metal. An important concept in check
valves is the cracking pressure which is the minimum upstream
pressure at which the valve will operate. Typically the check valve
is designed for and can therefore be specified for a specific
cracking pressure.
 Pressure Safety Valve
These valves are very much necessary for the safety of the
equipment and plant. These valves are having spring inside the
casing that is calibrated to a certain pressure limit, if the pressure
increases more than that the set value the valves are set open to
vent or atmosphere. It is similar to safety valve on pressure cooker
and hence protecting the equipment and nearby persons involved.
Angle Valve
Such valves are normally used where there are bending in pipes
joints.
 ENVIRONMENTAL ISSUES
Environmental issues in India are many. Air pollution, water
pollution, garbage pollution and wildlife natural habitat pollution
challenge India. The situation was worse between 1947 through 1995.
According to data collection and environment assessment studies of
World Bank experts, between 1995 through 2010, India has made one
of the fastest progress in the world, in addressing its environmental
issues and improving its environmental quality. Still, India has a long
way to go to reach environmental quality similar to those enjoyed in
developed economics. Pollution remains a major challenge and
opportunity for India.
Waste generated from industries is serious threat to environment. The
environmental pollutions (through under permitted levels) caused by
the industry is:
 Air pollution:
1. Green House emission
2. Ammonia
SO2, NOx, CO, CO2, H2S, VOCs, CH4, HCN, NH3
3. Urea production
Ammonia, Particulate matter, Urea dust
 Water pollution:
Contaminated water originates from-
1. Process condensate
2. Closed-loop cooling tower blow down
3. Closed-loop boiler blow down Main
4. Contaminants from Nitrogen plants
5. Ammonia, Organic, Nitrogen
 Solid Waste
Spent Catalysts from reformer, shift converter, methanator,
ammonia converter andrier.Solid wastes or by-products can
include calcium carbonate, sand and plastic bags usedto
transport & packing waste.
.
 PROBLEMS IDENTIFICATIONS & SOLUTIONS
REACTOR
 Problems
Due to Heart of urea plant the reactor has major problem of liner
leakage which are kept inside the main reactor wall. The liner is
madeup of stainless steel with 7 mm thickness. Due to high pressure
operation and corrosive nature of urea carbamate solution corrosion
and hence leakage of liner takes place. Once leakage occurs, highly
corrosive reactant and product steam enters in the space between
linerwall and reactor wall which results in very rapid corrosion of
reactor cell.
 Safety
The liner is made up of stainless steel with 7mm thickness. Due to
high pressure operation some times liner leakage from stainless steel
liner take place. Highly corrosive nature of reactants CO2, NH3,
Carbamate solution results in very rapid corrosion. To prevent
corrosion steps taken are:
 Passivation
To prevent stainless steel liner corrosion some air is entered in reactor
with CO2 stream. Air reacts with chromium of stainless steel and
converts chromium in to chromium oxide (blue colour) at high
temperature. Chromium oxide form a protective layer on the liner
wall, which prevents further corrosion oxide forms a protective layer
on the liner wall, which prevents further corrosion of liner wall. This
technique to prevent corrosion of stainless steel liner by converting Cr
into Cr2O3 is called passivation.
 Phenolphthalein bulb indicator
If by chance accidental leakage of liner occurs, to detect the affected
area there is an another provision of phenolphthalein bulb. The space
between reactor wall and liner wall is divided in to 104 no. of square
compartments nearly same in size. There is a provision of a small
weepholes with reactor wall. A small trap (nozzle) connects each
compartment with phenolphthalein bulb.
If liner failure takes place in any compartment, stream containing
carbamate solution, urea, ammonia, carbo-dioxide leaks in between
reactor wall and liner wall. When solution enters in trap, due to
alkaline nature of urea bulb color changes form colorless to pink and
warms operators to take quick action for leakage maintenance.
LINER LEAKAGE DETECTION & MAINTENANCE
It was found a liner leakage of urea reactor just on 20th September’97
as a result of which phenolphthalein bulb No.87,88,102& 107 became
violet. As a first precaution to continue plant operation. Operators
simply welded outer wall of reactor with SS sheets. But simple
welding failed to prevent high pressure leakage within a short period
of 48 hours. To prevent major damage of reactor, it was essential to
shutdown the plant repair leakage.
To detect the extract location of leakage, following interesting
methods were applied :
 Hydrotesting
Reactor is emptied, washed with water &analyzed for leakage by eye
inspection and leakage was found
 Air Agitation
Reactor is fed with water up to a certain head & air is pressurized
from weep holes no.87 at a pressure of 2 kg/cm2. It was found that air
was coming out from hole 87,88,102& 107 indicating short circuiting
of compartments internally due to design fault.
All other weep holes were sealed else no.87 and again air was entered
at a pressure of 2 kg/cm2. No leakage was found by air agitation
method.
 Soap Solution method
After withdrawing water soap solution fed inside the reactor. Again
air at a pressure of 2 to 2.5kg/cm2 was entered through weep holes.
This method was also failed to detect exact location of leakage.
 Helium Test
Finally most recent method the helium gas purging & detection
method was adopted. Helium was purged through weep hole No.87
sealing the others and detector found the damaged part of liner. Liner
were cleaned and rewelded and plant was lead for start up.
STRIPPER
 Problems
Stripper is very simple in construction hence no major engineering
problem arises which can lead for shutdown of plant.
Stripper is simply a heat exchanger type equipment with single pas of
medium pressure steam in cell side and single pass of reactants
&product stream in tube side.
It is also mounted with ferrules at the top of each tube end to get
falling film of urea carbamate at tube side.
The problem in stripper is of leakage at welding area of tubes at
circular plate. This occurs due to high pressure stresses 160 kg/cm2 in
tubes side & 24 kg/cm2 in cell side.
 Detection and Maintenance of Liner Leakage
Due to leakage at welded area of tube sheet operating pressure
fluctuates, also suction and delivery line pressure deflects which
indicates leakage.
The exact location of leakage is easily found by keeping high pressure
in shell side. High pressure at shell side and atmospheric pressure at
tube side causes leakage of urea carbamate solution from the affected
area. Reactor is depressurised and affected area is rewelded.
If by chance tube failure takes place, damaged tube is closed with
cock and another tube is opened which is previously kept as an extra
tube in some part of tube sheet in closed position.
After long usage of a stripper it is found that the upper part of tubes is
more corroded than the lower part as concentration is very high at the
upper part. To increase the overall life of stripper its position is
reversed, bottom becomes top and becomes bottom. In some causes
this technique increases the life of stripper by 50 to 70 %
CARBAMATE CONDENSER AND MIXER
 Problems
The purpose of carbamate condenser is to dissolve unreacted gases
from high pressure loop. It consists of ‘U’ shaped tubes welded in a
common tube sheet. Low pressure steam is passed in shell side to
warm up solution and to avoid crystallization of Urea. The problem
over here is leakage of tubes and welding failure of tube sheet. This is
detected by manual inspection of out coming stream of low pressure
stream by electrical conductivity method. Mild leakage makes vast
difference in conductivity of inlet& outlet stream of steam.
 Detection Method &Mainenance
Leakage of carbamate condenser is detected by same method used for
stripper and rewelded by hot welding. Another way to increase the
life of carbamate condenser is by raising the liquid to vapor ratio of
entering stream. Increased ratio of liquid to vaor minimizes dry
pockets of tube and tube sheet and prevents corrosion.
VACUUM DRUMS
 Problems
Concentration of urea solution is carried out in two stage vacuum
drum first at 0.3 atm absolute and second at 0.03 atm absolute. Here
vacuum is create by steam jet ejector. The major problem of drum is
with high vacuum. Very high vacuum may for rapture of drum.
 Safety
There is provision of series of safety valves at the top of the drum
which protects vessel from high vacuum. After long technical
experience it was found by reactors that in rainy season there is a
problem of choking of safety valves. To over come this difficulty they
reverse the position of vacuum drum.

aniruddh training report

  • 1.
    REPORT ON INDUSTRIAL TRAINING AT KrishakBharti Co-operativeLimited Submitted in partial fulfilment of the requirement For the award of the degree BACHELOR OF ENGINEERING In CHEMICAL ENGINEERING [Duration: 09-06-2014 to 14-07-2014] Submitted to : Submitted by : H.R.D. Department Aniruddh Singh Shekhawat KRIBHCO CHEMICAL ENGG. SURAT. SVNIT, SURAT
  • 2.
    ACKNOWLEDGEMENT Industrial Training isan integral part of engineering curriculum providing engineers with first hand and practical aspects of their studies. It gives us the knowledge about the work and circumstances existing in the company. It gives me great pleasure to have completed my training at Ammonia and Urea plant at KrishakBhartiya Co-operative Ltd. Hazira, Suratand I am submitting the training report for the same. I express my deep sense of gratitude to Mr. AMARJIT SINGH and Mr. SOLANKI sir for giving me the permission to visit the plant. I am grateful to Mr. R.M. Mallya (D.G.M.), Mr.V.K.Singh, Mr.Vikas (AMMONIA-1) , Mr. R.K.SINGHAL (A.G.M.) , Mr. B.U. PATEL, Mr.Piyush and Mr.Debesh sir (UREA-2) for helping me in understanding all the units of the plant and explaining the nitty- gritty bits and pieces of each and every process. And last but not the least I am also thankful to all the staff members of the plant for their kind cooperation and valuable guidance throughout the process of work. Aniruddh Singh Shekhawat CHEMICAL ENGG., SVNIT SURAT
  • 3.
    PREFACE I underwent thisindustrial training to get a hands-on experience in the application of chemical engg. in a fertilizer plant. I was able to gain practical experience of all the equipments taught to me theoretically. I shared my knowledge with all the staff members whom I met at different units of the plant . My goal was to apply my learning practically and see how all the operations are carried out in reality. We were formed into a team and we visited all the units of the ammonia and urea plant at KRIBHCO(Hazira) where we were explained the processes and our doubts were cleared. In this report I have tried to summarize what I have learnt in KRIBHCO plant. This study has primarily been undertaken by me with a view to evaluate proper working process in the organization. ANIRUDDH SINGH SHEKHAWAT CHEMICAL ENGG., SVNIT SURAT
  • 4.
    INDEX 1. Introduction tothe Industry SR. NO TOPIC 1) Introduction to the Industry 2) Ammonia plant 1) Introductionto Ammonia 2)PropertiesofAmmonia 3)Usesof Ammonia 4)ProcessDescription 3) Urea plant 1) Propertiesof Urea 2)Applicationof Urea 3)ProcessDescription 4) Demand -SupplyData And Manufacturesin India 5) Some OFFSITES plants 1) Coolingtowers 2)Ammonia Storage And Handling 3)Urea Bagging Plant 6) Pumps And Valvesand Material of construction. 7) Environmental Issues. 8) ProblemsIdentificationAndsolutions.
  • 5.
    KrishakBharati Cooperative Ltd.(KRIBHCO) is a Multi-state Cooperative Society registered under the Multi-State Cooperative Societies (MSCS) Act, 2002 (39 of 2002) and is a fertilizer production unit in the Cooperative Sector and as per item 5 of Schedule II to Rule 3 of the Government of India (Allocation of Business) Rules is under the administrative responsibility of the Department of Fertilizers. KRIBHCO is primarily a fertilizer production cooperative having production unit at Hazira (Surat) in the state of Gujarat. The capacity of the plant has been revamped to produce additional 4.65 Lakh MT of Urea. KRIBHCO has setup a Fertilizer Complex to manufacture Urea, Ammonia & Bio-fertilizers at Hazira in the State of Gujarat, on the bank of river Tapti, 15 Kms from Surat city on Surat – Hazira State Highway.
  • 6.
    Late Smt. IndiraGandhi, former Prime Minister of India laid the Foundation Stone on February 5, 1982. Hazira Fertiliser Complex has 2 Streams of Ammonia Plant and 4 Streams of Urea Plant. Annual re-assessed capacity for Urea and Ammonia is 1.729 million MT and 1.003 million MT respectively, the total Project cost was Rs. 890 crores as against the estimated cost of Rs. 957 crores. This shows a saving of Rs. 67 crores (approximately 7%) in Capital Cost of the Project. The trial production commenced from November, 1985 and within a very short time of 3 months, the commercial production commenced from March 01, 1986. Since then, it has excelled in performance in all areas of its operations. Biofertilizer plant of 100 MT per year capacity was commissioned at Hazira in August, 1995. KRIBHCO has also completed the installation of an expansion of the Bio-Fertiliser plant with an additional capacity of 150 MT and the same was commissioned in December, 1998. In a nutshell, KRIBHCO, world’s premier fertilizer producing cooperative has an outstanding track record to its credit in all spheres of its activities. KRIBHCO has fully imbibed the cooperative philosophy and has made sustained efforts
  • 7.
    towards promoting thecause of modern agriculture and cooperatives in the country. Kribhco stands for commitment sincerity and high standards of excellence. In its endeavor towards achieving its goals it is impelled by the ideals set by its predecessors and the devotion and dedication of its employees. 2. AMMONIA PLANT
  • 8.
    2.1 INTRODUCTION TOAMMONIA Ammonia is one of the most important basic chemical of the world, ranking with materials such as sulphuric acid and sodium carbonate. In the fertilizer field, anhydrous ammonia itself has become the major supplier of the fertilizer nitrogen in India and it is also important intermediate in production of more complex chemicals. The major use of ammonia, both directly and indirectly, is as an intermediate in the fertilizer area. There are many other uses, although relatively minor, in both organic and inorganic chemical production for e.g. manufacturing of explosives and acrylonitrile. The main function of ammonia, both as an end product and as an intermediate, is to supply nitrogen in a
  • 9.
    relative form. Ammoniais unique in that, unlike the other basic chemicals, the main constituents, nitrogen is readily available without need for transport and in unlimited quantity. Unfortunately, element nitrogen is a very uncreative and inert material, of little use unless converted to a chemically reactive form. To accomplish such conversion, it has been necessary to adopt extremes of temperature and pressure that are not required for the other basic materials. Conversion of atmospheric nitrogen to usable form is often referred to as Nitrogen Fixation. That is converting to solid or liquid form i.e. reactive enough to be useful. Some plants have roots nodules in which fixation of nitrogen by microbiological means takes place during the growing process. Only a few plant types can do this moreover, the process is so slow that it is not adequate in modern farming practice. The production of ammonia has been found to be more economical than either fixation by plants or production other nitrogen compounds. Since nitrogen is so readily available, the main problem is getting hydrogen that will react with it to form ammonia, water, also readily available is an obvious raw material for making hydrogen. Therefore, the starting material of main importance is the hydrocarbon or coal use to tie up oxygen in the water molecule, thereby reading hydrogen. The major materials used, the order of importance are natural, liquid hydrocarbon. All are widely available, but bringing them to surface, purifying and transporting them involve costs. Each differs in delivered cost and in processing difficulty in hydrogen production.
  • 10.
    A direct applicationof ammonia as a fertilizer involved injection of ammonia under the surface of the soil where high pressure ammonia after release of pressure is held by adsorption on soil practical until converted by soil or plant mechanisms to other forms. This unusual application procedure of ammonia (82% nitrogen) has associated with some hazards because the liquid is handled under pressure and it is toxic chemical. Ammonia contributes significantly to the nutritional needs of terrestrial organisms by serving as a precursor to foodstuffs and fertilizers. It is either directly or indirectly building block for synthesis of many pharmaceuticals. In spite of its wide usage, ammonia is both caustic as well as hazardous. Ammonia as used commercially is often called anhydrous ammonia which signifies the absence of water in the material. Its heat of vaporization is sufficiently high so that it can be readily handled in ordinary beakers in a fume hood. 2.2 PROPERTIES OF AMMONIA: 2.2.1 Physical Properties:  Ammonia is a colourless gas.  It has a pungent odour with and an alkaline or soapy taste. When inhaled suddenly, it brings tears into the eyes.  It is lighter than air and is therefore collected by the downward displacement of air.
  • 11.
     It ishighly soluble in water: One volume of water dissolves about 1300 volumes of ammonia gas. It is due to its high solubility in water that the gas cannot be collected over water.  It can be easily liquefied at room temperature by applying a pressure of about 8-10 atmosphere.  Liquid ammonia boils at 239.6 K (- 33.5°C) under one atmosphere pressure. It has a high latent heat of vaporization (1370 J per gram) and is therefore used in refrigeration plants of ice making machines.  Liquid ammonia freezes at 195.3 K (-77.8°C) to give a white crystalline solid. Structure of ammonia
  • 12.
    Ammonia is acovalent molecule as is shown by its dot structure. The ammonia molecule is formed due to the overlap of three sp3 hybrid orbital and orbital of three hydrogen. The fourth sp3 hybrid orbital is occupied by a lone-pair. This gives a trigonal pyramidal shape to ammonia molecule. The H-N-H bond angle is 107.3°, which is slightly less than the tetrahedral angle of 109°28. This is because the lone pair - bond pair repulsions tend to push the N-H bonds slightly inwards. In liquid and solid states, ammonia is associated through hydrogen bonds. 2.2.2 Chemical Properties:
  • 13.
     Thermal stability Ammoniais highly stable. However, it can be decomposed into hydrogen and nitrogen by passing over heated metallic catalysts or when electric discharge is passed through it.  Combustibility Ammonia is combustible in air. However, it will burn in an atmosphere of oxygen Nitric oxide is obtained when a mixture of ammonia and air is passed over platinum - rhodium catalyst at 800°C  Basic character Ammonia molecule has a strong tendency to donate its lone pair of electrons of nitrogen to other molecules. Thus, it acts like a strong Lewis base. In aqueous solutions, NH3 ionizes in accordance with the reaction. The equilibrium constant for this reaction at 298 K is 1.8 x 10-5 . Thus, ammonia ionizes to a very small extent in aqueous solution. The aqueous solution of ammonia acts as a weak base due to the presence of OH- ions therein.
  • 14.
    Therefore, ammonia turnsred litmus blue and reacts with acids to form salts. For example, 2.3 Uses of ammonia Ammonia is the single most widely used compound in the fertilizer industry. It is the starting material for the production of a various number of nitrogenous fertilizers like ammonium phosphates, ammonium sulphate, ammonium nitrate etc. It is used directly or indirectly as the source for the production of hexamethylenediamine for the manufacture of nylon 6,6. In the manufacture of rayon, ammonia is used in the preparation of ammonical copper hydroxide solution for dissolving the copper linters. Oxidation of propylene with ammonia gives acrylonitrile, used for the manufacture of acrylic fibres, resins and elastomers.
  • 15.
    Hexamethylenetetramine, produced fromammonia and formaldehyde, is usedin the manufacture of phenolic thermosetting resins. Toluene 2,4disocyanate(TDI), employed in the production of polyurethane foam, indirectly consumesammonia because nitric acid is a raw material in the TDI manufacturing process. Urea produced from ammonia is used in the manufacture of urea-formaldehydesynthetic resins. Melamine is produced by polymerization of dicyanidamine andhigh pressure high temperature pyrolysis of urea, in the presence of ammonia. Lesser known uses of Ammonia are  As a refrigerant in both compression and absorption systems  In the pulp and paper industry for the pulping of wood  As a corrosion inhibitor in petroleum refineries.  In rubber production for the stabilization of natural and synthetic latex to prevent coagulation.  In the food and beverage industry as a source of nitrogen required for the growth of yeast and micro-organism  As a curing agent in tanning industries.  In the manufacture of pharmaceuticals such as sulphanilamide, sulfathiazole etc.
  • 16.
     In themanufacture of rayon and urea  In furniture industry, as a cleansing agent for furniture and glass surfaces.  In the manufacture of nitric acid by Ostwald's process.  In the manufacture of sodium carbonate by Solvay's process. 2.4 PROCESS DESCRIPTION : The Hazira Ammonia plant uses the “KBR PURIFIER TECHNOLOGY” and has many features in common with the other Kellog process even though the feed stock used is natural gas. First the feed is subjected to pre-treatment where it is sent to KO drum for moisture removal and then the process starts. The manufacture of ammonia involves the following basics steps: After moisture removal from the knockout drum,  Desulfurisation: Pre-treatment of natural gas feed stock for removal of sulphur, which is poison for catalysts used in ammonia plant.  Reforming : Reforming of the de-sulphurised natural gas with steam in two
  • 17.
    steps to produceagas mixture of hydrogen and carbon dioxide and addition of air in between two stages of reforming.  CO Conversion : Conversion of carbon monoxide to carbon dioxide.  CO2 Absorption and Removal of Carbon Dioxide : By absorption in alkali absorbent.  Methanation: Final purification of the gas in a methanator to give a pure synthesis gas i.e. H2: N2 in a volumetric ratio 3:1.  Cryogenics purification : The purpose of cryogenic purification is to remove impurities from the synthesis gas, by washing the gas with excess nitrogen, and to adjust the hydrogen to nitrogen ratio.  Ammonia Synthesis: Compression of pure synthesis gas and synthesis of H2& N2 in ammonia converter to form ammonia.  Refrigeration : Separation and purification of ammonia to get the final concentrated ammonia product.
  • 18.
    Block Diagram ofAmmonia Plant 1.)DESULPHURISATION The High Pressure Natural Gas (HPNG) feed is delivered, to battery limit at 42 kg/cm2 a and 34°C and passes through HPNG knock out drum for removal of entrained liquid. The pressure at the drum is maintained constant through control valve at 42 kg/cm2 a.
  • 19.
    The natural gasleaving the top of drum is heated in desulphuriser preheater to a temperature of 371°C. There is provision for addition of recycle hydrogen rich synthesis gas into feed gas before pre-heating. This is to take care in the event there is supply of organic sulphur feed gas. The gas at 371°C passes through desulphuriser reactors, operating in parallel. Each desulphuriser reactor vessel comprises of three beds. Topmost bed consists of 12.0 m3 CoMoX catalyst followed by 12.0 m3 ZnO catalyst in each of the remaining two beds. The un reactive sulphur if any in the gas reacts with hydrogen in presence of CoMoX catalyst to form H2S. The H2S and other reactive sulphur in the gas are absorbed by zinc oxide. The natural gas at the exit of desulphuriser is expected to contain less than 0.25 ppm of Sulphur based on 10 ppmv total sulphur in inlet gas. The sulphur free feed gas is mixed with process steam and the combined stream enters the feed preheat coil in the H.T convection section of Primary Reformer furnace.
  • 20.
    Reactions involving inCoMoX catalyst bed: In presence of hydrogen (mixed with feed gas) the catalyst makes thefollowing reactions possible: i. RSH+H2 2S ii. R1SR2+2H2 1H+R2H+H2S iii. COS+H2 2S iv. O2+2H2 2H2O Reaction involved in the ZnO bed: The reaction is basically desulphurization by absorption. ZnO+H2 2O Sulphur compounds are poisonous for the catalyst in ammonia plant. They should be removed from the feed stock before sending the gas to Reformer. This is accomplished in desulphuriser. Sulphur compounds present in the natural gas feed are assumed to be of reactive type, that is they canl be completely removed by hot zinc oxide alone. Natural gas is heated to 300ºC in the de-sulphuriser pre-heater by four gas fired burners. Provision is made to install a bed of cobalt molybdate catalyst in the desulphuriser reactor, should this ever be required to hydrogenate organic sulphur compounds that might be found in the natural gas which might not be eliminated by hot zinc oxide alone. Provision has also been made to mix a recycle hydrogen stream from synthesis gas compressor with natural gas upstream of the desulphuriser pre-heater should this hydrogen be ever needed.
  • 21.
    The preheated naturalhas enters desulphuriser from the top and passed through a bed of zinc oxide. All sulphur in the natural gas is assume to be of reactive type and thus absorbed by zinc oxide. Natural gas exiting desulphuriser is expected to contain less than 0.25 ppm sulphur. NOTE :- It is necessary to convert organic compounds to inorganic form by the use of CoMoXbecause, ZnO2 can only remove sulphur if it is present in inorganicform.The desulfurizer has 3 layers of catalysts, one of CoMoX and the rest of zinc oxide each 12 cubic meter volume. 2.) REFORMING * Primary Reforming Raw synthesis gases is produced by reforming natural gas feed (hydrocarbon) to an intermediate level in the primary reformer using steam in presence of Nickel based catalyst at a pressure of about 33.1 kg/cm2. The hot desulphurised natural gas from desulphuriser outlet is combined with medium pressure superheated steam carbon mole ratio of 3.5 : 1.0.The actual amount of steam required is dependent on Carbon/Hydrogen ratio of the feed.
  • 22.
    The combined steamnatural gas mixture is then preheated to 510ºC in the mixed feed preheat coil located in the convection zone of the primary Reformer furnace utilizing the heat from the hot flue gases leaving the reformer, radiant section. The Primary Reformer consists of 504 tubes suspended in 12 rows of 42 parallel tubes each, in the radiant section. Each row of tubes terminates in a manifold placed within the radiant section of furnace. There are 12 centrally located risers on each of these manifolds. These risers lead the gas flow to a water jacketed transfer line located over the top of primary Reformer furnace. As the reforming reaction is endothermic heat is supplied externally to the tubes. The furnace operates with down-firing of Natural gas between the tubes to develop a process gas temperature of 818ºC at the catalyst tube outlet. There are 234 Arch burners arranged in 13 rows of 18 burners each. Natural gas, purge and flash gases from ammonia synthesis loop and Absorber K.O. drum are used as fuel for the reformer furnace. Inside the catalyst tubes the natural gas-steam reforming reaction takes place. The gas mixture is passing through the risers, attains a temp of about 821ºC. Some heat leakage from gas, passing through transfer line to the water jacket takes place. The transfer line directs the partially reformed gas into the secondary reformer at the following conditions: Pressure : 33.1 Kg/cm2 Temperature : 824ºC
  • 23.
    Reforming Reaction : CH4+ H2O + Heat ==> CO + 3H2 CO + H2O ==> CO2 + H2 + Heat Reforming Variables TEMPERATURE: As the temperature increases the methane and carbon dioxide decrease and vice versa. STEAM RATE: The most economical steam to carbon mole ratio is 3.5 : 1.0. As we increase this ratio the methane and CO2 decrease and vice versa. Carbon Formation : It is a serious problem in catalyst by tubes when higher hydrocarbons are used as feed stock. Carbon deposition will hinder reforming and reduce heat transfer. So that the tube wall temp will rise in that zone producing “hot bands” and “hot tubes”. Carbon formation also causes disintegration of catalyst resulting in higher pressure drop in reformer tubes and consequent life catalyst.
  • 24.
    Flue Gas System Thereformer furnace is designed to attain maximum thermal efficiency by recovering heat from the flue gases leaving the reformer radiant section. The desired draft is induced by the induced draft fan, having a condensing steam turbine drive. The reformer also comprises of an auxiliary boiler for generation of 105.5 kg/cm2 steam. The cooled flue gases leave the combustion air pre-heater at temp 135ºC and discharged through a stack to atmosphere by induced draft fan maintaining a negative reformer furnace pressure of 6mm water gauge. The combustion air is sent to the arch and auxiliary boilers by a forced draft fan after preheating the combustion air to 427ºC. in the air pre-heater by recovering sensible heat of the flue gases.  Secondary Reforming Partially reformed gas from the water jacketed transfer lined is directed to the refractory lined and water jacketed secondary reformer tangentially. Once it enters the secondary reformer, gases flow downward where the gas and air are mixed before entering catalyst bed of secondary reformed. Compressed process air supplied by process air compressor at pressure of 34.5 kg/cm2 and 131.6ºC is preheated to 482ºC. The amount of air is fixed by nitrogen requirement for ammonia synthesis.
  • 25.
    Preheated air-steam mixerfrom the coil enters the secondary reformer vertically through the centrally located air burners. Instantaneous mixing and rapid combustion of the air and reformed gas takes place as per the following equation with sharp temperature rise at 1238ºC. 2H2 + (O2 + Air 3.8 N2) ==> 2H2O + 3.8N2 + Heat CH4 + (O2 + Air 3.8 N2) ==> CO2 + CO + H2O + N2 + Heat After combustion step the gas mixture flows downward through the bed of secondary reforming catalyst. The heat produced by the combustion is utilized in completing the methane steam reforming reaction to reduce the CH4 content in secondary reformer outlet gas to 0.32 %. The catalyst in secondary reformer is Chromium at the top and Nickel reforming catalyst at the bottom. The shallow layer of chromium has a high fusion temperature and protect the lower layer of Nickel catalyst. Nickel volume- 36 cubic meter NOTE :K2O is added in the reformers to prevent choking. K20 gets converted to K(OH) in the top section of the reformer. Air to gas ratio in secondary reformer is : In purifier mode : 3.25 : 1.0 In conventional mode : 2.85:1
  • 26.
    Heat Recovery FromReformed Gas : Reformed gas with process steam at 996ºC from secondary reformer passes through the shell side of two parallel flow refractory lined water jacketed primary waste heat boiler to cool to 482ºC. Then gas is passed through tube side of secondary waste heat boiler to decrease the temperature at 371ºC which is inlet temp of gas to high temperature shift converter. 3.) SHIFT CONVERSION HIGH TEMPERATURE SHIFT CONVERSION It is actually a two converter system, high and low temperature. The reformed gas enter the HT shift converter at 371ºC and 31.3 Kg/cm2 & flow through the catalyst (Chromium) bed. CO + H2O ==> CO2 + H2 + Heat As per this equation most of carbon monoxide is converting into carbon dioxide gaining an additional mole of hydrogen. Heat Recovery From HT Shifted Gas: HT shifted gas coming out from HT shift converter passed through the tube side of primary shift waste heat boiler to cool the gas at 332ºC temperature. The gas is then passed through the tube side of methanator feed heater. Gas coming from the tube side of is 230ºC, the gas next flows to LT shift inlet trim cooler.
  • 27.
    LT SHIFT CONVERSION: Inthis converter 3.3 % CO content is decrease to 0.3%. The catalyst provided in LTS is copper zinc which is highly sensitive for sulfur and chloride poisoning and high temp. With a fresh catalyst it is desirable to operate it lower inlet temperature of 204ºC and as catalyst ages the temperature gradually rises to 224ºC. The gas comes out from the LT shift converter at 236ºC and 29.6 Kg/cm2 Heat Recovery from LT Shifted Gas The heat is recovered and sent to the CO2 absorber. The steam from the LTSC is passed through the various heat exchanger units to cool at 93ºC and the stream enters the raw gas separator to separate condensate and the gas flows to CO2 absorber. NOTE: We do not use a series arrangement though it yields high conversion because it creates a very big pressure drop. Hence current trend is to use a parallel arrangement which gives low pressure drop and low conversion. HTS - 73.5 cubic meter Cu promoted FeO catalyst. LTS - 2 parallel beds: One bed has 22.65 cubic meter volume and both bed contain Cu20 and ZnO with R2O3( Al2O3, Fe2O3 etc.)
  • 28.
    Chlorine removal- SinceKRIBHCO is located near the sea; the air contains traces of NaCl in it. Hence a CONFIDENTIAL catalyst along with Cu0 and ZnO is used for removal of chlorine. Steam/Carbon ratio is as follows: In purifier mode - 2.6 : 1 In conventional mode - 3.3 : 1 4.) CO2 ABSORPTION AND STRIPPING Operating conditions Absorber- Low temperature, high pressure. Packed bed is used. Stripper- High temperature, low pressure. Solution with carbon dioxide is stripped and a-AMDEA is recycled. The raw synthesis gas is introduced to the bottom of CO2 absorber tower. Absorber is a cylindrical tower and has four bed packed with rings for large surface area and to increase a contact time between the gas and Benfield solution while flowing counter currently to the gas. A 30 % (By wt) K2CO3 solution enriched with 3 % of diethanol amine (DEA) as an activator and 0.3 to 0.5 % by wt V2O5 as a corrosion inhibitor is called the Benfield solution and is a good reagent to CO2 absorption stage. Partially regenerated Benfield solution is made to contact with gas leaving 1 % of CO2. In secondary stage the fully
  • 29.
    regenerated and coolsolution is contacting gas to reduce the CO2 less than 0.1 % by volume. K2 CO3 + H2 + CO2 ==> 2KHCO3 The rich a-MDEA solution with absorbed CO2 from the bottom of the absorber is send to the upper portion of CO2 stripper. Regeneration of a-MDEA solution: In CO2 stripper a-MDEA is regenerated for reuse. The stripper contain 3 beds packed with packed rings. The upper two bed rich solution is partially stripped of CO2 at 122ºC to serve the partially regenerated stream delivered to the third bed of the top of the absorber. In the bottom of bed most of CO2 is stripped and delivered to the top of absorber. The stripper is operated at 130ºC temperature and 1 Kg/cm2 Carbon dioxide saturated with water vapours at 101ºC flow to the CO2 stripper condensers and is cooled with air to 55ºC. The condensed water vapour in the gas is separated in CO2 reflux drum.The carbon dioxide saturated with water vapours is cooled to 40ºC by cooling water. Condensed water vapour is separated in CO2 product drum CO2 product is sent to urea plant of vented to atmosphere by pressure control valves.
  • 30.
    5.) METHANATION Raw synthesisgas from CO2 Absorber, after having the bulk of CO2 removed. For Ammonia synthesis a very pure gas mixture of H2 and N2 in the ratio of 3:1 by volume is required and the small amounts of CO2 and CO is as seen in the above analysis are poisonous to the ammonia synthesis catalyst. These oxides are removed by converting them into methane in Methanator by a highly active nickel based catalyst in presence of CO2.
  • 31.
    Methanation reactions aregiven below: CO + 3H2 ==> CH4 + H2O + Heat CO2 + 4H2 ==> CH4 + 2H2O + Heat Both these reactions are highly exothermic, and hence extreme care is to be taken while operating Methanator. The design temperature of the Methanator is 454ºC filled with a single bed of Nickel catalyst operated at a temperature of around 315ºC inlet. As methanation reaction takes place at elevated temperature the Absorber effluent gas is heated to the reaction temperature in two Heat Exchangers, the first being syn. gas Methanator Feed Exchanger and in the second exchanger (Methanator Feed Heater) the gas after passing through methanation catalyst bed leaves through the bottom of the reactor at following condition. Pressure: Approx. 27.75 Kg/cm2 Temp. : 345ºC. 6.) DEHYDRATION SYSTEM  The process gas needs to be dried before entering the cryogenic purification unit to prevent formation of ice in the purification process.  To minimize water content in the feed to the driers, a new Molecular Sieve Suction Chiller has been installed. The gas stream is cooled to4°C with ammonia refrigerant before entering the K.O. Drum. Condensate collected in it
  • 32.
    is removed vialevel control valve to condensate stripper. Approximately 97% of the water contained in the process gas stream from the methanator is removed in K.O. Drum. This reduces the load on the driers.  The gas stream from the Drum at 4°C and 27 kg/cm2 (g), is sent to the 2 Molecular Sieve Driers. The driers are sized to remove residual carbon dioxide, ammonia and water. The drier desiccant is Type 13X Zeolite adsorbent. The volume of desiccant is 44 m3 in each molecular sieve drier. The driers are on a 24 hour drying cycle. One drier is in service for 24 hours and the other is in regeneration or standby.  The gas stream leaving the online drier, containing a total carbon dioxide, ammonia, and water content of less than 1.0 ppmv, passes through the Molecular Sieve Drier Filter before being sent to the cryogenic purification system at approximately 4°C, 26.6 kg/cm2(g). 7.) CRYOGENIC PURIFICATION  Dry process gas from the dehydration system is sent to the cryogenic purification system. The purpose of cryogenic purification is to remove impurities from the synthesis gas, by washing the gas with excess nitrogen, and to adjust the hydrogen to nitrogen ratio.  Dried raw synthesis gas is cooled to about minus 130°C in the cryogenic purifier by heat exchange with make-up syn
  • 33.
    gas and withpurifier vent gas in the upper plate fin exchanger.  The gas then flows through a turbo expander where energy is removed to develop the net refrigeration required for the purifier. Expander energy is recovered by generating electricity in Purifier Expander Generator. The pressure drop across the expander is about 2.1 kg/cm2 .  The expander effluent is further cooled to minus 175.5°C and partially condensed in Purifier Condenser and then enters the purifier rectifier column. Liquid from the bottom of the rectifier is partially evaporated at reduced pressure in the shell side of the rectifier overhead condenser. This cools the rectifier overhead and generates reflux for the rectifier.  The rectifier bottoms contain the excess nitrogen, all of the methane and about 53percent of the argon.  The partially evaporated liquid leaving the shell side of the rectifier overhead condenser is reheated and vaporized by exchange with the purifier feed and then leaves the purifier as waste gas. The waste gas is used to regenerate the syn gas drier and then sent as fuel to the auxiliary boiler in the primary reformer via. Waste Gas Filter.  The make-up syn gas from the top of the rectifier overhead condenser is reheated by exchange with purifier feed to about plus 2°C and sent to the syn gas
  • 34.
    compressor at 24.4Kg/cm2 (a). The operation of the purifier is controlled by a hydrogen analyzer on the syn gas; to maintain the exact ratio of 2.998 to 1 (hydrogen to nitrogen) at synthesis gas compressor second stage suction.  The only remaining contaminant in the make-up syn gas is about 0.23 percent argon. 8.) COMPRESSION OF PURIFIED SYNTHESIS GAS The pure syn. gas is compressed in a turbine driven two stage centrifugal compressor. Inter case cooling and chilling is provided for optimum volumetric efficiency. Ammonia is separated in Ammonia separator 1.7 % of ammonia is admitted in recycle stage of synthesis compressor. The Compressor outlet gases at 19ºC are cooled with cooling water in syn. gas compressor after 156 to 40ºC. KRIBHCO uses purifier mode where more air is passed so more nitrogen is available. Gas is cooled at -175 degree Celsius and moisture etc. freezes. Hence the efficiency of purifier decreases. So first drier is used where ZEOLITE 13Xis used as a catalyst to absorb moisture. This zeolite is Al supported.
  • 35.
    SYNTHESIS CONVERTER Synthesis converterconsists of high pressure shell containing catalyst section and a heat exchanger. The catalyst section is a cylindrical shell which fits inside a pressure shell and is called the basket. The basket contains three catalyst beds, each supported on screen converted grids. The gas leaves the converter at a pressure of 203.6 Kg/cm2 and temp of 325ºC. 9.) AMMONIA SYNTHESIS Synthesis gas from the compressor second case discharge at a pressure of 210 Kg/cm2 and 119ºC flows through the shell side of syn. gas compressor after cooler to 40ºC by cooling water. It is further cooled to 5.6ºC in tube side of make up gas chiller by means of Refrigerant ammonia from stage refrigerant drum, recycle gas discharges at a pressure of 219 Kg/cm2and now flows to ammonia synthesis loop and heated to 140ºC in the tube side of ammonia converter feed. In the ammonia converter synthesis reaction takes place at a temperature of 480ºC. N2 + 3H2 ==> 2NH3 + Heat The converter outlet gas at a temperature of 325ºC.flows through tube side of ammonia converter exchanger. Outlet temperature is 164ºC. Converted gas then flows through shell side of ammonia converter feed effluent exchanger. Temperature is reduced to 52ºC Gas is
  • 36.
    further cooled to40ºC in recycle gas cooler by means of cooling water. Chilling of recycle gas is done in tube side of recycle gas/converter fed exchanger and chilled to 6ºC. In second stage chiller where it is chilled to –5.6ºC by refrigerant ammonia from third stage refrigerant flash drum. It is further chilled to –12.5ºC in tube side of feed and recycled gas/converter feed exchanger by using gas from outlet of ammonia separator. Final chilling to –23.3º C is done by using refrigerant ammonia from fourth stage refrigerant flash drum in shell side. Liquid ammonia is separated in ammonia separator. 10.) REFRIGERATION SYSTEM  The primary purpose of the refrigeration is to condense ammonia for separating it from the converter feed. Further it is applied to cool the make up gas for separation of water, to condense and recover liquid ammonia from purge and flash gases, and to cool the product to –33.0ºC.  It consists of first, second, third and fourth stage refrigerant flash drums. These four drums are combined in one single vessel with partitions with operation pressure of 7.2 kg/cm2 and 1.014 kg/cm2 respectively. This pressure is controlled by refrigerant compressor at different stages.  The ammonia product, which is separated from the syn. gas loop in ammonia separator is sub-cooled (-19°C) for max. ammonia condensation. This subcooling at 176kg/cm2 (g) pressure level of syn. gas causes some
  • 37.
    hydrogen, nitrogen, methane& argon to be absorbed by the liquid and results in a contaminated ammonia product.  To remove the absorbed gases from the ammonia product, it is first flashed in the ammonia letdown drum The flash gas leaving is released via PIC-8that is set to hold (about 17.9 kg/cm2 a) backpressure preventing over flash.  The liquid ammonia leaving the drum is routed to two points in the ammonia refrigeration system. One stream is let down to the first stage refrigerant flash drum by flow controller. The remaining stream is letdown to the fourth stage refrigerant drum by level control.  The design of the system is such that either warm ammonia product at 18°C and 24kg/cm2 a can be supplied or cold product at -33°C is supplied to atmospheric storage.  Warm product comes from refrigerant receiver at 38°C and joins with the cold ammonia at the suction of warm ammonia product pump.
  • 38.
     The majorduty on the ammonia refrigeration compressor is through the chillers which extract heat from the synthesis loop. There are 4 chillers. Additional heat extraction duty for the ammonia refrigeration system includes synthesis gas compressor inter-case chiller and flash gas chiller in ammonia refrigeration compressor final discharge system. All of these chillers operate at different temp levels, set by, the pressure levels of each refrigeration stage flash drum. 11.) PURGE GAS SEPARATION The purge gas separation plant allows in the first step to recover ammonia contained in the purge gas coming from two ammonia plants. Secondly the purge gas is washed off from traces of ammonia and water in the purification section before going to the cryogenic separation. The recovered hydrogen product stream returns to the suction of the second stage of synthesis gas compressor, while the residual gas stream goes to the fuel gas network. a. AMMONIA RECOVERY SYSTEM: In this section ammonia is recovered from the incoming gas as it contains considerable amount of ammonia, so as not to clog the cryogenic section later. In the Ammonia recovery system purge gas is washed off of ammonia with demineralised water in the washing column by absorption. The rich aqueous ammonia from the bottom of the washing column is fed to the distillation
  • 39.
    column where theammonia is recovered in anhydrous form and fed to the main ammonia receiver of both ammonia plants. The regenerated solution again recycles back to absorption column for absorption of ammonia in the fresh gas. b. PURIFICATION SECTION: Traces of ammonia and water are removed so as to avoid freezing in the cryogenic section. This is performed in two steps. First the purge gas is cooled to 35°C which is coming from washing column top in an exchanger and in the second step the purge gas is then purified in one of the two adsorbers. Each of the adsorbers contains one bed of Activated Alumina and one bed of molecular sieves. Regeneration of adsorbers is done by part of the fuel gas stream. c. CRYOGENIC SEPARATION SECTION: When a mixture of gases with relatively different condensing temperatures is progressively cooled down, the condensed liquid contains a mixture of all absorbed gaseous constituents, but in proportions different from that present initially in the gas mixture. It mostly contains easily condensable products which is only a small portion compared to the constituents difficult to condense.
  • 40.
    This is avery easy process of separation but it is only possible for gas mixtures where the condensing temperature of individual components are considerably different from each other. This separation process is used in the cold box to separate hydrogen from methane and argon. Nitrogen is partially recovered with hydrogen and partially carried over into the liquefied mixture, containing methane and argon. The purified gas is cooled down in an aluminium exchanger to a temperature low enough to obtain desired purity of hydrogen. At the outlet of exchanger the gas and liquid fractions are separated. Gaseous fraction is warmed up as it passes up through exchanger, giving it’s cold to warm purge gas. The CH4 content of the purge gas from the purifier based synthesis loop is very low. Therefore, a small amount of liquid from the bottom of Purifier – Rectifier is added to the separation the PGR unit. This liquid stream contains approx. 16.8% CH4 & N2. This provides the necessary chilling requirement for the COLD BOX. The separator operates at around 54.0 Kg/cm2 (g).
  • 41.
    2. UREA PLANT Ureais a white crystalline substance with the chemical formula CO(NH2)2;it is highly water soluble and contains 46% nitrogen. It was the first organic compound ever synthesized by
  • 42.
    chemists; this wasaccomplished in the early 1800s. it is produced in Prilled as well as in Granular forms. UREA (also called CARBAMIDE) is the diamide of carbonic acid. It is a colourless, crystalline substance that melts at 132.7º C and decomposes before boiling. Urea has important uses as a fertilizer and feed supplement, as well as a starting material for the manufacture of plastics and drugs. Urea is prepared commercially in vast amounts from liquid ammonia and liquid carbon dioxide. These two materials are combined under high pressures and elevated temperatures to form ammonium carbamate, which then decomposes at much lower pressures to yield urea and water. Because its nitrogen content is high and is readily converted to ammonia in the soil, urea is one of the most concentrated nitrogenous fertilizers. An inexpensive compound, it is incorporated in mixed fertilizers as well as being applied alone to the soil or sprayed on foliage. With formaldehyde it gives methylene-urea fertilizers, which release nitrogen slowly, continuously, and uniformly, a full year's supply being applied at one time. Although urea nitrogen is in nonprotein form, it can be utilized by ruminant animals (cattle, sheep), and a significant part of these animals' protein requirements can be met in this way. The use of urea to make urea-formaldehyde resin is second in importance only to its use as a fertilizer. Large amounts of urea are also used for the synthesis of barbiturates. Urea reacts with alcohols to form urethanes and with malonic esters to give barbituric acids. With certain straight-chain aliphatic hydrocarbons and their derivatives, urea forms crystalline inclusion compounds, which are useful for purifying the included substances.
  • 43.
    Prilled Urea Urea prillsare formed by dropping liquid urea from a prilling tower into droplets that dry into roughly spherical shapes 1mm to 4 mm in diameter. The counter current of air is used as the cooling media for solidification of prills falling from top of prilling tower. Kribhco produces prilled urea at its manufacturing site at Hazira.
  • 44.
    3.1) PROPERTIES OFUREA Physical Propertiesof Urea Mol. wt : 60.05 Avg. Nitrogen : 46.4 % Melting point : 132.70 C Boiling point : Decomposes before boiling at atmospheric pressure. Sp. gravity : 1.330 at 250 C 1.225 at 132.70C. Viscosity (at 132.70 C) : 2.58 Cp Heat of solution in water : 57.8 KCal/kg Sp. heat at 250 C : 0.321 KCal/kg0 C Solubility at 200 C : 51.6/100 kg of Urea solution.
  • 45.
    Crystallization temp.of Ureasoln. : 1200 C at 95.5 % Urea 1300 C at 99.2 % Urea Bulk density (Prilled Urea) : 0.65 tonne/ m3 Angle of repose : 230 for Urea prills by remeltprilling, 320 for Urea prills by evaporation prilling. CHEMICAL PROPERTIES White crystalline powder General Description Solid odorless white crystals or pellets.Density 1.335 gm /cm3 .Noncombustible. Air & Water Reactions Water soluble. Reactivity Profile Urea is a weak base. Reacts with hypochlorites to form nitrogen trichloride which explodes spontaneously in air .Same is true for phosphorus pentachloride. Urea reacts with azo and diazo compounds to generate toxic gases. Reacts with strong reducing agents to form flammable gases (hydrogen). The heating of improper stoichiometric amounts of Urea and sodium nitrite lead to an explosion. Heated mixtures of oxalic acid and Urea yielded rapid evolution of gases, carbon dioxide, carbon
  • 46.
    monoxide and ammonia(if hot, can be explosive). Titanium tetrachloride and Urea slowly formed a complex during 6 weeks at 80°C., decomposed violently at 90°C. Urea ignites spontaneously on stirring with nitrosyl perchlorate, (due to the formation of the diazonium perchlorate). Oxalic acid and Urea react at high temperatures to form toxic and flammable ammonia and carbon monoxide gasses, and inert CO2 gas Health Hazard May cause irritation to eyes. Fire Hazard Behavior in Fire: Melts and decomposes, generating ammonia. 3.2- Applications of Urea : 1.Fertilizer Grade : The principal field of application of Urea is for agriculture purpose as a Nitrogenous fertilizer grade Urea is generally marketed in the forms of prills due to its free flowing characteristics. A certain quality of urea is also used for making fertilizer like NP or NPK of different grades. 2.Feed Grade : Apart from its use as a nitrogenous fertilizer urea is also used for the purpose of animal feed as a protein supplement in some of the advance countries. 3.TechnicalGrade : Another important application of urea is for the manufacture of thermosetting resins, the most important among which are urea formaldehyde, urea melamine etc. Further is also used for
  • 47.
    manufacture of severalother chemicals and pharmaceuticals etc. 3.3-ProcessDescription : In KRIBHCO the process employed is Snamprogetti process from Italy.Urea today occupies the key position amongst the various solid nitrogenous fertilizers by virtue of its highest nitrogen content (Pure urea contains 46.64 % Nitrogen) which allows a considerable saving in transportation and distribution cost. The urea production takes place through the following main operations: a) Urea synthesis and high pressure recovery b) Urea purification and low pressure recovery c) Urea concentration d) Urea prilling e) Waste water treatment
  • 48.
     Urea synthesisand high pressure recovery Urea is produced by synthesis from liquid NH3 and gaseous CO2. NH3 and CO2 react in the reactor to form ammonium carbamate, a portion of which gets dehydrated to form Urea and water. The reactions are as follows: 2 NH3 + CO2 =>NH2COONH4 NH2COONH4 => NH2CONH2 + H2O Under synthesis conditions of 190ᵒC temperature and 160 kg/cm2 pressure, the first reaction occurs rapidly and goes to completion while the second reaction is slow and determines the reactor volume. The fraction of ammonium carbamate that dehydrates to form urea is determined by NH3 /CO2 mole ratio, H2O/CO2 mole ratio, operating
  • 49.
    temperature and pressureand the residence time in the reactor. Here we have, N/C = 3.6 H/C = 0.67 Residence time = 45 minutes (at 100% load) CO2 conversion = 65% The liquid NH3 coming directly from the battery limit at 25ᵒC is collected in the ammonia receiver, from where it is drawn and pumped at 23 atm pressure by means of an ammonia booster pump, part of this NH3 is sent to M.P. absorber, the remaining part is pumped by means of low speed heavy duty triplex plunger pump at a pressure of 240 atm. Before entering reactor, it is used as driving fluid in the carbamate recycle ejector where the carbamate coming from carbamate separator is pressurised up to the synthesis pressure for recycling it to reactor. The liquid mixture of NH3 and carbamate enters the reactor where it reacts with gaseous CO2. CO2 drawn at urea plant battery limit at 1.4 atm pressure and 40 ᵒC temperatures is sucked by a centrifugal compressor and compressed up to a pressure of 160 atm. A small quantity of air is added to the CO2at suction in order to passivate the stainless steel surfaces in H.P. and M.P. sections thus protecting them from corrosion due to carbamate/Urea solution.
  • 50.
    The reaction productsleaving reactor flow to the steam heated falling film exchanger, stripper operating at almost the same pressure as reactor. The solution is heated as it flows down the falling film exchanger. The CO2content of the solution is reduced by the stripping action of the excess NH3as is boils out of the solution in stripper tubes. The heat for carbamate decomposition and excess NH3 liberation is supplied by 24 atm saturated steam (MS). The overhead gases from the stripper are mixed in a mixer with the recovered solution from the M.P. absorber and flow via an additional baffle mixer to H.P. carbamate condenser where the total mixture, except for a few inert, is condensed. After inert separation in carbamate separator, it is recycled to reactor by means of ejector. The non-condensable gases along with a little quantity of NH3 and CO2from the top of carbamate separator are sent to the bottom of M.P. decomposer. Condensing the gases at high pressure and temperature permits the production of low pressure steam at 4.5 atm pressure in the shell side of carbamate condenser.  Urea purification and low pressure recovery
  • 51.
    Urea purification takesplace in two stage decreasing pressure. FIRST STAGE AT 18 atm PRESSURE: The solution with low residual CO2 content from the bottom of the stripper is let down to pressure of 18 atm and enters the falling film type medium pressure decomposer. M.P decomposer is divided into three parts: 1. Top separator where released gases are removed before the solution enters the tube bundles. 2. The decomposition sectionwhere the residual carbamate is decomposed and the required heat is supplied by means of 24 atm condensate flowing out of stripper. 3. Bottom holder to collect the Urea solution. The NH3 and CO2 rich gas leaving the top separator are send to the
  • 52.
    medium pressure condenserwhere they are partly absorbed in aqueous carbamate solution coming from recovery section at 4.5 atm. The absorption heat is removed by cooling water. The liquid- vapor mixture from M.P condenser flows to M.P. absorber which is a bubble-cap type tray column performing CO2 absorption and NH3 rectification of the vapor phase. The trays are fed by pure NH3; reflux is drawn from ammonia booster pump discharge which eliminates residual CO2 and H2O from the exit gases. MP condenser CO2 is almost totally absorbed the mixture from MP condenser flows to the medium pressure absorber where the gas coming from the solution enters the rectification. This is of bubble cap tray type and performed CO2 absorption and H2 rectification. A current of gases with ammonia and inert with a minimum CO2 residue comes out of the top of rectification section and bottom solution is recycled to H.P recovery section. NH3 with inert gases leaving the column top is partially condensed in the ammonia condenser. From where two phases are sent to ammonia receiver. The inert gases saturated with NH3 leaving the receiver, enter the ammonia recovery tower where additional amount of NH3 is condensed by the cold NH3 coming from the urea plant battery limit. The condensed NH3 is recovered in NH3 receiver. The inert gases with the residual NH3 content are sent to the inert wash tower where they meet counter current water flow which
  • 53.
    absorbs gaseous NH3.The absorption heat is removed by cooling water, from the bottom of the tower; water ammonia solution is recycled back to medium pressure absorber by means of centrifugal pump. Now there are three valves trays in inert wash tower where the inert gases are submitted to final washing by means of the cold condensate. The inert are sent to the blow down are free from ammonia. SECOND STAGE AT 4.5 atm PRESSURE: The solution leaving the bottom of medium pressure decomposer is expanded at 4.5 ata pressure and enters the low pressure decomposer falling film type. This is divided into three parts:  Top separator where the flash gases are removed before the solution enter the tube bundle.  The decomposition section where the last residual carbamate is decomposed and required heat is supplied by means of stream saturated at 4.5 atm.  Bottom holder to collect the Urea solution. The gas is leaving the top separator are send to the low pressure condenser where they are absorbed in aqueous carbamate solution from the waste water treatment section. The absorption and
  • 54.
    condensation heat isremoved by the cooling water. From the condenser bottom the liquid phase, with the remaining inert gases is send to carbamate solution tank. From here carbamate solution is recycled back to medium pressure condenser by means of centrifugal pump. The inert gases with essentially contain NH3vapour flow directly in to the low pressure falling film absorber where the ammonia is absorbed by a counter current water flow. The absorption heat is removed by cooling water. The inert gases are washed in the low pressure inert washing towerandare collected to blow down practically free from ammonia. BLOCK DIAGRAM OF UREA PLANT
  • 55.
     UREA CONCENTRATION Inorder to concentrate the urea solution to 99.7 %, a two stage vacuum concentration section has been provided. The urea solution leaving medium pressure holder with about 69% urea is sent to tube side of pre-concentrator is operating at 0.33 ata pressure. The pre-concentrator is divided into three parts:  First part is top separator where flashed gases are removed before the solution enters the tube bundle. The vapors from top separator
  • 56.
    are extracted bypre-concentrator vacuum system.  Second part is concentrator section here the solution is being concentrated up to 85 %. The heat is supplied by condensing the M.P decomposer off gases along with absorbent from M.P Carbonate pump discharge.  Third part is bottom holder to collect the urea solution. The urea solution leaving vacuum pre-concentrator separator is pumped to 1st vacuum concentrator operating at 0.3 atm pressure by one of the pumps vacuum concentrator feed pump. The mixed phase coming out of enters I vacuum separator where from the vapors are extracted by the 1st vacuum system, while the solution with 95% urea enters the 2nd vacuum concentrator operating at 0.03 atm pressure. The mixed phase coming out of 2nd vacuum concentrator enters the 2nd vacuum separator where from the vapors are extracted by the II vacuum system. The two concentrators are fed by L.P. saturated steam at 4.5 atm for supplying heat for water evaporation.
  • 57.
     Urea prilling Themelted Urea leaving the second vacuum separator is sent to the prill bucket by means of centrifugal pump. The Urea coming out of the bucket rotating at 250-300 rpm is in the form of drops falling along the prilling tower and encounters a cold air flow which causes its solidification and cooling. The solid prills falling to the bottom of prilling towers are sent to the belt conveyor by the rotary scraper. From here they are sent through screeners to retain lumps only and then to belt conveyor which carries the product to the automatic weighing machine and to the Urea
  • 58.
    storage section orbagging unit.  Waste water treatment The water containing ammonia, urea and carbon dioxide, coming from the first and second vacuum system is collected in the buffer waste water tank. From this tank solution is pumped to the waste buffer tank and then it is pumped to the waste water distillation tower operating at a pressure of 2.5 atm. Before entering to distillation tower the solution is preheated in exchangers by means of the purified water flowing out of the reboiler of distillation tower. From these after a first stripping of ammonia in upper part of tower, it is pump to the M.P hydrolyser where urea is decomposed by means of steam at 24 atm. Here before entering the M.P hydrolyser, the solution is preheated in an exchanger with the solution coming out of itself. The vapors produced in M.P hydrolyser are sent to the overhead condenser, while the solution after getting cooled in exchanger is pumped by H.P hydrolyser feed pump to the deep hydrolyser where urea is almost totally hydrolysed by direct mixing of H. P. steam in H.P hydrolyser. Before entering to H.P hydrolyser, the solution is preheated in exchangers with the solution coming out of itself. The vapors produced in hydrolyser are sent M.P hydrolyser for heat recovery while the solution after getting cooled in exchanger returns to the top of the lower part of tower in which the remaining NH3is stripped out
  • 59.
    by means ofvapour produced in reboiler of tower. The vapors leaving the top of tower, along with those obtained from M.P hydrolyser are condensed in overhead condenser where from the carbonate solution flows to the reflux accumulator. The heat of condensation in overhead condenser is removed by cooling water. The carbonate solution from reflux accumulator is recycled back to the L.P. condenser by means of reflux pump and the inert carrying small quantity of NH3vapors are vented in air.
  • 61.
    DEMAND - SUPPLYDATA CO2 from the battery limit : 51031 kg/hr NH3 and carbamate in reactor : 112068 kg/hr Urea manufactured : 1662.5 MMTD  MANUFACTURES IN INDIA Urea is mainly required for fertilizer manufacturing . In India the major urea manufacturing firms are : 1. IFFCO (INDIAN FARMERS FERTILIZER CORP.) 2. GSFC (GUJARAT STATE FERTILIZERS CO. Ltd) 3. HFC (HINDUSTAN FERTILIZER CORP.) 4. RCF (RASTRIYA CHEMICALS AND FERTILIZERS) 5. F&C (FERTILIZERS & CHEMICALS) 6. COROMANDEL FERTILIZERS Ltd.
  • 62.
    4. SOME OFFSITEPLANTS: 4.1. COOLINGTOWERS: The cooling water requirement of plants is around 80000 m3/hr. This water is circulating in a loop for cooling purpose in various plants. So the temperature of water increases. Due to scarcity of water it is necessary to cool this same water in cooling towers. There are total five cooling towers one each for urea phase I & II. One each for ammonia phase I & II and one for power plant and offsite facility. The ammonia cooling tower is having 7 cells and dimensions are 77.01 x 22.89 x 14.42 M. Each cell is provided with an induced draft fan of 8 blade, 112 rpm speed and handling around 543 m3/sec of air. The blade is made of fibre glass reinforced polyester material for lesser energy consumption. The tower is capable to cool 22,231 m3/hr. of water from 45ºC to 35ºC, when wet bulb temp. is 30ºC that is a range of 10ºC and approach of 5ºC. The urea cooling tower is having 6 cells and cooling capacity of 17,000 m3/hr. The construction is same as ammonia cooling tower. The power plant cooling having 4 cells and capable to cool around 2000 m3/hr. of water from 40ºC to 30ºC using 1,215 m3/hr of air through each cell.
  • 63.
    The Hazira ammoniaplant The cooling water of all cooling towers are chemically treated and properly filtered for quality as pH : 6.2 to 6.8 Turbidity : less than 5 NTU Total hardness: less than 450 ppm as CaCO3 The above quality is achieved by chemical dosing continuous blow down and side streams filtration. The side stream filteration in sand filters keep turbidity around 1 NTU. The microorganism is controlled by dosing chlorine in outlet of cooling towers. 4.2. AMMONIA STORAGE TANK Ammonia storage tank is vertical cylindrical type domed roof and designed as a double integrity or cup in tank. The tank material of construction is A53b grade 70 impact tested at -50ºC because the boiling point of ammonia is -33ºC and ordinary carbon steel vessels working at sub zero temperature are liable to tittle structure under stress. Internal Design of Tank The liquid ammonia is help, up into the inner cup. The inner cup is covered at the top by a suspended deck extending upto the outlet shell. The deck hangs about 250 mm above the inner cup. One central hole is provided on the deck which allows ammonia vapour to escape and fill up the annular tank portion and the top portion of the tank. This vapour serves as inner insulation from heat and penetration to the liquid ammonia, the deck is insulated on the top. The central hole of the deck is further covered with a separate suspended deck to prevent direct penetration of heat. Both the decks are of aluminium sheet 3.2 mm thickness. The top dome does not require any insulation because of inner vapor insulation. There are further eight
  • 64.
    number holes atthe periphery of the deck cover through which vertical tubes are hanged in to annular portion to allow the vapour ammonia to fill the annular portion. This tubes are called balancing tubes. Design data (a) Tank numbers : Two (b) Capacity : 10000 MT (c) Diameter : Inner tank 40000 mm : Outer tank 41600 mm (d) Height : Inner tank 12500 mm Outer tank 13500 mm Top Dome cover 5574 mm (On outer shell) (e) Liquid level : 12.45 (max.) (f) Storage : -33ºC 2. AMMONIA VAPOUR BLOWER This unit maintains the tank pressure at 0.035 kg/cm2 g by withdrawing ammonia vapour from the storage tank and sending to the refrigeration compressor of ammonia plant. 3. AMMONIA VAPORIZER One vaporizer is provided for each tank to keep the pressure in the tank within limit particularly in the very colder days. Liquid ammonia will be taking from bottom of the storage tank which flows by gravity to vaporizer and the liquid vaporized by electrical heating arrangement in the pressure. In vaporizer, Ammonia vapour goes back to the storage tank to maintain the pressure. The vaporizer comes in contact when tank pressure goes below a set point of 0.0014 kg/cm2. The vaporizer is basically a hot
  • 65.
    tank. The hotwater tank will be filled with water containing 50 % ethylene glycol. The water temperature is kept at 50ºC. 4. FLARE STACK The basic function of flare stack is to burn the ammonia vapours coming from the system and vent it at a safe height. Ammonia if not burnt, will pollute the surrounding area and makes it hazardous to work. Flare stack has two burners: pilot burner and main burner. Pilot and main burner support gas is Natural Gas. The flow of NG to main burner is automatically adjusted depending upon the ammonia vapour flow with the help of mass flow meter. It has been found by experience that pilot burner fire gets puts off because of the wind velocity extinguished flare remains unnoticed in the day fire. There is every possibility of the NG getting accumulated in the atmosphere and may form explosive mixture in case pilot burner is put off and the gas starts going to the main burner. Also if the pilot burner is not burning, it will not light the main burner in case of ammonia gas venting which may cause higher concentration of ammonia vapour in the surrounding area. To avoid this all the main burner is always kept in light up condition. 5. SAFETY VALVE Each tank is provided with two numbers of safety valve, pilot operated safety valve mounted on lockable type gate valves such as to provide an interlock that any one valve will always on line while maintenance work can be done on the other. Each valve is sized for over pressure and vacuum. The safety valve shall be open to atmosphere. The safety valves are set for 0.0650 kg/cm2. 6. AMMONIA LOADING/UNLOADING For ammonia loading, unloading system a 150 mm liquid ammonia header runs through the gantry from discharge of ammonia transfer pump. Following point must be considered while loading or rail tanker with liquid ammonia :-  To confirm whether tanker is filled with nitrogen.  To confirm whether tanker is depressurized.
  • 66.
     To hookup static electricity arrester with the tanker.  Position the blocks under the wheels or types.  Do not overfill the tanker.  Tight shut the isolation valve after filling.  Engine of the vehicle should be shut. 4.3.) BAGGINGPLANT: General Urea product handling plant is put upto receive the prilled urea (4400 MTPD) from both the prilling towers to Urea Plants I & II and despatch the same in 50 Kg. bags. The product urea Silos, 2 Nos. each of 45,000 MT (Total 20 days production) can store the urea during off season. A bagging unit is provided to beg 6000 MT in two shifts as well as to load and despatch it by Rail/Road transport, prilled urea from the bottom of the prilling tower is taken either to any one of the storage Soils is reclaimed with the help of scrapper reclaimers, screened and the lumps are broken with the help of lump breakers. Later-on it is taken to the bagging plant filled in 50 kg. bags with the help of automatic weighing cum tipping machine, stitched and taken to the respective platforms with the help of series of conveyors and chutes. It will be loaded in the tucks and wagons for despatch. Photo cells are installed to count the number of bags loaded in the carriers, Day-to- day production, Silo stock despatches are registered in the recently developed Data Logger System, installed in the Control Room. Urea wet dedusting system is provided to collect the dusts coming out of the chutes and bunkers, which will be dissolved and concentrated in the dissolving and concentrating plant and then sent to urea plant for recovery. Process and instrument air requirement for bagging is met from the compressor house of offsite plant.
  • 67.
    5. PUMPS, VALVES&MOTORS Reciprocating and Centrifugal are two most important pumps used in the plant. Screw pumps are used for the lube oil circulation.  REACTOR AMMONIA FEED PUMP TYPE : Horizontal triplex plunger pump No. of Cylinders : 3 PISTON SPEED : 0.9 m/s DRIVER RPM : 1470 MOTOR RATING : 850 KW MATERIAL OF CONSTRUCTION PLUNGER : EN-24(chrome plated C.S) PLUNGER GUIDE BUSHES : 25% carbon filled PTFE VALVE PLATES & SEATS :stainless steel LANTERN RINGS : stainless steel CYLINDERS/VALVE BLOCKS : LTCS STUFFING BOX : LTCS
  • 68.
    PACKINGS : LTCS CRANKSHAFT :Graphite PTFE with armide corner FRAME : Cast Iron A HYDRAULIC TORQUE CONVERTER attached.  HP CARBAMATE PUMP TYPE : Horizontal triplex plunger pump No. of Cylinders : 3 PISTON SPEED : 0.587 m/s DRIVER RPM : 1470 MOTOR RATING : 260 KW MATERIAL OF CONSTRUCTION PLUNGER : AISI-316L PLUNGER GUIDE BUSHES : 25% carbon filled PTFE VALVE PLATES & SEATS :HVD 1 LANTERN RINGS : AISI-316L CYLINDERS/VALVE BLOCKS : AISI-316L STUFFING BOX : AISI-316L PACKINGS : PIFE CRANK SHAFT : Low alloy steel( 1 Cr 1/4 Mo ) FRAME : Cast Iron  CONDENSATE PUMPS TYPE : Centrifugal SIZE OF NOZZLES : 4" / 21/2"
  • 69.
    MIN/MAX CAPACITY(M3/H) :5.5/85 NPSH(m)- AVAILABLE/REQUIRED : 5/2.5  LUBE OIL PUMPS P-24A P-24B P-25 TYPE 3-Screw 3-Screw Centrifugal Manufacturer AllweilerAllweiler KSB Flow rate (m3/h) 100 100 30 Pressure (kg/cm2g) 10 10 4 RPM 1450 1450 2900 Casing material C.S C.SC.S A CENTRIFUGAL PUMP
  • 70.
    TYPE OF VALVESUSED There are different types of valves used in Kribhco various plant which are:  Ball Valve A ball valve is a valve with a spherical disc, the part of the valve which controls the flow through it. The sphere has a hole, or port, through the middle so that when the port is in line with both ends of the valve, flow will occur. When the valve is closed, the hole is perpendicular to the ends of the valve, and flow is blocked. Ball valves are durable and usually work to achieve perfect shutoff even after years of disuse. They are therefore an excellent choice for shutoff applications. They do not offer the fine control that may be necessary in throttling applications but are sometimes used for this purpose. Ball valves are used extensively in industrial applications because they are very versatile, supporting pressures up to 1000 bars and temperatures up to 200°C. The ball is often chrome plated to make it more durable.
  • 71.
     Butterfly Valve Abutterfly valve is a valve which can be used for isolating or regulating flow. The closing mechanism takes the form of a disk. Operation is similar to that of a ball valve, which allows for quick shut off. Butterfly valves are generally favored because they are
  • 72.
    lower in costto other valve designs as well as being lighter in weight. The disc is positioned in the center of the pipe, passing through the disc is a rod connected to an actuator on the outside of the valve. Rotating the actuator turns the disc either parallel or perpendicular to the flow. Unlike a ball valve, the disc is always present within the flow; therefore a pressure drop is always induced in the flow, regardless of valve position. The valve may also be opened incrementally to throttle flow.  Gate Valve A gate valve, also known as a sluice valve, is a valve that opens by lifting a round or rectangular gate/wedge out of the path of the fluid. The distinct feature of a gate valve is the sealing surfaces between the gate and seats are planar, so gate valves are often used when a straight-line flow of fluid and minimum restriction is desired. The gate faces can form a wedge shape or they can be parallel. Typical gate valves should never be used for regulating flow, unless they are specifically designed for that purpose. On opening the gate valve, the flow path is enlarged in a highly nonlinear manner with respect to percent of opening. This means that flow rate does not change evenly with stem travel. Also, a
  • 73.
    partially open gatedisk tends to vibrate from the fluid flow. Most of the flow change occurs near shutoff with a relatively high fluid velocity causing disk and seat wear and eventual leakage if used to regulate flow. Typical gate valves are designed to be fully opened or closed. When fully open, the typical gate valve has no obstruction in the flow path, resulting in very low friction loss.  Globe Valve A globe valve is a type of valve used for regulating flow in a pipeline, consisting of a movable disk-type element and a stationary ring seat in a generally spherical body. Globe valves are named for their spherical body shape with the two halves of the body being separated by an internal baffle. This has an opening that forms a seat onto which a movable plug can be screwed in to close (or shut) the valve. The plug is also called a disc or disk. Globe valves are used for applications requiring throttling and
  • 74.
    frequent operation. For example,globe valves or valves with a similar mechanism may be used as sampling valves, which are normally shut except when liquid samples are being taken. Since the baffle restricts flow, they're not recommended where full, unobstructed flow is required.  Check Valve A check valve, clack valve, non-return valve or one-way valve is a mechanical device, a valve, which normally allows fluid (liquid or gas) to flow through it in only one direction. Check valves are two-port valves, meaning they have two openings in the body, one for fluid to enter and the other for fluid to leave. There are various types of check valves used in a wide variety of applications. Although they are available in a wide range of sizes and costs, check valves generally are very small, simple, and/or inexpensive.
  • 75.
    Check valves workautomatically and most are not controlled by a person or any external control; accordingly, most do not have any valve handle or stem. The bodies (external shells) of most check valves are made of plastic or metal. An important concept in check valves is the cracking pressure which is the minimum upstream pressure at which the valve will operate. Typically the check valve is designed for and can therefore be specified for a specific cracking pressure.  Pressure Safety Valve These valves are very much necessary for the safety of the equipment and plant. These valves are having spring inside the casing that is calibrated to a certain pressure limit, if the pressure increases more than that the set value the valves are set open to vent or atmosphere. It is similar to safety valve on pressure cooker and hence protecting the equipment and nearby persons involved.
  • 76.
    Angle Valve Such valvesare normally used where there are bending in pipes joints.
  • 77.
     ENVIRONMENTAL ISSUES Environmentalissues in India are many. Air pollution, water pollution, garbage pollution and wildlife natural habitat pollution challenge India. The situation was worse between 1947 through 1995. According to data collection and environment assessment studies of World Bank experts, between 1995 through 2010, India has made one of the fastest progress in the world, in addressing its environmental issues and improving its environmental quality. Still, India has a long way to go to reach environmental quality similar to those enjoyed in developed economics. Pollution remains a major challenge and opportunity for India. Waste generated from industries is serious threat to environment. The environmental pollutions (through under permitted levels) caused by the industry is:  Air pollution: 1. Green House emission 2. Ammonia SO2, NOx, CO, CO2, H2S, VOCs, CH4, HCN, NH3 3. Urea production Ammonia, Particulate matter, Urea dust  Water pollution: Contaminated water originates from- 1. Process condensate
  • 78.
    2. Closed-loop coolingtower blow down 3. Closed-loop boiler blow down Main 4. Contaminants from Nitrogen plants 5. Ammonia, Organic, Nitrogen  Solid Waste Spent Catalysts from reformer, shift converter, methanator, ammonia converter andrier.Solid wastes or by-products can include calcium carbonate, sand and plastic bags usedto transport & packing waste. .  PROBLEMS IDENTIFICATIONS & SOLUTIONS REACTOR  Problems Due to Heart of urea plant the reactor has major problem of liner leakage which are kept inside the main reactor wall. The liner is madeup of stainless steel with 7 mm thickness. Due to high pressure operation and corrosive nature of urea carbamate solution corrosion and hence leakage of liner takes place. Once leakage occurs, highly corrosive reactant and product steam enters in the space between linerwall and reactor wall which results in very rapid corrosion of reactor cell.
  • 79.
     Safety The lineris made up of stainless steel with 7mm thickness. Due to high pressure operation some times liner leakage from stainless steel liner take place. Highly corrosive nature of reactants CO2, NH3, Carbamate solution results in very rapid corrosion. To prevent corrosion steps taken are:  Passivation To prevent stainless steel liner corrosion some air is entered in reactor with CO2 stream. Air reacts with chromium of stainless steel and converts chromium in to chromium oxide (blue colour) at high temperature. Chromium oxide form a protective layer on the liner wall, which prevents further corrosion oxide forms a protective layer on the liner wall, which prevents further corrosion of liner wall. This technique to prevent corrosion of stainless steel liner by converting Cr into Cr2O3 is called passivation.  Phenolphthalein bulb indicator If by chance accidental leakage of liner occurs, to detect the affected area there is an another provision of phenolphthalein bulb. The space between reactor wall and liner wall is divided in to 104 no. of square compartments nearly same in size. There is a provision of a small weepholes with reactor wall. A small trap (nozzle) connects each compartment with phenolphthalein bulb.
  • 80.
    If liner failuretakes place in any compartment, stream containing carbamate solution, urea, ammonia, carbo-dioxide leaks in between reactor wall and liner wall. When solution enters in trap, due to alkaline nature of urea bulb color changes form colorless to pink and warms operators to take quick action for leakage maintenance. LINER LEAKAGE DETECTION & MAINTENANCE It was found a liner leakage of urea reactor just on 20th September’97 as a result of which phenolphthalein bulb No.87,88,102& 107 became violet. As a first precaution to continue plant operation. Operators simply welded outer wall of reactor with SS sheets. But simple welding failed to prevent high pressure leakage within a short period of 48 hours. To prevent major damage of reactor, it was essential to shutdown the plant repair leakage. To detect the extract location of leakage, following interesting methods were applied :  Hydrotesting Reactor is emptied, washed with water &analyzed for leakage by eye inspection and leakage was found  Air Agitation Reactor is fed with water up to a certain head & air is pressurized from weep holes no.87 at a pressure of 2 kg/cm2. It was found that air was coming out from hole 87,88,102& 107 indicating short circuiting of compartments internally due to design fault.
  • 81.
    All other weepholes were sealed else no.87 and again air was entered at a pressure of 2 kg/cm2. No leakage was found by air agitation method.  Soap Solution method After withdrawing water soap solution fed inside the reactor. Again air at a pressure of 2 to 2.5kg/cm2 was entered through weep holes. This method was also failed to detect exact location of leakage.  Helium Test Finally most recent method the helium gas purging & detection method was adopted. Helium was purged through weep hole No.87 sealing the others and detector found the damaged part of liner. Liner were cleaned and rewelded and plant was lead for start up. STRIPPER  Problems Stripper is very simple in construction hence no major engineering problem arises which can lead for shutdown of plant. Stripper is simply a heat exchanger type equipment with single pas of medium pressure steam in cell side and single pass of reactants &product stream in tube side. It is also mounted with ferrules at the top of each tube end to get falling film of urea carbamate at tube side.
  • 82.
    The problem instripper is of leakage at welding area of tubes at circular plate. This occurs due to high pressure stresses 160 kg/cm2 in tubes side & 24 kg/cm2 in cell side.  Detection and Maintenance of Liner Leakage Due to leakage at welded area of tube sheet operating pressure fluctuates, also suction and delivery line pressure deflects which indicates leakage. The exact location of leakage is easily found by keeping high pressure in shell side. High pressure at shell side and atmospheric pressure at tube side causes leakage of urea carbamate solution from the affected area. Reactor is depressurised and affected area is rewelded. If by chance tube failure takes place, damaged tube is closed with cock and another tube is opened which is previously kept as an extra tube in some part of tube sheet in closed position. After long usage of a stripper it is found that the upper part of tubes is more corroded than the lower part as concentration is very high at the upper part. To increase the overall life of stripper its position is reversed, bottom becomes top and becomes bottom. In some causes this technique increases the life of stripper by 50 to 70 %
  • 83.
    CARBAMATE CONDENSER ANDMIXER  Problems The purpose of carbamate condenser is to dissolve unreacted gases from high pressure loop. It consists of ‘U’ shaped tubes welded in a common tube sheet. Low pressure steam is passed in shell side to warm up solution and to avoid crystallization of Urea. The problem over here is leakage of tubes and welding failure of tube sheet. This is detected by manual inspection of out coming stream of low pressure stream by electrical conductivity method. Mild leakage makes vast difference in conductivity of inlet& outlet stream of steam.  Detection Method &Mainenance Leakage of carbamate condenser is detected by same method used for stripper and rewelded by hot welding. Another way to increase the life of carbamate condenser is by raising the liquid to vapor ratio of entering stream. Increased ratio of liquid to vaor minimizes dry pockets of tube and tube sheet and prevents corrosion. VACUUM DRUMS  Problems Concentration of urea solution is carried out in two stage vacuum drum first at 0.3 atm absolute and second at 0.03 atm absolute. Here vacuum is create by steam jet ejector. The major problem of drum is with high vacuum. Very high vacuum may for rapture of drum.
  • 84.
     Safety There isprovision of series of safety valves at the top of the drum which protects vessel from high vacuum. After long technical experience it was found by reactors that in rainy season there is a problem of choking of safety valves. To over come this difficulty they reverse the position of vacuum drum.