Embed presentation
Downloaded 28 times































































































































































































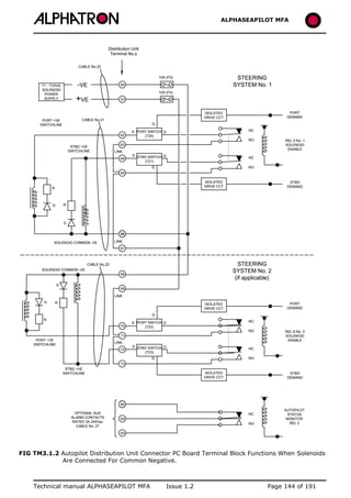
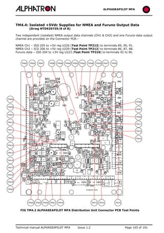
This document is a technical and installation manual for the ALPHASEAPILOT MFA autopilot system. It provides information on installing the various system components, including the control unit, distribution unit, heading sensor coil, rudder reference unit, and cables/connections. The manual also covers adjustment procedures, configuration settings, failure alarms and messages, and installation of optional equipment.






























































































































































































