Embed presentation
Downloaded 41 times






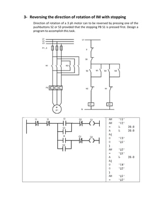
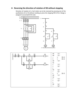
The document outlines four PLC applications for controlling a 3 phase induction motor. The first application uses push buttons S1 and S2 to turn the motor on and off. The second application allows the motor to be turned on using either S3 or S4 and turned off using S1 or S2. The third application reverses the motor direction when S2 or S3 is pressed if S1 is pressed first. The fourth application reverses the motor direction by pressing S2 or S3 without needing to press S1 first.




