Transformer Design &
protection
http://studygalaxy.com/
Transformer protection Philosophy
Transformer Faults:
Some discussion on the types of faults and their
characteristic is useful in appreciating the protection
principle and its limitations / capabilities.
Following types of faults may occur in the transformer:
• Ground faults
• Phase to phase faults
• Inter turn faults
• Core faults
Transformer protection Philosophy
• Externally applied faults
• Overload
• External short circuit
• Over-voltages
• Magnetizing inrush
• Ferro-resonance
Three characteristic generally provide means for detecting
transformer internal faults:
An increase in phase currents
An increase in differential current
Gas formation caused by fault arc.
Transformer protection Philosophy
Fault on a transformer winding is controlled in magnitude
by the following factors:
•Source impedance
•Neutral earthing impedance
•Transformer leakage reactance
•Fault voltage
•Winding connections
Transformer protection Philosophy
All type of liquid insulated transformers are more or less
amenable to same or similar type of protection scheme. The
choice of protection scheme is based on factors like
capacity, voltage class, criticality of application etc.
The transformer protection logic fall into the following two
major categories, based on fault sensing method
Mechanical protections.
Electrical protection
Transformer protection: Mechanical
•Liquid insulation transformers offer many option of
gas/pressure operated mechanical protections against
electrical faults.
•The insulating oil when subjected to high temperatures,
associated with arcing , decomposes to generate a number of
organic gases and hydrogen.
•The cellulose material if involved, results in production of
oxides of carbon.
•Depending upon the type, rating and volume of liquid
insulation of the transformer , this basic fact can be utilized in
different devices to achieve very fast and useful protection.
•Protection against excessive temperature of the transformer
winding also need to be incorporated as a protection against
overloads and hot spots inside the transformer.
Transformer protection: Mechanical
1. Buchholz protection:
• This is essentially a gas operated protection with
capability of detecting and warning early about an
incipient fault. The relay has two elements 1st stage and
2nd stage. The 1st stage for alarm and the 2nd stage for
trip.
• The 1st stage work on the accumulation of sufficient gas in
the relay chamber and the 2nd stage work on the high
velocity of oil caused due to evolution of gases as a result
of high energy faults.
• The setting of 1st stage is done at collected gas volume of
300 to 500ml.
• The setting of 2nd stage is done at oil flow velocity of
100cm/s .
Buchholz relay mounting
Alarm
Trip
Adjustment
Baffle plate
BUCHHOLZ
Transformer protection: Mechanical
• The velocity setting can be varied either by variation in
slot opening in oil flow path or by variation of flap size.
This is needed in view of requirement of lower velocity
setting for transformers with higher rating and oil volume
for the protection to be more sensitive. The approximate
time taken for operation of 2nd stage is 0.6 sec.
• The protection is most useful for winding inter-turn faults.
2. Sudden pressure (Rapid pressure rise) protection:
• This protection performs better and faster than buchholz
2nd stage protection. This protection also replaces
Buchholz protection in the transformer without oil
conservator. The relay detects a sudden rise in pressure
and has inverse time characteristics. The alarm is set at
0.32kg/sqcm and trip at 0.6kg/sqcm per second.
SPR
CIRCUIT
Transformer protection: Mechanical
3. Pressure relief protection:
• This is used to evacuate any over pressure inside the
transformer to avoid explosion of the transformer tank. It
operates instantaneously and trip the transformer if the
pressure inside the tank reaches the set value ( 0.5-0.8
kg/ sqcm ). The no of devices and the diameter depends
on the size of the transformer.
4. Temperature protection:
• The thermal inertia of transformer results in slow reflection
of thermal over loadings in oil temperature (OTI). Hence
the temperature protection is normally provided on
winding temperature (WTI). The winding hot spot
temperature is measured indirectly using replica
resistance and the CT secondary currents.
PRV
Transformer protection: Mechanical
• The temperature switch , employing mercury contacts, are
susceptible to un-wanted operation during jerks on
transformer like earthquakes or vibration due to severe
faults. Therefore, a time delay of 5 sec is introduced in the
trip.
• The temperature protection is adequate against over
loading. However electrical protection matching thermal
characteristics of transformer can be introduced through
numerical relay.
WTI
Transformer protection: Electrical
The Electrical protections is further classified as:
• Unit protection
Which are operated only for , fault in the protected
transformer.
•Non-Unit protection
Which are operated for a fault outside the
transformer also and are known as back up protection
Transformer protection : Electrical
• Protection system applied has a very onerous duty of being
inactive for the entire life of the protected equipment while
being in readiness for operation, when demanded, in a time
span of a few milli-seconds.
• The application of the protection scheme, power supply,
protection logics and the associated isolating devices are all
required to play a vital role in the successful performance of
this duty.
• This aspect is vital in deciding the choice and application of
the protection scheme in the first place since it is also vital
to ensure that the system does not cause any unwanted
interruptions either.
Typical Generator protection SLD
Typical Generator
protection scheme
Transformer protection : Electrical
1. Biased ( percentage) differential protection:
• A normal circulating current differential protection can not
be applied to a transformer due to the factors like ratio,
tap position and magnetizing inrush etc.
• Hence, it is necessary to incorporate the percentage bias
in the differential circuit.
• The protection becomes sensitive to the most commonly
expected , inter turn fault but to a limited extent.
Sufficiently , a large no of turns have to be shorted for the
protection to actuate.
Transformer protection : Electrical
BASIC SCHEME
Transformer protection : Electrical
• There are two additional necessary feature for this
protection applied to the transformer.
• Stability during switching in (magnetic inrush)
• Stability during abnormal voltage/frequency conditions
( over fluxing)
• A biased differential relay operates for a differential current
more than preset bias percentage of average through
current. This value is considerably small in comparison to
the through fault current and the relay become quite
sensitive.
• Two versions of biased differential relays are normally
employed.
Transformer protection : Electrical
1. The relay has minimum operating current setting fixed at
15% of rated current and bias setting in variable steps
from 10% to 60%.
2. The relay has a fixed non linear bias , which itself changes
upward with the through current magnitude. Such relay
offers a variable minimum operating current setting.
• Both alternatives are generally considered equivalent from
application point of view.
• The magnetizing in rush current contains a large no of 2nd
harmonics which is filtered out and used as a restraint to
prevent the relay from operating during energization.
BIAS CHARACTERISTICS
Transformer protection : Electrical
• Under conditions of transformer saturation a high 5th
harmonic content is present which can be used as restraint
to prevent mal-operation.
• Some relays simply filtered out 5th harmonic from operating
current, therefore, tend to operate for heavy saturation
conditions.
• However, the harmonic restraint feature can delay the
tripping considerably for high current internal faults, due to
possible CT saturation and consequent harmonics.
• Hence, it is necessary to incorporate a high set tripping
feature ; set at over 10 times of rated current.
MAGNETIC INRUSH PHONOMENA
Transformer protection : Electrical
• Some new generation relays do not incorporate
harmonic restraint features. They recognize
magnetic in rush and over-fluxing by technique of
current wave shape identification.
• Now-a-days, the trend is to use numerical relays .
The basic principle more or less remain same with
added advantage of versatility, man/machine
interface, event logging and remote communication
capability.
WAVE SHAPE IDENTIFICATION
765/21 kV , 600 MVA TRANSFORMER DIFFERENTIAL
PROTECTION
CTR HV: 500/5
CTR LV: 12500/5
Relay type : System A - P632
Relay Designation - 87GT
Transformer Data :
Power: 600 MVA
HV voltage: 765 KV
LV1 Voltage: 21KV
Transformer percentage imp: 15 %
Transformer vector group: Ynd11
Tap +/- 5 % in steps of 2.5%
SETTING CALCULATION
SUPPORTIVE CALCULATION TO VERIFY BIAS SETTINGS
Id> 0.2 Iref
Id>> 10 Iref ( should me 10% more than max inrush current)
Id>>>15 Iref
m1 0.2
m2 0.8
Effect of CTs inside delta:
In LV – 21kV side, we have connected 2CTs inside delta and
the CTs are connected in such a way to sum the currents during
normal operation. As CTs are connected inside the delta, the
effective current will be the phase current and not the delta
current. Considering both the factors,
Effective CT ratio will be 12500/2 * 1.732 =10825A.
There is no vector correction required as CTs are connected
inside the delta.
At normal condition current in HV bias circuit:
Primary current = 600MVA / (1.732 * 765 kV)= 452.83 A
Current in CT Secondary = 452.83 / 500 A= 0.906
Required Ratio compensation = 1 / 0.754= 1.104
At normal condition current in LV bias circuit :
Primary current = 600 MVA / (1.732 * 21kV)= 16,496.2 A
Current in CT Secondary = 16496 / 10825= 1.524 In
Required Ratio compensation = 1 / 1.524= 0.656
At - 5 % tap condition current in HV bias circuit:
HV Side current = 600 MVA / (1.732 * 726.75 kV)= 476.67A
Current in CT Secondary = 476.67x 1.104 / 500
With ratio compensation = 1.052
At + 5 % tap condition current in HV bias circuit:
HV Side current = 600 MVA / (1.732 * 803.25 kV)= 431.27 A
Current in CT Secondary = 431.27 x 1.104 / 500
With ratio compensation = 0.952
Differential Current at Tap Extremities:
At -5% Tap Idiff1 = 1.052-1= 0.052
At +5% Tap Idiff2 = 1-0.952= 0.048
Bias Current at Tap Extremities:
I bias = (IRHV + IRLV)/2 IRHV – Relay HV Current
IRLV – Relay LV Current
Ibias1 = (1.052 + 1)/2 = 1.026
Ibias2 = (0.952 + 1)/2 = 0.976
OPERATING CURRENT Iop:
At -5% Tap
Iop1 = m1 x I bias + Id> x (1-0.5*m1)
= 0.2 x 1.026 + 0.2 x ( 1-0.5*0.2)= 0.3852 Amps
Idiff1/ Iop1 = 0.052/0.3852 = 13.5%
Since the differential current is not greater than 90% of the
operating current at -5% tap the relay will operate
satisfactorily.
OPERATING CURRENT Iop:
At +5% Tap
Iop1 = m1 x I bias + Id> x (1-0.5*m1)
= 0.2 x 0.976 + 0.2 x ( 1-0.5*0.2)
= 0.3752 Amps
Idiff2/Iop2 = 0.048 / 0.3752= 12.79 %
Since the differential current is not greater than 90% of the
operating current at +5% tap the relay will operate
satisfactorily.
Hence Bias setting :
m1 = 20% (0.2) 1.5 times of Full load current,
m2 = 80% for through fault stability
0.2pu
80%
2.5pu
1.5pu
20%
(I1+I2)/2
(I1-I2)
Transformer protection : Electrical
2. Restricted Earth fault protection:
• This protection is applied to single winding of the
transformer and quite sensitive and straight forward. The
relay is high impedance differential relay and remains
stable for all out of zone faults. The protection is
insensitive to the inter-turn faults.
• The gain in protection performance is obtained by:
1.Low instantaneous setting
2.The whole fault current is measured
• Therefore, although the prospective current level
decreases as the fault position progress nearer to the
neutral end of the winding, the square law which controls
the primary current is not applicable.
WHY REF?
• Simple Over current and Differential
Protection for a star connected HV
winding, as the transformed current and
not the actual current is measured on the
LV side.
• Because of the square law faults in the
lower third of the winding produce very
little current.
SQUARE LAW
Transformer protection : Electrical
• The protection is applied often to transformers with
neutral solidly earthed. The fault current remains at high
value even to the last turn of the winding and complete
cover of winding is achieved.
• Earth fault protection applied to a delta connected or
unearthed star winding is inherently restricted. A high
impedance relay can be used giving fast operation and
phase-fault stability.
SETTING CALCULATION (Low impedance)
OVER HEAD LINE DIFFERENTIAL PROTECTION
CTR HV: 500/1A
CTR LV: 500/1A Relay type : System A - P632
Relay Designation - 87HV
Transformer Data :
Power: 600 MVA
HV voltage: 765 KV
LV1 Voltage: 765 KV
Recommended settings:
Id> 0.1 Iref ( can be sensitive, as CTs are of same ratio & class
PS)
Id>>10 Iref
Id>>>15 Iref
m1 0.2
m2 0.8
At normal condition current in HV bias circuit :
Primary current = 600MVA / (1.732 * 765 kV)= 452.83 A
Current in CT Secondary = 452.83 / 500 A= 0.906
Required Ratio compensation = 1 / 0.754= 1.104
At normal condition current in HV bias circuit:
Primary current = 600MVA / (1.732 * 765 kV)= 452.83 A
Current in CT Secondary = 452.83 / 500 A= 0.906
Required Ratio compensation = 1 / 0.754= 1.104
As spill current will be linear based on load, it will be well
taken care by bias slope.
We can adopt the above-recommended settings.
SETTING CALCULATION (High impedance)
Relay type: 7SJ61, Relay designation: 64RGT
CT Ratio: 500/1, Rct: 4 Ohm
Max. Fault current HV side= 600X1000/ (1.732X765X0.12)
= 3773 Amp
( transformer impedance 12% at max tap and tolerance is
ignored)
Fault current at CT secondary = 3773/500=7.546A
Voltage across the relay at through fault condition:
7.546A X (4+0.2) Ohm = 31.693 Volt (0.2 Ohm as lead res.)
Set relay at 10% and setting current = 0.1 A
Value of stabilizing resistor = 31.693/0.1= 317Ohm
Transformer protection : Electrical
3. Over-fluxing protection:
• Over-fluxing withstand characteristic of the transformer is
invariably inverse time. The protection should match this
characteristic. The protection against over-fluxing is
provided either by definite time or by IDMT characteristic
relay which senses V/f threshold . Separate alarm and trip
elements are provided. The alarm function is a definite
time delayed and the trip function is an IDMT
characteristic.
Transformer voltage equation is given by V/f = køT
• Application of the protection from HV side voltage signal
results in over/under protection as the factor of no of turns
is ignored in the protection.
IDMT CHARACTERISTIC OF OVER-FLUXING RELAY
VT Ratio: 765kV/110 volt
Relay type: System A - P632
Relay Designation - 99
Over Fluxing protection:
Continuous over flux withstand capability : 110%
Withstand capability at 120% : 1 minute
Withstand capability at 130% : 30 secs
Withstand capability at 140% : 5 secs
Recommended settings are as below:
Alarms:
Alarms will be generated if V/f value is 1.12 the nominal value
after a time delay of 10 secs.
Tripping characteristic:
Over-fluxing tripping IDMT characteristics has to be made as
per the transformer withstand specifications .
SETTING CALCULATION
Transformer protection : Electrical
4. Back up Earth fault protection:
• The back up earth fault protection (51N) take current
signal from the neutral CT of the Transformer. This is the
last back up protection for un-cleared ground faults.
5. Back up protection:
• The most common form of back up protection is the
inverse time over current protections. This protection is a
back up protection against short circuits un-cleared by the
primary protection and is nothing to do with protecting
transformer against overloads as misunderstood
sometimes. The setting is done at 300% of the rated
current and no case shall be less than 175%.
CTR HV: 500/1
BACK UP E/F SETTING:
Threshold can be more sensitive to take care of faults near to
star point. Normal recommended value is 30% of the rated Full
load current.
Pick up setting = Full load current x 30 %
= 452.83 / 500 *0.3= 0.27 A
Time setting fixed to more than zone 3 time of distance relays
to provide back up protection for the line protections.
Recommended DT of 2Sec.
Operating time setting of the relay should be more than the
operating time of distance zones in line protection relay.
SETTING CALCULATION
Transformer protection : Electrical
6. Inter-turn fault and protection:
• Statistically, approximately 70-80% of all transformer faults
originate as inter-turn faults and finally develop into earth
fault and/or phase faults. Short circuit of a few turns of a
winding will cause a significantly heavy current in the short
circuited portion of the winding, while the terminal currents
will be very small because of large turns ratio between the
main winding and the short circuited turns.
• Most probable reasons for inter-turn faults are :
1. Mechanical forces on the winding due to external short
circuits
2. Excessive moisture in the paper insulation of the winding
3. Structural failure of paper insulation due to aging.
Transformer protection : Electrical
• The transformers may be subjected to steep fronted
impulse voltage originated form lightning and switching
having very high equivalent frequency and tend to
concentrate on the end windings. This has led to
reinforced design of end winding insulation.
• However, the reinforced end winding insulation is not
comparable to the insulation to the ground and hence a
higher probability of part winding flash over exists as
against that for flashover to ground.
• Inter-turn faults involving very few turns are not
detectable. Inter-turn faults involving fairly large number of
turns either may be cleared by transformer differential or
rate of gas pressure rise in transformer liquid insulation
protections.
Transformer protection Philosophy
The percentage-differential principle, which was immediately
applied to transformer protection, provided excellent results
in improving the security of differential protection for external
faults with CT saturation.
Differential relays are prone to misoperation in the presence
of transformer inrush currents resulting from transients in
transformer magnetic flux. Three solution emerged to
overcome this problem:
• To introduce an internal time delay in the relay
• Desensitize the relay for a given time to override inrush
condition
• To add a voltage signal to restrain or supervise the
relay.
Transformer protection Philosophy
Researchers quickly recognized that the harmonic contents of the
differential current provided information that helped differentiate faults
from inrush condition and led to development of differential relays with
percentage-differential harmonic restraint for transformer protection.
The early relays used all of the harmonics for restraint. Later relays with
blocking only second harmonic developed and led to development of
philosophy of harmonic blocking instead of restraining. Many modern
transformer differential relays use either harmonic restrain or blocking
method. These methods ensure relay securities for a very high
percentage of inrush and over excitation cases. However these methods
do not work in cases with very low harmonic contents in the operating
current.
Common harmonic restraint or blocking increases relay security for
inrush, but it could delay operation for internal faults combined with
inrush in non-faulted phases.
Transformer over excitation is another possible cause of differential relay
misoperation.
Transformer protection Philosophy
Such misoperation is prevented by an additional fifth harmonic restraint
or by methods based on wave shape recognition to distinguish fault from
inrush in transformer differential protection relays. However these
techniques do not identify transformer over excitation conditions.
The improved approach uses current-only inputs for transformer
differential protection. The approach ensures security for external faults,
inrush and over excitation conditions and provides dependability for
internal faults. It combines harmonic restraints and blocking methods
with wave shape recognition technique. The improve method uses even
harmonics for restraint and dc component and fifth harmonic to block
operation.
transformerdesignandprotection-130408132534-phpapp02.ppt
transformerdesignandprotection-130408132534-phpapp02.ppt

transformerdesignandprotection-130408132534-phpapp02.ppt

  • 1.
  • 4.
    Transformer protection Philosophy TransformerFaults: Some discussion on the types of faults and their characteristic is useful in appreciating the protection principle and its limitations / capabilities. Following types of faults may occur in the transformer: • Ground faults • Phase to phase faults • Inter turn faults • Core faults
  • 5.
    Transformer protection Philosophy •Externally applied faults • Overload • External short circuit • Over-voltages • Magnetizing inrush • Ferro-resonance Three characteristic generally provide means for detecting transformer internal faults: An increase in phase currents An increase in differential current Gas formation caused by fault arc.
  • 6.
    Transformer protection Philosophy Faulton a transformer winding is controlled in magnitude by the following factors: •Source impedance •Neutral earthing impedance •Transformer leakage reactance •Fault voltage •Winding connections
  • 7.
    Transformer protection Philosophy Alltype of liquid insulated transformers are more or less amenable to same or similar type of protection scheme. The choice of protection scheme is based on factors like capacity, voltage class, criticality of application etc. The transformer protection logic fall into the following two major categories, based on fault sensing method Mechanical protections. Electrical protection
  • 8.
    Transformer protection: Mechanical •Liquidinsulation transformers offer many option of gas/pressure operated mechanical protections against electrical faults. •The insulating oil when subjected to high temperatures, associated with arcing , decomposes to generate a number of organic gases and hydrogen. •The cellulose material if involved, results in production of oxides of carbon. •Depending upon the type, rating and volume of liquid insulation of the transformer , this basic fact can be utilized in different devices to achieve very fast and useful protection. •Protection against excessive temperature of the transformer winding also need to be incorporated as a protection against overloads and hot spots inside the transformer.
  • 9.
    Transformer protection: Mechanical 1.Buchholz protection: • This is essentially a gas operated protection with capability of detecting and warning early about an incipient fault. The relay has two elements 1st stage and 2nd stage. The 1st stage for alarm and the 2nd stage for trip. • The 1st stage work on the accumulation of sufficient gas in the relay chamber and the 2nd stage work on the high velocity of oil caused due to evolution of gases as a result of high energy faults. • The setting of 1st stage is done at collected gas volume of 300 to 500ml. • The setting of 2nd stage is done at oil flow velocity of 100cm/s .
  • 10.
  • 11.
  • 12.
    Transformer protection: Mechanical •The velocity setting can be varied either by variation in slot opening in oil flow path or by variation of flap size. This is needed in view of requirement of lower velocity setting for transformers with higher rating and oil volume for the protection to be more sensitive. The approximate time taken for operation of 2nd stage is 0.6 sec. • The protection is most useful for winding inter-turn faults. 2. Sudden pressure (Rapid pressure rise) protection: • This protection performs better and faster than buchholz 2nd stage protection. This protection also replaces Buchholz protection in the transformer without oil conservator. The relay detects a sudden rise in pressure and has inverse time characteristics. The alarm is set at 0.32kg/sqcm and trip at 0.6kg/sqcm per second.
  • 13.
  • 14.
  • 17.
    Transformer protection: Mechanical 3.Pressure relief protection: • This is used to evacuate any over pressure inside the transformer to avoid explosion of the transformer tank. It operates instantaneously and trip the transformer if the pressure inside the tank reaches the set value ( 0.5-0.8 kg/ sqcm ). The no of devices and the diameter depends on the size of the transformer. 4. Temperature protection: • The thermal inertia of transformer results in slow reflection of thermal over loadings in oil temperature (OTI). Hence the temperature protection is normally provided on winding temperature (WTI). The winding hot spot temperature is measured indirectly using replica resistance and the CT secondary currents.
  • 18.
  • 19.
    Transformer protection: Mechanical •The temperature switch , employing mercury contacts, are susceptible to un-wanted operation during jerks on transformer like earthquakes or vibration due to severe faults. Therefore, a time delay of 5 sec is introduced in the trip. • The temperature protection is adequate against over loading. However electrical protection matching thermal characteristics of transformer can be introduced through numerical relay.
  • 20.
  • 21.
    Transformer protection: Electrical TheElectrical protections is further classified as: • Unit protection Which are operated only for , fault in the protected transformer. •Non-Unit protection Which are operated for a fault outside the transformer also and are known as back up protection
  • 22.
    Transformer protection :Electrical • Protection system applied has a very onerous duty of being inactive for the entire life of the protected equipment while being in readiness for operation, when demanded, in a time span of a few milli-seconds. • The application of the protection scheme, power supply, protection logics and the associated isolating devices are all required to play a vital role in the successful performance of this duty. • This aspect is vital in deciding the choice and application of the protection scheme in the first place since it is also vital to ensure that the system does not cause any unwanted interruptions either.
  • 23.
    Typical Generator protectionSLD Typical Generator protection scheme
  • 24.
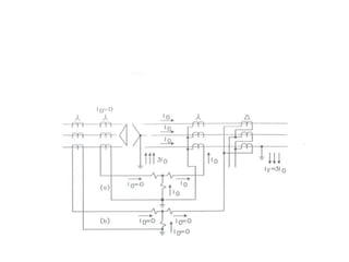
    Transformer protection :Electrical 1. Biased ( percentage) differential protection: • A normal circulating current differential protection can not be applied to a transformer due to the factors like ratio, tap position and magnetizing inrush etc. • Hence, it is necessary to incorporate the percentage bias in the differential circuit. • The protection becomes sensitive to the most commonly expected , inter turn fault but to a limited extent. Sufficiently , a large no of turns have to be shorted for the protection to actuate.
  • 25.
    Transformer protection :Electrical BASIC SCHEME
  • 26.
    Transformer protection :Electrical • There are two additional necessary feature for this protection applied to the transformer. • Stability during switching in (magnetic inrush) • Stability during abnormal voltage/frequency conditions ( over fluxing) • A biased differential relay operates for a differential current more than preset bias percentage of average through current. This value is considerably small in comparison to the through fault current and the relay become quite sensitive. • Two versions of biased differential relays are normally employed.
  • 27.
    Transformer protection :Electrical 1. The relay has minimum operating current setting fixed at 15% of rated current and bias setting in variable steps from 10% to 60%. 2. The relay has a fixed non linear bias , which itself changes upward with the through current magnitude. Such relay offers a variable minimum operating current setting. • Both alternatives are generally considered equivalent from application point of view. • The magnetizing in rush current contains a large no of 2nd harmonics which is filtered out and used as a restraint to prevent the relay from operating during energization.
  • 28.
  • 29.
    Transformer protection :Electrical • Under conditions of transformer saturation a high 5th harmonic content is present which can be used as restraint to prevent mal-operation. • Some relays simply filtered out 5th harmonic from operating current, therefore, tend to operate for heavy saturation conditions. • However, the harmonic restraint feature can delay the tripping considerably for high current internal faults, due to possible CT saturation and consequent harmonics. • Hence, it is necessary to incorporate a high set tripping feature ; set at over 10 times of rated current.
  • 30.
  • 32.
    Transformer protection :Electrical • Some new generation relays do not incorporate harmonic restraint features. They recognize magnetic in rush and over-fluxing by technique of current wave shape identification. • Now-a-days, the trend is to use numerical relays . The basic principle more or less remain same with added advantage of versatility, man/machine interface, event logging and remote communication capability.
  • 33.
  • 34.
    765/21 kV ,600 MVA TRANSFORMER DIFFERENTIAL PROTECTION CTR HV: 500/5 CTR LV: 12500/5 Relay type : System A - P632 Relay Designation - 87GT Transformer Data : Power: 600 MVA HV voltage: 765 KV LV1 Voltage: 21KV Transformer percentage imp: 15 % Transformer vector group: Ynd11 Tap +/- 5 % in steps of 2.5% SETTING CALCULATION
  • 35.
    SUPPORTIVE CALCULATION TOVERIFY BIAS SETTINGS Id> 0.2 Iref Id>> 10 Iref ( should me 10% more than max inrush current) Id>>>15 Iref m1 0.2 m2 0.8 Effect of CTs inside delta: In LV – 21kV side, we have connected 2CTs inside delta and the CTs are connected in such a way to sum the currents during normal operation. As CTs are connected inside the delta, the effective current will be the phase current and not the delta current. Considering both the factors, Effective CT ratio will be 12500/2 * 1.732 =10825A.
  • 36.
    There is novector correction required as CTs are connected inside the delta. At normal condition current in HV bias circuit: Primary current = 600MVA / (1.732 * 765 kV)= 452.83 A Current in CT Secondary = 452.83 / 500 A= 0.906 Required Ratio compensation = 1 / 0.754= 1.104 At normal condition current in LV bias circuit : Primary current = 600 MVA / (1.732 * 21kV)= 16,496.2 A Current in CT Secondary = 16496 / 10825= 1.524 In Required Ratio compensation = 1 / 1.524= 0.656
  • 37.
    At - 5% tap condition current in HV bias circuit: HV Side current = 600 MVA / (1.732 * 726.75 kV)= 476.67A Current in CT Secondary = 476.67x 1.104 / 500 With ratio compensation = 1.052 At + 5 % tap condition current in HV bias circuit: HV Side current = 600 MVA / (1.732 * 803.25 kV)= 431.27 A Current in CT Secondary = 431.27 x 1.104 / 500 With ratio compensation = 0.952 Differential Current at Tap Extremities: At -5% Tap Idiff1 = 1.052-1= 0.052 At +5% Tap Idiff2 = 1-0.952= 0.048
  • 38.
    Bias Current atTap Extremities: I bias = (IRHV + IRLV)/2 IRHV – Relay HV Current IRLV – Relay LV Current Ibias1 = (1.052 + 1)/2 = 1.026 Ibias2 = (0.952 + 1)/2 = 0.976 OPERATING CURRENT Iop: At -5% Tap Iop1 = m1 x I bias + Id> x (1-0.5*m1) = 0.2 x 1.026 + 0.2 x ( 1-0.5*0.2)= 0.3852 Amps Idiff1/ Iop1 = 0.052/0.3852 = 13.5% Since the differential current is not greater than 90% of the operating current at -5% tap the relay will operate satisfactorily.
  • 39.
    OPERATING CURRENT Iop: At+5% Tap Iop1 = m1 x I bias + Id> x (1-0.5*m1) = 0.2 x 0.976 + 0.2 x ( 1-0.5*0.2) = 0.3752 Amps Idiff2/Iop2 = 0.048 / 0.3752= 12.79 % Since the differential current is not greater than 90% of the operating current at +5% tap the relay will operate satisfactorily. Hence Bias setting : m1 = 20% (0.2) 1.5 times of Full load current, m2 = 80% for through fault stability
  • 40.
  • 41.
    Transformer protection :Electrical 2. Restricted Earth fault protection: • This protection is applied to single winding of the transformer and quite sensitive and straight forward. The relay is high impedance differential relay and remains stable for all out of zone faults. The protection is insensitive to the inter-turn faults. • The gain in protection performance is obtained by: 1.Low instantaneous setting 2.The whole fault current is measured • Therefore, although the prospective current level decreases as the fault position progress nearer to the neutral end of the winding, the square law which controls the primary current is not applicable.
  • 42.
    WHY REF? • SimpleOver current and Differential Protection for a star connected HV winding, as the transformed current and not the actual current is measured on the LV side. • Because of the square law faults in the lower third of the winding produce very little current.
  • 44.
  • 46.
    Transformer protection :Electrical • The protection is applied often to transformers with neutral solidly earthed. The fault current remains at high value even to the last turn of the winding and complete cover of winding is achieved. • Earth fault protection applied to a delta connected or unearthed star winding is inherently restricted. A high impedance relay can be used giving fast operation and phase-fault stability.
  • 48.
    SETTING CALCULATION (Lowimpedance) OVER HEAD LINE DIFFERENTIAL PROTECTION CTR HV: 500/1A CTR LV: 500/1A Relay type : System A - P632 Relay Designation - 87HV Transformer Data : Power: 600 MVA HV voltage: 765 KV LV1 Voltage: 765 KV Recommended settings: Id> 0.1 Iref ( can be sensitive, as CTs are of same ratio & class PS) Id>>10 Iref Id>>>15 Iref m1 0.2 m2 0.8
  • 49.
    At normal conditioncurrent in HV bias circuit : Primary current = 600MVA / (1.732 * 765 kV)= 452.83 A Current in CT Secondary = 452.83 / 500 A= 0.906 Required Ratio compensation = 1 / 0.754= 1.104 At normal condition current in HV bias circuit: Primary current = 600MVA / (1.732 * 765 kV)= 452.83 A Current in CT Secondary = 452.83 / 500 A= 0.906 Required Ratio compensation = 1 / 0.754= 1.104 As spill current will be linear based on load, it will be well taken care by bias slope. We can adopt the above-recommended settings.
  • 50.
    SETTING CALCULATION (Highimpedance) Relay type: 7SJ61, Relay designation: 64RGT CT Ratio: 500/1, Rct: 4 Ohm Max. Fault current HV side= 600X1000/ (1.732X765X0.12) = 3773 Amp ( transformer impedance 12% at max tap and tolerance is ignored) Fault current at CT secondary = 3773/500=7.546A Voltage across the relay at through fault condition: 7.546A X (4+0.2) Ohm = 31.693 Volt (0.2 Ohm as lead res.) Set relay at 10% and setting current = 0.1 A Value of stabilizing resistor = 31.693/0.1= 317Ohm
  • 51.
    Transformer protection :Electrical 3. Over-fluxing protection: • Over-fluxing withstand characteristic of the transformer is invariably inverse time. The protection should match this characteristic. The protection against over-fluxing is provided either by definite time or by IDMT characteristic relay which senses V/f threshold . Separate alarm and trip elements are provided. The alarm function is a definite time delayed and the trip function is an IDMT characteristic. Transformer voltage equation is given by V/f = køT • Application of the protection from HV side voltage signal results in over/under protection as the factor of no of turns is ignored in the protection.
  • 52.
    IDMT CHARACTERISTIC OFOVER-FLUXING RELAY
  • 53.
    VT Ratio: 765kV/110volt Relay type: System A - P632 Relay Designation - 99 Over Fluxing protection: Continuous over flux withstand capability : 110% Withstand capability at 120% : 1 minute Withstand capability at 130% : 30 secs Withstand capability at 140% : 5 secs Recommended settings are as below: Alarms: Alarms will be generated if V/f value is 1.12 the nominal value after a time delay of 10 secs. Tripping characteristic: Over-fluxing tripping IDMT characteristics has to be made as per the transformer withstand specifications . SETTING CALCULATION
  • 54.
    Transformer protection :Electrical 4. Back up Earth fault protection: • The back up earth fault protection (51N) take current signal from the neutral CT of the Transformer. This is the last back up protection for un-cleared ground faults. 5. Back up protection: • The most common form of back up protection is the inverse time over current protections. This protection is a back up protection against short circuits un-cleared by the primary protection and is nothing to do with protecting transformer against overloads as misunderstood sometimes. The setting is done at 300% of the rated current and no case shall be less than 175%.
  • 55.
    CTR HV: 500/1 BACKUP E/F SETTING: Threshold can be more sensitive to take care of faults near to star point. Normal recommended value is 30% of the rated Full load current. Pick up setting = Full load current x 30 % = 452.83 / 500 *0.3= 0.27 A Time setting fixed to more than zone 3 time of distance relays to provide back up protection for the line protections. Recommended DT of 2Sec. Operating time setting of the relay should be more than the operating time of distance zones in line protection relay. SETTING CALCULATION
  • 56.
    Transformer protection :Electrical 6. Inter-turn fault and protection: • Statistically, approximately 70-80% of all transformer faults originate as inter-turn faults and finally develop into earth fault and/or phase faults. Short circuit of a few turns of a winding will cause a significantly heavy current in the short circuited portion of the winding, while the terminal currents will be very small because of large turns ratio between the main winding and the short circuited turns. • Most probable reasons for inter-turn faults are : 1. Mechanical forces on the winding due to external short circuits 2. Excessive moisture in the paper insulation of the winding 3. Structural failure of paper insulation due to aging.
  • 58.
    Transformer protection :Electrical • The transformers may be subjected to steep fronted impulse voltage originated form lightning and switching having very high equivalent frequency and tend to concentrate on the end windings. This has led to reinforced design of end winding insulation. • However, the reinforced end winding insulation is not comparable to the insulation to the ground and hence a higher probability of part winding flash over exists as against that for flashover to ground. • Inter-turn faults involving very few turns are not detectable. Inter-turn faults involving fairly large number of turns either may be cleared by transformer differential or rate of gas pressure rise in transformer liquid insulation protections.
  • 59.
    Transformer protection Philosophy Thepercentage-differential principle, which was immediately applied to transformer protection, provided excellent results in improving the security of differential protection for external faults with CT saturation. Differential relays are prone to misoperation in the presence of transformer inrush currents resulting from transients in transformer magnetic flux. Three solution emerged to overcome this problem: • To introduce an internal time delay in the relay • Desensitize the relay for a given time to override inrush condition • To add a voltage signal to restrain or supervise the relay.
  • 60.
    Transformer protection Philosophy Researchersquickly recognized that the harmonic contents of the differential current provided information that helped differentiate faults from inrush condition and led to development of differential relays with percentage-differential harmonic restraint for transformer protection. The early relays used all of the harmonics for restraint. Later relays with blocking only second harmonic developed and led to development of philosophy of harmonic blocking instead of restraining. Many modern transformer differential relays use either harmonic restrain or blocking method. These methods ensure relay securities for a very high percentage of inrush and over excitation cases. However these methods do not work in cases with very low harmonic contents in the operating current. Common harmonic restraint or blocking increases relay security for inrush, but it could delay operation for internal faults combined with inrush in non-faulted phases. Transformer over excitation is another possible cause of differential relay misoperation.
  • 61.
    Transformer protection Philosophy Suchmisoperation is prevented by an additional fifth harmonic restraint or by methods based on wave shape recognition to distinguish fault from inrush in transformer differential protection relays. However these techniques do not identify transformer over excitation conditions. The improved approach uses current-only inputs for transformer differential protection. The approach ensures security for external faults, inrush and over excitation conditions and provides dependability for internal faults. It combines harmonic restraints and blocking methods with wave shape recognition technique. The improve method uses even harmonics for restraint and dc component and fifth harmonic to block operation.