BEE
Unit – 1
DC Circuits
Q1) What is an ideal and practical voltage source?
A1) A voltage source is a device which provides a constant voltage to load at any
instance of time and is independent of the current drawn from it. This type of source
is known as an ideal voltage source. Practically, the ideal voltage source cannot be
made. It has zero internal resistance. It is denoted by this symbol.
Fig: Voltage source symbol
Ideal Voltage Source
Fig: Ideal Voltage Source
The graph represents the change in voltage of the voltage source with respect to
time. It is constant at any instance of time.
Voltage sources that have some amount of internal resistance are known as a
practical voltage source. Due to this internal resistance, voltage drop takes place. If
the internal resistance is high, less voltage will be provided to load and if the
internal resistance is less, the voltage source will be closer to an ideal voltage
source. A practical voltage source is thus denoted by a resistance in series which
represents the internal resistance of source.
Practical Voltage source
Fig: Practical Voltage source
The graph represents the voltage of the voltage source with respect to time. It is not
constant but it keeps on decreasing as the time passes.
Q2) What is an ideal and practical current source?
A2) A current source is a device which provides the constant current to load at any
time and is independent of the voltage supplied to the circuit. This type of current is
known as an ideal current source; practically ideal current source is also not
available. It has infinite resistance. It is denoted by this symbol.
Ideal Current source
Fig: Ideal Current source
The graph represents the change in current of the current source with respect to
time. It is constant at any instance of time.
Practical Current source
Practically current sources do not have infinite resistance across there but they have
a finite internal resistance. So the current delivered by the practical current source is
not constant and it is also dependent somewhat on the voltage across it.
A practical current source is represented as an ideal current source connected with
resistance in parallel.
Fig; Practical Current source
The graph represents the current of the current source with respect to time. It is not
constant but it also keeps on decreasing as the time passes.
Q3) Why ideal Current source has infinite resistance?
A3) A current source is used to power a load, so that load will turn on. We try to
supply 100% of the power to load. For that, we connect some resistance to transfer
100% of power to load because the current always takes the path of least resistance.
So, in order for current to go to the path of least resistance, we must connect
resistance higher than load. This is why we have the ideal current source to have
infinite internal resistance. This infinite resistance will not affect voltage sources in
the circuit.
Q4) Explain Kirchhoff’s current law?
A4) The algebraic sum of currents meeting at a junction or node in a electric circuit
is zero or the summation of all incoming current is always equal to summation of all
outgoing current in an electrical network.
Explanation
Assuming the incoming current to be positive and outgoing current negative we
have
I e incoming current = ∑ outgoing current thus, the above Law can also be stated
as the sum of current flowing towards any junction in an electric circuit is equal to
the sum of currents flowing away from that junction.
Q5) Explain Kirchhoff’s voltage law?
A5) Kirchhoff’s Voltage Law or KVL, states that “in any closed loop network, the total
voltage around the loop is equal to the sum of all the voltage drops within the same
loop” which is also equal to zero. In other words, the algebraic sum of all voltages
within the loop must be equal to zero.
By convention
Apply the polarity sign which is attached to the entering point of the device.
We apply the sign of the device that the loop first touches.
-V1 + V2 + V3 + V4 =0
V1 = V2 + V3 + V4
Q6) Using Superposition theorem determine the voltage drop and current across the
resistor 3.3K as shown in figure below
A6) Step 1:
Remove 8V power supply from the original circuit such that the new circuit becomes
as the following and measure the voltage across resistor.
Here 3.3 K and 2K are in parallel therefore the resultant resistance will be 1.245K
Using voltage divider rule across 1.245K will be
V1 =[1.245/(1.245+4.7)] * 5 = 1.047V
Step 2:
Remove the 5V power supply from the original circuit such that the new circuit
becomes the following and then measure the voltage across resistor.
Here 3.3K and 4.7K are in parallel therefore the resultant resistance will be 1.938K.
Using voltage divider rule voltage across 1.938K will be
V2 =[1.938(1.938+2)] *8 = 3.9377V
Therefore, voltage drop across 3.3K resistor is V1+V2 = 1.047 + 3.9377 = 4.9847V
Q7) Explain the Step to apply Thevenin’s theorem.
A7) Thevenin’s Theorem states that “Any linear circuit containing several
voltages and resistances can be replaced by just one single voltage in series
with a single resistance connected across the load”.
For the circuit as shown in figure find the current through RL = R2 = 1Ω resistor (Ia-b)
branch using Thevenin’s theorem. Find the voltage across the current source.
Step 1: Disconnect the load resistance and reconnect the circuit.
Step 2: Apply any method to calculate Vth
At node C
2 + I1 + I2 =0
2 + (3 -Vc)/3 + (0-Vc/6) -- Vc = 6V
The currents I1 and I2 are computed by the following expressions:
I1 = Va -Vc/3 = 3-6/3 = -1A (I1 is flowing from c to a)
I2 = 0 – Vc/6 = -6/6 = -1A (I2 is flowing from c to a)
Step-3:
Redraw the circuit indicating the direction of currents in different branches. One can
find the Thevenin’s voltage VTh using KVL around the closed path ‘gabg’
VTh = Vag − Vbg = 3 − 2 =1volt
Step 4:
Replace all sources by their internal resistances. In this problem, voltage source has
an internal resistance zero (0) (ideal voltage source) and it is short-circuited with a
wire.
On the other hand, the current source has an infinite internal resistance (ideal
current source) and it is open-circuited (just remove the current source).
Thevenin’s resistance RTh of the fixed part of the circuit can be computed by looking
at the load terminals ‘a’- ‘b’
RTh = ( R1 + R3 ) & R4 = ( 3 + 4 )&2 = 1.555Ω
Step-5: Place RTh in series with VTh to form the Thevenin’s equivalent circuit.
Reconnect the original load resistance RL = R2 = 1 Ω to the Thevenin’s
equivalent circuit .
Step-6: The circuit is redrawn to indicate different branch currents. Referring to one
can calculate the voltage Vbg and voltage across the current source (Vcg ) using the
following equations.
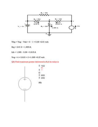
Vbg = Vag − Vab = 3 − 1 × 0.39 =2.61 volt.
Ibg = 2.61 2 = 1.305 A;
Icb = 1.305 − 0.39 = 0.915 A
Vcg = 4 × 0.915 + 2 ×1.305 =6.27 volt.
Q8) Find maximum power delivered is RLif its value is
16Ω


Ω
60Ω

20Ω

A8)
Therefore,
Also, clear from circuit that Vth = 1V.
By
applying KVL we get,
1-3Isc=0
Isc= A
Q9) Explain star to delta and delta to star conversion?
A9) Star to delta conversion to final equivalent resistance
We know that (from delta to star conversion)
R1 = …….①
R2 = …..②
R1 = ……③
Multiply ① X ② L.H.S and R.H.S
R1 R2 = …….④ where
Similarly multiply ② X ③
R2 R3 = …….⑤
And ③ X①
R1 R3 = …….⑥
Now add equation ④, ⑤, and ⑥ L.H.S and R.H.S
……refer eq. ②
= + +
= +
(Delta) star star
Similarly R23 = R2+R3 +
R23 = R1+R2 +
Delta to Star Conversion to Find (Req.)
 Equivalent resistance between ① and ②
Delta Star
= R12// (R23 + R13) =R1 + R2
= = R1 + R2
=
Here let R = R12 + R23 + R13
 Similarly we can find Req. between 2 and 3
= R2 + R3
 Similarly we can find req. between 1 and 3
R1 + R3
Now the 3 equations after equating L.H.S. and R.H.S
R1 + R2 = …….①
R2 + R3 = ……②
R1 + R3 = …..③
Now subtract ② and ① on L.H.S. and R.H.S
R2+ R3 – R1 – R2 =
R3 – R1 = …..④
Now add equation ④ and ③
R3 – R1 + R1 + R3 =
2R3 =
Similarly R1 =
And R2 = R23 R12/R where R = R12 + R23 + R13
ie star equivalent from delta network is ratio of product of adjacent branches in
delta to the addition of all branches in delta.
Q10) Explain analysis of simple circuits with DC excitation?
A10) Here is a simple circuit with DC excitation:
Analysis would mean we determine the voltages at all the nodes and currents in all
the branches of this circuit.
A node is defined as any point where two or more components meet.
A branch is defined as any path between two nodes.
Let’s label all the nodes in the circuit above:
We have only two nodes here, ‘1’ and ‘0’.
We call node ‘0’ the ground node. The ground node is at 0 volt.
Node ‘1’ is connected to the top of our DC voltage source. So it is at 9 volts.
Half our job is done here, because we now know the voltages at all the nodes in our
circuit.
Next, let’s talk about the branches.
There are two branches in our circuit. One branch contains the 9V DC source and
the other branch contains the 3k resistor.
We know find the currents through the branches.
From Ohm’s law we can calculate the current in the resistor.
I = V/R
This gives us a current of 9/3k = 3 mA.
The current in the resistor branch is 3 mA. And, because our circuit is one single
closed loop, this current also flows in the other branch.
At this point, we know all the voltages at each node and the currents through each
branch of our simple circuit. So, we say that the analysis of our simple DC excitation
circuit is complete.
BEE
Unit – 2
AC Circuits
Q1) Prove that the average value of sinusoid ally varying alternating current is 0.636
times maximum value of alternating current.
A1) The arithmetic mean of all the value over complete one cycle is called as
average value
=
For the derivation we are considering only hall cycle.
Thus varies from 0 to ᴫ
i = Im Sin
Solving
We get
Similarly, Vavg=
The average value of sinusoid ally varying alternating current is 0.636 times
maximum value of alternating current.
Q2) Prove that the RMS value of sinusoidal alternating current is 0.707 times the
maximum value of alternating current.
A2) The RMS value of AC current is equal to the steady state DC current that
required to produce the same amount of heat produced by ac current provided that
resistance and time for which these currents flows are identical.
I rms =
Direction for RMS value:
Instantaneous current equation is given by
i = Im Sin
but
I rms =
=
=
=
Solving
=
=
Similar we can derive
V rms= or 0.707 Vm
the RMS value of sinusoidally alternating current is 0.707 times the maximum
value of alternating current.
Q3) Explain Resonance in series RLC circuit
A3) It is defined as the phenomenon which takes place in the series or parallel R-L-C
circuit which leads to unity power factor
Voltage and current in R-L-C ckt are in phase with each other.
Resonance is used in many communication circuits such as radio receiver.
Resonance in series RLC -> series resonance in parallel->antiresonance/parallel
resonance
Condition for resonance
XL=XC
Resonant frequency (fr): For given values R-L-C the inductive reactance XL becomes
exactly equal to the capacitive reactance XC only at one particular frequency. This
frequency is called as resonant frequency and denoted by ( fr)
Expression for resonant frequency (fr)
We know that
XL = - inductive reactance
capacitive reactance
At a particle or frequency f=fr,the inductive and capacitive reactance are exactly
equal
Therefore, XL = XC ----at f=fr
i.e.
Therefore,
and rad/sec
Q4) Define: Reactance, Impedance and Power factor.
A4) Inductive Reactance (XL)
It is opposition to the flow of an AC current offered by inductor.
XL = ω L But ω = 2 ᴫ F
XL = 2 ᴫ F L
It is measured in ohm
XL∝FInductor blocks AC supply and passes dc supply zero
Capacitive Reactance (Xc)
It is opposition to the flow of ac current offered by capacitor
Xc =
Measured in ohm
Capacitor offers infinite opposition to dc supply
Impedance (Z)
The ac circuit is to always pure R pure L and pure C it well attains the combination of
these elements. “The combination of R1 XL and XC is defined and called as
impedance represented as
Z = R +i X
Ø = 0
only magnitude
R = Resistance, i = denoted complex variable, X =Reactance XL or Xc
Polar Form
Z = L I
Where =
Measured in ohm
Power factor (P.F.)
It is the cosine of angle between voltage and
current
If Ɵis –ve or lagging (I lags V) then lagging P.F.
If Ɵ is +ve or leading (I leads V) then leading P.F.
If Ɵ is 0 or in phase (I and V in phase) then unity P.F.
Q5) Explain Ac circuit containing pure Inductors
A5)
Consider pure Inductor (L) is connected
across alternating voltage. Source
V = Vm Sin ωt
When an alternating current flow through
inductance it set ups alternating magnetic
flux around the inductor.
This changing the flux links the coil and self-
induced emf is produced
According to faradays Law of E M I
e =
at all instant applied voltage V is equal and opposite to self-induced emf [ lenz’s law]
V = -e
=
But V = Vm Sin ωt
dt
Taking integrating on both sides
dt
dt
(-cos )
but sin (– ) = sin (+ )
sin ( - /2)
And Im=
/2)
/2
= -ve
= lagging
= I lag v by 900
Phasor:
Power P = Ѵ. I
= Vm sin wt Im sin (wt /2)
= Vm Im Sin wt Sin (wt – /s)
①
And
Sin (wt - /s) = - cos wt ②
Sin (wt – ) = - cos
sin 2 wt from ① and ②
The average value of sin curve over a complete cycle is always zero
Pavg = 0
Q6) Explain the impedance of series circuit?
A6) Series RLC circuit:
Applying KVL to the series RLC circuit shown in the figure above at t= 0 gives the
following basic relation :
V = vR(t) + vC(t ) + vL(t)
Representing the above voltages in terms of the current iin the circuit we get the
following integral differentia lequation:
Ri + 1/C∫ 𝒊𝒅𝒕 + L. (di/dt)= V
To convert it into a differential equation it is differentiated on both sides with respect
to time and we get
L(d2 i/dt2 )+ R(di/dt)+ (1/C)i = 0
This can be written in the form
[s2 + (R/L)s + (1/LC)].i = 0 where ‘s’ is an operator equivalent to (d/dt) And the
corresponding characteristic equation is then given by
[s2 + (R/L)s + (1/LC)] = 0
This is in the standard quadratic equation form and the rootss1ands2are given by
s1,s2 =− R/2L±√[(R/2L)2− (1/LC)]= −α ±√(α 2– ω0 2 )
where α is known as the same exponential damping coefficient and
ω0is known as the same Resonant frequency
as explained in the case of Parallel RLC circuit and are given by :
α = R/2L and ω0= 1/ √LC and A1 and A2must be found by applying the given initial
conditions.
Here also we note three basic scenarios with the equations for s1 and s2 depending
on the relative sizes of αand ω0 (dictated by the values of R, L, and C).
CaseA: α > ω0,i.e when (R/2L) 2>1/LC , s1 and s2 will both be negative real
numbers, leading to what is referred to as an over damped response given by : i (t)
= A1e s1t
+ A2e s2t
. Sinces1 and s2 are both be negative real numbers this is the
(algebraic) sum of two decreasing exponential terms. Since s2 is a larger negative
number it decays faster and then the response is dictated by the first term A1e s1t
.
Case B : α = ω0, ,i.e when (R/2L) 2=1/LCs1 and s2are equal which leads to what is
called a critically damped response given by : i (t) = e −αt (A1t + A2) Case
C : α < ω0,i.e when (R/2L) 2
.
Q7) Explain the impedance of parallel circuit?
A7) Let us first consider the simple parallel RLC circuit with DC excitation as shown
in the figure below.
For the sake of simplifying the process of finding the response we shall also assume
that the initial current in the inductor and the voltage across the capacitor are zero.
Then applying the Kirchhoff’s current law (KCL )( i = iC +iL ) to the common node we
get the following differential equation:
(V-v) /R = 1/L dt’ + C. dv/dt
where v = vC(t) = vL(t) is the variable whose value is to be obtained. When we
differentiate both sides of the above equation once with respect to time we get the
standard Linear second-order homogeneous differential equation
C. (d 2
v / dt 2
) + (1/R) ( dv/dt) + (1/L).v =0
(d 2
v / dt 2
) + (1/RC) ( dv/dt) + (1/LC).v =0
whose solution v(t) is the desired response.
This can be written in the form:
[s 2
+ (1/RC)s + (1/LC)].v(t) = 0 where ‘s’ is an operator equivalent to (d/dt) and the
corresponding characteristic equation is then given by :
[s 2
+ (1/RC)s + (1/LC)] = 0
This equation is usually called the auxiliary equation or the characteristic equation. If
it can be satisfied, then our assumed solution is correct. This is a quadratic equation
and the roots s1 and s2are given as :
s1= − 1/2RC+√[(1/2RC) 2
− 1/LC]
s2= − 1/2RC−√[ (1/2RC)2
− 1/LC ]
Q8) Define Real Power, Reactive Power, Apparent Power, Power Factor?
A8)
Apparent
 power : (S):- it is defined as product of rms value of voltage (v) and
current (I), or it is the total power/maximum power
S= V × I
Unit - Volte- Ampere (VA)
In kilo – KVA
2. Real power/ True power/Active power/Useful power : (P) it is defined as the
product of rms value of voltage and current and the active component or it is the
average or actual power consumed by the resistive path (R) in the given
combinational circuit.
It is measured in watts
P = VI Φ watts / KW, where Φ is the power factor angle.
3. Reactive power/Imaginary/useless power [Q]
It is defined as the product of voltage, current and sine B and I
Therefore,
Q= V.I Φ
Unit –V A R
In kilo- KVAR
As we know power factor is cosine of angle between voltage and current
i.e. ɸ. F = cos ɸ
In other words, also we can derive it from impedance triangle
Now consider Impedance triangle in R.L.ckt
From triangle ,
Now Φ – power factor=
Power factor = Φ or
Q9) Explain the AC circuit consisting of pure capacitance?
A9)
Consider pure capacitor C is connected across alternating voltage source
Ѵ = Ѵm Sin wt
Current is passing through capacitor the instantaneous charge ɡ produced on the
plate of capacitor
ɡ = C Ѵ
ɡ = c Vm sin wt
the current is rate of flow of charge
i= (cvm sin wt)
i = c Vm w cos wt
then rearranging the above eqth.
i = cos wt
= sin (wt + X/2)
i = sin (wt + X/2)
but
X/2)
= leading
= I leads V by 900
Waveform :
Phase
Power P= Ѵ. i
= [Vm sinwt] [ Im sin (wt + X/2)]
= Vm Im Sin wt Sin (wt + X/2)]
(cos wt)
to charging power waveform [resultant].
Q10) Explain the series R-L circuit?
A10) Series R-L Circuit
Consider a series R-L circuit connected across voltage source V= Vm sin wt
As some I is the current flowing through the resistor and inductor due do this current
voltage drops arcos R and L R VR = IR and L VL = I X L
Total V = VR + VL
V = IR + I X L V = I [R + X L]
Take current as the reference phasor : 1) for resistor current is in phase with voltage
2) for Inductor voltage leads current or current lags voltage by 90 0.
For voltage triangle
Ø is power factor angle between current and resultant voltage V and
V =
V =
where Z = Impedance of circuit and its value is =
Impedance Triangle
Divide voltage triangle by I
Rectangular form of Z = R+ixL
and polar from of Z = L +
(+ j X L + because it is in first quadrant )
Where =
+ Tan -1
Current Equation :
From the voltage triangle we can sec. that voltage is leading current by or current
is legging resultant voltage by
Or i = = [ current angles - Ø )
Resultant Phasor Diagram from Voltage and current eqth.
Wave form
Power equation
P = V .I.
P = Vm Sin wt Im Sin wt – Ø
P = Vm Im (Sin wt) Sin (wt – Ø)
P = (Cos Ø) - Cos (2wt – Ø)
Since 2 sin A Sin B = Cos (A-B) – Cos (A+B)
P = Cos Ø - Cos (2wt – Ø)
Average Power
pang = Cos Ø
Since ② term become zero because Integration of cosine come from 0 to 2ƛ
pang = Vrms Irms cos Ø watts.
Power Triangle :
From
VI = VRI + VLI B
Now cos Ø in A =
①
Similarly Sin =
Apparent Power Average or true Reactive or useless power
Or real or active
-Unit (VI) Unit (Watts) C/W (VAR) denoted by (Ø)
Denoted by [S] denoted by [P]
Power for R L ekt.
BEE
Unit – 3
Magnetic Circuits
Q1) Derive series magnetic current with air gap
A1) In series magnetic circuit flux is same in each part of circuit
Consider a composite magnetic circuit made from different material of
lengths ɻ1,ɻ2, and ɻ3 cross sectional area a1, a2 And a3 and relative permeability’s 1 ,
2 , 3 resp. with an airgap of length ɻɡ
Total reluctance S = S1 + S2+ S3 + Sg
We know that S =
+ + +
But S = and mmf = S x Ø
mmf = Ø + +
+ for air
Now B =
mmȴ = + + +
but B=μH
H = =
Total mmȴ = H1 ɻ1+ H2 ɻ2 + H3 ɻ3 + Hƪɻƪ
Q2) Explain a magnetic circuit which has more than one path for flux called parallel
magnetic circuit
A2)
Mean length ABCDA
= ɻ₁, and ADEFA = ɻ₂
Mean length path for
central limb = ɻc
Reluctance ABCDA =
S1, ADEFA = S2
And central limb = SC
Now total mmȴ = N
i.e. mmf =
For path ABC AD
N =
Where S1 = , S2 = , and Sc =
Where area of cross selection
for parallel ekt.
Total mmȴ = mmȴ by central limb + mmȴ required by any one of outer limb
= Ø sc + [Ø1S1 or Ø2 S2]
As mmf across parallel branch is same
Ø1 S1 = Ø2 S2
Hence while calculating total mmf, the mmf of only one of 2 parallel branches must
be considered.
Q3) Explain Parallel Magnetic Circuits.
A3) A magnetic circuit which has more than one path for flux called parallel
magnetic circuit
Mean length ABCDA
= ɻ₁, and ADEFA = ɻ₂
Mean length path for
central limb = ɻc
Reluctance ABCDA =
S1, ADEFA = S2
And central limb = SC
Now total mmȴ = N
i.e. mmf =
Q4) A magnetic circuit with a single air gap is shown in Figure. The core dimensions
are:
A4) Cross-sectional area Ac = 1.8 × 10-3
m2
Mean core length lc = 0.6 m
Gap length g = 2.3 x 10-3
m
N = 83 turns
Assume that the core is of infinite permeability ( m -> ¥) and neglect the effects of
fringing fields at the air gap and leakage flux. (a) Calculate the reluctance of the
core Re and that of the gap Rg. For a current of i = 1.5 A, calculate (b) the total flux ϕ,
(c) the flux linkages λ of the coil, and (d) the coil inductance L.
Solution:
Rc=0 since μ-> ∞
Rg = g/ μo Ac = 2.3 x 10 -3
/ 4 π x 10 -7
x 1.8 x 10 -3
= 1.017 x 10 6
A/Wb
ɸ= Ni/ Rc + Rg = 83 x 1.5 / 1.017 x 10 6
= 1.224 x 10 -4
Wb
λ = N ɸ = 1.016 x 10 -2
Wb
L = λ/i = 1.016 x 10 -2
/ 1.5 = 6.773 mH
Q5) Consider the magnetic circuit of with the dimensions of Problem 1.1. Assuming
infinite core permeability, calculate (a) the number of turns required to achieve an
inductance of 12 mH and (b) the inductor current which will result in a core flux
density of 1.0 T.
A5) L = N2 /Rg = 12 x 10 -3 mH
N = √ 12 x 10 -3 x 1.017 x 10 6 = 110.47 = 110 turns
Bc = Bg = 1.0 T
ɸ= Bg Ac = 1.8 x 10 -3
Wb
i = λ/L = N ɸ/L = 110 x 1.8 x 10 -3
/ 12 x 10 -3
= 16.5 A
Q6) A square voltage wave having a fundamental frequency of 60 Hz and equal
positive and negative half cycles of amplitude E is applied to a 1000-turn winding
surrounding a closed iron core of 1.25 x 10-3
m2
cross section. Neglect both the
winding resistance and any effects of leakage flux.
(a) Sketch the voltage, the winding flux linkage, and the core flux as a function of
time.
(b)Find the maximum permissible value of E if the maximum flux density is not to
exceed 1.15 T.
A6)
Q7) In the magnetic circuit as shown in figure (a) the relative permeability of the
ferro magnetic material is 1200. Neglect the magnetic leakage and fringing. All
dimensions are in centimetres, and the magnetic material has a square cross-
sectional area. Determine the air gap flux , air gap flux density and the magnetic
field intensity in the air gap.
A7) The mean magnetic path of the fluxes are shown by dashed lines in figure(a)
The equivalent magnetic circuit is shown in figure(b).
F1 = N1 I1 = 500 x 10 = 5000 At
F2 = N2 I2 = 500 x 10 = 5000 At
μc= 1200 μo = 1200 x 4π x 10 -7
Rbafe = l bafe/ μc Ac
= 3 x 52 x 10 -2
/ 1200 x 4π x 10 -7 x 4 x 10-4
= 2.58 x 10 6 At/Wb
Q8) For the magnetic circuit of the above figure N =400 turns.
Mean core length lc= 50 cm
Air gap length = 1.0 mm
Cross sectional area Ac = Ag = 15 cm2
Relative permeability of core μr = 3000
i = 1.0A
Find
(a) Flux and flux density in the air gap
(b) Inductance of the coil.
A8)
Rc = lc / μr .μo. Ac = 50 x 10 -2
/ 3000 x 4π x 10 -7
x 15 x 10 -4
= 88.42 x 10 3
AT/Wb
Rg = lg / μo Ag = 1 x 10 -3
/ 4 π x 10 -7
x 15 x 10 -4
= 530.515 x 10 3
AT/Wb
ɸ = Ni/ Rc + Rg
= 400 x 1.0 / (88.42 + 530.515 ) 10 3
B = ɸ/Ag = 0.6463 x 10 -3 / 15 x 10-4
= 0.4309
L = N2 / Rc + Rg = 400 2 / (88.42 + 530.515) 10 3
= 258.52 x 10 -3 H
Or
L = λ/i = Nɸ/i = 400 x 0.6463 x 10 -3
/ 1.0 = 258.52 x 10 -3
H
Q9) Explain the application of series magnetic circuits?
A9) The most one we almost all see, are electronic lock systems. Some doors use
solenoids to withdraw the bolt when you swipe your card, a magnetic circuit. Better
door locks are strong electromagnets that hold a steel plate until the card is
scanned. another magnetic circuit.
BEE
Unit – 4
Transformers
Q1) What are magnetic material?
A1)
 A magnetic material is a material that experiences a force when placed in a
magnetic field
 Although all magnetic materials are metallic, not all metals are magnetic
 Common magnetic materials include:
 Iron
 Steel (an alloy of iron)
 Nickel
 Cobalt
 Note: Copper and Aluminium are non-magnetic
 Magnetically soft materials (e.g. Iron):
 Are easy to magnetise
 Easily lose their magnetism
 Magnetically hard materials (e.g. Steel):
 Are hard to magnetise
 Do not easily lose their magnetism
 Permanent magnets are made from magnetically hard materials, as we don’t want
them to lose their magnetism
 Electromagnets are made from magnetically soft materials, as we want them to be
able to easily gain and lose their magnetism.
Q2) Compare paramagnetic, di-magnetic and ferromagnetic material.
A2) 1. Paramagnetic Materials.
The materials, which are not strongly attracted by a magnet, such as aluminium, tin,
platinum, magnesium, manganese etc., are known as paramagnetic materials. Their
relative permeability is small but positive.
Such materials are slightly magnetized when placed in a strong magnetic field and
act in the direction of the magnetic field. In paramagnetic materials the individual
atomic dipoles are oriented in a random fashion, as shown in Figure.
The resultant magnetic field is, therefore, negligible. When an external magnetic
field is applied, the permanent magnetic dipoles orient themselves parallel to the
applied magnetic field and give rise to a positive magnetization. Since the
orientation of the dipoles parallel to the applied magnetic field is not complete, the
magnetization is small. These materials have little application in the field of electrical
engineering.
2. Diamagnetic Materials. The materials which are repelled by a magnet such as
zinc, mercury, lead, sulphur, copper, silver, bismuth, wood etc., are known as
diamagnetic materials.
Their permeability is slightly less than unity.
For example, the relative permeabilities of bismuth, copper and wood are 0.99983,
0.999995 and 0.9999995 respectively.
They are slightly magnetized when placed in a strong magnetic field and act in the
direction opposite to that of applied magnetic field. In diamagnetic materials, the
two relatively weak magnetic fields (one caused due to orbital revolution and other
due to axial rotation) are in opposite directions and cancel each other. Permanent
magnetic dipoles are absent in them.
3. Ferromagnetic Materials. Ferromagnetism may be thought of as a special case
of para magnetism in which the individual spin magnetic moments are interacting or
coupled. As with paramagnets, ferromagnets have strong and positive magnetic
susceptibility. Ferromagnetism is possible only when atoms are arranged in a lattice
and the atomic magnetic moments interact to align parallel with each other. This
field is sufficient to magnetize the material to saturation. Unlike paramagnets, when
the applied field is removed, they retain a component of magnetization in the
direction of the applied field – they are “permanently” magnetized Ferromagnetic
materials are of two types: (a) soft magnetic material and (b) hard magnetic
materials.
Q3) Draw and explain BH curve.
A3)
The curve plotted between flux density B and magnetizing force H of a material is
called magnetizing or B-H curve.
 The shape of curve is non-linear. This indicates that relative permeability (µr = B /
µ0H) of a material is not constant, but it varies.
 B-H curves are extremely useful to analyse the magnetic circuit. If value of flux
density and dimension of magnetic circuit is known than from B-H curve total
ampere turn can be easily known.
Q4) Explain ideal transformer.
A4) An ideal transformer is one that has
no winding resistance

no leakage flux i.e., the same flux links both the windings

no iron losses (i.e., eddy current and hysteresis losses) in the core

Although an ideal transformer cannot be physically realized, yet its study provides a
very powerful tool in the analysis of a practical transformer. In fact, practical
transformers have properties that approach very close to an ideal transformer.
Consider an ideal transformer on no load i.e.,
the secondary is open-circuited as shown in the
figure. Under such conditions, the primary is
simply a coil of pure inductance.
When an alternating voltage V₁ is applied to the primary, it draws a small
magnetizing current Iₘ which lags behind the applied voltage by 90°. This
alternating current Iₘ produces an alternating flux ϕ which is proportional to and in
phase with it.
The alternating flux ϕ links both the windings and induces e.m.f. E₁ in the primary
and e.m.f. E₂ in the secondary. The primary e.m.f. E₁ is, at every instant, equal to and
in opposition to V₁ (Lenz’s law). Both e.m.f.sE₁, and E₂ lag behind flux ϕ by 90°.
However, their magnitudes depend upon the number of primary and secondary
turns.
Phasor Diagram of Ideal Transformer
The phasor diagram of an ideal transformer on no load is also shown above. Since
flux ϕ is common to both the windings, it has been taken as the reference phasor.
The primary e.m.f. E₁ and secondary e.m.f. E₂ lag behind the flux ϕ by 90°.
Note that E₁ and E₂ are in phase. But E₁ is equal to V₁ and 180° out of phase with it.
Q5) Write short note on: iron losses, leakage reactance.
A5) Iron Losses
Since the iron core is subjected to alternating flux, there occurs eddy current and
hysteresis loss in it. These two losses together are known as iron losses or core
losses.
The iron losses depend upon the supply frequency, the maximum flux density in the
core, volume of the core, etc.
It may be noted that the magnitude of iron losses is quite small in a practical
transformer.
Leakage reactances
Both primary and secondary currents produce flux. The flux ϕ which links both the
windings is the useful flux and is called mutual flux.
However, the primary current would produce some flux ϕ which would not link the
secondary winding. Similarly, the secondary current would produce some flux ϕ that
would not link the primary winding.
The flux such as ϕ₁ or ϕ₂ which links only one winding is called leakage flux. The
leakage flux paths are mainly through the air. The effect of these leakage fluxes
would be the same as though inductive reactance were connected in series with
each winding of the transformer that had no leakage flux as shown in the figure.
In other words, the effect of primary leakage flux ϕ₁ is to introduce an inductive
reactance X₁ in series with the primary winding as shown. Similarly, the secondary
leakage flux ϕ₂ introduces an inductive reactance X₂ in series with the secondary
winding.
There will be no power loss due to leakage reactance. However, the presence of
leakage reactance in the windings changes the power factor as well as there is
voltage loss due to IX drop.
Q6) Explain losses in a transformer.
A6) There are 2 types of losses occurring in a transformer
A) 1. Core loss or Iron loss
B) 2. Copper loss
Core losses:
This loss is due to the reversal of flux

The flux set up in the core is dependent on the
 i/p supply
as the i/p supply is constant in magnitude
the flux set up will be constant and
core losses are also constant.
Core losses are voltage dependent loss they can be subdivided in 2:
 Hysteresis
loss and reedy current loss
Hysteresis loss : The iron loss occurring in the core of T/F due to the Hysteresis
curve of the magnetic material used for core is called as Hysteresis loss.
Hysteresis curve is the curve as loop which shows the properly of magnetic material
to lag the flux density B behind the field Intensely H
Above is the 3 different loops (Hysteresis of 3 diff. Materials)
the selection of magnetic material for the construction of core depends upon
Hysteresis loop of that material having tall and narrow Hysteresis loop is selected for
the T/F core
silicon Steel
Hysteresis loss depends on fold factor
PH = KH. Bm
1.67
F V – watts
Where KH = constant (Hyst)
Bm = max Flux density
F = Frequency
= Volume of core.
Reedy current loss :
This loss is due to the flow of reedy (circular) current in the core caused by induced
emf in core
PE = Ke Bm2
f2
t2
v – watts
Where
Ke = reedy current const.
t = thickness of core
It can be reduced by using stacks of laminations instead of solid core
B] Copper loss : PCU
The Copper loss is due to resistance of the primary and secondary winding
It is load dependent / current dependent loss
As load on a transformer is variable (changing) current changes copper loss is
a variable loss
Primary secondary
Total C is loss = I12R12 + I22 R22
Copper loss depends upon load on T/F and is proportional to square of load current
or KVA rating of transformer
PCU 2
(KVA)2
F.L = full load
PCU (at half load) = 2
PCu F.L
= (0.5)2
PCU F.L.
Or PCu ( load) = ( )2
PCu F.L
Q7) A 400 kVA transformer has a primary winding resistance of 0.5 ohm and a
secondary winding resistance of 0.001 ohm. The iron loss is 2.5 Kw and the primary
and secondary voltages are 5 kV and 320 V respectively. If the power factor of the
load is 0.85, determine the efficiency of the transformer (i) on full load and (ii) on half
load.
A7) Rated output = 400 kVA = 400x103 kVA
Full load secondary current, I2 = Rated output/V2 = 1250 A
Total resistance referred to secondary, re2 = r2+r1(V2/V1)2
= 0.033 ohm Full load
copper loss, Pc = I22 re2 = 51.5625 Kw
Iron loss, Pi = 2.5 x103 watts
(i) Transformer efficiency at full load and 0.85 pf
= 86.2%
(ii) Transformer efficiency at half load and 0.85 pf
= 91.69%
Q8) Find all day efficiency of a transformer having maximum efficiency of 98% at 15
kVA at unity power factor. Compare its all day efficiencies for the following load
cycles:
a. Full load of 20 kVA, 12 hours per day and no load rest of the day. b. Full load, 4
hours per day and 0.4 full load rest of the day.
Assume the load to operate on upf all day
A8)
BEE
Unit – 5
Electrical Machines
Q1) Draw and explain construction of DC machines.
A1) Whether machine is D.C. generator or motor the construction basically remains
the same.
A cross
section of
typical
D.C.
machine
1)Yoke
a)Functions
1. It serve the purpose of outermost cover of the D.C. machine. So that the insulating
materials get protected from harmful atmospheric elements like moisture.dust and
various gases like , acidic fumes etc.
2. It provides mechanical support to the poles.
3. It forms a part of the magnetic circuit.
It provides a path of low reluctance for magnetic flux. The low reluctance path is
important to avoid wastage of power to provide same flux large current and hence
the power is necessary if the path has high reluctance to produce the same flux.
4.Choice of material:- It is prepared by using cast iron, silicon steel is used which
provides high permeability i.e. low reluctance and gives good mechanical strength.
2) Poles
Pole structure
Each Pole is divided into two
parts namely
Pol core

Pole shoe

Functions of pole core and
pole shoe:-
 Pole core basically carries a
field winding which is
necessary to produce the flux.
 It directs the flux produced
through air gap to armature
core to the next pole.
 Pole shoe enlarge the area of armature core to come across the flux, which is
necessary to produce larger induced e.m.f. To achieve this, sports shoe has been
given a particular shape.
Choice of material:-
It is made up of magnetic material like cast iron or cast steel.
As it requires a definite shape and size, laminated construction is used. The
laminations of required size and shape are stamped together to get a pole which is
then bolted to the yoke.
3) Field Winding (
The field winding is wound on the pole core with a definite direction.
a) Functions:-
To carry current due to which pole core on which the field winding is placed
behaves as an electromagnet, producing necessary flux.
As it helps in producing the magnetic field i.e. exciting the poles as an
electromagnet it is called Field winding or Exciting winding.
b) Choice of material:-
It has to carry current hence obviously made up of some conducting material.
So aluminium or copper is the choice. But field coils are required to take four types
of shape and bent about pole core and copper has good pliability i.e. it can be bend
easily. So copper is the proper choice .field winding is divided into various coils
called field coils. These are connected in series with each other and wound in such
direction around pole cores, such that alternate 'N' and 'S' poles are formed.
The total number of poles is denoted as P.
4) Armature
The armature is further divided into two parts namely
Armature core

Armature winding

1.Armature core:- Armature core is cylindrical in in shape mounted on the shaft. It
consists of slots on its periphery and air ducts to permit the air flow through
armature which serves cooling purpose.
a) Functions-
1) Armature core provides house for armature winding i.e. armature conductors.
2)To provide the path of low reluctance to the magnetic flux produced by the field
winding.
b) Choice
of material:-
As it has to
provide a low
reluctance
path to the
flux, it is
made up of
magnetic
material like
cast iron or
cast steel.
It is made up
of laminated
construction
to keep Eddy
current loss
as low as
possible. A single circular lamination used for the construction of armature core is
shown in figure.
3. Armature winding
Armature winding is nothing but the interconnection of the armature conductors
placed in the slots provided on the armature core periphery.
When the armature is rotated in case of generator magnetic flux gets cut by
armature conductors and e.m.f gets induced in them.
a)Functions
1) curvatures of e.m.f takes place in the armature winding in case of generators.
2) To carry the current supplied in case of D.C. motors.
3) To do the useful work in the external circuit.
b) Choice of Material:-
As armature winding carries entire current which depends on external load, it has to
be made up of conducting material which is copper.
5.Commutator
The basic nature of e.m.f in the armature conductors is alternating. This needs
verification in case of D.C. generator, which is possible by a device called
commutator.
a)Functions:
1)To facilitate the collection of current from the armature conductors.
2) To convert internally developed alternating e.m.f to unidirectional (D.C.) e.m.f.
3) To produce unidirectional torque in case of motors
b) Choice of Material:-
As it collects current from armature, it is also made up of copper segments.
It is cylindrical in shape
and is made up of
wedge-shaped segments
of hand drawn high
conductivity copper .the segments are insulated from each other by thin layer of
Mica.
Each commutator segment is connected to the armature conductor by means of
copper lug or strip. This construction is shown in figure above.
6. Brushes and Brush Gear
Brushes are stationary and resting on the surface of the commutator.
a)Function-
to collect current from computer and make it available to stationary external circuit.
b) Choice of Material:-
Brushes are normally made up of soft material like carbon.
To avoid wear and tear of commutator the brushes are made up of soft material like
carbon.
7) Bearings
Ball bearings are usually used as they are more reliable. For heavy duty machines
roller bearing are preferred.
Q2) Find Voltage equation of DC motor.
A2) From the equivalent circuit the voltage equation
for a DC motor can be obtained as
The brush drop is practically neglected.
Hence the armature current is expressed as
Q3) A 220 volt DC motor has an armature resistance of 0.75 ohm. It is drawing and
armature current of 30 A, driving a certain load. Calculate the induced EMF in the
motor under this condition.
A3) V=200V
Are the given values
For a motor ,
V=
220= +30*0.75
=197.5 V
This is the induced EMF called a back EMF in a motor
Q4) Find the useful flux per pole on no load of a 250V 6 pole shunt motor having two
circuit connected armature winding with 225 conductors.at normal working
temperature the overall armature resistance including brushes is 0.2 ohm. The
armature current is 13.3A at the no load speed of 908 RPM.
A4) V=250 P=6 Z=220 A=2
As two circuit armature
N=908 r.p.m
For a DC shunt motor
250= +13.3*0.2 i.e.
Back emf is given by
Q5) Find Torque equation of a D.C. motor
A5) The turning all twisting force about an exists is called torque.
Consider A wheel of radius R meters coated upon circumferential force F Newton as
shown in figure (a)
The wheel is rotating at a speed of N r.p.m. then its angular
speed is
W = rad/sec
So work done in one revolution is
W=F×distance travelled in one revolution
= F× Joules
P=power developed=
= (F×R) ×
P= T×W watts
Where T=torque in Nm and w = angular speed in rad/sec
Let the gross torque developed by the armature of the motor. It is also called
armature torque.
The gross mechanical power developed in the armature is as seen from the
power equation.
So if speed of the motor is N r.p.m then
Power in armature=armature torque×w i.e. .
But in a motor is given by
This is the torque equation of D.C. motor.
Q6) A 4 pole D.C. motor takes a 50A armature current. The armature has lab
connected 480 conductors. The flux per Pole is 20 mWb . Calculate the gross torque
developed by the armature of the motor.
A6) P=4, A=P=4, Z=480
=20mWb=
Nm
Q7) A 4 pole , 50 Hz Induction motor has rotor resistances and resistance per
phase are 0.01 and 0.1 respectively . Rotor induced emf at stand still per phase is
57.75 V .If maximum torque is twice that of full load torque then find full load speed
of the motor.
A7) Given,
50Hz I.M.
P=4 F=50 Hz
57.75V
=
max. slip
But,
Therefore ,
SFL=x=0.0267
1.025 =1
=1500rpm
N=(1-
N=1459.95rpm
Q8) A 24 pole 50 Hz star connection I.M has rotor resist of 0.016ohm per phase &
rotor reactance OF 0.256OHM PER PHASE at stand still conductor .It is achieving its
full load torque at a speed of 247rpm.calculate the ratio of
A8) Given P=24 f=50Hz
N=247rpm
=250rpm
= =0.012
S=0.012
Slip that maximum torque
=0.0625
=
=
Ratio
BEE
Unit – 6
Electrical Installations
Q1) Why do we require Fuse?
A1) These are used to prevent the home appliances from the high current or
overload damage. If we use a fuse in the homes, the electrical faults cannot happen
in the wiring and it doesn't damage the appliances from the fire of wire burning.
When the fuse gets break or damage, then an abrupt sparkle happens which made
direct to damage your home appliances. That is the reason we required different
types of fuses to guard our home appliances against damage.
Q2) Explain the working principle of Fuse.
A2)
The working principle of the fuse is “
heating consequence of the current”. It is
fabricated with a lean strip for thread of metallic
wire. The connection of the fuse in an electrical
circuit is always in series. When the too much
current is produced due to the heavy flow of
current in the electrical circuit the fuse get soft and
it opens the circuit. The extreme flow of current
main direct to the collapse of the wires and prevents the supply. Diffuse can be
changed by the new fuse with an appropriate rating. It can be designed with
elements like copper, zinc, aluminium and silver. They also perform like a circuit
breaker for breaking the circuit while the abrupt fault happens in the circuit. This
works like a safety measure for protector for humans from risk. Like this, the fuse
works
Fuse rating =
The selection of a fuse can be done by calculating the fuse rating by using the above
formula
 Write down the voltage (volts) and power (watts) of the appliance.
 Calculate the fuse rating.
 After the result use the maximum fuse rating. For instance, if the calculated fuse
rating is the maximum fuse rating. For example, if the calculated fuse rating is 7.689
amps, you can use an 8 amp fuse.
Q3) What is MCB? Draw and explain the construction of MCB.
A3) Miniature Circuit breakers (MCB) are electromechanical devices which are used
to protect electrical equipment from an over current. MCB is a a mechanical
switching device which is capable of making, caring and breaking currents under
normal circuit conditions and also making, caring for a specified time and
automatically breaking currents under specified abnormal circuit conditions such as
those of short circuit. In short MCB is a device for over load and short circuit
protection.
A) Construction :- The construction of
miniature circuit breakers is very simple,
robust and maintenance free. MCB is
replaced by a new one when it is failing
because MCB is not repaired or
maintained. There are three types of
miniature circuit breakers in construction,
1) Frame:- Frame is a rigid, strong,
insulated housing in which the other
components are mounted. It is
a molded case.
2) Trip unit : For the proper working of the miniature circuit breaker trip unit is
responsible. Two main types of trip mechanism are provided in Miniature circuit
breaker (MCB). a bimetallic strip provides protection against overload current and
an electromagnet provides protection against short circuit current. Trip unit is the
main part of the MCB.
3) Operating Mechanism :- The operating mechanism of MCB provides with the
manual operation for closing and opening operation of the miniature circuit breaker.
It has three positions “ON”, “OFF”, “TRIPPED”. By observing the position of the
switching latch one can determine the condition of MCB whether it is closed, tripped
or manually switched off. If the MCB is tripped due to overcurrent
or overheating.The external switching latch in the “TRIPPED” position. When
manually switch off the miniature circuit breaker, the switching latch will be in
“OFF” position. The switch is positioned at “ON”, in a closed condition of the
miniature circuit breaker.
Q4) Explain various types of MCB.
A4) There are three standard characteristics are available for domestic as well as
commercial MCB are given by B,C and D. Each type has its own function
Type B
MCB are mainly used where switching surges are small or
non exist and are generally suitable for domestic
applications and light commercial applications. There are no
devices with long high starting current in domestic
applications and has the best suited MCB is type B. these are
designed to trip at fault currents in the range of 3 to 5 times
the rated current. Suppose if the rated current is 10 ampere
then the MCB trips at 30-50 A.
Type C
MCB are designed for high
inductive circuits where surge
currents are expected. These are
generally used for commercial and
industrial applications where a
number of fluorescent lamps been
turned ON or starting of small
motors may give high search
currents.
These are more sensitive than type
B MCB and causes reduced
nuisance trips. Type C MCB are designed to operate for
trip at the fault currents of 5 to 10 times that of rated current.
For 10 A type C MCB, the operating current range is 50 –
100 A.
Type D
MCBs are designed for heavy
industrial applications where
normal surge currents are very
high. These are ideal for
electrical welders and site
Transformers where frequent
high surge currents are expected.
The most common applications of type D MCBs include
motors, UPS systems comma x-ray machines,
Transformers and battery charging systems. These are
designed to trip at 10 – 20 times The rated current.
For 10 A type D MCBs, the operating current range is
100 – 200 A.
The setting or characteristics of an MCP are fixed in the factory itself by the
manufacturer and they are not adjustable at the user end or at the site. Tripping
currents for operation at 0.1 second or less different MCBs are given below.
Type B 3-5 times rated
current
Type C 5-10 times rated
current
Type D 10-20 times rated
current
Q5) What is ELCB? Write the types of ELCB.
A5) An ECLB is one kind of safety device used for installing an electric device with
high Earth impedance to avoid shock. These device is identify small stray voltages of
the the electrical device on the metal enclosures and intrude the circuit if a
dangerous voltage is identified. The main purpose of Earth leakage circuit breaker
is to stop damage to humans and animals due to electric shock. Earth leakage circuit
breaker is a device used to directly detect currents leakage to earth from an
installation and cut the power and mainly used in TT earthing systems.
There are two types of ELCBs :
1) Voltage Earth leakage Circuit Breaker (voltage ELCB)
2) Current Earth Leakage Circuit System (Current ELCB)
Q6) Explain Working Principle of Voltage ELCB:
A6)
ELCB is a
voltage
operated
device. It
has a coil
and if the
voltage
across the
coil
exceeds as
a
predetermined value such as 50 V, the current through the coil will be sufficient
enough to trip the circuit. Voltage ELCB is connected in between the metallic part of
equipment and the Earth. If we take an example of insulation failure then the voltage
across the coil of voltage ELCB will drive enough Karan to cut the power supply till
the manually reset. The way to identify an ELCB is by looking for green or green and
yellow Earth wire entering the device. They relay on voltage returning to the trip via
the earth wire during a fault and effort only limited protection to the installation and
no personal protection at all. You should use plugin 30 mA RCD's for any appliances
and extension leads that may be used outside as a minimum.
Q7) Explain Working Principle of Current (ELCB).
A7)
The working
of current
ELCB is quite
interesting but
easy. Current
operated
ELCB is also
known as
Residual
Current
devices
(RCD).
Residual
current device
(RCD) has a
toroidal iron
core over
which phase and neutral windings are wound. A search coil is also mood on the
same iron core which in turn is connected to the trip coil. Figure below shows the
constructional detail of RCD or current ELCB.
Under normal operating condition, the current through the phase building and
neutral building are same but both the windings are wound in such a manner to
oppose the mmfs of each other, therefore net mmf in the toroidal iron corewill be
zero. Let us consider a condition where Earth leakage current exists in the lord side.
In this case the current through the phase and neutral will no longer be equal rather
phase current will be more than the neutral current. Does MMF produced by face
building will be more than the MMF produced by neutral building because of which
a net MMF will exist in the toroidal iron core.
Net MMF in core = MMF by phase winding - MMF by neutral winding
This net MMF in the core will link with the search coil and aa MMF is changing in
nature (current is AC),an EMF will be induced across the terminals of search coil.
This will intern drive a current through the trip coil which will pull (because of
current flow through the trip coil ok, it will behave as an electromagnet and hence
will pull the lever to open contact) the supply contacts to isolate the power supply.
Notice that current ELCB works on residual current that is the reason it is also called
residual current device. A RCD/ Current ELCB is also provided with test button to
check the healthiness of the safety device. If you carefully observe the figure, you
will notice that, when we press the test button, load and face building are bypassed
due to which only MMF because of neutral winding will exist in the core (as there is
no opposing MMF as was the case with both the windings in service) which will
cause RCD to trip to isolate supply.
Q8) Compare Types of MCCB.
A8)
Types
of
MCCB
Operating
current
Operating
time
Application
Type B Trips
between 3
and 5
times rated
current
(In)
0.04 – 13
seconds
Domestic
applications
(lighting and
resistive elements)
Type
C
Trips
between 5
and 10
times rated
current
(In)
0.04 – 5
seconds
Commercial or
industrial
applications
Type
D
Trips
between
10 to 20
times rated
current
(In)
0.04 – 3
seconds
Commercial or
industrial
applications
Type K Trips
between 8
to 12 times
rated
current
(In)
0.04 – 5
seconds
Industrial
applications
Type Z Trips 0.04 – 5 Highly sensitive to
between 2
to 3 times
rated
current
(In)
seconds short circuit and are
used for protection
of highly sensitive
devices such as
semiconductor or
devices
Q9) Explain series and parallel grouping of batteries.
A9) Series grouping
E= EMF of each batteries
r= Internal resistance of each battery
V=Total voltage =n×E volts
=Total resistance
= Total batteries
=
In series circuit current remain same so in this method does not improve current
capacity. The current capacity is same as that of each battery connected in series.
But voltage can be increased by increasing number of batteries n.
Parallel grouping
 In this method positive terminal of batteries are connected together and negative
terminals are connected together as shown above.
 The Terminal of each battery must be same as E
V=battery voltage=E=EMF
r=internal resistance of each battery
=Current through nth branch.
I=Total current
 In parallel grouping the voltage remains the same but by increasing number of
batteries the current capacity can be increased.

To help you with BEE (Basic Electrical Engineering)

  • 1.
    BEE Unit – 1 DCCircuits Q1) What is an ideal and practical voltage source? A1) A voltage source is a device which provides a constant voltage to load at any instance of time and is independent of the current drawn from it. This type of source is known as an ideal voltage source. Practically, the ideal voltage source cannot be made. It has zero internal resistance. It is denoted by this symbol. Fig: Voltage source symbol Ideal Voltage Source Fig: Ideal Voltage Source The graph represents the change in voltage of the voltage source with respect to time. It is constant at any instance of time. Voltage sources that have some amount of internal resistance are known as a practical voltage source. Due to this internal resistance, voltage drop takes place. If
  • 2.
    the internal resistanceis high, less voltage will be provided to load and if the internal resistance is less, the voltage source will be closer to an ideal voltage source. A practical voltage source is thus denoted by a resistance in series which represents the internal resistance of source. Practical Voltage source Fig: Practical Voltage source The graph represents the voltage of the voltage source with respect to time. It is not constant but it keeps on decreasing as the time passes. Q2) What is an ideal and practical current source? A2) A current source is a device which provides the constant current to load at any time and is independent of the voltage supplied to the circuit. This type of current is known as an ideal current source; practically ideal current source is also not available. It has infinite resistance. It is denoted by this symbol. Ideal Current source Fig: Ideal Current source The graph represents the change in current of the current source with respect to time. It is constant at any instance of time.
  • 3.
    Practical Current source Practicallycurrent sources do not have infinite resistance across there but they have a finite internal resistance. So the current delivered by the practical current source is not constant and it is also dependent somewhat on the voltage across it. A practical current source is represented as an ideal current source connected with resistance in parallel. Fig; Practical Current source The graph represents the current of the current source with respect to time. It is not constant but it also keeps on decreasing as the time passes. Q3) Why ideal Current source has infinite resistance? A3) A current source is used to power a load, so that load will turn on. We try to supply 100% of the power to load. For that, we connect some resistance to transfer 100% of power to load because the current always takes the path of least resistance. So, in order for current to go to the path of least resistance, we must connect resistance higher than load. This is why we have the ideal current source to have infinite internal resistance. This infinite resistance will not affect voltage sources in the circuit. Q4) Explain Kirchhoff’s current law? A4) The algebraic sum of currents meeting at a junction or node in a electric circuit is zero or the summation of all incoming current is always equal to summation of all outgoing current in an electrical network. Explanation
  • 4.
    Assuming the incomingcurrent to be positive and outgoing current negative we have I e incoming current = ∑ outgoing current thus, the above Law can also be stated as the sum of current flowing towards any junction in an electric circuit is equal to the sum of currents flowing away from that junction. Q5) Explain Kirchhoff’s voltage law? A5) Kirchhoff’s Voltage Law or KVL, states that “in any closed loop network, the total voltage around the loop is equal to the sum of all the voltage drops within the same loop” which is also equal to zero. In other words, the algebraic sum of all voltages within the loop must be equal to zero. By convention Apply the polarity sign which is attached to the entering point of the device. We apply the sign of the device that the loop first touches. -V1 + V2 + V3 + V4 =0
  • 5.
    V1 = V2+ V3 + V4 Q6) Using Superposition theorem determine the voltage drop and current across the resistor 3.3K as shown in figure below A6) Step 1: Remove 8V power supply from the original circuit such that the new circuit becomes as the following and measure the voltage across resistor. Here 3.3 K and 2K are in parallel therefore the resultant resistance will be 1.245K Using voltage divider rule across 1.245K will be V1 =[1.245/(1.245+4.7)] * 5 = 1.047V Step 2: Remove the 5V power supply from the original circuit such that the new circuit becomes the following and then measure the voltage across resistor.
  • 6.
    Here 3.3K and4.7K are in parallel therefore the resultant resistance will be 1.938K. Using voltage divider rule voltage across 1.938K will be V2 =[1.938(1.938+2)] *8 = 3.9377V Therefore, voltage drop across 3.3K resistor is V1+V2 = 1.047 + 3.9377 = 4.9847V Q7) Explain the Step to apply Thevenin’s theorem. A7) Thevenin’s Theorem states that “Any linear circuit containing several voltages and resistances can be replaced by just one single voltage in series with a single resistance connected across the load”. For the circuit as shown in figure find the current through RL = R2 = 1Ω resistor (Ia-b) branch using Thevenin’s theorem. Find the voltage across the current source. Step 1: Disconnect the load resistance and reconnect the circuit. Step 2: Apply any method to calculate Vth At node C
  • 7.
    2 + I1+ I2 =0 2 + (3 -Vc)/3 + (0-Vc/6) -- Vc = 6V The currents I1 and I2 are computed by the following expressions: I1 = Va -Vc/3 = 3-6/3 = -1A (I1 is flowing from c to a) I2 = 0 – Vc/6 = -6/6 = -1A (I2 is flowing from c to a) Step-3: Redraw the circuit indicating the direction of currents in different branches. One can find the Thevenin’s voltage VTh using KVL around the closed path ‘gabg’ VTh = Vag − Vbg = 3 − 2 =1volt Step 4: Replace all sources by their internal resistances. In this problem, voltage source has an internal resistance zero (0) (ideal voltage source) and it is short-circuited with a wire. On the other hand, the current source has an infinite internal resistance (ideal current source) and it is open-circuited (just remove the current source). Thevenin’s resistance RTh of the fixed part of the circuit can be computed by looking at the load terminals ‘a’- ‘b’
  • 8.
    RTh = (R1 + R3 ) & R4 = ( 3 + 4 )&2 = 1.555Ω Step-5: Place RTh in series with VTh to form the Thevenin’s equivalent circuit. Reconnect the original load resistance RL = R2 = 1 Ω to the Thevenin’s equivalent circuit . Step-6: The circuit is redrawn to indicate different branch currents. Referring to one can calculate the voltage Vbg and voltage across the current source (Vcg ) using the following equations.
  • 9.
    Vbg = Vag− Vab = 3 − 1 × 0.39 =2.61 volt. Ibg = 2.61 2 = 1.305 A; Icb = 1.305 − 0.39 = 0.915 A Vcg = 4 × 0.915 + 2 ×1.305 =6.27 volt. Q8) Find maximum power delivered is RLif its value is 16Ω   Ω 60Ω  20Ω  A8)
  • 10.
  • 11.
    Also, clear fromcircuit that Vth = 1V. By applying KVL we get, 1-3Isc=0 Isc= A Q9) Explain star to delta and delta to star conversion? A9) Star to delta conversion to final equivalent resistance
  • 12.
    We know that(from delta to star conversion) R1 = …….① R2 = …..② R1 = ……③ Multiply ① X ② L.H.S and R.H.S R1 R2 = …….④ where Similarly multiply ② X ③ R2 R3 = …….⑤ And ③ X① R1 R3 = …….⑥ Now add equation ④, ⑤, and ⑥ L.H.S and R.H.S
  • 13.
    ……refer eq. ② =+ + = + (Delta) star star Similarly R23 = R2+R3 + R23 = R1+R2 + Delta to Star Conversion to Find (Req.)  Equivalent resistance between ① and ② Delta Star = R12// (R23 + R13) =R1 + R2 = = R1 + R2
  • 14.
    = Here let R= R12 + R23 + R13  Similarly we can find Req. between 2 and 3 = R2 + R3  Similarly we can find req. between 1 and 3 R1 + R3 Now the 3 equations after equating L.H.S. and R.H.S R1 + R2 = …….① R2 + R3 = ……② R1 + R3 = …..③ Now subtract ② and ① on L.H.S. and R.H.S R2+ R3 – R1 – R2 = R3 – R1 = …..④ Now add equation ④ and ③ R3 – R1 + R1 + R3 = 2R3 = Similarly R1 =
  • 15.
    And R2 =R23 R12/R where R = R12 + R23 + R13 ie star equivalent from delta network is ratio of product of adjacent branches in delta to the addition of all branches in delta. Q10) Explain analysis of simple circuits with DC excitation? A10) Here is a simple circuit with DC excitation: Analysis would mean we determine the voltages at all the nodes and currents in all the branches of this circuit. A node is defined as any point where two or more components meet. A branch is defined as any path between two nodes. Let’s label all the nodes in the circuit above: We have only two nodes here, ‘1’ and ‘0’. We call node ‘0’ the ground node. The ground node is at 0 volt. Node ‘1’ is connected to the top of our DC voltage source. So it is at 9 volts. Half our job is done here, because we now know the voltages at all the nodes in our circuit.
  • 16.
    Next, let’s talkabout the branches. There are two branches in our circuit. One branch contains the 9V DC source and the other branch contains the 3k resistor. We know find the currents through the branches. From Ohm’s law we can calculate the current in the resistor. I = V/R This gives us a current of 9/3k = 3 mA. The current in the resistor branch is 3 mA. And, because our circuit is one single closed loop, this current also flows in the other branch. At this point, we know all the voltages at each node and the currents through each branch of our simple circuit. So, we say that the analysis of our simple DC excitation circuit is complete. BEE Unit – 2 AC Circuits Q1) Prove that the average value of sinusoid ally varying alternating current is 0.636 times maximum value of alternating current. A1) The arithmetic mean of all the value over complete one cycle is called as average value = For the derivation we are considering only hall cycle.
  • 17.
    Thus varies from0 to ᴫ i = Im Sin Solving We get Similarly, Vavg= The average value of sinusoid ally varying alternating current is 0.636 times maximum value of alternating current. Q2) Prove that the RMS value of sinusoidal alternating current is 0.707 times the maximum value of alternating current. A2) The RMS value of AC current is equal to the steady state DC current that required to produce the same amount of heat produced by ac current provided that resistance and time for which these currents flows are identical. I rms = Direction for RMS value: Instantaneous current equation is given by
  • 18.
    i = ImSin but I rms = = = = Solving = = Similar we can derive V rms= or 0.707 Vm the RMS value of sinusoidally alternating current is 0.707 times the maximum value of alternating current. Q3) Explain Resonance in series RLC circuit A3) It is defined as the phenomenon which takes place in the series or parallel R-L-C circuit which leads to unity power factor Voltage and current in R-L-C ckt are in phase with each other. Resonance is used in many communication circuits such as radio receiver. Resonance in series RLC -> series resonance in parallel->antiresonance/parallel resonance
  • 19.
    Condition for resonance XL=XC Resonantfrequency (fr): For given values R-L-C the inductive reactance XL becomes exactly equal to the capacitive reactance XC only at one particular frequency. This frequency is called as resonant frequency and denoted by ( fr) Expression for resonant frequency (fr) We know that XL = - inductive reactance capacitive reactance At a particle or frequency f=fr,the inductive and capacitive reactance are exactly equal Therefore, XL = XC ----at f=fr i.e. Therefore, and rad/sec Q4) Define: Reactance, Impedance and Power factor. A4) Inductive Reactance (XL) It is opposition to the flow of an AC current offered by inductor. XL = ω L But ω = 2 ᴫ F XL = 2 ᴫ F L It is measured in ohm
  • 20.
    XL∝FInductor blocks ACsupply and passes dc supply zero Capacitive Reactance (Xc) It is opposition to the flow of ac current offered by capacitor Xc = Measured in ohm Capacitor offers infinite opposition to dc supply Impedance (Z) The ac circuit is to always pure R pure L and pure C it well attains the combination of these elements. “The combination of R1 XL and XC is defined and called as impedance represented as Z = R +i X Ø = 0 only magnitude R = Resistance, i = denoted complex variable, X =Reactance XL or Xc Polar Form Z = L I Where = Measured in ohm Power factor (P.F.) It is the cosine of angle between voltage and current
  • 21.
    If Ɵis –veor lagging (I lags V) then lagging P.F. If Ɵ is +ve or leading (I leads V) then leading P.F. If Ɵ is 0 or in phase (I and V in phase) then unity P.F. Q5) Explain Ac circuit containing pure Inductors A5) Consider pure Inductor (L) is connected across alternating voltage. Source V = Vm Sin ωt When an alternating current flow through inductance it set ups alternating magnetic flux around the inductor. This changing the flux links the coil and self- induced emf is produced According to faradays Law of E M I e = at all instant applied voltage V is equal and opposite to self-induced emf [ lenz’s law] V = -e = But V = Vm Sin ωt dt Taking integrating on both sides dt
  • 22.
    dt (-cos ) but sin(– ) = sin (+ ) sin ( - /2) And Im= /2) /2 = -ve = lagging = I lag v by 900 Phasor:
  • 23.
    Power P =Ѵ. I = Vm sin wt Im sin (wt /2) = Vm Im Sin wt Sin (wt – /s) ① And Sin (wt - /s) = - cos wt ② Sin (wt – ) = - cos sin 2 wt from ① and ② The average value of sin curve over a complete cycle is always zero Pavg = 0 Q6) Explain the impedance of series circuit? A6) Series RLC circuit:
  • 24.
    Applying KVL tothe series RLC circuit shown in the figure above at t= 0 gives the following basic relation : V = vR(t) + vC(t ) + vL(t) Representing the above voltages in terms of the current iin the circuit we get the following integral differentia lequation: Ri + 1/C∫ 𝒊𝒅𝒕 + L. (di/dt)= V To convert it into a differential equation it is differentiated on both sides with respect to time and we get L(d2 i/dt2 )+ R(di/dt)+ (1/C)i = 0 This can be written in the form [s2 + (R/L)s + (1/LC)].i = 0 where ‘s’ is an operator equivalent to (d/dt) And the corresponding characteristic equation is then given by [s2 + (R/L)s + (1/LC)] = 0 This is in the standard quadratic equation form and the rootss1ands2are given by s1,s2 =− R/2L±√[(R/2L)2− (1/LC)]= −α ±√(α 2– ω0 2 ) where α is known as the same exponential damping coefficient and ω0is known as the same Resonant frequency as explained in the case of Parallel RLC circuit and are given by : α = R/2L and ω0= 1/ √LC and A1 and A2must be found by applying the given initial conditions. Here also we note three basic scenarios with the equations for s1 and s2 depending on the relative sizes of αand ω0 (dictated by the values of R, L, and C). CaseA: α > ω0,i.e when (R/2L) 2>1/LC , s1 and s2 will both be negative real numbers, leading to what is referred to as an over damped response given by : i (t) = A1e s1t + A2e s2t . Sinces1 and s2 are both be negative real numbers this is the (algebraic) sum of two decreasing exponential terms. Since s2 is a larger negative number it decays faster and then the response is dictated by the first term A1e s1t .
  • 25.
    Case B :α = ω0, ,i.e when (R/2L) 2=1/LCs1 and s2are equal which leads to what is called a critically damped response given by : i (t) = e −αt (A1t + A2) Case C : α < ω0,i.e when (R/2L) 2 . Q7) Explain the impedance of parallel circuit? A7) Let us first consider the simple parallel RLC circuit with DC excitation as shown in the figure below. For the sake of simplifying the process of finding the response we shall also assume that the initial current in the inductor and the voltage across the capacitor are zero. Then applying the Kirchhoff’s current law (KCL )( i = iC +iL ) to the common node we get the following differential equation: (V-v) /R = 1/L dt’ + C. dv/dt where v = vC(t) = vL(t) is the variable whose value is to be obtained. When we differentiate both sides of the above equation once with respect to time we get the standard Linear second-order homogeneous differential equation C. (d 2 v / dt 2 ) + (1/R) ( dv/dt) + (1/L).v =0 (d 2 v / dt 2 ) + (1/RC) ( dv/dt) + (1/LC).v =0 whose solution v(t) is the desired response. This can be written in the form: [s 2 + (1/RC)s + (1/LC)].v(t) = 0 where ‘s’ is an operator equivalent to (d/dt) and the corresponding characteristic equation is then given by :
  • 26.
    [s 2 + (1/RC)s+ (1/LC)] = 0 This equation is usually called the auxiliary equation or the characteristic equation. If it can be satisfied, then our assumed solution is correct. This is a quadratic equation and the roots s1 and s2are given as : s1= − 1/2RC+√[(1/2RC) 2 − 1/LC] s2= − 1/2RC−√[ (1/2RC)2 − 1/LC ] Q8) Define Real Power, Reactive Power, Apparent Power, Power Factor? A8) Apparent  power : (S):- it is defined as product of rms value of voltage (v) and current (I), or it is the total power/maximum power S= V × I Unit - Volte- Ampere (VA) In kilo – KVA 2. Real power/ True power/Active power/Useful power : (P) it is defined as the product of rms value of voltage and current and the active component or it is the average or actual power consumed by the resistive path (R) in the given combinational circuit. It is measured in watts P = VI Φ watts / KW, where Φ is the power factor angle. 3. Reactive power/Imaginary/useless power [Q] It is defined as the product of voltage, current and sine B and I Therefore, Q= V.I Φ Unit –V A R In kilo- KVAR
  • 27.
    As we knowpower factor is cosine of angle between voltage and current i.e. ɸ. F = cos ɸ In other words, also we can derive it from impedance triangle Now consider Impedance triangle in R.L.ckt From triangle , Now Φ – power factor= Power factor = Φ or Q9) Explain the AC circuit consisting of pure capacitance? A9) Consider pure capacitor C is connected across alternating voltage source
  • 28.
    Ѵ = ѴmSin wt Current is passing through capacitor the instantaneous charge ɡ produced on the plate of capacitor ɡ = C Ѵ ɡ = c Vm sin wt the current is rate of flow of charge i= (cvm sin wt) i = c Vm w cos wt then rearranging the above eqth. i = cos wt = sin (wt + X/2) i = sin (wt + X/2) but X/2) = leading = I leads V by 900 Waveform :
  • 29.
    Phase Power P= Ѵ.i = [Vm sinwt] [ Im sin (wt + X/2)] = Vm Im Sin wt Sin (wt + X/2)] (cos wt) to charging power waveform [resultant].
  • 30.
    Q10) Explain theseries R-L circuit? A10) Series R-L Circuit Consider a series R-L circuit connected across voltage source V= Vm sin wt As some I is the current flowing through the resistor and inductor due do this current voltage drops arcos R and L R VR = IR and L VL = I X L Total V = VR + VL V = IR + I X L V = I [R + X L] Take current as the reference phasor : 1) for resistor current is in phase with voltage 2) for Inductor voltage leads current or current lags voltage by 90 0.
  • 31.
    For voltage triangle Øis power factor angle between current and resultant voltage V and V = V = where Z = Impedance of circuit and its value is = Impedance Triangle Divide voltage triangle by I Rectangular form of Z = R+ixL and polar from of Z = L +
  • 32.
    (+ j XL + because it is in first quadrant ) Where = + Tan -1 Current Equation : From the voltage triangle we can sec. that voltage is leading current by or current is legging resultant voltage by Or i = = [ current angles - Ø ) Resultant Phasor Diagram from Voltage and current eqth. Wave form
  • 33.
    Power equation P =V .I. P = Vm Sin wt Im Sin wt – Ø P = Vm Im (Sin wt) Sin (wt – Ø) P = (Cos Ø) - Cos (2wt – Ø) Since 2 sin A Sin B = Cos (A-B) – Cos (A+B) P = Cos Ø - Cos (2wt – Ø) Average Power pang = Cos Ø Since ② term become zero because Integration of cosine come from 0 to 2ƛ pang = Vrms Irms cos Ø watts. Power Triangle : From VI = VRI + VLI B Now cos Ø in A = ①
  • 34.
    Similarly Sin = ApparentPower Average or true Reactive or useless power Or real or active -Unit (VI) Unit (Watts) C/W (VAR) denoted by (Ø) Denoted by [S] denoted by [P] Power for R L ekt. BEE Unit – 3 Magnetic Circuits Q1) Derive series magnetic current with air gap A1) In series magnetic circuit flux is same in each part of circuit Consider a composite magnetic circuit made from different material of lengths ɻ1,ɻ2, and ɻ3 cross sectional area a1, a2 And a3 and relative permeability’s 1 , 2 , 3 resp. with an airgap of length ɻɡ
  • 35.
    Total reluctance S= S1 + S2+ S3 + Sg We know that S = + + + But S = and mmf = S x Ø mmf = Ø + + + for air Now B = mmȴ = + + + but B=μH H = = Total mmȴ = H1 ɻ1+ H2 ɻ2 + H3 ɻ3 + Hƪɻƪ Q2) Explain a magnetic circuit which has more than one path for flux called parallel magnetic circuit A2) Mean length ABCDA = ɻ₁, and ADEFA = ɻ₂ Mean length path for central limb = ɻc Reluctance ABCDA = S1, ADEFA = S2 And central limb = SC
  • 36.
    Now total mmȴ= N i.e. mmf = For path ABC AD N = Where S1 = , S2 = , and Sc = Where area of cross selection for parallel ekt. Total mmȴ = mmȴ by central limb + mmȴ required by any one of outer limb = Ø sc + [Ø1S1 or Ø2 S2] As mmf across parallel branch is same Ø1 S1 = Ø2 S2 Hence while calculating total mmf, the mmf of only one of 2 parallel branches must be considered. Q3) Explain Parallel Magnetic Circuits. A3) A magnetic circuit which has more than one path for flux called parallel magnetic circuit Mean length ABCDA = ɻ₁, and ADEFA = ɻ₂ Mean length path for central limb = ɻc Reluctance ABCDA = S1, ADEFA = S2 And central limb = SC
  • 37.
    Now total mmȴ= N i.e. mmf = Q4) A magnetic circuit with a single air gap is shown in Figure. The core dimensions are: A4) Cross-sectional area Ac = 1.8 × 10-3 m2 Mean core length lc = 0.6 m Gap length g = 2.3 x 10-3 m N = 83 turns Assume that the core is of infinite permeability ( m -> ¥) and neglect the effects of fringing fields at the air gap and leakage flux. (a) Calculate the reluctance of the core Re and that of the gap Rg. For a current of i = 1.5 A, calculate (b) the total flux ϕ, (c) the flux linkages λ of the coil, and (d) the coil inductance L. Solution: Rc=0 since μ-> ∞ Rg = g/ μo Ac = 2.3 x 10 -3 / 4 π x 10 -7 x 1.8 x 10 -3 = 1.017 x 10 6 A/Wb ɸ= Ni/ Rc + Rg = 83 x 1.5 / 1.017 x 10 6 = 1.224 x 10 -4 Wb λ = N ɸ = 1.016 x 10 -2 Wb L = λ/i = 1.016 x 10 -2 / 1.5 = 6.773 mH Q5) Consider the magnetic circuit of with the dimensions of Problem 1.1. Assuming infinite core permeability, calculate (a) the number of turns required to achieve an
  • 38.
    inductance of 12mH and (b) the inductor current which will result in a core flux density of 1.0 T. A5) L = N2 /Rg = 12 x 10 -3 mH N = √ 12 x 10 -3 x 1.017 x 10 6 = 110.47 = 110 turns Bc = Bg = 1.0 T ɸ= Bg Ac = 1.8 x 10 -3 Wb i = λ/L = N ɸ/L = 110 x 1.8 x 10 -3 / 12 x 10 -3 = 16.5 A Q6) A square voltage wave having a fundamental frequency of 60 Hz and equal positive and negative half cycles of amplitude E is applied to a 1000-turn winding surrounding a closed iron core of 1.25 x 10-3 m2 cross section. Neglect both the winding resistance and any effects of leakage flux. (a) Sketch the voltage, the winding flux linkage, and the core flux as a function of time. (b)Find the maximum permissible value of E if the maximum flux density is not to exceed 1.15 T. A6)
  • 39.
    Q7) In themagnetic circuit as shown in figure (a) the relative permeability of the ferro magnetic material is 1200. Neglect the magnetic leakage and fringing. All dimensions are in centimetres, and the magnetic material has a square cross- sectional area. Determine the air gap flux , air gap flux density and the magnetic field intensity in the air gap. A7) The mean magnetic path of the fluxes are shown by dashed lines in figure(a) The equivalent magnetic circuit is shown in figure(b). F1 = N1 I1 = 500 x 10 = 5000 At F2 = N2 I2 = 500 x 10 = 5000 At μc= 1200 μo = 1200 x 4π x 10 -7 Rbafe = l bafe/ μc Ac = 3 x 52 x 10 -2 / 1200 x 4π x 10 -7 x 4 x 10-4 = 2.58 x 10 6 At/Wb Q8) For the magnetic circuit of the above figure N =400 turns. Mean core length lc= 50 cm Air gap length = 1.0 mm
  • 40.
    Cross sectional areaAc = Ag = 15 cm2 Relative permeability of core μr = 3000 i = 1.0A Find (a) Flux and flux density in the air gap (b) Inductance of the coil. A8) Rc = lc / μr .μo. Ac = 50 x 10 -2 / 3000 x 4π x 10 -7 x 15 x 10 -4 = 88.42 x 10 3 AT/Wb Rg = lg / μo Ag = 1 x 10 -3 / 4 π x 10 -7 x 15 x 10 -4 = 530.515 x 10 3 AT/Wb ɸ = Ni/ Rc + Rg = 400 x 1.0 / (88.42 + 530.515 ) 10 3 B = ɸ/Ag = 0.6463 x 10 -3 / 15 x 10-4 = 0.4309 L = N2 / Rc + Rg = 400 2 / (88.42 + 530.515) 10 3 = 258.52 x 10 -3 H Or L = λ/i = Nɸ/i = 400 x 0.6463 x 10 -3 / 1.0 = 258.52 x 10 -3 H Q9) Explain the application of series magnetic circuits? A9) The most one we almost all see, are electronic lock systems. Some doors use solenoids to withdraw the bolt when you swipe your card, a magnetic circuit. Better door locks are strong electromagnets that hold a steel plate until the card is scanned. another magnetic circuit.
  • 41.
    BEE Unit – 4 Transformers Q1)What are magnetic material? A1)  A magnetic material is a material that experiences a force when placed in a magnetic field  Although all magnetic materials are metallic, not all metals are magnetic  Common magnetic materials include:  Iron  Steel (an alloy of iron)  Nickel  Cobalt  Note: Copper and Aluminium are non-magnetic  Magnetically soft materials (e.g. Iron):  Are easy to magnetise  Easily lose their magnetism  Magnetically hard materials (e.g. Steel):  Are hard to magnetise  Do not easily lose their magnetism  Permanent magnets are made from magnetically hard materials, as we don’t want them to lose their magnetism
  • 42.
     Electromagnets aremade from magnetically soft materials, as we want them to be able to easily gain and lose their magnetism. Q2) Compare paramagnetic, di-magnetic and ferromagnetic material. A2) 1. Paramagnetic Materials. The materials, which are not strongly attracted by a magnet, such as aluminium, tin, platinum, magnesium, manganese etc., are known as paramagnetic materials. Their relative permeability is small but positive. Such materials are slightly magnetized when placed in a strong magnetic field and act in the direction of the magnetic field. In paramagnetic materials the individual atomic dipoles are oriented in a random fashion, as shown in Figure. The resultant magnetic field is, therefore, negligible. When an external magnetic field is applied, the permanent magnetic dipoles orient themselves parallel to the applied magnetic field and give rise to a positive magnetization. Since the orientation of the dipoles parallel to the applied magnetic field is not complete, the magnetization is small. These materials have little application in the field of electrical engineering. 2. Diamagnetic Materials. The materials which are repelled by a magnet such as zinc, mercury, lead, sulphur, copper, silver, bismuth, wood etc., are known as diamagnetic materials. Their permeability is slightly less than unity. For example, the relative permeabilities of bismuth, copper and wood are 0.99983, 0.999995 and 0.9999995 respectively. They are slightly magnetized when placed in a strong magnetic field and act in the direction opposite to that of applied magnetic field. In diamagnetic materials, the two relatively weak magnetic fields (one caused due to orbital revolution and other
  • 43.
    due to axialrotation) are in opposite directions and cancel each other. Permanent magnetic dipoles are absent in them. 3. Ferromagnetic Materials. Ferromagnetism may be thought of as a special case of para magnetism in which the individual spin magnetic moments are interacting or coupled. As with paramagnets, ferromagnets have strong and positive magnetic susceptibility. Ferromagnetism is possible only when atoms are arranged in a lattice and the atomic magnetic moments interact to align parallel with each other. This field is sufficient to magnetize the material to saturation. Unlike paramagnets, when the applied field is removed, they retain a component of magnetization in the direction of the applied field – they are “permanently” magnetized Ferromagnetic materials are of two types: (a) soft magnetic material and (b) hard magnetic materials. Q3) Draw and explain BH curve. A3)
  • 44.
    The curve plottedbetween flux density B and magnetizing force H of a material is called magnetizing or B-H curve.  The shape of curve is non-linear. This indicates that relative permeability (µr = B / µ0H) of a material is not constant, but it varies.  B-H curves are extremely useful to analyse the magnetic circuit. If value of flux density and dimension of magnetic circuit is known than from B-H curve total ampere turn can be easily known. Q4) Explain ideal transformer. A4) An ideal transformer is one that has no winding resistance  no leakage flux i.e., the same flux links both the windings  no iron losses (i.e., eddy current and hysteresis losses) in the core 
  • 45.
    Although an idealtransformer cannot be physically realized, yet its study provides a very powerful tool in the analysis of a practical transformer. In fact, practical transformers have properties that approach very close to an ideal transformer. Consider an ideal transformer on no load i.e., the secondary is open-circuited as shown in the figure. Under such conditions, the primary is simply a coil of pure inductance. When an alternating voltage V₁ is applied to the primary, it draws a small magnetizing current Iₘ which lags behind the applied voltage by 90°. This alternating current Iₘ produces an alternating flux ϕ which is proportional to and in phase with it. The alternating flux ϕ links both the windings and induces e.m.f. E₁ in the primary and e.m.f. E₂ in the secondary. The primary e.m.f. E₁ is, at every instant, equal to and in opposition to V₁ (Lenz’s law). Both e.m.f.sE₁, and E₂ lag behind flux ϕ by 90°. However, their magnitudes depend upon the number of primary and secondary turns. Phasor Diagram of Ideal Transformer The phasor diagram of an ideal transformer on no load is also shown above. Since flux ϕ is common to both the windings, it has been taken as the reference phasor. The primary e.m.f. E₁ and secondary e.m.f. E₂ lag behind the flux ϕ by 90°. Note that E₁ and E₂ are in phase. But E₁ is equal to V₁ and 180° out of phase with it. Q5) Write short note on: iron losses, leakage reactance. A5) Iron Losses Since the iron core is subjected to alternating flux, there occurs eddy current and hysteresis loss in it. These two losses together are known as iron losses or core losses. The iron losses depend upon the supply frequency, the maximum flux density in the core, volume of the core, etc.
  • 46.
    It may benoted that the magnitude of iron losses is quite small in a practical transformer. Leakage reactances Both primary and secondary currents produce flux. The flux ϕ which links both the windings is the useful flux and is called mutual flux. However, the primary current would produce some flux ϕ which would not link the secondary winding. Similarly, the secondary current would produce some flux ϕ that would not link the primary winding. The flux such as ϕ₁ or ϕ₂ which links only one winding is called leakage flux. The leakage flux paths are mainly through the air. The effect of these leakage fluxes would be the same as though inductive reactance were connected in series with each winding of the transformer that had no leakage flux as shown in the figure. In other words, the effect of primary leakage flux ϕ₁ is to introduce an inductive reactance X₁ in series with the primary winding as shown. Similarly, the secondary leakage flux ϕ₂ introduces an inductive reactance X₂ in series with the secondary winding. There will be no power loss due to leakage reactance. However, the presence of leakage reactance in the windings changes the power factor as well as there is voltage loss due to IX drop. Q6) Explain losses in a transformer. A6) There are 2 types of losses occurring in a transformer A) 1. Core loss or Iron loss B) 2. Copper loss Core losses: This loss is due to the reversal of flux  The flux set up in the core is dependent on the  i/p supply
  • 47.
    as the i/psupply is constant in magnitude the flux set up will be constant and core losses are also constant. Core losses are voltage dependent loss they can be subdivided in 2:  Hysteresis loss and reedy current loss Hysteresis loss : The iron loss occurring in the core of T/F due to the Hysteresis curve of the magnetic material used for core is called as Hysteresis loss. Hysteresis curve is the curve as loop which shows the properly of magnetic material to lag the flux density B behind the field Intensely H Above is the 3 different loops (Hysteresis of 3 diff. Materials) the selection of magnetic material for the construction of core depends upon Hysteresis loop of that material having tall and narrow Hysteresis loop is selected for the T/F core silicon Steel Hysteresis loss depends on fold factor PH = KH. Bm 1.67 F V – watts Where KH = constant (Hyst) Bm = max Flux density
  • 48.
    F = Frequency =Volume of core. Reedy current loss : This loss is due to the flow of reedy (circular) current in the core caused by induced emf in core PE = Ke Bm2 f2 t2 v – watts Where Ke = reedy current const. t = thickness of core It can be reduced by using stacks of laminations instead of solid core B] Copper loss : PCU The Copper loss is due to resistance of the primary and secondary winding It is load dependent / current dependent loss As load on a transformer is variable (changing) current changes copper loss is a variable loss Primary secondary Total C is loss = I12R12 + I22 R22 Copper loss depends upon load on T/F and is proportional to square of load current or KVA rating of transformer PCU 2 (KVA)2 F.L = full load PCU (at half load) = 2 PCu F.L = (0.5)2 PCU F.L.
  • 49.
    Or PCu (load) = ( )2 PCu F.L Q7) A 400 kVA transformer has a primary winding resistance of 0.5 ohm and a secondary winding resistance of 0.001 ohm. The iron loss is 2.5 Kw and the primary and secondary voltages are 5 kV and 320 V respectively. If the power factor of the load is 0.85, determine the efficiency of the transformer (i) on full load and (ii) on half load. A7) Rated output = 400 kVA = 400x103 kVA Full load secondary current, I2 = Rated output/V2 = 1250 A Total resistance referred to secondary, re2 = r2+r1(V2/V1)2 = 0.033 ohm Full load copper loss, Pc = I22 re2 = 51.5625 Kw Iron loss, Pi = 2.5 x103 watts (i) Transformer efficiency at full load and 0.85 pf = 86.2% (ii) Transformer efficiency at half load and 0.85 pf = 91.69% Q8) Find all day efficiency of a transformer having maximum efficiency of 98% at 15 kVA at unity power factor. Compare its all day efficiencies for the following load cycles: a. Full load of 20 kVA, 12 hours per day and no load rest of the day. b. Full load, 4 hours per day and 0.4 full load rest of the day.
  • 50.
    Assume the loadto operate on upf all day A8) BEE Unit – 5
  • 51.
    Electrical Machines Q1) Drawand explain construction of DC machines. A1) Whether machine is D.C. generator or motor the construction basically remains the same. A cross section of typical D.C. machine 1)Yoke a)Functions 1. It serve the purpose of outermost cover of the D.C. machine. So that the insulating materials get protected from harmful atmospheric elements like moisture.dust and various gases like , acidic fumes etc. 2. It provides mechanical support to the poles. 3. It forms a part of the magnetic circuit.
  • 52.
    It provides apath of low reluctance for magnetic flux. The low reluctance path is important to avoid wastage of power to provide same flux large current and hence the power is necessary if the path has high reluctance to produce the same flux. 4.Choice of material:- It is prepared by using cast iron, silicon steel is used which provides high permeability i.e. low reluctance and gives good mechanical strength. 2) Poles Pole structure Each Pole is divided into two parts namely Pol core  Pole shoe  Functions of pole core and pole shoe:-  Pole core basically carries a field winding which is necessary to produce the flux.  It directs the flux produced through air gap to armature core to the next pole.  Pole shoe enlarge the area of armature core to come across the flux, which is necessary to produce larger induced e.m.f. To achieve this, sports shoe has been given a particular shape. Choice of material:- It is made up of magnetic material like cast iron or cast steel. As it requires a definite shape and size, laminated construction is used. The laminations of required size and shape are stamped together to get a pole which is then bolted to the yoke. 3) Field Winding ( The field winding is wound on the pole core with a definite direction. a) Functions:-
  • 53.
    To carry currentdue to which pole core on which the field winding is placed behaves as an electromagnet, producing necessary flux. As it helps in producing the magnetic field i.e. exciting the poles as an electromagnet it is called Field winding or Exciting winding. b) Choice of material:- It has to carry current hence obviously made up of some conducting material. So aluminium or copper is the choice. But field coils are required to take four types of shape and bent about pole core and copper has good pliability i.e. it can be bend easily. So copper is the proper choice .field winding is divided into various coils called field coils. These are connected in series with each other and wound in such direction around pole cores, such that alternate 'N' and 'S' poles are formed. The total number of poles is denoted as P. 4) Armature The armature is further divided into two parts namely Armature core  Armature winding  1.Armature core:- Armature core is cylindrical in in shape mounted on the shaft. It consists of slots on its periphery and air ducts to permit the air flow through armature which serves cooling purpose. a) Functions- 1) Armature core provides house for armature winding i.e. armature conductors. 2)To provide the path of low reluctance to the magnetic flux produced by the field winding.
  • 54.
    b) Choice of material:- Asit has to provide a low reluctance path to the flux, it is made up of magnetic material like cast iron or cast steel. It is made up of laminated construction to keep Eddy current loss as low as possible. A single circular lamination used for the construction of armature core is shown in figure. 3. Armature winding Armature winding is nothing but the interconnection of the armature conductors placed in the slots provided on the armature core periphery. When the armature is rotated in case of generator magnetic flux gets cut by armature conductors and e.m.f gets induced in them. a)Functions 1) curvatures of e.m.f takes place in the armature winding in case of generators. 2) To carry the current supplied in case of D.C. motors. 3) To do the useful work in the external circuit. b) Choice of Material:- As armature winding carries entire current which depends on external load, it has to be made up of conducting material which is copper. 5.Commutator
  • 55.
    The basic natureof e.m.f in the armature conductors is alternating. This needs verification in case of D.C. generator, which is possible by a device called commutator. a)Functions: 1)To facilitate the collection of current from the armature conductors. 2) To convert internally developed alternating e.m.f to unidirectional (D.C.) e.m.f. 3) To produce unidirectional torque in case of motors b) Choice of Material:- As it collects current from armature, it is also made up of copper segments. It is cylindrical in shape and is made up of wedge-shaped segments of hand drawn high conductivity copper .the segments are insulated from each other by thin layer of Mica. Each commutator segment is connected to the armature conductor by means of copper lug or strip. This construction is shown in figure above. 6. Brushes and Brush Gear Brushes are stationary and resting on the surface of the commutator. a)Function- to collect current from computer and make it available to stationary external circuit. b) Choice of Material:- Brushes are normally made up of soft material like carbon. To avoid wear and tear of commutator the brushes are made up of soft material like carbon.
  • 56.
    7) Bearings Ball bearingsare usually used as they are more reliable. For heavy duty machines roller bearing are preferred. Q2) Find Voltage equation of DC motor. A2) From the equivalent circuit the voltage equation for a DC motor can be obtained as The brush drop is practically neglected. Hence the armature current is expressed as Q3) A 220 volt DC motor has an armature resistance of 0.75 ohm. It is drawing and armature current of 30 A, driving a certain load. Calculate the induced EMF in the motor under this condition. A3) V=200V Are the given values For a motor , V= 220= +30*0.75 =197.5 V This is the induced EMF called a back EMF in a motor Q4) Find the useful flux per pole on no load of a 250V 6 pole shunt motor having two circuit connected armature winding with 225 conductors.at normal working temperature the overall armature resistance including brushes is 0.2 ohm. The armature current is 13.3A at the no load speed of 908 RPM.
  • 57.
    A4) V=250 P=6Z=220 A=2 As two circuit armature N=908 r.p.m For a DC shunt motor 250= +13.3*0.2 i.e. Back emf is given by Q5) Find Torque equation of a D.C. motor A5) The turning all twisting force about an exists is called torque. Consider A wheel of radius R meters coated upon circumferential force F Newton as shown in figure (a) The wheel is rotating at a speed of N r.p.m. then its angular speed is W = rad/sec So work done in one revolution is W=F×distance travelled in one revolution = F× Joules
  • 58.
    P=power developed= = (F×R)× P= T×W watts Where T=torque in Nm and w = angular speed in rad/sec Let the gross torque developed by the armature of the motor. It is also called armature torque. The gross mechanical power developed in the armature is as seen from the power equation. So if speed of the motor is N r.p.m then Power in armature=armature torque×w i.e. . But in a motor is given by This is the torque equation of D.C. motor. Q6) A 4 pole D.C. motor takes a 50A armature current. The armature has lab connected 480 conductors. The flux per Pole is 20 mWb . Calculate the gross torque developed by the armature of the motor. A6) P=4, A=P=4, Z=480 =20mWb=
  • 59.
    Nm Q7) A 4pole , 50 Hz Induction motor has rotor resistances and resistance per phase are 0.01 and 0.1 respectively . Rotor induced emf at stand still per phase is 57.75 V .If maximum torque is twice that of full load torque then find full load speed of the motor. A7) Given, 50Hz I.M. P=4 F=50 Hz 57.75V = max. slip But, Therefore ,
  • 60.
  • 61.
    N=(1- N=1459.95rpm Q8) A 24pole 50 Hz star connection I.M has rotor resist of 0.016ohm per phase & rotor reactance OF 0.256OHM PER PHASE at stand still conductor .It is achieving its full load torque at a speed of 247rpm.calculate the ratio of A8) Given P=24 f=50Hz N=247rpm =250rpm = =0.012 S=0.012 Slip that maximum torque =0.0625
  • 62.
  • 63.
    Electrical Installations Q1) Whydo we require Fuse? A1) These are used to prevent the home appliances from the high current or overload damage. If we use a fuse in the homes, the electrical faults cannot happen in the wiring and it doesn't damage the appliances from the fire of wire burning. When the fuse gets break or damage, then an abrupt sparkle happens which made direct to damage your home appliances. That is the reason we required different types of fuses to guard our home appliances against damage. Q2) Explain the working principle of Fuse. A2) The working principle of the fuse is “ heating consequence of the current”. It is fabricated with a lean strip for thread of metallic wire. The connection of the fuse in an electrical circuit is always in series. When the too much current is produced due to the heavy flow of current in the electrical circuit the fuse get soft and it opens the circuit. The extreme flow of current main direct to the collapse of the wires and prevents the supply. Diffuse can be changed by the new fuse with an appropriate rating. It can be designed with elements like copper, zinc, aluminium and silver. They also perform like a circuit breaker for breaking the circuit while the abrupt fault happens in the circuit. This works like a safety measure for protector for humans from risk. Like this, the fuse works Fuse rating = The selection of a fuse can be done by calculating the fuse rating by using the above formula  Write down the voltage (volts) and power (watts) of the appliance.  Calculate the fuse rating.  After the result use the maximum fuse rating. For instance, if the calculated fuse rating is the maximum fuse rating. For example, if the calculated fuse rating is 7.689 amps, you can use an 8 amp fuse. Q3) What is MCB? Draw and explain the construction of MCB.
  • 64.
    A3) Miniature Circuitbreakers (MCB) are electromechanical devices which are used to protect electrical equipment from an over current. MCB is a a mechanical switching device which is capable of making, caring and breaking currents under normal circuit conditions and also making, caring for a specified time and automatically breaking currents under specified abnormal circuit conditions such as those of short circuit. In short MCB is a device for over load and short circuit protection. A) Construction :- The construction of miniature circuit breakers is very simple, robust and maintenance free. MCB is replaced by a new one when it is failing because MCB is not repaired or maintained. There are three types of miniature circuit breakers in construction, 1) Frame:- Frame is a rigid, strong, insulated housing in which the other components are mounted. It is a molded case. 2) Trip unit : For the proper working of the miniature circuit breaker trip unit is responsible. Two main types of trip mechanism are provided in Miniature circuit breaker (MCB). a bimetallic strip provides protection against overload current and an electromagnet provides protection against short circuit current. Trip unit is the main part of the MCB. 3) Operating Mechanism :- The operating mechanism of MCB provides with the manual operation for closing and opening operation of the miniature circuit breaker. It has three positions “ON”, “OFF”, “TRIPPED”. By observing the position of the switching latch one can determine the condition of MCB whether it is closed, tripped or manually switched off. If the MCB is tripped due to overcurrent or overheating.The external switching latch in the “TRIPPED” position. When manually switch off the miniature circuit breaker, the switching latch will be in “OFF” position. The switch is positioned at “ON”, in a closed condition of the miniature circuit breaker. Q4) Explain various types of MCB. A4) There are three standard characteristics are available for domestic as well as commercial MCB are given by B,C and D. Each type has its own function Type B
  • 65.
    MCB are mainlyused where switching surges are small or non exist and are generally suitable for domestic applications and light commercial applications. There are no devices with long high starting current in domestic applications and has the best suited MCB is type B. these are designed to trip at fault currents in the range of 3 to 5 times the rated current. Suppose if the rated current is 10 ampere then the MCB trips at 30-50 A. Type C MCB are designed for high inductive circuits where surge currents are expected. These are generally used for commercial and industrial applications where a number of fluorescent lamps been turned ON or starting of small motors may give high search currents. These are more sensitive than type B MCB and causes reduced nuisance trips. Type C MCB are designed to operate for trip at the fault currents of 5 to 10 times that of rated current. For 10 A type C MCB, the operating current range is 50 – 100 A. Type D MCBs are designed for heavy industrial applications where normal surge currents are very high. These are ideal for electrical welders and site Transformers where frequent high surge currents are expected. The most common applications of type D MCBs include motors, UPS systems comma x-ray machines, Transformers and battery charging systems. These are designed to trip at 10 – 20 times The rated current. For 10 A type D MCBs, the operating current range is 100 – 200 A.
  • 66.
    The setting orcharacteristics of an MCP are fixed in the factory itself by the manufacturer and they are not adjustable at the user end or at the site. Tripping currents for operation at 0.1 second or less different MCBs are given below. Type B 3-5 times rated current Type C 5-10 times rated current Type D 10-20 times rated current Q5) What is ELCB? Write the types of ELCB. A5) An ECLB is one kind of safety device used for installing an electric device with high Earth impedance to avoid shock. These device is identify small stray voltages of the the electrical device on the metal enclosures and intrude the circuit if a dangerous voltage is identified. The main purpose of Earth leakage circuit breaker is to stop damage to humans and animals due to electric shock. Earth leakage circuit breaker is a device used to directly detect currents leakage to earth from an installation and cut the power and mainly used in TT earthing systems. There are two types of ELCBs : 1) Voltage Earth leakage Circuit Breaker (voltage ELCB) 2) Current Earth Leakage Circuit System (Current ELCB) Q6) Explain Working Principle of Voltage ELCB: A6) ELCB is a voltage operated device. It has a coil and if the voltage across the coil exceeds as a
  • 67.
    predetermined value suchas 50 V, the current through the coil will be sufficient enough to trip the circuit. Voltage ELCB is connected in between the metallic part of equipment and the Earth. If we take an example of insulation failure then the voltage across the coil of voltage ELCB will drive enough Karan to cut the power supply till the manually reset. The way to identify an ELCB is by looking for green or green and yellow Earth wire entering the device. They relay on voltage returning to the trip via the earth wire during a fault and effort only limited protection to the installation and no personal protection at all. You should use plugin 30 mA RCD's for any appliances and extension leads that may be used outside as a minimum. Q7) Explain Working Principle of Current (ELCB). A7) The working of current ELCB is quite interesting but easy. Current operated ELCB is also known as Residual Current devices (RCD). Residual current device (RCD) has a toroidal iron core over which phase and neutral windings are wound. A search coil is also mood on the same iron core which in turn is connected to the trip coil. Figure below shows the constructional detail of RCD or current ELCB. Under normal operating condition, the current through the phase building and neutral building are same but both the windings are wound in such a manner to oppose the mmfs of each other, therefore net mmf in the toroidal iron corewill be zero. Let us consider a condition where Earth leakage current exists in the lord side. In this case the current through the phase and neutral will no longer be equal rather phase current will be more than the neutral current. Does MMF produced by face building will be more than the MMF produced by neutral building because of which a net MMF will exist in the toroidal iron core. Net MMF in core = MMF by phase winding - MMF by neutral winding
  • 68.
    This net MMFin the core will link with the search coil and aa MMF is changing in nature (current is AC),an EMF will be induced across the terminals of search coil. This will intern drive a current through the trip coil which will pull (because of current flow through the trip coil ok, it will behave as an electromagnet and hence will pull the lever to open contact) the supply contacts to isolate the power supply. Notice that current ELCB works on residual current that is the reason it is also called residual current device. A RCD/ Current ELCB is also provided with test button to check the healthiness of the safety device. If you carefully observe the figure, you will notice that, when we press the test button, load and face building are bypassed due to which only MMF because of neutral winding will exist in the core (as there is no opposing MMF as was the case with both the windings in service) which will cause RCD to trip to isolate supply. Q8) Compare Types of MCCB. A8) Types of MCCB Operating current Operating time Application Type B Trips between 3 and 5 times rated current (In) 0.04 – 13 seconds Domestic applications (lighting and resistive elements) Type C Trips between 5 and 10 times rated current (In) 0.04 – 5 seconds Commercial or industrial applications Type D Trips between 10 to 20 times rated current (In) 0.04 – 3 seconds Commercial or industrial applications Type K Trips between 8 to 12 times rated current (In) 0.04 – 5 seconds Industrial applications Type Z Trips 0.04 – 5 Highly sensitive to
  • 69.
    between 2 to 3times rated current (In) seconds short circuit and are used for protection of highly sensitive devices such as semiconductor or devices Q9) Explain series and parallel grouping of batteries. A9) Series grouping E= EMF of each batteries r= Internal resistance of each battery V=Total voltage =n×E volts =Total resistance = Total batteries
  • 70.
    = In series circuitcurrent remain same so in this method does not improve current capacity. The current capacity is same as that of each battery connected in series. But voltage can be increased by increasing number of batteries n. Parallel grouping  In this method positive terminal of batteries are connected together and negative terminals are connected together as shown above.  The Terminal of each battery must be same as E V=battery voltage=E=EMF r=internal resistance of each battery =Current through nth branch. I=Total current  In parallel grouping the voltage remains the same but by increasing number of batteries the current capacity can be increased.