BAB I
PENDAHULUAN
1.1 Latar Belakang
Teknik pemrograman menyediakan teori-teori atau teknik dalam membuat suatu program.
Di dalamnya dipelajari bagaimana membangun program atau aplikasi yang efektif dan efisien. Dalam
membangun sebuah program atau aplikasi tidak bisa dilakukan dengan sembarangan, agar program
yang dibuat benar-benar dapat berjalan sesuai kehendak. Di sinilah letak ufungsi Teknik
Pemrograman dalam menuntun programmer (orang yang membuat program) membangun program
yang akan dibuat. Di zamam modern sekarang ini semakin banyak dijumpai tools atau compiler
untuk membuat sebuah program. Mulai dari peningkatan user-interface hingga peningkatan fitur
yang dibawa program tool tersebut. Namun tetap, pada prinsipnya dalam membangun sebuah
project aplikasi tetaplah sama, yaitu efektif dan efisien. Kembali lagi, peran teknik pemrograman
sangat dibutuhkan dalam hal tersebut.
Dalam teknik pemrograman ada beberapa unsur:
a. Program
Adalah serangkaian kode-kode perintah atau sekumpulan file-file yang disusun dengan
urutan langkah yang logis dan sistematis menjadi satu kesatuan diterjemahkan kedalam
bahasa mesin.
b. Pemrograman
Proses penerapan source code program untuk memecahkan suatu masalah dengan
menggunakan bahasa pemrograman.
c. Bahasa Pemrograman
Prosedur penulisan source code program.
d. Programmer
Orang yang membuat program
1.2 Ruang Lingkup
Ruang lingkup makalah ini meliputi pembuatan program berbasis Database dalam kategori
program ilmiah.
1.3 Maksud dan Tujuan
Mempelajari struktur program dan menerapkannya dalam pembuatan program. Selain itu
makalah ini juga bertujuan untuk memenuhi tugas dari mata kuliah Teknik Pemrograman jurusan
Teknik Komputer semester 3 Bina Sarana Informatika.
1.4 Metode Penelitian
Dalam menyusun makalah ini penulis menggunakan metode:
- Mengutip dari moudl pembelajaran mata kuliah Teknik Pemrograman
- Pengalaman pribadi
1.5 Sistematika Penulisan
Sistematika penyusunan makalah ini adalah sebagai berikut:
Bab I: Pendahuluan
Dalam bab ini dijelaskan latar belakang, maksud dan tujuan, metode penelitian, dan sistematika
penulisan makalah.
Bab II: Pembahasan
Membahas tentang program yang dibuat meliputi file apa saja yang dipakai, tabel yang dibutuhkan,
dan penyajian spesifikasi program (HIPO)
Bab III: Penutup
Berisi kesimpulan dan saran
BAB II
PEMBAHASAN
2.1 Deskripsi Program
Program yang kami buat adalah program sebagai pengganti buku catatan mahasiswa.
Sehingga diharapkan dapat lebih fleksibel dalam mendokumentasikan catatan yang perlu dicatat.
Program ini sederhana hanya terdiri dari beberapa bagian yaitu:
a. Menu Utama
Terdiri dari Dua buah Tab, satu untuk menampilkan kategori catatan (atau mata
kuliah) dan satu lagi untuk menampilkan form menulis catatan.
b. Daftar Catatan
Menampilkan daftar catatan yang telah disimpan dalam tiap kategori. Pada halam
ini ada dua buah button masing masing sebagai perintah untuk mengubah catatan dan
sebagai perintah untuk menghapus catatan. User interface ini langsung tertampil di halaman
Menu Utama.
c. Tulis Catatan
Form untuk menulis catatan terdiri dari tiga widget yaitu text editor, dropdown
untuk mengkategorikan catatan, dan button di mana text editor digunakan sebagai tempat
menulis catatan dan button digunakan sebagai perintah menyimpan catatan. Pada menu
Kategori terdapat pilihan untuk membuat kategori baru.
d. Keluar
Pada saat pengguna menekan tombol keluar, akan muncul dialog yang memastikan
pengguna akan keluar dari program atau tidak
2.2 Spesifikasi File dan Tabel yang Digukanan
Dalam penyusunan program ini membutuhkan beberapa file master dan tabel. Khusus untuk
tabel jumlamnya sesuai dengan kategori catatan yang telah dibuat. Berikut Spesifikasi file
masternya:
a. Nama File : Tabel Catatan
b. Akronim File : note.db
c. Fungsi File : untuk menyimpan daftar kategori yang telah dibuat
d. Tipe File : File Master
e. Organisasi File : Index Sequential
f. Akses File : Statis
g. Media File : Harddisk
h. Panjang Record : Menyesuaikan memory
i. Kunci Field : id_cat
j. Software : ADT
Seperti yang ditulis di atas program ini mempunyai jumlah tabel yang tidak menentu, tergantung
pada pengguna ingin memakai berapa kategori maka tiap kategori itu akan dibuat tabel sendiri.
Berikut spesifikasi kategori:
a. Nama Tabel : Tabel <nama_kategori>
b. Akronim Tabel : note_<nama_categori>.db
c. Fungsi Tabel : Manyimpan catatan pengguna berdasarkan kategori
d. Tipe Tabel : Tabel Penyimpan
e. Organisasi File : Index Sequential
f. Akses File : Random
g. Media File : Harddisk
h. Panjang Record : Menyesuaikan
i. Kunci Field : id_note
j. Software : ADT
2.3 Spesifikasi Program dan HIPO
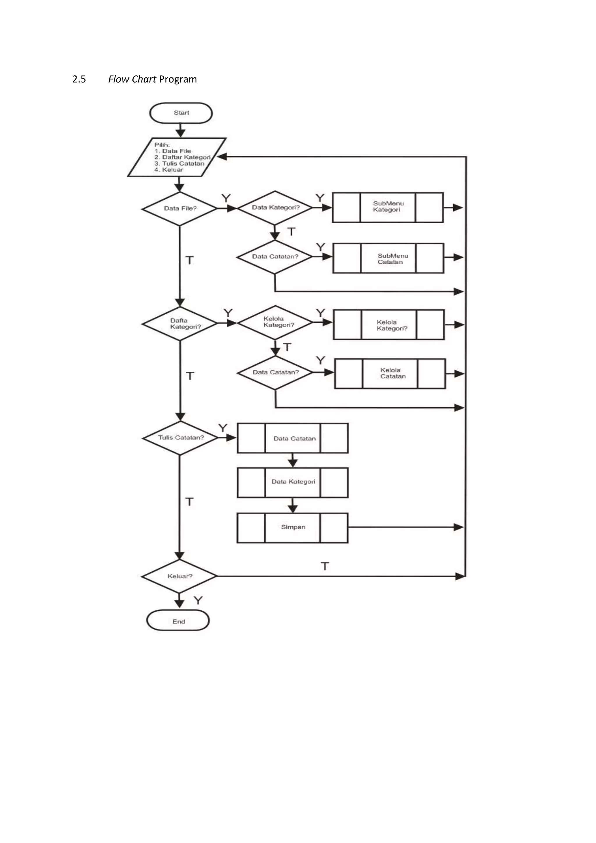
Gambar di atas adalah HIPO dari program ini. Berdasarkan HIPO, spesifikasi program ini adalah:
a. Spesifikasi Program Menu Utama
b. Spesifikasi Program Data File
c. Spesifikasi Program Data Kategori
d. Spesifikasi Program Data Catatan
e. Spesifikasi Program Daftar Kategori
f. Spesifikasi Program Daftar Kategori Kelola Kategori
g. Spesifikasi Program Daftar Catatan dalam Kategori
h. Spesifikasi Program Daftar catatan Kelola Catatan
i. Spesifikasi Program Tulis Catatan
j. Spesifikasi Program Tulis Data Catatan
k. Spesifikasi Program Tulis Data Kategori
l. Spesifikasi Program Simpan Catatan
m. Spesifikasi Program Keluar dari program
2.4 Spesifikasi Program Buku Catatan
Nama Program : Buku Catatan
Akronim : Note.apk
Fungsi : Aplikasi pencatatan
Bahasa program : Java
Proses Program :
a. Pada tampilan awal program ada 2 tab, tab Kategori catatan dan tab untuk
menulis catatan. Tab kategori catatan adalah default tab di mana tertampil
daftar kategori catatan.
b. Pilih kategori catatan. Akan muncul daftar catatan yang telah disimpan. Jika
belum ada maka tampilan kosong. Jika ada catatan, pilih catatan untuk melihat
catatan atau pilih kelola catatan untuk mengubah atau menghapus catatan.
Untuk mengelola kategori (tambah, ubah, atau hapus) pilih Kelola Kategori.
c. Pilih tab Tulis Catatan
d. Isi catatan, kemudian pilih Kategori Catatan. Untuk menyimpan pilih Simpan
e. Klik Keluar lalu pilih “Ya” untuk menutup program
2.5 Flow Chart Program
2.6 Tabel Program
Tabel Kategori Catatan
No. Elemen Data Akronim Tipe Keterangan
1 id Kategori id_cat Integer PK (auto increment)
2 Nama Kategori cat_<name> Text
Tabel Catatan
No. Elemen Data Akronim Tipe Keterangan
1 id Catatan id_note Integer PK (auto increment)
2 Isi Catatan note_<name> Text
BAB III
PENUTUP
3.1 Kesimpulan
Mempelajari tentang teknik pemrograman memudahkan programer untuk menyusun
program yang akan dibuat agar program tersebutdapat memenuhsi syarat sebagai program yang
baik. Semakin majunya zaman semakin banyak pula syntax baru yang keluar dan membuat teknik
pemrograman semakin luas pula cakupannya. Bijak untuk mengetahui bagaimana teknik-teknik
dalam membuat program bagi seseorang yang ingin menjadi programer atau yang sudah menjadi
programer.
3.2 Saran
Banyak melakukan latihan dengan program, mulai dari membuat program sederhana hingga
program advance. Dalam membuat program tidak lupa pula mengikuti tekniknya, seperti urutan
algoritma hingga penulisan source code program. Semua itu aka menentukan hasil program yang
dibuat.
DAFTAR PUSTAKA
Modul mata kuliah Teknik Pemrograman

Teknik pemrograman - aplikasi notepad

  • 1.
    BAB I PENDAHULUAN 1.1 LatarBelakang Teknik pemrograman menyediakan teori-teori atau teknik dalam membuat suatu program. Di dalamnya dipelajari bagaimana membangun program atau aplikasi yang efektif dan efisien. Dalam membangun sebuah program atau aplikasi tidak bisa dilakukan dengan sembarangan, agar program yang dibuat benar-benar dapat berjalan sesuai kehendak. Di sinilah letak ufungsi Teknik Pemrograman dalam menuntun programmer (orang yang membuat program) membangun program yang akan dibuat. Di zamam modern sekarang ini semakin banyak dijumpai tools atau compiler untuk membuat sebuah program. Mulai dari peningkatan user-interface hingga peningkatan fitur yang dibawa program tool tersebut. Namun tetap, pada prinsipnya dalam membangun sebuah project aplikasi tetaplah sama, yaitu efektif dan efisien. Kembali lagi, peran teknik pemrograman sangat dibutuhkan dalam hal tersebut. Dalam teknik pemrograman ada beberapa unsur: a. Program Adalah serangkaian kode-kode perintah atau sekumpulan file-file yang disusun dengan urutan langkah yang logis dan sistematis menjadi satu kesatuan diterjemahkan kedalam bahasa mesin. b. Pemrograman Proses penerapan source code program untuk memecahkan suatu masalah dengan menggunakan bahasa pemrograman. c. Bahasa Pemrograman Prosedur penulisan source code program. d. Programmer Orang yang membuat program 1.2 Ruang Lingkup Ruang lingkup makalah ini meliputi pembuatan program berbasis Database dalam kategori program ilmiah.
  • 2.
    1.3 Maksud danTujuan Mempelajari struktur program dan menerapkannya dalam pembuatan program. Selain itu makalah ini juga bertujuan untuk memenuhi tugas dari mata kuliah Teknik Pemrograman jurusan Teknik Komputer semester 3 Bina Sarana Informatika. 1.4 Metode Penelitian Dalam menyusun makalah ini penulis menggunakan metode: - Mengutip dari moudl pembelajaran mata kuliah Teknik Pemrograman - Pengalaman pribadi 1.5 Sistematika Penulisan Sistematika penyusunan makalah ini adalah sebagai berikut: Bab I: Pendahuluan Dalam bab ini dijelaskan latar belakang, maksud dan tujuan, metode penelitian, dan sistematika penulisan makalah. Bab II: Pembahasan Membahas tentang program yang dibuat meliputi file apa saja yang dipakai, tabel yang dibutuhkan, dan penyajian spesifikasi program (HIPO) Bab III: Penutup Berisi kesimpulan dan saran
  • 3.
    BAB II PEMBAHASAN 2.1 DeskripsiProgram Program yang kami buat adalah program sebagai pengganti buku catatan mahasiswa. Sehingga diharapkan dapat lebih fleksibel dalam mendokumentasikan catatan yang perlu dicatat. Program ini sederhana hanya terdiri dari beberapa bagian yaitu: a. Menu Utama Terdiri dari Dua buah Tab, satu untuk menampilkan kategori catatan (atau mata kuliah) dan satu lagi untuk menampilkan form menulis catatan. b. Daftar Catatan Menampilkan daftar catatan yang telah disimpan dalam tiap kategori. Pada halam ini ada dua buah button masing masing sebagai perintah untuk mengubah catatan dan sebagai perintah untuk menghapus catatan. User interface ini langsung tertampil di halaman Menu Utama. c. Tulis Catatan Form untuk menulis catatan terdiri dari tiga widget yaitu text editor, dropdown untuk mengkategorikan catatan, dan button di mana text editor digunakan sebagai tempat menulis catatan dan button digunakan sebagai perintah menyimpan catatan. Pada menu Kategori terdapat pilihan untuk membuat kategori baru. d. Keluar Pada saat pengguna menekan tombol keluar, akan muncul dialog yang memastikan pengguna akan keluar dari program atau tidak 2.2 Spesifikasi File dan Tabel yang Digukanan Dalam penyusunan program ini membutuhkan beberapa file master dan tabel. Khusus untuk tabel jumlamnya sesuai dengan kategori catatan yang telah dibuat. Berikut Spesifikasi file masternya: a. Nama File : Tabel Catatan b. Akronim File : note.db c. Fungsi File : untuk menyimpan daftar kategori yang telah dibuat d. Tipe File : File Master e. Organisasi File : Index Sequential f. Akses File : Statis g. Media File : Harddisk
  • 4.
    h. Panjang Record: Menyesuaikan memory i. Kunci Field : id_cat j. Software : ADT Seperti yang ditulis di atas program ini mempunyai jumlah tabel yang tidak menentu, tergantung pada pengguna ingin memakai berapa kategori maka tiap kategori itu akan dibuat tabel sendiri. Berikut spesifikasi kategori: a. Nama Tabel : Tabel <nama_kategori> b. Akronim Tabel : note_<nama_categori>.db c. Fungsi Tabel : Manyimpan catatan pengguna berdasarkan kategori d. Tipe Tabel : Tabel Penyimpan e. Organisasi File : Index Sequential f. Akses File : Random g. Media File : Harddisk h. Panjang Record : Menyesuaikan i. Kunci Field : id_note j. Software : ADT 2.3 Spesifikasi Program dan HIPO
  • 5.
    Gambar di atasadalah HIPO dari program ini. Berdasarkan HIPO, spesifikasi program ini adalah: a. Spesifikasi Program Menu Utama b. Spesifikasi Program Data File c. Spesifikasi Program Data Kategori d. Spesifikasi Program Data Catatan e. Spesifikasi Program Daftar Kategori f. Spesifikasi Program Daftar Kategori Kelola Kategori g. Spesifikasi Program Daftar Catatan dalam Kategori h. Spesifikasi Program Daftar catatan Kelola Catatan i. Spesifikasi Program Tulis Catatan j. Spesifikasi Program Tulis Data Catatan k. Spesifikasi Program Tulis Data Kategori l. Spesifikasi Program Simpan Catatan m. Spesifikasi Program Keluar dari program 2.4 Spesifikasi Program Buku Catatan Nama Program : Buku Catatan Akronim : Note.apk Fungsi : Aplikasi pencatatan Bahasa program : Java Proses Program : a. Pada tampilan awal program ada 2 tab, tab Kategori catatan dan tab untuk menulis catatan. Tab kategori catatan adalah default tab di mana tertampil daftar kategori catatan. b. Pilih kategori catatan. Akan muncul daftar catatan yang telah disimpan. Jika belum ada maka tampilan kosong. Jika ada catatan, pilih catatan untuk melihat catatan atau pilih kelola catatan untuk mengubah atau menghapus catatan. Untuk mengelola kategori (tambah, ubah, atau hapus) pilih Kelola Kategori. c. Pilih tab Tulis Catatan d. Isi catatan, kemudian pilih Kategori Catatan. Untuk menyimpan pilih Simpan e. Klik Keluar lalu pilih “Ya” untuk menutup program
  • 6.
  • 7.
    2.6 Tabel Program TabelKategori Catatan No. Elemen Data Akronim Tipe Keterangan 1 id Kategori id_cat Integer PK (auto increment) 2 Nama Kategori cat_<name> Text Tabel Catatan No. Elemen Data Akronim Tipe Keterangan 1 id Catatan id_note Integer PK (auto increment) 2 Isi Catatan note_<name> Text
  • 8.
    BAB III PENUTUP 3.1 Kesimpulan Mempelajaritentang teknik pemrograman memudahkan programer untuk menyusun program yang akan dibuat agar program tersebutdapat memenuhsi syarat sebagai program yang baik. Semakin majunya zaman semakin banyak pula syntax baru yang keluar dan membuat teknik pemrograman semakin luas pula cakupannya. Bijak untuk mengetahui bagaimana teknik-teknik dalam membuat program bagi seseorang yang ingin menjadi programer atau yang sudah menjadi programer. 3.2 Saran Banyak melakukan latihan dengan program, mulai dari membuat program sederhana hingga program advance. Dalam membuat program tidak lupa pula mengikuti tekniknya, seperti urutan algoritma hingga penulisan source code program. Semua itu aka menentukan hasil program yang dibuat.
  • 9.
    DAFTAR PUSTAKA Modul matakuliah Teknik Pemrograman