GSPublisherEngine 0.3.100.98
Москва
2015г.
Индивидуальный жилой дом
Паспорт
Заказчик:
Директор: Ермолаев Н.А.
Беслангуров Т.Инфолиния Z500: +7 (499) 918 73 83; +7 (499) 346 71 80.
E-mail: project@z500proekty.ru
Новости, фотографии реализаций, советы:
<http://z500proekty.ru/>
GSPublisherEngine 0.3.100.98
Проверил
Н.контр.
Стадия Лист Листов
П
Лист ДатаПодпись№док.Изм. Кол.уч
Разработал
Лысюк
Вишневский
01
Ведомость рабочих чертежей
основного комплекта. Общие данные
Индивидуальный жилой дом
Концептуальный проект
односемейного жилого домаИльяшенко
Архитектурные решения
Лист
01
02
03
04
05
06
07
Наименование
Ведомость рабочих чертежей основного комплекта. Общие данные
Фасад в осях 1-3. Фасад в осях В-А
Фасад в осях 3-1. Фасад в осях А-В
План 1-го этажа. Экспликация помещений 1-го этажа
План 2-го этажа. Экспликация помещений 2-го этажа
План кровли
Разрез 1-1. Разрез 2-2
Примечание
Ведомость рабочих чертежей основного комплекта - АР
ГИП Лысюк
Лысюк
Технические решения, принятые в проекте, соответствуют действующим строительным,
санитарным, противопожарным и экологическим нормам, что обеспечивает безопасную для
жизни и здоровья людей эксплуатацию объекта при условиях соблюдения технологии
строительства и предусмотренных проектом мероприятий.
Без штампа "К ПРОВЕДЕНИЮ РАБОТ" технадзора заказчика, а также привязки объекта к
конкретному участку, данные чертежи не имеют силы и могут использоваться только для
подготовительных работ.
Главный Инженер Проекта
Площадь застройки - 162,42 м2
Общая площадь - 188,09 м2
Жилая площадь - 87,81 м2
Технико-экономические показатели
ОБЩИЕ ДАННЫЕ
1 Данным проектом предусматривается строительство индивидуального
односемейного жилого дома.
2 Проект разработан согласно действующих государственных
строительных норм.
3 За условную отметку 0,000 принят уровень чистого пола 1-го этажа
дома в гостиной.
4 Проектируемый объект - здание с несущими внутренними и внешними
стенами, тип фундаментов - монолитный, материал стен - кирпич,
перекрытие - монолитное, конструкция кровли - скатная.
5 Здание относится к III степени огнестойкости.
6 Внутреннюю отделку помещений выполнить с применением
сертифицированных материалов, отвечающих санитарно-гигиеническим
и пожарным требованиям.
7 По периметру здания выполнить отмостку шириной 1м. Также
предусмотреть гидроизоляцию здания на уровне верха фундаментов.
8 Объемно-планировочные решения, инженерные сети, противопожарные
мероприятия и др. данные см. пояснительную записку и общие данные
соответствующих комплектов рабочих чертежей.
9 Расчет объемов и площадей всех материалов требует контрольного
перерасчета перед началом строительства.
10 При расчете стены на сопротивление теплопередаче использованы
материалы с такими характеристиками: кладка из полнотелого
кирпича М100 λ=0,7, минеральная вата 45 кг/м3 λ=0,043. Сопротивление
теплопередаче внешней стены - 3,54 (м2*Со)/Вт.
7
GSPublisherEngine 0.3.100.98
Проверил
Н.контр.
Стадия Лист Листов
П
Лист ДатаПодпись№док.Изм. Кол.уч
Разработал
Лысюк
Вишневский
02
Фасад в осях 1-3. Фасад в осях В-А
Индивидуальный жилой дом
Концептуальный проект
односемейного жилого домаИльяшенко
Архитектурные решения
-0,0500,000
3,550
7,890
0,900
2,630
В Б А
2,400
2,850
3,900
-0,500
8,390
-0,500
3,550
0,000
2,400
7,890
0,900
-0,050
3,900
5,300
2,090
2,150
8,390
1 2 3
Фасад в осях В-А
Фасад в осях 1-3
GSPublisherEngine 0.3.100.98
Проверил
Н.контр.
Стадия Лист Листов
П
Лист ДатаПодпись№док.Изм. Кол.уч
Разработал
Лысюк
Вишневский
03
Фасад в осях 3-1. Фасад в осях А-В
Индивидуальный жилой дом
Концептуальный проект
односемейного жилого домаИльяшенко
Архитектурные решения
4,420
-0,500
-0,050 0,000
7,890
2,150
0,900
А Б В
2,630
3,900
2,850
2,150
8,390
0,900
7,890
-0,500
0,000-0,050
2,400
3,550
3 2 1
2,630
3,870
2,150
3,900
5,400
8,390
Фасад в осях А-В
Фасад в осях 3-1
GSPublisherEngine 0.3.100.98
Проверил
Н.контр.
Стадия Лист Листов
П
Лист ДатаПодпись№док.Изм. Кол.уч
Разработал
Лысюк
Вишневский
04
План 1-го этажа. Экспликация
помещений 1-го этажа
Индивидуальный жилой дом
Концептуальный проект
односемейного жилого домаИльяшенко
Архитектурные решения
А
Б
321
В
Х
5 840 3 840
9 680
5 3405 340
10 680
660 1 140 1 600 1 580 1 070 1 590 1 600 1 100 660
6603 5508002 9301 6001 800660
3 400 300 300 3 000 300 300 3 400
300
300
1 2006603 5701 2002 5001 2002 2106602 620380
12 000
660 3 320 3 000 3 360 660
300 300 6 420 300 300
9 680
3 840 2 000 120
3 220 120 2 500 120 3 720
660
130
1 3501203 550
5 1501901905 150
3 0301202 000
1 160
3 550 380
2 450
1 800
550
80
1 000
120
880
3802 1203802 120380
380 2 970 380 2 970 380
830
Гигиен.
душ
Камин
+0,000
-0,050
-0,050
1.1
1.2
1.3
1.4
1.71.6
1.5
1.8
1 1
2
2
Номер
поме-
щения
1.1
1.2
1.3
1.4
1.5
1.6
1.7
1.8
Наименование
Тамбур
Холл
Спальня
Санузел
Кладовая
Гостиная
Кухня
Терраса 19,12х0,3=
Площадь, м2
3,38
10,48
16,58
11,27
2,13
33,09
16,17
5,73
98,83 м2
49,67 м2
План 1-го этажа
Экспликация помещений 1-го этажа
Общая площадь
Жилая площадь
GSPublisherEngine 0.3.100.98
Проверил
Н.контр.
Стадия Лист Листов
П
Лист ДатаПодпись№док.Изм. Кол.уч
Разработал
Лысюк
Вишневский
05
План 2-го этажа. Экспликация
помещений 2-го этажа
Индивидуальный жилой дом
Концептуальный проект
односемейного жилого домаИльяшенко
Архитектурные решения
А
Б
321
В
5 840 3 840
9 680
5 3405 340
10 680
66010 680660
660 1 200 1 600 1 440 1 200 1 440 1 600 1 200 660 4 300
660 1 440 1 600 1 000 1 600 1 000 1 600 1 440 660
6 770
6603 5701 2005 910660
3 720 120 5 840
5 1501901905 150
1 000
1 000
1 450 2 270
1 000
3 0301202 000
2 000 3 840
3 720 120 2 000 120 3 720
1 5001 000
1 285
1 285
7 400
3 400
1 500 1 500
1 500
1 1
2
2
Гигиен.
душ
h=1800
h=1800h=1800
+3,150
2.1
2.22.3
2.4 2.5
№
2.1
2.2
2.3
2.4
2.5
Наименование
Коридор
Холл 28,87+(0,94х0,7)=
Спальня 18,04+(0,94х0,7)=
Спальня 18,22+(0,94х0,7)=
Санузел 12,07+(0,56х0,7)=
Площадь
11,06
29,14
18,32
18,50
12,24
89,26 м2
36,82 м2
План 2-го этажа
Экспликация помещений 2-й этаж
Общая площадь
Жилая площадь
GSPublisherEngine 0.3.100.98
Проверил
Н.контр.
Стадия Лист Листов
П
Лист ДатаПодпись№док.Изм. Кол.уч
Разработал
Лысюк
Вишневский
06
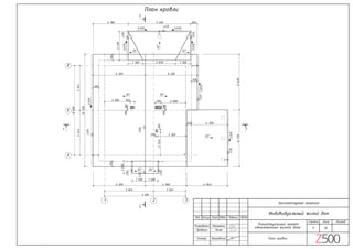
План кровли
Индивидуальный жилой дом
Концептуальный проект
односемейного жилого домаИльяшенко
Архитектурные решения
2,150
3,550
321
А
Б
В
2,700
2,700
3,7507,890
2,630
2,630
2,630
3,550
1 1
2
2
5 840 3 840
9 680
5 3405 340
10 680
6 200 4 960 4 840
1 500 1 500
1 500
6 7706 630
6 200 6 200
4 180 7 400 820
13 400
700
700
700
540 4 300
3 090 500 750 2 890
190360
190360
250 3 360
2 740360
3 400
700
1 765 3 870 1 765
25 о
0,05%
35 о
35 о
35 о
35 о
35 о
35 о
20о
0,05%
0,05%
0,05% 0,05%
0,05%
0,05%
План кровли
GSPublisherEngine 0.3.100.98
Проверил
Н.контр.
Стадия Лист Листов
П
Лист ДатаПодпись№док.Изм. Кол.уч
Разработал
Лысюк
Вишневский
07
Разрез 1-1. Разрез 2-2
Индивидуальный жилой дом
Концептуальный проект
односемейного жилого домаИльяшенко
Архитектурные решения
3,550
1 2 3
7,890
-0,500
-0,050 0,000
3,150
2,800
5,850
4,050
2,400
0,900
1,850
2,150
4,420
9 680
5 840 3 840
4501 500700
7,890
АБ
-0,050
3,150
0,000
2,800
В
-0,500
2,630
4,050
3,900
5,550
5,850
2,100
3,900
10 680
5 340 5 340
Разрез 1-1 Разрез 2-2

Архитектурный паспорт, пример

  • 1.
    GSPublisherEngine 0.3.100.98 Москва 2015г. Индивидуальный жилойдом Паспорт Заказчик: Директор: Ермолаев Н.А. Беслангуров Т.Инфолиния Z500: +7 (499) 918 73 83; +7 (499) 346 71 80. E-mail: project@z500proekty.ru Новости, фотографии реализаций, советы: <http://z500proekty.ru/>
  • 2.
    GSPublisherEngine 0.3.100.98 Проверил Н.контр. Стадия ЛистЛистов П Лист ДатаПодпись№док.Изм. Кол.уч Разработал Лысюк Вишневский 01 Ведомость рабочих чертежей основного комплекта. Общие данные Индивидуальный жилой дом Концептуальный проект односемейного жилого домаИльяшенко Архитектурные решения Лист 01 02 03 04 05 06 07 Наименование Ведомость рабочих чертежей основного комплекта. Общие данные Фасад в осях 1-3. Фасад в осях В-А Фасад в осях 3-1. Фасад в осях А-В План 1-го этажа. Экспликация помещений 1-го этажа План 2-го этажа. Экспликация помещений 2-го этажа План кровли Разрез 1-1. Разрез 2-2 Примечание Ведомость рабочих чертежей основного комплекта - АР ГИП Лысюк Лысюк Технические решения, принятые в проекте, соответствуют действующим строительным, санитарным, противопожарным и экологическим нормам, что обеспечивает безопасную для жизни и здоровья людей эксплуатацию объекта при условиях соблюдения технологии строительства и предусмотренных проектом мероприятий. Без штампа "К ПРОВЕДЕНИЮ РАБОТ" технадзора заказчика, а также привязки объекта к конкретному участку, данные чертежи не имеют силы и могут использоваться только для подготовительных работ. Главный Инженер Проекта Площадь застройки - 162,42 м2 Общая площадь - 188,09 м2 Жилая площадь - 87,81 м2 Технико-экономические показатели ОБЩИЕ ДАННЫЕ 1 Данным проектом предусматривается строительство индивидуального односемейного жилого дома. 2 Проект разработан согласно действующих государственных строительных норм. 3 За условную отметку 0,000 принят уровень чистого пола 1-го этажа дома в гостиной. 4 Проектируемый объект - здание с несущими внутренними и внешними стенами, тип фундаментов - монолитный, материал стен - кирпич, перекрытие - монолитное, конструкция кровли - скатная. 5 Здание относится к III степени огнестойкости. 6 Внутреннюю отделку помещений выполнить с применением сертифицированных материалов, отвечающих санитарно-гигиеническим и пожарным требованиям. 7 По периметру здания выполнить отмостку шириной 1м. Также предусмотреть гидроизоляцию здания на уровне верха фундаментов. 8 Объемно-планировочные решения, инженерные сети, противопожарные мероприятия и др. данные см. пояснительную записку и общие данные соответствующих комплектов рабочих чертежей. 9 Расчет объемов и площадей всех материалов требует контрольного перерасчета перед началом строительства. 10 При расчете стены на сопротивление теплопередаче использованы материалы с такими характеристиками: кладка из полнотелого кирпича М100 λ=0,7, минеральная вата 45 кг/м3 λ=0,043. Сопротивление теплопередаче внешней стены - 3,54 (м2*Со)/Вт. 7
  • 3.
    GSPublisherEngine 0.3.100.98 Проверил Н.контр. Стадия ЛистЛистов П Лист ДатаПодпись№док.Изм. Кол.уч Разработал Лысюк Вишневский 02 Фасад в осях 1-3. Фасад в осях В-А Индивидуальный жилой дом Концептуальный проект односемейного жилого домаИльяшенко Архитектурные решения -0,0500,000 3,550 7,890 0,900 2,630 В Б А 2,400 2,850 3,900 -0,500 8,390 -0,500 3,550 0,000 2,400 7,890 0,900 -0,050 3,900 5,300 2,090 2,150 8,390 1 2 3 Фасад в осях В-А Фасад в осях 1-3
  • 4.
    GSPublisherEngine 0.3.100.98 Проверил Н.контр. Стадия ЛистЛистов П Лист ДатаПодпись№док.Изм. Кол.уч Разработал Лысюк Вишневский 03 Фасад в осях 3-1. Фасад в осях А-В Индивидуальный жилой дом Концептуальный проект односемейного жилого домаИльяшенко Архитектурные решения 4,420 -0,500 -0,050 0,000 7,890 2,150 0,900 А Б В 2,630 3,900 2,850 2,150 8,390 0,900 7,890 -0,500 0,000-0,050 2,400 3,550 3 2 1 2,630 3,870 2,150 3,900 5,400 8,390 Фасад в осях А-В Фасад в осях 3-1
  • 5.
    GSPublisherEngine 0.3.100.98 Проверил Н.контр. Стадия ЛистЛистов П Лист ДатаПодпись№док.Изм. Кол.уч Разработал Лысюк Вишневский 04 План 1-го этажа. Экспликация помещений 1-го этажа Индивидуальный жилой дом Концептуальный проект односемейного жилого домаИльяшенко Архитектурные решения А Б 321 В Х 5 840 3 840 9 680 5 3405 340 10 680 660 1 140 1 600 1 580 1 070 1 590 1 600 1 100 660 6603 5508002 9301 6001 800660 3 400 300 300 3 000 300 300 3 400 300 300 1 2006603 5701 2002 5001 2002 2106602 620380 12 000 660 3 320 3 000 3 360 660 300 300 6 420 300 300 9 680 3 840 2 000 120 3 220 120 2 500 120 3 720 660 130 1 3501203 550 5 1501901905 150 3 0301202 000 1 160 3 550 380 2 450 1 800 550 80 1 000 120 880 3802 1203802 120380 380 2 970 380 2 970 380 830 Гигиен. душ Камин +0,000 -0,050 -0,050 1.1 1.2 1.3 1.4 1.71.6 1.5 1.8 1 1 2 2 Номер поме- щения 1.1 1.2 1.3 1.4 1.5 1.6 1.7 1.8 Наименование Тамбур Холл Спальня Санузел Кладовая Гостиная Кухня Терраса 19,12х0,3= Площадь, м2 3,38 10,48 16,58 11,27 2,13 33,09 16,17 5,73 98,83 м2 49,67 м2 План 1-го этажа Экспликация помещений 1-го этажа Общая площадь Жилая площадь
  • 6.
    GSPublisherEngine 0.3.100.98 Проверил Н.контр. Стадия ЛистЛистов П Лист ДатаПодпись№док.Изм. Кол.уч Разработал Лысюк Вишневский 05 План 2-го этажа. Экспликация помещений 2-го этажа Индивидуальный жилой дом Концептуальный проект односемейного жилого домаИльяшенко Архитектурные решения А Б 321 В 5 840 3 840 9 680 5 3405 340 10 680 66010 680660 660 1 200 1 600 1 440 1 200 1 440 1 600 1 200 660 4 300 660 1 440 1 600 1 000 1 600 1 000 1 600 1 440 660 6 770 6603 5701 2005 910660 3 720 120 5 840 5 1501901905 150 1 000 1 000 1 450 2 270 1 000 3 0301202 000 2 000 3 840 3 720 120 2 000 120 3 720 1 5001 000 1 285 1 285 7 400 3 400 1 500 1 500 1 500 1 1 2 2 Гигиен. душ h=1800 h=1800h=1800 +3,150 2.1 2.22.3 2.4 2.5 № 2.1 2.2 2.3 2.4 2.5 Наименование Коридор Холл 28,87+(0,94х0,7)= Спальня 18,04+(0,94х0,7)= Спальня 18,22+(0,94х0,7)= Санузел 12,07+(0,56х0,7)= Площадь 11,06 29,14 18,32 18,50 12,24 89,26 м2 36,82 м2 План 2-го этажа Экспликация помещений 2-й этаж Общая площадь Жилая площадь
  • 7.
    GSPublisherEngine 0.3.100.98 Проверил Н.контр. Стадия ЛистЛистов П Лист ДатаПодпись№док.Изм. Кол.уч Разработал Лысюк Вишневский 06 План кровли Индивидуальный жилой дом Концептуальный проект односемейного жилого домаИльяшенко Архитектурные решения 2,150 3,550 321 А Б В 2,700 2,700 3,7507,890 2,630 2,630 2,630 3,550 1 1 2 2 5 840 3 840 9 680 5 3405 340 10 680 6 200 4 960 4 840 1 500 1 500 1 500 6 7706 630 6 200 6 200 4 180 7 400 820 13 400 700 700 700 540 4 300 3 090 500 750 2 890 190360 190360 250 3 360 2 740360 3 400 700 1 765 3 870 1 765 25 о 0,05% 35 о 35 о 35 о 35 о 35 о 35 о 20о 0,05% 0,05% 0,05% 0,05% 0,05% 0,05% План кровли
  • 8.
    GSPublisherEngine 0.3.100.98 Проверил Н.контр. Стадия ЛистЛистов П Лист ДатаПодпись№док.Изм. Кол.уч Разработал Лысюк Вишневский 07 Разрез 1-1. Разрез 2-2 Индивидуальный жилой дом Концептуальный проект односемейного жилого домаИльяшенко Архитектурные решения 3,550 1 2 3 7,890 -0,500 -0,050 0,000 3,150 2,800 5,850 4,050 2,400 0,900 1,850 2,150 4,420 9 680 5 840 3 840 4501 500700 7,890 АБ -0,050 3,150 0,000 2,800 В -0,500 2,630 4,050 3,900 5,550 5,850 2,100 3,900 10 680 5 340 5 340 Разрез 1-1 Разрез 2-2