Programmable
Logic
Controllers
Feel The Automation
Anyone can learn The Basics.
Hitesh Khatri
7/25/2013
2
TABLE OF CONTENTS
Introduction....................................................................................................................... 5
Subject..................................................................................................................................5
Purpose.................................................................................................................................6
Plan of Development............................................................................................................6
PLC History........................................................................................................................7
PLC History.........................................................................................................................7
Hard-Wired Relay Comparison............................................................................................8
PLC Components.............................................................................................................11
Definition............................................................................................................................11
Components........................................................................................................................11
PLC Operation....................................................................................................................13
Ladder Logic.....................................................................................................................16
Definition...........................................................................................................................16
Comparison to Relay Logic.................................................................... ...........................16
Ladder Logic Programming............................................................................................21
Introduction........................................................................................................................21
Basic AND & OR Gates.....................................................................................................22
Basic Timers and Counters.................................................................................................23
Building a PLC/Ladder Logic Program.............................................................................25
SCADA…………………………………………………………………………………..34
Features of scada…………………………………………………………………………34
Usefulness of scada………………………………………………………………………36
General terminology of scada…………………………………………………………….37
Miscellaneous links………………………………………………………………………37
Animation links…………………………………………………………………………..38
Trends in SCADA……………………………………………………………………….38
Security issues………………………………………………………………………………………………………………39
Conclusion.........................................................................................................................42
Summary............................................................................................................................42
Closing Summary...............................................................................................................43
BIBLOGRAPHY………………………………………………………………………44
3
LIST OF FIGURES
Figure 1: Typical Small Scale Control Panel.......................................................................8
Figure 2: Typical PLC Control Panel...................................................................................9
Figure 3: PLC Components Diagram.................................................................................12
Figure 4: PLC Scan Diagram.............................................................................................14
Figure 5: Basic Ladder Logic Program..............................................................................16
Figure 6: Electromechanical Relay....................................................................................17
Figure 7: Basic Relay Logic Circuit...................................................................................18
Figure 8: Relay Logic Circuit with Jog function added.....................................................18
Figure 9: Relay Logic Circuit with Jog function and Status Indicators.............................19
Figure 10: Complex Ladder Diagram................................................................................20
Figure 11: Simplified Logic Circuit...................................................................................21
Figure 12: Simplified AND gate........................................................................................22
Figure 13: Simplified OR gate...........................................................................................23
Figure 14: On-Delay Timer (RTO)....................................................................................24
Figure 15: Up Counter........................................................................................................24
Figure 16: Ladder Diagram in Relay Logic.......................................................................25
Figure 17: Relay Diagram with overload removed............................................................25
Figure 18: Relay Circuit with Addition of Jog Function....................................................26
Figure 19: Relay Circuit with Addition of Status Indicators..............................................26
Figure 20: Relay Logic Diagram Converted to PLC Ladder Logic...................................27
4
ABSTRACT
This report answers basic questions that may be posed by anyone in the Electrical
Engineering field, including electrical engineering technicians and electricians. The
reader does not need to have any background in controls or ladder logic; only an interest
in how PLCs work and a basic understanding of digital logic. The questions that will be
answered in this report are:
1. What is a PLC?
2. What is ladder logic?
3. What are the different PLC components?
4. How does ladder logic work?
5. How does a PLC system work in conjunction with everything else?
6. How do you program a ladder logic program?
In order to answer all of these questions, I have relied on my personal knowledge of
programmable logic controllers and ladder logic along with my work experience with
them.
This report provides the reader with information on: 1) programmable logic history and
the advancement of controls technology along with PLC operation, 2) PLC components,
3) ladder logic, and 4) ladder logic programming.
5
1. Introduction
1.1. Subject
Programmable logic controllers (PLCs) have become the most predominant control
elements for the discrete event control of a mechatronics system. Simplification of
engineering and precise control of manufacturing process can result in significant cost
savings. The most cost-effective way which can pay big dividends in the long run is
flexible automation; a planned approach towards integrated control systems. It requires a
conscious effort on the part of plant managers and engineers to identify areas where
automation can result in better deployment and/or utilization of human resources and
savings in man-hours or down time. Controls automation need not be high ended and
extremely sophisticated; it is the phased, step-by-step effort to automate, employing
control systems tailored to one’s specific requirements that achieves the most attractive
results. This is where programmable logic controls have been a breakthrough in the field
of automation and control techniques. This report looks at the role PLCs play in these
techniques.
A constant demand for better and more efficient manufacturing and process machinery
has led to the requirement for higher quality and reliability in control techniques. With the
availability of intelligent, compact solid state electronic devices, it has been possible to
provide control systems that can reduce maintenance, down time and improve
productivity to a great extend. By installing an efficient and user friendly electronics
systems for manufacturing machinery or processors, one can obtain a precise and reliable
means for producing quality products. One of the latest techniques in solid state controls
that offers flexible and efficient operation to the user is programmable controllers. The
basic idea behind these programmable controllers was to provide means to eliminate high
cost associated with inflexible, conventional relay controlled systems.
Programmable controllers offer a system with computer flexibility that is suited to
withstand the harsh industrial environment, has simplicity of operation/readability, can
reduce machine down time and provide expandability for future and is able to be
maintained by plant technicians.
6
1.2. Purpose
This report is an informative overview of the purpose of programmable logic controllers
and ladder logic. Due to the complexity of programmable logic controllers and ladder
logic, only the basic operation and programming will be discussed. Prior knowledge of
basic electrical circuitry, controls, and computer programming is suggested before
reading this report.
In order for the reader to better understand this report, the following questions will be
explained:
1. What is a PLC?
2. What is ladder logic?
3. What are the different PLC components?
4. How does ladder logic work?
5. How does a PLC system work in conjunction with everything else?
6. How do you program a ladder logic program?
1.3. Plan of Development
To answer these questions, the report will include the following sections:
1. Programmable Logic History: This section will discuss the history and advancement of
controls technology, with a comparison of programmable logic controllers and hard-wired
relays. It will also discuss PLC operation.
2. PLC components: This section will define what programmable logic is and describe all
hardware associated with it.
3. Ladder Logic: This section will cover ladder logic and its general progression from
relay logic.
4. Ladder Logic Programming: This section will cover basic programming techniques and
their implementation.
7
2. Programmable Logic History
2.1. PLC History
PLCs were first introduced in the 1960’s. The primary reason for designing such a device
was eliminating the large cost involved in replacing the complicated relay based machine
control systems. Bedford Associates (Bedford, MA) proposed something called a
Modular Digital Controller (MODICON) to a major US car manufacturer. The
MODICON 084 brought the world's first PLC into commercial production.
When production requirements changed so did the control system. This becomes very
expensive when the change is frequent. Since relays are mechanical devices they also
have a limited lifetime because of the multitude of moving parts. This also required strict
adhesion to maintenance schedules. Troubleshooting was also quite tedious when so
many relays are involved. Now picture a machine control panel that included many,
possibly hundreds or thousands, of individual relays. The size could be mind boggling not
to mention the complicated initial wiring of so many individual devices. These relays
would be individually wired together in a manner that would yield the desired outcome.
The problems for maintenance and installation were horrendous.
These new controllers also had to be easily programmed by maintenance and plant
engineers. The lifetime had to be long and programming changes easily performed.
They also had to survive the harsh industrial environment. The answers were to use a
programming technique most people were already familiar with and replace mechanical
parts with solid-state ones which have no moving parts.
Communications abilities began to appear in approximately 1973. The first such system
was Modicon's Modbus. The PLC could now talk to other PLCs and they could be far
away from the actual machine they were controlling. They could also now be used to send
and receive varying voltages to allow them to use analog signals, meaning that they were
now applicable to many more control systems in the world. Unfortunately, the lack of
standardization coupled with continually changing technology has made PLC
communications a nightmare of incompatible protocols and physical networks.
The 1980’s saw an attempt to standardize communications with General Motor's
manufacturing automation protocol (MAP). It was also a time for reducing the size of the
8
PLC and making them software programmable through symbolic programming on
personal computers instead of dedicated programming terminals or handheld
programmers.
The 1990’s saw a gradual reduction in the introduction of new protocols, and the
modernization of the physical layers of some of the more popular protocols that survived
the 1980's. PLCs can now be programmable in function block diagrams, instruction lists,
C and structured text all at the same time. PC's are also being used to replace PLCs in
some applications. The original company who commissioned the MODICON 084 has
now switched to a PC based control system.
2.2. Hard Wired Relay Comparison
At the outset of industrial revolution, especially during sixties and seventies, relays were
used to operate automated machines, and these were interconnected using wires inside the
control panel. In some cases a control panel covered an entire wall. To discover an error
in the system much time was needed, especially with more complex process control
systems. On top of everything, a lifetime of relay contacts was limited, so some relays
had to be replaced. If replacement was required, machine had to be stopped and
production as well. Also, it could happen that there was not enough room for necessary
changes. A control panel was used only for one particular process, and it wasn’t easy to
adapt to the requirements of a new system. As far as maintenance, electricians had to be
very skillful in finding errors. In short, conventional control panels proved to be very
inflexible. Typical example of conventional control panel is given in the following
picture.
Figure 1: Typical Small Scale Control Panel
9
In Figure 1 you can see a large number of electrical wires, relays, timers and other
elements of automation typical for that period. The pictured control panel is not one of
the more complicated ones, so you can imagine what complex ones looked like.
The most frequently mentioned disadvantages of a classic control panel are:
1. Large amount of work required connecting wires
2. Difficulty with changes or replacements
3. Difficulty in finding errors; requiring skillful/experienced work force
4. When a problem occurs, hold-up time is indefinite, usually long
With invention of programmable controllers, much has changed in how a process control
system is designed. Many advantages appeared. Typical example of control panel witPLC
controller is given in the following picture.
Figure 2: Typical PLC Control Panel
Advantages of control panel that is based on a PLC controller can be presented in few
basic points:
1. Compared to a conventional process control system, number of wires needed for
connections is reduced by approximately 80%
2. Diagnostic functions of a PLC controller allow for fast and easy error detection.
3. Change in operating sequence or application of a PLC controller to a different
operating process can easily be accomplished by replacing a program through a console
or using PC software (not requiring changes in wiring, unless addition of some input or
output device is required).
10
4. Needs fewer spare parts
5. It is much cheaper compared to a conventional system, especially in cases where a
large number of Input/Output instruments are needed and when operational functions are
complex
6. Reliability of a PLC is greater than that of an electro-mechanical relay or a timer,
because of less moving parts
7. They are compact and occupy less space
8. Use of PLC results in appreciable savings in Hardware and wiring cost
11
3. Programmable Logic Controller Components
3.1. Definition
A Programmable controller is a solid state user programmable control system with
functions to control logic, sequencing, timing, arithmetic data manipulation and counting
capabilities. It can be viewed as an industrial computer that has a central processor unit,
memory, input output interface and a programming device. The central processing unit
provides the intelligence of the controller. It accepts data, status information from various
sensing devices like limit switches, proximity switches, executes the user control program
stored in the memory and gives appropriate output commands to devices such as solenoid
valves, switches etc.
Input output interface is the communication link between field devices and the
controllers. Through these interfaces the processor can sense and measure physical
quantities regarding a machine or process, such as, proximity, position, motion, level,
temperature, pressure, etc. Based on status sensed, the CPU issues command to output
devices such as valves, motors, alarms, etc. The programmer unit provides the man
machine interface. It is used to enter the application program, which often uses a simple
user-friendly logic.
3.2. Components
The PLC mainly consists of a CPU, memory areas, and appropriate circuits to receive
input/output data. We can actually consider the PLC to be a box full of hundreds or
thousands of separate relays, counters, timers and data storage locations. They don't
physically exist but rather they are simulated and can be considered software counters,
timers, etc. Each component of a PLC has a specific function:
Input Relays (contacts) - These are connected to the outside world. They physically
exist and receive signals from switches, sensors, etc. Typically they are not relays but
rather they are transistors.
Internal Utility Relays - These do not receive signals from the outside world nor do they
physically exist. They are simulated relays and are what enables a PLC to eliminate
external relays. There are also some special relays that are dedicated to performing only
one task. Some are always on while some are always off. Some are on only once during
power-on and are typically used for initializing data that was stored.
12
Counters - These are simulated counters and they can be programmed to count pulses.
Typically these counters can count up, down or both up and down. Since they are
simulated they are limited in their counting speed. Some manufacturers also include high-
speed counters that are hardware based. We can think of these as physically existing.
Timers - These come in many varieties and increments. The most common type is an on-
delay type. Others include off-delay and both retentive and non-retentive types.
Increments vary from 1 millisecond through 1 second.
Output Relays (coils) - These are connected to the outside world. They physically exist
and send on/off signals to solenoids, lights, etc. They can be transistors, relays, or triacs
depending upon the model chosen.
Data Storage - Typically there are registers assigned to simply store data. They are
usually used as temporary storage for math or data manipulation. They can also typically
be used to store data when power is removed from the PLC. Upon power-up they will still
have the same contents as before power was removed.
Figure 3: PLC Components Diagram
A counter is a simple device intended to do one simple thing - count. Using them can
sometimes be a challenge however because every manufacturer seems to use them a
different way. There are several different types of counters. There are up-counters called
13
CTU CNT, or CTR that only count up, such as 1, 2, and 3. There are also down counters
called CTD that only count down, such as 9, 8, 7, etc. In addition to these two, there are
up-down counters, typically called UDC (up-down counter). These count up and/or down
(1,2,3,4,3,2,3,4,5,...).
A timer is an instruction that waits a set amount of time before doing something. As usual
in industry, different types of timers are available with different manufacturers. The most
common type of timer is an On-Delay Timer. This type of timer simply delays turning on
its respective output. In other words, after our sensor (input) turns on we wait “x” number
of seconds before activating a solenoid valve (output). This is the most common timer. It
is often called TON (timer on-delay), TIM (timer) or TMR (timer). Another type of timer
is an Off-Delay Timer. This type of timer is the opposite of the ondelay timer listed
above. This timer delays turning off its respective output. After a sensor (input) sees a
target we turn on a solenoid (output). When the sensor no longer sees the target we hold
the solenoid on for x number of seconds before turning it off. It is called a TOF (timer
off-delay) and is less common than the on-delay type listed above. Very few
manufacturers include this type of timer, although it can be quite useful. The last type of
timer is a Retentive or Accumulating timer. This type of timer needs 2 inputs. One input
starts the timing event (i.e. the clock starts ticking) and the other resets it. The on/off
delay timers above would be reset if the input sensor wasn't on/off for the complete timer
duration. This timer however holds or retains the current elapsed time when the sensor
turns off in mid-stream. For example, we want to know how long a sensor is on for during
a 1 hour period. If we use one of the above timers they will keep resetting when the
sensor turns off/on. This timer however, will give us a total or accumulated time. It is
often called an RTO (retentive timer) or TMRA (accumulating timer).
3.3. PLC Operation
A PLC works by continually scanning a program. We can think of this scan cycle as
consisting of 3 important steps. There are typically more than 3 but we can focus on the
important parts and not worry about the others. Typically the others are checking the
system and updating the current internal counter and timer values. The first type of
scanning, as shown in the diagram below, is not as common as the type that will be
discussed second.
14
Figure 4: PLC Scan Diagram
The first step is to check the input status. This step is therefore generally referred to as the
“Check Input Status” stage. First the PLC takes a look at each input to determine if it is
on or off. In other words, is the sensor connected to the first input on? How about the
second input? How about the third? This goes on and on through the entire program. It
records this data into its memory to be used during the next step.
Next the PLC executes your program one instruction at a time, called the “Execute
Program” stage. For example, if your program said that if the first input was on then it
should turn on the first output. Since it already knows which inputs are on/off from the
previous step it will be able to decide whether the first output should be turned on based
on the state of the first input. It will store the execution results for use later during the
next step.
Finally the PLC updates the status of the outputs. It updates the outputs based on which
inputs were on during the first step and the results of executing your program during the
second step. Based on the example in step 2 it would now turn on the first output because
the first input was on and your program said to turn on the first output when this
condition is true.
A new style of scanning has been implemented in the more recent years, called “rung
scanning”. This type basically scans each ladder rung individually in the entire ladder
logic program, updating the outputs on that rung after scanning through the inputs. This
changes the type of programming that will be used as well. If an output is in a rung above
the inputs it depends on, you will not get the output updated until the next scan, as the
program will keep scanning down until the last rung, then start over. This style is very
15
advantageous in certain situations. If you want your outputs updated at the soonest
possible moment, this is the style of scanning that you want to use.
16
4. Ladder Logic
4.1. Definition
Ladder logic is one form of drawing electrical logic schematics, and is a graphical
language very popular for programming Programmable Logic Controllers. Ladder logic
was originally invented to describe logic made from relays. The name is based on the
observation that programs in this language resemble ladders, with two vertical "rails" and
a series of horizontal "rungs" between them. Figure 5 below is a very basic example
ladder logic used in a programmable logic controls program.
Figure 5: Basic Ladder Logic Program
4.2. Comparison to Relay Logic
The program used in a controls schematic, called a ladder diagram, is similar to a
schematic for a set of relay circuits. An argument that aided the initial adoption of ladder
logic was that a wide variety of engineers and technicians would be able to understand
17
and use it without much additional training, because of the resemblance to familiar
hardware systems. This argument has become less relevant lately given that most ladder
logic programmers have a software background in more conventional programming
languages, and in practice implementations of ladder logic have characteristics such as
sequential execution that make the analogy to hardware somewhat imperfect. Electricians
and data cabling or control technicians still argue that this is the best graphical interface
as they generally do not have any computer science or digital systems background, and
are therefore taught with this interface in sequence with relay logic.
Figure 6: Electromechanical Relay
Relay logic is the precursor to ladder logic, and is a method of controlling industrial
electronic circuits by using relays and contacts. Figure 6 above shows an average
mechanical relay used in older relay logic systems. The schematic diagrams for relay
logic circuits are often called line diagrams, because the inputs and outputs are essentially
drawn in a series of lines, with the lines representing actual wires run in the circuit. A
relay logic circuit is an electrical network consisting of lines, in which each input/output
group must have electrical continuity with all components in that group of devices to
enable the output device. The Relay logic diagrams represent the physical interconnection
of devices, while the relay logic circuit forms an electrical schematic diagram for the
control of input and output devices. This is why electricians and control technicians can
easily understand and interpret relay logic and ladder logic diagrams. Figure 7 below
shows a basic relay logic circuit. Notice how it differs from the ladder logic circuit in
Figure 5 in that the “virtual” inputs and outputs in the ladder logic circuit have replaced
the actual relays and coils in the relay logic circuit.
18
Figure 7: Basic Relay Logic Circuit
Figure 7 is a small, basic relay logic circuit. You can see how in relay logic circuits the
pushbuttons are represented with graphical drawings of a normally closed pushbutton for
the stop button, and a normally open pushbutton for the start button. The coil that is
marked “M” is a motor coil, and is a physical piece of equipment in the same location as
the motor, which is represented by a circle with the letter M in the middle.
The over current or overload device is represented by a normally closed coil symbol with
“O.L.” over it. There would only be seven wires to connect in this circuit, so this would
not be very difficult to wire, but when more inputs and outputs are added, the difficulty
grows exponentially. Figure 8 shows an expanded relay circuit of Figure 7 in that a
double pole single throw pushbutton is added into the diagram to be used as a “jog
function”. As the diagram shows, a jog switch is used to run the output (motor). Only one
component is added, but three wires need to be installed in the circuit for the component
to be utilized in the intended manner.
Figure 8: Relay Logic Circuit with Jog function added
Figure 9 below adds four more components to the system. Two of them are just
coils from the motor apparatus that are used as inputs and the other two are a red and
19
green light to be utilized as output/motor status indicators for the user.
Figure 9: Relay Logic Circuit with Jog function and Status Indicators
This circuit adds 6 additional wires to the original circuit in Figure 7. If both of the
additions from Figure 8 and 9 were added to the original circuit, this would add 5
components and 9 additional wires. This illustrates how using a programmable logic
controller is advantageous in that adding any number of relays takes much less effort. It
doesn’t seem like a large amount of work to connect just 9 additional wires, but in a real
world situation, the motor in question may be on top of a grain silo, and the start/stop
station may be a few hundred feet away in a control booth. Pulling all these control wires
would take hours instead of a few minutes sitting in front of a programming terminal.
Programmable logic controllers coupled with ladder logic can make some of the most
labor intensive tasks become easy, enjoyable projects.
Ladder logic is the most widely used program for programmable logic controllers
where sequential control of a process or manufacturing operation is required. Ladder
logic is useful for simple but critical control systems, or for reworking old hardwired
relay circuits. As programmable logic controllers became more sophisticated it has also
been used in very complex automation systems. Figure 10 above shows a much more
20
Figure 10: Complex Ladder Diagram
complicated ladder logic diagram than the one shown in Figure 5. It is relatable to the
relay circuits in Figures 7, 8, and 9 as well in that some of the outputs are motors and
status lights. In addition there are holding/latching contacts included, but they are not a
piece of hardware. In fact, they are just the address of the respective output being
referenced, which will be discussed in greater detail later. This is still not a very large
program. Ladder logic programs can easily grow to more than 500 “rungs” to finish some
functions.
21
5. Ladder Logic Programming
5.1. Introduction
Ladder logic or ladder diagrams are the most common programming language used to
program a PLC. Ladder logic was one of the first programming approaches used in PLCs
because it borrowed heavily from the relay diagrams that plant electricians already knew.
The symbols used in relay ladder logic consist of a power rail to the left, a second power
rail to the right, and individual circuits that connect the left power rail to the right. The
logic of each circuit (or rung) is solved from left to right. A common mistake made by
most people is trying to think of the diagram as having to have current across the rung for
the output to function. This has given many people trouble because of the fact that some
inputs are “not” inputs, which will be true when there isn’t current through this sensor.
These concepts will be discussed more later. The symbols of these diagrams look like a
ladder - with two side rails and circuits that resemble rungs on a ladder.
Figure 11: Simplified Logic Circuit
Figure 11 shows a simplified ladder logic circuit with one input and one output.
The logic of the rung above is such:
· If Input1 is ON (or true) - power (logic) completes the circuit from the left rail to the
right rail - and Output1 turns ON (or true).
· If Input1 is OFF (or false) - then the circuit is not completed and logic does not flow to
the right - and Output 1 is OFF (or false).
There are many logic symbols available in Ladder Logic - including timers, counters,
math, and data moves such that any logical condition or control loop can be represented
22
in ladder logic. With just a handful of basic symbols such as a normally open contact,
normally closed contact, normally open coil, normally closed coil, timer and counter most
logical conditions can be represented.
Normally Open Contact
This can be used to represent any input to the control logic such as a switch or sensor, a
contact from an output, or an internal output. When solved the referenced input is
examined for a true (logical 1) condition. If it is true, the contact will close and allow
logic to flow from left to right. If the status is FALSE (logical 0), the contact is open and
logic will NOT flow from left to right.
Normally Open Coil
This can be used to represent any discrete output from the control logic. When "solved" if
the logic to the left of the coil is TRUE, the referenced output is TRUE (logical 1).
Normally Closed Contact
When solved the referenced input is examined for an OFF condition. If the status is OFF
(logical 0) power (logic) will flow from left to right. If the status is ON, power will not
flow.
Normally Closed Coil
When "solved" if the coil is a logical 0, power will be turned on to the device. If the
device is logical 1, power will be OFF.
5.2. Basic AND & OR Gates
The AND is a basic fundamental logic condition that is easy to directly represent in
Ladder Logic. Figure 12 shows a simplified AND “gate” on a ladder rung.
Figure 12: Simplified AND gate
23
In order for Light1 to turn TRUE, Switch1 must be TRUE, AND Switch2 must be TRUE.
If Switch1 is FALSE, logic (not power) flows from the left rail, but stops at Switch1.
Light1 will be TRUE regardless of the state of Switch2. If Switch1 is TRUE, logic makes
it to Switch2. If Switch2 is TRUE, power cannot flow any further to the right, and Light1
is FALSE. If Switch1 is TRUE, AND Switch2 is TRUE - logic flows to Light1 solving its
state to TRUE.
The OR is a logical condition that is easy to represent in Ladder Logic. Figure 13 shows a
simple OR gate. Notice the differences in logic between the OR and AND gates.
Figure 13: Simplified OR gate
If Switch1 is TRUE, logic flows to Light1 turning it to TRUE. If Switch2 is TRUE, logic
flows through the Switch2 contact, and up the rail to Light1 turning it to TRUE. If
Switch1 AND Switch 2 are TRUE Light1 is TRUE. The only way Light1 is FALSE is if
Switch1 AND Switch2 are FALSE. In other words, Light1 is TRUE if Switch1 OR
Switch2 is TRUE.
5.3. Basic Timers & Counters
Many times programs will call for action to be taken in a control program based on more
than the states of discrete inputs and outputs. Sometimes, processes will need to turn on
after a delay, or count the number of times a switch is hit. To do these simple tasks,
Timers & Counters are utilized.
24
Figure 14: On-Delay Timer (RTO)
A timer is simply a control block that takes an input and changes an output based on time.
There are two basic types of timers. There are other advanced timers, but they won’t be
discussed in this report. An On-Delay Timer takes an input, waits a specific amount of
time, allows logic to flow after the delay. An Off-Delay Timer allows logic to flow to an
output and keeps that output true until the set amount of time has passed, then turns it
false, hence off-delay. Figure 14 above shows an On-Delay Timer with a 10 second delay
before it passes the logic through it.
Figure 15: Up Counter
A counter simply counts the number of events that occur on an input. There are two basic
types of counters called up counters and down counters. As its name implies, whenever a
triggering event occurs, an up counter increments the counter, while a down counter
decrements the counter whenever a triggering event occurs. Figure 15 shows the typical
graphical representation of an Up Counter.
25
5.4. Building a PLC/Ladder Logic Program
Building a small ladder logic program to run on a PLC network is quite easy. For the
beginner, it is easier to see the ladder diagram in the form of relay logic. Figure 16 below
shows a basic start/stop station for a motor in relay logic.
Figure 16: Ladder Diagram in Relay Logic
Just as in Figure 16 above, relay logic shows all components in the system. This is
because relay logic is the same as the wiring diagrams that the electricians use, so all the
wiring needs to be shown for the logic to work. Because of this, some components may
not need to be included in the plc ladder logic diagram.
Figure 17: Relay Diagram with overload removed
Figure 17 above shows the same circuit as in Figure 16 with the overload removed. The
overload is needed in relay logic because you have to have an overload device on any
circuit; therefore it needs to be in the wiring diagram. This way, if you push too much
current to the motor, the overload device will interrupt the circuit.
Overloads are included internally in most any device anymore, but you will still see this
in diagrams. There is still an overload device in a plc ladder logic circuit, but ladder logic
shows only those components that have an input or output address, so you do not see it. In
Figure 17, you can see that the start and stop buttons along with the motor relay will all
be turned to inputs in the plc diagram and the motor, signified by a circle with an ‘M’ in
the middle will be an output. The motor relay will not be a physical entity in the plc
ladder diagram as it is in this relay logic. It will simply be an input that uses the same I/O
address as the motor output. The stop button input can be located on either side of the
start button/relay gate, as long as it is still in series with it.
26
Figure 18: Relay Circuit with Addition of Jog Function
Figure 18 above shows the addition of a ‘Jog Function” to the relay circuit. The jog
function is generally added to any circuit for troubleshooting purposes only. Most jog
functions are set up so that the only time the motor will run with the help of the jog
function is when the ‘Jog Button’ is pushed. In Figure 18 above, you can see this with the
relay logic. As the circuit looks right now, when the Start Button is pressed, the motor
will start, energizing the relay, and going across the Jog Button’s normally closed
contacts. The motor will stay running this way until the Stop Button is pressed. If instead
the Jog Button is pressed, the current will travel across the normally open Jog contacts
that are now closed. The motor will stay running until the Jog Button is no longer pressed.
Figure 19: Relay Circuit with Addition of Status Indicators
Figure 19 above shows that same circuit with Status Indicators added. These are used in
control rooms to inform users of the status of their motors or other moving parts. Green is
27
the generally accepted color for a motor going, while red is stopped. The green light is
energized when the normally open contact is energized by the moving motor, closing it.
The red light is energized whenever a normally closed relay is closed, so it will turn off
whenever the motor starts to run. From Figure 16 to Figure 19, one can see that with
every component added, many wires need to be connected as well. Depending on how far
away these components are away from each other, this can be very difficult and time
consuming.
.
Figure 20: Relay Logic Diagram Converted to PLC Ladder Logic
Figure 20 above was converted from the relay logic in Figure 19 to the PLC ladder logic
seen here. If the PLC logic here was used in Figures 16-Figures 19, adding the various
component would’ve taken much less time than physically wiring each component. PLC
ladder logic can differ from relay logic in that different components are used as well. In
the relay diagrams, a single button double pole switch was used so that it could perform
two different functions. In PLC ladder logic, just a single pole button is needed, because
the computer can be asked to look for a on or off state. For the status lights, instead of
running wires to the motor relays the PLC diagram just looks for a true or false state of
the motor output.
28
Programming with the use of NO, NC swathes
Generally basically we use the No and Nc switches for the connections of any system
The NO switch is a push switch which is remain in normally open condition, and
when it is pushed it made a close circuit The NC switch is a switch which leave in
close condition normally, mean provides a close path in normal condition and when it
is pressed it makes a open circuit.
Examples:
Problem 1: Make the logic using NO switch in such a way, that when switch is
pressed light get on, and when switch released light get off ?
Line
NO / No %Q0.0 (output)
Problem 2: Make the logic using NC pb in such a way when pb pressed light
get on and when pb released light get off
Line
%Q0.0
NC / Nc
29
Programming with the holding concept
We have two types of holding used in the Plc
Holding by use of NO, NC switch concepts:-We can use a auxiliary or a holding
switch of any NO and NC Switch for holding concepts, the holding is always used
in the parallel of the switch for which we use the holding.
Holding by using of the output:-We can also use a auxiliary switch to hold the system
by the output of the system.
Examples:
Problem 3 ; Make the logic using two No and NC in such a way , when either one of
the NO is pressed light get on, and when NC pb pressed light get off?
L
NO / No NC / No %Q0.0
NO / No
Problem 4: Using two NO and one NC pb, make a circuit for a plc when both NO
pressed light get on and when NC pressed light get off..
L NO / No NO / No NC / No %Q0.0
%Q0.0 / No
30
Programming with timers
Timers:- Timers are used to insert the concept of timing means we used timers in the
automatic system to insert the time intervals between two operations. Generally we use
three types of the timers for a plc:
On timer: In this type of timer the output of a timer is obtained after a preset time from
input of timer when we applied input at timer them output comes after the same time
that is called present time of a timer.
Off timer:- In this type of timer the output of timer get low after the fix time which is
set by the user when input goes low.
Pulse timer: It goes on or change its state as a pulse is obtained in its input.
Problem 5: Make the logic using NC, such that when pb pressed light get off after
3sec.
L
NC/No NC/Nc %M0
%M0
%M0 Toff TM0.Q
3sec
31
Programming with counters and compare block
Counters: - Counters are generally used to count the any operation and it count each
operation sequentially. It detect the change of state of any And count the continuous
change of the state from one state to another state. The counters are two types.
Positive edge contact:It detect the change of state from positive edge of a digital
signal. mean when the first pulse is end them it count to next pulse at his positive
edge comes.
Negative edge contacts: -
It detects the change of state from high to low, when a pulse comes low from high
state them it count and increase the count number by one.
Counters
Empty: The mean of empty is that counter is on its initial state, mean its on zero.
Done bit:- We set the value of count in the counter, it is called the preset value of
counter, when the value of count is equal to the preset value of counter them it
donebit goes high.
Full: - The full value is the maximum value of counter which can be count by the
counter, generally it is 9999 for a counter.
32
Reset: - Reset is the connection of counter it is used to resent the counter, when it goes
high the counter goes reset.
Count up:- When a positive pulse is applied on this point them the counter value is
exceed by one.
Count down: - When a positive pulse is applied on it them the counter value is
decreased by one.
Compare Block: - It is generally a block which compare the counter value to a given
value, its mean when counter goes to done its count them compare block increase its
count and when the compare block count is equal to its given value them it give a
output as a positive pulse form.
Compare Block.
According to figure C0 indicate the counter 0, and V is indicate the current value of
counter 0, mean when the counter 0 value is equal to 2 them compare block send a
high signal at output.
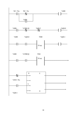
Problem 8 Make a logic using NC pb such that when NC pressed light 1 get on
immediate, after 5sec light 2 get on for 2 sec, this cycle will repete until counter get
done. Every time when cycle get complete counter will increment its value till the
counter get done, when counter get done light 1 and light 2 get off and light 3 will get
on to show counter is done, system will work again when counter is reset using NO pb?
%C0.V=2
33
NC / No NC / Nc %M0
%M0
%M0 %TM1.Q %Q0.2 %Q0.0
%M0 %Q0.0 TM0 %Q0.1
10 sec
%M0 %TM0.Q TM1
10 sec
%NO / Nc
%Q0.1
R E
S
D
CU
CD F
34
6. SCADA (Supervisory Control and Data Acquisition)
Earlier Plc’s use to be black boxes. You program the PLC, download the program in
it, and it will run for years. But the problem with hisis was that you really don’t know
what is happening inside the PLC. Now a days automation system contains PLC’s
and DCADA software. If you use PLC and SCADA combination the advantages you
have is you have better monitoring and control of the plant and also you have
access to the information the way you want. DCADA enables engineers, supervisors,
managers and operators to view and interact with the workings of entire operations
though graphical representation of their production process.
SCADA runs on a PC and is generally connected to various PLC and other peripheral
devices. It enables you to generate applications for the most demanding requirements
of plant engineers, operators, supervisors and mangers, tailored precisely to the needs
of each plant DCADA constantly gathers data fro the plant in real time, stores and
processes it in the database, evaluates and generates alarms, displays information to
plant operators to plant operators, supervisors and managers and can issue
instructions to PLC on the plant floor.
6.1. Features of SCADA
a) Dynamic process graphic mimics developed in SCADA software should
resemble the process mimic SCADA should have good library of symbols so that you
can develop the mimic as per requirement, once the operator sees the screen he should
know what is going on in the plant.
b) Real time and historical trend the trends play very important role in the
process operation. If your batch fails or the plant trips, you can simply go to the
historical trend data and do the analysis. You can have better look of the parameters
through the trends, for example we commission a SCADA system for Acid
Regeneration plant where the plant has to be operated on 850-deg temperature. If the
operator operates the plant at 900-deg you can imagine how much additional lpg he
is potion into the reactor. Again what will happen to the bricks of the reactor. So
35
the production managers first job will be to go through the trends how the operators
are operating the plant. Even when the plant trips there are more than 25 probable
reasons for the same but if you go throat the history trends, its very easy to identify, the
problems.
c) Alarms have a very critical role in automation . Generally you have alarm
states for each input and outputs like your temperature should not cross 80-deg or
lever should be less that 60. So if the paramours goes in alarm. State the operator
should be initiated with the alarm. Most of the SCADA software support four types of
alarms like LOLO, LO ,HI, HIHI. Dead band the value of dead band defines the range
after which a high low alarm contain returns to normal. Alarms are most important part
of plant control applications because the operator must know instantly when
something goes wrong. It is often equally important to have a record of alarm and
whether an alarm was acknowledged. An alarm occurs when something goes wrong . It
can signal that device or process has ceased operating within acceptable, predefined
limits or it can indicate breakdown, wear or process malfunction.
d) Recipe management is an additional feature. Some DCADA software support it
some do not. Most of the plants are manufacturing multi products. When you have
different product to manufacture you just have to load the recipe of the that particular
product.
e) Security is one facility people generally look for. You can allocate certain
facilities or features to the operator, process people, engineering dept. & maintenance
dept. for example operators should only operate the system. he should not be able
change the application. The engineers should have access to changing the application
developed.Device connectivity you eoll find there are hundreds of automation
hardware manufacturer like modicon, simens, allen tradley . Everybody has there own
way of communication or we can say they have there own communication
protocol. SCADA software should have connectivity to the different hardware used in
automation. It should not happen that for modicon I am buying one software and
for siemens another one. The software like Aspic or Wonderware has connectivity to
almost all hardware used in automation.
f) Database connectivity now a days information plays very important role in
any business. Most manufacturing units go for enterprise resource planning or
management information system.
36
6.2. Usefulness of SCADA
Production Dept
a) Real time production status: manufacturing status is updated in real time in
direct communication to operator and control device.
b) Production schedules: production schedules can be viewed and updated directly .
c) Production information mgt: production specific information is distributed to all.
Quality Dept
a) Date integrity and quality control is improved by using a common interface.
b) It is an open platform for statistical analysis.
c) Consolidation of manufacturing and lab data.
Maintenance Dept
a) Improved troubleshooting and debugging: Direct connection to wide variety of
devices, displays improves troubleshooting,
b) reduces diagnostic time
c) .Plant can be viewed remotely: Notification can include pagers, emails and
phones.
d) Co-ordination between maintenance and mgt reduces unscheduled
downtime.
Engineering Dept
a) Integrated Automation solutions reduce design and configuration
time.Common configuration platform offers flexibility for constant configuration in all
areas .
b) Capable of connecting to wide variety of systems. Reduces start up time and
system training with industry proven open interfaces.
Manufacturing Dept
a) Unscheduled down time is reduced due swift alarm detection and event driven
information.
b) Makes operations easier and more repeatable with its real time functionality.
c) Secured real time operation are maintained with windows.
37
6.3. General Terminology of SCADA
What is a Tag: A tag is a logical name for a variable in a device or local memory.
Tags that receive data from some external devices such as programmable logic
controllers or servers are refereed to as input and output tags. Tags that receive data
internally from software are called memory tags.
Analog Tags: Store a range of values are called analog tags form example
temperature, flow etc.
Discrete Tags: To store values such as 0 or 1 are called discrete tags form example
pump, valves etc.
System Tags: System tags store information generated while the software is
running including alarm info and system time and date.
String Tags: String tags are used to store ASCII strings a series of characters or
whole word. The max string length is 131 characters.
6.4. Miscellaneous links
Visibility: Visibility used to control visibility of an object based on the value of a
discrete tag name or expression.
Blink: Blink used to make an object blink based on the value of a discrete aflame or
expression.
Orientation : Orientation used to make an object rotate based on the value of a aflame.
Disable: Disable used to disable the touch functionality of objects based on the
value of a tag name of expression. Often used as part of a security strategy.
Value display links: Value display links provide the ability to use a text object to
display the value of a discrete, analog or string tag name.
Percent fill links: Percent fill links used to provide ability to vary the full level of a
filled shape according to the value of an analog tag name or an expression that computes
to an analogy value.
38
6.5. Animation links
Touch links: Touch links allow the operator to input data into the system. Form
example operator may turn the valve on or off, enter a new alarm set point, run a complex
logic script etc.
Touch pushbuttons: Touch pushbuttons are used to create object links that
immediately perform an operation when clicked with the mouse or touched. These
operations can be discrete value changes, action script executions, and show or hide
window commands.
Color links : Color links are used to animate the line color, fill color and text contour
of an object. Each of these color attributes can be made dynamic by defining a color link
for the attribute. The color attribute may be linked to the value of a discrete
expression, analogue expression, discrete alarm status or analog alarm status.
6.4. Trends in SCADA
There is a trend for PLC and HMI/SCADA software to be more "mix-and-match". In
the mid 1990s, the typical DAQ I/O manufacturer supplied equipment that
communicated using proprietary protocols over a suitable-distance carrier like RS-
485. End users who invested in a particular vendor's hardware solution often found
themselves restricted to a limited choice of equipment when requirements changed
(e.g. system expansions or performance improvement). To mitigate such problems,
open communication protocols such as IEC870-5-101/104, DNP3 serial, and DNP3
LAN/WAN became increasingly popular among SCADA equipment manufacturers
and solution providers alike. Open architecture SCADA systems enabled users to mix-
and-match products from different vendors to develop solutions that were better than
those that could be achieved when restricted to a single vendor's product offering.
Towards the late 1990s, the shift towards open communications continued with
individual I/O manufacturers as well, who adopted open message structures such as
Modbus RTU and Modbus ASCII (originally both developed by Modicon) over RS-
485. By 2000, most I/O makers offered completely open interfacing such as Modbus
TCP over Ethernet and IP.
39
The North American Electric Reliability Corporation (NERC) has specified that
electrical system data should be time-tagged to the nearest millisecond. Electrical
system SCADA systems provide this function, using Radio clocks to synchronize
the RTU or distributed RTU clocks. SCADA systems are coming in line with
standard networking technologies. Ethernet and TCP/IP based protocols are replacing the
older proprietary standards. Although certain characteristics of frame-based network
communication technology (determinism, synchronization, protocol selection,
environment suitability) have restricted the adoption of Ethernet in a few specialized
applications, the vast majority of markets have accepted Ethernet networks for
HMI/SCADA.
With the emergence of software as a service in the broader software industry, a few
vendors have begun offering application specific SCADA systems hosted on remote
platforms over the Internet. This removes the need to install and commission systems at
the end-user's facility and takes advantage of security features already available in
Internet technology, VPNs and SSL. Some concerns include security, Internet
connection reliability, and latency.
SCADA systems are becoming increasingly ubiquitous. Thin clients, web portals, and
web based products are gaining popularity with most major vendors. The increased
convenience of end users viewing their processes remotely introduces security
considerations. While these considerations are already considered solved in other sectors
of internet services, not all entities responsible for deploying SCADA systems have
understood the changes in accessibility and threat scope implicit in connecting a system
to the internet.
6.5. Security issues
a) The move from proprietary technologies to more standardized and open
solutions together with the increased number of connections between SCADA
systems and office networks and the Internet has made them more vulnerable to
attacks - see references. Consequently, the security of SCADA-based systems has
come into question as they are increasingly seen as extremely vulnerable to
cyberwarfare/ cybe rterrorism attacks.In particular, security researchers are concerned
about:
40
b) The lack of concern about security and authentication in the design,
deployment and operation of existing SCADA networks
c) The mistaken belief that SCADA networks are secure because they are
purportedly physically secured
d) The mistaken belief that SCADA networks are secure because they are
supposedly disconnected from the Internet
SCADA systems are used to control and monitor physical processes, examples of
which are transmission of electricity, transportation of gas and oil in pipelines, water
distribution, traffic lights, and other systems used as the basis of modern society. The
security of these SCADA systems is important because compromise or destruction of
these systems would impact multiple areas of society far removed from the original
compromise. For example, a blackout caused by a compromised electrical SCADA
system would cause financial losses to all the customers that received electricity from
that source. How security will affect legacy SCADA and new deployments
remains to be seen.
There are two distinct threats to a modern SCADA system. First is the threat of
unauthorized access to the control software, whether it be human access or changes
induced intentionally or accidentally by virus infections and other software threats
residing on the control host machine. Second is the threat of packet access to the network
segments hosting SCADA devices. In many cases, there is rudimentary or no
security on the actual packet control protocol, so anyone who can send packets to the
SCADA device can control it. In many cases SCADA users assume that a VPN is
sufficient protection and are unaware that physical access to SCADA-related network
jacks and switches provides the ability to totally bypass all security on the control
software and fully control those SCADA networks. These kinds of physical access
attacks bypass firewall and VPN security and are best addressed by endpoint-to-
endpoint authentication and authorization such as are commonly provided in the non-
SCADA world by in-device SSL or other cryptographic techniques.
Many vendors of SCADA and control products have begun to address these
risks in a basic sense by developing lines of specialized industrial firewall and
VPN solutions for TCP/IP-based SCADA networks. Additionally, application
whitelisting solutions are being implemented because of their ability to prevent
41
malware and unauthorized application changes without the performance impacts of
traditional antivirus scans Also, the ISA Security Compliance Institute (ISCI) is
emerging to formalize
SCADA security testing starting as soon as 2009. ISCI is conceptually
similar to private testing and certification that has been performed by vendors
since 2007. Eventually, standards being defined by ISA99 WG4 will supersede the
initial industry consortia efforts, but probably not before 2011 .
The increased interest in SCADA vulnerabilities has resulted in vulnerability
researchers discovering vulnerabilities in commercial SCADA software and more
general offensive SCADA techniques presented to the general security community. In
electric and gas utility SCADA systems, the vulnerability of the large installed base
of wired and wireless serial communications links is addressed in some cases by
applying bump-in-the-wire devices that employ authentication and encryption
rather than replacing all existing nodes.
42
7. Conclusion
The automation of any system or any industry is necessary in the present comparative
ward for the better performance of the system or industry. The main and most
important part of a automatic system is a PLC and SCADA. By the use of plc we can
change any system as according to our requirements without changing in the
hardware’s. The many other benefits are also by them it is used like it’s required less
space and less power to operate, it has long life, the changing in logic is easy etc. For the
use of a plc the programming is must, with out the program we can not use the plc, for
the different plc’s of all the companies the method of programming and the
logic remain same but the addressing is changed, the addressing is also available
from the software’s. So the most important part is programming for a plc according to
the requirements.
SCADA is the second important part of the automation. It is used by the plc’s, by the
scada software’s we can design mimic of each field system or components and
can measure in our pc which is placed in our control room. And we can control or
change the value of each components through our computer which are placed in
the field, There are many animation links in the scada by which we can design
the mimic of components. So in one line the scada is the system by which we can see
the performance of the field component in our pc or our control room and also
change the value of control quantities by our pc from the control room.
7.1. Summary
This report has discussed the role that programmable logic controllers have in the
efficient design and control of mechanical processes. Also discussed was the
understanding of ladder logic and the programming involved with it. Finally, the report
has discussed relay logic and the evolution that ladder logic made from it. Four areas in
regards to programmable logic controllers were addressed:
1. Programmable Logic History: This section discussed the history and advancement of
controls technology, with a comparison of programmable logic controllers and hard-wired
relays.
2. PLC components: This section defined what programmable logic is and described all
hardware associated with it.
43
3. Ladder Logic: This section covered ladder logic and its general progression from relay
logic.
4. Ladder Logic Programming: This section covered basic programming techniques and
their implementation.
7.2. Closing Comments
With the speed of changing technology today it is easy to lose sight or knowledge of the
basic theory or operation of programmable logic. Most people simply use the hardware to
produce the results they desire. Hopefully, this report has given the reader a deeper
insight into the inner workings of programmable logic and its role in mechanical
operations. The idea of programmable logic is very simple to understand, but it is the
complex programs that run in the ladder diagrams that make them difficult for the
common user to fully understand. Hopefully this has alleviated some of that confusion.
44
Bibliography
Study material by Vision automation pvt. ltd.
Programmable logic by John. R . Hockwarth controllers
Programmable logic by L.N.Bryan
controllers E.A.Bryan
Programmable logic by W.Batton Controllers
Automatic manufacturing by Hugh Jack System with PLC

PROGRAMMABLE LOGIC by Hites Khatri

  • 1.
    Programmable Logic Controllers Feel The Automation Anyonecan learn The Basics. Hitesh Khatri 7/25/2013
  • 2.
    2 TABLE OF CONTENTS Introduction.......................................................................................................................5 Subject..................................................................................................................................5 Purpose.................................................................................................................................6 Plan of Development............................................................................................................6 PLC History........................................................................................................................7 PLC History.........................................................................................................................7 Hard-Wired Relay Comparison............................................................................................8 PLC Components.............................................................................................................11 Definition............................................................................................................................11 Components........................................................................................................................11 PLC Operation....................................................................................................................13 Ladder Logic.....................................................................................................................16 Definition...........................................................................................................................16 Comparison to Relay Logic.................................................................... ...........................16 Ladder Logic Programming............................................................................................21 Introduction........................................................................................................................21 Basic AND & OR Gates.....................................................................................................22 Basic Timers and Counters.................................................................................................23 Building a PLC/Ladder Logic Program.............................................................................25 SCADA…………………………………………………………………………………..34 Features of scada…………………………………………………………………………34 Usefulness of scada………………………………………………………………………36 General terminology of scada…………………………………………………………….37 Miscellaneous links………………………………………………………………………37 Animation links…………………………………………………………………………..38 Trends in SCADA……………………………………………………………………….38 Security issues………………………………………………………………………………………………………………39 Conclusion.........................................................................................................................42 Summary............................................................................................................................42 Closing Summary...............................................................................................................43 BIBLOGRAPHY………………………………………………………………………44
  • 3.
    3 LIST OF FIGURES Figure1: Typical Small Scale Control Panel.......................................................................8 Figure 2: Typical PLC Control Panel...................................................................................9 Figure 3: PLC Components Diagram.................................................................................12 Figure 4: PLC Scan Diagram.............................................................................................14 Figure 5: Basic Ladder Logic Program..............................................................................16 Figure 6: Electromechanical Relay....................................................................................17 Figure 7: Basic Relay Logic Circuit...................................................................................18 Figure 8: Relay Logic Circuit with Jog function added.....................................................18 Figure 9: Relay Logic Circuit with Jog function and Status Indicators.............................19 Figure 10: Complex Ladder Diagram................................................................................20 Figure 11: Simplified Logic Circuit...................................................................................21 Figure 12: Simplified AND gate........................................................................................22 Figure 13: Simplified OR gate...........................................................................................23 Figure 14: On-Delay Timer (RTO)....................................................................................24 Figure 15: Up Counter........................................................................................................24 Figure 16: Ladder Diagram in Relay Logic.......................................................................25 Figure 17: Relay Diagram with overload removed............................................................25 Figure 18: Relay Circuit with Addition of Jog Function....................................................26 Figure 19: Relay Circuit with Addition of Status Indicators..............................................26 Figure 20: Relay Logic Diagram Converted to PLC Ladder Logic...................................27
  • 4.
    4 ABSTRACT This report answersbasic questions that may be posed by anyone in the Electrical Engineering field, including electrical engineering technicians and electricians. The reader does not need to have any background in controls or ladder logic; only an interest in how PLCs work and a basic understanding of digital logic. The questions that will be answered in this report are: 1. What is a PLC? 2. What is ladder logic? 3. What are the different PLC components? 4. How does ladder logic work? 5. How does a PLC system work in conjunction with everything else? 6. How do you program a ladder logic program? In order to answer all of these questions, I have relied on my personal knowledge of programmable logic controllers and ladder logic along with my work experience with them. This report provides the reader with information on: 1) programmable logic history and the advancement of controls technology along with PLC operation, 2) PLC components, 3) ladder logic, and 4) ladder logic programming.
  • 5.
    5 1. Introduction 1.1. Subject Programmablelogic controllers (PLCs) have become the most predominant control elements for the discrete event control of a mechatronics system. Simplification of engineering and precise control of manufacturing process can result in significant cost savings. The most cost-effective way which can pay big dividends in the long run is flexible automation; a planned approach towards integrated control systems. It requires a conscious effort on the part of plant managers and engineers to identify areas where automation can result in better deployment and/or utilization of human resources and savings in man-hours or down time. Controls automation need not be high ended and extremely sophisticated; it is the phased, step-by-step effort to automate, employing control systems tailored to one’s specific requirements that achieves the most attractive results. This is where programmable logic controls have been a breakthrough in the field of automation and control techniques. This report looks at the role PLCs play in these techniques. A constant demand for better and more efficient manufacturing and process machinery has led to the requirement for higher quality and reliability in control techniques. With the availability of intelligent, compact solid state electronic devices, it has been possible to provide control systems that can reduce maintenance, down time and improve productivity to a great extend. By installing an efficient and user friendly electronics systems for manufacturing machinery or processors, one can obtain a precise and reliable means for producing quality products. One of the latest techniques in solid state controls that offers flexible and efficient operation to the user is programmable controllers. The basic idea behind these programmable controllers was to provide means to eliminate high cost associated with inflexible, conventional relay controlled systems. Programmable controllers offer a system with computer flexibility that is suited to withstand the harsh industrial environment, has simplicity of operation/readability, can reduce machine down time and provide expandability for future and is able to be maintained by plant technicians.
  • 6.
    6 1.2. Purpose This reportis an informative overview of the purpose of programmable logic controllers and ladder logic. Due to the complexity of programmable logic controllers and ladder logic, only the basic operation and programming will be discussed. Prior knowledge of basic electrical circuitry, controls, and computer programming is suggested before reading this report. In order for the reader to better understand this report, the following questions will be explained: 1. What is a PLC? 2. What is ladder logic? 3. What are the different PLC components? 4. How does ladder logic work? 5. How does a PLC system work in conjunction with everything else? 6. How do you program a ladder logic program? 1.3. Plan of Development To answer these questions, the report will include the following sections: 1. Programmable Logic History: This section will discuss the history and advancement of controls technology, with a comparison of programmable logic controllers and hard-wired relays. It will also discuss PLC operation. 2. PLC components: This section will define what programmable logic is and describe all hardware associated with it. 3. Ladder Logic: This section will cover ladder logic and its general progression from relay logic. 4. Ladder Logic Programming: This section will cover basic programming techniques and their implementation.
  • 7.
    7 2. Programmable LogicHistory 2.1. PLC History PLCs were first introduced in the 1960’s. The primary reason for designing such a device was eliminating the large cost involved in replacing the complicated relay based machine control systems. Bedford Associates (Bedford, MA) proposed something called a Modular Digital Controller (MODICON) to a major US car manufacturer. The MODICON 084 brought the world's first PLC into commercial production. When production requirements changed so did the control system. This becomes very expensive when the change is frequent. Since relays are mechanical devices they also have a limited lifetime because of the multitude of moving parts. This also required strict adhesion to maintenance schedules. Troubleshooting was also quite tedious when so many relays are involved. Now picture a machine control panel that included many, possibly hundreds or thousands, of individual relays. The size could be mind boggling not to mention the complicated initial wiring of so many individual devices. These relays would be individually wired together in a manner that would yield the desired outcome. The problems for maintenance and installation were horrendous. These new controllers also had to be easily programmed by maintenance and plant engineers. The lifetime had to be long and programming changes easily performed. They also had to survive the harsh industrial environment. The answers were to use a programming technique most people were already familiar with and replace mechanical parts with solid-state ones which have no moving parts. Communications abilities began to appear in approximately 1973. The first such system was Modicon's Modbus. The PLC could now talk to other PLCs and they could be far away from the actual machine they were controlling. They could also now be used to send and receive varying voltages to allow them to use analog signals, meaning that they were now applicable to many more control systems in the world. Unfortunately, the lack of standardization coupled with continually changing technology has made PLC communications a nightmare of incompatible protocols and physical networks. The 1980’s saw an attempt to standardize communications with General Motor's manufacturing automation protocol (MAP). It was also a time for reducing the size of the
  • 8.
    8 PLC and makingthem software programmable through symbolic programming on personal computers instead of dedicated programming terminals or handheld programmers. The 1990’s saw a gradual reduction in the introduction of new protocols, and the modernization of the physical layers of some of the more popular protocols that survived the 1980's. PLCs can now be programmable in function block diagrams, instruction lists, C and structured text all at the same time. PC's are also being used to replace PLCs in some applications. The original company who commissioned the MODICON 084 has now switched to a PC based control system. 2.2. Hard Wired Relay Comparison At the outset of industrial revolution, especially during sixties and seventies, relays were used to operate automated machines, and these were interconnected using wires inside the control panel. In some cases a control panel covered an entire wall. To discover an error in the system much time was needed, especially with more complex process control systems. On top of everything, a lifetime of relay contacts was limited, so some relays had to be replaced. If replacement was required, machine had to be stopped and production as well. Also, it could happen that there was not enough room for necessary changes. A control panel was used only for one particular process, and it wasn’t easy to adapt to the requirements of a new system. As far as maintenance, electricians had to be very skillful in finding errors. In short, conventional control panels proved to be very inflexible. Typical example of conventional control panel is given in the following picture. Figure 1: Typical Small Scale Control Panel
  • 9.
    9 In Figure 1you can see a large number of electrical wires, relays, timers and other elements of automation typical for that period. The pictured control panel is not one of the more complicated ones, so you can imagine what complex ones looked like. The most frequently mentioned disadvantages of a classic control panel are: 1. Large amount of work required connecting wires 2. Difficulty with changes or replacements 3. Difficulty in finding errors; requiring skillful/experienced work force 4. When a problem occurs, hold-up time is indefinite, usually long With invention of programmable controllers, much has changed in how a process control system is designed. Many advantages appeared. Typical example of control panel witPLC controller is given in the following picture. Figure 2: Typical PLC Control Panel Advantages of control panel that is based on a PLC controller can be presented in few basic points: 1. Compared to a conventional process control system, number of wires needed for connections is reduced by approximately 80% 2. Diagnostic functions of a PLC controller allow for fast and easy error detection. 3. Change in operating sequence or application of a PLC controller to a different operating process can easily be accomplished by replacing a program through a console or using PC software (not requiring changes in wiring, unless addition of some input or output device is required).
  • 10.
    10 4. Needs fewerspare parts 5. It is much cheaper compared to a conventional system, especially in cases where a large number of Input/Output instruments are needed and when operational functions are complex 6. Reliability of a PLC is greater than that of an electro-mechanical relay or a timer, because of less moving parts 7. They are compact and occupy less space 8. Use of PLC results in appreciable savings in Hardware and wiring cost
  • 11.
    11 3. Programmable LogicController Components 3.1. Definition A Programmable controller is a solid state user programmable control system with functions to control logic, sequencing, timing, arithmetic data manipulation and counting capabilities. It can be viewed as an industrial computer that has a central processor unit, memory, input output interface and a programming device. The central processing unit provides the intelligence of the controller. It accepts data, status information from various sensing devices like limit switches, proximity switches, executes the user control program stored in the memory and gives appropriate output commands to devices such as solenoid valves, switches etc. Input output interface is the communication link between field devices and the controllers. Through these interfaces the processor can sense and measure physical quantities regarding a machine or process, such as, proximity, position, motion, level, temperature, pressure, etc. Based on status sensed, the CPU issues command to output devices such as valves, motors, alarms, etc. The programmer unit provides the man machine interface. It is used to enter the application program, which often uses a simple user-friendly logic. 3.2. Components The PLC mainly consists of a CPU, memory areas, and appropriate circuits to receive input/output data. We can actually consider the PLC to be a box full of hundreds or thousands of separate relays, counters, timers and data storage locations. They don't physically exist but rather they are simulated and can be considered software counters, timers, etc. Each component of a PLC has a specific function: Input Relays (contacts) - These are connected to the outside world. They physically exist and receive signals from switches, sensors, etc. Typically they are not relays but rather they are transistors. Internal Utility Relays - These do not receive signals from the outside world nor do they physically exist. They are simulated relays and are what enables a PLC to eliminate external relays. There are also some special relays that are dedicated to performing only one task. Some are always on while some are always off. Some are on only once during power-on and are typically used for initializing data that was stored.
  • 12.
    12 Counters - Theseare simulated counters and they can be programmed to count pulses. Typically these counters can count up, down or both up and down. Since they are simulated they are limited in their counting speed. Some manufacturers also include high- speed counters that are hardware based. We can think of these as physically existing. Timers - These come in many varieties and increments. The most common type is an on- delay type. Others include off-delay and both retentive and non-retentive types. Increments vary from 1 millisecond through 1 second. Output Relays (coils) - These are connected to the outside world. They physically exist and send on/off signals to solenoids, lights, etc. They can be transistors, relays, or triacs depending upon the model chosen. Data Storage - Typically there are registers assigned to simply store data. They are usually used as temporary storage for math or data manipulation. They can also typically be used to store data when power is removed from the PLC. Upon power-up they will still have the same contents as before power was removed. Figure 3: PLC Components Diagram A counter is a simple device intended to do one simple thing - count. Using them can sometimes be a challenge however because every manufacturer seems to use them a different way. There are several different types of counters. There are up-counters called
  • 13.
    13 CTU CNT, orCTR that only count up, such as 1, 2, and 3. There are also down counters called CTD that only count down, such as 9, 8, 7, etc. In addition to these two, there are up-down counters, typically called UDC (up-down counter). These count up and/or down (1,2,3,4,3,2,3,4,5,...). A timer is an instruction that waits a set amount of time before doing something. As usual in industry, different types of timers are available with different manufacturers. The most common type of timer is an On-Delay Timer. This type of timer simply delays turning on its respective output. In other words, after our sensor (input) turns on we wait “x” number of seconds before activating a solenoid valve (output). This is the most common timer. It is often called TON (timer on-delay), TIM (timer) or TMR (timer). Another type of timer is an Off-Delay Timer. This type of timer is the opposite of the ondelay timer listed above. This timer delays turning off its respective output. After a sensor (input) sees a target we turn on a solenoid (output). When the sensor no longer sees the target we hold the solenoid on for x number of seconds before turning it off. It is called a TOF (timer off-delay) and is less common than the on-delay type listed above. Very few manufacturers include this type of timer, although it can be quite useful. The last type of timer is a Retentive or Accumulating timer. This type of timer needs 2 inputs. One input starts the timing event (i.e. the clock starts ticking) and the other resets it. The on/off delay timers above would be reset if the input sensor wasn't on/off for the complete timer duration. This timer however holds or retains the current elapsed time when the sensor turns off in mid-stream. For example, we want to know how long a sensor is on for during a 1 hour period. If we use one of the above timers they will keep resetting when the sensor turns off/on. This timer however, will give us a total or accumulated time. It is often called an RTO (retentive timer) or TMRA (accumulating timer). 3.3. PLC Operation A PLC works by continually scanning a program. We can think of this scan cycle as consisting of 3 important steps. There are typically more than 3 but we can focus on the important parts and not worry about the others. Typically the others are checking the system and updating the current internal counter and timer values. The first type of scanning, as shown in the diagram below, is not as common as the type that will be discussed second.
  • 14.
    14 Figure 4: PLCScan Diagram The first step is to check the input status. This step is therefore generally referred to as the “Check Input Status” stage. First the PLC takes a look at each input to determine if it is on or off. In other words, is the sensor connected to the first input on? How about the second input? How about the third? This goes on and on through the entire program. It records this data into its memory to be used during the next step. Next the PLC executes your program one instruction at a time, called the “Execute Program” stage. For example, if your program said that if the first input was on then it should turn on the first output. Since it already knows which inputs are on/off from the previous step it will be able to decide whether the first output should be turned on based on the state of the first input. It will store the execution results for use later during the next step. Finally the PLC updates the status of the outputs. It updates the outputs based on which inputs were on during the first step and the results of executing your program during the second step. Based on the example in step 2 it would now turn on the first output because the first input was on and your program said to turn on the first output when this condition is true. A new style of scanning has been implemented in the more recent years, called “rung scanning”. This type basically scans each ladder rung individually in the entire ladder logic program, updating the outputs on that rung after scanning through the inputs. This changes the type of programming that will be used as well. If an output is in a rung above the inputs it depends on, you will not get the output updated until the next scan, as the program will keep scanning down until the last rung, then start over. This style is very
  • 15.
    15 advantageous in certainsituations. If you want your outputs updated at the soonest possible moment, this is the style of scanning that you want to use.
  • 16.
    16 4. Ladder Logic 4.1.Definition Ladder logic is one form of drawing electrical logic schematics, and is a graphical language very popular for programming Programmable Logic Controllers. Ladder logic was originally invented to describe logic made from relays. The name is based on the observation that programs in this language resemble ladders, with two vertical "rails" and a series of horizontal "rungs" between them. Figure 5 below is a very basic example ladder logic used in a programmable logic controls program. Figure 5: Basic Ladder Logic Program 4.2. Comparison to Relay Logic The program used in a controls schematic, called a ladder diagram, is similar to a schematic for a set of relay circuits. An argument that aided the initial adoption of ladder logic was that a wide variety of engineers and technicians would be able to understand
  • 17.
    17 and use itwithout much additional training, because of the resemblance to familiar hardware systems. This argument has become less relevant lately given that most ladder logic programmers have a software background in more conventional programming languages, and in practice implementations of ladder logic have characteristics such as sequential execution that make the analogy to hardware somewhat imperfect. Electricians and data cabling or control technicians still argue that this is the best graphical interface as they generally do not have any computer science or digital systems background, and are therefore taught with this interface in sequence with relay logic. Figure 6: Electromechanical Relay Relay logic is the precursor to ladder logic, and is a method of controlling industrial electronic circuits by using relays and contacts. Figure 6 above shows an average mechanical relay used in older relay logic systems. The schematic diagrams for relay logic circuits are often called line diagrams, because the inputs and outputs are essentially drawn in a series of lines, with the lines representing actual wires run in the circuit. A relay logic circuit is an electrical network consisting of lines, in which each input/output group must have electrical continuity with all components in that group of devices to enable the output device. The Relay logic diagrams represent the physical interconnection of devices, while the relay logic circuit forms an electrical schematic diagram for the control of input and output devices. This is why electricians and control technicians can easily understand and interpret relay logic and ladder logic diagrams. Figure 7 below shows a basic relay logic circuit. Notice how it differs from the ladder logic circuit in Figure 5 in that the “virtual” inputs and outputs in the ladder logic circuit have replaced the actual relays and coils in the relay logic circuit.
  • 18.
    18 Figure 7: BasicRelay Logic Circuit Figure 7 is a small, basic relay logic circuit. You can see how in relay logic circuits the pushbuttons are represented with graphical drawings of a normally closed pushbutton for the stop button, and a normally open pushbutton for the start button. The coil that is marked “M” is a motor coil, and is a physical piece of equipment in the same location as the motor, which is represented by a circle with the letter M in the middle. The over current or overload device is represented by a normally closed coil symbol with “O.L.” over it. There would only be seven wires to connect in this circuit, so this would not be very difficult to wire, but when more inputs and outputs are added, the difficulty grows exponentially. Figure 8 shows an expanded relay circuit of Figure 7 in that a double pole single throw pushbutton is added into the diagram to be used as a “jog function”. As the diagram shows, a jog switch is used to run the output (motor). Only one component is added, but three wires need to be installed in the circuit for the component to be utilized in the intended manner. Figure 8: Relay Logic Circuit with Jog function added Figure 9 below adds four more components to the system. Two of them are just coils from the motor apparatus that are used as inputs and the other two are a red and
  • 19.
    19 green light tobe utilized as output/motor status indicators for the user. Figure 9: Relay Logic Circuit with Jog function and Status Indicators This circuit adds 6 additional wires to the original circuit in Figure 7. If both of the additions from Figure 8 and 9 were added to the original circuit, this would add 5 components and 9 additional wires. This illustrates how using a programmable logic controller is advantageous in that adding any number of relays takes much less effort. It doesn’t seem like a large amount of work to connect just 9 additional wires, but in a real world situation, the motor in question may be on top of a grain silo, and the start/stop station may be a few hundred feet away in a control booth. Pulling all these control wires would take hours instead of a few minutes sitting in front of a programming terminal. Programmable logic controllers coupled with ladder logic can make some of the most labor intensive tasks become easy, enjoyable projects. Ladder logic is the most widely used program for programmable logic controllers where sequential control of a process or manufacturing operation is required. Ladder logic is useful for simple but critical control systems, or for reworking old hardwired relay circuits. As programmable logic controllers became more sophisticated it has also been used in very complex automation systems. Figure 10 above shows a much more
  • 20.
    20 Figure 10: ComplexLadder Diagram complicated ladder logic diagram than the one shown in Figure 5. It is relatable to the relay circuits in Figures 7, 8, and 9 as well in that some of the outputs are motors and status lights. In addition there are holding/latching contacts included, but they are not a piece of hardware. In fact, they are just the address of the respective output being referenced, which will be discussed in greater detail later. This is still not a very large program. Ladder logic programs can easily grow to more than 500 “rungs” to finish some functions.
  • 21.
    21 5. Ladder LogicProgramming 5.1. Introduction Ladder logic or ladder diagrams are the most common programming language used to program a PLC. Ladder logic was one of the first programming approaches used in PLCs because it borrowed heavily from the relay diagrams that plant electricians already knew. The symbols used in relay ladder logic consist of a power rail to the left, a second power rail to the right, and individual circuits that connect the left power rail to the right. The logic of each circuit (or rung) is solved from left to right. A common mistake made by most people is trying to think of the diagram as having to have current across the rung for the output to function. This has given many people trouble because of the fact that some inputs are “not” inputs, which will be true when there isn’t current through this sensor. These concepts will be discussed more later. The symbols of these diagrams look like a ladder - with two side rails and circuits that resemble rungs on a ladder. Figure 11: Simplified Logic Circuit Figure 11 shows a simplified ladder logic circuit with one input and one output. The logic of the rung above is such: · If Input1 is ON (or true) - power (logic) completes the circuit from the left rail to the right rail - and Output1 turns ON (or true). · If Input1 is OFF (or false) - then the circuit is not completed and logic does not flow to the right - and Output 1 is OFF (or false). There are many logic symbols available in Ladder Logic - including timers, counters, math, and data moves such that any logical condition or control loop can be represented
  • 22.
    22 in ladder logic.With just a handful of basic symbols such as a normally open contact, normally closed contact, normally open coil, normally closed coil, timer and counter most logical conditions can be represented. Normally Open Contact This can be used to represent any input to the control logic such as a switch or sensor, a contact from an output, or an internal output. When solved the referenced input is examined for a true (logical 1) condition. If it is true, the contact will close and allow logic to flow from left to right. If the status is FALSE (logical 0), the contact is open and logic will NOT flow from left to right. Normally Open Coil This can be used to represent any discrete output from the control logic. When "solved" if the logic to the left of the coil is TRUE, the referenced output is TRUE (logical 1). Normally Closed Contact When solved the referenced input is examined for an OFF condition. If the status is OFF (logical 0) power (logic) will flow from left to right. If the status is ON, power will not flow. Normally Closed Coil When "solved" if the coil is a logical 0, power will be turned on to the device. If the device is logical 1, power will be OFF. 5.2. Basic AND & OR Gates The AND is a basic fundamental logic condition that is easy to directly represent in Ladder Logic. Figure 12 shows a simplified AND “gate” on a ladder rung. Figure 12: Simplified AND gate
  • 23.
    23 In order forLight1 to turn TRUE, Switch1 must be TRUE, AND Switch2 must be TRUE. If Switch1 is FALSE, logic (not power) flows from the left rail, but stops at Switch1. Light1 will be TRUE regardless of the state of Switch2. If Switch1 is TRUE, logic makes it to Switch2. If Switch2 is TRUE, power cannot flow any further to the right, and Light1 is FALSE. If Switch1 is TRUE, AND Switch2 is TRUE - logic flows to Light1 solving its state to TRUE. The OR is a logical condition that is easy to represent in Ladder Logic. Figure 13 shows a simple OR gate. Notice the differences in logic between the OR and AND gates. Figure 13: Simplified OR gate If Switch1 is TRUE, logic flows to Light1 turning it to TRUE. If Switch2 is TRUE, logic flows through the Switch2 contact, and up the rail to Light1 turning it to TRUE. If Switch1 AND Switch 2 are TRUE Light1 is TRUE. The only way Light1 is FALSE is if Switch1 AND Switch2 are FALSE. In other words, Light1 is TRUE if Switch1 OR Switch2 is TRUE. 5.3. Basic Timers & Counters Many times programs will call for action to be taken in a control program based on more than the states of discrete inputs and outputs. Sometimes, processes will need to turn on after a delay, or count the number of times a switch is hit. To do these simple tasks, Timers & Counters are utilized.
  • 24.
    24 Figure 14: On-DelayTimer (RTO) A timer is simply a control block that takes an input and changes an output based on time. There are two basic types of timers. There are other advanced timers, but they won’t be discussed in this report. An On-Delay Timer takes an input, waits a specific amount of time, allows logic to flow after the delay. An Off-Delay Timer allows logic to flow to an output and keeps that output true until the set amount of time has passed, then turns it false, hence off-delay. Figure 14 above shows an On-Delay Timer with a 10 second delay before it passes the logic through it. Figure 15: Up Counter A counter simply counts the number of events that occur on an input. There are two basic types of counters called up counters and down counters. As its name implies, whenever a triggering event occurs, an up counter increments the counter, while a down counter decrements the counter whenever a triggering event occurs. Figure 15 shows the typical graphical representation of an Up Counter.
  • 25.
    25 5.4. Building aPLC/Ladder Logic Program Building a small ladder logic program to run on a PLC network is quite easy. For the beginner, it is easier to see the ladder diagram in the form of relay logic. Figure 16 below shows a basic start/stop station for a motor in relay logic. Figure 16: Ladder Diagram in Relay Logic Just as in Figure 16 above, relay logic shows all components in the system. This is because relay logic is the same as the wiring diagrams that the electricians use, so all the wiring needs to be shown for the logic to work. Because of this, some components may not need to be included in the plc ladder logic diagram. Figure 17: Relay Diagram with overload removed Figure 17 above shows the same circuit as in Figure 16 with the overload removed. The overload is needed in relay logic because you have to have an overload device on any circuit; therefore it needs to be in the wiring diagram. This way, if you push too much current to the motor, the overload device will interrupt the circuit. Overloads are included internally in most any device anymore, but you will still see this in diagrams. There is still an overload device in a plc ladder logic circuit, but ladder logic shows only those components that have an input or output address, so you do not see it. In Figure 17, you can see that the start and stop buttons along with the motor relay will all be turned to inputs in the plc diagram and the motor, signified by a circle with an ‘M’ in the middle will be an output. The motor relay will not be a physical entity in the plc ladder diagram as it is in this relay logic. It will simply be an input that uses the same I/O address as the motor output. The stop button input can be located on either side of the start button/relay gate, as long as it is still in series with it.
  • 26.
    26 Figure 18: RelayCircuit with Addition of Jog Function Figure 18 above shows the addition of a ‘Jog Function” to the relay circuit. The jog function is generally added to any circuit for troubleshooting purposes only. Most jog functions are set up so that the only time the motor will run with the help of the jog function is when the ‘Jog Button’ is pushed. In Figure 18 above, you can see this with the relay logic. As the circuit looks right now, when the Start Button is pressed, the motor will start, energizing the relay, and going across the Jog Button’s normally closed contacts. The motor will stay running this way until the Stop Button is pressed. If instead the Jog Button is pressed, the current will travel across the normally open Jog contacts that are now closed. The motor will stay running until the Jog Button is no longer pressed. Figure 19: Relay Circuit with Addition of Status Indicators Figure 19 above shows that same circuit with Status Indicators added. These are used in control rooms to inform users of the status of their motors or other moving parts. Green is
  • 27.
    27 the generally acceptedcolor for a motor going, while red is stopped. The green light is energized when the normally open contact is energized by the moving motor, closing it. The red light is energized whenever a normally closed relay is closed, so it will turn off whenever the motor starts to run. From Figure 16 to Figure 19, one can see that with every component added, many wires need to be connected as well. Depending on how far away these components are away from each other, this can be very difficult and time consuming. . Figure 20: Relay Logic Diagram Converted to PLC Ladder Logic Figure 20 above was converted from the relay logic in Figure 19 to the PLC ladder logic seen here. If the PLC logic here was used in Figures 16-Figures 19, adding the various component would’ve taken much less time than physically wiring each component. PLC ladder logic can differ from relay logic in that different components are used as well. In the relay diagrams, a single button double pole switch was used so that it could perform two different functions. In PLC ladder logic, just a single pole button is needed, because the computer can be asked to look for a on or off state. For the status lights, instead of running wires to the motor relays the PLC diagram just looks for a true or false state of the motor output.
  • 28.
    28 Programming with theuse of NO, NC swathes Generally basically we use the No and Nc switches for the connections of any system The NO switch is a push switch which is remain in normally open condition, and when it is pushed it made a close circuit The NC switch is a switch which leave in close condition normally, mean provides a close path in normal condition and when it is pressed it makes a open circuit. Examples: Problem 1: Make the logic using NO switch in such a way, that when switch is pressed light get on, and when switch released light get off ? Line NO / No %Q0.0 (output) Problem 2: Make the logic using NC pb in such a way when pb pressed light get on and when pb released light get off Line %Q0.0 NC / Nc
  • 29.
    29 Programming with theholding concept We have two types of holding used in the Plc Holding by use of NO, NC switch concepts:-We can use a auxiliary or a holding switch of any NO and NC Switch for holding concepts, the holding is always used in the parallel of the switch for which we use the holding. Holding by using of the output:-We can also use a auxiliary switch to hold the system by the output of the system. Examples: Problem 3 ; Make the logic using two No and NC in such a way , when either one of the NO is pressed light get on, and when NC pb pressed light get off? L NO / No NC / No %Q0.0 NO / No Problem 4: Using two NO and one NC pb, make a circuit for a plc when both NO pressed light get on and when NC pressed light get off.. L NO / No NO / No NC / No %Q0.0 %Q0.0 / No
  • 30.
    30 Programming with timers Timers:-Timers are used to insert the concept of timing means we used timers in the automatic system to insert the time intervals between two operations. Generally we use three types of the timers for a plc: On timer: In this type of timer the output of a timer is obtained after a preset time from input of timer when we applied input at timer them output comes after the same time that is called present time of a timer. Off timer:- In this type of timer the output of timer get low after the fix time which is set by the user when input goes low. Pulse timer: It goes on or change its state as a pulse is obtained in its input. Problem 5: Make the logic using NC, such that when pb pressed light get off after 3sec. L NC/No NC/Nc %M0 %M0 %M0 Toff TM0.Q 3sec
  • 31.
    31 Programming with countersand compare block Counters: - Counters are generally used to count the any operation and it count each operation sequentially. It detect the change of state of any And count the continuous change of the state from one state to another state. The counters are two types. Positive edge contact:It detect the change of state from positive edge of a digital signal. mean when the first pulse is end them it count to next pulse at his positive edge comes. Negative edge contacts: - It detects the change of state from high to low, when a pulse comes low from high state them it count and increase the count number by one. Counters Empty: The mean of empty is that counter is on its initial state, mean its on zero. Done bit:- We set the value of count in the counter, it is called the preset value of counter, when the value of count is equal to the preset value of counter them it donebit goes high. Full: - The full value is the maximum value of counter which can be count by the counter, generally it is 9999 for a counter.
  • 32.
    32 Reset: - Resetis the connection of counter it is used to resent the counter, when it goes high the counter goes reset. Count up:- When a positive pulse is applied on this point them the counter value is exceed by one. Count down: - When a positive pulse is applied on it them the counter value is decreased by one. Compare Block: - It is generally a block which compare the counter value to a given value, its mean when counter goes to done its count them compare block increase its count and when the compare block count is equal to its given value them it give a output as a positive pulse form. Compare Block. According to figure C0 indicate the counter 0, and V is indicate the current value of counter 0, mean when the counter 0 value is equal to 2 them compare block send a high signal at output. Problem 8 Make a logic using NC pb such that when NC pressed light 1 get on immediate, after 5sec light 2 get on for 2 sec, this cycle will repete until counter get done. Every time when cycle get complete counter will increment its value till the counter get done, when counter get done light 1 and light 2 get off and light 3 will get on to show counter is done, system will work again when counter is reset using NO pb? %C0.V=2
  • 33.
    33 NC / NoNC / Nc %M0 %M0 %M0 %TM1.Q %Q0.2 %Q0.0 %M0 %Q0.0 TM0 %Q0.1 10 sec %M0 %TM0.Q TM1 10 sec %NO / Nc %Q0.1 R E S D CU CD F
  • 34.
    34 6. SCADA (SupervisoryControl and Data Acquisition) Earlier Plc’s use to be black boxes. You program the PLC, download the program in it, and it will run for years. But the problem with hisis was that you really don’t know what is happening inside the PLC. Now a days automation system contains PLC’s and DCADA software. If you use PLC and SCADA combination the advantages you have is you have better monitoring and control of the plant and also you have access to the information the way you want. DCADA enables engineers, supervisors, managers and operators to view and interact with the workings of entire operations though graphical representation of their production process. SCADA runs on a PC and is generally connected to various PLC and other peripheral devices. It enables you to generate applications for the most demanding requirements of plant engineers, operators, supervisors and mangers, tailored precisely to the needs of each plant DCADA constantly gathers data fro the plant in real time, stores and processes it in the database, evaluates and generates alarms, displays information to plant operators to plant operators, supervisors and managers and can issue instructions to PLC on the plant floor. 6.1. Features of SCADA a) Dynamic process graphic mimics developed in SCADA software should resemble the process mimic SCADA should have good library of symbols so that you can develop the mimic as per requirement, once the operator sees the screen he should know what is going on in the plant. b) Real time and historical trend the trends play very important role in the process operation. If your batch fails or the plant trips, you can simply go to the historical trend data and do the analysis. You can have better look of the parameters through the trends, for example we commission a SCADA system for Acid Regeneration plant where the plant has to be operated on 850-deg temperature. If the operator operates the plant at 900-deg you can imagine how much additional lpg he is potion into the reactor. Again what will happen to the bricks of the reactor. So
  • 35.
    35 the production managersfirst job will be to go through the trends how the operators are operating the plant. Even when the plant trips there are more than 25 probable reasons for the same but if you go throat the history trends, its very easy to identify, the problems. c) Alarms have a very critical role in automation . Generally you have alarm states for each input and outputs like your temperature should not cross 80-deg or lever should be less that 60. So if the paramours goes in alarm. State the operator should be initiated with the alarm. Most of the SCADA software support four types of alarms like LOLO, LO ,HI, HIHI. Dead band the value of dead band defines the range after which a high low alarm contain returns to normal. Alarms are most important part of plant control applications because the operator must know instantly when something goes wrong. It is often equally important to have a record of alarm and whether an alarm was acknowledged. An alarm occurs when something goes wrong . It can signal that device or process has ceased operating within acceptable, predefined limits or it can indicate breakdown, wear or process malfunction. d) Recipe management is an additional feature. Some DCADA software support it some do not. Most of the plants are manufacturing multi products. When you have different product to manufacture you just have to load the recipe of the that particular product. e) Security is one facility people generally look for. You can allocate certain facilities or features to the operator, process people, engineering dept. & maintenance dept. for example operators should only operate the system. he should not be able change the application. The engineers should have access to changing the application developed.Device connectivity you eoll find there are hundreds of automation hardware manufacturer like modicon, simens, allen tradley . Everybody has there own way of communication or we can say they have there own communication protocol. SCADA software should have connectivity to the different hardware used in automation. It should not happen that for modicon I am buying one software and for siemens another one. The software like Aspic or Wonderware has connectivity to almost all hardware used in automation. f) Database connectivity now a days information plays very important role in any business. Most manufacturing units go for enterprise resource planning or management information system.
  • 36.
    36 6.2. Usefulness ofSCADA Production Dept a) Real time production status: manufacturing status is updated in real time in direct communication to operator and control device. b) Production schedules: production schedules can be viewed and updated directly . c) Production information mgt: production specific information is distributed to all. Quality Dept a) Date integrity and quality control is improved by using a common interface. b) It is an open platform for statistical analysis. c) Consolidation of manufacturing and lab data. Maintenance Dept a) Improved troubleshooting and debugging: Direct connection to wide variety of devices, displays improves troubleshooting, b) reduces diagnostic time c) .Plant can be viewed remotely: Notification can include pagers, emails and phones. d) Co-ordination between maintenance and mgt reduces unscheduled downtime. Engineering Dept a) Integrated Automation solutions reduce design and configuration time.Common configuration platform offers flexibility for constant configuration in all areas . b) Capable of connecting to wide variety of systems. Reduces start up time and system training with industry proven open interfaces. Manufacturing Dept a) Unscheduled down time is reduced due swift alarm detection and event driven information. b) Makes operations easier and more repeatable with its real time functionality. c) Secured real time operation are maintained with windows.
  • 37.
    37 6.3. General Terminologyof SCADA What is a Tag: A tag is a logical name for a variable in a device or local memory. Tags that receive data from some external devices such as programmable logic controllers or servers are refereed to as input and output tags. Tags that receive data internally from software are called memory tags. Analog Tags: Store a range of values are called analog tags form example temperature, flow etc. Discrete Tags: To store values such as 0 or 1 are called discrete tags form example pump, valves etc. System Tags: System tags store information generated while the software is running including alarm info and system time and date. String Tags: String tags are used to store ASCII strings a series of characters or whole word. The max string length is 131 characters. 6.4. Miscellaneous links Visibility: Visibility used to control visibility of an object based on the value of a discrete tag name or expression. Blink: Blink used to make an object blink based on the value of a discrete aflame or expression. Orientation : Orientation used to make an object rotate based on the value of a aflame. Disable: Disable used to disable the touch functionality of objects based on the value of a tag name of expression. Often used as part of a security strategy. Value display links: Value display links provide the ability to use a text object to display the value of a discrete, analog or string tag name. Percent fill links: Percent fill links used to provide ability to vary the full level of a filled shape according to the value of an analog tag name or an expression that computes to an analogy value.
  • 38.
    38 6.5. Animation links Touchlinks: Touch links allow the operator to input data into the system. Form example operator may turn the valve on or off, enter a new alarm set point, run a complex logic script etc. Touch pushbuttons: Touch pushbuttons are used to create object links that immediately perform an operation when clicked with the mouse or touched. These operations can be discrete value changes, action script executions, and show or hide window commands. Color links : Color links are used to animate the line color, fill color and text contour of an object. Each of these color attributes can be made dynamic by defining a color link for the attribute. The color attribute may be linked to the value of a discrete expression, analogue expression, discrete alarm status or analog alarm status. 6.4. Trends in SCADA There is a trend for PLC and HMI/SCADA software to be more "mix-and-match". In the mid 1990s, the typical DAQ I/O manufacturer supplied equipment that communicated using proprietary protocols over a suitable-distance carrier like RS- 485. End users who invested in a particular vendor's hardware solution often found themselves restricted to a limited choice of equipment when requirements changed (e.g. system expansions or performance improvement). To mitigate such problems, open communication protocols such as IEC870-5-101/104, DNP3 serial, and DNP3 LAN/WAN became increasingly popular among SCADA equipment manufacturers and solution providers alike. Open architecture SCADA systems enabled users to mix- and-match products from different vendors to develop solutions that were better than those that could be achieved when restricted to a single vendor's product offering. Towards the late 1990s, the shift towards open communications continued with individual I/O manufacturers as well, who adopted open message structures such as Modbus RTU and Modbus ASCII (originally both developed by Modicon) over RS- 485. By 2000, most I/O makers offered completely open interfacing such as Modbus TCP over Ethernet and IP.
  • 39.
    39 The North AmericanElectric Reliability Corporation (NERC) has specified that electrical system data should be time-tagged to the nearest millisecond. Electrical system SCADA systems provide this function, using Radio clocks to synchronize the RTU or distributed RTU clocks. SCADA systems are coming in line with standard networking technologies. Ethernet and TCP/IP based protocols are replacing the older proprietary standards. Although certain characteristics of frame-based network communication technology (determinism, synchronization, protocol selection, environment suitability) have restricted the adoption of Ethernet in a few specialized applications, the vast majority of markets have accepted Ethernet networks for HMI/SCADA. With the emergence of software as a service in the broader software industry, a few vendors have begun offering application specific SCADA systems hosted on remote platforms over the Internet. This removes the need to install and commission systems at the end-user's facility and takes advantage of security features already available in Internet technology, VPNs and SSL. Some concerns include security, Internet connection reliability, and latency. SCADA systems are becoming increasingly ubiquitous. Thin clients, web portals, and web based products are gaining popularity with most major vendors. The increased convenience of end users viewing their processes remotely introduces security considerations. While these considerations are already considered solved in other sectors of internet services, not all entities responsible for deploying SCADA systems have understood the changes in accessibility and threat scope implicit in connecting a system to the internet. 6.5. Security issues a) The move from proprietary technologies to more standardized and open solutions together with the increased number of connections between SCADA systems and office networks and the Internet has made them more vulnerable to attacks - see references. Consequently, the security of SCADA-based systems has come into question as they are increasingly seen as extremely vulnerable to cyberwarfare/ cybe rterrorism attacks.In particular, security researchers are concerned about:
  • 40.
    40 b) The lackof concern about security and authentication in the design, deployment and operation of existing SCADA networks c) The mistaken belief that SCADA networks are secure because they are purportedly physically secured d) The mistaken belief that SCADA networks are secure because they are supposedly disconnected from the Internet SCADA systems are used to control and monitor physical processes, examples of which are transmission of electricity, transportation of gas and oil in pipelines, water distribution, traffic lights, and other systems used as the basis of modern society. The security of these SCADA systems is important because compromise or destruction of these systems would impact multiple areas of society far removed from the original compromise. For example, a blackout caused by a compromised electrical SCADA system would cause financial losses to all the customers that received electricity from that source. How security will affect legacy SCADA and new deployments remains to be seen. There are two distinct threats to a modern SCADA system. First is the threat of unauthorized access to the control software, whether it be human access or changes induced intentionally or accidentally by virus infections and other software threats residing on the control host machine. Second is the threat of packet access to the network segments hosting SCADA devices. In many cases, there is rudimentary or no security on the actual packet control protocol, so anyone who can send packets to the SCADA device can control it. In many cases SCADA users assume that a VPN is sufficient protection and are unaware that physical access to SCADA-related network jacks and switches provides the ability to totally bypass all security on the control software and fully control those SCADA networks. These kinds of physical access attacks bypass firewall and VPN security and are best addressed by endpoint-to- endpoint authentication and authorization such as are commonly provided in the non- SCADA world by in-device SSL or other cryptographic techniques. Many vendors of SCADA and control products have begun to address these risks in a basic sense by developing lines of specialized industrial firewall and VPN solutions for TCP/IP-based SCADA networks. Additionally, application whitelisting solutions are being implemented because of their ability to prevent
  • 41.
    41 malware and unauthorizedapplication changes without the performance impacts of traditional antivirus scans Also, the ISA Security Compliance Institute (ISCI) is emerging to formalize SCADA security testing starting as soon as 2009. ISCI is conceptually similar to private testing and certification that has been performed by vendors since 2007. Eventually, standards being defined by ISA99 WG4 will supersede the initial industry consortia efforts, but probably not before 2011 . The increased interest in SCADA vulnerabilities has resulted in vulnerability researchers discovering vulnerabilities in commercial SCADA software and more general offensive SCADA techniques presented to the general security community. In electric and gas utility SCADA systems, the vulnerability of the large installed base of wired and wireless serial communications links is addressed in some cases by applying bump-in-the-wire devices that employ authentication and encryption rather than replacing all existing nodes.
  • 42.
    42 7. Conclusion The automationof any system or any industry is necessary in the present comparative ward for the better performance of the system or industry. The main and most important part of a automatic system is a PLC and SCADA. By the use of plc we can change any system as according to our requirements without changing in the hardware’s. The many other benefits are also by them it is used like it’s required less space and less power to operate, it has long life, the changing in logic is easy etc. For the use of a plc the programming is must, with out the program we can not use the plc, for the different plc’s of all the companies the method of programming and the logic remain same but the addressing is changed, the addressing is also available from the software’s. So the most important part is programming for a plc according to the requirements. SCADA is the second important part of the automation. It is used by the plc’s, by the scada software’s we can design mimic of each field system or components and can measure in our pc which is placed in our control room. And we can control or change the value of each components through our computer which are placed in the field, There are many animation links in the scada by which we can design the mimic of components. So in one line the scada is the system by which we can see the performance of the field component in our pc or our control room and also change the value of control quantities by our pc from the control room. 7.1. Summary This report has discussed the role that programmable logic controllers have in the efficient design and control of mechanical processes. Also discussed was the understanding of ladder logic and the programming involved with it. Finally, the report has discussed relay logic and the evolution that ladder logic made from it. Four areas in regards to programmable logic controllers were addressed: 1. Programmable Logic History: This section discussed the history and advancement of controls technology, with a comparison of programmable logic controllers and hard-wired relays. 2. PLC components: This section defined what programmable logic is and described all hardware associated with it.
  • 43.
    43 3. Ladder Logic:This section covered ladder logic and its general progression from relay logic. 4. Ladder Logic Programming: This section covered basic programming techniques and their implementation. 7.2. Closing Comments With the speed of changing technology today it is easy to lose sight or knowledge of the basic theory or operation of programmable logic. Most people simply use the hardware to produce the results they desire. Hopefully, this report has given the reader a deeper insight into the inner workings of programmable logic and its role in mechanical operations. The idea of programmable logic is very simple to understand, but it is the complex programs that run in the ladder diagrams that make them difficult for the common user to fully understand. Hopefully this has alleviated some of that confusion.
  • 44.
    44 Bibliography Study material byVision automation pvt. ltd. Programmable logic by John. R . Hockwarth controllers Programmable logic by L.N.Bryan controllers E.A.Bryan Programmable logic by W.Batton Controllers Automatic manufacturing by Hugh Jack System with PLC