PENGENALAN PPU ASAS / SISTEM PENYEJUKAN
(REFRIGERATION & AIR-CONDITIONING SYSTEM)
1 | P P U A s a s
SISTEM PENYEJUKAN
DAN PENYAMANAN
UDARA
(REFRIGERATION AND
AIR-CONDITIONING
SYSTEM)
PREPARED BY : WAN SAHARUDIN WAN KADIR
DESIGNATION : MAINTENANCE OFFICER
DATE : 23rd SEPTEMBER 2015
REVISION NO. : 001/2015/THECHATEAU
PENGENALAN PPU ASAS / SISTEM PENYEJUKAN
(REFRIGERATION & AIR-CONDITIONING SYSTEM)
2 | P P U A s a s
1. PENGENALAN PPU ASAS / SISTEM PENYEJUKAN
1.1 SEJARAH PENYEJUKAN (HISTORY OF REFRIGERATION)
Sistem penyejukan dan penyamanan udara adalah satu sistem yang sangat penting kepada
manusia masakini. Terdapat berbagai-bagai jenis dan model direka untuk memenuhi permintaan
pengguna. Seawal kehidupan manusia, mereka mengenali bahawa bahan sejuk adalah suatu
medium yang sesuai digunakan untuk memindahkan haba. Oleh itu, salji dan ais adalah
diperlukan untuk tujuan pemindahan haba tersebut. Salji digunakan untuk menyimpan daging
dan sebagainya supaya tahan lebih lama.
Orang Cina mempelajari bagaimana ketulan ais batu iniboleh menyegarkan minuman. Mereka
memotong beberapa ketulan ais di dalam tasik semasa musim sejuk dan dan disimpan untuk
dijual dalam musim panas. Mengikut sejarah juga, orang Cina adalah manusia pertama yang
memperkenalkan minuman yang dicampurkan dengan ais dan ia menjadikan minuman lebih
sejuk dan lebih sedap untuk diminum.
Orang-orang Greek dan Roman mempergunakan hamba abdi untuk membawa salji dari
pergunungan dan disimpan di tempat yang dikhaskan berbentuk seperti kon untuk tujuan
menyejukan makanan.
Begitu juga di kalangan penduduk Mesir (Egypt), mendapati bahawa air yang disimpan di
dalam tempayan yang diperbuat daripada tanah adalah lebih sejuk dari air yang disimpan di
tempat lain. Tempayan yang berisi air tadi disimpan di atas bumbung di sebelah matahari jatuh.
Apabila malam, suhu bertukar menjadi sejuk. Ini menyebabkan suasana sekeliling bertukar
menjadi lembap. Kelembapan akan mempengaruhi suhu air dalam tempayan. Dalam masa yang
sama proses pemeluwapan (evaporation) berlaku dan menyebabkan air berubah sifat menjadi
sejuk.
PENGENALAN PPU ASAS / SISTEM PENYEJUKAN
(REFRIGERATION & AIR-CONDITIONING SYSTEM)
3 | P P U A s a s
1.1.1 SEJARAH PEMBANGUNAN SISTEM PENYEJUKAN (HISTORY OF REFRIGERATION
DEVELOPMENT)
Sejarah pembangunan sistem penyejukan bermula sekitar tahun 1626 di mana Francis Bacon
adalah manusia pertama yang memikirkan bahawa sistem penyejukan adalah sangat penting
untuk menyimpan makanan. Beliau telah membuat satu penyelidikan dengan menyimpan daging
ayam di dalam satu tempat khas yang diisi dengan salji. Beliau telah mendapati bahawa daging
ayam yang disimpan di dalam tempat yang diisi dengan salji dapat mengawal pembiakan
bakteria.
Selepas penemuan pertama oleh Francis Bacon pada tahun 1626 dengan menggunakan salji, pada
tahun 1834 terciptalah rekabentuk mesin penyejukan yang pertama. Rekabentuk sistem
penyejukan ini telah ditemui selepas 208 tahun berlalu. 17 tahun kemudian, dalam tahun 1851,
Dr. John Gorerie of Apalochicola dari Florida telah dianugerahkan sebagai pereka perubahan
dalam dalam pembuatan ais. Unit buatan beliau telah digunakan di Amerika Syarikat, United
State Marine Hospital untuk tujuan perubatan.
Pada tahun 1910, Sear Reback & Company telah Berjaya mencipta ‘Domestic Refrigerator’ yang
pertama. Domestic Refrigerator ini mampu menghasilkan 25 pound (11-34kg) ais, tetapi mesin ini
hanya boleh digunakan dalam masa yang singkat sahaja.
J.L. Larsen telah megeluarkan peti sejuk yang pertama pada tahun 1913 yang dijalankan secara
manual. Namun begitu, penggunaanya tidak begitu meluas.
Pada tahun 1918, sebuah syarikat yang terkenal, Kalvinator Company telah berjaya
mengeluarkan peti sejuk yang pertama yang bekerja secara automatik. Ini membuka lembaran
baru dalam menghasilkan produk peti sejuk. Bermula dari penemuan yang pertama inilah,
sehingga tahun 1920 sebanyak 200 buah peti sejuk telah berjaya dijual oleh syarikat tersebut.
Pada tahun 1926, peti sejuk yang pertama menggunakan ‘Seal Hermetic Compressor’ telah
dikeluarkan. Peti sejuk ini dikeluarkan oleh Syarikat General Electric (GE). Tidak lama kemudian
Syarikat Electrolux pula memperkenalkan ‘Automatic Absorption Unit’.
Dalam jangkamasa yang agak lama iaitu lebih kurang 300 tahun, barulah wujud sebuah unit
penyejukan yang mana sampai ke hari ini digunakan secara meluas. Suatu ketika dulu, sistem
penyejukan hanya digunakan oleh golongan atasan sahaja, tapi pada masakini ia merupakan
keperluan asas untuk semua golongan.
1.2 PENGENALAN KEPADA SISTEM PENYEJUKAN
Sistem penyejukan didefinisikan sebagai proses pemindahan haba dari satu tempat yang
tidak diperlukan ke satu tempat yang memerlukan. Haba yang tidak diperlukan pada suatu
tempat, ruang ataupun bahan perlulah dipindahkan untuk menjadikan sesuatu tempat, ruang
ataupun bahan menjadi sejuk dan nyaman. Proses ini dipanggil ‘refrigeration cordinarily’
(hukum penyejukan), di mana haba akan dipindahkan dari tempat yang panas ke tempat yang
sejuk.
Penyejukan (Refrigeration) ditakrifkan sebagai satu proses menjadikan sesuatu itu sejuk.
Manakala sejuk pula boleh ditakrifkan sebagai suatu keadaan tanpa haba. Oleh sebab itu,
PENGENALAN PPU ASAS / SISTEM PENYEJUKAN
(REFRIGERATION & AIR-CONDITIONING SYSTEM)
4 | P P U A s a s
penyejukan ialah proses pemindahan atau pembuangan haba dari satu bahan samada pepejal,
cecair mahupun gas.
1.2.1 APA ITU HABA?
Haba ialah suatu bentuk tenaga yang tidak boleh dimusnahkan atau dicipta, tetapi boleh
dipindahkan dari satu tempat ke satu tempat yang lain. Haba berpindah dari suhu yang tinggi ke
suhu yang rendah. Haba dapat dipindahkan melalui 3 cara iaitu, pengaliran, perolakan dan
sinaran.
1.2.2 HABA
Haba ialah sejenis tenaga yang tidak dapat dibentuk/dicipta atau dimusnahkan. Haba dapat
diperolehi dengan menukarkan satu tenaga kepada satu tenaga yang lain. Haba boleh
dibahagikan kepada beberapa kelas iaitu, haba elektrik, haba mekanikal, haba nuclear, haba
suria dan haba kimia.
Contoh:
a. Tenaga elektrik ditukarkan kepada tenaga mekanikal atau tenaga sawat bagi
menggerakkan pemampat.
b. Tenaga suria boleh menjalankan sistem penyaman suria.
c. Tenaga mekanikal boleh menjalankan sistem penyamanan udara kenderaan.
Haba berpindah dari satu tempat ke satu tempat yang lain atau dari satu bahan ke satu bahan
yang lain melalui berbagai cara. Proses pemindahan berlaku dari suhu yang tinggi ke suhu yang
rendah dan berhenti apabila suhu kedua-duanya menjadi seimbang.
Cara pemindahan haba terbahagi kepada 3:
a. Pengaliran.
b. Olakan.
c. Sinaran.
PENGENALAN PPU ASAS / SISTEM PENYEJUKAN
(REFRIGERATION & AIR-CONDITIONING SYSTEM)
5 | P P U A s a s
1.2.2.a Pengaliran
Haba berpindah dari satu benda atau bahan yang sama atau dua benda yang bersentuhan,
contohnya; plat keluli lembut yang dipanaskan dengan menggunakan api kimpalan gas. Pada
peringkat awalnya, hanya tempat yang terkena api sahaja yang akan panas, tetapi lama-
kelamaan seluruh plat keluli tersebut akan menjadi panas.
1.2.2.b Perolakan
Olakan adalah pergerakan molekul-molekul haba apabila menyerap haba. Molekul-molekul yang
dipanaskan akan mengembang dan lebih ringan daripada molekul sejuk. Apabila berkeadaan
ringan, molekul itu akan naik dan apabila berat, molekul-molekul itu akan turun ke bawah.
Olakan berlaku apabila cecair atau gas dipanaskan atau disejukan.
PENGENALAN PPU ASAS / SISTEM PENYEJUKAN
(REFRIGERATION & AIR-CONDITIONING SYSTEM)
6 | P P U A s a s
1.2.2.c Sinaran
Sinaran adalah proses pemindahan haba secara terus tanpa melalui perantaraan dari bahan
bersuhu tinggi kepada bahan bersuhu rendah melalui ruang udara yang kosong. Contohnya:
sinaran cahaya matahari yang memancar ke bumi. Bahan-bahan yang terdedah kepada cahaya
sinaran matahri akan menjadi panas. Adakalanya bahan yang terkena cahaya matahari boleh
terbakar jika pada suhu yang tinggi atau difokuskan.
1.2.3 Unit-unit Ukuran Haba
a. Unit Imperial, yang menggunakan sukatan unit haba British (British Thermal Unit/BTU).
b. Unit Metrik, yang menggunakan sukatan unit dalam kalori dan joule.
1.2.3.1 Unit Haba British (British Thermal Unit/BTU)
Unit ini lebih dikenali dengan ‘BTU’. Berat dikira dalam sebutan ‘Pound’ dan suhu disukat
dalam darjah Fahrenheit. BTU bermakna jumlah kandungan haba yang diperlukan bagi
menaikan 1LB(Pound) air pada 1°F.
1.2.3.2 Unit Metrik
Unit Metrik terdiri daripada dua ukuran iaitu, Unit Kalori dan Unit Joule. Dalam unit
kalori, berat dikira dalam gram atau kilogram manakala suhu pula disukat dalam darjah
Centigrade. Gram kalori bermaksud 1 gram air memerlukan kandungan haba 1 gram
kalori untuk menaikan suhu sebanyak 1°C.
Berat unit joule dikira dalam gram atau kilogram. Suhu pula disukat dalam darjah
centigrade. Kilojoule bermaksud 1 kilogram air memerlukan haba 4.187KJ untuk
menaikan suhu sebanyak 1°C.
PERSAMAAN:
746 watt = 1 kuasa kuda (Horse Power/HP)
1 kilokalori = 0.746 kilowatt (KW)
1 kilowatt = 1.34 kuasa kuda (Horse Power/HP)
Pertukaran BTU, Kalori dan Joule:
1 Btu = 252 kalori
1 Btu = 0.252 kilokalori
PENGENALAN PPU ASAS / SISTEM PENYEJUKAN
(REFRIGERATION & AIR-CONDITIONING SYSTEM)
7 | P P U A s a s
2. JENIS-JENIS SISTEM PENYAMANAN UDARA (TYPES OF AIR-CONDITIONING
SYSTEM)
Terdapat berbagai-bagai jenis sistem penyamanan udara yang digunakan di negara kita, samada
jenis domestik atau komersial. Bab ini menerangkan sistem penyamanan udara domestik dan
komersial yang merupakan asas dalam teknologi sistem penyamanan udara.
Sistem penyaman udara terbahagi kepada 4 bahagian:
a. Sistem penyaman udara tingkap (window type)
b. Sistem penyaman udara terpisah (split-unit type)
c. Sistem penyaman udara terpisah berbilang (multi split-unit)
d. Sistem penyaman udara bungkus (package type)
e. Sistem penyaman udara unit komersial (chiller system)
A. Sistem Penyaman Udara Tingkap (Window Type)
Unit tingkap atau bilik direkabentuk untuk penyaman udara bagi sesebuah bilik. Keupayaan
sesuatu unit bergantung kepada luas bilik. Bilik yang luas memerlukan unit yang berkeupayaan
tinggi berbanding bilik yang kecil. Walaubagaimana pun, jika sesebuah unit yang berkeupayaan
tinggilebih dari sebuah bilik, penyusunan bilik hendaklah ditetapkan supaya dapat mewujudkan
pengaliran udara yang baik. Untuk mendapatkan keselesaan dan memudahkan pengawalan suhu,
adlah dicadangkan sebuah bilik menggunakan sebuah unit tingkap yang bersesuaian dengan
keupayaannya.
Kebaikan sistem penyaman udara unit tingkap:
i. Sebuah bilik menggunakan sebuah unit penyaman udara yang mengawal suhu secara
berasingan.
ii. Salur udara tidak diperlukan, ini dapat menjimatkan kos pemasangan dan
penyelenggaraan.
iii. Kerja-kerja perpaipan air tidak diperlukan.
iv. Pemasangan adalah mudah.
PENGENALAN PPU ASAS / SISTEM PENYEJUKAN
(REFRIGERATION & AIR-CONDITIONING SYSTEM)
8 | P P U A s a s
Keburukan sistem penyaman udara jenis tingkap:
i. Memerlukan ruang tertentu pada sesebuah tingkap.
ii. Kuantiti udara biasanya ditentukan oleh pengeluar.
iii. Jika dipasang di dinding, perlu dipecahkan dinding itu mengikut saiz unit yang hendak
dipasang.
iv. Sukar untuk dikendalikan berseorangan jika berlaku kerosakan atau untuk
penyelengaraan.
PENGENALAN PPU ASAS / SISTEM PENYEJUKAN
(REFRIGERATION & AIR-CONDITIONING SYSTEM)
9 | P P U A s a s
Bagaimanapun, jenis tingkap ini popular digunakan di rumah-rumah, dan di pejabat-pejabat yang
mempunyai ruang yang kecil.
B. Sistem Penyaman Udara Unit Terpisah (Split-Unit Type)
Unit terpisah (Split Unit Type) adalah sistem penyaman udara yang berasingan penyejat
(evaporator) dan pemeluwap (condenser). Unit terbahagi kepada dua bahagian iaitu unit dalam
dan unit luar. Unit dalam terdiri daripada penyejat dan kipas penyejat. Manakala unit luar pula
terdiri daripada pemeluwap, perpaipan, kipas pemeluwap, serta alat tambah yang lain yang
dipasangkan setempat. Kedua- dua unit dalam dan luar dipasang berasingan. Unit dalam
dipasang di dalam bilik yang hendak dinyamankan manakala unit luar dipasang di luar bilik.
Terdapat tiga jenis rekabentuk unit terpisah:
i. Lekapan dinding (wall mounted)
ii. Lekapan lantai (floor exposed)
iii. Gantungan ceiling (ceiling type)
PENGENALAN PPU ASAS / SISTEM PENYEJUKAN
(REFRIGERATION & AIR-CONDITIONING SYSTEM)
10 | P P U A s a s
Ketiga-tiga rekabentuk unit terpisah ini semakin popular digunakan kini kerana:
i. Pemasangan lebih mudah dan cepat.
PENGENALAN PPU ASAS / SISTEM PENYEJUKAN
(REFRIGERATION & AIR-CONDITIONING SYSTEM)
11 | P P U A s a s
ii. Tidak perlu menebuk dinding atau tingkap untuk pemasangan, hanya sekadar
menebuk lubang bergaris pusat 5cm hingga 6cm.
iii. Unit dalam tidak mengeluarkan bunyi bising semasa beroperasi. Kedudukan kedua-dua
unit dalam dan unit luar boleh diubah-ubah mengikut kehendak pengguna.
iv. Kadar penyejukan dan penyerapan haba yang lebih tinggi dari jenis tingkap (window
type).
Sungguhpun harga sistem penyaman udara unit terpisah adalah lebih tinggi dari jenis tingkap,
sistem ini lebih digemari oleh para pengguna yang mementingkan konsep keselesaan, sunyi dan
daya penyerapan haba yang baik.
Perpaipan unit dalam dan unit luar:
Untuk melengkapkan perpaipan unit dalam dan unit luar dihubungkan melalui paip cecair dan
dan paip gas kedua-dua unit. Untuk menyambungkannya, lubang bergaris pusat 5cm hingga 6cm
diperlukan.
Pada amnya, unit luar sudah dicaskan dengan bahan penyejuk (refrigerant) yang cukup untuk
kitarannya (circulation). Oleh itu, sistem ini tidak perlu dicas lagi semasa kerja-kerja pemasangan
dibuat kecuali melakukan sedikit pembersihan (purging) kepada unit dalam untuk
menyambungkannya dengan unit luar. Berbanding dengan jenis tingkap, pemasangan unit
terpisah memerlukan masa yang agak panjang untuk menebuk dinding.
Gambarajah komponen unit luar
PENGENALAN PPU ASAS / SISTEM PENYEJUKAN
(REFRIGERATION & AIR-CONDITIONING SYSTEM)
12 | P P U A s a s
Gambarajah komponen unit dalam
C. Sistem Penyaman Udara Unit Terpisah Berbilang (Multi Split Unit Type)
Penyaman udara unit terpisah berbilang mempunyai satu unit luar dan beberapa unit dalam.
Biasanya unit dalam yang digunakan adalah dalam dua unit dan tidak melebihi tiga unit. Unit
dalam yang digunakan boleh didapati dari ketiga-tiga rekabentuk jenis unit terpisah mengikut
citarasa/pilihan pengguna. Unit terpisah berbilang ini digunakan pada kediaman dan pejabat
yang mempunyai banyak bilik. Unit terpisah berbilang mempunyai beberapa kebaikan walaupun
harganya tinggi. Di samping itu, ia lebih menguntungkan untuk jangkamasa panjang.
Kebaikan unit terpisah berbilang:
i. Satu pemampat boleh digunakan untuk 2 atau 3 penyejat.
PENGENALAN PPU ASAS / SISTEM PENYEJUKAN
(REFRIGERATION & AIR-CONDITIONING SYSTEM)
13 | P P U A s a s
ii. Pemasangan lebih mudah jika dibandingkan dengan jenis unit tingkap.
iii. Kos penggunaan tenaga elektrik lebih rendah.
iv. Alatambah seperti sub-akumulator, injap solenoid, pengatur tekanan rendah, pemindah
haba dan penerima digunakan bagi menambahkan keupayaan unit luar.
Gambarajah komponen pemasangan unit terpisah berbilang
PENGENALAN PPU ASAS / SISTEM PENYEJUKAN
(REFRIGERATION & AIR-CONDITIONING SYSTEM)
14 | P P U A s a s
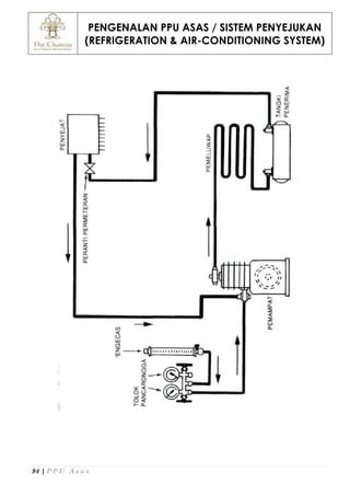
KOMPONEN ASAS SISTEM PENYAMAN UDARA (AIR-CONDITIONING SYSTEM BASIC
COMPONENTS)
1. PENYEJAT (EVAPORATOR)
2. CONDENSER (PEMELUWAP)
3. COMPRESSOR (PEMAMPAT)
4. TIUB RERAMBUT (CAPILLIARY TUBE)
PENGENALAN PPU ASAS / SISTEM PENYEJUKAN
(REFRIGERATION & AIR-CONDITIONING SYSTEM)
15 | P P U A s a s
PENGENALAN PPU ASAS / SISTEM PENYEJUKAN
(REFRIGERATION & AIR-CONDITIONING SYSTEM)
16 | P P U A s a s
PENGENALAN PPU ASAS / SISTEM PENYEJUKAN
(REFRIGERATION & AIR-CONDITIONING SYSTEM)
17 | P P U A s a s
PENGENALAN PPU ASAS / SISTEM PENYEJUKAN
(REFRIGERATION & AIR-CONDITIONING SYSTEM)
18 | P P U A s a s
PENGENALAN PPU ASAS / SISTEM PENYEJUKAN
(REFRIGERATION & AIR-CONDITIONING SYSTEM)
19 | P P U A s a s
BAHAN PENDINGIN/PENYEJUK (REFRIGERANT)
Bab ini adalah untuk menerangkan berkenaan bahan pendingin/penyejuk (refrigerant), sifat-sifat
serta langkah-langkah keselamatan mengendalikannya.
Haba disingkirkan dari sistem penyejukan oleh bahan pendingin. Setiap cecair yang mempunyai
takat didih hampir dengan takat beku air boleh dijadikan bahan pendingin. Walau bagaimana
pun, bahan pendingin yang baik tidak semestinya mempunyai suhu takat didih yang rendah.
Bahan pendingin yang baik mestilah mempunyai ciri-ciri seperti tidak beracun, tidak mudah
terbakar atau meletup dan tidak kakis komponen. Selain itu, faktor lain seperti kesan-kesan
bahan pendingin pada haba dan suhu, isipadu dan ketumpatan, tekanan, sifat-sifat kimia dan
fizikal bahan pendingin mestilah diambilkira juga.
Sifat-sifat bahan pendigin yang baik:
Fungsi bahan pendingin ialah untuk menyerap haba. Cecair bahan pendingin yang berada di
penyejat (evaporator) akan bertukar menjadi gas dan menyingkirkan haba di pemeluwap
(condenser). Di pemeluwap, gas bahan pendingin bertukar menjadi cecair. Bahan pendingin yang
baik mestilah mempunyai sifat-sifat seperti berikut:-
a. Kesan pada haba dan suhu:
i. Haba pendam pengewapan bahan pendingin mestilah tinggi. Ini membolehkan
kuantiti bahan pendingin yang sedikit dapat menyerap haba yang banyak.
ii. Takat beku bahan pendingin mestilah rendah daripada suhu yang terdapat di
mana-mana bahagian dalam sistem itu. Faktor ini penting kerana untuk
mengelakkan dari bahan pendingin itu membeku (frosting) di penyejat dan
mengakibatkan sistem tidak dapat beroperasi dengan sempurna.
b. Ketumpatan isipadu bahan pendingin:
i. Ketumpatan bahan pendingin hendaklah tinggi. Saluran cecair yang kecil boleh
digunakan.
ii. Isipadu wap bahan pendingin mestilah sekecil mungkin bagi membolehkan
penggunaan saluran sedutan dan singkiran yang kecil. Hal ini dapat menjimatkan
kos penyelenggaraan komponen-komponen sistem.
c. Kesan tekanan terhadap bahan pendingin:
i. Perbezaan tekanan bahan pendingin pada bahagian tinggi dan rendah sebaiknya
hendaklah rendah.
ii. Apabila tekanan pemeluwap rendah, alat-alat yang ringan dapat digunakan dan
dapat mengelakkan kebocoran dari berlaku.
d. Sifat-sifat kimia bahan pendingin:
i. Mestilah tahan pada suhu dan tekanan operasi yang terdapat pada sistem tanpa
berubah sifatnya.
PENGENALAN PPU ASAS / SISTEM PENYEJUKAN
(REFRIGERATION & AIR-CONDITIONING SYSTEM)
20 | P P U A s a s
ii. Tidak mudah terbakar atau meletup, samada dalam bentuk gas atau cecair semasa
bercampur dengan minyak.
iii. Tidak berkarat atau tidak bertindakbalas kepada alat-alat sistem.
iv. Tidak beracun dan tidak member kesan sampingan kepada hidupan, seperti
manusia, haiwan dan tumbuhan serta alam sekitar.
e. Sifat-sifat bahan pendingin:
i. Tidak mudah terbakar atau meletup.
ii. Boleh larut dengan minyak supaya pelinciran yang berkesan.tidak berbahaya
apabila bertindakbalas dengan minyak walaupun dengan kehadiran lembapan.
iii. Mempunyai kerintangan yang tinggi terhadap elektrik. Ini dapat mengelakkan
daripada arus renjatan kepada sistem penyejukan.
f. Mengenal bahan pendingin berpandukan pada nombor:
Bahan pendingin dapat dikenali dengan berpandukan pada nombor-nombor kod. Biasanya
nombor-nombor ini bermula dengan huruf ‘R’ yang bermaksud ‘Refrigerant’ atau ‘Bahan
Pendingin’.
Bahan pendingin yang biasa digunakan dalam sistem penyejukan dan penyamanan udara
adalah: R-11, R12, R-22, R500, R-502, R-503, R-504, R-717.
g. Kumpulan bahan pendingin:
Bahan pendingin terbahagi kepada tiga kumpulan:
i. Kumpulan Pertama - yang paling selamat digunakan.
ii. Kumpulan Kedua - beracun dan sesetengahnya mudah terbakar.
iv. Kumpulan Ketiga - mudah terbakar.
Bahan pendingin Kelas Pertama:
1. R-11 Trikloromono Florometana CC13F
2. R-12 Diklorodiflorometana CC12F2
3. R-22 Monoflorodiflorometana CHC1F2
4. R-500 73.8% R-12 dan 26.2% R-152a CC12F2/CH3CHF2
5. R-502 48.8% R-12 dan 51.2% R-115 CH1F2/CC1F2CF3
6. R-503 41.1% R-23 dan 59.9% R-13 CHF3/CC1F3
7. R-504 48.2% R-32 dan 51.8% R-115 CH2F2/CF3CC1F2
8. R-774 Karbon Dioksida CO2
Bahan pendingin yang banyak digunakan dalam sistem penyejukan dan penyamanan udara
adalah; R-12, R-22, R-11, dan R-502. Oleh itu, penerangan ini hanya berkaitan dengan sifat-sifat
bahan pendingin yang biasa digunakan sahaja.
PENGENALAN PPU ASAS / SISTEM PENYEJUKAN
(REFRIGERATION & AIR-CONDITIONING SYSTEM)
21 | P P U A s a s
1. R-12 Diklorodifluorometane CC12F2:
R-12 ialah bahan pendingin yang biasa digunakan. Sifat-sifat bahan ini ialah, tidak berbau,
tidak berwarna dan mempunyai takat didih yang rendah iaitu -29.7°C pada tekanan
atmosfera. Bahan ini juga tidak beracun, tidak mengakis, tidak mengganggu keselesaan (non-
irritating) dan tidak mudah terbakar. Bahan pendingin ini stabil pada suhu yang tinggi
sehingga 550°C. Suhu ini sangat sesuai pada semua suhu operasi bahan mekanisma
penyejukan dan pelinciran.
Walaupun R-12 mempunyai haba pendam yang agak rendah tetapi ia sesuai juga digunakan
pada sistem penyejukan yang kecil, biasanya R-12 digunakan pada pemampat salingan putar
dan empar.
Tekanan R-12 pada suhu -15°C ialah 0.830 kg/cm², dan pada suhu 30°C ialah 6.56 kg/cm².
Haba pendam suhu -15°C ialah 159 J/g.
Kebocoran R-12 boleh dikesan dengan menggunakan beberapa alat seperti lampu halide,
pengesan elektronik dan buih sabun.
Kandungan kelembapan R-12 sangat kritikal berbanding R-22 dan R-502. Larut dalam minyak
hingga ke suhu -68°C bagi membolehkannya melalui penyejat. Bahan pendingin R-12 akan
terasing daripada minyak pada suhu -68°C ke bawah. Oleh kerana suhu bahan pendingin R-12
adalah lebih berat, minyak akan terapung di atasnya.
Sekarang terdapat bahan pendingin yang baru, Genetron 12/31 yang boleh digunakan sebagai
pengganti R-12 dan R-31. Nama kimia R-31 ialah monoklorometana florometana. Kandungan
kimia ialah CC12F2 78% dan CH2C1F 22%. Haba pendam pengewapan dan tekanan bahagian
tingginya adalah agak tinggi sedikit daripada R-12. Suhu kritikalnya ialah 1180°C.
2. R-22 Monoklorodiflorometana CH81F2:
R-22 biasanya digunakan pada sistem penyejukan yang memerlukan suhu penyejat yang
rendah. Satu contoh ialah unit penyejukan pantas (fast freezing), di mana suhu boleh
mencapai -290°C sehingga -400°C. Unit ini boleh digunakan juga pada sistem penyamanan
udara dan peti sejuk rumah.
Pemampat yang biasa digunakan bersama R-22 ialah jenis salingan dan empar. Untuk
mendapatkan suhu rendah (-400°C) apabila menggunakan R-22, sistem mestilah beroperasi di
atas paras tekanan atmosfera dan tidak di bawah paras tekanan tersebut.
Takat didih R-22 ialah pada -410°C pada tekanan atmosfera. Haba pendamnya ialah 216 J/g
pada -150°C. Tekanan bahagian tinggi pada 300°C ialah 11.1 kg/cm². Tekanan penyejat R-22
ialah 1.96 kg/cm² pada -150°C.
Oleh kerana R-22 bercampur dengan dengan air, bahan pengering dalam kuantiti yang banyak
diperlukan untuk mengeringkannya. R-22 juga larut dalam minyak hingga suhu rendah iaitu -
90°C. Walaubagaimanapun, R-22 masih kekal berkeadaan bendalir untuk mengalir ke saluran
sedutan hingga suhu -400°C. Hal ini demikian kerana minyak lebih ringan daripada bahan
pendingin pada suhu -400°C dan ini menyebabkannya terapung.
PENGENALAN PPU ASAS / SISTEM PENYEJUKAN
(REFRIGERATION & AIR-CONDITIONING SYSTEM)
22 | P P U A s a s
Kebocoran R-22 boleh dikesan melalui alat-alat pengesan seperti pengesan kebocoran
elektronik, lampu halide dan buih sabun.
3. R-11 Trikloro monoflorometana CC13F:
R-11 biasanya digunakan sebagai bahan pencuci untuk mencuci bahagian dalam pemampat
kecil semasa membaikpulih sistem. R-11 digunakan pada sistem yang pemampatnya telah
terbakar atau sistem yang telah terbakar atau sistem yang dimasuki kelembapan.
Menyingkirkan kelembapan dengan memasukkan R-11 boleh memendekkan masa
mengvakum. R-11 adalah satu bahan pencuci yang paling baik untuk proses di atas. Bahan
pendingin ini juga boleh digunakan pada sistem besar empar. R-11 mempunyai tekanan
rendah 609.6 mmHg pada suhu -150°C dan tekanan 1.28 kg/cm² mutlak pada suhu 300°C.
Haba pendam ialah 196 J/g pada suhu -150°C. Suhu takat didih pada tekanan atmosfera ialah
23.70°C. Kebocoran R-11 dapat dikesan dengan menggunakan lampu halida, pengesan
elktronik dan buih sabun.
4. Campuran Azeotropik:
Bahan pendingin Azeotropik ialah campuran cecair bahan pendingin didih maksimum dan
minimum. Walaubagaimanapun, campuran ini dianggap sebagai satu jenis bahan pendingin.
Campuran Azeotropik biasa digunakan bersama pemampat salingan.
5. R-502 (R-22 + R-115) CHC1F2CF3:
Bahan pendingin R-502 ialah campuran 48.8% R-22 dan 51.2% R-115. R-502 tidak mudah
terbakar, berkarat atau beracun. Sesuai untuk sistem sederhana dan rendah yang bersuhu
antara -180°C hingga -510°C.
Kegunaan R-502 pada sistem sederhana dan suhu rendah seperti:
a) penyimpan ais-krim
b) tempat paparan makanan sejuk beku
c) tempat simpanan sejuk beku
d) loji pemprosesan sejuk beku
e) digunakan dengan pemampat salingan
Sifat-sifat R-502:
a) Titik didihnya ialah -460°C pada tekanan atmosfera
b) Tekanan tinggi ialah pada 12.31 kg/cm² pada suhu 300°C
c) Tekanan penyejatnya ialah 2.53 kg/cm² pada suhu -150°C
d) Haba pendam pada suhu -29.120°C ialah 168.9 J/g
Kebaikan menggunakan R-502:
a) Tekanan dan suhu pemeluwapnya rendah dan ini memanjangkan jangkahayat injap
pemampat dan bahagian-bahagian yang lain.
PENGENALAN PPU ASAS / SISTEM PENYEJUKAN
(REFRIGERATION & AIR-CONDITIONING SYSTEM)
23 | P P U A s a s
b) Kelikatan minyaknya yang tinggi membolehkan pelinciran lebih mudah pada suhu
pemeluwap yang rendah. Kebocoran dapat dikesan dengan lampu halida, pengesan
elektronik dan buih sabun.
Bahan Pendingin Kelas Kedua:
Bahan pendingin kumpulan ini bersifat toksik, agak mudah terbakar dan mengganggu keselesaan
(irritating) pada manusia jika tersedut. Di antara bahan pendingin kumpulan ini termasuklah:
a) R-40 metilklorida CH3C1
b) R-160 etilklorida C2H5C1
c) R-611 metilformata C2H402
d) R-717 ammonia NH3
e) R-764 sulfur dioksida S02
f) R-1130 dikloroetilena C2H2C12
Bahan Pendingin Kelas Ketiga:
Bahan pendigin ini mudah terbakar apabila bercampur dengan udara dan tidak digunakan lagi.
Bahan pendingin kumpulan ini adalah seperti berikut:
a) R-290 propana C3H3
b) R-600 butana C4H10
c) R-170 etana C2H6
PENGENALAN PPU ASAS / SISTEM PENYEJUKAN
(REFRIGERATION & AIR-CONDITIONING SYSTEM)
24 | P P U A s a s
Kod Warna Bagi Silinder Bahan Pendingin:
No. Bahan Pendingin Kod Warna Silinder
R-11 Jingga
R-12 Putih
R-134a Biru Muda
R-22 Hijau
R-404 Oren
PENGENALAN PPU ASAS / SISTEM PENYEJUKAN
(REFRIGERATION & AIR-CONDITIONING SYSTEM)
25 | P P U A s a s
Jadual di bawah menunjukkan kegunaan bahan pendingin. Sejenis bahan pendingin dapat
digunakan untuk beberapa kegunaan. Sebahagian daripada jenis bahan pendingin hanya
disyorkan untuk beberapa jenis pemampat:
Biasanya sesuatu sistem bahan pendingin ditentukan oleh pengeluar (manufacturer). Perkara-
perkara yang perlu diambilkira sebelum memilih bahan pendingin ialah:
a) Takat didih bahan pendingin tersebut.
b) Isipadu wap bahan pendingin yang dianjakkan untuk memperolehi penyejukan yang
diperlukan.
c) Haba pendamnya.
d) Suhu pengendalian atau pengoperasian yang diperlukan.
e) Saiz alat kelengkapan.
Jadual dibawah menunjukkan kegunaan bahan pendingin mengikut kesesuaian pemampat:
No. Bahan Pendingin Jenis Pemampat
1. R-11 Empar (Centrifugal)
2. R-12 Salingan (Reciprocating), Empar (Centrifugal), Putar
PENGENALAN PPU ASAS / SISTEM PENYEJUKAN
(REFRIGERATION & AIR-CONDITIONING SYSTEM)
26 | P P U A s a s
(Rotary).
3. R-22 Salingan (Reciprocating), Empar (Centrifugal)
4. R-134a Salingan (Reciprocating)
Walaupun kebanyakan bahan pendingin yang digunakan masa sekarang boleh dikatakan tidak
merbahaya, namun begitu langkah-langkah keselamatan perlu diambilkira semasa menggunakan
dan mengendalikannya. Langkah-langkah keselamatan yang perlu diikuti adalah seperti berikut:
a) Apabila berlaku kebocoran, tentukan bilik cukup pengalihudaraan sebelum membaikinya.
Periksa tekanan dengan memasang tolok (meter).
b) Periksa jenis bahan pendingin sebelum mengecas untuk mengelakkan dari bercampuran.
Jika bahan pendingin adalah dari jenis florokarbon, jauhkan dari api. Ini adalah untuk
mengelakkan daripada menjadi gas beracun apabila bertemu dengan api.
c) Gunakan pelindung mata dan sarung tangan semasa mengecas. Ini adalah untuk
mengelakkan kecederaan.
d) Mengecas mestilah dilakukan di bahagian tekanan rendah dalam bentuk wap (vapor)
bahan pendingin sahaja. Mengecas dengan cecair (liquid) bahan pendingin boleh
merosakkan pemampat dan juga boleh menyebabkan unit meletup.
e) Cecair bahan pendingin boleh membekukan kulit dan mengakibatkan ‘frost bite’. Jika ini
berlaku, basuh bahagian yang terkena bahan pendingin dengan segera dan dengan kadar
air yang banyak.
f) Sebarang kemalangan bahan pendingin hendaklah segera berjumpa dengan doctor.
g) Jangan mengisi bahan pendingin ke dalam silinder servis sehingga penuh. Jika ini
dilakukan, tekanan hidrostatik dalam silinder akan menyebabkan silinder boleh meletup.
h) Simpan silinder bahan pendingin di tempat yang sejuk dan kering. Jangan menggolekkan
silinder.
i) Minyak yang terdapat dalam pemampat akan menjadi asid apabila pemampat terbakar.
Jangan sentuh minyak ini dengan tangan.
j) Kebanyakan bahan pendingin adalah lebih berat dari udara. Bahan ini pula boleh
bercampur dengan udara dalam bilik jika berlaku sebarang kebocoran. Hal ini boleh
menyebabkan berlakunya sesak nafas sekiranya terhidu udara yang bercampur dengan
bahan pendingin. Pastikan pengudaraan cukup baik untuk mengelakkan kemalangan
seperti ini.
Silinder Bahan Pendingin:
Terdapat tiga jenis silinder bahan pendingin:
a) Silinder penyimpan.
b) Silinder servis.
c) Silinder buangan (guna-buang/disposable).
A. Silinder Penyimpan:
Biasanya 45kg ke 68kg bahan pendingin terkandung dalam silinder penyimpan. Silinder
ini lebih murah berbanding silinder buangan.
PENGENALAN PPU ASAS / SISTEM PENYEJUKAN
(REFRIGERATION & AIR-CONDITIONING SYSTEM)
27 | P P U A s a s
Kebanyakan silinder penyimpan sekarang mempunyai dua injap. Satu untuk wap (vapor)
dan satu lagi untuk cecair (liquid). Kita boleh memindahkan bahan pendingin dari silinder
penyimpan ke silinder servis dengan membuka injap yang mengeluarkan cecair. Ini
memmudahkan kerja-kerja mengecas dilakukan. Kerja-kerja memindahkan bahan
pendingin ini perlulah dilakukan dengan berhati-hati. Perhatikan agar bahan pendingin
diisi ke dalam silinder tidak terlalu penuh. Gunakan alat penimbang.
B. Silinder Servis:
Silinder servis biasanya mengandungi sebanyak 2kg ke 11kg bahan pendingin. Ini
memudahkan kerja membuat servis. Injap silinder ini dipasang dengan kembang 6mm
(male flare). Kandungan bahan pendingin diisi daripada silinder penyimpan.
C. Silinder Buangan:
Kebanyakan bahan pendingin yang biasa digunakan terdapat dalam kuantiti yang kecil
iaitu dari beberapa gram ke 14kilogram.
BAHAN PENDINGIN KEDUA
Bahan pendingin kedua ialah cecair dari sistem penyejukan yang menyerap haba setelah
disejukkan oleh penyejat. Bahan pendingin kedua ini akan mengalami perubahan suhu apabila ia
menyerap haba dan haba akan diserap di penyejat.
Bahan pendingin kedua yang biasa digunakan ialah air, brin kalsium klorida, brin natrium
klorida, etilena dan propilena glisol, methanol (metal alkohol) dan gliserin.
PENGENALAN PPU ASAS / SISTEM PENYEJUKAN
(REFRIGERATION & AIR-CONDITIONING SYSTEM)
28 | P P U A s a s
1. Air sebagai bahan pendingin:
Digunakan sebagai bahan pendingin kedua dan biasanya digunakan dalam sistem
penyamanan udara yang besar dan industri memproses bahan yang memerlukan keadaan
suhu yang sentiasa melebihi suhu beku. Air juga digunakan pada sistem penyejukan jet stim.
Pada paras tekanan atmosfera, air mendidih pada 1000°C. Satu kilogram menyerap haba
sebanyak 2260KJ semasa menukarkan cecair ke wap pada 1000°C. Biasanya kadar suhu
semasa menggunakan air sebagai bahan pendingin ialah 70°C ke atas. Air menyerap haba
dengan banyaknya semasa menukar cecair ke wap. Apabila air bertukar menjadi wap pada
7800 mikron, ia akan menghasilkan 70°C.
Oleh kerana air tidak boleh digunakan di bawah 0°C, larutan Brin digunakan.
2. Brin sebagai bahan pendingin:
Brin biasanya digunakan bersama-sama dengan sistem penyejukan gas ammonia atau sistem
penyerapan besar. Brin bahan pendingin kedua terdiri daripada kalsium klorida (CaCl2) atau
natrium klorida (NaCl) yang bercampur dengan air. Suhu yang rendah daripada 0°C
digunakan untuk membekukan ais untuk penyejukan.
Sifat-sifat Brin yang Baik:
i. Harganya murah dan mudah didapati.
ii. Berkeadaan stabil dan tidak berubah warna atau mutunya.
iii. Tidak mudah terbakar.
iv. Tidak berbau busuk, tidak berasa pahit dan tidak toksid.
v. Kadar kelikatannya pada paip-paip saluran mestilah rendah supaya pam yang kecil dapat
digunakan.
vi. Tidak mengakis.
vii. Titik beku mestilah kecil, supaya saluran paip tidak mudah rosak atau membahayakan
sistem.
viii. Haba bandingan mestilah tinggi kerana ini membolehkan penyerapan haba yang banyak
dengan kuantiti Brin yang sedikit, justeru paip-paip yang kecil boleh digunakan.
Kadar kakis bagi Brin:
Kadar kakis bagi Brin bergantung kepada kepekatannya. Jika kepekatan Brin bertambah, kadar
kakis adalah kurang dan apabila kepekatannya dikurangkan, kadar kakis adalah tinggi. Satu
cara untuk mengekalkan mutu Brin ialah dengan menutup seluruh saluran supaya udara dari
luar tidak dapat masuk ke dalam sistem. Kadar kakis dapat juga dikurangkan dengan
mencampurkan ubat khas kepada Brin. Ubat khas yang dicampurkan mestilah mengikut kadar
Brin yang digunakan. Misalnya, 100 liter Brin, kadar campurannya ialah dikloromik 100 gram
dan kaustik soda 40 gram.
PENGENALAN PPU ASAS / SISTEM PENYEJUKAN
(REFRIGERATION & AIR-CONDITIONING SYSTEM)
29 | P P U A s a s
PEMAMPAT (COMPRESSOR)
Pemampat adalah bahagian yang paling utama bagi sistem penyejukan. Ini adalah sama seperti
jantung pesawat sistem penyejukan. Peti sejuk moden dan penghawa dingin menggunakan motor
pemampat penyejuk berbentuk tertutup rapat sepenuhnya. Motor dan pesawat pemampat
dipasang menjadi satu unit dan diletakkan ke dalam kotak yang diperbuat daripada besi.
Bahagian gerakan pesawat pemampat direndam di dalam minyak bagi mendapatkan pelinciran
yang baik untuk diguna lama dan tidak perlu mambaiki atau menukarkan alat ganti. Sesetengah
pusingan pemampat yang menggunakan bentuk pesawat putar (rotary), adalah lebih senyap.
Hawa dingin buatan yang baru juga banyak yang menggunakan pemampat putar ini. Sesetengah
peti sejuk model lama menggunakan pemampat berbentuk terbuka, di mana motor dan pemampat
terbahagi kepada dua bahagian yang menggunakan tali sawat bagi menarik pemampat untuk
berpusing dan beroperasi.
Sistem penyejukan (refrigeration system) terbahagi kepada bentuk pesawat dan bukan bentuk
pesawat (mechanical and non-mechanical). Pasangan penyejukan berbentuk pesawat
menggunakan pemampat sebagai jantung. Bagaimanapun, kegunaan alat pemampat adalah
sama. Ia membolehkan sistem penyejukan memberikan tekanan berbeza supaya bahan pendingin
dapat mengalir dalam sistem dari satu bahagian ke satu bahagian yang lain. Tekanan adalah
berbeza dalam keletakan tekanan tinggi dan tekanan rendah yang membolehkan cecair bahan
pendingin dapat melintasi injap kawalan (control valve) mengalir masuk ke bahagian pembeku
sejuk, bahagian ini dipanggil pencairwap atau penyejat (evaporator). Tekanan wap gas bahan
pendingin dalam penyejat mestilah lebih tinggi daripada tekanan tabung simpanan penyejukan
bahagian penyedut gas, bagi wap gas punca tekanan rendah mengalir dari penyejat masuk ke
tabung simpanan.
Jenis-jenis pemampat:
Bentuk pemampat pasangan peti sejuk atau pasangan penyejuk bentuk kecil adalah terbahagi
kepada beberapa jenis:
Dari binaan dan kendalian:
a. Kebuk/Silinder Tunggal (single cylinder)
b. Kebuk/Silinder Berkembar (twin cylinder)
Dari cara tekanan:
a. Bentuk salingan (reciprocating)
b. Bentuk putar (rotary)
Dari bentuk pusingan:
a. Bentuk memutar terus (direct drive)
b. Bentuk memutar tali sawat (belt drive)
Dari pasangan sawat gerakan terbahagi kepada:
a. Bentuk putar talisawat terdiri (independent belt drive)
b. Bentuk putar terus setengah rapat (semi-hermetic direct drive); motor dan pemampat dipasang
didalam kotak berasingan (motor and compressor in separate housings)
PENGENALAN PPU ASAS / SISTEM PENYEJUKAN
(REFRIGERATION & AIR-CONDITIONING SYSTEM)
30 | P P U A s a s
c. Bentuk putar terus dan rapat penuh (hermetic direct drive); motor dan pemampat dipasang
dalam satu kotak yang sama (motor and compressor in same housing)
Pemampat penyejuk kegunaan keluarga moden menggunakan bentuk pasangan rapat salingan,
bentuk peti sejuk lama dan bentuk pasangan penyejuk kecil menggunakan bentuk terbuka (open
type), pasangan ini mengasingkan motor dan pemampat menggunakan tali sawat bagi
memusingkannya. Bentuk pemampat salingan terbahagi kepada:
a. Kebuk/Silinder Tunggal
b. Kebuk/Silinder Berkembar
Keletakan susunan dipasang melintang (horizontal) atau menegak (vertical). Omboh (piston) dan
aci engkol (crankshaft) digerak oleh lengan penyambung (rod tangkai / connecting rod), bahagian
lengan penyambung yang besar dipasang pada aci engkol dan sebelah lagi dipasang pada pin
omboh (piston pin) bagi menggerakkan putaran (rotating motion). Aci engkol memutarkan
gerakan salingan omboh (reciprocating motion).
Proses Operasi Kendalian Pemampat
Bahan pendingin dapat dimasukkan dan dikeluarkan dari pemampat kerana oleh injap sedutan
(suction valve) dan buang cas/discas (discharge valve) yang dipasang pada papan injap (valve
plate). Dua injap kawalan dipasang atas papan itu membinajadi bahagian bawah tudung kebuk.
Gerakan hentakan injap, membolehkan bahan pendingin melintasi injap buangcas/discas
mengeluarkannya, dan injap sedutan (suction valve) menyedut masuk. Kita omboh berada pada
perjalanan ke bawah, proses sedutan (suction process) berlaku, tekanan kebuk/silinder
berkurangan kerana tekanan gas dalam kebuk berada pada tahap terendah daripada tekanan
tabung penyedut. Gas yang disedut itu menolak injap sedut terbuka setelah mendapat tekanan,
kemudian tekanan dalam kebuk akan meningkat, memaksakan injap sedut tertutup. Oleh kerana
tekanan kebuk meningkat, ini membolehkan injap discas (discharge valve) terbuka, bagi bahan
pendingin masuk ke pemeluwap (condenser). Ini menjadikan bahan pendingin bertekanan tinggi.
Inilah perjalanan sedut dan discas gas yang mana gas bahan pendingin masuk ke dalam kebuk,
dan menekannya kemudian discas keluar dari kebuk. Dua injap, sedutan dan discas dikawal oleh
perubahan tekanan dalam kebuk itu.
PENGENALAN PPU ASAS / SISTEM PENYEJUKAN
(REFRIGERATION & AIR-CONDITIONING SYSTEM)
31 | P P U A s a s
PENGENALAN PPU ASAS / SISTEM PENYEJUKAN
(REFRIGERATION & AIR-CONDITIONING SYSTEM)
32 | P P U A s a s
PENGENALAN PPU ASAS / SISTEM PENYEJUKAN
(REFRIGERATION & AIR-CONDITIONING SYSTEM)
33 | P P U A s a s
Pembahagian Jenis-jenis Pemampat
Reciprocating Type
PENGENALAN PPU ASAS / SISTEM PENYEJUKAN
(REFRIGERATION & AIR-CONDITIONING SYSTEM)
34 | P P U A s a s
Open Type (Pemampat Terbuka)
Pemampat terbuka dikemaskan dengan bolt. Aci engkolnya terkeluar daripada blok atau kotak
engkol. Aci engkol digerakkan oleh takal dan tali sawat atau terus digerakkan oleh motor elektrik.
Pemampat terbuka memerlukan adang aci engkol supaya bahan pendingin tidak terkeluar dari
daripada pemampat. Gambarajah di bawah menunjukkan satu jenis pemampat salingan terbuka
yang digerakkan oleh takal dan tali sawat. Pemampat ini mempunyai satu silinder. Aci engkolnya
dari jenis sipi. Rod rangkai dicagak pada sipi dan disambung pada omboh. Aci engkol
dilengkapkan dengan penimbal dan diimbangi dengan betul untuk memastikan pergerakan
pemampat menjadi lancar dan tidak bergegar. Pemampat jenis terbuka ini digerakkan oleh motor
elektrik. Aci engkolnya yang terkeluar dari kotak engkol memerlukan adang aci engkol untuk
mengelakkan minyak dan bahan pendingin daripada terkeluar dari sistem, dan menghalang
udara dari masuk ke dalam sistem. Adang aci engkol menggunakan dua permukaan yang
bergesel. Satu permukaan berpusing dengan aci engkol dan di-adang pada aci engkol dengan
gelang-O yang diperbuat dari bahan sintetik, manakala permukaan yang satu lagi dilekapkan
pada kotak engkol bersama gasket tahan bocor. Lihat gambarajah di bawah, menunjukkan keratin
rentas aci engkol.
Asas Operasi Pemampat Salingan
PENGENALAN PPU ASAS / SISTEM PENYEJUKAN
(REFRIGERATION & AIR-CONDITIONING SYSTEM)
35 | P P U A s a s
PENGENALAN PPU ASAS / SISTEM PENYEJUKAN
(REFRIGERATION & AIR-CONDITIONING SYSTEM)
36 | P P U A s a s
Semi-Hermetic Type
Kebanyakan unit-unit Semi-Hermetic menggunakan ‘Vaulted Assembly’ dan dilengkapkan dengan
injap servis (service valve). Pemampat dan motornya ditempatkan dalam satu ‘housing’. Jadi,
‘Crank Shaft – Seal and Belting’ tidak perlu digunakan. Jika berlaku kerosakan, baikpulih pada
pemampat dan motornya, bahagian ini boleh diservis dan alat ganti dibahagian lain boleh ditukar.
PENGENALAN PPU ASAS / SISTEM PENYEJUKAN
(REFRIGERATION & AIR-CONDITIONING SYSTEM)
37 | P P U A s a s
PENGENALAN PPU ASAS / SISTEM PENYEJUKAN
(REFRIGERATION & AIR-CONDITIONING SYSTEM)
38 | P P U A s a s
Hermetic Type
PENGENALAN PPU ASAS / SISTEM PENYEJUKAN
(REFRIGERATION & AIR-CONDITIONING SYSTEM)
39 | P P U A s a s
Rotary Type (Pemampat Putar)
Pemampat putar terbahagi kepada dua jenis:
Jenis pertama - mempunyai dua atau lebih bilah yang berpusing bersama aci: bilah
putar.
Jenis kedua - mempunyai satu bilah yang menetap untuk adang saluran sedutan
daripada saluran nyahcas/discas : bilah pegun
pemampat putar digunakan pada peti sejuk domestic, sistem dinginbeku dan alat penyamanan
udara. Pemampat ini juga digunakan pada pemampat penggalak di dalam bahagian tekanan
rendah pada sistem-sistem mampatan berbilang peringkat yang besar.
Pemampat putar jenis bilah pegun:
Pemampat jenis ini mempunyai dua bahagian, iaitu bahagian bergerak dan bahagian tetap.
Bahagian bergerak mempunyai komponen gelang keluli, sesendal dan sawar gelongsor. Bahagian
tetap pula mempunyai motor dan silinder keluli.
Untuk mengetahui bagaimana pemampat jenis bilah pegun ini berfungsi, lihat gambarajah di
bawah. Pada kedudukan A, kita dapat lihat bilah gelongsor (pembahagi) sentiasa menekan pada
gelang keluli. Bahan pendingin akan masuk ke dalam ruang antara gelang dan dinding silinder.
PENGENALAN PPU ASAS / SISTEM PENYEJUKAN
(REFRIGERATION & AIR-CONDITIONING SYSTEM)
40 | P P U A s a s
Pada waktu yang sama, bahan pendingin di hadapan gelang dimampatkan kerana ruang di antara
silinder dan gelang kerapkali menjadi kecil. Apabila gelang berputar seperti dalam keadaan B,
lebih banyak wap bahan pendingin yang dimampatkan dan dinyahcaskan ke pemeluwap melalui
saluran nyahcas/discas. Wap bahan pendingin yang baru akan masuk melalui saluran sedutan.
Proses nyahcas dan sedutan ini sentiasa berulang selagi sistem masih hidup.
Pemampat putar jenis bilah putar
Pemampat jenis ini mempunyai beberapa bilah di dalam rotor. Bilah ini akan sentiasa ditekan ke
dinding silinder oleh tenaga empar semasa rotor berpusing. Gambarajah di bawah menunjukan
cara-cara pemampat ini bekerja.
PENGENALAN PPU ASAS / SISTEM PENYEJUKAN
(REFRIGERATION & AIR-CONDITIONING SYSTEM)
41 | P P U A s a s
Gerakerja pemampat putar jenis bilah putar
Wap bahan pendingin yang bertekanan rendah akan masuk melalui saluran sedutan A. pada
kedudukan B, proses sedutan masih berlaku. Apabila motor berpusing pada kedudukan C, proses
sedutan berakhir. Kedudukan D menunjukan proses nyahcas yang baru berlaku. Nyahcas berlaku
kerana ruang di antara silinder dan rotor kerapkali berkurangan. Isipadu yang berkurangan
membuatkan tekanan dan suhu menjadi tinggi. Semasa gas bahan pendingin dinyahcaskan, gas
ini akan melalui saluran nyahcas kerana tidak ada ruang lagi untuk bahan pendingin lalu di
hadapannya. Pada masa ini, kelegaannya ialah 0.025mm. Kelegaan yang terlalu kecil ini
bercampur dengan minyak pelincir bagi mengelakkan kebocoran daripada berlaku di antara
tekanan tinggi dan tekanan rendah.
PENGENALAN PPU ASAS / SISTEM PENYEJUKAN
(REFRIGERATION & AIR-CONDITIONING SYSTEM)
42 | P P U A s a s
PENGENALAN PPU ASAS / SISTEM PENYEJUKAN
(REFRIGERATION & AIR-CONDITIONING SYSTEM)
43 | P P U A s a s
PEMELUWAP (CONDENSER)
Fungsi pemeluwap (condenser) adalah untuk menyingkirkan haba dari sistem penyejukan. Telah
diketahui bahawa, penyejukan ialah proses pemindahan haba dari satu tempat ke satu tempat
yang lain. Jadi, melalui pemeluwap haba akan disingkirkan/dikeluarkan dengan cara diserap oleh
media (udara) yang dapat menyerapnya. Bahan pendingin yang berbentuk wap (vapor), mengalir
masuk masuk ke pemeluwap mengadungi haba yang diserap di penyejat (evaporator), haba
lampau (super heat) dan haba mampatan yang bertekanan dan bersuhu tinggi. Haba-haba ini
akan disingkirkan dan disejukkan ke takat didihnya. Ini bermakna, haba deria (sensible heat) dan
haba pendam (latent heat) dikurangkan, lalu bahan pendingin berubah bentuk dari wap ke cecair.
Teori Proses Penyingkiran Haba di Pemeluwap (Condenser)
Rajah di atas menunjukan garisan suhu (°C) ialah garisan menegak dan garisan melintang ialah
kandungan haba (Kcal/kg). Bahan pendingin berbentuk cecair di semua kawasan disebelah kiri A.
disebelah kanan B pula ialah dalam bentuk wap. Bahan pendingin dalam garisan A dan B adalah
berbentuk wap dan cecair atau lebih dikenali dengan kawasan campuran.
Bahan pendingin yang bersuhu dan bertekanan tinggi akan mula masuk ke pemeluwap di tempat
1. Proses pemindahan haba berlaku di mana suhu menjadi kurang daripada 40°C ke 30°C iaitu
dari proses 1 ke 2 dan haba yang dipindahkan ialah hamba lampau. 2 ialah takat tepu. Proses
pemidahan haba terus berlaku dari 2 ke 3 dan haba yang dipindahkan ialah haba pendam.
PENGENALAN PPU ASAS / SISTEM PENYEJUKAN
(REFRIGERATION & AIR-CONDITIONING SYSTEM)
44 | P P U A s a s
Bila haba pendam dipindahkan atau disingkirkan, bahan pendingin akan berubah bentuk dari
wap ke cecair. Haba deria tidak sedikit pun dipindahkan semasa proses 2 ke 3.
Seterusnya, proses ‘sub-cooling’ pula mengambil tempat iaitu 3 ke 4 di mana suhu dikurangkan
dari 40°C ke 30°C dan haba deria disingkirkan.
Di pemeluwap, proses pemindahan haba berlaku berperingkat-peringkat. Mula haba lampau
disingkirkan diikuti dengan haba pendam dan haba di pemeluwap. Bacaan kandunganhaba deria
dan haba pendam diambil lalu dibuat perbandingan.
Haba Lampau (Super Heat) 141 Kcal – 140 Kcal = 1
Haba Deria (Sensible Heat) 107 Kcal – 105Kcal = 2
_____________________________________________________________
Jumlah = 3 Kcal
Dikiraan ini menunjukkan haba yang paling banyak disingkirkan oleh pemeluwap ialah haba
pendam.
Keupayaan Pemeluwap:
Pemindahan atau penyingkiran haba di pemeluwap ialah cara pengaliran pada dinding tiub yang
digunakan. Keupayaan pemeluwap dan perbezaan suhu di antara ‘condensation’ bahan
pendingin dan media penyerap haba jika faktor ‘U’ adalah tetap. Jika faktor ‘U’ dan luas ‘m²’ pula
tetap, maka keupayaan pemeluwapbergantung pada perbezaan suhu ‘condensation’ bahan
pendingin dengan media penyerap haba.
Kesimpulannya, keupayaan pemeluwap boleh ditambah atau dikurangkan dengan meninggikan
atau merendahkan perbezaan suhu.
Media dan jenis-jenis pemeluwap:
Udara dan air digunakan sebagai media untuk menyerap haba dari bahan pendingin di
pemeluwap. Udara dan air digunakan adalah kerana murah dan mudah diperolehi.
Jenis-jenis pemeluwap:
a. Air-Cooled Condenser (Pemeluwap Sejuk Udara)
b. Water-Cooled Condenser (Pemeluwap Sejuk Air)
c. Evaporative Condenser (Pemeluwap Cair-Wapan)
Air-Cooled Condenser
Media penyerap haba adalah dari udara yang melalui pemeluwap. Terbahagi kepada dua:
i. Natural Convection (tidak menggunakan kipas)
ii. Forced Convection (menggunakan kipas)
Pemeluwap yang menggunakan kipas bergantung kepada luasnya kawasan sentuhan udara dan
tiub bagi proses pemindahan habanya, tetapi mestilah berhati-hati semasa membentuknya supaya
kos bahan yang digunakan tidaklah terlalu mahal. Kos bahan dan saiz pemeluwap mestilah
seimbang.
PENGENALAN PPU ASAS / SISTEM PENYEJUKAN
(REFRIGERATION & AIR-CONDITIONING SYSTEM)
45 | P P U A s a s
Air-Cooled Condenser boleh didapati dalam tiga bentuk:
* ketiga-tiga pemeluwap di atas digunakan pada sistem domestic.
1. Tiub kuprum atau besi keluli sering digunakan.
2. Kawasan sentuhan haba bagi proses pemindahan adalah pada tiub itu sahaja.
3. Kawasan sentuhan telah ditambah dengan adanya jarring-jaring (fins) yang diperbuat
daripada rod besi keluli.
4. Kawasan sentuhan adalah lebih luas setelah tiub dilengkapkan dengan plat.
Pemeluwap yang menggunakan kipas:
Keupayaannya boleh ditambah dengan menyembur udara ke permukaannya. Kipas digunakan
dan sirip (fins) dilekapkan pada gelung kuprum agar udara dapat diarahkan tepat ke permukaan
pemeluwap. Kipas jenis ‘propeller’ digunakan. Pilihan kipas bergantung kepada beberapa faktor
seperti rintangan udara, tahap bunyi, keluasan tempat dan sebagainya.
Halaju Udara (meter/minit) = Kandungan Udara (meter³/minit)
Luas Permukaan Pemeluwap (meter²
PENGENALAN PPU ASAS / SISTEM PENYEJUKAN
(REFRIGERATION & AIR-CONDITIONING SYSTEM)
46 | P P U A s a s
MEMBUKA DAN MEMASANG PEMELUWAP (DISMANTLE & ASSEMBLE CONDENSER)
Sebagai seorang mekanik penyaman udara, adalah penting untuk mengetahui kedudukan yang
sesuai ketika hendak memasang unit luar (outdoor unit). Ini kerana kedudukan unit luar pada
tempat yang salah boleh mempengaruhi kapasiti penyejukan penyaman udara yang telah
dipasang.
Lokasi pemasangan unit luar yang sesuai adalah:
1. Pembebasan haba dari unit luar mestilah tidak terhalang (heat radiation of condenser not
restricted/obstructed).
2. Dipasang pada tempat yang kukuh (firm foundation/solid wall).
3. Panjang tiub mestilah mengikut spesifikasi (within specified tubing length).
4. Hindarkan dari terkena percikan air (avoid water splashing).
5. Elakkan dari mudah disentuh/dicapai oleh kanak-kanak atau haiwan (avoid unit reached by
children or animal).
6. Mudah untuk melakukan pembaikan atau penyelenggaraan (easy for inspection and
maintenance).
Pemasangan unit luar yang salah:
Permasalahan yang sering dihadapi oleh mekanik atau juruteknik hawadingin ialah kedudukan
unit luar yang terbabit jka melebihi dari satu unit. Kedudukan penyusunan unit luar yang salah
seperti yang ditunjukkan pada gambarajah di atas, boleh menyebabkan unit tidak dapat berfungsi
dengan sempurna. Ini adalah kerana, pembebasan yang dikeluarkan oleh unit luar tidak dapat
bergerak dengan baik dan seimbang. Ini juga boleh menyebabkan kapasiti penyejukan menjadi
berkurangan dan boleh menyebabkan jangkahayat pemampat dan pemeluwap berkurangan
disebabkan berkerja atau beroperasi dalam beban yang tinggi.
Peredaran udara yang terhalang juga boleh menyebabkan kapasiti penyejukan pada sistem akan
berkurangan. Ini adalah kerana udara panas yang disingkirkan oleh pemeluwap tidak terlepas
keluar dan udara panas tersebut akan kembali semula ke pemeluwap dan suhu udara panas yang
disingkirkan akan bertambah dari masa ke semasa. Jangkahayat pemampat dan pemeluwap juga
akan menjadi pendek disebabkan oleh operasi dalam beban yang tinggi.
PENGENALAN PPU ASAS / SISTEM PENYEJUKAN
(REFRIGERATION & AIR-CONDITIONING SYSTEM)
47 | P P U A s a s
Contoh susunan unit luar yang betul adalah seperti di bawah:
PENGENALAN PPU ASAS / SISTEM PENYEJUKAN
(REFRIGERATION & AIR-CONDITIONING SYSTEM)
48 | P P U A s a s
PENYEJAT (EVAPORATOR)
Penyejat adalah salah satu komponen yang utama dalam sistem penyejukan dan penyamanan
udara.
Penyejat berfungsi sebagai penyerap haba. Cecair bahan pendingin di dalam penyejat akan
bertukar kepada gas setelah haba diserap. Dalam keadaan sejuk (tekanan dan suhu yang rendah),
penyejat akan menyerap haba yang panas disekelilingnya.
Banyak terdapat nama-nama lain bagi penyejat antaranya, gegelung penyejuk, gegelung penyejat,
unit penyejat, gelung pembeku, penyejuk cecair dan lain-lain.
PRINSIP OPERASI PENYEJAT:
Fungsi atau prinsip operasi penyejat ialah untuk menyerap haba di dalam ruang, kabinet, atau
tempat yang hendak disejukkan. Bahan pendingin dalam bentuk cecair yang mempunyai suhu
dan tekanan yang rendah akan berupaya untuk menarik dan menyerap haba ke lingkaran
penyejat. Selepas menyerap haba, cecair pendingin akan berubah bentuk kepada gas/wap bahan
pendingin dan seterusnya masuk ke dalam pemampat melalui saluran sedutan (suction) untuk
dimampatkan.
Jenis-jenis penyejat:
Penyejat terbahagi kepada dua kategori:
1. Penyejat jenis pengembangan kering (dry evaporator / direct expansion evaporator)
2. Penyejat jenis banjir / Kelompang dan tiub (flooded evaporator)
1. Penyejat jenis pengembangan kering:
Alat kawalan kemasukan bahan pendingin (peranti pemeteran) dalam penyejat jenis ini hanya
membenarkan cecair bahan pendingin yang perlukan sahaja untuk menyerap haba di dalam
lingkaran atau gegelung penyejat. Bahan pendingin ini akan masuk melalui satu hujung
penyejat dan dalam lingkaran yang sama. Kesemua bahan pendingin yang meninggalkan
lingkaran penyejat adalah dalam bentuk gas yang kering.
Kadar cecair bahan pendingin yang masuk ke penyejat bergantung kepada kadar pertambahan
atau pengurangan beban haba pada pemeluwap. Jumlah cecair bahan pendingin yang masuk
ke lingkaran penyejat menjadi kurang apabila beban haba sedikit dan akan bertambah jika
beban haba adalah tinggi. Walaubagaimanapun, keupayaan penyejat adalah tinggi apabila
beban haba yang diserap adalah banyak.
PENGENALAN PPU ASAS / SISTEM PENYEJUKAN
(REFRIGERATION & AIR-CONDITIONING SYSTEM)
49 | P P U A s a s
Penyejat (Evaporator) Jenis Pengembangan Kering
PENGENALAN PPU ASAS / SISTEM PENYEJUKAN
(REFRIGERATION & AIR-CONDITIONING SYSTEM)
50 | P P U A s a s
Sirip (fins) dibina adalah bertujuan meluaskan lagi permukaan penyerapan haba pada penyejat.
Lingkaran penyejat lalu menerusi celah-celah sirip tersebut. Rekabentuk jenis ini biasanya
digunakan untuk sistem penyamanan udara.
PENGENALAN PPU ASAS / SISTEM PENYEJUKAN
(REFRIGERATION & AIR-CONDITIONING SYSTEM)
51 | P P U A s a s
2. Kelompang dan tiub (Flooded Evaporator)
Penyejat jenis ini digunakan untuk sistem penyejukan yang besar yang dinamakn sistem air
kokol. Bahan pendingin akan masuk melalui tiub dan air pula masuk melalui kelompang. Air
yang masuk mempunyai suhu yang tinggi dan apabila keluar suhu air menjadi rendah kerana
bahan pendingin di dalam tiub menyerap haba daripada air di dalam kelompang.
PENGENALAN PPU ASAS / SISTEM PENYEJUKAN
(REFRIGERATION & AIR-CONDITIONING SYSTEM)
52 | P P U A s a s
3. Kelompang dan Gelung.
Penyejat jenis ini lebih kecil berbanding penyejat jenis kelompang dan tiub. Kelompangnya
adalah lebih kecil dan gelung penyejat berada di dalamnya. Penyejat ini digunakan dalam
sistem pendingin udara.
4. Tiub terdedah.
Lingkaran penyejat berbentuk – U dilingkarkan di dalam kabinet penyejukan tanpa pembalut.
Lingkaran ini dilekatkan ke dinding cabinet penyejukan. Jenis ini digunakan bagi peti sejuk di
kedai-kedai untuk membuat ketulan ais. Bahan pendingin menyerap haba secara terus
daripada bahan yang hendak disejukkan.
PENGENALAN PPU ASAS / SISTEM PENYEJUKAN
(REFRIGERATION & AIR-CONDITIONING SYSTEM)
53 | P P U A s a s
5. Plat.
Rekabentuk ini dibuat khas untuk peti sejuk rumah. Petak-petak yang banyak di atas
permukaan plat membolehkan cecair bahan pendingin beredar lebih banyak untuk menyerap
haba. Plat yang disalut dengan plastik keras adalah untuk menjamin keselamatan. Walaupun
begitu, ini tidaklah menjejaskan proses penyerapan haba.
PENGENALAN PPU ASAS / SISTEM PENYEJUKAN
(REFRIGERATION & AIR-CONDITIONING SYSTEM)
54 | P P U A s a s
Bahan-bahan binaan penyejat:
Komponen utama dalam penyejat daripada tiub kuprum, kelompang yang diperbuat dari plat
keluli yang tebal dan plat yang diperbuat dari kepingan aluminium.
PENGENALAN PPU ASAS / SISTEM PENYEJUKAN
(REFRIGERATION & AIR-CONDITIONING SYSTEM)
55 | P P U A s a s
PERANTI PEMETERAN (METERING DEVICES)
Type and application of metering devices:
Expansion valve atau metering device adalah salah satu komponen yang utama dalam sistem
penyejukan. Jika berlaku kerosakan ke atasnya, sistem penyejukan akan gagal menjalankan
tugasnya. Oleh itu, adalah mustahak megetahui segala aspek yang berkaitan dengannya agar
dapat menjalankan pemeriksaan dan pembaikan dengan sempurna.
Sungguhpun ‘metering device’ adalah satu komponen yang susah hendak difahami samada
binaannya, atau operasinya, akan tetapi asas fungsinya adalah mudah, iaitu ‘alat untuk
mengawal pengaliran cecair bahan penyejuk ke penyejat’. Metering device mungkin
dijalankan oleh kuasa yang berlainan sperti suhu (temperature), atau tekanan (pressure), akan
tetapi fungsinya adalah sama. Unit penyejukan yang mana operasinya secara automatik mestilah
mempunyai alat yang akan menurunkan tekanan tinggi cecair penyejuk (refrigerant) ke tekanan
rendah dengan jumlah yang betul untuk membolehkan unit penyejat (evaporator) menjalankan
operasinya ke peringkat yang maksima dengan tidak membebankan pemampat (compressor).
Peranti Pemeteran (Metering Device) atau Injap Pengembangan (Expansion Valve) dalam
mekanikal penyejukan mempunyai 7 jenis:
1. Hand Operated Expansion Valve.
2. Low Pressure Side Float Valve (LSF)
3. High Pressure Side Float Valve (HSF)
4. Automatic Expansion Valve (AEV / AXV)
5. Thermostatic Expansion Valve (TEV / TXV)
6. Capilliary Tube (Cap. Tube)
7. Thermoelectric Expansion Valve
Tiub Rerambut (Capilliary Tube).
Tiub rerambut atau capilliary tube adalah alat pengawal (metering device / peranti pemeteran)
bahan pendingin yang paling mudah samada dari segi binaanya atau cara operasinya dalam
sistem penyejukan. Penggunaannya terhad kepada unit komersial yang kecil dan juga unit
domestik. Capilliary tube mempunyai garis pusat dan lubang yang kecil yang mana cecair bahan
pendingin mengalir masuk ke penyejat (evaporator / cooling coil). Capilliary tube ini tidak
termasuk dalam kategori atau jenis injap (valve), kerana ianya tidak boleh dilaras (non-
adjustable). Saiz dan panjang ‘capilliary tube’ bergantung kepada kapasiti / keupayaan sistem
penyejuk. Sebagaimana sistem penyejuk yang lain, tiub ini juga dipasang diantara saluran cecair
dan penyejat. Capilliary tube ini akan mencatu jumlah cecair penyejuk yang akan masuk ke
penyejat secara berdikit-dikit, sementara itu tekanan tinggi akan terjadi dibahagian pemeluwap
(condenser) semasa sistem beroperasi.
Oleh kerana lubang tiub ini kecil dan telah ditetapkan panjangnya, maka kadar pengaliran bahan
pendingin menjadi tidak tetap. Dalam keadaan beban haba, tekanan sedutan (suction) dan
tekanan nyahcas/discas (discharge) yang tetap, maka keupayaan capilliary tube adalah
memuaskan. Apabila berlaku penukaran beban haba di penyejat, dan berlaku ketidakseimbangan
tekanan di bahagian tinggi (high side), ini akan menyebabkan berlakunya penambahan atau
PENGENALAN PPU ASAS / SISTEM PENYEJUKAN
(REFRIGERATION & AIR-CONDITIONING SYSTEM)
56 | P P U A s a s
pengurangan bahan pendingin ke penyejat. Apabila sistem berhenti, tekanan dibahgian rendah
(low side) dan tinggi (high side) pada sistem akan menjadi seimbang. Ini membolehkan pemampat
(compressor) motor memulakan perjalanan dengan kuasa yang rendah (low starting torque).
Oleh kerana lubang tiub rerambut ini adalah kecil, sistem hendaklah bebas dari kotoran dan
habuk. Itulah sebabnya penapis dipasang sebelum ‘capilliary tube’. Perjalanan bahan pendingin
yang terhalang disebabkan tersumbat akan mengakibatkan ‘frost’ pada ‘evaporator’ / penyejat,
sistem akan berjalan berlarutan atau ‘overload’ akan terputus, tekanan dibahagian tinggi akan
menjadi terlalu tinggi dan tekanan pada bahagian rendah akan menjadi terlalu rendah.
Isian bahan pendingin pada sistem yang menggunakan ‘capilliary tube’ adalah kritikal. Oleh
kerana ia tidak menggunakan ‘receiver’ / penerima, untuk menyimpan bahan pendingin yang
berlebihan. Isian yang berlebihan akan menyebabkan tekanan menjadi terlalu tinggi di bahagian
tinggi. Pemampat (compressor) terpaksa bekerja lebih dan boleh menyebabkan cecair bahan
pendingin masuk ke pemampat semasa sistem berhenti. Kekurangan bahan pendingin akan
menyebabkan gas bahan pendingin masuk ke evaporator/penyejat. Ini akan
mengurangkan/menghilangkan keupayaan penyejat/evaporator.
Untuk mendapatkan ukuran tiub rerambut/capilliary tube yang sesuai dengan penyejat adalah
susah, walaupun demikian di bawah disertakan dengan jadual ukuran ‘Capilliary Tube’ dan
penggunaanya:
Garis Pusat ‘Cap. Tube’
Garispusat Luar Garispusat Dalam
.083 .031
.094 .036
.109 .042
.114 .049
.120 .055
.130 .065
Penggunaan dan Saiz ‘Cap. Tube’
PENGENALAN PPU ASAS / SISTEM PENYEJUKAN
(REFRIGERATION & AIR-CONDITIONING SYSTEM)
57 | P P U A s a s
Suhu menunjukkan: ‘H’ untuk suhu tinggi, ‘M’ untuk suhu sederhana dan ‘L’ untuk suhu rendah.
SERVICING AND TROUBLESHOOTING FOR CAPILLIARY TUBE SYSTEM
Mencari dan menentukan kesalahan/kerosakan pada sistem yang menggunakan ‘capilliary tube’
serta cara mengatasinya.
1. Isian kurang, simptomnya/tandanya:
a. Unit berjalan tanpa henti – termostat tidak berfungsi.
b. Penyejat / evaporator kurang ‘frost’/beku.
c. Tolok / ‘gauge’ bahagian tinggi / ‘high side’ di bawah keadaan normal.
d. Tolok / ‘gauge’ bahagian rendah / ‘low side’ di bawah keadaan normal.
e. Suhu dalam kabinet panas.
Cara mengatasinya:
a. Periksa kebocoran pada sistem.
b. Tambah isian bahan pendingin.
2. Isian kurang, simptomnya/tandanya:
a. Unit berjalan tanpa henti – termostat tidak dapat dilaras ke ‘Low Temperature’.
b. Penyejukan / Refrigeration dalam kabinet kurang sejuk.
PENGENALAN PPU ASAS / SISTEM PENYEJUKAN
(REFRIGERATION & AIR-CONDITIONING SYSTEM)
58 | P P U A s a s
c. Tekanan tolok/gauge/meter berdekatan kadar normal.
d. Saluran sedutan / ‘suction’ beku/’frost’.
Cara mengatasinya:
a. ‘Purge’ / Bersihkan atau buang bahan penyejuk / ‘refrigerant’ sehingga suhu dalam kabinet
kembali normal. Suhu rendah.
3. ‘Capilliary Tube’ tidak cukup halangan – pendek, simptomnya/tandanya:
a. Unit sentiasa berjalan.
b. Tekanan rendah/tinggi berdekatan normal.
c. Bunyi bising disebabkan cecair bahan penyejuk masuk ke penyejat dari ‘cap. tube’.
d. Kejatuhan tekanan tinggi dengan serta-merta apabila unit berhenti.
Cara mengatasinya:
a. Tambahkan panjang ‘cap.tube’.
4. Cap. Tube terlalu banyak halangan – panjang, simptomnya:
a. Unit sentiasa berjalan.
b. Tekanan dibahagian tinggi / ‘high side’ – lebih dari normal.
Cara mengatasinya:
a. Pendekkan ukuran ‘cap. tube’ mengikut ukuran yang asal.
5. Cap. Tube tersumbat, tandanya:
a. Tekanan tinggi lebih dari normal.
b. ‘Evaporator’ – ‘frost’.
c. Unit sentiasa berjalan.
Cara mengatasinya:
a. Tukar cap. tube mengikut ukuran yang asal.
6. Sistem ‘cap. tube’ – angin dalam pemeluwap/condenser, tandanya:
a. Tekanan tinggi sebelah bahagian tinggi sistem – melebihi normal.
b. Penyejat ‘frost’ semasa sistem berjalan.
c. Unit sentiasa berjalan.
Cara mengatasinya:
a. ‘purge’ angin – periksa semula perjalanan sistem.
PENGENALAN PPU ASAS / SISTEM PENYEJUKAN
(REFRIGERATION & AIR-CONDITIONING SYSTEM)
59 | P P U A s a s
PENGENALAN PPU ASAS / SISTEM PENYEJUKAN
(REFRIGERATION & AIR-CONDITIONING SYSTEM)
60 | P P U A s a s
THERMOSTATIC EXPANSION VALVE
‘Thermostatic Expansion Valve’ adalah pengawal bahan pendingin yang paling meluas digunakan
di masa ini, kerana mempunyai keupayaan yang baik dan sedia dipasang pada apa saja
pepasangan penyejukan. Injap / ‘Valve’ ini juga kadangkala dipanggil ‘Super-Heat Valve’.
Binaannya berdasarkan pengawalan ketepatan darjah suhu ‘super heat’ di pintu keluar
‘evaporator’, yang mana akan mengawal ‘evaporator supaya sentiasa mendapat bekalan
‘refrigerant’ dalam semua keadaan beban haba, tanpa membahayakan kemasukan cecair
‘refrigerant’ ke saluran ‘suction’. Ia sesuai dipasang pada sistem yang bekerja pada beban haba
yang tidak tetap. Ia biasanya dipasang pada ‘evaporator’ jenis ‘dry’ atau ‘direct expansion’.
Binaan:
Mengandungi ‘needle’ dan ‘seat’ daripada bahan ‘alloy’ yang tahan lasak. ‘pressure bellow’ atau
‘diaphragm’ daripada bahan ‘phosphor bronze’ dipasang tetap atau menggunakan pembenang ke
‘valve body’. ‘Remote Bulb’, ‘Temperature Sensitive Element’ atau ‘Thermo Bulb’, yang mana
disambungkan pada ‘bellow’ atau ‘diaphragm housing’ dengan menggunakan ‘cap. tube’. ‘Thermo
Bulb’ dipasang dipintu keluar ‘evaporator’. Isian ‘thermo bulb’ biasanya sama dengan jenis
‘refrigerant’ yang digunakan dalam sistem.
Sejenis spring yang dipanggil Spring Penyelaras Super Heat (Super Heat Adjusting Spring).
Ketegangan atau kekuatannya boleh dilaraskan dengan menggunakan skru untuk darjah/degrees
atau darjah super-heat yang dikehendaki. Satu lubang laluan atau sambungan untuk membawa
tekanan dari ‘evaporator’ ke sebelah bawah ‘diaphragm’ atau ‘bellow’ dipanggil ‘equalizer’.
Terdapat dua jenis ‘equalizer’ iaitu ‘internal’ dan ‘external’.
Penapis digunakan untuk menapis kotoran daripada masuk ke injap/valve. Diperbuat daripada
bahan tembaga. ‘Valve Body’ diperbuat daripada bahan ‘drop forged brass’ dan kadangkala
daripada ‘stainless steel’.
Ciri-ciri operasinya adalah hasil dari tindakan tiga:
1. Tekanan ‘remote bulb’ dan ‘power assembly’ (P1)
2. Tekanan ‘evaporator’ (P2)
3. Tekanan ‘super-heat spring’ (P3)
Tekanan dalam ‘remote bulb’ dan ‘power assembly’ (P1) adalah tekanan tepu / ‘saturation’ yang
bersamaan dengan suhu bahan pendingin yang keluar dari ‘evaporator’. Tekanan (P1) ini akan
menolak ‘valve pin’ / jarum injap dan membuka ‘valve seat’. Tekanan yang berlawanan dari bawah
‘diaphragm’ untu menutup ‘valve seat’ adalah gabungan dua kuasa (P2) dan (P3) atau tekanan
‘evaporator’ dan tekanan ‘super-heat spring’. ‘Valve’ akan mendapat kawalan stabil apabila posisi
ketiga-tiga kuasa ini mencapai keseimbangan: { (P1) = (P2) + (P3) }
Apabila suhu ‘refrigerant’ gas di pintu keluar ‘evaporator’ bertambah lebih dari suhu ‘saturation’,
yang mana tekanan ‘evaporator’ tidak berubah, ia akan menjadi ‘super-heated’. Tekanan dalam
‘remote bulb’ dan ‘power assembly’ (P1) bertambah melebihi tekanan ‘evaporator’ dan ‘super-
heated spring’ { (P2) + ( P3) } ini akan mengaktifkan pin untuk membuka ‘valve seat’.
PENGENALAN PPU ASAS / SISTEM PENYEJUKAN
(REFRIGERATION & AIR-CONDITIONING SYSTEM)
61 | P P U A s a s
Apabila suhu gas di pintu keluar ‘evaporator’ berkurangan, tekanan ‘remote bulb’ dan juga ‘power
assembly’ akan berkurangan (P1). Tekanan ‘evaporator’ dan ‘super-heat spring’ { (P2) + ( P3) }
melebihi tekanan (P1), maka ‘valve pin’ akan menutup ‘valve seat’.
Penyelarasan / Adjustment of Super-Heat.
PENGENALAN PPU ASAS / SISTEM PENYEJUKAN
(REFRIGERATION & AIR-CONDITIONING SYSTEM)
62 | P P U A s a s
PENGENALAN PPU ASAS / SISTEM PENYEJUKAN
(REFRIGERATION & AIR-CONDITIONING SYSTEM)
63 | P P U A s a s
Thermostatic Expansion Valve Equalizer
‘Equalizer’ digunakan untuk mendapatkan persamaan tekanan di antara pintu masuk dan pintu
keluar di ‘evaporator’ di mana ‘remote bulb’ dipasang. Persamaan tekanan ini adalah untuk
mendapatkan penyelarasan ‘super-heat’ yang tepat. Biasanya terdapat kejatuhan tekanan dalam
‘evaporator’. Adalah disyorkan untuk menggunakan ‘equalizer’ di pintu masuk dan pintu keluar
‘evaporator’, 4 psi atau 110.4 kPa.
Terdapat dua jenis ‘equalizer’ iaitu ‘internal’ dan ‘external’ equalizer. Tekanan di pintu masuk
‘evaporator’ dialirkan ke bawah ‘diaphragm’ menerusi satu saluran kecil atau ruang di sekeliling
‘push rod’. Digunakan pada ‘evaporator’ yang kejatuhan tekanannya adalah rendah. ‘External
Equalizer’ dipasang dengan menggunakan saluran tiub ¼ in. OD. Satu hujung dipasang pada
pintu keluar ‘evaporator’ dan satu hujung lagi dipasang pada bawah ‘diaphragm’. Digunakan pada
‘evaporator’ yang kejatuhan tekanannya adalah tinggi.
Special Thermostatic Expansion Valve
Banyak rekabentuk ‘expansion valve’ jenis ini. Salah satu darinya adalah cantuman agihan tiub
atau ‘manifold’ pada pintu keluar ‘expansion valve’ sebelum ke ‘evaporator’. Rekabentuk sebegini
digunakan adalah untuk mengurangkan kejatuhan tekanan pada ‘evaporator’ yang besar-besar
dengan menyediakan beberapa saluran ‘evaporator’ yang selari. Ini sangat popular pada
pepasangan penyaman udara. Kerja-kerja yang cermat adalah diperlukan untuk mendapatkan
pembahagian jumlah bahan pendingin yang sama pada tiap-tiap tiub saluran ‘evaporator’.
PENGENALAN PPU ASAS / SISTEM PENYEJUKAN
(REFRIGERATION & AIR-CONDITIONING SYSTEM)
64 | P P U A s a s
PENGENALAN PPU ASAS / SISTEM PENYEJUKAN
(REFRIGERATION & AIR-CONDITIONING SYSTEM)
65 | P P U A s a s
PENGENALAN PPU ASAS / SISTEM PENYEJUKAN
(REFRIGERATION & AIR-CONDITIONING SYSTEM)
66 | P P U A s a s
Automatic Expansion Valve
‘Automatic Expansion Valve’ atau AXV adalah satu jenis alat pengawal bahan pendingin yang
operasinya bergantung pada tekanan ‘low side system’. Tujuannya adalah untuk memancutkan
cecair bahan pendingin dari saluran cecair dengan tekanan yang tetap ke bahagian tekanan
rendah sistem secara automatik.
Binaan:
‘Valve’ ini mengandungi jarum/needle/pin dan ‘seat’ yang diperbuat daripada bahan aloi/alloy yang
tahan rosak, seperti ‘stainless steel’. Penapis biasanya dipasang di saluran cecair bahan pendingin
masuk ke AXV. Ini bagi bertujuan menghalang kemasukan bahan-bahan yang tidak dikehendaki
yang mana boleh menyebabkan rintangan pada ‘valve’. Penapis ini diperbuat dari bahan
tembaga/copper berukuran 60 – 100 lubang seinci atau 25.4mm. ‘Diaphragm’ biasanya diperbuat
daripada bahan ‘phosfor bronze’ yang dipateri ke dalam ‘valve’ dan ianya adalah mudah
lentur/’flexible’.
Prinsip operasi:
AXV berfungsi menyelaras dengan tetap tekanan ‘evaporator’ samada menambah atau
mengurangkan bahan pendingin/’refrigerant’ ke ‘evaporator’ dengan kadar yang bersesuaian.
Digunakan pada ‘evaporator’ jenis ‘dry’ atau ‘direct expansion’.
Tekanan tetap ini berpunca dari dua kuasa yang berlawanan:
1. Tekanan di penyejat / ‘evaporator’ – (evaporator pressure)
2. Tekanan spring – (spring pressure)
Tekanan ‘evaporator’ bekerja dari satu bahagian ‘bellows’ atau ‘diaphragm’ yang bertindak untuk
menutup lubang ‘valve’ sementara tekanan spring pula bertindak dari satu bahagian lain untuk
membuka lubang ‘valve’. Apabila ketegangan spring (spring tension) dilaraskan untuk
mendapatkan tekanan di ‘evaporator’ yang diperlukan. ‘Valve’ akan bekerja secara automatik
mengimbangkan aliran cecair bahan pendingin ke ‘evaporator’ untuk tekanan yang dikehendaki.
Umpamanya, ketegangan spring dilaraskan untuk mendapatkan tekanan tetap di penyejat
sebanyak 69 Kpa. Dalam satu-satu keadaan, sekiranya tekanan di penyejat menurun lebih rendah
dari 69 Kpa, disebabkan kurangnya cecair bahan pendingin masuk ke ‘evaporator’, tekanan spring
akan melampui tekanan ‘evaporator’. Ini menambahkan keupayaan ‘evaporator’. Kadar
penyejatan (evaporation) bertambah dan tekanan ‘evaporator’ akan naik sehingga keseimbangan
terjadi dengan tekanan spring.
Andainya tekanan ‘evaporator’ naik melebihi 69 Kpa, tekanan ini dengan serta-merta mengatasi
tekanan spring dan menyebabkan jarum bergerak menutup lubang ‘seat’. Ini mengurangkan
aliran cecair bahan pendingin ke ‘evaporator’ menyebabkan keupayaan ‘evaporator’ dan kadar
‘evaporation’ berkurangan. Ini akan merendahkan tekanan di ‘evaporator’.
Apabila ‘compressor’ berhenti, jarum akan menutup lubang ‘seat’ sehingga ‘compressor’ berjalan
kembali. Ini terjadi kerana selepas pemampat / ‘compressor’ berhenti, ‘evaporation’ / penyejatan
masih lagi berlaku dalam penyejat. Oleh kerana ‘vapor’ tidak dialirkan ke ‘compressor’, tekanan di
‘evaporator’ meningkat melebihi tekanan spring. ‘Valve Seat’ akan tertutup rapat oleh daya
tekanan ‘evaporator’.
PENGENALAN PPU ASAS / SISTEM PENYEJUKAN
(REFRIGERATION & AIR-CONDITIONING SYSTEM)
67 | P P U A s a s
Automatic Expansion Valve
PENGENALAN PPU ASAS / SISTEM PENYEJUKAN
(REFRIGERATION & AIR-CONDITIONING SYSTEM)
68 | P P U A s a s
Hand Operated Expansion Valve
Injap / ‘valve’ ini adalah yang termudah kendaliannya berbanding injap-injap yang lain. Ianya
hanya dikawal dengan cara melaras menggunakan tangan untuk cecair penyejuk mengalir masuk
ke penyejat/pencairwap/’evaporator’. Contoh yang mudah dapat dilihat seperti memutar kepala
paip air. Prinsip inilah yang digunakan pada injap jenis ini.
Dengan memutar kepala injap ini, maka dapatlah bahan penyejuk mengalir masuk ke penyejat.
Bila cecair pendingin telah mencukupi, balas putaran injap tadi mengikut lawan putaran bagi
memberhentikan pengaliran bahan penyejuk. Kandungan bahan penyejuk yang mengalir masuk
ke penyejat bergantung kepada perbezaan tekanan pada ‘orifis’ dan darjah bukaan injap. Injap ini
biasanya digunakan pada sistem yang besar dimana bebannya adalah tetap. Seorang jurutera
yang berpengalaman sahaja yang dibenarkan mengendalikan injap tangan ini.
PENGENALAN PPU ASAS / SISTEM PENYEJUKAN
(REFRIGERATION & AIR-CONDITIONING SYSTEM)
69 | P P U A s a s
High Pressure Side Float Valve (HPSFV)
Sistem penyejukan cas terhad sahaja yang sesuai menggunakan alat penjangkaan jenis ini. Ia
dinamakan HPSFV kerana pelampong dan orifisnya terletak disebelah tekanan tinggi sistem
penyejukan. Pengawal utama injap ini bergantung pada secepat mana proses bahan penyejuk
bertukar bentuk daripada wap kepada cecair. Jadi beban sistem penyejuk tidak memainkan apa-
apa peranan pun dan ini adalah satu keburukan injap ini.
Kedudukan bola pelampong ini akan ditentukan oleh paras cecair penyejuk. Penutupan saluran
cecair (orifis) ke penyejat adalah bersambungan dengan bola pelampong. Cecair penyejuk akan
mengalir masuk ke dalam tangki injap tanpa disekat atau dikawal. Jika wap penyejuk cepat
bertukar kepada cecair, maka banyaklah cecair penyejuk mengalir masuk. Jika lambat bertukar
kepada cecair, maka kuranglah kemasukan cecair bahan penyejuk ke dalam tangki. Apabila
kandungan cecair banyak, maka parasnya akan menjadi tinggi ke atas dan orifis akan terbuka.
Lalu cecair penyejuk masuk ke gelung penyejat dan terus ke pemampat.
Di sini, dapat diperhatikan, pemampat tidak dilindungi dari dimasuki cecair penyejuk iaitu
semasa sistem penyejukan kurang beban. Cecair penyejuk tidak akan berubah kepada wap
kesemuanya bila beban kurang. Jadi kemungkinan besar cecair penyejuk akan masuk ke dalam
pemampat dan hancurlah pemampat jika cuba memampat cecair tersebut. Jadi injap ini hanya
sesuai bagi sistem penyejukan cas terhad sahaja. Jika berlaku cas yang berkurangan, maka
penyejat tidak akan jadi sejuk. Penelitian yang wajar mestilah dibuat jika hendak menggunakan
injap ini. Satu peringatan lagi ialah apabila injap ini digunakan pada sistem penyejukan
ammonia, maka akumulator sedutan mestilah dipasang sebelum pemampat.
PENGENALAN PPU ASAS / SISTEM PENYEJUKAN
(REFRIGERATION & AIR-CONDITIONING SYSTEM)
70 | P P U A s a s
PENGENALAN PPU ASAS / SISTEM PENYEJUKAN
(REFRIGERATION & AIR-CONDITIONING SYSTEM)
71 | P P U A s a s
Low Pressure Side Float (LPSF)
Low Pressure Side Float adalah sejenis pengawal ‘refrigerant’ yang mudah difahami. Jenis ini
pada masa dahulu sangat terkenal dan masih lagi digunakan pada sesetengah unit. ‘Low Pressure
Side Float’ ini digunakan pada ‘evaporator’ jenis ‘flooded’ dan dipasang menjadi satu bahagian
daripada ‘evaporator’.
LPSF ini sendiri berbentuk silinder kadangkala disebut ‘float chamber’ dimana di dalamnya
terdapat bahagian-bahagian yang mustahak seperti ‘float ball’. ‘Float Valve Lever’, ‘Float Valve
Needle’ dan ‘Oil Return Line’. Float Valve, Float Ball, Float Valve Lever, dan Float Valve Needle
dipasang ke Float Valve Body yang mana boleh bergerak turun dan naik mengikut keadaan paras
cecair bahan penyejuk di dalam ‘Float Chamber’. Needle akan membuka lubang needle seat.
Lubang needle seat bersambung dengan saluran cecair yang mana membawa cecair bahan
pendingin ke dalam chamber. Saluran suction dipasang masuk memanjang ke dalam float
chamber yang mana hujungnya menghala ke atas jika chamber itu menggunakan float chamber.
Hujung saluran itu menghala ke bawah jika sekiranya chamber itu menggunakan float pen. Ini
adalah untuk mengelakkan supaya tidak ada cecair bahan pendingin yang akan masuk ke
compressor.
Minyak biasanya akan balik ke compressor melalui lubang kecil yang terdapat di saluran
suction/sedutan dalam chamber dimana lubang itu terletak betul-betul di paras cecair yang paling
tinggi. Oleh kerana lubang ini adalah kecil, jika kedudukan unit yang tidak rata, ini akan
menyebabkan minyak tidak akan balik ke compressor dan menjadikan ‘oil binding’ atau cecair
bahan pendingin akan masuk semula ke compressor. Jika ini terjadi di ‘oil binding’, permukaan
cecair bahan pendingin dilitupi oleh minyak dan akan menggagalkan bahan pendingin daripada
bertukar bentuk kepada wap dengan secukupnya.
Prinsip operasi ‘metering device’ ini sangat mudah untuk difahami. Coil evaporator dipenuhi oleh
cecair bahan pendingin dan jumlahnya dikawal oleh float valve. Apabila haba diserap oleh bahan
pendingin di evaporator, cecair bahan pendingin itu akan mendidih dan sebahagian daripada
cecair bahan pendingin itu akan bertukar menjadi wap dan disedut ke compressor. Ini akan
menyebabkan paras cecair bahan pendingin dalam chamber menjadi rendah yang mana perkara
ini juga akan menjadikan float ball turun ke bawah. Apabila float ball turun ke bawah, needle
akan membuka lubang needle seat dan member jalan kepada cecair bahan pendingin dari saluran
cecair masuk ke float chamber menggantikan cecair yang telah ‘evaporated’ tadi. Float ball akan
naik dan float needle akan menutup lubang seat setelah cecair bahan pendingin dalam chamber
sampai ke paras maksima. Float control ini berfungsi untuk menyamakan paras cecair dalam
chamber atau di ‘low pressure side’.
Kerosakan float valve needle yang sentiasa terbuka atau membuka lubang seat dapat dikesan
dengan:
1. Bunyi bising yang bertalu-talu di ‘evaporator’ setelah ‘compressor’ berhenti.
2. Persamaan tekanan pada kedua-dua bahagian.
3. ‘Frost’ di saluran suction / sedutan.
Semua ‘float control’ mestilah dipasang rata untuk mendapatkan operasi yang memuaskan.
Bahagian-bahagian ‘float chamber’ boleh diasingkan untuk penyelenggaraan dan pembaikan.
PENGENALAN PPU ASAS / SISTEM PENYEJUKAN
(REFRIGERATION & AIR-CONDITIONING SYSTEM)
72 | P P U A s a s
Low side float refrigerant control. Note: suctin line and liquid line connection. Loat and needle
mechanism maintain constant level of liquid refrigerant in evaporator.
Low pressure side float refrigerant control. A bucket or pan type float is used in this refrigerant level
control. Suction line dips to the bottom of open float in order to remove which might
PENGENALAN PPU ASAS / SISTEM PENYEJUKAN
(REFRIGERATION & AIR-CONDITIONING SYSTEM)
73 | P P U A s a s
PENGENALAN PPU ASAS / SISTEM PENYEJUKAN
(REFRIGERATION & AIR-CONDITIONING SYSTEM)
74 | P P U A s a s
KEPELBAGAIAN KOMPONEN (VARIOUS COMPONENTS)
Memasang Pelbagai Komponen Penyejukan.
Sistem penyejukan dan penyamanan udara mempunyai berbagai komponen yang berbeza-beza
dari segi rekabentuk dan jenis bergantung kepada aplikasi sistem tersebut. Namun begitu,
terdapat komponen yang mempunyai rekabentuk dan jenis yang sama. Pemasangan komponen-
komponen ini adalah bergantung kepada tujuan:
a. Penggantian komponen yang rosak.
b. Pembaikan dan pemasangan semula.
c. Pemasangan baru.
Komponen-komponen yang terlibat di dalam pemasangan adalah seperti:
1. Filter dryer
2. Compressor
3. Metering device
4. Oil separator
5. Low pressure switch
6. High pressure switch
Pemasangan komponen-komponen ini memerlukan pemerhatian dan peraturan yang tertentu.
Sekiranya pemerhatian dan peraturan ini tidak diikuti dengan betul, sistem boleh terjejas. Sistem
ini juga berkemungkinan beroperasi di bawah kecekapan yang sebenarnya. Pada sistem lebih
besar, pemasangan yang tidak betul boleh mengakibatkan kerugian dan pembaziran.
Komponen dan peralatan lain yang terlibat dalam pemasangan komponen. Adakalanya sebelum
komponen ditukar ganti, bahan pendingin atau ‘refrigerant’ perlu diasingkan dari komponen yang
akan diganti atau dikeluarkan. Proses ini dipanggil ‘pump down’. Bagi melakukan kerja ‘pump
down’ ini, beberapa peralatan dan komponen lain adalah perlu diketahui fungsi dan
penggunaannya.
Service Valve - atau juga dipanggil ‘manual shut-off valve’, adalah amat meluas
digunakan terutama pada sistem yang berkapasiti besar.
Binaan dan rekabentuk ‘service valve’:
Service Valve terdapat dalam pelbagai saiz. Rekabentuk dan binaan boleh dilihat pada
gambarajah di bawah.
PENGENALAN PPU ASAS / SISTEM PENYEJUKAN
(REFRIGERATION & AIR-CONDITIONING SYSTEM)
75 | P P U A s a s
Service Valve ini biasanya di pasang pada:
~ saluran sedutan(suction) di ‘compressor’
~ saluran discas (discharge) di ‘compressor‘
~ saluran masuk di ‘liquid receiver’
~ saluran keluar di ‘liquid receiver’
PENGENALAN PPU ASAS / SISTEM PENYEJUKAN
(REFRIGERATION & AIR-CONDITIONING SYSTEM)
76 | P P U A s a s
Kedudukan Service Valve
Terdapat tiga kedudukan ‘service valve’ yang boleh dilaras semasa kerja-kerja ‘pump down’:
a. Front seated - kedudukan injap/valve stem berada sepenuhnya
di hadapan.
b. Intermediate seated - injap/valve stem berada di pertengahan.
c. Back seated - kedudukan injap/valve stem berada sepenuhnya
dibelakang.
Front seated - hanya saluran 1 dan saluran 3 sahaja terbuka dan ada
hubungan. Bahan pendingin dari saluran ‘suction’ atau
‘discharge’ tidak memasuki pemampat, saluran ditutup.
Intermediate seated - semua saluran ada hubungan. Saluran 1, 2, dan 3 ada
hubungan atau terbuka. Bacaan tekanan sistem boleh
diambil.
PENGENALAN PPU ASAS / SISTEM PENYEJUKAN
(REFRIGERATION & AIR-CONDITIONING SYSTEM)
77 | P P U A s a s
Back seated - saluran 2 dan saluran 3 ada hubungan (terbuka).
Saluran ‘discharge’ atau ‘suction’ dihubungkan ke
pemampat / ‘compressor’. Tiada bacaan tekanan boleh
diambil kerana saluran ke ‘gauge’ / tolok, tertutup.
Sistem ‘Pump Down’
Satu kaedah mengumpul semua ‘refrigerant’ di ‘condenser’ atau ‘receiver tank’ atau kedua-duanya
sekali. ‘Pump Down’ adalah satu kerja/cara yang penting di dalam kerja-kerja menukar komponen
kerana melibatkan penjimatan bahan pendingin/’refrigerant’ dengan jumlah yang banyak.
Tujuan ‘Pump Down’
Memudahkan kerja-kerja pembaikan, contohnya menukar TXV, membaiki pemampat, menukar
‘filter drier’ dan sebagainya tanpa membazirkan bahan pendingin/refrigerant.
PENGENALAN PPU ASAS / SISTEM PENYEJUKAN
(REFRIGERATION & AIR-CONDITIONING SYSTEM)
78 | P P U A s a s
Melakukan kerja-kerja ‘Pump Down’
Gerakerja ‘Pump Down’ boleh dijelaskan dalam amali/praktikal. Gambarajah di bawah
menunjukkan secara ringkas bagaimana “pump down’ dilakukan. Alat ‘manifold gauge’ dipasang
seperti dalam gambarajah. Kedudukan ‘service valve’ ketika ini berada pada kedudukan
‘intermediate’, kecuali di bahagian keluar ‘condenser’ yang mana berada pada kedudukan ‘back
seated’.
Setelah sistem dihidupkan sehingga stabil, ‘service valve’ pada bahagian keluar ‘condenser’ /
pemeluwap dilaraskan pada kedudukan ‘front seated’. Bacaan tekanan pada bahagian rendah /
‘low side’ akan menurun oleh kerana semua bahan pendingin dipindahkan ke ‘condenser’. Sistem
akan dimatikan apabila bacaan tekanan rendah mencapai 1 – 2 psig. Dengan pantas ‘service valve’
di saluran sedutan dilaras pada kedudukan ‘front seated’.
PENGENALAN PPU ASAS / SISTEM PENYEJUKAN
(REFRIGERATION & AIR-CONDITIONING SYSTEM)
79 | P P U A s a s
PEMASANGAN KOMPONEN-KOMPONEN SISTEM PENYEJUKAN (ASSEMBLE
COMPONENTS)
KITARAN ASAS PENYEJUKAN (BASIC COOLING CIRCULATION)
Kitaran asas penyejukan ialah satu kitaran yang menunjukkan bagaimana wap bahan pendingin /
‘refrigerant’ disedut oleh pemampat / ‘compressor’ dan dinyahcas / ‘discharge’ ke pemeluwap /
‘condenser’. Pemeluwap kemudiannya akan menyingkirkan haba yang diserap oleh penyejat /
‘evaporator’. Wap bahan pendingin akan kembali ke cecair setelah haba disingkirkan. Cecair
bahan pendingin kemudian akan masuk ke penyejat melalui peranti pemeteran / ‘metering device’.
Di penyejat / ‘evaporator’, haba akan diserap apabila cecair bahan pendingin bertukar ke wap
(proses penyejatan / ‘evaporation’).
Fungsi komponen-komponen utama dalam sistem penyejukan
Pemampat / ‘Compressor’ - juga disebut sebagai jantung atau nadi kepada sistem
penyejukan yang mengepam bahan pendingin ke
seluruh sistem. Pemampat menyedut wap / ‘vapor’
bahan pendingin dari saluran sedutan dan
memampatkannya ke saluran discas/nyahcas. Wap
bahan pendingin akan menjadi panas dan tekanan
menjadi tinggi kemudian masuk ke pemeluwap /
‘condenser’.
Pemeluwap / ‘Condenser’ - pemeluwap ialah satu komponen untuk menyingkirkan
haba yang diserap di penyejat / ‘evaporator’. Semasa
haba disingkirkan, wap bahan pendingin akan bertukar
menjadi cecair. Tekanan dan suhu cecair bahan
pendingin di pemeluwap / ‘condenser’ masih tinggi.
Cecair ini kemudian akan mengalir masuk ke tangki
penerima / ‘receiver tank’.
Tangki penerima / ‘Receiver tank’ - berfungsi sebagai alat untuk menerima cecair bahan
pendingin dari pemeluwap dan membekalkannya ke
saluran cecair. Di saluran cecair, bahan pendingin akan
melalui alat pengering, kelembapan yang ada di dalam
sistem akan diserap. Kemudian, cecair bahan pendingin
akan masuk ke peranti pemeteran / ‘metering device’.
Peranti pemeteran /
‘Metering device’ - peranti pemeteran adalah alat untuk mengawal suhu
dan tekanan cecair bahan pendingin. Alat ini juga
digunakan untuk mengawal kadar aliran masuk bahan
pendingin ke dalam penyejat / ‘evaporator’ supaya
sistem beroperasi dengan berkesan dan tidak
membebankan pemampat / ‘compressor.
PENGENALAN PPU ASAS / SISTEM PENYEJUKAN
(REFRIGERATION & AIR-CONDITIONING SYSTEM)
80 | P P U A s a s
Penyejat / ‘Evaporator’ - penyejat adalah komponen yang penting dalam sistem
penyejukan. Penyejat berfungi untuk menyerap haba
yang melalui gegelung. Cecair bahan pendingin yang
mengalir dalam penyejat akan menyerap haba yang
melaluinya, kemudian cecair bahan pendingin ini akan
bertukar ke bentuk wap panas (evaporation) untuk
dialirkan ke pemeluwap bagi disingkirkan habanya.
Bahan pendingin / ‘Refrigerant’ - ‘refrigerant’ adalah bahan yang digunakan sebagai
perantaraan untuk mengalirkan haba bagi disingkirkan
di pemeluwap. Bahan pendingin yang mengalir di dalam
penyejat akan menyerap haba. Semasa penyerapan
haba berlaku (‘evaporation’), cecair bahan pendingin
akan berubah menjadi wap dan mengalir ke saluran
sedutan / ‘suction’ dan masuk ke pemampat. Pemampat
akan memampat wap bahan pendingin dan proses
kitaran ini berulang selagi sistem berjalan atau
beroperasi.
PENGENALAN PPU ASAS / SISTEM PENYEJUKAN
(REFRIGERATION & AIR-CONDITIONING SYSTEM)
81 | P P U A s a s
Perbezaan Suhu dan Tekanan Dalam Sistem
PENGENALAN PPU ASAS / SISTEM PENYEJUKAN
(REFRIGERATION & AIR-CONDITIONING SYSTEM)
82 | P P U A s a s
Penyambungan Paip/Tiub Kuprum
1. Dengan menggunakan dua spanar / ‘spanner’ utama, ketatkan dua ‘flare nut’. Berhati-hati
supaya tidak merosakkan paip/tiub tembaga (copper tube) pada ‘indoor unit’.
2. Penjagaan ‘flare’.
Tiga perkara yang perlu dilakukan:
a. CLEAN - jangan ada kotoran di dalam paip/tiub.
b. TIGHT - tiada kebocoran.
c. DRY - tiada lembapan di dalam paip/tiub.
PENGENALAN PPU ASAS / SISTEM PENYEJUKAN
(REFRIGERATION & AIR-CONDITIONING SYSTEM)
83 | P P U A s a s
3. Dengan menggunakan minyak ‘refrigerant’, letakkan di luar dan di dalam
‘flare’/pengembangan. Kemudian dengan berhati-hati lakukan penyambungan ‘flare’ ke paksi
tengah dengan penyambung ‘union’. Seterusnya ketatkan ‘nut’ sebaiknya supaya tiada
kebocoran berlaku.
* jangan gunakan sebarang minyak selain minyak ‘refrigerant’.
4. Dengan menggunakan ‘Torque Wrench’ yang sesuai, ketatkan paip dengan baik dan selamat.
PENGENALAN PPU ASAS / SISTEM PENYEJUKAN
(REFRIGERATION & AIR-CONDITIONING SYSTEM)
84 | P P U A s a s
5. Gunakan ‘Adjustable Wrench’ atau spanar utama untuk melonggarkan ‘Flare Nut’ di bahagian
injap/valve penutup cecair dan penutup gas/wap/vapor.
6. Hubungkan paip besar (gas) dan paip kecil (cecair) supaya nampak kemas.
PENGENALAN PPU ASAS / SISTEM PENYEJUKAN
(REFRIGERATION & AIR-CONDITIONING SYSTEM)
85 | P P U A s a s
7. Sediakan kelurusan paip lebih kurang dalam ukuran 200mm supaya memudahkan untuk
penyambungan di paksi tengah.
8. Dengan menggunakan spanar utama yang sesuai dengan saiz paip atau ‘Adjustable Spanner’,
ketatkan dengan berhati-hati.
PENGENALAN PPU ASAS / SISTEM PENYEJUKAN
(REFRIGERATION & AIR-CONDITIONING SYSTEM)
86 | P P U A s a s
MENGECAS (RECHARGE) BAHAN PENDINGIN (REFRIGERANT), MENGUJI
KEBOCORAN (LEAK TEST) DAN MINYAK BAHAN PENDINGIN
Mengecas (recharge), adalah proses mengisi bahan pendingin ke dalam sistem melalui beberapa
kaedah. Mengecas ke dalam sistem penyejukan dan penyamanan udara dilakukan adalah kerana
unit tersebut baru dipasang, berlakunya kebocoran gas atau selepas menggantikan komponen-
komponen pada sistem tersebut.
Sebelum proses mengecas dapat dilakukan, terlebih dahulu sistem perlulah diuji kebocorannya
dan proses pengungsian.
Pengungsian dan mengecas semula
Pada kebiasaannya, sesuatu sistem penyejukan dan penyamanan udara telah dicas secukupnya
sebelum dikeluarkan dari kilang. Apabila berlakunya kekurangan bahan pendingin disebabkan
oleh kebocoran atau penggantian komponen-komponen yang rosak, dua perkara perkara perlu
dilakukan iaitu, pengungsian dan mengecas. Proses pengungsian dan mengecas hendaklah
dilakukan seperti di bawah:
1. Buang bahan pendingin yang ada di dalam sistem.
2. Perbaiki kebocoran atau gantikan komponen-komponen yang rosak.
3. Uji kebocoran.
4. Pengungsian sistem keseluruhannya.
5. Cas bahan pendingin melalui bahagian tekanan rendah / ‘low side’ atau ‘service valve’
tekanan rendah dengan secukupnya.
Menguji kebocoran pada sistem penyamanan udara dan penyejukan
Menguji kebocoran boleh dilakukan dengan tiga cara:
1. Dengan menggunakan larutan buih sabun.
2. Dengan menggunakan sumpitan api halide.
3. Dengan menggunakan pengesan elektronik.
Sebelum kebocoran dapat dikesan, pengujian tekanan dalam sistem perlulah dibuat terlebih
dahulu. Cara pengujian tekanan dalam sistem adalah seperti berikut:
1. Pasang tolok pancarongga / ‘manifold gauge’ pada sistem.
2. Pastikan hos tekanan rendah dipasang pada saluran sedutan / ‘suction.
3. Pastikan hos tekanan tinggi dipasang pada saluran nyahcas / ‘discharge.
4. Pastikan hos rawatan dipasang di tangki nitrogen atau karbon dioksida atau tangki bahan
pendigin.
5. Buka injap/valve di tangki dan injap tangan di tolok pancarongga / ‘manifold gauge’
tekanan rendah.
6. Masukkan gas nitrogen ke dalam sistem pada kadar tekanan di bawah 12 kg/cm².
7. Setelah gas dimasukkan ke dalam sistem, tutup injap di tolok pancarongga.
8. Setelah itu, proses mengesan kebocoran dapatlah dilakukan.
PENGENALAN PPU ASAS / SISTEM PENYEJUKAN
(REFRIGERATION & AIR-CONDITIONING SYSTEM)
87 | P P U A s a s
Kaedah menguji kebocoran dalam sistem
1. Mengesan kebocoran dengan menggunakan larutan buih sabun:
a. Lakukan pengujian tekanan terlebih dahulu.
b. Letakkan larutan buih sabun pada semua sambungan atau bahagian-bahagian yang
bengkok atau tempat-tempat yang disyaki bocor.
c. Perhatikan dengan betul dan teliti keadaan buih sabun tersebut.
d. Jika terdapat kebocoran, buih sabun itu akan membesar atau menggelembung.
Menguji tekanan dalam sistem
PENGENALAN PPU ASAS / SISTEM PENYEJUKAN
(REFRIGERATION & AIR-CONDITIONING SYSTEM)
88 | P P U A s a s
2. Mengesan kebocoran dengan menggunakan sumpitan api halide:
a. Lakukan pengujian tekanan terlebih dahulu.
b. Nyalakan sumpitan api halida dan halakan hos esak pada setiap sambungan, atau
bahagian-bahagian yang bengkok, atau tempat-tempat yang disyaki bocor.
c. Nyalaan api ini akan bertukar warna dari warna jernih ke warna kecil hijau muda jika
terdapat kebocoran kecil pada sistem tersebut. Jika terdapat kebocoran yang besar, warna
api akan bertukar ke warna ungu.
3. Mengesan kebocoran dengan menggunakan pengesan elektronik:
a. Lakukan pengujian tekanan terlebih dahulu.
b. Mengesan kebocoran dengan menggunakan alat ini boleh juga dilakukan ketika sistem
sedang beroperasi kerana alat ini amat sensitive terhadap bahan pendingin.
c. Alat ini akan mengeluarkan bunyi siren jika terdapat kebocoran pada sistem tersebut.
PENGENALAN PPU ASAS / SISTEM PENYEJUKAN
(REFRIGERATION & AIR-CONDITIONING SYSTEM)
89 | P P U A s a s
MENGHAMPAGAS / ‘VACUUM’ SISTEM
Apabila memperbaiki kebocoran atau menggantikan alat-alat yang rosak, perlulah
menghampagas (vacuum) sistem itu terlebih dahulu. Cara-cara menghampagas sistem dapat
dilihat seperti dalam gambarajah berikut:
1. Gunakan pam vakum yang baik. Tukarkan minyak pam minyak vakum selalu supaya pam
boleh bekerja dengan baik.
PENGENALAN PPU ASAS / SISTEM PENYEJUKAN
(REFRIGERATION & AIR-CONDITIONING SYSTEM)
90 | P P U A s a s
2. Pasangkan injap service pada tiub servis bahagian tekanan rendah di pemampat seperti yang
ditunjukkan dalam gambarajah.
3. Pasangkan hos vakum pada injap servis dan biarkan injap tertutup.
4. Jalankan pam vakum. Buka injap discas dan perlahan-lahan buka injap servis pada
pemampat.
5. Buka injap servis pada pam vakum perlahan-lahan untuk mengelakkan minyak dalam
pemampat disedut keluar.
6. Jalankan pam vakum kira-kira dalam 15 minit atau sehingga 500 mikron atau 76 cm merkuri,
pada tolok tekanan rendah. Setelah pam beroperasi kira-kira 30 minit, tutup injap pada pam
vakum. Lihat jarum di tolok vakum. Jika jarumnya naik, ini menunjukkan terdapat kebocoran
di dalam sistem.
7. Tutup injap servis di pemampat dan hentikan pam vakum.
8. Masukkan sedikit bahan pendingin, kira-kira pada bacaan 2 hingga 3 kg/cm² dan uji kebocoran
pada bahagian tekanan rendah. Selepas itu, jalankan sistem sebentar. Lakukan juga pada
bahagian tekanan tinggi.
9. Lakukan pelegaan (purge) bahan pendingin yang dicas tadi bagi membantu mengeluarkan
lembapan.
10. Jalankan pam vakum semula dan lakukan proses menghampagas seperti di atas selama 30
minit lagi, sehingga bacaan tolok vakum mencapai 500 mikron atau 76 merkuri.
MENGECAS SISTEM (SYSTEM CHARGING)
Mengecas sistem menggunakan wap bahan pendingin. Mengecas sistem menggunakan wap bahan
pendingin dijalankan melalui saluran sedutan / ‘suction’, iaitu dibahagian tekanan rendah. Wap
ini akan masuk ke dalam pemampat melalui saluran sedutan pemampat dan pemampat hanya
mampu memampatkan wap bahan pendingin sahaja. Jangan memasukkan cecair bahan
pendingin melalui saluran sedutan. Perkara ini boleh merosakkan pemampat.
Mengecas bahan pendingin boleh dilakukan melalui 3 cara:
1. Berpandukan kepada tekanan dengan menggunakan tolok pancarongga.
2. Berpandukan kepada bacaan suhu dengan meter suhu yang diletakkan di penyejat.
3. Berpandukan kepada bacaan arus dengan menggunakan amprobe / ‘clamp meter’.
1. Mengecas bahan pendingin berpandukan kepada tekanan:
a. Lakukan pengujian tekanan terlebih dahulu. Kesan kebocoran seperti yang diterangkan
sebelum ini.
b. Lakukan proses menghampagas pada sistem mengikut langkah-langkah yang telah
diterangkan. Setelah proses menghampagas selesai, tutup injap di tolok pancarongga
dengan rapi dan matikan bekalan pada pam vakum. Tanggalkan hos servis di pam vakum.
c. Sambungkan hos servis ke tangki bahan pendingin.
d. Buka injap di tangki servis bahan pendingin. Lakukan pelegaan di hos servis, iaitu dengan
membuangkan sedikit bahan pendingin dari hos tersebut bagi mengeluarkan lembapan di
dalamnya.
PENGENALAN PPU ASAS / SISTEM PENYEJUKAN
(REFRIGERATION & AIR-CONDITIONING SYSTEM)
91 | P P U A s a s
e. Buka sedikit injap di tolok pancarongga dan dengan perlahan-lahan biarkan wap bahan
pendingin masuk ke dalam sistem dengan kadar melebihi tekanan atmosfera bumi.
f. Tutup semula injap di tolok pancarongga.
g. Jalankan sistem tersebut.
h. Semasa sistem sedang beroperasi, masukkan sedikit demi sedikit wap bahan pendingin
dengan membuka injap di tolok pancarongga di bahagian tekanan rendah.
bahan pendingin Ft-12 – tekanan saluran sedutan = 0/7 kg/cm².
bahan pendingin R-22 – tekanan saluran sedutan = 4.2 kg/cm²
i. Jika tekanan saluran sedutan telah sampai ke takat tekanan yang dikehendaki, tutup
injap di tolok pancarongga dan injap di tangki bahan pendingin.
j. Tutup injap (jika injap servis pada kedudukan di belakang) jika ada. Jika sistem
menggunakan injap tangan, maka perlulah dikapit terlebih dahulu. Setelah selesai dikapit
/ ‘pinch’, tanggalkan hos tekanan rendah dan tanggalkan injap tangan.
k. Lakukan ‘brazing’ atau ‘soldering’ bagi memastikan bahan pendingin tidak keluar dari
sistem atau kebocoran.
PENGENALAN PPU ASAS / SISTEM PENYEJUKAN
(REFRIGERATION & AIR-CONDITIONING SYSTEM)
92 | P P U A s a s
2.
PENGENALAN PPU ASAS / SISTEM PENYEJUKAN
(REFRIGERATION & AIR-CONDITIONING SYSTEM)
93 | P P U A s a s
3.
PENGENALAN PPU ASAS / SISTEM PENYEJUKAN
(REFRIGERATION & AIR-CONDITIONING SYSTEM)
94 | P P U A s a s
PENGENALAN PPU ASAS / SISTEM PENYEJUKAN
(REFRIGERATION & AIR-CONDITIONING SYSTEM)
95 | P P U A s a s
4.
PENGENALAN PPU ASAS / SISTEM PENYEJUKAN
(REFRIGERATION & AIR-CONDITIONING SYSTEM)
96 | P P U A s a s
5.
PENGENALAN PPU ASAS / SISTEM PENYEJUKAN
(REFRIGERATION & AIR-CONDITIONING SYSTEM)
97 | P P U A s a s
PENGENALAN PPU ASAS / SISTEM PENYEJUKAN
(REFRIGERATION & AIR-CONDITIONING SYSTEM)
98 | P P U A s a s
PENGENALAN PPU ASAS / SISTEM PENYEJUKAN
(REFRIGERATION & AIR-CONDITIONING SYSTEM)
99 | P P U A s a s
PENGENALAN PPU ASAS / SISTEM PENYEJUKAN
(REFRIGERATION & AIR-CONDITIONING SYSTEM)
100 | P P U A s a s
PENGENALAN PPU ASAS / SISTEM PENYEJUKAN
(REFRIGERATION & AIR-CONDITIONING SYSTEM)
101 | P P U A s a s
PENGENALAN PPU ASAS / SISTEM PENYEJUKAN
(REFRIGERATION & AIR-CONDITIONING SYSTEM)
102 | P P U A s a s
PENGENALAN PPU ASAS / SISTEM PENYEJUKAN
(REFRIGERATION & AIR-CONDITIONING SYSTEM)
103 | P P U A s a s
PENGENALAN PPU ASAS / SISTEM PENYEJUKAN
(REFRIGERATION & AIR-CONDITIONING SYSTEM)
104 | P P U A s a s
PENGENALAN PPU ASAS / SISTEM PENYEJUKAN
(REFRIGERATION & AIR-CONDITIONING SYSTEM)
105 | P P U A s a s
PENGENALAN PPU ASAS / SISTEM PENYEJUKAN
(REFRIGERATION & AIR-CONDITIONING SYSTEM)
106 | P P U A s a s
PENGENALAN PPU ASAS / SISTEM PENYEJUKAN
(REFRIGERATION & AIR-CONDITIONING SYSTEM)
107 | P P U A s a s
PENGENALAN PPU ASAS / SISTEM PENYEJUKAN
(REFRIGERATION & AIR-CONDITIONING SYSTEM)
108 | P P U A s a s
PENGENALAN PPU ASAS / SISTEM PENYEJUKAN
(REFRIGERATION & AIR-CONDITIONING SYSTEM)
109 | P P U A s a s
PENGENALAN PPU ASAS / SISTEM PENYEJUKAN
(REFRIGERATION & AIR-CONDITIONING SYSTEM)
110 | P P U A s a s
PENGENALAN PPU ASAS / SISTEM PENYEJUKAN
(REFRIGERATION & AIR-CONDITIONING SYSTEM)
111 | P P U A s a s
PENGENALAN PPU ASAS / SISTEM PENYEJUKAN
(REFRIGERATION & AIR-CONDITIONING SYSTEM)
112 | P P U A s a s
PENGENALAN PPU ASAS / SISTEM PENYEJUKAN
(REFRIGERATION & AIR-CONDITIONING SYSTEM)
113 | P P U A s a s
PENGENALAN PPU ASAS / SISTEM PENYEJUKAN
(REFRIGERATION & AIR-CONDITIONING SYSTEM)
114 | P P U A s a s
PENGENALAN PPU ASAS / SISTEM PENYEJUKAN
(REFRIGERATION & AIR-CONDITIONING SYSTEM)
115 | P P U A s a s
PENGENALAN PPU ASAS / SISTEM PENYEJUKAN
(REFRIGERATION & AIR-CONDITIONING SYSTEM)
116 | P P U A s a s
PENGENALAN PPU ASAS / SISTEM PENYEJUKAN
(REFRIGERATION & AIR-CONDITIONING SYSTEM)
117 | P P U A s a s
PENGENALAN PPU ASAS / SISTEM PENYEJUKAN
(REFRIGERATION & AIR-CONDITIONING SYSTEM)
118 | P P U A s a s
PENGENALAN PPU ASAS / SISTEM PENYEJUKAN
(REFRIGERATION & AIR-CONDITIONING SYSTEM)
119 | P P U A s a s
Nota:
PENGENALAN PPU ASAS / SISTEM PENYEJUKAN
(REFRIGERATION & AIR-CONDITIONING SYSTEM)
120 | P P U A s a s
Nota:
PENGENALAN PPU ASAS / SISTEM PENYEJUKAN
(REFRIGERATION & AIR-CONDITIONING SYSTEM)
121 | P P U A s a s
Nota:
PENGENALAN PPU ASAS / SISTEM PENYEJUKAN
(REFRIGERATION & AIR-CONDITIONING SYSTEM)
122 | P P U A s a s

Pengenalan ppu asas

  • 1.
    PENGENALAN PPU ASAS/ SISTEM PENYEJUKAN (REFRIGERATION & AIR-CONDITIONING SYSTEM) 1 | P P U A s a s SISTEM PENYEJUKAN DAN PENYAMANAN UDARA (REFRIGERATION AND AIR-CONDITIONING SYSTEM) PREPARED BY : WAN SAHARUDIN WAN KADIR DESIGNATION : MAINTENANCE OFFICER DATE : 23rd SEPTEMBER 2015 REVISION NO. : 001/2015/THECHATEAU
  • 2.
    PENGENALAN PPU ASAS/ SISTEM PENYEJUKAN (REFRIGERATION & AIR-CONDITIONING SYSTEM) 2 | P P U A s a s 1. PENGENALAN PPU ASAS / SISTEM PENYEJUKAN 1.1 SEJARAH PENYEJUKAN (HISTORY OF REFRIGERATION) Sistem penyejukan dan penyamanan udara adalah satu sistem yang sangat penting kepada manusia masakini. Terdapat berbagai-bagai jenis dan model direka untuk memenuhi permintaan pengguna. Seawal kehidupan manusia, mereka mengenali bahawa bahan sejuk adalah suatu medium yang sesuai digunakan untuk memindahkan haba. Oleh itu, salji dan ais adalah diperlukan untuk tujuan pemindahan haba tersebut. Salji digunakan untuk menyimpan daging dan sebagainya supaya tahan lebih lama. Orang Cina mempelajari bagaimana ketulan ais batu iniboleh menyegarkan minuman. Mereka memotong beberapa ketulan ais di dalam tasik semasa musim sejuk dan dan disimpan untuk dijual dalam musim panas. Mengikut sejarah juga, orang Cina adalah manusia pertama yang memperkenalkan minuman yang dicampurkan dengan ais dan ia menjadikan minuman lebih sejuk dan lebih sedap untuk diminum. Orang-orang Greek dan Roman mempergunakan hamba abdi untuk membawa salji dari pergunungan dan disimpan di tempat yang dikhaskan berbentuk seperti kon untuk tujuan menyejukan makanan. Begitu juga di kalangan penduduk Mesir (Egypt), mendapati bahawa air yang disimpan di dalam tempayan yang diperbuat daripada tanah adalah lebih sejuk dari air yang disimpan di tempat lain. Tempayan yang berisi air tadi disimpan di atas bumbung di sebelah matahari jatuh. Apabila malam, suhu bertukar menjadi sejuk. Ini menyebabkan suasana sekeliling bertukar menjadi lembap. Kelembapan akan mempengaruhi suhu air dalam tempayan. Dalam masa yang sama proses pemeluwapan (evaporation) berlaku dan menyebabkan air berubah sifat menjadi sejuk.
  • 3.
    PENGENALAN PPU ASAS/ SISTEM PENYEJUKAN (REFRIGERATION & AIR-CONDITIONING SYSTEM) 3 | P P U A s a s 1.1.1 SEJARAH PEMBANGUNAN SISTEM PENYEJUKAN (HISTORY OF REFRIGERATION DEVELOPMENT) Sejarah pembangunan sistem penyejukan bermula sekitar tahun 1626 di mana Francis Bacon adalah manusia pertama yang memikirkan bahawa sistem penyejukan adalah sangat penting untuk menyimpan makanan. Beliau telah membuat satu penyelidikan dengan menyimpan daging ayam di dalam satu tempat khas yang diisi dengan salji. Beliau telah mendapati bahawa daging ayam yang disimpan di dalam tempat yang diisi dengan salji dapat mengawal pembiakan bakteria. Selepas penemuan pertama oleh Francis Bacon pada tahun 1626 dengan menggunakan salji, pada tahun 1834 terciptalah rekabentuk mesin penyejukan yang pertama. Rekabentuk sistem penyejukan ini telah ditemui selepas 208 tahun berlalu. 17 tahun kemudian, dalam tahun 1851, Dr. John Gorerie of Apalochicola dari Florida telah dianugerahkan sebagai pereka perubahan dalam dalam pembuatan ais. Unit buatan beliau telah digunakan di Amerika Syarikat, United State Marine Hospital untuk tujuan perubatan. Pada tahun 1910, Sear Reback & Company telah Berjaya mencipta ‘Domestic Refrigerator’ yang pertama. Domestic Refrigerator ini mampu menghasilkan 25 pound (11-34kg) ais, tetapi mesin ini hanya boleh digunakan dalam masa yang singkat sahaja. J.L. Larsen telah megeluarkan peti sejuk yang pertama pada tahun 1913 yang dijalankan secara manual. Namun begitu, penggunaanya tidak begitu meluas. Pada tahun 1918, sebuah syarikat yang terkenal, Kalvinator Company telah berjaya mengeluarkan peti sejuk yang pertama yang bekerja secara automatik. Ini membuka lembaran baru dalam menghasilkan produk peti sejuk. Bermula dari penemuan yang pertama inilah, sehingga tahun 1920 sebanyak 200 buah peti sejuk telah berjaya dijual oleh syarikat tersebut. Pada tahun 1926, peti sejuk yang pertama menggunakan ‘Seal Hermetic Compressor’ telah dikeluarkan. Peti sejuk ini dikeluarkan oleh Syarikat General Electric (GE). Tidak lama kemudian Syarikat Electrolux pula memperkenalkan ‘Automatic Absorption Unit’. Dalam jangkamasa yang agak lama iaitu lebih kurang 300 tahun, barulah wujud sebuah unit penyejukan yang mana sampai ke hari ini digunakan secara meluas. Suatu ketika dulu, sistem penyejukan hanya digunakan oleh golongan atasan sahaja, tapi pada masakini ia merupakan keperluan asas untuk semua golongan. 1.2 PENGENALAN KEPADA SISTEM PENYEJUKAN Sistem penyejukan didefinisikan sebagai proses pemindahan haba dari satu tempat yang tidak diperlukan ke satu tempat yang memerlukan. Haba yang tidak diperlukan pada suatu tempat, ruang ataupun bahan perlulah dipindahkan untuk menjadikan sesuatu tempat, ruang ataupun bahan menjadi sejuk dan nyaman. Proses ini dipanggil ‘refrigeration cordinarily’ (hukum penyejukan), di mana haba akan dipindahkan dari tempat yang panas ke tempat yang sejuk. Penyejukan (Refrigeration) ditakrifkan sebagai satu proses menjadikan sesuatu itu sejuk. Manakala sejuk pula boleh ditakrifkan sebagai suatu keadaan tanpa haba. Oleh sebab itu,
  • 4.
    PENGENALAN PPU ASAS/ SISTEM PENYEJUKAN (REFRIGERATION & AIR-CONDITIONING SYSTEM) 4 | P P U A s a s penyejukan ialah proses pemindahan atau pembuangan haba dari satu bahan samada pepejal, cecair mahupun gas. 1.2.1 APA ITU HABA? Haba ialah suatu bentuk tenaga yang tidak boleh dimusnahkan atau dicipta, tetapi boleh dipindahkan dari satu tempat ke satu tempat yang lain. Haba berpindah dari suhu yang tinggi ke suhu yang rendah. Haba dapat dipindahkan melalui 3 cara iaitu, pengaliran, perolakan dan sinaran. 1.2.2 HABA Haba ialah sejenis tenaga yang tidak dapat dibentuk/dicipta atau dimusnahkan. Haba dapat diperolehi dengan menukarkan satu tenaga kepada satu tenaga yang lain. Haba boleh dibahagikan kepada beberapa kelas iaitu, haba elektrik, haba mekanikal, haba nuclear, haba suria dan haba kimia. Contoh: a. Tenaga elektrik ditukarkan kepada tenaga mekanikal atau tenaga sawat bagi menggerakkan pemampat. b. Tenaga suria boleh menjalankan sistem penyaman suria. c. Tenaga mekanikal boleh menjalankan sistem penyamanan udara kenderaan. Haba berpindah dari satu tempat ke satu tempat yang lain atau dari satu bahan ke satu bahan yang lain melalui berbagai cara. Proses pemindahan berlaku dari suhu yang tinggi ke suhu yang rendah dan berhenti apabila suhu kedua-duanya menjadi seimbang. Cara pemindahan haba terbahagi kepada 3: a. Pengaliran. b. Olakan. c. Sinaran.
  • 5.
    PENGENALAN PPU ASAS/ SISTEM PENYEJUKAN (REFRIGERATION & AIR-CONDITIONING SYSTEM) 5 | P P U A s a s 1.2.2.a Pengaliran Haba berpindah dari satu benda atau bahan yang sama atau dua benda yang bersentuhan, contohnya; plat keluli lembut yang dipanaskan dengan menggunakan api kimpalan gas. Pada peringkat awalnya, hanya tempat yang terkena api sahaja yang akan panas, tetapi lama- kelamaan seluruh plat keluli tersebut akan menjadi panas. 1.2.2.b Perolakan Olakan adalah pergerakan molekul-molekul haba apabila menyerap haba. Molekul-molekul yang dipanaskan akan mengembang dan lebih ringan daripada molekul sejuk. Apabila berkeadaan ringan, molekul itu akan naik dan apabila berat, molekul-molekul itu akan turun ke bawah. Olakan berlaku apabila cecair atau gas dipanaskan atau disejukan.
  • 6.
    PENGENALAN PPU ASAS/ SISTEM PENYEJUKAN (REFRIGERATION & AIR-CONDITIONING SYSTEM) 6 | P P U A s a s 1.2.2.c Sinaran Sinaran adalah proses pemindahan haba secara terus tanpa melalui perantaraan dari bahan bersuhu tinggi kepada bahan bersuhu rendah melalui ruang udara yang kosong. Contohnya: sinaran cahaya matahari yang memancar ke bumi. Bahan-bahan yang terdedah kepada cahaya sinaran matahri akan menjadi panas. Adakalanya bahan yang terkena cahaya matahari boleh terbakar jika pada suhu yang tinggi atau difokuskan. 1.2.3 Unit-unit Ukuran Haba a. Unit Imperial, yang menggunakan sukatan unit haba British (British Thermal Unit/BTU). b. Unit Metrik, yang menggunakan sukatan unit dalam kalori dan joule. 1.2.3.1 Unit Haba British (British Thermal Unit/BTU) Unit ini lebih dikenali dengan ‘BTU’. Berat dikira dalam sebutan ‘Pound’ dan suhu disukat dalam darjah Fahrenheit. BTU bermakna jumlah kandungan haba yang diperlukan bagi menaikan 1LB(Pound) air pada 1°F. 1.2.3.2 Unit Metrik Unit Metrik terdiri daripada dua ukuran iaitu, Unit Kalori dan Unit Joule. Dalam unit kalori, berat dikira dalam gram atau kilogram manakala suhu pula disukat dalam darjah Centigrade. Gram kalori bermaksud 1 gram air memerlukan kandungan haba 1 gram kalori untuk menaikan suhu sebanyak 1°C. Berat unit joule dikira dalam gram atau kilogram. Suhu pula disukat dalam darjah centigrade. Kilojoule bermaksud 1 kilogram air memerlukan haba 4.187KJ untuk menaikan suhu sebanyak 1°C. PERSAMAAN: 746 watt = 1 kuasa kuda (Horse Power/HP) 1 kilokalori = 0.746 kilowatt (KW) 1 kilowatt = 1.34 kuasa kuda (Horse Power/HP) Pertukaran BTU, Kalori dan Joule: 1 Btu = 252 kalori 1 Btu = 0.252 kilokalori
  • 7.
    PENGENALAN PPU ASAS/ SISTEM PENYEJUKAN (REFRIGERATION & AIR-CONDITIONING SYSTEM) 7 | P P U A s a s 2. JENIS-JENIS SISTEM PENYAMANAN UDARA (TYPES OF AIR-CONDITIONING SYSTEM) Terdapat berbagai-bagai jenis sistem penyamanan udara yang digunakan di negara kita, samada jenis domestik atau komersial. Bab ini menerangkan sistem penyamanan udara domestik dan komersial yang merupakan asas dalam teknologi sistem penyamanan udara. Sistem penyaman udara terbahagi kepada 4 bahagian: a. Sistem penyaman udara tingkap (window type) b. Sistem penyaman udara terpisah (split-unit type) c. Sistem penyaman udara terpisah berbilang (multi split-unit) d. Sistem penyaman udara bungkus (package type) e. Sistem penyaman udara unit komersial (chiller system) A. Sistem Penyaman Udara Tingkap (Window Type) Unit tingkap atau bilik direkabentuk untuk penyaman udara bagi sesebuah bilik. Keupayaan sesuatu unit bergantung kepada luas bilik. Bilik yang luas memerlukan unit yang berkeupayaan tinggi berbanding bilik yang kecil. Walaubagaimana pun, jika sesebuah unit yang berkeupayaan tinggilebih dari sebuah bilik, penyusunan bilik hendaklah ditetapkan supaya dapat mewujudkan pengaliran udara yang baik. Untuk mendapatkan keselesaan dan memudahkan pengawalan suhu, adlah dicadangkan sebuah bilik menggunakan sebuah unit tingkap yang bersesuaian dengan keupayaannya. Kebaikan sistem penyaman udara unit tingkap: i. Sebuah bilik menggunakan sebuah unit penyaman udara yang mengawal suhu secara berasingan. ii. Salur udara tidak diperlukan, ini dapat menjimatkan kos pemasangan dan penyelenggaraan. iii. Kerja-kerja perpaipan air tidak diperlukan. iv. Pemasangan adalah mudah.
  • 8.
    PENGENALAN PPU ASAS/ SISTEM PENYEJUKAN (REFRIGERATION & AIR-CONDITIONING SYSTEM) 8 | P P U A s a s Keburukan sistem penyaman udara jenis tingkap: i. Memerlukan ruang tertentu pada sesebuah tingkap. ii. Kuantiti udara biasanya ditentukan oleh pengeluar. iii. Jika dipasang di dinding, perlu dipecahkan dinding itu mengikut saiz unit yang hendak dipasang. iv. Sukar untuk dikendalikan berseorangan jika berlaku kerosakan atau untuk penyelengaraan.
  • 9.
    PENGENALAN PPU ASAS/ SISTEM PENYEJUKAN (REFRIGERATION & AIR-CONDITIONING SYSTEM) 9 | P P U A s a s Bagaimanapun, jenis tingkap ini popular digunakan di rumah-rumah, dan di pejabat-pejabat yang mempunyai ruang yang kecil. B. Sistem Penyaman Udara Unit Terpisah (Split-Unit Type) Unit terpisah (Split Unit Type) adalah sistem penyaman udara yang berasingan penyejat (evaporator) dan pemeluwap (condenser). Unit terbahagi kepada dua bahagian iaitu unit dalam dan unit luar. Unit dalam terdiri daripada penyejat dan kipas penyejat. Manakala unit luar pula terdiri daripada pemeluwap, perpaipan, kipas pemeluwap, serta alat tambah yang lain yang dipasangkan setempat. Kedua- dua unit dalam dan luar dipasang berasingan. Unit dalam dipasang di dalam bilik yang hendak dinyamankan manakala unit luar dipasang di luar bilik. Terdapat tiga jenis rekabentuk unit terpisah: i. Lekapan dinding (wall mounted) ii. Lekapan lantai (floor exposed) iii. Gantungan ceiling (ceiling type)
  • 10.
    PENGENALAN PPU ASAS/ SISTEM PENYEJUKAN (REFRIGERATION & AIR-CONDITIONING SYSTEM) 10 | P P U A s a s Ketiga-tiga rekabentuk unit terpisah ini semakin popular digunakan kini kerana: i. Pemasangan lebih mudah dan cepat.
  • 11.
    PENGENALAN PPU ASAS/ SISTEM PENYEJUKAN (REFRIGERATION & AIR-CONDITIONING SYSTEM) 11 | P P U A s a s ii. Tidak perlu menebuk dinding atau tingkap untuk pemasangan, hanya sekadar menebuk lubang bergaris pusat 5cm hingga 6cm. iii. Unit dalam tidak mengeluarkan bunyi bising semasa beroperasi. Kedudukan kedua-dua unit dalam dan unit luar boleh diubah-ubah mengikut kehendak pengguna. iv. Kadar penyejukan dan penyerapan haba yang lebih tinggi dari jenis tingkap (window type). Sungguhpun harga sistem penyaman udara unit terpisah adalah lebih tinggi dari jenis tingkap, sistem ini lebih digemari oleh para pengguna yang mementingkan konsep keselesaan, sunyi dan daya penyerapan haba yang baik. Perpaipan unit dalam dan unit luar: Untuk melengkapkan perpaipan unit dalam dan unit luar dihubungkan melalui paip cecair dan dan paip gas kedua-dua unit. Untuk menyambungkannya, lubang bergaris pusat 5cm hingga 6cm diperlukan. Pada amnya, unit luar sudah dicaskan dengan bahan penyejuk (refrigerant) yang cukup untuk kitarannya (circulation). Oleh itu, sistem ini tidak perlu dicas lagi semasa kerja-kerja pemasangan dibuat kecuali melakukan sedikit pembersihan (purging) kepada unit dalam untuk menyambungkannya dengan unit luar. Berbanding dengan jenis tingkap, pemasangan unit terpisah memerlukan masa yang agak panjang untuk menebuk dinding. Gambarajah komponen unit luar
  • 12.
    PENGENALAN PPU ASAS/ SISTEM PENYEJUKAN (REFRIGERATION & AIR-CONDITIONING SYSTEM) 12 | P P U A s a s Gambarajah komponen unit dalam C. Sistem Penyaman Udara Unit Terpisah Berbilang (Multi Split Unit Type) Penyaman udara unit terpisah berbilang mempunyai satu unit luar dan beberapa unit dalam. Biasanya unit dalam yang digunakan adalah dalam dua unit dan tidak melebihi tiga unit. Unit dalam yang digunakan boleh didapati dari ketiga-tiga rekabentuk jenis unit terpisah mengikut citarasa/pilihan pengguna. Unit terpisah berbilang ini digunakan pada kediaman dan pejabat yang mempunyai banyak bilik. Unit terpisah berbilang mempunyai beberapa kebaikan walaupun harganya tinggi. Di samping itu, ia lebih menguntungkan untuk jangkamasa panjang. Kebaikan unit terpisah berbilang: i. Satu pemampat boleh digunakan untuk 2 atau 3 penyejat.
  • 13.
    PENGENALAN PPU ASAS/ SISTEM PENYEJUKAN (REFRIGERATION & AIR-CONDITIONING SYSTEM) 13 | P P U A s a s ii. Pemasangan lebih mudah jika dibandingkan dengan jenis unit tingkap. iii. Kos penggunaan tenaga elektrik lebih rendah. iv. Alatambah seperti sub-akumulator, injap solenoid, pengatur tekanan rendah, pemindah haba dan penerima digunakan bagi menambahkan keupayaan unit luar. Gambarajah komponen pemasangan unit terpisah berbilang
  • 14.
    PENGENALAN PPU ASAS/ SISTEM PENYEJUKAN (REFRIGERATION & AIR-CONDITIONING SYSTEM) 14 | P P U A s a s KOMPONEN ASAS SISTEM PENYAMAN UDARA (AIR-CONDITIONING SYSTEM BASIC COMPONENTS) 1. PENYEJAT (EVAPORATOR) 2. CONDENSER (PEMELUWAP) 3. COMPRESSOR (PEMAMPAT) 4. TIUB RERAMBUT (CAPILLIARY TUBE)
  • 15.
    PENGENALAN PPU ASAS/ SISTEM PENYEJUKAN (REFRIGERATION & AIR-CONDITIONING SYSTEM) 15 | P P U A s a s
  • 16.
    PENGENALAN PPU ASAS/ SISTEM PENYEJUKAN (REFRIGERATION & AIR-CONDITIONING SYSTEM) 16 | P P U A s a s
  • 17.
    PENGENALAN PPU ASAS/ SISTEM PENYEJUKAN (REFRIGERATION & AIR-CONDITIONING SYSTEM) 17 | P P U A s a s
  • 18.
    PENGENALAN PPU ASAS/ SISTEM PENYEJUKAN (REFRIGERATION & AIR-CONDITIONING SYSTEM) 18 | P P U A s a s
  • 19.
    PENGENALAN PPU ASAS/ SISTEM PENYEJUKAN (REFRIGERATION & AIR-CONDITIONING SYSTEM) 19 | P P U A s a s BAHAN PENDINGIN/PENYEJUK (REFRIGERANT) Bab ini adalah untuk menerangkan berkenaan bahan pendingin/penyejuk (refrigerant), sifat-sifat serta langkah-langkah keselamatan mengendalikannya. Haba disingkirkan dari sistem penyejukan oleh bahan pendingin. Setiap cecair yang mempunyai takat didih hampir dengan takat beku air boleh dijadikan bahan pendingin. Walau bagaimana pun, bahan pendingin yang baik tidak semestinya mempunyai suhu takat didih yang rendah. Bahan pendingin yang baik mestilah mempunyai ciri-ciri seperti tidak beracun, tidak mudah terbakar atau meletup dan tidak kakis komponen. Selain itu, faktor lain seperti kesan-kesan bahan pendingin pada haba dan suhu, isipadu dan ketumpatan, tekanan, sifat-sifat kimia dan fizikal bahan pendingin mestilah diambilkira juga. Sifat-sifat bahan pendigin yang baik: Fungsi bahan pendingin ialah untuk menyerap haba. Cecair bahan pendingin yang berada di penyejat (evaporator) akan bertukar menjadi gas dan menyingkirkan haba di pemeluwap (condenser). Di pemeluwap, gas bahan pendingin bertukar menjadi cecair. Bahan pendingin yang baik mestilah mempunyai sifat-sifat seperti berikut:- a. Kesan pada haba dan suhu: i. Haba pendam pengewapan bahan pendingin mestilah tinggi. Ini membolehkan kuantiti bahan pendingin yang sedikit dapat menyerap haba yang banyak. ii. Takat beku bahan pendingin mestilah rendah daripada suhu yang terdapat di mana-mana bahagian dalam sistem itu. Faktor ini penting kerana untuk mengelakkan dari bahan pendingin itu membeku (frosting) di penyejat dan mengakibatkan sistem tidak dapat beroperasi dengan sempurna. b. Ketumpatan isipadu bahan pendingin: i. Ketumpatan bahan pendingin hendaklah tinggi. Saluran cecair yang kecil boleh digunakan. ii. Isipadu wap bahan pendingin mestilah sekecil mungkin bagi membolehkan penggunaan saluran sedutan dan singkiran yang kecil. Hal ini dapat menjimatkan kos penyelenggaraan komponen-komponen sistem. c. Kesan tekanan terhadap bahan pendingin: i. Perbezaan tekanan bahan pendingin pada bahagian tinggi dan rendah sebaiknya hendaklah rendah. ii. Apabila tekanan pemeluwap rendah, alat-alat yang ringan dapat digunakan dan dapat mengelakkan kebocoran dari berlaku. d. Sifat-sifat kimia bahan pendingin: i. Mestilah tahan pada suhu dan tekanan operasi yang terdapat pada sistem tanpa berubah sifatnya.
  • 20.
    PENGENALAN PPU ASAS/ SISTEM PENYEJUKAN (REFRIGERATION & AIR-CONDITIONING SYSTEM) 20 | P P U A s a s ii. Tidak mudah terbakar atau meletup, samada dalam bentuk gas atau cecair semasa bercampur dengan minyak. iii. Tidak berkarat atau tidak bertindakbalas kepada alat-alat sistem. iv. Tidak beracun dan tidak member kesan sampingan kepada hidupan, seperti manusia, haiwan dan tumbuhan serta alam sekitar. e. Sifat-sifat bahan pendingin: i. Tidak mudah terbakar atau meletup. ii. Boleh larut dengan minyak supaya pelinciran yang berkesan.tidak berbahaya apabila bertindakbalas dengan minyak walaupun dengan kehadiran lembapan. iii. Mempunyai kerintangan yang tinggi terhadap elektrik. Ini dapat mengelakkan daripada arus renjatan kepada sistem penyejukan. f. Mengenal bahan pendingin berpandukan pada nombor: Bahan pendingin dapat dikenali dengan berpandukan pada nombor-nombor kod. Biasanya nombor-nombor ini bermula dengan huruf ‘R’ yang bermaksud ‘Refrigerant’ atau ‘Bahan Pendingin’. Bahan pendingin yang biasa digunakan dalam sistem penyejukan dan penyamanan udara adalah: R-11, R12, R-22, R500, R-502, R-503, R-504, R-717. g. Kumpulan bahan pendingin: Bahan pendingin terbahagi kepada tiga kumpulan: i. Kumpulan Pertama - yang paling selamat digunakan. ii. Kumpulan Kedua - beracun dan sesetengahnya mudah terbakar. iv. Kumpulan Ketiga - mudah terbakar. Bahan pendingin Kelas Pertama: 1. R-11 Trikloromono Florometana CC13F 2. R-12 Diklorodiflorometana CC12F2 3. R-22 Monoflorodiflorometana CHC1F2 4. R-500 73.8% R-12 dan 26.2% R-152a CC12F2/CH3CHF2 5. R-502 48.8% R-12 dan 51.2% R-115 CH1F2/CC1F2CF3 6. R-503 41.1% R-23 dan 59.9% R-13 CHF3/CC1F3 7. R-504 48.2% R-32 dan 51.8% R-115 CH2F2/CF3CC1F2 8. R-774 Karbon Dioksida CO2 Bahan pendingin yang banyak digunakan dalam sistem penyejukan dan penyamanan udara adalah; R-12, R-22, R-11, dan R-502. Oleh itu, penerangan ini hanya berkaitan dengan sifat-sifat bahan pendingin yang biasa digunakan sahaja.
  • 21.
    PENGENALAN PPU ASAS/ SISTEM PENYEJUKAN (REFRIGERATION & AIR-CONDITIONING SYSTEM) 21 | P P U A s a s 1. R-12 Diklorodifluorometane CC12F2: R-12 ialah bahan pendingin yang biasa digunakan. Sifat-sifat bahan ini ialah, tidak berbau, tidak berwarna dan mempunyai takat didih yang rendah iaitu -29.7°C pada tekanan atmosfera. Bahan ini juga tidak beracun, tidak mengakis, tidak mengganggu keselesaan (non- irritating) dan tidak mudah terbakar. Bahan pendingin ini stabil pada suhu yang tinggi sehingga 550°C. Suhu ini sangat sesuai pada semua suhu operasi bahan mekanisma penyejukan dan pelinciran. Walaupun R-12 mempunyai haba pendam yang agak rendah tetapi ia sesuai juga digunakan pada sistem penyejukan yang kecil, biasanya R-12 digunakan pada pemampat salingan putar dan empar. Tekanan R-12 pada suhu -15°C ialah 0.830 kg/cm², dan pada suhu 30°C ialah 6.56 kg/cm². Haba pendam suhu -15°C ialah 159 J/g. Kebocoran R-12 boleh dikesan dengan menggunakan beberapa alat seperti lampu halide, pengesan elektronik dan buih sabun. Kandungan kelembapan R-12 sangat kritikal berbanding R-22 dan R-502. Larut dalam minyak hingga ke suhu -68°C bagi membolehkannya melalui penyejat. Bahan pendingin R-12 akan terasing daripada minyak pada suhu -68°C ke bawah. Oleh kerana suhu bahan pendingin R-12 adalah lebih berat, minyak akan terapung di atasnya. Sekarang terdapat bahan pendingin yang baru, Genetron 12/31 yang boleh digunakan sebagai pengganti R-12 dan R-31. Nama kimia R-31 ialah monoklorometana florometana. Kandungan kimia ialah CC12F2 78% dan CH2C1F 22%. Haba pendam pengewapan dan tekanan bahagian tingginya adalah agak tinggi sedikit daripada R-12. Suhu kritikalnya ialah 1180°C. 2. R-22 Monoklorodiflorometana CH81F2: R-22 biasanya digunakan pada sistem penyejukan yang memerlukan suhu penyejat yang rendah. Satu contoh ialah unit penyejukan pantas (fast freezing), di mana suhu boleh mencapai -290°C sehingga -400°C. Unit ini boleh digunakan juga pada sistem penyamanan udara dan peti sejuk rumah. Pemampat yang biasa digunakan bersama R-22 ialah jenis salingan dan empar. Untuk mendapatkan suhu rendah (-400°C) apabila menggunakan R-22, sistem mestilah beroperasi di atas paras tekanan atmosfera dan tidak di bawah paras tekanan tersebut. Takat didih R-22 ialah pada -410°C pada tekanan atmosfera. Haba pendamnya ialah 216 J/g pada -150°C. Tekanan bahagian tinggi pada 300°C ialah 11.1 kg/cm². Tekanan penyejat R-22 ialah 1.96 kg/cm² pada -150°C. Oleh kerana R-22 bercampur dengan dengan air, bahan pengering dalam kuantiti yang banyak diperlukan untuk mengeringkannya. R-22 juga larut dalam minyak hingga suhu rendah iaitu - 90°C. Walaubagaimanapun, R-22 masih kekal berkeadaan bendalir untuk mengalir ke saluran sedutan hingga suhu -400°C. Hal ini demikian kerana minyak lebih ringan daripada bahan pendingin pada suhu -400°C dan ini menyebabkannya terapung.
  • 22.
    PENGENALAN PPU ASAS/ SISTEM PENYEJUKAN (REFRIGERATION & AIR-CONDITIONING SYSTEM) 22 | P P U A s a s Kebocoran R-22 boleh dikesan melalui alat-alat pengesan seperti pengesan kebocoran elektronik, lampu halide dan buih sabun. 3. R-11 Trikloro monoflorometana CC13F: R-11 biasanya digunakan sebagai bahan pencuci untuk mencuci bahagian dalam pemampat kecil semasa membaikpulih sistem. R-11 digunakan pada sistem yang pemampatnya telah terbakar atau sistem yang telah terbakar atau sistem yang dimasuki kelembapan. Menyingkirkan kelembapan dengan memasukkan R-11 boleh memendekkan masa mengvakum. R-11 adalah satu bahan pencuci yang paling baik untuk proses di atas. Bahan pendingin ini juga boleh digunakan pada sistem besar empar. R-11 mempunyai tekanan rendah 609.6 mmHg pada suhu -150°C dan tekanan 1.28 kg/cm² mutlak pada suhu 300°C. Haba pendam ialah 196 J/g pada suhu -150°C. Suhu takat didih pada tekanan atmosfera ialah 23.70°C. Kebocoran R-11 dapat dikesan dengan menggunakan lampu halida, pengesan elktronik dan buih sabun. 4. Campuran Azeotropik: Bahan pendingin Azeotropik ialah campuran cecair bahan pendingin didih maksimum dan minimum. Walaubagaimanapun, campuran ini dianggap sebagai satu jenis bahan pendingin. Campuran Azeotropik biasa digunakan bersama pemampat salingan. 5. R-502 (R-22 + R-115) CHC1F2CF3: Bahan pendingin R-502 ialah campuran 48.8% R-22 dan 51.2% R-115. R-502 tidak mudah terbakar, berkarat atau beracun. Sesuai untuk sistem sederhana dan rendah yang bersuhu antara -180°C hingga -510°C. Kegunaan R-502 pada sistem sederhana dan suhu rendah seperti: a) penyimpan ais-krim b) tempat paparan makanan sejuk beku c) tempat simpanan sejuk beku d) loji pemprosesan sejuk beku e) digunakan dengan pemampat salingan Sifat-sifat R-502: a) Titik didihnya ialah -460°C pada tekanan atmosfera b) Tekanan tinggi ialah pada 12.31 kg/cm² pada suhu 300°C c) Tekanan penyejatnya ialah 2.53 kg/cm² pada suhu -150°C d) Haba pendam pada suhu -29.120°C ialah 168.9 J/g Kebaikan menggunakan R-502: a) Tekanan dan suhu pemeluwapnya rendah dan ini memanjangkan jangkahayat injap pemampat dan bahagian-bahagian yang lain.
  • 23.
    PENGENALAN PPU ASAS/ SISTEM PENYEJUKAN (REFRIGERATION & AIR-CONDITIONING SYSTEM) 23 | P P U A s a s b) Kelikatan minyaknya yang tinggi membolehkan pelinciran lebih mudah pada suhu pemeluwap yang rendah. Kebocoran dapat dikesan dengan lampu halida, pengesan elektronik dan buih sabun. Bahan Pendingin Kelas Kedua: Bahan pendingin kumpulan ini bersifat toksik, agak mudah terbakar dan mengganggu keselesaan (irritating) pada manusia jika tersedut. Di antara bahan pendingin kumpulan ini termasuklah: a) R-40 metilklorida CH3C1 b) R-160 etilklorida C2H5C1 c) R-611 metilformata C2H402 d) R-717 ammonia NH3 e) R-764 sulfur dioksida S02 f) R-1130 dikloroetilena C2H2C12 Bahan Pendingin Kelas Ketiga: Bahan pendigin ini mudah terbakar apabila bercampur dengan udara dan tidak digunakan lagi. Bahan pendingin kumpulan ini adalah seperti berikut: a) R-290 propana C3H3 b) R-600 butana C4H10 c) R-170 etana C2H6
  • 24.
    PENGENALAN PPU ASAS/ SISTEM PENYEJUKAN (REFRIGERATION & AIR-CONDITIONING SYSTEM) 24 | P P U A s a s Kod Warna Bagi Silinder Bahan Pendingin: No. Bahan Pendingin Kod Warna Silinder R-11 Jingga R-12 Putih R-134a Biru Muda R-22 Hijau R-404 Oren
  • 25.
    PENGENALAN PPU ASAS/ SISTEM PENYEJUKAN (REFRIGERATION & AIR-CONDITIONING SYSTEM) 25 | P P U A s a s Jadual di bawah menunjukkan kegunaan bahan pendingin. Sejenis bahan pendingin dapat digunakan untuk beberapa kegunaan. Sebahagian daripada jenis bahan pendingin hanya disyorkan untuk beberapa jenis pemampat: Biasanya sesuatu sistem bahan pendingin ditentukan oleh pengeluar (manufacturer). Perkara- perkara yang perlu diambilkira sebelum memilih bahan pendingin ialah: a) Takat didih bahan pendingin tersebut. b) Isipadu wap bahan pendingin yang dianjakkan untuk memperolehi penyejukan yang diperlukan. c) Haba pendamnya. d) Suhu pengendalian atau pengoperasian yang diperlukan. e) Saiz alat kelengkapan. Jadual dibawah menunjukkan kegunaan bahan pendingin mengikut kesesuaian pemampat: No. Bahan Pendingin Jenis Pemampat 1. R-11 Empar (Centrifugal) 2. R-12 Salingan (Reciprocating), Empar (Centrifugal), Putar
  • 26.
    PENGENALAN PPU ASAS/ SISTEM PENYEJUKAN (REFRIGERATION & AIR-CONDITIONING SYSTEM) 26 | P P U A s a s (Rotary). 3. R-22 Salingan (Reciprocating), Empar (Centrifugal) 4. R-134a Salingan (Reciprocating) Walaupun kebanyakan bahan pendingin yang digunakan masa sekarang boleh dikatakan tidak merbahaya, namun begitu langkah-langkah keselamatan perlu diambilkira semasa menggunakan dan mengendalikannya. Langkah-langkah keselamatan yang perlu diikuti adalah seperti berikut: a) Apabila berlaku kebocoran, tentukan bilik cukup pengalihudaraan sebelum membaikinya. Periksa tekanan dengan memasang tolok (meter). b) Periksa jenis bahan pendingin sebelum mengecas untuk mengelakkan dari bercampuran. Jika bahan pendingin adalah dari jenis florokarbon, jauhkan dari api. Ini adalah untuk mengelakkan daripada menjadi gas beracun apabila bertemu dengan api. c) Gunakan pelindung mata dan sarung tangan semasa mengecas. Ini adalah untuk mengelakkan kecederaan. d) Mengecas mestilah dilakukan di bahagian tekanan rendah dalam bentuk wap (vapor) bahan pendingin sahaja. Mengecas dengan cecair (liquid) bahan pendingin boleh merosakkan pemampat dan juga boleh menyebabkan unit meletup. e) Cecair bahan pendingin boleh membekukan kulit dan mengakibatkan ‘frost bite’. Jika ini berlaku, basuh bahagian yang terkena bahan pendingin dengan segera dan dengan kadar air yang banyak. f) Sebarang kemalangan bahan pendingin hendaklah segera berjumpa dengan doctor. g) Jangan mengisi bahan pendingin ke dalam silinder servis sehingga penuh. Jika ini dilakukan, tekanan hidrostatik dalam silinder akan menyebabkan silinder boleh meletup. h) Simpan silinder bahan pendingin di tempat yang sejuk dan kering. Jangan menggolekkan silinder. i) Minyak yang terdapat dalam pemampat akan menjadi asid apabila pemampat terbakar. Jangan sentuh minyak ini dengan tangan. j) Kebanyakan bahan pendingin adalah lebih berat dari udara. Bahan ini pula boleh bercampur dengan udara dalam bilik jika berlaku sebarang kebocoran. Hal ini boleh menyebabkan berlakunya sesak nafas sekiranya terhidu udara yang bercampur dengan bahan pendingin. Pastikan pengudaraan cukup baik untuk mengelakkan kemalangan seperti ini. Silinder Bahan Pendingin: Terdapat tiga jenis silinder bahan pendingin: a) Silinder penyimpan. b) Silinder servis. c) Silinder buangan (guna-buang/disposable). A. Silinder Penyimpan: Biasanya 45kg ke 68kg bahan pendingin terkandung dalam silinder penyimpan. Silinder ini lebih murah berbanding silinder buangan.
  • 27.
    PENGENALAN PPU ASAS/ SISTEM PENYEJUKAN (REFRIGERATION & AIR-CONDITIONING SYSTEM) 27 | P P U A s a s Kebanyakan silinder penyimpan sekarang mempunyai dua injap. Satu untuk wap (vapor) dan satu lagi untuk cecair (liquid). Kita boleh memindahkan bahan pendingin dari silinder penyimpan ke silinder servis dengan membuka injap yang mengeluarkan cecair. Ini memmudahkan kerja-kerja mengecas dilakukan. Kerja-kerja memindahkan bahan pendingin ini perlulah dilakukan dengan berhati-hati. Perhatikan agar bahan pendingin diisi ke dalam silinder tidak terlalu penuh. Gunakan alat penimbang. B. Silinder Servis: Silinder servis biasanya mengandungi sebanyak 2kg ke 11kg bahan pendingin. Ini memudahkan kerja membuat servis. Injap silinder ini dipasang dengan kembang 6mm (male flare). Kandungan bahan pendingin diisi daripada silinder penyimpan. C. Silinder Buangan: Kebanyakan bahan pendingin yang biasa digunakan terdapat dalam kuantiti yang kecil iaitu dari beberapa gram ke 14kilogram. BAHAN PENDINGIN KEDUA Bahan pendingin kedua ialah cecair dari sistem penyejukan yang menyerap haba setelah disejukkan oleh penyejat. Bahan pendingin kedua ini akan mengalami perubahan suhu apabila ia menyerap haba dan haba akan diserap di penyejat. Bahan pendingin kedua yang biasa digunakan ialah air, brin kalsium klorida, brin natrium klorida, etilena dan propilena glisol, methanol (metal alkohol) dan gliserin.
  • 28.
    PENGENALAN PPU ASAS/ SISTEM PENYEJUKAN (REFRIGERATION & AIR-CONDITIONING SYSTEM) 28 | P P U A s a s 1. Air sebagai bahan pendingin: Digunakan sebagai bahan pendingin kedua dan biasanya digunakan dalam sistem penyamanan udara yang besar dan industri memproses bahan yang memerlukan keadaan suhu yang sentiasa melebihi suhu beku. Air juga digunakan pada sistem penyejukan jet stim. Pada paras tekanan atmosfera, air mendidih pada 1000°C. Satu kilogram menyerap haba sebanyak 2260KJ semasa menukarkan cecair ke wap pada 1000°C. Biasanya kadar suhu semasa menggunakan air sebagai bahan pendingin ialah 70°C ke atas. Air menyerap haba dengan banyaknya semasa menukar cecair ke wap. Apabila air bertukar menjadi wap pada 7800 mikron, ia akan menghasilkan 70°C. Oleh kerana air tidak boleh digunakan di bawah 0°C, larutan Brin digunakan. 2. Brin sebagai bahan pendingin: Brin biasanya digunakan bersama-sama dengan sistem penyejukan gas ammonia atau sistem penyerapan besar. Brin bahan pendingin kedua terdiri daripada kalsium klorida (CaCl2) atau natrium klorida (NaCl) yang bercampur dengan air. Suhu yang rendah daripada 0°C digunakan untuk membekukan ais untuk penyejukan. Sifat-sifat Brin yang Baik: i. Harganya murah dan mudah didapati. ii. Berkeadaan stabil dan tidak berubah warna atau mutunya. iii. Tidak mudah terbakar. iv. Tidak berbau busuk, tidak berasa pahit dan tidak toksid. v. Kadar kelikatannya pada paip-paip saluran mestilah rendah supaya pam yang kecil dapat digunakan. vi. Tidak mengakis. vii. Titik beku mestilah kecil, supaya saluran paip tidak mudah rosak atau membahayakan sistem. viii. Haba bandingan mestilah tinggi kerana ini membolehkan penyerapan haba yang banyak dengan kuantiti Brin yang sedikit, justeru paip-paip yang kecil boleh digunakan. Kadar kakis bagi Brin: Kadar kakis bagi Brin bergantung kepada kepekatannya. Jika kepekatan Brin bertambah, kadar kakis adalah kurang dan apabila kepekatannya dikurangkan, kadar kakis adalah tinggi. Satu cara untuk mengekalkan mutu Brin ialah dengan menutup seluruh saluran supaya udara dari luar tidak dapat masuk ke dalam sistem. Kadar kakis dapat juga dikurangkan dengan mencampurkan ubat khas kepada Brin. Ubat khas yang dicampurkan mestilah mengikut kadar Brin yang digunakan. Misalnya, 100 liter Brin, kadar campurannya ialah dikloromik 100 gram dan kaustik soda 40 gram.
  • 29.
    PENGENALAN PPU ASAS/ SISTEM PENYEJUKAN (REFRIGERATION & AIR-CONDITIONING SYSTEM) 29 | P P U A s a s PEMAMPAT (COMPRESSOR) Pemampat adalah bahagian yang paling utama bagi sistem penyejukan. Ini adalah sama seperti jantung pesawat sistem penyejukan. Peti sejuk moden dan penghawa dingin menggunakan motor pemampat penyejuk berbentuk tertutup rapat sepenuhnya. Motor dan pesawat pemampat dipasang menjadi satu unit dan diletakkan ke dalam kotak yang diperbuat daripada besi. Bahagian gerakan pesawat pemampat direndam di dalam minyak bagi mendapatkan pelinciran yang baik untuk diguna lama dan tidak perlu mambaiki atau menukarkan alat ganti. Sesetengah pusingan pemampat yang menggunakan bentuk pesawat putar (rotary), adalah lebih senyap. Hawa dingin buatan yang baru juga banyak yang menggunakan pemampat putar ini. Sesetengah peti sejuk model lama menggunakan pemampat berbentuk terbuka, di mana motor dan pemampat terbahagi kepada dua bahagian yang menggunakan tali sawat bagi menarik pemampat untuk berpusing dan beroperasi. Sistem penyejukan (refrigeration system) terbahagi kepada bentuk pesawat dan bukan bentuk pesawat (mechanical and non-mechanical). Pasangan penyejukan berbentuk pesawat menggunakan pemampat sebagai jantung. Bagaimanapun, kegunaan alat pemampat adalah sama. Ia membolehkan sistem penyejukan memberikan tekanan berbeza supaya bahan pendingin dapat mengalir dalam sistem dari satu bahagian ke satu bahagian yang lain. Tekanan adalah berbeza dalam keletakan tekanan tinggi dan tekanan rendah yang membolehkan cecair bahan pendingin dapat melintasi injap kawalan (control valve) mengalir masuk ke bahagian pembeku sejuk, bahagian ini dipanggil pencairwap atau penyejat (evaporator). Tekanan wap gas bahan pendingin dalam penyejat mestilah lebih tinggi daripada tekanan tabung simpanan penyejukan bahagian penyedut gas, bagi wap gas punca tekanan rendah mengalir dari penyejat masuk ke tabung simpanan. Jenis-jenis pemampat: Bentuk pemampat pasangan peti sejuk atau pasangan penyejuk bentuk kecil adalah terbahagi kepada beberapa jenis: Dari binaan dan kendalian: a. Kebuk/Silinder Tunggal (single cylinder) b. Kebuk/Silinder Berkembar (twin cylinder) Dari cara tekanan: a. Bentuk salingan (reciprocating) b. Bentuk putar (rotary) Dari bentuk pusingan: a. Bentuk memutar terus (direct drive) b. Bentuk memutar tali sawat (belt drive) Dari pasangan sawat gerakan terbahagi kepada: a. Bentuk putar talisawat terdiri (independent belt drive) b. Bentuk putar terus setengah rapat (semi-hermetic direct drive); motor dan pemampat dipasang didalam kotak berasingan (motor and compressor in separate housings)
  • 30.
    PENGENALAN PPU ASAS/ SISTEM PENYEJUKAN (REFRIGERATION & AIR-CONDITIONING SYSTEM) 30 | P P U A s a s c. Bentuk putar terus dan rapat penuh (hermetic direct drive); motor dan pemampat dipasang dalam satu kotak yang sama (motor and compressor in same housing) Pemampat penyejuk kegunaan keluarga moden menggunakan bentuk pasangan rapat salingan, bentuk peti sejuk lama dan bentuk pasangan penyejuk kecil menggunakan bentuk terbuka (open type), pasangan ini mengasingkan motor dan pemampat menggunakan tali sawat bagi memusingkannya. Bentuk pemampat salingan terbahagi kepada: a. Kebuk/Silinder Tunggal b. Kebuk/Silinder Berkembar Keletakan susunan dipasang melintang (horizontal) atau menegak (vertical). Omboh (piston) dan aci engkol (crankshaft) digerak oleh lengan penyambung (rod tangkai / connecting rod), bahagian lengan penyambung yang besar dipasang pada aci engkol dan sebelah lagi dipasang pada pin omboh (piston pin) bagi menggerakkan putaran (rotating motion). Aci engkol memutarkan gerakan salingan omboh (reciprocating motion). Proses Operasi Kendalian Pemampat Bahan pendingin dapat dimasukkan dan dikeluarkan dari pemampat kerana oleh injap sedutan (suction valve) dan buang cas/discas (discharge valve) yang dipasang pada papan injap (valve plate). Dua injap kawalan dipasang atas papan itu membinajadi bahagian bawah tudung kebuk. Gerakan hentakan injap, membolehkan bahan pendingin melintasi injap buangcas/discas mengeluarkannya, dan injap sedutan (suction valve) menyedut masuk. Kita omboh berada pada perjalanan ke bawah, proses sedutan (suction process) berlaku, tekanan kebuk/silinder berkurangan kerana tekanan gas dalam kebuk berada pada tahap terendah daripada tekanan tabung penyedut. Gas yang disedut itu menolak injap sedut terbuka setelah mendapat tekanan, kemudian tekanan dalam kebuk akan meningkat, memaksakan injap sedut tertutup. Oleh kerana tekanan kebuk meningkat, ini membolehkan injap discas (discharge valve) terbuka, bagi bahan pendingin masuk ke pemeluwap (condenser). Ini menjadikan bahan pendingin bertekanan tinggi. Inilah perjalanan sedut dan discas gas yang mana gas bahan pendingin masuk ke dalam kebuk, dan menekannya kemudian discas keluar dari kebuk. Dua injap, sedutan dan discas dikawal oleh perubahan tekanan dalam kebuk itu.
  • 31.
    PENGENALAN PPU ASAS/ SISTEM PENYEJUKAN (REFRIGERATION & AIR-CONDITIONING SYSTEM) 31 | P P U A s a s
  • 32.
    PENGENALAN PPU ASAS/ SISTEM PENYEJUKAN (REFRIGERATION & AIR-CONDITIONING SYSTEM) 32 | P P U A s a s
  • 33.
    PENGENALAN PPU ASAS/ SISTEM PENYEJUKAN (REFRIGERATION & AIR-CONDITIONING SYSTEM) 33 | P P U A s a s Pembahagian Jenis-jenis Pemampat Reciprocating Type
  • 34.
    PENGENALAN PPU ASAS/ SISTEM PENYEJUKAN (REFRIGERATION & AIR-CONDITIONING SYSTEM) 34 | P P U A s a s Open Type (Pemampat Terbuka) Pemampat terbuka dikemaskan dengan bolt. Aci engkolnya terkeluar daripada blok atau kotak engkol. Aci engkol digerakkan oleh takal dan tali sawat atau terus digerakkan oleh motor elektrik. Pemampat terbuka memerlukan adang aci engkol supaya bahan pendingin tidak terkeluar dari daripada pemampat. Gambarajah di bawah menunjukkan satu jenis pemampat salingan terbuka yang digerakkan oleh takal dan tali sawat. Pemampat ini mempunyai satu silinder. Aci engkolnya dari jenis sipi. Rod rangkai dicagak pada sipi dan disambung pada omboh. Aci engkol dilengkapkan dengan penimbal dan diimbangi dengan betul untuk memastikan pergerakan pemampat menjadi lancar dan tidak bergegar. Pemampat jenis terbuka ini digerakkan oleh motor elektrik. Aci engkolnya yang terkeluar dari kotak engkol memerlukan adang aci engkol untuk mengelakkan minyak dan bahan pendingin daripada terkeluar dari sistem, dan menghalang udara dari masuk ke dalam sistem. Adang aci engkol menggunakan dua permukaan yang bergesel. Satu permukaan berpusing dengan aci engkol dan di-adang pada aci engkol dengan gelang-O yang diperbuat dari bahan sintetik, manakala permukaan yang satu lagi dilekapkan pada kotak engkol bersama gasket tahan bocor. Lihat gambarajah di bawah, menunjukkan keratin rentas aci engkol. Asas Operasi Pemampat Salingan
  • 35.
    PENGENALAN PPU ASAS/ SISTEM PENYEJUKAN (REFRIGERATION & AIR-CONDITIONING SYSTEM) 35 | P P U A s a s
  • 36.
    PENGENALAN PPU ASAS/ SISTEM PENYEJUKAN (REFRIGERATION & AIR-CONDITIONING SYSTEM) 36 | P P U A s a s Semi-Hermetic Type Kebanyakan unit-unit Semi-Hermetic menggunakan ‘Vaulted Assembly’ dan dilengkapkan dengan injap servis (service valve). Pemampat dan motornya ditempatkan dalam satu ‘housing’. Jadi, ‘Crank Shaft – Seal and Belting’ tidak perlu digunakan. Jika berlaku kerosakan, baikpulih pada pemampat dan motornya, bahagian ini boleh diservis dan alat ganti dibahagian lain boleh ditukar.
  • 37.
    PENGENALAN PPU ASAS/ SISTEM PENYEJUKAN (REFRIGERATION & AIR-CONDITIONING SYSTEM) 37 | P P U A s a s
  • 38.
    PENGENALAN PPU ASAS/ SISTEM PENYEJUKAN (REFRIGERATION & AIR-CONDITIONING SYSTEM) 38 | P P U A s a s Hermetic Type
  • 39.
    PENGENALAN PPU ASAS/ SISTEM PENYEJUKAN (REFRIGERATION & AIR-CONDITIONING SYSTEM) 39 | P P U A s a s Rotary Type (Pemampat Putar) Pemampat putar terbahagi kepada dua jenis: Jenis pertama - mempunyai dua atau lebih bilah yang berpusing bersama aci: bilah putar. Jenis kedua - mempunyai satu bilah yang menetap untuk adang saluran sedutan daripada saluran nyahcas/discas : bilah pegun pemampat putar digunakan pada peti sejuk domestic, sistem dinginbeku dan alat penyamanan udara. Pemampat ini juga digunakan pada pemampat penggalak di dalam bahagian tekanan rendah pada sistem-sistem mampatan berbilang peringkat yang besar. Pemampat putar jenis bilah pegun: Pemampat jenis ini mempunyai dua bahagian, iaitu bahagian bergerak dan bahagian tetap. Bahagian bergerak mempunyai komponen gelang keluli, sesendal dan sawar gelongsor. Bahagian tetap pula mempunyai motor dan silinder keluli. Untuk mengetahui bagaimana pemampat jenis bilah pegun ini berfungsi, lihat gambarajah di bawah. Pada kedudukan A, kita dapat lihat bilah gelongsor (pembahagi) sentiasa menekan pada gelang keluli. Bahan pendingin akan masuk ke dalam ruang antara gelang dan dinding silinder.
  • 40.
    PENGENALAN PPU ASAS/ SISTEM PENYEJUKAN (REFRIGERATION & AIR-CONDITIONING SYSTEM) 40 | P P U A s a s Pada waktu yang sama, bahan pendingin di hadapan gelang dimampatkan kerana ruang di antara silinder dan gelang kerapkali menjadi kecil. Apabila gelang berputar seperti dalam keadaan B, lebih banyak wap bahan pendingin yang dimampatkan dan dinyahcaskan ke pemeluwap melalui saluran nyahcas/discas. Wap bahan pendingin yang baru akan masuk melalui saluran sedutan. Proses nyahcas dan sedutan ini sentiasa berulang selagi sistem masih hidup. Pemampat putar jenis bilah putar Pemampat jenis ini mempunyai beberapa bilah di dalam rotor. Bilah ini akan sentiasa ditekan ke dinding silinder oleh tenaga empar semasa rotor berpusing. Gambarajah di bawah menunjukan cara-cara pemampat ini bekerja.
  • 41.
    PENGENALAN PPU ASAS/ SISTEM PENYEJUKAN (REFRIGERATION & AIR-CONDITIONING SYSTEM) 41 | P P U A s a s Gerakerja pemampat putar jenis bilah putar Wap bahan pendingin yang bertekanan rendah akan masuk melalui saluran sedutan A. pada kedudukan B, proses sedutan masih berlaku. Apabila motor berpusing pada kedudukan C, proses sedutan berakhir. Kedudukan D menunjukan proses nyahcas yang baru berlaku. Nyahcas berlaku kerana ruang di antara silinder dan rotor kerapkali berkurangan. Isipadu yang berkurangan membuatkan tekanan dan suhu menjadi tinggi. Semasa gas bahan pendingin dinyahcaskan, gas ini akan melalui saluran nyahcas kerana tidak ada ruang lagi untuk bahan pendingin lalu di hadapannya. Pada masa ini, kelegaannya ialah 0.025mm. Kelegaan yang terlalu kecil ini bercampur dengan minyak pelincir bagi mengelakkan kebocoran daripada berlaku di antara tekanan tinggi dan tekanan rendah.
  • 42.
    PENGENALAN PPU ASAS/ SISTEM PENYEJUKAN (REFRIGERATION & AIR-CONDITIONING SYSTEM) 42 | P P U A s a s
  • 43.
    PENGENALAN PPU ASAS/ SISTEM PENYEJUKAN (REFRIGERATION & AIR-CONDITIONING SYSTEM) 43 | P P U A s a s PEMELUWAP (CONDENSER) Fungsi pemeluwap (condenser) adalah untuk menyingkirkan haba dari sistem penyejukan. Telah diketahui bahawa, penyejukan ialah proses pemindahan haba dari satu tempat ke satu tempat yang lain. Jadi, melalui pemeluwap haba akan disingkirkan/dikeluarkan dengan cara diserap oleh media (udara) yang dapat menyerapnya. Bahan pendingin yang berbentuk wap (vapor), mengalir masuk masuk ke pemeluwap mengadungi haba yang diserap di penyejat (evaporator), haba lampau (super heat) dan haba mampatan yang bertekanan dan bersuhu tinggi. Haba-haba ini akan disingkirkan dan disejukkan ke takat didihnya. Ini bermakna, haba deria (sensible heat) dan haba pendam (latent heat) dikurangkan, lalu bahan pendingin berubah bentuk dari wap ke cecair. Teori Proses Penyingkiran Haba di Pemeluwap (Condenser) Rajah di atas menunjukan garisan suhu (°C) ialah garisan menegak dan garisan melintang ialah kandungan haba (Kcal/kg). Bahan pendingin berbentuk cecair di semua kawasan disebelah kiri A. disebelah kanan B pula ialah dalam bentuk wap. Bahan pendingin dalam garisan A dan B adalah berbentuk wap dan cecair atau lebih dikenali dengan kawasan campuran. Bahan pendingin yang bersuhu dan bertekanan tinggi akan mula masuk ke pemeluwap di tempat 1. Proses pemindahan haba berlaku di mana suhu menjadi kurang daripada 40°C ke 30°C iaitu dari proses 1 ke 2 dan haba yang dipindahkan ialah hamba lampau. 2 ialah takat tepu. Proses pemidahan haba terus berlaku dari 2 ke 3 dan haba yang dipindahkan ialah haba pendam.
  • 44.
    PENGENALAN PPU ASAS/ SISTEM PENYEJUKAN (REFRIGERATION & AIR-CONDITIONING SYSTEM) 44 | P P U A s a s Bila haba pendam dipindahkan atau disingkirkan, bahan pendingin akan berubah bentuk dari wap ke cecair. Haba deria tidak sedikit pun dipindahkan semasa proses 2 ke 3. Seterusnya, proses ‘sub-cooling’ pula mengambil tempat iaitu 3 ke 4 di mana suhu dikurangkan dari 40°C ke 30°C dan haba deria disingkirkan. Di pemeluwap, proses pemindahan haba berlaku berperingkat-peringkat. Mula haba lampau disingkirkan diikuti dengan haba pendam dan haba di pemeluwap. Bacaan kandunganhaba deria dan haba pendam diambil lalu dibuat perbandingan. Haba Lampau (Super Heat) 141 Kcal – 140 Kcal = 1 Haba Deria (Sensible Heat) 107 Kcal – 105Kcal = 2 _____________________________________________________________ Jumlah = 3 Kcal Dikiraan ini menunjukkan haba yang paling banyak disingkirkan oleh pemeluwap ialah haba pendam. Keupayaan Pemeluwap: Pemindahan atau penyingkiran haba di pemeluwap ialah cara pengaliran pada dinding tiub yang digunakan. Keupayaan pemeluwap dan perbezaan suhu di antara ‘condensation’ bahan pendingin dan media penyerap haba jika faktor ‘U’ adalah tetap. Jika faktor ‘U’ dan luas ‘m²’ pula tetap, maka keupayaan pemeluwapbergantung pada perbezaan suhu ‘condensation’ bahan pendingin dengan media penyerap haba. Kesimpulannya, keupayaan pemeluwap boleh ditambah atau dikurangkan dengan meninggikan atau merendahkan perbezaan suhu. Media dan jenis-jenis pemeluwap: Udara dan air digunakan sebagai media untuk menyerap haba dari bahan pendingin di pemeluwap. Udara dan air digunakan adalah kerana murah dan mudah diperolehi. Jenis-jenis pemeluwap: a. Air-Cooled Condenser (Pemeluwap Sejuk Udara) b. Water-Cooled Condenser (Pemeluwap Sejuk Air) c. Evaporative Condenser (Pemeluwap Cair-Wapan) Air-Cooled Condenser Media penyerap haba adalah dari udara yang melalui pemeluwap. Terbahagi kepada dua: i. Natural Convection (tidak menggunakan kipas) ii. Forced Convection (menggunakan kipas) Pemeluwap yang menggunakan kipas bergantung kepada luasnya kawasan sentuhan udara dan tiub bagi proses pemindahan habanya, tetapi mestilah berhati-hati semasa membentuknya supaya kos bahan yang digunakan tidaklah terlalu mahal. Kos bahan dan saiz pemeluwap mestilah seimbang.
  • 45.
    PENGENALAN PPU ASAS/ SISTEM PENYEJUKAN (REFRIGERATION & AIR-CONDITIONING SYSTEM) 45 | P P U A s a s Air-Cooled Condenser boleh didapati dalam tiga bentuk: * ketiga-tiga pemeluwap di atas digunakan pada sistem domestic. 1. Tiub kuprum atau besi keluli sering digunakan. 2. Kawasan sentuhan haba bagi proses pemindahan adalah pada tiub itu sahaja. 3. Kawasan sentuhan telah ditambah dengan adanya jarring-jaring (fins) yang diperbuat daripada rod besi keluli. 4. Kawasan sentuhan adalah lebih luas setelah tiub dilengkapkan dengan plat. Pemeluwap yang menggunakan kipas: Keupayaannya boleh ditambah dengan menyembur udara ke permukaannya. Kipas digunakan dan sirip (fins) dilekapkan pada gelung kuprum agar udara dapat diarahkan tepat ke permukaan pemeluwap. Kipas jenis ‘propeller’ digunakan. Pilihan kipas bergantung kepada beberapa faktor seperti rintangan udara, tahap bunyi, keluasan tempat dan sebagainya. Halaju Udara (meter/minit) = Kandungan Udara (meter³/minit) Luas Permukaan Pemeluwap (meter²
  • 46.
    PENGENALAN PPU ASAS/ SISTEM PENYEJUKAN (REFRIGERATION & AIR-CONDITIONING SYSTEM) 46 | P P U A s a s MEMBUKA DAN MEMASANG PEMELUWAP (DISMANTLE & ASSEMBLE CONDENSER) Sebagai seorang mekanik penyaman udara, adalah penting untuk mengetahui kedudukan yang sesuai ketika hendak memasang unit luar (outdoor unit). Ini kerana kedudukan unit luar pada tempat yang salah boleh mempengaruhi kapasiti penyejukan penyaman udara yang telah dipasang. Lokasi pemasangan unit luar yang sesuai adalah: 1. Pembebasan haba dari unit luar mestilah tidak terhalang (heat radiation of condenser not restricted/obstructed). 2. Dipasang pada tempat yang kukuh (firm foundation/solid wall). 3. Panjang tiub mestilah mengikut spesifikasi (within specified tubing length). 4. Hindarkan dari terkena percikan air (avoid water splashing). 5. Elakkan dari mudah disentuh/dicapai oleh kanak-kanak atau haiwan (avoid unit reached by children or animal). 6. Mudah untuk melakukan pembaikan atau penyelenggaraan (easy for inspection and maintenance). Pemasangan unit luar yang salah: Permasalahan yang sering dihadapi oleh mekanik atau juruteknik hawadingin ialah kedudukan unit luar yang terbabit jka melebihi dari satu unit. Kedudukan penyusunan unit luar yang salah seperti yang ditunjukkan pada gambarajah di atas, boleh menyebabkan unit tidak dapat berfungsi dengan sempurna. Ini adalah kerana, pembebasan yang dikeluarkan oleh unit luar tidak dapat bergerak dengan baik dan seimbang. Ini juga boleh menyebabkan kapasiti penyejukan menjadi berkurangan dan boleh menyebabkan jangkahayat pemampat dan pemeluwap berkurangan disebabkan berkerja atau beroperasi dalam beban yang tinggi. Peredaran udara yang terhalang juga boleh menyebabkan kapasiti penyejukan pada sistem akan berkurangan. Ini adalah kerana udara panas yang disingkirkan oleh pemeluwap tidak terlepas keluar dan udara panas tersebut akan kembali semula ke pemeluwap dan suhu udara panas yang disingkirkan akan bertambah dari masa ke semasa. Jangkahayat pemampat dan pemeluwap juga akan menjadi pendek disebabkan oleh operasi dalam beban yang tinggi.
  • 47.
    PENGENALAN PPU ASAS/ SISTEM PENYEJUKAN (REFRIGERATION & AIR-CONDITIONING SYSTEM) 47 | P P U A s a s Contoh susunan unit luar yang betul adalah seperti di bawah:
  • 48.
    PENGENALAN PPU ASAS/ SISTEM PENYEJUKAN (REFRIGERATION & AIR-CONDITIONING SYSTEM) 48 | P P U A s a s PENYEJAT (EVAPORATOR) Penyejat adalah salah satu komponen yang utama dalam sistem penyejukan dan penyamanan udara. Penyejat berfungsi sebagai penyerap haba. Cecair bahan pendingin di dalam penyejat akan bertukar kepada gas setelah haba diserap. Dalam keadaan sejuk (tekanan dan suhu yang rendah), penyejat akan menyerap haba yang panas disekelilingnya. Banyak terdapat nama-nama lain bagi penyejat antaranya, gegelung penyejuk, gegelung penyejat, unit penyejat, gelung pembeku, penyejuk cecair dan lain-lain. PRINSIP OPERASI PENYEJAT: Fungsi atau prinsip operasi penyejat ialah untuk menyerap haba di dalam ruang, kabinet, atau tempat yang hendak disejukkan. Bahan pendingin dalam bentuk cecair yang mempunyai suhu dan tekanan yang rendah akan berupaya untuk menarik dan menyerap haba ke lingkaran penyejat. Selepas menyerap haba, cecair pendingin akan berubah bentuk kepada gas/wap bahan pendingin dan seterusnya masuk ke dalam pemampat melalui saluran sedutan (suction) untuk dimampatkan. Jenis-jenis penyejat: Penyejat terbahagi kepada dua kategori: 1. Penyejat jenis pengembangan kering (dry evaporator / direct expansion evaporator) 2. Penyejat jenis banjir / Kelompang dan tiub (flooded evaporator) 1. Penyejat jenis pengembangan kering: Alat kawalan kemasukan bahan pendingin (peranti pemeteran) dalam penyejat jenis ini hanya membenarkan cecair bahan pendingin yang perlukan sahaja untuk menyerap haba di dalam lingkaran atau gegelung penyejat. Bahan pendingin ini akan masuk melalui satu hujung penyejat dan dalam lingkaran yang sama. Kesemua bahan pendingin yang meninggalkan lingkaran penyejat adalah dalam bentuk gas yang kering. Kadar cecair bahan pendingin yang masuk ke penyejat bergantung kepada kadar pertambahan atau pengurangan beban haba pada pemeluwap. Jumlah cecair bahan pendingin yang masuk ke lingkaran penyejat menjadi kurang apabila beban haba sedikit dan akan bertambah jika beban haba adalah tinggi. Walaubagaimanapun, keupayaan penyejat adalah tinggi apabila beban haba yang diserap adalah banyak.
  • 49.
    PENGENALAN PPU ASAS/ SISTEM PENYEJUKAN (REFRIGERATION & AIR-CONDITIONING SYSTEM) 49 | P P U A s a s Penyejat (Evaporator) Jenis Pengembangan Kering
  • 50.
    PENGENALAN PPU ASAS/ SISTEM PENYEJUKAN (REFRIGERATION & AIR-CONDITIONING SYSTEM) 50 | P P U A s a s Sirip (fins) dibina adalah bertujuan meluaskan lagi permukaan penyerapan haba pada penyejat. Lingkaran penyejat lalu menerusi celah-celah sirip tersebut. Rekabentuk jenis ini biasanya digunakan untuk sistem penyamanan udara.
  • 51.
    PENGENALAN PPU ASAS/ SISTEM PENYEJUKAN (REFRIGERATION & AIR-CONDITIONING SYSTEM) 51 | P P U A s a s 2. Kelompang dan tiub (Flooded Evaporator) Penyejat jenis ini digunakan untuk sistem penyejukan yang besar yang dinamakn sistem air kokol. Bahan pendingin akan masuk melalui tiub dan air pula masuk melalui kelompang. Air yang masuk mempunyai suhu yang tinggi dan apabila keluar suhu air menjadi rendah kerana bahan pendingin di dalam tiub menyerap haba daripada air di dalam kelompang.
  • 52.
    PENGENALAN PPU ASAS/ SISTEM PENYEJUKAN (REFRIGERATION & AIR-CONDITIONING SYSTEM) 52 | P P U A s a s 3. Kelompang dan Gelung. Penyejat jenis ini lebih kecil berbanding penyejat jenis kelompang dan tiub. Kelompangnya adalah lebih kecil dan gelung penyejat berada di dalamnya. Penyejat ini digunakan dalam sistem pendingin udara. 4. Tiub terdedah. Lingkaran penyejat berbentuk – U dilingkarkan di dalam kabinet penyejukan tanpa pembalut. Lingkaran ini dilekatkan ke dinding cabinet penyejukan. Jenis ini digunakan bagi peti sejuk di kedai-kedai untuk membuat ketulan ais. Bahan pendingin menyerap haba secara terus daripada bahan yang hendak disejukkan.
  • 53.
    PENGENALAN PPU ASAS/ SISTEM PENYEJUKAN (REFRIGERATION & AIR-CONDITIONING SYSTEM) 53 | P P U A s a s 5. Plat. Rekabentuk ini dibuat khas untuk peti sejuk rumah. Petak-petak yang banyak di atas permukaan plat membolehkan cecair bahan pendingin beredar lebih banyak untuk menyerap haba. Plat yang disalut dengan plastik keras adalah untuk menjamin keselamatan. Walaupun begitu, ini tidaklah menjejaskan proses penyerapan haba.
  • 54.
    PENGENALAN PPU ASAS/ SISTEM PENYEJUKAN (REFRIGERATION & AIR-CONDITIONING SYSTEM) 54 | P P U A s a s Bahan-bahan binaan penyejat: Komponen utama dalam penyejat daripada tiub kuprum, kelompang yang diperbuat dari plat keluli yang tebal dan plat yang diperbuat dari kepingan aluminium.
  • 55.
    PENGENALAN PPU ASAS/ SISTEM PENYEJUKAN (REFRIGERATION & AIR-CONDITIONING SYSTEM) 55 | P P U A s a s PERANTI PEMETERAN (METERING DEVICES) Type and application of metering devices: Expansion valve atau metering device adalah salah satu komponen yang utama dalam sistem penyejukan. Jika berlaku kerosakan ke atasnya, sistem penyejukan akan gagal menjalankan tugasnya. Oleh itu, adalah mustahak megetahui segala aspek yang berkaitan dengannya agar dapat menjalankan pemeriksaan dan pembaikan dengan sempurna. Sungguhpun ‘metering device’ adalah satu komponen yang susah hendak difahami samada binaannya, atau operasinya, akan tetapi asas fungsinya adalah mudah, iaitu ‘alat untuk mengawal pengaliran cecair bahan penyejuk ke penyejat’. Metering device mungkin dijalankan oleh kuasa yang berlainan sperti suhu (temperature), atau tekanan (pressure), akan tetapi fungsinya adalah sama. Unit penyejukan yang mana operasinya secara automatik mestilah mempunyai alat yang akan menurunkan tekanan tinggi cecair penyejuk (refrigerant) ke tekanan rendah dengan jumlah yang betul untuk membolehkan unit penyejat (evaporator) menjalankan operasinya ke peringkat yang maksima dengan tidak membebankan pemampat (compressor). Peranti Pemeteran (Metering Device) atau Injap Pengembangan (Expansion Valve) dalam mekanikal penyejukan mempunyai 7 jenis: 1. Hand Operated Expansion Valve. 2. Low Pressure Side Float Valve (LSF) 3. High Pressure Side Float Valve (HSF) 4. Automatic Expansion Valve (AEV / AXV) 5. Thermostatic Expansion Valve (TEV / TXV) 6. Capilliary Tube (Cap. Tube) 7. Thermoelectric Expansion Valve Tiub Rerambut (Capilliary Tube). Tiub rerambut atau capilliary tube adalah alat pengawal (metering device / peranti pemeteran) bahan pendingin yang paling mudah samada dari segi binaanya atau cara operasinya dalam sistem penyejukan. Penggunaannya terhad kepada unit komersial yang kecil dan juga unit domestik. Capilliary tube mempunyai garis pusat dan lubang yang kecil yang mana cecair bahan pendingin mengalir masuk ke penyejat (evaporator / cooling coil). Capilliary tube ini tidak termasuk dalam kategori atau jenis injap (valve), kerana ianya tidak boleh dilaras (non- adjustable). Saiz dan panjang ‘capilliary tube’ bergantung kepada kapasiti / keupayaan sistem penyejuk. Sebagaimana sistem penyejuk yang lain, tiub ini juga dipasang diantara saluran cecair dan penyejat. Capilliary tube ini akan mencatu jumlah cecair penyejuk yang akan masuk ke penyejat secara berdikit-dikit, sementara itu tekanan tinggi akan terjadi dibahagian pemeluwap (condenser) semasa sistem beroperasi. Oleh kerana lubang tiub ini kecil dan telah ditetapkan panjangnya, maka kadar pengaliran bahan pendingin menjadi tidak tetap. Dalam keadaan beban haba, tekanan sedutan (suction) dan tekanan nyahcas/discas (discharge) yang tetap, maka keupayaan capilliary tube adalah memuaskan. Apabila berlaku penukaran beban haba di penyejat, dan berlaku ketidakseimbangan tekanan di bahagian tinggi (high side), ini akan menyebabkan berlakunya penambahan atau
  • 56.
    PENGENALAN PPU ASAS/ SISTEM PENYEJUKAN (REFRIGERATION & AIR-CONDITIONING SYSTEM) 56 | P P U A s a s pengurangan bahan pendingin ke penyejat. Apabila sistem berhenti, tekanan dibahgian rendah (low side) dan tinggi (high side) pada sistem akan menjadi seimbang. Ini membolehkan pemampat (compressor) motor memulakan perjalanan dengan kuasa yang rendah (low starting torque). Oleh kerana lubang tiub rerambut ini adalah kecil, sistem hendaklah bebas dari kotoran dan habuk. Itulah sebabnya penapis dipasang sebelum ‘capilliary tube’. Perjalanan bahan pendingin yang terhalang disebabkan tersumbat akan mengakibatkan ‘frost’ pada ‘evaporator’ / penyejat, sistem akan berjalan berlarutan atau ‘overload’ akan terputus, tekanan dibahagian tinggi akan menjadi terlalu tinggi dan tekanan pada bahagian rendah akan menjadi terlalu rendah. Isian bahan pendingin pada sistem yang menggunakan ‘capilliary tube’ adalah kritikal. Oleh kerana ia tidak menggunakan ‘receiver’ / penerima, untuk menyimpan bahan pendingin yang berlebihan. Isian yang berlebihan akan menyebabkan tekanan menjadi terlalu tinggi di bahagian tinggi. Pemampat (compressor) terpaksa bekerja lebih dan boleh menyebabkan cecair bahan pendingin masuk ke pemampat semasa sistem berhenti. Kekurangan bahan pendingin akan menyebabkan gas bahan pendingin masuk ke evaporator/penyejat. Ini akan mengurangkan/menghilangkan keupayaan penyejat/evaporator. Untuk mendapatkan ukuran tiub rerambut/capilliary tube yang sesuai dengan penyejat adalah susah, walaupun demikian di bawah disertakan dengan jadual ukuran ‘Capilliary Tube’ dan penggunaanya: Garis Pusat ‘Cap. Tube’ Garispusat Luar Garispusat Dalam .083 .031 .094 .036 .109 .042 .114 .049 .120 .055 .130 .065 Penggunaan dan Saiz ‘Cap. Tube’
  • 57.
    PENGENALAN PPU ASAS/ SISTEM PENYEJUKAN (REFRIGERATION & AIR-CONDITIONING SYSTEM) 57 | P P U A s a s Suhu menunjukkan: ‘H’ untuk suhu tinggi, ‘M’ untuk suhu sederhana dan ‘L’ untuk suhu rendah. SERVICING AND TROUBLESHOOTING FOR CAPILLIARY TUBE SYSTEM Mencari dan menentukan kesalahan/kerosakan pada sistem yang menggunakan ‘capilliary tube’ serta cara mengatasinya. 1. Isian kurang, simptomnya/tandanya: a. Unit berjalan tanpa henti – termostat tidak berfungsi. b. Penyejat / evaporator kurang ‘frost’/beku. c. Tolok / ‘gauge’ bahagian tinggi / ‘high side’ di bawah keadaan normal. d. Tolok / ‘gauge’ bahagian rendah / ‘low side’ di bawah keadaan normal. e. Suhu dalam kabinet panas. Cara mengatasinya: a. Periksa kebocoran pada sistem. b. Tambah isian bahan pendingin. 2. Isian kurang, simptomnya/tandanya: a. Unit berjalan tanpa henti – termostat tidak dapat dilaras ke ‘Low Temperature’. b. Penyejukan / Refrigeration dalam kabinet kurang sejuk.
  • 58.
    PENGENALAN PPU ASAS/ SISTEM PENYEJUKAN (REFRIGERATION & AIR-CONDITIONING SYSTEM) 58 | P P U A s a s c. Tekanan tolok/gauge/meter berdekatan kadar normal. d. Saluran sedutan / ‘suction’ beku/’frost’. Cara mengatasinya: a. ‘Purge’ / Bersihkan atau buang bahan penyejuk / ‘refrigerant’ sehingga suhu dalam kabinet kembali normal. Suhu rendah. 3. ‘Capilliary Tube’ tidak cukup halangan – pendek, simptomnya/tandanya: a. Unit sentiasa berjalan. b. Tekanan rendah/tinggi berdekatan normal. c. Bunyi bising disebabkan cecair bahan penyejuk masuk ke penyejat dari ‘cap. tube’. d. Kejatuhan tekanan tinggi dengan serta-merta apabila unit berhenti. Cara mengatasinya: a. Tambahkan panjang ‘cap.tube’. 4. Cap. Tube terlalu banyak halangan – panjang, simptomnya: a. Unit sentiasa berjalan. b. Tekanan dibahagian tinggi / ‘high side’ – lebih dari normal. Cara mengatasinya: a. Pendekkan ukuran ‘cap. tube’ mengikut ukuran yang asal. 5. Cap. Tube tersumbat, tandanya: a. Tekanan tinggi lebih dari normal. b. ‘Evaporator’ – ‘frost’. c. Unit sentiasa berjalan. Cara mengatasinya: a. Tukar cap. tube mengikut ukuran yang asal. 6. Sistem ‘cap. tube’ – angin dalam pemeluwap/condenser, tandanya: a. Tekanan tinggi sebelah bahagian tinggi sistem – melebihi normal. b. Penyejat ‘frost’ semasa sistem berjalan. c. Unit sentiasa berjalan. Cara mengatasinya: a. ‘purge’ angin – periksa semula perjalanan sistem.
  • 59.
    PENGENALAN PPU ASAS/ SISTEM PENYEJUKAN (REFRIGERATION & AIR-CONDITIONING SYSTEM) 59 | P P U A s a s
  • 60.
    PENGENALAN PPU ASAS/ SISTEM PENYEJUKAN (REFRIGERATION & AIR-CONDITIONING SYSTEM) 60 | P P U A s a s THERMOSTATIC EXPANSION VALVE ‘Thermostatic Expansion Valve’ adalah pengawal bahan pendingin yang paling meluas digunakan di masa ini, kerana mempunyai keupayaan yang baik dan sedia dipasang pada apa saja pepasangan penyejukan. Injap / ‘Valve’ ini juga kadangkala dipanggil ‘Super-Heat Valve’. Binaannya berdasarkan pengawalan ketepatan darjah suhu ‘super heat’ di pintu keluar ‘evaporator’, yang mana akan mengawal ‘evaporator supaya sentiasa mendapat bekalan ‘refrigerant’ dalam semua keadaan beban haba, tanpa membahayakan kemasukan cecair ‘refrigerant’ ke saluran ‘suction’. Ia sesuai dipasang pada sistem yang bekerja pada beban haba yang tidak tetap. Ia biasanya dipasang pada ‘evaporator’ jenis ‘dry’ atau ‘direct expansion’. Binaan: Mengandungi ‘needle’ dan ‘seat’ daripada bahan ‘alloy’ yang tahan lasak. ‘pressure bellow’ atau ‘diaphragm’ daripada bahan ‘phosphor bronze’ dipasang tetap atau menggunakan pembenang ke ‘valve body’. ‘Remote Bulb’, ‘Temperature Sensitive Element’ atau ‘Thermo Bulb’, yang mana disambungkan pada ‘bellow’ atau ‘diaphragm housing’ dengan menggunakan ‘cap. tube’. ‘Thermo Bulb’ dipasang dipintu keluar ‘evaporator’. Isian ‘thermo bulb’ biasanya sama dengan jenis ‘refrigerant’ yang digunakan dalam sistem. Sejenis spring yang dipanggil Spring Penyelaras Super Heat (Super Heat Adjusting Spring). Ketegangan atau kekuatannya boleh dilaraskan dengan menggunakan skru untuk darjah/degrees atau darjah super-heat yang dikehendaki. Satu lubang laluan atau sambungan untuk membawa tekanan dari ‘evaporator’ ke sebelah bawah ‘diaphragm’ atau ‘bellow’ dipanggil ‘equalizer’. Terdapat dua jenis ‘equalizer’ iaitu ‘internal’ dan ‘external’. Penapis digunakan untuk menapis kotoran daripada masuk ke injap/valve. Diperbuat daripada bahan tembaga. ‘Valve Body’ diperbuat daripada bahan ‘drop forged brass’ dan kadangkala daripada ‘stainless steel’. Ciri-ciri operasinya adalah hasil dari tindakan tiga: 1. Tekanan ‘remote bulb’ dan ‘power assembly’ (P1) 2. Tekanan ‘evaporator’ (P2) 3. Tekanan ‘super-heat spring’ (P3) Tekanan dalam ‘remote bulb’ dan ‘power assembly’ (P1) adalah tekanan tepu / ‘saturation’ yang bersamaan dengan suhu bahan pendingin yang keluar dari ‘evaporator’. Tekanan (P1) ini akan menolak ‘valve pin’ / jarum injap dan membuka ‘valve seat’. Tekanan yang berlawanan dari bawah ‘diaphragm’ untu menutup ‘valve seat’ adalah gabungan dua kuasa (P2) dan (P3) atau tekanan ‘evaporator’ dan tekanan ‘super-heat spring’. ‘Valve’ akan mendapat kawalan stabil apabila posisi ketiga-tiga kuasa ini mencapai keseimbangan: { (P1) = (P2) + (P3) } Apabila suhu ‘refrigerant’ gas di pintu keluar ‘evaporator’ bertambah lebih dari suhu ‘saturation’, yang mana tekanan ‘evaporator’ tidak berubah, ia akan menjadi ‘super-heated’. Tekanan dalam ‘remote bulb’ dan ‘power assembly’ (P1) bertambah melebihi tekanan ‘evaporator’ dan ‘super- heated spring’ { (P2) + ( P3) } ini akan mengaktifkan pin untuk membuka ‘valve seat’.
  • 61.
    PENGENALAN PPU ASAS/ SISTEM PENYEJUKAN (REFRIGERATION & AIR-CONDITIONING SYSTEM) 61 | P P U A s a s Apabila suhu gas di pintu keluar ‘evaporator’ berkurangan, tekanan ‘remote bulb’ dan juga ‘power assembly’ akan berkurangan (P1). Tekanan ‘evaporator’ dan ‘super-heat spring’ { (P2) + ( P3) } melebihi tekanan (P1), maka ‘valve pin’ akan menutup ‘valve seat’. Penyelarasan / Adjustment of Super-Heat.
  • 62.
    PENGENALAN PPU ASAS/ SISTEM PENYEJUKAN (REFRIGERATION & AIR-CONDITIONING SYSTEM) 62 | P P U A s a s
  • 63.
    PENGENALAN PPU ASAS/ SISTEM PENYEJUKAN (REFRIGERATION & AIR-CONDITIONING SYSTEM) 63 | P P U A s a s Thermostatic Expansion Valve Equalizer ‘Equalizer’ digunakan untuk mendapatkan persamaan tekanan di antara pintu masuk dan pintu keluar di ‘evaporator’ di mana ‘remote bulb’ dipasang. Persamaan tekanan ini adalah untuk mendapatkan penyelarasan ‘super-heat’ yang tepat. Biasanya terdapat kejatuhan tekanan dalam ‘evaporator’. Adalah disyorkan untuk menggunakan ‘equalizer’ di pintu masuk dan pintu keluar ‘evaporator’, 4 psi atau 110.4 kPa. Terdapat dua jenis ‘equalizer’ iaitu ‘internal’ dan ‘external’ equalizer. Tekanan di pintu masuk ‘evaporator’ dialirkan ke bawah ‘diaphragm’ menerusi satu saluran kecil atau ruang di sekeliling ‘push rod’. Digunakan pada ‘evaporator’ yang kejatuhan tekanannya adalah rendah. ‘External Equalizer’ dipasang dengan menggunakan saluran tiub ¼ in. OD. Satu hujung dipasang pada pintu keluar ‘evaporator’ dan satu hujung lagi dipasang pada bawah ‘diaphragm’. Digunakan pada ‘evaporator’ yang kejatuhan tekanannya adalah tinggi. Special Thermostatic Expansion Valve Banyak rekabentuk ‘expansion valve’ jenis ini. Salah satu darinya adalah cantuman agihan tiub atau ‘manifold’ pada pintu keluar ‘expansion valve’ sebelum ke ‘evaporator’. Rekabentuk sebegini digunakan adalah untuk mengurangkan kejatuhan tekanan pada ‘evaporator’ yang besar-besar dengan menyediakan beberapa saluran ‘evaporator’ yang selari. Ini sangat popular pada pepasangan penyaman udara. Kerja-kerja yang cermat adalah diperlukan untuk mendapatkan pembahagian jumlah bahan pendingin yang sama pada tiap-tiap tiub saluran ‘evaporator’.
  • 64.
    PENGENALAN PPU ASAS/ SISTEM PENYEJUKAN (REFRIGERATION & AIR-CONDITIONING SYSTEM) 64 | P P U A s a s
  • 65.
    PENGENALAN PPU ASAS/ SISTEM PENYEJUKAN (REFRIGERATION & AIR-CONDITIONING SYSTEM) 65 | P P U A s a s
  • 66.
    PENGENALAN PPU ASAS/ SISTEM PENYEJUKAN (REFRIGERATION & AIR-CONDITIONING SYSTEM) 66 | P P U A s a s Automatic Expansion Valve ‘Automatic Expansion Valve’ atau AXV adalah satu jenis alat pengawal bahan pendingin yang operasinya bergantung pada tekanan ‘low side system’. Tujuannya adalah untuk memancutkan cecair bahan pendingin dari saluran cecair dengan tekanan yang tetap ke bahagian tekanan rendah sistem secara automatik. Binaan: ‘Valve’ ini mengandungi jarum/needle/pin dan ‘seat’ yang diperbuat daripada bahan aloi/alloy yang tahan rosak, seperti ‘stainless steel’. Penapis biasanya dipasang di saluran cecair bahan pendingin masuk ke AXV. Ini bagi bertujuan menghalang kemasukan bahan-bahan yang tidak dikehendaki yang mana boleh menyebabkan rintangan pada ‘valve’. Penapis ini diperbuat dari bahan tembaga/copper berukuran 60 – 100 lubang seinci atau 25.4mm. ‘Diaphragm’ biasanya diperbuat daripada bahan ‘phosfor bronze’ yang dipateri ke dalam ‘valve’ dan ianya adalah mudah lentur/’flexible’. Prinsip operasi: AXV berfungsi menyelaras dengan tetap tekanan ‘evaporator’ samada menambah atau mengurangkan bahan pendingin/’refrigerant’ ke ‘evaporator’ dengan kadar yang bersesuaian. Digunakan pada ‘evaporator’ jenis ‘dry’ atau ‘direct expansion’. Tekanan tetap ini berpunca dari dua kuasa yang berlawanan: 1. Tekanan di penyejat / ‘evaporator’ – (evaporator pressure) 2. Tekanan spring – (spring pressure) Tekanan ‘evaporator’ bekerja dari satu bahagian ‘bellows’ atau ‘diaphragm’ yang bertindak untuk menutup lubang ‘valve’ sementara tekanan spring pula bertindak dari satu bahagian lain untuk membuka lubang ‘valve’. Apabila ketegangan spring (spring tension) dilaraskan untuk mendapatkan tekanan di ‘evaporator’ yang diperlukan. ‘Valve’ akan bekerja secara automatik mengimbangkan aliran cecair bahan pendingin ke ‘evaporator’ untuk tekanan yang dikehendaki. Umpamanya, ketegangan spring dilaraskan untuk mendapatkan tekanan tetap di penyejat sebanyak 69 Kpa. Dalam satu-satu keadaan, sekiranya tekanan di penyejat menurun lebih rendah dari 69 Kpa, disebabkan kurangnya cecair bahan pendingin masuk ke ‘evaporator’, tekanan spring akan melampui tekanan ‘evaporator’. Ini menambahkan keupayaan ‘evaporator’. Kadar penyejatan (evaporation) bertambah dan tekanan ‘evaporator’ akan naik sehingga keseimbangan terjadi dengan tekanan spring. Andainya tekanan ‘evaporator’ naik melebihi 69 Kpa, tekanan ini dengan serta-merta mengatasi tekanan spring dan menyebabkan jarum bergerak menutup lubang ‘seat’. Ini mengurangkan aliran cecair bahan pendingin ke ‘evaporator’ menyebabkan keupayaan ‘evaporator’ dan kadar ‘evaporation’ berkurangan. Ini akan merendahkan tekanan di ‘evaporator’. Apabila ‘compressor’ berhenti, jarum akan menutup lubang ‘seat’ sehingga ‘compressor’ berjalan kembali. Ini terjadi kerana selepas pemampat / ‘compressor’ berhenti, ‘evaporation’ / penyejatan masih lagi berlaku dalam penyejat. Oleh kerana ‘vapor’ tidak dialirkan ke ‘compressor’, tekanan di ‘evaporator’ meningkat melebihi tekanan spring. ‘Valve Seat’ akan tertutup rapat oleh daya tekanan ‘evaporator’.
  • 67.
    PENGENALAN PPU ASAS/ SISTEM PENYEJUKAN (REFRIGERATION & AIR-CONDITIONING SYSTEM) 67 | P P U A s a s Automatic Expansion Valve
  • 68.
    PENGENALAN PPU ASAS/ SISTEM PENYEJUKAN (REFRIGERATION & AIR-CONDITIONING SYSTEM) 68 | P P U A s a s Hand Operated Expansion Valve Injap / ‘valve’ ini adalah yang termudah kendaliannya berbanding injap-injap yang lain. Ianya hanya dikawal dengan cara melaras menggunakan tangan untuk cecair penyejuk mengalir masuk ke penyejat/pencairwap/’evaporator’. Contoh yang mudah dapat dilihat seperti memutar kepala paip air. Prinsip inilah yang digunakan pada injap jenis ini. Dengan memutar kepala injap ini, maka dapatlah bahan penyejuk mengalir masuk ke penyejat. Bila cecair pendingin telah mencukupi, balas putaran injap tadi mengikut lawan putaran bagi memberhentikan pengaliran bahan penyejuk. Kandungan bahan penyejuk yang mengalir masuk ke penyejat bergantung kepada perbezaan tekanan pada ‘orifis’ dan darjah bukaan injap. Injap ini biasanya digunakan pada sistem yang besar dimana bebannya adalah tetap. Seorang jurutera yang berpengalaman sahaja yang dibenarkan mengendalikan injap tangan ini.
  • 69.
    PENGENALAN PPU ASAS/ SISTEM PENYEJUKAN (REFRIGERATION & AIR-CONDITIONING SYSTEM) 69 | P P U A s a s High Pressure Side Float Valve (HPSFV) Sistem penyejukan cas terhad sahaja yang sesuai menggunakan alat penjangkaan jenis ini. Ia dinamakan HPSFV kerana pelampong dan orifisnya terletak disebelah tekanan tinggi sistem penyejukan. Pengawal utama injap ini bergantung pada secepat mana proses bahan penyejuk bertukar bentuk daripada wap kepada cecair. Jadi beban sistem penyejuk tidak memainkan apa- apa peranan pun dan ini adalah satu keburukan injap ini. Kedudukan bola pelampong ini akan ditentukan oleh paras cecair penyejuk. Penutupan saluran cecair (orifis) ke penyejat adalah bersambungan dengan bola pelampong. Cecair penyejuk akan mengalir masuk ke dalam tangki injap tanpa disekat atau dikawal. Jika wap penyejuk cepat bertukar kepada cecair, maka banyaklah cecair penyejuk mengalir masuk. Jika lambat bertukar kepada cecair, maka kuranglah kemasukan cecair bahan penyejuk ke dalam tangki. Apabila kandungan cecair banyak, maka parasnya akan menjadi tinggi ke atas dan orifis akan terbuka. Lalu cecair penyejuk masuk ke gelung penyejat dan terus ke pemampat. Di sini, dapat diperhatikan, pemampat tidak dilindungi dari dimasuki cecair penyejuk iaitu semasa sistem penyejukan kurang beban. Cecair penyejuk tidak akan berubah kepada wap kesemuanya bila beban kurang. Jadi kemungkinan besar cecair penyejuk akan masuk ke dalam pemampat dan hancurlah pemampat jika cuba memampat cecair tersebut. Jadi injap ini hanya sesuai bagi sistem penyejukan cas terhad sahaja. Jika berlaku cas yang berkurangan, maka penyejat tidak akan jadi sejuk. Penelitian yang wajar mestilah dibuat jika hendak menggunakan injap ini. Satu peringatan lagi ialah apabila injap ini digunakan pada sistem penyejukan ammonia, maka akumulator sedutan mestilah dipasang sebelum pemampat.
  • 70.
    PENGENALAN PPU ASAS/ SISTEM PENYEJUKAN (REFRIGERATION & AIR-CONDITIONING SYSTEM) 70 | P P U A s a s
  • 71.
    PENGENALAN PPU ASAS/ SISTEM PENYEJUKAN (REFRIGERATION & AIR-CONDITIONING SYSTEM) 71 | P P U A s a s Low Pressure Side Float (LPSF) Low Pressure Side Float adalah sejenis pengawal ‘refrigerant’ yang mudah difahami. Jenis ini pada masa dahulu sangat terkenal dan masih lagi digunakan pada sesetengah unit. ‘Low Pressure Side Float’ ini digunakan pada ‘evaporator’ jenis ‘flooded’ dan dipasang menjadi satu bahagian daripada ‘evaporator’. LPSF ini sendiri berbentuk silinder kadangkala disebut ‘float chamber’ dimana di dalamnya terdapat bahagian-bahagian yang mustahak seperti ‘float ball’. ‘Float Valve Lever’, ‘Float Valve Needle’ dan ‘Oil Return Line’. Float Valve, Float Ball, Float Valve Lever, dan Float Valve Needle dipasang ke Float Valve Body yang mana boleh bergerak turun dan naik mengikut keadaan paras cecair bahan penyejuk di dalam ‘Float Chamber’. Needle akan membuka lubang needle seat. Lubang needle seat bersambung dengan saluran cecair yang mana membawa cecair bahan pendingin ke dalam chamber. Saluran suction dipasang masuk memanjang ke dalam float chamber yang mana hujungnya menghala ke atas jika chamber itu menggunakan float chamber. Hujung saluran itu menghala ke bawah jika sekiranya chamber itu menggunakan float pen. Ini adalah untuk mengelakkan supaya tidak ada cecair bahan pendingin yang akan masuk ke compressor. Minyak biasanya akan balik ke compressor melalui lubang kecil yang terdapat di saluran suction/sedutan dalam chamber dimana lubang itu terletak betul-betul di paras cecair yang paling tinggi. Oleh kerana lubang ini adalah kecil, jika kedudukan unit yang tidak rata, ini akan menyebabkan minyak tidak akan balik ke compressor dan menjadikan ‘oil binding’ atau cecair bahan pendingin akan masuk semula ke compressor. Jika ini terjadi di ‘oil binding’, permukaan cecair bahan pendingin dilitupi oleh minyak dan akan menggagalkan bahan pendingin daripada bertukar bentuk kepada wap dengan secukupnya. Prinsip operasi ‘metering device’ ini sangat mudah untuk difahami. Coil evaporator dipenuhi oleh cecair bahan pendingin dan jumlahnya dikawal oleh float valve. Apabila haba diserap oleh bahan pendingin di evaporator, cecair bahan pendingin itu akan mendidih dan sebahagian daripada cecair bahan pendingin itu akan bertukar menjadi wap dan disedut ke compressor. Ini akan menyebabkan paras cecair bahan pendingin dalam chamber menjadi rendah yang mana perkara ini juga akan menjadikan float ball turun ke bawah. Apabila float ball turun ke bawah, needle akan membuka lubang needle seat dan member jalan kepada cecair bahan pendingin dari saluran cecair masuk ke float chamber menggantikan cecair yang telah ‘evaporated’ tadi. Float ball akan naik dan float needle akan menutup lubang seat setelah cecair bahan pendingin dalam chamber sampai ke paras maksima. Float control ini berfungsi untuk menyamakan paras cecair dalam chamber atau di ‘low pressure side’. Kerosakan float valve needle yang sentiasa terbuka atau membuka lubang seat dapat dikesan dengan: 1. Bunyi bising yang bertalu-talu di ‘evaporator’ setelah ‘compressor’ berhenti. 2. Persamaan tekanan pada kedua-dua bahagian. 3. ‘Frost’ di saluran suction / sedutan. Semua ‘float control’ mestilah dipasang rata untuk mendapatkan operasi yang memuaskan. Bahagian-bahagian ‘float chamber’ boleh diasingkan untuk penyelenggaraan dan pembaikan.
  • 72.
    PENGENALAN PPU ASAS/ SISTEM PENYEJUKAN (REFRIGERATION & AIR-CONDITIONING SYSTEM) 72 | P P U A s a s Low side float refrigerant control. Note: suctin line and liquid line connection. Loat and needle mechanism maintain constant level of liquid refrigerant in evaporator. Low pressure side float refrigerant control. A bucket or pan type float is used in this refrigerant level control. Suction line dips to the bottom of open float in order to remove which might
  • 73.
    PENGENALAN PPU ASAS/ SISTEM PENYEJUKAN (REFRIGERATION & AIR-CONDITIONING SYSTEM) 73 | P P U A s a s
  • 74.
    PENGENALAN PPU ASAS/ SISTEM PENYEJUKAN (REFRIGERATION & AIR-CONDITIONING SYSTEM) 74 | P P U A s a s KEPELBAGAIAN KOMPONEN (VARIOUS COMPONENTS) Memasang Pelbagai Komponen Penyejukan. Sistem penyejukan dan penyamanan udara mempunyai berbagai komponen yang berbeza-beza dari segi rekabentuk dan jenis bergantung kepada aplikasi sistem tersebut. Namun begitu, terdapat komponen yang mempunyai rekabentuk dan jenis yang sama. Pemasangan komponen- komponen ini adalah bergantung kepada tujuan: a. Penggantian komponen yang rosak. b. Pembaikan dan pemasangan semula. c. Pemasangan baru. Komponen-komponen yang terlibat di dalam pemasangan adalah seperti: 1. Filter dryer 2. Compressor 3. Metering device 4. Oil separator 5. Low pressure switch 6. High pressure switch Pemasangan komponen-komponen ini memerlukan pemerhatian dan peraturan yang tertentu. Sekiranya pemerhatian dan peraturan ini tidak diikuti dengan betul, sistem boleh terjejas. Sistem ini juga berkemungkinan beroperasi di bawah kecekapan yang sebenarnya. Pada sistem lebih besar, pemasangan yang tidak betul boleh mengakibatkan kerugian dan pembaziran. Komponen dan peralatan lain yang terlibat dalam pemasangan komponen. Adakalanya sebelum komponen ditukar ganti, bahan pendingin atau ‘refrigerant’ perlu diasingkan dari komponen yang akan diganti atau dikeluarkan. Proses ini dipanggil ‘pump down’. Bagi melakukan kerja ‘pump down’ ini, beberapa peralatan dan komponen lain adalah perlu diketahui fungsi dan penggunaannya. Service Valve - atau juga dipanggil ‘manual shut-off valve’, adalah amat meluas digunakan terutama pada sistem yang berkapasiti besar. Binaan dan rekabentuk ‘service valve’: Service Valve terdapat dalam pelbagai saiz. Rekabentuk dan binaan boleh dilihat pada gambarajah di bawah.
  • 75.
    PENGENALAN PPU ASAS/ SISTEM PENYEJUKAN (REFRIGERATION & AIR-CONDITIONING SYSTEM) 75 | P P U A s a s Service Valve ini biasanya di pasang pada: ~ saluran sedutan(suction) di ‘compressor’ ~ saluran discas (discharge) di ‘compressor‘ ~ saluran masuk di ‘liquid receiver’ ~ saluran keluar di ‘liquid receiver’
  • 76.
    PENGENALAN PPU ASAS/ SISTEM PENYEJUKAN (REFRIGERATION & AIR-CONDITIONING SYSTEM) 76 | P P U A s a s Kedudukan Service Valve Terdapat tiga kedudukan ‘service valve’ yang boleh dilaras semasa kerja-kerja ‘pump down’: a. Front seated - kedudukan injap/valve stem berada sepenuhnya di hadapan. b. Intermediate seated - injap/valve stem berada di pertengahan. c. Back seated - kedudukan injap/valve stem berada sepenuhnya dibelakang. Front seated - hanya saluran 1 dan saluran 3 sahaja terbuka dan ada hubungan. Bahan pendingin dari saluran ‘suction’ atau ‘discharge’ tidak memasuki pemampat, saluran ditutup. Intermediate seated - semua saluran ada hubungan. Saluran 1, 2, dan 3 ada hubungan atau terbuka. Bacaan tekanan sistem boleh diambil.
  • 77.
    PENGENALAN PPU ASAS/ SISTEM PENYEJUKAN (REFRIGERATION & AIR-CONDITIONING SYSTEM) 77 | P P U A s a s Back seated - saluran 2 dan saluran 3 ada hubungan (terbuka). Saluran ‘discharge’ atau ‘suction’ dihubungkan ke pemampat / ‘compressor’. Tiada bacaan tekanan boleh diambil kerana saluran ke ‘gauge’ / tolok, tertutup. Sistem ‘Pump Down’ Satu kaedah mengumpul semua ‘refrigerant’ di ‘condenser’ atau ‘receiver tank’ atau kedua-duanya sekali. ‘Pump Down’ adalah satu kerja/cara yang penting di dalam kerja-kerja menukar komponen kerana melibatkan penjimatan bahan pendingin/’refrigerant’ dengan jumlah yang banyak. Tujuan ‘Pump Down’ Memudahkan kerja-kerja pembaikan, contohnya menukar TXV, membaiki pemampat, menukar ‘filter drier’ dan sebagainya tanpa membazirkan bahan pendingin/refrigerant.
  • 78.
    PENGENALAN PPU ASAS/ SISTEM PENYEJUKAN (REFRIGERATION & AIR-CONDITIONING SYSTEM) 78 | P P U A s a s Melakukan kerja-kerja ‘Pump Down’ Gerakerja ‘Pump Down’ boleh dijelaskan dalam amali/praktikal. Gambarajah di bawah menunjukkan secara ringkas bagaimana “pump down’ dilakukan. Alat ‘manifold gauge’ dipasang seperti dalam gambarajah. Kedudukan ‘service valve’ ketika ini berada pada kedudukan ‘intermediate’, kecuali di bahagian keluar ‘condenser’ yang mana berada pada kedudukan ‘back seated’. Setelah sistem dihidupkan sehingga stabil, ‘service valve’ pada bahagian keluar ‘condenser’ / pemeluwap dilaraskan pada kedudukan ‘front seated’. Bacaan tekanan pada bahagian rendah / ‘low side’ akan menurun oleh kerana semua bahan pendingin dipindahkan ke ‘condenser’. Sistem akan dimatikan apabila bacaan tekanan rendah mencapai 1 – 2 psig. Dengan pantas ‘service valve’ di saluran sedutan dilaras pada kedudukan ‘front seated’.
  • 79.
    PENGENALAN PPU ASAS/ SISTEM PENYEJUKAN (REFRIGERATION & AIR-CONDITIONING SYSTEM) 79 | P P U A s a s PEMASANGAN KOMPONEN-KOMPONEN SISTEM PENYEJUKAN (ASSEMBLE COMPONENTS) KITARAN ASAS PENYEJUKAN (BASIC COOLING CIRCULATION) Kitaran asas penyejukan ialah satu kitaran yang menunjukkan bagaimana wap bahan pendingin / ‘refrigerant’ disedut oleh pemampat / ‘compressor’ dan dinyahcas / ‘discharge’ ke pemeluwap / ‘condenser’. Pemeluwap kemudiannya akan menyingkirkan haba yang diserap oleh penyejat / ‘evaporator’. Wap bahan pendingin akan kembali ke cecair setelah haba disingkirkan. Cecair bahan pendingin kemudian akan masuk ke penyejat melalui peranti pemeteran / ‘metering device’. Di penyejat / ‘evaporator’, haba akan diserap apabila cecair bahan pendingin bertukar ke wap (proses penyejatan / ‘evaporation’). Fungsi komponen-komponen utama dalam sistem penyejukan Pemampat / ‘Compressor’ - juga disebut sebagai jantung atau nadi kepada sistem penyejukan yang mengepam bahan pendingin ke seluruh sistem. Pemampat menyedut wap / ‘vapor’ bahan pendingin dari saluran sedutan dan memampatkannya ke saluran discas/nyahcas. Wap bahan pendingin akan menjadi panas dan tekanan menjadi tinggi kemudian masuk ke pemeluwap / ‘condenser’. Pemeluwap / ‘Condenser’ - pemeluwap ialah satu komponen untuk menyingkirkan haba yang diserap di penyejat / ‘evaporator’. Semasa haba disingkirkan, wap bahan pendingin akan bertukar menjadi cecair. Tekanan dan suhu cecair bahan pendingin di pemeluwap / ‘condenser’ masih tinggi. Cecair ini kemudian akan mengalir masuk ke tangki penerima / ‘receiver tank’. Tangki penerima / ‘Receiver tank’ - berfungsi sebagai alat untuk menerima cecair bahan pendingin dari pemeluwap dan membekalkannya ke saluran cecair. Di saluran cecair, bahan pendingin akan melalui alat pengering, kelembapan yang ada di dalam sistem akan diserap. Kemudian, cecair bahan pendingin akan masuk ke peranti pemeteran / ‘metering device’. Peranti pemeteran / ‘Metering device’ - peranti pemeteran adalah alat untuk mengawal suhu dan tekanan cecair bahan pendingin. Alat ini juga digunakan untuk mengawal kadar aliran masuk bahan pendingin ke dalam penyejat / ‘evaporator’ supaya sistem beroperasi dengan berkesan dan tidak membebankan pemampat / ‘compressor.
  • 80.
    PENGENALAN PPU ASAS/ SISTEM PENYEJUKAN (REFRIGERATION & AIR-CONDITIONING SYSTEM) 80 | P P U A s a s Penyejat / ‘Evaporator’ - penyejat adalah komponen yang penting dalam sistem penyejukan. Penyejat berfungi untuk menyerap haba yang melalui gegelung. Cecair bahan pendingin yang mengalir dalam penyejat akan menyerap haba yang melaluinya, kemudian cecair bahan pendingin ini akan bertukar ke bentuk wap panas (evaporation) untuk dialirkan ke pemeluwap bagi disingkirkan habanya. Bahan pendingin / ‘Refrigerant’ - ‘refrigerant’ adalah bahan yang digunakan sebagai perantaraan untuk mengalirkan haba bagi disingkirkan di pemeluwap. Bahan pendingin yang mengalir di dalam penyejat akan menyerap haba. Semasa penyerapan haba berlaku (‘evaporation’), cecair bahan pendingin akan berubah menjadi wap dan mengalir ke saluran sedutan / ‘suction’ dan masuk ke pemampat. Pemampat akan memampat wap bahan pendingin dan proses kitaran ini berulang selagi sistem berjalan atau beroperasi.
  • 81.
    PENGENALAN PPU ASAS/ SISTEM PENYEJUKAN (REFRIGERATION & AIR-CONDITIONING SYSTEM) 81 | P P U A s a s Perbezaan Suhu dan Tekanan Dalam Sistem
  • 82.
    PENGENALAN PPU ASAS/ SISTEM PENYEJUKAN (REFRIGERATION & AIR-CONDITIONING SYSTEM) 82 | P P U A s a s Penyambungan Paip/Tiub Kuprum 1. Dengan menggunakan dua spanar / ‘spanner’ utama, ketatkan dua ‘flare nut’. Berhati-hati supaya tidak merosakkan paip/tiub tembaga (copper tube) pada ‘indoor unit’. 2. Penjagaan ‘flare’. Tiga perkara yang perlu dilakukan: a. CLEAN - jangan ada kotoran di dalam paip/tiub. b. TIGHT - tiada kebocoran. c. DRY - tiada lembapan di dalam paip/tiub.
  • 83.
    PENGENALAN PPU ASAS/ SISTEM PENYEJUKAN (REFRIGERATION & AIR-CONDITIONING SYSTEM) 83 | P P U A s a s 3. Dengan menggunakan minyak ‘refrigerant’, letakkan di luar dan di dalam ‘flare’/pengembangan. Kemudian dengan berhati-hati lakukan penyambungan ‘flare’ ke paksi tengah dengan penyambung ‘union’. Seterusnya ketatkan ‘nut’ sebaiknya supaya tiada kebocoran berlaku. * jangan gunakan sebarang minyak selain minyak ‘refrigerant’. 4. Dengan menggunakan ‘Torque Wrench’ yang sesuai, ketatkan paip dengan baik dan selamat.
  • 84.
    PENGENALAN PPU ASAS/ SISTEM PENYEJUKAN (REFRIGERATION & AIR-CONDITIONING SYSTEM) 84 | P P U A s a s 5. Gunakan ‘Adjustable Wrench’ atau spanar utama untuk melonggarkan ‘Flare Nut’ di bahagian injap/valve penutup cecair dan penutup gas/wap/vapor. 6. Hubungkan paip besar (gas) dan paip kecil (cecair) supaya nampak kemas.
  • 85.
    PENGENALAN PPU ASAS/ SISTEM PENYEJUKAN (REFRIGERATION & AIR-CONDITIONING SYSTEM) 85 | P P U A s a s 7. Sediakan kelurusan paip lebih kurang dalam ukuran 200mm supaya memudahkan untuk penyambungan di paksi tengah. 8. Dengan menggunakan spanar utama yang sesuai dengan saiz paip atau ‘Adjustable Spanner’, ketatkan dengan berhati-hati.
  • 86.
    PENGENALAN PPU ASAS/ SISTEM PENYEJUKAN (REFRIGERATION & AIR-CONDITIONING SYSTEM) 86 | P P U A s a s MENGECAS (RECHARGE) BAHAN PENDINGIN (REFRIGERANT), MENGUJI KEBOCORAN (LEAK TEST) DAN MINYAK BAHAN PENDINGIN Mengecas (recharge), adalah proses mengisi bahan pendingin ke dalam sistem melalui beberapa kaedah. Mengecas ke dalam sistem penyejukan dan penyamanan udara dilakukan adalah kerana unit tersebut baru dipasang, berlakunya kebocoran gas atau selepas menggantikan komponen- komponen pada sistem tersebut. Sebelum proses mengecas dapat dilakukan, terlebih dahulu sistem perlulah diuji kebocorannya dan proses pengungsian. Pengungsian dan mengecas semula Pada kebiasaannya, sesuatu sistem penyejukan dan penyamanan udara telah dicas secukupnya sebelum dikeluarkan dari kilang. Apabila berlakunya kekurangan bahan pendingin disebabkan oleh kebocoran atau penggantian komponen-komponen yang rosak, dua perkara perkara perlu dilakukan iaitu, pengungsian dan mengecas. Proses pengungsian dan mengecas hendaklah dilakukan seperti di bawah: 1. Buang bahan pendingin yang ada di dalam sistem. 2. Perbaiki kebocoran atau gantikan komponen-komponen yang rosak. 3. Uji kebocoran. 4. Pengungsian sistem keseluruhannya. 5. Cas bahan pendingin melalui bahagian tekanan rendah / ‘low side’ atau ‘service valve’ tekanan rendah dengan secukupnya. Menguji kebocoran pada sistem penyamanan udara dan penyejukan Menguji kebocoran boleh dilakukan dengan tiga cara: 1. Dengan menggunakan larutan buih sabun. 2. Dengan menggunakan sumpitan api halide. 3. Dengan menggunakan pengesan elektronik. Sebelum kebocoran dapat dikesan, pengujian tekanan dalam sistem perlulah dibuat terlebih dahulu. Cara pengujian tekanan dalam sistem adalah seperti berikut: 1. Pasang tolok pancarongga / ‘manifold gauge’ pada sistem. 2. Pastikan hos tekanan rendah dipasang pada saluran sedutan / ‘suction. 3. Pastikan hos tekanan tinggi dipasang pada saluran nyahcas / ‘discharge. 4. Pastikan hos rawatan dipasang di tangki nitrogen atau karbon dioksida atau tangki bahan pendigin. 5. Buka injap/valve di tangki dan injap tangan di tolok pancarongga / ‘manifold gauge’ tekanan rendah. 6. Masukkan gas nitrogen ke dalam sistem pada kadar tekanan di bawah 12 kg/cm². 7. Setelah gas dimasukkan ke dalam sistem, tutup injap di tolok pancarongga. 8. Setelah itu, proses mengesan kebocoran dapatlah dilakukan.
  • 87.
    PENGENALAN PPU ASAS/ SISTEM PENYEJUKAN (REFRIGERATION & AIR-CONDITIONING SYSTEM) 87 | P P U A s a s Kaedah menguji kebocoran dalam sistem 1. Mengesan kebocoran dengan menggunakan larutan buih sabun: a. Lakukan pengujian tekanan terlebih dahulu. b. Letakkan larutan buih sabun pada semua sambungan atau bahagian-bahagian yang bengkok atau tempat-tempat yang disyaki bocor. c. Perhatikan dengan betul dan teliti keadaan buih sabun tersebut. d. Jika terdapat kebocoran, buih sabun itu akan membesar atau menggelembung. Menguji tekanan dalam sistem
  • 88.
    PENGENALAN PPU ASAS/ SISTEM PENYEJUKAN (REFRIGERATION & AIR-CONDITIONING SYSTEM) 88 | P P U A s a s 2. Mengesan kebocoran dengan menggunakan sumpitan api halide: a. Lakukan pengujian tekanan terlebih dahulu. b. Nyalakan sumpitan api halida dan halakan hos esak pada setiap sambungan, atau bahagian-bahagian yang bengkok, atau tempat-tempat yang disyaki bocor. c. Nyalaan api ini akan bertukar warna dari warna jernih ke warna kecil hijau muda jika terdapat kebocoran kecil pada sistem tersebut. Jika terdapat kebocoran yang besar, warna api akan bertukar ke warna ungu. 3. Mengesan kebocoran dengan menggunakan pengesan elektronik: a. Lakukan pengujian tekanan terlebih dahulu. b. Mengesan kebocoran dengan menggunakan alat ini boleh juga dilakukan ketika sistem sedang beroperasi kerana alat ini amat sensitive terhadap bahan pendingin. c. Alat ini akan mengeluarkan bunyi siren jika terdapat kebocoran pada sistem tersebut.
  • 89.
    PENGENALAN PPU ASAS/ SISTEM PENYEJUKAN (REFRIGERATION & AIR-CONDITIONING SYSTEM) 89 | P P U A s a s MENGHAMPAGAS / ‘VACUUM’ SISTEM Apabila memperbaiki kebocoran atau menggantikan alat-alat yang rosak, perlulah menghampagas (vacuum) sistem itu terlebih dahulu. Cara-cara menghampagas sistem dapat dilihat seperti dalam gambarajah berikut: 1. Gunakan pam vakum yang baik. Tukarkan minyak pam minyak vakum selalu supaya pam boleh bekerja dengan baik.
  • 90.
    PENGENALAN PPU ASAS/ SISTEM PENYEJUKAN (REFRIGERATION & AIR-CONDITIONING SYSTEM) 90 | P P U A s a s 2. Pasangkan injap service pada tiub servis bahagian tekanan rendah di pemampat seperti yang ditunjukkan dalam gambarajah. 3. Pasangkan hos vakum pada injap servis dan biarkan injap tertutup. 4. Jalankan pam vakum. Buka injap discas dan perlahan-lahan buka injap servis pada pemampat. 5. Buka injap servis pada pam vakum perlahan-lahan untuk mengelakkan minyak dalam pemampat disedut keluar. 6. Jalankan pam vakum kira-kira dalam 15 minit atau sehingga 500 mikron atau 76 cm merkuri, pada tolok tekanan rendah. Setelah pam beroperasi kira-kira 30 minit, tutup injap pada pam vakum. Lihat jarum di tolok vakum. Jika jarumnya naik, ini menunjukkan terdapat kebocoran di dalam sistem. 7. Tutup injap servis di pemampat dan hentikan pam vakum. 8. Masukkan sedikit bahan pendingin, kira-kira pada bacaan 2 hingga 3 kg/cm² dan uji kebocoran pada bahagian tekanan rendah. Selepas itu, jalankan sistem sebentar. Lakukan juga pada bahagian tekanan tinggi. 9. Lakukan pelegaan (purge) bahan pendingin yang dicas tadi bagi membantu mengeluarkan lembapan. 10. Jalankan pam vakum semula dan lakukan proses menghampagas seperti di atas selama 30 minit lagi, sehingga bacaan tolok vakum mencapai 500 mikron atau 76 merkuri. MENGECAS SISTEM (SYSTEM CHARGING) Mengecas sistem menggunakan wap bahan pendingin. Mengecas sistem menggunakan wap bahan pendingin dijalankan melalui saluran sedutan / ‘suction’, iaitu dibahagian tekanan rendah. Wap ini akan masuk ke dalam pemampat melalui saluran sedutan pemampat dan pemampat hanya mampu memampatkan wap bahan pendingin sahaja. Jangan memasukkan cecair bahan pendingin melalui saluran sedutan. Perkara ini boleh merosakkan pemampat. Mengecas bahan pendingin boleh dilakukan melalui 3 cara: 1. Berpandukan kepada tekanan dengan menggunakan tolok pancarongga. 2. Berpandukan kepada bacaan suhu dengan meter suhu yang diletakkan di penyejat. 3. Berpandukan kepada bacaan arus dengan menggunakan amprobe / ‘clamp meter’. 1. Mengecas bahan pendingin berpandukan kepada tekanan: a. Lakukan pengujian tekanan terlebih dahulu. Kesan kebocoran seperti yang diterangkan sebelum ini. b. Lakukan proses menghampagas pada sistem mengikut langkah-langkah yang telah diterangkan. Setelah proses menghampagas selesai, tutup injap di tolok pancarongga dengan rapi dan matikan bekalan pada pam vakum. Tanggalkan hos servis di pam vakum. c. Sambungkan hos servis ke tangki bahan pendingin. d. Buka injap di tangki servis bahan pendingin. Lakukan pelegaan di hos servis, iaitu dengan membuangkan sedikit bahan pendingin dari hos tersebut bagi mengeluarkan lembapan di dalamnya.
  • 91.
    PENGENALAN PPU ASAS/ SISTEM PENYEJUKAN (REFRIGERATION & AIR-CONDITIONING SYSTEM) 91 | P P U A s a s e. Buka sedikit injap di tolok pancarongga dan dengan perlahan-lahan biarkan wap bahan pendingin masuk ke dalam sistem dengan kadar melebihi tekanan atmosfera bumi. f. Tutup semula injap di tolok pancarongga. g. Jalankan sistem tersebut. h. Semasa sistem sedang beroperasi, masukkan sedikit demi sedikit wap bahan pendingin dengan membuka injap di tolok pancarongga di bahagian tekanan rendah. bahan pendingin Ft-12 – tekanan saluran sedutan = 0/7 kg/cm². bahan pendingin R-22 – tekanan saluran sedutan = 4.2 kg/cm² i. Jika tekanan saluran sedutan telah sampai ke takat tekanan yang dikehendaki, tutup injap di tolok pancarongga dan injap di tangki bahan pendingin. j. Tutup injap (jika injap servis pada kedudukan di belakang) jika ada. Jika sistem menggunakan injap tangan, maka perlulah dikapit terlebih dahulu. Setelah selesai dikapit / ‘pinch’, tanggalkan hos tekanan rendah dan tanggalkan injap tangan. k. Lakukan ‘brazing’ atau ‘soldering’ bagi memastikan bahan pendingin tidak keluar dari sistem atau kebocoran.
  • 92.
    PENGENALAN PPU ASAS/ SISTEM PENYEJUKAN (REFRIGERATION & AIR-CONDITIONING SYSTEM) 92 | P P U A s a s 2.
  • 93.
    PENGENALAN PPU ASAS/ SISTEM PENYEJUKAN (REFRIGERATION & AIR-CONDITIONING SYSTEM) 93 | P P U A s a s 3.
  • 94.
    PENGENALAN PPU ASAS/ SISTEM PENYEJUKAN (REFRIGERATION & AIR-CONDITIONING SYSTEM) 94 | P P U A s a s
  • 95.
    PENGENALAN PPU ASAS/ SISTEM PENYEJUKAN (REFRIGERATION & AIR-CONDITIONING SYSTEM) 95 | P P U A s a s 4.
  • 96.
    PENGENALAN PPU ASAS/ SISTEM PENYEJUKAN (REFRIGERATION & AIR-CONDITIONING SYSTEM) 96 | P P U A s a s 5.
  • 97.
    PENGENALAN PPU ASAS/ SISTEM PENYEJUKAN (REFRIGERATION & AIR-CONDITIONING SYSTEM) 97 | P P U A s a s
  • 98.
    PENGENALAN PPU ASAS/ SISTEM PENYEJUKAN (REFRIGERATION & AIR-CONDITIONING SYSTEM) 98 | P P U A s a s
  • 99.
    PENGENALAN PPU ASAS/ SISTEM PENYEJUKAN (REFRIGERATION & AIR-CONDITIONING SYSTEM) 99 | P P U A s a s
  • 100.
    PENGENALAN PPU ASAS/ SISTEM PENYEJUKAN (REFRIGERATION & AIR-CONDITIONING SYSTEM) 100 | P P U A s a s
  • 101.
    PENGENALAN PPU ASAS/ SISTEM PENYEJUKAN (REFRIGERATION & AIR-CONDITIONING SYSTEM) 101 | P P U A s a s
  • 102.
    PENGENALAN PPU ASAS/ SISTEM PENYEJUKAN (REFRIGERATION & AIR-CONDITIONING SYSTEM) 102 | P P U A s a s
  • 103.
    PENGENALAN PPU ASAS/ SISTEM PENYEJUKAN (REFRIGERATION & AIR-CONDITIONING SYSTEM) 103 | P P U A s a s
  • 104.
    PENGENALAN PPU ASAS/ SISTEM PENYEJUKAN (REFRIGERATION & AIR-CONDITIONING SYSTEM) 104 | P P U A s a s
  • 105.
    PENGENALAN PPU ASAS/ SISTEM PENYEJUKAN (REFRIGERATION & AIR-CONDITIONING SYSTEM) 105 | P P U A s a s
  • 106.
    PENGENALAN PPU ASAS/ SISTEM PENYEJUKAN (REFRIGERATION & AIR-CONDITIONING SYSTEM) 106 | P P U A s a s
  • 107.
    PENGENALAN PPU ASAS/ SISTEM PENYEJUKAN (REFRIGERATION & AIR-CONDITIONING SYSTEM) 107 | P P U A s a s
  • 108.
    PENGENALAN PPU ASAS/ SISTEM PENYEJUKAN (REFRIGERATION & AIR-CONDITIONING SYSTEM) 108 | P P U A s a s
  • 109.
    PENGENALAN PPU ASAS/ SISTEM PENYEJUKAN (REFRIGERATION & AIR-CONDITIONING SYSTEM) 109 | P P U A s a s
  • 110.
    PENGENALAN PPU ASAS/ SISTEM PENYEJUKAN (REFRIGERATION & AIR-CONDITIONING SYSTEM) 110 | P P U A s a s
  • 111.
    PENGENALAN PPU ASAS/ SISTEM PENYEJUKAN (REFRIGERATION & AIR-CONDITIONING SYSTEM) 111 | P P U A s a s
  • 112.
    PENGENALAN PPU ASAS/ SISTEM PENYEJUKAN (REFRIGERATION & AIR-CONDITIONING SYSTEM) 112 | P P U A s a s
  • 113.
    PENGENALAN PPU ASAS/ SISTEM PENYEJUKAN (REFRIGERATION & AIR-CONDITIONING SYSTEM) 113 | P P U A s a s
  • 114.
    PENGENALAN PPU ASAS/ SISTEM PENYEJUKAN (REFRIGERATION & AIR-CONDITIONING SYSTEM) 114 | P P U A s a s
  • 115.
    PENGENALAN PPU ASAS/ SISTEM PENYEJUKAN (REFRIGERATION & AIR-CONDITIONING SYSTEM) 115 | P P U A s a s
  • 116.
    PENGENALAN PPU ASAS/ SISTEM PENYEJUKAN (REFRIGERATION & AIR-CONDITIONING SYSTEM) 116 | P P U A s a s
  • 117.
    PENGENALAN PPU ASAS/ SISTEM PENYEJUKAN (REFRIGERATION & AIR-CONDITIONING SYSTEM) 117 | P P U A s a s
  • 118.
    PENGENALAN PPU ASAS/ SISTEM PENYEJUKAN (REFRIGERATION & AIR-CONDITIONING SYSTEM) 118 | P P U A s a s
  • 119.
    PENGENALAN PPU ASAS/ SISTEM PENYEJUKAN (REFRIGERATION & AIR-CONDITIONING SYSTEM) 119 | P P U A s a s Nota:
  • 120.
    PENGENALAN PPU ASAS/ SISTEM PENYEJUKAN (REFRIGERATION & AIR-CONDITIONING SYSTEM) 120 | P P U A s a s Nota:
  • 121.
    PENGENALAN PPU ASAS/ SISTEM PENYEJUKAN (REFRIGERATION & AIR-CONDITIONING SYSTEM) 121 | P P U A s a s Nota:
  • 122.
    PENGENALAN PPU ASAS/ SISTEM PENYEJUKAN (REFRIGERATION & AIR-CONDITIONING SYSTEM) 122 | P P U A s a s