Device Modeling Report




COMPONENTS: OPERATIONAL AMPLIFIER
PART NUMBER: NJM2132M
MANUFACTURER: NEW JAPAN RADIO
REMARK TYPE: (OPAMP)




                Bee Technologies Inc.




All Rights Reserved Copyright (c) Bee Technologies Inc. 2004
Spice Model


                              U17
                              OUT1            V+

                              -IN1          OUT2

                              +IN1           -IN2

                              V-            +IN2

                              NJM2132_SUB




       All Rights Reserved Copyright (c) Bee Technologies Inc. 2004
Output Voltage Swing, +Vout and –Vout

Simulation result




These simulation results are compared with +Vout


Evaluation circuit

           Rload
           10K             Vout    U17
                                   OUT1            V+

                                   -IN1          OUT2

                      V1           +IN1          -IN2
               0Vdc
                                   V-            +IN2
                                                                              V+
                                   NJM2132_SUB             V2        Rload2
                                   V-               0Vdc
                                                                      10k     15Vdc

                                  -15Vdc




    0      0




 Output Voltage Swing                      Data sheet           Simulation            %Error
      +Vout(V)                               +14.2                14.208              0.056
       -Vout(V)                              -14.2                -14.208             0.056




           All Rights Reserved Copyright (c) Bee Technologies Inc. 2004
Input Offset Voltage

Simulation result




Evaluation circuit

                 Rload
                 10k               Vout    U12
                                           OUT1            V+

                                           -IN1          OUT2

                                           +IN1           -IN2

                                           V-            +IN2
                 Vin          Vi                                                                    V+
                                           NJM2132_SUB
   VOFF = 0       VOFF = 0                                        Vi2   Vin2               Rload2
   VAMPL = 0      VAMPL = 0                V-       VOFF = 0                    VOFF = 0
   FREQ = 0       FREQ = 0                          VAMPL = 0                  VAMPL = 0    10k     15Vdc
   AC = 0         AC = 0                            FREQ = 0                    FREQ = 0
   DC = 0         DC = 0                  -15Vdc    AC = 0                        AC = 0
                                                    DC = 0                        DC = 0




    0            0




                               Measurement                        Simulation                 Error
         Vos
                                 4.5     mV                      4.5351      mV            0.78    %




               All Rights Reserved Copyright (c) Bee Technologies Inc. 2004
Slew Rate, +SR, -SR

Simulation result




Evaluation circuit


                   Rload
                   2k                Vout    U17
                                             OUT1            V+

                                             -IN1          OUT2

                                             +IN1          -IN2
   V1 = 0         Vi
   V2 = 10
   TD = 0                                    V-            +IN2
   TR = 10n             Vin                                              Vi2       V1 = 0            V+
                                             NJM2132_SUB
   TF = 10n                    VOFF = 0                                           V2 = 14   Rload2
   PW = 5u                    VAMPL = 0      V-                   Vin2             TD = 0
   PER = 500u                  FREQ = 0               VOFF = 0                   TR = 10n    10k     15Vdc
                   V2            AC = 0               VAMPL = 0                  TF = 10n
   -4.5351m                      DC = 0     -15Vdc    FREQ = 0                   PW = 5u
                                                      AC = 0                   PER = 500u
                                                      DC = 0         V22
                                                                                 -4.5351m




    0              0




                                 Data sheet                   Simulation                    %Error
Slew Rate(v/us)
                                  2.1V/us                       2.2V/us                      4.76




                All Rights Reserved Copyright (c) Bee Technologies Inc. 2004
Input current Ib, Ibos

Simulation result




Evaluation circuit

                Rload
                2k                  Vout         U15
                                                 OUT1             V+

                                                 -IN1           OUT2

                                                 +IN1            -IN2

                                                 V-             +IN2
              Vi              Vin                     NJM4556A_SUB                               Rload2   V+
   VOFF = 0 VOFF = -6.0217m                                               Vin2 Vi2
   VAMPL = 0     VAMPL = 0                  V-          VOFF = -6.0217m               VOFF = 0
   FREQ = 0      FREQ = 0                                    VAMPL = 0               VAMPL = 0   2k       15Vdc
   AC = 0        AC = 0                                      FREQ = 0                 FREQ = 0
   DC = 0        DC = 0                    -15Vdc            AC = 0                     AC = 0
                                                             DC = 0                     DC = 0




    0           0




                              Data sheet                          Simulation                      %Error
     Ib(nA)                       20                                 20.1                          0.5
    Ibos(nA)                       5                                 5.02                          0.4




            All Rights Reserved Copyright (c) Bee Technologies Inc. 2004
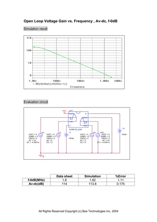
Open Loop Voltage Gain vs. Frequency , Av-dc, f-0dB

Simulation result




Evaluation circuit

                                          Vout    U17
                                                  OUT1            V+

                                                  -IN1          OUT2

                                                  +IN1          -IN2

                                                  V-            +IN2
                                                                                                 V+
                                                  NJM2132_SUB
                  Vin                Vi           V-                   Vi2     Vin2
   VOFF = 0             VOFF = 0                           VOFF = 0              VOFF = 0       15Vdc
   VAMPL = 0            VAMPL = 0                          VAMPL = 0            VAMPL = 0
   FREQ = 0             FREQ = 0                 -15Vdc    FREQ = 0              FREQ = 0
   AC = 1m              AC = 0                             AC = 0                 AC = 1m
  DC = -4.5351m         DC = 0                             DC = 0            DC = -4.5351m




                   0




                                    Data sheet                   Simulation                  %Error
   f-0dB(MHz)                          1.8                          1.82                      1.11
    Av-dc(dB)                          114                         113.8                     0.175




              All Rights Reserved Copyright (c) Bee Technologies Inc. 2004
Common-Mode Rejection Voltage gain

Simulation result

      10V




        0V




     -10V
             0s                    1.0s                 2.0s                       3.0s            4.0s
                  V(Vout)
                                                        Time




Evaluation circuit

                            Vout   U16
                                   OUT1            V+

                                   -IN1         OUT2
  -4.5351mVdc
                   V1              +IN1          -IN2

                                   V-            +IN2
                                                                                          V+
                                    NJM2132_SUB
                                            DC = 0                        DC = 0
                                    V-      AC = 0                        AC = 0
                                            FREQ = 0                    FREQ = 0          15Vdc
                        V                   VAMPL = 0                  VAMPL = 0
      VOFF = 0                     -15Vdc   VOFF = 0                    VOFF = 0
      VAMPL = 0.5                                       Vi2    Vin2
      FREQ = 1
      AC = 0
      DC = 0
                        0




Common Mode Reject Ratio=489778/14.564=33629.36


                                          Data sheet                  Simulation                  %Error
          CMRR
                                              90                        90.534                    0.593




                  All Rights Reserved Copyright (c) Bee Technologies Inc. 2004

SPICE MODEL of NJM2132M in SPICE PARK

  • 1.
    Device Modeling Report COMPONENTS:OPERATIONAL AMPLIFIER PART NUMBER: NJM2132M MANUFACTURER: NEW JAPAN RADIO REMARK TYPE: (OPAMP) Bee Technologies Inc. All Rights Reserved Copyright (c) Bee Technologies Inc. 2004
  • 2.
    Spice Model U17 OUT1 V+ -IN1 OUT2 +IN1 -IN2 V- +IN2 NJM2132_SUB All Rights Reserved Copyright (c) Bee Technologies Inc. 2004
  • 3.
    Output Voltage Swing,+Vout and –Vout Simulation result These simulation results are compared with +Vout Evaluation circuit Rload 10K Vout U17 OUT1 V+ -IN1 OUT2 V1 +IN1 -IN2 0Vdc V- +IN2 V+ NJM2132_SUB V2 Rload2 V- 0Vdc 10k 15Vdc -15Vdc 0 0 Output Voltage Swing Data sheet Simulation %Error +Vout(V) +14.2 14.208 0.056 -Vout(V) -14.2 -14.208 0.056 All Rights Reserved Copyright (c) Bee Technologies Inc. 2004
  • 4.
    Input Offset Voltage Simulationresult Evaluation circuit Rload 10k Vout U12 OUT1 V+ -IN1 OUT2 +IN1 -IN2 V- +IN2 Vin Vi V+ NJM2132_SUB VOFF = 0 VOFF = 0 Vi2 Vin2 Rload2 VAMPL = 0 VAMPL = 0 V- VOFF = 0 VOFF = 0 FREQ = 0 FREQ = 0 VAMPL = 0 VAMPL = 0 10k 15Vdc AC = 0 AC = 0 FREQ = 0 FREQ = 0 DC = 0 DC = 0 -15Vdc AC = 0 AC = 0 DC = 0 DC = 0 0 0 Measurement Simulation Error Vos 4.5 mV 4.5351 mV 0.78 % All Rights Reserved Copyright (c) Bee Technologies Inc. 2004
  • 5.
    Slew Rate, +SR,-SR Simulation result Evaluation circuit Rload 2k Vout U17 OUT1 V+ -IN1 OUT2 +IN1 -IN2 V1 = 0 Vi V2 = 10 TD = 0 V- +IN2 TR = 10n Vin Vi2 V1 = 0 V+ NJM2132_SUB TF = 10n VOFF = 0 V2 = 14 Rload2 PW = 5u VAMPL = 0 V- Vin2 TD = 0 PER = 500u FREQ = 0 VOFF = 0 TR = 10n 10k 15Vdc V2 AC = 0 VAMPL = 0 TF = 10n -4.5351m DC = 0 -15Vdc FREQ = 0 PW = 5u AC = 0 PER = 500u DC = 0 V22 -4.5351m 0 0 Data sheet Simulation %Error Slew Rate(v/us) 2.1V/us 2.2V/us 4.76 All Rights Reserved Copyright (c) Bee Technologies Inc. 2004
  • 6.
    Input current Ib,Ibos Simulation result Evaluation circuit Rload 2k Vout U15 OUT1 V+ -IN1 OUT2 +IN1 -IN2 V- +IN2 Vi Vin NJM4556A_SUB Rload2 V+ VOFF = 0 VOFF = -6.0217m Vin2 Vi2 VAMPL = 0 VAMPL = 0 V- VOFF = -6.0217m VOFF = 0 FREQ = 0 FREQ = 0 VAMPL = 0 VAMPL = 0 2k 15Vdc AC = 0 AC = 0 FREQ = 0 FREQ = 0 DC = 0 DC = 0 -15Vdc AC = 0 AC = 0 DC = 0 DC = 0 0 0 Data sheet Simulation %Error Ib(nA) 20 20.1 0.5 Ibos(nA) 5 5.02 0.4 All Rights Reserved Copyright (c) Bee Technologies Inc. 2004
  • 7.
    Open Loop VoltageGain vs. Frequency , Av-dc, f-0dB Simulation result Evaluation circuit Vout U17 OUT1 V+ -IN1 OUT2 +IN1 -IN2 V- +IN2 V+ NJM2132_SUB Vin Vi V- Vi2 Vin2 VOFF = 0 VOFF = 0 VOFF = 0 VOFF = 0 15Vdc VAMPL = 0 VAMPL = 0 VAMPL = 0 VAMPL = 0 FREQ = 0 FREQ = 0 -15Vdc FREQ = 0 FREQ = 0 AC = 1m AC = 0 AC = 0 AC = 1m DC = -4.5351m DC = 0 DC = 0 DC = -4.5351m 0 Data sheet Simulation %Error f-0dB(MHz) 1.8 1.82 1.11 Av-dc(dB) 114 113.8 0.175 All Rights Reserved Copyright (c) Bee Technologies Inc. 2004
  • 8.
    Common-Mode Rejection Voltagegain Simulation result 10V 0V -10V 0s 1.0s 2.0s 3.0s 4.0s V(Vout) Time Evaluation circuit Vout U16 OUT1 V+ -IN1 OUT2 -4.5351mVdc V1 +IN1 -IN2 V- +IN2 V+ NJM2132_SUB DC = 0 DC = 0 V- AC = 0 AC = 0 FREQ = 0 FREQ = 0 15Vdc V VAMPL = 0 VAMPL = 0 VOFF = 0 -15Vdc VOFF = 0 VOFF = 0 VAMPL = 0.5 Vi2 Vin2 FREQ = 1 AC = 0 DC = 0 0 Common Mode Reject Ratio=489778/14.564=33629.36 Data sheet Simulation %Error CMRR 90 90.534 0.593 All Rights Reserved Copyright (c) Bee Technologies Inc. 2004