Industrial Training
Session 2013/2014
Trainee : Ahmad Firdaus bin Ahmad
Matric No : KEK 110003
Supervisor : Seon Tiong Chen
1
Outlines
 Introduction about Dupont Nutritional & Health
- History and development
- Product
- Core Values
 Main Task Assigned – P&ID Tracing
- PFD and P&ID
- P&ID symbols
- Pipe standards
- Additional tasks
 Conclusion
2
DuPont in 1802
 40 employees
 1 site
 1 country
 1 product
 12 customers
 USD 15,116 in sales (1804)
E. I. du Pont 1802
From Explosives to Market-driven Science
 1802 1850 1900 1950 2000 2050
Explosives
Market-driven
Science
(Food, Energy &
Protection)
Chemistry
Advanced Materials
Energy
Birth
Maturity
Rebirth
Maturity
Rebirth
Maturity
2011
200
years
of Safety
Dupont Nutritional & Health
 DuPont Nutrition & Health addresses the world’s challenges in food by offering a
wide range of sustainable, bio-based ingredients and advanced microbial
diagnostic solutions to provide safer, healthier and more nutritious food.
 Produce enablers; the ingredients which help manufacturers create foods with
sensory attributes – mouthfeel, good texture and structure and also with
consistent, longer-lasting product quality and lower fat content.
 Enablers : Emulsifiers - Provide product stabilization
- Enhance product appearance
- Extend product shelf life
- Fat reduction
5
Main Task – Spray Plant
(SP4) Tracing
6
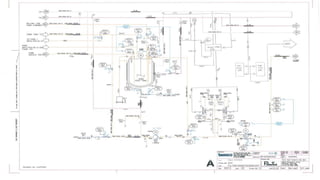
Process Flow Diagram (PFD) and Process
and Instrument Drawing (P&ID)
PFD P&ID
1) Show the flow of chemicals and the
equipment involved in the process.
2) Includes stream flows, composition
and tabulated design values such as
operating conditions.
1) More details than a PFD. It includes
major and minor flows, control
loops and instrumentation.
2) Include instruments, signal
modifiers, controllers, transmitters
etc.
7
8
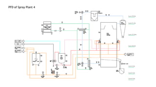
PFD of Spray Plant 4
9
10
11
12
Pipe Dimension Standards
1) USA
- American National Standards Institute (ANSI)
- American Society of Mechanical Engineers (ASME)
2) Japan
- Japanese Industrial Standards (JIS)
3) European
- DIN standards
- Nominal Diameter (DN)
- Nominal Pressure (PN)
13
Additional tasks
14
• There is no jacket on the elbow connection
• The curved pipe transfer the hot water from one
side to another side
15
Hot water in
Hot water out
Hot water out
Hot water in
Hot water inlet and oulet
Conclusion
 The piping and Instrument Diagram (P&ID) provides a schematic
representation of the piping, process control, and instrumentation.
 The P&ID also provides important information needed by the constructor and
manufacturer to develop the other construction.
 P&ID needed to be approved and recorded for easier maintenance, repair and
modifications to be done.
16

Industrial training

  • 1.
    Industrial Training Session 2013/2014 Trainee: Ahmad Firdaus bin Ahmad Matric No : KEK 110003 Supervisor : Seon Tiong Chen 1
  • 2.
    Outlines  Introduction aboutDupont Nutritional & Health - History and development - Product - Core Values  Main Task Assigned – P&ID Tracing - PFD and P&ID - P&ID symbols - Pipe standards - Additional tasks  Conclusion 2
  • 3.
    DuPont in 1802 40 employees  1 site  1 country  1 product  12 customers  USD 15,116 in sales (1804) E. I. du Pont 1802
  • 4.
    From Explosives toMarket-driven Science  1802 1850 1900 1950 2000 2050 Explosives Market-driven Science (Food, Energy & Protection) Chemistry Advanced Materials Energy Birth Maturity Rebirth Maturity Rebirth Maturity 2011 200 years of Safety
  • 5.
    Dupont Nutritional &Health  DuPont Nutrition & Health addresses the world’s challenges in food by offering a wide range of sustainable, bio-based ingredients and advanced microbial diagnostic solutions to provide safer, healthier and more nutritious food.  Produce enablers; the ingredients which help manufacturers create foods with sensory attributes – mouthfeel, good texture and structure and also with consistent, longer-lasting product quality and lower fat content.  Enablers : Emulsifiers - Provide product stabilization - Enhance product appearance - Extend product shelf life - Fat reduction 5
  • 6.
    Main Task –Spray Plant (SP4) Tracing 6
  • 7.
    Process Flow Diagram(PFD) and Process and Instrument Drawing (P&ID) PFD P&ID 1) Show the flow of chemicals and the equipment involved in the process. 2) Includes stream flows, composition and tabulated design values such as operating conditions. 1) More details than a PFD. It includes major and minor flows, control loops and instrumentation. 2) Include instruments, signal modifiers, controllers, transmitters etc. 7
  • 8.
  • 9.
  • 10.
  • 11.
  • 12.
  • 13.
    Pipe Dimension Standards 1)USA - American National Standards Institute (ANSI) - American Society of Mechanical Engineers (ASME) 2) Japan - Japanese Industrial Standards (JIS) 3) European - DIN standards - Nominal Diameter (DN) - Nominal Pressure (PN) 13
  • 14.
    Additional tasks 14 • Thereis no jacket on the elbow connection • The curved pipe transfer the hot water from one side to another side
  • 15.
    15 Hot water in Hotwater out Hot water out Hot water in Hot water inlet and oulet
  • 16.
    Conclusion  The pipingand Instrument Diagram (P&ID) provides a schematic representation of the piping, process control, and instrumentation.  The P&ID also provides important information needed by the constructor and manufacturer to develop the other construction.  P&ID needed to be approved and recorded for easier maintenance, repair and modifications to be done. 16

Editor's Notes

  • #4 Notes for speaker: DuPont was founded in 1802 in Wilmington, Delaware, US. The company first produced high-grade black powder for explosives. Today, DuPont delivers science-powered innovations that make a real difference in people’s lives around the world in areas such as food and nutrition, health care, apparel, safety and security, construction and electronics and transportation. It is sometimes a bit challenging to identify DuPont products in your day-to-day life, but over time you are going to discover these as you learn more about our offerings. To get started look for product trade names such as: Teflon® - used in frying pans etc Nomex® - used for protective clothing for fire fighters etc Standox® - used in paint etc Kevlar® - used in gloves etc ….see www.dupont.com for more information on products.
  • #5 Notes for speaker: As you can see on this chart DuPont has grown and evolved over the past 209 years as a company and is now emerging fully into the time of market-driven science and inclusive innovation. The company has reinvented itself several times as you can see, but the core values of the company have always stayed the same and have created a strong foundation and consistency throughout the whole period. Adding Danisco to our company is a natural fit into our global positioning and together we will be a very strong organization. We will live up to the expectation that was shared during the welcome week: “Together we can accomplish what neither of us can do alone”. Let’s now take a closer look at the 4 core values.