DISUSUN OLEH :
DERI MUHAMMAD RIDWAN
KELAS:
XI GB 2
SMK NEGERI 2 KOTA TASIKMALAYA
Jl.Noenoeng Tisnasaputra Telp/ fax (0265) 331839
Kahuripan – Tawang
TASIKMALAYA 46115
KATA PENGANTAR
Puji syukur ke hadirat Allah SWT, karena atas rahmat dan karunia-Nya,
penulis dapat menyelesaikan makalah ini dengan sebaik-baiknya.
Makalah ini berisi tentang Sejaraha Beton dan Plat Lantai/Atap Beton .Dan
pembuatan makalah ini bertujuan untuk memenuhi salah satu tugas dari mata
pelajaran Beton Bertulang, di samping itu untuk meningkatkan dan
mengembangkan wawasan penulis.
Atas segala jerih payah dan kebaikan mereka ini, semoga Allah
membalasnya dengan berlipat ganda. Amin !
STRUKTUR BETON BERTULANG
BAB 1
PENDAHULUAN
A. Latar Belakang
Beton adalah suatu campuran yang terdiri dari pasir, kerikil, batu pecah, atau agregat-
agregat lain yang dicampur menjadi satu dengan suatu pasta yang terbuat dari semen dan air
membentuk suatu massa mirip-batuan. Terkadang, satu atau lebih bahan aditif ditambahkan
untuk menghasilkan beton dengan karakteristik tertentu, seperti kemudahan pengerjaan
(workability), durabilitas, dan waktu pengerasan. Seperti substansi-substansi mirip batuan
lainnya, beton memiliki kuat tekan yang tinggi dan kuat tarik yang sangat rendah. Beton
bertulang adalah suatu kombinasi antara beton dan baja dimana tulangan baja berfungsi
menyediakan kuat tarik yang tidak dimiliki beton.
Dalam suatu struktur bangunan beton bertulang khususnya pada kolom akan terjadi
momen lentur dan gaya aksial yang bekerja secara bersama – sama. Momen - momen ini
yang diakibatkan oleh adanya beban eksentris atau adanya gravitasi dapat menimbulkan
beban lateral seperti angin dan gempa atau bisa juga diakibatkan oleh beban lantai yang tidak
seimbang. Maka dari itu, setiap penampang komponen pada struktur seperti balok dan kolom
harus direncanakan kuat terhadap setiap gaya internal yang terjadi, baik itu momen lentur,
gaya aksial, gaya geser maupun torsi yang timbul sebagai respon struktur tersebut terhadap
pengaruh luar.
B. Rumusan Masalah
Pembahasan tentang beton dalam makalah ini di batasi pada :
1. Apa Defenisi Struktur Beton Bertulang?
2. Apa saja Kelebihan dan Kelemahan Beton Bertulang Sebagai Suatu Bahan Struktur?
3. Bagaimana Sifat-sifat Beton Bertulang?
C. Tujuan Penulisan
Dengan tersusunnya makalah ini mahasiswa diharapkan mampu mejelasakan tentang :
Defenisi Struktur Beton Bertulang, Kelebihan dan Kelemahan Beton Bertulang Sebagai
Suatu Bahan Struktur, Sifat-sifat Beton Bertulang, Kolom, Pengantar Gempa, dan Balok
BAB II
PEMBAHASAN
A. Defenisi Struktur Beton Bertulang
Beton bertulang adalah suatu bahan material yang terbuat dari beton dan baja tulangan.
Kombinasi dari kedua material tersebut menghasilkan bahan bangunan yang mempunyai
sifat-sifat yang baik dari masing-masing bahan bangunan tersebut.
Beton mempunyai sifat yang bagus, yaitu mempunya kapasitas tekan yang tinggi. Akan
tetapi, beton juga mempunyai sifat yang buruk, yaitu lemah jika dibebani tarik. Sedangkan
baja tulangan mempunyai kapasitas yang tinggi terhadap beban tarik, tetapi mempunyai
kapasitas tekan yang rendah karena bentuknya yang langsing (akan mudah mengalami tekuk
terhadap beban tekan). Namun, dengan menempatkan tulangan dibagian beton yang
mengalami tegangan tarik akan mengeliminasi kekurangan dari beton terhadap beban tarik.
Demikian juga bila baja tulangan ditaruh dibagian beton yang mengalami tekan, beton
disekeliling tulangan bersama-sama tulangan sengkan akan mencegah tulangan mengalami
tekuk. Demikianlah penjelasan tentang mengapa kombinasi dari kedua bahan bangunan ini
menghasil bahan bangunan baru yang memiliki sifat-sifat yang lebih baik dibanding sifat-
sifat dari masing-masih bahan tersebut sebelum digabungkan. Berikut kita akan paparkan
sesuatu yang berhubungan dengan bahan bangunan beton dan tulangan baja.
Beton adalah bahan bangunan yang terbuat dari semen (Portland cement atau semen
hidrolik lainnya), pasir atau agregat halus, kerikil atau agregate kasar, air dan dengan atau
tanpa bahan tambahan. Kekuatan tekan beton yang digunakan untuk perencanaan ditentukan
berdasarkan kekuatan tekan beton pada umur 28 hari. Meskipun sekarang kita dapat
menghasilkan beton dengan kekuatan tekan lebih 100 MPa, kekuatan tekan beton yang umum
digunakan dalam perencanaan berkisar antara 20 – 40 MPa. Seperti diterangkan sebelumnya,
beton mempunyai kekuatan tekan yang tinggi akan tetapi mempunyai kekuatan tarik yang
rendah, hanya berkisar antara 8% sampai 15% dari kekuatan tekannya. Untuk mengatasi
kelemahan dari bahan beton inilah maka ditemukan bahan bangunan baru dengan
menambahkan baja tulangan untuk memperkuat terutama bagian beton yang mengalami tarik.
Baja tulangan yang digunakan untuk perencanaan harus mengunakan baja tulangan
ulir/sirip (deformed bar). Sedangkan tulangan polos (plain bar) hanya dapat digunakan untuk
tulangan spiral dan tendon, kecuali untuk kasus-kasus tertentu.
B. Kelebihan dan Kelemahan Beton Bertulang Sebagai Suatu Bahan Struktur
1. Kelebihan :
Beton bertulang boleh jadi adalah bahan konstruksi yang paling penting. Beton bertulang
digunakan dalam berbagai bentuk untuk hampir semua struktur, besar maupun kecil –
bangunan, jembatan, perkerasan jalan, bendungan, dindingpenahan tanah, terowongan,
jembatan yang melintasi lembah (viaduct), drainaseserta fasilitas irigasi, tangki, dan
sebagainya. Sukses besar beton sebagai bahan konstruksi yang universal cukup mudah
dipahami jika dilihat dari banyaknya kelebihan yang dimilikinya. Kelebihan tersebut antara
lain :
a) beton memiliki kuat tekan yang relatif lebih tinggi dibandingkan dengan kebanyakan bahan
lain.
b) Beton bertulang mempunyai ketahanan yang tinggi terhadap api dan air, bahkan merupakan
bahan struktur terbaik untuk bangunan yang banyak bersentuhan dengan air. Pada peristiwa
kebakaran dengan intensitas rata-rata, batang-batang struktur dengan ketebalan penutup beton
yangmemadai sebagai pelindung tulangan hanya mengalami kerusakan padapermukaannya
saja tanpa mengalami keruntuhan.
c) Struktur beton bertulang sangat kokoh.
d) Beton bertulang tidak memerlukan biaya pemeliharaan yang tinggi.
e) Dibandingkan dengan bahan lain, beton memiliki usia layan yang sangat panjang. Dalam
kondisi-kondisi normal, struktur beton bertulang dapat digunakan sampai kapan pun tanpa
kehilangan kemampuannya untuk menahan beban. Ini dapat dijelaskan dari kenyataannya
bahwa kekuatan beton tidak berkurang dengan berjalannya waktu bahkan semakin lama
semakin bertambah dalam hitungan tahun, karena lamanya proses pemadatan pasta semen.
f) Beton biasanya merupakan satu-satunya bahan yang ekonomis untuk pondasi tapak, dinding
basement, tiang tumpuan jembatan, dan bangunan-bangunan semacam itu.
g) Salah satu ciri khas beton adalah kemampuannya untuk dicetak menjadi bentuk yang sangat
beragam, mulai dari pelat, balok, dan kolom yang sederhana sampai atap kubah dan cangkang
besar.
h) Di sebagian besar daerah, beton terbuat dari bahan-bahan lokal yang murah (pasir, kerikil,
dan air) dan relatif hanya membutuhkan sedikit semen dan tulangan baja, yang mungkin saja
harus didatangkan daridaerah lain.
i) Keahlian buruh yang dibutuhkan untuk membangun konstruksi betonbertulang lebih rendah
bila dibandingkan dengan bahan lain seperti struktur baja.
2. Kelemahan
Untuk dapat mengoptimalkan penggunaan beton, perencana harus mengenal dengan
baik kelebihannya. Kelemahan-kelemahan beton bertulang tersebut antara lain :
a) Beton mempunyai kuat tarik yang sangat rendah, sehingga memerlukan penggunaan
tulangan tarik.
b) Beton bertulang memerlukan bekisting untuk menahan beton tetap di tempatnya sampai
beton tersebut mengeras. Selain itu, penopang atau penyangga sementara mungkin diperlukan
untuk menjaga agar bekisting tetap berada pada tempatnya, misalnya pada atap, dinding, dan
struktur-struktur sejenis, sampai bagian-bagian beton ini cukup kuat untuk menahan beratnya
sendiri. Bekisting sangat mahal. Di Amerika Serikat, biaya bekisting berkisar antara sepertiga
hingga dua pertiga dari total biaya suatu struktur beton bertulang, dengan nilai sekitar 50%.
Sudah jelas bahwa untuk mengurangi biaya dalam pembuatan suatu struktur beton bertulang,
hal utama yang harus dilakukan adalah mengurangi biaya bekisting.
c) Rendahnya kekuatan per satuan berat dari beton mengakibatkan beton bertulang menjadi
berat. Ini akan sangat berpengaruh pada struktur-struktur bentang-panjang dimana berat
beban mati beton yang besar akan sangat mempengaruhi momen lentur.
d) Sifat-sifat beton sangat bervariasi karena bervariasinya proporsi-campuran dan
pengadukannya. Selain itu, penuangan dan perawatan beton tidak bisa ditangani seteliti
seperti yang dilakukan pada proses produksi material lain seperti struktur baja dan kayu.
C. Sifat-sifat Beton Bertulang
Pengetahuan yang mendalam tentang sifat-sifat beton bertulang sangat penting sebelum
dimulai mendesain struktur beton bertulang. Beberapa sifat-sifat beton bertulang antara lain :
1. Kuat Tekan
Kuat tekan beton (f’c) dilakukan dengan melakukan uji silinder beton dengan ukuran
diameter 150 mm dan tinggi 300 mm. Pada umur 28 hari dengan tingkat pembebanan
tertentu. Selama periode 28 hari silinder beton ini biasanya ditempatkan Mdalam sebuah
ruangan dengan temperatur tetap dan kelembapan 100%. Meskipun ada beton yang memiliki
kuat maksimum 28 hari dari 17 Mpa hingga 70 -140 Mpa, kebanyakan beton memiliki
kekuatan pada kisaran 20 Mpa hingga 48 Mpa. Untuk aplikasi yang umum, digunakan beton
dengan kekuatan 20 Mpa dan 25 Mpa, sementara untuk konstruksi beton prategang 35 Mpa
dan 40 Mpa. Untuk beberapa aplikasi tertentu, seperti untuk kolom pada lantai-lantai bawah
suatu bangunan tingkat tinggi, beton dengan kekuatan sampai 60 Mpa telah digunakan dan
dapat disediakan oleh perusahaan-perusahaan pembuat beton siap-campur (ready-mix
concrete).
Nilai-nilai kuat tekan beton seperti yang diperoleh dari hasil pengujian sangat
dipengaruhi oleh ukuran dan bentuk dari elemen uji dan cara pembebanannya. Di banyak
Negara, spesimen uji yang digunakan adalah kubus berisi 200 mm. untuk beton-beton uji
yang sama, pengujian terhadap silinder-silinder 150 mm x 300 mm menghasilkan kuat tekan
yang besarnya hanya sekitar 80% dari nilai yang diperoleh dari pengujian beton uji kubus.
Kekuatan beton bisa beralih dari beton 20 Mpa ke beton 35 Mpa tanpa perlu melakukan
penambahan buruh dan semen dalam jumlah yang berlebihan. Perkiraan kenaikan biaya
bahan untuk mendapatkan penambahan kekuatan seperti itu adalah 15% sampai 20%. Namun
untuk mendapatkan kekuatan beton diatas 35 atau 40 Mpa diperlukan desain campuran beton
yang sangat teliti dan perhatian penuh kepada detail-detail seperti pencampuran, penempatan,
dan perawatan. Persyaratan ini menyebabkan kenaikan biaya yang relatife lebih besar. Kurva
tegangan-regangan pada gambar dibelakang menampilkan hasil yang dicapai dari uji
kompresi terhadap sejumlah silinder uji standar berumur 28 hari yang kekuatannya beragam.
 Kurva hampir lurus ketika beban ditingkatkan dari niol sampai kira-kira 1/3 - 2/3 kekuatan
maksimum beton.
 Diatas kurva ini perilaku betonnya nonlinear. Ketidak linearan kurva tegangan-regangan
beton pada tegangan yang lebih tinggi ini mengakibatkan beberapa masalah ketika kita
melakukan analisis struktural terhadap konstruksi beton karena perilaku konstruksi tersebut
juga akan nonlinear pada tegangan-tegangan yang lebih tinggi.
 Satu hal penting yang harus diperhatikan adalah kenyataan bahwa berapapun besarnya
kekuatan beton, semua beton akan mencapai kekuatatan puncaknya pada regangan sekitar
0,002.
 Beton tidak memiliki titik leleh yang pasti, sebaliknya kurva beton akan tetap bergerak mulus
hingga tiba di titik kegagalan (point of rupture) pada regangan sekitar 0,003 sampai 0,004.
 Banyak pengujian yang telah menunjukkan bahwa kurva-kurva tegangan- regangan untuk
silinder-silinder beton hampir identik dengan kurva-kurva serupa untuk sisi balok yang
mengalami tekan.
 Harus diperhatikan juga bahwa beton berkekuatan lebih rendah lebih daktail daripada beton
berkekuatan lebih tinggi – artinya, beton-beton yang lebih lemah akan mengalami regangan
yang lebih besar sebelum mengalami kegagalan.
2. Modulus Elastisitas Statis
Beton tidak memiliki modulus elastisitas yang pasti. Nilainya bervariasi
tergantung dari kekuatan beton, umur beton, jenis pembebanan, dan karakteristik dan
perbandingan semen dan agregat. Sebagai tambahan, ada beberapa defenisi mengenai
modulus elastisitas :
a) Modulus awal adalah kemiringan diagram tegangan-regangan pada titik asal dari kurva.
b) Modulus tangen adalah kemiringan dari salah satu tangent (garis singgung) pada kurva
tersebut di titik tertentu di sepanjang kurva, misalnya pada 50% dari kekuatan maksimum
beton.
c) Kemiringan dari suatu garis yang ditarik dari titik asal kurva ke suatu titik pada kurva
tersebut di suatu tempat di antara 25% sampai 50% dari kekuatan tekan maksimumnya
disebut Modulus sekan.
d) Modulus yang lain, disebut modulus semu (apparent modulus) atau modulus jangka panjang,
ditentukan dengan menggunakan tegangan dan regangan yang diperoleh setelah beban
diberikan selama beberapa waktu.
Peraturan ACI menyebutkan bahwa rumus untuk
menghitung modulus elastisitas beton yang memiliki berat beton (wc) berkisar dari 1500-
2500 kg/m3.
Dimana :
wc : berat beton (kg/m3)
fc’ : mutu beton (Mpa)
Ec : modulus elastisitas (Mpa)
Modulus Elastisitas Dinamis
3. Modulus elastisitas dinamis
Modulus elastisitas dinamis, yang berkorespondensi dengan regangan-
regangan sesaat yang sangat kecil, biasanya diperoleh dari uji sonik. Nilainya biasanya lebih
besar 20%-40% daripada nilai modulus elastisitas statis dan kira-kira sama dengan modulus
nilai awal. Modulus elastisitas dinamis ini biasanya dipakai pada analisa struktur dengan
beban gempa atau tumbukan.
4. Perbandingan Poisson
Ketika sebuah beton menerima beban tekan, silinder tersebut tidak hanya berkurang
tingginya tetapi juga mengalami ekspansi (pemuaian) dalam arah lateral. Perbandingan
ekspansi lateral dengan pendekatan longitudinal ini disebut sebagai Perbandingan
Poisson(Poisson’s ratio). Nilainya bervariasi mulai dari 0,11 untuk beton mutu tinggi dan
0,21 untuk beton mutu rendah, dengan nilai rata-rata 0,16. Sepertinya tidak ada hubungan
langsung antara nilai perbandingan ini dengan nilai-nilai, seperti perbandingan air-semen,
lamanya perawatan, ukuran agregat, dan sebagainya. Pada sebagian besar desain beton
bertulang, pengaruh dari perbandingan poisson ini tidak terlalu diperhatikan. Namun
pengaruh dari perbandingan harus diperhatikan ketika kita menganalisis dan mendesain
bendungan busur, terowongan, dan struktur-struktur statis tak tentu lainnya.
5. Kuat Tarik
Kuat tarik beton bervariasi antara 8% sampai 15% dari kuat tekannya. Alasan utama dari
kuat tarik yang kecil ini adalah kenyataan bahwa beton dipenuhi oleh retak-retak halus.
Retak-retak ini tidak berpengaruh besar bila beton menerima beban tekan karena beban tekan
menyebabkan retak menutup sehingga memungkinkan terjadinya penyaluran tekanan. Jelas
ini tidak terjadi bila balok menerima beban
Meskipun biasanya diabaikan dalam perhitungan desain, kuat tarik tetap merupakan sifat
penting yang mempengaruhi ukuran beton dan seberapa besar retak yang terjadi. Selain itu,
kuat tarik dari batang beton diketahui selalu akan mengurangi jumlah lendutan. (Karena kuat
tarik beton tidak besar, hanya sedikit usaha yang dilakukan untuk menghitung modulus
elastisitas tarik dari beton. Namun, berdasarkan informasi yang terbatas ini, diperkirakan
bahwa nilai modulus elastisitas tarik beton sama dengan modulus elatisitas tekannya.)
Selanjutnya, anda mungkin ingin tahu mengapa beton tidak diasumsikan menahan
tegangan tarik yang terjadi pada suatu batang lentur dan baja yang menahannya. Alasannya
adalah bahwa beton akan mengalami retak pada regangan tarik yang begitu kecil sehingga
tegangan-tegangan rendah yang terdapat pada baja hingga saat itu akan membuat
penggunaannya menjadi tidak ekonomis. Kuat tarik beton tidak berbanding lurus dengan kuat
tekan ultimitnya fc’. Meskipun demikian, kuat tarik ini diperkirakan berbanding lurus
terhadap akar kuadrat dari fc’. Kuat tarik ini cukup sulit untuk diukur dengan beban-beban
tarik aksial langsung akibat sulitnya memegang spesimen uji untuk menghindari konsentrasi
tegangan dan akibat kesulitan dalam meluruskan beban-beban tersebut. Sebagai akibat dari
kendala ini, diciptakanlah dua pengujian yang agak tidak langsung untuk menghitung kuat
tarik beton. Keduanya adalah uji modulus keruntuhan dan uji pembelahan silinder. Kuat tarik
beton pada waktu mengalami lentur sangat penting ketika kita sedang meninjau retak dan
lendutan pada balok. Untuk tujuan ini, kita selama ini menggunakan kuat tarik yang diperoleh
dari uji modulus-keruntuhan. Modulus keruntuhan biasanya dihitung dengan cara membebani
sebuah balok beton persegi (dengan tumpuan sederhana berjarak 6 m dari as ke as) tanpa-
tulangan berukuran 15cm x 15cm x 75cm. hingga runtuh dengan beban terpusat yang
besarnya sama pada 1/3 dari titik-titik pada balok tersebut sesuai dengan yang disebutkan
dalam ASTM C-78. Beban ini terus ditingkatkan sampai keruntuhan terjadi akibat retak pada
bagian balok yang mengalami tarik. Modulus keruntuhannya fr ditentukan kemudian dari
rumus lentur.
Tegangan yang ditentukan dengan cara ini tidak terlalu akurat karena dalam
menggunakan rumus lentur kita mengasumsikan beton berada dalam keadaan elastic
sempurna dengan tegangan yang berbanding lurus terhadap jarak dari sumbu netral.
6. Kuat Geser
Melakukan pengujian untuk memperoleh keruntuhan geser yang betul-betul murni tanpa
dipengaruhi oleh tegangan-tegangan lain sangatlah sulit. Akibatnya, pengujian kuat geser
beton selama bertahun-tahun selalu menghasilkan nilai-nilai leleh yang terletak di antara 1/3
sampai 4/5 dari kuat tekan maksimumnya.
7. Kurva Tegangan-Regangan
Hubungan tegangan-regangan beton perlu diketahui untuk menurunkan persamaan-
persamaan analisis dan desain juga prosedur-prosedur pada struktur beton.
D. Kolom
Definisi kolom menurut SNI-T15-1991-03 adalah komponen struktur bangunan yang
tugas utamanya menyangga beban aksial desak vertikal dengan bagian tinggi yang tidak
ditopang paling tidak tiga kali dimensi lateral terkecil. Kolom adalah batang tekan vertikal
dari rangka (frame) struktur yang memikul beban dari balok induk maupun balok anak.
Kolom meneruskan beban dari elevasi atas ke elevasi yang lebih bawah hingga akhirnya
sampai ke tanah melalui`pondasi.
Keruntuhan pada suatu kolom merupakan kondisi kritis yang dapat menyebabkan
runtuhnya (collapse) lantai yang bersangkutan dan juga runtuh total (total collapse) seluruh
struktur. Kolom adalah struktur yang mendukung beban dari atap, balok dan berat sendiri
yang diteruskan ke pondasi. Secara struktur kolom menerima beban vertical yang besar,
selain itu harus mampu menahan beban-beban horizontal bahkan momen atau puntir/torsi
akibat pengaruh terjadinya eksentrisitas pembebanan. hal yang perlu diperhatikan adalah
tinggi kolom perencanaan, mutu beton dan baja yang digunakan dan eksentrisitas
pembebanan yang terjadi.
E. Balok
Balok adalah bagian struktur yang berfungsi sebagai pendukung beban vertikal dan
horizontal. Beban vertikal berupa beban mati dan beban hidup yang diterima plat lantai, berat
sendiri balok dan berat dinding penyekat yang di atasnya. Sedangkan beban horizontal berupa
beban angin dan gempa. Balok merupakan bagian struktur bangunan yang penting dan
bertujuan untuk memikul beban tranversal yang dapat berupa beban lentur, geser maupun
torsi. Oleh karena itu perencanaan balok yang efisien, ekonomis dan aman sangat penting
untuk suatu struktur bangunan terutama struktur bertingkat tinggi atau struktur berskala besar.
F. Pengantar Gempa
Kerak bumi terdiri dari beberapa lapisan tektonik keras yang disebut litosfer yang
mengapung di atas medium fluida yang lebih lunak yang disebut mantle, sehingga kerak
bumi ini dapat bergerak. Teori yang dipakai untuk menerangkan pergerakan-pergerakan kerak
bumi tersebut adalah teori perekahan dasar laut (Sea Floor Spreading Theory) yang
dikembangkan oleh F. V. Vine dan D. H. Mathews pada tahun 1963 (Irsyam, 2005).
Bersatunya masa batu atau pelat satu sama lain dicegah oleh gaya-gaya friksional, apabila
tahanan ultimate friksional tercapai karena ada gerakan kontinyu dari fluida dibawahnya dua
pelat yang akan bertumbukan satu sama lain akan menimbulkan gerakan tiba-tiba yang
bersifat transient yang menyebar dari satu titik kesuatu arah yang disebut gempa bumi.
Gempa bumi yang menimbulkan kerusakan yang paling luas adalah gempa tektonik. Gempa
bumi tektonik disebabkan oleh terjadinya pergeseran kerak bumi (lithosfer) yang umumnya
terjadi didaerah patahan kulit bumi.
Dalam beberapa dekade belakangan, para insinyur struktur mulai mengalami kemajuan
yang berarti dalam memahami perilaku struktur terhadap beban gempa. Kemajuan ini
dikombinasikan dengan hasil penelitian modern yang membuat para insinyur struktur dapat
mendesain suatu struktur yang aman ketika mengalami bebangempa yang besar, selain itu
dapat pula mendesain bangunan yang tetap dapat terus beroperasi selama dan setelah gempa
terjadi. Struktur suatu bangunan bertingkat tinggi harus dapat memikul beban-beban yang
bekerja pada struktur tersebut, diantaranya beban gravitasi dan beban lateral. Beban gravitasi
adalah beban mati struktur dan beban hidup, sedangkan yang termasuk beban lateral adalah
beban angin dan beban gempa.
Gempa yang bekerja pada suatu struktur menyebabkan struktur tersebut akan mengalami
pergerakan secara vertikal maupun secara lateral. Pergerakan tanah tersebut menimbulkan
percepatan sehingga struktur yang memiliki massa akan mengalami gaya berdasarkan rumus
F = m x a. Namun struktur pada umumnya memiliki faktor keamanan yang cukup dalam
menahan gaya vertikal dibandingkan dengan gaya gempa lateral. Gaya gempa vertikal harus
diperhitungkan untuk unsur-unsur struktur gedung yang memiliki kepekaan yang tinggi
terhadap beban gravitasi seperti balkon, kanopi dan balok kantilever berbentang panjang,
balok transfer pada
struktur gedung tinggi yang memikul beban gravitasi dari dua atau lebih tingkat
diatasnya serta balok beton pratekan berbentang panjang. Sedangkan gaya gempa lateral
bekerja pada setiap pusat massa lantai.
Berdasarkan UBC 1997, tujuan desain bangunan tahan gempa adalah untuk mencegah
terjadinya kegagalan struktur dan kehilangan korban jiwa, dengan tiga kriteria standar
sebagai berikut:
a) Tidak terjadi kerusakan sama sekali pada gempa kecil
b) Ketika terjadi gempa sedang, diperbolehkan terjadi kerusakan arsitektural tapi bukan
merupakan kerusakan structural
c) Diperbolehkan terjadinya kerusakan struktural dan non struktural pada gempa kuat, namun
kerusakan yang terjadi tidak menyebabkan bangunan runtuh.
Beban gempa nilainya ditentukan oleh 3 hal, yaitu oleh besarnya probabilitas beban itu
dilampaui dalam kurun waktu tertentu, oleh tingkat daktilitas struktur yang mengalaminya,
dan oleh kekuatan lebih yang terkandung didalam struktur tersebut. Peluang dilampauinya
beban nominal tersebut dalam kurun waktu umur gedung 50 tahun adalah 10% dan gempa
yang menyebabkannya adalah gempa rencana dengan periode ulang 500 tahun. Tingkat
daktilitas struktur gedung dapat ditetapkan sesuai dengan kebutuhan, sedangkan faktor kuat
lebih (f1) untuk struktur gedung secara umum nilainya adalah 1,6. Dengan demikian, beban
gempa nominal adalah beban akibat pengaruh gempa rencana yang menyebabkan terjadinya
pelelehan pertama didalam struktur gedung, kemudian direduksi dengan faktor kuat lebih
(f1).
Daktilitas adalah kemampuan suatu struktur gedung untuk mengalami simpangan pasca-
elastik yang besar secara berulang kali dan bolak-balik akibat beban gempa diatas beban
gempa yang menyebabkan terjadinya pelelehan pertama, sambil mempertahankan kekuatan
dan kekakuan yang cukup, sehingga struktur gedung tersebut tetap berdiri, walaupun sudah
berada dalam kondisi diambang keruntuhan. Faktor daktilitas struktur gedung (μ) adalah rasio
antara simpangan maksimum struktur gedung akibat pengaruh gempa rencana pada saat
mencapai kondisi diambang keruntuhan (δmax) dan simpangan struktur pada saat terjadinya
sendi plastis ya ng pertama (δy0)
Untuk μ =1 adalah nilai faktor daktilitas untuk struktur gedung yang berprilaku elastik
penuh, seangkan μm adalah nilai faktor daktilitas maksimum yang dapat dikerahkan oleh
sistem struktur gedung yang bersangkutan.
1. Analisis Beban Gempa
Struktur beraturan dapat direncanakan terhadap pembebanan
gempa nominal akibat pengaruh gempa rencana dalam arah masing-masing sumbu utama
denah nominal statik ekivalen (V) yang terjadi di tingkat dasar dapat dihitung menurut
persamaan di bawah ini:
Dimana C1 adalah nilai faktor respon gempa yang didapat dari respon spectra gempa
rencana untuk waktu getar alami fundamental T1, Wt adalah berat total gedung termasuk
beban hidup yang sesuai, R adalah faktor reduksi gempa, dan I adalah faktor keutamaan.
Beban geser dasar nominal V harus dibagikan sepanjang tinggi struktur gedung menjadi
beban-beban gempa nominal statik ekivalen Fi yang menangkap pada pusat massa lantai
tingkat ke-i
Dimana Wi adalah berat lantai tingkat ke-i, termasuk beban hidup yang sesuai, zi adalah
ketinggian lantai tingkat ke-i diukur dari taraf penjepitan lateral, sedangkan n adalah nomor
lantai tingkat paling atas.
Apabila rasio antara tinggi struktur gedung dan ukuran denahnya dalam arah
pembebanan gempa sama dengan atau melebihi 3, maka 0.1 V harus dianggap sebagai beban
horizontal terpusat yang menangkap pada pusat massa lantai tingkat paling atas, sedangkan
0.9 V sisanya harus dibagikan sepanjang tinggi struktur gedung menjadi beban-beban gempa
nominal statik ekuivalen.
2. Respon Spektra
Untuk menentukan pengaruh gempa rencana pada struktur gedung, yaitu berupa beban
geser dasar nominal statik ekivalen pada struktur gedung beraturan atau gaya geser dasar
nominal sebagai respon dinamik ragam pertama pada struktur gedung tidak beraturan, untuk
masing-masing wilayah gempa ditetapkan respon spektra gempa rencana. Respon spektra
adalah suatu diagram yang memberi hubungan antara percepatan respon maksimum suatu
sistem Satu Derajat Kebebasan (SDK) akibat suatu gempa masukan tertentu, sebagai fungsi
dari faktor redaman (dumping) dan waktu getar alami sistem SDK tersebut (T). Bentuk
respon spektra yang sesungguhnya menunjukkan suatu fungsi acak yang untuk waktu getar
alami (T) meningkat menunjukkan nilai yang mula-mula meningkat dulu sampai suatu nilai
maksimum, kemudian turun lagi secara asimtotik mendekati sumbu-T.
BAB III
PLAT LANTAI & KOLOM BETON
A. PLAT LANTAI/ATAP BETON
Plat lantai yang dimaksud adalah plat yang terbuat dari beton bertulang, dapat difungsikan
sebagi lantai atau atap,
Plat Atap.
Untuk plat beton yang difungsikan sebagai atap, tebal
minimum plat adalah 7 cm dengan tulangan (besi beton) 1 lapis, jarak antara tulangan beton
adalah 2 x tebal plat atau 20 cm, diambil nilai yang terkecil, contoh tebal plat 7 cm maka
jarak tulangan 2 x 7 cm = 14 cm, maka yang dipakai berjarak 14 cm.
Akan tetapi penerapan dilapangan biasanya menggunakan tulangan pokok diameter 8mm
jarak 10 cm, sedangkan tulangan pembagi diameter 6 mm berjarak 10 cm, apabilah dak
tersebut cantilever, maksimum 100 cm, bila lebih dari itu sebaiknya struktur dihitung, atau
menggunakan besi beton untuk tulangan pokok berdiameter 10 mm dengan jarak 10 cm,
sdengkan tulangan pembagi dapat dipaki diameter 6mm berjarak 10 cm.
Plat Lantai
Untuk plat beton yang difungsikan sebagai lantai, tebal minimum adalah 12 cm, dengan
tulang (besi beton) 2 lapis, yaitu menggunakan besi beton diameter 10 mm berjarak 10 cm
pada lokasi momen maksimum, dan diameter 10 mm berjarak 20 cm pada lokasi momen
minimum. Penyeragaman diameter besi beton agar memudahkan pengerjaan dilapangan.
B. KOLOM (TIANG) BETON
Kolom pada bangunan rumah tinggal ada dua macam
a. Kolom Utama
b. Kolom Praktis
a. Kolom Utama.
Yang dimaksud dengan kolom utama adalah kolom yang fungsi utamanya menyanggah beban
utama yang berada diatasnya.
Untuk rumah tinggal disarankan jarak kolom utama adalah 3.5 m, agar dimensi balok untuk
menompang lantai tidak tidak begitu besar, dan apabila jarak antara kolom dibuat lebih dari
3.5 meter, maka struktur bangunan harus dihitung.
Sedangkan dimensi kolom utama untuk bangunan rumah tinggal lantai 2 biasanya dipakai
ukuran 20/20, dengan tulangan pokok 8d12mm, dan begel d 8-10cm ( 8 d 12 maksudnya
jumlah besi beton diameter 12mm 8 buah, 8 – 10 cm maksudnya begel diameter 8 dengan
jarak 10 cm).
b. Kolom Praktis
Adalah kolom yang berpungsi membantu kolom utama dan juga sebagai pengikat dinding
agar dinding stabil, jarak kolom maksimum 3,5 meter, atau pada pertemuan pasangan bata,
(sudut-sudut).
Dimensi kolom praktis 15/15 dengan tulangan beton 4 d 10 begel d 8-20.
C. Fondasi Telapak/Foot Plat.
Fondasi Telapak (foot plat) Biasanya dipakai pada bangunan lantai 2 keatas, akan tetapi tidak
menutup kemungkinan digunakan pada bangunan rumah lantai 1 (melihat kondisi tanah),
akan tetapi sangat jarang sekali digunakan.
Tetapi pada tulisan ini saya membahas mengenai Fondasi untuk bangunan lantai dua yang
sering digunakan .
Pada bangunan rumah tinggal lantai 2, fondasi yang digunakan adalah kombinasi antara
Fondasi Staal (batu kali menerus) dengan fondasi Plat seperti Denah Fondasi pada gambar
4.1.03. letak fondasi plat yaitu pada kolom-kolom utama.
Bahan yang digunakan adalah Besi beton diameter (d) 10 mm dengan campuran untuk beton
adalah : 1 semen : 2 Pasir : 3 Split (krikil) atau 1 Semen : 1,5 Pasir : 2,5 split.
Untuk pasir gunakan yang tidak mengandung tanah dan split pakai ukuran ½ ( satu dua), agar
hasil dari pengecoran beton tersebut baik, sedangkan alasan penggunaan split ½ ,agar beton
yang dihasilkan tidak keropos.
Gambar 4.3.01
Gambar 4.3.02
Gambar 4.3.01 adalah fondasi plat yang terletak di tengah, sedangkan Gambar 4.3.02. fondasi
plat yang terletak disamping.
BAB IV
MENGGAMBAR PLAT LANTAI
Dalam penggambaran konstruksi beton untuk keperluan pelaksanaan
pembangunan gedung sangat berperan. Untuk itu perlu dikuasai oleh seseorang
yang berkecimpung dalam pelaksanaan pembangunan.
Gambar konstruksi beton bertulang merupakan komponen dalam bangunan yang
tidak dapat dipisahkan dengan komponen lainnya karena merupakan salah satu
subsistem dalam bangunan. Dalam penggambaran kadang-kadang tidak sesuai
dengan keadaan lapangan. Untuk itu dalam penggambaran harus sesuai dengan
perencanaan, tetapi dalam pelaksanaan jangan sampai menyimpang terlalu jauh
karena dapat mengakibatkan fatal atau kegagalan dalam konstruksi.
Pada materi gambar konstruksi beton ini akan menjelaskan tentang simbol yang
dipakai, aturan, atau persyaratan dasar dalam konstruksi beton bertulang. Dengan
adanya materi ini diharapkan dapat menjelaskan kepada orang lain bagaimana
menggambar konstruksi beton yang benar tidak menyalahi aturan yang berlaku.
Dalam materi ini diawali dengan simbol-simbol, pembengkokan tulangan,
persyaratan konstruksi beton bertulang untuk pelat dan balok, penggambaran
konstruksi beton bertulang sesuai perhitungan konstruksi.
10.1 Simbol Konstruksi Beton Bertulang
Agar dalam penggambaran konstruksi beton bertulang dapat jelas dalam
pembacaannya, maka perlu ada tanda atau simbol penunjang dalam
penggambaran sehingga siapapun penggunanya dapat menterjemahkan
gambar tersebut untuk diri sendiri maupun kepada orang lain. Ataupun
pengertian gambar antara satu dengan lainnya sama.
Simbol/Tanda-Tanda dan Keterangan dalam Konstruksi Beton
Bertulang
Tabel 10.1
10.2 Menggambar Denah Rencana Penulangan
Pelat Lantai
Gambar 10.1
Denah Penulangan Pelat Luifel
Ditentukan :
– Pelat luifel (lihat gambar di atas)
– Luas tulangan yang diperlukan A = 5,35 cm2
Diminta:
– Gambarkan penulangannya dengan skala 1 : 25!
– Hitung tonase tulangan yang diperlukan!
– Hitung kubikasi/volume beton yang diperlukan!
Gambar 10.2
Denah Penulangan Pelat Atap Satu Petak
Ditentukan:
– Pelat atap satu petak (lihat gambar di atas)
– Luas tulangan lapangan b sejajar lebat pelat = A lb = 5,82 cm2
– Luas tulangan lapangan l sejajar panjang pelat = A ll = 3,30 cm2
– Luas tulangan tumpuan b sejajar lebat pelat = A tb = 7,05 cm2
– Luas tulangan tumpuan l sejajar panjang pelat = A tl = 6,20 cm2
Diminta:
– Gambarkan penulangannya dengan skala 1 : 25!
– Hitung tonase tulangan yang diperlukan!
– Hitung kubikasi/volume beton yang diperlukan!
Gambar 10.3
Denah Penulangan Pelat Lantai
Ditentukan:
– Pelat lantai satu petak (lihat gambar di atas)
– Luas tulangan lapangan b sejajar lebat pelat = A lb = A lx = +6,82 cm2
– Luas tulangan lapangan l sejajar panjang pelat = A ll = A ly = +4,74 cm2
– Luas tulangan tumpuan b sejajar lebat pelat = A tb = A tx = –8,16 cm2
– Luas tulangan tumpuan l sejajar panjang pelat = A tl = A ty = –5,89 cm2
Diminta:
– Gambarkan penulangannya dengan skala 1 : 25!
– Hitung tonase tulangan yang diperlukan!
– Hitung kubikasi/volume beton yang diperlukan!
Catatan:
Tulangan pokok yang dipasang hanya boleh menggunakan besi tulangan
diameter 8 mm dan 10 mm.
Gambar 10.4
Penulangan Pelat Lantai Lebih dari Satu Petak
Ditentukan:
Pelat lantai lebih dari satu petak (lihat gambar di atas)
– Pelat (a) : A lx = +5,42 cm2
A ly = +2,42 cm2
A tx = –6,28 cm2
A ty = –3,59 cm2
– Pelat (b) : A lx = +2,82 cm2
A ly = +2,62 cm2
A tx = –3,52 cm2
A ty = –3,14 cm2
– Pelat (c) : A t = 5,82 cm2
Diminta:
– Gambarkanlah penulangan pelat lantai tersebut di atas dengan skala 1 : 50!
– Hitunglah kebutuhan baja/besi beton bertulang dan kubikasi beton!
10.3 Menggambar Detail Potongan Pelat Lantai
Agar dalam penggambaran konstruksi beton bertulang untuk pelat luifel, atap
dan lantai sesuai dengan persyaratan yang telah ditentukan perlu memahami
ketentuan-ketentuan yang terkandung dalam konstruksi beton bertulang.
Jenis Tulangan
Tulangan-tulangan yang terdapat pada konstruksi pelat beton bertulang adalah:
1) Tulangan pokok
a. Tulangan pokok primer, ialah tulangan yang dipasang sejajar (//)
dengan sisi pelat arah lebar (sisi pendek) dan dipasang mendekati
sisi luar beton.
b. Tulangan pokok sekunder, ialah tulangan yang dipasang sejajar (//)
dengan sisi pelat arah panjang dan letaknya di bagian dalam setelah
tulangan pokok primer.
2) Tulangan susut ialah tulangan yang dipasang untuk melawan penyusutan/
pemuaian dan pemasangannya berhadapan dan tegak lurus dengan
tulangan pokok dengan jarak dari pusat ke pusat tulangan susut maksimal
40 cm.
3) Tulangan pembagi ialah tulangan yang dipasang pada pelat yang
mempunyai satu macam tulangan pokok, dan pemasangannya tegak lurus
dengan tulangan pokok. Besar tulangan pembagi 20% dari tulangan pokok
dan jarak pemasangan dari pusat ke pusat tulangan pembagi maksimum
25 cm atau tiap bentang 1 meter 4 batang.
Pemasangan tulangan pembagi biasanya terdapat pada konstruksi pelat
luifel/atap/lantai dan dinding. Tulangan pembagi berguna:
– Menahan tulangan pokok supaya tetap pada tempatnya
– Meratakan pembagian beban
– Mencegah penyusutan konstruksi
Pemasangan Tulangan
Ketentuan pada tulangan pokok pelat
gambar 10.5
tulangan Pokok Pelat
Keterangan:
T = Tebal pelat
t = Jarak bersih
pemasangan tulangan
�� = 2,5cm �� minimal
2,5 cm
�� = 2 T
�� = 20 cm
a = Selimut beton
a = 1,5 cm, bilamana berhubungan dengan air laut atau asam ditambah 1 cm
Apabila momen yang bekerja kecil, maka jarak tulangan pokok dari pusat ke
pusat maksimal 40 cm.
Untuk segala hal tulangan pelat tidak boleh kurang dari 0,25% dari luas
penampang beton (untuk keperluan tulangan pokok, pembagi, dan susut).
Tebal Pelat
Pelat atap = 7 cm �� minimal 7 cm
Pelat lantai = 12 cm �� minimal 12 cm
Diameter Tulangan Pelat
Baja lunak �� tulangan pokok = Ø 8 mm dan tulangan pembagi Ø 6 mm
Baja keras �� tulangan pokok = Ø 5 mm dan tulangan pembagi Ø 4mm
Pada pelat yang tebalnya lebih dari 25 cm, penulangan pada setiap tempat
harus dipasang rangkap (dobel) dan ini tidak berlaku pada pondasi telapak.
Dinding
Untuk konstruksi dinding, yang perlu mendapatkan perhatian adalah tebal dari
dinding vertikal (T) adalah:
�� T = 1/ 30 bentang bersih
�� Apabila menerima lenturan (M lentur) T = 12 cm �� minimal 12 cm
�� Apabila tidak menerima lentur T = 10 cm �� minimal 10 cm
�� Untuk dinding luar di bawah tanah tebalnya = 20 cm �� tebal minimal 20 cm
Penulangan dinding untuk reservoir air dan dinding bawah tanah:
�� Tebal dinding (T) 30 cm < T = 12 cm
�� Penulangan senantiasa dibuat rangkap
�� Penulangan dinding yang horizontal dan untuk memikul susut serat
perubahan suhu minimal 20% F beton yang ada
Contoh:
Tebal dinding 12 cm. Penulangan yang dibutuhkan setiap 1 m2 = 0,25 x 12 cm2
= 3 cm2
�� Diameter tulangan pokok minimal Ø 8 mm dan tulangan pembagi minimal
Ø 6 mm
�� Apabila terdapat lubang pada dinding, maka harus dipasang minimal 2 Ø
16 mm dan diteruskan paling sedikit 60 cm melalui sudut-sudut lubang
Gambar 10.6
Penulangan Dinding Reservoir Air dan Dinding Bawah Tanah
Sistem konstruksi pada tepi pelat:
�� Terletak bebas
�� Terjepit penuh
�� Terjepit elastis
Konstruksi Terletak Bebas
Apabila tepi pelat itu ditumpu di atas suatu tumpuan yang dapat berputar (tidak
dapat menerima momen), misalnya pelat tersebut terletak di atas dinding
tembok.
Gambar 10.7
Konstruksi Terletak Bebas
Konstruksi Terjepit Penuh
Apabila tepi pelat terletak di atas tumpuan yang tidak dapat berputar akibat
beban yang bekerja pada pelat tersebut, misalnya pelat tersebut menjadi satu
kesatuan monolit dengan balok penahannya.
Gambar 10.8
Konstruksi Terjepit Penuh
Konstruksi Terjepit Elastis
Apabila tepi pelat terletak di atas tumpuan yang merupakan kesatuan monolit
dengan balok pemikulnya yang relatif tidak terlalu kaku dan memungkinkan
pelat dapat berputar pada tumpuannya.
Pemasangan Tulangan
Pemasangan tulangan pelat yang dipasang pada empat sisi:
1) Pemasangan tulangan untuk memikul momen lapangan dalam arah yang
// dengan tepi pelat dapat dikurangi sampai setengahnya.
2) Setiap sudut pelat yang ditumpu bebas, harus dipasang tulangan atas
dan bawah dalam kedua arah. Ini akan berguna untuk menahan momenmomen
puntir.
Jumlah tulangan untuk kedua arah harus diambil sama dengan jumlah
tulangan yang terbesar, dan daerah pemasangannya = 1/5 bentang pelat.
Contoh:
Al = 2,96 cm2 �� Ø 8–17
Ab = 3,59 cm2 �� Ø 8–14
Maka tulangan disudut pelat tersebut, untuk atas dan bawah harus dipasang
dalam ke dua arah yaitu Ø 8–14.
Gambar 10.9
Pemasangan Tulangan pada Empat Sisi
3) Pada pelat-pelat, apabila l / b atau ly / lx > 2,5
a) Untuk pelat satu petak
�� Pada arah ly harus dipasang tulangan dengan besar momen
(M ly) = 1/5 Momen lx atau = 0,2 M lx
�� Pada tumpuan jarak ly juga harus dipasang tulangan dengan
besarnya Momen (M ty) = 0,6 M lx dan bagian yang dipasang
tulangan harus = 1/5 l x
Gambar 10.10
Pemasangan Tulangan untuk Pelat Satu Petak
Catatan:
l y = sisi pelat yang panjang
l x = sisi pelat yang pendek
b) Untuk pelat menerus (lebih sari satu petak)
dimana l y / l x > 2,5
Untuk pelat yang terjepit atau menerus dipasang tulangan tumpuan
negatif yaitu M ty = –0,3 M lx
Pelat terletak bebas, dipasang minimal 1/5 lx atau 0,2 lx dan pada sisi
pendek harus juga dipasang tulangan tumpuan positif sebesar (M ty)
M ty = + 0,3 M lx dan tulangan dipasang panjang minimal ½ lx
Gambar 10.11
Pemasangan Tulangan untuk Pelat Menerus
c) Untuk pelat yang dipikul hanya 2 sisi yang sejajar
�� Dianggap dengan perbandingan ly/lx > 2,5 dan hanya ada tulangan
pokok
�� M ly = Momen lapangan // lebar pelat
�� M tx = Momen tumpuan // lebar pelat
Memilih Besi Beton
Untuk menentukan atau memilih diameter tulangan pada konstruksi beton
bertulang setelah besaran atau luas tulangan hasil perhitungan didapatkan
untuk keperluan penggambaran harus memperhatikan hal-hal sebagai berikut.
– Daftar konstruksi beton bertulang
i. Luas penampang tulangan besi beton dalam cm2 untuk setiap lebar
pelat 100 cm
ii. Garis tengah tulangan besi beton dalam mm, berat dalam kg/m dan
luas penampang baja bulat dalam cm2
iii. Garis tengah tulangan besi beton dalam mm, berat dalam kg/m, luas
penampang baja bulat dalam cm2 serta minimal lebar balok atau kolom
dalam cm dengan ketebalan penutup balok tertentu dan diameter
sengkang
– Ketentuan jarak minimal dan maksimal tulangan yang boleh dipasang
– Ketentuan jumlah minimal yang harus dipasang
– Ketentuan besarnya diameter minimal untuk suatu konstruksi
– Pilih diameter besi beton yang beredar dalam pasaran atau perdagangan
Memilih Besi Beton untuk Pelat
– Tulangan terdiri dari tulangan tumpuan dan lapangan.
– Teknik pemasangan ada yang lurus saja untuk kepraktisan dan kecepatan
dalam pemasangan. Tetapi ada pula yang pemasangannya dibengkokkan
pada ¼ bentang untuk daerah tumpuan dan lapangan, agar lebih hemat
karena sesuai dengan fungsinya. Dan dalam perhitungan atau memilih
tulangan lapangan dibagi 2 karena jalur pemasangan dibuat bergantian.
– Tulangan lapangan dipilih terlebih dahulu dengan melihat daftar apakah
luasnya sudah memenuhi sesuai dengan perhitungan, setelah itu baru
menetapkan jarak tulangan. Ingat, jangan lupa minimal dan maksimal jarak
tulangan serta minimal diameter tulangan yang boleh digunakan.
– Kekurangan luas pada tumpuan dicari lagi besarannya dalam daftar
sehingga luas tumpuan terpenuhi. Panjang tulangan tumpuan biasanya ¼
bentang pelat. Pada tulangan tumpuan perlu besi beton pengait atau
tulangan pembagi dengan diameter Ø 8–20
– Penulangan pelat atap pemasangannya sama dengan pelat lantai hanya
saja perlu tulangan susut dengan tulangan diameter 6 mm jarak 40 cm
(Ø 6–40). Pemasangan tulangan susut diharapkan tidak terjadi retak-retak
karena perubahan cuaca.
– Untuk pelat luifel terdiri dari tulangan pokok dan pembagi serta bilamana
perlu diberikan juga tulangan susut yang menyilang terletak di bawah
dengan diameter 6 mm jarak 40 cm (Ø 6–40).
Contoh Penggambaran Penulangan Pelat Luifel.
Gambar 10.12
Penulangan Pelat Luifel
Untuk pelat luifel sebuah bangunan kantor lihat gambar dibutuhkan tulangan
A = 5,31 cm2. Gambarlah rangkaian penulangan luifel tersebut dengan mutu
beton K 125 dan baja U22! Penyelesaian:
A = 5,31 cm2 �� dipilih Ø 10–14 = 5,61 cm2 > 5,31 cm2 �� (OK)
Tulangan pembagi = 20% x 5,61 = 1,12 cm2 �� dipilih Ø6–25 =
1,13 > 1,12 cm2 (OK)
Contoh Penggambaran Penulangan Pelat Lantai:
Gambar 10.13
Penulangan Pelat Lantai
Suatu pelat lantai satu petak dibutuhkan tulangan seluas : Alx = 3,37 cm2;
Aly = 2,37 cm ; Atx = 7,05 cm2 ; Aty = 5,00 cm2
Gambarkan penulangan pelat tersebut jika mutu bahan, beton : K175 dan
baja : U22
Alx = 3,37 cm2 �� dipilih Ø 8–14,5 = 3,47 cm2 > 3,37 cm2 �� (OK)
Masuk tumpuan Atx = 3,47/2 = 1,73 cm2 �� Ø 8– 29
Tulang tumpuan tambahan Atx = 7,05 – 1,73 = 5,32 cm2 �� dipilih Ø 10–14,5
= 5,42 cm2 > 5,32 cm2 �� (OK)
Jadi, jumlah tumpuan Atx yang dipasang = 1,73 + 5,42 = 7,15 > 7,05 cm2
Tulangan pembagi yang dibutuhkan = 20% x 7,15 = 1,43 cm2 �� dipilih Ø 6–15
= 1,89 cm2 > 1,43 cm2 �� (OK)
Aly = 2,37 cm2 �� dipilih Ø 8–20 = 2,51 cm2 > 2,37 cm2 �� (OK)
Masuk tumpuan Aty = 2,51/2 = 1,25 cm2 �� Ø 8–40
Tulang tumpuan tambahan Atx = 5,00–1,25 = 3,75 cm2 �� dipilih Ø 10–20
= 3,93 cm2 > 3,75 cm2 �� (OK)
Jadi jumlah tumpuan Aty yang dipasang = 1,25 + 3,93 = 5,18 > 5,00 cm2
Tulangan pembagi yang dibutuhkan = 20% x 5,18 = 1,04 cm2 �� dipilih Ø 6–14,5
= 1,95 cm2 > 1,04 cm2 �� (OK)
Tulangan susut tidak perlu dipasang karena selalu terlindung.
Contoh Penggambaran Penulangan Pelat Atap
Gambar 10.14
Pelat atap
satu petak dibutuhkan tulangan seluas : Alx = 3,36 cm2 ; Aly
= 1,89 cm ; Atx = 6,83 cm2 ; Aty = 4,63 cm2
Gambarkan penulangan pelat tersebut jika mutu bahan, beton : K125 dan
baja : U24
Alx = 3,36 cm2 �� dipilih Ø 8–14,5 = 3,47 cm2 > 3,36 cm2 �� (OK)
Masuk tumpuan Atx = 3,47/2 = 1,73 cm2 �� Ø 8–29
Tulang tumpuan tambahan Atx = 6,83 – 1,73 = 5,10 cm2 �� dipilih Ø 10–14,5
= 5,42 cm2 > 5,10 cm2 �� (OK)
Jumlah tumpuan Atx yang dipasang = 1,73 + 5,42 = 7,15 > 6,83 cm2
Aly = 1,89 cm2 �� dipilih Ø 8–20 = 2,51 cm2 > 1,89 cm2 �� (OK)
Masuk tumpuan Aty = 2,51/2 = 1,25 cm2 �� Ø 8–40
Tulang tumpuan tambahan Atx = 4,63 – 1,25 = 3,38 cm2 �� dipilih Ø 10–20
= 3,93 cm2 > 3,38 cm2 �� (OK)
Jadi jumlah tumpuan Aty yang dipasang = 1,25 + 3,93 = 5,18 > 4,63 cm2 �� OK
Tulangan pembagi yang dibutuhkan untuk tumpuan Atx = 20% x 7,15
= 1,43 cm2 �� dipilih Ø 6–15 = 1,89 cm2 > 1,43 cm2
Untuk tumpuan Aty = 20 % x 5,18 = 1,04 cm2 �� Ø 6–14,5 = 1,95 cm2 > 1,04 cm2
Tulangan susut perlu dipasang karena pelat atap tidak terlindung dari
perubahan-perubahan.
Contoh Penggambaran Penulangan Pelat Atap dan Luifel
Gambar 10.15
Penulangan Pelat Atap dan Luifel
Sebuah rumah jaga dengan atap pelat datar dari beton bertulang.
Luas tulangan Alx = 3,66 cm2
Aly = 4,45 cm2
Atx = 9,00 cm2
Aty = 6,79 cm2
Luifel A = 5, 30 cm2
Untuk menjaga puntiran maka setiap sudut pelat dipasang tulangan dengan
luas = 5,30 cm2
Alx = 3,66 cm2 �� dipilih Ø 10–20 = 3,93 cm2 > 3,66 cm2 �� (OK)
Masuk tumpuan Atx = 3,93/2 = 1,96 cm2 �� Ø 10–40
Tulang tumpuan tambahan Atx = 9,00 – 1,96 = 7,04 cm2 �� dipilih Ø 10–10
= 7,85 cm2 > 7,04 cm2 �� (OK)
Jumlah tumpuan Atx yang dipasang = 1,96 + 7,85 = 9,81 > 9,00 cm2
VW = 1/5 x 9,81 = 1,96 cm2 �� Ø 6–14 = 2,02 cm2 > 1,96 cm2 �� OK
Aly = 3,45 cm2 �� dipilih Ø 8–14 = 3,59 cm2 > 3,45 cm2 �� (OK)
Masuk tumpuan Aty = 3,59/2 = 1,79 cm2 �� Ø 8–28
Tulang tumpuan tambahan Atx = 6,79 – 1,79 = 5,00 cm2 �� dipilih Ø 10–14
= 5,61 cm2 > 5,00 cm2 �� (OK)
Jadi jumlah tumpuan Aty yang dipasang = 1,79 + 5,61
= 7,40 > 6,79 cm2 �� OK
VW = 1/5 x 7,40 = 1,48 cm2 �� Ø 6–15 = 1,89 cm2 > 1,48 cm2 �� OK
Luifel A = 5,30 cm2 �� Ø 10–10 // lx
Ø 10–14 // ly
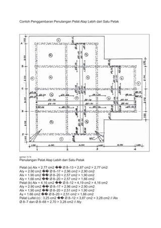
Contoh Penggambaran Penulangan Pelat Atap Lebih dari Satu Petak
gambar 10.16
Penulangan Pelat Atap Lebih dari Satu Petak
Pelat (a) Atx = 2.77 cm2 �� Ø 8–13 = 2,87 cm2 > 2,77 cm2
Aty = 2.90 cm2 �� Ø 8–17 = 2,96 cm2 > 2,90 cm2
Alx = 1.90 cm2 �� Ø 8–20 = 2,57 cm2 > 1,90 cm2
Aly = 1,66 cm2 �� Ø 8–20 = 2,57 cm2 > 1,66 cm2
Pelat (b) Atx = 4.16 cm2 �� Ø 8–12 = 4,19 cm2 > 4,16 cm2
Aty = 2.90 cm2 �� Ø 8–17 = 2,96 cm2 > 2,90 cm2
Alx = 1,90 cm2 �� Ø 8–20 = 2,51 cm2 > 1,90 cm2
Ay = 1.66 cm2 �� Ø 8–20 = 2,51 cm2 > 1,66 cm2
Pelat Luifel (c) : 3,25 cm2 �� Ø 8–12 = 3,87 cm2 > 3,28 cm2 // Atx
Ø 8–7 dan Ø 8–68 = 2,70 > 3,28 cm2 // Aty
BAB V
PENUTUPAN
A. Kesimpulan
Beton adalah suatu campuran yang terdiri dari pasir, kerikil, batu pecah, atau agregat-
agregat lain yang dicampur menjadi satu dengan suatu pasta yang terbuat dari semen dan air
membentuk suatu massa mirip-batuan.
Beton bertulang adalah suatu bahan material yang terbuat dari beton dan baja tulangan.
Kelebihan beton bertulang antara lain, beton memiliki kuat tekan yang relatif lebih tinggi,
Beton bertulang mempunyai ketahanan yang tinggi terhadap api dan air, Struktur beton
bertulang sangat kokoh, Beton bertulang tidak memerlukan biaya pemeliharaan yang tinggi,
memiliki usia layan yang sangat panjang, Beton biasanya merupakan satu-satunya bahan
yang ekonomis, kemampuannya untuk dicetak menjadi bentuk yang sangat beragam,
membutuhkan sedikit semen dan tulangan baja, serta Keahlian buruh yang dibutuhkan untuk
membangun konstruksi beton bertulang lebih rendah.
Kelemahan-kelemahan beton bertulang tersebut antara lain, Beton mempunyai kuat tarik
yang sangat rendah, Beton bertulang memerlukan bekisting untuk menahan beton tetap di
tempatnya sampai beton tersebut mengeras, Sifat-sifat beton sangat bervariasi karena
bervariasinya proporsi-campuran dan pengadukannya, Rendahnya kekuatan per satuan berat
dari beton.
Pengetahuan yang mendalam tentang sifat-sifat beton bertulang sangat penting sebelum
dimulai mendesain struktur beton bertulang. Beberapa sifat-sifat beton bertulang antara lain,
Kuat Tekan, Modulus Elastisitas Statis, Modulus elastisitas dinamis, Perbandingan Poisson,
Kuat Tarik, Kuat Geser dan Kurva Tegangan-Regangan.
Plat lantai yang dimaksud adalah plat yang terbuat dari beton bertulang, dapat difungsikan
sebagi lantai atau atap.
Kolom Utama adalah kolom yang fungsi utamanya menyanggah beban utama yang berada
diatasnya.
Kolom Praktis dalah kolom yang berpungsi membantu kolom utama dan juga sebagai
pengikat dinding agar dinding stabil, jarak kolom maksimum 3,5 meter, atau pada pertemuan
pasangan bata, (sudut-sudut).
B. Saran
Kepada pembaca agar kiranya setelah membaca makalah ini diharapkan mampu
mamahami dasar-dasar dari beton bertulang dan plat lantai/atap beton, kalaupun didalam
makalah ini terdapat materi yang bertentangan dengan materi sebenarnya agar memberikan
koreksi untuk memperbaiki penyusunan makalah yang sangat sederhana ini.
idoc.pub_makalah-struktur-beton-bertulang.pdf

idoc.pub_makalah-struktur-beton-bertulang.pdf

  • 1.
    DISUSUN OLEH : DERIMUHAMMAD RIDWAN KELAS: XI GB 2 SMK NEGERI 2 KOTA TASIKMALAYA Jl.Noenoeng Tisnasaputra Telp/ fax (0265) 331839 Kahuripan – Tawang TASIKMALAYA 46115
  • 2.
    KATA PENGANTAR Puji syukurke hadirat Allah SWT, karena atas rahmat dan karunia-Nya, penulis dapat menyelesaikan makalah ini dengan sebaik-baiknya. Makalah ini berisi tentang Sejaraha Beton dan Plat Lantai/Atap Beton .Dan pembuatan makalah ini bertujuan untuk memenuhi salah satu tugas dari mata pelajaran Beton Bertulang, di samping itu untuk meningkatkan dan mengembangkan wawasan penulis. Atas segala jerih payah dan kebaikan mereka ini, semoga Allah membalasnya dengan berlipat ganda. Amin !
  • 3.
    STRUKTUR BETON BERTULANG BAB1 PENDAHULUAN A. Latar Belakang Beton adalah suatu campuran yang terdiri dari pasir, kerikil, batu pecah, atau agregat- agregat lain yang dicampur menjadi satu dengan suatu pasta yang terbuat dari semen dan air membentuk suatu massa mirip-batuan. Terkadang, satu atau lebih bahan aditif ditambahkan untuk menghasilkan beton dengan karakteristik tertentu, seperti kemudahan pengerjaan (workability), durabilitas, dan waktu pengerasan. Seperti substansi-substansi mirip batuan lainnya, beton memiliki kuat tekan yang tinggi dan kuat tarik yang sangat rendah. Beton bertulang adalah suatu kombinasi antara beton dan baja dimana tulangan baja berfungsi menyediakan kuat tarik yang tidak dimiliki beton. Dalam suatu struktur bangunan beton bertulang khususnya pada kolom akan terjadi momen lentur dan gaya aksial yang bekerja secara bersama – sama. Momen - momen ini yang diakibatkan oleh adanya beban eksentris atau adanya gravitasi dapat menimbulkan beban lateral seperti angin dan gempa atau bisa juga diakibatkan oleh beban lantai yang tidak seimbang. Maka dari itu, setiap penampang komponen pada struktur seperti balok dan kolom harus direncanakan kuat terhadap setiap gaya internal yang terjadi, baik itu momen lentur, gaya aksial, gaya geser maupun torsi yang timbul sebagai respon struktur tersebut terhadap pengaruh luar.
  • 4.
    B. Rumusan Masalah Pembahasantentang beton dalam makalah ini di batasi pada : 1. Apa Defenisi Struktur Beton Bertulang? 2. Apa saja Kelebihan dan Kelemahan Beton Bertulang Sebagai Suatu Bahan Struktur? 3. Bagaimana Sifat-sifat Beton Bertulang? C. Tujuan Penulisan Dengan tersusunnya makalah ini mahasiswa diharapkan mampu mejelasakan tentang : Defenisi Struktur Beton Bertulang, Kelebihan dan Kelemahan Beton Bertulang Sebagai Suatu Bahan Struktur, Sifat-sifat Beton Bertulang, Kolom, Pengantar Gempa, dan Balok
  • 5.
    BAB II PEMBAHASAN A. DefenisiStruktur Beton Bertulang Beton bertulang adalah suatu bahan material yang terbuat dari beton dan baja tulangan. Kombinasi dari kedua material tersebut menghasilkan bahan bangunan yang mempunyai sifat-sifat yang baik dari masing-masing bahan bangunan tersebut. Beton mempunyai sifat yang bagus, yaitu mempunya kapasitas tekan yang tinggi. Akan tetapi, beton juga mempunyai sifat yang buruk, yaitu lemah jika dibebani tarik. Sedangkan baja tulangan mempunyai kapasitas yang tinggi terhadap beban tarik, tetapi mempunyai kapasitas tekan yang rendah karena bentuknya yang langsing (akan mudah mengalami tekuk terhadap beban tekan). Namun, dengan menempatkan tulangan dibagian beton yang mengalami tegangan tarik akan mengeliminasi kekurangan dari beton terhadap beban tarik. Demikian juga bila baja tulangan ditaruh dibagian beton yang mengalami tekan, beton disekeliling tulangan bersama-sama tulangan sengkan akan mencegah tulangan mengalami tekuk. Demikianlah penjelasan tentang mengapa kombinasi dari kedua bahan bangunan ini menghasil bahan bangunan baru yang memiliki sifat-sifat yang lebih baik dibanding sifat- sifat dari masing-masih bahan tersebut sebelum digabungkan. Berikut kita akan paparkan sesuatu yang berhubungan dengan bahan bangunan beton dan tulangan baja. Beton adalah bahan bangunan yang terbuat dari semen (Portland cement atau semen hidrolik lainnya), pasir atau agregat halus, kerikil atau agregate kasar, air dan dengan atau tanpa bahan tambahan. Kekuatan tekan beton yang digunakan untuk perencanaan ditentukan berdasarkan kekuatan tekan beton pada umur 28 hari. Meskipun sekarang kita dapat menghasilkan beton dengan kekuatan tekan lebih 100 MPa, kekuatan tekan beton yang umum digunakan dalam perencanaan berkisar antara 20 – 40 MPa. Seperti diterangkan sebelumnya, beton mempunyai kekuatan tekan yang tinggi akan tetapi mempunyai kekuatan tarik yang rendah, hanya berkisar antara 8% sampai 15% dari kekuatan tekannya. Untuk mengatasi kelemahan dari bahan beton inilah maka ditemukan bahan bangunan baru dengan menambahkan baja tulangan untuk memperkuat terutama bagian beton yang mengalami tarik. Baja tulangan yang digunakan untuk perencanaan harus mengunakan baja tulangan ulir/sirip (deformed bar). Sedangkan tulangan polos (plain bar) hanya dapat digunakan untuk tulangan spiral dan tendon, kecuali untuk kasus-kasus tertentu.
  • 6.
    B. Kelebihan danKelemahan Beton Bertulang Sebagai Suatu Bahan Struktur 1. Kelebihan : Beton bertulang boleh jadi adalah bahan konstruksi yang paling penting. Beton bertulang digunakan dalam berbagai bentuk untuk hampir semua struktur, besar maupun kecil – bangunan, jembatan, perkerasan jalan, bendungan, dindingpenahan tanah, terowongan, jembatan yang melintasi lembah (viaduct), drainaseserta fasilitas irigasi, tangki, dan sebagainya. Sukses besar beton sebagai bahan konstruksi yang universal cukup mudah dipahami jika dilihat dari banyaknya kelebihan yang dimilikinya. Kelebihan tersebut antara lain : a) beton memiliki kuat tekan yang relatif lebih tinggi dibandingkan dengan kebanyakan bahan lain. b) Beton bertulang mempunyai ketahanan yang tinggi terhadap api dan air, bahkan merupakan bahan struktur terbaik untuk bangunan yang banyak bersentuhan dengan air. Pada peristiwa kebakaran dengan intensitas rata-rata, batang-batang struktur dengan ketebalan penutup beton yangmemadai sebagai pelindung tulangan hanya mengalami kerusakan padapermukaannya saja tanpa mengalami keruntuhan. c) Struktur beton bertulang sangat kokoh. d) Beton bertulang tidak memerlukan biaya pemeliharaan yang tinggi. e) Dibandingkan dengan bahan lain, beton memiliki usia layan yang sangat panjang. Dalam kondisi-kondisi normal, struktur beton bertulang dapat digunakan sampai kapan pun tanpa kehilangan kemampuannya untuk menahan beban. Ini dapat dijelaskan dari kenyataannya bahwa kekuatan beton tidak berkurang dengan berjalannya waktu bahkan semakin lama semakin bertambah dalam hitungan tahun, karena lamanya proses pemadatan pasta semen. f) Beton biasanya merupakan satu-satunya bahan yang ekonomis untuk pondasi tapak, dinding basement, tiang tumpuan jembatan, dan bangunan-bangunan semacam itu. g) Salah satu ciri khas beton adalah kemampuannya untuk dicetak menjadi bentuk yang sangat beragam, mulai dari pelat, balok, dan kolom yang sederhana sampai atap kubah dan cangkang besar. h) Di sebagian besar daerah, beton terbuat dari bahan-bahan lokal yang murah (pasir, kerikil, dan air) dan relatif hanya membutuhkan sedikit semen dan tulangan baja, yang mungkin saja harus didatangkan daridaerah lain. i) Keahlian buruh yang dibutuhkan untuk membangun konstruksi betonbertulang lebih rendah bila dibandingkan dengan bahan lain seperti struktur baja. 2. Kelemahan
  • 7.
    Untuk dapat mengoptimalkanpenggunaan beton, perencana harus mengenal dengan baik kelebihannya. Kelemahan-kelemahan beton bertulang tersebut antara lain : a) Beton mempunyai kuat tarik yang sangat rendah, sehingga memerlukan penggunaan tulangan tarik. b) Beton bertulang memerlukan bekisting untuk menahan beton tetap di tempatnya sampai beton tersebut mengeras. Selain itu, penopang atau penyangga sementara mungkin diperlukan untuk menjaga agar bekisting tetap berada pada tempatnya, misalnya pada atap, dinding, dan struktur-struktur sejenis, sampai bagian-bagian beton ini cukup kuat untuk menahan beratnya sendiri. Bekisting sangat mahal. Di Amerika Serikat, biaya bekisting berkisar antara sepertiga hingga dua pertiga dari total biaya suatu struktur beton bertulang, dengan nilai sekitar 50%. Sudah jelas bahwa untuk mengurangi biaya dalam pembuatan suatu struktur beton bertulang, hal utama yang harus dilakukan adalah mengurangi biaya bekisting. c) Rendahnya kekuatan per satuan berat dari beton mengakibatkan beton bertulang menjadi berat. Ini akan sangat berpengaruh pada struktur-struktur bentang-panjang dimana berat beban mati beton yang besar akan sangat mempengaruhi momen lentur. d) Sifat-sifat beton sangat bervariasi karena bervariasinya proporsi-campuran dan pengadukannya. Selain itu, penuangan dan perawatan beton tidak bisa ditangani seteliti seperti yang dilakukan pada proses produksi material lain seperti struktur baja dan kayu. C. Sifat-sifat Beton Bertulang Pengetahuan yang mendalam tentang sifat-sifat beton bertulang sangat penting sebelum dimulai mendesain struktur beton bertulang. Beberapa sifat-sifat beton bertulang antara lain : 1. Kuat Tekan Kuat tekan beton (f’c) dilakukan dengan melakukan uji silinder beton dengan ukuran diameter 150 mm dan tinggi 300 mm. Pada umur 28 hari dengan tingkat pembebanan tertentu. Selama periode 28 hari silinder beton ini biasanya ditempatkan Mdalam sebuah ruangan dengan temperatur tetap dan kelembapan 100%. Meskipun ada beton yang memiliki kuat maksimum 28 hari dari 17 Mpa hingga 70 -140 Mpa, kebanyakan beton memiliki kekuatan pada kisaran 20 Mpa hingga 48 Mpa. Untuk aplikasi yang umum, digunakan beton dengan kekuatan 20 Mpa dan 25 Mpa, sementara untuk konstruksi beton prategang 35 Mpa dan 40 Mpa. Untuk beberapa aplikasi tertentu, seperti untuk kolom pada lantai-lantai bawah suatu bangunan tingkat tinggi, beton dengan kekuatan sampai 60 Mpa telah digunakan dan dapat disediakan oleh perusahaan-perusahaan pembuat beton siap-campur (ready-mix concrete).
  • 8.
    Nilai-nilai kuat tekanbeton seperti yang diperoleh dari hasil pengujian sangat dipengaruhi oleh ukuran dan bentuk dari elemen uji dan cara pembebanannya. Di banyak Negara, spesimen uji yang digunakan adalah kubus berisi 200 mm. untuk beton-beton uji yang sama, pengujian terhadap silinder-silinder 150 mm x 300 mm menghasilkan kuat tekan yang besarnya hanya sekitar 80% dari nilai yang diperoleh dari pengujian beton uji kubus. Kekuatan beton bisa beralih dari beton 20 Mpa ke beton 35 Mpa tanpa perlu melakukan penambahan buruh dan semen dalam jumlah yang berlebihan. Perkiraan kenaikan biaya bahan untuk mendapatkan penambahan kekuatan seperti itu adalah 15% sampai 20%. Namun untuk mendapatkan kekuatan beton diatas 35 atau 40 Mpa diperlukan desain campuran beton yang sangat teliti dan perhatian penuh kepada detail-detail seperti pencampuran, penempatan, dan perawatan. Persyaratan ini menyebabkan kenaikan biaya yang relatife lebih besar. Kurva tegangan-regangan pada gambar dibelakang menampilkan hasil yang dicapai dari uji kompresi terhadap sejumlah silinder uji standar berumur 28 hari yang kekuatannya beragam.  Kurva hampir lurus ketika beban ditingkatkan dari niol sampai kira-kira 1/3 - 2/3 kekuatan maksimum beton.  Diatas kurva ini perilaku betonnya nonlinear. Ketidak linearan kurva tegangan-regangan beton pada tegangan yang lebih tinggi ini mengakibatkan beberapa masalah ketika kita melakukan analisis struktural terhadap konstruksi beton karena perilaku konstruksi tersebut juga akan nonlinear pada tegangan-tegangan yang lebih tinggi.  Satu hal penting yang harus diperhatikan adalah kenyataan bahwa berapapun besarnya kekuatan beton, semua beton akan mencapai kekuatatan puncaknya pada regangan sekitar 0,002.  Beton tidak memiliki titik leleh yang pasti, sebaliknya kurva beton akan tetap bergerak mulus hingga tiba di titik kegagalan (point of rupture) pada regangan sekitar 0,003 sampai 0,004.  Banyak pengujian yang telah menunjukkan bahwa kurva-kurva tegangan- regangan untuk silinder-silinder beton hampir identik dengan kurva-kurva serupa untuk sisi balok yang mengalami tekan.  Harus diperhatikan juga bahwa beton berkekuatan lebih rendah lebih daktail daripada beton berkekuatan lebih tinggi – artinya, beton-beton yang lebih lemah akan mengalami regangan yang lebih besar sebelum mengalami kegagalan.
  • 9.
    2. Modulus ElastisitasStatis Beton tidak memiliki modulus elastisitas yang pasti. Nilainya bervariasi tergantung dari kekuatan beton, umur beton, jenis pembebanan, dan karakteristik dan perbandingan semen dan agregat. Sebagai tambahan, ada beberapa defenisi mengenai modulus elastisitas : a) Modulus awal adalah kemiringan diagram tegangan-regangan pada titik asal dari kurva. b) Modulus tangen adalah kemiringan dari salah satu tangent (garis singgung) pada kurva tersebut di titik tertentu di sepanjang kurva, misalnya pada 50% dari kekuatan maksimum beton. c) Kemiringan dari suatu garis yang ditarik dari titik asal kurva ke suatu titik pada kurva tersebut di suatu tempat di antara 25% sampai 50% dari kekuatan tekan maksimumnya disebut Modulus sekan. d) Modulus yang lain, disebut modulus semu (apparent modulus) atau modulus jangka panjang, ditentukan dengan menggunakan tegangan dan regangan yang diperoleh setelah beban diberikan selama beberapa waktu. Peraturan ACI menyebutkan bahwa rumus untuk menghitung modulus elastisitas beton yang memiliki berat beton (wc) berkisar dari 1500- 2500 kg/m3. Dimana : wc : berat beton (kg/m3) fc’ : mutu beton (Mpa) Ec : modulus elastisitas (Mpa) Modulus Elastisitas Dinamis 3. Modulus elastisitas dinamis Modulus elastisitas dinamis, yang berkorespondensi dengan regangan- regangan sesaat yang sangat kecil, biasanya diperoleh dari uji sonik. Nilainya biasanya lebih besar 20%-40% daripada nilai modulus elastisitas statis dan kira-kira sama dengan modulus
  • 10.
    nilai awal. Moduluselastisitas dinamis ini biasanya dipakai pada analisa struktur dengan beban gempa atau tumbukan. 4. Perbandingan Poisson Ketika sebuah beton menerima beban tekan, silinder tersebut tidak hanya berkurang tingginya tetapi juga mengalami ekspansi (pemuaian) dalam arah lateral. Perbandingan ekspansi lateral dengan pendekatan longitudinal ini disebut sebagai Perbandingan Poisson(Poisson’s ratio). Nilainya bervariasi mulai dari 0,11 untuk beton mutu tinggi dan 0,21 untuk beton mutu rendah, dengan nilai rata-rata 0,16. Sepertinya tidak ada hubungan langsung antara nilai perbandingan ini dengan nilai-nilai, seperti perbandingan air-semen, lamanya perawatan, ukuran agregat, dan sebagainya. Pada sebagian besar desain beton bertulang, pengaruh dari perbandingan poisson ini tidak terlalu diperhatikan. Namun pengaruh dari perbandingan harus diperhatikan ketika kita menganalisis dan mendesain bendungan busur, terowongan, dan struktur-struktur statis tak tentu lainnya. 5. Kuat Tarik Kuat tarik beton bervariasi antara 8% sampai 15% dari kuat tekannya. Alasan utama dari kuat tarik yang kecil ini adalah kenyataan bahwa beton dipenuhi oleh retak-retak halus. Retak-retak ini tidak berpengaruh besar bila beton menerima beban tekan karena beban tekan menyebabkan retak menutup sehingga memungkinkan terjadinya penyaluran tekanan. Jelas ini tidak terjadi bila balok menerima beban Meskipun biasanya diabaikan dalam perhitungan desain, kuat tarik tetap merupakan sifat penting yang mempengaruhi ukuran beton dan seberapa besar retak yang terjadi. Selain itu, kuat tarik dari batang beton diketahui selalu akan mengurangi jumlah lendutan. (Karena kuat tarik beton tidak besar, hanya sedikit usaha yang dilakukan untuk menghitung modulus elastisitas tarik dari beton. Namun, berdasarkan informasi yang terbatas ini, diperkirakan bahwa nilai modulus elastisitas tarik beton sama dengan modulus elatisitas tekannya.) Selanjutnya, anda mungkin ingin tahu mengapa beton tidak diasumsikan menahan tegangan tarik yang terjadi pada suatu batang lentur dan baja yang menahannya. Alasannya adalah bahwa beton akan mengalami retak pada regangan tarik yang begitu kecil sehingga tegangan-tegangan rendah yang terdapat pada baja hingga saat itu akan membuat penggunaannya menjadi tidak ekonomis. Kuat tarik beton tidak berbanding lurus dengan kuat tekan ultimitnya fc’. Meskipun demikian, kuat tarik ini diperkirakan berbanding lurus terhadap akar kuadrat dari fc’. Kuat tarik ini cukup sulit untuk diukur dengan beban-beban tarik aksial langsung akibat sulitnya memegang spesimen uji untuk menghindari konsentrasi tegangan dan akibat kesulitan dalam meluruskan beban-beban tersebut. Sebagai akibat dari
  • 11.
    kendala ini, diciptakanlahdua pengujian yang agak tidak langsung untuk menghitung kuat tarik beton. Keduanya adalah uji modulus keruntuhan dan uji pembelahan silinder. Kuat tarik beton pada waktu mengalami lentur sangat penting ketika kita sedang meninjau retak dan lendutan pada balok. Untuk tujuan ini, kita selama ini menggunakan kuat tarik yang diperoleh dari uji modulus-keruntuhan. Modulus keruntuhan biasanya dihitung dengan cara membebani sebuah balok beton persegi (dengan tumpuan sederhana berjarak 6 m dari as ke as) tanpa- tulangan berukuran 15cm x 15cm x 75cm. hingga runtuh dengan beban terpusat yang besarnya sama pada 1/3 dari titik-titik pada balok tersebut sesuai dengan yang disebutkan dalam ASTM C-78. Beban ini terus ditingkatkan sampai keruntuhan terjadi akibat retak pada bagian balok yang mengalami tarik. Modulus keruntuhannya fr ditentukan kemudian dari rumus lentur. Tegangan yang ditentukan dengan cara ini tidak terlalu akurat karena dalam menggunakan rumus lentur kita mengasumsikan beton berada dalam keadaan elastic sempurna dengan tegangan yang berbanding lurus terhadap jarak dari sumbu netral. 6. Kuat Geser Melakukan pengujian untuk memperoleh keruntuhan geser yang betul-betul murni tanpa dipengaruhi oleh tegangan-tegangan lain sangatlah sulit. Akibatnya, pengujian kuat geser beton selama bertahun-tahun selalu menghasilkan nilai-nilai leleh yang terletak di antara 1/3 sampai 4/5 dari kuat tekan maksimumnya. 7. Kurva Tegangan-Regangan Hubungan tegangan-regangan beton perlu diketahui untuk menurunkan persamaan- persamaan analisis dan desain juga prosedur-prosedur pada struktur beton. D. Kolom Definisi kolom menurut SNI-T15-1991-03 adalah komponen struktur bangunan yang tugas utamanya menyangga beban aksial desak vertikal dengan bagian tinggi yang tidak ditopang paling tidak tiga kali dimensi lateral terkecil. Kolom adalah batang tekan vertikal dari rangka (frame) struktur yang memikul beban dari balok induk maupun balok anak. Kolom meneruskan beban dari elevasi atas ke elevasi yang lebih bawah hingga akhirnya sampai ke tanah melalui`pondasi. Keruntuhan pada suatu kolom merupakan kondisi kritis yang dapat menyebabkan runtuhnya (collapse) lantai yang bersangkutan dan juga runtuh total (total collapse) seluruh struktur. Kolom adalah struktur yang mendukung beban dari atap, balok dan berat sendiri yang diteruskan ke pondasi. Secara struktur kolom menerima beban vertical yang besar,
  • 12.
    selain itu harusmampu menahan beban-beban horizontal bahkan momen atau puntir/torsi akibat pengaruh terjadinya eksentrisitas pembebanan. hal yang perlu diperhatikan adalah tinggi kolom perencanaan, mutu beton dan baja yang digunakan dan eksentrisitas pembebanan yang terjadi. E. Balok Balok adalah bagian struktur yang berfungsi sebagai pendukung beban vertikal dan horizontal. Beban vertikal berupa beban mati dan beban hidup yang diterima plat lantai, berat sendiri balok dan berat dinding penyekat yang di atasnya. Sedangkan beban horizontal berupa beban angin dan gempa. Balok merupakan bagian struktur bangunan yang penting dan bertujuan untuk memikul beban tranversal yang dapat berupa beban lentur, geser maupun torsi. Oleh karena itu perencanaan balok yang efisien, ekonomis dan aman sangat penting untuk suatu struktur bangunan terutama struktur bertingkat tinggi atau struktur berskala besar. F. Pengantar Gempa Kerak bumi terdiri dari beberapa lapisan tektonik keras yang disebut litosfer yang mengapung di atas medium fluida yang lebih lunak yang disebut mantle, sehingga kerak bumi ini dapat bergerak. Teori yang dipakai untuk menerangkan pergerakan-pergerakan kerak bumi tersebut adalah teori perekahan dasar laut (Sea Floor Spreading Theory) yang dikembangkan oleh F. V. Vine dan D. H. Mathews pada tahun 1963 (Irsyam, 2005). Bersatunya masa batu atau pelat satu sama lain dicegah oleh gaya-gaya friksional, apabila tahanan ultimate friksional tercapai karena ada gerakan kontinyu dari fluida dibawahnya dua pelat yang akan bertumbukan satu sama lain akan menimbulkan gerakan tiba-tiba yang bersifat transient yang menyebar dari satu titik kesuatu arah yang disebut gempa bumi. Gempa bumi yang menimbulkan kerusakan yang paling luas adalah gempa tektonik. Gempa bumi tektonik disebabkan oleh terjadinya pergeseran kerak bumi (lithosfer) yang umumnya terjadi didaerah patahan kulit bumi. Dalam beberapa dekade belakangan, para insinyur struktur mulai mengalami kemajuan yang berarti dalam memahami perilaku struktur terhadap beban gempa. Kemajuan ini dikombinasikan dengan hasil penelitian modern yang membuat para insinyur struktur dapat mendesain suatu struktur yang aman ketika mengalami bebangempa yang besar, selain itu dapat pula mendesain bangunan yang tetap dapat terus beroperasi selama dan setelah gempa terjadi. Struktur suatu bangunan bertingkat tinggi harus dapat memikul beban-beban yang bekerja pada struktur tersebut, diantaranya beban gravitasi dan beban lateral. Beban gravitasi
  • 13.
    adalah beban matistruktur dan beban hidup, sedangkan yang termasuk beban lateral adalah beban angin dan beban gempa. Gempa yang bekerja pada suatu struktur menyebabkan struktur tersebut akan mengalami pergerakan secara vertikal maupun secara lateral. Pergerakan tanah tersebut menimbulkan percepatan sehingga struktur yang memiliki massa akan mengalami gaya berdasarkan rumus F = m x a. Namun struktur pada umumnya memiliki faktor keamanan yang cukup dalam menahan gaya vertikal dibandingkan dengan gaya gempa lateral. Gaya gempa vertikal harus diperhitungkan untuk unsur-unsur struktur gedung yang memiliki kepekaan yang tinggi terhadap beban gravitasi seperti balkon, kanopi dan balok kantilever berbentang panjang, balok transfer pada struktur gedung tinggi yang memikul beban gravitasi dari dua atau lebih tingkat diatasnya serta balok beton pratekan berbentang panjang. Sedangkan gaya gempa lateral bekerja pada setiap pusat massa lantai. Berdasarkan UBC 1997, tujuan desain bangunan tahan gempa adalah untuk mencegah terjadinya kegagalan struktur dan kehilangan korban jiwa, dengan tiga kriteria standar sebagai berikut: a) Tidak terjadi kerusakan sama sekali pada gempa kecil b) Ketika terjadi gempa sedang, diperbolehkan terjadi kerusakan arsitektural tapi bukan merupakan kerusakan structural c) Diperbolehkan terjadinya kerusakan struktural dan non struktural pada gempa kuat, namun kerusakan yang terjadi tidak menyebabkan bangunan runtuh. Beban gempa nilainya ditentukan oleh 3 hal, yaitu oleh besarnya probabilitas beban itu dilampaui dalam kurun waktu tertentu, oleh tingkat daktilitas struktur yang mengalaminya, dan oleh kekuatan lebih yang terkandung didalam struktur tersebut. Peluang dilampauinya beban nominal tersebut dalam kurun waktu umur gedung 50 tahun adalah 10% dan gempa yang menyebabkannya adalah gempa rencana dengan periode ulang 500 tahun. Tingkat daktilitas struktur gedung dapat ditetapkan sesuai dengan kebutuhan, sedangkan faktor kuat lebih (f1) untuk struktur gedung secara umum nilainya adalah 1,6. Dengan demikian, beban gempa nominal adalah beban akibat pengaruh gempa rencana yang menyebabkan terjadinya pelelehan pertama didalam struktur gedung, kemudian direduksi dengan faktor kuat lebih (f1). Daktilitas adalah kemampuan suatu struktur gedung untuk mengalami simpangan pasca- elastik yang besar secara berulang kali dan bolak-balik akibat beban gempa diatas beban
  • 14.
    gempa yang menyebabkanterjadinya pelelehan pertama, sambil mempertahankan kekuatan dan kekakuan yang cukup, sehingga struktur gedung tersebut tetap berdiri, walaupun sudah berada dalam kondisi diambang keruntuhan. Faktor daktilitas struktur gedung (μ) adalah rasio antara simpangan maksimum struktur gedung akibat pengaruh gempa rencana pada saat mencapai kondisi diambang keruntuhan (δmax) dan simpangan struktur pada saat terjadinya sendi plastis ya ng pertama (δy0) Untuk μ =1 adalah nilai faktor daktilitas untuk struktur gedung yang berprilaku elastik penuh, seangkan μm adalah nilai faktor daktilitas maksimum yang dapat dikerahkan oleh sistem struktur gedung yang bersangkutan. 1. Analisis Beban Gempa Struktur beraturan dapat direncanakan terhadap pembebanan gempa nominal akibat pengaruh gempa rencana dalam arah masing-masing sumbu utama denah nominal statik ekivalen (V) yang terjadi di tingkat dasar dapat dihitung menurut persamaan di bawah ini: Dimana C1 adalah nilai faktor respon gempa yang didapat dari respon spectra gempa rencana untuk waktu getar alami fundamental T1, Wt adalah berat total gedung termasuk beban hidup yang sesuai, R adalah faktor reduksi gempa, dan I adalah faktor keutamaan. Beban geser dasar nominal V harus dibagikan sepanjang tinggi struktur gedung menjadi beban-beban gempa nominal statik ekivalen Fi yang menangkap pada pusat massa lantai tingkat ke-i Dimana Wi adalah berat lantai tingkat ke-i, termasuk beban hidup yang sesuai, zi adalah ketinggian lantai tingkat ke-i diukur dari taraf penjepitan lateral, sedangkan n adalah nomor lantai tingkat paling atas. Apabila rasio antara tinggi struktur gedung dan ukuran denahnya dalam arah pembebanan gempa sama dengan atau melebihi 3, maka 0.1 V harus dianggap sebagai beban horizontal terpusat yang menangkap pada pusat massa lantai tingkat paling atas, sedangkan 0.9 V sisanya harus dibagikan sepanjang tinggi struktur gedung menjadi beban-beban gempa nominal statik ekuivalen.
  • 15.
    2. Respon Spektra Untukmenentukan pengaruh gempa rencana pada struktur gedung, yaitu berupa beban geser dasar nominal statik ekivalen pada struktur gedung beraturan atau gaya geser dasar nominal sebagai respon dinamik ragam pertama pada struktur gedung tidak beraturan, untuk masing-masing wilayah gempa ditetapkan respon spektra gempa rencana. Respon spektra adalah suatu diagram yang memberi hubungan antara percepatan respon maksimum suatu sistem Satu Derajat Kebebasan (SDK) akibat suatu gempa masukan tertentu, sebagai fungsi dari faktor redaman (dumping) dan waktu getar alami sistem SDK tersebut (T). Bentuk respon spektra yang sesungguhnya menunjukkan suatu fungsi acak yang untuk waktu getar alami (T) meningkat menunjukkan nilai yang mula-mula meningkat dulu sampai suatu nilai maksimum, kemudian turun lagi secara asimtotik mendekati sumbu-T.
  • 16.
    BAB III PLAT LANTAI& KOLOM BETON A. PLAT LANTAI/ATAP BETON Plat lantai yang dimaksud adalah plat yang terbuat dari beton bertulang, dapat difungsikan sebagi lantai atau atap, Plat Atap. Untuk plat beton yang difungsikan sebagai atap, tebal minimum plat adalah 7 cm dengan tulangan (besi beton) 1 lapis, jarak antara tulangan beton adalah 2 x tebal plat atau 20 cm, diambil nilai yang terkecil, contoh tebal plat 7 cm maka jarak tulangan 2 x 7 cm = 14 cm, maka yang dipakai berjarak 14 cm. Akan tetapi penerapan dilapangan biasanya menggunakan tulangan pokok diameter 8mm jarak 10 cm, sedangkan tulangan pembagi diameter 6 mm berjarak 10 cm, apabilah dak tersebut cantilever, maksimum 100 cm, bila lebih dari itu sebaiknya struktur dihitung, atau menggunakan besi beton untuk tulangan pokok berdiameter 10 mm dengan jarak 10 cm, sdengkan tulangan pembagi dapat dipaki diameter 6mm berjarak 10 cm. Plat Lantai Untuk plat beton yang difungsikan sebagai lantai, tebal minimum adalah 12 cm, dengan tulang (besi beton) 2 lapis, yaitu menggunakan besi beton diameter 10 mm berjarak 10 cm pada lokasi momen maksimum, dan diameter 10 mm berjarak 20 cm pada lokasi momen minimum. Penyeragaman diameter besi beton agar memudahkan pengerjaan dilapangan. B. KOLOM (TIANG) BETON Kolom pada bangunan rumah tinggal ada dua macam a. Kolom Utama b. Kolom Praktis
  • 17.
    a. Kolom Utama. Yangdimaksud dengan kolom utama adalah kolom yang fungsi utamanya menyanggah beban utama yang berada diatasnya. Untuk rumah tinggal disarankan jarak kolom utama adalah 3.5 m, agar dimensi balok untuk menompang lantai tidak tidak begitu besar, dan apabila jarak antara kolom dibuat lebih dari 3.5 meter, maka struktur bangunan harus dihitung. Sedangkan dimensi kolom utama untuk bangunan rumah tinggal lantai 2 biasanya dipakai ukuran 20/20, dengan tulangan pokok 8d12mm, dan begel d 8-10cm ( 8 d 12 maksudnya jumlah besi beton diameter 12mm 8 buah, 8 – 10 cm maksudnya begel diameter 8 dengan jarak 10 cm). b. Kolom Praktis Adalah kolom yang berpungsi membantu kolom utama dan juga sebagai pengikat dinding agar dinding stabil, jarak kolom maksimum 3,5 meter, atau pada pertemuan pasangan bata, (sudut-sudut). Dimensi kolom praktis 15/15 dengan tulangan beton 4 d 10 begel d 8-20.
  • 18.
    C. Fondasi Telapak/FootPlat. Fondasi Telapak (foot plat) Biasanya dipakai pada bangunan lantai 2 keatas, akan tetapi tidak menutup kemungkinan digunakan pada bangunan rumah lantai 1 (melihat kondisi tanah), akan tetapi sangat jarang sekali digunakan. Tetapi pada tulisan ini saya membahas mengenai Fondasi untuk bangunan lantai dua yang sering digunakan . Pada bangunan rumah tinggal lantai 2, fondasi yang digunakan adalah kombinasi antara Fondasi Staal (batu kali menerus) dengan fondasi Plat seperti Denah Fondasi pada gambar 4.1.03. letak fondasi plat yaitu pada kolom-kolom utama. Bahan yang digunakan adalah Besi beton diameter (d) 10 mm dengan campuran untuk beton adalah : 1 semen : 2 Pasir : 3 Split (krikil) atau 1 Semen : 1,5 Pasir : 2,5 split. Untuk pasir gunakan yang tidak mengandung tanah dan split pakai ukuran ½ ( satu dua), agar hasil dari pengecoran beton tersebut baik, sedangkan alasan penggunaan split ½ ,agar beton yang dihasilkan tidak keropos. Gambar 4.3.01
  • 19.
    Gambar 4.3.02 Gambar 4.3.01adalah fondasi plat yang terletak di tengah, sedangkan Gambar 4.3.02. fondasi plat yang terletak disamping.
  • 20.
    BAB IV MENGGAMBAR PLATLANTAI Dalam penggambaran konstruksi beton untuk keperluan pelaksanaan pembangunan gedung sangat berperan. Untuk itu perlu dikuasai oleh seseorang yang berkecimpung dalam pelaksanaan pembangunan. Gambar konstruksi beton bertulang merupakan komponen dalam bangunan yang tidak dapat dipisahkan dengan komponen lainnya karena merupakan salah satu subsistem dalam bangunan. Dalam penggambaran kadang-kadang tidak sesuai dengan keadaan lapangan. Untuk itu dalam penggambaran harus sesuai dengan perencanaan, tetapi dalam pelaksanaan jangan sampai menyimpang terlalu jauh karena dapat mengakibatkan fatal atau kegagalan dalam konstruksi. Pada materi gambar konstruksi beton ini akan menjelaskan tentang simbol yang dipakai, aturan, atau persyaratan dasar dalam konstruksi beton bertulang. Dengan adanya materi ini diharapkan dapat menjelaskan kepada orang lain bagaimana menggambar konstruksi beton yang benar tidak menyalahi aturan yang berlaku. Dalam materi ini diawali dengan simbol-simbol, pembengkokan tulangan, persyaratan konstruksi beton bertulang untuk pelat dan balok, penggambaran konstruksi beton bertulang sesuai perhitungan konstruksi. 10.1 Simbol Konstruksi Beton Bertulang Agar dalam penggambaran konstruksi beton bertulang dapat jelas dalam pembacaannya, maka perlu ada tanda atau simbol penunjang dalam penggambaran sehingga siapapun penggunanya dapat menterjemahkan gambar tersebut untuk diri sendiri maupun kepada orang lain. Ataupun pengertian gambar antara satu dengan lainnya sama. Simbol/Tanda-Tanda dan Keterangan dalam Konstruksi Beton Bertulang Tabel 10.1
  • 23.
    10.2 Menggambar DenahRencana Penulangan Pelat Lantai
  • 24.
    Gambar 10.1 Denah PenulanganPelat Luifel Ditentukan : – Pelat luifel (lihat gambar di atas) – Luas tulangan yang diperlukan A = 5,35 cm2 Diminta: – Gambarkan penulangannya dengan skala 1 : 25! – Hitung tonase tulangan yang diperlukan! – Hitung kubikasi/volume beton yang diperlukan! Gambar 10.2 Denah Penulangan Pelat Atap Satu Petak Ditentukan: – Pelat atap satu petak (lihat gambar di atas) – Luas tulangan lapangan b sejajar lebat pelat = A lb = 5,82 cm2 – Luas tulangan lapangan l sejajar panjang pelat = A ll = 3,30 cm2 – Luas tulangan tumpuan b sejajar lebat pelat = A tb = 7,05 cm2 – Luas tulangan tumpuan l sejajar panjang pelat = A tl = 6,20 cm2 Diminta: – Gambarkan penulangannya dengan skala 1 : 25! – Hitung tonase tulangan yang diperlukan! – Hitung kubikasi/volume beton yang diperlukan!
  • 25.
    Gambar 10.3 Denah PenulanganPelat Lantai Ditentukan: – Pelat lantai satu petak (lihat gambar di atas) – Luas tulangan lapangan b sejajar lebat pelat = A lb = A lx = +6,82 cm2 – Luas tulangan lapangan l sejajar panjang pelat = A ll = A ly = +4,74 cm2 – Luas tulangan tumpuan b sejajar lebat pelat = A tb = A tx = –8,16 cm2 – Luas tulangan tumpuan l sejajar panjang pelat = A tl = A ty = –5,89 cm2 Diminta: – Gambarkan penulangannya dengan skala 1 : 25! – Hitung tonase tulangan yang diperlukan! – Hitung kubikasi/volume beton yang diperlukan! Catatan: Tulangan pokok yang dipasang hanya boleh menggunakan besi tulangan diameter 8 mm dan 10 mm. Gambar 10.4
  • 26.
    Penulangan Pelat LantaiLebih dari Satu Petak Ditentukan: Pelat lantai lebih dari satu petak (lihat gambar di atas) – Pelat (a) : A lx = +5,42 cm2 A ly = +2,42 cm2 A tx = –6,28 cm2 A ty = –3,59 cm2 – Pelat (b) : A lx = +2,82 cm2 A ly = +2,62 cm2 A tx = –3,52 cm2 A ty = –3,14 cm2 – Pelat (c) : A t = 5,82 cm2 Diminta: – Gambarkanlah penulangan pelat lantai tersebut di atas dengan skala 1 : 50! – Hitunglah kebutuhan baja/besi beton bertulang dan kubikasi beton! 10.3 Menggambar Detail Potongan Pelat Lantai Agar dalam penggambaran konstruksi beton bertulang untuk pelat luifel, atap dan lantai sesuai dengan persyaratan yang telah ditentukan perlu memahami ketentuan-ketentuan yang terkandung dalam konstruksi beton bertulang. Jenis Tulangan Tulangan-tulangan yang terdapat pada konstruksi pelat beton bertulang adalah: 1) Tulangan pokok a. Tulangan pokok primer, ialah tulangan yang dipasang sejajar (//) dengan sisi pelat arah lebar (sisi pendek) dan dipasang mendekati sisi luar beton. b. Tulangan pokok sekunder, ialah tulangan yang dipasang sejajar (//) dengan sisi pelat arah panjang dan letaknya di bagian dalam setelah tulangan pokok primer. 2) Tulangan susut ialah tulangan yang dipasang untuk melawan penyusutan/ pemuaian dan pemasangannya berhadapan dan tegak lurus dengan tulangan pokok dengan jarak dari pusat ke pusat tulangan susut maksimal 40 cm. 3) Tulangan pembagi ialah tulangan yang dipasang pada pelat yang mempunyai satu macam tulangan pokok, dan pemasangannya tegak lurus dengan tulangan pokok. Besar tulangan pembagi 20% dari tulangan pokok dan jarak pemasangan dari pusat ke pusat tulangan pembagi maksimum 25 cm atau tiap bentang 1 meter 4 batang. Pemasangan tulangan pembagi biasanya terdapat pada konstruksi pelat luifel/atap/lantai dan dinding. Tulangan pembagi berguna:
  • 27.
    – Menahan tulanganpokok supaya tetap pada tempatnya – Meratakan pembagian beban – Mencegah penyusutan konstruksi Pemasangan Tulangan Ketentuan pada tulangan pokok pelat gambar 10.5 tulangan Pokok Pelat Keterangan: T = Tebal pelat t = Jarak bersih pemasangan tulangan �� = 2,5cm �� minimal 2,5 cm �� = 2 T �� = 20 cm a = Selimut beton a = 1,5 cm, bilamana berhubungan dengan air laut atau asam ditambah 1 cm Apabila momen yang bekerja kecil, maka jarak tulangan pokok dari pusat ke pusat maksimal 40 cm. Untuk segala hal tulangan pelat tidak boleh kurang dari 0,25% dari luas penampang beton (untuk keperluan tulangan pokok, pembagi, dan susut). Tebal Pelat Pelat atap = 7 cm �� minimal 7 cm Pelat lantai = 12 cm �� minimal 12 cm Diameter Tulangan Pelat Baja lunak �� tulangan pokok = Ø 8 mm dan tulangan pembagi Ø 6 mm Baja keras �� tulangan pokok = Ø 5 mm dan tulangan pembagi Ø 4mm Pada pelat yang tebalnya lebih dari 25 cm, penulangan pada setiap tempat harus dipasang rangkap (dobel) dan ini tidak berlaku pada pondasi telapak. Dinding
  • 28.
    Untuk konstruksi dinding,yang perlu mendapatkan perhatian adalah tebal dari dinding vertikal (T) adalah: �� T = 1/ 30 bentang bersih �� Apabila menerima lenturan (M lentur) T = 12 cm �� minimal 12 cm �� Apabila tidak menerima lentur T = 10 cm �� minimal 10 cm �� Untuk dinding luar di bawah tanah tebalnya = 20 cm �� tebal minimal 20 cm Penulangan dinding untuk reservoir air dan dinding bawah tanah: �� Tebal dinding (T) 30 cm < T = 12 cm �� Penulangan senantiasa dibuat rangkap �� Penulangan dinding yang horizontal dan untuk memikul susut serat perubahan suhu minimal 20% F beton yang ada Contoh: Tebal dinding 12 cm. Penulangan yang dibutuhkan setiap 1 m2 = 0,25 x 12 cm2 = 3 cm2 �� Diameter tulangan pokok minimal Ø 8 mm dan tulangan pembagi minimal Ø 6 mm �� Apabila terdapat lubang pada dinding, maka harus dipasang minimal 2 Ø 16 mm dan diteruskan paling sedikit 60 cm melalui sudut-sudut lubang Gambar 10.6 Penulangan Dinding Reservoir Air dan Dinding Bawah Tanah Sistem konstruksi pada tepi pelat: �� Terletak bebas �� Terjepit penuh �� Terjepit elastis Konstruksi Terletak Bebas Apabila tepi pelat itu ditumpu di atas suatu tumpuan yang dapat berputar (tidak dapat menerima momen), misalnya pelat tersebut terletak di atas dinding tembok.
  • 29.
    Gambar 10.7 Konstruksi TerletakBebas Konstruksi Terjepit Penuh Apabila tepi pelat terletak di atas tumpuan yang tidak dapat berputar akibat beban yang bekerja pada pelat tersebut, misalnya pelat tersebut menjadi satu kesatuan monolit dengan balok penahannya. Gambar 10.8 Konstruksi Terjepit Penuh Konstruksi Terjepit Elastis Apabila tepi pelat terletak di atas tumpuan yang merupakan kesatuan monolit dengan balok pemikulnya yang relatif tidak terlalu kaku dan memungkinkan pelat dapat berputar pada tumpuannya. Pemasangan Tulangan Pemasangan tulangan pelat yang dipasang pada empat sisi: 1) Pemasangan tulangan untuk memikul momen lapangan dalam arah yang // dengan tepi pelat dapat dikurangi sampai setengahnya. 2) Setiap sudut pelat yang ditumpu bebas, harus dipasang tulangan atas dan bawah dalam kedua arah. Ini akan berguna untuk menahan momenmomen puntir. Jumlah tulangan untuk kedua arah harus diambil sama dengan jumlah tulangan yang terbesar, dan daerah pemasangannya = 1/5 bentang pelat. Contoh: Al = 2,96 cm2 �� Ø 8–17 Ab = 3,59 cm2 �� Ø 8–14 Maka tulangan disudut pelat tersebut, untuk atas dan bawah harus dipasang dalam ke dua arah yaitu Ø 8–14.
  • 30.
    Gambar 10.9 Pemasangan Tulanganpada Empat Sisi 3) Pada pelat-pelat, apabila l / b atau ly / lx > 2,5 a) Untuk pelat satu petak �� Pada arah ly harus dipasang tulangan dengan besar momen (M ly) = 1/5 Momen lx atau = 0,2 M lx �� Pada tumpuan jarak ly juga harus dipasang tulangan dengan besarnya Momen (M ty) = 0,6 M lx dan bagian yang dipasang tulangan harus = 1/5 l x Gambar 10.10 Pemasangan Tulangan untuk Pelat Satu Petak Catatan: l y = sisi pelat yang panjang l x = sisi pelat yang pendek b) Untuk pelat menerus (lebih sari satu petak) dimana l y / l x > 2,5 Untuk pelat yang terjepit atau menerus dipasang tulangan tumpuan negatif yaitu M ty = –0,3 M lx Pelat terletak bebas, dipasang minimal 1/5 lx atau 0,2 lx dan pada sisi pendek harus juga dipasang tulangan tumpuan positif sebesar (M ty)
  • 31.
    M ty =+ 0,3 M lx dan tulangan dipasang panjang minimal ½ lx Gambar 10.11 Pemasangan Tulangan untuk Pelat Menerus c) Untuk pelat yang dipikul hanya 2 sisi yang sejajar �� Dianggap dengan perbandingan ly/lx > 2,5 dan hanya ada tulangan pokok �� M ly = Momen lapangan // lebar pelat �� M tx = Momen tumpuan // lebar pelat Memilih Besi Beton Untuk menentukan atau memilih diameter tulangan pada konstruksi beton bertulang setelah besaran atau luas tulangan hasil perhitungan didapatkan untuk keperluan penggambaran harus memperhatikan hal-hal sebagai berikut. – Daftar konstruksi beton bertulang i. Luas penampang tulangan besi beton dalam cm2 untuk setiap lebar pelat 100 cm ii. Garis tengah tulangan besi beton dalam mm, berat dalam kg/m dan luas penampang baja bulat dalam cm2 iii. Garis tengah tulangan besi beton dalam mm, berat dalam kg/m, luas penampang baja bulat dalam cm2 serta minimal lebar balok atau kolom dalam cm dengan ketebalan penutup balok tertentu dan diameter sengkang – Ketentuan jarak minimal dan maksimal tulangan yang boleh dipasang – Ketentuan jumlah minimal yang harus dipasang – Ketentuan besarnya diameter minimal untuk suatu konstruksi – Pilih diameter besi beton yang beredar dalam pasaran atau perdagangan Memilih Besi Beton untuk Pelat – Tulangan terdiri dari tulangan tumpuan dan lapangan. – Teknik pemasangan ada yang lurus saja untuk kepraktisan dan kecepatan dalam pemasangan. Tetapi ada pula yang pemasangannya dibengkokkan
  • 32.
    pada ¼ bentanguntuk daerah tumpuan dan lapangan, agar lebih hemat karena sesuai dengan fungsinya. Dan dalam perhitungan atau memilih tulangan lapangan dibagi 2 karena jalur pemasangan dibuat bergantian. – Tulangan lapangan dipilih terlebih dahulu dengan melihat daftar apakah luasnya sudah memenuhi sesuai dengan perhitungan, setelah itu baru menetapkan jarak tulangan. Ingat, jangan lupa minimal dan maksimal jarak tulangan serta minimal diameter tulangan yang boleh digunakan. – Kekurangan luas pada tumpuan dicari lagi besarannya dalam daftar sehingga luas tumpuan terpenuhi. Panjang tulangan tumpuan biasanya ¼ bentang pelat. Pada tulangan tumpuan perlu besi beton pengait atau tulangan pembagi dengan diameter Ø 8–20 – Penulangan pelat atap pemasangannya sama dengan pelat lantai hanya saja perlu tulangan susut dengan tulangan diameter 6 mm jarak 40 cm (Ø 6–40). Pemasangan tulangan susut diharapkan tidak terjadi retak-retak karena perubahan cuaca. – Untuk pelat luifel terdiri dari tulangan pokok dan pembagi serta bilamana perlu diberikan juga tulangan susut yang menyilang terletak di bawah dengan diameter 6 mm jarak 40 cm (Ø 6–40). Contoh Penggambaran Penulangan Pelat Luifel.
  • 33.
    Gambar 10.12 Penulangan PelatLuifel Untuk pelat luifel sebuah bangunan kantor lihat gambar dibutuhkan tulangan A = 5,31 cm2. Gambarlah rangkaian penulangan luifel tersebut dengan mutu beton K 125 dan baja U22! Penyelesaian: A = 5,31 cm2 �� dipilih Ø 10–14 = 5,61 cm2 > 5,31 cm2 �� (OK) Tulangan pembagi = 20% x 5,61 = 1,12 cm2 �� dipilih Ø6–25 = 1,13 > 1,12 cm2 (OK) Contoh Penggambaran Penulangan Pelat Lantai:
  • 34.
    Gambar 10.13 Penulangan PelatLantai Suatu pelat lantai satu petak dibutuhkan tulangan seluas : Alx = 3,37 cm2; Aly = 2,37 cm ; Atx = 7,05 cm2 ; Aty = 5,00 cm2 Gambarkan penulangan pelat tersebut jika mutu bahan, beton : K175 dan baja : U22 Alx = 3,37 cm2 �� dipilih Ø 8–14,5 = 3,47 cm2 > 3,37 cm2 �� (OK) Masuk tumpuan Atx = 3,47/2 = 1,73 cm2 �� Ø 8– 29 Tulang tumpuan tambahan Atx = 7,05 – 1,73 = 5,32 cm2 �� dipilih Ø 10–14,5 = 5,42 cm2 > 5,32 cm2 �� (OK) Jadi, jumlah tumpuan Atx yang dipasang = 1,73 + 5,42 = 7,15 > 7,05 cm2 Tulangan pembagi yang dibutuhkan = 20% x 7,15 = 1,43 cm2 �� dipilih Ø 6–15 = 1,89 cm2 > 1,43 cm2 �� (OK) Aly = 2,37 cm2 �� dipilih Ø 8–20 = 2,51 cm2 > 2,37 cm2 �� (OK) Masuk tumpuan Aty = 2,51/2 = 1,25 cm2 �� Ø 8–40 Tulang tumpuan tambahan Atx = 5,00–1,25 = 3,75 cm2 �� dipilih Ø 10–20 = 3,93 cm2 > 3,75 cm2 �� (OK) Jadi jumlah tumpuan Aty yang dipasang = 1,25 + 3,93 = 5,18 > 5,00 cm2 Tulangan pembagi yang dibutuhkan = 20% x 5,18 = 1,04 cm2 �� dipilih Ø 6–14,5 = 1,95 cm2 > 1,04 cm2 �� (OK) Tulangan susut tidak perlu dipasang karena selalu terlindung. Contoh Penggambaran Penulangan Pelat Atap
  • 35.
    Gambar 10.14 Pelat atap satupetak dibutuhkan tulangan seluas : Alx = 3,36 cm2 ; Aly = 1,89 cm ; Atx = 6,83 cm2 ; Aty = 4,63 cm2 Gambarkan penulangan pelat tersebut jika mutu bahan, beton : K125 dan baja : U24 Alx = 3,36 cm2 �� dipilih Ø 8–14,5 = 3,47 cm2 > 3,36 cm2 �� (OK) Masuk tumpuan Atx = 3,47/2 = 1,73 cm2 �� Ø 8–29 Tulang tumpuan tambahan Atx = 6,83 – 1,73 = 5,10 cm2 �� dipilih Ø 10–14,5 = 5,42 cm2 > 5,10 cm2 �� (OK) Jumlah tumpuan Atx yang dipasang = 1,73 + 5,42 = 7,15 > 6,83 cm2 Aly = 1,89 cm2 �� dipilih Ø 8–20 = 2,51 cm2 > 1,89 cm2 �� (OK) Masuk tumpuan Aty = 2,51/2 = 1,25 cm2 �� Ø 8–40 Tulang tumpuan tambahan Atx = 4,63 – 1,25 = 3,38 cm2 �� dipilih Ø 10–20 = 3,93 cm2 > 3,38 cm2 �� (OK) Jadi jumlah tumpuan Aty yang dipasang = 1,25 + 3,93 = 5,18 > 4,63 cm2 �� OK Tulangan pembagi yang dibutuhkan untuk tumpuan Atx = 20% x 7,15 = 1,43 cm2 �� dipilih Ø 6–15 = 1,89 cm2 > 1,43 cm2 Untuk tumpuan Aty = 20 % x 5,18 = 1,04 cm2 �� Ø 6–14,5 = 1,95 cm2 > 1,04 cm2 Tulangan susut perlu dipasang karena pelat atap tidak terlindung dari perubahan-perubahan. Contoh Penggambaran Penulangan Pelat Atap dan Luifel
  • 36.
    Gambar 10.15 Penulangan PelatAtap dan Luifel Sebuah rumah jaga dengan atap pelat datar dari beton bertulang. Luas tulangan Alx = 3,66 cm2 Aly = 4,45 cm2 Atx = 9,00 cm2 Aty = 6,79 cm2 Luifel A = 5, 30 cm2 Untuk menjaga puntiran maka setiap sudut pelat dipasang tulangan dengan luas = 5,30 cm2 Alx = 3,66 cm2 �� dipilih Ø 10–20 = 3,93 cm2 > 3,66 cm2 �� (OK) Masuk tumpuan Atx = 3,93/2 = 1,96 cm2 �� Ø 10–40 Tulang tumpuan tambahan Atx = 9,00 – 1,96 = 7,04 cm2 �� dipilih Ø 10–10 = 7,85 cm2 > 7,04 cm2 �� (OK) Jumlah tumpuan Atx yang dipasang = 1,96 + 7,85 = 9,81 > 9,00 cm2 VW = 1/5 x 9,81 = 1,96 cm2 �� Ø 6–14 = 2,02 cm2 > 1,96 cm2 �� OK Aly = 3,45 cm2 �� dipilih Ø 8–14 = 3,59 cm2 > 3,45 cm2 �� (OK) Masuk tumpuan Aty = 3,59/2 = 1,79 cm2 �� Ø 8–28 Tulang tumpuan tambahan Atx = 6,79 – 1,79 = 5,00 cm2 �� dipilih Ø 10–14 = 5,61 cm2 > 5,00 cm2 �� (OK) Jadi jumlah tumpuan Aty yang dipasang = 1,79 + 5,61 = 7,40 > 6,79 cm2 �� OK VW = 1/5 x 7,40 = 1,48 cm2 �� Ø 6–15 = 1,89 cm2 > 1,48 cm2 �� OK Luifel A = 5,30 cm2 �� Ø 10–10 // lx Ø 10–14 // ly
  • 37.
    Contoh Penggambaran PenulanganPelat Atap Lebih dari Satu Petak gambar 10.16 Penulangan Pelat Atap Lebih dari Satu Petak Pelat (a) Atx = 2.77 cm2 �� Ø 8–13 = 2,87 cm2 > 2,77 cm2 Aty = 2.90 cm2 �� Ø 8–17 = 2,96 cm2 > 2,90 cm2 Alx = 1.90 cm2 �� Ø 8–20 = 2,57 cm2 > 1,90 cm2 Aly = 1,66 cm2 �� Ø 8–20 = 2,57 cm2 > 1,66 cm2 Pelat (b) Atx = 4.16 cm2 �� Ø 8–12 = 4,19 cm2 > 4,16 cm2 Aty = 2.90 cm2 �� Ø 8–17 = 2,96 cm2 > 2,90 cm2 Alx = 1,90 cm2 �� Ø 8–20 = 2,51 cm2 > 1,90 cm2 Ay = 1.66 cm2 �� Ø 8–20 = 2,51 cm2 > 1,66 cm2 Pelat Luifel (c) : 3,25 cm2 �� Ø 8–12 = 3,87 cm2 > 3,28 cm2 // Atx Ø 8–7 dan Ø 8–68 = 2,70 > 3,28 cm2 // Aty
  • 39.
    BAB V PENUTUPAN A. Kesimpulan Betonadalah suatu campuran yang terdiri dari pasir, kerikil, batu pecah, atau agregat- agregat lain yang dicampur menjadi satu dengan suatu pasta yang terbuat dari semen dan air membentuk suatu massa mirip-batuan. Beton bertulang adalah suatu bahan material yang terbuat dari beton dan baja tulangan. Kelebihan beton bertulang antara lain, beton memiliki kuat tekan yang relatif lebih tinggi, Beton bertulang mempunyai ketahanan yang tinggi terhadap api dan air, Struktur beton bertulang sangat kokoh, Beton bertulang tidak memerlukan biaya pemeliharaan yang tinggi, memiliki usia layan yang sangat panjang, Beton biasanya merupakan satu-satunya bahan yang ekonomis, kemampuannya untuk dicetak menjadi bentuk yang sangat beragam, membutuhkan sedikit semen dan tulangan baja, serta Keahlian buruh yang dibutuhkan untuk membangun konstruksi beton bertulang lebih rendah. Kelemahan-kelemahan beton bertulang tersebut antara lain, Beton mempunyai kuat tarik yang sangat rendah, Beton bertulang memerlukan bekisting untuk menahan beton tetap di tempatnya sampai beton tersebut mengeras, Sifat-sifat beton sangat bervariasi karena bervariasinya proporsi-campuran dan pengadukannya, Rendahnya kekuatan per satuan berat dari beton. Pengetahuan yang mendalam tentang sifat-sifat beton bertulang sangat penting sebelum dimulai mendesain struktur beton bertulang. Beberapa sifat-sifat beton bertulang antara lain, Kuat Tekan, Modulus Elastisitas Statis, Modulus elastisitas dinamis, Perbandingan Poisson, Kuat Tarik, Kuat Geser dan Kurva Tegangan-Regangan. Plat lantai yang dimaksud adalah plat yang terbuat dari beton bertulang, dapat difungsikan sebagi lantai atau atap. Kolom Utama adalah kolom yang fungsi utamanya menyanggah beban utama yang berada diatasnya. Kolom Praktis dalah kolom yang berpungsi membantu kolom utama dan juga sebagai pengikat dinding agar dinding stabil, jarak kolom maksimum 3,5 meter, atau pada pertemuan pasangan bata, (sudut-sudut).
  • 40.
    B. Saran Kepada pembacaagar kiranya setelah membaca makalah ini diharapkan mampu mamahami dasar-dasar dari beton bertulang dan plat lantai/atap beton, kalaupun didalam makalah ini terdapat materi yang bertentangan dengan materi sebenarnya agar memberikan koreksi untuk memperbaiki penyusunan makalah yang sangat sederhana ini.