CALIFORNIA STATE UNIVERSITY NORTHRIDGE
COLLEGE OF ENGINEERING AND COMPUTER SCIENCE
MECHANICAL ENGINEERING DEPARTMENT
SPRING SEMESTER 2016
ME 434 GEOMETRIC DIMENSIONING AND TOLERANCING
FINAL PROJECT DRAWINGS PACKAGE
FSAE DRIVETRAIN BOX
MEMBERS NAME: DELBERT STEWART
GARY SANDERS
DEREK MOCK
CASSANDRA MATHISON
JONATHAN LO
INSTRUCTOR'S NAME: PROFESSOR ARAM KHACHATOURIANS
SUBMITTED DATE: 5/16/2016
4
A
123
B B
A
2 134
TITLE PAGE
DO NOT SCALE DRAWING
UNLESS OTHERWISE SPECIFIED:
SCALE: 1:2 WEIGHT:
REVDWG. NO.
B
SIZE
TITLE:
NAME DATE
COMMENTS:
Q.A.
MFG APPR.
ENG APPR.
CHECKED
DRAWN
FINISH
MATERIAL
INTERPRET GEOMETRIC
TOLERANCING PER:
DIMENSIONS ARE IN INCHES
TOLERANCES:
FRACTIONAL
ANGULAR: MACH BEND
TWO PLACE DECIMAL
THREE PLACE DECIMAL
APPLICATION
USED ONNEXT ASSY
PROPRIETARY AND CONFIDENTIAL
THE INFORMATION CONTAINED IN THIS
DRAWING IS THE SOLE PROPERTY OF
<INSERT COMPANY NAME HERE>. ANY
REPRODUCTION IN PART OR AS A WHOLE
WITHOUT THE WRITTEN PERMISSION OF
<INSERT COMPANY NAME HERE> IS
PROHIBITED.
5
6
4
3
27
1
SCALE: 1:4
ITEM NO. PART NUMBER DESCRIPTION QTY.
1 EN-P0030 RIGHT PLATE 1
2 EN-P0029 LEFT PLATE 1
3 EN-P0028 CROSSBRACE-BOTTOM 1
4 EN-P0027 CROSSBRACE-VERTREAR 1
5 EN-P0026 CROSSBRACE-SHORTVERT 1
6 EN-P0025 CROSSBRACE-TOP 1
7 EN-P0024 CROSSBRACE-SHORTFRONT 1
REVISIONS
ZONE REV. DESCRIPTION DATE APPROVED
- NC INITAL RELEASED 5/15/2016 DEREK M.
4
A
123
B B
A
2 134
7075 - T6 ALUMINUM
FINAL ASSEMBLY
EXPLOSED VIEW
NC
DO NOT SCALE DRAWING
EN-P001
SHEET 1 OF 16
5/15/2016
5/15/2016
5/15/2016
5/15/2016
5/15/2016CASSANDRA M.
GARY S.
JONATHAN L.
DEREK M.
DELBERT S.
UNLESS OTHERWISE SPECIFIED:
SCALE: 1:4 WEIGHT: 3.57 LB
REVDWG. NO.
B
SIZE
TITLE:
CSUN FSAE 2015 - 2016
NAME DATE
COMMENTS:
Q.A.
MFG APPR.
ENG APPR.
CHECKED
DRAWN
NONE
FINISH
MATERIAL
INTERPRET GEOMETRIC
TOLERANCING PER: ASME Y14.5 2009
DIMENSIONS ARE IN INCHES
TOLERANCES:
FRACTIONAL
ANGULAR: MACH BEND
TWO PLACE DECIMAL
THREE PLACE DECIMAL
APPLICATION
USED ONNEXT ASSY
PROPRIETARY AND CONFIDENTIAL
THE INFORMATION CONTAINED IN THIS
DRAWING IS THE SOLE PROPERTY OF
<INSERT COMPANY NAME HERE>. ANY
REPRODUCTION IN PART OR AS A WHOLE
WITHOUT THE WRITTEN PERMISSION OF
<INSERT COMPANY NAME HERE> IS
PROHIBITED.
73.44°
2.397
2.485
4.503
2.800
4.327
4.822
5.421
3.818
2.640
2.523
2.467
1.451
.851
.676
12.329
8.591
6.823
4.564
5.818
11.918
7.162
6.158
6.036
5.420
5.398
5.182
4.132
4.002
3.621
3.037
2.550
2.196
1.752
9X 15.00° A
A
B
B
NOTES: UNLESS OTHERWISE SPECIFIED
1. DIMENSIONING AND TOLERANCING PER
ASME Y14.5-2009.
2. BREAK ALL SHARP EDGES TO .025.
3. PART TO BE DELIVERED TO CSUN WITH ALL
SURFACES CLEAN AND FREE OF DIRT, OIL AND
FOREIGN SUBSTANCES.
4. ALL RADII ARE .125
.002 B
B
.500
.375
2.780 THRU ALL
2.83 .35
SECTION A-A
SCALE 1 : 2
.002 A
.005 A B
A
C
.375
.125
SECTION B-B
SCALE 1 : 2
ISOMETRIC VIEW FOR
REFERENCE ONLY.
NO SCALE
REVISIONS
ZONE REV. DESCRIPTION DATE APPROVED
NC INTIAL RELEASE 5/1/2016 DEREK M.
4
A
123
B B
A
2 134
7075-T6 ALUMINUM
LEFT PLATE-FILLETS/RADII
X-POSITION
NC
DO NOT SCALE DRAWING SHEET 2 OF 16
4/30/2016
5/1/2016
5/3/2016
5/3/2016
5/3/2016CASSANDRA M.
GARY S.
JONATHAN L.
DEREK M.
DELBERT S.
UNLESS OTHERWISE SPECIFIED:
SCALE: 1:2 WEIGHT: 0.48 LBM
REVDWG. NO.
B
SIZE
TITLE:
NAME DATE
COMMENTS:
Q.A.
MFG APPR.
ENG APPR.
CHECKED
DRAWN
FINISH
MATERIAL
INTERPRET GEOMETRIC
TOLERANCING PER: ASME Y14.5-2009
DIMENSIONS ARE IN INCHES
TOLERANCES:
FRACTIONAL 1/64
ANGULAR: MACH 1 BEND 1
TWO PLACE DECIMAL .01
THREE PLACE DECIMAL .002
APPLICATION
USED ONNEXT ASSY
PROPRIETARY AND CONFIDENTIAL
THE INFORMATION CONTAINED IN THIS
DRAWING IS THE SOLE PROPERTY OF
<INSERT COMPANY NAME HERE>. ANY
REPRODUCTION IN PART OR AS A WHOLE
WITHOUT THE WRITTEN PERMISSION OF
<INSERT COMPANY NAME HERE> IS
PROHIBITED.
THIS SHEET SHOWS THE
X-POSITION OF FILLETS/RADII
RELATIVE TO DATUM AXIS C.
CSUN FSAE 2015-2016
EN-P0029SOLIDWORKS Student Edition.
For Academic Use Only.
4.535
1.659
.896
2.187 2.078
3.322
3.994 3.639
2.498
1.691
1.637
1.177
1.228 .764
.601
.489
.220
.203
3.445
3.246
2.397
2.377
2.070
1.994
1.864
1.378
1.140
1.052
1.031
1.569
1.962
.725
.305
.265
9X 15.00°
NOTES: UNLESS OTHERWISE SPECIFIED
1. DIMENSIONING AND TOLERANCING PER
ASME Y14.5-2009.
2. BREAK ALL SHARP EDGES TO .025.
3. PART TO BE DELIVERED TO CSUN WITH ALL
SURFACES CLEAN AND FREE OF DIRT, OIL AND
FOREIGN SUBSTANCES.
4. ALL RADII ARE .125
ISOMETRIC VIEW FOR
REFERENCE ONLY.
NO SCALE
REVISIONS
ZONE REV. DESCRIPTION DATE APPROVED
NC INTIAL RELEASE 5/2/2016 DEREK M.
4
A
123
B B
A
2 134
7075-T6 ALUMINUM
LEFT PLATE-FILLETS/RADII
Y-POSITION
NC
DO NOT SCALE DRAWING SHEET 3 OF 16
4/30/2016
5/1/2016
5/3/2016
5/3/2016
5/3/2016CASSANDRA M.
GARY S.
JONATHAN L.
DEREK M.
DELBERT S.
UNLESS OTHERWISE SPECIFIED:
SCALE: 1:2 WEIGHT: 0.48 LBM
REVDWG. NO.
B
SIZE
TITLE:
NAME DATE
COMMENTS:
Q.A.
MFG APPR.
ENG APPR.
CHECKED
DRAWN
FINISH
MATERIAL
INTERPRET GEOMETRIC
TOLERANCING PER: ASME Y14.5-2009
DIMENSIONS ARE IN INCHES
TOLERANCES:
FRACTIONAL 1/64
ANGULAR: MACH 1 BEND 1
TWO PLACE DECIMAL .01
THREE PLACE DECIMAL .002
APPLICATION
USED ONNEXT ASSY
PROPRIETARY AND CONFIDENTIAL
THE INFORMATION CONTAINED IN THIS
DRAWING IS THE SOLE PROPERTY OF
<INSERT COMPANY NAME HERE>. ANY
REPRODUCTION IN PART OR AS A WHOLE
WITHOUT THE WRITTEN PERMISSION OF
<INSERT COMPANY NAME HERE> IS
PROHIBITED.
THIS SHEET SHOWS THE
Y-POSITION OF FILLETS/RADII
RELATIVE TO DATUM AXIS C.
CSUN FSAE 2015-2016
EN-P0029SOLIDWORKS Student Edition.
For Academic Use Only.
R.375
2X R.500
R2.00
2X R.375
2X R1.00
4X R.375
R1.50
R.180
R.375
R.250
R.305
R.500
R.166
2X R.250
R.500
R.250
R.188
R.188
R.500
R.250
10X R.125
10X R.157
73.44°
A
A
B
B
NOTES: UNLESS OTHERWISE SPECIFIED
1. DIMENSIONING AND TOLERANCING PER
ASME Y14.5-2009.
2. BREAK ALL SHARP EDGES TO .025.
3. PART TO BE DELIVERED TO CSUN WITH ALL
SURFACES CLEAN AND FREE OF DIRT, OIL AND
FOREIGN SUBSTANCES.
4. ALL RADII ARE .125
.020 A B C
.020 A B C
B
.500
.375
2.780 THRU ALL
2.83 .35
SECTION A-A
SCALE 1 : 2
.020 A B C
R .250
.002 A
A
C
.375
.125
SECTION B-B
SCALE 1 : 2
ISOMETRIC VIEW FOR
REFERENCE ONLY.
NO SCALE
REVISIONS
ZONE REV. DESCRIPTION DATE APPROVED
- NC INITIAL RELEASE 5/1/2016 DEREK M.
4
A
123
B B
A
2 134
7075-T6 ALUMINUM
LEFT PLATE-FILLETS/RADII SIZES
NC
DO NOT SCALE DRAWING SHEET 4 OF 16
4/30/2016
5/1/2016
5/3/2016
5/3/2016
5/3/2016CASSANDRA M.
GARY S.
JONATHAN L.
DEREK M.
DELBERT S.
UNLESS OTHERWISE SPECIFIED:
SCALE: 1:2 WEIGHT: 0.48 LBM
REVDWG. NO.
B
SIZE
TITLE:
NAME DATE
COMMENTS:
Q.A.
MFG APPR.
ENG APPR.
CHECKED
DRAWN
FINISH
MATERIAL
INTERPRET GEOMETRIC
TOLERANCING PER: ASME Y14.5-2009
DIMENSIONS ARE IN INCHES
TOLERANCES:
FRACTIONAL 1/64
ANGULAR: MACH 1 BEND 1
TWO PLACE DECIMAL .01
THREE PLACE DECIMAL .002
APPLICATION
USED ONNEXT ASSY
PROPRIETARY AND CONFIDENTIAL
THE INFORMATION CONTAINED IN THIS
DRAWING IS THE SOLE PROPERTY OF
<INSERT COMPANY NAME HERE>. ANY
REPRODUCTION IN PART OR AS A WHOLE
WITHOUT THE WRITTEN PERMISSION OF
<INSERT COMPANY NAME HERE> IS
PROHIBITED.
THIS SHEET OF THE DRAWING
SHOWS THE SIZES OF THE
FILLETS/RADII
CSUN FSAE 2015-2016
EN-P0029SOLIDWORKS Student Edition.
For Academic Use Only.
73.44°
2.494
2.500
NOTES: UNLESS OTHERWISE SPECIFIED
1. DIMENSIONING AND TOLERANCING PER
ASME Y14.5-2009.
2. BREAK ALL SHARP EDGES TO .025.
3. PART TO BE DELIVERED TO CSUN WITH ALL
SURFACES CLEAN AND FREE OF DIRT, OIL
AND FOREIGN SUBSTANCES.
4. ALL RADII ARE .125
A1
B1
K1
K2
K3
K4
K5
K6
C1
D1
E1
L1
L2
L3
L4
L5
F1
M1
G1
N1
H1 P1
P2
P3
J1
R1
.005 A B
C
B
X
Y
ISOMETRIC VIEW FOR
REFERENCE ONLY.
NO SCALE
TAG X LOC Y LOC SIZE
A1 -3.489 -2.745 .750 THRU ALL
B1 -3.180 -1.917 .190 THRU ALL
C1 -1.296 2.286 .255 THRU ALL
D1 .000 .000
2.780 THRU ALL
2.83 .35
E1 3.532 -4.114 .150 THRU ALL
F1 4.028 -2.858 .190 THRU ALL
.32 .20
G1 5.289 -2.724 .386 THRU ALL
H1 6.439 1.711 .500 THRU ALL
J1 10.547 2.802 .257 THRU ALL
K1 -2.435 .087
.190 THRU ALL
K2 -1.690 2.090
K3 .723 -2.427
K4 1.909 2.184
K5 5.776 1.924
K6 8.389 2.618
L1 3.877 -3.192
.150 THRU ALL
L2 4.221 -2.270
L3 4.566 -1.348
L4 4.911 -.426
L5 5.256 .496
M1 4.581 -.584
.190 THRU ALL
.320 .200
N1 12.238 3.251 .386 THRU ALL
P1 7.164 1.903
.500 THRU ALLP2 9.097 2.417
P3 9.822 2.609
R1 11.271 2.995 .257 THRU ALL
REVISIONS
ZONE REV. DESCRIPTION DATE APPROVED
- NC INITIAL RELEASE 5/1/2016 DEREK M.
4
A
123
B B
A
2 134
7075-T6 ALUMINUM
LEFT PLATE-HOLES
NC
DO NOT SCALE DRAWING
EN-P0029
SHEET 5 OF 16
4/30/2016
5/1/2016
5/3/2016
5/3/2016
5/3/2016CASSANDRA M.
GARY S.
JONATHAN L.
DEREK M.
DELBERT S.
UNLESS OTHERWISE SPECIFIED:
SCALE: 1:2 WEIGHT: 0.48 LBM
REVDWG. NO.
B
SIZE
TITLE:
NAME DATE
COMMENTS:
Q.A.
MFG APPR.
ENG APPR.
CHECKED
DRAWN
FINISH
MATERIAL
INTERPRET GEOMETRIC
TOLERANCING PER: ASME Y14.5-2009
DIMENSIONS ARE IN INCHES
TOLERANCES:
FRACTIONAL 1/64
ANGULAR: MACH 1 BEND 1
TWO PLACE DECIMAL .02
THREE PLACE DECIMAL .002
APPLICATION
USED ONNEXT ASSY
PROPRIETARY AND CONFIDENTIAL
THE INFORMATION CONTAINED IN THIS
DRAWING IS THE SOLE PROPERTY OF
<INSERT COMPANY NAME HERE>. ANY
REPRODUCTION IN PART OR AS A WHOLE
WITHOUT THE WRITTEN PERMISSION OF
<INSERT COMPANY NAME HERE> IS
PROHIBITED.
THIS SHEET SHOWS POSITION/SIZES
OF HOLES THROUGH HOLE TABLE
REFERENCED TO DATUM AXIS C.
CSUN FSAE 2015-2016
SOLIDWORKS Student Edition.
For Academic Use Only.
.500
.450
.375
.002
A
ISOMETRIC VIEW FOR
REFERENCE ONLY.
NO SCALE
REVISIONS
ZONE REV. DESCRIPTION DATE APPROVED
- NC INITIAL RELEASE 5/1/2016 DEREK M.
4
A
123
B B
A
2 134
7075-T6 ALUMINUM
LEFT PLATE-TOP VIEW
NC
DO NOT SCALE DRAWING
EN-P0029
SHEET 6 OF 16
4/30/2016
5/1/2016
5/3/2016
5/3/2016
5/3/2016CASSANDRA M.
GARY S.
JONATHAN L.
DEREK M.
DELBERT S.
UNLESS OTHERWISE SPECIFIED:
SCALE: 1:2 WEIGHT: 0.48 LBM
REVDWG. NO.
B
SIZE
TITLE:
NAME DATE
COMMENTS:
Q.A.
MFG APPR.
ENG APPR.
CHECKED
DRAWN
FINISH
MATERIAL
INTERPRET GEOMETRIC
TOLERANCING PER:ASME Y14.5-2009
DIMENSIONS ARE IN INCHES
TOLERANCES:
FRACTIONAL 1/64
ANGULAR: MACH 1 BEND 1
TWO PLACE DECIMAL .02
THREE PLACE DECIMAL .002
APPLICATION
USED ONNEXT ASSY
PROPRIETARY AND CONFIDENTIAL
THE INFORMATION CONTAINED IN THIS
DRAWING IS THE SOLE PROPERTY OF
<INSERT COMPANY NAME HERE>. ANY
REPRODUCTION IN PART OR AS A WHOLE
WITHOUT THE WRITTEN PERMISSION OF
<INSERT COMPANY NAME HERE> IS
PROHIBITED.
CSUN FSAE 2015-2016
SOLIDWORKS Student Edition.
For Academic Use Only.
R.625
R.425
P
R.465
R.063
2XR.125
R.465
R.425
R.063
R.125
1.014
.725 1.933 .725 .725 .725 .966
2X R.250
.663
DETAIL P
SCALE 1 : 1
NOTES: UNLESS OTHERWISE SPESCIFIED
DIMENSIONING AND TOLERANCING PER1.
ASME Y1 4.5-2009
BREAK ALL SHARP EDGES TO .0252.
PART TO BE DELIVERED TO CSUN WITH3.
ALL SURFACES CLEAN AND FREE OF
DIRT, OIL AND FOREIGN SUBSTANCES.
DEPTH OF POCKETS .125.4.
SCALE 1:4
REVISIONS
ZONE REV. DESCRIPTION DATE APPROVED
- NC See Front View-Fillets/Radii X-Position 5/11/2016 DEREK M.
4
A
123
B B
A
2 134
7075 -T6 ALUMINIUM
LEFT PLATE
SECTION VIEW
NC
DO NOT SCALE DRAWING
EN-P0029
SHEET 7 OF 16
5/15/2016
5/15/2016
5/15/2016
5/15/2016
5/15/2016CASSANDRA M.
GARY S.
JONATHAN L.
DEREK M.
DELBERT S.
UNLESS OTHERWISE SPECIFIED:
SCALE: 1:4 WEIGHT: 0.48 LBM
REVDWG. NO.
B
SIZE
TITLE:
CSUN FSAE 2015 - 2016
NAME DATE
COMMENTS:
Q.A.
MFG APPR.
ENG APPR.
CHECKED
DRAWN
NONE
FINISH
MATERIAL
INTERPRET GEOMETRIC
TOLERANCING PER: ASME Y14.5-2009
DIMENSIONS ARE IN INCHES
TOLERANCES:
FRACTIONAL 1/64
ANGULAR: MACH 1 BEND 1
TWO PLACE DECIMAL .02
THREE PLACE DECIMAL .002
APPLICATION
USED ONNEXT ASSY
PROPRIETARY AND CONFIDENTIAL
THE INFORMATION CONTAINED IN THIS
DRAWING IS THE SOLE PROPERTY OF
<INSERT COMPANY NAME HERE>. ANY
REPRODUCTION IN PART OR AS A WHOLE
WITHOUT THE WRITTEN PERMISSION OF
<INSERT COMPANY NAME HERE> IS
PROHIBITED.
SOLIDWORKS Student Edition.
For Academic Use Only.
A1 B1 B2
B3
B4
C1
C2
A2
C3
C4
C5
D1
C6
E1
D2
C7
C8
C9
F1
A
B X
Y
NOTES:
1. DIMENSIONING AND TOLERANCING AS PER
ASME 14.5 - 2009.
2. INSPECTOR TO ALIGN PART TO 90 DEGREE
BLOCK AS SHOWN.
.005 A B C
TAG X LOC Y LOC SIZE
A1 16.41 6.46 .386 THRU ALL
A2 9.40 .56 .386 THRU ALL
B1 15.44 6.21 .500 THRU ALL
B2 14.72 6.03 .500 THRU ALL
B3 13.99 5.84 .500 THRU ALL
B4 13.26 5.66 .500 THRU ALL
C1 12.56 5.87 .190 THRU ALL
C2 9.94 5.20 .190 THRU ALL
C3 8.72 2.70 .190 THRU ALL
C4 8.14 .44 .190 THRU ALL
C5 6.07 5.50 .190 THRU ALL
C6 4.84 .90 .190 THRU ALL
C7 2.47 5.44 .190 THRU ALL
C8 1.71 3.45 .190 THRU ALL
C9 .94 1.45 .190 THRU ALL
D1 5.54 5.90 .323 THRU ALL
D2 3.15 6.09 .323 THRU ALL
E1 4.14 3.33
2.780 THRU ALL
2.825 .350
F1 .63 .63 .750 THRU ALL
4
A
123
B B
A
2 134
7075 T6 ALUMINUM
RIGHT PLATE
HOLE TABLE
NC
DO NOT SCALE DRAWING
EN-P0030
SHEET 8 OF 16
5/15/2016
5/15/2016
5/15/2016
5/15/2016
5/15/2016JONATHAN L.
GARY S.
DELBERT S.
DEREK M.
CASSANDRA M.
UNLESS OTHERWISE SPECIFIED:
SCALE: 1:2 WEIGHT: .48 LB
REVDWG. NO.
B
SIZE
TITLE:
NAME DATE
COMMENTS:
Q.A.
MFG APPR.
ENG APPR.
CHECKED
DRAWN
NONE
FINISH
MATERIAL
INTERPRET GEOMETRIC
TOLERANCING PER: ASME 14.5-2009
DIMENSIONS ARE IN INCHES
TOLERANCES:
FRACTIONAL 1/64
ANGULAR: MACH 1 BEND 1
TWO PLACE DECIMAL .03
THREE PLACE DECIMAL .010
APPLICATION
USED ONNEXT ASSY
PROPRIETARY AND CONFIDENTIAL
THE INFORMATION CONTAINED IN THIS
DRAWING IS THE SOLE PROPERTY OF
<INSERT COMPANY NAME HERE>. ANY
REPRODUCTION IN PART OR AS A WHOLE
WITHOUT THE WRITTEN PERMISSION OF
<INSERT COMPANY NAME HERE> IS
PROHIBITED.
CSUN FSAE 2015-2016
SOLIDWORKS Student Edition.
For Academic Use Only.
R.625
R.558
R1.000
2X R.284
R.500
R.425 2X R.375
4.102
.816
1.584
1.828
.846
2.865
3.623
4.498
5.966
6.467
3.152
4.384
9.599
16.099
6.919
7.208
5.657
2.473
16.494
11.743
10.333
10.304
10.040
8.728
.005 C
4
A
123
B B
A
2 134
7075 T6 ALUMINUM
RIGHT PLATE
EXTERIOR LOCATIONS
NC
DO NOT SCALE DRAWING
EN-P0030
SHEET 9 OF 16
5/15/2016
5/15/2016
5/15/2016
5/15/2016
5/15/2016JONATHAN L.
GARY S.
DELBERT S.
DEREK M.
CASSANDRA M.
UNLESS OTHERWISE SPECIFIED:
SCALE: 1:3 WEIGHT: 0.48 LB
REVDWG. NO.
B
SIZE
TITLE:
NAME DATE
COMMENTS:
Q.A.
MFG APPR.
ENG APPR.
CHECKED
DRAWN
FINISH
MATERIAL
INTERPRET GEOMETRIC
TOLERANCING PER: ASME 14.5-2009
DIMENSIONS ARE IN INCHES
TOLERANCES:
FRACTIONAL
ANGULAR: MACH 1 BEND 1
TWO PLACE DECIMAL .03
THREE PLACE DECIMAL .010
APPLICATION
USED ONNEXT ASSY
PROPRIETARY AND CONFIDENTIAL
THE INFORMATION CONTAINED IN THIS
DRAWING IS THE SOLE PROPERTY OF
<INSERT COMPANY NAME HERE>. ANY
REPRODUCTION IN PART OR AS A WHOLE
WITHOUT THE WRITTEN PERMISSION OF
<INSERT COMPANY NAME HERE> IS
PROHIBITED.
CSUN FSAE 2015-2016
SOLIDWORKS Student Edition.
For Academic Use Only.
1.480
2.668
1.665
5.872
6.316
7.737
8.735
8.205
6.683
6.943
8.139
8.584
6.638
6.554
8.660
10.329
11.629
12.487
1.284
1.162
2.464
.871
1.197
1.268
1.405
1.967
3.476
3.494
3.951
4.487
4.898
4.930
5.105
5.437
5.462
6.085
6.502
15.698
15.804
4
A
123
B B
A
2 134
7075 T6 ALUMINUM
RIGHT PLATE
INTERIOR LOCATIONS
NC
DO NOT SCALE DRAWING
EN-P0030
SHEET 10 OF 16
5/15/2016
5/15/2016
5/15/2016
5/15/2016
5/15/2016JONATHAN L.
GARY S.
DELBERT S.
DEREK M.
CASSANDRA M.
UNLESS OTHERWISE SPECIFIED:
SCALE: 1:2 WEIGHT: 0.48 LB
REVDWG. NO.
B
SIZE
TITLE:
NAME DATE
COMMENTS:
Q.A.
MFG APPR.
ENG APPR.
CHECKED
DRAWN
FINISH
MATERIAL
INTERPRET GEOMETRIC
TOLERANCING PER: ASME14.5-2009
DIMENSIONS ARE IN INCHES
TOLERANCES:
FRACTIONAL 1/64
ANGULAR: MACH 1 BEND 1
TWO PLACE DECIMAL .03
THREE PLACE DECIMAL .010
APPLICATION
USED ONNEXT ASSY
PROPRIETARY AND CONFIDENTIAL
THE INFORMATION CONTAINED IN THIS
DRAWING IS THE SOLE PROPERTY OF
<INSERT COMPANY NAME HERE>. ANY
REPRODUCTION IN PART OR AS A WHOLE
WITHOUT THE WRITTEN PERMISSION OF
<INSERT COMPANY NAME HERE> IS
PROHIBITED.
CSUN FSAE 2015-2016
SOLIDWORKS Student Edition.
For Academic Use Only.
A
A
B
B
c
.375
2X R.125
1.015
4.815
SECTION A-A
.002
C
2X R.125.375
1.418
SECTION B-B
10X R.157
10X R.125
24.00°
159.00°
10X .430
DETAIL c
SCALE 1 : 1
NOTE:
10 PLACES SPACED EVENLY AS SHOWN.
.005 M A B C
4
A
123
B B
A
2 134
7075 T6 ALUMINUM
RIGHT PLATE
SECTION & DETAIL
NC
DO NOT SCALE DRAWING
EN-P0030
SHEET 11 OF 16
5/15/2016
5/15/2016
5/15/2016
5/15/2016
5/15/2016GARY S.
JONATHAN L.
DELBERT S.
DEREK M.
CASSANDRA M.
UNLESS OTHERWISE SPECIFIED:
SCALE: 1:2 WEIGHT: .48
REVDWG. NO.
B
SIZE
TITLE:
NAME DATE
COMMENTS:
Q.A.
MFG APPR.
ENG APPR.
CHECKED
DRAWN
FINISH
MATERIAL
INTERPRET GEOMETRIC
TOLERANCING PER: ASME 14.5-2009
DIMENSIONS ARE IN INCHES
TOLERANCES:
FRACTIONAL 1/64
ANGULAR: MACH 1 BEND 1
TWO PLACE DECIMAL .03
THREE PLACE DECIMAL .010
APPLICATION
USED ONNEXT ASSY
PROPRIETARY AND CONFIDENTIAL
THE INFORMATION CONTAINED IN THIS
DRAWING IS THE SOLE PROPERTY OF
<INSERT COMPANY NAME HERE>. ANY
REPRODUCTION IN PART OR AS A WHOLE
WITHOUT THE WRITTEN PERMISSION OF
<INSERT COMPANY NAME HERE> IS
PROHIBITED.
CSUN FSAE 2015-2016
SOLIDWORKS Student Edition.
For Academic Use Only.
4x .375
.125
.002
.010 A B
4 SURFACES A
C
3X .250
2X 2.001
2X .500
2X 1.035
4X 2.013
1.969
4X 2.638
2.681
2X 3.615
2X 4.088
4.650
4X .375
4.002
.549
2X 1.341
3.453
.699
2X 2.661
4X 3.627
3.303
2X R.188
16X R.125
A
B
2X(4.150)
2X .188
2X 2.325
2X 4.463
6X .188
6X 10-24 UNF3B .375
.005 A
.020 M B A C
B
C
NOTES: UNLESS OTHERWISE SPECIFIED
1. DIMENSIONING AND TOLERANCING PER
ASME Y14.5-2009
2. BREAK ALL SHARP EDGES TO .025
3. PART TO BE DELIVERED TO CSUN WITH ALL
SURFACES CLEAN AND FREE OF DIRT, OIL
AND FOREIGN SUBSTANCES.
4. ALL RADI ARE .125 UNLESS OTHERWISE SPECIFIED.
REVISIONS
ZONE REV. DESCRIPTION DATE APPROVED
NC 5/1/2016 DEREK M.
4
A
123
B B
A
2 134
NC
DO NOT SCALE DRAWING WEIGH: 0.225 LBM SHEET 12 OF 16
4/30/2016
5/1/2016
5/3/2016
5/3/2016
5/3/2016CASSANDRA M.
GARY S.
JONATHAN L.
DEREK M.
DELBERT S.
UNLESS OTHERWISE SPECIFIED:
SCALE: 1:1
REVDWG. NO.
EN-P0027B
SIZE
TITLE:
CROSSBRACE VERTREAR
NAME DATE
COMMENTS:
PART MANUFACTURED WITH CNC 3-AXIS MACHINE
Q.A.
MFG APPR.
ENG APPR.
CHECKED
DRAWN
FINISH
MILLING
MATERIAL: 7075 T6 ALUMINUM
DENSITY: 0.102 LBS/IN^3
INTERPRET GEOMETRIC
TOLERANCING PER: ASME Y14.5-2009
DIMENSIONS ARE IN INCHES
TOLERANCES:
FRACTIONAL 1/64
ANGULAR: MACH 1 BEND 1
TWO PLACE DECIMAL .01
THREE PLACE DECIMAL .002
APPLICATION
USED ONNEXT ASSY
PROPRIETARY AND CONFIDENTIAL
THE INFORMATION CONTAINED IN THIS
DRAWING IS THE SOLE PROPERTY OF
MATADOR MOTORSPORTS. ANY
REPRODUCTION IN PART OR AS A WHOLE
WITHOUT THE WRITTEN PERMISSION OF
MATADOR MOTORSPORTS IS
PROHIBITED.
CSUN FSAE 2015-2016
SOLIDWORKS Student Edition.
For Academic Use Only.
ISOMETRIC VIEW FOR
REFERENCE ONLY
SCALE NONE
.125
4X.375
.002
.005 A
A
4.002
2X 3.820 2X 3.875
.726
3.276
2X 2.125
4 X R1.625 0.025
2X.250
2 X R1.375 .025
10 X R.125 .025
.625
2X 1.299
2.7523X.375
2X 1.351
2X1.875
2 X R.750
2 X .190 0.025
4.2504 X R.125
3X 3.627
2.925
.020 M A B C
.020 A B C
.020 M A B C
.020 M A B C
C
2 X .188
2 X 3.875
4X .188
4X 10-24UNF 3B .38
.375
4 X R.063
2 X 3.875
.020 M A B C
.010 A B
B
NOTES: UNLESS OTHERWISE SPECIFIED
1. DIMENSIONING AND TOLERANCING PER
ASME Y14.5-2009
2. BREAK ALL SHARP EDGES TO .025
3. PART TO BE DELIVERED TO CSUN WITH ALL
SURFACES CLEAN AND FREE OF DIRT, OIL
AND FOREIGN SUBSTANCES.
4. ALL RADI ARE .125 UNLESS OTHERWISE SPECIFIED.
4 SURFACES
B
REVISIONS
ZONE REV. DESCRIPTION DATE APPROVED
NC 5/1/2016 DEREK M.
4
A
123
B B
A
2 134
NC
DO NOT SCALE DRAWING WEIGH: 0.225 LBM SHEET 13 OF 16
4/30/2016
5/1/2016
5/3/2016
5/3/2016
5/3/2016CASSANDRA M.
GARY S.
JONATHAN L.
DEREK M.
DELBERT S.
UNLESS OTHERWISE SPECIFIED:
SCALE: 1:1
REVDWG. NO.
EN-P0024B
SIZE
TITLE:
CROSSBRACE TOPMAIN
NAME DATE
COMMENTS:
PART MANUFACTURED WITH CNC 3-AXIS MACHINE
Q.A.
MFG APPR.
ENG APPR.
CHECKED
DRAWN
FINISH
MATERIAL: 7075 T6 ALUMINUM
DENSITY: 0.102 LBS/IN^3
INTERPRET GEOMETRIC
TOLERANCING PER: ASME Y14.5-2009
DIMENSIONS ARE IN INCHES
TOLERANCES:
FRACTIONAL 1/64
ANGULAR: MACH 1 BEND 1
TWO PLACE DECIMAL .02
THREE PLACE DECIMAL .002
APPLICATION
USED ONNEXT ASSY
PROPRIETARY AND CONFIDENTIAL
THE INFORMATION CONTAINED IN THIS
DRAWING IS THE SOLE PROPERTY OF
MATADOR MOTORSPORTS. ANY
REPRODUCTION IN PART OR AS A WHOLE
WITHOUT THE WRITTEN PERMISSION OF
MATADOR MOTORSPORTS IS
PROHIBITED.
CSUN FSAE 2015-2016
SOLIDWORKS Student Edition.
For Academic Use Only.
.125
4XR.125
4X.3752x.250
2 SURFACES
0.020
.005 B
A
20XR.125
3.752
3.502
.500
2X 2.651
12XR.125
2X 2.964
3.377
1.516
1.159
.700
.969
2X 2.138
2X.763
4.002
3.852
.150
2.001
.250 2 X .375
1.742
2X 1.451
B
C
2 X .190 0.01
2 X 2.964
2 X .186
4 X .188
2 X 10 - 24 UNF 3B .38
.020 B A C
.020 M B A C
.010 A B
C
ISOMETRIC VIEW
FOR REFERENCE ONLY
SCALE NONE
NOTES: UNLESS OTHERWISE SPECIFIED
1. DIMENSIONING AND TOLERANCING PER
ASME Y14.5-2009
2. BREAK ALL SHARP EDGES TO .025
3. PART TO BE DELIVERED TO CSUN WITH ALL
SURFACES CLEAN AND FREE OF DIRT, OIL
AND FOREIGN SUBSTANCES.
4. ALL RADI ARE .125 UNLESS OTHERWISE SPECIFIED.
.005 A
REVISIONS
ZONE REV. DESCRIPTION DATE APPROVED
NC 5/6/2016 DEREK M.
4
A
123
B B
A
2 134
NC
DO NOT SCALE DRAWING WEIGHT: 0.12 lbM SHEET 14 OF 16
4/30/2016
5/8/2016
5/9/2016
5/9/2016
5/10/2016CASSANDRA M.
GARY S.
JONATHAN L.
DEREK M.
DELBERT S,
UNLESS OTHERWISE SPECIFIED:
SCALE: 1:1
REVDWG. NO.
EN-P0026B
SIZE
TITLE:
CROSSBRACE SHORTVERT
NAME DATE
COMMENTS:
PART MANUFACTURED BY CNC 3 AXIS MACHINE
Q.A.
MFG APPR.
ENG APPR.
CHECKED
DRAWN
FINISH
MATERIAL: 7075 T6 AlUMINUM
DENSITY: 0.10 lbs/ft^3
INTERPRET GEOMETRIC
TOLERANCING PER: ASME Y14.5-2009
DIMENSIONS ARE IN INCHES
TOLERANCES: .02
FRACTIONAL 1/64
ANGULAR: MACH 1 BEND 1
TWO PLACE DECIMAL .01
THREE PLACE DECIMAL .002
APPLICATION
USED ONNEXT ASSY
PROPRIETARY AND CONFIDENTIAL
THE INFORMATION CONTAINED IN THIS
DRAWING IS THE SOLE PROPERTY OF
MATADOR MOTORSPORTS. ANY
REPRODUCTION IN PART OR AS A WHOLE
WITHOUT THE WRITTEN PERMISSION OF
MATADOR MOTORSPORTS IS
PROHIBITED.
CSUN FSAE 2015-2016
SOLIDWORKS Student Edition.
For Academic Use Only.
.375
.250
.005 A
A
7.757
2X.563
2X1.104
1.879
2x2.214
3.752
4.002
.250
2X3.324
2X3.812
2.548
2X7.145
6.369
5.700
4X .375
4X 2.001
2X 2.377
2X 1.625
2X6.034
2X4.437
2X3.937
2X4.312
.500
B
.3006X .188
.250
4X .150 .01 .375 2X .193 .01
3.633
7.570
.020 M A B C
.010 A B
.020 M A B C
C
NOTES UNLESS OTHERWISE SPECIFIED:
NOTES: UNLESS OTHERWISE SPECIFIED
1. DIMENSIONING AND TOLERANCING PER
ASME Y14.5-2009
2. ALL RADII ARE .125 UNLESS OTHERWISE SPECIFIED.
3. BREAK ALL SHARP EDGES TO .025
4. PART TO BE DELIVERED TO CSUN WITH ALL
SURFACES CLEAN AND FREE OF DIRT, OIL
AND FOREIGN SUBSTANCES.
REVISIONS
REV. DESCRIPTION DATE APPROVED
A
UPDATED DIMENSIONS, UPDATED TITLE BLOCK, MOVED
DATUMS
5/6/16 CM
4
A
123
B B
A
2 134
A
DO NOT SCALE DRAWING SHEET 1 OF 1
5/6/16
DEREK M.
JONATHAN L.
GARY S.
DELBERT S.
CASSANDRA M
UNLESS OTHERWISE SPECIFIED:
SCALE: 1:2
REVDWG. NO.
EN-P0028
B
SIZE
TITLE:
CROSSBRACE BOTTOM
NAME DATE
COMMENTS:
Q.A.
MFG APPR.
ENG APPR.
CHECKED
DRAWN
FINISH
MATERIAL 7075 T6 Al
INTERPRET GEOMETRIC
TOLERANCING PER: ASME Y14.5-2009
DIMENSIONS ARE IN INCHES
TOLERANCES:
FRACTIONAL 1/64
ANGULAR: MACH 1 BEND 1
TWO PLACE DECIMAL .02
THREE PLACE DECIMAL .020
APPLICATION
USED ONNEXT ASSY
PROPRIETARY AND CONFIDENTIAL
THE INFORMATION CONTAINED IN THIS
DRAWING IS THE SOLE PROPERTY OF
MATADOR MOTORSPORTS. ANY
REPRODUCTION IN PART OR AS A WHOLE
WITHOUT THE WRITTEN PERMISSION OF
MATADOR MOTORSPORTS IS
PROHIBITED.
REV LTR. REVISION NOTES APPROVAL
NC INITIAL RELEASE. LEO BISLIG
03/21/2016
CSUN FSAE 2015-2016
NONE
SOLIDWORKS Student Edition.
For Academic Use Only.
(.125)
2X .250
4X R.125
4X .375
A
4.002
3.852
3.752
3.702
12X R.125
.300
.150
2.678
.250
.250
2X 2.621 2X 2.678
2X1.414
2X 2.001
1.267
1.559
1.753
.497
2X 2.289
2X .250
2X 3.752
C
B
2x .188
2x .188
2x .188 2x .188
2X 10-24 UNF 3B .375
.193 .010
.020 M B A C
.020 M A B C
C
ISOMETRIC VIEW
FOR REFERENCE ONLY
SCALE: NONE
NOTES: UNLESS OTHERWISE SPECIFIED
1. DIMENSIONING AND TOLERANCING PER
ASME Y14.5-2009.
2. BREAK ALL SHARP EDGES TO .025.
3. PART TO BE DELIVERED TO CSUN WITH ALL.
SURFACES CLEAN AND FREE OF DIRT, OIL
AND FOREIGN SUBSTANCES.
4. ALL RADI ARE .125 UNLESS OTHERWISE SPECIFIED.
.020
.020 A B
.005 A
REVISIONS
ZONE REV. DESCRIPTION DATE APPROVED
NC INITIAL RELEASED 5/11/2016 GARY. S
4
A
123
B B
A
2 134
NC
DO NOT SCALE DRAWING WEIGHT: 0.12 LBM SHEET 16 OF 16
5/15/2016
5/15/2016
5/15/2016
5/15/2016
5/15/2016CASSANDRA M.
DEREK M.
JONATHAN L.
DELBERT S.
GARY S.
UNLESS OTHERWISE SPECIFIED:
SCALE: 1:1
REVDWG. NO.
EN-P0025B
SIZE
TITLE:
CROSSBRACE SHORTFRONT
NAME DATE
COMMENTS:
PART MANUFACTURED BY CNC 3 AXIS MACHINE
Q.A.
MFG APPR.
ENG APPR.
CHECKED
DRAWN
FINISH
NONE
MATERIAL
7075 - T6 ALUMINUM
INTERPRET GEOMETRIC
TOLERANCING PER: ASME Y14.5-2009
DIMENSIONS ARE IN INCHES
TOLERANCES: 0.02
FRACTIONAL 1/64
ANGULAR: MACH 1 BEND 1
TWO PLACE DECIMAL .01
THREE PLACE DECIMAL .002
APPLICATION
USED ONNEXT ASSY
PROPRIETARY AND CONFIDENTIAL
THE INFORMATION CONTAINED IN THIS
DRAWING IS THE SOLE PROPERTY OF
MATADOR MOTORSPORTS. ANY
REPRODUCTION IN PART OR AS A WHOLE
WITHOUT THE WRITTEN PERMISSION OF
MATADOR MOTORSPORTS IS
PROHIBITED.
CSUN FSAE 2015-2016
SOLIDWORKS Student Edition.
For Academic Use Only.

GDT_Final Project

  • 1.
    CALIFORNIA STATE UNIVERSITYNORTHRIDGE COLLEGE OF ENGINEERING AND COMPUTER SCIENCE MECHANICAL ENGINEERING DEPARTMENT SPRING SEMESTER 2016 ME 434 GEOMETRIC DIMENSIONING AND TOLERANCING FINAL PROJECT DRAWINGS PACKAGE FSAE DRIVETRAIN BOX MEMBERS NAME: DELBERT STEWART GARY SANDERS DEREK MOCK CASSANDRA MATHISON JONATHAN LO INSTRUCTOR'S NAME: PROFESSOR ARAM KHACHATOURIANS SUBMITTED DATE: 5/16/2016 4 A 123 B B A 2 134 TITLE PAGE DO NOT SCALE DRAWING UNLESS OTHERWISE SPECIFIED: SCALE: 1:2 WEIGHT: REVDWG. NO. B SIZE TITLE: NAME DATE COMMENTS: Q.A. MFG APPR. ENG APPR. CHECKED DRAWN FINISH MATERIAL INTERPRET GEOMETRIC TOLERANCING PER: DIMENSIONS ARE IN INCHES TOLERANCES: FRACTIONAL ANGULAR: MACH BEND TWO PLACE DECIMAL THREE PLACE DECIMAL APPLICATION USED ONNEXT ASSY PROPRIETARY AND CONFIDENTIAL THE INFORMATION CONTAINED IN THIS DRAWING IS THE SOLE PROPERTY OF <INSERT COMPANY NAME HERE>. ANY REPRODUCTION IN PART OR AS A WHOLE WITHOUT THE WRITTEN PERMISSION OF <INSERT COMPANY NAME HERE> IS PROHIBITED.
  • 2.
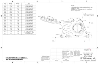
    5 6 4 3 27 1 SCALE: 1:4 ITEM NO.PART NUMBER DESCRIPTION QTY. 1 EN-P0030 RIGHT PLATE 1 2 EN-P0029 LEFT PLATE 1 3 EN-P0028 CROSSBRACE-BOTTOM 1 4 EN-P0027 CROSSBRACE-VERTREAR 1 5 EN-P0026 CROSSBRACE-SHORTVERT 1 6 EN-P0025 CROSSBRACE-TOP 1 7 EN-P0024 CROSSBRACE-SHORTFRONT 1 REVISIONS ZONE REV. DESCRIPTION DATE APPROVED - NC INITAL RELEASED 5/15/2016 DEREK M. 4 A 123 B B A 2 134 7075 - T6 ALUMINUM FINAL ASSEMBLY EXPLOSED VIEW NC DO NOT SCALE DRAWING EN-P001 SHEET 1 OF 16 5/15/2016 5/15/2016 5/15/2016 5/15/2016 5/15/2016CASSANDRA M. GARY S. JONATHAN L. DEREK M. DELBERT S. UNLESS OTHERWISE SPECIFIED: SCALE: 1:4 WEIGHT: 3.57 LB REVDWG. NO. B SIZE TITLE: CSUN FSAE 2015 - 2016 NAME DATE COMMENTS: Q.A. MFG APPR. ENG APPR. CHECKED DRAWN NONE FINISH MATERIAL INTERPRET GEOMETRIC TOLERANCING PER: ASME Y14.5 2009 DIMENSIONS ARE IN INCHES TOLERANCES: FRACTIONAL ANGULAR: MACH BEND TWO PLACE DECIMAL THREE PLACE DECIMAL APPLICATION USED ONNEXT ASSY PROPRIETARY AND CONFIDENTIAL THE INFORMATION CONTAINED IN THIS DRAWING IS THE SOLE PROPERTY OF <INSERT COMPANY NAME HERE>. ANY REPRODUCTION IN PART OR AS A WHOLE WITHOUT THE WRITTEN PERMISSION OF <INSERT COMPANY NAME HERE> IS PROHIBITED.
  • 3.
    73.44° 2.397 2.485 4.503 2.800 4.327 4.822 5.421 3.818 2.640 2.523 2.467 1.451 .851 .676 12.329 8.591 6.823 4.564 5.818 11.918 7.162 6.158 6.036 5.420 5.398 5.182 4.132 4.002 3.621 3.037 2.550 2.196 1.752 9X 15.00° A A B B NOTES:UNLESS OTHERWISE SPECIFIED 1. DIMENSIONING AND TOLERANCING PER ASME Y14.5-2009. 2. BREAK ALL SHARP EDGES TO .025. 3. PART TO BE DELIVERED TO CSUN WITH ALL SURFACES CLEAN AND FREE OF DIRT, OIL AND FOREIGN SUBSTANCES. 4. ALL RADII ARE .125 .002 B B .500 .375 2.780 THRU ALL 2.83 .35 SECTION A-A SCALE 1 : 2 .002 A .005 A B A C .375 .125 SECTION B-B SCALE 1 : 2 ISOMETRIC VIEW FOR REFERENCE ONLY. NO SCALE REVISIONS ZONE REV. DESCRIPTION DATE APPROVED NC INTIAL RELEASE 5/1/2016 DEREK M. 4 A 123 B B A 2 134 7075-T6 ALUMINUM LEFT PLATE-FILLETS/RADII X-POSITION NC DO NOT SCALE DRAWING SHEET 2 OF 16 4/30/2016 5/1/2016 5/3/2016 5/3/2016 5/3/2016CASSANDRA M. GARY S. JONATHAN L. DEREK M. DELBERT S. UNLESS OTHERWISE SPECIFIED: SCALE: 1:2 WEIGHT: 0.48 LBM REVDWG. NO. B SIZE TITLE: NAME DATE COMMENTS: Q.A. MFG APPR. ENG APPR. CHECKED DRAWN FINISH MATERIAL INTERPRET GEOMETRIC TOLERANCING PER: ASME Y14.5-2009 DIMENSIONS ARE IN INCHES TOLERANCES: FRACTIONAL 1/64 ANGULAR: MACH 1 BEND 1 TWO PLACE DECIMAL .01 THREE PLACE DECIMAL .002 APPLICATION USED ONNEXT ASSY PROPRIETARY AND CONFIDENTIAL THE INFORMATION CONTAINED IN THIS DRAWING IS THE SOLE PROPERTY OF <INSERT COMPANY NAME HERE>. ANY REPRODUCTION IN PART OR AS A WHOLE WITHOUT THE WRITTEN PERMISSION OF <INSERT COMPANY NAME HERE> IS PROHIBITED. THIS SHEET SHOWS THE X-POSITION OF FILLETS/RADII RELATIVE TO DATUM AXIS C. CSUN FSAE 2015-2016 EN-P0029SOLIDWORKS Student Edition. For Academic Use Only.
  • 4.
    4.535 1.659 .896 2.187 2.078 3.322 3.994 3.639 2.498 1.691 1.637 1.177 1.228.764 .601 .489 .220 .203 3.445 3.246 2.397 2.377 2.070 1.994 1.864 1.378 1.140 1.052 1.031 1.569 1.962 .725 .305 .265 9X 15.00° NOTES: UNLESS OTHERWISE SPECIFIED 1. DIMENSIONING AND TOLERANCING PER ASME Y14.5-2009. 2. BREAK ALL SHARP EDGES TO .025. 3. PART TO BE DELIVERED TO CSUN WITH ALL SURFACES CLEAN AND FREE OF DIRT, OIL AND FOREIGN SUBSTANCES. 4. ALL RADII ARE .125 ISOMETRIC VIEW FOR REFERENCE ONLY. NO SCALE REVISIONS ZONE REV. DESCRIPTION DATE APPROVED NC INTIAL RELEASE 5/2/2016 DEREK M. 4 A 123 B B A 2 134 7075-T6 ALUMINUM LEFT PLATE-FILLETS/RADII Y-POSITION NC DO NOT SCALE DRAWING SHEET 3 OF 16 4/30/2016 5/1/2016 5/3/2016 5/3/2016 5/3/2016CASSANDRA M. GARY S. JONATHAN L. DEREK M. DELBERT S. UNLESS OTHERWISE SPECIFIED: SCALE: 1:2 WEIGHT: 0.48 LBM REVDWG. NO. B SIZE TITLE: NAME DATE COMMENTS: Q.A. MFG APPR. ENG APPR. CHECKED DRAWN FINISH MATERIAL INTERPRET GEOMETRIC TOLERANCING PER: ASME Y14.5-2009 DIMENSIONS ARE IN INCHES TOLERANCES: FRACTIONAL 1/64 ANGULAR: MACH 1 BEND 1 TWO PLACE DECIMAL .01 THREE PLACE DECIMAL .002 APPLICATION USED ONNEXT ASSY PROPRIETARY AND CONFIDENTIAL THE INFORMATION CONTAINED IN THIS DRAWING IS THE SOLE PROPERTY OF <INSERT COMPANY NAME HERE>. ANY REPRODUCTION IN PART OR AS A WHOLE WITHOUT THE WRITTEN PERMISSION OF <INSERT COMPANY NAME HERE> IS PROHIBITED. THIS SHEET SHOWS THE Y-POSITION OF FILLETS/RADII RELATIVE TO DATUM AXIS C. CSUN FSAE 2015-2016 EN-P0029SOLIDWORKS Student Edition. For Academic Use Only.
  • 5.
    R.375 2X R.500 R2.00 2X R.375 2XR1.00 4X R.375 R1.50 R.180 R.375 R.250 R.305 R.500 R.166 2X R.250 R.500 R.250 R.188 R.188 R.500 R.250 10X R.125 10X R.157 73.44° A A B B NOTES: UNLESS OTHERWISE SPECIFIED 1. DIMENSIONING AND TOLERANCING PER ASME Y14.5-2009. 2. BREAK ALL SHARP EDGES TO .025. 3. PART TO BE DELIVERED TO CSUN WITH ALL SURFACES CLEAN AND FREE OF DIRT, OIL AND FOREIGN SUBSTANCES. 4. ALL RADII ARE .125 .020 A B C .020 A B C B .500 .375 2.780 THRU ALL 2.83 .35 SECTION A-A SCALE 1 : 2 .020 A B C R .250 .002 A A C .375 .125 SECTION B-B SCALE 1 : 2 ISOMETRIC VIEW FOR REFERENCE ONLY. NO SCALE REVISIONS ZONE REV. DESCRIPTION DATE APPROVED - NC INITIAL RELEASE 5/1/2016 DEREK M. 4 A 123 B B A 2 134 7075-T6 ALUMINUM LEFT PLATE-FILLETS/RADII SIZES NC DO NOT SCALE DRAWING SHEET 4 OF 16 4/30/2016 5/1/2016 5/3/2016 5/3/2016 5/3/2016CASSANDRA M. GARY S. JONATHAN L. DEREK M. DELBERT S. UNLESS OTHERWISE SPECIFIED: SCALE: 1:2 WEIGHT: 0.48 LBM REVDWG. NO. B SIZE TITLE: NAME DATE COMMENTS: Q.A. MFG APPR. ENG APPR. CHECKED DRAWN FINISH MATERIAL INTERPRET GEOMETRIC TOLERANCING PER: ASME Y14.5-2009 DIMENSIONS ARE IN INCHES TOLERANCES: FRACTIONAL 1/64 ANGULAR: MACH 1 BEND 1 TWO PLACE DECIMAL .01 THREE PLACE DECIMAL .002 APPLICATION USED ONNEXT ASSY PROPRIETARY AND CONFIDENTIAL THE INFORMATION CONTAINED IN THIS DRAWING IS THE SOLE PROPERTY OF <INSERT COMPANY NAME HERE>. ANY REPRODUCTION IN PART OR AS A WHOLE WITHOUT THE WRITTEN PERMISSION OF <INSERT COMPANY NAME HERE> IS PROHIBITED. THIS SHEET OF THE DRAWING SHOWS THE SIZES OF THE FILLETS/RADII CSUN FSAE 2015-2016 EN-P0029SOLIDWORKS Student Edition. For Academic Use Only.
  • 6.
    73.44° 2.494 2.500 NOTES: UNLESS OTHERWISESPECIFIED 1. DIMENSIONING AND TOLERANCING PER ASME Y14.5-2009. 2. BREAK ALL SHARP EDGES TO .025. 3. PART TO BE DELIVERED TO CSUN WITH ALL SURFACES CLEAN AND FREE OF DIRT, OIL AND FOREIGN SUBSTANCES. 4. ALL RADII ARE .125 A1 B1 K1 K2 K3 K4 K5 K6 C1 D1 E1 L1 L2 L3 L4 L5 F1 M1 G1 N1 H1 P1 P2 P3 J1 R1 .005 A B C B X Y ISOMETRIC VIEW FOR REFERENCE ONLY. NO SCALE TAG X LOC Y LOC SIZE A1 -3.489 -2.745 .750 THRU ALL B1 -3.180 -1.917 .190 THRU ALL C1 -1.296 2.286 .255 THRU ALL D1 .000 .000 2.780 THRU ALL 2.83 .35 E1 3.532 -4.114 .150 THRU ALL F1 4.028 -2.858 .190 THRU ALL .32 .20 G1 5.289 -2.724 .386 THRU ALL H1 6.439 1.711 .500 THRU ALL J1 10.547 2.802 .257 THRU ALL K1 -2.435 .087 .190 THRU ALL K2 -1.690 2.090 K3 .723 -2.427 K4 1.909 2.184 K5 5.776 1.924 K6 8.389 2.618 L1 3.877 -3.192 .150 THRU ALL L2 4.221 -2.270 L3 4.566 -1.348 L4 4.911 -.426 L5 5.256 .496 M1 4.581 -.584 .190 THRU ALL .320 .200 N1 12.238 3.251 .386 THRU ALL P1 7.164 1.903 .500 THRU ALLP2 9.097 2.417 P3 9.822 2.609 R1 11.271 2.995 .257 THRU ALL REVISIONS ZONE REV. DESCRIPTION DATE APPROVED - NC INITIAL RELEASE 5/1/2016 DEREK M. 4 A 123 B B A 2 134 7075-T6 ALUMINUM LEFT PLATE-HOLES NC DO NOT SCALE DRAWING EN-P0029 SHEET 5 OF 16 4/30/2016 5/1/2016 5/3/2016 5/3/2016 5/3/2016CASSANDRA M. GARY S. JONATHAN L. DEREK M. DELBERT S. UNLESS OTHERWISE SPECIFIED: SCALE: 1:2 WEIGHT: 0.48 LBM REVDWG. NO. B SIZE TITLE: NAME DATE COMMENTS: Q.A. MFG APPR. ENG APPR. CHECKED DRAWN FINISH MATERIAL INTERPRET GEOMETRIC TOLERANCING PER: ASME Y14.5-2009 DIMENSIONS ARE IN INCHES TOLERANCES: FRACTIONAL 1/64 ANGULAR: MACH 1 BEND 1 TWO PLACE DECIMAL .02 THREE PLACE DECIMAL .002 APPLICATION USED ONNEXT ASSY PROPRIETARY AND CONFIDENTIAL THE INFORMATION CONTAINED IN THIS DRAWING IS THE SOLE PROPERTY OF <INSERT COMPANY NAME HERE>. ANY REPRODUCTION IN PART OR AS A WHOLE WITHOUT THE WRITTEN PERMISSION OF <INSERT COMPANY NAME HERE> IS PROHIBITED. THIS SHEET SHOWS POSITION/SIZES OF HOLES THROUGH HOLE TABLE REFERENCED TO DATUM AXIS C. CSUN FSAE 2015-2016 SOLIDWORKS Student Edition. For Academic Use Only.
  • 7.
    .500 .450 .375 .002 A ISOMETRIC VIEW FOR REFERENCEONLY. NO SCALE REVISIONS ZONE REV. DESCRIPTION DATE APPROVED - NC INITIAL RELEASE 5/1/2016 DEREK M. 4 A 123 B B A 2 134 7075-T6 ALUMINUM LEFT PLATE-TOP VIEW NC DO NOT SCALE DRAWING EN-P0029 SHEET 6 OF 16 4/30/2016 5/1/2016 5/3/2016 5/3/2016 5/3/2016CASSANDRA M. GARY S. JONATHAN L. DEREK M. DELBERT S. UNLESS OTHERWISE SPECIFIED: SCALE: 1:2 WEIGHT: 0.48 LBM REVDWG. NO. B SIZE TITLE: NAME DATE COMMENTS: Q.A. MFG APPR. ENG APPR. CHECKED DRAWN FINISH MATERIAL INTERPRET GEOMETRIC TOLERANCING PER:ASME Y14.5-2009 DIMENSIONS ARE IN INCHES TOLERANCES: FRACTIONAL 1/64 ANGULAR: MACH 1 BEND 1 TWO PLACE DECIMAL .02 THREE PLACE DECIMAL .002 APPLICATION USED ONNEXT ASSY PROPRIETARY AND CONFIDENTIAL THE INFORMATION CONTAINED IN THIS DRAWING IS THE SOLE PROPERTY OF <INSERT COMPANY NAME HERE>. ANY REPRODUCTION IN PART OR AS A WHOLE WITHOUT THE WRITTEN PERMISSION OF <INSERT COMPANY NAME HERE> IS PROHIBITED. CSUN FSAE 2015-2016 SOLIDWORKS Student Edition. For Academic Use Only.
  • 8.
    R.625 R.425 P R.465 R.063 2XR.125 R.465 R.425 R.063 R.125 1.014 .725 1.933 .725.725 .725 .966 2X R.250 .663 DETAIL P SCALE 1 : 1 NOTES: UNLESS OTHERWISE SPESCIFIED DIMENSIONING AND TOLERANCING PER1. ASME Y1 4.5-2009 BREAK ALL SHARP EDGES TO .0252. PART TO BE DELIVERED TO CSUN WITH3. ALL SURFACES CLEAN AND FREE OF DIRT, OIL AND FOREIGN SUBSTANCES. DEPTH OF POCKETS .125.4. SCALE 1:4 REVISIONS ZONE REV. DESCRIPTION DATE APPROVED - NC See Front View-Fillets/Radii X-Position 5/11/2016 DEREK M. 4 A 123 B B A 2 134 7075 -T6 ALUMINIUM LEFT PLATE SECTION VIEW NC DO NOT SCALE DRAWING EN-P0029 SHEET 7 OF 16 5/15/2016 5/15/2016 5/15/2016 5/15/2016 5/15/2016CASSANDRA M. GARY S. JONATHAN L. DEREK M. DELBERT S. UNLESS OTHERWISE SPECIFIED: SCALE: 1:4 WEIGHT: 0.48 LBM REVDWG. NO. B SIZE TITLE: CSUN FSAE 2015 - 2016 NAME DATE COMMENTS: Q.A. MFG APPR. ENG APPR. CHECKED DRAWN NONE FINISH MATERIAL INTERPRET GEOMETRIC TOLERANCING PER: ASME Y14.5-2009 DIMENSIONS ARE IN INCHES TOLERANCES: FRACTIONAL 1/64 ANGULAR: MACH 1 BEND 1 TWO PLACE DECIMAL .02 THREE PLACE DECIMAL .002 APPLICATION USED ONNEXT ASSY PROPRIETARY AND CONFIDENTIAL THE INFORMATION CONTAINED IN THIS DRAWING IS THE SOLE PROPERTY OF <INSERT COMPANY NAME HERE>. ANY REPRODUCTION IN PART OR AS A WHOLE WITHOUT THE WRITTEN PERMISSION OF <INSERT COMPANY NAME HERE> IS PROHIBITED. SOLIDWORKS Student Edition. For Academic Use Only.
  • 9.
    A1 B1 B2 B3 B4 C1 C2 A2 C3 C4 C5 D1 C6 E1 D2 C7 C8 C9 F1 A BX Y NOTES: 1. DIMENSIONING AND TOLERANCING AS PER ASME 14.5 - 2009. 2. INSPECTOR TO ALIGN PART TO 90 DEGREE BLOCK AS SHOWN. .005 A B C TAG X LOC Y LOC SIZE A1 16.41 6.46 .386 THRU ALL A2 9.40 .56 .386 THRU ALL B1 15.44 6.21 .500 THRU ALL B2 14.72 6.03 .500 THRU ALL B3 13.99 5.84 .500 THRU ALL B4 13.26 5.66 .500 THRU ALL C1 12.56 5.87 .190 THRU ALL C2 9.94 5.20 .190 THRU ALL C3 8.72 2.70 .190 THRU ALL C4 8.14 .44 .190 THRU ALL C5 6.07 5.50 .190 THRU ALL C6 4.84 .90 .190 THRU ALL C7 2.47 5.44 .190 THRU ALL C8 1.71 3.45 .190 THRU ALL C9 .94 1.45 .190 THRU ALL D1 5.54 5.90 .323 THRU ALL D2 3.15 6.09 .323 THRU ALL E1 4.14 3.33 2.780 THRU ALL 2.825 .350 F1 .63 .63 .750 THRU ALL 4 A 123 B B A 2 134 7075 T6 ALUMINUM RIGHT PLATE HOLE TABLE NC DO NOT SCALE DRAWING EN-P0030 SHEET 8 OF 16 5/15/2016 5/15/2016 5/15/2016 5/15/2016 5/15/2016JONATHAN L. GARY S. DELBERT S. DEREK M. CASSANDRA M. UNLESS OTHERWISE SPECIFIED: SCALE: 1:2 WEIGHT: .48 LB REVDWG. NO. B SIZE TITLE: NAME DATE COMMENTS: Q.A. MFG APPR. ENG APPR. CHECKED DRAWN NONE FINISH MATERIAL INTERPRET GEOMETRIC TOLERANCING PER: ASME 14.5-2009 DIMENSIONS ARE IN INCHES TOLERANCES: FRACTIONAL 1/64 ANGULAR: MACH 1 BEND 1 TWO PLACE DECIMAL .03 THREE PLACE DECIMAL .010 APPLICATION USED ONNEXT ASSY PROPRIETARY AND CONFIDENTIAL THE INFORMATION CONTAINED IN THIS DRAWING IS THE SOLE PROPERTY OF <INSERT COMPANY NAME HERE>. ANY REPRODUCTION IN PART OR AS A WHOLE WITHOUT THE WRITTEN PERMISSION OF <INSERT COMPANY NAME HERE> IS PROHIBITED. CSUN FSAE 2015-2016 SOLIDWORKS Student Edition. For Academic Use Only.
  • 10.
    R.625 R.558 R1.000 2X R.284 R.500 R.425 2XR.375 4.102 .816 1.584 1.828 .846 2.865 3.623 4.498 5.966 6.467 3.152 4.384 9.599 16.099 6.919 7.208 5.657 2.473 16.494 11.743 10.333 10.304 10.040 8.728 .005 C 4 A 123 B B A 2 134 7075 T6 ALUMINUM RIGHT PLATE EXTERIOR LOCATIONS NC DO NOT SCALE DRAWING EN-P0030 SHEET 9 OF 16 5/15/2016 5/15/2016 5/15/2016 5/15/2016 5/15/2016JONATHAN L. GARY S. DELBERT S. DEREK M. CASSANDRA M. UNLESS OTHERWISE SPECIFIED: SCALE: 1:3 WEIGHT: 0.48 LB REVDWG. NO. B SIZE TITLE: NAME DATE COMMENTS: Q.A. MFG APPR. ENG APPR. CHECKED DRAWN FINISH MATERIAL INTERPRET GEOMETRIC TOLERANCING PER: ASME 14.5-2009 DIMENSIONS ARE IN INCHES TOLERANCES: FRACTIONAL ANGULAR: MACH 1 BEND 1 TWO PLACE DECIMAL .03 THREE PLACE DECIMAL .010 APPLICATION USED ONNEXT ASSY PROPRIETARY AND CONFIDENTIAL THE INFORMATION CONTAINED IN THIS DRAWING IS THE SOLE PROPERTY OF <INSERT COMPANY NAME HERE>. ANY REPRODUCTION IN PART OR AS A WHOLE WITHOUT THE WRITTEN PERMISSION OF <INSERT COMPANY NAME HERE> IS PROHIBITED. CSUN FSAE 2015-2016 SOLIDWORKS Student Edition. For Academic Use Only.
  • 11.
    1.480 2.668 1.665 5.872 6.316 7.737 8.735 8.205 6.683 6.943 8.139 8.584 6.638 6.554 8.660 10.329 11.629 12.487 1.284 1.162 2.464 .871 1.197 1.268 1.405 1.967 3.476 3.494 3.951 4.487 4.898 4.930 5.105 5.437 5.462 6.085 6.502 15.698 15.804 4 A 123 B B A 2 134 7075T6 ALUMINUM RIGHT PLATE INTERIOR LOCATIONS NC DO NOT SCALE DRAWING EN-P0030 SHEET 10 OF 16 5/15/2016 5/15/2016 5/15/2016 5/15/2016 5/15/2016JONATHAN L. GARY S. DELBERT S. DEREK M. CASSANDRA M. UNLESS OTHERWISE SPECIFIED: SCALE: 1:2 WEIGHT: 0.48 LB REVDWG. NO. B SIZE TITLE: NAME DATE COMMENTS: Q.A. MFG APPR. ENG APPR. CHECKED DRAWN FINISH MATERIAL INTERPRET GEOMETRIC TOLERANCING PER: ASME14.5-2009 DIMENSIONS ARE IN INCHES TOLERANCES: FRACTIONAL 1/64 ANGULAR: MACH 1 BEND 1 TWO PLACE DECIMAL .03 THREE PLACE DECIMAL .010 APPLICATION USED ONNEXT ASSY PROPRIETARY AND CONFIDENTIAL THE INFORMATION CONTAINED IN THIS DRAWING IS THE SOLE PROPERTY OF <INSERT COMPANY NAME HERE>. ANY REPRODUCTION IN PART OR AS A WHOLE WITHOUT THE WRITTEN PERMISSION OF <INSERT COMPANY NAME HERE> IS PROHIBITED. CSUN FSAE 2015-2016 SOLIDWORKS Student Edition. For Academic Use Only.
  • 12.
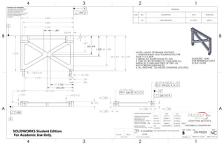
    A A B B c .375 2X R.125 1.015 4.815 SECTION A-A .002 C 2XR.125.375 1.418 SECTION B-B 10X R.157 10X R.125 24.00° 159.00° 10X .430 DETAIL c SCALE 1 : 1 NOTE: 10 PLACES SPACED EVENLY AS SHOWN. .005 M A B C 4 A 123 B B A 2 134 7075 T6 ALUMINUM RIGHT PLATE SECTION & DETAIL NC DO NOT SCALE DRAWING EN-P0030 SHEET 11 OF 16 5/15/2016 5/15/2016 5/15/2016 5/15/2016 5/15/2016GARY S. JONATHAN L. DELBERT S. DEREK M. CASSANDRA M. UNLESS OTHERWISE SPECIFIED: SCALE: 1:2 WEIGHT: .48 REVDWG. NO. B SIZE TITLE: NAME DATE COMMENTS: Q.A. MFG APPR. ENG APPR. CHECKED DRAWN FINISH MATERIAL INTERPRET GEOMETRIC TOLERANCING PER: ASME 14.5-2009 DIMENSIONS ARE IN INCHES TOLERANCES: FRACTIONAL 1/64 ANGULAR: MACH 1 BEND 1 TWO PLACE DECIMAL .03 THREE PLACE DECIMAL .010 APPLICATION USED ONNEXT ASSY PROPRIETARY AND CONFIDENTIAL THE INFORMATION CONTAINED IN THIS DRAWING IS THE SOLE PROPERTY OF <INSERT COMPANY NAME HERE>. ANY REPRODUCTION IN PART OR AS A WHOLE WITHOUT THE WRITTEN PERMISSION OF <INSERT COMPANY NAME HERE> IS PROHIBITED. CSUN FSAE 2015-2016 SOLIDWORKS Student Edition. For Academic Use Only.
  • 13.
    4x .375 .125 .002 .010 AB 4 SURFACES A C 3X .250 2X 2.001 2X .500 2X 1.035 4X 2.013 1.969 4X 2.638 2.681 2X 3.615 2X 4.088 4.650 4X .375 4.002 .549 2X 1.341 3.453 .699 2X 2.661 4X 3.627 3.303 2X R.188 16X R.125 A B 2X(4.150) 2X .188 2X 2.325 2X 4.463 6X .188 6X 10-24 UNF3B .375 .005 A .020 M B A C B C NOTES: UNLESS OTHERWISE SPECIFIED 1. DIMENSIONING AND TOLERANCING PER ASME Y14.5-2009 2. BREAK ALL SHARP EDGES TO .025 3. PART TO BE DELIVERED TO CSUN WITH ALL SURFACES CLEAN AND FREE OF DIRT, OIL AND FOREIGN SUBSTANCES. 4. ALL RADI ARE .125 UNLESS OTHERWISE SPECIFIED. REVISIONS ZONE REV. DESCRIPTION DATE APPROVED NC 5/1/2016 DEREK M. 4 A 123 B B A 2 134 NC DO NOT SCALE DRAWING WEIGH: 0.225 LBM SHEET 12 OF 16 4/30/2016 5/1/2016 5/3/2016 5/3/2016 5/3/2016CASSANDRA M. GARY S. JONATHAN L. DEREK M. DELBERT S. UNLESS OTHERWISE SPECIFIED: SCALE: 1:1 REVDWG. NO. EN-P0027B SIZE TITLE: CROSSBRACE VERTREAR NAME DATE COMMENTS: PART MANUFACTURED WITH CNC 3-AXIS MACHINE Q.A. MFG APPR. ENG APPR. CHECKED DRAWN FINISH MILLING MATERIAL: 7075 T6 ALUMINUM DENSITY: 0.102 LBS/IN^3 INTERPRET GEOMETRIC TOLERANCING PER: ASME Y14.5-2009 DIMENSIONS ARE IN INCHES TOLERANCES: FRACTIONAL 1/64 ANGULAR: MACH 1 BEND 1 TWO PLACE DECIMAL .01 THREE PLACE DECIMAL .002 APPLICATION USED ONNEXT ASSY PROPRIETARY AND CONFIDENTIAL THE INFORMATION CONTAINED IN THIS DRAWING IS THE SOLE PROPERTY OF MATADOR MOTORSPORTS. ANY REPRODUCTION IN PART OR AS A WHOLE WITHOUT THE WRITTEN PERMISSION OF MATADOR MOTORSPORTS IS PROHIBITED. CSUN FSAE 2015-2016 SOLIDWORKS Student Edition. For Academic Use Only.
  • 14.
    ISOMETRIC VIEW FOR REFERENCEONLY SCALE NONE .125 4X.375 .002 .005 A A 4.002 2X 3.820 2X 3.875 .726 3.276 2X 2.125 4 X R1.625 0.025 2X.250 2 X R1.375 .025 10 X R.125 .025 .625 2X 1.299 2.7523X.375 2X 1.351 2X1.875 2 X R.750 2 X .190 0.025 4.2504 X R.125 3X 3.627 2.925 .020 M A B C .020 A B C .020 M A B C .020 M A B C C 2 X .188 2 X 3.875 4X .188 4X 10-24UNF 3B .38 .375 4 X R.063 2 X 3.875 .020 M A B C .010 A B B NOTES: UNLESS OTHERWISE SPECIFIED 1. DIMENSIONING AND TOLERANCING PER ASME Y14.5-2009 2. BREAK ALL SHARP EDGES TO .025 3. PART TO BE DELIVERED TO CSUN WITH ALL SURFACES CLEAN AND FREE OF DIRT, OIL AND FOREIGN SUBSTANCES. 4. ALL RADI ARE .125 UNLESS OTHERWISE SPECIFIED. 4 SURFACES B REVISIONS ZONE REV. DESCRIPTION DATE APPROVED NC 5/1/2016 DEREK M. 4 A 123 B B A 2 134 NC DO NOT SCALE DRAWING WEIGH: 0.225 LBM SHEET 13 OF 16 4/30/2016 5/1/2016 5/3/2016 5/3/2016 5/3/2016CASSANDRA M. GARY S. JONATHAN L. DEREK M. DELBERT S. UNLESS OTHERWISE SPECIFIED: SCALE: 1:1 REVDWG. NO. EN-P0024B SIZE TITLE: CROSSBRACE TOPMAIN NAME DATE COMMENTS: PART MANUFACTURED WITH CNC 3-AXIS MACHINE Q.A. MFG APPR. ENG APPR. CHECKED DRAWN FINISH MATERIAL: 7075 T6 ALUMINUM DENSITY: 0.102 LBS/IN^3 INTERPRET GEOMETRIC TOLERANCING PER: ASME Y14.5-2009 DIMENSIONS ARE IN INCHES TOLERANCES: FRACTIONAL 1/64 ANGULAR: MACH 1 BEND 1 TWO PLACE DECIMAL .02 THREE PLACE DECIMAL .002 APPLICATION USED ONNEXT ASSY PROPRIETARY AND CONFIDENTIAL THE INFORMATION CONTAINED IN THIS DRAWING IS THE SOLE PROPERTY OF MATADOR MOTORSPORTS. ANY REPRODUCTION IN PART OR AS A WHOLE WITHOUT THE WRITTEN PERMISSION OF MATADOR MOTORSPORTS IS PROHIBITED. CSUN FSAE 2015-2016 SOLIDWORKS Student Edition. For Academic Use Only.
  • 15.
    .125 4XR.125 4X.3752x.250 2 SURFACES 0.020 .005 B A 20XR.125 3.752 3.502 .500 2X2.651 12XR.125 2X 2.964 3.377 1.516 1.159 .700 .969 2X 2.138 2X.763 4.002 3.852 .150 2.001 .250 2 X .375 1.742 2X 1.451 B C 2 X .190 0.01 2 X 2.964 2 X .186 4 X .188 2 X 10 - 24 UNF 3B .38 .020 B A C .020 M B A C .010 A B C ISOMETRIC VIEW FOR REFERENCE ONLY SCALE NONE NOTES: UNLESS OTHERWISE SPECIFIED 1. DIMENSIONING AND TOLERANCING PER ASME Y14.5-2009 2. BREAK ALL SHARP EDGES TO .025 3. PART TO BE DELIVERED TO CSUN WITH ALL SURFACES CLEAN AND FREE OF DIRT, OIL AND FOREIGN SUBSTANCES. 4. ALL RADI ARE .125 UNLESS OTHERWISE SPECIFIED. .005 A REVISIONS ZONE REV. DESCRIPTION DATE APPROVED NC 5/6/2016 DEREK M. 4 A 123 B B A 2 134 NC DO NOT SCALE DRAWING WEIGHT: 0.12 lbM SHEET 14 OF 16 4/30/2016 5/8/2016 5/9/2016 5/9/2016 5/10/2016CASSANDRA M. GARY S. JONATHAN L. DEREK M. DELBERT S, UNLESS OTHERWISE SPECIFIED: SCALE: 1:1 REVDWG. NO. EN-P0026B SIZE TITLE: CROSSBRACE SHORTVERT NAME DATE COMMENTS: PART MANUFACTURED BY CNC 3 AXIS MACHINE Q.A. MFG APPR. ENG APPR. CHECKED DRAWN FINISH MATERIAL: 7075 T6 AlUMINUM DENSITY: 0.10 lbs/ft^3 INTERPRET GEOMETRIC TOLERANCING PER: ASME Y14.5-2009 DIMENSIONS ARE IN INCHES TOLERANCES: .02 FRACTIONAL 1/64 ANGULAR: MACH 1 BEND 1 TWO PLACE DECIMAL .01 THREE PLACE DECIMAL .002 APPLICATION USED ONNEXT ASSY PROPRIETARY AND CONFIDENTIAL THE INFORMATION CONTAINED IN THIS DRAWING IS THE SOLE PROPERTY OF MATADOR MOTORSPORTS. ANY REPRODUCTION IN PART OR AS A WHOLE WITHOUT THE WRITTEN PERMISSION OF MATADOR MOTORSPORTS IS PROHIBITED. CSUN FSAE 2015-2016 SOLIDWORKS Student Edition. For Academic Use Only.
  • 16.
    .375 .250 .005 A A 7.757 2X.563 2X1.104 1.879 2x2.214 3.752 4.002 .250 2X3.324 2X3.812 2.548 2X7.145 6.369 5.700 4X .375 4X2.001 2X 2.377 2X 1.625 2X6.034 2X4.437 2X3.937 2X4.312 .500 B .3006X .188 .250 4X .150 .01 .375 2X .193 .01 3.633 7.570 .020 M A B C .010 A B .020 M A B C C NOTES UNLESS OTHERWISE SPECIFIED: NOTES: UNLESS OTHERWISE SPECIFIED 1. DIMENSIONING AND TOLERANCING PER ASME Y14.5-2009 2. ALL RADII ARE .125 UNLESS OTHERWISE SPECIFIED. 3. BREAK ALL SHARP EDGES TO .025 4. PART TO BE DELIVERED TO CSUN WITH ALL SURFACES CLEAN AND FREE OF DIRT, OIL AND FOREIGN SUBSTANCES. REVISIONS REV. DESCRIPTION DATE APPROVED A UPDATED DIMENSIONS, UPDATED TITLE BLOCK, MOVED DATUMS 5/6/16 CM 4 A 123 B B A 2 134 A DO NOT SCALE DRAWING SHEET 1 OF 1 5/6/16 DEREK M. JONATHAN L. GARY S. DELBERT S. CASSANDRA M UNLESS OTHERWISE SPECIFIED: SCALE: 1:2 REVDWG. NO. EN-P0028 B SIZE TITLE: CROSSBRACE BOTTOM NAME DATE COMMENTS: Q.A. MFG APPR. ENG APPR. CHECKED DRAWN FINISH MATERIAL 7075 T6 Al INTERPRET GEOMETRIC TOLERANCING PER: ASME Y14.5-2009 DIMENSIONS ARE IN INCHES TOLERANCES: FRACTIONAL 1/64 ANGULAR: MACH 1 BEND 1 TWO PLACE DECIMAL .02 THREE PLACE DECIMAL .020 APPLICATION USED ONNEXT ASSY PROPRIETARY AND CONFIDENTIAL THE INFORMATION CONTAINED IN THIS DRAWING IS THE SOLE PROPERTY OF MATADOR MOTORSPORTS. ANY REPRODUCTION IN PART OR AS A WHOLE WITHOUT THE WRITTEN PERMISSION OF MATADOR MOTORSPORTS IS PROHIBITED. REV LTR. REVISION NOTES APPROVAL NC INITIAL RELEASE. LEO BISLIG 03/21/2016 CSUN FSAE 2015-2016 NONE SOLIDWORKS Student Edition. For Academic Use Only.
  • 17.
    (.125) 2X .250 4X R.125 4X.375 A 4.002 3.852 3.752 3.702 12X R.125 .300 .150 2.678 .250 .250 2X 2.621 2X 2.678 2X1.414 2X 2.001 1.267 1.559 1.753 .497 2X 2.289 2X .250 2X 3.752 C B 2x .188 2x .188 2x .188 2x .188 2X 10-24 UNF 3B .375 .193 .010 .020 M B A C .020 M A B C C ISOMETRIC VIEW FOR REFERENCE ONLY SCALE: NONE NOTES: UNLESS OTHERWISE SPECIFIED 1. DIMENSIONING AND TOLERANCING PER ASME Y14.5-2009. 2. BREAK ALL SHARP EDGES TO .025. 3. PART TO BE DELIVERED TO CSUN WITH ALL. SURFACES CLEAN AND FREE OF DIRT, OIL AND FOREIGN SUBSTANCES. 4. ALL RADI ARE .125 UNLESS OTHERWISE SPECIFIED. .020 .020 A B .005 A REVISIONS ZONE REV. DESCRIPTION DATE APPROVED NC INITIAL RELEASED 5/11/2016 GARY. S 4 A 123 B B A 2 134 NC DO NOT SCALE DRAWING WEIGHT: 0.12 LBM SHEET 16 OF 16 5/15/2016 5/15/2016 5/15/2016 5/15/2016 5/15/2016CASSANDRA M. DEREK M. JONATHAN L. DELBERT S. GARY S. UNLESS OTHERWISE SPECIFIED: SCALE: 1:1 REVDWG. NO. EN-P0025B SIZE TITLE: CROSSBRACE SHORTFRONT NAME DATE COMMENTS: PART MANUFACTURED BY CNC 3 AXIS MACHINE Q.A. MFG APPR. ENG APPR. CHECKED DRAWN FINISH NONE MATERIAL 7075 - T6 ALUMINUM INTERPRET GEOMETRIC TOLERANCING PER: ASME Y14.5-2009 DIMENSIONS ARE IN INCHES TOLERANCES: 0.02 FRACTIONAL 1/64 ANGULAR: MACH 1 BEND 1 TWO PLACE DECIMAL .01 THREE PLACE DECIMAL .002 APPLICATION USED ONNEXT ASSY PROPRIETARY AND CONFIDENTIAL THE INFORMATION CONTAINED IN THIS DRAWING IS THE SOLE PROPERTY OF MATADOR MOTORSPORTS. ANY REPRODUCTION IN PART OR AS A WHOLE WITHOUT THE WRITTEN PERMISSION OF MATADOR MOTORSPORTS IS PROHIBITED. CSUN FSAE 2015-2016 SOLIDWORKS Student Edition. For Academic Use Only.