09EI205 AIRCRAFT
INSTRUMENTATION
Text Books:
Pallett, E.B.J ., : " Aircraft Instruments -Principles and applications",
Pitman and sons, 1981.
Refer :
www.scribd.com
UNIT- V : POWER PLANT INSTRUMENTS
Fuel flow -Fuel quantity measurement, exhaust
gas temperature measurement and pressure
measurement.
Fuel flow
• The measurement of the quantity of fuel in the tanks of an aircraft fuel
system is an essential requirement, and in conjunction with
measurements of the rate at which the fuel flows to the engine or engines
permits an aircraft to be flown at maximum efficiency compatible with its
specified operating conditions.
• Furthermore, both measurements enable a pilot or engineer to quickly
assess the remaining flight time and also to make comparisons between
present engine performance and past or calculated performance.
operating principle and
construction
• Fuelquantity indicating systems vary in operating principle and
construction, the application of any one method being governed by the
type of aircraft and its fuel system. Two principal methods currently
applied utilize the principle of electrical signal transmission from units
located inside the fuel tanks.
• In one method, mainly employed in the fuel systems of small and light
aircraft, the tank units consist of a mechanical float assembly which
controls an electrical resistance unit and varies the current flow to the
indicating element.
• The second method, employed in high-performance aircraft fuel systems,
measures fuel quantity in terms of electrical capacitance and provides a
more accurate system of fuel gauging.
Float-Type Fuel- Quantity lndicating
Systems
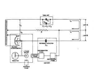
Capacitance-Type Fuel-Gauge
System
Location of tank sensing units.
Integrated fuel flowmeter system.
pressure measurement
Measurement of
temperature
Aircraft instruments principle and application .ppt
Aircraft instruments principle and application .ppt
Aircraft instruments principle and application .ppt
Aircraft instruments principle and application .ppt
Aircraft instruments principle and application .ppt
Aircraft instruments principle and application .ppt
Aircraft instruments principle and application .ppt
Aircraft instruments principle and application .ppt
Aircraft instruments principle and application .ppt
Aircraft instruments principle and application .ppt
Aircraft instruments principle and application .ppt
Aircraft instruments principle and application .ppt
Aircraft instruments principle and application .ppt
Aircraft instruments principle and application .ppt
Aircraft instruments principle and application .ppt
Aircraft instruments principle and application .ppt

Aircraft instruments principle and application .ppt

  • 1.
    09EI205 AIRCRAFT INSTRUMENTATION Text Books: Pallett,E.B.J ., : " Aircraft Instruments -Principles and applications", Pitman and sons, 1981. Refer : www.scribd.com
  • 2.
    UNIT- V :POWER PLANT INSTRUMENTS Fuel flow -Fuel quantity measurement, exhaust gas temperature measurement and pressure measurement.
  • 3.
    Fuel flow • Themeasurement of the quantity of fuel in the tanks of an aircraft fuel system is an essential requirement, and in conjunction with measurements of the rate at which the fuel flows to the engine or engines permits an aircraft to be flown at maximum efficiency compatible with its specified operating conditions. • Furthermore, both measurements enable a pilot or engineer to quickly assess the remaining flight time and also to make comparisons between present engine performance and past or calculated performance.
  • 4.
    operating principle and construction •Fuelquantity indicating systems vary in operating principle and construction, the application of any one method being governed by the type of aircraft and its fuel system. Two principal methods currently applied utilize the principle of electrical signal transmission from units located inside the fuel tanks. • In one method, mainly employed in the fuel systems of small and light aircraft, the tank units consist of a mechanical float assembly which controls an electrical resistance unit and varies the current flow to the indicating element. • The second method, employed in high-performance aircraft fuel systems, measures fuel quantity in terms of electrical capacitance and provides a more accurate system of fuel gauging.
  • 5.
    Float-Type Fuel- Quantitylndicating Systems
  • 6.
  • 10.
    Location of tanksensing units.
  • 19.
  • 20.
  • 29.