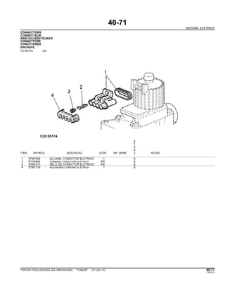
6125J Tractor
CATÁLOGO DE PEÇAS DE
REPOSIÇÃO
6125J Tractor
PC8539P (01-Jul-10) Portuguese
John Deere Brasil
South American Edititon
Litho in Brazil (New)
COPYRIGHT © 2010
DEERE & COMPANY
Moline, Illinois
All rights reserved
10-A01
TRATOR 6125J (EDICAO SUL-AMERICANA)
PRIMARY PICTORIAL INDEX
INDEX PRINCIPAL D’ILLUSTRATIONS
HAUPT-BILDINDEX
INDICE PRINCIPALE ILLUSTRATO
INDICE GERAL
INDICE PRINCIPAL DE ILUSTRACIONES
PUBM0884 -UN-
020- A01
020- A02
030- A01
030- A02
TRATOR 6125J (EDICAO SUL-AMERICANA) PC8539P (01-JUL-10) 10-A01
PN=1
10-A02
TRATOR 6125J (EDICAO SUL-AMERICANA)
PRIMARY PICTORIAL INDEX
INDEX PRINCIPAL D’ILLUSTRATIONS
HAUPT-BILDINDEX
INDICE PRINCIPALE ILLUSTRATO
INDICE GERAL
INDICE PRINCIPAL DE ILUSTRACIONES
PUBM0885 -UN-
040- A01
040- A02
040- A03
040- A04
10-A02 TRATOR 6125J (EDICAO SUL-AMERICANA) PC8539P (01-JUL-10)
PN=2
10-A03
TRATOR 6125J (EDICAO SUL-AMERICANA)
PRIMARY PICTORIAL INDEX
INDEX PRINCIPAL D’ILLUSTRATIONS
HAUPT-BILDINDEX
INDICE PRINCIPALE ILLUSTRATO
INDICE GERAL
INDICE PRINCIPAL DE ILUSTRACIONES
PUBM0886 -UN-
052- A01
054- A01
054- A02
TRATOR 6125J (EDICAO SUL-AMERICANA) PC8539P (01-JUL-10) 10-A03
PN=3
10-A04
TRATOR 6125J (EDICAO SUL-AMERICANA)
PRIMARY PICTORIAL INDEX
INDEX PRINCIPAL D’ILLUSTRATIONS
HAUPT-BILDINDEX
INDICE PRINCIPALE ILLUSTRATO
INDICE GERAL
INDICE PRINCIPAL DE ILUSTRACIONES
PUBM0887 -UN-
056- A01
056- A02
058- A01
10-A04 TRATOR 6125J (EDICAO SUL-AMERICANA) PC8539P (01-JUL-10)
PN=4
10-A05
TRATOR 6125J (EDICAO SUL-AMERICANA)
PRIMARY PICTORIAL INDEX
INDEX PRINCIPAL D’ILLUSTRATIONS
HAUPT-BILDINDEX
INDICE PRINCIPALE ILLUSTRATO
INDICE GERAL
INDICE PRINCIPAL DE ILUSTRACIONES
PUBM0888 -UN-
060- A01
070- A02
070- A03
070- A04
TRATOR 6125J (EDICAO SUL-AMERICANA) PC8539P (01-JUL-10) 10-A05
PN=5
10-A06
TRATOR 6125J (EDICAO SUL-AMERICANA)
PRIMARY PICTORIAL INDEX
INDEX PRINCIPAL D’ILLUSTRATIONS
HAUPT-BILDINDEX
INDICE PRINCIPALE ILLUSTRATO
INDICE GERAL
INDICE PRINCIPAL DE ILUSTRACIONES
PUBM0889 -UN-
080- A01
080- A02
10-A06 TRATOR 6125J (EDICAO SUL-AMERICANA) PC8539P (01-JUL-10)
PN=6
10-A07
TRATOR 6125J (EDICAO SUL-AMERICANA)
PRIMARY PICTORIAL INDEX
INDEX PRINCIPAL D’ILLUSTRATIONS
HAUPT-BILDINDEX
INDICE PRINCIPALE ILLUSTRATO
INDICE GERAL
INDICE PRINCIPAL DE ILUSTRACIONES
PUBM0890 -UN-
092- A01
092- A02
092- A03
093- A01
093- A02
TRATOR 6125J (EDICAO SUL-AMERICANA) PC8539P (01-JUL-10) 10-A07
PN=7
10-A08
TRATOR 6125J (EDICAO SUL-AMERICANA)
PRIMARY PICTORIAL INDEX
INDEX PRINCIPAL D’ILLUSTRATIONS
HAUPT-BILDINDEX
INDICE PRINCIPALE ILLUSTRATO
INDICE GERAL
INDICE PRINCIPAL DE ILUSTRACIONES
PUBM0891 -UN-
094- A01
10-A08 TRATOR 6125J (EDICAO SUL-AMERICANA) PC8539P (01-JUL-10)
PN=8
10-1
TRATOR 6125J (EDICAO SUL-AMERICANA)
CODES USED IN "REMARKS" COLUMN
CODES UTILISES DANS LA COLONNE "REMARQUES"
KODE-ZEICHEN IN DER SPALTE "BEMERKUNGEN"
CODICI USATI NELLA COLONNA "NOTE"
CODIGOS USADOS NA COLUNA DE NOTAS
CODIFICACION EN LA COLUMNA "NOTAS"
KODATS SOM ANVANDS PA KOLUMN "ANMARKNINGAR"
ENGLISH FRANCAIS DEUTSCH
AMP AMPERE AMPERE AMPERE
AND AND ET UND
APPL THIS APPLICATION UNIQUEMENT POUR CETTE NUR FUER DIESE
ONLY UTILISATION ANWENDUNG
AR AS REQUIRED SUIVANT BESOIN NACH BEDARF
ASSY COMPLETE ASSEMBLY ENSEMBLE COMPLET KOMPLETE BAUQRUPPE
CF CUT FROM COUPER DE SCHNEIDEN VON
FOR USE WITH POUR FUR
FRONT FRONT AVANT VORN
ID INSIDE DIAMETER DIAMETRE INTERIEUR INNENDURCHMESSER
HP HORSE-POWER PUISSANCE EN HP PFERDESTARKE
INCL KEYS INCLUDING DIAMETER COMPREND LES REPERES EINSCHLIESSLICH TEILE
KIT KIT JEU DE REPARATION REPARATURSATZ
L NUMBER OF LINKS NOMBRE DE MAILLONS ZAHL DER GLIEDER
LGTH LENGTH LONGUEUR LAENGE
LH LEFT- HAND GAUCHE LINKS
LOW LOWER INFERIEUR UNTEN
MARKED MARKED MARQUE MARKIERT
MF MAKE FROM REALISER AVEC HERSTELLEN VON
MFWD MECHANICAL FRONT TRACTION AVANT MECHANISHER
WHEEL DRIVE MECANIQUE FRONTRADANTRIEB
NA NOT APPLICABLE NON UTILISE NICHT ZUTREFFEND
NSEP NOT SUPPLIED NON LIVRE SEPAREMENT EINZELN NICHT LIEFERBAR
SEPARATELY
OD OUTSIDE DIAMETER DIAMETRE EXTERIEUR AUSSENDURCHMESSER
OR OR OU ODER
ORD ORDER COMMANDER BESTELLE
ORD W/ ALSO ORDER COMMANDER AVEC BESTELLE MIT
OS OVERSIZE SURDIMENSION UEBERGROSSE
PACKG PACKAGE PAR PAQUET DE VERPACKT ZU
REAR REAR ARRIERE HINTEN
RH RIGHT- HAND DROIT RECHTS
STD STANDARD STANDARD STANDARD
SUB REPLACED BY REMPLACE PAR ERSETZT DURCH
SUB FOR SUBSTITUTES FOR REMPLACE ERSETZT FUER
TK THICKNESS EPAISSEUR STAERKE
UP UPPER SUPIRIEUR OBEN
US UNDERSIZE SOUS-DIMENSION UNTERGROSSE
USE WITH USE WITH A UTILISER AVEC BENUTZEN MIT
W/ WITH AVEC MIT
W/O WITHOUT SANS OHNE
Z GEAR AND SPROCKET NOMBRE DE DENTS DES ZAEHNEZAHL FUER KETTEN-
TEETH NUMBER PIGNONES UND ZAHNRAD
2WD 2-WHEEL DRIVE 2 ROUES MOTRICES 2 RADANTRIEB
4WD 4-WHEEL DRIVE 4 ROUES MOTRICES 4 RADANTRIEB
TRATOR 6125J (EDICAO SUL-AMERICANA) PC8539P (01-JUL-10) 10-1
PN=9
10-2
TRATOR 6125J (EDICAO SUL-AMERICANA)
CODES USED IN "REMARKS" COLUMN
CODES UTILISES DANS LA COLONNE "REMARQUES"
KODE-ZEICHEN IN DER SPALTE "BEMERKUNGEN"
CODICI USATI NELLA COLONNA "NOTE"
CODIGOS USADOS NA COLUNA DE NOTAS
CODIFICACION EN LA COLUMNA "NOTAS"
KODATS SOM ANVANDS PA KOLUMN "ANMARKNINGAR"
ITALIANO ESPANOL SVENSKA
AMP AMPERE AMPERIO AMPERE
AND E Y OCH
APPL SOLO PER QUESTO SOLO PARA ESTE PROPOSITO ENDAST FOER DENNA
AR SECONDO NECESSITA SEGUN NECESIDAD I MA AV BEHOEV
ASSY GRUPPO COMPLETO CONJUNTO COMPLETO KOMPLETT ENHET
CF CORTARE DI CORTAR DE SKUREN FRAN
FOR PER PARA FOER
FRONT ANTERIORE FRENTE FRAM
HP POTENZA IN CAVALLI POTENCIA HASTKRAFT
ID DIAMETRO INTERNO DIAMETRO INTERIOR INRE DIAMETER
INCL KEYS CHIAVETTE INCLUSE INCLUYE KAS POSICIONES INKLUSIVE NYCKLAR
KIT CORREDO CONJUNTO DE REPARACION SATS
L NUMERO DI MAGLIE NUMERO DE ESLABONES ANTAL LANKAR ELIER LED
LGTH LUNGHEZZA LONGITUD LAENGD
LH SINISTRA IZQUIERDA VAENSTER SIDA
LOW INFERIORE INFERIOR NEDRE
MARKED MARCATO MARCADO MARKT
MF FABBRICARE DI HACER DE TILLVERKA AV
MFWD TRAZIONE ANTERIORE TRACCION DELANTERA MEKANISK FRAMHJULSDRIFT
MECCANICA MECANICA
NA NON SI USA NO UTILIZADO EJ LAMPLIG
NSEP NON FORNITO NO SE SUMINISTRA POR KAN EJ ERHALLAS SEPARAT
SEPARATAMENTE SEPARADO
OD DIAMETRO ESTERNO DIAMETRO EXTERIOR YTIRE DIAMETER
OR OPPURE O ELLER
ORD ORDINARE PIDASE BESTAELL
ORD W/ ORDINARE CON PIDASE CON BESTAELL MED
OS EXTRA GRANDE SOBRETAMANO OEVERDIMENSIONERAD
PACKG IN CONFEZIONE DA POR PAQUETE DE I SATS ELLER PAKET
REAR POSTERIORE TRASERO BAK BAKRE
RH DESTRA DERECHA HOEGER SIDA
STD STANDARD NORMAL STANDARD
SUB SOSTITUITO PER SUSTITUIDO POR ERSATTER MED
SUB FOR SOSTITUSCE SUSTITICIOC PARA ERSATTER
TK SPESSORE ESPESOR TJOCKLEK
UP SUPERIORE SUPERIOR OVRE
US EXTRA PICCOLO SUBTAMANO UNDERDIMENSIONERAD
USE WITH USARE CON USAR CON ANVAND MED
W/ CON CON MED, INKLUSIVE
W/O SENZA SIN UTAN EXKLUSIVE
Z NO: DENTI CORONA O NUMERO DE DIENTES DE LOS ANTAL TANDER PA DREV OCH
2WD TRAZIONE 2 RUOTE SIMPLE TRACCION 2-HJULSDRIFT
4WD TRAZIONE 4 RUOTE DOBLE TRACCION 4-HJULSDRIFT
10-2 TRATOR 6125J (EDICAO SUL-AMERICANA) PC8539P (01-JUL-10)
PN=10
10-3
TRATOR 6125J (EDICAO SUL-AMERICANA)
CODES USED IN "REMARKS" COLUMN
CODES UTILISES DANS LA COLONNE "REMARQUES"
KODE-ZEICHEN IN DER SPALTE "BEMERKUNGEN"
CODICI USATI NELLA COLONNA "NOTE"
CODIGOS USADOS NA COLUNA DE NOTAS
CODIFICACION EN LA COLUMNA "NOTAS"
KODATS SOM ANVANDS PA KOLUMN "ANMARKNINGAR"
PORTUGUES
AMP AMPERE
AND E
APPL SOMENTE PARA ESTA APLICACAO
AR CONFORME NECESSARIO
ASSY CONJUNTO COMPLETO
CF CORTAR DE
FOR PARA
FRONT FRENTE
HP POTENCIA
ID DIAMETRO INTERNO
INCL KEYS INCLUSIVE ITENS
KIT CONJUNTO DE PECAS
L NUMERO DE ELOS
LGTH COMPRIMENTO
LH ESQUERDA
LOW INFERIOR
MARKED MARCADO
MF FAZER DE
MFWD TRACAO DIANTEIRA MECANICA
NA NAO USADO NESTA APLICACAO
NSEP NAO SE FORNECE SEPARADAMENTE
OD DIAMETRO EXTERNO
OR OU
ORD PEDIR
ORD W/ PEDIR COM
OS SOBRETAMANHO
PACKG POR EMBALAGEM DE
REAR TRASEIRO
RH DIREITO
STD STANDARD
SUB SUBSTITUIDO POR
SUB FOR SUBSTITUICAO PARA
TK ESPESSURA
UP SUPERIOR
US SUBTAMANHO
USE WITH USAR COM
W/ COM
W/O SEM
Z NUMERO DE DENTES DAS ENGRENAGENS
2WD TRACAO SIMPLES
4WD TRACAO DUPLA
TRATOR 6125J (EDICAO SUL-AMERICANA) PC8539P (01-JUL-10) 10-3
PN=11
10-4
TRATOR 6125J (EDICAO SUL-AMERICANA)
BASIC TRACTOR SERIAL NUMBER
CQ153584 -UN-
1. DESIGNATES TRACTOR MANUFACTURER BM - JOHN DEERE BRAZIL
2. DESIGNATES TRACTOR MODEL 6125J
3. DESIGNATES TRACTOR SERIAL NUMBER
LVP202 -UN-
THE BASIC TRACTOR SERIAL NUMBER PLATE IS LOCATED ON THE RIGHT-HAND SIDE
OF THE FRONT SUPPORT.
10-4 TRATOR 6125J (EDICAO SUL-AMERICANA) PC8539P (01-JUL-10)
PN=12
10-5
TRATOR 6125J (EDICAO SUL-AMERICANA)
NUMERO DIDENTIFICATION DU TRACTEUR
CQ153584 -UN-
1. CONSTRUCTEUR DU TRACTEUR BM - JOHN DEERE BRAZIL
2. TYPE DE TRACTEUR 6125J
3. NUMERO DE SERIE DU TRACTEUR
LVP202 -UN-
LE NUMERO DIDENTIFICATION DE LA MACHINE SE TROUVE A
LAVANT, SUR LE COTE DROIT DU CHASSIS PRINCIPAL
TRATOR 6125J (EDICAO SUL-AMERICANA) PC8539P (01-JUL-10) 10-5
PN=13
10-6
TRATOR 6125J (EDICAO SUL-AMERICANA)
PRODUKT-IDENTIFIKATIONSNUMMER
CQ153584 -UN-
1. TRAKTOR HERSTELLER BM - JOHN DEERE BRAZIL
2. TRAKTOR MODELLE 6125J
3. TRAKTOR SERIENNUMMER
LVP202 -UN-
DAS PRODUKTIDENTIFIKATIONS-SCHILD IST VORN AN DER RECHTEN SEITE DES
HAUPTRAHMENS ANGEBRACHT.
10-6 TRATOR 6125J (EDICAO SUL-AMERICANA) PC8539P (01-JUL-10)
PN=14
10-7
TRATOR 6125J (EDICAO SUL-AMERICANA)
NUMERO DI IDENTIFICAZIONE PRODOTTO
CQ153584 -UN-
1. COSTRUTTORE DEL TRATTORE BM - JOHN DEERE BRAZIL
2. MODELLO TRATTORE 6125J
3. NUMERO DI SERIE DEL TRATTORE
LVP202 -UN-
LA TARGHETTA CON IL NUMERO DI SERIE E SITUATA SUL LATO DESTRO
DEL TELAIO PRINCIPALE.
TRATOR 6125J (EDICAO SUL-AMERICANA) PC8539P (01-JUL-10) 10-7
PN=15
10-8
TRATOR 6125J (EDICAO SUL-AMERICANA)
NUMERO DE SERIE DO TRATOR
CQ153584 -UN-
1. DESIGNA O FABRICANTE DO TRATOR BM - JOHN DEERE BRASIL
2. DESIGNA O MODELO DO TRATOR 6125J
3. DESIGNA O NUMERO DE SERIE DO TRATOR
LVP202 -UN-
A PLACA DE NUMERO DE SERIE DO TRATOR ESTA LOCALIZADA AO LADO
DIREITO NO SUPORTE FRONTAL.
10-8 TRATOR 6125J (EDICAO SUL-AMERICANA) PC8539P (01-JUL-10)
PN=16
10-9
TRATOR 6125J (EDICAO SUL-AMERICANA)
NUMERO DE SERIE DEL TRACTOR
CQ153584 -UN-
1. DETERMINA EL FABRICANTE DEL TRACTOR BM - JOHN DEERE BRASIL
2. DETERMINA EL MODELO DEL TRACTOR 6125J
3. DETERMINA EL NUMERO DE SERIE DEL TRACTOR
LVP202 -UN-
LA CHAPA DE IDENTIFICACION DEL TRACTOR ESTA LOCALIZADA AL LADO DERECHO EN EL SOPORTE FRONTAL.
TRATOR 6125J (EDICAO SUL-AMERICANA) PC8539P (01-JUL-10) 10-9
PN=17
10-10
TRATOR 6125J (EDICAO SUL-AMERICANA)
PRODUKTSERIENNUMMER
CQ153584 -UN-
1. TILLVERKARE BM - JOHN DEERE BRAZIL
2. TRAKTORMODELL 6125J
3. TRAKTORSERIENUMMER
LVP202 -UN-
SERIENUMMERSKYLTEN FINNS PA RAMENS HOEGRA SIDA
10-10 TRATOR 6125J (EDICAO SUL-AMERICANA) PC8539P (01-JUL-10)
PN=18
10-11
TRATOR 6125J (EDICAO SUL-AMERICANA)
ENGINE SERIAL NUMBER PLATE
CDP47519 -UN-
ENGINE SERIAL NUMBER IS DEFINED BY 13 CHARACTERS
1- TWO LETTERS FOR ENGINE FACTORY DESIGNATION (JX: ROSARIO,ARGENTINA)
2- ONE DIGIT FOR NUMBER OF CYLINDERS(4 CYLINDER,6 CYLINDER)
3- THREE DIGITS FOR DISPLACEMENT IN LITERS ( 045:4.5L,068:6.8L )
4- ONE LETTER FOR:
- DESIGNATED ASPIRATION TYPE (UNTIL 01 APRIL 2005)
H: TURBOCHARGED WITH AIR-TO-AIR AFTERCOOLER
- DESIGNATED EMISSION LEVEL (SINCE 02 APRIL 2005)
G: TIER2/STAGE II EMISSION LEVEL
L: TIER3/STAGE III EMISSION LEVEL
! FOR THE SIX DIGITS OF THE ACTUAL ENGINE NUMBER (5) COUNTING STARTS WITH 000001
5- SIX DIGITS
! IN THE PARTS CATALOG PAGES, ONLY THESE SIX DIGITS ARE SHOWN
ENGINE TYPE IS DEFINED BY 9 ALPHA-NUMERICAL CHARACTERS
6- FOUR DIGITS WITH SAME DEFINITION AS SERIAL NUMBER
7- ONE LETTER FOR ASPIRATION TYPE ( H )
8- TWO LETTERS FOR USER (BM= BRAZIL)
9- TWO DIGITS FOR VERSION (EG: 60 OR 81)
10- TWO LETTERS AND FIVE DIGITS FOR ENGINE NUMBER
TRATOR 6125J (EDICAO SUL-AMERICANA) PC8539P (01-JUL-10) 10-11
PN=19
10-12
TRATOR 6125J (EDICAO SUL-AMERICANA)
PLAQUETTE SIGNALETIQUE DU MOTEUR
CDP47519 -UN-
LE NUMERO DE SERIE DU MOTEUR EST DEFINI PAR 13 CARACTERES
1- DEUX LETTRES DESIGNENT L’USINE DE MOTEURS (JX: ROSARIO,ARGENTINA)
2- UN CHIFFRE INDIQUE LE NOMBRE DE CYLINDRES (4 CYLINDRE,6 CYLINDRE)
3- TROIS CHIFFRES INDIQUENT LA CYLINDREE EN LITRES ( 045:4.5L,068:6.8L )
4- UN CHIFFRE INDIQUE:
- LE TYPE D’ASPIRATION (JUSQU’AU 1ER AVRIL 2005)
H: AVEC TURBOCOMPRESSEUR ET REFROIDISSEUR AIR-AIR
- LE NIVEAU D’EMISSIONS (A PARTIR DU 2 AVRIL 2005)
G: TIER2/NIVEAU II D’EMISSIONS
L: TIER3/NIVEAU III D’EMISSIONS
! LES SIX CHIFFRES INDIQUANT LE NUMERO DU MOTEUR PROPREMENT DIT (5) SONT
COMPTES A PARTIR DE 000001
5- SIX CHIFFRES
! SEULS CES SIX CHIFFRES APPARAISSENT SUR LES PAGES DU CATALOGUE PIECES
LE TYPE DE MOTEUR EST DEFINI PAR 9 CARACTERES ALPHANUMERIQUES
6- QUATRE CHIFFRES, MEME DEFINITION QUE POUR LE NUMERO DE SERIE
7- UNE LETTRE POUR LE TYPE D’ASPIRATION (H)
8- DEUX LETTRES POUR L’UTILISATEUR (BM = BRESIL)
9- DEUX CHIFFRES POUR LA VERSION (EX.: 60 OU 81)
10- DEUX LETTRES ET CINQ CHIFFRES POUR LE NUMERO DU MOTEUR
10-12 TRATOR 6125J (EDICAO SUL-AMERICANA) PC8539P (01-JUL-10)
PN=20
10-13
TRATOR 6125J (EDICAO SUL-AMERICANA)
MOTOR-SERIENNUMMERNSCHILD
CDP47519 -UN-
DIE MOTORSERIENNUMMER HAT 13 STELLEN
1- ZWEI BUCHSTABEN FUER DAS HERSTELLERWERK DES MOTORS (JX: ROSARIO,ARGENTINA)
2- EINE ZAHL FUER DIE ANZAHL DER ZYLINDER (4 ZYLINDER,6 ZYLINDER)
3- DREI ZAHLEN FUER DEN HUBRAUM IN LITERN ( 045:4.5L,068:6.8L )
4- EIN BUCHSTABE FUER:
- TYP DES LUFTANSAUGSYSTEMS (BIS 01. APRIL 2005)
H: TURBOLADER MIT LUFT-ZU-LUFT LADELUFTKUEHLER
- EMISSIONSWERTE (AB 02. APRIL 2005)
G: EMISSIONSWERTE GEMAESS TIER2/STUFE II
L: EMISSIONSWERTE GEMAESS TIER3/STUFE III
! BEI DEN SECHS STELLEN DER EIGENTLICHEN MOTORNUMMER (5) BEGINNT DIE ZAEHLUNG MIT 000001
5- SECHS STELLEN
! AUF DEN SEITEN DES ERSATZTEILKATALOGS ERSCHEINEN NUR DIESE SECHS STELLEN
DER MOTORTYP WIRD DURCH 9 ALPHANUMERISCHE ZEICHEN DEFINIERT
6- VIER STELLEN; GLEICHE DEFINITION WIE SERIENNUMMER
7- EIN BUCHSTABE FUER TYP DES LUFTANSAUGSYSTEMS (H)
8- ZWEI BUCHSTABEN FUER ANWENDER (BM= BRASILIEN)
9- ZWEI ZAHLEN FUER VERSION (Z.B.: 60 ODER 81)
10-ZWEI BUCHSTABEN UND FUENF WEITERE STELLEN FUER MOTORNUMMER
TRATOR 6125J (EDICAO SUL-AMERICANA) PC8539P (01-JUL-10) 10-13
PN=21
10-14
TRATOR 6125J (EDICAO SUL-AMERICANA)
TARGHETTA DEL NUMERO DI SERIE DEL MOTORE
CDP47519 -UN-
IL NUMERO DI SERIE DEL MOTORE E COMPOSTO DA 13 CIFRE
1-DUE LETTERE PER LA DESIGNAZIONE DELLA FABBRICA DEL MOTORE(JX:ROSARIO,ARGENTINA)
2- UNA CIFRA PER IL NUMERO DI CILINDRI (4 CILINDRI,6 CILINDRI)
3- TRE CIFRE PER LA CILINDRATA, IN LITRI ( 045:4.5L,068:6.8L )
4- UNA LETTERA PER:
- DESIGNAZIONE TIPO DI ASPIRAZIONE (FINO A 10 APRILE 2005)
H: TURBOCOMPRESSO CON AFTERCOOLER ARIA-ARIA
- DESIGNAZIONE LIVELLO DI EMISSIONI (DAL 2 APRILE 2005)
G: LIVELLO DI EMISSIONI TIER2/STADIO II
L: LIVELLO DI EMISSIONI TIER3/STADIO III
! LE SEI CIFRE DEL NUMERO DI SERIE DEL MOTORE IN USO (5) INIZIANO DA 000001
5- SEI CIFRE
! NELLA PAGINE DEL CATALOGO RICAMBI, VENGONO MOSTRATI SOLO QUESTE SEI CIFR
IL TIPO DI MOTORE E IDENTIFICATO DA 9 CARATTERI ALFANUMERICI
6- QUATTRO CIFRE CON LA STESSA DEFINIZIONE DI QUELLA DEL NUMERO DI SERIE
7- UNA LETTERA PER IL TIPO DI ASPIRAZIONE ( H )
8- DUE LETTERE PER L’UTILIZZATORE (BM = BRASILE)
9- DUE CIFRE PER LA VERSIONE (ES.: 60 O 81)
10- DUE LETTERE E CINQUE CIFRE PER IL NUMERO DI SERIE DEL MOTORE
10-14 TRATOR 6125J (EDICAO SUL-AMERICANA) PC8539P (01-JUL-10)
PN=22
10-15
TRATOR 6125J (EDICAO SUL-AMERICANA)
PLACA DE IDENTIFICACAO DO NUMERO DE SERIE DO MOTOR
CDP47519 -UN-
O NUMERO DE SERIE DOS MOTORES E DEFINIDO POR 13 DIGITOS
1- DUAS LETRAS PARA INDICAR O FABRICANTE DO MOTOR (JX: ROSARIO,ARGENTINA)
2- UM NUMERO PARA INDICAR O NUMERO DE CILINDROS (4 CILINDRO,6 CILINDRO)
3- TRES NUMEROS PARA INDICAR A CILINDRADA EM LITROS ( 045:4.5L,068:6.8L )
4- UMA LETRA PARA :
-DESIGNAR O TIPO DE ASPIRACAO ( ATE 1 DE ABRIL DE 2005 )
H: TURBOALIMENTADO COM REFRIGERADOR INTERMEDIARIO AR- AR
-NIVEL DAS EMISSOES (DESDE 2 DE ABRIL DE 2005)
G: NIVEL DE EMISSAO TIER2/NIVEL II
L: NIVEL DE EMISSAO TIER3/NIVEL III
! PARA OS SEIS DIGITOS DO NUMERO DO MOTOR (5) A NUMERACAO COMECA COM 000001
5- SEIS DIGITOS
! NAS PAGINAS DE CATALOGO DE PECAS, SOMENTE ESSES SEIS DIGITOS SAO MOSTRADOS
O TIPO DO MOTOR E DEFINIDO MEDIANTE 9 CARACTERES ALFANUMERICOS
6- QUATRO NUMEROS QUE CORRESPONDEM AOS QUATRO PRIMEIROS NUMERO DE SERIE
7- UMA LETRA PARA DESIGNAR O TIPO DE ASPIRACAO (H)
8- DUAS LETRAS PARA DESIGNAR ONDE E USADO (BM = BRASIL)
9- DOIS NUMEROS PARA DESIGNAR A VERSAO (P.E.: 60 O 81)
10- DUAS LETRAS E CINCO NUMEROS PARA O NUMERO DO MOTOR
TRATOR 6125J (EDICAO SUL-AMERICANA) PC8539P (01-JUL-10) 10-15
PN=23
10-16
TRATOR 6125J (EDICAO SUL-AMERICANA)
PLACA DE NUMERO DE SERIE DEL MOTOR
CDP47519 -UN-
EL NUMERO DE SERIE DEL MOTOR SE DEFINE MEDIANTE 13 DIGITOS
1- DOS LETRAS PARA DESIGNAR EL FABRICANTE DEL MOTOR (JX: ROSARIO,ARGENTINA)
2- UNA CIFRA PARA INDICAR EL NUMERO DE CILINDROS (4 CILINDRO,6 CILINDRO)
3- TRES CIFRAS PARA INDICAR LA CILINDRADA EN LITROS ( 045:4.5L,068:6.8L )
4- UNA LETRA PARA:
- DESIGNAR EL TIPO DE ASPIRACION (HASTA EL 1 DE ABRIL DE 2005)
H: TURBOALIMENTADO CON ENFRIADOR INTERMEDIO AIRE-AIRE
- NIVEL DE EMISIONES (DESDE EL 2 DE ABRIL DE 2005)
G: NIVEL DE EMISIONES TIER2/FASE II
L: NIVEL DE EMISIONES TIER3/FASE III
! EN LO QUE SE REFIERE A LAS SEIS CIFRAS DEL NUMERO DEL MOTOR (5),
NUMERACION COMIENZA CON 000001
5- SEIS CIFRAS
! EN LAS PAGINAS DEL CATALOGO DE PIEZAS, SOLO APARECEN ESTAS SEIS CIFRAS
EL TIPO DEL MOTOR SE DEFINE MEDIANTE 9 CARACTERES ALFANUMERICOS
6- QUATRO CIFRAS QUE CORRESPONDEN A LAS CUATRO PRIMERAS CIFRAS DEL NUMERO DE SERIE
7- UNA LETRA PARA DESIGNAR EL TIPO DE ASPIRACION ( H )
8- DOS LETRAS PARA DESIGNAR EL USUARIO (BM= BRASIL)
9- DOS CIFRAS PARA DESIGNAR LA VERSION (P.E.: 60 O 81)
10- DOS LETRAS Y CINCO CIFRAS PARA NUMERO MOTOR
10-16 TRATOR 6125J (EDICAO SUL-AMERICANA) PC8539P (01-JUL-10)
PN=24
10-17
TRATOR 6125J (EDICAO SUL-AMERICANA)
MOTORSERIENUMMERSKYLT
CDP47519 -UN-
MOTORSERIENUMRET BESTAAR AV 13 TECKEN
1- TVAA BOKSTAEVER ANGER TILLVERKANDE MOTORFABRIK (JX: ROSARIO,ARGENTINA)
2- EN SIFFRA ANGER CYLINDERANTAL (4 CYLINDERANTAL,6 CYLINDERANTAL)
3- TRE SIFFROR ANDER SLAGVOLYM I LITER ( 045:4.5L,068:6.8L )
4- EN BOKSTAV ANGER:
- INSUGNING (T.O.M. APRIL 2005)
H: TURBOLADDAD MED LUFT-TILL-LUFT LADDLUFTKYLARE
- EMISSIONSNIVAA (FR.O.M. 02 APRIL 2005)
G: MILJOESTEG II EMISSIONSNIVAA
L: MILJOESTEG III EMISSIONSNIVAA
OBS! FOER MOTORNUMRETS SEX SIFFROR (5) STARTAR RAEKNEVERKET MED 000001
5- SEX SIFFROR
OBS! I RESERVDELSKATALOGEN ANGES ENDAST DESSA SEX SIFFROR
MOTORBETECKNINGEN DEFINIERAS AV 9 TECKEN
6- FYRA SIFFROR MED SAMMA DEFINITION SOM I SERIENUMRET
7- EN BOKSTAV ANGER INSUGNING (H)
8- TVAA SIFFROR ANGER ANVAENDAREN (BM = BRASILIEN)
9- TVAA SIFFROR ANGER VERSION (EX: 60 ELLER 81)
10- TVAA BOKSTAEVER OCH FEM SIFFROR ANGER MOTORNUMRET
TRATOR 6125J (EDICAO SUL-AMERICANA) PC8539P (01-JUL-10) 10-17
PN=25
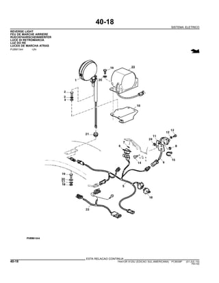
10-18
TRATOR 6125J (EDICAO SUL-AMERICANA)
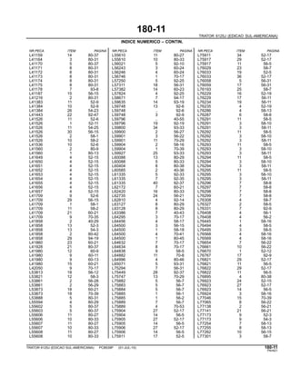
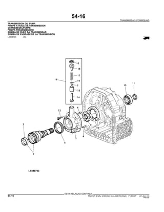
COMPONENT SERIAL NUMBER - POWRQUAD TRANSMISSION
NUMERO DE SERIE DES COMPOSANTS - BOITE POWRQUAD
PUBM0993 -UN-
1. COMPONENT MANUFACTURER RO - JOHN DEERE WATERLOO
2. TYPE OF TRANSMISSION T6 - POWRQUAD
3. MODEL CLUTCH WITH 3 SPEED-SYNCHRONIZED TRANSMISSION
4. MAX INPUT TORQUE 29-290 NM 39-390NM
5. SERIAL NUMBER SIX DIGITS
1. CONSTRUCTEUR DES COMPOSANTS RO - JOHN DEERE WATERLOO
2. TRANSMISSION T6 - POWRQUAD
3. MODELE EMBRAYAGE, BOITE SYNCHRONISEE 3 VITESSES
4. COUPLE D’ENTREE MAX. 29 - 290 NM / 39 - 390 NM
5. NUMERO DE SERIE SIX CHIFFRES
10-18 TRATOR 6125J (EDICAO SUL-AMERICANA) PC8539P (01-JUL-10)
PN=26
10-19
TRATOR 6125J (EDICAO SUL-AMERICANA)
KOMPONENTEN-SERIENNUMMER - POWRQUAD-GETRIEBE
NUMERO DI SERIE DEL COMPONENTE - TRANSMISIONE POWRQUAD
PUBM0993 -UN-
1. KOMPONENTEN-HERSTELLER RO- JOHN DEERE WATERLOO
2. GETRIEBETYP T6 POWRQUAD
3. MODELL KUPPLUNG MIT 3-GANG SYNCHRONGETRIEBE
4. MAXIMALES EINGANGSDREHMOMENT 29-290NM / 39-390NM
5. SERIENNUMMER SECHS STELLEN
1. COSTRUTTORE COMPONENTE RO - JOHN DEERE WATERLOO
2. TIPO DI TRASMISSIONE T6 POWRQUAD
3. MODELLO FRIZIONE, CON TRASMISSIONE A 3 RAPPORTI
SINCRONIZZATI
4. COPPIA MASSIMA IN INGRESSO 29-290NM / 39-390NM
5. NUMERO DI SERIE SEI CARATTERI
TRATOR 6125J (EDICAO SUL-AMERICANA) PC8539P (01-JUL-10) 10-19
PN=27
10-20
TRATOR 6125J (EDICAO SUL-AMERICANA)
NUMERO DE SERIE DE COMPONENTE - TRANSMISSAO POWRQUAD
PUBM0993 -UN-
1. FABRICANTE DO COMPONENTE RO- JOHN DEERE WATERLOO
2. TIPO DE TRANSMISSAO T6 POWRQUAD
3. MODELO EMBREAGEM COM TRANSMISSAO SINCRONIZADA
DE 3 VELOCIDADES
4. TORQUE MAXIMO DE ENTRADA 29-290NM / 39-390NM
5. NUMERO DE SERIE SEIS DIGITOS
10-20 TRATOR 6125J (EDICAO SUL-AMERICANA) PC8539P (01-JUL-10)
PN=28
10-21
TRATOR 6125J (EDICAO SUL-AMERICANA)
NUMERO DE SERIE DEL COMPONENTE - TRANSMISION POWRQUAD
COMPONENT SERIENUMMER - POWRQUAD OVERFOERING
PUBM0993 -UN-
1. FABRICANTE DEL COMPONENTE RO - JOHN DEERE WATERLOO
2. TIPO DE TRANSMISION T6 - POWRQUAD
3. MODELO EMBRAGE CON TRANSMISION SINCRONIZADA
3 VELOCIDADES
4. PAR MOTOR DE ENTRADA MAXIMO 29 - 290NM/39 - 390NM
5. NUMERO DE SERIE SEIS DIGITOS
1. KOMPONENTILLVERKARE RO - JOHN DEERE WATERLOO
2. TYP AV OVERFOERING T6 POWRQUAD
3. MODELL KOPPLING MED 3 SPEED - SYNKRONISERAS
4. MAXIMAL TILLFORD VRIDMOMENT 29-290 NM / 39-390 NM
5. SERIENUMMER SEX SIFFROR
TRATOR 6125J (EDICAO SUL-AMERICANA) PC8539P (01-JUL-10) 10-21
PN=29
10-22
TRATOR 6125J (EDICAO SUL-AMERICANA)
TRANSMISSION SERIAL NUMBER
NUMERO DE SERIE DE LA BOITE
PUBM0994 -UN-
1. COMPONENT MANUFACTURER RO - JOHN DEERE WATERLOO
2. FOR TRANSMISSION MODULE TF - SYNCROPLUS / POWER REVERSER
3. NUMBER OF FORWARD GEARS C - 12 / G - 16
4. SERIAL NUMBER SIX DIGITS
1. CONSTRUCTEUR DES COMPOSANTS RO - JOHN DEERE WATERLOO
2. TRANSMISSION TF - SYNCROPLUS / POWER REVERSER
3. NOMBRE DE VITESSES EN MARCHE AVANT C - 12 / G - 16
4. NUMERO DE SERIE SIX CHIFFRES
10-22 TRATOR 6125J (EDICAO SUL-AMERICANA) PC8539P (01-JUL-10)
PN=30
10-23
TRATOR 6125J (EDICAO SUL-AMERICANA)
GETRIEBE-SERIENNUMMER
NUMERO DI SERIE TRASMISSIONE
PUBM0994 -UN-
1. KOMPONENTEN-HERSTELLER RO - JOHN DEERE WATERLOO
2. FUER GETRIEBE MODUL TF - SYNCROPLUS/POWER REVERSER
3. ANZAHL DER VORWAERTSGAENGE C - 12 / G - 16
4. SERIENNUMMER SECHS STELLEN
1. COSTRUTTORE COMPONENTE RO - JOHN DEERE WATERLOO
2. PER MODULO TRASMISSIONE TF - SYNCROPLUS / POWER REVERSER
3. NUMERO DI MARCE AVANTI C - 12 / G - 16
4. NUMERO DI SERIE SEI CARATTERI
TRATOR 6125J (EDICAO SUL-AMERICANA) PC8539P (01-JUL-10) 10-23
PN=31
10-24
TRATOR 6125J (EDICAO SUL-AMERICANA)
NUMERO DE SERIE DA TRANSMISSAO
PUBM0994 -UN-
1. FABRICANTE DO COMPONENTE RO - JOHN DEERE WATERLOO
2. PARA MODULO DA TRANSMISSAO TF - SYNCROPLUS/POWER REVERSER
3. NUMERO DE MARCHAS PARA A FRENTE C - 12 / G - 16
4. NUMERO DE SERIE SEIS DIGITOS
10-24 TRATOR 6125J (EDICAO SUL-AMERICANA) PC8539P (01-JUL-10)
PN=32
10-25
TRATOR 6125J (EDICAO SUL-AMERICANA)
NUMERO DE SERIE DE TRANSMISION
TRANSMISSIONSERIENUMMER
PUBM0994 -UN-
1. FABRICANTE DEL COMPONENTE RO- JOHN DEERE WATERLOO
2. PARA MODULO DE TRANSMISION TF - SYNCROPLUS/POWER REVERSER
3. NUMERO DE MARCHAS DE AVANCE C - 12 / G - 16
4. NUMERO DE SERIE SEIS DIGITOS
1. KOMPONENTILLVERKARE RO - JOHN DEERE WATERLOO
2. FOER TRANSMISSIONSMODUL TF - SYNCROPLUS / POWER REVERSER
3. ANTAL FRAMAATVAEXLAR C - 12 / G - 16
4. SERIENUMMER SEX SIFFROR
TRATOR 6125J (EDICAO SUL-AMERICANA) PC8539P (01-JUL-10) 10-25
PN=33
10-26
TRATOR 6125J (EDICAO SUL-AMERICANA)
SERIAL NUMBER LISTING INFORMATION
SERIAL NUMBER INFORMATION IS LISTED TO SHOW ON WHICH MACHINES EACH PART CAN BE USED.
FOR EXAMPLE:
- THE PART CAN BE USED ON ALL MACHINES.
-000000 THE PART CAN BE USED ON ALL MACHINES UP TO AND INCLUDING THE SERIAL NUMBER LISTED.
000000- THE PART CAN BE USED ON ALL MACHINES BEGINNING WITH THE SERIAL NUMBER LISTED.
000000-000000 THE PART CAN BE USED ON ALL MACHINES BETWEEN AND INCLUDING THE SERIAL NUMBERS
LISTED.
WHEN XXXXXX’S ARE LISTED IN PLACE OF SERIAL NUMBERS, A SERIAL NUMBER CHANGE WAS MADE
BUT THE EXACT SERIAL NUMBER WAS NOT AVAILABLE WHEN THE CATALOG WAS PRODUCED.
DIRECTION ARROW
ARROWS ARE USED WITH ILLUSTRATIONS TO INDICATE THE FRONT OF THE UNIT. "RIGHT-HAND" AND
"LEFT-HAND" SIDES ARE DETERMINED BY FACING IN THE DIRECTION OF MACHINE FORWARD TRAVEL.
BOX-ENCLOSED ILLUSTRATIONS
A KEY NUMBER, SHOWN IN THE PARTS LIST, IS ASSIGNED TO A BOX ENCLOSING ALL PARTS SOLD AS A
SERVICE ASSEMBLY. A BOX NOT KEYED INCLUDES NON-CURRENT PARTS.
10-26 TRATOR 6125J (EDICAO SUL-AMERICANA) PC8539P (01-JUL-10)
PN=34
10-27
TRATOR 6125J (EDICAO SUL-AMERICANA)
GENERALITES CONCERNANT LES NUMEROS DE SERIE
CES INFORMATIONS PERMETTENT DE DETERMINER LES PIECES A MONTER SELON LE NUMERO DE SERIE
DE LA MACHINE:
- LA PIECE PEUT ETRE MONTEE SUR TOUTES LES MACHINES
-000000 LA PIECE PEUT ETRE MONTEE SUR LES MACHINES JUSQU’AU NUMERO DE SERIE INDIQUE INCLUS
000000- LA PIECE PEUT ETRE MONTEE SUR LES MACHINES A PARTIR DU NUMERO DE SERIE INDIQUE
000000-000000 LA PIECE PEUT ETRE MONTEE SUR LES MACHINES DONT LE NUMERO DE SERIE EST COMPRIS
ENTRE LES NUMEROS INDIQUES INCLUS
LORSQU’ UN NUMERO DE SERIE EST REMPLACE PAR XXXXXX, UN CHANGEMENT A ETE APPORTE DANS
LES NUMEROS DE SERIE, MAIS LE NUMERO DE SERIE EXACT N’ETAIT PAS CONNU AU MOMENT
DE LA PUBLICATION DU CATALOGUE.
FLECHES DIRECTIONNELLES
LES FLECHES FIGURANT SUR LES ILLUSTRATIONS INDIQUENT L’AVANT DE LA MACHINE. LES INDICATIONS
DE COTE, TELLES QUE DROITE ET GAUCHE, S’ENTENDENT PAR RAPPORT AU SENS NORMAL DE
MARCHE AVANT DE LA MACHINE.
ILLUSTRATIONS FIGURANT DANS DES ENCADRES
LES PIECES FIGURANT DANS UN ENCADRE SONT DISPONIBLE EN TANT QUE JEU {COMPLET;} UNE REFERENCE
FIGURANT DANS LA LISTE DES PIECES EST AFFECTEE A CE JEU. UN ENCADRE SANS REFERENCE
COMPREND DES PIECES D’UN ANCIEN ASSEMBLAGE.
TRATOR 6125J (EDICAO SUL-AMERICANA) PC8539P (01-JUL-10) 10-27
PN=35
10-28
TRATOR 6125J (EDICAO SUL-AMERICANA)
INFORMATIONEN ZUR SERIENNUMMER
SERIENNUMMERN SIND ANGEGEBEN, UM GENAU FESTSTELLEN ZU KOENNEN, WELCHE TEILE FUER
EINE BESTIMMTE MASCHINE VERWENDET WERDEN.
BEISPIEL:
- DIESES TEIL KANN FUER ALLE MASCHINEN VERWENDET WERDEN.
-000000 DIESES TEIL KANN FUER ALLE MASCHINEN BIS ZU DER GENANNTEN SERIENNUMMER VERWENDET
WERDEN.
000000- DIESES TEIL KANN FUER ALLE MASCHINEN AB DER GENANNTEN SERIENNUMMER VERWENDET
WERDEN.
000000-000000 DIESES TEIL KANN FUER ALLE MASCHINEN VERWENDET WERDEN, DEREN SERIENNUMMER
ZWISCHEN DEN GENANNTEN ZAHLEN LIEGT.
WO ANSTELLE EINER SERIENNUMMER DIE ANGABE XXXXXX STEHT, ERFOLGTE EINE AENDERUNG DER
BETREFFENDEN SERIENNUMMER. BEI ZUSAMMENSTELLUNG DES ERSATZTEILKATALOGES WAR DIE
GENAUE SERIENNUMMER JEDOCH NOCH NICHT BEKANNT.
PFEILE ZUR RICHTUNGSANGABE
DIE IN DEN ABBILDUNGEN VERWENDETEN PFEILE KENNZEICHNEN DIE VORDERSEITE DER
BETREFFENDEN EINHEIT. DIE BEZEICHNUNGEN "RECHTS" UND "LINKS" BEZIEHEN SICH AUF DIE
VORWAERTSFAHRTRICHTUNG DER MASCHINE.
UMRANDETE TEILE
MIT EINER UMRANDUNG VERSEHENE TEILE SIND ALS REPARATURSATZ ERHAELTLICH UND IN DER
ERSATZTEILLISTE MIT EINER ENTSPRECHENDEN NUMMER GEKENNZEICHNET.
UMRANDETE TEILE OHNE TEILENUMMERN SIND ALTE TEILE.
10-28 TRATOR 6125J (EDICAO SUL-AMERICANA) PC8539P (01-JUL-10)
PN=36
10-29
TRATOR 6125J (EDICAO SUL-AMERICANA)
INFORMAZIONI SUGLI ELENCHI DEI NUMERI DI MATRICOLA
SONO INDICATE QUI DI SEGUITO LE INFORMAZIONI RELATIVE AI NUMERI DI MATRICOLA PER SPIEGARE
SU QUALE MACCHINA POSSONO ESSERE USATE LE VARIE PARTI. AD ESEMPIO:
- LA PARTE PUO’ESSERE USATA SU TUTTE LE MACCHINE.
-000000 LA PARTE PUO’ESSERE USATA SU TUTTE LE MACCHINE FINO AL NUMERO DI MATRICOLA
INDICATO COMPRESO.
000000- LA PARTE PUO’ESSERE USATA SU TUTTE LE MACCHINE A PARTIRE DAL NUMERO DI MATRICOLA
INDICATO.
000000-000000 LA PARTE PUO’ESSERE USATA CON NUMERI DI MATRICOLA COMPRESI TRA QUELLI INDICATI.
QUANDO IN LUOGO DEL NUMERO DI MATRICOLA FIGURANO LE XXXXXX, SIGNIFICA CHE E’STATA
APPORTATA UNA VARIAZIONE AL NUMERO DI MATRICOLA MA IL NUMERO DI MATRICOLA ESATTO
NON ERA DISPONIBILE AL MOMENTO DELLA PRODUZIONE DEL CATALOGO.
FRECCIA DI DIREZIONE
LA FRECCIA VIENE USATA CON LE ILLUSTRAZIONI PER INDICARE LA PARTE ANTERIORE DELL’UNITA’
"LATO DESTRO" E "LATO SINISTRO" S’INTENDONO GUARDANDO LA MACCHINA CHE SI SPOSTA IN
MARCIA AVANTI.
ILLUSTRAZIONE RIQUADRATA
UN NUMERO DI RIFERIMENTO, INDICATO NELL’ELENCO PARTI, E’ASSEGNATO AD RIQUADRO CHE
COMPRENDE TUTTE LE PARTI VENDUTE COME GRUPPO DI SERVIZIO. I PEZZI ACCERCHIATI SENZA
NUMERO D’IDENTIFICAZIONE SONO PEZZI VECCHI.
TRATOR 6125J (EDICAO SUL-AMERICANA) PC8539P (01-JUL-10) 10-29
PN=37
10-30
TRATOR 6125J (EDICAO SUL-AMERICANA)
INFORMACAO DE LISTAGEM DE NUMERO DE SERIE
A INFORMACAO DO NUMERO DE SERIE E LISTADO PARA MOSTRAR EM QUAIS MAQUINAS CADA PECA PODE SER USADA.
POR EXEMPLO:
- A PECA PODE SER USADA EM TODAS AS MAQUINAS.
-000000 A PECA PODE SER USADA EM TODAS AS MAQUINAS, ATE E INCLUSIVE O NUMERO DE SERIE
LISTADO
000000- A PECA PODE SER USADA EM TODAS AS MAQUINAS COMECANDO COM O NUMERO DE SERIE
LISTADO
000000-000000 A PECA PODE SER USADA EM TODAS AS MAQUINAS, ENTRE E INCLUSIVE OS NUMEROS DE SERIE
LISTADOS.
QUANDO XXXXXX’S SAO LISTADOS NO LUGAR DE UM NUMERO DE SERIE, UMA MUDANCA NO NUMERO DE
SERIE FOI FEITA, MAS ESTE NAO ESTAVA DISPONIVEL QUANDO O CATALOGO FOI PRODUZIDO.
DIRECAO DA SETA
SETAS SAO USADAS NAS ILUSTRACOES PARA INDICAR A FRENTE DA MAQUINA. LADO DIREITO E LADO ESQUERDO
SAO DETERMINADOS PELA FRENTE NO SENTIDO DE DESLOCAMENTO DA MAQUINA.
CAIXA NAS ILUSTRACOES
O CODIGO CORRESPONDENTE AO NUMERO INDICADO PARA A CAIXA INCLUI TODOS OS ITENS QUE ESTAO
REPRESENTADOS DENTRO DA MESMA, INDICANDO O CONJUNTO COMPLETO. NAO INCLUI AS PECAS
QUE ESTAO FORA DA CAIXA.
10-30 TRATOR 6125J (EDICAO SUL-AMERICANA) PC8539P (01-JUL-10)
PN=38
10-31
TRATOR 6125J (EDICAO SUL-AMERICANA)
INFORMACION SOBRE NUMEROS DE SERIE
LA INFORMACION SOBRE NUMEROS DE SERIE INDICA LAS PIEZAS QUE SE UTILIZAN EN CADA MAQUINA.
POR EJEMPLO:
- LA REFERENCIA PUEDE SER UTILIZADA EN TODAS LAS MAQUINAS
-000000 LA REFERENCIA PUEDE SER UTILIZADA EN TODAS LAS MAQUINAS HASTA E INCLUYENDO EL
NUMERO DE SERIE INDICADO.
000000- LA REFERENCIA PUEDE SER UTILIZADA EN TODAS LAS MAQINAS A PARTIR DEL NUMERO DE
SERIE INDICADO
000000-000000 LA REFERENCIA PUEDE SER UTILIZADA EN TODAS LAS MAQUINAS CON NUMEROS DE SERIE
COMPRENDIDOS ENTRE LOS DOS NUMEROS.AMBOS INCLUSIVE.
CUANDO SE INDICA XXXXXX EN VEZ DE LOS NUMEROS DE SERIE, SE HA PRODUCIDO UN CAMBIO EN EL
NUMERO DE SERIE PERO NO ESTA DISPONIBLE EN LA FECHA DE LA PUBLICACION.
DIRECCION DE LA SAETA
SAETAS SON USADAS EN LAS ILUSTRACIONES PARA INDICAR LA FRENTE DE LA MAQUINA.
LADO DERECHO Y LADO IZQUIERDO SON DETERMINADOS POR LA FRENTE, EN EL SENTIDO DE
DESPLAZAMIENTO DE LA MAQUINA.
ILUSTRACIONES CON RECUADROS
LA LISTA DE REFERENCIAS ASIGNA UN NUMERO CLAVE PARA LOS RECUADROS QUE INCLUYEN TODAS
LAS PIEZAS QUE FORMAN UN CONJUNTO DE REPARACION. NO ESTAN INCLUSAS LAS PIEZAS DE
FUERA DE LA CAJA.
TRATOR 6125J (EDICAO SUL-AMERICANA) PC8539P (01-JUL-10) 10-31
PN=39
10-32
TRATOR 6125J (EDICAO SUL-AMERICANA)
SERIENNUMMERINFORMATION
SERIENUMMER ANGES FOR ATT VISA PA VILKA MASKINER EN VISS DEL KAN ANVANDAS, TEX:
- DELEN KAN ANVANDAS PA SAMTLIGA MASKINER
-000000 DELEN KAN ANVANDAS PA SAMTLIGA MASKINER TOM ANGIVET SERIENUMMER
000000- DELEN KAN ANVANDAS PA SAMTLIGA MASKINER FROM ANGIVET SERIENUMMER
000000-000000 DELEN KAN ANVANDAS PA SAMTLIGA MASKINER MELLAN ANGIVNA SERIENUMMER
NAR XXXXXX ANGES I STALLET FOR ETT SERIENUMMER HAR EN SERIENUMMER ANDRING SKETT,
MEN EXACT SERIENUMMER FANNS INTE TILLGANGLIGT INNAN RESERVDELSKATALOGEN GICK I TRYCK
RIKTNINGSPIL
PILAR ANVANDS FOR ATT MARKERA MOTORNS FRONT. BETECKNINGARNA "HOGER" OCH "VANSTER"
GALLER I MASKINENS KORRIKTNING.
INRUTAD ILLUSTRATION
ETT NYCKELNUMMER, SOM VISAS I RESERVDELSLISTAN, MARKERAR ATT SAMLIGA DELAR
INKLUDERADE I RUTAN ERHALLS SOM EN ENHET.
DELAR INKLUDERADE I RUTAN UTAN NYCKELNUMMER AR GAMLA DELAR.
ILLUSTRATIONER
ILLUSTRATIONERNA I KATALOGEN MOTSVARAR INTE NOEDVAENDIGTVIS SENAST TILLGAENGLIGA
UTFOERANDE, UTAN UTGOER ENDAST RIKTLINJER FOER ATERFOERSAELJARE OCH KUNDER.
BILDMATERIALET UPPDATERAS FOERST VID KONSTRUKTIONS- OCH/ELLER FUNKTIONSAENDRINGAR.
CKSO-SERVICEDELAR
I VISSA DELAR AV VAERLDEN ANVAENDS SERVICEDELAR SOM BETECKNAS CKSO. OM DIN
RESERVDELSDEPOT FINNS I EUROPA SKALL CKSO-DELAR BESTAELLAS.
10-32 TRATOR 6125J (EDICAO SUL-AMERICANA) PC8539P (01-JUL-10)
PN=40
10-33
TRATOR 6125J (EDICAO SUL-AMERICANA)
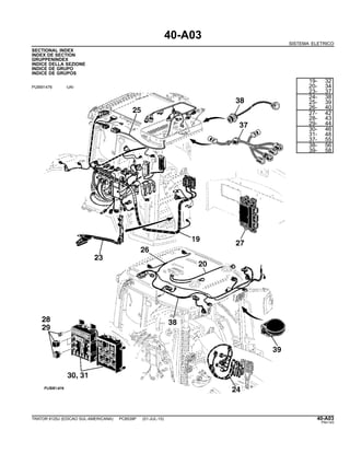
SECTION INDEX
10 - GENERAL INFORMATION
20 - ENGINE (6068TBM01)
30 - ENGINE AUXILIARIES, TANK, AIR SYSTEM
40 - ELECTRICAL COMPONENTS
52 - SYNCROPLUS TRANSMISSION
54 - POWRQUAD TRANSMISSION
56 - DRIVE SYSTEMS
58 - POWER TAKE-OFF
60 - STEERING AND BRAKES
70 - HYDRAULIC COMPONENTS
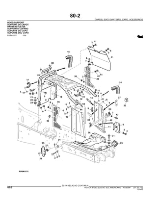
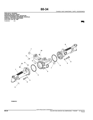
80 - FRAME, FRONT AXLES, SHEETS, MISCELLANEOUS
92 - OPERATOR’S STATION
93 - CONTROLS, ACCESSORIES AND AIR CONDITIONING
94 - CABLES AND SEAT
180 - NUMERICAL INDEX
INDEX DE SECTION
10 - GENERALITES
20 - MOTEUR (6068TBM01)
30 - MOTEUR, SYSTEMES ANNEXES, RESERVOIR, ADMISSION
40 - COMPOSANTS ELECTRIQUES
52 - BOITE SYNCROPLUS
54 - BOITE POWRQUAD
56 - TRANSMISSION
58 - PRISE DE FORCE
60 - DIRECTION ET FREINS
70 - COMPOSANTS HYDRAULIQUES
80 - CHASSIS, ESSIEUX AVANT, ELEMENTS D’HABILLAGE, DIVERS
92 - PLATE-FORME DE CONDUITE
93 - ELEMENTS DE COMMANDE, ACCESSOIRES ET CLIMATISATION
94 - CABLES ET FAUTEUIL
180 - INDEX DES REFERENCES DE PIECES
TRATOR 6125J (EDICAO SUL-AMERICANA) PC8539P (01-JUL-10) 10-33
PN=41
10-34
TRATOR 6125J (EDICAO SUL-AMERICANA)
GRUPPENINDEX
10 - ALLGEMEINE INFORMATION
20 - MOTOR (6068TBM01)
30 - MOTORANBAUTEILE, TANK, LUFTANSAUGSYSTEM
40 - ELEKTRISCHE KOMPONENTEN
52 - SYNCROPLUS GETRIEBE
54 - POWRQUAD GETRIEBE
56 - GETRIEBE
58 - ZAPFWELLE
60 - LENKUNG UND BREMSEN
70 - HYDRAULISCHE KOMPONENTEN
80 - RAHMEN, VORDERACHSEN, VERKLEIDUNGSTEILE, VERSCHIEDENES
92 - FAHRERPLATTFORM
93 - BEDIENUNGSELEMENTE, ZUBEHOER UND KLIMAANLAGE
94 - KABEL UND SITZ
180 - TEILENUMMERN-VERZEICHNIS
INDICE DELLA SEZIONE
10 - INFORMAZIONI GENERALI
20 - MOTORE (6068TBM01)
30 - PARTI AUSILIARIE MOTORE, SERBATOIO, SISTEMA ASPIRAZIONE ARIA
40 - COMPONENTI ELETTRICI
52 - TRASMISSIONE SYNCROPLUS
54 - TRASMISSIONE POWRQUAD
56 - SISTEMI DI TRANSMISSIONE
58 - PRESA DI FORZA
60 - STERZO E FRENI
70 - COMPONENTI IDRAULICI
80 - TELAIO, ASSALI ANTERIORI, COPERCHI, VARIE
92 - STAZIONE OPERATORE
93 - COMANDI, ACCESSORI E CONDIZIONATORE ARIA
94 - CAVO E SEDILE
180 - INDICE NUMERICO
10-34 TRATOR 6125J (EDICAO SUL-AMERICANA) PC8539P (01-JUL-10)
PN=42
10-35
TRATOR 6125J (EDICAO SUL-AMERICANA)
INDICE DE GRUPO
10 - INFORMACOES GERAIS
20 - MOTOR (6068TBM01)
30 - PERIFERICOS DO MOTOR, TANQUE E SISTEMA DE ADMISSAO
40 - SISTEMA ELETRICO
52 - TRANSMISSAO SYNCROPLUS
54 - TRANSMISSAO POWRQUAD
56 - SISTEMA DE TRANSMISSAO
58 - TOMADA DE POTENCIA - TDP
60 - SISTEMA DE DIRECAO E FREIO
70 - SISTEMA HIDRAULICO
80 - CHASSI, EIXO DIANTEIRO, CAPO, ACESSORIOS
92 - PLATAFORMA DO OPERADOR
93 - CONTROLE, ACESSORIOS E AR CONDICIONADO
94 - CABOS ACESSORIOS E ASSENTO
180 - INDICE NUMERICO
INDICE DE GRUPOS
10 - INFORMACION GENERAL
20 - MOTOR (6068TBM01)
30 - COMPONENTES AUXILIARES DEL MOTOR, DEPOSITO, SISTEMA DE ADMISION
40 - COMPONENTES ELECTRICOS
52 - TRANSMISION SYNCROPLUS
54 - TRANSMISION POWRQUAD
56 - TRANSMISION
58 - TOMA DE FUERZA
60 - DIRECCION Y FRENOS
70 - COMPONENTES HIDRAULICOS
80 - BASTIDOR, EJES DELANT., PIEZAS DE CHAPA, VARIOS
92 - PLATAFORMA DE CONDUCCION
93 - MANDOS, ACCESORIOS Y AIRE ACCONDICIONADO
94 - CABLES Y ASIENTO
180 - INDICE DE REFERENCIAS DE PIEZAS
TRATOR 6125J (EDICAO SUL-AMERICANA) PC8539P (01-JUL-10) 10-35
PN=43
10-36
TRATOR 6125J (EDICAO SUL-AMERICANA)
GRUPPSFORTECKNING
10 - ALLMAEN INFORMATION
20 - MOTOR (6068TBM01)
30 - MOTORTILLBEHOER, BRAENSLETANK, INSUGNINGSSYSTEM
40 - ELKOMPONENTER
52 - SYNCROPLUS TRANSMISSION
54 - POWRQUAD TRANSMISSION
56 - KRAFTOEVERFOERING
58 - KRAFTUTTAG
60 - STYRNING OCH BROMSAR
70 - HYDRAULSYSTEM
80 - RAM, FRAMAXLAR, SKYDD, DIVERSE
92 - FOERARHYTT
93 - REGLAGE OCH INSTRUMENT, TILLBEHOER OCH LUFTKONDITIONERING
94 - KABEL OCH SAETE
180 - NUMMERFORTECKNING
10-36 TRATOR 6125J (EDICAO SUL-AMERICANA) PC8539P (01-JUL-10)
PN=44
20-A01
MOTOR (6068TBM01)
XXXXXXXXXXXXXXXXXXXXXXXXXXXXXXXXXXXXXXXXXXXXXXXX SECTIONAL INDEX
XXXXXXXXXXXXXXXXXXXXXXXXXXXXXXXXXXXXXXXXXXXXXXXX INDEX DE SECTION
XXXXXXXXXXXXXXXXXXXXXXXXXXXXXXXXXXXXXXXXXXXXXXXX GRUPPENINDEX
XXXXXXXXXXXXXXXXXXXXXXXXXXXXXXXXXXXXXXXXXXXXXXXX INDICE DELLA SEZIONE
XXXXXXXXXXXXXXXXXXXXXXXXXXXXXXXXXXXXXXXXXXXXXXXX INDICE DE GRUPO
XXXXXXXXXXXXXXXXXXXXXXXXXXXXXXXXXXXXXXXXXXXXXXXX INDICE DE GRUPOS
RGP13990 -UN-
1104- 2
1203- 3
1305- 4
1482- 5
15AE- 6
1637- 8
1767- 10
1944- 11
2001- 12
2103- 13
2202- 14
2815- 15
2910- 16
30AN- 18
35GL- 19
3601- 20
3722- 21
3904- 22
4005- 24
4461- 26
TRATOR 6125J (EDICAO SUL-AMERICANA) PC8539P (01-JUL-10) 20-A01
PN=45
20-A02
MOTOR (6068TBM01)
XXXXXXXXXXXXXXXXXXXXXXXXXXXXXXXXXXXXXXXXXXXXXXXX SECTIONAL INDEX
XXXXXXXXXXXXXXXXXXXXXXXXXXXXXXXXXXXXXXXXXXXXXXXX INDEX DE SECTION
XXXXXXXXXXXXXXXXXXXXXXXXXXXXXXXXXXXXXXXXXXXXXXXX GRUPPENINDEX
XXXXXXXXXXXXXXXXXXXXXXXXXXXXXXXXXXXXXXXXXXXXXXXX INDICE DELLA SEZIONE
XXXXXXXXXXXXXXXXXXXXXXXXXXXXXXXXXXXXXXXXXXXXXXXX INDICE DE GRUPO
XXXXXXXXXXXXXXXXXXXXXXXXXXXXXXXXXXXXXXXXXXXXXXXX INDICE DE GRUPOS
RGP13991 -UN-
4603- 28
4707- 30
4820- 32
4902- 34
5001- 36
5107- 38
5701- 40
5903- 41
65YA- 42
6606- 44
6701- 45
6802- 46
7643- 47
8733- 48
8801- 50
95AL- 52
9813- 53
1- 54
20-A02 TRATOR 6125J (EDICAO SUL-AMERICANA) PC8539P (01-JUL-10)
PN=46
20-1
MOTOR (6068TBM01)
MEMORANDA
MEMORANDA
MEMORANDA
MEMORANDA
MEMORANDA
MEMORANDA
TRATOR 6125J (EDICAO SUL-AMERICANA) PC8539P (01-JUL-10) 20-1
PN=47
20-2
MOTOR (6068TBM01)
1104 ROCKER ARM COVER
1104 CULBUTEURS
1104 ZYLINDERKOPFHAUBE
1104 COPERCHIO BILANCIERI
1104 TAMPA DO BALANCIM
1104 TAPA DE BALANCINES
RE59799PCDF01 -UN-
NR. SERIE
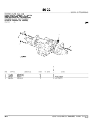
ITEM NR.PECA DESCRICAO QTDE MOTOR NOTAS
1 RE503027 TAMPA DE VALVULA 1
2 R521401 EMBLEMA 1
3 H23125 PLUGUE 6
4 R123574 PORCA 6
5 R123575 ANEL O 6
6 R524481 JUNTA 1
20-2 TRATOR 6125J (EDICAO SUL-AMERICANA) PC8539P (01-JUL-10)
PN=48
20-3
MOTOR (6068TBM01)
1203 OIL FILLER NECK
1203 GOULOTTE DE REMPLISSAGE D’HUILE
1203 OEL-EINFUELLSTUTZEN
1203 BOCCHETTONE DI RIEMPIMENTO DELL’OLIO
1203 BOCAL DE ENCHIMENTO DE OLEO
1203 BOCA DE LLENADO DE ACEITE
RE59891PCDE03 -UN-
6
1
2
NR. SERIE 5
ITEM NR.PECA DESCRICAO QTDE MOTOR J NOTAS
1 R80136 TAMPAO DE ENCHIMENTO 1
2 R80135 JUNTA 1
R502902 JUNTA DE VEDACAO 1
3 R517353 BOCAL DE ENCHIMENTO 1
4 19M7798 PARAFUSO 2 M8 X 40
19M7979 PARAFUSO 2 M8 X 55
5 R136495 JUNTA 2
6 R116296 CAPA 1
7 RE67238 PARAFUSO 2 (A)
(A) THREADS WITH PRE-APPLIED SEALANT
FILETS ENDUITS DE PRODUIT D’ETANCHEITE
MIT DICHTMITTEL
CON MATERIALE DI TENUTA
ROSCAS REVESTIDAS COM SELANTE PRE-APLICADO
ROSCAS CON PASTA SELLADORA PREAPLICADA
TRATOR 6125J (EDICAO SUL-AMERICANA) PC8539P (01-JUL-10) 20-3
PN=49
20-4
MOTOR (6068TBM01)
1305 CRANKSHAFT PULLEY
1305 POULIE DU VILEBREQUIN
1305 KURBELWELLEN RIEMENSCHEIBE
1305 PULEGGIA ALBERO A GOMITI
1305 POLIA DO VIRABREQUIM
1305 POLEA DEL CIGUENAL
RE59696PCDD01 -UN-
NR. SERIE
ITEM NR.PECA DESCRICAO QTDE MOTOR NOTAS
1 R133296 POLIA 1
.. RE59827 AMORTECEDOR DE TORCAO 1
.. R121897 PARAFUSO 1
20-4 TRATOR 6125J (EDICAO SUL-AMERICANA) PC8539P (01-JUL-10)
PN=50
20-5
MOTOR (6068TBM01)
1482 FLYWHEEL HOUSING
1482 CARTER VOLANT
1482 SCHWUNGRADGEHAEUSE
1482 ARCASSAVOLANO
1482 CARCACA DO VOLANTE
1482 CAJA DEL VOLANTE MOTOR
RE540325PCDA01 -UN-
NR. SERIE
ITEM NR.PECA DESCRICAO QTDE MOTOR NOTAS
1 R135918 PARAFUSO 12
2 R518402 CARCACA 1
3 R131767 PLUGUE 1
4 RE44574 VEDACAO 1
TRATOR 6125J (EDICAO SUL-AMERICANA) PC8539P (01-JUL-10) 20-5
PN=51
20-6
MOTOR (6068TBM01)
15AE FLYWHEEL
15AE CARTER VOLANT
15AE SCHWUNGRADGEHAEUSE
15AE ARCASSAVOLANO
15AE VOLANTE
15AE VOLANTE MOTOR
RE537848PCDA01 -UN-
NR. SERIE
ITEM NR.PECA DESCRICAO QTDE MOTOR NOTAS
1 RE536179 VOLANTE 1
2 R28811 COROA 1
20-6 TRATOR 6125J (EDICAO SUL-AMERICANA) PC8539P (01-JUL-10)
PN=52
20-7
MOTOR (6068TBM01)
MEMORANDA
MEMORANDA
MEMORANDA
MEMORANDA
MEMORANDA
MEMORANDA
TRATOR 6125J (EDICAO SUL-AMERICANA) PC8539P (01-JUL-10) 20-7
PN=53
20-8
MOTOR (6068TBM01)
1637 FUEL INJECTION PUMP
1637 POMPE D’INJECTION
1637 EINSPRITZPUMPE
1637 POMPA D’INIEZIONE
1637 BOMBA DE INJECAO
1637 BOMBA DE INYECCION
RE540082PCDB01 -UN-
ESTA RELACAO CONTINUA
20-8 TRATOR 6125J (EDICAO SUL-AMERICANA) PC8539P (01-JUL-10)
PN=54
20-9
MOTOR (6068TBM01)
6
1
2
NR. SERIE 5
ITEM NR.PECA DESCRICAO QTDE MOTOR J NOTAS
1 RE515605 TUBULACAO 1
2 RE19797 BRACADEIRA 4 (INCLUI 19M6614)
3 19M6614 PARAFUSO SEXT. 6 M6 X 12
4 RE19799 BRACADEIRA 1
5 RE19800 BRACADEIRA 1
6 R116366 PARAFUSO 6
7 R115532 LINHA DE COMBUSTIVEL 1
8 RE48786 BICO INJETOR 6
SE501101 BICO INJETOR REMANUFATURADO 6 (REMAN FOR RE48786)
9 RE68748 TUBO 5
10 RE515226 TUBULACAO 1
11 RE530088 BOMBA INJETORA 1
12 14M7298 PORCA COM FLANGE 5 M8
13 R97354 JUNTA 1
14 R132267 ENGRENAGEM 1
15 RE47730 LINHA DE COMBUSTIVEL 1
16 RE60029 ADAPTADOR 1
17 51M7040 ANEL O 1
18 RE537501 TUBULACAO 1
19 19M7810 PARAFUSO 1 M10 X 80
20 T14050 BRACADEIRA 2
21 19M7865 PARAFUSO 2 M8 X 16
22 R116116 APOIO 2
TRATOR 6125J (EDICAO SUL-AMERICANA) PC8539P (01-JUL-10) 20-9
PN=55
20-10
MOTOR (6068TBM01)
1767 AIR INLET
1767 ADMISSION D’AIR
1767 LUFTEINLASS
1767 INGRESSO ARIA
1767 ENTRADA DE AR
1767 ENTRADA DE AIRE
RE516680PCDA01 -UN-
NR. SERIE
ITEM NR.PECA DESCRICAO QTDE MOTOR NOTAS
1 19M8292 PARAFUSO 2 M10 X 50
2 TY22470 BRACADEIRA 2
3 R500596 MANGUEIRA 1
4 RE502086 DUTO DE AR 1
5 R81275 JUNTA 2
6 R501472 ESPACADOR 1
7 RE60071 CONEXAO 1
8 51M7039 ANEL O 1
20-10 TRATOR 6125J (EDICAO SUL-AMERICANA) PC8539P (01-JUL-10)
PN=56
20-11
MOTOR (6068TBM01)
1944 OIL PAN
1944 CARTER D’HUILE
1944 OELWANNE
1944 COPPA DELL’OLIO
1944 CARTER DE OLEO
1944 CARTER DE ACEITE
RE502472PCDG02 -UN-
NR. SERIE
ITEM NR.PECA DESCRICAO QTDE MOTOR NOTAS
1 RE71143 ENTRADA DA BOMBA DE OLEO 1
2 19M10075 PARAFUSO 2 M8 X 110
3 R61871 ANEL O 1
4 R521498 JUNTA 1
5 RE528734 KIT 1 (INCL RE523251)
6 RE523251 TAMPAO 1 (INCL R519742)
7 R519742 VEDACAO 1
8 19M8163 PARAFUSO 30 M8 X 16
9 19M8062 PARAFUSO 6 M8 X 20
TRATOR 6125J (EDICAO SUL-AMERICANA) PC8539P (01-JUL-10) 20-11
PN=57
20-12
MOTOR (6068TBM01)
2001 WATER PUMP PULLEY
2001 POMPE A EAU
2001 WASSERPUMPE
2001 POMPA ACQUA
2001 POLIA DA BOMBA DE AGUA
2001 POLEA DE LA BOMBA DEL AGUA
RE58175PCDD02 -UN-
NR. SERIE
ITEM NR.PECA DESCRICAO QTDE MOTOR NOTAS
1 R115250 POLIA 1
2 19M7774 PARAFUSO 3 M6 X 12
20-12 TRATOR 6125J (EDICAO SUL-AMERICANA) PC8539P (01-JUL-10)
PN=58
20-13
MOTOR (6068TBM01)
2103 THERMOSTAT COVER
2103 THERMOSTAT, COUVERCLE
2103 THERMOSTAT, DECKEL
2103 THERMOSTATO, COPERCHIO
2103 TAMPA DO TERMOSTATO
2103 TAPA TERMOSTATO
RE59574PCDD01 -UN-
NR. SERIE
ITEM NR.PECA DESCRICAO QTDE MOTOR NOTAS
1 R501373 JUNTA 1
2 R106821 CAPA 1
3 19M7785 PARAFUSO 3 M10 X 25
TRATOR 6125J (EDICAO SUL-AMERICANA) PC8539P (01-JUL-10) 20-13
PN=59
20-14
MOTOR (6068TBM01)
2202 THERMOSTAT
2202 THERMOSTAT
2202 THERMOSTAT
2202 TERMOSTATO
2202 TERMOSTATO
2202 TERMOSTATO
RE59718PCDD02 -UN-
NR. SERIE
ITEM NR.PECA DESCRICAO QTDE MOTOR NOTAS
1 RE524562 TERMOSTATO 1
2 RE522076 TERMOSTATO 1 82◦
C (180◦
F)
20-14 TRATOR 6125J (EDICAO SUL-AMERICANA) PC8539P (01-JUL-10)
PN=60
20-15
MOTOR (6068TBM01)
2815 EXHAUST MANIFOLD
2815 COLLECTEUR D’ECHAPPEMENT
2815 AUSPUFFKRUEMMER
2815 COLLETTORE DI SCARICO
2815 COLETOR DO ESCAPE
2815 COLECTOR DE ESCAPE
RE59874PCDD01 -UN-
NR. SERIE
ITEM NR.PECA DESCRICAO QTDE MOTOR NOTAS
1 R521439 JUNTA 6
2 R123557 COLETOR DE ESCAPE 1
3 19M7809 PARAFUSO 12 M10 X 70
TRATOR 6125J (EDICAO SUL-AMERICANA) PC8539P (01-JUL-10) 20-15
PN=61
20-16
MOTOR (6068TBM01)
2910 VENTILATING SYSTEM
2910 SYSTEME DE VENTILATION
2910 ENTLUEFTUNGSSYSTEM
2910 SISTEMA DI VENTILAZIONE
2910 SISTEMA DE VENTILACAO
2910 SISTEMA DE VENTILACION
RE500266PCDB01 -UN-
ESTA RELACAO CONTINUA
20-16 TRATOR 6125J (EDICAO SUL-AMERICANA) PC8539P (01-JUL-10)
PN=62
20-17
MOTOR (6068TBM01)
NR. SERIE
ITEM NR.PECA DESCRICAO QTDE MOTOR NOTAS
1 R122401 TUBO 1
2 AT18904 BRACADEIRA 1
3 R72328 ANEL O 1
4 R123586 CONEXAO EM ANGULO 1
TRATOR 6125J (EDICAO SUL-AMERICANA) PC8539P (01-JUL-10) 20-17
PN=63
20-18
MOTOR (6068TBM01)
30AN STARTING MOTOR
30AN DEMARREUR
30AN ANLASSER
30AN MOTORINO DI AVVIAMENTO
30AN MOTOR DE ARRANQUE
30AN MOTOR DA ARRANQUE
RE539194PCDA01 -UN-
NR. SERIE
ITEM NR.PECA DESCRICAO QTDE MOTOR NOTAS
1 RE529593 MOTOR DE PARTIDA 1
2 19M7786 PARAFUSO 2 M10 X 30
20-18 TRATOR 6125J (EDICAO SUL-AMERICANA) PC8539P (01-JUL-10)
PN=64
20-19
MOTOR (6068TBM01)
35GL FUEL FILTER
35GL FILTRE A COMBUSTIBLE
35GL KRAFTSTOFFFILTER
35GL FILTRO DEL COMBUSTIBILE
35GL FILTRO DE COMBUSTIVEL
35GL FILTRO DE COMBUSTIBLE
RE540101PCDA01 -UN-
6
1
2
NR. SERIE 5
ITEM NR.PECA DESCRICAO QTDE MOTOR J NOTAS
1 ........ LINHA DE COMBUSTIVEL 1
2 RE59487 CONEXAO 2
3 R26286 ANEL O 1
4 19M7784 PARAFUSO 2 M10 X 20
5 RE63134 FILTRO DE COMBUSTIVEL 1
6 RE51650 COPO DE SEDIMENTACAO 1
7 RE62419 ELEMENTO DE FILTRO 1
8 RE526834 CONJUNTO DO FILTRO 1
9 J60540 APOIO 1
10 28H1529 BUCHA 1
11 19M7809 PARAFUSO 1 M10 X 70
12 R26286 ANEL O 2
13 R27094 TAMPAO DE DRENO 2
TRATOR 6125J (EDICAO SUL-AMERICANA) PC8539P (01-JUL-10) 20-19
PN=65
20-20
MOTOR (6068TBM01)
3601 FRONT PLATE
3601 PLAQUE AVANT
3601 VORDERE PLATTE
3601 PIASTRA ANTERIORE
3601 CHAPA FRONTAL
3601 PLACA DELANTERA
RE57614PCDD02 -UN-
NR. SERIE
ITEM NR.PECA DESCRICAO QTDE MOTOR NOTAS
1 R134527 PLACA 1
2 R116386 PINO 3
3 R134518 PINO 2
4 R136475 PARAFUSO 4
5 R109863 EIXO 1
6 RE500631 ENGRENAGEM 1
7 T20034 BUCHA 1
8 19M8844 PARAFUSO 1 M10 X 60
9 R131283 ARRUELA DE ENCOSTO 1
10 R114194 EIXO 1
11 R101225 ARRUELA DE ENCOSTO 2
12 R123584 PINO 4
20-20 TRATOR 6125J (EDICAO SUL-AMERICANA) PC8539P (01-JUL-10)
PN=66
20-21
MOTOR (6068TBM01)
3722 FUEL TRANSFER PUMP
3722 POMPE D’ALIMENTATION
3722 KRAFTSTOFFOERDERPUMPE
3722 POMPA DI ALIMENTAZIONE
3722 BOMBA DE COMBUSTIVEL
3722 BOMBA DE ALIMENTACION DE COMBUSTIBLE
RE538942PCDA01 -UN-
NR. SERIE
ITEM NR.PECA DESCRICAO QTDE MOTOR NOTAS
1 RE535728 BOMBA DE COMBUSTIVEL 1
2 RE504233 PARAFUSO SEXT. 2
3 R133405 PINO 1
TRATOR 6125J (EDICAO SUL-AMERICANA) PC8539P (01-JUL-10) 20-21
PN=67
20-22
MOTOR (6068TBM01)
3904 THERMOSTAT HOUSING
3904 BOITIER DE THERMOSTAT
3904 THERMOSTAT-GEHAEUSE
3904 CARCASSA TERMOSTATO
3904 CARCACA DO TERMOSTATO
3904 CARCASA DEL TERMOSTATO
RE59875PCDD01 -UN-
NR. SERIE
ITEM NR.PECA DESCRICAO QTDE MOTOR NOTAS
1 RE46686 TAMPAO 1
2 51M7040 ANEL O 1
3 RE46684 TAMPAO 3
4 51M7041 ANEL O 1
5 R517196 CARCACA 1
6 19M7801 PARAFUSO 1 M8 X 60
7 R123324 BRACADEIRA 1
8 CD14689 ESPACADOR 1
9 R128690 TUBULACAO 1
10 R123226 VEDACAO 1
11 R123345 JUNTA 1
12 19M7786 PARAFUSO 2 M10 X 30
20-22 TRATOR 6125J (EDICAO SUL-AMERICANA) PC8539P (01-JUL-10)
PN=68
20-23
MOTOR (6068TBM01)
MEMORANDA
MEMORANDA
MEMORANDA
MEMORANDA
MEMORANDA
MEMORANDA
TRATOR 6125J (EDICAO SUL-AMERICANA) PC8539P (01-JUL-10) 20-23
PN=69
20-24
MOTOR (6068TBM01)
4005 ENGINE OIL DIPSTICK
4005 JAUGE A HUILE MOTEUR
4005 MOTOROELMESSSTAB
4005 ASTINA DE LIVELLO OLIO MOTORE
4005 VARETA DE NIVEL DE OLEO DO MOTOR
4005 ASPILLA PARA MEDIR EL NIVEL DE ACEITE DEL MOTOR
RE59878PCDD02 -UN-
ESTA RELACAO CONTINUA
20-24 TRATOR 6125J (EDICAO SUL-AMERICANA) PC8539P (01-JUL-10)
PN=70
20-25
MOTOR (6068TBM01)
NR. SERIE
ITEM NR.PECA DESCRICAO QTDE MOTOR NOTAS
1 RE502740 VARETA DE NIVEL 1
2 R501178 TUBO VARETA DE NIVEL 1
3 R502725 PLUGUE 1
TRATOR 6125J (EDICAO SUL-AMERICANA) PC8539P (01-JUL-10) 20-25
PN=71
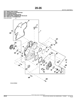
20-26
MOTOR (6068TBM01)
4461 TIMING GEAR COVER
4461 COUVERCLE DE DISTRIBUTION
4461 STEUERGEHAEUSE
4461 COPERCHIO DISTRIBUZIONE
4461 TAMPA ENGR. COMANDO DE VALVULAS
4461 TAPA DE LA DISTRIBUCION
RE540126PCDB02 -UN-
ESTA RELACAO CONTINUA
20-26 TRATOR 6125J (EDICAO SUL-AMERICANA) PC8539P (01-JUL-10)
PN=72
20-27
MOTOR (6068TBM01)
6
1
2
NR. SERIE 5
ITEM NR.PECA DESCRICAO QTDE MOTOR J NOTAS
1 RE532939 TRADUCAO NAO DISPONIVEL 1
2 R520132 JUNTA 1
3 RE517370 CONEXAO 2
4 51M7044 ANEL O 1
5 R520130 CAPA 1
6 R504734 ANEL O 1
7 RE508566 INSERTO 1
8 R123417 JUNTA 1
9 R121424 ANEL O 1
10 R121411 CAPA 1
11 19M7775 PARAFUSO 3 M6 X 16
12 RE505980 BOMBA DE AGUA 1
13 R123226 VEDACAO 1
14 ........ IMPULSOR 1 (NSEP) (ORDER RE505980)
15 ........ VEDACAO 1 (NSEP) (ORDER RE505980)
16 RE46685 TAMPAO 1
17 51M7043 ANEL O 1
18 ........ ROLAMENTO DE ESFERAS 1 (NSEP) (ORDER RE505980)
19 ........ EIXO 1 (NSEP) (ORDER RE505980)
20 A364R ANEL DE PRESSAO 1
21 R71228 ANEL 1
22 19M7796 PARAFUSO 8 M6 X 30
23 RE538097 VEDACAO 1
24 19M8291 PARAFUSO 1 M8 X 35
25 19M8317 PARAFUSO 4 M8 X 40
26 19M7979 PARAFUSO 4 M8 X 55
27 14M7296 PORCA COM FLANGE 6 M10
28 RE67239 PARAFUSO 1 (A)
29 19M7801 PARAFUSO 1 M8 X 60
30 R523060 PARAFUSO SEXT. 1
31 19M8966 PARAFUSO 1 M10 X 50
32 R131283 ARRUELA DE ENCOSTO 1
33 RE56369 ENGRENAGEM 1
34 R114193 BUCHA 1
35 19M7867 PARAFUSO 1 M8 X 25
(A) THREADS WITH PRE-APPLIED SEALANT
FILETS ENDUITS DE PRODUIT D’ETANCHEITE
MIT DICHTMITTEL
CON MATERIALE DI TENUTA
ROSCAS REVESTIDAS COM SELANTE PRE-APLICADO
ROSCAS CON PASTA SELLADORA PREAPLICADA
TRATOR 6125J (EDICAO SUL-AMERICANA) PC8539P (01-JUL-10) 20-27
PN=73
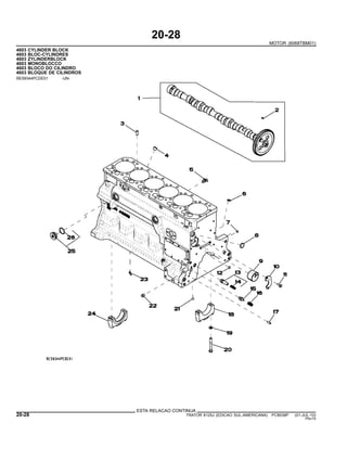
20-28
MOTOR (6068TBM01)
4603 CYLINDER BLOCK
4603 BLOC-CYLINDRES
4603 ZYLINDERBLOCK
4603 MONOBLOCCO
4603 BLOCO DO CILINDRO
4603 BLOQUE DE CILINDROS
RE59344PCDE01 -UN-
ESTA RELACAO CONTINUA
20-28 TRATOR 6125J (EDICAO SUL-AMERICANA) PC8539P (01-JUL-10)
PN=74
20-29
MOTOR (6068TBM01)
NR. SERIE
ITEM NR.PECA DESCRICAO QTDE MOTOR NOTAS
1 RE56578 EIXO DE CAMES 1
2 R133303 CHAVETA 1
3 R48685 PINO DE CENTRAGEM 4
4 15H584 TAMPAO 1
5 AT13740 VALVULA DE DRENO 1
6 R97185 ANEL O 1
7 RE71255 TAMPAO 7
8 R116466 PLUGUE 1
9 R119874 BUCHA 1
10 R132518 PLACA 1
11 19M8999 PARAFUSO 2 M8 X 25
12 T18891 PLUGUE 2
13 RE505501 VALVULA DE SANGRIA 1
14 R131425 MOLA DE COMPRESSAO 1
15 R121043 VALVULA 1
16 R111137 MOLA 1
17 R26650 PINO DE CENTRAGEM 2
18 R114241 TAMPA DE ROLAMENTO 6
19 T20168 ARRUELA 14
20 T23474 PARAFUSO SEXT. 14
21 D2361R ESFERA 1
22 15H623 TAMPAO 1
23 R131182 ORIFICIO 6
24 R132186 TAMPA DE ROLAMENTO 1
25 RE508185 CONEXAO 2
26 U13639 ANEL O 1
TRATOR 6125J (EDICAO SUL-AMERICANA) PC8539P (01-JUL-10) 20-29
PN=75
20-30
MOTOR (6068TBM01)
4707 CRANKSHAFT / BEARINGS
4707 VILEBREQUIN / COUSSINETS
4707 KURBELWELLE / LAGER
4707 ALBERO A GOMITI / CUSCINETTO
4707 VIRABREQUIM / CASQUILHOS
4707 CIGUENAL / COJINETE
RE504746PCDD02 -UN-
ESTA RELACAO CONTINUA
20-30 TRATOR 6125J (EDICAO SUL-AMERICANA) PC8539P (01-JUL-10)
PN=76
20-31
MOTOR (6068TBM01)
6
1
2
NR. SERIE 5
ITEM NR.PECA DESCRICAO QTDE MOTOR J NOTAS
1 R135918 PARAFUSO 6
2 RE65168 CONJ. DO ROLAMENTO 1 (CONJUNTO DE PECAS R123563 E R123564) STD
RE65912 ROLAMENTO AXIAL AR (A) (CONJUNTO DE PECAS R130574 E R130575)
US -0.254MM
3 RE65165 CONJ. DO ROLAMENTO 6 (CONJUNTO DE PECAS R123561 E R123562) STD
RE65911 ROLAMENTO AR (A) (CONJUNTO DE PECAS R130576 E R130577)
US -0.254MM
4 R48685 PINO DE CENTRAGEM 1
5 R505609 CHAVETA 1
26M4224 CHAVETA 1 FOR RE504639
6 R120631 ENGRENAGEM 1
7 RE515785 VIRABREQUIM 1 (A) (MARCADO R116076) (PEDIR TAMBEM
RE516340)
.. RE59811 LUVA 1
.. RE44574 VEDACAO 1
.. RE505515 VEDACAO 1
(A) GRINDING GUIDELINES : SEE CTM104
DIRECTIVES DE RECTIFICATION : VOIR CTM105
HINWEISE ZUM SCHLEIFEN : SIEHE CTM106
ISTRUZIONI RIGUARDO RETTIFICA : VEDERE CTM116
DIRETRIZES PARA RETIFICA: VER CTM206
INSTRUCCIONES REFERENTE AL RECTIFICADO : VER CTM107
TRATOR 6125J (EDICAO SUL-AMERICANA) PC8539P (01-JUL-10) 20-31
PN=77
20-32
MOTOR (6068TBM01)
4820 CONNECTING RODS AND PISTONS
4820 BIELLES ET PISTONS
4820 PLEUELSTANGEN UND KOLBEN
4820 BIELLE E PISTONI
4820 BIELAS E PISTOES
4820 BIELA Y PISTONES
RE507801PCDE04 -UN-
ESTA RELACAO CONTINUA
20-32 TRATOR 6125J (EDICAO SUL-AMERICANA) PC8539P (01-JUL-10)
PN=78
20-33
MOTOR (6068TBM01)
NR. SERIE
ITEM NR.PECA DESCRICAO QTDE MOTOR NOTAS
1 RE507850 KIT PISTAO E CAMISA 6
2 AR65507 KIT - ANEL O 1 PACKG (3)
3 RE507852 KIT ANEIS DE PISTAO 1 PACKG (3)
4 RE63915 KIT PINO E BUCHA 6
5 R54114 ANEL DE PRESSAO 12
6 RE500608 BIELA 6
7 R114082 BUCHA 1
8 R501124 PARAFUSO 2 A= 61MM, M12
9 RE65908 ROLAMENTO 6 STD (KIT (2) R113698)
TRATOR 6125J (EDICAO SUL-AMERICANA) PC8539P (01-JUL-10) 20-33
PN=79
20-34
MOTOR (6068TBM01)
4902 ROCKER ARM / SHAFT / TAPPET / PUSH ROD
4902 CULBUTEUR / ARBRE / POUSSOIR DE SOUPAPE / TIGE
4902 KIPPHEBEL / WELLE / VENTILSTOESSEL / STOESSELSTANGE
4902 TERGICRISTALLO / ALBERO / CEDENTE / ASTINA PUNTERIE
4902 BALANCIM / EIXO / TUCHO / HASTE DE COMANDO
4902 BALANCIN / ARBOL / BOTADOR / VARILLA DE EMPUJE
RE59334PCDE06 -UN-
ESTA RELACAO CONTINUA
20-34 TRATOR 6125J (EDICAO SUL-AMERICANA) PC8539P (01-JUL-10)
PN=80
20-35
MOTOR (6068TBM01)
NR. SERIE
ITEM NR.PECA DESCRICAO QTDE MOTOR NOTAS
1 RE525910 KIT 1
2 R123514 EIXO DO BALANCIM 1
3 T20314 MOLA 5
4 RE508317 BALANCIM 12
5 14M7148 PORCA 1 M10
6 R123161 SUPORTE 6
7 T20316 ARRUELA 2
8 R54565 PLUGUE 2
9 R123271 PINO 6
10 R529416 ARRUELA 6
11 R107731 VARETA 12
12 R123565 SEGUIDOR DE CAME 12
TRATOR 6125J (EDICAO SUL-AMERICANA) PC8539P (01-JUL-10) 20-35
PN=81
20-36
MOTOR (6068TBM01)
5001 OIL PUMP
5001 POMPE A HUILE
5001 OELPUMPE
5001 POMPA DELL’OLIO
5001 BOMBA DE OLEO
5001 BOMBA DE ACEITE
RE57763PCDD02 -UN-
NR. SERIE
ITEM NR.PECA DESCRICAO QTDE MOTOR NOTAS
1 19M8987 PARAFUSO 2 M8 X 65
2 R120638 ENGRENAGEM 1 Z= 30
3 14M7066 PORCA 1 M12
4 RE504914 BOMBA DE OLEO 1
SE501814 BOMBA DE LEO REMANUFATUR. 1
5 R97185 ANEL O 1
6 R121376 TUBO 1
20-36 TRATOR 6125J (EDICAO SUL-AMERICANA) PC8539P (01-JUL-10)
PN=82
20-37
MOTOR (6068TBM01)
MEMORANDA
MEMORANDUMS
PROTOKOLLE
MEMORANDUM
MEMORANDA
MEMORANDUMS
TRATOR 6125J (EDICAO SUL-AMERICANA) PC8539P (01-JUL-10) 20-37
PN=83
20-38
MOTOR (6068TBM01)
5107 CYLINDER HEAD
5107 CULASSE
5107 ZYLINDERKOPF
5107 TESTATA DEL MOTORE
5107 CULATRA
5107 CULATA
RE59335PCDD04 -UN-
ESTA RELACAO CONTINUA
20-38 TRATOR 6125J (EDICAO SUL-AMERICANA) PC8539P (01-JUL-10)
PN=84
20-39
MOTOR (6068TBM01)
6
1
2
NR. SERIE 5
ITEM NR.PECA DESCRICAO QTDE MOTOR J NOTAS
1 RE57489 CABECOTE 1
SE501581 TRADUCAO NAO DISPONIVEL 1
2 RE71255 TAMPAO 1
3 R91889 RETENTOR 24 OD=11.7MM
4 RE60005 RODADOR 12
5 R26125 MOLA 12
6 RE31617 VEDACAO 12
7 R106831 INSERTO DE ASSENTO VALVULA 6 (A) OD=47.2MM
8 R98062 VALVULA DE ADMISSAO 6 OD STD
R97490 VALVULA DE ADMISSAO AR +0.381MM (OS)
R97491 VALVULA DE ADMISSAO AR +0.762MM (OS)
9 R90692 VALVULA DE ESCAPE 6 OD STD
R97492 VALVULA DE ESCAPE AR +0.381MM (OS)
R97493 VALVULA DE ESCAPE AR +0.762MM (OS)
10 R106829 INSERTO DE ASSENTO VALVULA 6 (B) OD=43.1MM
11 R26906 ANEL O 1
12 T58477 TAMPAO 1 (PEDIR TAMBEM R26906) 7/8"-14UNF APPL
13 R43409 PLUGUE 3 OD=43.3MM
14 CD16284 PLUGUE 1 OD=32.6MM REAR
15 R85363 PARAFUSO SEXT. 26 12.7MM X 112MM
16 R116516 VEDACAO DE CILINDRO 1
(A) INTAKE (B) EXHAUST
ADMISSION ECHAPPEMENT
EINLASS AUSPUFF
ASPIRAZIONE SCARICO
ADMISSAO ESCAPE
ADMISION ESCAPE
TRATOR 6125J (EDICAO SUL-AMERICANA) PC8539P (01-JUL-10) 20-39
PN=85
20-40
MOTOR (6068TBM01)
5701 WATER PUMP INLET
5701 ENTREE DE LA POMPE A EAU
5701 WASSERPUMPENEINLASS
5701 INGRESSO POMPA ACQUA
5701 ENTRADA DA BOMBA DE AGUA
5701 ENTRADA DE BOMBA DE AGUA
RE59313PCDD02 -UN-
NR. SERIE
ITEM NR.PECA DESCRICAO QTDE MOTOR NOTAS
1 19M7867 PARAFUSO 2 M8 X 25
2 R121634 CARCACA 1
3 R89944 ANEL O 1
20-40 TRATOR 6125J (EDICAO SUL-AMERICANA) PC8539P (01-JUL-10)
PN=86
20-41
MOTOR (6068TBM01)
5903 OIL COOLER
5903 REFROIDISSEUR D’HUILE
5903 OELKUEHLER
5903 SCAMBIATORE DI CALORE OLIO
5903 RESFRIADOR DO OLEO
5903 ENFRIADOR DE ACEITE
RE59756PCDD02 -UN-
6
1
2
NR. SERIE 5
ITEM NR.PECA DESCRICAO QTDE MOTOR J NOTAS
1 RE67231 PARAFUSO 6 (A)
2 RE59298 RESFRIADOR DE OLEO 1 (B)
3 T122075 ANEL O 2
4 R123501 JUNTA 1
5 R123471 CARCACA 1
6 RE508599 ADAPTADOR 1
7 R501428 JUNTA 1
8 R504734 ANEL O 1
9 ........ ADAPTADOR 1 NSEP (MARKED R502811) (ORDER RE508599)
10 19M7802 PARAFUSO 2 M8 X 65
11 19M7970 PARAFUSO 2 M8 X 100
12 RE67238 PARAFUSO 1 (A)
13 RE46686 TAMPAO 1 M12 X 1.5
14 51M7040 ANEL O 1
15 RE46685 TAMPAO 1 M18 X 1.5
16 51M7043 ANEL O 1
(A) THREADS WITH PRE-APPLIED SEALANT (B) 9 PLATES
FILETS ENDUITS DE PRODUIT D’ETANCHEITE 9 PLAQUES
MIT DICHTMITTEL 9 PLATTEN
CON MATERIALE DI TENUTA 9 PIASTRE
ROSCAS REVESTIDAS COM SELANTE PRE-APLICADO 9 PLACAS
CON SELLADOR 9 PLACAS
TRATOR 6125J (EDICAO SUL-AMERICANA) PC8539P (01-JUL-10) 20-41
PN=87
20-42
MOTOR (6068TBM01)
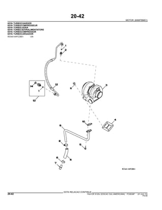
65YA TURBOCHARGER
65YA TURBOCOMPRESSEUR
65YA TURBOLADER
65YA TURBO-SOVRALIMENTATORE
65YA TURBOCOMPRESSOR
65YA TURBOCARGADOR
RE540144PCDB01 -UN-
ESTA RELACAO CONTINUA
20-42 TRATOR 6125J (EDICAO SUL-AMERICANA) PC8539P (01-JUL-10)
PN=88
20-43
MOTOR (6068TBM01)
NR. SERIE
ITEM NR.PECA DESCRICAO QTDE MOTOR NOTAS
1 R63548 ANEL O 2
2 M87733 ADAPTADOR 1
3 RE520360 TURBOALIMENTADOR 1
SE502441 TURBOALIMENTADOR REMANUFAT. 1
4 R123572 JUNTA 1
5 19M7866 PARAFUSO 2 M8 X 20
6 R104536 MANGUEIRA 1
7 RE54885 CONEXAO DE MANGUEIRA 1
8 AT18904 BRACADEIRA 2
9 RE524696 TUBULACAO DE OLEO 1
10 R105346 JUNTA 1
11 19M7785 PARAFUSO 4 M10 X 25
12 RE505502 TUBULACAO DE OLEO 1
13 RE500026 ADAPTADOR 1
14 51M7045 ANEL O 1
TRATOR 6125J (EDICAO SUL-AMERICANA) PC8539P (01-JUL-10) 20-43
PN=89
20-44
MOTOR (6068TBM01)
6606 TEMPERATURE SWITCH
6606 CONTACTEUR DE TEMPERATURE
6606 TEMPERATURSCHALTER
6606 INTERRUTTORE DI TEMPERATURA
6606 TERMOSTATO
6606 INTERRUPTOR DE TEMPERATURA
RE501099PCDD01 -UN-
NR. SERIE
ITEM NR.PECA DESCRICAO QTDE MOTOR NOTAS
1 RE500844 SENSOR 1
2 R26448 ANEL O 1
3 15H584 TAMPAO 1
20-44 TRATOR 6125J (EDICAO SUL-AMERICANA) PC8539P (01-JUL-10)
PN=90
20-45
MOTOR (6068TBM01)
6701 SENSORS
6701 CAPTEURS
6701 SENSOREN
6701 SENSORI
6701 SENSORES
6701 SENSORES
RE59977PCDD01 -UN-
NR. SERIE
ITEM NR.PECA DESCRICAO QTDE MOTOR NOTAS
1 RE519144 SENSOR 1
2 51M7044 ANEL O 1
TRATOR 6125J (EDICAO SUL-AMERICANA) PC8539P (01-JUL-10) 20-45
PN=91
20-46
MOTOR (6068TBM01)
6802 DAMPER
6802 DAMPER
6802 DAEMPFER
6802 AMMORTIZZATORE
6802 AMORTECEDOR
6802 AMORTIGUADOR
RE59826PCDB01 -UN-
NR. SERIE
ITEM NR.PECA DESCRICAO QTDE MOTOR NOTAS
1 RE59827 AMORTECEDOR DE TORCAO 1
2 R121897 PARAFUSO 4
20-46 TRATOR 6125J (EDICAO SUL-AMERICANA) PC8539P (01-JUL-10)
PN=92
20-47
MOTOR (6068TBM01)
7643 OIL PRESSURE SWITCH
7643 MANOCONTACT DE PRESSION D’HUILE
7643 OELDRUCKSCHALTER
7643 MANOCONTATTO DEL OLIO
7643 PRESSOSTATO DE OLEO
7643 INTERRUPTOR DE PRESION DE ACEITE
RE542211PCDA02 -UN-
NR. SERIE
ITEM NR.PECA DESCRICAO QTDE MOTOR NOTAS
1 AT85174 INTERRUPTOR 1
TRATOR 6125J (EDICAO SUL-AMERICANA) PC8539P (01-JUL-10) 20-47
PN=93
20-48
MOTOR (6068TBM01)
8733 BELT TENSIONER
8733 TENDEUR DE COURROIE
8733 RIEMENSPANNER
8733 TENDICINGHIA
8733 TENSOR DA CORREIA
8733 TENSOR DE CORREA
RE540151PCDA01 -UN-
NR. SERIE
ITEM NR.PECA DESCRICAO QTDE MOTOR NOTAS
1 19M7835 PARAFUSO 3 M10 X 35
2 AL156090 TENSOR 1
3 AL157593 RODA TENSORA 1
4 L112545 PARAFUSO 1
5 L154170 TAMPA 1
20-48 TRATOR 6125J (EDICAO SUL-AMERICANA) PC8539P (01-JUL-10)
PN=94
20-49
MOTOR (6068TBM01)
MEMORANDA
MEMORANDA
MEMORANDA
MEMORANDA
MEMORANDA
MEMORANDA
TRATOR 6125J (EDICAO SUL-AMERICANA) PC8539P (01-JUL-10) 20-49
PN=95
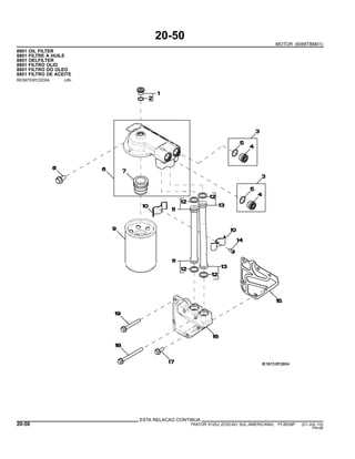
20-50
MOTOR (6068TBM01)
8801 OIL FILTER
8801 FILTRE A HUILE
8801 OELFILTER
8801 FILTRO OLIO
8801 FILTRO DO OLEO
8801 FILTRO DE ACEITE
RE59753PCDD04 -UN-
ESTA RELACAO CONTINUA
20-50 TRATOR 6125J (EDICAO SUL-AMERICANA) PC8539P (01-JUL-10)
PN=96
20-51
MOTOR (6068TBM01)
6
1
2
NR. SERIE 5
ITEM NR.PECA DESCRICAO QTDE MOTOR J NOTAS
1 RE52242 TAMPAO DE DRENO 1
2 51M7042 ANEL O 1
3 RE505232 TAMPAO 2 (INCLUI R116115 E 51M7045)
4 R116115 CONEXAO 1
5 51M7045 ANEL O 1
6 RE503727 CABECOTE DO FILTRO 1
7 RE500133 ADAPTADOR 1 (INCLUI (2) RE505232)
8 19M7784 PARAFUSO 2 M10 X 20
9 RE59754 FILTRO DE OLEO 1
10 RE520368 SEMI-BRACADEIRA 2 (INCLUI (5) 19M8618)
11 RE519740 TUBO 1 (INCLUI (2) R518507)
12 R518507 ANEL O 4
13 RE519741 TUBO 1 (INCLUI (2) R518507)
14 19M8618 PARAFUSO 1 M6 X 12
15 R502864 JUNTA 1
16 R501436 ADAPTADOR 1
17 RE67238 PARAFUSO 1 (A)
18 19M7913 PARAFUSO 2 M8 X 90
19 19M7802 PARAFUSO 3 M8 X 65
(A) THREADS WITH PRE-APPLIED SEALANT
FILETS ENDUITS DE PRODUIT D’ETANCHEITE
MIT DICHTMITTEL
CON MATERIALE DI TENUTA
ROSCAS REVESTIDAS COM SELANTE PRE-APLICADO
CON SELLADOR
TRATOR 6125J (EDICAO SUL-AMERICANA) PC8539P (01-JUL-10) 20-51
PN=97
20-52
MOTOR (6068TBM01)
95AL ENGINE FRONT BRACKETS
95AL SUPPORTS AVANT MOTEUR
95AL MOTORKONSOLE, VORN
95AL STAFFA DEL MOTORE, ANTERIORE
95AL SUPORTE FRONTAL DO MOTOR
95AL SOPORTE DEL MOTOR, FRENTE
RE540154PCDA01 -UN-
NR. SERIE
ITEM NR.PECA DESCRICAO QTDE MOTOR NOTAS
1 AL111451 APOIO 1
2 19M7793 PARAFUSO 4 M16 X 40
3 AL111449 APOIO 1
20-52 TRATOR 6125J (EDICAO SUL-AMERICANA) PC8539P (01-JUL-10)
PN=98
20-53
MOTOR (6068TBM01)
9813 LIFT STRAPS
9813 OEILLETS DE LEVAGE
9813 AUFHAENGEOESEN
9813 PIASTRINE DI SOLLEVAMENTO
9813 CINTAS DE ELEVACAO
9813 CINTAS DE ELEVACION
RE502864PCDC01 -UN-
NR. SERIE
ITEM NR.PECA DESCRICAO QTDE MOTOR NOTAS
1 19M7988 PARAFUSO 1 M12 X 30
2 R32214 ARRUELA 1
3 R502175 SUPORTE 1
4 R502329 TIRA 1
5 19M7788 PARAFUSO 1 M12 X 25
TRATOR 6125J (EDICAO SUL-AMERICANA) PC8539P (01-JUL-10) 20-53
PN=99
20-54
MOTOR (6068TBM01)
9901 REPLACEMENT ENGINE
9901 MOTEUR DE RECHANGE
9901 AUSTAUSCHMOTOR
9901 MOTORE DI RICAMBIO
9901 MOTOR SUBSTITUTO
9901 MOTOR DE RECAMBIO
RGP12657 -UN-
6
1
2
NR. SERIE 5
ITEM NR.PECA DESCRICAO QTDE MOTOR J NOTAS
1 RE545155 MOTOR A DIESEL 1 (A)
(A) MAY NOT BE AS ILLUSTRATED
PEUT NE PAS ETRE ILLUSTRE
KANN VON DER ABBILDUNG ABWEICHEN
POTREBBE NON ESSERE COME ILLUSTRATO
PODE NAO SER IGUAL A ILUSTRACAO
PUEDE DIFERIR DE LA ILUSTRACION
20-54 TRATOR 6125J (EDICAO SUL-AMERICANA) PC8539P (01-JUL-10)
PN=100
30-A01
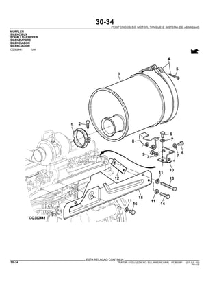
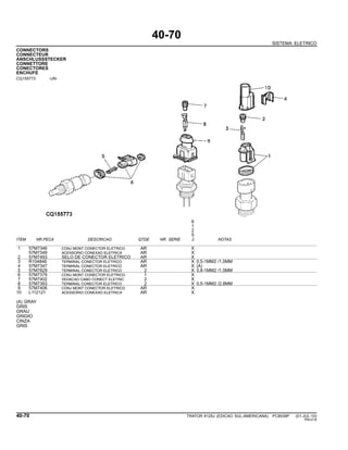
PERIFERICOS DO MOTOR, TANQUE E SISTEMA DE ADMISSAO
SECTIONAL INDEX
INDEX DE SECTION
GRUPPENINDEX
INDICE DELLA SEZIONE
INDICE DE GRUPO
INDICE DE GRUPOS
PUBM1472 -UN-
1- 1
2- 2
3- 4
4- 6
7- 12
8- 14
9- 17
21- 36
TRATOR 6125J (EDICAO SUL-AMERICANA) PC8539P (01-JUL-10) 30-A01
PN=101
30-A02
PERIFERICOS DO MOTOR, TANQUE E SISTEMA DE ADMISSAO
SECTIONAL INDEX
INDEX DE SECTION
GRUPPENINDEX
INDICE DELLA SEZIONE
INDICE DE GRUPO
INDICE DE GRUPOS
PUBM1473 -UN-
5- 8
6- 10
10- 18
11- 20
12- 22
13- 24
14- 26
15- 27
16- 28
17- 30
18- 32
19- 33
20- 34
30-A02 TRATOR 6125J (EDICAO SUL-AMERICANA) PC8539P (01-JUL-10)
PN=102
30-1
PERIFERICOS DO MOTOR, TANQUE E SISTEMA DE ADMISSAO
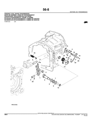
FAN CONSOLE AND ATTACHING PARTS
CONSOLE VENTILATEUR ET ELEMENTS DE FIXATION
LUEFTERKONSOLE UND ANBAUTEILE
CONSOLE PER VENTOLA E PARTI DI FISSAGGIO
CONSOLE DO VENTILADOR E PECAS DE MONTAGEM
CONSOLA DEL VENTILADOR Y PIEZAS DE MONTAJE
CQ155627 -UN-
6
1
2
5
ITEM NR.PECA DESCRICAO QTDE NR. SERIE J NOTAS
1 19M7166 PARAFUSO SEXT. 2 X M10 X 20
2 L111120 CANTONEIRA 1 X
3 19M7408 PARAFUSO SEXT. 2 X M10 X 90
4 19M7268 PARAFUSO SEXT. 2 X M12 X 25
5 L111857 RETENTOR 1 X
6 L111294 APOIO 1 X
7 19M7168 PARAFUSO SEXT. 4 X M10 X 30
8 JD10058 ROLAMENTO DE ESFERAS 1 X
9 40M1863 ANEL DE PRESSAO 1 X
10 L110777 CUBO 4 X
11 42M7058 PINO 1 X
TRATOR 6125J (EDICAO SUL-AMERICANA) PC8539P (01-JUL-10) 30-1
PN=103
30-2
PERIFERICOS DO MOTOR, TANQUE E SISTEMA DE ADMISSAO
PULLEY AND FAN
POULIE ET VENTILATEUR
RILLENSCHEIBE UND LUEFTER
PULEGGIA E VENTOLA
POLIA DO VENTILADOR
POLEA ACANALADA Y VENTILADOR
CQ155780 -UN-
ESTA RELACAO CONTINUA
30-2 TRATOR 6125J (EDICAO SUL-AMERICANA) PC8539P (01-JUL-10)
PN=104
30-3
PERIFERICOS DO MOTOR, TANQUE E SISTEMA DE ADMISSAO
6
1
2
5
ITEM NR.PECA DESCRICAO QTDE NR. SERIE J NOTAS
1 42M7058 PINO 4 X
2 R128661 POLIA 1 X (A) OD 183.5MM
R128660 POLIA 1 X (B) OD 168MM
3 L79028 VENTILADOR 1 X
4 L205139 ESPACADOR 1 X
5 14M7274 PORCA 4 X M10
6 19M7162 PARAFUSO SEXT. 6 X
(A) WITHOUT CAB (B) WITH CAB
SANS CABINE AVEC CABINE
OHNE KABINE MIT KABINE
SENZA CABINA CON CABINA
SEM CABINE COM CABINE
SIN CABINA CON CABINA
TRATOR 6125J (EDICAO SUL-AMERICANA) PC8539P (01-JUL-10) 30-3
PN=105
30-4
PERIFERICOS DO MOTOR, TANQUE E SISTEMA DE ADMISSAO
ENGINE SUSPENSION
SUSPENSION DU MOTEUR
MOTORAUFHAENGUNG
SOSPENSIONI MOTORE
SUSPENSAO DO MOTOR
SUSPENSION DEL MOTOR
LX024521 -UN-
ESTA RELACAO CONTINUA
30-4 TRATOR 6125J (EDICAO SUL-AMERICANA) PC8539P (01-JUL-10)
PN=106
30-5
PERIFERICOS DO MOTOR, TANQUE E SISTEMA DE ADMISSAO
6
1
2
5
ITEM NR.PECA DESCRICAO QTDE NR. SERIE J NOTAS
1 AL81949 ISOLADOR 4 X
2 T62323 ARRUELA 4 X
3 L155927 PINO 2 X
4 19M7364 PARAFUSO SEXT. 2 X M12 X 80
5 14M7319 PORCA DE SEGURANCA 2 X M12
6 L156986 RETENTOR REDONDO 4 X
7 AL154541 CANTONEIRA 2 X
8 19M7496 PARAFUSO SEXT. 4 X M12 X 45
TRATOR 6125J (EDICAO SUL-AMERICANA) PC8539P (01-JUL-10) 30-5
PN=107
30-6
PERIFERICOS DO MOTOR, TANQUE E SISTEMA DE ADMISSAO
DRIVE BELT
COURROIE D’ENTRAINEMENT
ANTRIEBSRIEMEN
CINGHIA DI COMANDO
CORREIA DO MOTOR
CORREA DE TRANSMISION
CQ155628 -UN-
6
1
2
5
ITEM NR.PECA DESCRICAO QTDE NR. SERIE J NOTAS
1 CQ51921 CORREIA TRAPEZOIDAL 1 X (A) LGTH 1910MM
2 CQ58873 CORREIA CHATA 1 X (B) LGTH 2455MM
(A) WITHOUT CAB (B) WITH CAB
SANS CABINE AVEC CABINE
OHNE KABINE MIT KABINE
SENZA CABINA CON CABINA
SEM CABINE COM CABINE
SIN CABINA CON CABINA
30-6 TRATOR 6125J (EDICAO SUL-AMERICANA) PC8539P (01-JUL-10)
PN=108
30-7
PERIFERICOS DO MOTOR, TANQUE E SISTEMA DE ADMISSAO
MEMORANDA
MEMORANDA
MEMORANDA
MEMORANDA
MEMORANDA
MEMORANDA
TRATOR 6125J (EDICAO SUL-AMERICANA) PC8539P (01-JUL-10) 30-7
PN=109
30-8
PERIFERICOS DO MOTOR, TANQUE E SISTEMA DE ADMISSAO
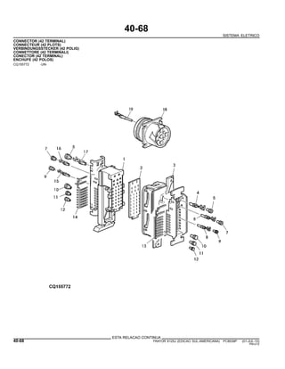
HEATING - LINES CONNECTIONS AT ENGINE
RACCORDS DE CONDUITES DE CHAUFFAGE SUR MOTEUR
HEIZUNG - LEITUNGSANSCHLUESSE MOTOR
RISCALDAMENTO - CONNETTORI TUBI A MOTORE
LINHAS DE CALEFACAO
RACORES DE CONDUCTOS DE LA CALEFACCION DEL MOTOR
CQ155788 -UN-
ESTA RELACAO CONTINUA
30-8 TRATOR 6125J (EDICAO SUL-AMERICANA) PC8539P (01-JUL-10)
PN=110
30-9
PERIFERICOS DO MOTOR, TANQUE E SISTEMA DE ADMISSAO
6
1
2
5
ITEM NR.PECA DESCRICAO QTDE NR. SERIE J NOTAS
1 L155376 CONEXAO 1 X
2 AL118565 BRACADEIRA 4 X
3 51M7043 ANEL O 2 X
4 AL116423 CONEXAO 1 X
5 CQ43598 MANGUEIRA 1 X
6 CQ52174 MANGUEIRA 1 X
TRATOR 6125J (EDICAO SUL-AMERICANA) PC8539P (01-JUL-10) 30-9
PN=111
30-10
PERIFERICOS DO MOTOR, TANQUE E SISTEMA DE ADMISSAO
AIR CLEANER
FILTRE A AIR
LUFTFILTER
FILTRO ARIA
FILTRO DE AR
FILTRO DE AIRE
LX028633 -UN-
ESTA RELACAO CONTINUA
30-10 TRATOR 6125J (EDICAO SUL-AMERICANA) PC8539P (01-JUL-10)
PN=112
30-11
PERIFERICOS DO MOTOR, TANQUE E SISTEMA DE ADMISSAO
6
1
2
5
ITEM NR.PECA DESCRICAO QTDE NR. SERIE J NOTAS
1 AL156263 PURIFICADOR DE AR 1 X
2 L158246 MANGUEIRA 1 X LGTH 730MM
3 L172906 LUVA 1 X
4 AL150289 INTERRUP. DE PRESSAO 1 X
5 AL150287 DEFLETOR 1 X
6 AL172780 FILTRO DE AR 1 X
7 AL150288 FILTRO DE AR 1 X
8 L151979 MANIPULO 1 X
9 AL150286 CABECOTE DO FILTRO 1 X
10 SG01001 BRACADEIRA 2 X
11 L168846 MANGUEIRA 3 X
TRATOR 6125J (EDICAO SUL-AMERICANA) PC8539P (01-JUL-10) 30-11
PN=113
30-12
PERIFERICOS DO MOTOR, TANQUE E SISTEMA DE ADMISSAO
OIL COOLER (OPEN OPERATOR’S STATION)
REFROIDISSEUR D’HUILE (SANS CABINE)
OELKUEHLER (OFFENE FAHRERPLATTFORM)
RADIATORE DELL’OLIO (STAZIONE OPERATORE APERTA)
RESFRIADOR DE OLEO (SEM CABINE)
REFRIGERADOR DE ACEITE (PLATAF. ABIERTA)
CQ302838 -UN-
ESTA RELACAO CONTINUA
30-12 TRATOR 6125J (EDICAO SUL-AMERICANA) PC8539P (01-JUL-10)
PN=114
30-13
PERIFERICOS DO MOTOR, TANQUE E SISTEMA DE ADMISSAO
6
1
2
5
ITEM NR.PECA DESCRICAO QTDE NR. SERIE J NOTAS
1 19M7162 PARAFUSO SEXT. AR X M8 X 16
2 24M7055 ARRUELA AR X 8.400 X 16 X 1.600 MM
3 L158239 APOIO 1 X
4 L158235 VEDACAO DE ACABAMENTO 1 X
5 L165282 VEDACAO DE ACABAMENTO 1 X
6 14M7272 PORCA AR X M6
7 24M7088 ARRUELA AR X 6.600 X 12 X 1.600 MM
8 19M7077 PARAFUSO SEXT. AR X M6 X 20
9 L159013 VEDACAO DE ACABAMENTO 1 X
10 AL172766 RESFRIADOR DE OLEO 1 X
11 Z35271 BUCHA 2 X
12 DQ52819 PENEIRA 1 X
13 DQ52819 PENEIRA 2 X
14 19M7297 PARAFUSO SEXT. 4 X M8 X 12
15 AL162696 APOIO 1 X
16 14M7029 PORCA 4 X M8
17 19M7139 PARAFUSO SEXT. 4 X M8 X 20
TRATOR 6125J (EDICAO SUL-AMERICANA) PC8539P (01-JUL-10) 30-13
PN=115
30-14
PERIFERICOS DO MOTOR, TANQUE E SISTEMA DE ADMISSAO
RADIATOR / FAN SHROUD / COOLANT HOSES
RADIATEUR / CAPOTAGE DU VENTILATEUR / CONDUITES DE LIQUIDE DE REFROIDISSEMENT
KUEHLER / LUEFTERHAUBE / KUEHLMITTELSCHLAEUCHE
RADIATORE / PROTEZIONE VENTILATORE / TUBI LIQUIDO REFRIGERANTE
RADIADOR / PROTECAO DA HELICE / MANGUEIRAS DE REFRIGERACAO
RADIADOR / CARENADO DEL VENTILADOR / MANGUERAS DE LIQUIDO REFRIGERANTE
PUBM1363 -UN-
ESTA RELACAO CONTINUA
30-14 TRATOR 6125J (EDICAO SUL-AMERICANA) PC8539P (01-JUL-10)
PN=116
30-15
PERIFERICOS DO MOTOR, TANQUE E SISTEMA DE ADMISSAO
6
1
2
5
ITEM NR.PECA DESCRICAO QTDE NR. SERIE J NOTAS
1 L158228 ADUTOR 1 X
2 19M7162 PARAFUSO SEXT. 4 X M8 X 16
3 24M7055 ARRUELA 4 X 8.400 X 16 X 1.600 MM
4 L166316 MANGUEIRA 4 X
5 AR21837 BRACADEIRA 2 X
6 L158230 MANGUEIRA 1 X
7 L166630 MANGUEIRA 1 X
8 L158289 VEDACAO DE ACABAMENTO 1 X
9 AL203689 PARTE SUPERIOR DO RADIADOR 1 X
10 AL201726 RADIADOR 1 X
11 L158229 MANGUEIRA 1 X
12 AL37489 BRACADEIRA 2 X
13 L158251 CANTONEIRA 2 X
14 MN10393 ABRACADEIRA PARA MANGUEIRA 4 X
15 24M7139 ARRUELA 4 X 6.400 X 18 X 1.600 MM
16 19M7560 PARAFUSO SEXT. 4 X M6 X 16
17 L79057 PARAF. BORBOLETA 4 X
18 L78871 ISOLADOR 4 X
19 L169329 MANGUEIRA DO RADIADOR 1 X
20 L158241 ISOLADOR 2 X
21 AL162698 CAPA 1 X
22 14M7136 PORCA 2 X M6
23 L158252 SUPORTE 1 X
24 L158306 ISOLADOR 2 X
25 CQ62312 ISOLADOR 1 X
26 AL201725 RADIADOR 1 X
27 CQ28556 BRACADEIRA 1 X
.. CQ38349 REFRIGERANTE 1 X
TRATOR 6125J (EDICAO SUL-AMERICANA) PC8539P (01-JUL-10) 30-15
PN=117
30-16
PERIFERICOS DO MOTOR, TANQUE E SISTEMA DE ADMISSAO
MEMORANDA
MEMORANDA
MEMORANDA
MEMORANDA
MEMORANDA
MEMORANDA
30-16 TRATOR 6125J (EDICAO SUL-AMERICANA) PC8539P (01-JUL-10)
PN=118
30-17
PERIFERICOS DO MOTOR, TANQUE E SISTEMA DE ADMISSAO
OIL COOLER (CAB)
REFROIDISSEUR D’HUILE (CABINE)
OELKUEHLER (KABINE)
SCAMBIATORE DI CALORE OLIO (CABINA)
RESFRIADOR DE OLEO (CABINE)
ENFRIADOR DE ACEITE (CABINA)
CQ155787 -UN-
6
1
2
5
ITEM NR.PECA DESCRICAO QTDE NR. SERIE J NOTAS
1 AL164837 RADIADOR 1 X
2 DQ52819 PENEIRA 2 X
3 DQ52819 PENEIRA 1 X
4 AL162696 APOIO 1 X
5 AL168815 SUPORTE 1 X
6 Z35271 BUCHA 2 X
7 19M7139 PARAFUSO SEXT. 4 X M8 X 20
8 24M7055 ARRUELA AR X 8.400 X 16 X 1.600 MM
9 14M7029 PORCA 4 X M8
10 19M7297 PARAFUSO SEXT. 2 X M8 X 12
11 L168286 APOIO 1 X
12 L159013 VEDACAO DE ACABAMENTO 1 X
13 L165281 VEDACAO DE ACABAMENTO 1 X
14 L158239 APOIO 1 X
15 L158240 VEDACAO DE ACABAMENTO 1 X
16 19M7077 PARAFUSO SEXT. AR X M6 X 20
17 24M7088 ARRUELA AR X 6.600 X 12 X 1.600 MM
18 14M7272 PORCA AR X M6
19 19M7162 PARAFUSO SEXT. AR X M8 X 16
TRATOR 6125J (EDICAO SUL-AMERICANA) PC8539P (01-JUL-10) 30-17
PN=119
30-18
PERIFERICOS DO MOTOR, TANQUE E SISTEMA DE ADMISSAO
OIL COOLER (LINES) (SYNCROPLUS)
REFROIDISSEUR D’HUILE (CONDUITES) (SYNCROPLUS)
OELKUEHLER (LEITUNGEN) (SYNCROPLUS)
RADIATORE OLIO (TUBAZIONI) (SYNCROPLUS)
RESFRIADOR DE OLEO (LINHAS) (SYNCROPLUS)
ENFRIADOR DE ACEITE (TUBERIAS) (SYNCROPLUS)
PUBM1416 -UN-
ESTA RELACAO CONTINUA
30-18 TRATOR 6125J (EDICAO SUL-AMERICANA) PC8539P (01-JUL-10)
PN=120
30-19
PERIFERICOS DO MOTOR, TANQUE E SISTEMA DE ADMISSAO
6
1
2
5
ITEM NR.PECA DESCRICAO QTDE NR. SERIE J NOTAS
1 61M5005 ADAPTADOR 1 X INCL KEYS 2 AND 3
2 51M7047 ANEL O 2 X
3 T77858 ANEL O 4 X
4 AL164933 MANGUEIRA HIDRAULICA 1 X
5 AL164932 MANGUEIRA HIDRAULICA 1 X
6 L169208 SUPORTE DE MANGUEIRA 1 X
7 AL171782 SUPORTE DE MANGUEIRA 1 X
8 L159016 BRACADEIRA AR X
9 19M7166 PARAFUSO SEXT. AR X M10 X 20
10 24M7028 ARRUELA AR X 10.500 X 20 X 2 MM
11 14M7140 PORCA AR X M10
12 24M7026 ARRUELA AR X 9 X 17 X 1.600 MM
13 14M7029 PORCA AR X M8
14 Z20701 ARRUELA 1 X
15 38H5019 CONEXAO EM ANGULO 1 X
16 L159011 CANTONEIRA 1 X
17 19M7166 PARAFUSO SEXT. AR X M10 X 20
18 19M7984 PARAFUSO SEXT. AR X M10 X 12
19 61M5121 ADAPTADOR 1 X
20 61M5019 CONEXAO EM ANGULO 1 X
TRATOR 6125J (EDICAO SUL-AMERICANA) PC8539P (01-JUL-10) 30-19
PN=121
30-20
PERIFERICOS DO MOTOR, TANQUE E SISTEMA DE ADMISSAO
OIL COOLER (LINES) (POWRQUAD)
REFROIDISSEUR D’HUILE (CONDUITES) (POWRQUAD)
OELKUEHLER (LEITUNGEN) (POWRQUAD)
RADIATORE OLIO (TUBAZIONI) (POWRQUAD)
RESFRIADOR DE OLEO (LINHAS) (POWRQUAD)
ENFRIADOR DE ACEITE (TUBERIAS) (POWRQUAD)
CQ300789 -UN-
ESTA RELACAO CONTINUA
30-20 TRATOR 6125J (EDICAO SUL-AMERICANA) PC8539P (01-JUL-10)
PN=122
30-21
PERIFERICOS DO MOTOR, TANQUE E SISTEMA DE ADMISSAO
6
1
2
5
ITEM NR.PECA DESCRICAO QTDE NR. SERIE J NOTAS
1 61M5005 ADAPTADOR 2 X INCL KEYS 2 AND 3
2 51M7047 ANEL O 2 X
3 T77858 ANEL O 4 X
4 AL164927 MANGUEIRA HIDRAULICA 1 X
5 AL164928 MANGUEIRA HIDRAULICA 1 X
6 L169208 SUPORTE DE MANGUEIRA 1 X
7 AL171782 SUPORTE DE MANGUEIRA 1 X
8 L159016 BRACADEIRA AR X
9 19M7166 PARAFUSO SEXT. AR X M10 X 20
19M7167 PARAFUSO SEXT. AR X M10 X 25
10 24M7028 ARRUELA AR X 10.500 X 20 X 2 MM
11 14M7140 PORCA AR X M10
12 24M7026 ARRUELA AR X 9 X 17 X 1.600 MM
13 14M7029 PORCA AR X M8
14 Z20701 ARRUELA 1 X
15 19M7166 PARAFUSO SEXT. AR X M10 X 20
16 19M7984 PARAFUSO SEXT. AR X M10 X 12
17 19M7169 PARAFUSO SEXT. AR X
TRATOR 6125J (EDICAO SUL-AMERICANA) PC8539P (01-JUL-10) 30-21
PN=123
30-22
PERIFERICOS DO MOTOR, TANQUE E SISTEMA DE ADMISSAO
BRACKETS, FUEL TANK
RESERVOIR A COMBUSTIBLE, SUPPORTS
HALTERUNGEN, KRAFTSTOFFTANK
SUPPORTI PER SERBATOIO COMBUSTIBILE
SUPORTE DO TANQUE DE COMBUSTIVEL
SOPORTES, DEPOSITO DE COMBUSTIBLE
CQ155900 -UN-
6
1
2
5
ITEM NR.PECA DESCRICAO QTDE NR. SERIE J NOTAS
1 DQ25990 BRACADEIRA 1 X
2 P60213 SUPORTE 1 X
3 24M7047 ARRUELA 4 X 13 X 24 X 2.500 MM
4 19M7496 PARAFUSO SEXT. AR X M12 X 45
5 CQ52183 APOIO 1 X
6 19M7496 PARAFUSO SEXT. AR X M12 X 45
7 19M8049 PARAFUSO SEXT. 2 X M10 X 80
8 DQ39225 BRACADEIRA 1 X
9 CQ47036 APOIO 1 X
30-22 TRATOR 6125J (EDICAO SUL-AMERICANA) PC8539P (01-JUL-10)
PN=124
30-23
PERIFERICOS DO MOTOR, TANQUE E SISTEMA DE ADMISSAO
MEMORANDA
MEMORANDA
MEMORANDA
MEMORANDA
MEMORANDA
MEMORANDA
TRATOR 6125J (EDICAO SUL-AMERICANA) PC8539P (01-JUL-10) 30-23
PN=125
30-24
PERIFERICOS DO MOTOR, TANQUE E SISTEMA DE ADMISSAO
AUXILIAR FUEL TANK
RESERVOIR A COMBUSTIBLE
KRAFTSTOFFTANK
SERBATOIO COMBUSTIBILE
TANQUE DE COMBUSTIVEL AUXILIAR
DEPOSITO DE COMBUSTIBLE AUXILIAR
PUBM1413 -UN-
ESTA RELACAO CONTINUA
30-24 TRATOR 6125J (EDICAO SUL-AMERICANA) PC8539P (01-JUL-10)
PN=126
30-25
PERIFERICOS DO MOTOR, TANQUE E SISTEMA DE ADMISSAO
6
1
2
5
ITEM NR.PECA DESCRICAO QTDE NR. SERIE J NOTAS
1 AL161566 CHICOTE 1 X
2 AL206572 TANQUE DE COMBUSTIVEL 1 X 172L
3 MN10297 TANQUE DE COMBUSTIVEL 1 X 315L
4 MN10321 MANGUEIRA 1 X
5 R217636 ANEL O 2 X
6 AL161025 MECANISMO SENSOR DE COMBUST 1 X
7 CQ65301 FLANGE 2 X
8 24M7139 ARRUELA 2 X
9 21M7246 PARAFUSO 1 X
10 AL206587 COADOR 1 X
11 AL113086 TAMPAO DE ENCHIMENTO 1 X
12 CQ34351 PLUGUE 1 X
13 SG01301 BRACADEIRA 1 X
TRATOR 6125J (EDICAO SUL-AMERICANA) PC8539P (01-JUL-10) 30-25
PN=127
30-26
PERIFERICOS DO MOTOR, TANQUE E SISTEMA DE ADMISSAO
FUEL TANK PROTECTION
RESERVOIR A COMBUSTIBLE, SUPPORTS
HALTERUNGEN, KRAFTSTOFFTANK
SUPPORTI PER SERBATOIO COMBUSTIBILE
PROTECAO DO TANQUE DE COMBUSTIVEL
PROTECION DEPOSITO DE COMBUSTIBLE
CQ157587 -UN-
6
1
2
5
ITEM NR.PECA DESCRICAO QTDE NR. SERIE J NOTAS
1 DQ59361 PROTECAO 1 X
2 19M7487 PARAFUSO SEXT. 2 X M20 X 50
3 24M7051 ARRUELA 2 X 21 X 37 X 3 MM
4 14M7144 PORCA 2 X M20
5 DQ63674 APOIO 1 X
6 DQ41285 APOIO 1 X
7 19M7496 PARAFUSO SEXT. AR X M12 X 45
8 19M7285 PARAFUSO SEXT. AR X M12 X 30
9 CQ38916 ESPACADOR 1 X
10 12M7067 ARRUELA DE PRESSAO AR X 12 MM
11 DQ61516 PROTECAO 1 X
12 12M7070 ARRUELA DE PRESSAO 2 X 20 MM
13 19M7330 PARAFUSO SEXT. 1 X M12 X 55
30-26 TRATOR 6125J (EDICAO SUL-AMERICANA) PC8539P (01-JUL-10)
PN=128
30-27
PERIFERICOS DO MOTOR, TANQUE E SISTEMA DE ADMISSAO
FUEL TANK PROTECTION (AUX.)
RESERVOIR A COMBUSTIBLE, SUPPORTS
HALTERUNGEN, KRAFTSTOFFTANK
SUPPORTI PER SERBATOIO COMBUSTIBILE
PROTECAO DO TANQUE DE COMBUSTIVEL (AUXILIAR)
PROTECION DEPOSITO DE COMBUSTIBLE (AUXILIAR)
CQ302840 -UN-
6
1
2
5
ITEM NR.PECA DESCRICAO QTDE NR. SERIE J NOTAS
1 DQ63159 PROTECAO 1 X
2 19M7487 PARAFUSO SEXT. 2 X M20 X 50
3 24M7051 ARRUELA 2 X 21 X 37 X 3 MM
4 12M7070 ARRUELA DE PRESSAO 2 X 20 MM
5 14M7144 PORCA 2 X M20
6 19M7403 PARAFUSO SEXT. 3 X M12 X 35
7 24M3763 ARRUELA 7 X 13 X 25 X 3 MM
8 12M7067 ARRUELA DE PRESSAO 12 X 12 MM
9 DQ63696 APOIO 1 X
10 DQ63698 APOIO 1 X
11 DQ61639 APOIO 1 X
12 DQ62047 PROTECAO 1 X
13 19M7285 PARAFUSO SEXT. AR X M12 X 30
14 19M7496 PARAFUSO SEXT. AR X M12 X 45
15 14M7295 PORCA 3 X M12
16 24M7038 ARRUELA 3 X 13.500 X 24 X 2.500 MM
TRATOR 6125J (EDICAO SUL-AMERICANA) PC8539P (01-JUL-10) 30-27
PN=129
30-28
PERIFERICOS DO MOTOR, TANQUE E SISTEMA DE ADMISSAO
PRIMARY FUEL FILTER
FILTRE A COMBUSTIBLE PRIMAIRE
KRAFTSTOFFVORFILTER
FILTRO PRIMARIO DEL COMBUSTIBILE
PRE FILTRO DE COMBUSTIVEL
FILTRO PRIMARIO DE COMBUSTIBLE
CQ301753 -UN-
6
1
2
5
ITEM NR.PECA DESCRICAO QTDE NR. SERIE J NOTAS
1 DQ72620 FILTRO 1 X
2 DQ24057 FILTRO DE COMBUSTIVEL 1 X
3 DQ39530 COPO 1 X
4 DQ72612 PLUGUE 1 X
5 ........ POS-RESFRIADOR 1 X (ORD DQ72620)
6 DQ25143 PLUGUE 1 X
7 DQ32910 TAMPAO 1 X
8 19M7167 PARAFUSO SEXT. 2 X M10 X 25
9 24M7040 ARRUELA 2 X 11 X 20 X 2 MM
10 12M7066 ARRUELA DE PRESSAO 2 X 10 MM
11 14M7140 PORCA 2 X M10
30-28 TRATOR 6125J (EDICAO SUL-AMERICANA) PC8539P (01-JUL-10)
PN=130
30-29
PERIFERICOS DO MOTOR, TANQUE E SISTEMA DE ADMISSAO
MEMORANDA
MEMORANDA
MEMORANDA
MEMORANDA
MEMORANDA
MEMORANDA
TRATOR 6125J (EDICAO SUL-AMERICANA) PC8539P (01-JUL-10) 30-29
PN=131
30-30
PERIFERICOS DO MOTOR, TANQUE E SISTEMA DE ADMISSAO
FUEL HOSES (WITH ENGINE STAGE II ACC. 97/68/EC)
FLEXIBLES DE COMBUSTIBLE (AVEC NIVEAU II DE MOTEUR, SELON 97/68/EC)
KRAFTSTOFFSCHLAEUCHE (BEI MOTOR STUFE II NACH 97/68/EC)
TUBI FLESSIBILI COMBUSTIBILE (CON MOTORE STADIO II SECONDO NORMA 97/68/EC)
MANGUEIRAS DE COMBUSTIVEL
MANGUERAS DE COMBUSTIBLE (MOTOR NIVEL II SEGUN 97/68/EC)
CQ156967 -UN-
ESTA RELACAO CONTINUA
30-30 TRATOR 6125J (EDICAO SUL-AMERICANA) PC8539P (01-JUL-10)
PN=132
30-31
PERIFERICOS DO MOTOR, TANQUE E SISTEMA DE ADMISSAO
6
1
2
5
ITEM NR.PECA DESCRICAO QTDE NR. SERIE J NOTAS
1 CQ29143 PARAFUSO OCO 2 X
2 S17072 ARRUELA 4 X
3 CQ55032 MANGUEIRA 1 X
4 SG06401 BRACADEIRA 6 X
5 CQ55030 MANGUEIRA 1 X
6 CQ08038 CONEXAO DE MANGUEIRA 2 X
7 CQ63428 MANGUEIRA 1 X
8 CQ29167 MANGUEIRA 1 X
9 AH78125 PRESILHA 2 X
10 24M7055 ARRUELA AR X 8.400 X 16 X 1.600 MM
11 19M7162 PARAFUSO SEXT. AR X M8 X 16
12 14M7029 PORCA AR X M8
TRATOR 6125J (EDICAO SUL-AMERICANA) PC8539P (01-JUL-10) 30-31
PN=133
30-32
PERIFERICOS DO MOTOR, TANQUE E SISTEMA DE ADMISSAO
MOUNTING PARTS, SPEED CONTROL (FLAT FLOOR CAB)
REGLAGE DU REGIME - ELEMENTS DE FIXATION (CABINE A PLANCHER PLAT)
ANBAUTEILE, DREHZAHLVERSTELLUNG (KABINE MIT EBENEM BODEN)
PARTI DI MONTAGGIO, COMANDO VELOCITA (CABINA CON PAVIMENTO PIANO)
VARETA DO ACELERADOR
PIEZAS DE MONTAJE, VARILLAJE DE MANDO DEL ACELERADOR (CAB. CON SUELO PLANO)
LX017931 -UN-
6
1
2
5
ITEM NR.PECA DESCRICAO QTDE NR. SERIE J NOTAS
1 AL163687 TIRANTE 1 X
2 T22242 CONEXAO GIRATORIA 1 X
3 11M7009 CONTRA-PINO 1 X
4 14M7272 PORCA 3 X M6
5 56M7009 SOQUETE P/ JUNTA ESFERICA 1 X
6 24M7088 ARRUELA 4 X
30-32 TRATOR 6125J (EDICAO SUL-AMERICANA) PC8539P (01-JUL-10)
PN=134
30-33
PERIFERICOS DO MOTOR, TANQUE E SISTEMA DE ADMISSAO
AIR INTAKE HOSE
CONDUITE D’ADMISSION D’AIR
LUFTANSAUGSCHLAUCH
TUBO INGRESSO ARIA
MANGUEIRA DE ADMISSAO DE AR
MANGUERA DE ADMISION DE AIRE
CQ155797 -UN-
6
1
2
5
ITEM NR.PECA DESCRICAO QTDE NR. SERIE J NOTAS
1 AL150169 ABRACADEIRA PARA MANGUEIRA 1 X
2 L158227 MANGUEIRA 1 X
3 AL112933 BRACADEIRA 1 X
TRATOR 6125J (EDICAO SUL-AMERICANA) PC8539P (01-JUL-10) 30-33
PN=135
30-34
PERIFERICOS DO MOTOR, TANQUE E SISTEMA DE ADMISSAO
MUFFLER
SILENCIEUX
SCHALLDAEMPFER
SILENZIATORE
SILENCIADOR
SILENCIADOR
CQ302441 -UN-
ESTA RELACAO CONTINUA
30-34 TRATOR 6125J (EDICAO SUL-AMERICANA) PC8539P (01-JUL-10)
PN=136
30-35
PERIFERICOS DO MOTOR, TANQUE E SISTEMA DE ADMISSAO
6
1
2
NR. SERIE 5
ITEM NR.PECA DESCRICAO QTDE MOTOR J NOTAS
1 AL82257 BRACADEIRA 1 X
2 19M8819 PARAFUSO 1 X M8 X 35
3 DQ51572 SILENCIADOR 1 X (A)
AL153972 SILENCIADOR 1 X (B)
4 AL176428 BRACADEIRA 1 X
5 L113409 PARAFUSO 1 X
6 19M7167 PARAFUSO SEXT. 3 X (A) M10 X 25
19M7402 PARAFUSO SEXT. 3 X (B) M10 X 25
7 24M7213 ARRUELA 4 X 10.500 X 25 X 4 MM
8 AL114417 APOIO 1 X
9 14M7274 PORCA 1 X M10
10 L113192 APOIO 1 X
11 24M7028 ARRUELA 4 X
12 AL181065 SUPORTE 1 X
13 19M7479 PARAFUSO SEXT. 1 X M10 X 80
14 19M7162 PARAFUSO SEXT. AR X M8 X 16
19M8028 PARAFUSO SEXT. AR X M8 X 8
15 L200829 PROTECAO TERMICA 1 X
16 19M7984 PARAFUSO SEXT. 2 X M10 X 12
(A) WITHOUT CAB (B) WITH CAB
SANS CABINE AVEC CABINE
OHNE KABINE MIT KABINE
SENZA CABINA CON CABINA
SEM CABINE COM CABINE
SIN CABINA CON CABINA
TRATOR 6125J (EDICAO SUL-AMERICANA) PC8539P (01-JUL-10) 30-35
PN=137
30-36
PERIFERICOS DO MOTOR, TANQUE E SISTEMA DE ADMISSAO
EXHAUST SYSTEM (EPCC)
SYSTEME D’ECHAPPEMENT (EPCC)
ABGASANLAGE NACH (EPCC)
SISTEMA DI SCARICO (EPCC)
SISTEMA DE ESCAPE (EPCC)
SISTEMA DE ESCAPE (EPCC)
PUBM1123 -UN-
ESTA RELACAO CONTINUA
30-36 TRATOR 6125J (EDICAO SUL-AMERICANA) PC8539P (01-JUL-10)
PN=138
30-37
PERIFERICOS DO MOTOR, TANQUE E SISTEMA DE ADMISSAO
6
1
2
5
ITEM NR.PECA DESCRICAO QTDE NR. SERIE J NOTAS
1 L158499 PROTECAO 1 X
2 AL204716 CANO DE DESCARGA 1 X
3 19M7785 PARAFUSO 2 X M10 X 25
4 AL159691 APOIO 1 X
5 AL173829 BRACADEIRA 1 X
6 19M8851 PARAFUSO 4 X M6 X 12
7 AL177823 BRACADEIRA 2 X
8 CQ51579 CANO DE DESCARGA 1 X
9 AL204800 CANO DE DESCARGA 1 X
10 L79493 PORCA DE PRESSAO 1 X
TRATOR 6125J (EDICAO SUL-AMERICANA) PC8539P (01-JUL-10) 30-37
PN=139
30-38
PERIFERICOS DO MOTOR, TANQUE E SISTEMA DE ADMISSAO
MEMORANDA
MEMORANDA
MEMORANDA
MEMORANDA
MEMORANDA
MEMORANDA
30-38 TRATOR 6125J (EDICAO SUL-AMERICANA) PC8539P (01-JUL-10)
PN=140
40-A01
SISTEMA ELETRICO
SECTIONAL INDEX
INDEX DE SECTION
GRUPPENINDEX
INDICE DELLA SEZIONE
INDICE DE GRUPO
INDICE DE GRUPOS
PUBM1474 -UN-
1- 2
2- 3
3- 4
4- 5
5- 6
6- 8
8- 11
9- 12
11- 16
12- 18
13- 20
14- 22
21- 35
22- 36
TRATOR 6125J (EDICAO SUL-AMERICANA) PC8539P (01-JUL-10) 40-A01
PN=141
40-A02
SISTEMA ELETRICO
SECTIONAL INDEX
INDEX DE SECTION
GRUPPENINDEX
INDICE DELLA SEZIONE
INDICE DE GRUPO
INDICE DE GRUPOS
PUBM1475 -UN-
7- 10
10- 14
15- 24
16- 26
17- 28
18- 30
32- 50
33- 51
34- 52
35- 53
36- 54
40- 60
40-A02 TRATOR 6125J (EDICAO SUL-AMERICANA) PC8539P (01-JUL-10)
PN=142
40-A03
SISTEMA ELETRICO
SECTIONAL INDEX
INDEX DE SECTION
GRUPPENINDEX
INDICE DELLA SEZIONE
INDICE DE GRUPO
INDICE DE GRUPOS
PUBM1476 -UN-
19- 32
20- 34
23- 37
24- 38
25- 39
26- 40
27- 42
28- 43
29- 44
30- 46
31- 48
37- 55
38- 56
39- 58
TRATOR 6125J (EDICAO SUL-AMERICANA) PC8539P (01-JUL-10) 40-A03
PN=143
40-A04
SISTEMA ELETRICO
SECTIONAL INDEX
INDEX DE SECTION
GRUPPENINDEX
INDICE DELLA SEZIONE
INDICE DE GRUPO
INDICE DE GRUPOS
PUBM1477 -UN-
41- 62
42- 64
43- 66
44- 67
45- 68
46- 70
47- 71
48- 72
49- 74
50- 76
40-A04 TRATOR 6125J (EDICAO SUL-AMERICANA) PC8539P (01-JUL-10)
PN=144
40-A05
SISTEMA ELETRICO
MEMORANDA
MEMORANDA
MEMORANDA
MEMORANDA
MEMORANDA
MEMORANDA
TRATOR 6125J (EDICAO SUL-AMERICANA) PC8539P (01-JUL-10) 40-A05
PN=145
40-2
SISTEMA ELETRICO
STARTER MOTOR SHIELD
DEMARREUR GARANTS
STARTER MOTOR SHIELD
STARTER MOTOR SHIELD
PROTECAO DO MOTOR DE PARTIDA
PROTECCION DEL MOTOR DE ARRANQUE
PUBM1435 -UN-
6
1
2
NR. SERIE 5
ITEM NR.PECA DESCRICAO QTDE MOTOR J NOTAS
1 RE530306 KIT 1 X
40-2 TRATOR 6125J (EDICAO SUL-AMERICANA) PC8539P (01-JUL-10)
PN=146
40-3
SISTEMA ELETRICO
ALTERNATOR ATTACHING PARTS (WITHOUT AIR CONDITIONING OR AIR COMPRESSOR)
ELEMENTS DE FIXATION, ALTERNATEUR (SANS CLIMATISATION OU COMPRESSEUR D’AIR)
BEFESTIGUNGSTEILE, DREHSTROMGENERATOR (OHNE KLIMAANLAGE ODER LUFTKOMPRESSOR)
PARTI MONTAGGIO ALTERNATORE (SENZA CONDIZIONAMENTO ARIA O COMPRESSORE ARIA)
SUPORTE DO ALTERNADOR (SEM CABINE)
PIEZAS DE SUJECION, ALTERNADOR (SIN AIRE ACONDICIONADO O COMPRESOR DE AIRE)
PUBM0362 -UN-
6
1
2
5
ITEM NR.PECA DESCRICAO QTDE NR. SERIE J NOTAS
1 CQ48506 SUPORTE 2 X
2 19M7166 PARAFUSO SEXT. 1 X M10 X 20
3 19M7810 PARAFUSO 1 X M10 X 80
4 19M7408 PARAFUSO SEXT. 1 X M10 X 90
5 14M7296 PORCA COM FLANGE 2 X M10
6 24M7040 ARRUELA 2 X
TRATOR 6125J (EDICAO SUL-AMERICANA) PC8539P (01-JUL-10) 40-3
PN=147
40-4
SISTEMA ELETRICO
ALTERNATOR ATTACHING PARTS (WITH AIR CONDITIONING)
ELEMENTS DE FIXATION - ALTERNATEUR (AVEC CLIMATISATION)
BEFESTIGUNGSTEILE, DREHSTROMGENERATOR (BEI KLIMAANLAGE)
PARTI FISSAGGIO ALTERNATORE (CON ARIA CONDIZIONATA)
SUPORTE DO ALTERNADOR (CABINE)
PIEZAS DE SUJECION, ALTERNADOR (CON AIRE ACONDICIONADO)
LX032490 -UN-
6
1
2
5
ITEM NR.PECA DESCRICAO QTDE NR. SERIE J NOTAS
1 19M7835 PARAFUSO 5 X M10 X 35
2 CQ48046 APOIO 1 X
3 34M7190 PINO ELASTICO 2 X
4 AL155417 RODA TENSORA 1 X
5 L154170 TAMPA 1 X
6 19M7408 PARAFUSO SEXT. 1 X M10 X 90
7 14M7296 PORCA COM FLANGE 2 X M10
8 19M7810 PARAFUSO 1 X M10 X 80
40-4 TRATOR 6125J (EDICAO SUL-AMERICANA) PC8539P (01-JUL-10)
PN=148
40-5
SISTEMA ELETRICO
ALTERNATOR
ALTERNATEUR
DREHSTROMGENERATOR
ALTERNATORE
ALTERNADOR
ALTERNADOR
PUBM1343 -UN-
6
1
2
5
ITEM NR.PECA DESCRICAO QTDE NR. SERIE J NOTAS
1 RE285712 PORCA 1 X
2 14M7296 PORCA COM FLANGE 2 X M10
3 AL172532 REGULADOR 1 X
4 AL166645 ALTERNADOR 1 X
5 14M7028 PORCA 1 X M5
6 24M7027 ARRUELA 1 X 5.300 X 10 X 1 MM
7 CQ66216 POLIA 1 X
8 L78085 PORCA COM FLANGE 1 X
9 DQ59038 ALTERNADOR 1 X
10 19M7810 PARAFUSO 1 X
TRATOR 6125J (EDICAO SUL-AMERICANA) PC8539P (01-JUL-10) 40-5
PN=149
40-6
SISTEMA ELETRICO
BATTERY / ATTACHING PARTS
BATTERIE-ELEMENTS DE FIXATION
BATTERIE / BEFESTIGUNGSTEILE
BATTERIA / PARTI FISSAGGIO
BATERIA / FIXACAO DA BATERIA
BATERIA / PIEZAS DE FIJACION
CQ155738 -UN-
6
1
2
5
ITEM NR.PECA DESCRICAO QTDE NR. SERIE J NOTAS
1 DQ68478 BATERIA COM CARGA UMIDA 1 X 150AH
2 L158301 PARAF. COM GANCHO 2 X
3 14M7397 PORCA DE SEGURANCA 2 X M6
4 L158302 APOIO 1 X
5 L158305 APOIO 1 X
6 14M7029 PORCA 4 X M8
7 24M7055 ARRUELA 4 X
8 19M7139 PARAFUSO SEXT. 4 X M8 X 20
40-6 TRATOR 6125J (EDICAO SUL-AMERICANA) PC8539P (01-JUL-10)
PN=150
40-7
SISTEMA ELETRICO
MEMORANDA
MEMORANDA
MEMORANDA
MEMORANDA
MEMORANDA
MEMORANDA
TRATOR 6125J (EDICAO SUL-AMERICANA) PC8539P (01-JUL-10) 40-7
PN=151
40-8
SISTEMA ELETRICO
BATTERY CABLE
CABLES BATTERIE
BATTERIEKABEL
CAVO BATTERIA
CABOS DA BATERIA
CABLE DE BATERIA
CQ155747 -UN-
ESTA RELACAO CONTINUA
40-8 TRATOR 6125J (EDICAO SUL-AMERICANA) PC8539P (01-JUL-10)
PN=152
40-9
SISTEMA ELETRICO
6
1
2
5
ITEM NR.PECA DESCRICAO QTDE NR. SERIE J NOTAS
1 19M7268 PARAFUSO SEXT. 1 X M12 X 25
2 24M7047 ARRUELA 1 X
3 14M7273 PORCA 2 X M8
4 24M7055 ARRUELA 2 X
5 AL159181 CABO DA BATERIA 1 X
6 AL154427 PONTE 1 X
7 14M7274 PORCA 1 X M10
8 12M7135 ARRUELA DE PRESSAO 1 X 10 MM
9 24M7145 ARRUELA 1 X 15 X 24 X 2.500 MM
10 AL157541 CABO DA BATERIA 1 X
11 AL159445 CABO DA BATERIA 1 X
12 19M9201 PARAFUSO 1 X M14 X 25
13 L154937 REVESTIMENTO, BLINDAGEM 1 X
TRATOR 6125J (EDICAO SUL-AMERICANA) PC8539P (01-JUL-10) 40-9
PN=153
40-10
SISTEMA ELETRICO
TAIL LIGHTS AND TURN SIGNAL LIGHTS
FEUX ARRIERE ET CLIGNOTANTS
SCHLUSS- UND BLINKLEUCHTEN
LUCI DI CODA E DI DIREZIONE
LUZ TRASEIRA
LUCES TRASERAS E INTERMITENCIAS DE GIRO
LX033270 -UN-
6
1
2
5
ITEM NR.PECA DESCRICAO QTDE NR. SERIE J NOTAS
1 AL176143 LUZ TRASEIRA 2 X
2 37M7274 PARAFUSO 4 X
3 57M7014 LAMPADA 1 X 12V-21W
4 57M7011 LAMPADA 1 X 12V-21/5W
5 L151980 PORCA DE SEGURANCA 4 X
6 L152943 PASSADOR 4 X
40-10 TRATOR 6125J (EDICAO SUL-AMERICANA) PC8539P (01-JUL-10)
PN=154
40-11
SISTEMA ELETRICO
HORN
FEUX ARRIERE ET CLIGNOTANTS
SCHLUSS- UND BLINKLEUCHTEN
LUCI DI CODA E DI DIREZIONE
BUZINA
BOZINA
LX025959 -UN-
6
1
2
5
ITEM NR.PECA DESCRICAO QTDE NR. SERIE J NOTAS
1 19M7297 PARAFUSO SEXT. 1 X M8 X 12
2 24M7055 ARRUELA 1 X 8.400 X 16 X 1.600 MM
3 14M7273 PORCA 1 X M8
4 AL203265 BUZINA 1 X
TRATOR 6125J (EDICAO SUL-AMERICANA) PC8539P (01-JUL-10) 40-11
PN=155
40-12
SISTEMA ELETRICO
WORK LIGHT
PROJECTEURS DE TRAVAIL
GERAETESCHEINWERFER
FARI DI LAVORO
LUZES DE TRABALHO
FAROS DE LABOR FRONTALES
CQ300477 -UN-
6
1
2
5
ITEM NR.PECA DESCRICAO QTDE NR. SERIE J NOTAS
1 AL154553 FAROL DE SERVICO 4 X (A)
2 RE60765 LENTE 2 X
3 AT130104 LAMPADA 4 X (A)
AS04904 LAMPADA 4 X (B)
4 37M7177 PARAFUSO 4 X
5 19M7269 PARAFUSO SEXT. 2 X M8 X 50
6 24M7055 ARRUELA 2 X
7 14M7166 PORCA DE SEGURANCA 2 X M8
8 L153587 ARRUELA 4 X
9 CQ51923 SUPORTE 4 X
10 CQ25923 PASSADOR 4 X
11 DQ25068 FAROL DIANTEIRO 2 X (B) REAR
DQ33944 FAROL DIANTEIRO 2 X (B) FRONT
12 L171231 PARAFUSO 4 X
13 57M7289 DISP FECHAMENTO CONEC ELETR 4 X
14 57M7256 CONJ MONT CONECTOR ELETRICO 4 X
15 12M7142 ARRUELA AR X
(A) WITH CAB (B) WITHOUT CAB
AVEC CABINE SANS CABINE
MIT KABINE OHNE KABINE
CON CABINA SENZA CABINA
COM CABINE SEM CABINE
CON CABINA SIN CABINA
40-12 TRATOR 6125J (EDICAO SUL-AMERICANA) PC8539P (01-JUL-10)
PN=156
40-13
SISTEMA ELETRICO
MEMORANDA
MEMORANDA
MEMORANDA
MEMORANDA
MEMORANDA
MEMORANDA
TRATOR 6125J (EDICAO SUL-AMERICANA) PC8539P (01-JUL-10) 40-13
PN=157
40-14
SISTEMA ELETRICO
HEADLIGHTS
PHARES AVANT
FRONTSCHEINWERFER
FARI ANTERIORI
FAROIS DIANTEIROS
FAROS DELANTEROS
PUBM1538 -UN-
ESTA RELACAO CONTINUA
40-14 TRATOR 6125J (EDICAO SUL-AMERICANA) PC8539P (01-JUL-10)
PN=158
40-15
SISTEMA ELETRICO
6
1
2
5
ITEM NR.PECA DESCRICAO QTDE NR. SERIE J NOTAS
1 L78984 PRESILHA 6 X
2 37M7335 PARAFUSO 8 X
3 CQ71882 VEDACAO 2 X
4 L154128 PROTECAO CONTRA PO 1 X
5 MN10029 FAROL DIANTEIRO 2 X
6 57M7166 LAMPADA 2 X
7 AZ47904 BRACADEIRA DE AJUSTE 6 X
8 CQ71890 MOLDURA 1 X
9 DQ58449 FAROL DIANTEIRO 1 X
TRATOR 6125J (EDICAO SUL-AMERICANA) PC8539P (01-JUL-10) 40-15
PN=159
40-16
SISTEMA ELETRICO
3-TERMINAL POWER OUTLET SOCKET
PRISE 3 PLOTS
STECKDOSE 3-POLIG
PRESA ELETTRICA TRIPOLARE
TOMADA DE CORRENTE DE 3 TERMINAIS
ENCHUFE DE 3 POLOS
LX017447 -UN-
6
1
2
5
ITEM NR.PECA DESCRICAO QTDE NR. SERIE J NOTAS
1 57M7390 TERMINAL CONECTOR ELETRICO 1 X
2 L157467 TIRA 1 X
3 AL201803 TAMPA 1 X
4 37M7095 PARAFUSO 4 X
5 AL114896 CHICOTE 1 X
6 AL116176 CHICOTE 1 X
40-16 TRATOR 6125J (EDICAO SUL-AMERICANA) PC8539P (01-JUL-10)
PN=160
40-17
SISTEMA ELETRICO
MEMORANDA
MEMORANDA
MEMORANDA
MEMORANDA
MEMORANDA
MEMORANDA
TRATOR 6125J (EDICAO SUL-AMERICANA) PC8539P (01-JUL-10) 40-17
PN=161
40-18
SISTEMA ELETRICO
REVERSE LIGHT
FEU DE MARCHE ARRIERE
RUECKFAHRSCHEINWERFER
LUCE DI RETROMARCIA
LUZ DO RE
LUCES DE MARCHA ATRAS
PUBM1344 -UN-
ESTA RELACAO CONTINUA
40-18 TRATOR 6125J (EDICAO SUL-AMERICANA) PC8539P (01-JUL-10)
PN=162
40-19
SISTEMA ELETRICO
6
1
2
5
ITEM NR.PECA DESCRICAO QTDE NR. SERIE J NOTAS
1 DQ65274 LUZ TRASEIRA 1 X
2 19M7163 PARAFUSO SEXT. 1 X M8 X 25
3 12M7065 ARRUELA DE PRESSAO 1 X 8 MM
4 14M7029 PORCA 1 X M8
5 AL158140 CHICOTE 1 X
6 AL110566 INTERRUPTOR 1 X
7 L111041 TRADUCAO NAO DISPONIVEL 1 X
8 14M7273 PORCA 1 X M8
9 AL114955 CHICOTE 1 X
10 CQ42092 SUPORTE 1 X
11 DQ67022 SUPORTE 1 X POWRQUAD
AL116265 SUPORTE 1 X SYNCROPLUS
12 24M7117 ARRUELA 2 X 4.300 X 9 X 0.800 MM
13 21M7369 PARAFUSO 2 X M4 X 25
14 19M8675 PARAFUSO 1 X M8 X 16
15 R44302 CINTA 3 X
16 AL150015 RELE 1 X
17 12M7067 ARRUELA DE PRESSAO 1 X 12 MM
18 14M7273 PORCA 1 X M8
19 19M7162 PARAFUSO SEXT. 4 X M8 X 16
20 24M7055 ARRUELA 6 X 8.400 X 16 X 1.600 MM
21 CQ62315 PASSADOR 1 X
22 DQ39769 ALARME DE MARCHA 1 X
23 DQ72369 CHICOTE 2 X (A)
24 14M7100 PORCA 2 X M4
(A) WITHOUT CAB
SANS CABINE
OHNE KABINE
SENZA CABINA
SEM CABINE
SIN CABINA
TRATOR 6125J (EDICAO SUL-AMERICANA) PC8539P (01-JUL-10) 40-19
PN=163
40-20
SISTEMA ELETRICO
ENGINE WIRING HARNESS
FAISCEAU MOTEUR
MOTORKABELBAUM
CAVO ELETTRICO MOTORE
CHICOTE DO MOTOR
GRUPO DE CABLES MOTOR
CQ155750 -UN-
ESTA RELACAO CONTINUA
40-20 TRATOR 6125J (EDICAO SUL-AMERICANA) PC8539P (01-JUL-10)
PN=164
40-21
SISTEMA ELETRICO
6
1
2
5
ITEM NR.PECA DESCRICAO QTDE NR. SERIE J NOTAS
1 AL164070 CHICOTE 1 X (A)
2 AL164281 CHICOTE 1 X (B)
3 L154171 PRESILHA 1 X
4 14M7298 PORCA COM FLANGE 1 X M8
(A) WITH CAB (B) WITHOUT CAB
AVEC CABINE SANS CABINE
MIT KABINE OHNE KABINE
CON CABINA SENZA CABINA
COM CABINE SEM CABINE
CON CABINA SIN CABINA
TRATOR 6125J (EDICAO SUL-AMERICANA) PC8539P (01-JUL-10) 40-21
PN=165
40-22
SISTEMA ELETRICO
WIRING HARNESS, ENGINE STARTING AID
FAISCEAU - AIDE AU DEMARRAGE
KABELBAUM, MOTORSTARTHILFE
CAVO ELETTRICO AUSILIO ELETTRICO DI AVVIAMENTO
CHICOTE E RELE DE PARTIDA
GRUPO DE CABLES/ AUXILIAR DE ARRANQUE
CQ156927 -UN-
ESTA RELACAO CONTINUA
40-22 TRATOR 6125J (EDICAO SUL-AMERICANA) PC8539P (01-JUL-10)
PN=166
40-23
SISTEMA ELETRICO
6
1
2
5
ITEM NR.PECA DESCRICAO QTDE NR. SERIE J NOTAS
1 AL164627 CHICOTE 1 X
2 RE164448 RELE DE PARTIDA 1 X
3 24M7054 ARRUELA AR X
4 19M7560 PARAFUSO SEXT. AR X M6 X 16
5 12M7122 ARRUELA DE PRESSAO 2 X 8.400 MM
6 14H785 PORCA 2 X 5/16"
7 12H295 ARRUELA DE PRESSAO 2 X 0.190"
8 14H631 PORCA 2 X 0.190"
9 L110306 PROTECAO 1 X
10 L80303 ARRUELA 1 X
11 19M7077 PARAFUSO SEXT. AR X M6 X 20
12 14M7165 PORCA DE SEGURANCA AR X M6
13 CQ28556 BRACADEIRA 1 X
TRATOR 6125J (EDICAO SUL-AMERICANA) PC8539P (01-JUL-10) 40-23
PN=167
40-24
SISTEMA ELETRICO
WIRING HARNESS, HEADLIGHTS AND WORKLIGHTS (FRONT GRILLE)
FAISCEAU, PHARES PRINCIPAUX ET PHARES DE TRAVAIL (CALANDRE)
KABELBAUM, FRONTSCHEINWERFER UND GERAETESCHEINWERFER (FRONTGRILL)
CAVO ELETTRICO FARI ANTERIORI E FARI DI LAVORO (GRIGLIA ANTERIORE)
CHICOTE, LUZES DIANTEIRAS E LUZES DE TRABALHO (GRADE FRONTAL)
GRUPO DE CABLES, FAROS DELANTEROS Y FAROS DE TRABAJO (PANEL FRONTAL)
CQ155751 -UN-
ESTA RELACAO CONTINUA
40-24 TRATOR 6125J (EDICAO SUL-AMERICANA) PC8539P (01-JUL-10)
PN=168
40-25
SISTEMA ELETRICO
6
1
2
5
ITEM NR.PECA DESCRICAO QTDE NR. SERIE J NOTAS
1 AL157627 CHICOTE 1 X
2 R44302 CINTA 2 X
3 L154171 PRESILHA 1 X
4 L155448 PARAFUSO 1 X
TRATOR 6125J (EDICAO SUL-AMERICANA) PC8539P (01-JUL-10) 40-25
PN=169
40-26
SISTEMA ELETRICO
WIRING HARNESS FIXTURE
SUPPORT POUR FAISCEAUX TRANSMISSION
HALTERUNG FUER GETRIEBEKABELBAEUME
RITEGNO CAVO ELETTRICO
SUPORTE PARA CABOS/CHICOTES DA TRANSMISSAO
SOPORTE PARA GRUPOS DE CABLES DE LA TRANSMISION
LX028721 -UN-
6
1
2
5
ITEM NR.PECA DESCRICAO QTDE NR. SERIE J NOTAS
1 19M7386 PARAFUSO SEXT. 1 X M12 X 20
2 24M7044 ARRUELA 1 X 13 X 20 X 2 MM
3 L153768 PRESILHA 3 X
4 L154773 SUPORTE 1 X
40-26 TRATOR 6125J (EDICAO SUL-AMERICANA) PC8539P (01-JUL-10)
PN=170
40-27
SISTEMA ELETRICO
MEMORANDA
MEMORANDA
MEMORANDA
MEMORANDA
MEMORANDA
MEMORANDA
TRATOR 6125J (EDICAO SUL-AMERICANA) PC8539P (01-JUL-10) 40-27
PN=171
40-28
SISTEMA ELETRICO
TRANSMISSION HARNESS (CAB)
FAISCEAU TRANSMISSION (AVANT)
GETRIEBEKABELBAUM (FORN)
CAVO ELETTRICO TRASMISSIONE (ANTERIORE)
CHICOTE DA TRANSMISSAO (CABINE)
GRUPO DE CABLES TRANSMISION (CABINA)
PUBM1341 -UN-
ESTA RELACAO CONTINUA
40-28 TRATOR 6125J (EDICAO SUL-AMERICANA) PC8539P (01-JUL-10)
PN=172
40-29
SISTEMA ELETRICO
6
1
2
5
ITEM NR.PECA DESCRICAO QTDE NR. SERIE J NOTAS
1 AL180297 CHICOTE 1 X
2 L41858 CINTA 2 X
3 R44302 CINTA 6 X
4 L115277 PRESILHA 3 X
5 R232182 PRESILHA 1 X
TRATOR 6125J (EDICAO SUL-AMERICANA) PC8539P (01-JUL-10) 40-29
PN=173
40-30
SISTEMA ELETRICO
TRANSMISSION HARNESS, FRONT (OPEN OPERATOR’S STATION)
FAISCEAU TRANSMISSION AVANT (TRACTEURS SANS CABINE)
GETRIEBEKABELBAUM VORN (OFFENE FAHRERPLATTFORM)
CAVO ANTERIORE TRASMISSIONE (STAZIONE OPERATORE APERTA)
CHICOTE DA TRANSMISSAO (SEM CABINE)
GRUPO DE CABLES DELANTERO DE LA TRANSMISION (CON PLATAFORMA DE CONDUCCION ABIERTA)
LX029538 -UN-
6
1
2
5
ITEM NR.PECA DESCRICAO QTDE NR. SERIE J NOTAS
1 AL180296 CHICOTE 1 X
2 L110765 BRACADEIRA 1 X
3 T13744 BRACADEIRA 1 X
4 24M7044 ARRUELA 1 X
5 19M7386 PARAFUSO SEXT. 1 X M12 X 20
6 R44302 CINTA 3 X
40-30 TRATOR 6125J (EDICAO SUL-AMERICANA) PC8539P (01-JUL-10)
PN=174
40-31
SISTEMA ELETRICO
MEMORANDA
MEMORANDA
MEMORANDA
MEMORANDA
MEMORANDA
MEMORANDA
TRATOR 6125J (EDICAO SUL-AMERICANA) PC8539P (01-JUL-10) 40-31
PN=175
40-32
SISTEMA ELETRICO
CAB WIRING HARNESS
FAISCEAU CABINE
KABELBAUM KABINE
CAVO ELETTRICO CABINA
CHICOTE DA CABINE
GRUPO DE CABLES DE LA CABINA
PUBM1342 -UN-
ESTA RELACAO CONTINUA
40-32 TRATOR 6125J (EDICAO SUL-AMERICANA) PC8539P (01-JUL-10)
PN=176
40-33
SISTEMA ELETRICO
6
1
2
5
ITEM NR.PECA DESCRICAO QTDE NR. SERIE J NOTAS
1 AL178887 CHICOTE 1 X
2 L154332 BRACADEIRA 2 X
3 AL161566 CHICOTE 1 X
4 14M7416 PORCA COM FLANGE 1 X M8
5 R50454 BRACADEIRA 1 X
6 19M7163 PARAFUSO SEXT. 1 X M8 X 25
7 L152151 CONDUTO 4 X
8 L113094 BRACADEIRA 2 X
9 L78028 PASSADOR 2 X
10 24M7055 ARRUELA 2 X 8.400 X 16 X 1.600 MM
11 14M7273 PORCA 2 X M8
12 L32394 TAMPA 2 X
13 L102007 PASSADOR 2 X
14 AL82121 CONJ MONT CONECTOR ELETRICO 1 X
TRATOR 6125J (EDICAO SUL-AMERICANA) PC8539P (01-JUL-10) 40-33
PN=177
40-34
SISTEMA ELETRICO
SPEAKER HARNESS
FAISCEAU, PAVILLON
KABELBAUM, KABINENDACH
VACO, TETTO CABINA
CHICOTE DO AUTO-FALANTE
CABLE DE MACE
CQ156961 -UN-
6
1
2
5
ITEM NR.PECA DESCRICAO QTDE NR. SERIE J NOTAS
1 AL159801 CHICOTE 1 X
40-34 TRATOR 6125J (EDICAO SUL-AMERICANA) PC8539P (01-JUL-10)
PN=178
40-35
SISTEMA ELETRICO
POWER WIRING HARNESS
FAISCEAU D’ ALIMENTATION
KABELBAUM, STROMVERSORGUNG
CAVO ELETTRICO DI POTENZA
CHICOTE DE ALIMENTACAO
GRUPO DE CABLES, ALIMENTACION
CQ156185 -UN-
6
1
2
NR. SERIE 5
ITEM NR.PECA DESCRICAO QTDE TRATOR J NOTAS
1 AL157626 CHICOTE 1 X (B)
AL158294 RETIFICADOR 1 X (A)
2 57M8181 PORTA-FUSIVEL 2 X
3 57M8190 FUSIVEL 1 X 80A
57M7989 FUSIVEL 1 X 60A
4 57M8189 PORTA-FUSIVEL 1 X COM FUSIVEL 80 AMP
57M9698 FUSIVEL 1 X COM FUSIVEL 60 AMP
5 57M8182 PORTA-FUSIVEL 2 X
6 57M8093 PORTA-FUSIVEL 1 X
7 21M7250 PARAFUSO 2 X M4 X 12
8 24M7146 ARRUELA 2 X 4.300 X 12 X 1 MM
9 14M7139 PORCA 2 X M4
(A) WITH CAB (B) WITHOUT CAB
AVEC CABINE SANS CABINE
MIT KABINE OHNE KABINE
CON CABINA SENZA CABINA
COM CABINE SEM CABINE
CON CABINA SIN CABINA
TRATOR 6125J (EDICAO SUL-AMERICANA) PC8539P (01-JUL-10) 40-35
PN=179
40-36
SISTEMA ELETRICO
WARNING LIGHTS AT FRONT OF CAB ROOF
FEUX DE DETRESSE A L’AVANT DU PAVILLON
WARNLEUCHTEN-KABINENDACH VORN
LUCI DI AVVERTIMENTO LATO ANTERIORE TETTO CABINA
PISCAS DIRECIONAIS E LUZES DE POSICAO
LUCES INTERMITENTES DE EMERGENCIA DEL FRENTE DEL TECHO DE LA CABINA
CQ155744 -UN-
6
1
2
5
ITEM NR.PECA DESCRICAO QTDE NR. SERIE J NOTAS
1 RE217551 FAROL 2 X
2 L60585 ARRUELA AR X
3 RE49778 LAMPADA 1 X
4 CQ25923 PASSADOR 2 X
5 19M8482 PARAFUSO 4 X M6 X 80
40-36 TRATOR 6125J (EDICAO SUL-AMERICANA) PC8539P (01-JUL-10)
PN=180
40-37
SISTEMA ELETRICO
CHANNEL, WIRING HARNESS
PASSAGE DU FAISCEAU DE CABLES
KABELBAUMKANAL
CAVO ELETTRICO, CANALE
CANAL PARA CHICOTE ELETRICO
CANAL DEL GRUPO DE CABLES
PUBM1469 -UN-
6
1
2
5
ITEM NR.PECA DESCRICAO QTDE NR. SERIE J NOTAS
1 L175842 PERFIL "U" 1 X
2 L175841 PERFIL "U" 1 X
3 L114062 PASSADOR 1 X
4 L40924 PORCA 3 X
5 14M7297 PORCA 1 X M5
6 12M7077 ARRUELA 1 X
7 L170967 PERFIL "U" 1 X
8 R44302 CINTA 2 X
9 19M7317 PARAFUSO 1 X M5 X 30
10 L166759 BRACADEIRA 1 X
TRATOR 6125J (EDICAO SUL-AMERICANA) PC8539P (01-JUL-10) 40-37
PN=181
40-38
SISTEMA ELETRICO
WIRING HARNESS INSTRUMENTS
FAISCEAU TABLEAU DE BORD
KABELBAUM ARMATUREN
CAVO STRUMENTAZIONE
CHICOTE DO PAINEL
GRUPO DE CABLES DEL SALPICADERO
CQ155756 -UN-
6
1
2
5
ITEM NR.PECA DESCRICAO QTDE NR. SERIE J NOTAS
1 AL164954 CHICOTE 1 X
2 R44302 CINTA AR X
40-38 TRATOR 6125J (EDICAO SUL-AMERICANA) PC8539P (01-JUL-10)
PN=182
40-39
SISTEMA ELETRICO
WIRING HARNESS, HEATING AND AIRCONDITIONING
FAISCEAU, CHAUFFAGE ET CLIMATISATION
KABELBAUM, HEIZUNG UND KLIMAANLAGE
CAVO RISCALDATORE E CONDIZIONAMENTO ARIA
CHICOTE ELETRICO, AQUECIMENTO E AR CONDICIONADO
GRUPO DE CABLES, CALEFACCION Y AIRE ACONDICIONADO
PUBM1438 -UN-
6
1
2
5
ITEM NR.PECA DESCRICAO QTDE NR. SERIE J NOTAS
1 L111184 PRESILHA 3 X
2 R44302 CINTA AR X
3 L38642 PASSADOR 1 X
4 AL160369 CHICOTE 1 X
5 L111127 PRESILHA 1 X
6 R27180 PASSADOR 1 X
TRATOR 6125J (EDICAO SUL-AMERICANA) PC8539P (01-JUL-10) 40-39
PN=183
40-40
SISTEMA ELETRICO
WIRING HARNESS, CAB ROOF
FAISCEAU, PAVILLON
KABELBAUM, KABINENDACH
VACO, TETTO CABINA
CHICOTE DA TETO
GRUPO DE CABLES, TECHO CABINA
CQ157348 -UN-
ESTA RELACAO CONTINUA
40-40 TRATOR 6125J (EDICAO SUL-AMERICANA) PC8539P (01-JUL-10)
PN=184
40-41
SISTEMA ELETRICO
6
1
2
5
ITEM NR.PECA DESCRICAO QTDE NR. SERIE J NOTAS
1 AL162768 CHICOTE 1 X
2 24M7139 ARRUELA 1 X
3 19M7560 PARAFUSO SEXT. 1 X M6 X 16
4 L151529 PORTA-CABOS AR X
5 37M7181 PARAFUSO 2 X
TRATOR 6125J (EDICAO SUL-AMERICANA) PC8539P (01-JUL-10) 40-41
PN=185
40-42
SISTEMA ELETRICO
BASIC CONTROL UNIT (BCU)
CENTRALE ELECTRIQUE (BCU)
ZENTRAL-STEUERINHEIT (BCU)
UNITA’ DI COMANDO BASE (BCU)
UNIDADE BASICA DE CONTROLE (BCU)
UNIDAD DE CONTROL BASICO (BCU)
CQ155757 -UN-
6
1
2
5
ITEM NR.PECA DESCRICAO QTDE NR. SERIE J NOTAS
1 AL205515 UNIDADE BASICA DE CONTROLE 1 X
2 19M8875 PARAFUSO 2 X M6 X 25
40-42 TRATOR 6125J (EDICAO SUL-AMERICANA) PC8539P (01-JUL-10)
PN=186
40-43
SISTEMA ELETRICO
FUSES, DIODES, RELAYS
FUSIBLES, DIODES, RELAIS
SICHERUNGEN, DIODEN, RELAIS
FUSIBILI, DIODI, RELE’
FUSIVEIS, DIODOS, RELES
FUSIBLES, DIODOS, RELES
CQ155758 -UN-
6
1
2
NR. SERIE 5
ITEM NR.PECA DESCRICAO QTDE TRATOR J NOTAS
1 AL76702 RELE 1 X
2 AL152098 PORTA-DIODOS 1 X
3 37M7293 PARAFUSO 1 X
4 AL77324 RELE 3 X
5 57M7121 FUSIVEL AR X 10A
99M7065 FUSIVEL AR X 15A
57M7120 FUSIVEL AR X 20A
57M7146 FUSIVEL AR X 30A
6 AL117951 CAIXA DE FUSIVEIS 1 X
7 L63386 CAPA 1 X
8 24M7146 ARRUELA 1 X
TRATOR 6125J (EDICAO SUL-AMERICANA) PC8539P (01-JUL-10) 40-43
PN=187
40-44
SISTEMA ELETRICO
FUSES, DIODES, RELAYS
FUSIBLES, DIODES, RELAIS
SICHERUNGEN, DIODEN, RELAIS
FUSIBILI, DIODI, RELE’
FUSIVEIS, RELES, DIODOS
FUSIBLES, DIODOS, RELES
CQ155759 -UN-
6
1
2
5
ITEM NR.PECA DESCRICAO QTDE NR. SERIE J NOTAS
1 57M7121 FUSIVEL AR X 10A
99M7065 FUSIVEL AR X 15A
57M7120 FUSIVEL AR X 20A
57M7146 FUSIVEL AR X 30A
2 AL77324 RELE AR X
3 AL81718 RELE 1 X
4 AL152098 PORTA-DIODOS 1 X
5 AL76702 RELE AR X
40-44 TRATOR 6125J (EDICAO SUL-AMERICANA) PC8539P (01-JUL-10)
PN=188
40-45
SISTEMA ELETRICO
MEMORANDA
MEMORANDA
MEMORANDA
MEMORANDA
MEMORANDA
MEMORANDA
TRATOR 6125J (EDICAO SUL-AMERICANA) PC8539P (01-JUL-10) 40-45
PN=189
40-46
SISTEMA ELETRICO
FUSE BOX / SYMBOLS
PLATINE DE FUSIBLES / SYMBOLES
SICHERUNGSKASTEN / SYMBOLAUFKLEBER
SCATOLA FUSIBILI / SIMBOLI
CAIXA DE FUSIVEIS / ADESIVOS
CAJA DE FUSIBLES / SIMBOLOS
CQ156977 -UN-
ESTA RELACAO CONTINUA
40-46 TRATOR 6125J (EDICAO SUL-AMERICANA) PC8539P (01-JUL-10)
PN=190
40-47
SISTEMA ELETRICO
6
1
2
5
ITEM NR.PECA DESCRICAO QTDE NR. SERIE J NOTAS
1 AL181849 CAPA 1 X
2 L114030 VEDACAO 1 X LGTH=1000MM (39-3/8")
3 L102363 PARAFUSO 4 X
4 L102203 CAIXA DE FUSIVEIS 1 X
5 37M7179 PARAFUSO 12 X
6 24M7117 ARRUELA 12 X
7 L102204 CAPA 1 X
8 L101241 PLUGUE 2 X
9 L114522 CAIXA DE FUSIVEIS 1 X
10 57M7204 TERMINAL CONECTOR ELETRICO AR X -1,0MM2/6,3MM
57M7205 TERMINAL CONECTOR ELETRICO AR X -2,5MM2/6,3MM
57M7206 TERMINAL CONECTOR ELETRICO AR X -4,0MM2/6,3MM
11 57M7229 TERMINAL CONECTOR ELETRICO AR X -1,0MM2/2,8MM
12 L114524 INSERTO 2 X
13 24M7146 ARRUELA 4 X
14 37M7293 PARAFUSO 4 X
15 L168245 ETIQUETA 1 X
TRATOR 6125J (EDICAO SUL-AMERICANA) PC8539P (01-JUL-10) 40-47
PN=191
40-48
SISTEMA ELETRICO
FUSE BOX / SYMBOLS
PLATINE DE FUSIBLES / SYMBOLES
SICHERUNGSKASTEN / SYMBOLAUFKLEBER
SCATOLA FUSIBILI / SIMBOLI
CAIXA DE FUSIVEIS / ADESIVOS
CAJA DE FUSIBLES / SIMBOLOS
PUBM1340 -UN-
ESTA RELACAO CONTINUA
40-48 TRATOR 6125J (EDICAO SUL-AMERICANA) PC8539P (01-JUL-10)
PN=192
40-49
SISTEMA ELETRICO
6
1
2
5
ITEM NR.PECA DESCRICAO QTDE NR. SERIE J NOTAS
1 AL161113 CAPA 1 X
2 L154173 CAPA 1 X
3 L79880 GUIA 2 X
4 L102363 PARAFUSO 4 X
5 L174379 INSERTO 1 X
6 L174378 INSERTO 1 X
7 57M7528 ALOJAM. CONECTOR ELETRICO AR X
8 L111376 SUPORTE 1 X
9 19M8263 PARAFUSO 8 X M6 X 30
10 24M7244 ARRUELA 8 X
11 57M7229 TERMINAL CONECTOR ELETRICO AR X -1,0MM2/2,8MM
12 57M7204 TERMINAL CONECTOR ELETRICO AR X -1,0MM2/6,3MM
57M7205 TERMINAL CONECTOR ELETRICO AR X -2,5MM2/6,3MM
13 57M7108 TERMINAL CONECTOR ELETRICO 1 X
14 L79354 ALICATE 1 X
TRATOR 6125J (EDICAO SUL-AMERICANA) PC8539P (01-JUL-10) 40-49
PN=193
40-50
SISTEMA ELETRICO
TRAILEN HARNESS
CONNECTEUR ET COSSE DE CABLE
STECKVERBINDER UND KABELSCHUHE
CONNETTORE CON SPINETTE PER INSERIMENTO FILO
CHICOTE DO REBOQUE
CABLEADO DEL REMOLQUE
CQ156962 -UN-
6
1
2
5
ITEM NR.PECA DESCRICAO QTDE NR. SERIE J NOTAS
1 AL162776 CHICOTE 1 X -1,5MM2 /1,5MM
2 AL150924 APOIO 1 X
3 L151611 CAPA 1 X
4 37M7193 PARAFUSO 3 X
5 19M7268 PARAFUSO SEXT. 2 X M12 X 25
40-50 TRATOR 6125J (EDICAO SUL-AMERICANA) PC8539P (01-JUL-10)
PN=194
40-51
SISTEMA ELETRICO
WIRING HARNESS TRANSMISSION
FAISCEAU TRANSMISSION
GETRIEBEKABELBAUM
CAVO TRASMISSIONE
CHICOTE DA TRANSMISSAO
GRUPO DE CABLES DE LA TRANSMISION
PUBM1354 -UN-
6
1
2
5
ITEM NR.PECA DESCRICAO QTDE NR. SERIE J NOTAS
1 AL204911 CHICOTE 1 X
2 L101761 BRACADEIRA 1 X
3 AH89557 PRESILHA 1 X
4 19M7008 PARAFUSO SEXT. 1 X
5 R44302 CINTA 1 X
6 L167244 PRESILHA 1 X
TRATOR 6125J (EDICAO SUL-AMERICANA) PC8539P (01-JUL-10) 40-51
PN=195
40-52
SISTEMA ELETRICO
TRANSMISSION WIRING HARNESS
FAISCEAU TRANSMISSION
GETRIEBEKABELBAUM
CAVO TRASMISSIONE
CHICOTE DA TRANSMISSAO
GRUPO DE CABLES DE LA TRANSMISION
PUBM1353 -UN-
6
1
2
5
ITEM NR.PECA DESCRICAO QTDE NR. SERIE J NOTAS
1 AL178891 CHICOTE 1 X
2 L167244 PRESILHA 1 X
3 R232182 PRESILHA 1 X
4 AH89557 PRESILHA 1 X
5 19M7162 PARAFUSO SEXT. 2 X M8 X 16
40-52 TRATOR 6125J (EDICAO SUL-AMERICANA) PC8539P (01-JUL-10)
PN=196
40-53
SISTEMA ELETRICO
WIRING HARNESS TRANSMISSION
FAISCEAU TRANSMISSION
GETRIEBEKABELBAUM
CAVO TRASMISSIONE
CHICOTE DA TRANSMISSAO
GRUPO DE CABLES DE LA TRANSMISION
PUBM1352 -UN-
6
1
2
5
ITEM NR.PECA DESCRICAO QTDE NR. SERIE J NOTAS
1 AL204913 CHICOTE 1 X
2 L101761 BRACADEIRA 1 X
3 AH89557 PRESILHA 1 X
4 19M7008 PARAFUSO SEXT. 1 X
5 L110765 BRACADEIRA 1 X
6 R44302 CINTA 1 X
7 L167244 PRESILHA 1 X
TRATOR 6125J (EDICAO SUL-AMERICANA) PC8539P (01-JUL-10) 40-53
PN=197
40-54
SISTEMA ELETRICO
REAR TRANSMISSION WIRING HARNESS
FAISCEAU TRANSMISSION
GETRIEBEKABELBAUM
CAVO TRASMISSIONE
CHICOTE DA TRANSMISSAO
GRUPO DE CABLES DE LA TRANSMISION
PUBM1351 -UN-
6
1
2
5
ITEM NR.PECA DESCRICAO QTDE NR. SERIE J NOTAS
1 AL178813 CHICOTE 1 X
2 L167244 PRESILHA 1 X
3 T13744 BRACADEIRA 1 X
4 AH89557 PRESILHA 1 X
5 19M7162 PARAFUSO SEXT. 2 X M8 X 16
40-54 TRATOR 6125J (EDICAO SUL-AMERICANA) PC8539P (01-JUL-10)
PN=198
40-55
SISTEMA ELETRICO
GREENSTAR - RECEIVER WIRING HARNESS
GREENSTAR - FAISCEAU RECEPTEUR
GREENSTAR - EMPFAENGERKABELBAUM
GREENSTAR - CAVO ELETTRICO RICEVITORE
GREENSTAR - CHICOTE DO RECEPTOR
GREENSTAR - GRUPO DE CABLES DEL RECEPTOR
PUBM1387 -UN-
6
1
2
5
ITEM NR.PECA DESCRICAO QTDE NR. SERIE J NOTAS
1 AL177795 CHICOTE AR X
2 L151529 PORTA-CABOS AR X
3 L112290 VEDACAO AR X
4 L152460 BUCHA AR X
5 24M7054 ARRUELA AR X
6 19M7560 PARAFUSO SEXT. AR X
7 AL177068 APOIO AR X
8 57M7633 CONJ MONT CONECTOR ELETRICO AR X
9 R78069 CONECT ELETR TOMADA CAVIDAD AR X
10 R54477 REBITE AR X
11 57M8439 ACESSORIO CONEXAO ELETRICA AR X
12 AL175708 CHICOTE AR X
13 R44302 CINTA AR X
14 RE207311 UNIDADE DE CONTROLE ELETRON AR X
15 PF80865 CHICOTE 1 X
16 PF80845 CHICOTE 1 X
17 AL203755 CHICOTE 1 X
.. L59796 VEDACAO AR X
TRATOR 6125J (EDICAO SUL-AMERICANA) PC8539P (01-JUL-10) 40-55
PN=199
40-56
SISTEMA ELETRICO
BULKHEAD WIRING HARNESS
FAISCEAU DE FILS DE CLOISON
TRENNWAND-KABELBAUM
CAVO PARATIA
CHICOTE ELETRICO
ARNES DE ALAMBRADO
HP18516 -UN-
6
1
2
5
ITEM NR.PECA DESCRICAO QTDE NR. SERIE J NOTAS
1 57M8017 TERMINAL CONECTOR ELETRICO 1 X
57M7619 DISP FECHAMENTO CONEC ELETR 1 X
2 57M8015 CONJ MONT CONECTOR ELETRICO 1 X
57M8016 DISP FECHAMENTO CONEC ELETR 1 X
3 57M8606 ALOJAM. CONECTOR ELETRICO 1 X
4 57M9231 ALOJAM. CONECTOR ELETRICO 1 X
57M8947 ACESSORIO CONEXAO ELETRICA 1 X
5 57M9215 SELO DE CONECTOR ELETRICO 1 X
6 57M7262 ALOJAM. CONECTOR ELETRICO 1 X
7 57M7258 SELO DE CONECTOR ELETRICO 1 X
8 57M8907 DISP FECHAMENTO CONEC ELETR 1 X
9 R104846 TERMINAL CONECTOR ELETRICO 1 X
10 PF80793 CHICOTE DO PAINEL DE INSTRU 1 X
40-56 TRATOR 6125J (EDICAO SUL-AMERICANA) PC8539P (01-JUL-10)
PN=200
40-57
SISTEMA ELETRICO
MEMORANDA
MEMORANDA
MEMORANDA
MEMORANDA
MEMORANDA
MEMORANDA
TRATOR 6125J (EDICAO SUL-AMERICANA) PC8539P (01-JUL-10) 40-57
PN=201
40-58
SISTEMA ELETRICO
GPS - POSITION RECEIVER (GREENSTAR)
RECEPTEUR DE POSITIONNEMENT GPS (GREENSTAR)
GPS - POSITIONSEMPFAENGER (GREENSTAR)
GPS - RICEVITORE DI POSIZIONE (GREENSTAR)
RECEPTOR DE POSICAO - GPS (GREENSTAR)
RECEPTOR DE POSICION - GPS (GREENSTAR)
PUBM1470 -UN-
ESTA RELACAO CONTINUA
40-58 TRATOR 6125J (EDICAO SUL-AMERICANA) PC8539P (01-JUL-10)
PN=202
40-59
SISTEMA ELETRICO
6
1
2
5
ITEM NR.PECA DESCRICAO QTDE NR. SERIE J NOTAS
1 PF81170 RECEPTOR DE POSICAO 1 X
2 PF11335 APOIO 1 X
3 PF11600 PARAFUSO 3 X
4 PF80824 APOIO 1 X
5 PF80858 CHICOTE 1 X
6 PF81163 RECEPTOR DE POSICAO 1 X
7 21M7246 PARAFUSO 3 X M6 X 16
8 PF13379 PLUGUE 1 X
.. PF90321 CONJS PRONTOS P/ CARREGAMEN 1 X
TRATOR 6125J (EDICAO SUL-AMERICANA) PC8539P (01-JUL-10) 40-59
PN=203
40-60
SISTEMA ELETRICO
GREENSTAR DISPLAY
CONSOLE GREENSTAR
GREENSTAR DISPLAY
DISPLAY GREENSTAR
DISPLAY DO GREENSTAR
PANTALLA GREENSTAR
HP19604 -UN-
6
1
2
5
ITEM NR.PECA DESCRICAO QTDE NR. SERIE J NOTAS
1 PF13301 CAPA 1 X
2 PF81259 MODULO DISPLAY GREENSTAR TM 1 X (A)
3 PF13131 SUPTE. LOGICO INALTERAVEL 1 X (B)
4 21M1689 PARAF. BORBOLETA 2 X
.. PF90718 JOGO DE FERRAMENTA 1 X
(A) GS2 1800 WITHOUT MANUALS; FOR REPLACEMENT ONLY
GS2 1800 SANS MANUELS, POUR REMPLACEMENT SEULEMENT
GS2 1800 OHNE HANDBUCHER, NUR FUR ERSATZZWECKE
GS2 1800 SENZA MANUALI, SOLO PER SOSTITUZ
GS2 1800 SEM MANUAIS, APENAS PARA REPOSICAO
GS2 1800 SIN MANUALES, SOLAMENTE PARA SUSTITUIRLOS
(B) 2 GB USB STORAGE DEVICE
DISPOSITIF DE STOCKAGE USB 2 GO
2 GB-USB-SPEICHERGERAT
DISPOSITIVO DI MEMORIZZAZIONE USB DA 2 GB
DISPOSITIVO DE ARMAZENAMENTO USB DE 2 GB
DISPOSITIVO DE ALMACENAMIENTO 2 GBUSB
40-60 TRATOR 6125J (EDICAO SUL-AMERICANA) PC8539P (01-JUL-10)
PN=204
40-61
SISTEMA ELETRICO
MEMORANDA
MEMORANDA
MEMORANDA
MEMORANDA
MEMORANDA
MEMORANDA
TRATOR 6125J (EDICAO SUL-AMERICANA) PC8539P (01-JUL-10) 40-61
PN=205
40-62
SISTEMA ELETRICO
CONNECTORS 1-4-TERMINAL
CONNECTEUR 1-4 PLOTS
VERBINDUNGSSTECKER 1-4 POLIG
CONNETTORE 1-4 TERMINALI
CONECTORES 1-4-TERMINAIS
ENCHUFE 1-4 POLOS
LX023027 -UN-
ESTA RELACAO CONTINUA
40-62 TRATOR 6125J (EDICAO SUL-AMERICANA) PC8539P (01-JUL-10)
PN=206
40-63
SISTEMA ELETRICO
6
1
2
5
ITEM NR.PECA DESCRICAO QTDE NR. SERIE J NOTAS
1 57M7315 ACESSORIO CONEXAO ELETRICA AR X
2 57M7377 SELO DE CONECTOR ELETRICO AR X (A)
57M7258 SELO DE CONECTOR ELETRICO AR X (B)
57M7493 SELO DE CONECTOR ELETRICO AR X (C)
3 R104846 TERMINAL CONECTOR ELETRICO AR X 0,5-1MM2 /1,5MM
4 57M7266 CONJ MONT CONECTOR ELETRICO AR X
5 57M7267 ALOJAM. CONECTOR ELETRICO AR X
6 57M7252 TERMINAL CONECTOR ELETRICO AR X 0,5-1MM2 /1,5MM
7 57M7289 DISP FECHAMENTO CONEC ELETR AR X
8 57M7254 CONJ MONT CONECTOR ELETRICO AR X (D)
9 57M7256 CONJ MONT CONECTOR ELETRICO AR X (D)
10 57M7328 ALOJAM. CONECTOR ELETRICO AR X (E)
11 57M7365 TERMINAL CONECTOR ELETRICO AR X (E)
12 57M7317 ACESSORIO CONEXAO ELETRICA AR X
13 57M7255 TERMINAL CONECTOR ELETRICO AR X
14 57M7257 ALOJAM. CONECTOR ELETRICO AR X
15 57M7318 ACESSORIO CONEXAO ELETRICA AR X
16 57M7247 ALOJAM. CONECTOR ELETRICO AR X
17 57M7244 TERMINAL CONECTOR ELETRICO AR X
18 57M7259 CONECT ELETR TOMADA CAVIDAD AR X
(A) BLUE (B) RED (C) WHITE
BLEU ROUGE BLANC
BLAU ROT WEISS
AZZURRO ROSSO BIANCO
AZUL VERMELHO BRANCO
AZUL ROJO BLANCO
(D) BLACK (E) GRAY
NOIR GRIS
SCHWARZ GRAU
NERO GRIGIO
PRETO CINZA
NEGRO GRIS
TRATOR 6125J (EDICAO SUL-AMERICANA) PC8539P (01-JUL-10) 40-63
PN=207
40-64
SISTEMA ELETRICO
CONNECTORS 6-, 8- OR 10-TERMINAL
CONNECTEUR 6, 8 OU 10 PLOTS
VERBINDUNGSSTECKER 6, 8 ODER 10 POLIG
CONNETTORE 6, 8 O 10 TERMINALI
CONECTORES 6-, 8- OU 10-TERMINAIS
ENCHUFE 6, 8 O 10 POLOS
CQ155770 -UN-
ESTA RELACAO CONTINUA
40-64 TRATOR 6125J (EDICAO SUL-AMERICANA) PC8539P (01-JUL-10)
PN=208
40-65
SISTEMA ELETRICO
6
1
2
5
ITEM NR.PECA DESCRICAO QTDE NR. SERIE J NOTAS
1 57M7291 CONJ MONT CONECTOR ELETRICO AR X
2 57M7258 SELO DE CONECTOR ELETRICO AR X (A)
57M7377 SELO DE CONECTOR ELETRICO AR X (B)
57M7493 SELO DE CONECTOR ELETRICO AR X (C)
3 R104846 TERMINAL CONECTOR ELETRICO AR X 0,5-1MM2 /1,5MM
4 57M7260 ALOJAM. CONECTOR ELETRICO AR X
5 57M7263 ALOJAM. CONECTOR ELETRICO AR X
6 57M7252 TERMINAL CONECTOR ELETRICO AR X 0,5-1MM2 /1,5MM
7 57M7296 ACESSORIO CONEXAO ELETRICA AR X
8 57M7261 ALOJAM. CONECTOR ELETRICO AR X
9 57M7264 ALOJAM. CONECTOR ELETRICO AR X
10 57M7283 DISP FECHAMENTO CONEC ELETR AR X
11 57M7281 DISP FECHAMENTO CONEC ELETR AR X
12 57M7262 ALOJAM. CONECTOR ELETRICO AR X
13 57M7265 ALOJAM. CONECTOR ELETRICO AR X
14 57M7259 CONECT ELETR TOMADA CAVIDAD AR X
15 57M7576 TERMINAL CONECTOR ELETRICO AR X (A)
57M7292 SELO DE CONECTOR ELETRICO AR X (D)
16 57M7583 TERMINAL CONECTOR ELETRICO AR X
57M7584 TERMINAL CONECTOR ELETRICO AR X
17 57M7697 CONJ MONT CONECTOR ELETRICO AR X
18 57M7252 TERMINAL CONECTOR ELETRICO AR X
19 57M7493 SELO DE CONECTOR ELETRICO AR X
20 57M7699 TERMINAL CONECTOR ELETRICO AR X
(A) RED (B) BLUE
ROUGE BLEU
ROT BLAU
ROSSO AZZURRO
VERMELHO AZUL
ROJO AZUL
(C) WHITE (D) ORANGE
BLANC ORANGE
WEISS ORANGE
BIANCO ARANCIONE
BRANCO LARANJA
BLANCO NARANJO
TRATOR 6125J (EDICAO SUL-AMERICANA) PC8539P (01-JUL-10) 40-65
PN=209
40-66
SISTEMA ELETRICO
CONNECTOR (1-, 2- OR 20-TERMINAL)
CONNECTEUR (1, 2 OU 20 PLOTS)
VERBINDUNGSSTECKER 1, 2, 20 POLIG
CONNETTORE (1, 2 O 20 TERMINALI)
CONECTORES (1-, 2- OU 20-TERMINAIS)
ENCHUFE (1,2 O 20 POLOS)
CQ156598 -UN-
6
1
2
5
ITEM NR.PECA DESCRICAO QTDE NR. SERIE J NOTAS
1 57M7427 TERMINAL CONECTOR ELETRICO AR X 0,5-1MM2 /6,3MM
57M7039 TERMINAL CONECTOR ELETRICO AR X 1-2,5MM2 /6,3MM
57M7189 TERMINAL CONECTOR ELETRICO AR X 4-6MM2 /6,3MM
2 57M7068 ALOJAM. CONECTOR ELETRICO AR X
3 57M7170 ALOJAM. CONECTOR ELETRICO AR X /6,3MM
4 57M7103 TERMINAL CONECTOR ELETRICO AR X 0,5-1,5MM2 /6,3MM
57M7041 TERMINAL CONECTOR ELETRICO AR X 1-2,5MM2 /6,3MM
57M7104 TERMINAL CONECTOR ELETRICO AR X 4-6,0MM2 /6,3MM
5 57M7066 ALOJAM. CONECTOR ELETRICO AR X
6 57M7065 ALOJAM. CONECTOR ELETRICO AR X
7 57M7323 ALOJAM. CONECTOR ELETRICO AR X
8 57M7324 ALOJAM. CONECTOR ELETRICO AR X
9 57M7331 TERMINAL CONECTOR ELETRICO AR X 0,5-1MM2 /1,6MM
10 L36670 TERMINAL CONECTOR ELETRICO AR X 1-2,5MM2 /3,5MM
11 L35423 TERMINAL CONECTOR ELETRICO AR X 2-4MM2/ 3,5MM
12 L35425 TERMINAL CONECTOR ELETRICO AR X 1-2,5MM2 /1,6MM
13 L35424 CONJ MONT CONECTOR ELETRICO AR X 1-2,5MM2 /1,6MM
14 L36681 CONECTOR AR X 2-4MM2 /3,5MM
15 L36685 TERMINAL CONECTOR ELETRICO AR X 1-2,5MM2 /3,5MM
16 57M7161 CONECTOR AR X 0,5-1MM2 /1,6MM
17 57M7089 CONECTOR 1 X 0,5-1,5MM2 /6,3MM
40-66 TRATOR 6125J (EDICAO SUL-AMERICANA) PC8539P (01-JUL-10)
PN=210
40-67
SISTEMA ELETRICO
CONNECTORS 2 OR 10-TERMINAL
CONNECTEUR 2 OU 10 PLOTS
VERBINDUNGSSTECKER 2 ODER 10 POLIG
CONNETTORE 2 O 10 TERMINALI
CONECTORES 2 OU 10-TERMINAIS
ENCHUFE 2 O 10 POLOS
PUBM0364 -UN-
6
1
2
5
ITEM NR.PECA DESCRICAO QTDE NR. SERIE J NOTAS
1 57M7399 TERMINAL CONECTOR ELETRICO AR X (A)
57M7400 SELO DE CONECTOR ELETRICO AR X (B)
2 57M8170 ACESSORIO CONEXAO ELETRICA AR X
3 57M8169 TERMINAL CONECTOR ELETRICO 1 X
4 57M8200 TERMINAL CONECTOR ELETRICO 1 X
5 57M8071 ALOJAM. CONECTOR ELETRICO 1 X
6 57M8078 TERMINAL CONECTOR ELETRICO AR X 0,5-1MM2 /2,8MM
57M8079 TERMINAL CONECTOR ELETRICO AR X 1,5-2,5MM2,5 /2,8MM
7 57M8081 TERMINAL CONECTOR ELETRICO 1 X
8 57M8202 TERMINAL CONECTOR ELETRICO AR X
9 57M8201 TERMINAL CONECTOR ELETRICO 1 X
(A) WHITE (B) BLUE
BLANC BLEU
WEISS BLAU
BIANCO AZZURRO
BRANCO AZUL
BLANCO AZUL
TRATOR 6125J (EDICAO SUL-AMERICANA) PC8539P (01-JUL-10) 40-67
PN=211
40-68
SISTEMA ELETRICO
CONNECTOR (42 TERMINAL)
CONNECTEUR (42 PLOTS)
VERBINDUNGSSTECKER (42 POLIG)
CONNETTORE (42 TERMINALI)
CONECTOR (42 TERMINAL)
ENCHUFE (42 POLOS)
CQ155772 -UN-
ESTA RELACAO CONTINUA
40-68 TRATOR 6125J (EDICAO SUL-AMERICANA) PC8539P (01-JUL-10)
PN=212
40-69
SISTEMA ELETRICO
6
1
2
5
ITEM NR.PECA DESCRICAO QTDE NR. SERIE J NOTAS
1 57M8195 TERMINAL CONECTOR ELETRICO 1 X (A)
57M8196 TERMINAL CONECTOR ELETRICO 1 X (B)
57M8197 TERMINAL CONECTOR ELETRICO 1 X (C)
2 57M8098 TERMINAL CONECTOR ELETRICO 1 X
3 57M8167 TERMINAL CONECTOR ELETRICO 1 X (A)
57M8198 TERMINAL CONECTOR ELETRICO 1 X (B)
57M8199 TERMINAL CONECTOR ELETRICO 1 X (C)
4 57M8099 TERMINAL CONECTOR ELETRICO AR X 0,5-1MM2 /5,8MM
57M8100 TERMINAL CONECTOR ELETRICO AR X 1,5-2,5MM2 /5,8MM
57M8101 TERMINAL CONECTOR ELETRICO AR X 2,5-4MM2 /5,8MM
5 57M8105 TERMINAL CONECTOR ELETRICO AR X (D)
57M8106 TERMINAL CONECTOR ELETRICO AR X (E)
6 57M8077 TERMINAL CONECTOR ELETRICO AR X 0,5-1MM2 /2,8MM
57M7351 TERMINAL CONECTOR ELETRICO AR X 1,5-2,5MM2 /2,8MM
7 57M7400 SELO DE CONECTOR ELETRICO AR X (C)
57M7399 TERMINAL CONECTOR ELETRICO AR X (D)
8 57M8108 TERMINAL CONECTOR ELETRICO AR X 0,5-1MM2 /1,6MM
9 57M7402 VEDACAO CABO CONECT ELETRIC AR X (B)
10 57M8107 TERMINAL CONECTOR ELETRICO AR X
11 57M7401 TERMINAL CONECTOR ELETRICO AR X
12 57M7403 CONECT ELETR TOMADA CAVIDAD AR X
13 57M8096 RETENTOR 1 X
14 57M8097 RETENTOR 1 X
15 57M7398 TERMINAL CONECTOR ELETRICO AR X 0,5-1MM2 /1,6MM
16 57M8078 TERMINAL CONECTOR ELETRICO AR X 0,5-1MM2 /2,8MM
57M8079 TERMINAL CONECTOR ELETRICO AR X 1,5-2,5MM2 /2,8MM
17 57M8102 TERMINAL CONECTOR ELETRICO AR X 0,5-1MM2 /5,8MM
57M8103 TERMINAL CONECTOR ELETRICO AR X 1,5-2,5MM2 /5,8MM
57M8104 TERMINAL CONECTOR ELETRICO AR X 2,5-4MM2 /5,8MM
18 57M7919 TERMINAL CONECTOR ELETRICO AR X
19 57M8164 TERMINAL CONECTOR ELETRICO AR X
(A) BLACK (B) GRAY (C) BLUE
NOIR GRIS BLEU
SCHWARZ GRAU BLAU
NERO GRIGIO AZZURRO
PRETO CINZA AZUL
NEGRO GRIS AZUL
(D) WHITE (E) YELLOW
BLANC JAUNE
WEISS GELB
BIANCO GIALLO
BRANCO AMARELO
BLANCO AMARILLO
TRATOR 6125J (EDICAO SUL-AMERICANA) PC8539P (01-JUL-10) 40-69
PN=213
40-70
SISTEMA ELETRICO
CONNECTORS
CONNECTEUR
ANSCHLUSSSTECKER
CONNETTORE
CONECTORES
ENCHUFE
CQ155773 -UN-
6
1
2
5
ITEM NR.PECA DESCRICAO QTDE NR. SERIE J NOTAS
1 57M7346 CONJ MONT CONECTOR ELETRICO AR X
57M7349 ACESSORIO CONEXAO ELETRICA AR X
2 57M7493 SELO DE CONECTOR ELETRICO AR X
3 R104846 TERMINAL CONECTOR ELETRICO AR X 0,5-1MM2 /1,5MM
4 57M7347 TERMINAL CONECTOR ELETRICO AR X (A)
5 57M7829 TERMINAL CONECTOR ELETRICO 2 X 0,8-1MM2 /1,5MM
6 57M7379 CONJ MONT CONECTOR ELETRICO 1 X
7 57M7402 VEDACAO CABO CONECT ELETRIC 2 X
8 57M7393 TERMINAL CONECTOR ELETRICO 2 X 0,5-1MM2 /2,8MM
9 57M7406 CONJ MONT CONECTOR ELETRICO AR X
10 L112121 ACESSORIO CONEXAO ELETRICA AR X
(A) GRAY
GRIS
GRAU
GRIGIO
CINZA
GRIS
40-70 TRATOR 6125J (EDICAO SUL-AMERICANA) PC8539P (01-JUL-10)
PN=214
40-71
SISTEMA ELETRICO
CONNECTORS
CONNECTEUR
ANSCHLUSSSTECKER
CONNETTORE
CONECTORES
ENCHUFE
CQ155774 -UN-
6
1
2
5
ITEM NR.PECA DESCRICAO QTDE NR. SERIE J NOTAS
1 57M7364 ALOJAM. CONECTOR ELETRICO 1 X
2 R104846 TERMINAL CONECTOR ELETRICO AR X
3 57M7377 SELO DE CONECTOR ELETRICO AR X
4 57M7318 ACESSORIO CONEXAO ELETRICA 1 X
TRATOR 6125J (EDICAO SUL-AMERICANA) PC8539P (01-JUL-10) 40-71
PN=215
40-72
SISTEMA ELETRICO
CONNECTORS
CONNECTEUR
ANSCHLUSSSTECKER
CONNETTORE
CONECTORES
ENCHUFE
CQ301895 -UN-
ESTA RELACAO CONTINUA
40-72 TRATOR 6125J (EDICAO SUL-AMERICANA) PC8539P (01-JUL-10)
PN=216
40-73
SISTEMA ELETRICO
6
1
2
5
ITEM NR.PECA DESCRICAO QTDE NR. SERIE J NOTAS
1 57M7089 CONECTOR AR X 0,5-1,5MM2 /6,3MM
57M7106 CONECTOR AR X 2,5-4MM2 /6,3MM
2 57M7170 ALOJAM. CONECTOR ELETRICO AR X
3 57M7183 ACESSORIO CONEXAO ELETRICA AR X
4 L38622 ALOJAM. CONECTOR ELETRICO AR X
5 L78202 ALOJAM. CONECTOR ELETRICO AR X
6 57M8398 CONJ MONT CONECTOR ELETRICO AR X
7 57M8078 TERMINAL CONECTOR ELETRICO AR X
8 57M8399 DISP FECHAMENTO CONEC ELETR AR X
9 R77480 CONJ MONT CONECTOR ELETRICO AR X
10 U46662 TERMINAL CONECTOR ELETRICO AR X
11 57M9164 ACESSORIO CONEXAO ELETRICA AR X
12 AE44929 CONJ MONT CONECTOR ELETRICO AR X
13 57M7602 TERMINAL CONECTOR ELETRICO AR X
TRATOR 6125J (EDICAO SUL-AMERICANA) PC8539P (01-JUL-10) 40-73
PN=217
40-74
SISTEMA ELETRICO
CONNECTOR FOR ELECTRONIC CONTROL UNITS
CONNECTEUR POUR BOITIERS DE COMMANDE ELECTRONIQUE
ANSCHLUSSTECKER FEUR ELEKTRONISCHE STEUERGERAETE
CONNETTORE PER UNITA’ ELETTRONICHE DI COMANDO
CONECTORES PARA A UNIDADE DE CONTROLE BASICA
ENCHUFE PARA UNIDADES DE CONTROL ELECTRONICO
CQ155776 -UN-
ESTA RELACAO CONTINUA
40-74 TRATOR 6125J (EDICAO SUL-AMERICANA) PC8539P (01-JUL-10)
PN=218
40-75
SISTEMA ELETRICO
6
1
2
5
ITEM NR.PECA DESCRICAO QTDE NR. SERIE J NOTAS
1 57M8519 ALOJAM. CONECTOR ELETRICO 1 X
2 57M8531 TERMINAL CONECTOR ELETRICO AR X
3 57M8530 TERMINAL CONECTOR ELETRICO AR X
4 57M8528 TAMPA DE CONECTOR ELETRICO 2 X
5 57M8527 ALOJAM. CONECTOR ELETRICO 1 X
6 57M8529 TAMPA DE CONECTOR ELETRICO 1 X
7 57M8520 ALOJAM. CONECTOR ELETRICO 1 X
TRATOR 6125J (EDICAO SUL-AMERICANA) PC8539P (01-JUL-10) 40-75
PN=219
40-76
SISTEMA ELETRICO
CONNECTORS AND WIRE PINS
CONNECTEUR ET COSSE DE CABLE
STECKVERBINDER UND KABELSCHUHE
CONNETTORE CON SPINETTE PER INSERIMENTO FILO
CONECTORES E OLHAIS
ENCHUFE CON TERMINAL DE CABLE
CQ157529 -UN-
6
1
2
5
ITEM NR.PECA DESCRICAO QTDE NR. SERIE J NOTAS
1 57M7118 TERMINAL CONECTOR ELETRICO AR X -1,5MM2 /1,5MM
57M7430 TERMINAL CONECTOR ELETRICO AR X -2,5MM2 /2,5MM
2 57M7054 TERMINAL CONECTOR ELETRICO AR X 1-2,5MM2 /5,3MM
3 57M7052 TERMINAL CONECTOR ELETRICO AR X 0,5-1MM2 /5,3MM
57M7079 TERMINAL CONECTOR ELETRICO AR X 0,5-1MM2 /8,4MM
57M7348 TERMINAL CONECTOR ELETRICO AR X 1-2,5MM2 /8,4MM
4 57M7175 TERMINAL CONECTOR ELETRICO AR X 10-16MM2 /8,4MM
57M7207 CONJ MONT CONECTOR ELETRICO AR X 16-25MM2 /8,4MM
5 57M7847 TERMINAL CONECTOR ELETRICO AR X -10MM2 /6,5MM
57M7848 TERMINAL CONECTOR ELETRICO AR X -10MM2 /8,5MM
6 57M7924 TERMINAL CONECTOR ELETRICO AR X -10MM2 /8,5MM
7 57M8024 TERMINAL CONECTOR ELETRICO AR X 1-2,5MM2 /6,3MM
8 57M7984 TERMINAL CONECTOR ELETRICO AR X /6,3MM
9 57M7210 TERMINAL CONECTOR ELETRICO 1 X /6,3MM
10 57M7044 TERMINAL CONECTOR ELETRICO 1 X 0,5-1MM2 /6,3MM
11 57M8186 TERMINAL CONECTOR ELETRICO 2 X 8-10MM2 /8MM
12 57M8057 TERMINAL CONECTOR ELETRICO 1 X 1-1,5MM2 /4,8MM
13 57M7116 TERMINAL CONECTOR ELETRICO AR X /6.3MM
40-76 TRATOR 6125J (EDICAO SUL-AMERICANA) PC8539P (01-JUL-10)
PN=220
52-A01
TRANSMISSAO SYNCROPLUS
SECTIONAL INDEX
INDEX DE SECTION
GRUPPENINDEX
INDICE DELLA SEZIONE
INDICE DE GRUPO
INDICE DE GRUPOS
PUBM1573 -UN-
1- 2
2- 3
3- 4
4- 5
5- 6
6- 7
7- 8
8- 10
9- 12
10- 13
11- 14
12- 16
13- 18
TRATOR 6125J (EDICAO SUL-AMERICANA) PC8539P (01-JUL-10) 52-A01
PN=221
52-2
TRANSMISSAO SYNCROPLUS
FLYWHEEL COVER
VOLANT-MOTEUR, PROTECTION
SCHWUNGRAD, ABDECKUNG
VOLANO, COPERTURA
PROTECAO DO VOLANTE
PROTECCION DEL VOLANTE
CQ157133 -UN-
6
1
2
5
ITEM NR.PECA DESCRICAO QTDE NR. SERIE J NOTAS
1 AL170291 REVESTIMENTO, BLINDAGEM 1 X
2 19M7382 PARAFUSO SEXT. AR X M10 X 40
19M7784 PARAFUSO AR X M10 X 20
52-2 TRATOR 6125J (EDICAO SUL-AMERICANA) PC8539P (01-JUL-10)
PN=222
52-3
TRANSMISSAO SYNCROPLUS
U.J. DRIVE SHAFT, TORSION DAMPER (SYNCROPLUS)
ARBRE DE TRANSMISSION, DAMPER (SYNCROPLUS)
GELENKWELLE, TORSIONSDAEMPFER (SYNCROPLUS)
ALBERO CARDANICO, AMORTIZZATORE TORSIONALE (SYNCROPLUS)
CARDA DO MOTOR / AMORTECEDOR TORCIONAL (SYNCROPLUS)
EJE ARTICULADO, AMORTIGUADOR DE TORSION (SYNCROPLUS)
PUBM1395 -UN-
6
1
2
5
ITEM NR.PECA DESCRICAO QTDE NR. SERIE J NOTAS
1 L112690 ARRUELA 1 X
2 L112001 BUCHA 2 X
3 AL172525 ROLAMENTO COM CARCACA 1 X
4 AL180457 AMORTECEDOR DE TORCAO 1 X
5 AL173228 EIXO CARDA 1 X
6 19M8292 PARAFUSO 6 X M10 X 50
7 L110092 ARRUELA 1 X
8 19M7938 PARAFUSO SEXT. 1 X M10 X 20
9 L77173 PARAFUSO SEXT. 4 X
10 L80445 PARAFUSO SEXT. 4 X
11 L116041 FLANGE 1 X
12 L116013 PROTETOR 1 X
13 L41858 CINTA 1 X
TRATOR 6125J (EDICAO SUL-AMERICANA) PC8539P (01-JUL-10) 52-3
PN=223
52-4
TRANSMISSAO SYNCROPLUS
CLUTCH HOUSING / TRANSMISSION OIL PUMP
CARTER D’EMBRAYAGE / POMPE A HUILE DE TRANSMISSION
KUPPLUNGSGEHAEUSE / GETRIEBEOELPUMPE
SCATOLA FRIZIONE / POMPA TRASMISSIONE
CARCACA DA EMBREAGEM / BOMBA DE LUBRIFICACAO
CARCASA DE EMBRAGUE / BOMBA DE ENGRASE DE LA TRANSMISION
LX001126 -UN-
6
1
2
NR. SERIE 5
ITEM NR.PECA DESCRICAO QTDE CHASSIS J NOTAS
1 AL166744 BOMBA 1 X
2 RE41945 INSERTO DE ASSENTO VALVULA 1 X
3 R38295 AGULHA DE ROLAMENTO 2 X
4 R108927 ENGRENAGEM 1 X
5 R108925 ENGRENAGEM 1 X
6 L204120 CARCACA 1 X
7 JD8510 ROLAMENTO DE ESFERAS 1 X
8 40M5099 ANEL DE PRESSAO 1 X
9 19M7184 PARAFUSO SEXT. 1 X M8 X 55
10 L167318 EIXO 1 X
11 T27432 ANEL DE PRESSAO 1 X TK 2,74MM
12 RE40370 VEDACAO 1 X
13 R87210 ARRUELA DE ENCOSTO 1 X
14 R33167 ANEL 2 X
15 16M7111 REBITE 2 X
52-4 TRATOR 6125J (EDICAO SUL-AMERICANA) PC8539P (01-JUL-10)
PN=224
52-5
TRANSMISSAO SYNCROPLUS
PERMA-CLUTCH II
EMBRAYAGE PERMA CLUTCH II
PERMA-KUPPLUNG II
FRIZIONE PERMA II
EMBREAGEM PERMACLUTCH II
EMBRAGUE PERMA II
CQ155051 -UN-
6
1
2
NR. SERIE 5
ITEM NR.PECA DESCRICAO QTDE CHASSIS J NOTAS
1 RE56031 PISTAO 1 X (INCL KEYS 20, 21, 22)
2 R120840 JUNTA DE VEDACAO 1 X
3 R120839 VEDACAO 1 X
4 L172982 TAMBOR 1 X
5 R95181 CAPA 1 X
6 L100581 CUBO 1 X
7 RE35512 DISCO DO FREIO 3 X
8 R96805 PLATO DA EMBREAGEM 2 X
9 R95182 MOLA 12 X
10 R96806 PLATO DA EMBREAGEM 1 X
11 R104733 PINO FIXADOR 12 X
12 19M7385 PARAFUSO SEXT. 6 X M10 X 70
13 R95171 ANEL DE VEDACAO 1 X
14 R87227 ARRUELA DE ENCOSTO 1 X
15 L79557 BUCHA 1 X
16 T27432 ANEL DE PRESSAO 1 X TK 2,74MM
17 L75911 ARRUELA DE ENCOSTO 2 X
18 JD10479 ROLAMENTO DE AGULHAS 1 X
19 L76033 ANEL DE PRESSAO 1 X
20 400R ESFERA 2 X
21 R79018 MOLA DE COMPRESSAO 2 X
22 R87395 MOLA PRATO 2 X
TRATOR 6125J (EDICAO SUL-AMERICANA) PC8539P (01-JUL-10) 52-5
PN=225
52-6
TRANSMISSAO SYNCROPLUS
MOUNTING PARTS, CLUTCH HOUSING
CARTER D’EMBRAYAGE - ELEMENTS DE FIXATION
BEFESTIGUNGSTEILE, KUPPLUNGSGEHAEUSE
VITERIA PER SCATOLA FRIZIONE
PECAS DA MONTAGEM, CARCACA DA EMBREAGEM
PIEZAS DE SUJECION, CARCASA DEL EMBRAGUE
PUBM1548 -UN-
6
1
2
5
ITEM NR.PECA DESCRICAO QTDE NR. SERIE J NOTAS
1 34M5028 PINO ELASTICO 2 X
2 R95899 JUNTA 1 X
3 R95898 PLACA 1 X
4 L101463 APOIO 1 X
5 L115608 PARAFUSO AR X
6 R95900 JUNTA 1 X
7 L115609 PARAFUSO AR X
8 L41079 TAMPAO 1 X
9 L41709 TAMPAO 4 X
10 L41536 ANEL O 4 X
11 L41526 ANEL O 1 X
52-6 TRATOR 6125J (EDICAO SUL-AMERICANA) PC8539P (01-JUL-10)
PN=226
52-7
TRANSMISSAO SYNCROPLUS
TRANSMISSION OIL FILTER
FILTRE A HUILE DE TRANSMISSION
GETRIEBEOELFILTER
FILTRO OLIO TRASMISSIONE
FILTRO DE OLEO DA TRANSMISSAO
FILTRO DE ACEITE DE LA TRANSMISION
LX001758 -UN-
6
1
2
5
ITEM NR.PECA DESCRICAO QTDE NR. SERIE J NOTAS
1 AL156625 FILTRO DE OLEO 1 X
TRATOR 6125J (EDICAO SUL-AMERICANA) PC8539P (01-JUL-10) 52-7
PN=227
52-8
TRANSMISSAO SYNCROPLUS
HYDRAULIC PARTS, CLUTCH HOUSING
ELEMENTS HYDRAULIQUES, CARTER D’EMBRAYAGE
HYDRAUL.TEILE, KUPPLUNGSGEHAEUSE
PARTI COMANDO IDRAULICO SCATOLA FRIZIONE
ELEMENTOS HIDRAULICOS, CARCACA DA EMBREAGEM
ELEMENTOS HIDRAULICOS, CARCASA DE EMBRAGUE
PUBM1396 -UN-
ESTA RELACAO CONTINUA
52-8 TRATOR 6125J (EDICAO SUL-AMERICANA) PC8539P (01-JUL-10)
PN=228
52-9
TRANSMISSAO SYNCROPLUS
6
1
2
5
ITEM NR.PECA DESCRICAO QTDE NR. SERIE J NOTAS
1 R95066 VALVULA 1 X (A)
2 R110079 MOLA 1 X
3 R116473 DISCO 1 X
4 R110080 MOLA 1 X
5 RE47315 KIT 1 X
6 R107252 PINO ELASTICO 1 X
7 R95660 CARCACA 1 X
8 R95077 MOLA 1 X
9 R95076 VALVULA 1 X
10 L41384 TAMPAO 6 X
11 L41383 ANEL 6 X
12 L173222 VALVULA DE CARRETEL 1 X (B)
13 R109535 MOLA 1 X
14 R95081 VALVULA 2 X
15 R100949 MOLA 1 X
16 R100948 MOLA 1 X
17 R120947 VALVULA 1 X (C)
18 R109535 MOLA 1 X
19 R86638 CALCO 4 X
20 L166446 TAMPAO 1 X
21 51M7045 ANEL O 1 X
22 R119441 BRACO 1 X
23 34M7272 PINO ELASTICO 2 X
24 R105605 MOLA 1 X
25 R100950 VALVULA 1 X (D)
26 R100947 MOLA 1 X
27 L170803 MOLA 1 X
28 L173220 VALVULA DE CARRETEL 1 X (E)
29 AR103873 VEDACAO 1 X
30 R121609 GUIA 1 X
31 R95063 PINO FIXADOR 1 X
32 R58941 PINO FIXADOR 1 X
33 R95073 LIMITADOR 1 X
34 L78975 TAMPAO 1 X
35 R38295 AGULHA DE ROLAMENTO 1 X
(A) CLUTCH PEDAL (B) COOLING PILOT
PEDALE D’EMBRAYAGE CONTROLE DE LA LUBRIFICATION
KUPPLUNGSPEDAL KUEHLOEL-VORSTEUERUNG
PEDALE FRIZIONE COMANDO PILOTA RAFFREDDAMENTO
VALVULA DE CONTROLE DA EMBREAGEM VALVULA DE CONTROLE DO OLEO REFRIGERANTE
PEDAL DE EMBRAGUE CONTROL DE REFRIGERACION
(C) PRESSURE - REGULATING (D) ENGAGEMENT OVERRIDE
REGULATEUR DE PRESSION SOUPAPE DE SECURITE
DRUCKREGULIERUNG SICHERHEITSVENTIL
REGOLATORE DI PRESSIONE VALVOLA DI SICUREZZA
VALVULA REGULADORA DE PRESSAO VALVULA DE SEGURANCA
REGULADORA DE PRESION VALVULA DE ANULACION
(E) CLUTCH COOLING
REFROIDISSEMENT DE L’EMBRAYAGE
KUPPLUNGSKUEHLUNG
RAFFREDDAMENTO FRIZIONE
VALVULA DO OLEO REFRIGERANTE
REFRIGERACION DE EMBRAGUE
TRATOR 6125J (EDICAO SUL-AMERICANA) PC8539P (01-JUL-10) 52-9
PN=229
52-10
TRANSMISSAO SYNCROPLUS
ELECTRICAL PARTS, CLUTCH HOUSING
CARTER D’EMBRAYAGE - ELEMENTS ELECTRIQUES
ELEKTR.TEILE, KUPPLUNGSGEHAEUSE
COMPONENTI ELETTRICI SCATOLA FRIZIONE
COMPONENTES ELETRICOS, CARCACA DA EMBREAGEM
PIEZAS ELECTRICAS, CARCASA DEL EMBRAGUE
PUBM1569 -UN-
ESTA RELACAO CONTINUA
52-10 TRATOR 6125J (EDICAO SUL-AMERICANA) PC8539P (01-JUL-10)
PN=230
52-11
TRANSMISSAO SYNCROPLUS
6
1
2
5
ITEM NR.PECA DESCRICAO QTDE NR. SERIE J NOTAS
1 L41526 ANEL O 2 X
2 AL178071 INTERRUPTOR 1 X (A)
3 51M7040 ANEL O 2 X
4 RE212878 INTERRUP. DE PRESSAO 1 X (B)
5 RE212876 INTERRUP. DE PRESSAO 1 X (C)
6 RE190805 ACOPLAMENTO DE DIAGNOSTICO 1 X
7 AL81358 INTERRUPTOR 1 X (D)
8 AL163081 PLUGUE 1 X
9 R77175 CAPA 1 X
(A) OIL TEMPERATURE WARNING LAMP (B) OIL FILTER INDICATOR LAMP (OIL PRESSURE)
TEMOIN D’ALERTE TEMPERATURE D’HUILE FILTRE A HUILE - TEMOIN PRESSION D’HUILE
OELTEMPERATUR-WARNLAMPE OELFILTER - KONTROLLAMPE FUER OELDRUCK
SPIA TEMPERATURA OLIO SPIA PRESSIONE FILTRO OLIO
LAMPADA DE TEMPERATURA DO OLEO PRESSAO DO FILTRO DE OLEO (RESTRICAO)
LUZ TESTIGO, TEMPERATURA DE ACEITE LUZ TESTIGO PRESION ACEITE, FILTRO ACEITE
(C) OIL PRESSURE INDICATOR LAMP (D) OIL FILTER INDICATOR LAMP (OIL TEMPERATURE)
TEMOIN D’ALERTE PRESSION D’HUILE FILTRE A HUILE-TEMOIN TEMPERATURE D’HUILE
OELDRUCK WARNLAMPE OELFILTER- KONTROLLAMPE FUER OELTEMPERATUR
SPIA PRESSIONE OLIO SPIA TEMPERATURA FILTRO OLIO
LAMPADA INDICADORA DA PRESSAO DO OLEO OIL FILTER INDICATOR LAMP (OIL TEMPERATURE)
LUZ TESTIGO, PRESION DE ACEITE LUZ TESTIGO TEMPERATURA ACEITE, FILTRO ACEITE
TRATOR 6125J (EDICAO SUL-AMERICANA) PC8539P (01-JUL-10) 52-11
PN=231
52-12
TRANSMISSAO SYNCROPLUS
MOUNTING PART, CLUTCH HOUSING
CARTER D’EMBRAYAGE - ELEMENTS DE FIXATION
BEFESTIGUNGSTEILE, KUPPLUNGSGEHAEUSE
VITERIA PER SCATOLA FRIZIONE
PECAS DE FIXACAO, CARCACA DA EMBREAGEM
PIEZAS DE SUJECION, CARCASA DEL EMBRAGUE
LX000002 -UN-
6
1
2
5
ITEM NR.PECA DESCRICAO QTDE NR. SERIE J NOTAS
1 L76670 JUNTA 1 X
2 19M8292 PARAFUSO 12 X M10 X 50
3 19M7810 PARAFUSO 2 X M10 X 80
52-12 TRATOR 6125J (EDICAO SUL-AMERICANA) PC8539P (01-JUL-10)
PN=232
52-13
TRANSMISSAO SYNCROPLUS
GEAR TRANSMISSION HOUSING
CARTER DE BOITE DE VITESSES
GANGSCHALTGETRIEBEGEHAEUSE
SCATOLA TRANSMISSIONE CAMBIO MARCIA
CAIXA DE CAMBIO DE MARCHAS
CAJA DE CAMBIO DE MARCHAS
PUBM1397 -UN-
6
1
2
5
ITEM NR.PECA DESCRICAO QTDE NR. SERIE J NOTAS
1 AL162751 CAIXA DE CAMBIO 1 X (MARKED L156259)
2 AL166905 PLUGUE 1 X
3 L110066 PINO DE CENTRAGEM 6 X
TRATOR 6125J (EDICAO SUL-AMERICANA) PC8539P (01-JUL-10) 52-13
PN=233
52-14
TRANSMISSAO SYNCROPLUS
GEAR TRANSMISSION
BOITE DE VITESSES
GANGSCHALTGETRIEBE
TRASMISSIONE CAMBIO MARCIA
CAMBIO DE MARCHAS
CAMBIO DE MARCHAS
PUBM0489 -UN-
ESTA RELACAO CONTINUA
52-14 TRATOR 6125J (EDICAO SUL-AMERICANA) PC8539P (01-JUL-10)
PN=234
52-15
TRANSMISSAO SYNCROPLUS
6
1
2
NR. SERIE 5
ITEM NR.PECA DESCRICAO QTDE TRANSMISSAO J NOTAS
1 L156282 EIXO 1 X
2 AL162756 ENGRENAGEM 1 X
3 JD10330 CONE DE ROLAMENTO 1 X Z 26
4 L41649 BUCHA AR X LGTH 8,00MM
L41650 BUCHA AR X LGTH 8,05MM
L41651 BUCHA AR X LGTH 8,10MM
L41652 BUCHA AR X LGTH 8,15MM
L41653 BUCHA AR X LGTH 8,20MM
L41654 BUCHA AR X LGTH 8,25MM
L41655 BUCHA AR X LGTH 8,30MM
L41656 BUCHA AR X LGTH 8,35MM
L41657 BUCHA AR X LGTH 8,40MM
5 L156283 ENGRENAGEM 1 X Z 30
6 L114567 CILAMENTO ROLO CILINDRICO 1 X
7 40M7043 ANEL DE PRESSAO 1 X
8 L154516 EIXO SECUNDARIO 1 X
9 L78261 ARRUELA 1 X
10 L111005 JUNTA 1 X
11 L157872 PINO 1 X
12 L79871 ARRUELA 1 X
13 19M7385 PARAFUSO SEXT. 1 X M10 X 70
14 JD10522 ROLAMENTO DE ESFERAS 1 X
15 40M7115 ANEL DE PRESSAO 1 X
16 40M1833 ANEL DE PRESSAO 1 X
17 40M7120 ANEL DE PRESSAO 1 X
18 40M7178 ANEL DE PRESSAO 1 X
19 JD9320 ROLAMENTO DE ESFERAS 1 X
20 19M7662 PARAFUSO SEXT. 14 X M10 X 30
21 L169258 EIXO DE ACIONAMENTO 1 X
22 L169253 ENGRENAGEM 1 X Z 32
23 L155496 ENGRENAGEM 2 X
24 L76923 ANEL DE PRESSAO 2 X TK 2.0MM
.. DT5037 SELANTE 1 X LOCTITE 242
TRATOR 6125J (EDICAO SUL-AMERICANA) PC8539P (01-JUL-10) 52-15
PN=235
52-16
TRANSMISSAO SYNCROPLUS
GEAR TRANSMISSION
BOITE DE VITESSES
GANGSCHALTGETRIEBE
TRASMISSIONE CAMBIO MARCIA
CAMBIO DE MARCHAS
CAMBIO DE MARCHAS
PUBM0489 -UN-
ESTA RELACAO CONTINUA
52-16 TRATOR 6125J (EDICAO SUL-AMERICANA) PC8539P (01-JUL-10)
PN=236
52-17
TRANSMISSAO SYNCROPLUS
6
1
2
NR. SERIE 5
ITEM NR.PECA DESCRICAO QTDE TRANSMISSAO J NOTAS
25 L150336 SINCRONIZADOR 3 X
26 AL157732 SINCRONIZADOR 1 X
27 L75904 ANEL DE PRESSAO AR X TK 2.3MM
L75905 ANEL DE PRESSAO AR X TK 2.20MM
L75906 ANEL DE PRESSAO AR X TK 2.10MM
L76923 ANEL DE PRESSAO AR X
28 L169254 ENGRENAGEM 1 X
29 L76821 ARRUELA DE ENCOSTO AR X TK 3.65MM
L75917 ARRUELA DE ENCOSTO AR X TK 3.80MM
L76822 ARRUELA DE ENCOSTO AR X TK 3.95MM
L153635 ARRUELA DE ENCOSTO AR X TK 4.05MM
L113339 ARRUELA DE ENCOSTO AR X TK 4.15MM
30 L170237 ANEL 1 X
31 L155885 ENGRENAGEM 1 X Z 46
32 AL160962 SINCRONIZADOR 1 X
33 L116130 SINCRONIZADOR 1 X
34 L75911 ARRUELA DE ENCOSTO 2 X
35 JD10479 ROLAMENTO DE AGULHAS 1 X
36 L76033 ANEL DE PRESSAO 1 X
37 40M7252 ANEL DE PRESSAO 1 X
38 L79795 ARRUELA AR X TK 1.0MM
L79796 ARRUELA AR X TK 1.5MM
L79797 ARRUELA AR X TK 2.0MM
L79798 ARRUELA AR X TK 2.5MM
L157284 ARRUELA AR X TK 1.25MM
L157285 ARRUELA AR X TK 1.75MM
L157555 ARRUELA AR X TK 2.25MM
39 L157515 ENGRENAGEM 1 X
40 L78122 ARRUELA AR X TK 1.0MM
L78123 ARRUELA AR X TK 1.5MM
L78124 ARRUELA AR X TK 2.0MM
L78125 ARRUELA AR X TK 2.5MM
L157286 ARRUELA AR X TK 1.75MM
L157287 ARRUELA AR X TK 2.25MM
L157556 ARRUELA AR X TK 1.25MM
41 L167749 ARRUELA AR X
.. AL150921 EIXO SECUNDARIO 1 X INCL KEYS 1, 2, 6-8, 11-16
.. AL110613 PECAS DE MONTAGEM 1 X LNCL KEYS 10, 20, 37-40
.. AL150919 EIXO DE ACIONAMENTO 1 X INCL KEYS 3, 17-19, 21-36
.. DT5037 SELANTE 1 X LOCTITE 242
TRATOR 6125J (EDICAO SUL-AMERICANA) PC8539P (01-JUL-10) 52-17
PN=237
52-18
TRANSMISSAO SYNCROPLUS
SHIFTING PARTS, GEAR TRANSMISSION
BOITE DE VITESSES - ELEMENTS DE COMMANDE
SCHALTUNGSTEILE, GANGSCHALTGETRIEBE
PARTI AZIONAMENTO CAMBIO MARCIA TRASMISSIONE
ELEMENTOS DE COMANDO, CAMBIO DE MARCHAS
ELEMENTOS DE MANDO, CAMBIO DE MARCHAS
CQ302517 -UN-
ESTA RELACAO CONTINUA
52-18 TRATOR 6125J (EDICAO SUL-AMERICANA) PC8539P (01-JUL-10)
PN=238
52-19
TRANSMISSAO SYNCROPLUS
6
1
2
NR. SERIE 5
ITEM NR.PECA DESCRICAO QTDE CHASSIS J NOTAS
1 34M3858 PINO ELASTICO 2 X
2 34M7226 PINO ELASTICO 1 X
3 AL166651 ALAVANCA 2 X
4 L76235 JUNTA 1 X
5 44M7111 PINO DE CENTRAGEM 2 X
6 L153307 VEDACAO 2 X
7 AL81331 EIXO 2 X
8 L153161 CAPA 1 X
9 19M7979 PARAFUSO 4 X M8 X 55
10 RE46534 INTERRUPTOR 1 X (A)
11 L100769 ARRUELA AR X TK 1.60MM
L100768 ARRUELA AR X TK 1.80MM
L79187 ARRUELA AR X TK 2.00MM
L79188 ARRUELA AR X TK 2.20MM
L100767 ARRUELA AR X TK 2.40MM
12 19M8317 PARAFUSO 2 X M8 X 40
13 L156690 HASTE DO CAMBIO 1 X
14 L156691 HASTE DO CAMBIO 1 X
15 JD10508 ROLAMENTO 4 X
16 L76229 PINO FIXADOR 1 X
17 AL116245 DETENTE 2 X
18 L111054 COMUTADOR 1 X (ORD W/ L113217)
19 L113217 PRESILHA 1 X
20 L33332 PARAF. DE FENDA 4 X
21 L79127 PARAF. DE FENDA 2 X
22 L78867 PINO 1 X
23 L78866 GUIA 1 X
24 L111052 COMUTADOR 1 X (ORD W/ L113217)
(A) NEUTRAL START SWITCH
INTERRUPTEUR DE SECURITE AU DEMARRAGE
ANLASSICHERHEITSSCHALTER
INTERRUTTORE AVVIAMENTO IN SICUREZZA
INTERRUPTOR DE SEGURANCA DE PARTIDA
INTERRUPTOR DE SEGURIDAD DEL ARRANQUE
TRATOR 6125J (EDICAO SUL-AMERICANA) PC8539P (01-JUL-10) 52-19
PN=239
52-20
TRANSMISSAO SYNCROPLUS
MEMORANDA
MEMORANDA
MEMORANDA
MEMORANDA
MEMORANDA
MEMORANDA
52-20 TRATOR 6125J (EDICAO SUL-AMERICANA) PC8539P (01-JUL-10)
PN=240
54-A01
TRANSMISSAO POWRQUAD
SECTIONAL INDEX
INDEX DE SECTION
GRUPPENINDEX
INDICE DELLA SEZIONE
INDICE DE GRUPO
INDICE DE GRUPOS
PUBM1317 -UN-
1- 2
2- 3
3- 4
4- 6
5- 8
6- 10
7- 12
8- 13
9- 14
10- 16
16- 28
TRATOR 6125J (EDICAO SUL-AMERICANA) PC8539P (01-JUL-10) 54-A01
PN=241
54-A02
TRANSMISSAO POWRQUAD
SECTIONAL INDEX
INDEX DE SECTION
GRUPPENINDEX
INDICE DELLA SEZIONE
INDICE DE GRUPO
INDICE DE GRUPOS
PUBM1572 -UN-
11- 18
12- 20
13- 22
14- 24
15- 26
54-A02 TRATOR 6125J (EDICAO SUL-AMERICANA) PC8539P (01-JUL-10)
PN=242
54-A03
TRANSMISSAO POWRQUAD
MEMORANDA
MEMORANDA
MEMORANDA
MEMORANDA
MEMORANDA
MEMORANDA
TRATOR 6125J (EDICAO SUL-AMERICANA) PC8539P (01-JUL-10) 54-A03
PN=243
54-2
TRANSMISSAO POWRQUAD
FLYWHEEL COVER
VOLANT-MOTEUR, PROTECTION
SCHWUNGRAD, ABDECKUNG
VOLANO, COPERTURA
PROTECAO DO VOLANTE
PROTECCION DEL VOLANTE
CQ157133 -UN-
6
1
2
5
ITEM NR.PECA DESCRICAO QTDE NR. SERIE J NOTAS
1 AL170291 REVESTIMENTO, BLINDAGEM 1 X
2 19M7382 PARAFUSO SEXT. AR X M10 X 40, M10X40
19M7784 PARAFUSO AR X M10 X 20, M10X20
54-2 TRATOR 6125J (EDICAO SUL-AMERICANA) PC8539P (01-JUL-10)
PN=244
54-3
TRANSMISSAO POWRQUAD
U.J. DRIVE SHAFT, TORSION DAMPER
ARBRE DE TRANSMISSION, DAMPER
GELENKWELLE, TORSIONSDAEMPFER
ALBERO CARDANICO, AMORTIZZATORE TORSIONALE
EIXO CARDAN, AMORTECEDOR DE TORCAO
EJE ARTICULADO, AMORTIGUADOR DE TORSION
PUBM1395 -UN-
6
1
2
5
ITEM NR.PECA DESCRICAO QTDE NR. SERIE J NOTAS
1 L112690 ARRUELA 1 X
2 L112001 BUCHA 2 X
3 AL172525 ROLAMENTO COM CARCACA 1 X
4 AL180457 AMORTECEDOR DE TORCAO 1 X
5 DQ48301 TAMBOR DE DESCARGA 1 X
6 19M8292 PARAFUSO 6 X M10 X 50
7 L110092 ARRUELA 1 X
8 19M7938 PARAFUSO SEXT. 1 X M10 X 20
9 L77173 PARAFUSO SEXT. 4 X
10 L80445 PARAFUSO SEXT. 4 X
11 L116041 FLANGE 1 X
12 L116013 PROTETOR 1 X
13 L41858 CINTA 1 X
TRATOR 6125J (EDICAO SUL-AMERICANA) PC8539P (01-JUL-10) 54-3
PN=245
54-4
TRANSMISSAO POWRQUAD
TRACTION CLUTCH/ HOUSING PLANETARY BRAKE
EMBRAYAGE MARCHE AVANT / CARTER D’EMBRAYAGE MARCHE ARRIERE
FAHRKUPPLUNG/ PLANETENBREMSGEHAEUSE
FRIZIONE DI TRAZIONE / SCATOLA FRENO GRUPPO?PLANETARI
EMBREAGEM DE TRACAO/ CARCACA FREIO PLANETARIO
EMBRAGUE DE TRACCION / CAJA DEL FRENO DE RETROCESO
PUBM1506 -UN-
ESTA RELACAO CONTINUA
54-4 TRATOR 6125J (EDICAO SUL-AMERICANA) PC8539P (01-JUL-10)
PN=246
54-5
TRANSMISSAO POWRQUAD
6
1
2
5
ITEM NR.PECA DESCRICAO QTDE NR. SERIE J NOTAS
1 R255598 TAMBOR 1 X INCL KEY 4
2 R95360 ARRUELA DE ENCOSTO 1 X
3 R153675 PARAFUSO 6 X M6 X 16
4 R104655 BUCHA 1 X
5 RE56037 PISTAO 1 X
6 400R ESFERA 2 X
7 R79018 MOLA DE COMPRESSAO 2 X
8 R87395 MOLA PRATO 2 X
9 RE47305 KIT RETENTOR 1 X
10 R171007 PORTA-PLANETARIOS 1 X
11 RE220990 CUBO 1 X
12 RE35512 DISCO DO FREIO 5 X
13 R96805 PLATO DA EMBREAGEM 4 X
14 R109958 MOLA 12 X
15 R96806 PLATO DA EMBREAGEM 1 X
16 R109960 PINO FIXADOR 12 X
17 19M2875 PARAFUSO SEXT. 6 X M10 X 75
18 R171010 PLANETARIO 6 X
19 R87210 ARRUELA DE ENCOSTO 1 X
20 RE34603 PINO ELASTICO 6 X
21 R125173 ARRUELA 12 X
22 RE62918 ROLAMENTO DE AGULHAS 12 X
23 R107206 ANEL DE PRESSAO 1 X
24 RE220029 EIXO 1 X INCL.KEY23
25 AL170691 CARCACA 1 X MARKED R251670 (INCL. KEYS 26, 27, 28, 31,
35, 39, 40, 41, 42, 43)
26 L111964 PINO DE CENTRAGEM 2 X
27 RE46684 TAMPAO 1 X
28 51M7041 ANEL O 1 X
29 R33167 ANEL 2 X
30 R247895 PARAFUSO ALLEN 6 X
31 RE261756 ASSENTO DE VALVULA 2 X
32 RE251672 CARCACA 1 X MARKED R251670 (INCL. KEYS 27, 28, 35)
33 R113671 ANEL DE PRESSAO 1 X
34 L156294 CONEXAO DE MANGUEIRA 1 X
35 R121580 TAMPAO 2 X
36 R158505 JUNTA 1 X
37 RE47271 KIT 6 X
38 R255603 CALCO AR X TK= 0,4MM (0.016")
R255604 CALCO AR X TK= 0,8MM (0.031")
39 R251675 LUVA 1 X
40 R251678 LUVA 1 X
41 R38295 AGULHA DE ROLAMENTO 4 X
42 19M7862 PARAFUSO 2 X M6 X 20
TRATOR 6125J (EDICAO SUL-AMERICANA) PC8539P (01-JUL-10) 54-5
PN=247
54-6
TRANSMISSAO POWRQUAD
REVERSE BRAKE HOUSING
EMBRAYAGE MARCHE ARRIERE
UMKEHRKUPPLUNG
SCATOLA FRENO INVERSIONE
INVERSOR HIDRAULICO
INVERSOR HIDRAULICO
PUBM1571 -UN-
ESTA RELACAO CONTINUA
54-6 TRATOR 6125J (EDICAO SUL-AMERICANA) PC8539P (01-JUL-10)
PN=248
54-7
TRANSMISSAO POWRQUAD
6
1
2
5
ITEM NR.PECA DESCRICAO QTDE NR. SERIE J NOTAS
1 R176475 ESPACADOR 1 X
2 R122146 COROA 1 X
3 R95378 PLATO DA EMBREAGEM 4 X
4 RE48092 DISCO COM ESTRIADO INTERNO 5 X
5 R102913 MOLA 8 X
6 R243074 PLACA 1 X
R95422 DISCO 1 X
7 R223964 JUNTA 1 X
8 R244134 CARCACA 1 X
9 R124438 BUCHA 1 X
10 L111964 PINO DE CENTRAGEM 4 X
11 R128889 PISTAO 1 X
12 19M8292 PARAFUSO 6 X M10 X 50
13 R111085 CONEXAO 1 X
TRATOR 6125J (EDICAO SUL-AMERICANA) PC8539P (01-JUL-10) 54-7
PN=249
54-8
TRANSMISSAO POWRQUAD
DIRECT DRIVE CLUTCH
EMBRAYAGE DE TRANSMISSION DIRECTE
DIREKTANTRIEBSKUPPLUNG
FRIZIONE COMANDO DIRETTO
EMBREAGEM DE TRANSMISSAO DIRETA
EMBRAGUE DE TRANSMISION DIRECTA
PY004788 -UN-
ESTA RELACAO CONTINUA
54-8 TRATOR 6125J (EDICAO SUL-AMERICANA) PC8539P (01-JUL-10)
PN=250
54-9
TRANSMISSAO POWRQUAD
6
1
2
5
ITEM NR.PECA DESCRICAO QTDE NR. SERIE J NOTAS
1 R217436 TAMBOR 1 X
2 R104738 BUCHA 1 X
3 R38295 AGULHA DE ROLAMENTO 2 X
4 RE47294 KIT EMBREAGEM 1 X
5 RE56036 PISTAO 1 X
6 R87395 MOLA PRATO 2 X
7 400R ESFERA 2 X
8 R101187 ENGRENAGEM SOL 1 X
9 R220471 PLATO DA EMBREAGEM 1 X
10 RE239058 DISCO COM ESTRIADO INTERNO 4 X
11 R216294 PLATO DA EMBREAGEM 3 X
12 R101170 ARRUELA 1 X
13 R219974 PINO 6 X
14 R125065 MOLA 6 X LGTH= 30,00MM (1-3/16")
15 R219516 CAPA 1 X
16 R151435 PARAFUSO SEXT. 6 X M8 X 30
17 R39322 ANEL 2 X
18 R105040 ARRUELA DE ENCOSTO 1 X
19 R95835 ARRUELA DE ENCOSTO 1 X
20 R120477 PISTAO 1 X
TRATOR 6125J (EDICAO SUL-AMERICANA) PC8539P (01-JUL-10) 54-9
PN=251
54-10
TRANSMISSAO POWRQUAD
PLANETARY BRAKE
FREIN DE PLANETAIRE
PLANETENTRIEBBREMSE
FRENO GRUPPO PLANETARI
FREIOS DAS PLANETARIAS
TREN DE PLANETARIOS DE FRENO
LX048771 -UN-
ESTA RELACAO CONTINUA
54-10 TRATOR 6125J (EDICAO SUL-AMERICANA) PC8539P (01-JUL-10)
PN=252
54-11
TRANSMISSAO POWRQUAD
6
1
2
5
ITEM NR.PECA DESCRICAO QTDE NR. SERIE J NOTAS
1 R188518 JUNTA DE VEDACAO 2 X
2 R216291 PLATO DA EMBREAGEM 2 X
3 RE151059 DISCO COM ESTRIADO INTERNO 1 X
4 R216293 PLATO DA EMBREAGEM 1 X
5 R101214 PISTAO 2 X
6 RE244125 CARCACA 1 X MARKED R244123
7 R121580 TAMPAO 3 X
8 R95316 PISTAO 1 X
9 L111964 PINO DE CENTRAGEM 4 X
10 R158521 ANEL O 14 X
11 R158523 ANEL O 2 X
12 RE46684 TAMPAO 1 X
13 51M7041 ANEL O 2 X
14 R173443 PARAFUSO 2 X
15 R101169 MOLA 8 X
16 RE244129 CARCACA 1 X MARKED R244126
17 R216292 PLATO DA EMBREAGEM 2 X
18 RE34786 DISCO COM ESTRIADO INTERNO 3 X
19 19M7944 PARAFUSO 8 X M10 X 120
20 RE221608 TAMPAO DE DRENO 1 X
21 R209938 DISCO DO FREIO 2 X TK= 5MM
22 R130606 TAMPAO 1 X
TRATOR 6125J (EDICAO SUL-AMERICANA) PC8539P (01-JUL-10) 54-11
PN=253
54-12
TRANSMISSAO POWRQUAD
TRANSMISSION OUTPUT SHAFT
ABRE DE SORTIE DE TRANSMISSION
GETRIEBEABTRIEBSWELLE
ALBERGO DI USCITA DELLA TRANSMISSIONE
EIXO DE SAIDA DA TRANSMISSAO
EJE DE SALIDA DE LA TRANSMISION
LX026696 -UN-
6
1
2
NR. SERIE 5
ITEM NR.PECA DESCRICAO QTDE TRANSMISSAO J NOTAS
1 RE61245 EIXO 1 X
2 R112955 ANEL 1 X
3 R112857 ANEL O 1 X
4 R92241 BUCHA 1 X
5 L110257 EIXO DE ACIONAMENTO 1 X LGTH= 469MM (18-15/32")
54-12 TRATOR 6125J (EDICAO SUL-AMERICANA) PC8539P (01-JUL-10)
PN=254
54-13
TRANSMISSAO POWRQUAD
SUN GEARS
PLANETAIRES
SONNENRAEDER
INGRANAGGI CENTRALI
ENGRENAGENS SOLARES
PINONES SOLARES
RXA0073358 -UN-
6
1
2
5
ITEM NR.PECA DESCRICAO QTDE NR. SERIE J NOTAS
1 RE228608 ENGRENAGEM 1 X
2 R95895 ARRUELA DE ENCOSTO 1 X
3 RE228607 ENGRENAGEM 1 X
4 R219255 BUCHA 1 X
5 R95835 ARRUELA DE ENCOSTO 1 X
6 RE245565 ENGRENAGEM 1 X
7 R214122 ARRUELA 1 X
TRATOR 6125J (EDICAO SUL-AMERICANA) PC8539P (01-JUL-10) 54-13
PN=255
54-14
TRANSMISSAO POWRQUAD
INPUT PLANETARY ASSEMBLY
TRAIN PLANETAIRE D’ENTREE
PLANETENTRIEB
GRUPPO INGRESSO COMANDO PLANETARI
CONJUNTO DE PLANETARIOS DE ENTRADA
TREN DE PLANETARIOS DE ENTRADA
LX048781 -UN-
ESTA RELACAO CONTINUA
54-14 TRATOR 6125J (EDICAO SUL-AMERICANA) PC8539P (01-JUL-10)
PN=256
54-15
TRANSMISSAO POWRQUAD
6
1
2
5
ITEM NR.PECA DESCRICAO QTDE NR. SERIE J NOTAS
1 R245934 COROA 1 X
2 R228266 PORTA-PLANETARIOS 1 X
3 R227060 ENGRENAGEM 3 X
4 RE228488 ROLAMENTO 6 X
5 R228601 ESPACADOR 3 X
6 R96826 ARRUELA DE ENCOSTO 6 X
7 R101178 EIXO COM PINHAO 3 X
8 RE34603 PINO ELASTICO 3 X
9 R115215 PARAFUSO 2 X
10 R212399 REVESTIMENTO, BLINDAGEM 1 X
11 R228268 ARRUELA 1 X
TRATOR 6125J (EDICAO SUL-AMERICANA) PC8539P (01-JUL-10) 54-15
PN=257
54-16
TRANSMISSAO POWRQUAD
TRANSMISSION OIL PUMP
POMPE A HUILE DE TRANSMISSION
GETRIEBEOELPUMPE
POMPA TRANSMISSIONE
BOMBA DE OLEO DA TRANSMISSAO
BOMBA DE ENGRASE DE LA TRANSMISSION
LX048793 -UN-
ESTA RELACAO CONTINUA
54-16 TRATOR 6125J (EDICAO SUL-AMERICANA) PC8539P (01-JUL-10)
PN=258
54-17
TRANSMISSAO POWRQUAD
6
1
2
5
ITEM NR.PECA DESCRICAO QTDE NR. SERIE J NOTAS
1 RE225878 EIXO 1 X
2 R214121 BUCHA 1 X
3 R161739 COLETOR 1 X
4 R38295 AGULHA DE ROLAMENTO 2 X
5 JD10269 CILAMENTO ROLO CILINDRICO 1 X
6 RE47291 CONJ. REPARO DA BOMBA 1 X
7 R79639 ESFERA 1 X
8 40M7097 ANEL DE PRESSAO 1 X
9 R161741 ENGRENAGEM 1 X
10 R161742 ENGRENAGEM 1 X
11 T27432 ANEL DE PRESSAO 1 X
12 R106825 PARAFUSO 6 X
13 R115119 ROLAMENTO DE ESFERAS 1 X
14 R100991 PINO 1 X LGTH= 47MM
15 R100989 PISTAO 1 X
16 R100988 RETENTOR 1 X
17 R101239 MOLA 1 X
18 RE40448 RETENTOR 1 X
TRATOR 6125J (EDICAO SUL-AMERICANA) PC8539P (01-JUL-10) 54-17
PN=259
54-18
TRANSMISSAO POWRQUAD
TRANSMISSION FRONT COVER
CARTER AVANT
VORDERER GETRIEBEDECKEL
COPERCHIO ANTERIORE TRASMISSIONE
CARCACA FRONTAL DA TRANSMISSAO
TAPA FRONTAL DEL CAMBIO
PUBM1427 -UN-
ESTA RELACAO CONTINUA
54-18 TRATOR 6125J (EDICAO SUL-AMERICANA) PC8539P (01-JUL-10)
PN=260
54-19
TRANSMISSAO POWRQUAD
6
1
2
5
ITEM NR.PECA DESCRICAO QTDE NR. SERIE J NOTAS
1 L154133 BRACO 1 X
2 R95063 PINO FIXADOR 1 X
3 AR103873 VEDACAO 1 X
4 R115141 PARAFUSO 8 X
5 L157774 VALVULA DE CARRETEL 1 X
6 R107252 PINO ELASTICO 1 X
7 L157703 MOLA 1 X
8 R116473 DISCO 2 X
9 R110080 MOLA 1 X
10 RE47315 KIT 1 X
11 34M7272 PINO ELASTICO 2 X
12 R58941 PINO FIXADOR 1 X
13 R213853 LIMITADOR 1 X (USAR COM R202359)
14 51M7045 ANEL O 2 X
15 L78975 TAMPAO 1 X
16 R241994 VALVULA DE CARRETEL 2 X
17 R255005 MOLA DE COMPRESSAO 2 X
18 R273498 VALVULA DE CARRETEL 1 X
19 51M7043 ANEL O 1 X
20 RE46685 TAMPAO 1 X
21 R120947 VALVULA 1 X
22 R109535 MOLA 1 X
23 R86638 CALCO 4 X
24 51M7045 ANEL O 1 X
25 AL166743 TAMPAO 1 X
26 R252208 VALVULA DE CARRETEL 1 X
27 R299263 MOLA DE COMPRESSAO 1 X
28 R299262 MOLA DE COMPRESSAO 1 X
29 R299264 PINO 1 X
30 R176199 PISTAO 1 X
31 P48347 ANEL O 1 X
32 R112976 VEDACAO 1 X
33 R171413 JUNTA 1 X
34 R171412 CAPA 1 X
35 19M7775 PARAFUSO 3 X M6 X 16
36 R54174 MOLA 1 X
37 R176198 VALVULA 1 X
38 R273530 MOLA DE COMPRESSAO 1 X
39 R121609 GUIA 1 X
40 R95072 ARTICULACAO 1 X
41 L153819 SUPORTE 1 X
42 24M7028 ARRUELA 1 X
43 19M9168 PARAFUSO 1 X M10 X 180
44 R104714 PARAFUSO 1 X M10 X 185
45 R202640 JUNTA 1 X
46 R208927 CARCACA 1 X
47 R112063 PARAFUSO 5 X
48 RE46684 TAMPAO AR X
49 51M7041 ANEL O 1 X
50 51M7042 ANEL O 1 X
51 L158473 PLUGUE 1 X
TRATOR 6125J (EDICAO SUL-AMERICANA) PC8539P (01-JUL-10) 54-19
PN=261
54-20
TRANSMISSAO POWRQUAD
HOUSING, 4-SPEED SHIFTING (WITH MECHANICAL REVERSER CONTROL)
CARTER, BOITE 4 VITESSES (AVEC COMMANDE MECANIQUE D’INVERSEUR)
GEHAEUSE, 4-GANGSCHALTUNG (BEI MECHANISCHER FAHRTRICHTUNGSBETAETIGUNG)
SCATOLA, CAMBIO A 4 MARCE (CON COMANDO MECCANICO INVERSORE)
CARCACA (COM CONTROLE DE REVERSAO MECANICA)
CARCASA, TRANSMISION DE 4 MARCHAS (CON ACCIONAMIENTO MECANICO DEL INVERSOR)
PUBM1314 -UN-
ESTA RELACAO CONTINUA
54-20 TRATOR 6125J (EDICAO SUL-AMERICANA) PC8539P (01-JUL-10)
PN=262
54-21
TRANSMISSAO POWRQUAD
6
1
2
5
ITEM NR.PECA DESCRICAO QTDE NR. SERIE J NOTAS
1 19M7775 PARAFUSO 3 X M6 X 16
2 34M5028 PINO ELASTICO 2 X
3 R213485 JUNTA 1 X
4 R213348 PLACA 1 X
5 R213484 JUNTA 1 X
6 R194487 CARCACA 1 X
7 R248215 CARRETEL 3 X
8 R194659 MOLA DE COMPRESSAO 3 X
9 R194658 MOLA DE COMPRESSAO 3 X
10 51M7043 ANEL O 3 X
11 RE46685 TAMPAO 3 X
12 R192305 CARRETEL 1 X
13 19M7834 PARAFUSO 11 X M6 X 45
14 405R ESFERA 1 X
15 R197564 MOLA DE COMPRESSAO 1 X
16 R184116 TAMPAO 1 X
17 51M7042 ANEL O 1 X
18 R202861 TAMPAO 1 X
19 R182130 PRESILHA 1 X
20 AL155310 CABO DE PUXAR E EMPURRAR 1 X
TRATOR 6125J (EDICAO SUL-AMERICANA) PC8539P (01-JUL-10) 54-21
PN=263
54-22
TRANSMISSAO POWRQUAD
FRONT COVER AND VALVES WITH MECHANICAL REVERSER CONTROL
BOITIER DE SOUPAPES AVANT / SOUPAPES AVEC COMMANDE MECANIQUE DE L’INVERSEUR
VORDERER DECKEL UND VENTILE BEI MECHANISCHER FAHRTRICHTUNGSBETAETIGUNG
COPERCHIO ANTERIORE E VALVOLE CON COMANDO MECCANICO DI INVERSIONE DI MARCIA
TAMPA DIANTEIRA E VALVULAS COM CONTROLE DE REVERSAO MECANICA
TAPA FRONTAL Y VALVULAS CON MANDO MECANICO DEL INVERSOR
PUBM1429 -UN-
ESTA RELACAO CONTINUA
54-22 TRATOR 6125J (EDICAO SUL-AMERICANA) PC8539P (01-JUL-10)
PN=264
54-23
TRANSMISSAO POWRQUAD
6
1
2
5
ITEM NR.PECA DESCRICAO QTDE NR. SERIE J NOTAS
1 R257609 JUNTA 1 X FRONT
R257613 JUNTA 1 X REAR
2 R167349 PLACA 1 X
3 R197640 CARCACA 1 X
4 R95081 VALVULA 2 X
5 R95084 MOLA 1 X
6 51M7045 ANEL O 1 X
7 L166446 TAMPAO 1 X
8 R116040 MOLA 1 X
9 51M7043 ANEL O AR X
10 RE46685 TAMPAO AR X
11 R167686 JUNTA 1 X
12 R167722 CAPA 1 X
13 L156151 PARAFUSO 3 X
14 AR103873 VEDACAO 1 X
15 34M5028 PINO ELASTICO 1 X
16 R121580 TAMPAO 1 X
17 R184115 EIXO 1 X
18 L154293 ALAVANCA 1 X
19 34M7268 PINO ELASTICO 1 X
20 L154134 SUPORTE 1 X
21 R105605 MOLA 1 X
22 L158312 PARAFUSO SEXT. 4 X (10.9)
23 19M7775 PARAFUSO 4 X M6 X 16, (10.9)
24 R186903 CAPA 1 X
25 R186905 JUNTA 1 X
26 L41384 TAMPAO 1 X
27 51M7043 ANEL O 1 X
28 R129184 MOLA DE COMPRESSAO 1 X
29 R167684 VALVULA DE CARRETEL 1 X
30 R224445 CARRETEL 1 X
31 R192193 PINO FIXADOR 1 X
32 40M7251 ANEL DE PRESSAO 1 X
33 R197326 ALAVANCA 1 X
34 H63237 ANEL DE PRESSAO 1 X
35 R95086 VALVULA 1 X
36 T23853 MOLA 1 X
37 R28776 ANEL O 1 X
38 R134141 VALVULA 1 X
39 P51079 ANEL O 1 X
40 R112977 VEDACAO 1 X
41 R88791 PISTAO 1 X
42 RE47303 KIT 1 X
43 R104728 ANEL O 1 X
44 R87455 PLUGUE 1 X
45 40M1857 ANEL DE PRESSAO 1 X
46 405R ESFERA 1 X
47 L171152 MOLA 1 X
48 24M7027 ARRUELA 1 X
49 51M7042 ANEL O 1 X
50 R202861 TAMPAO 1 X
51 R109067 PARAFUSO 33 X (10.9)
52 34M5028 PINO ELASTICO 2 X
53 R95077 MOLA 1 X
54 R95076 VALVULA 1 X
55 R109066 PARAFUSO 3 X (10.9)
56 R121580 TAMPAO 1 X
57 RE46684 TAMPAO 1 X
58 51M7041 ANEL O 1 X
TRATOR 6125J (EDICAO SUL-AMERICANA) PC8539P (01-JUL-10) 54-23
PN=265
54-24
TRANSMISSAO POWRQUAD
SENDING UNITS / PRESSURE SWITCHES
CAPTEURS / MANOCONTACTS
GEBER / DRUCKSCHALTER
SENSORI / INTERRUTTORI A PRESSIONE
SENSORES / PRESSOSTATOS
SENSORES /MANOCONTACTOS DE PRESION
PUBM1437 -UN-
ESTA RELACAO CONTINUA
54-24 TRATOR 6125J (EDICAO SUL-AMERICANA) PC8539P (01-JUL-10)
PN=266
54-25
TRANSMISSAO POWRQUAD
6
1
2
5
ITEM NR.PECA DESCRICAO QTDE NR. SERIE J NOTAS
1 R111085 CONEXAO 1 X
2 R95398 MANGUEIRA 1 X
3 R44302 CINTA 1 X
4 R107638 CONDUTO 1 X
5 R112945 CONEXAO EM ANGULO 1 X
6 R113419 ADAPTADOR 1 X
7 RE212876 INTERRUP. DE PRESSAO 1 X (E)
8 RE46685 TAMPAO 1 X
9 51M7043 ANEL O 1 X
10 AL81358 INTERRUPTOR 1 X (A) (B)
11 L41526 ANEL O 2 X
12 RE39354 VEDACAO 1 X
13 RE46534 INTERRUPTOR 1 X (A) (C)
14 51M7042 ANEL O 1 X
15 51M7041 ANEL O AR X
16 AL80099 TOMADA ENGATE RAPIDO 1 X
17 R77175 CAPA 1 X
18 R27976 ANEL O 1 X
19 R34028 PARAFUSO 1 X
20 AL178071 INTERRUPTOR 1 X (A) (D)
21 51M7040 ANEL O 1 X
(A) WITH MECHANICAL REVERSER CONTROL (B) LOW TEMPERATURE
AVEC COMMANDE MECANIQUE DE L’INVERSEUR BASSE TEMPERATURE
BEI MECHANISCHER FAHRTRICHTUNGSBETAETIGUNG NIEDRIGE TEMPERATUR
CON COMANDO MECCANICO INVERSIONE DI MARCIA BASSA TEMPERATURA
COM CONTROLE DE REVERSAO MECANICA BAIXA TEMPERATURA
CON MANDO MECANICO DEL INVERSOR TEMPERATURA BAJA
(C) NEUTRAL SENSOR (D) TEMPERATURE
CAPTEUR DE POSITION NEUTRE TEMPERATURE
NEUTRALSTELLUNGSSENSOR TEMPERATUR
SENSORE POSIZIONE NEUTRALE TEMPERATURA
SENSOR DO NEUTRO TEMPERATURA
SENSOR DE POSICION NEUTRO TEMPERATURA
(E) PRESSURE
PRESSION
DRUCK
PRESSIONE
PRESSAO
PRESION
TRATOR 6125J (EDICAO SUL-AMERICANA) PC8539P (01-JUL-10) 54-25
PN=267
54-26
TRANSMISSAO POWRQUAD
TRANSMISSION OIL FILTER
FILTRE A HUILE DE TRANSMISSION
GETRIEBEOELFILTER
FILTRO OLIO TRASMISSIONE
FILTRO DE OLEO DA TRANSMISSAO
FILTRO DE ACEITE DE LA TRANSMISION
LX039415 -UN-
6
1
2
5
ITEM NR.PECA DESCRICAO QTDE NR. SERIE J NOTAS
1 R120902 JUNTA 1 X
2 R95850 CARCACA 1 X
3 R109066 PARAFUSO 6 X (10.9)
4 51M7040 ANEL O 1 X
5 RE212878 INTERRUP. DE PRESSAO 1 X (A)
6 AL156625 FILTRO DE OLEO 1 X LGTH= 151,6MM (5-31/32")
7 34M5028 PINO ELASTICO 2 X
(A) OIL FILTER INDICATOR LAMP (OIL PRESSURE)
FILTRE A HUILE - TEMOIN PRESSION D’HUILE
OELFILTER - KONTROLLAMPE FUER OELDRUCK
SPIA PRESSIONE FILTRO OLIO
LAMPADA INDICADORA DO FILTRO DE OLEO (PRESSAO DO OLEO)
LUZ TESTIGO PRESION ACEITE, FILTRO ACEITE
54-26 TRATOR 6125J (EDICAO SUL-AMERICANA) PC8539P (01-JUL-10)
PN=268
54-27
TRANSMISSAO POWRQUAD
MEMORANDA
MEMORANDA
MEMORANDA
MEMORANDA
MEMORANDA
MEMORANDA
TRATOR 6125J (EDICAO SUL-AMERICANA) PC8539P (01-JUL-10) 54-27
PN=269
54-28
TRANSMISSAO POWRQUAD
MOUNTING PARTS
ELEMENTS DE FIXATION
BEFESTIGUNGSTEILE
PARTI MONTAGGIO
PECAS DE MONTAGEM
PIEZAS DE SUJECION
PUBM1439 -UN-
ESTA RELACAO CONTINUA
54-28 TRATOR 6125J (EDICAO SUL-AMERICANA) PC8539P (01-JUL-10)
PN=270
54-29
TRANSMISSAO POWRQUAD
6
1
2
5
ITEM NR.PECA DESCRICAO QTDE NR. SERIE J NOTAS
1 19M7810 PARAFUSO 8 X M10 X 80
2 19M8162 PARAFUSO 4 X
3 19M7785 PARAFUSO 2 X M10 X 25
4 L152507 JUNTA 1 X
5 19M7958 PARAFUSO 1 X
TRATOR 6125J (EDICAO SUL-AMERICANA) PC8539P (01-JUL-10) 54-29
PN=271
54-30
TRANSMISSAO POWRQUAD
MEMORANDA
MEMORANDA
MEMORANDA
MEMORANDA
MEMORANDA
MEMORANDA
54-30 TRATOR 6125J (EDICAO SUL-AMERICANA) PC8539P (01-JUL-10)
PN=272
56-A01
SISTEMA DE TRANSMISSAO
SECTIONAL INDEX
INDEX DE SECTION
GRUPPENINDEX
INDICE DELLA SEZIONE
INDICE DE GRUPO
INDICE DE GRUPOS
PUBM1398 -UN-
1- 1
2- 2
3- 4
4- 6
5- 8
6- 10
21- 12
7- 14
8- 16
9- 18
TRATOR 6125J (EDICAO SUL-AMERICANA) PC8539P (01-JUL-10) 56-A01
PN=273
56-A02
SISTEMA DE TRANSMISSAO
SECTIONAL INDEX
INDEX DE SECTION
GRUPPENINDEX
INDICE DELLA SEZIONE
INDICE DE GRUPO
INDICE DE GRUPOS
PUBM1558 -UN-
10- 19
11- 20
12- 22
13- 23
14- 24
15- 26
16- 27
17- 28
18- 29
19- 30
20- 32
56-A02 TRATOR 6125J (EDICAO SUL-AMERICANA) PC8539P (01-JUL-10)
PN=274
56-1
SISTEMA DE TRANSMISSAO
RANGE TRANSMISSION HOUSING (SYNCROPLUS / POWRQUAD)
CARTER DE BOITE DE GAMMES (SYNCROPLUS / POWRQUAD)
GRUPPENSCHALTGETRIEBEGEHAEUSE (SYNCROPLUS / POWRQUAD)
SCATOLA TRASMISSIONE A GAMME (SYNCROPLUS / POWRQUAD)
CAIXA DE CAMBIO DE GRUPOS (SYNCROPLUS / POWRQUAD)
CAJA DEL CAMBIO DE GRUPOS (SYNCROPLUS / POWRQUAD)
PUBM1399 -UN-
6
1
2
5
ITEM NR.PECA DESCRICAO QTDE NR. SERIE J NOTAS
1 L75885 JUNTA 1 X
2 19M7403 PARAFUSO SEXT. 9 X M12 X 35
3 15M2714 TAMPAO DE DRENO 1 X
4 L76408 ANEL O 1 X
5 AL156862 CARCACA 1 X SYNCROPLUS (MARKED L156261 OR L166551)
6 L110066 PINO DE CENTRAGEM 2 X
7 L78494 BUCHA 2 X
TRATOR 6125J (EDICAO SUL-AMERICANA) PC8539P (01-JUL-10) 56-1
PN=275
56-2
SISTEMA DE TRANSMISSAO
RANGE TRANSMISSION HOUSING (POWRQUAD)
CARTER DE BOITE DE GAMMES (POWRQUAD)
GRUPPENSCHALTGETRIEBEGEHAEUSE (POWRQUAD)
SCATOLA TRASMISSIONE A GAMME (POWRQUAD)
CAIXA DE CAMBIO DE GRUPOS (POWRQUAD)
CAJA DEL CAMBIO DE GRUPOS (POWRQUAD)
PUBM1400 -UN-
6
1
2
5
ITEM NR.PECA DESCRICAO QTDE NR. SERIE J NOTAS
1 L75885 JUNTA 2 X
2 19M7403 PARAFUSO SEXT. 2 X
3 15M2714 TAMPAO DE DRENO 2 X
4 L76408 ANEL O 2 X
5 AL156863 CARCACA 1 X (MARKED L156262 OR L166552)
6 L110066 PINO DE CENTRAGEM 1 X
7 L78494 BUCHA 1 X
56-2 TRATOR 6125J (EDICAO SUL-AMERICANA) PC8539P (01-JUL-10)
PN=276
56-3
SISTEMA DE TRANSMISSAO
MEMORANDA
MEMORANDA
MEMORANDA
MEMORANDA
MEMORANDA
MEMORANDA
TRATOR 6125J (EDICAO SUL-AMERICANA) PC8539P (01-JUL-10) 56-3
PN=277
56-4
SISTEMA DE TRANSMISSAO
DIFF, DRIVE SHAFT, RANGE TRANSMISSION (4X4)
BOITE DE GAMMES - ARBRE DU PIGNON D’ATTAQUE (4X4)
HAUPTWELLE, GRUPPENSCHALTGETRIEBE (4X4)
ALBERO COMANDO DIFFERENZIALE, TRASMISSIONE CAMBIO GAMMA (4X4)
EIXO DE SAIDA DO DIFERENCIAL, CAMBIO DE GRUPOS (4X4)
EJE DE SALIDA DEL DIFERENCIAL, CAMBIO DE GRUPOS (4X4)
PUBM1401 -UN-
ESTA RELACAO CONTINUA
56-4 TRATOR 6125J (EDICAO SUL-AMERICANA) PC8539P (01-JUL-10)
PN=278
56-5
SISTEMA DE TRANSMISSAO
6
1
2
NR. SERIE 5
ITEM NR.PECA DESCRICAO QTDE TRANSMISSAO J NOTAS
1 AL164690 ACIONAMENTO DA COROA 1 X Z 9/51
2 AL113714 CILAMENTO ROLO CILINDRICO 1 X
3 AL77434 CILAMENTO ROLO CILINDRICO 2 X
4 L156851 MANCAL 1 X
5 L77775 MOLA DE COMPRESSAO 5 X
6 L173991 ANEL DE PRESSAO AR X TK 3.00MM
L78069 ANEL DE PRESSAO AR X TK 2.90MM
L78070 ANEL DE PRESSAO AR X TK 2.80MM
L78071 ANEL DE PRESSAO AR X TK 2.70MM
L78072 ANEL DE PRESSAO AR X TK 2.60MM
L78073 ANEL DE PRESSAO AR X TK 2.50MM
7 L157084 CALCO AR X TK 0.2MM
L157085 CALCO AR X TK 0.3MM
L157086 CALCO AR X TK 0.5MM
8 L170237 ANEL AR X TK 3.0MM
9 L168800 PINHAO 1 X
10 L110851 PARAFUSO 1 X
11 L76821 ARRUELA DE ENCOSTO AR X TK 3.65MM
L75917 ARRUELA DE ENCOSTO AR X TK 3.80MM
L76822 ARRUELA DE ENCOSTO AR X TK 3.95MM
L113339 ARRUELA DE ENCOSTO AR X TK 4.15MM
L153635 ARRUELA DE ENCOSTO AR X TK 4.05MM
12 L166228 ENGRENAGEM 1 X
13 AL157733 SINCRONIZADOR 2 X
14 L76923 ANEL DE PRESSAO AR X
L75904 ANEL DE PRESSAO AR X TK 2.3MM
L75905 ANEL DE PRESSAO AR X TK 2.20MM
L75906 ANEL DE PRESSAO AR X TK 2.10MM
15 L155889 ENGRENAGEM 1 X Z 55 (MARKED L155889)
16 L166231 ENGRENAGEM 1 X Z 43
17 L166230 ENGRENAGEM 1 X
18 L170237 ANEL 1 X
19 19M7156 PARAFUSO SEXT. 5 X M10 X 60
20 24M7028 ARRUELA 4 X
21 L172927 CILAMENTO ROLO CILINDRICO 1 X
22 24M7332 ARRUELA 1 X
23 19M7162 PARAFUSO SEXT. 1 X M8 X 16
24 L116130 SINCRONIZADOR 4 X
25 L155496 ENGRENAGEM 1 X
26 L167749 ARRUELA 1 X
.. DT5299 ADESIVO AR X LOCTITE 648
TRATOR 6125J (EDICAO SUL-AMERICANA) PC8539P (01-JUL-10) 56-5
PN=279
56-6
SISTEMA DE TRANSMISSAO
DRIVE SHAFT, RANGE TRANSMISION
BOITE DE GAMMES - ARBRE D’ENTRAINEMENT
ANTRIEBSWELLE, GRUPPENSCHALTGETR
ALBERO COMANDO, TRASMISSIONE CAMBIO GAMMA
ARVORE DE TRANSMISSAO, CAMBIO DE GRUPOS
ARBOL DE TRANSMISION, CAMBIO DE GRUPOS
LX018020 -UN-
ESTA RELACAO CONTINUA
56-6 TRATOR 6125J (EDICAO SUL-AMERICANA) PC8539P (01-JUL-10)
PN=280
56-7
SISTEMA DE TRANSMISSAO
6
1
2
5
ITEM NR.PECA DESCRICAO QTDE NR. SERIE J NOTAS
1 L155339 MANCAL 1 X
2 19M8533 PARAFUSO 3 X M10 X 25
3 AL178191 ROLAMENTO DE ROLOS CONICOS 1 X
4 L166233 EIXO 1 X
5 L77758 ANEL DE PRESSAO AR X TK 3.40MM
L77763 ANEL DE PRESSAO AR X TK 2.50MM
L77762 ANEL DE PRESSAO AR X TK 2.60MM
L77761 ANEL DE PRESSAO AR X TK 2.70MM
L77760 ANEL DE PRESSAO AR X TK 2.80MM
L77759 ANEL DE PRESSAO AR X TK 2.90MM
L114266 ANEL DE PRESSAO AR X TK 3.00MM
L75882 ANEL DE PRESSAO AR X TK 3.10MM
L75883 ANEL DE PRESSAO AR X TK 3.20MM
L75884 ANEL DE PRESSAO AR X TK 3.30MM
6 AL113279 ROLAMENTO 1 X
7 L75889 LUVA 1 X
8 L150695 PINO 1 X
TRATOR 6125J (EDICAO SUL-AMERICANA) PC8539P (01-JUL-10) 56-7
PN=281
56-8
SISTEMA DE TRANSMISSAO
PARKING LOCK, RANGE TRANSMISSION
BOITE DE GAMMES - FREIN DE STATIONNEMENT
PARKSPERRE, GRUPPENSCHALTGETRIEBE
BLOCCO STAZIONAMENTO, TRASM. A GAMME
BLOQUEIO DO ESTACIONAMENTO, CAMBIO DE GRUPOS
BLOQUEO DE ESTACIONAMIENTO, CAMBIO DE GRUPOS
PUBM1402 -UN-
ESTA RELACAO CONTINUA
56-8 TRATOR 6125J (EDICAO SUL-AMERICANA) PC8539P (01-JUL-10)
PN=282
56-9
SISTEMA DE TRANSMISSAO
6
1
2
NR. SERIE 5
ITEM NR.PECA DESCRICAO QTDE TRANSMISSAO J NOTAS
1 L153968 LINGUETA 1 X
2 L78415 BUCHA 1 X
3 L150696 PINO FIXADOR 1 X
4 19M8397 PARAFUSO SEXT. 2 X M8 X 50
5 L165947 CAME 1 X
6 L154520 ARRUELA DE ENCOSTO 2 X
7 JD8856 ROLAMENTO DE AGULHAS 1 X
8 L150693 PINO FIXADOR 1 X
9 34M7215 PINO ELASTICO 1 X
10 L155639 MOLA DE TRACAO 1 X
11 L79037 VEDACAO 1 X
12 24M7369 ARRUELA AR X TK 1.4MM
24M7370 ARRUELA AR X TK 1.5MM
24M7371 ARRUELA AR X TK 1.6MM
24M7372 ARRUELA AR X TK 1.7MM
24M7373 ARRUELA AR X TK 1.8MM
24M7374 ARRUELA AR X TK 1.9MM
24M7375 ARRUELA AR X TK 2.0MM
24M7452 ARRUELA AR X TK 1.1 MM
24M7398 ARRUELA AR X TK 1.2MM
24M7399 ARRUELA AR X TK 1.3MM
13 AL164323 BRACO 1 X
14 34M7259 PINO ELASTICO 1 X
15 AL79072 SUPORTE 1 X
16 19M7162 PARAFUSO SEXT. 1 X M8 X 16
17 L80107 BUCHA 2 X
18 AL113358 ALAVANCA 1 X
19 24M7386 ARRUELA 1 X
20 40M7253 ANEL DE PRESSAO 1 X
21 L80167 MOLA DE TORCAO 1 X
22 L167801 TIRANTE 1 X LGTH 184.5MM
23 34M5719 PINO ELASTICO 1 X
.. AL156714 ARRUELA 1 X
TRATOR 6125J (EDICAO SUL-AMERICANA) PC8539P (01-JUL-10) 56-9
PN=283
56-10
SISTEMA DE TRANSMISSAO
SHIFTING PARTS, RANGE TRANSM. (SYNCROPLUS/POWRQUAD)
BOITE DE GAMMES - ELEMENTS DE COMMANDE (SYNCROPLUS/POWRQUAD)
SCHALTUNGSTEILE, GRUPPENSCHALTGETR. (SYNCROPLUS/POWRQUAD)
PARTI AZIONAAMENTO CAMBIO GAMMA TRASMISSIONE (SYNCROPLUS/POWRQUAD)
PECAS DE ACIONAMENTO, GRUPOS (SYNCROPLUS/POWRQUAD)
VARILLAJE DE MANDO, CAMBIO DE GRUPOS (SYNCROPLUS/POWRQUAD)
PUBM1403 -UN-
ESTA RELACAO CONTINUA
56-10 TRATOR 6125J (EDICAO SUL-AMERICANA) PC8539P (01-JUL-10)
PN=284
56-11
SISTEMA DE TRANSMISSAO
6
1
2
5
ITEM NR.PECA DESCRICAO QTDE NR. SERIE J NOTAS
1 L153159 CAPA 1 X (MARKED L153159)
2 L153307 VEDACAO AR X
3 30M7024 PLUGUE 1 X
4 AL81449 EIXO 2 X
5 AL166649 ALAVANCA AR X
6 44M7111 PINO DE CENTRAGEM AR X
7 34M7226 PINO ELASTICO AR X
8 L153345 CARCACA 1 X
9 AL116245 DETENTE 2 X
10 JD10508 ROLAMENTO AR X
11 19M7866 PARAFUSO 3 X M8 X 20
12 L33332 PARAF. DE FENDA 4 X
13 L111048 COMUTADOR 2 X
14 L165942 HASTE DO CAMBIO 1 X (B)
15 L113217 PRESILHA 1 X
16 L156693 HASTE DO CAMBIO 1 X (A)
17 L76229 PINO FIXADOR 1 X
18 34M3858 PINO ELASTICO 1 X
19 L76234 JUNTA 1 X
20 19M7800 PARAFUSO 5 X M8 X 50
21 30M7010 PLUGUE 2 X
22 19M7866 PARAFUSO 1 X M8 X 20
23 L165946 PRESILHA 1 X
.. DT5037 SELANTE AR X LOCTITE 242
.. DT5299 ADESIVO AR X LOCTITE 648
(A) FOR GROUPS A-B (B) FOR GROUPS C-D
POUR GAMMES A-B POUR GAMMES C-D
FUER GRUPPEN A-B FUER GRUPPEN C-D
PER GRUPPI A-B PER GRUPPI C-D
PARA GRUPOS A-B PARA GRUPOS C-D
PARA GRUPOS A-B PARA GRUPOS C-D
TRATOR 6125J (EDICAO SUL-AMERICANA) PC8539P (01-JUL-10) 56-11
PN=285
56-12
SISTEMA DE TRANSMISSAO
ANTI PERCH PARTS FOR NEUTRAL POSITION
ELEMENTS POUR MAINTIEN DE LA POSITION NEUTRE
SCHALTUNTERSTUETZUNG ZUR NEUTRALSTELLUNG
ELEMENTI PER FISSARE POSIZ. NEUTRALE
ELEMENTO DA FIXACAO DA POSICAO NEUTRA
ELEMENTO DE FIJACION DE LA POSICION NEUTRA
PUBM1404 -UN-
6
1
2
5
ITEM NR.PECA DESCRICAO QTDE NR. SERIE J NOTAS
1 L80052 FORQUILHA 2 X
2 24M7055 ARRUELA 1 X
3 L114120 PARAFUSO 1 X
4 L113541 BUCHA 1 X
5 19M7868 PARAFUSO 1 X M8 X 30
6 L113099 PINO DE CENTRAGEM 1 X
7 L159313 MOLA 1 X
8 AL114210 ALAVANCA 1 X
9 L113335 ROLETE 1 X
10 40M7040 ANEL DE PRESSAO 1 X
11 34M7249 PINO ELASTICO 1 X
12 L113049 ALAVANCA 1 X
13 34M7267 PINO ELASTICO 2 X 6 X 24 MM
14 45M7080 PINO DE TRAVA 2 X
15 AL158041 EIXO 1 X
16 14M7009 PORCA 2 X M6
17 L154131 TIRANTE 1 X
18 L53813 ANEL O 2 X
19 40M7068 ANEL DE PRESSAO 2 X
56-12 TRATOR 6125J (EDICAO SUL-AMERICANA) PC8539P (01-JUL-10)
PN=286
56-13
SISTEMA DE TRANSMISSAO
MEMORANDA
MEMORANDA
MEMORANDA
MEMORANDA
MEMORANDA
MEMORANDA
TRATOR 6125J (EDICAO SUL-AMERICANA) PC8539P (01-JUL-10) 56-13
PN=287
56-14
SISTEMA DE TRANSMISSAO
FWD - DRIVE
PONT AVANT - ENTRAINEMENT
FRONTANTRIEB - ABTRIEB
4WD - COMANDO
EIXO DE SAIDA DA TRACAO DIANTEIRA
EJE DE SALIDA / TRACCION DELANTERA
PUBM1405 -UN-
ESTA RELACAO CONTINUA
56-14 TRATOR 6125J (EDICAO SUL-AMERICANA) PC8539P (01-JUL-10)
PN=288
56-15
SISTEMA DE TRANSMISSAO
6
1
2
5
ITEM NR.PECA DESCRICAO QTDE NR. SERIE J NOTAS
1 AL166905 PLUGUE 1 X LGHT 41MM OD 10MM
2 L110066 PINO DE CENTRAGEM 2 X
3 L64500 SELANTE 1 X 50 CM3
4 JD10498 CAPA DE ROLAMENTO 1 X
5 JD10497 CONE DE ROLAMENTO 1 X
6 L102565 ARRUELA DE ENCOSTO 1 X
7 L102489 DISCO 1 X
8 AL114942 CONE DE ROLAMENTO 2 X
9 L155993 ENGRENAGEM 1 X Z 25/44 (RATIO 1.760)
L155994 ENGRENAGEM 1 X Z 24/44 (RATIO 1.870)
10 L77262 CALCO AR X TK 0.05MM
24M7150 CALCO AR X TK 0.10MM
24M7331 CALCO AR X TK 0.20MM
24M7258 CALCO AR X TK 0.50MM
11 L114651 ESPACADOR 1 X
12 L100522 ANEL DE VEDACAO 1 X
13 L157992 EIXO 1 X
14 19M7163 PARAFUSO SEXT. 2 X M8 X 25
19M7288 PARAFUSO SEXT. 2 X M8 X 30
15 L41187 BUCHA 1 X
16 L157568 RETENTOR REDONDO 1 X
17 L78828 MANCAL 1 X
18 AL79750 VEDACAO 1 X
19 L78683 ANEL O 1 X
20 L78827 CALCO AR X TK 0.05MM
L78838 CALCO AR X TK 0.10MM
L78839 CALCO AR X TK 0.20MM
L78840 CALCO AR X TK 0.50MM
21 L100959 CAPA DE ROLAMENTO 1 X
22 AL80939 CONE DE ROLAMENTO 1 X
23 19M7180 PARAFUSO SEXT. 1 X M10 X 45
24 AT107509 PLUGUE 2 X
25 L170424 CAIXA 1 X
26 19M7513 PARAFUSO SEXT. 12 X M8 X 30
27 AL179236 TAMPAO 1 X
28 51M7048 ANEL O 1 X
29 L41709 TAMPAO 1 X
30 L41526 ANEL O 1 X
31 38H5135 CONEXAO 2 X
32 51M7042 ANEL O 2 X
33 L114655 PINO FIXADOR 1 X
34 R34140 ANEL 1 X
.. DT5173 OLEO 3 X
TRATOR 6125J (EDICAO SUL-AMERICANA) PC8539P (01-JUL-10) 56-15
PN=289
56-16
SISTEMA DE TRANSMISSAO
FWD MULTI - DISK CLUTCH
PONT AVANT - EMBRAYAGE MULTIDISQUE
FRONTANTRIEB - LAMELLENKUPPLUNG
4WD FRIZIONE A DISCHI MULTIPLI
EMBREAGEM MULTIDISCOS TRACAO DIANTEIRA
EMBRAGUE MULTIDISCO - TRACC. DELANT.
CQ302525 -UN-
ESTA RELACAO CONTINUA
56-16 TRATOR 6125J (EDICAO SUL-AMERICANA) PC8539P (01-JUL-10)
PN=290
56-17
SISTEMA DE TRANSMISSAO
6
1
2
5
ITEM NR.PECA DESCRICAO QTDE NR. SERIE J NOTAS
1 AL118814 ENGRENAGEM 1 X
2 L110129 IMPULSOR 1 X
3 L157103 TAMBOR 1 X Z 50 (RATIO 1.760)
L157106 TAMBOR 1 X Z 51 (RATIO 1.870)
L157104 TAMBOR 1 X Z 51 (RATIO 1.795)
L157108 TAMBOR 1 X Z 53 (RATIO 1.943)
4 L102567 BUCHA 1 X
5 R79018 MOLA DE COMPRESSAO 1 X
6 L112884 CONE DE VALVULA 3 X
7 L172658 TAMPAO 3 X
8 L158967 ANEL DE PRESSAO 1 X
9 L102489 DISCO 1 X
10 L101779 ARRUELA DE ENCOSTO 1 X
11 AL114526 DISCO COM ESTRIADO EXTERNO 10 X
12 L78682 DISCO COM ESTRIADO INTERNO 9 X
13 L101488 PISTAO 1 X
14 L100935 BUCHA 1 X
15 L78687 ANEL O 1 X
16 L100519 MOLA DE DISCO 2 X
17 L101122 ANEL 1 X
TRATOR 6125J (EDICAO SUL-AMERICANA) PC8539P (01-JUL-10) 56-17
PN=291
56-18
SISTEMA DE TRANSMISSAO
FWD-SOLENOID VALVE
PONT AVANT - ELECTROVANNE
FRONTANTRIEB-MAGNETVENTIL
4WD - VALVOLA A SOLENOIDE
VALVULA SOLENOIDE DA TRACAO DIANTEIRA
TRACC. DELANT., ELECTROVALVULA
LX048534 -UN-
6
1
2
5
ITEM NR.PECA DESCRICAO QTDE NR. SERIE J NOTAS
1 RE47392 KIT - ANEL O 1 X
2 RE211158 VALVULA SOLENOIDE 1 X
3 19M7560 PARAFUSO SEXT. 2 X M6 X 16
4 R211082 BRACADEIRA 1 X
56-18 TRATOR 6125J (EDICAO SUL-AMERICANA) PC8539P (01-JUL-10)
PN=292
56-19
SISTEMA DE TRANSMISSAO
DIFFERENTIAL HOUSING
CARTER DE DIFFERENTIEL
DIFFERENTIALGEHAEUSE
SCATOLA DEL DIFFERENZIALE
CARCACA DO DIFERENCIAL
CAJA DEL DIFERENCIAL
PUBM1406 -UN-
6
1
2
5
ITEM NR.PECA DESCRICAO QTDE NR. SERIE J NOTAS
1 AL179429 CAIXA 1 X
2 L112380 PINO DE CENTRAGEM 4 X
3 L77560 PINO FIXADOR 4 X
4 L110067 PINO DE CENTRAGEM 6 X
5 L80062 TAMPAO 1 X
6 51M7061 ANEL O 1 X
7 AL79010 PENEIRA 1 X
8 51M7048 ANEL O 2 X
9 L101574 TAMPAO 2 X
10 L174554 CAIXA 1 X
TRATOR 6125J (EDICAO SUL-AMERICANA) PC8539P (01-JUL-10) 56-19
PN=293
56-20
SISTEMA DE TRANSMISSAO
DIFFERENTIAL
DIFFERENZIALE
DIFFERENTIAL
DIFFERENTIAL
DIFERENCIAL
DIFERENCIAL
PUBM1500 -UN-
ESTA RELACAO CONTINUA
56-20 TRATOR 6125J (EDICAO SUL-AMERICANA) PC8539P (01-JUL-10)
PN=294
56-21
SISTEMA DE TRANSMISSAO
6
1
2
NR. SERIE 5
ITEM NR.PECA DESCRICAO QTDE TRANSMISSAO J NOTAS
1 19M8475 PARAFUSO SEXT. 10 X M10 X 30
2 L77138 MANCAL 1 X LH
3 L102146 CALCO AR X TK 0.075MM
L102147 CALCO AR X TK 0.1MM
L102148 CALCO AR X TK 0.25MM
L102149 CALCO AR X TK 0.5MM
4 L77371 CAPA DE ROLAMENTO 1 X
5 L78580 ANEL DE PISTAO 2 X
6 AL80941 CONE DE ROLAMENTO 1 X
7 AL112560 TAMPA DE ROLAMENTO 1 X RH
8 AL78835 CONE DE ROLAMENTO 1 X
9 L172599 PARAFUSO 1 X
10 L173432 PINO FIXADOR 1 X
11 L173431 PINO FIXADOR 1 X
12 59M7001 MOLA DE COMPRESSAO 4 X
13 L152216 CARCACA 1 X
14 L173433 PINO FIXADOR 1 X
15 L31792 ARRUELA 2 X
16 L158220 COROA 1 X Z 18
17 L113016 ENGRENAGEM 4 X
18 L157982 ARRUELA DE ENCOSTO 4 X
19 L173998 SUPORTE 1 X
20 L158222 COROA 1 X
21 L77141 DISCO COM ESTRIADO EXTERNO 7 X
22 AL159216 DISCO COM ESTRIADO INTERNO 6 X
23 L151416 ANEL O 1 X
24 L62735 ANEL O 1 X
25 AL175138 PISTAO 1 X
26 L155267 CARCACA 1 X
27 19M8702 PARAFUSO 10 X M12 X 45
28 L100961 CAPA DE ROLAMENTO 1 X
TRATOR 6125J (EDICAO SUL-AMERICANA) PC8539P (01-JUL-10) 56-21
PN=295
56-22
SISTEMA DE TRANSMISSAO
FORCED LUBRICATION
LUBRIFICATION SOUS PRESSION
DRUCKBEOELUNG
LUBRIFICAZIONE FORZATA
LUBRIFICACAO FORCADA
ENGRASE A PRESION
LX014507 -UN-
6
1
2
NR. SERIE 5
ITEM NR.PECA DESCRICAO QTDE TRATOR J NOTAS
1 AL76421 TUBULACAO DE OLEO 1 X
2 L101829 CONEXAO 1 X
3 L59901 ANEL O 1 X
4 51M7042 ANEL O 1 X
5 L78870 BUCHA 1 X
6 AL172570 ABRACADEIRA PARA MANGUEIRA 2 X
7 L76654 TUBO 1 X
8 L77065 RETENTOR 1 X
9 19M7162 PARAFUSO SEXT. 1 X M8 X 16
10 L76661 RETENTOR 1 X
56-22 TRATOR 6125J (EDICAO SUL-AMERICANA) PC8539P (01-JUL-10)
PN=296
56-23
SISTEMA DE TRANSMISSAO
SOLENOID VALVE FOR DIFFERENTIAL LOCK
ELECTROVANNE POUR BLOCAGE HYDRAULIQUE DU DIFFERENTIEL
MAGNETVENTIL FUER DIFFERENTIALSPERRE
VALVOLA A SOLENOIDE PER BLOCCAGGIO DIFFERENZIALE
VALVULA SOLENOIDE PARA BLOQUEIO DO DIFERENCIAL
ELECTROVALVULA PARA BLOQUEO DEL DIFERENCIAL
PUBM1501 -UN-
6
1
2
5
ITEM NR.PECA DESCRICAO QTDE NR. SERIE J NOTAS
1 RE211158 VALVULA SOLENOIDE 1 X
2 R211082 BRACADEIRA 1 X
3 RE47392 KIT - ANEL O 1 X
4 51M7042 ANEL O 2 X
5 38H5135 CONEXAO 1 X
6 38H5037 ADAPTADOR 1 X
7 R77175 CAPA 1 X
8 RE190805 ACOPLAMENTO DE DIAGNOSTICO 1 X
9 21M7572 PARAFUSO ALLEN 2 X M8 X 20
10 21M7463 PARAFUSO 1 X M8 X 60
11 L112092 CARCACA 1 X
12 L40966 ARRUELA 1 X
13 L100573 JUNTA 1 X
14 19M7560 PARAFUSO SEXT. 2 X M6 X 16
.. DT5037 SELANTE AR X LOCTITE 242
TRATOR 6125J (EDICAO SUL-AMERICANA) PC8539P (01-JUL-10) 56-23
PN=297
56-24
SISTEMA DE TRANSMISSAO
DIFFERENTIAL LOCK, OIL LINES (MFWD)
BLOCAGE DU DIFFERENTIEL, CONDUITES HYDRAULIQUES (AVEC PONT AVANT MECANIQUE)
DIFFERENTIALSPERRE, OELLEITUNGEN (MIT MFWD)
BLOCCAGGIO DIFFERENZIALE, TUBI OLIO (CON 4WD)
TUBOS HIDRAULICOS DO BLOQUEIO DO DIFERENCIAL (4X4)
BLOQUEO DEL DIFERENCIAL, TUBERIAS HIDRAULICAS (TDM)
PUBM1407 -UN-
ESTA RELACAO CONTINUA
56-24 TRATOR 6125J (EDICAO SUL-AMERICANA) PC8539P (01-JUL-10)
PN=298
56-25
SISTEMA DE TRANSMISSAO
6
1
2
5
ITEM NR.PECA DESCRICAO QTDE NR. SERIE J NOTAS
1 51M7043 ANEL O 1 X
2 61M5003 ADAPTADOR 1 X
3 T77857 ANEL O 4 X
4 AL159472 TUBULACAO DE OLEO 1 X
5 T77613 ANEL O 2 X
6 AL81320 TUBULACAO DE OLEO 1 X
7 38H5135 CONEXAO 2 X
8 51M7042 ANEL O 2 X
9 AL150179 TUBULACAO DE OLEO 1 X
10 L153819 SUPORTE 1 X
11 38H5002 ADAPTADOR 1 X
12 51M7041 ANEL O 1 X
13 H75541 BRACADEIRA 1 X
14 19M7162 PARAFUSO SEXT. 1 X
15 14M7273 PORCA 1 X
TRATOR 6125J (EDICAO SUL-AMERICANA) PC8539P (01-JUL-10) 56-25
PN=299
56-26
SISTEMA DE TRANSMISSAO
SUCTION LINE, TRANSMISSION OIL PUMP
POMPE A HUILE DE TRANSMISSION, CONDUITE D’ASPIRATION
ANSAUGLEITUNG, GETRIEBEOELPUMPE
TUBO ASPIRAZIONE POMPA OLIO TRASMISSIONE
TUBOS DE ASPIRACAO DA BOMBA DE LUBRIFICACAO
TUBERIA DE ASPIRACION, BOMBA DE ENGRASE DE LA TRANSMISION
CQ302530 -UN-
6
1
2
5
ITEM NR.PECA DESCRICAO QTDE NR. SERIE J NOTAS
1 L78457 ANEL O 1 X
2 L78545 FLANGE 2 X
3 19M7555 PARAFUSO 3 X M8 X 30
4 AL164106 TUBO 1 X SYNCROPLUS
AL164115 TUBO 1 X POWRQUAD
5 51M7119 ANEL O 1 X
56-26 TRATOR 6125J (EDICAO SUL-AMERICANA) PC8539P (01-JUL-10)
PN=300
56-27
SISTEMA DE TRANSMISSAO
GROUND SPEED SENDING UNIT
CAPTEUR POUR TACHYMETRE
GEBER FUER FAHRGESCHWINDIGKEIT
RILEVATORE DI VELOCITA
SENSOR DO TACOMETRO
SENSOR DEL TACOMETRO
PUBM1408 -UN-
6
1
2
5
ITEM NR.PECA DESCRICAO QTDE NR. SERIE J NOTAS
1 15M2717 TAMPAO DE DRENO 1 X (A)
2 L59900 ANEL O 1 X
3 AL77322 PLUGUE 1 X
(A) WITHOUT SENSOR
SANS CAPTEUR
OHNE GEBER
SENZA SENSORE
SEM SENSOR
SIN SENSOR
TRATOR 6125J (EDICAO SUL-AMERICANA) PC8539P (01-JUL-10) 56-27
PN=301
56-28
SISTEMA DE TRANSMISSAO
MOUNTING PARTS FOR OIL RETURN (SYNCROPLUS)
CONDUITE DE RETOUR, ELEMENTS DE FIXATION (SYNCROPLUS)
ANBAUTEILE FUER OELRUECKLAUF (SYNCROPLUS)
PARTI DI MONTAGGIO PER RITORNO OLIO (SYNCROPLUS)
RETORNO DE OLEO DA TRANSMISSAO (SYNCROPLUS)
PIEZAS DE MONTAJE - RETORNO DE ACEITE (SYNCROPLUS)
LX014227 -UN-
6
1
2
5
ITEM NR.PECA DESCRICAO QTDE NR. SERIE J NOTAS
1 L158800 CONEXAO 2 X
2 L53861 ANEL O 2 X
3 19M7162 PARAFUSO SEXT. 2 X M8 X 16
4 AL82025 BRACADEIRA 2 X
5 L155730 MANGUEIRA 1 X
56-28 TRATOR 6125J (EDICAO SUL-AMERICANA) PC8539P (01-JUL-10)
PN=302
56-29
SISTEMA DE TRANSMISSAO
MOUNTING PARTS FOR OIL RETURN (POWRQUAD)
CONDUITE DE RETOUR, ELEMENTS DE FIXATION (POWRQUAD)
ANBAUTEILE FUER OELRUECKLAUF (POWRQUAD)
PARTI DI MONTAGGIO PER RITORNO OLIO (POWRQUAD)
RETORNO DE OLEO DA TRANSMISSAO (POWRQUAD)
PIEZAS DE MONTAJE - RETORNO DE ACEITE (POWRQUAD)
LX034256 -UN-
6
1
2
5
ITEM NR.PECA DESCRICAO QTDE NR. SERIE J NOTAS
1 L158800 CONEXAO 1 X
2 L53861 ANEL O 1 X
3 19M7162 PARAFUSO SEXT. 1 X M8 X 16
4 L156294 CONEXAO DE MANGUEIRA 1 X
5 R158505 JUNTA 1 X
6 19M7863 PARAFUSO 4 X M6 X 25
7 L155730 MANGUEIRA 1 X
8 AL82025 BRACADEIRA 1 X
9 19M7796 PARAFUSO 2 X
TRATOR 6125J (EDICAO SUL-AMERICANA) PC8539P (01-JUL-10) 56-29
PN=303
56-30
SISTEMA DE TRANSMISSAO
REAR AXLE
ESSIEU ARRIERE
HINTERACHSE
ASSALE POSTERIORE
EIXO TRASEIRO
EJE TRASERO
PUBM1499 -UN-
ESTA RELACAO CONTINUA
56-30 TRATOR 6125J (EDICAO SUL-AMERICANA) PC8539P (01-JUL-10)
PN=304
56-31
SISTEMA DE TRANSMISSAO
6
1
2
5
ITEM NR.PECA DESCRICAO QTDE NR. SERIE J NOTAS
1 AL157747 CARCACA 1 X RH
AL157748 CARCACA 1 X LH
2 R53658 ANEL DE PRESSAO 3 X
3 L154620 CAPA DE ROLAMENTO 1 X
4 L154621 CAPA DE ROLAMENTO 1 X
5 L76058 ANEL DE DESGASTE 1 X
6 L172081 PINHAO 3 X
7 L75294 ANEL DE PRESSAO 6 X
8 AL182098 CILAMENTO ROLO CILINDRICO 3 X
9 L101243 PORTA-PLANETARIOS 1 X
10 L156914 BUCHA 1 X
11 L80361 EIXO DE ACIONAMENTO 1 X RH
L80362 EIXO DE ACIONAMENTO 1 X LH
12 L176898 SEMI-EIXO 1 X
13 AL158922 VEDACAO 1 X
14 AL156506 CONE DE ROLAMENTO 1 X
15 AL69712 VEDACAO 1 X
16 AL156503 CONE DE ROLAMENTO 1 X
17 L76059 ANEL DE PRESSAO 1 X
18 L57311 PARAFUSO 1 X
19 L101142 PLACA DE SEGURANCA 1 X
20 58M5575 CONEXAO DE LUBRIFICACAO 1 X
21 L155937 SEMI-EIXO 2 X
22 44M7114 PINO DE CENTRAGEM 2 X
23 L79831 COROA 1 X
.. DT5267 GRAXA AR X
TRATOR 6125J (EDICAO SUL-AMERICANA) PC8539P (01-JUL-10) 56-31
PN=305
56-32
SISTEMA DE TRANSMISSAO
MOUNTING PARTS, REAR AXLE
ESSIEU ARRIERE - ELEMENTS DE FIXATION
BEFESTIGUNGSTEILE, HINTERACHSE
PARTI MONTAGGIO ASSALE POSTERIORE
PECAS DE FIXACAO - EIXO TRASEIRO
PIEZAS DE FIJACION - EJE TRASERO
LX021308 -UN-
6
1
2
5
ITEM NR.PECA DESCRICAO QTDE NR. SERIE J NOTAS
1 L111385 PARAFUSO 22 X
2 L113893 PARAFUSO 2 X
3 14M7274 PORCA 2 X (FOR L113893)
4 CQ25602 ADESIVO 1 X LOCTITE 573
56-32 TRATOR 6125J (EDICAO SUL-AMERICANA) PC8539P (01-JUL-10)
PN=306
58-A01
TOMADA DE POTENCIA - TDP
SECTIONAL INDEX
INDEX DE SECTION
GRUPPENINDEX
INDICE DELLA SEZIONE
INDICE DE GRUPO
INDICE DE GRUPOS
PUBM0939 -UN-
1- 1
2- 2
3- 3
4- 4
5- 6
6- 8
7- 10
8- 11
9- 12
10- 14
11- 16
12- 17
13- 18
TRATOR 6125J (EDICAO SUL-AMERICANA) PC8539P (01-JUL-10) 58-A01
PN=307
58-A02
TOMADA DE POTENCIA - TDP
MEMORANDA
MEMORANDA
MEMORANDA
MEMORANDA
MEMORANDA
MEMORANDA
58-A02 TRATOR 6125J (EDICAO SUL-AMERICANA) PC8539P (01-JUL-10)
PN=308
58-1
TOMADA DE POTENCIA - TDP
REAR PTO HOUSING 540 RPM
CARTER DE PRISE DE FORCE ARRIERE 540 TR/MIN
GEHAEUSE FUER HECKZAPFWELLE 540 U/MIN
SCATOLA PTO POSTERIORE 540 GIRI/MIN
CARCACA DA TOMADA DE POTENCIA TRASEIRA 540 RPM
CAJA DE LA TDF TRASERA DE 540 R/MIN
PUBM1409 -UN-
6
1
2
5
ITEM NR.PECA DESCRICAO QTDE NR. SERIE J NOTAS
1 L41709 TAMPAO 1 X
2 L41526 ANEL O 1 X
3 AL167008 CARCACA 1 X
4 AL166903 PLUGUE 1 X OD 7MM
5 AL166904 PLUGUE 3 X OD 8MM
6 L111964 PINO DE CENTRAGEM 2 X
7 AL158828 TAMPAO 1 X
8 15M7078 TAMPAO DE DRENO 1 X
9 51M7047 ANEL O 1 X
10 30M7011 PLUGUE 2 X
11 L166528 CARCACA 1 X
12 99M7043 PLUGUE 2 X
TRATOR 6125J (EDICAO SUL-AMERICANA) PC8539P (01-JUL-10) 58-1
PN=309
58-2
TOMADA DE POTENCIA - TDP
REAR PTO HOUSING 540/1000 RPM
CARTER DE PRISE DE FORCE ARRIERE 540/1000 TR/MIN
GEHAEUSE FUER HECKZAPFWELLE 540/1000 U/MIN
SCATOLA PTO POSTERIORE 540/1000 GIRI/MIN
CAIXA DA TOMADA DE POTENCIA TRASEIRA 540/1000 RPM
CAJA DE LA TDF TRASERA DE 540/1000 R/MIN
PUBM1410 -UN-
6
1
2
5
ITEM NR.PECA DESCRICAO QTDE NR. SERIE J NOTAS
1 AL167009 CARCACA 1 X
2 L166529 CARCACA 1 X
3 AL158828 TAMPAO 1 X
4 15M7078 TAMPAO DE DRENO 1 X
5 51M7047 ANEL O 1 X
6 AL166903 PLUGUE 1 X OD 7MM
7 AL166904 PLUGUE 3 X OD 8MM
8 L111964 PINO DE CENTRAGEM 2 X
9 30M7011 PLUGUE 2 X
10 L41526 ANEL O 1 X
11 L41709 TAMPAO 1 X
12 30M5581 PLUGUE 1 X
13 99M7043 PLUGUE 2 X
58-2 TRATOR 6125J (EDICAO SUL-AMERICANA) PC8539P (01-JUL-10)
PN=310
58-3
TOMADA DE POTENCIA - TDP
TRANSMISSION OIL FILLER NECK
GOULOTTE DE REMPLISSAGE D’HUILE DE TRANSMISSION
GETRIEBEOEL-EINFUELLSTUTZEN
TUBO PER RIPIENO DELL’OLIO DEL CAMBIO
BOCAL DE OLEO DA TRANSMISSAO
BOCA DE LLENADO PARA ACEITE DEL CAMBIO
PUBM1418 -UN-
6
1
2
5
ITEM NR.PECA DESCRICAO QTDE NR. SERIE J NOTAS
1 AL163619 PLUGUE 1 X
2 24H1304 ARRUELA 1 X (A)
3 T21564 ARRUELA 1 X
4 L102647 BOCAL DE ENCHIMENTO 1 X
5 AL117892 VALVULA DE SANGRIA 1 X
6 51M7042 ANEL O 1 X
7 L165781 ADAPTADOR 1 X
8 L78338 PLUGUE 1 X
9 T77814 ANEL O 1 X
10 19M7865 PARAFUSO 1 X M8 X 16
11 19M7866 PARAFUSO 3 X M8 X 20
12 L53821 ANEL O 1 X
13 AL82582 VARETA DE NIVEL 1 X NSEP (ORD AL163619)
.. DT5037 SELANTE 1 X LOCTITE 242
(A) WITH REAR PTO 540 RPM, WITHOUT SCV
AVEC PRISE DE FORCE ARRIERE 540 TR/MIN SANS DISTRIBUTEUR AUXILIAIRE
BEI HECKZAPFWELLE 540 1/MIN OHNE ZUSATZSTEUERGERAET
CON PTO POSTER. 540 G/MIN SENZA DISTRIBUTORE
COM TDP TRASEIRA 540 RPM, SEM VCR
CON TDF TRASERA 540 R/MIN SIN VALVULA DE MANDO A DISTANCIA
TRATOR 6125J (EDICAO SUL-AMERICANA) PC8539P (01-JUL-10) 58-3
PN=311
58-4
TOMADA DE POTENCIA - TDP
REAR PTO 540 RPM
PRISE DE FORCE ARRIERE 540 TR/MIN
HECKZAPFWELLE 540 1/MIN
PTO POSTERIORE 540 GIRI/MIN
TDP TRASEIRA 540 RPM
TDF TRASERA DE 540 R/MIN
LX008016 -UN-
ESTA RELACAO CONTINUA
58-4 TRATOR 6125J (EDICAO SUL-AMERICANA) PC8539P (01-JUL-10)
PN=312
58-5
TOMADA DE POTENCIA - TDP
6
1
2
5
ITEM NR.PECA DESCRICAO QTDE NR. SERIE J NOTAS
1 AL76125 REVESTIMENTO, BLINDAGEM 1 X
2 L76327 ENGRENAGEM 1 X Z 59
3 L76495 SUPORTE 1 X
4 L76494 REVESTIMENTO, BLINDAGEM 1 X
5 L169277 EIXO 1 X
6 AL80939 CONE DE ROLAMENTO 2 X
7 40M7179 ANEL DE PRESSAO 1 X
8 L100959 CAPA DE ROLAMENTO 2 X
9 L64838 ROLAMENTO DE ESFERAS 1 X
10 48M7038 VEDACAO 1 X
11 L101355 ANEL DE PRESSAO AR X TK 2.25MM
L101356 ANEL DE PRESSAO AR X TK 2.35MM
L76291 ANEL DE PRESSAO AR X TK 2.45MM
L76292 ANEL DE PRESSAO AR X TK 2.55MM
L76294 ANEL DE PRESSAO AR X TK 2.75MM
L76295 ANEL DE PRESSAO AR X TK 2.85MM
L76293 ANEL DE PRESSAO AR X TK 2.65MM
12 M44162 ANEL O 2 X
13 L79862 ARRUELA 1 X
TRATOR 6125J (EDICAO SUL-AMERICANA) PC8539P (01-JUL-10) 58-5
PN=313
58-6
TOMADA DE POTENCIA - TDP
REAR PTO 540/1000 RPM
PRISE DE FORCE ARRIERE 540/1000 TR/MIN
HECKZAPFWELLE 540/1000 1/MIN
PTO POSTERIORE 540/1000 GIRI/MIN
TDP TRASEIRA 540/1000 RPM
TDF TRASERA DE 540/1000 R/MIN
LX014520 -UN-
ESTA RELACAO CONTINUA
58-6 TRATOR 6125J (EDICAO SUL-AMERICANA) PC8539P (01-JUL-10)
PN=314
58-7
TOMADA DE POTENCIA - TDP
6
1
2
5
ITEM NR.PECA DESCRICAO QTDE NR. SERIE J NOTAS
1 AL76005 REVESTIMENTO, BLINDAGEM 1 X
2 L167350 ENGRENAGEM 1 X Z 53/24
3 L77301 JUNTA 1 X
4 L76308 REVESTIMENTO, BLINDAGEM 1 X
5 L173243 EIXO 1 X
6 L101573 RODA FONICA 1 X TK 1.75MM
7 AL78835 CONE DE ROLAMENTO 1 X
8 L77371 CAPA DE ROLAMENTO 1 X
9 L172889 ENGRENAGEM 1 X Z 30
10 R95784 ARRUELA DE ENCOSTO 2 X
11 L33035 ANEL DE PRESSAO 2 X
12 R125178 LUVA ESTRIADA 1 X
13 R95152 ARRUELA DE ENCOSTO 1 X
14 AL114548 ROLAMENTO DE AGULHAS 2 X
15 30M7024 PLUGUE 1 X
16 AL80939 CONE DE ROLAMENTO 1 X
17 L100959 CAPA DE ROLAMENTO 1 X
18 R129680 ANEL DE PRESSAO 1 X
19 L173241 EIXO 1 X
20 AL150750 VEDACAO 1 X
21 34M7187 PINO ELASTICO 1 X
22 R93485 MOLA DE COMPRESSAO 1 X
23 L76029 PISTAO 1 X
24 P47889 ANEL O 1 X
25 L76193 RETENTOR 1 X
.. DT5299 ADESIVO 1 X
TRATOR 6125J (EDICAO SUL-AMERICANA) PC8539P (01-JUL-10) 58-7
PN=315
58-8
TOMADA DE POTENCIA - TDP
COUNTERSHAFT, REAR PTO
ARBRE SECONDAIRE, PRISE DE FORCE ARRIERE
NEBENWELLE, HECKZAPFWELLE
CONTRALBERO PTO POSTERIORE
EIXO SECUNDARIO DA TDP TRASEIRA
EJE SECUNDARIO, TDF TRASERA
PUBM0334 -UN-
6
1
2
5
ITEM NR.PECA DESCRICAO QTDE NR. SERIE J NOTAS
1 L156912 EIXO SECUNDARIO 1 X
2 L156910 ENGRENAGEM 1 X Z 23
3 40M7066 ANEL DE PRESSAO 2 X
4 JD37047 ROLAMENTO DE ROLOS CONICOS 1 X
5 AL160366 CONE DE ROLAMENTO 1 X
6 L76287 MANCAL 1 X
7 L111818 ANEL DE PRESSAO AR X TK 2.55MM
L76296 ANEL DE PRESSAO AR X TK 2.65MM
L102097 ANEL DE PRESSAO AR X TK 2.70MM
L76297 ANEL DE PRESSAO AR X TK 2.75MM
L76298 ANEL DE PRESSAO AR X TK 2.85MM
L76299 ANEL DE PRESSAO AR X TK 2.95MM
L156502 ANEL DE PRESSAO 1 X TK 2.45MM
8 L156773 CAPA DE ROLAMENTO 1 X
9 19M7169 PARAFUSO SEXT. 4 X M10 X 35
58-8 TRATOR 6125J (EDICAO SUL-AMERICANA) PC8539P (01-JUL-10)
PN=316
58-9
TOMADA DE POTENCIA - TDP
MEMORANDA
MEMORANDA
MEMORANDA
MEMORANDA
MEMORANDA
MEMORANDA
TRATOR 6125J (EDICAO SUL-AMERICANA) PC8539P (01-JUL-10) 58-9
PN=317
58-10
TOMADA DE POTENCIA - TDP
REAR PTO BEARING SUPPORT 540 RPM
SUPPORT DE PALIER, PRISE DE FORCE ARRIERE 540 RPM
LAGERSTUETZE, HECKZAPFWELLE 540 RPM
SUPPORTO CUSCINETTO PTO POSTERIORE 540 RPM
SUPORTE DO ROLAMENTO DA TDP TRASEIRA 540 RPM
SOPORTE DEL ROLAMIENTO DE LA TDP TRASERA 540 RPM
LX007507 -UN-
6
1
2
5
ITEM NR.PECA DESCRICAO QTDE NR. SERIE J NOTAS
1 L166213 SUPORTE 1 X
2 19M7898 PARAFUSO 4 X M10 X 130
3 L101355 ANEL DE PRESSAO AR X TK 2.25MM
L101356 ANEL DE PRESSAO AR X TK 2.35MM
L76291 ANEL DE PRESSAO AR X TK 2.45MM
L76292 ANEL DE PRESSAO AR X TK 2.55MM
L76293 ANEL DE PRESSAO AR X TK 2.65MM
L76294 ANEL DE PRESSAO AR X TK 2.75MM
L76295 ANEL DE PRESSAO AR X TK 2.85MM
4 40M7044 ANEL DE PRESSAO 1 X
58-10 TRATOR 6125J (EDICAO SUL-AMERICANA) PC8539P (01-JUL-10)
PN=318
58-11
TOMADA DE POTENCIA - TDP
REAR PTO BEARING SUPPORT 540/1000 RPM
SUPPORT DE PALIER, PRISE DE FORCE ARRIERE 540/1000 RPM
LAGERSTUETZE, HECKZAPFWELLE 540/1000 RPM
SUPPORTO CUSCINETTO PTO POSTERIORE 540/1000 RPM
SUPORTE DO ROLAMENTO DA TDP 540/1000 RPM
SOPORTE DEL RODAMIENTO DE LA TDF 540/1000 RPM
LX007512 -UN-
6
1
2
5
ITEM NR.PECA DESCRICAO QTDE NR. SERIE J NOTAS
1 L114757 SUPORTE 1 X
2 19M7638 PARAFUSO SEXT. 5 X M10 X 130
3 L101355 ANEL DE PRESSAO AR X TK 2.25MM
L101356 ANEL DE PRESSAO AR X TK 2.35MM
L76291 ANEL DE PRESSAO AR X TK 2.45MM
L76292 ANEL DE PRESSAO AR X TK 2.55MM
L76293 ANEL DE PRESSAO AR X TK 2.65MM
L76294 ANEL DE PRESSAO AR X TK 2.75MM
L76295 ANEL DE PRESSAO AR X TK 2.85MM
TRATOR 6125J (EDICAO SUL-AMERICANA) PC8539P (01-JUL-10) 58-11
PN=319
58-12
TOMADA DE POTENCIA - TDP
REAR PTO CLUTCH
EMBRAYAGE DE PRISE DE FORCE ARRIERE
KUPPLUNG, HECKZAPFWELLE
FRIZIONE PTO POSTERIORE
EMBREAGEM DA TDP TRASEIRA
EMBRAGUE DE TDF TRASERA
LX017402 -UN-
ESTA RELACAO CONTINUA
58-12 TRATOR 6125J (EDICAO SUL-AMERICANA) PC8539P (01-JUL-10)
PN=320
58-13
TOMADA DE POTENCIA - TDP
6
1
2
5
ITEM NR.PECA DESCRICAO QTDE NR. SERIE J NOTAS
1 L114089 PISTAO 1 X
2 R35034 JUNTA DE VEDACAO 1 X
3 AL115948 TAMBOR 1 X
4 L76286 BUCHA 1 X
5 JD8171 CONE DE ROLAMENTO 1 X
6 R33167 ANEL 2 X
7 L77254 VEDACAO 1 X
8 L77255 MOLA DE DISCO 5 X
9 L114088 ARRUELA 1 X
10 40M7237 ANEL DE PRESSAO 1 X
11 AL161463 PLATO DA EMBREAGEM 1 X (A) Z 15
AL161462 PLATO DA EMBREAGEM 1 X (B) Z 24
12 AL80939 CONE DE ROLAMENTO 1 X
13 L33159 ARRUELA DE ENCOSTO 1 X TK 1.50MM
14 L170885 CUBO 1 X
15 R95109 PLATO DA EMBREAGEM 1 X
16 RE65291 DISCO COM ESTRIADO INTERNO 3 X
17 R95110 PLATO DA EMBREAGEM 2 X
18 19M7407 PARAFUSO SEXT. 6 X M8 X 25
19 L100959 CAPA DE ROLAMENTO 1 X
20 JD8217 CAPA DE ROLAMENTO 1 X
21 RE222770 DISCO ATUADOR DO FREIO 1 X
22 L101618 ARRUELA DE ENCOSTO AR X TK 2.00MM
(A) WITH PTO 540 RPM (B) WITH PTO 540/1000 RPM
AVEC PRISE DE FORCE 540 TR/MIN AVEC PRISE DE FORCE 540/1000 TR/MIN
BEI ZAPFWELLE 540 BEI ZAPFWELLE 540/1000
CON PTO 540 CON PTO 540/1000
COM TDP 540 RPM COM TDP 540/1000 RPM
CON TDF 540 RPM CON TDF 540/1000 RPM
TRATOR 6125J (EDICAO SUL-AMERICANA) PC8539P (01-JUL-10) 58-13
PN=321
58-14
TOMADA DE POTENCIA - TDP
REAR PTO MODULATING VALVE
DISTRIBUTEUR DE PRISE DE FORCE ARRIERE
BETAETIGUNGSVENTIL, HECKZAPFWELLE
VALVOLA DI MODULAZIONE PTO POSTERIORE
VALVULA DE COMANDO DA TDP
VALVULA DE MANDO, TDF TRASERA
PUBM1502 -UN-
ESTA RELACAO CONTINUA
58-14 TRATOR 6125J (EDICAO SUL-AMERICANA) PC8539P (01-JUL-10)
PN=322
58-15
TOMADA DE POTENCIA - TDP
6
1
2
5
ITEM NR.PECA DESCRICAO QTDE NR. SERIE J NOTAS
1 19M7834 PARAFUSO 6 X M6 X 45
2 R95198 PLACA 1 X
3 R95197 JUNTA 1 X
4 R152204 CARCACA 1 X
5 R153481 CARRETEL DE VALVULA 1 X
6 R95195 MOLA DE COMPRESSAO 1 X
7 34M3872 PINO ELASTICO 1 X
8 R95216 MOLA DE COMPRESSAO 1 X
9 R95890 PISTAO 1 X
10 RE190805 ACOPLAMENTO DE DIAGNOSTICO 2 X
11 R77175 CAPA 2 X
12 P48347 ANEL O 1 X
13 R95892 PLUGUE 1 X
14 40M1851 ANEL DE PRESSAO 1 X
15 19M7775 PARAFUSO 2 X M6 X 16
16 AL158332 VALVULA SOLENOIDE 2 X
17 L176859 JUNTA 1 X
18 19M7560 PARAFUSO SEXT. 6 X M6 X 16
19 RE47393 KIT 1 X
20 R104558 ANEL O 1 X
21 R211082 BRACADEIRA 1 X
.. AL76434 BLOCO DE VALVULAS 1 X
TRATOR 6125J (EDICAO SUL-AMERICANA) PC8539P (01-JUL-10) 58-15
PN=323
58-16
TOMADA DE POTENCIA - TDP
REAR PTO OUTPUT SHAFT
ARBRE D’ENTRAINEMENT, PRISE DE FORCE ARRIERE
ANTRIEBSWELLE, HECKZAPFWELLE
ALBERO USCITA PTO POSTERIORE
EIXO DE SAIDA DA TDP TRASEIRA
EJE DE SALIDA, TDF TRASERA
LX014535 -UN-
6
1
2
5
ITEM NR.PECA DESCRICAO QTDE NR. SERIE J NOTAS
1 L76445 PLUGUE 1 X
2 L59904 ANEL O 1 X
3 L76924 EIXO DE ACIONAMENTO 1 X
4 L76568 EIXO DE ACIONAMENTO 1 X SYNCROPLUS
L76569 EIXO DE ACIONAMENTO 1 X POWRQUAD LGTH 354MM
58-16 TRATOR 6125J (EDICAO SUL-AMERICANA) PC8539P (01-JUL-10)
PN=324
58-17
TOMADA DE POTENCIA - TDP
POWER TAKE-OFF GUARD
GARANT DE PDF
ZAPFWELLENSCHUTZ
PROTEZIONE PDF
PROTECAO DA TDP
PROTECCIONES DE LA TDF
PUBM1419 -UN-
6
1
2
5
ITEM NR.PECA DESCRICAO QTDE NR. SERIE J NOTAS
1 19M7386 PARAFUSO SEXT. 2 X M12 X 20
2 12M7067 ARRUELA DE PRESSAO 2 X
3 L200484 REVESTIMENTO, BLINDAGEM 1 X
4 L64456 PROTECAO AR X
5 R27329 PARAFUSO 2 X
TRATOR 6125J (EDICAO SUL-AMERICANA) PC8539P (01-JUL-10) 58-17
PN=325
58-18
TOMADA DE POTENCIA - TDP
MOUNTING PARTS, PTO HOUSING
CARTER DE PRISE DE FORCE - ELEMENTS DE FIXATION
BEFESTIGUNGSTEILE FUER ZAPFWELLENGEHAEUSE
PARTI MONTAGGIO ALLOGGIAMENTO PTO
PECAS DE MONTAGEM DA CAIXA DA TDP
PIEZAS DE FIJACION, CAJA DE LA TDF
PUBM1503 -UN-
6
1
2
5
ITEM NR.PECA DESCRICAO QTDE NR. SERIE J NOTAS
1 L64500 SELANTE 1 X
2 L34383 ARRUELA 1 X
3 19M7396 PARAFUSO SEXT. 4 X M16 X 45
4 19M7675 PARAFUSO SEXT. 6 X M16 X 200
5 19M7495 PARAFUSO SEXT. 3 X M16 X 100
58-18 TRATOR 6125J (EDICAO SUL-AMERICANA) PC8539P (01-JUL-10)
PN=326
60-A01
SISTEMA DE DIRECAO E FREIO
SECTIONAL INDEX
INDEX DE SECTION
GRUPPENINDEX
INDICE DELLA SEZIONE
INDICE DE GRUPO
INDICE DE GRUPOS
PUBM1464 -UN-
1- 2
2- 4
3- 6
4- 7
5- 8
6- 10
7- 12
8- 14
9- 16
10- 18
11- 20
12- 22
13- 24
TRATOR 6125J (EDICAO SUL-AMERICANA) PC8539P (01-JUL-10) 60-A01
PN=327
60-2
SISTEMA DE DIRECAO E FREIO
STEERING WHEEL/ATTACHING PARTS
VOLANT/ELEMENTS DE FIXATION
LENKRAD/ANBAUTEILE
VOLANTE / PARTI DI FISSAGGIO
VOLANTE / PECAS DE FIXACAO
VOLANTE DE DIRECCION/ PIEZAS DE FIJACION
PUBM1361 -UN-
ESTA RELACAO CONTINUA
60-2 TRATOR 6125J (EDICAO SUL-AMERICANA) PC8539P (01-JUL-10)
PN=328
60-3
SISTEMA DE DIRECAO E FREIO
6
1
2
NR. SERIE 5
ITEM NR.PECA DESCRICAO QTDE TRATOR J NOTAS
1 L172182 VOLANTE DE DIRECAO 1 X
2 T17148 ARRUELA DE PRESSAO 1 X
3 14M7209 PORCA 1 X M18
4 AL155228 CAPA 1 X
AL155227 CAPA 1 X
5 PF81060 CORRENTE DE MOTOSSERRA 1 X
6 PF12746 PARAFUSO AR X
7 PF12143 CAPA 1 X
8 PF12800 PLACA NUMERO DE SERIE 1 X
9 PF12747 REBITE 1 X
PF12747 REBITE 1 X
PF12747 REBITE 1 X
10 PF12321 GRAMPO 1 X
11 M85517 PASSADOR 1 X
12 PF81061 MONTAGEM DE CONJUNTOS 1 X
13 PFP10110 APOIO 1 X
14 PFP10109 APOIO 1 X
15 PFP10111 PARAFUSO U 1 X
16 PF12198 SELA 1 X
17 PF12336 ARRUELA 1 X
18 14M7397 PORCA DE SEGURANCA 2 X M6
19 21M7577 PARAFUSO ALLEN 2 X M6 X 16
20 24M7096 ARRUELA 1 X
21 03M7190 PARAFUSO 1 X
22 N209668 MANOPLA 1 X
23 PF12168 CUBO 1 X
24 PF12169 CAPA 1 X
.. PF81087 JOGO DE FERRAMENTA 1 X
TRATOR 6125J (EDICAO SUL-AMERICANA) PC8539P (01-JUL-10) 60-3
PN=329
60-4
SISTEMA DE DIRECAO E FREIO
STEERING COLUMN
COLONNE DE DIRECTION
LENKSAEULE
PIANTONE STERZO
COLUNA DE DIRECAO
COLUMNA DE DIRECCION
PUBM1417 -UN-
ESTA RELACAO CONTINUA
60-4 TRATOR 6125J (EDICAO SUL-AMERICANA) PC8539P (01-JUL-10)
PN=330
60-5
SISTEMA DE DIRECAO E FREIO
6
1
2
NR. SERIE 5
ITEM NR.PECA DESCRICAO QTDE TRATOR J NOTAS
1 AL158160 COLUNA DE DIRECAO 1 X (A)
AL172782 COLUNA DE DIRECAO 1 X (B)
2 14M7165 PORCA DE SEGURANCA 2 X M6
3 R114779 BUCHA 1 X
4 24M7251 ARRUELA 4 X
5 RE54004 KIT 1 X
6 R106302 MANOPLA 1 X
7 19M7784 PARAFUSO 3 X M10 X 20
8 ........ LUVA 1 X NSEP (ORD AL157856)
9 19M7168 PARAFUSO SEXT. 4 X (A) M10 X 30
10 24M7178 ARRUELA 4 X (A)
11 AL154960 ISOLADOR 4 X (A)
12 R126641 LUVA ESTRIADA 1 X (A)
13 AL157856 ISOLADOR 1 X (A)
14 R126640 LUVA ESTRIADA 1 X (A)
15 L151020 PARAFUSO 2 X M6X16
16 L154057 FORQUILHA 1 X
17 R114758 CAIXA CILINDRICA 1 X
18 19M7077 PARAFUSO SEXT. 2 X M6 X 20
19 L175853 PROTETOR 1 X
20 R114841 ANEL DE PRESSAO 2 X
21 AL150755 CILINDRO OPERADO A GAS 1 X
22 AL157743 CARCACA 1 X (A)
23 ........ EIXO 1 X (A) NSEP (ORD AL157856)
........ EIXO 1 X (B) NSEP (ORD AL172782)
24 ........ ISOLADOR 1 X NSEP (ORD AL158756)
25 ........ LUVA 1 X NSEP (ORD AL158756)
(A) WITH CAB ONLY (B) WITH OPEN OPERATOR’S STATION
SEULEMENT AVEC CABINE SANS CABINE
NUR MIT KABINE BEI OFFENER FAHRERPLATTFORM
SOLO CON CABINA POSTAZIONE OPERATORE APERTA
SOMENTE COM CABINE COM ESTACAO DO OPERADOR ABERTA
SOLO CON CABINA CON PLATAFORMA DE CONDUCCION ABIERTA
TRATOR 6125J (EDICAO SUL-AMERICANA) PC8539P (01-JUL-10) 60-5
PN=331
60-6
SISTEMA DE DIRECAO E FREIO
HYDROSTATIC STEERING UNIT
UNITE DE DIRECTION HYDROSTATIQUE
HYDROSTAT. LENKEINHEIT
GRUPPO VALVOLA STERZO IDROST.
UNIDADE DE DIRECAO HIDROSTATICA
CONJUNTO DE DIRECCION HIDROSTATICA
PUBM1384 -UN-
6
1
2
NR. SERIE 5
ITEM NR.PECA DESCRICAO QTDE TRATOR J NOTAS
1 AL110258 VALVULA 1 X (A)
2 51M7043 ANEL O 4 X
3 61M5003 ADAPTADOR 4 X
4 51M7041 ANEL O 1 X
5 61M5016 CONEXAO EM ANGULO 1 X
(A) FOR SAFETY REASONS, ORDER STEERING VALVE NAMED ON TYPE PLATE
POUR DES RAISONS DE SECURITE, COMMANDER L’UNITE DE DIRECT. INDIQUEE SUR PLAQUETTE SIGNALETIQU
AUS SICHERHEITSGRUENDEN LENKEINHEIT NACH TYPENSCHILD BESTELLEN
PER MOTIVI DI SICUREZZA, ORDINARE IL TIPO DI VALVOLA DELLO STERZO RIPORTATO SULLA TARGHETTA
POR MOTIVO DE SEGURANCA, PEDIR O CODIGO MARCADO NA PECA
POR MOTIVOS DE SEGURIDAD, PEDIR UNIDAD DE DIRECCION SEGUN PLACA DE IDENTIFICACION
60-6 TRATOR 6125J (EDICAO SUL-AMERICANA) PC8539P (01-JUL-10)
PN=332
60-7
SISTEMA DE DIRECAO E FREIO
GASKET KIT FOR HYDROSTATIC STEERING UNIT
JEU DE JOINTS POUR UNITE DE DIRECTION HYDROSTATIQUE
DICHTUNGSSATZ FUER HYDROSTATISCHE LENKEINHEIT
KIT GUARNIZIONI PER STERZO IDROSTATICO
KIT DE REPARO DA UNIDADE DE DIRECAO HIDROSTATICA
JUEGO DE JUNTAS PARA UNIDAD DE DIRECCION HIDROSTATICA
LX016512 -UN-
6
1
2
NR. SERIE 5
ITEM NR.PECA DESCRICAO QTDE TRATOR J NOTAS
1 AL112819 KIT RETENTOR 1 X
TRATOR 6125J (EDICAO SUL-AMERICANA) PC8539P (01-JUL-10) 60-7
PN=333
60-8
SISTEMA DE DIRECAO E FREIO
HYDROSTATIC STEERING, OIL LINES (OPEN OPERATOR’S)
DIRECTION HYDROSTATIQUE, CONDUITES D’HUILE (TRACTEURS SANS CABINE)
HYDROSTATISCHE LENKUNG, OELLEITUNGEN (OFFENE FAHRERPLATTFORM)
STERZO IDROSTATICO, TUBI OLIO (STAZIONE OPERATORE APERTA)
LINHAS DA DIRECAO HIDROSTATICA (EPCC)
TUBERIAS DE LA DIRECCION HIDROSTATICA (PLATAFORMA DE C ONDUCCION ABIERTA)
PUBM1494 -UN-
ESTA RELACAO CONTINUA
60-8 TRATOR 6125J (EDICAO SUL-AMERICANA) PC8539P (01-JUL-10)
PN=334
60-9
SISTEMA DE DIRECAO E FREIO
6
1
2
NR. SERIE 5
ITEM NR.PECA DESCRICAO QTDE TRATOR J NOTAS
1 T77857 ANEL O AR X
2 R50454 BRACADEIRA 1 X
3 L114178 BRACADEIRA 1 X (ORD AL118382)
4 14M7416 PORCA COM FLANGE 4 X M8
5 AL37489 BRACADEIRA 1 X
6 AL79540 MANGUEIRA HIDRAULICA 1 X
7 AL115334 MANGUEIRA HIDRAULICA 1 X
8 T77613 ANEL O 1 X
9 51M7041 ANEL O 1 X
10 AL157571 MANGUEIRA HIDRAULICA 1 X
11 AL150529 MANGUEIRA HIDRAULICA 2 X
12 L41980 BRACADEIRA 1 X
13 24M7055 ARRUELA 1 X 8.400 X 16 X 1.600 MM
14 19M8263 PARAFUSO 1 X M6 X 30
TRATOR 6125J (EDICAO SUL-AMERICANA) PC8539P (01-JUL-10) 60-9
PN=335
60-10
SISTEMA DE DIRECAO E FREIO
HYDROSTATIC STEERING OIL LINES (CAB), WITH 60 L PUMP
DIRECTION HYDROSTATIQUE, CONDUITES HYDRAULIQUES (CABINE) AVEC POMPE 60 L
HYDROSTATISCHE LENKUNG, OELLEITUNGEN (KABINE) MIT 60 L PUMPE
TUBI OLIO STERZO IDROSTATICO (CABINA), CON POMPA DA 60 LITRI
LINHAS DA DIRECAO HIDROSTATICA COM BOMBA 60L (CABINE)
TUBERIAS DE DIRECCION HIDROSTATICA (CABINA) CON BOMBA DE 60 L
PUBM1336 -UN-
ESTA RELACAO CONTINUA
60-10 TRATOR 6125J (EDICAO SUL-AMERICANA) PC8539P (01-JUL-10)
PN=336
60-11
SISTEMA DE DIRECAO E FREIO
6
1
2
NR. SERIE 5
ITEM NR.PECA DESCRICAO QTDE TRATOR J NOTAS
1 T77857 ANEL O AR X
2 AL163565 MANGUEIRA HIDRAULICA 1 X
3 AL115334 MANGUEIRA HIDRAULICA 1 X
4 T77613 ANEL O AR X
5 AL37489 BRACADEIRA 1 X
6 L102007 PASSADOR 2 X
7 AL153791 MANGUEIRA HIDRAULICA 2 X
8 AL157571 MANGUEIRA HIDRAULICA 1 X
9 L41980 BRACADEIRA 1 X
10 19M8263 PARAFUSO 1 X M6 X 30
11 R50454 BRACADEIRA 2 X
12 24M7055 ARRUELA 2 X
13 37M7059 PARAFUSO 2 X M5 X 12
14 19M7386 PARAFUSO SEXT. 1 X M12 X 20
15 L114178 BRACADEIRA 1 X
16 AL169907 BRACADEIRA 1 X
17 14M7416 PORCA COM FLANGE 1 X M8
18 24M7139 ARRUELA 1 X 6.400 X 18 X 1.600 MM
19 AL153850 ISOLADOR 4 X
20 AL153356 APOIO 1 X
21 61M5002 ADAPTADOR 1 X
22 51M7041 ANEL O 1 X
23 37M7104 PARAFUSO 2 X
24 19M7660 PARAFUSO 2 X M8 X 20
TRATOR 6125J (EDICAO SUL-AMERICANA) PC8539P (01-JUL-10) 60-11
PN=337
60-12
SISTEMA DE DIRECAO E FREIO
HYDROSTATIC STEERING OIL LINES (CAB), WITH 100 L PUMP
DIRECTION HYDROSTATIQUE, CONDUITES HYDRAULIQUES (CABINE) AVEC POMPE 100 L
HYDROSTATISCHE LENKUNG, OELLEITUNGEN (KABINE) MIT 100 L PUMPE
TUBI OLIO STERZO IDROSTATICO (CABINA), CON POMPA DA 100 LITRI
LINHAS DA DIRECAO HIDROSTATICA COM BOMBA 100L (CABINE)
TUBERIAS DE DIRECCION HIDROSTATICA (CABINA) CON BOMBA DE 100 L
PUBM1479 -UN-
ESTA RELACAO CONTINUA
60-12 TRATOR 6125J (EDICAO SUL-AMERICANA) PC8539P (01-JUL-10)
PN=338
60-13
SISTEMA DE DIRECAO E FREIO
6
1
2
NR. SERIE 5
ITEM NR.PECA DESCRICAO QTDE TRATOR J NOTAS
1 T77857 ANEL O AR X
2 AL163565 MANGUEIRA HIDRAULICA 1 X
3 AL115334 MANGUEIRA HIDRAULICA 1 X
4 T77613 ANEL O AR X
5 AL37489 BRACADEIRA 1 X
6 L102007 PASSADOR 4 X
7 AL153791 MANGUEIRA HIDRAULICA 2 X
8 AL157571 MANGUEIRA HIDRAULICA 1 X
9 L41980 BRACADEIRA 1 X
10 19M8263 PARAFUSO 1 X M6 X 30
11 R50454 BRACADEIRA 2 X
12 24M7055 ARRUELA 2 X
13 37M7059 PARAFUSO 1 X M5 X 12
14 19M7386 PARAFUSO SEXT. 1 X M12 X 20
15 L114178 BRACADEIRA 1 X
16 AL153850 ISOLADOR 4 X
17 24M7139 ARRUELA 1 X 6.400 X 18 X 1.600 MM
18 AL169907 BRACADEIRA 1 X
19 AL153356 APOIO 1 X
20 AL156633 MANGUEIRA HIDRAULICA 1 X
21 61M5002 ADAPTADOR 1 X
22 51M7041 ANEL O 1 X
23 37M7104 PARAFUSO 2 X M6 X 30
24 19M7660 PARAFUSO 2 X M8 X 20
TRATOR 6125J (EDICAO SUL-AMERICANA) PC8539P (01-JUL-10) 60-13
PN=339
60-14
SISTEMA DE DIRECAO E FREIO
HYDROSTATIC STEERING, OIL LINES
DIRECTION HYDROSTATIQUE, CONDUITES HYDRAULIQUES
HYDROSTATISCHE LENKUNG, OELLEITUNGEN
STERZO IDROSTATICO, TUBI OLIO
LINHAS DA DIRECAO HIDROSTATICA
DIRECCION HIDROSTATICA, TUBERIAS HIDRAULICAS
PUBM1375 -UN-
ESTA RELACAO CONTINUA
60-14 TRATOR 6125J (EDICAO SUL-AMERICANA) PC8539P (01-JUL-10)
PN=340
60-15
SISTEMA DE DIRECAO E FREIO
6
1
2
NR. SERIE 5
ITEM NR.PECA DESCRICAO QTDE TRATOR J NOTAS
1 AL170293 TUBULACAO 1 X RH
2 AL170294 TUBULACAO DE OLEO 1 X LH
3 L101560 BRACADEIRA 2 X
4 T77857 ANEL O 4 X
5 AL170455 MANGUEIRA HIDRAULICA 2 X
6 T70659 BRACADEIRA 2 X
7 19M8533 PARAFUSO 2 X M10 X 25
8 14M7274 PORCA 4 X M10
9 19M7288 PARAFUSO SEXT. AR X M8 X 30
10 14M7273 PORCA 3 X M8
11 24M7028 ARRUELA 1 X
12 H75541 BRACADEIRA 2 X
13 19M7166 PARAFUSO SEXT. 1 X M10 X 20
14 L168503 SUPORTE 1 X
15 14M7272 PORCA 1 X M6
16 L38284 BRACADEIRA 2 X
17 19M7603 PARAFUSO 1 X M6 X 20
18 L156964 SUPORTE 2 X
19 24M7028 ARRUELA 4 X
20 19M7168 PARAFUSO SEXT. 2 X
21 38H5036 CONEXAO EM ANGULO 2 X
22 51M7042 ANEL O 2 X
23 19M7660 PARAFUSO 2 X M8 X 20
24 24M7055 ARRUELA 2 X 8.400 X 16 X 1.600 MM
TRATOR 6125J (EDICAO SUL-AMERICANA) PC8539P (01-JUL-10) 60-15
PN=341
60-16
SISTEMA DE DIRECAO E FREIO
BRAKE PEDAL, BRAKE SWITCH
PEDALES DE FREIN, CONTACTEUR DE FREINS
BREMSPEDALE, BREMSSCHALTER
PEDALI FRENO, INTERRUTTORE FRENO
VALVULA DO FREIO E PEDAIS
PEDALES DE FRENO, INTERRUPTORES DE FRENOT
PUBM1110 -UN-
ESTA RELACAO CONTINUA
60-16 TRATOR 6125J (EDICAO SUL-AMERICANA) PC8539P (01-JUL-10)
PN=342
60-17
SISTEMA DE DIRECAO E FREIO
6
1
2
5
ITEM NR.PECA DESCRICAO QTDE NR. SERIE J NOTAS
1 AP37887 VALVULA 1 X
2 L102049 RESERVATORIO 1 X
3 DQ69816 SUPORTE 1 X
4 AL156199 INTERRUP. DE PRESSAO 1 X
5 19M7300 PARAFUSO SEXT. 2 X M6 X 10
6 AL112163 PINO FIXADOR 1 X
7 40M7051 ANEL DE PRESSAO 2 X
8 L110762 APOIO 1 X
9 51M7041 ANEL O 1 X
10 19M5055 PARAFUSO 4 X M10 X 25
11 19M7163 PARAFUSO SEXT. 1 X M8 X 25
12 24M7047 ARRUELA 2 X 13 X 24 X 2.500 MM
13 L110065 CONEXAO 1 X
14 B2762R ANEL O 1 X
15 L169231 BUCHA 1 X
16 AL164011 PEDAL 1 X
17 AL164010 PEDAL 1 X
18 L77779 BUCHA 2 X
19 40M7030 ANEL DE PRESSAO 2 X
20 L101897 PINO 2 X
21 L111002 BUCHA 2 X
22 L111003 LUVA 2 X
23 L79009 PINO FIXADOR 1 X
24 22M7168 PARAF. DE FENDA 4 X
25 L79270 LUVA 1 X
26 34M7095 PINO ELASTICO 1 X
27 AL164008 PEDAL 1 X
28 AL164009 PEDAL 1 X
29 03M7331 PARAFUSO 2 X M8 X 35
30 14M7273 PORCA 2 X M8
31 14M7274 PORCA 1 X M10
TRATOR 6125J (EDICAO SUL-AMERICANA) PC8539P (01-JUL-10) 60-17
PN=343
60-18
SISTEMA DE DIRECAO E FREIO
BRAKE VALVE
MAITRE-CYLINDRE
BREMSVENTIL
VALVOLA FRENO
VALVULA DO FREIO
VALVULA DEL FRENO
CQ157867 -UN-
ESTA RELACAO CONTINUA
60-18 TRATOR 6125J (EDICAO SUL-AMERICANA) PC8539P (01-JUL-10)
PN=344
60-19
SISTEMA DE DIRECAO E FREIO
6
1
2
NR. SERIE 5
ITEM NR.PECA DESCRICAO QTDE CABINE J NOTAS
1 AP37887 VALVULA 1 X
2 R26552 ESFERA 1 X
3 19M8493 PARAFUSO 2 X M8 X 12
4 R108052 EMBOLO 2 X
5 61M5002 ADAPTADOR 2 X
6 51M7041 ANEL O 1 X
7 R60755 AGULHA DE ROLAMENTO 2 X
8 R108062 TAMPAO 2 X
9 U17409 ANEL O 2 X
10 RE175238 KIT 2 X
11 R108041 VEDACAO 2 X
12 T13119 ANEL O 2 X
13 19M7402 PARAFUSO SEXT. 4 X M10 X 25
14 RE46598 KIT 1 X
15 AP32913 PISTAO 2 X
16 34H294 PINO ELASTICO 2 X
17 R108066 ANEL O 2 X
TRATOR 6125J (EDICAO SUL-AMERICANA) PC8539P (01-JUL-10) 60-19
PN=345
60-20
SISTEMA DE DIRECAO E FREIO
BRAKE OIL LINES
CONDUITES D’HUILE DE FREIN
BREMSOELLEITUNGEN
TUBAZIONI FRENO
LINHAS DE OLEO DO FREIO
TUBERIAS DE ACEITE DEL FRENO
PUBM1491 -UN-
ESTA RELACAO CONTINUA
60-20 TRATOR 6125J (EDICAO SUL-AMERICANA) PC8539P (01-JUL-10)
PN=346
60-21
SISTEMA DE DIRECAO E FREIO
6
1
2
5
ITEM NR.PECA DESCRICAO QTDE NR. SERIE J NOTAS
1 19M7163 PARAFUSO SEXT. 1 X M8 X 25
2 AH77724 PRESILHA 1 X
3 14M7274 PORCA 1 X M10
4 L113281 ESPACADOR 1 X
5 L159212 TUBULACAO DE OLEO 1 X
6 AL80154 BRACADEIRA AR X
7 L62172 MANGUEIRA 1 X
8 T77613 ANEL O AR X
9 L114539 PASSADOR 1 X
10 L100644 PASSADOR 2 X
11 L111138 MANGUEIRA 1 X
12 L100851 BRACADEIRA 1 X
13 AL164598 TUBULACAO DE OLEO 1 X RH
14 AL164597 TUBULACAO DE OLEO 1 X LH
15 L41980 BRACADEIRA 1 X
16 19M8263 PARAFUSO 1 X M6 X 30
17 AL110276 MANGUEIRA HIDRAULICA 2 X
18 L53873 ANEL O 1 X
19 L113347 CONEXAO EM T 1 X
20 AL80154 BRACADEIRA AR X
21 L41709 TAMPAO 1 X
22 51M7041 ANEL O 1 X
23 L41860 SELANTE 1 X LOCTITE 648, 10CCM
TRATOR 6125J (EDICAO SUL-AMERICANA) PC8539P (01-JUL-10) 60-21
PN=347
60-22
SISTEMA DE DIRECAO E FREIO
BRAKE OIL LINES
CONDUITES D’HUILE DE FREIN
BREMSOELLEITUNGEN
TUBAZIONI FRENO (NOT USATI CON FRENATURA PNEUMATICA PER RIMOCHIO)
LINHAS HIDRAULICAS DO FREIO
TUBERIAS DE ACEITE DEL FRENO
PUBM1492 -UN-
ESTA RELACAO CONTINUA
60-22 TRATOR 6125J (EDICAO SUL-AMERICANA) PC8539P (01-JUL-10)
PN=348
60-23
SISTEMA DE DIRECAO E FREIO
6
1
2
5
ITEM NR.PECA DESCRICAO QTDE NR. SERIE J NOTAS
1 L101287 BRACADEIRA 2 X
2 51M7041 ANEL O AR X
3 L100425 ADAPTADOR AR X
4 61M5002 ADAPTADOR AR X
5 T77613 ANEL O 4 X
6 L101561 BRACADEIRA 1 X
7 AL156683 LINHA DO FREIO 1 X RH
8 AL156684 LINHA DO FREIO 1 X LH
9 19M7768 PARAFUSO 1 X M6 X 16
10 61M5016 CONEXAO EM ANGULO 1 X
11 14M7272 PORCA 1 X M6
12 14M7273 PORCA 3 X M8
13 19M7298 PARAFUSO SEXT. 1 X M8 X 35
14 L57382 BRACADEIRA 2 X
15 L102453 VALVULA DE SANGRIA AR X
16 R47862 TAMPA AR X
17 L168610 APOIO 1 X
TRATOR 6125J (EDICAO SUL-AMERICANA) PC8539P (01-JUL-10) 60-23
PN=349
60-24
SISTEMA DE DIRECAO E FREIO
BRAKE DISK
DISQUE DE FREIN
BREMSSCHEIBE
DISCO FRENO
DISCO DE FREIO
DISCO DEL FRENO
LX000048 -UN-
6
1
2
5
ITEM NR.PECA DESCRICAO QTDE NR. SERIE J NOTAS
1 L111978 PISTAO 2 X
2 AL181918 MOLA 6 X
3 L56243 ANEL O 2 X
4 L56246 ANEL O 2 X
5 AL171954 DISCO DO FREIO 2 X TK 4.9MM
6 L114053 DISCO 2 X TK 22MM
60-24 TRATOR 6125J (EDICAO SUL-AMERICANA) PC8539P (01-JUL-10)
PN=350
60-25
SISTEMA DE DIRECAO E FREIO
MEMORANDA
MEMORANDA
MEMORANDA
MEMORANDA
MEMORANDA
MEMORANDA
TRATOR 6125J (EDICAO SUL-AMERICANA) PC8539P (01-JUL-10) 60-25
PN=351
70-A02
SISTEMA HIDRAULICO
XXXXXXXXXXXXXXXXXXXXXXXXXXXXXXXXXXXXXXXXXXXXXXXX SECTIONAL INDEX
XXXXXXXXXXXXXXXXXXXXXXXXXXXXXXXXXXXXXXXXXXXXXXXX INDEX DE SECTION
XXXXXXXXXXXXXXXXXXXXXXXXXXXXXXXXXXXXXXXXXXXXXXXX GRUPPENINDEX
XXXXXXXXXXXXXXXXXXXXXXXXXXXXXXXXXXXXXXXXXXXXXXXX INDICE DELLA SEZIONE
XXXXXXXXXXXXXXXXXXXXXXXXXXXXXXXXXXXXXXXXXXXXXXXX INDICE DE GRUPO
XXXXXXXXXXXXXXXXXXXXXXXXXXXXXXXXXXXXXXXXXXXXXXXX INDICE DE GRUPOS
PUBM1462 -UN-
32- 30
33- 32
37- 34
34- 38
20- 40
21- 42
25- 53
26- 54
70-A02 TRATOR 6125J (EDICAO SUL-AMERICANA) PC8539P (01-JUL-10)
PN=352
70-A03
SISTEMA HIDRAULICO
XXXXXXXXXXXXXXXXXXXXXXXXXXXXXXXXXXXXXXXXXXXXXXXX SECTIONAL INDEX
XXXXXXXXXXXXXXXXXXXXXXXXXXXXXXXXXXXXXXXXXXXXXXXX INDEX DE SECTION
XXXXXXXXXXXXXXXXXXXXXXXXXXXXXXXXXXXXXXXXXXXXXXXX GRUPPENINDEX
XXXXXXXXXXXXXXXXXXXXXXXXXXXXXXXXXXXXXXXXXXXXXXXX INDICE DELLA SEZIONE
XXXXXXXXXXXXXXXXXXXXXXXXXXXXXXXXXXXXXXXXXXXXXXXX INDICE DE GRUPO
XXXXXXXXXXXXXXXXXXXXXXXXXXXXXXXXXXXXXXXXXXXXXXXX INDICE DE GRUPOS
PUBM1456 -UN-
1- 2
2- 4
3- 5
4- 6
5- 7
6- 8
7- 9
8- 10
9- 12
10- 14
11- 16
12- 17
13- 18
TRATOR 6125J (EDICAO SUL-AMERICANA) PC8539P (01-JUL-10) 70-A03
PN=353
70-A04
SISTEMA HIDRAULICO
XXXXXXXXXXXXXXXXXXXXXXXXXXXXXXXXXXXXXXXXXXXXXXXX SECTIONAL INDEX
XXXXXXXXXXXXXXXXXXXXXXXXXXXXXXXXXXXXXXXXXXXXXXXX INDEX DE SECTION
XXXXXXXXXXXXXXXXXXXXXXXXXXXXXXXXXXXXXXXXXXXXXXXX GRUPPENINDEX
XXXXXXXXXXXXXXXXXXXXXXXXXXXXXXXXXXXXXXXXXXXXXXXX INDICE DELLA SEZIONE
XXXXXXXXXXXXXXXXXXXXXXXXXXXXXXXXXXXXXXXXXXXXXXXX INDICE DE GRUPO
XXXXXXXXXXXXXXXXXXXXXXXXXXXXXXXXXXXXXXXXXXXXXXXX INDICE DE GRUPOS
PUBM1463 -UN-
14- 19
15- 20
16- 22
17- 24
31- 26
18- 28
19- 36
22- 44
35- 46
23- 48
24- 50
36- 52
27- 56
28- 58
29- 60
30- 62
38- 64
70-A04 TRATOR 6125J (EDICAO SUL-AMERICANA) PC8539P (01-JUL-10)
PN=354
70-A05
SISTEMA HIDRAULICO
MEMORANDA
MEMORANDA
MEMORANDA
MEMORANDA
MEMORANDA
MEMORANDA
TRATOR 6125J (EDICAO SUL-AMERICANA) PC8539P (01-JUL-10) 70-A05
PN=355
70-2
SISTEMA HIDRAULICO
ROCKSHAFT
RELEVAGE
KRAFTHEBER
SOLLEVATORE
LEVANTE HIDRAULICO
ELEVADOR HIDRAULICO
PUBM1366 -UN-
ESTA RELACAO CONTINUA
70-2 TRATOR 6125J (EDICAO SUL-AMERICANA) PC8539P (01-JUL-10)
PN=356
70-3
SISTEMA HIDRAULICO
6
1
2
5
ITEM NR.PECA DESCRICAO QTDE NR. SERIE J NOTAS
1 L112503 SUPORTE 1 X
2 L79234 BUCHA 2 X
3 L168344 EIXO OSCILANTE 1 X
4 L79232 VEDACAO 2 X
5 L79230 ARRUELA 2 X
6 L116615 BRACO ELEVADOR 1 X
7 L116616 BRACO ELEVADOR 1 X
8 L77320 ARRUELA 2 X
9 19M8011 PARAFUSO SEXT. 2 X M12 X 30
10 34M7230 PINO ELASTICO 2 X
11 24M7361 ARRUELA 8 X
12 L158930 PARAFUSO SEXT. 8 X
13 58M7009 CONEXAO DE LUBRIFICACAO 2 X
.. DT5267 GRAXA AR X
TRATOR 6125J (EDICAO SUL-AMERICANA) PC8539P (01-JUL-10) 70-3
PN=357
70-4
SISTEMA HIDRAULICO
POSITION SENSOR, ROCKSHAFT
CAPTEUR DE POSITION DU RELEVAGE
LAGESENSOR, KRAFTHEBER
SENSORE DE POSIZIONE, SOLLEVATORE
SENSOR DE PROFUNDIDADE, LEVANTE HIDRAULICO
SENSOR DE PROFUNDIDAD, ELEVADOR HIDRAULICO
LX024802 -UN-
6
1
2
5
ITEM NR.PECA DESCRICAO QTDE NR. SERIE J NOTAS
1 L172758 SETOR 1 X
2 24M7267 ARRUELA 6 X
3 19M7966 PARAFUSO 2 X M6 X 25
4 L102324 VEDACAO 1 X
5 AL176767 SENSOR 1 X
6 L111707 PROTECAO 1 X
7 L113543 PARAFUSO 4 X
70-4 TRATOR 6125J (EDICAO SUL-AMERICANA) PC8539P (01-JUL-10)
PN=358
70-5
SISTEMA HIDRAULICO
LIFT CYLINDER
VERIN DE RELEVAGE
HUBZYLINDER
CILINDRO DI SOLLEVAMENTO
CILINDRO DO LEVANTE
CILINDRO DE ELEVACION
CQ156293 -UN-
6
1
2
5
ITEM NR.PECA DESCRICAO QTDE NR. SERIE J NOTAS
1 AL110593 CILINDRO HIDRAULICO 2 X
2 AL80708 KIT RETENTOR 2 X (WEBER)
AL165199 KIT RETENTOR 2 X
3 AL76638 BUCHA AUTO-COMPENSADORA 4 X
4 40M7103 ANEL DE PRESSAO 4 X
5 58M5573 CONEXAO DE LUBRIFICACAO 4 X
6 L154750 PINO FIXADOR 2 X
7 L77594 BUCHA 2 X
8 R69166 PINO 4 X
9 11M7012 CONTRA-PINO 4 X
10 L158223 PINO FIXADOR 2 X
11 T77857 ANEL O 1 X
12 38H5003 ADAPTADOR 1 X
13 51M7043 ANEL O 1 X
TRATOR 6125J (EDICAO SUL-AMERICANA) PC8539P (01-JUL-10) 70-5
PN=359
70-6
SISTEMA HIDRAULICO
OIL LINES, LIFT CYLINDER
VERIN DE RELEVAGE - CONDUITES HYDRAULIQUES
OELLEITUNGEN, HUBZYLINDER
TUBI OLIO CILINDRO DI SOLLEVAMENTO
MANGUEIRA DO CILINDRO DO LEVANTE
TUBERIAS HIDRAULICAS, CILINDRO ELEVADOR
PUBM1362 -UN-
6
1
2
5
ITEM NR.PECA DESCRICAO QTDE NR. SERIE J NOTAS
1 38H5003 ADAPTADOR 2 X
2 T77932 ANEL O 1 X
3 38H5243 CONEXAO EM T 1 X
4 AL164700 MANGUEIRA HIDRAULICA 1 X
5 T77857 ANEL O AR X
6 AL164648 MANGUEIRA HIDRAULICA 1 X
7 51M7043 ANEL O 2 X
70-6 TRATOR 6125J (EDICAO SUL-AMERICANA) PC8539P (01-JUL-10)
PN=360
70-7
SISTEMA HIDRAULICO
CABLE, CENTER AND QUICK TACH LINKS
CABLES, BARRES DE POUSSEE ET DE TRACTION A CROCHET
SEILZUEGE, OBER- UND UNTERLENKER MIT FANGHAKEN
CAVO, TERZO PUNTO E PARALLELE CON ATTACCO QUICK TACH
CABOS DO LEVANTE
CABLES, TENSOR CENTRAL Y BARRAS DE TIRO CON GANCHOS DE ACOPL.
PUBM1496 -UN-
6
1
2
5
ITEM NR.PECA DESCRICAO QTDE NR. SERIE J NOTAS
1 AL32693 CABO 1 X
2 AL31983 CABO 1 X
3 L39978 BRACADEIRA 2 X
4 21M7296 PARAFUSO 1 X M6 X 20
5 14M7376 PORCA DE SEGURANCA 1 X M6
6 24M7244 ARRUELA 1 X
7 L101357 FORQUILHA 1 X
8 21M7292 PARAFUSO 1 X M6 X 16
TRATOR 6125J (EDICAO SUL-AMERICANA) PC8539P (01-JUL-10) 70-7
PN=361
70-8
SISTEMA HIDRAULICO
DRAFT SENSOR, DRAFT LINKS
SONDE DE CONTROLE D’EFFORT (BARRE DE TRACTION)
ZUGKRAFTSENSOR, UNTERLENKER
SENSORE DI TRAINO, PARALLELE
SENSOR DE CONTROLE DE CARGA, BARRA DE TRACAO
SENSOR DE CONTROL DE CARGA, BARRAS DE TIRO
PY003461 -UN-
6
1
2
5
ITEM NR.PECA DESCRICAO QTDE NR. SERIE J NOTAS
1 L175651 PINO FIXADOR 1 X
2 DT5299 ADESIVO 1 X
3 DQ53213 SENSOR 2 X
4 AL169481 SENSOR 1 X
5 L80005 ANEL O 1 X
6 19M8618 PARAFUSO 3 X M6 X 12
7 44M7110 PINO DE CENTRAGEM 2 X
8 15M7062 TAMPAO DE DRENO 2 X
9 L101403 PINO 2 X
10 L101389 PLACA 1 X
11 L64882 PORCA COM FLANGE 2 X
12 L172584 PROTECAO 1 X
70-8 TRATOR 6125J (EDICAO SUL-AMERICANA) PC8539P (01-JUL-10)
PN=362
70-9
SISTEMA HIDRAULICO
ADJUSTABLE STABILIZER BAR, RIGHT OR LEFT
BRAS STABILISATEUR DROIT OU GAUCHE REGLABLE
EINSTELLBARE STABILISIERUNGSSTREBE RECHTS ODER LINKS
BARRA STABILIZZATRICE REGOLABILE, LATO SINISTRO O DESTRO
BARRA ESTABILIZADORA AJUSTAVEL, DIREITA OU ESQUERDA
BARRA ESTABILIZADORA REGULABLE, LADO DERECHO O IZQUIERDO
PUBM1364 -UN-
6
1
2
5
ITEM NR.PECA DESCRICAO QTDE NR. SERIE J NOTAS
1 24M7090 ARRUELA 4 X
2 12M7070 ARRUELA DE PRESSAO 4 X
3 CQ07569 PARAFUSO SEXT. 4 X
4 11M7054 CONTRA-PINO 4 X
5 DQ26015 SUPORTE 2 X
6 CQ26016 PINO 2 X
7 AL201900 BRACO 2 X
8 CQ25768 BUCHA 2 X
9 SU292606 CONEXAO DE LUBRIFICACAO 2 X
10 L202150 TUBO 2 X
11 L77493 PINO FIXADOR 2 X
12 SU292160 BLOCO ESTABILIZADOR 2 X
13 AL201899 ESTABILIZADOR 1 X
14 L202151 PINO ELASTICO 2 X
TRATOR 6125J (EDICAO SUL-AMERICANA) PC8539P (01-JUL-10) 70-9
PN=363
70-10
SISTEMA HIDRAULICO
DRAFT LINK STANDARD
BARRES DE TRACTION STANDARD
STANDARD-UNTERLENKER
PARALLELE STANDARD
BARRA DE TRACAO STANDARD
BARRAS DE TIRO STANDARD
PUBM1360 -UN-
6
1
2
5
ITEM NR.PECA DESCRICAO QTDE NR. SERIE J NOTAS
1 AL201843 BRACO DE LEVANTE 2 X
2 L79610 BUCHA 2 X
3 L26943 PINO 2 X
4 L79611 LUVA 2 X
5 40M7249 ANEL DE PRESSAO 2 X
6 L206857 BRACO DE LEVANTE 1 X
7 14M7413 PORCA DE SEGURANCA 1 X M24
70-10 TRATOR 6125J (EDICAO SUL-AMERICANA) PC8539P (01-JUL-10)
PN=364
70-11
SISTEMA HIDRAULICO
MEMORANDA
MEMORANDA
MEMORANDA
MEMORANDA
MEMORANDA
MEMORANDA
TRATOR 6125J (EDICAO SUL-AMERICANA) PC8539P (01-JUL-10) 70-11
PN=365
70-12
SISTEMA HIDRAULICO
DRAFT LINKS WITH HOOKS
BARRES DE TRACTION A CROCHET
UNTERLENKER MIT FANGHAKEN
PARALLELE CON GANCIO
BRACOS DO LEVANTE TIPO HOOK
BARRAS DE TIRO CON GANCHOS
PUBM1497 -UN-
ESTA RELACAO CONTINUA
70-12 TRATOR 6125J (EDICAO SUL-AMERICANA) PC8539P (01-JUL-10)
PN=366
70-13
SISTEMA HIDRAULICO
6
1
2
5
ITEM NR.PECA DESCRICAO QTDE NR. SERIE J NOTAS
1 AL117720 LINGUETA 1 X
2 L115083 REBITE 1 X (ORD W/ L115082)
3 L115082 TRAVA 1 X (ORD W/ L115083)
4 34M7160 PINO ELASTICO 1 X
5 L115353 MOLA DE TRACAO 1 X
6 34M7243 PINO ELASTICO 2 X
7 34M7245 PINO ELASTICO 1 X
8 14M7413 PORCA DE SEGURANCA 1 X M24
9 L111718 APOIO 1 X
10 AL32027 GUIA 2 X
11 L79610 BUCHA 2 X
12 L26943 PINO 2 X
13 L79611 LUVA 2 X
14 40M7249 ANEL DE PRESSAO 2 X
15 AL163906 BRACO DE LEVANTE 1 X RH
AL163905 BRACO DE LEVANTE 1 X LH
TRATOR 6125J (EDICAO SUL-AMERICANA) PC8539P (01-JUL-10) 70-13
PN=367
70-14
SISTEMA HIDRAULICO
LIFT LINKS
BIELLES DE RELEVAGE
HUBSPINDELN
TIRANTI DI SOLLEVAMENTO
TENSORES LATERAIS
TENSORES LATERALES
PUBM1371 -UN-
ESTA RELACAO CONTINUA
70-14 TRATOR 6125J (EDICAO SUL-AMERICANA) PC8539P (01-JUL-10)
PN=368
70-15
SISTEMA HIDRAULICO
6
1
2
NR. SERIE 5
ITEM NR.PECA DESCRICAO QTDE TRATOR J NOTAS
1 AL201892 TENSOR LATERAL 1 X RH
2 AL201897 TENSOR LATERAL 1 X LH
3 L202138 FUSO 1 X
4 L202135 GARFO 1 X
5 L202136 BRACO 1 X
6 L202137 APOIO 1 X
7 L202140 GARFO 1 X
8 L202141 BRACO 1 X
9 SU292606 CONEXAO DE LUBRIFICACAO 2 X
10 L79924 PINO FIXADOR 2 X
11 R69166 PINO 2 X
12 11M7012 CONTRA-PINO 2 X
13 L158186 PINO FIXADOR 2 X
14 L156665 TIRA 2 X
15 AL114597 PINO FIXADOR 2 X
16 SU292142 PINO AR X
17 L202139 SUPORTE 1 X
18 11M7012 CONTRA-PINO 1 X
19 CQ42968 ESFERA 2 X
TRATOR 6125J (EDICAO SUL-AMERICANA) PC8539P (01-JUL-10) 70-15
PN=369
70-16
SISTEMA HIDRAULICO
CENTER LINK
BARRE DE POUSSEE
OBERLENKER
TIRANTE CENTRALE
TENSOR CENTRAL
TENSOR CENTRAL
PUBM1365 -UN-
6
1
2
5
ITEM NR.PECA DESCRICAO QTDE NR. SERIE J NOTAS
1 AL201898 BRACO 1 X
2 AL201863 BRACO 1 X
3 L202144 CORPO DE ARTICULACAO 1 X
4 AL201844 TENSOR CENTRAL 1 X
5 SU292606 CONEXAO DE LUBRIFICACAO 1 X
6 L202146 MOLA 1 X
7 L202147 SUPORTE 1 X
8 DQ65036 SUPORTE 1 X
9 ........ CONTRA-PINO 1 X
10 19M7386 PARAFUSO SEXT. 2 X
70-16 TRATOR 6125J (EDICAO SUL-AMERICANA) PC8539P (01-JUL-10)
PN=370
70-17
SISTEMA HIDRAULICO
CENTER LINK HOOK (CATEGORY II)
BARRE DE POUSSEE A CROCHET (CATEGORIE II)
OBERLENKER MIT FANGHAKEN (KATEGORIE II)
GANCIO TERZO PUNTO (CATEGORIA II)
BRACO DE LEVANTE CENTRAL TIPO HOOK (CATEGORIA II)
TENSOR LATERAL CON GANCHO (CATEGORIA II)
PUBM1369 -UN-
6
1
2
5
ITEM NR.PECA DESCRICAO QTDE NR. SERIE J NOTAS
1 L56746 MANIPULO 1 X
2 34H241 PINO ELASTICO 2 X
3 L64295 ALAVANCA 1 X
4 L35037 GRAMPO 1 X
5 34M7269 PINO ELASTICO 3 X
6 F2823R MOLA 1 X
7 L64632 PINO FIXADOR 1 X
8 L64634 MOLA 1 X
9 L42050 ESFERA 1 X
10 AL176473 TENSOR CENTRAL 1 X
11 AL159973 ENGATE FINAL 1 X
12 JD7798 CONEXAO DE LUBRIFICACAO 2 X
13 L156788 CORPO DE ARTICULACAO 1 X
14 AL159971 ENGATE FINAL 1 X
15 AL67199 ALAVANCA 1 X
TRATOR 6125J (EDICAO SUL-AMERICANA) PC8539P (01-JUL-10) 70-17
PN=371
70-18
SISTEMA HIDRAULICO
CENTER LINK BRACKET
BARRE DE POUSSEE - SUPPORT
ANHAENGEBOCK OBERLENKER
SUPPORTO DEL TIRANTE CENTRALE
SUPORTE DO TENSOR CENTRAL
SOPORTE DE ANCLAJE DEL TENSOR CENTRAL
LX000055 -UN-
6
1
2
5
ITEM NR.PECA DESCRICAO QTDE NR. SERIE J NOTAS
1 L78801 APOIO 1 X
2 19M8208 PARAFUSO 2 X M16 X 50
3 L158185 PINO FIXADOR 1 X OD 25MM
4 AL14540 PINO DE ENGATE RAPIDO 1 X
70-18 TRATOR 6125J (EDICAO SUL-AMERICANA) PC8539P (01-JUL-10)
PN=372
70-19
SISTEMA HIDRAULICO
HYDRAULIC BLOCK SUPPORTS
SUPPORT POUR BLOC HYDRAULIQUE
HALTERUNGEN FUER HYDRAULIKBLOCK
SUPPORTI GRUPPO IDRAULICO
SUPORTES DO COMANDO HIDRAULICO
SOPORTES PARA BLOQUE HIDRAULICO
PUBM0022 -UN-
6
1
2
5
ITEM NR.PECA DESCRICAO QTDE NR. SERIE J NOTAS
1 MN10280 SUPORTE 1 X
2 19M9432 PARAFUSO SEXT. 2 X M18 X 40
3 14M7029 PORCA 2 X M8
4 12M7065 ARRUELA DE PRESSAO 2 X
5 19M7288 PARAFUSO SEXT. 2 X M8 X 30
6 19M7988 PARAFUSO 3 X M12 X 30
7 24M7361 ARRUELA 2 X
8 CQ52934 PROTECAO 1 X
9 24M7240 ARRUELA 3 X
TRATOR 6125J (EDICAO SUL-AMERICANA) PC8539P (01-JUL-10) 70-19
PN=373
70-20
SISTEMA HIDRAULICO
OIL RETURN LINE (ROCKSHAFT VALVE) (60LPM)
CONDUITE DE RETOUR D’HUILE (DISTRIBUTEUR DU RELEVAGE)
OEL- RUECKLAUFLEITUNG (KRAFTHEBERVENTIL)
TUBO RITORNO OLIO (VALVOLA SOLLEVATORE )
RETORNO DE OLEO DO MOTOR DE PASSO (60LPM)
TUBERIA DE RETORNO DE ACEITE (VALVULA DEL ELEVADOR HIDR.) (60LPM)
PUBM1482 -UN-
ESTA RELACAO CONTINUA
70-20 TRATOR 6125J (EDICAO SUL-AMERICANA) PC8539P (01-JUL-10)
PN=374
70-21
SISTEMA HIDRAULICO
6
1
2
5
ITEM NR.PECA DESCRICAO QTDE NR. SERIE J NOTAS
1 L155376 CONEXAO 1 X
2 51M7043 ANEL O 1 X
3 51M7045 ANEL O 1 X
4 L158359 MANGUEIRA 1 X
5 AL64588 BRACADEIRA 2 X
6 L158360 CONEXAO 1 X
TRATOR 6125J (EDICAO SUL-AMERICANA) PC8539P (01-JUL-10) 70-21
PN=375
70-22
SISTEMA HIDRAULICO
MOUNTING PARTS, INLET PRIORITY VALVE
SOUPAPE DE PRIORITE - ELEMENTS DE FIXATION
ANBAUTEILE, PRIORITAETSVENTIL
PARTI MONTAGGIO VALVOLA DI PRIORITA’ IN INGRESSO
SUPORTE DA VALVULA PRIORITARIA DE ENTRADA
PIEZAS DE MONTAJE PARA VALVULA DE PRIORIDAD
LX015376 -UN-
6
1
2
5
ITEM NR.PECA DESCRICAO QTDE NR. SERIE J NOTAS
1 L111085 RETENTOR 1 X
2 L79006 PARAFUSO AR X
3 24M7240 ARRUELA 3 X
4 14M7275 PORCA AR X M12
5 19M7988 PARAFUSO 1 X M12 X 30
6 42M7038 PINO 2 X
70-22 TRATOR 6125J (EDICAO SUL-AMERICANA) PC8539P (01-JUL-10)
PN=376
70-23
SISTEMA HIDRAULICO
MEMORANDA
MEMORANDA
MEMORANDA
MEMORANDA
MEMORANDA
MEMORANDA
TRATOR 6125J (EDICAO SUL-AMERICANA) PC8539P (01-JUL-10) 70-23
PN=377
70-24
SISTEMA HIDRAULICO
INLET PRIORITY VALVE (60 LPM)
SOUPAPE DE PRIORITE (60 LPM)
PRIORITAETSVENTIL (60 LPM)
VALVOLA DI PRIORITA’ IN INGRESSO (60 LPM)
VALVULA PRIORITARIA DE ENTRADA (60 LPM)
VALVULA DE PRIORIDAD DE ENTRADA (60 LPM)
PUBM1370 -UN-
ESTA RELACAO CONTINUA
70-24 TRATOR 6125J (EDICAO SUL-AMERICANA) PC8539P (01-JUL-10)
PN=378
70-25
SISTEMA HIDRAULICO
6
1
2
5
ITEM NR.PECA DESCRICAO QTDE NR. SERIE J NOTAS
1 AL153389 BLOCO DE VALVULAS 1 X
2 RE49625 VALVULA DE ALIVIO DE PRESS. 1 X
3 AL170216 KIT 1 X
4 RE245952 CARRETEL DE VALVULA 1 X
5 R79060 ANEL O 1 X
6 AL150732 VALVULA DE ALIVIO DE PRESS. 1 X
7 R58832 FILTRO 2 X
8 ........ PARAF. DE FENDA 1 X (MF 22H896) ID 1MM
9 R95494 ANEL O 1 X
10 RE46684 TAMPAO 3 X
11 R111298 MOLA DE COMPRESSAO 1 X
12 RE49624 TAMPAO 1 X
13 L152324 ANEL O 1 X
14 R77175 CAPA 3 X
15 AL80099 TOMADA ENGATE RAPIDO 3 X
16 T77857 ANEL O 1 X
17 61M5003 ADAPTADOR 1 X
18 R132899 ARRUELA AR X
19 R115892 ANEL 1 X
20 51M7041 ANEL O 6 X
21 RE62446 KIT 1 X
TRATOR 6125J (EDICAO SUL-AMERICANA) PC8539P (01-JUL-10) 70-25
PN=379
70-26
SISTEMA HIDRAULICO
INLET PRIORITY VALVE (100 LPM)
SOUPAPE DE PRIORITE (100 LPM)
PRIORITAETSVENTIL (100 LPM)
VALVOLA DI PRIORITA’ IN INGRESSO (100 LPM)
VALVULA PRIORITARIA DE ENTRADA (100 LPM)
VALVULA DE PRIORIDAD DE ENTRADA (100 LPM)
PUBM1393 -UN-
ESTA RELACAO CONTINUA
70-26 TRATOR 6125J (EDICAO SUL-AMERICANA) PC8539P (01-JUL-10)
PN=380
70-27
SISTEMA HIDRAULICO
6
1
2
5
ITEM NR.PECA DESCRICAO QTDE NR. SERIE J NOTAS
1 AL153388 BLOCO DE VALVULAS 1 X
2 61M5002 ADAPTADOR 1 X
3 T77613 ANEL O 1 X
4 RE245952 CARRETEL DE VALVULA 1 X
5 AL115105 VALVULA DE RETENCAO 1 X
6 AL150732 VALVULA DE ALIVIO DE PRESS. 1 X
7 R58832 FILTRO 1 X
8 R95493 DISCO 1 X
9 R95494 ANEL O 1 X
10 RE46684 TAMPAO 1 X
11 R111298 MOLA DE COMPRESSAO 1 X
12 RE49624 TAMPAO 1 X
13 L152324 ANEL O 1 X
14 R77175 CAPA 3 X
15 AL80099 TOMADA ENGATE RAPIDO 3 X
16 T77857 ANEL O 1 X
17 61M5003 ADAPTADOR 1 X
18 RE207825 CARRETEL DE VALVULA AR X
19 R115892 ANEL 1 X
20 51M7041 ANEL O 4 X
21 RE62446 KIT 1 X
22 R79060 ANEL O 1 X
23 R132899 ARRUELA AR X
TRATOR 6125J (EDICAO SUL-AMERICANA) PC8539P (01-JUL-10) 70-27
PN=381
70-28
SISTEMA HIDRAULICO
ROCKSHAFT CONTROL VALVE WITH STEPPERMOTOR
DISTRIBUTEUR DU RELEVAGE ET MOTEUR PAS-A-PAS
KRAFTHEBERVENTIL MIT SCHRITTMOTOR
VALVOLA COMANDO SOLLEVATORE CON STEPPER MOTOR
VALVULA DE CONTROLE DO LEVANTE HIDRAULICO - MOTOR DE PASSO
VALVULA DE CONTROL DEL ELEVADOR HIDRAULICO CON MOTOR DE REGLAJE
PUBM1367 -UN-
ESTA RELACAO CONTINUA
70-28 TRATOR 6125J (EDICAO SUL-AMERICANA) PC8539P (01-JUL-10)
PN=382
70-29
SISTEMA HIDRAULICO
6
1
2
5
ITEM NR.PECA DESCRICAO QTDE NR. SERIE J NOTAS
1 15M7077 TAMPAO DE DRENO 2 X
2 51M7045 ANEL O 2 X
3 L155934 VALVULA 1 X
4 L159026 CARCACA 1 X
5 L78964 ASSENTO DE VALVULA 1 X
6 AL168858 VALV.DE CONTR.ATUADA HIDR. 2 X
7 AL79037 KIT CALCOS 1 X
8 AL172261 ELEVADOR HIDRAULICO 1 X
9 L155935 MOLA DE COMPRESSAO 1 X
10 AL159011 VALVULA DE ALIVIO DE PRESS. 1 X
11 L59901 ANEL O 1 X
12 AL181805 MOTOR ELETRICO 1 X
13 L75747 ANEL O 1 X
14 26M5447 CHAVETA 1 X
15 19M8618 PARAFUSO 4 X M6 X 12
16 24M7267 ARRUELA 4 X
17 R95494 ANEL O 1 X
18 AL164560 KIT DE JUNTAS 1 X
19 AL164561 KIT DE JUNTAS 1 X
20 AL80395 CONJ. DO ROLAMENTO 1 X
21 L37963 TAMPA 1 X
22 AL200020 ELEVADOR HIDRAULICO 1 X
23 L100259 ACESSORIO CONEXAO ELETRICA 1 X
24 51M7048 ANEL O 1 X
25 L165818 CONE DE VALVULA 1 X
26 61M5243 CONEXAO EM T 1 X
27 T77932 ANEL O 1 X
28 CQ49005 BRACADEIRA 1 X
TRATOR 6125J (EDICAO SUL-AMERICANA) PC8539P (01-JUL-10) 70-29
PN=383
70-30
SISTEMA HIDRAULICO
CHARGE PUMP (100 LPM)
POMPE A CHARGE (100 LPM)
LADEOELPUMPE (100 LPM)
POMPA DI CARICA (100 LPM)
BOMBA DE CARGA (100 LPM)
BOMBA DE CARGA DE ACEITE (100 LPM)
CQ155643 -UN-
ESTA RELACAO CONTINUA
70-30 TRATOR 6125J (EDICAO SUL-AMERICANA) PC8539P (01-JUL-10)
PN=384
70-31
SISTEMA HIDRAULICO
6
1
2
5
ITEM NR.PECA DESCRICAO QTDE NR. SERIE J NOTAS
1 AL154092 BOMBA DE OLEO 1 X
2 L79160 MOLA DE COMPRESSAO 1 X
3 L79171 TAMPAO 1 X
4 R108011 ARRUELA 1 X
5 RE70821 KIT RETENTOR 1 X
6 L101394 PINO FIXADOR 1 X
7 51M7100 ANEL O 2 X
8 L171572 BRACADEIRA 2 X
9 AL155058 LUVA 2 X
10 51M7103 ANEL O 2 X
11 51M7050 ANEL O 2 X
12 L116628 JUNTA 1 X
13 19M8823 PARAFUSO 1 X
14 19M8824 PARAFUSO 3 X
TRATOR 6125J (EDICAO SUL-AMERICANA) PC8539P (01-JUL-10) 70-31
PN=385
70-32
SISTEMA HIDRAULICO
CHARGE PUMP, CONNECTING PARTS (41CM3) (100LPM)
POMPE DE GAVAGE, ELEMENTS DE RACCORDEMENT(41CM3) (100LPM)
LADEOELPUMPE, ANSCHLUSSTEILE (41CM3) (100LPM)
POMPA DI CARICA, CONNETTORI (41CM3) (100LPM)
CONEXOES DA BOMBA DE CARGA (41CM3) (100LPM)
BOMBA DE CARGA, PIEZAS DE CONEXION (41CM3) (100LPM)
CQ157375 -UN-
ESTA RELACAO CONTINUA
70-32 TRATOR 6125J (EDICAO SUL-AMERICANA) PC8539P (01-JUL-10)
PN=386
70-33
SISTEMA HIDRAULICO
6
1
2
5
ITEM NR.PECA DESCRICAO QTDE NR. SERIE J NOTAS
1 51M7050 ANEL O 1 X
2 L110294 CONEXAO 1 X
3 51M7041 ANEL O 2 X
4 61M5002 ADAPTADOR 1 X
5 AL78652 CONEXAO EM ANGULO 1 X
6 51M7045 ANEL O 1 X
7 38H5012 ADAPTADOR 1 X
8 DQ70340 MANGUEIRA 1 X
9 DQ62246 MANGUEIRA 1 X
10 AL37489 BRACADEIRA 4 X
11 L111479 MANGUEIRA 1 X LGTH 325 MM
12 L158310 MANGUEIRA 1 X LGTH 250 MM
13 T77613 ANEL O 2 X
14 AL76658 TUBULACAO DE OLEO 1 X
15 51M7043 ANEL O 1 X
16 AL111759 CONEXAO EM ANGULO 1 X
TRATOR 6125J (EDICAO SUL-AMERICANA) PC8539P (01-JUL-10) 70-33
PN=387
70-34
SISTEMA HIDRAULICO
HYDRAULIC PUMP (41 CM3) (100 LPM)
POMPE HYDRAULIQUE (41 CM3) (100 LPM)
HYDRAULIKPUMPE (41 CM3) (100 LPM)
POMPE IDRAULICHE (41 CM3) (100 LPM)
BOMBA HIDRAULICA (41 CM3) (100 LPM)
BOMBAS HIDRAULICAS (41 CM3) (100 LPM)
CQ155646 -UN-
ESTA RELACAO CONTINUA
70-34 TRATOR 6125J (EDICAO SUL-AMERICANA) PC8539P (01-JUL-10)
PN=388
70-35
SISTEMA HIDRAULICO
6
1
2
5
ITEM NR.PECA DESCRICAO QTDE NR. SERIE J NOTAS
1 AL161043 BOMBA HIDRAULICA 1 X
2 51M7041 ANEL O 1 X
3 AL158422 KIT DE JUNTAS 1 X
4 AL158423 KIT 1 X
5 T42302 ANEL O 1 X
6 19M7789 PARAFUSO 2 X M12 X 30
7 51M7040 ANEL O 1 X
8 L41079 TAMPAO 1 X
9 L41709 TAMPAO AR X
TRATOR 6125J (EDICAO SUL-AMERICANA) PC8539P (01-JUL-10) 70-35
PN=389
70-36
SISTEMA HIDRAULICO
CONNECTING PARTS, INLET PRIORITY VALVE (100 LPM)
SOUPAPE DE PRIORITE - RACCORDS (100 LPM)
ANSCHLUSSTEILE, PRIORITAETSVENTIL (100 LPM)
PARTI COLLEGAMENTO VALVOLA DI PRIORITA’ IN INGRESSO (100 LPM)
CONEXOES DA VALVULA DE PRIORIDADE (100 LPM)
VALVULA DE PRIORIDAD - CONEXIONES (100 LPM)
CQ156168 -UN-
6
1
2
5
ITEM NR.PECA DESCRICAO QTDE NR. SERIE J NOTAS
1 51M7047 ANEL O 1 X
2 61M5005 ADAPTADOR 1 X INCL KEY 1,3
3 T77858 ANEL O 1 X
4 51M7041 ANEL O 1 X
5 61M5002 ADAPTADOR 1 X INCL KEY 4,8
6 51M7048 ANEL O 1 X
7 L110293 CONEXAO 1 X
8 T77613 ANEL O 2 X
9 T77857 ANEL O 1 X
70-36 TRATOR 6125J (EDICAO SUL-AMERICANA) PC8539P (01-JUL-10)
PN=390
70-37
SISTEMA HIDRAULICO
MEMORANDA
MEMORANDA
MEMORANDA
MEMORANDA
MEMORANDA
MEMORANDA
TRATOR 6125J (EDICAO SUL-AMERICANA) PC8539P (01-JUL-10) 70-37
PN=391
70-38
SISTEMA HIDRAULICO
HYDRAULIC OIL RESERVOIR, OIL LINES
RESERVOIR D’HUILE HYDRAULIQUE, CONDUITES HYDRAULIQUE
HYDRAULIKOELBEHAELTER, OELLEITUNGEN
SERBATOIO OLIO IDRAUL., LINEE
DEPOSITO DE OLEO HIDRAULICO, LINHAS HIDRAULICAS
DEPOSITO DE ACEITE HIDRAULICO, TUBERIAS
PUBM1390 -UN-
ESTA RELACAO CONTINUA
70-38 TRATOR 6125J (EDICAO SUL-AMERICANA) PC8539P (01-JUL-10)
PN=392
70-39
SISTEMA HIDRAULICO
6
1
2
5
ITEM NR.PECA DESCRICAO QTDE NR. SERIE J NOTAS
1 L59904 ANEL O 1 X
2 R94882 CONEXAO 1 X
3 51M7048 ANEL O 1 X
4 61M5010 ADAPTADOR 1 X
5 51M7040 ANEL O 1 X
6 L102176 CONEXAO 1 X
7 51M7043 ANEL O 1 X
8 61M5013 ADAPTADOR 1 X
9 T77932 ANEL O 1 X
10 AL151191 TUBULACAO DE OLEO 1 X
11 T77858 ANEL O 2 X
12 AL157977 MANGUEIRA HIDRAULICA 1 X
13 T77814 ANEL O 1 X
14 51M7039 ANEL O 1 X
15 L77046 MANGUEIRA 1 X
16 AL82025 BRACADEIRA 4 X
17 L151818 MANGUEIRA 1 X
18 L53873 ANEL O 1 X
19 L112480 CONEXAO EM T 1 X
20 AL64588 BRACADEIRA 1 X
21 T77613 ANEL O 1 X
22 L116529 MANGUEIRA 1 X
23 AL110340 RESERVATORIO HIDRAULICO 1 X
24 L100271 PARAF. DE FENDA 1 X
25 L77586 ANEL O 1 X
26 L110265 CONEXAO 1 X
27 51M7041 ANEL O 1 X
28 L112762 BRACADEIRA 2 X
29 61M5016 CONEXAO EM ANGULO 1 X INCL KEY 21,27
30 AL157635 MANGUEIRA HIDRAULICA 1 X
TRATOR 6125J (EDICAO SUL-AMERICANA) PC8539P (01-JUL-10) 70-39
PN=393
70-40
SISTEMA HIDRAULICO
HYDRAULIC PUMP (28CM3)
POMPE HYDRAULIQUE (28CM3)
HYDRAULIKPUMPE (28CM3)
POMPE IDRAULICHE (28CM3)
BOMBA HIDRAULICA (60 LPM) (28CM3)
BOMBAS HIDRAULICAS (28CM3)
LX029347 -UN-
ESTA RELACAO CONTINUA
70-40 TRATOR 6125J (EDICAO SUL-AMERICANA) PC8539P (01-JUL-10)
PN=394
70-41
SISTEMA HIDRAULICO
6
1
2
5
ITEM NR.PECA DESCRICAO QTDE NR. SERIE J NOTAS
1 AL156335 BOMBA HIDRAULICA 1 X 28CM3 / 200BAR
2 L77317 JUNTA 1 X
3 19M7988 PARAFUSO 4 X M12 X 30
4 L64500 SELANTE 1 X LOCTITE 574
5 AL114392 ADAPTADOR 1 X
6 19M7785 PARAFUSO 2 X M10 X 25
TRATOR 6125J (EDICAO SUL-AMERICANA) PC8539P (01-JUL-10) 70-41
PN=395
70-42
SISTEMA HIDRAULICO
OIL LINES AND CONNECTING PARTS (HYDRAULIC PUMP 27CM3)
CONDUITES HYDRAULIQUES ET ELEMENTS DE RACCORDEMENT (POMPE HYDRAULIQUE 28CM3)
OELLEITUNGEN UND ANSCHLUSSTEILE (HYDRAULIKPUMPE 28CM3)
TUBI OLIO E RACCORDI (POMPA IDRAULICA 28CM3)
LINHAS DE OLEO E CONEXOES PARA BOMBA DE 60 LPM (BOMBA HIDRAULICA 28CM3)
TUBERIAS DE ACEITE Y RACORES (BOMBA HIDRAULICA 28CM3)
LX028111 -UN-
ESTA RELACAO CONTINUA
70-42 TRATOR 6125J (EDICAO SUL-AMERICANA) PC8539P (01-JUL-10)
PN=396
70-43
SISTEMA HIDRAULICO
6
1
2
5
ITEM NR.PECA DESCRICAO QTDE NR. SERIE J NOTAS
1 51M7047 ANEL O 2 X
2 61M5005 ADAPTADOR 2 X INCL KEYS 1, 3
3 T77858 ANEL O 2 X
4 AL114404 MANGUEIRA HIDRAULICA 1 X
5 AL165144 MANGUEIRA 1 X
6 AL114812 BRACADEIRA 2 X
7 L116560 MANGUEIRA 1 X
8 51M7100 ANEL O 1 X
9 AL157760 MANGUEIRA HIDRAULICA 1 X
10 AL112193 VALVULA DE ALIVIO DE PRESS. 1 X
11 51M7041 ANEL O 2 X
12 L100802 CONEXAO 1 X
13 AL37489 BRACADEIRA 4 X
14 L34995 ANEL O 1 X
15 AL78652 CONEXAO EM ANGULO 1 X
16 L111479 MANGUEIRA 1 X LGTH 325MM
17 L102179 CONEXAO DE MANGUEIRA 1 X
18 51M7043 ANEL O 1 X
19 51M7048 ANEL O 2 X
20 AL155008 LUVA 2 X
21 L111412 MANGUEIRA 1 X
22 L115460 ADAPTADOR 1 X
23 19M7660 PARAFUSO 4 X M8 X 20
24 L171572 BRACADEIRA 2 X
25 51M7103 ANEL O 1 X
TRATOR 6125J (EDICAO SUL-AMERICANA) PC8539P (01-JUL-10) 70-43
PN=397
70-44
SISTEMA HIDRAULICO
SELECTIVE CONTROL VALVE (SERIE 300)
DISTRIBUTEUR AUXILIARE (SERIE 300)
ZUSATZSTEUERGERAET (SERIE 300)
DISTRIBUTORE IDRAULICO (SERIE 300)
VALVULA DE CONTROLE REMOTO (SERIE 300)
VALVULA DE MANDO A DISTANCIA (SERIE 300)
PUBM1486 -UN-
ESTA RELACAO CONTINUA
70-44 TRATOR 6125J (EDICAO SUL-AMERICANA) PC8539P (01-JUL-10)
PN=398
70-45
SISTEMA HIDRAULICO
6
1
2
5
ITEM NR.PECA DESCRICAO QTDE NR. SERIE J NOTAS
1 RE239127 BLOCO DE VALVULAS 1 X
2 E69117 ANEL O 2 X
3 L152323 ANEL O 1 X
4 R26976 ANEL O 1 X
5 AL118383 FLANGE 1 X
6 R95493 DISCO 1 X
7 R111238 MOLA DE COMPRESSAO 2 X
8 19M7768 PARAFUSO 2 X M6 X 16
9 R111242 TAMPAO 1 X
10 R95491 MANOPLA 1 X
11 25H723 PINO COM RANHURA 1 X
12 19M8706 PARAFUSO 3 X M6 X 75
13 R111288 CONE DE VALVULA 2 X
14 R95494 ANEL O 1 X
15 R95490 MANOPLA 1 X
16 R111308 ANEL 2 X
17 R113228 PLUGUE 1 X
18 34H184 PINO ELASTICO 1 X
19 R241161 ANEL O 1 X
20 RE49624 TAMPAO 2 X
21 L152324 ANEL O 2 X
22 RE49631 KIT 1 X
23 RE49633 KIT 1 X
24 RE56127 KIT 1 X
25 RE50384 KIT DO REPARO 1 X
26 RE50385 KIT 1 X
27 L152325 ANEL O 1 X
28 L152326 ANEL O 1 X
29 R118192 ARRUELA DE PRESSAO 3 X
30 R118092 JUNTA AR X
31 L37733 ANEL O AR X
32 R113218 ANEL DE APOIO 1 X
33 R111527 ANEL O 1 X
34 R111504 ANEL DE APOIO 1 X
35 R117942 ANEL O 1 X
36 R113229 ANEL O 1 X
37 R113223 ANEL DE APOIO 1 X
38 R113224 ANEL O 1 X
39 R113226 ANEL O 1 X
40 R126667 VEDACAO 1 X
41 L102154 PLUGUE 1 X MARKED I
L102155 PLUGUE 1 X MARKED II
.. R177738 ETIQUETA 1 X 270G
TRATOR 6125J (EDICAO SUL-AMERICANA) PC8539P (01-JUL-10) 70-45
PN=399
70-46
SISTEMA HIDRAULICO
SELECTIVE CONTROL VALVE (301 SERIES)
DISTRIBUTEUR AUXILIAIRE (SERIE 301)
ZUSATZSTEUERGERAET (SERIE 301)
DISTRIBUTORE IDRAULICO (SERIE 301)
VALVULA DE CONTROLE REMOTO (SERIE 301)
VALVULA DE MANDO A DISTANCIA (SERIE 301)
PUBM1483 -UN-
ESTA RELACAO CONTINUA
70-46 TRATOR 6125J (EDICAO SUL-AMERICANA) PC8539P (01-JUL-10)
PN=400
70-47
SISTEMA HIDRAULICO
6
1
2
5
ITEM NR.PECA DESCRICAO QTDE NR. SERIE J NOTAS
1 AL171119 VALVULA DE CONTROLE REMOTO 1 X
2 E69117 ANEL O 2 X
3 L152323 ANEL O 1 X
4 R26976 ANEL O 1 X
5 AL118383 FLANGE 1 X
6 R95493 DISCO 1 X
7 R111238 MOLA DE COMPRESSAO 1 X
8 19M7768 PARAFUSO 1 X M6 X 16
9 R111242 TAMPAO 1 X
10 R95491 MANOPLA 1 X
11 25H723 PINO COM RANHURA 1 X
12 19M8706 PARAFUSO 3 X M6 X 75
13 R111288 CONE DE VALVULA 2 X
14 R95494 ANEL O 1 X
15 R95490 MANOPLA 1 X
16 R111308 ANEL 2 X
17 R113228 PLUGUE 1 X
18 34H184 PINO ELASTICO 1 X
19 R241161 ANEL O 1 X
20 RE49624 TAMPAO 2 X
21 L152324 ANEL O 2 X
22 RE239125 CONJUNTO DO CONTROLE 1 X
23 R126667 VEDACAO 1 X
24 RE246313 KIT DO REPARO 1 X
25 RE50384 KIT DO REPARO 1 X
26 RE50385 KIT 1 X
27 L152325 ANEL O 1 X
28 L152326 ANEL O 1 X
29 R118192 ARRUELA DE PRESSAO 3 X
30 R118092 JUNTA AR X
31 P47889 ANEL O AR X
32 R113218 ANEL DE APOIO 1 X
33 R111527 ANEL O 1 X
34 R111504 ANEL DE APOIO 1 X
35 R117942 ANEL O 1 X
36 R113229 ANEL O 1 X
37 R113223 ANEL DE APOIO 1 X
38 R113224 ANEL O 1 X
39 R113226 ANEL O 1 X
40 L102154 PLUGUE 1 X
L102155 PLUGUE 1 X
.. R117738 GRAXA 1 X 270G
TRATOR 6125J (EDICAO SUL-AMERICANA) PC8539P (01-JUL-10) 70-47
PN=401
70-48
SISTEMA HIDRAULICO
REPAIR KIT SELETIVE CONTROL VALVE (300, 301 SERIE)
JEU DE REPARATION - DISTRIBUTEUR AUXILIAIRE (SERIE 300, 301)
REPARATURSATZ ZUSATZSTEUERGERAET (SERIE 300, 301)
KIT REPARAZIONE PER DISTRIBUTORE (SERIE 300, 301)
KIT DE REPARO DAS VALVULAS DE CONTROLE REMOTO (SERIE 300, 301)
CONJUNTO DE REPARACION VALVULA DE MANDO A DISTANCIA (SERIE 300, 301)
LX024971 -UN-
ESTA RELACAO CONTINUA
70-48 TRATOR 6125J (EDICAO SUL-AMERICANA) PC8539P (01-JUL-10)
PN=402
70-49
SISTEMA HIDRAULICO
6
1
2
5
ITEM NR.PECA DESCRICAO QTDE NR. SERIE J NOTAS
1 RE241164 KIT DO REPARO 1 X
TRATOR 6125J (EDICAO SUL-AMERICANA) PC8539P (01-JUL-10) 70-49
PN=403
70-50
SISTEMA HIDRAULICO
REPAIR KIT SELETIVE CONTROL VALVE (300, 301 SERIE)
JEU DE REPARATION - DISTRIBUTEUR AUXILIAIRE (SERIE 300, 301)
REPARATURSATZ ZUSATZSTEUERGERAET (SERIE 300, 301)
KIT REPARAZIONE PER DISTRIBUTORE (SERIE 300, 301)
KIT DE REPARO DAS VALVULAS DE CONTROLE REMOTO (SERIE 300, 301)
CONJUNTO DE REPARACION VALVULA DE MANDO A DISTANCIA (SERIE 300, 301)
LX024968 -UN-
ESTA RELACAO CONTINUA
70-50 TRATOR 6125J (EDICAO SUL-AMERICANA) PC8539P (01-JUL-10)
PN=404
70-51
SISTEMA HIDRAULICO
6
1
2
5
ITEM NR.PECA DESCRICAO QTDE NR. SERIE J NOTAS
1 RE67001 KIT DO REPARO 1 X
2 RE49628 KIT 1 X
3 RE172250 KIT 1 X
4 RE49632 KIT 1 X
TRATOR 6125J (EDICAO SUL-AMERICANA) PC8539P (01-JUL-10) 70-51
PN=405
70-52
SISTEMA HIDRAULICO
CONVERSION KIT SELECTIVE CONTROL VALVE (300 SERIES)
JEU D’ADAPTATION DISTRIBUTEUR AUXILIAIRE (SERIE 300)
UMRUESTSATZ ZUSATZSTEUERGERAET (SERIE 300)
KIT MODIFICAZIONE DISTRIBUTORE IDRAULICO (SERIE 300)
KIT DE CONVERSAO DA VALVULA DE CONTROLE REMOTO (SERIE 300)
CONJUNTO DE MODIFIC. VALV. MANDO A DIST. (SERIE 300)
LX015977 -UN-
6
1
2
5
ITEM NR.PECA DESCRICAO QTDE NR. SERIE J NOTAS
1 RE69703 KIT DO REPARO 1 X
70-52 TRATOR 6125J (EDICAO SUL-AMERICANA) PC8539P (01-JUL-10)
PN=406
70-53
SISTEMA HIDRAULICO
HYDRAULIC PUMP DRIVE
ELEMENTS D’ENTREINEMENT DE LA POMPE HYDRAULIQUE
ANTRIEBSTEILE FUER HYDRAULIKPUMPE
COMANDO POMPA IDRAULICA
ACIONAMENTO BOMBA DE CARGA E HIDRAULICA
ACCIONAMIENTO BOMBA DE CARGA E HIDRUALICA
LX003073 -UN-
6
1
2
5
ITEM NR.PECA DESCRICAO QTDE NR. SERIE J NOTAS
1 L77774 LUVA 1 X
2 AL82960 ROLAMENTO DE ROLOS CONICOS 2 X
3 L155245 COROA 1 X 60LPM
4 L75889 LUVA 1 X
5 L114773 ANEL AR X
R48745 ANEL DE PRESSAO AR X TK 1.93MM
R48746 ANEL DE PRESSAO AR X TK 2.01MM
R48749 ANEL DE PRESSAO AR X TK 2.24MM
R48750 ANEL DE PRESSAO AR X TK 2.31MM
L78784 ANEL DE PRESSAO AR X TK 2.38MM
R96515 ANEL DE PRESSAO AR X TK 2.45MM
L78785 ANEL DE PRESSAO AR X TK 2.52MM
R96517 ANEL DE PRESSAO AR X TK 2.60MM
6 44M7146 PINO DE CENTRAGEM 1 X
7 L155244 COROA 1 X Z 29
8 R48747 ANEL DE PRESSAO AR X TK 2.08MM
R48748 ANEL DE PRESSAO AR X TK 2.16MM
TRATOR 6125J (EDICAO SUL-AMERICANA) PC8539P (01-JUL-10) 70-53
PN=407
70-54
SISTEMA HIDRAULICO
HYDRAULIC OIL FILTERS
FILTRES A HUILE HYDRAULIQUE
HYDRAULIKOELFILTER
FILTRO OLIO IDRAULICO
FILTRO DE OLEO HIDRAULICO
FILTRO DE ACEITE HIDRAULICO
PUBM1484 -UN-
6
1
2
5
ITEM NR.PECA DESCRICAO QTDE NR. SERIE J NOTAS
1 AL160772 FILTRO DE OLEO 1 X
2 24M7096 ARRUELA 4 X
3 19M7166 PARAFUSO SEXT. 2 X M10 X 20
4 AL155008 LUVA 2 X
5 51M7048 ANEL O 2 X
6 L171572 BRACADEIRA 2 X
7 51M7101 ANEL O 2 X
8 51M7100 ANEL O 1 X
9 15M7076 TAMPAO DE DRENO 1 X
10 51M7041 ANEL O 1 X
11 AL160773 CABECOTE DO FILTRO 1 X
12 AL203061 FILTRO DE OLEO 1 X (INCL. KEY 14)
13 AL160761 ALOJAMENTO DE FILTRO 1 X
14 R56757 ANEL O 1 X
15 DQ62060 SUPORTE 1 X
16 14M7274 PORCA 2 X M10
70-54 TRATOR 6125J (EDICAO SUL-AMERICANA) PC8539P (01-JUL-10)
PN=408
70-55
SISTEMA HIDRAULICO
MEMORANDA
MEMORANDA
MEMORANDA
MEMORANDA
MEMORANDA
MEMORANDA
TRATOR 6125J (EDICAO SUL-AMERICANA) PC8539P (01-JUL-10) 70-55
PN=409
70-56
SISTEMA HIDRAULICO
SELECTIVE CONTROL VALVE (101 SERIES)
DISTRIBUTEUR AUXILIAIRE (SERIE 101)
ZUSATZSTEUERGERAET (SERIE 101)
DISTRIBUTORE IDRAULICO (SERIE 101)
VALVULA DE CONTROLE (SERIES 101)
VALVULA DE MANDO A DISTANCIA (SERIE 101)
PUBM1485 -UN-
ESTA RELACAO CONTINUA
70-56 TRATOR 6125J (EDICAO SUL-AMERICANA) PC8539P (01-JUL-10)
PN=410
70-57
SISTEMA HIDRAULICO
6
1
2
5
ITEM NR.PECA DESCRICAO QTDE NR. SERIE J NOTAS
1 AL160825 VALVULA DE CONTROLE REMOTO AR X
2 T77857 ANEL O 1 X
3 R241161 ANEL O 2 X
4 R111206 VEDACAO 1 X
5 R111278 CONE DE VALVULA AR X
6 P60266 MOLA 1 X
7 R113211 LUVA 1 X
8 R95493 DISCO 1 X
9 R95494 ANEL O 1 X
10 19M8705 PARAFUSO 2 X M6 X 65
11 AL118383 FLANGE 1 X
12 19M7768 PARAFUSO 2 X M6 X 16
13 R113228 PLUGUE 1 X
14 L37733 ANEL O 1 X
TRATOR 6125J (EDICAO SUL-AMERICANA) PC8539P (01-JUL-10) 70-57
PN=411
70-58
SISTEMA HIDRAULICO
REPAIR KITS SELECTIVE CONTROL VALVE 100 ,101
JEUX DE REPARATION - DISTRIBUTEUR AUXILIAIRE 100, 101
REPARATURSAETZE ZUSATZSTEUERGERAET 100, 101
KITS RIPARAZIONE PER DISTRIBUTORE 100, 101
KIT DE REPAROS DA VALVULA DE CONTROLE 100,101
CONJUNTOS DE REPARACION VALVULA DE MANDO A DISTANCIA 100, 101
LX008293 -UN-
6
1
2
5
ITEM NR.PECA DESCRICAO QTDE NR. SERIE J NOTAS
1 RE50333 JOGO DE FERRAMENTA 1 X
2 RE50334 TRADUCAO NAO DISPONIVEL 1 X
3 RE50332 KIT RETENTOR 1 X
4 RE50385 KIT 1 X
70-58 TRATOR 6125J (EDICAO SUL-AMERICANA) PC8539P (01-JUL-10)
PN=412
70-59
SISTEMA HIDRAULICO
MEMORANDA
MEMORANDA
MEMORANDA
MEMORANDA
MEMORANDA
MEMORANDA
TRATOR 6125J (EDICAO SUL-AMERICANA) PC8539P (01-JUL-10) 70-59
PN=413
70-60
SISTEMA HIDRAULICO
END COVER
COUVERCLE
ABSCHLUSSDECKEL
FONDELLO
TAMPAS DO COMANDO
TAPA
LXA003684 -UN-
ESTA RELACAO CONTINUA
70-60 TRATOR 6125J (EDICAO SUL-AMERICANA) PC8539P (01-JUL-10)
PN=414
70-61
SISTEMA HIDRAULICO
6
1
2
5
ITEM NR.PECA DESCRICAO QTDE NR. SERIE J NOTAS
1 R95494 ANEL O 1 X
2 AL77680 CAPA 1 X RH
3 U42902 ANEL O 1 X
4 H63283 ANEL O 1 X
5 T75984 ANEL O 1 X
6 19M8678 PARAFUSO AR X M10 X 22
7 R95616 PINO 3 X M10 X 1 X 141
8 19M8664 PARAFUSO SEXT. 3 X M10 X 70
9 14M7148 PORCA AR X M10
10 AL77028 CAPA 1 X LH
11 Z29304 ANEL O 1 X
12 L169844 PINO 3 X M10 X 1 X 85
TRATOR 6125J (EDICAO SUL-AMERICANA) PC8539P (01-JUL-10) 70-61
PN=415
70-62
SISTEMA HIDRAULICO
QUICK DISCONNECT COUPLERS
ACCOUPLEMENT RAPIDE
SCHNELLKUPPLUNG
GIUNTI RAPIDI
ENGATE RAPIDO
ACOPLAMIENTO HIDRAULICO RAPIDO
PUBM1388 -UN-
ESTA RELACAO CONTINUA
70-62 TRATOR 6125J (EDICAO SUL-AMERICANA) PC8539P (01-JUL-10)
PN=416
70-63
SISTEMA HIDRAULICO
6
1
2
5
ITEM NR.PECA DESCRICAO QTDE NR. SERIE J NOTAS
1 AJ58437 CONEXAO ENGATE RAPIDO 1 X 3/4"
2 CQ30150 CONEXAO DE UNIAO 1 X 3/4"
3 CQ33591 ADAPTADOR 1 X 3/4"
4 RE268228 TAMPA 1 X GREEN/VERT/GRUEN/VERDE/VERDE/VERDE/GROEN
RE268229 TAMPA 1 X GREEN/VERT/GRUEN/VERDE/VERDE/VERDE/GROEN
RE268230 TAMPA 1 X BLUE/BLEU/BLAU/AZZURRO/AZUL/AZUL/BLA
RE268231 TAMPA 1 X BLUE/BLEU/BLAU/AZZURRO/AZUL/AZUL/BLA
5 51M7045 ANEL O AR X
6 AL166180 CONEXAO ENGATE RAPIDO AR X LGTH 95MM
7 40M7102 ANEL DE PRESSAO 1 X
8 AL166745 KIT RETENTOR 1 X FASTERN
9 AL112953 KIT RETENTOR 1 X FASTERN
10 L112370 CAPA 1 X
TRATOR 6125J (EDICAO SUL-AMERICANA) PC8539P (01-JUL-10) 70-63
PN=417
70-64
SISTEMA HIDRAULICO
HYDRAULIC CONTROL SPACER
BLOC D’ECARTEMENT POUR COMMANDE HYDRAULIQUE
DISTANZBLOCK FUER HYDRAULIKSTEUERUNG
DISTANZIATORE COMANDO IDRAULICO
ESPACADOR DO COMANDO HIDRAULICO
ESPACIADOR DE SISTEMA CONTROL HIDRAULICO
CQ302459 -UN-
6
1
2
5
ITEM NR.PECA DESCRICAO QTDE NR. SERIE J NOTAS
1 R95494 ANEL O AR X
2 R95493 DISCO AR X
3 AL117977 PARAFUSO 1 X
4 51M7052 ANEL O 1 X
5 51M7045 ANEL O 1 X
6 15M7077 TAMPAO DE DRENO 2 X
7 51M7041 ANEL O 1 X
8 15M7076 TAMPAO DE DRENO 1 X
9 AL161388 ESPACADOR 1 X
70-64 TRATOR 6125J (EDICAO SUL-AMERICANA) PC8539P (01-JUL-10)
PN=418
80-A01
CHASSI, EIXO DIANTEIRO, CAPO, ACESSORIOS
SECTIONAL INDEX
INDEX DE SECTION
GRUPPENINDEX
INDICE DELLA SEZIONE
INDICE DE GRUPO
INDICE DE GRUPOS
PUBM1446 -UN-
1- 1
2- 2
3- 4
4- 6
5- 7
6- 8
7- 10
8- 12
9- 14
10- 16
11- 18
12- 19
13- 20
26- 40
27- 41
30- 46
31- 47
TRATOR 6125J (EDICAO SUL-AMERICANA) PC8539P (01-JUL-10) 80-A01
PN=419
80-A02
CHASSI, EIXO DIANTEIRO, CAPO, ACESSORIOS
SECTIONAL INDEX
INDEX DE SECTION
GRUPPENINDEX
INDICE DELLA SEZIONE
INDICE DE GRUPO
INDICE DE GRUPOS
PUBM1447 -UN-
14- 21
15- 22
16- 23
17- 24
18- 26
19- 28
20- 30
21- 32
22- 34
23- 36
24- 38
25- 39
28- 42
29- 44
80-A02 TRATOR 6125J (EDICAO SUL-AMERICANA) PC8539P (01-JUL-10)
PN=420
80-1
CHASSI, EIXO DIANTEIRO, CAPO, ACESSORIOS
MAIN FRAME AND MOUNTING PARTS
CHASSIS PRINCIPAL ET ELEMENTS DE FIXATION
HAUPTRAHMEN UND ANBAUTEILE
TELAIO PRINCIPALE E PARTI DI MONTAGGIO
CHASSI E PECAS DE MONTAGEM
BASTIDOR PRINCIPAL Y PIEZAS DE MONTAJE
PUBM1467 -UN-
6
1
2
5
ITEM NR.PECA DESCRICAO QTDE NR. SERIE J NOTAS
1 DQ68989 BASTIDOR DE EXTENSAO 1 X RH
2 AL172680 BASTIDOR DE EXTENSAO 1 X LH
3 L202574 SUPORTE 1 X
4 ........ SUPORTE EIXO DIANTEIRO 1 X
5 L114874 PINO FIXADOR 2 X
6 19M8639 PARAFUSO SEXT. 12 X M20 X 70
7 19M7946 PARAFUSO SEXT. 10 X M20 X 40
8 L165048 BUCHA 4 X
9 24M7242 ARRUELA 22 X
10 L153099 PARAFUSO SEXT. 4 X
11 L113446 PLACA 8 X
12 L114339 PROTECAO DE MANGUEIRA 1 X
TRATOR 6125J (EDICAO SUL-AMERICANA) PC8539P (01-JUL-10) 80-1
PN=421
80-2
CHASSI, EIXO DIANTEIRO, CAPO, ACESSORIOS
HOOD SUPPORT
SUPPORT DE CAPOT
HAUBENSTUETZE
SUPPORTO COFANO
SUPORTE DO CAPO
SOPORTE DEL CAPO
PUBM1570 -UN-
ESTA RELACAO CONTINUA
80-2 TRATOR 6125J (EDICAO SUL-AMERICANA) PC8539P (01-JUL-10)
PN=422
80-3
CHASSI, EIXO DIANTEIRO, CAPO, ACESSORIOS
6
1
2
5
ITEM NR.PECA DESCRICAO QTDE NR. SERIE J NOTAS
1 AL162705 SUPORTE 1 X
2 AL204824 PROTECAO TERMICA 1 X
3 24M7055 ARRUELA AR X
4 19M7865 PARAFUSO AR X
5 L153768 PRESILHA AR X
6 AL154573 PORTA-FUSIVEL 1 X
7 AL162701 APOIO 1 X
8 14M7029 PORCA 4 X
9 AL162703 APOIO 4 X
10 L159014 SUPORTE 1 X RH
11 L159015 SUPORTE 1 X LH
12 AL162727 SUPORTE 1 X RH
13 AL162728 SUPORTE 1 X LH
14 AL158152 VEDACAO 1 X
15 AL204825 SUPORTE 1 X
16 L152660 ISOLADOR 1 X
17 L152663 VEDACAO 2 X
18 L157826 SUPORTE 2 X
19 L153842 SUPORTE 1 X
20 L173476 GANCHO 1 X
21 14M7140 PORCA 2 X M10
22 L155965 LUVA 2 X
23 L155966 PASSADOR 2 X
24 L169323 SUPORTE 2 X
25 L157769 GUIA 2 X
26 16M7114 REBITE 4 X
27 24M7139 ARRUELA 4 X
28 AL162732 PLACA 1 X
29 AL163194 ISOLADOR 1 X
30 L167473 ESPACADOR 1 X
31 19M7785 PARAFUSO 4 X M10 X 25
32 24M7178 ARRUELA 4 X 10.500 X 30 X 2.500 MM
33 L101519 PRESILHA 1 X
34 CQ04738 ISOLADOR 1 X LGTH 322MM
35 14M7273 PORCA 4 X M8
36 AL164643 DOBRADICA 1 X
37 L167363 APOIO 1 X
38 L167364 APOIO 1 X
39 CQ61655 ADUTOR 1 X
40 CQ62312 ISOLADOR 1 X
41 19M7166 PARAFUSO SEXT. AR X
42 24M7028 ARRUELA 1 X
43 19M7866 PARAFUSO 1 X
44 L158288 ISOLADOR 2 X
45 MN10413 REVESTIMENTO, BLINDAGEM 1 X
46 L79919 PASSADOR 1 X
TRATOR 6125J (EDICAO SUL-AMERICANA) PC8539P (01-JUL-10) 80-3
PN=423
80-4
CHASSI, EIXO DIANTEIRO, CAPO, ACESSORIOS
HOOD AND RADIATOR GRILLE
CAPOT ET GRILLE DU RADIATEUR
HAUBE UND KUEHLERGRILL
COFANO E GRIGLIA RADIATORE
CAPO E GRADE DO RADIADOR
CAPO Y PARRILLA DEL RADIADOR
PUBM1421 -UN-
ESTA RELACAO CONTINUA
80-4 TRATOR 6125J (EDICAO SUL-AMERICANA) PC8539P (01-JUL-10)
PN=424
80-5
CHASSI, EIXO DIANTEIRO, CAPO, ACESSORIOS
6
1
2
5
ITEM NR.PECA DESCRICAO QTDE NR. SERIE J NOTAS
1 AL202769 CAPO 1 X INC KEYS 2, 3, 4, 5, 6, 7, 8, 9, 10, 11,
12, 13, 14, 15, 16, 17
2 L203439 CAPO 1 X
3 L203441 CAPO 1 X LH
4 L203440 CAPO 1 X RH
5 L203442 CAPO 1 X
6 L203443 FLANGE 1 X
7 R263120 PARAFUSO 30 X
8 L203490 PARAFUSO 8 X
9 AL203444 APOIO 1 X
10 AL203843 APOIO 1 X
11 14M7233 PORCA SOLDAVEL 2 X
12 AL203634 APOIO 1 X LH
13 AL203635 APOIO 1 X RH
14 L204116 APOIO 1 X
15 AL164643 DOBRADICA 2 X RH
16 AL157407 PINO FIXADOR 1 X
17 R30437 ANEL DE PRESSAO 2 X
18 AL174453 VENEZIANA DE AERACAO 1 X RH
19 37M7179 PARAFUSO 18 X
20 AL174454 VENEZIANA DE AERACAO 1 X LH
21 DQ61508 CILINDRO OPERADO A GAS 2 X
22 L78979 ROTULA 2 X
23 14M7273 PORCA 4 X
24 L157399 GRELHA 1 X
25 L155183 GRELHA 1 X
26 L155599 GRELHA 1 X LH
27 L155598 GRELHA 1 X RH
28 37M7240 PARAFUSO 26 X
29 16M7119 REBITE 8 X
30 AL157575 ENGATE 1 X
31 19M8703 PARAFUSO 2 X
32 L153536 TIRANTE 1 X
33 R169906 MECANISMO 1 X
34 37M7181 PARAFUSO 2 X
35 L156573 TIRA 1 X
36 AL156954 CORDA 1 X
37 L175019 EMBLEMA 1 X
38 L111800 TOMADA 2 X
39 CQ62315 PASSADOR 2 X
.. L200689 ADESIVO 1 X
TRATOR 6125J (EDICAO SUL-AMERICANA) PC8539P (01-JUL-10) 80-5
PN=425
80-6
CHASSI, EIXO DIANTEIRO, CAPO, ACESSORIOS
MAIN FRAME BASIC WEIGHT
CHASSIS PRINCIPAL SUPPORT DE MASSES
HAUPTRAHMEN-GRUNDGEWICHT
TELAIO PORTANTE PESO DI BASE
SUPORTE DOS PESOS FRONTAIS
CHASIS PRINCIPAL CONTRAPESO BASE
CQ155655 -UN-
6
1
2
5
ITEM NR.PECA DESCRICAO QTDE NR. SERIE J NOTAS
1 CQ29519 SUPORTE 1 X 70KG
2 19M7620 PARAFUSO SEXT. 4 X M20 X 130
3 C2214E ARRUELA 4 X
80-6 TRATOR 6125J (EDICAO SUL-AMERICANA) PC8539P (01-JUL-10)
PN=426
80-7
CHASSI, EIXO DIANTEIRO, CAPO, ACESSORIOS
ADDITIONAL FRONT WEIGHTS
MASSES FRONTALES
FRONTZUSATZGEWICHTE
PESI ANTERIORI ADDIZIONALI
PESOS DIANTEIROS
CONTRAPESOS DELANTEROS ADICIONALES
PUBM1449 -UN-
6
1
2
5
ITEM NR.PECA DESCRICAO QTDE NR. SERIE J NOTAS
1 T32146 PINO FIXADOR 1 X
2 L18955 PINO DE ENGATE RAPIDO 1 X
3 L38450 PESO 3 X RH WITH 6 FRONT WEIGHT
L38450 PESO 4 X RH WITH 8 FRONT WEIGHT
4 19M7355 PARAFUSO SEXT. 2 X M16 X 230, WITH 6 FRONT WEIGHT
19M9426 PARAFUSO SEXT. 2 X WITH 8 FRONT WEIGHT
5 L38449 PESO 3 X LH WITH 6 FRONT WEIGHT
L38449 PESO 4 X LH WITH 8 FRONT WEIGHT
6 24M7241 ARRUELA 2 X
7 12M7069 ARRUELA DE PRESSAO 2 X
8 DQ70291 RETENTOR 2 X
TRATOR 6125J (EDICAO SUL-AMERICANA) PC8539P (01-JUL-10) 80-7
PN=427
80-8
CHASSI, EIXO DIANTEIRO, CAPO, ACESSORIOS
FRONT WHEELS
ROUES AVANT REGLABLES
VORDERRAEDER SPURWEITENVERSTELLBAR
RUOTE ANTERIORI, CARREGGIATA REGOLABILE
RODAS DIANTEIRAS
RUEDAS DELANTERAS CON ANCHO DE VIA AJUSTABLE
PUBM1368 -UN-
ESTA RELACAO CONTINUA
80-8 TRATOR 6125J (EDICAO SUL-AMERICANA) PC8539P (01-JUL-10)
PN=428
80-9
CHASSI, EIXO DIANTEIRO, CAPO, ACESSORIOS
6
1
2
5
ITEM NR.PECA DESCRICAO QTDE NR. SERIE J NOTAS
1 DQ34723 ARO DE RODA 2 X 11.2-28 R1 6PR
DQ30260 ARO DE RODA 2 X 14.9-26 R1 12PR
DQ30262 ARO DE RODA 2 X 16.9-24 R4 8PR
DQ30256 ARO DE RODA 2 X 14.9-24 R2 8PR
2 CQ29426 PARAFUSO 16 X 16.9-24 R1 8PR
L41560 PARAFUSO 16 X 14.9-24 R1 R2 8PR
3 CQ30872 DISCO DE RODA 2 X 11.2-28 R1 6PR
CQ30867 DISCO DE RODA 2 X 14.9-26 R1 12PR
CQ30870 DISCO DE RODA 2 X 16.9-24 R4 8PR
4 CQ29427 PORCA 16 X 5/8"
14M7276 PORCA 16 X 14.9-24 R1 R2 8PR
5 CQ29428 ARRUELA 16 X
L115344 ARRUELA 16 X 14.9-24 R1 R2 8PR
6 DQ20973 PORCA COM FLANGE 16 X
7 AZ33725 CAMARA DE AR, PNEU 2 X 14.9-24 R1 R2 8PR; 16.9-24 R4 8PR
CQ26128 CAMARA DE AR, PNEU 2 X 14.9-26 R1 12PR
DQ37643 CAMARA DE AR, PNEU 2 X 12.4-36R1 6PR-275
CQ34453 CAMARA DE AR, PNEU 2 X 11.2-28 R1 6PR
8 CQ26127 PNEU 2 X 14.9-26 R1 12PR
CQ41341 PNEU 2 X 16.9-24 R4 8PR
CQ47188 PNEU 2 X 14.9-24 R1 8PR
CQ66248 PNEU 2 X 14.9-24 R2 8PR
CQ37642 PNEU 2 X 12.4-36 R1 6PR
CQ34452 PNEU 2 X 11.2-28 R1 6PR
CQ25992 PNEU 2 X 16.9-24 R1 8PR
9 DQ26126 RODA 2 X 14.9-26 R1 12PR
DQ28326 RODA 2 X 16.9-24 R4 8PR
RE261134 ARO E RODA CENTRAL 2 X 14.9-24 R1 R2 8PR
DQ37676 RODA 2 X 12.4-36R1 6PR
DQ31503 RODA 2 X 11.2-28 R1 6PR
.. DQ59493 MONTAGEM DA RODA E PNEU 1 X 14.9-24 R2 8PR
TRATOR 6125J (EDICAO SUL-AMERICANA) PC8539P (01-JUL-10) 80-9
PN=429
80-10
CHASSI, EIXO DIANTEIRO, CAPO, ACESSORIOS
STEEL DISK REAR WHEELS
ROUES ARRIERE ACIER
STAHL-HINTERRAEDER
RUOTE POSTERIORI CON DISCO IN ACCIAIO
RODAS TRASEIRAS DE ACO
RUEDAS TRASERAS DE ACERO
CQ151406 -UN-
6
1
2
5
ITEM NR.PECA DESCRICAO QTDE NR. SERIE J NOTAS
1 CQ07843 PNEU 2 X 23.1/18-30 R1 12PR FL
CQ66250 PNEU 2 X 23.1-30 R2 10PR FL
2 CQ07844 CAMARA DE AR, PNEU 2 X 23.1-30
3 DQ48452 RODA 2 X DW20X30
4 CQ50357 ANEL 2 X
5 19M9433 PARAFUSO SEXT. 16 X M20 X 70
80-10 TRATOR 6125J (EDICAO SUL-AMERICANA) PC8539P (01-JUL-10)
PN=430
80-11
CHASSI, EIXO DIANTEIRO, CAPO, ACESSORIOS
MEMORANDA
MEMORANDA
MEMORANDA
MEMORANDA
MEMORANDA
MEMORANDA
TRATOR 6125J (EDICAO SUL-AMERICANA) PC8539P (01-JUL-10) 80-11
PN=431
80-12
CHASSI, EIXO DIANTEIRO, CAPO, ACESSORIOS
REAR WHEELS, ADJUSTABLE
ROUES ARRIERE REGLABLES
HINTERRAEDER, SPURWEITENVERSTELLBAR
RUOTE POSTERIORI CARREGGIATA REGOLABILE
RODAS TRASEIRAS COM DISCO DE ACO
RUEDAS TRASERAS CON DISCO DE ACERO
CQ155196 -UN-
ESTA RELACAO CONTINUA
80-12 TRATOR 6125J (EDICAO SUL-AMERICANA) PC8539P (01-JUL-10)
PN=432
80-13
CHASSI, EIXO DIANTEIRO, CAPO, ACESSORIOS
6
1
2
5
ITEM NR.PECA DESCRICAO QTDE NR. SERIE J NOTAS
1 CQ29426 PARAFUSO 16 X 5/8"
L41560 PARAFUSO 16 X
2 CQ29428 ARRUELA 16 X 5/8"
L115344 ARRUELA 16 X
3 CQ29427 PORCA 16 X 5/8"
14M7276 PORCA 16 X
4 DQ34723 ARO DE RODA 2 X 11.2-28 R1 6PR
AL110764 ARO 2 X 18.4-34 R4 12PR FL; 18.4-34 R1 FL 10PR
DQ30877 ARO DE RODA 2 X 18.4-38 R1 FL 10PR
5 19M9433 PARAFUSO SEXT. 16 X M20 X 70
L31683 PARAFUSO 16 X 19.050 X 40 MM, 13.6-46 R2 PC 6PR
6 CQ50357 ANEL 2 X
7 CQ50662 RODA 2 X 34" 18.4-38 R1 FL 10PR
CQ30867 DISCO DE RODA 2 X 24" 14.9-26 R1 12PR
CQ30872 DISCO DE RODA 2 X 11.2-28 R1 6PR
R206171 DISCO DE RODA 2 X 18.4-34 R4 12PR FL; 18.4-34 R1 FL 10PR
8 CQ28088 PNEU 2 X 18.4-38 R1 PC 10PR
CQ34452 PNEU 2 X 11.2-28 R1 6PR
CQ41340 PNEU 2 X 18.4-34 R4 PC AERO ;18.4-34 R4 12PR FL
CQ07843 PNEU 2 X 23.1-30 R1 12PR FL; 23.1-30 R1 PC 12PR
9 RE23542 CAMARA DE AR, PNEU 2 X 18.4-34 R4 PC AERO ;18.4-34 R4 12PR FL
R23551 CAMARA DE AR, PNEU 2 X 18.4-38 R1 PC 10PR; 18.4-38 R1 FL 10PR
CQ34453 CAMARA DE AR, PNEU 2 X 11.2-28 R1 6PR
CQ07844 CAMARA DE AR, PNEU 2 X 23.1-30 R1 R2 12PR 10PR FL PC
10 DQ48453 RODA 2 X ORDER RE206170
RE206170 ARO E RODA CENTRAL 2 X 18.4-34 R4 12PR FL; 18.4-34 R1 FL 10PR
DQ50588 RODA 2 X 18.4-38 R1 FL 10PR
11 DQ48452 RODA 2 X 23.1-30 R1 12PR FL; 23.1-30 R2 10PR FL
12 L115418 ARRUELA 16 X 13.6-46 R2 PC 6PR
TRATOR 6125J (EDICAO SUL-AMERICANA) PC8539P (01-JUL-10) 80-13
PN=433
80-14
CHASSI, EIXO DIANTEIRO, CAPO, ACESSORIOS
CAST REAR (R)
ROUES (R)
HINTERRAEDER (R)
RUOTE (R)
RODAS PARA EIXO PINHAO E CREMALHEIRA (R)
RUEDAS (R)
PUBM1355 -UN-
ESTA RELACAO CONTINUA
80-14 TRATOR 6125J (EDICAO SUL-AMERICANA) PC8539P (01-JUL-10)
PN=434
80-15
CHASSI, EIXO DIANTEIRO, CAPO, ACESSORIOS
6
1
2
5
ITEM NR.PECA DESCRICAO QTDE NR. SERIE J NOTAS
1 R109147 PARAFUSO SEXT. 8 X 18.4-38 R1 PC 10PR
19H1782 PARAFUSO SEXT. 6 X 18.4-34 R4 PC AERO
2 R99437 ARRUELA 10 X
12H236 ARRUELA DE PRESSAO 10 X 18.4-34 R4 PC AERO
3 J53701 BUCHA 2 X 18.4-34 R4 PC AERO
R111101 SEMI-CASQUILHO 2 X 18.4-38 R1 PC 10PR
4 R124104 PINHAO 2 X
A4379R PINHAO 2 X 18.4-34 R4 PC AERO
5 CQ65207 PINO 2 X
R83588 EIXO DE ACIONAMENTO 2 X 18.4-34 R4 PC AERO
6 CQ32109 DISCO AR X 23.1-30 R1 PC 12PR
CQ65139 DISCO 2 X 23.1-30 R2 10PR PC, 23.1-30 R1 PC 12PR
7 CQ66643 DISCO 2 X 18.4-38 R1 PC 10PR AND 15.5-38 R1 6PR PC
CQ33856 DISCO 2 X 18.4-34 R4 PC AERO
8 12H245 ARRUELA DE PRESSAO 6 X
R125475 PINO 6 X 320/90R50 PC
9 R109823 PARAFUSO SEXT. 6 X
10 R41012 RODA 2 X 18.4-38 R1 PC 10PR
J53401 ARO 2 X 18.4-34 R1 PC 10PR; 18.4-34 R4 PC AERO
R34659 ARO 2 X 23.1-30 R1 PC 12PR ; 23.1-30 R2 10PR PC
CQ34080 ARO 2 X 13.6-38 R1 PC 6PR
CQ34081 RODA 2 X 15.5-38 R1 6PR PC
11 14H800 PORCA 16 X
12 L38141 BRACADEIRA 16 X
13 08H4373 PARAFUSO 16 X
14 R111009 PARAFUSO SEXT. 4 X
15 A4883R ANEL DE PRESSAO 8 X
16 J53702 BUCHA 2 X 18.4-34 R4 PC AERO
R124247 SEMI-CASQUILHO 2 X 18.4-38 R1 PC 10PR; 23.1-30 R1 PC 12PR;
23.1-30 R2 10PR PC; 15.5-38 R1 6PR PC
17 R73380 ANEL DE PRESSAO 2 X
18 CQ07843 PNEU 2 X 23.1-30 R1 12PR FL; 23.1-30 R1 PC 12PR
CQ28088 PNEU 2 X 18.4-38 R1 PC 10PR; 18.4-38 R1 FL 10PR
CQ26740 PNEU 2 X 18.4-34 R1 PC 10PR; 18.4-34 R1 FL 10PR
CQ26159 PNEU 2 X 23.1-30 R2 8 LONAS
CQ66250 PNEU 2 X 23.1-30 R2 10PR FL; 23.1-30 R2 10PR PC
CQ25620 PNEU 2 X 13.6-38 R1 PC 6PR
CQ40864 PNEU 2 X 15.5-38 R1 6PR PC
L112367 PNEU 2 X 13.6-46 R2 PC 6PR
TRATOR 6125J (EDICAO SUL-AMERICANA) PC8539P (01-JUL-10) 80-15
PN=435
80-16
CHASSI, EIXO DIANTEIRO, CAPO, ACESSORIOS
CAST REAR (R)
ROUES (R)
HINTERRAEDER (R)
RUOTE (R)
RODAS PARA EIXO PINHAO E CREMALHEIRA (R)
RUEDAS (R)
PUBM1468 -UN-
ESTA RELACAO CONTINUA
80-16 TRATOR 6125J (EDICAO SUL-AMERICANA) PC8539P (01-JUL-10)
PN=436
80-17
CHASSI, EIXO DIANTEIRO, CAPO, ACESSORIOS
6
1
2
5
ITEM NR.PECA DESCRICAO QTDE NR. SERIE J NOTAS
1 CQ07844 CAMARA DE AR, PNEU 2 X WITH 23.1-30 R1 12PR FL; 23.1-30 R1 PC 1
2PR; 23.1-30 R2 10PR FL; 23.1-30 R2 10 PR
PC
R23551 CAMARA DE AR, PNEU 2 X WITH 18.4-38 R1 PC 10PR; 18.4-38 R1 FL 10
PR
RE23542 CAMARA DE AR, PNEU 2 X WITH 18.4-34 R4 PC AERO; 18.4-34 R4 12PR FL
CQ25621 CAMARA DE AR, PNEU 2 X WITH 13.6-38 R1 PC 6PR
CQ25614 CAMARA DE AR, PNEU 2 X WITH 15.5-38 R1 6PR PC
AL39876 CAMARA DE AR, PNEU 2 X WITH 13.6-46 R2 PC 6PR
2 J53262 BRACADEIRA 16 X WITH 18.4-34 R4 PC AERO; 18.4-34 R1 PC 1
0PR; 23.1-30 R1 PC 12PR; 23.1-30 R2 10 PR
PC
3 R34801R PARAFUSO 16 X WITH 18.4-34 R4 PC AERO; 18.4-34 R1 PC 1
0PR; 23.1-30 R1 PC 12PR; 23.1-30 R2 10 PR
PC
4 J55278 PLUGUE 2 X
5 L34029 CUBO 2 X WITH 13.6-46 R2 PC 6PR
6 R73380 ANEL DE PRESSAO 2 X
7 R111010 PORCA 4 X
8 08H4419 PARAFUSO SEXT. 6 X
9 R58303 PARAFUSO SEXT. 6 X
10 AL157374 RODA 2 X WITH 13.6-46 R2 PC 6PR
11 R125475 PINO 6 X
12 DQ46621 RODA 2 X 320/90R50 PC
13 19M7609 PARAFUSO SEXT. 16 X
14 14M7142 PORCA 16 X
15 12M7069 ARRUELA DE PRESSAO 16 X
TRATOR 6125J (EDICAO SUL-AMERICANA) PC8539P (01-JUL-10) 80-17
PN=437
80-18
CHASSI, EIXO DIANTEIRO, CAPO, ACESSORIOS
WEIGHTS
MASSES DE LESTAGE
ZUSATZGEWICHTE
PESI
CONTRAPESOS
CONTRAPESOS
PUBM1490 -UN-
6
1
2
5
ITEM NR.PECA DESCRICAO QTDE NR. SERIE J NOTAS
1 19M7609 PARAFUSO SEXT. 6 X M16 X 90
R81272 PARAFUSO 6 X (USE WITH RE206170)
2 24M7049 ARRUELA 12 X 17.500 X 30 X 3 MM
3 14M7142 PORCA 12 X M16
4 CQ26402 PARAFUSO AR X M16 X 160
5 L28228 PESO 4 X (55KG)
6 CQ27184 ESPACADOR 6 X
R190726 ESPACADOR 6 X (USE WITH RE206170)
80-18 TRATOR 6125J (EDICAO SUL-AMERICANA) PC8539P (01-JUL-10)
PN=438
80-19
CHASSI, EIXO DIANTEIRO, CAPO, ACESSORIOS
WEIGHTS
MASSES DE LESTAGE
ZUSATZGEWICHTE
PESI
CONTRAPESOS
CONTRAPESOS
PUBM1489 -UN-
6
1
2
5
ITEM NR.PECA DESCRICAO QTDE NR. SERIE J NOTAS
1 L28228 PESO 4 X (55KG)
2 CQ26402 PARAFUSO AR X
3 R34801R PARAFUSO 6 X
4 CQ16408 ARRUELA 12 X
5 14H800 PORCA 12 X 5/8"
TRATOR 6125J (EDICAO SUL-AMERICANA) PC8539P (01-JUL-10) 80-19
PN=439
80-20
CHASSI, EIXO DIANTEIRO, CAPO, ACESSORIOS
WEIGHTS
MASSES DE LESTAGE
ZUSATZGEWICHTE
PESI
CONTRA PESOS
CONTRAPESOS
CQ151633 -UN-
6
1
2
5
ITEM NR.PECA DESCRICAO QTDE NR. SERIE J NOTAS
1 19M7343 PARAFUSO SEXT. 6 X M16 X 60
2 L28230 PESO 2 X (38,5KG)
3 24M7049 ARRUELA 12 X
4 14M7142 PORCA 12 X
5 CQ27128 PARAFUSO AR X
6 CQ26402 PARAFUSO AR X
7 L28228 PESO 4 X (55KG)
80-20 TRATOR 6125J (EDICAO SUL-AMERICANA) PC8539P (01-JUL-10)
PN=440
80-21
CHASSI, EIXO DIANTEIRO, CAPO, ACESSORIOS
FWD-AXLE
PONT AVANT
FRONTANTRIEBSACHSE
ASSALE TRAZIONE ANTERIORE
EIXO DE TRACAO DIANTEIRO
EJE DE TRACCION DELANTERA
CQ157147 -UN-
6
1
2
5
ITEM NR.PECA DESCRICAO QTDE NR. SERIE J NOTAS
1 DQ61023 EIXO DIANTEIRO 1 X
TRATOR 6125J (EDICAO SUL-AMERICANA) PC8539P (01-JUL-10) 80-21
PN=441
80-22
CHASSI, EIXO DIANTEIRO, CAPO, ACESSORIOS
FWD, UNIVERSAL JOINTED SHAFT
PONT AVANT - ARBRE DE TRANSMISSION
FRONTANTRIEB, GELENKWELLE
TRAZ. ANTER., ALBERO CARDANICO
CARDA DO EIXO DIANTEIRO
TRACCION DELANTERA, EJE DE TRANSMISION ARTICULADO
PUBM1392 -UN-
6
1
2
5
ITEM NR.PECA DESCRICAO QTDE NR. SERIE J NOTAS
1 DQ36679 TAMBOR DE DESCARGA 1 X
2 CQ43005 COMUTADOR 2 X
3 DQ43003 LUVA 1 X
4 DQ43004 CRUZETA 2 X
5 CQ43006 FLANGE 1 X
6 19M8552 PARAFUSO 4 X M12 X 25
80-22 TRATOR 6125J (EDICAO SUL-AMERICANA) PC8539P (01-JUL-10)
PN=442
80-23
CHASSI, EIXO DIANTEIRO, CAPO, ACESSORIOS
ANTI-WRAP GUARD (MFWD-AXLE WITHOUT TLS)
PONT AVANT NON SUSPENDU (SANS TLS), PROTECTION ANTIENROULEMENT
WICKELSCHUTZ (FRONTANTRIEBSACHSE OHNE TLS)
PROTEZIONE ANTIAVVOLGIMENTO (ASSALE TRAZIONE ANTERIORE SENZA TLS)
PROTECAO (EIXO DIANTEIRO SEM SUSPENSAO)
PROTECCION ANTIENROLLAMIENTO (EJE DE TDM SIN SUSPENSION TLS)
PY014346 -UN-
6
1
2
5
ITEM NR.PECA DESCRICAO QTDE NR. SERIE J NOTAS
1 AL110487 PROTECAO 1 X
2 19M7784 PARAFUSO 2 X M10 X 20
3 L157928 APOIO 1 X
4 19M7288 PARAFUSO SEXT. 2 X M8 X 30
5 19M7864 PARAFUSO 2 X M8 X 12
6 L175783 PROTECAO 1 X
TRATOR 6125J (EDICAO SUL-AMERICANA) PC8539P (01-JUL-10) 80-23
PN=443
80-24
CHASSI, EIXO DIANTEIRO, CAPO, ACESSORIOS
BEVEL GEAR SET, FWD-AXLE
PONT AVANT - JEU DE PIGNONS CONIQUES
KEGELRADSATZ, FRONTANTRIEBSACHSE
GRUPPO INGRANAGGI CONICI, ASSALE TRAZIONE ANTERIORE
ACIONAMENTO DO EIXO DIANTEIRO
CONJUNTO DE ENGRANAJES CONICOS (EJE DE TDM)
PUBM1504 -UN-
ESTA RELACAO CONTINUA
80-24 TRATOR 6125J (EDICAO SUL-AMERICANA) PC8539P (01-JUL-10)
PN=444
80-25
CHASSI, EIXO DIANTEIRO, CAPO, ACESSORIOS
6
1
2
5
ITEM NR.PECA DESCRICAO QTDE NR. SERIE J NOTAS
1 CQ29345 BOCAL 2 X
2 CQ50408 PORCA 1 X
3 CQ50410 ARRUELA 1 X
4 CQ27241 PLUGUE 2 X
5 CQ27990 FLANGE 1 X
6 CQ45134 BUCHA 2 X
7 L100230 PROTECAO 1 X
8 CQ67641 RETENTOR 1 X
9 AL111096 ROLAMENTO 1 X
10 CQ27195 ESPACADOR 1 X TK 11.30MM
CQ27196 ESPACADOR 1 X TK 11.33MM
CQ27197 ESPACADOR 1 X TK 11.36MM
CQ27198 ESPACADOR 1 X TK 11.39MM
CQ27199 ESPACADOR 1 X TK 11.42MM
CQ27200 ESPACADOR 1 X TK 11.45MM
CQ27201 ESPACADOR 1 X TK 11.48MM
CQ27202 ESPACADOR 1 X TK 11.51MM
CQ27203 ESPACADOR 1 X TK 11.54MM
CQ27204 ESPACADOR 1 X TK 11.57MM
CQ27205 ESPACADOR 1 X TK 11.60MM
CQ27206 ESPACADOR 1 X TK 11.63MM
CQ27207 ESPACADOR 1 X TK 11.68MM
CQ27208 ESPACADOR 1 X TK 11.69MM
CQ27209 ESPACADOR 1 X TK 11.72MM
CQ27210 ESPACADOR 1 X TK 11.75MM
CQ27211 ESPACADOR 1 X TK 11.78MM
CQ27212 ESPACADOR 1 X TK 11.81MM
CQ27213 ESPACADOR 1 X TK 11.84MM
CQ27214 ESPACADOR 1 X TK 11.87MM
CQ27215 ESPACADOR 1 X TK 11.90MM
CQ27216 ESPACADOR 1 X TK 11.93MM
CQ27217 ESPACADOR 1 X TK 11.96MM
CQ27218 ESPACADOR 1 X TK 11.99MM
CQ27219 ESPACADOR 1 X TK 12.02MM
CQ27220 ESPACADOR 1 X TK 12.05MM
CQ27221 ESPACADOR 1 X TK 12.08MM
CQ27222 ESPACADOR 1 X TK 12.11MM
CQ27223 ESPACADOR 1 X TK 12.14MM
CQ27224 ESPACADOR 1 X TK 12.17MM
CQ27225 ESPACADOR 1 X TK 12.20MM
CQ27226 ESPACADOR 1 X TK 12.23MM
CQ27227 ESPACADOR 1 X TK 11.15MM
CQ27228 ESPACADOR 1 X TK 11.18MM
CQ27229 ESPACADOR 1 X TK 11.21MM
CQ27230 ESPACADOR 1 X TK 11.24MM
CQ27231 ESPACADOR 1 X TK 11.27MM
TRATOR 6125J (EDICAO SUL-AMERICANA) PC8539P (01-JUL-10) 80-25
PN=445
80-26
CHASSI, EIXO DIANTEIRO, CAPO, ACESSORIOS
BEVEL GEAR SET, FWD-AXLE
PONT AVANT, JEU DE PIGNONS CONIQUES
KEGELRADSATZ, FRONTANTRIEBSACHSE
GRUPPO INGRANAGGI CONICI, ASSALE 4WD
ACIONAMENTO DO EIXO DIANTEIRO
CAJA DE ENGRANAJES CONICOS, EJE DE TDM
PUBM1504 -UN-
ESTA RELACAO CONTINUA
80-26 TRATOR 6125J (EDICAO SUL-AMERICANA) PC8539P (01-JUL-10)
PN=446
80-27
CHASSI, EIXO DIANTEIRO, CAPO, ACESSORIOS
6
1
2
5
ITEM NR.PECA DESCRICAO QTDE NR. SERIE J NOTAS
11 L40272 ESPACADOR 1 X TK 1.2MM
L40982 ARRUELA 1 X
L40983 ARRUELA 1 X TK 1.05MM
L40984 ARRUELA 1 X TK 1.1MM
L40985 ARRUELA 1 X TK 1.15MM
L40987 ARRUELA 1 X TK 1.25MM
L40988 ARRUELA 1 X TK 1.3MM
L40989 ARRUELA 1 X TK 1.35MM
L40990 ARRUELA 1 X TK 1.40MM
L40991 ARRUELA 1 X TK 1.45MM
L40992 ARRUELA 1 X TK 1.5MM
L40993 ARRUELA 1 X TK 1.55MM
L40994 ARRUELA 1 X TK 1.6MM
L40995 ARRUELA 1 X TK 0.9MM
L40996 ARRUELA 1 X TK 0.95MM
L55606 CALCO 1 X TK 0.65MM
L55607 CALCO 1 X TK 0.70MM
L55608 CALCO 1 X TK 0.75MM
L55610 ARRUELA 1 X TK 0.85MM
12 AL79794 ROLAMENTO DE ROLOS CONICOS 1 X
TRATOR 6125J (EDICAO SUL-AMERICANA) PC8539P (01-JUL-10) 80-27
PN=447
80-28
CHASSI, EIXO DIANTEIRO, CAPO, ACESSORIOS
FWD-AXLE, KNUCKLE HOUSING
PONT AVANT, CARTER DE FUSEE
FRONTANTRIEBSACHSE, GELENKGEHAEUSE
CORPO SNODO ASSALE TRAZIONE ANTERIORE
CARCACA DE ARTICULACAO
TRACCION DELANTERA, CAJA DE MANGUETA
PUBM1430 -UN-
ESTA RELACAO CONTINUA
80-28 TRATOR 6125J (EDICAO SUL-AMERICANA) PC8539P (01-JUL-10)
PN=448
80-29
CHASSI, EIXO DIANTEIRO, CAPO, ACESSORIOS
6
1
2
5
ITEM NR.PECA DESCRICAO QTDE NR. SERIE J NOTAS
1 19M8011 PARAFUSO SEXT. 12 X M12 X 30
2 CQ27251 EIXO 4 X
3 CQ50412 ANEL O 4 X
4 L55594 TAMPA DE ROLAMENTO 1 X
5 CQ27250 CONE DE ROLAMENTO 4 X
6 DQ28725 CRUZETA 4 X
7 L40552 CONEXAO DE LUBRIFICACAO 4 X
8 L63127 CALCO 2 X TK 0.2MM
L63128 CALCO 1 X TK 0.3MM
L41006 ARRUELA 1 X TK 0.4MM
L40075 ARRUELA 1 X TK 1.0MM
9 CQ27248 CARCACA 1 X RH
CQ27249 CARCACA 1 X LH
10 CQ64647 PARAFUSO 2 X
11 CQ27298 PORCA 2 X
12 CQ27243 ANEL DE PRESSAO 2 X
13 L60088 BUCHA 2 X
14 CQ27244 RETENTOR 2 X
15 CQ27989 RETENTOR 2 X
16 DQ31200 ARTICULACAO 2 X
17 DQ28542 COMUTADOR 1 X
18 CQ50411 EIXO 2 X
19 CQ50413 COMUTADOR 1 X
20 CQ64112 ANEL DE PRESSAO 16 X
21 DQ28540 COMUTADOR 2 X
22 DQ28539 CONEXAO DE LUBRIFICACAO 4 X
TRATOR 6125J (EDICAO SUL-AMERICANA) PC8539P (01-JUL-10) 80-29
PN=449
80-30
CHASSI, EIXO DIANTEIRO, CAPO, ACESSORIOS
STEERING CYLINDER PARTS
ELEMENTS DU VERIN DE DIRECTION
LENKZYLINDER-EINZELTEILE
GRUPPO CILINDRO STERZO
CILINDRO DA DIRECAO
COMPONENTES-CILINDRO DIRECION
PUBM1436 -UN-
ESTA RELACAO CONTINUA
80-30 TRATOR 6125J (EDICAO SUL-AMERICANA) PC8539P (01-JUL-10)
PN=450
80-31
CHASSI, EIXO DIANTEIRO, CAPO, ACESSORIOS
6
1
2
5
ITEM NR.PECA DESCRICAO QTDE NR. SERIE J NOTAS
1 L40282 ANEL O 1 X
2 L41216 VEDACAO 2 X
3 L41164 VEDACAO 2 X
4 CQ64250 GUIA 1 X
5 L53888 ANEL O 1 X LAN641 75X81X3
L40283 ANEL O 1 X LAN461 76X82X3
6 L40071 CAMISA DO CIL HIDR 1 X
7 DQ67132 BARRA DE DIRECAO 2 X
8 L41171 CALCO 1 X TK 0.5MM
L41172 CALCO 1 X TK 0.6MM
L41173 CALCO 1 X TK 0.7MM
L41174 CALCO 1 X TK 0.8MM
L41175 CALCO 1 X TK 0.9MM
9 CQ64251 GUIA 1 X
10 19M8122 PARAFUSO SEXT. 5 X M12 X 85
11 DQ64254 VEDACAO 1 X
12 CQ64253 GUIA DO PISTAO CIL HIDR 4 X
13 CQ27307 TIRANTE 1 X
14 CQ27308 ANEL DE PRESSAO 1 X
15 L40005 ARRUELA 1 X
16 L40205 ANEL 2 X
17 L40284 ANEL O 1 X
18 CQ64249 PISTAO 1 X
19 CQ64252 GUIA DO PISTAO CIL HIDR 2 X
20 DQ64254 VEDACAO 1 X
21 DQ67133 TERMINAL DA BARRA DE DIRECA 2 X
22 DQ67134 TERMINAL DA BARRA DE DIRECA 2 X
23 14M5409 PORCA 2 X M20
24 CQ64111 PORCA 1 X
TRATOR 6125J (EDICAO SUL-AMERICANA) PC8539P (01-JUL-10) 80-31
PN=451
80-32
CHASSI, EIXO DIANTEIRO, CAPO, ACESSORIOS
MULTIPLE DISK SELF-LOCK. DIFFERENTIAL, FWD-AXLE
PONT AVANT MOTEUR - DIFFERENTIEL A BLOCAGE MULTIDISQUE
LAMELLENSPERRDIFFERENTIAL, FRONTANTRIEBSACHSE
ASSALE TRAZIONE ANTERIORE, DIFFERENZ. A BLOCCAGGIO
DIFERENCIAL E CARCACA DO EIXO DIANTEIRO
EJE DE TDM, DIFERENCIAL DE BLOQUE MULTIDISCO
PUBM1386 -UN-
ESTA RELACAO CONTINUA
80-32 TRATOR 6125J (EDICAO SUL-AMERICANA) PC8539P (01-JUL-10)
PN=452
80-33
CHASSI, EIXO DIANTEIRO, CAPO, ACESSORIOS
6
1
2
5
ITEM NR.PECA DESCRICAO QTDE NR. SERIE J NOTAS
1 CQ29344 CHAPA 2 X
2 CQ27245 RETENTOR 2 X
3 CQ27246 ANEL DE PRESSAO 2 X
4 CQ27244 RETENTOR 1 X
5 L60088 BUCHA 2 X
6 19M7174 PARAFUSO SEXT. 30 X M16 X 50
7 L40274 ARRUELA 30 X
8 CQ29345 BOCAL 2 X
9 L40273 ANEL O 1 X
10 L40272 ESPACADOR 1 X TK 1.2MM
L40982 ARRUELA 1 X
L40983 ARRUELA 1 X TK 1.05MM
L40984 ARRUELA 1 X TK 1.1MM
L40985 ARRUELA 1 X TK 1.15MM
L40987 ARRUELA 1 X TK 1.25MM
L40988 ARRUELA 1 X TK 1.3MM
L40989 ARRUELA 1 X TK 1.35MM
L40990 ARRUELA 1 X TK 1.40MM
L40991 ARRUELA 1 X TK 1.45MM
L40992 ARRUELA 1 X TK 1.5MM
L40993 ARRUELA 1 X TK 1.55MM
L40994 ARRUELA 1 X TK 1.6MM
L40995 ARRUELA 1 X TK 0.9MM
L40996 ARRUELA 1 X TK 0.95MM
L55606 CALCO 1 X TK 0.65MM
L55607 CALCO 1 X TK 0.70MM
L55608 CALCO 1 X TK 0.75MM
L55610 ARRUELA 1 X TK 0.85MM
11 JD37087 ROLAMENTO DE ROLOS CONICOS 2 X
12 34M7135 PINO ELASTICO 4 X
13 DQ27253 COROA E PINHAO 1 X
14 AL38020 DIFERENCIAL 1 X
15 L40003 DISCO COM ESTRIADO INTERNO 8 X
16 CQ27730 DISCO COM ESTRIADO EXTERNO AR X TK 1.2MM
L35577 DISCO COM ESTRIADO EXTERNO AR X TK 1.3MM
L62420 DISCO COM ESTRIADO EXTERNO AR X TK 1.4MM
17 L40130 DISCO COM ESTRIADO INTERNO 2 X TK 3.2MM
18 CQ27234 ENGRENAGEM DE CORRENTE 2 X
19 L39983 EIXO COM DIFERENCIAL 2 X
20 L101698 COROA 4 X
21 L40253 ARRUELA 4 X
22 L40254 SETOR 4 X
23 19M8119 PARAFUSO 12 X M12 X 130
25 AL32877 RESPIRO 1 X
L204993 PORCA DE SEGURANCA 2 X TK 17 MM
26 19M7921 PARAFUSO SEXT. 1 X M20 X 150
27 L78006 ESPACADOR 2 X
28 A31870 PORCA DE SEGURANCA AR X
29 L114874 PINO FIXADOR 2 X
30 19M7907 PARAFUSO 1 X M20 X 140
31 CQ45134 BUCHA 2 X
32 L80423 ARRUELA 1 X
33 L41005 CALCO 2 X TK 0.1MM
L41004 CALCO 1 X TK 0.2MM
L41003 CALCO 1 X TK 0.3MM
L101689 CALCO 1 X TK 0.45MM
L41001 CALCO 1 X TK 0.5MM
L41000 CALCO 1 X TK 0.6MM
L112212 ARRUELA 1 X TK 0.7MM
L40999 ARRUELA 1 X TK 0.8MM
L112214 ARRUELA 1 X TK 0.85MM
L112215 ARRUELA 1 X TK 0.9MM
L40998 ARRUELA 1 X TK 1.0MM
L112217 ARRUELA 1 X TK 1.1MM
L112218 ARRUELA 1 X TK 1.15MM
TRATOR 6125J (EDICAO SUL-AMERICANA) PC8539P (01-JUL-10) 80-33
PN=453
80-34
CHASSI, EIXO DIANTEIRO, CAPO, ACESSORIOS
FWD-AXLE, HOUSING
CARTER DE PONT AVANT
FRONTANTRIEBSACHSE, GEHAEUSE
ASSALE TRAZIONE ANTERIORE, SCATOLA
CARCACA DO EIXO DIANTEIRO
CAJA DEL EJE DE TDM
PUBM0952 -UN-
ESTA RELACAO CONTINUA
80-34 TRATOR 6125J (EDICAO SUL-AMERICANA) PC8539P (01-JUL-10)
PN=454
80-35
CHASSI, EIXO DIANTEIRO, CAPO, ACESSORIOS
6
1
2
5
ITEM NR.PECA DESCRICAO QTDE NR. SERIE J NOTAS
1 CQ64245 PONTE 1 X LH
2 19M7174 PARAFUSO SEXT. 30 X M16 X 50
3 L40274 ARRUELA 30 X
4 L40273 ANEL O 2 X
5 CQ64247 CARCACA 1 X
6 CQ29345 BOCAL 2 X
7 CQ45134 BUCHA 2 X
8 CQ64246 PONTE 1 X RH
9 AL32877 RESPIRO 1 X
10 CQ27241 PLUGUE 2 X
TRATOR 6125J (EDICAO SUL-AMERICANA) PC8539P (01-JUL-10) 80-35
PN=455
80-36
CHASSI, EIXO DIANTEIRO, CAPO, ACESSORIOS
FWD-AXLE, KNUCKLE HOUSING
PONT AVANT, CARTER DE FUSEE
FRONTANTRIEBSACHSE, GELENKGEHAEUSE
CORPO SNODO ASSALE TRAZIONE ANTERIORE
CARCACA DA ARTICULACAO E PLANETARIA
TRACCION DELANTERA, CAJA DE MANGUETA
PUBM1434 -UN-
ESTA RELACAO CONTINUA
80-36 TRATOR 6125J (EDICAO SUL-AMERICANA) PC8539P (01-JUL-10)
PN=456
80-37
CHASSI, EIXO DIANTEIRO, CAPO, ACESSORIOS
6
1
2
5
ITEM NR.PECA DESCRICAO QTDE NR. SERIE J NOTAS
1 CQ64114 PARAFUSO 4 X
2 CQ27242 PLUGUE 2 X
3 DQ20973 PORCA COM FLANGE 16 X
4 CQ72046 PORTA-PLANETARIOS 2 X
5 L39997 ARRUELA 1 X TK 1.5MM
L55602 ARRUELA 1 X TK 1.7MM
L40121 ARRUELA 1 X TK 2.0MM
L55603 ARRUELA 1 X TK 2.2MM
L41008 ARRUELA 1 X TK 2.5MM
CQ27305 ARRUELA 1 X TK 2.7MM
L41170 ARRUELA 1 X TK 3.0MM
6 CQ29407 ANEL 2 X
7 CQ27302 EIXO 2 X
8 CQ29406 ARRUELA DE ENCOSTO 2 X
9 T82565 ARRUELA DE ENCOSTO 2 X
10 T116822 PORCA 2 X
11 19M7902 PARAFUSO 4 X M8 X 16
12 T116827 ARRUELA 4 X
13 40M4624 ANEL DE PRESSAO 8 X
14 L41159 ANEL DE PRESSAO 16 X
15 JD10250 CILAMENTO ROLO CILINDRICO 8 X
16 CQ29408 ENGRENAGEM DE CORRENTE 8 X
17 AL200971 VEDACAO 2 X
18 CQ27301 COROA 2 X
19 JD10249 ROLAMENTO DE ROLOS CONICOS 4 X
20 L40281 ANEL O 2 X
21 L41928 CUBO 2 X
22 CQ49408 PARAFUSO 16 X
23 CQ27271 ESPACADOR 1 X TK 14.089MM
CQ27272 ESPACADOR 1 X TK 14.414MM
CQ27273 ESPACADOR 1 X TK 14.139MM
CQ27274 ESPACADOR 1 X TK 14.164MM
CQ27275 ESPACADOR 1 X TK 14.189MM
CQ27276 ESPACADOR 1 X TK 14.214MM
CQ27277 ESPACADOR 1 X TK 14.239MM
CQ27278 ESPACADOR 1 X TK 14.264MM
CQ27279 ESPACADOR 1 X TK 14.289MM
CQ27280 ESPACADOR 1 X TK 14.314MM
CQ27281 ESPACADOR 1 X TK 14.339MM
CQ27282 ESPACADOR 1 X TK 14.364MM
CQ27283 ESPACADOR 1 X TK 14.389MM
CQ27284 ESPACADOR 1 X TK 14.414MM
CQ27285 ESPACADOR 1 X TK 14.439MM
CQ27286 ESPACADOR 1 X TK 14.464MM
CQ27287 ESPACADOR 1 X TK 14.489MM
CQ27288 ESPACADOR 1 X TK 14.514MM
CQ27289 ESPACADOR 1 X TK 14.539MM
CQ27290 ESPACADOR 1 X TK 14.564MM
CQ27291 ESPACADOR 1 X TK 14.589MM
CQ27292 ESPACADOR 1 X TK 14.619MM
CQ27293 ESPACADOR 1 X TK 14.639MM
CQ27294 ESPACADOR 1 X TK 14.664MM
CQ27295 ESPACADOR 1 X TK 14.689MM
CQ27296 ESPACADOR 1 X TK 14.714MM
TRATOR 6125J (EDICAO SUL-AMERICANA) PC8539P (01-JUL-10) 80-37
PN=457
80-38
CHASSI, EIXO DIANTEIRO, CAPO, ACESSORIOS
DRAWBAR SUPPORT
SUPPORT BARRE D’ATTELAGE
STUETZE FUER ZUGPENDEL
SUPPORTO DELLA BARRA DI TRAINO
SUPORTE DA BARRA DE TRACAO
SOPORTE PARA BARRA DE TIRO OSCILANTE
PUBM1493 -UN-
6
1
2
5
ITEM NR.PECA DESCRICAO QTDE NR. SERIE J NOTAS
1 L18955 PINO DE ENGATE RAPIDO 2 X
2 L37226 SUPORTE 1 X
3 19M7720 PARAFUSO SEXT. 4 X M16 X 80
4 L76895 ESPACADOR 1 X
5 L101177 ESPACADOR 2 X
6 19M7845 PARAFUSO 4 X M16 X 90
7 L77331 BUCHA 2 X
8 L60404 PINO FIXADOR 2 X
9 R95612 BUCHA 1 X
80-38 TRATOR 6125J (EDICAO SUL-AMERICANA) PC8539P (01-JUL-10)
PN=458
80-39
CHASSI, EIXO DIANTEIRO, CAPO, ACESSORIOS
DRAWBAR
BARRE D’ATTELAGE OSCILLANTE
ZUGPENDEL
BARRA TRAINO ORIENTABILE
BARRA DE TRACAO
BARRA DE TIRO OSCILANTE
PUBM1495 -UN-
6
1
2
5
ITEM NR.PECA DESCRICAO QTDE NR. SERIE J NOTAS
1 DQ34064 PINO 1 X LGTH = 247.5MM
DQ34065 PINO 1 X LGTH = 174.5MM
2 CQ31233 PINO ELASTICO 1 X 12X90
3 L114953 BARRA DE TRACAO 1 X LGTH = 1145MM
L203949 BARRA DE TRACAO 1 X LGTH = 995MM
4 CQ31202 PARAFUSO SEXT. 1 X M18 X 150
5 CQ31207 PARAFUSO SEXT. 1 X
6 L79894 TIRA 1 X
7 L78501 TIRA 1 X
8 CQ31201 PORCA 1 X M18X2.5
9 14M7276 PORCA 2 X M16
10 CQ27851 SUPORTE 1 X
11 L79149 MOLA 1 X
12 24M7318 ARRUELA 1 X
13 14M7260 PORCA 1 X M16
14 L37225 PINO FIXADOR 1 X
15 L37224 ADAPTADOR 1 X
16 CQ33966 PINO 1 X LGTH = 247.5MM
CQ33967 PINO 1 X LGTH = 174.5MM
TRATOR 6125J (EDICAO SUL-AMERICANA) PC8539P (01-JUL-10) 80-39
PN=459
80-40
CHASSI, EIXO DIANTEIRO, CAPO, ACESSORIOS
TOOL BOX
BOITE A OUTILS
WERKZEUGKASTEN
CASSETTA DEGLI ATTREZZI
CAIXA DE FERRAMENTAS
CAJA DE HERRAMIENTAS
CQ155661 -UN-
6
1
2
5
ITEM NR.PECA DESCRICAO QTDE NR. SERIE J NOTAS
1 AL203642 CAIXA DE FERRAMENTAS 1 X
2 DQ64777 FERRAMENTA 2 X
3 DQ04397 FECHADURA 1 X
4 DQ64776 CONJUNTO DE CHAVES 2 X
80-40 TRATOR 6125J (EDICAO SUL-AMERICANA) PC8539P (01-JUL-10)
PN=460
80-41
CHASSI, EIXO DIANTEIRO, CAPO, ACESSORIOS
TOOL BOX
BOITE A OUTILS
WERKZEUGKASTEN
CASSETTA DEGLI ATTREZZI
CAIXA DE FERRAMENTAS
CAJA DE HERRAMIENTAS
CQ155924 -UN-
6
1
2
5
ITEM NR.PECA DESCRICAO QTDE NR. SERIE J NOTAS
1 19M7169 PARAFUSO SEXT. 2 X M10 X 35
2 24M7101 ARRUELA 2 X 11 X 34 X 3 MM
3 12M7066 ARRUELA DE PRESSAO 2 X 10 MM
4 14M7140 PORCA 2 X M10
5 DQ33766 SUPORTE 1 X
6 14M7029 PORCA 2 X M8
7 12M7065 ARRUELA DE PRESSAO 2 X 8 MM
8 24M7207 ARRUELA 2 X 8.400 X 24 X 2 MM
9 19M7139 PARAFUSO SEXT. 2 X M8 X 20
TRATOR 6125J (EDICAO SUL-AMERICANA) PC8539P (01-JUL-10) 80-41
PN=461
80-42
CHASSI, EIXO DIANTEIRO, CAPO, ACESSORIOS
PLASTIC PLUG AND TIE BANDS
BOUCHON EN PLASTIQUE ET COLLIERS
PLASTIK-STOPFEN UND SPANNBAENDER
TAPPO IN PLASTICA E FASCETTE DI RITEGNO
PLUGS DE PLASTICO E ABRACADEIRAS
TAPON DE PLASTICO Y TIRAS DE RETENCION
PUBM1383 -UN-
6
1
2
5
ITEM NR.PECA DESCRICAO QTDE NR. SERIE J NOTAS
1 99M7043 PLUGUE AR X OD 7.0MM
99M7016 PLUGUE AR X OD 9.0MM
99M7015 PLUGUE AR X OD 11.0MM
99M7095 PLUGUE AR X OD 13.0MM
99M7009 PLUGUE AR X OD 14.5MM
99M7032 PLUGUE AR X OD 15.5MM
99M7057 PLUGUE AR X OD 18.0MM
99M7115 PLUGUE AR X OD 22.4MM
99M7130 PLUGUE AR X OD 29.0MM
CQ47666 PLUGUE AR X OD 30.0MM
99M7098 PLUGUE AR X OD 6,0MM
99M7056 PLUGUE AR X OD 31.8MM
2 R44302 CINTA AR X LGTH 190MM
H77698 CINTA AR X LGTH 360MM
L41858 CINTA AR X LGHT 360MM
CQ03768 BRACADEIRA AR X LGHT 230MM
CQ28556 BRACADEIRA AR X
80-42 TRATOR 6125J (EDICAO SUL-AMERICANA) PC8539P (01-JUL-10)
PN=462
80-43
CHASSI, EIXO DIANTEIRO, CAPO, ACESSORIOS
MEMORANDA
MEMORANDA
MEMORANDA
MEMORANDA
MEMORANDA
MEMORANDA
TRATOR 6125J (EDICAO SUL-AMERICANA) PC8539P (01-JUL-10) 80-43
PN=463
80-44
CHASSI, EIXO DIANTEIRO, CAPO, ACESSORIOS
ACCESSORY PARTS
ACCESSOIRES
ZUBEHOERTEILE
ACCESSORI
ACESSORIOS
ACCESORIOS
PUBM1160 -UN-
ESTA RELACAO CONTINUA
80-44 TRATOR 6125J (EDICAO SUL-AMERICANA) PC8539P (01-JUL-10)
PN=464
80-45
CHASSI, EIXO DIANTEIRO, CAPO, ACESSORIOS
6
1
2
5
ITEM NR.PECA DESCRICAO QTDE NR. SERIE J NOTAS
1 L64500 SELANTE 1 X LOCTITE 574, 50CCM
2 L102616 SELANTE 1 X TEROSTAT 935,310CCM, BLACK, NOIR
3 R46727 SELANTE 1 X 6000MM
L152148 FITA 1 X
TRATOR 6125J (EDICAO SUL-AMERICANA) PC8539P (01-JUL-10) 80-45
PN=465
80-46
CHASSI, EIXO DIANTEIRO, CAPO, ACESSORIOS
TRADEMARK, DECALS
MARQUE, AUTOCOLLANTS
FIRMENZEICHEN, AUFKLEBER
MARCHIO COMMERCIALE, ETICHETTE
DECALCOS
MARCA REGISTRADA, ADHESIVOS
PUBM1471 -UN-
6
1
2
5
ITEM NR.PECA DESCRICAO QTDE NR. SERIE J NOTAS
1 L170998 ETIQUETA 1 X RH
2 L170997 ETIQUETA 1 X LH
3 L205762 ETIQUETA 1 X 6125J RH
L205763 ETIQUETA 1 X 6125J LH
4 L64996 ETIQUETA 1 X
5 CC40740 ETIQUETA 1 X
6 H151673 ETIQUETA 1 X
7 L115158 ETIQUETA 1 X
80-46 TRATOR 6125J (EDICAO SUL-AMERICANA) PC8539P (01-JUL-10)
PN=466
80-47
CHASSI, EIXO DIANTEIRO, CAPO, ACESSORIOS
FRONT FENDERS
AILES AVANT
KOTFLUEGEL VORN
PARAFANGHI ANTERIORI
PARALAMAS DIANTEIROS
GUARDABARROS DELANTEROS
LX001909 -UN-
6
1
2
5
ITEM NR.PECA DESCRICAO QTDE NR. SERIE J NOTAS
1 L165957 BASE 2 X
2 19M8653 PARAFUSO 8 X M16 X 35
3 L114160 APOIO 1 X RH
L114159 APOIO 1 X LH
4 19M7791 PARAFUSO 4 X M12 X 40
5 AL69320 SUPORTE 1 X RH
AL69331 SUPORTE 1 X LH
6 19M7790 PARAFUSO 6 X M12 X 35
7 MN10384 PARA-LAMA 2 X
8 L27099 TIRA 6 X
9 03M7264 PARAFUSO 12 X M10 X 25
10 14M7296 PORCA COM FLANGE 12 X M10
TRATOR 6125J (EDICAO SUL-AMERICANA) PC8539P (01-JUL-10) 80-47
PN=467
80-48
CHASSI, EIXO DIANTEIRO, CAPO, ACESSORIOS
MEMORANDA
MEMORANDA
MEMORANDA
MEMORANDA
MEMORANDA
MEMORANDA
80-48 TRATOR 6125J (EDICAO SUL-AMERICANA) PC8539P (01-JUL-10)
PN=468
92-A01
PLATAFORMA DO OPERADOR
XXXXXXXXXXXXXXXXXXXXXXXXXXXXXXXXXXXXXXXXXXXXXXXX SECTIONAL INDEX
XXXXXXXXXXXXXXXXXXXXXXXXXXXXXXXXXXXXXXXXXXXXXXXX INDEX DE SECTION
XXXXXXXXXXXXXXXXXXXXXXXXXXXXXXXXXXXXXXXXXXXXXXXX GRUPPENINDEX
XXXXXXXXXXXXXXXXXXXXXXXXXXXXXXXXXXXXXXXXXXXXXXXX INDICE DELLA SEZIONE
XXXXXXXXXXXXXXXXXXXXXXXXXXXXXXXXXXXXXXXXXXXXXXXX INDICE DE GRUPO
XXXXXXXXXXXXXXXXXXXXXXXXXXXXXXXXXXXXXXXXXXXXXXXX INDICE DE GRUPOS
PUBM1459 -UN-
1- 2
2- 4
3- 6
5- 10
7- 12
14- 26
15- 28
24- 46
25- 48
TRATOR 6125J (EDICAO SUL-AMERICANA) PC8539P (01-JUL-10) 92-A01
PN=469
92-A02
PLATAFORMA DO OPERADOR
XXXXXXXXXXXXXXXXXXXXXXXXXXXXXXXXXXXXXXXXXXXXXXXX SECTIONAL INDEX
XXXXXXXXXXXXXXXXXXXXXXXXXXXXXXXXXXXXXXXXXXXXXXXX INDEX DE SECTION
XXXXXXXXXXXXXXXXXXXXXXXXXXXXXXXXXXXXXXXXXXXXXXXX GRUPPENINDEX
XXXXXXXXXXXXXXXXXXXXXXXXXXXXXXXXXXXXXXXXXXXXXXXX INDICE DELLA SEZIONE
XXXXXXXXXXXXXXXXXXXXXXXXXXXXXXXXXXXXXXXXXXXXXXXX INDICE DE GRUPO
XXXXXXXXXXXXXXXXXXXXXXXXXXXXXXXXXXXXXXXXXXXXXXXX INDICE DE GRUPOS
PUBM1460 -UN-
6- 11
8- 14
9- 16
16- 30
17- 32
18- 34
92-A02 TRATOR 6125J (EDICAO SUL-AMERICANA) PC8539P (01-JUL-10)
PN=470
92-A03
PLATAFORMA DO OPERADOR
XXXXXXXXXXXXXXXXXXXXXXXXXXXXXXXXXXXXXXXXXXXXXXXX SECTIONAL INDEX
XXXXXXXXXXXXXXXXXXXXXXXXXXXXXXXXXXXXXXXXXXXXXXXX INDEX DE SECTION
XXXXXXXXXXXXXXXXXXXXXXXXXXXXXXXXXXXXXXXXXXXXXXXX GRUPPENINDEX
XXXXXXXXXXXXXXXXXXXXXXXXXXXXXXXXXXXXXXXXXXXXXXXX INDICE DELLA SEZIONE
XXXXXXXXXXXXXXXXXXXXXXXXXXXXXXXXXXXXXXXXXXXXXXXX INDICE DE GRUPO
XXXXXXXXXXXXXXXXXXXXXXXXXXXXXXXXXXXXXXXXXXXXXXXX INDICE DE GRUPOS
PUBM1461 -UN-
4- 8
10- 18
11- 20
12- 22
13- 24
19- 36
20- 38
21- 40
22- 42
23- 44
TRATOR 6125J (EDICAO SUL-AMERICANA) PC8539P (01-JUL-10) 92-A03
PN=471
92-2
PLATAFORMA DO OPERADOR
CAB FRAME
CADRE CABINE
KABINENRAHMEN
TELAIO CABINA
ESTRURA DA PLATAFORMA DO OPERADOR
BASTIDOR CABINA
PUBM1146 -UN-
ESTA RELACAO CONTINUA
92-2 TRATOR 6125J (EDICAO SUL-AMERICANA) PC8539P (01-JUL-10)
PN=472
92-3
PLATAFORMA DO OPERADOR
6
1
2
NR. SERIE 5
ITEM NR.PECA DESCRICAO QTDE TRATOR J NOTAS
1 DQ58302 ESTRUTURA 1 X (CAB)
DQ63188 ESTRUTURA DA CABINE 1 X (CAB WITH DOOR RH SIDE)
2 DQ58301 ESTRUTURA 1 X (EPCC)
3 DQ53462 MOLDURA 1 X LH
4 DQ53463 MOLDURA 1 X RH
5 19M7560 PARAFUSO SEXT. 12 X M6 X 16
19M7077 PARAFUSO SEXT. AR X M6 X 20
6 24M7139 ARRUELA 12 X 6.400 X 18 X 1.600 MM
7 14M7165 PORCA DE SEGURANCA 2 X M6
8 Z30233 CAPA 2 X
TRATOR 6125J (EDICAO SUL-AMERICANA) PC8539P (01-JUL-10) 92-3
PN=473
92-4
PLATAFORMA DO OPERADOR
SUSPENSION FOR CAB
PALIERS POUR CABINE
LAGERUNG FUER KABINE
SOSPENSIONI PER CABINA
SUSPENSAO DA PLATAFORMA DO OPERADOR
SOPORTES DE LA CABINA
PUBM1511 -UN-
ESTA RELACAO CONTINUA
92-4 TRATOR 6125J (EDICAO SUL-AMERICANA) PC8539P (01-JUL-10)
PN=474
92-5
PLATAFORMA DO OPERADOR
6
1
2
5
ITEM NR.PECA DESCRICAO QTDE NR. SERIE J NOTAS
1 DQ52327 APOIO 1 X LH
DQ52288 APOIO 1 X RH
2 DQ52378 SUPORTE 1 X LH
DQ58542 SUPORTE 1 X RH
3 24M7051 ARRUELA 1 X
4 19M8035 PARAFUSO SEXT. 4 X M16 X 35
5 14M7410 PORCA DE SEGURANCA 1 X M20
6 24M7053 ARRUELA 10 X
7 19M7969 PARAFUSO SEXT. 4 X M20 X 110
8 R111173 ISOLADOR 4 X
9 CQ27171 ESPACADOR 4 X
10 R66375 ISOLADOR 4 X
11 CQ34905 ARRUELA 8 X 20 X 76 X 8 MM
12 14M7291 PORCA COM FLANGE 4 X M16
TRATOR 6125J (EDICAO SUL-AMERICANA) PC8539P (01-JUL-10) 92-5
PN=475
92-6
PLATAFORMA DO OPERADOR
CONTROL SUPPORT
SUPPORT TABLEAU DE BORD
ARMATURENWANDTRAEGER
SUPPORTO CRUSCOTTO
SUPORTE DO PAINEL
SOPORTE SALPICADERO
PUBM1069 -UN-
6
1
2
5
ITEM NR.PECA DESCRICAO QTDE NR. SERIE J NOTAS
1 DQ61096 CONSOLE 1 X CABINE
DQ61097 CONSOLE 1 X EPCC
2 AL159914 SUPORTE 1 X
3 L154335 CAPA 1 X
4 L157372 PARAFUSO 4 X
5 19M7560 PARAFUSO SEXT. 4 X (FOR DQ61096)
37M7131 PARAFUSO 4 X (FOR DQ61097)
6 24M7139 ARRUELA 4 X (USE WITH 19M7560)
24M7309 ARRUELA 4 X
7 37M7059 PARAFUSO 2 X
8 ........ VEDACAO DE ACABAMENTO 1 X LGTH=470MM (18-33/64") (MF R46727)
9 ........ VEDACAO 2 X (MF L152250)
10 19M7166 PARAFUSO SEXT. 4 X M10 X 20
11 L154379 APOIO 2 X
12 L154378 APOIO 1 X
13 ........ VEDACAO 1 X (MF L59748)
14 DQ68471 APOIO 1 X (EPCC)
15 99M7130 PLUGUE 1 X
.. L59748 VEDACAO 1 X LGTH 1000MM
.. L152250 VEDACAO 1 X LGTH 22000MM
.. R46727 SELANTE 1 X LGTH 6000MM
.. DT5538 ADESIVO 1 X
92-6 TRATOR 6125J (EDICAO SUL-AMERICANA) PC8539P (01-JUL-10)
PN=476
92-7
PLATAFORMA DO OPERADOR
MEMORANDA
MEMORANDA
MEMORANDA
MEMORANDA
MEMORANDA
MEMORANDA
TRATOR 6125J (EDICAO SUL-AMERICANA) PC8539P (01-JUL-10) 92-7
PN=477
92-8
PLATAFORMA DO OPERADOR
TRIM COMPONENTS (FOR REAR OF CAB)
ELEMENTS D’HABILLAGE (POUR L’ARRIERE DE LA CABINE)
VERKLEIDUNGSTEILE (KABINE HINTEN)
COMPONENTI DI FINITURA (PER LATO POSTERIORE CABINA)
PECAS DE REVESTIMENTO (PARTE TRASEIRA)
COMPONENTES DE REVESTIMIENTO (PARTE TRASERA DE LA CABINA)
PUBM0388 -UN-
ESTA RELACAO CONTINUA
92-8 TRATOR 6125J (EDICAO SUL-AMERICANA) PC8539P (01-JUL-10)
PN=478
92-9
PLATAFORMA DO OPERADOR
6
1
2
5
ITEM NR.PECA DESCRICAO QTDE NR. SERIE J NOTAS
1 AL117641 PAINEL 1 X
2 L153769 BRACADEIRA 3 X
3 L59748 VEDACAO 1 X LGTH 3M
4 37M7240 PARAFUSO 2 X
5 24M7298 ARRUELA 6 X
6 19M7162 PARAFUSO SEXT. 6 X M8 X 16
7 L76331 PASSADOR 2 X
8 DT5470 VEDACAO AR X
9 DT5472 VEDACAO AR X
10 R54477 REBITE 2 X
11 R111570 ENGATE 1 X
12 L154067 PORCA DE PRESSAO 2 X
13 L153759 CAPA 1 X
14 AL155749 PROTECAO 1 X
15 24M7146 ARRUELA 6 X
16 37M7179 PARAFUSO 6 X
17 L76767 ISOLANTE 1 X
TRATOR 6125J (EDICAO SUL-AMERICANA) PC8539P (01-JUL-10) 92-9
PN=479
92-10
PLATAFORMA DO OPERADOR
REAR FENDER UPHOLSTERY
HABILLAGE D’AILE
KOTFLUEGELVERKLEIDUNG HINTEN
RIVESTIMENTO PARAFANGO
REVESTIMENTO DO PARALAMA
REVESTIMIENTO DEL GUARDABARROS
PUBM1158 -UN-
6
1
2
5
ITEM NR.PECA DESCRICAO QTDE NR. SERIE J NOTAS
1 CQ58168 ISOLAMENTO ACUSTICO 1 X CAB
L155008 ISOLAMENTO ACUSTICO 1 X WITH DOOR RH SIDE
2 L40924 PORCA 6 X
3 L151554 ISOLAMENTO ACUSTICO 1 X
4 L152519 MOLDURA 1 X
5 L56021 APOIO 5 X
6 L39860 TIRA 5 X
7 AL180301 ISOLAMENTO ACUSTICO 1 X
8 L152254 VEDACAO 1 X
9 DY8313 APOIO 1 X
10 L151718 TAMPA 1 X
92-10 TRATOR 6125J (EDICAO SUL-AMERICANA) PC8539P (01-JUL-10)
PN=480
92-11
PLATAFORMA DO OPERADOR
UPHOLSTERY, UPPER (CAB REAR)
HABILLAGE, PARTIE SUPERIEURE (ARRIERE CABINE)
POLSTERUNG, OBEN (KABINE HINTEN)
RIVESTIMENTO SUPERIORE (RETRO CABINA)
REVESTIMENTO TRASEIRO DA CABINE (INTERNO)
REVESTIMIENTO PARTE SUPERIOR (POSTERIOR CABINA)
PUBM1159 -UN-
6
1
2
5
ITEM NR.PECA DESCRICAO QTDE NR. SERIE J NOTAS
1 L154428 REVESTIMENTO, BLINDAGEM 1 X
2 L100380 PARAFUSO 2 X
3 L151614 ISOLAMENTO ACUSTICO 1 X
4 37M7291 PARAFUSO 2 X
5 DT5470 VEDACAO AR X
.. L165428 ADESIVO 1 X
TRATOR 6125J (EDICAO SUL-AMERICANA) PC8539P (01-JUL-10) 92-11
PN=481
92-12
PLATAFORMA DO OPERADOR
POST UPHOLSTERY
HABILLAGE DES MONTANTS
PFOSTENVERKLEIDUNG
RIVESTIMENTO MONTANTE
REVESTIMENTO INTERNO
REVESTIMIENTO DEL POSTE
PUBM1374 -UN-
ESTA RELACAO CONTINUA
92-12 TRATOR 6125J (EDICAO SUL-AMERICANA) PC8539P (01-JUL-10)
PN=482
92-13
PLATAFORMA DO OPERADOR
6
1
2
NR. SERIE 5
ITEM NR.PECA DESCRICAO QTDE TRATOR J NOTAS
1 AL163809 ISOLAMENTO ACUSTICO 1 X FRONT, LH,
2 L157547 ISOLAMENTO ACUSTICO 1 X (A) FRONT, RH
3 L157732 PAINEL 1 X LH
4 L158434 ISOLAMENTO ACUSTICO 1 X REAR, RH
5 L159241 ISOLAMENTO ACUSTICO 1 X REAR, LH
6 L152652 PAINEL 1 X RH
7 L151569 PLUGUE 2 X
8 L151570 PLUGUE 5 X
(A) WITH GSD DISPLAY
AVEC CONSOLE GREENSTAR
BEI GSD MONITOR ANBAU
CON DISPLAY GSD
COM MOSTRADOR GSD
CON PANTALLA GREENSTAR
TRATOR 6125J (EDICAO SUL-AMERICANA) PC8539P (01-JUL-10) 92-13
PN=483
92-14
PLATAFORMA DO OPERADOR
FLOOR PLATES
TOLES DE SOL
BODENBLECHE
PIASTRE DI PAVIMENTO
PISO DA CABINE
CHAPAS DEL SUELO
PUBM1372 -UN-
6
1
2
5
ITEM NR.PECA DESCRICAO QTDE NR. SERIE J NOTAS
1 L79125 PASSADOR 1 X
2 L157372 PARAFUSO AR X
3 CQ52392 PISO 1 X
4 L62810 VEDACAO 1 X
5 L150424 CAPA 1 X
6 L154991 CAPA 1 X
7 R46727 SELANTE AR X
8 19M7560 PARAFUSO SEXT. AR X M6 X 16
9 24M7139 ARRUELA AR X
10 DT5471 VEDACAO AR X
11 DQ53525 PLACA 1 X
92-14 TRATOR 6125J (EDICAO SUL-AMERICANA) PC8539P (01-JUL-10)
PN=484
92-15
PLATAFORMA DO OPERADOR
MEMORANDA
MEMORANDA
MEMORANDA
MEMORANDA
MEMORANDA
MEMORANDA
TRATOR 6125J (EDICAO SUL-AMERICANA) PC8539P (01-JUL-10) 92-15
PN=485
92-16
PLATAFORMA DO OPERADOR
FLOOR MATS
TAPIS DE SOL
BODENMATTEN
TAPETINI
TAPETE
ALFOMBRILLAS
PUBM1067 -UN-
ESTA RELACAO CONTINUA
92-16 TRATOR 6125J (EDICAO SUL-AMERICANA) PC8539P (01-JUL-10)
PN=486
92-17
PLATAFORMA DO OPERADOR
6
1
2
5
ITEM NR.PECA DESCRICAO QTDE NR. SERIE J NOTAS
1 L168228 TAPETE 1 X CAB
DQ58814 TAPETE 1 X EPCC
2 L115239 MOLDURA 1 X
3 37M7146 PARAFUSO 5 X
4 24M7309 ARRUELA 5 X
5 L171150 TAPETE 1 X RH
6 L171151 TAPETE 1 X LH
7 L157274 MOLDURA 1 X
8 24M7138 ARRUELA 2 X
9 37M7088 PARAFUSO 2 X
TRATOR 6125J (EDICAO SUL-AMERICANA) PC8539P (01-JUL-10) 92-17
PN=487
92-18
PLATAFORMA DO OPERADOR
SIDE COVERS
HABILLAGE LATERAL
SEITENVERKLEIDUNG
PROFILI LATERALI
REVESTIMENTO LATERAL
REVESTIMIENTO LATERAL
PUBM1478 -UN-
ESTA RELACAO CONTINUA
92-18 TRATOR 6125J (EDICAO SUL-AMERICANA) PC8539P (01-JUL-10)
PN=488
92-19
PLATAFORMA DO OPERADOR
6
1
2
5
ITEM NR.PECA DESCRICAO QTDE NR. SERIE J NOTAS
1 AL176430 PAINEL 1 X LH
AL176431 PAINEL 1 X RH
2 R46727 SELANTE 1 X
3 L114257 PORCA 22 X
4 L111480 PORCA DE PRESSAO 14 X
5 L171486 PORCA 4 X
6 L112657 ISOLADOR 6 X
7 21M7292 PARAFUSO 2 X M6 X 16
8 L102588 PARAFUSO 4 X
9 L174118 PARAFUSO 22 X
10 L39134 REBITE 6 X
11 L112232 APOIO 1 X
12 L100435 PLUGUE 2 X
13 21M7296 PARAFUSO 6 X M6 X 20
14 24M7251 ARRUELA 8 X
15 L151528 BRACADEIRA 4 X
16 R44302 CINTA 10 X
17 L78846 MOLDURA 1 X LH
L78847 MOLDURA 1 X RH
18 37M7361 PARAFUSO 6 X
19 L59796 VEDACAO 2 X
20 L155423 ESPACADOR 4 X
21 L100389 PLUGUE 2 X
22 L116184 VEDACAO 4 X
TRATOR 6125J (EDICAO SUL-AMERICANA) PC8539P (01-JUL-10) 92-19
PN=489
92-20
PLATAFORMA DO OPERADOR
REAR FENDER
AILES ARRIERE
KOTFLUEGEL HINTEN
PARAFANGHI POSTERIORI
PARALAMA
GUARDABARROS TRASEROS
PUBM1480 -UN-
ESTA RELACAO CONTINUA
92-20 TRATOR 6125J (EDICAO SUL-AMERICANA) PC8539P (01-JUL-10)
PN=490
92-21
PLATAFORMA DO OPERADOR
6
1
2
5
ITEM NR.PECA DESCRICAO QTDE NR. SERIE J NOTAS
1 AL168325 PARA-LAMA 1 X LH
AL168326 PARA-LAMA 1 X RH
2 L77912 VEDACAO DE ACABAMENTO 2 X
3 L157464 REVESTIMENTO, BLINDAGEM 1 X LH
L157465 REVESTIMENTO, BLINDAGEM 1 X RH
4 24M7139 ARRUELA AR X
5 L200800 REVESTIMENTO, BLINDAGEM 1 X LH
L200802 REVESTIMENTO, BLINDAGEM 1 X RH
6 99M7043 PLUGUE AR X
7 99M7056 PLUGUE AR X
8 DT5472 VEDACAO AR X
9 19M7560 PARAFUSO SEXT. AR X M6 X 16
10 L157372 PARAFUSO AR X
11 L80355 PORCA DE SEGURANCA 2 X
12 14M7165 PORCA DE SEGURANCA AR X M6
13 L112797 PARAFUSO 6 X
14 19M8831 PARAFUSO 2 X M5 X 16
15 19M8675 PARAFUSO 2 X M8 X 16
16 19M7077 PARAFUSO SEXT. 2 X M6 X 20
17 R206454 PLUGUE 2 X
TRATOR 6125J (EDICAO SUL-AMERICANA) PC8539P (01-JUL-10) 92-21
PN=491
92-22
PLATAFORMA DO OPERADOR
HANDLES
POIGNEES
HALTEGRIFFE
MANIGLIE
PEGADOR
ASIDEROS
PUBM1359 -UN-
ESTA RELACAO CONTINUA
92-22 TRATOR 6125J (EDICAO SUL-AMERICANA) PC8539P (01-JUL-10)
PN=492
92-23
PLATAFORMA DO OPERADOR
6
1
2
5
ITEM NR.PECA DESCRICAO QTDE NR. SERIE J NOTAS
1 AL80651 MANIPULO 1 X WITH DOOR RH SIDE
2 AL76067 MANIPULO 1 X LH
3 L202305 ARRUELA AR X
4 L153130 PARAFUSO 6 X M8 X 30
5 19M8715 PARAFUSO 2 X
6 L113886 MANIPULO 1 X
7 L113887 REVESTIMENTO, BLINDAGEM 1 X
8 L202306 ARRUELA AR X
TRATOR 6125J (EDICAO SUL-AMERICANA) PC8539P (01-JUL-10) 92-23
PN=493
92-24
PLATAFORMA DO OPERADOR
REAR HANDLES (OPEN OPERATOR’S STATION)
POIGNEES ARRIERE (TRACTEURS SANS CABINE)
HALTEGRIFFE HINTEN (OFFENE FAHRERPLATTFORM)
MANIGLIE POSTERIORI (POSTAZIONE OPERATORE APERTA)
PEGADOR (EPCC)
ASIDEROS PARTE TRASERA (PLATAFORMA DE CONDUCCION ABIERTA)
PUBM1149 -UN-
ESTA RELACAO CONTINUA
92-24 TRATOR 6125J (EDICAO SUL-AMERICANA) PC8539P (01-JUL-10)
PN=494
92-25
PLATAFORMA DO OPERADOR
6
1
2
5
ITEM NR.PECA DESCRICAO QTDE NR. SERIE J NOTAS
1 19M7286 PARAFUSO SEXT. 2 X M6 X 25
2 14M7165 PORCA DE SEGURANCA 2 X M6
3 24M7100 ARRUELA 2 X
4 L57824 ARRUELA 2 X
5 L57250 MANIPULO 1 X
6 L114314 ARRUELA 2 X
TRATOR 6125J (EDICAO SUL-AMERICANA) PC8539P (01-JUL-10) 92-25
PN=495
92-26
PLATAFORMA DO OPERADOR
STEPS
MARCHE
TRITTSTUFE
GRADINI
ESCADA
PELDANO
PUBM1338 -UN-
ESTA RELACAO CONTINUA
92-26 TRATOR 6125J (EDICAO SUL-AMERICANA) PC8539P (01-JUL-10)
PN=496
92-27
PLATAFORMA DO OPERADOR
6
1
2
5
ITEM NR.PECA DESCRICAO QTDE NR. SERIE J NOTAS
1 DQ52393 ESCADA 1 X
2 CQ67635 APOIO 1 X
3 14M7274 PORCA 8 X
4 24M7028 ARRUELA 6 X
5 19M7167 PARAFUSO SEXT. AR X M10 X 25
6 CQ67634 APOIO 1 X
7 03M7088 PARAFUSO 4 X
8 19M7479 PARAFUSO SEXT. 1 X M10 X 80
TRATOR 6125J (EDICAO SUL-AMERICANA) PC8539P (01-JUL-10) 92-27
PN=497
92-28
PLATAFORMA DO OPERADOR
STEPS
MARCHE
TRITTSTUFE
GRADINI
ESCADA
PELDANO
CQ157154 -UN-
ESTA RELACAO CONTINUA
92-28 TRATOR 6125J (EDICAO SUL-AMERICANA) PC8539P (01-JUL-10)
PN=498
92-29
PLATAFORMA DO OPERADOR
6
1
2
5
ITEM NR.PECA DESCRICAO QTDE NR. SERIE J NOTAS
1 DQ52393 ESCADA 2 X (A)
2 DQ64290 ESCADA 2 X (A)
3 CQ67633 APOIO 1 X (A) RH
CQ67635 APOIO 1 X (A) LH
4 14M7274 PORCA 8 X (A) M10
5 24M7028 ARRUELA 6 X (A) 10.500 X 20 X 2 MM
6 19M7167 PARAFUSO SEXT. 3 X (A) M10 X 25
7 CQ67632 APOIO 1 X (A) RH
CQ67634 APOIO 1 X (A) LH
8 19M7167 PARAFUSO SEXT. 1 X (A)
9 19M7479 PARAFUSO SEXT. 1 X (A) M10 X 80
10 03M7088 PARAFUSO 4 X (A) M10 X 20
(A) FOR COREA ONLY
UNIQUEMENT POUR LA COREE
NUR FUER KOREA
SOLO PER COREA
SOMENTE PARA COREIA
SOLO PARA COREA
TRATOR 6125J (EDICAO SUL-AMERICANA) PC8539P (01-JUL-10) 92-29
PN=499
92-30
PLATAFORMA DO OPERADOR
HEADLINER, ROOF TRIM
PARTIE INTERIEURE DU PAVILLON, REVETEMENT
INNENDACH, INNENDACHVERKLEIDUNG
FASCIA ANTERIORE, FINITURA TETTO
TETO INTERNO DA CABINE
TECHO INTERIOR, REVESTIMIENTO DEL TECHO INTERIOR
CQ301987 -UN-
ESTA RELACAO CONTINUA
92-30 TRATOR 6125J (EDICAO SUL-AMERICANA) PC8539P (01-JUL-10)
PN=500
92-31
PLATAFORMA DO OPERADOR
6
1
2
5
ITEM NR.PECA DESCRICAO QTDE NR. SERIE J NOTAS
1 ........ VEDACAO 1 X LGTH 1500MM (MF L155025)
2 AL164480 TETO 1 X
AL164808 TETO 1 X (WITH DOOR RH SIDE)
3 37M7091 PARAFUSO 2 X
4 24M7309 ARRUELA 2 X
5 L100413 JUNTA 1 X LH
6 L100414 JUNTA 1 X RH
7 37M7357 PARAFUSO 8 X
8 L155257 ENTRADA DE AR 2 X
9 L152035 MOLDURA 2 X
10 21M7292 PARAFUSO 11 X M6 X 16
11 AL160142 PAINEL 1 X INCL KEY 16
12 L154897 CAPA AR X
13 ........ VEDACAO 2 X (MF L155025)
14 L156206 GRELHA 2 X
15 L110138 APOIO 2 X
16 L156205 ESTRUTURA 2 X
.. L155025 VEDACAO 1 X LGTH 18000MM
TRATOR 6125J (EDICAO SUL-AMERICANA) PC8539P (01-JUL-10) 92-31
PN=501
92-32
PLATAFORMA DO OPERADOR
OUTER ROOF WITHOUT HATCH (EPCC)
PARTIE EXTERIEURE DE PAVILLON SANS TRAPPE (EPCC)
AUSSENDACH OHNE LUKE (EPCC)
TETTO ESTERIORE SENZA TETTUCCIO (EPCC)
TETO DA CABINE (EPCC)
TECHO EXTERIOR SIN TRAMPILLA (EPCC)
PUBM1349 -UN-
ESTA RELACAO CONTINUA
92-32 TRATOR 6125J (EDICAO SUL-AMERICANA) PC8539P (01-JUL-10)
PN=502
92-33
PLATAFORMA DO OPERADOR
6
1
2
5
ITEM NR.PECA DESCRICAO QTDE NR. SERIE J NOTAS
1 MN10437 TETO 1 X
2 19M8035 PARAFUSO SEXT. 2 X M16 X 35
3 37M7242 PARAFUSO 4 X
4 24M7139 ARRUELA 4 X
5 L61335 ARRUELA 4 X
6 24M7315 ARRUELA 2 X
7 L200226 ARRUELA 2 X
8 MN10436 SUPORTE 1 X RH
9 MN10435 SUPORTE 1 X LH
10 L112797 PARAFUSO 8 X
TRATOR 6125J (EDICAO SUL-AMERICANA) PC8539P (01-JUL-10) 92-33
PN=503
92-34
PLATAFORMA DO OPERADOR
OUTER ROOF WITHOUT HATCH (CABINE)
PARTIE EXTERIEURE DE PAVILLON SANS TRAPPE(CABINE)
AUSSENDACH OHNE LUKE(KABINE)
TETTO ESTERIORE SENZA TETTUCCIO(CABINA)
TETO DA CABINE (CABINE)
TECHO EXTERIOR SIN TRAMPILLA(CABINA)
PUBM1151 -UN-
ESTA RELACAO CONTINUA
92-34 TRATOR 6125J (EDICAO SUL-AMERICANA) PC8539P (01-JUL-10)
PN=504
92-35
PLATAFORMA DO OPERADOR
6
1
2
5
ITEM NR.PECA DESCRICAO QTDE NR. SERIE J NOTAS
1 AL179341 TETO 1 X
2 19M7481 PARAFUSO SEXT. 2 X M16 X 80
3 24M7315 ARRUELA 2 X
4 L200226 ARRUELA 2 X
5 37M7422 PARAFUSO 4 X
6 24M7139 ARRUELA 6 X
7 L61335 ARRUELA 4 X
8 L157372 PARAFUSO 14 X
TRATOR 6125J (EDICAO SUL-AMERICANA) PC8539P (01-JUL-10) 92-35
PN=505
92-36
PLATAFORMA DO OPERADOR
REAR WINDOW
VITRE ARRIERE
HECKFENSTER
FINESTRINO POSTERIORE
JANELA TRASEIRA
VENTANA TRASERA
CQ301763 -UN-
ESTA RELACAO CONTINUA
92-36 TRATOR 6125J (EDICAO SUL-AMERICANA) PC8539P (01-JUL-10)
PN=506
92-37
PLATAFORMA DO OPERADOR
6
1
2
5
ITEM NR.PECA DESCRICAO QTDE NR. SERIE J NOTAS
1 AL111717 MANIPULO 1 X
2 24M7362 ARRUELA 4 X
3 14M7478 PORCA DE SEGURANCA 2 X M8
4 AL163211 DOBRADICA 1 X LH
5 L156325 VIDRACA 1 X
6 AL173630 APOIO 1 X
7 T27260 ARRUELA 2 X
8 24M7252 ARRUELA 1 X
9 L168271 MANIPULO 1 X
10 14M7528 PORCA DE SEGURANCA 1 X M6
11 L156522 PLUGUE 1 X
12 34M7302 PINO ELASTICO 1 X
13 L111419 JUNTA 2 X
14 03M7331 PARAFUSO 2 X
15 L157816 VEDACAO 1 X
16 24M7298 ARRUELA 2 X
17 L78704 ARRUELA DE VEDACAO 8 X
18 L78851 BUCHA 2 X
19 24M7055 ARRUELA 4 X
20 14M7166 PORCA DE SEGURANCA 2 X M8
21 L78703 TAMPA 8 X
22 21M7310 PARAFUSO 6 X M6 X 25
23 24M7309 ARRUELA 6 X
24 L78705 BUCHA 6 X
25 24M7251 ARRUELA 6 X
26 14M7376 PORCA DE SEGURANCA 6 X M6
27 L78693 APOIO 2 X
28 L75449 PERFIL "U" 2 X
29 19M7139 PARAFUSO SEXT. 4 X M8 X 20
30 L111414 CANTONEIRA 1 X
31 AL173397 MANIPULO 1 X
32 14M7416 PORCA COM FLANGE 4 X M8
33 DQ50436 CILINDRO OPERADO A GAS 2 X
34 L111440 CAPA 2 X
35 L112290 VEDACAO 1 X
36 L110367 ARRUELA 2 X
37 L113715 ROTULA 2 X
38 AL163210 DOBRADICA 1 X RH
39 Z26250 ARRUELA 1 X
40 L61335 ARRUELA 1 X
TRATOR 6125J (EDICAO SUL-AMERICANA) PC8539P (01-JUL-10) 92-37
PN=507
92-38
PLATAFORMA DO OPERADOR
SIDE WINDOWS, TILTABLE
VITRES LATERALES BASCULANTES
SEITENSCHEIBEN, AUSSTELLBAR
FINESTRINO LATERALI ORIENTABILI
JANELA LATERAL DA CABINE
VENTANAS LATERALES, ABATIBLES
PUBM1099 -UN-
ESTA RELACAO CONTINUA
92-38 TRATOR 6125J (EDICAO SUL-AMERICANA) PC8539P (01-JUL-10)
PN=508
92-39
PLATAFORMA DO OPERADOR
6
1
2
5
ITEM NR.PECA DESCRICAO QTDE NR. SERIE J NOTAS
1 L78703 TAMPA 6 X
2 14M7165 PORCA DE SEGURANCA 4 X M6
3 24M7251 ARRUELA 6 X
4 L78702 BUCHA 6 X
5 L78704 ARRUELA DE VEDACAO 6 X
6 AL163297 DOBRADICA 4 X
7 03M7391 PARAFUSO 4 X
8 L157818 VEDACAO 2 X
9 L171980 PLACA 2 X
10 L173805 PARAFUSO 8 X
11 L115740 PINO FIXADOR 2 X
12 AL152733 ENGATE 1 X RH
AL152732 ENGATE 1 X LH
13 40M7088 ANEL DE PRESSAO 2 X
14 L171975 VIDRACA 1 X RH
L171976 VIDRACA 1 X LH
15 14M7272 PORCA 2 X M6
TRATOR 6125J (EDICAO SUL-AMERICANA) PC8539P (01-JUL-10) 92-39
PN=509
92-40
PLATAFORMA DO OPERADOR
DOOR HANDLE AND LOCK
POIGNEE ET SERRURE
TUERGRIFF UND SCHLOSS
MANIGLIA E SERRATURA PORTA
TRINCO DA PORTA
MANILLA Y CERRADURA
LX020675 -UN-
ESTA RELACAO CONTINUA
92-40 TRATOR 6125J (EDICAO SUL-AMERICANA) PC8539P (01-JUL-10)
PN=510
92-41
PLATAFORMA DO OPERADOR
6
1
2
5
ITEM NR.PECA DESCRICAO QTDE NR. SERIE J NOTAS
1 L113440 CANTONEIRA 1 X LH
L113441 CANTONEIRA 1 X RH
2 AL202908 FECHADURA 1 X LH
AL202906 FECHADURA 1 X RH
3 L113436 PLACA 1 X LH
L113437 PLACA 1 X RH
4 L113438 CAPO 1 X LH
L113439 CAPO 1 X RH
5 R74402 LIMITADOR 2 X
6 L113717 GRAMPO 2 X
7 L113718 PLACA DE SEGURANCA 2 X
8 03M7192 PARAFUSO 2 X
9 L102588 PARAFUSO 6 X
10 24M7178 ARRUELA AR X
11 21M7310 PARAFUSO 2 X M6 X 25
12 24M7054 ARRUELA 2 X
13 14M7166 PORCA DE SEGURANCA 4 X M8
14 24M7055 ARRUELA 4 X
15 L78691 BUCHA 2 X
16 L78690 BUCHA 1 X
17 L113908 ARRUELA DE VEDACAO 2 X
18 L113907 ARRUELA DE VEDACAO 2 X
19 AL113174 MANIPULO 2 X
20 L79432 PORCA 1 X
21 L79433 ARRUELA 1 X
22 19M7574 PARAFUSO 4 X M8 X 40
TRATOR 6125J (EDICAO SUL-AMERICANA) PC8539P (01-JUL-10) 92-41
PN=511
92-42
PLATAFORMA DO OPERADOR
WITHOUT RIGHT-HAND DOOR
SANS PORTE DROITE
OHNE RECHTE TUER
SENZA PORTA DESTRA
SEM PORTA DIREITA
SIN PUERTA DERECHA
PUBM1199 -UN-
ESTA RELACAO CONTINUA
92-42 TRATOR 6125J (EDICAO SUL-AMERICANA) PC8539P (01-JUL-10)
PN=512
92-43
PLATAFORMA DO OPERADOR
6
1
2
5
ITEM NR.PECA DESCRICAO QTDE NR. SERIE J NOTAS
1 L170677 VIDRACA 1 X
2 L157817 VEDACAO 1 X
3 AL78377 SUPORTE 2 X
4 03M7309 PARAFUSO 1 X
5 L78704 ARRUELA DE VEDACAO 4 X
6 L78851 BUCHA 2 X
7 24M7055 ARRUELA 2 X
8 14M7166 PORCA DE SEGURANCA 2 X M8
9 L78703 TAMPA 2 X
10 L157095 SUPORTE 1 X
11 22M7170 PARAF. DE FENDA 4 X
12 L111072 PLUGUE 1 X
13 AL117519 PORCA SOLDAVEL 4 X
14 24M7260 ARRUELA 4 X
15 L116184 VEDACAO 2 X TK= 5.0MM (13/64")
16 24M7362 ARRUELA 2 X
17 L153130 PARAFUSO 2 X
TRATOR 6125J (EDICAO SUL-AMERICANA) PC8539P (01-JUL-10) 92-43
PN=513
92-44
PLATAFORMA DO OPERADOR
DOORS
PORTES
TUEREN
PORTE
PORTA
PUERTAS
PUBM1111 -UN-
ESTA RELACAO CONTINUA
92-44 TRATOR 6125J (EDICAO SUL-AMERICANA) PC8539P (01-JUL-10)
PN=514
92-45
PLATAFORMA DO OPERADOR
6
1
2
5
ITEM NR.PECA DESCRICAO QTDE NR. SERIE J NOTAS
1 AL78276 MANIPULO 1 X LH
AL78277 MANIPULO 1 X RH
2 24H1292 ARRUELA 1 X
3 AL179829 DOBRADICA 1 X LH
AL179830 DOBRADICA 1 X RH
4 AL179831 DOBRADICA 1 X LH
AL179832 DOBRADICA 1 X RH
5 DQ59131 CILINDRO OPERADO A GAS 1 X
6 R237474 ROTULA 2 X
7 L112743 BUCHA 2 X
8 L169102 PORTA 1 X LH
L169103 PORTA 1 X RH
9 L157817 VEDACAO 1 X LGTH=3720MM (146-29/64") (MF AL164267)
10 L116184 VEDACAO 4 X
11 L111988 ARRUELA 2 X
12 L78769 ARRUELA 2 X
13 L78768 ARRUELA 2 X
14 L78851 BUCHA 2 X
15 24M7055 ARRUELA 2 X
16 21M7392 PARAFUSO 2 X M8 X 30
17 L78703 TAMPA 2 X
18 21M7491 PARAFUSO 6 X M8 X 16
19 24M7362 ARRUELA 2 X
20 L155606 ARRUELA DE VEDACAO 4 X
21 L78704 ARRUELA DE VEDACAO 1 X
22 L77651 ARRUELA 1 X
23 L100869 ARRUELA 2 X
24 AL117519 PORCA SOLDAVEL 4 X
25 L151718 TAMPA 2 X
L151719 TAMPA 1 X RH
26 L79485 BUCHA 1 X
TRATOR 6125J (EDICAO SUL-AMERICANA) PC8539P (01-JUL-10) 92-45
PN=515
92-46
PLATAFORMA DO OPERADOR
WINDSHIELD
PARE-BRISE, NON INCLINABLE
FRONTSCHEIBE
PARABREZZA
PARABRISA
PARABRISAS DELANTERO
PUBM1198 -UN-
ESTA RELACAO CONTINUA
92-46 TRATOR 6125J (EDICAO SUL-AMERICANA) PC8539P (01-JUL-10)
PN=516
92-47
PLATAFORMA DO OPERADOR
6
1
2
5
ITEM NR.PECA DESCRICAO QTDE NR. SERIE J NOTAS
1 14M7416 PORCA COM FLANGE 4 X M8
2 L113232 PLACA 2 X
3 L112290 VEDACAO 1 X
4 L112951 SUPORTE 2 X
5 03M7331 PARAFUSO 4 X
6 L79909 APOIO 2 X
7 L116304 ETIQUETA 2 X
8 L157820 VEDACAO 1 X LGTH 2000MM
9 L112972 PARABRISA 1 X
10 L100685 RETENTOR 2 X
11 37M7305 PARAFUSO 4 X
12 L112971 CANTONEIRA 1 X
13 L111480 PORCA DE PRESSAO 2 X
14 L157821 VEDACAO 2 X
15 L151753 VIDRACA 1 X RH
16 L151752 VIDRACA 1 X LH
17 L155576 PORCA 4 X
18 24M7309 ARRUELA 4 X
19 21M7423 PARAFUSO 2 X M6 X 30, RH
20 L78703 TAMPA 4 X
21 L78704 ARRUELA DE VEDACAO 4 X
22 L41443 ANEL O 4 X
23 L78702 BUCHA 4 X
TRATOR 6125J (EDICAO SUL-AMERICANA) PC8539P (01-JUL-10) 92-47
PN=517
92-48
PLATAFORMA DO OPERADOR
BULKHEAD
TABLIER
SCHOTTWAND
PARATIA
VEDACAO DA CABINE
TABIQUE
PUBM1125 -UN-
ESTA RELACAO CONTINUA
92-48 TRATOR 6125J (EDICAO SUL-AMERICANA) PC8539P (01-JUL-10)
PN=518
92-49
PLATAFORMA DO OPERADOR
6
1
2
5
ITEM NR.PECA DESCRICAO QTDE NR. SERIE J NOTAS
1 AL157707 VEDACAO 1 X
2 19M7867 PARAFUSO AR X M8 X 25
3 DT5471 VEDACAO 1 X
4 AL154932 ESTRUTURA 1 X
5 AL164012 PAREDE CORTA-FOGO 1 X (CABINE)
AL164013 PAREDE CORTA-FOGO 1 X (EPCC)
6 24M7055 ARRUELA AR X
7 19M7162 PARAFUSO SEXT. AR X M8 X 16
8 L164972 PORCA 1 X
9 M84971 PORCA 3 X
TRATOR 6125J (EDICAO SUL-AMERICANA) PC8539P (01-JUL-10) 92-49
PN=519
92-50
PLATAFORMA DO OPERADOR
MEMORANDA
MEMORANDA
MEMORANDA
MEMORANDA
MEMORANDA
MEMORANDA
92-50 TRATOR 6125J (EDICAO SUL-AMERICANA) PC8539P (01-JUL-10)
PN=520
93-A01
CONTROLE, ACESSORIOS E AR CONDICIONADO
SECTIONAL INDEX
INDEX DE SECTION
GRUPPENINDEX
INDICE DELLA SEZIONE
INDICE DE GRUPO
INDICE DE GRUPOS
PUBM1425 -UN-
1- 2
2- 4
3- 6
4- 7
9- 16
10- 18
21- 32
22- 34
23- 36
24- 38
25- 40
26- 42
27- 44
28- 45
29- 46
TRATOR 6125J (EDICAO SUL-AMERICANA) PC8539P (01-JUL-10) 93-A01
PN=521
93-A02
CONTROLE, ACESSORIOS E AR CONDICIONADO
SECTIONAL INDEX
INDEX DE SECTION
GRUPPENINDEX
INDICE DELLA SEZIONE
INDICE DE GRUPO
INDICE DE GRUPOS
PUBM1426 -UN-
5- 8
6- 10
7- 12
8- 14
11- 20
12- 22
13- 24
14- 25
15- 26
16- 27
17- 28
18- 29
19- 30
20- 31
93-A02 TRATOR 6125J (EDICAO SUL-AMERICANA) PC8539P (01-JUL-10)
PN=522
93-1
CONTROLE, ACESSORIOS E AR CONDICIONADO
MEMORANDA
MEMORANDA
MEMORANDA
MEMORANDA
MEMORANDA
MEMORANDA
TRATOR 6125J (EDICAO SUL-AMERICANA) PC8539P (01-JUL-10) 93-1
PN=523
93-2
CONTROLE, ACESSORIOS E AR CONDICIONADO
DASH/COWL
HABILLAGE TABLEAU DE BORD
ARMATURENWANDVERKLEIDUNG
CRUSCOTTO / COPERTURA
PAINEL
REVESTIMIENTO SALPICADERO
PUBM1082 -UN-
ESTA RELACAO CONTINUA
93-2 TRATOR 6125J (EDICAO SUL-AMERICANA) PC8539P (01-JUL-10)
PN=524
93-3
CONTROLE, ACESSORIOS E AR CONDICIONADO
6
1
2
5
ITEM NR.PECA DESCRICAO QTDE NR. SERIE J NOTAS
1 AL164922 CAPOTA 1 X CABINE
AL171534 CAPOTA 1 X EPCC
2 L155361 CAPA 1 X
3 L164972 PORCA 3 X
4 L112797 PARAFUSO 1 X
5 L113415 PARAFUSO 3 X
6 MN10255 CENTRAL DE CONTROLES 1 X
7 37M7181 PARAFUSO 8 X
8 24M7027 ARRUELA 1 X
9 14M7265 PORCA DE SEGURANCA 1 X M5
10 CQ64057 APOIO 1 X EPCC
11 L154378 APOIO 1 X
12 L154379 APOIO 2 X
TRATOR 6125J (EDICAO SUL-AMERICANA) PC8539P (01-JUL-10) 93-3
PN=525
93-4
CONTROLE, ACESSORIOS E AR CONDICIONADO
ELECTRICAL INSTRUMENTS
TABLEAU DE BORD - ELEMENTS ELECTRIQUES
ELEKTRISCHE ARMATUREN
STRUMENTI ELETTRICI
CONPONENTES ELETRICOS
COMPONENTES ELECTRICOS
PUBM1481 -UN-
ESTA RELACAO CONTINUA
93-4 TRATOR 6125J (EDICAO SUL-AMERICANA) PC8539P (01-JUL-10)
PN=526
93-5
CONTROLE, ACESSORIOS E AR CONDICIONADO
6
1
2
5
ITEM NR.PECA DESCRICAO QTDE NR. SERIE J NOTAS
1 RE61717 INTERRUPTOR GIRATORIO 1 X
2 AL35179 INTERRUPTOR 1 X
3 L157295 PLUGUE 1 X
4 L37489 MANIPULO 1 X
5 R115974 PORCA 1 X
6 RE183935 CHAVE 1 X
7 L79734 ETIQUETA 1 X
8 L114509 PLUGUE AR X
9 AL155612 INTERRUPTOR DE ALAVANCA 1 X
10 21M7290 PARAFUSO 1 X M3 X 35
11 L102359 ETIQUETA 1 X
12 AL154249 INTERRUPTOR 1 X
13 AL157883 INTERRUPTOR DE ALAVANCA 1 X
14 AL76568 MANOPLA 1 X
15 R44165 PORCA DE SEGURANCA 1 X
16 AL36529 INTERRUPTOR 1 X
17 37M7336 PARAFUSO 2 X
18 L115020 ETIQUETA 1 X
19 R39554 INTERRUPTOR 1 X
20 T55501 TAMPA 1 X
21 DQ70988 CHAVEIRO 1 X
TRATOR 6125J (EDICAO SUL-AMERICANA) PC8539P (01-JUL-10) 93-5
PN=527
93-6
CONTROLE, ACESSORIOS E AR CONDICIONADO
FWD SWITCH
INTERRUPTEUR PONT AVANT
SCHALTER FUER FRONTANTRIEB
INTERRUTTORE 4WD
INTERRUPTOR DA TRACAO DIANTEIRA
INTERRUPTOR DE LA TDM
CQ155689 -UN-
6
1
2
5
ITEM NR.PECA DESCRICAO QTDE NR. SERIE J NOTAS
1 AL165520 INTERRUPTOR DE ALAVANCA 1 X (A)
AL156854 INTERRUPTOR DE ALAVANCA 1 X (B)
(A) WITHOUT CAB (B) WITH CAB
SANS CABINE AVEC CABINE
OHNE KABINE MIT KABINE
SENZA CABINA CON CABINA
SEM CABINE COM CABINE
SIN CABINA CON CABINA
93-6 TRATOR 6125J (EDICAO SUL-AMERICANA) PC8539P (01-JUL-10)
PN=528
93-7
CONTROLE, ACESSORIOS E AR CONDICIONADO
DIFFERENTIAL LOCK SWITCH
BLOCAGE DU DIFFERENTIEL, CONTACTEUR
SCHALTER FUER DIFFERENTIALSPERRE
INTERRUTTORE BLOCCAGGIO DIFFERENZIALE
INTERRUPTOR DE BLOQUEIO DO DIFERENCIAL
INTERRUPTOR DE BLOQUEO DEL DIFERENCIAL
CQ155886 -UN-
6
1
2
5
ITEM NR.PECA DESCRICAO QTDE NR. SERIE J NOTAS
1 RE46534 INTERRUPTOR 1 X
2 RE43637 ATUADOR 1 X
3 L80302 ETIQUETA 1 X
TRATOR 6125J (EDICAO SUL-AMERICANA) PC8539P (01-JUL-10) 93-7
PN=529
93-8
CONTROLE, ACESSORIOS E AR CONDICIONADO
CLUTCH OPERATING PARTS, CLUTCH PEDAL
ELEMENTS DE COMMANDE DE L’EMBRAYAGE, PEDALE D’EMBRAYAGE
KUPPLUNGSBETAETIGUNGSTEILE, KUPPLUNGSPEDAL
PARTI COMANDO FRIZIONE, PEDALE FRIZIONE
PEDAL DA EMBREAGEM
PIEZAS DEL ACCIONAMIENTO DEL EMBRAGUE, PEDAL DE EMBRAGUE
PUBM1089 -UN-
6
1
2
5
ITEM NR.PECA DESCRICAO QTDE NR. SERIE J NOTAS
1 L110617 PINO FIXADOR 1 X
2 AL110894 APOIO 1 X
3 14M7274 PORCA 1 X M10
4 19M8533 PARAFUSO 1 X M10 X 25
5 L100285 PARAFUSO 3 X
6 AL169899 PEDAL 1 X INCL KEY 7
7 L41178 BUCHA 2 X
8 AL203461 CONTROLE 1 X INCL KEY 1, 2, 3, 4, 6, 7
93-8 TRATOR 6125J (EDICAO SUL-AMERICANA) PC8539P (01-JUL-10)
PN=530
93-9
CONTROLE, ACESSORIOS E AR CONDICIONADO
MEMORANDA
MEMORANDA
MEMORANDA
MEMORANDA
MEMORANDA
MEMORANDA
TRATOR 6125J (EDICAO SUL-AMERICANA) PC8539P (01-JUL-10) 93-9
PN=531
93-10
CONTROLE, ACESSORIOS E AR CONDICIONADO
CLUTCH OPERATING PARTS, BOWDEN CABLE
COMMANDE DE L’EMBRAYAGE, CABLE SOUS GAINE
KUPPLUNGSBETAETIGUNGSTEILE, BOWDENZUG
PARTI COMANDO FRIZIONE, CAVO BOWDEN
CABO DA EMBRAGEM
ELEMENTOS DE MANDO DEL EMBRAGUE, CABLE
LX035844 -UN-
ESTA RELACAO CONTINUA
93-10 TRATOR 6125J (EDICAO SUL-AMERICANA) PC8539P (01-JUL-10)
PN=532
93-11
CONTROLE, ACESSORIOS E AR CONDICIONADO
6
1
2
5
ITEM NR.PECA DESCRICAO QTDE NR. SERIE J NOTAS
1 AL151612 CABO 1 X (SYNCROPLUS) LGTH 1130MM
AL151611 CABO 1 X (SYNCROPLUS) LGTH 1210MM
2 L157793 PASSADOR 1 X
3 L154381 PROTETOR 2 X
4 14M7272 PORCA 1 X M6
5 L79792 ANEL DE PRESSAO 2 X
6 45M7080 PINO DE TRAVA 1 X
7 45M7063 PINO FIXADOR 1 X
8 L166609 FORQUILHA 2 X
TRATOR 6125J (EDICAO SUL-AMERICANA) PC8539P (01-JUL-10) 93-11
PN=533
93-12
CONTROLE, ACESSORIOS E AR CONDICIONADO
FOOT THROTTLE
PEDALE D’ACCELERATION
DREHZAHLFUSSHEBEL
PEDALE ACCELERATORE
ACELERADOR DE PE
ACELERADOR DE PIE
PUBM1134 -UN-
ESTA RELACAO CONTINUA
93-12 TRATOR 6125J (EDICAO SUL-AMERICANA) PC8539P (01-JUL-10)
PN=534
93-13
CONTROLE, ACESSORIOS E AR CONDICIONADO
6
1
2
5
ITEM NR.PECA DESCRICAO QTDE NR. SERIE J NOTAS
1 L151157 ALAVANCA 1 X
2 L150527 ALAVANCA 1 X
3 L150526 MOLA DE TORCAO 1 X
4 CQ59332 ALAVANCA 1 X
5 L112950 ALAVANCA 1 X
6 L150525 EIXO 1 X
7 55M7012 ROTULA 1 X
8 14M7165 PORCA DE SEGURANCA 6 X M6
9 34H394 PINO ELASTICO 1 X
10 DQ63989 JUNTA ESFERICA 1 X
11 14M7027 PORCA 1 X M6
12 56M7006 SOQUETE P/ JUNTA ESFERICA 1 X
13 L150034 PINO 1 X
TRATOR 6125J (EDICAO SUL-AMERICANA) PC8539P (01-JUL-10) 93-13
PN=535
93-14
CONTROLE, ACESSORIOS E AR CONDICIONADO
FOOT THROTTLE
PEDALE D’ACCELERATION
DREHZAHLFUSSHEBEL
PEDALE ACCELERATORE
ACELERADOR DE PE
ACELERADOR DE PIE
PUBM1133 -UN-
ESTA RELACAO CONTINUA
93-14 TRATOR 6125J (EDICAO SUL-AMERICANA) PC8539P (01-JUL-10)
PN=536
93-15
CONTROLE, ACESSORIOS E AR CONDICIONADO
6
1
2
5
ITEM NR.PECA DESCRICAO QTDE NR. SERIE J NOTAS
1 L113020 PEDAL 1 X
2 L113021 BUCHA 1 X
3 L78701 MOLA 1 X
4 37M7361 PARAFUSO 3 X
5 L150340 CARCACA 1 X
6 L150363 BUCHA 2 X
7 R26871 ANEL DE PRESSAO 1 X
8 L150079 PARA-CHOQUE 1 X
9 L150454 TIRANTE 1 X
10 DQ65998 ACELERADOR 1 X
TRATOR 6125J (EDICAO SUL-AMERICANA) PC8539P (01-JUL-10) 93-15
PN=537
93-16
CONTROLE, ACESSORIOS E AR CONDICIONADO
CONTROL CONSOLE (CAB)
CONSOLE DE COMMANDE (CABINE)
BEDIENUNGSKONSOLE (KABINE)
CONSOLE DI COMANDI (CABINA)
CONTROLE DO CONSOLE (CABINE)
CONSOLA DE INSTRUMENTOS (CABINA)
PUBM1142 -UN-
ESTA RELACAO CONTINUA
93-16 TRATOR 6125J (EDICAO SUL-AMERICANA) PC8539P (01-JUL-10)
PN=538
93-17
CONTROLE, ACESSORIOS E AR CONDICIONADO
6
1
2
5
ITEM NR.PECA DESCRICAO QTDE NR. SERIE J NOTAS
1 AL201018 CAPA 1 X
2 37M7185 PARAFUSO 2 X
3 L151699 PAINEL 1 X
4 L40924 PORCA 3 X
5 L158260 PAINEL DE CONTROLE 1 X
6 L39603 PORCA 3 X
7 21M7246 PARAFUSO 6 X M6 X 16
8 AL79029 TIRA 1 X
9 L101932 ESPACADOR 2 X
10 21M7403 PARAFUSO 2 X M6 X 40
11 AL115814 PORCA 16 X
12 L113415 PARAFUSO 1 X
13 L168519 PAINEL 1 X
14 L113846 MOLDURA 1 X
15 L112282 PLUGUE 1 X
16 37M7290 PARAFUSO 3 X
17 37M7140 PARAFUSO 2 X
18 24M7027 ARRUELA 1 X
19 L79648 PORCA DE PRESSAO 2 X
20 L102110 PORCA 1 X
21 21M7285 PARAFUSO 2 X M6 X 12
22 L115292 PARAFUSO 12 X
23 99M7073 PLUGUE 1 X
24 99M7016 PLUGUE 1 X
25 L157254 VEDACAO 2 X
TRATOR 6125J (EDICAO SUL-AMERICANA) PC8539P (01-JUL-10) 93-17
PN=539
93-18
CONTROLE, ACESSORIOS E AR CONDICIONADO
CONTROL CONSOLE (OPEN OPERATOR’S STATION)
CONSOLE DE COMMANDE (TRACTEURS SANS CABINE)
BEDIENUNGSKONSOLE (OFFENE FAHRERPLATTFORM)
CONSOLE COMANDI (POSTAZIONE OPERATORE APERTA)
CONTROLE DO CONSOLE (EPCC)
CONSOLA DE INSTRUMENTOS (PLATAFORMA DE CONDUCCION ABIERTA)
PUBM1117 -UN-
ESTA RELACAO CONTINUA
93-18 TRATOR 6125J (EDICAO SUL-AMERICANA) PC8539P (01-JUL-10)
PN=540
93-19
CONTROLE, ACESSORIOS E AR CONDICIONADO
6
1
2
5
ITEM NR.PECA DESCRICAO QTDE NR. SERIE J NOTAS
1 L113559 REVESTIMENTO, BLINDAGEM 1 X
2 37M7185 PARAFUSO 2 X
3 AL117697 PAINEL 1 X (A)
4 L40924 PORCA 3 X
5 L112511 PAINEL DE CONTROLE 1 X
6 AL178554 CHAPA PARA UNIAO 1 X
7 21M7246 PARAFUSO 4 X M6 X 16
8 AL79029 TIRA 1 X
9 L101932 ESPACADOR 1 X
10 21M7403 PARAFUSO 2 X M6 X 40
11 L39603 PORCA 1 X
12 37M7230 PARAFUSO 4 X
13 19M8866 PARAFUSO 4 X M5 X 16
14 L59635 BUCHA 2 X
15 24M7027 ARRUELA 4 X
16 AL115814 PORCA 16 X
17 L102110 PORCA 1 X
18 L157254 VEDACAO 2 X
19 L102490 ISOLADOR 1 X
20 L113415 PARAFUSO 1 X
21 L112282 PLUGUE 1 X
22 L79648 PORCA DE PRESSAO 4 X
23 L112796 PARAFUSO 2 X
24 L115235 PAINEL 1 X
(A) WITHOUT RAILING
SANS MAIN COURANTE
OHNE HANDLAUF
SENZA GUIDE
SEM CORRIMAO
SIN PASAMANOS
TRATOR 6125J (EDICAO SUL-AMERICANA) PC8539P (01-JUL-10) 93-19
PN=541
93-20
CONTROLE, ACESSORIOS E AR CONDICIONADO
WINDSCREEN WASHER SYSTEM WITH RESERVOIR
LAVE-GLACE PARE-BRISE AVEC RESERVOIR
SCHEIBENWASCHANLAGE VORN MIT VORRATSBEHAELTER
DISPOS. LAVAPARABREZZA CON SERBATOIO
RESERVATORIO DE AGUA DO LIMPADOR DO PARABRISA
LAVAPARABRISAS CON DEPOSITO
CQ155691 -UN-
ESTA RELACAO CONTINUA
93-20 TRATOR 6125J (EDICAO SUL-AMERICANA) PC8539P (01-JUL-10)
PN=542
93-21
CONTROLE, ACESSORIOS E AR CONDICIONADO
6
1
2
5
ITEM NR.PECA DESCRICAO QTDE NR. SERIE J NOTAS
1 AL77711 RESERVATORIO 1 X
2 L78422 RESERVATORIO 1 X
3 L80013 TAMPAO DE ENCHIMENTO 1 X
4 AL79013 BOMBA 1 X
5 L80014 PASSADOR 2 X
6 L80015 PLUGUE 1 X
7 L155455 MANGUEIRA 1 X
8 AL114276 VALVULA DE RETENCAO 1 X
9 AL35642 BICO 1 X
10 24H1292 ARRUELA 2 X 8.738 X 19.050 X 3.048 MM
11 19M8830 PARAFUSO 2 X M8 X 30
TRATOR 6125J (EDICAO SUL-AMERICANA) PC8539P (01-JUL-10) 93-21
PN=543
93-22
CONTROLE, ACESSORIOS E AR CONDICIONADO
FRONT WINDSHIELD WIPER
ESSUIE-GLACE PARE-BRISE
SCHEIBENWISCHER VORN
TERGICRISTALLO ANTERIORE
LIMPADOR DE PARABRISAS
LIMPIAPARABRISAS FRONTAL
PUBM1138 -UN-
ESTA RELACAO CONTINUA
93-22 TRATOR 6125J (EDICAO SUL-AMERICANA) PC8539P (01-JUL-10)
PN=544
93-23
CONTROLE, ACESSORIOS E AR CONDICIONADO
6
1
2
5
ITEM NR.PECA DESCRICAO QTDE NR. SERIE J NOTAS
1 RE151494 MOTOR DO LIMP. DE PARABRISA 1 X
2 19M7560 PARAFUSO SEXT. 1 X M6 X 16
3 12M7133 ARRUELA DE PRESSAO 1 X
4 14M7272 PORCA 1 X M6
5 19M6614 PARAFUSO SEXT. 4 X M6 X 12
6 24M7139 ARRUELA 3 X
7 24M7055 ARRUELA 1 X
8 14M7273 PORCA 1 X M8
9 AL153662 HASTE DO LIMP. DE PARABRISA 1 X
10 AL153660 LAMINA DO LIMP. DE PARABRIS 1 X (A) LGTH= 500MM
(A) WITH HINGED WINDSHIELD
AVEC VITRE AVANT ORIENTABLE
BEI AUSSTELLBARER FRONTSCHEIBE
CON PARABREZZA INCERNIERATO
COM PARABRISA ARTICULAVEL
CON PARABRISAS ABATIBLE
TRATOR 6125J (EDICAO SUL-AMERICANA) PC8539P (01-JUL-10) 93-23
PN=545
93-24
CONTROLE, ACESSORIOS E AR CONDICIONADO
RADIO CONSOLE
CONSOLE DE RADIO
RADIOKONSOLE
SCATOLA RADIO
COMSOLE DO RADIO
CONSOLA PARA RADIO
LX048702 -UN-
6
1
2
5
ITEM NR.PECA DESCRICAO QTDE NR. SERIE J NOTAS
1 L203991 PARAFUSO 2 X
2 37M7263 PARAFUSO 2 X
3 L78041 CANTONEIRA 1 X
4 L204008 APOIO 1 X
5 19M7300 PARAFUSO SEXT. 4 X M6 X 10
6 24M7054 ARRUELA 4 X
7 L78238 PORCA 4 X
8 L151740 PAINEL 1 X
9 L152335 CAPA 1 X
10 24M7138 ARRUELA 1 X
11 Z59391 REBITE 1 X
12 R54477 REBITE 2 X
13 L151863 APOIO 1 X
14 L111480 PORCA DE PRESSAO 2 X
93-24 TRATOR 6125J (EDICAO SUL-AMERICANA) PC8539P (01-JUL-10)
PN=546
93-25
CONTROLE, ACESSORIOS E AR CONDICIONADO
OUTSIDE MIRROR
RETROVISEUR EXTERIEUR
AUSSENSPIEGEL
RETROVISORE
RETROVISOR
RETROVISOR
PUBM1150 -UN-
6
1
2
5
ITEM NR.PECA DESCRICAO QTDE NR. SERIE J NOTAS
1 DQ46087 SUPORTE 1 X LH
DQ46088 SUPORTE 1 X RH
2 L79775 TAMPA 2 X
3 DQ43135 RETROVISOR 1 X
4 24M7362 ARRUELA 4 X
5 19M7660 PARAFUSO 1 X M8 X 20
6 DQ43133 RETROVISOR 1 X LH
DQ43134 RETROVISOR 1 X RH
TRATOR 6125J (EDICAO SUL-AMERICANA) PC8539P (01-JUL-10) 93-25
PN=547
93-26
CONTROLE, ACESSORIOS E AR CONDICIONADO
INSIDE REAR VIEW MIRROR (EPCC)
RETROVISEUR INTERIEUR (EPCC)
INNENRUECKSPIEGEL (EPCC)
SPECCHIETTO RETROVISIVO INTERIORE (EPCC)
RETROVISOR INTERNO (EPCC)
ESPEJO RETROVISOR INTERIOR (EPCC)
PUBM1062 -UN-
6
1
2
5
ITEM NR.PECA DESCRICAO QTDE NR. SERIE J NOTAS
1 AT186760 RETROVISOR 1 X
2 SU20627 APOIO 1 X
3 24M7055 ARRUELA 2 X
4 R210137 ARRUELA 1 X
5 14M7166 PORCA DE SEGURANCA 2 X M8
6 19M7913 PARAFUSO 1 X M8 X 90
93-26 TRATOR 6125J (EDICAO SUL-AMERICANA) PC8539P (01-JUL-10)
PN=548
93-27
CONTROLE, ACESSORIOS E AR CONDICIONADO
INSIDE REAR VIEW MIRROR
RETROVISEUR INTERIEUR
INNEN-RUECKSPIEGEL
RETROVISORE INTERIORE
RETROVISOR INTERNO
ESPEJO RETROVISOR INTERIOR
LX037885 -UN-
6
1
2
5
ITEM NR.PECA DESCRICAO QTDE NR. SERIE J NOTAS
1 AT186760 RETROVISOR 1 X
2 L113657 RETENTOR 1 X
3 AL154247 TIRA 1 X
4 24M7260 ARRUELA 2 X
5 19M8830 PARAFUSO 1 X
6 14M7478 PORCA DE SEGURANCA 1 X
7 24M7362 ARRUELA 1 X
8 L113993 PORCA 1 X
9 21M7296 PARAFUSO 2 X
TRATOR 6125J (EDICAO SUL-AMERICANA) PC8539P (01-JUL-10) 93-27
PN=549
93-28
CONTROLE, ACESSORIOS E AR CONDICIONADO
SUN VISOR
PARE-SOLEIL
SONNENBLENDE
PARASOLE
PARA SOL
PARASOL
PUBM1093 -UN-
6
1
2
5
ITEM NR.PECA DESCRICAO QTDE NR. SERIE J NOTAS
1 AL156781 PARA-SOL 1 X
2 21M7310 PARAFUSO 3 X M6 X 25
3 L113023 GANCHO 1 X
4 21M7296 PARAFUSO 2 X M6 X 20
93-28 TRATOR 6125J (EDICAO SUL-AMERICANA) PC8539P (01-JUL-10)
PN=550
93-29
CONTROLE, ACESSORIOS E AR CONDICIONADO
HOLDER FOR OPERATOR’S MANUAL (OPEN OPERATOR’S STATION)
CASIER DE RANGEMENT POUR LIVRET D’ENTRETIEN (TRACTEURS SANS CABINE)
BETRIEBSANLEITUNGSHALTER (OFFENE FAHRERPLATTFORM)
SOSTEGNO MANUALE OPERATORE (STAZIONE OPERATORE APERTA)
PORTA-MANUAL DO OPERADOR (POSTO ABERTO DO OPERADOR)
COMPARTIMENTO PARA MANUAL DEL OPERADOR (CON PLATAFORMA DE CONDUCCION ABIERTA)
LX048426 -UN-
6
1
2
5
ITEM NR.PECA DESCRICAO QTDE NR. SERIE J NOTAS
1 37M7063 PARAFUSO 3 X
2 L115238 CONTAINER 1 X
3 L115149 RETENTOR 1 X
4 37M7079 PARAFUSO 1 X
5 24M7309 ARRUELA 1 X
TRATOR 6125J (EDICAO SUL-AMERICANA) PC8539P (01-JUL-10) 93-29
PN=551
93-30
CONTROLE, ACESSORIOS E AR CONDICIONADO
OPERATOR’S MANUAL HOLDER
CASIER DE RANGEMENT LIVRET D’ENTRETIEN
HALTER FUER BETRIEBSANLEITUNG
TASCA PER IL MANUALE DELL’OPERATORE
PORTA-MANUAL DO OPERADOR
SOPORTE PARA MANUAL DEL OPERADOR
PUBM1107 -UN-
6
1
2
5
ITEM NR.PECA DESCRICAO QTDE NR. SERIE J NOTAS
1 R77915 SUPORTE 1 X
2 L39134 REBITE 4 X
93-30 TRATOR 6125J (EDICAO SUL-AMERICANA) PC8539P (01-JUL-10)
PN=552
93-31
CONTROLE, ACESSORIOS E AR CONDICIONADO
ROCKSHAFT, REMOTE CONTROL
COMMANDE A DISTANCE DU RELEVAGE
KRAFTHEBER, FERNBEDIENUNG
TIRANTERIA COMANDO SOLLEVATORE ANTERIORE
CONTROLE EXTERNO DO LEVANTE
ELEVADOR HIDR., MANDO A DISTANCIA
PUBM1055 -UN-
6
1
2
5
ITEM NR.PECA DESCRICAO QTDE NR. SERIE J NOTAS
1 AL172871 CONTROLE 1 X
2 L168608 PRESILHA 1 X (USE WITH AL172871)
3 37M7411 PARAFUSO AR X
4 L169912 PROTETOR 2 X (USE WITH AL168325 OR AL168326)
5 L65071 ETIQUETA 1 X LH
6 24M7117 ARRUELA AR X (USAR COM 37M7411)
7 R234273 ESTRUTURA 1 X (USAR COM AL168325 OU AL168326)
8 R206454 PLUGUE 1 X
TRATOR 6125J (EDICAO SUL-AMERICANA) PC8539P (01-JUL-10) 93-31
PN=553
93-32
CONTROLE, ACESSORIOS E AR CONDICIONADO
HEATER UNIT, HEATER HOSES, FAN PARTS
UNITE DE CHAUFFAGE, CONDUITES DE CHAUFFAGE, ELEMENTS SOUFFLANTE
HEIZUNGSEINHEIT, HEIZUNGSSCHLAEUCHE, GEBLAESETEILE
DI RISCALDAMENTO, TUBI PER DETTO, COMPONENTI VENTILAZIONE
UNIDADE DE AR-CONDICIONADO
UNIDAD DE CALEFACCION, MANGUERAS DE CALEFACCION, COMPONENTES DEL VENTILADOR
PUBM1411 -UN-
ESTA RELACAO CONTINUA
93-32 TRATOR 6125J (EDICAO SUL-AMERICANA) PC8539P (01-JUL-10)
PN=554
93-33
CONTROLE, ACESSORIOS E AR CONDICIONADO
6
1
2
NR. SERIE 5
ITEM NR.PECA DESCRICAO QTDE TRATOR J NOTAS
1 L110186 MANGUEIRA 1 X
2 L168126 PRESILHA 4 X
3 L110147 SUPORTE 1 X
4 AL171742 VALVULA OPERADA A MAO 1 X
5 L158565 MANGUEIRA 1 X
6 24M7139 ARRUELA 6 X
7 AL152449 REDE DE RESISTORES 1 X
8 14M7028 PORCA 2 X M5
9 19M7640 PARAFUSO SEXT. 2 X M5 X 12
10 RE46634 INTERRUPTOR 1 X
11 AL110881 SOPRADOR 2 X
12 19M7560 PARAFUSO SEXT. 8 X M6 X 16
13 L79884 JUNTA 2 X
14 24M7027 ARRUELA 3 X
15 AL163858 TROCADOR DE CALOR 1 X
16 24M7054 ARRUELA 2 X
17 19M8669 PARAFUSO 2 X M5 X 35
18 19M7768 PARAFUSO 3 X M6 X 16
19 L157800 PLACA 1 X
20 AL160645 VALVULA DE RETENCAO 1 X
21 R33259 ANEL O 2 X
22 R113050 ANEL O 1 X
23 L157116 RETENTOR 1 X
24 AL179243 MANGUEIRA 1 X INCL KEY 26
25 L59927 PORCA 1 X
26 R10093 ANEL O 2 X
27 AL110299 MANGUEIRA 1 X INCL KEY 21
28 L79919 PASSADOR 3 X
29 L79648 PORCA DE PRESSAO 4 X
30 L38642 PASSADOR 1 X
31 37M7256 PARAFUSO 3 X
32 L158566 MANGUEIRA 1 X
33 AL173750 CAIXA 1 X
34 L59800 PORCA 8 X
35 R44165 PORCA DE SEGURANCA 1 X
36 AL76568 MANOPLA 3 X
37 L113312 APOIO 1 X LH
L113313 APOIO 1 X RH
38 RE43497 INTERRUPTOR 1 X
39 AL59879 INTERRUPTOR 1 X INCL KEY 25
40 L169889 CAPA 1 X
41 37M7185 PARAFUSO 4 X
42 L151729 VENEZIANA DE AERACAO 2 X
43 37M7272 PARAFUSO 2 X
44 L110865 ETIQUETA 1 X
45 L110867 ETIQUETA 1 X
46 L157466 DEFLETOR 2 X
47 AL172331 APOIO 1 X
48 AL64588 BRACADEIRA 2 X
49 37M7042 PARAFUSO 4 X
50 57M7116 TERMINAL CONECTOR ELETRICO 1 X
51 Z36392 CINTA AR X
TRATOR 6125J (EDICAO SUL-AMERICANA) PC8539P (01-JUL-10) 93-33
PN=555
93-34
CONTROLE, ACESSORIOS E AR CONDICIONADO
COVER FOR HEATER UNIT
COUVERCLE POUR BOITIER DE CHAUFFAGE
ABDECKUNG FUER HEIZUNGSEINHEIT
COPERCHIO PER RISCALDATORE
TAMPA DA UNIDADE DE AR-CONDICIONADO
TAPA DE LA UNIDAD DE CALEFACCION
PUBM1200 -UN-
ESTA RELACAO CONTINUA
93-34 TRATOR 6125J (EDICAO SUL-AMERICANA) PC8539P (01-JUL-10)
PN=556
93-35
CONTROLE, ACESSORIOS E AR CONDICIONADO
6
1
2
5
ITEM NR.PECA DESCRICAO QTDE NR. SERIE J NOTAS
1 37M7140 PARAFUSO 2 X
2 37M7185 PARAFUSO 2 X
3 24M7139 ARRUELA 2 X
4 37M7218 PARAFUSO 3 X
5 99M7057 PLUGUE 2 X
6 L151731 CAPA 1 X
7 37M7219 PARAFUSO 2 X
8 19M7560 PARAFUSO SEXT. 8 X M6 X 16
9 L110146 SUPORTE 2 X
10 L79648 PORCA DE PRESSAO 4 X
11 L110148 CANTONEIRA 1 X LH
12 L110149 CANTONEIRA 1 X RH
13 L110633 SUPORTE 1 X
14 L110189 JUNTA 2 X
15 14M7272 PORCA 8 X M6
16 24M7139 ARRUELA 8 X
TRATOR 6125J (EDICAO SUL-AMERICANA) PC8539P (01-JUL-10) 93-35
PN=557
93-36
CONTROLE, ACESSORIOS E AR CONDICIONADO
AIR CLEANER
FILTRE A AIR
LUFTFILTER
FILTRO ARIA
FILTRO DE AR
FILTRO DE AIRE
PUBM1201 -UN-
ESTA RELACAO CONTINUA
93-36 TRATOR 6125J (EDICAO SUL-AMERICANA) PC8539P (01-JUL-10)
PN=558
93-37
CONTROLE, ACESSORIOS E AR CONDICIONADO
6
1
2
5
ITEM NR.PECA DESCRICAO QTDE NR. SERIE J NOTAS
1 AL177184 FILTRO DE AR 1 X
2 40M7040 ANEL DE PRESSAO 2 X
3 L111425 PORCA DE PRESSAO 2 X
4 37M7255 PARAFUSO 6 X
5 AL111469 PARAF. BORBOLETA 2 X
6 AL152152 CAIXA 1 X INCL KEY 4
7 AL110300 PARAFUSO 2 X
8 L110183 APOIO 1 X
9 L151732 CAPA 1 X
TRATOR 6125J (EDICAO SUL-AMERICANA) PC8539P (01-JUL-10) 93-37
PN=559
93-38
CONTROLE, ACESSORIOS E AR CONDICIONADO
DOME LIGHT, CONSOLE LIGHT, BEACON LIGHT SWITCH, AIR CHANNELS
PLAFONNIER, ECLAIRAGE CONSOLE, CONTACTEUR GYROPHARE, CIRCULATION D’AIR
INNENLEUCHTE, KONSOLENBELEUCHTUNG, SCHALTER FUER RUNDUMLEUCHTE, LUFTFUEHRUNG
PLAFONIERA, LAMPADINA PER CONSOLE, INTERRUTTORE PER LUCE ROTANTE, BOCCHETTE DI VENTILAZIONE
LUZES INTERNAS, CONDUTORES DE AR
LUZ INTERIOR DE CABINA, LUZ DE CONSOLA, INTERRUPTOR LUZ DE AVISO GIRATORIA, CONDUCTOS DE AIRE
PUBM1202 -UN-
ESTA RELACAO CONTINUA
93-38 TRATOR 6125J (EDICAO SUL-AMERICANA) PC8539P (01-JUL-10)
PN=560
93-39
CONTROLE, ACESSORIOS E AR CONDICIONADO
6
1
2
5
ITEM NR.PECA DESCRICAO QTDE NR. SERIE J NOTAS
1 19M8403 PARAFUSO SEXT. 4 X M8 X 75
2 37M7290 PARAFUSO 2 X
3 14M7416 PORCA COM FLANGE 4 X M8
4 R81207 CAPA 2 X
5 R106551 CAPA 1 X
6 L110150 DUTO DE AR 1 X LH
L110151 DUTO DE AR 1 X RH
7 57M7615 FAROL 2 X
8 AL110365 FAROL 1 X
9 L112250 SUPORTE 1 X
10 57M7105 LAMPADA 1 X
11 L110496 LENTE 1 X
12 L151733 CAPA 1 X
13 L168124 PASSADOR AR X
TRATOR 6125J (EDICAO SUL-AMERICANA) PC8539P (01-JUL-10) 93-39
PN=561
93-40
CONTROLE, ACESSORIOS E AR CONDICIONADO
CONDENSED WATER DRAIN WITH AIR CONDITIONING
EVACUATION DE L’EAU DE CONDENSATION, AVEC CLIMATISATION
KONDENSWASSERABLAUF BEI KLIMAANLAGE
SCARICO CONDENSA CON CLIMATIZZATORE
DRENO DE CONSENSACAO COM A/C
VACIADO DE CONDENSACION DE AGUA, CON AIRE ACONDICIONADO
PUBM1154 -UN-
ESTA RELACAO CONTINUA
93-40 TRATOR 6125J (EDICAO SUL-AMERICANA) PC8539P (01-JUL-10)
PN=562
93-41
CONTROLE, ACESSORIOS E AR CONDICIONADO
6
1
2
5
ITEM NR.PECA DESCRICAO QTDE NR. SERIE J NOTAS
1 AL153802 TUBO 1 X LH
AL153803 TUBO 1 X RH
2 37M7089 PARAFUSO 4 X
3 L114086 CONDUTO 2 X
4 L169203 ARRUELA 2 X
5 R60263 BUCHA 2 X
6 R60264 CONEXAO DE MANGUEIRA 2 X
7 SG06401 BRACADEIRA 2 X
8 L170670 PLACA 2 X
9 L110296 ANEL O 2 X
TRATOR 6125J (EDICAO SUL-AMERICANA) PC8539P (01-JUL-10) 93-41
PN=563
93-42
CONTROLE, ACESSORIOS E AR CONDICIONADO
LINES, HEATER AND AIR CONDITIONING
CONDUITES, CHAUFFAGE ET CLIMATISATION
LEITUNGEN, HEIZUNG UND KLIMAANLAGE
TUBI RISCALDAMENTO E CONDIZIONAMENTO ARIA
LINHAS DO AR CONDICIONADO
TUBERIAS, CALEFACCION Y SISTEMA DE AIRE ACONDICIONADO
CQ155713 -UN-
ESTA RELACAO CONTINUA
93-42 TRATOR 6125J (EDICAO SUL-AMERICANA) PC8539P (01-JUL-10)
PN=564
93-43
CONTROLE, ACESSORIOS E AR CONDICIONADO
6
1
2
5
ITEM NR.PECA DESCRICAO QTDE NR. SERIE J NOTAS
1 L158567 TUBULACAO 1 X
2 L110816 BRACADEIRA 6 X
3 L152636 PINO 4 X
4 AL157806 TUBULACAO 1 X (A)
AL174537 TUBULACAO 1 X
5 AL158926 TUBULACAO DE OLEO 1 X (A)
6 L110815 BRACADEIRA 6 X
7 L111465 TUBULACAO 1 X
8 L169839 ISOLANTE AR X LGTH 650MM
9 AL118565 BRACADEIRA 4 X
10 R10093 ANEL O 2 X
11 R33259 ANEL O 2 X
12 14M7376 PORCA DE SEGURANCA 4 X M6
13 24M7309 ARRUELA 4 X
14 AL158537 CAPA 1 X LH
15 AL158538 CAPA 1 X RH
16 21M7423 PARAFUSO 1 X M6 X 30
17 L169857 ISOLANTE 1 X
18 L169858 ISOLANTE 1 X
19 L169859 ISOLANTE 1 X
(A) AIR CONDITIONING
CLIMATISATION
KLIMAANLAGE
IMPIANTO CONDIZION. ARIA
SISTEMA DE AR CONDICIONADO
SISTEMA DE AIRE ACONDICIONADO
TRATOR 6125J (EDICAO SUL-AMERICANA) PC8539P (01-JUL-10) 93-43
PN=565
93-44
CONTROLE, ACESSORIOS E AR CONDICIONADO
RECEIVER DRYER, PRESSURE SWITCH FOR AIR CONDITIONING
DESHYDRATEUR, MANOCONTACT POUR CLIMATISATION
TROCKNER, DRUCKSCHALTER FUER KLIMAANLAGE
RICEVITORE-ESSICCATORE, INTERRUTTORE PER IMP. ARIA CONDIZ.
FILTRO SECADOR DA CABINE E PRESSOSTATO
SECADOR, INTERRUPTOR
LX034698 -UN-
6
1
2
5
ITEM NR.PECA DESCRICAO QTDE NR. SERIE J NOTAS
1 AL162467 DEPOSITO DESUMIDIFICADOR 1 X
2 14M7165 PORCA DE SEGURANCA 2 X M6
3 24M7054 ARRUELA 2 X
4 R10093 ANEL O 2 X
5 L151429 ANEL O 1 X
6 AL168231 SENSOR 1 X (ORD W/ L151429)
93-44 TRATOR 6125J (EDICAO SUL-AMERICANA) PC8539P (01-JUL-10)
PN=566
93-45
CONTROLE, ACESSORIOS E AR CONDICIONADO
COMPRESSOR, AIR CONDITIONING
CLIMATISATION - COMPRESSEUR
KOMPRESSOR, KLIMAANLAGE
COMPRESSORE CONDIZIONAMENTO ARIA
COMPRESSOR DO AR CONDICIONADO
COMPRESOR, AIRE ACONDICIONADO
CQ156178 -UN-
6
1
2
5
ITEM NR.PECA DESCRICAO QTDE NR. SERIE J NOTAS
1 DQ49620 COMPRESSOR 1 X
2 19M7691 PARAFUSO SEXT. 4 X M8 X 90
3 24M7055 ARRUELA 4 X
4 L115093 PINO ELASTICO 2 X
5 L155548 PROTECAO 1 X
6 DQ51064 KIT 1 X
7 DQ59390 COLETOR 1 X
TRATOR 6125J (EDICAO SUL-AMERICANA) PC8539P (01-JUL-10) 93-45
PN=567
93-46
CONTROLE, ACESSORIOS E AR CONDICIONADO
LINES, AIR CONDITIONING
CONDUITES, CLIMATISATION
LEITUNGEN, KLIMAANLAGE
TUBI CONDIZIONAMENTO ARIA
LINHAS DO AR CONDICIONADO
CONDUCTOS, ACONDICIONADOR DE AIRE
PUBM1443 -UN-
ESTA RELACAO CONTINUA
93-46 TRATOR 6125J (EDICAO SUL-AMERICANA) PC8539P (01-JUL-10)
PN=568
93-47
CONTROLE, ACESSORIOS E AR CONDICIONADO
6
1
2
5
ITEM NR.PECA DESCRICAO QTDE NR. SERIE J NOTAS
1 AL161500 MANGUEIRA DO AR CONDICIONAD 1 X
2 AL161175 MANGUEIRA 1 X INCL KEY 3
3 ........ TAMPA 1 X NSEP (ORD AL110238)
4 R113050 ANEL O 2 X
5 AL161174 MANGUEIRA 1 X
6 L114178 BRACADEIRA 2 X
7 19M7657 PARAFUSO 2 X M8 X 25
8 14M7031 PORCA 2 X
9 R33259 ANEL O 2 X
10 R10093 ANEL O 1 X
11 19M7386 PARAFUSO SEXT. 2 X M12 X 20
12 24M7047 ARRUELA 2 X
13 AL154392 RETENTOR 1 X
14 R49921 BRACADEIRA 1 X
15 24M7055 ARRUELA 2 X
16 19M7162 PARAFUSO SEXT. 1 X M8 X 16
17 L114660 BRACADEIRA 2 X
18 AL157838 BRACADEIRA 3 X
19 L157586 PROTECAO TERMICA 1 X
20 L168690 RETENTOR 1 X
21 L152663 VEDACAO 1 X
22 19M7297 PARAFUSO SEXT. 1 X M8 X 12
23 14M7416 PORCA COM FLANGE 1 X M8
24 CQ58078 ESPACADOR 1 X
25 RE179284 PARAF. C/ ARRUELA 1 X
26 L113094 BRACADEIRA 1 X
27 19M7595 PARAFUSO SEXT. 1 X M6 X 50
28 24M7088 ARRUELA 1 X
29 14M7165 PORCA DE SEGURANCA 1 X M6
30 19M7403 PARAFUSO SEXT. 2 X M12 X 35
31 12M7067 ARRUELA DE PRESSAO 2 X
TRATOR 6125J (EDICAO SUL-AMERICANA) PC8539P (01-JUL-10) 93-47
PN=569
93-48
CONTROLE, ACESSORIOS E AR CONDICIONADO
MEMORANDA
MEMORANDA
MEMORANDA
MEMORANDA
MEMORANDA
MEMORANDA
93-48 TRATOR 6125J (EDICAO SUL-AMERICANA) PC8539P (01-JUL-10)
PN=570
94-A01
CABOS ACESSORIOS E ASSENTO
XXXXXXXXXXXXXXXXXXXXXXXXXXXXXXXXXXXXXXXXXXXXXXXX SECTIONAL INDEX
XXXXXXXXXXXXXXXXXXXXXXXXXXXXXXXXXXXXXXXXXXXXXXXX INDEX DE SECTION
XXXXXXXXXXXXXXXXXXXXXXXXXXXXXXXXXXXXXXXXXXXXXXXX GRUPPENINDEX
XXXXXXXXXXXXXXXXXXXXXXXXXXXXXXXXXXXXXXXXXXXXXXXX INDICE DELLA SEZIONE
XXXXXXXXXXXXXXXXXXXXXXXXXXXXXXXXXXXXXXXXXXXXXXXX INDICE DE GRUPO
XXXXXXXXXXXXXXXXXXXXXXXXXXXXXXXXXXXXXXXXXXXXXXXX INDICE DE GRUPOS
PUBM1458 -UN-
1- 2
2- 3
3- 4
4- 6
5- 8
6- 10
7- 12
8- 14
9- 16
10- 18
11- 20
12- 21
13- 22
14- 24
15- 26
16- 29
17- 30
18- 32
19- 34
20- 36
21- 38
TRATOR 6125J (EDICAO SUL-AMERICANA) PC8539P (01-JUL-10) 94-A01
PN=571
94-2
CABOS ACESSORIOS E ASSENTO
SHIFT LEVER SUPPORT
SUPPORT LEVIERS DE COMMANDE
KONSOLE FUER SCHALTHEBEL
SUPPORTO LEVA CAMBIO
SUPORTE DAS ALAVANCAS
CONSOLA PARA PALANCA DEL CAMBIO
PUBM1376 -UN-
6
1
2
5
ITEM NR.PECA DESCRICAO QTDE NR. SERIE J NOTAS
1 AL157837 SUPORTE 1 X
2 14M7416 PORCA COM FLANGE 4 X M8
3 L32394 TAMPA 2 X
4 19M7162 PARAFUSO SEXT. 1 X M8 X 16
5 14M7233 PORCA SOLDAVEL 2 X M8
94-2 TRATOR 6125J (EDICAO SUL-AMERICANA) PC8539P (01-JUL-10)
PN=572
94-3
CABOS ACESSORIOS E ASSENTO
BOWDEN CABLE RETAINER ASSEMBLY (POWRQUAD)
SUPPORT DES CABLES SOUS GAINE (POWRQUAD)
HALTERANBAU FUER BOWDENZUEGE (POWRQUAD)
GRUPPO STAFFA PER CAVI BOWDEN (POWRQUAD)
SUPORTE DOS CABOS (POWRQUAD)
CONJUNTO RETENCION DE CABLES DE MANDO (POWRQUAD)
PUBM1389 -UN-
6
1
2
5
ITEM NR.PECA DESCRICAO QTDE NR. SERIE J NOTAS
1 14M7299 PORCA COM FLANGE 2 X M12
2 AL157095 CANTONEIRA 1 X
3 AL163841 CANTONEIRA 1 X
4 AL159267 CANTONEIRA 1 X
5 19M7865 PARAFUSO 2 X M8 X 16
6 19M7496 PARAFUSO SEXT. 1 X M12 X 45
7 19M7496 PARAFUSO SEXT. 2 X M12 X 45
8 24M7044 ARRUELA AR X
9 19M7168 PARAFUSO SEXT. 1 X M10 X 30
10 24M7028 ARRUELA 1 X
11 14M7296 PORCA COM FLANGE 1 X M10
12 19M7403 PARAFUSO SEXT. 1 X M12 X 35
TRATOR 6125J (EDICAO SUL-AMERICANA) PC8539P (01-JUL-10) 94-3
PN=573
94-4
CABOS ACESSORIOS E ASSENTO
GEAR SHIFT BOWDEN CABLE (POWRQUAD)
COMMANDE DES VITESSES, CABLE SOUS GAINE (POWRQUAD)
BOWDENZUG FUER GANGSCHALTUNG (POWRQUAD)
CAVI PER COMANDO CAMBIO MARCIA (POWRQUAD)
CABOS DE MARCHA E PARK (POWRQUAD)
CABLE BOWDEN DE CAMBIO DE MARCHAS (POWRQUAD)
CQ155717 -UN-
ESTA RELACAO CONTINUA
94-4 TRATOR 6125J (EDICAO SUL-AMERICANA) PC8539P (01-JUL-10)
PN=574
94-5
CABOS ACESSORIOS E ASSENTO
6
1
2
5
ITEM NR.PECA DESCRICAO QTDE NR. SERIE J NOTAS
1 DQ53134 CABO DE PUXAR E EMPURRAR 1 X
2 14M7272 PORCA AR X
3 L80051 FORQUILHA AR X LGTH 32MM
L80052 FORQUILHA AR X LGTH 44MM
L80053 FORQUILHA AR X LGTH 56MM
4 L79076 ANEL DE PRESSAO AR X
5 AL155310 CABO DE PUXAR E EMPURRAR 1 X
6 AL79050 PINO FIXADOR AR X LGTH 12MM
7 DQ53135 CABO DE PUXAR E EMPURRAR 1 X
8 R182130 PRESILHA AR X
9 19M7775 PARAFUSO AR X M6 X 16
10 L78620 ANEL O AR X
TRATOR 6125J (EDICAO SUL-AMERICANA) PC8539P (01-JUL-10) 94-5
PN=575
94-6
CABOS ACESSORIOS E ASSENTO
GEAR SHIFT BOWDEN CABLES AND PARKING LOCK (SYNCROPLUS)
COMMANDE VITESSES/FREIN DE STATION., CABLES SOUS GAINE (SYNCROPLUS)
BOWDENZUEGE FUER GANGSCHALTUNG UND PARKSPERRE (SYNCROPLUS)
CAVI BOWDEN COM.CAMBIO MARCIA E BLOCCAG.DI PARCHEG. (SYNCROPLUS)
CABO DE MARCHAS E PARK (SYNCROPLUS)
CABLES P. CAMBIO DE MARCHAS Y BLOQUEO DE ESTACIONAM. (SYNCROPLUS)
LX018313 -UN-
ESTA RELACAO CONTINUA
94-6 TRATOR 6125J (EDICAO SUL-AMERICANA) PC8539P (01-JUL-10)
PN=576
94-7
CABOS ACESSORIOS E ASSENTO
6
1
2
5
ITEM NR.PECA DESCRICAO QTDE NR. SERIE J NOTAS
1 DQ53141 CABO DE PUXAR E EMPURRAR 1 X LGTH 961MM
2 14M7272 PORCA 2 X M6
3 DQ53135 CABO DE PUXAR E EMPURRAR 1 X LGTH 1290MM
4 L80051 FORQUILHA 1 X LGTH 32MM
L80052 FORQUILHA 1 X LGTH 44MM
L80053 FORQUILHA 1 X LGTH 56MM
5 DQ53143 CABO DE PUXAR E EMPURRAR 1 X LGTH 973MM
6 AL79050 PINO FIXADOR AR X LGTH 12MM
7 L79076 ANEL DE PRESSAO 6 X
TRATOR 6125J (EDICAO SUL-AMERICANA) PC8539P (01-JUL-10) 94-7
PN=577
94-8
CABOS ACESSORIOS E ASSENTO
GEAR SHIFT COMPONENTS WITH 12-SPEED TRANSMISSION (SYNCROPLUS)
COMMANDE DES VITESSES, ELEMENTS - BOITE 12 VITESSES (SYNCROPLUS)
GANGSCHALTUNG BEI 12-GANG GETRIEBE (SYNCROPLUS)
PARTI CAMBIO MARCIA CON TRASM. 12 MARCE (SYNCROPLUS)
ALAVANCA DO CAMBIO DE MARCHAS (SYNCROPLUS)
CAMBIO DE MARCHAS CON TRANSMISION DE 12 MARCHAS (SYNCROPLUS)
PUBM1377 -UN-
ESTA RELACAO CONTINUA
94-8 TRATOR 6125J (EDICAO SUL-AMERICANA) PC8539P (01-JUL-10)
PN=578
94-9
CABOS ACESSORIOS E ASSENTO
6
1
2
5
ITEM NR.PECA DESCRICAO QTDE NR. SERIE J NOTAS
1 L150446 INSERTO 1 X
2 19M7560 PARAFUSO SEXT. 1 X M6 X 16
3 24M7139 ARRUELA 1 X
4 L116840 MANOPLA 1 X
5 AL117517 PAINEL 1 X INCL KEY 29
AL117179 PAINEL 1 X (EPCC)
6 L115292 PARAFUSO 5 X (CABINE)
19M8866 PARAFUSO 5 X M5 X 16, (EPCC)
7 L102357 PORCA 5 X
8 M78508 PARAFUSO 5 X M8 X 20
9 24M7024 ARRUELA 2 X
10 L114032 PINO FIXADOR 1 X
11 L111165 ARRUELA 6 X
12 AL150844 QUADRANTE 1 X INCL KEY 20
13 AL117586 QUADRANTE 1 X INCL KEY 20
14 AL110868 HASTE DO CAMBIO 1 X
15 L79335 ARRUELA 2 X
16 14M7166 PORCA DE SEGURANCA 1 X M8
17 19M8403 PARAFUSO SEXT. 1 X M8 X 75
18 AL110860 SUPORTE 1 X INCL KEY 20
19 AL150845 QUADRANTE 1 X
20 L77978 BUCHA 1 X
21 L111988 ARRUELA AR X TK 1.0MM
L111987 ARRUELA AR X TK 1.5MM
L77963 ARRUELA AR X TK 2.0MM
22 AL150667 APOIO 1 X
23 19M7160 PARAFUSO SEXT. 1 X M6 X 30
24 14M7272 PORCA 1 X M6
25 AL113247 APOIO 1 X
26 14M7416 PORCA COM FLANGE 2 X M8
27 L102451 MOLA DE TRACAO 1 X
28 AL110543 SUPORTE 1 X
29 L111878 PORCA 3 X
30 L112469 CALCO 4 X
31 DQ46828 PARAFUSO 1 X
32 19M7865 PARAFUSO 3 X M8 X 16
33 L114509 PLUGUE 1 X
34 L111480 PORCA DE PRESSAO 1 X
35 AL80994 ISOLADOR 1 X
.. AL112289 HASTE DO CAMBIO 1 X (INCL 14,15,16,17,18,35)
TRATOR 6125J (EDICAO SUL-AMERICANA) PC8539P (01-JUL-10) 94-9
PN=579
94-10
CABOS ACESSORIOS E ASSENTO
BOWDEN CABLES FOR RANGE SHIFT
COMMANDE DES GAMMES, CABLES SOUS GAINE
BOWDENZUEGE FUER GRUPPENSCHALTUNG
CAVI BOWDEN PER CAMBIO GAMMA
CABOS DE GRUPOS
CABLES BOWDEN PARA EL CAMBIO DE GRUPOS
LX018329 -UN-
ESTA RELACAO CONTINUA
94-10 TRATOR 6125J (EDICAO SUL-AMERICANA) PC8539P (01-JUL-10)
PN=580
94-11
CABOS ACESSORIOS E ASSENTO
6
1
2
5
ITEM NR.PECA DESCRICAO QTDE NR. SERIE J NOTAS
1 AL79050 PINO FIXADOR 1 X LGTH 12MM
2 14M7272 PORCA 2 X M6
3 L80051 FORQUILHA 1 X LGTH 32MM
L80052 FORQUILHA 1 X LGTH 44MM
L80053 FORQUILHA 1 X LGTH 56MM
4 L79076 ANEL DE PRESSAO 1 X
5 DQ53146 CABO DE PUXAR E EMPURRAR 1 X LGTH 1182MM
6 DQ53158 CABO DE PUXAR E EMPURRAR 1 X LGTH 1160MM
TRATOR 6125J (EDICAO SUL-AMERICANA) PC8539P (01-JUL-10) 94-11
PN=581
94-12
CABOS ACESSORIOS E ASSENTO
GEAR SHIFT COMPONENTS (POWRQUAD)
COMMANDE DES VITESSES, ELEMENTS (POWRQUAD)
GANGSCHALTUNG (POWRQUAD)
CAMBIO MARCIA (POWRQUAD)
ALAVANCA DO CAMBIO DE MARCHAS (POWRQUAD)
COMPONENTES DEL CAMBIO (POWRQUAD)
PUBM1380 -UN-
ESTA RELACAO CONTINUA
94-12 TRATOR 6125J (EDICAO SUL-AMERICANA) PC8539P (01-JUL-10)
PN=582
94-13
CABOS ACESSORIOS E ASSENTO
6
1
2
NR. SERIE 5
ITEM NR.PECA DESCRICAO QTDE TRATOR J NOTAS
1 AL110868 HASTE DO CAMBIO 1 X
2 L114032 PINO FIXADOR 1 X
3 AL112606 PAINEL 1 X (CABINE)
AL110722 PAINEL 1 X (EPCC)
4 AL119445 APOIO 1 X
5 AL110860 SUPORTE 1 X INCL KEY 18
6 L116262 BUCHA 1 X
7 L113019 INSERTO 1 X (CABINE)
L77964 INSERTO 1 X (EPCC)
8 L112041 MOLA 1 X
9 L79335 ARRUELA 2 X
10 19M8403 PARAFUSO SEXT. 1 X M8 X 75
11 14M7166 PORCA DE SEGURANCA 1 X M8
12 L111165 ARRUELA 6 X
13 AL150844 QUADRANTE 1 X INCL KEY 18 (SUB FOR AL117587)
14 AL157672 HASTE DO CAMBIO 1 X INCL KEY 18 AND 31 (SUB FOR AL119446)
15 AL150845 QUADRANTE 1 X INCL KEY 18 (SUB FOR AL117845)
16 M78508 PARAFUSO 4 X M8 X 20
17 24M7024 ARRUELA 2 X
18 L77978 BUCHA 1 X
19 L102357 PORCA 3 X
20 L115292 PARAFUSO 5 X (CABINE)
19M8866 PARAFUSO 5 X (EPCC)
21 L116263 ARRUELA 1 X
22 24M7139 ARRUELA 2 X
23 19M7560 PARAFUSO SEXT. 2 X M6 X 16
24 L111179 MANOPLA 1 X (CABINE)
L77805 MANOPLA 1 X (EPCC)
25 14M7272 PORCA 1 X M6
26 AL110543 SUPORTE 1 X
27 AL113247 APOIO 1 X
28 19M7160 PARAFUSO SEXT. 1 X M6 X 30
29 L102451 MOLA DE TRACAO 1 X
30 L111988 ARRUELA AR X TK 1.0MM
L111987 ARRUELA AR X TK 1.5MM
L77963 ARRUELA AR X TK 2.0MM
31 34M7172 PINO ELASTICO 1 X
32 14M7416 PORCA COM FLANGE 2 X M8
33 L111878 PORCA 4 X
34 L112469 CALCO 4 X
35 L115395 CAME 1 X
36 L116261 BUCHA 1 X
37 19M7865 PARAFUSO 2 X M8 X 16
38 L150446 INSERTO 1 X
39 L116840 MANOPLA 1 X
40 AL80994 ISOLADOR 1 X
41 AL157661 QUADRANTE 1 X
42 L111480 PORCA DE PRESSAO 1 X
43 L110964 ALAVANCA 1 X
44 DQ46828 PARAFUSO 1 X
TRATOR 6125J (EDICAO SUL-AMERICANA) PC8539P (01-JUL-10) 94-13
PN=583
94-14
CABOS ACESSORIOS E ASSENTO
RANGE SHIFTING
COMMANDE DES GAMMES
GRUPPENSCHALTUNG
COMPONENTI CAMBIO GAMMA TRASMISSIONE
ALAVANCA DE MUDANCA DE GRUPOS
CAMBIO DE GRUPOS
PUBM1381 -UN-
ESTA RELACAO CONTINUA
94-14 TRATOR 6125J (EDICAO SUL-AMERICANA) PC8539P (01-JUL-10)
PN=584
94-15
CABOS ACESSORIOS E ASSENTO
6
1
2
5
ITEM NR.PECA DESCRICAO QTDE NR. SERIE J NOTAS
1 L113018 INSERTO 1 X
2 19M7560 PARAFUSO SEXT. 1 X M6 X 16
3 24M7139 ARRUELA 1 X
4 L77805 MANOPLA 1 X
5 AL110859 HASTE DO CAMBIO 1 X
6 M78508 PARAFUSO 3 X M8 X 20
7 24M7024 ARRUELA 2 X
8 L112053 SUPORTE 1 X
9 L77963 ARRUELA 3 X TK 2.0MM
10 L101929 BUCHA 1 X
11 L77978 BUCHA 1 X
12 AL117583 QUADRANTE 1 X
13 14M7166 PORCA DE SEGURANCA 1 X M8
14 L79335 ARRUELA 2 X
15 14M7416 PORCA COM FLANGE 2 X M8
16 19M8403 PARAFUSO SEXT. 1 X M8 X 75
17 AL117582 QUADRANTE 1 X INCL KEY 11
18 AL110860 SUPORTE 1 X INCL KEY 11
19 L113994 PINO FIXADOR 1 X
20 L111988 ARRUELA AR X TK 1.0MM
L111987 ARRUELA AR X TK 1.5MM
L77963 ARRUELA AR X
21 L112469 CALCO 4 X
22 L113225 ARRUELA 1 X TK 6.0MM
23 DQ46828 PARAFUSO 1 X
24 19M7865 PARAFUSO 2 X M8 X 16
25 AL80994 ISOLADOR 1 X
TRATOR 6125J (EDICAO SUL-AMERICANA) PC8539P (01-JUL-10) 94-15
PN=585
94-16
CABOS ACESSORIOS E ASSENTO
MECHANICAL SPEED CONTROL
CONTROLE DU REGIME MECANIQUE
MECHANISCHE DREHZAHLREGULIERUNG
COMANDO MECCANICO VELOCITA’
ACELERADOR MANUAL
MANDO MECANICO DE VELOCIDAD
PUBM1379 -UN-
ESTA RELACAO CONTINUA
94-16 TRATOR 6125J (EDICAO SUL-AMERICANA) PC8539P (01-JUL-10)
PN=586
94-17
CABOS ACESSORIOS E ASSENTO
6
1
2
5
ITEM NR.PECA DESCRICAO QTDE NR. SERIE J NOTAS
1 AL151282 ALAVANCA 1 X
2 AL119895 ALAVANCA 1 X ID 10MM
3 14M7265 PORCA DE SEGURANCA 1 X M5
4 12M7077 ARRUELA 1 X
5 55M7003 ROTULA 1 X
6 L110422 PLACA 1 X
7 L58671 ARRUELA 2 X
8 R50227 RETENTOR REDONDO 1 X
9 R31271 MOLA DE COMPRESSAO 1 X
10 24M7055 ARRUELA 1 X
11 19M7378 PARAFUSO SEXT. 1 X M8 X 45
12 14M7151 PORCA 2 X M8
13 L80051 FORQUILHA 1 X
14 14M7272 PORCA 2 X M6
15 L116576 BUCHA 1 X
16 DQ34208 CABO DE PUXAR E EMPURRAR 1 X
17 AL79050 PINO FIXADOR 1 X
18 L79076 ANEL DE PRESSAO 1 X
19 40M7040 ANEL DE PRESSAO 1 X
20 L113076 EMPUNHADURA 1 X
21 AL119851 ALAVANCA 1 X
TRATOR 6125J (EDICAO SUL-AMERICANA) PC8539P (01-JUL-10) 94-17
PN=587
94-18
CABOS ACESSORIOS E ASSENTO
SELECTIVE CONTROL VALVE, CONTROL LINKAGE
DISTRIBUTEUR AUXILIAIRE, ELEMENTS DE COMMANDE
ZUSATZSTEUERGERAET, BETAETIGUNGSTEILE
DISTRIBUTORE, TIRANTE DI COMANDO
ALAVANCAS DE CONTROLE DAS VCR
VMD, ELEMENTOS DE MANDO
PUBM1052 -UN-
ESTA RELACAO CONTINUA
94-18 TRATOR 6125J (EDICAO SUL-AMERICANA) PC8539P (01-JUL-10)
PN=588
94-19
CABOS ACESSORIOS E ASSENTO
6
1
2
5
ITEM NR.PECA DESCRICAO QTDE NR. SERIE J NOTAS
1 AL76483 SUPORTE 1 X
2 24M7262 ARRUELA 1 X
3 L110766 BUCHA 1 X
4 L32394 TAMPA 2 X
5 DQ69428 CABO DE PUXAR E EMPURRAR AR X
6 L101931 ESPACADOR AR X
7 24M7180 ARRUELA 1 X
8 14M7168 PORCA DE SEGURANCA 1 X M12
9 19M7139 PARAFUSO SEXT. 1 X M8 X 20
10 L171710 ANEL AR X
11 14M7273 PORCA AR X M8
12 L77747 MANOPLA AR X
13 L171481 INSERTO AR X
14 45M7080 PINO DE TRAVA AR X
15 L79076 ANEL DE PRESSAO AR X
16 14M7360 PORCA DE SEGURANCA 1 X M5
17 AL173417 QUADRANTE 1 X
18 14M7272 PORCA 1 X M6
19 L80052 FORQUILHA 1 X
20 CQ47666 PLUGUE AR X
21 CQ02164 PASSADOR AR X
22 L100560 PORCA DE TUBO 1 X
23 14M7396 PORCA DE SEGURANCA AR X M8
24 AL173418 QUADRANTE 1 X
25 AL173414 ALAVANCA 1 X
26 AL173415 ALAVANCA 1 X
27 AL173416 ALAVANCA 1 X (A)
28 L113527 PARAFUSO 1 X M5 X 45
29 L41858 CINTA 1 X
30 14M7416 PORCA COM FLANGE 3 X M8
31 L171711 ANEL 1 X
32 L171712 ANEL 1 X
33 24M7055 ARRUELA 1 X
(A) WITH 3 SELECT. CONTROL VALVES
AVEC 3 DISTRIB. AUXILIAIRES
BEI 3 ZUSATZSTEUERGERAETEN
CON 3 DISTRIBUTORI AUSILIARI
COM 3 VCR
CON 3 VALV. DE MANDO AUXIL.
TRATOR 6125J (EDICAO SUL-AMERICANA) PC8539P (01-JUL-10) 94-19
PN=589
94-20
CABOS ACESSORIOS E ASSENTO
CONSOLE FOR SHIFTABLE REAR PTO
CONSOLE POUR PRISE DE FORCE A SELECTEUR DE REGIME ET REDUCTEUR GAMME RAMPANTE
KONSOLE FUER UMSCHALTBARE HECKZAPFWELLE
CONSOLE PER PTO POSTERIORE CON CAMBIO
SUPORTE DAS ALAVANCAS DA PTO
CONSOLA PARA TDF TRASERA DE CAMBIO MANUAL
PUBM1053 -UN-
6
1
2
5
ITEM NR.PECA DESCRICAO QTDE NR. SERIE J NOTAS
1 AL163851 APOIO 1 X
2 DQ46008 APOIO 1 X
3 14M7416 PORCA COM FLANGE AR X
94-20 TRATOR 6125J (EDICAO SUL-AMERICANA) PC8539P (01-JUL-10)
PN=590
94-21
CABOS ACESSORIOS E ASSENTO
UPHOLSTERY PARTS WITHOUT ROCKSHAFT CONTROL
ELEMENTS D’HABILLAGE SANS COMMANDE DU RELEVAGE
VERKLEIDUNGSTEILE OHNE KRAFTHEBERBETAETIGUNG
RIVESTIMENTO SENZA COMANDO DEL SOLLEVATORE
APOIA BRACO SEM CONTROLE DO LEVANTE HIDRAULICO
PANELES SIN MANDO DEL ELEVADOR HIDRAULICO
PUBM1487 -UN-
6
1
2
5
ITEM NR.PECA DESCRICAO QTDE NR. SERIE J NOTAS
1 AL156882 PAINEL DE CONTROLE 1 X (CABINE)
AL156898 PAINEL DE CONTROLE 1 X (EPCC)
2 L115292 PARAFUSO 12 X M5 X 18, (CABINE)
19M8866 PARAFUSO 8 X M5 X 16, (EPCC)
3 L111965 LIMITADOR AR X
4 L114509 PLUGUE 2 X (CABINE)
R106551 CAPA 1 X (EPCC)
5 L153594 PAINEL 1 X (CABINE)
L113823 PAINEL 1 X (EPCC)
6 L157990 CAPA 1 X
7 AL115814 PORCA 7 X
8 L151020 PARAFUSO 1 X (CABINE)
9 AL163958 CHICOTE AR X
10 14M7165 PORCA DE SEGURANCA 4 X (CABINE)
11 L156536 PAINEL 1 X (CABINE)
L80085 PAINEL 1 X (EPCC)
12 L156260 ARMAZEM 1 X (CABINE)
TRATOR 6125J (EDICAO SUL-AMERICANA) PC8539P (01-JUL-10) 94-21
PN=591
94-22
CABOS ACESSORIOS E ASSENTO
ROCKSHAFT CONTROL, LOCKING LEVER FOR SCV
COMMANDE DU RELEVAGE, BUTEES DES DISTRIBUTEURS AUXILIAIRES
KRAFTHEBERBETAETIGUNG, ARRETIERUNGSHEBEL FUER ZUSATZSTEUERGERAET
COMANDO SOLLEVATORE, ARRESTO PER DISTRIBUTORI
SUPORTE DO CONTROLE DO LEVANTE HIDRAULICO
MANDO DEL ELEVADOR HIDRAULICO, PALANCAS DE RETENCION P. VMD
PUBM1488 -UN-
ESTA RELACAO CONTINUA
94-22 TRATOR 6125J (EDICAO SUL-AMERICANA) PC8539P (01-JUL-10)
PN=592
94-23
CABOS ACESSORIOS E ASSENTO
6
1
2
5
ITEM NR.PECA DESCRICAO QTDE NR. SERIE J NOTAS
1 AL156882 PAINEL DE CONTROLE 1 X (CABINE)
AL156898 PAINEL DE CONTROLE 1 X (EPCC)
2 L111965 LIMITADOR AR X
3 L102110 PORCA 1 X
4 AL110119 POTENCIOMETRO 1 X
5 L114509 PLUGUE 3 X
6 AL115814 PORCA 8 X
7 AL82770 MANOPLA 1 X
8 L102678 PORCA 1 X
9 RE255240 MODULO 1 X
10 RE255150 INTERRUPTOR 1 X
11 L115241 PROTECAO 1 X
12 37M7179 PARAFUSO 1 X
13 RE49639 MANOPLA 2 X
14 37M7382 PARAFUSO 1 X
15 L115371 PAINEL 1 X (CABINE)
L115370 PAINEL 1 X (EPCC)
16 L115292 PARAFUSO 8 X (CABINE)
19M8866 PARAFUSO 8 X M5 X 16, (EPCC)
TRATOR 6125J (EDICAO SUL-AMERICANA) PC8539P (01-JUL-10) 94-23
PN=593
94-24
CABOS ACESSORIOS E ASSENTO
ROCKSHAFT CONTROL
COMMANDE DU RELEVAGE
KRAFTHEBERBETAETIGUNG
COMANDO SOLLEVATORE
CONTROLE DO LEVANTE HIDRAULICO
MANDO DEL ELEVADOR HIDRAULICO
PUBM1203 -UN-
ESTA RELACAO CONTINUA
94-24 TRATOR 6125J (EDICAO SUL-AMERICANA) PC8539P (01-JUL-10)
PN=594
94-25
CABOS ACESSORIOS E ASSENTO
6
1
2
5
ITEM NR.PECA DESCRICAO QTDE NR. SERIE J NOTAS
1 R213346 CARCACA 1 X (ORD W/ R166612)
2 37M7376 PARAFUSO 2 X
3 37M7179 PARAFUSO 1 X
4 34H234 PINO ELASTICO 1 X
5 R112551 MOLA 1 X
6 R212934 RODA 1 X
7 R213206 MOLA DE COMPRESSAO 1 X
8 R212936 RODA 1 X
9 40M7126 ANEL DE PRESSAO 1 X
10 R213644 ARRUELA 1 X
11 L170010 CARCACA 1 X
12 R118453 PRESILHA 1 X
13 RE58029 MANOPLA 1 X
14 R117463 CAPA 1 X
15 R212937 MANOPLA 1 X
16 R112553 MOLA DE TORCAO 1 X
17 L171701 ARRUELA 1 X
.. AL173730 CONTROLE 1 X
TRATOR 6125J (EDICAO SUL-AMERICANA) PC8539P (01-JUL-10) 94-25
PN=595
94-26
CABOS ACESSORIOS E ASSENTO
PTO, SWITCHES
PRISES DE FORCE, CONTACTEURS
HECKZAPFWELLE, SCHALTER
PTO, INTERUTTORI
INTERRUPTOR DA TDP
INTERRUPTOR TDF
CQ155735 -UN-
ESTA RELACAO CONTINUA
94-26 TRATOR 6125J (EDICAO SUL-AMERICANA) PC8539P (01-JUL-10)
PN=596
94-27
CABOS ACESSORIOS E ASSENTO
6
1
2
5
ITEM NR.PECA DESCRICAO QTDE NR. SERIE J NOTAS
1 RE169008 INTERRUPTOR AR X
2 L158822 PORCA 1 X
3 L158963 ARRUELA 1 X
4 R44313 MOLA DE COMPRESSAO 1 X
5 R117611 MANOPLA 1 X
6 24M7265 ARRUELA 1 X
7 R72653 ANEL DE PRESSAO 1 X
8 R108073 TAMPA 1 X
TRATOR 6125J (EDICAO SUL-AMERICANA) PC8539P (01-JUL-10) 94-27
PN=597
94-28
CABOS ACESSORIOS E ASSENTO
MEMORANDA
MEMORANDA
MEMORANDA
MEMORANDA
MEMORANDA
MEMORANDA
94-28 TRATOR 6125J (EDICAO SUL-AMERICANA) PC8539P (01-JUL-10)
PN=598
94-29
CABOS ACESSORIOS E ASSENTO
SEATS (OPEN OPERATOR STATION)
FAUTEUILS (PLATE-FORME DE CONDUITE)
SITZE (OFFENE FAHRERPLATTFORM)
SEDILI (POSTAZIONE OPERATORE APERTA)
ASSENTOS (EPCC)
ASIENTOS (ESTACION DEL OPERADOR ABIERTA)
CQ156179 -UN-
6
1
2
5
ITEM NR.PECA DESCRICAO QTDE NR. SERIE J NOTAS
1 DQ63806 ASSENTO 1 X
2 CQ57432 SUPORTE 1 X
3 19M7268 PARAFUSO SEXT. 4 X M12 X 25
4 24M7026 ARRUELA 4 X
5 12M7067 ARRUELA DE PRESSAO 4 X 12 MM
6 14M7031 PORCA 4 X M12
TRATOR 6125J (EDICAO SUL-AMERICANA) PC8539P (01-JUL-10) 94-29
PN=599
94-30
CABOS ACESSORIOS E ASSENTO
SEATS (OPEN OPERATOR STATION)
FAUTEUILS (PLATE-FORME DE CONDUITE)
SITZE (OFFENE FAHRERPLATTFORM)
SEDILI (POSTAZIONE OPERATORE APERTA)
ASSENTOS (EPCC)
ASIENTOS (ESTACION DEL OPERADOR ABIERTA)
CQ300505 -UN-
ESTA RELACAO CONTINUA
94-30 TRATOR 6125J (EDICAO SUL-AMERICANA) PC8539P (01-JUL-10)
PN=600
94-31
CABOS ACESSORIOS E ASSENTO
6
1
2
5
ITEM NR.PECA DESCRICAO QTDE NR. SERIE J NOTAS
1 DQ58193 KIT 1 X
2 DQ58191 KIT 1 X
3 DQ58192 KIT 1 X
4 DQ58189 KIT 1 X
5 DQ58190 KIT 1 X
6 DQ58194 CINTO DE SEGURANCA 1 X
TRATOR 6125J (EDICAO SUL-AMERICANA) PC8539P (01-JUL-10) 94-31
PN=601
94-32
CABOS ACESSORIOS E ASSENTO
SEATS (OPEN OPERATOR STATION)
FAUTEUILS (PLATE-FORME DE CONDUITE)
SITZE (OFFENE FAHREPLATTFORM)
SEDILI (POSTAZIONE OPERATORE APERTA)
ASSENTOS (EPCC)
ASIENTOS (ESTACION DEL OPERADOR ABIERTA)
CQ300506 -UN-
ESTA RELACAO CONTINUA
94-32 TRATOR 6125J (EDICAO SUL-AMERICANA) PC8539P (01-JUL-10)
PN=602
94-33
CABOS ACESSORIOS E ASSENTO
6
1
2
5
ITEM NR.PECA DESCRICAO QTDE NR. SERIE J NOTAS
1 DQ65990 PROTECAO 1 X
2 CQ58205 SLIDE 1 X
3 DQ65991 ESTRUTURA 1 X
4 DQ58199 AMORTECEDOR 1 X
5 DQ42160 REGULADOR 1 X
6 DQ42174 MOLA 1 X
7 DQ42161 KIT SUSPENSAO DO ASSENTO 1 X
8 DQ64363 KIT DE PECAS 1 X
9 DQ42163 ALAVANCA 1 X
10 DQ64362 SUPORTE 1 X
11 DQ42175 KIT DE PECAS 1 X
12 CQ58204 BASE 1 X
TRATOR 6125J (EDICAO SUL-AMERICANA) PC8539P (01-JUL-10) 94-33
PN=603
94-34
CABOS ACESSORIOS E ASSENTO
SEATS (CAB)
FAUTEUILS (CABINE)
SITZE (KABINE)
SEDILI (CABINA)
ASSENTOS (CABINE)
ASIENTOS (CABINA)
CQ155736 -UN-
6
1
2
5
ITEM NR.PECA DESCRICAO QTDE NR. SERIE J NOTAS
1 DQ56939 ASSENTO 1 X
2 CQ57475 APOIO 1 X LH
CQ57433 APOIO 1 X RH
3 19M7139 PARAFUSO SEXT. 4 X M8 X 20
4 24M7026 ARRUELA 4 X
5 14M7029 PORCA 4 X M8
94-34 TRATOR 6125J (EDICAO SUL-AMERICANA) PC8539P (01-JUL-10)
PN=604
94-35
CABOS ACESSORIOS E ASSENTO
MEMORANDA
MEMORANDA
MEMORANDA
MEMORANDA
MEMORANDA
MEMORANDA
TRATOR 6125J (EDICAO SUL-AMERICANA) PC8539P (01-JUL-10) 94-35
PN=605
94-36
CABOS ACESSORIOS E ASSENTO
REPAIR KITS FOR COMFORT SEATS (CAB)
JEUX DE REPARATION POUR FAUTEUILS CONFORT (CABINE)
REPARATURSAETZE FUER KOMFORT-SITZ (KABINE)
KIT RIPARAZIONE SEDILI COMFORT (CABINA)
KITS PARA ASSENTO CONFORT (CABINE)
CONJUNTOS DE REPARACION P. ASIENTO CONFORT (CABINA)
CQ300485 -UN-
ESTA RELACAO CONTINUA
94-36 TRATOR 6125J (EDICAO SUL-AMERICANA) PC8539P (01-JUL-10)
PN=606
94-37
CABOS ACESSORIOS E ASSENTO
6
1
2
5
ITEM NR.PECA DESCRICAO QTDE NR. SERIE J NOTAS
1 DQ62628 KIT P/ ASSENTO 1 X
2 DQ62620 KIT DO APOIO PARA BRACO 1 X RH
DQ62621 KIT DO APOIO PARA BRACO 1 X LH
3 DQ62631 KIT P/ ASSENTO 1 X
4 CQ62633 SUPORTE 1 X
5 DQ62616 KIT P/ ASSENTO 1 X
6 DQ62615 KIT P/ ASSENTO 1 X
7 DQ66167 KIT P/ ASSENTO 1 X
8 DQ62623 KIT P/ ASSENTO 1 X
9 DQ62617 KIT P/ ASSENTO 1 X
10 DQ62618 KIT P/ ASSENTO 1 X
TRATOR 6125J (EDICAO SUL-AMERICANA) PC8539P (01-JUL-10) 94-37
PN=607
94-38
CABOS ACESSORIOS E ASSENTO
REPAIR KITS FOR COMFORT SEATS (CAB)
JEUX DE REPARATION POUR FAUTEUILS CONFORT (CABINE)
REPARATURSAETZE FUER KOMFORT-SITZ (KABINE)
KIT RIPARAZIONE SEDILI COMFORT (CABINA)
KITS PARA ASSENTO CONFORT (CABINE)
CONJUNTOS DE REPARACION P. ASIENTO CONFORT (CABINA)
CQ300486 -UN-
ESTA RELACAO CONTINUA
94-38 TRATOR 6125J (EDICAO SUL-AMERICANA) PC8539P (01-JUL-10)
PN=608
94-39
CABOS ACESSORIOS E ASSENTO
6
1
2
5
ITEM NR.PECA DESCRICAO QTDE NR. SERIE J NOTAS
1 DQ62622 KIT ALAVANCA CONTROLE DO AS 1 X
2 DQ62619 KIT P/ ASSENTO 1 X
3 DQ62629 KIT P/ ASSENTO 1 X
4 DQ62630 BASE 1 X
5 DQ62625 KIT P/ ASSENTO 1 X
6 DQ50652 KIT P/ ASSENTO 1 X
7 DQ62624 KIT P/ ASSENTO 1 X
8 DQ50655 KIT P/ ASSENTO 1 X
9 DQ62632 BASE 1 X
10 DQ62626 KIT P/ ASSENTO 1 X
11 DQ62627 KIT TRILHOS DO ASSENTO 1 X
TRATOR 6125J (EDICAO SUL-AMERICANA) PC8539P (01-JUL-10) 94-39
PN=609
94-40
CABOS ACESSORIOS E ASSENTO
MEMORANDA
MEMORANDA
MEMORANDA
MEMORANDA
MEMORANDA
MEMORANDA
94-40 TRATOR 6125J (EDICAO SUL-AMERICANA) PC8539P (01-JUL-10)
PN=610
180-1
TRATOR 6125J (EDICAO SUL-AMERICANA)
INDICE NUMERICO
NR.PECA ITEM PAGINA NR.PECA ITEM PAGINA NR.PECA ITEM PAGINA
AE44929 12 40-73 AL115334 3 60-11 AL152732 12 92-39
AH77724 2 60-21 AL115334 3 60-13 AL152733 12 92-39
AH78125 9 30-31 AL115814 11 93-17 AL153356 20 60-11
AH89557 3 40-51 AL115814 16 93-19 AL153356 19 60-13
AH89557 4 40-52 AL115814 7 94-21 AL153388 1 70-27
AH89557 3 40-53 AL115814 6 94-23 AL153389 1 70-25
AH89557 4 40-54 AL115948 3 58-13 AL153660 10 93-23
AJ58437 1 70-63 AL116176 6 40-16 AL153662 9 93-23
AL110119 4 94-23 AL116245 17 52-19 AL153791 7 60-11
AL110238 3 93-47 AL116245 9 56-11 AL153791 7 60-13
AL110258 1 60-6 AL116265 11 40-19 AL153802 1 93-41
AL110276 17 60-21 AL116423 4 30-9 AL153803 1 93-41
AL110299 27 93-33 AL117179 5 94-9 AL153850 19 60-11
AL110300 7 93-37 AL117517 5 94-9 AL153850 16 60-13
AL110340 23 70-39 AL117519 13 92-43 AL153972 3 30-35
AL110365 8 93-39 AL117519 24 92-45 AL154092 1 70-31
AL110487 1 80-23 AL117582 17 94-15 AL154247 3 93-27
AL110543 28 94-9 AL117583 12 94-15 AL154249 12 93-5
AL110543 26 94-13 AL117586 13 94-9 AL154392 13 93-47
AL110566 6 40-19 AL117587 13 94-13 AL154427 6 40-9
AL110593 1 70-5 AL117641 1 92-9 AL154541 7 30-5
AL110613 .. 52-17 AL117697 3 93-19 AL154553 1 40-12
AL110722 3 94-13 AL117720 1 70-13 AL154573 6 80-3
AL110764 4 80-13 AL117845 15 94-13 AL154932 4 92-49
AL110859 5 94-15 AL117892 5 58-3 AL154960 11 60-5
AL110860 18 94-9 AL117951 6 40-43 AL155008 20 70-43
AL110860 5 94-13 AL117977 3 70-64 AL155008 4 70-54
AL110860 18 94-15 AL118382 3 60-9 AL155058 9 70-31
AL110868 14 94-9 AL118383 5 70-45 AL155227 4 60-3
AL110868 1 94-13 AL118383 5 70-47 AL155228 4 60-3
AL110881 11 93-33 AL118383 11 70-57 AL155310 20 54-21
AL110894 2 93-8 AL118565 2 30-9 AL155310 5 94-5
AL111096 9 80-25 AL118565 9 93-43 AL155417 4 40-4
AL111449 3 20-52 AL118814 1 56-17 AL155612 9 93-5
AL111451 1 20-52 AL119445 4 94-13 AL155749 14 92-9
AL111469 5 93-37 AL119446 14 94-13 AL156090 2 20-48
AL111717 1 92-37 AL119851 21 94-17 AL156199 4 60-17
AL111759 16 70-33 AL119895 2 94-17 AL156263 1 30-11
AL112163 6 60-17 AL14540 4 70-18 AL156335 1 70-41
AL112193 10 70-43 AL150015 16 40-19 AL156503 16 56-31
AL112289 .. 94-9 AL150169 1 30-33 AL156506 14 56-31
AL112560 7 56-21 AL150179 9 56-25 AL156625 1 52-7
AL112606 3 94-13 AL150286 9 30-11 AL156625 6 54-26
AL112819 1 60-7 AL150287 5 30-11 AL156633 20 60-13
AL112933 3 30-33 AL150288 7 30-11 AL156683 7 60-23
AL112953 9 70-63 AL150289 4 30-11 AL156684 8 60-23
AL113086 11 30-25 AL150529 11 60-9 AL156714 .. 56-9
AL113174 19 92-41 AL150667 22 94-9 AL156781 1 93-28
AL113247 25 94-9 AL150732 6 70-25 AL156854 1 93-6
AL113247 27 94-13 AL150732 6 70-27 AL156862 5 56-1
AL113279 6 56-7 AL150750 20 58-7 AL156863 5 56-2
AL113358 18 56-9 AL150755 21 60-5 AL156882 1 94-21
AL113714 2 56-5 AL150844 12 94-9 AL156882 1 94-23
AL114210 8 56-12 AL150844 13 94-13 AL156898 1 94-21
AL114276 8 93-21 AL150845 19 94-9 AL156898 1 94-23
AL114392 5 70-41 AL150845 15 94-13 AL156954 36 80-5
AL114404 4 70-43 AL150919 .. 52-17 AL157095 2 94-3
AL114417 8 30-35 AL150921 .. 52-17 AL157374 10 80-17
AL114526 11 56-17 AL150924 2 40-50 AL157407 16 80-5
AL114548 14 58-7 AL151191 10 70-39 AL157541 10 40-9
AL114597 15 70-15 AL151282 1 94-17 AL157571 10 60-9
AL114812 6 70-43 AL151611 1 93-11 AL157571 8 60-11
AL114896 5 40-16 AL151612 1 93-11 AL157571 8 60-13
AL114942 8 56-15 AL152098 2 40-43 AL157575 30 80-5
AL114955 9 40-19 AL152098 4 40-44 AL157593 3 20-48
AL115105 5 70-27 AL152152 6 93-37 AL157626 1 40-35
AL115334 7 60-9 AL152449 7 93-33 AL157627 1 40-25
TRATOR 6125J (EDICAO SUL-AMERICANA) PC8539P (01-JUL-10) 180-1
PN=611
180-2
TRATOR 6125J (EDICAO SUL-AMERICANA)
INDICE NUMERICO – CONTIN.
NR.PECA ITEM PAGINA NR.PECA ITEM PAGINA NR.PECA ITEM PAGINA
AL157635 30 70-39 AL162698 21 30-15 AL166744 1 52-4
AL157661 41 94-13 AL162701 7 80-3 AL166745 8 70-63
AL157672 14 94-13 AL162703 9 80-3 AL166903 4 58-1
AL157707 1 92-49 AL162705 1 80-3 AL166903 6 58-2
AL157732 26 52-17 AL162727 12 80-3 AL166904 5 58-1
AL157733 13 56-5 AL162728 13 80-3 AL166904 7 58-2
AL157743 22 60-5 AL162732 28 80-3 AL166905 2 52-13
AL157747 1 56-31 AL162751 1 52-13 AL166905 1 56-15
AL157748 1 56-31 AL162756 2 52-15 AL167008 3 58-1
AL157760 9 70-43 AL162768 1 40-41 AL167009 1 58-2
AL157806 4 93-43 AL162776 1 40-50 AL168231 6 93-44
AL157837 1 94-2 AL163081 8 52-11 AL168325 1 92-21
AL157838 18 93-47 AL163194 29 80-3 AL168325 7 93-31
AL157856 8 60-5 AL163210 38 92-37 AL168326 1 92-21
AL157856 13 60-5 AL163211 4 92-37 AL168326 7 93-31
AL157856 23 60-5 AL163297 6 92-39 AL168815 5 30-17
AL157883 13 93-5 AL163565 2 60-11 AL168858 6 70-29
AL157977 12 70-39 AL163565 2 60-13 AL169481 4 70-8
AL158041 15 56-12 AL163619 1 58-3 AL169899 6 93-8
AL158140 5 40-19 AL163619 13 58-3 AL169907 16 60-11
AL158152 14 80-3 AL163687 1 30-32 AL169907 18 60-13
AL158160 1 60-5 AL163809 1 92-13 AL170216 3 70-25
AL158294 1 40-35 AL163841 3 94-3 AL170291 1 52-2
AL158332 16 58-15 AL163851 1 94-20 AL170291 1 54-2
AL158422 3 70-35 AL163858 15 93-33 AL170293 1 60-15
AL158423 4 70-35 AL163905 15 70-13 AL170294 2 60-15
AL158537 14 93-43 AL163906 15 70-13 AL170455 5 60-15
AL158538 15 93-43 AL163958 9 94-21 AL170691 25 54-5
AL158756 24 60-5 AL164008 27 60-17 AL171119 1 70-47
AL158828 7 58-1 AL164009 28 60-17 AL171534 1 93-3
AL158828 3 58-2 AL164010 17 60-17 AL171742 4 93-33
AL158922 13 56-31 AL164011 16 60-17 AL171782 7 30-19
AL158926 5 93-43 AL164012 5 92-49 AL171782 7 30-21
AL159011 10 70-29 AL164013 5 92-49 AL171954 5 60-24
AL159181 5 40-9 AL164070 1 40-21 AL172261 8 70-29
AL159216 22 56-21 AL164106 4 56-26 AL172331 47 93-33
AL159267 4 94-3 AL164115 4 56-26 AL172525 3 52-3
AL159445 11 40-9 AL164267 9 92-45 AL172525 3 54-3
AL159472 4 56-25 AL164281 2 40-21 AL172532 3 40-5
AL159691 4 30-37 AL164323 13 56-9 AL172570 6 56-22
AL159801 1 40-34 AL164480 2 92-31 AL172680 2 80-1
AL159914 2 92-6 AL164560 18 70-29 AL172766 10 30-13
AL159971 14 70-17 AL164561 19 70-29 AL172780 6 30-11
AL159973 11 70-17 AL164597 14 60-21 AL172782 1 60-5
AL160142 11 92-31 AL164598 13 60-21 AL172782 23 60-5
AL160366 5 58-8 AL164627 1 40-23 AL172871 1 93-31
AL160369 4 40-39 AL164643 36 80-3 AL173228 5 52-3
AL160645 20 93-33 AL164643 15 80-5 AL173397 31 92-37
AL160761 13 70-54 AL164648 6 70-6 AL173414 25 94-19
AL160772 1 70-54 AL164690 1 56-5 AL173415 26 94-19
AL160773 11 70-54 AL164700 4 70-6 AL173416 27 94-19
AL160825 1 70-57 AL164808 2 92-31 AL173417 17 94-19
AL160962 32 52-17 AL164837 1 30-17 AL173418 24 94-19
AL161025 6 30-25 AL164922 1 93-3 AL173630 6 92-37
AL161043 1 70-35 AL164927 4 30-21 AL173730 .. 94-25
AL161113 1 40-49 AL164928 5 30-21 AL173750 33 93-33
AL161174 5 93-47 AL164932 5 30-19 AL173829 5 30-37
AL161175 2 93-47 AL164933 4 30-19 AL174453 18 80-5
AL161388 9 70-64 AL164954 1 40-38 AL174454 20 80-5
AL161462 11 58-13 AL165144 5 70-43 AL174537 4 93-43
AL161463 11 58-13 AL165199 2 70-5 AL175138 25 56-21
AL161500 1 93-47 AL165520 1 93-6 AL175708 12 40-55
AL161566 1 30-25 AL166180 6 70-63 AL176143 1 40-10
AL161566 3 40-33 AL166645 4 40-5 AL176428 4 30-35
AL162467 1 93-44 AL166649 5 56-11 AL176430 1 92-19
AL162696 15 30-13 AL166651 3 52-19 AL176431 1 92-19
AL162696 4 30-17 AL166743 25 54-19 AL176473 10 70-17
180-2 TRATOR 6125J (EDICAO SUL-AMERICANA) PC8539P (01-JUL-10)
PN=612
180-3
TRATOR 6125J (EDICAO SUL-AMERICANA)
INDICE NUMERICO – CONTIN.
NR.PECA ITEM PAGINA NR.PECA ITEM PAGINA NR.PECA ITEM PAGINA
AL176767 5 70-4 AL32027 10 70-13 AL80395 20 70-29
AL177068 7 40-55 AL32693 1 70-7 AL80651 1 92-23
AL177184 1 93-37 AL32877 25 80-33 AL80708 2 70-5
AL177795 1 40-55 AL32877 9 80-35 AL80939 22 56-15
AL177823 7 30-37 AL35179 2 93-5 AL80939 6 58-5
AL178071 2 52-11 AL35642 9 93-21 AL80939 16 58-7
AL178071 20 54-25 AL36529 16 93-5 AL80939 12 58-13
AL178191 3 56-7 AL37489 12 30-15 AL80941 6 56-21
AL178554 6 93-19 AL37489 5 60-9 AL80994 35 94-9
AL178813 1 40-54 AL37489 5 60-11 AL80994 40 94-13
AL178887 1 40-33 AL37489 5 60-13 AL80994 25 94-15
AL178891 1 40-52 AL37489 10 70-33 AL81320 6 56-25
AL179236 27 56-15 AL37489 13 70-43 AL81331 7 52-19
AL179243 24 93-33 AL38020 14 80-33 AL81358 7 52-11
AL179341 1 92-35 AL39876 1 80-17 AL81358 10 54-25
AL179429 1 56-19 AL59879 39 93-33 AL81449 4 56-11
AL179829 3 92-45 AL64588 5 70-21 AL81718 3 40-44
AL179830 3 92-45 AL64588 20 70-39 AL81949 1 30-5
AL179831 4 92-45 AL64588 48 93-33 AL82025 4 56-28
AL179832 4 92-45 AL67199 15 70-17 AL82025 8 56-29
AL180296 1 40-30 AL69320 5 80-47 AL82025 16 70-39
AL180297 1 40-29 AL69331 5 80-47 AL82121 14 40-33
AL180301 7 92-10 AL69712 15 56-31 AL82257 1 30-35
AL180457 4 52-3 AL76005 1 58-7 AL82582 13 58-3
AL180457 4 54-3 AL76067 2 92-23 AL82770 7 94-23
AL181065 12 30-35 AL76125 1 58-5 AL82960 2 70-53
AL181805 12 70-29 AL76421 1 56-22 AP32913 15 60-19
AL181849 1 40-47 AL76434 .. 58-15 AP37887 1 60-17
AL181918 2 60-24 AL76483 1 94-19 AP37887 1 60-19
AL182098 8 56-31 AL76568 14 93-5 AR103873 29 52-9
AL200020 22 70-29 AL76568 36 93-33 AR103873 3 54-19
AL200971 17 80-37 AL76638 3 70-5 AR103873 14 54-23
AL201018 1 93-17 AL76658 14 70-33 AR21837 5 30-15
AL201725 26 30-15 AL76702 1 40-43 AR65507 2 20-33
AL201726 10 30-15 AL76702 5 40-44 AS04904 3 40-12
AL201803 3 40-16 AL77028 10 70-61 AT107509 24 56-15
AL201843 1 70-10 AL77322 3 56-27 AT130104 3 40-12
AL201844 4 70-16 AL77324 4 40-43 AT13740 5 20-29
AL201863 2 70-16 AL77324 2 40-44 AT186760 1 93-26
AL201892 1 70-15 AL77434 3 56-5 AT186760 1 93-27
AL201897 2 70-15 AL77680 2 70-61 AT18904 2 20-17
AL201898 1 70-16 AL77711 1 93-21 AT18904 8 20-43
AL201899 13 70-9 AL78276 1 92-45 AT85174 1 20-47
AL201900 7 70-9 AL78277 1 92-45 AZ33725 7 80-9
AL202769 1 80-5 AL78377 3 92-43 AZ47904 7 40-15
AL202906 2 92-41 AL78652 5 70-33 A31870 28 80-33
AL202908 2 92-41 AL78652 15 70-43 A364R 20 20-27
AL203061 12 70-54 AL78835 8 56-21 A4379R 4 80-15
AL203265 4 40-11 AL78835 7 58-7 A4883R 15 80-15
AL203444 9 80-5 AL79010 7 56-19 B2762R 14 60-17
AL203461 8 93-8 AL79013 4 93-21 CC40740 5 80-46
AL203634 12 80-5 AL79029 8 93-17 CD14689 8 20-22
AL203635 13 80-5 AL79029 8 93-19 CD16284 14 20-39
AL203642 1 80-40 AL79037 7 70-29 CQ02164 21 94-19
AL203689 9 30-15 AL79050 6 94-5 CQ03768 2 80-42
AL203755 17 40-55 AL79050 6 94-7 CQ04738 34 80-3
AL203843 10 80-5 AL79050 1 94-11 CQ07569 3 70-9
AL204716 2 30-37 AL79050 17 94-17 CQ07843 1 80-10
AL204800 9 30-37 AL79072 15 56-9 CQ07843 8 80-13
AL204824 2 80-3 AL79540 6 60-9 CQ07843 18 80-15
AL204825 15 80-3 AL79750 18 56-15 CQ07844 2 80-10
AL204911 1 40-51 AL79794 12 80-27 CQ07844 9 80-13
AL204913 1 40-53 AL80099 16 54-25 CQ07844 1 80-17
AL205515 1 40-42 AL80099 15 70-25 CQ08038 6 30-31
AL206572 2 30-25 AL80099 15 70-27 CQ16408 4 80-19
AL206587 10 30-25 AL80154 6 60-21 CQ25602 4 56-32
AL31983 2 70-7 AL80154 20 60-21 CQ25614 1 80-17
TRATOR 6125J (EDICAO SUL-AMERICANA) PC8539P (01-JUL-10) 180-3
PN=613
180-4
TRATOR 6125J (EDICAO SUL-AMERICANA)
INDICE NUMERICO – CONTIN.
NR.PECA ITEM PAGINA NR.PECA ITEM PAGINA NR.PECA ITEM PAGINA
CQ25620 18 80-15 CQ27271 23 80-37 CQ32109 6 80-15
CQ25621 1 80-17 CQ27272 23 80-37 CQ33591 3 70-63
CQ25768 8 70-9 CQ27273 23 80-37 CQ33856 7 80-15
CQ25923 10 40-12 CQ27274 23 80-37 CQ33966 16 80-39
CQ25923 4 40-36 CQ27275 23 80-37 CQ33967 16 80-39
CQ25992 8 80-9 CQ27276 23 80-37 CQ34080 10 80-15
CQ26016 6 70-9 CQ27277 23 80-37 CQ34081 10 80-15
CQ26127 8 80-9 CQ27278 23 80-37 CQ34351 12 30-25
CQ26128 7 80-9 CQ27279 23 80-37 CQ34452 8 80-9
CQ26159 18 80-15 CQ27280 23 80-37 CQ34452 8 80-13
CQ26402 4 80-18 CQ27281 23 80-37 CQ34453 7 80-9
CQ26402 2 80-19 CQ27282 23 80-37 CQ34453 9 80-13
CQ26402 6 80-20 CQ27283 23 80-37 CQ34905 11 92-5
CQ26740 18 80-15 CQ27284 23 80-37 CQ37642 8 80-9
CQ27128 5 80-20 CQ27285 23 80-37 CQ38349 .. 30-15
CQ27171 9 92-5 CQ27286 23 80-37 CQ38916 9 30-26
CQ27184 6 80-18 CQ27287 23 80-37 CQ40864 18 80-15
CQ27195 10 80-25 CQ27288 23 80-37 CQ41340 8 80-13
CQ27196 10 80-25 CQ27289 23 80-37 CQ41341 8 80-9
CQ27197 10 80-25 CQ27290 23 80-37 CQ42092 10 40-19
CQ27198 10 80-25 CQ27291 23 80-37 CQ42968 19 70-15
CQ27199 10 80-25 CQ27292 23 80-37 CQ43005 2 80-22
CQ27200 10 80-25 CQ27293 23 80-37 CQ43006 5 80-22
CQ27201 10 80-25 CQ27294 23 80-37 CQ43598 5 30-9
CQ27202 10 80-25 CQ27295 23 80-37 CQ45134 6 80-25
CQ27203 10 80-25 CQ27296 23 80-37 CQ45134 31 80-33
CQ27204 10 80-25 CQ27298 11 80-29 CQ45134 7 80-35
CQ27205 10 80-25 CQ27301 18 80-37 CQ47036 9 30-22
CQ27206 10 80-25 CQ27302 7 80-37 CQ47188 8 80-9
CQ27207 10 80-25 CQ27305 5 80-37 CQ47666 1 80-42
CQ27208 10 80-25 CQ27307 13 80-31 CQ47666 20 94-19
CQ27209 10 80-25 CQ27308 14 80-31 CQ48046 2 40-4
CQ27210 10 80-25 CQ27730 16 80-33 CQ48506 1 40-3
CQ27211 10 80-25 CQ27851 10 80-39 CQ49005 28 70-29
CQ27212 10 80-25 CQ27989 15 80-29 CQ49408 22 80-37
CQ27213 10 80-25 CQ27990 5 80-25 CQ50357 4 80-10
CQ27214 10 80-25 CQ28088 8 80-13 CQ50357 6 80-13
CQ27215 10 80-25 CQ28088 18 80-15 CQ50408 2 80-25
CQ27216 10 80-25 CQ28556 27 30-15 CQ50410 3 80-25
CQ27217 10 80-25 CQ28556 13 40-23 CQ50411 18 80-29
CQ27218 10 80-25 CQ28556 2 80-42 CQ50412 3 80-29
CQ27219 10 80-25 CQ29143 1 30-31 CQ50413 19 80-29
CQ27220 10 80-25 CQ29167 8 30-31 CQ50662 7 80-13
CQ27221 10 80-25 CQ29344 1 80-33 CQ51579 8 30-37
CQ27222 10 80-25 CQ29345 1 80-25 CQ51921 1 30-6
CQ27223 10 80-25 CQ29345 8 80-33 CQ51923 9 40-12
CQ27224 10 80-25 CQ29345 6 80-35 CQ52174 6 30-9
CQ27225 10 80-25 CQ29406 8 80-37 CQ52183 5 30-22
CQ27226 10 80-25 CQ29407 6 80-37 CQ52392 3 92-14
CQ27227 10 80-25 CQ29408 16 80-37 CQ52934 8 70-19
CQ27228 10 80-25 CQ29426 2 80-9 CQ55030 5 30-31
CQ27229 10 80-25 CQ29426 1 80-13 CQ55032 3 30-31
CQ27230 10 80-25 CQ29427 4 80-9 CQ57432 2 94-29
CQ27231 10 80-25 CQ29427 3 80-13 CQ57433 2 94-34
CQ27234 18 80-33 CQ29428 5 80-9 CQ57475 2 94-34
CQ27241 4 80-25 CQ29428 2 80-13 CQ58078 24 93-47
CQ27241 10 80-35 CQ29519 1 80-6 CQ58168 1 92-10
CQ27242 2 80-37 CQ30150 2 70-63 CQ58204 12 94-33
CQ27243 12 80-29 CQ30867 3 80-9 CQ58205 2 94-33
CQ27244 14 80-29 CQ30867 7 80-13 CQ58873 2 30-6
CQ27244 4 80-33 CQ30870 3 80-9 CQ59332 4 93-13
CQ27245 2 80-33 CQ30872 3 80-9 CQ61655 39 80-3
CQ27246 3 80-33 CQ30872 7 80-13 CQ62312 25 30-15
CQ27248 9 80-29 CQ31201 8 80-39 CQ62312 40 80-3
CQ27249 9 80-29 CQ31202 4 80-39 CQ62315 21 40-19
CQ27250 5 80-29 CQ31207 5 80-39 CQ62315 39 80-5
CQ27251 2 80-29 CQ31233 2 80-39 CQ62633 4 94-37
180-4 TRATOR 6125J (EDICAO SUL-AMERICANA) PC8539P (01-JUL-10)
PN=614
180-5
TRATOR 6125J (EDICAO SUL-AMERICANA)
INDICE NUMERICO – CONTIN.
NR.PECA ITEM PAGINA NR.PECA ITEM PAGINA NR.PECA ITEM PAGINA
CQ63428 7 30-31 DQ39769 22 40-19 DQ59493 .. 80-9
CQ64057 10 93-3 DQ41285 6 30-26 DQ61023 1 80-21
CQ64111 24 80-31 DQ42160 5 94-33 DQ61096 1 92-6
CQ64112 20 80-29 DQ42161 7 94-33 DQ61096 5 92-6
CQ64114 1 80-37 DQ42163 9 94-33 DQ61097 1 92-6
CQ64245 1 80-35 DQ42174 6 94-33 DQ61097 5 92-6
CQ64246 8 80-35 DQ42175 11 94-33 DQ61508 21 80-5
CQ64247 5 80-35 DQ43003 3 80-22 DQ61516 11 30-26
CQ64249 18 80-31 DQ43004 4 80-22 DQ61639 11 30-27
CQ64250 4 80-31 DQ43133 6 93-25 DQ62047 12 30-27
CQ64251 9 80-31 DQ43134 6 93-25 DQ62060 15 70-54
CQ64252 19 80-31 DQ43135 3 93-25 DQ62246 9 70-33
CQ64253 12 80-31 DQ46008 2 94-20 DQ62615 6 94-37
CQ64647 10 80-29 DQ46087 1 93-25 DQ62616 5 94-37
CQ65139 6 80-15 DQ46088 1 93-25 DQ62617 9 94-37
CQ65207 5 80-15 DQ46621 12 80-17 DQ62618 10 94-37
CQ65301 7 30-25 DQ46828 31 94-9 DQ62619 2 94-39
CQ66216 7 40-5 DQ46828 44 94-13 DQ62620 2 94-37
CQ66248 8 80-9 DQ46828 23 94-15 DQ62621 2 94-37
CQ66250 1 80-10 DQ48301 5 54-3 DQ62622 1 94-39
CQ66250 18 80-15 DQ48452 3 80-10 DQ62623 8 94-37
CQ66643 7 80-15 DQ48452 11 80-13 DQ62624 7 94-39
CQ67632 7 92-29 DQ48453 10 80-13 DQ62625 5 94-39
CQ67633 3 92-29 DQ49620 1 93-45 DQ62626 10 94-39
CQ67634 6 92-27 DQ50436 33 92-37 DQ62627 11 94-39
CQ67634 7 92-29 DQ50588 10 80-13 DQ62628 1 94-37
CQ67635 2 92-27 DQ50652 6 94-39 DQ62629 3 94-39
CQ67635 3 92-29 DQ50655 8 94-39 DQ62630 4 94-39
CQ67641 8 80-25 DQ51064 6 93-45 DQ62631 3 94-37
CQ71882 3 40-15 DQ51572 3 30-35 DQ62632 9 94-39
CQ71890 8 40-15 DQ52288 1 92-5 DQ63159 1 30-27
CQ72046 4 80-37 DQ52327 1 92-5 DQ63188 1 92-3
C2214E 3 80-6 DQ52378 2 92-5 DQ63674 5 30-26
DQ04397 3 80-40 DQ52393 1 92-27 DQ63696 9 30-27
DQ20973 6 80-9 DQ52393 1 92-29 DQ63698 10 30-27
DQ20973 3 80-37 DQ52819 12 30-13 DQ63806 1 94-29
DQ24057 2 30-28 DQ52819 13 30-13 DQ63989 10 93-13
DQ25068 11 40-12 DQ52819 2 30-17 DQ64254 11 80-31
DQ25143 6 30-28 DQ52819 3 30-17 DQ64254 20 80-31
DQ25990 1 30-22 DQ53134 1 94-5 DQ64290 2 92-29
DQ26015 5 70-9 DQ53135 7 94-5 DQ64362 10 94-33
DQ26126 9 80-9 DQ53135 3 94-7 DQ64363 8 94-33
DQ27253 13 80-33 DQ53141 1 94-7 DQ64776 4 80-40
DQ28326 9 80-9 DQ53143 5 94-7 DQ64777 2 80-40
DQ28539 22 80-29 DQ53146 5 94-11 DQ65036 8 70-16
DQ28540 21 80-29 DQ53158 6 94-11 DQ65274 1 40-19
DQ28542 17 80-29 DQ53213 3 70-8 DQ65990 1 94-33
DQ28725 6 80-29 DQ53462 3 92-3 DQ65991 3 94-33
DQ30256 1 80-9 DQ53463 4 92-3 DQ65998 10 93-15
DQ30260 1 80-9 DQ53525 11 92-14 DQ66167 7 94-37
DQ30262 1 80-9 DQ56939 1 94-34 DQ67022 11 40-19
DQ30877 4 80-13 DQ58189 4 94-31 DQ67132 7 80-31
DQ31200 16 80-29 DQ58190 5 94-31 DQ67133 21 80-31
DQ31503 9 80-9 DQ58191 2 94-31 DQ67134 22 80-31
DQ32910 7 30-28 DQ58192 3 94-31 DQ68471 14 92-6
DQ33766 5 80-41 DQ58193 1 94-31 DQ68478 1 40-6
DQ33944 11 40-12 DQ58194 6 94-31 DQ68989 1 80-1
DQ34064 1 80-39 DQ58199 4 94-33 DQ69428 5 94-19
DQ34065 1 80-39 DQ58301 2 92-3 DQ69816 3 60-17
DQ34208 16 94-17 DQ58302 1 92-3 DQ70291 8 80-7
DQ34723 1 80-9 DQ58449 9 40-15 DQ70340 8 70-33
DQ34723 4 80-13 DQ58542 2 92-5 DQ70988 21 93-5
DQ36679 1 80-22 DQ58814 1 92-17 DQ72369 23 40-19
DQ37643 7 80-9 DQ59038 9 40-5 DQ72612 4 30-28
DQ37676 9 80-9 DQ59131 5 92-45 DQ72620 1 30-28
DQ39225 8 30-22 DQ59361 1 30-26 DQ72620 5 30-28
DQ39530 3 30-28 DQ59390 7 93-45 DT5037 .. 52-15
TRATOR 6125J (EDICAO SUL-AMERICANA) PC8539P (01-JUL-10) 180-5
PN=615
180-6
TRATOR 6125J (EDICAO SUL-AMERICANA)
INDICE NUMERICO – CONTIN.
NR.PECA ITEM PAGINA NR.PECA ITEM PAGINA NR.PECA ITEM PAGINA
DT5037 .. 52-17 L100522 12 56-15 L102155 41 70-45
DT5037 .. 56-11 L100560 22 94-19 L102155 40 70-47
DT5037 .. 56-23 L100573 13 56-23 L102176 6 70-39
DT5037 .. 58-3 L100581 6 52-5 L102179 17 70-43
DT5173 .. 56-15 L100644 10 60-21 L102203 4 40-47
DT5267 .. 56-31 L100685 10 92-47 L102204 7 40-47
DT5267 .. 70-3 L100767 11 52-19 L102324 4 70-4
DT5299 .. 56-5 L100768 11 52-19 L102357 7 94-9
DT5299 .. 56-11 L100769 11 52-19 L102357 19 94-13
DT5299 .. 58-7 L100802 12 70-43 L102359 11 93-5
DT5299 2 70-8 L100851 12 60-21 L102363 3 40-47
DT5470 8 92-9 L100869 23 92-45 L102363 4 40-49
DT5470 5 92-11 L100935 14 56-17 L102451 27 94-9
DT5471 10 92-14 L100959 21 56-15 L102451 29 94-13
DT5471 3 92-49 L100959 8 58-5 L102453 15 60-23
DT5472 9 92-9 L100959 17 58-7 L102489 7 56-15
DT5472 8 92-21 L100959 19 58-13 L102489 9 56-17
DT5538 .. 92-6 L100961 28 56-21 L102490 19 93-19
DY8313 9 92-10 L101122 17 56-17 L102565 6 56-15
D2361R 21 20-29 L101142 19 56-31 L102567 4 56-17
E69117 2 70-45 L101177 5 80-38 L102588 8 92-19
E69117 2 70-47 L101241 8 40-47 L102588 9 92-41
F2823R 6 70-17 L101243 9 56-31 L102616 2 80-45
H151673 6 80-46 L101287 1 60-23 L102647 4 58-3
H23125 3 20-2 L101355 11 58-5 L102678 8 94-23
H63237 34 54-23 L101355 3 58-10 L110065 13 60-17
H63283 4 70-61 L101355 3 58-11 L110066 3 52-13
H75541 13 56-25 L101356 11 58-5 L110066 6 56-1
H75541 12 60-15 L101356 3 58-10 L110066 6 56-2
H77698 2 80-42 L101356 3 58-11 L110066 2 56-15
JD10058 8 30-1 L101357 7 70-7 L110067 4 56-19
JD10249 19 80-37 L101389 10 70-8 L110092 7 52-3
JD10250 15 80-37 L101394 6 70-31 L110092 7 54-3
JD10269 5 54-17 L101403 9 70-8 L110129 2 56-17
JD10330 3 52-15 L101463 4 52-6 L110138 15 92-31
JD10479 18 52-5 L101488 13 56-17 L110146 9 93-35
JD10479 35 52-17 L101519 33 80-3 L110147 3 93-33
JD10497 5 56-15 L101560 3 60-15 L110148 11 93-35
JD10498 4 56-15 L101561 6 60-23 L110149 12 93-35
JD10508 15 52-19 L101573 6 58-7 L110150 6 93-39
JD10508 10 56-11 L101574 9 56-19 L110151 6 93-39
JD10522 14 52-15 L101618 22 58-13 L110183 8 93-37
JD37047 4 58-8 L101689 33 80-33 L110186 1 93-33
JD37087 11 80-33 L101698 20 80-33 L110189 14 93-35
JD7798 12 70-17 L101761 2 40-51 L110257 5 54-12
JD8171 5 58-13 L101761 2 40-53 L110265 26 70-39
JD8217 20 58-13 L101779 10 56-17 L110293 7 70-36
JD8510 7 52-4 L101829 2 56-22 L110294 2 70-33
JD8856 7 56-9 L101897 20 60-17 L110296 9 93-41
JD9320 19 52-15 L101929 10 94-15 L110306 9 40-23
J53262 2 80-17 L101931 6 94-19 L110367 36 92-37
J53401 10 80-15 L101932 9 93-17 L110422 6 94-17
J53701 3 80-15 L101932 9 93-19 L110496 11 93-39
J53702 16 80-15 L102007 13 40-33 L110617 1 93-8
J55278 4 80-17 L102007 6 60-11 L110633 13 93-35
J60540 9 20-19 L102007 6 60-13 L110762 8 60-17
L100230 7 80-25 L102049 2 60-17 L110765 2 40-30
L100259 23 70-29 L102097 7 58-8 L110765 5 40-53
L100271 24 70-39 L102110 20 93-17 L110766 3 94-19
L100285 5 93-8 L102110 17 93-19 L110777 10 30-1
L100380 2 92-11 L102110 3 94-23 L110815 6 93-43
L100389 21 92-19 L102146 3 56-21 L110816 2 93-43
L100413 5 92-31 L102147 3 56-21 L110851 10 56-5
L100414 6 92-31 L102148 3 56-21 L110865 44 93-33
L100425 3 60-23 L102149 3 56-21 L110867 45 93-33
L100435 12 92-19 L102154 41 70-45 L110964 43 94-13
L100519 16 56-17 L102154 40 70-47 L111002 21 60-17
180-6 TRATOR 6125J (EDICAO SUL-AMERICANA) PC8539P (01-JUL-10)
PN=616
180-7
TRATOR 6125J (EDICAO SUL-AMERICANA)
INDICE NUMERICO – CONTIN.
NR.PECA ITEM PAGINA NR.PECA ITEM PAGINA NR.PECA ITEM PAGINA
L111003 22 60-17 L112282 21 93-19 L113559 1 93-19
L111005 10 52-15 L112290 3 40-55 L113657 2 93-27
L111041 7 40-19 L112290 35 92-37 L113715 37 92-37
L111048 13 56-11 L112290 3 92-47 L113717 6 92-41
L111052 24 52-19 L112367 18 80-15 L113718 7 92-41
L111054 18 52-19 L112370 10 70-63 L113823 5 94-21
L111072 12 92-43 L112380 2 56-19 L113846 14 93-17
L111085 1 70-22 L112469 30 94-9 L113886 6 92-23
L111120 2 30-1 L112469 34 94-13 L113887 7 92-23
L111127 5 40-39 L112469 21 94-15 L113893 2 56-32
L111138 11 60-21 L112480 19 70-39 L113893 3 56-32
L111165 11 94-9 L112503 1 70-3 L113907 18 92-41
L111165 12 94-13 L112511 5 93-19 L113908 17 92-41
L111179 24 94-13 L112545 4 20-48 L113993 8 93-27
L111184 1 40-39 L112657 6 92-19 L113994 19 94-15
L111294 6 30-1 L112690 1 52-3 L114030 2 40-47
L111376 8 40-49 L112690 1 54-3 L114032 10 94-9
L111385 1 56-32 L112743 7 92-45 L114032 2 94-13
L111412 21 70-43 L112762 28 70-39 L114053 6 60-24
L111414 30 92-37 L112796 23 93-19 L114062 3 40-37
L111419 13 92-37 L112797 13 92-21 L114086 3 93-41
L111425 3 93-37 L112797 10 92-33 L114088 9 58-13
L111440 34 92-37 L112797 4 93-3 L114089 1 58-13
L111465 7 93-43 L112884 6 56-17 L114120 3 56-12
L111479 11 70-33 L112950 5 93-13 L114159 3 80-47
L111479 16 70-43 L112951 4 92-47 L114160 3 80-47
L111480 4 92-19 L112971 12 92-47 L114178 3 60-9
L111480 13 92-47 L112972 9 92-47 L114178 15 60-11
L111480 14 93-24 L113016 17 56-21 L114178 15 60-13
L111480 34 94-9 L113018 1 94-15 L114178 6 93-47
L111480 42 94-13 L113019 7 94-13 L114257 3 92-19
L111707 6 70-4 L113020 1 93-15 L114266 5 56-7
L111718 9 70-13 L113021 2 93-15 L114314 6 92-25
L111800 38 80-5 L113023 3 93-28 L114339 12 80-1
L111818 7 58-8 L113049 12 56-12 L114509 8 93-5
L111857 5 30-1 L113076 20 94-17 L114509 33 94-9
L111878 29 94-9 L113094 8 40-33 L114509 4 94-21
L111878 33 94-13 L113094 26 93-47 L114509 5 94-23
L111964 26 54-5 L113099 6 56-12 L114522 9 40-47
L111964 10 54-7 L113192 10 30-35 L114524 12 40-47
L111964 9 54-11 L113217 18 52-19 L114539 9 60-21
L111964 6 58-1 L113217 19 52-19 L114567 6 52-15
L111964 8 58-2 L113217 24 52-19 L114651 11 56-15
L111965 3 94-21 L113217 15 56-11 L114655 33 56-15
L111965 2 94-23 L113225 22 94-15 L114660 17 93-47
L111978 1 60-24 L113232 2 92-47 L114757 1 58-11
L111987 21 94-9 L113281 4 60-21 L114773 5 70-53
L111987 30 94-13 L113312 37 93-33 L114874 5 80-1
L111987 20 94-15 L113313 37 93-33 L114874 29 80-33
L111988 11 92-45 L113335 9 56-12 L114953 3 80-39
L111988 21 94-9 L113339 29 52-17 L115020 18 93-5
L111988 30 94-13 L113339 11 56-5 L115082 2 70-13
L111988 20 94-15 L113347 19 60-21 L115082 3 70-13
L112001 2 52-3 L113409 5 30-35 L115083 2 70-13
L112001 2 54-3 L113415 5 93-3 L115083 3 70-13
L112041 8 94-13 L113415 12 93-17 L115093 4 93-45
L112053 8 94-15 L113415 20 93-19 L115149 3 93-29
L112092 11 56-23 L113436 3 92-41 L115158 7 80-46
L112121 10 40-70 L113437 3 92-41 L115235 24 93-19
L112212 33 80-33 L113438 4 92-41 L115238 2 93-29
L112214 33 80-33 L113439 4 92-41 L115239 2 92-17
L112215 33 80-33 L113440 1 92-41 L115241 11 94-23
L112217 33 80-33 L113441 1 92-41 L115277 4 40-29
L112218 33 80-33 L113446 11 80-1 L115292 22 93-17
L112232 11 92-19 L113527 28 94-19 L115292 6 94-9
L112250 9 93-39 L113541 4 56-12 L115292 20 94-13
L112282 15 93-17 L113543 7 70-4 L115292 2 94-21
TRATOR 6125J (EDICAO SUL-AMERICANA) PC8539P (01-JUL-10) 180-7
PN=617
180-8
TRATOR 6125J (EDICAO SUL-AMERICANA)
INDICE NUMERICO – CONTIN.
NR.PECA ITEM PAGINA NR.PECA ITEM PAGINA NR.PECA ITEM PAGINA
L115292 16 94-23 L151731 6 93-35 L154171 3 40-25
L115344 5 80-9 L151732 9 93-37 L154173 2 40-49
L115344 2 80-13 L151733 12 93-39 L154293 18 54-23
L115353 5 70-13 L151740 8 93-24 L154332 2 40-33
L115370 15 94-23 L151752 16 92-47 L154335 3 92-6
L115371 15 94-23 L151753 15 92-47 L154378 12 92-6
L115395 35 94-13 L151818 17 70-39 L154378 11 93-3
L115418 12 80-13 L151863 13 93-24 L154379 11 92-6
L115460 22 70-43 L151979 8 30-11 L154379 12 93-3
L115608 5 52-6 L151980 5 40-10 L154381 3 93-11
L115609 7 52-6 L152035 9 92-31 L154428 1 92-11
L115740 11 92-39 L152148 3 80-45 L154516 8 52-15
L116013 12 52-3 L152151 7 40-33 L154520 6 56-9
L116013 12 54-3 L152216 13 56-21 L154620 3 56-31
L116041 11 52-3 L152250 9 92-6 L154621 4 56-31
L116041 11 54-3 L152250 .. 92-6 L154750 6 70-5
L116130 33 52-17 L152254 8 92-10 L154773 4 40-26
L116130 24 56-5 L152323 3 70-45 L154897 12 92-31
L116184 22 92-19 L152323 3 70-47 L154937 13 40-9
L116184 15 92-43 L152324 13 70-25 L154991 6 92-14
L116184 10 92-45 L152324 13 70-27 L155008 1 92-10
L116261 36 94-13 L152324 21 70-45 L155025 1 92-31
L116262 6 94-13 L152324 21 70-47 L155025 13 92-31
L116263 21 94-13 L152325 27 70-45 L155025 .. 92-31
L116304 7 92-47 L152325 27 70-47 L155183 25 80-5
L116529 22 70-39 L152326 28 70-45 L155244 7 70-53
L116560 7 70-43 L152326 28 70-47 L155245 3 70-53
L116576 15 94-17 L152335 9 93-24 L155257 8 92-31
L116615 6 70-3 L152460 4 40-55 L155267 26 56-21
L116616 7 70-3 L152507 4 54-29 L155339 1 56-7
L116628 12 70-31 L152519 4 92-10 L155361 2 93-3
L116840 4 94-9 L152636 3 93-43 L155376 1 30-9
L116840 39 94-13 L152652 6 92-13 L155376 1 70-21
L150034 13 93-13 L152660 16 80-3 L155423 20 92-19
L150079 8 93-15 L152663 17 80-3 L155448 4 40-25
L150336 25 52-17 L152663 21 93-47 L155455 7 93-21
L150340 5 93-15 L152943 6 40-10 L155496 23 52-15
L150363 6 93-15 L153099 10 80-1 L155496 25 56-5
L150424 5 92-14 L153130 4 92-23 L155548 5 93-45
L150446 1 94-9 L153130 17 92-43 L155576 17 92-47
L150446 38 94-13 L153159 1 56-11 L155598 27 80-5
L150454 9 93-15 L153161 8 52-19 L155599 26 80-5
L150525 6 93-13 L153307 6 52-19 L155606 20 92-45
L150526 3 93-13 L153307 2 56-11 L155639 10 56-9
L150527 2 93-13 L153345 8 56-11 L155730 5 56-28
L150693 8 56-9 L153536 32 80-5 L155730 7 56-29
L150695 8 56-7 L153587 8 40-12 L155885 31 52-17
L150696 3 56-9 L153594 5 94-21 L155889 15 56-5
L151020 15 60-5 L153635 29 52-17 L155927 3 30-5
L151020 8 94-21 L153635 11 56-5 L155934 3 70-29
L151157 1 93-13 L153759 13 92-9 L155935 9 70-29
L151416 23 56-21 L153768 3 40-26 L155937 21 56-31
L151429 5 93-44 L153768 5 80-3 L155965 22 80-3
L151429 6 93-44 L153769 2 92-9 L155966 23 80-3
L151528 15 92-19 L153819 41 54-19 L155993 9 56-15
L151529 4 40-41 L153819 10 56-25 L155994 9 56-15
L151529 2 40-55 L153842 19 80-3 L156151 13 54-23
L151554 3 92-10 L153968 1 56-9 L156205 16 92-31
L151569 7 92-13 L154057 16 60-5 L156206 14 92-31
L151570 8 92-13 L154067 12 92-9 L156259 1 52-13
L151611 3 40-50 L154128 4 40-15 L156260 12 94-21
L151614 3 92-11 L154131 17 56-12 L156261 5 56-1
L151699 3 93-17 L154133 1 54-19 L156262 5 56-2
L151718 10 92-10 L154134 20 54-23 L156282 1 52-15
L151718 25 92-45 L154170 5 20-48 L156283 5 52-15
L151719 25 92-45 L154170 5 40-4 L156294 34 54-5
L151729 42 93-33 L154171 3 40-21 L156294 4 56-29
180-8 TRATOR 6125J (EDICAO SUL-AMERICANA) PC8539P (01-JUL-10)
PN=618
180-9
TRATOR 6125J (EDICAO SUL-AMERICANA)
INDICE NUMERICO – CONTIN.
NR.PECA ITEM PAGINA NR.PECA ITEM PAGINA NR.PECA ITEM PAGINA
L156325 5 92-37 L158185 3 70-18 L166233 4 56-7
L156502 7 58-8 L158186 13 70-15 L166316 4 30-15
L156522 11 92-37 L158220 16 56-21 L166446 20 52-9
L156536 11 94-21 L158222 20 56-21 L166446 7 54-23
L156573 35 80-5 L158223 10 70-5 L166528 11 58-1
L156665 14 70-15 L158227 2 30-33 L166529 2 58-2
L156690 13 52-19 L158228 1 30-15 L166609 8 93-11
L156691 14 52-19 L158229 11 30-15 L166630 7 30-15
L156693 16 56-11 L158230 6 30-15 L166759 10 40-37
L156773 8 58-8 L158235 4 30-13 L167244 6 40-51
L156788 13 70-17 L158239 3 30-13 L167244 2 40-52
L156851 4 56-5 L158239 14 30-17 L167244 7 40-53
L156910 2 58-8 L158240 15 30-17 L167244 2 40-54
L156912 1 58-8 L158241 20 30-15 L167318 10 52-4
L156914 10 56-31 L158246 2 30-11 L167350 2 58-7
L156964 18 60-15 L158251 13 30-15 L167363 37 80-3
L156986 6 30-5 L158252 23 30-15 L167364 38 80-3
L157084 7 56-5 L158260 5 93-17 L167473 30 80-3
L157085 7 56-5 L158288 44 80-3 L167749 41 52-17
L157086 7 56-5 L158289 8 30-15 L167749 26 56-5
L157095 10 92-43 L158301 2 40-6 L167801 22 56-9
L157103 3 56-17 L158302 4 40-6 L168124 13 93-39
L157104 3 56-17 L158305 5 40-6 L168126 2 93-33
L157106 3 56-17 L158306 24 30-15 L168228 1 92-17
L157108 3 56-17 L158310 12 70-33 L168245 15 40-47
L157116 23 93-33 L158312 22 54-23 L168271 9 92-37
L157254 25 93-17 L158359 4 70-21 L168286 11 30-17
L157254 18 93-19 L158360 6 70-21 L168344 3 70-3
L157274 7 92-17 L158434 4 92-13 L168503 14 60-15
L157284 38 52-17 L158473 51 54-19 L168519 13 93-17
L157285 38 52-17 L158499 1 30-37 L168608 2 93-31
L157286 40 52-17 L158565 5 93-33 L168610 17 60-23
L157287 40 52-17 L158566 32 93-33 L168690 20 93-47
L157295 3 93-5 L158567 1 93-43 L168800 9 56-5
L157372 4 92-6 L158800 1 56-28 L168846 11 30-11
L157372 2 92-14 L158800 1 56-29 L169102 8 92-45
L157372 10 92-21 L158822 2 94-27 L169103 8 92-45
L157372 8 92-35 L158930 12 70-3 L169203 4 93-41
L157399 24 80-5 L158963 3 94-27 L169208 6 30-19
L157464 3 92-21 L158967 8 56-17 L169208 6 30-21
L157465 3 92-21 L159011 16 30-19 L169231 15 60-17
L157466 46 93-33 L159013 9 30-13 L169253 22 52-15
L157467 2 40-16 L159013 12 30-17 L169254 28 52-17
L157515 39 52-17 L159014 10 80-3 L169258 21 52-15
L157547 2 92-13 L159015 11 80-3 L169277 5 58-5
L157555 38 52-17 L159016 8 30-19 L169323 24 80-3
L157556 40 52-17 L159016 8 30-21 L169329 19 30-15
L157568 16 56-15 L159026 4 70-29 L169839 8 93-43
L157586 19 93-47 L159212 5 60-21 L169844 12 70-61
L157703 7 54-19 L159241 5 92-13 L169857 17 93-43
L157732 3 92-13 L159313 7 56-12 L169858 18 93-43
L157769 25 80-3 L164972 8 92-49 L169859 19 93-43
L157774 5 54-19 L164972 3 93-3 L169889 40 93-33
L157793 2 93-11 L165048 8 80-1 L169912 4 93-31
L157800 19 93-33 L165281 13 30-17 L170010 11 94-25
L157816 15 92-37 L165282 5 30-13 L170237 30 52-17
L157817 2 92-43 L165428 .. 92-11 L170237 8 56-5
L157817 9 92-45 L165781 7 58-3 L170237 18 56-5
L157818 8 92-39 L165818 25 70-29 L170424 25 56-15
L157820 8 92-47 L165942 14 56-11 L170670 8 93-41
L157821 14 92-47 L165946 23 56-11 L170677 1 92-43
L157826 18 80-3 L165947 5 56-9 L170803 27 52-9
L157872 11 52-15 L165957 1 80-47 L170885 14 58-13
L157928 3 80-23 L166213 1 58-10 L170967 7 40-37
L157982 18 56-21 L166228 12 56-5 L170997 2 80-46
L157990 6 94-21 L166230 17 56-5 L170998 1 80-46
L157992 13 56-15 L166231 16 56-5 L171150 5 92-17
TRATOR 6125J (EDICAO SUL-AMERICANA) PC8539P (01-JUL-10) 180-9
PN=619
180-10
TRATOR 6125J (EDICAO SUL-AMERICANA)
INDICE NUMERICO – CONTIN.
NR.PECA ITEM PAGINA NR.PECA ITEM PAGINA NR.PECA ITEM PAGINA
L171151 6 92-17 L202150 10 70-9 L39978 3 70-7
L171152 47 54-23 L202151 14 70-9 L39983 19 80-33
L171231 12 40-12 L202305 3 92-23 L39997 5 80-37
L171481 13 94-19 L202306 8 92-23 L40003 15 80-33
L171486 5 92-19 L202574 3 80-1 L40005 15 80-31
L171572 8 70-31 L203439 2 80-5 L40071 6 80-31
L171572 24 70-43 L203440 4 80-5 L40075 8 80-29
L171572 6 70-54 L203441 3 80-5 L40121 5 80-37
L171701 17 94-25 L203442 5 80-5 L40130 17 80-33
L171710 10 94-19 L203443 6 80-5 L40205 16 80-31
L171711 31 94-19 L203490 8 80-5 L40253 21 80-33
L171712 32 94-19 L203949 3 80-39 L40254 22 80-33
L171975 14 92-39 L203991 1 93-24 L40272 11 80-27
L171976 14 92-39 L204008 4 93-24 L40272 10 80-33
L171980 9 92-39 L204116 14 80-5 L40273 9 80-33
L172081 6 56-31 L204120 6 52-4 L40273 4 80-35
L172182 1 60-3 L204993 25 80-33 L40274 7 80-33
L172584 12 70-8 L205139 4 30-3 L40274 3 80-35
L172599 9 56-21 L205762 3 80-46 L40281 20 80-37
L172658 7 56-17 L205763 3 80-46 L40282 1 80-31
L172758 1 70-4 L206857 6 70-10 L40283 5 80-31
L172889 9 58-7 L26943 3 70-10 L40284 17 80-31
L172906 3 30-11 L26943 12 70-13 L40552 7 80-29
L172927 21 56-5 L27099 8 80-47 L40924 4 40-37
L172982 4 52-5 L28228 5 80-18 L40924 2 92-10
L173220 28 52-9 L28228 1 80-19 L40924 4 93-17
L173222 12 52-9 L28228 7 80-20 L40924 4 93-19
L173241 19 58-7 L28230 2 80-20 L40966 12 56-23
L173243 5 58-7 L31683 5 80-13 L40982 11 80-27
L173431 11 56-21 L31792 15 56-21 L40982 10 80-33
L173432 10 56-21 L32394 12 40-33 L40983 11 80-27
L173433 14 56-21 L32394 3 94-2 L40983 10 80-33
L173476 20 80-3 L32394 4 94-19 L40984 11 80-27
L173805 10 92-39 L33035 11 58-7 L40984 10 80-33
L173991 6 56-5 L33159 13 58-13 L40985 11 80-27
L173998 19 56-21 L33332 20 52-19 L40985 10 80-33
L174118 9 92-19 L33332 12 56-11 L40987 11 80-27
L174378 6 40-49 L34029 5 80-17 L40987 10 80-33
L174379 5 40-49 L34383 2 58-18 L40988 11 80-27
L174554 10 56-19 L34995 14 70-43 L40988 10 80-33
L175019 37 80-5 L35037 4 70-17 L40989 11 80-27
L175651 1 70-8 L35423 11 40-66 L40989 10 80-33
L175783 6 80-23 L35424 13 40-66 L40990 11 80-27
L175841 2 40-37 L35425 12 40-66 L40990 10 80-33
L175842 1 40-37 L35577 16 80-33 L40991 11 80-27
L175853 19 60-5 L36670 10 40-66 L40991 10 80-33
L176859 17 58-15 L36681 14 40-66 L40992 11 80-27
L176898 12 56-31 L36685 15 40-66 L40992 10 80-33
L18955 2 80-7 L37224 15 80-39 L40993 11 80-27
L18955 1 80-38 L37225 14 80-39 L40993 10 80-33
L200226 7 92-33 L37226 2 80-38 L40994 11 80-27
L200226 4 92-35 L37489 4 93-5 L40994 10 80-33
L200484 3 58-17 L37733 31 70-45 L40995 11 80-27
L200689 .. 80-5 L37733 14 70-57 L40995 10 80-33
L200800 5 92-21 L37963 21 70-29 L40996 11 80-27
L200802 5 92-21 L38141 12 80-15 L40996 10 80-33
L200829 15 30-35 L38284 16 60-15 L40998 33 80-33
L202135 4 70-15 L38449 5 80-7 L40999 33 80-33
L202136 5 70-15 L38450 3 80-7 L41000 33 80-33
L202137 6 70-15 L38622 4 40-73 L41001 33 80-33
L202138 3 70-15 L38642 3 40-39 L41003 33 80-33
L202139 17 70-15 L38642 30 93-33 L41004 33 80-33
L202140 7 70-15 L39134 10 92-19 L41005 33 80-33
L202141 8 70-15 L39134 2 93-30 L41006 8 80-29
L202144 3 70-16 L39603 6 93-17 L41008 5 80-37
L202146 6 70-16 L39603 11 93-19 L41079 8 52-6
L202147 7 70-16 L39860 6 92-10 L41079 8 70-35
180-10 TRATOR 6125J (EDICAO SUL-AMERICANA) PC8539P (01-JUL-10)
PN=620
180-11
TRATOR 6125J (EDICAO SUL-AMERICANA)
INDICE NUMERICO – CONTIN.
NR.PECA ITEM PAGINA NR.PECA ITEM PAGINA NR.PECA ITEM PAGINA
L41159 14 80-37 L55610 11 80-27 L75911 34 52-17
L41164 3 80-31 L55610 10 80-33 L75917 29 52-17
L41170 5 80-37 L56021 5 92-10 L75917 11 56-5
L41171 8 80-31 L56243 3 60-24 L76029 23 58-7
L41172 8 80-31 L56246 4 60-24 L76033 19 52-5
L41173 8 80-31 L56746 1 70-17 L76033 36 52-17
L41174 8 80-31 L57250 5 92-25 L76058 5 56-31
L41175 8 80-31 L57311 18 56-31 L76059 17 56-31
L41178 7 93-8 L57382 14 60-23 L76193 25 58-7
L41187 15 56-15 L57824 4 92-25 L76229 16 52-19
L41216 2 80-31 L58671 7 94-17 L76229 17 56-11
L41383 11 52-9 L59635 14 93-19 L76234 19 56-11
L41384 10 52-9 L59748 13 92-6 L76235 4 52-19
L41384 26 54-23 L59748 .. 92-6 L76286 4 58-13
L41443 22 92-47 L59748 3 92-9 L76287 6 58-8
L41526 11 52-6 L59796 .. 40-55 L76291 11 58-5
L41526 1 52-11 L59796 19 92-19 L76291 3 58-10
L41526 11 54-25 L59800 34 93-33 L76291 3 58-11
L41526 30 56-15 L59900 2 56-27 L76292 11 58-5
L41526 2 58-1 L59901 3 56-22 L76292 3 58-10
L41526 10 58-2 L59901 11 70-29 L76292 3 58-11
L41536 10 52-6 L59904 2 58-16 L76293 11 58-5
L41560 2 80-9 L59904 1 70-39 L76293 3 58-10
L41560 1 80-13 L59927 25 93-33 L76293 3 58-11
L41649 4 52-15 L60088 13 80-29 L76294 11 58-5
L41650 4 52-15 L60088 5 80-33 L76294 3 58-10
L41651 4 52-15 L60404 8 80-38 L76294 3 58-11
L41652 4 52-15 L60585 2 40-36 L76295 11 58-5
L41653 4 52-15 L61335 5 92-33 L76295 3 58-10
L41654 4 52-15 L61335 7 92-35 L76295 3 58-11
L41655 4 52-15 L61335 40 92-37 L76296 7 58-8
L41656 4 52-15 L62172 7 60-21 L76297 7 58-8
L41657 4 52-15 L62420 16 80-33 L76298 7 58-8
L41709 9 52-6 L62735 24 56-21 L76299 7 58-8
L41709 29 56-15 L62810 4 92-14 L76308 4 58-7
L41709 1 58-1 L63127 8 80-29 L76327 2 58-5
L41709 11 58-2 L63128 8 80-29 L76331 7 92-9
L41709 21 60-21 L63386 7 40-43 L76408 4 56-1
L41709 9 70-35 L64295 3 70-17 L76408 4 56-2
L41858 2 40-29 L64456 4 58-17 L76445 1 58-16
L41858 13 52-3 L64500 3 56-15 L76494 4 58-5
L41858 13 54-3 L64500 1 58-18 L76495 3 58-5
L41858 2 80-42 L64500 4 70-41 L76568 4 58-16
L41858 29 94-19 L64500 1 80-45 L76569 4 58-16
L41860 23 60-21 L64632 7 70-17 L76654 7 56-22
L41928 21 80-37 L64634 8 70-17 L76661 10 56-22
L41980 12 60-9 L64838 9 58-5 L76670 1 52-12
L41980 9 60-11 L64882 11 70-8 L76767 17 92-9
L41980 9 60-13 L64996 4 80-46 L76821 29 52-17
L41980 15 60-21 L65071 5 93-31 L76821 11 56-5
L42050 9 70-17 L75294 7 56-31 L76822 29 52-17
L53813 18 56-12 L75449 28 92-37 L76822 11 56-5
L53821 12 58-3 L75747 13 70-29 L76895 4 80-38
L53861 2 56-28 L75882 5 56-7 L76923 24 52-15
L53861 2 56-29 L75883 5 56-7 L76923 27 52-17
L53873 18 60-21 L75884 5 56-7 L76923 14 56-5
L53873 18 70-39 L75885 1 56-1 L76924 3 58-16
L53888 5 80-31 L75885 1 56-2 L77046 15 70-39
L55594 4 80-29 L75889 7 56-7 L77065 8 56-22
L55602 5 80-37 L75889 4 70-53 L77138 2 56-21
L55603 5 80-37 L75904 27 52-17 L77141 21 56-21
L55606 11 80-27 L75904 14 56-5 L77173 9 52-3
L55606 10 80-33 L75905 27 52-17 L77173 9 54-3
L55607 11 80-27 L75905 14 56-5 L77254 7 58-13
L55607 10 80-33 L75906 27 52-17 L77255 8 58-13
L55608 11 80-27 L75906 14 56-5 L77262 10 56-15
L55608 10 80-33 L75911 17 52-5 L77301 3 58-7
TRATOR 6125J (EDICAO SUL-AMERICANA) PC8539P (01-JUL-10) 180-11
PN=621
180-12
TRATOR 6125J (EDICAO SUL-AMERICANA)
INDICE NUMERICO – CONTIN.
NR.PECA ITEM PAGINA NR.PECA ITEM PAGINA NR.PECA ITEM PAGINA
L77317 2 70-41 L78703 1 92-39 L79611 13 70-13
L77320 8 70-3 L78703 9 92-43 L79648 19 93-17
L77331 7 80-38 L78703 17 92-45 L79648 22 93-19
L77371 4 56-21 L78703 20 92-47 L79648 29 93-33
L77371 8 58-7 L78704 17 92-37 L79648 10 93-35
L77493 11 70-9 L78704 5 92-39 L79734 7 93-5
L77560 3 56-19 L78704 5 92-43 L79775 2 93-25
L77586 25 70-39 L78704 21 92-45 L79792 5 93-11
L77594 7 70-5 L78704 21 92-47 L79795 38 52-17
L77651 22 92-45 L78705 24 92-37 L79796 38 52-17
L77747 12 94-19 L78768 13 92-45 L79797 38 52-17
L77758 5 56-7 L78769 12 92-45 L79798 38 52-17
L77759 5 56-7 L78784 5 70-53 L79831 23 56-31
L77760 5 56-7 L78785 5 70-53 L79862 13 58-5
L77761 5 56-7 L78801 1 70-18 L79871 12 52-15
L77762 5 56-7 L78827 20 56-15 L79880 3 40-49
L77763 5 56-7 L78828 17 56-15 L79884 13 93-33
L77774 1 70-53 L78838 20 56-15 L79894 6 80-39
L77775 5 56-5 L78839 20 56-15 L79909 6 92-47
L77779 18 60-17 L78840 20 56-15 L79919 46 80-3
L77805 24 94-13 L78846 17 92-19 L79919 28 93-33
L77805 4 94-15 L78847 17 92-19 L79924 10 70-15
L77912 2 92-21 L78851 18 92-37 L80005 5 70-8
L77963 21 94-9 L78851 6 92-43 L80013 3 93-21
L77963 30 94-13 L78851 14 92-45 L80014 5 93-21
L77963 9 94-15 L78866 23 52-19 L80015 6 93-21
L77963 20 94-15 L78867 22 52-19 L80051 3 94-5
L77964 7 94-13 L78870 5 56-22 L80051 4 94-7
L77978 20 94-9 L78871 18 30-15 L80051 3 94-11
L77978 18 94-13 L78964 5 70-29 L80051 13 94-17
L77978 11 94-15 L78975 34 52-9 L80052 1 56-12
L78006 27 80-33 L78975 15 54-19 L80052 3 94-5
L78028 9 40-33 L78979 22 80-5 L80052 4 94-7
L78041 3 93-24 L78984 1 40-15 L80052 3 94-11
L78069 6 56-5 L79006 2 70-22 L80052 19 94-19
L78070 6 56-5 L79009 23 60-17 L80053 3 94-5
L78071 6 56-5 L79028 3 30-3 L80053 4 94-7
L78072 6 56-5 L79037 11 56-9 L80053 3 94-11
L78073 6 56-5 L79057 17 30-15 L80062 5 56-19
L78085 8 40-5 L79076 4 94-5 L80085 11 94-21
L78122 40 52-17 L79076 7 94-7 L80107 17 56-9
L78123 40 52-17 L79076 4 94-11 L80167 21 56-9
L78124 40 52-17 L79076 18 94-17 L80302 3 93-7
L78125 40 52-17 L79076 15 94-19 L80303 10 40-23
L78202 5 40-73 L79125 1 92-14 L80355 11 92-21
L78238 7 93-24 L79127 21 52-19 L80361 11 56-31
L78261 9 52-15 L79149 11 80-39 L80362 11 56-31
L78338 8 58-3 L79160 2 70-31 L80423 32 80-33
L78415 2 56-9 L79171 3 70-31 L80445 10 52-3
L78422 2 93-21 L79187 11 52-19 L80445 10 54-3
L78457 1 56-26 L79188 11 52-19 MN10029 5 40-15
L78494 7 56-1 L79230 5 70-3 MN10255 6 93-3
L78494 7 56-2 L79232 4 70-3 MN10280 1 70-19
L78501 7 80-39 L79234 2 70-3 MN10297 3 30-25
L78545 2 56-26 L79270 25 60-17 MN10321 4 30-25
L78580 5 56-21 L79335 15 94-9 MN10384 7 80-47
L78620 10 94-5 L79335 9 94-13 MN10393 14 30-15
L78682 12 56-17 L79335 14 94-15 MN10413 45 80-3
L78683 19 56-15 L79354 14 40-49 MN10435 9 92-33
L78687 15 56-17 L79432 20 92-41 MN10436 8 92-33
L78690 16 92-41 L79433 21 92-41 MN10437 1 92-33
L78691 15 92-41 L79485 26 92-45 M44162 12 58-5
L78693 27 92-37 L79493 10 30-37 M78508 8 94-9
L78701 3 93-15 L79557 15 52-5 M78508 16 94-13
L78702 4 92-39 L79610 2 70-10 M78508 6 94-15
L78702 23 92-47 L79610 11 70-13 M84971 9 92-49
L78703 21 92-37 L79611 4 70-10 M85517 11 60-3
180-12 TRATOR 6125J (EDICAO SUL-AMERICANA) PC8539P (01-JUL-10)
PN=622
180-13
TRATOR 6125J (EDICAO SUL-AMERICANA)
INDICE NUMERICO – CONTIN.
NR.PECA ITEM PAGINA NR.PECA ITEM PAGINA NR.PECA ITEM PAGINA
M87733 2 20-43 RE225878 1 54-17 RE47392 1 56-18
N209668 22 60-3 RE228488 4 54-15 RE47392 3 56-23
PFP10109 14 60-3 RE228607 3 54-13 RE47393 19 58-15
PFP10110 13 60-3 RE228608 1 54-13 RE47730 15 20-9
PFP10111 15 60-3 RE23542 9 80-13 RE48092 4 54-7
PF11335 2 40-59 RE23542 1 80-17 RE48786 8 20-9
PF11600 3 40-59 RE239058 10 54-9 RE49624 12 70-25
PF12143 7 60-3 RE239125 22 70-47 RE49624 12 70-27
PF12168 23 60-3 RE239127 1 70-45 RE49624 20 70-45
PF12169 24 60-3 RE241164 1 70-49 RE49624 20 70-47
PF12198 16 60-3 RE244125 6 54-11 RE49625 2 70-25
PF12321 10 60-3 RE244129 16 54-11 RE49628 2 70-51
PF12336 17 60-3 RE245565 6 54-13 RE49631 22 70-45
PF12746 6 60-3 RE245952 4 70-25 RE49632 4 70-51
PF12747 9 60-3 RE245952 4 70-27 RE49633 23 70-45
PF12800 8 60-3 RE246313 24 70-47 RE49639 13 94-23
PF13131 3 40-60 RE251672 32 54-5 RE49778 3 40-36
PF13301 1 40-60 RE255150 10 94-23 RE500026 13 20-43
PF13379 8 40-59 RE255240 9 94-23 RE500133 7 20-51
PF80793 10 40-56 RE261134 9 80-9 RE500608 6 20-33
PF80824 4 40-59 RE261756 31 54-5 RE500631 6 20-20
PF80845 16 40-55 RE268228 4 70-63 RE500844 1 20-44
PF80858 5 40-59 RE268229 4 70-63 RE502086 4 20-10
PF80865 15 40-55 RE268230 4 70-63 RE502740 1 20-25
PF81060 5 60-3 RE268231 4 70-63 RE503027 1 20-2
PF81061 12 60-3 RE285712 1 40-5 RE50332 3 70-58
PF81087 .. 60-3 RE31617 6 20-39 RE50333 1 70-58
PF81163 6 40-59 RE34603 20 54-5 RE50334 2 70-58
PF81170 1 40-59 RE34603 8 54-15 RE503727 6 20-51
PF81259 2 40-60 RE34786 18 54-11 RE50384 25 70-45
PF90321 .. 40-59 RE35512 7 52-5 RE50384 25 70-47
PF90718 .. 40-60 RE35512 12 54-5 RE50385 26 70-45
P47889 24 58-7 RE39354 12 54-25 RE50385 26 70-47
P47889 31 70-47 RE40370 12 52-4 RE50385 4 70-58
P48347 31 54-19 RE40448 18 54-17 RE504233 2 20-21
P48347 12 58-15 RE41945 2 52-4 RE504914 4 20-36
P51079 39 54-23 RE43497 38 93-33 RE505232 3 20-51
P60213 2 30-22 RE43637 2 93-7 RE505232 7 20-51
P60266 6 70-57 RE44574 4 20-5 RE505501 13 20-29
RE151059 3 54-11 RE44574 .. 20-31 RE505502 12 20-43
RE151494 1 93-23 RE46534 10 52-19 RE505515 .. 20-31
RE164448 2 40-23 RE46534 13 54-25 RE505980 12 20-27
RE169008 1 94-27 RE46534 1 93-7 RE505980 14 20-27
RE172250 3 70-51 RE46598 14 60-19 RE505980 15 20-27
RE175238 10 60-19 RE46634 10 93-33 RE505980 18 20-27
RE179284 25 93-47 RE46684 3 20-22 RE505980 19 20-27
RE183935 6 93-5 RE46684 27 54-5 RE507850 1 20-33
RE190805 6 52-11 RE46684 12 54-11 RE507852 3 20-33
RE190805 8 56-23 RE46684 48 54-19 RE508185 25 20-29
RE190805 10 58-15 RE46684 57 54-23 RE508317 4 20-35
RE19797 2 20-9 RE46684 10 70-25 RE508566 7 20-27
RE19799 4 20-9 RE46684 10 70-27 RE508599 6 20-41
RE19800 5 20-9 RE46685 16 20-27 RE515226 10 20-9
RE206170 10 80-13 RE46685 15 20-41 RE515605 1 20-9
RE207311 14 40-55 RE46685 20 54-19 RE515785 7 20-31
RE207825 18 70-27 RE46685 11 54-21 RE516340 7 20-31
RE211158 2 56-18 RE46685 10 54-23 RE51650 6 20-19
RE211158 1 56-23 RE46685 8 54-25 RE517370 3 20-27
RE212876 5 52-11 RE46686 1 20-22 RE519144 1 20-45
RE212876 7 54-25 RE46686 13 20-41 RE519740 11 20-51
RE212878 4 52-11 RE47271 37 54-5 RE519741 13 20-51
RE212878 5 54-26 RE47291 6 54-17 RE520360 3 20-43
RE217551 1 40-36 RE47294 4 54-9 RE520368 10 20-51
RE220029 24 54-5 RE47303 42 54-23 RE522076 2 20-14
RE220990 11 54-5 RE47305 9 54-5 RE52242 1 20-51
RE221608 20 54-11 RE47315 5 52-9 RE523251 6 20-11
RE222770 21 58-13 RE47315 10 54-19 RE524562 1 20-14
TRATOR 6125J (EDICAO SUL-AMERICANA) PC8539P (01-JUL-10) 180-13
PN=623
180-14
TRATOR 6125J (EDICAO SUL-AMERICANA)
INDICE NUMERICO – CONTIN.
NR.PECA ITEM PAGINA NR.PECA ITEM PAGINA NR.PECA ITEM PAGINA
RE524696 9 20-43 R100988 16 54-17 R111173 8 92-5
RE525910 1 20-35 R100989 15 54-17 R111206 4 70-57
RE526834 8 20-19 R100991 14 54-17 R111238 7 70-45
RE528734 5 20-11 R101169 15 54-11 R111238 7 70-47
RE529593 1 20-18 R101170 12 54-9 R111242 9 70-45
RE530088 11 20-9 R101178 7 54-15 R111242 9 70-47
RE530306 1 40-2 R101187 8 54-9 R111278 5 70-57
RE532939 1 20-27 R101214 5 54-11 R111288 13 70-45
RE535728 1 20-21 R101225 11 20-20 R111288 13 70-47
RE536179 1 20-6 R101239 17 54-17 R111298 11 70-25
RE537501 18 20-9 R102913 5 54-7 R111298 11 70-27
RE538097 23 20-27 R104536 6 20-43 R111308 16 70-45
RE54004 5 60-5 R104558 20 58-15 R111308 16 70-47
RE545155 1 20-54 R104655 4 54-5 R111504 34 70-45
RE54885 7 20-43 R104714 44 54-19 R111504 34 70-47
RE56031 1 52-5 R104728 43 54-23 R111527 33 70-45
RE56036 5 54-9 R104733 11 52-5 R111527 33 70-47
RE56037 5 54-5 R104738 2 54-9 R111570 11 92-9
RE56127 24 70-45 R104846 9 40-56 R112063 47 54-19
RE56369 33 20-27 R104846 3 40-63 R112551 5 94-25
RE56578 1 20-29 R104846 3 40-65 R112553 16 94-25
RE57489 1 20-39 R104846 3 40-70 R112857 3 54-12
RE58029 13 94-25 R104846 2 40-71 R112945 5 54-25
RE59298 2 20-41 R105040 18 54-9 R112955 2 54-12
RE59487 2 20-19 R105346 10 20-43 R112976 32 54-19
RE59754 9 20-51 R105605 24 52-9 R112977 40 54-23
RE59811 .. 20-31 R105605 21 54-23 R113050 22 93-33
RE59827 .. 20-4 R106302 6 60-5 R113050 4 93-47
RE59827 1 20-46 R106551 5 93-39 R113211 7 70-57
RE60005 4 20-39 R106551 4 94-21 R113218 32 70-45
RE60029 16 20-9 R106821 2 20-13 R113218 32 70-47
RE60071 7 20-10 R106825 12 54-17 R113223 37 70-45
RE60765 2 40-12 R106829 10 20-39 R113223 37 70-47
RE61245 1 54-12 R106831 7 20-39 R113224 38 70-45
RE61717 1 93-5 R107206 23 54-5 R113224 38 70-47
RE62419 7 20-19 R107252 6 52-9 R113226 39 70-45
RE62446 21 70-25 R107252 6 54-19 R113226 39 70-47
RE62446 21 70-27 R107638 4 54-25 R113228 17 70-45
RE62918 22 54-5 R107731 11 20-35 R113228 17 70-47
RE63134 5 20-19 R108011 4 70-31 R113228 13 70-57
RE63915 4 20-33 R108041 11 60-19 R113229 36 70-45
RE65165 3 20-31 R108052 4 60-19 R113229 36 70-47
RE65168 2 20-31 R108062 8 60-19 R113419 6 54-25
RE65291 16 58-13 R108066 17 60-19 R113671 33 54-5
RE65908 9 20-33 R108073 8 94-27 R113698 9 20-33
RE65911 3 20-31 R108925 5 52-4 R114082 7 20-33
RE65912 2 20-31 R108927 4 52-4 R114193 34 20-27
RE67001 1 70-51 R109066 55 54-23 R114194 10 20-20
RE67231 1 20-41 R109066 3 54-26 R114241 18 20-29
RE67238 7 20-3 R109067 51 54-23 R114758 17 60-5
RE67238 12 20-41 R109147 1 80-15 R114779 3 60-5
RE67238 17 20-51 R109535 13 52-9 R114841 20 60-5
RE67239 28 20-27 R109535 18 52-9 R115119 13 54-17
RE68748 9 20-9 R109535 22 54-19 R115141 4 54-19
RE69703 1 70-52 R109823 9 80-15 R115215 9 54-15
RE70821 5 70-31 R109863 5 20-20 R115250 1 20-12
RE71143 1 20-11 R109958 14 54-5 R115532 7 20-9
RE71255 7 20-29 R109960 16 54-5 R115892 19 70-25
RE71255 2 20-39 R110079 2 52-9 R115892 19 70-27
R10093 26 93-33 R110080 4 52-9 R115974 5 93-5
R10093 10 93-43 R110080 9 54-19 R116040 8 54-23
R10093 4 93-44 R111009 14 80-15 R116076 7 20-31
R10093 10 93-47 R111010 7 80-17 R116115 3 20-51
R100947 26 52-9 R111085 13 54-7 R116115 4 20-51
R100948 16 52-9 R111085 1 54-25 R116116 22 20-9
R100949 15 52-9 R111101 3 80-15 R116296 6 20-3
R100950 25 52-9 R111137 16 20-29 R116366 6 20-9
180-14 TRATOR 6125J (EDICAO SUL-AMERICANA) PC8539P (01-JUL-10)
PN=624
180-15
TRATOR 6125J (EDICAO SUL-AMERICANA)
INDICE NUMERICO – CONTIN.
NR.PECA ITEM PAGINA NR.PECA ITEM PAGINA NR.PECA ITEM PAGINA
R116386 2 20-20 R125475 8 80-15 R186903 24 54-23
R116466 8 20-29 R125475 11 80-17 R186905 25 54-23
R116473 3 52-9 R126640 14 60-5 R188518 1 54-11
R116473 8 54-19 R126641 12 60-5 R190726 6 80-18
R116516 16 20-39 R126667 40 70-45 R192193 31 54-23
R117463 14 94-25 R126667 23 70-47 R192305 12 54-21
R117611 5 94-27 R128660 2 30-3 R194487 6 54-21
R117738 .. 70-47 R128661 2 30-3 R194658 9 54-21
R117942 35 70-45 R128690 9 20-22 R194659 8 54-21
R117942 35 70-47 R128889 11 54-7 R197326 33 54-23
R118092 30 70-45 R129184 28 54-23 R197564 15 54-21
R118092 30 70-47 R129680 18 58-7 R197640 3 54-23
R118192 29 70-45 R130574 2 20-31 R202359 13 54-19
R118192 29 70-47 R130575 2 20-31 R202640 45 54-19
R118453 12 94-25 R130576 3 20-31 R202861 18 54-21
R119441 22 52-9 R130577 3 20-31 R202861 50 54-23
R119874 9 20-29 R130606 22 54-11 R206171 7 80-13
R120477 20 54-9 R131182 23 20-29 R206454 17 92-21
R120631 6 20-31 R131283 9 20-20 R206454 8 93-31
R120638 2 20-36 R131283 32 20-27 R208927 46 54-19
R120839 3 52-5 R131425 14 20-29 R209938 21 54-11
R120840 2 52-5 R131767 3 20-5 R210137 4 93-26
R120902 1 54-26 R132186 24 20-29 R211082 4 56-18
R120947 17 52-9 R132267 14 20-9 R211082 2 56-23
R120947 21 54-19 R132518 10 20-29 R211082 21 58-15
R121043 15 20-29 R132899 18 70-25 R212399 10 54-15
R121376 6 20-36 R132899 23 70-27 R212934 6 94-25
R121411 10 20-27 R133296 1 20-4 R212936 8 94-25
R121424 9 20-27 R133303 2 20-29 R212937 15 94-25
R121580 35 54-5 R133405 3 20-21 R213206 7 94-25
R121580 7 54-11 R134141 38 54-23 R213346 1 94-25
R121580 16 54-23 R134518 3 20-20 R213348 4 54-21
R121580 56 54-23 R134527 1 20-20 R213484 5 54-21
R121609 30 52-9 R135918 1 20-5 R213485 3 54-21
R121609 39 54-19 R135918 1 20-31 R213644 10 94-25
R121634 2 20-40 R136475 4 20-20 R213853 13 54-19
R121897 .. 20-4 R136495 5 20-3 R214121 2 54-17
R121897 2 20-46 R151435 16 54-9 R214122 7 54-13
R122146 2 54-7 R152204 4 58-15 R216291 2 54-11
R122401 1 20-17 R153481 5 58-15 R216292 17 54-11
R123161 6 20-35 R153675 3 54-5 R216293 4 54-11
R123226 10 20-22 R158505 36 54-5 R216294 11 54-9
R123226 13 20-27 R158505 5 56-29 R217436 1 54-9
R123271 9 20-35 R158521 10 54-11 R217636 5 30-25
R123324 7 20-22 R158523 11 54-11 R219255 4 54-13
R123345 11 20-22 R161739 3 54-17 R219516 15 54-9
R123417 8 20-27 R161741 9 54-17 R219974 13 54-9
R123471 5 20-41 R161742 10 54-17 R220471 9 54-9
R123501 4 20-41 R166612 1 94-25 R223964 7 54-7
R123514 2 20-35 R167349 2 54-23 R224445 30 54-23
R123557 2 20-15 R167684 29 54-23 R227060 3 54-15
R123561 3 20-31 R167686 11 54-23 R228266 2 54-15
R123562 3 20-31 R167722 12 54-23 R228268 11 54-15
R123563 2 20-31 R169906 33 80-5 R228601 5 54-15
R123564 2 20-31 R171007 10 54-5 R232182 5 40-29
R123565 12 20-35 R171010 18 54-5 R232182 3 40-52
R123572 4 20-43 R171412 34 54-19 R234273 7 93-31
R123574 4 20-2 R171413 33 54-19 R23551 9 80-13
R123575 5 20-2 R173443 14 54-11 R23551 1 80-17
R123584 12 20-20 R176198 37 54-19 R237474 6 92-45
R123586 4 20-17 R176199 30 54-19 R241161 19 70-45
R124104 4 80-15 R176475 1 54-7 R241161 19 70-47
R124247 16 80-15 R177738 .. 70-45 R241161 3 70-57
R124438 9 54-7 R182130 19 54-21 R241994 16 54-19
R125065 14 54-9 R182130 8 94-5 R243074 6 54-7
R125173 21 54-5 R184115 17 54-23 R244134 8 54-7
R125178 12 58-7 R184116 16 54-21 R245934 1 54-15
TRATOR 6125J (EDICAO SUL-AMERICANA) PC8539P (01-JUL-10) 180-15
PN=625
180-16
TRATOR 6125J (EDICAO SUL-AMERICANA)
INDICE NUMERICO – CONTIN.
NR.PECA ITEM PAGINA NR.PECA ITEM PAGINA NR.PECA ITEM PAGINA
R247895 30 54-5 R44302 5 40-51 R58832 7 70-25
R248215 7 54-21 R44302 6 40-53 R58832 7 70-27
R251675 39 54-5 R44302 13 40-55 R58941 32 52-9
R251678 40 54-5 R44302 3 54-25 R58941 12 54-19
R252208 26 54-19 R44302 2 80-42 R60263 5 93-41
R255005 17 54-19 R44302 16 92-19 R60264 6 93-41
R255598 1 54-5 R44313 4 94-27 R60755 7 60-19
R255603 38 54-5 R46727 3 80-45 R61871 3 20-11
R255604 38 54-5 R46727 8 92-6 R63548 1 20-43
R257609 1 54-23 R46727 .. 92-6 R66375 10 92-5
R257613 1 54-23 R46727 7 92-14 R69166 8 70-5
R26125 5 20-39 R46727 2 92-19 R69166 11 70-15
R26286 3 20-19 R47862 16 60-23 R71228 21 20-27
R26286 12 20-19 R48685 3 20-29 R72328 3 20-17
R263120 7 80-5 R48685 4 20-31 R72653 7 94-27
R26448 2 20-44 R48745 5 70-53 R73380 17 80-15
R26552 2 60-19 R48746 5 70-53 R73380 6 80-17
R26650 17 20-29 R48747 8 70-53 R74402 5 92-41
R26871 7 93-15 R48748 8 70-53 R77175 9 52-11
R26906 11 20-39 R48749 5 70-53 R77175 17 54-25
R26906 12 20-39 R48750 5 70-53 R77175 7 56-23
R26976 4 70-45 R49921 14 93-47 R77175 11 58-15
R26976 4 70-47 R500596 3 20-10 R77175 14 70-25
R27094 13 20-19 R501124 8 20-33 R77175 14 70-27
R27180 6 40-39 R501178 2 20-25 R77480 9 40-73
R27329 5 58-17 R501373 1 20-13 R77915 1 93-30
R273498 18 54-19 R501428 7 20-41 R78069 9 40-55
R273530 38 54-19 R501436 16 20-51 R79018 21 52-5
R27976 18 54-25 R501472 6 20-10 R79018 7 54-5
R28776 37 54-23 R502175 3 20-53 R79018 5 56-17
R28811 2 20-6 R50227 8 94-17 R79060 5 70-25
R299262 28 54-19 R502329 4 20-53 R79060 22 70-27
R299263 27 54-19 R502725 3 20-25 R79639 7 54-17
R299264 29 54-19 R502811 9 20-41 R80135 2 20-3
R30437 17 80-5 R502864 15 20-51 R80136 1 20-3
R31271 9 94-17 R502902 2 20-3 R81207 4 93-39
R32214 2 20-53 R50454 5 40-33 R81272 1 80-18
R33167 14 52-4 R50454 2 60-9 R81275 5 20-10
R33167 29 54-5 R50454 11 60-11 R83588 5 80-15
R33167 6 58-13 R50454 11 60-13 R85363 15 20-39
R33259 21 93-33 R504734 6 20-27 R86638 19 52-9
R33259 11 93-43 R504734 8 20-41 R86638 23 54-19
R33259 9 93-47 R505609 5 20-31 R87210 13 52-4
R34028 19 54-25 R517196 5 20-22 R87210 19 54-5
R34140 34 56-15 R517353 3 20-3 R87227 14 52-5
R34659 10 80-15 R518402 2 20-5 R87395 22 52-5
R34801R 3 80-17 R518507 11 20-51 R87395 8 54-5
R34801R 3 80-19 R518507 12 20-51 R87395 6 54-9
R35034 2 58-13 R518507 13 20-51 R87455 44 54-23
R38295 3 52-4 R519742 7 20-11 R88791 41 54-23
R38295 35 52-9 R520130 5 20-27 R89944 3 20-40
R38295 41 54-5 R520132 2 20-27 R90692 9 20-39
R38295 3 54-9 R521401 2 20-2 R91889 3 20-39
R38295 4 54-17 R521439 1 20-15 R92241 4 54-12
R39322 17 54-9 R521498 4 20-11 R93485 22 58-7
R39554 19 93-5 R523060 30 20-27 R94882 2 70-39
R41012 10 80-15 R524481 6 20-2 R95063 31 52-9
R43409 13 20-39 R529416 10 20-35 R95063 2 54-19
R44165 15 93-5 R53658 2 56-31 R95066 1 52-9
R44165 35 93-33 R54114 5 20-33 R95072 40 54-19
R44302 15 40-19 R54174 36 54-19 R95073 33 52-9
R44302 2 40-25 R54477 10 40-55 R95076 9 52-9
R44302 3 40-29 R54477 10 92-9 R95076 54 54-23
R44302 6 40-30 R54477 12 93-24 R95077 8 52-9
R44302 8 40-37 R54565 8 20-35 R95077 53 54-23
R44302 2 40-38 R56757 14 70-54 R95081 14 52-9
R44302 2 40-39 R58303 9 80-17 R95081 4 54-23
180-16 TRATOR 6125J (EDICAO SUL-AMERICANA) PC8539P (01-JUL-10)
PN=626
180-17
TRATOR 6125J (EDICAO SUL-AMERICANA)
INDICE NUMERICO – CONTIN.
NR.PECA ITEM PAGINA NR.PECA ITEM PAGINA NR.PECA ITEM PAGINA
R95084 5 54-23 SG01001 10 30-11 T77858 3 70-43
R95086 35 54-23 SG01301 13 30-25 T77932 2 70-6
R95109 15 58-13 SG06401 4 30-31 T77932 27 70-29
R95110 17 58-13 SG06401 7 93-41 T77932 9 70-39
R95152 13 58-7 SU20627 2 93-26 T82565 9 80-37
R95171 13 52-5 SU292142 16 70-15 U13639 26 20-29
R95181 5 52-5 SU292160 12 70-9 U17409 9 60-19
R95182 9 52-5 SU292606 9 70-9 U42902 3 70-61
R95195 6 58-15 SU292606 9 70-15 U46662 10 40-73
R95197 3 58-15 SU292606 5 70-16 Z20701 14 30-19
R95198 2 58-15 S17072 2 30-31 Z20701 14 30-21
R95216 8 58-15 TY22470 2 20-10 Z26250 39 92-37
R95316 8 54-11 T116822 10 80-37 Z29304 11 70-61
R95360 2 54-5 T116827 12 80-37 Z30233 8 92-3
R95378 3 54-7 T122075 3 20-41 Z35271 11 30-13
R95398 2 54-25 T13119 12 60-19 Z35271 6 30-17
R95422 6 54-7 T13744 3 40-30 Z36392 51 93-33
R95490 15 70-45 T13744 3 40-54 Z59391 11 93-24
R95490 15 70-47 T14050 20 20-9 03M7088 7 92-27
R95491 10 70-45 T17148 2 60-3 03M7088 10 92-29
R95491 10 70-47 T18891 12 20-29 03M7190 21 60-3
R95493 8 70-27 T20034 7 20-20 03M7192 8 92-41
R95493 6 70-45 T20168 19 20-29 03M7264 9 80-47
R95493 6 70-47 T20314 3 20-35 03M7309 4 92-43
R95493 8 70-57 T20316 7 20-35 03M7331 29 60-17
R95493 2 70-64 T21564 3 58-3 03M7331 14 92-37
R95494 9 70-25 T22242 2 30-32 03M7331 5 92-47
R95494 9 70-27 T23474 20 20-29 03M7391 7 92-39
R95494 17 70-29 T23853 36 54-23 08H4373 13 80-15
R95494 14 70-45 T27260 7 92-37 08H4419 8 80-17
R95494 14 70-47 T27432 11 52-4 11M7009 3 30-32
R95494 9 70-57 T27432 16 52-5 11M7012 9 70-5
R95494 1 70-61 T27432 11 54-17 11M7012 12 70-15
R95494 1 70-64 T32146 1 80-7 11M7012 18 70-15
R95612 9 80-38 T42302 5 70-35 11M7054 4 70-9
R95616 7 70-61 T55501 20 93-5 12H236 2 80-15
R95660 7 52-9 T58477 12 20-39 12H245 8 80-15
R95784 10 58-7 T62323 2 30-5 12H295 7 40-23
R95835 19 54-9 T70659 6 60-15 12M7065 3 40-19
R95835 5 54-13 T75984 5 70-61 12M7065 4 70-19
R95850 2 54-26 T77613 5 56-25 12M7065 7 80-41
R95890 9 58-15 T77613 8 60-9 12M7066 10 30-28
R95892 13 58-15 T77613 4 60-11 12M7066 3 80-41
R95895 2 54-13 T77613 4 60-13 12M7067 10 30-26
R95898 3 52-6 T77613 8 60-21 12M7067 8 30-27
R95899 2 52-6 T77613 5 60-23 12M7067 17 40-19
R95900 6 52-6 T77613 3 70-27 12M7067 2 58-17
R96515 5 70-53 T77613 13 70-33 12M7067 31 93-47
R96517 5 70-53 T77613 8 70-36 12M7067 5 94-29
R96805 8 52-5 T77613 21 70-39 12M7069 7 80-7
R96805 13 54-5 T77814 9 58-3 12M7069 15 80-17
R96806 10 52-5 T77814 13 70-39 12M7070 12 30-26
R96806 15 54-5 T77857 3 56-25 12M7070 4 30-27
R96826 6 54-15 T77857 1 60-9 12M7070 2 70-9
R97185 6 20-29 T77857 1 60-11 12M7077 6 40-37
R97185 5 20-36 T77857 1 60-13 12M7077 4 94-17
R97354 13 20-9 T77857 4 60-15 12M7122 5 40-23
R97490 8 20-39 T77857 11 70-5 12M7133 3 93-23
R97491 8 20-39 T77857 5 70-6 12M7135 8 40-9
R97492 9 20-39 T77857 16 70-25 12M7142 15 40-12
R97493 9 20-39 T77857 16 70-27 14H631 8 40-23
R98062 8 20-39 T77857 9 70-36 14H785 6 40-23
R99437 2 80-15 T77857 2 70-57 14H800 11 80-15
SE501101 8 20-9 T77858 3 30-19 14H800 5 80-19
SE501581 1 20-39 T77858 3 30-21 14M5409 23 80-31
SE501814 4 20-36 T77858 3 70-36 14M7009 16 56-12
SE502441 3 20-43 T77858 11 70-39 14M7027 11 93-13
TRATOR 6125J (EDICAO SUL-AMERICANA) PC8539P (01-JUL-10) 180-17
PN=627
180-18
TRATOR 6125J (EDICAO SUL-AMERICANA)
INDICE NUMERICO – CONTIN.
NR.PECA ITEM PAGINA NR.PECA ITEM PAGINA NR.PECA ITEM PAGINA
14M7028 5 40-5 14M7272 2 94-7 14M7416 15 94-15
14M7028 8 93-33 14M7272 24 94-9 14M7416 30 94-19
14M7029 16 30-13 14M7272 2 94-11 14M7416 3 94-20
14M7029 9 30-17 14M7272 25 94-13 14M7478 3 92-37
14M7029 13 30-19 14M7272 14 94-17 14M7478 6 93-27
14M7029 13 30-21 14M7272 18 94-19 14M7528 10 92-37
14M7029 12 30-31 14M7273 3 40-9 15H584 4 20-29
14M7029 6 40-6 14M7273 3 40-11 15H584 3 20-44
14M7029 4 40-19 14M7273 8 40-19 15H623 22 20-29
14M7029 3 70-19 14M7273 18 40-19 15M2714 3 56-1
14M7029 8 80-3 14M7273 11 40-33 15M2714 3 56-2
14M7029 6 80-41 14M7273 15 56-25 15M2717 1 56-27
14M7029 5 94-34 14M7273 10 60-15 15M7062 8 70-8
14M7031 8 93-47 14M7273 30 60-17 15M7076 9 70-54
14M7031 6 94-29 14M7273 12 60-23 15M7076 8 70-64
14M7066 3 20-36 14M7273 35 80-3 15M7077 1 70-29
14M7100 24 40-19 14M7273 23 80-5 15M7077 6 70-64
14M7136 22 30-15 14M7273 8 93-23 15M7078 8 58-1
14M7139 9 40-35 14M7273 11 94-19 15M7078 4 58-2
14M7140 11 30-19 14M7274 5 30-3 16M7111 15 52-4
14M7140 11 30-21 14M7274 9 30-35 16M7114 26 80-3
14M7140 11 30-28 14M7274 7 40-9 16M7119 29 80-5
14M7140 21 80-3 14M7274 3 56-32 19H1782 1 80-15
14M7140 4 80-41 14M7274 8 60-15 19M10075 2 20-11
14M7142 14 80-17 14M7274 31 60-17 19M2875 17 54-5
14M7142 3 80-18 14M7274 3 60-21 19M5055 10 60-17
14M7142 4 80-20 14M7274 16 70-54 19M6614 2 20-9
14M7144 4 30-26 14M7274 3 92-27 19M6614 3 20-9
14M7144 5 30-27 14M7274 4 92-29 19M6614 5 93-23
14M7148 5 20-35 14M7274 3 93-8 19M7008 4 40-51
14M7148 9 70-61 14M7275 4 70-22 19M7008 4 40-53
14M7151 12 94-17 14M7276 4 80-9 19M7077 8 30-13
14M7165 12 40-23 14M7276 3 80-13 19M7077 16 30-17
14M7165 2 60-5 14M7276 9 80-39 19M7077 11 40-23
14M7165 7 92-3 14M7291 12 92-5 19M7077 18 60-5
14M7165 12 92-21 14M7295 15 30-27 19M7077 5 92-3
14M7165 2 92-25 14M7296 27 20-27 19M7077 16 92-21
14M7165 2 92-39 14M7296 5 40-3 19M7139 17 30-13
14M7165 8 93-13 14M7296 7 40-4 19M7139 7 30-17
14M7165 2 93-44 14M7296 2 40-5 19M7139 8 40-6
14M7165 29 93-47 14M7296 10 80-47 19M7139 9 80-41
14M7165 10 94-21 14M7296 11 94-3 19M7139 29 92-37
14M7166 7 40-12 14M7297 5 40-37 19M7139 9 94-19
14M7166 20 92-37 14M7298 12 20-9 19M7139 3 94-34
14M7166 13 92-41 14M7298 4 40-21 19M7156 19 56-5
14M7166 8 92-43 14M7299 1 94-3 19M7160 23 94-9
14M7166 5 93-26 14M7319 5 30-5 19M7160 28 94-13
14M7166 16 94-9 14M7360 16 94-19 19M7162 6 30-3
14M7166 11 94-13 14M7376 5 70-7 19M7162 1 30-13
14M7166 13 94-15 14M7376 26 92-37 19M7162 2 30-15
14M7168 8 94-19 14M7376 12 93-43 19M7162 19 30-17
14M7209 3 60-3 14M7396 23 94-19 19M7162 11 30-31
14M7233 11 80-5 14M7397 3 40-6 19M7162 14 30-35
14M7233 5 94-2 14M7397 18 60-3 19M7162 19 40-19
14M7260 13 80-39 14M7410 5 92-5 19M7162 5 40-52
14M7265 9 93-3 14M7413 7 70-10 19M7162 5 40-54
14M7265 3 94-17 14M7413 8 70-13 19M7162 23 56-5
14M7272 6 30-13 14M7416 4 40-33 19M7162 16 56-9
14M7272 18 30-17 14M7416 4 60-9 19M7162 9 56-22
14M7272 4 30-32 14M7416 17 60-11 19M7162 14 56-25
14M7272 15 60-15 14M7416 32 92-37 19M7162 3 56-28
14M7272 11 60-23 14M7416 1 92-47 19M7162 3 56-29
14M7272 15 92-39 14M7416 3 93-39 19M7162 6 92-9
14M7272 4 93-11 14M7416 23 93-47 19M7162 7 92-49
14M7272 4 93-23 14M7416 2 94-2 19M7162 16 93-47
14M7272 15 93-35 14M7416 26 94-9 19M7162 4 94-2
14M7272 2 94-5 14M7416 32 94-13 19M7163 2 40-19
180-18 TRATOR 6125J (EDICAO SUL-AMERICANA) PC8539P (01-JUL-10)
PN=628
180-19
TRATOR 6125J (EDICAO SUL-AMERICANA)
INDICE NUMERICO – CONTIN.
NR.PECA ITEM PAGINA NR.PECA ITEM PAGINA NR.PECA ITEM PAGINA
19M7163 6 40-33 19M7396 3 58-18 19M7768 18 93-33
19M7163 14 56-15 19M7402 6 30-35 19M7774 2 20-12
19M7163 11 60-17 19M7402 13 60-19 19M7775 11 20-27
19M7163 1 60-21 19M7403 6 30-27 19M7775 35 54-19
19M7166 1 30-1 19M7403 2 56-1 19M7775 1 54-21
19M7166 9 30-19 19M7403 2 56-2 19M7775 23 54-23
19M7166 17 30-19 19M7403 30 93-47 19M7775 15 58-15
19M7166 9 30-21 19M7403 12 94-3 19M7775 9 94-5
19M7166 15 30-21 19M7407 18 58-13 19M7784 4 20-19
19M7166 2 40-3 19M7408 3 30-1 19M7784 8 20-51
19M7166 13 60-15 19M7408 4 40-3 19M7784 2 52-2
19M7166 3 70-54 19M7408 6 40-4 19M7784 2 54-2
19M7166 41 80-3 19M7479 13 30-35 19M7784 7 60-5
19M7166 10 92-6 19M7479 8 92-27 19M7784 2 80-23
19M7167 9 30-21 19M7479 9 92-29 19M7785 3 20-13
19M7167 8 30-28 19M7481 2 92-35 19M7785 11 20-43
19M7167 6 30-35 19M7487 2 30-26 19M7785 3 30-37
19M7167 5 92-27 19M7487 2 30-27 19M7785 3 54-29
19M7167 6 92-29 19M7495 5 58-18 19M7785 6 70-41
19M7167 8 92-29 19M7496 8 30-5 19M7785 31 80-3
19M7168 7 30-1 19M7496 4 30-22 19M7786 2 20-18
19M7168 9 60-5 19M7496 6 30-22 19M7786 12 20-22
19M7168 20 60-15 19M7496 7 30-26 19M7788 5 20-53
19M7168 9 94-3 19M7496 14 30-27 19M7789 6 70-35
19M7169 17 30-21 19M7496 6 94-3 19M7790 6 80-47
19M7169 9 58-8 19M7496 7 94-3 19M7791 4 80-47
19M7169 1 80-41 19M7513 26 56-15 19M7793 2 20-52
19M7174 6 80-33 19M7555 3 56-26 19M7796 22 20-27
19M7174 2 80-35 19M7560 16 30-15 19M7796 9 56-29
19M7180 23 56-15 19M7560 4 40-23 19M7798 4 20-3
19M7184 9 52-4 19M7560 3 40-41 19M7800 20 56-11
19M7268 4 30-1 19M7560 6 40-55 19M7801 6 20-22
19M7268 1 40-9 19M7560 3 56-18 19M7801 29 20-27
19M7268 5 40-50 19M7560 14 56-23 19M7802 10 20-41
19M7268 3 94-29 19M7560 18 58-15 19M7802 19 20-51
19M7269 5 40-12 19M7560 5 92-3 19M7809 3 20-15
19M7285 8 30-26 19M7560 5 92-6 19M7809 11 20-19
19M7285 13 30-27 19M7560 8 92-14 19M7810 19 20-9
19M7286 1 92-25 19M7560 9 92-21 19M7810 3 40-3
19M7288 14 56-15 19M7560 2 93-23 19M7810 8 40-4
19M7288 9 60-15 19M7560 12 93-33 19M7810 10 40-5
19M7288 5 70-19 19M7560 8 93-35 19M7810 3 52-12
19M7288 4 80-23 19M7560 2 94-9 19M7810 1 54-29
19M7297 14 30-13 19M7560 23 94-13 19M7834 13 54-21
19M7297 10 30-17 19M7560 2 94-15 19M7834 1 58-15
19M7297 1 40-11 19M7574 22 92-41 19M7835 1 20-48
19M7297 22 93-47 19M7595 27 93-47 19M7835 1 40-4
19M7298 13 60-23 19M7603 17 60-15 19M7845 6 80-38
19M7300 5 60-17 19M7609 13 80-17 19M7862 42 54-5
19M7300 5 93-24 19M7609 1 80-18 19M7863 6 56-29
19M7317 9 40-37 19M7620 2 80-6 19M7864 5 80-23
19M7330 13 30-26 19M7638 2 58-11 19M7865 21 20-9
19M7343 1 80-20 19M7640 9 93-33 19M7865 10 58-3
19M7355 4 80-7 19M7657 7 93-47 19M7865 4 80-3
19M7364 4 30-5 19M7660 24 60-11 19M7865 5 94-3
19M7378 11 94-17 19M7660 24 60-13 19M7865 32 94-9
19M7382 2 52-2 19M7660 23 60-15 19M7865 37 94-13
19M7382 2 54-2 19M7660 23 70-43 19M7865 24 94-15
19M7385 12 52-5 19M7660 5 93-25 19M7866 5 20-43
19M7385 13 52-15 19M7662 20 52-15 19M7866 11 56-11
19M7386 1 40-26 19M7675 4 58-18 19M7866 22 56-11
19M7386 5 40-30 19M7691 2 93-45 19M7866 11 58-3
19M7386 1 58-17 19M7720 3 80-38 19M7866 43 80-3
19M7386 14 60-11 19M7768 9 60-23 19M7867 35 20-27
19M7386 14 60-13 19M7768 8 70-45 19M7867 1 20-40
19M7386 10 70-16 19M7768 8 70-47 19M7867 2 92-49
19M7386 11 93-47 19M7768 12 70-57 19M7868 5 56-12
TRATOR 6125J (EDICAO SUL-AMERICANA) PC8539P (01-JUL-10) 180-19
PN=629
180-20
TRATOR 6125J (EDICAO SUL-AMERICANA)
INDICE NUMERICO – CONTIN.
NR.PECA ITEM PAGINA NR.PECA ITEM PAGINA NR.PECA ITEM PAGINA
19M7898 2 58-10 19M8664 8 70-61 24H1304 2 58-3
19M7902 11 80-37 19M8669 17 93-33 24M3763 7 30-27
19M7907 30 80-33 19M8675 14 40-19 24M7024 9 94-9
19M7913 18 20-51 19M8675 15 92-21 24M7024 17 94-13
19M7913 6 93-26 19M8678 6 70-61 24M7024 7 94-15
19M7921 26 80-33 19M8702 27 56-21 24M7026 12 30-19
19M7938 8 52-3 19M8703 31 80-5 24M7026 12 30-21
19M7938 8 54-3 19M8705 10 70-57 24M7026 4 94-29
19M7944 19 54-11 19M8706 12 70-45 24M7026 4 94-34
19M7946 7 80-1 19M8706 12 70-47 24M7027 6 40-5
19M7958 5 54-29 19M8715 5 92-23 24M7027 48 54-23
19M7966 3 70-4 19M8819 2 30-35 24M7027 8 93-3
19M7969 7 92-5 19M8823 13 70-31 24M7027 18 93-17
19M7970 11 20-41 19M8824 14 70-31 24M7027 15 93-19
19M7979 4 20-3 19M8830 11 93-21 24M7027 14 93-33
19M7979 26 20-27 19M8830 5 93-27 24M7028 10 30-19
19M7979 9 52-19 19M8831 14 92-21 24M7028 10 30-21
19M7984 18 30-19 19M8844 8 20-20 24M7028 11 30-35
19M7984 16 30-21 19M8851 6 30-37 24M7028 42 54-19
19M7984 16 30-35 19M8866 13 93-19 24M7028 20 56-5
19M7988 1 20-53 19M8866 6 94-9 24M7028 11 60-15
19M7988 6 70-19 19M8866 20 94-13 24M7028 19 60-15
19M7988 5 70-22 19M8866 2 94-21 24M7028 42 80-3
19M7988 3 70-41 19M8866 16 94-23 24M7028 4 92-27
19M8011 9 70-3 19M8875 2 40-42 24M7028 5 92-29
19M8011 1 80-29 19M8966 31 20-27 24M7028 10 94-3
19M8028 14 30-35 19M8987 1 20-36 24M7038 16 30-27
19M8035 4 92-5 19M8999 11 20-29 24M7040 9 30-28
19M8035 2 92-33 19M9168 43 54-19 24M7040 6 40-3
19M8049 7 30-22 19M9201 12 40-9 24M7044 2 40-26
19M8062 9 20-11 19M9426 4 80-7 24M7044 4 40-30
19M8119 23 80-33 19M9432 2 70-19 24M7044 8 94-3
19M8122 10 80-31 19M9433 5 80-10 24M7047 3 30-22
19M8162 2 54-29 19M9433 5 80-13 24M7047 2 40-9
19M8163 8 20-11 21M1689 4 40-60 24M7047 12 60-17
19M8208 2 70-18 21M7246 9 30-25 24M7047 12 93-47
19M8263 9 40-49 21M7246 7 40-59 24M7049 2 80-18
19M8263 14 60-9 21M7246 7 93-17 24M7049 3 80-20
19M8263 10 60-11 21M7246 7 93-19 24M7051 3 30-26
19M8263 10 60-13 21M7250 7 40-35 24M7051 3 30-27
19M8263 16 60-21 21M7285 21 93-17 24M7051 3 92-5
19M8291 24 20-27 21M7290 10 93-5 24M7053 6 92-5
19M8292 1 20-10 21M7292 8 70-7 24M7054 3 40-23
19M8292 6 52-3 21M7292 7 92-19 24M7054 5 40-55
19M8292 2 52-12 21M7292 10 92-31 24M7054 12 92-41
19M8292 6 54-3 21M7296 4 70-7 24M7054 6 93-24
19M8292 12 54-7 21M7296 13 92-19 24M7054 16 93-33
19M8317 25 20-27 21M7296 9 93-27 24M7054 3 93-44
19M8317 12 52-19 21M7296 4 93-28 24M7055 2 30-13
19M8397 4 56-9 21M7310 22 92-37 24M7055 3 30-15
19M8403 1 93-39 21M7310 11 92-41 24M7055 8 30-17
19M8403 17 94-9 21M7310 2 93-28 24M7055 10 30-31
19M8403 10 94-13 21M7369 13 40-19 24M7055 7 40-6
19M8403 16 94-15 21M7392 16 92-45 24M7055 4 40-9
19M8475 1 56-21 21M7403 10 93-17 24M7055 2 40-11
19M8482 5 40-36 21M7403 10 93-19 24M7055 6 40-12
19M8493 3 60-19 21M7423 19 92-47 24M7055 20 40-19
19M8533 2 56-7 21M7423 16 93-43 24M7055 10 40-33
19M8533 7 60-15 21M7463 10 56-23 24M7055 2 56-12
19M8533 4 93-8 21M7491 18 92-45 24M7055 13 60-9
19M8552 6 80-22 21M7572 9 56-23 24M7055 12 60-11
19M8618 10 20-51 21M7577 19 60-3 24M7055 12 60-13
19M8618 14 20-51 22H896 8 70-25 24M7055 24 60-15
19M8618 6 70-8 22M7168 24 60-17 24M7055 3 80-3
19M8618 15 70-29 22M7170 11 92-43 24M7055 19 92-37
19M8639 6 80-1 24H1292 2 92-45 24M7055 14 92-41
19M8653 2 80-47 24H1292 10 93-21 24M7055 7 92-43
180-20 TRATOR 6125J (EDICAO SUL-AMERICANA) PC8539P (01-JUL-10)
PN=630
180-21
TRATOR 6125J (EDICAO SUL-AMERICANA)
INDICE NUMERICO – CONTIN.
NR.PECA ITEM PAGINA NR.PECA ITEM PAGINA NR.PECA ITEM PAGINA
24M7055 15 92-45 24M7262 2 94-19 34M7190 3 40-4
24M7055 6 92-49 24M7265 6 94-27 34M7215 9 56-9
24M7055 7 93-23 24M7267 2 70-4 34M7226 2 52-19
24M7055 3 93-26 24M7267 16 70-29 34M7226 7 56-11
24M7055 3 93-45 24M7298 5 92-9 34M7230 10 70-3
24M7055 15 93-47 24M7298 16 92-37 34M7243 6 70-13
24M7055 10 94-17 24M7309 6 92-6 34M7245 7 70-13
24M7055 33 94-19 24M7309 4 92-17 34M7249 11 56-12
24M7088 7 30-13 24M7309 4 92-31 34M7259 14 56-9
24M7088 17 30-17 24M7309 23 92-37 34M7267 13 56-12
24M7088 6 30-32 24M7309 18 92-47 34M7268 19 54-23
24M7088 28 93-47 24M7309 5 93-29 34M7269 5 70-17
24M7090 1 70-9 24M7309 13 93-43 34M7272 23 52-9
24M7096 20 60-3 24M7315 6 92-33 34M7272 11 54-19
24M7096 2 70-54 24M7315 3 92-35 34M7302 12 92-37
24M7100 3 92-25 24M7318 12 80-39 37M7042 49 93-33
24M7101 2 80-41 24M7331 10 56-15 37M7059 13 60-11
24M7117 12 40-19 24M7332 22 56-5 37M7059 13 60-13
24M7117 6 40-47 24M7361 11 70-3 37M7059 7 92-6
24M7117 6 93-31 24M7361 7 70-19 37M7063 1 93-29
24M7138 8 92-17 24M7362 2 92-37 37M7079 4 93-29
24M7138 10 93-24 24M7362 16 92-43 37M7088 9 92-17
24M7139 15 30-15 24M7362 19 92-45 37M7089 2 93-41
24M7139 8 30-25 24M7362 4 93-25 37M7091 3 92-31
24M7139 2 40-41 24M7362 7 93-27 37M7095 4 40-16
24M7139 18 60-11 24M7369 12 56-9 37M7104 23 60-11
24M7139 17 60-13 24M7370 12 56-9 37M7104 23 60-13
24M7139 27 80-3 24M7371 12 56-9 37M7131 5 92-6
24M7139 6 92-3 24M7372 12 56-9 37M7140 17 93-17
24M7139 6 92-6 24M7373 12 56-9 37M7140 1 93-35
24M7139 9 92-14 24M7374 12 56-9 37M7146 3 92-17
24M7139 4 92-21 24M7375 12 56-9 37M7177 4 40-12
24M7139 4 92-33 24M7386 19 56-9 37M7179 5 40-47
24M7139 6 92-35 24M7398 12 56-9 37M7179 19 80-5
24M7139 6 93-23 24M7399 12 56-9 37M7179 16 92-9
24M7139 6 93-33 24M7452 12 56-9 37M7179 12 94-23
24M7139 3 93-35 25H723 11 70-45 37M7179 3 94-25
24M7139 16 93-35 25H723 11 70-47 37M7181 5 40-41
24M7139 3 94-9 26M4224 5 20-31 37M7181 34 80-5
24M7139 22 94-13 26M5447 14 70-29 37M7181 7 93-3
24M7139 3 94-15 28H1529 10 20-19 37M7185 2 93-17
24M7145 9 40-9 30M5581 12 58-2 37M7185 2 93-19
24M7146 8 40-35 30M7010 21 56-11 37M7185 41 93-33
24M7146 8 40-43 30M7011 10 58-1 37M7185 2 93-35
24M7146 13 40-47 30M7011 9 58-2 37M7193 4 40-50
24M7146 15 92-9 30M7024 3 56-11 37M7218 4 93-35
24M7150 10 56-15 30M7024 15 58-7 37M7219 7 93-35
24M7178 10 60-5 34H184 18 70-45 37M7230 12 93-19
24M7178 32 80-3 34H184 18 70-47 37M7240 28 80-5
24M7178 10 92-41 34H234 4 94-25 37M7240 4 92-9
24M7180 7 94-19 34H241 2 70-17 37M7242 3 92-33
24M7207 8 80-41 34H294 16 60-19 37M7255 4 93-37
24M7213 7 30-35 34H394 9 93-13 37M7256 31 93-33
24M7240 9 70-19 34M3858 1 52-19 37M7263 2 93-24
24M7240 3 70-22 34M3858 18 56-11 37M7272 43 93-33
24M7241 6 80-7 34M3872 7 58-15 37M7274 2 40-10
24M7242 9 80-1 34M5028 1 52-6 37M7290 16 93-17
24M7244 10 40-49 34M5028 2 54-21 37M7290 2 93-39
24M7244 6 70-7 34M5028 15 54-23 37M7291 4 92-11
24M7251 4 60-5 34M5028 52 54-23 37M7293 3 40-43
24M7251 14 92-19 34M5028 7 54-26 37M7293 14 40-47
24M7251 25 92-37 34M5719 23 56-9 37M7305 11 92-47
24M7251 3 92-39 34M7095 26 60-17 37M7335 2 40-15
24M7252 8 92-37 34M7135 12 80-33 37M7336 17 93-5
24M7258 10 56-15 34M7160 4 70-13 37M7357 7 92-31
24M7260 14 92-43 34M7172 31 94-13 37M7361 18 92-19
24M7260 4 93-27 34M7187 21 58-7 37M7361 4 93-15
TRATOR 6125J (EDICAO SUL-AMERICANA) PC8539P (01-JUL-10) 180-21
PN=631
180-22
TRATOR 6125J (EDICAO SUL-AMERICANA)
INDICE NUMERICO – CONTIN.
NR.PECA ITEM PAGINA NR.PECA ITEM PAGINA NR.PECA ITEM PAGINA
37M7376 2 94-25 51M7040 2 20-22 51M7045 3 70-21
37M7382 14 94-23 51M7040 14 20-41 51M7045 2 70-29
37M7411 3 93-31 51M7040 3 52-11 51M7045 6 70-33
37M7411 6 93-31 51M7040 21 54-25 51M7045 5 70-63
37M7422 5 92-35 51M7040 4 54-26 51M7045 5 70-64
38H5002 11 56-25 51M7040 7 70-35 51M7047 2 30-19
38H5003 12 70-5 51M7040 5 70-39 51M7047 2 30-21
38H5003 1 70-6 51M7041 4 20-22 51M7047 9 58-1
38H5012 7 70-33 51M7041 28 54-5 51M7047 5 58-2
38H5019 15 30-19 51M7041 13 54-11 51M7047 1 70-36
38H5036 21 60-15 51M7041 49 54-19 51M7047 1 70-43
38H5037 6 56-23 51M7041 58 54-23 51M7048 28 56-15
38H5135 31 56-15 51M7041 15 54-25 51M7048 8 56-19
38H5135 5 56-23 51M7041 12 56-25 51M7048 24 70-29
38H5135 7 56-25 51M7041 4 60-6 51M7048 6 70-36
38H5243 3 70-6 51M7041 9 60-9 51M7048 3 70-39
40M1833 16 52-15 51M7041 22 60-11 51M7048 19 70-43
40M1851 14 58-15 51M7041 22 60-13 51M7048 5 70-54
40M1857 45 54-23 51M7041 9 60-17 51M7050 11 70-31
40M1863 9 30-1 51M7041 6 60-19 51M7050 1 70-33
40M4624 13 80-37 51M7041 22 60-21 51M7052 4 70-64
40M5099 8 52-4 51M7041 2 60-23 51M7061 6 56-19
40M7030 19 60-17 51M7041 20 70-25 51M7100 7 70-31
40M7040 10 56-12 51M7041 20 70-27 51M7100 8 70-43
40M7040 2 93-37 51M7041 3 70-33 51M7100 8 70-54
40M7040 19 94-17 51M7041 2 70-35 51M7101 7 70-54
40M7043 7 52-15 51M7041 4 70-36 51M7103 10 70-31
40M7044 4 58-10 51M7041 27 70-39 51M7103 25 70-43
40M7051 7 60-17 51M7041 11 70-43 51M7119 5 56-26
40M7066 3 58-8 51M7041 10 70-54 55M7003 5 94-17
40M7068 19 56-12 51M7041 7 70-64 55M7012 7 93-13
40M7088 13 92-39 51M7042 2 20-51 56M7006 12 93-13
40M7097 8 54-17 51M7042 50 54-19 56M7009 5 30-32
40M7102 7 70-63 51M7042 17 54-21 57M7011 4 40-10
40M7103 4 70-5 51M7042 49 54-23 57M7014 3 40-10
40M7115 15 52-15 51M7042 14 54-25 57M7039 1 40-66
40M7120 17 52-15 51M7042 32 56-15 57M7041 4 40-66
40M7126 9 94-25 51M7042 4 56-22 57M7044 10 40-76
40M7178 18 52-15 51M7042 4 56-23 57M7052 3 40-76
40M7179 7 58-5 51M7042 8 56-25 57M7054 2 40-76
40M7237 10 58-13 51M7042 6 58-3 57M7065 6 40-66
40M7249 5 70-10 51M7042 22 60-15 57M7066 5 40-66
40M7249 14 70-13 51M7043 17 20-27 57M7068 2 40-66
40M7251 32 54-23 51M7043 16 20-41 57M7079 3 40-76
40M7252 37 52-17 51M7043 3 30-9 57M7089 17 40-66
40M7253 20 56-9 51M7043 19 54-19 57M7089 1 40-73
400R 20 52-5 51M7043 10 54-21 57M7103 4 40-66
400R 6 54-5 51M7043 9 54-23 57M7104 4 40-66
400R 7 54-9 51M7043 27 54-23 57M7105 10 93-39
405R 14 54-21 51M7043 9 54-25 57M7106 1 40-73
405R 46 54-23 51M7043 1 56-25 57M7108 13 40-49
42M7038 6 70-22 51M7043 2 60-6 57M7116 13 40-76
42M7058 11 30-1 51M7043 13 70-5 57M7116 50 93-33
42M7058 1 30-3 51M7043 7 70-6 57M7118 1 40-76
44M7110 7 70-8 51M7043 2 70-21 57M7120 5 40-43
44M7111 5 52-19 51M7043 15 70-33 57M7120 1 40-44
44M7111 6 56-11 51M7043 7 70-39 57M7121 5 40-43
44M7114 22 56-31 51M7043 18 70-43 57M7121 1 40-44
44M7146 6 70-53 51M7044 4 20-27 57M7146 5 40-43
45M7063 7 93-11 51M7044 2 20-45 57M7146 1 40-44
45M7080 14 56-12 51M7045 14 20-43 57M7161 16 40-66
45M7080 6 93-11 51M7045 3 20-51 57M7166 6 40-15
45M7080 14 94-19 51M7045 5 20-51 57M7170 3 40-66
48M7038 10 58-5 51M7045 21 52-9 57M7170 2 40-73
51M7039 8 20-10 51M7045 14 54-19 57M7175 4 40-76
51M7039 14 70-39 51M7045 24 54-19 57M7183 3 40-73
51M7040 17 20-9 51M7045 6 54-23 57M7189 1 40-66
180-22 TRATOR 6125J (EDICAO SUL-AMERICANA) PC8539P (01-JUL-10)
PN=632
180-23
TRATOR 6125J (EDICAO SUL-AMERICANA)
INDICE NUMERICO – CONTIN.
NR.PECA ITEM PAGINA NR.PECA ITEM PAGINA NR.PECA ITEM PAGINA
57M7204 10 40-47 57M7402 9 40-69 57M8199 3 40-69
57M7204 12 40-49 57M7402 7 40-70 57M8200 4 40-67
57M7205 10 40-47 57M7403 12 40-69 57M8201 9 40-67
57M7205 12 40-49 57M7406 9 40-70 57M8202 8 40-67
57M7206 10 40-47 57M7427 1 40-66 57M8398 6 40-73
57M7207 4 40-76 57M7430 1 40-76 57M8399 8 40-73
57M7210 9 40-76 57M7493 2 40-63 57M8439 11 40-55
57M7229 11 40-47 57M7493 2 40-65 57M8519 1 40-75
57M7229 11 40-49 57M7493 19 40-65 57M8520 7 40-75
57M7244 17 40-63 57M7493 2 40-70 57M8527 5 40-75
57M7247 16 40-63 57M7528 7 40-49 57M8528 4 40-75
57M7252 6 40-63 57M7576 15 40-65 57M8529 6 40-75
57M7252 6 40-65 57M7583 16 40-65 57M8530 3 40-75
57M7252 18 40-65 57M7584 16 40-65 57M8531 2 40-75
57M7254 8 40-63 57M7602 13 40-73 57M8606 3 40-56
57M7255 13 40-63 57M7615 7 93-39 57M8907 8 40-56
57M7256 14 40-12 57M7619 1 40-56 57M8947 4 40-56
57M7256 9 40-63 57M7633 8 40-55 57M9164 11 40-73
57M7257 14 40-63 57M7697 17 40-65 57M9215 5 40-56
57M7258 7 40-56 57M7699 20 40-65 57M9231 4 40-56
57M7258 2 40-63 57M7829 5 40-70 57M9698 4 40-35
57M7258 2 40-65 57M7847 5 40-76 58M5573 5 70-5
57M7259 18 40-63 57M7848 5 40-76 58M5575 20 56-31
57M7259 14 40-65 57M7919 18 40-69 58M7009 13 70-3
57M7260 4 40-65 57M7924 6 40-76 59M7001 12 56-21
57M7261 8 40-65 57M7984 8 40-76 61M5002 21 60-11
57M7262 6 40-56 57M7989 3 40-35 61M5002 21 60-13
57M7262 12 40-65 57M8015 2 40-56 61M5002 5 60-19
57M7263 5 40-65 57M8016 2 40-56 61M5002 4 60-23
57M7264 9 40-65 57M8017 1 40-56 61M5002 2 70-27
57M7265 13 40-65 57M8024 7 40-76 61M5002 4 70-33
57M7266 4 40-63 57M8057 12 40-76 61M5002 5 70-36
57M7267 5 40-63 57M8071 5 40-67 61M5003 2 56-25
57M7281 11 40-65 57M8077 6 40-69 61M5003 3 60-6
57M7283 10 40-65 57M8078 6 40-67 61M5003 17 70-25
57M7289 13 40-12 57M8078 16 40-69 61M5003 17 70-27
57M7289 7 40-63 57M8078 7 40-73 61M5005 1 30-19
57M7291 1 40-65 57M8079 6 40-67 61M5005 1 30-21
57M7292 15 40-65 57M8079 16 40-69 61M5005 2 70-36
57M7296 7 40-65 57M8081 7 40-67 61M5005 2 70-43
57M7315 1 40-63 57M8093 6 40-35 61M5010 4 70-39
57M7317 12 40-63 57M8096 13 40-69 61M5013 8 70-39
57M7318 15 40-63 57M8097 14 40-69 61M5016 5 60-6
57M7318 4 40-71 57M8098 2 40-69 61M5016 10 60-23
57M7323 7 40-66 57M8099 4 40-69 61M5016 29 70-39
57M7324 8 40-66 57M8100 4 40-69 61M5019 20 30-19
57M7328 10 40-63 57M8101 4 40-69 61M5121 19 30-19
57M7331 9 40-66 57M8102 17 40-69 61M5243 26 70-29
57M7346 1 40-70 57M8103 17 40-69 99M7009 1 80-42
57M7347 4 40-70 57M8104 17 40-69 99M7015 1 80-42
57M7348 3 40-76 57M8105 5 40-69 99M7016 1 80-42
57M7349 1 40-70 57M8106 5 40-69 99M7016 24 93-17
57M7351 6 40-69 57M8107 10 40-69 99M7032 1 80-42
57M7364 1 40-71 57M8108 8 40-69 99M7043 12 58-1
57M7365 11 40-63 57M8164 19 40-69 99M7043 13 58-2
57M7377 2 40-63 57M8167 3 40-69 99M7043 1 80-42
57M7377 2 40-65 57M8169 3 40-67 99M7043 6 92-21
57M7377 3 40-71 57M8170 2 40-67 99M7056 1 80-42
57M7379 6 40-70 57M8181 2 40-35 99M7056 7 92-21
57M7390 1 40-16 57M8182 5 40-35 99M7057 1 80-42
57M7393 8 40-70 57M8186 11 40-76 99M7057 5 93-35
57M7398 15 40-69 57M8189 4 40-35 99M7065 5 40-43
57M7399 1 40-67 57M8190 3 40-35 99M7065 1 40-44
57M7399 7 40-69 57M8195 1 40-69 99M7073 23 93-17
57M7400 1 40-67 57M8196 1 40-69 99M7095 1 80-42
57M7400 7 40-69 57M8197 1 40-69 99M7098 1 80-42
57M7401 11 40-69 57M8198 3 40-69 99M7115 1 80-42
TRATOR 6125J (EDICAO SUL-AMERICANA) PC8539P (01-JUL-10) 180-23
PN=633
180-24
TRATOR 6125J (EDICAO SUL-AMERICANA)
INDICE NUMERICO – CONTIN.
NR.PECA ITEM PAGINA NR.PECA ITEM PAGINA NR.PECA ITEM PAGINA
99M7130 1 80-42
99M7130 15 92-6
180-24 TRATOR 6125J (EDICAO SUL-AMERICANA) PC8539P (01-JUL-10)
PN=634

6125 j

  • 1.
    6125J Tractor CATÁLOGO DEPEÇAS DE REPOSIÇÃO 6125J Tractor PC8539P (01-Jul-10) Portuguese John Deere Brasil South American Edititon Litho in Brazil (New) COPYRIGHT © 2010 DEERE & COMPANY Moline, Illinois All rights reserved
  • 3.
    10-A01 TRATOR 6125J (EDICAOSUL-AMERICANA) PRIMARY PICTORIAL INDEX INDEX PRINCIPAL D’ILLUSTRATIONS HAUPT-BILDINDEX INDICE PRINCIPALE ILLUSTRATO INDICE GERAL INDICE PRINCIPAL DE ILUSTRACIONES PUBM0884 -UN- 020- A01 020- A02 030- A01 030- A02 TRATOR 6125J (EDICAO SUL-AMERICANA) PC8539P (01-JUL-10) 10-A01 PN=1
  • 4.
    10-A02 TRATOR 6125J (EDICAOSUL-AMERICANA) PRIMARY PICTORIAL INDEX INDEX PRINCIPAL D’ILLUSTRATIONS HAUPT-BILDINDEX INDICE PRINCIPALE ILLUSTRATO INDICE GERAL INDICE PRINCIPAL DE ILUSTRACIONES PUBM0885 -UN- 040- A01 040- A02 040- A03 040- A04 10-A02 TRATOR 6125J (EDICAO SUL-AMERICANA) PC8539P (01-JUL-10) PN=2
  • 5.
    10-A03 TRATOR 6125J (EDICAOSUL-AMERICANA) PRIMARY PICTORIAL INDEX INDEX PRINCIPAL D’ILLUSTRATIONS HAUPT-BILDINDEX INDICE PRINCIPALE ILLUSTRATO INDICE GERAL INDICE PRINCIPAL DE ILUSTRACIONES PUBM0886 -UN- 052- A01 054- A01 054- A02 TRATOR 6125J (EDICAO SUL-AMERICANA) PC8539P (01-JUL-10) 10-A03 PN=3
  • 6.
    10-A04 TRATOR 6125J (EDICAOSUL-AMERICANA) PRIMARY PICTORIAL INDEX INDEX PRINCIPAL D’ILLUSTRATIONS HAUPT-BILDINDEX INDICE PRINCIPALE ILLUSTRATO INDICE GERAL INDICE PRINCIPAL DE ILUSTRACIONES PUBM0887 -UN- 056- A01 056- A02 058- A01 10-A04 TRATOR 6125J (EDICAO SUL-AMERICANA) PC8539P (01-JUL-10) PN=4
  • 7.
    10-A05 TRATOR 6125J (EDICAOSUL-AMERICANA) PRIMARY PICTORIAL INDEX INDEX PRINCIPAL D’ILLUSTRATIONS HAUPT-BILDINDEX INDICE PRINCIPALE ILLUSTRATO INDICE GERAL INDICE PRINCIPAL DE ILUSTRACIONES PUBM0888 -UN- 060- A01 070- A02 070- A03 070- A04 TRATOR 6125J (EDICAO SUL-AMERICANA) PC8539P (01-JUL-10) 10-A05 PN=5
  • 8.
    10-A06 TRATOR 6125J (EDICAOSUL-AMERICANA) PRIMARY PICTORIAL INDEX INDEX PRINCIPAL D’ILLUSTRATIONS HAUPT-BILDINDEX INDICE PRINCIPALE ILLUSTRATO INDICE GERAL INDICE PRINCIPAL DE ILUSTRACIONES PUBM0889 -UN- 080- A01 080- A02 10-A06 TRATOR 6125J (EDICAO SUL-AMERICANA) PC8539P (01-JUL-10) PN=6
  • 9.
    10-A07 TRATOR 6125J (EDICAOSUL-AMERICANA) PRIMARY PICTORIAL INDEX INDEX PRINCIPAL D’ILLUSTRATIONS HAUPT-BILDINDEX INDICE PRINCIPALE ILLUSTRATO INDICE GERAL INDICE PRINCIPAL DE ILUSTRACIONES PUBM0890 -UN- 092- A01 092- A02 092- A03 093- A01 093- A02 TRATOR 6125J (EDICAO SUL-AMERICANA) PC8539P (01-JUL-10) 10-A07 PN=7
  • 10.
    10-A08 TRATOR 6125J (EDICAOSUL-AMERICANA) PRIMARY PICTORIAL INDEX INDEX PRINCIPAL D’ILLUSTRATIONS HAUPT-BILDINDEX INDICE PRINCIPALE ILLUSTRATO INDICE GERAL INDICE PRINCIPAL DE ILUSTRACIONES PUBM0891 -UN- 094- A01 10-A08 TRATOR 6125J (EDICAO SUL-AMERICANA) PC8539P (01-JUL-10) PN=8
  • 11.
    10-1 TRATOR 6125J (EDICAOSUL-AMERICANA) CODES USED IN "REMARKS" COLUMN CODES UTILISES DANS LA COLONNE "REMARQUES" KODE-ZEICHEN IN DER SPALTE "BEMERKUNGEN" CODICI USATI NELLA COLONNA "NOTE" CODIGOS USADOS NA COLUNA DE NOTAS CODIFICACION EN LA COLUMNA "NOTAS" KODATS SOM ANVANDS PA KOLUMN "ANMARKNINGAR" ENGLISH FRANCAIS DEUTSCH AMP AMPERE AMPERE AMPERE AND AND ET UND APPL THIS APPLICATION UNIQUEMENT POUR CETTE NUR FUER DIESE ONLY UTILISATION ANWENDUNG AR AS REQUIRED SUIVANT BESOIN NACH BEDARF ASSY COMPLETE ASSEMBLY ENSEMBLE COMPLET KOMPLETE BAUQRUPPE CF CUT FROM COUPER DE SCHNEIDEN VON FOR USE WITH POUR FUR FRONT FRONT AVANT VORN ID INSIDE DIAMETER DIAMETRE INTERIEUR INNENDURCHMESSER HP HORSE-POWER PUISSANCE EN HP PFERDESTARKE INCL KEYS INCLUDING DIAMETER COMPREND LES REPERES EINSCHLIESSLICH TEILE KIT KIT JEU DE REPARATION REPARATURSATZ L NUMBER OF LINKS NOMBRE DE MAILLONS ZAHL DER GLIEDER LGTH LENGTH LONGUEUR LAENGE LH LEFT- HAND GAUCHE LINKS LOW LOWER INFERIEUR UNTEN MARKED MARKED MARQUE MARKIERT MF MAKE FROM REALISER AVEC HERSTELLEN VON MFWD MECHANICAL FRONT TRACTION AVANT MECHANISHER WHEEL DRIVE MECANIQUE FRONTRADANTRIEB NA NOT APPLICABLE NON UTILISE NICHT ZUTREFFEND NSEP NOT SUPPLIED NON LIVRE SEPAREMENT EINZELN NICHT LIEFERBAR SEPARATELY OD OUTSIDE DIAMETER DIAMETRE EXTERIEUR AUSSENDURCHMESSER OR OR OU ODER ORD ORDER COMMANDER BESTELLE ORD W/ ALSO ORDER COMMANDER AVEC BESTELLE MIT OS OVERSIZE SURDIMENSION UEBERGROSSE PACKG PACKAGE PAR PAQUET DE VERPACKT ZU REAR REAR ARRIERE HINTEN RH RIGHT- HAND DROIT RECHTS STD STANDARD STANDARD STANDARD SUB REPLACED BY REMPLACE PAR ERSETZT DURCH SUB FOR SUBSTITUTES FOR REMPLACE ERSETZT FUER TK THICKNESS EPAISSEUR STAERKE UP UPPER SUPIRIEUR OBEN US UNDERSIZE SOUS-DIMENSION UNTERGROSSE USE WITH USE WITH A UTILISER AVEC BENUTZEN MIT W/ WITH AVEC MIT W/O WITHOUT SANS OHNE Z GEAR AND SPROCKET NOMBRE DE DENTS DES ZAEHNEZAHL FUER KETTEN- TEETH NUMBER PIGNONES UND ZAHNRAD 2WD 2-WHEEL DRIVE 2 ROUES MOTRICES 2 RADANTRIEB 4WD 4-WHEEL DRIVE 4 ROUES MOTRICES 4 RADANTRIEB TRATOR 6125J (EDICAO SUL-AMERICANA) PC8539P (01-JUL-10) 10-1 PN=9
  • 12.
    10-2 TRATOR 6125J (EDICAOSUL-AMERICANA) CODES USED IN "REMARKS" COLUMN CODES UTILISES DANS LA COLONNE "REMARQUES" KODE-ZEICHEN IN DER SPALTE "BEMERKUNGEN" CODICI USATI NELLA COLONNA "NOTE" CODIGOS USADOS NA COLUNA DE NOTAS CODIFICACION EN LA COLUMNA "NOTAS" KODATS SOM ANVANDS PA KOLUMN "ANMARKNINGAR" ITALIANO ESPANOL SVENSKA AMP AMPERE AMPERIO AMPERE AND E Y OCH APPL SOLO PER QUESTO SOLO PARA ESTE PROPOSITO ENDAST FOER DENNA AR SECONDO NECESSITA SEGUN NECESIDAD I MA AV BEHOEV ASSY GRUPPO COMPLETO CONJUNTO COMPLETO KOMPLETT ENHET CF CORTARE DI CORTAR DE SKUREN FRAN FOR PER PARA FOER FRONT ANTERIORE FRENTE FRAM HP POTENZA IN CAVALLI POTENCIA HASTKRAFT ID DIAMETRO INTERNO DIAMETRO INTERIOR INRE DIAMETER INCL KEYS CHIAVETTE INCLUSE INCLUYE KAS POSICIONES INKLUSIVE NYCKLAR KIT CORREDO CONJUNTO DE REPARACION SATS L NUMERO DI MAGLIE NUMERO DE ESLABONES ANTAL LANKAR ELIER LED LGTH LUNGHEZZA LONGITUD LAENGD LH SINISTRA IZQUIERDA VAENSTER SIDA LOW INFERIORE INFERIOR NEDRE MARKED MARCATO MARCADO MARKT MF FABBRICARE DI HACER DE TILLVERKA AV MFWD TRAZIONE ANTERIORE TRACCION DELANTERA MEKANISK FRAMHJULSDRIFT MECCANICA MECANICA NA NON SI USA NO UTILIZADO EJ LAMPLIG NSEP NON FORNITO NO SE SUMINISTRA POR KAN EJ ERHALLAS SEPARAT SEPARATAMENTE SEPARADO OD DIAMETRO ESTERNO DIAMETRO EXTERIOR YTIRE DIAMETER OR OPPURE O ELLER ORD ORDINARE PIDASE BESTAELL ORD W/ ORDINARE CON PIDASE CON BESTAELL MED OS EXTRA GRANDE SOBRETAMANO OEVERDIMENSIONERAD PACKG IN CONFEZIONE DA POR PAQUETE DE I SATS ELLER PAKET REAR POSTERIORE TRASERO BAK BAKRE RH DESTRA DERECHA HOEGER SIDA STD STANDARD NORMAL STANDARD SUB SOSTITUITO PER SUSTITUIDO POR ERSATTER MED SUB FOR SOSTITUSCE SUSTITICIOC PARA ERSATTER TK SPESSORE ESPESOR TJOCKLEK UP SUPERIORE SUPERIOR OVRE US EXTRA PICCOLO SUBTAMANO UNDERDIMENSIONERAD USE WITH USARE CON USAR CON ANVAND MED W/ CON CON MED, INKLUSIVE W/O SENZA SIN UTAN EXKLUSIVE Z NO: DENTI CORONA O NUMERO DE DIENTES DE LOS ANTAL TANDER PA DREV OCH 2WD TRAZIONE 2 RUOTE SIMPLE TRACCION 2-HJULSDRIFT 4WD TRAZIONE 4 RUOTE DOBLE TRACCION 4-HJULSDRIFT 10-2 TRATOR 6125J (EDICAO SUL-AMERICANA) PC8539P (01-JUL-10) PN=10
  • 13.
    10-3 TRATOR 6125J (EDICAOSUL-AMERICANA) CODES USED IN "REMARKS" COLUMN CODES UTILISES DANS LA COLONNE "REMARQUES" KODE-ZEICHEN IN DER SPALTE "BEMERKUNGEN" CODICI USATI NELLA COLONNA "NOTE" CODIGOS USADOS NA COLUNA DE NOTAS CODIFICACION EN LA COLUMNA "NOTAS" KODATS SOM ANVANDS PA KOLUMN "ANMARKNINGAR" PORTUGUES AMP AMPERE AND E APPL SOMENTE PARA ESTA APLICACAO AR CONFORME NECESSARIO ASSY CONJUNTO COMPLETO CF CORTAR DE FOR PARA FRONT FRENTE HP POTENCIA ID DIAMETRO INTERNO INCL KEYS INCLUSIVE ITENS KIT CONJUNTO DE PECAS L NUMERO DE ELOS LGTH COMPRIMENTO LH ESQUERDA LOW INFERIOR MARKED MARCADO MF FAZER DE MFWD TRACAO DIANTEIRA MECANICA NA NAO USADO NESTA APLICACAO NSEP NAO SE FORNECE SEPARADAMENTE OD DIAMETRO EXTERNO OR OU ORD PEDIR ORD W/ PEDIR COM OS SOBRETAMANHO PACKG POR EMBALAGEM DE REAR TRASEIRO RH DIREITO STD STANDARD SUB SUBSTITUIDO POR SUB FOR SUBSTITUICAO PARA TK ESPESSURA UP SUPERIOR US SUBTAMANHO USE WITH USAR COM W/ COM W/O SEM Z NUMERO DE DENTES DAS ENGRENAGENS 2WD TRACAO SIMPLES 4WD TRACAO DUPLA TRATOR 6125J (EDICAO SUL-AMERICANA) PC8539P (01-JUL-10) 10-3 PN=11
  • 14.
    10-4 TRATOR 6125J (EDICAOSUL-AMERICANA) BASIC TRACTOR SERIAL NUMBER CQ153584 -UN- 1. DESIGNATES TRACTOR MANUFACTURER BM - JOHN DEERE BRAZIL 2. DESIGNATES TRACTOR MODEL 6125J 3. DESIGNATES TRACTOR SERIAL NUMBER LVP202 -UN- THE BASIC TRACTOR SERIAL NUMBER PLATE IS LOCATED ON THE RIGHT-HAND SIDE OF THE FRONT SUPPORT. 10-4 TRATOR 6125J (EDICAO SUL-AMERICANA) PC8539P (01-JUL-10) PN=12
  • 15.
    10-5 TRATOR 6125J (EDICAOSUL-AMERICANA) NUMERO DIDENTIFICATION DU TRACTEUR CQ153584 -UN- 1. CONSTRUCTEUR DU TRACTEUR BM - JOHN DEERE BRAZIL 2. TYPE DE TRACTEUR 6125J 3. NUMERO DE SERIE DU TRACTEUR LVP202 -UN- LE NUMERO DIDENTIFICATION DE LA MACHINE SE TROUVE A LAVANT, SUR LE COTE DROIT DU CHASSIS PRINCIPAL TRATOR 6125J (EDICAO SUL-AMERICANA) PC8539P (01-JUL-10) 10-5 PN=13
  • 16.
    10-6 TRATOR 6125J (EDICAOSUL-AMERICANA) PRODUKT-IDENTIFIKATIONSNUMMER CQ153584 -UN- 1. TRAKTOR HERSTELLER BM - JOHN DEERE BRAZIL 2. TRAKTOR MODELLE 6125J 3. TRAKTOR SERIENNUMMER LVP202 -UN- DAS PRODUKTIDENTIFIKATIONS-SCHILD IST VORN AN DER RECHTEN SEITE DES HAUPTRAHMENS ANGEBRACHT. 10-6 TRATOR 6125J (EDICAO SUL-AMERICANA) PC8539P (01-JUL-10) PN=14
  • 17.
    10-7 TRATOR 6125J (EDICAOSUL-AMERICANA) NUMERO DI IDENTIFICAZIONE PRODOTTO CQ153584 -UN- 1. COSTRUTTORE DEL TRATTORE BM - JOHN DEERE BRAZIL 2. MODELLO TRATTORE 6125J 3. NUMERO DI SERIE DEL TRATTORE LVP202 -UN- LA TARGHETTA CON IL NUMERO DI SERIE E SITUATA SUL LATO DESTRO DEL TELAIO PRINCIPALE. TRATOR 6125J (EDICAO SUL-AMERICANA) PC8539P (01-JUL-10) 10-7 PN=15
  • 18.
    10-8 TRATOR 6125J (EDICAOSUL-AMERICANA) NUMERO DE SERIE DO TRATOR CQ153584 -UN- 1. DESIGNA O FABRICANTE DO TRATOR BM - JOHN DEERE BRASIL 2. DESIGNA O MODELO DO TRATOR 6125J 3. DESIGNA O NUMERO DE SERIE DO TRATOR LVP202 -UN- A PLACA DE NUMERO DE SERIE DO TRATOR ESTA LOCALIZADA AO LADO DIREITO NO SUPORTE FRONTAL. 10-8 TRATOR 6125J (EDICAO SUL-AMERICANA) PC8539P (01-JUL-10) PN=16
  • 19.
    10-9 TRATOR 6125J (EDICAOSUL-AMERICANA) NUMERO DE SERIE DEL TRACTOR CQ153584 -UN- 1. DETERMINA EL FABRICANTE DEL TRACTOR BM - JOHN DEERE BRASIL 2. DETERMINA EL MODELO DEL TRACTOR 6125J 3. DETERMINA EL NUMERO DE SERIE DEL TRACTOR LVP202 -UN- LA CHAPA DE IDENTIFICACION DEL TRACTOR ESTA LOCALIZADA AL LADO DERECHO EN EL SOPORTE FRONTAL. TRATOR 6125J (EDICAO SUL-AMERICANA) PC8539P (01-JUL-10) 10-9 PN=17
  • 20.
    10-10 TRATOR 6125J (EDICAOSUL-AMERICANA) PRODUKTSERIENNUMMER CQ153584 -UN- 1. TILLVERKARE BM - JOHN DEERE BRAZIL 2. TRAKTORMODELL 6125J 3. TRAKTORSERIENUMMER LVP202 -UN- SERIENUMMERSKYLTEN FINNS PA RAMENS HOEGRA SIDA 10-10 TRATOR 6125J (EDICAO SUL-AMERICANA) PC8539P (01-JUL-10) PN=18
  • 21.
    10-11 TRATOR 6125J (EDICAOSUL-AMERICANA) ENGINE SERIAL NUMBER PLATE CDP47519 -UN- ENGINE SERIAL NUMBER IS DEFINED BY 13 CHARACTERS 1- TWO LETTERS FOR ENGINE FACTORY DESIGNATION (JX: ROSARIO,ARGENTINA) 2- ONE DIGIT FOR NUMBER OF CYLINDERS(4 CYLINDER,6 CYLINDER) 3- THREE DIGITS FOR DISPLACEMENT IN LITERS ( 045:4.5L,068:6.8L ) 4- ONE LETTER FOR: - DESIGNATED ASPIRATION TYPE (UNTIL 01 APRIL 2005) H: TURBOCHARGED WITH AIR-TO-AIR AFTERCOOLER - DESIGNATED EMISSION LEVEL (SINCE 02 APRIL 2005) G: TIER2/STAGE II EMISSION LEVEL L: TIER3/STAGE III EMISSION LEVEL ! FOR THE SIX DIGITS OF THE ACTUAL ENGINE NUMBER (5) COUNTING STARTS WITH 000001 5- SIX DIGITS ! IN THE PARTS CATALOG PAGES, ONLY THESE SIX DIGITS ARE SHOWN ENGINE TYPE IS DEFINED BY 9 ALPHA-NUMERICAL CHARACTERS 6- FOUR DIGITS WITH SAME DEFINITION AS SERIAL NUMBER 7- ONE LETTER FOR ASPIRATION TYPE ( H ) 8- TWO LETTERS FOR USER (BM= BRAZIL) 9- TWO DIGITS FOR VERSION (EG: 60 OR 81) 10- TWO LETTERS AND FIVE DIGITS FOR ENGINE NUMBER TRATOR 6125J (EDICAO SUL-AMERICANA) PC8539P (01-JUL-10) 10-11 PN=19
  • 22.
    10-12 TRATOR 6125J (EDICAOSUL-AMERICANA) PLAQUETTE SIGNALETIQUE DU MOTEUR CDP47519 -UN- LE NUMERO DE SERIE DU MOTEUR EST DEFINI PAR 13 CARACTERES 1- DEUX LETTRES DESIGNENT L’USINE DE MOTEURS (JX: ROSARIO,ARGENTINA) 2- UN CHIFFRE INDIQUE LE NOMBRE DE CYLINDRES (4 CYLINDRE,6 CYLINDRE) 3- TROIS CHIFFRES INDIQUENT LA CYLINDREE EN LITRES ( 045:4.5L,068:6.8L ) 4- UN CHIFFRE INDIQUE: - LE TYPE D’ASPIRATION (JUSQU’AU 1ER AVRIL 2005) H: AVEC TURBOCOMPRESSEUR ET REFROIDISSEUR AIR-AIR - LE NIVEAU D’EMISSIONS (A PARTIR DU 2 AVRIL 2005) G: TIER2/NIVEAU II D’EMISSIONS L: TIER3/NIVEAU III D’EMISSIONS ! LES SIX CHIFFRES INDIQUANT LE NUMERO DU MOTEUR PROPREMENT DIT (5) SONT COMPTES A PARTIR DE 000001 5- SIX CHIFFRES ! SEULS CES SIX CHIFFRES APPARAISSENT SUR LES PAGES DU CATALOGUE PIECES LE TYPE DE MOTEUR EST DEFINI PAR 9 CARACTERES ALPHANUMERIQUES 6- QUATRE CHIFFRES, MEME DEFINITION QUE POUR LE NUMERO DE SERIE 7- UNE LETTRE POUR LE TYPE D’ASPIRATION (H) 8- DEUX LETTRES POUR L’UTILISATEUR (BM = BRESIL) 9- DEUX CHIFFRES POUR LA VERSION (EX.: 60 OU 81) 10- DEUX LETTRES ET CINQ CHIFFRES POUR LE NUMERO DU MOTEUR 10-12 TRATOR 6125J (EDICAO SUL-AMERICANA) PC8539P (01-JUL-10) PN=20
  • 23.
    10-13 TRATOR 6125J (EDICAOSUL-AMERICANA) MOTOR-SERIENNUMMERNSCHILD CDP47519 -UN- DIE MOTORSERIENNUMMER HAT 13 STELLEN 1- ZWEI BUCHSTABEN FUER DAS HERSTELLERWERK DES MOTORS (JX: ROSARIO,ARGENTINA) 2- EINE ZAHL FUER DIE ANZAHL DER ZYLINDER (4 ZYLINDER,6 ZYLINDER) 3- DREI ZAHLEN FUER DEN HUBRAUM IN LITERN ( 045:4.5L,068:6.8L ) 4- EIN BUCHSTABE FUER: - TYP DES LUFTANSAUGSYSTEMS (BIS 01. APRIL 2005) H: TURBOLADER MIT LUFT-ZU-LUFT LADELUFTKUEHLER - EMISSIONSWERTE (AB 02. APRIL 2005) G: EMISSIONSWERTE GEMAESS TIER2/STUFE II L: EMISSIONSWERTE GEMAESS TIER3/STUFE III ! BEI DEN SECHS STELLEN DER EIGENTLICHEN MOTORNUMMER (5) BEGINNT DIE ZAEHLUNG MIT 000001 5- SECHS STELLEN ! AUF DEN SEITEN DES ERSATZTEILKATALOGS ERSCHEINEN NUR DIESE SECHS STELLEN DER MOTORTYP WIRD DURCH 9 ALPHANUMERISCHE ZEICHEN DEFINIERT 6- VIER STELLEN; GLEICHE DEFINITION WIE SERIENNUMMER 7- EIN BUCHSTABE FUER TYP DES LUFTANSAUGSYSTEMS (H) 8- ZWEI BUCHSTABEN FUER ANWENDER (BM= BRASILIEN) 9- ZWEI ZAHLEN FUER VERSION (Z.B.: 60 ODER 81) 10-ZWEI BUCHSTABEN UND FUENF WEITERE STELLEN FUER MOTORNUMMER TRATOR 6125J (EDICAO SUL-AMERICANA) PC8539P (01-JUL-10) 10-13 PN=21
  • 24.
    10-14 TRATOR 6125J (EDICAOSUL-AMERICANA) TARGHETTA DEL NUMERO DI SERIE DEL MOTORE CDP47519 -UN- IL NUMERO DI SERIE DEL MOTORE E COMPOSTO DA 13 CIFRE 1-DUE LETTERE PER LA DESIGNAZIONE DELLA FABBRICA DEL MOTORE(JX:ROSARIO,ARGENTINA) 2- UNA CIFRA PER IL NUMERO DI CILINDRI (4 CILINDRI,6 CILINDRI) 3- TRE CIFRE PER LA CILINDRATA, IN LITRI ( 045:4.5L,068:6.8L ) 4- UNA LETTERA PER: - DESIGNAZIONE TIPO DI ASPIRAZIONE (FINO A 10 APRILE 2005) H: TURBOCOMPRESSO CON AFTERCOOLER ARIA-ARIA - DESIGNAZIONE LIVELLO DI EMISSIONI (DAL 2 APRILE 2005) G: LIVELLO DI EMISSIONI TIER2/STADIO II L: LIVELLO DI EMISSIONI TIER3/STADIO III ! LE SEI CIFRE DEL NUMERO DI SERIE DEL MOTORE IN USO (5) INIZIANO DA 000001 5- SEI CIFRE ! NELLA PAGINE DEL CATALOGO RICAMBI, VENGONO MOSTRATI SOLO QUESTE SEI CIFR IL TIPO DI MOTORE E IDENTIFICATO DA 9 CARATTERI ALFANUMERICI 6- QUATTRO CIFRE CON LA STESSA DEFINIZIONE DI QUELLA DEL NUMERO DI SERIE 7- UNA LETTERA PER IL TIPO DI ASPIRAZIONE ( H ) 8- DUE LETTERE PER L’UTILIZZATORE (BM = BRASILE) 9- DUE CIFRE PER LA VERSIONE (ES.: 60 O 81) 10- DUE LETTERE E CINQUE CIFRE PER IL NUMERO DI SERIE DEL MOTORE 10-14 TRATOR 6125J (EDICAO SUL-AMERICANA) PC8539P (01-JUL-10) PN=22
  • 25.
    10-15 TRATOR 6125J (EDICAOSUL-AMERICANA) PLACA DE IDENTIFICACAO DO NUMERO DE SERIE DO MOTOR CDP47519 -UN- O NUMERO DE SERIE DOS MOTORES E DEFINIDO POR 13 DIGITOS 1- DUAS LETRAS PARA INDICAR O FABRICANTE DO MOTOR (JX: ROSARIO,ARGENTINA) 2- UM NUMERO PARA INDICAR O NUMERO DE CILINDROS (4 CILINDRO,6 CILINDRO) 3- TRES NUMEROS PARA INDICAR A CILINDRADA EM LITROS ( 045:4.5L,068:6.8L ) 4- UMA LETRA PARA : -DESIGNAR O TIPO DE ASPIRACAO ( ATE 1 DE ABRIL DE 2005 ) H: TURBOALIMENTADO COM REFRIGERADOR INTERMEDIARIO AR- AR -NIVEL DAS EMISSOES (DESDE 2 DE ABRIL DE 2005) G: NIVEL DE EMISSAO TIER2/NIVEL II L: NIVEL DE EMISSAO TIER3/NIVEL III ! PARA OS SEIS DIGITOS DO NUMERO DO MOTOR (5) A NUMERACAO COMECA COM 000001 5- SEIS DIGITOS ! NAS PAGINAS DE CATALOGO DE PECAS, SOMENTE ESSES SEIS DIGITOS SAO MOSTRADOS O TIPO DO MOTOR E DEFINIDO MEDIANTE 9 CARACTERES ALFANUMERICOS 6- QUATRO NUMEROS QUE CORRESPONDEM AOS QUATRO PRIMEIROS NUMERO DE SERIE 7- UMA LETRA PARA DESIGNAR O TIPO DE ASPIRACAO (H) 8- DUAS LETRAS PARA DESIGNAR ONDE E USADO (BM = BRASIL) 9- DOIS NUMEROS PARA DESIGNAR A VERSAO (P.E.: 60 O 81) 10- DUAS LETRAS E CINCO NUMEROS PARA O NUMERO DO MOTOR TRATOR 6125J (EDICAO SUL-AMERICANA) PC8539P (01-JUL-10) 10-15 PN=23
  • 26.
    10-16 TRATOR 6125J (EDICAOSUL-AMERICANA) PLACA DE NUMERO DE SERIE DEL MOTOR CDP47519 -UN- EL NUMERO DE SERIE DEL MOTOR SE DEFINE MEDIANTE 13 DIGITOS 1- DOS LETRAS PARA DESIGNAR EL FABRICANTE DEL MOTOR (JX: ROSARIO,ARGENTINA) 2- UNA CIFRA PARA INDICAR EL NUMERO DE CILINDROS (4 CILINDRO,6 CILINDRO) 3- TRES CIFRAS PARA INDICAR LA CILINDRADA EN LITROS ( 045:4.5L,068:6.8L ) 4- UNA LETRA PARA: - DESIGNAR EL TIPO DE ASPIRACION (HASTA EL 1 DE ABRIL DE 2005) H: TURBOALIMENTADO CON ENFRIADOR INTERMEDIO AIRE-AIRE - NIVEL DE EMISIONES (DESDE EL 2 DE ABRIL DE 2005) G: NIVEL DE EMISIONES TIER2/FASE II L: NIVEL DE EMISIONES TIER3/FASE III ! EN LO QUE SE REFIERE A LAS SEIS CIFRAS DEL NUMERO DEL MOTOR (5), NUMERACION COMIENZA CON 000001 5- SEIS CIFRAS ! EN LAS PAGINAS DEL CATALOGO DE PIEZAS, SOLO APARECEN ESTAS SEIS CIFRAS EL TIPO DEL MOTOR SE DEFINE MEDIANTE 9 CARACTERES ALFANUMERICOS 6- QUATRO CIFRAS QUE CORRESPONDEN A LAS CUATRO PRIMERAS CIFRAS DEL NUMERO DE SERIE 7- UNA LETRA PARA DESIGNAR EL TIPO DE ASPIRACION ( H ) 8- DOS LETRAS PARA DESIGNAR EL USUARIO (BM= BRASIL) 9- DOS CIFRAS PARA DESIGNAR LA VERSION (P.E.: 60 O 81) 10- DOS LETRAS Y CINCO CIFRAS PARA NUMERO MOTOR 10-16 TRATOR 6125J (EDICAO SUL-AMERICANA) PC8539P (01-JUL-10) PN=24
  • 27.
    10-17 TRATOR 6125J (EDICAOSUL-AMERICANA) MOTORSERIENUMMERSKYLT CDP47519 -UN- MOTORSERIENUMRET BESTAAR AV 13 TECKEN 1- TVAA BOKSTAEVER ANGER TILLVERKANDE MOTORFABRIK (JX: ROSARIO,ARGENTINA) 2- EN SIFFRA ANGER CYLINDERANTAL (4 CYLINDERANTAL,6 CYLINDERANTAL) 3- TRE SIFFROR ANDER SLAGVOLYM I LITER ( 045:4.5L,068:6.8L ) 4- EN BOKSTAV ANGER: - INSUGNING (T.O.M. APRIL 2005) H: TURBOLADDAD MED LUFT-TILL-LUFT LADDLUFTKYLARE - EMISSIONSNIVAA (FR.O.M. 02 APRIL 2005) G: MILJOESTEG II EMISSIONSNIVAA L: MILJOESTEG III EMISSIONSNIVAA OBS! FOER MOTORNUMRETS SEX SIFFROR (5) STARTAR RAEKNEVERKET MED 000001 5- SEX SIFFROR OBS! I RESERVDELSKATALOGEN ANGES ENDAST DESSA SEX SIFFROR MOTORBETECKNINGEN DEFINIERAS AV 9 TECKEN 6- FYRA SIFFROR MED SAMMA DEFINITION SOM I SERIENUMRET 7- EN BOKSTAV ANGER INSUGNING (H) 8- TVAA SIFFROR ANGER ANVAENDAREN (BM = BRASILIEN) 9- TVAA SIFFROR ANGER VERSION (EX: 60 ELLER 81) 10- TVAA BOKSTAEVER OCH FEM SIFFROR ANGER MOTORNUMRET TRATOR 6125J (EDICAO SUL-AMERICANA) PC8539P (01-JUL-10) 10-17 PN=25
  • 28.
    10-18 TRATOR 6125J (EDICAOSUL-AMERICANA) COMPONENT SERIAL NUMBER - POWRQUAD TRANSMISSION NUMERO DE SERIE DES COMPOSANTS - BOITE POWRQUAD PUBM0993 -UN- 1. COMPONENT MANUFACTURER RO - JOHN DEERE WATERLOO 2. TYPE OF TRANSMISSION T6 - POWRQUAD 3. MODEL CLUTCH WITH 3 SPEED-SYNCHRONIZED TRANSMISSION 4. MAX INPUT TORQUE 29-290 NM 39-390NM 5. SERIAL NUMBER SIX DIGITS 1. CONSTRUCTEUR DES COMPOSANTS RO - JOHN DEERE WATERLOO 2. TRANSMISSION T6 - POWRQUAD 3. MODELE EMBRAYAGE, BOITE SYNCHRONISEE 3 VITESSES 4. COUPLE D’ENTREE MAX. 29 - 290 NM / 39 - 390 NM 5. NUMERO DE SERIE SIX CHIFFRES 10-18 TRATOR 6125J (EDICAO SUL-AMERICANA) PC8539P (01-JUL-10) PN=26
  • 29.
    10-19 TRATOR 6125J (EDICAOSUL-AMERICANA) KOMPONENTEN-SERIENNUMMER - POWRQUAD-GETRIEBE NUMERO DI SERIE DEL COMPONENTE - TRANSMISIONE POWRQUAD PUBM0993 -UN- 1. KOMPONENTEN-HERSTELLER RO- JOHN DEERE WATERLOO 2. GETRIEBETYP T6 POWRQUAD 3. MODELL KUPPLUNG MIT 3-GANG SYNCHRONGETRIEBE 4. MAXIMALES EINGANGSDREHMOMENT 29-290NM / 39-390NM 5. SERIENNUMMER SECHS STELLEN 1. COSTRUTTORE COMPONENTE RO - JOHN DEERE WATERLOO 2. TIPO DI TRASMISSIONE T6 POWRQUAD 3. MODELLO FRIZIONE, CON TRASMISSIONE A 3 RAPPORTI SINCRONIZZATI 4. COPPIA MASSIMA IN INGRESSO 29-290NM / 39-390NM 5. NUMERO DI SERIE SEI CARATTERI TRATOR 6125J (EDICAO SUL-AMERICANA) PC8539P (01-JUL-10) 10-19 PN=27
  • 30.
    10-20 TRATOR 6125J (EDICAOSUL-AMERICANA) NUMERO DE SERIE DE COMPONENTE - TRANSMISSAO POWRQUAD PUBM0993 -UN- 1. FABRICANTE DO COMPONENTE RO- JOHN DEERE WATERLOO 2. TIPO DE TRANSMISSAO T6 POWRQUAD 3. MODELO EMBREAGEM COM TRANSMISSAO SINCRONIZADA DE 3 VELOCIDADES 4. TORQUE MAXIMO DE ENTRADA 29-290NM / 39-390NM 5. NUMERO DE SERIE SEIS DIGITOS 10-20 TRATOR 6125J (EDICAO SUL-AMERICANA) PC8539P (01-JUL-10) PN=28
  • 31.
    10-21 TRATOR 6125J (EDICAOSUL-AMERICANA) NUMERO DE SERIE DEL COMPONENTE - TRANSMISION POWRQUAD COMPONENT SERIENUMMER - POWRQUAD OVERFOERING PUBM0993 -UN- 1. FABRICANTE DEL COMPONENTE RO - JOHN DEERE WATERLOO 2. TIPO DE TRANSMISION T6 - POWRQUAD 3. MODELO EMBRAGE CON TRANSMISION SINCRONIZADA 3 VELOCIDADES 4. PAR MOTOR DE ENTRADA MAXIMO 29 - 290NM/39 - 390NM 5. NUMERO DE SERIE SEIS DIGITOS 1. KOMPONENTILLVERKARE RO - JOHN DEERE WATERLOO 2. TYP AV OVERFOERING T6 POWRQUAD 3. MODELL KOPPLING MED 3 SPEED - SYNKRONISERAS 4. MAXIMAL TILLFORD VRIDMOMENT 29-290 NM / 39-390 NM 5. SERIENUMMER SEX SIFFROR TRATOR 6125J (EDICAO SUL-AMERICANA) PC8539P (01-JUL-10) 10-21 PN=29
  • 32.
    10-22 TRATOR 6125J (EDICAOSUL-AMERICANA) TRANSMISSION SERIAL NUMBER NUMERO DE SERIE DE LA BOITE PUBM0994 -UN- 1. COMPONENT MANUFACTURER RO - JOHN DEERE WATERLOO 2. FOR TRANSMISSION MODULE TF - SYNCROPLUS / POWER REVERSER 3. NUMBER OF FORWARD GEARS C - 12 / G - 16 4. SERIAL NUMBER SIX DIGITS 1. CONSTRUCTEUR DES COMPOSANTS RO - JOHN DEERE WATERLOO 2. TRANSMISSION TF - SYNCROPLUS / POWER REVERSER 3. NOMBRE DE VITESSES EN MARCHE AVANT C - 12 / G - 16 4. NUMERO DE SERIE SIX CHIFFRES 10-22 TRATOR 6125J (EDICAO SUL-AMERICANA) PC8539P (01-JUL-10) PN=30
  • 33.
    10-23 TRATOR 6125J (EDICAOSUL-AMERICANA) GETRIEBE-SERIENNUMMER NUMERO DI SERIE TRASMISSIONE PUBM0994 -UN- 1. KOMPONENTEN-HERSTELLER RO - JOHN DEERE WATERLOO 2. FUER GETRIEBE MODUL TF - SYNCROPLUS/POWER REVERSER 3. ANZAHL DER VORWAERTSGAENGE C - 12 / G - 16 4. SERIENNUMMER SECHS STELLEN 1. COSTRUTTORE COMPONENTE RO - JOHN DEERE WATERLOO 2. PER MODULO TRASMISSIONE TF - SYNCROPLUS / POWER REVERSER 3. NUMERO DI MARCE AVANTI C - 12 / G - 16 4. NUMERO DI SERIE SEI CARATTERI TRATOR 6125J (EDICAO SUL-AMERICANA) PC8539P (01-JUL-10) 10-23 PN=31
  • 34.
    10-24 TRATOR 6125J (EDICAOSUL-AMERICANA) NUMERO DE SERIE DA TRANSMISSAO PUBM0994 -UN- 1. FABRICANTE DO COMPONENTE RO - JOHN DEERE WATERLOO 2. PARA MODULO DA TRANSMISSAO TF - SYNCROPLUS/POWER REVERSER 3. NUMERO DE MARCHAS PARA A FRENTE C - 12 / G - 16 4. NUMERO DE SERIE SEIS DIGITOS 10-24 TRATOR 6125J (EDICAO SUL-AMERICANA) PC8539P (01-JUL-10) PN=32
  • 35.
    10-25 TRATOR 6125J (EDICAOSUL-AMERICANA) NUMERO DE SERIE DE TRANSMISION TRANSMISSIONSERIENUMMER PUBM0994 -UN- 1. FABRICANTE DEL COMPONENTE RO- JOHN DEERE WATERLOO 2. PARA MODULO DE TRANSMISION TF - SYNCROPLUS/POWER REVERSER 3. NUMERO DE MARCHAS DE AVANCE C - 12 / G - 16 4. NUMERO DE SERIE SEIS DIGITOS 1. KOMPONENTILLVERKARE RO - JOHN DEERE WATERLOO 2. FOER TRANSMISSIONSMODUL TF - SYNCROPLUS / POWER REVERSER 3. ANTAL FRAMAATVAEXLAR C - 12 / G - 16 4. SERIENUMMER SEX SIFFROR TRATOR 6125J (EDICAO SUL-AMERICANA) PC8539P (01-JUL-10) 10-25 PN=33
  • 36.
    10-26 TRATOR 6125J (EDICAOSUL-AMERICANA) SERIAL NUMBER LISTING INFORMATION SERIAL NUMBER INFORMATION IS LISTED TO SHOW ON WHICH MACHINES EACH PART CAN BE USED. FOR EXAMPLE: - THE PART CAN BE USED ON ALL MACHINES. -000000 THE PART CAN BE USED ON ALL MACHINES UP TO AND INCLUDING THE SERIAL NUMBER LISTED. 000000- THE PART CAN BE USED ON ALL MACHINES BEGINNING WITH THE SERIAL NUMBER LISTED. 000000-000000 THE PART CAN BE USED ON ALL MACHINES BETWEEN AND INCLUDING THE SERIAL NUMBERS LISTED. WHEN XXXXXX’S ARE LISTED IN PLACE OF SERIAL NUMBERS, A SERIAL NUMBER CHANGE WAS MADE BUT THE EXACT SERIAL NUMBER WAS NOT AVAILABLE WHEN THE CATALOG WAS PRODUCED. DIRECTION ARROW ARROWS ARE USED WITH ILLUSTRATIONS TO INDICATE THE FRONT OF THE UNIT. "RIGHT-HAND" AND "LEFT-HAND" SIDES ARE DETERMINED BY FACING IN THE DIRECTION OF MACHINE FORWARD TRAVEL. BOX-ENCLOSED ILLUSTRATIONS A KEY NUMBER, SHOWN IN THE PARTS LIST, IS ASSIGNED TO A BOX ENCLOSING ALL PARTS SOLD AS A SERVICE ASSEMBLY. A BOX NOT KEYED INCLUDES NON-CURRENT PARTS. 10-26 TRATOR 6125J (EDICAO SUL-AMERICANA) PC8539P (01-JUL-10) PN=34
  • 37.
    10-27 TRATOR 6125J (EDICAOSUL-AMERICANA) GENERALITES CONCERNANT LES NUMEROS DE SERIE CES INFORMATIONS PERMETTENT DE DETERMINER LES PIECES A MONTER SELON LE NUMERO DE SERIE DE LA MACHINE: - LA PIECE PEUT ETRE MONTEE SUR TOUTES LES MACHINES -000000 LA PIECE PEUT ETRE MONTEE SUR LES MACHINES JUSQU’AU NUMERO DE SERIE INDIQUE INCLUS 000000- LA PIECE PEUT ETRE MONTEE SUR LES MACHINES A PARTIR DU NUMERO DE SERIE INDIQUE 000000-000000 LA PIECE PEUT ETRE MONTEE SUR LES MACHINES DONT LE NUMERO DE SERIE EST COMPRIS ENTRE LES NUMEROS INDIQUES INCLUS LORSQU’ UN NUMERO DE SERIE EST REMPLACE PAR XXXXXX, UN CHANGEMENT A ETE APPORTE DANS LES NUMEROS DE SERIE, MAIS LE NUMERO DE SERIE EXACT N’ETAIT PAS CONNU AU MOMENT DE LA PUBLICATION DU CATALOGUE. FLECHES DIRECTIONNELLES LES FLECHES FIGURANT SUR LES ILLUSTRATIONS INDIQUENT L’AVANT DE LA MACHINE. LES INDICATIONS DE COTE, TELLES QUE DROITE ET GAUCHE, S’ENTENDENT PAR RAPPORT AU SENS NORMAL DE MARCHE AVANT DE LA MACHINE. ILLUSTRATIONS FIGURANT DANS DES ENCADRES LES PIECES FIGURANT DANS UN ENCADRE SONT DISPONIBLE EN TANT QUE JEU {COMPLET;} UNE REFERENCE FIGURANT DANS LA LISTE DES PIECES EST AFFECTEE A CE JEU. UN ENCADRE SANS REFERENCE COMPREND DES PIECES D’UN ANCIEN ASSEMBLAGE. TRATOR 6125J (EDICAO SUL-AMERICANA) PC8539P (01-JUL-10) 10-27 PN=35
  • 38.
    10-28 TRATOR 6125J (EDICAOSUL-AMERICANA) INFORMATIONEN ZUR SERIENNUMMER SERIENNUMMERN SIND ANGEGEBEN, UM GENAU FESTSTELLEN ZU KOENNEN, WELCHE TEILE FUER EINE BESTIMMTE MASCHINE VERWENDET WERDEN. BEISPIEL: - DIESES TEIL KANN FUER ALLE MASCHINEN VERWENDET WERDEN. -000000 DIESES TEIL KANN FUER ALLE MASCHINEN BIS ZU DER GENANNTEN SERIENNUMMER VERWENDET WERDEN. 000000- DIESES TEIL KANN FUER ALLE MASCHINEN AB DER GENANNTEN SERIENNUMMER VERWENDET WERDEN. 000000-000000 DIESES TEIL KANN FUER ALLE MASCHINEN VERWENDET WERDEN, DEREN SERIENNUMMER ZWISCHEN DEN GENANNTEN ZAHLEN LIEGT. WO ANSTELLE EINER SERIENNUMMER DIE ANGABE XXXXXX STEHT, ERFOLGTE EINE AENDERUNG DER BETREFFENDEN SERIENNUMMER. BEI ZUSAMMENSTELLUNG DES ERSATZTEILKATALOGES WAR DIE GENAUE SERIENNUMMER JEDOCH NOCH NICHT BEKANNT. PFEILE ZUR RICHTUNGSANGABE DIE IN DEN ABBILDUNGEN VERWENDETEN PFEILE KENNZEICHNEN DIE VORDERSEITE DER BETREFFENDEN EINHEIT. DIE BEZEICHNUNGEN "RECHTS" UND "LINKS" BEZIEHEN SICH AUF DIE VORWAERTSFAHRTRICHTUNG DER MASCHINE. UMRANDETE TEILE MIT EINER UMRANDUNG VERSEHENE TEILE SIND ALS REPARATURSATZ ERHAELTLICH UND IN DER ERSATZTEILLISTE MIT EINER ENTSPRECHENDEN NUMMER GEKENNZEICHNET. UMRANDETE TEILE OHNE TEILENUMMERN SIND ALTE TEILE. 10-28 TRATOR 6125J (EDICAO SUL-AMERICANA) PC8539P (01-JUL-10) PN=36
  • 39.
    10-29 TRATOR 6125J (EDICAOSUL-AMERICANA) INFORMAZIONI SUGLI ELENCHI DEI NUMERI DI MATRICOLA SONO INDICATE QUI DI SEGUITO LE INFORMAZIONI RELATIVE AI NUMERI DI MATRICOLA PER SPIEGARE SU QUALE MACCHINA POSSONO ESSERE USATE LE VARIE PARTI. AD ESEMPIO: - LA PARTE PUO’ESSERE USATA SU TUTTE LE MACCHINE. -000000 LA PARTE PUO’ESSERE USATA SU TUTTE LE MACCHINE FINO AL NUMERO DI MATRICOLA INDICATO COMPRESO. 000000- LA PARTE PUO’ESSERE USATA SU TUTTE LE MACCHINE A PARTIRE DAL NUMERO DI MATRICOLA INDICATO. 000000-000000 LA PARTE PUO’ESSERE USATA CON NUMERI DI MATRICOLA COMPRESI TRA QUELLI INDICATI. QUANDO IN LUOGO DEL NUMERO DI MATRICOLA FIGURANO LE XXXXXX, SIGNIFICA CHE E’STATA APPORTATA UNA VARIAZIONE AL NUMERO DI MATRICOLA MA IL NUMERO DI MATRICOLA ESATTO NON ERA DISPONIBILE AL MOMENTO DELLA PRODUZIONE DEL CATALOGO. FRECCIA DI DIREZIONE LA FRECCIA VIENE USATA CON LE ILLUSTRAZIONI PER INDICARE LA PARTE ANTERIORE DELL’UNITA’ "LATO DESTRO" E "LATO SINISTRO" S’INTENDONO GUARDANDO LA MACCHINA CHE SI SPOSTA IN MARCIA AVANTI. ILLUSTRAZIONE RIQUADRATA UN NUMERO DI RIFERIMENTO, INDICATO NELL’ELENCO PARTI, E’ASSEGNATO AD RIQUADRO CHE COMPRENDE TUTTE LE PARTI VENDUTE COME GRUPPO DI SERVIZIO. I PEZZI ACCERCHIATI SENZA NUMERO D’IDENTIFICAZIONE SONO PEZZI VECCHI. TRATOR 6125J (EDICAO SUL-AMERICANA) PC8539P (01-JUL-10) 10-29 PN=37
  • 40.
    10-30 TRATOR 6125J (EDICAOSUL-AMERICANA) INFORMACAO DE LISTAGEM DE NUMERO DE SERIE A INFORMACAO DO NUMERO DE SERIE E LISTADO PARA MOSTRAR EM QUAIS MAQUINAS CADA PECA PODE SER USADA. POR EXEMPLO: - A PECA PODE SER USADA EM TODAS AS MAQUINAS. -000000 A PECA PODE SER USADA EM TODAS AS MAQUINAS, ATE E INCLUSIVE O NUMERO DE SERIE LISTADO 000000- A PECA PODE SER USADA EM TODAS AS MAQUINAS COMECANDO COM O NUMERO DE SERIE LISTADO 000000-000000 A PECA PODE SER USADA EM TODAS AS MAQUINAS, ENTRE E INCLUSIVE OS NUMEROS DE SERIE LISTADOS. QUANDO XXXXXX’S SAO LISTADOS NO LUGAR DE UM NUMERO DE SERIE, UMA MUDANCA NO NUMERO DE SERIE FOI FEITA, MAS ESTE NAO ESTAVA DISPONIVEL QUANDO O CATALOGO FOI PRODUZIDO. DIRECAO DA SETA SETAS SAO USADAS NAS ILUSTRACOES PARA INDICAR A FRENTE DA MAQUINA. LADO DIREITO E LADO ESQUERDO SAO DETERMINADOS PELA FRENTE NO SENTIDO DE DESLOCAMENTO DA MAQUINA. CAIXA NAS ILUSTRACOES O CODIGO CORRESPONDENTE AO NUMERO INDICADO PARA A CAIXA INCLUI TODOS OS ITENS QUE ESTAO REPRESENTADOS DENTRO DA MESMA, INDICANDO O CONJUNTO COMPLETO. NAO INCLUI AS PECAS QUE ESTAO FORA DA CAIXA. 10-30 TRATOR 6125J (EDICAO SUL-AMERICANA) PC8539P (01-JUL-10) PN=38
  • 41.
    10-31 TRATOR 6125J (EDICAOSUL-AMERICANA) INFORMACION SOBRE NUMEROS DE SERIE LA INFORMACION SOBRE NUMEROS DE SERIE INDICA LAS PIEZAS QUE SE UTILIZAN EN CADA MAQUINA. POR EJEMPLO: - LA REFERENCIA PUEDE SER UTILIZADA EN TODAS LAS MAQUINAS -000000 LA REFERENCIA PUEDE SER UTILIZADA EN TODAS LAS MAQUINAS HASTA E INCLUYENDO EL NUMERO DE SERIE INDICADO. 000000- LA REFERENCIA PUEDE SER UTILIZADA EN TODAS LAS MAQINAS A PARTIR DEL NUMERO DE SERIE INDICADO 000000-000000 LA REFERENCIA PUEDE SER UTILIZADA EN TODAS LAS MAQUINAS CON NUMEROS DE SERIE COMPRENDIDOS ENTRE LOS DOS NUMEROS.AMBOS INCLUSIVE. CUANDO SE INDICA XXXXXX EN VEZ DE LOS NUMEROS DE SERIE, SE HA PRODUCIDO UN CAMBIO EN EL NUMERO DE SERIE PERO NO ESTA DISPONIBLE EN LA FECHA DE LA PUBLICACION. DIRECCION DE LA SAETA SAETAS SON USADAS EN LAS ILUSTRACIONES PARA INDICAR LA FRENTE DE LA MAQUINA. LADO DERECHO Y LADO IZQUIERDO SON DETERMINADOS POR LA FRENTE, EN EL SENTIDO DE DESPLAZAMIENTO DE LA MAQUINA. ILUSTRACIONES CON RECUADROS LA LISTA DE REFERENCIAS ASIGNA UN NUMERO CLAVE PARA LOS RECUADROS QUE INCLUYEN TODAS LAS PIEZAS QUE FORMAN UN CONJUNTO DE REPARACION. NO ESTAN INCLUSAS LAS PIEZAS DE FUERA DE LA CAJA. TRATOR 6125J (EDICAO SUL-AMERICANA) PC8539P (01-JUL-10) 10-31 PN=39
  • 42.
    10-32 TRATOR 6125J (EDICAOSUL-AMERICANA) SERIENNUMMERINFORMATION SERIENUMMER ANGES FOR ATT VISA PA VILKA MASKINER EN VISS DEL KAN ANVANDAS, TEX: - DELEN KAN ANVANDAS PA SAMTLIGA MASKINER -000000 DELEN KAN ANVANDAS PA SAMTLIGA MASKINER TOM ANGIVET SERIENUMMER 000000- DELEN KAN ANVANDAS PA SAMTLIGA MASKINER FROM ANGIVET SERIENUMMER 000000-000000 DELEN KAN ANVANDAS PA SAMTLIGA MASKINER MELLAN ANGIVNA SERIENUMMER NAR XXXXXX ANGES I STALLET FOR ETT SERIENUMMER HAR EN SERIENUMMER ANDRING SKETT, MEN EXACT SERIENUMMER FANNS INTE TILLGANGLIGT INNAN RESERVDELSKATALOGEN GICK I TRYCK RIKTNINGSPIL PILAR ANVANDS FOR ATT MARKERA MOTORNS FRONT. BETECKNINGARNA "HOGER" OCH "VANSTER" GALLER I MASKINENS KORRIKTNING. INRUTAD ILLUSTRATION ETT NYCKELNUMMER, SOM VISAS I RESERVDELSLISTAN, MARKERAR ATT SAMLIGA DELAR INKLUDERADE I RUTAN ERHALLS SOM EN ENHET. DELAR INKLUDERADE I RUTAN UTAN NYCKELNUMMER AR GAMLA DELAR. ILLUSTRATIONER ILLUSTRATIONERNA I KATALOGEN MOTSVARAR INTE NOEDVAENDIGTVIS SENAST TILLGAENGLIGA UTFOERANDE, UTAN UTGOER ENDAST RIKTLINJER FOER ATERFOERSAELJARE OCH KUNDER. BILDMATERIALET UPPDATERAS FOERST VID KONSTRUKTIONS- OCH/ELLER FUNKTIONSAENDRINGAR. CKSO-SERVICEDELAR I VISSA DELAR AV VAERLDEN ANVAENDS SERVICEDELAR SOM BETECKNAS CKSO. OM DIN RESERVDELSDEPOT FINNS I EUROPA SKALL CKSO-DELAR BESTAELLAS. 10-32 TRATOR 6125J (EDICAO SUL-AMERICANA) PC8539P (01-JUL-10) PN=40
  • 43.
    10-33 TRATOR 6125J (EDICAOSUL-AMERICANA) SECTION INDEX 10 - GENERAL INFORMATION 20 - ENGINE (6068TBM01) 30 - ENGINE AUXILIARIES, TANK, AIR SYSTEM 40 - ELECTRICAL COMPONENTS 52 - SYNCROPLUS TRANSMISSION 54 - POWRQUAD TRANSMISSION 56 - DRIVE SYSTEMS 58 - POWER TAKE-OFF 60 - STEERING AND BRAKES 70 - HYDRAULIC COMPONENTS 80 - FRAME, FRONT AXLES, SHEETS, MISCELLANEOUS 92 - OPERATOR’S STATION 93 - CONTROLS, ACCESSORIES AND AIR CONDITIONING 94 - CABLES AND SEAT 180 - NUMERICAL INDEX INDEX DE SECTION 10 - GENERALITES 20 - MOTEUR (6068TBM01) 30 - MOTEUR, SYSTEMES ANNEXES, RESERVOIR, ADMISSION 40 - COMPOSANTS ELECTRIQUES 52 - BOITE SYNCROPLUS 54 - BOITE POWRQUAD 56 - TRANSMISSION 58 - PRISE DE FORCE 60 - DIRECTION ET FREINS 70 - COMPOSANTS HYDRAULIQUES 80 - CHASSIS, ESSIEUX AVANT, ELEMENTS D’HABILLAGE, DIVERS 92 - PLATE-FORME DE CONDUITE 93 - ELEMENTS DE COMMANDE, ACCESSOIRES ET CLIMATISATION 94 - CABLES ET FAUTEUIL 180 - INDEX DES REFERENCES DE PIECES TRATOR 6125J (EDICAO SUL-AMERICANA) PC8539P (01-JUL-10) 10-33 PN=41
  • 44.
    10-34 TRATOR 6125J (EDICAOSUL-AMERICANA) GRUPPENINDEX 10 - ALLGEMEINE INFORMATION 20 - MOTOR (6068TBM01) 30 - MOTORANBAUTEILE, TANK, LUFTANSAUGSYSTEM 40 - ELEKTRISCHE KOMPONENTEN 52 - SYNCROPLUS GETRIEBE 54 - POWRQUAD GETRIEBE 56 - GETRIEBE 58 - ZAPFWELLE 60 - LENKUNG UND BREMSEN 70 - HYDRAULISCHE KOMPONENTEN 80 - RAHMEN, VORDERACHSEN, VERKLEIDUNGSTEILE, VERSCHIEDENES 92 - FAHRERPLATTFORM 93 - BEDIENUNGSELEMENTE, ZUBEHOER UND KLIMAANLAGE 94 - KABEL UND SITZ 180 - TEILENUMMERN-VERZEICHNIS INDICE DELLA SEZIONE 10 - INFORMAZIONI GENERALI 20 - MOTORE (6068TBM01) 30 - PARTI AUSILIARIE MOTORE, SERBATOIO, SISTEMA ASPIRAZIONE ARIA 40 - COMPONENTI ELETTRICI 52 - TRASMISSIONE SYNCROPLUS 54 - TRASMISSIONE POWRQUAD 56 - SISTEMI DI TRANSMISSIONE 58 - PRESA DI FORZA 60 - STERZO E FRENI 70 - COMPONENTI IDRAULICI 80 - TELAIO, ASSALI ANTERIORI, COPERCHI, VARIE 92 - STAZIONE OPERATORE 93 - COMANDI, ACCESSORI E CONDIZIONATORE ARIA 94 - CAVO E SEDILE 180 - INDICE NUMERICO 10-34 TRATOR 6125J (EDICAO SUL-AMERICANA) PC8539P (01-JUL-10) PN=42
  • 45.
    10-35 TRATOR 6125J (EDICAOSUL-AMERICANA) INDICE DE GRUPO 10 - INFORMACOES GERAIS 20 - MOTOR (6068TBM01) 30 - PERIFERICOS DO MOTOR, TANQUE E SISTEMA DE ADMISSAO 40 - SISTEMA ELETRICO 52 - TRANSMISSAO SYNCROPLUS 54 - TRANSMISSAO POWRQUAD 56 - SISTEMA DE TRANSMISSAO 58 - TOMADA DE POTENCIA - TDP 60 - SISTEMA DE DIRECAO E FREIO 70 - SISTEMA HIDRAULICO 80 - CHASSI, EIXO DIANTEIRO, CAPO, ACESSORIOS 92 - PLATAFORMA DO OPERADOR 93 - CONTROLE, ACESSORIOS E AR CONDICIONADO 94 - CABOS ACESSORIOS E ASSENTO 180 - INDICE NUMERICO INDICE DE GRUPOS 10 - INFORMACION GENERAL 20 - MOTOR (6068TBM01) 30 - COMPONENTES AUXILIARES DEL MOTOR, DEPOSITO, SISTEMA DE ADMISION 40 - COMPONENTES ELECTRICOS 52 - TRANSMISION SYNCROPLUS 54 - TRANSMISION POWRQUAD 56 - TRANSMISION 58 - TOMA DE FUERZA 60 - DIRECCION Y FRENOS 70 - COMPONENTES HIDRAULICOS 80 - BASTIDOR, EJES DELANT., PIEZAS DE CHAPA, VARIOS 92 - PLATAFORMA DE CONDUCCION 93 - MANDOS, ACCESORIOS Y AIRE ACCONDICIONADO 94 - CABLES Y ASIENTO 180 - INDICE DE REFERENCIAS DE PIEZAS TRATOR 6125J (EDICAO SUL-AMERICANA) PC8539P (01-JUL-10) 10-35 PN=43
  • 46.
    10-36 TRATOR 6125J (EDICAOSUL-AMERICANA) GRUPPSFORTECKNING 10 - ALLMAEN INFORMATION 20 - MOTOR (6068TBM01) 30 - MOTORTILLBEHOER, BRAENSLETANK, INSUGNINGSSYSTEM 40 - ELKOMPONENTER 52 - SYNCROPLUS TRANSMISSION 54 - POWRQUAD TRANSMISSION 56 - KRAFTOEVERFOERING 58 - KRAFTUTTAG 60 - STYRNING OCH BROMSAR 70 - HYDRAULSYSTEM 80 - RAM, FRAMAXLAR, SKYDD, DIVERSE 92 - FOERARHYTT 93 - REGLAGE OCH INSTRUMENT, TILLBEHOER OCH LUFTKONDITIONERING 94 - KABEL OCH SAETE 180 - NUMMERFORTECKNING 10-36 TRATOR 6125J (EDICAO SUL-AMERICANA) PC8539P (01-JUL-10) PN=44
  • 47.
    20-A01 MOTOR (6068TBM01) XXXXXXXXXXXXXXXXXXXXXXXXXXXXXXXXXXXXXXXXXXXXXXXX SECTIONALINDEX XXXXXXXXXXXXXXXXXXXXXXXXXXXXXXXXXXXXXXXXXXXXXXXX INDEX DE SECTION XXXXXXXXXXXXXXXXXXXXXXXXXXXXXXXXXXXXXXXXXXXXXXXX GRUPPENINDEX XXXXXXXXXXXXXXXXXXXXXXXXXXXXXXXXXXXXXXXXXXXXXXXX INDICE DELLA SEZIONE XXXXXXXXXXXXXXXXXXXXXXXXXXXXXXXXXXXXXXXXXXXXXXXX INDICE DE GRUPO XXXXXXXXXXXXXXXXXXXXXXXXXXXXXXXXXXXXXXXXXXXXXXXX INDICE DE GRUPOS RGP13990 -UN- 1104- 2 1203- 3 1305- 4 1482- 5 15AE- 6 1637- 8 1767- 10 1944- 11 2001- 12 2103- 13 2202- 14 2815- 15 2910- 16 30AN- 18 35GL- 19 3601- 20 3722- 21 3904- 22 4005- 24 4461- 26 TRATOR 6125J (EDICAO SUL-AMERICANA) PC8539P (01-JUL-10) 20-A01 PN=45
  • 48.
    20-A02 MOTOR (6068TBM01) XXXXXXXXXXXXXXXXXXXXXXXXXXXXXXXXXXXXXXXXXXXXXXXX SECTIONALINDEX XXXXXXXXXXXXXXXXXXXXXXXXXXXXXXXXXXXXXXXXXXXXXXXX INDEX DE SECTION XXXXXXXXXXXXXXXXXXXXXXXXXXXXXXXXXXXXXXXXXXXXXXXX GRUPPENINDEX XXXXXXXXXXXXXXXXXXXXXXXXXXXXXXXXXXXXXXXXXXXXXXXX INDICE DELLA SEZIONE XXXXXXXXXXXXXXXXXXXXXXXXXXXXXXXXXXXXXXXXXXXXXXXX INDICE DE GRUPO XXXXXXXXXXXXXXXXXXXXXXXXXXXXXXXXXXXXXXXXXXXXXXXX INDICE DE GRUPOS RGP13991 -UN- 4603- 28 4707- 30 4820- 32 4902- 34 5001- 36 5107- 38 5701- 40 5903- 41 65YA- 42 6606- 44 6701- 45 6802- 46 7643- 47 8733- 48 8801- 50 95AL- 52 9813- 53 1- 54 20-A02 TRATOR 6125J (EDICAO SUL-AMERICANA) PC8539P (01-JUL-10) PN=46
  • 49.
  • 50.
    20-2 MOTOR (6068TBM01) 1104 ROCKERARM COVER 1104 CULBUTEURS 1104 ZYLINDERKOPFHAUBE 1104 COPERCHIO BILANCIERI 1104 TAMPA DO BALANCIM 1104 TAPA DE BALANCINES RE59799PCDF01 -UN- NR. SERIE ITEM NR.PECA DESCRICAO QTDE MOTOR NOTAS 1 RE503027 TAMPA DE VALVULA 1 2 R521401 EMBLEMA 1 3 H23125 PLUGUE 6 4 R123574 PORCA 6 5 R123575 ANEL O 6 6 R524481 JUNTA 1 20-2 TRATOR 6125J (EDICAO SUL-AMERICANA) PC8539P (01-JUL-10) PN=48
  • 51.
    20-3 MOTOR (6068TBM01) 1203 OILFILLER NECK 1203 GOULOTTE DE REMPLISSAGE D’HUILE 1203 OEL-EINFUELLSTUTZEN 1203 BOCCHETTONE DI RIEMPIMENTO DELL’OLIO 1203 BOCAL DE ENCHIMENTO DE OLEO 1203 BOCA DE LLENADO DE ACEITE RE59891PCDE03 -UN- 6 1 2 NR. SERIE 5 ITEM NR.PECA DESCRICAO QTDE MOTOR J NOTAS 1 R80136 TAMPAO DE ENCHIMENTO 1 2 R80135 JUNTA 1 R502902 JUNTA DE VEDACAO 1 3 R517353 BOCAL DE ENCHIMENTO 1 4 19M7798 PARAFUSO 2 M8 X 40 19M7979 PARAFUSO 2 M8 X 55 5 R136495 JUNTA 2 6 R116296 CAPA 1 7 RE67238 PARAFUSO 2 (A) (A) THREADS WITH PRE-APPLIED SEALANT FILETS ENDUITS DE PRODUIT D’ETANCHEITE MIT DICHTMITTEL CON MATERIALE DI TENUTA ROSCAS REVESTIDAS COM SELANTE PRE-APLICADO ROSCAS CON PASTA SELLADORA PREAPLICADA TRATOR 6125J (EDICAO SUL-AMERICANA) PC8539P (01-JUL-10) 20-3 PN=49
  • 52.
    20-4 MOTOR (6068TBM01) 1305 CRANKSHAFTPULLEY 1305 POULIE DU VILEBREQUIN 1305 KURBELWELLEN RIEMENSCHEIBE 1305 PULEGGIA ALBERO A GOMITI 1305 POLIA DO VIRABREQUIM 1305 POLEA DEL CIGUENAL RE59696PCDD01 -UN- NR. SERIE ITEM NR.PECA DESCRICAO QTDE MOTOR NOTAS 1 R133296 POLIA 1 .. RE59827 AMORTECEDOR DE TORCAO 1 .. R121897 PARAFUSO 1 20-4 TRATOR 6125J (EDICAO SUL-AMERICANA) PC8539P (01-JUL-10) PN=50
  • 53.
    20-5 MOTOR (6068TBM01) 1482 FLYWHEELHOUSING 1482 CARTER VOLANT 1482 SCHWUNGRADGEHAEUSE 1482 ARCASSAVOLANO 1482 CARCACA DO VOLANTE 1482 CAJA DEL VOLANTE MOTOR RE540325PCDA01 -UN- NR. SERIE ITEM NR.PECA DESCRICAO QTDE MOTOR NOTAS 1 R135918 PARAFUSO 12 2 R518402 CARCACA 1 3 R131767 PLUGUE 1 4 RE44574 VEDACAO 1 TRATOR 6125J (EDICAO SUL-AMERICANA) PC8539P (01-JUL-10) 20-5 PN=51
  • 54.
    20-6 MOTOR (6068TBM01) 15AE FLYWHEEL 15AECARTER VOLANT 15AE SCHWUNGRADGEHAEUSE 15AE ARCASSAVOLANO 15AE VOLANTE 15AE VOLANTE MOTOR RE537848PCDA01 -UN- NR. SERIE ITEM NR.PECA DESCRICAO QTDE MOTOR NOTAS 1 RE536179 VOLANTE 1 2 R28811 COROA 1 20-6 TRATOR 6125J (EDICAO SUL-AMERICANA) PC8539P (01-JUL-10) PN=52
  • 55.
  • 56.
    20-8 MOTOR (6068TBM01) 1637 FUELINJECTION PUMP 1637 POMPE D’INJECTION 1637 EINSPRITZPUMPE 1637 POMPA D’INIEZIONE 1637 BOMBA DE INJECAO 1637 BOMBA DE INYECCION RE540082PCDB01 -UN- ESTA RELACAO CONTINUA 20-8 TRATOR 6125J (EDICAO SUL-AMERICANA) PC8539P (01-JUL-10) PN=54
  • 57.
    20-9 MOTOR (6068TBM01) 6 1 2 NR. SERIE5 ITEM NR.PECA DESCRICAO QTDE MOTOR J NOTAS 1 RE515605 TUBULACAO 1 2 RE19797 BRACADEIRA 4 (INCLUI 19M6614) 3 19M6614 PARAFUSO SEXT. 6 M6 X 12 4 RE19799 BRACADEIRA 1 5 RE19800 BRACADEIRA 1 6 R116366 PARAFUSO 6 7 R115532 LINHA DE COMBUSTIVEL 1 8 RE48786 BICO INJETOR 6 SE501101 BICO INJETOR REMANUFATURADO 6 (REMAN FOR RE48786) 9 RE68748 TUBO 5 10 RE515226 TUBULACAO 1 11 RE530088 BOMBA INJETORA 1 12 14M7298 PORCA COM FLANGE 5 M8 13 R97354 JUNTA 1 14 R132267 ENGRENAGEM 1 15 RE47730 LINHA DE COMBUSTIVEL 1 16 RE60029 ADAPTADOR 1 17 51M7040 ANEL O 1 18 RE537501 TUBULACAO 1 19 19M7810 PARAFUSO 1 M10 X 80 20 T14050 BRACADEIRA 2 21 19M7865 PARAFUSO 2 M8 X 16 22 R116116 APOIO 2 TRATOR 6125J (EDICAO SUL-AMERICANA) PC8539P (01-JUL-10) 20-9 PN=55
  • 58.
    20-10 MOTOR (6068TBM01) 1767 AIRINLET 1767 ADMISSION D’AIR 1767 LUFTEINLASS 1767 INGRESSO ARIA 1767 ENTRADA DE AR 1767 ENTRADA DE AIRE RE516680PCDA01 -UN- NR. SERIE ITEM NR.PECA DESCRICAO QTDE MOTOR NOTAS 1 19M8292 PARAFUSO 2 M10 X 50 2 TY22470 BRACADEIRA 2 3 R500596 MANGUEIRA 1 4 RE502086 DUTO DE AR 1 5 R81275 JUNTA 2 6 R501472 ESPACADOR 1 7 RE60071 CONEXAO 1 8 51M7039 ANEL O 1 20-10 TRATOR 6125J (EDICAO SUL-AMERICANA) PC8539P (01-JUL-10) PN=56
  • 59.
    20-11 MOTOR (6068TBM01) 1944 OILPAN 1944 CARTER D’HUILE 1944 OELWANNE 1944 COPPA DELL’OLIO 1944 CARTER DE OLEO 1944 CARTER DE ACEITE RE502472PCDG02 -UN- NR. SERIE ITEM NR.PECA DESCRICAO QTDE MOTOR NOTAS 1 RE71143 ENTRADA DA BOMBA DE OLEO 1 2 19M10075 PARAFUSO 2 M8 X 110 3 R61871 ANEL O 1 4 R521498 JUNTA 1 5 RE528734 KIT 1 (INCL RE523251) 6 RE523251 TAMPAO 1 (INCL R519742) 7 R519742 VEDACAO 1 8 19M8163 PARAFUSO 30 M8 X 16 9 19M8062 PARAFUSO 6 M8 X 20 TRATOR 6125J (EDICAO SUL-AMERICANA) PC8539P (01-JUL-10) 20-11 PN=57
  • 60.
    20-12 MOTOR (6068TBM01) 2001 WATERPUMP PULLEY 2001 POMPE A EAU 2001 WASSERPUMPE 2001 POMPA ACQUA 2001 POLIA DA BOMBA DE AGUA 2001 POLEA DE LA BOMBA DEL AGUA RE58175PCDD02 -UN- NR. SERIE ITEM NR.PECA DESCRICAO QTDE MOTOR NOTAS 1 R115250 POLIA 1 2 19M7774 PARAFUSO 3 M6 X 12 20-12 TRATOR 6125J (EDICAO SUL-AMERICANA) PC8539P (01-JUL-10) PN=58
  • 61.
    20-13 MOTOR (6068TBM01) 2103 THERMOSTATCOVER 2103 THERMOSTAT, COUVERCLE 2103 THERMOSTAT, DECKEL 2103 THERMOSTATO, COPERCHIO 2103 TAMPA DO TERMOSTATO 2103 TAPA TERMOSTATO RE59574PCDD01 -UN- NR. SERIE ITEM NR.PECA DESCRICAO QTDE MOTOR NOTAS 1 R501373 JUNTA 1 2 R106821 CAPA 1 3 19M7785 PARAFUSO 3 M10 X 25 TRATOR 6125J (EDICAO SUL-AMERICANA) PC8539P (01-JUL-10) 20-13 PN=59
  • 62.
    20-14 MOTOR (6068TBM01) 2202 THERMOSTAT 2202THERMOSTAT 2202 THERMOSTAT 2202 TERMOSTATO 2202 TERMOSTATO 2202 TERMOSTATO RE59718PCDD02 -UN- NR. SERIE ITEM NR.PECA DESCRICAO QTDE MOTOR NOTAS 1 RE524562 TERMOSTATO 1 2 RE522076 TERMOSTATO 1 82◦ C (180◦ F) 20-14 TRATOR 6125J (EDICAO SUL-AMERICANA) PC8539P (01-JUL-10) PN=60
  • 63.
    20-15 MOTOR (6068TBM01) 2815 EXHAUSTMANIFOLD 2815 COLLECTEUR D’ECHAPPEMENT 2815 AUSPUFFKRUEMMER 2815 COLLETTORE DI SCARICO 2815 COLETOR DO ESCAPE 2815 COLECTOR DE ESCAPE RE59874PCDD01 -UN- NR. SERIE ITEM NR.PECA DESCRICAO QTDE MOTOR NOTAS 1 R521439 JUNTA 6 2 R123557 COLETOR DE ESCAPE 1 3 19M7809 PARAFUSO 12 M10 X 70 TRATOR 6125J (EDICAO SUL-AMERICANA) PC8539P (01-JUL-10) 20-15 PN=61
  • 64.
    20-16 MOTOR (6068TBM01) 2910 VENTILATINGSYSTEM 2910 SYSTEME DE VENTILATION 2910 ENTLUEFTUNGSSYSTEM 2910 SISTEMA DI VENTILAZIONE 2910 SISTEMA DE VENTILACAO 2910 SISTEMA DE VENTILACION RE500266PCDB01 -UN- ESTA RELACAO CONTINUA 20-16 TRATOR 6125J (EDICAO SUL-AMERICANA) PC8539P (01-JUL-10) PN=62
  • 65.
    20-17 MOTOR (6068TBM01) NR. SERIE ITEMNR.PECA DESCRICAO QTDE MOTOR NOTAS 1 R122401 TUBO 1 2 AT18904 BRACADEIRA 1 3 R72328 ANEL O 1 4 R123586 CONEXAO EM ANGULO 1 TRATOR 6125J (EDICAO SUL-AMERICANA) PC8539P (01-JUL-10) 20-17 PN=63
  • 66.
    20-18 MOTOR (6068TBM01) 30AN STARTINGMOTOR 30AN DEMARREUR 30AN ANLASSER 30AN MOTORINO DI AVVIAMENTO 30AN MOTOR DE ARRANQUE 30AN MOTOR DA ARRANQUE RE539194PCDA01 -UN- NR. SERIE ITEM NR.PECA DESCRICAO QTDE MOTOR NOTAS 1 RE529593 MOTOR DE PARTIDA 1 2 19M7786 PARAFUSO 2 M10 X 30 20-18 TRATOR 6125J (EDICAO SUL-AMERICANA) PC8539P (01-JUL-10) PN=64
  • 67.
    20-19 MOTOR (6068TBM01) 35GL FUELFILTER 35GL FILTRE A COMBUSTIBLE 35GL KRAFTSTOFFFILTER 35GL FILTRO DEL COMBUSTIBILE 35GL FILTRO DE COMBUSTIVEL 35GL FILTRO DE COMBUSTIBLE RE540101PCDA01 -UN- 6 1 2 NR. SERIE 5 ITEM NR.PECA DESCRICAO QTDE MOTOR J NOTAS 1 ........ LINHA DE COMBUSTIVEL 1 2 RE59487 CONEXAO 2 3 R26286 ANEL O 1 4 19M7784 PARAFUSO 2 M10 X 20 5 RE63134 FILTRO DE COMBUSTIVEL 1 6 RE51650 COPO DE SEDIMENTACAO 1 7 RE62419 ELEMENTO DE FILTRO 1 8 RE526834 CONJUNTO DO FILTRO 1 9 J60540 APOIO 1 10 28H1529 BUCHA 1 11 19M7809 PARAFUSO 1 M10 X 70 12 R26286 ANEL O 2 13 R27094 TAMPAO DE DRENO 2 TRATOR 6125J (EDICAO SUL-AMERICANA) PC8539P (01-JUL-10) 20-19 PN=65
  • 68.
    20-20 MOTOR (6068TBM01) 3601 FRONTPLATE 3601 PLAQUE AVANT 3601 VORDERE PLATTE 3601 PIASTRA ANTERIORE 3601 CHAPA FRONTAL 3601 PLACA DELANTERA RE57614PCDD02 -UN- NR. SERIE ITEM NR.PECA DESCRICAO QTDE MOTOR NOTAS 1 R134527 PLACA 1 2 R116386 PINO 3 3 R134518 PINO 2 4 R136475 PARAFUSO 4 5 R109863 EIXO 1 6 RE500631 ENGRENAGEM 1 7 T20034 BUCHA 1 8 19M8844 PARAFUSO 1 M10 X 60 9 R131283 ARRUELA DE ENCOSTO 1 10 R114194 EIXO 1 11 R101225 ARRUELA DE ENCOSTO 2 12 R123584 PINO 4 20-20 TRATOR 6125J (EDICAO SUL-AMERICANA) PC8539P (01-JUL-10) PN=66
  • 69.
    20-21 MOTOR (6068TBM01) 3722 FUELTRANSFER PUMP 3722 POMPE D’ALIMENTATION 3722 KRAFTSTOFFOERDERPUMPE 3722 POMPA DI ALIMENTAZIONE 3722 BOMBA DE COMBUSTIVEL 3722 BOMBA DE ALIMENTACION DE COMBUSTIBLE RE538942PCDA01 -UN- NR. SERIE ITEM NR.PECA DESCRICAO QTDE MOTOR NOTAS 1 RE535728 BOMBA DE COMBUSTIVEL 1 2 RE504233 PARAFUSO SEXT. 2 3 R133405 PINO 1 TRATOR 6125J (EDICAO SUL-AMERICANA) PC8539P (01-JUL-10) 20-21 PN=67
  • 70.
    20-22 MOTOR (6068TBM01) 3904 THERMOSTATHOUSING 3904 BOITIER DE THERMOSTAT 3904 THERMOSTAT-GEHAEUSE 3904 CARCASSA TERMOSTATO 3904 CARCACA DO TERMOSTATO 3904 CARCASA DEL TERMOSTATO RE59875PCDD01 -UN- NR. SERIE ITEM NR.PECA DESCRICAO QTDE MOTOR NOTAS 1 RE46686 TAMPAO 1 2 51M7040 ANEL O 1 3 RE46684 TAMPAO 3 4 51M7041 ANEL O 1 5 R517196 CARCACA 1 6 19M7801 PARAFUSO 1 M8 X 60 7 R123324 BRACADEIRA 1 8 CD14689 ESPACADOR 1 9 R128690 TUBULACAO 1 10 R123226 VEDACAO 1 11 R123345 JUNTA 1 12 19M7786 PARAFUSO 2 M10 X 30 20-22 TRATOR 6125J (EDICAO SUL-AMERICANA) PC8539P (01-JUL-10) PN=68
  • 71.
  • 72.
    20-24 MOTOR (6068TBM01) 4005 ENGINEOIL DIPSTICK 4005 JAUGE A HUILE MOTEUR 4005 MOTOROELMESSSTAB 4005 ASTINA DE LIVELLO OLIO MOTORE 4005 VARETA DE NIVEL DE OLEO DO MOTOR 4005 ASPILLA PARA MEDIR EL NIVEL DE ACEITE DEL MOTOR RE59878PCDD02 -UN- ESTA RELACAO CONTINUA 20-24 TRATOR 6125J (EDICAO SUL-AMERICANA) PC8539P (01-JUL-10) PN=70
  • 73.
    20-25 MOTOR (6068TBM01) NR. SERIE ITEMNR.PECA DESCRICAO QTDE MOTOR NOTAS 1 RE502740 VARETA DE NIVEL 1 2 R501178 TUBO VARETA DE NIVEL 1 3 R502725 PLUGUE 1 TRATOR 6125J (EDICAO SUL-AMERICANA) PC8539P (01-JUL-10) 20-25 PN=71
  • 74.
    20-26 MOTOR (6068TBM01) 4461 TIMINGGEAR COVER 4461 COUVERCLE DE DISTRIBUTION 4461 STEUERGEHAEUSE 4461 COPERCHIO DISTRIBUZIONE 4461 TAMPA ENGR. COMANDO DE VALVULAS 4461 TAPA DE LA DISTRIBUCION RE540126PCDB02 -UN- ESTA RELACAO CONTINUA 20-26 TRATOR 6125J (EDICAO SUL-AMERICANA) PC8539P (01-JUL-10) PN=72
  • 75.
    20-27 MOTOR (6068TBM01) 6 1 2 NR. SERIE5 ITEM NR.PECA DESCRICAO QTDE MOTOR J NOTAS 1 RE532939 TRADUCAO NAO DISPONIVEL 1 2 R520132 JUNTA 1 3 RE517370 CONEXAO 2 4 51M7044 ANEL O 1 5 R520130 CAPA 1 6 R504734 ANEL O 1 7 RE508566 INSERTO 1 8 R123417 JUNTA 1 9 R121424 ANEL O 1 10 R121411 CAPA 1 11 19M7775 PARAFUSO 3 M6 X 16 12 RE505980 BOMBA DE AGUA 1 13 R123226 VEDACAO 1 14 ........ IMPULSOR 1 (NSEP) (ORDER RE505980) 15 ........ VEDACAO 1 (NSEP) (ORDER RE505980) 16 RE46685 TAMPAO 1 17 51M7043 ANEL O 1 18 ........ ROLAMENTO DE ESFERAS 1 (NSEP) (ORDER RE505980) 19 ........ EIXO 1 (NSEP) (ORDER RE505980) 20 A364R ANEL DE PRESSAO 1 21 R71228 ANEL 1 22 19M7796 PARAFUSO 8 M6 X 30 23 RE538097 VEDACAO 1 24 19M8291 PARAFUSO 1 M8 X 35 25 19M8317 PARAFUSO 4 M8 X 40 26 19M7979 PARAFUSO 4 M8 X 55 27 14M7296 PORCA COM FLANGE 6 M10 28 RE67239 PARAFUSO 1 (A) 29 19M7801 PARAFUSO 1 M8 X 60 30 R523060 PARAFUSO SEXT. 1 31 19M8966 PARAFUSO 1 M10 X 50 32 R131283 ARRUELA DE ENCOSTO 1 33 RE56369 ENGRENAGEM 1 34 R114193 BUCHA 1 35 19M7867 PARAFUSO 1 M8 X 25 (A) THREADS WITH PRE-APPLIED SEALANT FILETS ENDUITS DE PRODUIT D’ETANCHEITE MIT DICHTMITTEL CON MATERIALE DI TENUTA ROSCAS REVESTIDAS COM SELANTE PRE-APLICADO ROSCAS CON PASTA SELLADORA PREAPLICADA TRATOR 6125J (EDICAO SUL-AMERICANA) PC8539P (01-JUL-10) 20-27 PN=73
  • 76.
    20-28 MOTOR (6068TBM01) 4603 CYLINDERBLOCK 4603 BLOC-CYLINDRES 4603 ZYLINDERBLOCK 4603 MONOBLOCCO 4603 BLOCO DO CILINDRO 4603 BLOQUE DE CILINDROS RE59344PCDE01 -UN- ESTA RELACAO CONTINUA 20-28 TRATOR 6125J (EDICAO SUL-AMERICANA) PC8539P (01-JUL-10) PN=74
  • 77.
    20-29 MOTOR (6068TBM01) NR. SERIE ITEMNR.PECA DESCRICAO QTDE MOTOR NOTAS 1 RE56578 EIXO DE CAMES 1 2 R133303 CHAVETA 1 3 R48685 PINO DE CENTRAGEM 4 4 15H584 TAMPAO 1 5 AT13740 VALVULA DE DRENO 1 6 R97185 ANEL O 1 7 RE71255 TAMPAO 7 8 R116466 PLUGUE 1 9 R119874 BUCHA 1 10 R132518 PLACA 1 11 19M8999 PARAFUSO 2 M8 X 25 12 T18891 PLUGUE 2 13 RE505501 VALVULA DE SANGRIA 1 14 R131425 MOLA DE COMPRESSAO 1 15 R121043 VALVULA 1 16 R111137 MOLA 1 17 R26650 PINO DE CENTRAGEM 2 18 R114241 TAMPA DE ROLAMENTO 6 19 T20168 ARRUELA 14 20 T23474 PARAFUSO SEXT. 14 21 D2361R ESFERA 1 22 15H623 TAMPAO 1 23 R131182 ORIFICIO 6 24 R132186 TAMPA DE ROLAMENTO 1 25 RE508185 CONEXAO 2 26 U13639 ANEL O 1 TRATOR 6125J (EDICAO SUL-AMERICANA) PC8539P (01-JUL-10) 20-29 PN=75
  • 78.
    20-30 MOTOR (6068TBM01) 4707 CRANKSHAFT/ BEARINGS 4707 VILEBREQUIN / COUSSINETS 4707 KURBELWELLE / LAGER 4707 ALBERO A GOMITI / CUSCINETTO 4707 VIRABREQUIM / CASQUILHOS 4707 CIGUENAL / COJINETE RE504746PCDD02 -UN- ESTA RELACAO CONTINUA 20-30 TRATOR 6125J (EDICAO SUL-AMERICANA) PC8539P (01-JUL-10) PN=76
  • 79.
    20-31 MOTOR (6068TBM01) 6 1 2 NR. SERIE5 ITEM NR.PECA DESCRICAO QTDE MOTOR J NOTAS 1 R135918 PARAFUSO 6 2 RE65168 CONJ. DO ROLAMENTO 1 (CONJUNTO DE PECAS R123563 E R123564) STD RE65912 ROLAMENTO AXIAL AR (A) (CONJUNTO DE PECAS R130574 E R130575) US -0.254MM 3 RE65165 CONJ. DO ROLAMENTO 6 (CONJUNTO DE PECAS R123561 E R123562) STD RE65911 ROLAMENTO AR (A) (CONJUNTO DE PECAS R130576 E R130577) US -0.254MM 4 R48685 PINO DE CENTRAGEM 1 5 R505609 CHAVETA 1 26M4224 CHAVETA 1 FOR RE504639 6 R120631 ENGRENAGEM 1 7 RE515785 VIRABREQUIM 1 (A) (MARCADO R116076) (PEDIR TAMBEM RE516340) .. RE59811 LUVA 1 .. RE44574 VEDACAO 1 .. RE505515 VEDACAO 1 (A) GRINDING GUIDELINES : SEE CTM104 DIRECTIVES DE RECTIFICATION : VOIR CTM105 HINWEISE ZUM SCHLEIFEN : SIEHE CTM106 ISTRUZIONI RIGUARDO RETTIFICA : VEDERE CTM116 DIRETRIZES PARA RETIFICA: VER CTM206 INSTRUCCIONES REFERENTE AL RECTIFICADO : VER CTM107 TRATOR 6125J (EDICAO SUL-AMERICANA) PC8539P (01-JUL-10) 20-31 PN=77
  • 80.
    20-32 MOTOR (6068TBM01) 4820 CONNECTINGRODS AND PISTONS 4820 BIELLES ET PISTONS 4820 PLEUELSTANGEN UND KOLBEN 4820 BIELLE E PISTONI 4820 BIELAS E PISTOES 4820 BIELA Y PISTONES RE507801PCDE04 -UN- ESTA RELACAO CONTINUA 20-32 TRATOR 6125J (EDICAO SUL-AMERICANA) PC8539P (01-JUL-10) PN=78
  • 81.
    20-33 MOTOR (6068TBM01) NR. SERIE ITEMNR.PECA DESCRICAO QTDE MOTOR NOTAS 1 RE507850 KIT PISTAO E CAMISA 6 2 AR65507 KIT - ANEL O 1 PACKG (3) 3 RE507852 KIT ANEIS DE PISTAO 1 PACKG (3) 4 RE63915 KIT PINO E BUCHA 6 5 R54114 ANEL DE PRESSAO 12 6 RE500608 BIELA 6 7 R114082 BUCHA 1 8 R501124 PARAFUSO 2 A= 61MM, M12 9 RE65908 ROLAMENTO 6 STD (KIT (2) R113698) TRATOR 6125J (EDICAO SUL-AMERICANA) PC8539P (01-JUL-10) 20-33 PN=79
  • 82.
    20-34 MOTOR (6068TBM01) 4902 ROCKERARM / SHAFT / TAPPET / PUSH ROD 4902 CULBUTEUR / ARBRE / POUSSOIR DE SOUPAPE / TIGE 4902 KIPPHEBEL / WELLE / VENTILSTOESSEL / STOESSELSTANGE 4902 TERGICRISTALLO / ALBERO / CEDENTE / ASTINA PUNTERIE 4902 BALANCIM / EIXO / TUCHO / HASTE DE COMANDO 4902 BALANCIN / ARBOL / BOTADOR / VARILLA DE EMPUJE RE59334PCDE06 -UN- ESTA RELACAO CONTINUA 20-34 TRATOR 6125J (EDICAO SUL-AMERICANA) PC8539P (01-JUL-10) PN=80
  • 83.
    20-35 MOTOR (6068TBM01) NR. SERIE ITEMNR.PECA DESCRICAO QTDE MOTOR NOTAS 1 RE525910 KIT 1 2 R123514 EIXO DO BALANCIM 1 3 T20314 MOLA 5 4 RE508317 BALANCIM 12 5 14M7148 PORCA 1 M10 6 R123161 SUPORTE 6 7 T20316 ARRUELA 2 8 R54565 PLUGUE 2 9 R123271 PINO 6 10 R529416 ARRUELA 6 11 R107731 VARETA 12 12 R123565 SEGUIDOR DE CAME 12 TRATOR 6125J (EDICAO SUL-AMERICANA) PC8539P (01-JUL-10) 20-35 PN=81
  • 84.
    20-36 MOTOR (6068TBM01) 5001 OILPUMP 5001 POMPE A HUILE 5001 OELPUMPE 5001 POMPA DELL’OLIO 5001 BOMBA DE OLEO 5001 BOMBA DE ACEITE RE57763PCDD02 -UN- NR. SERIE ITEM NR.PECA DESCRICAO QTDE MOTOR NOTAS 1 19M8987 PARAFUSO 2 M8 X 65 2 R120638 ENGRENAGEM 1 Z= 30 3 14M7066 PORCA 1 M12 4 RE504914 BOMBA DE OLEO 1 SE501814 BOMBA DE LEO REMANUFATUR. 1 5 R97185 ANEL O 1 6 R121376 TUBO 1 20-36 TRATOR 6125J (EDICAO SUL-AMERICANA) PC8539P (01-JUL-10) PN=82
  • 85.
  • 86.
    20-38 MOTOR (6068TBM01) 5107 CYLINDERHEAD 5107 CULASSE 5107 ZYLINDERKOPF 5107 TESTATA DEL MOTORE 5107 CULATRA 5107 CULATA RE59335PCDD04 -UN- ESTA RELACAO CONTINUA 20-38 TRATOR 6125J (EDICAO SUL-AMERICANA) PC8539P (01-JUL-10) PN=84
  • 87.
    20-39 MOTOR (6068TBM01) 6 1 2 NR. SERIE5 ITEM NR.PECA DESCRICAO QTDE MOTOR J NOTAS 1 RE57489 CABECOTE 1 SE501581 TRADUCAO NAO DISPONIVEL 1 2 RE71255 TAMPAO 1 3 R91889 RETENTOR 24 OD=11.7MM 4 RE60005 RODADOR 12 5 R26125 MOLA 12 6 RE31617 VEDACAO 12 7 R106831 INSERTO DE ASSENTO VALVULA 6 (A) OD=47.2MM 8 R98062 VALVULA DE ADMISSAO 6 OD STD R97490 VALVULA DE ADMISSAO AR +0.381MM (OS) R97491 VALVULA DE ADMISSAO AR +0.762MM (OS) 9 R90692 VALVULA DE ESCAPE 6 OD STD R97492 VALVULA DE ESCAPE AR +0.381MM (OS) R97493 VALVULA DE ESCAPE AR +0.762MM (OS) 10 R106829 INSERTO DE ASSENTO VALVULA 6 (B) OD=43.1MM 11 R26906 ANEL O 1 12 T58477 TAMPAO 1 (PEDIR TAMBEM R26906) 7/8"-14UNF APPL 13 R43409 PLUGUE 3 OD=43.3MM 14 CD16284 PLUGUE 1 OD=32.6MM REAR 15 R85363 PARAFUSO SEXT. 26 12.7MM X 112MM 16 R116516 VEDACAO DE CILINDRO 1 (A) INTAKE (B) EXHAUST ADMISSION ECHAPPEMENT EINLASS AUSPUFF ASPIRAZIONE SCARICO ADMISSAO ESCAPE ADMISION ESCAPE TRATOR 6125J (EDICAO SUL-AMERICANA) PC8539P (01-JUL-10) 20-39 PN=85
  • 88.
    20-40 MOTOR (6068TBM01) 5701 WATERPUMP INLET 5701 ENTREE DE LA POMPE A EAU 5701 WASSERPUMPENEINLASS 5701 INGRESSO POMPA ACQUA 5701 ENTRADA DA BOMBA DE AGUA 5701 ENTRADA DE BOMBA DE AGUA RE59313PCDD02 -UN- NR. SERIE ITEM NR.PECA DESCRICAO QTDE MOTOR NOTAS 1 19M7867 PARAFUSO 2 M8 X 25 2 R121634 CARCACA 1 3 R89944 ANEL O 1 20-40 TRATOR 6125J (EDICAO SUL-AMERICANA) PC8539P (01-JUL-10) PN=86
  • 89.
    20-41 MOTOR (6068TBM01) 5903 OILCOOLER 5903 REFROIDISSEUR D’HUILE 5903 OELKUEHLER 5903 SCAMBIATORE DI CALORE OLIO 5903 RESFRIADOR DO OLEO 5903 ENFRIADOR DE ACEITE RE59756PCDD02 -UN- 6 1 2 NR. SERIE 5 ITEM NR.PECA DESCRICAO QTDE MOTOR J NOTAS 1 RE67231 PARAFUSO 6 (A) 2 RE59298 RESFRIADOR DE OLEO 1 (B) 3 T122075 ANEL O 2 4 R123501 JUNTA 1 5 R123471 CARCACA 1 6 RE508599 ADAPTADOR 1 7 R501428 JUNTA 1 8 R504734 ANEL O 1 9 ........ ADAPTADOR 1 NSEP (MARKED R502811) (ORDER RE508599) 10 19M7802 PARAFUSO 2 M8 X 65 11 19M7970 PARAFUSO 2 M8 X 100 12 RE67238 PARAFUSO 1 (A) 13 RE46686 TAMPAO 1 M12 X 1.5 14 51M7040 ANEL O 1 15 RE46685 TAMPAO 1 M18 X 1.5 16 51M7043 ANEL O 1 (A) THREADS WITH PRE-APPLIED SEALANT (B) 9 PLATES FILETS ENDUITS DE PRODUIT D’ETANCHEITE 9 PLAQUES MIT DICHTMITTEL 9 PLATTEN CON MATERIALE DI TENUTA 9 PIASTRE ROSCAS REVESTIDAS COM SELANTE PRE-APLICADO 9 PLACAS CON SELLADOR 9 PLACAS TRATOR 6125J (EDICAO SUL-AMERICANA) PC8539P (01-JUL-10) 20-41 PN=87
  • 90.
    20-42 MOTOR (6068TBM01) 65YA TURBOCHARGER 65YATURBOCOMPRESSEUR 65YA TURBOLADER 65YA TURBO-SOVRALIMENTATORE 65YA TURBOCOMPRESSOR 65YA TURBOCARGADOR RE540144PCDB01 -UN- ESTA RELACAO CONTINUA 20-42 TRATOR 6125J (EDICAO SUL-AMERICANA) PC8539P (01-JUL-10) PN=88
  • 91.
    20-43 MOTOR (6068TBM01) NR. SERIE ITEMNR.PECA DESCRICAO QTDE MOTOR NOTAS 1 R63548 ANEL O 2 2 M87733 ADAPTADOR 1 3 RE520360 TURBOALIMENTADOR 1 SE502441 TURBOALIMENTADOR REMANUFAT. 1 4 R123572 JUNTA 1 5 19M7866 PARAFUSO 2 M8 X 20 6 R104536 MANGUEIRA 1 7 RE54885 CONEXAO DE MANGUEIRA 1 8 AT18904 BRACADEIRA 2 9 RE524696 TUBULACAO DE OLEO 1 10 R105346 JUNTA 1 11 19M7785 PARAFUSO 4 M10 X 25 12 RE505502 TUBULACAO DE OLEO 1 13 RE500026 ADAPTADOR 1 14 51M7045 ANEL O 1 TRATOR 6125J (EDICAO SUL-AMERICANA) PC8539P (01-JUL-10) 20-43 PN=89
  • 92.
    20-44 MOTOR (6068TBM01) 6606 TEMPERATURESWITCH 6606 CONTACTEUR DE TEMPERATURE 6606 TEMPERATURSCHALTER 6606 INTERRUTTORE DI TEMPERATURA 6606 TERMOSTATO 6606 INTERRUPTOR DE TEMPERATURA RE501099PCDD01 -UN- NR. SERIE ITEM NR.PECA DESCRICAO QTDE MOTOR NOTAS 1 RE500844 SENSOR 1 2 R26448 ANEL O 1 3 15H584 TAMPAO 1 20-44 TRATOR 6125J (EDICAO SUL-AMERICANA) PC8539P (01-JUL-10) PN=90
  • 93.
    20-45 MOTOR (6068TBM01) 6701 SENSORS 6701CAPTEURS 6701 SENSOREN 6701 SENSORI 6701 SENSORES 6701 SENSORES RE59977PCDD01 -UN- NR. SERIE ITEM NR.PECA DESCRICAO QTDE MOTOR NOTAS 1 RE519144 SENSOR 1 2 51M7044 ANEL O 1 TRATOR 6125J (EDICAO SUL-AMERICANA) PC8539P (01-JUL-10) 20-45 PN=91
  • 94.
    20-46 MOTOR (6068TBM01) 6802 DAMPER 6802DAMPER 6802 DAEMPFER 6802 AMMORTIZZATORE 6802 AMORTECEDOR 6802 AMORTIGUADOR RE59826PCDB01 -UN- NR. SERIE ITEM NR.PECA DESCRICAO QTDE MOTOR NOTAS 1 RE59827 AMORTECEDOR DE TORCAO 1 2 R121897 PARAFUSO 4 20-46 TRATOR 6125J (EDICAO SUL-AMERICANA) PC8539P (01-JUL-10) PN=92
  • 95.
    20-47 MOTOR (6068TBM01) 7643 OILPRESSURE SWITCH 7643 MANOCONTACT DE PRESSION D’HUILE 7643 OELDRUCKSCHALTER 7643 MANOCONTATTO DEL OLIO 7643 PRESSOSTATO DE OLEO 7643 INTERRUPTOR DE PRESION DE ACEITE RE542211PCDA02 -UN- NR. SERIE ITEM NR.PECA DESCRICAO QTDE MOTOR NOTAS 1 AT85174 INTERRUPTOR 1 TRATOR 6125J (EDICAO SUL-AMERICANA) PC8539P (01-JUL-10) 20-47 PN=93
  • 96.
    20-48 MOTOR (6068TBM01) 8733 BELTTENSIONER 8733 TENDEUR DE COURROIE 8733 RIEMENSPANNER 8733 TENDICINGHIA 8733 TENSOR DA CORREIA 8733 TENSOR DE CORREA RE540151PCDA01 -UN- NR. SERIE ITEM NR.PECA DESCRICAO QTDE MOTOR NOTAS 1 19M7835 PARAFUSO 3 M10 X 35 2 AL156090 TENSOR 1 3 AL157593 RODA TENSORA 1 4 L112545 PARAFUSO 1 5 L154170 TAMPA 1 20-48 TRATOR 6125J (EDICAO SUL-AMERICANA) PC8539P (01-JUL-10) PN=94
  • 97.
  • 98.
    20-50 MOTOR (6068TBM01) 8801 OILFILTER 8801 FILTRE A HUILE 8801 OELFILTER 8801 FILTRO OLIO 8801 FILTRO DO OLEO 8801 FILTRO DE ACEITE RE59753PCDD04 -UN- ESTA RELACAO CONTINUA 20-50 TRATOR 6125J (EDICAO SUL-AMERICANA) PC8539P (01-JUL-10) PN=96
  • 99.
    20-51 MOTOR (6068TBM01) 6 1 2 NR. SERIE5 ITEM NR.PECA DESCRICAO QTDE MOTOR J NOTAS 1 RE52242 TAMPAO DE DRENO 1 2 51M7042 ANEL O 1 3 RE505232 TAMPAO 2 (INCLUI R116115 E 51M7045) 4 R116115 CONEXAO 1 5 51M7045 ANEL O 1 6 RE503727 CABECOTE DO FILTRO 1 7 RE500133 ADAPTADOR 1 (INCLUI (2) RE505232) 8 19M7784 PARAFUSO 2 M10 X 20 9 RE59754 FILTRO DE OLEO 1 10 RE520368 SEMI-BRACADEIRA 2 (INCLUI (5) 19M8618) 11 RE519740 TUBO 1 (INCLUI (2) R518507) 12 R518507 ANEL O 4 13 RE519741 TUBO 1 (INCLUI (2) R518507) 14 19M8618 PARAFUSO 1 M6 X 12 15 R502864 JUNTA 1 16 R501436 ADAPTADOR 1 17 RE67238 PARAFUSO 1 (A) 18 19M7913 PARAFUSO 2 M8 X 90 19 19M7802 PARAFUSO 3 M8 X 65 (A) THREADS WITH PRE-APPLIED SEALANT FILETS ENDUITS DE PRODUIT D’ETANCHEITE MIT DICHTMITTEL CON MATERIALE DI TENUTA ROSCAS REVESTIDAS COM SELANTE PRE-APLICADO CON SELLADOR TRATOR 6125J (EDICAO SUL-AMERICANA) PC8539P (01-JUL-10) 20-51 PN=97
  • 100.
    20-52 MOTOR (6068TBM01) 95AL ENGINEFRONT BRACKETS 95AL SUPPORTS AVANT MOTEUR 95AL MOTORKONSOLE, VORN 95AL STAFFA DEL MOTORE, ANTERIORE 95AL SUPORTE FRONTAL DO MOTOR 95AL SOPORTE DEL MOTOR, FRENTE RE540154PCDA01 -UN- NR. SERIE ITEM NR.PECA DESCRICAO QTDE MOTOR NOTAS 1 AL111451 APOIO 1 2 19M7793 PARAFUSO 4 M16 X 40 3 AL111449 APOIO 1 20-52 TRATOR 6125J (EDICAO SUL-AMERICANA) PC8539P (01-JUL-10) PN=98
  • 101.
    20-53 MOTOR (6068TBM01) 9813 LIFTSTRAPS 9813 OEILLETS DE LEVAGE 9813 AUFHAENGEOESEN 9813 PIASTRINE DI SOLLEVAMENTO 9813 CINTAS DE ELEVACAO 9813 CINTAS DE ELEVACION RE502864PCDC01 -UN- NR. SERIE ITEM NR.PECA DESCRICAO QTDE MOTOR NOTAS 1 19M7988 PARAFUSO 1 M12 X 30 2 R32214 ARRUELA 1 3 R502175 SUPORTE 1 4 R502329 TIRA 1 5 19M7788 PARAFUSO 1 M12 X 25 TRATOR 6125J (EDICAO SUL-AMERICANA) PC8539P (01-JUL-10) 20-53 PN=99
  • 102.
    20-54 MOTOR (6068TBM01) 9901 REPLACEMENTENGINE 9901 MOTEUR DE RECHANGE 9901 AUSTAUSCHMOTOR 9901 MOTORE DI RICAMBIO 9901 MOTOR SUBSTITUTO 9901 MOTOR DE RECAMBIO RGP12657 -UN- 6 1 2 NR. SERIE 5 ITEM NR.PECA DESCRICAO QTDE MOTOR J NOTAS 1 RE545155 MOTOR A DIESEL 1 (A) (A) MAY NOT BE AS ILLUSTRATED PEUT NE PAS ETRE ILLUSTRE KANN VON DER ABBILDUNG ABWEICHEN POTREBBE NON ESSERE COME ILLUSTRATO PODE NAO SER IGUAL A ILUSTRACAO PUEDE DIFERIR DE LA ILUSTRACION 20-54 TRATOR 6125J (EDICAO SUL-AMERICANA) PC8539P (01-JUL-10) PN=100
  • 103.
    30-A01 PERIFERICOS DO MOTOR,TANQUE E SISTEMA DE ADMISSAO SECTIONAL INDEX INDEX DE SECTION GRUPPENINDEX INDICE DELLA SEZIONE INDICE DE GRUPO INDICE DE GRUPOS PUBM1472 -UN- 1- 1 2- 2 3- 4 4- 6 7- 12 8- 14 9- 17 21- 36 TRATOR 6125J (EDICAO SUL-AMERICANA) PC8539P (01-JUL-10) 30-A01 PN=101
  • 104.
    30-A02 PERIFERICOS DO MOTOR,TANQUE E SISTEMA DE ADMISSAO SECTIONAL INDEX INDEX DE SECTION GRUPPENINDEX INDICE DELLA SEZIONE INDICE DE GRUPO INDICE DE GRUPOS PUBM1473 -UN- 5- 8 6- 10 10- 18 11- 20 12- 22 13- 24 14- 26 15- 27 16- 28 17- 30 18- 32 19- 33 20- 34 30-A02 TRATOR 6125J (EDICAO SUL-AMERICANA) PC8539P (01-JUL-10) PN=102
  • 105.
    30-1 PERIFERICOS DO MOTOR,TANQUE E SISTEMA DE ADMISSAO FAN CONSOLE AND ATTACHING PARTS CONSOLE VENTILATEUR ET ELEMENTS DE FIXATION LUEFTERKONSOLE UND ANBAUTEILE CONSOLE PER VENTOLA E PARTI DI FISSAGGIO CONSOLE DO VENTILADOR E PECAS DE MONTAGEM CONSOLA DEL VENTILADOR Y PIEZAS DE MONTAJE CQ155627 -UN- 6 1 2 5 ITEM NR.PECA DESCRICAO QTDE NR. SERIE J NOTAS 1 19M7166 PARAFUSO SEXT. 2 X M10 X 20 2 L111120 CANTONEIRA 1 X 3 19M7408 PARAFUSO SEXT. 2 X M10 X 90 4 19M7268 PARAFUSO SEXT. 2 X M12 X 25 5 L111857 RETENTOR 1 X 6 L111294 APOIO 1 X 7 19M7168 PARAFUSO SEXT. 4 X M10 X 30 8 JD10058 ROLAMENTO DE ESFERAS 1 X 9 40M1863 ANEL DE PRESSAO 1 X 10 L110777 CUBO 4 X 11 42M7058 PINO 1 X TRATOR 6125J (EDICAO SUL-AMERICANA) PC8539P (01-JUL-10) 30-1 PN=103
  • 106.
    30-2 PERIFERICOS DO MOTOR,TANQUE E SISTEMA DE ADMISSAO PULLEY AND FAN POULIE ET VENTILATEUR RILLENSCHEIBE UND LUEFTER PULEGGIA E VENTOLA POLIA DO VENTILADOR POLEA ACANALADA Y VENTILADOR CQ155780 -UN- ESTA RELACAO CONTINUA 30-2 TRATOR 6125J (EDICAO SUL-AMERICANA) PC8539P (01-JUL-10) PN=104
  • 107.
    30-3 PERIFERICOS DO MOTOR,TANQUE E SISTEMA DE ADMISSAO 6 1 2 5 ITEM NR.PECA DESCRICAO QTDE NR. SERIE J NOTAS 1 42M7058 PINO 4 X 2 R128661 POLIA 1 X (A) OD 183.5MM R128660 POLIA 1 X (B) OD 168MM 3 L79028 VENTILADOR 1 X 4 L205139 ESPACADOR 1 X 5 14M7274 PORCA 4 X M10 6 19M7162 PARAFUSO SEXT. 6 X (A) WITHOUT CAB (B) WITH CAB SANS CABINE AVEC CABINE OHNE KABINE MIT KABINE SENZA CABINA CON CABINA SEM CABINE COM CABINE SIN CABINA CON CABINA TRATOR 6125J (EDICAO SUL-AMERICANA) PC8539P (01-JUL-10) 30-3 PN=105
  • 108.
    30-4 PERIFERICOS DO MOTOR,TANQUE E SISTEMA DE ADMISSAO ENGINE SUSPENSION SUSPENSION DU MOTEUR MOTORAUFHAENGUNG SOSPENSIONI MOTORE SUSPENSAO DO MOTOR SUSPENSION DEL MOTOR LX024521 -UN- ESTA RELACAO CONTINUA 30-4 TRATOR 6125J (EDICAO SUL-AMERICANA) PC8539P (01-JUL-10) PN=106
  • 109.
    30-5 PERIFERICOS DO MOTOR,TANQUE E SISTEMA DE ADMISSAO 6 1 2 5 ITEM NR.PECA DESCRICAO QTDE NR. SERIE J NOTAS 1 AL81949 ISOLADOR 4 X 2 T62323 ARRUELA 4 X 3 L155927 PINO 2 X 4 19M7364 PARAFUSO SEXT. 2 X M12 X 80 5 14M7319 PORCA DE SEGURANCA 2 X M12 6 L156986 RETENTOR REDONDO 4 X 7 AL154541 CANTONEIRA 2 X 8 19M7496 PARAFUSO SEXT. 4 X M12 X 45 TRATOR 6125J (EDICAO SUL-AMERICANA) PC8539P (01-JUL-10) 30-5 PN=107
  • 110.
    30-6 PERIFERICOS DO MOTOR,TANQUE E SISTEMA DE ADMISSAO DRIVE BELT COURROIE D’ENTRAINEMENT ANTRIEBSRIEMEN CINGHIA DI COMANDO CORREIA DO MOTOR CORREA DE TRANSMISION CQ155628 -UN- 6 1 2 5 ITEM NR.PECA DESCRICAO QTDE NR. SERIE J NOTAS 1 CQ51921 CORREIA TRAPEZOIDAL 1 X (A) LGTH 1910MM 2 CQ58873 CORREIA CHATA 1 X (B) LGTH 2455MM (A) WITHOUT CAB (B) WITH CAB SANS CABINE AVEC CABINE OHNE KABINE MIT KABINE SENZA CABINA CON CABINA SEM CABINE COM CABINE SIN CABINA CON CABINA 30-6 TRATOR 6125J (EDICAO SUL-AMERICANA) PC8539P (01-JUL-10) PN=108
  • 111.
    30-7 PERIFERICOS DO MOTOR,TANQUE E SISTEMA DE ADMISSAO MEMORANDA MEMORANDA MEMORANDA MEMORANDA MEMORANDA MEMORANDA TRATOR 6125J (EDICAO SUL-AMERICANA) PC8539P (01-JUL-10) 30-7 PN=109
  • 112.
    30-8 PERIFERICOS DO MOTOR,TANQUE E SISTEMA DE ADMISSAO HEATING - LINES CONNECTIONS AT ENGINE RACCORDS DE CONDUITES DE CHAUFFAGE SUR MOTEUR HEIZUNG - LEITUNGSANSCHLUESSE MOTOR RISCALDAMENTO - CONNETTORI TUBI A MOTORE LINHAS DE CALEFACAO RACORES DE CONDUCTOS DE LA CALEFACCION DEL MOTOR CQ155788 -UN- ESTA RELACAO CONTINUA 30-8 TRATOR 6125J (EDICAO SUL-AMERICANA) PC8539P (01-JUL-10) PN=110
  • 113.
    30-9 PERIFERICOS DO MOTOR,TANQUE E SISTEMA DE ADMISSAO 6 1 2 5 ITEM NR.PECA DESCRICAO QTDE NR. SERIE J NOTAS 1 L155376 CONEXAO 1 X 2 AL118565 BRACADEIRA 4 X 3 51M7043 ANEL O 2 X 4 AL116423 CONEXAO 1 X 5 CQ43598 MANGUEIRA 1 X 6 CQ52174 MANGUEIRA 1 X TRATOR 6125J (EDICAO SUL-AMERICANA) PC8539P (01-JUL-10) 30-9 PN=111
  • 114.
    30-10 PERIFERICOS DO MOTOR,TANQUE E SISTEMA DE ADMISSAO AIR CLEANER FILTRE A AIR LUFTFILTER FILTRO ARIA FILTRO DE AR FILTRO DE AIRE LX028633 -UN- ESTA RELACAO CONTINUA 30-10 TRATOR 6125J (EDICAO SUL-AMERICANA) PC8539P (01-JUL-10) PN=112
  • 115.
    30-11 PERIFERICOS DO MOTOR,TANQUE E SISTEMA DE ADMISSAO 6 1 2 5 ITEM NR.PECA DESCRICAO QTDE NR. SERIE J NOTAS 1 AL156263 PURIFICADOR DE AR 1 X 2 L158246 MANGUEIRA 1 X LGTH 730MM 3 L172906 LUVA 1 X 4 AL150289 INTERRUP. DE PRESSAO 1 X 5 AL150287 DEFLETOR 1 X 6 AL172780 FILTRO DE AR 1 X 7 AL150288 FILTRO DE AR 1 X 8 L151979 MANIPULO 1 X 9 AL150286 CABECOTE DO FILTRO 1 X 10 SG01001 BRACADEIRA 2 X 11 L168846 MANGUEIRA 3 X TRATOR 6125J (EDICAO SUL-AMERICANA) PC8539P (01-JUL-10) 30-11 PN=113
  • 116.
    30-12 PERIFERICOS DO MOTOR,TANQUE E SISTEMA DE ADMISSAO OIL COOLER (OPEN OPERATOR’S STATION) REFROIDISSEUR D’HUILE (SANS CABINE) OELKUEHLER (OFFENE FAHRERPLATTFORM) RADIATORE DELL’OLIO (STAZIONE OPERATORE APERTA) RESFRIADOR DE OLEO (SEM CABINE) REFRIGERADOR DE ACEITE (PLATAF. ABIERTA) CQ302838 -UN- ESTA RELACAO CONTINUA 30-12 TRATOR 6125J (EDICAO SUL-AMERICANA) PC8539P (01-JUL-10) PN=114
  • 117.
    30-13 PERIFERICOS DO MOTOR,TANQUE E SISTEMA DE ADMISSAO 6 1 2 5 ITEM NR.PECA DESCRICAO QTDE NR. SERIE J NOTAS 1 19M7162 PARAFUSO SEXT. AR X M8 X 16 2 24M7055 ARRUELA AR X 8.400 X 16 X 1.600 MM 3 L158239 APOIO 1 X 4 L158235 VEDACAO DE ACABAMENTO 1 X 5 L165282 VEDACAO DE ACABAMENTO 1 X 6 14M7272 PORCA AR X M6 7 24M7088 ARRUELA AR X 6.600 X 12 X 1.600 MM 8 19M7077 PARAFUSO SEXT. AR X M6 X 20 9 L159013 VEDACAO DE ACABAMENTO 1 X 10 AL172766 RESFRIADOR DE OLEO 1 X 11 Z35271 BUCHA 2 X 12 DQ52819 PENEIRA 1 X 13 DQ52819 PENEIRA 2 X 14 19M7297 PARAFUSO SEXT. 4 X M8 X 12 15 AL162696 APOIO 1 X 16 14M7029 PORCA 4 X M8 17 19M7139 PARAFUSO SEXT. 4 X M8 X 20 TRATOR 6125J (EDICAO SUL-AMERICANA) PC8539P (01-JUL-10) 30-13 PN=115
  • 118.
    30-14 PERIFERICOS DO MOTOR,TANQUE E SISTEMA DE ADMISSAO RADIATOR / FAN SHROUD / COOLANT HOSES RADIATEUR / CAPOTAGE DU VENTILATEUR / CONDUITES DE LIQUIDE DE REFROIDISSEMENT KUEHLER / LUEFTERHAUBE / KUEHLMITTELSCHLAEUCHE RADIATORE / PROTEZIONE VENTILATORE / TUBI LIQUIDO REFRIGERANTE RADIADOR / PROTECAO DA HELICE / MANGUEIRAS DE REFRIGERACAO RADIADOR / CARENADO DEL VENTILADOR / MANGUERAS DE LIQUIDO REFRIGERANTE PUBM1363 -UN- ESTA RELACAO CONTINUA 30-14 TRATOR 6125J (EDICAO SUL-AMERICANA) PC8539P (01-JUL-10) PN=116
  • 119.
    30-15 PERIFERICOS DO MOTOR,TANQUE E SISTEMA DE ADMISSAO 6 1 2 5 ITEM NR.PECA DESCRICAO QTDE NR. SERIE J NOTAS 1 L158228 ADUTOR 1 X 2 19M7162 PARAFUSO SEXT. 4 X M8 X 16 3 24M7055 ARRUELA 4 X 8.400 X 16 X 1.600 MM 4 L166316 MANGUEIRA 4 X 5 AR21837 BRACADEIRA 2 X 6 L158230 MANGUEIRA 1 X 7 L166630 MANGUEIRA 1 X 8 L158289 VEDACAO DE ACABAMENTO 1 X 9 AL203689 PARTE SUPERIOR DO RADIADOR 1 X 10 AL201726 RADIADOR 1 X 11 L158229 MANGUEIRA 1 X 12 AL37489 BRACADEIRA 2 X 13 L158251 CANTONEIRA 2 X 14 MN10393 ABRACADEIRA PARA MANGUEIRA 4 X 15 24M7139 ARRUELA 4 X 6.400 X 18 X 1.600 MM 16 19M7560 PARAFUSO SEXT. 4 X M6 X 16 17 L79057 PARAF. BORBOLETA 4 X 18 L78871 ISOLADOR 4 X 19 L169329 MANGUEIRA DO RADIADOR 1 X 20 L158241 ISOLADOR 2 X 21 AL162698 CAPA 1 X 22 14M7136 PORCA 2 X M6 23 L158252 SUPORTE 1 X 24 L158306 ISOLADOR 2 X 25 CQ62312 ISOLADOR 1 X 26 AL201725 RADIADOR 1 X 27 CQ28556 BRACADEIRA 1 X .. CQ38349 REFRIGERANTE 1 X TRATOR 6125J (EDICAO SUL-AMERICANA) PC8539P (01-JUL-10) 30-15 PN=117
  • 120.
    30-16 PERIFERICOS DO MOTOR,TANQUE E SISTEMA DE ADMISSAO MEMORANDA MEMORANDA MEMORANDA MEMORANDA MEMORANDA MEMORANDA 30-16 TRATOR 6125J (EDICAO SUL-AMERICANA) PC8539P (01-JUL-10) PN=118
  • 121.
    30-17 PERIFERICOS DO MOTOR,TANQUE E SISTEMA DE ADMISSAO OIL COOLER (CAB) REFROIDISSEUR D’HUILE (CABINE) OELKUEHLER (KABINE) SCAMBIATORE DI CALORE OLIO (CABINA) RESFRIADOR DE OLEO (CABINE) ENFRIADOR DE ACEITE (CABINA) CQ155787 -UN- 6 1 2 5 ITEM NR.PECA DESCRICAO QTDE NR. SERIE J NOTAS 1 AL164837 RADIADOR 1 X 2 DQ52819 PENEIRA 2 X 3 DQ52819 PENEIRA 1 X 4 AL162696 APOIO 1 X 5 AL168815 SUPORTE 1 X 6 Z35271 BUCHA 2 X 7 19M7139 PARAFUSO SEXT. 4 X M8 X 20 8 24M7055 ARRUELA AR X 8.400 X 16 X 1.600 MM 9 14M7029 PORCA 4 X M8 10 19M7297 PARAFUSO SEXT. 2 X M8 X 12 11 L168286 APOIO 1 X 12 L159013 VEDACAO DE ACABAMENTO 1 X 13 L165281 VEDACAO DE ACABAMENTO 1 X 14 L158239 APOIO 1 X 15 L158240 VEDACAO DE ACABAMENTO 1 X 16 19M7077 PARAFUSO SEXT. AR X M6 X 20 17 24M7088 ARRUELA AR X 6.600 X 12 X 1.600 MM 18 14M7272 PORCA AR X M6 19 19M7162 PARAFUSO SEXT. AR X M8 X 16 TRATOR 6125J (EDICAO SUL-AMERICANA) PC8539P (01-JUL-10) 30-17 PN=119
  • 122.
    30-18 PERIFERICOS DO MOTOR,TANQUE E SISTEMA DE ADMISSAO OIL COOLER (LINES) (SYNCROPLUS) REFROIDISSEUR D’HUILE (CONDUITES) (SYNCROPLUS) OELKUEHLER (LEITUNGEN) (SYNCROPLUS) RADIATORE OLIO (TUBAZIONI) (SYNCROPLUS) RESFRIADOR DE OLEO (LINHAS) (SYNCROPLUS) ENFRIADOR DE ACEITE (TUBERIAS) (SYNCROPLUS) PUBM1416 -UN- ESTA RELACAO CONTINUA 30-18 TRATOR 6125J (EDICAO SUL-AMERICANA) PC8539P (01-JUL-10) PN=120
  • 123.
    30-19 PERIFERICOS DO MOTOR,TANQUE E SISTEMA DE ADMISSAO 6 1 2 5 ITEM NR.PECA DESCRICAO QTDE NR. SERIE J NOTAS 1 61M5005 ADAPTADOR 1 X INCL KEYS 2 AND 3 2 51M7047 ANEL O 2 X 3 T77858 ANEL O 4 X 4 AL164933 MANGUEIRA HIDRAULICA 1 X 5 AL164932 MANGUEIRA HIDRAULICA 1 X 6 L169208 SUPORTE DE MANGUEIRA 1 X 7 AL171782 SUPORTE DE MANGUEIRA 1 X 8 L159016 BRACADEIRA AR X 9 19M7166 PARAFUSO SEXT. AR X M10 X 20 10 24M7028 ARRUELA AR X 10.500 X 20 X 2 MM 11 14M7140 PORCA AR X M10 12 24M7026 ARRUELA AR X 9 X 17 X 1.600 MM 13 14M7029 PORCA AR X M8 14 Z20701 ARRUELA 1 X 15 38H5019 CONEXAO EM ANGULO 1 X 16 L159011 CANTONEIRA 1 X 17 19M7166 PARAFUSO SEXT. AR X M10 X 20 18 19M7984 PARAFUSO SEXT. AR X M10 X 12 19 61M5121 ADAPTADOR 1 X 20 61M5019 CONEXAO EM ANGULO 1 X TRATOR 6125J (EDICAO SUL-AMERICANA) PC8539P (01-JUL-10) 30-19 PN=121
  • 124.
    30-20 PERIFERICOS DO MOTOR,TANQUE E SISTEMA DE ADMISSAO OIL COOLER (LINES) (POWRQUAD) REFROIDISSEUR D’HUILE (CONDUITES) (POWRQUAD) OELKUEHLER (LEITUNGEN) (POWRQUAD) RADIATORE OLIO (TUBAZIONI) (POWRQUAD) RESFRIADOR DE OLEO (LINHAS) (POWRQUAD) ENFRIADOR DE ACEITE (TUBERIAS) (POWRQUAD) CQ300789 -UN- ESTA RELACAO CONTINUA 30-20 TRATOR 6125J (EDICAO SUL-AMERICANA) PC8539P (01-JUL-10) PN=122
  • 125.
    30-21 PERIFERICOS DO MOTOR,TANQUE E SISTEMA DE ADMISSAO 6 1 2 5 ITEM NR.PECA DESCRICAO QTDE NR. SERIE J NOTAS 1 61M5005 ADAPTADOR 2 X INCL KEYS 2 AND 3 2 51M7047 ANEL O 2 X 3 T77858 ANEL O 4 X 4 AL164927 MANGUEIRA HIDRAULICA 1 X 5 AL164928 MANGUEIRA HIDRAULICA 1 X 6 L169208 SUPORTE DE MANGUEIRA 1 X 7 AL171782 SUPORTE DE MANGUEIRA 1 X 8 L159016 BRACADEIRA AR X 9 19M7166 PARAFUSO SEXT. AR X M10 X 20 19M7167 PARAFUSO SEXT. AR X M10 X 25 10 24M7028 ARRUELA AR X 10.500 X 20 X 2 MM 11 14M7140 PORCA AR X M10 12 24M7026 ARRUELA AR X 9 X 17 X 1.600 MM 13 14M7029 PORCA AR X M8 14 Z20701 ARRUELA 1 X 15 19M7166 PARAFUSO SEXT. AR X M10 X 20 16 19M7984 PARAFUSO SEXT. AR X M10 X 12 17 19M7169 PARAFUSO SEXT. AR X TRATOR 6125J (EDICAO SUL-AMERICANA) PC8539P (01-JUL-10) 30-21 PN=123
  • 126.
    30-22 PERIFERICOS DO MOTOR,TANQUE E SISTEMA DE ADMISSAO BRACKETS, FUEL TANK RESERVOIR A COMBUSTIBLE, SUPPORTS HALTERUNGEN, KRAFTSTOFFTANK SUPPORTI PER SERBATOIO COMBUSTIBILE SUPORTE DO TANQUE DE COMBUSTIVEL SOPORTES, DEPOSITO DE COMBUSTIBLE CQ155900 -UN- 6 1 2 5 ITEM NR.PECA DESCRICAO QTDE NR. SERIE J NOTAS 1 DQ25990 BRACADEIRA 1 X 2 P60213 SUPORTE 1 X 3 24M7047 ARRUELA 4 X 13 X 24 X 2.500 MM 4 19M7496 PARAFUSO SEXT. AR X M12 X 45 5 CQ52183 APOIO 1 X 6 19M7496 PARAFUSO SEXT. AR X M12 X 45 7 19M8049 PARAFUSO SEXT. 2 X M10 X 80 8 DQ39225 BRACADEIRA 1 X 9 CQ47036 APOIO 1 X 30-22 TRATOR 6125J (EDICAO SUL-AMERICANA) PC8539P (01-JUL-10) PN=124
  • 127.
    30-23 PERIFERICOS DO MOTOR,TANQUE E SISTEMA DE ADMISSAO MEMORANDA MEMORANDA MEMORANDA MEMORANDA MEMORANDA MEMORANDA TRATOR 6125J (EDICAO SUL-AMERICANA) PC8539P (01-JUL-10) 30-23 PN=125
  • 128.
    30-24 PERIFERICOS DO MOTOR,TANQUE E SISTEMA DE ADMISSAO AUXILIAR FUEL TANK RESERVOIR A COMBUSTIBLE KRAFTSTOFFTANK SERBATOIO COMBUSTIBILE TANQUE DE COMBUSTIVEL AUXILIAR DEPOSITO DE COMBUSTIBLE AUXILIAR PUBM1413 -UN- ESTA RELACAO CONTINUA 30-24 TRATOR 6125J (EDICAO SUL-AMERICANA) PC8539P (01-JUL-10) PN=126
  • 129.
    30-25 PERIFERICOS DO MOTOR,TANQUE E SISTEMA DE ADMISSAO 6 1 2 5 ITEM NR.PECA DESCRICAO QTDE NR. SERIE J NOTAS 1 AL161566 CHICOTE 1 X 2 AL206572 TANQUE DE COMBUSTIVEL 1 X 172L 3 MN10297 TANQUE DE COMBUSTIVEL 1 X 315L 4 MN10321 MANGUEIRA 1 X 5 R217636 ANEL O 2 X 6 AL161025 MECANISMO SENSOR DE COMBUST 1 X 7 CQ65301 FLANGE 2 X 8 24M7139 ARRUELA 2 X 9 21M7246 PARAFUSO 1 X 10 AL206587 COADOR 1 X 11 AL113086 TAMPAO DE ENCHIMENTO 1 X 12 CQ34351 PLUGUE 1 X 13 SG01301 BRACADEIRA 1 X TRATOR 6125J (EDICAO SUL-AMERICANA) PC8539P (01-JUL-10) 30-25 PN=127
  • 130.
    30-26 PERIFERICOS DO MOTOR,TANQUE E SISTEMA DE ADMISSAO FUEL TANK PROTECTION RESERVOIR A COMBUSTIBLE, SUPPORTS HALTERUNGEN, KRAFTSTOFFTANK SUPPORTI PER SERBATOIO COMBUSTIBILE PROTECAO DO TANQUE DE COMBUSTIVEL PROTECION DEPOSITO DE COMBUSTIBLE CQ157587 -UN- 6 1 2 5 ITEM NR.PECA DESCRICAO QTDE NR. SERIE J NOTAS 1 DQ59361 PROTECAO 1 X 2 19M7487 PARAFUSO SEXT. 2 X M20 X 50 3 24M7051 ARRUELA 2 X 21 X 37 X 3 MM 4 14M7144 PORCA 2 X M20 5 DQ63674 APOIO 1 X 6 DQ41285 APOIO 1 X 7 19M7496 PARAFUSO SEXT. AR X M12 X 45 8 19M7285 PARAFUSO SEXT. AR X M12 X 30 9 CQ38916 ESPACADOR 1 X 10 12M7067 ARRUELA DE PRESSAO AR X 12 MM 11 DQ61516 PROTECAO 1 X 12 12M7070 ARRUELA DE PRESSAO 2 X 20 MM 13 19M7330 PARAFUSO SEXT. 1 X M12 X 55 30-26 TRATOR 6125J (EDICAO SUL-AMERICANA) PC8539P (01-JUL-10) PN=128
  • 131.
    30-27 PERIFERICOS DO MOTOR,TANQUE E SISTEMA DE ADMISSAO FUEL TANK PROTECTION (AUX.) RESERVOIR A COMBUSTIBLE, SUPPORTS HALTERUNGEN, KRAFTSTOFFTANK SUPPORTI PER SERBATOIO COMBUSTIBILE PROTECAO DO TANQUE DE COMBUSTIVEL (AUXILIAR) PROTECION DEPOSITO DE COMBUSTIBLE (AUXILIAR) CQ302840 -UN- 6 1 2 5 ITEM NR.PECA DESCRICAO QTDE NR. SERIE J NOTAS 1 DQ63159 PROTECAO 1 X 2 19M7487 PARAFUSO SEXT. 2 X M20 X 50 3 24M7051 ARRUELA 2 X 21 X 37 X 3 MM 4 12M7070 ARRUELA DE PRESSAO 2 X 20 MM 5 14M7144 PORCA 2 X M20 6 19M7403 PARAFUSO SEXT. 3 X M12 X 35 7 24M3763 ARRUELA 7 X 13 X 25 X 3 MM 8 12M7067 ARRUELA DE PRESSAO 12 X 12 MM 9 DQ63696 APOIO 1 X 10 DQ63698 APOIO 1 X 11 DQ61639 APOIO 1 X 12 DQ62047 PROTECAO 1 X 13 19M7285 PARAFUSO SEXT. AR X M12 X 30 14 19M7496 PARAFUSO SEXT. AR X M12 X 45 15 14M7295 PORCA 3 X M12 16 24M7038 ARRUELA 3 X 13.500 X 24 X 2.500 MM TRATOR 6125J (EDICAO SUL-AMERICANA) PC8539P (01-JUL-10) 30-27 PN=129
  • 132.
    30-28 PERIFERICOS DO MOTOR,TANQUE E SISTEMA DE ADMISSAO PRIMARY FUEL FILTER FILTRE A COMBUSTIBLE PRIMAIRE KRAFTSTOFFVORFILTER FILTRO PRIMARIO DEL COMBUSTIBILE PRE FILTRO DE COMBUSTIVEL FILTRO PRIMARIO DE COMBUSTIBLE CQ301753 -UN- 6 1 2 5 ITEM NR.PECA DESCRICAO QTDE NR. SERIE J NOTAS 1 DQ72620 FILTRO 1 X 2 DQ24057 FILTRO DE COMBUSTIVEL 1 X 3 DQ39530 COPO 1 X 4 DQ72612 PLUGUE 1 X 5 ........ POS-RESFRIADOR 1 X (ORD DQ72620) 6 DQ25143 PLUGUE 1 X 7 DQ32910 TAMPAO 1 X 8 19M7167 PARAFUSO SEXT. 2 X M10 X 25 9 24M7040 ARRUELA 2 X 11 X 20 X 2 MM 10 12M7066 ARRUELA DE PRESSAO 2 X 10 MM 11 14M7140 PORCA 2 X M10 30-28 TRATOR 6125J (EDICAO SUL-AMERICANA) PC8539P (01-JUL-10) PN=130
  • 133.
    30-29 PERIFERICOS DO MOTOR,TANQUE E SISTEMA DE ADMISSAO MEMORANDA MEMORANDA MEMORANDA MEMORANDA MEMORANDA MEMORANDA TRATOR 6125J (EDICAO SUL-AMERICANA) PC8539P (01-JUL-10) 30-29 PN=131
  • 134.
    30-30 PERIFERICOS DO MOTOR,TANQUE E SISTEMA DE ADMISSAO FUEL HOSES (WITH ENGINE STAGE II ACC. 97/68/EC) FLEXIBLES DE COMBUSTIBLE (AVEC NIVEAU II DE MOTEUR, SELON 97/68/EC) KRAFTSTOFFSCHLAEUCHE (BEI MOTOR STUFE II NACH 97/68/EC) TUBI FLESSIBILI COMBUSTIBILE (CON MOTORE STADIO II SECONDO NORMA 97/68/EC) MANGUEIRAS DE COMBUSTIVEL MANGUERAS DE COMBUSTIBLE (MOTOR NIVEL II SEGUN 97/68/EC) CQ156967 -UN- ESTA RELACAO CONTINUA 30-30 TRATOR 6125J (EDICAO SUL-AMERICANA) PC8539P (01-JUL-10) PN=132
  • 135.
    30-31 PERIFERICOS DO MOTOR,TANQUE E SISTEMA DE ADMISSAO 6 1 2 5 ITEM NR.PECA DESCRICAO QTDE NR. SERIE J NOTAS 1 CQ29143 PARAFUSO OCO 2 X 2 S17072 ARRUELA 4 X 3 CQ55032 MANGUEIRA 1 X 4 SG06401 BRACADEIRA 6 X 5 CQ55030 MANGUEIRA 1 X 6 CQ08038 CONEXAO DE MANGUEIRA 2 X 7 CQ63428 MANGUEIRA 1 X 8 CQ29167 MANGUEIRA 1 X 9 AH78125 PRESILHA 2 X 10 24M7055 ARRUELA AR X 8.400 X 16 X 1.600 MM 11 19M7162 PARAFUSO SEXT. AR X M8 X 16 12 14M7029 PORCA AR X M8 TRATOR 6125J (EDICAO SUL-AMERICANA) PC8539P (01-JUL-10) 30-31 PN=133
  • 136.
    30-32 PERIFERICOS DO MOTOR,TANQUE E SISTEMA DE ADMISSAO MOUNTING PARTS, SPEED CONTROL (FLAT FLOOR CAB) REGLAGE DU REGIME - ELEMENTS DE FIXATION (CABINE A PLANCHER PLAT) ANBAUTEILE, DREHZAHLVERSTELLUNG (KABINE MIT EBENEM BODEN) PARTI DI MONTAGGIO, COMANDO VELOCITA (CABINA CON PAVIMENTO PIANO) VARETA DO ACELERADOR PIEZAS DE MONTAJE, VARILLAJE DE MANDO DEL ACELERADOR (CAB. CON SUELO PLANO) LX017931 -UN- 6 1 2 5 ITEM NR.PECA DESCRICAO QTDE NR. SERIE J NOTAS 1 AL163687 TIRANTE 1 X 2 T22242 CONEXAO GIRATORIA 1 X 3 11M7009 CONTRA-PINO 1 X 4 14M7272 PORCA 3 X M6 5 56M7009 SOQUETE P/ JUNTA ESFERICA 1 X 6 24M7088 ARRUELA 4 X 30-32 TRATOR 6125J (EDICAO SUL-AMERICANA) PC8539P (01-JUL-10) PN=134
  • 137.
    30-33 PERIFERICOS DO MOTOR,TANQUE E SISTEMA DE ADMISSAO AIR INTAKE HOSE CONDUITE D’ADMISSION D’AIR LUFTANSAUGSCHLAUCH TUBO INGRESSO ARIA MANGUEIRA DE ADMISSAO DE AR MANGUERA DE ADMISION DE AIRE CQ155797 -UN- 6 1 2 5 ITEM NR.PECA DESCRICAO QTDE NR. SERIE J NOTAS 1 AL150169 ABRACADEIRA PARA MANGUEIRA 1 X 2 L158227 MANGUEIRA 1 X 3 AL112933 BRACADEIRA 1 X TRATOR 6125J (EDICAO SUL-AMERICANA) PC8539P (01-JUL-10) 30-33 PN=135
  • 138.
    30-34 PERIFERICOS DO MOTOR,TANQUE E SISTEMA DE ADMISSAO MUFFLER SILENCIEUX SCHALLDAEMPFER SILENZIATORE SILENCIADOR SILENCIADOR CQ302441 -UN- ESTA RELACAO CONTINUA 30-34 TRATOR 6125J (EDICAO SUL-AMERICANA) PC8539P (01-JUL-10) PN=136
  • 139.
    30-35 PERIFERICOS DO MOTOR,TANQUE E SISTEMA DE ADMISSAO 6 1 2 NR. SERIE 5 ITEM NR.PECA DESCRICAO QTDE MOTOR J NOTAS 1 AL82257 BRACADEIRA 1 X 2 19M8819 PARAFUSO 1 X M8 X 35 3 DQ51572 SILENCIADOR 1 X (A) AL153972 SILENCIADOR 1 X (B) 4 AL176428 BRACADEIRA 1 X 5 L113409 PARAFUSO 1 X 6 19M7167 PARAFUSO SEXT. 3 X (A) M10 X 25 19M7402 PARAFUSO SEXT. 3 X (B) M10 X 25 7 24M7213 ARRUELA 4 X 10.500 X 25 X 4 MM 8 AL114417 APOIO 1 X 9 14M7274 PORCA 1 X M10 10 L113192 APOIO 1 X 11 24M7028 ARRUELA 4 X 12 AL181065 SUPORTE 1 X 13 19M7479 PARAFUSO SEXT. 1 X M10 X 80 14 19M7162 PARAFUSO SEXT. AR X M8 X 16 19M8028 PARAFUSO SEXT. AR X M8 X 8 15 L200829 PROTECAO TERMICA 1 X 16 19M7984 PARAFUSO SEXT. 2 X M10 X 12 (A) WITHOUT CAB (B) WITH CAB SANS CABINE AVEC CABINE OHNE KABINE MIT KABINE SENZA CABINA CON CABINA SEM CABINE COM CABINE SIN CABINA CON CABINA TRATOR 6125J (EDICAO SUL-AMERICANA) PC8539P (01-JUL-10) 30-35 PN=137
  • 140.
    30-36 PERIFERICOS DO MOTOR,TANQUE E SISTEMA DE ADMISSAO EXHAUST SYSTEM (EPCC) SYSTEME D’ECHAPPEMENT (EPCC) ABGASANLAGE NACH (EPCC) SISTEMA DI SCARICO (EPCC) SISTEMA DE ESCAPE (EPCC) SISTEMA DE ESCAPE (EPCC) PUBM1123 -UN- ESTA RELACAO CONTINUA 30-36 TRATOR 6125J (EDICAO SUL-AMERICANA) PC8539P (01-JUL-10) PN=138
  • 141.
    30-37 PERIFERICOS DO MOTOR,TANQUE E SISTEMA DE ADMISSAO 6 1 2 5 ITEM NR.PECA DESCRICAO QTDE NR. SERIE J NOTAS 1 L158499 PROTECAO 1 X 2 AL204716 CANO DE DESCARGA 1 X 3 19M7785 PARAFUSO 2 X M10 X 25 4 AL159691 APOIO 1 X 5 AL173829 BRACADEIRA 1 X 6 19M8851 PARAFUSO 4 X M6 X 12 7 AL177823 BRACADEIRA 2 X 8 CQ51579 CANO DE DESCARGA 1 X 9 AL204800 CANO DE DESCARGA 1 X 10 L79493 PORCA DE PRESSAO 1 X TRATOR 6125J (EDICAO SUL-AMERICANA) PC8539P (01-JUL-10) 30-37 PN=139
  • 142.
    30-38 PERIFERICOS DO MOTOR,TANQUE E SISTEMA DE ADMISSAO MEMORANDA MEMORANDA MEMORANDA MEMORANDA MEMORANDA MEMORANDA 30-38 TRATOR 6125J (EDICAO SUL-AMERICANA) PC8539P (01-JUL-10) PN=140
  • 143.
    40-A01 SISTEMA ELETRICO SECTIONAL INDEX INDEXDE SECTION GRUPPENINDEX INDICE DELLA SEZIONE INDICE DE GRUPO INDICE DE GRUPOS PUBM1474 -UN- 1- 2 2- 3 3- 4 4- 5 5- 6 6- 8 8- 11 9- 12 11- 16 12- 18 13- 20 14- 22 21- 35 22- 36 TRATOR 6125J (EDICAO SUL-AMERICANA) PC8539P (01-JUL-10) 40-A01 PN=141
  • 144.
    40-A02 SISTEMA ELETRICO SECTIONAL INDEX INDEXDE SECTION GRUPPENINDEX INDICE DELLA SEZIONE INDICE DE GRUPO INDICE DE GRUPOS PUBM1475 -UN- 7- 10 10- 14 15- 24 16- 26 17- 28 18- 30 32- 50 33- 51 34- 52 35- 53 36- 54 40- 60 40-A02 TRATOR 6125J (EDICAO SUL-AMERICANA) PC8539P (01-JUL-10) PN=142
  • 145.
    40-A03 SISTEMA ELETRICO SECTIONAL INDEX INDEXDE SECTION GRUPPENINDEX INDICE DELLA SEZIONE INDICE DE GRUPO INDICE DE GRUPOS PUBM1476 -UN- 19- 32 20- 34 23- 37 24- 38 25- 39 26- 40 27- 42 28- 43 29- 44 30- 46 31- 48 37- 55 38- 56 39- 58 TRATOR 6125J (EDICAO SUL-AMERICANA) PC8539P (01-JUL-10) 40-A03 PN=143
  • 146.
    40-A04 SISTEMA ELETRICO SECTIONAL INDEX INDEXDE SECTION GRUPPENINDEX INDICE DELLA SEZIONE INDICE DE GRUPO INDICE DE GRUPOS PUBM1477 -UN- 41- 62 42- 64 43- 66 44- 67 45- 68 46- 70 47- 71 48- 72 49- 74 50- 76 40-A04 TRATOR 6125J (EDICAO SUL-AMERICANA) PC8539P (01-JUL-10) PN=144
  • 147.
  • 148.
    40-2 SISTEMA ELETRICO STARTER MOTORSHIELD DEMARREUR GARANTS STARTER MOTOR SHIELD STARTER MOTOR SHIELD PROTECAO DO MOTOR DE PARTIDA PROTECCION DEL MOTOR DE ARRANQUE PUBM1435 -UN- 6 1 2 NR. SERIE 5 ITEM NR.PECA DESCRICAO QTDE MOTOR J NOTAS 1 RE530306 KIT 1 X 40-2 TRATOR 6125J (EDICAO SUL-AMERICANA) PC8539P (01-JUL-10) PN=146
  • 149.
    40-3 SISTEMA ELETRICO ALTERNATOR ATTACHINGPARTS (WITHOUT AIR CONDITIONING OR AIR COMPRESSOR) ELEMENTS DE FIXATION, ALTERNATEUR (SANS CLIMATISATION OU COMPRESSEUR D’AIR) BEFESTIGUNGSTEILE, DREHSTROMGENERATOR (OHNE KLIMAANLAGE ODER LUFTKOMPRESSOR) PARTI MONTAGGIO ALTERNATORE (SENZA CONDIZIONAMENTO ARIA O COMPRESSORE ARIA) SUPORTE DO ALTERNADOR (SEM CABINE) PIEZAS DE SUJECION, ALTERNADOR (SIN AIRE ACONDICIONADO O COMPRESOR DE AIRE) PUBM0362 -UN- 6 1 2 5 ITEM NR.PECA DESCRICAO QTDE NR. SERIE J NOTAS 1 CQ48506 SUPORTE 2 X 2 19M7166 PARAFUSO SEXT. 1 X M10 X 20 3 19M7810 PARAFUSO 1 X M10 X 80 4 19M7408 PARAFUSO SEXT. 1 X M10 X 90 5 14M7296 PORCA COM FLANGE 2 X M10 6 24M7040 ARRUELA 2 X TRATOR 6125J (EDICAO SUL-AMERICANA) PC8539P (01-JUL-10) 40-3 PN=147
  • 150.
    40-4 SISTEMA ELETRICO ALTERNATOR ATTACHINGPARTS (WITH AIR CONDITIONING) ELEMENTS DE FIXATION - ALTERNATEUR (AVEC CLIMATISATION) BEFESTIGUNGSTEILE, DREHSTROMGENERATOR (BEI KLIMAANLAGE) PARTI FISSAGGIO ALTERNATORE (CON ARIA CONDIZIONATA) SUPORTE DO ALTERNADOR (CABINE) PIEZAS DE SUJECION, ALTERNADOR (CON AIRE ACONDICIONADO) LX032490 -UN- 6 1 2 5 ITEM NR.PECA DESCRICAO QTDE NR. SERIE J NOTAS 1 19M7835 PARAFUSO 5 X M10 X 35 2 CQ48046 APOIO 1 X 3 34M7190 PINO ELASTICO 2 X 4 AL155417 RODA TENSORA 1 X 5 L154170 TAMPA 1 X 6 19M7408 PARAFUSO SEXT. 1 X M10 X 90 7 14M7296 PORCA COM FLANGE 2 X M10 8 19M7810 PARAFUSO 1 X M10 X 80 40-4 TRATOR 6125J (EDICAO SUL-AMERICANA) PC8539P (01-JUL-10) PN=148
  • 151.
    40-5 SISTEMA ELETRICO ALTERNATOR ALTERNATEUR DREHSTROMGENERATOR ALTERNATORE ALTERNADOR ALTERNADOR PUBM1343 -UN- 6 1 2 5 ITEMNR.PECA DESCRICAO QTDE NR. SERIE J NOTAS 1 RE285712 PORCA 1 X 2 14M7296 PORCA COM FLANGE 2 X M10 3 AL172532 REGULADOR 1 X 4 AL166645 ALTERNADOR 1 X 5 14M7028 PORCA 1 X M5 6 24M7027 ARRUELA 1 X 5.300 X 10 X 1 MM 7 CQ66216 POLIA 1 X 8 L78085 PORCA COM FLANGE 1 X 9 DQ59038 ALTERNADOR 1 X 10 19M7810 PARAFUSO 1 X TRATOR 6125J (EDICAO SUL-AMERICANA) PC8539P (01-JUL-10) 40-5 PN=149
  • 152.
    40-6 SISTEMA ELETRICO BATTERY /ATTACHING PARTS BATTERIE-ELEMENTS DE FIXATION BATTERIE / BEFESTIGUNGSTEILE BATTERIA / PARTI FISSAGGIO BATERIA / FIXACAO DA BATERIA BATERIA / PIEZAS DE FIJACION CQ155738 -UN- 6 1 2 5 ITEM NR.PECA DESCRICAO QTDE NR. SERIE J NOTAS 1 DQ68478 BATERIA COM CARGA UMIDA 1 X 150AH 2 L158301 PARAF. COM GANCHO 2 X 3 14M7397 PORCA DE SEGURANCA 2 X M6 4 L158302 APOIO 1 X 5 L158305 APOIO 1 X 6 14M7029 PORCA 4 X M8 7 24M7055 ARRUELA 4 X 8 19M7139 PARAFUSO SEXT. 4 X M8 X 20 40-6 TRATOR 6125J (EDICAO SUL-AMERICANA) PC8539P (01-JUL-10) PN=150
  • 153.
  • 154.
    40-8 SISTEMA ELETRICO BATTERY CABLE CABLESBATTERIE BATTERIEKABEL CAVO BATTERIA CABOS DA BATERIA CABLE DE BATERIA CQ155747 -UN- ESTA RELACAO CONTINUA 40-8 TRATOR 6125J (EDICAO SUL-AMERICANA) PC8539P (01-JUL-10) PN=152
  • 155.
    40-9 SISTEMA ELETRICO 6 1 2 5 ITEM NR.PECADESCRICAO QTDE NR. SERIE J NOTAS 1 19M7268 PARAFUSO SEXT. 1 X M12 X 25 2 24M7047 ARRUELA 1 X 3 14M7273 PORCA 2 X M8 4 24M7055 ARRUELA 2 X 5 AL159181 CABO DA BATERIA 1 X 6 AL154427 PONTE 1 X 7 14M7274 PORCA 1 X M10 8 12M7135 ARRUELA DE PRESSAO 1 X 10 MM 9 24M7145 ARRUELA 1 X 15 X 24 X 2.500 MM 10 AL157541 CABO DA BATERIA 1 X 11 AL159445 CABO DA BATERIA 1 X 12 19M9201 PARAFUSO 1 X M14 X 25 13 L154937 REVESTIMENTO, BLINDAGEM 1 X TRATOR 6125J (EDICAO SUL-AMERICANA) PC8539P (01-JUL-10) 40-9 PN=153
  • 156.
    40-10 SISTEMA ELETRICO TAIL LIGHTSAND TURN SIGNAL LIGHTS FEUX ARRIERE ET CLIGNOTANTS SCHLUSS- UND BLINKLEUCHTEN LUCI DI CODA E DI DIREZIONE LUZ TRASEIRA LUCES TRASERAS E INTERMITENCIAS DE GIRO LX033270 -UN- 6 1 2 5 ITEM NR.PECA DESCRICAO QTDE NR. SERIE J NOTAS 1 AL176143 LUZ TRASEIRA 2 X 2 37M7274 PARAFUSO 4 X 3 57M7014 LAMPADA 1 X 12V-21W 4 57M7011 LAMPADA 1 X 12V-21/5W 5 L151980 PORCA DE SEGURANCA 4 X 6 L152943 PASSADOR 4 X 40-10 TRATOR 6125J (EDICAO SUL-AMERICANA) PC8539P (01-JUL-10) PN=154
  • 157.
    40-11 SISTEMA ELETRICO HORN FEUX ARRIEREET CLIGNOTANTS SCHLUSS- UND BLINKLEUCHTEN LUCI DI CODA E DI DIREZIONE BUZINA BOZINA LX025959 -UN- 6 1 2 5 ITEM NR.PECA DESCRICAO QTDE NR. SERIE J NOTAS 1 19M7297 PARAFUSO SEXT. 1 X M8 X 12 2 24M7055 ARRUELA 1 X 8.400 X 16 X 1.600 MM 3 14M7273 PORCA 1 X M8 4 AL203265 BUZINA 1 X TRATOR 6125J (EDICAO SUL-AMERICANA) PC8539P (01-JUL-10) 40-11 PN=155
  • 158.
    40-12 SISTEMA ELETRICO WORK LIGHT PROJECTEURSDE TRAVAIL GERAETESCHEINWERFER FARI DI LAVORO LUZES DE TRABALHO FAROS DE LABOR FRONTALES CQ300477 -UN- 6 1 2 5 ITEM NR.PECA DESCRICAO QTDE NR. SERIE J NOTAS 1 AL154553 FAROL DE SERVICO 4 X (A) 2 RE60765 LENTE 2 X 3 AT130104 LAMPADA 4 X (A) AS04904 LAMPADA 4 X (B) 4 37M7177 PARAFUSO 4 X 5 19M7269 PARAFUSO SEXT. 2 X M8 X 50 6 24M7055 ARRUELA 2 X 7 14M7166 PORCA DE SEGURANCA 2 X M8 8 L153587 ARRUELA 4 X 9 CQ51923 SUPORTE 4 X 10 CQ25923 PASSADOR 4 X 11 DQ25068 FAROL DIANTEIRO 2 X (B) REAR DQ33944 FAROL DIANTEIRO 2 X (B) FRONT 12 L171231 PARAFUSO 4 X 13 57M7289 DISP FECHAMENTO CONEC ELETR 4 X 14 57M7256 CONJ MONT CONECTOR ELETRICO 4 X 15 12M7142 ARRUELA AR X (A) WITH CAB (B) WITHOUT CAB AVEC CABINE SANS CABINE MIT KABINE OHNE KABINE CON CABINA SENZA CABINA COM CABINE SEM CABINE CON CABINA SIN CABINA 40-12 TRATOR 6125J (EDICAO SUL-AMERICANA) PC8539P (01-JUL-10) PN=156
  • 159.
  • 160.
    40-14 SISTEMA ELETRICO HEADLIGHTS PHARES AVANT FRONTSCHEINWERFER FARIANTERIORI FAROIS DIANTEIROS FAROS DELANTEROS PUBM1538 -UN- ESTA RELACAO CONTINUA 40-14 TRATOR 6125J (EDICAO SUL-AMERICANA) PC8539P (01-JUL-10) PN=158
  • 161.
    40-15 SISTEMA ELETRICO 6 1 2 5 ITEM NR.PECADESCRICAO QTDE NR. SERIE J NOTAS 1 L78984 PRESILHA 6 X 2 37M7335 PARAFUSO 8 X 3 CQ71882 VEDACAO 2 X 4 L154128 PROTECAO CONTRA PO 1 X 5 MN10029 FAROL DIANTEIRO 2 X 6 57M7166 LAMPADA 2 X 7 AZ47904 BRACADEIRA DE AJUSTE 6 X 8 CQ71890 MOLDURA 1 X 9 DQ58449 FAROL DIANTEIRO 1 X TRATOR 6125J (EDICAO SUL-AMERICANA) PC8539P (01-JUL-10) 40-15 PN=159
  • 162.
    40-16 SISTEMA ELETRICO 3-TERMINAL POWEROUTLET SOCKET PRISE 3 PLOTS STECKDOSE 3-POLIG PRESA ELETTRICA TRIPOLARE TOMADA DE CORRENTE DE 3 TERMINAIS ENCHUFE DE 3 POLOS LX017447 -UN- 6 1 2 5 ITEM NR.PECA DESCRICAO QTDE NR. SERIE J NOTAS 1 57M7390 TERMINAL CONECTOR ELETRICO 1 X 2 L157467 TIRA 1 X 3 AL201803 TAMPA 1 X 4 37M7095 PARAFUSO 4 X 5 AL114896 CHICOTE 1 X 6 AL116176 CHICOTE 1 X 40-16 TRATOR 6125J (EDICAO SUL-AMERICANA) PC8539P (01-JUL-10) PN=160
  • 163.
  • 164.
    40-18 SISTEMA ELETRICO REVERSE LIGHT FEUDE MARCHE ARRIERE RUECKFAHRSCHEINWERFER LUCE DI RETROMARCIA LUZ DO RE LUCES DE MARCHA ATRAS PUBM1344 -UN- ESTA RELACAO CONTINUA 40-18 TRATOR 6125J (EDICAO SUL-AMERICANA) PC8539P (01-JUL-10) PN=162
  • 165.
    40-19 SISTEMA ELETRICO 6 1 2 5 ITEM NR.PECADESCRICAO QTDE NR. SERIE J NOTAS 1 DQ65274 LUZ TRASEIRA 1 X 2 19M7163 PARAFUSO SEXT. 1 X M8 X 25 3 12M7065 ARRUELA DE PRESSAO 1 X 8 MM 4 14M7029 PORCA 1 X M8 5 AL158140 CHICOTE 1 X 6 AL110566 INTERRUPTOR 1 X 7 L111041 TRADUCAO NAO DISPONIVEL 1 X 8 14M7273 PORCA 1 X M8 9 AL114955 CHICOTE 1 X 10 CQ42092 SUPORTE 1 X 11 DQ67022 SUPORTE 1 X POWRQUAD AL116265 SUPORTE 1 X SYNCROPLUS 12 24M7117 ARRUELA 2 X 4.300 X 9 X 0.800 MM 13 21M7369 PARAFUSO 2 X M4 X 25 14 19M8675 PARAFUSO 1 X M8 X 16 15 R44302 CINTA 3 X 16 AL150015 RELE 1 X 17 12M7067 ARRUELA DE PRESSAO 1 X 12 MM 18 14M7273 PORCA 1 X M8 19 19M7162 PARAFUSO SEXT. 4 X M8 X 16 20 24M7055 ARRUELA 6 X 8.400 X 16 X 1.600 MM 21 CQ62315 PASSADOR 1 X 22 DQ39769 ALARME DE MARCHA 1 X 23 DQ72369 CHICOTE 2 X (A) 24 14M7100 PORCA 2 X M4 (A) WITHOUT CAB SANS CABINE OHNE KABINE SENZA CABINA SEM CABINE SIN CABINA TRATOR 6125J (EDICAO SUL-AMERICANA) PC8539P (01-JUL-10) 40-19 PN=163
  • 166.
    40-20 SISTEMA ELETRICO ENGINE WIRINGHARNESS FAISCEAU MOTEUR MOTORKABELBAUM CAVO ELETTRICO MOTORE CHICOTE DO MOTOR GRUPO DE CABLES MOTOR CQ155750 -UN- ESTA RELACAO CONTINUA 40-20 TRATOR 6125J (EDICAO SUL-AMERICANA) PC8539P (01-JUL-10) PN=164
  • 167.
    40-21 SISTEMA ELETRICO 6 1 2 5 ITEM NR.PECADESCRICAO QTDE NR. SERIE J NOTAS 1 AL164070 CHICOTE 1 X (A) 2 AL164281 CHICOTE 1 X (B) 3 L154171 PRESILHA 1 X 4 14M7298 PORCA COM FLANGE 1 X M8 (A) WITH CAB (B) WITHOUT CAB AVEC CABINE SANS CABINE MIT KABINE OHNE KABINE CON CABINA SENZA CABINA COM CABINE SEM CABINE CON CABINA SIN CABINA TRATOR 6125J (EDICAO SUL-AMERICANA) PC8539P (01-JUL-10) 40-21 PN=165
  • 168.
    40-22 SISTEMA ELETRICO WIRING HARNESS,ENGINE STARTING AID FAISCEAU - AIDE AU DEMARRAGE KABELBAUM, MOTORSTARTHILFE CAVO ELETTRICO AUSILIO ELETTRICO DI AVVIAMENTO CHICOTE E RELE DE PARTIDA GRUPO DE CABLES/ AUXILIAR DE ARRANQUE CQ156927 -UN- ESTA RELACAO CONTINUA 40-22 TRATOR 6125J (EDICAO SUL-AMERICANA) PC8539P (01-JUL-10) PN=166
  • 169.
    40-23 SISTEMA ELETRICO 6 1 2 5 ITEM NR.PECADESCRICAO QTDE NR. SERIE J NOTAS 1 AL164627 CHICOTE 1 X 2 RE164448 RELE DE PARTIDA 1 X 3 24M7054 ARRUELA AR X 4 19M7560 PARAFUSO SEXT. AR X M6 X 16 5 12M7122 ARRUELA DE PRESSAO 2 X 8.400 MM 6 14H785 PORCA 2 X 5/16" 7 12H295 ARRUELA DE PRESSAO 2 X 0.190" 8 14H631 PORCA 2 X 0.190" 9 L110306 PROTECAO 1 X 10 L80303 ARRUELA 1 X 11 19M7077 PARAFUSO SEXT. AR X M6 X 20 12 14M7165 PORCA DE SEGURANCA AR X M6 13 CQ28556 BRACADEIRA 1 X TRATOR 6125J (EDICAO SUL-AMERICANA) PC8539P (01-JUL-10) 40-23 PN=167
  • 170.
    40-24 SISTEMA ELETRICO WIRING HARNESS,HEADLIGHTS AND WORKLIGHTS (FRONT GRILLE) FAISCEAU, PHARES PRINCIPAUX ET PHARES DE TRAVAIL (CALANDRE) KABELBAUM, FRONTSCHEINWERFER UND GERAETESCHEINWERFER (FRONTGRILL) CAVO ELETTRICO FARI ANTERIORI E FARI DI LAVORO (GRIGLIA ANTERIORE) CHICOTE, LUZES DIANTEIRAS E LUZES DE TRABALHO (GRADE FRONTAL) GRUPO DE CABLES, FAROS DELANTEROS Y FAROS DE TRABAJO (PANEL FRONTAL) CQ155751 -UN- ESTA RELACAO CONTINUA 40-24 TRATOR 6125J (EDICAO SUL-AMERICANA) PC8539P (01-JUL-10) PN=168
  • 171.
    40-25 SISTEMA ELETRICO 6 1 2 5 ITEM NR.PECADESCRICAO QTDE NR. SERIE J NOTAS 1 AL157627 CHICOTE 1 X 2 R44302 CINTA 2 X 3 L154171 PRESILHA 1 X 4 L155448 PARAFUSO 1 X TRATOR 6125J (EDICAO SUL-AMERICANA) PC8539P (01-JUL-10) 40-25 PN=169
  • 172.
    40-26 SISTEMA ELETRICO WIRING HARNESSFIXTURE SUPPORT POUR FAISCEAUX TRANSMISSION HALTERUNG FUER GETRIEBEKABELBAEUME RITEGNO CAVO ELETTRICO SUPORTE PARA CABOS/CHICOTES DA TRANSMISSAO SOPORTE PARA GRUPOS DE CABLES DE LA TRANSMISION LX028721 -UN- 6 1 2 5 ITEM NR.PECA DESCRICAO QTDE NR. SERIE J NOTAS 1 19M7386 PARAFUSO SEXT. 1 X M12 X 20 2 24M7044 ARRUELA 1 X 13 X 20 X 2 MM 3 L153768 PRESILHA 3 X 4 L154773 SUPORTE 1 X 40-26 TRATOR 6125J (EDICAO SUL-AMERICANA) PC8539P (01-JUL-10) PN=170
  • 173.
  • 174.
    40-28 SISTEMA ELETRICO TRANSMISSION HARNESS(CAB) FAISCEAU TRANSMISSION (AVANT) GETRIEBEKABELBAUM (FORN) CAVO ELETTRICO TRASMISSIONE (ANTERIORE) CHICOTE DA TRANSMISSAO (CABINE) GRUPO DE CABLES TRANSMISION (CABINA) PUBM1341 -UN- ESTA RELACAO CONTINUA 40-28 TRATOR 6125J (EDICAO SUL-AMERICANA) PC8539P (01-JUL-10) PN=172
  • 175.
    40-29 SISTEMA ELETRICO 6 1 2 5 ITEM NR.PECADESCRICAO QTDE NR. SERIE J NOTAS 1 AL180297 CHICOTE 1 X 2 L41858 CINTA 2 X 3 R44302 CINTA 6 X 4 L115277 PRESILHA 3 X 5 R232182 PRESILHA 1 X TRATOR 6125J (EDICAO SUL-AMERICANA) PC8539P (01-JUL-10) 40-29 PN=173
  • 176.
    40-30 SISTEMA ELETRICO TRANSMISSION HARNESS,FRONT (OPEN OPERATOR’S STATION) FAISCEAU TRANSMISSION AVANT (TRACTEURS SANS CABINE) GETRIEBEKABELBAUM VORN (OFFENE FAHRERPLATTFORM) CAVO ANTERIORE TRASMISSIONE (STAZIONE OPERATORE APERTA) CHICOTE DA TRANSMISSAO (SEM CABINE) GRUPO DE CABLES DELANTERO DE LA TRANSMISION (CON PLATAFORMA DE CONDUCCION ABIERTA) LX029538 -UN- 6 1 2 5 ITEM NR.PECA DESCRICAO QTDE NR. SERIE J NOTAS 1 AL180296 CHICOTE 1 X 2 L110765 BRACADEIRA 1 X 3 T13744 BRACADEIRA 1 X 4 24M7044 ARRUELA 1 X 5 19M7386 PARAFUSO SEXT. 1 X M12 X 20 6 R44302 CINTA 3 X 40-30 TRATOR 6125J (EDICAO SUL-AMERICANA) PC8539P (01-JUL-10) PN=174
  • 177.
  • 178.
    40-32 SISTEMA ELETRICO CAB WIRINGHARNESS FAISCEAU CABINE KABELBAUM KABINE CAVO ELETTRICO CABINA CHICOTE DA CABINE GRUPO DE CABLES DE LA CABINA PUBM1342 -UN- ESTA RELACAO CONTINUA 40-32 TRATOR 6125J (EDICAO SUL-AMERICANA) PC8539P (01-JUL-10) PN=176
  • 179.
    40-33 SISTEMA ELETRICO 6 1 2 5 ITEM NR.PECADESCRICAO QTDE NR. SERIE J NOTAS 1 AL178887 CHICOTE 1 X 2 L154332 BRACADEIRA 2 X 3 AL161566 CHICOTE 1 X 4 14M7416 PORCA COM FLANGE 1 X M8 5 R50454 BRACADEIRA 1 X 6 19M7163 PARAFUSO SEXT. 1 X M8 X 25 7 L152151 CONDUTO 4 X 8 L113094 BRACADEIRA 2 X 9 L78028 PASSADOR 2 X 10 24M7055 ARRUELA 2 X 8.400 X 16 X 1.600 MM 11 14M7273 PORCA 2 X M8 12 L32394 TAMPA 2 X 13 L102007 PASSADOR 2 X 14 AL82121 CONJ MONT CONECTOR ELETRICO 1 X TRATOR 6125J (EDICAO SUL-AMERICANA) PC8539P (01-JUL-10) 40-33 PN=177
  • 180.
    40-34 SISTEMA ELETRICO SPEAKER HARNESS FAISCEAU,PAVILLON KABELBAUM, KABINENDACH VACO, TETTO CABINA CHICOTE DO AUTO-FALANTE CABLE DE MACE CQ156961 -UN- 6 1 2 5 ITEM NR.PECA DESCRICAO QTDE NR. SERIE J NOTAS 1 AL159801 CHICOTE 1 X 40-34 TRATOR 6125J (EDICAO SUL-AMERICANA) PC8539P (01-JUL-10) PN=178
  • 181.
    40-35 SISTEMA ELETRICO POWER WIRINGHARNESS FAISCEAU D’ ALIMENTATION KABELBAUM, STROMVERSORGUNG CAVO ELETTRICO DI POTENZA CHICOTE DE ALIMENTACAO GRUPO DE CABLES, ALIMENTACION CQ156185 -UN- 6 1 2 NR. SERIE 5 ITEM NR.PECA DESCRICAO QTDE TRATOR J NOTAS 1 AL157626 CHICOTE 1 X (B) AL158294 RETIFICADOR 1 X (A) 2 57M8181 PORTA-FUSIVEL 2 X 3 57M8190 FUSIVEL 1 X 80A 57M7989 FUSIVEL 1 X 60A 4 57M8189 PORTA-FUSIVEL 1 X COM FUSIVEL 80 AMP 57M9698 FUSIVEL 1 X COM FUSIVEL 60 AMP 5 57M8182 PORTA-FUSIVEL 2 X 6 57M8093 PORTA-FUSIVEL 1 X 7 21M7250 PARAFUSO 2 X M4 X 12 8 24M7146 ARRUELA 2 X 4.300 X 12 X 1 MM 9 14M7139 PORCA 2 X M4 (A) WITH CAB (B) WITHOUT CAB AVEC CABINE SANS CABINE MIT KABINE OHNE KABINE CON CABINA SENZA CABINA COM CABINE SEM CABINE CON CABINA SIN CABINA TRATOR 6125J (EDICAO SUL-AMERICANA) PC8539P (01-JUL-10) 40-35 PN=179
  • 182.
    40-36 SISTEMA ELETRICO WARNING LIGHTSAT FRONT OF CAB ROOF FEUX DE DETRESSE A L’AVANT DU PAVILLON WARNLEUCHTEN-KABINENDACH VORN LUCI DI AVVERTIMENTO LATO ANTERIORE TETTO CABINA PISCAS DIRECIONAIS E LUZES DE POSICAO LUCES INTERMITENTES DE EMERGENCIA DEL FRENTE DEL TECHO DE LA CABINA CQ155744 -UN- 6 1 2 5 ITEM NR.PECA DESCRICAO QTDE NR. SERIE J NOTAS 1 RE217551 FAROL 2 X 2 L60585 ARRUELA AR X 3 RE49778 LAMPADA 1 X 4 CQ25923 PASSADOR 2 X 5 19M8482 PARAFUSO 4 X M6 X 80 40-36 TRATOR 6125J (EDICAO SUL-AMERICANA) PC8539P (01-JUL-10) PN=180
  • 183.
    40-37 SISTEMA ELETRICO CHANNEL, WIRINGHARNESS PASSAGE DU FAISCEAU DE CABLES KABELBAUMKANAL CAVO ELETTRICO, CANALE CANAL PARA CHICOTE ELETRICO CANAL DEL GRUPO DE CABLES PUBM1469 -UN- 6 1 2 5 ITEM NR.PECA DESCRICAO QTDE NR. SERIE J NOTAS 1 L175842 PERFIL "U" 1 X 2 L175841 PERFIL "U" 1 X 3 L114062 PASSADOR 1 X 4 L40924 PORCA 3 X 5 14M7297 PORCA 1 X M5 6 12M7077 ARRUELA 1 X 7 L170967 PERFIL "U" 1 X 8 R44302 CINTA 2 X 9 19M7317 PARAFUSO 1 X M5 X 30 10 L166759 BRACADEIRA 1 X TRATOR 6125J (EDICAO SUL-AMERICANA) PC8539P (01-JUL-10) 40-37 PN=181
  • 184.
    40-38 SISTEMA ELETRICO WIRING HARNESSINSTRUMENTS FAISCEAU TABLEAU DE BORD KABELBAUM ARMATUREN CAVO STRUMENTAZIONE CHICOTE DO PAINEL GRUPO DE CABLES DEL SALPICADERO CQ155756 -UN- 6 1 2 5 ITEM NR.PECA DESCRICAO QTDE NR. SERIE J NOTAS 1 AL164954 CHICOTE 1 X 2 R44302 CINTA AR X 40-38 TRATOR 6125J (EDICAO SUL-AMERICANA) PC8539P (01-JUL-10) PN=182
  • 185.
    40-39 SISTEMA ELETRICO WIRING HARNESS,HEATING AND AIRCONDITIONING FAISCEAU, CHAUFFAGE ET CLIMATISATION KABELBAUM, HEIZUNG UND KLIMAANLAGE CAVO RISCALDATORE E CONDIZIONAMENTO ARIA CHICOTE ELETRICO, AQUECIMENTO E AR CONDICIONADO GRUPO DE CABLES, CALEFACCION Y AIRE ACONDICIONADO PUBM1438 -UN- 6 1 2 5 ITEM NR.PECA DESCRICAO QTDE NR. SERIE J NOTAS 1 L111184 PRESILHA 3 X 2 R44302 CINTA AR X 3 L38642 PASSADOR 1 X 4 AL160369 CHICOTE 1 X 5 L111127 PRESILHA 1 X 6 R27180 PASSADOR 1 X TRATOR 6125J (EDICAO SUL-AMERICANA) PC8539P (01-JUL-10) 40-39 PN=183
  • 186.
    40-40 SISTEMA ELETRICO WIRING HARNESS,CAB ROOF FAISCEAU, PAVILLON KABELBAUM, KABINENDACH VACO, TETTO CABINA CHICOTE DA TETO GRUPO DE CABLES, TECHO CABINA CQ157348 -UN- ESTA RELACAO CONTINUA 40-40 TRATOR 6125J (EDICAO SUL-AMERICANA) PC8539P (01-JUL-10) PN=184
  • 187.
    40-41 SISTEMA ELETRICO 6 1 2 5 ITEM NR.PECADESCRICAO QTDE NR. SERIE J NOTAS 1 AL162768 CHICOTE 1 X 2 24M7139 ARRUELA 1 X 3 19M7560 PARAFUSO SEXT. 1 X M6 X 16 4 L151529 PORTA-CABOS AR X 5 37M7181 PARAFUSO 2 X TRATOR 6125J (EDICAO SUL-AMERICANA) PC8539P (01-JUL-10) 40-41 PN=185
  • 188.
    40-42 SISTEMA ELETRICO BASIC CONTROLUNIT (BCU) CENTRALE ELECTRIQUE (BCU) ZENTRAL-STEUERINHEIT (BCU) UNITA’ DI COMANDO BASE (BCU) UNIDADE BASICA DE CONTROLE (BCU) UNIDAD DE CONTROL BASICO (BCU) CQ155757 -UN- 6 1 2 5 ITEM NR.PECA DESCRICAO QTDE NR. SERIE J NOTAS 1 AL205515 UNIDADE BASICA DE CONTROLE 1 X 2 19M8875 PARAFUSO 2 X M6 X 25 40-42 TRATOR 6125J (EDICAO SUL-AMERICANA) PC8539P (01-JUL-10) PN=186
  • 189.
    40-43 SISTEMA ELETRICO FUSES, DIODES,RELAYS FUSIBLES, DIODES, RELAIS SICHERUNGEN, DIODEN, RELAIS FUSIBILI, DIODI, RELE’ FUSIVEIS, DIODOS, RELES FUSIBLES, DIODOS, RELES CQ155758 -UN- 6 1 2 NR. SERIE 5 ITEM NR.PECA DESCRICAO QTDE TRATOR J NOTAS 1 AL76702 RELE 1 X 2 AL152098 PORTA-DIODOS 1 X 3 37M7293 PARAFUSO 1 X 4 AL77324 RELE 3 X 5 57M7121 FUSIVEL AR X 10A 99M7065 FUSIVEL AR X 15A 57M7120 FUSIVEL AR X 20A 57M7146 FUSIVEL AR X 30A 6 AL117951 CAIXA DE FUSIVEIS 1 X 7 L63386 CAPA 1 X 8 24M7146 ARRUELA 1 X TRATOR 6125J (EDICAO SUL-AMERICANA) PC8539P (01-JUL-10) 40-43 PN=187
  • 190.
    40-44 SISTEMA ELETRICO FUSES, DIODES,RELAYS FUSIBLES, DIODES, RELAIS SICHERUNGEN, DIODEN, RELAIS FUSIBILI, DIODI, RELE’ FUSIVEIS, RELES, DIODOS FUSIBLES, DIODOS, RELES CQ155759 -UN- 6 1 2 5 ITEM NR.PECA DESCRICAO QTDE NR. SERIE J NOTAS 1 57M7121 FUSIVEL AR X 10A 99M7065 FUSIVEL AR X 15A 57M7120 FUSIVEL AR X 20A 57M7146 FUSIVEL AR X 30A 2 AL77324 RELE AR X 3 AL81718 RELE 1 X 4 AL152098 PORTA-DIODOS 1 X 5 AL76702 RELE AR X 40-44 TRATOR 6125J (EDICAO SUL-AMERICANA) PC8539P (01-JUL-10) PN=188
  • 191.
  • 192.
    40-46 SISTEMA ELETRICO FUSE BOX/ SYMBOLS PLATINE DE FUSIBLES / SYMBOLES SICHERUNGSKASTEN / SYMBOLAUFKLEBER SCATOLA FUSIBILI / SIMBOLI CAIXA DE FUSIVEIS / ADESIVOS CAJA DE FUSIBLES / SIMBOLOS CQ156977 -UN- ESTA RELACAO CONTINUA 40-46 TRATOR 6125J (EDICAO SUL-AMERICANA) PC8539P (01-JUL-10) PN=190
  • 193.
    40-47 SISTEMA ELETRICO 6 1 2 5 ITEM NR.PECADESCRICAO QTDE NR. SERIE J NOTAS 1 AL181849 CAPA 1 X 2 L114030 VEDACAO 1 X LGTH=1000MM (39-3/8") 3 L102363 PARAFUSO 4 X 4 L102203 CAIXA DE FUSIVEIS 1 X 5 37M7179 PARAFUSO 12 X 6 24M7117 ARRUELA 12 X 7 L102204 CAPA 1 X 8 L101241 PLUGUE 2 X 9 L114522 CAIXA DE FUSIVEIS 1 X 10 57M7204 TERMINAL CONECTOR ELETRICO AR X -1,0MM2/6,3MM 57M7205 TERMINAL CONECTOR ELETRICO AR X -2,5MM2/6,3MM 57M7206 TERMINAL CONECTOR ELETRICO AR X -4,0MM2/6,3MM 11 57M7229 TERMINAL CONECTOR ELETRICO AR X -1,0MM2/2,8MM 12 L114524 INSERTO 2 X 13 24M7146 ARRUELA 4 X 14 37M7293 PARAFUSO 4 X 15 L168245 ETIQUETA 1 X TRATOR 6125J (EDICAO SUL-AMERICANA) PC8539P (01-JUL-10) 40-47 PN=191
  • 194.
    40-48 SISTEMA ELETRICO FUSE BOX/ SYMBOLS PLATINE DE FUSIBLES / SYMBOLES SICHERUNGSKASTEN / SYMBOLAUFKLEBER SCATOLA FUSIBILI / SIMBOLI CAIXA DE FUSIVEIS / ADESIVOS CAJA DE FUSIBLES / SIMBOLOS PUBM1340 -UN- ESTA RELACAO CONTINUA 40-48 TRATOR 6125J (EDICAO SUL-AMERICANA) PC8539P (01-JUL-10) PN=192
  • 195.
    40-49 SISTEMA ELETRICO 6 1 2 5 ITEM NR.PECADESCRICAO QTDE NR. SERIE J NOTAS 1 AL161113 CAPA 1 X 2 L154173 CAPA 1 X 3 L79880 GUIA 2 X 4 L102363 PARAFUSO 4 X 5 L174379 INSERTO 1 X 6 L174378 INSERTO 1 X 7 57M7528 ALOJAM. CONECTOR ELETRICO AR X 8 L111376 SUPORTE 1 X 9 19M8263 PARAFUSO 8 X M6 X 30 10 24M7244 ARRUELA 8 X 11 57M7229 TERMINAL CONECTOR ELETRICO AR X -1,0MM2/2,8MM 12 57M7204 TERMINAL CONECTOR ELETRICO AR X -1,0MM2/6,3MM 57M7205 TERMINAL CONECTOR ELETRICO AR X -2,5MM2/6,3MM 13 57M7108 TERMINAL CONECTOR ELETRICO 1 X 14 L79354 ALICATE 1 X TRATOR 6125J (EDICAO SUL-AMERICANA) PC8539P (01-JUL-10) 40-49 PN=193
  • 196.
    40-50 SISTEMA ELETRICO TRAILEN HARNESS CONNECTEURET COSSE DE CABLE STECKVERBINDER UND KABELSCHUHE CONNETTORE CON SPINETTE PER INSERIMENTO FILO CHICOTE DO REBOQUE CABLEADO DEL REMOLQUE CQ156962 -UN- 6 1 2 5 ITEM NR.PECA DESCRICAO QTDE NR. SERIE J NOTAS 1 AL162776 CHICOTE 1 X -1,5MM2 /1,5MM 2 AL150924 APOIO 1 X 3 L151611 CAPA 1 X 4 37M7193 PARAFUSO 3 X 5 19M7268 PARAFUSO SEXT. 2 X M12 X 25 40-50 TRATOR 6125J (EDICAO SUL-AMERICANA) PC8539P (01-JUL-10) PN=194
  • 197.
    40-51 SISTEMA ELETRICO WIRING HARNESSTRANSMISSION FAISCEAU TRANSMISSION GETRIEBEKABELBAUM CAVO TRASMISSIONE CHICOTE DA TRANSMISSAO GRUPO DE CABLES DE LA TRANSMISION PUBM1354 -UN- 6 1 2 5 ITEM NR.PECA DESCRICAO QTDE NR. SERIE J NOTAS 1 AL204911 CHICOTE 1 X 2 L101761 BRACADEIRA 1 X 3 AH89557 PRESILHA 1 X 4 19M7008 PARAFUSO SEXT. 1 X 5 R44302 CINTA 1 X 6 L167244 PRESILHA 1 X TRATOR 6125J (EDICAO SUL-AMERICANA) PC8539P (01-JUL-10) 40-51 PN=195
  • 198.
    40-52 SISTEMA ELETRICO TRANSMISSION WIRINGHARNESS FAISCEAU TRANSMISSION GETRIEBEKABELBAUM CAVO TRASMISSIONE CHICOTE DA TRANSMISSAO GRUPO DE CABLES DE LA TRANSMISION PUBM1353 -UN- 6 1 2 5 ITEM NR.PECA DESCRICAO QTDE NR. SERIE J NOTAS 1 AL178891 CHICOTE 1 X 2 L167244 PRESILHA 1 X 3 R232182 PRESILHA 1 X 4 AH89557 PRESILHA 1 X 5 19M7162 PARAFUSO SEXT. 2 X M8 X 16 40-52 TRATOR 6125J (EDICAO SUL-AMERICANA) PC8539P (01-JUL-10) PN=196
  • 199.
    40-53 SISTEMA ELETRICO WIRING HARNESSTRANSMISSION FAISCEAU TRANSMISSION GETRIEBEKABELBAUM CAVO TRASMISSIONE CHICOTE DA TRANSMISSAO GRUPO DE CABLES DE LA TRANSMISION PUBM1352 -UN- 6 1 2 5 ITEM NR.PECA DESCRICAO QTDE NR. SERIE J NOTAS 1 AL204913 CHICOTE 1 X 2 L101761 BRACADEIRA 1 X 3 AH89557 PRESILHA 1 X 4 19M7008 PARAFUSO SEXT. 1 X 5 L110765 BRACADEIRA 1 X 6 R44302 CINTA 1 X 7 L167244 PRESILHA 1 X TRATOR 6125J (EDICAO SUL-AMERICANA) PC8539P (01-JUL-10) 40-53 PN=197
  • 200.
    40-54 SISTEMA ELETRICO REAR TRANSMISSIONWIRING HARNESS FAISCEAU TRANSMISSION GETRIEBEKABELBAUM CAVO TRASMISSIONE CHICOTE DA TRANSMISSAO GRUPO DE CABLES DE LA TRANSMISION PUBM1351 -UN- 6 1 2 5 ITEM NR.PECA DESCRICAO QTDE NR. SERIE J NOTAS 1 AL178813 CHICOTE 1 X 2 L167244 PRESILHA 1 X 3 T13744 BRACADEIRA 1 X 4 AH89557 PRESILHA 1 X 5 19M7162 PARAFUSO SEXT. 2 X M8 X 16 40-54 TRATOR 6125J (EDICAO SUL-AMERICANA) PC8539P (01-JUL-10) PN=198
  • 201.
    40-55 SISTEMA ELETRICO GREENSTAR -RECEIVER WIRING HARNESS GREENSTAR - FAISCEAU RECEPTEUR GREENSTAR - EMPFAENGERKABELBAUM GREENSTAR - CAVO ELETTRICO RICEVITORE GREENSTAR - CHICOTE DO RECEPTOR GREENSTAR - GRUPO DE CABLES DEL RECEPTOR PUBM1387 -UN- 6 1 2 5 ITEM NR.PECA DESCRICAO QTDE NR. SERIE J NOTAS 1 AL177795 CHICOTE AR X 2 L151529 PORTA-CABOS AR X 3 L112290 VEDACAO AR X 4 L152460 BUCHA AR X 5 24M7054 ARRUELA AR X 6 19M7560 PARAFUSO SEXT. AR X 7 AL177068 APOIO AR X 8 57M7633 CONJ MONT CONECTOR ELETRICO AR X 9 R78069 CONECT ELETR TOMADA CAVIDAD AR X 10 R54477 REBITE AR X 11 57M8439 ACESSORIO CONEXAO ELETRICA AR X 12 AL175708 CHICOTE AR X 13 R44302 CINTA AR X 14 RE207311 UNIDADE DE CONTROLE ELETRON AR X 15 PF80865 CHICOTE 1 X 16 PF80845 CHICOTE 1 X 17 AL203755 CHICOTE 1 X .. L59796 VEDACAO AR X TRATOR 6125J (EDICAO SUL-AMERICANA) PC8539P (01-JUL-10) 40-55 PN=199
  • 202.
    40-56 SISTEMA ELETRICO BULKHEAD WIRINGHARNESS FAISCEAU DE FILS DE CLOISON TRENNWAND-KABELBAUM CAVO PARATIA CHICOTE ELETRICO ARNES DE ALAMBRADO HP18516 -UN- 6 1 2 5 ITEM NR.PECA DESCRICAO QTDE NR. SERIE J NOTAS 1 57M8017 TERMINAL CONECTOR ELETRICO 1 X 57M7619 DISP FECHAMENTO CONEC ELETR 1 X 2 57M8015 CONJ MONT CONECTOR ELETRICO 1 X 57M8016 DISP FECHAMENTO CONEC ELETR 1 X 3 57M8606 ALOJAM. CONECTOR ELETRICO 1 X 4 57M9231 ALOJAM. CONECTOR ELETRICO 1 X 57M8947 ACESSORIO CONEXAO ELETRICA 1 X 5 57M9215 SELO DE CONECTOR ELETRICO 1 X 6 57M7262 ALOJAM. CONECTOR ELETRICO 1 X 7 57M7258 SELO DE CONECTOR ELETRICO 1 X 8 57M8907 DISP FECHAMENTO CONEC ELETR 1 X 9 R104846 TERMINAL CONECTOR ELETRICO 1 X 10 PF80793 CHICOTE DO PAINEL DE INSTRU 1 X 40-56 TRATOR 6125J (EDICAO SUL-AMERICANA) PC8539P (01-JUL-10) PN=200
  • 203.
  • 204.
    40-58 SISTEMA ELETRICO GPS -POSITION RECEIVER (GREENSTAR) RECEPTEUR DE POSITIONNEMENT GPS (GREENSTAR) GPS - POSITIONSEMPFAENGER (GREENSTAR) GPS - RICEVITORE DI POSIZIONE (GREENSTAR) RECEPTOR DE POSICAO - GPS (GREENSTAR) RECEPTOR DE POSICION - GPS (GREENSTAR) PUBM1470 -UN- ESTA RELACAO CONTINUA 40-58 TRATOR 6125J (EDICAO SUL-AMERICANA) PC8539P (01-JUL-10) PN=202
  • 205.
    40-59 SISTEMA ELETRICO 6 1 2 5 ITEM NR.PECADESCRICAO QTDE NR. SERIE J NOTAS 1 PF81170 RECEPTOR DE POSICAO 1 X 2 PF11335 APOIO 1 X 3 PF11600 PARAFUSO 3 X 4 PF80824 APOIO 1 X 5 PF80858 CHICOTE 1 X 6 PF81163 RECEPTOR DE POSICAO 1 X 7 21M7246 PARAFUSO 3 X M6 X 16 8 PF13379 PLUGUE 1 X .. PF90321 CONJS PRONTOS P/ CARREGAMEN 1 X TRATOR 6125J (EDICAO SUL-AMERICANA) PC8539P (01-JUL-10) 40-59 PN=203
  • 206.
    40-60 SISTEMA ELETRICO GREENSTAR DISPLAY CONSOLEGREENSTAR GREENSTAR DISPLAY DISPLAY GREENSTAR DISPLAY DO GREENSTAR PANTALLA GREENSTAR HP19604 -UN- 6 1 2 5 ITEM NR.PECA DESCRICAO QTDE NR. SERIE J NOTAS 1 PF13301 CAPA 1 X 2 PF81259 MODULO DISPLAY GREENSTAR TM 1 X (A) 3 PF13131 SUPTE. LOGICO INALTERAVEL 1 X (B) 4 21M1689 PARAF. BORBOLETA 2 X .. PF90718 JOGO DE FERRAMENTA 1 X (A) GS2 1800 WITHOUT MANUALS; FOR REPLACEMENT ONLY GS2 1800 SANS MANUELS, POUR REMPLACEMENT SEULEMENT GS2 1800 OHNE HANDBUCHER, NUR FUR ERSATZZWECKE GS2 1800 SENZA MANUALI, SOLO PER SOSTITUZ GS2 1800 SEM MANUAIS, APENAS PARA REPOSICAO GS2 1800 SIN MANUALES, SOLAMENTE PARA SUSTITUIRLOS (B) 2 GB USB STORAGE DEVICE DISPOSITIF DE STOCKAGE USB 2 GO 2 GB-USB-SPEICHERGERAT DISPOSITIVO DI MEMORIZZAZIONE USB DA 2 GB DISPOSITIVO DE ARMAZENAMENTO USB DE 2 GB DISPOSITIVO DE ALMACENAMIENTO 2 GBUSB 40-60 TRATOR 6125J (EDICAO SUL-AMERICANA) PC8539P (01-JUL-10) PN=204
  • 207.
  • 208.
    40-62 SISTEMA ELETRICO CONNECTORS 1-4-TERMINAL CONNECTEUR1-4 PLOTS VERBINDUNGSSTECKER 1-4 POLIG CONNETTORE 1-4 TERMINALI CONECTORES 1-4-TERMINAIS ENCHUFE 1-4 POLOS LX023027 -UN- ESTA RELACAO CONTINUA 40-62 TRATOR 6125J (EDICAO SUL-AMERICANA) PC8539P (01-JUL-10) PN=206
  • 209.
    40-63 SISTEMA ELETRICO 6 1 2 5 ITEM NR.PECADESCRICAO QTDE NR. SERIE J NOTAS 1 57M7315 ACESSORIO CONEXAO ELETRICA AR X 2 57M7377 SELO DE CONECTOR ELETRICO AR X (A) 57M7258 SELO DE CONECTOR ELETRICO AR X (B) 57M7493 SELO DE CONECTOR ELETRICO AR X (C) 3 R104846 TERMINAL CONECTOR ELETRICO AR X 0,5-1MM2 /1,5MM 4 57M7266 CONJ MONT CONECTOR ELETRICO AR X 5 57M7267 ALOJAM. CONECTOR ELETRICO AR X 6 57M7252 TERMINAL CONECTOR ELETRICO AR X 0,5-1MM2 /1,5MM 7 57M7289 DISP FECHAMENTO CONEC ELETR AR X 8 57M7254 CONJ MONT CONECTOR ELETRICO AR X (D) 9 57M7256 CONJ MONT CONECTOR ELETRICO AR X (D) 10 57M7328 ALOJAM. CONECTOR ELETRICO AR X (E) 11 57M7365 TERMINAL CONECTOR ELETRICO AR X (E) 12 57M7317 ACESSORIO CONEXAO ELETRICA AR X 13 57M7255 TERMINAL CONECTOR ELETRICO AR X 14 57M7257 ALOJAM. CONECTOR ELETRICO AR X 15 57M7318 ACESSORIO CONEXAO ELETRICA AR X 16 57M7247 ALOJAM. CONECTOR ELETRICO AR X 17 57M7244 TERMINAL CONECTOR ELETRICO AR X 18 57M7259 CONECT ELETR TOMADA CAVIDAD AR X (A) BLUE (B) RED (C) WHITE BLEU ROUGE BLANC BLAU ROT WEISS AZZURRO ROSSO BIANCO AZUL VERMELHO BRANCO AZUL ROJO BLANCO (D) BLACK (E) GRAY NOIR GRIS SCHWARZ GRAU NERO GRIGIO PRETO CINZA NEGRO GRIS TRATOR 6125J (EDICAO SUL-AMERICANA) PC8539P (01-JUL-10) 40-63 PN=207
  • 210.
    40-64 SISTEMA ELETRICO CONNECTORS 6-,8- OR 10-TERMINAL CONNECTEUR 6, 8 OU 10 PLOTS VERBINDUNGSSTECKER 6, 8 ODER 10 POLIG CONNETTORE 6, 8 O 10 TERMINALI CONECTORES 6-, 8- OU 10-TERMINAIS ENCHUFE 6, 8 O 10 POLOS CQ155770 -UN- ESTA RELACAO CONTINUA 40-64 TRATOR 6125J (EDICAO SUL-AMERICANA) PC8539P (01-JUL-10) PN=208
  • 211.
    40-65 SISTEMA ELETRICO 6 1 2 5 ITEM NR.PECADESCRICAO QTDE NR. SERIE J NOTAS 1 57M7291 CONJ MONT CONECTOR ELETRICO AR X 2 57M7258 SELO DE CONECTOR ELETRICO AR X (A) 57M7377 SELO DE CONECTOR ELETRICO AR X (B) 57M7493 SELO DE CONECTOR ELETRICO AR X (C) 3 R104846 TERMINAL CONECTOR ELETRICO AR X 0,5-1MM2 /1,5MM 4 57M7260 ALOJAM. CONECTOR ELETRICO AR X 5 57M7263 ALOJAM. CONECTOR ELETRICO AR X 6 57M7252 TERMINAL CONECTOR ELETRICO AR X 0,5-1MM2 /1,5MM 7 57M7296 ACESSORIO CONEXAO ELETRICA AR X 8 57M7261 ALOJAM. CONECTOR ELETRICO AR X 9 57M7264 ALOJAM. CONECTOR ELETRICO AR X 10 57M7283 DISP FECHAMENTO CONEC ELETR AR X 11 57M7281 DISP FECHAMENTO CONEC ELETR AR X 12 57M7262 ALOJAM. CONECTOR ELETRICO AR X 13 57M7265 ALOJAM. CONECTOR ELETRICO AR X 14 57M7259 CONECT ELETR TOMADA CAVIDAD AR X 15 57M7576 TERMINAL CONECTOR ELETRICO AR X (A) 57M7292 SELO DE CONECTOR ELETRICO AR X (D) 16 57M7583 TERMINAL CONECTOR ELETRICO AR X 57M7584 TERMINAL CONECTOR ELETRICO AR X 17 57M7697 CONJ MONT CONECTOR ELETRICO AR X 18 57M7252 TERMINAL CONECTOR ELETRICO AR X 19 57M7493 SELO DE CONECTOR ELETRICO AR X 20 57M7699 TERMINAL CONECTOR ELETRICO AR X (A) RED (B) BLUE ROUGE BLEU ROT BLAU ROSSO AZZURRO VERMELHO AZUL ROJO AZUL (C) WHITE (D) ORANGE BLANC ORANGE WEISS ORANGE BIANCO ARANCIONE BRANCO LARANJA BLANCO NARANJO TRATOR 6125J (EDICAO SUL-AMERICANA) PC8539P (01-JUL-10) 40-65 PN=209
  • 212.
    40-66 SISTEMA ELETRICO CONNECTOR (1-,2- OR 20-TERMINAL) CONNECTEUR (1, 2 OU 20 PLOTS) VERBINDUNGSSTECKER 1, 2, 20 POLIG CONNETTORE (1, 2 O 20 TERMINALI) CONECTORES (1-, 2- OU 20-TERMINAIS) ENCHUFE (1,2 O 20 POLOS) CQ156598 -UN- 6 1 2 5 ITEM NR.PECA DESCRICAO QTDE NR. SERIE J NOTAS 1 57M7427 TERMINAL CONECTOR ELETRICO AR X 0,5-1MM2 /6,3MM 57M7039 TERMINAL CONECTOR ELETRICO AR X 1-2,5MM2 /6,3MM 57M7189 TERMINAL CONECTOR ELETRICO AR X 4-6MM2 /6,3MM 2 57M7068 ALOJAM. CONECTOR ELETRICO AR X 3 57M7170 ALOJAM. CONECTOR ELETRICO AR X /6,3MM 4 57M7103 TERMINAL CONECTOR ELETRICO AR X 0,5-1,5MM2 /6,3MM 57M7041 TERMINAL CONECTOR ELETRICO AR X 1-2,5MM2 /6,3MM 57M7104 TERMINAL CONECTOR ELETRICO AR X 4-6,0MM2 /6,3MM 5 57M7066 ALOJAM. CONECTOR ELETRICO AR X 6 57M7065 ALOJAM. CONECTOR ELETRICO AR X 7 57M7323 ALOJAM. CONECTOR ELETRICO AR X 8 57M7324 ALOJAM. CONECTOR ELETRICO AR X 9 57M7331 TERMINAL CONECTOR ELETRICO AR X 0,5-1MM2 /1,6MM 10 L36670 TERMINAL CONECTOR ELETRICO AR X 1-2,5MM2 /3,5MM 11 L35423 TERMINAL CONECTOR ELETRICO AR X 2-4MM2/ 3,5MM 12 L35425 TERMINAL CONECTOR ELETRICO AR X 1-2,5MM2 /1,6MM 13 L35424 CONJ MONT CONECTOR ELETRICO AR X 1-2,5MM2 /1,6MM 14 L36681 CONECTOR AR X 2-4MM2 /3,5MM 15 L36685 TERMINAL CONECTOR ELETRICO AR X 1-2,5MM2 /3,5MM 16 57M7161 CONECTOR AR X 0,5-1MM2 /1,6MM 17 57M7089 CONECTOR 1 X 0,5-1,5MM2 /6,3MM 40-66 TRATOR 6125J (EDICAO SUL-AMERICANA) PC8539P (01-JUL-10) PN=210
  • 213.
    40-67 SISTEMA ELETRICO CONNECTORS 2OR 10-TERMINAL CONNECTEUR 2 OU 10 PLOTS VERBINDUNGSSTECKER 2 ODER 10 POLIG CONNETTORE 2 O 10 TERMINALI CONECTORES 2 OU 10-TERMINAIS ENCHUFE 2 O 10 POLOS PUBM0364 -UN- 6 1 2 5 ITEM NR.PECA DESCRICAO QTDE NR. SERIE J NOTAS 1 57M7399 TERMINAL CONECTOR ELETRICO AR X (A) 57M7400 SELO DE CONECTOR ELETRICO AR X (B) 2 57M8170 ACESSORIO CONEXAO ELETRICA AR X 3 57M8169 TERMINAL CONECTOR ELETRICO 1 X 4 57M8200 TERMINAL CONECTOR ELETRICO 1 X 5 57M8071 ALOJAM. CONECTOR ELETRICO 1 X 6 57M8078 TERMINAL CONECTOR ELETRICO AR X 0,5-1MM2 /2,8MM 57M8079 TERMINAL CONECTOR ELETRICO AR X 1,5-2,5MM2,5 /2,8MM 7 57M8081 TERMINAL CONECTOR ELETRICO 1 X 8 57M8202 TERMINAL CONECTOR ELETRICO AR X 9 57M8201 TERMINAL CONECTOR ELETRICO 1 X (A) WHITE (B) BLUE BLANC BLEU WEISS BLAU BIANCO AZZURRO BRANCO AZUL BLANCO AZUL TRATOR 6125J (EDICAO SUL-AMERICANA) PC8539P (01-JUL-10) 40-67 PN=211
  • 214.
    40-68 SISTEMA ELETRICO CONNECTOR (42TERMINAL) CONNECTEUR (42 PLOTS) VERBINDUNGSSTECKER (42 POLIG) CONNETTORE (42 TERMINALI) CONECTOR (42 TERMINAL) ENCHUFE (42 POLOS) CQ155772 -UN- ESTA RELACAO CONTINUA 40-68 TRATOR 6125J (EDICAO SUL-AMERICANA) PC8539P (01-JUL-10) PN=212
  • 215.
    40-69 SISTEMA ELETRICO 6 1 2 5 ITEM NR.PECADESCRICAO QTDE NR. SERIE J NOTAS 1 57M8195 TERMINAL CONECTOR ELETRICO 1 X (A) 57M8196 TERMINAL CONECTOR ELETRICO 1 X (B) 57M8197 TERMINAL CONECTOR ELETRICO 1 X (C) 2 57M8098 TERMINAL CONECTOR ELETRICO 1 X 3 57M8167 TERMINAL CONECTOR ELETRICO 1 X (A) 57M8198 TERMINAL CONECTOR ELETRICO 1 X (B) 57M8199 TERMINAL CONECTOR ELETRICO 1 X (C) 4 57M8099 TERMINAL CONECTOR ELETRICO AR X 0,5-1MM2 /5,8MM 57M8100 TERMINAL CONECTOR ELETRICO AR X 1,5-2,5MM2 /5,8MM 57M8101 TERMINAL CONECTOR ELETRICO AR X 2,5-4MM2 /5,8MM 5 57M8105 TERMINAL CONECTOR ELETRICO AR X (D) 57M8106 TERMINAL CONECTOR ELETRICO AR X (E) 6 57M8077 TERMINAL CONECTOR ELETRICO AR X 0,5-1MM2 /2,8MM 57M7351 TERMINAL CONECTOR ELETRICO AR X 1,5-2,5MM2 /2,8MM 7 57M7400 SELO DE CONECTOR ELETRICO AR X (C) 57M7399 TERMINAL CONECTOR ELETRICO AR X (D) 8 57M8108 TERMINAL CONECTOR ELETRICO AR X 0,5-1MM2 /1,6MM 9 57M7402 VEDACAO CABO CONECT ELETRIC AR X (B) 10 57M8107 TERMINAL CONECTOR ELETRICO AR X 11 57M7401 TERMINAL CONECTOR ELETRICO AR X 12 57M7403 CONECT ELETR TOMADA CAVIDAD AR X 13 57M8096 RETENTOR 1 X 14 57M8097 RETENTOR 1 X 15 57M7398 TERMINAL CONECTOR ELETRICO AR X 0,5-1MM2 /1,6MM 16 57M8078 TERMINAL CONECTOR ELETRICO AR X 0,5-1MM2 /2,8MM 57M8079 TERMINAL CONECTOR ELETRICO AR X 1,5-2,5MM2 /2,8MM 17 57M8102 TERMINAL CONECTOR ELETRICO AR X 0,5-1MM2 /5,8MM 57M8103 TERMINAL CONECTOR ELETRICO AR X 1,5-2,5MM2 /5,8MM 57M8104 TERMINAL CONECTOR ELETRICO AR X 2,5-4MM2 /5,8MM 18 57M7919 TERMINAL CONECTOR ELETRICO AR X 19 57M8164 TERMINAL CONECTOR ELETRICO AR X (A) BLACK (B) GRAY (C) BLUE NOIR GRIS BLEU SCHWARZ GRAU BLAU NERO GRIGIO AZZURRO PRETO CINZA AZUL NEGRO GRIS AZUL (D) WHITE (E) YELLOW BLANC JAUNE WEISS GELB BIANCO GIALLO BRANCO AMARELO BLANCO AMARILLO TRATOR 6125J (EDICAO SUL-AMERICANA) PC8539P (01-JUL-10) 40-69 PN=213
  • 216.
    40-70 SISTEMA ELETRICO CONNECTORS CONNECTEUR ANSCHLUSSSTECKER CONNETTORE CONECTORES ENCHUFE CQ155773 -UN- 6 1 2 5 ITEMNR.PECA DESCRICAO QTDE NR. SERIE J NOTAS 1 57M7346 CONJ MONT CONECTOR ELETRICO AR X 57M7349 ACESSORIO CONEXAO ELETRICA AR X 2 57M7493 SELO DE CONECTOR ELETRICO AR X 3 R104846 TERMINAL CONECTOR ELETRICO AR X 0,5-1MM2 /1,5MM 4 57M7347 TERMINAL CONECTOR ELETRICO AR X (A) 5 57M7829 TERMINAL CONECTOR ELETRICO 2 X 0,8-1MM2 /1,5MM 6 57M7379 CONJ MONT CONECTOR ELETRICO 1 X 7 57M7402 VEDACAO CABO CONECT ELETRIC 2 X 8 57M7393 TERMINAL CONECTOR ELETRICO 2 X 0,5-1MM2 /2,8MM 9 57M7406 CONJ MONT CONECTOR ELETRICO AR X 10 L112121 ACESSORIO CONEXAO ELETRICA AR X (A) GRAY GRIS GRAU GRIGIO CINZA GRIS 40-70 TRATOR 6125J (EDICAO SUL-AMERICANA) PC8539P (01-JUL-10) PN=214
  • 217.
    40-71 SISTEMA ELETRICO CONNECTORS CONNECTEUR ANSCHLUSSSTECKER CONNETTORE CONECTORES ENCHUFE CQ155774 -UN- 6 1 2 5 ITEMNR.PECA DESCRICAO QTDE NR. SERIE J NOTAS 1 57M7364 ALOJAM. CONECTOR ELETRICO 1 X 2 R104846 TERMINAL CONECTOR ELETRICO AR X 3 57M7377 SELO DE CONECTOR ELETRICO AR X 4 57M7318 ACESSORIO CONEXAO ELETRICA 1 X TRATOR 6125J (EDICAO SUL-AMERICANA) PC8539P (01-JUL-10) 40-71 PN=215
  • 218.
    40-72 SISTEMA ELETRICO CONNECTORS CONNECTEUR ANSCHLUSSSTECKER CONNETTORE CONECTORES ENCHUFE CQ301895 -UN- ESTARELACAO CONTINUA 40-72 TRATOR 6125J (EDICAO SUL-AMERICANA) PC8539P (01-JUL-10) PN=216
  • 219.
    40-73 SISTEMA ELETRICO 6 1 2 5 ITEM NR.PECADESCRICAO QTDE NR. SERIE J NOTAS 1 57M7089 CONECTOR AR X 0,5-1,5MM2 /6,3MM 57M7106 CONECTOR AR X 2,5-4MM2 /6,3MM 2 57M7170 ALOJAM. CONECTOR ELETRICO AR X 3 57M7183 ACESSORIO CONEXAO ELETRICA AR X 4 L38622 ALOJAM. CONECTOR ELETRICO AR X 5 L78202 ALOJAM. CONECTOR ELETRICO AR X 6 57M8398 CONJ MONT CONECTOR ELETRICO AR X 7 57M8078 TERMINAL CONECTOR ELETRICO AR X 8 57M8399 DISP FECHAMENTO CONEC ELETR AR X 9 R77480 CONJ MONT CONECTOR ELETRICO AR X 10 U46662 TERMINAL CONECTOR ELETRICO AR X 11 57M9164 ACESSORIO CONEXAO ELETRICA AR X 12 AE44929 CONJ MONT CONECTOR ELETRICO AR X 13 57M7602 TERMINAL CONECTOR ELETRICO AR X TRATOR 6125J (EDICAO SUL-AMERICANA) PC8539P (01-JUL-10) 40-73 PN=217
  • 220.
    40-74 SISTEMA ELETRICO CONNECTOR FORELECTRONIC CONTROL UNITS CONNECTEUR POUR BOITIERS DE COMMANDE ELECTRONIQUE ANSCHLUSSTECKER FEUR ELEKTRONISCHE STEUERGERAETE CONNETTORE PER UNITA’ ELETTRONICHE DI COMANDO CONECTORES PARA A UNIDADE DE CONTROLE BASICA ENCHUFE PARA UNIDADES DE CONTROL ELECTRONICO CQ155776 -UN- ESTA RELACAO CONTINUA 40-74 TRATOR 6125J (EDICAO SUL-AMERICANA) PC8539P (01-JUL-10) PN=218
  • 221.
    40-75 SISTEMA ELETRICO 6 1 2 5 ITEM NR.PECADESCRICAO QTDE NR. SERIE J NOTAS 1 57M8519 ALOJAM. CONECTOR ELETRICO 1 X 2 57M8531 TERMINAL CONECTOR ELETRICO AR X 3 57M8530 TERMINAL CONECTOR ELETRICO AR X 4 57M8528 TAMPA DE CONECTOR ELETRICO 2 X 5 57M8527 ALOJAM. CONECTOR ELETRICO 1 X 6 57M8529 TAMPA DE CONECTOR ELETRICO 1 X 7 57M8520 ALOJAM. CONECTOR ELETRICO 1 X TRATOR 6125J (EDICAO SUL-AMERICANA) PC8539P (01-JUL-10) 40-75 PN=219
  • 222.
    40-76 SISTEMA ELETRICO CONNECTORS ANDWIRE PINS CONNECTEUR ET COSSE DE CABLE STECKVERBINDER UND KABELSCHUHE CONNETTORE CON SPINETTE PER INSERIMENTO FILO CONECTORES E OLHAIS ENCHUFE CON TERMINAL DE CABLE CQ157529 -UN- 6 1 2 5 ITEM NR.PECA DESCRICAO QTDE NR. SERIE J NOTAS 1 57M7118 TERMINAL CONECTOR ELETRICO AR X -1,5MM2 /1,5MM 57M7430 TERMINAL CONECTOR ELETRICO AR X -2,5MM2 /2,5MM 2 57M7054 TERMINAL CONECTOR ELETRICO AR X 1-2,5MM2 /5,3MM 3 57M7052 TERMINAL CONECTOR ELETRICO AR X 0,5-1MM2 /5,3MM 57M7079 TERMINAL CONECTOR ELETRICO AR X 0,5-1MM2 /8,4MM 57M7348 TERMINAL CONECTOR ELETRICO AR X 1-2,5MM2 /8,4MM 4 57M7175 TERMINAL CONECTOR ELETRICO AR X 10-16MM2 /8,4MM 57M7207 CONJ MONT CONECTOR ELETRICO AR X 16-25MM2 /8,4MM 5 57M7847 TERMINAL CONECTOR ELETRICO AR X -10MM2 /6,5MM 57M7848 TERMINAL CONECTOR ELETRICO AR X -10MM2 /8,5MM 6 57M7924 TERMINAL CONECTOR ELETRICO AR X -10MM2 /8,5MM 7 57M8024 TERMINAL CONECTOR ELETRICO AR X 1-2,5MM2 /6,3MM 8 57M7984 TERMINAL CONECTOR ELETRICO AR X /6,3MM 9 57M7210 TERMINAL CONECTOR ELETRICO 1 X /6,3MM 10 57M7044 TERMINAL CONECTOR ELETRICO 1 X 0,5-1MM2 /6,3MM 11 57M8186 TERMINAL CONECTOR ELETRICO 2 X 8-10MM2 /8MM 12 57M8057 TERMINAL CONECTOR ELETRICO 1 X 1-1,5MM2 /4,8MM 13 57M7116 TERMINAL CONECTOR ELETRICO AR X /6.3MM 40-76 TRATOR 6125J (EDICAO SUL-AMERICANA) PC8539P (01-JUL-10) PN=220
  • 223.
    52-A01 TRANSMISSAO SYNCROPLUS SECTIONAL INDEX INDEXDE SECTION GRUPPENINDEX INDICE DELLA SEZIONE INDICE DE GRUPO INDICE DE GRUPOS PUBM1573 -UN- 1- 2 2- 3 3- 4 4- 5 5- 6 6- 7 7- 8 8- 10 9- 12 10- 13 11- 14 12- 16 13- 18 TRATOR 6125J (EDICAO SUL-AMERICANA) PC8539P (01-JUL-10) 52-A01 PN=221
  • 224.
    52-2 TRANSMISSAO SYNCROPLUS FLYWHEEL COVER VOLANT-MOTEUR,PROTECTION SCHWUNGRAD, ABDECKUNG VOLANO, COPERTURA PROTECAO DO VOLANTE PROTECCION DEL VOLANTE CQ157133 -UN- 6 1 2 5 ITEM NR.PECA DESCRICAO QTDE NR. SERIE J NOTAS 1 AL170291 REVESTIMENTO, BLINDAGEM 1 X 2 19M7382 PARAFUSO SEXT. AR X M10 X 40 19M7784 PARAFUSO AR X M10 X 20 52-2 TRATOR 6125J (EDICAO SUL-AMERICANA) PC8539P (01-JUL-10) PN=222
  • 225.
    52-3 TRANSMISSAO SYNCROPLUS U.J. DRIVESHAFT, TORSION DAMPER (SYNCROPLUS) ARBRE DE TRANSMISSION, DAMPER (SYNCROPLUS) GELENKWELLE, TORSIONSDAEMPFER (SYNCROPLUS) ALBERO CARDANICO, AMORTIZZATORE TORSIONALE (SYNCROPLUS) CARDA DO MOTOR / AMORTECEDOR TORCIONAL (SYNCROPLUS) EJE ARTICULADO, AMORTIGUADOR DE TORSION (SYNCROPLUS) PUBM1395 -UN- 6 1 2 5 ITEM NR.PECA DESCRICAO QTDE NR. SERIE J NOTAS 1 L112690 ARRUELA 1 X 2 L112001 BUCHA 2 X 3 AL172525 ROLAMENTO COM CARCACA 1 X 4 AL180457 AMORTECEDOR DE TORCAO 1 X 5 AL173228 EIXO CARDA 1 X 6 19M8292 PARAFUSO 6 X M10 X 50 7 L110092 ARRUELA 1 X 8 19M7938 PARAFUSO SEXT. 1 X M10 X 20 9 L77173 PARAFUSO SEXT. 4 X 10 L80445 PARAFUSO SEXT. 4 X 11 L116041 FLANGE 1 X 12 L116013 PROTETOR 1 X 13 L41858 CINTA 1 X TRATOR 6125J (EDICAO SUL-AMERICANA) PC8539P (01-JUL-10) 52-3 PN=223
  • 226.
    52-4 TRANSMISSAO SYNCROPLUS CLUTCH HOUSING/ TRANSMISSION OIL PUMP CARTER D’EMBRAYAGE / POMPE A HUILE DE TRANSMISSION KUPPLUNGSGEHAEUSE / GETRIEBEOELPUMPE SCATOLA FRIZIONE / POMPA TRASMISSIONE CARCACA DA EMBREAGEM / BOMBA DE LUBRIFICACAO CARCASA DE EMBRAGUE / BOMBA DE ENGRASE DE LA TRANSMISION LX001126 -UN- 6 1 2 NR. SERIE 5 ITEM NR.PECA DESCRICAO QTDE CHASSIS J NOTAS 1 AL166744 BOMBA 1 X 2 RE41945 INSERTO DE ASSENTO VALVULA 1 X 3 R38295 AGULHA DE ROLAMENTO 2 X 4 R108927 ENGRENAGEM 1 X 5 R108925 ENGRENAGEM 1 X 6 L204120 CARCACA 1 X 7 JD8510 ROLAMENTO DE ESFERAS 1 X 8 40M5099 ANEL DE PRESSAO 1 X 9 19M7184 PARAFUSO SEXT. 1 X M8 X 55 10 L167318 EIXO 1 X 11 T27432 ANEL DE PRESSAO 1 X TK 2,74MM 12 RE40370 VEDACAO 1 X 13 R87210 ARRUELA DE ENCOSTO 1 X 14 R33167 ANEL 2 X 15 16M7111 REBITE 2 X 52-4 TRATOR 6125J (EDICAO SUL-AMERICANA) PC8539P (01-JUL-10) PN=224
  • 227.
    52-5 TRANSMISSAO SYNCROPLUS PERMA-CLUTCH II EMBRAYAGEPERMA CLUTCH II PERMA-KUPPLUNG II FRIZIONE PERMA II EMBREAGEM PERMACLUTCH II EMBRAGUE PERMA II CQ155051 -UN- 6 1 2 NR. SERIE 5 ITEM NR.PECA DESCRICAO QTDE CHASSIS J NOTAS 1 RE56031 PISTAO 1 X (INCL KEYS 20, 21, 22) 2 R120840 JUNTA DE VEDACAO 1 X 3 R120839 VEDACAO 1 X 4 L172982 TAMBOR 1 X 5 R95181 CAPA 1 X 6 L100581 CUBO 1 X 7 RE35512 DISCO DO FREIO 3 X 8 R96805 PLATO DA EMBREAGEM 2 X 9 R95182 MOLA 12 X 10 R96806 PLATO DA EMBREAGEM 1 X 11 R104733 PINO FIXADOR 12 X 12 19M7385 PARAFUSO SEXT. 6 X M10 X 70 13 R95171 ANEL DE VEDACAO 1 X 14 R87227 ARRUELA DE ENCOSTO 1 X 15 L79557 BUCHA 1 X 16 T27432 ANEL DE PRESSAO 1 X TK 2,74MM 17 L75911 ARRUELA DE ENCOSTO 2 X 18 JD10479 ROLAMENTO DE AGULHAS 1 X 19 L76033 ANEL DE PRESSAO 1 X 20 400R ESFERA 2 X 21 R79018 MOLA DE COMPRESSAO 2 X 22 R87395 MOLA PRATO 2 X TRATOR 6125J (EDICAO SUL-AMERICANA) PC8539P (01-JUL-10) 52-5 PN=225
  • 228.
    52-6 TRANSMISSAO SYNCROPLUS MOUNTING PARTS,CLUTCH HOUSING CARTER D’EMBRAYAGE - ELEMENTS DE FIXATION BEFESTIGUNGSTEILE, KUPPLUNGSGEHAEUSE VITERIA PER SCATOLA FRIZIONE PECAS DA MONTAGEM, CARCACA DA EMBREAGEM PIEZAS DE SUJECION, CARCASA DEL EMBRAGUE PUBM1548 -UN- 6 1 2 5 ITEM NR.PECA DESCRICAO QTDE NR. SERIE J NOTAS 1 34M5028 PINO ELASTICO 2 X 2 R95899 JUNTA 1 X 3 R95898 PLACA 1 X 4 L101463 APOIO 1 X 5 L115608 PARAFUSO AR X 6 R95900 JUNTA 1 X 7 L115609 PARAFUSO AR X 8 L41079 TAMPAO 1 X 9 L41709 TAMPAO 4 X 10 L41536 ANEL O 4 X 11 L41526 ANEL O 1 X 52-6 TRATOR 6125J (EDICAO SUL-AMERICANA) PC8539P (01-JUL-10) PN=226
  • 229.
    52-7 TRANSMISSAO SYNCROPLUS TRANSMISSION OILFILTER FILTRE A HUILE DE TRANSMISSION GETRIEBEOELFILTER FILTRO OLIO TRASMISSIONE FILTRO DE OLEO DA TRANSMISSAO FILTRO DE ACEITE DE LA TRANSMISION LX001758 -UN- 6 1 2 5 ITEM NR.PECA DESCRICAO QTDE NR. SERIE J NOTAS 1 AL156625 FILTRO DE OLEO 1 X TRATOR 6125J (EDICAO SUL-AMERICANA) PC8539P (01-JUL-10) 52-7 PN=227
  • 230.
    52-8 TRANSMISSAO SYNCROPLUS HYDRAULIC PARTS,CLUTCH HOUSING ELEMENTS HYDRAULIQUES, CARTER D’EMBRAYAGE HYDRAUL.TEILE, KUPPLUNGSGEHAEUSE PARTI COMANDO IDRAULICO SCATOLA FRIZIONE ELEMENTOS HIDRAULICOS, CARCACA DA EMBREAGEM ELEMENTOS HIDRAULICOS, CARCASA DE EMBRAGUE PUBM1396 -UN- ESTA RELACAO CONTINUA 52-8 TRATOR 6125J (EDICAO SUL-AMERICANA) PC8539P (01-JUL-10) PN=228
  • 231.
    52-9 TRANSMISSAO SYNCROPLUS 6 1 2 5 ITEM NR.PECADESCRICAO QTDE NR. SERIE J NOTAS 1 R95066 VALVULA 1 X (A) 2 R110079 MOLA 1 X 3 R116473 DISCO 1 X 4 R110080 MOLA 1 X 5 RE47315 KIT 1 X 6 R107252 PINO ELASTICO 1 X 7 R95660 CARCACA 1 X 8 R95077 MOLA 1 X 9 R95076 VALVULA 1 X 10 L41384 TAMPAO 6 X 11 L41383 ANEL 6 X 12 L173222 VALVULA DE CARRETEL 1 X (B) 13 R109535 MOLA 1 X 14 R95081 VALVULA 2 X 15 R100949 MOLA 1 X 16 R100948 MOLA 1 X 17 R120947 VALVULA 1 X (C) 18 R109535 MOLA 1 X 19 R86638 CALCO 4 X 20 L166446 TAMPAO 1 X 21 51M7045 ANEL O 1 X 22 R119441 BRACO 1 X 23 34M7272 PINO ELASTICO 2 X 24 R105605 MOLA 1 X 25 R100950 VALVULA 1 X (D) 26 R100947 MOLA 1 X 27 L170803 MOLA 1 X 28 L173220 VALVULA DE CARRETEL 1 X (E) 29 AR103873 VEDACAO 1 X 30 R121609 GUIA 1 X 31 R95063 PINO FIXADOR 1 X 32 R58941 PINO FIXADOR 1 X 33 R95073 LIMITADOR 1 X 34 L78975 TAMPAO 1 X 35 R38295 AGULHA DE ROLAMENTO 1 X (A) CLUTCH PEDAL (B) COOLING PILOT PEDALE D’EMBRAYAGE CONTROLE DE LA LUBRIFICATION KUPPLUNGSPEDAL KUEHLOEL-VORSTEUERUNG PEDALE FRIZIONE COMANDO PILOTA RAFFREDDAMENTO VALVULA DE CONTROLE DA EMBREAGEM VALVULA DE CONTROLE DO OLEO REFRIGERANTE PEDAL DE EMBRAGUE CONTROL DE REFRIGERACION (C) PRESSURE - REGULATING (D) ENGAGEMENT OVERRIDE REGULATEUR DE PRESSION SOUPAPE DE SECURITE DRUCKREGULIERUNG SICHERHEITSVENTIL REGOLATORE DI PRESSIONE VALVOLA DI SICUREZZA VALVULA REGULADORA DE PRESSAO VALVULA DE SEGURANCA REGULADORA DE PRESION VALVULA DE ANULACION (E) CLUTCH COOLING REFROIDISSEMENT DE L’EMBRAYAGE KUPPLUNGSKUEHLUNG RAFFREDDAMENTO FRIZIONE VALVULA DO OLEO REFRIGERANTE REFRIGERACION DE EMBRAGUE TRATOR 6125J (EDICAO SUL-AMERICANA) PC8539P (01-JUL-10) 52-9 PN=229
  • 232.
    52-10 TRANSMISSAO SYNCROPLUS ELECTRICAL PARTS,CLUTCH HOUSING CARTER D’EMBRAYAGE - ELEMENTS ELECTRIQUES ELEKTR.TEILE, KUPPLUNGSGEHAEUSE COMPONENTI ELETTRICI SCATOLA FRIZIONE COMPONENTES ELETRICOS, CARCACA DA EMBREAGEM PIEZAS ELECTRICAS, CARCASA DEL EMBRAGUE PUBM1569 -UN- ESTA RELACAO CONTINUA 52-10 TRATOR 6125J (EDICAO SUL-AMERICANA) PC8539P (01-JUL-10) PN=230
  • 233.
    52-11 TRANSMISSAO SYNCROPLUS 6 1 2 5 ITEM NR.PECADESCRICAO QTDE NR. SERIE J NOTAS 1 L41526 ANEL O 2 X 2 AL178071 INTERRUPTOR 1 X (A) 3 51M7040 ANEL O 2 X 4 RE212878 INTERRUP. DE PRESSAO 1 X (B) 5 RE212876 INTERRUP. DE PRESSAO 1 X (C) 6 RE190805 ACOPLAMENTO DE DIAGNOSTICO 1 X 7 AL81358 INTERRUPTOR 1 X (D) 8 AL163081 PLUGUE 1 X 9 R77175 CAPA 1 X (A) OIL TEMPERATURE WARNING LAMP (B) OIL FILTER INDICATOR LAMP (OIL PRESSURE) TEMOIN D’ALERTE TEMPERATURE D’HUILE FILTRE A HUILE - TEMOIN PRESSION D’HUILE OELTEMPERATUR-WARNLAMPE OELFILTER - KONTROLLAMPE FUER OELDRUCK SPIA TEMPERATURA OLIO SPIA PRESSIONE FILTRO OLIO LAMPADA DE TEMPERATURA DO OLEO PRESSAO DO FILTRO DE OLEO (RESTRICAO) LUZ TESTIGO, TEMPERATURA DE ACEITE LUZ TESTIGO PRESION ACEITE, FILTRO ACEITE (C) OIL PRESSURE INDICATOR LAMP (D) OIL FILTER INDICATOR LAMP (OIL TEMPERATURE) TEMOIN D’ALERTE PRESSION D’HUILE FILTRE A HUILE-TEMOIN TEMPERATURE D’HUILE OELDRUCK WARNLAMPE OELFILTER- KONTROLLAMPE FUER OELTEMPERATUR SPIA PRESSIONE OLIO SPIA TEMPERATURA FILTRO OLIO LAMPADA INDICADORA DA PRESSAO DO OLEO OIL FILTER INDICATOR LAMP (OIL TEMPERATURE) LUZ TESTIGO, PRESION DE ACEITE LUZ TESTIGO TEMPERATURA ACEITE, FILTRO ACEITE TRATOR 6125J (EDICAO SUL-AMERICANA) PC8539P (01-JUL-10) 52-11 PN=231
  • 234.
    52-12 TRANSMISSAO SYNCROPLUS MOUNTING PART,CLUTCH HOUSING CARTER D’EMBRAYAGE - ELEMENTS DE FIXATION BEFESTIGUNGSTEILE, KUPPLUNGSGEHAEUSE VITERIA PER SCATOLA FRIZIONE PECAS DE FIXACAO, CARCACA DA EMBREAGEM PIEZAS DE SUJECION, CARCASA DEL EMBRAGUE LX000002 -UN- 6 1 2 5 ITEM NR.PECA DESCRICAO QTDE NR. SERIE J NOTAS 1 L76670 JUNTA 1 X 2 19M8292 PARAFUSO 12 X M10 X 50 3 19M7810 PARAFUSO 2 X M10 X 80 52-12 TRATOR 6125J (EDICAO SUL-AMERICANA) PC8539P (01-JUL-10) PN=232
  • 235.
    52-13 TRANSMISSAO SYNCROPLUS GEAR TRANSMISSIONHOUSING CARTER DE BOITE DE VITESSES GANGSCHALTGETRIEBEGEHAEUSE SCATOLA TRANSMISSIONE CAMBIO MARCIA CAIXA DE CAMBIO DE MARCHAS CAJA DE CAMBIO DE MARCHAS PUBM1397 -UN- 6 1 2 5 ITEM NR.PECA DESCRICAO QTDE NR. SERIE J NOTAS 1 AL162751 CAIXA DE CAMBIO 1 X (MARKED L156259) 2 AL166905 PLUGUE 1 X 3 L110066 PINO DE CENTRAGEM 6 X TRATOR 6125J (EDICAO SUL-AMERICANA) PC8539P (01-JUL-10) 52-13 PN=233
  • 236.
    52-14 TRANSMISSAO SYNCROPLUS GEAR TRANSMISSION BOITEDE VITESSES GANGSCHALTGETRIEBE TRASMISSIONE CAMBIO MARCIA CAMBIO DE MARCHAS CAMBIO DE MARCHAS PUBM0489 -UN- ESTA RELACAO CONTINUA 52-14 TRATOR 6125J (EDICAO SUL-AMERICANA) PC8539P (01-JUL-10) PN=234
  • 237.
    52-15 TRANSMISSAO SYNCROPLUS 6 1 2 NR. SERIE5 ITEM NR.PECA DESCRICAO QTDE TRANSMISSAO J NOTAS 1 L156282 EIXO 1 X 2 AL162756 ENGRENAGEM 1 X 3 JD10330 CONE DE ROLAMENTO 1 X Z 26 4 L41649 BUCHA AR X LGTH 8,00MM L41650 BUCHA AR X LGTH 8,05MM L41651 BUCHA AR X LGTH 8,10MM L41652 BUCHA AR X LGTH 8,15MM L41653 BUCHA AR X LGTH 8,20MM L41654 BUCHA AR X LGTH 8,25MM L41655 BUCHA AR X LGTH 8,30MM L41656 BUCHA AR X LGTH 8,35MM L41657 BUCHA AR X LGTH 8,40MM 5 L156283 ENGRENAGEM 1 X Z 30 6 L114567 CILAMENTO ROLO CILINDRICO 1 X 7 40M7043 ANEL DE PRESSAO 1 X 8 L154516 EIXO SECUNDARIO 1 X 9 L78261 ARRUELA 1 X 10 L111005 JUNTA 1 X 11 L157872 PINO 1 X 12 L79871 ARRUELA 1 X 13 19M7385 PARAFUSO SEXT. 1 X M10 X 70 14 JD10522 ROLAMENTO DE ESFERAS 1 X 15 40M7115 ANEL DE PRESSAO 1 X 16 40M1833 ANEL DE PRESSAO 1 X 17 40M7120 ANEL DE PRESSAO 1 X 18 40M7178 ANEL DE PRESSAO 1 X 19 JD9320 ROLAMENTO DE ESFERAS 1 X 20 19M7662 PARAFUSO SEXT. 14 X M10 X 30 21 L169258 EIXO DE ACIONAMENTO 1 X 22 L169253 ENGRENAGEM 1 X Z 32 23 L155496 ENGRENAGEM 2 X 24 L76923 ANEL DE PRESSAO 2 X TK 2.0MM .. DT5037 SELANTE 1 X LOCTITE 242 TRATOR 6125J (EDICAO SUL-AMERICANA) PC8539P (01-JUL-10) 52-15 PN=235
  • 238.
    52-16 TRANSMISSAO SYNCROPLUS GEAR TRANSMISSION BOITEDE VITESSES GANGSCHALTGETRIEBE TRASMISSIONE CAMBIO MARCIA CAMBIO DE MARCHAS CAMBIO DE MARCHAS PUBM0489 -UN- ESTA RELACAO CONTINUA 52-16 TRATOR 6125J (EDICAO SUL-AMERICANA) PC8539P (01-JUL-10) PN=236
  • 239.
    52-17 TRANSMISSAO SYNCROPLUS 6 1 2 NR. SERIE5 ITEM NR.PECA DESCRICAO QTDE TRANSMISSAO J NOTAS 25 L150336 SINCRONIZADOR 3 X 26 AL157732 SINCRONIZADOR 1 X 27 L75904 ANEL DE PRESSAO AR X TK 2.3MM L75905 ANEL DE PRESSAO AR X TK 2.20MM L75906 ANEL DE PRESSAO AR X TK 2.10MM L76923 ANEL DE PRESSAO AR X 28 L169254 ENGRENAGEM 1 X 29 L76821 ARRUELA DE ENCOSTO AR X TK 3.65MM L75917 ARRUELA DE ENCOSTO AR X TK 3.80MM L76822 ARRUELA DE ENCOSTO AR X TK 3.95MM L153635 ARRUELA DE ENCOSTO AR X TK 4.05MM L113339 ARRUELA DE ENCOSTO AR X TK 4.15MM 30 L170237 ANEL 1 X 31 L155885 ENGRENAGEM 1 X Z 46 32 AL160962 SINCRONIZADOR 1 X 33 L116130 SINCRONIZADOR 1 X 34 L75911 ARRUELA DE ENCOSTO 2 X 35 JD10479 ROLAMENTO DE AGULHAS 1 X 36 L76033 ANEL DE PRESSAO 1 X 37 40M7252 ANEL DE PRESSAO 1 X 38 L79795 ARRUELA AR X TK 1.0MM L79796 ARRUELA AR X TK 1.5MM L79797 ARRUELA AR X TK 2.0MM L79798 ARRUELA AR X TK 2.5MM L157284 ARRUELA AR X TK 1.25MM L157285 ARRUELA AR X TK 1.75MM L157555 ARRUELA AR X TK 2.25MM 39 L157515 ENGRENAGEM 1 X 40 L78122 ARRUELA AR X TK 1.0MM L78123 ARRUELA AR X TK 1.5MM L78124 ARRUELA AR X TK 2.0MM L78125 ARRUELA AR X TK 2.5MM L157286 ARRUELA AR X TK 1.75MM L157287 ARRUELA AR X TK 2.25MM L157556 ARRUELA AR X TK 1.25MM 41 L167749 ARRUELA AR X .. AL150921 EIXO SECUNDARIO 1 X INCL KEYS 1, 2, 6-8, 11-16 .. AL110613 PECAS DE MONTAGEM 1 X LNCL KEYS 10, 20, 37-40 .. AL150919 EIXO DE ACIONAMENTO 1 X INCL KEYS 3, 17-19, 21-36 .. DT5037 SELANTE 1 X LOCTITE 242 TRATOR 6125J (EDICAO SUL-AMERICANA) PC8539P (01-JUL-10) 52-17 PN=237
  • 240.
    52-18 TRANSMISSAO SYNCROPLUS SHIFTING PARTS,GEAR TRANSMISSION BOITE DE VITESSES - ELEMENTS DE COMMANDE SCHALTUNGSTEILE, GANGSCHALTGETRIEBE PARTI AZIONAMENTO CAMBIO MARCIA TRASMISSIONE ELEMENTOS DE COMANDO, CAMBIO DE MARCHAS ELEMENTOS DE MANDO, CAMBIO DE MARCHAS CQ302517 -UN- ESTA RELACAO CONTINUA 52-18 TRATOR 6125J (EDICAO SUL-AMERICANA) PC8539P (01-JUL-10) PN=238
  • 241.
    52-19 TRANSMISSAO SYNCROPLUS 6 1 2 NR. SERIE5 ITEM NR.PECA DESCRICAO QTDE CHASSIS J NOTAS 1 34M3858 PINO ELASTICO 2 X 2 34M7226 PINO ELASTICO 1 X 3 AL166651 ALAVANCA 2 X 4 L76235 JUNTA 1 X 5 44M7111 PINO DE CENTRAGEM 2 X 6 L153307 VEDACAO 2 X 7 AL81331 EIXO 2 X 8 L153161 CAPA 1 X 9 19M7979 PARAFUSO 4 X M8 X 55 10 RE46534 INTERRUPTOR 1 X (A) 11 L100769 ARRUELA AR X TK 1.60MM L100768 ARRUELA AR X TK 1.80MM L79187 ARRUELA AR X TK 2.00MM L79188 ARRUELA AR X TK 2.20MM L100767 ARRUELA AR X TK 2.40MM 12 19M8317 PARAFUSO 2 X M8 X 40 13 L156690 HASTE DO CAMBIO 1 X 14 L156691 HASTE DO CAMBIO 1 X 15 JD10508 ROLAMENTO 4 X 16 L76229 PINO FIXADOR 1 X 17 AL116245 DETENTE 2 X 18 L111054 COMUTADOR 1 X (ORD W/ L113217) 19 L113217 PRESILHA 1 X 20 L33332 PARAF. DE FENDA 4 X 21 L79127 PARAF. DE FENDA 2 X 22 L78867 PINO 1 X 23 L78866 GUIA 1 X 24 L111052 COMUTADOR 1 X (ORD W/ L113217) (A) NEUTRAL START SWITCH INTERRUPTEUR DE SECURITE AU DEMARRAGE ANLASSICHERHEITSSCHALTER INTERRUTTORE AVVIAMENTO IN SICUREZZA INTERRUPTOR DE SEGURANCA DE PARTIDA INTERRUPTOR DE SEGURIDAD DEL ARRANQUE TRATOR 6125J (EDICAO SUL-AMERICANA) PC8539P (01-JUL-10) 52-19 PN=239
  • 242.
  • 243.
    54-A01 TRANSMISSAO POWRQUAD SECTIONAL INDEX INDEXDE SECTION GRUPPENINDEX INDICE DELLA SEZIONE INDICE DE GRUPO INDICE DE GRUPOS PUBM1317 -UN- 1- 2 2- 3 3- 4 4- 6 5- 8 6- 10 7- 12 8- 13 9- 14 10- 16 16- 28 TRATOR 6125J (EDICAO SUL-AMERICANA) PC8539P (01-JUL-10) 54-A01 PN=241
  • 244.
    54-A02 TRANSMISSAO POWRQUAD SECTIONAL INDEX INDEXDE SECTION GRUPPENINDEX INDICE DELLA SEZIONE INDICE DE GRUPO INDICE DE GRUPOS PUBM1572 -UN- 11- 18 12- 20 13- 22 14- 24 15- 26 54-A02 TRATOR 6125J (EDICAO SUL-AMERICANA) PC8539P (01-JUL-10) PN=242
  • 245.
  • 246.
    54-2 TRANSMISSAO POWRQUAD FLYWHEEL COVER VOLANT-MOTEUR,PROTECTION SCHWUNGRAD, ABDECKUNG VOLANO, COPERTURA PROTECAO DO VOLANTE PROTECCION DEL VOLANTE CQ157133 -UN- 6 1 2 5 ITEM NR.PECA DESCRICAO QTDE NR. SERIE J NOTAS 1 AL170291 REVESTIMENTO, BLINDAGEM 1 X 2 19M7382 PARAFUSO SEXT. AR X M10 X 40, M10X40 19M7784 PARAFUSO AR X M10 X 20, M10X20 54-2 TRATOR 6125J (EDICAO SUL-AMERICANA) PC8539P (01-JUL-10) PN=244
  • 247.
    54-3 TRANSMISSAO POWRQUAD U.J. DRIVESHAFT, TORSION DAMPER ARBRE DE TRANSMISSION, DAMPER GELENKWELLE, TORSIONSDAEMPFER ALBERO CARDANICO, AMORTIZZATORE TORSIONALE EIXO CARDAN, AMORTECEDOR DE TORCAO EJE ARTICULADO, AMORTIGUADOR DE TORSION PUBM1395 -UN- 6 1 2 5 ITEM NR.PECA DESCRICAO QTDE NR. SERIE J NOTAS 1 L112690 ARRUELA 1 X 2 L112001 BUCHA 2 X 3 AL172525 ROLAMENTO COM CARCACA 1 X 4 AL180457 AMORTECEDOR DE TORCAO 1 X 5 DQ48301 TAMBOR DE DESCARGA 1 X 6 19M8292 PARAFUSO 6 X M10 X 50 7 L110092 ARRUELA 1 X 8 19M7938 PARAFUSO SEXT. 1 X M10 X 20 9 L77173 PARAFUSO SEXT. 4 X 10 L80445 PARAFUSO SEXT. 4 X 11 L116041 FLANGE 1 X 12 L116013 PROTETOR 1 X 13 L41858 CINTA 1 X TRATOR 6125J (EDICAO SUL-AMERICANA) PC8539P (01-JUL-10) 54-3 PN=245
  • 248.
    54-4 TRANSMISSAO POWRQUAD TRACTION CLUTCH/HOUSING PLANETARY BRAKE EMBRAYAGE MARCHE AVANT / CARTER D’EMBRAYAGE MARCHE ARRIERE FAHRKUPPLUNG/ PLANETENBREMSGEHAEUSE FRIZIONE DI TRAZIONE / SCATOLA FRENO GRUPPO?PLANETARI EMBREAGEM DE TRACAO/ CARCACA FREIO PLANETARIO EMBRAGUE DE TRACCION / CAJA DEL FRENO DE RETROCESO PUBM1506 -UN- ESTA RELACAO CONTINUA 54-4 TRATOR 6125J (EDICAO SUL-AMERICANA) PC8539P (01-JUL-10) PN=246
  • 249.
    54-5 TRANSMISSAO POWRQUAD 6 1 2 5 ITEM NR.PECADESCRICAO QTDE NR. SERIE J NOTAS 1 R255598 TAMBOR 1 X INCL KEY 4 2 R95360 ARRUELA DE ENCOSTO 1 X 3 R153675 PARAFUSO 6 X M6 X 16 4 R104655 BUCHA 1 X 5 RE56037 PISTAO 1 X 6 400R ESFERA 2 X 7 R79018 MOLA DE COMPRESSAO 2 X 8 R87395 MOLA PRATO 2 X 9 RE47305 KIT RETENTOR 1 X 10 R171007 PORTA-PLANETARIOS 1 X 11 RE220990 CUBO 1 X 12 RE35512 DISCO DO FREIO 5 X 13 R96805 PLATO DA EMBREAGEM 4 X 14 R109958 MOLA 12 X 15 R96806 PLATO DA EMBREAGEM 1 X 16 R109960 PINO FIXADOR 12 X 17 19M2875 PARAFUSO SEXT. 6 X M10 X 75 18 R171010 PLANETARIO 6 X 19 R87210 ARRUELA DE ENCOSTO 1 X 20 RE34603 PINO ELASTICO 6 X 21 R125173 ARRUELA 12 X 22 RE62918 ROLAMENTO DE AGULHAS 12 X 23 R107206 ANEL DE PRESSAO 1 X 24 RE220029 EIXO 1 X INCL.KEY23 25 AL170691 CARCACA 1 X MARKED R251670 (INCL. KEYS 26, 27, 28, 31, 35, 39, 40, 41, 42, 43) 26 L111964 PINO DE CENTRAGEM 2 X 27 RE46684 TAMPAO 1 X 28 51M7041 ANEL O 1 X 29 R33167 ANEL 2 X 30 R247895 PARAFUSO ALLEN 6 X 31 RE261756 ASSENTO DE VALVULA 2 X 32 RE251672 CARCACA 1 X MARKED R251670 (INCL. KEYS 27, 28, 35) 33 R113671 ANEL DE PRESSAO 1 X 34 L156294 CONEXAO DE MANGUEIRA 1 X 35 R121580 TAMPAO 2 X 36 R158505 JUNTA 1 X 37 RE47271 KIT 6 X 38 R255603 CALCO AR X TK= 0,4MM (0.016") R255604 CALCO AR X TK= 0,8MM (0.031") 39 R251675 LUVA 1 X 40 R251678 LUVA 1 X 41 R38295 AGULHA DE ROLAMENTO 4 X 42 19M7862 PARAFUSO 2 X M6 X 20 TRATOR 6125J (EDICAO SUL-AMERICANA) PC8539P (01-JUL-10) 54-5 PN=247
  • 250.
    54-6 TRANSMISSAO POWRQUAD REVERSE BRAKEHOUSING EMBRAYAGE MARCHE ARRIERE UMKEHRKUPPLUNG SCATOLA FRENO INVERSIONE INVERSOR HIDRAULICO INVERSOR HIDRAULICO PUBM1571 -UN- ESTA RELACAO CONTINUA 54-6 TRATOR 6125J (EDICAO SUL-AMERICANA) PC8539P (01-JUL-10) PN=248
  • 251.
    54-7 TRANSMISSAO POWRQUAD 6 1 2 5 ITEM NR.PECADESCRICAO QTDE NR. SERIE J NOTAS 1 R176475 ESPACADOR 1 X 2 R122146 COROA 1 X 3 R95378 PLATO DA EMBREAGEM 4 X 4 RE48092 DISCO COM ESTRIADO INTERNO 5 X 5 R102913 MOLA 8 X 6 R243074 PLACA 1 X R95422 DISCO 1 X 7 R223964 JUNTA 1 X 8 R244134 CARCACA 1 X 9 R124438 BUCHA 1 X 10 L111964 PINO DE CENTRAGEM 4 X 11 R128889 PISTAO 1 X 12 19M8292 PARAFUSO 6 X M10 X 50 13 R111085 CONEXAO 1 X TRATOR 6125J (EDICAO SUL-AMERICANA) PC8539P (01-JUL-10) 54-7 PN=249
  • 252.
    54-8 TRANSMISSAO POWRQUAD DIRECT DRIVECLUTCH EMBRAYAGE DE TRANSMISSION DIRECTE DIREKTANTRIEBSKUPPLUNG FRIZIONE COMANDO DIRETTO EMBREAGEM DE TRANSMISSAO DIRETA EMBRAGUE DE TRANSMISION DIRECTA PY004788 -UN- ESTA RELACAO CONTINUA 54-8 TRATOR 6125J (EDICAO SUL-AMERICANA) PC8539P (01-JUL-10) PN=250
  • 253.
    54-9 TRANSMISSAO POWRQUAD 6 1 2 5 ITEM NR.PECADESCRICAO QTDE NR. SERIE J NOTAS 1 R217436 TAMBOR 1 X 2 R104738 BUCHA 1 X 3 R38295 AGULHA DE ROLAMENTO 2 X 4 RE47294 KIT EMBREAGEM 1 X 5 RE56036 PISTAO 1 X 6 R87395 MOLA PRATO 2 X 7 400R ESFERA 2 X 8 R101187 ENGRENAGEM SOL 1 X 9 R220471 PLATO DA EMBREAGEM 1 X 10 RE239058 DISCO COM ESTRIADO INTERNO 4 X 11 R216294 PLATO DA EMBREAGEM 3 X 12 R101170 ARRUELA 1 X 13 R219974 PINO 6 X 14 R125065 MOLA 6 X LGTH= 30,00MM (1-3/16") 15 R219516 CAPA 1 X 16 R151435 PARAFUSO SEXT. 6 X M8 X 30 17 R39322 ANEL 2 X 18 R105040 ARRUELA DE ENCOSTO 1 X 19 R95835 ARRUELA DE ENCOSTO 1 X 20 R120477 PISTAO 1 X TRATOR 6125J (EDICAO SUL-AMERICANA) PC8539P (01-JUL-10) 54-9 PN=251
  • 254.
    54-10 TRANSMISSAO POWRQUAD PLANETARY BRAKE FREINDE PLANETAIRE PLANETENTRIEBBREMSE FRENO GRUPPO PLANETARI FREIOS DAS PLANETARIAS TREN DE PLANETARIOS DE FRENO LX048771 -UN- ESTA RELACAO CONTINUA 54-10 TRATOR 6125J (EDICAO SUL-AMERICANA) PC8539P (01-JUL-10) PN=252
  • 255.
    54-11 TRANSMISSAO POWRQUAD 6 1 2 5 ITEM NR.PECADESCRICAO QTDE NR. SERIE J NOTAS 1 R188518 JUNTA DE VEDACAO 2 X 2 R216291 PLATO DA EMBREAGEM 2 X 3 RE151059 DISCO COM ESTRIADO INTERNO 1 X 4 R216293 PLATO DA EMBREAGEM 1 X 5 R101214 PISTAO 2 X 6 RE244125 CARCACA 1 X MARKED R244123 7 R121580 TAMPAO 3 X 8 R95316 PISTAO 1 X 9 L111964 PINO DE CENTRAGEM 4 X 10 R158521 ANEL O 14 X 11 R158523 ANEL O 2 X 12 RE46684 TAMPAO 1 X 13 51M7041 ANEL O 2 X 14 R173443 PARAFUSO 2 X 15 R101169 MOLA 8 X 16 RE244129 CARCACA 1 X MARKED R244126 17 R216292 PLATO DA EMBREAGEM 2 X 18 RE34786 DISCO COM ESTRIADO INTERNO 3 X 19 19M7944 PARAFUSO 8 X M10 X 120 20 RE221608 TAMPAO DE DRENO 1 X 21 R209938 DISCO DO FREIO 2 X TK= 5MM 22 R130606 TAMPAO 1 X TRATOR 6125J (EDICAO SUL-AMERICANA) PC8539P (01-JUL-10) 54-11 PN=253
  • 256.
    54-12 TRANSMISSAO POWRQUAD TRANSMISSION OUTPUTSHAFT ABRE DE SORTIE DE TRANSMISSION GETRIEBEABTRIEBSWELLE ALBERGO DI USCITA DELLA TRANSMISSIONE EIXO DE SAIDA DA TRANSMISSAO EJE DE SALIDA DE LA TRANSMISION LX026696 -UN- 6 1 2 NR. SERIE 5 ITEM NR.PECA DESCRICAO QTDE TRANSMISSAO J NOTAS 1 RE61245 EIXO 1 X 2 R112955 ANEL 1 X 3 R112857 ANEL O 1 X 4 R92241 BUCHA 1 X 5 L110257 EIXO DE ACIONAMENTO 1 X LGTH= 469MM (18-15/32") 54-12 TRATOR 6125J (EDICAO SUL-AMERICANA) PC8539P (01-JUL-10) PN=254
  • 257.
    54-13 TRANSMISSAO POWRQUAD SUN GEARS PLANETAIRES SONNENRAEDER INGRANAGGICENTRALI ENGRENAGENS SOLARES PINONES SOLARES RXA0073358 -UN- 6 1 2 5 ITEM NR.PECA DESCRICAO QTDE NR. SERIE J NOTAS 1 RE228608 ENGRENAGEM 1 X 2 R95895 ARRUELA DE ENCOSTO 1 X 3 RE228607 ENGRENAGEM 1 X 4 R219255 BUCHA 1 X 5 R95835 ARRUELA DE ENCOSTO 1 X 6 RE245565 ENGRENAGEM 1 X 7 R214122 ARRUELA 1 X TRATOR 6125J (EDICAO SUL-AMERICANA) PC8539P (01-JUL-10) 54-13 PN=255
  • 258.
    54-14 TRANSMISSAO POWRQUAD INPUT PLANETARYASSEMBLY TRAIN PLANETAIRE D’ENTREE PLANETENTRIEB GRUPPO INGRESSO COMANDO PLANETARI CONJUNTO DE PLANETARIOS DE ENTRADA TREN DE PLANETARIOS DE ENTRADA LX048781 -UN- ESTA RELACAO CONTINUA 54-14 TRATOR 6125J (EDICAO SUL-AMERICANA) PC8539P (01-JUL-10) PN=256
  • 259.
    54-15 TRANSMISSAO POWRQUAD 6 1 2 5 ITEM NR.PECADESCRICAO QTDE NR. SERIE J NOTAS 1 R245934 COROA 1 X 2 R228266 PORTA-PLANETARIOS 1 X 3 R227060 ENGRENAGEM 3 X 4 RE228488 ROLAMENTO 6 X 5 R228601 ESPACADOR 3 X 6 R96826 ARRUELA DE ENCOSTO 6 X 7 R101178 EIXO COM PINHAO 3 X 8 RE34603 PINO ELASTICO 3 X 9 R115215 PARAFUSO 2 X 10 R212399 REVESTIMENTO, BLINDAGEM 1 X 11 R228268 ARRUELA 1 X TRATOR 6125J (EDICAO SUL-AMERICANA) PC8539P (01-JUL-10) 54-15 PN=257
  • 260.
    54-16 TRANSMISSAO POWRQUAD TRANSMISSION OILPUMP POMPE A HUILE DE TRANSMISSION GETRIEBEOELPUMPE POMPA TRANSMISSIONE BOMBA DE OLEO DA TRANSMISSAO BOMBA DE ENGRASE DE LA TRANSMISSION LX048793 -UN- ESTA RELACAO CONTINUA 54-16 TRATOR 6125J (EDICAO SUL-AMERICANA) PC8539P (01-JUL-10) PN=258
  • 261.
    54-17 TRANSMISSAO POWRQUAD 6 1 2 5 ITEM NR.PECADESCRICAO QTDE NR. SERIE J NOTAS 1 RE225878 EIXO 1 X 2 R214121 BUCHA 1 X 3 R161739 COLETOR 1 X 4 R38295 AGULHA DE ROLAMENTO 2 X 5 JD10269 CILAMENTO ROLO CILINDRICO 1 X 6 RE47291 CONJ. REPARO DA BOMBA 1 X 7 R79639 ESFERA 1 X 8 40M7097 ANEL DE PRESSAO 1 X 9 R161741 ENGRENAGEM 1 X 10 R161742 ENGRENAGEM 1 X 11 T27432 ANEL DE PRESSAO 1 X 12 R106825 PARAFUSO 6 X 13 R115119 ROLAMENTO DE ESFERAS 1 X 14 R100991 PINO 1 X LGTH= 47MM 15 R100989 PISTAO 1 X 16 R100988 RETENTOR 1 X 17 R101239 MOLA 1 X 18 RE40448 RETENTOR 1 X TRATOR 6125J (EDICAO SUL-AMERICANA) PC8539P (01-JUL-10) 54-17 PN=259
  • 262.
    54-18 TRANSMISSAO POWRQUAD TRANSMISSION FRONTCOVER CARTER AVANT VORDERER GETRIEBEDECKEL COPERCHIO ANTERIORE TRASMISSIONE CARCACA FRONTAL DA TRANSMISSAO TAPA FRONTAL DEL CAMBIO PUBM1427 -UN- ESTA RELACAO CONTINUA 54-18 TRATOR 6125J (EDICAO SUL-AMERICANA) PC8539P (01-JUL-10) PN=260
  • 263.
    54-19 TRANSMISSAO POWRQUAD 6 1 2 5 ITEM NR.PECADESCRICAO QTDE NR. SERIE J NOTAS 1 L154133 BRACO 1 X 2 R95063 PINO FIXADOR 1 X 3 AR103873 VEDACAO 1 X 4 R115141 PARAFUSO 8 X 5 L157774 VALVULA DE CARRETEL 1 X 6 R107252 PINO ELASTICO 1 X 7 L157703 MOLA 1 X 8 R116473 DISCO 2 X 9 R110080 MOLA 1 X 10 RE47315 KIT 1 X 11 34M7272 PINO ELASTICO 2 X 12 R58941 PINO FIXADOR 1 X 13 R213853 LIMITADOR 1 X (USAR COM R202359) 14 51M7045 ANEL O 2 X 15 L78975 TAMPAO 1 X 16 R241994 VALVULA DE CARRETEL 2 X 17 R255005 MOLA DE COMPRESSAO 2 X 18 R273498 VALVULA DE CARRETEL 1 X 19 51M7043 ANEL O 1 X 20 RE46685 TAMPAO 1 X 21 R120947 VALVULA 1 X 22 R109535 MOLA 1 X 23 R86638 CALCO 4 X 24 51M7045 ANEL O 1 X 25 AL166743 TAMPAO 1 X 26 R252208 VALVULA DE CARRETEL 1 X 27 R299263 MOLA DE COMPRESSAO 1 X 28 R299262 MOLA DE COMPRESSAO 1 X 29 R299264 PINO 1 X 30 R176199 PISTAO 1 X 31 P48347 ANEL O 1 X 32 R112976 VEDACAO 1 X 33 R171413 JUNTA 1 X 34 R171412 CAPA 1 X 35 19M7775 PARAFUSO 3 X M6 X 16 36 R54174 MOLA 1 X 37 R176198 VALVULA 1 X 38 R273530 MOLA DE COMPRESSAO 1 X 39 R121609 GUIA 1 X 40 R95072 ARTICULACAO 1 X 41 L153819 SUPORTE 1 X 42 24M7028 ARRUELA 1 X 43 19M9168 PARAFUSO 1 X M10 X 180 44 R104714 PARAFUSO 1 X M10 X 185 45 R202640 JUNTA 1 X 46 R208927 CARCACA 1 X 47 R112063 PARAFUSO 5 X 48 RE46684 TAMPAO AR X 49 51M7041 ANEL O 1 X 50 51M7042 ANEL O 1 X 51 L158473 PLUGUE 1 X TRATOR 6125J (EDICAO SUL-AMERICANA) PC8539P (01-JUL-10) 54-19 PN=261
  • 264.
    54-20 TRANSMISSAO POWRQUAD HOUSING, 4-SPEEDSHIFTING (WITH MECHANICAL REVERSER CONTROL) CARTER, BOITE 4 VITESSES (AVEC COMMANDE MECANIQUE D’INVERSEUR) GEHAEUSE, 4-GANGSCHALTUNG (BEI MECHANISCHER FAHRTRICHTUNGSBETAETIGUNG) SCATOLA, CAMBIO A 4 MARCE (CON COMANDO MECCANICO INVERSORE) CARCACA (COM CONTROLE DE REVERSAO MECANICA) CARCASA, TRANSMISION DE 4 MARCHAS (CON ACCIONAMIENTO MECANICO DEL INVERSOR) PUBM1314 -UN- ESTA RELACAO CONTINUA 54-20 TRATOR 6125J (EDICAO SUL-AMERICANA) PC8539P (01-JUL-10) PN=262
  • 265.
    54-21 TRANSMISSAO POWRQUAD 6 1 2 5 ITEM NR.PECADESCRICAO QTDE NR. SERIE J NOTAS 1 19M7775 PARAFUSO 3 X M6 X 16 2 34M5028 PINO ELASTICO 2 X 3 R213485 JUNTA 1 X 4 R213348 PLACA 1 X 5 R213484 JUNTA 1 X 6 R194487 CARCACA 1 X 7 R248215 CARRETEL 3 X 8 R194659 MOLA DE COMPRESSAO 3 X 9 R194658 MOLA DE COMPRESSAO 3 X 10 51M7043 ANEL O 3 X 11 RE46685 TAMPAO 3 X 12 R192305 CARRETEL 1 X 13 19M7834 PARAFUSO 11 X M6 X 45 14 405R ESFERA 1 X 15 R197564 MOLA DE COMPRESSAO 1 X 16 R184116 TAMPAO 1 X 17 51M7042 ANEL O 1 X 18 R202861 TAMPAO 1 X 19 R182130 PRESILHA 1 X 20 AL155310 CABO DE PUXAR E EMPURRAR 1 X TRATOR 6125J (EDICAO SUL-AMERICANA) PC8539P (01-JUL-10) 54-21 PN=263
  • 266.
    54-22 TRANSMISSAO POWRQUAD FRONT COVERAND VALVES WITH MECHANICAL REVERSER CONTROL BOITIER DE SOUPAPES AVANT / SOUPAPES AVEC COMMANDE MECANIQUE DE L’INVERSEUR VORDERER DECKEL UND VENTILE BEI MECHANISCHER FAHRTRICHTUNGSBETAETIGUNG COPERCHIO ANTERIORE E VALVOLE CON COMANDO MECCANICO DI INVERSIONE DI MARCIA TAMPA DIANTEIRA E VALVULAS COM CONTROLE DE REVERSAO MECANICA TAPA FRONTAL Y VALVULAS CON MANDO MECANICO DEL INVERSOR PUBM1429 -UN- ESTA RELACAO CONTINUA 54-22 TRATOR 6125J (EDICAO SUL-AMERICANA) PC8539P (01-JUL-10) PN=264
  • 267.
    54-23 TRANSMISSAO POWRQUAD 6 1 2 5 ITEM NR.PECADESCRICAO QTDE NR. SERIE J NOTAS 1 R257609 JUNTA 1 X FRONT R257613 JUNTA 1 X REAR 2 R167349 PLACA 1 X 3 R197640 CARCACA 1 X 4 R95081 VALVULA 2 X 5 R95084 MOLA 1 X 6 51M7045 ANEL O 1 X 7 L166446 TAMPAO 1 X 8 R116040 MOLA 1 X 9 51M7043 ANEL O AR X 10 RE46685 TAMPAO AR X 11 R167686 JUNTA 1 X 12 R167722 CAPA 1 X 13 L156151 PARAFUSO 3 X 14 AR103873 VEDACAO 1 X 15 34M5028 PINO ELASTICO 1 X 16 R121580 TAMPAO 1 X 17 R184115 EIXO 1 X 18 L154293 ALAVANCA 1 X 19 34M7268 PINO ELASTICO 1 X 20 L154134 SUPORTE 1 X 21 R105605 MOLA 1 X 22 L158312 PARAFUSO SEXT. 4 X (10.9) 23 19M7775 PARAFUSO 4 X M6 X 16, (10.9) 24 R186903 CAPA 1 X 25 R186905 JUNTA 1 X 26 L41384 TAMPAO 1 X 27 51M7043 ANEL O 1 X 28 R129184 MOLA DE COMPRESSAO 1 X 29 R167684 VALVULA DE CARRETEL 1 X 30 R224445 CARRETEL 1 X 31 R192193 PINO FIXADOR 1 X 32 40M7251 ANEL DE PRESSAO 1 X 33 R197326 ALAVANCA 1 X 34 H63237 ANEL DE PRESSAO 1 X 35 R95086 VALVULA 1 X 36 T23853 MOLA 1 X 37 R28776 ANEL O 1 X 38 R134141 VALVULA 1 X 39 P51079 ANEL O 1 X 40 R112977 VEDACAO 1 X 41 R88791 PISTAO 1 X 42 RE47303 KIT 1 X 43 R104728 ANEL O 1 X 44 R87455 PLUGUE 1 X 45 40M1857 ANEL DE PRESSAO 1 X 46 405R ESFERA 1 X 47 L171152 MOLA 1 X 48 24M7027 ARRUELA 1 X 49 51M7042 ANEL O 1 X 50 R202861 TAMPAO 1 X 51 R109067 PARAFUSO 33 X (10.9) 52 34M5028 PINO ELASTICO 2 X 53 R95077 MOLA 1 X 54 R95076 VALVULA 1 X 55 R109066 PARAFUSO 3 X (10.9) 56 R121580 TAMPAO 1 X 57 RE46684 TAMPAO 1 X 58 51M7041 ANEL O 1 X TRATOR 6125J (EDICAO SUL-AMERICANA) PC8539P (01-JUL-10) 54-23 PN=265
  • 268.
    54-24 TRANSMISSAO POWRQUAD SENDING UNITS/ PRESSURE SWITCHES CAPTEURS / MANOCONTACTS GEBER / DRUCKSCHALTER SENSORI / INTERRUTTORI A PRESSIONE SENSORES / PRESSOSTATOS SENSORES /MANOCONTACTOS DE PRESION PUBM1437 -UN- ESTA RELACAO CONTINUA 54-24 TRATOR 6125J (EDICAO SUL-AMERICANA) PC8539P (01-JUL-10) PN=266
  • 269.
    54-25 TRANSMISSAO POWRQUAD 6 1 2 5 ITEM NR.PECADESCRICAO QTDE NR. SERIE J NOTAS 1 R111085 CONEXAO 1 X 2 R95398 MANGUEIRA 1 X 3 R44302 CINTA 1 X 4 R107638 CONDUTO 1 X 5 R112945 CONEXAO EM ANGULO 1 X 6 R113419 ADAPTADOR 1 X 7 RE212876 INTERRUP. DE PRESSAO 1 X (E) 8 RE46685 TAMPAO 1 X 9 51M7043 ANEL O 1 X 10 AL81358 INTERRUPTOR 1 X (A) (B) 11 L41526 ANEL O 2 X 12 RE39354 VEDACAO 1 X 13 RE46534 INTERRUPTOR 1 X (A) (C) 14 51M7042 ANEL O 1 X 15 51M7041 ANEL O AR X 16 AL80099 TOMADA ENGATE RAPIDO 1 X 17 R77175 CAPA 1 X 18 R27976 ANEL O 1 X 19 R34028 PARAFUSO 1 X 20 AL178071 INTERRUPTOR 1 X (A) (D) 21 51M7040 ANEL O 1 X (A) WITH MECHANICAL REVERSER CONTROL (B) LOW TEMPERATURE AVEC COMMANDE MECANIQUE DE L’INVERSEUR BASSE TEMPERATURE BEI MECHANISCHER FAHRTRICHTUNGSBETAETIGUNG NIEDRIGE TEMPERATUR CON COMANDO MECCANICO INVERSIONE DI MARCIA BASSA TEMPERATURA COM CONTROLE DE REVERSAO MECANICA BAIXA TEMPERATURA CON MANDO MECANICO DEL INVERSOR TEMPERATURA BAJA (C) NEUTRAL SENSOR (D) TEMPERATURE CAPTEUR DE POSITION NEUTRE TEMPERATURE NEUTRALSTELLUNGSSENSOR TEMPERATUR SENSORE POSIZIONE NEUTRALE TEMPERATURA SENSOR DO NEUTRO TEMPERATURA SENSOR DE POSICION NEUTRO TEMPERATURA (E) PRESSURE PRESSION DRUCK PRESSIONE PRESSAO PRESION TRATOR 6125J (EDICAO SUL-AMERICANA) PC8539P (01-JUL-10) 54-25 PN=267
  • 270.
    54-26 TRANSMISSAO POWRQUAD TRANSMISSION OILFILTER FILTRE A HUILE DE TRANSMISSION GETRIEBEOELFILTER FILTRO OLIO TRASMISSIONE FILTRO DE OLEO DA TRANSMISSAO FILTRO DE ACEITE DE LA TRANSMISION LX039415 -UN- 6 1 2 5 ITEM NR.PECA DESCRICAO QTDE NR. SERIE J NOTAS 1 R120902 JUNTA 1 X 2 R95850 CARCACA 1 X 3 R109066 PARAFUSO 6 X (10.9) 4 51M7040 ANEL O 1 X 5 RE212878 INTERRUP. DE PRESSAO 1 X (A) 6 AL156625 FILTRO DE OLEO 1 X LGTH= 151,6MM (5-31/32") 7 34M5028 PINO ELASTICO 2 X (A) OIL FILTER INDICATOR LAMP (OIL PRESSURE) FILTRE A HUILE - TEMOIN PRESSION D’HUILE OELFILTER - KONTROLLAMPE FUER OELDRUCK SPIA PRESSIONE FILTRO OLIO LAMPADA INDICADORA DO FILTRO DE OLEO (PRESSAO DO OLEO) LUZ TESTIGO PRESION ACEITE, FILTRO ACEITE 54-26 TRATOR 6125J (EDICAO SUL-AMERICANA) PC8539P (01-JUL-10) PN=268
  • 271.
  • 272.
    54-28 TRANSMISSAO POWRQUAD MOUNTING PARTS ELEMENTSDE FIXATION BEFESTIGUNGSTEILE PARTI MONTAGGIO PECAS DE MONTAGEM PIEZAS DE SUJECION PUBM1439 -UN- ESTA RELACAO CONTINUA 54-28 TRATOR 6125J (EDICAO SUL-AMERICANA) PC8539P (01-JUL-10) PN=270
  • 273.
    54-29 TRANSMISSAO POWRQUAD 6 1 2 5 ITEM NR.PECADESCRICAO QTDE NR. SERIE J NOTAS 1 19M7810 PARAFUSO 8 X M10 X 80 2 19M8162 PARAFUSO 4 X 3 19M7785 PARAFUSO 2 X M10 X 25 4 L152507 JUNTA 1 X 5 19M7958 PARAFUSO 1 X TRATOR 6125J (EDICAO SUL-AMERICANA) PC8539P (01-JUL-10) 54-29 PN=271
  • 274.
  • 275.
    56-A01 SISTEMA DE TRANSMISSAO SECTIONALINDEX INDEX DE SECTION GRUPPENINDEX INDICE DELLA SEZIONE INDICE DE GRUPO INDICE DE GRUPOS PUBM1398 -UN- 1- 1 2- 2 3- 4 4- 6 5- 8 6- 10 21- 12 7- 14 8- 16 9- 18 TRATOR 6125J (EDICAO SUL-AMERICANA) PC8539P (01-JUL-10) 56-A01 PN=273
  • 276.
    56-A02 SISTEMA DE TRANSMISSAO SECTIONALINDEX INDEX DE SECTION GRUPPENINDEX INDICE DELLA SEZIONE INDICE DE GRUPO INDICE DE GRUPOS PUBM1558 -UN- 10- 19 11- 20 12- 22 13- 23 14- 24 15- 26 16- 27 17- 28 18- 29 19- 30 20- 32 56-A02 TRATOR 6125J (EDICAO SUL-AMERICANA) PC8539P (01-JUL-10) PN=274
  • 277.
    56-1 SISTEMA DE TRANSMISSAO RANGETRANSMISSION HOUSING (SYNCROPLUS / POWRQUAD) CARTER DE BOITE DE GAMMES (SYNCROPLUS / POWRQUAD) GRUPPENSCHALTGETRIEBEGEHAEUSE (SYNCROPLUS / POWRQUAD) SCATOLA TRASMISSIONE A GAMME (SYNCROPLUS / POWRQUAD) CAIXA DE CAMBIO DE GRUPOS (SYNCROPLUS / POWRQUAD) CAJA DEL CAMBIO DE GRUPOS (SYNCROPLUS / POWRQUAD) PUBM1399 -UN- 6 1 2 5 ITEM NR.PECA DESCRICAO QTDE NR. SERIE J NOTAS 1 L75885 JUNTA 1 X 2 19M7403 PARAFUSO SEXT. 9 X M12 X 35 3 15M2714 TAMPAO DE DRENO 1 X 4 L76408 ANEL O 1 X 5 AL156862 CARCACA 1 X SYNCROPLUS (MARKED L156261 OR L166551) 6 L110066 PINO DE CENTRAGEM 2 X 7 L78494 BUCHA 2 X TRATOR 6125J (EDICAO SUL-AMERICANA) PC8539P (01-JUL-10) 56-1 PN=275
  • 278.
    56-2 SISTEMA DE TRANSMISSAO RANGETRANSMISSION HOUSING (POWRQUAD) CARTER DE BOITE DE GAMMES (POWRQUAD) GRUPPENSCHALTGETRIEBEGEHAEUSE (POWRQUAD) SCATOLA TRASMISSIONE A GAMME (POWRQUAD) CAIXA DE CAMBIO DE GRUPOS (POWRQUAD) CAJA DEL CAMBIO DE GRUPOS (POWRQUAD) PUBM1400 -UN- 6 1 2 5 ITEM NR.PECA DESCRICAO QTDE NR. SERIE J NOTAS 1 L75885 JUNTA 2 X 2 19M7403 PARAFUSO SEXT. 2 X 3 15M2714 TAMPAO DE DRENO 2 X 4 L76408 ANEL O 2 X 5 AL156863 CARCACA 1 X (MARKED L156262 OR L166552) 6 L110066 PINO DE CENTRAGEM 1 X 7 L78494 BUCHA 1 X 56-2 TRATOR 6125J (EDICAO SUL-AMERICANA) PC8539P (01-JUL-10) PN=276
  • 279.
  • 280.
    56-4 SISTEMA DE TRANSMISSAO DIFF,DRIVE SHAFT, RANGE TRANSMISSION (4X4) BOITE DE GAMMES - ARBRE DU PIGNON D’ATTAQUE (4X4) HAUPTWELLE, GRUPPENSCHALTGETRIEBE (4X4) ALBERO COMANDO DIFFERENZIALE, TRASMISSIONE CAMBIO GAMMA (4X4) EIXO DE SAIDA DO DIFERENCIAL, CAMBIO DE GRUPOS (4X4) EJE DE SALIDA DEL DIFERENCIAL, CAMBIO DE GRUPOS (4X4) PUBM1401 -UN- ESTA RELACAO CONTINUA 56-4 TRATOR 6125J (EDICAO SUL-AMERICANA) PC8539P (01-JUL-10) PN=278
  • 281.
    56-5 SISTEMA DE TRANSMISSAO 6 1 2 NR.SERIE 5 ITEM NR.PECA DESCRICAO QTDE TRANSMISSAO J NOTAS 1 AL164690 ACIONAMENTO DA COROA 1 X Z 9/51 2 AL113714 CILAMENTO ROLO CILINDRICO 1 X 3 AL77434 CILAMENTO ROLO CILINDRICO 2 X 4 L156851 MANCAL 1 X 5 L77775 MOLA DE COMPRESSAO 5 X 6 L173991 ANEL DE PRESSAO AR X TK 3.00MM L78069 ANEL DE PRESSAO AR X TK 2.90MM L78070 ANEL DE PRESSAO AR X TK 2.80MM L78071 ANEL DE PRESSAO AR X TK 2.70MM L78072 ANEL DE PRESSAO AR X TK 2.60MM L78073 ANEL DE PRESSAO AR X TK 2.50MM 7 L157084 CALCO AR X TK 0.2MM L157085 CALCO AR X TK 0.3MM L157086 CALCO AR X TK 0.5MM 8 L170237 ANEL AR X TK 3.0MM 9 L168800 PINHAO 1 X 10 L110851 PARAFUSO 1 X 11 L76821 ARRUELA DE ENCOSTO AR X TK 3.65MM L75917 ARRUELA DE ENCOSTO AR X TK 3.80MM L76822 ARRUELA DE ENCOSTO AR X TK 3.95MM L113339 ARRUELA DE ENCOSTO AR X TK 4.15MM L153635 ARRUELA DE ENCOSTO AR X TK 4.05MM 12 L166228 ENGRENAGEM 1 X 13 AL157733 SINCRONIZADOR 2 X 14 L76923 ANEL DE PRESSAO AR X L75904 ANEL DE PRESSAO AR X TK 2.3MM L75905 ANEL DE PRESSAO AR X TK 2.20MM L75906 ANEL DE PRESSAO AR X TK 2.10MM 15 L155889 ENGRENAGEM 1 X Z 55 (MARKED L155889) 16 L166231 ENGRENAGEM 1 X Z 43 17 L166230 ENGRENAGEM 1 X 18 L170237 ANEL 1 X 19 19M7156 PARAFUSO SEXT. 5 X M10 X 60 20 24M7028 ARRUELA 4 X 21 L172927 CILAMENTO ROLO CILINDRICO 1 X 22 24M7332 ARRUELA 1 X 23 19M7162 PARAFUSO SEXT. 1 X M8 X 16 24 L116130 SINCRONIZADOR 4 X 25 L155496 ENGRENAGEM 1 X 26 L167749 ARRUELA 1 X .. DT5299 ADESIVO AR X LOCTITE 648 TRATOR 6125J (EDICAO SUL-AMERICANA) PC8539P (01-JUL-10) 56-5 PN=279
  • 282.
    56-6 SISTEMA DE TRANSMISSAO DRIVESHAFT, RANGE TRANSMISION BOITE DE GAMMES - ARBRE D’ENTRAINEMENT ANTRIEBSWELLE, GRUPPENSCHALTGETR ALBERO COMANDO, TRASMISSIONE CAMBIO GAMMA ARVORE DE TRANSMISSAO, CAMBIO DE GRUPOS ARBOL DE TRANSMISION, CAMBIO DE GRUPOS LX018020 -UN- ESTA RELACAO CONTINUA 56-6 TRATOR 6125J (EDICAO SUL-AMERICANA) PC8539P (01-JUL-10) PN=280
  • 283.
    56-7 SISTEMA DE TRANSMISSAO 6 1 2 5 ITEMNR.PECA DESCRICAO QTDE NR. SERIE J NOTAS 1 L155339 MANCAL 1 X 2 19M8533 PARAFUSO 3 X M10 X 25 3 AL178191 ROLAMENTO DE ROLOS CONICOS 1 X 4 L166233 EIXO 1 X 5 L77758 ANEL DE PRESSAO AR X TK 3.40MM L77763 ANEL DE PRESSAO AR X TK 2.50MM L77762 ANEL DE PRESSAO AR X TK 2.60MM L77761 ANEL DE PRESSAO AR X TK 2.70MM L77760 ANEL DE PRESSAO AR X TK 2.80MM L77759 ANEL DE PRESSAO AR X TK 2.90MM L114266 ANEL DE PRESSAO AR X TK 3.00MM L75882 ANEL DE PRESSAO AR X TK 3.10MM L75883 ANEL DE PRESSAO AR X TK 3.20MM L75884 ANEL DE PRESSAO AR X TK 3.30MM 6 AL113279 ROLAMENTO 1 X 7 L75889 LUVA 1 X 8 L150695 PINO 1 X TRATOR 6125J (EDICAO SUL-AMERICANA) PC8539P (01-JUL-10) 56-7 PN=281
  • 284.
    56-8 SISTEMA DE TRANSMISSAO PARKINGLOCK, RANGE TRANSMISSION BOITE DE GAMMES - FREIN DE STATIONNEMENT PARKSPERRE, GRUPPENSCHALTGETRIEBE BLOCCO STAZIONAMENTO, TRASM. A GAMME BLOQUEIO DO ESTACIONAMENTO, CAMBIO DE GRUPOS BLOQUEO DE ESTACIONAMIENTO, CAMBIO DE GRUPOS PUBM1402 -UN- ESTA RELACAO CONTINUA 56-8 TRATOR 6125J (EDICAO SUL-AMERICANA) PC8539P (01-JUL-10) PN=282
  • 285.
    56-9 SISTEMA DE TRANSMISSAO 6 1 2 NR.SERIE 5 ITEM NR.PECA DESCRICAO QTDE TRANSMISSAO J NOTAS 1 L153968 LINGUETA 1 X 2 L78415 BUCHA 1 X 3 L150696 PINO FIXADOR 1 X 4 19M8397 PARAFUSO SEXT. 2 X M8 X 50 5 L165947 CAME 1 X 6 L154520 ARRUELA DE ENCOSTO 2 X 7 JD8856 ROLAMENTO DE AGULHAS 1 X 8 L150693 PINO FIXADOR 1 X 9 34M7215 PINO ELASTICO 1 X 10 L155639 MOLA DE TRACAO 1 X 11 L79037 VEDACAO 1 X 12 24M7369 ARRUELA AR X TK 1.4MM 24M7370 ARRUELA AR X TK 1.5MM 24M7371 ARRUELA AR X TK 1.6MM 24M7372 ARRUELA AR X TK 1.7MM 24M7373 ARRUELA AR X TK 1.8MM 24M7374 ARRUELA AR X TK 1.9MM 24M7375 ARRUELA AR X TK 2.0MM 24M7452 ARRUELA AR X TK 1.1 MM 24M7398 ARRUELA AR X TK 1.2MM 24M7399 ARRUELA AR X TK 1.3MM 13 AL164323 BRACO 1 X 14 34M7259 PINO ELASTICO 1 X 15 AL79072 SUPORTE 1 X 16 19M7162 PARAFUSO SEXT. 1 X M8 X 16 17 L80107 BUCHA 2 X 18 AL113358 ALAVANCA 1 X 19 24M7386 ARRUELA 1 X 20 40M7253 ANEL DE PRESSAO 1 X 21 L80167 MOLA DE TORCAO 1 X 22 L167801 TIRANTE 1 X LGTH 184.5MM 23 34M5719 PINO ELASTICO 1 X .. AL156714 ARRUELA 1 X TRATOR 6125J (EDICAO SUL-AMERICANA) PC8539P (01-JUL-10) 56-9 PN=283
  • 286.
    56-10 SISTEMA DE TRANSMISSAO SHIFTINGPARTS, RANGE TRANSM. (SYNCROPLUS/POWRQUAD) BOITE DE GAMMES - ELEMENTS DE COMMANDE (SYNCROPLUS/POWRQUAD) SCHALTUNGSTEILE, GRUPPENSCHALTGETR. (SYNCROPLUS/POWRQUAD) PARTI AZIONAAMENTO CAMBIO GAMMA TRASMISSIONE (SYNCROPLUS/POWRQUAD) PECAS DE ACIONAMENTO, GRUPOS (SYNCROPLUS/POWRQUAD) VARILLAJE DE MANDO, CAMBIO DE GRUPOS (SYNCROPLUS/POWRQUAD) PUBM1403 -UN- ESTA RELACAO CONTINUA 56-10 TRATOR 6125J (EDICAO SUL-AMERICANA) PC8539P (01-JUL-10) PN=284
  • 287.
    56-11 SISTEMA DE TRANSMISSAO 6 1 2 5 ITEMNR.PECA DESCRICAO QTDE NR. SERIE J NOTAS 1 L153159 CAPA 1 X (MARKED L153159) 2 L153307 VEDACAO AR X 3 30M7024 PLUGUE 1 X 4 AL81449 EIXO 2 X 5 AL166649 ALAVANCA AR X 6 44M7111 PINO DE CENTRAGEM AR X 7 34M7226 PINO ELASTICO AR X 8 L153345 CARCACA 1 X 9 AL116245 DETENTE 2 X 10 JD10508 ROLAMENTO AR X 11 19M7866 PARAFUSO 3 X M8 X 20 12 L33332 PARAF. DE FENDA 4 X 13 L111048 COMUTADOR 2 X 14 L165942 HASTE DO CAMBIO 1 X (B) 15 L113217 PRESILHA 1 X 16 L156693 HASTE DO CAMBIO 1 X (A) 17 L76229 PINO FIXADOR 1 X 18 34M3858 PINO ELASTICO 1 X 19 L76234 JUNTA 1 X 20 19M7800 PARAFUSO 5 X M8 X 50 21 30M7010 PLUGUE 2 X 22 19M7866 PARAFUSO 1 X M8 X 20 23 L165946 PRESILHA 1 X .. DT5037 SELANTE AR X LOCTITE 242 .. DT5299 ADESIVO AR X LOCTITE 648 (A) FOR GROUPS A-B (B) FOR GROUPS C-D POUR GAMMES A-B POUR GAMMES C-D FUER GRUPPEN A-B FUER GRUPPEN C-D PER GRUPPI A-B PER GRUPPI C-D PARA GRUPOS A-B PARA GRUPOS C-D PARA GRUPOS A-B PARA GRUPOS C-D TRATOR 6125J (EDICAO SUL-AMERICANA) PC8539P (01-JUL-10) 56-11 PN=285
  • 288.
    56-12 SISTEMA DE TRANSMISSAO ANTIPERCH PARTS FOR NEUTRAL POSITION ELEMENTS POUR MAINTIEN DE LA POSITION NEUTRE SCHALTUNTERSTUETZUNG ZUR NEUTRALSTELLUNG ELEMENTI PER FISSARE POSIZ. NEUTRALE ELEMENTO DA FIXACAO DA POSICAO NEUTRA ELEMENTO DE FIJACION DE LA POSICION NEUTRA PUBM1404 -UN- 6 1 2 5 ITEM NR.PECA DESCRICAO QTDE NR. SERIE J NOTAS 1 L80052 FORQUILHA 2 X 2 24M7055 ARRUELA 1 X 3 L114120 PARAFUSO 1 X 4 L113541 BUCHA 1 X 5 19M7868 PARAFUSO 1 X M8 X 30 6 L113099 PINO DE CENTRAGEM 1 X 7 L159313 MOLA 1 X 8 AL114210 ALAVANCA 1 X 9 L113335 ROLETE 1 X 10 40M7040 ANEL DE PRESSAO 1 X 11 34M7249 PINO ELASTICO 1 X 12 L113049 ALAVANCA 1 X 13 34M7267 PINO ELASTICO 2 X 6 X 24 MM 14 45M7080 PINO DE TRAVA 2 X 15 AL158041 EIXO 1 X 16 14M7009 PORCA 2 X M6 17 L154131 TIRANTE 1 X 18 L53813 ANEL O 2 X 19 40M7068 ANEL DE PRESSAO 2 X 56-12 TRATOR 6125J (EDICAO SUL-AMERICANA) PC8539P (01-JUL-10) PN=286
  • 289.
  • 290.
    56-14 SISTEMA DE TRANSMISSAO FWD- DRIVE PONT AVANT - ENTRAINEMENT FRONTANTRIEB - ABTRIEB 4WD - COMANDO EIXO DE SAIDA DA TRACAO DIANTEIRA EJE DE SALIDA / TRACCION DELANTERA PUBM1405 -UN- ESTA RELACAO CONTINUA 56-14 TRATOR 6125J (EDICAO SUL-AMERICANA) PC8539P (01-JUL-10) PN=288
  • 291.
    56-15 SISTEMA DE TRANSMISSAO 6 1 2 5 ITEMNR.PECA DESCRICAO QTDE NR. SERIE J NOTAS 1 AL166905 PLUGUE 1 X LGHT 41MM OD 10MM 2 L110066 PINO DE CENTRAGEM 2 X 3 L64500 SELANTE 1 X 50 CM3 4 JD10498 CAPA DE ROLAMENTO 1 X 5 JD10497 CONE DE ROLAMENTO 1 X 6 L102565 ARRUELA DE ENCOSTO 1 X 7 L102489 DISCO 1 X 8 AL114942 CONE DE ROLAMENTO 2 X 9 L155993 ENGRENAGEM 1 X Z 25/44 (RATIO 1.760) L155994 ENGRENAGEM 1 X Z 24/44 (RATIO 1.870) 10 L77262 CALCO AR X TK 0.05MM 24M7150 CALCO AR X TK 0.10MM 24M7331 CALCO AR X TK 0.20MM 24M7258 CALCO AR X TK 0.50MM 11 L114651 ESPACADOR 1 X 12 L100522 ANEL DE VEDACAO 1 X 13 L157992 EIXO 1 X 14 19M7163 PARAFUSO SEXT. 2 X M8 X 25 19M7288 PARAFUSO SEXT. 2 X M8 X 30 15 L41187 BUCHA 1 X 16 L157568 RETENTOR REDONDO 1 X 17 L78828 MANCAL 1 X 18 AL79750 VEDACAO 1 X 19 L78683 ANEL O 1 X 20 L78827 CALCO AR X TK 0.05MM L78838 CALCO AR X TK 0.10MM L78839 CALCO AR X TK 0.20MM L78840 CALCO AR X TK 0.50MM 21 L100959 CAPA DE ROLAMENTO 1 X 22 AL80939 CONE DE ROLAMENTO 1 X 23 19M7180 PARAFUSO SEXT. 1 X M10 X 45 24 AT107509 PLUGUE 2 X 25 L170424 CAIXA 1 X 26 19M7513 PARAFUSO SEXT. 12 X M8 X 30 27 AL179236 TAMPAO 1 X 28 51M7048 ANEL O 1 X 29 L41709 TAMPAO 1 X 30 L41526 ANEL O 1 X 31 38H5135 CONEXAO 2 X 32 51M7042 ANEL O 2 X 33 L114655 PINO FIXADOR 1 X 34 R34140 ANEL 1 X .. DT5173 OLEO 3 X TRATOR 6125J (EDICAO SUL-AMERICANA) PC8539P (01-JUL-10) 56-15 PN=289
  • 292.
    56-16 SISTEMA DE TRANSMISSAO FWDMULTI - DISK CLUTCH PONT AVANT - EMBRAYAGE MULTIDISQUE FRONTANTRIEB - LAMELLENKUPPLUNG 4WD FRIZIONE A DISCHI MULTIPLI EMBREAGEM MULTIDISCOS TRACAO DIANTEIRA EMBRAGUE MULTIDISCO - TRACC. DELANT. CQ302525 -UN- ESTA RELACAO CONTINUA 56-16 TRATOR 6125J (EDICAO SUL-AMERICANA) PC8539P (01-JUL-10) PN=290
  • 293.
    56-17 SISTEMA DE TRANSMISSAO 6 1 2 5 ITEMNR.PECA DESCRICAO QTDE NR. SERIE J NOTAS 1 AL118814 ENGRENAGEM 1 X 2 L110129 IMPULSOR 1 X 3 L157103 TAMBOR 1 X Z 50 (RATIO 1.760) L157106 TAMBOR 1 X Z 51 (RATIO 1.870) L157104 TAMBOR 1 X Z 51 (RATIO 1.795) L157108 TAMBOR 1 X Z 53 (RATIO 1.943) 4 L102567 BUCHA 1 X 5 R79018 MOLA DE COMPRESSAO 1 X 6 L112884 CONE DE VALVULA 3 X 7 L172658 TAMPAO 3 X 8 L158967 ANEL DE PRESSAO 1 X 9 L102489 DISCO 1 X 10 L101779 ARRUELA DE ENCOSTO 1 X 11 AL114526 DISCO COM ESTRIADO EXTERNO 10 X 12 L78682 DISCO COM ESTRIADO INTERNO 9 X 13 L101488 PISTAO 1 X 14 L100935 BUCHA 1 X 15 L78687 ANEL O 1 X 16 L100519 MOLA DE DISCO 2 X 17 L101122 ANEL 1 X TRATOR 6125J (EDICAO SUL-AMERICANA) PC8539P (01-JUL-10) 56-17 PN=291
  • 294.
    56-18 SISTEMA DE TRANSMISSAO FWD-SOLENOIDVALVE PONT AVANT - ELECTROVANNE FRONTANTRIEB-MAGNETVENTIL 4WD - VALVOLA A SOLENOIDE VALVULA SOLENOIDE DA TRACAO DIANTEIRA TRACC. DELANT., ELECTROVALVULA LX048534 -UN- 6 1 2 5 ITEM NR.PECA DESCRICAO QTDE NR. SERIE J NOTAS 1 RE47392 KIT - ANEL O 1 X 2 RE211158 VALVULA SOLENOIDE 1 X 3 19M7560 PARAFUSO SEXT. 2 X M6 X 16 4 R211082 BRACADEIRA 1 X 56-18 TRATOR 6125J (EDICAO SUL-AMERICANA) PC8539P (01-JUL-10) PN=292
  • 295.
    56-19 SISTEMA DE TRANSMISSAO DIFFERENTIALHOUSING CARTER DE DIFFERENTIEL DIFFERENTIALGEHAEUSE SCATOLA DEL DIFFERENZIALE CARCACA DO DIFERENCIAL CAJA DEL DIFERENCIAL PUBM1406 -UN- 6 1 2 5 ITEM NR.PECA DESCRICAO QTDE NR. SERIE J NOTAS 1 AL179429 CAIXA 1 X 2 L112380 PINO DE CENTRAGEM 4 X 3 L77560 PINO FIXADOR 4 X 4 L110067 PINO DE CENTRAGEM 6 X 5 L80062 TAMPAO 1 X 6 51M7061 ANEL O 1 X 7 AL79010 PENEIRA 1 X 8 51M7048 ANEL O 2 X 9 L101574 TAMPAO 2 X 10 L174554 CAIXA 1 X TRATOR 6125J (EDICAO SUL-AMERICANA) PC8539P (01-JUL-10) 56-19 PN=293
  • 296.
    56-20 SISTEMA DE TRANSMISSAO DIFFERENTIAL DIFFERENZIALE DIFFERENTIAL DIFFERENTIAL DIFERENCIAL DIFERENCIAL PUBM1500-UN- ESTA RELACAO CONTINUA 56-20 TRATOR 6125J (EDICAO SUL-AMERICANA) PC8539P (01-JUL-10) PN=294
  • 297.
    56-21 SISTEMA DE TRANSMISSAO 6 1 2 NR.SERIE 5 ITEM NR.PECA DESCRICAO QTDE TRANSMISSAO J NOTAS 1 19M8475 PARAFUSO SEXT. 10 X M10 X 30 2 L77138 MANCAL 1 X LH 3 L102146 CALCO AR X TK 0.075MM L102147 CALCO AR X TK 0.1MM L102148 CALCO AR X TK 0.25MM L102149 CALCO AR X TK 0.5MM 4 L77371 CAPA DE ROLAMENTO 1 X 5 L78580 ANEL DE PISTAO 2 X 6 AL80941 CONE DE ROLAMENTO 1 X 7 AL112560 TAMPA DE ROLAMENTO 1 X RH 8 AL78835 CONE DE ROLAMENTO 1 X 9 L172599 PARAFUSO 1 X 10 L173432 PINO FIXADOR 1 X 11 L173431 PINO FIXADOR 1 X 12 59M7001 MOLA DE COMPRESSAO 4 X 13 L152216 CARCACA 1 X 14 L173433 PINO FIXADOR 1 X 15 L31792 ARRUELA 2 X 16 L158220 COROA 1 X Z 18 17 L113016 ENGRENAGEM 4 X 18 L157982 ARRUELA DE ENCOSTO 4 X 19 L173998 SUPORTE 1 X 20 L158222 COROA 1 X 21 L77141 DISCO COM ESTRIADO EXTERNO 7 X 22 AL159216 DISCO COM ESTRIADO INTERNO 6 X 23 L151416 ANEL O 1 X 24 L62735 ANEL O 1 X 25 AL175138 PISTAO 1 X 26 L155267 CARCACA 1 X 27 19M8702 PARAFUSO 10 X M12 X 45 28 L100961 CAPA DE ROLAMENTO 1 X TRATOR 6125J (EDICAO SUL-AMERICANA) PC8539P (01-JUL-10) 56-21 PN=295
  • 298.
    56-22 SISTEMA DE TRANSMISSAO FORCEDLUBRICATION LUBRIFICATION SOUS PRESSION DRUCKBEOELUNG LUBRIFICAZIONE FORZATA LUBRIFICACAO FORCADA ENGRASE A PRESION LX014507 -UN- 6 1 2 NR. SERIE 5 ITEM NR.PECA DESCRICAO QTDE TRATOR J NOTAS 1 AL76421 TUBULACAO DE OLEO 1 X 2 L101829 CONEXAO 1 X 3 L59901 ANEL O 1 X 4 51M7042 ANEL O 1 X 5 L78870 BUCHA 1 X 6 AL172570 ABRACADEIRA PARA MANGUEIRA 2 X 7 L76654 TUBO 1 X 8 L77065 RETENTOR 1 X 9 19M7162 PARAFUSO SEXT. 1 X M8 X 16 10 L76661 RETENTOR 1 X 56-22 TRATOR 6125J (EDICAO SUL-AMERICANA) PC8539P (01-JUL-10) PN=296
  • 299.
    56-23 SISTEMA DE TRANSMISSAO SOLENOIDVALVE FOR DIFFERENTIAL LOCK ELECTROVANNE POUR BLOCAGE HYDRAULIQUE DU DIFFERENTIEL MAGNETVENTIL FUER DIFFERENTIALSPERRE VALVOLA A SOLENOIDE PER BLOCCAGGIO DIFFERENZIALE VALVULA SOLENOIDE PARA BLOQUEIO DO DIFERENCIAL ELECTROVALVULA PARA BLOQUEO DEL DIFERENCIAL PUBM1501 -UN- 6 1 2 5 ITEM NR.PECA DESCRICAO QTDE NR. SERIE J NOTAS 1 RE211158 VALVULA SOLENOIDE 1 X 2 R211082 BRACADEIRA 1 X 3 RE47392 KIT - ANEL O 1 X 4 51M7042 ANEL O 2 X 5 38H5135 CONEXAO 1 X 6 38H5037 ADAPTADOR 1 X 7 R77175 CAPA 1 X 8 RE190805 ACOPLAMENTO DE DIAGNOSTICO 1 X 9 21M7572 PARAFUSO ALLEN 2 X M8 X 20 10 21M7463 PARAFUSO 1 X M8 X 60 11 L112092 CARCACA 1 X 12 L40966 ARRUELA 1 X 13 L100573 JUNTA 1 X 14 19M7560 PARAFUSO SEXT. 2 X M6 X 16 .. DT5037 SELANTE AR X LOCTITE 242 TRATOR 6125J (EDICAO SUL-AMERICANA) PC8539P (01-JUL-10) 56-23 PN=297
  • 300.
    56-24 SISTEMA DE TRANSMISSAO DIFFERENTIALLOCK, OIL LINES (MFWD) BLOCAGE DU DIFFERENTIEL, CONDUITES HYDRAULIQUES (AVEC PONT AVANT MECANIQUE) DIFFERENTIALSPERRE, OELLEITUNGEN (MIT MFWD) BLOCCAGGIO DIFFERENZIALE, TUBI OLIO (CON 4WD) TUBOS HIDRAULICOS DO BLOQUEIO DO DIFERENCIAL (4X4) BLOQUEO DEL DIFERENCIAL, TUBERIAS HIDRAULICAS (TDM) PUBM1407 -UN- ESTA RELACAO CONTINUA 56-24 TRATOR 6125J (EDICAO SUL-AMERICANA) PC8539P (01-JUL-10) PN=298
  • 301.
    56-25 SISTEMA DE TRANSMISSAO 6 1 2 5 ITEMNR.PECA DESCRICAO QTDE NR. SERIE J NOTAS 1 51M7043 ANEL O 1 X 2 61M5003 ADAPTADOR 1 X 3 T77857 ANEL O 4 X 4 AL159472 TUBULACAO DE OLEO 1 X 5 T77613 ANEL O 2 X 6 AL81320 TUBULACAO DE OLEO 1 X 7 38H5135 CONEXAO 2 X 8 51M7042 ANEL O 2 X 9 AL150179 TUBULACAO DE OLEO 1 X 10 L153819 SUPORTE 1 X 11 38H5002 ADAPTADOR 1 X 12 51M7041 ANEL O 1 X 13 H75541 BRACADEIRA 1 X 14 19M7162 PARAFUSO SEXT. 1 X 15 14M7273 PORCA 1 X TRATOR 6125J (EDICAO SUL-AMERICANA) PC8539P (01-JUL-10) 56-25 PN=299
  • 302.
    56-26 SISTEMA DE TRANSMISSAO SUCTIONLINE, TRANSMISSION OIL PUMP POMPE A HUILE DE TRANSMISSION, CONDUITE D’ASPIRATION ANSAUGLEITUNG, GETRIEBEOELPUMPE TUBO ASPIRAZIONE POMPA OLIO TRASMISSIONE TUBOS DE ASPIRACAO DA BOMBA DE LUBRIFICACAO TUBERIA DE ASPIRACION, BOMBA DE ENGRASE DE LA TRANSMISION CQ302530 -UN- 6 1 2 5 ITEM NR.PECA DESCRICAO QTDE NR. SERIE J NOTAS 1 L78457 ANEL O 1 X 2 L78545 FLANGE 2 X 3 19M7555 PARAFUSO 3 X M8 X 30 4 AL164106 TUBO 1 X SYNCROPLUS AL164115 TUBO 1 X POWRQUAD 5 51M7119 ANEL O 1 X 56-26 TRATOR 6125J (EDICAO SUL-AMERICANA) PC8539P (01-JUL-10) PN=300
  • 303.
    56-27 SISTEMA DE TRANSMISSAO GROUNDSPEED SENDING UNIT CAPTEUR POUR TACHYMETRE GEBER FUER FAHRGESCHWINDIGKEIT RILEVATORE DI VELOCITA SENSOR DO TACOMETRO SENSOR DEL TACOMETRO PUBM1408 -UN- 6 1 2 5 ITEM NR.PECA DESCRICAO QTDE NR. SERIE J NOTAS 1 15M2717 TAMPAO DE DRENO 1 X (A) 2 L59900 ANEL O 1 X 3 AL77322 PLUGUE 1 X (A) WITHOUT SENSOR SANS CAPTEUR OHNE GEBER SENZA SENSORE SEM SENSOR SIN SENSOR TRATOR 6125J (EDICAO SUL-AMERICANA) PC8539P (01-JUL-10) 56-27 PN=301
  • 304.
    56-28 SISTEMA DE TRANSMISSAO MOUNTINGPARTS FOR OIL RETURN (SYNCROPLUS) CONDUITE DE RETOUR, ELEMENTS DE FIXATION (SYNCROPLUS) ANBAUTEILE FUER OELRUECKLAUF (SYNCROPLUS) PARTI DI MONTAGGIO PER RITORNO OLIO (SYNCROPLUS) RETORNO DE OLEO DA TRANSMISSAO (SYNCROPLUS) PIEZAS DE MONTAJE - RETORNO DE ACEITE (SYNCROPLUS) LX014227 -UN- 6 1 2 5 ITEM NR.PECA DESCRICAO QTDE NR. SERIE J NOTAS 1 L158800 CONEXAO 2 X 2 L53861 ANEL O 2 X 3 19M7162 PARAFUSO SEXT. 2 X M8 X 16 4 AL82025 BRACADEIRA 2 X 5 L155730 MANGUEIRA 1 X 56-28 TRATOR 6125J (EDICAO SUL-AMERICANA) PC8539P (01-JUL-10) PN=302
  • 305.
    56-29 SISTEMA DE TRANSMISSAO MOUNTINGPARTS FOR OIL RETURN (POWRQUAD) CONDUITE DE RETOUR, ELEMENTS DE FIXATION (POWRQUAD) ANBAUTEILE FUER OELRUECKLAUF (POWRQUAD) PARTI DI MONTAGGIO PER RITORNO OLIO (POWRQUAD) RETORNO DE OLEO DA TRANSMISSAO (POWRQUAD) PIEZAS DE MONTAJE - RETORNO DE ACEITE (POWRQUAD) LX034256 -UN- 6 1 2 5 ITEM NR.PECA DESCRICAO QTDE NR. SERIE J NOTAS 1 L158800 CONEXAO 1 X 2 L53861 ANEL O 1 X 3 19M7162 PARAFUSO SEXT. 1 X M8 X 16 4 L156294 CONEXAO DE MANGUEIRA 1 X 5 R158505 JUNTA 1 X 6 19M7863 PARAFUSO 4 X M6 X 25 7 L155730 MANGUEIRA 1 X 8 AL82025 BRACADEIRA 1 X 9 19M7796 PARAFUSO 2 X TRATOR 6125J (EDICAO SUL-AMERICANA) PC8539P (01-JUL-10) 56-29 PN=303
  • 306.
    56-30 SISTEMA DE TRANSMISSAO REARAXLE ESSIEU ARRIERE HINTERACHSE ASSALE POSTERIORE EIXO TRASEIRO EJE TRASERO PUBM1499 -UN- ESTA RELACAO CONTINUA 56-30 TRATOR 6125J (EDICAO SUL-AMERICANA) PC8539P (01-JUL-10) PN=304
  • 307.
    56-31 SISTEMA DE TRANSMISSAO 6 1 2 5 ITEMNR.PECA DESCRICAO QTDE NR. SERIE J NOTAS 1 AL157747 CARCACA 1 X RH AL157748 CARCACA 1 X LH 2 R53658 ANEL DE PRESSAO 3 X 3 L154620 CAPA DE ROLAMENTO 1 X 4 L154621 CAPA DE ROLAMENTO 1 X 5 L76058 ANEL DE DESGASTE 1 X 6 L172081 PINHAO 3 X 7 L75294 ANEL DE PRESSAO 6 X 8 AL182098 CILAMENTO ROLO CILINDRICO 3 X 9 L101243 PORTA-PLANETARIOS 1 X 10 L156914 BUCHA 1 X 11 L80361 EIXO DE ACIONAMENTO 1 X RH L80362 EIXO DE ACIONAMENTO 1 X LH 12 L176898 SEMI-EIXO 1 X 13 AL158922 VEDACAO 1 X 14 AL156506 CONE DE ROLAMENTO 1 X 15 AL69712 VEDACAO 1 X 16 AL156503 CONE DE ROLAMENTO 1 X 17 L76059 ANEL DE PRESSAO 1 X 18 L57311 PARAFUSO 1 X 19 L101142 PLACA DE SEGURANCA 1 X 20 58M5575 CONEXAO DE LUBRIFICACAO 1 X 21 L155937 SEMI-EIXO 2 X 22 44M7114 PINO DE CENTRAGEM 2 X 23 L79831 COROA 1 X .. DT5267 GRAXA AR X TRATOR 6125J (EDICAO SUL-AMERICANA) PC8539P (01-JUL-10) 56-31 PN=305
  • 308.
    56-32 SISTEMA DE TRANSMISSAO MOUNTINGPARTS, REAR AXLE ESSIEU ARRIERE - ELEMENTS DE FIXATION BEFESTIGUNGSTEILE, HINTERACHSE PARTI MONTAGGIO ASSALE POSTERIORE PECAS DE FIXACAO - EIXO TRASEIRO PIEZAS DE FIJACION - EJE TRASERO LX021308 -UN- 6 1 2 5 ITEM NR.PECA DESCRICAO QTDE NR. SERIE J NOTAS 1 L111385 PARAFUSO 22 X 2 L113893 PARAFUSO 2 X 3 14M7274 PORCA 2 X (FOR L113893) 4 CQ25602 ADESIVO 1 X LOCTITE 573 56-32 TRATOR 6125J (EDICAO SUL-AMERICANA) PC8539P (01-JUL-10) PN=306
  • 309.
    58-A01 TOMADA DE POTENCIA- TDP SECTIONAL INDEX INDEX DE SECTION GRUPPENINDEX INDICE DELLA SEZIONE INDICE DE GRUPO INDICE DE GRUPOS PUBM0939 -UN- 1- 1 2- 2 3- 3 4- 4 5- 6 6- 8 7- 10 8- 11 9- 12 10- 14 11- 16 12- 17 13- 18 TRATOR 6125J (EDICAO SUL-AMERICANA) PC8539P (01-JUL-10) 58-A01 PN=307
  • 310.
    58-A02 TOMADA DE POTENCIA- TDP MEMORANDA MEMORANDA MEMORANDA MEMORANDA MEMORANDA MEMORANDA 58-A02 TRATOR 6125J (EDICAO SUL-AMERICANA) PC8539P (01-JUL-10) PN=308
  • 311.
    58-1 TOMADA DE POTENCIA- TDP REAR PTO HOUSING 540 RPM CARTER DE PRISE DE FORCE ARRIERE 540 TR/MIN GEHAEUSE FUER HECKZAPFWELLE 540 U/MIN SCATOLA PTO POSTERIORE 540 GIRI/MIN CARCACA DA TOMADA DE POTENCIA TRASEIRA 540 RPM CAJA DE LA TDF TRASERA DE 540 R/MIN PUBM1409 -UN- 6 1 2 5 ITEM NR.PECA DESCRICAO QTDE NR. SERIE J NOTAS 1 L41709 TAMPAO 1 X 2 L41526 ANEL O 1 X 3 AL167008 CARCACA 1 X 4 AL166903 PLUGUE 1 X OD 7MM 5 AL166904 PLUGUE 3 X OD 8MM 6 L111964 PINO DE CENTRAGEM 2 X 7 AL158828 TAMPAO 1 X 8 15M7078 TAMPAO DE DRENO 1 X 9 51M7047 ANEL O 1 X 10 30M7011 PLUGUE 2 X 11 L166528 CARCACA 1 X 12 99M7043 PLUGUE 2 X TRATOR 6125J (EDICAO SUL-AMERICANA) PC8539P (01-JUL-10) 58-1 PN=309
  • 312.
    58-2 TOMADA DE POTENCIA- TDP REAR PTO HOUSING 540/1000 RPM CARTER DE PRISE DE FORCE ARRIERE 540/1000 TR/MIN GEHAEUSE FUER HECKZAPFWELLE 540/1000 U/MIN SCATOLA PTO POSTERIORE 540/1000 GIRI/MIN CAIXA DA TOMADA DE POTENCIA TRASEIRA 540/1000 RPM CAJA DE LA TDF TRASERA DE 540/1000 R/MIN PUBM1410 -UN- 6 1 2 5 ITEM NR.PECA DESCRICAO QTDE NR. SERIE J NOTAS 1 AL167009 CARCACA 1 X 2 L166529 CARCACA 1 X 3 AL158828 TAMPAO 1 X 4 15M7078 TAMPAO DE DRENO 1 X 5 51M7047 ANEL O 1 X 6 AL166903 PLUGUE 1 X OD 7MM 7 AL166904 PLUGUE 3 X OD 8MM 8 L111964 PINO DE CENTRAGEM 2 X 9 30M7011 PLUGUE 2 X 10 L41526 ANEL O 1 X 11 L41709 TAMPAO 1 X 12 30M5581 PLUGUE 1 X 13 99M7043 PLUGUE 2 X 58-2 TRATOR 6125J (EDICAO SUL-AMERICANA) PC8539P (01-JUL-10) PN=310
  • 313.
    58-3 TOMADA DE POTENCIA- TDP TRANSMISSION OIL FILLER NECK GOULOTTE DE REMPLISSAGE D’HUILE DE TRANSMISSION GETRIEBEOEL-EINFUELLSTUTZEN TUBO PER RIPIENO DELL’OLIO DEL CAMBIO BOCAL DE OLEO DA TRANSMISSAO BOCA DE LLENADO PARA ACEITE DEL CAMBIO PUBM1418 -UN- 6 1 2 5 ITEM NR.PECA DESCRICAO QTDE NR. SERIE J NOTAS 1 AL163619 PLUGUE 1 X 2 24H1304 ARRUELA 1 X (A) 3 T21564 ARRUELA 1 X 4 L102647 BOCAL DE ENCHIMENTO 1 X 5 AL117892 VALVULA DE SANGRIA 1 X 6 51M7042 ANEL O 1 X 7 L165781 ADAPTADOR 1 X 8 L78338 PLUGUE 1 X 9 T77814 ANEL O 1 X 10 19M7865 PARAFUSO 1 X M8 X 16 11 19M7866 PARAFUSO 3 X M8 X 20 12 L53821 ANEL O 1 X 13 AL82582 VARETA DE NIVEL 1 X NSEP (ORD AL163619) .. DT5037 SELANTE 1 X LOCTITE 242 (A) WITH REAR PTO 540 RPM, WITHOUT SCV AVEC PRISE DE FORCE ARRIERE 540 TR/MIN SANS DISTRIBUTEUR AUXILIAIRE BEI HECKZAPFWELLE 540 1/MIN OHNE ZUSATZSTEUERGERAET CON PTO POSTER. 540 G/MIN SENZA DISTRIBUTORE COM TDP TRASEIRA 540 RPM, SEM VCR CON TDF TRASERA 540 R/MIN SIN VALVULA DE MANDO A DISTANCIA TRATOR 6125J (EDICAO SUL-AMERICANA) PC8539P (01-JUL-10) 58-3 PN=311
  • 314.
    58-4 TOMADA DE POTENCIA- TDP REAR PTO 540 RPM PRISE DE FORCE ARRIERE 540 TR/MIN HECKZAPFWELLE 540 1/MIN PTO POSTERIORE 540 GIRI/MIN TDP TRASEIRA 540 RPM TDF TRASERA DE 540 R/MIN LX008016 -UN- ESTA RELACAO CONTINUA 58-4 TRATOR 6125J (EDICAO SUL-AMERICANA) PC8539P (01-JUL-10) PN=312
  • 315.
    58-5 TOMADA DE POTENCIA- TDP 6 1 2 5 ITEM NR.PECA DESCRICAO QTDE NR. SERIE J NOTAS 1 AL76125 REVESTIMENTO, BLINDAGEM 1 X 2 L76327 ENGRENAGEM 1 X Z 59 3 L76495 SUPORTE 1 X 4 L76494 REVESTIMENTO, BLINDAGEM 1 X 5 L169277 EIXO 1 X 6 AL80939 CONE DE ROLAMENTO 2 X 7 40M7179 ANEL DE PRESSAO 1 X 8 L100959 CAPA DE ROLAMENTO 2 X 9 L64838 ROLAMENTO DE ESFERAS 1 X 10 48M7038 VEDACAO 1 X 11 L101355 ANEL DE PRESSAO AR X TK 2.25MM L101356 ANEL DE PRESSAO AR X TK 2.35MM L76291 ANEL DE PRESSAO AR X TK 2.45MM L76292 ANEL DE PRESSAO AR X TK 2.55MM L76294 ANEL DE PRESSAO AR X TK 2.75MM L76295 ANEL DE PRESSAO AR X TK 2.85MM L76293 ANEL DE PRESSAO AR X TK 2.65MM 12 M44162 ANEL O 2 X 13 L79862 ARRUELA 1 X TRATOR 6125J (EDICAO SUL-AMERICANA) PC8539P (01-JUL-10) 58-5 PN=313
  • 316.
    58-6 TOMADA DE POTENCIA- TDP REAR PTO 540/1000 RPM PRISE DE FORCE ARRIERE 540/1000 TR/MIN HECKZAPFWELLE 540/1000 1/MIN PTO POSTERIORE 540/1000 GIRI/MIN TDP TRASEIRA 540/1000 RPM TDF TRASERA DE 540/1000 R/MIN LX014520 -UN- ESTA RELACAO CONTINUA 58-6 TRATOR 6125J (EDICAO SUL-AMERICANA) PC8539P (01-JUL-10) PN=314
  • 317.
    58-7 TOMADA DE POTENCIA- TDP 6 1 2 5 ITEM NR.PECA DESCRICAO QTDE NR. SERIE J NOTAS 1 AL76005 REVESTIMENTO, BLINDAGEM 1 X 2 L167350 ENGRENAGEM 1 X Z 53/24 3 L77301 JUNTA 1 X 4 L76308 REVESTIMENTO, BLINDAGEM 1 X 5 L173243 EIXO 1 X 6 L101573 RODA FONICA 1 X TK 1.75MM 7 AL78835 CONE DE ROLAMENTO 1 X 8 L77371 CAPA DE ROLAMENTO 1 X 9 L172889 ENGRENAGEM 1 X Z 30 10 R95784 ARRUELA DE ENCOSTO 2 X 11 L33035 ANEL DE PRESSAO 2 X 12 R125178 LUVA ESTRIADA 1 X 13 R95152 ARRUELA DE ENCOSTO 1 X 14 AL114548 ROLAMENTO DE AGULHAS 2 X 15 30M7024 PLUGUE 1 X 16 AL80939 CONE DE ROLAMENTO 1 X 17 L100959 CAPA DE ROLAMENTO 1 X 18 R129680 ANEL DE PRESSAO 1 X 19 L173241 EIXO 1 X 20 AL150750 VEDACAO 1 X 21 34M7187 PINO ELASTICO 1 X 22 R93485 MOLA DE COMPRESSAO 1 X 23 L76029 PISTAO 1 X 24 P47889 ANEL O 1 X 25 L76193 RETENTOR 1 X .. DT5299 ADESIVO 1 X TRATOR 6125J (EDICAO SUL-AMERICANA) PC8539P (01-JUL-10) 58-7 PN=315
  • 318.
    58-8 TOMADA DE POTENCIA- TDP COUNTERSHAFT, REAR PTO ARBRE SECONDAIRE, PRISE DE FORCE ARRIERE NEBENWELLE, HECKZAPFWELLE CONTRALBERO PTO POSTERIORE EIXO SECUNDARIO DA TDP TRASEIRA EJE SECUNDARIO, TDF TRASERA PUBM0334 -UN- 6 1 2 5 ITEM NR.PECA DESCRICAO QTDE NR. SERIE J NOTAS 1 L156912 EIXO SECUNDARIO 1 X 2 L156910 ENGRENAGEM 1 X Z 23 3 40M7066 ANEL DE PRESSAO 2 X 4 JD37047 ROLAMENTO DE ROLOS CONICOS 1 X 5 AL160366 CONE DE ROLAMENTO 1 X 6 L76287 MANCAL 1 X 7 L111818 ANEL DE PRESSAO AR X TK 2.55MM L76296 ANEL DE PRESSAO AR X TK 2.65MM L102097 ANEL DE PRESSAO AR X TK 2.70MM L76297 ANEL DE PRESSAO AR X TK 2.75MM L76298 ANEL DE PRESSAO AR X TK 2.85MM L76299 ANEL DE PRESSAO AR X TK 2.95MM L156502 ANEL DE PRESSAO 1 X TK 2.45MM 8 L156773 CAPA DE ROLAMENTO 1 X 9 19M7169 PARAFUSO SEXT. 4 X M10 X 35 58-8 TRATOR 6125J (EDICAO SUL-AMERICANA) PC8539P (01-JUL-10) PN=316
  • 319.
    58-9 TOMADA DE POTENCIA- TDP MEMORANDA MEMORANDA MEMORANDA MEMORANDA MEMORANDA MEMORANDA TRATOR 6125J (EDICAO SUL-AMERICANA) PC8539P (01-JUL-10) 58-9 PN=317
  • 320.
    58-10 TOMADA DE POTENCIA- TDP REAR PTO BEARING SUPPORT 540 RPM SUPPORT DE PALIER, PRISE DE FORCE ARRIERE 540 RPM LAGERSTUETZE, HECKZAPFWELLE 540 RPM SUPPORTO CUSCINETTO PTO POSTERIORE 540 RPM SUPORTE DO ROLAMENTO DA TDP TRASEIRA 540 RPM SOPORTE DEL ROLAMIENTO DE LA TDP TRASERA 540 RPM LX007507 -UN- 6 1 2 5 ITEM NR.PECA DESCRICAO QTDE NR. SERIE J NOTAS 1 L166213 SUPORTE 1 X 2 19M7898 PARAFUSO 4 X M10 X 130 3 L101355 ANEL DE PRESSAO AR X TK 2.25MM L101356 ANEL DE PRESSAO AR X TK 2.35MM L76291 ANEL DE PRESSAO AR X TK 2.45MM L76292 ANEL DE PRESSAO AR X TK 2.55MM L76293 ANEL DE PRESSAO AR X TK 2.65MM L76294 ANEL DE PRESSAO AR X TK 2.75MM L76295 ANEL DE PRESSAO AR X TK 2.85MM 4 40M7044 ANEL DE PRESSAO 1 X 58-10 TRATOR 6125J (EDICAO SUL-AMERICANA) PC8539P (01-JUL-10) PN=318
  • 321.
    58-11 TOMADA DE POTENCIA- TDP REAR PTO BEARING SUPPORT 540/1000 RPM SUPPORT DE PALIER, PRISE DE FORCE ARRIERE 540/1000 RPM LAGERSTUETZE, HECKZAPFWELLE 540/1000 RPM SUPPORTO CUSCINETTO PTO POSTERIORE 540/1000 RPM SUPORTE DO ROLAMENTO DA TDP 540/1000 RPM SOPORTE DEL RODAMIENTO DE LA TDF 540/1000 RPM LX007512 -UN- 6 1 2 5 ITEM NR.PECA DESCRICAO QTDE NR. SERIE J NOTAS 1 L114757 SUPORTE 1 X 2 19M7638 PARAFUSO SEXT. 5 X M10 X 130 3 L101355 ANEL DE PRESSAO AR X TK 2.25MM L101356 ANEL DE PRESSAO AR X TK 2.35MM L76291 ANEL DE PRESSAO AR X TK 2.45MM L76292 ANEL DE PRESSAO AR X TK 2.55MM L76293 ANEL DE PRESSAO AR X TK 2.65MM L76294 ANEL DE PRESSAO AR X TK 2.75MM L76295 ANEL DE PRESSAO AR X TK 2.85MM TRATOR 6125J (EDICAO SUL-AMERICANA) PC8539P (01-JUL-10) 58-11 PN=319
  • 322.
    58-12 TOMADA DE POTENCIA- TDP REAR PTO CLUTCH EMBRAYAGE DE PRISE DE FORCE ARRIERE KUPPLUNG, HECKZAPFWELLE FRIZIONE PTO POSTERIORE EMBREAGEM DA TDP TRASEIRA EMBRAGUE DE TDF TRASERA LX017402 -UN- ESTA RELACAO CONTINUA 58-12 TRATOR 6125J (EDICAO SUL-AMERICANA) PC8539P (01-JUL-10) PN=320
  • 323.
    58-13 TOMADA DE POTENCIA- TDP 6 1 2 5 ITEM NR.PECA DESCRICAO QTDE NR. SERIE J NOTAS 1 L114089 PISTAO 1 X 2 R35034 JUNTA DE VEDACAO 1 X 3 AL115948 TAMBOR 1 X 4 L76286 BUCHA 1 X 5 JD8171 CONE DE ROLAMENTO 1 X 6 R33167 ANEL 2 X 7 L77254 VEDACAO 1 X 8 L77255 MOLA DE DISCO 5 X 9 L114088 ARRUELA 1 X 10 40M7237 ANEL DE PRESSAO 1 X 11 AL161463 PLATO DA EMBREAGEM 1 X (A) Z 15 AL161462 PLATO DA EMBREAGEM 1 X (B) Z 24 12 AL80939 CONE DE ROLAMENTO 1 X 13 L33159 ARRUELA DE ENCOSTO 1 X TK 1.50MM 14 L170885 CUBO 1 X 15 R95109 PLATO DA EMBREAGEM 1 X 16 RE65291 DISCO COM ESTRIADO INTERNO 3 X 17 R95110 PLATO DA EMBREAGEM 2 X 18 19M7407 PARAFUSO SEXT. 6 X M8 X 25 19 L100959 CAPA DE ROLAMENTO 1 X 20 JD8217 CAPA DE ROLAMENTO 1 X 21 RE222770 DISCO ATUADOR DO FREIO 1 X 22 L101618 ARRUELA DE ENCOSTO AR X TK 2.00MM (A) WITH PTO 540 RPM (B) WITH PTO 540/1000 RPM AVEC PRISE DE FORCE 540 TR/MIN AVEC PRISE DE FORCE 540/1000 TR/MIN BEI ZAPFWELLE 540 BEI ZAPFWELLE 540/1000 CON PTO 540 CON PTO 540/1000 COM TDP 540 RPM COM TDP 540/1000 RPM CON TDF 540 RPM CON TDF 540/1000 RPM TRATOR 6125J (EDICAO SUL-AMERICANA) PC8539P (01-JUL-10) 58-13 PN=321
  • 324.
    58-14 TOMADA DE POTENCIA- TDP REAR PTO MODULATING VALVE DISTRIBUTEUR DE PRISE DE FORCE ARRIERE BETAETIGUNGSVENTIL, HECKZAPFWELLE VALVOLA DI MODULAZIONE PTO POSTERIORE VALVULA DE COMANDO DA TDP VALVULA DE MANDO, TDF TRASERA PUBM1502 -UN- ESTA RELACAO CONTINUA 58-14 TRATOR 6125J (EDICAO SUL-AMERICANA) PC8539P (01-JUL-10) PN=322
  • 325.
    58-15 TOMADA DE POTENCIA- TDP 6 1 2 5 ITEM NR.PECA DESCRICAO QTDE NR. SERIE J NOTAS 1 19M7834 PARAFUSO 6 X M6 X 45 2 R95198 PLACA 1 X 3 R95197 JUNTA 1 X 4 R152204 CARCACA 1 X 5 R153481 CARRETEL DE VALVULA 1 X 6 R95195 MOLA DE COMPRESSAO 1 X 7 34M3872 PINO ELASTICO 1 X 8 R95216 MOLA DE COMPRESSAO 1 X 9 R95890 PISTAO 1 X 10 RE190805 ACOPLAMENTO DE DIAGNOSTICO 2 X 11 R77175 CAPA 2 X 12 P48347 ANEL O 1 X 13 R95892 PLUGUE 1 X 14 40M1851 ANEL DE PRESSAO 1 X 15 19M7775 PARAFUSO 2 X M6 X 16 16 AL158332 VALVULA SOLENOIDE 2 X 17 L176859 JUNTA 1 X 18 19M7560 PARAFUSO SEXT. 6 X M6 X 16 19 RE47393 KIT 1 X 20 R104558 ANEL O 1 X 21 R211082 BRACADEIRA 1 X .. AL76434 BLOCO DE VALVULAS 1 X TRATOR 6125J (EDICAO SUL-AMERICANA) PC8539P (01-JUL-10) 58-15 PN=323
  • 326.
    58-16 TOMADA DE POTENCIA- TDP REAR PTO OUTPUT SHAFT ARBRE D’ENTRAINEMENT, PRISE DE FORCE ARRIERE ANTRIEBSWELLE, HECKZAPFWELLE ALBERO USCITA PTO POSTERIORE EIXO DE SAIDA DA TDP TRASEIRA EJE DE SALIDA, TDF TRASERA LX014535 -UN- 6 1 2 5 ITEM NR.PECA DESCRICAO QTDE NR. SERIE J NOTAS 1 L76445 PLUGUE 1 X 2 L59904 ANEL O 1 X 3 L76924 EIXO DE ACIONAMENTO 1 X 4 L76568 EIXO DE ACIONAMENTO 1 X SYNCROPLUS L76569 EIXO DE ACIONAMENTO 1 X POWRQUAD LGTH 354MM 58-16 TRATOR 6125J (EDICAO SUL-AMERICANA) PC8539P (01-JUL-10) PN=324
  • 327.
    58-17 TOMADA DE POTENCIA- TDP POWER TAKE-OFF GUARD GARANT DE PDF ZAPFWELLENSCHUTZ PROTEZIONE PDF PROTECAO DA TDP PROTECCIONES DE LA TDF PUBM1419 -UN- 6 1 2 5 ITEM NR.PECA DESCRICAO QTDE NR. SERIE J NOTAS 1 19M7386 PARAFUSO SEXT. 2 X M12 X 20 2 12M7067 ARRUELA DE PRESSAO 2 X 3 L200484 REVESTIMENTO, BLINDAGEM 1 X 4 L64456 PROTECAO AR X 5 R27329 PARAFUSO 2 X TRATOR 6125J (EDICAO SUL-AMERICANA) PC8539P (01-JUL-10) 58-17 PN=325
  • 328.
    58-18 TOMADA DE POTENCIA- TDP MOUNTING PARTS, PTO HOUSING CARTER DE PRISE DE FORCE - ELEMENTS DE FIXATION BEFESTIGUNGSTEILE FUER ZAPFWELLENGEHAEUSE PARTI MONTAGGIO ALLOGGIAMENTO PTO PECAS DE MONTAGEM DA CAIXA DA TDP PIEZAS DE FIJACION, CAJA DE LA TDF PUBM1503 -UN- 6 1 2 5 ITEM NR.PECA DESCRICAO QTDE NR. SERIE J NOTAS 1 L64500 SELANTE 1 X 2 L34383 ARRUELA 1 X 3 19M7396 PARAFUSO SEXT. 4 X M16 X 45 4 19M7675 PARAFUSO SEXT. 6 X M16 X 200 5 19M7495 PARAFUSO SEXT. 3 X M16 X 100 58-18 TRATOR 6125J (EDICAO SUL-AMERICANA) PC8539P (01-JUL-10) PN=326
  • 329.
    60-A01 SISTEMA DE DIRECAOE FREIO SECTIONAL INDEX INDEX DE SECTION GRUPPENINDEX INDICE DELLA SEZIONE INDICE DE GRUPO INDICE DE GRUPOS PUBM1464 -UN- 1- 2 2- 4 3- 6 4- 7 5- 8 6- 10 7- 12 8- 14 9- 16 10- 18 11- 20 12- 22 13- 24 TRATOR 6125J (EDICAO SUL-AMERICANA) PC8539P (01-JUL-10) 60-A01 PN=327
  • 330.
    60-2 SISTEMA DE DIRECAOE FREIO STEERING WHEEL/ATTACHING PARTS VOLANT/ELEMENTS DE FIXATION LENKRAD/ANBAUTEILE VOLANTE / PARTI DI FISSAGGIO VOLANTE / PECAS DE FIXACAO VOLANTE DE DIRECCION/ PIEZAS DE FIJACION PUBM1361 -UN- ESTA RELACAO CONTINUA 60-2 TRATOR 6125J (EDICAO SUL-AMERICANA) PC8539P (01-JUL-10) PN=328
  • 331.
    60-3 SISTEMA DE DIRECAOE FREIO 6 1 2 NR. SERIE 5 ITEM NR.PECA DESCRICAO QTDE TRATOR J NOTAS 1 L172182 VOLANTE DE DIRECAO 1 X 2 T17148 ARRUELA DE PRESSAO 1 X 3 14M7209 PORCA 1 X M18 4 AL155228 CAPA 1 X AL155227 CAPA 1 X 5 PF81060 CORRENTE DE MOTOSSERRA 1 X 6 PF12746 PARAFUSO AR X 7 PF12143 CAPA 1 X 8 PF12800 PLACA NUMERO DE SERIE 1 X 9 PF12747 REBITE 1 X PF12747 REBITE 1 X PF12747 REBITE 1 X 10 PF12321 GRAMPO 1 X 11 M85517 PASSADOR 1 X 12 PF81061 MONTAGEM DE CONJUNTOS 1 X 13 PFP10110 APOIO 1 X 14 PFP10109 APOIO 1 X 15 PFP10111 PARAFUSO U 1 X 16 PF12198 SELA 1 X 17 PF12336 ARRUELA 1 X 18 14M7397 PORCA DE SEGURANCA 2 X M6 19 21M7577 PARAFUSO ALLEN 2 X M6 X 16 20 24M7096 ARRUELA 1 X 21 03M7190 PARAFUSO 1 X 22 N209668 MANOPLA 1 X 23 PF12168 CUBO 1 X 24 PF12169 CAPA 1 X .. PF81087 JOGO DE FERRAMENTA 1 X TRATOR 6125J (EDICAO SUL-AMERICANA) PC8539P (01-JUL-10) 60-3 PN=329
  • 332.
    60-4 SISTEMA DE DIRECAOE FREIO STEERING COLUMN COLONNE DE DIRECTION LENKSAEULE PIANTONE STERZO COLUNA DE DIRECAO COLUMNA DE DIRECCION PUBM1417 -UN- ESTA RELACAO CONTINUA 60-4 TRATOR 6125J (EDICAO SUL-AMERICANA) PC8539P (01-JUL-10) PN=330
  • 333.
    60-5 SISTEMA DE DIRECAOE FREIO 6 1 2 NR. SERIE 5 ITEM NR.PECA DESCRICAO QTDE TRATOR J NOTAS 1 AL158160 COLUNA DE DIRECAO 1 X (A) AL172782 COLUNA DE DIRECAO 1 X (B) 2 14M7165 PORCA DE SEGURANCA 2 X M6 3 R114779 BUCHA 1 X 4 24M7251 ARRUELA 4 X 5 RE54004 KIT 1 X 6 R106302 MANOPLA 1 X 7 19M7784 PARAFUSO 3 X M10 X 20 8 ........ LUVA 1 X NSEP (ORD AL157856) 9 19M7168 PARAFUSO SEXT. 4 X (A) M10 X 30 10 24M7178 ARRUELA 4 X (A) 11 AL154960 ISOLADOR 4 X (A) 12 R126641 LUVA ESTRIADA 1 X (A) 13 AL157856 ISOLADOR 1 X (A) 14 R126640 LUVA ESTRIADA 1 X (A) 15 L151020 PARAFUSO 2 X M6X16 16 L154057 FORQUILHA 1 X 17 R114758 CAIXA CILINDRICA 1 X 18 19M7077 PARAFUSO SEXT. 2 X M6 X 20 19 L175853 PROTETOR 1 X 20 R114841 ANEL DE PRESSAO 2 X 21 AL150755 CILINDRO OPERADO A GAS 1 X 22 AL157743 CARCACA 1 X (A) 23 ........ EIXO 1 X (A) NSEP (ORD AL157856) ........ EIXO 1 X (B) NSEP (ORD AL172782) 24 ........ ISOLADOR 1 X NSEP (ORD AL158756) 25 ........ LUVA 1 X NSEP (ORD AL158756) (A) WITH CAB ONLY (B) WITH OPEN OPERATOR’S STATION SEULEMENT AVEC CABINE SANS CABINE NUR MIT KABINE BEI OFFENER FAHRERPLATTFORM SOLO CON CABINA POSTAZIONE OPERATORE APERTA SOMENTE COM CABINE COM ESTACAO DO OPERADOR ABERTA SOLO CON CABINA CON PLATAFORMA DE CONDUCCION ABIERTA TRATOR 6125J (EDICAO SUL-AMERICANA) PC8539P (01-JUL-10) 60-5 PN=331
  • 334.
    60-6 SISTEMA DE DIRECAOE FREIO HYDROSTATIC STEERING UNIT UNITE DE DIRECTION HYDROSTATIQUE HYDROSTAT. LENKEINHEIT GRUPPO VALVOLA STERZO IDROST. UNIDADE DE DIRECAO HIDROSTATICA CONJUNTO DE DIRECCION HIDROSTATICA PUBM1384 -UN- 6 1 2 NR. SERIE 5 ITEM NR.PECA DESCRICAO QTDE TRATOR J NOTAS 1 AL110258 VALVULA 1 X (A) 2 51M7043 ANEL O 4 X 3 61M5003 ADAPTADOR 4 X 4 51M7041 ANEL O 1 X 5 61M5016 CONEXAO EM ANGULO 1 X (A) FOR SAFETY REASONS, ORDER STEERING VALVE NAMED ON TYPE PLATE POUR DES RAISONS DE SECURITE, COMMANDER L’UNITE DE DIRECT. INDIQUEE SUR PLAQUETTE SIGNALETIQU AUS SICHERHEITSGRUENDEN LENKEINHEIT NACH TYPENSCHILD BESTELLEN PER MOTIVI DI SICUREZZA, ORDINARE IL TIPO DI VALVOLA DELLO STERZO RIPORTATO SULLA TARGHETTA POR MOTIVO DE SEGURANCA, PEDIR O CODIGO MARCADO NA PECA POR MOTIVOS DE SEGURIDAD, PEDIR UNIDAD DE DIRECCION SEGUN PLACA DE IDENTIFICACION 60-6 TRATOR 6125J (EDICAO SUL-AMERICANA) PC8539P (01-JUL-10) PN=332
  • 335.
    60-7 SISTEMA DE DIRECAOE FREIO GASKET KIT FOR HYDROSTATIC STEERING UNIT JEU DE JOINTS POUR UNITE DE DIRECTION HYDROSTATIQUE DICHTUNGSSATZ FUER HYDROSTATISCHE LENKEINHEIT KIT GUARNIZIONI PER STERZO IDROSTATICO KIT DE REPARO DA UNIDADE DE DIRECAO HIDROSTATICA JUEGO DE JUNTAS PARA UNIDAD DE DIRECCION HIDROSTATICA LX016512 -UN- 6 1 2 NR. SERIE 5 ITEM NR.PECA DESCRICAO QTDE TRATOR J NOTAS 1 AL112819 KIT RETENTOR 1 X TRATOR 6125J (EDICAO SUL-AMERICANA) PC8539P (01-JUL-10) 60-7 PN=333
  • 336.
    60-8 SISTEMA DE DIRECAOE FREIO HYDROSTATIC STEERING, OIL LINES (OPEN OPERATOR’S) DIRECTION HYDROSTATIQUE, CONDUITES D’HUILE (TRACTEURS SANS CABINE) HYDROSTATISCHE LENKUNG, OELLEITUNGEN (OFFENE FAHRERPLATTFORM) STERZO IDROSTATICO, TUBI OLIO (STAZIONE OPERATORE APERTA) LINHAS DA DIRECAO HIDROSTATICA (EPCC) TUBERIAS DE LA DIRECCION HIDROSTATICA (PLATAFORMA DE C ONDUCCION ABIERTA) PUBM1494 -UN- ESTA RELACAO CONTINUA 60-8 TRATOR 6125J (EDICAO SUL-AMERICANA) PC8539P (01-JUL-10) PN=334
  • 337.
    60-9 SISTEMA DE DIRECAOE FREIO 6 1 2 NR. SERIE 5 ITEM NR.PECA DESCRICAO QTDE TRATOR J NOTAS 1 T77857 ANEL O AR X 2 R50454 BRACADEIRA 1 X 3 L114178 BRACADEIRA 1 X (ORD AL118382) 4 14M7416 PORCA COM FLANGE 4 X M8 5 AL37489 BRACADEIRA 1 X 6 AL79540 MANGUEIRA HIDRAULICA 1 X 7 AL115334 MANGUEIRA HIDRAULICA 1 X 8 T77613 ANEL O 1 X 9 51M7041 ANEL O 1 X 10 AL157571 MANGUEIRA HIDRAULICA 1 X 11 AL150529 MANGUEIRA HIDRAULICA 2 X 12 L41980 BRACADEIRA 1 X 13 24M7055 ARRUELA 1 X 8.400 X 16 X 1.600 MM 14 19M8263 PARAFUSO 1 X M6 X 30 TRATOR 6125J (EDICAO SUL-AMERICANA) PC8539P (01-JUL-10) 60-9 PN=335
  • 338.
    60-10 SISTEMA DE DIRECAOE FREIO HYDROSTATIC STEERING OIL LINES (CAB), WITH 60 L PUMP DIRECTION HYDROSTATIQUE, CONDUITES HYDRAULIQUES (CABINE) AVEC POMPE 60 L HYDROSTATISCHE LENKUNG, OELLEITUNGEN (KABINE) MIT 60 L PUMPE TUBI OLIO STERZO IDROSTATICO (CABINA), CON POMPA DA 60 LITRI LINHAS DA DIRECAO HIDROSTATICA COM BOMBA 60L (CABINE) TUBERIAS DE DIRECCION HIDROSTATICA (CABINA) CON BOMBA DE 60 L PUBM1336 -UN- ESTA RELACAO CONTINUA 60-10 TRATOR 6125J (EDICAO SUL-AMERICANA) PC8539P (01-JUL-10) PN=336
  • 339.
    60-11 SISTEMA DE DIRECAOE FREIO 6 1 2 NR. SERIE 5 ITEM NR.PECA DESCRICAO QTDE TRATOR J NOTAS 1 T77857 ANEL O AR X 2 AL163565 MANGUEIRA HIDRAULICA 1 X 3 AL115334 MANGUEIRA HIDRAULICA 1 X 4 T77613 ANEL O AR X 5 AL37489 BRACADEIRA 1 X 6 L102007 PASSADOR 2 X 7 AL153791 MANGUEIRA HIDRAULICA 2 X 8 AL157571 MANGUEIRA HIDRAULICA 1 X 9 L41980 BRACADEIRA 1 X 10 19M8263 PARAFUSO 1 X M6 X 30 11 R50454 BRACADEIRA 2 X 12 24M7055 ARRUELA 2 X 13 37M7059 PARAFUSO 2 X M5 X 12 14 19M7386 PARAFUSO SEXT. 1 X M12 X 20 15 L114178 BRACADEIRA 1 X 16 AL169907 BRACADEIRA 1 X 17 14M7416 PORCA COM FLANGE 1 X M8 18 24M7139 ARRUELA 1 X 6.400 X 18 X 1.600 MM 19 AL153850 ISOLADOR 4 X 20 AL153356 APOIO 1 X 21 61M5002 ADAPTADOR 1 X 22 51M7041 ANEL O 1 X 23 37M7104 PARAFUSO 2 X 24 19M7660 PARAFUSO 2 X M8 X 20 TRATOR 6125J (EDICAO SUL-AMERICANA) PC8539P (01-JUL-10) 60-11 PN=337
  • 340.
    60-12 SISTEMA DE DIRECAOE FREIO HYDROSTATIC STEERING OIL LINES (CAB), WITH 100 L PUMP DIRECTION HYDROSTATIQUE, CONDUITES HYDRAULIQUES (CABINE) AVEC POMPE 100 L HYDROSTATISCHE LENKUNG, OELLEITUNGEN (KABINE) MIT 100 L PUMPE TUBI OLIO STERZO IDROSTATICO (CABINA), CON POMPA DA 100 LITRI LINHAS DA DIRECAO HIDROSTATICA COM BOMBA 100L (CABINE) TUBERIAS DE DIRECCION HIDROSTATICA (CABINA) CON BOMBA DE 100 L PUBM1479 -UN- ESTA RELACAO CONTINUA 60-12 TRATOR 6125J (EDICAO SUL-AMERICANA) PC8539P (01-JUL-10) PN=338
  • 341.
    60-13 SISTEMA DE DIRECAOE FREIO 6 1 2 NR. SERIE 5 ITEM NR.PECA DESCRICAO QTDE TRATOR J NOTAS 1 T77857 ANEL O AR X 2 AL163565 MANGUEIRA HIDRAULICA 1 X 3 AL115334 MANGUEIRA HIDRAULICA 1 X 4 T77613 ANEL O AR X 5 AL37489 BRACADEIRA 1 X 6 L102007 PASSADOR 4 X 7 AL153791 MANGUEIRA HIDRAULICA 2 X 8 AL157571 MANGUEIRA HIDRAULICA 1 X 9 L41980 BRACADEIRA 1 X 10 19M8263 PARAFUSO 1 X M6 X 30 11 R50454 BRACADEIRA 2 X 12 24M7055 ARRUELA 2 X 13 37M7059 PARAFUSO 1 X M5 X 12 14 19M7386 PARAFUSO SEXT. 1 X M12 X 20 15 L114178 BRACADEIRA 1 X 16 AL153850 ISOLADOR 4 X 17 24M7139 ARRUELA 1 X 6.400 X 18 X 1.600 MM 18 AL169907 BRACADEIRA 1 X 19 AL153356 APOIO 1 X 20 AL156633 MANGUEIRA HIDRAULICA 1 X 21 61M5002 ADAPTADOR 1 X 22 51M7041 ANEL O 1 X 23 37M7104 PARAFUSO 2 X M6 X 30 24 19M7660 PARAFUSO 2 X M8 X 20 TRATOR 6125J (EDICAO SUL-AMERICANA) PC8539P (01-JUL-10) 60-13 PN=339
  • 342.
    60-14 SISTEMA DE DIRECAOE FREIO HYDROSTATIC STEERING, OIL LINES DIRECTION HYDROSTATIQUE, CONDUITES HYDRAULIQUES HYDROSTATISCHE LENKUNG, OELLEITUNGEN STERZO IDROSTATICO, TUBI OLIO LINHAS DA DIRECAO HIDROSTATICA DIRECCION HIDROSTATICA, TUBERIAS HIDRAULICAS PUBM1375 -UN- ESTA RELACAO CONTINUA 60-14 TRATOR 6125J (EDICAO SUL-AMERICANA) PC8539P (01-JUL-10) PN=340
  • 343.
    60-15 SISTEMA DE DIRECAOE FREIO 6 1 2 NR. SERIE 5 ITEM NR.PECA DESCRICAO QTDE TRATOR J NOTAS 1 AL170293 TUBULACAO 1 X RH 2 AL170294 TUBULACAO DE OLEO 1 X LH 3 L101560 BRACADEIRA 2 X 4 T77857 ANEL O 4 X 5 AL170455 MANGUEIRA HIDRAULICA 2 X 6 T70659 BRACADEIRA 2 X 7 19M8533 PARAFUSO 2 X M10 X 25 8 14M7274 PORCA 4 X M10 9 19M7288 PARAFUSO SEXT. AR X M8 X 30 10 14M7273 PORCA 3 X M8 11 24M7028 ARRUELA 1 X 12 H75541 BRACADEIRA 2 X 13 19M7166 PARAFUSO SEXT. 1 X M10 X 20 14 L168503 SUPORTE 1 X 15 14M7272 PORCA 1 X M6 16 L38284 BRACADEIRA 2 X 17 19M7603 PARAFUSO 1 X M6 X 20 18 L156964 SUPORTE 2 X 19 24M7028 ARRUELA 4 X 20 19M7168 PARAFUSO SEXT. 2 X 21 38H5036 CONEXAO EM ANGULO 2 X 22 51M7042 ANEL O 2 X 23 19M7660 PARAFUSO 2 X M8 X 20 24 24M7055 ARRUELA 2 X 8.400 X 16 X 1.600 MM TRATOR 6125J (EDICAO SUL-AMERICANA) PC8539P (01-JUL-10) 60-15 PN=341
  • 344.
    60-16 SISTEMA DE DIRECAOE FREIO BRAKE PEDAL, BRAKE SWITCH PEDALES DE FREIN, CONTACTEUR DE FREINS BREMSPEDALE, BREMSSCHALTER PEDALI FRENO, INTERRUTTORE FRENO VALVULA DO FREIO E PEDAIS PEDALES DE FRENO, INTERRUPTORES DE FRENOT PUBM1110 -UN- ESTA RELACAO CONTINUA 60-16 TRATOR 6125J (EDICAO SUL-AMERICANA) PC8539P (01-JUL-10) PN=342
  • 345.
    60-17 SISTEMA DE DIRECAOE FREIO 6 1 2 5 ITEM NR.PECA DESCRICAO QTDE NR. SERIE J NOTAS 1 AP37887 VALVULA 1 X 2 L102049 RESERVATORIO 1 X 3 DQ69816 SUPORTE 1 X 4 AL156199 INTERRUP. DE PRESSAO 1 X 5 19M7300 PARAFUSO SEXT. 2 X M6 X 10 6 AL112163 PINO FIXADOR 1 X 7 40M7051 ANEL DE PRESSAO 2 X 8 L110762 APOIO 1 X 9 51M7041 ANEL O 1 X 10 19M5055 PARAFUSO 4 X M10 X 25 11 19M7163 PARAFUSO SEXT. 1 X M8 X 25 12 24M7047 ARRUELA 2 X 13 X 24 X 2.500 MM 13 L110065 CONEXAO 1 X 14 B2762R ANEL O 1 X 15 L169231 BUCHA 1 X 16 AL164011 PEDAL 1 X 17 AL164010 PEDAL 1 X 18 L77779 BUCHA 2 X 19 40M7030 ANEL DE PRESSAO 2 X 20 L101897 PINO 2 X 21 L111002 BUCHA 2 X 22 L111003 LUVA 2 X 23 L79009 PINO FIXADOR 1 X 24 22M7168 PARAF. DE FENDA 4 X 25 L79270 LUVA 1 X 26 34M7095 PINO ELASTICO 1 X 27 AL164008 PEDAL 1 X 28 AL164009 PEDAL 1 X 29 03M7331 PARAFUSO 2 X M8 X 35 30 14M7273 PORCA 2 X M8 31 14M7274 PORCA 1 X M10 TRATOR 6125J (EDICAO SUL-AMERICANA) PC8539P (01-JUL-10) 60-17 PN=343
  • 346.
    60-18 SISTEMA DE DIRECAOE FREIO BRAKE VALVE MAITRE-CYLINDRE BREMSVENTIL VALVOLA FRENO VALVULA DO FREIO VALVULA DEL FRENO CQ157867 -UN- ESTA RELACAO CONTINUA 60-18 TRATOR 6125J (EDICAO SUL-AMERICANA) PC8539P (01-JUL-10) PN=344
  • 347.
    60-19 SISTEMA DE DIRECAOE FREIO 6 1 2 NR. SERIE 5 ITEM NR.PECA DESCRICAO QTDE CABINE J NOTAS 1 AP37887 VALVULA 1 X 2 R26552 ESFERA 1 X 3 19M8493 PARAFUSO 2 X M8 X 12 4 R108052 EMBOLO 2 X 5 61M5002 ADAPTADOR 2 X 6 51M7041 ANEL O 1 X 7 R60755 AGULHA DE ROLAMENTO 2 X 8 R108062 TAMPAO 2 X 9 U17409 ANEL O 2 X 10 RE175238 KIT 2 X 11 R108041 VEDACAO 2 X 12 T13119 ANEL O 2 X 13 19M7402 PARAFUSO SEXT. 4 X M10 X 25 14 RE46598 KIT 1 X 15 AP32913 PISTAO 2 X 16 34H294 PINO ELASTICO 2 X 17 R108066 ANEL O 2 X TRATOR 6125J (EDICAO SUL-AMERICANA) PC8539P (01-JUL-10) 60-19 PN=345
  • 348.
    60-20 SISTEMA DE DIRECAOE FREIO BRAKE OIL LINES CONDUITES D’HUILE DE FREIN BREMSOELLEITUNGEN TUBAZIONI FRENO LINHAS DE OLEO DO FREIO TUBERIAS DE ACEITE DEL FRENO PUBM1491 -UN- ESTA RELACAO CONTINUA 60-20 TRATOR 6125J (EDICAO SUL-AMERICANA) PC8539P (01-JUL-10) PN=346
  • 349.
    60-21 SISTEMA DE DIRECAOE FREIO 6 1 2 5 ITEM NR.PECA DESCRICAO QTDE NR. SERIE J NOTAS 1 19M7163 PARAFUSO SEXT. 1 X M8 X 25 2 AH77724 PRESILHA 1 X 3 14M7274 PORCA 1 X M10 4 L113281 ESPACADOR 1 X 5 L159212 TUBULACAO DE OLEO 1 X 6 AL80154 BRACADEIRA AR X 7 L62172 MANGUEIRA 1 X 8 T77613 ANEL O AR X 9 L114539 PASSADOR 1 X 10 L100644 PASSADOR 2 X 11 L111138 MANGUEIRA 1 X 12 L100851 BRACADEIRA 1 X 13 AL164598 TUBULACAO DE OLEO 1 X RH 14 AL164597 TUBULACAO DE OLEO 1 X LH 15 L41980 BRACADEIRA 1 X 16 19M8263 PARAFUSO 1 X M6 X 30 17 AL110276 MANGUEIRA HIDRAULICA 2 X 18 L53873 ANEL O 1 X 19 L113347 CONEXAO EM T 1 X 20 AL80154 BRACADEIRA AR X 21 L41709 TAMPAO 1 X 22 51M7041 ANEL O 1 X 23 L41860 SELANTE 1 X LOCTITE 648, 10CCM TRATOR 6125J (EDICAO SUL-AMERICANA) PC8539P (01-JUL-10) 60-21 PN=347
  • 350.
    60-22 SISTEMA DE DIRECAOE FREIO BRAKE OIL LINES CONDUITES D’HUILE DE FREIN BREMSOELLEITUNGEN TUBAZIONI FRENO (NOT USATI CON FRENATURA PNEUMATICA PER RIMOCHIO) LINHAS HIDRAULICAS DO FREIO TUBERIAS DE ACEITE DEL FRENO PUBM1492 -UN- ESTA RELACAO CONTINUA 60-22 TRATOR 6125J (EDICAO SUL-AMERICANA) PC8539P (01-JUL-10) PN=348
  • 351.
    60-23 SISTEMA DE DIRECAOE FREIO 6 1 2 5 ITEM NR.PECA DESCRICAO QTDE NR. SERIE J NOTAS 1 L101287 BRACADEIRA 2 X 2 51M7041 ANEL O AR X 3 L100425 ADAPTADOR AR X 4 61M5002 ADAPTADOR AR X 5 T77613 ANEL O 4 X 6 L101561 BRACADEIRA 1 X 7 AL156683 LINHA DO FREIO 1 X RH 8 AL156684 LINHA DO FREIO 1 X LH 9 19M7768 PARAFUSO 1 X M6 X 16 10 61M5016 CONEXAO EM ANGULO 1 X 11 14M7272 PORCA 1 X M6 12 14M7273 PORCA 3 X M8 13 19M7298 PARAFUSO SEXT. 1 X M8 X 35 14 L57382 BRACADEIRA 2 X 15 L102453 VALVULA DE SANGRIA AR X 16 R47862 TAMPA AR X 17 L168610 APOIO 1 X TRATOR 6125J (EDICAO SUL-AMERICANA) PC8539P (01-JUL-10) 60-23 PN=349
  • 352.
    60-24 SISTEMA DE DIRECAOE FREIO BRAKE DISK DISQUE DE FREIN BREMSSCHEIBE DISCO FRENO DISCO DE FREIO DISCO DEL FRENO LX000048 -UN- 6 1 2 5 ITEM NR.PECA DESCRICAO QTDE NR. SERIE J NOTAS 1 L111978 PISTAO 2 X 2 AL181918 MOLA 6 X 3 L56243 ANEL O 2 X 4 L56246 ANEL O 2 X 5 AL171954 DISCO DO FREIO 2 X TK 4.9MM 6 L114053 DISCO 2 X TK 22MM 60-24 TRATOR 6125J (EDICAO SUL-AMERICANA) PC8539P (01-JUL-10) PN=350
  • 353.
    60-25 SISTEMA DE DIRECAOE FREIO MEMORANDA MEMORANDA MEMORANDA MEMORANDA MEMORANDA MEMORANDA TRATOR 6125J (EDICAO SUL-AMERICANA) PC8539P (01-JUL-10) 60-25 PN=351
  • 354.
    70-A02 SISTEMA HIDRAULICO XXXXXXXXXXXXXXXXXXXXXXXXXXXXXXXXXXXXXXXXXXXXXXXX SECTIONALINDEX XXXXXXXXXXXXXXXXXXXXXXXXXXXXXXXXXXXXXXXXXXXXXXXX INDEX DE SECTION XXXXXXXXXXXXXXXXXXXXXXXXXXXXXXXXXXXXXXXXXXXXXXXX GRUPPENINDEX XXXXXXXXXXXXXXXXXXXXXXXXXXXXXXXXXXXXXXXXXXXXXXXX INDICE DELLA SEZIONE XXXXXXXXXXXXXXXXXXXXXXXXXXXXXXXXXXXXXXXXXXXXXXXX INDICE DE GRUPO XXXXXXXXXXXXXXXXXXXXXXXXXXXXXXXXXXXXXXXXXXXXXXXX INDICE DE GRUPOS PUBM1462 -UN- 32- 30 33- 32 37- 34 34- 38 20- 40 21- 42 25- 53 26- 54 70-A02 TRATOR 6125J (EDICAO SUL-AMERICANA) PC8539P (01-JUL-10) PN=352
  • 355.
    70-A03 SISTEMA HIDRAULICO XXXXXXXXXXXXXXXXXXXXXXXXXXXXXXXXXXXXXXXXXXXXXXXX SECTIONALINDEX XXXXXXXXXXXXXXXXXXXXXXXXXXXXXXXXXXXXXXXXXXXXXXXX INDEX DE SECTION XXXXXXXXXXXXXXXXXXXXXXXXXXXXXXXXXXXXXXXXXXXXXXXX GRUPPENINDEX XXXXXXXXXXXXXXXXXXXXXXXXXXXXXXXXXXXXXXXXXXXXXXXX INDICE DELLA SEZIONE XXXXXXXXXXXXXXXXXXXXXXXXXXXXXXXXXXXXXXXXXXXXXXXX INDICE DE GRUPO XXXXXXXXXXXXXXXXXXXXXXXXXXXXXXXXXXXXXXXXXXXXXXXX INDICE DE GRUPOS PUBM1456 -UN- 1- 2 2- 4 3- 5 4- 6 5- 7 6- 8 7- 9 8- 10 9- 12 10- 14 11- 16 12- 17 13- 18 TRATOR 6125J (EDICAO SUL-AMERICANA) PC8539P (01-JUL-10) 70-A03 PN=353
  • 356.
    70-A04 SISTEMA HIDRAULICO XXXXXXXXXXXXXXXXXXXXXXXXXXXXXXXXXXXXXXXXXXXXXXXX SECTIONALINDEX XXXXXXXXXXXXXXXXXXXXXXXXXXXXXXXXXXXXXXXXXXXXXXXX INDEX DE SECTION XXXXXXXXXXXXXXXXXXXXXXXXXXXXXXXXXXXXXXXXXXXXXXXX GRUPPENINDEX XXXXXXXXXXXXXXXXXXXXXXXXXXXXXXXXXXXXXXXXXXXXXXXX INDICE DELLA SEZIONE XXXXXXXXXXXXXXXXXXXXXXXXXXXXXXXXXXXXXXXXXXXXXXXX INDICE DE GRUPO XXXXXXXXXXXXXXXXXXXXXXXXXXXXXXXXXXXXXXXXXXXXXXXX INDICE DE GRUPOS PUBM1463 -UN- 14- 19 15- 20 16- 22 17- 24 31- 26 18- 28 19- 36 22- 44 35- 46 23- 48 24- 50 36- 52 27- 56 28- 58 29- 60 30- 62 38- 64 70-A04 TRATOR 6125J (EDICAO SUL-AMERICANA) PC8539P (01-JUL-10) PN=354
  • 357.
  • 358.
    70-2 SISTEMA HIDRAULICO ROCKSHAFT RELEVAGE KRAFTHEBER SOLLEVATORE LEVANTE HIDRAULICO ELEVADORHIDRAULICO PUBM1366 -UN- ESTA RELACAO CONTINUA 70-2 TRATOR 6125J (EDICAO SUL-AMERICANA) PC8539P (01-JUL-10) PN=356
  • 359.
    70-3 SISTEMA HIDRAULICO 6 1 2 5 ITEM NR.PECADESCRICAO QTDE NR. SERIE J NOTAS 1 L112503 SUPORTE 1 X 2 L79234 BUCHA 2 X 3 L168344 EIXO OSCILANTE 1 X 4 L79232 VEDACAO 2 X 5 L79230 ARRUELA 2 X 6 L116615 BRACO ELEVADOR 1 X 7 L116616 BRACO ELEVADOR 1 X 8 L77320 ARRUELA 2 X 9 19M8011 PARAFUSO SEXT. 2 X M12 X 30 10 34M7230 PINO ELASTICO 2 X 11 24M7361 ARRUELA 8 X 12 L158930 PARAFUSO SEXT. 8 X 13 58M7009 CONEXAO DE LUBRIFICACAO 2 X .. DT5267 GRAXA AR X TRATOR 6125J (EDICAO SUL-AMERICANA) PC8539P (01-JUL-10) 70-3 PN=357
  • 360.
    70-4 SISTEMA HIDRAULICO POSITION SENSOR,ROCKSHAFT CAPTEUR DE POSITION DU RELEVAGE LAGESENSOR, KRAFTHEBER SENSORE DE POSIZIONE, SOLLEVATORE SENSOR DE PROFUNDIDADE, LEVANTE HIDRAULICO SENSOR DE PROFUNDIDAD, ELEVADOR HIDRAULICO LX024802 -UN- 6 1 2 5 ITEM NR.PECA DESCRICAO QTDE NR. SERIE J NOTAS 1 L172758 SETOR 1 X 2 24M7267 ARRUELA 6 X 3 19M7966 PARAFUSO 2 X M6 X 25 4 L102324 VEDACAO 1 X 5 AL176767 SENSOR 1 X 6 L111707 PROTECAO 1 X 7 L113543 PARAFUSO 4 X 70-4 TRATOR 6125J (EDICAO SUL-AMERICANA) PC8539P (01-JUL-10) PN=358
  • 361.
    70-5 SISTEMA HIDRAULICO LIFT CYLINDER VERINDE RELEVAGE HUBZYLINDER CILINDRO DI SOLLEVAMENTO CILINDRO DO LEVANTE CILINDRO DE ELEVACION CQ156293 -UN- 6 1 2 5 ITEM NR.PECA DESCRICAO QTDE NR. SERIE J NOTAS 1 AL110593 CILINDRO HIDRAULICO 2 X 2 AL80708 KIT RETENTOR 2 X (WEBER) AL165199 KIT RETENTOR 2 X 3 AL76638 BUCHA AUTO-COMPENSADORA 4 X 4 40M7103 ANEL DE PRESSAO 4 X 5 58M5573 CONEXAO DE LUBRIFICACAO 4 X 6 L154750 PINO FIXADOR 2 X 7 L77594 BUCHA 2 X 8 R69166 PINO 4 X 9 11M7012 CONTRA-PINO 4 X 10 L158223 PINO FIXADOR 2 X 11 T77857 ANEL O 1 X 12 38H5003 ADAPTADOR 1 X 13 51M7043 ANEL O 1 X TRATOR 6125J (EDICAO SUL-AMERICANA) PC8539P (01-JUL-10) 70-5 PN=359
  • 362.
    70-6 SISTEMA HIDRAULICO OIL LINES,LIFT CYLINDER VERIN DE RELEVAGE - CONDUITES HYDRAULIQUES OELLEITUNGEN, HUBZYLINDER TUBI OLIO CILINDRO DI SOLLEVAMENTO MANGUEIRA DO CILINDRO DO LEVANTE TUBERIAS HIDRAULICAS, CILINDRO ELEVADOR PUBM1362 -UN- 6 1 2 5 ITEM NR.PECA DESCRICAO QTDE NR. SERIE J NOTAS 1 38H5003 ADAPTADOR 2 X 2 T77932 ANEL O 1 X 3 38H5243 CONEXAO EM T 1 X 4 AL164700 MANGUEIRA HIDRAULICA 1 X 5 T77857 ANEL O AR X 6 AL164648 MANGUEIRA HIDRAULICA 1 X 7 51M7043 ANEL O 2 X 70-6 TRATOR 6125J (EDICAO SUL-AMERICANA) PC8539P (01-JUL-10) PN=360
  • 363.
    70-7 SISTEMA HIDRAULICO CABLE, CENTERAND QUICK TACH LINKS CABLES, BARRES DE POUSSEE ET DE TRACTION A CROCHET SEILZUEGE, OBER- UND UNTERLENKER MIT FANGHAKEN CAVO, TERZO PUNTO E PARALLELE CON ATTACCO QUICK TACH CABOS DO LEVANTE CABLES, TENSOR CENTRAL Y BARRAS DE TIRO CON GANCHOS DE ACOPL. PUBM1496 -UN- 6 1 2 5 ITEM NR.PECA DESCRICAO QTDE NR. SERIE J NOTAS 1 AL32693 CABO 1 X 2 AL31983 CABO 1 X 3 L39978 BRACADEIRA 2 X 4 21M7296 PARAFUSO 1 X M6 X 20 5 14M7376 PORCA DE SEGURANCA 1 X M6 6 24M7244 ARRUELA 1 X 7 L101357 FORQUILHA 1 X 8 21M7292 PARAFUSO 1 X M6 X 16 TRATOR 6125J (EDICAO SUL-AMERICANA) PC8539P (01-JUL-10) 70-7 PN=361
  • 364.
    70-8 SISTEMA HIDRAULICO DRAFT SENSOR,DRAFT LINKS SONDE DE CONTROLE D’EFFORT (BARRE DE TRACTION) ZUGKRAFTSENSOR, UNTERLENKER SENSORE DI TRAINO, PARALLELE SENSOR DE CONTROLE DE CARGA, BARRA DE TRACAO SENSOR DE CONTROL DE CARGA, BARRAS DE TIRO PY003461 -UN- 6 1 2 5 ITEM NR.PECA DESCRICAO QTDE NR. SERIE J NOTAS 1 L175651 PINO FIXADOR 1 X 2 DT5299 ADESIVO 1 X 3 DQ53213 SENSOR 2 X 4 AL169481 SENSOR 1 X 5 L80005 ANEL O 1 X 6 19M8618 PARAFUSO 3 X M6 X 12 7 44M7110 PINO DE CENTRAGEM 2 X 8 15M7062 TAMPAO DE DRENO 2 X 9 L101403 PINO 2 X 10 L101389 PLACA 1 X 11 L64882 PORCA COM FLANGE 2 X 12 L172584 PROTECAO 1 X 70-8 TRATOR 6125J (EDICAO SUL-AMERICANA) PC8539P (01-JUL-10) PN=362
  • 365.
    70-9 SISTEMA HIDRAULICO ADJUSTABLE STABILIZERBAR, RIGHT OR LEFT BRAS STABILISATEUR DROIT OU GAUCHE REGLABLE EINSTELLBARE STABILISIERUNGSSTREBE RECHTS ODER LINKS BARRA STABILIZZATRICE REGOLABILE, LATO SINISTRO O DESTRO BARRA ESTABILIZADORA AJUSTAVEL, DIREITA OU ESQUERDA BARRA ESTABILIZADORA REGULABLE, LADO DERECHO O IZQUIERDO PUBM1364 -UN- 6 1 2 5 ITEM NR.PECA DESCRICAO QTDE NR. SERIE J NOTAS 1 24M7090 ARRUELA 4 X 2 12M7070 ARRUELA DE PRESSAO 4 X 3 CQ07569 PARAFUSO SEXT. 4 X 4 11M7054 CONTRA-PINO 4 X 5 DQ26015 SUPORTE 2 X 6 CQ26016 PINO 2 X 7 AL201900 BRACO 2 X 8 CQ25768 BUCHA 2 X 9 SU292606 CONEXAO DE LUBRIFICACAO 2 X 10 L202150 TUBO 2 X 11 L77493 PINO FIXADOR 2 X 12 SU292160 BLOCO ESTABILIZADOR 2 X 13 AL201899 ESTABILIZADOR 1 X 14 L202151 PINO ELASTICO 2 X TRATOR 6125J (EDICAO SUL-AMERICANA) PC8539P (01-JUL-10) 70-9 PN=363
  • 366.
    70-10 SISTEMA HIDRAULICO DRAFT LINKSTANDARD BARRES DE TRACTION STANDARD STANDARD-UNTERLENKER PARALLELE STANDARD BARRA DE TRACAO STANDARD BARRAS DE TIRO STANDARD PUBM1360 -UN- 6 1 2 5 ITEM NR.PECA DESCRICAO QTDE NR. SERIE J NOTAS 1 AL201843 BRACO DE LEVANTE 2 X 2 L79610 BUCHA 2 X 3 L26943 PINO 2 X 4 L79611 LUVA 2 X 5 40M7249 ANEL DE PRESSAO 2 X 6 L206857 BRACO DE LEVANTE 1 X 7 14M7413 PORCA DE SEGURANCA 1 X M24 70-10 TRATOR 6125J (EDICAO SUL-AMERICANA) PC8539P (01-JUL-10) PN=364
  • 367.
  • 368.
    70-12 SISTEMA HIDRAULICO DRAFT LINKSWITH HOOKS BARRES DE TRACTION A CROCHET UNTERLENKER MIT FANGHAKEN PARALLELE CON GANCIO BRACOS DO LEVANTE TIPO HOOK BARRAS DE TIRO CON GANCHOS PUBM1497 -UN- ESTA RELACAO CONTINUA 70-12 TRATOR 6125J (EDICAO SUL-AMERICANA) PC8539P (01-JUL-10) PN=366
  • 369.
    70-13 SISTEMA HIDRAULICO 6 1 2 5 ITEM NR.PECADESCRICAO QTDE NR. SERIE J NOTAS 1 AL117720 LINGUETA 1 X 2 L115083 REBITE 1 X (ORD W/ L115082) 3 L115082 TRAVA 1 X (ORD W/ L115083) 4 34M7160 PINO ELASTICO 1 X 5 L115353 MOLA DE TRACAO 1 X 6 34M7243 PINO ELASTICO 2 X 7 34M7245 PINO ELASTICO 1 X 8 14M7413 PORCA DE SEGURANCA 1 X M24 9 L111718 APOIO 1 X 10 AL32027 GUIA 2 X 11 L79610 BUCHA 2 X 12 L26943 PINO 2 X 13 L79611 LUVA 2 X 14 40M7249 ANEL DE PRESSAO 2 X 15 AL163906 BRACO DE LEVANTE 1 X RH AL163905 BRACO DE LEVANTE 1 X LH TRATOR 6125J (EDICAO SUL-AMERICANA) PC8539P (01-JUL-10) 70-13 PN=367
  • 370.
    70-14 SISTEMA HIDRAULICO LIFT LINKS BIELLESDE RELEVAGE HUBSPINDELN TIRANTI DI SOLLEVAMENTO TENSORES LATERAIS TENSORES LATERALES PUBM1371 -UN- ESTA RELACAO CONTINUA 70-14 TRATOR 6125J (EDICAO SUL-AMERICANA) PC8539P (01-JUL-10) PN=368
  • 371.
    70-15 SISTEMA HIDRAULICO 6 1 2 NR. SERIE5 ITEM NR.PECA DESCRICAO QTDE TRATOR J NOTAS 1 AL201892 TENSOR LATERAL 1 X RH 2 AL201897 TENSOR LATERAL 1 X LH 3 L202138 FUSO 1 X 4 L202135 GARFO 1 X 5 L202136 BRACO 1 X 6 L202137 APOIO 1 X 7 L202140 GARFO 1 X 8 L202141 BRACO 1 X 9 SU292606 CONEXAO DE LUBRIFICACAO 2 X 10 L79924 PINO FIXADOR 2 X 11 R69166 PINO 2 X 12 11M7012 CONTRA-PINO 2 X 13 L158186 PINO FIXADOR 2 X 14 L156665 TIRA 2 X 15 AL114597 PINO FIXADOR 2 X 16 SU292142 PINO AR X 17 L202139 SUPORTE 1 X 18 11M7012 CONTRA-PINO 1 X 19 CQ42968 ESFERA 2 X TRATOR 6125J (EDICAO SUL-AMERICANA) PC8539P (01-JUL-10) 70-15 PN=369
  • 372.
    70-16 SISTEMA HIDRAULICO CENTER LINK BARREDE POUSSEE OBERLENKER TIRANTE CENTRALE TENSOR CENTRAL TENSOR CENTRAL PUBM1365 -UN- 6 1 2 5 ITEM NR.PECA DESCRICAO QTDE NR. SERIE J NOTAS 1 AL201898 BRACO 1 X 2 AL201863 BRACO 1 X 3 L202144 CORPO DE ARTICULACAO 1 X 4 AL201844 TENSOR CENTRAL 1 X 5 SU292606 CONEXAO DE LUBRIFICACAO 1 X 6 L202146 MOLA 1 X 7 L202147 SUPORTE 1 X 8 DQ65036 SUPORTE 1 X 9 ........ CONTRA-PINO 1 X 10 19M7386 PARAFUSO SEXT. 2 X 70-16 TRATOR 6125J (EDICAO SUL-AMERICANA) PC8539P (01-JUL-10) PN=370
  • 373.
    70-17 SISTEMA HIDRAULICO CENTER LINKHOOK (CATEGORY II) BARRE DE POUSSEE A CROCHET (CATEGORIE II) OBERLENKER MIT FANGHAKEN (KATEGORIE II) GANCIO TERZO PUNTO (CATEGORIA II) BRACO DE LEVANTE CENTRAL TIPO HOOK (CATEGORIA II) TENSOR LATERAL CON GANCHO (CATEGORIA II) PUBM1369 -UN- 6 1 2 5 ITEM NR.PECA DESCRICAO QTDE NR. SERIE J NOTAS 1 L56746 MANIPULO 1 X 2 34H241 PINO ELASTICO 2 X 3 L64295 ALAVANCA 1 X 4 L35037 GRAMPO 1 X 5 34M7269 PINO ELASTICO 3 X 6 F2823R MOLA 1 X 7 L64632 PINO FIXADOR 1 X 8 L64634 MOLA 1 X 9 L42050 ESFERA 1 X 10 AL176473 TENSOR CENTRAL 1 X 11 AL159973 ENGATE FINAL 1 X 12 JD7798 CONEXAO DE LUBRIFICACAO 2 X 13 L156788 CORPO DE ARTICULACAO 1 X 14 AL159971 ENGATE FINAL 1 X 15 AL67199 ALAVANCA 1 X TRATOR 6125J (EDICAO SUL-AMERICANA) PC8539P (01-JUL-10) 70-17 PN=371
  • 374.
    70-18 SISTEMA HIDRAULICO CENTER LINKBRACKET BARRE DE POUSSEE - SUPPORT ANHAENGEBOCK OBERLENKER SUPPORTO DEL TIRANTE CENTRALE SUPORTE DO TENSOR CENTRAL SOPORTE DE ANCLAJE DEL TENSOR CENTRAL LX000055 -UN- 6 1 2 5 ITEM NR.PECA DESCRICAO QTDE NR. SERIE J NOTAS 1 L78801 APOIO 1 X 2 19M8208 PARAFUSO 2 X M16 X 50 3 L158185 PINO FIXADOR 1 X OD 25MM 4 AL14540 PINO DE ENGATE RAPIDO 1 X 70-18 TRATOR 6125J (EDICAO SUL-AMERICANA) PC8539P (01-JUL-10) PN=372
  • 375.
    70-19 SISTEMA HIDRAULICO HYDRAULIC BLOCKSUPPORTS SUPPORT POUR BLOC HYDRAULIQUE HALTERUNGEN FUER HYDRAULIKBLOCK SUPPORTI GRUPPO IDRAULICO SUPORTES DO COMANDO HIDRAULICO SOPORTES PARA BLOQUE HIDRAULICO PUBM0022 -UN- 6 1 2 5 ITEM NR.PECA DESCRICAO QTDE NR. SERIE J NOTAS 1 MN10280 SUPORTE 1 X 2 19M9432 PARAFUSO SEXT. 2 X M18 X 40 3 14M7029 PORCA 2 X M8 4 12M7065 ARRUELA DE PRESSAO 2 X 5 19M7288 PARAFUSO SEXT. 2 X M8 X 30 6 19M7988 PARAFUSO 3 X M12 X 30 7 24M7361 ARRUELA 2 X 8 CQ52934 PROTECAO 1 X 9 24M7240 ARRUELA 3 X TRATOR 6125J (EDICAO SUL-AMERICANA) PC8539P (01-JUL-10) 70-19 PN=373
  • 376.
    70-20 SISTEMA HIDRAULICO OIL RETURNLINE (ROCKSHAFT VALVE) (60LPM) CONDUITE DE RETOUR D’HUILE (DISTRIBUTEUR DU RELEVAGE) OEL- RUECKLAUFLEITUNG (KRAFTHEBERVENTIL) TUBO RITORNO OLIO (VALVOLA SOLLEVATORE ) RETORNO DE OLEO DO MOTOR DE PASSO (60LPM) TUBERIA DE RETORNO DE ACEITE (VALVULA DEL ELEVADOR HIDR.) (60LPM) PUBM1482 -UN- ESTA RELACAO CONTINUA 70-20 TRATOR 6125J (EDICAO SUL-AMERICANA) PC8539P (01-JUL-10) PN=374
  • 377.
    70-21 SISTEMA HIDRAULICO 6 1 2 5 ITEM NR.PECADESCRICAO QTDE NR. SERIE J NOTAS 1 L155376 CONEXAO 1 X 2 51M7043 ANEL O 1 X 3 51M7045 ANEL O 1 X 4 L158359 MANGUEIRA 1 X 5 AL64588 BRACADEIRA 2 X 6 L158360 CONEXAO 1 X TRATOR 6125J (EDICAO SUL-AMERICANA) PC8539P (01-JUL-10) 70-21 PN=375
  • 378.
    70-22 SISTEMA HIDRAULICO MOUNTING PARTS,INLET PRIORITY VALVE SOUPAPE DE PRIORITE - ELEMENTS DE FIXATION ANBAUTEILE, PRIORITAETSVENTIL PARTI MONTAGGIO VALVOLA DI PRIORITA’ IN INGRESSO SUPORTE DA VALVULA PRIORITARIA DE ENTRADA PIEZAS DE MONTAJE PARA VALVULA DE PRIORIDAD LX015376 -UN- 6 1 2 5 ITEM NR.PECA DESCRICAO QTDE NR. SERIE J NOTAS 1 L111085 RETENTOR 1 X 2 L79006 PARAFUSO AR X 3 24M7240 ARRUELA 3 X 4 14M7275 PORCA AR X M12 5 19M7988 PARAFUSO 1 X M12 X 30 6 42M7038 PINO 2 X 70-22 TRATOR 6125J (EDICAO SUL-AMERICANA) PC8539P (01-JUL-10) PN=376
  • 379.
  • 380.
    70-24 SISTEMA HIDRAULICO INLET PRIORITYVALVE (60 LPM) SOUPAPE DE PRIORITE (60 LPM) PRIORITAETSVENTIL (60 LPM) VALVOLA DI PRIORITA’ IN INGRESSO (60 LPM) VALVULA PRIORITARIA DE ENTRADA (60 LPM) VALVULA DE PRIORIDAD DE ENTRADA (60 LPM) PUBM1370 -UN- ESTA RELACAO CONTINUA 70-24 TRATOR 6125J (EDICAO SUL-AMERICANA) PC8539P (01-JUL-10) PN=378
  • 381.
    70-25 SISTEMA HIDRAULICO 6 1 2 5 ITEM NR.PECADESCRICAO QTDE NR. SERIE J NOTAS 1 AL153389 BLOCO DE VALVULAS 1 X 2 RE49625 VALVULA DE ALIVIO DE PRESS. 1 X 3 AL170216 KIT 1 X 4 RE245952 CARRETEL DE VALVULA 1 X 5 R79060 ANEL O 1 X 6 AL150732 VALVULA DE ALIVIO DE PRESS. 1 X 7 R58832 FILTRO 2 X 8 ........ PARAF. DE FENDA 1 X (MF 22H896) ID 1MM 9 R95494 ANEL O 1 X 10 RE46684 TAMPAO 3 X 11 R111298 MOLA DE COMPRESSAO 1 X 12 RE49624 TAMPAO 1 X 13 L152324 ANEL O 1 X 14 R77175 CAPA 3 X 15 AL80099 TOMADA ENGATE RAPIDO 3 X 16 T77857 ANEL O 1 X 17 61M5003 ADAPTADOR 1 X 18 R132899 ARRUELA AR X 19 R115892 ANEL 1 X 20 51M7041 ANEL O 6 X 21 RE62446 KIT 1 X TRATOR 6125J (EDICAO SUL-AMERICANA) PC8539P (01-JUL-10) 70-25 PN=379
  • 382.
    70-26 SISTEMA HIDRAULICO INLET PRIORITYVALVE (100 LPM) SOUPAPE DE PRIORITE (100 LPM) PRIORITAETSVENTIL (100 LPM) VALVOLA DI PRIORITA’ IN INGRESSO (100 LPM) VALVULA PRIORITARIA DE ENTRADA (100 LPM) VALVULA DE PRIORIDAD DE ENTRADA (100 LPM) PUBM1393 -UN- ESTA RELACAO CONTINUA 70-26 TRATOR 6125J (EDICAO SUL-AMERICANA) PC8539P (01-JUL-10) PN=380
  • 383.
    70-27 SISTEMA HIDRAULICO 6 1 2 5 ITEM NR.PECADESCRICAO QTDE NR. SERIE J NOTAS 1 AL153388 BLOCO DE VALVULAS 1 X 2 61M5002 ADAPTADOR 1 X 3 T77613 ANEL O 1 X 4 RE245952 CARRETEL DE VALVULA 1 X 5 AL115105 VALVULA DE RETENCAO 1 X 6 AL150732 VALVULA DE ALIVIO DE PRESS. 1 X 7 R58832 FILTRO 1 X 8 R95493 DISCO 1 X 9 R95494 ANEL O 1 X 10 RE46684 TAMPAO 1 X 11 R111298 MOLA DE COMPRESSAO 1 X 12 RE49624 TAMPAO 1 X 13 L152324 ANEL O 1 X 14 R77175 CAPA 3 X 15 AL80099 TOMADA ENGATE RAPIDO 3 X 16 T77857 ANEL O 1 X 17 61M5003 ADAPTADOR 1 X 18 RE207825 CARRETEL DE VALVULA AR X 19 R115892 ANEL 1 X 20 51M7041 ANEL O 4 X 21 RE62446 KIT 1 X 22 R79060 ANEL O 1 X 23 R132899 ARRUELA AR X TRATOR 6125J (EDICAO SUL-AMERICANA) PC8539P (01-JUL-10) 70-27 PN=381
  • 384.
    70-28 SISTEMA HIDRAULICO ROCKSHAFT CONTROLVALVE WITH STEPPERMOTOR DISTRIBUTEUR DU RELEVAGE ET MOTEUR PAS-A-PAS KRAFTHEBERVENTIL MIT SCHRITTMOTOR VALVOLA COMANDO SOLLEVATORE CON STEPPER MOTOR VALVULA DE CONTROLE DO LEVANTE HIDRAULICO - MOTOR DE PASSO VALVULA DE CONTROL DEL ELEVADOR HIDRAULICO CON MOTOR DE REGLAJE PUBM1367 -UN- ESTA RELACAO CONTINUA 70-28 TRATOR 6125J (EDICAO SUL-AMERICANA) PC8539P (01-JUL-10) PN=382
  • 385.
    70-29 SISTEMA HIDRAULICO 6 1 2 5 ITEM NR.PECADESCRICAO QTDE NR. SERIE J NOTAS 1 15M7077 TAMPAO DE DRENO 2 X 2 51M7045 ANEL O 2 X 3 L155934 VALVULA 1 X 4 L159026 CARCACA 1 X 5 L78964 ASSENTO DE VALVULA 1 X 6 AL168858 VALV.DE CONTR.ATUADA HIDR. 2 X 7 AL79037 KIT CALCOS 1 X 8 AL172261 ELEVADOR HIDRAULICO 1 X 9 L155935 MOLA DE COMPRESSAO 1 X 10 AL159011 VALVULA DE ALIVIO DE PRESS. 1 X 11 L59901 ANEL O 1 X 12 AL181805 MOTOR ELETRICO 1 X 13 L75747 ANEL O 1 X 14 26M5447 CHAVETA 1 X 15 19M8618 PARAFUSO 4 X M6 X 12 16 24M7267 ARRUELA 4 X 17 R95494 ANEL O 1 X 18 AL164560 KIT DE JUNTAS 1 X 19 AL164561 KIT DE JUNTAS 1 X 20 AL80395 CONJ. DO ROLAMENTO 1 X 21 L37963 TAMPA 1 X 22 AL200020 ELEVADOR HIDRAULICO 1 X 23 L100259 ACESSORIO CONEXAO ELETRICA 1 X 24 51M7048 ANEL O 1 X 25 L165818 CONE DE VALVULA 1 X 26 61M5243 CONEXAO EM T 1 X 27 T77932 ANEL O 1 X 28 CQ49005 BRACADEIRA 1 X TRATOR 6125J (EDICAO SUL-AMERICANA) PC8539P (01-JUL-10) 70-29 PN=383
  • 386.
    70-30 SISTEMA HIDRAULICO CHARGE PUMP(100 LPM) POMPE A CHARGE (100 LPM) LADEOELPUMPE (100 LPM) POMPA DI CARICA (100 LPM) BOMBA DE CARGA (100 LPM) BOMBA DE CARGA DE ACEITE (100 LPM) CQ155643 -UN- ESTA RELACAO CONTINUA 70-30 TRATOR 6125J (EDICAO SUL-AMERICANA) PC8539P (01-JUL-10) PN=384
  • 387.
    70-31 SISTEMA HIDRAULICO 6 1 2 5 ITEM NR.PECADESCRICAO QTDE NR. SERIE J NOTAS 1 AL154092 BOMBA DE OLEO 1 X 2 L79160 MOLA DE COMPRESSAO 1 X 3 L79171 TAMPAO 1 X 4 R108011 ARRUELA 1 X 5 RE70821 KIT RETENTOR 1 X 6 L101394 PINO FIXADOR 1 X 7 51M7100 ANEL O 2 X 8 L171572 BRACADEIRA 2 X 9 AL155058 LUVA 2 X 10 51M7103 ANEL O 2 X 11 51M7050 ANEL O 2 X 12 L116628 JUNTA 1 X 13 19M8823 PARAFUSO 1 X 14 19M8824 PARAFUSO 3 X TRATOR 6125J (EDICAO SUL-AMERICANA) PC8539P (01-JUL-10) 70-31 PN=385
  • 388.
    70-32 SISTEMA HIDRAULICO CHARGE PUMP,CONNECTING PARTS (41CM3) (100LPM) POMPE DE GAVAGE, ELEMENTS DE RACCORDEMENT(41CM3) (100LPM) LADEOELPUMPE, ANSCHLUSSTEILE (41CM3) (100LPM) POMPA DI CARICA, CONNETTORI (41CM3) (100LPM) CONEXOES DA BOMBA DE CARGA (41CM3) (100LPM) BOMBA DE CARGA, PIEZAS DE CONEXION (41CM3) (100LPM) CQ157375 -UN- ESTA RELACAO CONTINUA 70-32 TRATOR 6125J (EDICAO SUL-AMERICANA) PC8539P (01-JUL-10) PN=386
  • 389.
    70-33 SISTEMA HIDRAULICO 6 1 2 5 ITEM NR.PECADESCRICAO QTDE NR. SERIE J NOTAS 1 51M7050 ANEL O 1 X 2 L110294 CONEXAO 1 X 3 51M7041 ANEL O 2 X 4 61M5002 ADAPTADOR 1 X 5 AL78652 CONEXAO EM ANGULO 1 X 6 51M7045 ANEL O 1 X 7 38H5012 ADAPTADOR 1 X 8 DQ70340 MANGUEIRA 1 X 9 DQ62246 MANGUEIRA 1 X 10 AL37489 BRACADEIRA 4 X 11 L111479 MANGUEIRA 1 X LGTH 325 MM 12 L158310 MANGUEIRA 1 X LGTH 250 MM 13 T77613 ANEL O 2 X 14 AL76658 TUBULACAO DE OLEO 1 X 15 51M7043 ANEL O 1 X 16 AL111759 CONEXAO EM ANGULO 1 X TRATOR 6125J (EDICAO SUL-AMERICANA) PC8539P (01-JUL-10) 70-33 PN=387
  • 390.
    70-34 SISTEMA HIDRAULICO HYDRAULIC PUMP(41 CM3) (100 LPM) POMPE HYDRAULIQUE (41 CM3) (100 LPM) HYDRAULIKPUMPE (41 CM3) (100 LPM) POMPE IDRAULICHE (41 CM3) (100 LPM) BOMBA HIDRAULICA (41 CM3) (100 LPM) BOMBAS HIDRAULICAS (41 CM3) (100 LPM) CQ155646 -UN- ESTA RELACAO CONTINUA 70-34 TRATOR 6125J (EDICAO SUL-AMERICANA) PC8539P (01-JUL-10) PN=388
  • 391.
    70-35 SISTEMA HIDRAULICO 6 1 2 5 ITEM NR.PECADESCRICAO QTDE NR. SERIE J NOTAS 1 AL161043 BOMBA HIDRAULICA 1 X 2 51M7041 ANEL O 1 X 3 AL158422 KIT DE JUNTAS 1 X 4 AL158423 KIT 1 X 5 T42302 ANEL O 1 X 6 19M7789 PARAFUSO 2 X M12 X 30 7 51M7040 ANEL O 1 X 8 L41079 TAMPAO 1 X 9 L41709 TAMPAO AR X TRATOR 6125J (EDICAO SUL-AMERICANA) PC8539P (01-JUL-10) 70-35 PN=389
  • 392.
    70-36 SISTEMA HIDRAULICO CONNECTING PARTS,INLET PRIORITY VALVE (100 LPM) SOUPAPE DE PRIORITE - RACCORDS (100 LPM) ANSCHLUSSTEILE, PRIORITAETSVENTIL (100 LPM) PARTI COLLEGAMENTO VALVOLA DI PRIORITA’ IN INGRESSO (100 LPM) CONEXOES DA VALVULA DE PRIORIDADE (100 LPM) VALVULA DE PRIORIDAD - CONEXIONES (100 LPM) CQ156168 -UN- 6 1 2 5 ITEM NR.PECA DESCRICAO QTDE NR. SERIE J NOTAS 1 51M7047 ANEL O 1 X 2 61M5005 ADAPTADOR 1 X INCL KEY 1,3 3 T77858 ANEL O 1 X 4 51M7041 ANEL O 1 X 5 61M5002 ADAPTADOR 1 X INCL KEY 4,8 6 51M7048 ANEL O 1 X 7 L110293 CONEXAO 1 X 8 T77613 ANEL O 2 X 9 T77857 ANEL O 1 X 70-36 TRATOR 6125J (EDICAO SUL-AMERICANA) PC8539P (01-JUL-10) PN=390
  • 393.
  • 394.
    70-38 SISTEMA HIDRAULICO HYDRAULIC OILRESERVOIR, OIL LINES RESERVOIR D’HUILE HYDRAULIQUE, CONDUITES HYDRAULIQUE HYDRAULIKOELBEHAELTER, OELLEITUNGEN SERBATOIO OLIO IDRAUL., LINEE DEPOSITO DE OLEO HIDRAULICO, LINHAS HIDRAULICAS DEPOSITO DE ACEITE HIDRAULICO, TUBERIAS PUBM1390 -UN- ESTA RELACAO CONTINUA 70-38 TRATOR 6125J (EDICAO SUL-AMERICANA) PC8539P (01-JUL-10) PN=392
  • 395.
    70-39 SISTEMA HIDRAULICO 6 1 2 5 ITEM NR.PECADESCRICAO QTDE NR. SERIE J NOTAS 1 L59904 ANEL O 1 X 2 R94882 CONEXAO 1 X 3 51M7048 ANEL O 1 X 4 61M5010 ADAPTADOR 1 X 5 51M7040 ANEL O 1 X 6 L102176 CONEXAO 1 X 7 51M7043 ANEL O 1 X 8 61M5013 ADAPTADOR 1 X 9 T77932 ANEL O 1 X 10 AL151191 TUBULACAO DE OLEO 1 X 11 T77858 ANEL O 2 X 12 AL157977 MANGUEIRA HIDRAULICA 1 X 13 T77814 ANEL O 1 X 14 51M7039 ANEL O 1 X 15 L77046 MANGUEIRA 1 X 16 AL82025 BRACADEIRA 4 X 17 L151818 MANGUEIRA 1 X 18 L53873 ANEL O 1 X 19 L112480 CONEXAO EM T 1 X 20 AL64588 BRACADEIRA 1 X 21 T77613 ANEL O 1 X 22 L116529 MANGUEIRA 1 X 23 AL110340 RESERVATORIO HIDRAULICO 1 X 24 L100271 PARAF. DE FENDA 1 X 25 L77586 ANEL O 1 X 26 L110265 CONEXAO 1 X 27 51M7041 ANEL O 1 X 28 L112762 BRACADEIRA 2 X 29 61M5016 CONEXAO EM ANGULO 1 X INCL KEY 21,27 30 AL157635 MANGUEIRA HIDRAULICA 1 X TRATOR 6125J (EDICAO SUL-AMERICANA) PC8539P (01-JUL-10) 70-39 PN=393
  • 396.
    70-40 SISTEMA HIDRAULICO HYDRAULIC PUMP(28CM3) POMPE HYDRAULIQUE (28CM3) HYDRAULIKPUMPE (28CM3) POMPE IDRAULICHE (28CM3) BOMBA HIDRAULICA (60 LPM) (28CM3) BOMBAS HIDRAULICAS (28CM3) LX029347 -UN- ESTA RELACAO CONTINUA 70-40 TRATOR 6125J (EDICAO SUL-AMERICANA) PC8539P (01-JUL-10) PN=394
  • 397.
    70-41 SISTEMA HIDRAULICO 6 1 2 5 ITEM NR.PECADESCRICAO QTDE NR. SERIE J NOTAS 1 AL156335 BOMBA HIDRAULICA 1 X 28CM3 / 200BAR 2 L77317 JUNTA 1 X 3 19M7988 PARAFUSO 4 X M12 X 30 4 L64500 SELANTE 1 X LOCTITE 574 5 AL114392 ADAPTADOR 1 X 6 19M7785 PARAFUSO 2 X M10 X 25 TRATOR 6125J (EDICAO SUL-AMERICANA) PC8539P (01-JUL-10) 70-41 PN=395
  • 398.
    70-42 SISTEMA HIDRAULICO OIL LINESAND CONNECTING PARTS (HYDRAULIC PUMP 27CM3) CONDUITES HYDRAULIQUES ET ELEMENTS DE RACCORDEMENT (POMPE HYDRAULIQUE 28CM3) OELLEITUNGEN UND ANSCHLUSSTEILE (HYDRAULIKPUMPE 28CM3) TUBI OLIO E RACCORDI (POMPA IDRAULICA 28CM3) LINHAS DE OLEO E CONEXOES PARA BOMBA DE 60 LPM (BOMBA HIDRAULICA 28CM3) TUBERIAS DE ACEITE Y RACORES (BOMBA HIDRAULICA 28CM3) LX028111 -UN- ESTA RELACAO CONTINUA 70-42 TRATOR 6125J (EDICAO SUL-AMERICANA) PC8539P (01-JUL-10) PN=396
  • 399.
    70-43 SISTEMA HIDRAULICO 6 1 2 5 ITEM NR.PECADESCRICAO QTDE NR. SERIE J NOTAS 1 51M7047 ANEL O 2 X 2 61M5005 ADAPTADOR 2 X INCL KEYS 1, 3 3 T77858 ANEL O 2 X 4 AL114404 MANGUEIRA HIDRAULICA 1 X 5 AL165144 MANGUEIRA 1 X 6 AL114812 BRACADEIRA 2 X 7 L116560 MANGUEIRA 1 X 8 51M7100 ANEL O 1 X 9 AL157760 MANGUEIRA HIDRAULICA 1 X 10 AL112193 VALVULA DE ALIVIO DE PRESS. 1 X 11 51M7041 ANEL O 2 X 12 L100802 CONEXAO 1 X 13 AL37489 BRACADEIRA 4 X 14 L34995 ANEL O 1 X 15 AL78652 CONEXAO EM ANGULO 1 X 16 L111479 MANGUEIRA 1 X LGTH 325MM 17 L102179 CONEXAO DE MANGUEIRA 1 X 18 51M7043 ANEL O 1 X 19 51M7048 ANEL O 2 X 20 AL155008 LUVA 2 X 21 L111412 MANGUEIRA 1 X 22 L115460 ADAPTADOR 1 X 23 19M7660 PARAFUSO 4 X M8 X 20 24 L171572 BRACADEIRA 2 X 25 51M7103 ANEL O 1 X TRATOR 6125J (EDICAO SUL-AMERICANA) PC8539P (01-JUL-10) 70-43 PN=397
  • 400.
    70-44 SISTEMA HIDRAULICO SELECTIVE CONTROLVALVE (SERIE 300) DISTRIBUTEUR AUXILIARE (SERIE 300) ZUSATZSTEUERGERAET (SERIE 300) DISTRIBUTORE IDRAULICO (SERIE 300) VALVULA DE CONTROLE REMOTO (SERIE 300) VALVULA DE MANDO A DISTANCIA (SERIE 300) PUBM1486 -UN- ESTA RELACAO CONTINUA 70-44 TRATOR 6125J (EDICAO SUL-AMERICANA) PC8539P (01-JUL-10) PN=398
  • 401.
    70-45 SISTEMA HIDRAULICO 6 1 2 5 ITEM NR.PECADESCRICAO QTDE NR. SERIE J NOTAS 1 RE239127 BLOCO DE VALVULAS 1 X 2 E69117 ANEL O 2 X 3 L152323 ANEL O 1 X 4 R26976 ANEL O 1 X 5 AL118383 FLANGE 1 X 6 R95493 DISCO 1 X 7 R111238 MOLA DE COMPRESSAO 2 X 8 19M7768 PARAFUSO 2 X M6 X 16 9 R111242 TAMPAO 1 X 10 R95491 MANOPLA 1 X 11 25H723 PINO COM RANHURA 1 X 12 19M8706 PARAFUSO 3 X M6 X 75 13 R111288 CONE DE VALVULA 2 X 14 R95494 ANEL O 1 X 15 R95490 MANOPLA 1 X 16 R111308 ANEL 2 X 17 R113228 PLUGUE 1 X 18 34H184 PINO ELASTICO 1 X 19 R241161 ANEL O 1 X 20 RE49624 TAMPAO 2 X 21 L152324 ANEL O 2 X 22 RE49631 KIT 1 X 23 RE49633 KIT 1 X 24 RE56127 KIT 1 X 25 RE50384 KIT DO REPARO 1 X 26 RE50385 KIT 1 X 27 L152325 ANEL O 1 X 28 L152326 ANEL O 1 X 29 R118192 ARRUELA DE PRESSAO 3 X 30 R118092 JUNTA AR X 31 L37733 ANEL O AR X 32 R113218 ANEL DE APOIO 1 X 33 R111527 ANEL O 1 X 34 R111504 ANEL DE APOIO 1 X 35 R117942 ANEL O 1 X 36 R113229 ANEL O 1 X 37 R113223 ANEL DE APOIO 1 X 38 R113224 ANEL O 1 X 39 R113226 ANEL O 1 X 40 R126667 VEDACAO 1 X 41 L102154 PLUGUE 1 X MARKED I L102155 PLUGUE 1 X MARKED II .. R177738 ETIQUETA 1 X 270G TRATOR 6125J (EDICAO SUL-AMERICANA) PC8539P (01-JUL-10) 70-45 PN=399
  • 402.
    70-46 SISTEMA HIDRAULICO SELECTIVE CONTROLVALVE (301 SERIES) DISTRIBUTEUR AUXILIAIRE (SERIE 301) ZUSATZSTEUERGERAET (SERIE 301) DISTRIBUTORE IDRAULICO (SERIE 301) VALVULA DE CONTROLE REMOTO (SERIE 301) VALVULA DE MANDO A DISTANCIA (SERIE 301) PUBM1483 -UN- ESTA RELACAO CONTINUA 70-46 TRATOR 6125J (EDICAO SUL-AMERICANA) PC8539P (01-JUL-10) PN=400
  • 403.
    70-47 SISTEMA HIDRAULICO 6 1 2 5 ITEM NR.PECADESCRICAO QTDE NR. SERIE J NOTAS 1 AL171119 VALVULA DE CONTROLE REMOTO 1 X 2 E69117 ANEL O 2 X 3 L152323 ANEL O 1 X 4 R26976 ANEL O 1 X 5 AL118383 FLANGE 1 X 6 R95493 DISCO 1 X 7 R111238 MOLA DE COMPRESSAO 1 X 8 19M7768 PARAFUSO 1 X M6 X 16 9 R111242 TAMPAO 1 X 10 R95491 MANOPLA 1 X 11 25H723 PINO COM RANHURA 1 X 12 19M8706 PARAFUSO 3 X M6 X 75 13 R111288 CONE DE VALVULA 2 X 14 R95494 ANEL O 1 X 15 R95490 MANOPLA 1 X 16 R111308 ANEL 2 X 17 R113228 PLUGUE 1 X 18 34H184 PINO ELASTICO 1 X 19 R241161 ANEL O 1 X 20 RE49624 TAMPAO 2 X 21 L152324 ANEL O 2 X 22 RE239125 CONJUNTO DO CONTROLE 1 X 23 R126667 VEDACAO 1 X 24 RE246313 KIT DO REPARO 1 X 25 RE50384 KIT DO REPARO 1 X 26 RE50385 KIT 1 X 27 L152325 ANEL O 1 X 28 L152326 ANEL O 1 X 29 R118192 ARRUELA DE PRESSAO 3 X 30 R118092 JUNTA AR X 31 P47889 ANEL O AR X 32 R113218 ANEL DE APOIO 1 X 33 R111527 ANEL O 1 X 34 R111504 ANEL DE APOIO 1 X 35 R117942 ANEL O 1 X 36 R113229 ANEL O 1 X 37 R113223 ANEL DE APOIO 1 X 38 R113224 ANEL O 1 X 39 R113226 ANEL O 1 X 40 L102154 PLUGUE 1 X L102155 PLUGUE 1 X .. R117738 GRAXA 1 X 270G TRATOR 6125J (EDICAO SUL-AMERICANA) PC8539P (01-JUL-10) 70-47 PN=401
  • 404.
    70-48 SISTEMA HIDRAULICO REPAIR KITSELETIVE CONTROL VALVE (300, 301 SERIE) JEU DE REPARATION - DISTRIBUTEUR AUXILIAIRE (SERIE 300, 301) REPARATURSATZ ZUSATZSTEUERGERAET (SERIE 300, 301) KIT REPARAZIONE PER DISTRIBUTORE (SERIE 300, 301) KIT DE REPARO DAS VALVULAS DE CONTROLE REMOTO (SERIE 300, 301) CONJUNTO DE REPARACION VALVULA DE MANDO A DISTANCIA (SERIE 300, 301) LX024971 -UN- ESTA RELACAO CONTINUA 70-48 TRATOR 6125J (EDICAO SUL-AMERICANA) PC8539P (01-JUL-10) PN=402
  • 405.
    70-49 SISTEMA HIDRAULICO 6 1 2 5 ITEM NR.PECADESCRICAO QTDE NR. SERIE J NOTAS 1 RE241164 KIT DO REPARO 1 X TRATOR 6125J (EDICAO SUL-AMERICANA) PC8539P (01-JUL-10) 70-49 PN=403
  • 406.
    70-50 SISTEMA HIDRAULICO REPAIR KITSELETIVE CONTROL VALVE (300, 301 SERIE) JEU DE REPARATION - DISTRIBUTEUR AUXILIAIRE (SERIE 300, 301) REPARATURSATZ ZUSATZSTEUERGERAET (SERIE 300, 301) KIT REPARAZIONE PER DISTRIBUTORE (SERIE 300, 301) KIT DE REPARO DAS VALVULAS DE CONTROLE REMOTO (SERIE 300, 301) CONJUNTO DE REPARACION VALVULA DE MANDO A DISTANCIA (SERIE 300, 301) LX024968 -UN- ESTA RELACAO CONTINUA 70-50 TRATOR 6125J (EDICAO SUL-AMERICANA) PC8539P (01-JUL-10) PN=404
  • 407.
    70-51 SISTEMA HIDRAULICO 6 1 2 5 ITEM NR.PECADESCRICAO QTDE NR. SERIE J NOTAS 1 RE67001 KIT DO REPARO 1 X 2 RE49628 KIT 1 X 3 RE172250 KIT 1 X 4 RE49632 KIT 1 X TRATOR 6125J (EDICAO SUL-AMERICANA) PC8539P (01-JUL-10) 70-51 PN=405
  • 408.
    70-52 SISTEMA HIDRAULICO CONVERSION KITSELECTIVE CONTROL VALVE (300 SERIES) JEU D’ADAPTATION DISTRIBUTEUR AUXILIAIRE (SERIE 300) UMRUESTSATZ ZUSATZSTEUERGERAET (SERIE 300) KIT MODIFICAZIONE DISTRIBUTORE IDRAULICO (SERIE 300) KIT DE CONVERSAO DA VALVULA DE CONTROLE REMOTO (SERIE 300) CONJUNTO DE MODIFIC. VALV. MANDO A DIST. (SERIE 300) LX015977 -UN- 6 1 2 5 ITEM NR.PECA DESCRICAO QTDE NR. SERIE J NOTAS 1 RE69703 KIT DO REPARO 1 X 70-52 TRATOR 6125J (EDICAO SUL-AMERICANA) PC8539P (01-JUL-10) PN=406
  • 409.
    70-53 SISTEMA HIDRAULICO HYDRAULIC PUMPDRIVE ELEMENTS D’ENTREINEMENT DE LA POMPE HYDRAULIQUE ANTRIEBSTEILE FUER HYDRAULIKPUMPE COMANDO POMPA IDRAULICA ACIONAMENTO BOMBA DE CARGA E HIDRAULICA ACCIONAMIENTO BOMBA DE CARGA E HIDRUALICA LX003073 -UN- 6 1 2 5 ITEM NR.PECA DESCRICAO QTDE NR. SERIE J NOTAS 1 L77774 LUVA 1 X 2 AL82960 ROLAMENTO DE ROLOS CONICOS 2 X 3 L155245 COROA 1 X 60LPM 4 L75889 LUVA 1 X 5 L114773 ANEL AR X R48745 ANEL DE PRESSAO AR X TK 1.93MM R48746 ANEL DE PRESSAO AR X TK 2.01MM R48749 ANEL DE PRESSAO AR X TK 2.24MM R48750 ANEL DE PRESSAO AR X TK 2.31MM L78784 ANEL DE PRESSAO AR X TK 2.38MM R96515 ANEL DE PRESSAO AR X TK 2.45MM L78785 ANEL DE PRESSAO AR X TK 2.52MM R96517 ANEL DE PRESSAO AR X TK 2.60MM 6 44M7146 PINO DE CENTRAGEM 1 X 7 L155244 COROA 1 X Z 29 8 R48747 ANEL DE PRESSAO AR X TK 2.08MM R48748 ANEL DE PRESSAO AR X TK 2.16MM TRATOR 6125J (EDICAO SUL-AMERICANA) PC8539P (01-JUL-10) 70-53 PN=407
  • 410.
    70-54 SISTEMA HIDRAULICO HYDRAULIC OILFILTERS FILTRES A HUILE HYDRAULIQUE HYDRAULIKOELFILTER FILTRO OLIO IDRAULICO FILTRO DE OLEO HIDRAULICO FILTRO DE ACEITE HIDRAULICO PUBM1484 -UN- 6 1 2 5 ITEM NR.PECA DESCRICAO QTDE NR. SERIE J NOTAS 1 AL160772 FILTRO DE OLEO 1 X 2 24M7096 ARRUELA 4 X 3 19M7166 PARAFUSO SEXT. 2 X M10 X 20 4 AL155008 LUVA 2 X 5 51M7048 ANEL O 2 X 6 L171572 BRACADEIRA 2 X 7 51M7101 ANEL O 2 X 8 51M7100 ANEL O 1 X 9 15M7076 TAMPAO DE DRENO 1 X 10 51M7041 ANEL O 1 X 11 AL160773 CABECOTE DO FILTRO 1 X 12 AL203061 FILTRO DE OLEO 1 X (INCL. KEY 14) 13 AL160761 ALOJAMENTO DE FILTRO 1 X 14 R56757 ANEL O 1 X 15 DQ62060 SUPORTE 1 X 16 14M7274 PORCA 2 X M10 70-54 TRATOR 6125J (EDICAO SUL-AMERICANA) PC8539P (01-JUL-10) PN=408
  • 411.
  • 412.
    70-56 SISTEMA HIDRAULICO SELECTIVE CONTROLVALVE (101 SERIES) DISTRIBUTEUR AUXILIAIRE (SERIE 101) ZUSATZSTEUERGERAET (SERIE 101) DISTRIBUTORE IDRAULICO (SERIE 101) VALVULA DE CONTROLE (SERIES 101) VALVULA DE MANDO A DISTANCIA (SERIE 101) PUBM1485 -UN- ESTA RELACAO CONTINUA 70-56 TRATOR 6125J (EDICAO SUL-AMERICANA) PC8539P (01-JUL-10) PN=410
  • 413.
    70-57 SISTEMA HIDRAULICO 6 1 2 5 ITEM NR.PECADESCRICAO QTDE NR. SERIE J NOTAS 1 AL160825 VALVULA DE CONTROLE REMOTO AR X 2 T77857 ANEL O 1 X 3 R241161 ANEL O 2 X 4 R111206 VEDACAO 1 X 5 R111278 CONE DE VALVULA AR X 6 P60266 MOLA 1 X 7 R113211 LUVA 1 X 8 R95493 DISCO 1 X 9 R95494 ANEL O 1 X 10 19M8705 PARAFUSO 2 X M6 X 65 11 AL118383 FLANGE 1 X 12 19M7768 PARAFUSO 2 X M6 X 16 13 R113228 PLUGUE 1 X 14 L37733 ANEL O 1 X TRATOR 6125J (EDICAO SUL-AMERICANA) PC8539P (01-JUL-10) 70-57 PN=411
  • 414.
    70-58 SISTEMA HIDRAULICO REPAIR KITSSELECTIVE CONTROL VALVE 100 ,101 JEUX DE REPARATION - DISTRIBUTEUR AUXILIAIRE 100, 101 REPARATURSAETZE ZUSATZSTEUERGERAET 100, 101 KITS RIPARAZIONE PER DISTRIBUTORE 100, 101 KIT DE REPAROS DA VALVULA DE CONTROLE 100,101 CONJUNTOS DE REPARACION VALVULA DE MANDO A DISTANCIA 100, 101 LX008293 -UN- 6 1 2 5 ITEM NR.PECA DESCRICAO QTDE NR. SERIE J NOTAS 1 RE50333 JOGO DE FERRAMENTA 1 X 2 RE50334 TRADUCAO NAO DISPONIVEL 1 X 3 RE50332 KIT RETENTOR 1 X 4 RE50385 KIT 1 X 70-58 TRATOR 6125J (EDICAO SUL-AMERICANA) PC8539P (01-JUL-10) PN=412
  • 415.
  • 416.
    70-60 SISTEMA HIDRAULICO END COVER COUVERCLE ABSCHLUSSDECKEL FONDELLO TAMPASDO COMANDO TAPA LXA003684 -UN- ESTA RELACAO CONTINUA 70-60 TRATOR 6125J (EDICAO SUL-AMERICANA) PC8539P (01-JUL-10) PN=414
  • 417.
    70-61 SISTEMA HIDRAULICO 6 1 2 5 ITEM NR.PECADESCRICAO QTDE NR. SERIE J NOTAS 1 R95494 ANEL O 1 X 2 AL77680 CAPA 1 X RH 3 U42902 ANEL O 1 X 4 H63283 ANEL O 1 X 5 T75984 ANEL O 1 X 6 19M8678 PARAFUSO AR X M10 X 22 7 R95616 PINO 3 X M10 X 1 X 141 8 19M8664 PARAFUSO SEXT. 3 X M10 X 70 9 14M7148 PORCA AR X M10 10 AL77028 CAPA 1 X LH 11 Z29304 ANEL O 1 X 12 L169844 PINO 3 X M10 X 1 X 85 TRATOR 6125J (EDICAO SUL-AMERICANA) PC8539P (01-JUL-10) 70-61 PN=415
  • 418.
    70-62 SISTEMA HIDRAULICO QUICK DISCONNECTCOUPLERS ACCOUPLEMENT RAPIDE SCHNELLKUPPLUNG GIUNTI RAPIDI ENGATE RAPIDO ACOPLAMIENTO HIDRAULICO RAPIDO PUBM1388 -UN- ESTA RELACAO CONTINUA 70-62 TRATOR 6125J (EDICAO SUL-AMERICANA) PC8539P (01-JUL-10) PN=416
  • 419.
    70-63 SISTEMA HIDRAULICO 6 1 2 5 ITEM NR.PECADESCRICAO QTDE NR. SERIE J NOTAS 1 AJ58437 CONEXAO ENGATE RAPIDO 1 X 3/4" 2 CQ30150 CONEXAO DE UNIAO 1 X 3/4" 3 CQ33591 ADAPTADOR 1 X 3/4" 4 RE268228 TAMPA 1 X GREEN/VERT/GRUEN/VERDE/VERDE/VERDE/GROEN RE268229 TAMPA 1 X GREEN/VERT/GRUEN/VERDE/VERDE/VERDE/GROEN RE268230 TAMPA 1 X BLUE/BLEU/BLAU/AZZURRO/AZUL/AZUL/BLA RE268231 TAMPA 1 X BLUE/BLEU/BLAU/AZZURRO/AZUL/AZUL/BLA 5 51M7045 ANEL O AR X 6 AL166180 CONEXAO ENGATE RAPIDO AR X LGTH 95MM 7 40M7102 ANEL DE PRESSAO 1 X 8 AL166745 KIT RETENTOR 1 X FASTERN 9 AL112953 KIT RETENTOR 1 X FASTERN 10 L112370 CAPA 1 X TRATOR 6125J (EDICAO SUL-AMERICANA) PC8539P (01-JUL-10) 70-63 PN=417
  • 420.
    70-64 SISTEMA HIDRAULICO HYDRAULIC CONTROLSPACER BLOC D’ECARTEMENT POUR COMMANDE HYDRAULIQUE DISTANZBLOCK FUER HYDRAULIKSTEUERUNG DISTANZIATORE COMANDO IDRAULICO ESPACADOR DO COMANDO HIDRAULICO ESPACIADOR DE SISTEMA CONTROL HIDRAULICO CQ302459 -UN- 6 1 2 5 ITEM NR.PECA DESCRICAO QTDE NR. SERIE J NOTAS 1 R95494 ANEL O AR X 2 R95493 DISCO AR X 3 AL117977 PARAFUSO 1 X 4 51M7052 ANEL O 1 X 5 51M7045 ANEL O 1 X 6 15M7077 TAMPAO DE DRENO 2 X 7 51M7041 ANEL O 1 X 8 15M7076 TAMPAO DE DRENO 1 X 9 AL161388 ESPACADOR 1 X 70-64 TRATOR 6125J (EDICAO SUL-AMERICANA) PC8539P (01-JUL-10) PN=418
  • 421.
    80-A01 CHASSI, EIXO DIANTEIRO,CAPO, ACESSORIOS SECTIONAL INDEX INDEX DE SECTION GRUPPENINDEX INDICE DELLA SEZIONE INDICE DE GRUPO INDICE DE GRUPOS PUBM1446 -UN- 1- 1 2- 2 3- 4 4- 6 5- 7 6- 8 7- 10 8- 12 9- 14 10- 16 11- 18 12- 19 13- 20 26- 40 27- 41 30- 46 31- 47 TRATOR 6125J (EDICAO SUL-AMERICANA) PC8539P (01-JUL-10) 80-A01 PN=419
  • 422.
    80-A02 CHASSI, EIXO DIANTEIRO,CAPO, ACESSORIOS SECTIONAL INDEX INDEX DE SECTION GRUPPENINDEX INDICE DELLA SEZIONE INDICE DE GRUPO INDICE DE GRUPOS PUBM1447 -UN- 14- 21 15- 22 16- 23 17- 24 18- 26 19- 28 20- 30 21- 32 22- 34 23- 36 24- 38 25- 39 28- 42 29- 44 80-A02 TRATOR 6125J (EDICAO SUL-AMERICANA) PC8539P (01-JUL-10) PN=420
  • 423.
    80-1 CHASSI, EIXO DIANTEIRO,CAPO, ACESSORIOS MAIN FRAME AND MOUNTING PARTS CHASSIS PRINCIPAL ET ELEMENTS DE FIXATION HAUPTRAHMEN UND ANBAUTEILE TELAIO PRINCIPALE E PARTI DI MONTAGGIO CHASSI E PECAS DE MONTAGEM BASTIDOR PRINCIPAL Y PIEZAS DE MONTAJE PUBM1467 -UN- 6 1 2 5 ITEM NR.PECA DESCRICAO QTDE NR. SERIE J NOTAS 1 DQ68989 BASTIDOR DE EXTENSAO 1 X RH 2 AL172680 BASTIDOR DE EXTENSAO 1 X LH 3 L202574 SUPORTE 1 X 4 ........ SUPORTE EIXO DIANTEIRO 1 X 5 L114874 PINO FIXADOR 2 X 6 19M8639 PARAFUSO SEXT. 12 X M20 X 70 7 19M7946 PARAFUSO SEXT. 10 X M20 X 40 8 L165048 BUCHA 4 X 9 24M7242 ARRUELA 22 X 10 L153099 PARAFUSO SEXT. 4 X 11 L113446 PLACA 8 X 12 L114339 PROTECAO DE MANGUEIRA 1 X TRATOR 6125J (EDICAO SUL-AMERICANA) PC8539P (01-JUL-10) 80-1 PN=421
  • 424.
    80-2 CHASSI, EIXO DIANTEIRO,CAPO, ACESSORIOS HOOD SUPPORT SUPPORT DE CAPOT HAUBENSTUETZE SUPPORTO COFANO SUPORTE DO CAPO SOPORTE DEL CAPO PUBM1570 -UN- ESTA RELACAO CONTINUA 80-2 TRATOR 6125J (EDICAO SUL-AMERICANA) PC8539P (01-JUL-10) PN=422
  • 425.
    80-3 CHASSI, EIXO DIANTEIRO,CAPO, ACESSORIOS 6 1 2 5 ITEM NR.PECA DESCRICAO QTDE NR. SERIE J NOTAS 1 AL162705 SUPORTE 1 X 2 AL204824 PROTECAO TERMICA 1 X 3 24M7055 ARRUELA AR X 4 19M7865 PARAFUSO AR X 5 L153768 PRESILHA AR X 6 AL154573 PORTA-FUSIVEL 1 X 7 AL162701 APOIO 1 X 8 14M7029 PORCA 4 X 9 AL162703 APOIO 4 X 10 L159014 SUPORTE 1 X RH 11 L159015 SUPORTE 1 X LH 12 AL162727 SUPORTE 1 X RH 13 AL162728 SUPORTE 1 X LH 14 AL158152 VEDACAO 1 X 15 AL204825 SUPORTE 1 X 16 L152660 ISOLADOR 1 X 17 L152663 VEDACAO 2 X 18 L157826 SUPORTE 2 X 19 L153842 SUPORTE 1 X 20 L173476 GANCHO 1 X 21 14M7140 PORCA 2 X M10 22 L155965 LUVA 2 X 23 L155966 PASSADOR 2 X 24 L169323 SUPORTE 2 X 25 L157769 GUIA 2 X 26 16M7114 REBITE 4 X 27 24M7139 ARRUELA 4 X 28 AL162732 PLACA 1 X 29 AL163194 ISOLADOR 1 X 30 L167473 ESPACADOR 1 X 31 19M7785 PARAFUSO 4 X M10 X 25 32 24M7178 ARRUELA 4 X 10.500 X 30 X 2.500 MM 33 L101519 PRESILHA 1 X 34 CQ04738 ISOLADOR 1 X LGTH 322MM 35 14M7273 PORCA 4 X M8 36 AL164643 DOBRADICA 1 X 37 L167363 APOIO 1 X 38 L167364 APOIO 1 X 39 CQ61655 ADUTOR 1 X 40 CQ62312 ISOLADOR 1 X 41 19M7166 PARAFUSO SEXT. AR X 42 24M7028 ARRUELA 1 X 43 19M7866 PARAFUSO 1 X 44 L158288 ISOLADOR 2 X 45 MN10413 REVESTIMENTO, BLINDAGEM 1 X 46 L79919 PASSADOR 1 X TRATOR 6125J (EDICAO SUL-AMERICANA) PC8539P (01-JUL-10) 80-3 PN=423
  • 426.
    80-4 CHASSI, EIXO DIANTEIRO,CAPO, ACESSORIOS HOOD AND RADIATOR GRILLE CAPOT ET GRILLE DU RADIATEUR HAUBE UND KUEHLERGRILL COFANO E GRIGLIA RADIATORE CAPO E GRADE DO RADIADOR CAPO Y PARRILLA DEL RADIADOR PUBM1421 -UN- ESTA RELACAO CONTINUA 80-4 TRATOR 6125J (EDICAO SUL-AMERICANA) PC8539P (01-JUL-10) PN=424
  • 427.
    80-5 CHASSI, EIXO DIANTEIRO,CAPO, ACESSORIOS 6 1 2 5 ITEM NR.PECA DESCRICAO QTDE NR. SERIE J NOTAS 1 AL202769 CAPO 1 X INC KEYS 2, 3, 4, 5, 6, 7, 8, 9, 10, 11, 12, 13, 14, 15, 16, 17 2 L203439 CAPO 1 X 3 L203441 CAPO 1 X LH 4 L203440 CAPO 1 X RH 5 L203442 CAPO 1 X 6 L203443 FLANGE 1 X 7 R263120 PARAFUSO 30 X 8 L203490 PARAFUSO 8 X 9 AL203444 APOIO 1 X 10 AL203843 APOIO 1 X 11 14M7233 PORCA SOLDAVEL 2 X 12 AL203634 APOIO 1 X LH 13 AL203635 APOIO 1 X RH 14 L204116 APOIO 1 X 15 AL164643 DOBRADICA 2 X RH 16 AL157407 PINO FIXADOR 1 X 17 R30437 ANEL DE PRESSAO 2 X 18 AL174453 VENEZIANA DE AERACAO 1 X RH 19 37M7179 PARAFUSO 18 X 20 AL174454 VENEZIANA DE AERACAO 1 X LH 21 DQ61508 CILINDRO OPERADO A GAS 2 X 22 L78979 ROTULA 2 X 23 14M7273 PORCA 4 X 24 L157399 GRELHA 1 X 25 L155183 GRELHA 1 X 26 L155599 GRELHA 1 X LH 27 L155598 GRELHA 1 X RH 28 37M7240 PARAFUSO 26 X 29 16M7119 REBITE 8 X 30 AL157575 ENGATE 1 X 31 19M8703 PARAFUSO 2 X 32 L153536 TIRANTE 1 X 33 R169906 MECANISMO 1 X 34 37M7181 PARAFUSO 2 X 35 L156573 TIRA 1 X 36 AL156954 CORDA 1 X 37 L175019 EMBLEMA 1 X 38 L111800 TOMADA 2 X 39 CQ62315 PASSADOR 2 X .. L200689 ADESIVO 1 X TRATOR 6125J (EDICAO SUL-AMERICANA) PC8539P (01-JUL-10) 80-5 PN=425
  • 428.
    80-6 CHASSI, EIXO DIANTEIRO,CAPO, ACESSORIOS MAIN FRAME BASIC WEIGHT CHASSIS PRINCIPAL SUPPORT DE MASSES HAUPTRAHMEN-GRUNDGEWICHT TELAIO PORTANTE PESO DI BASE SUPORTE DOS PESOS FRONTAIS CHASIS PRINCIPAL CONTRAPESO BASE CQ155655 -UN- 6 1 2 5 ITEM NR.PECA DESCRICAO QTDE NR. SERIE J NOTAS 1 CQ29519 SUPORTE 1 X 70KG 2 19M7620 PARAFUSO SEXT. 4 X M20 X 130 3 C2214E ARRUELA 4 X 80-6 TRATOR 6125J (EDICAO SUL-AMERICANA) PC8539P (01-JUL-10) PN=426
  • 429.
    80-7 CHASSI, EIXO DIANTEIRO,CAPO, ACESSORIOS ADDITIONAL FRONT WEIGHTS MASSES FRONTALES FRONTZUSATZGEWICHTE PESI ANTERIORI ADDIZIONALI PESOS DIANTEIROS CONTRAPESOS DELANTEROS ADICIONALES PUBM1449 -UN- 6 1 2 5 ITEM NR.PECA DESCRICAO QTDE NR. SERIE J NOTAS 1 T32146 PINO FIXADOR 1 X 2 L18955 PINO DE ENGATE RAPIDO 1 X 3 L38450 PESO 3 X RH WITH 6 FRONT WEIGHT L38450 PESO 4 X RH WITH 8 FRONT WEIGHT 4 19M7355 PARAFUSO SEXT. 2 X M16 X 230, WITH 6 FRONT WEIGHT 19M9426 PARAFUSO SEXT. 2 X WITH 8 FRONT WEIGHT 5 L38449 PESO 3 X LH WITH 6 FRONT WEIGHT L38449 PESO 4 X LH WITH 8 FRONT WEIGHT 6 24M7241 ARRUELA 2 X 7 12M7069 ARRUELA DE PRESSAO 2 X 8 DQ70291 RETENTOR 2 X TRATOR 6125J (EDICAO SUL-AMERICANA) PC8539P (01-JUL-10) 80-7 PN=427
  • 430.
    80-8 CHASSI, EIXO DIANTEIRO,CAPO, ACESSORIOS FRONT WHEELS ROUES AVANT REGLABLES VORDERRAEDER SPURWEITENVERSTELLBAR RUOTE ANTERIORI, CARREGGIATA REGOLABILE RODAS DIANTEIRAS RUEDAS DELANTERAS CON ANCHO DE VIA AJUSTABLE PUBM1368 -UN- ESTA RELACAO CONTINUA 80-8 TRATOR 6125J (EDICAO SUL-AMERICANA) PC8539P (01-JUL-10) PN=428
  • 431.
    80-9 CHASSI, EIXO DIANTEIRO,CAPO, ACESSORIOS 6 1 2 5 ITEM NR.PECA DESCRICAO QTDE NR. SERIE J NOTAS 1 DQ34723 ARO DE RODA 2 X 11.2-28 R1 6PR DQ30260 ARO DE RODA 2 X 14.9-26 R1 12PR DQ30262 ARO DE RODA 2 X 16.9-24 R4 8PR DQ30256 ARO DE RODA 2 X 14.9-24 R2 8PR 2 CQ29426 PARAFUSO 16 X 16.9-24 R1 8PR L41560 PARAFUSO 16 X 14.9-24 R1 R2 8PR 3 CQ30872 DISCO DE RODA 2 X 11.2-28 R1 6PR CQ30867 DISCO DE RODA 2 X 14.9-26 R1 12PR CQ30870 DISCO DE RODA 2 X 16.9-24 R4 8PR 4 CQ29427 PORCA 16 X 5/8" 14M7276 PORCA 16 X 14.9-24 R1 R2 8PR 5 CQ29428 ARRUELA 16 X L115344 ARRUELA 16 X 14.9-24 R1 R2 8PR 6 DQ20973 PORCA COM FLANGE 16 X 7 AZ33725 CAMARA DE AR, PNEU 2 X 14.9-24 R1 R2 8PR; 16.9-24 R4 8PR CQ26128 CAMARA DE AR, PNEU 2 X 14.9-26 R1 12PR DQ37643 CAMARA DE AR, PNEU 2 X 12.4-36R1 6PR-275 CQ34453 CAMARA DE AR, PNEU 2 X 11.2-28 R1 6PR 8 CQ26127 PNEU 2 X 14.9-26 R1 12PR CQ41341 PNEU 2 X 16.9-24 R4 8PR CQ47188 PNEU 2 X 14.9-24 R1 8PR CQ66248 PNEU 2 X 14.9-24 R2 8PR CQ37642 PNEU 2 X 12.4-36 R1 6PR CQ34452 PNEU 2 X 11.2-28 R1 6PR CQ25992 PNEU 2 X 16.9-24 R1 8PR 9 DQ26126 RODA 2 X 14.9-26 R1 12PR DQ28326 RODA 2 X 16.9-24 R4 8PR RE261134 ARO E RODA CENTRAL 2 X 14.9-24 R1 R2 8PR DQ37676 RODA 2 X 12.4-36R1 6PR DQ31503 RODA 2 X 11.2-28 R1 6PR .. DQ59493 MONTAGEM DA RODA E PNEU 1 X 14.9-24 R2 8PR TRATOR 6125J (EDICAO SUL-AMERICANA) PC8539P (01-JUL-10) 80-9 PN=429
  • 432.
    80-10 CHASSI, EIXO DIANTEIRO,CAPO, ACESSORIOS STEEL DISK REAR WHEELS ROUES ARRIERE ACIER STAHL-HINTERRAEDER RUOTE POSTERIORI CON DISCO IN ACCIAIO RODAS TRASEIRAS DE ACO RUEDAS TRASERAS DE ACERO CQ151406 -UN- 6 1 2 5 ITEM NR.PECA DESCRICAO QTDE NR. SERIE J NOTAS 1 CQ07843 PNEU 2 X 23.1/18-30 R1 12PR FL CQ66250 PNEU 2 X 23.1-30 R2 10PR FL 2 CQ07844 CAMARA DE AR, PNEU 2 X 23.1-30 3 DQ48452 RODA 2 X DW20X30 4 CQ50357 ANEL 2 X 5 19M9433 PARAFUSO SEXT. 16 X M20 X 70 80-10 TRATOR 6125J (EDICAO SUL-AMERICANA) PC8539P (01-JUL-10) PN=430
  • 433.
    80-11 CHASSI, EIXO DIANTEIRO,CAPO, ACESSORIOS MEMORANDA MEMORANDA MEMORANDA MEMORANDA MEMORANDA MEMORANDA TRATOR 6125J (EDICAO SUL-AMERICANA) PC8539P (01-JUL-10) 80-11 PN=431
  • 434.
    80-12 CHASSI, EIXO DIANTEIRO,CAPO, ACESSORIOS REAR WHEELS, ADJUSTABLE ROUES ARRIERE REGLABLES HINTERRAEDER, SPURWEITENVERSTELLBAR RUOTE POSTERIORI CARREGGIATA REGOLABILE RODAS TRASEIRAS COM DISCO DE ACO RUEDAS TRASERAS CON DISCO DE ACERO CQ155196 -UN- ESTA RELACAO CONTINUA 80-12 TRATOR 6125J (EDICAO SUL-AMERICANA) PC8539P (01-JUL-10) PN=432
  • 435.
    80-13 CHASSI, EIXO DIANTEIRO,CAPO, ACESSORIOS 6 1 2 5 ITEM NR.PECA DESCRICAO QTDE NR. SERIE J NOTAS 1 CQ29426 PARAFUSO 16 X 5/8" L41560 PARAFUSO 16 X 2 CQ29428 ARRUELA 16 X 5/8" L115344 ARRUELA 16 X 3 CQ29427 PORCA 16 X 5/8" 14M7276 PORCA 16 X 4 DQ34723 ARO DE RODA 2 X 11.2-28 R1 6PR AL110764 ARO 2 X 18.4-34 R4 12PR FL; 18.4-34 R1 FL 10PR DQ30877 ARO DE RODA 2 X 18.4-38 R1 FL 10PR 5 19M9433 PARAFUSO SEXT. 16 X M20 X 70 L31683 PARAFUSO 16 X 19.050 X 40 MM, 13.6-46 R2 PC 6PR 6 CQ50357 ANEL 2 X 7 CQ50662 RODA 2 X 34" 18.4-38 R1 FL 10PR CQ30867 DISCO DE RODA 2 X 24" 14.9-26 R1 12PR CQ30872 DISCO DE RODA 2 X 11.2-28 R1 6PR R206171 DISCO DE RODA 2 X 18.4-34 R4 12PR FL; 18.4-34 R1 FL 10PR 8 CQ28088 PNEU 2 X 18.4-38 R1 PC 10PR CQ34452 PNEU 2 X 11.2-28 R1 6PR CQ41340 PNEU 2 X 18.4-34 R4 PC AERO ;18.4-34 R4 12PR FL CQ07843 PNEU 2 X 23.1-30 R1 12PR FL; 23.1-30 R1 PC 12PR 9 RE23542 CAMARA DE AR, PNEU 2 X 18.4-34 R4 PC AERO ;18.4-34 R4 12PR FL R23551 CAMARA DE AR, PNEU 2 X 18.4-38 R1 PC 10PR; 18.4-38 R1 FL 10PR CQ34453 CAMARA DE AR, PNEU 2 X 11.2-28 R1 6PR CQ07844 CAMARA DE AR, PNEU 2 X 23.1-30 R1 R2 12PR 10PR FL PC 10 DQ48453 RODA 2 X ORDER RE206170 RE206170 ARO E RODA CENTRAL 2 X 18.4-34 R4 12PR FL; 18.4-34 R1 FL 10PR DQ50588 RODA 2 X 18.4-38 R1 FL 10PR 11 DQ48452 RODA 2 X 23.1-30 R1 12PR FL; 23.1-30 R2 10PR FL 12 L115418 ARRUELA 16 X 13.6-46 R2 PC 6PR TRATOR 6125J (EDICAO SUL-AMERICANA) PC8539P (01-JUL-10) 80-13 PN=433
  • 436.
    80-14 CHASSI, EIXO DIANTEIRO,CAPO, ACESSORIOS CAST REAR (R) ROUES (R) HINTERRAEDER (R) RUOTE (R) RODAS PARA EIXO PINHAO E CREMALHEIRA (R) RUEDAS (R) PUBM1355 -UN- ESTA RELACAO CONTINUA 80-14 TRATOR 6125J (EDICAO SUL-AMERICANA) PC8539P (01-JUL-10) PN=434
  • 437.
    80-15 CHASSI, EIXO DIANTEIRO,CAPO, ACESSORIOS 6 1 2 5 ITEM NR.PECA DESCRICAO QTDE NR. SERIE J NOTAS 1 R109147 PARAFUSO SEXT. 8 X 18.4-38 R1 PC 10PR 19H1782 PARAFUSO SEXT. 6 X 18.4-34 R4 PC AERO 2 R99437 ARRUELA 10 X 12H236 ARRUELA DE PRESSAO 10 X 18.4-34 R4 PC AERO 3 J53701 BUCHA 2 X 18.4-34 R4 PC AERO R111101 SEMI-CASQUILHO 2 X 18.4-38 R1 PC 10PR 4 R124104 PINHAO 2 X A4379R PINHAO 2 X 18.4-34 R4 PC AERO 5 CQ65207 PINO 2 X R83588 EIXO DE ACIONAMENTO 2 X 18.4-34 R4 PC AERO 6 CQ32109 DISCO AR X 23.1-30 R1 PC 12PR CQ65139 DISCO 2 X 23.1-30 R2 10PR PC, 23.1-30 R1 PC 12PR 7 CQ66643 DISCO 2 X 18.4-38 R1 PC 10PR AND 15.5-38 R1 6PR PC CQ33856 DISCO 2 X 18.4-34 R4 PC AERO 8 12H245 ARRUELA DE PRESSAO 6 X R125475 PINO 6 X 320/90R50 PC 9 R109823 PARAFUSO SEXT. 6 X 10 R41012 RODA 2 X 18.4-38 R1 PC 10PR J53401 ARO 2 X 18.4-34 R1 PC 10PR; 18.4-34 R4 PC AERO R34659 ARO 2 X 23.1-30 R1 PC 12PR ; 23.1-30 R2 10PR PC CQ34080 ARO 2 X 13.6-38 R1 PC 6PR CQ34081 RODA 2 X 15.5-38 R1 6PR PC 11 14H800 PORCA 16 X 12 L38141 BRACADEIRA 16 X 13 08H4373 PARAFUSO 16 X 14 R111009 PARAFUSO SEXT. 4 X 15 A4883R ANEL DE PRESSAO 8 X 16 J53702 BUCHA 2 X 18.4-34 R4 PC AERO R124247 SEMI-CASQUILHO 2 X 18.4-38 R1 PC 10PR; 23.1-30 R1 PC 12PR; 23.1-30 R2 10PR PC; 15.5-38 R1 6PR PC 17 R73380 ANEL DE PRESSAO 2 X 18 CQ07843 PNEU 2 X 23.1-30 R1 12PR FL; 23.1-30 R1 PC 12PR CQ28088 PNEU 2 X 18.4-38 R1 PC 10PR; 18.4-38 R1 FL 10PR CQ26740 PNEU 2 X 18.4-34 R1 PC 10PR; 18.4-34 R1 FL 10PR CQ26159 PNEU 2 X 23.1-30 R2 8 LONAS CQ66250 PNEU 2 X 23.1-30 R2 10PR FL; 23.1-30 R2 10PR PC CQ25620 PNEU 2 X 13.6-38 R1 PC 6PR CQ40864 PNEU 2 X 15.5-38 R1 6PR PC L112367 PNEU 2 X 13.6-46 R2 PC 6PR TRATOR 6125J (EDICAO SUL-AMERICANA) PC8539P (01-JUL-10) 80-15 PN=435
  • 438.
    80-16 CHASSI, EIXO DIANTEIRO,CAPO, ACESSORIOS CAST REAR (R) ROUES (R) HINTERRAEDER (R) RUOTE (R) RODAS PARA EIXO PINHAO E CREMALHEIRA (R) RUEDAS (R) PUBM1468 -UN- ESTA RELACAO CONTINUA 80-16 TRATOR 6125J (EDICAO SUL-AMERICANA) PC8539P (01-JUL-10) PN=436
  • 439.
    80-17 CHASSI, EIXO DIANTEIRO,CAPO, ACESSORIOS 6 1 2 5 ITEM NR.PECA DESCRICAO QTDE NR. SERIE J NOTAS 1 CQ07844 CAMARA DE AR, PNEU 2 X WITH 23.1-30 R1 12PR FL; 23.1-30 R1 PC 1 2PR; 23.1-30 R2 10PR FL; 23.1-30 R2 10 PR PC R23551 CAMARA DE AR, PNEU 2 X WITH 18.4-38 R1 PC 10PR; 18.4-38 R1 FL 10 PR RE23542 CAMARA DE AR, PNEU 2 X WITH 18.4-34 R4 PC AERO; 18.4-34 R4 12PR FL CQ25621 CAMARA DE AR, PNEU 2 X WITH 13.6-38 R1 PC 6PR CQ25614 CAMARA DE AR, PNEU 2 X WITH 15.5-38 R1 6PR PC AL39876 CAMARA DE AR, PNEU 2 X WITH 13.6-46 R2 PC 6PR 2 J53262 BRACADEIRA 16 X WITH 18.4-34 R4 PC AERO; 18.4-34 R1 PC 1 0PR; 23.1-30 R1 PC 12PR; 23.1-30 R2 10 PR PC 3 R34801R PARAFUSO 16 X WITH 18.4-34 R4 PC AERO; 18.4-34 R1 PC 1 0PR; 23.1-30 R1 PC 12PR; 23.1-30 R2 10 PR PC 4 J55278 PLUGUE 2 X 5 L34029 CUBO 2 X WITH 13.6-46 R2 PC 6PR 6 R73380 ANEL DE PRESSAO 2 X 7 R111010 PORCA 4 X 8 08H4419 PARAFUSO SEXT. 6 X 9 R58303 PARAFUSO SEXT. 6 X 10 AL157374 RODA 2 X WITH 13.6-46 R2 PC 6PR 11 R125475 PINO 6 X 12 DQ46621 RODA 2 X 320/90R50 PC 13 19M7609 PARAFUSO SEXT. 16 X 14 14M7142 PORCA 16 X 15 12M7069 ARRUELA DE PRESSAO 16 X TRATOR 6125J (EDICAO SUL-AMERICANA) PC8539P (01-JUL-10) 80-17 PN=437
  • 440.
    80-18 CHASSI, EIXO DIANTEIRO,CAPO, ACESSORIOS WEIGHTS MASSES DE LESTAGE ZUSATZGEWICHTE PESI CONTRAPESOS CONTRAPESOS PUBM1490 -UN- 6 1 2 5 ITEM NR.PECA DESCRICAO QTDE NR. SERIE J NOTAS 1 19M7609 PARAFUSO SEXT. 6 X M16 X 90 R81272 PARAFUSO 6 X (USE WITH RE206170) 2 24M7049 ARRUELA 12 X 17.500 X 30 X 3 MM 3 14M7142 PORCA 12 X M16 4 CQ26402 PARAFUSO AR X M16 X 160 5 L28228 PESO 4 X (55KG) 6 CQ27184 ESPACADOR 6 X R190726 ESPACADOR 6 X (USE WITH RE206170) 80-18 TRATOR 6125J (EDICAO SUL-AMERICANA) PC8539P (01-JUL-10) PN=438
  • 441.
    80-19 CHASSI, EIXO DIANTEIRO,CAPO, ACESSORIOS WEIGHTS MASSES DE LESTAGE ZUSATZGEWICHTE PESI CONTRAPESOS CONTRAPESOS PUBM1489 -UN- 6 1 2 5 ITEM NR.PECA DESCRICAO QTDE NR. SERIE J NOTAS 1 L28228 PESO 4 X (55KG) 2 CQ26402 PARAFUSO AR X 3 R34801R PARAFUSO 6 X 4 CQ16408 ARRUELA 12 X 5 14H800 PORCA 12 X 5/8" TRATOR 6125J (EDICAO SUL-AMERICANA) PC8539P (01-JUL-10) 80-19 PN=439
  • 442.
    80-20 CHASSI, EIXO DIANTEIRO,CAPO, ACESSORIOS WEIGHTS MASSES DE LESTAGE ZUSATZGEWICHTE PESI CONTRA PESOS CONTRAPESOS CQ151633 -UN- 6 1 2 5 ITEM NR.PECA DESCRICAO QTDE NR. SERIE J NOTAS 1 19M7343 PARAFUSO SEXT. 6 X M16 X 60 2 L28230 PESO 2 X (38,5KG) 3 24M7049 ARRUELA 12 X 4 14M7142 PORCA 12 X 5 CQ27128 PARAFUSO AR X 6 CQ26402 PARAFUSO AR X 7 L28228 PESO 4 X (55KG) 80-20 TRATOR 6125J (EDICAO SUL-AMERICANA) PC8539P (01-JUL-10) PN=440
  • 443.
    80-21 CHASSI, EIXO DIANTEIRO,CAPO, ACESSORIOS FWD-AXLE PONT AVANT FRONTANTRIEBSACHSE ASSALE TRAZIONE ANTERIORE EIXO DE TRACAO DIANTEIRO EJE DE TRACCION DELANTERA CQ157147 -UN- 6 1 2 5 ITEM NR.PECA DESCRICAO QTDE NR. SERIE J NOTAS 1 DQ61023 EIXO DIANTEIRO 1 X TRATOR 6125J (EDICAO SUL-AMERICANA) PC8539P (01-JUL-10) 80-21 PN=441
  • 444.
    80-22 CHASSI, EIXO DIANTEIRO,CAPO, ACESSORIOS FWD, UNIVERSAL JOINTED SHAFT PONT AVANT - ARBRE DE TRANSMISSION FRONTANTRIEB, GELENKWELLE TRAZ. ANTER., ALBERO CARDANICO CARDA DO EIXO DIANTEIRO TRACCION DELANTERA, EJE DE TRANSMISION ARTICULADO PUBM1392 -UN- 6 1 2 5 ITEM NR.PECA DESCRICAO QTDE NR. SERIE J NOTAS 1 DQ36679 TAMBOR DE DESCARGA 1 X 2 CQ43005 COMUTADOR 2 X 3 DQ43003 LUVA 1 X 4 DQ43004 CRUZETA 2 X 5 CQ43006 FLANGE 1 X 6 19M8552 PARAFUSO 4 X M12 X 25 80-22 TRATOR 6125J (EDICAO SUL-AMERICANA) PC8539P (01-JUL-10) PN=442
  • 445.
    80-23 CHASSI, EIXO DIANTEIRO,CAPO, ACESSORIOS ANTI-WRAP GUARD (MFWD-AXLE WITHOUT TLS) PONT AVANT NON SUSPENDU (SANS TLS), PROTECTION ANTIENROULEMENT WICKELSCHUTZ (FRONTANTRIEBSACHSE OHNE TLS) PROTEZIONE ANTIAVVOLGIMENTO (ASSALE TRAZIONE ANTERIORE SENZA TLS) PROTECAO (EIXO DIANTEIRO SEM SUSPENSAO) PROTECCION ANTIENROLLAMIENTO (EJE DE TDM SIN SUSPENSION TLS) PY014346 -UN- 6 1 2 5 ITEM NR.PECA DESCRICAO QTDE NR. SERIE J NOTAS 1 AL110487 PROTECAO 1 X 2 19M7784 PARAFUSO 2 X M10 X 20 3 L157928 APOIO 1 X 4 19M7288 PARAFUSO SEXT. 2 X M8 X 30 5 19M7864 PARAFUSO 2 X M8 X 12 6 L175783 PROTECAO 1 X TRATOR 6125J (EDICAO SUL-AMERICANA) PC8539P (01-JUL-10) 80-23 PN=443
  • 446.
    80-24 CHASSI, EIXO DIANTEIRO,CAPO, ACESSORIOS BEVEL GEAR SET, FWD-AXLE PONT AVANT - JEU DE PIGNONS CONIQUES KEGELRADSATZ, FRONTANTRIEBSACHSE GRUPPO INGRANAGGI CONICI, ASSALE TRAZIONE ANTERIORE ACIONAMENTO DO EIXO DIANTEIRO CONJUNTO DE ENGRANAJES CONICOS (EJE DE TDM) PUBM1504 -UN- ESTA RELACAO CONTINUA 80-24 TRATOR 6125J (EDICAO SUL-AMERICANA) PC8539P (01-JUL-10) PN=444
  • 447.
    80-25 CHASSI, EIXO DIANTEIRO,CAPO, ACESSORIOS 6 1 2 5 ITEM NR.PECA DESCRICAO QTDE NR. SERIE J NOTAS 1 CQ29345 BOCAL 2 X 2 CQ50408 PORCA 1 X 3 CQ50410 ARRUELA 1 X 4 CQ27241 PLUGUE 2 X 5 CQ27990 FLANGE 1 X 6 CQ45134 BUCHA 2 X 7 L100230 PROTECAO 1 X 8 CQ67641 RETENTOR 1 X 9 AL111096 ROLAMENTO 1 X 10 CQ27195 ESPACADOR 1 X TK 11.30MM CQ27196 ESPACADOR 1 X TK 11.33MM CQ27197 ESPACADOR 1 X TK 11.36MM CQ27198 ESPACADOR 1 X TK 11.39MM CQ27199 ESPACADOR 1 X TK 11.42MM CQ27200 ESPACADOR 1 X TK 11.45MM CQ27201 ESPACADOR 1 X TK 11.48MM CQ27202 ESPACADOR 1 X TK 11.51MM CQ27203 ESPACADOR 1 X TK 11.54MM CQ27204 ESPACADOR 1 X TK 11.57MM CQ27205 ESPACADOR 1 X TK 11.60MM CQ27206 ESPACADOR 1 X TK 11.63MM CQ27207 ESPACADOR 1 X TK 11.68MM CQ27208 ESPACADOR 1 X TK 11.69MM CQ27209 ESPACADOR 1 X TK 11.72MM CQ27210 ESPACADOR 1 X TK 11.75MM CQ27211 ESPACADOR 1 X TK 11.78MM CQ27212 ESPACADOR 1 X TK 11.81MM CQ27213 ESPACADOR 1 X TK 11.84MM CQ27214 ESPACADOR 1 X TK 11.87MM CQ27215 ESPACADOR 1 X TK 11.90MM CQ27216 ESPACADOR 1 X TK 11.93MM CQ27217 ESPACADOR 1 X TK 11.96MM CQ27218 ESPACADOR 1 X TK 11.99MM CQ27219 ESPACADOR 1 X TK 12.02MM CQ27220 ESPACADOR 1 X TK 12.05MM CQ27221 ESPACADOR 1 X TK 12.08MM CQ27222 ESPACADOR 1 X TK 12.11MM CQ27223 ESPACADOR 1 X TK 12.14MM CQ27224 ESPACADOR 1 X TK 12.17MM CQ27225 ESPACADOR 1 X TK 12.20MM CQ27226 ESPACADOR 1 X TK 12.23MM CQ27227 ESPACADOR 1 X TK 11.15MM CQ27228 ESPACADOR 1 X TK 11.18MM CQ27229 ESPACADOR 1 X TK 11.21MM CQ27230 ESPACADOR 1 X TK 11.24MM CQ27231 ESPACADOR 1 X TK 11.27MM TRATOR 6125J (EDICAO SUL-AMERICANA) PC8539P (01-JUL-10) 80-25 PN=445
  • 448.
    80-26 CHASSI, EIXO DIANTEIRO,CAPO, ACESSORIOS BEVEL GEAR SET, FWD-AXLE PONT AVANT, JEU DE PIGNONS CONIQUES KEGELRADSATZ, FRONTANTRIEBSACHSE GRUPPO INGRANAGGI CONICI, ASSALE 4WD ACIONAMENTO DO EIXO DIANTEIRO CAJA DE ENGRANAJES CONICOS, EJE DE TDM PUBM1504 -UN- ESTA RELACAO CONTINUA 80-26 TRATOR 6125J (EDICAO SUL-AMERICANA) PC8539P (01-JUL-10) PN=446
  • 449.
    80-27 CHASSI, EIXO DIANTEIRO,CAPO, ACESSORIOS 6 1 2 5 ITEM NR.PECA DESCRICAO QTDE NR. SERIE J NOTAS 11 L40272 ESPACADOR 1 X TK 1.2MM L40982 ARRUELA 1 X L40983 ARRUELA 1 X TK 1.05MM L40984 ARRUELA 1 X TK 1.1MM L40985 ARRUELA 1 X TK 1.15MM L40987 ARRUELA 1 X TK 1.25MM L40988 ARRUELA 1 X TK 1.3MM L40989 ARRUELA 1 X TK 1.35MM L40990 ARRUELA 1 X TK 1.40MM L40991 ARRUELA 1 X TK 1.45MM L40992 ARRUELA 1 X TK 1.5MM L40993 ARRUELA 1 X TK 1.55MM L40994 ARRUELA 1 X TK 1.6MM L40995 ARRUELA 1 X TK 0.9MM L40996 ARRUELA 1 X TK 0.95MM L55606 CALCO 1 X TK 0.65MM L55607 CALCO 1 X TK 0.70MM L55608 CALCO 1 X TK 0.75MM L55610 ARRUELA 1 X TK 0.85MM 12 AL79794 ROLAMENTO DE ROLOS CONICOS 1 X TRATOR 6125J (EDICAO SUL-AMERICANA) PC8539P (01-JUL-10) 80-27 PN=447
  • 450.
    80-28 CHASSI, EIXO DIANTEIRO,CAPO, ACESSORIOS FWD-AXLE, KNUCKLE HOUSING PONT AVANT, CARTER DE FUSEE FRONTANTRIEBSACHSE, GELENKGEHAEUSE CORPO SNODO ASSALE TRAZIONE ANTERIORE CARCACA DE ARTICULACAO TRACCION DELANTERA, CAJA DE MANGUETA PUBM1430 -UN- ESTA RELACAO CONTINUA 80-28 TRATOR 6125J (EDICAO SUL-AMERICANA) PC8539P (01-JUL-10) PN=448
  • 451.
    80-29 CHASSI, EIXO DIANTEIRO,CAPO, ACESSORIOS 6 1 2 5 ITEM NR.PECA DESCRICAO QTDE NR. SERIE J NOTAS 1 19M8011 PARAFUSO SEXT. 12 X M12 X 30 2 CQ27251 EIXO 4 X 3 CQ50412 ANEL O 4 X 4 L55594 TAMPA DE ROLAMENTO 1 X 5 CQ27250 CONE DE ROLAMENTO 4 X 6 DQ28725 CRUZETA 4 X 7 L40552 CONEXAO DE LUBRIFICACAO 4 X 8 L63127 CALCO 2 X TK 0.2MM L63128 CALCO 1 X TK 0.3MM L41006 ARRUELA 1 X TK 0.4MM L40075 ARRUELA 1 X TK 1.0MM 9 CQ27248 CARCACA 1 X RH CQ27249 CARCACA 1 X LH 10 CQ64647 PARAFUSO 2 X 11 CQ27298 PORCA 2 X 12 CQ27243 ANEL DE PRESSAO 2 X 13 L60088 BUCHA 2 X 14 CQ27244 RETENTOR 2 X 15 CQ27989 RETENTOR 2 X 16 DQ31200 ARTICULACAO 2 X 17 DQ28542 COMUTADOR 1 X 18 CQ50411 EIXO 2 X 19 CQ50413 COMUTADOR 1 X 20 CQ64112 ANEL DE PRESSAO 16 X 21 DQ28540 COMUTADOR 2 X 22 DQ28539 CONEXAO DE LUBRIFICACAO 4 X TRATOR 6125J (EDICAO SUL-AMERICANA) PC8539P (01-JUL-10) 80-29 PN=449
  • 452.
    80-30 CHASSI, EIXO DIANTEIRO,CAPO, ACESSORIOS STEERING CYLINDER PARTS ELEMENTS DU VERIN DE DIRECTION LENKZYLINDER-EINZELTEILE GRUPPO CILINDRO STERZO CILINDRO DA DIRECAO COMPONENTES-CILINDRO DIRECION PUBM1436 -UN- ESTA RELACAO CONTINUA 80-30 TRATOR 6125J (EDICAO SUL-AMERICANA) PC8539P (01-JUL-10) PN=450
  • 453.
    80-31 CHASSI, EIXO DIANTEIRO,CAPO, ACESSORIOS 6 1 2 5 ITEM NR.PECA DESCRICAO QTDE NR. SERIE J NOTAS 1 L40282 ANEL O 1 X 2 L41216 VEDACAO 2 X 3 L41164 VEDACAO 2 X 4 CQ64250 GUIA 1 X 5 L53888 ANEL O 1 X LAN641 75X81X3 L40283 ANEL O 1 X LAN461 76X82X3 6 L40071 CAMISA DO CIL HIDR 1 X 7 DQ67132 BARRA DE DIRECAO 2 X 8 L41171 CALCO 1 X TK 0.5MM L41172 CALCO 1 X TK 0.6MM L41173 CALCO 1 X TK 0.7MM L41174 CALCO 1 X TK 0.8MM L41175 CALCO 1 X TK 0.9MM 9 CQ64251 GUIA 1 X 10 19M8122 PARAFUSO SEXT. 5 X M12 X 85 11 DQ64254 VEDACAO 1 X 12 CQ64253 GUIA DO PISTAO CIL HIDR 4 X 13 CQ27307 TIRANTE 1 X 14 CQ27308 ANEL DE PRESSAO 1 X 15 L40005 ARRUELA 1 X 16 L40205 ANEL 2 X 17 L40284 ANEL O 1 X 18 CQ64249 PISTAO 1 X 19 CQ64252 GUIA DO PISTAO CIL HIDR 2 X 20 DQ64254 VEDACAO 1 X 21 DQ67133 TERMINAL DA BARRA DE DIRECA 2 X 22 DQ67134 TERMINAL DA BARRA DE DIRECA 2 X 23 14M5409 PORCA 2 X M20 24 CQ64111 PORCA 1 X TRATOR 6125J (EDICAO SUL-AMERICANA) PC8539P (01-JUL-10) 80-31 PN=451
  • 454.
    80-32 CHASSI, EIXO DIANTEIRO,CAPO, ACESSORIOS MULTIPLE DISK SELF-LOCK. DIFFERENTIAL, FWD-AXLE PONT AVANT MOTEUR - DIFFERENTIEL A BLOCAGE MULTIDISQUE LAMELLENSPERRDIFFERENTIAL, FRONTANTRIEBSACHSE ASSALE TRAZIONE ANTERIORE, DIFFERENZ. A BLOCCAGGIO DIFERENCIAL E CARCACA DO EIXO DIANTEIRO EJE DE TDM, DIFERENCIAL DE BLOQUE MULTIDISCO PUBM1386 -UN- ESTA RELACAO CONTINUA 80-32 TRATOR 6125J (EDICAO SUL-AMERICANA) PC8539P (01-JUL-10) PN=452
  • 455.
    80-33 CHASSI, EIXO DIANTEIRO,CAPO, ACESSORIOS 6 1 2 5 ITEM NR.PECA DESCRICAO QTDE NR. SERIE J NOTAS 1 CQ29344 CHAPA 2 X 2 CQ27245 RETENTOR 2 X 3 CQ27246 ANEL DE PRESSAO 2 X 4 CQ27244 RETENTOR 1 X 5 L60088 BUCHA 2 X 6 19M7174 PARAFUSO SEXT. 30 X M16 X 50 7 L40274 ARRUELA 30 X 8 CQ29345 BOCAL 2 X 9 L40273 ANEL O 1 X 10 L40272 ESPACADOR 1 X TK 1.2MM L40982 ARRUELA 1 X L40983 ARRUELA 1 X TK 1.05MM L40984 ARRUELA 1 X TK 1.1MM L40985 ARRUELA 1 X TK 1.15MM L40987 ARRUELA 1 X TK 1.25MM L40988 ARRUELA 1 X TK 1.3MM L40989 ARRUELA 1 X TK 1.35MM L40990 ARRUELA 1 X TK 1.40MM L40991 ARRUELA 1 X TK 1.45MM L40992 ARRUELA 1 X TK 1.5MM L40993 ARRUELA 1 X TK 1.55MM L40994 ARRUELA 1 X TK 1.6MM L40995 ARRUELA 1 X TK 0.9MM L40996 ARRUELA 1 X TK 0.95MM L55606 CALCO 1 X TK 0.65MM L55607 CALCO 1 X TK 0.70MM L55608 CALCO 1 X TK 0.75MM L55610 ARRUELA 1 X TK 0.85MM 11 JD37087 ROLAMENTO DE ROLOS CONICOS 2 X 12 34M7135 PINO ELASTICO 4 X 13 DQ27253 COROA E PINHAO 1 X 14 AL38020 DIFERENCIAL 1 X 15 L40003 DISCO COM ESTRIADO INTERNO 8 X 16 CQ27730 DISCO COM ESTRIADO EXTERNO AR X TK 1.2MM L35577 DISCO COM ESTRIADO EXTERNO AR X TK 1.3MM L62420 DISCO COM ESTRIADO EXTERNO AR X TK 1.4MM 17 L40130 DISCO COM ESTRIADO INTERNO 2 X TK 3.2MM 18 CQ27234 ENGRENAGEM DE CORRENTE 2 X 19 L39983 EIXO COM DIFERENCIAL 2 X 20 L101698 COROA 4 X 21 L40253 ARRUELA 4 X 22 L40254 SETOR 4 X 23 19M8119 PARAFUSO 12 X M12 X 130 25 AL32877 RESPIRO 1 X L204993 PORCA DE SEGURANCA 2 X TK 17 MM 26 19M7921 PARAFUSO SEXT. 1 X M20 X 150 27 L78006 ESPACADOR 2 X 28 A31870 PORCA DE SEGURANCA AR X 29 L114874 PINO FIXADOR 2 X 30 19M7907 PARAFUSO 1 X M20 X 140 31 CQ45134 BUCHA 2 X 32 L80423 ARRUELA 1 X 33 L41005 CALCO 2 X TK 0.1MM L41004 CALCO 1 X TK 0.2MM L41003 CALCO 1 X TK 0.3MM L101689 CALCO 1 X TK 0.45MM L41001 CALCO 1 X TK 0.5MM L41000 CALCO 1 X TK 0.6MM L112212 ARRUELA 1 X TK 0.7MM L40999 ARRUELA 1 X TK 0.8MM L112214 ARRUELA 1 X TK 0.85MM L112215 ARRUELA 1 X TK 0.9MM L40998 ARRUELA 1 X TK 1.0MM L112217 ARRUELA 1 X TK 1.1MM L112218 ARRUELA 1 X TK 1.15MM TRATOR 6125J (EDICAO SUL-AMERICANA) PC8539P (01-JUL-10) 80-33 PN=453
  • 456.
    80-34 CHASSI, EIXO DIANTEIRO,CAPO, ACESSORIOS FWD-AXLE, HOUSING CARTER DE PONT AVANT FRONTANTRIEBSACHSE, GEHAEUSE ASSALE TRAZIONE ANTERIORE, SCATOLA CARCACA DO EIXO DIANTEIRO CAJA DEL EJE DE TDM PUBM0952 -UN- ESTA RELACAO CONTINUA 80-34 TRATOR 6125J (EDICAO SUL-AMERICANA) PC8539P (01-JUL-10) PN=454
  • 457.
    80-35 CHASSI, EIXO DIANTEIRO,CAPO, ACESSORIOS 6 1 2 5 ITEM NR.PECA DESCRICAO QTDE NR. SERIE J NOTAS 1 CQ64245 PONTE 1 X LH 2 19M7174 PARAFUSO SEXT. 30 X M16 X 50 3 L40274 ARRUELA 30 X 4 L40273 ANEL O 2 X 5 CQ64247 CARCACA 1 X 6 CQ29345 BOCAL 2 X 7 CQ45134 BUCHA 2 X 8 CQ64246 PONTE 1 X RH 9 AL32877 RESPIRO 1 X 10 CQ27241 PLUGUE 2 X TRATOR 6125J (EDICAO SUL-AMERICANA) PC8539P (01-JUL-10) 80-35 PN=455
  • 458.
    80-36 CHASSI, EIXO DIANTEIRO,CAPO, ACESSORIOS FWD-AXLE, KNUCKLE HOUSING PONT AVANT, CARTER DE FUSEE FRONTANTRIEBSACHSE, GELENKGEHAEUSE CORPO SNODO ASSALE TRAZIONE ANTERIORE CARCACA DA ARTICULACAO E PLANETARIA TRACCION DELANTERA, CAJA DE MANGUETA PUBM1434 -UN- ESTA RELACAO CONTINUA 80-36 TRATOR 6125J (EDICAO SUL-AMERICANA) PC8539P (01-JUL-10) PN=456
  • 459.
    80-37 CHASSI, EIXO DIANTEIRO,CAPO, ACESSORIOS 6 1 2 5 ITEM NR.PECA DESCRICAO QTDE NR. SERIE J NOTAS 1 CQ64114 PARAFUSO 4 X 2 CQ27242 PLUGUE 2 X 3 DQ20973 PORCA COM FLANGE 16 X 4 CQ72046 PORTA-PLANETARIOS 2 X 5 L39997 ARRUELA 1 X TK 1.5MM L55602 ARRUELA 1 X TK 1.7MM L40121 ARRUELA 1 X TK 2.0MM L55603 ARRUELA 1 X TK 2.2MM L41008 ARRUELA 1 X TK 2.5MM CQ27305 ARRUELA 1 X TK 2.7MM L41170 ARRUELA 1 X TK 3.0MM 6 CQ29407 ANEL 2 X 7 CQ27302 EIXO 2 X 8 CQ29406 ARRUELA DE ENCOSTO 2 X 9 T82565 ARRUELA DE ENCOSTO 2 X 10 T116822 PORCA 2 X 11 19M7902 PARAFUSO 4 X M8 X 16 12 T116827 ARRUELA 4 X 13 40M4624 ANEL DE PRESSAO 8 X 14 L41159 ANEL DE PRESSAO 16 X 15 JD10250 CILAMENTO ROLO CILINDRICO 8 X 16 CQ29408 ENGRENAGEM DE CORRENTE 8 X 17 AL200971 VEDACAO 2 X 18 CQ27301 COROA 2 X 19 JD10249 ROLAMENTO DE ROLOS CONICOS 4 X 20 L40281 ANEL O 2 X 21 L41928 CUBO 2 X 22 CQ49408 PARAFUSO 16 X 23 CQ27271 ESPACADOR 1 X TK 14.089MM CQ27272 ESPACADOR 1 X TK 14.414MM CQ27273 ESPACADOR 1 X TK 14.139MM CQ27274 ESPACADOR 1 X TK 14.164MM CQ27275 ESPACADOR 1 X TK 14.189MM CQ27276 ESPACADOR 1 X TK 14.214MM CQ27277 ESPACADOR 1 X TK 14.239MM CQ27278 ESPACADOR 1 X TK 14.264MM CQ27279 ESPACADOR 1 X TK 14.289MM CQ27280 ESPACADOR 1 X TK 14.314MM CQ27281 ESPACADOR 1 X TK 14.339MM CQ27282 ESPACADOR 1 X TK 14.364MM CQ27283 ESPACADOR 1 X TK 14.389MM CQ27284 ESPACADOR 1 X TK 14.414MM CQ27285 ESPACADOR 1 X TK 14.439MM CQ27286 ESPACADOR 1 X TK 14.464MM CQ27287 ESPACADOR 1 X TK 14.489MM CQ27288 ESPACADOR 1 X TK 14.514MM CQ27289 ESPACADOR 1 X TK 14.539MM CQ27290 ESPACADOR 1 X TK 14.564MM CQ27291 ESPACADOR 1 X TK 14.589MM CQ27292 ESPACADOR 1 X TK 14.619MM CQ27293 ESPACADOR 1 X TK 14.639MM CQ27294 ESPACADOR 1 X TK 14.664MM CQ27295 ESPACADOR 1 X TK 14.689MM CQ27296 ESPACADOR 1 X TK 14.714MM TRATOR 6125J (EDICAO SUL-AMERICANA) PC8539P (01-JUL-10) 80-37 PN=457
  • 460.
    80-38 CHASSI, EIXO DIANTEIRO,CAPO, ACESSORIOS DRAWBAR SUPPORT SUPPORT BARRE D’ATTELAGE STUETZE FUER ZUGPENDEL SUPPORTO DELLA BARRA DI TRAINO SUPORTE DA BARRA DE TRACAO SOPORTE PARA BARRA DE TIRO OSCILANTE PUBM1493 -UN- 6 1 2 5 ITEM NR.PECA DESCRICAO QTDE NR. SERIE J NOTAS 1 L18955 PINO DE ENGATE RAPIDO 2 X 2 L37226 SUPORTE 1 X 3 19M7720 PARAFUSO SEXT. 4 X M16 X 80 4 L76895 ESPACADOR 1 X 5 L101177 ESPACADOR 2 X 6 19M7845 PARAFUSO 4 X M16 X 90 7 L77331 BUCHA 2 X 8 L60404 PINO FIXADOR 2 X 9 R95612 BUCHA 1 X 80-38 TRATOR 6125J (EDICAO SUL-AMERICANA) PC8539P (01-JUL-10) PN=458
  • 461.
    80-39 CHASSI, EIXO DIANTEIRO,CAPO, ACESSORIOS DRAWBAR BARRE D’ATTELAGE OSCILLANTE ZUGPENDEL BARRA TRAINO ORIENTABILE BARRA DE TRACAO BARRA DE TIRO OSCILANTE PUBM1495 -UN- 6 1 2 5 ITEM NR.PECA DESCRICAO QTDE NR. SERIE J NOTAS 1 DQ34064 PINO 1 X LGTH = 247.5MM DQ34065 PINO 1 X LGTH = 174.5MM 2 CQ31233 PINO ELASTICO 1 X 12X90 3 L114953 BARRA DE TRACAO 1 X LGTH = 1145MM L203949 BARRA DE TRACAO 1 X LGTH = 995MM 4 CQ31202 PARAFUSO SEXT. 1 X M18 X 150 5 CQ31207 PARAFUSO SEXT. 1 X 6 L79894 TIRA 1 X 7 L78501 TIRA 1 X 8 CQ31201 PORCA 1 X M18X2.5 9 14M7276 PORCA 2 X M16 10 CQ27851 SUPORTE 1 X 11 L79149 MOLA 1 X 12 24M7318 ARRUELA 1 X 13 14M7260 PORCA 1 X M16 14 L37225 PINO FIXADOR 1 X 15 L37224 ADAPTADOR 1 X 16 CQ33966 PINO 1 X LGTH = 247.5MM CQ33967 PINO 1 X LGTH = 174.5MM TRATOR 6125J (EDICAO SUL-AMERICANA) PC8539P (01-JUL-10) 80-39 PN=459
  • 462.
    80-40 CHASSI, EIXO DIANTEIRO,CAPO, ACESSORIOS TOOL BOX BOITE A OUTILS WERKZEUGKASTEN CASSETTA DEGLI ATTREZZI CAIXA DE FERRAMENTAS CAJA DE HERRAMIENTAS CQ155661 -UN- 6 1 2 5 ITEM NR.PECA DESCRICAO QTDE NR. SERIE J NOTAS 1 AL203642 CAIXA DE FERRAMENTAS 1 X 2 DQ64777 FERRAMENTA 2 X 3 DQ04397 FECHADURA 1 X 4 DQ64776 CONJUNTO DE CHAVES 2 X 80-40 TRATOR 6125J (EDICAO SUL-AMERICANA) PC8539P (01-JUL-10) PN=460
  • 463.
    80-41 CHASSI, EIXO DIANTEIRO,CAPO, ACESSORIOS TOOL BOX BOITE A OUTILS WERKZEUGKASTEN CASSETTA DEGLI ATTREZZI CAIXA DE FERRAMENTAS CAJA DE HERRAMIENTAS CQ155924 -UN- 6 1 2 5 ITEM NR.PECA DESCRICAO QTDE NR. SERIE J NOTAS 1 19M7169 PARAFUSO SEXT. 2 X M10 X 35 2 24M7101 ARRUELA 2 X 11 X 34 X 3 MM 3 12M7066 ARRUELA DE PRESSAO 2 X 10 MM 4 14M7140 PORCA 2 X M10 5 DQ33766 SUPORTE 1 X 6 14M7029 PORCA 2 X M8 7 12M7065 ARRUELA DE PRESSAO 2 X 8 MM 8 24M7207 ARRUELA 2 X 8.400 X 24 X 2 MM 9 19M7139 PARAFUSO SEXT. 2 X M8 X 20 TRATOR 6125J (EDICAO SUL-AMERICANA) PC8539P (01-JUL-10) 80-41 PN=461
  • 464.
    80-42 CHASSI, EIXO DIANTEIRO,CAPO, ACESSORIOS PLASTIC PLUG AND TIE BANDS BOUCHON EN PLASTIQUE ET COLLIERS PLASTIK-STOPFEN UND SPANNBAENDER TAPPO IN PLASTICA E FASCETTE DI RITEGNO PLUGS DE PLASTICO E ABRACADEIRAS TAPON DE PLASTICO Y TIRAS DE RETENCION PUBM1383 -UN- 6 1 2 5 ITEM NR.PECA DESCRICAO QTDE NR. SERIE J NOTAS 1 99M7043 PLUGUE AR X OD 7.0MM 99M7016 PLUGUE AR X OD 9.0MM 99M7015 PLUGUE AR X OD 11.0MM 99M7095 PLUGUE AR X OD 13.0MM 99M7009 PLUGUE AR X OD 14.5MM 99M7032 PLUGUE AR X OD 15.5MM 99M7057 PLUGUE AR X OD 18.0MM 99M7115 PLUGUE AR X OD 22.4MM 99M7130 PLUGUE AR X OD 29.0MM CQ47666 PLUGUE AR X OD 30.0MM 99M7098 PLUGUE AR X OD 6,0MM 99M7056 PLUGUE AR X OD 31.8MM 2 R44302 CINTA AR X LGTH 190MM H77698 CINTA AR X LGTH 360MM L41858 CINTA AR X LGHT 360MM CQ03768 BRACADEIRA AR X LGHT 230MM CQ28556 BRACADEIRA AR X 80-42 TRATOR 6125J (EDICAO SUL-AMERICANA) PC8539P (01-JUL-10) PN=462
  • 465.
    80-43 CHASSI, EIXO DIANTEIRO,CAPO, ACESSORIOS MEMORANDA MEMORANDA MEMORANDA MEMORANDA MEMORANDA MEMORANDA TRATOR 6125J (EDICAO SUL-AMERICANA) PC8539P (01-JUL-10) 80-43 PN=463
  • 466.
    80-44 CHASSI, EIXO DIANTEIRO,CAPO, ACESSORIOS ACCESSORY PARTS ACCESSOIRES ZUBEHOERTEILE ACCESSORI ACESSORIOS ACCESORIOS PUBM1160 -UN- ESTA RELACAO CONTINUA 80-44 TRATOR 6125J (EDICAO SUL-AMERICANA) PC8539P (01-JUL-10) PN=464
  • 467.
    80-45 CHASSI, EIXO DIANTEIRO,CAPO, ACESSORIOS 6 1 2 5 ITEM NR.PECA DESCRICAO QTDE NR. SERIE J NOTAS 1 L64500 SELANTE 1 X LOCTITE 574, 50CCM 2 L102616 SELANTE 1 X TEROSTAT 935,310CCM, BLACK, NOIR 3 R46727 SELANTE 1 X 6000MM L152148 FITA 1 X TRATOR 6125J (EDICAO SUL-AMERICANA) PC8539P (01-JUL-10) 80-45 PN=465
  • 468.
    80-46 CHASSI, EIXO DIANTEIRO,CAPO, ACESSORIOS TRADEMARK, DECALS MARQUE, AUTOCOLLANTS FIRMENZEICHEN, AUFKLEBER MARCHIO COMMERCIALE, ETICHETTE DECALCOS MARCA REGISTRADA, ADHESIVOS PUBM1471 -UN- 6 1 2 5 ITEM NR.PECA DESCRICAO QTDE NR. SERIE J NOTAS 1 L170998 ETIQUETA 1 X RH 2 L170997 ETIQUETA 1 X LH 3 L205762 ETIQUETA 1 X 6125J RH L205763 ETIQUETA 1 X 6125J LH 4 L64996 ETIQUETA 1 X 5 CC40740 ETIQUETA 1 X 6 H151673 ETIQUETA 1 X 7 L115158 ETIQUETA 1 X 80-46 TRATOR 6125J (EDICAO SUL-AMERICANA) PC8539P (01-JUL-10) PN=466
  • 469.
    80-47 CHASSI, EIXO DIANTEIRO,CAPO, ACESSORIOS FRONT FENDERS AILES AVANT KOTFLUEGEL VORN PARAFANGHI ANTERIORI PARALAMAS DIANTEIROS GUARDABARROS DELANTEROS LX001909 -UN- 6 1 2 5 ITEM NR.PECA DESCRICAO QTDE NR. SERIE J NOTAS 1 L165957 BASE 2 X 2 19M8653 PARAFUSO 8 X M16 X 35 3 L114160 APOIO 1 X RH L114159 APOIO 1 X LH 4 19M7791 PARAFUSO 4 X M12 X 40 5 AL69320 SUPORTE 1 X RH AL69331 SUPORTE 1 X LH 6 19M7790 PARAFUSO 6 X M12 X 35 7 MN10384 PARA-LAMA 2 X 8 L27099 TIRA 6 X 9 03M7264 PARAFUSO 12 X M10 X 25 10 14M7296 PORCA COM FLANGE 12 X M10 TRATOR 6125J (EDICAO SUL-AMERICANA) PC8539P (01-JUL-10) 80-47 PN=467
  • 470.
    80-48 CHASSI, EIXO DIANTEIRO,CAPO, ACESSORIOS MEMORANDA MEMORANDA MEMORANDA MEMORANDA MEMORANDA MEMORANDA 80-48 TRATOR 6125J (EDICAO SUL-AMERICANA) PC8539P (01-JUL-10) PN=468
  • 471.
    92-A01 PLATAFORMA DO OPERADOR XXXXXXXXXXXXXXXXXXXXXXXXXXXXXXXXXXXXXXXXXXXXXXXXSECTIONAL INDEX XXXXXXXXXXXXXXXXXXXXXXXXXXXXXXXXXXXXXXXXXXXXXXXX INDEX DE SECTION XXXXXXXXXXXXXXXXXXXXXXXXXXXXXXXXXXXXXXXXXXXXXXXX GRUPPENINDEX XXXXXXXXXXXXXXXXXXXXXXXXXXXXXXXXXXXXXXXXXXXXXXXX INDICE DELLA SEZIONE XXXXXXXXXXXXXXXXXXXXXXXXXXXXXXXXXXXXXXXXXXXXXXXX INDICE DE GRUPO XXXXXXXXXXXXXXXXXXXXXXXXXXXXXXXXXXXXXXXXXXXXXXXX INDICE DE GRUPOS PUBM1459 -UN- 1- 2 2- 4 3- 6 5- 10 7- 12 14- 26 15- 28 24- 46 25- 48 TRATOR 6125J (EDICAO SUL-AMERICANA) PC8539P (01-JUL-10) 92-A01 PN=469
  • 472.
    92-A02 PLATAFORMA DO OPERADOR XXXXXXXXXXXXXXXXXXXXXXXXXXXXXXXXXXXXXXXXXXXXXXXXSECTIONAL INDEX XXXXXXXXXXXXXXXXXXXXXXXXXXXXXXXXXXXXXXXXXXXXXXXX INDEX DE SECTION XXXXXXXXXXXXXXXXXXXXXXXXXXXXXXXXXXXXXXXXXXXXXXXX GRUPPENINDEX XXXXXXXXXXXXXXXXXXXXXXXXXXXXXXXXXXXXXXXXXXXXXXXX INDICE DELLA SEZIONE XXXXXXXXXXXXXXXXXXXXXXXXXXXXXXXXXXXXXXXXXXXXXXXX INDICE DE GRUPO XXXXXXXXXXXXXXXXXXXXXXXXXXXXXXXXXXXXXXXXXXXXXXXX INDICE DE GRUPOS PUBM1460 -UN- 6- 11 8- 14 9- 16 16- 30 17- 32 18- 34 92-A02 TRATOR 6125J (EDICAO SUL-AMERICANA) PC8539P (01-JUL-10) PN=470
  • 473.
    92-A03 PLATAFORMA DO OPERADOR XXXXXXXXXXXXXXXXXXXXXXXXXXXXXXXXXXXXXXXXXXXXXXXXSECTIONAL INDEX XXXXXXXXXXXXXXXXXXXXXXXXXXXXXXXXXXXXXXXXXXXXXXXX INDEX DE SECTION XXXXXXXXXXXXXXXXXXXXXXXXXXXXXXXXXXXXXXXXXXXXXXXX GRUPPENINDEX XXXXXXXXXXXXXXXXXXXXXXXXXXXXXXXXXXXXXXXXXXXXXXXX INDICE DELLA SEZIONE XXXXXXXXXXXXXXXXXXXXXXXXXXXXXXXXXXXXXXXXXXXXXXXX INDICE DE GRUPO XXXXXXXXXXXXXXXXXXXXXXXXXXXXXXXXXXXXXXXXXXXXXXXX INDICE DE GRUPOS PUBM1461 -UN- 4- 8 10- 18 11- 20 12- 22 13- 24 19- 36 20- 38 21- 40 22- 42 23- 44 TRATOR 6125J (EDICAO SUL-AMERICANA) PC8539P (01-JUL-10) 92-A03 PN=471
  • 474.
    92-2 PLATAFORMA DO OPERADOR CABFRAME CADRE CABINE KABINENRAHMEN TELAIO CABINA ESTRURA DA PLATAFORMA DO OPERADOR BASTIDOR CABINA PUBM1146 -UN- ESTA RELACAO CONTINUA 92-2 TRATOR 6125J (EDICAO SUL-AMERICANA) PC8539P (01-JUL-10) PN=472
  • 475.
    92-3 PLATAFORMA DO OPERADOR 6 1 2 NR.SERIE 5 ITEM NR.PECA DESCRICAO QTDE TRATOR J NOTAS 1 DQ58302 ESTRUTURA 1 X (CAB) DQ63188 ESTRUTURA DA CABINE 1 X (CAB WITH DOOR RH SIDE) 2 DQ58301 ESTRUTURA 1 X (EPCC) 3 DQ53462 MOLDURA 1 X LH 4 DQ53463 MOLDURA 1 X RH 5 19M7560 PARAFUSO SEXT. 12 X M6 X 16 19M7077 PARAFUSO SEXT. AR X M6 X 20 6 24M7139 ARRUELA 12 X 6.400 X 18 X 1.600 MM 7 14M7165 PORCA DE SEGURANCA 2 X M6 8 Z30233 CAPA 2 X TRATOR 6125J (EDICAO SUL-AMERICANA) PC8539P (01-JUL-10) 92-3 PN=473
  • 476.
    92-4 PLATAFORMA DO OPERADOR SUSPENSIONFOR CAB PALIERS POUR CABINE LAGERUNG FUER KABINE SOSPENSIONI PER CABINA SUSPENSAO DA PLATAFORMA DO OPERADOR SOPORTES DE LA CABINA PUBM1511 -UN- ESTA RELACAO CONTINUA 92-4 TRATOR 6125J (EDICAO SUL-AMERICANA) PC8539P (01-JUL-10) PN=474
  • 477.
    92-5 PLATAFORMA DO OPERADOR 6 1 2 5 ITEMNR.PECA DESCRICAO QTDE NR. SERIE J NOTAS 1 DQ52327 APOIO 1 X LH DQ52288 APOIO 1 X RH 2 DQ52378 SUPORTE 1 X LH DQ58542 SUPORTE 1 X RH 3 24M7051 ARRUELA 1 X 4 19M8035 PARAFUSO SEXT. 4 X M16 X 35 5 14M7410 PORCA DE SEGURANCA 1 X M20 6 24M7053 ARRUELA 10 X 7 19M7969 PARAFUSO SEXT. 4 X M20 X 110 8 R111173 ISOLADOR 4 X 9 CQ27171 ESPACADOR 4 X 10 R66375 ISOLADOR 4 X 11 CQ34905 ARRUELA 8 X 20 X 76 X 8 MM 12 14M7291 PORCA COM FLANGE 4 X M16 TRATOR 6125J (EDICAO SUL-AMERICANA) PC8539P (01-JUL-10) 92-5 PN=475
  • 478.
    92-6 PLATAFORMA DO OPERADOR CONTROLSUPPORT SUPPORT TABLEAU DE BORD ARMATURENWANDTRAEGER SUPPORTO CRUSCOTTO SUPORTE DO PAINEL SOPORTE SALPICADERO PUBM1069 -UN- 6 1 2 5 ITEM NR.PECA DESCRICAO QTDE NR. SERIE J NOTAS 1 DQ61096 CONSOLE 1 X CABINE DQ61097 CONSOLE 1 X EPCC 2 AL159914 SUPORTE 1 X 3 L154335 CAPA 1 X 4 L157372 PARAFUSO 4 X 5 19M7560 PARAFUSO SEXT. 4 X (FOR DQ61096) 37M7131 PARAFUSO 4 X (FOR DQ61097) 6 24M7139 ARRUELA 4 X (USE WITH 19M7560) 24M7309 ARRUELA 4 X 7 37M7059 PARAFUSO 2 X 8 ........ VEDACAO DE ACABAMENTO 1 X LGTH=470MM (18-33/64") (MF R46727) 9 ........ VEDACAO 2 X (MF L152250) 10 19M7166 PARAFUSO SEXT. 4 X M10 X 20 11 L154379 APOIO 2 X 12 L154378 APOIO 1 X 13 ........ VEDACAO 1 X (MF L59748) 14 DQ68471 APOIO 1 X (EPCC) 15 99M7130 PLUGUE 1 X .. L59748 VEDACAO 1 X LGTH 1000MM .. L152250 VEDACAO 1 X LGTH 22000MM .. R46727 SELANTE 1 X LGTH 6000MM .. DT5538 ADESIVO 1 X 92-6 TRATOR 6125J (EDICAO SUL-AMERICANA) PC8539P (01-JUL-10) PN=476
  • 479.
  • 480.
    92-8 PLATAFORMA DO OPERADOR TRIMCOMPONENTS (FOR REAR OF CAB) ELEMENTS D’HABILLAGE (POUR L’ARRIERE DE LA CABINE) VERKLEIDUNGSTEILE (KABINE HINTEN) COMPONENTI DI FINITURA (PER LATO POSTERIORE CABINA) PECAS DE REVESTIMENTO (PARTE TRASEIRA) COMPONENTES DE REVESTIMIENTO (PARTE TRASERA DE LA CABINA) PUBM0388 -UN- ESTA RELACAO CONTINUA 92-8 TRATOR 6125J (EDICAO SUL-AMERICANA) PC8539P (01-JUL-10) PN=478
  • 481.
    92-9 PLATAFORMA DO OPERADOR 6 1 2 5 ITEMNR.PECA DESCRICAO QTDE NR. SERIE J NOTAS 1 AL117641 PAINEL 1 X 2 L153769 BRACADEIRA 3 X 3 L59748 VEDACAO 1 X LGTH 3M 4 37M7240 PARAFUSO 2 X 5 24M7298 ARRUELA 6 X 6 19M7162 PARAFUSO SEXT. 6 X M8 X 16 7 L76331 PASSADOR 2 X 8 DT5470 VEDACAO AR X 9 DT5472 VEDACAO AR X 10 R54477 REBITE 2 X 11 R111570 ENGATE 1 X 12 L154067 PORCA DE PRESSAO 2 X 13 L153759 CAPA 1 X 14 AL155749 PROTECAO 1 X 15 24M7146 ARRUELA 6 X 16 37M7179 PARAFUSO 6 X 17 L76767 ISOLANTE 1 X TRATOR 6125J (EDICAO SUL-AMERICANA) PC8539P (01-JUL-10) 92-9 PN=479
  • 482.
    92-10 PLATAFORMA DO OPERADOR REARFENDER UPHOLSTERY HABILLAGE D’AILE KOTFLUEGELVERKLEIDUNG HINTEN RIVESTIMENTO PARAFANGO REVESTIMENTO DO PARALAMA REVESTIMIENTO DEL GUARDABARROS PUBM1158 -UN- 6 1 2 5 ITEM NR.PECA DESCRICAO QTDE NR. SERIE J NOTAS 1 CQ58168 ISOLAMENTO ACUSTICO 1 X CAB L155008 ISOLAMENTO ACUSTICO 1 X WITH DOOR RH SIDE 2 L40924 PORCA 6 X 3 L151554 ISOLAMENTO ACUSTICO 1 X 4 L152519 MOLDURA 1 X 5 L56021 APOIO 5 X 6 L39860 TIRA 5 X 7 AL180301 ISOLAMENTO ACUSTICO 1 X 8 L152254 VEDACAO 1 X 9 DY8313 APOIO 1 X 10 L151718 TAMPA 1 X 92-10 TRATOR 6125J (EDICAO SUL-AMERICANA) PC8539P (01-JUL-10) PN=480
  • 483.
    92-11 PLATAFORMA DO OPERADOR UPHOLSTERY,UPPER (CAB REAR) HABILLAGE, PARTIE SUPERIEURE (ARRIERE CABINE) POLSTERUNG, OBEN (KABINE HINTEN) RIVESTIMENTO SUPERIORE (RETRO CABINA) REVESTIMENTO TRASEIRO DA CABINE (INTERNO) REVESTIMIENTO PARTE SUPERIOR (POSTERIOR CABINA) PUBM1159 -UN- 6 1 2 5 ITEM NR.PECA DESCRICAO QTDE NR. SERIE J NOTAS 1 L154428 REVESTIMENTO, BLINDAGEM 1 X 2 L100380 PARAFUSO 2 X 3 L151614 ISOLAMENTO ACUSTICO 1 X 4 37M7291 PARAFUSO 2 X 5 DT5470 VEDACAO AR X .. L165428 ADESIVO 1 X TRATOR 6125J (EDICAO SUL-AMERICANA) PC8539P (01-JUL-10) 92-11 PN=481
  • 484.
    92-12 PLATAFORMA DO OPERADOR POSTUPHOLSTERY HABILLAGE DES MONTANTS PFOSTENVERKLEIDUNG RIVESTIMENTO MONTANTE REVESTIMENTO INTERNO REVESTIMIENTO DEL POSTE PUBM1374 -UN- ESTA RELACAO CONTINUA 92-12 TRATOR 6125J (EDICAO SUL-AMERICANA) PC8539P (01-JUL-10) PN=482
  • 485.
    92-13 PLATAFORMA DO OPERADOR 6 1 2 NR.SERIE 5 ITEM NR.PECA DESCRICAO QTDE TRATOR J NOTAS 1 AL163809 ISOLAMENTO ACUSTICO 1 X FRONT, LH, 2 L157547 ISOLAMENTO ACUSTICO 1 X (A) FRONT, RH 3 L157732 PAINEL 1 X LH 4 L158434 ISOLAMENTO ACUSTICO 1 X REAR, RH 5 L159241 ISOLAMENTO ACUSTICO 1 X REAR, LH 6 L152652 PAINEL 1 X RH 7 L151569 PLUGUE 2 X 8 L151570 PLUGUE 5 X (A) WITH GSD DISPLAY AVEC CONSOLE GREENSTAR BEI GSD MONITOR ANBAU CON DISPLAY GSD COM MOSTRADOR GSD CON PANTALLA GREENSTAR TRATOR 6125J (EDICAO SUL-AMERICANA) PC8539P (01-JUL-10) 92-13 PN=483
  • 486.
    92-14 PLATAFORMA DO OPERADOR FLOORPLATES TOLES DE SOL BODENBLECHE PIASTRE DI PAVIMENTO PISO DA CABINE CHAPAS DEL SUELO PUBM1372 -UN- 6 1 2 5 ITEM NR.PECA DESCRICAO QTDE NR. SERIE J NOTAS 1 L79125 PASSADOR 1 X 2 L157372 PARAFUSO AR X 3 CQ52392 PISO 1 X 4 L62810 VEDACAO 1 X 5 L150424 CAPA 1 X 6 L154991 CAPA 1 X 7 R46727 SELANTE AR X 8 19M7560 PARAFUSO SEXT. AR X M6 X 16 9 24M7139 ARRUELA AR X 10 DT5471 VEDACAO AR X 11 DQ53525 PLACA 1 X 92-14 TRATOR 6125J (EDICAO SUL-AMERICANA) PC8539P (01-JUL-10) PN=484
  • 487.
  • 488.
    92-16 PLATAFORMA DO OPERADOR FLOORMATS TAPIS DE SOL BODENMATTEN TAPETINI TAPETE ALFOMBRILLAS PUBM1067 -UN- ESTA RELACAO CONTINUA 92-16 TRATOR 6125J (EDICAO SUL-AMERICANA) PC8539P (01-JUL-10) PN=486
  • 489.
    92-17 PLATAFORMA DO OPERADOR 6 1 2 5 ITEMNR.PECA DESCRICAO QTDE NR. SERIE J NOTAS 1 L168228 TAPETE 1 X CAB DQ58814 TAPETE 1 X EPCC 2 L115239 MOLDURA 1 X 3 37M7146 PARAFUSO 5 X 4 24M7309 ARRUELA 5 X 5 L171150 TAPETE 1 X RH 6 L171151 TAPETE 1 X LH 7 L157274 MOLDURA 1 X 8 24M7138 ARRUELA 2 X 9 37M7088 PARAFUSO 2 X TRATOR 6125J (EDICAO SUL-AMERICANA) PC8539P (01-JUL-10) 92-17 PN=487
  • 490.
    92-18 PLATAFORMA DO OPERADOR SIDECOVERS HABILLAGE LATERAL SEITENVERKLEIDUNG PROFILI LATERALI REVESTIMENTO LATERAL REVESTIMIENTO LATERAL PUBM1478 -UN- ESTA RELACAO CONTINUA 92-18 TRATOR 6125J (EDICAO SUL-AMERICANA) PC8539P (01-JUL-10) PN=488
  • 491.
    92-19 PLATAFORMA DO OPERADOR 6 1 2 5 ITEMNR.PECA DESCRICAO QTDE NR. SERIE J NOTAS 1 AL176430 PAINEL 1 X LH AL176431 PAINEL 1 X RH 2 R46727 SELANTE 1 X 3 L114257 PORCA 22 X 4 L111480 PORCA DE PRESSAO 14 X 5 L171486 PORCA 4 X 6 L112657 ISOLADOR 6 X 7 21M7292 PARAFUSO 2 X M6 X 16 8 L102588 PARAFUSO 4 X 9 L174118 PARAFUSO 22 X 10 L39134 REBITE 6 X 11 L112232 APOIO 1 X 12 L100435 PLUGUE 2 X 13 21M7296 PARAFUSO 6 X M6 X 20 14 24M7251 ARRUELA 8 X 15 L151528 BRACADEIRA 4 X 16 R44302 CINTA 10 X 17 L78846 MOLDURA 1 X LH L78847 MOLDURA 1 X RH 18 37M7361 PARAFUSO 6 X 19 L59796 VEDACAO 2 X 20 L155423 ESPACADOR 4 X 21 L100389 PLUGUE 2 X 22 L116184 VEDACAO 4 X TRATOR 6125J (EDICAO SUL-AMERICANA) PC8539P (01-JUL-10) 92-19 PN=489
  • 492.
    92-20 PLATAFORMA DO OPERADOR REARFENDER AILES ARRIERE KOTFLUEGEL HINTEN PARAFANGHI POSTERIORI PARALAMA GUARDABARROS TRASEROS PUBM1480 -UN- ESTA RELACAO CONTINUA 92-20 TRATOR 6125J (EDICAO SUL-AMERICANA) PC8539P (01-JUL-10) PN=490
  • 493.
    92-21 PLATAFORMA DO OPERADOR 6 1 2 5 ITEMNR.PECA DESCRICAO QTDE NR. SERIE J NOTAS 1 AL168325 PARA-LAMA 1 X LH AL168326 PARA-LAMA 1 X RH 2 L77912 VEDACAO DE ACABAMENTO 2 X 3 L157464 REVESTIMENTO, BLINDAGEM 1 X LH L157465 REVESTIMENTO, BLINDAGEM 1 X RH 4 24M7139 ARRUELA AR X 5 L200800 REVESTIMENTO, BLINDAGEM 1 X LH L200802 REVESTIMENTO, BLINDAGEM 1 X RH 6 99M7043 PLUGUE AR X 7 99M7056 PLUGUE AR X 8 DT5472 VEDACAO AR X 9 19M7560 PARAFUSO SEXT. AR X M6 X 16 10 L157372 PARAFUSO AR X 11 L80355 PORCA DE SEGURANCA 2 X 12 14M7165 PORCA DE SEGURANCA AR X M6 13 L112797 PARAFUSO 6 X 14 19M8831 PARAFUSO 2 X M5 X 16 15 19M8675 PARAFUSO 2 X M8 X 16 16 19M7077 PARAFUSO SEXT. 2 X M6 X 20 17 R206454 PLUGUE 2 X TRATOR 6125J (EDICAO SUL-AMERICANA) PC8539P (01-JUL-10) 92-21 PN=491
  • 494.
    92-22 PLATAFORMA DO OPERADOR HANDLES POIGNEES HALTEGRIFFE MANIGLIE PEGADOR ASIDEROS PUBM1359-UN- ESTA RELACAO CONTINUA 92-22 TRATOR 6125J (EDICAO SUL-AMERICANA) PC8539P (01-JUL-10) PN=492
  • 495.
    92-23 PLATAFORMA DO OPERADOR 6 1 2 5 ITEMNR.PECA DESCRICAO QTDE NR. SERIE J NOTAS 1 AL80651 MANIPULO 1 X WITH DOOR RH SIDE 2 AL76067 MANIPULO 1 X LH 3 L202305 ARRUELA AR X 4 L153130 PARAFUSO 6 X M8 X 30 5 19M8715 PARAFUSO 2 X 6 L113886 MANIPULO 1 X 7 L113887 REVESTIMENTO, BLINDAGEM 1 X 8 L202306 ARRUELA AR X TRATOR 6125J (EDICAO SUL-AMERICANA) PC8539P (01-JUL-10) 92-23 PN=493
  • 496.
    92-24 PLATAFORMA DO OPERADOR REARHANDLES (OPEN OPERATOR’S STATION) POIGNEES ARRIERE (TRACTEURS SANS CABINE) HALTEGRIFFE HINTEN (OFFENE FAHRERPLATTFORM) MANIGLIE POSTERIORI (POSTAZIONE OPERATORE APERTA) PEGADOR (EPCC) ASIDEROS PARTE TRASERA (PLATAFORMA DE CONDUCCION ABIERTA) PUBM1149 -UN- ESTA RELACAO CONTINUA 92-24 TRATOR 6125J (EDICAO SUL-AMERICANA) PC8539P (01-JUL-10) PN=494
  • 497.
    92-25 PLATAFORMA DO OPERADOR 6 1 2 5 ITEMNR.PECA DESCRICAO QTDE NR. SERIE J NOTAS 1 19M7286 PARAFUSO SEXT. 2 X M6 X 25 2 14M7165 PORCA DE SEGURANCA 2 X M6 3 24M7100 ARRUELA 2 X 4 L57824 ARRUELA 2 X 5 L57250 MANIPULO 1 X 6 L114314 ARRUELA 2 X TRATOR 6125J (EDICAO SUL-AMERICANA) PC8539P (01-JUL-10) 92-25 PN=495
  • 498.
    92-26 PLATAFORMA DO OPERADOR STEPS MARCHE TRITTSTUFE GRADINI ESCADA PELDANO PUBM1338-UN- ESTA RELACAO CONTINUA 92-26 TRATOR 6125J (EDICAO SUL-AMERICANA) PC8539P (01-JUL-10) PN=496
  • 499.
    92-27 PLATAFORMA DO OPERADOR 6 1 2 5 ITEMNR.PECA DESCRICAO QTDE NR. SERIE J NOTAS 1 DQ52393 ESCADA 1 X 2 CQ67635 APOIO 1 X 3 14M7274 PORCA 8 X 4 24M7028 ARRUELA 6 X 5 19M7167 PARAFUSO SEXT. AR X M10 X 25 6 CQ67634 APOIO 1 X 7 03M7088 PARAFUSO 4 X 8 19M7479 PARAFUSO SEXT. 1 X M10 X 80 TRATOR 6125J (EDICAO SUL-AMERICANA) PC8539P (01-JUL-10) 92-27 PN=497
  • 500.
    92-28 PLATAFORMA DO OPERADOR STEPS MARCHE TRITTSTUFE GRADINI ESCADA PELDANO CQ157154-UN- ESTA RELACAO CONTINUA 92-28 TRATOR 6125J (EDICAO SUL-AMERICANA) PC8539P (01-JUL-10) PN=498
  • 501.
    92-29 PLATAFORMA DO OPERADOR 6 1 2 5 ITEMNR.PECA DESCRICAO QTDE NR. SERIE J NOTAS 1 DQ52393 ESCADA 2 X (A) 2 DQ64290 ESCADA 2 X (A) 3 CQ67633 APOIO 1 X (A) RH CQ67635 APOIO 1 X (A) LH 4 14M7274 PORCA 8 X (A) M10 5 24M7028 ARRUELA 6 X (A) 10.500 X 20 X 2 MM 6 19M7167 PARAFUSO SEXT. 3 X (A) M10 X 25 7 CQ67632 APOIO 1 X (A) RH CQ67634 APOIO 1 X (A) LH 8 19M7167 PARAFUSO SEXT. 1 X (A) 9 19M7479 PARAFUSO SEXT. 1 X (A) M10 X 80 10 03M7088 PARAFUSO 4 X (A) M10 X 20 (A) FOR COREA ONLY UNIQUEMENT POUR LA COREE NUR FUER KOREA SOLO PER COREA SOMENTE PARA COREIA SOLO PARA COREA TRATOR 6125J (EDICAO SUL-AMERICANA) PC8539P (01-JUL-10) 92-29 PN=499
  • 502.
    92-30 PLATAFORMA DO OPERADOR HEADLINER,ROOF TRIM PARTIE INTERIEURE DU PAVILLON, REVETEMENT INNENDACH, INNENDACHVERKLEIDUNG FASCIA ANTERIORE, FINITURA TETTO TETO INTERNO DA CABINE TECHO INTERIOR, REVESTIMIENTO DEL TECHO INTERIOR CQ301987 -UN- ESTA RELACAO CONTINUA 92-30 TRATOR 6125J (EDICAO SUL-AMERICANA) PC8539P (01-JUL-10) PN=500
  • 503.
    92-31 PLATAFORMA DO OPERADOR 6 1 2 5 ITEMNR.PECA DESCRICAO QTDE NR. SERIE J NOTAS 1 ........ VEDACAO 1 X LGTH 1500MM (MF L155025) 2 AL164480 TETO 1 X AL164808 TETO 1 X (WITH DOOR RH SIDE) 3 37M7091 PARAFUSO 2 X 4 24M7309 ARRUELA 2 X 5 L100413 JUNTA 1 X LH 6 L100414 JUNTA 1 X RH 7 37M7357 PARAFUSO 8 X 8 L155257 ENTRADA DE AR 2 X 9 L152035 MOLDURA 2 X 10 21M7292 PARAFUSO 11 X M6 X 16 11 AL160142 PAINEL 1 X INCL KEY 16 12 L154897 CAPA AR X 13 ........ VEDACAO 2 X (MF L155025) 14 L156206 GRELHA 2 X 15 L110138 APOIO 2 X 16 L156205 ESTRUTURA 2 X .. L155025 VEDACAO 1 X LGTH 18000MM TRATOR 6125J (EDICAO SUL-AMERICANA) PC8539P (01-JUL-10) 92-31 PN=501
  • 504.
    92-32 PLATAFORMA DO OPERADOR OUTERROOF WITHOUT HATCH (EPCC) PARTIE EXTERIEURE DE PAVILLON SANS TRAPPE (EPCC) AUSSENDACH OHNE LUKE (EPCC) TETTO ESTERIORE SENZA TETTUCCIO (EPCC) TETO DA CABINE (EPCC) TECHO EXTERIOR SIN TRAMPILLA (EPCC) PUBM1349 -UN- ESTA RELACAO CONTINUA 92-32 TRATOR 6125J (EDICAO SUL-AMERICANA) PC8539P (01-JUL-10) PN=502
  • 505.
    92-33 PLATAFORMA DO OPERADOR 6 1 2 5 ITEMNR.PECA DESCRICAO QTDE NR. SERIE J NOTAS 1 MN10437 TETO 1 X 2 19M8035 PARAFUSO SEXT. 2 X M16 X 35 3 37M7242 PARAFUSO 4 X 4 24M7139 ARRUELA 4 X 5 L61335 ARRUELA 4 X 6 24M7315 ARRUELA 2 X 7 L200226 ARRUELA 2 X 8 MN10436 SUPORTE 1 X RH 9 MN10435 SUPORTE 1 X LH 10 L112797 PARAFUSO 8 X TRATOR 6125J (EDICAO SUL-AMERICANA) PC8539P (01-JUL-10) 92-33 PN=503
  • 506.
    92-34 PLATAFORMA DO OPERADOR OUTERROOF WITHOUT HATCH (CABINE) PARTIE EXTERIEURE DE PAVILLON SANS TRAPPE(CABINE) AUSSENDACH OHNE LUKE(KABINE) TETTO ESTERIORE SENZA TETTUCCIO(CABINA) TETO DA CABINE (CABINE) TECHO EXTERIOR SIN TRAMPILLA(CABINA) PUBM1151 -UN- ESTA RELACAO CONTINUA 92-34 TRATOR 6125J (EDICAO SUL-AMERICANA) PC8539P (01-JUL-10) PN=504
  • 507.
    92-35 PLATAFORMA DO OPERADOR 6 1 2 5 ITEMNR.PECA DESCRICAO QTDE NR. SERIE J NOTAS 1 AL179341 TETO 1 X 2 19M7481 PARAFUSO SEXT. 2 X M16 X 80 3 24M7315 ARRUELA 2 X 4 L200226 ARRUELA 2 X 5 37M7422 PARAFUSO 4 X 6 24M7139 ARRUELA 6 X 7 L61335 ARRUELA 4 X 8 L157372 PARAFUSO 14 X TRATOR 6125J (EDICAO SUL-AMERICANA) PC8539P (01-JUL-10) 92-35 PN=505
  • 508.
    92-36 PLATAFORMA DO OPERADOR REARWINDOW VITRE ARRIERE HECKFENSTER FINESTRINO POSTERIORE JANELA TRASEIRA VENTANA TRASERA CQ301763 -UN- ESTA RELACAO CONTINUA 92-36 TRATOR 6125J (EDICAO SUL-AMERICANA) PC8539P (01-JUL-10) PN=506
  • 509.
    92-37 PLATAFORMA DO OPERADOR 6 1 2 5 ITEMNR.PECA DESCRICAO QTDE NR. SERIE J NOTAS 1 AL111717 MANIPULO 1 X 2 24M7362 ARRUELA 4 X 3 14M7478 PORCA DE SEGURANCA 2 X M8 4 AL163211 DOBRADICA 1 X LH 5 L156325 VIDRACA 1 X 6 AL173630 APOIO 1 X 7 T27260 ARRUELA 2 X 8 24M7252 ARRUELA 1 X 9 L168271 MANIPULO 1 X 10 14M7528 PORCA DE SEGURANCA 1 X M6 11 L156522 PLUGUE 1 X 12 34M7302 PINO ELASTICO 1 X 13 L111419 JUNTA 2 X 14 03M7331 PARAFUSO 2 X 15 L157816 VEDACAO 1 X 16 24M7298 ARRUELA 2 X 17 L78704 ARRUELA DE VEDACAO 8 X 18 L78851 BUCHA 2 X 19 24M7055 ARRUELA 4 X 20 14M7166 PORCA DE SEGURANCA 2 X M8 21 L78703 TAMPA 8 X 22 21M7310 PARAFUSO 6 X M6 X 25 23 24M7309 ARRUELA 6 X 24 L78705 BUCHA 6 X 25 24M7251 ARRUELA 6 X 26 14M7376 PORCA DE SEGURANCA 6 X M6 27 L78693 APOIO 2 X 28 L75449 PERFIL "U" 2 X 29 19M7139 PARAFUSO SEXT. 4 X M8 X 20 30 L111414 CANTONEIRA 1 X 31 AL173397 MANIPULO 1 X 32 14M7416 PORCA COM FLANGE 4 X M8 33 DQ50436 CILINDRO OPERADO A GAS 2 X 34 L111440 CAPA 2 X 35 L112290 VEDACAO 1 X 36 L110367 ARRUELA 2 X 37 L113715 ROTULA 2 X 38 AL163210 DOBRADICA 1 X RH 39 Z26250 ARRUELA 1 X 40 L61335 ARRUELA 1 X TRATOR 6125J (EDICAO SUL-AMERICANA) PC8539P (01-JUL-10) 92-37 PN=507
  • 510.
    92-38 PLATAFORMA DO OPERADOR SIDEWINDOWS, TILTABLE VITRES LATERALES BASCULANTES SEITENSCHEIBEN, AUSSTELLBAR FINESTRINO LATERALI ORIENTABILI JANELA LATERAL DA CABINE VENTANAS LATERALES, ABATIBLES PUBM1099 -UN- ESTA RELACAO CONTINUA 92-38 TRATOR 6125J (EDICAO SUL-AMERICANA) PC8539P (01-JUL-10) PN=508
  • 511.
    92-39 PLATAFORMA DO OPERADOR 6 1 2 5 ITEMNR.PECA DESCRICAO QTDE NR. SERIE J NOTAS 1 L78703 TAMPA 6 X 2 14M7165 PORCA DE SEGURANCA 4 X M6 3 24M7251 ARRUELA 6 X 4 L78702 BUCHA 6 X 5 L78704 ARRUELA DE VEDACAO 6 X 6 AL163297 DOBRADICA 4 X 7 03M7391 PARAFUSO 4 X 8 L157818 VEDACAO 2 X 9 L171980 PLACA 2 X 10 L173805 PARAFUSO 8 X 11 L115740 PINO FIXADOR 2 X 12 AL152733 ENGATE 1 X RH AL152732 ENGATE 1 X LH 13 40M7088 ANEL DE PRESSAO 2 X 14 L171975 VIDRACA 1 X RH L171976 VIDRACA 1 X LH 15 14M7272 PORCA 2 X M6 TRATOR 6125J (EDICAO SUL-AMERICANA) PC8539P (01-JUL-10) 92-39 PN=509
  • 512.
    92-40 PLATAFORMA DO OPERADOR DOORHANDLE AND LOCK POIGNEE ET SERRURE TUERGRIFF UND SCHLOSS MANIGLIA E SERRATURA PORTA TRINCO DA PORTA MANILLA Y CERRADURA LX020675 -UN- ESTA RELACAO CONTINUA 92-40 TRATOR 6125J (EDICAO SUL-AMERICANA) PC8539P (01-JUL-10) PN=510
  • 513.
    92-41 PLATAFORMA DO OPERADOR 6 1 2 5 ITEMNR.PECA DESCRICAO QTDE NR. SERIE J NOTAS 1 L113440 CANTONEIRA 1 X LH L113441 CANTONEIRA 1 X RH 2 AL202908 FECHADURA 1 X LH AL202906 FECHADURA 1 X RH 3 L113436 PLACA 1 X LH L113437 PLACA 1 X RH 4 L113438 CAPO 1 X LH L113439 CAPO 1 X RH 5 R74402 LIMITADOR 2 X 6 L113717 GRAMPO 2 X 7 L113718 PLACA DE SEGURANCA 2 X 8 03M7192 PARAFUSO 2 X 9 L102588 PARAFUSO 6 X 10 24M7178 ARRUELA AR X 11 21M7310 PARAFUSO 2 X M6 X 25 12 24M7054 ARRUELA 2 X 13 14M7166 PORCA DE SEGURANCA 4 X M8 14 24M7055 ARRUELA 4 X 15 L78691 BUCHA 2 X 16 L78690 BUCHA 1 X 17 L113908 ARRUELA DE VEDACAO 2 X 18 L113907 ARRUELA DE VEDACAO 2 X 19 AL113174 MANIPULO 2 X 20 L79432 PORCA 1 X 21 L79433 ARRUELA 1 X 22 19M7574 PARAFUSO 4 X M8 X 40 TRATOR 6125J (EDICAO SUL-AMERICANA) PC8539P (01-JUL-10) 92-41 PN=511
  • 514.
    92-42 PLATAFORMA DO OPERADOR WITHOUTRIGHT-HAND DOOR SANS PORTE DROITE OHNE RECHTE TUER SENZA PORTA DESTRA SEM PORTA DIREITA SIN PUERTA DERECHA PUBM1199 -UN- ESTA RELACAO CONTINUA 92-42 TRATOR 6125J (EDICAO SUL-AMERICANA) PC8539P (01-JUL-10) PN=512
  • 515.
    92-43 PLATAFORMA DO OPERADOR 6 1 2 5 ITEMNR.PECA DESCRICAO QTDE NR. SERIE J NOTAS 1 L170677 VIDRACA 1 X 2 L157817 VEDACAO 1 X 3 AL78377 SUPORTE 2 X 4 03M7309 PARAFUSO 1 X 5 L78704 ARRUELA DE VEDACAO 4 X 6 L78851 BUCHA 2 X 7 24M7055 ARRUELA 2 X 8 14M7166 PORCA DE SEGURANCA 2 X M8 9 L78703 TAMPA 2 X 10 L157095 SUPORTE 1 X 11 22M7170 PARAF. DE FENDA 4 X 12 L111072 PLUGUE 1 X 13 AL117519 PORCA SOLDAVEL 4 X 14 24M7260 ARRUELA 4 X 15 L116184 VEDACAO 2 X TK= 5.0MM (13/64") 16 24M7362 ARRUELA 2 X 17 L153130 PARAFUSO 2 X TRATOR 6125J (EDICAO SUL-AMERICANA) PC8539P (01-JUL-10) 92-43 PN=513
  • 516.
    92-44 PLATAFORMA DO OPERADOR DOORS PORTES TUEREN PORTE PORTA PUERTAS PUBM1111-UN- ESTA RELACAO CONTINUA 92-44 TRATOR 6125J (EDICAO SUL-AMERICANA) PC8539P (01-JUL-10) PN=514
  • 517.
    92-45 PLATAFORMA DO OPERADOR 6 1 2 5 ITEMNR.PECA DESCRICAO QTDE NR. SERIE J NOTAS 1 AL78276 MANIPULO 1 X LH AL78277 MANIPULO 1 X RH 2 24H1292 ARRUELA 1 X 3 AL179829 DOBRADICA 1 X LH AL179830 DOBRADICA 1 X RH 4 AL179831 DOBRADICA 1 X LH AL179832 DOBRADICA 1 X RH 5 DQ59131 CILINDRO OPERADO A GAS 1 X 6 R237474 ROTULA 2 X 7 L112743 BUCHA 2 X 8 L169102 PORTA 1 X LH L169103 PORTA 1 X RH 9 L157817 VEDACAO 1 X LGTH=3720MM (146-29/64") (MF AL164267) 10 L116184 VEDACAO 4 X 11 L111988 ARRUELA 2 X 12 L78769 ARRUELA 2 X 13 L78768 ARRUELA 2 X 14 L78851 BUCHA 2 X 15 24M7055 ARRUELA 2 X 16 21M7392 PARAFUSO 2 X M8 X 30 17 L78703 TAMPA 2 X 18 21M7491 PARAFUSO 6 X M8 X 16 19 24M7362 ARRUELA 2 X 20 L155606 ARRUELA DE VEDACAO 4 X 21 L78704 ARRUELA DE VEDACAO 1 X 22 L77651 ARRUELA 1 X 23 L100869 ARRUELA 2 X 24 AL117519 PORCA SOLDAVEL 4 X 25 L151718 TAMPA 2 X L151719 TAMPA 1 X RH 26 L79485 BUCHA 1 X TRATOR 6125J (EDICAO SUL-AMERICANA) PC8539P (01-JUL-10) 92-45 PN=515
  • 518.
    92-46 PLATAFORMA DO OPERADOR WINDSHIELD PARE-BRISE,NON INCLINABLE FRONTSCHEIBE PARABREZZA PARABRISA PARABRISAS DELANTERO PUBM1198 -UN- ESTA RELACAO CONTINUA 92-46 TRATOR 6125J (EDICAO SUL-AMERICANA) PC8539P (01-JUL-10) PN=516
  • 519.
    92-47 PLATAFORMA DO OPERADOR 6 1 2 5 ITEMNR.PECA DESCRICAO QTDE NR. SERIE J NOTAS 1 14M7416 PORCA COM FLANGE 4 X M8 2 L113232 PLACA 2 X 3 L112290 VEDACAO 1 X 4 L112951 SUPORTE 2 X 5 03M7331 PARAFUSO 4 X 6 L79909 APOIO 2 X 7 L116304 ETIQUETA 2 X 8 L157820 VEDACAO 1 X LGTH 2000MM 9 L112972 PARABRISA 1 X 10 L100685 RETENTOR 2 X 11 37M7305 PARAFUSO 4 X 12 L112971 CANTONEIRA 1 X 13 L111480 PORCA DE PRESSAO 2 X 14 L157821 VEDACAO 2 X 15 L151753 VIDRACA 1 X RH 16 L151752 VIDRACA 1 X LH 17 L155576 PORCA 4 X 18 24M7309 ARRUELA 4 X 19 21M7423 PARAFUSO 2 X M6 X 30, RH 20 L78703 TAMPA 4 X 21 L78704 ARRUELA DE VEDACAO 4 X 22 L41443 ANEL O 4 X 23 L78702 BUCHA 4 X TRATOR 6125J (EDICAO SUL-AMERICANA) PC8539P (01-JUL-10) 92-47 PN=517
  • 520.
    92-48 PLATAFORMA DO OPERADOR BULKHEAD TABLIER SCHOTTWAND PARATIA VEDACAODA CABINE TABIQUE PUBM1125 -UN- ESTA RELACAO CONTINUA 92-48 TRATOR 6125J (EDICAO SUL-AMERICANA) PC8539P (01-JUL-10) PN=518
  • 521.
    92-49 PLATAFORMA DO OPERADOR 6 1 2 5 ITEMNR.PECA DESCRICAO QTDE NR. SERIE J NOTAS 1 AL157707 VEDACAO 1 X 2 19M7867 PARAFUSO AR X M8 X 25 3 DT5471 VEDACAO 1 X 4 AL154932 ESTRUTURA 1 X 5 AL164012 PAREDE CORTA-FOGO 1 X (CABINE) AL164013 PAREDE CORTA-FOGO 1 X (EPCC) 6 24M7055 ARRUELA AR X 7 19M7162 PARAFUSO SEXT. AR X M8 X 16 8 L164972 PORCA 1 X 9 M84971 PORCA 3 X TRATOR 6125J (EDICAO SUL-AMERICANA) PC8539P (01-JUL-10) 92-49 PN=519
  • 522.
    92-50 PLATAFORMA DO OPERADOR MEMORANDA MEMORANDA MEMORANDA MEMORANDA MEMORANDA MEMORANDA 92-50TRATOR 6125J (EDICAO SUL-AMERICANA) PC8539P (01-JUL-10) PN=520
  • 523.
    93-A01 CONTROLE, ACESSORIOS EAR CONDICIONADO SECTIONAL INDEX INDEX DE SECTION GRUPPENINDEX INDICE DELLA SEZIONE INDICE DE GRUPO INDICE DE GRUPOS PUBM1425 -UN- 1- 2 2- 4 3- 6 4- 7 9- 16 10- 18 21- 32 22- 34 23- 36 24- 38 25- 40 26- 42 27- 44 28- 45 29- 46 TRATOR 6125J (EDICAO SUL-AMERICANA) PC8539P (01-JUL-10) 93-A01 PN=521
  • 524.
    93-A02 CONTROLE, ACESSORIOS EAR CONDICIONADO SECTIONAL INDEX INDEX DE SECTION GRUPPENINDEX INDICE DELLA SEZIONE INDICE DE GRUPO INDICE DE GRUPOS PUBM1426 -UN- 5- 8 6- 10 7- 12 8- 14 11- 20 12- 22 13- 24 14- 25 15- 26 16- 27 17- 28 18- 29 19- 30 20- 31 93-A02 TRATOR 6125J (EDICAO SUL-AMERICANA) PC8539P (01-JUL-10) PN=522
  • 525.
    93-1 CONTROLE, ACESSORIOS EAR CONDICIONADO MEMORANDA MEMORANDA MEMORANDA MEMORANDA MEMORANDA MEMORANDA TRATOR 6125J (EDICAO SUL-AMERICANA) PC8539P (01-JUL-10) 93-1 PN=523
  • 526.
    93-2 CONTROLE, ACESSORIOS EAR CONDICIONADO DASH/COWL HABILLAGE TABLEAU DE BORD ARMATURENWANDVERKLEIDUNG CRUSCOTTO / COPERTURA PAINEL REVESTIMIENTO SALPICADERO PUBM1082 -UN- ESTA RELACAO CONTINUA 93-2 TRATOR 6125J (EDICAO SUL-AMERICANA) PC8539P (01-JUL-10) PN=524
  • 527.
    93-3 CONTROLE, ACESSORIOS EAR CONDICIONADO 6 1 2 5 ITEM NR.PECA DESCRICAO QTDE NR. SERIE J NOTAS 1 AL164922 CAPOTA 1 X CABINE AL171534 CAPOTA 1 X EPCC 2 L155361 CAPA 1 X 3 L164972 PORCA 3 X 4 L112797 PARAFUSO 1 X 5 L113415 PARAFUSO 3 X 6 MN10255 CENTRAL DE CONTROLES 1 X 7 37M7181 PARAFUSO 8 X 8 24M7027 ARRUELA 1 X 9 14M7265 PORCA DE SEGURANCA 1 X M5 10 CQ64057 APOIO 1 X EPCC 11 L154378 APOIO 1 X 12 L154379 APOIO 2 X TRATOR 6125J (EDICAO SUL-AMERICANA) PC8539P (01-JUL-10) 93-3 PN=525
  • 528.
    93-4 CONTROLE, ACESSORIOS EAR CONDICIONADO ELECTRICAL INSTRUMENTS TABLEAU DE BORD - ELEMENTS ELECTRIQUES ELEKTRISCHE ARMATUREN STRUMENTI ELETTRICI CONPONENTES ELETRICOS COMPONENTES ELECTRICOS PUBM1481 -UN- ESTA RELACAO CONTINUA 93-4 TRATOR 6125J (EDICAO SUL-AMERICANA) PC8539P (01-JUL-10) PN=526
  • 529.
    93-5 CONTROLE, ACESSORIOS EAR CONDICIONADO 6 1 2 5 ITEM NR.PECA DESCRICAO QTDE NR. SERIE J NOTAS 1 RE61717 INTERRUPTOR GIRATORIO 1 X 2 AL35179 INTERRUPTOR 1 X 3 L157295 PLUGUE 1 X 4 L37489 MANIPULO 1 X 5 R115974 PORCA 1 X 6 RE183935 CHAVE 1 X 7 L79734 ETIQUETA 1 X 8 L114509 PLUGUE AR X 9 AL155612 INTERRUPTOR DE ALAVANCA 1 X 10 21M7290 PARAFUSO 1 X M3 X 35 11 L102359 ETIQUETA 1 X 12 AL154249 INTERRUPTOR 1 X 13 AL157883 INTERRUPTOR DE ALAVANCA 1 X 14 AL76568 MANOPLA 1 X 15 R44165 PORCA DE SEGURANCA 1 X 16 AL36529 INTERRUPTOR 1 X 17 37M7336 PARAFUSO 2 X 18 L115020 ETIQUETA 1 X 19 R39554 INTERRUPTOR 1 X 20 T55501 TAMPA 1 X 21 DQ70988 CHAVEIRO 1 X TRATOR 6125J (EDICAO SUL-AMERICANA) PC8539P (01-JUL-10) 93-5 PN=527
  • 530.
    93-6 CONTROLE, ACESSORIOS EAR CONDICIONADO FWD SWITCH INTERRUPTEUR PONT AVANT SCHALTER FUER FRONTANTRIEB INTERRUTTORE 4WD INTERRUPTOR DA TRACAO DIANTEIRA INTERRUPTOR DE LA TDM CQ155689 -UN- 6 1 2 5 ITEM NR.PECA DESCRICAO QTDE NR. SERIE J NOTAS 1 AL165520 INTERRUPTOR DE ALAVANCA 1 X (A) AL156854 INTERRUPTOR DE ALAVANCA 1 X (B) (A) WITHOUT CAB (B) WITH CAB SANS CABINE AVEC CABINE OHNE KABINE MIT KABINE SENZA CABINA CON CABINA SEM CABINE COM CABINE SIN CABINA CON CABINA 93-6 TRATOR 6125J (EDICAO SUL-AMERICANA) PC8539P (01-JUL-10) PN=528
  • 531.
    93-7 CONTROLE, ACESSORIOS EAR CONDICIONADO DIFFERENTIAL LOCK SWITCH BLOCAGE DU DIFFERENTIEL, CONTACTEUR SCHALTER FUER DIFFERENTIALSPERRE INTERRUTTORE BLOCCAGGIO DIFFERENZIALE INTERRUPTOR DE BLOQUEIO DO DIFERENCIAL INTERRUPTOR DE BLOQUEO DEL DIFERENCIAL CQ155886 -UN- 6 1 2 5 ITEM NR.PECA DESCRICAO QTDE NR. SERIE J NOTAS 1 RE46534 INTERRUPTOR 1 X 2 RE43637 ATUADOR 1 X 3 L80302 ETIQUETA 1 X TRATOR 6125J (EDICAO SUL-AMERICANA) PC8539P (01-JUL-10) 93-7 PN=529
  • 532.
    93-8 CONTROLE, ACESSORIOS EAR CONDICIONADO CLUTCH OPERATING PARTS, CLUTCH PEDAL ELEMENTS DE COMMANDE DE L’EMBRAYAGE, PEDALE D’EMBRAYAGE KUPPLUNGSBETAETIGUNGSTEILE, KUPPLUNGSPEDAL PARTI COMANDO FRIZIONE, PEDALE FRIZIONE PEDAL DA EMBREAGEM PIEZAS DEL ACCIONAMIENTO DEL EMBRAGUE, PEDAL DE EMBRAGUE PUBM1089 -UN- 6 1 2 5 ITEM NR.PECA DESCRICAO QTDE NR. SERIE J NOTAS 1 L110617 PINO FIXADOR 1 X 2 AL110894 APOIO 1 X 3 14M7274 PORCA 1 X M10 4 19M8533 PARAFUSO 1 X M10 X 25 5 L100285 PARAFUSO 3 X 6 AL169899 PEDAL 1 X INCL KEY 7 7 L41178 BUCHA 2 X 8 AL203461 CONTROLE 1 X INCL KEY 1, 2, 3, 4, 6, 7 93-8 TRATOR 6125J (EDICAO SUL-AMERICANA) PC8539P (01-JUL-10) PN=530
  • 533.
    93-9 CONTROLE, ACESSORIOS EAR CONDICIONADO MEMORANDA MEMORANDA MEMORANDA MEMORANDA MEMORANDA MEMORANDA TRATOR 6125J (EDICAO SUL-AMERICANA) PC8539P (01-JUL-10) 93-9 PN=531
  • 534.
    93-10 CONTROLE, ACESSORIOS EAR CONDICIONADO CLUTCH OPERATING PARTS, BOWDEN CABLE COMMANDE DE L’EMBRAYAGE, CABLE SOUS GAINE KUPPLUNGSBETAETIGUNGSTEILE, BOWDENZUG PARTI COMANDO FRIZIONE, CAVO BOWDEN CABO DA EMBRAGEM ELEMENTOS DE MANDO DEL EMBRAGUE, CABLE LX035844 -UN- ESTA RELACAO CONTINUA 93-10 TRATOR 6125J (EDICAO SUL-AMERICANA) PC8539P (01-JUL-10) PN=532
  • 535.
    93-11 CONTROLE, ACESSORIOS EAR CONDICIONADO 6 1 2 5 ITEM NR.PECA DESCRICAO QTDE NR. SERIE J NOTAS 1 AL151612 CABO 1 X (SYNCROPLUS) LGTH 1130MM AL151611 CABO 1 X (SYNCROPLUS) LGTH 1210MM 2 L157793 PASSADOR 1 X 3 L154381 PROTETOR 2 X 4 14M7272 PORCA 1 X M6 5 L79792 ANEL DE PRESSAO 2 X 6 45M7080 PINO DE TRAVA 1 X 7 45M7063 PINO FIXADOR 1 X 8 L166609 FORQUILHA 2 X TRATOR 6125J (EDICAO SUL-AMERICANA) PC8539P (01-JUL-10) 93-11 PN=533
  • 536.
    93-12 CONTROLE, ACESSORIOS EAR CONDICIONADO FOOT THROTTLE PEDALE D’ACCELERATION DREHZAHLFUSSHEBEL PEDALE ACCELERATORE ACELERADOR DE PE ACELERADOR DE PIE PUBM1134 -UN- ESTA RELACAO CONTINUA 93-12 TRATOR 6125J (EDICAO SUL-AMERICANA) PC8539P (01-JUL-10) PN=534
  • 537.
    93-13 CONTROLE, ACESSORIOS EAR CONDICIONADO 6 1 2 5 ITEM NR.PECA DESCRICAO QTDE NR. SERIE J NOTAS 1 L151157 ALAVANCA 1 X 2 L150527 ALAVANCA 1 X 3 L150526 MOLA DE TORCAO 1 X 4 CQ59332 ALAVANCA 1 X 5 L112950 ALAVANCA 1 X 6 L150525 EIXO 1 X 7 55M7012 ROTULA 1 X 8 14M7165 PORCA DE SEGURANCA 6 X M6 9 34H394 PINO ELASTICO 1 X 10 DQ63989 JUNTA ESFERICA 1 X 11 14M7027 PORCA 1 X M6 12 56M7006 SOQUETE P/ JUNTA ESFERICA 1 X 13 L150034 PINO 1 X TRATOR 6125J (EDICAO SUL-AMERICANA) PC8539P (01-JUL-10) 93-13 PN=535
  • 538.
    93-14 CONTROLE, ACESSORIOS EAR CONDICIONADO FOOT THROTTLE PEDALE D’ACCELERATION DREHZAHLFUSSHEBEL PEDALE ACCELERATORE ACELERADOR DE PE ACELERADOR DE PIE PUBM1133 -UN- ESTA RELACAO CONTINUA 93-14 TRATOR 6125J (EDICAO SUL-AMERICANA) PC8539P (01-JUL-10) PN=536
  • 539.
    93-15 CONTROLE, ACESSORIOS EAR CONDICIONADO 6 1 2 5 ITEM NR.PECA DESCRICAO QTDE NR. SERIE J NOTAS 1 L113020 PEDAL 1 X 2 L113021 BUCHA 1 X 3 L78701 MOLA 1 X 4 37M7361 PARAFUSO 3 X 5 L150340 CARCACA 1 X 6 L150363 BUCHA 2 X 7 R26871 ANEL DE PRESSAO 1 X 8 L150079 PARA-CHOQUE 1 X 9 L150454 TIRANTE 1 X 10 DQ65998 ACELERADOR 1 X TRATOR 6125J (EDICAO SUL-AMERICANA) PC8539P (01-JUL-10) 93-15 PN=537
  • 540.
    93-16 CONTROLE, ACESSORIOS EAR CONDICIONADO CONTROL CONSOLE (CAB) CONSOLE DE COMMANDE (CABINE) BEDIENUNGSKONSOLE (KABINE) CONSOLE DI COMANDI (CABINA) CONTROLE DO CONSOLE (CABINE) CONSOLA DE INSTRUMENTOS (CABINA) PUBM1142 -UN- ESTA RELACAO CONTINUA 93-16 TRATOR 6125J (EDICAO SUL-AMERICANA) PC8539P (01-JUL-10) PN=538
  • 541.
    93-17 CONTROLE, ACESSORIOS EAR CONDICIONADO 6 1 2 5 ITEM NR.PECA DESCRICAO QTDE NR. SERIE J NOTAS 1 AL201018 CAPA 1 X 2 37M7185 PARAFUSO 2 X 3 L151699 PAINEL 1 X 4 L40924 PORCA 3 X 5 L158260 PAINEL DE CONTROLE 1 X 6 L39603 PORCA 3 X 7 21M7246 PARAFUSO 6 X M6 X 16 8 AL79029 TIRA 1 X 9 L101932 ESPACADOR 2 X 10 21M7403 PARAFUSO 2 X M6 X 40 11 AL115814 PORCA 16 X 12 L113415 PARAFUSO 1 X 13 L168519 PAINEL 1 X 14 L113846 MOLDURA 1 X 15 L112282 PLUGUE 1 X 16 37M7290 PARAFUSO 3 X 17 37M7140 PARAFUSO 2 X 18 24M7027 ARRUELA 1 X 19 L79648 PORCA DE PRESSAO 2 X 20 L102110 PORCA 1 X 21 21M7285 PARAFUSO 2 X M6 X 12 22 L115292 PARAFUSO 12 X 23 99M7073 PLUGUE 1 X 24 99M7016 PLUGUE 1 X 25 L157254 VEDACAO 2 X TRATOR 6125J (EDICAO SUL-AMERICANA) PC8539P (01-JUL-10) 93-17 PN=539
  • 542.
    93-18 CONTROLE, ACESSORIOS EAR CONDICIONADO CONTROL CONSOLE (OPEN OPERATOR’S STATION) CONSOLE DE COMMANDE (TRACTEURS SANS CABINE) BEDIENUNGSKONSOLE (OFFENE FAHRERPLATTFORM) CONSOLE COMANDI (POSTAZIONE OPERATORE APERTA) CONTROLE DO CONSOLE (EPCC) CONSOLA DE INSTRUMENTOS (PLATAFORMA DE CONDUCCION ABIERTA) PUBM1117 -UN- ESTA RELACAO CONTINUA 93-18 TRATOR 6125J (EDICAO SUL-AMERICANA) PC8539P (01-JUL-10) PN=540
  • 543.
    93-19 CONTROLE, ACESSORIOS EAR CONDICIONADO 6 1 2 5 ITEM NR.PECA DESCRICAO QTDE NR. SERIE J NOTAS 1 L113559 REVESTIMENTO, BLINDAGEM 1 X 2 37M7185 PARAFUSO 2 X 3 AL117697 PAINEL 1 X (A) 4 L40924 PORCA 3 X 5 L112511 PAINEL DE CONTROLE 1 X 6 AL178554 CHAPA PARA UNIAO 1 X 7 21M7246 PARAFUSO 4 X M6 X 16 8 AL79029 TIRA 1 X 9 L101932 ESPACADOR 1 X 10 21M7403 PARAFUSO 2 X M6 X 40 11 L39603 PORCA 1 X 12 37M7230 PARAFUSO 4 X 13 19M8866 PARAFUSO 4 X M5 X 16 14 L59635 BUCHA 2 X 15 24M7027 ARRUELA 4 X 16 AL115814 PORCA 16 X 17 L102110 PORCA 1 X 18 L157254 VEDACAO 2 X 19 L102490 ISOLADOR 1 X 20 L113415 PARAFUSO 1 X 21 L112282 PLUGUE 1 X 22 L79648 PORCA DE PRESSAO 4 X 23 L112796 PARAFUSO 2 X 24 L115235 PAINEL 1 X (A) WITHOUT RAILING SANS MAIN COURANTE OHNE HANDLAUF SENZA GUIDE SEM CORRIMAO SIN PASAMANOS TRATOR 6125J (EDICAO SUL-AMERICANA) PC8539P (01-JUL-10) 93-19 PN=541
  • 544.
    93-20 CONTROLE, ACESSORIOS EAR CONDICIONADO WINDSCREEN WASHER SYSTEM WITH RESERVOIR LAVE-GLACE PARE-BRISE AVEC RESERVOIR SCHEIBENWASCHANLAGE VORN MIT VORRATSBEHAELTER DISPOS. LAVAPARABREZZA CON SERBATOIO RESERVATORIO DE AGUA DO LIMPADOR DO PARABRISA LAVAPARABRISAS CON DEPOSITO CQ155691 -UN- ESTA RELACAO CONTINUA 93-20 TRATOR 6125J (EDICAO SUL-AMERICANA) PC8539P (01-JUL-10) PN=542
  • 545.
    93-21 CONTROLE, ACESSORIOS EAR CONDICIONADO 6 1 2 5 ITEM NR.PECA DESCRICAO QTDE NR. SERIE J NOTAS 1 AL77711 RESERVATORIO 1 X 2 L78422 RESERVATORIO 1 X 3 L80013 TAMPAO DE ENCHIMENTO 1 X 4 AL79013 BOMBA 1 X 5 L80014 PASSADOR 2 X 6 L80015 PLUGUE 1 X 7 L155455 MANGUEIRA 1 X 8 AL114276 VALVULA DE RETENCAO 1 X 9 AL35642 BICO 1 X 10 24H1292 ARRUELA 2 X 8.738 X 19.050 X 3.048 MM 11 19M8830 PARAFUSO 2 X M8 X 30 TRATOR 6125J (EDICAO SUL-AMERICANA) PC8539P (01-JUL-10) 93-21 PN=543
  • 546.
    93-22 CONTROLE, ACESSORIOS EAR CONDICIONADO FRONT WINDSHIELD WIPER ESSUIE-GLACE PARE-BRISE SCHEIBENWISCHER VORN TERGICRISTALLO ANTERIORE LIMPADOR DE PARABRISAS LIMPIAPARABRISAS FRONTAL PUBM1138 -UN- ESTA RELACAO CONTINUA 93-22 TRATOR 6125J (EDICAO SUL-AMERICANA) PC8539P (01-JUL-10) PN=544
  • 547.
    93-23 CONTROLE, ACESSORIOS EAR CONDICIONADO 6 1 2 5 ITEM NR.PECA DESCRICAO QTDE NR. SERIE J NOTAS 1 RE151494 MOTOR DO LIMP. DE PARABRISA 1 X 2 19M7560 PARAFUSO SEXT. 1 X M6 X 16 3 12M7133 ARRUELA DE PRESSAO 1 X 4 14M7272 PORCA 1 X M6 5 19M6614 PARAFUSO SEXT. 4 X M6 X 12 6 24M7139 ARRUELA 3 X 7 24M7055 ARRUELA 1 X 8 14M7273 PORCA 1 X M8 9 AL153662 HASTE DO LIMP. DE PARABRISA 1 X 10 AL153660 LAMINA DO LIMP. DE PARABRIS 1 X (A) LGTH= 500MM (A) WITH HINGED WINDSHIELD AVEC VITRE AVANT ORIENTABLE BEI AUSSTELLBARER FRONTSCHEIBE CON PARABREZZA INCERNIERATO COM PARABRISA ARTICULAVEL CON PARABRISAS ABATIBLE TRATOR 6125J (EDICAO SUL-AMERICANA) PC8539P (01-JUL-10) 93-23 PN=545
  • 548.
    93-24 CONTROLE, ACESSORIOS EAR CONDICIONADO RADIO CONSOLE CONSOLE DE RADIO RADIOKONSOLE SCATOLA RADIO COMSOLE DO RADIO CONSOLA PARA RADIO LX048702 -UN- 6 1 2 5 ITEM NR.PECA DESCRICAO QTDE NR. SERIE J NOTAS 1 L203991 PARAFUSO 2 X 2 37M7263 PARAFUSO 2 X 3 L78041 CANTONEIRA 1 X 4 L204008 APOIO 1 X 5 19M7300 PARAFUSO SEXT. 4 X M6 X 10 6 24M7054 ARRUELA 4 X 7 L78238 PORCA 4 X 8 L151740 PAINEL 1 X 9 L152335 CAPA 1 X 10 24M7138 ARRUELA 1 X 11 Z59391 REBITE 1 X 12 R54477 REBITE 2 X 13 L151863 APOIO 1 X 14 L111480 PORCA DE PRESSAO 2 X 93-24 TRATOR 6125J (EDICAO SUL-AMERICANA) PC8539P (01-JUL-10) PN=546
  • 549.
    93-25 CONTROLE, ACESSORIOS EAR CONDICIONADO OUTSIDE MIRROR RETROVISEUR EXTERIEUR AUSSENSPIEGEL RETROVISORE RETROVISOR RETROVISOR PUBM1150 -UN- 6 1 2 5 ITEM NR.PECA DESCRICAO QTDE NR. SERIE J NOTAS 1 DQ46087 SUPORTE 1 X LH DQ46088 SUPORTE 1 X RH 2 L79775 TAMPA 2 X 3 DQ43135 RETROVISOR 1 X 4 24M7362 ARRUELA 4 X 5 19M7660 PARAFUSO 1 X M8 X 20 6 DQ43133 RETROVISOR 1 X LH DQ43134 RETROVISOR 1 X RH TRATOR 6125J (EDICAO SUL-AMERICANA) PC8539P (01-JUL-10) 93-25 PN=547
  • 550.
    93-26 CONTROLE, ACESSORIOS EAR CONDICIONADO INSIDE REAR VIEW MIRROR (EPCC) RETROVISEUR INTERIEUR (EPCC) INNENRUECKSPIEGEL (EPCC) SPECCHIETTO RETROVISIVO INTERIORE (EPCC) RETROVISOR INTERNO (EPCC) ESPEJO RETROVISOR INTERIOR (EPCC) PUBM1062 -UN- 6 1 2 5 ITEM NR.PECA DESCRICAO QTDE NR. SERIE J NOTAS 1 AT186760 RETROVISOR 1 X 2 SU20627 APOIO 1 X 3 24M7055 ARRUELA 2 X 4 R210137 ARRUELA 1 X 5 14M7166 PORCA DE SEGURANCA 2 X M8 6 19M7913 PARAFUSO 1 X M8 X 90 93-26 TRATOR 6125J (EDICAO SUL-AMERICANA) PC8539P (01-JUL-10) PN=548
  • 551.
    93-27 CONTROLE, ACESSORIOS EAR CONDICIONADO INSIDE REAR VIEW MIRROR RETROVISEUR INTERIEUR INNEN-RUECKSPIEGEL RETROVISORE INTERIORE RETROVISOR INTERNO ESPEJO RETROVISOR INTERIOR LX037885 -UN- 6 1 2 5 ITEM NR.PECA DESCRICAO QTDE NR. SERIE J NOTAS 1 AT186760 RETROVISOR 1 X 2 L113657 RETENTOR 1 X 3 AL154247 TIRA 1 X 4 24M7260 ARRUELA 2 X 5 19M8830 PARAFUSO 1 X 6 14M7478 PORCA DE SEGURANCA 1 X 7 24M7362 ARRUELA 1 X 8 L113993 PORCA 1 X 9 21M7296 PARAFUSO 2 X TRATOR 6125J (EDICAO SUL-AMERICANA) PC8539P (01-JUL-10) 93-27 PN=549
  • 552.
    93-28 CONTROLE, ACESSORIOS EAR CONDICIONADO SUN VISOR PARE-SOLEIL SONNENBLENDE PARASOLE PARA SOL PARASOL PUBM1093 -UN- 6 1 2 5 ITEM NR.PECA DESCRICAO QTDE NR. SERIE J NOTAS 1 AL156781 PARA-SOL 1 X 2 21M7310 PARAFUSO 3 X M6 X 25 3 L113023 GANCHO 1 X 4 21M7296 PARAFUSO 2 X M6 X 20 93-28 TRATOR 6125J (EDICAO SUL-AMERICANA) PC8539P (01-JUL-10) PN=550
  • 553.
    93-29 CONTROLE, ACESSORIOS EAR CONDICIONADO HOLDER FOR OPERATOR’S MANUAL (OPEN OPERATOR’S STATION) CASIER DE RANGEMENT POUR LIVRET D’ENTRETIEN (TRACTEURS SANS CABINE) BETRIEBSANLEITUNGSHALTER (OFFENE FAHRERPLATTFORM) SOSTEGNO MANUALE OPERATORE (STAZIONE OPERATORE APERTA) PORTA-MANUAL DO OPERADOR (POSTO ABERTO DO OPERADOR) COMPARTIMENTO PARA MANUAL DEL OPERADOR (CON PLATAFORMA DE CONDUCCION ABIERTA) LX048426 -UN- 6 1 2 5 ITEM NR.PECA DESCRICAO QTDE NR. SERIE J NOTAS 1 37M7063 PARAFUSO 3 X 2 L115238 CONTAINER 1 X 3 L115149 RETENTOR 1 X 4 37M7079 PARAFUSO 1 X 5 24M7309 ARRUELA 1 X TRATOR 6125J (EDICAO SUL-AMERICANA) PC8539P (01-JUL-10) 93-29 PN=551
  • 554.
    93-30 CONTROLE, ACESSORIOS EAR CONDICIONADO OPERATOR’S MANUAL HOLDER CASIER DE RANGEMENT LIVRET D’ENTRETIEN HALTER FUER BETRIEBSANLEITUNG TASCA PER IL MANUALE DELL’OPERATORE PORTA-MANUAL DO OPERADOR SOPORTE PARA MANUAL DEL OPERADOR PUBM1107 -UN- 6 1 2 5 ITEM NR.PECA DESCRICAO QTDE NR. SERIE J NOTAS 1 R77915 SUPORTE 1 X 2 L39134 REBITE 4 X 93-30 TRATOR 6125J (EDICAO SUL-AMERICANA) PC8539P (01-JUL-10) PN=552
  • 555.
    93-31 CONTROLE, ACESSORIOS EAR CONDICIONADO ROCKSHAFT, REMOTE CONTROL COMMANDE A DISTANCE DU RELEVAGE KRAFTHEBER, FERNBEDIENUNG TIRANTERIA COMANDO SOLLEVATORE ANTERIORE CONTROLE EXTERNO DO LEVANTE ELEVADOR HIDR., MANDO A DISTANCIA PUBM1055 -UN- 6 1 2 5 ITEM NR.PECA DESCRICAO QTDE NR. SERIE J NOTAS 1 AL172871 CONTROLE 1 X 2 L168608 PRESILHA 1 X (USE WITH AL172871) 3 37M7411 PARAFUSO AR X 4 L169912 PROTETOR 2 X (USE WITH AL168325 OR AL168326) 5 L65071 ETIQUETA 1 X LH 6 24M7117 ARRUELA AR X (USAR COM 37M7411) 7 R234273 ESTRUTURA 1 X (USAR COM AL168325 OU AL168326) 8 R206454 PLUGUE 1 X TRATOR 6125J (EDICAO SUL-AMERICANA) PC8539P (01-JUL-10) 93-31 PN=553
  • 556.
    93-32 CONTROLE, ACESSORIOS EAR CONDICIONADO HEATER UNIT, HEATER HOSES, FAN PARTS UNITE DE CHAUFFAGE, CONDUITES DE CHAUFFAGE, ELEMENTS SOUFFLANTE HEIZUNGSEINHEIT, HEIZUNGSSCHLAEUCHE, GEBLAESETEILE DI RISCALDAMENTO, TUBI PER DETTO, COMPONENTI VENTILAZIONE UNIDADE DE AR-CONDICIONADO UNIDAD DE CALEFACCION, MANGUERAS DE CALEFACCION, COMPONENTES DEL VENTILADOR PUBM1411 -UN- ESTA RELACAO CONTINUA 93-32 TRATOR 6125J (EDICAO SUL-AMERICANA) PC8539P (01-JUL-10) PN=554
  • 557.
    93-33 CONTROLE, ACESSORIOS EAR CONDICIONADO 6 1 2 NR. SERIE 5 ITEM NR.PECA DESCRICAO QTDE TRATOR J NOTAS 1 L110186 MANGUEIRA 1 X 2 L168126 PRESILHA 4 X 3 L110147 SUPORTE 1 X 4 AL171742 VALVULA OPERADA A MAO 1 X 5 L158565 MANGUEIRA 1 X 6 24M7139 ARRUELA 6 X 7 AL152449 REDE DE RESISTORES 1 X 8 14M7028 PORCA 2 X M5 9 19M7640 PARAFUSO SEXT. 2 X M5 X 12 10 RE46634 INTERRUPTOR 1 X 11 AL110881 SOPRADOR 2 X 12 19M7560 PARAFUSO SEXT. 8 X M6 X 16 13 L79884 JUNTA 2 X 14 24M7027 ARRUELA 3 X 15 AL163858 TROCADOR DE CALOR 1 X 16 24M7054 ARRUELA 2 X 17 19M8669 PARAFUSO 2 X M5 X 35 18 19M7768 PARAFUSO 3 X M6 X 16 19 L157800 PLACA 1 X 20 AL160645 VALVULA DE RETENCAO 1 X 21 R33259 ANEL O 2 X 22 R113050 ANEL O 1 X 23 L157116 RETENTOR 1 X 24 AL179243 MANGUEIRA 1 X INCL KEY 26 25 L59927 PORCA 1 X 26 R10093 ANEL O 2 X 27 AL110299 MANGUEIRA 1 X INCL KEY 21 28 L79919 PASSADOR 3 X 29 L79648 PORCA DE PRESSAO 4 X 30 L38642 PASSADOR 1 X 31 37M7256 PARAFUSO 3 X 32 L158566 MANGUEIRA 1 X 33 AL173750 CAIXA 1 X 34 L59800 PORCA 8 X 35 R44165 PORCA DE SEGURANCA 1 X 36 AL76568 MANOPLA 3 X 37 L113312 APOIO 1 X LH L113313 APOIO 1 X RH 38 RE43497 INTERRUPTOR 1 X 39 AL59879 INTERRUPTOR 1 X INCL KEY 25 40 L169889 CAPA 1 X 41 37M7185 PARAFUSO 4 X 42 L151729 VENEZIANA DE AERACAO 2 X 43 37M7272 PARAFUSO 2 X 44 L110865 ETIQUETA 1 X 45 L110867 ETIQUETA 1 X 46 L157466 DEFLETOR 2 X 47 AL172331 APOIO 1 X 48 AL64588 BRACADEIRA 2 X 49 37M7042 PARAFUSO 4 X 50 57M7116 TERMINAL CONECTOR ELETRICO 1 X 51 Z36392 CINTA AR X TRATOR 6125J (EDICAO SUL-AMERICANA) PC8539P (01-JUL-10) 93-33 PN=555
  • 558.
    93-34 CONTROLE, ACESSORIOS EAR CONDICIONADO COVER FOR HEATER UNIT COUVERCLE POUR BOITIER DE CHAUFFAGE ABDECKUNG FUER HEIZUNGSEINHEIT COPERCHIO PER RISCALDATORE TAMPA DA UNIDADE DE AR-CONDICIONADO TAPA DE LA UNIDAD DE CALEFACCION PUBM1200 -UN- ESTA RELACAO CONTINUA 93-34 TRATOR 6125J (EDICAO SUL-AMERICANA) PC8539P (01-JUL-10) PN=556
  • 559.
    93-35 CONTROLE, ACESSORIOS EAR CONDICIONADO 6 1 2 5 ITEM NR.PECA DESCRICAO QTDE NR. SERIE J NOTAS 1 37M7140 PARAFUSO 2 X 2 37M7185 PARAFUSO 2 X 3 24M7139 ARRUELA 2 X 4 37M7218 PARAFUSO 3 X 5 99M7057 PLUGUE 2 X 6 L151731 CAPA 1 X 7 37M7219 PARAFUSO 2 X 8 19M7560 PARAFUSO SEXT. 8 X M6 X 16 9 L110146 SUPORTE 2 X 10 L79648 PORCA DE PRESSAO 4 X 11 L110148 CANTONEIRA 1 X LH 12 L110149 CANTONEIRA 1 X RH 13 L110633 SUPORTE 1 X 14 L110189 JUNTA 2 X 15 14M7272 PORCA 8 X M6 16 24M7139 ARRUELA 8 X TRATOR 6125J (EDICAO SUL-AMERICANA) PC8539P (01-JUL-10) 93-35 PN=557
  • 560.
    93-36 CONTROLE, ACESSORIOS EAR CONDICIONADO AIR CLEANER FILTRE A AIR LUFTFILTER FILTRO ARIA FILTRO DE AR FILTRO DE AIRE PUBM1201 -UN- ESTA RELACAO CONTINUA 93-36 TRATOR 6125J (EDICAO SUL-AMERICANA) PC8539P (01-JUL-10) PN=558
  • 561.
    93-37 CONTROLE, ACESSORIOS EAR CONDICIONADO 6 1 2 5 ITEM NR.PECA DESCRICAO QTDE NR. SERIE J NOTAS 1 AL177184 FILTRO DE AR 1 X 2 40M7040 ANEL DE PRESSAO 2 X 3 L111425 PORCA DE PRESSAO 2 X 4 37M7255 PARAFUSO 6 X 5 AL111469 PARAF. BORBOLETA 2 X 6 AL152152 CAIXA 1 X INCL KEY 4 7 AL110300 PARAFUSO 2 X 8 L110183 APOIO 1 X 9 L151732 CAPA 1 X TRATOR 6125J (EDICAO SUL-AMERICANA) PC8539P (01-JUL-10) 93-37 PN=559
  • 562.
    93-38 CONTROLE, ACESSORIOS EAR CONDICIONADO DOME LIGHT, CONSOLE LIGHT, BEACON LIGHT SWITCH, AIR CHANNELS PLAFONNIER, ECLAIRAGE CONSOLE, CONTACTEUR GYROPHARE, CIRCULATION D’AIR INNENLEUCHTE, KONSOLENBELEUCHTUNG, SCHALTER FUER RUNDUMLEUCHTE, LUFTFUEHRUNG PLAFONIERA, LAMPADINA PER CONSOLE, INTERRUTTORE PER LUCE ROTANTE, BOCCHETTE DI VENTILAZIONE LUZES INTERNAS, CONDUTORES DE AR LUZ INTERIOR DE CABINA, LUZ DE CONSOLA, INTERRUPTOR LUZ DE AVISO GIRATORIA, CONDUCTOS DE AIRE PUBM1202 -UN- ESTA RELACAO CONTINUA 93-38 TRATOR 6125J (EDICAO SUL-AMERICANA) PC8539P (01-JUL-10) PN=560
  • 563.
    93-39 CONTROLE, ACESSORIOS EAR CONDICIONADO 6 1 2 5 ITEM NR.PECA DESCRICAO QTDE NR. SERIE J NOTAS 1 19M8403 PARAFUSO SEXT. 4 X M8 X 75 2 37M7290 PARAFUSO 2 X 3 14M7416 PORCA COM FLANGE 4 X M8 4 R81207 CAPA 2 X 5 R106551 CAPA 1 X 6 L110150 DUTO DE AR 1 X LH L110151 DUTO DE AR 1 X RH 7 57M7615 FAROL 2 X 8 AL110365 FAROL 1 X 9 L112250 SUPORTE 1 X 10 57M7105 LAMPADA 1 X 11 L110496 LENTE 1 X 12 L151733 CAPA 1 X 13 L168124 PASSADOR AR X TRATOR 6125J (EDICAO SUL-AMERICANA) PC8539P (01-JUL-10) 93-39 PN=561
  • 564.
    93-40 CONTROLE, ACESSORIOS EAR CONDICIONADO CONDENSED WATER DRAIN WITH AIR CONDITIONING EVACUATION DE L’EAU DE CONDENSATION, AVEC CLIMATISATION KONDENSWASSERABLAUF BEI KLIMAANLAGE SCARICO CONDENSA CON CLIMATIZZATORE DRENO DE CONSENSACAO COM A/C VACIADO DE CONDENSACION DE AGUA, CON AIRE ACONDICIONADO PUBM1154 -UN- ESTA RELACAO CONTINUA 93-40 TRATOR 6125J (EDICAO SUL-AMERICANA) PC8539P (01-JUL-10) PN=562
  • 565.
    93-41 CONTROLE, ACESSORIOS EAR CONDICIONADO 6 1 2 5 ITEM NR.PECA DESCRICAO QTDE NR. SERIE J NOTAS 1 AL153802 TUBO 1 X LH AL153803 TUBO 1 X RH 2 37M7089 PARAFUSO 4 X 3 L114086 CONDUTO 2 X 4 L169203 ARRUELA 2 X 5 R60263 BUCHA 2 X 6 R60264 CONEXAO DE MANGUEIRA 2 X 7 SG06401 BRACADEIRA 2 X 8 L170670 PLACA 2 X 9 L110296 ANEL O 2 X TRATOR 6125J (EDICAO SUL-AMERICANA) PC8539P (01-JUL-10) 93-41 PN=563
  • 566.
    93-42 CONTROLE, ACESSORIOS EAR CONDICIONADO LINES, HEATER AND AIR CONDITIONING CONDUITES, CHAUFFAGE ET CLIMATISATION LEITUNGEN, HEIZUNG UND KLIMAANLAGE TUBI RISCALDAMENTO E CONDIZIONAMENTO ARIA LINHAS DO AR CONDICIONADO TUBERIAS, CALEFACCION Y SISTEMA DE AIRE ACONDICIONADO CQ155713 -UN- ESTA RELACAO CONTINUA 93-42 TRATOR 6125J (EDICAO SUL-AMERICANA) PC8539P (01-JUL-10) PN=564
  • 567.
    93-43 CONTROLE, ACESSORIOS EAR CONDICIONADO 6 1 2 5 ITEM NR.PECA DESCRICAO QTDE NR. SERIE J NOTAS 1 L158567 TUBULACAO 1 X 2 L110816 BRACADEIRA 6 X 3 L152636 PINO 4 X 4 AL157806 TUBULACAO 1 X (A) AL174537 TUBULACAO 1 X 5 AL158926 TUBULACAO DE OLEO 1 X (A) 6 L110815 BRACADEIRA 6 X 7 L111465 TUBULACAO 1 X 8 L169839 ISOLANTE AR X LGTH 650MM 9 AL118565 BRACADEIRA 4 X 10 R10093 ANEL O 2 X 11 R33259 ANEL O 2 X 12 14M7376 PORCA DE SEGURANCA 4 X M6 13 24M7309 ARRUELA 4 X 14 AL158537 CAPA 1 X LH 15 AL158538 CAPA 1 X RH 16 21M7423 PARAFUSO 1 X M6 X 30 17 L169857 ISOLANTE 1 X 18 L169858 ISOLANTE 1 X 19 L169859 ISOLANTE 1 X (A) AIR CONDITIONING CLIMATISATION KLIMAANLAGE IMPIANTO CONDIZION. ARIA SISTEMA DE AR CONDICIONADO SISTEMA DE AIRE ACONDICIONADO TRATOR 6125J (EDICAO SUL-AMERICANA) PC8539P (01-JUL-10) 93-43 PN=565
  • 568.
    93-44 CONTROLE, ACESSORIOS EAR CONDICIONADO RECEIVER DRYER, PRESSURE SWITCH FOR AIR CONDITIONING DESHYDRATEUR, MANOCONTACT POUR CLIMATISATION TROCKNER, DRUCKSCHALTER FUER KLIMAANLAGE RICEVITORE-ESSICCATORE, INTERRUTTORE PER IMP. ARIA CONDIZ. FILTRO SECADOR DA CABINE E PRESSOSTATO SECADOR, INTERRUPTOR LX034698 -UN- 6 1 2 5 ITEM NR.PECA DESCRICAO QTDE NR. SERIE J NOTAS 1 AL162467 DEPOSITO DESUMIDIFICADOR 1 X 2 14M7165 PORCA DE SEGURANCA 2 X M6 3 24M7054 ARRUELA 2 X 4 R10093 ANEL O 2 X 5 L151429 ANEL O 1 X 6 AL168231 SENSOR 1 X (ORD W/ L151429) 93-44 TRATOR 6125J (EDICAO SUL-AMERICANA) PC8539P (01-JUL-10) PN=566
  • 569.
    93-45 CONTROLE, ACESSORIOS EAR CONDICIONADO COMPRESSOR, AIR CONDITIONING CLIMATISATION - COMPRESSEUR KOMPRESSOR, KLIMAANLAGE COMPRESSORE CONDIZIONAMENTO ARIA COMPRESSOR DO AR CONDICIONADO COMPRESOR, AIRE ACONDICIONADO CQ156178 -UN- 6 1 2 5 ITEM NR.PECA DESCRICAO QTDE NR. SERIE J NOTAS 1 DQ49620 COMPRESSOR 1 X 2 19M7691 PARAFUSO SEXT. 4 X M8 X 90 3 24M7055 ARRUELA 4 X 4 L115093 PINO ELASTICO 2 X 5 L155548 PROTECAO 1 X 6 DQ51064 KIT 1 X 7 DQ59390 COLETOR 1 X TRATOR 6125J (EDICAO SUL-AMERICANA) PC8539P (01-JUL-10) 93-45 PN=567
  • 570.
    93-46 CONTROLE, ACESSORIOS EAR CONDICIONADO LINES, AIR CONDITIONING CONDUITES, CLIMATISATION LEITUNGEN, KLIMAANLAGE TUBI CONDIZIONAMENTO ARIA LINHAS DO AR CONDICIONADO CONDUCTOS, ACONDICIONADOR DE AIRE PUBM1443 -UN- ESTA RELACAO CONTINUA 93-46 TRATOR 6125J (EDICAO SUL-AMERICANA) PC8539P (01-JUL-10) PN=568
  • 571.
    93-47 CONTROLE, ACESSORIOS EAR CONDICIONADO 6 1 2 5 ITEM NR.PECA DESCRICAO QTDE NR. SERIE J NOTAS 1 AL161500 MANGUEIRA DO AR CONDICIONAD 1 X 2 AL161175 MANGUEIRA 1 X INCL KEY 3 3 ........ TAMPA 1 X NSEP (ORD AL110238) 4 R113050 ANEL O 2 X 5 AL161174 MANGUEIRA 1 X 6 L114178 BRACADEIRA 2 X 7 19M7657 PARAFUSO 2 X M8 X 25 8 14M7031 PORCA 2 X 9 R33259 ANEL O 2 X 10 R10093 ANEL O 1 X 11 19M7386 PARAFUSO SEXT. 2 X M12 X 20 12 24M7047 ARRUELA 2 X 13 AL154392 RETENTOR 1 X 14 R49921 BRACADEIRA 1 X 15 24M7055 ARRUELA 2 X 16 19M7162 PARAFUSO SEXT. 1 X M8 X 16 17 L114660 BRACADEIRA 2 X 18 AL157838 BRACADEIRA 3 X 19 L157586 PROTECAO TERMICA 1 X 20 L168690 RETENTOR 1 X 21 L152663 VEDACAO 1 X 22 19M7297 PARAFUSO SEXT. 1 X M8 X 12 23 14M7416 PORCA COM FLANGE 1 X M8 24 CQ58078 ESPACADOR 1 X 25 RE179284 PARAF. C/ ARRUELA 1 X 26 L113094 BRACADEIRA 1 X 27 19M7595 PARAFUSO SEXT. 1 X M6 X 50 28 24M7088 ARRUELA 1 X 29 14M7165 PORCA DE SEGURANCA 1 X M6 30 19M7403 PARAFUSO SEXT. 2 X M12 X 35 31 12M7067 ARRUELA DE PRESSAO 2 X TRATOR 6125J (EDICAO SUL-AMERICANA) PC8539P (01-JUL-10) 93-47 PN=569
  • 572.
    93-48 CONTROLE, ACESSORIOS EAR CONDICIONADO MEMORANDA MEMORANDA MEMORANDA MEMORANDA MEMORANDA MEMORANDA 93-48 TRATOR 6125J (EDICAO SUL-AMERICANA) PC8539P (01-JUL-10) PN=570
  • 573.
    94-A01 CABOS ACESSORIOS EASSENTO XXXXXXXXXXXXXXXXXXXXXXXXXXXXXXXXXXXXXXXXXXXXXXXX SECTIONAL INDEX XXXXXXXXXXXXXXXXXXXXXXXXXXXXXXXXXXXXXXXXXXXXXXXX INDEX DE SECTION XXXXXXXXXXXXXXXXXXXXXXXXXXXXXXXXXXXXXXXXXXXXXXXX GRUPPENINDEX XXXXXXXXXXXXXXXXXXXXXXXXXXXXXXXXXXXXXXXXXXXXXXXX INDICE DELLA SEZIONE XXXXXXXXXXXXXXXXXXXXXXXXXXXXXXXXXXXXXXXXXXXXXXXX INDICE DE GRUPO XXXXXXXXXXXXXXXXXXXXXXXXXXXXXXXXXXXXXXXXXXXXXXXX INDICE DE GRUPOS PUBM1458 -UN- 1- 2 2- 3 3- 4 4- 6 5- 8 6- 10 7- 12 8- 14 9- 16 10- 18 11- 20 12- 21 13- 22 14- 24 15- 26 16- 29 17- 30 18- 32 19- 34 20- 36 21- 38 TRATOR 6125J (EDICAO SUL-AMERICANA) PC8539P (01-JUL-10) 94-A01 PN=571
  • 574.
    94-2 CABOS ACESSORIOS EASSENTO SHIFT LEVER SUPPORT SUPPORT LEVIERS DE COMMANDE KONSOLE FUER SCHALTHEBEL SUPPORTO LEVA CAMBIO SUPORTE DAS ALAVANCAS CONSOLA PARA PALANCA DEL CAMBIO PUBM1376 -UN- 6 1 2 5 ITEM NR.PECA DESCRICAO QTDE NR. SERIE J NOTAS 1 AL157837 SUPORTE 1 X 2 14M7416 PORCA COM FLANGE 4 X M8 3 L32394 TAMPA 2 X 4 19M7162 PARAFUSO SEXT. 1 X M8 X 16 5 14M7233 PORCA SOLDAVEL 2 X M8 94-2 TRATOR 6125J (EDICAO SUL-AMERICANA) PC8539P (01-JUL-10) PN=572
  • 575.
    94-3 CABOS ACESSORIOS EASSENTO BOWDEN CABLE RETAINER ASSEMBLY (POWRQUAD) SUPPORT DES CABLES SOUS GAINE (POWRQUAD) HALTERANBAU FUER BOWDENZUEGE (POWRQUAD) GRUPPO STAFFA PER CAVI BOWDEN (POWRQUAD) SUPORTE DOS CABOS (POWRQUAD) CONJUNTO RETENCION DE CABLES DE MANDO (POWRQUAD) PUBM1389 -UN- 6 1 2 5 ITEM NR.PECA DESCRICAO QTDE NR. SERIE J NOTAS 1 14M7299 PORCA COM FLANGE 2 X M12 2 AL157095 CANTONEIRA 1 X 3 AL163841 CANTONEIRA 1 X 4 AL159267 CANTONEIRA 1 X 5 19M7865 PARAFUSO 2 X M8 X 16 6 19M7496 PARAFUSO SEXT. 1 X M12 X 45 7 19M7496 PARAFUSO SEXT. 2 X M12 X 45 8 24M7044 ARRUELA AR X 9 19M7168 PARAFUSO SEXT. 1 X M10 X 30 10 24M7028 ARRUELA 1 X 11 14M7296 PORCA COM FLANGE 1 X M10 12 19M7403 PARAFUSO SEXT. 1 X M12 X 35 TRATOR 6125J (EDICAO SUL-AMERICANA) PC8539P (01-JUL-10) 94-3 PN=573
  • 576.
    94-4 CABOS ACESSORIOS EASSENTO GEAR SHIFT BOWDEN CABLE (POWRQUAD) COMMANDE DES VITESSES, CABLE SOUS GAINE (POWRQUAD) BOWDENZUG FUER GANGSCHALTUNG (POWRQUAD) CAVI PER COMANDO CAMBIO MARCIA (POWRQUAD) CABOS DE MARCHA E PARK (POWRQUAD) CABLE BOWDEN DE CAMBIO DE MARCHAS (POWRQUAD) CQ155717 -UN- ESTA RELACAO CONTINUA 94-4 TRATOR 6125J (EDICAO SUL-AMERICANA) PC8539P (01-JUL-10) PN=574
  • 577.
    94-5 CABOS ACESSORIOS EASSENTO 6 1 2 5 ITEM NR.PECA DESCRICAO QTDE NR. SERIE J NOTAS 1 DQ53134 CABO DE PUXAR E EMPURRAR 1 X 2 14M7272 PORCA AR X 3 L80051 FORQUILHA AR X LGTH 32MM L80052 FORQUILHA AR X LGTH 44MM L80053 FORQUILHA AR X LGTH 56MM 4 L79076 ANEL DE PRESSAO AR X 5 AL155310 CABO DE PUXAR E EMPURRAR 1 X 6 AL79050 PINO FIXADOR AR X LGTH 12MM 7 DQ53135 CABO DE PUXAR E EMPURRAR 1 X 8 R182130 PRESILHA AR X 9 19M7775 PARAFUSO AR X M6 X 16 10 L78620 ANEL O AR X TRATOR 6125J (EDICAO SUL-AMERICANA) PC8539P (01-JUL-10) 94-5 PN=575
  • 578.
    94-6 CABOS ACESSORIOS EASSENTO GEAR SHIFT BOWDEN CABLES AND PARKING LOCK (SYNCROPLUS) COMMANDE VITESSES/FREIN DE STATION., CABLES SOUS GAINE (SYNCROPLUS) BOWDENZUEGE FUER GANGSCHALTUNG UND PARKSPERRE (SYNCROPLUS) CAVI BOWDEN COM.CAMBIO MARCIA E BLOCCAG.DI PARCHEG. (SYNCROPLUS) CABO DE MARCHAS E PARK (SYNCROPLUS) CABLES P. CAMBIO DE MARCHAS Y BLOQUEO DE ESTACIONAM. (SYNCROPLUS) LX018313 -UN- ESTA RELACAO CONTINUA 94-6 TRATOR 6125J (EDICAO SUL-AMERICANA) PC8539P (01-JUL-10) PN=576
  • 579.
    94-7 CABOS ACESSORIOS EASSENTO 6 1 2 5 ITEM NR.PECA DESCRICAO QTDE NR. SERIE J NOTAS 1 DQ53141 CABO DE PUXAR E EMPURRAR 1 X LGTH 961MM 2 14M7272 PORCA 2 X M6 3 DQ53135 CABO DE PUXAR E EMPURRAR 1 X LGTH 1290MM 4 L80051 FORQUILHA 1 X LGTH 32MM L80052 FORQUILHA 1 X LGTH 44MM L80053 FORQUILHA 1 X LGTH 56MM 5 DQ53143 CABO DE PUXAR E EMPURRAR 1 X LGTH 973MM 6 AL79050 PINO FIXADOR AR X LGTH 12MM 7 L79076 ANEL DE PRESSAO 6 X TRATOR 6125J (EDICAO SUL-AMERICANA) PC8539P (01-JUL-10) 94-7 PN=577
  • 580.
    94-8 CABOS ACESSORIOS EASSENTO GEAR SHIFT COMPONENTS WITH 12-SPEED TRANSMISSION (SYNCROPLUS) COMMANDE DES VITESSES, ELEMENTS - BOITE 12 VITESSES (SYNCROPLUS) GANGSCHALTUNG BEI 12-GANG GETRIEBE (SYNCROPLUS) PARTI CAMBIO MARCIA CON TRASM. 12 MARCE (SYNCROPLUS) ALAVANCA DO CAMBIO DE MARCHAS (SYNCROPLUS) CAMBIO DE MARCHAS CON TRANSMISION DE 12 MARCHAS (SYNCROPLUS) PUBM1377 -UN- ESTA RELACAO CONTINUA 94-8 TRATOR 6125J (EDICAO SUL-AMERICANA) PC8539P (01-JUL-10) PN=578
  • 581.
    94-9 CABOS ACESSORIOS EASSENTO 6 1 2 5 ITEM NR.PECA DESCRICAO QTDE NR. SERIE J NOTAS 1 L150446 INSERTO 1 X 2 19M7560 PARAFUSO SEXT. 1 X M6 X 16 3 24M7139 ARRUELA 1 X 4 L116840 MANOPLA 1 X 5 AL117517 PAINEL 1 X INCL KEY 29 AL117179 PAINEL 1 X (EPCC) 6 L115292 PARAFUSO 5 X (CABINE) 19M8866 PARAFUSO 5 X M5 X 16, (EPCC) 7 L102357 PORCA 5 X 8 M78508 PARAFUSO 5 X M8 X 20 9 24M7024 ARRUELA 2 X 10 L114032 PINO FIXADOR 1 X 11 L111165 ARRUELA 6 X 12 AL150844 QUADRANTE 1 X INCL KEY 20 13 AL117586 QUADRANTE 1 X INCL KEY 20 14 AL110868 HASTE DO CAMBIO 1 X 15 L79335 ARRUELA 2 X 16 14M7166 PORCA DE SEGURANCA 1 X M8 17 19M8403 PARAFUSO SEXT. 1 X M8 X 75 18 AL110860 SUPORTE 1 X INCL KEY 20 19 AL150845 QUADRANTE 1 X 20 L77978 BUCHA 1 X 21 L111988 ARRUELA AR X TK 1.0MM L111987 ARRUELA AR X TK 1.5MM L77963 ARRUELA AR X TK 2.0MM 22 AL150667 APOIO 1 X 23 19M7160 PARAFUSO SEXT. 1 X M6 X 30 24 14M7272 PORCA 1 X M6 25 AL113247 APOIO 1 X 26 14M7416 PORCA COM FLANGE 2 X M8 27 L102451 MOLA DE TRACAO 1 X 28 AL110543 SUPORTE 1 X 29 L111878 PORCA 3 X 30 L112469 CALCO 4 X 31 DQ46828 PARAFUSO 1 X 32 19M7865 PARAFUSO 3 X M8 X 16 33 L114509 PLUGUE 1 X 34 L111480 PORCA DE PRESSAO 1 X 35 AL80994 ISOLADOR 1 X .. AL112289 HASTE DO CAMBIO 1 X (INCL 14,15,16,17,18,35) TRATOR 6125J (EDICAO SUL-AMERICANA) PC8539P (01-JUL-10) 94-9 PN=579
  • 582.
    94-10 CABOS ACESSORIOS EASSENTO BOWDEN CABLES FOR RANGE SHIFT COMMANDE DES GAMMES, CABLES SOUS GAINE BOWDENZUEGE FUER GRUPPENSCHALTUNG CAVI BOWDEN PER CAMBIO GAMMA CABOS DE GRUPOS CABLES BOWDEN PARA EL CAMBIO DE GRUPOS LX018329 -UN- ESTA RELACAO CONTINUA 94-10 TRATOR 6125J (EDICAO SUL-AMERICANA) PC8539P (01-JUL-10) PN=580
  • 583.
    94-11 CABOS ACESSORIOS EASSENTO 6 1 2 5 ITEM NR.PECA DESCRICAO QTDE NR. SERIE J NOTAS 1 AL79050 PINO FIXADOR 1 X LGTH 12MM 2 14M7272 PORCA 2 X M6 3 L80051 FORQUILHA 1 X LGTH 32MM L80052 FORQUILHA 1 X LGTH 44MM L80053 FORQUILHA 1 X LGTH 56MM 4 L79076 ANEL DE PRESSAO 1 X 5 DQ53146 CABO DE PUXAR E EMPURRAR 1 X LGTH 1182MM 6 DQ53158 CABO DE PUXAR E EMPURRAR 1 X LGTH 1160MM TRATOR 6125J (EDICAO SUL-AMERICANA) PC8539P (01-JUL-10) 94-11 PN=581
  • 584.
    94-12 CABOS ACESSORIOS EASSENTO GEAR SHIFT COMPONENTS (POWRQUAD) COMMANDE DES VITESSES, ELEMENTS (POWRQUAD) GANGSCHALTUNG (POWRQUAD) CAMBIO MARCIA (POWRQUAD) ALAVANCA DO CAMBIO DE MARCHAS (POWRQUAD) COMPONENTES DEL CAMBIO (POWRQUAD) PUBM1380 -UN- ESTA RELACAO CONTINUA 94-12 TRATOR 6125J (EDICAO SUL-AMERICANA) PC8539P (01-JUL-10) PN=582
  • 585.
    94-13 CABOS ACESSORIOS EASSENTO 6 1 2 NR. SERIE 5 ITEM NR.PECA DESCRICAO QTDE TRATOR J NOTAS 1 AL110868 HASTE DO CAMBIO 1 X 2 L114032 PINO FIXADOR 1 X 3 AL112606 PAINEL 1 X (CABINE) AL110722 PAINEL 1 X (EPCC) 4 AL119445 APOIO 1 X 5 AL110860 SUPORTE 1 X INCL KEY 18 6 L116262 BUCHA 1 X 7 L113019 INSERTO 1 X (CABINE) L77964 INSERTO 1 X (EPCC) 8 L112041 MOLA 1 X 9 L79335 ARRUELA 2 X 10 19M8403 PARAFUSO SEXT. 1 X M8 X 75 11 14M7166 PORCA DE SEGURANCA 1 X M8 12 L111165 ARRUELA 6 X 13 AL150844 QUADRANTE 1 X INCL KEY 18 (SUB FOR AL117587) 14 AL157672 HASTE DO CAMBIO 1 X INCL KEY 18 AND 31 (SUB FOR AL119446) 15 AL150845 QUADRANTE 1 X INCL KEY 18 (SUB FOR AL117845) 16 M78508 PARAFUSO 4 X M8 X 20 17 24M7024 ARRUELA 2 X 18 L77978 BUCHA 1 X 19 L102357 PORCA 3 X 20 L115292 PARAFUSO 5 X (CABINE) 19M8866 PARAFUSO 5 X (EPCC) 21 L116263 ARRUELA 1 X 22 24M7139 ARRUELA 2 X 23 19M7560 PARAFUSO SEXT. 2 X M6 X 16 24 L111179 MANOPLA 1 X (CABINE) L77805 MANOPLA 1 X (EPCC) 25 14M7272 PORCA 1 X M6 26 AL110543 SUPORTE 1 X 27 AL113247 APOIO 1 X 28 19M7160 PARAFUSO SEXT. 1 X M6 X 30 29 L102451 MOLA DE TRACAO 1 X 30 L111988 ARRUELA AR X TK 1.0MM L111987 ARRUELA AR X TK 1.5MM L77963 ARRUELA AR X TK 2.0MM 31 34M7172 PINO ELASTICO 1 X 32 14M7416 PORCA COM FLANGE 2 X M8 33 L111878 PORCA 4 X 34 L112469 CALCO 4 X 35 L115395 CAME 1 X 36 L116261 BUCHA 1 X 37 19M7865 PARAFUSO 2 X M8 X 16 38 L150446 INSERTO 1 X 39 L116840 MANOPLA 1 X 40 AL80994 ISOLADOR 1 X 41 AL157661 QUADRANTE 1 X 42 L111480 PORCA DE PRESSAO 1 X 43 L110964 ALAVANCA 1 X 44 DQ46828 PARAFUSO 1 X TRATOR 6125J (EDICAO SUL-AMERICANA) PC8539P (01-JUL-10) 94-13 PN=583
  • 586.
    94-14 CABOS ACESSORIOS EASSENTO RANGE SHIFTING COMMANDE DES GAMMES GRUPPENSCHALTUNG COMPONENTI CAMBIO GAMMA TRASMISSIONE ALAVANCA DE MUDANCA DE GRUPOS CAMBIO DE GRUPOS PUBM1381 -UN- ESTA RELACAO CONTINUA 94-14 TRATOR 6125J (EDICAO SUL-AMERICANA) PC8539P (01-JUL-10) PN=584
  • 587.
    94-15 CABOS ACESSORIOS EASSENTO 6 1 2 5 ITEM NR.PECA DESCRICAO QTDE NR. SERIE J NOTAS 1 L113018 INSERTO 1 X 2 19M7560 PARAFUSO SEXT. 1 X M6 X 16 3 24M7139 ARRUELA 1 X 4 L77805 MANOPLA 1 X 5 AL110859 HASTE DO CAMBIO 1 X 6 M78508 PARAFUSO 3 X M8 X 20 7 24M7024 ARRUELA 2 X 8 L112053 SUPORTE 1 X 9 L77963 ARRUELA 3 X TK 2.0MM 10 L101929 BUCHA 1 X 11 L77978 BUCHA 1 X 12 AL117583 QUADRANTE 1 X 13 14M7166 PORCA DE SEGURANCA 1 X M8 14 L79335 ARRUELA 2 X 15 14M7416 PORCA COM FLANGE 2 X M8 16 19M8403 PARAFUSO SEXT. 1 X M8 X 75 17 AL117582 QUADRANTE 1 X INCL KEY 11 18 AL110860 SUPORTE 1 X INCL KEY 11 19 L113994 PINO FIXADOR 1 X 20 L111988 ARRUELA AR X TK 1.0MM L111987 ARRUELA AR X TK 1.5MM L77963 ARRUELA AR X 21 L112469 CALCO 4 X 22 L113225 ARRUELA 1 X TK 6.0MM 23 DQ46828 PARAFUSO 1 X 24 19M7865 PARAFUSO 2 X M8 X 16 25 AL80994 ISOLADOR 1 X TRATOR 6125J (EDICAO SUL-AMERICANA) PC8539P (01-JUL-10) 94-15 PN=585
  • 588.
    94-16 CABOS ACESSORIOS EASSENTO MECHANICAL SPEED CONTROL CONTROLE DU REGIME MECANIQUE MECHANISCHE DREHZAHLREGULIERUNG COMANDO MECCANICO VELOCITA’ ACELERADOR MANUAL MANDO MECANICO DE VELOCIDAD PUBM1379 -UN- ESTA RELACAO CONTINUA 94-16 TRATOR 6125J (EDICAO SUL-AMERICANA) PC8539P (01-JUL-10) PN=586
  • 589.
    94-17 CABOS ACESSORIOS EASSENTO 6 1 2 5 ITEM NR.PECA DESCRICAO QTDE NR. SERIE J NOTAS 1 AL151282 ALAVANCA 1 X 2 AL119895 ALAVANCA 1 X ID 10MM 3 14M7265 PORCA DE SEGURANCA 1 X M5 4 12M7077 ARRUELA 1 X 5 55M7003 ROTULA 1 X 6 L110422 PLACA 1 X 7 L58671 ARRUELA 2 X 8 R50227 RETENTOR REDONDO 1 X 9 R31271 MOLA DE COMPRESSAO 1 X 10 24M7055 ARRUELA 1 X 11 19M7378 PARAFUSO SEXT. 1 X M8 X 45 12 14M7151 PORCA 2 X M8 13 L80051 FORQUILHA 1 X 14 14M7272 PORCA 2 X M6 15 L116576 BUCHA 1 X 16 DQ34208 CABO DE PUXAR E EMPURRAR 1 X 17 AL79050 PINO FIXADOR 1 X 18 L79076 ANEL DE PRESSAO 1 X 19 40M7040 ANEL DE PRESSAO 1 X 20 L113076 EMPUNHADURA 1 X 21 AL119851 ALAVANCA 1 X TRATOR 6125J (EDICAO SUL-AMERICANA) PC8539P (01-JUL-10) 94-17 PN=587
  • 590.
    94-18 CABOS ACESSORIOS EASSENTO SELECTIVE CONTROL VALVE, CONTROL LINKAGE DISTRIBUTEUR AUXILIAIRE, ELEMENTS DE COMMANDE ZUSATZSTEUERGERAET, BETAETIGUNGSTEILE DISTRIBUTORE, TIRANTE DI COMANDO ALAVANCAS DE CONTROLE DAS VCR VMD, ELEMENTOS DE MANDO PUBM1052 -UN- ESTA RELACAO CONTINUA 94-18 TRATOR 6125J (EDICAO SUL-AMERICANA) PC8539P (01-JUL-10) PN=588
  • 591.
    94-19 CABOS ACESSORIOS EASSENTO 6 1 2 5 ITEM NR.PECA DESCRICAO QTDE NR. SERIE J NOTAS 1 AL76483 SUPORTE 1 X 2 24M7262 ARRUELA 1 X 3 L110766 BUCHA 1 X 4 L32394 TAMPA 2 X 5 DQ69428 CABO DE PUXAR E EMPURRAR AR X 6 L101931 ESPACADOR AR X 7 24M7180 ARRUELA 1 X 8 14M7168 PORCA DE SEGURANCA 1 X M12 9 19M7139 PARAFUSO SEXT. 1 X M8 X 20 10 L171710 ANEL AR X 11 14M7273 PORCA AR X M8 12 L77747 MANOPLA AR X 13 L171481 INSERTO AR X 14 45M7080 PINO DE TRAVA AR X 15 L79076 ANEL DE PRESSAO AR X 16 14M7360 PORCA DE SEGURANCA 1 X M5 17 AL173417 QUADRANTE 1 X 18 14M7272 PORCA 1 X M6 19 L80052 FORQUILHA 1 X 20 CQ47666 PLUGUE AR X 21 CQ02164 PASSADOR AR X 22 L100560 PORCA DE TUBO 1 X 23 14M7396 PORCA DE SEGURANCA AR X M8 24 AL173418 QUADRANTE 1 X 25 AL173414 ALAVANCA 1 X 26 AL173415 ALAVANCA 1 X 27 AL173416 ALAVANCA 1 X (A) 28 L113527 PARAFUSO 1 X M5 X 45 29 L41858 CINTA 1 X 30 14M7416 PORCA COM FLANGE 3 X M8 31 L171711 ANEL 1 X 32 L171712 ANEL 1 X 33 24M7055 ARRUELA 1 X (A) WITH 3 SELECT. CONTROL VALVES AVEC 3 DISTRIB. AUXILIAIRES BEI 3 ZUSATZSTEUERGERAETEN CON 3 DISTRIBUTORI AUSILIARI COM 3 VCR CON 3 VALV. DE MANDO AUXIL. TRATOR 6125J (EDICAO SUL-AMERICANA) PC8539P (01-JUL-10) 94-19 PN=589
  • 592.
    94-20 CABOS ACESSORIOS EASSENTO CONSOLE FOR SHIFTABLE REAR PTO CONSOLE POUR PRISE DE FORCE A SELECTEUR DE REGIME ET REDUCTEUR GAMME RAMPANTE KONSOLE FUER UMSCHALTBARE HECKZAPFWELLE CONSOLE PER PTO POSTERIORE CON CAMBIO SUPORTE DAS ALAVANCAS DA PTO CONSOLA PARA TDF TRASERA DE CAMBIO MANUAL PUBM1053 -UN- 6 1 2 5 ITEM NR.PECA DESCRICAO QTDE NR. SERIE J NOTAS 1 AL163851 APOIO 1 X 2 DQ46008 APOIO 1 X 3 14M7416 PORCA COM FLANGE AR X 94-20 TRATOR 6125J (EDICAO SUL-AMERICANA) PC8539P (01-JUL-10) PN=590
  • 593.
    94-21 CABOS ACESSORIOS EASSENTO UPHOLSTERY PARTS WITHOUT ROCKSHAFT CONTROL ELEMENTS D’HABILLAGE SANS COMMANDE DU RELEVAGE VERKLEIDUNGSTEILE OHNE KRAFTHEBERBETAETIGUNG RIVESTIMENTO SENZA COMANDO DEL SOLLEVATORE APOIA BRACO SEM CONTROLE DO LEVANTE HIDRAULICO PANELES SIN MANDO DEL ELEVADOR HIDRAULICO PUBM1487 -UN- 6 1 2 5 ITEM NR.PECA DESCRICAO QTDE NR. SERIE J NOTAS 1 AL156882 PAINEL DE CONTROLE 1 X (CABINE) AL156898 PAINEL DE CONTROLE 1 X (EPCC) 2 L115292 PARAFUSO 12 X M5 X 18, (CABINE) 19M8866 PARAFUSO 8 X M5 X 16, (EPCC) 3 L111965 LIMITADOR AR X 4 L114509 PLUGUE 2 X (CABINE) R106551 CAPA 1 X (EPCC) 5 L153594 PAINEL 1 X (CABINE) L113823 PAINEL 1 X (EPCC) 6 L157990 CAPA 1 X 7 AL115814 PORCA 7 X 8 L151020 PARAFUSO 1 X (CABINE) 9 AL163958 CHICOTE AR X 10 14M7165 PORCA DE SEGURANCA 4 X (CABINE) 11 L156536 PAINEL 1 X (CABINE) L80085 PAINEL 1 X (EPCC) 12 L156260 ARMAZEM 1 X (CABINE) TRATOR 6125J (EDICAO SUL-AMERICANA) PC8539P (01-JUL-10) 94-21 PN=591
  • 594.
    94-22 CABOS ACESSORIOS EASSENTO ROCKSHAFT CONTROL, LOCKING LEVER FOR SCV COMMANDE DU RELEVAGE, BUTEES DES DISTRIBUTEURS AUXILIAIRES KRAFTHEBERBETAETIGUNG, ARRETIERUNGSHEBEL FUER ZUSATZSTEUERGERAET COMANDO SOLLEVATORE, ARRESTO PER DISTRIBUTORI SUPORTE DO CONTROLE DO LEVANTE HIDRAULICO MANDO DEL ELEVADOR HIDRAULICO, PALANCAS DE RETENCION P. VMD PUBM1488 -UN- ESTA RELACAO CONTINUA 94-22 TRATOR 6125J (EDICAO SUL-AMERICANA) PC8539P (01-JUL-10) PN=592
  • 595.
    94-23 CABOS ACESSORIOS EASSENTO 6 1 2 5 ITEM NR.PECA DESCRICAO QTDE NR. SERIE J NOTAS 1 AL156882 PAINEL DE CONTROLE 1 X (CABINE) AL156898 PAINEL DE CONTROLE 1 X (EPCC) 2 L111965 LIMITADOR AR X 3 L102110 PORCA 1 X 4 AL110119 POTENCIOMETRO 1 X 5 L114509 PLUGUE 3 X 6 AL115814 PORCA 8 X 7 AL82770 MANOPLA 1 X 8 L102678 PORCA 1 X 9 RE255240 MODULO 1 X 10 RE255150 INTERRUPTOR 1 X 11 L115241 PROTECAO 1 X 12 37M7179 PARAFUSO 1 X 13 RE49639 MANOPLA 2 X 14 37M7382 PARAFUSO 1 X 15 L115371 PAINEL 1 X (CABINE) L115370 PAINEL 1 X (EPCC) 16 L115292 PARAFUSO 8 X (CABINE) 19M8866 PARAFUSO 8 X M5 X 16, (EPCC) TRATOR 6125J (EDICAO SUL-AMERICANA) PC8539P (01-JUL-10) 94-23 PN=593
  • 596.
    94-24 CABOS ACESSORIOS EASSENTO ROCKSHAFT CONTROL COMMANDE DU RELEVAGE KRAFTHEBERBETAETIGUNG COMANDO SOLLEVATORE CONTROLE DO LEVANTE HIDRAULICO MANDO DEL ELEVADOR HIDRAULICO PUBM1203 -UN- ESTA RELACAO CONTINUA 94-24 TRATOR 6125J (EDICAO SUL-AMERICANA) PC8539P (01-JUL-10) PN=594
  • 597.
    94-25 CABOS ACESSORIOS EASSENTO 6 1 2 5 ITEM NR.PECA DESCRICAO QTDE NR. SERIE J NOTAS 1 R213346 CARCACA 1 X (ORD W/ R166612) 2 37M7376 PARAFUSO 2 X 3 37M7179 PARAFUSO 1 X 4 34H234 PINO ELASTICO 1 X 5 R112551 MOLA 1 X 6 R212934 RODA 1 X 7 R213206 MOLA DE COMPRESSAO 1 X 8 R212936 RODA 1 X 9 40M7126 ANEL DE PRESSAO 1 X 10 R213644 ARRUELA 1 X 11 L170010 CARCACA 1 X 12 R118453 PRESILHA 1 X 13 RE58029 MANOPLA 1 X 14 R117463 CAPA 1 X 15 R212937 MANOPLA 1 X 16 R112553 MOLA DE TORCAO 1 X 17 L171701 ARRUELA 1 X .. AL173730 CONTROLE 1 X TRATOR 6125J (EDICAO SUL-AMERICANA) PC8539P (01-JUL-10) 94-25 PN=595
  • 598.
    94-26 CABOS ACESSORIOS EASSENTO PTO, SWITCHES PRISES DE FORCE, CONTACTEURS HECKZAPFWELLE, SCHALTER PTO, INTERUTTORI INTERRUPTOR DA TDP INTERRUPTOR TDF CQ155735 -UN- ESTA RELACAO CONTINUA 94-26 TRATOR 6125J (EDICAO SUL-AMERICANA) PC8539P (01-JUL-10) PN=596
  • 599.
    94-27 CABOS ACESSORIOS EASSENTO 6 1 2 5 ITEM NR.PECA DESCRICAO QTDE NR. SERIE J NOTAS 1 RE169008 INTERRUPTOR AR X 2 L158822 PORCA 1 X 3 L158963 ARRUELA 1 X 4 R44313 MOLA DE COMPRESSAO 1 X 5 R117611 MANOPLA 1 X 6 24M7265 ARRUELA 1 X 7 R72653 ANEL DE PRESSAO 1 X 8 R108073 TAMPA 1 X TRATOR 6125J (EDICAO SUL-AMERICANA) PC8539P (01-JUL-10) 94-27 PN=597
  • 600.
    94-28 CABOS ACESSORIOS EASSENTO MEMORANDA MEMORANDA MEMORANDA MEMORANDA MEMORANDA MEMORANDA 94-28 TRATOR 6125J (EDICAO SUL-AMERICANA) PC8539P (01-JUL-10) PN=598
  • 601.
    94-29 CABOS ACESSORIOS EASSENTO SEATS (OPEN OPERATOR STATION) FAUTEUILS (PLATE-FORME DE CONDUITE) SITZE (OFFENE FAHRERPLATTFORM) SEDILI (POSTAZIONE OPERATORE APERTA) ASSENTOS (EPCC) ASIENTOS (ESTACION DEL OPERADOR ABIERTA) CQ156179 -UN- 6 1 2 5 ITEM NR.PECA DESCRICAO QTDE NR. SERIE J NOTAS 1 DQ63806 ASSENTO 1 X 2 CQ57432 SUPORTE 1 X 3 19M7268 PARAFUSO SEXT. 4 X M12 X 25 4 24M7026 ARRUELA 4 X 5 12M7067 ARRUELA DE PRESSAO 4 X 12 MM 6 14M7031 PORCA 4 X M12 TRATOR 6125J (EDICAO SUL-AMERICANA) PC8539P (01-JUL-10) 94-29 PN=599
  • 602.
    94-30 CABOS ACESSORIOS EASSENTO SEATS (OPEN OPERATOR STATION) FAUTEUILS (PLATE-FORME DE CONDUITE) SITZE (OFFENE FAHRERPLATTFORM) SEDILI (POSTAZIONE OPERATORE APERTA) ASSENTOS (EPCC) ASIENTOS (ESTACION DEL OPERADOR ABIERTA) CQ300505 -UN- ESTA RELACAO CONTINUA 94-30 TRATOR 6125J (EDICAO SUL-AMERICANA) PC8539P (01-JUL-10) PN=600
  • 603.
    94-31 CABOS ACESSORIOS EASSENTO 6 1 2 5 ITEM NR.PECA DESCRICAO QTDE NR. SERIE J NOTAS 1 DQ58193 KIT 1 X 2 DQ58191 KIT 1 X 3 DQ58192 KIT 1 X 4 DQ58189 KIT 1 X 5 DQ58190 KIT 1 X 6 DQ58194 CINTO DE SEGURANCA 1 X TRATOR 6125J (EDICAO SUL-AMERICANA) PC8539P (01-JUL-10) 94-31 PN=601
  • 604.
    94-32 CABOS ACESSORIOS EASSENTO SEATS (OPEN OPERATOR STATION) FAUTEUILS (PLATE-FORME DE CONDUITE) SITZE (OFFENE FAHREPLATTFORM) SEDILI (POSTAZIONE OPERATORE APERTA) ASSENTOS (EPCC) ASIENTOS (ESTACION DEL OPERADOR ABIERTA) CQ300506 -UN- ESTA RELACAO CONTINUA 94-32 TRATOR 6125J (EDICAO SUL-AMERICANA) PC8539P (01-JUL-10) PN=602
  • 605.
    94-33 CABOS ACESSORIOS EASSENTO 6 1 2 5 ITEM NR.PECA DESCRICAO QTDE NR. SERIE J NOTAS 1 DQ65990 PROTECAO 1 X 2 CQ58205 SLIDE 1 X 3 DQ65991 ESTRUTURA 1 X 4 DQ58199 AMORTECEDOR 1 X 5 DQ42160 REGULADOR 1 X 6 DQ42174 MOLA 1 X 7 DQ42161 KIT SUSPENSAO DO ASSENTO 1 X 8 DQ64363 KIT DE PECAS 1 X 9 DQ42163 ALAVANCA 1 X 10 DQ64362 SUPORTE 1 X 11 DQ42175 KIT DE PECAS 1 X 12 CQ58204 BASE 1 X TRATOR 6125J (EDICAO SUL-AMERICANA) PC8539P (01-JUL-10) 94-33 PN=603
  • 606.
    94-34 CABOS ACESSORIOS EASSENTO SEATS (CAB) FAUTEUILS (CABINE) SITZE (KABINE) SEDILI (CABINA) ASSENTOS (CABINE) ASIENTOS (CABINA) CQ155736 -UN- 6 1 2 5 ITEM NR.PECA DESCRICAO QTDE NR. SERIE J NOTAS 1 DQ56939 ASSENTO 1 X 2 CQ57475 APOIO 1 X LH CQ57433 APOIO 1 X RH 3 19M7139 PARAFUSO SEXT. 4 X M8 X 20 4 24M7026 ARRUELA 4 X 5 14M7029 PORCA 4 X M8 94-34 TRATOR 6125J (EDICAO SUL-AMERICANA) PC8539P (01-JUL-10) PN=604
  • 607.
    94-35 CABOS ACESSORIOS EASSENTO MEMORANDA MEMORANDA MEMORANDA MEMORANDA MEMORANDA MEMORANDA TRATOR 6125J (EDICAO SUL-AMERICANA) PC8539P (01-JUL-10) 94-35 PN=605
  • 608.
    94-36 CABOS ACESSORIOS EASSENTO REPAIR KITS FOR COMFORT SEATS (CAB) JEUX DE REPARATION POUR FAUTEUILS CONFORT (CABINE) REPARATURSAETZE FUER KOMFORT-SITZ (KABINE) KIT RIPARAZIONE SEDILI COMFORT (CABINA) KITS PARA ASSENTO CONFORT (CABINE) CONJUNTOS DE REPARACION P. ASIENTO CONFORT (CABINA) CQ300485 -UN- ESTA RELACAO CONTINUA 94-36 TRATOR 6125J (EDICAO SUL-AMERICANA) PC8539P (01-JUL-10) PN=606
  • 609.
    94-37 CABOS ACESSORIOS EASSENTO 6 1 2 5 ITEM NR.PECA DESCRICAO QTDE NR. SERIE J NOTAS 1 DQ62628 KIT P/ ASSENTO 1 X 2 DQ62620 KIT DO APOIO PARA BRACO 1 X RH DQ62621 KIT DO APOIO PARA BRACO 1 X LH 3 DQ62631 KIT P/ ASSENTO 1 X 4 CQ62633 SUPORTE 1 X 5 DQ62616 KIT P/ ASSENTO 1 X 6 DQ62615 KIT P/ ASSENTO 1 X 7 DQ66167 KIT P/ ASSENTO 1 X 8 DQ62623 KIT P/ ASSENTO 1 X 9 DQ62617 KIT P/ ASSENTO 1 X 10 DQ62618 KIT P/ ASSENTO 1 X TRATOR 6125J (EDICAO SUL-AMERICANA) PC8539P (01-JUL-10) 94-37 PN=607
  • 610.
    94-38 CABOS ACESSORIOS EASSENTO REPAIR KITS FOR COMFORT SEATS (CAB) JEUX DE REPARATION POUR FAUTEUILS CONFORT (CABINE) REPARATURSAETZE FUER KOMFORT-SITZ (KABINE) KIT RIPARAZIONE SEDILI COMFORT (CABINA) KITS PARA ASSENTO CONFORT (CABINE) CONJUNTOS DE REPARACION P. ASIENTO CONFORT (CABINA) CQ300486 -UN- ESTA RELACAO CONTINUA 94-38 TRATOR 6125J (EDICAO SUL-AMERICANA) PC8539P (01-JUL-10) PN=608
  • 611.
    94-39 CABOS ACESSORIOS EASSENTO 6 1 2 5 ITEM NR.PECA DESCRICAO QTDE NR. SERIE J NOTAS 1 DQ62622 KIT ALAVANCA CONTROLE DO AS 1 X 2 DQ62619 KIT P/ ASSENTO 1 X 3 DQ62629 KIT P/ ASSENTO 1 X 4 DQ62630 BASE 1 X 5 DQ62625 KIT P/ ASSENTO 1 X 6 DQ50652 KIT P/ ASSENTO 1 X 7 DQ62624 KIT P/ ASSENTO 1 X 8 DQ50655 KIT P/ ASSENTO 1 X 9 DQ62632 BASE 1 X 10 DQ62626 KIT P/ ASSENTO 1 X 11 DQ62627 KIT TRILHOS DO ASSENTO 1 X TRATOR 6125J (EDICAO SUL-AMERICANA) PC8539P (01-JUL-10) 94-39 PN=609
  • 612.
    94-40 CABOS ACESSORIOS EASSENTO MEMORANDA MEMORANDA MEMORANDA MEMORANDA MEMORANDA MEMORANDA 94-40 TRATOR 6125J (EDICAO SUL-AMERICANA) PC8539P (01-JUL-10) PN=610
  • 613.
    180-1 TRATOR 6125J (EDICAOSUL-AMERICANA) INDICE NUMERICO NR.PECA ITEM PAGINA NR.PECA ITEM PAGINA NR.PECA ITEM PAGINA AE44929 12 40-73 AL115334 3 60-11 AL152732 12 92-39 AH77724 2 60-21 AL115334 3 60-13 AL152733 12 92-39 AH78125 9 30-31 AL115814 11 93-17 AL153356 20 60-11 AH89557 3 40-51 AL115814 16 93-19 AL153356 19 60-13 AH89557 4 40-52 AL115814 7 94-21 AL153388 1 70-27 AH89557 3 40-53 AL115814 6 94-23 AL153389 1 70-25 AH89557 4 40-54 AL115948 3 58-13 AL153660 10 93-23 AJ58437 1 70-63 AL116176 6 40-16 AL153662 9 93-23 AL110119 4 94-23 AL116245 17 52-19 AL153791 7 60-11 AL110238 3 93-47 AL116245 9 56-11 AL153791 7 60-13 AL110258 1 60-6 AL116265 11 40-19 AL153802 1 93-41 AL110276 17 60-21 AL116423 4 30-9 AL153803 1 93-41 AL110299 27 93-33 AL117179 5 94-9 AL153850 19 60-11 AL110300 7 93-37 AL117517 5 94-9 AL153850 16 60-13 AL110340 23 70-39 AL117519 13 92-43 AL153972 3 30-35 AL110365 8 93-39 AL117519 24 92-45 AL154092 1 70-31 AL110487 1 80-23 AL117582 17 94-15 AL154247 3 93-27 AL110543 28 94-9 AL117583 12 94-15 AL154249 12 93-5 AL110543 26 94-13 AL117586 13 94-9 AL154392 13 93-47 AL110566 6 40-19 AL117587 13 94-13 AL154427 6 40-9 AL110593 1 70-5 AL117641 1 92-9 AL154541 7 30-5 AL110613 .. 52-17 AL117697 3 93-19 AL154553 1 40-12 AL110722 3 94-13 AL117720 1 70-13 AL154573 6 80-3 AL110764 4 80-13 AL117845 15 94-13 AL154932 4 92-49 AL110859 5 94-15 AL117892 5 58-3 AL154960 11 60-5 AL110860 18 94-9 AL117951 6 40-43 AL155008 20 70-43 AL110860 5 94-13 AL117977 3 70-64 AL155008 4 70-54 AL110860 18 94-15 AL118382 3 60-9 AL155058 9 70-31 AL110868 14 94-9 AL118383 5 70-45 AL155227 4 60-3 AL110868 1 94-13 AL118383 5 70-47 AL155228 4 60-3 AL110881 11 93-33 AL118383 11 70-57 AL155310 20 54-21 AL110894 2 93-8 AL118565 2 30-9 AL155310 5 94-5 AL111096 9 80-25 AL118565 9 93-43 AL155417 4 40-4 AL111449 3 20-52 AL118814 1 56-17 AL155612 9 93-5 AL111451 1 20-52 AL119445 4 94-13 AL155749 14 92-9 AL111469 5 93-37 AL119446 14 94-13 AL156090 2 20-48 AL111717 1 92-37 AL119851 21 94-17 AL156199 4 60-17 AL111759 16 70-33 AL119895 2 94-17 AL156263 1 30-11 AL112163 6 60-17 AL14540 4 70-18 AL156335 1 70-41 AL112193 10 70-43 AL150015 16 40-19 AL156503 16 56-31 AL112289 .. 94-9 AL150169 1 30-33 AL156506 14 56-31 AL112560 7 56-21 AL150179 9 56-25 AL156625 1 52-7 AL112606 3 94-13 AL150286 9 30-11 AL156625 6 54-26 AL112819 1 60-7 AL150287 5 30-11 AL156633 20 60-13 AL112933 3 30-33 AL150288 7 30-11 AL156683 7 60-23 AL112953 9 70-63 AL150289 4 30-11 AL156684 8 60-23 AL113086 11 30-25 AL150529 11 60-9 AL156714 .. 56-9 AL113174 19 92-41 AL150667 22 94-9 AL156781 1 93-28 AL113247 25 94-9 AL150732 6 70-25 AL156854 1 93-6 AL113247 27 94-13 AL150732 6 70-27 AL156862 5 56-1 AL113279 6 56-7 AL150750 20 58-7 AL156863 5 56-2 AL113358 18 56-9 AL150755 21 60-5 AL156882 1 94-21 AL113714 2 56-5 AL150844 12 94-9 AL156882 1 94-23 AL114210 8 56-12 AL150844 13 94-13 AL156898 1 94-21 AL114276 8 93-21 AL150845 19 94-9 AL156898 1 94-23 AL114392 5 70-41 AL150845 15 94-13 AL156954 36 80-5 AL114404 4 70-43 AL150919 .. 52-17 AL157095 2 94-3 AL114417 8 30-35 AL150921 .. 52-17 AL157374 10 80-17 AL114526 11 56-17 AL150924 2 40-50 AL157407 16 80-5 AL114548 14 58-7 AL151191 10 70-39 AL157541 10 40-9 AL114597 15 70-15 AL151282 1 94-17 AL157571 10 60-9 AL114812 6 70-43 AL151611 1 93-11 AL157571 8 60-11 AL114896 5 40-16 AL151612 1 93-11 AL157571 8 60-13 AL114942 8 56-15 AL152098 2 40-43 AL157575 30 80-5 AL114955 9 40-19 AL152098 4 40-44 AL157593 3 20-48 AL115105 5 70-27 AL152152 6 93-37 AL157626 1 40-35 AL115334 7 60-9 AL152449 7 93-33 AL157627 1 40-25 TRATOR 6125J (EDICAO SUL-AMERICANA) PC8539P (01-JUL-10) 180-1 PN=611
  • 614.
    180-2 TRATOR 6125J (EDICAOSUL-AMERICANA) INDICE NUMERICO – CONTIN. NR.PECA ITEM PAGINA NR.PECA ITEM PAGINA NR.PECA ITEM PAGINA AL157635 30 70-39 AL162698 21 30-15 AL166744 1 52-4 AL157661 41 94-13 AL162701 7 80-3 AL166745 8 70-63 AL157672 14 94-13 AL162703 9 80-3 AL166903 4 58-1 AL157707 1 92-49 AL162705 1 80-3 AL166903 6 58-2 AL157732 26 52-17 AL162727 12 80-3 AL166904 5 58-1 AL157733 13 56-5 AL162728 13 80-3 AL166904 7 58-2 AL157743 22 60-5 AL162732 28 80-3 AL166905 2 52-13 AL157747 1 56-31 AL162751 1 52-13 AL166905 1 56-15 AL157748 1 56-31 AL162756 2 52-15 AL167008 3 58-1 AL157760 9 70-43 AL162768 1 40-41 AL167009 1 58-2 AL157806 4 93-43 AL162776 1 40-50 AL168231 6 93-44 AL157837 1 94-2 AL163081 8 52-11 AL168325 1 92-21 AL157838 18 93-47 AL163194 29 80-3 AL168325 7 93-31 AL157856 8 60-5 AL163210 38 92-37 AL168326 1 92-21 AL157856 13 60-5 AL163211 4 92-37 AL168326 7 93-31 AL157856 23 60-5 AL163297 6 92-39 AL168815 5 30-17 AL157883 13 93-5 AL163565 2 60-11 AL168858 6 70-29 AL157977 12 70-39 AL163565 2 60-13 AL169481 4 70-8 AL158041 15 56-12 AL163619 1 58-3 AL169899 6 93-8 AL158140 5 40-19 AL163619 13 58-3 AL169907 16 60-11 AL158152 14 80-3 AL163687 1 30-32 AL169907 18 60-13 AL158160 1 60-5 AL163809 1 92-13 AL170216 3 70-25 AL158294 1 40-35 AL163841 3 94-3 AL170291 1 52-2 AL158332 16 58-15 AL163851 1 94-20 AL170291 1 54-2 AL158422 3 70-35 AL163858 15 93-33 AL170293 1 60-15 AL158423 4 70-35 AL163905 15 70-13 AL170294 2 60-15 AL158537 14 93-43 AL163906 15 70-13 AL170455 5 60-15 AL158538 15 93-43 AL163958 9 94-21 AL170691 25 54-5 AL158756 24 60-5 AL164008 27 60-17 AL171119 1 70-47 AL158828 7 58-1 AL164009 28 60-17 AL171534 1 93-3 AL158828 3 58-2 AL164010 17 60-17 AL171742 4 93-33 AL158922 13 56-31 AL164011 16 60-17 AL171782 7 30-19 AL158926 5 93-43 AL164012 5 92-49 AL171782 7 30-21 AL159011 10 70-29 AL164013 5 92-49 AL171954 5 60-24 AL159181 5 40-9 AL164070 1 40-21 AL172261 8 70-29 AL159216 22 56-21 AL164106 4 56-26 AL172331 47 93-33 AL159267 4 94-3 AL164115 4 56-26 AL172525 3 52-3 AL159445 11 40-9 AL164267 9 92-45 AL172525 3 54-3 AL159472 4 56-25 AL164281 2 40-21 AL172532 3 40-5 AL159691 4 30-37 AL164323 13 56-9 AL172570 6 56-22 AL159801 1 40-34 AL164480 2 92-31 AL172680 2 80-1 AL159914 2 92-6 AL164560 18 70-29 AL172766 10 30-13 AL159971 14 70-17 AL164561 19 70-29 AL172780 6 30-11 AL159973 11 70-17 AL164597 14 60-21 AL172782 1 60-5 AL160142 11 92-31 AL164598 13 60-21 AL172782 23 60-5 AL160366 5 58-8 AL164627 1 40-23 AL172871 1 93-31 AL160369 4 40-39 AL164643 36 80-3 AL173228 5 52-3 AL160645 20 93-33 AL164643 15 80-5 AL173397 31 92-37 AL160761 13 70-54 AL164648 6 70-6 AL173414 25 94-19 AL160772 1 70-54 AL164690 1 56-5 AL173415 26 94-19 AL160773 11 70-54 AL164700 4 70-6 AL173416 27 94-19 AL160825 1 70-57 AL164808 2 92-31 AL173417 17 94-19 AL160962 32 52-17 AL164837 1 30-17 AL173418 24 94-19 AL161025 6 30-25 AL164922 1 93-3 AL173630 6 92-37 AL161043 1 70-35 AL164927 4 30-21 AL173730 .. 94-25 AL161113 1 40-49 AL164928 5 30-21 AL173750 33 93-33 AL161174 5 93-47 AL164932 5 30-19 AL173829 5 30-37 AL161175 2 93-47 AL164933 4 30-19 AL174453 18 80-5 AL161388 9 70-64 AL164954 1 40-38 AL174454 20 80-5 AL161462 11 58-13 AL165144 5 70-43 AL174537 4 93-43 AL161463 11 58-13 AL165199 2 70-5 AL175138 25 56-21 AL161500 1 93-47 AL165520 1 93-6 AL175708 12 40-55 AL161566 1 30-25 AL166180 6 70-63 AL176143 1 40-10 AL161566 3 40-33 AL166645 4 40-5 AL176428 4 30-35 AL162467 1 93-44 AL166649 5 56-11 AL176430 1 92-19 AL162696 15 30-13 AL166651 3 52-19 AL176431 1 92-19 AL162696 4 30-17 AL166743 25 54-19 AL176473 10 70-17 180-2 TRATOR 6125J (EDICAO SUL-AMERICANA) PC8539P (01-JUL-10) PN=612
  • 615.
    180-3 TRATOR 6125J (EDICAOSUL-AMERICANA) INDICE NUMERICO – CONTIN. NR.PECA ITEM PAGINA NR.PECA ITEM PAGINA NR.PECA ITEM PAGINA AL176767 5 70-4 AL32027 10 70-13 AL80395 20 70-29 AL177068 7 40-55 AL32693 1 70-7 AL80651 1 92-23 AL177184 1 93-37 AL32877 25 80-33 AL80708 2 70-5 AL177795 1 40-55 AL32877 9 80-35 AL80939 22 56-15 AL177823 7 30-37 AL35179 2 93-5 AL80939 6 58-5 AL178071 2 52-11 AL35642 9 93-21 AL80939 16 58-7 AL178071 20 54-25 AL36529 16 93-5 AL80939 12 58-13 AL178191 3 56-7 AL37489 12 30-15 AL80941 6 56-21 AL178554 6 93-19 AL37489 5 60-9 AL80994 35 94-9 AL178813 1 40-54 AL37489 5 60-11 AL80994 40 94-13 AL178887 1 40-33 AL37489 5 60-13 AL80994 25 94-15 AL178891 1 40-52 AL37489 10 70-33 AL81320 6 56-25 AL179236 27 56-15 AL37489 13 70-43 AL81331 7 52-19 AL179243 24 93-33 AL38020 14 80-33 AL81358 7 52-11 AL179341 1 92-35 AL39876 1 80-17 AL81358 10 54-25 AL179429 1 56-19 AL59879 39 93-33 AL81449 4 56-11 AL179829 3 92-45 AL64588 5 70-21 AL81718 3 40-44 AL179830 3 92-45 AL64588 20 70-39 AL81949 1 30-5 AL179831 4 92-45 AL64588 48 93-33 AL82025 4 56-28 AL179832 4 92-45 AL67199 15 70-17 AL82025 8 56-29 AL180296 1 40-30 AL69320 5 80-47 AL82025 16 70-39 AL180297 1 40-29 AL69331 5 80-47 AL82121 14 40-33 AL180301 7 92-10 AL69712 15 56-31 AL82257 1 30-35 AL180457 4 52-3 AL76005 1 58-7 AL82582 13 58-3 AL180457 4 54-3 AL76067 2 92-23 AL82770 7 94-23 AL181065 12 30-35 AL76125 1 58-5 AL82960 2 70-53 AL181805 12 70-29 AL76421 1 56-22 AP32913 15 60-19 AL181849 1 40-47 AL76434 .. 58-15 AP37887 1 60-17 AL181918 2 60-24 AL76483 1 94-19 AP37887 1 60-19 AL182098 8 56-31 AL76568 14 93-5 AR103873 29 52-9 AL200020 22 70-29 AL76568 36 93-33 AR103873 3 54-19 AL200971 17 80-37 AL76638 3 70-5 AR103873 14 54-23 AL201018 1 93-17 AL76658 14 70-33 AR21837 5 30-15 AL201725 26 30-15 AL76702 1 40-43 AR65507 2 20-33 AL201726 10 30-15 AL76702 5 40-44 AS04904 3 40-12 AL201803 3 40-16 AL77028 10 70-61 AT107509 24 56-15 AL201843 1 70-10 AL77322 3 56-27 AT130104 3 40-12 AL201844 4 70-16 AL77324 4 40-43 AT13740 5 20-29 AL201863 2 70-16 AL77324 2 40-44 AT186760 1 93-26 AL201892 1 70-15 AL77434 3 56-5 AT186760 1 93-27 AL201897 2 70-15 AL77680 2 70-61 AT18904 2 20-17 AL201898 1 70-16 AL77711 1 93-21 AT18904 8 20-43 AL201899 13 70-9 AL78276 1 92-45 AT85174 1 20-47 AL201900 7 70-9 AL78277 1 92-45 AZ33725 7 80-9 AL202769 1 80-5 AL78377 3 92-43 AZ47904 7 40-15 AL202906 2 92-41 AL78652 5 70-33 A31870 28 80-33 AL202908 2 92-41 AL78652 15 70-43 A364R 20 20-27 AL203061 12 70-54 AL78835 8 56-21 A4379R 4 80-15 AL203265 4 40-11 AL78835 7 58-7 A4883R 15 80-15 AL203444 9 80-5 AL79010 7 56-19 B2762R 14 60-17 AL203461 8 93-8 AL79013 4 93-21 CC40740 5 80-46 AL203634 12 80-5 AL79029 8 93-17 CD14689 8 20-22 AL203635 13 80-5 AL79029 8 93-19 CD16284 14 20-39 AL203642 1 80-40 AL79037 7 70-29 CQ02164 21 94-19 AL203689 9 30-15 AL79050 6 94-5 CQ03768 2 80-42 AL203755 17 40-55 AL79050 6 94-7 CQ04738 34 80-3 AL203843 10 80-5 AL79050 1 94-11 CQ07569 3 70-9 AL204716 2 30-37 AL79050 17 94-17 CQ07843 1 80-10 AL204800 9 30-37 AL79072 15 56-9 CQ07843 8 80-13 AL204824 2 80-3 AL79540 6 60-9 CQ07843 18 80-15 AL204825 15 80-3 AL79750 18 56-15 CQ07844 2 80-10 AL204911 1 40-51 AL79794 12 80-27 CQ07844 9 80-13 AL204913 1 40-53 AL80099 16 54-25 CQ07844 1 80-17 AL205515 1 40-42 AL80099 15 70-25 CQ08038 6 30-31 AL206572 2 30-25 AL80099 15 70-27 CQ16408 4 80-19 AL206587 10 30-25 AL80154 6 60-21 CQ25602 4 56-32 AL31983 2 70-7 AL80154 20 60-21 CQ25614 1 80-17 TRATOR 6125J (EDICAO SUL-AMERICANA) PC8539P (01-JUL-10) 180-3 PN=613
  • 616.
    180-4 TRATOR 6125J (EDICAOSUL-AMERICANA) INDICE NUMERICO – CONTIN. NR.PECA ITEM PAGINA NR.PECA ITEM PAGINA NR.PECA ITEM PAGINA CQ25620 18 80-15 CQ27271 23 80-37 CQ32109 6 80-15 CQ25621 1 80-17 CQ27272 23 80-37 CQ33591 3 70-63 CQ25768 8 70-9 CQ27273 23 80-37 CQ33856 7 80-15 CQ25923 10 40-12 CQ27274 23 80-37 CQ33966 16 80-39 CQ25923 4 40-36 CQ27275 23 80-37 CQ33967 16 80-39 CQ25992 8 80-9 CQ27276 23 80-37 CQ34080 10 80-15 CQ26016 6 70-9 CQ27277 23 80-37 CQ34081 10 80-15 CQ26127 8 80-9 CQ27278 23 80-37 CQ34351 12 30-25 CQ26128 7 80-9 CQ27279 23 80-37 CQ34452 8 80-9 CQ26159 18 80-15 CQ27280 23 80-37 CQ34452 8 80-13 CQ26402 4 80-18 CQ27281 23 80-37 CQ34453 7 80-9 CQ26402 2 80-19 CQ27282 23 80-37 CQ34453 9 80-13 CQ26402 6 80-20 CQ27283 23 80-37 CQ34905 11 92-5 CQ26740 18 80-15 CQ27284 23 80-37 CQ37642 8 80-9 CQ27128 5 80-20 CQ27285 23 80-37 CQ38349 .. 30-15 CQ27171 9 92-5 CQ27286 23 80-37 CQ38916 9 30-26 CQ27184 6 80-18 CQ27287 23 80-37 CQ40864 18 80-15 CQ27195 10 80-25 CQ27288 23 80-37 CQ41340 8 80-13 CQ27196 10 80-25 CQ27289 23 80-37 CQ41341 8 80-9 CQ27197 10 80-25 CQ27290 23 80-37 CQ42092 10 40-19 CQ27198 10 80-25 CQ27291 23 80-37 CQ42968 19 70-15 CQ27199 10 80-25 CQ27292 23 80-37 CQ43005 2 80-22 CQ27200 10 80-25 CQ27293 23 80-37 CQ43006 5 80-22 CQ27201 10 80-25 CQ27294 23 80-37 CQ43598 5 30-9 CQ27202 10 80-25 CQ27295 23 80-37 CQ45134 6 80-25 CQ27203 10 80-25 CQ27296 23 80-37 CQ45134 31 80-33 CQ27204 10 80-25 CQ27298 11 80-29 CQ45134 7 80-35 CQ27205 10 80-25 CQ27301 18 80-37 CQ47036 9 30-22 CQ27206 10 80-25 CQ27302 7 80-37 CQ47188 8 80-9 CQ27207 10 80-25 CQ27305 5 80-37 CQ47666 1 80-42 CQ27208 10 80-25 CQ27307 13 80-31 CQ47666 20 94-19 CQ27209 10 80-25 CQ27308 14 80-31 CQ48046 2 40-4 CQ27210 10 80-25 CQ27730 16 80-33 CQ48506 1 40-3 CQ27211 10 80-25 CQ27851 10 80-39 CQ49005 28 70-29 CQ27212 10 80-25 CQ27989 15 80-29 CQ49408 22 80-37 CQ27213 10 80-25 CQ27990 5 80-25 CQ50357 4 80-10 CQ27214 10 80-25 CQ28088 8 80-13 CQ50357 6 80-13 CQ27215 10 80-25 CQ28088 18 80-15 CQ50408 2 80-25 CQ27216 10 80-25 CQ28556 27 30-15 CQ50410 3 80-25 CQ27217 10 80-25 CQ28556 13 40-23 CQ50411 18 80-29 CQ27218 10 80-25 CQ28556 2 80-42 CQ50412 3 80-29 CQ27219 10 80-25 CQ29143 1 30-31 CQ50413 19 80-29 CQ27220 10 80-25 CQ29167 8 30-31 CQ50662 7 80-13 CQ27221 10 80-25 CQ29344 1 80-33 CQ51579 8 30-37 CQ27222 10 80-25 CQ29345 1 80-25 CQ51921 1 30-6 CQ27223 10 80-25 CQ29345 8 80-33 CQ51923 9 40-12 CQ27224 10 80-25 CQ29345 6 80-35 CQ52174 6 30-9 CQ27225 10 80-25 CQ29406 8 80-37 CQ52183 5 30-22 CQ27226 10 80-25 CQ29407 6 80-37 CQ52392 3 92-14 CQ27227 10 80-25 CQ29408 16 80-37 CQ52934 8 70-19 CQ27228 10 80-25 CQ29426 2 80-9 CQ55030 5 30-31 CQ27229 10 80-25 CQ29426 1 80-13 CQ55032 3 30-31 CQ27230 10 80-25 CQ29427 4 80-9 CQ57432 2 94-29 CQ27231 10 80-25 CQ29427 3 80-13 CQ57433 2 94-34 CQ27234 18 80-33 CQ29428 5 80-9 CQ57475 2 94-34 CQ27241 4 80-25 CQ29428 2 80-13 CQ58078 24 93-47 CQ27241 10 80-35 CQ29519 1 80-6 CQ58168 1 92-10 CQ27242 2 80-37 CQ30150 2 70-63 CQ58204 12 94-33 CQ27243 12 80-29 CQ30867 3 80-9 CQ58205 2 94-33 CQ27244 14 80-29 CQ30867 7 80-13 CQ58873 2 30-6 CQ27244 4 80-33 CQ30870 3 80-9 CQ59332 4 93-13 CQ27245 2 80-33 CQ30872 3 80-9 CQ61655 39 80-3 CQ27246 3 80-33 CQ30872 7 80-13 CQ62312 25 30-15 CQ27248 9 80-29 CQ31201 8 80-39 CQ62312 40 80-3 CQ27249 9 80-29 CQ31202 4 80-39 CQ62315 21 40-19 CQ27250 5 80-29 CQ31207 5 80-39 CQ62315 39 80-5 CQ27251 2 80-29 CQ31233 2 80-39 CQ62633 4 94-37 180-4 TRATOR 6125J (EDICAO SUL-AMERICANA) PC8539P (01-JUL-10) PN=614
  • 617.
    180-5 TRATOR 6125J (EDICAOSUL-AMERICANA) INDICE NUMERICO – CONTIN. NR.PECA ITEM PAGINA NR.PECA ITEM PAGINA NR.PECA ITEM PAGINA CQ63428 7 30-31 DQ39769 22 40-19 DQ59493 .. 80-9 CQ64057 10 93-3 DQ41285 6 30-26 DQ61023 1 80-21 CQ64111 24 80-31 DQ42160 5 94-33 DQ61096 1 92-6 CQ64112 20 80-29 DQ42161 7 94-33 DQ61096 5 92-6 CQ64114 1 80-37 DQ42163 9 94-33 DQ61097 1 92-6 CQ64245 1 80-35 DQ42174 6 94-33 DQ61097 5 92-6 CQ64246 8 80-35 DQ42175 11 94-33 DQ61508 21 80-5 CQ64247 5 80-35 DQ43003 3 80-22 DQ61516 11 30-26 CQ64249 18 80-31 DQ43004 4 80-22 DQ61639 11 30-27 CQ64250 4 80-31 DQ43133 6 93-25 DQ62047 12 30-27 CQ64251 9 80-31 DQ43134 6 93-25 DQ62060 15 70-54 CQ64252 19 80-31 DQ43135 3 93-25 DQ62246 9 70-33 CQ64253 12 80-31 DQ46008 2 94-20 DQ62615 6 94-37 CQ64647 10 80-29 DQ46087 1 93-25 DQ62616 5 94-37 CQ65139 6 80-15 DQ46088 1 93-25 DQ62617 9 94-37 CQ65207 5 80-15 DQ46621 12 80-17 DQ62618 10 94-37 CQ65301 7 30-25 DQ46828 31 94-9 DQ62619 2 94-39 CQ66216 7 40-5 DQ46828 44 94-13 DQ62620 2 94-37 CQ66248 8 80-9 DQ46828 23 94-15 DQ62621 2 94-37 CQ66250 1 80-10 DQ48301 5 54-3 DQ62622 1 94-39 CQ66250 18 80-15 DQ48452 3 80-10 DQ62623 8 94-37 CQ66643 7 80-15 DQ48452 11 80-13 DQ62624 7 94-39 CQ67632 7 92-29 DQ48453 10 80-13 DQ62625 5 94-39 CQ67633 3 92-29 DQ49620 1 93-45 DQ62626 10 94-39 CQ67634 6 92-27 DQ50436 33 92-37 DQ62627 11 94-39 CQ67634 7 92-29 DQ50588 10 80-13 DQ62628 1 94-37 CQ67635 2 92-27 DQ50652 6 94-39 DQ62629 3 94-39 CQ67635 3 92-29 DQ50655 8 94-39 DQ62630 4 94-39 CQ67641 8 80-25 DQ51064 6 93-45 DQ62631 3 94-37 CQ71882 3 40-15 DQ51572 3 30-35 DQ62632 9 94-39 CQ71890 8 40-15 DQ52288 1 92-5 DQ63159 1 30-27 CQ72046 4 80-37 DQ52327 1 92-5 DQ63188 1 92-3 C2214E 3 80-6 DQ52378 2 92-5 DQ63674 5 30-26 DQ04397 3 80-40 DQ52393 1 92-27 DQ63696 9 30-27 DQ20973 6 80-9 DQ52393 1 92-29 DQ63698 10 30-27 DQ20973 3 80-37 DQ52819 12 30-13 DQ63806 1 94-29 DQ24057 2 30-28 DQ52819 13 30-13 DQ63989 10 93-13 DQ25068 11 40-12 DQ52819 2 30-17 DQ64254 11 80-31 DQ25143 6 30-28 DQ52819 3 30-17 DQ64254 20 80-31 DQ25990 1 30-22 DQ53134 1 94-5 DQ64290 2 92-29 DQ26015 5 70-9 DQ53135 7 94-5 DQ64362 10 94-33 DQ26126 9 80-9 DQ53135 3 94-7 DQ64363 8 94-33 DQ27253 13 80-33 DQ53141 1 94-7 DQ64776 4 80-40 DQ28326 9 80-9 DQ53143 5 94-7 DQ64777 2 80-40 DQ28539 22 80-29 DQ53146 5 94-11 DQ65036 8 70-16 DQ28540 21 80-29 DQ53158 6 94-11 DQ65274 1 40-19 DQ28542 17 80-29 DQ53213 3 70-8 DQ65990 1 94-33 DQ28725 6 80-29 DQ53462 3 92-3 DQ65991 3 94-33 DQ30256 1 80-9 DQ53463 4 92-3 DQ65998 10 93-15 DQ30260 1 80-9 DQ53525 11 92-14 DQ66167 7 94-37 DQ30262 1 80-9 DQ56939 1 94-34 DQ67022 11 40-19 DQ30877 4 80-13 DQ58189 4 94-31 DQ67132 7 80-31 DQ31200 16 80-29 DQ58190 5 94-31 DQ67133 21 80-31 DQ31503 9 80-9 DQ58191 2 94-31 DQ67134 22 80-31 DQ32910 7 30-28 DQ58192 3 94-31 DQ68471 14 92-6 DQ33766 5 80-41 DQ58193 1 94-31 DQ68478 1 40-6 DQ33944 11 40-12 DQ58194 6 94-31 DQ68989 1 80-1 DQ34064 1 80-39 DQ58199 4 94-33 DQ69428 5 94-19 DQ34065 1 80-39 DQ58301 2 92-3 DQ69816 3 60-17 DQ34208 16 94-17 DQ58302 1 92-3 DQ70291 8 80-7 DQ34723 1 80-9 DQ58449 9 40-15 DQ70340 8 70-33 DQ34723 4 80-13 DQ58542 2 92-5 DQ70988 21 93-5 DQ36679 1 80-22 DQ58814 1 92-17 DQ72369 23 40-19 DQ37643 7 80-9 DQ59038 9 40-5 DQ72612 4 30-28 DQ37676 9 80-9 DQ59131 5 92-45 DQ72620 1 30-28 DQ39225 8 30-22 DQ59361 1 30-26 DQ72620 5 30-28 DQ39530 3 30-28 DQ59390 7 93-45 DT5037 .. 52-15 TRATOR 6125J (EDICAO SUL-AMERICANA) PC8539P (01-JUL-10) 180-5 PN=615
  • 618.
    180-6 TRATOR 6125J (EDICAOSUL-AMERICANA) INDICE NUMERICO – CONTIN. NR.PECA ITEM PAGINA NR.PECA ITEM PAGINA NR.PECA ITEM PAGINA DT5037 .. 52-17 L100522 12 56-15 L102155 41 70-45 DT5037 .. 56-11 L100560 22 94-19 L102155 40 70-47 DT5037 .. 56-23 L100573 13 56-23 L102176 6 70-39 DT5037 .. 58-3 L100581 6 52-5 L102179 17 70-43 DT5173 .. 56-15 L100644 10 60-21 L102203 4 40-47 DT5267 .. 56-31 L100685 10 92-47 L102204 7 40-47 DT5267 .. 70-3 L100767 11 52-19 L102324 4 70-4 DT5299 .. 56-5 L100768 11 52-19 L102357 7 94-9 DT5299 .. 56-11 L100769 11 52-19 L102357 19 94-13 DT5299 .. 58-7 L100802 12 70-43 L102359 11 93-5 DT5299 2 70-8 L100851 12 60-21 L102363 3 40-47 DT5470 8 92-9 L100869 23 92-45 L102363 4 40-49 DT5470 5 92-11 L100935 14 56-17 L102451 27 94-9 DT5471 10 92-14 L100959 21 56-15 L102451 29 94-13 DT5471 3 92-49 L100959 8 58-5 L102453 15 60-23 DT5472 9 92-9 L100959 17 58-7 L102489 7 56-15 DT5472 8 92-21 L100959 19 58-13 L102489 9 56-17 DT5538 .. 92-6 L100961 28 56-21 L102490 19 93-19 DY8313 9 92-10 L101122 17 56-17 L102565 6 56-15 D2361R 21 20-29 L101142 19 56-31 L102567 4 56-17 E69117 2 70-45 L101177 5 80-38 L102588 8 92-19 E69117 2 70-47 L101241 8 40-47 L102588 9 92-41 F2823R 6 70-17 L101243 9 56-31 L102616 2 80-45 H151673 6 80-46 L101287 1 60-23 L102647 4 58-3 H23125 3 20-2 L101355 11 58-5 L102678 8 94-23 H63237 34 54-23 L101355 3 58-10 L110065 13 60-17 H63283 4 70-61 L101355 3 58-11 L110066 3 52-13 H75541 13 56-25 L101356 11 58-5 L110066 6 56-1 H75541 12 60-15 L101356 3 58-10 L110066 6 56-2 H77698 2 80-42 L101356 3 58-11 L110066 2 56-15 JD10058 8 30-1 L101357 7 70-7 L110067 4 56-19 JD10249 19 80-37 L101389 10 70-8 L110092 7 52-3 JD10250 15 80-37 L101394 6 70-31 L110092 7 54-3 JD10269 5 54-17 L101403 9 70-8 L110129 2 56-17 JD10330 3 52-15 L101463 4 52-6 L110138 15 92-31 JD10479 18 52-5 L101488 13 56-17 L110146 9 93-35 JD10479 35 52-17 L101519 33 80-3 L110147 3 93-33 JD10497 5 56-15 L101560 3 60-15 L110148 11 93-35 JD10498 4 56-15 L101561 6 60-23 L110149 12 93-35 JD10508 15 52-19 L101573 6 58-7 L110150 6 93-39 JD10508 10 56-11 L101574 9 56-19 L110151 6 93-39 JD10522 14 52-15 L101618 22 58-13 L110183 8 93-37 JD37047 4 58-8 L101689 33 80-33 L110186 1 93-33 JD37087 11 80-33 L101698 20 80-33 L110189 14 93-35 JD7798 12 70-17 L101761 2 40-51 L110257 5 54-12 JD8171 5 58-13 L101761 2 40-53 L110265 26 70-39 JD8217 20 58-13 L101779 10 56-17 L110293 7 70-36 JD8510 7 52-4 L101829 2 56-22 L110294 2 70-33 JD8856 7 56-9 L101897 20 60-17 L110296 9 93-41 JD9320 19 52-15 L101929 10 94-15 L110306 9 40-23 J53262 2 80-17 L101931 6 94-19 L110367 36 92-37 J53401 10 80-15 L101932 9 93-17 L110422 6 94-17 J53701 3 80-15 L101932 9 93-19 L110496 11 93-39 J53702 16 80-15 L102007 13 40-33 L110617 1 93-8 J55278 4 80-17 L102007 6 60-11 L110633 13 93-35 J60540 9 20-19 L102007 6 60-13 L110762 8 60-17 L100230 7 80-25 L102049 2 60-17 L110765 2 40-30 L100259 23 70-29 L102097 7 58-8 L110765 5 40-53 L100271 24 70-39 L102110 20 93-17 L110766 3 94-19 L100285 5 93-8 L102110 17 93-19 L110777 10 30-1 L100380 2 92-11 L102110 3 94-23 L110815 6 93-43 L100389 21 92-19 L102146 3 56-21 L110816 2 93-43 L100413 5 92-31 L102147 3 56-21 L110851 10 56-5 L100414 6 92-31 L102148 3 56-21 L110865 44 93-33 L100425 3 60-23 L102149 3 56-21 L110867 45 93-33 L100435 12 92-19 L102154 41 70-45 L110964 43 94-13 L100519 16 56-17 L102154 40 70-47 L111002 21 60-17 180-6 TRATOR 6125J (EDICAO SUL-AMERICANA) PC8539P (01-JUL-10) PN=616
  • 619.
    180-7 TRATOR 6125J (EDICAOSUL-AMERICANA) INDICE NUMERICO – CONTIN. NR.PECA ITEM PAGINA NR.PECA ITEM PAGINA NR.PECA ITEM PAGINA L111003 22 60-17 L112282 21 93-19 L113559 1 93-19 L111005 10 52-15 L112290 3 40-55 L113657 2 93-27 L111041 7 40-19 L112290 35 92-37 L113715 37 92-37 L111048 13 56-11 L112290 3 92-47 L113717 6 92-41 L111052 24 52-19 L112367 18 80-15 L113718 7 92-41 L111054 18 52-19 L112370 10 70-63 L113823 5 94-21 L111072 12 92-43 L112380 2 56-19 L113846 14 93-17 L111085 1 70-22 L112469 30 94-9 L113886 6 92-23 L111120 2 30-1 L112469 34 94-13 L113887 7 92-23 L111127 5 40-39 L112469 21 94-15 L113893 2 56-32 L111138 11 60-21 L112480 19 70-39 L113893 3 56-32 L111165 11 94-9 L112503 1 70-3 L113907 18 92-41 L111165 12 94-13 L112511 5 93-19 L113908 17 92-41 L111179 24 94-13 L112545 4 20-48 L113993 8 93-27 L111184 1 40-39 L112657 6 92-19 L113994 19 94-15 L111294 6 30-1 L112690 1 52-3 L114030 2 40-47 L111376 8 40-49 L112690 1 54-3 L114032 10 94-9 L111385 1 56-32 L112743 7 92-45 L114032 2 94-13 L111412 21 70-43 L112762 28 70-39 L114053 6 60-24 L111414 30 92-37 L112796 23 93-19 L114062 3 40-37 L111419 13 92-37 L112797 13 92-21 L114086 3 93-41 L111425 3 93-37 L112797 10 92-33 L114088 9 58-13 L111440 34 92-37 L112797 4 93-3 L114089 1 58-13 L111465 7 93-43 L112884 6 56-17 L114120 3 56-12 L111479 11 70-33 L112950 5 93-13 L114159 3 80-47 L111479 16 70-43 L112951 4 92-47 L114160 3 80-47 L111480 4 92-19 L112971 12 92-47 L114178 3 60-9 L111480 13 92-47 L112972 9 92-47 L114178 15 60-11 L111480 14 93-24 L113016 17 56-21 L114178 15 60-13 L111480 34 94-9 L113018 1 94-15 L114178 6 93-47 L111480 42 94-13 L113019 7 94-13 L114257 3 92-19 L111707 6 70-4 L113020 1 93-15 L114266 5 56-7 L111718 9 70-13 L113021 2 93-15 L114314 6 92-25 L111800 38 80-5 L113023 3 93-28 L114339 12 80-1 L111818 7 58-8 L113049 12 56-12 L114509 8 93-5 L111857 5 30-1 L113076 20 94-17 L114509 33 94-9 L111878 29 94-9 L113094 8 40-33 L114509 4 94-21 L111878 33 94-13 L113094 26 93-47 L114509 5 94-23 L111964 26 54-5 L113099 6 56-12 L114522 9 40-47 L111964 10 54-7 L113192 10 30-35 L114524 12 40-47 L111964 9 54-11 L113217 18 52-19 L114539 9 60-21 L111964 6 58-1 L113217 19 52-19 L114567 6 52-15 L111964 8 58-2 L113217 24 52-19 L114651 11 56-15 L111965 3 94-21 L113217 15 56-11 L114655 33 56-15 L111965 2 94-23 L113225 22 94-15 L114660 17 93-47 L111978 1 60-24 L113232 2 92-47 L114757 1 58-11 L111987 21 94-9 L113281 4 60-21 L114773 5 70-53 L111987 30 94-13 L113312 37 93-33 L114874 5 80-1 L111987 20 94-15 L113313 37 93-33 L114874 29 80-33 L111988 11 92-45 L113335 9 56-12 L114953 3 80-39 L111988 21 94-9 L113339 29 52-17 L115020 18 93-5 L111988 30 94-13 L113339 11 56-5 L115082 2 70-13 L111988 20 94-15 L113347 19 60-21 L115082 3 70-13 L112001 2 52-3 L113409 5 30-35 L115083 2 70-13 L112001 2 54-3 L113415 5 93-3 L115083 3 70-13 L112041 8 94-13 L113415 12 93-17 L115093 4 93-45 L112053 8 94-15 L113415 20 93-19 L115149 3 93-29 L112092 11 56-23 L113436 3 92-41 L115158 7 80-46 L112121 10 40-70 L113437 3 92-41 L115235 24 93-19 L112212 33 80-33 L113438 4 92-41 L115238 2 93-29 L112214 33 80-33 L113439 4 92-41 L115239 2 92-17 L112215 33 80-33 L113440 1 92-41 L115241 11 94-23 L112217 33 80-33 L113441 1 92-41 L115277 4 40-29 L112218 33 80-33 L113446 11 80-1 L115292 22 93-17 L112232 11 92-19 L113527 28 94-19 L115292 6 94-9 L112250 9 93-39 L113541 4 56-12 L115292 20 94-13 L112282 15 93-17 L113543 7 70-4 L115292 2 94-21 TRATOR 6125J (EDICAO SUL-AMERICANA) PC8539P (01-JUL-10) 180-7 PN=617
  • 620.
    180-8 TRATOR 6125J (EDICAOSUL-AMERICANA) INDICE NUMERICO – CONTIN. NR.PECA ITEM PAGINA NR.PECA ITEM PAGINA NR.PECA ITEM PAGINA L115292 16 94-23 L151731 6 93-35 L154171 3 40-25 L115344 5 80-9 L151732 9 93-37 L154173 2 40-49 L115344 2 80-13 L151733 12 93-39 L154293 18 54-23 L115353 5 70-13 L151740 8 93-24 L154332 2 40-33 L115370 15 94-23 L151752 16 92-47 L154335 3 92-6 L115371 15 94-23 L151753 15 92-47 L154378 12 92-6 L115395 35 94-13 L151818 17 70-39 L154378 11 93-3 L115418 12 80-13 L151863 13 93-24 L154379 11 92-6 L115460 22 70-43 L151979 8 30-11 L154379 12 93-3 L115608 5 52-6 L151980 5 40-10 L154381 3 93-11 L115609 7 52-6 L152035 9 92-31 L154428 1 92-11 L115740 11 92-39 L152148 3 80-45 L154516 8 52-15 L116013 12 52-3 L152151 7 40-33 L154520 6 56-9 L116013 12 54-3 L152216 13 56-21 L154620 3 56-31 L116041 11 52-3 L152250 9 92-6 L154621 4 56-31 L116041 11 54-3 L152250 .. 92-6 L154750 6 70-5 L116130 33 52-17 L152254 8 92-10 L154773 4 40-26 L116130 24 56-5 L152323 3 70-45 L154897 12 92-31 L116184 22 92-19 L152323 3 70-47 L154937 13 40-9 L116184 15 92-43 L152324 13 70-25 L154991 6 92-14 L116184 10 92-45 L152324 13 70-27 L155008 1 92-10 L116261 36 94-13 L152324 21 70-45 L155025 1 92-31 L116262 6 94-13 L152324 21 70-47 L155025 13 92-31 L116263 21 94-13 L152325 27 70-45 L155025 .. 92-31 L116304 7 92-47 L152325 27 70-47 L155183 25 80-5 L116529 22 70-39 L152326 28 70-45 L155244 7 70-53 L116560 7 70-43 L152326 28 70-47 L155245 3 70-53 L116576 15 94-17 L152335 9 93-24 L155257 8 92-31 L116615 6 70-3 L152460 4 40-55 L155267 26 56-21 L116616 7 70-3 L152507 4 54-29 L155339 1 56-7 L116628 12 70-31 L152519 4 92-10 L155361 2 93-3 L116840 4 94-9 L152636 3 93-43 L155376 1 30-9 L116840 39 94-13 L152652 6 92-13 L155376 1 70-21 L150034 13 93-13 L152660 16 80-3 L155423 20 92-19 L150079 8 93-15 L152663 17 80-3 L155448 4 40-25 L150336 25 52-17 L152663 21 93-47 L155455 7 93-21 L150340 5 93-15 L152943 6 40-10 L155496 23 52-15 L150363 6 93-15 L153099 10 80-1 L155496 25 56-5 L150424 5 92-14 L153130 4 92-23 L155548 5 93-45 L150446 1 94-9 L153130 17 92-43 L155576 17 92-47 L150446 38 94-13 L153159 1 56-11 L155598 27 80-5 L150454 9 93-15 L153161 8 52-19 L155599 26 80-5 L150525 6 93-13 L153307 6 52-19 L155606 20 92-45 L150526 3 93-13 L153307 2 56-11 L155639 10 56-9 L150527 2 93-13 L153345 8 56-11 L155730 5 56-28 L150693 8 56-9 L153536 32 80-5 L155730 7 56-29 L150695 8 56-7 L153587 8 40-12 L155885 31 52-17 L150696 3 56-9 L153594 5 94-21 L155889 15 56-5 L151020 15 60-5 L153635 29 52-17 L155927 3 30-5 L151020 8 94-21 L153635 11 56-5 L155934 3 70-29 L151157 1 93-13 L153759 13 92-9 L155935 9 70-29 L151416 23 56-21 L153768 3 40-26 L155937 21 56-31 L151429 5 93-44 L153768 5 80-3 L155965 22 80-3 L151429 6 93-44 L153769 2 92-9 L155966 23 80-3 L151528 15 92-19 L153819 41 54-19 L155993 9 56-15 L151529 4 40-41 L153819 10 56-25 L155994 9 56-15 L151529 2 40-55 L153842 19 80-3 L156151 13 54-23 L151554 3 92-10 L153968 1 56-9 L156205 16 92-31 L151569 7 92-13 L154057 16 60-5 L156206 14 92-31 L151570 8 92-13 L154067 12 92-9 L156259 1 52-13 L151611 3 40-50 L154128 4 40-15 L156260 12 94-21 L151614 3 92-11 L154131 17 56-12 L156261 5 56-1 L151699 3 93-17 L154133 1 54-19 L156262 5 56-2 L151718 10 92-10 L154134 20 54-23 L156282 1 52-15 L151718 25 92-45 L154170 5 20-48 L156283 5 52-15 L151719 25 92-45 L154170 5 40-4 L156294 34 54-5 L151729 42 93-33 L154171 3 40-21 L156294 4 56-29 180-8 TRATOR 6125J (EDICAO SUL-AMERICANA) PC8539P (01-JUL-10) PN=618
  • 621.
    180-9 TRATOR 6125J (EDICAOSUL-AMERICANA) INDICE NUMERICO – CONTIN. NR.PECA ITEM PAGINA NR.PECA ITEM PAGINA NR.PECA ITEM PAGINA L156325 5 92-37 L158185 3 70-18 L166233 4 56-7 L156502 7 58-8 L158186 13 70-15 L166316 4 30-15 L156522 11 92-37 L158220 16 56-21 L166446 20 52-9 L156536 11 94-21 L158222 20 56-21 L166446 7 54-23 L156573 35 80-5 L158223 10 70-5 L166528 11 58-1 L156665 14 70-15 L158227 2 30-33 L166529 2 58-2 L156690 13 52-19 L158228 1 30-15 L166609 8 93-11 L156691 14 52-19 L158229 11 30-15 L166630 7 30-15 L156693 16 56-11 L158230 6 30-15 L166759 10 40-37 L156773 8 58-8 L158235 4 30-13 L167244 6 40-51 L156788 13 70-17 L158239 3 30-13 L167244 2 40-52 L156851 4 56-5 L158239 14 30-17 L167244 7 40-53 L156910 2 58-8 L158240 15 30-17 L167244 2 40-54 L156912 1 58-8 L158241 20 30-15 L167318 10 52-4 L156914 10 56-31 L158246 2 30-11 L167350 2 58-7 L156964 18 60-15 L158251 13 30-15 L167363 37 80-3 L156986 6 30-5 L158252 23 30-15 L167364 38 80-3 L157084 7 56-5 L158260 5 93-17 L167473 30 80-3 L157085 7 56-5 L158288 44 80-3 L167749 41 52-17 L157086 7 56-5 L158289 8 30-15 L167749 26 56-5 L157095 10 92-43 L158301 2 40-6 L167801 22 56-9 L157103 3 56-17 L158302 4 40-6 L168124 13 93-39 L157104 3 56-17 L158305 5 40-6 L168126 2 93-33 L157106 3 56-17 L158306 24 30-15 L168228 1 92-17 L157108 3 56-17 L158310 12 70-33 L168245 15 40-47 L157116 23 93-33 L158312 22 54-23 L168271 9 92-37 L157254 25 93-17 L158359 4 70-21 L168286 11 30-17 L157254 18 93-19 L158360 6 70-21 L168344 3 70-3 L157274 7 92-17 L158434 4 92-13 L168503 14 60-15 L157284 38 52-17 L158473 51 54-19 L168519 13 93-17 L157285 38 52-17 L158499 1 30-37 L168608 2 93-31 L157286 40 52-17 L158565 5 93-33 L168610 17 60-23 L157287 40 52-17 L158566 32 93-33 L168690 20 93-47 L157295 3 93-5 L158567 1 93-43 L168800 9 56-5 L157372 4 92-6 L158800 1 56-28 L168846 11 30-11 L157372 2 92-14 L158800 1 56-29 L169102 8 92-45 L157372 10 92-21 L158822 2 94-27 L169103 8 92-45 L157372 8 92-35 L158930 12 70-3 L169203 4 93-41 L157399 24 80-5 L158963 3 94-27 L169208 6 30-19 L157464 3 92-21 L158967 8 56-17 L169208 6 30-21 L157465 3 92-21 L159011 16 30-19 L169231 15 60-17 L157466 46 93-33 L159013 9 30-13 L169253 22 52-15 L157467 2 40-16 L159013 12 30-17 L169254 28 52-17 L157515 39 52-17 L159014 10 80-3 L169258 21 52-15 L157547 2 92-13 L159015 11 80-3 L169277 5 58-5 L157555 38 52-17 L159016 8 30-19 L169323 24 80-3 L157556 40 52-17 L159016 8 30-21 L169329 19 30-15 L157568 16 56-15 L159026 4 70-29 L169839 8 93-43 L157586 19 93-47 L159212 5 60-21 L169844 12 70-61 L157703 7 54-19 L159241 5 92-13 L169857 17 93-43 L157732 3 92-13 L159313 7 56-12 L169858 18 93-43 L157769 25 80-3 L164972 8 92-49 L169859 19 93-43 L157774 5 54-19 L164972 3 93-3 L169889 40 93-33 L157793 2 93-11 L165048 8 80-1 L169912 4 93-31 L157800 19 93-33 L165281 13 30-17 L170010 11 94-25 L157816 15 92-37 L165282 5 30-13 L170237 30 52-17 L157817 2 92-43 L165428 .. 92-11 L170237 8 56-5 L157817 9 92-45 L165781 7 58-3 L170237 18 56-5 L157818 8 92-39 L165818 25 70-29 L170424 25 56-15 L157820 8 92-47 L165942 14 56-11 L170670 8 93-41 L157821 14 92-47 L165946 23 56-11 L170677 1 92-43 L157826 18 80-3 L165947 5 56-9 L170803 27 52-9 L157872 11 52-15 L165957 1 80-47 L170885 14 58-13 L157928 3 80-23 L166213 1 58-10 L170967 7 40-37 L157982 18 56-21 L166228 12 56-5 L170997 2 80-46 L157990 6 94-21 L166230 17 56-5 L170998 1 80-46 L157992 13 56-15 L166231 16 56-5 L171150 5 92-17 TRATOR 6125J (EDICAO SUL-AMERICANA) PC8539P (01-JUL-10) 180-9 PN=619
  • 622.
    180-10 TRATOR 6125J (EDICAOSUL-AMERICANA) INDICE NUMERICO – CONTIN. NR.PECA ITEM PAGINA NR.PECA ITEM PAGINA NR.PECA ITEM PAGINA L171151 6 92-17 L202150 10 70-9 L39978 3 70-7 L171152 47 54-23 L202151 14 70-9 L39983 19 80-33 L171231 12 40-12 L202305 3 92-23 L39997 5 80-37 L171481 13 94-19 L202306 8 92-23 L40003 15 80-33 L171486 5 92-19 L202574 3 80-1 L40005 15 80-31 L171572 8 70-31 L203439 2 80-5 L40071 6 80-31 L171572 24 70-43 L203440 4 80-5 L40075 8 80-29 L171572 6 70-54 L203441 3 80-5 L40121 5 80-37 L171701 17 94-25 L203442 5 80-5 L40130 17 80-33 L171710 10 94-19 L203443 6 80-5 L40205 16 80-31 L171711 31 94-19 L203490 8 80-5 L40253 21 80-33 L171712 32 94-19 L203949 3 80-39 L40254 22 80-33 L171975 14 92-39 L203991 1 93-24 L40272 11 80-27 L171976 14 92-39 L204008 4 93-24 L40272 10 80-33 L171980 9 92-39 L204116 14 80-5 L40273 9 80-33 L172081 6 56-31 L204120 6 52-4 L40273 4 80-35 L172182 1 60-3 L204993 25 80-33 L40274 7 80-33 L172584 12 70-8 L205139 4 30-3 L40274 3 80-35 L172599 9 56-21 L205762 3 80-46 L40281 20 80-37 L172658 7 56-17 L205763 3 80-46 L40282 1 80-31 L172758 1 70-4 L206857 6 70-10 L40283 5 80-31 L172889 9 58-7 L26943 3 70-10 L40284 17 80-31 L172906 3 30-11 L26943 12 70-13 L40552 7 80-29 L172927 21 56-5 L27099 8 80-47 L40924 4 40-37 L172982 4 52-5 L28228 5 80-18 L40924 2 92-10 L173220 28 52-9 L28228 1 80-19 L40924 4 93-17 L173222 12 52-9 L28228 7 80-20 L40924 4 93-19 L173241 19 58-7 L28230 2 80-20 L40966 12 56-23 L173243 5 58-7 L31683 5 80-13 L40982 11 80-27 L173431 11 56-21 L31792 15 56-21 L40982 10 80-33 L173432 10 56-21 L32394 12 40-33 L40983 11 80-27 L173433 14 56-21 L32394 3 94-2 L40983 10 80-33 L173476 20 80-3 L32394 4 94-19 L40984 11 80-27 L173805 10 92-39 L33035 11 58-7 L40984 10 80-33 L173991 6 56-5 L33159 13 58-13 L40985 11 80-27 L173998 19 56-21 L33332 20 52-19 L40985 10 80-33 L174118 9 92-19 L33332 12 56-11 L40987 11 80-27 L174378 6 40-49 L34029 5 80-17 L40987 10 80-33 L174379 5 40-49 L34383 2 58-18 L40988 11 80-27 L174554 10 56-19 L34995 14 70-43 L40988 10 80-33 L175019 37 80-5 L35037 4 70-17 L40989 11 80-27 L175651 1 70-8 L35423 11 40-66 L40989 10 80-33 L175783 6 80-23 L35424 13 40-66 L40990 11 80-27 L175841 2 40-37 L35425 12 40-66 L40990 10 80-33 L175842 1 40-37 L35577 16 80-33 L40991 11 80-27 L175853 19 60-5 L36670 10 40-66 L40991 10 80-33 L176859 17 58-15 L36681 14 40-66 L40992 11 80-27 L176898 12 56-31 L36685 15 40-66 L40992 10 80-33 L18955 2 80-7 L37224 15 80-39 L40993 11 80-27 L18955 1 80-38 L37225 14 80-39 L40993 10 80-33 L200226 7 92-33 L37226 2 80-38 L40994 11 80-27 L200226 4 92-35 L37489 4 93-5 L40994 10 80-33 L200484 3 58-17 L37733 31 70-45 L40995 11 80-27 L200689 .. 80-5 L37733 14 70-57 L40995 10 80-33 L200800 5 92-21 L37963 21 70-29 L40996 11 80-27 L200802 5 92-21 L38141 12 80-15 L40996 10 80-33 L200829 15 30-35 L38284 16 60-15 L40998 33 80-33 L202135 4 70-15 L38449 5 80-7 L40999 33 80-33 L202136 5 70-15 L38450 3 80-7 L41000 33 80-33 L202137 6 70-15 L38622 4 40-73 L41001 33 80-33 L202138 3 70-15 L38642 3 40-39 L41003 33 80-33 L202139 17 70-15 L38642 30 93-33 L41004 33 80-33 L202140 7 70-15 L39134 10 92-19 L41005 33 80-33 L202141 8 70-15 L39134 2 93-30 L41006 8 80-29 L202144 3 70-16 L39603 6 93-17 L41008 5 80-37 L202146 6 70-16 L39603 11 93-19 L41079 8 52-6 L202147 7 70-16 L39860 6 92-10 L41079 8 70-35 180-10 TRATOR 6125J (EDICAO SUL-AMERICANA) PC8539P (01-JUL-10) PN=620
  • 623.
    180-11 TRATOR 6125J (EDICAOSUL-AMERICANA) INDICE NUMERICO – CONTIN. NR.PECA ITEM PAGINA NR.PECA ITEM PAGINA NR.PECA ITEM PAGINA L41159 14 80-37 L55610 11 80-27 L75911 34 52-17 L41164 3 80-31 L55610 10 80-33 L75917 29 52-17 L41170 5 80-37 L56021 5 92-10 L75917 11 56-5 L41171 8 80-31 L56243 3 60-24 L76029 23 58-7 L41172 8 80-31 L56246 4 60-24 L76033 19 52-5 L41173 8 80-31 L56746 1 70-17 L76033 36 52-17 L41174 8 80-31 L57250 5 92-25 L76058 5 56-31 L41175 8 80-31 L57311 18 56-31 L76059 17 56-31 L41178 7 93-8 L57382 14 60-23 L76193 25 58-7 L41187 15 56-15 L57824 4 92-25 L76229 16 52-19 L41216 2 80-31 L58671 7 94-17 L76229 17 56-11 L41383 11 52-9 L59635 14 93-19 L76234 19 56-11 L41384 10 52-9 L59748 13 92-6 L76235 4 52-19 L41384 26 54-23 L59748 .. 92-6 L76286 4 58-13 L41443 22 92-47 L59748 3 92-9 L76287 6 58-8 L41526 11 52-6 L59796 .. 40-55 L76291 11 58-5 L41526 1 52-11 L59796 19 92-19 L76291 3 58-10 L41526 11 54-25 L59800 34 93-33 L76291 3 58-11 L41526 30 56-15 L59900 2 56-27 L76292 11 58-5 L41526 2 58-1 L59901 3 56-22 L76292 3 58-10 L41526 10 58-2 L59901 11 70-29 L76292 3 58-11 L41536 10 52-6 L59904 2 58-16 L76293 11 58-5 L41560 2 80-9 L59904 1 70-39 L76293 3 58-10 L41560 1 80-13 L59927 25 93-33 L76293 3 58-11 L41649 4 52-15 L60088 13 80-29 L76294 11 58-5 L41650 4 52-15 L60088 5 80-33 L76294 3 58-10 L41651 4 52-15 L60404 8 80-38 L76294 3 58-11 L41652 4 52-15 L60585 2 40-36 L76295 11 58-5 L41653 4 52-15 L61335 5 92-33 L76295 3 58-10 L41654 4 52-15 L61335 7 92-35 L76295 3 58-11 L41655 4 52-15 L61335 40 92-37 L76296 7 58-8 L41656 4 52-15 L62172 7 60-21 L76297 7 58-8 L41657 4 52-15 L62420 16 80-33 L76298 7 58-8 L41709 9 52-6 L62735 24 56-21 L76299 7 58-8 L41709 29 56-15 L62810 4 92-14 L76308 4 58-7 L41709 1 58-1 L63127 8 80-29 L76327 2 58-5 L41709 11 58-2 L63128 8 80-29 L76331 7 92-9 L41709 21 60-21 L63386 7 40-43 L76408 4 56-1 L41709 9 70-35 L64295 3 70-17 L76408 4 56-2 L41858 2 40-29 L64456 4 58-17 L76445 1 58-16 L41858 13 52-3 L64500 3 56-15 L76494 4 58-5 L41858 13 54-3 L64500 1 58-18 L76495 3 58-5 L41858 2 80-42 L64500 4 70-41 L76568 4 58-16 L41858 29 94-19 L64500 1 80-45 L76569 4 58-16 L41860 23 60-21 L64632 7 70-17 L76654 7 56-22 L41928 21 80-37 L64634 8 70-17 L76661 10 56-22 L41980 12 60-9 L64838 9 58-5 L76670 1 52-12 L41980 9 60-11 L64882 11 70-8 L76767 17 92-9 L41980 9 60-13 L64996 4 80-46 L76821 29 52-17 L41980 15 60-21 L65071 5 93-31 L76821 11 56-5 L42050 9 70-17 L75294 7 56-31 L76822 29 52-17 L53813 18 56-12 L75449 28 92-37 L76822 11 56-5 L53821 12 58-3 L75747 13 70-29 L76895 4 80-38 L53861 2 56-28 L75882 5 56-7 L76923 24 52-15 L53861 2 56-29 L75883 5 56-7 L76923 27 52-17 L53873 18 60-21 L75884 5 56-7 L76923 14 56-5 L53873 18 70-39 L75885 1 56-1 L76924 3 58-16 L53888 5 80-31 L75885 1 56-2 L77046 15 70-39 L55594 4 80-29 L75889 7 56-7 L77065 8 56-22 L55602 5 80-37 L75889 4 70-53 L77138 2 56-21 L55603 5 80-37 L75904 27 52-17 L77141 21 56-21 L55606 11 80-27 L75904 14 56-5 L77173 9 52-3 L55606 10 80-33 L75905 27 52-17 L77173 9 54-3 L55607 11 80-27 L75905 14 56-5 L77254 7 58-13 L55607 10 80-33 L75906 27 52-17 L77255 8 58-13 L55608 11 80-27 L75906 14 56-5 L77262 10 56-15 L55608 10 80-33 L75911 17 52-5 L77301 3 58-7 TRATOR 6125J (EDICAO SUL-AMERICANA) PC8539P (01-JUL-10) 180-11 PN=621
  • 624.
    180-12 TRATOR 6125J (EDICAOSUL-AMERICANA) INDICE NUMERICO – CONTIN. NR.PECA ITEM PAGINA NR.PECA ITEM PAGINA NR.PECA ITEM PAGINA L77317 2 70-41 L78703 1 92-39 L79611 13 70-13 L77320 8 70-3 L78703 9 92-43 L79648 19 93-17 L77331 7 80-38 L78703 17 92-45 L79648 22 93-19 L77371 4 56-21 L78703 20 92-47 L79648 29 93-33 L77371 8 58-7 L78704 17 92-37 L79648 10 93-35 L77493 11 70-9 L78704 5 92-39 L79734 7 93-5 L77560 3 56-19 L78704 5 92-43 L79775 2 93-25 L77586 25 70-39 L78704 21 92-45 L79792 5 93-11 L77594 7 70-5 L78704 21 92-47 L79795 38 52-17 L77651 22 92-45 L78705 24 92-37 L79796 38 52-17 L77747 12 94-19 L78768 13 92-45 L79797 38 52-17 L77758 5 56-7 L78769 12 92-45 L79798 38 52-17 L77759 5 56-7 L78784 5 70-53 L79831 23 56-31 L77760 5 56-7 L78785 5 70-53 L79862 13 58-5 L77761 5 56-7 L78801 1 70-18 L79871 12 52-15 L77762 5 56-7 L78827 20 56-15 L79880 3 40-49 L77763 5 56-7 L78828 17 56-15 L79884 13 93-33 L77774 1 70-53 L78838 20 56-15 L79894 6 80-39 L77775 5 56-5 L78839 20 56-15 L79909 6 92-47 L77779 18 60-17 L78840 20 56-15 L79919 46 80-3 L77805 24 94-13 L78846 17 92-19 L79919 28 93-33 L77805 4 94-15 L78847 17 92-19 L79924 10 70-15 L77912 2 92-21 L78851 18 92-37 L80005 5 70-8 L77963 21 94-9 L78851 6 92-43 L80013 3 93-21 L77963 30 94-13 L78851 14 92-45 L80014 5 93-21 L77963 9 94-15 L78866 23 52-19 L80015 6 93-21 L77963 20 94-15 L78867 22 52-19 L80051 3 94-5 L77964 7 94-13 L78870 5 56-22 L80051 4 94-7 L77978 20 94-9 L78871 18 30-15 L80051 3 94-11 L77978 18 94-13 L78964 5 70-29 L80051 13 94-17 L77978 11 94-15 L78975 34 52-9 L80052 1 56-12 L78006 27 80-33 L78975 15 54-19 L80052 3 94-5 L78028 9 40-33 L78979 22 80-5 L80052 4 94-7 L78041 3 93-24 L78984 1 40-15 L80052 3 94-11 L78069 6 56-5 L79006 2 70-22 L80052 19 94-19 L78070 6 56-5 L79009 23 60-17 L80053 3 94-5 L78071 6 56-5 L79028 3 30-3 L80053 4 94-7 L78072 6 56-5 L79037 11 56-9 L80053 3 94-11 L78073 6 56-5 L79057 17 30-15 L80062 5 56-19 L78085 8 40-5 L79076 4 94-5 L80085 11 94-21 L78122 40 52-17 L79076 7 94-7 L80107 17 56-9 L78123 40 52-17 L79076 4 94-11 L80167 21 56-9 L78124 40 52-17 L79076 18 94-17 L80302 3 93-7 L78125 40 52-17 L79076 15 94-19 L80303 10 40-23 L78202 5 40-73 L79125 1 92-14 L80355 11 92-21 L78238 7 93-24 L79127 21 52-19 L80361 11 56-31 L78261 9 52-15 L79149 11 80-39 L80362 11 56-31 L78338 8 58-3 L79160 2 70-31 L80423 32 80-33 L78415 2 56-9 L79171 3 70-31 L80445 10 52-3 L78422 2 93-21 L79187 11 52-19 L80445 10 54-3 L78457 1 56-26 L79188 11 52-19 MN10029 5 40-15 L78494 7 56-1 L79230 5 70-3 MN10255 6 93-3 L78494 7 56-2 L79232 4 70-3 MN10280 1 70-19 L78501 7 80-39 L79234 2 70-3 MN10297 3 30-25 L78545 2 56-26 L79270 25 60-17 MN10321 4 30-25 L78580 5 56-21 L79335 15 94-9 MN10384 7 80-47 L78620 10 94-5 L79335 9 94-13 MN10393 14 30-15 L78682 12 56-17 L79335 14 94-15 MN10413 45 80-3 L78683 19 56-15 L79354 14 40-49 MN10435 9 92-33 L78687 15 56-17 L79432 20 92-41 MN10436 8 92-33 L78690 16 92-41 L79433 21 92-41 MN10437 1 92-33 L78691 15 92-41 L79485 26 92-45 M44162 12 58-5 L78693 27 92-37 L79493 10 30-37 M78508 8 94-9 L78701 3 93-15 L79557 15 52-5 M78508 16 94-13 L78702 4 92-39 L79610 2 70-10 M78508 6 94-15 L78702 23 92-47 L79610 11 70-13 M84971 9 92-49 L78703 21 92-37 L79611 4 70-10 M85517 11 60-3 180-12 TRATOR 6125J (EDICAO SUL-AMERICANA) PC8539P (01-JUL-10) PN=622
  • 625.
    180-13 TRATOR 6125J (EDICAOSUL-AMERICANA) INDICE NUMERICO – CONTIN. NR.PECA ITEM PAGINA NR.PECA ITEM PAGINA NR.PECA ITEM PAGINA M87733 2 20-43 RE225878 1 54-17 RE47392 1 56-18 N209668 22 60-3 RE228488 4 54-15 RE47392 3 56-23 PFP10109 14 60-3 RE228607 3 54-13 RE47393 19 58-15 PFP10110 13 60-3 RE228608 1 54-13 RE47730 15 20-9 PFP10111 15 60-3 RE23542 9 80-13 RE48092 4 54-7 PF11335 2 40-59 RE23542 1 80-17 RE48786 8 20-9 PF11600 3 40-59 RE239058 10 54-9 RE49624 12 70-25 PF12143 7 60-3 RE239125 22 70-47 RE49624 12 70-27 PF12168 23 60-3 RE239127 1 70-45 RE49624 20 70-45 PF12169 24 60-3 RE241164 1 70-49 RE49624 20 70-47 PF12198 16 60-3 RE244125 6 54-11 RE49625 2 70-25 PF12321 10 60-3 RE244129 16 54-11 RE49628 2 70-51 PF12336 17 60-3 RE245565 6 54-13 RE49631 22 70-45 PF12746 6 60-3 RE245952 4 70-25 RE49632 4 70-51 PF12747 9 60-3 RE245952 4 70-27 RE49633 23 70-45 PF12800 8 60-3 RE246313 24 70-47 RE49639 13 94-23 PF13131 3 40-60 RE251672 32 54-5 RE49778 3 40-36 PF13301 1 40-60 RE255150 10 94-23 RE500026 13 20-43 PF13379 8 40-59 RE255240 9 94-23 RE500133 7 20-51 PF80793 10 40-56 RE261134 9 80-9 RE500608 6 20-33 PF80824 4 40-59 RE261756 31 54-5 RE500631 6 20-20 PF80845 16 40-55 RE268228 4 70-63 RE500844 1 20-44 PF80858 5 40-59 RE268229 4 70-63 RE502086 4 20-10 PF80865 15 40-55 RE268230 4 70-63 RE502740 1 20-25 PF81060 5 60-3 RE268231 4 70-63 RE503027 1 20-2 PF81061 12 60-3 RE285712 1 40-5 RE50332 3 70-58 PF81087 .. 60-3 RE31617 6 20-39 RE50333 1 70-58 PF81163 6 40-59 RE34603 20 54-5 RE50334 2 70-58 PF81170 1 40-59 RE34603 8 54-15 RE503727 6 20-51 PF81259 2 40-60 RE34786 18 54-11 RE50384 25 70-45 PF90321 .. 40-59 RE35512 7 52-5 RE50384 25 70-47 PF90718 .. 40-60 RE35512 12 54-5 RE50385 26 70-45 P47889 24 58-7 RE39354 12 54-25 RE50385 26 70-47 P47889 31 70-47 RE40370 12 52-4 RE50385 4 70-58 P48347 31 54-19 RE40448 18 54-17 RE504233 2 20-21 P48347 12 58-15 RE41945 2 52-4 RE504914 4 20-36 P51079 39 54-23 RE43497 38 93-33 RE505232 3 20-51 P60213 2 30-22 RE43637 2 93-7 RE505232 7 20-51 P60266 6 70-57 RE44574 4 20-5 RE505501 13 20-29 RE151059 3 54-11 RE44574 .. 20-31 RE505502 12 20-43 RE151494 1 93-23 RE46534 10 52-19 RE505515 .. 20-31 RE164448 2 40-23 RE46534 13 54-25 RE505980 12 20-27 RE169008 1 94-27 RE46534 1 93-7 RE505980 14 20-27 RE172250 3 70-51 RE46598 14 60-19 RE505980 15 20-27 RE175238 10 60-19 RE46634 10 93-33 RE505980 18 20-27 RE179284 25 93-47 RE46684 3 20-22 RE505980 19 20-27 RE183935 6 93-5 RE46684 27 54-5 RE507850 1 20-33 RE190805 6 52-11 RE46684 12 54-11 RE507852 3 20-33 RE190805 8 56-23 RE46684 48 54-19 RE508185 25 20-29 RE190805 10 58-15 RE46684 57 54-23 RE508317 4 20-35 RE19797 2 20-9 RE46684 10 70-25 RE508566 7 20-27 RE19799 4 20-9 RE46684 10 70-27 RE508599 6 20-41 RE19800 5 20-9 RE46685 16 20-27 RE515226 10 20-9 RE206170 10 80-13 RE46685 15 20-41 RE515605 1 20-9 RE207311 14 40-55 RE46685 20 54-19 RE515785 7 20-31 RE207825 18 70-27 RE46685 11 54-21 RE516340 7 20-31 RE211158 2 56-18 RE46685 10 54-23 RE51650 6 20-19 RE211158 1 56-23 RE46685 8 54-25 RE517370 3 20-27 RE212876 5 52-11 RE46686 1 20-22 RE519144 1 20-45 RE212876 7 54-25 RE46686 13 20-41 RE519740 11 20-51 RE212878 4 52-11 RE47271 37 54-5 RE519741 13 20-51 RE212878 5 54-26 RE47291 6 54-17 RE520360 3 20-43 RE217551 1 40-36 RE47294 4 54-9 RE520368 10 20-51 RE220029 24 54-5 RE47303 42 54-23 RE522076 2 20-14 RE220990 11 54-5 RE47305 9 54-5 RE52242 1 20-51 RE221608 20 54-11 RE47315 5 52-9 RE523251 6 20-11 RE222770 21 58-13 RE47315 10 54-19 RE524562 1 20-14 TRATOR 6125J (EDICAO SUL-AMERICANA) PC8539P (01-JUL-10) 180-13 PN=623
  • 626.
    180-14 TRATOR 6125J (EDICAOSUL-AMERICANA) INDICE NUMERICO – CONTIN. NR.PECA ITEM PAGINA NR.PECA ITEM PAGINA NR.PECA ITEM PAGINA RE524696 9 20-43 R100988 16 54-17 R111173 8 92-5 RE525910 1 20-35 R100989 15 54-17 R111206 4 70-57 RE526834 8 20-19 R100991 14 54-17 R111238 7 70-45 RE528734 5 20-11 R101169 15 54-11 R111238 7 70-47 RE529593 1 20-18 R101170 12 54-9 R111242 9 70-45 RE530088 11 20-9 R101178 7 54-15 R111242 9 70-47 RE530306 1 40-2 R101187 8 54-9 R111278 5 70-57 RE532939 1 20-27 R101214 5 54-11 R111288 13 70-45 RE535728 1 20-21 R101225 11 20-20 R111288 13 70-47 RE536179 1 20-6 R101239 17 54-17 R111298 11 70-25 RE537501 18 20-9 R102913 5 54-7 R111298 11 70-27 RE538097 23 20-27 R104536 6 20-43 R111308 16 70-45 RE54004 5 60-5 R104558 20 58-15 R111308 16 70-47 RE545155 1 20-54 R104655 4 54-5 R111504 34 70-45 RE54885 7 20-43 R104714 44 54-19 R111504 34 70-47 RE56031 1 52-5 R104728 43 54-23 R111527 33 70-45 RE56036 5 54-9 R104733 11 52-5 R111527 33 70-47 RE56037 5 54-5 R104738 2 54-9 R111570 11 92-9 RE56127 24 70-45 R104846 9 40-56 R112063 47 54-19 RE56369 33 20-27 R104846 3 40-63 R112551 5 94-25 RE56578 1 20-29 R104846 3 40-65 R112553 16 94-25 RE57489 1 20-39 R104846 3 40-70 R112857 3 54-12 RE58029 13 94-25 R104846 2 40-71 R112945 5 54-25 RE59298 2 20-41 R105040 18 54-9 R112955 2 54-12 RE59487 2 20-19 R105346 10 20-43 R112976 32 54-19 RE59754 9 20-51 R105605 24 52-9 R112977 40 54-23 RE59811 .. 20-31 R105605 21 54-23 R113050 22 93-33 RE59827 .. 20-4 R106302 6 60-5 R113050 4 93-47 RE59827 1 20-46 R106551 5 93-39 R113211 7 70-57 RE60005 4 20-39 R106551 4 94-21 R113218 32 70-45 RE60029 16 20-9 R106821 2 20-13 R113218 32 70-47 RE60071 7 20-10 R106825 12 54-17 R113223 37 70-45 RE60765 2 40-12 R106829 10 20-39 R113223 37 70-47 RE61245 1 54-12 R106831 7 20-39 R113224 38 70-45 RE61717 1 93-5 R107206 23 54-5 R113224 38 70-47 RE62419 7 20-19 R107252 6 52-9 R113226 39 70-45 RE62446 21 70-25 R107252 6 54-19 R113226 39 70-47 RE62446 21 70-27 R107638 4 54-25 R113228 17 70-45 RE62918 22 54-5 R107731 11 20-35 R113228 17 70-47 RE63134 5 20-19 R108011 4 70-31 R113228 13 70-57 RE63915 4 20-33 R108041 11 60-19 R113229 36 70-45 RE65165 3 20-31 R108052 4 60-19 R113229 36 70-47 RE65168 2 20-31 R108062 8 60-19 R113419 6 54-25 RE65291 16 58-13 R108066 17 60-19 R113671 33 54-5 RE65908 9 20-33 R108073 8 94-27 R113698 9 20-33 RE65911 3 20-31 R108925 5 52-4 R114082 7 20-33 RE65912 2 20-31 R108927 4 52-4 R114193 34 20-27 RE67001 1 70-51 R109066 55 54-23 R114194 10 20-20 RE67231 1 20-41 R109066 3 54-26 R114241 18 20-29 RE67238 7 20-3 R109067 51 54-23 R114758 17 60-5 RE67238 12 20-41 R109147 1 80-15 R114779 3 60-5 RE67238 17 20-51 R109535 13 52-9 R114841 20 60-5 RE67239 28 20-27 R109535 18 52-9 R115119 13 54-17 RE68748 9 20-9 R109535 22 54-19 R115141 4 54-19 RE69703 1 70-52 R109823 9 80-15 R115215 9 54-15 RE70821 5 70-31 R109863 5 20-20 R115250 1 20-12 RE71143 1 20-11 R109958 14 54-5 R115532 7 20-9 RE71255 7 20-29 R109960 16 54-5 R115892 19 70-25 RE71255 2 20-39 R110079 2 52-9 R115892 19 70-27 R10093 26 93-33 R110080 4 52-9 R115974 5 93-5 R10093 10 93-43 R110080 9 54-19 R116040 8 54-23 R10093 4 93-44 R111009 14 80-15 R116076 7 20-31 R10093 10 93-47 R111010 7 80-17 R116115 3 20-51 R100947 26 52-9 R111085 13 54-7 R116115 4 20-51 R100948 16 52-9 R111085 1 54-25 R116116 22 20-9 R100949 15 52-9 R111101 3 80-15 R116296 6 20-3 R100950 25 52-9 R111137 16 20-29 R116366 6 20-9 180-14 TRATOR 6125J (EDICAO SUL-AMERICANA) PC8539P (01-JUL-10) PN=624
  • 627.
    180-15 TRATOR 6125J (EDICAOSUL-AMERICANA) INDICE NUMERICO – CONTIN. NR.PECA ITEM PAGINA NR.PECA ITEM PAGINA NR.PECA ITEM PAGINA R116386 2 20-20 R125475 8 80-15 R186903 24 54-23 R116466 8 20-29 R125475 11 80-17 R186905 25 54-23 R116473 3 52-9 R126640 14 60-5 R188518 1 54-11 R116473 8 54-19 R126641 12 60-5 R190726 6 80-18 R116516 16 20-39 R126667 40 70-45 R192193 31 54-23 R117463 14 94-25 R126667 23 70-47 R192305 12 54-21 R117611 5 94-27 R128660 2 30-3 R194487 6 54-21 R117738 .. 70-47 R128661 2 30-3 R194658 9 54-21 R117942 35 70-45 R128690 9 20-22 R194659 8 54-21 R117942 35 70-47 R128889 11 54-7 R197326 33 54-23 R118092 30 70-45 R129184 28 54-23 R197564 15 54-21 R118092 30 70-47 R129680 18 58-7 R197640 3 54-23 R118192 29 70-45 R130574 2 20-31 R202359 13 54-19 R118192 29 70-47 R130575 2 20-31 R202640 45 54-19 R118453 12 94-25 R130576 3 20-31 R202861 18 54-21 R119441 22 52-9 R130577 3 20-31 R202861 50 54-23 R119874 9 20-29 R130606 22 54-11 R206171 7 80-13 R120477 20 54-9 R131182 23 20-29 R206454 17 92-21 R120631 6 20-31 R131283 9 20-20 R206454 8 93-31 R120638 2 20-36 R131283 32 20-27 R208927 46 54-19 R120839 3 52-5 R131425 14 20-29 R209938 21 54-11 R120840 2 52-5 R131767 3 20-5 R210137 4 93-26 R120902 1 54-26 R132186 24 20-29 R211082 4 56-18 R120947 17 52-9 R132267 14 20-9 R211082 2 56-23 R120947 21 54-19 R132518 10 20-29 R211082 21 58-15 R121043 15 20-29 R132899 18 70-25 R212399 10 54-15 R121376 6 20-36 R132899 23 70-27 R212934 6 94-25 R121411 10 20-27 R133296 1 20-4 R212936 8 94-25 R121424 9 20-27 R133303 2 20-29 R212937 15 94-25 R121580 35 54-5 R133405 3 20-21 R213206 7 94-25 R121580 7 54-11 R134141 38 54-23 R213346 1 94-25 R121580 16 54-23 R134518 3 20-20 R213348 4 54-21 R121580 56 54-23 R134527 1 20-20 R213484 5 54-21 R121609 30 52-9 R135918 1 20-5 R213485 3 54-21 R121609 39 54-19 R135918 1 20-31 R213644 10 94-25 R121634 2 20-40 R136475 4 20-20 R213853 13 54-19 R121897 .. 20-4 R136495 5 20-3 R214121 2 54-17 R121897 2 20-46 R151435 16 54-9 R214122 7 54-13 R122146 2 54-7 R152204 4 58-15 R216291 2 54-11 R122401 1 20-17 R153481 5 58-15 R216292 17 54-11 R123161 6 20-35 R153675 3 54-5 R216293 4 54-11 R123226 10 20-22 R158505 36 54-5 R216294 11 54-9 R123226 13 20-27 R158505 5 56-29 R217436 1 54-9 R123271 9 20-35 R158521 10 54-11 R217636 5 30-25 R123324 7 20-22 R158523 11 54-11 R219255 4 54-13 R123345 11 20-22 R161739 3 54-17 R219516 15 54-9 R123417 8 20-27 R161741 9 54-17 R219974 13 54-9 R123471 5 20-41 R161742 10 54-17 R220471 9 54-9 R123501 4 20-41 R166612 1 94-25 R223964 7 54-7 R123514 2 20-35 R167349 2 54-23 R224445 30 54-23 R123557 2 20-15 R167684 29 54-23 R227060 3 54-15 R123561 3 20-31 R167686 11 54-23 R228266 2 54-15 R123562 3 20-31 R167722 12 54-23 R228268 11 54-15 R123563 2 20-31 R169906 33 80-5 R228601 5 54-15 R123564 2 20-31 R171007 10 54-5 R232182 5 40-29 R123565 12 20-35 R171010 18 54-5 R232182 3 40-52 R123572 4 20-43 R171412 34 54-19 R234273 7 93-31 R123574 4 20-2 R171413 33 54-19 R23551 9 80-13 R123575 5 20-2 R173443 14 54-11 R23551 1 80-17 R123584 12 20-20 R176198 37 54-19 R237474 6 92-45 R123586 4 20-17 R176199 30 54-19 R241161 19 70-45 R124104 4 80-15 R176475 1 54-7 R241161 19 70-47 R124247 16 80-15 R177738 .. 70-45 R241161 3 70-57 R124438 9 54-7 R182130 19 54-21 R241994 16 54-19 R125065 14 54-9 R182130 8 94-5 R243074 6 54-7 R125173 21 54-5 R184115 17 54-23 R244134 8 54-7 R125178 12 58-7 R184116 16 54-21 R245934 1 54-15 TRATOR 6125J (EDICAO SUL-AMERICANA) PC8539P (01-JUL-10) 180-15 PN=625
  • 628.
    180-16 TRATOR 6125J (EDICAOSUL-AMERICANA) INDICE NUMERICO – CONTIN. NR.PECA ITEM PAGINA NR.PECA ITEM PAGINA NR.PECA ITEM PAGINA R247895 30 54-5 R44302 5 40-51 R58832 7 70-25 R248215 7 54-21 R44302 6 40-53 R58832 7 70-27 R251675 39 54-5 R44302 13 40-55 R58941 32 52-9 R251678 40 54-5 R44302 3 54-25 R58941 12 54-19 R252208 26 54-19 R44302 2 80-42 R60263 5 93-41 R255005 17 54-19 R44302 16 92-19 R60264 6 93-41 R255598 1 54-5 R44313 4 94-27 R60755 7 60-19 R255603 38 54-5 R46727 3 80-45 R61871 3 20-11 R255604 38 54-5 R46727 8 92-6 R63548 1 20-43 R257609 1 54-23 R46727 .. 92-6 R66375 10 92-5 R257613 1 54-23 R46727 7 92-14 R69166 8 70-5 R26125 5 20-39 R46727 2 92-19 R69166 11 70-15 R26286 3 20-19 R47862 16 60-23 R71228 21 20-27 R26286 12 20-19 R48685 3 20-29 R72328 3 20-17 R263120 7 80-5 R48685 4 20-31 R72653 7 94-27 R26448 2 20-44 R48745 5 70-53 R73380 17 80-15 R26552 2 60-19 R48746 5 70-53 R73380 6 80-17 R26650 17 20-29 R48747 8 70-53 R74402 5 92-41 R26871 7 93-15 R48748 8 70-53 R77175 9 52-11 R26906 11 20-39 R48749 5 70-53 R77175 17 54-25 R26906 12 20-39 R48750 5 70-53 R77175 7 56-23 R26976 4 70-45 R49921 14 93-47 R77175 11 58-15 R26976 4 70-47 R500596 3 20-10 R77175 14 70-25 R27094 13 20-19 R501124 8 20-33 R77175 14 70-27 R27180 6 40-39 R501178 2 20-25 R77480 9 40-73 R27329 5 58-17 R501373 1 20-13 R77915 1 93-30 R273498 18 54-19 R501428 7 20-41 R78069 9 40-55 R273530 38 54-19 R501436 16 20-51 R79018 21 52-5 R27976 18 54-25 R501472 6 20-10 R79018 7 54-5 R28776 37 54-23 R502175 3 20-53 R79018 5 56-17 R28811 2 20-6 R50227 8 94-17 R79060 5 70-25 R299262 28 54-19 R502329 4 20-53 R79060 22 70-27 R299263 27 54-19 R502725 3 20-25 R79639 7 54-17 R299264 29 54-19 R502811 9 20-41 R80135 2 20-3 R30437 17 80-5 R502864 15 20-51 R80136 1 20-3 R31271 9 94-17 R502902 2 20-3 R81207 4 93-39 R32214 2 20-53 R50454 5 40-33 R81272 1 80-18 R33167 14 52-4 R50454 2 60-9 R81275 5 20-10 R33167 29 54-5 R50454 11 60-11 R83588 5 80-15 R33167 6 58-13 R50454 11 60-13 R85363 15 20-39 R33259 21 93-33 R504734 6 20-27 R86638 19 52-9 R33259 11 93-43 R504734 8 20-41 R86638 23 54-19 R33259 9 93-47 R505609 5 20-31 R87210 13 52-4 R34028 19 54-25 R517196 5 20-22 R87210 19 54-5 R34140 34 56-15 R517353 3 20-3 R87227 14 52-5 R34659 10 80-15 R518402 2 20-5 R87395 22 52-5 R34801R 3 80-17 R518507 11 20-51 R87395 8 54-5 R34801R 3 80-19 R518507 12 20-51 R87395 6 54-9 R35034 2 58-13 R518507 13 20-51 R87455 44 54-23 R38295 3 52-4 R519742 7 20-11 R88791 41 54-23 R38295 35 52-9 R520130 5 20-27 R89944 3 20-40 R38295 41 54-5 R520132 2 20-27 R90692 9 20-39 R38295 3 54-9 R521401 2 20-2 R91889 3 20-39 R38295 4 54-17 R521439 1 20-15 R92241 4 54-12 R39322 17 54-9 R521498 4 20-11 R93485 22 58-7 R39554 19 93-5 R523060 30 20-27 R94882 2 70-39 R41012 10 80-15 R524481 6 20-2 R95063 31 52-9 R43409 13 20-39 R529416 10 20-35 R95063 2 54-19 R44165 15 93-5 R53658 2 56-31 R95066 1 52-9 R44165 35 93-33 R54114 5 20-33 R95072 40 54-19 R44302 15 40-19 R54174 36 54-19 R95073 33 52-9 R44302 2 40-25 R54477 10 40-55 R95076 9 52-9 R44302 3 40-29 R54477 10 92-9 R95076 54 54-23 R44302 6 40-30 R54477 12 93-24 R95077 8 52-9 R44302 8 40-37 R54565 8 20-35 R95077 53 54-23 R44302 2 40-38 R56757 14 70-54 R95081 14 52-9 R44302 2 40-39 R58303 9 80-17 R95081 4 54-23 180-16 TRATOR 6125J (EDICAO SUL-AMERICANA) PC8539P (01-JUL-10) PN=626
  • 629.
    180-17 TRATOR 6125J (EDICAOSUL-AMERICANA) INDICE NUMERICO – CONTIN. NR.PECA ITEM PAGINA NR.PECA ITEM PAGINA NR.PECA ITEM PAGINA R95084 5 54-23 SG01001 10 30-11 T77858 3 70-43 R95086 35 54-23 SG01301 13 30-25 T77932 2 70-6 R95109 15 58-13 SG06401 4 30-31 T77932 27 70-29 R95110 17 58-13 SG06401 7 93-41 T77932 9 70-39 R95152 13 58-7 SU20627 2 93-26 T82565 9 80-37 R95171 13 52-5 SU292142 16 70-15 U13639 26 20-29 R95181 5 52-5 SU292160 12 70-9 U17409 9 60-19 R95182 9 52-5 SU292606 9 70-9 U42902 3 70-61 R95195 6 58-15 SU292606 9 70-15 U46662 10 40-73 R95197 3 58-15 SU292606 5 70-16 Z20701 14 30-19 R95198 2 58-15 S17072 2 30-31 Z20701 14 30-21 R95216 8 58-15 TY22470 2 20-10 Z26250 39 92-37 R95316 8 54-11 T116822 10 80-37 Z29304 11 70-61 R95360 2 54-5 T116827 12 80-37 Z30233 8 92-3 R95378 3 54-7 T122075 3 20-41 Z35271 11 30-13 R95398 2 54-25 T13119 12 60-19 Z35271 6 30-17 R95422 6 54-7 T13744 3 40-30 Z36392 51 93-33 R95490 15 70-45 T13744 3 40-54 Z59391 11 93-24 R95490 15 70-47 T14050 20 20-9 03M7088 7 92-27 R95491 10 70-45 T17148 2 60-3 03M7088 10 92-29 R95491 10 70-47 T18891 12 20-29 03M7190 21 60-3 R95493 8 70-27 T20034 7 20-20 03M7192 8 92-41 R95493 6 70-45 T20168 19 20-29 03M7264 9 80-47 R95493 6 70-47 T20314 3 20-35 03M7309 4 92-43 R95493 8 70-57 T20316 7 20-35 03M7331 29 60-17 R95493 2 70-64 T21564 3 58-3 03M7331 14 92-37 R95494 9 70-25 T22242 2 30-32 03M7331 5 92-47 R95494 9 70-27 T23474 20 20-29 03M7391 7 92-39 R95494 17 70-29 T23853 36 54-23 08H4373 13 80-15 R95494 14 70-45 T27260 7 92-37 08H4419 8 80-17 R95494 14 70-47 T27432 11 52-4 11M7009 3 30-32 R95494 9 70-57 T27432 16 52-5 11M7012 9 70-5 R95494 1 70-61 T27432 11 54-17 11M7012 12 70-15 R95494 1 70-64 T32146 1 80-7 11M7012 18 70-15 R95612 9 80-38 T42302 5 70-35 11M7054 4 70-9 R95616 7 70-61 T55501 20 93-5 12H236 2 80-15 R95660 7 52-9 T58477 12 20-39 12H245 8 80-15 R95784 10 58-7 T62323 2 30-5 12H295 7 40-23 R95835 19 54-9 T70659 6 60-15 12M7065 3 40-19 R95835 5 54-13 T75984 5 70-61 12M7065 4 70-19 R95850 2 54-26 T77613 5 56-25 12M7065 7 80-41 R95890 9 58-15 T77613 8 60-9 12M7066 10 30-28 R95892 13 58-15 T77613 4 60-11 12M7066 3 80-41 R95895 2 54-13 T77613 4 60-13 12M7067 10 30-26 R95898 3 52-6 T77613 8 60-21 12M7067 8 30-27 R95899 2 52-6 T77613 5 60-23 12M7067 17 40-19 R95900 6 52-6 T77613 3 70-27 12M7067 2 58-17 R96515 5 70-53 T77613 13 70-33 12M7067 31 93-47 R96517 5 70-53 T77613 8 70-36 12M7067 5 94-29 R96805 8 52-5 T77613 21 70-39 12M7069 7 80-7 R96805 13 54-5 T77814 9 58-3 12M7069 15 80-17 R96806 10 52-5 T77814 13 70-39 12M7070 12 30-26 R96806 15 54-5 T77857 3 56-25 12M7070 4 30-27 R96826 6 54-15 T77857 1 60-9 12M7070 2 70-9 R97185 6 20-29 T77857 1 60-11 12M7077 6 40-37 R97185 5 20-36 T77857 1 60-13 12M7077 4 94-17 R97354 13 20-9 T77857 4 60-15 12M7122 5 40-23 R97490 8 20-39 T77857 11 70-5 12M7133 3 93-23 R97491 8 20-39 T77857 5 70-6 12M7135 8 40-9 R97492 9 20-39 T77857 16 70-25 12M7142 15 40-12 R97493 9 20-39 T77857 16 70-27 14H631 8 40-23 R98062 8 20-39 T77857 9 70-36 14H785 6 40-23 R99437 2 80-15 T77857 2 70-57 14H800 11 80-15 SE501101 8 20-9 T77858 3 30-19 14H800 5 80-19 SE501581 1 20-39 T77858 3 30-21 14M5409 23 80-31 SE501814 4 20-36 T77858 3 70-36 14M7009 16 56-12 SE502441 3 20-43 T77858 11 70-39 14M7027 11 93-13 TRATOR 6125J (EDICAO SUL-AMERICANA) PC8539P (01-JUL-10) 180-17 PN=627
  • 630.
    180-18 TRATOR 6125J (EDICAOSUL-AMERICANA) INDICE NUMERICO – CONTIN. NR.PECA ITEM PAGINA NR.PECA ITEM PAGINA NR.PECA ITEM PAGINA 14M7028 5 40-5 14M7272 2 94-7 14M7416 15 94-15 14M7028 8 93-33 14M7272 24 94-9 14M7416 30 94-19 14M7029 16 30-13 14M7272 2 94-11 14M7416 3 94-20 14M7029 9 30-17 14M7272 25 94-13 14M7478 3 92-37 14M7029 13 30-19 14M7272 14 94-17 14M7478 6 93-27 14M7029 13 30-21 14M7272 18 94-19 14M7528 10 92-37 14M7029 12 30-31 14M7273 3 40-9 15H584 4 20-29 14M7029 6 40-6 14M7273 3 40-11 15H584 3 20-44 14M7029 4 40-19 14M7273 8 40-19 15H623 22 20-29 14M7029 3 70-19 14M7273 18 40-19 15M2714 3 56-1 14M7029 8 80-3 14M7273 11 40-33 15M2714 3 56-2 14M7029 6 80-41 14M7273 15 56-25 15M2717 1 56-27 14M7029 5 94-34 14M7273 10 60-15 15M7062 8 70-8 14M7031 8 93-47 14M7273 30 60-17 15M7076 9 70-54 14M7031 6 94-29 14M7273 12 60-23 15M7076 8 70-64 14M7066 3 20-36 14M7273 35 80-3 15M7077 1 70-29 14M7100 24 40-19 14M7273 23 80-5 15M7077 6 70-64 14M7136 22 30-15 14M7273 8 93-23 15M7078 8 58-1 14M7139 9 40-35 14M7273 11 94-19 15M7078 4 58-2 14M7140 11 30-19 14M7274 5 30-3 16M7111 15 52-4 14M7140 11 30-21 14M7274 9 30-35 16M7114 26 80-3 14M7140 11 30-28 14M7274 7 40-9 16M7119 29 80-5 14M7140 21 80-3 14M7274 3 56-32 19H1782 1 80-15 14M7140 4 80-41 14M7274 8 60-15 19M10075 2 20-11 14M7142 14 80-17 14M7274 31 60-17 19M2875 17 54-5 14M7142 3 80-18 14M7274 3 60-21 19M5055 10 60-17 14M7142 4 80-20 14M7274 16 70-54 19M6614 2 20-9 14M7144 4 30-26 14M7274 3 92-27 19M6614 3 20-9 14M7144 5 30-27 14M7274 4 92-29 19M6614 5 93-23 14M7148 5 20-35 14M7274 3 93-8 19M7008 4 40-51 14M7148 9 70-61 14M7275 4 70-22 19M7008 4 40-53 14M7151 12 94-17 14M7276 4 80-9 19M7077 8 30-13 14M7165 12 40-23 14M7276 3 80-13 19M7077 16 30-17 14M7165 2 60-5 14M7276 9 80-39 19M7077 11 40-23 14M7165 7 92-3 14M7291 12 92-5 19M7077 18 60-5 14M7165 12 92-21 14M7295 15 30-27 19M7077 5 92-3 14M7165 2 92-25 14M7296 27 20-27 19M7077 16 92-21 14M7165 2 92-39 14M7296 5 40-3 19M7139 17 30-13 14M7165 8 93-13 14M7296 7 40-4 19M7139 7 30-17 14M7165 2 93-44 14M7296 2 40-5 19M7139 8 40-6 14M7165 29 93-47 14M7296 10 80-47 19M7139 9 80-41 14M7165 10 94-21 14M7296 11 94-3 19M7139 29 92-37 14M7166 7 40-12 14M7297 5 40-37 19M7139 9 94-19 14M7166 20 92-37 14M7298 12 20-9 19M7139 3 94-34 14M7166 13 92-41 14M7298 4 40-21 19M7156 19 56-5 14M7166 8 92-43 14M7299 1 94-3 19M7160 23 94-9 14M7166 5 93-26 14M7319 5 30-5 19M7160 28 94-13 14M7166 16 94-9 14M7360 16 94-19 19M7162 6 30-3 14M7166 11 94-13 14M7376 5 70-7 19M7162 1 30-13 14M7166 13 94-15 14M7376 26 92-37 19M7162 2 30-15 14M7168 8 94-19 14M7376 12 93-43 19M7162 19 30-17 14M7209 3 60-3 14M7396 23 94-19 19M7162 11 30-31 14M7233 11 80-5 14M7397 3 40-6 19M7162 14 30-35 14M7233 5 94-2 14M7397 18 60-3 19M7162 19 40-19 14M7260 13 80-39 14M7410 5 92-5 19M7162 5 40-52 14M7265 9 93-3 14M7413 7 70-10 19M7162 5 40-54 14M7265 3 94-17 14M7413 8 70-13 19M7162 23 56-5 14M7272 6 30-13 14M7416 4 40-33 19M7162 16 56-9 14M7272 18 30-17 14M7416 4 60-9 19M7162 9 56-22 14M7272 4 30-32 14M7416 17 60-11 19M7162 14 56-25 14M7272 15 60-15 14M7416 32 92-37 19M7162 3 56-28 14M7272 11 60-23 14M7416 1 92-47 19M7162 3 56-29 14M7272 15 92-39 14M7416 3 93-39 19M7162 6 92-9 14M7272 4 93-11 14M7416 23 93-47 19M7162 7 92-49 14M7272 4 93-23 14M7416 2 94-2 19M7162 16 93-47 14M7272 15 93-35 14M7416 26 94-9 19M7162 4 94-2 14M7272 2 94-5 14M7416 32 94-13 19M7163 2 40-19 180-18 TRATOR 6125J (EDICAO SUL-AMERICANA) PC8539P (01-JUL-10) PN=628
  • 631.
    180-19 TRATOR 6125J (EDICAOSUL-AMERICANA) INDICE NUMERICO – CONTIN. NR.PECA ITEM PAGINA NR.PECA ITEM PAGINA NR.PECA ITEM PAGINA 19M7163 6 40-33 19M7396 3 58-18 19M7768 18 93-33 19M7163 14 56-15 19M7402 6 30-35 19M7774 2 20-12 19M7163 11 60-17 19M7402 13 60-19 19M7775 11 20-27 19M7163 1 60-21 19M7403 6 30-27 19M7775 35 54-19 19M7166 1 30-1 19M7403 2 56-1 19M7775 1 54-21 19M7166 9 30-19 19M7403 2 56-2 19M7775 23 54-23 19M7166 17 30-19 19M7403 30 93-47 19M7775 15 58-15 19M7166 9 30-21 19M7403 12 94-3 19M7775 9 94-5 19M7166 15 30-21 19M7407 18 58-13 19M7784 4 20-19 19M7166 2 40-3 19M7408 3 30-1 19M7784 8 20-51 19M7166 13 60-15 19M7408 4 40-3 19M7784 2 52-2 19M7166 3 70-54 19M7408 6 40-4 19M7784 2 54-2 19M7166 41 80-3 19M7479 13 30-35 19M7784 7 60-5 19M7166 10 92-6 19M7479 8 92-27 19M7784 2 80-23 19M7167 9 30-21 19M7479 9 92-29 19M7785 3 20-13 19M7167 8 30-28 19M7481 2 92-35 19M7785 11 20-43 19M7167 6 30-35 19M7487 2 30-26 19M7785 3 30-37 19M7167 5 92-27 19M7487 2 30-27 19M7785 3 54-29 19M7167 6 92-29 19M7495 5 58-18 19M7785 6 70-41 19M7167 8 92-29 19M7496 8 30-5 19M7785 31 80-3 19M7168 7 30-1 19M7496 4 30-22 19M7786 2 20-18 19M7168 9 60-5 19M7496 6 30-22 19M7786 12 20-22 19M7168 20 60-15 19M7496 7 30-26 19M7788 5 20-53 19M7168 9 94-3 19M7496 14 30-27 19M7789 6 70-35 19M7169 17 30-21 19M7496 6 94-3 19M7790 6 80-47 19M7169 9 58-8 19M7496 7 94-3 19M7791 4 80-47 19M7169 1 80-41 19M7513 26 56-15 19M7793 2 20-52 19M7174 6 80-33 19M7555 3 56-26 19M7796 22 20-27 19M7174 2 80-35 19M7560 16 30-15 19M7796 9 56-29 19M7180 23 56-15 19M7560 4 40-23 19M7798 4 20-3 19M7184 9 52-4 19M7560 3 40-41 19M7800 20 56-11 19M7268 4 30-1 19M7560 6 40-55 19M7801 6 20-22 19M7268 1 40-9 19M7560 3 56-18 19M7801 29 20-27 19M7268 5 40-50 19M7560 14 56-23 19M7802 10 20-41 19M7268 3 94-29 19M7560 18 58-15 19M7802 19 20-51 19M7269 5 40-12 19M7560 5 92-3 19M7809 3 20-15 19M7285 8 30-26 19M7560 5 92-6 19M7809 11 20-19 19M7285 13 30-27 19M7560 8 92-14 19M7810 19 20-9 19M7286 1 92-25 19M7560 9 92-21 19M7810 3 40-3 19M7288 14 56-15 19M7560 2 93-23 19M7810 8 40-4 19M7288 9 60-15 19M7560 12 93-33 19M7810 10 40-5 19M7288 5 70-19 19M7560 8 93-35 19M7810 3 52-12 19M7288 4 80-23 19M7560 2 94-9 19M7810 1 54-29 19M7297 14 30-13 19M7560 23 94-13 19M7834 13 54-21 19M7297 10 30-17 19M7560 2 94-15 19M7834 1 58-15 19M7297 1 40-11 19M7574 22 92-41 19M7835 1 20-48 19M7297 22 93-47 19M7595 27 93-47 19M7835 1 40-4 19M7298 13 60-23 19M7603 17 60-15 19M7845 6 80-38 19M7300 5 60-17 19M7609 13 80-17 19M7862 42 54-5 19M7300 5 93-24 19M7609 1 80-18 19M7863 6 56-29 19M7317 9 40-37 19M7620 2 80-6 19M7864 5 80-23 19M7330 13 30-26 19M7638 2 58-11 19M7865 21 20-9 19M7343 1 80-20 19M7640 9 93-33 19M7865 10 58-3 19M7355 4 80-7 19M7657 7 93-47 19M7865 4 80-3 19M7364 4 30-5 19M7660 24 60-11 19M7865 5 94-3 19M7378 11 94-17 19M7660 24 60-13 19M7865 32 94-9 19M7382 2 52-2 19M7660 23 60-15 19M7865 37 94-13 19M7382 2 54-2 19M7660 23 70-43 19M7865 24 94-15 19M7385 12 52-5 19M7660 5 93-25 19M7866 5 20-43 19M7385 13 52-15 19M7662 20 52-15 19M7866 11 56-11 19M7386 1 40-26 19M7675 4 58-18 19M7866 22 56-11 19M7386 5 40-30 19M7691 2 93-45 19M7866 11 58-3 19M7386 1 58-17 19M7720 3 80-38 19M7866 43 80-3 19M7386 14 60-11 19M7768 9 60-23 19M7867 35 20-27 19M7386 14 60-13 19M7768 8 70-45 19M7867 1 20-40 19M7386 10 70-16 19M7768 8 70-47 19M7867 2 92-49 19M7386 11 93-47 19M7768 12 70-57 19M7868 5 56-12 TRATOR 6125J (EDICAO SUL-AMERICANA) PC8539P (01-JUL-10) 180-19 PN=629
  • 632.
    180-20 TRATOR 6125J (EDICAOSUL-AMERICANA) INDICE NUMERICO – CONTIN. NR.PECA ITEM PAGINA NR.PECA ITEM PAGINA NR.PECA ITEM PAGINA 19M7898 2 58-10 19M8664 8 70-61 24H1304 2 58-3 19M7902 11 80-37 19M8669 17 93-33 24M3763 7 30-27 19M7907 30 80-33 19M8675 14 40-19 24M7024 9 94-9 19M7913 18 20-51 19M8675 15 92-21 24M7024 17 94-13 19M7913 6 93-26 19M8678 6 70-61 24M7024 7 94-15 19M7921 26 80-33 19M8702 27 56-21 24M7026 12 30-19 19M7938 8 52-3 19M8703 31 80-5 24M7026 12 30-21 19M7938 8 54-3 19M8705 10 70-57 24M7026 4 94-29 19M7944 19 54-11 19M8706 12 70-45 24M7026 4 94-34 19M7946 7 80-1 19M8706 12 70-47 24M7027 6 40-5 19M7958 5 54-29 19M8715 5 92-23 24M7027 48 54-23 19M7966 3 70-4 19M8819 2 30-35 24M7027 8 93-3 19M7969 7 92-5 19M8823 13 70-31 24M7027 18 93-17 19M7970 11 20-41 19M8824 14 70-31 24M7027 15 93-19 19M7979 4 20-3 19M8830 11 93-21 24M7027 14 93-33 19M7979 26 20-27 19M8830 5 93-27 24M7028 10 30-19 19M7979 9 52-19 19M8831 14 92-21 24M7028 10 30-21 19M7984 18 30-19 19M8844 8 20-20 24M7028 11 30-35 19M7984 16 30-21 19M8851 6 30-37 24M7028 42 54-19 19M7984 16 30-35 19M8866 13 93-19 24M7028 20 56-5 19M7988 1 20-53 19M8866 6 94-9 24M7028 11 60-15 19M7988 6 70-19 19M8866 20 94-13 24M7028 19 60-15 19M7988 5 70-22 19M8866 2 94-21 24M7028 42 80-3 19M7988 3 70-41 19M8866 16 94-23 24M7028 4 92-27 19M8011 9 70-3 19M8875 2 40-42 24M7028 5 92-29 19M8011 1 80-29 19M8966 31 20-27 24M7028 10 94-3 19M8028 14 30-35 19M8987 1 20-36 24M7038 16 30-27 19M8035 4 92-5 19M8999 11 20-29 24M7040 9 30-28 19M8035 2 92-33 19M9168 43 54-19 24M7040 6 40-3 19M8049 7 30-22 19M9201 12 40-9 24M7044 2 40-26 19M8062 9 20-11 19M9426 4 80-7 24M7044 4 40-30 19M8119 23 80-33 19M9432 2 70-19 24M7044 8 94-3 19M8122 10 80-31 19M9433 5 80-10 24M7047 3 30-22 19M8162 2 54-29 19M9433 5 80-13 24M7047 2 40-9 19M8163 8 20-11 21M1689 4 40-60 24M7047 12 60-17 19M8208 2 70-18 21M7246 9 30-25 24M7047 12 93-47 19M8263 9 40-49 21M7246 7 40-59 24M7049 2 80-18 19M8263 14 60-9 21M7246 7 93-17 24M7049 3 80-20 19M8263 10 60-11 21M7246 7 93-19 24M7051 3 30-26 19M8263 10 60-13 21M7250 7 40-35 24M7051 3 30-27 19M8263 16 60-21 21M7285 21 93-17 24M7051 3 92-5 19M8291 24 20-27 21M7290 10 93-5 24M7053 6 92-5 19M8292 1 20-10 21M7292 8 70-7 24M7054 3 40-23 19M8292 6 52-3 21M7292 7 92-19 24M7054 5 40-55 19M8292 2 52-12 21M7292 10 92-31 24M7054 12 92-41 19M8292 6 54-3 21M7296 4 70-7 24M7054 6 93-24 19M8292 12 54-7 21M7296 13 92-19 24M7054 16 93-33 19M8317 25 20-27 21M7296 9 93-27 24M7054 3 93-44 19M8317 12 52-19 21M7296 4 93-28 24M7055 2 30-13 19M8397 4 56-9 21M7310 22 92-37 24M7055 3 30-15 19M8403 1 93-39 21M7310 11 92-41 24M7055 8 30-17 19M8403 17 94-9 21M7310 2 93-28 24M7055 10 30-31 19M8403 10 94-13 21M7369 13 40-19 24M7055 7 40-6 19M8403 16 94-15 21M7392 16 92-45 24M7055 4 40-9 19M8475 1 56-21 21M7403 10 93-17 24M7055 2 40-11 19M8482 5 40-36 21M7403 10 93-19 24M7055 6 40-12 19M8493 3 60-19 21M7423 19 92-47 24M7055 20 40-19 19M8533 2 56-7 21M7423 16 93-43 24M7055 10 40-33 19M8533 7 60-15 21M7463 10 56-23 24M7055 2 56-12 19M8533 4 93-8 21M7491 18 92-45 24M7055 13 60-9 19M8552 6 80-22 21M7572 9 56-23 24M7055 12 60-11 19M8618 10 20-51 21M7577 19 60-3 24M7055 12 60-13 19M8618 14 20-51 22H896 8 70-25 24M7055 24 60-15 19M8618 6 70-8 22M7168 24 60-17 24M7055 3 80-3 19M8618 15 70-29 22M7170 11 92-43 24M7055 19 92-37 19M8639 6 80-1 24H1292 2 92-45 24M7055 14 92-41 19M8653 2 80-47 24H1292 10 93-21 24M7055 7 92-43 180-20 TRATOR 6125J (EDICAO SUL-AMERICANA) PC8539P (01-JUL-10) PN=630
  • 633.
    180-21 TRATOR 6125J (EDICAOSUL-AMERICANA) INDICE NUMERICO – CONTIN. NR.PECA ITEM PAGINA NR.PECA ITEM PAGINA NR.PECA ITEM PAGINA 24M7055 15 92-45 24M7262 2 94-19 34M7190 3 40-4 24M7055 6 92-49 24M7265 6 94-27 34M7215 9 56-9 24M7055 7 93-23 24M7267 2 70-4 34M7226 2 52-19 24M7055 3 93-26 24M7267 16 70-29 34M7226 7 56-11 24M7055 3 93-45 24M7298 5 92-9 34M7230 10 70-3 24M7055 15 93-47 24M7298 16 92-37 34M7243 6 70-13 24M7055 10 94-17 24M7309 6 92-6 34M7245 7 70-13 24M7055 33 94-19 24M7309 4 92-17 34M7249 11 56-12 24M7088 7 30-13 24M7309 4 92-31 34M7259 14 56-9 24M7088 17 30-17 24M7309 23 92-37 34M7267 13 56-12 24M7088 6 30-32 24M7309 18 92-47 34M7268 19 54-23 24M7088 28 93-47 24M7309 5 93-29 34M7269 5 70-17 24M7090 1 70-9 24M7309 13 93-43 34M7272 23 52-9 24M7096 20 60-3 24M7315 6 92-33 34M7272 11 54-19 24M7096 2 70-54 24M7315 3 92-35 34M7302 12 92-37 24M7100 3 92-25 24M7318 12 80-39 37M7042 49 93-33 24M7101 2 80-41 24M7331 10 56-15 37M7059 13 60-11 24M7117 12 40-19 24M7332 22 56-5 37M7059 13 60-13 24M7117 6 40-47 24M7361 11 70-3 37M7059 7 92-6 24M7117 6 93-31 24M7361 7 70-19 37M7063 1 93-29 24M7138 8 92-17 24M7362 2 92-37 37M7079 4 93-29 24M7138 10 93-24 24M7362 16 92-43 37M7088 9 92-17 24M7139 15 30-15 24M7362 19 92-45 37M7089 2 93-41 24M7139 8 30-25 24M7362 4 93-25 37M7091 3 92-31 24M7139 2 40-41 24M7362 7 93-27 37M7095 4 40-16 24M7139 18 60-11 24M7369 12 56-9 37M7104 23 60-11 24M7139 17 60-13 24M7370 12 56-9 37M7104 23 60-13 24M7139 27 80-3 24M7371 12 56-9 37M7131 5 92-6 24M7139 6 92-3 24M7372 12 56-9 37M7140 17 93-17 24M7139 6 92-6 24M7373 12 56-9 37M7140 1 93-35 24M7139 9 92-14 24M7374 12 56-9 37M7146 3 92-17 24M7139 4 92-21 24M7375 12 56-9 37M7177 4 40-12 24M7139 4 92-33 24M7386 19 56-9 37M7179 5 40-47 24M7139 6 92-35 24M7398 12 56-9 37M7179 19 80-5 24M7139 6 93-23 24M7399 12 56-9 37M7179 16 92-9 24M7139 6 93-33 24M7452 12 56-9 37M7179 12 94-23 24M7139 3 93-35 25H723 11 70-45 37M7179 3 94-25 24M7139 16 93-35 25H723 11 70-47 37M7181 5 40-41 24M7139 3 94-9 26M4224 5 20-31 37M7181 34 80-5 24M7139 22 94-13 26M5447 14 70-29 37M7181 7 93-3 24M7139 3 94-15 28H1529 10 20-19 37M7185 2 93-17 24M7145 9 40-9 30M5581 12 58-2 37M7185 2 93-19 24M7146 8 40-35 30M7010 21 56-11 37M7185 41 93-33 24M7146 8 40-43 30M7011 10 58-1 37M7185 2 93-35 24M7146 13 40-47 30M7011 9 58-2 37M7193 4 40-50 24M7146 15 92-9 30M7024 3 56-11 37M7218 4 93-35 24M7150 10 56-15 30M7024 15 58-7 37M7219 7 93-35 24M7178 10 60-5 34H184 18 70-45 37M7230 12 93-19 24M7178 32 80-3 34H184 18 70-47 37M7240 28 80-5 24M7178 10 92-41 34H234 4 94-25 37M7240 4 92-9 24M7180 7 94-19 34H241 2 70-17 37M7242 3 92-33 24M7207 8 80-41 34H294 16 60-19 37M7255 4 93-37 24M7213 7 30-35 34H394 9 93-13 37M7256 31 93-33 24M7240 9 70-19 34M3858 1 52-19 37M7263 2 93-24 24M7240 3 70-22 34M3858 18 56-11 37M7272 43 93-33 24M7241 6 80-7 34M3872 7 58-15 37M7274 2 40-10 24M7242 9 80-1 34M5028 1 52-6 37M7290 16 93-17 24M7244 10 40-49 34M5028 2 54-21 37M7290 2 93-39 24M7244 6 70-7 34M5028 15 54-23 37M7291 4 92-11 24M7251 4 60-5 34M5028 52 54-23 37M7293 3 40-43 24M7251 14 92-19 34M5028 7 54-26 37M7293 14 40-47 24M7251 25 92-37 34M5719 23 56-9 37M7305 11 92-47 24M7251 3 92-39 34M7095 26 60-17 37M7335 2 40-15 24M7252 8 92-37 34M7135 12 80-33 37M7336 17 93-5 24M7258 10 56-15 34M7160 4 70-13 37M7357 7 92-31 24M7260 14 92-43 34M7172 31 94-13 37M7361 18 92-19 24M7260 4 93-27 34M7187 21 58-7 37M7361 4 93-15 TRATOR 6125J (EDICAO SUL-AMERICANA) PC8539P (01-JUL-10) 180-21 PN=631
  • 634.
    180-22 TRATOR 6125J (EDICAOSUL-AMERICANA) INDICE NUMERICO – CONTIN. NR.PECA ITEM PAGINA NR.PECA ITEM PAGINA NR.PECA ITEM PAGINA 37M7376 2 94-25 51M7040 2 20-22 51M7045 3 70-21 37M7382 14 94-23 51M7040 14 20-41 51M7045 2 70-29 37M7411 3 93-31 51M7040 3 52-11 51M7045 6 70-33 37M7411 6 93-31 51M7040 21 54-25 51M7045 5 70-63 37M7422 5 92-35 51M7040 4 54-26 51M7045 5 70-64 38H5002 11 56-25 51M7040 7 70-35 51M7047 2 30-19 38H5003 12 70-5 51M7040 5 70-39 51M7047 2 30-21 38H5003 1 70-6 51M7041 4 20-22 51M7047 9 58-1 38H5012 7 70-33 51M7041 28 54-5 51M7047 5 58-2 38H5019 15 30-19 51M7041 13 54-11 51M7047 1 70-36 38H5036 21 60-15 51M7041 49 54-19 51M7047 1 70-43 38H5037 6 56-23 51M7041 58 54-23 51M7048 28 56-15 38H5135 31 56-15 51M7041 15 54-25 51M7048 8 56-19 38H5135 5 56-23 51M7041 12 56-25 51M7048 24 70-29 38H5135 7 56-25 51M7041 4 60-6 51M7048 6 70-36 38H5243 3 70-6 51M7041 9 60-9 51M7048 3 70-39 40M1833 16 52-15 51M7041 22 60-11 51M7048 19 70-43 40M1851 14 58-15 51M7041 22 60-13 51M7048 5 70-54 40M1857 45 54-23 51M7041 9 60-17 51M7050 11 70-31 40M1863 9 30-1 51M7041 6 60-19 51M7050 1 70-33 40M4624 13 80-37 51M7041 22 60-21 51M7052 4 70-64 40M5099 8 52-4 51M7041 2 60-23 51M7061 6 56-19 40M7030 19 60-17 51M7041 20 70-25 51M7100 7 70-31 40M7040 10 56-12 51M7041 20 70-27 51M7100 8 70-43 40M7040 2 93-37 51M7041 3 70-33 51M7100 8 70-54 40M7040 19 94-17 51M7041 2 70-35 51M7101 7 70-54 40M7043 7 52-15 51M7041 4 70-36 51M7103 10 70-31 40M7044 4 58-10 51M7041 27 70-39 51M7103 25 70-43 40M7051 7 60-17 51M7041 11 70-43 51M7119 5 56-26 40M7066 3 58-8 51M7041 10 70-54 55M7003 5 94-17 40M7068 19 56-12 51M7041 7 70-64 55M7012 7 93-13 40M7088 13 92-39 51M7042 2 20-51 56M7006 12 93-13 40M7097 8 54-17 51M7042 50 54-19 56M7009 5 30-32 40M7102 7 70-63 51M7042 17 54-21 57M7011 4 40-10 40M7103 4 70-5 51M7042 49 54-23 57M7014 3 40-10 40M7115 15 52-15 51M7042 14 54-25 57M7039 1 40-66 40M7120 17 52-15 51M7042 32 56-15 57M7041 4 40-66 40M7126 9 94-25 51M7042 4 56-22 57M7044 10 40-76 40M7178 18 52-15 51M7042 4 56-23 57M7052 3 40-76 40M7179 7 58-5 51M7042 8 56-25 57M7054 2 40-76 40M7237 10 58-13 51M7042 6 58-3 57M7065 6 40-66 40M7249 5 70-10 51M7042 22 60-15 57M7066 5 40-66 40M7249 14 70-13 51M7043 17 20-27 57M7068 2 40-66 40M7251 32 54-23 51M7043 16 20-41 57M7079 3 40-76 40M7252 37 52-17 51M7043 3 30-9 57M7089 17 40-66 40M7253 20 56-9 51M7043 19 54-19 57M7089 1 40-73 400R 20 52-5 51M7043 10 54-21 57M7103 4 40-66 400R 6 54-5 51M7043 9 54-23 57M7104 4 40-66 400R 7 54-9 51M7043 27 54-23 57M7105 10 93-39 405R 14 54-21 51M7043 9 54-25 57M7106 1 40-73 405R 46 54-23 51M7043 1 56-25 57M7108 13 40-49 42M7038 6 70-22 51M7043 2 60-6 57M7116 13 40-76 42M7058 11 30-1 51M7043 13 70-5 57M7116 50 93-33 42M7058 1 30-3 51M7043 7 70-6 57M7118 1 40-76 44M7110 7 70-8 51M7043 2 70-21 57M7120 5 40-43 44M7111 5 52-19 51M7043 15 70-33 57M7120 1 40-44 44M7111 6 56-11 51M7043 7 70-39 57M7121 5 40-43 44M7114 22 56-31 51M7043 18 70-43 57M7121 1 40-44 44M7146 6 70-53 51M7044 4 20-27 57M7146 5 40-43 45M7063 7 93-11 51M7044 2 20-45 57M7146 1 40-44 45M7080 14 56-12 51M7045 14 20-43 57M7161 16 40-66 45M7080 6 93-11 51M7045 3 20-51 57M7166 6 40-15 45M7080 14 94-19 51M7045 5 20-51 57M7170 3 40-66 48M7038 10 58-5 51M7045 21 52-9 57M7170 2 40-73 51M7039 8 20-10 51M7045 14 54-19 57M7175 4 40-76 51M7039 14 70-39 51M7045 24 54-19 57M7183 3 40-73 51M7040 17 20-9 51M7045 6 54-23 57M7189 1 40-66 180-22 TRATOR 6125J (EDICAO SUL-AMERICANA) PC8539P (01-JUL-10) PN=632
  • 635.
    180-23 TRATOR 6125J (EDICAOSUL-AMERICANA) INDICE NUMERICO – CONTIN. NR.PECA ITEM PAGINA NR.PECA ITEM PAGINA NR.PECA ITEM PAGINA 57M7204 10 40-47 57M7402 9 40-69 57M8199 3 40-69 57M7204 12 40-49 57M7402 7 40-70 57M8200 4 40-67 57M7205 10 40-47 57M7403 12 40-69 57M8201 9 40-67 57M7205 12 40-49 57M7406 9 40-70 57M8202 8 40-67 57M7206 10 40-47 57M7427 1 40-66 57M8398 6 40-73 57M7207 4 40-76 57M7430 1 40-76 57M8399 8 40-73 57M7210 9 40-76 57M7493 2 40-63 57M8439 11 40-55 57M7229 11 40-47 57M7493 2 40-65 57M8519 1 40-75 57M7229 11 40-49 57M7493 19 40-65 57M8520 7 40-75 57M7244 17 40-63 57M7493 2 40-70 57M8527 5 40-75 57M7247 16 40-63 57M7528 7 40-49 57M8528 4 40-75 57M7252 6 40-63 57M7576 15 40-65 57M8529 6 40-75 57M7252 6 40-65 57M7583 16 40-65 57M8530 3 40-75 57M7252 18 40-65 57M7584 16 40-65 57M8531 2 40-75 57M7254 8 40-63 57M7602 13 40-73 57M8606 3 40-56 57M7255 13 40-63 57M7615 7 93-39 57M8907 8 40-56 57M7256 14 40-12 57M7619 1 40-56 57M8947 4 40-56 57M7256 9 40-63 57M7633 8 40-55 57M9164 11 40-73 57M7257 14 40-63 57M7697 17 40-65 57M9215 5 40-56 57M7258 7 40-56 57M7699 20 40-65 57M9231 4 40-56 57M7258 2 40-63 57M7829 5 40-70 57M9698 4 40-35 57M7258 2 40-65 57M7847 5 40-76 58M5573 5 70-5 57M7259 18 40-63 57M7848 5 40-76 58M5575 20 56-31 57M7259 14 40-65 57M7919 18 40-69 58M7009 13 70-3 57M7260 4 40-65 57M7924 6 40-76 59M7001 12 56-21 57M7261 8 40-65 57M7984 8 40-76 61M5002 21 60-11 57M7262 6 40-56 57M7989 3 40-35 61M5002 21 60-13 57M7262 12 40-65 57M8015 2 40-56 61M5002 5 60-19 57M7263 5 40-65 57M8016 2 40-56 61M5002 4 60-23 57M7264 9 40-65 57M8017 1 40-56 61M5002 2 70-27 57M7265 13 40-65 57M8024 7 40-76 61M5002 4 70-33 57M7266 4 40-63 57M8057 12 40-76 61M5002 5 70-36 57M7267 5 40-63 57M8071 5 40-67 61M5003 2 56-25 57M7281 11 40-65 57M8077 6 40-69 61M5003 3 60-6 57M7283 10 40-65 57M8078 6 40-67 61M5003 17 70-25 57M7289 13 40-12 57M8078 16 40-69 61M5003 17 70-27 57M7289 7 40-63 57M8078 7 40-73 61M5005 1 30-19 57M7291 1 40-65 57M8079 6 40-67 61M5005 1 30-21 57M7292 15 40-65 57M8079 16 40-69 61M5005 2 70-36 57M7296 7 40-65 57M8081 7 40-67 61M5005 2 70-43 57M7315 1 40-63 57M8093 6 40-35 61M5010 4 70-39 57M7317 12 40-63 57M8096 13 40-69 61M5013 8 70-39 57M7318 15 40-63 57M8097 14 40-69 61M5016 5 60-6 57M7318 4 40-71 57M8098 2 40-69 61M5016 10 60-23 57M7323 7 40-66 57M8099 4 40-69 61M5016 29 70-39 57M7324 8 40-66 57M8100 4 40-69 61M5019 20 30-19 57M7328 10 40-63 57M8101 4 40-69 61M5121 19 30-19 57M7331 9 40-66 57M8102 17 40-69 61M5243 26 70-29 57M7346 1 40-70 57M8103 17 40-69 99M7009 1 80-42 57M7347 4 40-70 57M8104 17 40-69 99M7015 1 80-42 57M7348 3 40-76 57M8105 5 40-69 99M7016 1 80-42 57M7349 1 40-70 57M8106 5 40-69 99M7016 24 93-17 57M7351 6 40-69 57M8107 10 40-69 99M7032 1 80-42 57M7364 1 40-71 57M8108 8 40-69 99M7043 12 58-1 57M7365 11 40-63 57M8164 19 40-69 99M7043 13 58-2 57M7377 2 40-63 57M8167 3 40-69 99M7043 1 80-42 57M7377 2 40-65 57M8169 3 40-67 99M7043 6 92-21 57M7377 3 40-71 57M8170 2 40-67 99M7056 1 80-42 57M7379 6 40-70 57M8181 2 40-35 99M7056 7 92-21 57M7390 1 40-16 57M8182 5 40-35 99M7057 1 80-42 57M7393 8 40-70 57M8186 11 40-76 99M7057 5 93-35 57M7398 15 40-69 57M8189 4 40-35 99M7065 5 40-43 57M7399 1 40-67 57M8190 3 40-35 99M7065 1 40-44 57M7399 7 40-69 57M8195 1 40-69 99M7073 23 93-17 57M7400 1 40-67 57M8196 1 40-69 99M7095 1 80-42 57M7400 7 40-69 57M8197 1 40-69 99M7098 1 80-42 57M7401 11 40-69 57M8198 3 40-69 99M7115 1 80-42 TRATOR 6125J (EDICAO SUL-AMERICANA) PC8539P (01-JUL-10) 180-23 PN=633
  • 636.
    180-24 TRATOR 6125J (EDICAOSUL-AMERICANA) INDICE NUMERICO – CONTIN. NR.PECA ITEM PAGINA NR.PECA ITEM PAGINA NR.PECA ITEM PAGINA 99M7130 1 80-42 99M7130 15 92-6 180-24 TRATOR 6125J (EDICAO SUL-AMERICANA) PC8539P (01-JUL-10) PN=634