N096Z001
21481824
10-40 No
25-30 No
60-10 No
1
2
3
022017N1
3148405M91
2801053M91
1
1
1
ENGINE MOTOR
FASTENER CIERRE
FASTENER CIERRE
MOTOR
FIXAÇÃO
FIXAÇÃO
C026502 E03 12/05
(1)
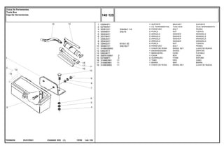
Escapamento Vertical
Vertical Exhaust
Descarga Vertical
10 10
2 Rm
2 Wd
2 Rm
Motor
Engine
Motor
10 10
-
Menu Símbolos
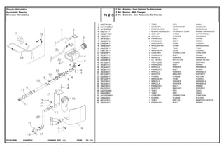
EI65Z003
T0218006
25-25 No
10-40 No
60-20 No
1
2
3
048510N1
022017N1
049207N1
1
1
1
FASTENER CIERRE
ENGINE MOTOR
FASTENER CIERRE
FIXAÇÃO
MOTOR
FIXAÇÃO
C026502 E03 12/05
(1)
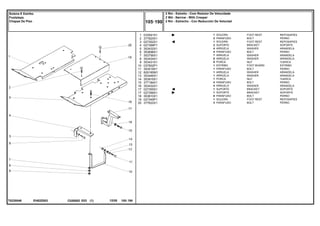
Escapamento Vertical
Vertical Exhaust
Descarga Vertical
10 15
4rm
4wd
4rm
Fixação Do Motor
Fixation Engine
Fixacion Motor
10 15
-
Menu Símbolos
EI66Z001
T0218007
25-25 No
10-45 No
60-20 No
1
2
3
048510N1
022648N1
049207N1
1
1
1
FASTENER CIERRE
ENGINE MOTOR
FASTENER CIERRE
FIXAÇÃO
MOTOR
FIXAÇÃO
C026502 E03 12/05
(1)
4 Rodas Motrizes - Escapamento Horizontal
4 Wheels Drive - Horizontal Exhaust
4 Ruedas Motriz - Descarga Horizontal
10 20
Fixação Do Motor
Fixation Engine
Fixacion Motor
10 20
-
Menu Símbolos
EI62Z006
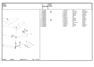
21481825
10-40 No
25-30 No
60-15 No
1
2
3
022017N1
3148405M91
3585700M91
1
1
1
ENGINE MOTOR
FASTENER CIERRE
FASTENER CIERRE
MOTOR
FIXAÇÃO
FIXAÇÃO
C026502 E03 12/05
(1)
4 Rodas Motrizes - Tração Central
4 Wheels Drive - Central Traction
4 Ruedas Motriz - Tracción Central
10 25
Fixação Do Motor
Fixation Engine
Fixacion Motor
10 25
-
Menu Símbolos
EI62Z002
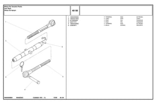
21481832
10-45 No
25-30 No
60-10 No
1
2
3
022648N1
3148405M91
2801053M91
1
1
1
ENGINE MOTOR
FASTENER CIERRE
FASTENER CIERRE
MOTOR
FIXAÇÃO
FIXAÇÃO
C026502 E03 12/05
(1)
2 Rodas Motrizes - Escapamento Horizontal
2 Wheels Drive - Horizontal Exhaust
2 Ruedas Motriz - Descarga Horizontal
10 30
Fixação Do Motor
Fixation Engine
Fixacion Motor
10 30
-
Menu Símbolos
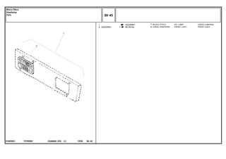
EM34Z001
054558T1
1 054558T1 1 KIT, MOTOR JUEGO MOTOR
CJ. MOTOR
C026502 E03 12/05
(1)
10 35
4.236
4.236
4.236
Motor Aspirado
Aspirated Engine
Motor Aspiracion
10 35
-
Menu Símbolos
EG54Z001
022017N1
10-35 No
10-200 No
10-215 No
10-210 No
1
2
3
4
5
6
7
8
9
10
11
12
13
14
15
16
17
18
19
20
21
22
23
24
25
26
27
28
29
30
31
32
33
34
3408100M92
3149888M1
353756X1
353757X1
353432X1
353426X1
054558T1
3408374M1
3408373M91
353446X1
353525X1
2801859M1
1482841M92
353431X1
353434X1
3176060M91
488952M4
3408361M91
3408355M1
361563X1
3408102M2
353434X1
354513X1
3145137M1
049202T1
3589435M91
3145869M1
353434X1
353430X1
353756X1
353434X1
353536X1
354262X1
353756X1
1
1
2
1
1
1
1
1
1
4
4
1
1
3
3
1
1
1
3
6
1
1
1
1
1
1
1
1
1
2
2
2
1
1
13
BRACKET SOPORTE
TURNBUCKLE TORNIQUETE
WASHER ARANDELA
WASHER ARANDELA
WASHER ARANDELA
NUT TUERCA
KIT, MOTOR JUEGO MOTOR
EXTENSION EXTENSION
FAN VENTILADOR
WASHER ARANDELA
BOLT PERNO
BELT CORREA
STARTERMOTOR MOTOR ARRANQUE
NUT TUERCA
WASHER ARANDELA
KIT, REPAIR JUEGO REPARACION
BEARING COJINETE
FLYWHEEL ASSY. CJTO.DE VOLANTE
LOCK RETENEDOR
BOLT PERNO
BRACKET SOPORTE
WASHER ARANDELA
BOLT PERNO
SPACER PIEZA DISTANCIA
GUARD DEFENSA
ALTERNATOR ALTERNADOR
BOLT PERNO
WASHER ARANDELA
NUT TUERCA
WASHER ARANDELA
WASHER ARANDELA
BOLT PERNO
BOLT PERNO
WASHER ARANDELA
SUPORTE
ESTICADOR
ARRUELA
ARRUELA
ARRUELA
PORCA
CJ. MOTOR
EXTENSÃO
HÉLICE
ARRUELA
PARAFUSO
CORREIA
MOTOR PARTIDA
PORCA
ARRUELA
JG. REPARO
ROLAMENTO
CJ. VOLANTE
TRAVA
PARAFUSO
SUPORTE
ARRUELA
PARAFUSO
ESPAÇADOR
PROTEÇÃO
ALTERNADOR
PARAFUSO
ARRUELA
PORCA
ARRUELA
ARRUELA
PARAFUSO
PARAFUSO
ARRUELA
C026502 E03 12/05
(1)
10 40
Motor
Engine
Motor
10 40
-
Menu Símbolos
EG54Z003
022648N1
10-200 No
10-215 No
10-210 No
1
2
3
4
5
6
7
8
9
10
11
12
13
14
15
16
17
18
19
20
21
22
23
24
25
26
27
28
29
30
31
32
33
34
3408100M92
3149888M1
353756X1
353757X1
353432X1
353426X1
054559T1
3408374M1
3408373M91
353446X1
353525X1
2801859M1
1482841M92
353431X1
353434X1
3176060M91
488952M4
3408361M91
3408355M1
361563X1
3408102M2
353434X1
354513X1
3145137M1
049202T1
3589435M91
3145869M1
353434X1
353430X1
353756X1
353434X1
353536X1
354262X1
353756X1
1
1
2
1
1
1
1
1
1
4
4
1
1
3
3
1
1
1
3
6
1
1
1
1
1
1
1
1
1
2
2
2
1
1
13
BRACKET SOPORTE
TURNBUCKLE TORNIQUETE
WASHER ARANDELA
WASHER ARANDELA
WASHER ARANDELA
NUT TUERCA
KIT, MOTOR JUEGO MOTOR
EXTENSION EXTENSION
FAN VENTILADOR
WASHER ARANDELA
BOLT PERNO
BELT CORREA
STARTERMOTOR MOTOR ARRANQUE
NUT TUERCA
WASHER ARANDELA
KIT, REPAIR JUEGO REPARACION
BEARING COJINETE
FLYWHEEL ASSY. CJTO.DE VOLANTE
LOCK RETENEDOR
BOLT PERNO
BRACKET SOPORTE
WASHER ARANDELA
BOLT PERNO
SPACER PIEZA DISTANCIA
GUARD DEFENSA
ALTERNATOR ALTERNADOR
BOLT PERNO
WASHER ARANDELA
NUT TUERCA
WASHER ARANDELA
WASHER ARANDELA
BOLT PERNO
BOLT PERNO
WASHER ARANDELA
SUPORTE
ESTICADOR
ARRUELA
ARRUELA
ARRUELA
PORCA
CJ. MOTOR
EXTENSÃO
HÉLICE
ARRUELA
PARAFUSO
CORREIA
MOTOR PARTIDA
PORCA
ARRUELA
JG. REPARO
ROLAMENTO
CJ. VOLANTE
TRAVA
PARAFUSO
SUPORTE
ARRUELA
PARAFUSO
ESPAÇADOR
PROTEÇÃO
ALTERNADOR
PARAFUSO
ARRUELA
PORCA
ARRUELA
ARRUELA
PARAFUSO
PARAFUSO
ARRUELA
C026502 E03 12/05
(1)
10 45
Motor
Engine
Motor
10 45
-
Menu Símbolos
EJ93Z001
2011-33
[A] KIT CAMISA, PISTÃO E ANÉIS
KIT LINER, PISTON AND RINGS
KIT CAMISA, PISTON Y ANILLOS
603005E
603006E
523617A
523618A
603005E
603006E
603006E
603005E
523618A
523617A
1
1
2
3
4
5
6
7
7
8
9
10
11
12
12
13
14
15
16
17
18
19
20
20
21
21
22
23
24
4236226
4236278
70993358
424827
423646
424804
4236151
4236143
4236247
70998033
70490279
32166329
33142111
3627P011
3627P013
70740062
70650077
70920065
70650109
0650582
70650075
70650068
4236279
4236188
70530028
31358393
70650014
70650079
70650076
1
1
1
1
4
4
4
1
1
1
1
10
10
1
1
2
4
1
1
1
8
1
1
1
4
X
1
1
4
1
1
1
1
1
20
20
20
20
20
20
20
20
20
20
20
20
20
[A]
[A]
SHORT ENGINE BLOQUE EMBIELADO
SHORT ENGINE BLOQUE EMBIELADO
BLOCK BLOQUE
SHAFT ARBOL
PISTON PISTON
CONROD BIELA
KIT, RING AROS JUEGO
KIT JUEGO
KIT JUEGO
BUSH CASQUILLO
GASKET EMPAQUETADURA.
BOLT PERNO
RING ARO
PLATE PLATO
PLATE PLATO
BOLT PERNO
PLUG TAPON
WASHER ARANDELA
PLUG TAPON
PLUG TAPON
PLUG TAPON
PLUG TAPON
CYLINDER BLOCK BLOQUE CILINDROS
BLOCK BLOQUE
LINER CAMISA
LINER CAMISA
PLUG TAPON
PLUG TAPON
PLUG TAPON
MOTOR PARCIAL
MOTOR PARCIAL
BLOCO
EIXO
PISTÃO
BIELA
JG. ANÉIS
CONJUNTO
CONJUNTO
BUCHA
JUNTA
PARAFUSO
ANEL
PLACA
PLACA
PARAFUSO
BUJÃO
ARRUELA
BUJÃO
BUJÃO
BUJÃO
BUJÃO
BLOCO CILINDROS
BLOCO
CAMISA
CAMISA
BUJÃO
BUJÃO
BUJÃO
C026502 E03 12/05
(1)
10 50
Bloco De Cilindros
Cylinder Block
Bloque De Cilindros
10 50
-
Menu Símbolos
STD
STD
STD
EJ83Z001
2013-13
+.010"
+.020"
+.030"
+.0075"
+.010"
+.020"
+.030"
1
2
2
2
2
3
3
4
5
5
5
5
6
7
8
S4004
423670
423670A
423670B
423670C
424808
424808A
70998009
423669
423669A
423669B
423669C
33125416
31171681
0500012
1
1
X
X
X
1
X
1
1
X
X
X
1
1
1
1
1
1
1
SHAFT ARBOL
BEARING KIT JUEGO COJINETES
BEARING KIT JUEGO COJINETES
BEARING KIT JUEGO COJINETES
BEARING KIT JUEGO COJINETES
KIT, WASHER JUEGO ARANDELAS
KIT, WASHER JUEGO ARANDELAS
CRANKSHAFT CIGUENAL
BEARING KIT JUEGO COJINETES
BEARING KIT JUEGO COJINETES
BEARING KIT JUEGO COJINETES
BEARING KIT JUEGO COJINETES
WASHER ARANDELA
GEAR ENGRANAJE
KEY CLAVE
EIXO
JOGO CASQUILHOS
JOGO CASQUILHOS
JOGO CASQUILHOS
JOGO CASQUILHOS
JG. ARRUELAS
JG. ARRUELAS
VIRABREQUIM
JOGO CASQUILHOS
JOGO CASQUILHOS
JOGO CASQUILHOS
JOGO CASQUILHOS
ARRUELA
ENGRENAGEM
CHAVETA
C026502 E03 12/05
(1)
10 55
Virabrequim
Crankshaft
Cigüeñal
10 55
-
Menu Símbolos
STD
EK48Z001
2014-35
+.010"
+.020"
+.030"
1
2
3
4
5
6
7
8
8
8
8
423646
70170026
4236151
424804
70998085
32762116
70570094
423670
423670A
423670B
423670C
4
8
4
4
4
8
8
1
X
X
X
1
4
4
4
PISTON PISTON
CIRCLIP CIRCULITO
KIT, RING AROS JUEGO
CONROD BIELA
BUSH CASQUILLO
BOLT PERNO
NUT TUERCA
BEARING KIT JUEGO COJINETES
BEARING KIT JUEGO COJINETES
BEARING KIT JUEGO COJINETES
BEARING KIT JUEGO COJINETES
PISTÃO
ANEL TRAVA
JG. ANÉIS
BIELA
BUCHA
PARAFUSO
PORCA
JOGO CASQUILHOS
JOGO CASQUILHOS
JOGO CASQUILHOS
JOGO CASQUILHOS
C026502 E03 12/05
(1)
10 60
Pistões E Bielas
Pistons And Connecting Rods
Pistones Y Bielas
10 60
-
Menu Símbolos
EO65Z001
2034-38
0920108
1
2
3
4
5
6
7
8
9
10
70991157
70490266
36862138
70991630
70920112
0746254
70150038
2172513
0920052
0920002
1
1
1
1
2
2
1
4
4
4
COVER CUBIERTA
GASKET EMPAQUETADURA.
GASKET EMPAQUETADURA.
FILLER RELLENADOR
WASHER ARANDELA
BOLT PERNO
COVER CUBIERTA
BOLT PERNO
WASHER ARANDELA
WASHER ARANDELA
TAMPA
JUNTA
JUNTA
BOCAL
ARRUELA
PARAFUSO
TAMPA
PARAFUSO
ARRUELA
ARRUELA
C026502 E03 12/05
(1)
10 65
Tampa Do Cabeçote
Cylinder Head Cover
Tapa De Válvulas
10 65
-
Menu Símbolos
EO76Z001
2053-14
1
2
3
70180153
70620711
35731144
2
1
1
CLAMP ABRAZADERA
HOSE FLEXIBLE
PIPE CANO
BRAÇADEIRA
MANGUEIRA
TUBO
C026502 E03 12/05
(1)
10 70
Respiro Do Motor
Engine Breather
Respiradero Del Motor
10 70
-
Menu Símbolos
EO58Z002
2018-26
70100544
1
2
3
5
6
8
9
10
11
12
13
14
15
16
17
18
19
20
21
22
23
24
25
26
27
28
29
424823
70998041
31434163
70998162
70998163
70998136
70730051
70998121
70230010
0096634
424807
0650507
0920006
0576052
0720579
70998095
2511425
0170151
33117415
31743108
70998096
70100716
31744123
2511425
33811113
35511111
0726504
1
8
8
4
4
8
8
8
16
4
1
2
4
8
8
4
4
2
2
2
4
4
2
4
1
1
1
1
13
1
18
1
1
1
1
1
1
23
1
1
ROCKER SHAFT EJE BALANCINES
ROD VARILLA
TAPPET TAQUET
VALVE INLET VALVULA ADMISION
VALVE EXHAUST VALVULA ESCAPE
SPRING RESORTE
SEAL RETEN
CAP TAPA
LOCK RETENEDOR
BOLT PERNO
SHAFT ARBOL
PLUG TAPON
WASHER ARANDELA
NUT TUERCA
BOLT PERNO
ROCKER BALANCIN
BUSH CASQUILLO
CIRCLIP CIRCULITO
WASHER ARANDELA
SPRING RESORTE
ROCKER BALANCIN
BRACKET SOPORTE
SPRING RESORTE
BUSH CASQUILLO
OLIVE OLIVA
PIPE CANO
BOLT PERNO
EIXO BALANCEIRO
VARETA
TUCHO
VÁLVULA ADMISSÃO
VÁLVULA ESCAPE
MOLA
VEDADOR
CAPA
TRAVA
PARAFUSO
EIXO
BUJÃO
ARRUELA
PORCA
PARAFUSO
BALANCEIRO
BUCHA
ANEL TRAVA
ARRUELA
MOLA
BALANCEIRO
SUPORTE
MOLA
BUCHA
OLIVA
TUBO
PARAFUSO
C026502 E03 12/05
(1)
10 75
Válvulas E Balanceiros
Valves And Rockershafts
Válvulas Y Balancines
10 75
-
Menu Símbolos
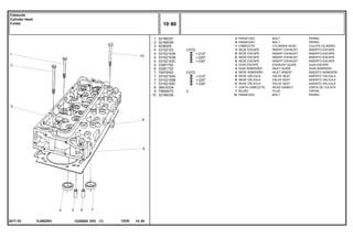
STD
STD
EJ80Z001
2017-32
+.010"
+.020"
+.030"
+.010"
+.020"
+.030"
1
2
3
4
4
4
4
5
6
7
7
7
7
8
9
10
32166337
32166339
4236205
33152153
33152153A
33152153B
33152153C
33261752
33261732
70470053
33152155A
33152155B
33152155C
3681E034
70650075
32166338
2
8
1
4
X
X
X
4
4
4
X
X
X
1
1
12
3
3
3
BOLT PERNO
BOLT PERNO
CYLINDER HEAD CULATA CILINDRO
INSERT EXHAUST INSERTO ESCAPE
INSERT EXHAUST INSERTO ESCAPE
INSERT EXHAUST INSERTO ESCAPE
INSERT EXHAUST INSERTO ESCAPE
EXHAUST GUIDE GUIA ESCAPE
INLET GUIDE GUIA ADMISION
INLET INSERT INSERTO ADMISIÓN
VALVE SEAT ASIENTO VALVULA
VALVE SEAT ASIENTO VALVULA
VALVE SEAT ASIENTO VALVULA
HEAD GASKET JUNTA DE CULATA
PLUG TAPON
BOLT PERNO
PARAFUSO
PARAFUSO
CABEÇOTE
SEDE ESCAPE
SEDE ESCAPE
SEDE ESCAPE
SEDE ESCAPE
GUIA ESCAPE
GUIA ADMISSÃO
SEDE ADMISSÃO
SEDE VÁLVULA
SEDE VÁLVULA
SEDE VÁLVULA
JUNTA CABEÇOTE
BUJÃO
PARAFUSO
C026502 E03 12/05
(1)
10 80
Cabeçote
Cylinder Head
Culata
10 80
-
Menu Símbolos
EO65Z002
2036-24
1
2
3
4
5
6
7
8
0746453
0920054
0940913
36851409
36212152
0920053
0746255
36177111
4
4
1
1
1
6
6
1
BOLT PERNO
WASHER ARANDELA
STRAP FAJA
GASKET EMPAQUETADURA.
COVER CUBIERTA
WASHER ARANDELA
BOLT PERNO
STRAP FAJA
PARAFUSO
ARRUELA
ALÇA
JUNTA
TAMPA
ARRUELA
PARAFUSO
ALÇA
C026502 E03 12/05
(1)
10 85
Tampa Do Cabeçote
Cylinder Head Cover
Tapa De Válvulas
10 85
-
Menu Símbolos
EO55Z001
2012-16
70250036
0920108
0920108
1
2
3
4
5
6
7
8
9
10
11
12
13
14
15
16
17
18
0920053
0746211
0746255
4236256
70330050
0096239
0920053
0746211
36825107
37556117
70920112
0746252
70992825
70730043
36814127
36813137
70920112
0096238
9
7
2
1
1
1
14
14
1
1
4
4
1
1
1
1
4
3
13
WASHER ARANDELA
BOLT PERNO
BOLT PERNO
HOUSING ALOJAMIENTO
SPACER PIEZA DISTANCIA
BOLT PERNO
WASHER ARANDELA
BOLT PERNO
GASKET EMPAQUETADURA.
COVER CUBIERTA
WASHER ARANDELA
BOLT PERNO
COVER CUBIERTA
SEAL RETEN
GASKET EMPAQUETADURA.
GASKET EMPAQUETADURA.
WASHER ARANDELA
BOLT PERNO
ARRUELA
PARAFUSO
PARAFUSO
CARCAÇA
ESPAÇADOR
PARAFUSO
ARRUELA
PARAFUSO
JUNTA
TAMPA
ARRUELA
PARAFUSO
TAMPA
RETENTOR
JUNTA
JUNTA
ARRUELA
PARAFUSO
C026502 E03 12/05
(1)
10 90
Caixa De Distribuição
Timing Case
Caja De Distribución
10 90
-
Menu Símbolos
EO62Z001
2022-13
0941082
1
2
3
4
5
41115018
0050345
70940151
70740189
70998001
1
2
1
3
1
5
GEAR ENGRANAJE
BUSH CASQUILLO
PLATE PLATO
BOLT PERNO
HUB CUBO
ENGRENAGEM
BUCHA
PLACA
PARAFUSO
CUBO
C026502 E03 12/05
(1)
10 95
Engrenagens Da Distribuição
Idler Gears
Engrenajes De La Distribuición
10 95
-
Menu Símbolos
EO61Z001
2021-19
1
2
3
4
5
6
7
31415371
33153121
0500012
70920103
70740323
31171931
0610844
1
1
1
1
1
1
1
SHAFT ARBOL
WASHER ARANDELA
KEY CLAVE
WASHER ARANDELA
BOLT PERNO
GEAR ENGRANAJE
PIN PASADOR
EIXO
ARRUELA
CHAVETA
ARRUELA
PARAFUSO
ENGRENAGEM
PINO
C026502 E03 12/05
(1)
10 100
Árvore De Comando Das Válvulas
Camshaft
Arbol De Levas
10 100
-
Menu Símbolos
EP43Z001
2033-21
71057 E 71056
1
2
3
4
5
6
70650116
36862517
0920055
0746610
70997145
1447048M1
1
1
2
2
1
1
PLUG TAPON
GASKET EMPAQUETADURA.
WASHER ARANDELA
BOLT PERNO
FILTER HEAD CABEZA DE FILTRO
OIL FILTER FILTRO DE ACEITE
BUJÃO
JUNTA
ARRUELA
PARAFUSO
CABEÇOTE FILTRO
ELEMENTO DE ÓLEO
C026502 E03 12/05
(1)
10 105
Filtro De Óleo Lubrificante
Lubrificating Oil Filter
Filtro De Aceite Lubrificante
10 105
-
Menu Símbolos
EO63Z001
2031-144
70920008
1
2
3
4
5
6
7
8
9
10
11
12
13
14
15
16
17
18
19
0746052
0920052
36832409
37738261
70998076
36815721
0920003
0920053
2184435
70830133
0096215
0096241
0576002
2487004
70920109
70820063
0096214
70320078
70992820
2
2
1
1
1
1
11
20
6
1
1
9
2
1
1
2
2
1
1
BOLT PERNO
WASHER ARANDELA
GASKET EMPAQUETADURA.
CONNECTION CONEXION
SIEVE ZARANDA
GASKET EMPAQUETADURA.
WASHER ARANDELA
WASHER ARANDELA
BOLT PERNO
SUMP CARTER
BOLT PERNO
BOLT PERNO
NUT TUERCA
PLUG TAPON
WASHER ARANDELA
STUD ESPARRAGO
BOLT PERNO
ROD VARILLA
PIPE CANO
PARAFUSO
ARRUELA
JUNTA
CONEXÃO
PENEIRA
JUNTA
ARRUELA
ARRUELA
PARAFUSO
CÁRTER
PARAFUSO
PARAFUSO
PORCA
BUJÃO
ARRUELA
PRISIONEIRO
PARAFUSO
VARETA
TUBO
C026502 E03 12/05
(1)
10 110
Carter De Óleo
Oil Sump
Cárter De Aceite
10 110
-
Menu Símbolos
EO58Z001
2015-17
31165531
31165461
2431131
2431A051
70991809
1
2
3
4
5
6
7
8
9
10
11
12
13
14
15
16
17
18
19
20
21
22
23
24
25
26
27
28
30
31
32
33
34
35
36
37
38
39
40
37714234
36866722
70998129
36237156
0350005
32455123
70998128
70991042
70050113
33451801
0096633
70750045
70750043
70650116
2576675
70998103
70650117
2184546
0920054
0096439
0096441
70998104
70430001
31164581
2172513
0920053
0096237
70998135
424819
0610012
0920053
0096236
33137408
33153133
0610879
2171225
1
1
1
1
2
1
1
1
1
1
1
1
1
2
2
2
5
1
4
2
1
2
2
2
6
2
2
1
1
1
1
1
1
5
5
2
1
1
4
28
28
28
28
28
28
28
28
8
28
28
28
28
28
28
28
28
28
28
28
28
28
30
30
30
30
28
28
28
28
28
28
BODY CUERPO
GASKET EMPAQUETADURA.
GEAR ENGRANAJE
PLATE PLATO
PIN PASADOR
SHAFT ARBOL
GEAR ENGRANAJE
GEAR ENGRANAJE
BUSH CASQUILLO
HUB CUBO
BOLT PERNO
SHAFT ARBOL
SHAFT ARBOL
PLUG TAPON
KEY CLAVE
BUSH CASQUILLO
PLUG TAPON
BOLT PERNO
WASHER ARANDELA
BOLT PERNO
BOLT PERNO
BUSH CASQUILLO
COUNTERWEIGHT CONTRAPESO
GEAR ENGRANAJE
BOLT PERNO
WASHER ARANDELA
BOLT PERNO
BALANCER BALANCEADOR
KIT, REPAIR JUEGO REPARACION
BOOT PROTECCION
SPRING RESORTE
COTTER PIN PASADOR DOUBLE
PLUNGER EMBOLO
WASHER ARANDELA
BOLT PERNO
RING ARO
PLATE PLATO
PIN PASADOR
BOLT PERNO
CORPO
JUNTA
ENGRENAGEM
PLACA
PINO
EIXO
ENGRENAGEM
ENGRENAGEM
BUCHA
CUBO
PARAFUSO
EIXO
EIXO
BUJÃO
CHAVETA
BUCHA
BUJÃO
PARAFUSO
ARRUELA
PARAFUSO
PARAFUSO
BUCHA
CONTRA PESO
ENGRENAGEM
PARAFUSO
ARRUELA
PARAFUSO
BALANCEADOR
JG. REPARO
CAPA
MOLA
CUPILHA
ÊMBOLO
ARRUELA
PARAFUSO
ANEL
PLACA
PINO
PARAFUSO
C026502 E03 12/05
(1)
10 115
Válvulas E Balanceiros
Valves And Rockershafts
Válvulas Y Balancines
10 115
-
Menu Símbolos
EK09Z001
2056-69
1
2
3
4
5
6
7
8
9
10
11
12
13
14
15
16
17
18
19
20
21
22
23
24
70670091
0920009
0576007
0920058
4236253
0096434
424857
70490146
0500006
0170040
4236252
70820084
36866721
0920053
0576002
70820048
0920054
0576052
1
1
1
1
1
3
1
1
1
1
2
1
1
1
1
4
1
1
1
4
4
1
4
1
5
7
7
7
7
7
7
7
7
7
5
PULLEY POLEA
WASHER ARANDELA
NUT TUERCA
WASHER ARANDELA
WATER PUMP BOMBA DE AGUA
BOLT PERNO
KIT, REPAIR JUEGO REPARACION
GASKET EMPAQUETADURA.
SHAFT ARBOL
KEY CLAVE
BEARING COJINETE
SPACER PIEZA DISTANCIA
RING ARO
BODY CUERPO
ROTOR ROTOR
STUD ESPARRAGO
SEAL RETEN
GASKET EMPAQUETADURA.
BODY CUERPO
WASHER ARANDELA
NUT TUERCA
STUD ESPARRAGO
WASHER ARANDELA
NUT TUERCA
POLIA
ARRUELA
PORCA
ARRUELA
BOMBA D'ÁGUA
PARAFUSO
JG. REPARO
JUNTA
EIXO
CHAVETA
ROLAMENTO
ESPAÇADOR
ANEL
CORPO
ROTOR
PRISIONEIRO
VEDADOR
JUNTA
CORPO
ARRUELA
PORCA
PRISIONEIRO
ARRUELA
PORCA
C026502 E03 12/05
(1)
10 120
Bomba D'Água
Water Pump
Bomba Del Agua
10 120
-
Menu Símbolos
EK10Z001
2037-28
2431154
1
2
3
4
5
6
7
8
9
10
11
12
13
14
15
16
70650119
0826467
0920054
0576051
0920053
0096238
0746255
70998003
0096439
0096434
70440170
36853514
36862151
37735651
0096433
2485791
2
1
6
1
3
1
2
1
1
2
1
1
1
1
2
1
PLUG TAPON
STUD ESPARRAGO
WASHER ARANDELA
NUT TUERCA
WASHER ARANDELA
BOLT PERNO
BOLT PERNO
THERMOSTAT TERMOSTATO
BOLT PERNO
BOLT PERNO
HOUSING ALOJAMIENTO
GASKET EMPAQUETADURA.
GASKET EMPAQUETADURA.
CONNECTION CONEXION
BOLT PERNO
BREATHER RESPIRADERO
BUJÃO
PRISIONEIRO
ARRUELA
PORCA
ARRUELA
PARAFUSO
PARAFUSO
TERMOSTATO
PARAFUSO
PARAFUSO
CARCAÇA
JUNTA
JUNTA
CONEXÃO
PARAFUSO
RESPIRO
C026502 E03 12/05
(1)
10 125
Termostato E Carcaça
Thermostato And Housing
Termostato Y Carter
10 125
-
Menu Símbolos
EO84Z001
2049-15
1
2
3
4
5
6
7
8
70200451
0920054
0746453
70820052
0576051
70490276
70180157
33814311
1
4
3
1
1
1
2
1
CONNECTION CONEXION
WASHER ARANDELA
BOLT PERNO
STUD ESPARRAGO
NUT TUERCA
GASKET EMPAQUETADURA.
CLAMP ABRAZADERA
HOSE FLEXIBLE
CONEXÃO
ARRUELA
PARAFUSO
PRISIONEIRO
PORCA
JUNTA
BRAÇADEIRA
MANGUEIRA
C026502 E03 12/05
(1)
10 130
Conexão De Entrada D'Água
Water Inlet Connection
Conexión De Entrada De Água
10 130
-
Menu Símbolos
ED47Z001
2076-05
1
2
3
4
5
0576002
0920053
0826201
70992283
70490166
3
3
3
1
1
NUT TUERCA
WASHER ARANDELA
STUD ESPARRAGO
CONNECTION CONEXION
GASKET EMPAQUETADURA.
PORCA
ARRUELA
PRISIONEIRO
CONEXÃO
JUNTA
C026502 E03 12/05
(1)
10 135
Sistema De Admissão De Ar
Ayr System Admission
Sistema De Admission De Aire
10 135
-
Menu Símbolos
EO73Z001
2047-18
1
2
3
4
5
0920052
0746053
0096034
73071
36833119
2
1
1
1
1
WASHER ARANDELA
BOLT PERNO
BOLT PERNO
DRIVE TRASMISION
GASKET EMPAQUETADURA.
ARRUELA
PARAFUSO
PARAFUSO
ACIONADOR
JUNTA
C026502 E03 12/05
(1)
10 140
Acionamento Do Taquímetro
Tachometer Drive
Mando Del Taquímetro
10 140
-
Menu Símbolos
EO67Z001
2038-77
1
2
3
4
5
6
7
8
0576051
0920054
70540063
36866462
36862133
36862131
0826509
0826403
6
6
1
1
1
1
1
5
NUT TUERCA
WASHER ARANDELA
COLLECTOR COLECTOR
GASKET EMPAQUETADURA.
GASKET EMPAQUETADURA.
GASKET EMPAQUETADURA.
STUD ESPARRAGO
STUD ESPARRAGO
PORCA
ARRUELA
COLETOR
JUNTA
JUNTA
JUNTA
PRISIONEIRO
PRISIONEIRO
C026502 E03 12/05
(1)
10 145
Coletor De Admissão
Induction Manifold
Multiple De Admisión
10 145
-
Menu Símbolos
EO71Z001
2041-19
1
2
3
4
5
6
7
0826403
70570064
0826526
0826412
0920005
70540061
36862134
3
7
1
3
3
1
2
STUD ESPARRAGO
NUT TUERCA
STUD ESPARRAGO
STUD ESPARRAGO
WASHER ARANDELA
COLLECTOR COLECTOR
GASKET EMPAQUETADURA.
PRISIONEIRO
PORCA
PRISIONEIRO
PRISIONEIRO
ARRUELA
COLETOR
JUNTA
C026502 E03 12/05
(1)
10 150
Coletor De Escape
Exhaust Manifold
Multiple De Escape
10 150
-
Menu Símbolos
EO68Z001
2039-175
[A] NÚMERO DE SÉRIE DO MOTOR
ENGINE SERIAL NUMBER
NÚMERO DE SERIE DEL MOTOR
656681
656682
1
2
3
4
5
6
7
8
9
9
0920053
0746254
41115127
0350010
70490280
2215574
0920003
0576002
77511
77551
6
3
1
1
1
3
3
3
1
1
3
[A]
[A]
WASHER ARANDELA
BOLT PERNO
GEAR ENGRANAJE
PIN PASADOR
GASKET EMPAQUETADURA.
STUD ESPARRAGO
WASHER ARANDELA
NUT TUERCA
INJECTION PUMP BOMBA INYECTORA
INJECTION PUMP BOMBA INYECTORA
ARRUELA
PARAFUSO
ENGRENAGEM
PINO
JUNTA
PRISIONEIRO
ARRUELA
PORCA
BOMBA INJETORA
BOMBA INJETORA
C026502 E03 12/05
(1)
10 155
Bomba Injetora De Combustível
Fuel Injection Pump
Bomba De Inyección De Combustible
10 155
-
Menu Símbolos
EO74Z001
2048-96
[A]
[B]
[C]
[D]
CILINDRO N° 1
CYLINDER N° 1
CILINDRO N° 1
CILINDRO N° 2
CYLINDER N° 2
CILINDRO N° 2
CILINDRO N° 3
CYLINDER N° 3
CILINDRO N° 3
CILINDRO N° 4
CYLINDER N° 4
CILINDRO N° 4
1
2
3
4
5
6
7
8
9
10
11
12
13
14
15
16
17
18
3558X011
70920083
0096231
77339
37462401
70730019
77340
77341
70920081
36854103
36516119
0826017
70576101
70993223
70993222
70993221
0095315
70993220
1
8
8
4
4
4
4
4
4
2
2
2
2
1
1
1
3
1
4
4
7
[D]
[C]
[B]
[A]
PIPE CANO
WASHER ARANDELA
BOLT PERNO
KIT, ATOMISER JUEGO ATOMIZADOR
FLANGE PLETINA
SEAL RETEN
ATOMISER ATOMIZADOR
NOZZLE TOBERA
WASHER ARANDELA
CUSHION COJIN
STAPLE GRAPA
STUD ESPARRAGO
NUT TUERCA
PIPE CANO
PIPE CANO
PIPE CANO
BANJO BOLT TORNILLO DIFER
PIPE CANO
TUBO
ARRUELA
PARAFUSO
CJ. INJETOR
FLANGE
VEDADOR
INJETOR
BICO INJETOR
ARRUELA
ALMOFADA
PRESILHA
PRISIONEIRO
PORCA
TUBO
TUBO
TUBO
PARAFUSO BANJO
TUBO
C026502 E03 12/05
(1)
10 160
Tubos De Injeção E Injetores
Fuel Injection System
Equipo De Inyección
10 160
-
Menu Símbolos
N002Z004
2035-45
1
2
3
4
5
6
7
8
9
10
11
12
13
14
15
16
17
18
19
20
21
22
72111
70490333
70820083
70570073
70100814
72130
1896287M91
70740178
70998197
70740343
70920115
70920120
70740740
70998198
70993430
70760024
0096437
0920054
0826222
0920053
0576002
70840054
1
1
4
4
1
1
1
2
1
4
10
2
1
1
1
1
2
2
1
1
1
1
6
6
PUMP BOMBA
GASKET EMPAQUETADURA.
STUD ESPARRAGO
NUT TUERCA
BRACKET SOPORTE
KIT, FILTER JUEGO FILTRO
ELEMENT ELEMENTO
BOLT PERNO
PIPE CANO
BOLT PERNO
WASHER ARANDELA
WASHER ARANDELA
BANJO BOLT TORNILLO DIFER
PIPE CANO
PIPE CANO
SPACER PIEZA DISTANCIA
BOLT PERNO
WASHER ARANDELA
STUD ESPARRAGO
WASHER ARANDELA
NUT TUERCA
CUP CUBETA
BOMBA
JUNTA
PRISIONEIRO
PORCA
SUPORTE
CJ. FILTRO
ELEMENTO
PARAFUSO
TUBO
PARAFUSO
ARRUELA
ARRUELA
PARAFUSO BANJO
TUBO
TUBO
ESPAÇADOR
PARAFUSO
ARRUELA
PRISIONEIRO
ARRUELA
PORCA
COPO
C026502 E03 12/05
(1)
10 165
Bomba Alimentadora E Filtro De Combustível
Fuel Oil Lift Pump And Filter
Bomba Y Filtro De Combustible
10 165
-
Menu Símbolos
N105Z001
2073-19
1
2
3
4
0726504
70610010
0920024
0610031
1
1
1
1
BOLT PERNO
PIN PASADOR
WASHER ARANDELA
COTTER PIN PASADOR DOUBLE
PARAFUSO
PINO
ARRUELA
CUPILHA
C026502 E03 12/05
(1)
10 170
Controles
Controls
Controles
10 170
-
Menu Símbolos
EI18Z001
2075-19
1
2
3
0576111
0020005
0201526
1
1
1
NUT TUERCA
BALL BOLA
CONNECTION CONEXION
PORCA
ESFERA
CONEXÃO
C026502 E03 12/05
(1)
10 175
Sistema De Combustível
Fuel System
Sistema De Combustivel
10 175
-
Menu Símbolos
E020Z004
2035-46
1
2
3
4
5
6
7
8
9
0201526
0576111
0020005
72113
70740178
70740343
70920115
70998196
70920083
1
1
1
1
2
1
2
1
2
CONNECTION CONEXION
NUT TUERCA
BALL BOLA
FILTER FILTRO
BOLT PERNO
BOLT PERNO
WASHER ARANDELA
PIPE CANO
WASHER ARANDELA
CONEXÃO
PORCA
ESFERA
FILTRO
PARAFUSO
PARAFUSO
ARRUELA
TUBO
ARRUELA
C026502 E03 12/05
(1)
Sedimentador
Sedimenter
Sedimentador
10 180
Filtro
Filter
Filtro
10 180
-
Menu Símbolos
EO59Z001
2020-17
1
2
3
4
5
6
7
424828
2172530
33112111
70740130
70730050
36817157
0350009
1
2
2
10
1
1
2
1
1
1
1
1
1
KIT, SEAL RETENES JUEGO
BOLT PERNO
WASHER ARANDELA
BOLT PERNO
SEAL RETEN
GASKET EMPAQUETADURA.
PIN PASADOR
CJ. RETENTOR
PARAFUSO
ARRUELA
PARAFUSO
RETENTOR
JUNTA
PINO
C026502 E03 12/05
(1)
10 185
Retentor Árvore De Manivelas
Crankshaft Oil Seal
Sello De Aceite
10 185
-
Menu Símbolos
EO64Z001
2032-46
1
2
3
32162319
33125124
70670168
1
1
1
BOLT PERNO
WASHER ARANDELA
PULLEY POLEA
PARAFUSO
ARRUELA
POLIA
C026502 E03 12/05
(1)
10 190
Polia Da Árvore De Manivelas
Crankshaft Pulley
Polea Del Cigueñal
10 190
-
Menu Símbolos
EO85Z001
2035-44
[A] 6 PÁS
6 BLADE
6 PALETA
1
2
3
4
0096236
0920053
70991937
70330075
4
4
1
1
[A]
BOLT PERNO
WASHER ARANDELA
FAN VENTILADOR
SPACER PIEZA DISTANCIA
PARAFUSO
ARRUELA
HÉLICE
ESPAÇADOR
C026502 E03 12/05
(1)
10 195
Ventilador E Extensão
Fan And Extension
Ventilador Y Extensión
10 195
-
Menu Símbolos
E055Z002
1482841M92P
1
2
3
4
5
6
7
8
9
10
11
12
13
14
070962R1
070970R1
070964R1
070968R1
070966R1
070957R1
070955R1
070973R1
070976R1
070978R1
070979R1
071025R1
070980R1
070959R1
1
1
1
1
1
1
1
1
1
1
1
1
1
1
BEARING COJINETE
SHAFT ARBOL
COIL BOBINA
KIT, BRUSH PLATE JGO.PLACA ESCOB.
COVER CUBIERTA
ARMATURE INDUCIDO
SOLENOID SOLENOIDE
REPAIR REPARO
SEAL RETEN
JOINT JUNTA
KIT, LEVER JUEGO, PALANCA
SEAL RETEN
RING ARO
IMPELLER TURBINA IMPULS.
MANCAL
EIXO
BOBINA
CJ. PLACA ESCOVA
TAMPA
INDUZIDO
SOLENÓIDE
REPARO
RETENTOR
JUNTA
CJ. ALAVANCA
RETENTOR
ANEL
IMPULSOR
C026502 E03 12/05
(1)
Prestolite
Prestolite
Prestolite
10 200
Motor De Partida
Starter Motor
Motor De Partida
10 200
-
Menu Símbolos
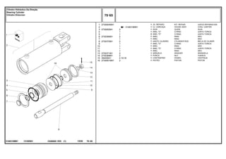
0160Z001
3589435M91
1
2
3
4
5
6
7
8
9
10
11
12
13
14
15
16
17
18
19
20
21
22
059067R1
059066R1
059064R1
059076R1
059075R1
059077R1
059078R1
059085R1
059084R1
059083R1
059082R1
059081R1
059068R1
059080R1
059079R1
059074R1
059073R1
059072R1
059071R1
059070R1
059069R1
059065R1
1
1
1
3
1
1
1
1
1
1
1
1
2
1
1
1
1
1
1
1
1
3
FAN VENTILADOR
PULLEY POLEA
KIT, PULLEY JUEGO DE POLEA
BOLT PERNO
STATOR ESTATOR
RECTIFIER RECTIFICADOR
HOUSING ALOJAMIENTO
KIT, REPAIR JUEGO REPARACION
FOAM ESPUMA
SPRING RESORTE
BRUSH ESCOBILLA
REGULATOR REGULADOR
BOLT PERNO
KIT, REPAIR JUEGO REPARACION
KIT, REPAIR JUEGO REPARACION
O RING JUNTA TORICA
BEARING COJINETE
ROTOR ROTOR
PLATE PLATO
BEARING COJINETE
BEARING COJINETE
BOLT PERNO
HÉLICE
POLIA
CJ. POLIA
PARAFUSO
ESTATOR
RETIFICADOR
CARCAÇA
JG. REPARO
GUARNIÇÃO
MOLA
ESCOVA
REGULADOR
PARAFUSO
JG. REPARO
JG. REPARO
ANEL "O"
ROLAMENTO
ROTOR
PLACA
ROLAMENTO
MANCAL
PARAFUSO
C026502 E03 12/05
(1)
Bosch
Bosch
Bosch
10 205
Alternador
Alternator
Alternador
10 205
-
Menu Símbolos
Dupla
0160Z012
3589435M91P
1
1
2
3
4
5
6
7
8
9
10
11
12
13
14
071205R1
053711P1
071200R1
071199R1
071191R1
071196R1
071190R1
071198R1
071201R1
071195R1
071193R1
071197R1
071189R1
071194R1
071206R1
1
1
1
1
1
1
1
1
1
1
1
1
1
1
1
PULLEY,ALTERNATR POLEA ALTERNADOR
PULLEY POLEA
FAN VENTILADOR
FASTENER CIERRE
REPAIR REPARO
COVER CUBIERTA
KIT, ROTOR ASSY. JGO.CJTO.ROTOR
STATOR ESTATOR
RECTIFIER RECTIFICADOR
COVER CUBIERTA
REGULATOR REGULADOR
KIT, BRUSH ESCOBILLAS JUEGO
DIODE PORTA DIODO
BEARING COJINETE
CAPACITOR CAPACITOR
POLIA ALTERNADOR
POLIA
HÉLICE
FIXAÇÃO
REPARO
TAMPA
CJ. ROTOR
ESTATOR
RETIFICADOR
TAMPA
REGULADOR
CJ. ESCOVA
PORTA DIODO
ROLAMENTO
CAPACITOR
C026502 E03 12/05
(1)
Prestolite
Prestolite
Prestolite
10 210
Alternador
Alternator
Alternador
10 210
-
Menu Símbolos
0095Z001
3408361M91
3408361M91
1
2 3408357M1
1
1
1
FLYWHEEL VOLANTE MOTOR
STARTER RING ARO DE ARRANQUE
VOLANTE MOTOR
CREMALHEIRA
C026502 E03 12/05
(1)
10 215
Volante
Flywheel
Volante De Inercia
10 215
-
Menu Símbolos
EE18Z001
2044-47
0748505
1
2
3
4
5
6
70740059
2232151
0920054
0576051
0096435
2238153
1
1
3
1
1
2
BOLT PERNO
BOLT PERNO
WASHER ARANDELA
NUT TUERCA
BOLT PERNO
NUT TUERCA
PARAFUSO
PARAFUSO
ARRUELA
PORCA
PARAFUSO
PORCA
C026502 E03 12/05
(1)
10 220
Tomada De Potência
Power Take-Off
Toma De Potencia
10 220
-
Menu Símbolos
EK14Z001
2000-42
1 4236129 1 KIT, GASKET JGO.EMPAQUETAD.
JG.JUNTAS
C026502 E03 12/05
(1)
10 225
Jogo De Juntas Do Cabeçote
Cylinder Head Gasket Set
Juego De Juntas De La Culata
10 225
-
Menu Símbolos
EK15Z001
2000-55
1 4236195 1 KIT, GASKET JGO.EMPAQUETAD.
JG.JUNTAS
C026502 E03 12/05
(1)
10 230
Jogo De Juntas Do Bloco
Cylinder Block Gasket Set
Juego De Juntas Del Bloque
10 230
-
Menu Símbolos
10X13,5X1
M8X1,25
15,2X8,1X2,0
20,0X8,5X2,5
M8X1,25X40
EH09Z030
T0245030
10-245 No
10-240 No
1
2
3
4
5
6
7
8
9
10
11
12
13
14
15
16
068089N1
067689S1
353446X1
353679X1
3801034M1
2801096M1
3149289M1
1440993X1
3587008M91
020079P1
2801710M1
339169X1
339374X1
339056X1
339056X1
391176X1
1
1
2
2
1
1
1
1
1
1
1
2
2
2
2
2
HOSE ASSY CON.DE MANGUERA
CLEVIS GANCHO SEGURI.
WASHER ARANDELA
BOLT PERNO
AIR FILTER FILTRO DE AIRE
CLAMP ABRAZADERA
PLUG TAPON
RING ARO
SWITCH INTERRUPTOR
FOAM ESPUMA
CLAMP ABRAZADERA
NUT TUERCA
WASHER ARANDELA
WASHER ARANDELA
WASHER ARANDELA
BOLT PERNO
CJ. MANGUEIRA
SUPORTE
ARRUELA
PARAFUSO
FILTRO AR
BRAÇADEIRA
BUJÃO
ANEL
INTERRUPTOR
GUARNIÇÃO
BRAÇADEIRA
PORCA
ARRUELA
ARRUELA
ARRUELA
PARAFUSO
C026502 E03 12/05
(1)
10 235
Filtro De Ar
Air Cleaner
Filtro De Aire
10 235
-
Menu Símbolos
6m3/min
N001Z001
3801034M1
[A]
[B]
INTERNO
INNER
INTERNO
EXTERNO
OUTER
EXTERNO
055618R1
1
2
3
4
5
6
7
055121R1
055618R1
055118R1
055120R1
055119R1
055115R1
1
1
1
1
1
1
1
2
2
2
2
[A]
[B]
CLAMP ABRAZADERA
KIT, FILTER JUEGO FILTRO
COVER CUBIERTA
ELEMENT ELEMENTO
FILTER FILTRO
ELEMENT ELEMENTO
VALVE VALVULA
BRAÇADEIRA
CJ. FILTRO
TAMPA
ELEMENTO
FILTRO
ELEMENTO
VÁLVULA
C026502 E03 12/05
(1)
10 240
Elemento Seco
Dry Element
Elemento Seco
Filtro De Ar
Air Filter
Filtro De Aire
10 240
-
Menu Símbolos
EQ63Z003
068089N1
1
2
3
4
068043P1
390332X1
390734X1
050386P1
1
1
1
1
HOSE FLEXIBLE
NUT TUERCA
WASHER ARANDELA
CONNECTION CONEXION
MANGUEIRA
PORCA
ARRUELA
CONEXÃO
C026502 E03 12/05
(1)
10 245
Cj. Mangueira
Hose
Manguera
10 245
-
Menu Símbolos
10X13,5X1
M8X1,25
15,2X8,1X2,0
20,0X8,5X2,5
M8X1,25X40
EH09Z033
T0245037
10-255 No
10-240 No
1
2
3
4
5
6
7
8
9
10
11
12
13
14
15
16
071752N1
071694S1
353446X1
353679X1
3801034M1
2801096M1
1440993X1
3587008M91
020079P1
2801710M1
339169X1
339374X1
339056X1
339056X1
391176X1
054277P1
1
1
2
2
1
1
1
1
1
1
2
2
2
2
2
1
HOSE ASSY CON.DE MANGUERA
BRACKET SOPORTE
WASHER ARANDELA
BOLT PERNO
AIR FILTER FILTRO DE AIRE
CLAMP ABRAZADERA
RING ARO
SWITCH INTERRUPTOR
FOAM ESPUMA
CLAMP ABRAZADERA
NUT TUERCA
WASHER ARANDELA
WASHER ARANDELA
WASHER ARANDELA
BOLT PERNO
PAD ALMOHADILLA
CJ. MANGUEIRA
SUPORTE
ARRUELA
PARAFUSO
FILTRO AR
BRAÇADEIRA
ANEL
INTERRUPTOR
GUARNIÇÃO
BRAÇADEIRA
PORCA
ARRUELA
ARRUELA
ARRUELA
PARAFUSO
TAMPÃO
C026502 E03 12/05
(1)
A Partir Da Serie 000t265203c000850
From Serial 000t265203c000850
Desde De La Serie 000t265203c000850
10 250
Filtro De Ar
Air Cleaner
Filtro De Aire
10 250
-
Menu Símbolos
EQ63Z004
071752N1
1
2
3
4
071732P1
050386P1
390734X1
339402X1
1
1
1
1
HOSE FLEXIBLE
CONNECTION CONEXION
WASHER ARANDELA
NUT TUERCA
MANGUEIRA
CONEXÃO
ARRUELA
PORCA
C026502 E03 12/05
(1)
10 255
Cj. Mangueira
Hose
Manguera
10 255
-
Menu Símbolos
0292Z003
T0289259
1
2
3
4
5
067383T1
067386P1
067388P1
067391P1
3468400M1
1
1
1
1
2
PRE FILTER PRE FILTRO
PIPE,OIL MANGUITO ACEITE
HOSE FLEXIBLE
SEAL RETEN
CLAMP ABRAZADERA
PRÉ-FILTRO
TUBO
MANGUEIRA
VEDADOR
BRAÇADEIRA
C026502 E03 12/05
(1)
10 260
Pré-Filtro De Ar
Air Pre Filter
Prefiltro De Aire
10 260
-
Menu Símbolos
0292Z005
T0289311
1
2
3
4
5
6
022188T1
067384P1
071606P1
1682800M1
2801096M1
071958P1
1
1
1
1
2
1
PRE FILTER PRE FILTRO
PIPE CANO
HOSE FLEXIBLE
COLLAR COLLAR
CLAMP ABRAZADERA
PAD CIERRE
PRÉ-FILTRO
TUBO
MANGUEIRA
COLAR
BRAÇADEIRA
GALÃO
C026502 E03 12/05
(1)
10 265
Pré-Filtro De Ar
Air Pre Filter
Prefiltro De Aire
10 265
-
Menu Símbolos
EA74Z003
21482003
1484550M91
1
2
3
4
5
6
7
8
9
10
2800189M2
2800191M1
353446X1
355565X1
1874771M2
353756X1
375718X1
1876671M4
1484528M94
1
1
1
2
2
1
3
3
1
1
1
1
1
1
1
1
1
1
1
PIPE,EXHAUST MANGUITO ESCAPE
U BOLT BRIDA EN U
CLAMP ABRAZADERA
WASHER ARANDELA
NUT TUERCA
ELBOW CODO
WASHER ARANDELA
NUT TUERCA
GASKET EMPAQUETADURA.
SILENCER SILENCIADOR
CJ. ESCAPAMENTO
PARAFUSO "U"
BRAÇADEIRA
ARRUELA
PORCA
COTOVELO
ARRUELA
PORCA
JUNTA
SILENCIOSO
C026502 E03 12/05
(1)
10 270
Escapamento
Exhaust
Escape
10 270
-
Menu Símbolos
EA74Z001
1484550M91
1
2
3
4
5
6
7
8
1484528M94
2800189M2
1874771M2
1876671M4
353756X1
2800191M1
353446X1
355565X1
1
1
1
1
3
1
2
2
SILENCER SILENCIADOR
U BOLT BRIDA EN U
ELBOW CODO
GASKET EMPAQUETADURA.
WASHER ARANDELA
CLAMP ABRAZADERA
WASHER ARANDELA
NUT TUERCA
SILENCIOSO
PARAFUSO "U"
COTOVELO
JUNTA
ARRUELA
BRAÇADEIRA
ARRUELA
PORCA
C026502 E03 12/05
(1)
10 275
Escapamento
Exhaust
Escape
10 275
-
Menu Símbolos
EA76Z001
T0220005
1
2
3
4
5
6
7
8
9
10
11
12
13
027210S1
042779N1
1484494M94
3411895M91
354290X1
353433X1
353760X1
353726X1
353433X1
353760X1
194742M1
353756X1
036981P1
1
1
1
1
1
1
1
1
1
1
1
3
1
PIPE CANO
CLAMP ABRAZADERA
SILENCER SILENCIADOR
CLAMP ABRAZADERA
BOLT PERNO
WASHER ARANDELA
WASHER ARANDELA
BOLT PERNO
WASHER ARANDELA
WASHER ARANDELA
GASKET EMPAQUETADURA.
WASHER ARANDELA
SPACER PIEZA DISTANCIA
TUBO
BRAÇADEIRA
SILENCIOSO
BRAÇADEIRA
PARAFUSO
ARRUELA
ARRUELA
PARAFUSO
ARRUELA
ARRUELA
JUNTA
ARRUELA
ESPAÇADOR
C026502 E03 12/05
(1)
10 280
Escapamento Horizontal
Horizontal Exhaust
Descarga Horizontal
10 280
-
Menu Símbolos
EA43Z024
T0221025
1
2
3
4
5
6
7
8
9
10
11
12
13
14
15
16
2801087M1
2800985M1
067323T1
353698X1
353432X1
353757X1
068139P1
068140P1
068138P1
490802M1
2800304M1
391074X1
355617X1
067380P1
885563M2
188462M91
1
2
1
4
4
4
1
1
1
4
1
8
8
1
1
1
PIPE CANO
STAPLE GRAPA
RADIATOR RADIADOR
BOLT PERNO
WASHER ARANDELA
WASHER ARANDELA
SEALING VEDACION
SEALING VEDACION
SEALING VEDACION
CLAMP ABRAZADERA
HOSE FLEXIBLE
BOLT PERNO
WASHER ARANDELA
DEFLECTOR DEFLECTOR
HOSE FLEXIBLE
COVER CUBIERTA
TUBO
PRESILHA
RADIADOR
PARAFUSO
ARRUELA
ARRUELA
VEDAÇÃO
VEDAÇÃO
VEDAÇÃO
BRAÇADEIRA
MANGUEIRA
PARAFUSO
ARRUELA
DEFLETOR
MANGUEIRA
TAMPA
C026502 E03 12/05
(1)
10 285
Sistema De Arrefecimento
Cooling System
Sistema De Enfriamiento
10 285
-
Menu Símbolos
EA43Z026
T0221030
1
2
3
4
5
6
7
8
9
10
11
12
13
14
15
16
2801087M1
2800985M1
067323T1
353698X1
353432X1
353757X1
068139P1
068140P1
068138P1
490802M1
885563M2
391074X1
355617X1
067380P1
2800304M1
188462M91
1
2
1
4
4
4
1
2
1
4
1
8
8
1
1
1
PIPE CANO
STAPLE GRAPA
RADIATOR RADIADOR
BOLT PERNO
WASHER ARANDELA
WASHER ARANDELA
SEALING VEDACION
SEALING VEDACION
SEALING VEDACION
CLAMP ABRAZADERA
HOSE FLEXIBLE
BOLT PERNO
WASHER ARANDELA
DEFLECTOR DEFLECTOR
HOSE FLEXIBLE
COVER CUBIERTA
TUBO
PRESILHA
RADIADOR
PARAFUSO
ARRUELA
ARRUELA
VEDAÇÃO
VEDAÇÃO
VEDAÇÃO
BRAÇADEIRA
MANGUEIRA
PARAFUSO
ARRUELA
DEFLETOR
MANGUEIRA
TAMPA
C026502 E03 12/05
(1)
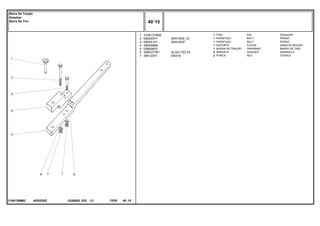
4 Rodas Motrizes
4 Wheels Drive
4 Ruedas Motriz
10 290
Sistema De Arrefecimento
Cooling System
Sistema De Enfriamiento
10 290
-
Menu Símbolos
E063Z010
T0219047
10-300 No
10-305 No
10-310 No
1
2
3
4
5
6
7
8
9
10
11
15
16
17
18
19
20
21
22
23
24
25
26
27
28
29
30
31
32
33
34
35
067446N1
826760M1
2800852M1
2802599M91
890972M91
3147545M1
1484958M92
353434X1
353540X1
068508N1
3225356M1
358657X1
829185M1
3148108M1
353677X1
068511S1
353446X1
355565X1
067450N1
067443N1
067444S1
3149251M1
068530N1
3589016M1
3149550M92
067451N1
490353M91
731352M1
3147545M1
3147545M1
1480517M1
506293M1
1
4
1
1
1
1
1
4
4
1
3
8
2
4
1
1
1
1
1
1
1
2
1
1
1
1
2
1
2
1
1
1
23
23
BRACKET SOPORTE
NUT TUERCA
CONNECTION T CONEXION T
TUBE ASSY CONJ.DE TUBO
VALVE VALVULA
WASHER ARANDELA
TUBE ASSY CONJ.DE TUBO
WASHER ARANDELA
BOLT PERNO
HOSE FLEXIBLE
CLAMP ABRAZADERA
NUT TUERCA
WASHER ARANDELA
DAMPER AMORTIGUADOR
BOLT PERNO
BRACKET SOPORTE
WASHER ARANDELA
NUT TUERCA
SURROUND ENVOLVENTE
BRACKET SOPORTE
BRACKET SOPORTE
FOAM ESPUMA
TANK TANQUE
SEAL RETEN
COVER CUBIERTA
SURROUND ENVOLVENTE
FAUCET FUEL GRIFO COMBUST.
BOLT PERNO
WASHER ARANDELA
WASHER ARANDELA
WASHER ARANDELA
STAPLE GRAPA
SUPORTE
PORCA
CONEXÃO "T"
CJ. TUBO
VÁLVULA
ARRUELA
CJ. TUBO
ARRUELA
PARAFUSO
MANGUEIRA
BRAÇADEIRA
PORCA
ARRUELA
AMORTECEDOR
PARAFUSO
SUPORTE
ARRUELA
PORCA
CINTA
SUPORTE
SUPORTE
GUARNIÇÃO
TANQUE
VEDADOR
TAMPA
CINTA
TORNEIRA COMB.
PARAFUSO
ARRUELA
ARRUELA
ARRUELA
PRESILHA
C026502 E03 12/05
(1)
10 295
Tanque De Combustível
Fuel Tank
Tanque De Combustible
10 295
-
Menu Símbolos
EQ70Z005
067446N1
1
2
067447S1
3149251M1
1
2
BRACKET SOPORTE
FOAM ESPUMA
SUPORTE
GUARNIÇÃO
C026502 E03 12/05
(1)
10 300
Suporte
Support
Soporte
10 300
-
Menu Símbolos
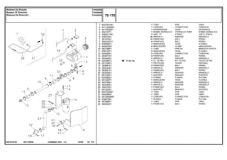
EH92Z003
067450N1
1
2
067453S1
888764M1
1
5
SURROUND ENVOLVENTE
FOAM ESPUMA
CINTA
GUARNIÇÃO
C026502 E03 12/05
(1)
10 305
Cinta
Strap
Tira
10 305
-
Menu Símbolos
EA95Z012
068530N1
1
2
3
4
5
6
353984X1
3587711M1
3587525M91
3145402M1
068497P1
067505S1
5
5
1
1
1
1
BOLT PERNO
WASHER ARANDELA
SENDER EMISOR
GASKET EMPAQUETADURA.
KIT, GUARD PROTECTOR JUEGO
TANK TANQUE
PARAFUSO
ARRUELA
SENSOR
JUNTA
CJ. PROTEÇÃO
TANQUE
C026502 E03 12/05
(1)
10 310
Tanque De Combustível
Fuel Tank
Tanque De Combustible
10 310
-
Menu Símbolos
5/16x18x1.47/64
N116Z001
T0246038
[A] 21 ESTRIAS
21 FURROW
21 ESTRIAS
20-15 No
1
2
3
4
026566T3
048438T1
19752X
887892M1
1
1
6
6
[A]
KIT, CLUTCH EMBRAGUE JUEGO
DISC DISCO
WASHER ARANDELA
BOLT PERNO
CJ. EMBREAGEM
DISCO
ARRUELA
PARAFUSO
C026502 E03 12/05
(1)
20 10
12" - Nd - 21 Estrias
12" - Nd - 21 Furrow
12" - Nd - 21 Estrias
Embreagem Split Torque
Clutch Split Torque
Embrague Split Torque
20 10
-
Menu Símbolos
3/8x24
N111Z001
026566T3
1
2
3
4
5
6
7
8
9
10
11
12
13
14
15
16
3147178M1
353430X1
887910M2
891827M1
891826M1
887898M1
022634R1
354048X1
033204R1
033206R2
887907M1
3176865M1
1753751M1
3175517M1
887893M1
887897M1
3
3
3
3
3
3
18
6
1
1
1
12
12
12
3
3
BOLT PERNO
NUT TUERCA
SPRING RESORTE
CRAMP PASADOR
PIN PASADOR
LEVER PALANCA
LINK CONEXION
COTTER PIN PASADOR DOUBLE
BONNET CAPOT
PLATE PLATO
PLATE PLATO
SPRING RESORTE
WASHER ARANDELA
WASHER ARANDELA
PIN PASADOR
PIN PASADOR
PARAFUSO
PORCA
MOLA
GRAMPO
PINO
ALAVANCA
BIELETA
CUPILHA
COBERTURA
PLACA
PLATÔ
MOLA
ARRUELA
ARRUELA
PINO
PINO
C026502 E03 12/05
(1)
20 15
Embreagem Split Torque
Clutch Split Torque
Embrague Split Torque
20 15
-
Menu Símbolos
5/16X18X1.47/64
19/32X21/64X5/64
0765Z001
T0246045
[A] 21 ESTRIAS
21 FURROW
21 ESTRIAS
20-25 No
1
2
3
4
1868005M92
048438T1
887892M1
19752X
1
1
6
6
[A]
KIT, CLUTCH EMBRAGUE JUEGO
DISC DISCO
BOLT PERNO
WASHER ARANDELA
CJ. EMBREAGEM
DISCO
PARAFUSO
ARRUELA
C026502 E03 12/05
(1)
20 20
Embreagem Dupla
Dual Clutch
Embrague Doble
20 20
-
Menu Símbolos
3/8X24
3/4X3/32
5/16X24
5/16
12"
0765Z002
1868005M92
1
2
3
4
5
6
7
8
9
10
11
12
13
14
15
16
17
18
19
20
21
3147178M1
353430X1
887910M2
891827M1
891826M1
887898M1
022634R1
354048X1
3176859M91
887906M1
3176863M1
1865836M91
887893M1
3175517M1
1753751M1
3176865M1
353916X1
181124M1
887907M1
887902M1
887897M1
3
3
3
3
3
3
18
6
1
1
1
1
3
12
12
12
3
3
1
1
3
BOLT PERNO
NUT TUERCA
SPRING RESORTE
CRAMP PASADOR
PIN PASADOR
LEVER PALANCA
LINK CONEXION
COTTER PIN PASADOR DOUBLE
BONNET CAPOT
SPRING PLATE PLETINA MUELLE
PLATE PLATO
DISC DISCO
PIN PASADOR
WASHER ARANDELA
WASHER ARANDELA
SPRING RESORTE
NUT TUERCA
BOLT PERNO
PLATE PLATO
PLATE PLATO
PIN PASADOR
PARAFUSO
PORCA
MOLA
GRAMPO
PINO
ALAVANCA
BIELETA
CUPILHA
COBERTURA
MOLA PRATO
PLACA
DISCO
PINO
ARRUELA
ARRUELA
MOLA
PORCA
PARAFUSO
PLATÔ
PLACA
PINO
C026502 E03 12/05
(1)
20 25
Embreagem Dupla
Dual Clutch
Embrague Doble
20 25
-
Menu Símbolos
3/8X24
7/16X14X3"
25/32X15/32X7/64
7/16X14X1.1/8
7/16X14X2.1/4
1/8X17/8
21/4
1030Z001
T0247001
1
2
3
4
5
6
7
8
9
10
11
12
13
14
15
16
17
18
19
20
21
22
490703M2
353430X1
180579M6
2801130M1
180581M1
831527M1
353714X1
353432X1
353699X1
353432X1
192007M1
022345T1
027732P1
353432X1
377825X1
359134X1
768300M1
490804M1
180581M1
022344P1
1678565M3
1484780M1
1
2
1
1
1
1
2
2
4
2
1
1
1
3
4
1
1
1
1
1
1
1
KNOB POMO
NUT TUERCA
BOOT PROTECCION
LEVER PALANCA
PIN PASADOR
O RING JUNTA TORICA
BOLT PERNO
WASHER ARANDELA
BOLT PERNO
WASHER ARANDELA
SPRING RESORTE
CIRCLIP CIRCULITO
COVER CUBIERTA
WASHER ARANDELA
BOLT PERNO
O RING JUNTA TORICA
PLUG TAPON
CLAMP ABRAZADERA
PIN PASADOR
LEVER PALANCA
BOOT PROTECCION
KNOB POMO
MANÍPULO
PORCA
CAPA
ALAVANCA
PINO
ANEL "O"
PARAFUSO
ARRUELA
PARAFUSO
ARRUELA
MOLA
ANEL TRAVA
TAMPA
ARRUELA
PARAFUSO
ANEL "O"
BUJÃO
BRAÇADEIRA
PINO
ALAVANCA
CAPA
MANÍPULO
C026502 E03 12/05
(1)
25 10
Alavancas De Câmbio
Shift Lever
Palanca Del Cambio
25 10
-
Menu Símbolos
ED46Z001
21484701
2801128M95
1
2
3
4
5
6
7
8
9
10
11
12
13
14
15
16
17
18
19
20
21
22
23
24
490804M1
1484780M1
353430X1
022344P1
3225356M1
1678565M3
180581M1
768300M1
2800277M4
359134X1
192007M1
022345T1
377825X1
353432X1
353714X1
353432X1
353699X1
353432X1
831527M1
180581M1
180579M6
2801130M1
490703M2
1
1
2
1
1
1
1
1
1
1
1
1
4
2
2
2
4
2
1
1
1
1
1
1
24
24
24
24
24
24
24
24
24
24
24
24
24
24
24
24
24
24
24
24
24
24
24
CLAMP ABRAZADERA
KNOB POMO
NUT TUERCA
LEVER PALANCA
CLAMP ABRAZADERA
BOOT PROTECCION
PIN PASADOR
PLUG TAPON
BRACKET SOPORTE
O RING JUNTA TORICA
SPRING RESORTE
CIRCLIP CIRCULITO
BOLT PERNO
WASHER ARANDELA
BOLT PERNO
WASHER ARANDELA
BOLT PERNO
WASHER ARANDELA
O RING JUNTA TORICA
PIN PASADOR
BOOT PROTECCION
LEVER PALANCA
KNOB POMO
KIT, LEVER JUEGO, PALANCA
BRAÇADEIRA
MANÍPULO
PORCA
ALAVANCA
BRAÇADEIRA
CAPA
PINO
BUJÃO
SUPORTE
ANEL "O"
MOLA
ANEL TRAVA
PARAFUSO
ARRUELA
PARAFUSO
ARRUELA
PARAFUSO
ARRUELA
ANEL "O"
PINO
CAPA
ALAVANCA
MANÍPULO
CJ. ALAVANCA
C026502 E03 12/05
(1)
25 15
8 Velocidades
8 Speeds
8 Velocidades
Suporte E Alavancas
Bracket And Levers
Soporte Y Palancas
25 15
-
Menu Símbolos
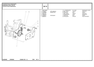
ED45Z001
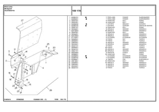
21484719
022004N1
1
2
3
4
5
6
7
8
9
10
11
12
13
14
15
16
17
18
19
20
21
22
027659P1
339402X1
022006P1
022008P1
1440858X1
368233X1
192007M1
022007P1
490804M1
1678565M3
3225356M1
3145868M1
022005P1
027658P1
022633P1
027655P1
377825X1
359134X1
768300M1
831527M1
180581M1
1
1
3
1
1
1
1
1
1
1
1
1
3
1
1
1
1
2
1
1
1
2
1
1
1
1
1
1
1
1
1
1
1
1
1
1
1
1
1
1
1
1
1
KIT, LEVER JUEGO, PALANCA
KNOB POMO
NUT TUERCA
LEVER PALANCA
CAP TAPA
CLAMP ABRAZADERA
RING ARO
SPRING RESORTE
COVER CUBIERTA
CLAMP ABRAZADERA
BOOT PROTECCION
CLAMP ABRAZADERA
BOLT PERNO
LEVER PALANCA
KNOB POMO
LEVER PALANCA
KNOB POMO
BOLT PERNO
O RING JUNTA TORICA
PLUG TAPON
O RING JUNTA TORICA
PIN PASADOR
CJ. ALAVANCA
MANÍPULO
PORCA
ALAVANCA
CAPA
BRAÇADEIRA
ANEL
MOLA
TAMPA
BRAÇADEIRA
CAPA
BRAÇADEIRA
PARAFUSO
ALAVANCA
MANÍPULO
ALAVANCA
MANÍPULO
PARAFUSO
ANEL "O"
BUJÃO
ANEL "O"
PINO
C026502 E03 12/05
(1)
25 20
12 Velocidades
12 Speed
12 Velocidades
Suporte E Alavancas
Bracket And Levers
Soporte Y Palancas
25 20
-
Menu Símbolos
7/16"
7/16X14X1.3/4
7/16X14X2.1/4
7/16X14X2.5/8
7/16X20
7/16X20
25/32X15/32X7/64
7/16X20X1.3/4
0715Z001
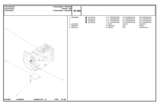
048510N1
1
2
3
4
5
6
7
8
9
10
191314M1
023493P1
377184X1
377825X1
353711X1
069676T1
3010006X1
069676T1
353432X1
353565X1
2
1
2
5
4
1
1
1
1
1
PIN PASADOR
STUD ESPARRAGO
BOLT PERNO
BOLT PERNO
BOLT PERNO
NUT TUERCA
ALLEN BOLT TORNILLO ALLEN
NUT TUERCA
WASHER ARANDELA
BOLT PERNO
PINO
PRISIONEIRO
PARAFUSO
PARAFUSO
PARAFUSO
PORCA
PARAFUSO ALLEN
PORCA
ARRUELA
PARAFUSO
C026502 E03 12/05
(1)
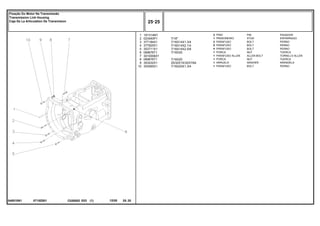
25 25
Fixação Do Motor Na Transmissão
Transmission Link Housing
Caja De La Articulation De Transmision
25 25
-
Menu Símbolos
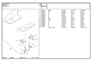
EN09Z008
3148405M91
1
2
3
4
5
6
7
8
9
10
191314M1
023493P1
377184X1
377825X1
353711X1
069676T1
362479X1
069676T1
353432X1
353565X1
2
1
2
5
4
1
1
1
1
1
PIN PASADOR
STUD ESPARRAGO
BOLT PERNO
BOLT PERNO
BOLT PERNO
NUT TUERCA
BOLT PERNO
NUT TUERCA
WASHER ARANDELA
BOLT PERNO
PINO
PRISIONEIRO
PARAFUSO
PARAFUSO
PARAFUSO
PORCA
PARAFUSO
PORCA
ARRUELA
PARAFUSO
C026502 E03 12/05
(1)
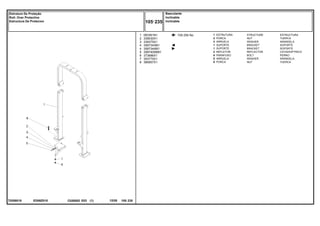
25 30
Fixação Motor - Transmissão
Fixation Engine - Transmission
Fixation Motor - Transmisión
25 30
-
Menu Símbolos
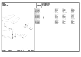
EM52Z023
T0212101
25-45 No
25-50 No
25-55 No
25-60 No
25-65 No
25-70 No
1
1
1
1
1
1
2
3
4
5
6
7
8
063272N1
3700450M1
3700527M1
886727M2
063142N1
354441X1
021020P2
027014P1
1
1
1
1
1
1
2
1
1
1
2
1
4
TRANSMISSION TRANSMISION
TRANSMISSION TRANSMISION
TRANSMISSION TRANSMISION
TRANSMISSION TRANSMISION
TRANSMISSION TRANSMISION
TRANSMISSION TRANSMISION
SPRING RESORTE
BEARING COJINETE
COLLAR COLLAR
BEARING FLANGE BEARING FLANGE
BOLT PERNO
COVER CUBIERTA
PAD ALMOHADILLA
CX. TRANSMISSÃO
CX. TRANSMISSÃO
CX. TRANSMISSÃO
CX. TRANSMISSÃO
CX. TRANSMISSÃO
CX. TRANSMISSÃO
MOLA
ROLAMENTO
COLAR
PORTA ROLAMENTO
PARAFUSO
TAMPA
TAMPÃO
C026502 E03 12/05
(1)
25 35
Constant Mesh
Constant Mesh
Constant Mesh
Transmissão 12 Velocidades
12 Speed Transmission
Transmision 12 Velocidades
25 35
-
Menu Símbolos
6900Z001
488156M97
1
2
3
4
052462P1
183071M1
180801M1
184592M1
1
1
2
2
HOUSING ALOJAMIENTO
PLUG TAPON
BUSH CASQUILLO
BUSH CASQUILLO
CARCAÇA
BUJÃO
BUCHA
BUCHA
C026502 E03 12/05
(1)
25 40
Carcaça
Housing
Carter
25 40
-
Menu Símbolos
EP32Z024
063272N1A
25-40 No
12MM
1
2
3
4
5
6
7
8
9
10
11
12
13
14
15
16
17
18
19
20
21
22
23
24
25
1860890M91
377477X1
29951X
364784X1
058424P1
2950X
488156M97
354076X1
180474M1
050698T1
13811X
058424P1
184789M1
828020M1
353691X1
1860764M2
1860765M1
391838X1
1860761M1
353434X1
362443X1
886719M1
180002M1
886089M1
377480X1
1
3
1
2
1
1
1
1
1
1
1
1
1
1
1
1
1
1
1
2
2
1
2
1
1
FLANGE PLETINA
BOLT PERNO
GREASER ENGRASADOR
O RING JUNTA TORICA
SHAFT ARBOL
PLUG TAPON
HOUSE ASSY CONJ. CARTER
COTTER PIN PASADOR DOUBLE
WASHER ARANDELA
PLUG TAPON
GREASER ENGRASADOR
SHAFT ARBOL
LOCK RETENEDOR
WASHER ARANDELA
BOLT PERNO
PLATE PLATO
SPACER PIEZA DISTANCIA
BALL BOLA
CLEVIS GANCHO SEGURI.
WASHER ARANDELA
BOLT PERNO
FORK HORQUILLA
BOLT PERNO
O RING JUNTA TORICA
BOLT PERNO
FLANGE
PARAFUSO
GRAXEIRA
ANEL "O"
EIXO
BUJÃO
CJ. CARCAÇA
CUPILHA
ARRUELA
BUJÃO
GRAXEIRA
EIXO
TRAVA
ARRUELA
PARAFUSO
PLACA
ESPAÇADOR
ESFERA
SUPORTE
ARRUELA
PARAFUSO
GARFO
PARAFUSO
ANEL "O"
PARAFUSO
C026502 E03 12/05
(1)
25 45
Carcaça
Housing
Caja
Transmissão 12 Velocidades-C. Mesh
12 Speed Transmission - C. Mesh
Transmision 12 Velocidades-C. Mesh
25 45
-
Menu Símbolos
EP32Z025
063272N1B
1
2
3
4
5
6
7
8
9
10
11
12
13
14
15
023416R1
1675367M2
027923P1
1693824M1
027920P2
023417R1
027922P1
039404P1
027919P2
023425R1
897065M2
1693818M1
191221M2
180418M2
180002M1
1
4
1
2
1
1
1
1
1
1
1
1
4
4
4
SELECTOR SELECTOR
BOLT PERNO
FORK HORQUILLA
SHAFT ARBOL
SHAFT ARBOL
SELECTOR SELECTOR
FORK HORQUILLA
FORK HORQUILLA
SHAFT ARBOL
SELECTOR SELECTOR
FORK HORQUILLA
SHAFT ARBOL
SPRING RESORTE
PIN PASADOR
BOLT PERNO
SELETOR
PARAFUSO
GARFO
EIXO
EIXO
SELETOR
GARFO
GARFO
EIXO
SELETOR
GARFO
EIXO
MOLA
PINO
PARAFUSO
C026502 E03 12/05
(1)
25 50
Carcaça
Housing
Caja
Transmissão 12 Velocidades-C. Mesh
12 Speed Transmission - C. Mesh
Transmision 12 Velocidades-C. Mesh
25 50
-
Menu Símbolos
PTO/1000RPM
N126Z021
063272N1C
30
25-125 No
26
1
2
3
4
5
6
7
8
9
10
11
054184P1
1677742M1
358969X1
039423P1
3761292M1
762101M1
377631X1
1677746M92
054183P1
1674668M3
2700273M1
1
1
1
1
1
1
1
1
1
1
1
GEAR ENGRANAJE
WASHER ARANDELA
CIRCLIP CIRCULITO
SHAFT ARBOL
BEARING COJINETE
CIRCLIP CIRCULITO
CIRCLIP CIRCULITO
KIT, AXLE JUEGO DE EJE
GEAR ENGRANAJE
SPACER PIEZA DISTANCIA
BEARING NEEDLE COJINETA AGUJAS
ENGRENAGEM
ARRUELA
ANEL TRAVA
EIXO
ROLAMENTO
ANEL TRAVA
ANEL TRAVA
CJ. EIXO
ENGRENAGEM
ESPAÇADOR
ROLAMENTO AGULHA
C026502 E03 12/05
(1)
25 55
Árvore De Entrada
Input Shaft
Arbol De Entrada
Transmissão 12 Velocidades-C. Mesh
12 Speed Transmission - C. Mesh
Transmision 12 Velocidades-C. Mesh
25 55
-
Menu Símbolos
N125Z017
063272N1D
56
4,14-4,19MM
4,39-4,45MM
4,62-4,67MM
4,85-4,90MM
35
51
46
25-75 No
1
2
3
4
4
4
4
5
6
7
8
9
10
11
12
13
14
15
16
17
18
19
20
21
1686458M1
049163N1
039397P1
1671888M2
1671889M1
1671890M2
1671891M2
039544R1
039545R1
053354N1
039398P1
023422R1
053355N1
053352N1
039396P1
1867259M1
3761291M1
195363M1
039543P1
039440N1
1686459M1
1663796M1
039402P1
039425P1
1
1
1
X
X
X
X
1
1
1
1
1
1
1
1
1
1
1
1
1
1
1
1
1
RING ARO
GEAR ENGRANAJE
SLEEVE MANCHA
SHIM CALCE
WASHER ARANDELA
WASHER ARANDELA
WASHER ARANDELA
BEARING COJINETE
CIRCLIP CIRCULITO
KIT, GEAR ENGRANAJES JUEGO
SLEEVE MANCHA
WASHER ARANDELA
KIT, GEAR ENGRANAJES JUEGO
KIT, GEAR ENGRANAJES JUEGO
SLEEVE MANCHA
WASHER ARANDELA
BEARING COJINETE
CIRCLIP CIRCULITO
SHAFT ARBOL
SYNCHRO UNIT SINCRONIZ ADORA
RING ARO
BEARING COJINETE
HUB CUBO
SLEEVE MANCHA
ANEL
ENGRENAGEM
LUVA
CALÇO
ARRUELA
ARRUELA
ARRUELA
ROLAMENTO
ANEL TRAVA
CJ. ENGRENAGEM
LUVA
ARRUELA
CJ. ENGRENAGEM
CJ. ENGRENAGEM
LUVA
ARRUELA
ROLAMENTO
ANEL TRAVA
EIXO
CJ. SINCRONIZADO
ANEL
ROLAMENTO
CUBO
LUVA
C026502 E03 12/05
(1)
25 60
Árvore Principal
Main Shaft
Eje Principale
Transmissão 12 Velocidades-C. Mesh
12 Speed Transmission - C. Mesh
Transmision 12 Velocidades-C. Mesh
25 60
-
Menu Símbolos
EP37Z021
063272N1E
19
34
53
25-80 No
42
23
43
15/20
1
2
3
4
5
6
7
8
9
10
10
11
12
13
14
15
16
17
18
19
20
21
22
23
24
25
26
27
28
29
30
31
32
1688131M1
183039M1
183037M1
1688132M1
195500M1
049165N1
3003372X1
1440873X1
054180N1
039408P1
039409P1
355988X1
1683386M91
899385M1
881122M2
899377M2
899331M1
180432M1
358913X1
9004882M1
1868533M2
039439N1
054182N1
039413P1
195363M1
3761291M1
053314P1
053312P1
180445M1
1688130M1
1688129M1
053310P1
831581M2
1
56
1
2
1
1
1
1
1
1
1
1
1
1
1
1
1
1
1
1
1
1
1
1
1
1
1
1
1
1
1
1
1
[A]
[A]
SPACER PIEZA DISTANCIA
ROLLER RODILLO
WASHER ARANDELA
WASHER ARANDELA
CIRCLIP CIRCULITO
SHAFT ARBOL
BEARING COJINETE
CIRCLIP CIRCULITO
GEAR ENGRANAJE
WASHER ARANDELA
WASHER ARANDELA
CIRCLIP CIRCULITO
COVER CUBIERTA
RING ARO
RING ARO
BEARING COJINETE
FLANGE PLETINA
GASKET EMPAQUETADURA.
CIRCLIP CIRCULITO
GEAR ENGRANAJE
SHAFT ARBOL
SYNCHRO UNIT SINCRONIZ ADORA
GEAR ENGRANAJE
WASHER ARANDELA
CIRCLIP CIRCULITO
BEARING COJINETE
GEAR ENGRANAJE
GEAR ENGRANAJE
SHAFT ARBOL
WASHER ARANDELA
SPRING PLATE PLETINA MUELLE
GEAR ENGRANAJE
CIRCLIP CIRCULITO
ESPAÇADOR
ROLETE
ARRUELA
ARRUELA
ANEL TRAVA
EIXO
ROLAMENTO
ANEL TRAVA
ENGRENAGEM
ARRUELA
ARRUELA
ANEL TRAVA
TAMPA
ANEL
ANEL
ROLAMENTO
FLANGE
JUNTA
ANEL TRAVA
ENGRENAGEM
EIXO
CJ. SINCRONIZADO
ENGRENAGEM
ARRUELA
ANEL TRAVA
ROLAMENTO
ENGRENAGEM
ENGRENAGEM
EIXO
ARRUELA
MOLA PRATO
ENGRENAGEM
ANEL TRAVA
C026502 E03 12/05
(1)
25 65
Árvore Secundária
Secundary Shaft
Eje Secundaria
Transmissão 12 Velocidades-C. Mesh
12 Speed Transmission - C. Mesh
Transmision 12 Velocidades-C. Mesh
25 65
-
Menu Símbolos
EP38Z021
063272N1F
022638N1
1
2
3
4
5
6
7
8
9
10
11
12
13
14
15
16
17
518414M1
366317X1
184012M4
353434X1
362684X1
184770M2
516526M1
834211M1
518415M1
516509M1
897020M1
180409M1
1865530M1
180408M2
1867426M1
022638N1
2
1
1
1
3
4
1
6
144
3
3
3
2
1
1
1
1
17
17
17
17
17
17
17
17
WASHER ARANDELA
CIRCLIP CIRCULITO
KIT, CARRIER JUEGO PORTADOR
PLATE PLATO
WASHER ARANDELA
BOLT PERNO
SLEEVE MANCHA
WASHER ARANDELA
ROLLER RODILLO
SHAFT ARBOL
GEAR ENGRANAJE
WASHER ARANDELA
PIN PASADOR
ANNULAR GEAR ENGRANAJE ANULAR
PLATE PLATO
SHIM CALCE
KIT, CARRIER JUEGO PORTADOR
ARRUELA
ANEL TRAVA
CJ. REDUTOR
PLACA
ARRUELA
PARAFUSO
LUVA
ARRUELA
ROLETE
EIXO
ENGRENAGEM
ARRUELA
PINO
COROA
PLACA
CALÇO
CJ. REDUTOR
C026502 E03 12/05
(1)
25 70
Redutor Epicicloidal
Epicyclic Unit
Unidad Epicicloidal
Transmissão 12 Velocidades-C. Mesh
12 Speed Transmission - C. Mesh
Transmision 12 Velocidades-C. Mesh
25 70
-
Menu Símbolos
EJ51Z002
039440N1
1
2
3
027925P1
027924P1
040751P1
2
1
1
RING ARO
SLEEVE MANCHA
HUB CUBO
ANEL
LUVA
CUBO
C026502 E03 12/05
(1)
25 75
Luva E Cubo
Sleeve And Hub
Manguito Y Cubo
25 75
-
Menu Símbolos
EJ51Z001
039439N1
1
2
3
027925P1
027924P1
027927P1
2
1
1
RING ARO
SLEEVE MANCHA
HUB CUBO
ANEL
LUVA
CUBO
C026502 E03 12/05
(1)
25 80
Luva E Cubo
Sleeve And Hub
Manguito Y Cubo
25 80
-
Menu Símbolos
EM52Z024
T0212102
25-90 No
25-95 No
25-100 No
25-105 No
25-110 No
25-115 No
1
1
1
1
1
1
2
3
4
5
6
7
8
063273N1
3700450M1
3700527M1
886727M2
063142N1
354441X1
021020P2
027014P1
1
1
1
1
1
1
2
1
1
1
2
1
4
5
5
TRANSMISSION TRANSMISION
TRANSMISSION TRANSMISION
TRANSMISSION TRANSMISION
TRANSMISSION TRANSMISION
TRANSMISSION TRANSMISION
TRANSMISSION TRANSMISION
SPRING RESORTE
BEARING COJINETE
COLLAR COLLAR
BEARING FLANGE BEARING FLANGE
BOLT PERNO
COVER CUBIERTA
PAD ALMOHADILLA
CX. TRANSMISSÃO
CX. TRANSMISSÃO
CX. TRANSMISSÃO
CX. TRANSMISSÃO
CX. TRANSMISSÃO
CX. TRANSMISSÃO
MOLA
ROLAMENTO
COLAR
PORTA ROLAMENTO
PARAFUSO
TAMPA
TAMPÃO
C026502 E03 12/05
(1)
25 85
Constant Mesh
Constant Mesh
Constant Mesh
Transmissão 12 Velocidades
12 Speed Transmission
Transmision 12 Velocidades
25 85
-
Menu Símbolos
EP32Z022
063273N1A
25-40 No
12MM
1
2
3
4
5
6
7
8
9
10
11
12
13
14
15
16
17
18
19
20
21
22
23
24
25
1860890M91
377477X1
29951X
364784X1
058424P1
2950X
488156M97
354076X1
180474M1
050698T1
13811X
058424P1
184789M1
828020M1
353691X1
1860764M2
1860765M1
391838X1
1860761M1
353434X1
362443X1
886719M1
180002M1
886089M1
377480X1
1
3
1
2
1
1
1
1
1
1
1
1
1
1
1
1
1
1
1
2
2
1
2
1
1
FLANGE PLETINA
BOLT PERNO
GREASER ENGRASADOR
O RING JUNTA TORICA
SHAFT ARBOL
PLUG TAPON
HOUSE ASSY CONJ. CARTER
COTTER PIN PASADOR DOUBLE
WASHER ARANDELA
PLUG TAPON
GREASER ENGRASADOR
SHAFT ARBOL
LOCK RETENEDOR
WASHER ARANDELA
BOLT PERNO
PLATE PLATO
SPACER PIEZA DISTANCIA
BALL BOLA
CLEVIS GANCHO SEGURI.
WASHER ARANDELA
BOLT PERNO
FORK HORQUILLA
BOLT PERNO
O RING JUNTA TORICA
BOLT PERNO
FLANGE
PARAFUSO
GRAXEIRA
ANEL "O"
EIXO
BUJÃO
CJ. CARCAÇA
CUPILHA
ARRUELA
BUJÃO
GRAXEIRA
EIXO
TRAVA
ARRUELA
PARAFUSO
PLACA
ESPAÇADOR
ESFERA
SUPORTE
ARRUELA
PARAFUSO
GARFO
PARAFUSO
ANEL "O"
PARAFUSO
C026502 E03 12/05
(1)
25 90
Carcaça
Housing
Caja
Transmissão 12 Velocidades-C. Mesh
12 Speed Transmission - C. Mesh
Transmision 12 Velocidades-C. Mesh
25 90
-
Menu Símbolos
EP32Z023
063273N1B
1
2
3
4
5
6
7
8
9
10
11
12
13
14
15
023416R1
1675367M2
027923P1
1693824M1
027920P2
023417R1
027922P1
039404P1
027919P2
023425R1
897065M2
1693818M1
191221M2
180418M2
180002M1
1
4
1
2
1
1
1
1
1
1
1
1
4
4
4
SELECTOR SELECTOR
BOLT PERNO
FORK HORQUILLA
SHAFT ARBOL
SHAFT ARBOL
SELECTOR SELECTOR
FORK HORQUILLA
FORK HORQUILLA
SHAFT ARBOL
SELECTOR SELECTOR
FORK HORQUILLA
SHAFT ARBOL
SPRING RESORTE
PIN PASADOR
BOLT PERNO
SELETOR
PARAFUSO
GARFO
EIXO
EIXO
SELETOR
GARFO
GARFO
EIXO
SELETOR
GARFO
EIXO
MOLA
PINO
PARAFUSO
C026502 E03 12/05
(1)
25 95
Carcaça
Housing
Caja
Transmissão 12 Velocidades-C. Mesh
12 Speed Transmission - C. Mesh
Transmision 12 Velocidades-C. Mesh
25 95
-
Menu Símbolos
PTO/1000RPM
N126Z020
063273N1C
30
25-125 No
26
1
2
3
4
5
6
7
8
9
10
11
054184P1
1677742M1
358969X1
039423P1
3761292M1
762101M1
377631X1
1677746M92
054183P1
1674668M3
2700273M1
1
1
1
1
1
1
1
1
1
1
1
GEAR ENGRANAJE
WASHER ARANDELA
CIRCLIP CIRCULITO
SHAFT ARBOL
BEARING COJINETE
CIRCLIP CIRCULITO
CIRCLIP CIRCULITO
KIT, AXLE JUEGO DE EJE
GEAR ENGRANAJE
SPACER PIEZA DISTANCIA
BEARING NEEDLE COJINETA AGUJAS
ENGRENAGEM
ARRUELA
ANEL TRAVA
EIXO
ROLAMENTO
ANEL TRAVA
ANEL TRAVA
CJ. EIXO
ENGRENAGEM
ESPAÇADOR
ROLAMENTO AGULHA
C026502 E03 12/05
(1)
25 100
Árvore De Entrada
Input Shaft
Arbol De Entrada
Transmissão 12 Velocidades-C. Mesh
12 Speed Transmission - C. Mesh
Transmision 12 Velocidades-C. Mesh
25 100
-
Menu Símbolos
N125Z016
063273N1D
56
4,14-4,19MM
4,39-4,45MM
4,62-4,67MM
4,85-4,90MM
35
51
46
25-75 No
1
2
3
4
4
4
4
5
6
7
8
9
10
11
12
13
14
15
16
17
18
19
20
21
1686458M1
049163N1
039397P1
1671888M2
1671889M1
1671890M2
1671891M2
039544R1
039545R1
053354N1
039398P1
023422R1
053355N1
053352N1
039396P1
1867259M1
3761291M1
195363M1
039543P1
039440N1
1686459M1
1663796M1
039402P1
039425P1
1
1
1
X
X
X
X
1
1
1
1
1
1
1
1
1
1
1
1
1
1
1
1
1
RING ARO
GEAR ENGRANAJE
SLEEVE MANCHA
SHIM CALCE
WASHER ARANDELA
WASHER ARANDELA
WASHER ARANDELA
BEARING COJINETE
CIRCLIP CIRCULITO
KIT, GEAR ENGRANAJES JUEGO
SLEEVE MANCHA
WASHER ARANDELA
KIT, GEAR ENGRANAJES JUEGO
KIT, GEAR ENGRANAJES JUEGO
SLEEVE MANCHA
WASHER ARANDELA
BEARING COJINETE
CIRCLIP CIRCULITO
SHAFT ARBOL
SYNCHRO UNIT SINCRONIZ ADORA
RING ARO
BEARING COJINETE
HUB CUBO
SLEEVE MANCHA
ANEL
ENGRENAGEM
LUVA
CALÇO
ARRUELA
ARRUELA
ARRUELA
ROLAMENTO
ANEL TRAVA
CJ. ENGRENAGEM
LUVA
ARRUELA
CJ. ENGRENAGEM
CJ. ENGRENAGEM
LUVA
ARRUELA
ROLAMENTO
ANEL TRAVA
EIXO
CJ. SINCRONIZADO
ANEL
ROLAMENTO
CUBO
LUVA
C026502 E03 12/05
(1)
25 105
Árvore Principal
Main Shaft
Eje Principale
Transmissão 12 Velocidades-C. Mesh
12 Speed Transmission - C. Mesh
Transmision 12 Velocidades-C. Mesh
25 105
-
Menu Símbolos
EP37Z020
063273N1E
[A] TDP
PTO
TDF
19
34
53
25-80 No
42
23
43
1
2
3
4
5
6
7
8
9
10
10
11
12
13
14
15
16
17
18
19
20
21
22
23
24
25
26
27
28
29
30
31
32
1688131M1
183039M1
183037M1
1688132M1
195500M1
049165N1
3003372X1
1440873X1
054180N1
039408P1
039409P1
355988X1
1683386M91
899385M1
881122M2
899377M2
899331M1
180432M1
358913X1
9004882M1
1869279M1
039439N1
054182N1
039413P1
195363M1
3761291M1
053314P1
053312P1
180445M1
1688130M1
1688129M1
053310P1
831581M2
1
56
1
2
1
1
1
1
1
1
1
1
1
1
1
1
1
1
1
1
1
1
1
1
1
1
1
1
1
1
1
1
1
[A]
[A]
SPACER PIEZA DISTANCIA
ROLLER RODILLO
WASHER ARANDELA
WASHER ARANDELA
CIRCLIP CIRCULITO
SHAFT ARBOL
BEARING COJINETE
CIRCLIP CIRCULITO
GEAR ENGRANAJE
WASHER ARANDELA
WASHER ARANDELA
CIRCLIP CIRCULITO
COVER CUBIERTA
RING ARO
RING ARO
BEARING COJINETE
FLANGE PLETINA
GASKET EMPAQUETADURA.
CIRCLIP CIRCULITO
GEAR ENGRANAJE
SHAFT ARBOL
SYNCHRO UNIT SINCRONIZ ADORA
GEAR ENGRANAJE
WASHER ARANDELA
CIRCLIP CIRCULITO
BEARING COJINETE
GEAR ENGRANAJE
GEAR ENGRANAJE
SHAFT ARBOL
WASHER ARANDELA
SPRING PLATE PLETINA MUELLE
GEAR ENGRANAJE
CIRCLIP CIRCULITO
ESPAÇADOR
ROLETE
ARRUELA
ARRUELA
ANEL TRAVA
EIXO
ROLAMENTO
ANEL TRAVA
ENGRENAGEM
ARRUELA
ARRUELA
ANEL TRAVA
TAMPA
ANEL
ANEL
ROLAMENTO
FLANGE
JUNTA
ANEL TRAVA
ENGRENAGEM
EIXO
CJ. SINCRONIZADO
ENGRENAGEM
ARRUELA
ANEL TRAVA
ROLAMENTO
ENGRENAGEM
ENGRENAGEM
EIXO
ARRUELA
MOLA PRATO
ENGRENAGEM
ANEL TRAVA
C026502 E03 12/05
(1)
25 110
Árvore Secundária
Secundary Shaft
Eje Secundaria
Transmissão 12 Velocidades-C. Mesh
12 Speed Transmission - C. Mesh
Transmision 12 Velocidades-C. Mesh
25 110
-
Menu Símbolos
EP38Z020
063273N1F
022638N1
1
2
3
4
5
6
7
8
9
10
11
12
13
14
15
16
17
518414M1
366317X1
184012M4
353434X1
362684X1
184770M2
516526M1
834211M1
518415M1
516509M1
897020M1
180409M1
1865530M1
180408M2
1867426M1
022638N1
2
1
1
1
3
4
1
6
144
3
3
3
2
1
1
1
1
17
17
17
17
17
17
17
17
WASHER ARANDELA
CIRCLIP CIRCULITO
KIT, CARRIER JUEGO PORTADOR
PLATE PLATO
WASHER ARANDELA
BOLT PERNO
SLEEVE MANCHA
WASHER ARANDELA
ROLLER RODILLO
SHAFT ARBOL
GEAR ENGRANAJE
WASHER ARANDELA
PIN PASADOR
ANNULAR GEAR ENGRANAJE ANULAR
PLATE PLATO
SHIM CALCE
KIT, CARRIER JUEGO PORTADOR
ARRUELA
ANEL TRAVA
CJ. REDUTOR
PLACA
ARRUELA
PARAFUSO
LUVA
ARRUELA
ROLETE
EIXO
ENGRENAGEM
ARRUELA
PINO
COROA
PLACA
CALÇO
CJ. REDUTOR
C026502 E03 12/05
(1)
25 115
Redutor Epicicloidal
Epicyclic Unit
Unidad Epicicloidal
Transmissão 12 Velocidades-C. Mesh
12 Speed Transmission - C. Mesh
Transmision 12 Velocidades-C. Mesh
25 115
-
Menu Símbolos
EM52Z021
T0212010
25-360 No
1
2
3
4
5
6
7
063274N1
3700450M1
063142N1
354441X1
021020P2
027014P1
899297M1
1
2
1
2
1
8
1
TRANSMISSION TRANSMISION
SPRING RESORTE
BEARING FLANGE BEARING FLANGE
BOLT PERNO
COVER CUBIERTA
PAD ALMOHADILLA
PLUG TAPON
CX. TRANSMISSÃO
MOLA
PORTA ROLAMENTO
PARAFUSO
TAMPA
TAMPÃO
BUJÃO
C026502 E03 12/05
(1)
25 120
Constant Mesh
Constant Mesh
Constant Mesh
Transmissão 12 Velocidades
12 Speed Transmission
Transmision 12 Velocidades
25 120
-
Menu Símbolos
ED93Z001
1677746M92
20
1
2
3
1677724M1
883935M4
1677738M1
1
1
1
BEARING COJINETE
SEAL RETEN
SHAFT ARBOL
ROLAMENTO
RETENTOR
EIXO
C026502 E03 12/05
(1)
25 125
Eixo Entrada
Inlet Shaft
Eje Entrada
25 125
-
Menu Símbolos
EE16Z001
1683386M91
1
2
3
4
1004633M1
883620M1
376703X1
377479X1
1
1
4
4
O RING JUNTA TORICA
COVER CUBIERTA
WASHER ARANDELA
BOLT PERNO
ANEL "O"
TAMPA
ARRUELA
PARAFUSO
C026502 E03 12/05
(1)
25 130
Tampa De Rolamento
Bearing Cover
Tapa De Cojinete
25 130
-
Menu Símbolos
EP32Z028
063274N1A
25-40 No
12MM
1
2
3
4
5
6
7
8
9
10
11
12
13
14
15
16
17
18
19
20
21
22
23
24
25
1860890M91
377477X1
29951X
364784X1
058424P1
2950X
488156M97
354076X1
180474M1
050698T1
13811X
058424P1
184789M1
828020M1
353691X1
1860764M2
1860765M1
391838X1
1860761M1
353434X1
362443X1
886719M1
180002M1
886089M1
377480X1
1
3
1
2
1
1
1
1
1
1
1
1
1
1
1
1
1
1
1
2
2
1
2
1
1
FLANGE PLETINA
BOLT PERNO
GREASER ENGRASADOR
O RING JUNTA TORICA
SHAFT ARBOL
PLUG TAPON
HOUSE ASSY CONJ. CARTER
COTTER PIN PASADOR DOUBLE
WASHER ARANDELA
PLUG TAPON
GREASER ENGRASADOR
SHAFT ARBOL
LOCK RETENEDOR
WASHER ARANDELA
BOLT PERNO
PLATE PLATO
SPACER PIEZA DISTANCIA
BALL BOLA
CLEVIS GANCHO SEGURI.
WASHER ARANDELA
BOLT PERNO
FORK HORQUILLA
BOLT PERNO
O RING JUNTA TORICA
BOLT PERNO
FLANGE
PARAFUSO
GRAXEIRA
ANEL "O"
EIXO
BUJÃO
CJ. CARCAÇA
CUPILHA
ARRUELA
BUJÃO
GRAXEIRA
EIXO
TRAVA
ARRUELA
PARAFUSO
PLACA
ESPAÇADOR
ESFERA
SUPORTE
ARRUELA
PARAFUSO
GARFO
PARAFUSO
ANEL "O"
PARAFUSO
C026502 E03 12/05
(1)
25 135
Carcaça
Housing
Caja
Transmissão 12 Velocidades-C. Mesh
12 Speed Transmission - C. Mesh
Transmision 12 Velocidades-C. Mesh
25 135
-
Menu Símbolos
EP32Z038
063274N1B
1
2
3
4
5
6
7
8
9
10
11
12
13
14
15
023416R1
1675367M2
027923P1
1693824M1
027920P2
023417R1
027922P1
039404P1
027919P2
023425R1
897065M2
1693818M1
191221M2
180418M2
180002M1
1
4
1
2
1
1
1
1
1
1
1
1
4
4
4
SELECTOR SELECTOR
BOLT PERNO
FORK HORQUILLA
SHAFT ARBOL
SHAFT ARBOL
SELECTOR SELECTOR
FORK HORQUILLA
FORK HORQUILLA
SHAFT ARBOL
SELECTOR SELECTOR
FORK HORQUILLA
SHAFT ARBOL
SPRING RESORTE
PIN PASADOR
BOLT PERNO
SELETOR
PARAFUSO
GARFO
EIXO
EIXO
SELETOR
GARFO
GARFO
EIXO
SELETOR
GARFO
EIXO
MOLA
PINO
PARAFUSO
C026502 E03 12/05
(1)
25 140
Carcaça
Housing
Caja
Transmissão 12 Velocidades-C. Mesh
12 Speed Transmission - C. Mesh
Transmision 12 Velocidades-C. Mesh
25 140
-
Menu Símbolos
PTO/540RPM
N126Z023
063274N1C
30
26
1
2
3
4
5
6
7
8
9
10
11
054184P1
1677742M1
358969X1
039423P1
3761292M1
762101M1
377631X1
049834N1
054183P1
1674668M3
2700273M1
1
1
1
1
1
1
1
1
1
1
1
GEAR ENGRANAJE
WASHER ARANDELA
CIRCLIP CIRCULITO
SHAFT ARBOL
BEARING COJINETE
CIRCLIP CIRCULITO
CIRCLIP CIRCULITO
KIT, AXLE JUEGO DE EJE
GEAR ENGRANAJE
SPACER PIEZA DISTANCIA
BEARING NEEDLE COJINETA AGUJAS
ENGRENAGEM
ARRUELA
ANEL TRAVA
EIXO
ROLAMENTO
ANEL TRAVA
ANEL TRAVA
CJ. EIXO
ENGRENAGEM
ESPAÇADOR
ROLAMENTO AGULHA
C026502 E03 12/05
(1)
25 145
Árvore De Entrada
Input Shaft
Arbol De Entrada
Transmissão 12 Velocidades-C. Mesh
12 Speed Transmission - C. Mesh
Transmision 12 Velocidades-C. Mesh
25 145
-
Menu Símbolos
N125Z019
063274N1D
56
4,14-4,19MM
4,39-4,45MM
4,62-4,67MM
4,85-4,90MM
35
51
46
25-75 No
1
2
3
4
4
4
4
5
6
7
8
9
10
11
12
13
14
15
16
17
18
19
20
21
1686458M1
049163N1
039397P1
1671888M2
1671889M1
1671890M2
1671891M2
039544R1
039545R1
053354N1
039398P1
023422R1
053355N1
053352N1
039396P1
1867259M1
3761291M1
195363M1
039543P1
039440N1
1686459M1
1663796M1
039402P1
039425P1
1
1
1
X
X
X
X
1
1
1
1
1
1
1
1
1
1
1
1
1
1
1
1
1
RING ARO
GEAR ENGRANAJE
SLEEVE MANCHA
SHIM CALCE
WASHER ARANDELA
WASHER ARANDELA
WASHER ARANDELA
BEARING COJINETE
CIRCLIP CIRCULITO
KIT, GEAR ENGRANAJES JUEGO
SLEEVE MANCHA
WASHER ARANDELA
KIT, GEAR ENGRANAJES JUEGO
KIT, GEAR ENGRANAJES JUEGO
SLEEVE MANCHA
WASHER ARANDELA
BEARING COJINETE
CIRCLIP CIRCULITO
SHAFT ARBOL
SYNCHRO UNIT SINCRONIZ ADORA
RING ARO
BEARING COJINETE
HUB CUBO
SLEEVE MANCHA
ANEL
ENGRENAGEM
LUVA
CALÇO
ARRUELA
ARRUELA
ARRUELA
ROLAMENTO
ANEL TRAVA
CJ. ENGRENAGEM
LUVA
ARRUELA
CJ. ENGRENAGEM
CJ. ENGRENAGEM
LUVA
ARRUELA
ROLAMENTO
ANEL TRAVA
EIXO
CJ. SINCRONIZADO
ANEL
ROLAMENTO
CUBO
LUVA
C026502 E03 12/05
(1)
25 150
Árvore Principal
Main Shaft
Eje Principale
Transmissão 12 Velocidades-C. Mesh
12 Speed Transmission - C. Mesh
Transmision 12 Velocidades-C. Mesh
25 150
-
Menu Símbolos
PTO1000RPM
EP37Z023
063274N1E
[A] TDP
PTO
TDF
19
34
53
25-80 No
42
23
43
15/20
1
2
3
4
5
6
7
8
9
10
10
11
12
13
14
15
16
17
18
19
20
21
22
23
24
25
26
27
28
29
30
31
32
1688131M1
183039M1
183037M1
1688132M1
195500M1
049165N1
3003372X1
1440873X1
054180N1
039408P1
039409P1
355988X1
1683386M91
899385M1
881122M2
899377M2
899331M1
180432M1
358913X1
9004882M1
1868533M2
039439N1
054182N1
039413P1
195363M1
3761291M1
053314P1
053312P1
180445M1
1688130M1
1688129M1
053310P1
831581M2
1
56
1
2
1
1
1
1
1
1
1
1
1
1
1
1
1
1
1
1
1
1
1
1
1
1
1
1
1
1
1
1
1
[A]
[A]
[A]
SPACER PIEZA DISTANCIA
ROLLER RODILLO
WASHER ARANDELA
WASHER ARANDELA
CIRCLIP CIRCULITO
SHAFT ARBOL
BEARING COJINETE
CIRCLIP CIRCULITO
GEAR ENGRANAJE
WASHER ARANDELA
WASHER ARANDELA
CIRCLIP CIRCULITO
COVER CUBIERTA
RING ARO
RING ARO
BEARING COJINETE
FLANGE PLETINA
GASKET EMPAQUETADURA.
CIRCLIP CIRCULITO
GEAR ENGRANAJE
SHAFT ARBOL
SYNCHRO UNIT SINCRONIZ ADORA
GEAR ENGRANAJE
WASHER ARANDELA
CIRCLIP CIRCULITO
BEARING COJINETE
GEAR ENGRANAJE
GEAR ENGRANAJE
SHAFT ARBOL
WASHER ARANDELA
SPRING PLATE PLETINA MUELLE
GEAR ENGRANAJE
CIRCLIP CIRCULITO
ESPAÇADOR
ROLETE
ARRUELA
ARRUELA
ANEL TRAVA
EIXO
ROLAMENTO
ANEL TRAVA
ENGRENAGEM
ARRUELA
ARRUELA
ANEL TRAVA
TAMPA
ANEL
ANEL
ROLAMENTO
FLANGE
JUNTA
ANEL TRAVA
ENGRENAGEM
EIXO
CJ. SINCRONIZADO
ENGRENAGEM
ARRUELA
ANEL TRAVA
ROLAMENTO
ENGRENAGEM
ENGRENAGEM
EIXO
ARRUELA
MOLA PRATO
ENGRENAGEM
ANEL TRAVA
C026502 E03 12/05
(1)
25 155
Árvore Secundária
Secundary Shaft
Eje Secundaria
Transmissão 12 Velocidades-C. Mesh
12 Speed Transmission - C. Mesh
Transmision 12 Velocidades-C. Mesh
25 155
-
Menu Símbolos
EP38Z023
063274N1F
022638N1
1
2
3
4
5
6
7
8
9
10
11
12
13
14
15
16
17
518414M1
366317X1
184012M4
353434X1
362684X1
184770M2
516526M1
834211M1
897020M1
516509M1
518415M1
180409M1
1865530M1
180408M2
1867426M1
022638N1
2
1
1
1
3
4
1
6
144
3
3
3
2
1
1
1
1
17
17
17
17
17
17
17
17
WASHER ARANDELA
CIRCLIP CIRCULITO
KIT, CARRIER JUEGO PORTADOR
PLATE PLATO
WASHER ARANDELA
BOLT PERNO
SLEEVE MANCHA
WASHER ARANDELA
ROLLER RODILLO
WASHER ARANDELA
GEAR ENGRANAJE
SHAFT ARBOL
PIN PASADOR
ANNULAR GEAR ENGRANAJE ANULAR
PLATE PLATO
SHIM CALCE
KIT, CARRIER JUEGO PORTADOR
ARRUELA
ANEL TRAVA
CJ. REDUTOR
PLACA
ARRUELA
PARAFUSO
LUVA
ARRUELA
ROLETE
ARRUELA
ENGRENAGEM
EIXO
PINO
COROA
PLACA
CALÇO
CJ. REDUTOR
C026502 E03 12/05
(1)
25 160
Redutor Epicicloidal
Epicyclic Unit
Unidad Epicicloidal
Transmissão 12 Velocidades-C. Mesh
12 Speed Transmission - C. Mesh
Transmision 12 Velocidades-C. Mesh
25 160
-
Menu Símbolos
EM47Z008
T0212009
25-360 No
1
2
3
4
5
6
7
063275N1
3700450M1
063142N1
354441X1
021020P2
027014P1
899297M1
1
2
1
2
1
8
1
TRANSMISSION TRANSMISION
SPRING RESORTE
BEARING FLANGE BEARING FLANGE
BOLT PERNO
COVER CUBIERTA
PAD ALMOHADILLA
PLUG TAPON
CX. TRANSMISSÃO
MOLA
PORTA ROLAMENTO
PARAFUSO
TAMPA
TAMPÃO
BUJÃO
C026502 E03 12/05
(1)
25 165
Transmissão 12 Velocidades
12 Speed Transmission
Transmision 12 Velocidades
25 165
-
Menu Símbolos
EP32Z026
063275N1A
25-40 No
12MM
1
2
3
4
5
6
7
8
9
10
11
12
13
14
15
16
17
18
19
20
21
22
23
24
25
1860890M91
377477X1
29951X
364784X1
058424P1
2950X
488156M97
354076X1
180474M1
050698T1
13811X
058424P1
184789M1
828020M1
353691X1
1860764M2
1860765M1
391838X1
1860761M1
353434X1
362443X1
886719M1
180002M1
886089M1
377480X1
1
3
1
2
1
1
1
1
1
1
1
1
1
1
1
1
1
1
1
2
2
1
2
1
1
FLANGE PLETINA
BOLT PERNO
GREASER ENGRASADOR
O RING JUNTA TORICA
SHAFT ARBOL
PLUG TAPON
HOUSE ASSY CONJ. CARTER
COTTER PIN PASADOR DOUBLE
WASHER ARANDELA
PLUG TAPON
GREASER ENGRASADOR
SHAFT ARBOL
LOCK RETENEDOR
WASHER ARANDELA
BOLT PERNO
PLATE PLATO
SPACER PIEZA DISTANCIA
BALL BOLA
CLEVIS GANCHO SEGURI.
WASHER ARANDELA
BOLT PERNO
FORK HORQUILLA
BOLT PERNO
O RING JUNTA TORICA
BOLT PERNO
FLANGE
PARAFUSO
GRAXEIRA
ANEL "O"
EIXO
BUJÃO
CJ. CARCAÇA
CUPILHA
ARRUELA
BUJÃO
GRAXEIRA
EIXO
TRAVA
ARRUELA
PARAFUSO
PLACA
ESPAÇADOR
ESFERA
SUPORTE
ARRUELA
PARAFUSO
GARFO
PARAFUSO
ANEL "O"
PARAFUSO
C026502 E03 12/05
(1)
25 170
Carcaça
Housing
Caja
Transmissão 12 Velocidades-C. Mesh
12 Speed Transmission - C. Mesh
Transmision 12 Velocidades-C. Mesh
25 170
-
Menu Símbolos
EP32Z027
063275N1B
1
2
3
4
5
6
7
8
9
10
11
12
13
14
15
023416R1
1675367M2
027923P1
1693824M1
027920P2
023417R1
027922P1
039404P1
027919P2
023425R1
897065M2
1693818M1
191221M2
180418M2
180002M1
1
4
1
2
1
1
1
1
1
1
1
1
4
4
2
SELECTOR SELECTOR
BOLT PERNO
FORK HORQUILLA
SHAFT ARBOL
SHAFT ARBOL
SELECTOR SELECTOR
FORK HORQUILLA
FORK HORQUILLA
SHAFT ARBOL
SELECTOR SELECTOR
FORK HORQUILLA
SHAFT ARBOL
SPRING RESORTE
PIN PASADOR
BOLT PERNO
SELETOR
PARAFUSO
GARFO
EIXO
EIXO
SELETOR
GARFO
GARFO
EIXO
SELETOR
GARFO
EIXO
MOLA
PINO
PARAFUSO
C026502 E03 12/05
(1)
25 175
Carcaça
Housing
Caja
Transmissão 12 Velocidades-C. Mesh
12 Speed Transmission - C. Mesh
Transmision 12 Velocidades-C. Mesh
25 175
-
Menu Símbolos
PTO/540RPM
N126Z022
063275N1C
30
25-320 No
26
1
2
3
4
5
6
7
8
9
10
11
054184P1
1677742M1
358969X1
039423P1
3761292M1
762101M1
377631X1
049834N1
054183P1
1674668M3
2700273M1
1
1
1
1
1
1
1
1
1
1
1
GEAR ENGRANAJE
WASHER ARANDELA
CIRCLIP CIRCULITO
SHAFT ARBOL
BEARING COJINETE
CIRCLIP CIRCULITO
CIRCLIP CIRCULITO
KIT, AXLE JUEGO DE EJE
GEAR ENGRANAJE
SPACER PIEZA DISTANCIA
BEARING NEEDLE COJINETA AGUJAS
ENGRENAGEM
ARRUELA
ANEL TRAVA
EIXO
ROLAMENTO
ANEL TRAVA
ANEL TRAVA
CJ. EIXO
ENGRENAGEM
ESPAÇADOR
ROLAMENTO AGULHA
C026502 E03 12/05
(1)
25 180
Árvore De Entrada
Input Shaft
Arbol De Entrada
Transmissão 12 Velocidades-C. Mesh
12 Speed Transmission - C. Mesh
Transmision 12 Velocidades-C. Mesh
25 180
-
Menu Símbolos
N125Z018
063275N1D
56
4,14-4,19MM
4,39-4,45MM
4,62-4,67MM
4,85-4,90MM
35
51
46
25-75 No
1
2
3
4
4
4
4
5
6
7
8
9
10
11
12
13
14
15
16
17
18
19
20
21
1686458M1
049163N1
039397P1
1671888M2
1671889M1
1671890M2
1671891M2
039544R1
039545R1
053354N1
039398P1
023422R1
053355N1
053352N1
039396P1
1867259M1
3761291M1
195363M1
039543P1
039440N1
1686459M1
1663796M1
039402P1
039425P1
1
1
1
X
X
X
X
1
1
1
1
1
1
1
1
1
1
1
1
1
1
1
1
1
RING ARO
GEAR ENGRANAJE
SLEEVE MANCHA
SHIM CALCE
WASHER ARANDELA
WASHER ARANDELA
WASHER ARANDELA
BEARING COJINETE
CIRCLIP CIRCULITO
KIT, GEAR ENGRANAJES JUEGO
SLEEVE MANCHA
WASHER ARANDELA
KIT, GEAR ENGRANAJES JUEGO
KIT, GEAR ENGRANAJES JUEGO
SLEEVE MANCHA
WASHER ARANDELA
BEARING COJINETE
CIRCLIP CIRCULITO
SHAFT ARBOL
SYNCHRO UNIT SINCRONIZ ADORA
RING ARO
BEARING COJINETE
HUB CUBO
SLEEVE MANCHA
ANEL
ENGRENAGEM
LUVA
CALÇO
ARRUELA
ARRUELA
ARRUELA
ROLAMENTO
ANEL TRAVA
CJ. ENGRENAGEM
LUVA
ARRUELA
CJ. ENGRENAGEM
CJ. ENGRENAGEM
LUVA
ARRUELA
ROLAMENTO
ANEL TRAVA
EIXO
CJ. SINCRONIZADO
ANEL
ROLAMENTO
CUBO
LUVA
C026502 E03 12/05
(1)
25 185
Árvore Principal
Main Shaft
Eje Principale
Transmissão 12 Velocidades-C. Mesh
12 Speed Transmission - C. Mesh
Transmision 12 Velocidades-C. Mesh
25 185
-
Menu Símbolos
EP37Z022
063275N1E
[A] TDP
PTO
TDF
19
34
53
25-80 No
42
23
43
1
2
3
4
5
6
7
8
9
10
10
11
12
13
14
15
16
17
18
19
20
21
22
23
24
25
26
27
28
29
30
31
32
1688131M1
183039M1
183037M1
1688132M1
195500M1
049165N1
3003372X1
1440873X1
054180N1
039408P1
039409P1
355988X1
1683386M91
899385M1
881122M2
899377M2
899331M1
180432M1
358913X1
9004882M1
1869279M1
039439N1
054182N1
039413P1
195363M1
3761291M1
053314P1
053312P1
180445M1
1688130M1
1688129M1
053310P1
831581M2
1
56
1
2
1
1
1
1
1
1
1
1
1
1
1
1
1
1
1
1
1
1
1
1
1
1
1
1
1
1
1
1
1
[A]
[A]
SPACER PIEZA DISTANCIA
ROLLER RODILLO
WASHER ARANDELA
WASHER ARANDELA
CIRCLIP CIRCULITO
SHAFT ARBOL
BEARING COJINETE
CIRCLIP CIRCULITO
GEAR ENGRANAJE
WASHER ARANDELA
WASHER ARANDELA
CIRCLIP CIRCULITO
COVER CUBIERTA
RING ARO
RING ARO
BEARING COJINETE
FLANGE PLETINA
GASKET EMPAQUETADURA.
CIRCLIP CIRCULITO
GEAR ENGRANAJE
SHAFT ARBOL
SYNCHRO UNIT SINCRONIZ ADORA
GEAR ENGRANAJE
WASHER ARANDELA
CIRCLIP CIRCULITO
BEARING COJINETE
GEAR ENGRANAJE
GEAR ENGRANAJE
SHAFT ARBOL
WASHER ARANDELA
SPRING PLATE PLETINA MUELLE
GEAR ENGRANAJE
CIRCLIP CIRCULITO
ESPAÇADOR
ROLETE
ARRUELA
ARRUELA
ANEL TRAVA
EIXO
ROLAMENTO
ANEL TRAVA
ENGRENAGEM
ARRUELA
ARRUELA
ANEL TRAVA
TAMPA
ANEL
ANEL
ROLAMENTO
FLANGE
JUNTA
ANEL TRAVA
ENGRENAGEM
EIXO
CJ. SINCRONIZADO
ENGRENAGEM
ARRUELA
ANEL TRAVA
ROLAMENTO
ENGRENAGEM
ENGRENAGEM
EIXO
ARRUELA
MOLA PRATO
ENGRENAGEM
ANEL TRAVA
C026502 E03 12/05
(1)
25 190
Árvore Secundária
Secundary Shaft
Eje Secundaria
Transmissão 12 Velocidades-C. Mesh
12 Speed Transmission - C. Mesh
Transmision 12 Velocidades-C. Mesh
25 190
-
Menu Símbolos
EP38Z022
063275N1F
022638N1
1
2
3
4
5
6
7
8
9
10
11
12
13
14
15
16
17
518414M1
366317X1
184012M4
353434X1
362684X1
184770M2
516526M1
834211M1
518415M1
516509M1
897020M1
180409M1
1865530M1
180408M2
1867426M1
022638N1
2
1
1
1
3
4
1
6
144
3
3
3
2
1
1
1
1
17
17
17
17
17
17
17
17
WASHER ARANDELA
CIRCLIP CIRCULITO
KIT, CARRIER JUEGO PORTADOR
PLATE PLATO
WASHER ARANDELA
BOLT PERNO
SLEEVE MANCHA
WASHER ARANDELA
ROLLER RODILLO
SHAFT ARBOL
GEAR ENGRANAJE
WASHER ARANDELA
PIN PASADOR
ANNULAR GEAR ENGRANAJE ANULAR
PLATE PLATO
SHIM CALCE
KIT, CARRIER JUEGO PORTADOR
ARRUELA
ANEL TRAVA
CJ. REDUTOR
PLACA
ARRUELA
PARAFUSO
LUVA
ARRUELA
ROLETE
EIXO
ENGRENAGEM
ARRUELA
PINO
COROA
PLACA
CALÇO
CJ. REDUTOR
C026502 E03 12/05
(1)
25 195
Redutor Epicicloidal
Epicyclic Unit
Unidad Epicicloidal
Transmissão 12 Velocidades-C. Mesh
12 Speed Transmission - C. Mesh
Transmision 12 Velocidades-C. Mesh
25 195
-
Menu Símbolos
EM50Z076
T0212187
25-205 No
25-210 No
25-215 No
25-220 No
25-225 No
25-230 No
1
1
1
1
1
1
2
3
4
5
6
7
8
063276N1
3700450M1
3700527M1
886727M2
063142N1
354441X1
021020P2
027014P1
1
1
1
1
1
1
2
1
1
1
2
1
4
5
5
TRANSMISSION TRANSMISION
TRANSMISSION TRANSMISION
TRANSMISSION TRANSMISION
TRANSMISSION TRANSMISION
TRANSMISSION TRANSMISION
TRANSMISSION TRANSMISION
SPRING RESORTE
BEARING COJINETE
COLLAR COLLAR
BEARING FLANGE BEARING FLANGE
BOLT PERNO
COVER CUBIERTA
PAD ALMOHADILLA
CX. TRANSMISSÃO
CX. TRANSMISSÃO
CX. TRANSMISSÃO
CX. TRANSMISSÃO
CX. TRANSMISSÃO
CX. TRANSMISSÃO
MOLA
ROLAMENTO
COLAR
PORTA ROLAMENTO
PARAFUSO
TAMPA
TAMPÃO
C026502 E03 12/05
(1)
25 200
Sincronizada
Syncromesh
Sincronizada
Transmissão 12 Velocidades
12 Speed Transmission
Transmision 12 Velocidades
25 200
-
Menu Símbolos
EP23Z033
063276N1A
25-40 No
12MM
1
2
3
4
5
5
6
7
8
9
10
11
12
13
14
15
16
17
18
19
20
21
22
23
24
25
27
1860890M91
1860876M1
886668M1
1860867M3
377477X1
377480X1
29951X
364784X1
058424P1
488156M97
180474M1
050698T1
13811X
058424P1
184789M1
828020M1
353691X1
1860764M2
1860765M1
391838X1
1860761M1
353434X1
362443X1
886719M1
180002M1
886089M1
354076X1
1
1
1
1
3
1
1
2
1
1
1
1
1
1
1
1
1
1
1
1
1
2
2
1
4
1
1
1
1
1
FLANGE PLETINA
FLANGE PLETINA
BEARING COJINETE
SEAL RETEN
BOLT PERNO
BOLT PERNO
GREASER ENGRASADOR
O RING JUNTA TORICA
SHAFT ARBOL
HOUSE ASSY CONJ. CARTER
WASHER ARANDELA
PLUG TAPON
GREASER ENGRASADOR
SHAFT ARBOL
LOCK RETENEDOR
WASHER ARANDELA
BOLT PERNO
PLATE PLATO
SPACER PIEZA DISTANCIA
BALL BOLA
CLEVIS GANCHO SEGURI.
WASHER ARANDELA
BOLT PERNO
FORK HORQUILLA
BOLT PERNO
O RING JUNTA TORICA
COTTER PIN PASADOR DOUBLE
FLANGE
FLANGE
ROLAMENTO
RETENTOR
PARAFUSO
PARAFUSO
GRAXEIRA
ANEL "O"
EIXO
CJ. CARCAÇA
ARRUELA
BUJÃO
GRAXEIRA
EIXO
TRAVA
ARRUELA
PARAFUSO
PLACA
ESPAÇADOR
ESFERA
SUPORTE
ARRUELA
PARAFUSO
GARFO
PARAFUSO
ANEL "O"
CUPILHA
C026502 E03 12/05
(1)
25 205
Carcaça
Housing
Caja
Transmissão 12 Velocidades-Sincronizada
12 Speed Transmission - Syncro
Transmision 12 Velocidades - Sincr
25 205
-
Menu Símbolos
EP25Z030
063276N1B
1
2
3
4
5
6
7
8
9
10
11
12
13
14
15
16
17
2950X
1675367M2
023424R1
1693824M1
1693823M1
023414R1
039404P1
180002M1
1693822M1
897065M2
023435R1
180418M2
191221M1
023417R1
023416R1
023417R1
180002M1
1
4
1
1
1
1
1
2
1
1
1
4
4
1
1
1
3
PLUG TAPON
BOLT PERNO
FORK HORQUILLA
SHAFT ARBOL
SHAFT ARBOL
FORK HORQUILLA
FORK HORQUILLA
BOLT PERNO
SHAFT ARBOL
FORK HORQUILLA
SHAFT ARBOL
PIN PASADOR
SPRING RESORTE
SELECTOR SELECTOR
SELECTOR SELECTOR
SELECTOR SELECTOR
BOLT PERNO
BUJÃO
PARAFUSO
GARFO
EIXO
EIXO
GARFO
GARFO
PARAFUSO
EIXO
GARFO
EIXO
PINO
MOLA
SELETOR
SELETOR
SELETOR
PARAFUSO
C026502 E03 12/05
(1)
25 210
Eixos E Garfos
Shafts & Forks
Ejes Y Horquillas
Transmissão 12 Velocidades-Sincronizada
12 Speed Transmission - Syncro
Transmision 12 Velocidades - Sincr
25 210
-
Menu Símbolos
PTO540RPM
EP27Z033
063276N1C
26
17
26
1
2
3
4
5
6
7
8
9
10
11
054184P1
1677742M1
358969X1
039423P1
3761292M1
762101M1
377631X1
1677747M92
054183P1
1674668M3
2700273M1
1
1
1
1
1
1
1
1
1
1
1
GEAR ENGRANAJE
WASHER ARANDELA
CIRCLIP CIRCULITO
SHAFT ARBOL
BEARING COJINETE
CIRCLIP CIRCULITO
CIRCLIP CIRCULITO
KIT, AXLE JUEGO DE EJE
GEAR ENGRANAJE
SPACER PIEZA DISTANCIA
BEARING NEEDLE COJINETA AGUJAS
ENGRENAGEM
ARRUELA
ANEL TRAVA
EIXO
ROLAMENTO
ANEL TRAVA
ANEL TRAVA
CJ. EIXO
ENGRENAGEM
ESPAÇADOR
ROLAMENTO AGULHA
C026502 E03 12/05
(1)
25 215
Árvore De Entrada
Input Shaft
Arbol De Entrada
Transmissão 12 Velocidades-Sincronizada
12 Speed Transmission - Syncro
Transmision 12 Velocidades - Sincr
25 215
-
Menu Símbolos
EP26Z035
063276N1D
56
4.14-4.19MM
4,39-4,45MM
4.62-4.67MM
4.85-4.90MM
45
51
40
25-235 No
1
2
3
4
4
4
4
5
6
7
8
9
10
11
12
13
14
15
16
17
18
19
20
21
1686458M1
049163N1
039397P1
1671888M2
1671889M1
1671890M2
1671891M2
039544R1
039545R1
039424N1
039398P1
023422R1
053355N1
053352N1
039396P1
1867259M1
3761291M1
195363M1
039543P1
039400N2
1686459M1
1663796M1
039402P1
039425P1
1
1
1
1
1
1
1
1
1
1
1
1
1
1
1
1
2
2
1
1
1
1
1
1
RING ARO
GEAR ENGRANAJE
SLEEVE MANCHA
SHIM CALCE
WASHER ARANDELA
WASHER ARANDELA
WASHER ARANDELA
BEARING COJINETE
CIRCLIP CIRCULITO
KIT, GEAR ENGRANAJES JUEGO
SLEEVE MANCHA
WASHER ARANDELA
KIT, GEAR ENGRANAJES JUEGO
KIT, GEAR ENGRANAJES JUEGO
SLEEVE MANCHA
WASHER ARANDELA
BEARING COJINETE
CIRCLIP CIRCULITO
SHAFT ARBOL
SYNCHRO UNIT SINCRONIZ ADORA
RING ARO
BEARING COJINETE
HUB CUBO
SLEEVE MANCHA
ANEL
ENGRENAGEM
LUVA
CALÇO
ARRUELA
ARRUELA
ARRUELA
ROLAMENTO
ANEL TRAVA
CJ. ENGRENAGEM
LUVA
ARRUELA
CJ. ENGRENAGEM
CJ. ENGRENAGEM
LUVA
ARRUELA
ROLAMENTO
ANEL TRAVA
EIXO
CJ. SINCRONIZADO
ANEL
ROLAMENTO
CUBO
LUVA
C026502 E03 12/05
(1)
25 220
Árvore Principal
Main Shaft
Eje Principale
Transmissão 12 Velocidades-Sincronizada
12 Speed Transmission - Syncro
Transmision 12 Velocidades - Sincr
25 220
-
Menu Símbolos
EP30Z030
063276N1E
19
34
25-130 No
53
25-240 No
42
42
20/15
20
1
2
3
4
5
6
7
8
9
10
11
12
13
14
15
16
17
18
19
20
21
22
23
24
25
27
28
29
30
31
32
33
33
34
1688131M1
183039M1
183037M1
1688132M1
195500M1
049165N1
3003372X1
1440873X1
054180N1
831581M2
355988X1
1683386M91
899385M1
881122M2
899377M2
899331M1
180432M1
358913X1
1870200M1
1868533M2
039410N2
054182N1
039413P1
195363M1
3761291M1
053312P1
180445M1
1688130M1
1688129M1
1688128M1
053310P1
039408P1
039409P1
053314P1
1
56
1
2
1
1
1
1
1
1
1
1
1
1
1
1
1
1
1
1
1
1
1
2
1
1
1
1
1
1
1
1
1
1
SPACER PIEZA DISTANCIA
ROLLER RODILLO
WASHER ARANDELA
WASHER ARANDELA
CIRCLIP CIRCULITO
SHAFT ARBOL
BEARING COJINETE
CIRCLIP CIRCULITO
GEAR ENGRANAJE
CIRCLIP CIRCULITO
CIRCLIP CIRCULITO
COVER CUBIERTA
RING ARO
RING ARO
BEARING COJINETE
FLANGE PLETINA
GASKET EMPAQUETADURA.
CIRCLIP CIRCULITO
GEAR ENGRANAJE
SHAFT ARBOL
SYNCHRO UNIT SINCRONIZ ADORA
GEAR ENGRANAJE
WASHER ARANDELA
CIRCLIP CIRCULITO
BEARING COJINETE
GEAR ENGRANAJE
SHAFT ARBOL
WASHER ARANDELA
SPRING PLATE PLETINA MUELLE
WASHER ARANDELA
GEAR ENGRANAJE
WASHER ARANDELA
WASHER ARANDELA
GEAR ENGRANAJE
ESPAÇADOR
ROLETE
ARRUELA
ARRUELA
ANEL TRAVA
EIXO
ROLAMENTO
ANEL TRAVA
ENGRENAGEM
ANEL TRAVA
ANEL TRAVA
TAMPA
ANEL
ANEL
ROLAMENTO
FLANGE
JUNTA
ANEL TRAVA
ENGRENAGEM
EIXO
CJ. SINCRONIZADO
ENGRENAGEM
ARRUELA
ANEL TRAVA
ROLAMENTO
ENGRENAGEM
EIXO
ARRUELA
MOLA PRATO
ARRUELA
ENGRENAGEM
ARRUELA
ARRUELA
ENGRENAGEM
C026502 E03 12/05
(1)
25 225
Árvore Secundária
Secundary Shaft
Eje Secundaria
Transmissão 12 Velocidades-Sincronizada
12 Speed Transmission - Syncro
Transmision 12 Velocidades - Sincr
25 225
-
Menu Símbolos
EP31Z029
063276N1F
022638N1
23
2
3
4
5
6
7
8
9
10
11
12
13
14
15
16
17
18
366317X1
022638N1
518414M1
1867423M1
353434X1
362684X1
184770M2
516526M1
834211M1
897020M1
516509M1
518415M1
180409M1
1865530M1
1867425M1
1867426M1
1
1
1
2
1
3
4
1
6
144
3
3
3
2
1
1
1
3
3
3
3
3
3
3
CIRCLIP CIRCULITO
KIT, CARRIER JUEGO PORTADOR
CARRIER PORTADOR
WASHER ARANDELA
PLATE PLATO
WASHER ARANDELA
BOLT PERNO
SLEEVE MANCHA
WASHER ARANDELA
ROLLER RODILLO
WASHER ARANDELA
GEAR ENGRANAJE
SHAFT ARBOL
PIN PASADOR
ANNULAR GEAR ENGRANAJE ANULAR
PLATE PLATO
SHIM CALCE
ANEL TRAVA
CJ. REDUTOR
PORTA ENGRENAGEM
ARRUELA
PLACA
ARRUELA
PARAFUSO
LUVA
ARRUELA
ROLETE
ARRUELA
ENGRENAGEM
EIXO
PINO
COROA
PLACA
CALÇO
C026502 E03 12/05
(1)
25 230
Redutor Epicicloidal
Epicyclic Unit
Unidad Epicicloidal
Transmissão 12 Velocidades-Sincronizada
12 Speed Transmission - Syncro
Transmision 12 Velocidades - Sincr
25 230
-
Menu Símbolos
EE20Z002
039400N2
1
2
3
4
5
6
7
023485R1
023483R1
023484R2
040752P1
023486R1
023487R1
023488R1
3
3
3
1
1
2
2
BLOCK BLOQUE
PIN PASADOR
SPRING RESORTE
HUB CUBO
SLEEVE MANCHA
RING ARO
CONE CONO
BLOCO
PINO
MOLA
CUBO
LUVA
ANEL
CONE
C026502 E03 12/05
(1)
25 235
Sincronizada
Syncromesh
Sincronizada
25 235
-
Menu Símbolos
EE20Z004
039410N2
027341R1
1
2
3
4
5
6
7
023485R1
023483R1
023484R2
040753P1
023486R1
023487R1
023488R1
3
3
3
1
1
2
2
BLOCK BLOQUE
PIN PASADOR
SPRING RESORTE
HUB CUBO
SLEEVE MANCHA
RING ARO
CONE CONO
BLOCO
PINO
MOLA
CUBO
LUVA
ANEL
CONE
C026502 E03 12/05
(1)
25 240
Sincronizada
Syncromesh
Sincronizada
25 240
-
Menu Símbolos
EM50Z077
T0212188
25-250 No
25-255 No
25-260 No
25-265 No
25-270 No
25-275 No
1
1
1
1
1
1
2
3
4
5
6
7
8
063277N1
3700450M1
3700527M1
886727M2
063142N1
354441X1
021020P2
027014P1
1
1
1
1
1
1
2
1
1
1
2
1
4
5
5
TRANSMISSION TRANSMISION
TRANSMISSION TRANSMISION
TRANSMISSION TRANSMISION
TRANSMISSION TRANSMISION
TRANSMISSION TRANSMISION
TRANSMISSION TRANSMISION
SPRING RESORTE
BEARING COJINETE
COLLAR COLLAR
BEARING FLANGE BEARING FLANGE
BOLT PERNO
COVER CUBIERTA
PAD ALMOHADILLA
CX. TRANSMISSÃO
CX. TRANSMISSÃO
CX. TRANSMISSÃO
CX. TRANSMISSÃO
CX. TRANSMISSÃO
CX. TRANSMISSÃO
MOLA
ROLAMENTO
COLAR
PORTA ROLAMENTO
PARAFUSO
TAMPA
TAMPÃO
C026502 E03 12/05
(1)
25 245
Sincronizada
Syncromesh
Sincronizada
Transmissão 12 Velocidades
12 Speed Transmission
Transmision 12 Velocidades
25 245
-
Menu Símbolos
EP23Z034
063277N1A
25-40 No
12MM
1
2
3
4
5
5
6
7
8
9
10
11
12
13
14
15
16
17
18
19
20
21
22
23
24
25
27
1860890M91
1860876M1
886668M1
1860867M3
377477X1
377480X1
29951X
364784X1
058424P1
488156M97
180474M1
050698T1
13811X
058424P1
184789M1
828020M1
353691X1
1860764M2
1860765M1
391838X1
1860761M1
353434X1
362443X1
886719M1
180002M1
886089M1
354076X1
1
1
1
1
3
1
1
2
1
1
1
1
1
1
1
1
1
1
1
1
1
2
2
1
4
1
1
1
1
1
FLANGE PLETINA
FLANGE PLETINA
BEARING COJINETE
SEAL RETEN
BOLT PERNO
BOLT PERNO
GREASER ENGRASADOR
O RING JUNTA TORICA
SHAFT ARBOL
HOUSE ASSY CONJ. CARTER
WASHER ARANDELA
PLUG TAPON
GREASER ENGRASADOR
SHAFT ARBOL
LOCK RETENEDOR
WASHER ARANDELA
BOLT PERNO
PLATE PLATO
SPACER PIEZA DISTANCIA
BALL BOLA
CLEVIS GANCHO SEGURI.
WASHER ARANDELA
BOLT PERNO
FORK HORQUILLA
BOLT PERNO
O RING JUNTA TORICA
COTTER PIN PASADOR DOUBLE
FLANGE
FLANGE
ROLAMENTO
RETENTOR
PARAFUSO
PARAFUSO
GRAXEIRA
ANEL "O"
EIXO
CJ. CARCAÇA
ARRUELA
BUJÃO
GRAXEIRA
EIXO
TRAVA
ARRUELA
PARAFUSO
PLACA
ESPAÇADOR
ESFERA
SUPORTE
ARRUELA
PARAFUSO
GARFO
PARAFUSO
ANEL "O"
CUPILHA
C026502 E03 12/05
(1)
25 250
Carcaça
Housing
Caja
Transmissão 12 Velocidades-Sincronizada
12 Speed Transmission - Syncro
Transmision 12 Velocidades - Sincr
25 250
-
Menu Símbolos
EP25Z031
063277N1B
1
2
3
4
5
6
7
8
9
10
11
12
13
14
15
16
17
2950X
1675367M2
023424R1
1693824M1
1693823M1
023414R1
039404P1
180002M1
1693822M1
897065M2
023435R1
180418M2
191221M1
023425R1
023416R1
023417R1
180002M1
1
4
1
1
1
1
1
2
1
1
1
4
4
1
1
1
3
PLUG TAPON
BOLT PERNO
FORK HORQUILLA
SHAFT ARBOL
SHAFT ARBOL
FORK HORQUILLA
FORK HORQUILLA
BOLT PERNO
SHAFT ARBOL
FORK HORQUILLA
SHAFT ARBOL
PIN PASADOR
SPRING RESORTE
SELECTOR SELECTOR
SELECTOR SELECTOR
SELECTOR SELECTOR
BOLT PERNO
BUJÃO
PARAFUSO
GARFO
EIXO
EIXO
GARFO
GARFO
PARAFUSO
EIXO
GARFO
EIXO
PINO
MOLA
SELETOR
SELETOR
SELETOR
PARAFUSO
C026502 E03 12/05
(1)
25 255
Eixos E Garfos
Shafts & Forks
Ejes Y Horquillas
Transmissão 12 Velocidades-Sincronizada
12 Speed Transmission - Syncro
Transmision 12 Velocidades - Sincr
25 255
-
Menu Símbolos
PTO540RPM
EP27Z034
063277N1C
26
25-280 No
1
2
3
4
5
6
7
8
9
10
11
054184P1
1677742M1
358969X1
039423P1
3761292M1
762101M1
377631X1
1677747M92
054183P1
1674668M3
2700273M1
1
1
1
1
1
1
1
1
1
1
1
GEAR ENGRANAJE
WASHER ARANDELA
CIRCLIP CIRCULITO
SHAFT ARBOL
BEARING COJINETE
CIRCLIP CIRCULITO
CIRCLIP CIRCULITO
KIT, AXLE JUEGO DE EJE
GEAR ENGRANAJE
SPACER PIEZA DISTANCIA
BEARING NEEDLE COJINETA AGUJAS
ENGRENAGEM
ARRUELA
ANEL TRAVA
EIXO
ROLAMENTO
ANEL TRAVA
ANEL TRAVA
CJ. EIXO
ENGRENAGEM
ESPAÇADOR
ROLAMENTO AGULHA
C026502 E03 12/05
(1)
25 260
Árvore De Entrada
Input Shaft
Arbol De Entrada
Transmissão 12 Velocidades-Sincronizada
12 Speed Transmission - Syncro
Transmision 12 Velocidades - Sincr
25 260
-
Menu Símbolos
EP26Z036
063277N1D
56
4.14-4.19MM
4,39-4,45MM
4.62-4.67MM
4.85-4.90MM
45
51
40
25-235 No
1
2
3
4
4
4
4
5
6
7
8
9
10
11
12
13
14
15
16
17
18
19
20
21
1686458M1
049163N1
039397P1
1671888M2
1671889M1
1671890M2
1671891M2
039544R1
039545R1
039424N1
039398P1
023422R1
053355N1
053352N1
039396P1
1867259M1
3761291M1
195363M1
039543P1
039400N2
1686459M1
1663796M1
039402P1
039425P1
1
1
1
1
1
1
1
1
1
1
1
1
1
1
1
1
2
2
1
1
1
1
1
1
RING ARO
GEAR ENGRANAJE
SLEEVE MANCHA
SHIM CALCE
WASHER ARANDELA
WASHER ARANDELA
WASHER ARANDELA
BEARING COJINETE
CIRCLIP CIRCULITO
KIT, GEAR ENGRANAJES JUEGO
SLEEVE MANCHA
WASHER ARANDELA
KIT, GEAR ENGRANAJES JUEGO
KIT, GEAR ENGRANAJES JUEGO
SLEEVE MANCHA
WASHER ARANDELA
BEARING COJINETE
CIRCLIP CIRCULITO
SHAFT ARBOL
SYNCHRO UNIT SINCRONIZ ADORA
RING ARO
BEARING COJINETE
HUB CUBO
SLEEVE MANCHA
ANEL
ENGRENAGEM
LUVA
CALÇO
ARRUELA
ARRUELA
ARRUELA
ROLAMENTO
ANEL TRAVA
CJ. ENGRENAGEM
LUVA
ARRUELA
CJ. ENGRENAGEM
CJ. ENGRENAGEM
LUVA
ARRUELA
ROLAMENTO
ANEL TRAVA
EIXO
CJ. SINCRONIZADO
ANEL
ROLAMENTO
CUBO
LUVA
C026502 E03 12/05
(1)
25 265
Árvore Principal
Main Shaft
Eje Principale
Transmissão 12 Velocidades-Sincronizada
12 Speed Transmission - Syncro
Transmision 12 Velocidades - Sincr
25 265
-
Menu Símbolos
EP30Z031
063277N1E
19
34
25-130 No
53
25-240 No
42
42
20/15
20
1
2
3
4
5
6
7
8
9
10
11
12
13
14
15
16
17
18
19
20
21
22
23
24
25
27
28
29
30
31
32
33
33
34
1688131M1
183039M1
183037M1
1688132M1
195500M1
049165N1
3003372X1
1440873X1
054180N1
831581M2
355988X1
1683386M91
899385M1
881122M2
899377M2
899331M1
180432M1
358913X1
1870200M1
1869279M1
039410N2
054182N1
039413P1
195363M1
3761291M1
053312P1
180445M1
1688130M1
1688129M1
1688128M1
053310P1
039408P1
039409P1
053314P1
1
56
1
2
1
1
1
1
1
1
1
1
1
1
1
1
1
1
1
1
1
1
1
2
1
1
1
1
1
1
1
1
1
1
SPACER PIEZA DISTANCIA
ROLLER RODILLO
WASHER ARANDELA
WASHER ARANDELA
CIRCLIP CIRCULITO
SHAFT ARBOL
BEARING COJINETE
CIRCLIP CIRCULITO
GEAR ENGRANAJE
CIRCLIP CIRCULITO
CIRCLIP CIRCULITO
COVER CUBIERTA
RING ARO
RING ARO
BEARING COJINETE
FLANGE PLETINA
GASKET EMPAQUETADURA.
CIRCLIP CIRCULITO
GEAR ENGRANAJE
SHAFT ARBOL
SYNCHRO UNIT SINCRONIZ ADORA
GEAR ENGRANAJE
WASHER ARANDELA
CIRCLIP CIRCULITO
BEARING COJINETE
GEAR ENGRANAJE
SHAFT ARBOL
WASHER ARANDELA
SPRING PLATE PLETINA MUELLE
WASHER ARANDELA
GEAR ENGRANAJE
WASHER ARANDELA
WASHER ARANDELA
GEAR ENGRANAJE
ESPAÇADOR
ROLETE
ARRUELA
ARRUELA
ANEL TRAVA
EIXO
ROLAMENTO
ANEL TRAVA
ENGRENAGEM
ANEL TRAVA
ANEL TRAVA
TAMPA
ANEL
ANEL
ROLAMENTO
FLANGE
JUNTA
ANEL TRAVA
ENGRENAGEM
EIXO
CJ. SINCRONIZADO
ENGRENAGEM
ARRUELA
ANEL TRAVA
ROLAMENTO
ENGRENAGEM
EIXO
ARRUELA
MOLA PRATO
ARRUELA
ENGRENAGEM
ARRUELA
ARRUELA
ENGRENAGEM
C026502 E03 12/05
(1)
25 270
Árvore Secundária
Secundary Shaft
Eje Secundaria
Transmissão 12 Velocidades-Sincronizada
12 Speed Transmission - Syncro
Transmision 12 Velocidades - Sincr
25 270
-
Menu Símbolos
EP31Z030
063277N1F
022638N1
23
2
3
4
5
6
7
8
9
10
11
12
13
14
15
16
17
18
366317X1
022638N1
518414M1
1867423M1
353434X1
362684X1
184770M2
516526M1
834211M1
897020M1
516509M1
518415M1
180409M1
1865530M1
1867425M1
1867426M1
1
1
1
2
1
3
4
1
6
144
3
3
3
2
1
1
1
3
3
3
3
3
3
3
CIRCLIP CIRCULITO
KIT, CARRIER JUEGO PORTADOR
CARRIER PORTADOR
WASHER ARANDELA
PLATE PLATO
WASHER ARANDELA
BOLT PERNO
SLEEVE MANCHA
WASHER ARANDELA
ROLLER RODILLO
WASHER ARANDELA
GEAR ENGRANAJE
SHAFT ARBOL
PIN PASADOR
ANNULAR GEAR ENGRANAJE ANULAR
PLATE PLATO
SHIM CALCE
ANEL TRAVA
CJ. REDUTOR
PORTA ENGRENAGEM
ARRUELA
PLACA
ARRUELA
PARAFUSO
LUVA
ARRUELA
ROLETE
ARRUELA
ENGRENAGEM
EIXO
PINO
COROA
PLACA
CALÇO
C026502 E03 12/05
(1)
25 275
Redutor Epicicloidal
Epicyclic Unit
Unidad Epicicloidal
Transmissão 12 Velocidades-Sincronizada
12 Speed Transmission - Syncro
Transmision 12 Velocidades - Sincr
25 275
-
Menu Símbolos
ED94Z001
1677747M92
17
1
2
3
1677724M1
883935M4
1677739M1
1
1
1
BEARING COJINETE
SEAL RETEN
KIT, AXLE JUEGO DE EJE
ROLAMENTO
RETENTOR
CJ. EIXO
C026502 E03 12/05
(1)
25 280
Tdp (540 Rpm)
Pto (540 Rpm)
Tdf (540 Rpm)
Eixo Entrada
Inlet Shaft
Eje Entrada
25 280
-
Menu Símbolos
EM50Z075
T0212186
25-290 No
25-295 No
25-300 No
25-305 No
25-310 No
25-315 No
1
1
1
1
1
1
2
3
4
5
6
7
8
063278N1
3700450M1
3700527M1
886727M2
063142N1
354441X1
021020P2
027014P1
1
1
1
1
1
1
2
1
1
1
2
1
4
5
5
TRANSMISSION TRANSMISION
TRANSMISSION TRANSMISION
TRANSMISSION TRANSMISION
TRANSMISSION TRANSMISION
TRANSMISSION TRANSMISION
TRANSMISSION TRANSMISION
SPRING RESORTE
BEARING COJINETE
COLLAR COLLAR
BEARING FLANGE BEARING FLANGE
BOLT PERNO
COVER CUBIERTA
PAD ALMOHADILLA
CX. TRANSMISSÃO
CX. TRANSMISSÃO
CX. TRANSMISSÃO
CX. TRANSMISSÃO
CX. TRANSMISSÃO
CX. TRANSMISSÃO
MOLA
ROLAMENTO
COLAR
PORTA ROLAMENTO
PARAFUSO
TAMPA
TAMPÃO
C026502 E03 12/05
(1)
25 285
Sincronizada
Syncromesh
Sincronizada
Transmissão 12 Velocidades
12 Speed Transmission
Transmision 12 Velocidades
25 285
-
Menu Símbolos
EP23Z031
063278N1A
25-40 No
12MM
1
2
3
4
5
5
6
7
8
9
10
11
12
13
14
15
16
17
18
19
20
21
22
23
24
25
27
1860890M91
1860876M1
886668M1
1860867M3
377477X1
377480X1
29951X
364784X1
058424P1
488156M97
180474M1
050698T1
13811X
058424P1
184789M1
828020M1
353691X1
1860764M2
1860765M1
391838X1
1860761M1
353434X1
362443X1
886719M1
180002M1
886089M1
354076X1
1
1
1
1
3
1
1
2
1
1
1
1
1
1
1
1
1
1
1
1
1
2
2
1
4
1
1
1
1
1
FLANGE PLETINA
FLANGE PLETINA
BEARING COJINETE
SEAL RETEN
BOLT PERNO
BOLT PERNO
GREASER ENGRASADOR
O RING JUNTA TORICA
SHAFT ARBOL
HOUSE ASSY CONJ. CARTER
WASHER ARANDELA
PLUG TAPON
GREASER ENGRASADOR
SHAFT ARBOL
LOCK RETENEDOR
WASHER ARANDELA
BOLT PERNO
PLATE PLATO
SPACER PIEZA DISTANCIA
BALL BOLA
CLEVIS GANCHO SEGURI.
WASHER ARANDELA
BOLT PERNO
FORK HORQUILLA
BOLT PERNO
O RING JUNTA TORICA
COTTER PIN PASADOR DOUBLE
FLANGE
FLANGE
ROLAMENTO
RETENTOR
PARAFUSO
PARAFUSO
GRAXEIRA
ANEL "O"
EIXO
CJ. CARCAÇA
ARRUELA
BUJÃO
GRAXEIRA
EIXO
TRAVA
ARRUELA
PARAFUSO
PLACA
ESPAÇADOR
ESFERA
SUPORTE
ARRUELA
PARAFUSO
GARFO
PARAFUSO
ANEL "O"
CUPILHA
C026502 E03 12/05
(1)
25 290
Carcaça
Housing
Caja
Transmissão 12 Velocidades-Sincronizada
12 Speed Transmission - Syncro
Transmision 12 Velocidades - Sincr
25 290
-
Menu Símbolos
EP25Z028
063278N1B
1
2
3
4
5
6
7
8
9
10
11
12
13
14
15
16
17
2950X
1675367M2
023424R1
1693824M1
1693823M1
023414R1
039404P1
180002M1
023435R1
897065M2
023435R1
180418M2
191221M1
023425R1
023416R1
023417R1
180002M1
1
4
1
1
1
1
1
2
1
1
1
4
4
1
1
1
3
PLUG TAPON
BOLT PERNO
FORK HORQUILLA
SHAFT ARBOL
SHAFT ARBOL
FORK HORQUILLA
FORK HORQUILLA
BOLT PERNO
SHAFT ARBOL
FORK HORQUILLA
SHAFT ARBOL
PIN PASADOR
SPRING RESORTE
SELECTOR SELECTOR
SELECTOR SELECTOR
SELECTOR SELECTOR
BOLT PERNO
BUJÃO
PARAFUSO
GARFO
EIXO
EIXO
GARFO
GARFO
PARAFUSO
EIXO
GARFO
EIXO
PINO
MOLA
SELETOR
SELETOR
SELETOR
PARAFUSO
C026502 E03 12/05
(1)
25 295
Eixos E Garfos
Shafts & Forks
Ejes Y Horquillas
Transmissão 12 Velocidades-Sincronizada
12 Speed Transmission - Syncro
Transmision 12 Velocidades - Sincr
25 295
-
Menu Símbolos
PTO540RPM
EP27Z031
063278N1C
26
26
1
2
3
4
5
6
7
8
9
10
11
054184P1
1677742M1
358969X1
039423P1
3761292M1
762101M1
377631X1
049834N1
054183P1
1674668M3
2700273M1
1
1
1
1
1
1
1
1
1
1
1
GEAR ENGRANAJE
WASHER ARANDELA
CIRCLIP CIRCULITO
SHAFT ARBOL
BEARING COJINETE
CIRCLIP CIRCULITO
CIRCLIP CIRCULITO
KIT, AXLE JUEGO DE EJE
GEAR ENGRANAJE
SPACER PIEZA DISTANCIA
BEARING NEEDLE COJINETA AGUJAS
ENGRENAGEM
ARRUELA
ANEL TRAVA
EIXO
ROLAMENTO
ANEL TRAVA
ANEL TRAVA
CJ. EIXO
ENGRENAGEM
ESPAÇADOR
ROLAMENTO AGULHA
C026502 E03 12/05
(1)
25 300
Árvore De Entrada
Input Shaft
Arbol De Entrada
Transmissão 12 Velocidades-Sincronizada
12 Speed Transmission - Syncro
Transmision 12 Velocidades - Sincr
25 300
-
Menu Símbolos
EP26Z033
063278N1D
56
4.14-4.19MM
4,39-4,45MM
4.62-4.67MM
4.85-4.90MM
45
51
40
25-235 No
1
2
3
4
4
4
4
5
6
7
8
9
10
11
12
13
14
15
16
17
18
19
20
21
1686458M1
049163N1
039397P1
1671888M2
1671889M1
1671890M2
1671891M2
039544R1
039545R1
039424N1
039398P1
023422R1
053355N1
053352N1
039396P1
1867259M1
3761291M1
195363M1
039543P1
039400N2
1686459M1
1663796M1
039402P1
039425P1
1
1
1
1
1
1
1
1
1
1
1
1
1
1
1
1
2
2
1
1
1
1
1
1
RING ARO
GEAR ENGRANAJE
SLEEVE MANCHA
SHIM CALCE
WASHER ARANDELA
WASHER ARANDELA
WASHER ARANDELA
BEARING COJINETE
CIRCLIP CIRCULITO
KIT, GEAR ENGRANAJES JUEGO
SLEEVE MANCHA
WASHER ARANDELA
KIT, GEAR ENGRANAJES JUEGO
KIT, GEAR ENGRANAJES JUEGO
SLEEVE MANCHA
WASHER ARANDELA
BEARING COJINETE
CIRCLIP CIRCULITO
SHAFT ARBOL
SYNCHRO UNIT SINCRONIZ ADORA
RING ARO
BEARING COJINETE
HUB CUBO
SLEEVE MANCHA
ANEL
ENGRENAGEM
LUVA
CALÇO
ARRUELA
ARRUELA
ARRUELA
ROLAMENTO
ANEL TRAVA
CJ. ENGRENAGEM
LUVA
ARRUELA
CJ. ENGRENAGEM
CJ. ENGRENAGEM
LUVA
ARRUELA
ROLAMENTO
ANEL TRAVA
EIXO
CJ. SINCRONIZADO
ANEL
ROLAMENTO
CUBO
LUVA
C026502 E03 12/05
(1)
25 305
Árvore Principal
Main Shaft
Eje Principale
Transmissão 12 Velocidades-Sincronizada
12 Speed Transmission - Syncro
Transmision 12 Velocidades - Sincr
25 305
-
Menu Símbolos
EP30Z028
063278N1E
19
34
25-130 No
53
25-240 No
42
42
20/15
20
1
2
3
4
5
6
7
8
9
10
11
12
13
14
15
16
17
18
19
20
21
22
23
24
25
27
28
29
30
31
32
33
33
34
1688131M1
183039M1
183037M1
1688132M1
195500M1
049165N1
3003372X1
1440873X1
054180N1
831581M2
355988X1
1683386M91
899385M1
881122M2
899377M2
899331M1
180432M1
358913X1
9004882M1
1868533M2
039410N2
054182N1
039413P1
195363M1
3761291M1
053312P1
180445M1
1688130M1
1688129M1
1688128M1
053310P1
039408P1
039409P1
053314P1
1
56
1
2
1
1
1
1
1
1
1
1
1
1
1
1
1
1
1
1
1
1
1
2
1
1
1
1
1
1
1
1
1
1
SPACER PIEZA DISTANCIA
ROLLER RODILLO
WASHER ARANDELA
WASHER ARANDELA
CIRCLIP CIRCULITO
SHAFT ARBOL
BEARING COJINETE
CIRCLIP CIRCULITO
GEAR ENGRANAJE
CIRCLIP CIRCULITO
CIRCLIP CIRCULITO
COVER CUBIERTA
RING ARO
RING ARO
BEARING COJINETE
FLANGE PLETINA
GASKET EMPAQUETADURA.
CIRCLIP CIRCULITO
GEAR ENGRANAJE
SHAFT ARBOL
SYNCHRO UNIT SINCRONIZ ADORA
GEAR ENGRANAJE
WASHER ARANDELA
CIRCLIP CIRCULITO
BEARING COJINETE
GEAR ENGRANAJE
SHAFT ARBOL
WASHER ARANDELA
SPRING PLATE PLETINA MUELLE
WASHER ARANDELA
GEAR ENGRANAJE
WASHER ARANDELA
WASHER ARANDELA
GEAR ENGRANAJE
ESPAÇADOR
ROLETE
ARRUELA
ARRUELA
ANEL TRAVA
EIXO
ROLAMENTO
ANEL TRAVA
ENGRENAGEM
ANEL TRAVA
ANEL TRAVA
TAMPA
ANEL
ANEL
ROLAMENTO
FLANGE
JUNTA
ANEL TRAVA
ENGRENAGEM
EIXO
CJ. SINCRONIZADO
ENGRENAGEM
ARRUELA
ANEL TRAVA
ROLAMENTO
ENGRENAGEM
EIXO
ARRUELA
MOLA PRATO
ARRUELA
ENGRENAGEM
ARRUELA
ARRUELA
ENGRENAGEM
C026502 E03 12/05
(1)
25 310
Árvore Secundária
Secundary Shaft
Eje Secundaria
Transmissão 12 Velocidades-Sincronizada
12 Speed Transmission - Syncro
Transmision 12 Velocidades - Sincr
25 310
-
Menu Símbolos
EP31Z027
063278N1F
022638N1
23
2
3
4
5
6
7
8
9
10
11
12
13
14
15
16
17
18
366317X1
022638N1
518414M1
1867423M1
353434X1
362684X1
184770M2
516526M1
834211M1
897020M1
516509M1
518415M1
180409M1
1865530M1
1867425M1
1867426M1
1
1
1
2
1
3
4
1
6
144
3
3
3
2
1
1
1
3
3
3
3
3
3
3
CIRCLIP CIRCULITO
KIT, CARRIER JUEGO PORTADOR
CARRIER PORTADOR
WASHER ARANDELA
PLATE PLATO
WASHER ARANDELA
BOLT PERNO
SLEEVE MANCHA
WASHER ARANDELA
ROLLER RODILLO
WASHER ARANDELA
GEAR ENGRANAJE
SHAFT ARBOL
PIN PASADOR
ANNULAR GEAR ENGRANAJE ANULAR
PLATE PLATO
SHIM CALCE
ANEL TRAVA
CJ. REDUTOR
PORTA ENGRENAGEM
ARRUELA
PLACA
ARRUELA
PARAFUSO
LUVA
ARRUELA
ROLETE
ARRUELA
ENGRENAGEM
EIXO
PINO
COROA
PLACA
CALÇO
C026502 E03 12/05
(1)
25 315
Redutor Epicicloidal
Epicyclic Unit
Unidad Epicicloidal
Transmissão 12 Velocidades-Sincronizada
12 Speed Transmission - Syncro
Transmision 12 Velocidades - Sincr
25 315
-
Menu Símbolos
ED93Z003
049834N1
049834N1
1
2 883935M4
1
1
1
SHAFT ARBOL
SEAL RETEN
EIXO
RETENTOR
C026502 E03 12/05
(1)
25 320
Eixo Entrada
Inlet Shaft
Eje Entrada
25 320
-
Menu Símbolos
EM50Z074
T0212185
25-330 No
25-335 No
25-340 No
25-345 No
25-350 No
25-355 No
1
1
1
1
1
1
2
3
4
5
6
7
8
063279N1
3700450M1
3700527M1
886727M2
063142N1
354441X1
021020P2
027014P1
1
1
1
1
1
1
2
1
1
1
2
1
4
5
5
TRANSMISSION TRANSMISION
TRANSMISSION TRANSMISION
TRANSMISSION TRANSMISION
TRANSMISSION TRANSMISION
TRANSMISSION TRANSMISION
TRANSMISSION TRANSMISION
SPRING RESORTE
BEARING COJINETE
COLLAR COLLAR
BEARING FLANGE BEARING FLANGE
BOLT PERNO
COVER CUBIERTA
PAD ALMOHADILLA
CX. TRANSMISSÃO
CX. TRANSMISSÃO
CX. TRANSMISSÃO
CX. TRANSMISSÃO
CX. TRANSMISSÃO
CX. TRANSMISSÃO
MOLA
ROLAMENTO
COLAR
PORTA ROLAMENTO
PARAFUSO
TAMPA
TAMPÃO
C026502 E03 12/05
(1)
540 Rpm-Eixo Longo
540 Rpm- Long Axle
540 Rpm-Eje Largo
25 325
Sincronizada
Syncromesh
Sincronizada
Transmissão 12 Velocidades
12 Speed Transmission
Transmision 12 Velocidades
25 325
-
Menu Símbolos
EP23Z032
063279N1A
25-40 No
12MM
1
2
3
4
5
5
6
7
8
9
10
11
12
13
14
15
16
17
18
19
20
21
22
23
24
25
27
1860890M91
1860876M1
886668M1
1860867M3
377477X1
377480X1
29951X
364784X1
058424P1
488156M97
180474M1
050698T1
13811X
058424P1
184789M1
828020M1
353691X1
1860764M2
1860765M1
391838X1
1860761M1
353434X1
362443X1
886719M1
180002M1
886089M1
354076X1
1
1
1
1
3
1
1
2
1
1
1
1
1
1
1
1
1
1
1
1
1
2
2
1
4
1
1
1
1
1
FLANGE PLETINA
FLANGE PLETINA
BEARING COJINETE
SEAL RETEN
BOLT PERNO
BOLT PERNO
GREASER ENGRASADOR
O RING JUNTA TORICA
SHAFT ARBOL
HOUSE ASSY CONJ. CARTER
WASHER ARANDELA
PLUG TAPON
GREASER ENGRASADOR
SHAFT ARBOL
LOCK RETENEDOR
WASHER ARANDELA
BOLT PERNO
PLATE PLATO
SPACER PIEZA DISTANCIA
BALL BOLA
CLEVIS GANCHO SEGURI.
WASHER ARANDELA
BOLT PERNO
FORK HORQUILLA
BOLT PERNO
O RING JUNTA TORICA
COTTER PIN PASADOR DOUBLE
FLANGE
FLANGE
ROLAMENTO
RETENTOR
PARAFUSO
PARAFUSO
GRAXEIRA
ANEL "O"
EIXO
CJ. CARCAÇA
ARRUELA
BUJÃO
GRAXEIRA
EIXO
TRAVA
ARRUELA
PARAFUSO
PLACA
ESPAÇADOR
ESFERA
SUPORTE
ARRUELA
PARAFUSO
GARFO
PARAFUSO
ANEL "O"
CUPILHA
C026502 E03 12/05
(1)
25 330
Carcaça
Housing
Caja
Transmissão 12 Velocidades-Sincronizada
12 Speed Transmission - Syncro
Transmision 12 Velocidades - Sincr
25 330
-
Menu Símbolos
EP25Z029
063279N1B
1
2
3
4
5
6
7
8
9
10
11
12
13
14
15
16
17
2950X
1675367M2
023424R1
1693824M1
1693823M1
023414R1
039404P1
180002M1
023435R1
897065M2
023435R1
180418M2
191221M1
023417R1
023416R1
023417R1
180002M1
1
4
1
1
1
1
1
2
1
1
1
4
4
1
1
1
3
PLUG TAPON
BOLT PERNO
FORK HORQUILLA
SHAFT ARBOL
SHAFT ARBOL
FORK HORQUILLA
FORK HORQUILLA
BOLT PERNO
SHAFT ARBOL
FORK HORQUILLA
SHAFT ARBOL
PIN PASADOR
SPRING RESORTE
SELECTOR SELECTOR
SELECTOR SELECTOR
SELECTOR SELECTOR
BOLT PERNO
BUJÃO
PARAFUSO
GARFO
EIXO
EIXO
GARFO
GARFO
PARAFUSO
EIXO
GARFO
EIXO
PINO
MOLA
SELETOR
SELETOR
SELETOR
PARAFUSO
C026502 E03 12/05
(1)
25 335
Eixos E Garfos
Shafts & Forks
Ejes Y Horquillas
Transmissão 12 Velocidades-Sincronizada
12 Speed Transmission - Syncro
Transmision 12 Velocidades - Sincr
25 335
-
Menu Símbolos
PTO540RPM
EP27Z032
063279N1C
26
26
1
2
3
4
5
6
7
8
9
10
11
054184P1
1677742M1
358969X1
039423P1
3761292M1
762101M1
377631X1
049834N1
054183P1
1674668M3
2700273M1
1
1
1
1
1
1
1
1
1
1
1
GEAR ENGRANAJE
WASHER ARANDELA
CIRCLIP CIRCULITO
SHAFT ARBOL
BEARING COJINETE
CIRCLIP CIRCULITO
CIRCLIP CIRCULITO
KIT, AXLE JUEGO DE EJE
GEAR ENGRANAJE
SPACER PIEZA DISTANCIA
BEARING NEEDLE COJINETA AGUJAS
ENGRENAGEM
ARRUELA
ANEL TRAVA
EIXO
ROLAMENTO
ANEL TRAVA
ANEL TRAVA
CJ. EIXO
ENGRENAGEM
ESPAÇADOR
ROLAMENTO AGULHA
C026502 E03 12/05
(1)
25 340
Árvore De Entrada
Input Shaft
Arbol De Entrada
Transmissão 12 Velocidades-Sincronizada
12 Speed Transmission - Syncro
Transmision 12 Velocidades - Sincr
25 340
-
Menu Símbolos
EP26Z034
063279N1D
56
4.14-4.19MM
4,39-4,45MM
4.62-4.67MM
4.85-4.90MM
45
51
40
25-235 No
1
2
3
4
4
4
4
5
6
7
8
9
10
11
12
13
14
15
16
17
18
19
20
21
1686458M1
049163N1
039397P1
1671888M2
1671889M1
1671890M2
1671891M2
039544R1
039545R1
039424N1
039398P1
023422R1
053355N1
053352N1
039396P1
1867259M1
3761291M1
195363M1
039543P1
039400N2
1686459M1
1663796M1
039402P1
039425P1
1
1
1
1
1
1
1
1
1
1
1
1
1
1
1
1
2
2
1
1
1
1
1
1
RING ARO
GEAR ENGRANAJE
SLEEVE MANCHA
SHIM CALCE
WASHER ARANDELA
WASHER ARANDELA
WASHER ARANDELA
BEARING COJINETE
CIRCLIP CIRCULITO
KIT, GEAR ENGRANAJES JUEGO
SLEEVE MANCHA
WASHER ARANDELA
KIT, GEAR ENGRANAJES JUEGO
KIT, GEAR ENGRANAJES JUEGO
SLEEVE MANCHA
WASHER ARANDELA
BEARING COJINETE
CIRCLIP CIRCULITO
SHAFT ARBOL
SYNCHRO UNIT SINCRONIZ ADORA
RING ARO
BEARING COJINETE
HUB CUBO
SLEEVE MANCHA
ANEL
ENGRENAGEM
LUVA
CALÇO
ARRUELA
ARRUELA
ARRUELA
ROLAMENTO
ANEL TRAVA
CJ. ENGRENAGEM
LUVA
ARRUELA
CJ. ENGRENAGEM
CJ. ENGRENAGEM
LUVA
ARRUELA
ROLAMENTO
ANEL TRAVA
EIXO
CJ. SINCRONIZADO
ANEL
ROLAMENTO
CUBO
LUVA
C026502 E03 12/05
(1)
25 345
Árvore Principal
Main Shaft
Eje Principale
Transmissão 12 Velocidades-Sincronizada
12 Speed Transmission - Syncro
Transmision 12 Velocidades - Sincr
25 345
-
Menu Símbolos
EP30Z029
063279N1E
19
34
25-130 No
53
42
42
20/15
20
1
2
3
4
5
6
7
8
9
10
11
12
13
14
15
16
17
18
19
20
21
22
23
24
25
27
28
29
30
31
32
33
33
34
1688131M1
183039M1
183037M1
1688132M1
195500M1
049165N1
3003372X1
1440873X1
054180N1
831581M2
355988X1
1683386M91
899385M1
881122M2
899377M2
899331M1
180432M1
358913X1
9004882M1
1869279M1
039410N2
054182N1
039413P1
195363M1
3761291M1
053312P1
180445M1
1688130M1
1688129M1
1688128M1
053310P1
039408P1
039409P1
053314P1
1
56
1
2
1
1
1
1
1
1
1
1
1
1
1
1
1
1
1
1
1
1
1
2
1
1
1
1
1
1
1
1
1
1
SPACER PIEZA DISTANCIA
ROLLER RODILLO
WASHER ARANDELA
WASHER ARANDELA
CIRCLIP CIRCULITO
SHAFT ARBOL
BEARING COJINETE
CIRCLIP CIRCULITO
GEAR ENGRANAJE
CIRCLIP CIRCULITO
CIRCLIP CIRCULITO
COVER CUBIERTA
RING ARO
RING ARO
BEARING COJINETE
FLANGE PLETINA
GASKET EMPAQUETADURA.
CIRCLIP CIRCULITO
GEAR ENGRANAJE
SHAFT ARBOL
SYNCHRO UNIT SINCRONIZ ADORA
GEAR ENGRANAJE
WASHER ARANDELA
CIRCLIP CIRCULITO
BEARING COJINETE
GEAR ENGRANAJE
SHAFT ARBOL
WASHER ARANDELA
SPRING PLATE PLETINA MUELLE
WASHER ARANDELA
GEAR ENGRANAJE
WASHER ARANDELA
WASHER ARANDELA
GEAR ENGRANAJE
ESPAÇADOR
ROLETE
ARRUELA
ARRUELA
ANEL TRAVA
EIXO
ROLAMENTO
ANEL TRAVA
ENGRENAGEM
ANEL TRAVA
ANEL TRAVA
TAMPA
ANEL
ANEL
ROLAMENTO
FLANGE
JUNTA
ANEL TRAVA
ENGRENAGEM
EIXO
CJ. SINCRONIZADO
ENGRENAGEM
ARRUELA
ANEL TRAVA
ROLAMENTO
ENGRENAGEM
EIXO
ARRUELA
MOLA PRATO
ARRUELA
ENGRENAGEM
ARRUELA
ARRUELA
ENGRENAGEM
C026502 E03 12/05
(1)
25 350
Árvore Secundária
Secundary Shaft
Eje Secundaria
Transmissão 12 Velocidades-Sincronizada
12 Speed Transmission - Syncro
Transmision 12 Velocidades - Sincr
25 350
-
Menu Símbolos
EP31Z028
063279N1F
022638N1
23
2
3
4
5
6
7
8
9
10
11
12
13
14
15
16
17
18
366317X1
022638N1
518414M1
1867423M1
353434X1
362684X1
184770M2
516526M1
834211M1
897020M1
516509M1
518415M1
180409M1
1865530M1
1867425M1
1867426M1
1
1
1
2
1
3
4
1
6
144
3
3
3
2
1
1
1
3
3
3
3
3
3
3
CIRCLIP CIRCULITO
KIT, CARRIER JUEGO PORTADOR
CARRIER PORTADOR
WASHER ARANDELA
PLATE PLATO
WASHER ARANDELA
BOLT PERNO
SLEEVE MANCHA
WASHER ARANDELA
ROLLER RODILLO
WASHER ARANDELA
GEAR ENGRANAJE
SHAFT ARBOL
PIN PASADOR
ANNULAR GEAR ENGRANAJE ANULAR
PLATE PLATO
SHIM CALCE
ANEL TRAVA
CJ. REDUTOR
PORTA ENGRENAGEM
ARRUELA
PLACA
ARRUELA
PARAFUSO
LUVA
ARRUELA
ROLETE
ARRUELA
ENGRENAGEM
EIXO
PINO
COROA
PLACA
CALÇO
C026502 E03 12/05
(1)
25 355
Redutor Epicicloidal
Epicyclic Unit
Unidad Epicicloidal
Transmissão 12 Velocidades-Sincronizada
12 Speed Transmission - Syncro
Transmision 12 Velocidades - Sincr
25 355
-
Menu Símbolos
N130Z004
063142N1
1
2
3700527M1
886727M2
1
1
BEARING COJINETE
COLLAR COLLAR
ROLAMENTO
COLAR
C026502 E03 12/05
(1)
25 360
Porta
Door
Puerta
25 360
-
Menu Símbolos
EK39Z002
T0212091
25-370 No
25-375 No
25-380 No
25-385 No
1
1
1
1
2
3
4
063280N2
021020P2
354441X1
027014P1
1
1
1
1
1
2
8
KIT,TRANSMISSION JGO.TRANSMISION
KIT,TRANSMISSION JGO.TRANSMISION
KIT,TRANSMISSION JGO.TRANSMISION
KIT,TRANSMISSION JGO.TRANSMISION
COVER CUBIERTA
BOLT PERNO
PAD ALMOHADILLA
CJ. TRANSMISSÃO
CJ. TRANSMISSÃO
CJ. TRANSMISSÃO
CJ. TRANSMISSÃO
TAMPA
PARAFUSO
TAMPÃO
C026502 E03 12/05
(1)
25 365
8 Velocidades - Deslizante
8 Speed - Slip
8 Velocidades - Deslizante
Transmissões
Transmission
Transmisión
25 365
-
Menu Símbolos
EK22Z074
063280N2A
25-420 No
25-360 No
1
2
3
4
5
6
7
8
9
10
11
12
13
14
15
16
17
18
19
20
21
22
23
24
25
26
27
184789M1
828020M1
362433X1
050698T1
180474M1
354076X1
377477X1
377480X1
058424P1
180002M1
886719M1
488156M97
2950X
1860767M1
1860761M1
1860765M1
1860764M2
362443X1
353434X1
886089M1
1860890M91
13811X
364784X1
29951X
063142N1
3700450M1
391838X1
1
1
1
1
1
1
3
1
2
2
1
1
1
1
1
1
1
2
2
1
1
1
2
1
1
2
2
LOCK RETENEDOR
WASHER ARANDELA
BOLT PERNO
PLUG TAPON
WASHER ARANDELA
COTTER PIN PASADOR DOUBLE
BOLT PERNO
BOLT PERNO
SHAFT ARBOL
BOLT PERNO
FORK HORQUILLA
HOUSE ASSY CONJ. CARTER
PLUG TAPON
PIN PASADOR
CLEVIS GANCHO SEGURI.
SPACER PIEZA DISTANCIA
PLATE PLATO
BOLT PERNO
WASHER ARANDELA
O RING JUNTA TORICA
FLANGE PLETINA
GREASER ENGRASADOR
O RING JUNTA TORICA
GREASER ENGRASADOR
BEARING FLANGE BEARING FLANGE
SPRING RESORTE
BALL BOLA
TRAVA
ARRUELA
PARAFUSO
BUJÃO
ARRUELA
CUPILHA
PARAFUSO
PARAFUSO
EIXO
PARAFUSO
GARFO
CJ. CARCAÇA
BUJÃO
PINO
SUPORTE
ESPAÇADOR
PLACA
PARAFUSO
ARRUELA
ANEL "O"
FLANGE
GRAXEIRA
ANEL "O"
GRAXEIRA
PORTA ROLAMENTO
MOLA
ESFERA
C026502 E03 12/05
(1)
25 370
Transmissão
Transmission
Transmisión
25 370
-
Menu Símbolos
EK22Z075
063280N2B
1
2
3
4
5
6
7
8
9
10
11
12
13
180002M1
180446M1
191221M1
180418M2
180442M2
1862866M1
1862868M2
180438M2
1860773M1
1873532M1
897065M2
894703M2
180002M1
5
1
4
4
1
1
1
1
2
1
1
1
1
BOLT PERNO
SELECTOR SELECTOR
SPRING RESORTE
PIN PASADOR
SHAFT ARBOL
SHAFT ARBOL
SELECTOR SELECTOR
SHAFT ARBOL
FORK HORQUILLA
FORK HORQUILLA
FORK HORQUILLA
SHAFT ARBOL
BOLT PERNO
PARAFUSO
SELETOR
MOLA
PINO
EIXO
EIXO
SELETOR
EIXO
GARFO
GARFO
GARFO
EIXO
PARAFUSO
C026502 E03 12/05
(1)
25 375
Transmissão
Transmission
Transmisión
25 375
-
Menu Símbolos
EK22Z076
063280N2C
10/26
21/26
2
3
4
5
6
7
8
9
10
11
12
13
14
15
16
17
18
19
20
21
21
22
23
24
25
26
27
28
29
30
31
32
33
34
35
36
37
38
39
40
41
42
43
44
45
520700M2
3587731M2
071624P1
1004633M1
883620M1
376703X1
362439X1
180458M1
183037M1
183038M1
183039M1
183040M1
189449M1
180445M1
1687643M1
3410432M1
195363M1
964944M1
071623P1
3604667M91
1862423M2
516503M1
834850M1
9004880M91
762101M1
2700273M1
2700274M1
899385M1
881122M2
355988X1
899377M2
899331M1
180432M1
358913X1
9004882M1
1868533M2
195499M1
1862422M1
071622P1
195507M1
906743M92
195500M1
021020P2
072221P1
964929M1
1
1
1
1
1
4
4
2
2
1
56
1
1
1
1
2
5
1
1
1
1
1
1
1
1
1
2
1
1
1
1
1
1
1
1
1
1
1
1
1
1
1
1
1
1
GEAR ENGRANAJE
BEARING COJINETE
GEAR ENGRANAJE
O RING JUNTA TORICA
COVER CUBIERTA
WASHER ARANDELA
BOLT PERNO
WASHER ARANDELA
WASHER ARANDELA
WASHER ARANDELA
ROLLER RODILLO
GEAR ENGRANAJE
WASHER ARANDELA
SHAFT ARBOL
AXLE EJE
BEARING COJINETE
CIRCLIP CIRCULITO
SPACER PIEZA DISTANCIA
GEAR ENGRANAJE
SHAFT ARBOL
SHAFT ARBOL
CIRCLIP CIRCULITO
BEARING COJINETE
SHAFT ARBOL
CIRCLIP CIRCULITO
BEARING NEEDLE COJINETA AGUJAS
SPACER PIEZA DISTANCIA
RING ARO
RING ARO
CIRCLIP CIRCULITO
BEARING COJINETE
FLANGE PLETINA
GASKET EMPAQUETADURA.
CIRCLIP CIRCULITO
GEAR ENGRANAJE
SHAFT ARBOL
CIRCLIP CIRCULITO
GEAR ENGRANAJE
GEAR ENGRANAJE
BEARING COJINETE
SHAFT ARBOL
CIRCLIP CIRCULITO
COVER CUBIERTA
GEAR ENGRANAJE
WASHER ARANDELA
ENGRENAGEM
ROLAMENTO
ENGRENAGEM
ANEL "O"
TAMPA
ARRUELA
PARAFUSO
ARRUELA
ARRUELA
ARRUELA
ROLETE
ENGRENAGEM
ARRUELA
EIXO
ÁRVORE
ROLAMENTO
ANEL TRAVA
ESPAÇADOR
ENGRENAGEM
EIXO
EIXO
ANEL TRAVA
ROLAMENTO
EIXO
ANEL TRAVA
ROLAMENTO AGULHA
ESPAÇADOR
ANEL
ANEL
ANEL TRAVA
ROLAMENTO
FLANGE
JUNTA
ANEL TRAVA
ENGRENAGEM
EIXO
ANEL TRAVA
ENGRENAGEM
ENGRENAGEM
ROLAMENTO
EIXO
ANEL TRAVA
TAMPA
ENGRENAGEM
ARRUELA
C026502 E03 12/05
(1)
25 380
Transmissão
Transmission
Transmisión
25 380
-
Menu Símbolos
EK29Z011
063280N2D
518938M92
68
1
2
3
4
5
6
7
8
9
10
11
12
13
14
15
16
17
366317X1
1860308M91
518938M92
518414M1
184012M4
353434X1
362684X1
184770M2
516526M1
834211M1
897020M1
516509M1
518415M1
180409M1
1865530M1
180408M2
180403M1
1
1
1
2
1
3
4
1
6
144
3
3
3
2
1
1
1
3
3
3
3
3
3
3
3
CIRCLIP CIRCULITO
KIT, CARRIER JUEGO PORTADOR
KIT, CARRIER JUEGO PORTADOR
WASHER ARANDELA
PLATE PLATO
WASHER ARANDELA
BOLT PERNO
SLEEVE MANCHA
WASHER ARANDELA
ROLLER RODILLO
WASHER ARANDELA
GEAR ENGRANAJE
SHAFT ARBOL
PIN PASADOR
ANNULAR GEAR ENGRANAJE ANULAR
PLATE PLATO
SHIM CALCE
ANEL TRAVA
CJ. REDUTOR
CJ. REDUTOR
ARRUELA
PLACA
ARRUELA
PARAFUSO
LUVA
ARRUELA
ROLETE
ARRUELA
ENGRENAGEM
EIXO
PINO
COROA
PLACA
CALÇO
C026502 E03 12/05
(1)
25 385
540 Rpm
540 Rpm
540 Rpm
Transmissões
Transmission
Transmisión
25 385
-
Menu Símbolos
EK52Z001
21481204
25-40 No
25-395 No
25-400 No
25-405 No
25-410 No
1
2
2
2
2
488156M97
063281N2
1
1
1
1
1
HOUSE ASSY CONJ. CARTER
KIT,TRANSMISSION JGO.TRANSMISION
KIT,TRANSMISSION JGO.TRANSMISION
KIT,TRANSMISSION JGO.TRANSMISION
KIT,TRANSMISSION JGO.TRANSMISION
CJ. CARCAÇA
CJ. TRANSMISSÃO
CJ. TRANSMISSÃO
CJ. TRANSMISSÃO
CJ. TRANSMISSÃO
C026502 E03 12/05
(1)
25 390
Transmissão (8 Vel. Deslizante)
Trnsmission (8. Speed)
Transmision (8. Vel. Deslizante)
25 390
-
Menu Símbolos
E119Z006
063281N2A
25-40 No
1
2
3
4
5
6
7
8
9
10
11
12
13
14
15
16
17
18
19
20
21
22
23
24
25
26
27
28
29
30
31
32
33
34
1860890M91
1860876M1
886668M1
1860867M3
063142N1
29951X
364784X1
058424P1
488156M97
180474M1
050698T1
13811X
058424P1
184789M1
828020M1
362433X1
1860764M2
1860765M1
391838X1
1860761M1
353434X1
362443X1
0710129
886719M1
180002M1
886089M1
377480X1
2950X
354076X1
377477X1
021020P2
354441X1
1860767M1
3700450M1
1
1
1
1
1
1
2
1
1
1
1
1
1
1
1
1
1
1
2
1
2
2
1
1
2
1
1
1
1
3
1
2
1
2
1
1
1
FLANGE PLETINA
FLANGE PLETINA
BEARING COJINETE
SEAL RETEN
BEARING FLANGE BEARING FLANGE
GREASER ENGRASADOR
O RING JUNTA TORICA
SHAFT ARBOL
HOUSE ASSY CONJ. CARTER
WASHER ARANDELA
PLUG TAPON
GREASER ENGRASADOR
SHAFT ARBOL
LOCK RETENEDOR
WASHER ARANDELA
BOLT PERNO
PLATE PLATO
SPACER PIEZA DISTANCIA
BALL BOLA
CLEVIS GANCHO SEGURI.
WASHER ARANDELA
BOLT PERNO
GASKET EMPAQUETADURA.
FORK HORQUILLA
BOLT PERNO
O RING JUNTA TORICA
BOLT PERNO
PLUG TAPON
COTTER PIN PASADOR DOUBLE
BOLT PERNO
COVER CUBIERTA
BOLT PERNO
PIN PASADOR
SPRING RESORTE
FLANGE
FLANGE
ROLAMENTO
RETENTOR
PORTA ROLAMENTO
GRAXEIRA
ANEL "O"
EIXO
CJ. CARCAÇA
ARRUELA
BUJÃO
GRAXEIRA
EIXO
TRAVA
ARRUELA
PARAFUSO
PLACA
ESPAÇADOR
ESFERA
SUPORTE
ARRUELA
PARAFUSO
JUNTA
GARFO
PARAFUSO
ANEL "O"
PARAFUSO
BUJÃO
CUPILHA
PARAFUSO
TAMPA
PARAFUSO
PINO
MOLA
C026502 E03 12/05
(1)
25 395
Carcaça
Housing
Caja
Transmissão 8 Velocidades
8 Speed Transmission
Transmision 8 Velocidades
25 395
-
Menu Símbolos
E123Z006
063281N2B
[A]
[B]
[C]
1ª E MARCHA RÉ
1 AND REVERSE SPEED
1ª Y MARCHA ATRÁS
4ª MARCHA
4 SPEED
4ª MARCHA
2ª E 3ª MARCHA
2 AND 3 SPEED
2ª Y 3ª VELOCIDAD
1
2
3
4
5
6
7
8
9
10
11
12
13
180002M1
180446M1
191221M1
180418M2
180442M2
1862866M1
1862868M2
180438M2
1860773M1
1873532M1
897065M2
894703M2
180002M1
5
1
4
4
1
1
1
1
2
1
1
1
1
[A]
[B]
[B]
[C]
[B]
BOLT PERNO
SELECTOR SELECTOR
SPRING RESORTE
PIN PASADOR
SHAFT ARBOL
SHAFT ARBOL
SELECTOR SELECTOR
SHAFT ARBOL
FORK HORQUILLA
FORK HORQUILLA
FORK HORQUILLA
SHAFT ARBOL
BOLT PERNO
PARAFUSO
SELETOR
MOLA
PINO
EIXO
EIXO
SELETOR
EIXO
GARFO
GARFO
GARFO
EIXO
PARAFUSO
C026502 E03 12/05
(1)
25 400
Garfos E Hastes
Shafts & Forks
Ejes Y Horquillas
Transmissão 8 Velocidades
8 Speed Transmission
Transmision 8 Velocidades
25 400
-
Menu Símbolos
EM90Z045
063281N2C
[A] 2ª E 3ª MARCHA
2 AND 3 SPEED
2ª Y 3ª VELOCIDAD
10/26
21/26
25-415 No
1
2
3
4
5
6
7
8
9
10
11
12
13
14
15
16
17
18
19
20
21
22
23
24
25
26
27
28
29
30
31
31
32
33
34
35
36
37
38
39
40
41
42
43
44
880957M1
520700M2
3587731M2
1660095M1
881122M2
899385M1
1004633M1
376703X1
362439X1
883620M1
906743M92
1868010M1
195507M1
180458M1
183037M1
183039M1
183040M1
189449M1
180445M1
195500M1
180415M1
180419M1
3410432M1
195363M1
1870200M1
1868533M2
195499M1
1862422M1
1687642M1
964944M1
3604667M91
1862423M2
964929M1
1868530M91
516503M1
834850M1
762101M1
2700273M1
2700274M1
358913X1
180432M1
899331M1
899377M2
355988X1
183038M1
1
1
1
1
1
1
1
4
4
1
1
1
1
2
2
56
1
1
1
1
1
1
2
5
1
1
1
1
1
1
1
1
1
1
1
1
1
1
2
1
1
1
1
1
1
[A]
[B]
[C]
[C]
[D]
[E]
[F]
GEAR ENGRANAJE
GEAR ENGRANAJE
BEARING COJINETE
GEAR ENGRANAJE
RING ARO
RING ARO
O RING JUNTA TORICA
WASHER ARANDELA
BOLT PERNO
COVER CUBIERTA
SHAFT ARBOL
GEAR ENGRANAJE
BEARING COJINETE
WASHER ARANDELA
WASHER ARANDELA
ROLLER RODILLO
GEAR ENGRANAJE
WASHER ARANDELA
SHAFT ARBOL
CIRCLIP CIRCULITO
GEAR ENGRANAJE
GEAR ENGRANAJE
BEARING COJINETE
CIRCLIP CIRCULITO
GEAR ENGRANAJE
SHAFT ARBOL
CIRCLIP CIRCULITO
GEAR ENGRANAJE
AXLE EJE
SPACER PIEZA DISTANCIA
SHAFT ARBOL
SHAFT ARBOL
WASHER ARANDELA
KIT, AXLE JUEGO DE EJE
CIRCLIP CIRCULITO
BEARING COJINETE
CIRCLIP CIRCULITO
BEARING NEEDLE COJINETA AGUJAS
SPACER PIEZA DISTANCIA
CIRCLIP CIRCULITO
GASKET EMPAQUETADURA.
FLANGE PLETINA
BEARING COJINETE
CIRCLIP CIRCULITO
WASHER ARANDELA
ENGRENAGEM
ENGRENAGEM
ROLAMENTO
ENGRENAGEM
ANEL
ANEL
ANEL "O"
ARRUELA
PARAFUSO
TAMPA
EIXO
ENGRENAGEM
ROLAMENTO
ARRUELA
ARRUELA
ROLETE
ENGRENAGEM
ARRUELA
EIXO
ANEL TRAVA
ENGRENAGEM
ENGRENAGEM
ROLAMENTO
ANEL TRAVA
ENGRENAGEM
EIXO
ANEL TRAVA
ENGRENAGEM
ÁRVORE
ESPAÇADOR
EIXO
EIXO
ARRUELA
CJ. EIXO
ANEL TRAVA
ROLAMENTO
ANEL TRAVA
ROLAMENTO AGULHA
ESPAÇADOR
ANEL TRAVA
JUNTA
FLANGE
ROLAMENTO
ANEL TRAVA
ARRUELA
C026502 E03 12/05
(1)
25 405
Transmissão 8 Velocidades
8 Speed Transmission
Transmision 8 Velocidades
25 405
-
Menu Símbolos
EM90Z045
063281N2C
[B]
[C]
[D]
[E]
[F]
1ª MARCHA
1 SPEED
1ª MARCHA
4ª MARCHA
4 SPEED
4ª MARCHA
MARCHA RÉ
REVERSE SPEED
MARCHA ATRÁS
3ª MARCHA
3 SPEED
3ª MARCHA
2ª MARCHA
2 SPEED
2ª MARCHA
C026502 E03 12/05
(1)
25 405
Transmissão 8 Velocidades
8 Speed Transmission
Transmision 8 Velocidades
25 405
-
Menu Símbolos
E124Z007
063281N2D
022638N1
1
2
3
4
5
6
7
8
9
10
11
12
13
14
15
16
17
377424X1
023404N1
022638N1
1866545M2
1867423M1
353434X1
362684X1
1866557M1
1866542M1
1866553M2
023406R1
023405P1
1866538M2
180409M1
1865530M1
1867425M1
1867426M1
1
1
1
2
1
3
4
1
6
96
3
3
3
2
1
1
1
3
3
3
3
3
3
3
3
CIRCLIP CIRCULITO
CARRIER PORTADOR
KIT, CARRIER JUEGO PORTADOR
WASHER ARANDELA
PLATE PLATO
WASHER ARANDELA
BOLT PERNO
SLEEVE MANCHA
WASHER ARANDELA
ROLLER RODILLO
WASHER ARANDELA
GEAR ENGRANAJE
SHAFT ARBOL
PIN PASADOR
ANNULAR GEAR ENGRANAJE ANULAR
PLATE PLATO
SHIM CALCE
ANEL TRAVA
PORTA ENGRENAGEM
CJ. REDUTOR
ARRUELA
PLACA
ARRUELA
PARAFUSO
LUVA
ARRUELA
ROLETE
ARRUELA
ENGRENAGEM
EIXO
PINO
COROA
PLACA
CALÇO
C026502 E03 12/05
(1)
25 410
Redutor Epicicloidal
Epicyclic Unit
Unidad Epicicloidal
Transmissão 8 Velocidades
8 Speed Transmission
Transmision 8 Velocidades
25 410
-
Menu Símbolos
EE76Z001
1868530M91
17
1
2
1868531M1
1860011M1
1
1
SHAFT ARBOL
SEAL RETEN
EIXO
RETENTOR
C026502 E03 12/05
(1)
25 415
Pinhão
Pinion
Pinion
25 415
-
Menu Símbolos
EE15Z001
1860890M91
1
2
3
1860876M1
886668M1
1860867M3
1
1
1
FLANGE PLETINA
BEARING COJINETE
SEAL RETEN
FLANGE
ROLAMENTO
RETENTOR
C026502 E03 12/05
(1)
25 420
Flange Da Árvore Primária
Retainer Main Drive Shaft
Capa De Arbre Primare
25 420
-
Menu Símbolos
EE91Z002
T0250003
30-15 No
30-20 No
30-25 No
1
2
3
022956N1
3589418M91
034403N1
1
1
1
PEDAL PEDAL
FASTENER CIERRE
AXLE EJE
PEDAL
FIXAÇÃO
ÁRVORE
C026502 E03 12/05
(1)
8 Velocidades - 540 Rpm
8 Speed - 540 Rpm
8 Velocidades - 540 Rpm
30 10
Fixação Eixo Traseiro - Transmissão
Rear Axle - Transmission
Eje Trasero - Transmissión
30 10
-
Menu Símbolos
1/4"-28
1/4"-28
1105Z001
022956N1
1
2
3
4
5
13811X
357632X1
072292P1
13811X
022697S1
1
1
1
1
1
GREASER ENGRASADOR
PIN PASADOR
SHAFT ARBOL
GREASER ENGRASADOR
PEDAL PEDAL
GRAXEIRA
PINO
EIXO
GRAXEIRA
PEDAL
C026502 E03 12/05
(1)
30 15
Pedal De Bloqueio Do Diferencial Eixo Traseiro
Rear Axle- Differential Lock Pedal
Eje Trasero Con Blocaje Diferencial-Pedal
30 15
-
Menu Símbolos
7/16x20
7/16x20x2.3/4
7/16x20
7/16x20x2"
7/16x20
EE88Z005
3589418M91
1
2
3
4
5
6
7
3589412M1
377563X1
3589412M1
377561X1
3589412M1
3589429M1
521181M1
3
3
10
10
3
3
1
NUT TUERCA
BOLT PERNO
NUT TUERCA
BOLT PERNO
NUT TUERCA
STUD ESPARRAGO
GASKET EMPAQUETADURA.
PORCA
PARAFUSO
PORCA
PARAFUSO
PORCA
PRISIONEIRO
JUNTA
C026502 E03 12/05
(1)
30 20
Fixação Eixo Traseiro - Transmissão
Rear Axle - Transmission
Eje Trasero - Transmissión
30 20
-
Menu Símbolos
EB20Z002
034403N1
400383 - MF265/4
400383 - MF265/4
1
2
3
355342X1
3611473M1
048386N1
1
1
1
COTTER PIN PASADOR DOUBLE
SLEEVE MANCHA
KIT, AXLE JUEGO DE EJE
CUPILHA
LUVA
CJ. EIXO
C026502 E03 12/05
(1)
30 25
Eixo Propulsor
Propeller Axle
Eje Propulsor
30 25
-
Menu Símbolos
EE90Z004
T0250026
30-35 No
30-40 No
30-45 No
1
2
3
036978N1
048424N1
3146570M91
1
1
1
PEDAL PEDAL
FASTENER CIERRE
SHAFT ARBOL
PEDAL
FIXAÇÃO
EIXO
C026502 E03 12/05
(1)
4 Rodas Motrizes - 8 Velocidades
4 Wheels Drive - 8 Speed
4 Ruedas Motriz - 8 Velocidades
30 30
Fixação Eixo Traseiro - Transmissão
Rear Axle - Transmission
Eje Trasero - Transmissión
30 30
-
Menu Símbolos
EI24Z001
036978N1
1
2
3
4
5
13811X
072292P1
13811X
357632X1
036976S1
1
1
1
1
1
GREASER ENGRASADOR
SHAFT ARBOL
GREASER ENGRASADOR
PIN PASADOR
PEDAL PEDAL
GRAXEIRA
EIXO
GRAXEIRA
PINO
PEDAL
C026502 E03 12/05
(1)
30 35
Pedal De Bloqueio
Pedal
Pedal
30 35
-
Menu Símbolos
7/16x20
7/16x14x2.1/4
7/16x20
7/16x20x2"
EE88Z002
048424N1
1
2
3
4
5
3589429M1
069676T1
377563X1
069676T1
377561X1
4
4
3
10
10
STUD ESPARRAGO
NUT TUERCA
BOLT PERNO
NUT TUERCA
BOLT PERNO
PRISIONEIRO
PORCA
PARAFUSO
PORCA
PARAFUSO
C026502 E03 12/05
(1)
30 40
Fixação Eixo Traseiro - Transmissão
Rear Axle - Transmission
Eje Trasero - Transmissión
30 40
-
Menu Símbolos
EB20Z015
3146570M91
1
2
3
4
5
6
7
048386N1
048383P1
886352M1
886353M1
195513M1
3611473M1
355342X1
1
1
1
1
1
1
1
1
1
1
1
KIT, AXLE JUEGO DE EJE
SHAFT ARBOL
SPRING RESORTE
SEAT ASIENTO
BEARING NEEDLE COJINETA AGUJAS
SLEEVE MANCHA
COTTER PIN PASADOR DOUBLE
CJ. EIXO
EIXO
MOLA
ASSENTO
ROLAMENTO AGULHA
LUVA
CUPILHA
C026502 E03 12/05
(1)
30 45
Eixo Propulsor
Propeller Axle
Eje Propulsor
30 45
-
Menu Símbolos
N080Z003
T0250028
30-55 No
30-40 No
30-60 No
1
2
3
3146480M91
048424N1
3146561M91
1
1
1
PEDAL PEDAL
FASTENER CIERRE
SHAFT ARBOL
PEDAL
FIXAÇÃO
EIXO
C026502 E03 12/05
(1)
2 Rm - Estreito
2 Wd - Narrow
2 Rm - Estrecho
30 50
8 Velocidades
8 Speed
8 Velocidades
Fixação Eixo Traseiro - Transmissão
Rear Axle - Transmission
Eje Trasero - Transmissión
30 50
-
Menu Símbolos
EI25Z001
3146480M91
1
2
3
4
5
13811X
036976S1
072292P1
13811X
357632X1
1
1
1
1
1
GREASER ENGRASADOR
PEDAL PEDAL
SHAFT ARBOL
GREASER ENGRASADOR
PIN PASADOR
GRAXEIRA
PEDAL
EIXO
GRAXEIRA
PINO
C026502 E03 12/05
(1)
30 55
Diferencial
Diferential
Diferencial
Pedal De Bloqueio
Pedal
Pedal
30 55
-
Menu Símbolos
EB20Z014
3146561M91
30-325 No
1
2
3
048385N1
3611473M1
355342X1
1
1
1
SHAFT ARBOL
SLEEVE MANCHA
COTTER PIN PASADOR DOUBLE
EIXO
LUVA
CUPILHA
C026502 E03 12/05
(1)
30 60
Eixo Propulsor
Propeller Axle
Eje Propulsor
30 60
-
Menu Símbolos
EE91Z012
T0250058
30-20 No
30-15 No
30-25 No
1
2
3
3589418M91
022956N1
034403N1
1
1
1
FASTENER CIERRE
PEDAL PEDAL
AXLE EJE
FIXAÇÃO
PEDAL
ÁRVORE
C026502 E03 12/05
(1)
Com Redutor De Velocidade
With Creeper
Con Reducción De Velociad
30 65
Fixação Eixo Traseiro - Transmissão
Rear Axle - Transmission
Eje Trasero - Transmissión
30 65
-
Menu Símbolos
EB59Z002
024304N2
1
2
3
4
5
6
7
8
9
10
11
12
022334P4
020468T1
063207P1
353446X1
353676X1
3411758M1
353691X1
195569M1
180474M1
3409712M1
377616X1
1860900M1
1
3
1
3
3
2
6
4
1
1
4
26
HOUSING ALOJAMIENTO
MAGNET IMAN
COVER CUBIERTA
WASHER ARANDELA
BOLT PERNO
COVER CUBIERTA
BOLT PERNO
STUD ESPARRAGO
WASHER ARANDELA
PLUG TAPON
STUD ESPARRAGO
STUD ESPARRAGO
CARCAÇA
MAGNÉTICO
TAMPA
ARRUELA
PARAFUSO
TAMPA
PARAFUSO
PRISIONEIRO
ARRUELA
BUJÃO
PRISIONEIRO
PRISIONEIRO
C026502 E03 12/05
(1)
30 70
Carcaça Central
Middle Body
Carcaza Central
30 70
-
Menu Símbolos
EE91Z013
T0250059
30-35 No
30-20 No
30-25 No
1
2
3
036978N1
3589418M91
034403N1
1
1
1
PEDAL PEDAL
FASTENER CIERRE
AXLE EJE
PEDAL
FIXAÇÃO
ÁRVORE
C026502 E03 12/05
(1)
Estreito
Narrow
Estrecho
30 75
Fixação Eixo Traseiro - Transmissão
Rear Axle - Transmission
Eje Trasero - Transmissión
30 75
-
Menu Símbolos
AZ08Z001
3611134M93
1
2
3699801M1
3599002M3
1
1
OIL SEAL BUJE RETENACEITE
SLEEVE MANCHA
RETENTOR
LUVA
C026502 E03 12/05
(1)
30 80
Luva/Anel
Pto Seal
Sello De Tdf
30 80
-
Menu Símbolos
EE90Z003
T0250002
30-90 No
30-95 No
30-15 No
1
2
3
034404N1
3589417M91
022956N1
1
1
1
AXLE EJE
FASTENER CIERRE
PEDAL PEDAL
ÁRVORE
FIXAÇÃO
PEDAL
C026502 E03 12/05
(1)
Tração Central
Central Traction
Tracción Central
30 85
Fixação Eixo Traseiro - Transmissão
Rear Axle - Transmission
Eje Trasero - Transmissión
30 85
-
Menu Símbolos
EE69Z001
034404N1
30-100 No
1
2
3
4
034449N1
3611473M1
355342X1
048389N1
1
1
1
1
KIT, SPACER JUEGO ESPACIADOR
SLEEVE MANCHA
COTTER PIN PASADOR DOUBLE
KIT, AXLE JUEGO DE EJE
CJ. ESPAÇADOR
LUVA
CUPILHA
CJ. EIXO
C026502 E03 12/05
(1)
30 90
Eixo Propulsor Com Espaçador
Propeller Axle With Spacer
Eje Propulsor Con Espaciador
30 90
-
Menu Símbolos
EA60Z002
3589417M91
1
2
3
4
5
6
7
8
9
10
11
12
13
14
15
16
17
18
19
20
21
22
3410152M1
353430X1
027398S1
357660X1
3589412M1
377561X1
377565X1
3589429M1
069676T1
3589414M1
069676T1
3145869M1
069676T1
377184X1
069676T1
069676T1
191314M1
3589428M1
377563X1
3408222M1
069676T1
069676T1
1
1
1
1
3
10
4
5
5
2
2
2
2
1
2
3
2
2
3
3
10
4
KNOB POMO
NUT TUERCA
LEVER PALANCA
PIN PASADOR
NUT TUERCA
BOLT PERNO
BOLT PERNO
STUD ESPARRAGO
NUT TUERCA
STUD ESPARRAGO
NUT TUERCA
BOLT PERNO
NUT TUERCA
BOLT PERNO
NUT TUERCA
NUT TUERCA
PIN PASADOR
STUD ESPARRAGO
BOLT PERNO
BOLT PERNO
NUT TUERCA
NUT TUERCA
MANÍPULO
PORCA
ALAVANCA
PINO
PORCA
PARAFUSO
PARAFUSO
PRISIONEIRO
PORCA
PRISIONEIRO
PORCA
PARAFUSO
PORCA
PARAFUSO
PORCA
PORCA
PINO
PRISIONEIRO
PARAFUSO
PARAFUSO
PORCA
PORCA
C026502 E03 12/05
(1)
30 95
Fixação Eixo Traseiro
Rear Axle
Eje Trasero
30 95
-
Menu Símbolos
EA58Z002
034449N1
37
30-110 No
18
30-105 No
41
1
2
3
4
5
6
7
8
9
10
11
12
13
14
15
16
17
18
19
20
21
22
23
24
25
26
27
28
29
30
31
32
33
391129X1
1692592M1
1443565X1
3409711M2
3410421M1
894307M1
033846N1
391908X1
1444032X1
1444978X1
1692590M1
1692550M1
339124X1
1692534M1
034448N1
1692549M1
339761X1
3585343M3
339470X1
3585335M3
180002M1
3585331M2
180418M2
3585797M1
180446M1
3410533M92
1692580M1
3409613M1
3585332M1
385333M1
1692601M1
339123X1
3410726M1
1
1
1
1
1
1
1
1
1
4
1
1
2
1
1
1
4
1
2
1
2
1
1
1
1
1
1
1
2
1
1
1
1
CIRCLIP CIRCULITO
BEARING COJINETE
RING ARO
GEAR ENGRANAJE
HOUSING ALOJAMIENTO
OIL SEAL BUJE RETENACEITE
HOUSE ASSY CONJ. CARTER
BOLT PERNO
BOLT PERNO
BOLT PERNO
BEARING COJINETE
PLATE CHAPA
BOLT PERNO
GEAR ENGRANAJE
KIT, AXLE JUEGO DE EJE
CAP TAPA
BOLT PERNO
SLEEVE MANCHA
RING ARO
FORK HORQUILLA
BOLT PERNO
SHAFT ARBOL
PIN PASADOR
SPRING RESORTE
SELECTOR SELECTOR
LEVER PALANCA
PLUG TAPON
WASHER ARANDELA
RING ARO
GEAR ENGRANAJE
BEARING COJINETE
BOLT PERNO
STOP PARO
ANEL TRAVA
ROLAMENTO
ANEL
ENGRENAGEM
CARCAÇA
RETENTOR
CJ. CARCAÇA
PARAFUSO
PARAFUSO
PARAFUSO
ROLAMENTO
CHAPA
PARAFUSO
ENGRENAGEM
CJ. EIXO
CAPA
PARAFUSO
LUVA
ANEL
GARFO
PARAFUSO
EIXO
PINO
MOLA
SELETOR
ALAVANCA
BUJÃO
ARRUELA
ANEL
ENGRENAGEM
ROLAMENTO
PARAFUSO
BATENTE
C026502 E03 12/05
(1)
30 100
Espaçador
Spacer
Espaciador
30 100
-
Menu Símbolos
N035Z002
034448N1
1
2
195513M1
034439P1
1
1
BEARING NEEDLE COJINETA AGUJAS
SHAFT ARBOL
ROLAMENTO AGULHA
EIXO
C026502 E03 12/05
(1)
30 105
Eixo
Shaft
Eje
30 105
-
Menu Símbolos
EC89Z002
033846N1
39
1
2
3
4
5
6
7
8
9
10
11
12
13
14
15
16
17
18
19
3412166M1
3409615M1
339814X1
3410525M1
339451X1
1692582M1
033063P1
339761X1
1692553M1
339469X1
1692603M1
1692604M1
3409619M1
1692554M1
1441271X1
1692552M1
339470X1
3409616M1
3409614M1
1
4
3
1
2
2
1
4
1
1
1
1
1
1
1
1
1
1
1
GEAR ENGRANAJE
PIN PASADOR
BOLT PERNO
COVER CUBIERTA
BOLT PERNO
BEARING COJINETE
SHAFT ARBOL
BOLT PERNO
HOUSING ALOJAMIENTO
CIRCLIP CIRCULITO
RING ARO
FELT FIELTRO
SEAL RETEN
COLLAR COLLAR
O RING JUNTA TORICA
HOUSING ALOJAMIENTO
RING ARO
PLUG TAPON
WASHER ARANDELA
ENGRENAGEM
PINO
PARAFUSO
TAMPA
PARAFUSO
ROLAMENTO
EIXO
PARAFUSO
CARCAÇA
ANEL TRAVA
ANEL
FELTRO
RETENTOR
COLAR
ANEL "O"
CARCAÇA
ANEL
BUJÃO
ARRUELA
C026502 E03 12/05
(1)
30 110
Carcaça
Housing
Caja
30 110
-
Menu Símbolos
E092Z001
4200027M91
30-120 No
1
2
3
4
5
6
7
3009882X1
3599678M2
3699802M2
1687354M2
6201604M91
1696555M2
391074X1
1
1
1
1
1
1
3
BOLT PERNO
FLANGE PLETINA
OIL SEAL BUJE RETENACEITE
WASHER ARANDELA
DRIVE HOUSING CAJA DE MANDO
MOULDING BORDON
BOLT PERNO
PARAFUSO
FLANGE
RETENTOR
ARRUELA
CX. ACIONAMENTO
MOLDURA
PARAFUSO
C026502 E03 12/05
(1)
30 115
Instalação
Installation
Instalacion
Caixa De Acionemento Lateral
Side Drive Box
Caja De Acionemento Laterale
30 115
-
Menu Símbolos
M10 x 16
M8x1,25x22
M10 x 20
E093Z002
6201604M91
23
1
2
3
4
5
6
7
8
9
10
11
12
13
14
15
16
17
18
19
20
21
22
23
24
25
26
27
28
29
30
31
32
33
34
35
3698286M1
3697317M1
6201717M1
6203316M1
831702M1
6203309M1
3611837M2
3611858M1
3698275M91
3598855M1
22608X
1444586X1
1693592M1
1440825X1
3613029M1
378232X1
6201736M1
3009856X1
3598854M1
3009720X1
3613036M2
3701532M1
390991X1
3611839M1
3611838M1
391129X1
884691M1
180474M1
1692582M1
3005500X1
3698287M1
6201750M1
3699802M2
3009491X1
3613033M91
1
2
2
1
1
1
1
1
1
1
1
2
1
1
1
1
1
1
1
1
1
1
4
3
1
1
1
1
1
1
1
1
1
3
1
GEAR ENGRANAJE
BEARING NEEDLE COJINETA AGUJAS
WASHER ARANDELA
COLLAR COLLAR
O RING JUNTA TORICA
SHAFT ARBOL
COUPLER ACOPLADOR
SPRING RESORTE
COUPLER ACOPLADOR
WASHER ARANDELA
CIRCLIP CIRCULITO
BALL BOLA
SPRING RESORTE
BEARING COJINETE
SHAFT ARBOL
O RING JUNTA TORICA
HOUSING ALOJAMIENTO
SEAL RETEN
SHAFT ARBOL
BOLT PERNO
COVER CUBIERTA
SUPPORT DISPOS.DE SOSTEN
BOLT PERNO
PIN PASADOR
RING ARO
CIRCLIP CIRCULITO
PLUG TAPON
WASHER ARANDELA
BEARING COJINETE
O RING JUNTA TORICA
SHAFT ARBOL
HOUSING ALOJAMIENTO
OIL SEAL BUJE RETENACEITE
BOLT PERNO
FORK HORQUILLA
ENGRENAGEM
ROLAMENTO AGULHA
ARRUELA
COLAR
ANEL "O"
EIXO
ACOPLADOR
MOLA
ACOPLADOR
ARRUELA
ANEL TRAVA
ESFERA
MOLA
ROLAMENTO
EIXO
ANEL "O"
CARCAÇA
RETENTOR
EIXO
PARAFUSO
TAMPA
SUPORTE
PARAFUSO
PINO
ANEL
ANEL TRAVA
BUJÃO
ARRUELA
ROLAMENTO
ANEL "O"
EIXO
CARCAÇA
RETENTOR
PARAFUSO
GARFO
C026502 E03 12/05
(1)
30 120
Componentes
Constituent Parts
Componentes
Caixa De Acionemento Lateral
Side Drive Box
Caja De Acionemento Laterale
30 120
-
Menu Símbolos
EB62Z010
T0210003ADV
30-130 No
30-135 No
3599003M92
1
2
3
4
5
6
7
8
9
10
12
13
14
15
16
17
18
19
20
21
22
25
26
3585579M91
851258M1
898643M1
353916X1
195453M1
3611134M93
1004633M1
391162X1
831581M2
532898M1
3599003M92
3149348M1
035678T1
1850909M91
3146477M93
196097M1
377622X1
899199M1
353437X1
3599002M3
3699801M1
072295P1
1
2
2
4
1
1
1
1
1
1
1
2
1
1
1
1
16
6
14
1
1
1
1
6
6
12
12
HOUSE ASSY CONJ. CARTER
O RING JUNTA TORICA
PIN PASADOR
NUT TUERCA
BEARING NEEDLE COJINETA AGUJAS
SLEEVE MANCHA
O RING JUNTA TORICA
BEARING COJINETE
CIRCLIP CIRCULITO
SLEEVE MANCHA
SHAFT ARBOL
PLATE CHAPA
COVER CUBIERTA
BEARING ASSY RODAMIENTO RAD
KIT,DIFFERENTIAL JGO.DIFERENCIAL.
RING ARO
BOLT PERNO
BOLT PERNO
NUT TUERCA
SLEEVE MANCHA
OIL SEAL BUJE RETENACEITE
SHAFT ARBOL
COLLAR COLLAR
CJ. CARCAÇA
ANEL "O"
PINO
PORCA
ROLAMENTO AGULHA
LUVA
ANEL "O"
ROLAMENTO
ANEL TRAVA
LUVA
EIXO
CHAPA
TAMPA
CJ. ROLAMENTO
CJ. DIFERENCIAL
ANEL
PARAFUSO
PARAFUSO
PORCA
LUVA
RETENTOR
EIXO
COLAR
C026502 E03 12/05
(1)
8 Velocidades - 540 Rpm
8 Speed - 540 Rpm
8 Velocidades - 540 Rpm
30 125
2 Rodas Motrizes
2 Wheels Drive
2 Ruedas Motriz
Carcaça Central
Middle Body
Carcaza Central
30 125
-
Menu Símbolos
19/32X21/64X5/64
5/16X18X5/8
3/8X16X1"
5/16"X11/16"
3/4"X2.1/2"
1/2"X2.5/8"
1/2"X2.1/4"
1115Z002
3585579M91
1
2
3
4
5
6
7
8
9
10
11
12
13
3585577M2
063207P1
353446X1
353676X1
3411758M1
353691X1
195569M1
180474M1
3409712M1
490808M1
1860900M1
1860900M1
377616X1
1
1
3
3
1
3
4
1
1
4
2
8
4
HOUSING ALOJAMIENTO
COVER CUBIERTA
WASHER ARANDELA
BOLT PERNO
COVER CUBIERTA
BOLT PERNO
STUD ESPARRAGO
WASHER ARANDELA
PLUG TAPON
STUD ESPARRAGO
STUD ESPARRAGO
STUD ESPARRAGO
STUD ESPARRAGO
CARCAÇA
TAMPA
ARRUELA
PARAFUSO
TAMPA
PARAFUSO
PRISIONEIRO
ARRUELA
BUJÃO
PRISIONEIRO
PRISIONEIRO
PRISIONEIRO
PRISIONEIRO
C026502 E03 12/05
(1)
30 130
Carcaça Central Eixo Traseiro
Rear Axle Centre Housing
Eje Central Carcasa
30 130
-
Menu Símbolos
AG09Z001
3146477M93
30-140 No
11/38
30-145 No
1
2
3
3146478M92
4200006M91
2800791M93
1
1
1
FLANGE PLETINA
KIT, BEVEL GEAR CORONA Y PINON
KIT,DIFFERENTIAL JGO.DIFERENCIAL.
FLANGE
COROA E PINHÃO
CJ. DIFERENCIAL
C026502 E03 12/05
(1)
2 Rodas Motrizes
2 Wheels Drive
2 Ruedas Motriz
30 135
Diferencial
Differential
Diferencial
Eixo Traseiro
Rear Axle
Eje Trasero
30 135
-
Menu Símbolos
E008Z001
3146478M92
3604054M91
1
2
3
4
5
6
7
8
9
1850090M91
048363P2
1661065M2
1850090M91
3612442M1
191250M1
196097M1
3604054M91
1
1
1
1
1
2
1
1
1
9
9
9
BEARING COJINETE
FLANGE PLETINA
SPACER PIEZA DISTANCIA
SPACER PIEZA DISTANCIA
BEARING COJINETE
ROLLER RODILLO
BEARING COJINETE
RING ARO
FLANGE PLETINA
ROLAMENTO
FLANGE
ESPAÇADOR
ESPAÇADOR
ROLAMENTO
ROLETE
ROLAMENTO
ANEL
FLANGE
C026502 E03 12/05
(1)
30 140
Flange E Pinhão
Flange And Pinion
Pletina Y Piñon
30 140
-
Menu Símbolos
EATON
RAYTON
1/2X20X1,720
1/2X20
1/2X13X4"
EATON
RAYTON
ABAAZ001
2800791M93
REF.13
REF.13
1
2
3
3
4
5
6
7
8
9
10
11
12
12
13
898712M2
897726M1
072073P1
072072P1
894302M5
825776M1
891947M1
490001M1
2800781M92
038730P1
072075P1
072074P1
4200009M91
1
2
2
2
1
12
12
1
1
8
1
4
4
4
1
13
13
13
13
10
10
10
13
FLANGE PLETINA
WASHER ARANDELA
GEAR ENGRANAJE
GEAR ENGRANAJE
SPIDER CRUCETA
BOLT PERNO
NUT TUERCA
STOCKING BOX MEDIA CAJA
STOCKING BOX MEDIA CAJA
BOLT PERNO
KIT, BOX JUEGO DE CAJA
WASHER ARANDELA
SATELLITE SATELITE
SATELLITE SATELITE
KIT, GEAR ENGRANAJES JUEGO
FLANGE
ARRUELA
ENGRENAGEM
ENGRENAGEM
CRUZETA
PARAFUSO
PORCA
MEIA CAIXA
MEIA CAIXA
PARAFUSO
CJ. CAIXA
ARRUELA
SATÉLITE
SATÉLITE
CJ. ENGRENAGEM
C026502 E03 12/05
(1)
30 145
Diferencial
Differential
Differencial
30 145
-
Menu Símbolos
EB59Z068
T0210004ADV
30-130 No
30-155 No
3599003M92
1
2
3
4
5
6
7
8
9
10
12
13
14
15
16
17
18
19
20
21
22
23
26
27
3585579M91
851258M1
898643M1
353916X1
195453M1
3611134M93
1004633M1
391162X1
831581M2
532898M1
3149348M1
3599003M92
035678T1
1850909M91
035426N1
834733M1
196097M1
377622X1
899199M1
353437X1
3599002M3
3699801M1
072295P1
1
2
2
4
1
1
1
1
1
1
2
1
1
1
1
1
1
8
6
14
1
1
1
1
6
6
13
13
HOUSE ASSY CONJ. CARTER
O RING JUNTA TORICA
PIN PASADOR
NUT TUERCA
BEARING NEEDLE COJINETA AGUJAS
SLEEVE MANCHA
O RING JUNTA TORICA
BEARING COJINETE
CIRCLIP CIRCULITO
SLEEVE MANCHA
PLATE CHAPA
SHAFT ARBOL
COVER CUBIERTA
BEARING ASSY RODAMIENTO RAD
DIFFERENTIAL DIFERENCIAL
BEARING COJINETE
RING ARO
BOLT PERNO
BOLT PERNO
NUT TUERCA
SLEEVE MANCHA
OIL SEAL BUJE RETENACEITE
SHAFT ARBOL
COLLAR COLLAR
CJ. CARCAÇA
ANEL "O"
PINO
PORCA
ROLAMENTO AGULHA
LUVA
ANEL "O"
ROLAMENTO
ANEL TRAVA
LUVA
CHAPA
EIXO
TAMPA
CJ. ROLAMENTO
DIFERENCIAL
ROLAMENTO
ANEL
PARAFUSO
PARAFUSO
PORCA
LUVA
RETENTOR
EIXO
COLAR
C026502 E03 12/05
(1)
Tração Central
Central Traction
Tracción Central
30 150
Carcaça Central
Middle Body
Carcaza Central
30 150
-
Menu Símbolos
EB80Z004
035426N1
30-160 No
9/35
30-165 No
1
2
3
3147511M93
4200008M91
1481423M94
1
1
1
FLANGE PLETINA
KIT, BEVEL GEAR CORONA Y PINON
KIT,DIFFERENTIAL JGO.DIFERENCIAL.
FLANGE
COROA E PINHÃO
CJ. DIFERENCIAL
C026502 E03 12/05
(1)
30 155
Pinhão E Diferencial
Pinion And Diferential
Piñon Y Diferencial
30 155
-
Menu Símbolos
EB81Z008
3147511M93
1
2
3
4
5
6
7
196097M1
3176710M91
507565M91
048363P2
1661065M2
3176708M91
3612442M1
1
1
1
1
1
1
2
RING ARO
BEARING COJINETE
FLANGE PLETINA
SPACER PIEZA DISTANCIA
SPACER PIEZA DISTANCIA
BEARING COJINETE
ROLLER RODILLO
ANEL
ROLAMENTO
FLANGE
ESPAÇADOR
ESPAÇADOR
ROLAMENTO
ROLETE
C026502 E03 12/05
(1)
30 160
Flange E Pinhão
Flange And Pinion
Pletina Y Piñon
30 160
-
Menu Símbolos
EATON
RAYTON
1/2X20X1,720
1/2X20
1/2X13X4"
EATON
RAYTON
ABAAZ002
1481423M94
10
10
1
2
3
3
4
5
6
7
8
9
10
11
12
12
13
898712M2
897726M1
072073P1
072072P1
894302M5
825776M1
891947M1
490001M1
2800781M92
038730P1
072075P1
072074P1
4200009M91
1
2
2
2
1
12
12
1
1
8
1
4
4
4
1
13
13
13
10
10
10
13
13
13
10
FLANGE PLETINA
WASHER ARANDELA
GEAR ENGRANAJE
GEAR ENGRANAJE
SPIDER CRUCETA
BOLT PERNO
NUT TUERCA
STOCKING BOX MEDIA CAJA
STOCKING BOX MEDIA CAJA
BOLT PERNO
KIT, BOX JUEGO DE CAJA
WASHER ARANDELA
SATELLITE SATELITE
SATELLITE SATELITE
KIT, GEAR ENGRANAJES JUEGO
FLANGE
ARRUELA
ENGRENAGEM
ENGRENAGEM
CRUZETA
PARAFUSO
PORCA
MEIA CAIXA
MEIA CAIXA
PARAFUSO
CJ. CAIXA
ARRUELA
SATÉLITE
SATÉLITE
CJ. ENGRENAGEM
C026502 E03 12/05
(1)
30 165
Diferencial
Differential
Differencial
30 165
-
Menu Símbolos
540RPM
EB61Z011
T0210005ADV
30-130 No
30-175 No
1
2
3
4
5
6
7
8
9
10
11
12
13
14
17
18
19
20
21
22
23
24
25
26
27
28
29
30
31
32
33
34
35
36
37
38
1660713M1
532889M1
532891M1
352699X1
3585579M91
851258M1
898643M1
353916X1
1662726M1
3008359X1
3598999M1
391162X1
532877M92
831581M2
3599000M1
3149348M1
035678T1
1004633M1
1850909M91
035290N1
366442X1
377622X1
022199T1
532876M2
1663312M2
1679306M1
842921M1
842922M1
1679310M1
532882M1
339470X1
353437X1
899199M1
3611134M93
3599002M3
3699801M1
1
1
1
1
1
2
2
4
1
1
1
1
1
1
1
2
1
1
1
1
1
8
2
1
1
1
1
2
1
1
1
14
6
1
1
1
36
36
GEAR ENGRANAJE
COLLAR COLLAR
HUB CUBO
CIRCLIP CIRCULITO
HOUSE ASSY CONJ. CARTER
O RING JUNTA TORICA
PIN PASADOR
NUT TUERCA
CIRCLIP CIRCULITO
O RING JUNTA TORICA
SLEEVE MANCHA
BEARING COJINETE
PIPE CANO
CIRCLIP CIRCULITO
SHAFT ARBOL
PLATE CHAPA
COVER CUBIERTA
O RING JUNTA TORICA
BEARING ASSY RODAMIENTO RAD
DIFFERENTIAL DIFERENCIAL
CIRCLIP CIRCULITO
BOLT PERNO
BEARING COJINETE
SPACER PIEZA DISTANCIA
WASHER ARANDELA
GEAR ENGRANAJE
BEARING COJINETE
BEARING COJINETE
GEAR ENGRANAJE
WASHER ARANDELA
RING ARO
NUT TUERCA
BOLT PERNO
SLEEVE MANCHA
SLEEVE MANCHA
OIL SEAL BUJE RETENACEITE
ENGRENAGEM
COLAR
CUBO
ANEL TRAVA
CJ. CARCAÇA
ANEL "O"
PINO
PORCA
ANEL TRAVA
ANEL "O"
LUVA
ROLAMENTO
TUBO
ANEL TRAVA
EIXO
CHAPA
TAMPA
ANEL "O"
CJ. ROLAMENTO
DIFERENCIAL
ANEL TRAVA
PARAFUSO
ROLAMENTO
ESPAÇADOR
ARRUELA
ENGRENAGEM
ROLAMENTO
ROLAMENTO
ENGRENAGEM
ARRUELA
ANEL
PORCA
PARAFUSO
LUVA
LUVA
RETENTOR
C026502 E03 12/05
(1)
Tração Central
Central Traction
Tracción Central
30 170
540/1000 Rpm
540/1000 Rpm
540/1000 Rpm
Carcaça Central
Middle Body
Carcaza Central
30 170
-
Menu Símbolos
EB80Z003
035290N1
30-180 No
9/35
30-165 No
1
2
3
1872858M93
4200008M91
1481423M94
1
1
1
FLANGE PLETINA
KIT, BEVEL GEAR CORONA Y PINON
KIT,DIFFERENTIAL JGO.DIFERENCIAL.
FLANGE
COROA E PINHÃO
CJ. DIFERENCIAL
C026502 E03 12/05
(1)
30 175
Pinhão E Diferencial
Pinion And Diferential
Piñon Y Diferencial
30 175
-
Menu Símbolos
EB81Z006
1872858M93
1
2
3
4
5
6
7
8
9
10
366442X1
3176710M91
507565M91
3176708M91
516377M1
048363P2
532893M1
532910M1
3612442M1
834733M1
1
1
1
1
1
1
1
1
2
1
CIRCLIP CIRCULITO
BEARING COJINETE
FLANGE PLETINA
BEARING COJINETE
WASHER ARANDELA
SPACER PIEZA DISTANCIA
SPACER PIEZA DISTANCIA
LOCK RETENEDOR
ROLLER RODILLO
BEARING COJINETE
ANEL TRAVA
ROLAMENTO
FLANGE
ROLAMENTO
ARRUELA
ESPAÇADOR
ESPAÇADOR
TRAVA
ROLETE
ROLAMENTO
C026502 E03 12/05
(1)
30 180
Flange E Pinhão
Flange And Pinion
Pletina Y Piñon
30 180
-
Menu Símbolos
EB59Z024
T0210019
30-70 No
30-135 No
1
2
3
4
5
6
7
8
9
10
11
12
13
14
15
16
17
024304N2
851258M1
898643M1
353916X1
181217M1
489190M1
353698X1
899199M1
1850909M91
3146477M93
834733M1
196097M1
488253M4
353723X1
488254M2
377622X1
353437X1
1
2
2
4
1
1
6
6
1
1
1
1
1
4
1
8
30
HOUSE ASSY CONJ. CARTER
O RING JUNTA TORICA
PIN PASADOR
NUT TUERCA
GASKET EMPAQUETADURA.
COVER CUBIERTA
BOLT PERNO
BOLT PERNO
BEARING ASSY RODAMIENTO RAD
KIT,DIFFERENTIAL JGO.DIFERENCIAL.
BEARING COJINETE
RING ARO
COVER CUBIERTA
BOLT PERNO
GASKET EMPAQUETADURA.
BOLT PERNO
NUT TUERCA
CJ. CARCAÇA
ANEL "O"
PINO
PORCA
JUNTA
TAMPA
PARAFUSO
PARAFUSO
CJ. ROLAMENTO
CJ. DIFERENCIAL
ROLAMENTO
ANEL
TAMPA
PARAFUSO
JUNTA
PARAFUSO
PORCA
C026502 E03 12/05
(1)
Sem Tdp
Without Tdp
Sin Tdf
30 185
Carcaça Central
Middle Body
Carcaza Central
30 185
-
Menu Símbolos
EB75Z002
T0210031ADV
25
30-195 No
30-115 No
30-210 No
33/37
34/38
1
2
3
4
5
6
7
8
9
10
11
12
13
14
15
16
18
19
20
21
22
23
24
25
26
27
28
29
30
31
32
32
33
34
35
36
37
037804P1
1872362M1
390792X1
3698518M1
037030N1
851258M1
898643M1
353916X1
360776X1
4200027M91
039087P1
195453M1
1004633M1
3611134M93
391162X1
831581M2
3149348M1
059900N1
035678T1
353699X1
1441643X1
338600X1
3146844M1
1850909M91
037031N1
899199M1
353437X1
377622X1
3698408M1
3698406M1
3698282M91
6200678M1
3698405M1
3699801M2
3599002M3
059899P1
072295P1
1
1
1
1
1
2
2
4
1
1
1
1
1
1
1
1
2
1
1
3
2
1
1
1
1
6
14
16
2
1
1
1
1
1
1
1
1
14
14
19
19
GEAR ENGRANAJE
CIRCLIP CIRCULITO
CIRCLIP CIRCULITO
COUPLING SLEEVE COUPLING SLEEVE
HOUSE ASSY CONJ. CARTER
O RING JUNTA TORICA
PIN PASADOR
NUT TUERCA
BOLT PERNO
DRIVE HOUSING CAJA DE MANDO
SLEEVE MANCHA
BEARING NEEDLE COJINETA AGUJAS
O RING JUNTA TORICA
SLEEVE MANCHA
BEARING COJINETE
CIRCLIP CIRCULITO
PLATE CHAPA
SHAFT ARBOL
COVER CUBIERTA
BOLT PERNO
PIN PASADOR
NUT TUERCA
STUD ESPARRAGO
BEARING ASSY RODAMIENTO RAD
KIT,DIFFERENTIAL JGO.DIFERENCIAL.
BOLT PERNO
NUT TUERCA
BOLT PERNO
BEARING COJINETE
SPACER PIEZA DISTANCIA
GEAR ENGRANAJE
GEAR ENGRANAJE
WASHER ARANDELA
SEAL RETEN
SLEEVE MANCHA
SHAFT ARBOL
COLLAR COLLAR
ENGRENAGEM
ANEL TRAVA
ANEL TRAVA
LUVA ACOPLAMENTO
CJ. CARCAÇA
ANEL "O"
PINO
PORCA
PARAFUSO
CX. ACIONAMENTO
LUVA
ROLAMENTO AGULHA
ANEL "O"
LUVA
ROLAMENTO
ANEL TRAVA
CHAPA
EIXO
TAMPA
PARAFUSO
PINO
PORCA
PRISIONEIRO
CJ. ROLAMENTO
CJ. DIFERENCIAL
PARAFUSO
PORCA
PARAFUSO
ROLAMENTO
ESPAÇADOR
ENGRENAGEM
ENGRENAGEM
ARRUELA
RETENTOR
LUVA
EIXO
COLAR
C026502 E03 12/05
(1)
Tração Lateral
Side Drive
Traccion Lateral
30 190
Tdp 540 Rpm
Pto 540 Rpm
Tdf 540 Rpm
Carcaça Central - 4 Rm Tração Lateral
Middle Body - 4 Wd Side Drive
Carcaza Central - 4 Rm Traccion Lateral
30 190
-
Menu Símbolos
19/32X21/64X5/64
5/16X18X5/8
3/8X16X1"
5/16"X11/16"
3/4"X2.1/2"
1/2"X2.5/8"
1/2"X2.5/8"
1/2"X2.1/4
1115Z004
037030N1
1
2
3
4
5
6
7
10
11
12
13
036315P2
063207P1
353446X1
353676X1
3411758M1
353691X1
195569M1
490808M1
1860900M1
1860900M1
377616X1
1
1
3
3
1
3
4
4
2
8
4
HOUSING ALOJAMIENTO
COVER CUBIERTA
WASHER ARANDELA
BOLT PERNO
COVER CUBIERTA
BOLT PERNO
STUD ESPARRAGO
STUD ESPARRAGO
STUD ESPARRAGO
STUD ESPARRAGO
STUD ESPARRAGO
CARCAÇA
TAMPA
ARRUELA
PARAFUSO
TAMPA
PARAFUSO
PRISIONEIRO
PRISIONEIRO
PRISIONEIRO
PRISIONEIRO
PRISIONEIRO
C026502 E03 12/05
(1)
4 Rodas Motrizes
4 Wheels Drive
4 Ruedas Motriz
30 195
Carcaça Central Eixo Traseiro
Rear Axle Centre Housing
Eje Central Carcasa
30 195
-
Menu Símbolos
EB59Z029
T0210032
30-205 No
30-155 No
1
2
3
4
5
6
7
8
9
10
11
12
13
14
15
16
17
18
19
20
036590T1
3409613M1
037084N1
851258M1
898643M1
353916X1
181217M1
022942P1
353698X1
1850909M91
035426N1
834733M1
336442X1
353723X1
488253M4
488254M2
354648X1
353439X1
899199M1
353437X1
1
1
1
2
2
4
1
1
6
1
1
1
1
4
1
1
2
2
6
14
CONNECTION CONEXION
WASHER ARANDELA
HOUSING ALOJAMIENTO
O RING JUNTA TORICA
PIN PASADOR
NUT TUERCA
GASKET EMPAQUETADURA.
COVER CUBIERTA
BOLT PERNO
BEARING ASSY RODAMIENTO RAD
DIFFERENTIAL DIFERENCIAL
BEARING COJINETE
RING ARO
BOLT PERNO
COVER CUBIERTA
GASKET EMPAQUETADURA.
BOLT PERNO
WASHER ARANDELA
BOLT PERNO
NUT TUERCA
CONEXÃO
ARRUELA
CARCAÇA
ANEL "O"
PINO
PORCA
JUNTA
TAMPA
PARAFUSO
CJ. ROLAMENTO
DIFERENCIAL
ROLAMENTO
ANEL
PARAFUSO
TAMPA
JUNTA
PARAFUSO
ARRUELA
PARAFUSO
PORCA
C026502 E03 12/05
(1)
4 Rodas Motrizes Com Tração Lateral - Sem Tdp
4 Wheels Drive With Side Drive - Without Pto
4 Ruedas Motriz Con Traccion Lateral - Sin Tdf
30 200
Carcaça Central
Middle Body
Carcaza Central
30 200
-
Menu Símbolos
EB59Z005
037084N1
1
2
3
4
5
6
7
8
9
10
11
12
13
14
15
0710129
022334P4
020468T1
1869491M1
353446X1
353676X1
353691X1
3411758M1
195569M1
180474M1
3409712M1
490808M1
1860900M1
1860900M1
377616X1
1
1
3
1
3
3
3
1
4
1
1
4
2
10
4
GASKET EMPAQUETADURA.
HOUSING ALOJAMIENTO
MAGNET IMAN
COVER CUBIERTA
WASHER ARANDELA
BOLT PERNO
BOLT PERNO
COVER CUBIERTA
STUD ESPARRAGO
WASHER ARANDELA
PLUG TAPON
STUD ESPARRAGO
STUD ESPARRAGO
STUD ESPARRAGO
STUD ESPARRAGO
JUNTA
CARCAÇA
MAGNÉTICO
TAMPA
ARRUELA
PARAFUSO
PARAFUSO
TAMPA
PRISIONEIRO
ARRUELA
BUJÃO
PRISIONEIRO
PRISIONEIRO
PRISIONEIRO
PRISIONEIRO
C026502 E03 12/05
(1)
30 205
Carcaça Central
Middle Body
Carcaza Central
30 205
-
Menu Símbolos
AG09Z002
037031N1
30-215 No
9/35
30-165 No
1
2
3
037032N1
4200008M91
1481423M94
1
1
1
FLANGE PLETINA
KIT, BEVEL GEAR CORONA Y PINON
KIT,DIFFERENTIAL JGO.DIFERENCIAL.
FLANGE
COROA E PINHÃO
CJ. DIFERENCIAL
C026502 E03 12/05
(1)
4 Rodas Motrizes
4 Wheels Drive
4 Ruedas Motriz
30 210
Diferencial
Differential
Diferencial
Eixo Traseiro
Rear Axle
Eje Trasero
30 210
-
Menu Símbolos
E008Z002
037032N1
1
2
3
4
5
6
7
8
9
10
366442X1
834733M1
3176710M91
507565M91
3176708M91
037806P1
3697318M1
048363P2
3612442M1
3604055M91
1
1
1
1
1
1
1
1
2
1
10
10
10
CIRCLIP CIRCULITO
BEARING COJINETE
BEARING COJINETE
FLANGE PLETINA
BEARING COJINETE
GEAR ENGRANAJE
SPACER PIEZA DISTANCIA
SPACER PIEZA DISTANCIA
ROLLER RODILLO
FLANGE PLETINA
ANEL TRAVA
ROLAMENTO
ROLAMENTO
FLANGE
ROLAMENTO
ENGRENAGEM
ESPAÇADOR
ESPAÇADOR
ROLETE
FLANGE
C026502 E03 12/05
(1)
30 215
Flange E Pinhão
Flange And Pinion
Pletina Y Piñon
30 215
-
Menu Símbolos
EB76Z002
T0210036ADV
30-130 No
30-135 No
3599003M92
1
2
3
4
5
6
7
8
9
10
12
13
14
15
16
17
18
19
20
21
22
23
24
3585579M91
851258M1
898643M1
353916X1
195453M1
1004633M1
3611134M93
391162X1
831581M2
532898M1
3599003M92
3149348M1
035678T1
1850909M91
3146477M93
196097M1
377622X1
899199M1
353437X1
3599002M3
3699801M1
072295P1
1
2
2
4
1
1
1
1
1
1
1
2
1
1
1
1
8
6
14
1
1
1
1
7
7
12
12
HOUSE ASSY CONJ. CARTER
O RING JUNTA TORICA
PIN PASADOR
NUT TUERCA
BEARING NEEDLE COJINETA AGUJAS
O RING JUNTA TORICA
SLEEVE MANCHA
BEARING COJINETE
CIRCLIP CIRCULITO
SLEEVE MANCHA
SHAFT ARBOL
PLATE CHAPA
COVER CUBIERTA
BEARING ASSY RODAMIENTO RAD
KIT,DIFFERENTIAL JGO.DIFERENCIAL.
RING ARO
BOLT PERNO
BOLT PERNO
NUT TUERCA
SLEEVE MANCHA
OIL SEAL BUJE RETENACEITE
SHAFT ARBOL
COLLAR COLLAR
CJ. CARCAÇA
ANEL "O"
PINO
PORCA
ROLAMENTO AGULHA
ANEL "O"
LUVA
ROLAMENTO
ANEL TRAVA
LUVA
EIXO
CHAPA
TAMPA
CJ. ROLAMENTO
CJ. DIFERENCIAL
ANEL
PARAFUSO
PARAFUSO
PORCA
LUVA
RETENTOR
EIXO
COLAR
C026502 E03 12/05
(1)
Estreito
Narrow
Estrecho
30 220
Tdp (540 Rpm) - 2 Rm
Pto (540 Rpm) - 2 Wd
Tdf (540 Rpm) - 2 Rm
Carcaça Central
Middle Body
Carcaza Central
30 220
-
Menu Símbolos
540 RPM
EB59Z049
T0210107
30-230 No
30-175 No
1
2
3
4
5
6
7
8
9
10
11
12
13
14
15
16
17
18
19
20
21
22
23
24
25
26
27
28
29
30
31
32
050481N1
851258M1
898643M1
353916X1
1662726M1
3008359X1
3598999M1
391162X1
831581M2
532877M92
3599000M1
3149348M1
035678T1
1004633M1
1850909M91
035290N1
366442X1
377622X1
022199T1
532876M2
1663312M2
1679306M1
842921M1
842922M1
6200678M1
532882M1
339470X1
353437X1
899199M1
3611134M93
3599002M3
3699801M1
1
2
2
4
1
1
1
1
1
1
1
2
1
1
1
1
1
8
2
1
1
1
1
2
1
1
1
14
6
1
1
1
30
30
HOUSE ASSY CONJ. CARTER
O RING JUNTA TORICA
PIN PASADOR
NUT TUERCA
CIRCLIP CIRCULITO
O RING JUNTA TORICA
SLEEVE MANCHA
BEARING COJINETE
CIRCLIP CIRCULITO
PIPE CANO
SHAFT ARBOL
PLATE CHAPA
COVER CUBIERTA
O RING JUNTA TORICA
BEARING ASSY RODAMIENTO RAD
DIFFERENTIAL DIFERENCIAL
CIRCLIP CIRCULITO
BOLT PERNO
BEARING COJINETE
SPACER PIEZA DISTANCIA
WASHER ARANDELA
GEAR ENGRANAJE
BEARING COJINETE
BEARING COJINETE
GEAR ENGRANAJE
WASHER ARANDELA
RING ARO
NUT TUERCA
BOLT PERNO
SLEEVE MANCHA
SLEEVE MANCHA
OIL SEAL BUJE RETENACEITE
CJ. CARCAÇA
ANEL "O"
PINO
PORCA
ANEL TRAVA
ANEL "O"
LUVA
ROLAMENTO
ANEL TRAVA
TUBO
EIXO
CHAPA
TAMPA
ANEL "O"
CJ. ROLAMENTO
DIFERENCIAL
ANEL TRAVA
PARAFUSO
ROLAMENTO
ESPAÇADOR
ARRUELA
ENGRENAGEM
ROLAMENTO
ROLAMENTO
ENGRENAGEM
ARRUELA
ANEL
PORCA
PARAFUSO
LUVA
LUVA
RETENTOR
C026502 E03 12/05
(1)
Tdpi 540/1000 Rpm
Ipto 540/1000 Rpm
Tdfi 540/1000 Rpm
30 225
Carcaça Central
Middle Body
Carcaza Central
30 225
-
Menu Símbolos
EB59Z012
050481N1
1
2
3
4
5
6
7
8
9
10
11
046950P1
353446X1
353676X1
1869491M1
195569M1
180474M1
3409712M1
490808M1
1860900M1
377616X1
1860900M1
1
3
3
1
4
1
1
4
2
4
8
HOUSING ALOJAMIENTO
WASHER ARANDELA
BOLT PERNO
COVER CUBIERTA
STUD ESPARRAGO
WASHER ARANDELA
PLUG TAPON
STUD ESPARRAGO
STUD ESPARRAGO
STUD ESPARRAGO
STUD ESPARRAGO
CARCAÇA
ARRUELA
PARAFUSO
TAMPA
PRISIONEIRO
ARRUELA
BUJÃO
PRISIONEIRO
PRISIONEIRO
PRISIONEIRO
PRISIONEIRO
C026502 E03 12/05
(1)
30 230
Carcaça Central
Middle Body
Carcaza Central
30 230
-
Menu Símbolos
EB62Z008
T0210122
30-240 No
30-155 No
1
2
3
4
5
6
7
8
9
12
13
14
15
16
18
19
20
063781N1
851258M1
898643M1
353916X1
195453M1
3611134M93
1004633M1
391162X1
831581M2
3599003M92
3149348M1
035678T1
1850909M91
035426N1
377622X1
899199M1
353437X1
1
2
2
4
1
1
1
1
1
1
2
1
1
1
8
6
14
HOUSING ALOJAMIENTO
O RING JUNTA TORICA
PIN PASADOR
NUT TUERCA
BEARING NEEDLE COJINETA AGUJAS
SLEEVE MANCHA
O RING JUNTA TORICA
BEARING COJINETE
CIRCLIP CIRCULITO
SHAFT ARBOL
PLATE CHAPA
COVER CUBIERTA
BEARING ASSY RODAMIENTO RAD
DIFFERENTIAL DIFERENCIAL
BOLT PERNO
BOLT PERNO
NUT TUERCA
CARCAÇA
ANEL "O"
PINO
PORCA
ROLAMENTO AGULHA
LUVA
ANEL "O"
ROLAMENTO
ANEL TRAVA
EIXO
CHAPA
TAMPA
CJ. ROLAMENTO
DIFERENCIAL
PARAFUSO
PARAFUSO
PORCA
C026502 E03 12/05
(1)
Tdpi 540 Rpm - 2 Rodas Motrizes/12 Velocidades & 4 Rodas Motrizes/Tração Central
Ipto 540 Rpm-2 Wheels Drive/12 Speed & 4 Wheels Drive Central Traction
Tdfi 540 Rpm-2 Ruedas Motriz/12 Velocidades Y 4 Ruedas Motriz/Tracción Central
30 235
2 Rodas Motrizes
2 Wheels Drive
2 Ruedas Motriz
Carcaça Central
Middle Body
Carcaza Central
30 235
-
Menu Símbolos
EB66Z003
063781N1
1
2
3
4
5
6
7
8
9
10
11
3585577M2
063207P1
353446X1
353676X1
195569M1
180474M1
3409712M1
490808M1
1860900M1
1860900M1
377616X1
1
1
3
3
4
1
1
4
2
8
4
HOUSING ALOJAMIENTO
COVER CUBIERTA
WASHER ARANDELA
BOLT PERNO
STUD ESPARRAGO
WASHER ARANDELA
PLUG TAPON
STUD ESPARRAGO
STUD ESPARRAGO
STUD ESPARRAGO
STUD ESPARRAGO
CARCAÇA
TAMPA
ARRUELA
PARAFUSO
PRISIONEIRO
ARRUELA
BUJÃO
PRISIONEIRO
PRISIONEIRO
PRISIONEIRO
PRISIONEIRO
C026502 E03 12/05
(1)
30 240
Tdp (540 Rpm)
Pto (540 Rpm)
Tdf (540 Rpm)
Carcaça Central
Middle Body
Carcaza Central
30 240
-
Menu Símbolos
EB59Z055
T0210123
30-240 No
30-135 No
1
2
3
4
5
6
7
8
9
10
11
12
13
14
16
17
18
063781N1
851258M1
898643M1
353916X1
195453M1
3611134M93
1004633M1
391162X1
831581M2
3149348M1
3599003M92
035678T1
1850909M91
3146477M93
377622X1
899199M1
353437X1
1
2
2
4
1
1
1
1
1
2
1
1
1
1
16
6
14
HOUSING ALOJAMIENTO
O RING JUNTA TORICA
PIN PASADOR
NUT TUERCA
BEARING NEEDLE COJINETA AGUJAS
SLEEVE MANCHA
O RING JUNTA TORICA
BEARING COJINETE
CIRCLIP CIRCULITO
PLATE CHAPA
SHAFT ARBOL
COVER CUBIERTA
BEARING ASSY RODAMIENTO RAD
KIT,DIFFERENTIAL JGO.DIFERENCIAL.
BOLT PERNO
BOLT PERNO
NUT TUERCA
CARCAÇA
ANEL "O"
PINO
PORCA
ROLAMENTO AGULHA
LUVA
ANEL "O"
ROLAMENTO
ANEL TRAVA
CHAPA
EIXO
TAMPA
CJ. ROLAMENTO
CJ. DIFERENCIAL
PARAFUSO
PARAFUSO
PORCA
C026502 E03 12/05
(1)
2 Rodas Motrizes - Com Tdpi 540 Rpm
2 Wheels Drive - With Ipto 540 Rpm
2 Ruedas Motriz - Con Tdfi 540 Rpm
30 245
Carcaça Central
Middle Body
Carcaza Central
30 245
-
Menu Símbolos
EB66Z004
T0210124
30-240 No
30-135 No
1
2
3
4
5
6
7
8
9
10
11
12
13
14
15
17
18
19
063781N1
851258M1
898643M1
353916X1
195453M1
3611134M93
1004633M1
391162X1
831581M2
532898M1
3599003M92
3149348M1
035678T1
1850909M91
3146477M93
377622X1
899199M1
353437X1
1
2
2
4
1
1
1
1
1
1
1
2
1
1
1
8
6
14
HOUSING ALOJAMIENTO
O RING JUNTA TORICA
PIN PASADOR
NUT TUERCA
BEARING NEEDLE COJINETA AGUJAS
SLEEVE MANCHA
O RING JUNTA TORICA
BEARING COJINETE
CIRCLIP CIRCULITO
SLEEVE MANCHA
SHAFT ARBOL
PLATE CHAPA
COVER CUBIERTA
BEARING ASSY RODAMIENTO RAD
KIT,DIFFERENTIAL JGO.DIFERENCIAL.
BOLT PERNO
BOLT PERNO
NUT TUERCA
CARCAÇA
ANEL "O"
PINO
PORCA
ROLAMENTO AGULHA
LUVA
ANEL "O"
ROLAMENTO
ANEL TRAVA
LUVA
EIXO
CHAPA
TAMPA
CJ. ROLAMENTO
CJ. DIFERENCIAL
PARAFUSO
PARAFUSO
PORCA
C026502 E03 12/05
(1)
2 Rodas Motrizes - Estreito
2 Wheels Drive - Narrow
2 Ruedas Motriz - Estrecho
30 250
Tdp (540 Rpm)
Pto (540 Rpm)
Tdf (540 Rpm)
Carcaça Central
Middle Body
Carcaza Central
30 250
-
Menu Símbolos
EB71Z005
T0210125
25
30-260 No
30-115 No
30-210 No
1
2
3
4
5
6
7
8
9
10
11
12
13
14
15
16
17
18
19
20
21
22
23
24
25
26
27
29
037804P1
1872362M1
063782N1
851258M1
898643M1
353916X1
360776X1
4200027M91
039087P1
1004633M1
3611134M93
391162X1
831581M2
3599003M92
3149348M1
035678T1
353699X1
1444415X1
338600X1
3146844M1
1850909M91
037031N1
899199M1
353437X1
377622X1
3698408M1
3698406M1
195453M1
1
1
1
2
2
4
1
1
1
1
1
1
1
1
2
1
3
2
1
1
1
1
6
14
16
2
1
1
GEAR ENGRANAJE
CIRCLIP CIRCULITO
HOUSING ALOJAMIENTO
O RING JUNTA TORICA
PIN PASADOR
NUT TUERCA
BOLT PERNO
DRIVE HOUSING CAJA DE MANDO
SLEEVE MANCHA
O RING JUNTA TORICA
SLEEVE MANCHA
BEARING COJINETE
CIRCLIP CIRCULITO
SHAFT ARBOL
PLATE CHAPA
COVER CUBIERTA
BOLT PERNO
PIN PASADOR
NUT TUERCA
STUD ESPARRAGO
BEARING ASSY RODAMIENTO RAD
KIT,DIFFERENTIAL JGO.DIFERENCIAL.
BOLT PERNO
NUT TUERCA
BOLT PERNO
BEARING COJINETE
SPACER PIEZA DISTANCIA
BEARING NEEDLE COJINETA AGUJAS
ENGRENAGEM
ANEL TRAVA
CARCAÇA
ANEL "O"
PINO
PORCA
PARAFUSO
CX. ACIONAMENTO
LUVA
ANEL "O"
LUVA
ROLAMENTO
ANEL TRAVA
EIXO
CHAPA
TAMPA
PARAFUSO
PINO
PORCA
PRISIONEIRO
CJ. ROLAMENTO
CJ. DIFERENCIAL
PARAFUSO
PORCA
PARAFUSO
ROLAMENTO
ESPAÇADOR
ROLAMENTO AGULHA
C026502 E03 12/05
(1)
4 Rodas Motrizes - Tração Lateral
4 Wheels Drive - Side Drive
4 Ruedas Motriz - Traccion Lateral
30 255
Tdpi 540 Rpm
Ipto 540 Rpm
Tdfi 540 Rpm
Carcaça Central
Middle Body
Carcaza Central
30 255
-
Menu Símbolos
EB59Z056
063782N1
1
2
3
4
5
6
7
8
9
10
11
036315P2
353446X1
353676X1
063207P1
195569M1
180474M1
3409712M1
490808M1
1860900M1
377616X1
1860900M1
1
3
3
1
4
1
1
4
2
4
8
HOUSING ALOJAMIENTO
WASHER ARANDELA
BOLT PERNO
COVER CUBIERTA
STUD ESPARRAGO
WASHER ARANDELA
PLUG TAPON
STUD ESPARRAGO
STUD ESPARRAGO
STUD ESPARRAGO
STUD ESPARRAGO
CARCAÇA
ARRUELA
PARAFUSO
TAMPA
PRISIONEIRO
ARRUELA
BUJÃO
PRISIONEIRO
PRISIONEIRO
PRISIONEIRO
PRISIONEIRO
C026502 E03 12/05
(1)
30 260
Carcaça Central
Middle Body
Carcaza Central
30 260
-
Menu Símbolos
3/32"x3/4"
1/16
1/8x11/8
N062Z011
3147469M91
1
2
3
4
5
6
7
8
9
10
11
048707N1
357616X1
1869408M1
1869407M1
1001833M1
1869136M1
1869134M2
2801719M1
377426X1
049179P1
048708P1
1
1
1
1
1
1
1
1
1
1
1
1
1
KIT, COVER JUEGO DE TAPA
PIN PASADOR
PLATE PLATO
SHAFT ARBOL
O RING JUNTA TORICA
SPRING RESORTE
ACTUATOR ACTUADOR
PIN PASADOR
CIRCLIP CIRCULITO
PIPE CANO
COVER CUBIERTA
CJ. TAMPA
PINO
PLACA
EIXO
ANEL "O"
MOLA
ATUADOR
PINO
ANEL TRAVA
TUBO
TAMPA
C026502 E03 12/05
(1)
30 265
Tampa
Cover
Tapa
30 265
-
Menu Símbolos
7/16X14X1"
E036Z001
21484001
1 353698X1 8
2 BOLT PERNO
PARAFUSO
C026502 E03 12/05
(1)
30 270
Fixação Tampa Lateral
Fastener Side Cover
Fixacion Tapa Lateral
30 270
-
Menu Símbolos
N062Z040
065249N1
065247N1
1
2
3
4
5
6
7
8
9
10
11
12
13
14
065247N1
049179P1
1869134M2
1869136M1
1001833M1
1869407M1
357616X1
1869408M1
6209491M1
1869138M1
353753X1
377426X1
2801719M1
1
1
1
1
1
1
1
1
1
1
1
1
1
1
1
1
KIT, CAP JUEGO DE TAPON
PIPE CANO
COVER CUBIERTA
ACTUATOR ACTUADOR
SPRING RESORTE
O RING JUNTA TORICA
SHAFT ARBOL
PIN PASADOR
PLATE PLATO
LEVER PALANCA
BOLT PERNO
WASHER ARANDELA
CIRCLIP CIRCULITO
PIN PASADOR
CJ. TAMPA
TUBO
TAMPA
ATUADOR
MOLA
ANEL "O"
EIXO
PINO
PLACA
ALAVANCA
PARAFUSO
ARRUELA
ANEL TRAVA
PINO
C026502 E03 12/05
(1)
30 275
Tampa
Cover
Tapa
30 275
-
Menu Símbolos
EC40Z001
T0226016
1
2
3
4
5
6
7
8
9
10
11
12
13
058281P1
3145272M92
058287P1
1665962M91
181218M91
181217M1
195387M1
182099M91
022747P1
3146844M1
3145276M1
898207M1
181219M1
5
1
8
1
1
1
2
1
2
1
1
1
1
2
2
5
5
BOLT PERNO
COVER CUBIERTA
BOLT PERNO
ROD VARILLA
KIT, COVER JUEGO DE TAPA
GASKET EMPAQUETADURA.
PLUG TAPON
BREATHER RESPIRADERO
PLATE PLATO
STUD ESPARRAGO
COVER CUBIERTA
PIPE CANO
COVER CUBIERTA
PARAFUSO
TAMPA
PARAFUSO
VARETA
CJ. TAMPA
JUNTA
BUJÃO
RESPIRO
PLACA
PRISIONEIRO
TAMPA
TUBO
TAMPA
C026502 E03 12/05
(1)
30 280
Sem Levante
Without Lift
Sin Levante
Tampa
Cover
Tapa
30 280
-
Menu Símbolos
EC63Z001
T0260003
0.73/0.78MM
0.60/0.66MM
1.24/1.29MM
1.11/1.16MM
0.99/1.04MM
0.86/0.91MM
1850909M91
1851533M91
1860503M92
30-310 No
30-315 No
30-335 No
1
1
1
1
1
1
2
3
4
5
6
7
7
8
9
10
11
12
13
14
15
16
17
18
19
20
21
22
23
24
25
26
27
28
29
30
30
31
32
33
34
35
36
37
38
39
40
41
41
187689M1
521401M1
892170M1
892171M1
892172M1
892173M1
897003M3
906807M1
034013P1
1860970M1
3409713M1
353434X1
1860959M1
354269X1
1865002M1
330797X1
046808P1
894772M2
894778M1
1864852M1
022516P3
1864869M1
897005M1
022351P1
068135T1
022356N1
022355N3
338600X1
353432X1
3585916M1
2412X
361785X1
3147504M2
055999P2
3149891M91
1865014M1
906811M1
353426X1
851258M1
358950X1
1864764M1
906808M1
1860838M2
420407M1
1660834M1
1660835M1
X
X
X
X
X
X
1
1
1
1
4
1
1
2
2
2
2
2
2
2
2
6
2
6
2
2
2
X
2
2
24
24
2
2
24
1
1
2
1
1
1
1
1
1
1
4
1
1
1
SHIM CALCE
SHIM CALCE
SHIM CALCE
SHIM CALCE
SHIM CALCE
SHIM CALCE
BEARING COJINETE
SLEEVE MANCHA
FORK HORQUILLA
BEARING COJINETE
BOLT PERNO
BRACKET SOPORTE
BRACKET SOPORTE
WASHER ARANDELA
CAP TAPA
BOLT PERNO
SPACER PIEZA DISTANCIA
NUT TUERCA
LEVER PALANCA
ANNULAR GEAR ENGRANAJE ANULAR
BUSH CASQUILLO
PIN PASADOR
CARRIER PORTADOR
SHAFT ARBOL
GEAR ENGRANAJE
CIRCLIP CIRCULITO
BEARING COJINETE
ADHESIVE ADHESIVO
KIT, COVER JUEGO DE TAPA
HALF AXLE SEMIEJES
NUT TUERCA
WASHER ARANDELA
SHAFT ARBOL
PLUG TAPON
BOLT PERNO
AXLE HOUSING CAJA DEL EJE
AXLE HOUSING CAJA DEL EJE
KIT, BRAKE FRENOS JUEGO
FORK HORQUILLA
PROTECTOR PROTECTOR
NUT TUERCA
O RING JUNTA TORICA
CIRCLIP CIRCULITO
WASHER ARANDELA
SPRING RESORTE
O RING JUNTA TORICA
PIN PASADOR
PLATE PLATO
PLATE PLATO
CALÇO
CALÇO
CALÇO
CALÇO
CALÇO
CALÇO
ROLAMENTO
LUVA
GARFO
ROLAMENTO
PARAFUSO
SUPORTE
SUPORTE
ARRUELA
CAPA
PARAFUSO
ESPAÇADOR
PORCA
ALAVANCA
COROA
BUCHA
PINO
PORTA ENGRENAGEM
EIXO
ENGRENAGEM
ANEL TRAVA
ROLAMENTO
ADESIVO
CJ. TAMPA
SEMI EIXO
PORCA
ARRUELA
EIXO
BUJÃO
PARAFUSO
CARCAÇA DO EIXO
CARCAÇA DO EIXO
CJ. FREIO
GARFO
PROTETOR
PORCA
ANEL "O"
ANEL TRAVA
ARRUELA
MOLA
ANEL "O"
PINO
PLACA
PLACA
C026502 E03 12/05
(1)
2 Rodas Motrizes
2 Wheels Drive
2 Ruedas Motriz
30 285
Redução Final Traseira
Rear Final Drive
Reduccion Final Trasera
30 285
-
Menu Símbolos
EC63Z001
T0260003
0.05MM
0.10MM
0.15MM
1881931M91
1881931M91
42
43
44
45
46
47
48
49
50
51
52
53
54
55
56
57
58
58
58
59
60
61
1864763M1
1860956M1
3699971M1
184171M1
052765P1
354059X1
363459X1
353434X1
362455X1
1865003M1
894769M1
184196M1
184742M1
184441M1
894867M1
1860954M1
894757M1
894758M1
894759M1
182099M91
1
2
2
2
2
2
2
4
4
2
6
6
348
8
4
2
X
X
X
2
2
2
SHAFT ARBOL
SHAFT ARBOL
STRAP FAJA
SPRING RESORTE
BRACKET SOPORTE
DOWEL CENTRAJE
PIN PASADOR
WASHER ARANDELA
BOLT PERNO
PIN PASADOR
GEAR ENGRANAJE
WASHER ARANDELA
ROLLER RODILLO
WASHER ARANDELA
WASHER ARANDELA
OIL SEAL BUJE RETENACEITE
SHIM CALCE
SHIM CALCE
SHIM CALCE
BEARING COJINETE
BEARING COJINETE
BREATHER RESPIRADERO
EIXO
EIXO
ALÇA
MOLA
SUPORTE
CONTRAPINO
PINO
ARRUELA
PARAFUSO
PINO
ENGRENAGEM
ARRUELA
ROLETE
ARRUELA
ARRUELA
RETENTOR
CALÇO
CALÇO
CALÇO
ROLAMENTO
ROLAMENTO
RESPIRO
C026502 E03 12/05
(1)
2 Rodas Motrizes
2 Wheels Drive
2 Ruedas Motriz
30 285
Redução Final Traseira
Rear Final Drive
Reduccion Final Trasera
30 285
-
Menu Símbolos
EC63Z004
T0260004
0.73/0.78MM
0.60/0.66MM
1.24/1.29MM
1.11/1.16MM
0.99/1.04MM
0.86/0.91MM
1850909M91
1851533M91
1860503M92
30-310 No
30-320 No
30-335 No
1
1
1
1
1
1
2
3
4
5
6
7
7
8
9
10
11
12
13
13
14
15
16
17
18
19
20
21
22
23
24
25
26
27
28
29
30
30
31
32
33
34
35
36
37
38
39
40
41
187689M1
521401M1
892170M1
892171M1
892172M1
892173M1
897003M3
906807M1
034013P1
1860970M1
3409713M1
353434X1
1860959M1
354269X1
1865002M1
330797X1
1861665M1
1861666M1
894772M2
894778M1
1864852M1
022516P3
1864869M1
897005M1
022351P1
184182M3
022356N1
022424N3
338600X1
353432X1
3585913M1
2412X
361785X1
3411898M2
3411899M2
3149891M91
1865014M1
906811M1
353426X1
851258M1
358950X1
1864764M1
906808M1
1860838M2
420407M1
1660834M1
X
X
X
X
X
X
1
1
1
1
4
1
1
2
2
2
2
2
1
1
2
2
6
2
6
2
2
2
4
2
2
10
10
2
2
10
1
1
2
1
1
1
1
1
1
1
4
1
1
SHIM CALCE
SHIM CALCE
SHIM CALCE
SHIM CALCE
SHIM CALCE
SHIM CALCE
BEARING COJINETE
SLEEVE MANCHA
FORK HORQUILLA
BEARING COJINETE
BOLT PERNO
BRACKET SOPORTE
BRACKET SOPORTE
WASHER ARANDELA
CAP TAPA
BOLT PERNO
SPACER PIEZA DISTANCIA
NUT TUERCA
LEVER PALANCA
LEVER PALANCA
ANNULAR GEAR ENGRANAJE ANULAR
BUSH CASQUILLO
PIN PASADOR
CARRIER PORTADOR
SHAFT ARBOL
GEAR ENGRANAJE
CIRCLIP CIRCULITO
BEARING COJINETE
GASKET EMPAQUETADURA.
KIT, COVER JUEGO DE TAPA
HALF AXLE SEMIEJES
NUT TUERCA
WASHER ARANDELA
SHAFT ARBOL
PLUG TAPON
BOLT PERNO
HOUSING ALOJAMIENTO
HOUSING ALOJAMIENTO
KIT, BRAKE FRENOS JUEGO
FORK HORQUILLA
PROTECTOR PROTECTOR
NUT TUERCA
O RING JUNTA TORICA
CIRCLIP CIRCULITO
WASHER ARANDELA
SPRING RESORTE
O RING JUNTA TORICA
PIN PASADOR
PLATE PLATO
CALÇO
CALÇO
CALÇO
CALÇO
CALÇO
CALÇO
ROLAMENTO
LUVA
GARFO
ROLAMENTO
PARAFUSO
SUPORTE
SUPORTE
ARRUELA
CAPA
PARAFUSO
ESPAÇADOR
PORCA
ALAVANCA
ALAVANCA
COROA
BUCHA
PINO
PORTA ENGRENAGEM
EIXO
ENGRENAGEM
ANEL TRAVA
ROLAMENTO
JUNTA
CJ. TAMPA
SEMI EIXO
PORCA
ARRUELA
EIXO
BUJÃO
PARAFUSO
CARCAÇA
CARCAÇA
CJ. FREIO
GARFO
PROTETOR
PORCA
ANEL "O"
ANEL TRAVA
ARRUELA
MOLA
ANEL "O"
PINO
PLACA
C026502 E03 12/05
(1)
30 290
Redução Final Traseira
Rear Final Drive
Reduccion Final Trasera
30 290
-
Menu Símbolos
EC63Z004
T0260004
0.05MM
0.10MM
0.15MM
1881931M91
1881931M91
41
42
43
44
45
46
47
48
49
50
51
52
53
54
55
56
57
58
58
58
59
60
61
1660835M1
1864763M1
1860956M1
184310M1
184171M1
1860960M2
354059X1
363459X1
353434X1
362455X1
1865003M1
894769M1
184196M1
184742M1
184441M1
894867M1
1860954M1
894757M1
894758M1
894759M1
182099M91
1
1
2
2
2
2
2
2
4
4
2
6
6
348
8
4
2
X
X
X
2
2
2
PLATE PLATO
SHAFT ARBOL
SHAFT ARBOL
STRAP FAJA
SPRING RESORTE
GASKET EMPAQUETADURA.
DOWEL CENTRAJE
PIN PASADOR
WASHER ARANDELA
BOLT PERNO
PIN PASADOR
GEAR ENGRANAJE
WASHER ARANDELA
ROLLER RODILLO
WASHER ARANDELA
WASHER ARANDELA
OIL SEAL BUJE RETENACEITE
SHIM CALCE
SHIM CALCE
SHIM CALCE
BEARING COJINETE
BEARING COJINETE
BREATHER RESPIRADERO
PLACA
EIXO
EIXO
ALÇA
MOLA
JUNTA
CONTRAPINO
PINO
ARRUELA
PARAFUSO
PINO
ENGRENAGEM
ARRUELA
ROLETE
ARRUELA
ARRUELA
RETENTOR
CALÇO
CALÇO
CALÇO
ROLAMENTO
ROLAMENTO
RESPIRO
C026502 E03 12/05
(1)
30 290
Redução Final Traseira
Rear Final Drive
Reduccion Final Trasera
30 290
-
Menu Símbolos
5/16X24X1"
11/16X25/64X3/32
3/8X16X2.1/2
7/16X20
7/16X20
25/32X15/32X7/64
7/16X20X3.7/8
7/16X20
13/16"
EC63Z005
T0260007
0.73/0.78MM
0.60/0.66MM
1.24/1.29MM
1.11/1.16MM
0.99/1.04MM
0.86/0.91MM
1850909M91
1851533M91
1860503M92
30-310 No
30-315 No
30-330 No
1
1
1
1
1
1
2
3
4
5
6
7
7
8
9
10
11
12
13
14
15
16
17
18
19
20
21
22
23
24
25
26
27
28
29
30
30
31
32
33
34
35
36
37
38
39
40
41
41
42
187689M1
521401M1
892170M1
892171M1
892172M1
892173M1
897003M3
906807M1
034013P1
1860970M1
3409713M1
353434X1
1860959M1
354269X1
1865002M1
330797X1
046808P1
894772M2
894778M1
1864852M1
022516P3
1864869M1
897005M1
022351P1
068135T1
022356N1
022355N3
338600X1
353432X1
3585916M1
2412X
361785X1
3147504M2
055999P2
3148715M91
1865014M1
906811M1
353426X1
851258M1
358950X1
1864764M1
906808M1
1860838M2
420407M1
1860881M1
1860884M1
1864763M1
X
X
X
X
X
X
1
1
1
1
4
1
1
2
2
2
2
2
2
2
2
6
2
6
2
2
2
X
2
2
24
24
2
2
24
1
1
2
1
1
1
1
1
1
1
4
1
1
1
1
SHIM CALCE
SHIM CALCE
SHIM CALCE
SHIM CALCE
SHIM CALCE
SHIM CALCE
BEARING COJINETE
SLEEVE MANCHA
FORK HORQUILLA
BEARING COJINETE
BOLT PERNO
BRACKET SOPORTE
BRACKET SOPORTE
WASHER ARANDELA
CAP TAPA
BOLT PERNO
SPACER PIEZA DISTANCIA
NUT TUERCA
LEVER PALANCA
ANNULAR GEAR ENGRANAJE ANULAR
BUSH CASQUILLO
PIN PASADOR
CARRIER PORTADOR
SHAFT ARBOL
GEAR ENGRANAJE
CIRCLIP CIRCULITO
BEARING COJINETE
ADHESIVE ADHESIVO
KIT, COVER JUEGO DE TAPA
HALF AXLE SEMIEJES
NUT TUERCA
WASHER ARANDELA
SHAFT ARBOL
PLUG TAPON
BOLT PERNO
AXLE HOUSING CAJA DEL EJE
AXLE HOUSING CAJA DEL EJE
KIT, BRAKE FRENOS JUEGO
FORK HORQUILLA
PROTECTOR PROTECTOR
NUT TUERCA
O RING JUNTA TORICA
CIRCLIP CIRCULITO
WASHER ARANDELA
SPRING RESORTE
O RING JUNTA TORICA
PIN PASADOR
PLATE PLATO
PLATE PLATO
SHAFT ARBOL
CALÇO
CALÇO
CALÇO
CALÇO
CALÇO
CALÇO
ROLAMENTO
LUVA
GARFO
ROLAMENTO
PARAFUSO
SUPORTE
SUPORTE
ARRUELA
CAPA
PARAFUSO
ESPAÇADOR
PORCA
ALAVANCA
COROA
BUCHA
PINO
PORTA ENGRENAGEM
EIXO
ENGRENAGEM
ANEL TRAVA
ROLAMENTO
ADESIVO
CJ. TAMPA
SEMI EIXO
PORCA
ARRUELA
EIXO
BUJÃO
PARAFUSO
CARCAÇA DO EIXO
CARCAÇA DO EIXO
CJ. FREIO
GARFO
PROTETOR
PORCA
ANEL "O"
ANEL TRAVA
ARRUELA
MOLA
ANEL "O"
PINO
PLACA
PLACA
EIXO
C026502 E03 12/05
(1)
30 295
Redução Final Traseira
Rear Final Drive
Reduccion Final Trasera
30 295
-
Menu Símbolos
1X1/8
7/16
3/8X16X2.1/4
EC63Z005
T0260007
9/64
0.05MM
0.10MM
0.15MM
1881931M91
1881931M91
43
44
44
45
46
47
48
49
50
51
52
53
54
55
56
57
58
58
58
59
60
61
1860956M1
184310M1
3699971M1
184171M1
1860960M2
354059X1
363459X1
353434X1
362455X1
1865003M1
894769M1
184196M1
184742M1
184441M1
894867M1
1860954M1
894757M1
894758M1
894759M1
182099M91
2
2
2
2
2
2
2
4
4
2
6
6
348
8
4
2
X
X
X
2
2
2
SHAFT ARBOL
STRAP FAJA
STRAP FAJA
SPRING RESORTE
GASKET EMPAQUETADURA.
DOWEL CENTRAJE
PIN PASADOR
WASHER ARANDELA
BOLT PERNO
PIN PASADOR
GEAR ENGRANAJE
WASHER ARANDELA
ROLLER RODILLO
WASHER ARANDELA
WASHER ARANDELA
OIL SEAL BUJE RETENACEITE
SHIM CALCE
SHIM CALCE
SHIM CALCE
BEARING COJINETE
BEARING COJINETE
BREATHER RESPIRADERO
EIXO
ALÇA
ALÇA
MOLA
JUNTA
CONTRAPINO
PINO
ARRUELA
PARAFUSO
PINO
ENGRENAGEM
ARRUELA
ROLETE
ARRUELA
ARRUELA
RETENTOR
CALÇO
CALÇO
CALÇO
ROLAMENTO
ROLAMENTO
RESPIRO
C026502 E03 12/05
(1)
30 295
Redução Final Traseira
Rear Final Drive
Reduccion Final Trasera
30 295
-
Menu Símbolos
N067Z001
T0260023
0.73/0.78MM
0.60/0.66MM
1.24/1.29MM
1.11/1.16MM
0.99/1.04MM
0.86/0.91MM
1850909M91
1851533M91
1860503M92
30-310 No
30-315 No
30-330 No
1
1
1
1
1
1
2
3
4
5
6
7
7
8
9
10
11
12
13
14
15
16
17
18
19
20
21
22
23
24
25
26
27
28
29
30
30
31
32
33
34
35
36
37
38
39
40
41
41
187689M1
521401M1
892170M1
892171M1
892172M1
892173M1
897003M3
906807M1
034013P1
1860970M1
3409713M1
353434X1
1860959M1
354269X1
1865002M1
330797X1
046808P1
894772M2
894778M1
1864852M1
022516P3
1864869M1
897005M1
022351P1
068135T1
022356N1
022355N3
338600X1
353432X1
3585916M1
2412X
361785X1
3147504M2
055999P2
3148715M91
1865014M1
906811M1
353426X1
851258M1
358950X1
1864764M1
906808M1
1860838M2
420407M1
1860881M1
1860884M1
X
X
X
X
X
X
1
1
1
1
4
1
1
2
2
2
2
2
2
2
2
6
2
6
2
2
2
X
2
2
24
24
2
2
24
1
1
2
1
1
1
1
1
1
1
4
1
1
1
SHIM CALCE
SHIM CALCE
SHIM CALCE
SHIM CALCE
SHIM CALCE
SHIM CALCE
BEARING COJINETE
SLEEVE MANCHA
FORK HORQUILLA
BEARING COJINETE
BOLT PERNO
BRACKET SOPORTE
BRACKET SOPORTE
WASHER ARANDELA
CAP TAPA
BOLT PERNO
SPACER PIEZA DISTANCIA
NUT TUERCA
LEVER PALANCA
ANNULAR GEAR ENGRANAJE ANULAR
BUSH CASQUILLO
PIN PASADOR
CARRIER PORTADOR
SHAFT ARBOL
GEAR ENGRANAJE
CIRCLIP CIRCULITO
BEARING COJINETE
ADHESIVE ADHESIVO
KIT, COVER JUEGO DE TAPA
HALF AXLE SEMIEJES
NUT TUERCA
WASHER ARANDELA
SHAFT ARBOL
PLUG TAPON
BOLT PERNO
AXLE HOUSING CAJA DEL EJE
AXLE HOUSING CAJA DEL EJE
KIT, BRAKE FRENOS JUEGO
FORK HORQUILLA
PROTECTOR PROTECTOR
NUT TUERCA
O RING JUNTA TORICA
CIRCLIP CIRCULITO
WASHER ARANDELA
SPRING RESORTE
O RING JUNTA TORICA
PIN PASADOR
PLATE PLATO
PLATE PLATO
CALÇO
CALÇO
CALÇO
CALÇO
CALÇO
CALÇO
ROLAMENTO
LUVA
GARFO
ROLAMENTO
PARAFUSO
SUPORTE
SUPORTE
ARRUELA
CAPA
PARAFUSO
ESPAÇADOR
PORCA
ALAVANCA
COROA
BUCHA
PINO
PORTA ENGRENAGEM
EIXO
ENGRENAGEM
ANEL TRAVA
ROLAMENTO
ADESIVO
CJ. TAMPA
SEMI EIXO
PORCA
ARRUELA
EIXO
BUJÃO
PARAFUSO
CARCAÇA DO EIXO
CARCAÇA DO EIXO
CJ. FREIO
GARFO
PROTETOR
PORCA
ANEL "O"
ANEL TRAVA
ARRUELA
MOLA
ANEL "O"
PINO
PLACA
PLACA
C026502 E03 12/05
(1)
30 300
4 Rodas Motrizes
4 Wheels Drive
4 Ruedas Motriz
Redução Final Traseira
Rear Final Drive
Reduccion Final Trasera
30 300
-
Menu Símbolos
N067Z001
T0260023
0.05MM
0.10MM
0.15MM
1881931M91
1881931M91
42
43
44
45
47
48
49
50
51
52
53
54
55
56
57
58
58
58
59
60
61
1864763M1
1860956M1
3699971M1
184171M1
354059X1
363459X1
353434X1
362455X1
1865003M1
894769M1
184196M1
184742M1
184441M1
894867M1
1860954M1
894757M1
894758M1
894759M1
182099M91
1
2
2
2
2
2
4
4
2
6
6
348
8
4
2
X
X
X
2
2
2
SHAFT ARBOL
SHAFT ARBOL
STRAP FAJA
SPRING RESORTE
DOWEL CENTRAJE
PIN PASADOR
WASHER ARANDELA
BOLT PERNO
PIN PASADOR
GEAR ENGRANAJE
WASHER ARANDELA
ROLLER RODILLO
WASHER ARANDELA
WASHER ARANDELA
OIL SEAL BUJE RETENACEITE
SHIM CALCE
SHIM CALCE
SHIM CALCE
BEARING COJINETE
BEARING COJINETE
BREATHER RESPIRADERO
EIXO
EIXO
ALÇA
MOLA
CONTRAPINO
PINO
ARRUELA
PARAFUSO
PINO
ENGRENAGEM
ARRUELA
ROLETE
ARRUELA
ARRUELA
RETENTOR
CALÇO
CALÇO
CALÇO
ROLAMENTO
ROLAMENTO
RESPIRO
C026502 E03 12/05
(1)
30 300
4 Rodas Motrizes
4 Wheels Drive
4 Ruedas Motriz
Redução Final Traseira
Rear Final Drive
Reduccion Final Trasera
30 300
-
Menu Símbolos
N067Z003
T0260024
0.73/0.78MM
0.60/0.66MM
1.24/1.29MM
1.11/1.16MM
0.99/1.04MM
0.86/0.91MM
1850909M91
1851533M91
1860503M92
30-310 No
30-320 No
30-330 No
1
1
1
1
1
1
2
3
4
5
6
7
7
8
9
10
11
12
13
14
15
16
17
18
19
20
21
22
23
24
25
26
27
28
29
30
30
31
32
33
34
35
36
37
38
39
40
41
41
42
187689M1
521401M1
892170M1
892171M1
892172M1
892173M1
897003M3
906807M1
034013P1
1860970M1
3409713M1
353434X1
1860959M1
354269X1
1865002M1
330797X1
046808P1
894772M2
894778M1
1864852M1
022516P3
1864869M1
897005M1
022351P1
184182M3
022356N1
022424N3
338600X1
353432X1
3585913M1
2412X
361785X1
3411898M2
3411899M2
3148715M91
1865014M1
906811M1
353426X1
851258M1
358950X1
1864764M1
906808M1
1860838M2
420407M1
1860881M1
1860884M1
1864763M1
X
X
X
X
X
X
1
1
1
1
4
1
1
2
2
2
2
2
2
2
2
6
2
6
2
2
2
4
2
2
10
10
2
2
10
1
1
2
1
1
1
1
1
1
1
4
1
1
1
1
SHIM CALCE
SHIM CALCE
SHIM CALCE
SHIM CALCE
SHIM CALCE
SHIM CALCE
BEARING COJINETE
SLEEVE MANCHA
FORK HORQUILLA
CONE CONO
BOLT PERNO
BRACKET SOPORTE
BRACKET SOPORTE
WASHER ARANDELA
CAP TAPA
BOLT PERNO
SPACER PIEZA DISTANCIA
NUT TUERCA
LEVER PALANCA
ANNULAR GEAR ENGRANAJE ANULAR
BUSH CASQUILLO
PIN PASADOR
CARRIER PORTADOR
SHAFT ARBOL
GEAR ENGRANAJE
CIRCLIP CIRCULITO
CONE CONO
GASKET EMPAQUETADURA.
KIT, COVER JUEGO DE TAPA
HALF AXLE SEMIEJES
NUT TUERCA
WASHER ARANDELA
SHAFT ARBOL
PLUG TAPON
BOLT PERNO
HOUSING ALOJAMIENTO
HOUSING ALOJAMIENTO
KIT, BRAKE FRENOS JUEGO
FORK HORQUILLA
PROTECTOR PROTECTOR
NUT TUERCA
O RING JUNTA TORICA
CIRCLIP CIRCULITO
WASHER ARANDELA
SPRING RESORTE
O RING JUNTA TORICA
PIN PASADOR
PLATE PLATO
PLATE PLATO
SHAFT ARBOL
CALÇO
CALÇO
CALÇO
CALÇO
CALÇO
CALÇO
ROLAMENTO
LUVA
GARFO
CONE
PARAFUSO
SUPORTE
SUPORTE
ARRUELA
CAPA
PARAFUSO
ESPAÇADOR
PORCA
ALAVANCA
COROA
BUCHA
PINO
PORTA ENGRENAGEM
EIXO
ENGRENAGEM
ANEL TRAVA
CONE
JUNTA
CJ. TAMPA
SEMI EIXO
PORCA
ARRUELA
EIXO
BUJÃO
PARAFUSO
CARCAÇA
CARCAÇA
CJ. FREIO
GARFO
PROTETOR
PORCA
ANEL "O"
ANEL TRAVA
ARRUELA
MOLA
ANEL "O"
PINO
PLACA
PLACA
EIXO
C026502 E03 12/05
(1)
30 305
4 Rodas Motrizes
4 Wheels Drive
4 Ruedas Motriz
Redução Final Traseira
Rear Final Drive
Reduccion Final Trasera
30 305
-
Menu Símbolos
N067Z003
T0260024
0.05MM
0.10MM
0.15MM
1881931M91
1881931M91
43
44
45
46
47
48
49
50
51
52
53
54
55
56
57
58
58
58
59
60
61
1860956M1
3699971M1
184171M1
1860960M2
354059X1
363459X1
353434X1
362455X1
1865003M1
894769M1
184196M1
184742M1
184441M1
894867M1
1860954M1
894757M1
894758M1
894759M1
182099M91
2
2
2
2
2
2
4
4
2
6
6
348
8
4
2
X
X
X
2
2
2
SHAFT ARBOL
STRAP FAJA
SPRING RESORTE
GASKET EMPAQUETADURA.
DOWEL CENTRAJE
PIN PASADOR
WASHER ARANDELA
BOLT PERNO
PIN PASADOR
GEAR ENGRANAJE
WASHER ARANDELA
ROLLER RODILLO
WASHER ARANDELA
WASHER ARANDELA
OIL SEAL BUJE RETENACEITE
SHIM CALCE
SHIM CALCE
SHIM CALCE
BEARING COJINETE
BEARING COJINETE
BREATHER RESPIRADERO
EIXO
ALÇA
MOLA
JUNTA
CONTRAPINO
PINO
ARRUELA
PARAFUSO
PINO
ENGRENAGEM
ARRUELA
ROLETE
ARRUELA
ARRUELA
RETENTOR
CALÇO
CALÇO
CALÇO
ROLAMENTO
ROLAMENTO
RESPIRO
C026502 E03 12/05
(1)
30 305
4 Rodas Motrizes
4 Wheels Drive
4 Ruedas Motriz
Redução Final Traseira
Rear Final Drive
Reduccion Final Trasera
30 305
-
Menu Símbolos
E037Z001
022356N1
1
2
3
022513P2
490075M1
022517P1
1
1
1
COVER CUBIERTA
PLUG TAPON
SEAL RETEN
TAMPA
BUJÃO
RETENTOR
C026502 E03 12/05
(1)
30 310
Tampa Da Redução Final
Cover Final Drive
Tapa Da Raduccion Final
30 310
-
Menu Símbolos
11/16X16X2.29/32
5367Z001
022355N3
1
2
3
3412644M2
022414P3
894756M1
8
1
1
BOLT PERNO
HALF AXLE SEMIEJES
SPACER PIEZA DISTANCIA
PARAFUSO
SEMI EIXO
ESPAÇADOR
C026502 E03 12/05
(1)
30 315
Semi-Árvore
Axle
Eje
30 315
-
Menu Símbolos
EC74Z001
022424N3
1
2
3
893017M2
894756M1
022414P3
8
1
1
BOLT PERNO
SPACER PIEZA DISTANCIA
HALF AXLE SEMIEJES
PARAFUSO
ESPAÇADOR
SEMI EIXO
C026502 E03 12/05
(1)
30 320
Eixo Terminal Da Roda
Wheel Axle Assembly
Eje Terminal De Roda
30 320
-
Menu Símbolos
EB20Z006
048385N1
[A] ESTREITO
NARROW
ESTRECHO
900941 - MF265/2
1
2
3
4
048381P1
886352M1
886353M1
195513M1
1
1
1
1
[A] SHAFT ARBOL
SPRING RESORTE
SEAT ASIENTO
BEARING NEEDLE COJINETA AGUJAS
EIXO
MOLA
ASSENTO
ROLAMENTO AGULHA
C026502 E03 12/05
(1)
30 325
Eixo Propulsor
Propeller Axle
Eje Propulsor
30 325
-
Menu Símbolos
1.1/4X5/32
6000Z002
3148715M91
30-340 No
1
2
3
4
1861058M92
195348M1
354068X1
1861676M91
1
1
1
1
KIT, BRAKE FRENOS JUEGO
PIN PASADOR
DOWEL CENTRAJE
ROD VARILLA
CJ. FREIO
PINO
CONTRAPINO
TIRANTE
C026502 E03 12/05
(1)
30 330
Freio
Brake
Freno
30 330
-
Menu Símbolos
1.1/4X5/32
6000Z001
3149891M91
30-345 No
1
2
3
4
5
6
060429P1
1860963M91
195348M1
1861676M91
354068X1
035670T1
3
1
2
1
2
1
DISC DISCO
KIT, ACTUATOR JUEGO ACTUADOR
PIN PASADOR
ROD VARILLA
DOWEL CENTRAJE
DISC DISCO
DISCO
CJ. COMANDO
PINO
TIRANTE
CONTRAPINO
DISCO
C026502 E03 12/05
(1)
30 335
Freio
Brake
Freno
30 335
-
Menu Símbolos
E094Z001
1861058M92
1860964M2
30-345 No
1
2
3
060429P2
035670T1
1860963M91
4
2
1
DISC DISCO
DISC DISCO
KIT, ACTUATOR JUEGO ACTUADOR
DISCO
DISCO
CJ. COMANDO
C026502 E03 12/05
(1)
30 340
Comando E Disco
Drive Plate And Disc
Mando E Disco
Freio
Brake
Freno
30 340
-
Menu Símbolos
1/2
1/2X20
E010Z001
1860963M91
1860963M92
1
2
3
4
5
6
7
8
9
16779X
1481654M1
1481653M1
353438X1
1853148M1
195348M1
354068X1
1861676M91
2
6
2
2
2
4
1
1
1
DISC DISCO
BALL BOLA
BOLT PERNO
ARM BRAZO
NUT TUERCA
SPRING RESORTE
PIN PASADOR
DOWEL CENTRAJE
ROD VARILLA
DISCO
ESFERA
PARAFUSO
BRAÇO
PORCA
MOLA
PINO
CONTRAPINO
TIRANTE
C026502 E03 12/05
(1)
30 345
Comando Do Freio
Brake Drive
Mando De Freno
30 345
-
Menu Símbolos
1/2X13X2.1/2
7/8X17/32X1/8
1/2X13X3"
25,4X84,1
3/4
1/2X13
4820Z001
23308104
3146135M92
40-15 No
1
2
3
4
5
6
7
8
9
10
11
354651X1
353439X1
3146136M92
810285M92
354655X1
073481S1
1753018M1
489785M2
909718M1
375098X1
1
8
8
1
1
2
1
1
1
4
2
1
1
1
1
1
1
1
1
1
1
DRAWBAR BARRA DE TIRO
SCREW TORNILLO
WASHER ARANDELA
DRAWBAR BARRA DE TIRO
PIN PASADOR
SCREW TORNILLO
BRACKET SOPORTE
CRAMP PASADOR
PIN PASADOR
NUT TUERCA
NUT TUERCA
BARRA DE TRAÇÃO
PARAFUSO
ARRUELA
BARRA DE TRAÇÃO
PINO
PARAFUSO
SUPORTE
GRAMPO
PINO
PORCA
PORCA
C026502 E03 12/05
(1)
Oscilante
Oscillating
Oscilante
40 10
Barra De Tração
Drawbar
Barra De Tiro
40 10
-
Menu Símbolos
5/8X18X6.1/2
5/8X18X5"
33,5X17X3,75
5/8X18
4820Z002
3146136M92
1
2
3
4
5
6
7
3146131M92
080240H1
080241H1
490059M4
056606P2
3585377M1
368123X1
1
1
1
1
1
2
2
PIN PASADOR
BOLT PERNO
BOLT PERNO
CLEVIS GANCHO SEGURI.
DRAWBAR BARRA DE TIRO
WASHER ARANDELA
NUT TUERCA
PINO
PARAFUSO
PARAFUSO
SUPORTE
BARRA DE TRAÇÃO
ARRUELA
PORCA
C026502 E03 12/05
(1)
40 15
Barra De Tração
Drawbar
Barra De Tiro
40 15
-
Menu Símbolos
5/8X18X6.1/2
33,5X17,0X3,75
5/8X18
EQ33Z001
23308970
1
2
3
4
080240M1
027994S1
3585377M1
368123X1
1
1
1
1
BOLT PERNO
CLEVIS GANCHO SEGURI.
WASHER ARANDELA
NUT TUERCA
PARAFUSO
SUPORTE
ARRUELA
PORCA
C026502 E03 12/05
(1)
40 20
Suporte Da Barra De Tração
Drawbar Bracket
Soporte Del Barra Tiro
40 20
-
Menu Símbolos
EC79Z001
23308101
1484979M91
1
2
3
4
5
6
7
8
376398X1
062223S1
1484982M2
186809M1
184632M91
195708M1
195414M1
1
2
1
1
4
1
1
2
1
1
1
1
1
1
1
KIT, DRAWBAR JGO.BARRA TIRO
PIN PASADOR
BRACKET SOPORTE
BAR BARRA
NUT TUERCA
PIN PASADOR
CRAMP PASADOR
CRAMP PASADOR
CJ. BARRA
PINO
SUPORTE
BARRA
PORCA
PINO
GRAMPO
GRAMPO
C026502 E03 12/05
(1)
40 25
Barra De Tração
Drawbar
Barra De Tiro
40 25
-
Menu Símbolos
EC83Z002
23308102
1484980M91
1
2
3
4
5
6
7
8
376398X1
062223S1
1484981M2
186809M1
195708M1
184632M91
195414M1
1
2
1
1
4
1
1
2
1
1
1
1
1
1
1
KIT, DRAWBAR JGO.BARRA TIRO
PIN PASADOR
BRACKET SOPORTE
BAR BARRA
NUT TUERCA
CRAMP PASADOR
PIN PASADOR
CRAMP PASADOR
CJ. BARRA
PINO
SUPORTE
BARRA
PORCA
GRAMPO
PINO
GRAMPO
C026502 E03 12/05
(1)
40 30
Standard
Standard
Standard
Barra De Tração
Drawbar
Barra De Tiro
40 30
-
Menu Símbolos
EA34Z004
3145666M91
[A]
[B]
SERVIÇO PESADO
HEAVY DUTY
SERVICIO PESADO
SERVIÇO LEVE
NORMAL DUTY
TIPO NORMALE
1
1
1
2
3
1660262M91
1660263M91
3408539M91
490481M1
353435X1
1
1
2
1
1
[A]
[A]
[B]
KIT, ARM JUEGO DE BRAZO
KIT, ARM JUEGO DE BRAZO
KIT, ARM JUEGO DE BRAZO
BOLT PERNO
NUT TUERCA
CJ. BRAÇO
CJ. BRAÇO
CJ. BRAÇO
PARAFUSO
PORCA
C026502 E03 12/05
(1)
40 35
Braços
Links
Brazos
40 35
-
Menu Símbolos
N050Z014
T0225024
[A] COM ROSCA
WITH THREAD
CON ROSCA
40-60 No
40-65 No
40-45 No
1
2
3
4
5
6
7
8
9
10
11
12
13
14
15
16
17
18
19
20
21
22
23
24
3147681M91
354089X1
059367S1
353699X1
3149348M1
354277X1
054881T1
353436X1
353435X1
354575X1
1482939M91
049209N1
354068X1
893568M1
1863393M93
354068X1
893567M1
810285M92
035777P1
1481712M1
354092X1
353435X1
3148840M91
490481M1
1
2
1
2
2
4
2
2
2
2
2
2
2
2
1
1
1
1
1
2
2
2
2
2
[A]
KIT, ARM JUEGO DE BRAZO
COTTER PIN PASADOR DOUBLE
BRACKET SOPORTE
BOLT PERNO
PLATE CHAPA
BOLT PERNO
KIT, ARM JUEGO DE BRAZO
NUT TUERCA
NUT TUERCA
BOLT PERNO
PIN PASADOR
KIT, ARM JUEGO DE BRAZO
DOWEL CENTRAJE
PIN PASADOR
BEAM VIGA
DOWEL CENTRAJE
PIN PASADOR
PIN PASADOR
PIN PASADOR
PIN PASADOR
COTTER PIN PASADOR DOUBLE
NUT TUERCA
KIT, CHAIN CADENA JUEGO
BOLT PERNO
CJ. BRAÇO
CUPILHA
SUPORTE
PARAFUSO
CHAPA
PARAFUSO
CJ. BRAÇO
PORCA
PORCA
PARAFUSO
PINO
CJ. BRAÇO
CONTRAPINO
PINO
VIGA
CONTRAPINO
PINO
PINO
PINO
PINO
CUPILHA
PORCA
CJ. CORRENTE
PARAFUSO
C026502 E03 12/05
(1)
40 40
Braços Hidráulicos
Hydraulic Arms
Brazos Hidráulicos
40 40
-
Menu Símbolos
EN11Z001
1863393M93
1
2
1863391M3
1860913M1
1
2
BEAM VIGA
BUSH CASQUILLO
VIGA
BUCHA
C026502 E03 12/05
(1)
40 45
Viga
Beam
Viga
40 45
-
Menu Símbolos
N049Z001
037467N1
1
2
3
4
5
13811X
183614M2
039883S1
039882S1
037637P1
2
1
1
1
1
GREASER ENGRASADOR
SPRING RESORTE
FORK HORQUILLA
PIPE CANO
END EXTREMO
GRAXEIRA
MOLA
GARFO
TUBO
TERMINAL
C026502 E03 12/05
(1)
Estreito
Narrow
Estrecho
40 50
Braço Nivelador
Levelling Arm
Brazo Nivelación
40 50
-
Menu Símbolos
3/4x16
3/4x16
38.1X19.05
3/4x16x4"
1/2X13X1.3/8
N054Z001
21482534
3411965M91
40-50 No
40-60 No
1
2
3
4
5
6
7
8
9
13
14
15
17
18
19
20
21
22
23
24
25
26
27
28
037467N1
3411960M91
353435X1
353436X1
353762X1
353934X1
3411966M91
354277X1
059367S1
1481712M1
354089X1
893568M1
354068X1
1863393M93
354068X1
893567M1
810285M92
035777P1
3147681M91
354092X1
1482939M91
1863391M3
1860913M1
1
2
2
2
2
4
2
2
4
1
2
2
2
2
1
1
1
1
1
1
2
2
1
2
1
1
1
1
1
1
1
1
1
1
1
1
1
1
1
1
1
1
1
1
1
19
19
KIT, ARM JUEGO DE BRAZO
KIT, ARM JUEGO DE BRAZO
KIT, ARM JUEGO DE BRAZO
NUT TUERCA
NUT TUERCA
WASHER ARANDELA
BOLT PERNO
KIT, CHAIN CADENA JUEGO
BOLT PERNO
BRACKET SOPORTE
PIN PASADOR
COTTER PIN PASADOR DOUBLE
PIN PASADOR
DOWEL CENTRAJE
BEAM VIGA
DOWEL CENTRAJE
PIN PASADOR
PIN PASADOR
PIN PASADOR
KIT, ARM JUEGO DE BRAZO
COTTER PIN PASADOR DOUBLE
PIN PASADOR
BEAM VIGA
BUSH CASQUILLO
CJ. BRAÇO
CJ. BRAÇO
CJ. BRAÇO
PORCA
PORCA
ARRUELA
PARAFUSO
CJ. CORRENTE
PARAFUSO
SUPORTE
PINO
CUPILHA
PINO
CONTRAPINO
VIGA
CONTRAPINO
PINO
PINO
PINO
CJ. BRAÇO
CUPILHA
PINO
VIGA
BUCHA
C026502 E03 12/05
(1)
40 55
Estreito
Narrow
Estrecho
Braços Hidráulicos
Hydraulic Arms
Brazos Hidráulicos
40 55
-
Menu Símbolos
E096Z001
3147681M91
1
2
3
4
5
6
3147669M91
810285M92
035777P1
3147678M91
183614M2
3147676M91
1
1
1
1
1
1
END EXTREMO
PIN PASADOR
PIN PASADOR
TUBE TUBO
SPRING RESORTE
END EXTREMO
TERMINAL
PINO
PINO
TUBO
MOLA
TERMINAL
C026502 E03 12/05
(1)
Estreito
Narrow
Estrecho
40 60
Braço Do Terceiro Ponto
Arm Rest
Brazo De Apoyo
40 60
-
Menu Símbolos
N049Z002
049209N1
1
2
3
4
5
13811X
183614M2
039883S1
049210S1
037637P1
2
1
1
1
1
GREASER ENGRASADOR
SPRING RESORTE
FORK HORQUILLA
PIPE CANO
END EXTREMO
GRAXEIRA
MOLA
GARFO
TUBO
TERMINAL
C026502 E03 12/05
(1)
40 65
Braço Nivelador
Levelling Arm
Brazo Nivelación
40 65
-
Menu Símbolos
ADVANCED
7/16X14X1.1/8
1/2X13X1.3/8
N052Z001
21482519
40-95 No
40-80 No
1
2
3
4
5
5
6
7
8
9
10
11
12
13
14
15
16
17
18
19
20
21
24
25
26
29
060679T1
059367S1
353699X1
354277X1
060682T1
060683T1
3148840M91
490481M1
354092X1
1482939M91
354068X1
893568M1
1863393M93
354068X1
893567M1
810285M92
035777P1
1660050M94
354089X1
1481712M1
1863391M3
1860913M1
055517R1
055516R1
353775X1
353435X1
2
1
2
4
1
1
2
2
2
2
2
2
1
1
1
1
1
1
2
2
1
2
2
2
4
2
12
12
KIT, ARM JUEGO DE BRAZO
BRACKET SOPORTE
BOLT PERNO
BOLT PERNO
KIT, ARM JUEGO DE BRAZO
KIT, ARM JUEGO DE BRAZO
KIT, CHAIN CADENA JUEGO
BOLT PERNO
COTTER PIN PASADOR DOUBLE
PIN PASADOR
DOWEL CENTRAJE
PIN PASADOR
BEAM VIGA
DOWEL CENTRAJE
PIN PASADOR
PIN PASADOR
PIN PASADOR
KIT, ARM JUEGO DE BRAZO
COTTER PIN PASADOR DOUBLE
PIN PASADOR
BEAM VIGA
BUSH CASQUILLO
PIN PASADOR
GUIDE GUIA
WASHER ARANDELA
NUT TUERCA
CJ. BRAÇO
SUPORTE
PARAFUSO
PARAFUSO
CJ. BRAÇO
CJ. BRAÇO
CJ. CORRENTE
PARAFUSO
CUPILHA
PINO
CONTRAPINO
PINO
VIGA
CONTRAPINO
PINO
PINO
PINO
CJ. BRAÇO
CUPILHA
PINO
VIGA
BUCHA
PINO
GUIA
ARRUELA
PORCA
C026502 E03 12/05
(1)
40 70
Hd
Hd
Hd
Braços Hidráulicos
Hydraulic Arms
Brazos Hidráulicos
40 70
-
Menu Símbolos
EE62Z002
3147333M91
1
2
3
4
5
6
7
8
9
10
11
12
13
14
15
16
831263M1
1482629M1
1860829M2
191263M1
13811X
1863886M2
3145589M1
1860834M2
195648M1
181345M1
072287P1
1863885M1
195644M1
893567M1
354068X1
897653M2
1
1
1
1
2
1
1
1
1
1
2
1
1
1
1
1
BEARING COJINETE
CRANK MANIVELA
BOX CAJA
RING ARO
GREASER ENGRASADOR
FORK HORQUILLA
RING ARO
WASHER ARANDELA
RIVET REMACHE
GEAR ENGRANAJE
WASHER ARANDELA
SHAFT ARBOL
PLUG TAPON
PIN PASADOR
DOWEL CENTRAJE
KNUCKLE CHARNELA
ROLAMENTO
MANIVELA
CAIXA
ANEL
GRAXEIRA
GARFO
ANEL
ARRUELA
REBITE
ENGRENAGEM
ARRUELA
EIXO
BUJÃO
PINO
CONTRAPINO
ARTICULAÇÃO
C026502 E03 12/05
(1)
40 75
Lado Direito
Right Hand
Lado Derecho
Braços Do Levante
Lift Arms
Brazos De Levante
40 75
-
Menu Símbolos
N048Z003
1660050M94
1
2
3
4
5
6
1660055M92
1660051M93
810285M92
035777P1
1660053M92
036609P1
1
1
1
1
1
1
END EXTREMO
PIPE CANO
PIN PASADOR
PIN PASADOR
END EXTREMO
SPRING RESORTE
TERMINAL
TUBO
PINO
PINO
TERMINAL
MOLA
C026502 E03 12/05
(1)
40 80
Braço Do Terceiro Ponto
Arm Rest
Brazo De Apoyo
40 80
-
Menu Símbolos
EE61Z001
1863887M92
1
2
3
4
5
6
3149868M1
13811X
1863886M2
354068X1
897653M2
893567M1
1
1
1
1
1
1
FORK HORQUILLA
GREASER ENGRASADOR
FORK HORQUILLA
DOWEL CENTRAJE
KNUCKLE CHARNELA
PIN PASADOR
GARFO
GRAXEIRA
GARFO
CONTRAPINO
ARTICULAÇÃO
PINO
C026502 E03 12/05
(1)
40 85
Lado Esquerdo
Left Hand
Lado Izquierdo
Braços Do Levante
Lift Arms
Brazos De Levante
40 85
-
Menu Símbolos
N050Z004
3147373M91
40-100 No
3408540M91
40-105 No
40-60 No
1
2
3
4
5
6
7
8
9
10
11
12
13
14
15
16
17
18
19
20
21
897654M91
059367S1
353699X1
3408541M91
3148840M91
353934X1
1482939M91
354068X1
893568M1
3147331M91
1863393M92
354068X1
893567M1
810285M92
892476M2
3147681M91
354089X1
1481712M1
353436X1
353435X1
354092X1
1
1
2
2
4
2
2
2
2
1
1
1
1
1
1
1
2
2
2
2
2
KIT, ARM JUEGO DE BRAZO
BRACKET SOPORTE
BOLT PERNO
KIT, ARM JUEGO DE BRAZO
KIT, CHAIN CADENA JUEGO
BOLT PERNO
PIN PASADOR
DOWEL CENTRAJE
PIN PASADOR
KIT, ARM JUEGO DE BRAZO
BEAM VIGA
DOWEL CENTRAJE
PIN PASADOR
PIN PASADOR
PIN PASADOR
KIT, ARM JUEGO DE BRAZO
COTTER PIN PASADOR DOUBLE
PIN PASADOR
NUT TUERCA
NUT TUERCA
COTTER PIN PASADOR DOUBLE
CJ. BRAÇO
SUPORTE
PARAFUSO
CJ. BRAÇO
CJ. CORRENTE
PARAFUSO
PINO
CONTRAPINO
PINO
CJ. BRAÇO
VIGA
CONTRAPINO
PINO
PINO
PINO
CJ. BRAÇO
CUPILHA
PINO
PORCA
PORCA
CUPILHA
C026502 E03 12/05
(1)
40 90
Braços Hidráulicos
Hydraulic Arms
Brazos Hidráulicos
40 90
-
Menu Símbolos
N049Z013
060679T1
1
2
3
4
5
6
7
8
060688R1
060706R1
055511R1
055513R1
055514R1
060666R1
056632R1
060661R1
1
1
1
1
1
1
1
1
FORK HORQUILLA
PIPE CANO
END EXTREMO
GREASER ENGRASADOR
STRAP FAJA
GUIDE GUIA
CRAMP PASADOR
PIN PASADOR
GARFO
TUBO
TERMINAL
GRAXEIRA
ALÇA
GUIA
GRAMPO
PINO
C026502 E03 12/05
(1)
40 95
Braço Nivelador
Levelling Arm
Brazo Nivelación
40 95
-
Menu Símbolos
1/4"-28
1.1/4X5/32
1520Z001
897654M91
1
2
3
4
5
6
3149869M1
13811X
893405M2
354068X1
897653M2
893567M1
1
1
1
1
1
1
FORK HORQUILLA
GREASER ENGRASADOR
FORK HORQUILLA
DOWEL CENTRAJE
KNUCKLE CHARNELA
PIN PASADOR
GARFO
GRAXEIRA
GARFO
CONTRAPINO
ARTICULAÇÃO
PINO
C026502 E03 12/05
(1)
40 100
Braço
Lift Arms
Brazos Elevador
40 100
-
Menu Símbolos
1/4"-28
3/16 SAE 101
1.1/4X5/32
1520Z002
3147331M91
1
2
3
4
5
6
7
8
9
10
11
12
13
14
15
16
831263M1
1482629M1
1860829M2
191263M1
13811X
893405M2
3145589M1
1860834M2
195648M1
181345M1
072287P1
072288P1
195644M1
893567M1
354068X1
897653M2
1
1
1
1
2
1
1
1
1
1
2
1
1
1
1
1
BEARING COJINETE
CRANK MANIVELA
BOX CAJA
RING ARO
GREASER ENGRASADOR
FORK HORQUILLA
RING ARO
WASHER ARANDELA
RIVET REMACHE
GEAR ENGRANAJE
WASHER ARANDELA
SHAFT ARBOL
PLUG TAPON
PIN PASADOR
DOWEL CENTRAJE
KNUCKLE CHARNELA
ROLAMENTO
MANIVELA
CAIXA
ANEL
GRAXEIRA
GARFO
ANEL
ARRUELA
REBITE
ENGRENAGEM
ARRUELA
EIXO
BUJÃO
PINO
CONTRAPINO
ARTICULAÇÃO
C026502 E03 12/05
(1)
40 105
Braço
Lift Arms
Brazos Elevador
40 105
-
Menu Símbolos
EH73Z003
23308010
40-115 No
40-120 No
1
2
3146035M91
3146036M91
1
1
STABILISER ESTABILIZADOR
STABILISER ESTABILIZADOR
ESTABILIZADOR
ESTABILIZADOR
C026502 E03 12/05
(1)
40 110
Estabilizador
Stabiliser
Estabilizador
40 110
-
Menu Símbolos
1947Z001
3146035M91
40-125 No
746 L27/8
1
2
3
4
5
6
7
7
354089X1
490481M1
353440X1
353435X1
3146037M91
1481712M1
037591S1
037592S1
1
1
1
1
1
1
1
1
COTTER PIN PASADOR DOUBLE
BOLT PERNO
WASHER ARANDELA
NUT TUERCA
KIT, STABILISER ESTABILIZAD JUEG
PIN PASADOR
BRACKET SOPORTE
BRACKET SOPORTE
CUPILHA
PARAFUSO
ARRUELA
PORCA
CJ.ESTABILIZADOR
PINO
SUPORTE
SUPORTE
C026502 E03 12/05
(1)
40 115
Conjunto Corrente Estabilizadora
Chain Stabiliser Kit
Juego De Cadenas Estabilizadoras
40 115
-
Menu Símbolos
EH74Z002
3146036M91
40-125 No
1
2
3
4
354089X1
810285M92
3146037M91
1481712M1
1
1
1
1
COTTER PIN PASADOR DOUBLE
PIN PASADOR
KIT, STABILISER ESTABILIZAD JUEG
PIN PASADOR
CUPILHA
PINO
CJ.ESTABILIZADOR
PINO
C026502 E03 12/05
(1)
40 120
Estabilizador
Stabiliser
Estabilizador
40 120
-
Menu Símbolos
1/4"-28
3/4X10
3/4X10
1947Z002
3146037M91
1
2
3
4
5
6
7
13811X
490532M1
490522M1
490465M1
490521M3
375100X1
3146038M91
2
1
1
1
1
1
1
GREASER ENGRASADOR
NUT TUERCA
END EXTREMO
FORK HORQUILLA
KNUCKLE CHARNELA
NUT TUERCA
END EXTREMO
GRAXEIRA
PORCA
TERMINAL
GARFO
ARTICULAÇÃO
PORCA
TERMINAL
C026502 E03 12/05
(1)
40 125
Conjunto Corrente Estabilizadora
Chain Stabiliser Kit
Juego De Cadenas Estabilizadoras
40 125
-
Menu Símbolos
EH73Z012
T0286003
40-135 No
1
2
2
3
4
5
6
7
8
9
10
11
366908X1
039120S1
039121S1
810285M92
490481M1
353440X1
353435X1
039118N1
1481712M1
354089X1
353432X1
338600X1
6
1
1
2
2
2
2
1
2
2
6
6
BOLT PERNO
BRACKET SOPORTE
BRACKET SOPORTE
PIN PASADOR
BOLT PERNO
WASHER ARANDELA
NUT TUERCA
KIT, STABILISER ESTABILIZAD JUEG
PIN PASADOR
COTTER PIN PASADOR DOUBLE
WASHER ARANDELA
NUT TUERCA
PARAFUSO
SUPORTE
SUPORTE
PINO
PARAFUSO
ARRUELA
PORCA
CJ.ESTABILIZADOR
PINO
CUPILHA
ARRUELA
PORCA
C026502 E03 12/05
(1)
Estreito
Narrow
Estrecho
40 130
Estabilizador
Stabiliser
Estabilizador
40 130
-
Menu Símbolos
EH73Z001
039118N1
1
2
3
4
5
6
7
13811X
490521M3
3146038M91
490532M1
039117P1
490522M1
375100X1
2
1
1
1
1
1
1
GREASER ENGRASADOR
KNUCKLE CHARNELA
END EXTREMO
NUT TUERCA
FORK HORQUILLA
END EXTREMO
NUT TUERCA
GRAXEIRA
ARTICULAÇÃO
TERMINAL
PORCA
GARFO
TERMINAL
PORCA
C026502 E03 12/05
(1)
40 135
Estabilizador
Stabiliser
Estabilizador
40 135
-
Menu Símbolos
EH73Z009
T0280008
40-145 No
1
2
3
3
4
354068X1
037549P1
045108S1
045110S1
038438T1
2
2
1
1
2
DOWEL CENTRAJE
PIN PASADOR
BRACKET SOPORTE
BRACKET SOPORTE
KIT, STABILISER ESTABILIZAD JUEG
CONTRAPINO
PINO
SUPORTE
SUPORTE
CJ.ESTABILIZADOR
C026502 E03 12/05
(1)
Telescópico
Telescopic
Telescópico
40 140
Estabilizador
Stabiliser
Estabilizador
40 140
-
Menu Símbolos
EA37Z001
038438T1
1
2
3
4
5
037676R1
037685R1
039057R1
13811X
037682R1
1
1
1
1
1
PIN PASADOR
PIPE CANO
END EXTREMO
GREASER ENGRASADOR
END EXTREMO
PINO
TUBO
TERMINAL
GRAXEIRA
TERMINAL
C026502 E03 12/05
(1)
40 145
Estabilizador Telescópico
Telescopic Stabiliser
Estabilizador Telescópico
40 145
-
Menu Símbolos
3/8x24
9/16x18
EE56Z004
T0285006A
50-20 No
50-25 No
50-30 No
50-35 No
1
2
3
4
5
6
7
8
9
10
11
12
13
14
15
16
17
18
19
20
21
22
23
24
25
26
27
28
29
30
31
32
33
34
35
035972P1
353430X1
6202508M91
358720X91
3697609M91
357660X1
038577N1
3610929M1
4200050M91
042256N1
3613267M1
355830X1
026955P1
3401801M91
3589457M1
3411947M91
831452M1
037659T1
037566P1
3149896M1
3007188X1
1440702X1
037567P1
037559N1
886821M94
831452M1
035828T1
3613267M1
352699X1
1872170M91
195561M1
3611290M94
037537P1
391076X1
051384S1
1
1
1
1
1
1
1
1
1
1
1
1
1
1
1
2
2
1
1
1
1
1
1
1
1
1
1
1
1
1
2
1
1
1
1
7
7
10
10
KNOB POMO
NUT TUERCA
LEVER PALANCA
PAD ALMOHADILLA
PAD ALMOHADILLA
PIN PASADOR
COVER CUBIERTA
PIPE CANO
KIT, CLUTCH EMBRAGUE JUEGO
KIT, HUB JUEGO DE CUBO
WASHER ARANDELA
NUT TUERCA
BRACKET SOPORTE
VALVE VALVULA
PIPE CANO
CONNECTION CONEXION
O RING JUNTA TORICA
CONNECTION CONEXION
PIPE CANO
DECAL CALCOMANIA
WASHER ARANDELA
WASHER ARANDELA
CONNECTION CONEXION
TUBE ASSY CONJ.DE TUBO
KIT, PUMP BOMBA JUEGO
O RING JUNTA TORICA
CONNECTION CONEXION
WASHER ARANDELA
CIRCLIP CIRCULITO
TUBE ASSY CONJ.DE TUBO
O RING JUNTA TORICA
KIT, COVER JUEGO DE TAPA
SHAFT ARBOL
RING ARO
HUB CUBO
MANÍPULO
PORCA
ALAVANCA
TAMPÃO
TAMPÃO
PINO
TAMPA
TUBO
CJ. EMBREAGEM
CJ. CUBO
ARRUELA
PORCA
SUPORTE
VÁLVULA
TUBO
CONEXÃO
ANEL "O"
CONEXÃO
TUBO
DECAL
ARRUELA
ARRUELA
CONEXÃO
CJ. TUBO
CJ. BOMBA
ANEL "O"
CONEXÃO
ARRUELA
ANEL TRAVA
CJ. TUBO
ANEL "O"
CJ. TAMPA
EIXO
ANEL
CUBO
C026502 E03 12/05
(1)
50 10
Tomada De Força Independente
Independent Power Take Off
Toma De Fuerza Independente
50 10
-
Menu Símbolos
3/8x16x1.3/4
5/16x18x3/4
EE56Z005
T0285006B
390202X1
1
2
3
4
5
6
7
4200134M91
377690X1
516259M2
353213X1
515961M1
357852X1
366045X1
1
2
2
1
1
1
2
KIT, GEAR ENGRANAJES JUEGO
CIRCLIP CIRCULITO
BOLT PERNO
CIRCLIP CIRCULITO
GEAR ENGRANAJE
BOLT PERNO
SPACER PIEZA DISTANCIA
CJ. ENGRENAGEM
ANEL TRAVA
PARAFUSO
ANEL TRAVA
ENGRENAGEM
PARAFUSO
ESPAÇADOR
C026502 E03 12/05
(1)
50 15
Tomada De Força Independente
Independent Power Take Off
Toma De Fuerza Independente
50 15
-
Menu Símbolos
EC78Z006
4200050M91
3699909M1
1
2
3
4
5
6
7
8
9
10
11
12
13
14
15
16
17
18
1870860M1
1688532M1
1870011M1
3699355M1
364689X1
186198M1
3701442M1
3612141M1
3610279M2
3699433M1
391129X1
1870859M1
3599601M93
3699353M1
3699313M1
3599507M2
1691307M2
1442512X1
7
7
1
1
1
1
1
2
1
1
1
1
1
1
1
1
1
1
13
13
DISC DISCO
DISC DISCO
SHIM CALCE
PLATE PLATO
RING ARO
RING ARO
HOUSING ALOJAMIENTO
RING ARO
FLANGE PLETINA
WASHER ARANDELA
CIRCLIP CIRCULITO
SEAL RETEN
KIT, PISTON JUEGO DE PISTON
PLUG TAPON
PISTON PISTON
SPRING RESORTE
RING ARO
RING ARO
DISCO
DISCO
CALÇO
PLACA
ANEL
ANEL
CARCAÇA
ANEL
FLANGE
ARRUELA
ANEL TRAVA
RETENTOR
CJ. PISTÃO
BUJÃO
PISTÃO
MOLA
ANEL
ANEL
C026502 E03 12/05
(1)
50 20
Embreagem Da Tomada De Força Independente
Independent Power Take-Off Clutch
Embrague De La Toma De Fuerza Independente
50 20
-
Menu Símbolos
EE71Z001
037559N1
1
2
3
049037T1
049038T1
048709S1
1
1
1
KIT, PIPE JUEGO CANO
HOSE FLEXIBLE
FILTER FILTRO
CJ. TUBO
MANGUEIRA
FILTRO
C026502 E03 12/05
(1)
50 25
Tubo E Filtro
Pipe And Filter
Tubo Y Filtro
50 25
-
Menu Símbolos
5/16x24x3/4
EJ52Z001
886821M94
886821M94
886821M94
1
2
3
4
5
6
7
8
9
10
11
12
13
353517X1
353446X1
1885307M1
1885484M1
359002X1
1885582M1
1886511M1
1885788M1
22206X
1889318M1
1885310M1
1
4
1
1
2
1
1
1
1
1
1
1
1
BOLT PERNO
WASHER ARANDELA
PLATE PLATO
RING ARO
GEAR ENGRANAJE
O RING JUNTA TORICA
SHAFT ARBOL
PAD ALMOHADILLA
SPRING RESORTE
GUIDE GUIA
BALL BOLA
PLATE PLATO
GASKET EMPAQUETADURA.
PARAFUSO
ARRUELA
PLACA
ANEL
ENGRENAGEM
ANEL "O"
EIXO
TAMPÃO
MOLA
GUIA
ESFERA
PLACA
JUNTA
C026502 E03 12/05
(1)
50 30
Bomba Hidráulica Auxiliar
Hydraulic Pump Auxiliary
Bomba Hidráulica Auxiliar
50 30
-
Menu Símbolos
EE55Z001
3611290M94
50-160 No
1
2
3
5
6
7
8
9
10
11
12
13
14
15
16
17
18
19
20
21
3760390M91
369132X1
3009194X1
339402X1
390734X1
195562M1
3697950M2
3614292M1
3697982M1
3614294M1
3009322X1
339710X1
3699552M1
3614290M1
1440523X1
3614289M1
3697956M91
061929N1
1440475X1
851258M1
1
2
2
1
1
1
1
1
1
1
1
1
1
1
1
1
1
1
2
1
LEVER PALANCA
O RING JUNTA TORICA
BOLT PERNO
NUT TUERCA
WASHER ARANDELA
O RING JUNTA TORICA
SHAFT ARBOL
PIVOT PIVOTE
WASHER ARANDELA
PIN PASADOR
PIN PASADOR
RING ARO
WASHER ARANDELA
LEVER PALANCA
CIRCLIP CIRCULITO
LEVER PALANCA
BRACKET SOPORTE
COVER CUBIERTA
CIRCLIP CIRCULITO
O RING JUNTA TORICA
ALAVANCA
ANEL "O"
PARAFUSO
PORCA
ARRUELA
ANEL "O"
EIXO
PIVÔ
ARRUELA
PINO
PINO
ANEL
ARRUELA
ALAVANCA
ANEL TRAVA
ALAVANCA
SUPORTE
TAMPA
ANEL TRAVA
ANEL "O"
C026502 E03 12/05
(1)
50 35
Tampa E Controles
Cover And Controls
Tapa Y Mandos
50 35
-
Menu Símbolos
EE83Z001
3760527M93
3760527M93
3760527M93
1
2
3
4
5
6
7
8
9
10
11
12
13
14
15
16
17
18
339361X1
3697275M1
3610598M1
3019394X1
3610926M1
3610555M1
3610600M91
3019839X1
3761983M91
3610554M1
3003593X1
3760739M1
3762311M92
3019398X1
3610923M1
3760738M1
1
1
1
1
X
1
1
1
1
1
1
1
1
1
1
1
1
1
14
14
RING ARO
PISTON PISTON
PAD ALMOHADILLA
O RING JUNTA TORICA
SHIM CALCE
SPRING RESORTE
VALVE VALVULA
SHAFT ARBOL
RING ARO
SWITCH INTERRUPTOR
SPRING RESORTE
BALL BOLA
STUD ESPARRAGO
KIT, REPAIR JUEGO REPARACION
O RING JUNTA TORICA
SPRING RESORTE
SEAL RETEN
COVER CUBIERTA
ANEL
PISTÃO
TAMPÃO
ANEL "O"
CALÇO
MOLA
VÁLVULA
EIXO
ANEL
INTERRUPTOR
MOLA
ESFERA
PRISIONEIRO
JG. REPARO
ANEL "O"
MOLA
RETENTOR
TAMPA
C026502 E03 12/05
(1)
50 40
Tampa Lateral
Cover
Tapa
50 40
-
Menu Símbolos
E218Z001
T0285035A
50-135 No
50-20 No
50-30 No
50-25 No
1
2
3
4
5
6
7
8
9
10
11
12
13
14
15
16
17
18
19
20
21
22
23
24
25
26
27
28
29
30
31
32
33
34
35
36
37
38
39
40
41
068078P1
063423N1
358720X91
3697609M91
3697608M1
3019397X1
353714X1
390597X1
061932P1
061927N1
3610929M1
4200050M91
042256N1
391076X1
051384S1
3613267M1
037656P1
352699X1
355830X1
026955P1
3401801M91
071659P1
039605N1
831452M1
037659T1
037566P1
037567P1
1440702X1
3007188X1
061987P1
3409614M1
035828T1
831452M1
886821M94
037559N1
339081X1
390597X1
1872170M91
195561M1
068966P1
039719P1
1
1
1
1
1
1
1
1
1
1
1
1
1
1
1
1
1
1
1
1
1
1
2
2
1
1
1
1
1
1
1
1
1
1
1
1
1
1
1
1
1
4
4
13
13
13
KNOB POMO
KIT, LEVER JUEGO, PALANCA
PAD ALMOHADILLA
PAD ALMOHADILLA
PLUG TAPON
RING ARO
BOLT PERNO
WASHER ARANDELA
INSERT INSERCION
COVER CUBIERTA
PIPE CANO
KIT, CLUTCH EMBRAGUE JUEGO
KIT, HUB JUEGO DE CUBO
RING ARO
HUB CUBO
WASHER ARANDELA
WASHER ARANDELA
CIRCLIP CIRCULITO
NUT TUERCA
BRACKET SOPORTE
VALVE VALVULA
PIPE CANO
CONNECTION CONEXION
O RING JUNTA TORICA
CONNECTION CONEXION
PIPE CANO
CONNECTION CONEXION
WASHER ARANDELA
WASHER ARANDELA
PLUG TAPON
WASHER ARANDELA
CONNECTION CONEXION
O RING JUNTA TORICA
KIT, PUMP BOMBA JUEGO
TUBE ASSY CONJ.DE TUBO
BOLT PERNO
WASHER ARANDELA
TUBE ASSY CONJ.DE TUBO
O RING JUNTA TORICA
BUSH CASQUILLO
SLEEVE MANCHA
MANÍPULO
CJ. ALAVANCA
TAMPÃO
TAMPÃO
BUJÃO
ANEL
PARAFUSO
ARRUELA
BUCHA
TAMPA
TUBO
CJ. EMBREAGEM
CJ. CUBO
ANEL
CUBO
ARRUELA
ARRUELA
ANEL TRAVA
PORCA
SUPORTE
VÁLVULA
TUBO
CONEXÃO
ANEL "O"
CONEXÃO
TUBO
CONEXÃO
ARRUELA
ARRUELA
BUJÃO
ARRUELA
CONEXÃO
ANEL "O"
CJ. BOMBA
CJ. TUBO
PARAFUSO
ARRUELA
CJ. TUBO
ANEL "O"
BUCHA
LUVA
C026502 E03 12/05
(1)
50 45
Tomada De Força Independente
Independent Power Take Off
Toma De Fuerza Independente
50 45
-
Menu Símbolos
E218Z002
T0285035B
1
2
3
4
5
6
4200134M91
516259M2
353213X1
515961M1
357852X1
366045X1
1
2
1
1
1
2
KIT, GEAR ENGRANAJES JUEGO
BOLT PERNO
CIRCLIP CIRCULITO
GEAR ENGRANAJE
BOLT PERNO
SPACER PIEZA DISTANCIA
CJ. ENGRENAGEM
PARAFUSO
ANEL TRAVA
ENGRENAGEM
PARAFUSO
ESPAÇADOR
C026502 E03 12/05
(1)
50 50
Tomada De Força Independente
Independent Power Take Off
Toma De Fuerza Independente
50 50
-
Menu Símbolos
E218Z010
T0285036A
50-75 No
50-20 No
50-30 No
50-25 No
1
2
3
4
5
6
7
8
9
10
11
12
13
14
15
16
17
18
19
20
21
22
23
24
25
26
27
28
29
30
31
32
33
34
35
36
37
38
39
40
035972P1
063423N1
358720X91
3697609M91
3697608M1
3019397X1
353714X1
390597X1
061932P1
064446N1
3610929M1
4200050M91
042256N1
391076X1
051384S1
3613267M1
037656P1
352699X1
355830X1
026955P1
3401801M91
071659P1
039605N1
831452M1
037659T1
037566P1
037567P1
1440702X1
3007188X1
061987P1
3409614M1
035828T1
831452M1
886821M94
037559N1
339081X1
390597X1
1872170M91
195561M1
039719P1
1
1
1
1
1
1
1
1
1
1
1
1
1
1
1
1
1
1
1
1
1
1
2
2
1
1
1
1
1
1
1
1
1
1
1
1
1
1
2
1
4
4
13
13
13
KNOB POMO
KIT, LEVER JUEGO, PALANCA
PAD ALMOHADILLA
PAD ALMOHADILLA
PLUG TAPON
RING ARO
BOLT PERNO
WASHER ARANDELA
INSERT INSERCION
KIT, CAP JUEGO DE TAPON
PIPE CANO
KIT, CLUTCH EMBRAGUE JUEGO
KIT, HUB JUEGO DE CUBO
RING ARO
HUB CUBO
WASHER ARANDELA
WASHER ARANDELA
CIRCLIP CIRCULITO
NUT TUERCA
BRACKET SOPORTE
VALVE VALVULA
PIPE CANO
CONNECTION CONEXION
O RING JUNTA TORICA
CONNECTION CONEXION
PIPE CANO
CONNECTION CONEXION
WASHER ARANDELA
WASHER ARANDELA
PLUG TAPON
WASHER ARANDELA
CONNECTION CONEXION
O RING JUNTA TORICA
KIT, PUMP BOMBA JUEGO
TUBE ASSY CONJ.DE TUBO
BOLT PERNO
WASHER ARANDELA
TUBE ASSY CONJ.DE TUBO
O RING JUNTA TORICA
SLEEVE MANCHA
MANÍPULO
CJ. ALAVANCA
TAMPÃO
TAMPÃO
BUJÃO
ANEL
PARAFUSO
ARRUELA
BUCHA
CJ. TAMPA
TUBO
CJ. EMBREAGEM
CJ. CUBO
ANEL
CUBO
ARRUELA
ARRUELA
ANEL TRAVA
PORCA
SUPORTE
VÁLVULA
TUBO
CONEXÃO
ANEL "O"
CONEXÃO
TUBO
CONEXÃO
ARRUELA
ARRUELA
BUJÃO
ARRUELA
CONEXÃO
ANEL "O"
CJ. BOMBA
CJ. TUBO
PARAFUSO
ARRUELA
CJ. TUBO
ANEL "O"
LUVA
C026502 E03 12/05
(1)
50 55
Tomada De Força Independente
Independent Power Take Off
Toma De Fuerza Independente
50 55
-
Menu Símbolos
E218Z011
T0285036B
1
2
3
4
5
6
4200134M91
516259M2
353213X1
515961M1
357852X1
366045X1
1
2
1
1
1
2
KIT, GEAR ENGRANAJES JUEGO
BOLT PERNO
CIRCLIP CIRCULITO
GEAR ENGRANAJE
BOLT PERNO
SPACER PIEZA DISTANCIA
CJ. ENGRENAGEM
PARAFUSO
ANEL TRAVA
ENGRENAGEM
PARAFUSO
ESPAÇADOR
C026502 E03 12/05
(1)
50 60
Tomada De Força Independente
Independent Power Take Off
Toma De Fuerza Independente
50 60
-
Menu Símbolos
3/8x16
EC91Z001
1868970M91
1
2
3
4
5
6
7
8
9
10
11
12
13
22042X
515963M3
1661240M91
366045X1
1661237M1
1868540M1
1661235M1
353434X1
353756X1
355566X1
834167M1
515962M1
515966M1
1
1
1
3
2
1
1
2
1
3
22
1
2
RING ARO
SHAFT ARBOL
PLATE PLATO
SPACER PIEZA DISTANCIA
BUSH CASQUILLO
GEAR ENGRANAJE
PLATE PLATO
WASHER ARANDELA
WASHER ARANDELA
NUT TUERCA
ROLLER RODILLO
GEAR ENGRANAJE
WASHER ARANDELA
ANEL
EIXO
PLACA
ESPAÇADOR
BUCHA
ENGRENAGEM
PLACA
ARRUELA
ARRUELA
PORCA
ROLETE
ENGRENAGEM
ARRUELA
C026502 E03 12/05
(1)
50 65
Trem De Engrenagens
Gear Train
Trem De Engrenajes
50 65
-
Menu Símbolos
M8
M10
M10
M8X15X0,5
M10
E227Z001
061928N1
22
1
2
4
5
6
7
8
9
10
11
12
13
14
15
16
17
18
19
369132X1
3009194X1
339402X1
390734X1
195562M1
063616P1
3614292M1
3697982M1
3614294M1
3009322X1
1440329X1
3699552M1
3614290M1
1440523X1
3614289M1
3697956M91
3761983M91
061929N1
2
2
1
1
1
1
1
1
1
1
1
1
1
1
1
1
1
1
O RING JUNTA TORICA
BOLT PERNO
NUT TUERCA
WASHER ARANDELA
O RING JUNTA TORICA
SHAFT ARBOL
PIVOT PIVOTE
WASHER ARANDELA
PIN PASADOR
PIN PASADOR
NUT TUERCA
WASHER ARANDELA
LEVER PALANCA
CIRCLIP CIRCULITO
LEVER PALANCA
BRACKET SOPORTE
SWITCH INTERRUPTOR
COVER CUBIERTA
ANEL "O"
PARAFUSO
PORCA
ARRUELA
ANEL "O"
EIXO
PIVÔ
ARRUELA
PINO
PINO
PORCA
ARRUELA
ALAVANCA
ANEL TRAVA
ALAVANCA
SUPORTE
INTERRUPTOR
TAMPA
C026502 E03 12/05
(1)
50 70
Tampa Da Tomada De Potência Independente
Independent Power Take Off Cover
Tapa De La Toma De Potencia Indenpendente
50 70
-
Menu Símbolos
E228Z002
064446N1
1
2
064445N1
038383P1
1
1
COVER CUBIERTA
PIVOT PIVOTE
TAMPA
PIVÔ
C026502 E03 12/05
(1)
50 75
540 Rpm
540 Rpm
540 Rpm
Conjunto Tampa Lateral
Side Cover Assembly
Conjunto Cubierta Lateral
50 75
-
Menu Símbolos
EE57Z003
T0285022
50-20 No
50-85 No
1
2
3
4
5
6
7
8
9
10
11
12
13
14
15
16
17
18
3585348M1
353430X1
045000S1
3409712M1
1440702X1
3610929M1
195561M1
4200050M91
3613267M1
038083S1
037656P1
352699X1
038578N1
3697609M91
358720X91
039605N1
391290X1
049100P1
1
1
1
1
1
1
2
1
1
1
1
1
1
1
1
1
1
1
BUTTON PULSADOR
NUT TUERCA
LEVER PALANCA
PLUG TAPON
WASHER ARANDELA
PIPE CANO
O RING JUNTA TORICA
KIT, CLUTCH EMBRAGUE JUEGO
WASHER ARANDELA
COVER CUBIERTA
WASHER ARANDELA
CIRCLIP CIRCULITO
KIT, CAP JUEGO DE TAPON
PAD ALMOHADILLA
PAD ALMOHADILLA
CONNECTION CONEXION
PIN PASADOR
DECAL CALCOMANIA
BOTÃO
PORCA
ALAVANCA
BUJÃO
ARRUELA
TUBO
ANEL "O"
CJ. EMBREAGEM
ARRUELA
TAMPA
ARRUELA
ANEL TRAVA
CJ. TAMPA
TAMPÃO
TAMPÃO
CONEXÃO
PINO
DECAL
C026502 E03 12/05
(1)
50 80
540/1000 Rpm
540/1000 Rpm
540/1000 Rpm
Tomada De Força Independente
Independent Power Take Off
Toma De Fuerza Independente
50 80
-
Menu Símbolos
540/1000 RPM
N062Z003
038578N1
50-35 No
1
2
3
3611290M94
038383P1
037537P1
1
1
1
KIT, COVER JUEGO DE TAPA
PIVOT PIVOTE
SHAFT ARBOL
CJ. TAMPA
PIVÔ
EIXO
C026502 E03 12/05
(1)
50 85
Tampa
Cover
Tapa
50 85
-
Menu Símbolos
N120Z001
21484901
1
2
3
4
5
6
7
8
9
3585348M1
353430X1
044948S1
357660X1
894307M1
3149447M1
033192S1
180418M2
3585797M1
1
1
1
1
1
1
1
1
1
BUTTON PULSADOR
NUT TUERCA
LEVER PALANCA
PIN PASADOR
OIL SEAL BUJE RETENACEITE
COVER CUBIERTA
LEVER PALANCA
PIN PASADOR
SPRING RESORTE
BOTÃO
PORCA
ALAVANCA
PINO
RETENTOR
TAMPA
ALAVANCA
PINO
MOLA
C026502 E03 12/05
(1)
50 90
Tampa E Alavanca Da Tdp / Tdpi
Cover And Lever Pto / Ipto
Tapa Y Palanca Tdf / Tdfi
50 90
-
Menu Símbolos
ED34Z002
21484902
1
2
3
4
5
6
7
8
9
3585348M1
353430X1
044948S1
357660X1
894307M1
3149447M1
022245S1
180418M2
3585797M1
1
1
1
1
1
1
1
1
1
BUTTON PULSADOR
NUT TUERCA
LEVER PALANCA
PIN PASADOR
OIL SEAL BUJE RETENACEITE
COVER CUBIERTA
LEVER PALANCA
PIN PASADOR
SPRING RESORTE
BOTÃO
PORCA
ALAVANCA
PINO
RETENTOR
TAMPA
ALAVANCA
PINO
MOLA
C026502 E03 12/05
(1)
50 95
Tampa E Alavancas
Cover And Levers
Tapa Y Palancas
50 95
-
Menu Símbolos
E026Z003
T0249009
50-110 No
1 060043N1 1 KIT, CAP JUEGO DE TAPON
CJ. TAMPA
C026502 E03 12/05
(1)
50 100
Tampa E Alavancas
Cover And Levers
Tapa Y Palancas
50 100
-
Menu Símbolos
E026Z004
T0249011
50-115 No
1 063858N1 1 COVER CUBIERTA
TAMPA
C026502 E03 12/05
(1)
50 105
Tampa E Alavancas
Cover And Levers
Tapa Y Palancas
50 105
-
Menu Símbolos
ED69Z002
060043N1
50-155 No
1
2
3
4
5
6
7
8
068078P1
069516N1
357660X1
894307M1
3149447M92
022245S1
180418M2
3585797M1
1
1
1
1
1
1
1
1
KNOB POMO
KIT, LEVER JUEGO, PALANCA
PIN PASADOR
OIL SEAL BUJE RETENACEITE
COVER CUBIERTA
LEVER PALANCA
PIN PASADOR
SPRING RESORTE
MANÍPULO
CJ. ALAVANCA
PINO
RETENTOR
TAMPA
ALAVANCA
PINO
MOLA
C026502 E03 12/05
(1)
50 110
Tampa Da Tomada De Potência
Power Take Off Cover
Tapa De La Toma De Potência
50 110
-
Menu Símbolos
ED69Z006
063858N1
50-155 No
1
2
3
4
5
6
7
8
068078P1
069516N1
357660X1
894307M1
3149447M92
069215S1
180418M2
3585797M1
1
1
1
1
1
1
1
1
KNOB POMO
KIT, LEVER JUEGO, PALANCA
PIN PASADOR
OIL SEAL BUJE RETENACEITE
COVER CUBIERTA
LEVER PALANCA
PIN PASADOR
SPRING RESORTE
MANÍPULO
CJ. ALAVANCA
PINO
RETENTOR
TAMPA
ALAVANCA
PINO
MOLA
C026502 E03 12/05
(1)
50 115
Tampa Da Tomada De Potência
Power Take Off Cover
Tapa De La Toma De Potência
50 115
-
Menu Símbolos
3/8x24
ED68Z005
3149444M91
1
2
3
4
5
6
7
8
9
3585348M1
353430X1
044948S1
357660X1
894307M1
3149447M1
033192S1
180418M2
3585797M1
1
1
1
1
1
1
1
1
1
BUTTON PULSADOR
NUT TUERCA
LEVER PALANCA
PIN PASADOR
OIL SEAL BUJE RETENACEITE
COVER CUBIERTA
LEVER PALANCA
PIN PASADOR
SPRING RESORTE
BOTÃO
PORCA
ALAVANCA
PINO
RETENTOR
TAMPA
ALAVANCA
PINO
MOLA
C026502 E03 12/05
(1)
50 120
Tampa Da Tomada De Potência
Power Take Off Cover
Tapa De La Toma De Potência
50 120
-
Menu Símbolos
1000RPM
N038Z001
23308585
1 3610936M1 1 SHAFT ARBOL
EIXO
C026502 E03 12/05
(1)
50 125
1000 Rpm
1000 Rpm
1000 Rpm
Eixo Da Tomada De Força
Power Take-Off Shaft
Eje De La Toma De Fuerza
50 125
-
Menu Símbolos
540 RPM
540/1000 RPM
540 RPM
540/1000 RPM
EH93Z001
T0289001
50-140 No
1
1
2
2
1868538M4
3610189M1
028362N1
049642N1
1
1
1
1
SLEEVE MANCHA
SLEEVE MANCHA
KIT, AXLE JUEGO DE EJE
KIT, AXLE JUEGO DE EJE
LUVA
LUVA
CJ. EIXO
CJ. EIXO
C026502 E03 12/05
(1)
Com Tdp - Sem Hidráulico
With Tdp - Without Hydraulic
Con Tdf - Sin Hidraulico
50 130
Eixo Intermediário Da Tdp
Shaft
Eje
50 130
-
Menu Símbolos
E228Z001
061927N1
50-70 No
1 061928N1 1 COVER CUBIERTA
TAMPA
C026502 E03 12/05
(1)
50 135
540 Rpm
540 Rpm
540 Rpm
Conjunto Tampa Lateral
Side Cover Assembly
Conjunto Cubierta Lateral
50 135
-
Menu Símbolos
540 RPM
540/1000 RPM
N035Z001
028362N1
1
1
2
3
028363P2
046396P1
352699X1
1000251M1
1
1
1
1
SHAFT ARBOL
SHAFT ARBOL
CIRCLIP CIRCULITO
BEARING COJINETE
EIXO
EIXO
ANEL TRAVA
ROLAMENTO
C026502 E03 12/05
(1)
50 140
Eixo
Shaft
Eje
50 140
-
Menu Símbolos
7/16x20x1.1/8
EO99Z001
23308575
1
2
3
353560X1
353432X1
1869009M95
1
1
1
BOLT PERNO
WASHER ARANDELA
GUARD DEFENSA
PARAFUSO
ARRUELA
PROTEÇÃO
C026502 E03 12/05
(1)
50 145
Protetor Da Tdpi / Tdp
Protector Ipto / Pto
Protetor Tdfi / Tdf
50 145
-
Menu Símbolos
M8X1,25
M8X1,25X25
1708Z001
T0285023
1
2
3
394367X1
339761X1
058136S2
2
2
1
NUT TUERCA
BOLT PERNO
GUARD DEFENSA
PORCA
PARAFUSO
PROTEÇÃO
C026502 E03 12/05
(1)
50 150
Tomada De Potência
Power Take Off
Toma De Fuerza
Proteção
Guard
Proteccion
50 150
-
Menu Símbolos
12.1x6.1x1.6
12.5x6.4x1.0
EK46Z010
069516N1
1
2
3
4
5
6
069095P1
339169X1
353446X1
068984S1
339123X1
829185M1
1
2
2
1
2
2
LEVER PALANCA
NUT TUERCA
WASHER ARANDELA
LEVER PALANCA
BOLT PERNO
WASHER ARANDELA
ALAVANCA
PORCA
ARRUELA
ALAVANCA
PARAFUSO
ARRUELA
C026502 E03 12/05
(1)
50 155
Conjunto Alavanca
Lever Assembly
Conjunto Palanca
50 155
-
Menu Símbolos
EE55Z003
061929N1
1
2
3
4
5
6
7
8
9
10
11
12
13
14
15
16
17
18
19
339361X1
3697275M1
3762215M1
3019398X1
3610923M1
3762216M92
3760735M1
3019839X1
3761983M91
3610554M1
3003593X1
3760739M1
3610600M91
3019394X1
3610555M1
3760738M1
3760736M1
3610598M1
3610926M1
1
1
1
1
1
1
1
1
1
1
1
1
1
1
1
1
1
1
1
RING ARO
PISTON PISTON
PAD ALMOHADILLA
O RING JUNTA TORICA
SPRING RESORTE
VALVE VALVULA
COIL BOBINA
RING ARO
SWITCH INTERRUPTOR
SPRING RESORTE
BALL BOLA
STUD ESPARRAGO
VALVE VALVULA
O RING JUNTA TORICA
SPRING RESORTE
SEAL RETEN
COVER CUBIERTA
PAD ALMOHADILLA
SHIM CALCE
ANEL
PISTÃO
TAMPÃO
ANEL "O"
MOLA
VÁLVULA
BOBINA
ANEL
INTERRUPTOR
MOLA
ESFERA
PRISIONEIRO
VÁLVULA
ANEL "O"
MOLA
RETENTOR
TAMPA
TAMPÃO
CALÇO
C026502 E03 12/05
(1)
50 160
Tampa E Controles
Cover And Controls
Tapa Y Mandos
50 160
-
Menu Símbolos
ED31Z002
2801053M91
0.10MM
0.25MM
0.50MM
1
2
3
5
5
5
6
7
8
9
10
11
368748X1
2801086M1
885532M1
1660192M1
894825M1
894826M1
885533M1
2801084M1
368748X1
368748X1
2801086M1
885531M1
1
1
1
X
X
X
2
2
2
1
1
1
NUT TUERCA
STUD ESPARRAGO
SPACER PIEZA DISTANCIA
SHIM CALCE
SHIM CALCE
SHIM CALCE
SPACER PIEZA DISTANCIA
STUD ESPARRAGO
NUT TUERCA
NUT TUERCA
STUD ESPARRAGO
SPACER PIEZA DISTANCIA
PORCA
PRISIONEIRO
ESPAÇADOR
CALÇO
CALÇO
CALÇO
ESPAÇADOR
PRISIONEIRO
PORCA
PORCA
PRISIONEIRO
ESPAÇADOR
C026502 E03 12/05
(1)
60 10
2 Rm
2 Wd
2 Rm
Fixação Do Eixo Dianteiro
Front Axle
Eje Delantero
60 10
-
Menu Símbolos
ED30Z006
3585700M91
0,25MM
0,50MM
1
2
2
3
4
5
6
7
8
368748X1
894825M1
894826M1
1484677M1
3587665M1
3585548M1
885532M1
885531M1
2801086M1
6
X
X
2
2
2
1
1
2
NUT TUERCA
SHIM CALCE
SHIM CALCE
SPACER PIEZA DISTANCIA
STUD ESPARRAGO
STUD ESPARRAGO
SPACER PIEZA DISTANCIA
SPACER PIEZA DISTANCIA
STUD ESPARRAGO
PORCA
CALÇO
CALÇO
ESPAÇADOR
PRISIONEIRO
PRISIONEIRO
ESPAÇADOR
ESPAÇADOR
PRISIONEIRO
C026502 E03 12/05
(1)
60 15
Fixação Do Eixo Dianteiro
Front Axle
Eje Delantero
60 15
-
Menu Símbolos
5/8"-18 G8
1246Z001
049207N1
0.10MM
0.25MM
0.50MM
1
2
3
3
3
4
5
6
7
368748X1
049212P1
1660192M1
894825M1
894826M1
049205P1
368748X1
368748X1
3585546M1
2
2
X
X
X
2
2
2
2
NUT TUERCA
STUD ESPARRAGO
SHIM CALCE
SHIM CALCE
SHIM CALCE
STUD ESPARRAGO
NUT TUERCA
NUT TUERCA
STUD ESPARRAGO
PORCA
PRISIONEIRO
CALÇO
CALÇO
CALÇO
PRISIONEIRO
PORCA
PORCA
PRISIONEIRO
C026502 E03 12/05
(1)
60 20
4 Rodas Motriz
4 Wheel Drive
4 Ruedas Motrices
Eixo Dianteiro
Front Axle
Eje Delantero
60 20
-
Menu Símbolos
3/8
5/16X11/4A
5/8X18
1.5/64X21/32
5/32 L21/4
19/32X21/64X5/64
5/16X18X1"
1.1/4X12
5/8X18
5/8X18
1/4"-28
5/8X18X3.1/2
3/4X16X3.1/4
1.9/32X25/32
3/4X16
5/8X18X1.7/8
1210Z003
T0214068
60-75 No
60-80 No
60-50 No
1.17"/1.12"
0.049"/0.051"
0.028"/0.030"
0.034"/0.036"
0.039"/0.041"
3/4
1
2
3
4
5
6
7
8
9
10
11
12
13
14
15
16
17
18
19
20
21
22
23
24
25
26
28
29
30
31
32
33
34
35
36
37
38
39
40
40
40
40
40
41
42
43
44
45
29951X
033991P1
033992P1
195414M1
350355X1
898342M1
353427X1
353433X1
183021M2
3148818M91
049731P1
3146770M91
3146771M91
882254M1
645695M91
354415X1
882282M1
489173M91
353446X1
353679X1
882263M1
881384M1
881162M2
882554M91
882261M1
353429X1
033906T1
033907T1
3148819M91
13811X
898343M1
361859X1
3146788M93
182501M1
898017M2
068166N1
353440X1
353435X1
882868M2
882869M2
898018M2
898019M2
898020M2
027030P1
049730P1
183086M1
489172M1
13811X
1
1
1
1
2
1
2
2
2
1
2
1
1
2
2
2
2
2
8
8
2
2
12
2
2
4
1
1
1
2
1
2
1
6
1
1
6
6
X
X
X
X
X
15
2
4
1
1
10
18
18
GREASER ENGRASADOR
PIN PASADOR
PIN PASADOR
CRAMP PASADOR
KEY CLAVE
ARM BRAZO
NUT TUERCA
WASHER ARANDELA
SEAL RETEN
KIT, ARM JUEGO DE BRAZO
WASHER ARANDELA
STEERING SPINDLE MANGUETA DIRECC
STEERING SPINDLE MANGUETA DIRECC
HUB CUBO
BEARING COJINETE
COTTER PIN PASADOR DOUBLE
GASKET EMPAQUETADURA.
CAP TAPA
WASHER ARANDELA
BOLT PERNO
NUT TUERCA
WASHER ARANDELA
NUT TUERCA
BEARING COJINETE
SEAL RETEN
NUT TUERCA
BAR BARRA
BAR BARRA
KIT, ARM JUEGO DE BRAZO
GREASER ENGRASADOR
ARM BRAZO
BOLT PERNO
BEAM VIGA
BOLT PERNO
SHIM CALCE
BRACKET SOPORTE
WASHER ARANDELA
NUT TUERCA
SHIM CALCE
SHIM CALCE
SHIM CALCE
SHIM CALCE
SHIM CALCE
PAD ALMOHADILLA
WASHER ARANDELA
BUSH CASQUILLO
CAP TAPA
GREASER ENGRASADOR
GRAXEIRA
PINO
PINO
GRAMPO
CHAVETA
BRAÇO
PORCA
ARRUELA
VEDADOR
CJ. BRAÇO
ARRUELA
PONTA EIXO
PONTA EIXO
CUBO
ROLAMENTO
CUPILHA
JUNTA
CALOTA
ARRUELA
PARAFUSO
PORCA
ARRUELA
PORCA
ROLAMENTO
RETENTOR
PORCA
BARRA
BARRA
CJ. BRAÇO
GRAXEIRA
BRAÇO
PARAFUSO
VIGA
PARAFUSO
CALÇO
SUPORTE
ARRUELA
PORCA
CALÇO
CALÇO
CALÇO
CALÇO
CALÇO
TAMPÃO
ARRUELA
BUCHA
CALOTA
GRAXEIRA
C026502 E03 12/05
(1)
2 Rodas Motrizes - Hd - Cubo Médio
2 Wheels Drive-Hd-Medium Hub
2 Ruedas Motriz-Hd-Cubo Medio
60 25
Eixo Dianteiro
Front Axle
Eje Delantero
60 25
-
Menu Símbolos
EF34Z008
T0214069
60-60 No
60-65 No
60-50 No
.044"/.046"
.049"/.051"
.028"/.030"
.034"/.036"
.039"/.041"
1
2
3
4
5
6
7
8
9
10
11
11
12
13
14
15
16
17
18
19
20
21
22
23
24
25
26
27
28
29
30
31
32
33
34
35
36
37
38
38
38
38
38
39
40
41
033991P1
195414M1
033992P1
1482531M93
350355X1
049517P1
353427X1
353433X1
180355M2
3147612M91
048155P1
048156P1
1481392M91
1481393M91
353429X1
033924T1
033923T1
195490M1
180010M1
13811X
035675T1
646059M1
353928X1
354068X1
895322M91
894832M2
1851800M91
897242M1
3147613M91
13811X
049518P1
354575M1
027031P1
027030P1
068166N1
29951X
898017M2
361859X1
882868M2
882869M2
898018M2
898019M2
898020M2
2800775M1
897235M1
183086M1
1
1
1
1
2
1
2
2
2
1
2
2
1
1
4
1
1
12
2
2
2
2
2
2
2
2
2
2
1
2
1
4
2
17
1
2
1
2
X
X
X
X
X
4
2
4
PIN PASADOR
CRAMP PASADOR
PIN PASADOR
BEAM VIGA
KEY CLAVE
ARM BRAZO
NUT TUERCA
WASHER ARANDELA
SEAL RETEN
KIT, ARM JUEGO DE BRAZO
WASHER ARANDELA
WASHER ARANDELA
STEERING SPINDLE MANGUETA DIRECC
STEERING SPINDLE MANGUETA DIRECC
NUT TUERCA
BAR BARRA
BAR BARRA
NUT TUERCA
WASHER ARANDELA
GREASER ENGRASADOR
CAP TAPA
GASKET EMPAQUETADURA.
NUT TUERCA
DOWEL CENTRAJE
BEARING ASSY RODAMIENTO RAD
HUB CUBO
BEARING COJINETE
SEAL RETEN
KIT, ARM JUEGO DE BRAZO
GREASER ENGRASADOR
ARM BRAZO
BOLT PERNO
PAD ALMOHADILLA
PAD ALMOHADILLA
BRACKET SOPORTE
GREASER ENGRASADOR
SHIM CALCE
BOLT PERNO
SHIM CALCE
SHIM CALCE
SHIM CALCE
SHIM CALCE
SHIM CALCE
NUT TUERCA
BUSH CASQUILLO
BUSH CASQUILLO
PINO
GRAMPO
PINO
VIGA
CHAVETA
BRAÇO
PORCA
ARRUELA
VEDADOR
CJ. BRAÇO
ARRUELA
ARRUELA
PONTA EIXO
PONTA EIXO
PORCA
BARRA
BARRA
PORCA
ARRUELA
GRAXEIRA
CALOTA
JUNTA
PORCA
CONTRAPINO
CJ. ROLAMENTO
CUBO
ROLAMENTO
RETENTOR
CJ. BRAÇO
GRAXEIRA
BRAÇO
PARAFUSO
TAMPÃO
TAMPÃO
SUPORTE
GRAXEIRA
CALÇO
PARAFUSO
CALÇO
CALÇO
CALÇO
CALÇO
CALÇO
PORCA
BUCHA
BUCHA
C026502 E03 12/05
(1)
2 Rm - Estreito
2 Wd - Narrow
2 Rm - Estrecho
60 30
2 Rodas Motrizes
2 Wheels Drive
2 Ruedas Motriz
Eixo Dianteiro
Front Axle
Eje Delantero
60 30
-
Menu Símbolos
EF34Z007
T0214071
60-45 No
60-60 No
60-65 No
60-75 No
60-80 No
60-50 No
.044"/.046"
.049"/.051"
.028"/.030"
.034"/.036"
.039"/.041"
1
2
3
4
5
6
7
8
9
10
11
11
12
13
14
15
16
17
18
19
20
21
22
23
24
25
26
27
28
29
30
31
32
33
34
35
36
37
38
38
38
38
38
39
40
41
033991P1
195414M1
033992P1
1481403M94
350355X1
049517P1
353427X1
353433X1
180355M2
3147574M91
048156P1
048155P1
1481392M91
1481393M91
353429X1
033906T1
033907T1
195490M1
180010M1
13811X
035675T1
646059M1
353928X1
354068X1
895322M91
894832M2
1851800M91
897242M1
3147575M91
13811X
049518P1
182501M1
027031P1
027030P1
068166N1
29951X
898017M2
361859X1
882868M2
882869M2
898018M2
898019M2
898020M2
353435X1
353440X1
897235M1
1
1
1
1
2
1
2
2
2
1
2
2
1
1
4
1
1
12
2
2
2
2
2
2
2
2
2
2
1
2
1
4
2
17
1
2
1
2
X
X
X
X
X
4
4
2
PIN PASADOR
CRAMP PASADOR
PIN PASADOR
BEAM VIGA
KEY CLAVE
ARM BRAZO
NUT TUERCA
WASHER ARANDELA
SEAL RETEN
KIT, ARM JUEGO DE BRAZO
WASHER ARANDELA
WASHER ARANDELA
STEERING SPINDLE MANGUETA DIRECC
STEERING SPINDLE MANGUETA DIRECC
NUT TUERCA
BAR BARRA
BAR BARRA
NUT TUERCA
WASHER ARANDELA
GREASER ENGRASADOR
CAP TAPA
GASKET EMPAQUETADURA.
NUT TUERCA
DOWEL CENTRAJE
BEARING ASSY RODAMIENTO RAD
HUB CUBO
BEARING COJINETE
SEAL RETEN
KIT, ARM JUEGO DE BRAZO
GREASER ENGRASADOR
ARM BRAZO
BOLT PERNO
PAD ALMOHADILLA
PAD ALMOHADILLA
BRACKET SOPORTE
GREASER ENGRASADOR
SHIM CALCE
BOLT PERNO
SHIM CALCE
SHIM CALCE
SHIM CALCE
SHIM CALCE
SHIM CALCE
NUT TUERCA
WASHER ARANDELA
BUSH CASQUILLO
PINO
GRAMPO
PINO
VIGA
CHAVETA
BRAÇO
PORCA
ARRUELA
VEDADOR
CJ. BRAÇO
ARRUELA
ARRUELA
PONTA EIXO
PONTA EIXO
PORCA
BARRA
BARRA
PORCA
ARRUELA
GRAXEIRA
CALOTA
JUNTA
PORCA
CONTRAPINO
CJ. ROLAMENTO
CUBO
ROLAMENTO
RETENTOR
CJ. BRAÇO
GRAXEIRA
BRAÇO
PARAFUSO
TAMPÃO
TAMPÃO
SUPORTE
GRAXEIRA
CALÇO
PARAFUSO
CALÇO
CALÇO
CALÇO
CALÇO
CALÇO
PORCA
ARRUELA
BUCHA
C026502 E03 12/05
(1)
Cubo Pequeno
Small Hub
Cubo Pequeño
60 35
2 Rodas Motrizes
2 Wheels Drive
2 Ruedas Motriz
Eixo Dianteiro
Front Axle
Eje Delantero
60 35
-
Menu Símbolos
EF34Z007
T0214071
42 183086M1 4 BUSH CASQUILLO
BUCHA
C026502 E03 12/05
(1)
Cubo Pequeno
Small Hub
Cubo Pequeño
60 35
2 Rodas Motrizes
2 Wheels Drive
2 Ruedas Motriz
Eixo Dianteiro
Front Axle
Eje Delantero
60 35
-
Menu Símbolos
.044"/.046"
.049"/.051"
.028"/.030"
.034"/.036"
.039"/.041"
EF35Z004
T0214072
60-45 No
60-70 No
60-75 No
60-80 No
60-50 No
1
2
3
4
5
6
7
8
9
10
11
11
12
13
14
15
16
17
18
19
20
21
22
23
24
25
26
27
28
29
30
31
32
33
34
35
36
37
38
38
38
38
38
39
40
033991P1
195414M1
033992P1
1481403M94
350355X1
049519P1
353427X1
353433X1
3410391M1
3147616M91
049730P1
049731P1
1481397M91
1481398M91
353429X1
033906T1
033907T1
195490M1
180010M1
13811X
141142M1
646059M1
353928X1
354068X1
895322M91
894832M2
1851800M91
897242M1
3147617M91
13811X
049520P1
182501M1
027031P1
027030P1
068166N1
29951X
898017M2
361859X1
882868M2
882869M2
898018M2
898019M2
898020M2
353435X1
353440X1
1
1
1
1
2
1
2
2
2
1
2
2
1
1
4
1
1
12
2
2
2
2
2
2
2
2
2
2
1
2
1
4
2
14
1
2
1
2
X
X
X
X
X
4
4
PIN PASADOR
CRAMP PASADOR
PIN PASADOR
BEAM VIGA
KEY CLAVE
ARM BRAZO
NUT TUERCA
WASHER ARANDELA
SEAL RETEN
KIT, ARM JUEGO DE BRAZO
WASHER ARANDELA
WASHER ARANDELA
STEERING SPINDLE MANGUETA DIRECC
STEERING SPINDLE MANGUETA DIRECC
NUT TUERCA
BAR BARRA
BAR BARRA
NUT TUERCA
WASHER ARANDELA
GREASER ENGRASADOR
CAP TAPA
GASKET EMPAQUETADURA.
NUT TUERCA
DOWEL CENTRAJE
BEARING ASSY RODAMIENTO RAD
HUB CUBO
BEARING COJINETE
SEAL RETEN
KIT, ARM JUEGO DE BRAZO
GREASER ENGRASADOR
ARM BRAZO
BOLT PERNO
PAD ALMOHADILLA
PAD ALMOHADILLA
BRACKET SOPORTE
GREASER ENGRASADOR
SHIM CALCE
BOLT PERNO
SHIM CALCE
SHIM CALCE
SHIM CALCE
SHIM CALCE
SHIM CALCE
NUT TUERCA
WASHER ARANDELA
PINO
GRAMPO
PINO
VIGA
CHAVETA
BRAÇO
PORCA
ARRUELA
VEDADOR
CJ. BRAÇO
ARRUELA
ARRUELA
PONTA EIXO
PONTA EIXO
PORCA
BARRA
BARRA
PORCA
ARRUELA
GRAXEIRA
CALOTA
JUNTA
PORCA
CONTRAPINO
CJ. ROLAMENTO
CUBO
ROLAMENTO
RETENTOR
CJ. BRAÇO
GRAXEIRA
BRAÇO
PARAFUSO
TAMPÃO
TAMPÃO
SUPORTE
GRAXEIRA
CALÇO
PARAFUSO
CALÇO
CALÇO
CALÇO
CALÇO
CALÇO
PORCA
ARRUELA
C026502 E03 12/05
(1)
Nd - Cubo Pequeno
Nd - Small Hub
Nd - Cubo Pequeño
60 40
2 Rm
2 Wd
2 Rm
Eixo Dianteiro
Front Axle
Eje Delantero
60 40
-
Menu Símbolos
EF01Z012
1481403M94
1 3148268M1 2 BUSH CASQUILLO
BUCHA
C026502 E03 12/05
(1)
60 45
Eixo Dianteiro
Front Axle
Eje Delantero
60 45
-
Menu Símbolos
AJ03Z005
068166N1
3147108M94
1
2
897235M1
067588P1
2
1
BUSH CASQUILLO
BRACKET SOPORTE
BUCHA
SUPORTE
C026502 E03 12/05
(1)
60 50
Suporte
Support
Soporte
Eixo Dianteiro 2 Rodas Motrizes
Front Axle 2 Wheel Drive
Eje Delantero 2 Ruedas Motrices
60 50
-
Menu Símbolos
E019Z001
042863N1
042863N1
1
2
3148431M1 1
1
BUSH CASQUILLO
ARM BRAZO
BUCHA
BRAÇO
C026502 E03 12/05
(1)
60 55
Braço Do Cilíndro
Arm Of Cilinder
Brazo Del Cilíndro
Sistema De Direção
System Of Direction
Sistema De Dirección
60 55
-
Menu Símbolos
EI42Z001
1481392M91
1
2
1481394M91
881336M1
1
1
STEERING SPINDLE MANGUETA DIRECC
PROTECTOR PROTECTOR
PONTA EIXO
PROTETOR
C026502 E03 12/05
(1)
60 60
Lado Direito
Right Hand
Lado Derecho
Protetor
Protector
Protector
60 60
-
Menu Símbolos
EI41Z001
1481393M91
1
2
1481395M91
881336M1
1
1
STEERING SPINDLE MANGUETA DIRECC
PROTECTOR PROTECTOR
PONTA EIXO
PROTETOR
C026502 E03 12/05
(1)
60 65
Lado Esquerdo
Left Hand
Lado Izquierdo
Protetor
Protector
Protector
60 65
-
Menu Símbolos
EI40Z001
1481397M91
1
1
2
1481399M91
1481400M91
881336M1
1
1
1
STEERING SPINDLE MANGUETA DIRECC
STEERING SPINDLE MANGUETA DIRECC
PROTECTOR PROTECTOR
PONTA EIXO
PONTA EIXO
PROTETOR
C026502 E03 12/05
(1)
60 70
Protetor
Protector
Protector
60 70
-
Menu Símbolos
M10X1,0X50
1247Z001
033906T1
033906T1
1
2
3
4
5
6
7
8
391918X1
1482009M91
2710227M1
353434X1
1440217X1
1481537M93
2710227M1
2
1
1
2
2
1
1
1
2
6
BOLT PERNO
TOGGLE PERNO ENGANCHE
CAP TAPA
WASHER ARANDELA
NUT TUERCA
TOGGLE PERNO ENGANCHE
CAP TAPA
PIPE CANO
PARAFUSO
TERMINAL
CAPA
ARRUELA
PORCA
TERMINAL
CAPA
TUBO
C026502 E03 12/05
(1)
Lado Direito
Right Hand
Derecha
60 75
Barra De Direção
Tie Rods
Conexiones Direccion
Eixo Dianteiro 2 Rodas Motrizes
Front Axle 2 Wheel Drive
Eje Delantero 2 Ruedas Motrices
60 75
-
Menu Símbolos
11/16X25/64X3/32
3/8X24
3/8X24X2
1247Z002
033907T1
033907T1
1
2
3
4
5
6
7
1481537M93
2710227M1
353434X1
353431X1
2710227M1
353546X1
1
1
1
1
1
1
1
1
TOGGLE PERNO ENGANCHE
CAP TAPA
WASHER ARANDELA
NUT TUERCA
CAP TAPA
PIPE CANO
BOLT PERNO
TERMINAL
CAPA
ARRUELA
PORCA
CAPA
TUBO
PARAFUSO
C026502 E03 12/05
(1)
Lado Esquerdo
Left Hand
Izquierdo
60 80
Barra De Direção
Tie Rods
Conexiones Direccion
Eixo Dianteiro 2 Rodas Motrizes
Front Axle 2 Wheel Drive
Eje Delantero 2 Ruedas Motrices
60 80
-
Menu Símbolos
E018Z001
489720M91
1
2
29951X
898363M1
1
1
GREASER ENGRASADOR
PIN PASADOR
GRAXEIRA
PINO
C026502 E03 12/05
(1)
60 85
Pino Do Cilíndro
Pin Of Cilinder
Alfiler Del Cilindro
Sistema De Direção
System Of Direction
Sistema De Dirección
60 85
-
Menu Símbolos
CARRARO
ZF
AJ01Z017
T0214070
60-170 No
60-265 No
1
2
3
4
5
6
7
9
10
11
12
13
14
15
16
17
18
18
19
20
21
22
23
24
25
26
27
28
29
29
067589P1
3585532M1
3410728M1
033075P1
13811X
3409609M1
339194X1
3411846M91
353433X1
363628X1
3412351M91
3411849M91
3411843M91
353756X1
353434X1
353693X1
061355T1
6203923M91
353756X1
353434X1
353691X1
3411830M1
3585615M1
1442667X1
13811X
353726X1
353723X1
353439X1
3585345M91
3585675M91
1
4
6
1
1
2
2
1
2
2
1
1
2
6
6
6
1
1
2
2
2
4
2
2
1
2
2
2
1
1
BRACKET SOPORTE
STUD ESPARRAGO
NUT TUERCA
SHAFT ARBOL
GREASER ENGRASADOR
SLEEVE MANCHA
PIN PASADOR
GUARD DEFENSA
WASHER ARANDELA
NUT TUERCA
COVER CUBIERTA
BRACKET SOPORTE
BRACKET SOPORTE
WASHER ARANDELA
WASHER ARANDELA
BOLT PERNO
FRONT AXLE EJE DELANTERO
FRONT AXLE EJE DELANTERO
WASHER ARANDELA
WASHER ARANDELA
BOLT PERNO
BUSH CASQUILLO
STUD ESPARRAGO
BOLT PERNO
GREASER ENGRASADOR
BOLT PERNO
BOLT PERNO
WASHER ARANDELA
BRACKET SOPORTE
BRACKET SOPORTE
SUPORTE
PRISIONEIRO
PORCA
EIXO
GRAXEIRA
LUVA
PINO
PROTEÇÃO
ARRUELA
PORCA
TAMPA
SUPORTE
SUPORTE
ARRUELA
ARRUELA
PARAFUSO
EIXO DIANTEIRO
EIXO DIANTEIRO
ARRUELA
ARRUELA
PARAFUSO
BUCHA
PRISIONEIRO
PARAFUSO
GRAXEIRA
PARAFUSO
PARAFUSO
ARRUELA
SUPORTE
SUPORTE
C026502 E03 12/05
(1)
60 90
Eixo Dianteiro
Front Axle
Eje Delantero
60 90
-
Menu Símbolos
AJ01Z003
T0214056
60-105 No
60-225 No
0.73/0.67MM
0.92/0.87MM
1,04/0.99MM
1.17/1.12MM
1.30/1.25MM
1
2
3
4
5
6
7
8
9
10
11
11
11
11
11
12
13
14
15
16
17
18
19
20
21
22
23
24
25
26
27
28
29
30
31
32
33
34
35
036917T1
339124X1
353446X1
036903P1
036911P1
057380T1
353431X1
353540X1
391120X1
898017M2
898018M2
898019M2
898020M2
882868M2
882869M2
042735P1
033992P1
195414M1
050181P1
1441271X1
1688236M93
490804M1
338623X1
355566X1
353434X1
036838S1
354264X1
353756X1
354059X1
353677X1
353446X1
037041P1
366195X1
184174M91
353430X1
3410152M1
181142M1
037045T1
832813M1
1
2
2
1
1
1
8
4
1
2
X
X
X
X
X
1
1
1
1
1
2
2
2
1
1
1
1
1
1
2
2
1
1
1
1
1
1
1
1
FRONT AXLE ASSY CONJ. EJE DELANT
BOLT PERNO
WASHER ARANDELA
SHIELD BLINDAJE
PIPE CANO
KIT, AXLE JUEGO DE EJE
NUT TUERCA
BOLT PERNO
BOLT PERNO
SHIM CALCE
SHIM CALCE
SHIM CALCE
SHIM CALCE
SHIM CALCE
SHIM CALCE
PIN PASADOR
PIN PASADOR
CRAMP PASADOR
SUPPORT DISPOS.DE SOSTEN
O RING JUNTA TORICA
GUARD DEFENSA
CLAMP ABRAZADERA
CLAMP ABRAZADERA
NUT TUERCA
WASHER ARANDELA
LEVER PALANCA
BOLT PERNO
WASHER ARANDELA
DOWEL CENTRAJE
BOLT PERNO
WASHER ARANDELA
BRACKET SOPORTE
GROMMET PASACABLE
ROD VARILLA
NUT TUERCA
KNOB POMO
WASHER ARANDELA
PLUG TAPON
PIN PASADOR
CJ. EIXO DIANT.
PARAFUSO
ARRUELA
BLINDAGEM
TUBO
CJ. EIXO
PORCA
PARAFUSO
PARAFUSO
CALÇO
CALÇO
CALÇO
CALÇO
CALÇO
CALÇO
PINO
PINO
GRAMPO
SUPORTE
ANEL "O"
PROTEÇÃO
BRAÇADEIRA
BRAÇADEIRA
PORCA
ARRUELA
ALAVANCA
PARAFUSO
ARRUELA
CONTRAPINO
PARAFUSO
ARRUELA
SUPORTE
PASSA-FIO
TIRANTE
PORCA
MANÍPULO
ARRUELA
BUJÃO
PINO
C026502 E03 12/05
(1)
4 Rodas Motrizes Estreito Com Redutor De Velocidade
4 Wheels Drive Narrow With Creeper
4 Ruedas Motriz Estrecho Con Reducción De Velocidad
60 95
Eixo Dianteiro
Front Axle
Eje Delantero
60 95
-
Menu Símbolos
ZF
CARRARO
N083Z016
T0214010
60-105 No
60-115 No
60-120 No
60-125 No
60-195 No
60-200 No
60-205 No
60-210 No
60-215 No
60-220 No
1.17/1.12MM
1.30/1.25MM
0.73/0.67MM
0.92/0.87MM
1,04/0.99MM
1
1
1
1
1
1
1
1
1
2
3
4
5
6
7
8
9
10
11
11
11
11
11
12
13
14
15
16
17
18
19
20
21
22
23
24
25
26
27
28
29
30
31
32
33
34
35
036917T1
061356T1
339124X1
353446X1
036903P1
036910P1
036908T1
353431X1
353540X1
355835X1
898017M2
882868M2
882869M2
898018M2
898019M2
898020M2
058456P1
033992P1
195414M1
067590P1
1441271X1
1688236M93
490804M1
338623X1
355566X1
353434X1
036838S1
354264X1
353756X1
354059X1
353677X1
353446X1
037041P1
366195X1
184174M91
353430X1
3410152M1
181142M1
037045T1
832813M1
1
1
1
1
1
1
1
1
1
2
2
1
1
1
8
4
1
1
X
X
X
X
X
1
1
1
1
1
2
2
2
1
1
1
1
1
1
2
2
1
1
1
1
1
1
1
1
FRONT AXLE ASSY CONJ. EJE DELANT
FRONT AXLE ASSY CONJ. EJE DELANT
FRONT AXLE ASSY CONJ. EJE DELANT
FRONT AXLE ASSY CONJ. EJE DELANT
FRONT AXLE ASSY CONJ. EJE DELANT
FRONT AXLE ASSY CONJ. EJE DELANT
FRONT AXLE ASSY CONJ. EJE DELANT
FRONT AXLE ASSY CONJ. EJE DELANT
FRONT AXLE ASSY CONJ. EJE DELANT
BOLT PERNO
WASHER ARANDELA
SHIELD BLINDAJE
PIPE CANO
DRIVE SHAFT EJE DE MANDO
NUT TUERCA
BOLT PERNO
BOLT PERNO
SHIM CALCE
SHIM CALCE
SHIM CALCE
SHIM CALCE
SHIM CALCE
SHIM CALCE
PIN PASADOR
PIN PASADOR
CRAMP PASADOR
BRACKET SOPORTE
O RING JUNTA TORICA
GUARD DEFENSA
CLAMP ABRAZADERA
CLAMP ABRAZADERA
NUT TUERCA
WASHER ARANDELA
LEVER PALANCA
BOLT PERNO
WASHER ARANDELA
DOWEL CENTRAJE
BOLT PERNO
WASHER ARANDELA
BRACKET SOPORTE
GROMMET PASACABLE
ROD VARILLA
NUT TUERCA
KNOB POMO
WASHER ARANDELA
PLUG TAPON
PIN PASADOR
CJ. EIXO DIANT.
CJ. EIXO DIANT.
CJ. EIXO DIANT.
CJ. EIXO DIANT.
CJ. EIXO DIANT.
CJ. EIXO DIANT.
CJ. EIXO DIANT.
CJ. EIXO DIANT.
CJ. EIXO DIANT.
PARAFUSO
ARRUELA
BLINDAGEM
TUBO
CARDAN
PORCA
PARAFUSO
PARAFUSO
CALÇO
CALÇO
CALÇO
CALÇO
CALÇO
CALÇO
PINO
PINO
GRAMPO
SUPORTE
ANEL "O"
PROTEÇÃO
BRAÇADEIRA
BRAÇADEIRA
PORCA
ARRUELA
ALAVANCA
PARAFUSO
ARRUELA
CONTRAPINO
PARAFUSO
ARRUELA
SUPORTE
PASSA-FIO
TIRANTE
PORCA
MANÍPULO
ARRUELA
BUJÃO
PINO
C026502 E03 12/05
(1)
4 Rodas Motrizes - Estreito
4 Wheels Drive - Narrow
4 Ruedas Motriz - Estrecho
60 100
Zf-Apl335-Tração Lateral
Zf - Apl335-Side Drive
Zf - Apl335-Traccion Lateral
Eixo Dianteiro
Front Axle
Eje Delantero
60 100
-
Menu Símbolos
N083Z019
036917T1AADV
60-110 No
1,5 MM
1,5 MM
2,0 MM
2,5 MM
3,0 MM
1,7 MM
2,2 MM
1
2
3
4
5
6
7
8
9
10
11
12
13
14
15
16
17
18
19
20
21
22
23
23
23
23
23
23
23
24
25
26
27
28
29
050646R1
056600R1
033556R1
3603226M1
033718R1
041097R1
033606R1
033717R1
033716R1
027544R1
027536R1
3603228M1
027539R1
033227R1
040658R1
027537R1
3603235M1
033620R1
3170348M1
3176337M1
033549R1
6203949M1
033618R1
3176343M1
3176344M1
3603293M1
3603294M1
3603295M1
3603296M1
042982R1
041096R1
3588127M1
3588126M1
041085R1
033609R1
4
1
2
1
1
1
2
16
16
4
4
2
2
2
2
1
2
2
2
2
2
2
X
X
X
X
X
X
X
1
1
1
4
1
1
BUSH CASQUILLO
PLUG TAPON
O RING JUNTA TORICA
PLUG TAPON
O RING JUNTA TORICA
HOUSING ALOJAMIENTO
GREASER ENGRASADOR
BOLT PERNO
WASHER ARANDELA
CIRCLIP CIRCULITO
SEAL RETEN
BUSH CASQUILLO
OIL SEAL BUJE RETENACEITE
PROTECTOR PROTECTOR
KNUCKLE CHARNELA
OIL SEAL BUJE RETENACEITE
BUSH CASQUILLO
CIRCLIP CIRCULITO
WASHER ARANDELA
WASHER ARANDELA
CIRCLIP CIRCULITO
SHAFT ARBOL
WASHER ARANDELA
WASHER ARANDELA
WASHER ARANDELA
WASHER ARANDELA
WASHER ARANDELA
WASHER ARANDELA
WASHER ARANDELA
SHAFT ARBOL
SHAFT ARBOL
PLATE PLATO
RIVET REMACHE
HOUSING ALOJAMIENTO
CONTROL VALVE VALVULA CONTROL
BUCHA
BUJÃO
ANEL "O"
BUJÃO
ANEL "O"
CARCAÇA
GRAXEIRA
PARAFUSO
ARRUELA
ANEL TRAVA
RETENTOR
BUCHA
RETENTOR
PROTETOR
ARTICULAÇÃO
RETENTOR
BUCHA
ANEL TRAVA
ARRUELA
ARRUELA
ANEL TRAVA
EIXO
ARRUELA
ARRUELA
ARRUELA
ARRUELA
ARRUELA
ARRUELA
ARRUELA
EIXO
EIXO
PLACA
REBITE
CARCAÇA
VÁLVULA
C026502 E03 12/05
(1)
Estreito
Narrow
Estrecho
60 105
Zf-Apl335-Tração Lateral
Zf - Apl335-Side Drive
Zf - Apl335-Traccion Lateral
Eixo Dianteiro
Front Axle
Eje Delantero
60 105
-
Menu Símbolos
XA25Z002
040658R1
1,5MM
1,3MM
1,2MM
1,7MM
1
2
2
2
2
3
4
5
3604081M1
3604082M1
3604083M1
3604084M1
3604085M1
3604086M1
3603881M1
3604080M1
1
X
X
X
X
1
1
1
FORK HORQUILLA
RING ARO
RING ARO
RING ARO
RING ARO
FORK HORQUILLA
SPIDER CRUCETA
FORK HORQUILLA
GARFO
ANEL
ANEL
ANEL
ANEL
GARFO
CRUZETA
GARFO
C026502 E03 12/05
(1)
60 110
Jogo De Juntas
Joints And Gaskets
Juegos De Juntas
60 110
-
Menu Símbolos
N083Z020
036917T1BADV
0,60 MM
0,70 MM
0,80 MM
0,90 MM
1,00 MM
1,10 MM
1,20 MM
1,30 MM
1,40 MM
1,50 MM
1,60 MM
1,80 MM
0,50 MM
0,75 MM
0,85 MM
0,95 MM
1,05 MM
1,15 MM
1,25 MM
1,35 MM
1,2 MM
1,1 MM
1,3 MM
1,4 MM
11,30 MM
11,33 MM
11,36 MM
11,39 MM
11,42 MM
11,45 MM
11,48 MM
11,51 MM
11,54 MM
11,57 MM
11,60 MM
11,63 MM
11,66 MM
11,69 MM
1
2
3
4
4
4
4
4
4
4
4
4
4
4
4
4
4
4
4
4
4
4
4
5
6
7
8
8
8
8
9
10
11
12
13
14
15
15
15
15
15
15
15
15
15
15
15
15
15
15
033681R1
040662R1
033691R1
033694R1
033695R1
033696R1
033697R1
033698R1
033699R1
033700R1
033701R1
033702R1
033703R1
033704R1
033705R1
033706R1
033707R1
033708R1
033709R1
033710R1
033711R1
033712R1
033713R1
033715R1
033690R1
033688R1
033683R1
033684R1
033685R1
033686R1
040673R1
040671R1
040674R1
033551R1
040690R1
040691R1
033641R1
033642R1
033643R1
033644R1
033645R1
033646R1
033647R1
033648R1
033649R1
033650R1
033651R1
033652R1
033653R1
033654R1
2
2
1
X
X
X
X
X
X
X
X
X
X
X
X
X
X
X
X
X
X
X
X
2
1
2
1
1
1
1
4
1
4
1
1
1
X
X
X
X
X
X
X
X
X
X
X
X
X
X
WASHER ARANDELA
GEAR ENGRANAJE
HOUSING ALOJAMIENTO
SHIM CALCE
SHIM CALCE
SHIM CALCE
SHIM CALCE
SHIM CALCE
SHIM CALCE
SHIM CALCE
SHIM CALCE
SHIM CALCE
SHIM CALCE
SHIM CALCE
SHIM CALCE
SHIM CALCE
SHIM CALCE
SHIM CALCE
SHIM CALCE
SHIM CALCE
SHIM CALCE
SHIM CALCE
SHIM CALCE
BEARING COJINETE
SHAFT ARBOL
GEAR ENGRANAJE
DISC DISCO
DISC DISCO
DISC DISCO
DISC DISCO
BOLT PERNO
FLANGE PLETINA
NUT TUERCA
NUT TUERCA
OIL SEAL BUJE RETENACEITE
BEARING COJINETE
SHIM CALCE
SHIM CALCE
SHIM CALCE
SHIM CALCE
SHIM CALCE
SHIM CALCE
SHIM CALCE
SHIM CALCE
SHIM CALCE
SHIM CALCE
SHIM CALCE
SHIM CALCE
SHIM CALCE
SHIM CALCE
ARRUELA
ENGRENAGEM
CARCAÇA
CALÇO
CALÇO
CALÇO
CALÇO
CALÇO
CALÇO
CALÇO
CALÇO
CALÇO
CALÇO
CALÇO
CALÇO
CALÇO
CALÇO
CALÇO
CALÇO
CALÇO
CALÇO
CALÇO
CALÇO
ROLAMENTO
EIXO
ENGRENAGEM
DISCO
DISCO
DISCO
DISCO
PARAFUSO
FLANGE
PORCA
PORCA
RETENTOR
ROLAMENTO
CALÇO
CALÇO
CALÇO
CALÇO
CALÇO
CALÇO
CALÇO
CALÇO
CALÇO
CALÇO
CALÇO
CALÇO
CALÇO
CALÇO
C026502 E03 12/05
(1)
Estreito
Narrow
Estrecho
60 115
Zf-Apl335-Tração Lateral
Zf - Apl335-Side Drive
Zf - Apl335-Traccion Lateral
Eixo Dianteiro
Front Axle
Eje Delantero
60 115
-
Menu Símbolos
N083Z020
036917T1BADV
11,72 MM
11,75 MM
11,78 MM
11,81 MM
11,87 MM
11,90 MM
11,93 MM
11,96 MM
11,99 MM
12,02 MM
12,05 MM
12,08 MM
12,11 MM
12,14 MM
12,17 MM
12,20 MM
12,23 MM
12,26 MM
12,29 MM
12,32 MM
12,35 MM
12,38 MM
0,50 MM
0,60 MM
0,70 MM
0,80 MM
0,90 MM
1,00 MM
1,10 MM
1,30 MM
1,40 MM
1,50 MM
0,65 MM
0,75 MM
0,85 MM
0,95 MM
1,05 MM
1,15 MM
1,20 MM
17/32
15
15
15
15
15
15
15
15
15
15
15
15
15
15
15
15
15
15
15
15
15
15
16
16
16
16
16
16
16
16
16
16
16
16
16
16
16
16
16
17
18
19
20
21
22
23
24
25
033656R1
033657R1
033658R1
033659R1
033660R1
033661R1
033662R1
033663R1
033664R1
033665R1
033666R1
033667R1
033668R1
033669R1
033670R1
033671R1
033672R1
033673R1
033674R1
033675R1
033676R1
033677R1
033625R1
033626R1
033627R1
033628R1
033629R1
033630R1
033631R1
033632R1
033633R1
033634R1
033635R1
033636R1
033637R1
033638R1
033639R1
033640R1
033789R1
033678R1
040661R1
033682R1
033782R1
033693R1
033692R1
033783R1
033687R1
033680R1
X
X
X
X
X
X
X
X
X
X
X
X
X
X
X
X
X
X
X
X
X
X
X
X
X
X
X
X
X
X
X
X
X
X
X
X
X
X
X
1
1
10
1
5
5
1
8
2
SHIM CALCE
SHIM CALCE
SHIM CALCE
SHIM CALCE
SHIM CALCE
SHIM CALCE
SHIM CALCE
SHIM CALCE
SHIM CALCE
SHIM CALCE
SHIM CALCE
SHIM CALCE
SHIM CALCE
SHIM CALCE
SHIM CALCE
SHIM CALCE
SHIM CALCE
SHIM CALCE
SHIM CALCE
SHIM CALCE
SHIM CALCE
SHIM CALCE
SHIM CALCE
SHIM CALCE
SHIM CALCE
SHIM CALCE
SHIM CALCE
SHIM CALCE
SHIM CALCE
SHIM CALCE
SHIM CALCE
SHIM CALCE
SHIM CALCE
SHIM CALCE
SHIM CALCE
SHIM CALCE
SHIM CALCE
SHIM CALCE
SHIM CALCE
BEARING COJINETE
KIT, CROWNWHEEL JUEGO CORONA
BOLT PERNO
PIN PASADOR
PIN PASADOR
PIN PASADOR
FLANGE PLETINA
DISC DISCO
WASHER ARANDELA
CALÇO
CALÇO
CALÇO
CALÇO
CALÇO
CALÇO
CALÇO
CALÇO
CALÇO
CALÇO
CALÇO
CALÇO
CALÇO
CALÇO
CALÇO
CALÇO
CALÇO
CALÇO
CALÇO
CALÇO
CALÇO
CALÇO
CALÇO
CALÇO
CALÇO
CALÇO
CALÇO
CALÇO
CALÇO
CALÇO
CALÇO
CALÇO
CALÇO
CALÇO
CALÇO
CALÇO
CALÇO
CALÇO
CALÇO
ROLAMENTO
COROA E PINHÃO
PARAFUSO
PINO
PINO
PINO
FLANGE
DISCO
ARRUELA
C026502 E03 12/05
(1)
Estreito
Narrow
Estrecho
60 115
Zf-Apl335-Tração Lateral
Zf - Apl335-Side Drive
Zf - Apl335-Traccion Lateral
Eixo Dianteiro
Front Axle
Eje Delantero
60 115
-
Menu Símbolos
N083Z021
036917T1CADV
0,6 MM
1,0 MM
1,4 MM
0,4 MM
0,8 MM
0,2 MM
0,3 MM
10,000 MM
10,025 MM
10,050 MM
10,075 MM
10,100 MM
10,125 MM
10,150 MM
10,175 MM
10,200 MM
10,225 MM
10,250 MM
1
2
3
3
3
3
3
3
3
4
5
6
7
8
9
10
11
12
13
14
15
16
17
18
19
20
21
22
23
24
25
26
27
28
28
28
28
28
28
28
28
28
28
28
28
28
28
28
28
28
033725R1
3176390M1
3176313M1
3176314M1
3176315M1
3176319M1
3176320M1
3588106M1
3588107M1
033721R1
033722R1
040665R1
033726R1
033727R1
033608R1
040689R1
3588113M1
033616R1
033621R1
3587936M1
3176341M1
3587938M1
3587932M91
3176339M1
3176347M1
3176364M1
3176345M1
3176350M1
3176351M1
3176333M1
033617R1
3176349M1
033615P1
033771R1
033772R1
033773R1
033774R1
033775R1
033776R1
033777R1
033778R1
033779R1
033780R1
033781R1
040677R1
040678R1
040679R1
040680R1
040681R1
040682R1
4
4
X
X
X
X
X
X
X
4
4
4
1
1
2
2
12
2
2
6
6
12
6
2
4
2
2
16
16
4
2
16
4
X
X
X
X
X
X
X
X
X
X
X
X
X
X
X
X
X
PIN PASADOR
GREASER ENGRASADOR
SHIM CALCE
SHIM CALCE
SHIM CALCE
SHIM CALCE
SHIM CALCE
SHIM CALCE
SHIM CALCE
O RING JUNTA TORICA
CAP TAPA
BEARING COJINETE
HOUSING ALOJAMIENTO
HOUSING ALOJAMIENTO
NUT TUERCA
BOLT PERNO
BOLT PERNO
ANNULAR GEAR ENGRANAJE ANULAR
NUT TUERCA
CIRCLIP CIRCULITO
BEARING COJINETE
CIRCLIP CIRCULITO
GEAR ENGRANAJE
HUB CUBO
BOLT PERNO
O RING JUNTA TORICA
PLUG TAPON
WASHER ARANDELA
NUT TUERCA
BOLT PERNO
PLATE PLATO
BOLT PERNO
BEARING COJINETE
SHIM CALCE
SHIM CALCE
SHIM CALCE
SHIM CALCE
SHIM CALCE
SHIM CALCE
SHIM CALCE
SHIM CALCE
SHIM CALCE
SHIM CALCE
SHIM CALCE
SHIM CALCE
SHIM CALCE
SHIM CALCE
SHIM CALCE
SHIM CALCE
SHIM CALCE
PINO
GRAXEIRA
CALÇO
CALÇO
CALÇO
CALÇO
CALÇO
CALÇO
CALÇO
ANEL "O"
CAPA
ROLAMENTO
CARCAÇA
CARCAÇA
PORCA
PARAFUSO
PARAFUSO
COROA
PORCA
ANEL TRAVA
ROLAMENTO
ANEL TRAVA
ENGRENAGEM
CUBO
PARAFUSO
ANEL "O"
BUJÃO
ARRUELA
PORCA
PARAFUSO
PLACA
PARAFUSO
ROLAMENTO
CALÇO
CALÇO
CALÇO
CALÇO
CALÇO
CALÇO
CALÇO
CALÇO
CALÇO
CALÇO
CALÇO
CALÇO
CALÇO
CALÇO
CALÇO
CALÇO
CALÇO
C026502 E03 12/05
(1)
Estreito
Narrow
Estrecho
60 120
Zf-Apl335-Tração Lateral
Zf - Apl335-Side Drive
Zf - Apl335-Traccion Lateral
Eixo Dianteiro
Front Axle
Eje Delantero
60 120
-
Menu Símbolos
N083Z021
036917T1CADV
28
28
28
28
28
29
30
31
040683R1
040684R1
040685R1
040686R1
040687R1
3176332M1
033728R1
033614R1
X
X
X
X
X
2
2
2
SHIM CALCE
SHIM CALCE
SHIM CALCE
SHIM CALCE
SHIM CALCE
O RING JUNTA TORICA
HUB CUBO
OIL SEAL BUJE RETENACEITE
CALÇO
CALÇO
CALÇO
CALÇO
CALÇO
ANEL "O"
CUBO
RETENTOR
C026502 E03 12/05
(1)
Estreito
Narrow
Estrecho
60 120
Zf-Apl335-Tração Lateral
Zf - Apl335-Side Drive
Zf - Apl335-Traccion Lateral
Eixo Dianteiro
Front Axle
Eje Delantero
60 120
-
Menu Símbolos
N083Z022
036917T1DADV
1,0 MM
1,1 MM
1,2 MM
1,3 MM
1,4 MM
1,5 MM
1.6 MM
1,7 MM
1,8 MM
0,9 MM
1
1
1
1
1
1
1
1
1
1
2
3
4
5
6
7
9
10
11
12
13
14
15
16
17
18
19
20
21
22
23
033736R1
033737R1
033738R1
033739R1
033740R1
033741R1
033742R1
033743R1
033744R1
033745R1
050642R1
033730R1
033731R1
033759R1
050644R1
050645R1
033756R1
033748R1
033750R1
033757R1
033747R1
033755R1
038054R1
033749R1
033754R1
033746R1
041222R1
033746R1
050643R1
033751R1
038651R1
1
1
1
1
1
1
1
1
1
1
1
2
2
4
2
2
2
2
1
1
2
2
1
2
1
1
1
1
1
1
1
15
15
15
15
15
15
SHIM CALCE
SHIM CALCE
SHIM CALCE
SHIM CALCE
SHIM CALCE
SHIM CALCE
SHIM CALCE
SHIM CALCE
SHIM CALCE
SHIM CALCE
GUIDE GUIA
O RING JUNTA TORICA
O RING JUNTA TORICA
BOLT PERNO
END EXTREMO
END EXTREMO
O RING JUNTA TORICA
WASHER ARANDELA
PISTON PISTON
O RING JUNTA TORICA
O RING JUNTA TORICA
O RING JUNTA TORICA
KIT, REPAIR JUEGO REPARACION
O RING JUNTA TORICA
O RING JUNTA TORICA
O RING JUNTA TORICA
CYLINDER CILINDRO
O RING JUNTA TORICA
GUIDE GUIA
O RING JUNTA TORICA
SPINDLE MANGUETA
CALÇO
CALÇO
CALÇO
CALÇO
CALÇO
CALÇO
CALÇO
CALÇO
CALÇO
CALÇO
GUIA
ANEL "O"
ANEL "O"
PARAFUSO
TERMINAL
TERMINAL
ANEL "O"
ARRUELA
PISTÃO
ANEL "O"
ANEL "O"
ANEL "O"
JG. REPARO
ANEL "O"
ANEL "O"
ANEL "O"
CILINDRO
ANEL "O"
GUIA
ANEL "O"
HASTE
C026502 E03 12/05
(1)
Estreito
Narrow
Estrecho
60 125
Zf-Apl335-Tração Lateral
Zf - Apl335-Side Drive
Zf - Apl335-Traccion Lateral
Eixo Dianteiro
Front Axle
Eje Delantero
60 125
-
Menu Símbolos
AJ01Z015
061358T1
60-145 No
60-150 No
60-155 No
60-160 No
60-165 No
1
2
2
2
2
2
3
043030P1
061360T1
3412609M91
2
1
1
1
1
1
2
CONNECTION CONEXION
FRONT AXLE ASSY CONJ. EJE DELANT
FRONT AXLE ASSY CONJ. EJE DELANT
FRONT AXLE ASSY CONJ. EJE DELANT
FRONT AXLE ASSY CONJ. EJE DELANT
FRONT AXLE ASSY CONJ. EJE DELANT
HOSE FLEXIBLE
CONEXÃO
CJ. EIXO DIANT.
CJ. EIXO DIANT.
CJ. EIXO DIANT.
CJ. EIXO DIANT.
CJ. EIXO DIANT.
MANGUEIRA
C026502 E03 12/05
(1)
Carraro - 20.14
Carraro - 20.14
Carraro - 20.14
60 130
Eixo Dianteiro
Front Axle
Eje Delantero
60 130
-
Menu Símbolos
CARRARO
AJ01Z016
T0214064
60-130 No
60-220 No
0.73/0.67MM
0.92/0.87MM
1,04/0.99MM
1.17/1.12MM
1.30/1.25MM
1
2
3
4
5
6
7
8
10
11
11
11
11
11
12
13
14
15
16
17
18
19
20
21
22
23
24
25
29
30
31
32
33
34
35
36
38
39
061358T1
339124X1
353446X1
036903P1
036911P1
036908T1
353431X1
353540X1
898017M2
898018M2
898019M2
898020M2
882868M2
882869M2
058456P1
033992P1
195414M1
067590P1
1441271X1
1688236M93
490804M1
338623X1
355566X1
353434X1
036838S1
354264X1
353756X1
354059X1
366195X1
184174M91
353430X1
3410152M1
181142M1
037045T1
832813M1
058458P1
058457P1
069915P1
1
2
2
1
1
1
8
8
1
X
X
X
X
X
1
1
1
1
1
2
2
2
1
1
1
1
1
1
1
1
1
1
1
1
1
1
1
1
FRONT AXLE ASSY CONJ. EJE DELANT
BOLT PERNO
WASHER ARANDELA
SHIELD BLINDAJE
PIPE CANO
DRIVE SHAFT EJE DE MANDO
NUT TUERCA
BOLT PERNO
SHIM CALCE
SHIM CALCE
SHIM CALCE
SHIM CALCE
SHIM CALCE
SHIM CALCE
PIN PASADOR
PIN PASADOR
CRAMP PASADOR
BRACKET SOPORTE
O RING JUNTA TORICA
GUARD DEFENSA
CLAMP ABRAZADERA
CLAMP ABRAZADERA
NUT TUERCA
WASHER ARANDELA
LEVER PALANCA
BOLT PERNO
WASHER ARANDELA
DOWEL CENTRAJE
GROMMET PASACABLE
ROD VARILLA
NUT TUERCA
KNOB POMO
WASHER ARANDELA
PLUG TAPON
PIN PASADOR
BUSH CASQUILLO
BUSH CASQUILLO
BELLOWS FUELLE
CJ. EIXO DIANT.
PARAFUSO
ARRUELA
BLINDAGEM
TUBO
CARDAN
PORCA
PARAFUSO
CALÇO
CALÇO
CALÇO
CALÇO
CALÇO
CALÇO
PINO
PINO
GRAMPO
SUPORTE
ANEL "O"
PROTEÇÃO
BRAÇADEIRA
BRAÇADEIRA
PORCA
ARRUELA
ALAVANCA
PARAFUSO
ARRUELA
CONTRAPINO
PASSA-FIO
TIRANTE
PORCA
MANÍPULO
ARRUELA
BUJÃO
PINO
BUCHA
BUCHA
COIFA
C026502 E03 12/05
(1)
Tração Lateral
Side Drive
Traccion Lateral
60 135
Eixo Dianteiro
Front Axle
Eje Delantero
60 135
-
Menu Símbolos
CARRARO
AJ01Z014
T0214065
60-130 No
60-225 No
0.73/0.67MM
0.92/0.87MM
1,04/0.99MM
1.17/1.12MM
1.30/1.25MM
1
2
3
4
5
6
7
8
10
11
11
11
11
11
12
13
14
15
16
17
18
19
20
21
22
23
24
25
29
30
31
32
33
34
35
36
38
061358T1
339124X1
353446X1
036903P1
036911P1
057380T1
353431X1
353540X1
898017M2
898018M2
898019M2
898020M2
882868M2
882869M2
042735P1
033992P1
195414M1
050181P2
1441271X1
1688236M93
490804M1
338623X1
355566X1
353434X1
036838S1
354264X1
353756X1
354059X1
366195X1
184174M91
353430X1
3410152M1
181142M1
037045T1
832813M1
058458P1
058457P1
1
2
2
1
1
1
8
8
1
X
X
X
X
X
1
1
1
1
1
2
2
2
1
1
1
1
1
1
1
1
1
1
1
1
1
1
1
FRONT AXLE ASSY CONJ. EJE DELANT
BOLT PERNO
WASHER ARANDELA
SHIELD BLINDAJE
PIPE CANO
KIT, AXLE JUEGO DE EJE
NUT TUERCA
BOLT PERNO
SHIM CALCE
SHIM CALCE
SHIM CALCE
SHIM CALCE
SHIM CALCE
SHIM CALCE
PIN PASADOR
PIN PASADOR
CRAMP PASADOR
BRACKET SOPORTE
O RING JUNTA TORICA
GUARD DEFENSA
CLAMP ABRAZADERA
CLAMP ABRAZADERA
NUT TUERCA
WASHER ARANDELA
LEVER PALANCA
BOLT PERNO
WASHER ARANDELA
DOWEL CENTRAJE
GROMMET PASACABLE
ROD VARILLA
NUT TUERCA
KNOB POMO
WASHER ARANDELA
PLUG TAPON
PIN PASADOR
BUSH CASQUILLO
BUSH CASQUILLO
CJ. EIXO DIANT.
PARAFUSO
ARRUELA
BLINDAGEM
TUBO
CJ. EIXO
PORCA
PARAFUSO
CALÇO
CALÇO
CALÇO
CALÇO
CALÇO
CALÇO
PINO
PINO
GRAMPO
SUPORTE
ANEL "O"
PROTEÇÃO
BRAÇADEIRA
BRAÇADEIRA
PORCA
ARRUELA
ALAVANCA
PARAFUSO
ARRUELA
CONTRAPINO
PASSA-FIO
TIRANTE
PORCA
MANÍPULO
ARRUELA
BUJÃO
PINO
BUCHA
BUCHA
C026502 E03 12/05
(1)
4 Rodas Motrizes - Tração Lateral Com Redutor De Velocidade
4 Wheels Drive - Side Drive With Creeper
4 Ruedas Motriz - Traccion Lateral Con Reducción De Velociad
60 140
Eixo Dianteiro
Front Axle
Eje Delantero
60 140
-
Menu Símbolos
E145Z011
061360T1A
1
2
3
4
5
6
7
8
9
10
11
12
13
14
15
16
17
18
19
061265R1
3475328M1
061324R1
053949R1
040961R1
3475341M1
061328R1
3475335M1
040962R1
061293R1
061224R1
061219R1
061342R1
061264R1
061272R1
061303R1
061276R1
040946R1
061216R1
2
1
1
2
10
2
1
4
4
2
2
2
2
2
2
2
2
2
1
7
7
BUSH CASQUILLO
VALVE VALVULA
HOUSING ALOJAMIENTO
PAD ALMOHADILLA
BOLT PERNO
PIN PASADOR
KIT, BRACKET JUEGO SOPORTE
BUSH CASQUILLO
BOLT PERNO
SPRING PLATE PLETINA MUELLE
BEARING COJINETE
SEAL RETEN
SEAL RETEN
BUSH CASQUILLO
BUSH CASQUILLO
SPACER PIEZA DISTANCIA
SPRING PLATE PLETINA MUELLE
GREASER ENGRASADOR
GREASER ENGRASADOR
BUCHA
VÁLVULA
CARCAÇA
TAMPÃO
PARAFUSO
PINO
CJ. SUPORTE
BUCHA
PARAFUSO
MOLA PRATO
ROLAMENTO
RETENTOR
RETENTOR
BUCHA
BUCHA
ESPAÇADOR
MOLA PRATO
GRAXEIRA
GRAXEIRA
C026502 E03 12/05
(1)
60 145
Carraro - 20.14
Carraro - 20.14
Carraro - 20.14
Eixo Dianteiro
Front Axle
Eje Delantero
60 145
-
Menu Símbolos
E145Z012
061360T1B
[A]
[B]
CURTO
SHORT
CORTO
LONGO
LOG
LARGO
1
2
3
4
5
6
7
8
9
10
11
12
13
14
15
16
17
18
19
20
20
20
20
21
22
23
24
3475587M1
061221R1
040993R1
3475583M1
3475584M1
053849R1
061322R1
061288R1
061344R1
061345R1
061278R1
041055R1
041054R1
061248R1
061239R1
061246R1
061247R1
066535R1
066530R1
066531R1
066532R1
066533R1
066534R1
066528R1
066529R1
066537R1
066536R1
12
2
2
2
2
2
2
2
1
1
1
8
10
2
1
4
2
2
4
16
16
16
16
2
4
1
1
15
15
19
19
19
19
9
10
[A]
[B]
[B]
BOLT PERNO
BEARING COJINETE
BOLT PERNO
PLATE CHAPA
NUT TUERCA
RING ARO
WASHER ARANDELA
WASHER ARANDELA
KIT, AXLE JUEGO DE EJE
KIT, AXLE JUEGO DE EJE
HOUSE ASSY CONJ. CARTER
DISC DISCO
DISC DISCO
DISC DISCO
KIT, GEAR ENGRANAJES JUEGO
WASHER ARANDELA
SHAFT ARBOL
SHAFT ARBOL
SPIDER CRUCETA
CIRCLIP CIRCULITO
CIRCLIP CIRCULITO
CIRCLIP CIRCULITO
CIRCLIP CIRCULITO
FORK HORQUILLA
GREASER ENGRASADOR
SHAFT ARBOL
SHAFT ARBOL
PARAFUSO
ROLAMENTO
PARAFUSO
CHAPA
PORCA
ANEL
ARRUELA
ARRUELA
CJ. EIXO
CJ. EIXO
CJ. CARCAÇA
DISCO
DISCO
DISCO
CJ. ENGRENAGEM
ARRUELA
EIXO
EIXO
CRUZETA
ANEL TRAVA
ANEL TRAVA
ANEL TRAVA
ANEL TRAVA
GARFO
GRAXEIRA
EIXO
EIXO
C026502 E03 12/05
(1)
60 150
Carraro - 20.14
Carraro - 20.14
Carraro - 20.14
Eixo Dianteiro
Front Axle
Eje Delantero
60 150
-
Menu Símbolos
70x45x14
E145Z013
061360T1C
1
2
3
4
5
6
7
8
9
10
11
12
13
14
15
16
17
18
19
20
21
22
040944R1
061287R1
061297R1
061231R1
061350R1
061296R1
061343R1
053965R1
053966R1
053967R1
053838R1
061214R1
061349R1
061267R1
061352R1
061213R1
061351R1
061321R1
061212R1
061234R1
061232R1
061233R1
4
16
2
8
1
2
2
2
2
2
1
2
1
2
1
1
1
1
4
2
1
1
14
14
14
GREASER ENGRASADOR
BOLT PERNO
PIN PASADOR
PAD ALMOHADILLA
HOUSING ALOJAMIENTO
PIN PASADOR
COVER CUBIERTA
SEAL RETEN
BUSH CASQUILLO
BOLT PERNO
NUT TUERCA
NUT TUERCA
HOUSING ALOJAMIENTO
KIT, ARM JUEGO DE BRAZO
KNUCKLE CHARNELA
NUT TUERCA
ARM BRAZO
CYLINDER CILINDRO
BOLT PERNO
SPINDLE MANGUETA
GUIDE GUIA
KIT, REPAIR JUEGO REPARACION
GRAXEIRA
PARAFUSO
PINO
TAMPÃO
CARCAÇA
PINO
TAMPA
RETENTOR
BUCHA
PARAFUSO
PORCA
PORCA
CARCAÇA
CJ. BRAÇO
ARTICULAÇÃO
PORCA
BRAÇO
CILINDRO
PARAFUSO
HASTE
GUIA
JG. REPARO
C026502 E03 12/05
(1)
60 155
Carraro - 20.14
Carraro - 20.14
Carraro - 20.14
Eixo Dianteiro
Front Axle
Eje Delantero
60 155
-
Menu Símbolos
E145Z014
061360T1D
23
068383R1
1
2
3
4
5
6
7
8
9
10
11
12
13
14
15
16
17
18
19
061291R1
061273R1
053857R1
061237R1
3475625M1
061227R1
061274R1
061269R1
040926R1
061229R1
061242R1
061249R1
053850R1
061290R1
041088R1
054030R1
061294R1
061295R1
053858R1
12
2
3
2
6
18
6
2
6
2
2
4
2
8
16
2
2
12
4
INSERT INSERCION
SPROCKET RUEDA DE CADENA
PAD ALMOHADILLA
HUB CUBO
WASHER ARANDELA
ROLLER RODILLO
GEAR ENGRANAJE
WASHER ARANDELA
RING ARO
O RING JUNTA TORICA
HUB CUBO
BEARING COJINETE
SEAL RETEN
STUD ESPARRAGO
NUT TUERCA
RING ARO
BRACKET SOPORTE
BOLT PERNO
BOLT PERNO
BUCHA
COROA
TAMPÃO
CUBO
ARRUELA
ROLETE
ENGRENAGEM
ARRUELA
ANEL
ANEL "O"
CUBO
ROLAMENTO
RETENTOR
PRISIONEIRO
PORCA
ANEL
SUPORTE
PARAFUSO
PARAFUSO
C026502 E03 12/05
(1)
60 160
Carraro - 20.14
Carraro - 20.14
Carraro - 20.14
Eixo Dianteiro
Front Axle
Eje Delantero
60 160
-
Menu Símbolos
E145Z015
061360T1E
13/28
2,50MM
2,60MM
2,70MM
2,80MM
2,90MM
3,00MM
3,10MM
3,20MM
3,30MM
3,40MM
1
2
3
4
5
6
7
8
9
10
11
12
12
12
12
12
12
12
12
12
12
061270R1
061320R1
061226R1
061326R1
061218R1
061241R1
061251R1
061252R1
061277R1
061275R1
061223R1
061305R1
061306R1
061307R1
061308R1
061309R1
061310R1
061311R1
061312R1
061313R1
061314R1
1
1
1
1
1
1
1
1
2
2
2
X
X
X
X
X
X
X
X
X
X
6
6
6
6
WASHER ARANDELA
SEAL RETEN
O RING JUNTA TORICA
FLANGE PLETINA
RING ARO
KIT, BEVEL GEAR CORONA Y PINON
NUT TUERCA
WASHER ARANDELA
WASHER ARANDELA
SPRING PLATE PLETINA MUELLE
BEARING COJINETE
SHIM CALCE
SHIM CALCE
SHIM CALCE
SHIM CALCE
SHIM CALCE
SHIM CALCE
SHIM CALCE
SHIM CALCE
SHIM CALCE
SHIM CALCE
ARRUELA
RETENTOR
ANEL "O"
FLANGE
ANEL
COROA E PINHÃO
PORCA
ARRUELA
ARRUELA
MOLA PRATO
ROLAMENTO
CALÇO
CALÇO
CALÇO
CALÇO
CALÇO
CALÇO
CALÇO
CALÇO
CALÇO
CALÇO
C026502 E03 12/05
(1)
60 165
Carraro - 20.14
Carraro - 20.14
Carraro - 20.14
Eixo Dianteiro
Front Axle
Eje Delantero
60 165
-
Menu Símbolos
E145Z007
061355T1A
1
2
3
4
5
6
7
8
9
10
11
12
13
14
15
16
17
18
19
20
21
22
23
24
061334R1
040944R1
061300R1
061304R1
061301R1
061354R1
061275R1
061303R1
061272R1
061332R1
061224R1
061293R1
061292R1
040962R1
3475335M1
053949R1
040967R1
061331R1
3475341M1
040961R1
061264R1
061219R1
061342R1
3475328M1
1
2
1
1
1
1
2
2
2
1
2
2
1
4
4
2
1
1
2
10
2
2
2
1
13
13
BRACKET SOPORTE
GREASER ENGRASADOR
BUSH CASQUILLO
SEAL RETEN
WASHER ARANDELA
PIN PASADOR
SPRING PLATE PLETINA MUELLE
SPACER PIEZA DISTANCIA
BUSH CASQUILLO
HOUSING ALOJAMIENTO
BEARING COJINETE
SPRING PLATE PLETINA MUELLE
KIT, BRACKET JUEGO SOPORTE
BOLT PERNO
BUSH CASQUILLO
PAD ALMOHADILLA
WASHER ARANDELA
BUSH CASQUILLO
PIN PASADOR
BOLT PERNO
BUSH CASQUILLO
SEAL RETEN
SEAL RETEN
VALVE VALVULA
SUPORTE
GRAXEIRA
BUCHA
RETENTOR
ARRUELA
PINO
MOLA PRATO
ESPAÇADOR
BUCHA
CARCAÇA
ROLAMENTO
MOLA PRATO
CJ. SUPORTE
PARAFUSO
BUCHA
TAMPÃO
ARRUELA
BUCHA
PINO
PARAFUSO
BUCHA
RETENTOR
RETENTOR
VÁLVULA
C026502 E03 12/05
(1)
60 170
Carraro - 20.14
Carraro - 20.14
Carraro - 20.14
Eixo Dianteiro
Front Axle
Eje Delantero
60 170
-
Menu Símbolos
E145Z008
061355T1B
1
2
3
4
5
6
7
8
9
10
11
12
13
14
15
16
17
18
19
19
19
19
20
21
22
061288R1
061322R1
053849R1
061278R1
3475587M1
061222R1
3475584M1
061238R1
061246R1
061247R1
061248R1
041054R1
041055R1
3475583M1
040993R1
061348R1
066538R1
066530R1
066531R1
066532R1
066533R1
066534R1
066528R1
066535R1
066529R1
2
2
2
1
12
2
2
1
4
2
2
10
8
2
2
2
2
4
16
16
16
16
2
2
4
8
8
16
16
18
18
18
18
16
16
16
WASHER ARANDELA
WASHER ARANDELA
RING ARO
HOUSE ASSY CONJ. CARTER
BOLT PERNO
BEARING COJINETE
NUT TUERCA
KIT,DIFFERENTIAL JGO.DIFERENCIAL.
WASHER ARANDELA
SHAFT ARBOL
DISC DISCO
DISC DISCO
DISC DISCO
PLATE CHAPA
BOLT PERNO
KIT, AXLE JUEGO DE EJE
FORK HORQUILLA
SPIDER CRUCETA
CIRCLIP CIRCULITO
CIRCLIP CIRCULITO
CIRCLIP CIRCULITO
CIRCLIP CIRCULITO
FORK HORQUILLA
SHAFT ARBOL
GREASER ENGRASADOR
ARRUELA
ARRUELA
ANEL
CJ. CARCAÇA
PARAFUSO
ROLAMENTO
PORCA
CJ. DIFERENCIAL
ARRUELA
EIXO
DISCO
DISCO
DISCO
CHAPA
PARAFUSO
CJ. EIXO
GARFO
CRUZETA
ANEL TRAVA
ANEL TRAVA
ANEL TRAVA
ANEL TRAVA
GARFO
EIXO
GRAXEIRA
C026502 E03 12/05
(1)
60 175
Carraro - 20.14
Carraro - 20.14
Carraro - 20.14
Eixo Dianteiro
Front Axle
Eje Delantero
60 175
-
Menu Símbolos
70x45x14
E145Z009
061355T1C
1
2
3
4
4
5
6
7
8
9
10
11
12
13
14
15
16
17
18
19
20
21
061287R1
061297R1
061231R1
061350R1
061349R1
053838R1
061296R1
049944R1
061214R1
053967R1
061266R1
041070R1
061236R1
061232R1
061289R1
061353R1
061213R1
061352R1
061235R1
053966R1
053965R1
061343R1
16
2
8
1
1
2
2
4
2
2
1
4
1
1
2
1
1
1
1
2
2
2
14
14
14
BOLT PERNO
PIN PASADOR
PAD ALMOHADILLA
HOUSING ALOJAMIENTO
HOUSING ALOJAMIENTO
NUT TUERCA
PIN PASADOR
GREASER ENGRASADOR
NUT TUERCA
BOLT PERNO
CYLINDER CILINDRO
BOLT PERNO
GUIDE GUIA
GUIDE GUIA
KIT, ARM JUEGO DE BRAZO
ARM BRAZO
NUT TUERCA
KNUCKLE CHARNELA
KIT, REPAIR JUEGO REPARACION
BUSH CASQUILLO
SEAL RETEN
COVER CUBIERTA
PARAFUSO
PINO
TAMPÃO
CARCAÇA
CARCAÇA
PORCA
PINO
GRAXEIRA
PORCA
PARAFUSO
CILINDRO
PARAFUSO
GUIA
GUIA
CJ. BRAÇO
BRAÇO
PORCA
ARTICULAÇÃO
JG. REPARO
BUCHA
RETENTOR
TAMPA
C026502 E03 12/05
(1)
60 180
Carraro - 20.14
Carraro - 20.14
Carraro - 20.14
Eixo Dianteiro
Front Axle
Eje Delantero
60 180
-
Menu Símbolos
E145Z010
061355T1D
3.00MM
29
20
1
2
3
4
5
6
7
8
9
10
11
12
13
14
15
16
17
18
040918R1
040942R1
061339R1
061330R1
040930R1
040923R1
040927R1
040933R1
040935R1
040934R1
040937R1
061316R1
061329R1
040932R1
040944R1
061335R1
040922R1
040929R1
1
1
1
1
2
1
1
1
1
4
1
1
1
1
1
1
1
2
SEAL RETEN
BUSH CASQUILLO
WASHER ARANDELA
SHAFT ARBOL
SHIM CALCE
BEARING COJINETE
BEARING COJINETE
BOLT PERNO
PLATE PLATO
BOLT PERNO
O RING JUNTA TORICA
SEAL RETEN
SHAFT ARBOL
PAD ALMOHADILLA
GREASER ENGRASADOR
HOUSING ALOJAMIENTO
O RING JUNTA TORICA
BEARING COJINETE
RETENTOR
BUCHA
ARRUELA
EIXO
CALÇO
ROLAMENTO
ROLAMENTO
PARAFUSO
PLACA
PARAFUSO
ANEL "O"
RETENTOR
EIXO
TAMPÃO
GRAXEIRA
CARCAÇA
ANEL "O"
ROLAMENTO
C026502 E03 12/05
(1)
60 185
Carraro - 20.14
Carraro - 20.14
Carraro - 20.14
Eixo Dianteiro
Front Axle
Eje Delantero
60 185
-
Menu Símbolos
E145Z027
061355T1E
13/28
2.50MM
2.60MM
2.70MM
2.80MM
2.90MM
3.00MM
3.10MM
3.20MM
3.30MM
3.40MM
1
2
3
4
5
6
7
7
7
7
7
7
7
7
7
7
061223R1
061241R1
061251R1
061252R1
061277R1
061275R1
061255R1
061256R1
061257R1
061258R1
061259R1
040930R1
061260R1
061261R1
061262R1
061263R1
2
1
1
1
2
1
X
X
X
X
X
X
X
X
X
X
2
2
2
2
BEARING COJINETE
KIT, BEVEL GEAR CORONA Y PINON
NUT TUERCA
WASHER ARANDELA
WASHER ARANDELA
SPRING PLATE PLETINA MUELLE
SHIM CALCE
SHIM CALCE
SHIM CALCE
SHIM CALCE
SHIM CALCE
SHIM CALCE
SHIM CALCE
SHIM CALCE
SHIM CALCE
SHIM CALCE
ROLAMENTO
COROA E PINHÃO
PORCA
ARRUELA
ARRUELA
MOLA PRATO
CALÇO
CALÇO
CALÇO
CALÇO
CALÇO
CALÇO
CALÇO
CALÇO
CALÇO
CALÇO
C026502 E03 12/05
(1)
60 190
Carraro - 20.14
Carraro - 20.14
Carraro - 20.14
Eixo Dianteiro
Front Axle
Eje Delantero
60 190
-
Menu Símbolos
E145Z001
061356T1A
1
2
3
4
5
6
7
8
9
10
11
12
13
14
15
16
17
18
19
061265R1
3475328M1
061325R1
053949R1
040961R1
3475341M1
061328R1
3475335M1
040962R1
061293R1
061224R1
061219R1
061342R1
061264R1
061272R1
061303R1
061276R1
040946R1
061216R1
2
1
1
2
10
2
1
4
4
2
2
2
2
2
2
2
2
2
1
7
7
BUSH CASQUILLO
VALVE VALVULA
HOUSING ALOJAMIENTO
PAD ALMOHADILLA
BOLT PERNO
PIN PASADOR
KIT, BRACKET JUEGO SOPORTE
BUSH CASQUILLO
BOLT PERNO
SPRING PLATE PLETINA MUELLE
BEARING COJINETE
SEAL RETEN
SEAL RETEN
BUSH CASQUILLO
BUSH CASQUILLO
SPACER PIEZA DISTANCIA
SPRING PLATE PLETINA MUELLE
GREASER ENGRASADOR
GREASER ENGRASADOR
BUCHA
VÁLVULA
CARCAÇA
TAMPÃO
PARAFUSO
PINO
CJ. SUPORTE
BUCHA
PARAFUSO
MOLA PRATO
ROLAMENTO
RETENTOR
RETENTOR
BUCHA
BUCHA
ESPAÇADOR
MOLA PRATO
GRAXEIRA
GRAXEIRA
C026502 E03 12/05
(1)
4 Rodas Motrizes - Estreito
4 Wheels Drive - Narrow
4 Ruedas Motriz - Estrecho
60 195
Carraro - 20.14
Carraro - 20.14
Carraro - 20.14
Eixo Dianteiro
Front Axle
Eje Delantero
60 195
-
Menu Símbolos
E145Z002
061356T1B
1
2
3
4
5
6
7
8
9
10
11
12
13
14
15
16
17
18
19
20
20
20
20
21
22
23
24
3475587M1
061221R1
040993R1
3475583M1
3475584M1
053849R1
061322R1
061288R1
061346R1
061347R1
061278R1
041055R1
041054R1
061248R1
061239R1
061246R1
061247R1
066535R1
066530R1
066531R1
066532R1
066533R1
066534R1
066528R1
066529R1
066527R1
066526R1
12
2
2
2
2
2
2
2
1
1
1
8
10
2
1
4
2
2
4
16
16
16
16
2
4
1
1
15
15
19
19
19
19
9
10
BOLT PERNO
BEARING COJINETE
BOLT PERNO
PLATE CHAPA
NUT TUERCA
RING ARO
WASHER ARANDELA
WASHER ARANDELA
KIT, AXLE JUEGO DE EJE
KIT, AXLE JUEGO DE EJE
HOUSE ASSY CONJ. CARTER
DISC DISCO
DISC DISCO
DISC DISCO
KIT, GEAR ENGRANAJES JUEGO
WASHER ARANDELA
SHAFT ARBOL
SHAFT ARBOL
SPIDER CRUCETA
CIRCLIP CIRCULITO
CIRCLIP CIRCULITO
CIRCLIP CIRCULITO
CIRCLIP CIRCULITO
FORK HORQUILLA
GREASER ENGRASADOR
FORK HORQUILLA
FORK HORQUILLA
PARAFUSO
ROLAMENTO
PARAFUSO
CHAPA
PORCA
ANEL
ARRUELA
ARRUELA
CJ. EIXO
CJ. EIXO
CJ. CARCAÇA
DISCO
DISCO
DISCO
CJ. ENGRENAGEM
ARRUELA
EIXO
EIXO
CRUZETA
ANEL TRAVA
ANEL TRAVA
ANEL TRAVA
ANEL TRAVA
GARFO
GRAXEIRA
GARFO
GARFO
C026502 E03 12/05
(1)
4 Rodas Motrizes - Estreito
4 Wheels Drive - Narrow
4 Ruedas Motriz - Estrecho
60 200
Carraro - 20.14
Carraro - 20.14
Carraro - 20.14
Eixo Dianteiro
Front Axle
Eje Delantero
60 200
-
Menu Símbolos
70x45x14
E145Z003
061356T1C
1
2
3
4
5
6
7
8
9
10
11
12
13
14
15
16
17
18
19
20
21
22
040944R1
061287R1
061297R1
061231R1
061350R1
061296R1
061343R1
053965R1
053966R1
053967R1
053838R1
061214R1
061349R1
068832R1
061321R1
061212R1
061234R1
061232R1
061233R1
4
16
2
8
1
2
2
2
2
2
1
2
1
2
1
1
1
1
4
1
1
1
14
14
14
GREASER ENGRASADOR
BOLT PERNO
PIN PASADOR
PAD ALMOHADILLA
HOUSING ALOJAMIENTO
PIN PASADOR
COVER CUBIERTA
SEAL RETEN
BUSH CASQUILLO
BOLT PERNO
NUT TUERCA
NUT TUERCA
HOUSING ALOJAMIENTO
KIT, ARM JUEGO DE BRAZO
KNUCKLE CHARNELA
NUT TUERCA
ARM BRAZO
CYLINDER CILINDRO
BOLT PERNO
SPINDLE MANGUETA
GUIDE GUIA
KIT, REPAIR JUEGO REPARACION
GRAXEIRA
PARAFUSO
PINO
TAMPÃO
CARCAÇA
PINO
TAMPA
RETENTOR
BUCHA
PARAFUSO
PORCA
PORCA
CARCAÇA
CJ. BRAÇO
ARTICULAÇÃO
PORCA
BRAÇO
CILINDRO
PARAFUSO
HASTE
GUIA
JG. REPARO
C026502 E03 12/05
(1)
4 Rodas Motrizes - Estreito
4 Wheels Drive - Narrow
4 Ruedas Motriz - Estrecho
60 205
Carraro - 20.14
Carraro - 20.14
Carraro - 20.14
Eixo Dianteiro
Front Axle
Eje Delantero
60 205
-
Menu Símbolos
M10X45
M8X20
E145Z004
061356T1D
23
1
2
3
4
5
6
7
8
9
10
11
12
13
14
15
16
17
18
19
20
061291R1
061273R1
053857R1
061237R1
3475625M1
061227R1
061274R1
061269R1
040926R1
061229R1
061242R1
061249R1
068383R1
061290R1
041087R1
041088R1
054030R1
061294R1
061295R1
053858R1
12
2
3
2
6
18
6
2
6
2
2
4
2
8
16
16
2
2
12
4
INSERT INSERCION
SPROCKET RUEDA DE CADENA
PAD ALMOHADILLA
HUB CUBO
WASHER ARANDELA
ROLLER RODILLO
GEAR ENGRANAJE
WASHER ARANDELA
RING ARO
O RING JUNTA TORICA
HUB CUBO
BEARING COJINETE
SEAL RETEN
STUD ESPARRAGO
WASHER ARANDELA
NUT TUERCA
RING ARO
BRACKET SOPORTE
BOLT PERNO
BOLT PERNO
BUCHA
COROA
TAMPÃO
CUBO
ARRUELA
ROLETE
ENGRENAGEM
ARRUELA
ANEL
ANEL "O"
CUBO
ROLAMENTO
RETENTOR
PRISIONEIRO
ARRUELA
PORCA
ANEL
SUPORTE
PARAFUSO
PARAFUSO
C026502 E03 12/05
(1)
4 Rodas Motrizes - Estreito
4 Wheels Drive - Narrow
4 Ruedas Motriz - Estrecho
60 210
Carraro - 20.14
Carraro - 20.14
Carraro - 20.14
Eixo Dianteiro
Front Axle
Eje Delantero
60 210
-
Menu Símbolos
M35X1,5
E145Z005
061356T1E
17/32
2,50MM
2,60MM
2,70MM
2,80MM
2,90MM
3,00MM
3,10MM
3,20MM
3,30MM
3,40MM
1
2
3
4
5
6
7
8
9
10
11
12
12
12
12
12
12
12
12
12
12
061270R1
061320R1
061226R1
061326R1
061218R1
061245R1
061251R1
061252R1
061277R1
061275R1
061223R1
061305R1
061306R1
061307R1
061308R1
061309R1
061310R1
061311R1
061312R1
061313R1
061314R1
1
1
1
1
1
1
1
1
2
2
2
X
X
X
X
X
X
X
X
X
X
6
6
6
6
WASHER ARANDELA
SEAL RETEN
O RING JUNTA TORICA
FLANGE PLETINA
RING ARO
KIT, BEVEL GEAR CORONA Y PINON
NUT TUERCA
WASHER ARANDELA
WASHER ARANDELA
SPRING PLATE PLETINA MUELLE
BEARING COJINETE
SHIM CALCE
SHIM CALCE
SHIM CALCE
SHIM CALCE
SHIM CALCE
SHIM CALCE
SHIM CALCE
SHIM CALCE
SHIM CALCE
SHIM CALCE
ARRUELA
RETENTOR
ANEL "O"
FLANGE
ANEL
COROA E PINHÃO
PORCA
ARRUELA
ARRUELA
MOLA PRATO
ROLAMENTO
CALÇO
CALÇO
CALÇO
CALÇO
CALÇO
CALÇO
CALÇO
CALÇO
CALÇO
CALÇO
C026502 E03 12/05
(1)
4 Rodas Motrizes - Estreito
4 Wheels Drive - Narrow
4 Ruedas Motriz - Estrecho
60 215
Carraro - 20.14
Carraro - 20.14
Carraro - 20.14
Eixo Dianteiro
Front Axle
Eje Delantero
60 215
-
Menu Símbolos
EQ94Z002
036908T1
1
2
3
4
5
6
036908T1
056018T1
056019T1
6210262M91
1
1
1
2
2
1
1
1
DRIVE SHAFT EJE DE MANDO
FORK HORQUILLA
FORK HORQUILLA
SPIDER CRUCETA
FLANGE PLETINA
SLEEVE MANCHA
CARDAN
GARFO
GARFO
CRUZETA
FLANGE
LUVA
C026502 E03 12/05
(1)
60 220
Eixo Cardan
Tail Shaft
Eje Cardan
60 220
-
Menu Símbolos
EQ94Z005
057380T1
1
2
3
4
5
6
057380T1
056018T1
056019T1
6210262M91
1
1
1
2
2
1
1
1
KIT, AXLE JUEGO DE EJE
FORK HORQUILLA
FORK HORQUILLA
SPIDER CRUCETA
FLANGE PLETINA
SLEEVE MANCHA
CJ. EIXO
GARFO
GARFO
CRUZETA
FLANGE
LUVA
C026502 E03 12/05
(1)
60 225
Eixo Cardan
Tail Shaft
Eje Cardan
60 225
-
Menu Símbolos
ZF
AJ01Z061
T0214142
60-235 No
60-220 No
0.73/0.67MM
0.92/0.87MM
1,04/0.99MM
1.17/1.12MM
1.30/1.25MM
1
2
3
4
5
6
7
8
9
10
11
11
11
11
11
12
13
14
15
17
18
19
20
21
22
23
24
25
29
30
31
32
33
34
35
36
38
063124N1
339124X1
353446X1
036903P1
054361P1
036908T1
353431X1
353540X1
3412609M91
898017M2
898018M2
898019M2
898020M2
882868M2
882869M2
058456P1
033992P1
195414M1
067590P1
1688236M93
490804M1
338623X1
355566X1
353434X1
036838S1
354264X1
353756X1
354059X1
366195X1
184174M91
353430X1
3410152M1
181142M1
037045T1
832813M1
058458P1
058457P1
1
2
2
1
1
1
8
8
2
1
X
X
X
X
X
1
1
1
1
2
2
2
1
1
1
1
1
1
1
1
1
1
1
1
1
1
1
KIT, AXLE JUEGO DE EJE
BOLT PERNO
WASHER ARANDELA
SHIELD BLINDAJE
GUARD DEFENSA
DRIVE SHAFT EJE DE MANDO
NUT TUERCA
BOLT PERNO
HOSE FLEXIBLE
SHIM CALCE
SHIM CALCE
SHIM CALCE
SHIM CALCE
SHIM CALCE
SHIM CALCE
PIN PASADOR
PIN PASADOR
CRAMP PASADOR
BRACKET SOPORTE
GUARD DEFENSA
CLAMP ABRAZADERA
CLAMP ABRAZADERA
NUT TUERCA
WASHER ARANDELA
LEVER PALANCA
BOLT PERNO
WASHER ARANDELA
DOWEL CENTRAJE
GROMMET PASACABLE
ROD VARILLA
NUT TUERCA
KNOB POMO
WASHER ARANDELA
PLUG TAPON
PIN PASADOR
BUSH CASQUILLO
BUSH CASQUILLO
CJ. EIXO
PARAFUSO
ARRUELA
BLINDAGEM
PROTEÇÃO
CARDAN
PORCA
PARAFUSO
MANGUEIRA
CALÇO
CALÇO
CALÇO
CALÇO
CALÇO
CALÇO
PINO
PINO
GRAMPO
SUPORTE
PROTEÇÃO
BRAÇADEIRA
BRAÇADEIRA
PORCA
ARRUELA
ALAVANCA
PARAFUSO
ARRUELA
CONTRAPINO
PASSA-FIO
TIRANTE
PORCA
MANÍPULO
ARRUELA
BUJÃO
PINO
BUCHA
BUCHA
C026502 E03 12/05
(1)
Sem Creeper
Without Creeper
Sin Creeper
60 230
Eixo Dianteiro
Front Axle
Eje Delantero
60 230
-
Menu Símbolos
N083Z024
063124N1
1
2
3
3411947M91
6203926M91
022313T2
2
1
2
CONNECTION CONEXION
KIT, AXLE JUEGO DE EJE
HOSE FLEXIBLE
CONEXÃO
CJ. EIXO
MANGUEIRA
C026502 E03 12/05
(1)
60 235
Zf-Apl335-Tração Lateral
Zf - Apl335-Side Drive
Zf - Apl335-Traccion Lateral
Eixo Dianteiro
Front Axle
Eje Delantero
60 235
-
Menu Símbolos
AK01Z003
6203926M91A
3,0MM
1,7MM
2,2MM
1,5MM
2,0MM
2,5MM
1
2
3
4
5
6
7
8
9
10
11
12
13
14
15
16
17
18
19
20
21
22
23
23
23
23
23
23
24
25
26
27
28
29
050646R1
056600R1
033556R1
3603226M1
033718R1
040663R1
033606R1
033717R1
033716R1
027544R1
027536R1
3603228M1
027539R1
033227R1
040658R1
040675R1
3603235M1
033620R1
3176337M1
3176337M1
033549R1
033619R1
020842R1
020843R1
033618R1
3176343M1
3176344M1
3603293M1
040659R1
040688R1
3588127M1
3588126M1
040664R1
033609R1
4
1
2
1
1
1
2
16
16
4
4
2
2
2
2
1
2
2
2
2
2
2
X
X
X
X
X
X
1
1
1
4
1
1
BUSH CASQUILLO
PLUG TAPON
O RING JUNTA TORICA
PLUG TAPON
O RING JUNTA TORICA
HOUSING ALOJAMIENTO
GREASER ENGRASADOR
BOLT PERNO
WASHER ARANDELA
CIRCLIP CIRCULITO
SEAL RETEN
BUSH CASQUILLO
OIL SEAL BUJE RETENACEITE
PROTECTOR PROTECTOR
KNUCKLE CHARNELA
OIL SEAL BUJE RETENACEITE
BUSH CASQUILLO
CIRCLIP CIRCULITO
WASHER ARANDELA
WASHER ARANDELA
CIRCLIP CIRCULITO
SHAFT ARBOL
SHIM CALCE
SHIM CALCE
WASHER ARANDELA
WASHER ARANDELA
WASHER ARANDELA
WASHER ARANDELA
SHAFT ARBOL
SHAFT ARBOL
PLATE PLATO
RIVET REMACHE
HOUSING ALOJAMIENTO
CONTROL VALVE VALVULA CONTROL
BUCHA
BUJÃO
ANEL "O"
BUJÃO
ANEL "O"
CARCAÇA
GRAXEIRA
PARAFUSO
ARRUELA
ANEL TRAVA
RETENTOR
BUCHA
RETENTOR
PROTETOR
ARTICULAÇÃO
RETENTOR
BUCHA
ANEL TRAVA
ARRUELA
ARRUELA
ANEL TRAVA
EIXO
CALÇO
CALÇO
ARRUELA
ARRUELA
ARRUELA
ARRUELA
EIXO
EIXO
PLACA
REBITE
CARCAÇA
VÁLVULA
C026502 E03 12/05
(1)
60 240
Eixo Dianteiro 4 Rodas Motrizes
Front Axle 4 Wheel Drive
Eje Delantero 4 Ruedas Motrices
60 240
-
Menu Símbolos
AK04Z002
6203926M91B
0,60MM
0,70MM
0,80MM
0,90MM
1,0MM
1,20MM
1,30MM
1,40MM
1,50MM
1,60MM
1,80MM
0,50MM
0,75MM
0,85MM
0,95MM
1,05MM
1,15MM
1,25MM
1,2MM
1,1MM
1,3MM
1,4MM
11,30MM
11,33MM
11,36MM
11,39MM
11,42MM
11,45MM
11,48MM
11,51MM
11,54MM
11,57MM
11,60MM
11,63MM
11,66MM
11,69MM
11,75MM
11,78MM
1
2
3
4
4
4
4
4
4
4
4
4
4
4
4
4
4
4
4
4
4
5
6
7
8
8
8
8
9
10
11
12
13
14
15
15
15
15
15
15
15
15
15
15
15
15
15
15
15
15
033681R1
040662R1
033691R1
033694R1
033695R1
033696R1
033697R1
033698R1
033700R1
033701R1
033702R1
033703R1
033704R1
033705R1
033706R1
033707R1
033708R1
033709R1
033710R1
033711R1
033712R1
033715R1
033690R1
033688R1
033683R1
033684R1
033685R1
033686R1
040673R1
040671R1
040674R1
033551R1
040690R1
040691R1
033641R1
033642R1
033643R1
033644R1
033645R1
033646R1
033647R1
033648R1
033649R1
033650R1
033651R1
033652R1
033653R1
033654R1
033656R1
033657R1
2
2
1
2
2
2
2
2
2
2
2
2
2
2
2
2
2
2
2
2
2
2
1
2
1
1
1
1
4
1
4
1
1
1
1
1
1
1
1
1
1
1
1
1
1
1
1
1
1
1
WASHER ARANDELA
GEAR ENGRANAJE
HOUSING ALOJAMIENTO
SHIM CALCE
SHIM CALCE
SHIM CALCE
SHIM CALCE
SHIM CALCE
SHIM CALCE
SHIM CALCE
SHIM CALCE
SHIM CALCE
SHIM CALCE
SHIM CALCE
SHIM CALCE
SHIM CALCE
SHIM CALCE
SHIM CALCE
SHIM CALCE
SHIM CALCE
SHIM CALCE
BEARING COJINETE
SHAFT ARBOL
GEAR ENGRANAJE
DISC DISCO
DISC DISCO
DISC DISCO
DISC DISCO
BOLT PERNO
FLANGE PLETINA
NUT TUERCA
NUT TUERCA
OIL SEAL BUJE RETENACEITE
BEARING COJINETE
SHIM CALCE
SHIM CALCE
SHIM CALCE
SHIM CALCE
SHIM CALCE
SHIM CALCE
SHIM CALCE
SHIM CALCE
SHIM CALCE
SHIM CALCE
SHIM CALCE
SHIM CALCE
SHIM CALCE
SHIM CALCE
SHIM CALCE
SHIM CALCE
ARRUELA
ENGRENAGEM
CARCAÇA
CALÇO
CALÇO
CALÇO
CALÇO
CALÇO
CALÇO
CALÇO
CALÇO
CALÇO
CALÇO
CALÇO
CALÇO
CALÇO
CALÇO
CALÇO
CALÇO
CALÇO
CALÇO
ROLAMENTO
EIXO
ENGRENAGEM
DISCO
DISCO
DISCO
DISCO
PARAFUSO
FLANGE
PORCA
PORCA
RETENTOR
ROLAMENTO
CALÇO
CALÇO
CALÇO
CALÇO
CALÇO
CALÇO
CALÇO
CALÇO
CALÇO
CALÇO
CALÇO
CALÇO
CALÇO
CALÇO
CALÇO
CALÇO
C026502 E03 12/05
(1)
60 245
Diferencial
Differential
Diferencial
Eixo Dianteiro 4 Rodas Motrizes
Front Axle 4 Wheel Drive
Eje Delantero 4 Ruedas Motrices
60 245
-
Menu Símbolos
AK04Z002
6203926M91B
11,81MM
11,84MM
11,87MM
11,90MM
11,93MM
11,96MM
11,99MM
12,02MM
12,05MM
12,08MM
12,11MM
12,14MM
12,17MM
12,20MM
12,23MM
12,26MM
12,29MM
12,32MM
12,35MM
12,38MM
0,50MM
0,60MM
0,70MM
0,80MM
0,90MM
1,00MM
1,10MM
1,30MM
1,40MM
1,50MM
0,65MM
0,85MM
0,95MM
1,05MM
1,15MM
1,20MM
13/28
3,2MM
15
15
15
15
15
15
15
15
15
15
15
15
15
15
15
15
15
15
15
15
16
16
16
16
16
16
16
16
16
16
16
16
16
16
16
16
17
18
19
20
21
22
23
24
25
033658R1
033659R1
033660R1
033661R1
033662R1
033663R1
033664R1
033665R1
033666R1
033667R1
033668R1
033669R1
033670R1
033671R1
033672R1
033673R1
033674R1
033675R1
033676R1
033677R1
033625R1
033626R1
033627R1
033628R1
033629R1
033630R1
033631R1
033632R1
033633R1
033634R1
033635R1
033637R1
033638R1
033639R1
033640R1
033789R1
033678R1
040660R1
033682R1
033782R1
033693R1
033692R1
033783R1
033687R1
033680R1
1
1
1
1
1
1
1
1
1
1
1
1
1
1
1
1
1
1
1
1
1
1
1
1
1
1
1
1
1
1
1
1
1
1
1
1
1
1
10
1
5
5
1
8
2
SHIM CALCE
SHIM CALCE
SHIM CALCE
SHIM CALCE
SHIM CALCE
SHIM CALCE
SHIM CALCE
SHIM CALCE
SHIM CALCE
SHIM CALCE
SHIM CALCE
SHIM CALCE
SHIM CALCE
SHIM CALCE
SHIM CALCE
SHIM CALCE
SHIM CALCE
SHIM CALCE
SHIM CALCE
SHIM CALCE
SHIM CALCE
SHIM CALCE
SHIM CALCE
SHIM CALCE
SHIM CALCE
SHIM CALCE
SHIM CALCE
SHIM CALCE
SHIM CALCE
SHIM CALCE
SHIM CALCE
SHIM CALCE
SHIM CALCE
SHIM CALCE
SHIM CALCE
SHIM CALCE
BEARING COJINETE
KIT, BEVEL GEAR CORONA Y PINON
BOLT PERNO
PIN PASADOR
PIN PASADOR
PIN PASADOR
FLANGE PLETINA
DISC DISCO
WASHER ARANDELA
CALÇO
CALÇO
CALÇO
CALÇO
CALÇO
CALÇO
CALÇO
CALÇO
CALÇO
CALÇO
CALÇO
CALÇO
CALÇO
CALÇO
CALÇO
CALÇO
CALÇO
CALÇO
CALÇO
CALÇO
CALÇO
CALÇO
CALÇO
CALÇO
CALÇO
CALÇO
CALÇO
CALÇO
CALÇO
CALÇO
CALÇO
CALÇO
CALÇO
CALÇO
CALÇO
CALÇO
ROLAMENTO
COROA E PINHÃO
PARAFUSO
PINO
PINO
PINO
FLANGE
DISCO
ARRUELA
C026502 E03 12/05
(1)
60 245
Diferencial
Differential
Diferencial
Eixo Dianteiro 4 Rodas Motrizes
Front Axle 4 Wheel Drive
Eje Delantero 4 Ruedas Motrices
60 245
-
Menu Símbolos
1.3
12,000MM
12,025MM
12,050
12,075MM
12,100MM
14,439MM
14,464MM
AK05Z002
6203926M91C
0,6MM
1,0MM
1,4MM
0,4MM
0,8MM
0,2MM
0,3MM
10,00MM
10,025MM
10,050MM
10,075MM
10,100MM
10,125MM
10,175MM
10,200MM
10,225MM
10,250MM
1
2
3
3
3
3
3
3
3
4
5
6
7
8
9
10
11
12
13
14
15
16
17
18
19
20
21
22
23
24
25
26
27
28
28
28
28
28
28
28
28
28
28
28
28
28
28
28
28
28
3176321M1
3176390M1
3176313M1
3176314M1
3176315M1
3176319M1
3176320M1
3588106M1
3588107M1
033721R1
033722R1
040665R1
6207052M1
6207053M1
033608R1
040689R1
3588113M1
033616R1
033621R1
3587936M1
3176341M1
3176342M1
3176340M1
3176339M1
3176347M1
3176364M1
3176345M1
3176350M1
3176351M1
3176333M1
033617R1
3176349M1
3176330M1
033580R1
033579R1
3603757M1
033577R1
033562R1
033575R1
033574R1
033573R1
033565R1
033572R1
040677R1
040678R1
040679R1
040680R1
040681R1
033570R1
033569R1
4
4
4
4
4
4
4
4
4
4
4
4
1
1
2
2
12
2
2
6
6
12
6
2
4
2
2
16
16
4
2
16
2
1
1
1
1
1
1
1
1
1
1
1
1
1
1
1
1
1
PIN PASADOR
GREASER ENGRASADOR
SHIM CALCE
SHIM CALCE
SHIM CALCE
SHIM CALCE
SHIM CALCE
SHIM CALCE
SHIM CALCE
O RING JUNTA TORICA
CAP TAPA
BEARING COJINETE
HOUSING ALOJAMIENTO
HOUSING ALOJAMIENTO
NUT TUERCA
BOLT PERNO
BOLT PERNO
ANNULAR GEAR ENGRANAJE ANULAR
NUT TUERCA
CIRCLIP CIRCULITO
BEARING COJINETE
RING ARO
GEAR ENGRANAJE
HUB CUBO
BOLT PERNO
O RING JUNTA TORICA
PLUG TAPON
WASHER ARANDELA
NUT TUERCA
BOLT PERNO
PLATE PLATO
BOLT PERNO
BEARING COJINETE
RING ARO
RING ARO
WASHER ARANDELA
RING ARO
RING ARO
RING ARO
RING ARO
RING ARO
RING ARO
RING ARO
SHIM CALCE
SHIM CALCE
SHIM CALCE
SHIM CALCE
SHIM CALCE
RING ARO
RING ARO
PINO
GRAXEIRA
CALÇO
CALÇO
CALÇO
CALÇO
CALÇO
CALÇO
CALÇO
ANEL "O"
CAPA
ROLAMENTO
CARCAÇA
CARCAÇA
PORCA
PARAFUSO
PARAFUSO
COROA
PORCA
ANEL TRAVA
ROLAMENTO
ANEL
ENGRENAGEM
CUBO
PARAFUSO
ANEL "O"
BUJÃO
ARRUELA
PORCA
PARAFUSO
PLACA
PARAFUSO
ROLAMENTO
ANEL
ANEL
ARRUELA
ANEL
ANEL
ANEL
ANEL
ANEL
ANEL
ANEL
CALÇO
CALÇO
CALÇO
CALÇO
CALÇO
ANEL
ANEL
C026502 E03 12/05
(1)
60 250
Redução Final
Final Drive
Accionamiento Final
Eixo Dianteiro 4 Rodas Motrizes
Front Axle 4 Wheel Drive
Eje Delantero 4 Ruedas Motrices
60 250
-
Menu Símbolos
14,514MM
14,539MM
12,125MM
14,614MM
14,639MM
14,664MM
14,689MM
12,150MM
12,175MM
12,200MM
12,225MM
12,250MM
14,414MM
AK05Z002
6203926M91C
28
28
28
28
28
28
28
28
28
28
28
28
28
29
30
31
033567R1
033566R1
040682R1
033563R1
033562R1
033561R1
033560R1
040683R1
040684R1
040685R1
040686R1
040687R1
033571R1
3176331M1
033728R1
033548R1
1
1
1
1
1
1
1
1
1
1
1
1
1
2
2
2
RING ARO
RING ARO
SHIM CALCE
RING ARO
RING ARO
RING ARO
RING ARO
SHIM CALCE
SHIM CALCE
SHIM CALCE
SHIM CALCE
SHIM CALCE
RING ARO
O RING JUNTA TORICA
HUB CUBO
SEAL RETEN
ANEL
ANEL
CALÇO
ANEL
ANEL
ANEL
ANEL
CALÇO
CALÇO
CALÇO
CALÇO
CALÇO
ANEL
ANEL "O"
CUBO
RETENTOR
C026502 E03 12/05
(1)
60 250
Redução Final
Final Drive
Accionamiento Final
Eixo Dianteiro 4 Rodas Motrizes
Front Axle 4 Wheel Drive
Eje Delantero 4 Ruedas Motrices
60 250
-
Menu Símbolos
AK13Z002
6203926M91D
1,0MM
1,1MM
1,2MM
1,3MM
1,4MM
1,5MM
1,6MM
1,7MM
1,8MM
0,9MM
15
15
15
15
15
15
15
1
1
1
1
1
1
1
1
1
1
2
3
4
5
6
7
8
9
10
11
12
13
14
15
16
17
18
19
20
21
22
23
033736R1
033737R1
033738R1
033739R1
033740R1
033741R1
033742R1
033743R1
033744R1
033745R1
040666R1
033759R1
050655R1
050656R1
050657R1
033748R1
033750R1
033747R1
033755R1
038054R1
033754R1
033733R1
033734R1
033751R1
033732R1
1
1
1
1
1
1
1
1
1
1
1
2
2
4
2
1
1
2
2
1
1
2
2
1
2
1
1
1
1
1
1
1
15
15
SHIM CALCE
SHIM CALCE
SHIM CALCE
SHIM CALCE
SHIM CALCE
SHIM CALCE
SHIM CALCE
SHIM CALCE
SHIM CALCE
SHIM CALCE
GUIDE GUIA
O RING JUNTA TORICA
O RING JUNTA TORICA
BOLT PERNO
BALL JOINT UNION ROTULA
BALL JOINT UNION ROTULA
BALL JOINT UNION ROTULA
O RING JUNTA TORICA
WASHER ARANDELA
PISTON PISTON
O RING JUNTA TORICA
O RING JUNTA TORICA
O RING JUNTA TORICA
KIT, REPAIR JUEGO REPARACION
O RING JUNTA TORICA
O RING JUNTA TORICA
O RING JUNTA TORICA
CYLINDER CILINDRO
O RING JUNTA TORICA
GUIDE GUIA
O RING JUNTA TORICA
CYLINDER ROD BIELA DE CILINDR
CALÇO
CALÇO
CALÇO
CALÇO
CALÇO
CALÇO
CALÇO
CALÇO
CALÇO
CALÇO
GUIA
ANEL "O"
ANEL "O"
PARAFUSO
TERMINAL
TERMINAL
TERMINAL
ANEL "O"
ARRUELA
PISTÃO
ANEL "O"
ANEL "O"
ANEL "O"
JG. REPARO
ANEL "O"
ANEL "O"
ANEL "O"
CILINDRO
ANEL "O"
GUIA
ANEL "O"
HASTE CILINDRO
C026502 E03 12/05
(1)
60 255
Cilíndro De Direção
Steering Cylinders
Cilindros De Direccion
Eixo Dianteiro 4 Rodas Motrizes
Front Axle 4 Wheel Drive
Doble Traccion Del Eje Frontal
60 255
-
Menu Símbolos
ZF
AJ01Z062
T0214143
60-235 No
60-225 No
0.73/0.67MM
0.92/0.87MM
1,04/0.99MM
1.17/1.12MM
1.30/1.25MM
1
2
3
4
5
6
7
8
9
10
11
11
11
11
11
12
13
14
15
16
17
18
19
20
21
22
23
24
25
26
29
30
31
32
33
34
35
36
38
063124N1
339124X1
353446X1
036903P1
054361P1
057380T1
353431X1
353540X1
3412609M91
898017M2
898018M2
898019M2
898020M2
882868M2
882869M2
058456P1
033992P1
195414M1
067590P1
1441271X1
1688236M93
490804M1
338623X1
355566X1
353434X1
036838S1
354264X1
353756X1
354059X1
036836P1
366195X1
184174M91
353430X1
3410152M1
181142M1
037045T1
832813M1
058458P1
058457P1
1
2
2
1
1
1
8
8
2
1
X
X
X
X
X
1
1
1
1
1
2
2
2
1
1
1
1
1
1
1
1
1
1
1
1
1
1
1
1
KIT, AXLE JUEGO DE EJE
BOLT PERNO
WASHER ARANDELA
SHIELD BLINDAJE
GUARD DEFENSA
KIT, AXLE JUEGO DE EJE
NUT TUERCA
BOLT PERNO
HOSE FLEXIBLE
SHIM CALCE
SHIM CALCE
SHIM CALCE
SHIM CALCE
SHIM CALCE
SHIM CALCE
PIN PASADOR
PIN PASADOR
CRAMP PASADOR
BRACKET SOPORTE
O RING JUNTA TORICA
GUARD DEFENSA
CLAMP ABRAZADERA
CLAMP ABRAZADERA
NUT TUERCA
WASHER ARANDELA
LEVER PALANCA
BOLT PERNO
WASHER ARANDELA
DOWEL CENTRAJE
BRACKET SOPORTE
GROMMET PASACABLE
ROD VARILLA
NUT TUERCA
KNOB POMO
WASHER ARANDELA
PLUG TAPON
PIN PASADOR
BUSH CASQUILLO
BUSH CASQUILLO
CJ. EIXO
PARAFUSO
ARRUELA
BLINDAGEM
PROTEÇÃO
CJ. EIXO
PORCA
PARAFUSO
MANGUEIRA
CALÇO
CALÇO
CALÇO
CALÇO
CALÇO
CALÇO
PINO
PINO
GRAMPO
SUPORTE
ANEL "O"
PROTEÇÃO
BRAÇADEIRA
BRAÇADEIRA
PORCA
ARRUELA
ALAVANCA
PARAFUSO
ARRUELA
CONTRAPINO
SUPORTE
PASSA-FIO
TIRANTE
PORCA
MANÍPULO
ARRUELA
BUJÃO
PINO
BUCHA
BUCHA
C026502 E03 12/05
(1)
Com Creeper
With Creeper
Con Creeper
60 260
Eixo Dianteiro
Front Axle
Eje Delantero
60 260
-
Menu Símbolos
EF22Z011
6203923M91A
60-110 No
2.2MM
1,5MM
2,0MM
2,5MM
3,0MM
1,7MM
2,2MM
3,85MM
3,95MM
4,05MM
4,15MM
4,25MM
4,35MM
4,45MM
4,55MM
4,60MM
1
2
3
4
5
6
7
8
9
10
11
12
13
14
15
16
17
18
19
20
21
22
23
24
25
26
26
26
26
26
26
27
28
29
30
31
32
34
35
36
36
36
36
36
36
36
36
36
37
3603231M1
3603229M1
056600R1
033556R1
3603226M1
033718R1
048289R1
033606R1
033717R1
033716R1
027544R1
027536R1
3603228M1
027539R1
033227R1
040658R1
027537R1
027536R1
3603235M1
033620R1
3176348M1
3176337M1
033549R1
6207055M1
033618R1
3176343M1
3176344M1
3603293M1
3603294M1
3603295M1
3603296M1
050839R1
033620R1
3588126M1
3588127M1
048288R1
033609R1
3603232M1
020606R1
3603245M1
3603246M1
3603247M1
3603248M1
3603249M1
3603250M1
3603251M1
3603252M1
3603253M1
3588079M1
1
1
1
2
1
1
1
2
16
16
2
4
2
2
2
2
2
4
2
4
2
2
2
2
X
X
X
X
X
X
X
2
4
4
1
1
1
1
1
1
1
1
1
1
1
1
1
1
4
BRACKET SOPORTE
GREASER ENGRASADOR
PLUG TAPON
O RING JUNTA TORICA
PLUG TAPON
O RING JUNTA TORICA
HOUSING ALOJAMIENTO
GREASER ENGRASADOR
BOLT PERNO
WASHER ARANDELA
CIRCLIP CIRCULITO
SEAL RETEN
BUSH CASQUILLO
OIL SEAL BUJE RETENACEITE
PROTECTOR PROTECTOR
KNUCKLE CHARNELA
OIL SEAL BUJE RETENACEITE
SEAL RETEN
BUSH CASQUILLO
CIRCLIP CIRCULITO
WASHER ARANDELA
WASHER ARANDELA
CIRCLIP CIRCULITO
SHAFT ARBOL
WASHER ARANDELA
WASHER ARANDELA
WASHER ARANDELA
WASHER ARANDELA
WASHER ARANDELA
WASHER ARANDELA
WASHER ARANDELA
SHAFT ARBOL
CIRCLIP CIRCULITO
RIVET REMACHE
PLATE PLATO
HOUSING ALOJAMIENTO
CONTROL VALVE VALVULA CONTROL
BUSH CASQUILLO
RING ARO
SHIM CALCE
SHIM CALCE
SHIM CALCE
SHIM CALCE
SHIM CALCE
SHIM CALCE
SHIM CALCE
SHIM CALCE
SHIM CALCE
PIN PASADOR
SUPORTE
GRAXEIRA
BUJÃO
ANEL "O"
BUJÃO
ANEL "O"
CARCAÇA
GRAXEIRA
PARAFUSO
ARRUELA
ANEL TRAVA
RETENTOR
BUCHA
RETENTOR
PROTETOR
ARTICULAÇÃO
RETENTOR
RETENTOR
BUCHA
ANEL TRAVA
ARRUELA
ARRUELA
ANEL TRAVA
EIXO
ARRUELA
ARRUELA
ARRUELA
ARRUELA
ARRUELA
ARRUELA
ARRUELA
EIXO
ANEL TRAVA
REBITE
PLACA
CARCAÇA
VÁLVULA
BUCHA
ANEL
CALÇO
CALÇO
CALÇO
CALÇO
CALÇO
CALÇO
CALÇO
CALÇO
CALÇO
PINO
C026502 E03 12/05
(1)
60 265
Zf - Apl335 - Tração Central
Zf - Apl335 - Middle Drive
Zf - Apl335 - Tracción Central
Eixo Dianteiro
Front Axle
Eje Delantero
60 265
-
Menu Símbolos
EF22Z012
6203923M91B
21
30
1
2
3
4
5
6
7
8
9
10
11
12
13
14
15
16
17
18
19
20
21
22
3588079M1
048254R1
3603223M1
3588135M1
3603220M1
3588138M1
354920X1
3588148M1
3588140M1
048429R1
048428R1
3176218M1
048430R1
3176219M1
3603211M2
048361R1
3603217M1
3603215M1
3588024M1
3588025M2
3176203M2
3176269M1
4
1
1
1
1
1
1
1
1
1
1
1
1
4
1
1
1
1
1
1
1
1
PIN PASADOR
PLUG TAPON
O RING JUNTA TORICA
BEARING COJINETE
SHAFT ARBOL
RING ARO
BEARING COJINETE
WASHER ARANDELA
RING ARO
SEAL RETEN
SEAL RETEN
COVER CUBIERTA
PLATE PLATO
BOLT PERNO
HOUSING ALOJAMIENTO
NUT TUERCA
GEAR ENGRANAJE
BUSH CASQUILLO
WASHER ARANDELA
BUSH CASQUILLO
RING ARO
RING ARO
PINO
BUJÃO
ANEL "O"
ROLAMENTO
EIXO
ANEL
ROLAMENTO
ARRUELA
ANEL
RETENTOR
RETENTOR
TAMPA
PLACA
PARAFUSO
CARCAÇA
PORCA
ENGRENAGEM
BUCHA
ARRUELA
BUCHA
ANEL
ANEL
C026502 E03 12/05
(1)
60 270
Zf - Apl335 - Tração Central
Zf - Apl335 - Middle Drive
Zf - Apl335 - Tracción Central
Eixo Dianteiro
Front Axle
Eje Delantero
60 270
-
Menu Símbolos
EF22Z013
6203923M91C
0,60MM
0,70MM
0,80MM
0,90MM
1,00MM
1,10MM
1,20MM
1,30MM
1,40MM
1,50MM
1,60MM
1,80MM
0,50MM
0,75MM
0,85MM
0,95MM
1,05MM
1,15MM
1,25MM
1,35MM
1,2MM
1,1MM
1,3MM
1,4MM
11,30MM
11,33MM
11,36MM
11,39MM
11,42MM
11,45MM
11,48MM
11,51MM
11,54MM
11,57MM
11,60MM
11,63MM
11,66MM
11,69MM
11,72MM
11,75MM
11,78MM
11,81MM
11,84MM
11,87MM
11,90MM
1
1
1
1
1
1
1
1
1
1
1
1
1
1
1
1
1
1
1
1
2
3
4
5
6
6
6
6
7
8
8
8
8
8
8
8
8
8
8
8
8
8
8
8
8
8
8
8
8
8
033694R1
033695R1
033696R1
033697R1
033698R1
033699R1
033700R1
033701R1
033702R1
033703R1
033704R1
033705R1
033706R1
033707R1
033708R1
033709R1
033710R1
033711R1
033712R1
033713R1
033715R1
033691R1
033690R1
033688R1
033683R1
033684R1
033685R1
033686R1
048302R1
033641R1
033642R1
033643R1
033644R1
033645R1
033646R1
033647R1
033648R1
033649R1
033650R1
033651R1
033652R1
033653R1
033654R1
033655R1
033656R1
033657R1
033658R1
033659R1
033660R1
033661R1
X
X
X
X
X
X
X
X
X
X
X
X
X
X
X
X
X
X
X
X
2
1
1
2
X
X
X
X
1
X
X
X
X
X
X
X
X
X
X
X
X
X
X
X
X
X
X
X
X
X
SHIM CALCE
SHIM CALCE
SHIM CALCE
SHIM CALCE
SHIM CALCE
SHIM CALCE
SHIM CALCE
SHIM CALCE
SHIM CALCE
SHIM CALCE
SHIM CALCE
SHIM CALCE
SHIM CALCE
SHIM CALCE
SHIM CALCE
SHIM CALCE
SHIM CALCE
SHIM CALCE
SHIM CALCE
SHIM CALCE
BEARING COJINETE
HOUSING ALOJAMIENTO
SHAFT ARBOL
GEAR ENGRANAJE
DISC DISCO
DISC DISCO
DISC DISCO
DISC DISCO
BEARING COJINETE
SHIM CALCE
SHIM CALCE
SHIM CALCE
SHIM CALCE
SHIM CALCE
SHIM CALCE
SHIM CALCE
SHIM CALCE
SHIM CALCE
SHIM CALCE
SHIM CALCE
SHIM CALCE
SHIM CALCE
SHIM CALCE
SHIM CALCE
SHIM CALCE
SHIM CALCE
SHIM CALCE
SHIM CALCE
SHIM CALCE
SHIM CALCE
CALÇO
CALÇO
CALÇO
CALÇO
CALÇO
CALÇO
CALÇO
CALÇO
CALÇO
CALÇO
CALÇO
CALÇO
CALÇO
CALÇO
CALÇO
CALÇO
CALÇO
CALÇO
CALÇO
CALÇO
ROLAMENTO
CARCAÇA
EIXO
ENGRENAGEM
DISCO
DISCO
DISCO
DISCO
ROLAMENTO
CALÇO
CALÇO
CALÇO
CALÇO
CALÇO
CALÇO
CALÇO
CALÇO
CALÇO
CALÇO
CALÇO
CALÇO
CALÇO
CALÇO
CALÇO
CALÇO
CALÇO
CALÇO
CALÇO
CALÇO
CALÇO
C026502 E03 12/05
(1)
60 275
Zf - Apl335 - Tração Central
Zf - Apl335 - Middle Drive
Zf - Apl335 - Tracción Central
Eixo Dianteiro
Front Axle
Eje Delantero
60 275
-
Menu Símbolos
EF22Z013
6203923M91C
11,93MM
11,96MM
11,99MM
12,02MM
12,05MM
12,08MM
12,11MM
12,14MM
12,17MM
12,20MM
12,23MM
12,26MM
12,29MM
12,32MM
12,35MM
12,38MM
0,50MM
0,60MM
0,70MM
0,80MM
0,90MM
1,00MM
1,10MM
1,30MM
1,40MM
1,50MM
0,65MM
0,75MM
0,85MM
0,95MM
1,05MM
1,15MM
1,20MM
28/13
3,2MM
8
8
8
8
8
8
8
8
8
8
8
8
8
8
8
8
9
9
9
9
9
9
9
9
9
9
9
9
9
9
9
9
9
10
11
12
13
14
15
16
17
18
19
20
033662R1
033663R1
033664R1
033665R1
033666R1
033667R1
033668R1
033669R1
033670R1
033671R1
033672R1
033673R1
033674R1
033675R1
033676R1
033677R1
033625R1
033626R1
033627R1
033628R1
033629R1
033630R1
033631R1
033632R1
033633R1
033634R1
033635R1
033636R1
033637R1
033638R1
033639R1
033640R1
033789R1
033678R1
048252R1
033682R1
033782R1
033692R1
033693R1
033783R1
033687R1
033680R1
033694R1
040662R1
X
X
X
X
X
X
X
X
X
X
X
X
X
X
X
X
X
X
X
X
X
X
X
X
X
X
X
X
X
X
X
X
X
1
1
10
1
5
5
1
8
2
2
2
SHIM CALCE
SHIM CALCE
SHIM CALCE
SHIM CALCE
SHIM CALCE
SHIM CALCE
SHIM CALCE
SHIM CALCE
SHIM CALCE
SHIM CALCE
SHIM CALCE
SHIM CALCE
SHIM CALCE
SHIM CALCE
SHIM CALCE
SHIM CALCE
SHIM CALCE
SHIM CALCE
SHIM CALCE
SHIM CALCE
SHIM CALCE
SHIM CALCE
SHIM CALCE
SHIM CALCE
SHIM CALCE
SHIM CALCE
SHIM CALCE
SHIM CALCE
SHIM CALCE
SHIM CALCE
SHIM CALCE
SHIM CALCE
SHIM CALCE
BEARING COJINETE
KIT, CROWNWHEEL JUEGO CORONA
BOLT PERNO
PIN PASADOR
PIN PASADOR
PIN PASADOR
FLANGE PLETINA
DISC DISCO
WASHER ARANDELA
SHIM CALCE
GEAR ENGRANAJE
CALÇO
CALÇO
CALÇO
CALÇO
CALÇO
CALÇO
CALÇO
CALÇO
CALÇO
CALÇO
CALÇO
CALÇO
CALÇO
CALÇO
CALÇO
CALÇO
CALÇO
CALÇO
CALÇO
CALÇO
CALÇO
CALÇO
CALÇO
CALÇO
CALÇO
CALÇO
CALÇO
CALÇO
CALÇO
CALÇO
CALÇO
CALÇO
CALÇO
ROLAMENTO
COROA E PINHÃO
PARAFUSO
PINO
PINO
PINO
FLANGE
DISCO
ARRUELA
CALÇO
ENGRENAGEM
C026502 E03 12/05
(1)
60 275
Zf - Apl335 - Tração Central
Zf - Apl335 - Middle Drive
Zf - Apl335 - Tracción Central
Eixo Dianteiro
Front Axle
Eje Delantero
60 275
-
Menu Símbolos
EF22Z014
6203923M91D
0,6MM
1,0MM
1,4MM
0,4MM
0,8MM
0,2MM
0,3MM
14,714mm
14,689mm
114,664mm
14,639mm
14,614mm
14,589mm
14,564mm
14,539mm
14,514mm
14,489mm
14,464mm
14,439mm
14,414mm
14,389mm
14,364mm
14,339mm
14,314mm
1
2
3
3
3
3
3
3
3
4
5
6
7
8
9
10
11
12
13
14
15
16
17
18
19
20
21
22
23
24
25
26
27
28
28
28
28
28
28
28
28
28
28
28
28
28
28
28
28
28
033725R1
3176390M1
3176313M1
3176314M1
3176315M1
3176319M1
3176320M1
3588106M1
3588107M1
033721R1
033722R1
040665R1
6207053M1
6207052M1
033608R1
048431R1
3588113M1
3176335M1
3176334M1
3587936M1
3176341M1
3587938M1
3587932M91
3176339M1
3176345M1
3176364M1
3176347M1
3176351M1
3176350M1
3176333M1
3176342M1
3176349M1
3176330M1
033559R1
033560R1
033561R1
033562R1
033563R1
033564R1
033565R1
033566R1
033567R1
033568R1
033569R1
033570R1
033571R1
033572R1
033573R1
033574R1
033575R1
4
4
X
X
X
X
X
X
X
4
4
4
1
1
2
2
12
2
2
6
6
12
6
2
2
2
4
16
16
4
2
16
4
X
X
X
X
X
X
X
X
X
X
X
X
X
X
X
X
X
PIN PASADOR
GREASER ENGRASADOR
SHIM CALCE
SHIM CALCE
SHIM CALCE
SHIM CALCE
SHIM CALCE
SHIM CALCE
SHIM CALCE
O RING JUNTA TORICA
CAP TAPA
BEARING COJINETE
HOUSING ALOJAMIENTO
HOUSING ALOJAMIENTO
NUT TUERCA
BOLT PERNO
BOLT PERNO
GEAR ENGRANAJE
NUT TUERCA
CIRCLIP CIRCULITO
BEARING COJINETE
CIRCLIP CIRCULITO
GEAR ENGRANAJE
HUB CUBO
PLUG TAPON
O RING JUNTA TORICA
BOLT PERNO
NUT TUERCA
WASHER ARANDELA
BOLT PERNO
RING ARO
BOLT PERNO
BEARING COJINETE
RING ARO
RING ARO
RING ARO
RING ARO
RING ARO
RING ARO
RING ARO
RING ARO
RING ARO
RING ARO
RING ARO
RING ARO
RING ARO
RING ARO
RING ARO
RING ARO
RING ARO
PINO
GRAXEIRA
CALÇO
CALÇO
CALÇO
CALÇO
CALÇO
CALÇO
CALÇO
ANEL "O"
CAPA
ROLAMENTO
CARCAÇA
CARCAÇA
PORCA
PARAFUSO
PARAFUSO
ENGRENAGEM
PORCA
ANEL TRAVA
ROLAMENTO
ANEL TRAVA
ENGRENAGEM
CUBO
BUJÃO
ANEL "O"
PARAFUSO
PORCA
ARRUELA
PARAFUSO
ANEL
PARAFUSO
ROLAMENTO
ANEL
ANEL
ANEL
ANEL
ANEL
ANEL
ANEL
ANEL
ANEL
ANEL
ANEL
ANEL
ANEL
ANEL
ANEL
ANEL
ANEL
C026502 E03 12/05
(1)
60 280
Zf - Apl335 - Tração Central
Zf - Apl335 - Middle Drive
Zf - Apl335 - Tracción Central
Eixo Dianteiro
Front Axle
Eje Delantero
60 280
-
Menu Símbolos
EF22Z014
6203923M91D
14,289mm
14,264mm
14,239mm
14,214mm
14,189mm
28
28
28
28
28
29
30
31
033576R1
033577R1
033578R1
033579R1
033580R1
3176332M1
6207054M1
033548R1
X
X
X
X
X
2
2
2
RING ARO
RING ARO
RING ARO
RING ARO
RING ARO
O RING JUNTA TORICA
HUB CUBO
SEAL RETEN
ANEL
ANEL
ANEL
ANEL
ANEL
ANEL "O"
CUBO
RETENTOR
C026502 E03 12/05
(1)
60 280
Zf - Apl335 - Tração Central
Zf - Apl335 - Middle Drive
Zf - Apl335 - Tracción Central
Eixo Dianteiro
Front Axle
Eje Delantero
60 280
-
Menu Símbolos
EF22Z015
6203923M91E
1,0MM
1,1MM
1,2MM
1,3MM
1,4MM
1,5MM
1,6MM
1,7MM
1,8MM
0,9MM
1
2
3
4
5
6
7
8
9
10
11
12
13
14
15
16
17
18
18
18
18
18
18
18
18
18
18
19
20
21
22
040668R1
040669R1
033747R1
033755R1
033756R1
033748R1
033757R1
033750R1
033749R1
033754R1
033746R1
033733R1
033734R1
033751R1
033730R1
033731R1
033732R1
033736R1
033737R1
033738R1
033739R1
033740R1
033741R1
033742R1
033743R1
033744R1
033745R1
033734R1
033759R1
040667R1
033729R1
1
1
2
2
2
2
1
1
2
1
2
1
1
1
2
2
1
X
X
X
X
X
X
X
X
X
X
1
5
2
2
21
21
21
21
21
21
BAR BARRA
BAR BARRA
O RING JUNTA TORICA
O RING JUNTA TORICA
O RING JUNTA TORICA
WASHER ARANDELA
O RING JUNTA TORICA
PISTON PISTON
O RING JUNTA TORICA
O RING JUNTA TORICA
O RING JUNTA TORICA
CYLINDER CILINDRO
GUIDE GUIA
O RING JUNTA TORICA
O RING JUNTA TORICA
O RING JUNTA TORICA
CYLINDER ROD BIELA DE CILINDR
SHIM CALCE
SHIM CALCE
SHIM CALCE
SHIM CALCE
SHIM CALCE
SHIM CALCE
SHIM CALCE
SHIM CALCE
SHIM CALCE
SHIM CALCE
GUIDE GUIA
BOLT PERNO
PAD ALMOHADILLA
PIPE CANO
BARRA
BARRA
ANEL "O"
ANEL "O"
ANEL "O"
ARRUELA
ANEL "O"
PISTÃO
ANEL "O"
ANEL "O"
ANEL "O"
CILINDRO
GUIA
ANEL "O"
ANEL "O"
ANEL "O"
HASTE CILINDRO
CALÇO
CALÇO
CALÇO
CALÇO
CALÇO
CALÇO
CALÇO
CALÇO
CALÇO
CALÇO
GUIA
PARAFUSO
TAMPÃO
TUBO
C026502 E03 12/05
(1)
60 285
Zf - Apl335 - Tração Central
Zf - Apl335 - Middle Drive
Zf - Apl335 - Tracción Central
Eixo Dianteiro
Front Axle
Eje Delantero
60 285
-
Menu Símbolos
3/8"X16X7/8"
3/8"X16X2"
M10X1,5X30
7/16X14X1"
25/32X15/32X7/64
M6X1,0
10XM18X1,5
M18X1,5
12,1X6,1X1,6
M10X1,5X35
18,1X10,1X2,2
M6X1,0X35
M6X1,0
12,1X6,1X1,6
E017Z015
T0216086A
70-150 No
1
2
3
4
4
5
6
7
8
9
10
11
12
13
14
15
16
17
17
17
17
17
18
19
20
21
22
23
24
25
26
27
28
29
30
31
32
33
34
35
36
37
38
39
40
41
42
43
44
040341T1
2801323M1
047152N1
353691X1
353897X1
353434X1
047181S1
047174S1
339451X1
339376X1
064897S1
353698X1
353432X1
033927S1
047154T1
1441115X1
047155T1
067683S1
067686S1
391074X1
355617X1
339375X1
339814X1
339376X1
063216P1
3412001M91
022313T2
3585072M1
3585070M91
353691X1
353434X1
3468414M1
339030X1
339375X1
3412001M91
6204710M1
048840P1
3411940M91
3148223M1
339617X1
3585143M1
3146897M1
353685X1
353446X1
067905T1
3412195M91
391979X1
339375X1
063213P1
1
1
1
2
2
4
1
1
2
2
1
2
2
1
2
2
2
1
1
8
8
8
4
4
1
2
2
1
1
2
2
1
1
1
2
2
1
2
4
1
2
1
1
1
2
1
8
8
1
FLYWHEEL VOLANTE
COLLAR COLLAR
STEERING DIRECCION
BOLT PERNO
BOLT PERNO
WASHER ARANDELA
BRACKET SOPORTE
STRUCTURE ESTRUCTURA
BOLT PERNO
WASHER ARANDELA
BOWL TAZA
BOLT PERNO
WASHER ARANDELA
BRACKET SOPORTE
CONNECTION CONEXION
O RING JUNTA TORICA
CONNECTION CONEXION
PANEL PANEL
PANEL PANEL
BOLT PERNO
WASHER ARANDELA
WASHER ARANDELA
BOLT PERNO
WASHER ARANDELA
PIPE,OIL MANGUITO ACEITE
CONNECTION CONEXION
HOSE FLEXIBLE
PROTECTOR PROTECTOR
BRACKET SOPORTE
BOLT PERNO
WASHER ARANDELA
BOLT PERNO
NUT TUERCA
WASHER ARANDELA
CONNECTION CONEXION
CLAMP ABRAZADERA
PIPE CANO
CONNECTION CONEXION
CLAMP ABRAZADERA
NUT TUERCA
CLAMP ABRAZADERA
REINFORCEMENT REFUERZO
BOLT PERNO
WASHER ARANDELA
HOSE FLEXIBLE
CONNECTION CONEXION
BOLT PERNO
WASHER ARANDELA
PIPE CANO
VOLANTE
COLAR
DIREÇÃO
PARAFUSO
PARAFUSO
ARRUELA
SUPORTE
ESTRUTURA
PARAFUSO
ARRUELA
BASE
PARAFUSO
ARRUELA
SUPORTE
CONEXÃO
ANEL "O"
CONEXÃO
PAINEL
PAINEL
PARAFUSO
ARRUELA
ARRUELA
PARAFUSO
ARRUELA
TUBO
CONEXÃO
MANGUEIRA
PROTETOR
SUPORTE
PARAFUSO
ARRUELA
PARAFUSO
PORCA
ARRUELA
CONEXÃO
BRAÇADEIRA
TUBO
CONEXÃO
BRAÇADEIRA
PORCA
BRAÇADEIRA
REFORÇO
PARAFUSO
ARRUELA
MANGUEIRA
CONEXÃO
PARAFUSO
ARRUELA
TUBO
C026502 E03 12/05
(1)
4 Rodas Motrizes - Tração Lateral
4 Wheels Drive - Side Drive
4 Ruedas Motriz - Traccion Lateral
70 10
Completo
Complete
Completo
Sistema De Direção
System Of Direction
Sistema De Dirección
70 10
-
Menu Símbolos
12,1X6,1X1,6
M6X1,0X20
1/2X13X1.1/4
7/8X17/32X1/8
1.1/16X1/2X3/32
13/4
E017Z017
T0216086B
70-60 No
4C000623
4C000623
4C000623
4C000624
1
2
3
4
5
6
7
8
9
10
11
12
13
14
15
16
17
18
19
20
21
22
23
24
25
26
27
28
29
30
31
31
32
32
33
34
35
35
490803M1
036732P1
020529P1
020388T2
353677X1
353446X1
063198P1
039479S1
039478S1
052107T1
3585217M1
339375X1
391979X1
362443X1
3412000M1
1687018M2
020380S1
353691X1
353434X1
3585217M1
3412604M91
039509P1
051323S1
051326S1
051330P1
353651X1
353434X1
354276X1
353439X1
353758X1
051962P1
051962P1
3412195M91
3412195M91
051963P1
051320P1
6207552M1
6207552M1
10
2
2
1
4
4
1
1
1
1
1
4
4
1
1
1
1
3
3
1
1
1
1
1
1
1
1
1
1
1
1
1
1
1
1
1
1
1
CLAMP ABRAZADERA
HOSE FLEXIBLE
CONNECTION CONEXION
KIT, FILTER JUEGO FILTRO
BOLT PERNO
WASHER ARANDELA
PIPE,OIL MANGUITO ACEITE
FLANGE PLETINA
FLANGE PLETINA
HYDRAULIC PUMP BOMBA HIDRAULICA
O RING JUNTA TORICA
WASHER ARANDELA
BOLT PERNO
BOLT PERNO
GEAR ENGRANAJE
GASKET EMPAQUETADURA.
FLANGE PLETINA
BOLT PERNO
WASHER ARANDELA
O RING JUNTA TORICA
CONNECTION CONEXION
HOSE FLEXIBLE
BRACKET SOPORTE
GUARD DEFENSA
BRACKET SOPORTE
BOLT PERNO
WASHER ARANDELA
BOLT PERNO
WASHER ARANDELA
WASHER ARANDELA
PIPE CANO
PIPE CANO
CONNECTION CONEXION
CONNECTION CONEXION
TUBE ASSY CONJ.DE TUBO
HOSE FLEXIBLE
PIPE CANO
PIPE CANO
BRAÇADEIRA
MANGUEIRA
CONEXÃO
CJ. FILTRO
PARAFUSO
ARRUELA
TUBO
FLANGE
FLANGE
BOMBA HIDRÁULICA
ANEL "O"
ARRUELA
PARAFUSO
PARAFUSO
ENGRENAGEM
JUNTA
FLANGE
PARAFUSO
ARRUELA
ANEL "O"
CONEXÃO
MANGUEIRA
SUPORTE
PROTEÇÃO
SUPORTE
PARAFUSO
ARRUELA
PARAFUSO
ARRUELA
ARRUELA
TUBO
TUBO
CONEXÃO
CONEXÃO
CJ. TUBO
MANGUEIRA
TUBO
TUBO
C026502 E03 12/05
(1)
4 Rodas Motrizes - Tração Lateral
4 Wheels Drive - Side Drive
4 Ruedas Motriz - Traccion Lateral
70 15
Completo
Complete
Completo
Sistema De Direção
System Of Direction
Sistema De Dirección
70 15
-
Menu Símbolos
EK54Z055
T0216087A
70-150 No
1
2
3
4
5
5
6
8
9
10
11
12
13
14
15
16
17
18
19
20
21
22
23
24
25
26
27
28
29
30
31
32
33
34
34
35
36
37
38
39
40
41
42
047174S1
353698X1
353432X1
033922S1
067686S1
067683S1
033212P1
3412001M91
353691X1
353434X1
3585070M91
339375X1
339030X1
3585072M1
033212P1
3468414M1
3411940M91
063216P1
050483T1
067905T1
3412195M91
047155T1
1441115X1
3019383X1
1441115X1
050411P1
047154T1
047152N1
2801323M1
339376X1
339814X1
040341T1
353434X1
353691X1
353897X1
047181S1
339376X1
339451X1
353918X1
353446X1
3146897M1
3585143M1
353685X1
1
2
2
1
1
1
2
2
2
2
1
1
1
1
2
1
1
1
1
2
1
2
2
1
2
1
2
1
1
4
4
1
4
2
2
1
2
2
1
1
2
2
1
STRUCTURE ESTRUCTURA
BOLT PERNO
WASHER ARANDELA
BRACKET SOPORTE
PANEL PANEL
PANEL PANEL
CLAMP ABRAZADERA
CONNECTION CONEXION
BOLT PERNO
WASHER ARANDELA
BRACKET SOPORTE
WASHER ARANDELA
NUT TUERCA
PROTECTOR PROTECTOR
CLAMP ABRAZADERA
BOLT PERNO
CONNECTION CONEXION
PIPE,OIL MANGUITO ACEITE
HOSE FLEXIBLE
HOSE FLEXIBLE
CONNECTION CONEXION
CONNECTION CONEXION
O RING JUNTA TORICA
ADAPTOR ADAPTADOR
O RING JUNTA TORICA
PIPE CANO
CONNECTION CONEXION
STEERING DIRECCION
COLLAR COLLAR
WASHER ARANDELA
BOLT PERNO
FLYWHEEL VOLANTE
WASHER ARANDELA
BOLT PERNO
BOLT PERNO
BRACKET SOPORTE
WASHER ARANDELA
BOLT PERNO
NUT TUERCA
WASHER ARANDELA
REINFORCEMENT REFUERZO
CLAMP ABRAZADERA
BOLT PERNO
ESTRUTURA
PARAFUSO
ARRUELA
SUPORTE
PAINEL
PAINEL
BRAÇADEIRA
CONEXÃO
PARAFUSO
ARRUELA
SUPORTE
ARRUELA
PORCA
PROTETOR
BRAÇADEIRA
PARAFUSO
CONEXÃO
TUBO
MANGUEIRA
MANGUEIRA
CONEXÃO
CONEXÃO
ANEL "O"
ADAPTADOR
ANEL "O"
TUBO
CONEXÃO
DIREÇÃO
COLAR
ARRUELA
PARAFUSO
VOLANTE
ARRUELA
PARAFUSO
PARAFUSO
SUPORTE
ARRUELA
PARAFUSO
PORCA
ARRUELA
REFORÇO
BRAÇADEIRA
PARAFUSO
C026502 E03 12/05
(1)
Com Redutor De Velocidade
With Creeper
Con Reducción De Velociad
70 20
Direção E Controle Remoto
Remote Control And Steering
Dirección Y Controle Remoto
70 20
-
Menu Símbolos
EK54Z056
T0216087B
16
70-60 No
1
2
3
4
5
6
7
8
9
10
11
12
13
14
15
16
17
18
19
20
21
22
23
24
25
26
27
28
29
30
31
32
33
34
065107P1
3412195M91
390855X1
391979X1
339375X1
6203985M1
3585217M1
052207T1
3412000M1
1687018M2
065103P1
835087M91
039478S1
036732P1
490802M1
020529P1
020388T2
354276X1
353439X1
353758X1
051323S1
353446X1
353677X1
020380S1
353434X1
353691X1
051320P1
051330P1
353651X1
353434X1
051326S1
3585217M1
362443X1
063324P1
1
1
1
8
8
1
1
1
1
1
1
1
1
2
8
2
1
1
1
1
1
4
4
1
3
3
1
1
1
1
1
1
1
1
PIPE,OIL MANGUITO ACEITE
CONNECTION CONEXION
WASHER ARANDELA
BOLT PERNO
WASHER ARANDELA
CONNECTION CONEXION
O RING JUNTA TORICA
HYDRAULIC PUMP BOMBA HIDRAULICA
GEAR ENGRANAJE
GASKET EMPAQUETADURA.
PIPE CANO
PLUG TAPON
FLANGE PLETINA
HOSE FLEXIBLE
CLAMP ABRAZADERA
CONNECTION CONEXION
KIT, FILTER JUEGO FILTRO
BOLT PERNO
WASHER ARANDELA
WASHER ARANDELA
BRACKET SOPORTE
WASHER ARANDELA
BOLT PERNO
FLANGE PLETINA
WASHER ARANDELA
BOLT PERNO
HOSE FLEXIBLE
BRACKET SOPORTE
BOLT PERNO
WASHER ARANDELA
GUARD DEFENSA
O RING JUNTA TORICA
BOLT PERNO
PIPE,OIL MANGUITO ACEITE
TUBO
CONEXÃO
ARRUELA
PARAFUSO
ARRUELA
CONEXÃO
ANEL "O"
BOMBA HIDRÁULICA
ENGRENAGEM
JUNTA
TUBO
BUJÃO
FLANGE
MANGUEIRA
BRAÇADEIRA
CONEXÃO
CJ. FILTRO
PARAFUSO
ARRUELA
ARRUELA
SUPORTE
ARRUELA
PARAFUSO
FLANGE
ARRUELA
PARAFUSO
MANGUEIRA
SUPORTE
PARAFUSO
ARRUELA
PROTEÇÃO
ANEL "O"
PARAFUSO
TUBO
C026502 E03 12/05
(1)
70 25
Direção E Controle Remoto
Remote Control And Steering
Dirección Y Controle Remoto
70 25
-
Menu Símbolos
7/16X14X1"
M10X1,5X30
M18X1,5
E017Z018
T0216088A
70-155 No
60-85 No
70-65 No
60-55 No
1
2
3
4
4
5
6
7
8
9
10
11
12
13
14
14
15
16
16
17
18
19
20
21
22
23
24
25
26
27
28
29
31
31
31
31
31
32
33
34
35
37
38
39
40
41
42
43
44
45
040341T1
2801323M1
047182N1
353691X1
353897X1
353434X1
047181S1
047174S1
339451X1
339376X1
033922S1
353698X1
353432X1
033927S1
047154T1
1441115X1
489720M91
353725X1
353439X1
3148318M91
3148787M2
355917X1
042863N1
353622X1
353433X1
353427X1
196079M1
1676666M1
361859X1
195556M2
1676664M1
375090X1
067683S1
067686S1
391074X1
355617X1
339375X1
339814X1
339376X1
047155T1
1441115X1
831452M1
067905T1
3148223M1
339617X1
3585143M1
3146897M1
353685X1
353446X1
3411940M91
1
1
1
2
2
4
1
1
2
2
1
2
2
1
2
2
1
2
2
1
1
1
1
1
1
1
2
1
1
1
1
1
1
1
8
8
8
4
4
2
2
2
2
4
1
2
1
1
1
2
FLYWHEEL VOLANTE
COLLAR COLLAR
STEERING DIRECCION
BOLT PERNO
BOLT PERNO
WASHER ARANDELA
BRACKET SOPORTE
STRUCTURE ESTRUCTURA
BOLT PERNO
WASHER ARANDELA
BRACKET SOPORTE
BOLT PERNO
WASHER ARANDELA
BRACKET SOPORTE
CONNECTION CONEXION
O RING JUNTA TORICA
PIN PASADOR
BOLT PERNO
WASHER ARANDELA
KIT, CYLINDER JUEGO DE CILINDR
PIN PASADOR
CIRCLIP CIRCULITO
KIT, ARM JUEGO DE BRAZO
BOLT PERNO
WASHER ARANDELA
NUT TUERCA
SEAL RETEN
SHAFT ARBOL
BOLT PERNO
NUT TUERCA
ARM BRAZO
COTTER PIN PASADOR DOUBLE
PANEL PANEL
PANEL PANEL
BOLT PERNO
WASHER ARANDELA
WASHER ARANDELA
BOLT PERNO
WASHER ARANDELA
CONNECTION CONEXION
O RING JUNTA TORICA
O RING JUNTA TORICA
HOSE FLEXIBLE
CLAMP ABRAZADERA
NUT TUERCA
CLAMP ABRAZADERA
REINFORCEMENT REFUERZO
BOLT PERNO
WASHER ARANDELA
CONNECTION CONEXION
VOLANTE
COLAR
DIREÇÃO
PARAFUSO
PARAFUSO
ARRUELA
SUPORTE
ESTRUTURA
PARAFUSO
ARRUELA
SUPORTE
PARAFUSO
ARRUELA
SUPORTE
CONEXÃO
ANEL "O"
PINO
PARAFUSO
ARRUELA
CJ. CILINDRO
PINO
ANEL TRAVA
CJ. BRAÇO
PARAFUSO
ARRUELA
PORCA
VEDADOR
EIXO
PARAFUSO
PORCA
BRAÇO
CUPILHA
PAINEL
PAINEL
PARAFUSO
ARRUELA
ARRUELA
PARAFUSO
ARRUELA
CONEXÃO
ANEL "O"
ANEL "O"
MANGUEIRA
BRAÇADEIRA
PORCA
BRAÇADEIRA
REFORÇO
PARAFUSO
ARRUELA
CONEXÃO
C026502 E03 12/05
(1)
2 Rodas Motrizes
2 Wheels Drive
2 Ruedas Motriz
70 30
Completo
Complete
Completo
Sistema De Direção
System Of Direction
Sistema De Dirección
70 30
-
Menu Símbolos
E017Z018
T0216088A
46
47
48
49
50
51
52
353691X1
353434X1
3412001M91
063213P1
063216P1
3412195M91
057886P1
2
2
2
1
1
1
2
BOLT PERNO
WASHER ARANDELA
CONNECTION CONEXION
PIPE CANO
PIPE,OIL MANGUITO ACEITE
CONNECTION CONEXION
PIPE CANO
PARAFUSO
ARRUELA
CONEXÃO
TUBO
TUBO
CONEXÃO
TUBO
C026502 E03 12/05
(1)
2 Rodas Motrizes
2 Wheels Drive
2 Ruedas Motriz
70 30
Completo
Complete
Completo
Sistema De Direção
System Of Direction
Sistema De Dirección
70 30
-
Menu Símbolos
12,1X6,1X1,6
1/2X13X1.1/4
19/32X21/64X5/64
13/4
E017Z019
T0216088B
[C] DUPLA
DOUBLE
DUPLO
70-60 No
16
4C001600
4C001600
4C001600
4C001601
1
2
3
4
5
6
7
8
9
10
11
12
13
14
15
16
17
18
19
20
21
22
23
24
25
26
27
28
29
30
31
31
32
32
33
34
35
35
490802M1
036732P1
020529P1
020388T2
353677X1
353446X1
063198P1
039479S1
039478S1
052107T1
3585217M1
339375X1
391979X1
362443X1
3412000M1
1687018M2
020380S1
353691X1
353434X1
3585217M1
3412604M91
039509P1
051323S1
051326S1
051330P1
353651X1
353434X1
354276X1
353439X1
353758X1
051962P1
051962P1
3412195M91
3412195M91
051963P1
051320P1
6207552M1
6207552M1
8
2
2
1
4
4
1
1
1
1
1
16
16
1
1
1
1
3
3
2
1
1
1
1
1
1
1
1
1
1
1
1
1
1
1
1
1
1
[C]
CLAMP ABRAZADERA
HOSE FLEXIBLE
CONNECTION CONEXION
KIT, FILTER JUEGO FILTRO
BOLT PERNO
WASHER ARANDELA
PIPE,OIL MANGUITO ACEITE
FLANGE PLETINA
FLANGE PLETINA
HYDRAULIC PUMP BOMBA HIDRAULICA
O RING JUNTA TORICA
WASHER ARANDELA
BOLT PERNO
BOLT PERNO
GEAR ENGRANAJE
GASKET EMPAQUETADURA.
FLANGE PLETINA
BOLT PERNO
WASHER ARANDELA
O RING JUNTA TORICA
CONNECTION CONEXION
HOSE FLEXIBLE
BRACKET SOPORTE
GUARD DEFENSA
BRACKET SOPORTE
BOLT PERNO
WASHER ARANDELA
BOLT PERNO
WASHER ARANDELA
WASHER ARANDELA
PIPE CANO
PIPE CANO
CONNECTION CONEXION
CONNECTION CONEXION
TUBE ASSY CONJ.DE TUBO
HOSE FLEXIBLE
PIPE CANO
PIPE CANO
BRAÇADEIRA
MANGUEIRA
CONEXÃO
CJ. FILTRO
PARAFUSO
ARRUELA
TUBO
FLANGE
FLANGE
BOMBA HIDRÁULICA
ANEL "O"
ARRUELA
PARAFUSO
PARAFUSO
ENGRENAGEM
JUNTA
FLANGE
PARAFUSO
ARRUELA
ANEL "O"
CONEXÃO
MANGUEIRA
SUPORTE
PROTEÇÃO
SUPORTE
PARAFUSO
ARRUELA
PARAFUSO
ARRUELA
ARRUELA
TUBO
TUBO
CONEXÃO
CONEXÃO
CJ. TUBO
MANGUEIRA
TUBO
TUBO
C026502 E03 12/05
(1)
70 35
Completo
Complete
Completo
Sistema De Direção
System Of Direction
Sistema De Dirección
70 35
-
Menu Símbolos
EK55Z015
T0216089A
60-85 No
1
2
3
4
4
5
6
7
8
9
10
11
12
13
14
14
15
16
16
17
18
19
20
21
22
23
24
25
26
27
28
29
31
31
31
31
31
32
33
34
35
36
37
38
39
40
41
42
43
44
040341T1
2801323M1
047182N1
353691X1
353897X1
353434X1
047181S1
047174S1
339451X1
339376X1
033922S1
353698X1
353432X1
033927S1
047154T1
1441115X1
489720M91
353725X1
353439X1
3148318M91
3148787M2
355917X1
042863N1
353622X1
353433X1
353427X1
196079M1
1676666M1
361859X1
195556M2
1676664M1
375090X1
067683S1
067686S1
391074X1
355617X1
339375X1
339814X1
339376X1
047155T1
1441115X1
3411947M91
831452M1
067905T1
3148223M1
339617X1
3585143M1
3146897M1
353685X1
353446X1
1
1
1
2
2
4
1
1
2
2
1
2
2
1
2
2
1
2
2
1
1
1
1
1
1
1
2
1
1
1
1
1
1
1
8
8
8
4
4
2
2
2
2
2
4
1
2
1
1
1
FLYWHEEL VOLANTE
COLLAR COLLAR
STEERING DIRECCION
BOLT PERNO
BOLT PERNO
WASHER ARANDELA
BRACKET SOPORTE
STRUCTURE ESTRUCTURA
BOLT PERNO
WASHER ARANDELA
BRACKET SOPORTE
BOLT PERNO
WASHER ARANDELA
BRACKET SOPORTE
CONNECTION CONEXION
O RING JUNTA TORICA
PIN PASADOR
BOLT PERNO
WASHER ARANDELA
KIT, CYLINDER JUEGO DE CILINDR
PIN PASADOR
CIRCLIP CIRCULITO
KIT, ARM JUEGO DE BRAZO
BOLT PERNO
WASHER ARANDELA
NUT TUERCA
SEAL RETEN
SHAFT ARBOL
BOLT PERNO
NUT TUERCA
ARM BRAZO
COTTER PIN PASADOR DOUBLE
PANEL PANEL
PANEL PANEL
BOLT PERNO
WASHER ARANDELA
WASHER ARANDELA
BOLT PERNO
WASHER ARANDELA
CONNECTION CONEXION
O RING JUNTA TORICA
CONNECTION CONEXION
O RING JUNTA TORICA
HOSE FLEXIBLE
CLAMP ABRAZADERA
NUT TUERCA
CLAMP ABRAZADERA
REINFORCEMENT REFUERZO
BOLT PERNO
WASHER ARANDELA
VOLANTE
COLAR
DIREÇÃO
PARAFUSO
PARAFUSO
ARRUELA
SUPORTE
ESTRUTURA
PARAFUSO
ARRUELA
SUPORTE
PARAFUSO
ARRUELA
SUPORTE
CONEXÃO
ANEL "O"
PINO
PARAFUSO
ARRUELA
CJ. CILINDRO
PINO
ANEL TRAVA
CJ. BRAÇO
PARAFUSO
ARRUELA
PORCA
VEDADOR
EIXO
PARAFUSO
PORCA
BRAÇO
CUPILHA
PAINEL
PAINEL
PARAFUSO
ARRUELA
ARRUELA
PARAFUSO
ARRUELA
CONEXÃO
ANEL "O"
CONEXÃO
ANEL "O"
MANGUEIRA
BRAÇADEIRA
PORCA
BRAÇADEIRA
REFORÇO
PARAFUSO
ARRUELA
C026502 E03 12/05
(1)
70 40
2 Rm
2 Wd
2 Rm
Direção E Controle Remoto
Remote Control And Steering
Dirección Y Controle Remoto
70 40
-
Menu Símbolos
EK55Z015
T0216089A
45
46
47
3411940M91
063213P1
3412195M91
2
1
1
CONNECTION CONEXION
PIPE CANO
CONNECTION CONEXION
CONEXÃO
TUBO
CONEXÃO
C026502 E03 12/05
(1)
70 40
2 Rm
2 Wd
2 Rm
Direção E Controle Remoto
Remote Control And Steering
Dirección Y Controle Remoto
70 40
-
Menu Símbolos
EK55Z019
T0216089B
1
2
3
4
5
6
7
9
10
11
12
13
14
15
16
17
18
19
21
23
24
25
26
27
28
29
30
31
32
33
34
35
36
37
490802M1
036732P1
020529P1
020388T2
353677X1
353446X1
063324P1
039478S1
052207T1
3585217M1
339375X1
391979X1
362443X1
3412000M1
1687018M2
020380S1
353691X1
353434X1
835087M91
051323S1
051326S1
051330P1
353651X1
353434X1
354276X1
353439X1
353758X1
051962P1
3412195M91
065107P1
051320P1
065103P1
6203985M1
390855X1
6
2
2
1
4
4
1
1
1
1
8
8
1
1
1
1
3
3
1
1
1
1
1
1
1
1
1
1
1
1
1
1
1
1
CLAMP ABRAZADERA
HOSE FLEXIBLE
CONNECTION CONEXION
KIT, FILTER JUEGO FILTRO
BOLT PERNO
WASHER ARANDELA
PIPE,OIL MANGUITO ACEITE
FLANGE PLETINA
HYDRAULIC PUMP BOMBA HIDRAULICA
O RING JUNTA TORICA
WASHER ARANDELA
BOLT PERNO
BOLT PERNO
GEAR ENGRANAJE
GASKET EMPAQUETADURA.
FLANGE PLETINA
BOLT PERNO
WASHER ARANDELA
PLUG TAPON
BRACKET SOPORTE
GUARD DEFENSA
BRACKET SOPORTE
BOLT PERNO
WASHER ARANDELA
BOLT PERNO
WASHER ARANDELA
WASHER ARANDELA
PIPE CANO
CONNECTION CONEXION
PIPE,OIL MANGUITO ACEITE
HOSE FLEXIBLE
PIPE CANO
CONNECTION CONEXION
WASHER ARANDELA
BRAÇADEIRA
MANGUEIRA
CONEXÃO
CJ. FILTRO
PARAFUSO
ARRUELA
TUBO
FLANGE
BOMBA HIDRÁULICA
ANEL "O"
ARRUELA
PARAFUSO
PARAFUSO
ENGRENAGEM
JUNTA
FLANGE
PARAFUSO
ARRUELA
BUJÃO
SUPORTE
PROTEÇÃO
SUPORTE
PARAFUSO
ARRUELA
PARAFUSO
ARRUELA
ARRUELA
TUBO
CONEXÃO
TUBO
MANGUEIRA
TUBO
CONEXÃO
ARRUELA
C026502 E03 12/05
(1)
70 45
2 Rm
2 Wd
2 Rm
Direção E Controle Remoto
Remote Control And Steering
Dirección Y Controle Remoto
70 45
-
Menu Símbolos
EK55Z014
T0216097A
60-85 No
1
2
3
4
4
5
6
7
8
9
10
11
12
13
14
14
15
16
16
17
18
19
20
21
22
23
24
25
26
27
28
29
31
31
31
31
31
32
33
34
35
36
37
38
39
40
41
42
43
44
040341T1
2801323M1
047182N1
353691X1
353897X1
353434X1
047181S1
047174S1
339451X1
339376X1
033922S1
353698X1
353432X1
033927S1
047154T1
1441115X1
489720M91
353725X1
353439X1
3148318M91
3148787M2
355917X1
042863N1
353622X1
353433X1
353427X1
196079M1
1676666M1
361859X1
195556M2
1676664M1
375090X1
067683S1
067686S1
391074X1
355617X1
339375X1
339814X1
339376X1
047155T1
1441115X1
3411947M91
831452M1
067905T1
3148223M1
339617X1
3585143M1
3146897M1
353685X1
353446X1
1
1
1
2
2
4
1
1
2
2
1
2
2
1
2
2
1
2
2
1
1
1
1
1
1
1
2
1
1
1
1
1
1
1
8
8
8
4
4
2
2
2
2
2
4
1
2
1
1
1
FLYWHEEL VOLANTE
COLLAR COLLAR
STEERING DIRECCION
BOLT PERNO
BOLT PERNO
WASHER ARANDELA
BRACKET SOPORTE
STRUCTURE ESTRUCTURA
BOLT PERNO
WASHER ARANDELA
BRACKET SOPORTE
BOLT PERNO
WASHER ARANDELA
BRACKET SOPORTE
CONNECTION CONEXION
O RING JUNTA TORICA
PIN PASADOR
BOLT PERNO
WASHER ARANDELA
KIT, CYLINDER JUEGO DE CILINDR
PIN PASADOR
CIRCLIP CIRCULITO
KIT, ARM JUEGO DE BRAZO
BOLT PERNO
WASHER ARANDELA
NUT TUERCA
SEAL RETEN
SHAFT ARBOL
BOLT PERNO
NUT TUERCA
ARM BRAZO
COTTER PIN PASADOR DOUBLE
PANEL PANEL
PANEL PANEL
BOLT PERNO
WASHER ARANDELA
WASHER ARANDELA
BOLT PERNO
WASHER ARANDELA
CONNECTION CONEXION
O RING JUNTA TORICA
CONNECTION CONEXION
O RING JUNTA TORICA
HOSE FLEXIBLE
CLAMP ABRAZADERA
NUT TUERCA
CLAMP ABRAZADERA
REINFORCEMENT REFUERZO
BOLT PERNO
WASHER ARANDELA
VOLANTE
COLAR
DIREÇÃO
PARAFUSO
PARAFUSO
ARRUELA
SUPORTE
ESTRUTURA
PARAFUSO
ARRUELA
SUPORTE
PARAFUSO
ARRUELA
SUPORTE
CONEXÃO
ANEL "O"
PINO
PARAFUSO
ARRUELA
CJ. CILINDRO
PINO
ANEL TRAVA
CJ. BRAÇO
PARAFUSO
ARRUELA
PORCA
VEDADOR
EIXO
PARAFUSO
PORCA
BRAÇO
CUPILHA
PAINEL
PAINEL
PARAFUSO
ARRUELA
ARRUELA
PARAFUSO
ARRUELA
CONEXÃO
ANEL "O"
CONEXÃO
ANEL "O"
MANGUEIRA
BRAÇADEIRA
PORCA
BRAÇADEIRA
REFORÇO
PARAFUSO
ARRUELA
C026502 E03 12/05
(1)
4 Rodas Motrizes/Estreito - Tração Lateral
4 Wheels Drive/Narrow - Side Drive
4 Ruedas Motriz/Estrecho - Tracción Lateral
70 50
2 Rm
2 Wd
2 Rm
Direção E Controle Remoto
Remote Control And Steering
Dirección Y Controle Remoto
70 50
-
Menu Símbolos
EK55Z014
T0216097A
45
46
47
3411940M91
063213P1
3412195M91
2
1
1
CONNECTION CONEXION
PIPE CANO
CONNECTION CONEXION
CONEXÃO
TUBO
CONEXÃO
C026502 E03 12/05
(1)
4 Rodas Motrizes/Estreito - Tração Lateral
4 Wheels Drive/Narrow - Side Drive
4 Ruedas Motriz/Estrecho - Tracción Lateral
70 50
2 Rm
2 Wd
2 Rm
Direção E Controle Remoto
Remote Control And Steering
Dirección Y Controle Remoto
70 50
-
Menu Símbolos
EK55Z020
T0216097B
1
2
3
4
5
6
7
9
10
11
12
13
14
15
16
17
18
19
21
23
24
25
26
27
28
29
30
31
32
33
34
35
36
37
490802M1
036732P1
020529P1
020388T2
353677X1
353446X1
063325P1
039478S1
052207T1
3585217M1
339375X1
391979X1
362443X1
3412000M1
1687018M2
020380S1
353691X1
353434X1
835087M91
051323S1
051326S1
051330P1
353651X1
353434X1
354276X1
353439X1
353758X1
051962P1
3412195M91
065107P1
051320P1
065103P1
6203985M1
390855X1
6
2
2
1
4
4
1
1
1
1
8
8
1
1
1
1
3
3
1
1
1
1
1
1
1
1
1
1
1
1
1
1
1
1
CLAMP ABRAZADERA
HOSE FLEXIBLE
CONNECTION CONEXION
KIT, FILTER JUEGO FILTRO
BOLT PERNO
WASHER ARANDELA
PIPE CANO
FLANGE PLETINA
HYDRAULIC PUMP BOMBA HIDRAULICA
O RING JUNTA TORICA
WASHER ARANDELA
BOLT PERNO
BOLT PERNO
GEAR ENGRANAJE
GASKET EMPAQUETADURA.
FLANGE PLETINA
BOLT PERNO
WASHER ARANDELA
PLUG TAPON
BRACKET SOPORTE
GUARD DEFENSA
BRACKET SOPORTE
BOLT PERNO
WASHER ARANDELA
BOLT PERNO
WASHER ARANDELA
WASHER ARANDELA
PIPE CANO
CONNECTION CONEXION
PIPE,OIL MANGUITO ACEITE
HOSE FLEXIBLE
PIPE CANO
CONNECTION CONEXION
WASHER ARANDELA
BRAÇADEIRA
MANGUEIRA
CONEXÃO
CJ. FILTRO
PARAFUSO
ARRUELA
TUBO
FLANGE
BOMBA HIDRÁULICA
ANEL "O"
ARRUELA
PARAFUSO
PARAFUSO
ENGRENAGEM
JUNTA
FLANGE
PARAFUSO
ARRUELA
BUJÃO
SUPORTE
PROTEÇÃO
SUPORTE
PARAFUSO
ARRUELA
PARAFUSO
ARRUELA
ARRUELA
TUBO
CONEXÃO
TUBO
MANGUEIRA
TUBO
CONEXÃO
ARRUELA
C026502 E03 12/05
(1)
70 55
2 Rm
2 Wd
2 Rm
Direção E Controle Remoto
Remote Control And Steering
Dirección Y Controle Remoto
70 55
-
Menu Símbolos
E020Z001
020388T2
1
2
034391T1
020389R1
1
1
ELEMENT ELEMENTO
FILTER HEAD CABEZA DE FILTRO
ELEMENTO
CABEÇOTE FILTRO
C026502 E03 12/05
(1)
70 60
Filtro
Filter
Filtro
70 60
-
Menu Símbolos
1X1/8
1315Z001
3148318M91
3148318M91
1
2
3
4
5
6
7
8
9
10
11
12
13
14
15
16
2730954M91
2730952M1
2730385M1
2730372M1
2730371M1
2730368M1
354059X1
2730951M91
1
1
1
1
2
1
1
1
1
1
1
1
1
1
1
1
2
1
1
2
1
2
1
1
1
1
2
2
2
2
KIT, REPAIR JUEGO REPARACION
HOUSE ASSY CONJ. CARTER
GUIDE GUIA
O RING JUNTA TORICA
O RING JUNTA TORICA
RING ARO
RING ARO
CYLINDER ROD BIELA DE CILINDR
O RING JUNTA TORICA
RING ARO
O RING JUNTA TORICA
RING ARO
WASHER ARANDELA
NUT TUERCA
DOWEL CENTRAJE
PISTON PISTON
JG. REPARO
CJ. CARCAÇA
GUIA
ANEL "O"
ANEL "O"
ANEL
ANEL
HASTE CILINDRO
ANEL "O"
ANEL
ANEL "O"
ANEL
ARRUELA
PORCA
CONTRAPINO
PISTÃO
C026502 E03 12/05
(1)
70 65
Cilindro Hidráulico Da Direção
Steering Cylinder
Cilindro Direccion
70 65
-
Menu Símbolos
EK55Z013
T0216091A
1
2
3
4
4
5
6
7
8
9
10
11
12
13
14
15
16
17
17
17
17
17
18
19
20
23
24
25
26
27
28
29
30
31
32
33
34
35
36
37
38
39
40
41
42
43
040341T1
2801323M1
047157N1
353691X1
353897X1
353434X1
047181S1
047174S1
339451X1
339376X1
033922S1
353698X1
353432X1
033927S1
047154T1
1441115X1
047155T1
067683S1
067686S1
391074X1
355617X1
339375X1
339814X1
339376X1
063216P1
3585072M1
3585070M91
353691X1
353434X1
3468414M1
339030X1
339375X1
3412001M91
033212P1
063213P1
3411940M91
3148223M1
339617X1
3585143M1
3146897M1
353685X1
353446X1
067905T1
3412195M91
391979X1
339375X1
1
1
1
2
2
4
1
1
2
2
1
2
2
1
2
2
2
1
1
8
8
8
4
4
1
1
1
2
2
1
1
1
2
2
1
2
4
1
2
1
1
1
2
1
8
8
FLYWHEEL VOLANTE
COLLAR COLLAR
STEERING UNIT UNIDAD DIRECCION
BOLT PERNO
BOLT PERNO
WASHER ARANDELA
BRACKET SOPORTE
STRUCTURE ESTRUCTURA
BOLT PERNO
WASHER ARANDELA
BRACKET SOPORTE
BOLT PERNO
WASHER ARANDELA
BRACKET SOPORTE
CONNECTION CONEXION
O RING JUNTA TORICA
CONNECTION CONEXION
PANEL PANEL
PANEL PANEL
BOLT PERNO
WASHER ARANDELA
WASHER ARANDELA
BOLT PERNO
WASHER ARANDELA
PIPE,OIL MANGUITO ACEITE
PROTECTOR PROTECTOR
BRACKET SOPORTE
BOLT PERNO
WASHER ARANDELA
BOLT PERNO
NUT TUERCA
WASHER ARANDELA
CONNECTION CONEXION
CLAMP ABRAZADERA
PIPE CANO
CONNECTION CONEXION
CLAMP ABRAZADERA
NUT TUERCA
CLAMP ABRAZADERA
REINFORCEMENT REFUERZO
BOLT PERNO
WASHER ARANDELA
HOSE FLEXIBLE
CONNECTION CONEXION
BOLT PERNO
WASHER ARANDELA
VOLANTE
COLAR
UN. HIDROSTÁTICA
PARAFUSO
PARAFUSO
ARRUELA
SUPORTE
ESTRUTURA
PARAFUSO
ARRUELA
SUPORTE
PARAFUSO
ARRUELA
SUPORTE
CONEXÃO
ANEL "O"
CONEXÃO
PAINEL
PAINEL
PARAFUSO
ARRUELA
ARRUELA
PARAFUSO
ARRUELA
TUBO
PROTETOR
SUPORTE
PARAFUSO
ARRUELA
PARAFUSO
PORCA
ARRUELA
CONEXÃO
BRAÇADEIRA
TUBO
CONEXÃO
BRAÇADEIRA
PORCA
BRAÇADEIRA
REFORÇO
PARAFUSO
ARRUELA
MANGUEIRA
CONEXÃO
PARAFUSO
ARRUELA
C026502 E03 12/05
(1)
4 Rodas Motrizes/Estreito - Tração Lateral
4 Wheels Drive/Narrow - Side Drive
4 Ruedas Motriz/Estrecho - Tracción Lateral
70 70
2 Rm
2 Wd
2 Rm
Direção E Controle Remoto
Remote Control And Steering
Dirección Y Controle Remoto
70 70
-
Menu Símbolos
EK55Z012
T0216096A
70-155 No
60-85 No
70-65 No
60-55 No
1
2
3
4
4
5
6
7
8
9
10
11
12
13
14
14
15
16
16
17
18
19
20
21
22
23
24
25
26
27
28
29
31
31
31
31
31
32
33
34
35
36
37
38
39
40
41
42
43
44
040341T1
2801323M1
047182N1
353691X1
353897X1
353434X1
047181S1
047174S1
339451X1
339376X1
033922S1
353698X1
353432X1
033927S1
047154T1
1441115X1
489720M91
353725X1
353439X1
3148318M91
3148787M2
355917X1
042863N1
353622X1
353433X1
353427X1
196079M1
1676666M1
361859X1
195556M2
1676664M1
375090X1
067683S1
067686S1
391074X1
355617X1
339375X1
339814X1
339376X1
047155T1
1441115X1
3412001M91
831452M1
067905T1
3148223M1
339617X1
3585143M1
3146897M1
353685X1
353446X1
1
1
1
2
2
4
1
1
2
2
1
2
2
1
2
2
1
2
2
1
1
1
1
1
1
1
2
1
1
1
2
1
1
1
8
8
8
4
4
2
2
2
2
2
4
1
2
1
1
1
FLYWHEEL VOLANTE
COLLAR COLLAR
STEERING DIRECCION
BOLT PERNO
BOLT PERNO
WASHER ARANDELA
BRACKET SOPORTE
STRUCTURE ESTRUCTURA
BOLT PERNO
WASHER ARANDELA
BRACKET SOPORTE
BOLT PERNO
WASHER ARANDELA
BRACKET SOPORTE
CONNECTION CONEXION
O RING JUNTA TORICA
PIN PASADOR
BOLT PERNO
WASHER ARANDELA
KIT, CYLINDER JUEGO DE CILINDR
PIN PASADOR
CIRCLIP CIRCULITO
KIT, ARM JUEGO DE BRAZO
BOLT PERNO
WASHER ARANDELA
NUT TUERCA
SEAL RETEN
SHAFT ARBOL
BOLT PERNO
NUT TUERCA
ARM BRAZO
COTTER PIN PASADOR DOUBLE
PANEL PANEL
PANEL PANEL
BOLT PERNO
WASHER ARANDELA
WASHER ARANDELA
BOLT PERNO
WASHER ARANDELA
CONNECTION CONEXION
O RING JUNTA TORICA
CONNECTION CONEXION
O RING JUNTA TORICA
HOSE FLEXIBLE
CLAMP ABRAZADERA
NUT TUERCA
CLAMP ABRAZADERA
REINFORCEMENT REFUERZO
BOLT PERNO
WASHER ARANDELA
VOLANTE
COLAR
DIREÇÃO
PARAFUSO
PARAFUSO
ARRUELA
SUPORTE
ESTRUTURA
PARAFUSO
ARRUELA
SUPORTE
PARAFUSO
ARRUELA
SUPORTE
CONEXÃO
ANEL "O"
PINO
PARAFUSO
ARRUELA
CJ. CILINDRO
PINO
ANEL TRAVA
CJ. BRAÇO
PARAFUSO
ARRUELA
PORCA
VEDADOR
EIXO
PARAFUSO
PORCA
BRAÇO
CUPILHA
PAINEL
PAINEL
PARAFUSO
ARRUELA
ARRUELA
PARAFUSO
ARRUELA
CONEXÃO
ANEL "O"
CONEXÃO
ANEL "O"
MANGUEIRA
BRAÇADEIRA
PORCA
BRAÇADEIRA
REFORÇO
PARAFUSO
ARRUELA
C026502 E03 12/05
(1)
Com Controle Remoto
With Remote Control
Con Controle Remoto
70 75
2 Rm
2 Wd
2 Rm
Direção E Controle Remoto
Remote Control And Steering
Dirección Y Controle Remoto
70 75
-
Menu Símbolos
EK55Z012
T0216096A
45
46
3411940M91
063216P1
2
1
CONNECTION CONEXION
PIPE,OIL MANGUITO ACEITE
CONEXÃO
TUBO
C026502 E03 12/05
(1)
Com Controle Remoto
With Remote Control
Con Controle Remoto
70 75
2 Rm
2 Wd
2 Rm
Direção E Controle Remoto
Remote Control And Steering
Dirección Y Controle Remoto
70 75
-
Menu Símbolos
EK55Z018
T0216096B
1
2
3
4
5
6
7
8
9
10
11
13
14
15
16
17
18
19
20
21
22
23
24
25
26
27
28
29
30
31
32
33
34
490802M1
036732P1
020529P1
020388T2
353677X1
353446X1
058976P1
039479S1
039478S1
052107T1
3585217M1
391979X1
362443X1
3412000M1
1687018M2
020380S1
353691X1
353434X1
3585217M1
3412604M91
039509P1
051323S1
051326S1
051330P1
353651X1
353434X1
354276X1
353439X1
353758X1
051962P1
3412195M91
051963P1
051320P1
8
2
2
1
4
4
1
1
1
1
1
16
1
1
1
1
3
3
2
1
1
1
1
1
1
1
1
1
1
1
1
1
1
CLAMP ABRAZADERA
HOSE FLEXIBLE
CONNECTION CONEXION
KIT, FILTER JUEGO FILTRO
BOLT PERNO
WASHER ARANDELA
TUBE TUBO
FLANGE PLETINA
FLANGE PLETINA
HYDRAULIC PUMP BOMBA HIDRAULICA
O RING JUNTA TORICA
BOLT PERNO
BOLT PERNO
GEAR ENGRANAJE
GASKET EMPAQUETADURA.
FLANGE PLETINA
BOLT PERNO
WASHER ARANDELA
O RING JUNTA TORICA
CONNECTION CONEXION
HOSE FLEXIBLE
BRACKET SOPORTE
GUARD DEFENSA
BRACKET SOPORTE
BOLT PERNO
WASHER ARANDELA
BOLT PERNO
WASHER ARANDELA
WASHER ARANDELA
PIPE CANO
CONNECTION CONEXION
TUBE ASSY CONJ.DE TUBO
HOSE FLEXIBLE
BRAÇADEIRA
MANGUEIRA
CONEXÃO
CJ. FILTRO
PARAFUSO
ARRUELA
TUBO
FLANGE
FLANGE
BOMBA HIDRÁULICA
ANEL "O"
PARAFUSO
PARAFUSO
ENGRENAGEM
JUNTA
FLANGE
PARAFUSO
ARRUELA
ANEL "O"
CONEXÃO
MANGUEIRA
SUPORTE
PROTEÇÃO
SUPORTE
PARAFUSO
ARRUELA
PARAFUSO
ARRUELA
ARRUELA
TUBO
CONEXÃO
CJ. TUBO
MANGUEIRA
C026502 E03 12/05
(1)
70 80
2 Rm
2 Wd
2 Rm
Direção E Controle Remoto
Remote Control And Steering
Dirección Y Controle Remoto
70 80
-
Menu Símbolos
E146Z002
T0216098A
70-150 No
1
2
3
4
4
5
6
7
8
9
10
11
12
13
14
15
16
17
17
17
17
17
18
19
20
23
24
25
26
27
28
29
30
31
32
33
34
35
36
37
38
39
40
41
42
43
44
040341T1
2801323M1
047152N1
353691X1
353897X1
353434X1
047181S1
047174S1
339451X1
339376X1
064897S1
353698X1
353432X1
033927S1
047154T1
1441115X1
047155T1
067683S1
067686S1
391074X1
355617X1
339375X1
339814X1
339376X1
063216P1
3585072M1
3585070M91
353691X1
353434X1
3468414M1
339030X1
339375X1
3412001M91
6204710M1
063213P1
3411940M91
3148223M1
339617X1
3585143M1
3146897M1
353685X1
353446X1
067905T1
3412195M91
391979X1
339375X1
063323P1
1
1
1
2
2
4
1
1
2
2
1
2
2
1
2
2
2
1
1
8
8
8
4
4
1
1
1
2
2
1
1
1
2
2
1
2
4
1
2
1
1
1
2
1
8
8
1
FLYWHEEL VOLANTE
COLLAR COLLAR
STEERING DIRECCION
BOLT PERNO
BOLT PERNO
WASHER ARANDELA
BRACKET SOPORTE
STRUCTURE ESTRUCTURA
BOLT PERNO
WASHER ARANDELA
BOWL TAZA
BOLT PERNO
WASHER ARANDELA
BRACKET SOPORTE
CONNECTION CONEXION
O RING JUNTA TORICA
CONNECTION CONEXION
PANEL PANEL
PANEL PANEL
BOLT PERNO
WASHER ARANDELA
WASHER ARANDELA
BOLT PERNO
WASHER ARANDELA
PIPE,OIL MANGUITO ACEITE
PROTECTOR PROTECTOR
BRACKET SOPORTE
BOLT PERNO
WASHER ARANDELA
BOLT PERNO
NUT TUERCA
WASHER ARANDELA
CONNECTION CONEXION
CLAMP ABRAZADERA
PIPE CANO
CONNECTION CONEXION
CLAMP ABRAZADERA
NUT TUERCA
CLAMP ABRAZADERA
REINFORCEMENT REFUERZO
BOLT PERNO
WASHER ARANDELA
HOSE FLEXIBLE
CONNECTION CONEXION
BOLT PERNO
WASHER ARANDELA
PIPE,OIL MANGUITO ACEITE
VOLANTE
COLAR
DIREÇÃO
PARAFUSO
PARAFUSO
ARRUELA
SUPORTE
ESTRUTURA
PARAFUSO
ARRUELA
BASE
PARAFUSO
ARRUELA
SUPORTE
CONEXÃO
ANEL "O"
CONEXÃO
PAINEL
PAINEL
PARAFUSO
ARRUELA
ARRUELA
PARAFUSO
ARRUELA
TUBO
PROTETOR
SUPORTE
PARAFUSO
ARRUELA
PARAFUSO
PORCA
ARRUELA
CONEXÃO
BRAÇADEIRA
TUBO
CONEXÃO
BRAÇADEIRA
PORCA
BRAÇADEIRA
REFORÇO
PARAFUSO
ARRUELA
MANGUEIRA
CONEXÃO
PARAFUSO
ARRUELA
TUBO
C026502 E03 12/05
(1)
Com Redutor De Velocidade
With Creeper
Con Reducción De Velociad
70 85
4 Rodas Motrizes
4 Wheels Drive
4 Ruedas Motriz
Direção Hidrostática
Hydrostatic Steering
Direccion Hidrostática
70 85
-
Menu Símbolos
E146Z005
T0216098B
1
2
3
4
5
6
7
8
9
10
11
12
13
14
15
16
17
18
19
20
21
22
23
24
25
26
27
28
29
30
31
32
33
34
490802M1
036732P1
020529P1
020388T2
353677X1
353446X1
058976P1
039479S1
039478S1
052107T1
3585217M1
339375X1
391979X1
362443X1
3412000M1
1687018M2
020380S1
353691X1
353434X1
3585217M1
3412604M91
039509P1
051323S1
051326S1
051330P1
353651X1
353434X1
354276X1
353439X1
353758X1
051962P1
3412195M91
051963P1
051320P1
8
2
2
1
4
4
1
1
1
1
2
16
16
1
1
1
1
3
3
2
1
1
1
1
1
1
1
1
1
1
1
1
1
1
CLAMP ABRAZADERA
HOSE FLEXIBLE
CONNECTION CONEXION
KIT, FILTER JUEGO FILTRO
BOLT PERNO
WASHER ARANDELA
TUBE TUBO
FLANGE PLETINA
FLANGE PLETINA
HYDRAULIC PUMP BOMBA HIDRAULICA
O RING JUNTA TORICA
WASHER ARANDELA
BOLT PERNO
BOLT PERNO
GEAR ENGRANAJE
GASKET EMPAQUETADURA.
FLANGE PLETINA
BOLT PERNO
WASHER ARANDELA
O RING JUNTA TORICA
CONNECTION CONEXION
HOSE FLEXIBLE
BRACKET SOPORTE
GUARD DEFENSA
BRACKET SOPORTE
BOLT PERNO
WASHER ARANDELA
BOLT PERNO
WASHER ARANDELA
WASHER ARANDELA
PIPE CANO
CONNECTION CONEXION
TUBE ASSY CONJ.DE TUBO
HOSE FLEXIBLE
BRAÇADEIRA
MANGUEIRA
CONEXÃO
CJ. FILTRO
PARAFUSO
ARRUELA
TUBO
FLANGE
FLANGE
BOMBA HIDRÁULICA
ANEL "O"
ARRUELA
PARAFUSO
PARAFUSO
ENGRENAGEM
JUNTA
FLANGE
PARAFUSO
ARRUELA
ANEL "O"
CONEXÃO
MANGUEIRA
SUPORTE
PROTEÇÃO
SUPORTE
PARAFUSO
ARRUELA
PARAFUSO
ARRUELA
ARRUELA
TUBO
CONEXÃO
CJ. TUBO
MANGUEIRA
C026502 E03 12/05
(1)
70 90
4 Rodas Motrizes
4 Wheels Drive
4 Ruedas Motriz
Direção Hidrostática
Hydrostatic Steering
Direccion Hidrostática
70 90
-
Menu Símbolos
E146Z003
T0216099A
70-150 No
1
2
3
4
4
5
6
7
8
9
10
11
12
13
14
15
16
17
17
17
17
17
18
19
20
23
24
25
26
27
28
29
30
31
32
33
34
35
36
37
38
39
40
41
42
43
040341T1
2801323M1
047152N1
353691X1
353897X1
353434X1
047181S1
047174S1
339451X1
339376X1
033922S1
353698X1
353432X1
033927S1
047154T1
1441115X1
047155T1
067683S1
067686S1
391074X1
355617X1
339375X1
339814X1
339376X1
063216P1
3585072M1
3585070M91
353691X1
353434X1
3468414M1
339030X1
339375X1
3412001M91
033212P1
063213P1
3411940M91
3148223M1
339617X1
3585143M1
3146897M1
353685X1
353446X1
067905T1
3412195M91
391979X1
339375X1
1
1
1
2
2
4
1
1
2
2
1
2
2
1
2
2
2
1
1
8
8
8
4
4
1
1
1
2
2
1
1
1
2
2
1
2
4
1
2
1
1
1
2
1
8
8
FLYWHEEL VOLANTE
COLLAR COLLAR
STEERING DIRECCION
BOLT PERNO
BOLT PERNO
WASHER ARANDELA
BRACKET SOPORTE
STRUCTURE ESTRUCTURA
BOLT PERNO
WASHER ARANDELA
BRACKET SOPORTE
BOLT PERNO
WASHER ARANDELA
BRACKET SOPORTE
CONNECTION CONEXION
O RING JUNTA TORICA
CONNECTION CONEXION
PANEL PANEL
PANEL PANEL
BOLT PERNO
WASHER ARANDELA
WASHER ARANDELA
BOLT PERNO
WASHER ARANDELA
PIPE,OIL MANGUITO ACEITE
PROTECTOR PROTECTOR
BRACKET SOPORTE
BOLT PERNO
WASHER ARANDELA
BOLT PERNO
NUT TUERCA
WASHER ARANDELA
CONNECTION CONEXION
CLAMP ABRAZADERA
PIPE CANO
CONNECTION CONEXION
CLAMP ABRAZADERA
NUT TUERCA
CLAMP ABRAZADERA
REINFORCEMENT REFUERZO
BOLT PERNO
WASHER ARANDELA
HOSE FLEXIBLE
CONNECTION CONEXION
BOLT PERNO
WASHER ARANDELA
VOLANTE
COLAR
DIREÇÃO
PARAFUSO
PARAFUSO
ARRUELA
SUPORTE
ESTRUTURA
PARAFUSO
ARRUELA
SUPORTE
PARAFUSO
ARRUELA
SUPORTE
CONEXÃO
ANEL "O"
CONEXÃO
PAINEL
PAINEL
PARAFUSO
ARRUELA
ARRUELA
PARAFUSO
ARRUELA
TUBO
PROTETOR
SUPORTE
PARAFUSO
ARRUELA
PARAFUSO
PORCA
ARRUELA
CONEXÃO
BRAÇADEIRA
TUBO
CONEXÃO
BRAÇADEIRA
PORCA
BRAÇADEIRA
REFORÇO
PARAFUSO
ARRUELA
MANGUEIRA
CONEXÃO
PARAFUSO
ARRUELA
C026502 E03 12/05
(1)
Sem Controle Remoto
Without Remote Control
Sin Controle Remoto
70 95
4 Rodas Motrizes
4 Wheels Drive
4 Ruedas Motriz
Direção Hidrostática
Hydrostatic Steering
Direccion Hidrostática
70 95
-
Menu Símbolos
E146Z004
T0216099B
1
2
3
4
5
6
7
9
10
11
12
13
14
15
16
17
18
19
21
23
24
25
26
27
28
29
30
31
32
33
34
35
36
37
490802M1
036732P1
020529P1
020388T2
353677X1
353446X1
063325P1
039478S1
052207T1
3585217M1
339375X1
391979X1
362443X1
3412000M1
1687018M2
020380S1
353691X1
353434X1
835087M91
051323S1
051326S1
051330P1
353651X1
353434X1
354276X1
353439X1
353758X1
051962P1
3412195M91
065106P1
051320P1
065103P1
6203985M1
390855X1
6
2
2
1
4
4
1
1
1
1
8
8
1
1
1
1
3
3
1
1
1
1
1
1
1
1
1
1
1
1
1
1
1
1
CLAMP ABRAZADERA
HOSE FLEXIBLE
CONNECTION CONEXION
KIT, FILTER JUEGO FILTRO
BOLT PERNO
WASHER ARANDELA
PIPE CANO
FLANGE PLETINA
HYDRAULIC PUMP BOMBA HIDRAULICA
O RING JUNTA TORICA
WASHER ARANDELA
BOLT PERNO
BOLT PERNO
GEAR ENGRANAJE
GASKET EMPAQUETADURA.
FLANGE PLETINA
BOLT PERNO
WASHER ARANDELA
PLUG TAPON
BRACKET SOPORTE
GUARD DEFENSA
BRACKET SOPORTE
BOLT PERNO
WASHER ARANDELA
BOLT PERNO
WASHER ARANDELA
WASHER ARANDELA
PIPE CANO
CONNECTION CONEXION
PIPE CANO
HOSE FLEXIBLE
PIPE CANO
CONNECTION CONEXION
WASHER ARANDELA
BRAÇADEIRA
MANGUEIRA
CONEXÃO
CJ. FILTRO
PARAFUSO
ARRUELA
TUBO
FLANGE
BOMBA HIDRÁULICA
ANEL "O"
ARRUELA
PARAFUSO
PARAFUSO
ENGRENAGEM
JUNTA
FLANGE
PARAFUSO
ARRUELA
BUJÃO
SUPORTE
PROTEÇÃO
SUPORTE
PARAFUSO
ARRUELA
PARAFUSO
ARRUELA
ARRUELA
TUBO
CONEXÃO
TUBO
MANGUEIRA
TUBO
CONEXÃO
ARRUELA
C026502 E03 12/05
(1)
70 100
4 Rodas Motrizes
4 Wheels Drive
4 Ruedas Motriz
Direção Hidrostática
Hydrostatic Steering
Direccion Hidrostática
70 100
-
Menu Símbolos
EK56Z018
T0216102A
1
2
3
4
4
5
6
7
8
9
10
11
12
13
14
15
16
17
17
17
17
17
18
19
20
23
24
25
26
27
28
29
30
31
32
33
34
35
36
37
38
39
40
41
42
43
44
040341T1
2801323M1
047157N1
353691X1
353897X1
353434X1
047181S1
047174S1
339451X1
339376X1
033922S1
353698X1
353432X1
033927S1
047154T1
1441115X1
047155T1
067683S1
067686S1
391074X1
355618X1
339375X1
339814X1
339376X1
063216P1
3585072M1
3585070M91
353691X1
353434X1
3468414M1
339030X1
339375X1
3412001M91
033212P1
063213P1
3411940M91
3148223M1
339617X1
3585143M1
3146897M1
353685X1
353446X1
067905T1
3412195M91
391979X1
339375X1
063323P1
1
1
1
2
2
4
1
1
2
2
1
2
2
1
2
2
2
1
1
8
8
8
4
4
1
1
1
2
2
1
1
1
2
2
1
2
4
1
2
1
1
1
2
1
8
8
1
FLYWHEEL VOLANTE
COLLAR COLLAR
STEERING UNIT UNIDAD DIRECCION
BOLT PERNO
BOLT PERNO
WASHER ARANDELA
BRACKET SOPORTE
STRUCTURE ESTRUCTURA
BOLT PERNO
WASHER ARANDELA
BRACKET SOPORTE
BOLT PERNO
WASHER ARANDELA
BRACKET SOPORTE
CONNECTION CONEXION
O RING JUNTA TORICA
CONNECTION CONEXION
PANEL PANEL
PANEL PANEL
BOLT PERNO
WASHER ARANDELA
WASHER ARANDELA
BOLT PERNO
WASHER ARANDELA
PIPE,OIL MANGUITO ACEITE
PROTECTOR PROTECTOR
BRACKET SOPORTE
BOLT PERNO
WASHER ARANDELA
BOLT PERNO
NUT TUERCA
WASHER ARANDELA
CONNECTION CONEXION
CLAMP ABRAZADERA
PIPE CANO
CONNECTION CONEXION
CLAMP ABRAZADERA
NUT TUERCA
CLAMP ABRAZADERA
REINFORCEMENT REFUERZO
BOLT PERNO
WASHER ARANDELA
HOSE FLEXIBLE
CONNECTION CONEXION
BOLT PERNO
WASHER ARANDELA
PIPE,OIL MANGUITO ACEITE
VOLANTE
COLAR
UN. HIDROSTÁTICA
PARAFUSO
PARAFUSO
ARRUELA
SUPORTE
ESTRUTURA
PARAFUSO
ARRUELA
SUPORTE
PARAFUSO
ARRUELA
SUPORTE
CONEXÃO
ANEL "O"
CONEXÃO
PAINEL
PAINEL
PARAFUSO
ARRUELA
ARRUELA
PARAFUSO
ARRUELA
TUBO
PROTETOR
SUPORTE
PARAFUSO
ARRUELA
PARAFUSO
PORCA
ARRUELA
CONEXÃO
BRAÇADEIRA
TUBO
CONEXÃO
BRAÇADEIRA
PORCA
BRAÇADEIRA
REFORÇO
PARAFUSO
ARRUELA
MANGUEIRA
CONEXÃO
PARAFUSO
ARRUELA
TUBO
C026502 E03 12/05
(1)
Estreito
Narrow
Estrecho
70 105
4 Rm
4 Wd
4 Rm
Direção E Controle Remoto
Remote Control And Steering
Dirección Y Controle Remoto
70 105
-
Menu Símbolos
EK56Z021
T0216102B
1
2
3
4
5
6
7
8
9
10
11
12
13
14
15
16
17
18
19
20
21
22
23
24
25
26
27
28
29
30
31
32
33
34
490802M1
036732P1
020529P1
020388T2
353677X1
353446X1
058976P1
039479S1
039478S1
052107T1
3585217M1
339375X1
391979X1
362443X1
3412000M1
1687018M2
020380S1
353691X1
353434X1
3585217M1
3412604M91
039509P1
051323S1
051326S1
051330P1
353651X1
353434X1
354276X1
353439X1
353758X1
051962P1
3412195M91
051963P1
051320P1
8
2
2
1
4
4
1
1
1
1
2
16
16
1
1
1
1
3
3
2
1
1
1
1
1
1
1
1
1
1
1
1
1
1
CLAMP ABRAZADERA
HOSE FLEXIBLE
CONNECTION CONEXION
KIT, FILTER JUEGO FILTRO
BOLT PERNO
WASHER ARANDELA
TUBE TUBO
FLANGE PLETINA
FLANGE PLETINA
HYDRAULIC PUMP BOMBA HIDRAULICA
O RING JUNTA TORICA
WASHER ARANDELA
BOLT PERNO
BOLT PERNO
GEAR ENGRANAJE
GASKET EMPAQUETADURA.
FLANGE PLETINA
BOLT PERNO
WASHER ARANDELA
O RING JUNTA TORICA
CONNECTION CONEXION
HOSE FLEXIBLE
BRACKET SOPORTE
GUARD DEFENSA
BRACKET SOPORTE
BOLT PERNO
WASHER ARANDELA
BOLT PERNO
WASHER ARANDELA
WASHER ARANDELA
PIPE CANO
CONNECTION CONEXION
TUBE ASSY CONJ.DE TUBO
HOSE FLEXIBLE
BRAÇADEIRA
MANGUEIRA
CONEXÃO
CJ. FILTRO
PARAFUSO
ARRUELA
TUBO
FLANGE
FLANGE
BOMBA HIDRÁULICA
ANEL "O"
ARRUELA
PARAFUSO
PARAFUSO
ENGRENAGEM
JUNTA
FLANGE
PARAFUSO
ARRUELA
ANEL "O"
CONEXÃO
MANGUEIRA
SUPORTE
PROTEÇÃO
SUPORTE
PARAFUSO
ARRUELA
PARAFUSO
ARRUELA
ARRUELA
TUBO
CONEXÃO
CJ. TUBO
MANGUEIRA
C026502 E03 12/05
(1)
70 110
4 Rm
4 Wd
4 Rm
Direção E Controle Remoto
Remote Control And Steering
Dirección Y Controle Remoto
70 110
-
Menu Símbolos
EK56Z017
T0216112A
1
2
3
4
4
5
6
7
8
9
10
11
12
13
14
15
16
17
17
17
17
17
18
19
20
23
24
25
26
27
28
29
30
31
32
33
34
35
36
37
38
39
40
41
42
43
040341T1
2801323M1
047157N1
353691X1
353897X1
353434X1
047181S1
047174S1
339451X1
339376X1
033922S1
353698X1
353432X1
033927S1
047154T1
1441115X1
047155T1
067683S1
067686S1
391074X1
355617X1
339375X1
339814X1
339376X1
063216P1
3585072M1
3585070M91
353691X1
353434X1
3468414M1
339030X1
339375X1
3412001M91
033212P1
063213P1
3411940M91
3148223M1
339617X1
3585143M1
3146897M1
353685X1
353446X1
067905T1
3412195M91
391979X1
339375X1
1
1
1
2
2
4
1
1
2
2
1
2
2
1
2
2
2
1
1
8
8
8
4
4
1
1
1
2
2
1
1
1
2
2
1
2
4
1
2
1
1
1
2
1
8
8
FLYWHEEL VOLANTE
COLLAR COLLAR
STEERING UNIT UNIDAD DIRECCION
BOLT PERNO
BOLT PERNO
WASHER ARANDELA
BRACKET SOPORTE
STRUCTURE ESTRUCTURA
BOLT PERNO
WASHER ARANDELA
BRACKET SOPORTE
BOLT PERNO
WASHER ARANDELA
BRACKET SOPORTE
CONNECTION CONEXION
O RING JUNTA TORICA
CONNECTION CONEXION
PANEL PANEL
PANEL PANEL
BOLT PERNO
WASHER ARANDELA
WASHER ARANDELA
BOLT PERNO
WASHER ARANDELA
PIPE,OIL MANGUITO ACEITE
PROTECTOR PROTECTOR
BRACKET SOPORTE
BOLT PERNO
WASHER ARANDELA
BOLT PERNO
NUT TUERCA
WASHER ARANDELA
CONNECTION CONEXION
CLAMP ABRAZADERA
PIPE CANO
CONNECTION CONEXION
CLAMP ABRAZADERA
NUT TUERCA
CLAMP ABRAZADERA
REINFORCEMENT REFUERZO
BOLT PERNO
WASHER ARANDELA
HOSE FLEXIBLE
CONNECTION CONEXION
BOLT PERNO
WASHER ARANDELA
VOLANTE
COLAR
UN. HIDROSTÁTICA
PARAFUSO
PARAFUSO
ARRUELA
SUPORTE
ESTRUTURA
PARAFUSO
ARRUELA
SUPORTE
PARAFUSO
ARRUELA
SUPORTE
CONEXÃO
ANEL "O"
CONEXÃO
PAINEL
PAINEL
PARAFUSO
ARRUELA
ARRUELA
PARAFUSO
ARRUELA
TUBO
PROTETOR
SUPORTE
PARAFUSO
ARRUELA
PARAFUSO
PORCA
ARRUELA
CONEXÃO
BRAÇADEIRA
TUBO
CONEXÃO
BRAÇADEIRA
PORCA
BRAÇADEIRA
REFORÇO
PARAFUSO
ARRUELA
MANGUEIRA
CONEXÃO
PARAFUSO
ARRUELA
C026502 E03 12/05
(1)
Estreito
Narrow
Estrecho
70 115
4 Rm
4 Wd
4 Rm
Direção E Controle Remoto
Remote Control And Steering
Dirección Y Controle Remoto
70 115
-
Menu Símbolos
EK56Z022
T0216112B
1
2
3
4
5
6
7
9
10
11
12
13
14
15
16
17
18
19
21
23
24
25
26
27
28
29
30
31
32
33
34
35
36
37
490802M1
036732P1
020529P1
020388T2
353677X1
353446X1
063325P1
039478S1
052207T1
3585217M1
339375X1
391979X1
362443X1
3412000M1
1687018M2
020380S1
353691X1
353434X1
835087M91
051323S1
051326S1
051330P1
353651X1
353434X1
354276X1
353439X1
353758X1
051962P1
3412195M91
065107P1
051320P1
065103P1
6203985M1
390855X1
6
2
2
1
4
4
1
1
1
1
8
8
1
1
1
1
3
3
1
1
1
1
1
1
1
1
1
1
1
1
1
1
1
1
CLAMP ABRAZADERA
HOSE FLEXIBLE
CONNECTION CONEXION
KIT, FILTER JUEGO FILTRO
BOLT PERNO
WASHER ARANDELA
PIPE CANO
FLANGE PLETINA
HYDRAULIC PUMP BOMBA HIDRAULICA
O RING JUNTA TORICA
WASHER ARANDELA
BOLT PERNO
BOLT PERNO
GEAR ENGRANAJE
GASKET EMPAQUETADURA.
FLANGE PLETINA
BOLT PERNO
WASHER ARANDELA
PLUG TAPON
BRACKET SOPORTE
GUARD DEFENSA
BRACKET SOPORTE
BOLT PERNO
WASHER ARANDELA
BOLT PERNO
WASHER ARANDELA
WASHER ARANDELA
PIPE CANO
CONNECTION CONEXION
PIPE,OIL MANGUITO ACEITE
HOSE FLEXIBLE
PIPE CANO
CONNECTION CONEXION
WASHER ARANDELA
BRAÇADEIRA
MANGUEIRA
CONEXÃO
CJ. FILTRO
PARAFUSO
ARRUELA
TUBO
FLANGE
BOMBA HIDRÁULICA
ANEL "O"
ARRUELA
PARAFUSO
PARAFUSO
ENGRENAGEM
JUNTA
FLANGE
PARAFUSO
ARRUELA
BUJÃO
SUPORTE
PROTEÇÃO
SUPORTE
PARAFUSO
ARRUELA
PARAFUSO
ARRUELA
ARRUELA
TUBO
CONEXÃO
TUBO
MANGUEIRA
TUBO
CONEXÃO
ARRUELA
C026502 E03 12/05
(1)
70 120
4 Rm
4 Wd
4 Rm
Direção E Controle Remoto
Remote Control And Steering
Dirección Y Controle Remoto
70 120
-
Menu Símbolos
EK56Z023
T0216090A
1
2
3
4
4
5
6
7
8
9
10
11
12
13
14
15
16
17
17
17
17
17
18
19
20
23
24
25
26
27
28
29
30
31
32
33
34
35
36
37
38
39
40
41
42
43
44
040341T1
2801323M1
047157N1
353691X1
353897X1
353434X1
047181S1
047174S1
339451X1
339376X1
033922S1
353698X1
353432X1
033927S1
047154T1
1441115X1
047155T1
067683S1
067686S1
391074X1
355617X1
339375X1
339814X1
339376X1
063216P1
3585072M1
3585070M91
353691X1
353434X1
3468414M1
339030X1
339375X1
3412001M91
033212P1
048840P1
3411940M91
3148223M1
339617X1
3585143M1
3146897M1
353685X1
353446X1
067905T1
3412195M91
391979X1
339375X1
063213P1
1
1
1
2
2
4
1
1
2
2
1
2
2
1
2
2
2
1
1
8
8
8
4
4
1
1
1
2
2
1
1
1
2
2
1
2
4
1
2
1
1
1
2
1
8
8
1
FLYWHEEL VOLANTE
COLLAR COLLAR
STEERING UNIT UNIDAD DIRECCION
BOLT PERNO
BOLT PERNO
WASHER ARANDELA
BRACKET SOPORTE
STRUCTURE ESTRUCTURA
BOLT PERNO
WASHER ARANDELA
BRACKET SOPORTE
BOLT PERNO
WASHER ARANDELA
BRACKET SOPORTE
CONNECTION CONEXION
O RING JUNTA TORICA
CONNECTION CONEXION
PANEL PANEL
PANEL PANEL
BOLT PERNO
WASHER ARANDELA
WASHER ARANDELA
BOLT PERNO
WASHER ARANDELA
PIPE,OIL MANGUITO ACEITE
PROTECTOR PROTECTOR
BRACKET SOPORTE
BOLT PERNO
WASHER ARANDELA
BOLT PERNO
NUT TUERCA
WASHER ARANDELA
CONNECTION CONEXION
CLAMP ABRAZADERA
PIPE CANO
CONNECTION CONEXION
CLAMP ABRAZADERA
NUT TUERCA
CLAMP ABRAZADERA
REINFORCEMENT REFUERZO
BOLT PERNO
WASHER ARANDELA
HOSE FLEXIBLE
CONNECTION CONEXION
BOLT PERNO
WASHER ARANDELA
PIPE CANO
VOLANTE
COLAR
UN. HIDROSTÁTICA
PARAFUSO
PARAFUSO
ARRUELA
SUPORTE
ESTRUTURA
PARAFUSO
ARRUELA
SUPORTE
PARAFUSO
ARRUELA
SUPORTE
CONEXÃO
ANEL "O"
CONEXÃO
PAINEL
PAINEL
PARAFUSO
ARRUELA
ARRUELA
PARAFUSO
ARRUELA
TUBO
PROTETOR
SUPORTE
PARAFUSO
ARRUELA
PARAFUSO
PORCA
ARRUELA
CONEXÃO
BRAÇADEIRA
TUBO
CONEXÃO
BRAÇADEIRA
PORCA
BRAÇADEIRA
REFORÇO
PARAFUSO
ARRUELA
MANGUEIRA
CONEXÃO
PARAFUSO
ARRUELA
TUBO
C026502 E03 12/05
(1)
Estreito
Narrow
Estrecho
70 125
4 Rm
4 Wd
4 Rm
Direção E Controle Remoto
Remote Control And Steering
Dirección Y Controle Remoto
70 125
-
Menu Símbolos
EK56Z024
T0216090B
1
2
3
4
5
6
7
8
9
10
11
12
13
14
15
16
17
18
19
20
21
22
23
24
25
26
27
28
29
30
31
32
33
34
490802M1
036732P1
020529P1
020388T2
353677X1
353446X1
063198P1
039479S1
039478S1
052107T1
3585217M1
339375X1
391979X1
362443X1
3412000M1
1687018M2
020380S1
353691X1
353434X1
3585217M1
3412604M91
039509P1
051323S1
051326S1
051330P1
353651X1
353434X1
354276X1
353439X1
353758X1
051962P1
3412195M91
051963P1
051320P1
8
2
2
1
4
4
1
1
1
1
2
16
16
1
1
1
1
3
3
1
1
1
1
1
1
1
1
1
1
1
1
1
1
1
CLAMP ABRAZADERA
HOSE FLEXIBLE
CONNECTION CONEXION
KIT, FILTER JUEGO FILTRO
BOLT PERNO
WASHER ARANDELA
PIPE,OIL MANGUITO ACEITE
FLANGE PLETINA
FLANGE PLETINA
HYDRAULIC PUMP BOMBA HIDRAULICA
O RING JUNTA TORICA
WASHER ARANDELA
BOLT PERNO
BOLT PERNO
GEAR ENGRANAJE
GASKET EMPAQUETADURA.
FLANGE PLETINA
BOLT PERNO
WASHER ARANDELA
O RING JUNTA TORICA
CONNECTION CONEXION
HOSE FLEXIBLE
BRACKET SOPORTE
GUARD DEFENSA
BRACKET SOPORTE
BOLT PERNO
WASHER ARANDELA
BOLT PERNO
WASHER ARANDELA
WASHER ARANDELA
PIPE CANO
CONNECTION CONEXION
TUBE ASSY CONJ.DE TUBO
HOSE FLEXIBLE
BRAÇADEIRA
MANGUEIRA
CONEXÃO
CJ. FILTRO
PARAFUSO
ARRUELA
TUBO
FLANGE
FLANGE
BOMBA HIDRÁULICA
ANEL "O"
ARRUELA
PARAFUSO
PARAFUSO
ENGRENAGEM
JUNTA
FLANGE
PARAFUSO
ARRUELA
ANEL "O"
CONEXÃO
MANGUEIRA
SUPORTE
PROTEÇÃO
SUPORTE
PARAFUSO
ARRUELA
PARAFUSO
ARRUELA
ARRUELA
TUBO
CONEXÃO
CJ. TUBO
MANGUEIRA
C026502 E03 12/05
(1)
70 130
4 Rm
4 Wd
4 Rm
Direção E Controle Remoto
Remote Control And Steering
Dirección Y Controle Remoto
70 130
-
Menu Símbolos
EQ43Z002
T0289165
1
2
3
4
5
6
7
8
9
10
11
12
052148R1
339376X1
339814X1
047333N1
047334N1
047332N1
3019384X1
1441115X1
3019602X1
047161T1
047811T1
047331N1
1
4
4
1
1
1
2
4
2
1
1
1
REINFORCEMENT REFUERZO
WASHER ARANDELA
BOLT PERNO
PIPE CANO
KIT, PIPE JUEGO CANO
KIT, PIPE JUEGO CANO
CONNECTION CONEXION
O RING JUNTA TORICA
CONNECTION CONEXION
STEERING UNIT UNIDAD DIRECCION
STEERING COLUMN COLUMNA DIRECC
PIPE CANO
REFORÇO
ARRUELA
PARAFUSO
TUBO
CJ. TUBO
CJ. TUBO
CONEXÃO
ANEL "O"
CONEXÃO
UN. HIDROSTÁTICA
COLUNA DIREÇÃO
TUBO
C026502 E03 12/05
(1)
2 Rodas Motrizes
2 Wheels Drive
2 Ruedas Motriz
70 135
Kit Danfoss
Kit Danfoss
Kit Danfoss
70 135
-
Menu Símbolos
EQ43Z001
T0289167
1
2
3
4
5
6
7
8
9
10
11
12
13
052148R1
339376X1
339814X1
047355P1
047360P1
047332N1
3019384X1
1441115X1
047155T1
047153T1
047811T1
047331N1
3412001M91
1
4
4
1
1
1
2
2
2
1
1
1
1
REINFORCEMENT REFUERZO
WASHER ARANDELA
BOLT PERNO
PIPE CANO
PIPE CANO
KIT, PIPE JUEGO CANO
CONNECTION CONEXION
O RING JUNTA TORICA
CONNECTION CONEXION
STEERING UNIT UNIDAD DIRECCION
STEERING COLUMN COLUMNA DIRECC
PIPE CANO
CONNECTION CONEXION
REFORÇO
ARRUELA
PARAFUSO
TUBO
TUBO
CJ. TUBO
CONEXÃO
ANEL "O"
CONEXÃO
UN. HIDROSTÁTICA
COLUNA DIREÇÃO
TUBO
CONEXÃO
C026502 E03 12/05
(1)
4 Rodas Motrizes
4 Wheels Drive
4 Ruedas Motriz
70 140
Kit Danfoss
Kit Danfoss
Kit Danfoss
70 140
-
Menu Símbolos
EQ43Z003
T0289169
1
2
3
4
5
6
7
8
9
10
11
12
052148R1
339376X1
339814X1
047355P1
047360P1
047332N1
3019384X1
1441115X1
047155T1
047158T1
047811T1
047331N1
1
4
4
1
1
1
2
2
2
1
1
1
REINFORCEMENT REFUERZO
WASHER ARANDELA
BOLT PERNO
PIPE CANO
PIPE CANO
KIT, PIPE JUEGO CANO
CONNECTION CONEXION
O RING JUNTA TORICA
CONNECTION CONEXION
STEERING UNIT UNIDAD DIRECCION
STEERING COLUMN COLUMNA DIRECC
PIPE CANO
REFORÇO
ARRUELA
PARAFUSO
TUBO
TUBO
CJ. TUBO
CONEXÃO
ANEL "O"
CONEXÃO
UN. HIDROSTÁTICA
COLUNA DIREÇÃO
TUBO
C026502 E03 12/05
(1)
4 Rodas Motrizes - Estreito
4 Wheels Drive - Narrow
4 Ruedas Motriz - Estrecho
70 145
Kit Danfoss
Kit Danfoss
Kit Danfoss
70 145
-
Menu Símbolos
E067Z003
047152N1
1
2
3
047811T1
047153T1
048831R1
1
1
1
STEERING COLUMN COLUMNA DIRECC
STEERING UNIT UNIDAD DIRECCION
KIT, REPAIR JUEGO REPARACION
COLUNA DIREÇÃO
UN. HIDROSTÁTICA
JG. REPARO
C026502 E03 12/05
(1)
4 Rodas Motrizes
4 Wheels Drive
4 Ruedas Motriz
70 150
Coluna E Hidrostática
Column And Hidrostatic
Columna E Hidrostatica
Sistema De Direção
System Of Direction
Sistema De Dirección
70 150
-
Menu Símbolos
E067Z001
047182N1
1
2
3
047811T1
047161T1
048831R1
1
1
1
STEERING COLUMN COLUMNA DIRECC
STEERING UNIT UNIDAD DIRECCION
KIT, REPAIR JUEGO REPARACION
COLUNA DIREÇÃO
UN. HIDROSTÁTICA
JG. REPARO
C026502 E03 12/05
(1)
2 Rodas Motrizes
2 Wheels Drive
2 Ruedas Motriz
70 155
Coluna E Hidrostática
Column And Hidrostatic
Columna E Hidrostatica
Sistema De Direção
System Of Direction
Sistema De Dirección
70 155
-
Menu Símbolos
E067Z004
047157N1
1
2
3
047811T1
047158T1
048831R1
1
1
1
STEERING COLUMN COLUMNA DIRECC
STEERING UNIT UNIDAD DIRECCION
KIT, REPAIR JUEGO REPARACION
COLUNA DIREÇÃO
UN. HIDROSTÁTICA
JG. REPARO
C026502 E03 12/05
(1)
4 Rodas Motrizes
4 Wheels Drive
4 Ruedas Motriz
70 160
Coluna E Hidrostática
Column And Hidrostatic
Columna E Hidrostatica
Sistema De Direção
System Of Direction
Sistema De Dirección
70 160
-
Menu Símbolos
E017Z039
T0216151A
60-85 No
60-55 No
70-465 No
70-155 No
1
1
2
3
4
5
6
7
8
9
10
11
12
13
14
15
16
17
18
19
20
21
22
23
24
25
26
27
28
29
30
30
31
32
33
34
35
36
37
38
38
39
40
061181T1
037892T1
339814X1
339376X1
047154T1
067905T1
339376X1
339451X1
353698X1
353432X1
353698X1
353432X1
033922S1
033927S1
489720M91
355917X1
042863N1
072293P1
1676666M1
1676664M1
361859X1
195556M2
353622X1
353433X1
353427X1
353725X1
353439X1
3148318M92
3148787M2
375090X1
3411947M91
831452M1
3146897M1
353685X1
353446X1
3585143M1
047174S1
047182N1
353434X1
353691X1
353897X1
2801323M1
058019P1
1
1
4
4
2
2
1
2
2
2
2
2
1
1
1
1
1
2
1
1
1
1
1
1
1
2
2
1
11
1
2
2
1
1
1
2
1
1
4
2
2
1
1
EMBLEM EMBLEMA
COVER CUBIERTA
BOLT PERNO
WASHER ARANDELA
CONNECTION CONEXION
HOSE FLEXIBLE
WASHER ARANDELA
BOLT PERNO
BOLT PERNO
WASHER ARANDELA
BOLT PERNO
WASHER ARANDELA
BRACKET SOPORTE
BRACKET SOPORTE
PIN PASADOR
CIRCLIP CIRCULITO
KIT, ARM JUEGO DE BRAZO
SEAL RETEN
SHAFT ARBOL
ARM BRAZO
BOLT PERNO
NUT TUERCA
BOLT PERNO
WASHER ARANDELA
NUT TUERCA
BOLT PERNO
WASHER ARANDELA
CYLINDER CILINDRO
PIN PASADOR
COTTER PIN PASADOR DOUBLE
CONNECTION CONEXION
O RING JUNTA TORICA
REINFORCEMENT REFUERZO
BOLT PERNO
WASHER ARANDELA
CLAMP ABRAZADERA
STRUCTURE ESTRUCTURA
STEERING DIRECCION
WASHER ARANDELA
BOLT PERNO
BOLT PERNO
COLLAR COLLAR
STEERING WHEEL VOLANT DIRECCION
EMBLEMA
TAMPA
PARAFUSO
ARRUELA
CONEXÃO
MANGUEIRA
ARRUELA
PARAFUSO
PARAFUSO
ARRUELA
PARAFUSO
ARRUELA
SUPORTE
SUPORTE
PINO
ANEL TRAVA
CJ. BRAÇO
VEDADOR
EIXO
BRAÇO
PARAFUSO
PORCA
PARAFUSO
ARRUELA
PORCA
PARAFUSO
ARRUELA
CILINDRO
PINO
CUPILHA
CONEXÃO
ANEL "O"
REFORÇO
PARAFUSO
ARRUELA
BRAÇADEIRA
ESTRUTURA
DIREÇÃO
ARRUELA
PARAFUSO
PARAFUSO
COLAR
VOLANTE DIREÇÃO
C026502 E03 12/05
(1)
2 Rodas Motrizes
2 Wheels Drive
2 Ruedas Motriz
70 165
Completo
Complete
Completo
Sistema De Direção
System Of Direction
Sistema De Dirección
70 165
-
Menu Símbolos
E017Z040
T0216151B
70-60 No
1
2
3
4
5
6
7
7
8
9
10
11
12
13
14
15
16
17
18
19
20
21
22
23
24
25
26
27
28
31
32
33
34
35
6207551M1
3411940M91
3412000M1
052107T1
3585217M1
339375X1
391979X1
3000257X1
039509P1
490802M1
063198P1
036732P1
020529P1
353677X1
353446X1
020388T2
051326S1
353691X1
353434X1
353651X1
353434X1
051330P1
020380S1
051320P1
353758X1
353439X1
354276X1
051323S1
6207552M1
044395N1
3412604M91
039479S1
057886P1
362443X1
1
1
1
1
2
16
12
4
1
8
1
2
2
4
4
1
1
3
3
1
1
1
1
1
1
1
1
1
1
1
1
1
1
1
PIPE CANO
CONNECTION CONEXION
GEAR ENGRANAJE
HYDRAULIC PUMP BOMBA HIDRAULICA
O RING JUNTA TORICA
WASHER ARANDELA
BOLT PERNO
BOLT PERNO
HOSE FLEXIBLE
CLAMP ABRAZADERA
PIPE,OIL MANGUITO ACEITE
HOSE FLEXIBLE
CONNECTION CONEXION
BOLT PERNO
WASHER ARANDELA
KIT, FILTER JUEGO FILTRO
GUARD DEFENSA
BOLT PERNO
WASHER ARANDELA
BOLT PERNO
WASHER ARANDELA
BRACKET SOPORTE
FLANGE PLETINA
HOSE FLEXIBLE
WASHER ARANDELA
WASHER ARANDELA
BOLT PERNO
BRACKET SOPORTE
PIPE CANO
PIPE CANO
CONNECTION CONEXION
FLANGE PLETINA
PIPE CANO
BOLT PERNO
TUBO
CONEXÃO
ENGRENAGEM
BOMBA HIDRÁULICA
ANEL "O"
ARRUELA
PARAFUSO
PARAFUSO
MANGUEIRA
BRAÇADEIRA
TUBO
MANGUEIRA
CONEXÃO
PARAFUSO
ARRUELA
CJ. FILTRO
PROTEÇÃO
PARAFUSO
ARRUELA
PARAFUSO
ARRUELA
SUPORTE
FLANGE
MANGUEIRA
ARRUELA
ARRUELA
PARAFUSO
SUPORTE
TUBO
TUBO
CONEXÃO
FLANGE
TUBO
PARAFUSO
C026502 E03 12/05
(1)
70 170
Completo
Complete
Completo
Sistema De Direção
System Of Direction
Sistema De Dirección
70 170
-
Menu Símbolos
EI48Z030
T0216152A
60-55 No
70-465 No
70-155 No
1
1
2
3
4
5
6
7
8
9
10
11
12
13
14
15
16
17
18
19
20
21
22
23
24
25
26
27
28
29
30
30
31
32
33
34
35
36
37
38
38
39
40
061181T1
037892T1
339814X1
339376X1
047154T1
067905T1
339376X1
339451X1
353698X1
353432X1
353698X1
353432X1
033922S1
033927S1
489720M91
355917X1
042863N1
072293P1
1676666M1
1676664M1
361859X1
195556M2
353622X1
353433X1
353427X1
353725X1
353439X1
3148318M92
3148787M2
375090X1
3411947M91
831452M1
3146897M1
353685X1
353446X1
3585143M1
047174S1
047182N1
353434X1
353691X1
353897X1
2801323M1
058019P1
1
1
4
4
2
2
1
2
2
2
2
2
1
1
1
1
1
1
1
1
1
1
1
1
1
2
2
1
1
1
2
2
1
1
1
2
1
1
4
2
2
1
1
EMBLEM EMBLEMA
COVER CUBIERTA
BOLT PERNO
WASHER ARANDELA
CONNECTION CONEXION
HOSE FLEXIBLE
WASHER ARANDELA
BOLT PERNO
BOLT PERNO
WASHER ARANDELA
BOLT PERNO
WASHER ARANDELA
BRACKET SOPORTE
BRACKET SOPORTE
PIN PASADOR
CIRCLIP CIRCULITO
KIT, ARM JUEGO DE BRAZO
SEAL RETEN
SHAFT ARBOL
ARM BRAZO
BOLT PERNO
NUT TUERCA
BOLT PERNO
WASHER ARANDELA
NUT TUERCA
BOLT PERNO
WASHER ARANDELA
CYLINDER CILINDRO
PIN PASADOR
COTTER PIN PASADOR DOUBLE
CONNECTION CONEXION
O RING JUNTA TORICA
REINFORCEMENT REFUERZO
BOLT PERNO
WASHER ARANDELA
CLAMP ABRAZADERA
STRUCTURE ESTRUCTURA
STEERING DIRECCION
WASHER ARANDELA
BOLT PERNO
BOLT PERNO
COLLAR COLLAR
STEERING WHEEL VOLANT DIRECCION
EMBLEMA
TAMPA
PARAFUSO
ARRUELA
CONEXÃO
MANGUEIRA
ARRUELA
PARAFUSO
PARAFUSO
ARRUELA
PARAFUSO
ARRUELA
SUPORTE
SUPORTE
PINO
ANEL TRAVA
CJ. BRAÇO
VEDADOR
EIXO
BRAÇO
PARAFUSO
PORCA
PARAFUSO
ARRUELA
PORCA
PARAFUSO
ARRUELA
CILINDRO
PINO
CUPILHA
CONEXÃO
ANEL "O"
REFORÇO
PARAFUSO
ARRUELA
BRAÇADEIRA
ESTRUTURA
DIREÇÃO
ARRUELA
PARAFUSO
PARAFUSO
COLAR
VOLANTE DIREÇÃO
C026502 E03 12/05
(1)
2 Rodas Motrizes - Estreito
2 Wheels Drive - Narrow
2 Ruedas Motriz - Estrecho
70 175
Direção Hidrostática
Hydrostatic Steering
Direccion Hidrostática
70 175
-
Menu Símbolos
EI48Z031
T0216152B
70-60 No
1
2
3
4
5
6
7
7
9
10
11
12
13
14
15
16
17
18
19
20
21
22
23
24
25
26
27
28
29
30
35
6207551M1
3411940M91
3412000M1
052207T1
3585217M1
339375X1
391979X1
3000257X1
490802M1
063324P1
036732P1
020529P1
353677X1
353446X1
020388T2
051326S1
353691X1
353434X1
353651X1
353434X1
051330P1
020380S1
051320P1
353758X1
353439X1
354276X1
051323S1
6207552M1
065107P1
835087M91
362443X1
1
1
1
1
1
8
6
2
6
1
2
2
4
4
1
1
3
3
1
1
1
1
1
1
1
1
1
1
1
1
1
PIPE CANO
CONNECTION CONEXION
GEAR ENGRANAJE
HYDRAULIC PUMP BOMBA HIDRAULICA
O RING JUNTA TORICA
WASHER ARANDELA
BOLT PERNO
BOLT PERNO
CLAMP ABRAZADERA
PIPE,OIL MANGUITO ACEITE
HOSE FLEXIBLE
CONNECTION CONEXION
BOLT PERNO
WASHER ARANDELA
KIT, FILTER JUEGO FILTRO
GUARD DEFENSA
BOLT PERNO
WASHER ARANDELA
BOLT PERNO
WASHER ARANDELA
BRACKET SOPORTE
FLANGE PLETINA
HOSE FLEXIBLE
WASHER ARANDELA
WASHER ARANDELA
BOLT PERNO
BRACKET SOPORTE
PIPE CANO
PIPE,OIL MANGUITO ACEITE
PLUG TAPON
BOLT PERNO
TUBO
CONEXÃO
ENGRENAGEM
BOMBA HIDRÁULICA
ANEL "O"
ARRUELA
PARAFUSO
PARAFUSO
BRAÇADEIRA
TUBO
MANGUEIRA
CONEXÃO
PARAFUSO
ARRUELA
CJ. FILTRO
PROTEÇÃO
PARAFUSO
ARRUELA
PARAFUSO
ARRUELA
SUPORTE
FLANGE
MANGUEIRA
ARRUELA
ARRUELA
PARAFUSO
SUPORTE
TUBO
TUBO
BUJÃO
PARAFUSO
C026502 E03 12/05
(1)
70 180
Direção Hidrostática
Hydrostatic Steering
Direccion Hidrostática
70 180
-
Menu Símbolos
EK56Z041
T0216153A
70-160 No
1
1
2
3
4
5
6
7
8
9
10
11
12
13
30
31
32
33
34
35
36
37
38
38
39
40
061181T1
037892T1
339814X1
339376X1
047154T1
067905T1
339376X1
339451X1
353698X1
353432X1
353698X1
353432X1
033922S1
033927S1
3412001M91
3146897M1
353685X1
353446X1
3585143M1
047174S1
047157N1
353434X1
353691X1
353897X1
2801323M1
058019P1
1
1
4
4
2
2
1
2
2
2
2
2
1
1
2
1
1
1
2
1
1
4
2
2
1
1
EMBLEM EMBLEMA
COVER CUBIERTA
BOLT PERNO
WASHER ARANDELA
CONNECTION CONEXION
HOSE FLEXIBLE
WASHER ARANDELA
BOLT PERNO
BOLT PERNO
WASHER ARANDELA
BOLT PERNO
WASHER ARANDELA
BRACKET SOPORTE
BRACKET SOPORTE
CONNECTION CONEXION
REINFORCEMENT REFUERZO
BOLT PERNO
WASHER ARANDELA
CLAMP ABRAZADERA
STRUCTURE ESTRUCTURA
STEERING UNIT UNIDAD DIRECCION
WASHER ARANDELA
BOLT PERNO
BOLT PERNO
COLLAR COLLAR
STEERING WHEEL VOLANT DIRECCION
EMBLEMA
TAMPA
PARAFUSO
ARRUELA
CONEXÃO
MANGUEIRA
ARRUELA
PARAFUSO
PARAFUSO
ARRUELA
PARAFUSO
ARRUELA
SUPORTE
SUPORTE
CONEXÃO
REFORÇO
PARAFUSO
ARRUELA
BRAÇADEIRA
ESTRUTURA
UN. HIDROSTÁTICA
ARRUELA
PARAFUSO
PARAFUSO
COLAR
VOLANTE DIREÇÃO
C026502 E03 12/05
(1)
Estreito
Narrow
Estrecho
70 185
4 Rm
4 Wd
4 Rm
Direção E Controle Remoto
Remote Control And Steering
Dirección Y Controle Remoto
70 185
-
Menu Símbolos
EK56Z042
T0216153B
70-60 No
1
2
3
4
5
6
7
7
8
9
10
11
12
13
14
15
16
17
18
19
20
21
22
23
24
25
26
27
28
31
32
33
34
35
6207551M1
3411940M91
3412000M1
052107T1
3585217M1
339375X1
391979X1
3000257X1
039509P1
490802M1
063198P1
036732P1
020529P1
353677X1
353446X1
020388T2
051326S1
353691X1
353434X1
353651X1
353434X1
051330P1
020380S1
051320P1
353758X1
353439X1
354276X1
051323S1
6207552M1
044395N1
3412604M91
039479S1
057886P1
362443X1
1
1
1
1
2
16
12
4
1
8
1
2
2
4
4
1
1
3
3
1
1
1
1
1
1
1
1
1
1
1
1
1
1
1
PIPE CANO
CONNECTION CONEXION
GEAR ENGRANAJE
HYDRAULIC PUMP BOMBA HIDRAULICA
O RING JUNTA TORICA
WASHER ARANDELA
BOLT PERNO
BOLT PERNO
HOSE FLEXIBLE
CLAMP ABRAZADERA
PIPE,OIL MANGUITO ACEITE
HOSE FLEXIBLE
CONNECTION CONEXION
BOLT PERNO
WASHER ARANDELA
KIT, FILTER JUEGO FILTRO
GUARD DEFENSA
BOLT PERNO
WASHER ARANDELA
BOLT PERNO
WASHER ARANDELA
BRACKET SOPORTE
FLANGE PLETINA
HOSE FLEXIBLE
WASHER ARANDELA
WASHER ARANDELA
BOLT PERNO
BRACKET SOPORTE
PIPE CANO
PIPE CANO
CONNECTION CONEXION
FLANGE PLETINA
PIPE CANO
BOLT PERNO
TUBO
CONEXÃO
ENGRENAGEM
BOMBA HIDRÁULICA
ANEL "O"
ARRUELA
PARAFUSO
PARAFUSO
MANGUEIRA
BRAÇADEIRA
TUBO
MANGUEIRA
CONEXÃO
PARAFUSO
ARRUELA
CJ. FILTRO
PROTEÇÃO
PARAFUSO
ARRUELA
PARAFUSO
ARRUELA
SUPORTE
FLANGE
MANGUEIRA
ARRUELA
ARRUELA
PARAFUSO
SUPORTE
TUBO
TUBO
CONEXÃO
FLANGE
TUBO
PARAFUSO
C026502 E03 12/05
(1)
Estreito
Narrow
Estrecho
70 190
4 Rm
4 Wd
4 Rm
Direção E Controle Remoto
Remote Control And Steering
Dirección Y Controle Remoto
70 190
-
Menu Símbolos
EI54Z005
T0216154A
1
1
2
3
4
5
6
7
8
9
10
11
12
13
30
31
32
33
34
35
36
37
38
38
39
40
061181T1
037892T1
339814X1
339376X1
047154T1
067905T1
339376X1
339451X1
353698X1
353432X1
353698X1
353432X1
033922S1
033927S1
3412001M91
3146897M1
353685X1
353446X1
3585143M1
047174S1
047157N1
353434X1
353691X1
353897X1
2801323M1
058019P1
1
1
4
4
2
2
1
2
2
2
2
2
1
1
2
1
1
1
2
1
1
4
2
2
1
1
EMBLEM EMBLEMA
COVER CUBIERTA
BOLT PERNO
WASHER ARANDELA
CONNECTION CONEXION
HOSE FLEXIBLE
WASHER ARANDELA
BOLT PERNO
BOLT PERNO
WASHER ARANDELA
BOLT PERNO
WASHER ARANDELA
BRACKET SOPORTE
BRACKET SOPORTE
CONNECTION CONEXION
REINFORCEMENT REFUERZO
BOLT PERNO
WASHER ARANDELA
CLAMP ABRAZADERA
STRUCTURE ESTRUCTURA
STEERING UNIT UNIDAD DIRECCION
WASHER ARANDELA
BOLT PERNO
BOLT PERNO
COLLAR COLLAR
STEERING WHEEL VOLANT DIRECCION
EMBLEMA
TAMPA
PARAFUSO
ARRUELA
CONEXÃO
MANGUEIRA
ARRUELA
PARAFUSO
PARAFUSO
ARRUELA
PARAFUSO
ARRUELA
SUPORTE
SUPORTE
CONEXÃO
REFORÇO
PARAFUSO
ARRUELA
BRAÇADEIRA
ESTRUTURA
UN. HIDROSTÁTICA
ARRUELA
PARAFUSO
PARAFUSO
COLAR
VOLANTE DIREÇÃO
C026502 E03 12/05
(1)
Estreito
Narrow
Estrecho
70 195
S/ Controle Remoto
Without Remote Control
Sin Controle Remoto
Direção Hidrostática
Hydrostatic Steering
Direccion Hidrostática
70 195
-
Menu Símbolos
EI54Z006
T0216154B
1
2
3
4
5
6
7
7
9
10
11
12
13
14
15
16
17
18
19
20
21
22
23
24
25
26
27
28
29
30
35
6207551M1
3411940M91
3412000M1
052207T1
3585217M1
339375X1
391979X1
3000257X1
490802M1
063324P1
036732P1
020529P1
353677X1
353446X1
020388T2
051326S1
353691X1
353434X1
353651X1
353434X1
051330P1
020380S1
051320P1
353758X1
353439X1
354276X1
051323S1
6207552M1
065107P1
835087M91
362443X1
1
1
1
1
1
8
6
2
6
1
2
2
4
4
1
1
3
3
1
1
1
1
1
1
1
1
1
1
1
1
1
PIPE CANO
CONNECTION CONEXION
GEAR ENGRANAJE
HYDRAULIC PUMP BOMBA HIDRAULICA
O RING JUNTA TORICA
WASHER ARANDELA
BOLT PERNO
BOLT PERNO
CLAMP ABRAZADERA
PIPE,OIL MANGUITO ACEITE
HOSE FLEXIBLE
CONNECTION CONEXION
BOLT PERNO
WASHER ARANDELA
KIT, FILTER JUEGO FILTRO
GUARD DEFENSA
BOLT PERNO
WASHER ARANDELA
BOLT PERNO
WASHER ARANDELA
BRACKET SOPORTE
FLANGE PLETINA
HOSE FLEXIBLE
WASHER ARANDELA
WASHER ARANDELA
BOLT PERNO
BRACKET SOPORTE
PIPE CANO
PIPE,OIL MANGUITO ACEITE
PLUG TAPON
BOLT PERNO
TUBO
CONEXÃO
ENGRENAGEM
BOMBA HIDRÁULICA
ANEL "O"
ARRUELA
PARAFUSO
PARAFUSO
BRAÇADEIRA
TUBO
MANGUEIRA
CONEXÃO
PARAFUSO
ARRUELA
CJ. FILTRO
PROTEÇÃO
PARAFUSO
ARRUELA
PARAFUSO
ARRUELA
SUPORTE
FLANGE
MANGUEIRA
ARRUELA
ARRUELA
PARAFUSO
SUPORTE
TUBO
TUBO
BUJÃO
PARAFUSO
C026502 E03 12/05
(1)
Estreito
Narrow
Estrecho
70 200
S/ Controle Remoto
Without Remote Control
Sin Controle Remoto
Direção Hidrostática
Hydrostatic Steering
Direccion Hidrostática
70 200
-
Menu Símbolos
EI48Z032
T0216155A
1
1
2
3
4
5
6
7
8
9
10
11
12
13
14
15
16
17
18
19
20
21
22
23
24
25
26
27
28
29
30
30
31
32
33
34
35
36
37
38
38
39
40
061181T1
037892T1
339814X1
339376X1
047154T1
067905T1
339376X1
339451X1
353698X1
353432X1
353698X1
353432X1
033922S1
033927S1
489720M91
355917X1
042863N1
196079M1
1676666M1
1676664M1
361859X1
195556M2
353622X1
353433X1
353427X1
353725X1
353439X1
3148318M92
3148787M2
375090X1
3411947M91
831452M1
3146897M1
353685X1
353446X1
3585143M1
047174S1
047182N1
353434X1
353691X1
353897X1
2801323M1
058019P1
1
1
4
4
2
2
1
2
2
2
2
2
1
1
1
1
1
2
1
1
1
1
1
1
1
2
2
1
1
1
2
2
1
1
1
2
1
1
4
2
2
1
1
EMBLEM EMBLEMA
COVER CUBIERTA
BOLT PERNO
WASHER ARANDELA
CONNECTION CONEXION
HOSE FLEXIBLE
WASHER ARANDELA
BOLT PERNO
BOLT PERNO
WASHER ARANDELA
BOLT PERNO
WASHER ARANDELA
BRACKET SOPORTE
BRACKET SOPORTE
PIN PASADOR
CIRCLIP CIRCULITO
KIT, ARM JUEGO DE BRAZO
SEAL RETEN
SHAFT ARBOL
ARM BRAZO
BOLT PERNO
NUT TUERCA
BOLT PERNO
WASHER ARANDELA
NUT TUERCA
BOLT PERNO
WASHER ARANDELA
CYLINDER CILINDRO
PIN PASADOR
COTTER PIN PASADOR DOUBLE
CONNECTION CONEXION
O RING JUNTA TORICA
REINFORCEMENT REFUERZO
BOLT PERNO
WASHER ARANDELA
CLAMP ABRAZADERA
STRUCTURE ESTRUCTURA
STEERING DIRECCION
WASHER ARANDELA
BOLT PERNO
BOLT PERNO
COLLAR COLLAR
STEERING WHEEL VOLANT DIRECCION
EMBLEMA
TAMPA
PARAFUSO
ARRUELA
CONEXÃO
MANGUEIRA
ARRUELA
PARAFUSO
PARAFUSO
ARRUELA
PARAFUSO
ARRUELA
SUPORTE
SUPORTE
PINO
ANEL TRAVA
CJ. BRAÇO
VEDADOR
EIXO
BRAÇO
PARAFUSO
PORCA
PARAFUSO
ARRUELA
PORCA
PARAFUSO
ARRUELA
CILINDRO
PINO
CUPILHA
CONEXÃO
ANEL "O"
REFORÇO
PARAFUSO
ARRUELA
BRAÇADEIRA
ESTRUTURA
DIREÇÃO
ARRUELA
PARAFUSO
PARAFUSO
COLAR
VOLANTE DIREÇÃO
C026502 E03 12/05
(1)
2 Rm - Estreito - Com Redutor De Velocidade
2 Wd - Narrow - With Creeper
2 Rm - Estrecho - Con Reducción De Velociad
70 205
Direção Hidrostática
Hydrostatic Steering
Direccion Hidrostática
70 205
-
Menu Símbolos
1/4X28
1/4X28
1/4X28
ED65Z004
061475N1
1
2
3
4
5
6
7
8
9
10
11
061477N1
033545P1
898183M1
353918X1
1860402M1
884387M1
377607X1
1872240M1
3408797M1
377581X1
353919X1
1
1
1
1
1
1
1
1
2
2
1
LEVER PALANCA
QUADRANT CUADRANTE
BOLT PERNO
NUT TUERCA
KNOB POMO
STOP PARO
BOLT PERNO
SPRING RESORTE
WASHER ARANDELA
WASHER ARANDELA
NUT TUERCA
ALAVANCA
QUADRANTE
PARAFUSO
PORCA
MANÍPULO
BATENTE
PARAFUSO
MOLA
ARRUELA
ARRUELA
PORCA
C026502 E03 12/05
(1)
70 210
Quadrante E Alavanca De Profundidade
Quadrant And Depth Levers
Cuadrante Y Palanca Deprofundidade
70 210
-
Menu Símbolos
EI48Z033
T0216155B
1
2
3
4
5
6
7
7
8
9
10
11
12
13
14
15
16
17
18
19
20
21
22
23
24
25
26
27
28
31
32
33
34
35
6207551M1
3411940M91
3412000M1
052107T1
3585217M1
339375X1
391979X1
3000257X1
039509P1
490802M1
058976P1
036732P1
020529P1
353677X1
353446X1
020388T2
051326S1
353691X1
353434X1
353651X1
353434X1
051330P1
020380S1
051320P1
353758X1
353439X1
354276X1
051323S1
6207552M1
044395N1
3412604M91
039479S1
063323P1
362443X1
1
1
1
1
2
16
12
4
1
8
1
2
2
4
4
1
1
3
3
1
1
1
1
1
1
1
1
1
1
1
1
1
1
1
PIPE CANO
CONNECTION CONEXION
GEAR ENGRANAJE
HYDRAULIC PUMP BOMBA HIDRAULICA
O RING JUNTA TORICA
WASHER ARANDELA
BOLT PERNO
BOLT PERNO
HOSE FLEXIBLE
CLAMP ABRAZADERA
TUBE TUBO
HOSE FLEXIBLE
CONNECTION CONEXION
BOLT PERNO
WASHER ARANDELA
KIT, FILTER JUEGO FILTRO
GUARD DEFENSA
BOLT PERNO
WASHER ARANDELA
BOLT PERNO
WASHER ARANDELA
BRACKET SOPORTE
FLANGE PLETINA
HOSE FLEXIBLE
WASHER ARANDELA
WASHER ARANDELA
BOLT PERNO
BRACKET SOPORTE
PIPE CANO
PIPE CANO
CONNECTION CONEXION
FLANGE PLETINA
PIPE,OIL MANGUITO ACEITE
BOLT PERNO
TUBO
CONEXÃO
ENGRENAGEM
BOMBA HIDRÁULICA
ANEL "O"
ARRUELA
PARAFUSO
PARAFUSO
MANGUEIRA
BRAÇADEIRA
TUBO
MANGUEIRA
CONEXÃO
PARAFUSO
ARRUELA
CJ. FILTRO
PROTEÇÃO
PARAFUSO
ARRUELA
PARAFUSO
ARRUELA
SUPORTE
FLANGE
MANGUEIRA
ARRUELA
ARRUELA
PARAFUSO
SUPORTE
TUBO
TUBO
CONEXÃO
FLANGE
TUBO
PARAFUSO
C026502 E03 12/05
(1)
2 Rm - Estreito - Com Redutor De Velocidade
2 Wd - Narrow - With Creeper
2 Rm - Estrecho - Con Reducción De Velociad
70 215
Direção Hidrostática
Hydrostatic Steering
Direccion Hidrostática
70 215
-
Menu Símbolos
EI48Z034
T0216156A
1
1
2
3
4
5
6
7
8
9
10
11
12
13
14
15
16
17
18
19
20
21
22
23
24
25
26
27
28
29
30
30
31
32
33
34
35
36
37
38
38
39
40
061181T1
037892T1
339814X1
339376X1
047154T1
067905T1
339376X1
339451X1
353698X1
353432X1
353698X1
353432X1
033922S1
033927S1
489720M91
355917X1
042863N1
196079M1
1676666M1
1676664M1
361859X1
195556M2
353622X1
353433X1
353427X1
353725X1
353439X1
3148318M92
3148787M2
375090X1
3411947M91
831452M1
3146897M1
353685X1
353446X1
3585143M1
047174S1
047182N1
353434X1
353691X1
353897X1
2801323M1
058019P1
1
1
4
4
2
2
1
2
2
2
2
2
1
1
1
1
1
1
1
1
1
1
1
1
1
2
2
1
1
1
2
2
1
1
1
2
1
1
4
2
2
1
1
EMBLEM EMBLEMA
COVER CUBIERTA
BOLT PERNO
WASHER ARANDELA
CONNECTION CONEXION
HOSE FLEXIBLE
WASHER ARANDELA
BOLT PERNO
BOLT PERNO
WASHER ARANDELA
BOLT PERNO
WASHER ARANDELA
BRACKET SOPORTE
BRACKET SOPORTE
PIN PASADOR
CIRCLIP CIRCULITO
KIT, ARM JUEGO DE BRAZO
SEAL RETEN
SHAFT ARBOL
ARM BRAZO
BOLT PERNO
NUT TUERCA
BOLT PERNO
WASHER ARANDELA
NUT TUERCA
BOLT PERNO
WASHER ARANDELA
CYLINDER CILINDRO
PIN PASADOR
COTTER PIN PASADOR DOUBLE
CONNECTION CONEXION
O RING JUNTA TORICA
REINFORCEMENT REFUERZO
BOLT PERNO
WASHER ARANDELA
CLAMP ABRAZADERA
STRUCTURE ESTRUCTURA
STEERING DIRECCION
WASHER ARANDELA
BOLT PERNO
BOLT PERNO
COLLAR COLLAR
STEERING WHEEL VOLANT DIRECCION
EMBLEMA
TAMPA
PARAFUSO
ARRUELA
CONEXÃO
MANGUEIRA
ARRUELA
PARAFUSO
PARAFUSO
ARRUELA
PARAFUSO
ARRUELA
SUPORTE
SUPORTE
PINO
ANEL TRAVA
CJ. BRAÇO
VEDADOR
EIXO
BRAÇO
PARAFUSO
PORCA
PARAFUSO
ARRUELA
PORCA
PARAFUSO
ARRUELA
CILINDRO
PINO
CUPILHA
CONEXÃO
ANEL "O"
REFORÇO
PARAFUSO
ARRUELA
BRAÇADEIRA
ESTRUTURA
DIREÇÃO
ARRUELA
PARAFUSO
PARAFUSO
COLAR
VOLANTE DIREÇÃO
C026502 E03 12/05
(1)
70 220
Direção Hidrostática
Hydrostatic Steering
Direccion Hidrostática
70 220
-
Menu Símbolos
EI48Z035
T0216156B
1
2
3
4
5
6
7
7
9
10
11
12
13
14
15
16
17
18
19
20
21
22
23
24
25
26
27
28
29
30
35
6207551M1
3411940M91
3412000M1
052207T1
3585217M1
339375X1
391979X1
3000257X1
490802M1
063325P1
036732P1
020529P1
353677X1
353446X1
020388T2
051326S1
353691X1
353434X1
353651X1
353434X1
051330P1
020380S1
051320P1
353758X1
353439X1
354276X1
051323S1
6207552M1
065106P1
835087M91
362443X1
1
1
1
1
1
8
6
2
6
1
2
2
4
4
1
1
3
3
1
1
1
1
1
1
1
1
1
1
1
1
1
PIPE CANO
CONNECTION CONEXION
GEAR ENGRANAJE
HYDRAULIC PUMP BOMBA HIDRAULICA
O RING JUNTA TORICA
WASHER ARANDELA
BOLT PERNO
BOLT PERNO
CLAMP ABRAZADERA
PIPE CANO
HOSE FLEXIBLE
CONNECTION CONEXION
BOLT PERNO
WASHER ARANDELA
KIT, FILTER JUEGO FILTRO
GUARD DEFENSA
BOLT PERNO
WASHER ARANDELA
BOLT PERNO
WASHER ARANDELA
BRACKET SOPORTE
FLANGE PLETINA
HOSE FLEXIBLE
WASHER ARANDELA
WASHER ARANDELA
BOLT PERNO
BRACKET SOPORTE
PIPE CANO
PIPE CANO
PLUG TAPON
BOLT PERNO
TUBO
CONEXÃO
ENGRENAGEM
BOMBA HIDRÁULICA
ANEL "O"
ARRUELA
PARAFUSO
PARAFUSO
BRAÇADEIRA
TUBO
MANGUEIRA
CONEXÃO
PARAFUSO
ARRUELA
CJ. FILTRO
PROTEÇÃO
PARAFUSO
ARRUELA
PARAFUSO
ARRUELA
SUPORTE
FLANGE
MANGUEIRA
ARRUELA
ARRUELA
PARAFUSO
SUPORTE
TUBO
TUBO
BUJÃO
PARAFUSO
C026502 E03 12/05
(1)
70 225
Direção Hidrostática
Hydrostatic Steering
Direccion Hidrostática
70 225
-
Menu Símbolos
EI48Z036
T0216157A
1
1
2
3
4
5
6
7
8
9
10
11
12
13
30
31
32
33
34
35
36
37
38
38
39
40
061181T1
037892T1
339814X1
339376X1
047154T1
067905T1
339376X1
339451X1
353698X1
353432X1
353698X1
353432X1
033922S1
033927S1
3412001M91
3146897M1
353685X1
353446X1
3585143M1
047174S1
047157N1
353434X1
353691X1
353897X1
2801323M1
058019P1
1
1
4
4
2
2
1
2
2
2
2
2
1
1
2
1
1
1
2
1
1
4
2
2
1
1
EMBLEM EMBLEMA
COVER CUBIERTA
BOLT PERNO
WASHER ARANDELA
CONNECTION CONEXION
HOSE FLEXIBLE
WASHER ARANDELA
BOLT PERNO
BOLT PERNO
WASHER ARANDELA
BOLT PERNO
WASHER ARANDELA
BRACKET SOPORTE
BRACKET SOPORTE
CONNECTION CONEXION
REINFORCEMENT REFUERZO
BOLT PERNO
WASHER ARANDELA
CLAMP ABRAZADERA
STRUCTURE ESTRUCTURA
STEERING UNIT UNIDAD DIRECCION
WASHER ARANDELA
BOLT PERNO
BOLT PERNO
COLLAR COLLAR
STEERING WHEEL VOLANT DIRECCION
EMBLEMA
TAMPA
PARAFUSO
ARRUELA
CONEXÃO
MANGUEIRA
ARRUELA
PARAFUSO
PARAFUSO
ARRUELA
PARAFUSO
ARRUELA
SUPORTE
SUPORTE
CONEXÃO
REFORÇO
PARAFUSO
ARRUELA
BRAÇADEIRA
ESTRUTURA
UN. HIDROSTÁTICA
ARRUELA
PARAFUSO
PARAFUSO
COLAR
VOLANTE DIREÇÃO
C026502 E03 12/05
(1)
4 Rodas Motrizes Estreito Com Redutor De Velocidade
4 Wheels Drive Narrow With Creeper
4 Ruedas Motriz Estrecho Con Reducción De Velocidad
70 230
Direção Hidrostática
Hydrostatic Steering
Direccion Hidrostática
70 230
-
Menu Símbolos
EI48Z037
T0216157B
1
2
3
4
5
6
7
7
8
9
10
11
12
13
14
15
16
17
18
19
20
21
22
23
24
25
26
27
28
31
32
33
34
35
6207551M1
3411940M91
3412000M1
052107T1
3585217M1
339375X1
391979X1
3000257X1
039509P1
490802M1
058976P1
036732P1
020529P1
353677X1
353446X1
020388T2
051326S1
353691X1
353434X1
353651X1
353434X1
051330P1
020380S1
051320P1
353758X1
353439X1
354276X1
051323S1
6207552M1
044395N1
3412604M91
039479S1
063323P1
362443X1
1
1
1
1
2
16
12
4
1
8
1
2
2
4
4
1
1
3
3
1
1
1
1
1
1
1
1
1
1
1
1
1
1
1
PIPE CANO
CONNECTION CONEXION
GEAR ENGRANAJE
HYDRAULIC PUMP BOMBA HIDRAULICA
O RING JUNTA TORICA
WASHER ARANDELA
BOLT PERNO
BOLT PERNO
HOSE FLEXIBLE
CLAMP ABRAZADERA
TUBE TUBO
HOSE FLEXIBLE
CONNECTION CONEXION
BOLT PERNO
WASHER ARANDELA
KIT, FILTER JUEGO FILTRO
GUARD DEFENSA
BOLT PERNO
WASHER ARANDELA
BOLT PERNO
WASHER ARANDELA
BRACKET SOPORTE
FLANGE PLETINA
HOSE FLEXIBLE
WASHER ARANDELA
WASHER ARANDELA
BOLT PERNO
BRACKET SOPORTE
PIPE CANO
PIPE CANO
CONNECTION CONEXION
FLANGE PLETINA
PIPE,OIL MANGUITO ACEITE
BOLT PERNO
TUBO
CONEXÃO
ENGRENAGEM
BOMBA HIDRÁULICA
ANEL "O"
ARRUELA
PARAFUSO
PARAFUSO
MANGUEIRA
BRAÇADEIRA
TUBO
MANGUEIRA
CONEXÃO
PARAFUSO
ARRUELA
CJ. FILTRO
PROTEÇÃO
PARAFUSO
ARRUELA
PARAFUSO
ARRUELA
SUPORTE
FLANGE
MANGUEIRA
ARRUELA
ARRUELA
PARAFUSO
SUPORTE
TUBO
TUBO
CONEXÃO
FLANGE
TUBO
PARAFUSO
C026502 E03 12/05
(1)
4 Rodas Motrizes Estreito Com Redutor De Velocidade
4 Wheels Drive Narrow With Creeper
4 Ruedas Motriz Estrecho Con Reducción De Velocidad
70 235
Direção Hidrostática
Hydrostatic Steering
Direccion Hidrostática
70 235
-
Menu Símbolos
EI48Z038
T0216158A
1
1
2
3
4
5
6
7
8
9
10
11
12
13
30
31
32
33
34
35
36
37
38
38
39
40
061181T1
037892T1
339814X1
339376X1
047154T1
067905T1
339376X1
339451X1
353698X1
353432X1
353698X1
353432X1
033922S1
033927S1
3412001M91
3146897M1
353685X1
353446X1
3585143M1
047174S1
047157N1
353434X1
353691X1
353897X1
2801323M1
058019P1
1
1
4
4
2
2
1
2
2
2
2
2
1
1
2
1
1
1
2
1
1
4
2
2
1
1
EMBLEM EMBLEMA
COVER CUBIERTA
BOLT PERNO
WASHER ARANDELA
CONNECTION CONEXION
HOSE FLEXIBLE
WASHER ARANDELA
BOLT PERNO
BOLT PERNO
WASHER ARANDELA
BOLT PERNO
WASHER ARANDELA
BRACKET SOPORTE
BRACKET SOPORTE
CONNECTION CONEXION
REINFORCEMENT REFUERZO
BOLT PERNO
WASHER ARANDELA
CLAMP ABRAZADERA
STRUCTURE ESTRUCTURA
STEERING UNIT UNIDAD DIRECCION
WASHER ARANDELA
BOLT PERNO
BOLT PERNO
COLLAR COLLAR
STEERING WHEEL VOLANT DIRECCION
EMBLEMA
TAMPA
PARAFUSO
ARRUELA
CONEXÃO
MANGUEIRA
ARRUELA
PARAFUSO
PARAFUSO
ARRUELA
PARAFUSO
ARRUELA
SUPORTE
SUPORTE
CONEXÃO
REFORÇO
PARAFUSO
ARRUELA
BRAÇADEIRA
ESTRUTURA
UN. HIDROSTÁTICA
ARRUELA
PARAFUSO
PARAFUSO
COLAR
VOLANTE DIREÇÃO
C026502 E03 12/05
(1)
4 Rm - Sem Hidráulico - Com Creeper
4 Wd - Without Hydraulic - With Creeper
4 Rm - Sin Hidraulico - Con Creeper
70 240
Direção Hidrostática
Hydrostatic Steering
Direccion Hidrostática
70 240
-
Menu Símbolos
EI48Z039
T0216158B
1
2
3
4
5
6
7
7
9
10
11
12
13
14
15
16
17
18
19
20
21
22
23
24
25
26
27
28
29
30
35
6207551M1
3411940M91
3412000M1
052207T1
3585217M1
339375X1
391979X1
3000257X1
490802M1
063325P1
036732P1
020529P1
353677X1
353446X1
020388T2
051326S1
353691X1
353434X1
353651X1
353434X1
051330P1
020380S1
051320P1
353758X1
353439X1
354276X1
051323S1
6207552M1
065107P1
835087M91
362443X1
1
1
1
1
1
8
6
2
6
1
2
2
4
4
1
1
3
3
1
1
1
1
1
1
1
1
1
1
1
1
1
PIPE CANO
CONNECTION CONEXION
GEAR ENGRANAJE
HYDRAULIC PUMP BOMBA HIDRAULICA
O RING JUNTA TORICA
WASHER ARANDELA
BOLT PERNO
BOLT PERNO
CLAMP ABRAZADERA
PIPE CANO
HOSE FLEXIBLE
CONNECTION CONEXION
BOLT PERNO
WASHER ARANDELA
KIT, FILTER JUEGO FILTRO
GUARD DEFENSA
BOLT PERNO
WASHER ARANDELA
BOLT PERNO
WASHER ARANDELA
BRACKET SOPORTE
FLANGE PLETINA
HOSE FLEXIBLE
WASHER ARANDELA
WASHER ARANDELA
BOLT PERNO
BRACKET SOPORTE
PIPE CANO
PIPE,OIL MANGUITO ACEITE
PLUG TAPON
BOLT PERNO
TUBO
CONEXÃO
ENGRENAGEM
BOMBA HIDRÁULICA
ANEL "O"
ARRUELA
PARAFUSO
PARAFUSO
BRAÇADEIRA
TUBO
MANGUEIRA
CONEXÃO
PARAFUSO
ARRUELA
CJ. FILTRO
PROTEÇÃO
PARAFUSO
ARRUELA
PARAFUSO
ARRUELA
SUPORTE
FLANGE
MANGUEIRA
ARRUELA
ARRUELA
PARAFUSO
SUPORTE
TUBO
TUBO
BUJÃO
PARAFUSO
C026502 E03 12/05
(1)
4 Rm - Sem Hidráulico - Com Creeper
4 Wd - Without Hydraulic - With Creeper
4 Rm - Sin Hidraulico - Con Creeper
70 245
Direção Hidrostática
Hydrostatic Steering
Direccion Hidrostática
70 245
-
Menu Símbolos
EB40Z019
2802493M94A
70-300 No
2802494M95
1
2
3
4
5
6
7
8
9
10
11
12
13
14
15
16
17
18
19
20
21
22
23
180997M2
355286X1
180981M1
2800150M91
882451M1
355286X1
886348M2
1442142X1
886351M2
519070M1
180979M2
180980M2
1863389M1
1869074M1
1870306M93
195562M1
195387M1
2802511M4
377765X1
182099M91
195387M1
3146844M1
1
1
1
1
1
1
1
1
1
1
1
1
1
1
1
1
2
1
1
2
1
1
1
4
4
4
4
4
4
4
19
19
19
SHAFT ARBOL
ALLEN BOLT TORNILLO ALLEN
DISC DISCO
KIT, SPRING RESORTE JUEGO
BALL BOLA
ALLEN BOLT TORNILLO ALLEN
PIN PASADOR
PIN PASADOR
SEAT ASIENTO
SPRING RESORTE
NUT TUERCA
BOOT PROTECCION
HEAD CULATA
PIN PASADOR
KIT, BRACKET JUEGO SOPORTE
O RING JUNTA TORICA
PLUG TAPON
COVER CUBIERTA
KIT, COVER JUEGO DE TAPA
NUT TUERCA
BREATHER RESPIRADERO
PLUG TAPON
STUD ESPARRAGO
EIXO
PARAFUSO ALLEN
DISCO
CJ. MOLA
ESFERA
PARAFUSO ALLEN
PINO
PINO
ASSENTO
MOLA
PORCA
CAPA
ARTICULADOR
PINO
CJ. SUPORTE
ANEL "O"
BUJÃO
TAMPA
CJ. TAMPA
PORCA
RESPIRO
BUJÃO
PRISIONEIRO
C026502 E03 12/05
(1)
2500 Kgf
2500 Kgf
2500 Kgf
70 250
Tampa Do Levante Hidráulico
Hydraulic Lift Cover
Tapa Levante Hidraulico
70 250
-
Menu Símbolos
EB40Z070
T0226041
70-285 No
70-290 No
70-210 No
1
1
2
3
4
5
6
7
8
9
10
11
12
13
14
15
16
17
18
19
20
21
22
23
24
25
26
27
28
29
30
31
32
33
34
36
37
38
39
40
41
42
43
44
45
46
47
48
49
50
022750S1
022749S1
058292P1
061381P1
061405S1
046115T1
181217M1
065249N1
6209491M1
353753X1
1869138M1
353537X1
353434X1
353756X1
353430X1
3808400M1
195561M1
195874M1
058282P1
195562M1
353432X1
362479X1
182373M91
058283P1
058289P1
058292P1
058291P1
026945N1
180908M1
1482137M1
1860403M1
353918X1
061474N1
354041X1
353754X1
061475N1
061420S1
049461P1
049460P1
061443S1
061444S1
044137P1
339024X1
195414M1
1696971M91
385368X1
339169X1
339374X1
339891X1
355617X1
1
1
2
1
1
1
1
1
1
1
1
2
2
2
2
1
2
2
5
1
2
2
1
4
1
3
2
1
1
1
1
1
1
1
1
1
1
1
1
1
1
1
4
4
1
4
4
1
1
1
[C]
BRACKET SOPORTE
BRACKET SOPORTE
SCREW TORNILLO
BRACKET SOPORTE
ROD VARILLA
ROD VARILLA
GASKET EMPAQUETADURA.
KIT, CAP JUEGO DE TAPON
LEVER PALANCA
WASHER ARANDELA
BOLT PERNO
BOLT PERNO
WASHER ARANDELA
WASHER ARANDELA
NUT TUERCA
PIPE CANO
O RING JUNTA TORICA
WASHER ARANDELA
BOLT PERNO
O RING JUNTA TORICA
WASHER ARANDELA
BOLT PERNO
COVER CUBIERTA
BOLT PERNO
BOLT PERNO
SCREW TORNILLO
BOLT PERNO
KIT, COVER JUEGO DE TAPA
COVER CUBIERTA
PAD ALMOHADILLA
KNOB POMO
NUT TUERCA
KIT, QUADRANT JUEGO CUADRANTE
COTTER PIN PASADOR DOUBLE
WASHER ARANDELA
KIT, QUADRANT JUEGO CUADRANTE
BRACKET SOPORTE
LEVER PALANCA
LEVER PALANCA
ROD VARILLA
ROD VARILLA
PLATE PLATO
WASHER ARANDELA
CRAMP PASADOR
BRACKET SOPORTE
BOLT PERNO
NUT TUERCA
WASHER ARANDELA
BOLT PERNO
WASHER ARANDELA
SUPORTE
SUPORTE
PARAFUSO
SUPORTE
TIRANTE
VARETA
JUNTA
CJ. TAMPA
ALAVANCA
ARRUELA
PARAFUSO
PARAFUSO
ARRUELA
ARRUELA
PORCA
TUBO
ANEL "O"
ARRUELA
PARAFUSO
ANEL "O"
ARRUELA
PARAFUSO
TAMPA
PARAFUSO
PARAFUSO
PARAFUSO
PARAFUSO
CJ. TAMPA
TAMPA
TAMPÃO
MANÍPULO
PORCA
CJ. QUADRANTE
CUPILHA
ARRUELA
CJ. QUADRANTE
SUPORTE
ALAVANCA
ALAVANCA
TIRANTE
TIRANTE
PLACA
ARRUELA
GRAMPO
SUPORTE
PARAFUSO
PORCA
ARRUELA
PARAFUSO
ARRUELA
C026502 E03 12/05
(1)
2100 Kgf
2100 Kgf
2100 Kgf
70 255
Tampa Do Levante Hidráulico
Hydraulic Lift Cover
Tapa Levante Hidraulico
70 255
-
Menu Símbolos
EB40Z070
T0226041
[C] SEM CONTROLE REMOTO
WITHOUT REMOTE CONTROL
SIN CONTROL REMOTO
51
52
53
339123X1
2802212M91
353446X1
3
1
7
BOLT PERNO
SPACER PIEZA DISTANCIA
WASHER ARANDELA
PARAFUSO
ESPAÇADOR
ARRUELA
C026502 E03 12/05
(1)
2100 Kgf
2100 Kgf
2100 Kgf
70 255
Tampa Do Levante Hidráulico
Hydraulic Lift Cover
Tapa Levante Hidraulico
70 255
-
Menu Símbolos
EB40Z069
T0226042A
30-275 No
70-250 No
70-305 No
1
1
2
3
4
5
6
7
8
9
10
11
12
13
14
15
16
17
18
19
20
21
22
23
24
25
25
26
27
28
29
30
022750S1
022749S1
058292P1
061381P1
061405S1
046115T1
181217M1
065249N1
6209491M1
353753X1
1869138M1
3808400M1
195561M1
195874M1
058282P1
195562M1
353432X1
362479X1
182373M91
180908M1
1482137M1
058283P1
058289P1
058292P1
058291P1
2802493M94
1860403M1
353918X1
354041X1
353754X1
182099M91
1
1
2
1
1
1
1
1
1
1
1
1
2
2
5
1
2
2
1
1
1
4
1
3
2
1
1
1
1
1
1
1
18
18
BRACKET SOPORTE
BRACKET SOPORTE
SCREW TORNILLO
BRACKET SOPORTE
ROD VARILLA
ROD VARILLA
GASKET EMPAQUETADURA.
KIT, CAP JUEGO DE TAPON
LEVER PALANCA
WASHER ARANDELA
BOLT PERNO
PIPE CANO
O RING JUNTA TORICA
WASHER ARANDELA
BOLT PERNO
O RING JUNTA TORICA
WASHER ARANDELA
BOLT PERNO
COVER CUBIERTA
COVER CUBIERTA
PAD ALMOHADILLA
BOLT PERNO
BOLT PERNO
SCREW TORNILLO
BOLT PERNO
KIT, COVER JUEGO DE TAPA
KIT, CAP JUEGO DE TAPON
KNOB POMO
NUT TUERCA
COTTER PIN PASADOR DOUBLE
WASHER ARANDELA
BREATHER RESPIRADERO
SUPORTE
SUPORTE
PARAFUSO
SUPORTE
TIRANTE
VARETA
JUNTA
CJ. TAMPA
ALAVANCA
ARRUELA
PARAFUSO
TUBO
ANEL "O"
ARRUELA
PARAFUSO
ANEL "O"
ARRUELA
PARAFUSO
TAMPA
TAMPA
TAMPÃO
PARAFUSO
PARAFUSO
PARAFUSO
PARAFUSO
CJ. TAMPA
CJ. TAMPA
MANÍPULO
PORCA
CUPILHA
ARRUELA
RESPIRO
C026502 E03 12/05
(1)
2500 Kgf Sem Controle Remoto
2500 Kgf Without Remote Control
2500 Kgf Sin Controle Remoto
70 260
Tampa Do Levante Hidráulico
Hydraulic Lift Cover
Tapa Levante Hidraulico
70 260
-
Menu Símbolos
E250Z001
T0226042B
[A]
[B]
CONTROLE DE POSIÇÃO
POSITION CONTROL
CONTROL DE POSICION
CONTROLE DE PROFUNDIDADE
DEPTH CONTROL
CONTROL DE PROFUNDIDAD
70-290 No
70-210 No
1
2
3
4
5
6
7
8
9
10
11
12
13
14
15
16
17
18
19
20
21
22
23
339169X1
061474N1
1696971M91
044137P1
2802212M91
049461P1
195414M1
339024X1
049460P1
061420S1
353537X1
353434X1
353430X1
061475N1
6200687M1
6200688M1
339891X1
339123X1
355617X1
339374X1
385368X1
394367X1
353756X1
4
1
1
1
2
1
4
4
1
1
2
2
2
1
1
1
1
3
1
1
4
1
3
[A]
[B]
[A]
[B]
NUT TUERCA
KIT, QUADRANT JUEGO CUADRANTE
BRACKET SOPORTE
PLATE PLATO
SPACER PIEZA DISTANCIA
LEVER PALANCA
CRAMP PASADOR
WASHER ARANDELA
LEVER PALANCA
BRACKET SOPORTE
BOLT PERNO
WASHER ARANDELA
NUT TUERCA
KIT, QUADRANT JUEGO CUADRANTE
ROD VARILLA
ROD VARILLA
BOLT PERNO
BOLT PERNO
WASHER ARANDELA
WASHER ARANDELA
BOLT PERNO
NUT TUERCA
WASHER ARANDELA
PORCA
CJ. QUADRANTE
SUPORTE
PLACA
ESPAÇADOR
ALAVANCA
GRAMPO
ARRUELA
ALAVANCA
SUPORTE
PARAFUSO
ARRUELA
PORCA
CJ. QUADRANTE
TIRANTE
TIRANTE
PARAFUSO
PARAFUSO
ARRUELA
ARRUELA
PARAFUSO
PORCA
ARRUELA
C026502 E03 12/05
(1)
2500 Kgf Sem Controle Remoto
2500 Kgf Without Remote Control
2500 Kgf Sin Controle Remoto
70 265
Quadrante
Quadrant
Cuadrante
Levante Hidráulico
Hydraulic Lift
Elevador Hidraulico
70 265
-
Menu Símbolos
EB42Z005
T0226049
70-460 No
70-285 No
70-290 No
70-210 No
1
1
2
3
4
5
6
7
8
9
10
11
12
13
14
15
16
17
18
19
20
21
22
23
24
25
26
27
28
29
30
31
32
33
34
36
37
38
39
40
41
42
43
44
45
46
47
48
022750S1
022749S1
058292P1
061381P1
061405S1
046115T1
181217M1
063253N2
6209491M1
353753X1
1869138M1
353537X1
353434X1
353756X1
353430X1
3808400M1
195561M1
195874M1
058282P1
195562M1
353432X1
362479X1
182373M91
058283P1
058289P1
058292P1
058291P1
026945N1
180908M1
1482137M1
1860403M1
353918X1
061474N1
354041X1
353754X1
061475N1
061420S1
049461P1
049460P1
061443S1
061444S1
044137P1
339024X1
195414M1
1696971M91
385368X1
339169X1
339374X1
1
1
2
1
1
1
1
1
1
1
1
2
2
2
2
1
2
2
5
1
2
2
1
4
4
3
2
1
1
1
1
1
1
1
1
1
1
1
1
1
1
1
4
4
1
4
1
1
22
22
[A]
[B]
BRACKET SOPORTE
BRACKET SOPORTE
SCREW TORNILLO
BRACKET SOPORTE
ROD VARILLA
ROD VARILLA
GASKET EMPAQUETADURA.
KIT, COVER JUEGO DE TAPA
LEVER PALANCA
WASHER ARANDELA
BOLT PERNO
BOLT PERNO
WASHER ARANDELA
WASHER ARANDELA
NUT TUERCA
PIPE CANO
O RING JUNTA TORICA
WASHER ARANDELA
BOLT PERNO
O RING JUNTA TORICA
WASHER ARANDELA
BOLT PERNO
COVER CUBIERTA
BOLT PERNO
BOLT PERNO
SCREW TORNILLO
BOLT PERNO
KIT, COVER JUEGO DE TAPA
COVER CUBIERTA
PAD ALMOHADILLA
KNOB POMO
NUT TUERCA
KIT, QUADRANT JUEGO CUADRANTE
COTTER PIN PASADOR DOUBLE
WASHER ARANDELA
KIT, QUADRANT JUEGO CUADRANTE
BRACKET SOPORTE
LEVER PALANCA
LEVER PALANCA
ROD VARILLA
ROD VARILLA
PLATE PLATO
WASHER ARANDELA
CRAMP PASADOR
BRACKET SOPORTE
BOLT PERNO
NUT TUERCA
WASHER ARANDELA
SUPORTE
SUPORTE
PARAFUSO
SUPORTE
TIRANTE
VARETA
JUNTA
CJ. TAMPA
ALAVANCA
ARRUELA
PARAFUSO
PARAFUSO
ARRUELA
ARRUELA
PORCA
TUBO
ANEL "O"
ARRUELA
PARAFUSO
ANEL "O"
ARRUELA
PARAFUSO
TAMPA
PARAFUSO
PARAFUSO
PARAFUSO
PARAFUSO
CJ. TAMPA
TAMPA
TAMPÃO
MANÍPULO
PORCA
CJ. QUADRANTE
CUPILHA
ARRUELA
CJ. QUADRANTE
SUPORTE
ALAVANCA
ALAVANCA
TIRANTE
TIRANTE
PLACA
ARRUELA
GRAMPO
SUPORTE
PARAFUSO
PORCA
ARRUELA
C026502 E03 12/05
(1)
Com Controle Remoto
With Remote Control
Con Controle Remoto
70 270
2100 Kgf
2100 Kgf
2100 Kgf
Tampa Do Levante Hidráulico
Hydraulic Lift Cover
Tapa Levante Hidraulico
70 270
-
Menu Símbolos
EB42Z005
T0226049
[A]
[B]
POSIÇÃO
POSITION
POSICION
PROFUNDIDADE
DEPTH
PROFUNDIDAD
49
50
51
52
53
339891X1
355617X1
339123X1
2802212M91
353446X1
1
1
3
2
3
BOLT PERNO
WASHER ARANDELA
BOLT PERNO
SPACER PIEZA DISTANCIA
WASHER ARANDELA
PARAFUSO
ARRUELA
PARAFUSO
ESPAÇADOR
ARRUELA
C026502 E03 12/05
(1)
Com Controle Remoto
With Remote Control
Con Controle Remoto
70 270
2100 Kgf
2100 Kgf
2100 Kgf
Tampa Do Levante Hidráulico
Hydraulic Lift Cover
Tapa Levante Hidraulico
70 270
-
Menu Símbolos
EB40Z074
T0226050
70-460 No
70-250 No
70-305 No
70-290 No
70-210 No
1
1
2
3
4
5
6
7
8
9
10
11
12
13
14
15
16
17
18
19
20
21
22
23
24
25
26
27
27
28
29
30
31
32
33
34
36
37
38
39
40
41
42
43
44
45
46
47
022750S1
022749S1
058292P1
061381P1
061405S1
046115T1
181217M1
063253N2
6209491M1
353753X1
1869138M1
353537X1
353434X1
353756X1
353430X1
3808400M1
195561M1
195874M1
058282P1
195562M1
353432X1
362479X1
182373M91
058283P1
058289P1
058292P1
058291P1
2802493M94
180908M1
1482137M1
1860403M1
353918X1
061474N1
354041X1
353754X1
061475N1
182099M91
061420S1
049461P1
049460P1
061443S1
061444S1
044137P1
339024X1
195414M1
1696971M91
385368X1
1
1
2
1
1
1
1
1
1
1
1
2
2
2
2
1
2
2
5
1
2
2
1
4
1
3
2
1
1
1
1
1
1
1
1
1
1
1
1
1
1
1
1
1
4
4
1
4
22
22
[A]
[B]
BRACKET SOPORTE
BRACKET SOPORTE
SCREW TORNILLO
BRACKET SOPORTE
ROD VARILLA
ROD VARILLA
GASKET EMPAQUETADURA.
KIT, COVER JUEGO DE TAPA
LEVER PALANCA
WASHER ARANDELA
BOLT PERNO
BOLT PERNO
WASHER ARANDELA
WASHER ARANDELA
NUT TUERCA
PIPE CANO
O RING JUNTA TORICA
WASHER ARANDELA
BOLT PERNO
O RING JUNTA TORICA
WASHER ARANDELA
BOLT PERNO
COVER CUBIERTA
BOLT PERNO
BOLT PERNO
SCREW TORNILLO
BOLT PERNO
KIT, COVER JUEGO DE TAPA
KIT, CAP JUEGO DE TAPON
COVER CUBIERTA
PAD ALMOHADILLA
KNOB POMO
NUT TUERCA
KIT, QUADRANT JUEGO CUADRANTE
COTTER PIN PASADOR DOUBLE
WASHER ARANDELA
KIT, QUADRANT JUEGO CUADRANTE
BREATHER RESPIRADERO
BRACKET SOPORTE
LEVER PALANCA
LEVER PALANCA
ROD VARILLA
ROD VARILLA
PLATE PLATO
WASHER ARANDELA
CRAMP PASADOR
BRACKET SOPORTE
BOLT PERNO
SUPORTE
SUPORTE
PARAFUSO
SUPORTE
TIRANTE
VARETA
JUNTA
CJ. TAMPA
ALAVANCA
ARRUELA
PARAFUSO
PARAFUSO
ARRUELA
ARRUELA
PORCA
TUBO
ANEL "O"
ARRUELA
PARAFUSO
ANEL "O"
ARRUELA
PARAFUSO
TAMPA
PARAFUSO
PARAFUSO
PARAFUSO
PARAFUSO
CJ. TAMPA
CJ. TAMPA
TAMPA
TAMPÃO
MANÍPULO
PORCA
CJ. QUADRANTE
CUPILHA
ARRUELA
CJ. QUADRANTE
RESPIRO
SUPORTE
ALAVANCA
ALAVANCA
TIRANTE
TIRANTE
PLACA
ARRUELA
GRAMPO
SUPORTE
PARAFUSO
C026502 E03 12/05
(1)
2500 Kgf Com Controle Remoto
2500 Kgf With Remote Control
2500 Kgf Con Controle Remoto
70 275
Tampa Do Levante Hidráulico
Hydraulic Lift Cover
Tapa Levante Hidraulico
70 275
-
Menu Símbolos
EB40Z074
T0226050
[A]
[B]
POSIÇÃO
POSITION
POSICION
PROFUNDIDADE
DEPTH
PROFUNDIDAD
48
49
50
51
52
53
54
339169X1
339374X1
339891X1
355617X1
339123X1
394367X1
353446X1
4
1
1
1
3
1
7
NUT TUERCA
WASHER ARANDELA
BOLT PERNO
WASHER ARANDELA
BOLT PERNO
NUT TUERCA
WASHER ARANDELA
PORCA
ARRUELA
PARAFUSO
ARRUELA
PARAFUSO
PORCA
ARRUELA
C026502 E03 12/05
(1)
2500 Kgf Com Controle Remoto
2500 Kgf With Remote Control
2500 Kgf Con Controle Remoto
70 275
Tampa Do Levante Hidráulico
Hydraulic Lift Cover
Tapa Levante Hidraulico
70 275
-
Menu Símbolos
EB40Z075
T0226058
[A]
[B]
POSIÇÃO
POSITION
POSICION
PROFUNDIDADE
DEPTH
PROFUNDIDAD
70-460 No
70-320 No
70-325 No
70-310 No
70-315 No
1
2
3
4
5
6
7
8
9
10
11
12
13
14
15
16
17
18
19
20
21
22
23
23
24
25
26
27
28
29
30
31
32
33
34
058292P1
051897P1
051898S1
1665962M91
181217M1
063253N2
6209491M1
353753X1
1869138M1
353434X1
353756X1
353430X1
195874M1
058282P1
195562M1
353432X1
362479X1
182373M91
058283P1
058289P1
058292P1
058291P1
026946N1
182099M91
1860403M1
353918X1
026796N1
354041X1
353754X1
026792N1
195561M1
3808400M1
067058P1
353898X1
2
1
1
1
1
1
1
1
1
2
2
2
2
5
1
2
2
1
1
1
3
2
1
1
1
1
1
1
1
1
1
2
1
2
2
[A]
[B]
SCREW TORNILLO
BRACKET SOPORTE
ROD VARILLA
ROD VARILLA
GASKET EMPAQUETADURA.
KIT, COVER JUEGO DE TAPA
LEVER PALANCA
WASHER ARANDELA
BOLT PERNO
WASHER ARANDELA
WASHER ARANDELA
NUT TUERCA
WASHER ARANDELA
BOLT PERNO
O RING JUNTA TORICA
WASHER ARANDELA
BOLT PERNO
COVER CUBIERTA
BOLT PERNO
BOLT PERNO
SCREW TORNILLO
BOLT PERNO
KIT, COVER JUEGO DE TAPA
KIT, CAP JUEGO DE TAPON
BREATHER RESPIRADERO
KNOB POMO
NUT TUERCA
KIT, QUADRANT JUEGO CUADRANTE
COTTER PIN PASADOR DOUBLE
WASHER ARANDELA
KIT, QUADRANT JUEGO CUADRANTE
O RING JUNTA TORICA
PIPE CANO
SPACER PIEZA DISTANCIA
BOLT PERNO
PARAFUSO
SUPORTE
TIRANTE
VARETA
JUNTA
CJ. TAMPA
ALAVANCA
ARRUELA
PARAFUSO
ARRUELA
ARRUELA
PORCA
ARRUELA
PARAFUSO
ANEL "O"
ARRUELA
PARAFUSO
TAMPA
PARAFUSO
PARAFUSO
PARAFUSO
PARAFUSO
CJ. TAMPA
CJ. TAMPA
RESPIRO
MANÍPULO
PORCA
CJ. QUADRANTE
CUPILHA
ARRUELA
CJ. QUADRANTE
ANEL "O"
TUBO
ESPAÇADOR
PARAFUSO
C026502 E03 12/05
(1)
70 280
Tampa Do Levante Hidráulico
Hydraulic Lift Cover
Tapa Levante Hidraulico
70 280
-
Menu Símbolos
EB40Z002
026945N1
REF.1
1
2
026945N1 1
1
KIT, COVER JUEGO DE TAPA
KIT, CYLINDER JUEGO DE CILINDR
CJ. TAMPA
CJ. CILINDRO
C026502 E03 12/05
(1)
70 285
Tampa Do Levante Hidráulico
Hydraulic Lift Cover
Tapa Levante Hidraulico
70 285
-
Menu Símbolos
1/4X28
1/2X1/4X1/16
1/4X28
3/4X5/16X1/16
1/4X28
ED66Z004
061474N1
1
2
3
4
5
6
7
8
9
10
11
12
13
14
377607X1
1872240M1
377581X1
3408797M1
355564X1
353441X1
026528P1
898198M91
353919X1
061476N1
026795P1
355617X1
1860402M1
353918X1
1
1
2
2
2
2
1
1
1
1
1
1
1
1
BOLT PERNO
SPRING RESORTE
WASHER ARANDELA
WASHER ARANDELA
NUT TUERCA
WASHER ARANDELA
QUADRANT CUADRANTE
STOP PARO
NUT TUERCA
LEVER PALANCA
STOP PARO
WASHER ARANDELA
KNOB POMO
NUT TUERCA
PARAFUSO
MOLA
ARRUELA
ARRUELA
PORCA
ARRUELA
QUADRANTE
BATENTE
PORCA
ALAVANCA
BATENTE
ARRUELA
MANÍPULO
PORCA
C026502 E03 12/05
(1)
70 290
Quadrante E Alavancas De Posição
Quadrant And Position And Lever
Cuadrant Y Palancas De Posición
70 290
-
Menu Símbolos
EB40Z018
2802493M94
70-250 No
70-305 No
1
2
2802493M94 1
1
KIT, COVER JUEGO DE TAPA
KIT, CYLINDER JUEGO DE CILINDR
CJ. TAMPA
CJ. CILINDRO
C026502 E03 12/05
(1)
70 295
Tampa Do Levante Hidráulico
Hydraulic Lift Cover
Tapa Levante Hidraulico
70 295
-
Menu Símbolos
11/16
17/8
11/16
AP16Z001
1870306M93
1
2
3
4
5
6
7
8
9
1870243M92
898189M2
1870219M93
358945X1
1870240M1
364281X1
762026M1
1870225M1
1870244M1
1
1
1
1
1
1
1
1
1
SHAFT ARBOL
ROLLER RODILLO
SHAFT ARBOL
CIRCLIP CIRCULITO
SUPPORT DISPOS.DE SOSTEN
O RING JUNTA TORICA
O RING JUNTA TORICA
BUSH CASQUILLO
PIN PASADOR
EIXO
ROLETE
EIXO
ANEL TRAVA
SUPORTE
ANEL "O"
ANEL "O"
BUCHA
PINO
C026502 E03 12/05
(1)
70 300
Suporte Do Quadrante
Quadrant Support
Soporte Cuadrante
Levante Hidráulico
Hydraulic Lift
Elevador Hidraulico
70 300
-
Menu Símbolos
EB40Z020
2802493M94B
0.20"
0.40"
0.60"
70-355 No
1660324M91
70-345 No
1
2
3
4
5
6
7
8
9
9
9
10
11
12
13
14
15
16
17
18
19
20
21
22
23
24
25
26
27
28
353560X1
897580M1
3408250M1
885455M1
3408251M91
3611557M1
033928T1
897567M3
2801012M1
2801013M1
2801014M1
886404M2
887076M2
897581M3
3611558M1
886410M1
1661547M92
355617X1
361332X1
898137M1
2802251M1
354120X1
353688X1
390287X1
1869093M93
355617X1
1870190M92
1661918M91
034617N1
2
2
1
2
2
2
2
1
X
X
X
1
1
2
2
1
1
1
1
1
1
1
2
2
1
X
1
1
1
1
5
5
BOLT PERNO
WASHER ARANDELA
ARM BRAZO
BUSH CASQUILLO
KIT, ARM JUEGO DE BRAZO
O RING JUNTA TORICA
O RING JUNTA TORICA
SHAFT ARBOL
SHIM CALCE
SHIM CALCE
SHIM CALCE
ARM BRAZO
BOLT PERNO
STAPLE GRAPA
BUSH CASQUILLO
CONROD BIELA
LEVER PALANCA
WASHER ARANDELA
COTTER PIN PASADOR DOUBLE
SPRING RESORTE
BOLT PERNO
NUT TUERCA
BOLT PERNO
WASHER ARANDELA
LEVER PALANCA
WASHER ARANDELA
SUPPORT DISPOS.DE SOSTEN
KNUCKLE CHARNELA
KNUCKLE CHARNELA
KIT, CYLINDER JUEGO DE CILINDR
PARAFUSO
ARRUELA
BRAÇO
BUCHA
CJ. BRAÇO
ANEL "O"
ANEL "O"
EIXO
CALÇO
CALÇO
CALÇO
BRAÇO
PARAFUSO
PRESILHA
BUCHA
BIELA
ALAVANCA
ARRUELA
CUPILHA
MOLA
PARAFUSO
PORCA
PARAFUSO
ARRUELA
ALAVANCA
ARRUELA
SUPORTE
ARTICULAÇÃO
ARTICULAÇÃO
CJ. CILINDRO
C026502 E03 12/05
(1)
70 305
Tampa Do Levante Hidráulico
Hydraulic Lift Cover
Tapa Levante Hidraulico
70 305
-
Menu Símbolos
1/4X15X1.5/8
22,2X6,35X1,2
1/4X20
1/2X1/4X1/16
1/4X28
3/4X5/16X1/16
1/4X28
E028Z001
026796N1
1
2
3
4
5
6
7
8
9
10
11
12
13
14
377607X1
1872240M1
377581X1
3408797M1
355564X1
353441X1
026528P1
898198M91
353919X1
1870341M92
026795P1
355617X1
1860402M1
353918X1
1
1
2
2
2
2
1
1
1
1
1
1
1
1
BOLT PERNO
SPRING RESORTE
WASHER ARANDELA
WASHER ARANDELA
NUT TUERCA
WASHER ARANDELA
QUADRANT CUADRANTE
STOP PARO
NUT TUERCA
LEVER PALANCA
STOP PARO
WASHER ARANDELA
KNOB POMO
NUT TUERCA
PARAFUSO
MOLA
ARRUELA
ARRUELA
PORCA
ARRUELA
QUADRANTE
BATENTE
PORCA
ALAVANCA
BATENTE
ARRUELA
MANÍPULO
PORCA
C026502 E03 12/05
(1)
70 310
Quadrante De Posição
Position Quadrant
Cuadrant De Posición
Levante Hidráulico
Hydraulic Lift
Elevador Hidraulico
70 310
-
Menu Símbolos
1/4X28
1/4X15X1.5/8
22,2X6,35X1,2
1/4X28
E029Z001
026792N1
1
2
3
4
5
6
7
8
9
10
11
026793S1
033545P1
898183M1
353918X1
1860402M1
884387M1
377607X1
1872240M1
3408797M1
377581X1
353919X1
1
1
1
1
1
1
1
1
2
2
1
LEVER PALANCA
QUADRANT CUADRANTE
BOLT PERNO
NUT TUERCA
KNOB POMO
STOP PARO
BOLT PERNO
SPRING RESORTE
WASHER ARANDELA
WASHER ARANDELA
NUT TUERCA
ALAVANCA
QUADRANTE
PARAFUSO
PORCA
MANÍPULO
BATENTE
PARAFUSO
MOLA
ARRUELA
ARRUELA
PORCA
C026502 E03 12/05
(1)
70 315
Quadrante De Profundidade
Depth Quadrant
Cuadrant De Profundidad
Levante Hidráulico
Hydraulic Lift
Elevador Hidraulico
70 315
-
Menu Símbolos
EB51Z005
026946N1A
70-340 No
1
2
3
4
5
6
7
8
9
10
11
12
13
14
15
16
17
18
19
20
21
22
23
180997M2
355286X1
180981M1
1863388M92
882451M1
355286X1
886348M2
1442142X1
886351M2
182582M1
180979M2
180980M2
1863389M1
1869074M1
3148425M91
195562M1
195387M1
2802511M4
2802494M95
377765X1
182099M91
195387M1
3146844M1
1
1
1
1
1
1
1
1
1
1
1
1
1
1
1
1
2
1
1
2
1
1
1
4
4
4
4
4
4
4
19
19
19
SHAFT ARBOL
ALLEN BOLT TORNILLO ALLEN
DISC DISCO
KIT, SPRING RESORTE JUEGO
BALL BOLA
ALLEN BOLT TORNILLO ALLEN
PIN PASADOR
PIN PASADOR
SEAT ASIENTO
SPRING RESORTE
NUT TUERCA
BOOT PROTECCION
HEAD CULATA
PIN PASADOR
BRACKET SOPORTE
O RING JUNTA TORICA
PLUG TAPON
COVER CUBIERTA
KIT, COVER JUEGO DE TAPA
NUT TUERCA
BREATHER RESPIRADERO
PLUG TAPON
STUD ESPARRAGO
EIXO
PARAFUSO ALLEN
DISCO
CJ. MOLA
ESFERA
PARAFUSO ALLEN
PINO
PINO
ASSENTO
MOLA
PORCA
CAPA
ARTICULADOR
PINO
SUPORTE
ANEL "O"
BUJÃO
TAMPA
CJ. TAMPA
PORCA
RESPIRO
BUJÃO
PRISIONEIRO
C026502 E03 12/05
(1)
70 320
Super Estreito
Super Narrow
Super Estrecho
Tampa Do Levante Hidráulico
Hydraulic Lift Cover
Tapa Levante Hidraulico
70 320
-
Menu Símbolos
EB51Z006
026946N1B
0.020"
0.040"
0.060"
70-355 No
70-335 No
1
2
3
4
5
6
7
8
9
9
9
10
11
12
13
14
15
16
17
18
19
20
21
22
23
24
25
26
27
28
353560X1
897580M1
3408250M1
885455M1
3408251M91
3611557M1
033928T1
897567M3
2801012M1
2801013M1
2801014M1
886404M2
887076M2
897581M3
3611558M1
886410M1
1661547M92
355617X1
361332X1
898137M1
2802251M1
354120X1
353688X1
390287X1
1869093M93
355617X1
1870190M92
1661918M91
1660324M91
897593M96
2
2
1
2
1
2
2
1
X
X
X
1
1
2
2
1
1
1
1
1
1
1
2
2
1
X
1
1
1
1
5
5
BOLT PERNO
WASHER ARANDELA
ARM BRAZO
BUSH CASQUILLO
KIT, ARM JUEGO DE BRAZO
O RING JUNTA TORICA
O RING JUNTA TORICA
SHAFT ARBOL
SHIM CALCE
SHIM CALCE
SHIM CALCE
ARM BRAZO
BOLT PERNO
STAPLE GRAPA
BUSH CASQUILLO
CONROD BIELA
LEVER PALANCA
WASHER ARANDELA
COTTER PIN PASADOR DOUBLE
SPRING RESORTE
BOLT PERNO
NUT TUERCA
BOLT PERNO
WASHER ARANDELA
LEVER PALANCA
WASHER ARANDELA
SUPPORT DISPOS.DE SOSTEN
KNUCKLE CHARNELA
KNUCKLE CHARNELA
KIT, CYLINDER JUEGO DE CILINDR
PARAFUSO
ARRUELA
BRAÇO
BUCHA
CJ. BRAÇO
ANEL "O"
ANEL "O"
EIXO
CALÇO
CALÇO
CALÇO
BRAÇO
PARAFUSO
PRESILHA
BUCHA
BIELA
ALAVANCA
ARRUELA
CUPILHA
MOLA
PARAFUSO
PORCA
PARAFUSO
ARRUELA
ALAVANCA
ARRUELA
SUPORTE
ARTICULAÇÃO
ARTICULAÇÃO
CJ. CILINDRO
C026502 E03 12/05
(1)
70 325
Super Estreito
Super Narrow
Super Estrecho
Tampa Do Levante Hidráulico
Hydraulic Lift Cover
Tapa Levante Hidraulico
70 325
-
Menu Símbolos
EB40Z001
026943N1
[A]
[B]
POSIÇÃO
POSITION
POSICION
PROFUNDIDADE
DEPTH
PROFUNDIDAD
30-265 No
1
2
3
4
5
6
7
8
9
10
11
12
13
14
15
16
17
18
19
20
21
22
23
24
25
26
27
28
29
30
31
32
33
34
35
36
376460X1
051897P1
051898S1
1665962M91
181217M1
3147469M91
6209491M1
353753X1
1869138M1
353537X1
353434X1
353756X1
353430X1
3808400M1
195561M1
195874M1
377622X1
195562M1
353432X1
362479X1
182373M91
354648X1
377825X1
376460X1
353714X1
026945N1
180908M1
1482137M1
182099M91
1860403M1
353918X1
026796N1
354048X1
353754X1
2802212M91
026792N1
2
1
1
1
1
1
1
1
1
2
2
2
2
1
2
2
5
1
2
2
1
1
1
3
2
1
1
1
1
1
1
1
1
1
2
1
21
21
[A]
[B]
BOLT PERNO
BRACKET SOPORTE
ROD VARILLA
ROD VARILLA
GASKET EMPAQUETADURA.
KIT, COVER JUEGO DE TAPA
LEVER PALANCA
WASHER ARANDELA
BOLT PERNO
BOLT PERNO
WASHER ARANDELA
WASHER ARANDELA
NUT TUERCA
PIPE CANO
O RING JUNTA TORICA
WASHER ARANDELA
BOLT PERNO
O RING JUNTA TORICA
WASHER ARANDELA
BOLT PERNO
COVER CUBIERTA
BOLT PERNO
BOLT PERNO
BOLT PERNO
BOLT PERNO
KIT, COVER JUEGO DE TAPA
COVER CUBIERTA
PAD ALMOHADILLA
BREATHER RESPIRADERO
KNOB POMO
NUT TUERCA
KIT, QUADRANT JUEGO CUADRANTE
COTTER PIN PASADOR DOUBLE
WASHER ARANDELA
SPACER PIEZA DISTANCIA
KIT, QUADRANT JUEGO CUADRANTE
PARAFUSO
SUPORTE
TIRANTE
VARETA
JUNTA
CJ. TAMPA
ALAVANCA
ARRUELA
PARAFUSO
PARAFUSO
ARRUELA
ARRUELA
PORCA
TUBO
ANEL "O"
ARRUELA
PARAFUSO
ANEL "O"
ARRUELA
PARAFUSO
TAMPA
PARAFUSO
PARAFUSO
PARAFUSO
PARAFUSO
CJ. TAMPA
TAMPA
TAMPÃO
RESPIRO
MANÍPULO
PORCA
CJ. QUADRANTE
CUPILHA
ARRUELA
ESPAÇADOR
CJ. QUADRANTE
C026502 E03 12/05
(1)
70 330
Tampa Do Levante Hidráulico
Hydraulic Lift Cover
Tapa Levante Hidraulico
70 330
-
Menu Símbolos
2100 KGF
2100 KGF
2100 KGF
2100 KGF
N023Z001
897593M96
1
2
4
5
6
7
1481941M2
3412386M91
3412141M1
3412379M1
897594M6
1667580M1
2
1
1
1
1
2
STUD ESPARRAGO
PISTON PISTON
O RING JUNTA TORICA
RING ARO
CYLINDER CILINDRO
STUD ESPARRAGO
PRISIONEIRO
PISTÃO
ANEL "O"
ANEL
CILINDRO
PRISIONEIRO
C026502 E03 12/05
(1)
70 335
Cilindro Hidráulico
Hydraulic Cylinder
Cilindro Hidráulico
70 335
-
Menu Símbolos
AP16Z002
3148425M91
70-350 No
1
2
3
4
5
6
7
8
9
3148426M91
898189M2
3148428M91
358945X1
3148429M1
364281X1
762026M1
1870225M1
1870244M1
1
1
1
1
1
1
1
1
1
AXLE EJE
ROLLER RODILLO
SHAFT ARBOL
CIRCLIP CIRCULITO
BRACKET SOPORTE
O RING JUNTA TORICA
O RING JUNTA TORICA
BUSH CASQUILLO
PIN PASADOR
ÁRVORE
ROLETE
EIXO
ANEL TRAVA
SUPORTE
ANEL "O"
ANEL "O"
BUCHA
PINO
C026502 E03 12/05
(1)
70 340
Suporte Do Quadrante
Quadrant Support
Soporte Cuadrante
Levante Hidráulico
Hydraulic Lift
Elevador Hidraulico
70 340
-
Menu Símbolos
N027Z001
034617N1
1
2
3
4
5
6
7
1667580M1
034604N1
034615P1
3412140M1
3412380M1
516571M3
1481941M2
2
1
1
1
1
1
2
STUD ESPARRAGO
PISTON PISTON
RING ARO
O RING JUNTA TORICA
RING ARO
CYLINDER CILINDRO
STUD ESPARRAGO
PRISIONEIRO
PISTÃO
ANEL
ANEL "O"
ANEL
CILINDRO
PRISIONEIRO
C026502 E03 12/05
(1)
70 345
Levante Hidráulico
Hydraulic Lift
Levante Hidráulico
Cilindro Hidráulico
Hydraulic Cylinder
Cilindro Hidráulico
70 345
-
Menu Símbolos
E125Z001
3148426M91
1
2
3
4
5
6
3148427M1
898196M2
339588X1
354039X1
898194M1
195561M1
1
1
1
1
1
1
AXLE EJE
ROLLER RODILLO
WASHER ARANDELA
COTTER PIN PASADOR DOUBLE
PIN PASADOR
O RING JUNTA TORICA
ÁRVORE
ROLETE
ARRUELA
CUPILHA
PINO
ANEL "O"
C026502 E03 12/05
(1)
70 350
Eixo Do Quadrante
Quadrant Shaft
Eje Cuadrante
Levante Hidráulico
Hydraulic Lift
Elevador Hidraulico
70 350
-
Menu Símbolos
5/16
5/16X24
5/16
E038Z001
1870190M92
1
2
3
4
5
6
7
361448X1
1661617M91
1872044M1
353916X1
376702X1
1869107M1
1869104M91
1
1
1
1
1
1
1
BOLT PERNO
BRACKET SOPORTE
SPRING RESORTE
NUT TUERCA
WASHER ARANDELA
WASHER ARANDELA
PIVOT PIVOTE
PARAFUSO
SUPORTE
MOLA
PORCA
ARRUELA
ARRUELA
PIVÔ
C026502 E03 12/05
(1)
70 355
Suporte Da Articulação
Hinge Support
Soporte Articulación
Levante Hidráulico
Hydraulic Lift
Elevador Hidraulico
70 355
-
Menu Símbolos
UK
N162Z001
T0227003
70-370 No
1
2
3773700M92
1868538M4
1
1
KIT, PUMP BOMBA JUEGO
SLEEVE MANCHA
CJ. BOMBA
LUVA
C026502 E03 12/05
(1)
70 360
Isyp - Com Tdpi
Isyp - With Ipto
Isyp - Con Tdfi
Bomba Hidráulica Do Levante
Hydraulic Lift Pump
Bomba Hidraulica Elevador
70 360
-
Menu Símbolos
EE30Z001
T0227006
70-370 No
1
2
3
4
5
3773700M92
532926M1
532927M1
532928M1
1868538M4
1
1
1
1
1
KIT, PUMP BOMBA JUEGO
WASHER ARANDELA
BRACKET SOPORTE
PIN PASADOR
SLEEVE MANCHA
CJ. BOMBA
ARRUELA
SUPORTE
PINO
LUVA
C026502 E03 12/05
(1)
70 365
C/Levante - S/Tdpi
With Lift - Without Ipto
C/ Levante - S/Tdfi
Bomba Hidráulica
Hydraulic Pump
Bomba Hidraulica
70 365
-
Menu Símbolos
U.K.
E077Z002
3773700M92
3773700M92
70-375 No
1
2
3
4
5
6
7
8
9
10
038639T1
1870819M1
1870820M1
3773701M92
1694381M1
377605X1
3808924M91
353756X1
195258M1
1
1
1
1
1
1
1
1
1
1
8
1
1
1
1
8
1
1
1
PUMP BOMBA
VALVE VALVULA
STAPLE GRAPA
PLUG TAPON
KIT, PUMP BOMBA JUEGO
STUD ESPARRAGO
PIN PASADOR
COLLECTOR COLECTOR
WASHER ARANDELA
NUT TUERCA
BOMBA
VÁLVULA
PRESILHA
BUJÃO
CJ. BOMBA
PRISIONEIRO
PINO
COLETOR
ARRUELA
PORCA
C026502 E03 12/05
(1)
70 370
Coletor E Luva
Collector And Glove
Colecionador Y Guante
Bomba Hidráulica
Hydraulic Pump
Bomba Hidraulica
70 370
-
Menu Símbolos
3/8
3/8
E078Z002
3773701M92
70-385 No
70-390 No
70-395 No
195258M1
1
2
3
4
5
6
7
8
9
10
11
12
13
14
15
16
17
18
19
20
21
22
23
24
25
25
26
27
28
29
30
31
32
33
34
35
36
37
38
39
40
41
42
43
44
45
46
47
48
1868743M1
1868741M1
1870849M1
1868742M1
180928M2
1660116M1
1868435M3
3808617M91
1871781M93
3610175M91
377493X1
897504M1
897599M1
3611085M91
362403X1
366719X1
1869529M2
3611141M91
851134M1
1686740M1
1681790M91
1671699M1
3000361X1
3148071M1
1871659M1
1871660M1
377494X1
1665499M91
831533M1
376448X1
897493M1
1664589M1
180924M2
180933M1
180925M2
831130M1
195946M1
1868486M1
377543X1
1868485M1
377502X1
180930M2
180927M2
195876M1
1671633M1
1870199M92
1007240M1
377499X1
1868469M1
4
4
4
4
4
4
2
1
1
1
1
1
2
1
4
4
1
1
1
1
1
1
1
2
2
2
4
1
4
1
4
2
1
1
1
1
2
1
1
1
1
4
4
1
1
1
1
1
1
[A]
[B]
CIRCLIP CIRCULITO
PLUG TAPON
WASHER ARANDELA
O RING JUNTA TORICA
SPRING RESORTE
VALVE VALVULA
CHAMBER CAMARA
BODY CUERPO
SHAFT ARBOL
LEVER PALANCA
CIRCLIP CIRCULITO
PIN PASADOR
ROLLER RODILLO
VALVE VALVULA
BOLT PERNO
WASHER ARANDELA
GASKET EMPAQUETADURA.
HOUSING ALOJAMIENTO
O RING JUNTA TORICA
PIPE CANO
OSCILLATOR OSCILADOR
CIRCLIP CIRCULITO
CIRCLIP CIRCULITO
PISTON PISTON
NUT TUERCA
NUT TUERCA
O RING JUNTA TORICA
BODY CUERPO
O RING JUNTA TORICA
NUT TUERCA
RING ARO
WASHER ARANDELA
BLOCK BLOQUE
FOLLOWER IMPULSOR
BLOCK BLOQUE
PIN PASADOR
CIRCLIP CIRCULITO
SPACER PIEZA DISTANCIA
WASHER ARANDELA
WASHER ARANDELA
O RING JUNTA TORICA
VALVE VALVULA
SPRING RESORTE
O RING JUNTA TORICA
PIPE CANO
FILTER FILTRO
O RING JUNTA TORICA
WASHER ARANDELA
SPRING RESORTE
ANEL TRAVA
BUJÃO
ARRUELA
ANEL "O"
MOLA
VÁLVULA
CÂMARA
CORPO
EIXO
ALAVANCA
ANEL TRAVA
PINO
ROLETE
VÁLVULA
PARAFUSO
ARRUELA
JUNTA
CARCAÇA
ANEL "O"
TUBO
OSCILADOR
ANEL TRAVA
ANEL TRAVA
PISTÃO
PORCA
PORCA
ANEL "O"
CORPO
ANEL "O"
PORCA
ANEL
ARRUELA
BLOCO
SEGUIDOR
BLOCO
PINO
ANEL TRAVA
ESPAÇADOR
ARRUELA
ARRUELA
ANEL "O"
VÁLVULA
MOLA
ANEL "O"
TUBO
FILTRO
ANEL "O"
ARRUELA
MOLA
C026502 E03 12/05
(1)
70 375
Bomba Hidráulica
Hydraulic Pump
Bomba Hidraulica
70 375
-
Menu Símbolos
3/8X16
E078Z002
3773701M92
[A]
[B]
ADMISSÃO
INLET
ADMISIÓN
RETORNO
RETURN
RETORNO
49
50
51
52
53
54
375109X1
1870089M1
1000251M1
1871782M3
376719X1
3610280M1
1
1
1
1
1
1
9
9
NUT TUERCA
STAPLE GRAPA
BEARING COJINETE
SHAFT ARBOL
WASHER ARANDELA
BOLT PERNO
PORCA
PRESILHA
ROLAMENTO
EIXO
ARRUELA
PARAFUSO
C026502 E03 12/05
(1)
70 375
Bomba Hidráulica
Hydraulic Pump
Bomba Hidraulica
70 375
-
Menu Símbolos
EN96Z001
T0289145
1
2
3
3410414M1
3410419M91
2410415M91
4
4
4
PLUG TAPON
COUPLER ACOPLADOR
PROTECTOR PROTECTOR
BUJÃO
ENGATE
PROTETOR
C026502 E03 12/05
(1)
Controle Remoto 2 Corpos / Com Hydrotronic
With 2 Boddy Remote Control / With Hydrotronic
Con Contr. Remoto 2 Cuerpos / Con Hydrotronic
70 380
2 Válvulas
2 Valves
2 Valvulas
Engate
Coupler
Acoplador
70 380
-
Menu Símbolos
CB10Z001
3808617M91
3808617M91
1
2
3
4
5
377528X1
1868431M3
1664491M2
377528X1
4
2
1
1
1
STUD ESPARRAGO
PLUG TAPON
BUSH CASQUILLO
BODY CUERPO
STUD ESPARRAGO
PRISIONEIRO
BUJÃO
BUCHA
CORPO
PRISIONEIRO
C026502 E03 12/05
(1)
70 385
Corpo
Body
Cuerpo
70 385
-
Menu Símbolos
AP03Z001
3611141M91
1
2
3
4
5
6
7
8
9
10
11
12
13
14
15
16
17
18
19
20
21
22
23
377531X1
1870810M1
1870811M1
358334X1
3599748M91
1868456M1
1868452M1
1868451M2
1869831M1
362352X1
359004X1
1868454M2
1868444M1
377500X1
1868453M2
377501X1
1868464M1
1868465M1
1868460M1
1868466M1
3599949M1
361023X1
377489X1
1
1
1
2
1
2
1
1
1
2
2
1
1
1
1
1
1
1
1
1
1
1
1
STUD ESPARRAGO
O RING JUNTA TORICA
VALVE VALVULA
BOLT PERNO
COVER CUBIERTA
GASKET EMPAQUETADURA.
SPRING RESORTE
BUSH CASQUILLO
SUPPORT DISPOS.DE SOSTEN
BOLT PERNO
WASHER ARANDELA
SPRING RESORTE
BUSH CASQUILLO
WASHER ARANDELA
LEVER PALANCA
CIRCLIP CIRCULITO
SEAT ASIENTO
SPRING RESORTE
SEAT ASIENTO
SEAL RETEN
HOUSING ALOJAMIENTO
BALL BOLA
PIN PASADOR
PRISIONEIRO
ANEL "O"
VÁLVULA
PARAFUSO
TAMPA
JUNTA
MOLA
BUCHA
SUPORTE
PARAFUSO
ARRUELA
MOLA
BUCHA
ARRUELA
ALAVANCA
ANEL TRAVA
ASSENTO
MOLA
ASSENTO
RETENTOR
CARCAÇA
ESFERA
PINO
C026502 E03 12/05
(1)
70 390
Suporte Filtro
Strainer Unit
Soporte Filtro
Bomba Do Levante Hidráulico
Hydraulic Lift Pump
Bomba Hidraulica Elevador
70 390
-
Menu Símbolos
1435Z001
1681790M91
1
2
3
4
5
6
1681786M1
1862576M2
1869826M93
180940M1
1869830M2
1442466X1
1
1
1
1
1
1
COLLAR COLLAR
GUIDE GUIA
OSCILLATOR OSCILADOR
SPRING RESORTE
DISC DISCO
RING ARO
COLAR
GUIA
OSCILADOR
MOLA
DISCO
ANEL
C026502 E03 12/05
(1)
70 395
Válvula Osciladora
Oscillator Valve
Valvula Osciladora
Bomba Do Levante Hidráulico
Hydraulic Pump
Bomba Hidralica
70 395
-
Menu Símbolos
EG74Z005
T0254076
70-470 No
1
2
3
4
5
7
8
9
10
11
12
13
14
15
16
17
18
19
20
21
22
23
24
25
26
27
28
072487T1
353685X1
829185M1
355565X1
353446X1
339451X1
339376X1
390734X1
071594P1
3412195M91
3585143M1
3146897M1
353685X1
353446X1
355565X1
047154T1
1441115X1
071595P1
3611673M1
3772942M1
3411941M91
6201365M91
070822T1
070823T1
070849P1
339401X1
339376X1
1
3
6
3
3
2
2
2
1
1
2
2
1
1
1
1
1
1
2
2
2
1
1
1
1
1
1
KIT, ACTUATOR JUEGO ACTUADOR
BOLT PERNO
WASHER ARANDELA
NUT TUERCA
WASHER ARANDELA
BOLT PERNO
WASHER ARANDELA
WASHER ARANDELA
PIPE CANO
CONNECTION CONEXION
CLAMP ABRAZADERA
REINFORCEMENT REFUERZO
BOLT PERNO
WASHER ARANDELA
NUT TUERCA
CONNECTION CONEXION
O RING JUNTA TORICA
LEAK-OFF PIPE TUBO DE ESCAPE.
COVER CUBIERTA
FEMALE COUPLER ACOPLADOR HEMBRA
CONNECTION CONEXION
KIT, LEVER JUEGO, PALANCA
HOSE FLEXIBLE
HOSE FLEXIBLE
CLEVIS GANCHO SEGURI.
BOLT PERNO
WASHER ARANDELA
CJ. COMANDO
PARAFUSO
ARRUELA
PORCA
ARRUELA
PARAFUSO
ARRUELA
ARRUELA
TUBO
CONEXÃO
BRAÇADEIRA
REFORÇO
PARAFUSO
ARRUELA
PORCA
CONEXÃO
ANEL "O"
TUBO RETORNO
TAMPA
VÁLVULA FÊMEA
CONEXÃO
CJ. ALAVANCA
MANGUEIRA
MANGUEIRA
SUPORTE
PARAFUSO
ARRUELA
C026502 E03 12/05
(1)
70 400
1 Corpo
1 Body
1 Cuerpo
Controle Remoto
Remote Control
Control Remoto
70 400
-
Menu Símbolos
EG69Z024
T0254077
[A] PRESSÃO
PRESSURE
PRESSION
70-475 No
1
2
3
4
5
6
7
8
9
10
11
12
13
14
15
16
17
18
19
20
21
22
23
24
25
26
27
28
072488T1
353685X1
829185M1
355565X1
353446X1
070809P1
339451X1
339376X1
390734X1
071594P1
3412195M91
3585143M1
3146897M1
353685X1
353446X1
355565X1
047154T1
1441115X1
071595P1
3611673M1
3772942M1
3411941M91
6201366M91
070822T1
070823T1
070849P1
339401X1
339376X1
1
3
6
3
3
1
2
2
2
1
1
2
2
1
1
1
1
1
1
4
4
2
1
1
1
1
1
1
[A]
KIT, ACTUATOR JUEGO ACTUADOR
BOLT PERNO
WASHER ARANDELA
NUT TUERCA
WASHER ARANDELA
BRACKET SOPORTE
BOLT PERNO
WASHER ARANDELA
WASHER ARANDELA
PIPE CANO
CONNECTION CONEXION
CLAMP ABRAZADERA
REINFORCEMENT REFUERZO
BOLT PERNO
WASHER ARANDELA
NUT TUERCA
CONNECTION CONEXION
O RING JUNTA TORICA
LEAK-OFF PIPE TUBO DE ESCAPE.
COVER CUBIERTA
FEMALE COUPLER ACOPLADOR HEMBRA
CONNECTION CONEXION
KIT, LEVER JUEGO, PALANCA
HOSE FLEXIBLE
HOSE FLEXIBLE
CLEVIS GANCHO SEGURI.
BOLT PERNO
WASHER ARANDELA
CJ. COMANDO
PARAFUSO
ARRUELA
PORCA
ARRUELA
SUPORTE
PARAFUSO
ARRUELA
ARRUELA
TUBO
CONEXÃO
BRAÇADEIRA
REFORÇO
PARAFUSO
ARRUELA
PORCA
CONEXÃO
ANEL "O"
TUBO RETORNO
TAMPA
VÁLVULA FÊMEA
CONEXÃO
CJ. ALAVANCA
MANGUEIRA
MANGUEIRA
SUPORTE
PARAFUSO
ARRUELA
C026502 E03 12/05
(1)
70 405
2 Corpos
2 Boddys
2 Cuerpos
Controle Remoto
Remote Control
Control Remoto
70 405
-
Menu Símbolos
EG74Z007
T0254078
[A] SIMPLES COM DETENTE
SIMPLE WITH DETAIN
SIMPLE CON DETENEDOR
70-470 No
1
2
3
4
5
7
8
9
10
11
12
13
14
15
16
17
18
19
20
21
22
23
24
25
26
27
28
072489T1
353685X1
829185M1
355565X1
353446X1
339451X1
339376X1
390734X1
071594P1
3412195M91
3585143M1
3146896M1
353685X1
353446X1
355565X1
047154T1
1441115X1
071595P1
3611673M1
3772942M1
3411941M91
6201365M91
070822T1
070823T1
070849P1
339401X1
339376X1
1
3
6
3
3
2
2
2
1
1
2
2
1
1
1
1
1
1
2
2
2
1
1
1
1
1
1
[A] KIT, ACTUATOR JUEGO ACTUADOR
BOLT PERNO
WASHER ARANDELA
NUT TUERCA
WASHER ARANDELA
BOLT PERNO
WASHER ARANDELA
WASHER ARANDELA
PIPE CANO
CONNECTION CONEXION
CLAMP ABRAZADERA
CLAMP ABRAZADERA
BOLT PERNO
WASHER ARANDELA
NUT TUERCA
CONNECTION CONEXION
O RING JUNTA TORICA
LEAK-OFF PIPE TUBO DE ESCAPE.
COVER CUBIERTA
FEMALE COUPLER ACOPLADOR HEMBRA
CONNECTION CONEXION
KIT, LEVER JUEGO, PALANCA
HOSE FLEXIBLE
HOSE FLEXIBLE
CLEVIS GANCHO SEGURI.
BOLT PERNO
WASHER ARANDELA
CJ. COMANDO
PARAFUSO
ARRUELA
PORCA
ARRUELA
PARAFUSO
ARRUELA
ARRUELA
TUBO
CONEXÃO
BRAÇADEIRA
BRAÇADEIRA
PARAFUSO
ARRUELA
PORCA
CONEXÃO
ANEL "O"
TUBO RETORNO
TAMPA
VÁLVULA FÊMEA
CONEXÃO
CJ. ALAVANCA
MANGUEIRA
MANGUEIRA
SUPORTE
PARAFUSO
ARRUELA
C026502 E03 12/05
(1)
70 410
1 Corpo
1 Body
1 Cuerpo
Controle Remoto
Remote Control
Control Remoto
70 410
-
Menu Símbolos
EG69Z021
T0254079
70-475 No
1
2
3
4
5
7
8
9
10
11
12
13
14
15
16
17
18
19
20
21
22
23
24
25
26
27
28
072490T1
353685X1
829185M1
355565X1
353446X1
339451X1
339376X1
390734X1
071594P1
3412195M91
3585143M1
3146897M1
353685X1
353446X1
355565X1
047154T1
1441115X1
071595P1
3611673M1
3772942M1
3411941M91
6201366M91
070822T1
070823T1
070849P1
339401X1
339376X1
1
3
6
3
3
2
2
2
1
1
2
2
1
1
1
1
1
1
4
4
2
1
1
1
1
1
1
KIT, ACTUATOR JUEGO ACTUADOR
BOLT PERNO
WASHER ARANDELA
NUT TUERCA
WASHER ARANDELA
BOLT PERNO
WASHER ARANDELA
WASHER ARANDELA
PIPE CANO
CONNECTION CONEXION
CLAMP ABRAZADERA
REINFORCEMENT REFUERZO
BOLT PERNO
WASHER ARANDELA
NUT TUERCA
CONNECTION CONEXION
O RING JUNTA TORICA
LEAK-OFF PIPE TUBO DE ESCAPE.
COVER CUBIERTA
FEMALE COUPLER ACOPLADOR HEMBRA
CONNECTION CONEXION
KIT, LEVER JUEGO, PALANCA
HOSE FLEXIBLE
HOSE FLEXIBLE
CLEVIS GANCHO SEGURI.
BOLT PERNO
WASHER ARANDELA
CJ. COMANDO
PARAFUSO
ARRUELA
PORCA
ARRUELA
PARAFUSO
ARRUELA
ARRUELA
TUBO
CONEXÃO
BRAÇADEIRA
REFORÇO
PARAFUSO
ARRUELA
PORCA
CONEXÃO
ANEL "O"
TUBO RETORNO
TAMPA
VÁLVULA FÊMEA
CONEXÃO
CJ. ALAVANCA
MANGUEIRA
MANGUEIRA
SUPORTE
PARAFUSO
ARRUELA
C026502 E03 12/05
(1)
Com Controle Remoto 2 Corpos, Detente E Reg. Vazão
With 2 Boddy Remote Control, Detain And Variable F Low
Con Contr. Remoto 2 Cuerpos, Detenedor Y Reg.Vazió N
70 415
2 Corpos
2 Boddys
2 Cuerpos
Controle Remoto
Remote Control
Control Remoto
70 415
-
Menu Símbolos
EG70Z008
T0254080
1
2
3
4
5
6
7
8
9
10
11
12
13
14
15
16
17
18
19
20
21
353683X1
829185M1
355565X1
353446X1
071242S1
354651X1
3412195M91
3585143M1
3146897M1
353685X1
353446X1
355565X1
047154T1
1441115X1
3611673M1
3772942M1
3411941M91
064509P1
064510P1
3412002M91
064129T1
3
6
3
3
1
2
1
2
2
1
1
1
1
1
2
2
2
1
1
2
1
BOLT PERNO
WASHER ARANDELA
NUT TUERCA
WASHER ARANDELA
BRACKET SOPORTE
SCREW TORNILLO
CONNECTION CONEXION
CLAMP ABRAZADERA
REINFORCEMENT REFUERZO
BOLT PERNO
WASHER ARANDELA
NUT TUERCA
CONNECTION CONEXION
O RING JUNTA TORICA
COVER CUBIERTA
FEMALE COUPLER ACOPLADOR HEMBRA
CONNECTION CONEXION
PIPE CANO
PIPE CANO
CONNECTION CONEXION
DISTRIBUTOR DISTRIBUIDOR
PARAFUSO
ARRUELA
PORCA
ARRUELA
SUPORTE
PARAFUSO
CONEXÃO
BRAÇADEIRA
REFORÇO
PARAFUSO
ARRUELA
PORCA
CONEXÃO
ANEL "O"
TAMPA
VÁLVULA FÊMEA
CONEXÃO
TUBO
TUBO
CONEXÃO
CJ. COMANDO
C026502 E03 12/05
(1)
Estreito
Narrow
Estrecho
70 420
1 Corpo
1 Boddy
1 Cuerpo
Controle Remoto
Remote Control
Control Remoto
70 420
-
Menu Símbolos
EG74Z008
T0254081
1
2
3
4
5
6
7
8
9
10
11
12
13
14
15
16
17
18
19
20
21
353683X1
829185M1
355565X1
353446X1
071242S1
354651X1
3412195M91
3585143M1
3146897M1
353685X1
353446X1
355565X1
047154T1
1441115X1
3611673M1
3772942M1
3411941M91
064509P1
064510P1
3412002M91
064130T1
3
6
3
3
1
2
1
2
2
1
1
1
1
1
2
2
2
1
1
2
1
BOLT PERNO
WASHER ARANDELA
NUT TUERCA
WASHER ARANDELA
BRACKET SOPORTE
SCREW TORNILLO
CONNECTION CONEXION
CLAMP ABRAZADERA
REINFORCEMENT REFUERZO
BOLT PERNO
WASHER ARANDELA
NUT TUERCA
CONNECTION CONEXION
O RING JUNTA TORICA
COVER CUBIERTA
FEMALE COUPLER ACOPLADOR HEMBRA
CONNECTION CONEXION
PIPE CANO
PIPE CANO
CONNECTION CONEXION
DISTRIBUTOR DISTRIBUIDOR
PARAFUSO
ARRUELA
PORCA
ARRUELA
SUPORTE
PARAFUSO
CONEXÃO
BRAÇADEIRA
REFORÇO
PARAFUSO
ARRUELA
PORCA
CONEXÃO
ANEL "O"
TAMPA
VÁLVULA FÊMEA
CONEXÃO
TUBO
TUBO
CONEXÃO
CJ. COMANDO
C026502 E03 12/05
(1)
70 425
1 Corpo
1 Body
1 Cuerpo
Controle Remoto
Remote Control
Control Remoto
70 425
-
Menu Símbolos
EN95Z001
T0289144
1
2
3
3410414M1
3410419M91
2410415M91
2
2
2
PLUG TAPON
COUPLER ACOPLADOR
PROTECTOR PROTECTOR
BUJÃO
ENGATE
PROTETOR
C026502 E03 12/05
(1)
70 430
Engate
Coupler
Acoplador
70 430
-
Menu Símbolos
EN94Z002
3410413M92
1
2
3410420M91
3410416M91
1
1
COUPLER ACOPLADOR
PROTECTOR PROTECTOR
ENGATE
PROTETOR
C026502 E03 12/05
(1)
70 435
Engate
Coupler
Acoplador
70 435
-
Menu Símbolos
EG69Z031
T0254138
[A] CONTROLE REMOTO - 2 VÁLVULAS
REMOTE CONTROL - 2 VALVES
CONTROL REMOTO - 2 VALVULAS
1
2
3
4
5
6
7
8
9
10
11
12
13
14
15
16
17
18
19
20
21
062964T1
353683X1
829185M1
355565X1
353446X1
071242S1
354651X1
3412002M91
064510P1
071155P1
3412195M91
3585143M1
3146897M1
353685X1
353446X1
355565X1
047154T1
1441115X1
3611673M1
3772942M1
3411941M91
1
3
6
3
3
1
2
2
1
1
1
2
2
1
1
1
1
1
4
4
2
[A] KIT, ACTUATOR JUEGO ACTUADOR
BOLT PERNO
WASHER ARANDELA
NUT TUERCA
WASHER ARANDELA
BRACKET SOPORTE
SCREW TORNILLO
CONNECTION CONEXION
PIPE CANO
PIPE CANO
CONNECTION CONEXION
CLAMP ABRAZADERA
REINFORCEMENT REFUERZO
BOLT PERNO
WASHER ARANDELA
NUT TUERCA
CONNECTION CONEXION
O RING JUNTA TORICA
COVER CUBIERTA
FEMALE COUPLER ACOPLADOR HEMBRA
CONNECTION CONEXION
CJ. COMANDO
PARAFUSO
ARRUELA
PORCA
ARRUELA
SUPORTE
PARAFUSO
CONEXÃO
TUBO
TUBO
CONEXÃO
BRAÇADEIRA
REFORÇO
PARAFUSO
ARRUELA
PORCA
CONEXÃO
ANEL "O"
TAMPA
VÁLVULA FÊMEA
CONEXÃO
C026502 E03 12/05
(1)
Citrus
Citrus
Citrus
70 440
2 Corpos
2 Boddys
2 Cuerpos
Controle Remoto
Remote Control
Control Remoto
70 440
-
Menu Símbolos
EG69Z032
T0254139
[A] CONTROLE REMOTO - 2 VÁLVULAS
REMOTE CONTROL - 2 VALVES
CONTROL REMOTO - 2 VALVULAS
1
2
3
4
5
6
7
8
9
10
11
12
13
14
15
16
17
18
19
20
21
062966T1
353683X1
829185M1
355565X1
353446X1
071242S1
354651X1
3412002M91
064510P1
071155P1
3412195M91
3585143M1
3146897M1
353685X1
353446X1
355565X1
047154T1
1441115X1
3611673M1
3772942M1
3411941M91
1
3
6
3
3
1
2
2
1
1
1
2
2
1
1
1
1
1
4
4
2
[A] KIT, ACTUATOR JUEGO ACTUADOR
BOLT PERNO
WASHER ARANDELA
NUT TUERCA
WASHER ARANDELA
BRACKET SOPORTE
SCREW TORNILLO
CONNECTION CONEXION
PIPE CANO
PIPE CANO
CONNECTION CONEXION
CLAMP ABRAZADERA
REINFORCEMENT REFUERZO
BOLT PERNO
WASHER ARANDELA
NUT TUERCA
CONNECTION CONEXION
O RING JUNTA TORICA
COVER CUBIERTA
FEMALE COUPLER ACOPLADOR HEMBRA
CONNECTION CONEXION
CJ. COMANDO
PARAFUSO
ARRUELA
PORCA
ARRUELA
SUPORTE
PARAFUSO
CONEXÃO
TUBO
TUBO
CONEXÃO
BRAÇADEIRA
REFORÇO
PARAFUSO
ARRUELA
PORCA
CONEXÃO
ANEL "O"
TAMPA
VÁLVULA FÊMEA
CONEXÃO
C026502 E03 12/05
(1)
Citrus
Citrus
Citrus
70 445
2 Corpos
2 Boddys
2 Cuerpos
Controle Remoto
Remote Control
Control Remoto
70 445
-
Menu Símbolos
EG68Z003
072262N1
1
2
3
4
5
6
7
8
072262N1
070591S1
070592P1
070593S1
070839P1
071471P1
354059X1
6203802M91
1
1
1
1
1
1
2
1
KIT, LEVER JUEGO, PALANCA
BRACKET SOPORTE
PIN PASADOR
LEVER PALANCA
SLEEVE MANCHA
BUSH CASQUILLO
DOWEL CENTRAJE
KNOB POMO
CJ. ALAVANCA
SUPORTE
PINO
ALAVANCA
LUVA
BUCHA
CONTRAPINO
MANÍPULO
C026502 E03 12/05
(1)
70 450
Alavanca
Lever
Palanca
Controle Remoto
Remote Control
Control Remoto
70 450
-
Menu Símbolos
EH15Z008
072260N1
1
2
3
4
5
6
7
8
072260N1
070591S1
070592P1
070593S1
070835S1
071471P1
195414M1
6203802M91
1
1
1
1
1
2
2
2
KIT, LEVER JUEGO, PALANCA
BRACKET SOPORTE
PIN PASADOR
LEVER PALANCA
LEVER PALANCA
BUSH CASQUILLO
CRAMP PASADOR
KNOB POMO
CJ. ALAVANCA
SUPORTE
PINO
ALAVANCA
ALAVANCA
BUCHA
GRAMPO
MANÍPULO
C026502 E03 12/05
(1)
70 455
Alavanca De Controle
Control Levier
Palanca De Controle
70 455
-
Menu Símbolos
EQ73Z005
063253N2
065247N1
1
2
3
4
5
6
7
8
9
10
11
12
13
14
15
16
063254N2
049179P1
1869134M2
1869136M1
1001833M1
1869407M1
357616X1
1869408M1
6209491M1
1869138M1
353753X1
377426X1
2801719M1
3412001M91
046213P1
1
1
1
1
1
1
1
1
1
1
1
1
1
1
1
1
1
1
KIT, CAP JUEGO DE TAPON
PIPE CANO
COVER CUBIERTA
ACTUATOR ACTUADOR
SPRING RESORTE
O RING JUNTA TORICA
SHAFT ARBOL
PIN PASADOR
PLATE PLATO
LEVER PALANCA
BOLT PERNO
WASHER ARANDELA
CIRCLIP CIRCULITO
PIN PASADOR
CONNECTION CONEXION
PIPE CANO
CJ. TAMPA
TUBO
TAMPA
ATUADOR
MOLA
ANEL "O"
EIXO
PINO
PLACA
ALAVANCA
PARAFUSO
ARRUELA
ANEL TRAVA
PINO
CONEXÃO
TUBO
C026502 E03 12/05
(1)
70 460
Cj. Tampa
Cover
Tapa
70 460
-
Menu Símbolos
1X1/8
1315Z002
3148318M92
3148318M91
1
2
3
4
5
6
7
8
9
10
11
12
13
14
15
16
2730954M91
2730952M1
2730385M1
2730372M1
2730371M1
2730368M1
354059X1
2730951M91
1
1
1
1
2
1
1
1
1
1
1
1
1
1
1
1
2
1
1
2
1
2
1
1
1
1
2
2
2
2
KIT, REPAIR JUEGO REPARACION
HOUSE ASSY CONJ. CARTER
GUIDE GUIA
O RING JUNTA TORICA
O RING JUNTA TORICA
RING ARO
RING ARO
CYLINDER ROD BIELA DE CILINDR
O RING JUNTA TORICA
RING ARO
O RING JUNTA TORICA
RING ARO
WASHER ARANDELA
NUT TUERCA
DOWEL CENTRAJE
PISTON PISTON
JG. REPARO
CJ. CARCAÇA
GUIA
ANEL "O"
ANEL "O"
ANEL
ANEL
HASTE CILINDRO
ANEL "O"
ANEL
ANEL "O"
ANEL
ARRUELA
PORCA
CONTRAPINO
PISTÃO
C026502 E03 12/05
(1)
70 465
Cilindro Hidráulico Da Direção
Steering Cylinder
Cilindro Direccion
70 465
-
Menu Símbolos
EG68Z006
6201365M91
1
2
3
4
5
6
6207531M91
070835S1
6203802M91
071471P1
070592P1
195414M1
1
1
1
1
1
3
CLEVIS GANCHO SEGURI.
LEVER PALANCA
KNOB POMO
BUSH CASQUILLO
PIN PASADOR
CRAMP PASADOR
SUPORTE
ALAVANCA
MANÍPULO
BUCHA
PINO
GRAMPO
C026502 E03 12/05
(1)
70 470
Alavanca
Lever
Palanca
Controle Remoto
Remote Control
Control Remoto
70 470
-
Menu Símbolos
EG68Z007
6201366M91
1
2
3
4
5
6
7
6207531M91
070593S1
6203802M91
071471P1
070835S1
070592P1
195414M1
1
1
2
2
1
1
2
CLEVIS GANCHO SEGURI.
LEVER PALANCA
KNOB POMO
BUSH CASQUILLO
LEVER PALANCA
PIN PASADOR
CRAMP PASADOR
SUPORTE
ALAVANCA
MANÍPULO
BUCHA
ALAVANCA
PINO
GRAMPO
C026502 E03 12/05
(1)
70 475
Alavanca
Lever
Palanca
Controle Remoto
Remote Control
Control Remoto
70 475
-
Menu Símbolos
EA51Z001
21483104
1 487161M93 1 BATTERY BATERIA
BATERIA
C026502 E03 12/05
(1)
80 10
Bateria
Battery
Bateria
80 10
-
Menu Símbolos
EA53Z001
21483152
1 487161M93 1 BATTERY BATERIA
BATERIA
C026502 E03 12/05
(1)
80 15
Seca
Seca
Seca
Bateria
Battery
Bateria
80 15
-
Menu Símbolos
(+)
( - )
EA47Z020
T0224033AADV
1
2
3
4
5
6
7
8
9
10
027788P2
060357S1
027789P1
355617X1
826760M1
3411541M91
3148351M91
829185M1
366195X1
2801383M1
1
1
2
2
2
1
1
1
1
1
ATTACHMENT ADITAMENTO
BRACKET SOPORTE
ROD VARILLA
WASHER ARANDELA
NUT TUERCA
CABLE CABLE
CABLE CABLE
WASHER ARANDELA
GROMMET PASACABLE
CAP TAPA
FIXADOR
SUPORTE
TIRANTE
ARRUELA
PORCA
CABO
CABO
ARRUELA
PASSA-FIO
CAPA
C026502 E03 12/05
(1)
80 20
Bateria
Battery
Bateria
80 20
-
Menu Símbolos
E030Z016
T0224033BADV
1
2
3
4
5
6
7
8
9
10
13
14
15
16
17
3225356M1
054617T3
052109P2
3786093M1
3786092M1
353756X1
353434X1
353691X1
353445X1
355125X1
067200N2
3761983M91
181142M1
832882M1
026697T1
20
1
1
1
1
4
4
4
3
3
1
1
1
1
1
CLAMP ABRAZADERA
HARNESS MAZO CABLES
HARNESS MAZO CABLES
GUARD DEFENSA
NUT TUERCA
WASHER ARANDELA
WASHER ARANDELA
BOLT PERNO
WASHER ARANDELA
BOLT PERNO
HARNESS MAZO CABLES
SWITCH INTERRUPTOR
WASHER ARANDELA
GROMMET PASACABLE
SENDER EMISOR
BRAÇADEIRA
CHICOTE
CHICOTE
PROTEÇÃO
PORCA
ARRUELA
ARRUELA
PARAFUSO
ARRUELA
PARAFUSO
CHICOTE
INTERRUPTOR
ARRUELA
PASSA-FIO
SENSOR
C026502 E03 12/05
(1)
80 25
Sistema Elétrico Dianteiro
Front Electric System
Sistema Electrico Delantero
80 25
-
Menu Símbolos
E254Z001
T0223076
1
2
3
4
5
6
038581S1
353723X1
353439X1
050658P1
3149668M1
3412754M1
1
2
2
1
1
1
PLATE PLATO
BOLT PERNO
WASHER ARANDELA
FOAM ESPUMA
FOAM ESPUMA
FOAM ESPUMA
PLACA
PARAFUSO
ARRUELA
GUARNIÇÃO
GUARNIÇÃO
GUARNIÇÃO
C026502 E03 12/05
(1)
80 30
Suporte Da Bateria
Battery Support
Soporte De La Bateria
80 30
-
Menu Símbolos
ED81Z044
T0229025
[A]
[B]
SINALEIRA / FAROL
LAMP / LANTERN
SENALADORA / FAROL
FAROL ALTO
HIGHT LIGHT
FARO ALTO
1
2
3
3
3
3
6
7
8
9
10
11
12
12
12
355863X1
062778S1
1874535M3
3019881X1
052437P1
3813361M1
067264T1
042610T1
042609T1
049173T1
049174T1
042603T1
3408768M1
354120X1
353445X1
4
1
1
1
1
2
1
1
1
1
4
1
4
4
4
[A]
[B]
BOLT PERNO
PANEL PANEL
SWITCH INTERRUPTOR
WASHER ARANDELA
NUT TUERCA
KEY SWITCH LLAVE INTERRUPT.
INSTRUMENT PANEL PANEL INSTRUMENT
SWITCH INTERRUPTOR
SWITCH INTERRUPTOR
MOULDING BORDON
MOULDING BORDON
COVER CUBIERTA
BOLT PERNO
NUT TUERCA
WASHER ARANDELA
PARAFUSO
PAINEL
INTERRUPTOR
ARRUELA
PORCA
CHAVE INTERRUPT.
PAINEL INSTRUM.
INTERRUPTOR
INTERRUPTOR
MOLDURA
MOLDURA
TAMPA
PARAFUSO
PORCA
ARRUELA
C026502 E03 12/05
(1)
80 35
Painel De Instrumentos
Instrument Panel
Tablero De Instrumentos
80 35
-
Menu Símbolos
EI12Z013
067264T1
1
2
3
4
5
6
7
3408984M1
062784R1
062782R1
067265R1
069105R1
3147425M1
067268R1
4
1
1
1
1
1
10
MOUNTING MONTANTE
PANEL PANEL
THERMOMETER TERMOMETRO
TRACTORMETER TRACTOMETRO
GAUGE APARAT INDICADOR
SENDER EMISOR
ATTACHMENT ADITAMENTO
COXIM
PAINEL
TERMÔMETRO
TRATÔMETRO
INDICADOR
SENSOR
FIXADOR
C026502 E03 12/05
(1)
80 40
Painel De Instrumentos
Instruments Panel
Tablero De Instrumentos
80 40
-
Menu Símbolos
7375Z001
21483501
022359N1
80-55 No
1
2 022335N1
1
2
1
KIT, LAMP JUEGO LAMPARA
FRONT LIGHT FRONT LIGHT
BLOCO ÓTICO
FAROL DIANTEIRO
C026502 E03 12/05
(1)
80 45
Bloco Ótico
Headlamp
Faro
80 45
-
Menu Símbolos
EG52Z001
21483502
022360N1
80-60 No
1
2 022336N1
1
2
1
KIT, LAMP JUEGO LAMPARA
FRONT LIGHT FRONT LIGHT
BLOCO ÓTICO
FAROL DIANTEIRO
C026502 E03 12/05
(1)
80 50
Foco Lado Esquerdo
Left Hand Light
Foco Lado Izquierdo
Bloco Ótico
Headlamp
Bloco Ocular
80 50
-
Menu Símbolos
10X32X1.3/8
7375Z002
022335N1
1
2
3
4
3410451M91
963442M1
963441M1
2802112M1
2
6
6
6
KIT, LAMP JUEGO LAMPARA
CIRCLIP CIRCULITO
SPRING RESORTE
BOLT PERNO
BLOCO ÓTICO
ANEL TRAVA
MOLA
PARAFUSO
C026502 E03 12/05
(1)
80 55
Bloco Ótico
Headlamp
Faro
80 55
-
Menu Símbolos
10x32x1.3/8
EG51Z002
022336N1
1
2
3
4
5
6
3410474M91
3410450M1
2802112M1
963441M1
963442M1
2710838M1
1
2
6
6
6
1
1
KIT, LAMP JUEGO LAMPARA
FOAM ESPUMA
BOLT PERNO
SPRING RESORTE
CIRCLIP CIRCULITO
BULB LAMPARA
BLOCO ÓTICO
GUARNIÇÃO
PARAFUSO
MOLA
ANEL TRAVA
LÂMPADA
C026502 E03 12/05
(1)
80 60
Bloco Ótico
Headlamp
Bloco Ocular
80 60
-
Menu Símbolos
M5x0.8
E187Z003
062297N2
1
2
3
4
062298T1
3009536X1
390469X1
062299T2
1
2
2
1
BRACKET SOPORTE
BOLT PERNO
WASHER ARANDELA
RELAY RELE
SUPORTE
PARAFUSO
ARRUELA
RELÉ
C026502 E03 12/05
(1)
80 65
Suporte E Relé Do Pisca
Bracket And Warning Relay
Soporte Y Rele Intermitente
Sistema Elétrico
Electrical System
Sistema Electrico
80 65
-
Menu Símbolos
EP98Z009
T0237013ADV
80-65 No
80-105 No
1
2
3
4
5
8
9
10
11
12
13
14
15
16
17
18
19
3010597X1
042603T1
3225356M1
063343N1
832882M1
062297N2
063337T1
353666X1
353441X1
3010597X1
022182T1
033089P1
063265N2
390995X1
390469X1
2801324M1
834096M1
1
2
10
1
2
1
1
4
4
2
2
1
1
2
2
3
1
WASHER ARANDELA
COVER CUBIERTA
CLAMP ABRAZADERA
HARNESS MAZO CABLES
GROMMET PASACABLE
RELAY RELE
HARNESS MAZO CABLES
BOLT PERNO
WASHER ARANDELA
WASHER ARANDELA
LAMP FARO
BRACKET SOPORTE
KIT, HARNESS JUEGO DE ARNES
NUT TUERCA
WASHER ARANDELA
PLUG TAPON
GROMMET PASACABLE
ARRUELA
TAMPA
BRAÇADEIRA
CHICOTE
PASSA-FIO
RELÉ
CHICOTE
PARAFUSO
ARRUELA
ARRUELA
LANTERNA
SUPORTE
CJ. CHICOTE
PORCA
ARRUELA
BUJÃO
PASSA-FIO
C026502 E03 12/05
(1)
Sem Pisca Alerta E Sem Seta Direcional
Without Hazard Light And Without Turn Light
Sin La Luz De Riesgo Y Sin La Luz Del Giro
80 70
Iluminação Traseira
Lighting Rear
Iluminacion Trasera
80 70
-
Menu Símbolos
M12x1,75
1/4x20x5/8
ED74Z022
T0237016ADV
REF.20
REF.17
1
2
3
4
5
6
12
13
14
15
16
17
18
19
20
21
22
23
24
25
26
27
28
29
052591P1
063343T1
042604T1
390995X1
390469X1
063337T1
2801324M1
832882M1
339054X1
339763X1
3147503M1
022197T1
353666X1
353441X1
022182T1
2801348M1
3175270M1
2710837M1
042602T1
3010597X1
3225356M1
063268N1
2
1
1
1
1
1
3
2
2
2
2
2
4
4
2
2
2
2
1
2
1
2
10
1
20
20
17
HARNESS MAZO CABLES
HARNESS MAZO CABLES
SWITCH INTERRUPTOR
NUT TUERCA
WASHER ARANDELA
HARNESS MAZO CABLES
PLUG TAPON
GROMMET PASACABLE
NUT TUERCA
WASHER ARANDELA
WASHER ARANDELA
LANTERN LINTERNA
BOLT PERNO
WASHER ARANDELA
LAMP FARO
BULB LAMPARA
BULB LAMPARA
LANTERN LINTERNA
BULB LAMPARA
LANTERN LINTERNA
INDICATOR INDICADOR
WASHER ARANDELA
CLAMP ABRAZADERA
KIT, HARNESS JUEGO DE ARNES
CHICOTE
CHICOTE
INTERRUPTOR
PORCA
ARRUELA
CHICOTE
BUJÃO
PASSA-FIO
PORCA
ARRUELA
ARRUELA
CJ. LANTERNA
PARAFUSO
ARRUELA
LANTERNA
LÂMPADA
LÂMPADA
CJ. LANTERNA
LÂMPADA
CJ. LANTERNA
INDICADOR
ARRUELA
BRAÇADEIRA
CJ. CHICOTE
C026502 E03 12/05
(1)
Com Pisca Alerta E Com Seta Direcional
With Hazard Light And With Turn Light
Con La Luz De Riesgo Y Con La Luz Del Giro
80 75
Traseiro
Rear
Trasero
Sistema Elétrico
Electric System
Sistema Eléctrico
80 75
-
Menu Símbolos
EP98Z010
T0237017ADV
80-65 No
80-105 No
1
2
3
4
5
8
9
10
11
12
13
14
15
16
17
18
19
3010597X1
042603T1
3225356M1
063343N1
832882M1
062297N2
063337T1
353666X1
353441X1
3010597X1
022182T1
033089P1
063265N2
390995X1
390469X1
2801324M1
834096M1
1
2
10
1
2
1
1
4
4
2
2
1
1
2
2
3
1
WASHER ARANDELA
COVER CUBIERTA
CLAMP ABRAZADERA
HARNESS MAZO CABLES
GROMMET PASACABLE
RELAY RELE
HARNESS MAZO CABLES
BOLT PERNO
WASHER ARANDELA
WASHER ARANDELA
LAMP FARO
BRACKET SOPORTE
KIT, HARNESS JUEGO DE ARNES
NUT TUERCA
WASHER ARANDELA
PLUG TAPON
GROMMET PASACABLE
ARRUELA
TAMPA
BRAÇADEIRA
CHICOTE
PASSA-FIO
RELÉ
CHICOTE
PARAFUSO
ARRUELA
ARRUELA
LANTERNA
SUPORTE
CJ. CHICOTE
PORCA
ARRUELA
BUJÃO
PASSA-FIO
C026502 E03 12/05
(1)
Sem Pisca Alerta & Sem Seta Direcional - Estreito
Without Hazard Light And Without Turn Light - Narrow
Sin La Luz De Riesgo Y Sin La Luz Del Giro - Estrecho
80 80
Iluminação Traseira
Lighting Rear
Iluminacion Trasera
80 80
-
Menu Símbolos
EP98Z011
T0237020ADV
80-65 No
022197T1
1
2
3
4
5
6
8
9
10
11
12
13
14
16
18
19
20
21
22
23
24
25
26
27
042602T1
042604T1
3225356M1
063343N1
832882M1
052591P1
062297N2
063337T1
353666X1
353441X1
3010597X1
022182T1
022197T1
033089P1
3147503M1
339763X1
339054X1
2710837M1
063268N1
390995X1
390469X1
2801324M1
834096M1
1
1
10
1
2
1
1
1
4
4
2
2
2
1
2
2
2
2
1
1
2
2
1
1
14
INDICATOR INDICADOR
SWITCH INTERRUPTOR
CLAMP ABRAZADERA
HARNESS MAZO CABLES
GROMMET PASACABLE
HARNESS MAZO CABLES
RELAY RELE
HARNESS MAZO CABLES
BOLT PERNO
WASHER ARANDELA
WASHER ARANDELA
LAMP FARO
LANTERN LINTERNA
BRACKET SOPORTE
WASHER ARANDELA
WASHER ARANDELA
NUT TUERCA
LANTERN LINTERNA
BULB LAMPARA
KIT, HARNESS JUEGO DE ARNES
NUT TUERCA
WASHER ARANDELA
PLUG TAPON
GROMMET PASACABLE
INDICADOR
INTERRUPTOR
BRAÇADEIRA
CHICOTE
PASSA-FIO
CHICOTE
RELÉ
CHICOTE
PARAFUSO
ARRUELA
ARRUELA
LANTERNA
CJ. LANTERNA
SUPORTE
ARRUELA
ARRUELA
PORCA
CJ. LANTERNA
LÂMPADA
CJ. CHICOTE
PORCA
ARRUELA
BUJÃO
PASSA-FIO
C026502 E03 12/05
(1)
Estreito
Narrow
Estrecho
80 85
Iluminação Traseira
Lighting Rear
Iluminacion Trasera
80 85
-
Menu Símbolos
EP98Z018
T0237040
[A] FAROL SERVIÇO
SERVING LANTERN
FAROL SERVICIO
80-100 No
022197T1
1
2
3
4
5
6
6
7
8
9
10
11
12
12
12
13
14
15
16
17
18
19
20
1441100X1
355125X1
3225356M1
063365N1
063337T1
45077100
45077300
45080600
45080700
042602T1
063268N2
2801324M1
022197T1
2710837M1
042604T1
390995X1
390469X1
353666X1
832882M1
353441X1
3010597X1
024393T1
4
4
10
1
1
1
1
4
2
1
1
1
2
2
2
1
2
2
2
4
2
2
2
[A]
WASHER ARANDELA
BOLT PERNO
CLAMP ABRAZADERA
HARNESS MAZO CABLES
HARNESS MAZO CABLES
LAMP FARO
LAMP FARO
BULB LAMPARA
BULB LAMPARA
INDICATOR INDICADOR
KIT, HARNESS JUEGO DE ARNES
PLUG TAPON
LANTERN LINTERNA
LANTERN LINTERNA
BULB LAMPARA
SWITCH INTERRUPTOR
NUT TUERCA
WASHER ARANDELA
BOLT PERNO
GROMMET PASACABLE
WASHER ARANDELA
WASHER ARANDELA
LIGHT ALUMBRADO
ARRUELA
PARAFUSO
BRAÇADEIRA
CHICOTE
CHICOTE
LANTERNA
LANTERNA
LÂMPADA
LÂMPADA
INDICADOR
CJ. CHICOTE
BUJÃO
CJ. LANTERNA
CJ. LANTERNA
LÂMPADA
INTERRUPTOR
PORCA
ARRUELA
PARAFUSO
PASSA-FIO
ARRUELA
ARRUELA
FAROL
C026502 E03 12/05
(1)
80 90
Iluminação Traseira
Lighting Rear
Iluminacion Trasera
80 90
-
Menu Símbolos
0223Z005
T0237020
15
12
1
2
3
4
5
6
7
8
9
10
11
12
13
14
15
16
17
18
19
20
052591P1
052117P1
3412847M91
052123N1
3412137M1
052118P1
2801324M1
832882M1
339054X1
339763X1
3147503M1
022197T1
353666X1
353441X1
027127T1
2801348M1
3175270M1
2710837M1
2
1
1
1
1
1
1
2
2
2
2
2
4
4
2
1
1
2
1
1
15
15
12
HARNESS MAZO CABLES
HARNESS MAZO CABLES
SWITCH INTERRUPTOR
HARNESS MAZO CABLES
RELAY RELE
HARNESS MAZO CABLES
PLUG TAPON
GROMMET PASACABLE
NUT TUERCA
WASHER ARANDELA
WASHER ARANDELA
LANTERN LINTERNA
BOLT PERNO
WASHER ARANDELA
LANTERN LINTERNA
BULB LAMPARA
BULB LAMPARA
LAMP FARO
BULB LAMPARA
LAMP FARO
CHICOTE
CHICOTE
INTERRUPTOR
CHICOTE
RELÉ
CHICOTE
BUJÃO
PASSA-FIO
PORCA
ARRUELA
ARRUELA
CJ. LANTERNA
PARAFUSO
ARRUELA
CJ. LANTERNA
LÂMPADA
LÂMPADA
LANTERNA
LÂMPADA
LANTERNA
C026502 E03 12/05
(1)
80 95
Traseiro
Rear
Trasera
Sistema Elétrico
Main Wiring Harness
Sistema De Cable Principal
80 95
-
Menu Símbolos
5A
10A
15A
40A
N274Z003
063268N2
[A]
[B]
FAROL
LIGHTHOUSE
FAROL
PISCA
AUXILIAR
INTERMITENTE
063268N2
1
2
3
3
3
4
5
6
063268N2
067279T1
038734T1
036756T1
036757T1
059787T1
054987T1
1
1
2
8
2
1
1
1
[A]
[B]
KIT, HARNESS JUEGO DE ARNES
FUSE BOX CAJA FUSIBLES
FUSE FUSIBLE
FUSE FUSIBLE
FUSE FUSIBLE
RELAY RELE
RELAY RELE
HARNESS MAZO CABLES
CJ. CHICOTE
CX. FUSÍVEIS
FUSÍVEL
FUSÍVEL
FUSÍVEL
RELÉ
RELÉ
CHICOTE
C026502 E03 12/05
(1)
Com Pisca Alerta E Com Seta Direcional
With Hazard Light And With Turn Light
Con La Luz De Riesgo Y Con La Luz Del Giro
80 100
Minicapuz
Minihood
Minicapó
Cj. Chicote
Harness
Mazo Cables
80 100
-
Menu Símbolos
5A
10A
15A
40A
N274Z002
063265N2
[A] FAROL
LIGHTHOUSE
FAROL
063265N2
1
2
3
3
3
4
5
063265N2
067279T1
038734T1
036756T1
036757T1
059787T1
1
1
2
8
2
1
1
[A]
KIT, HARNESS JUEGO DE ARNES
FUSE BOX CAJA FUSIBLES
FUSE FUSIBLE
FUSE FUSIBLE
FUSE FUSIBLE
RELAY RELE
HARNESS MAZO CABLES
CJ. CHICOTE
CX. FUSÍVEIS
FUSÍVEL
FUSÍVEL
FUSÍVEL
RELÉ
CHICOTE
C026502 E03 12/05
(1)
Sem Pisca Alerta E Sem Seta Direcional
Without Hazard Light And Without Turn Light
Sin La Luz De Riesgo Y Sin La Luz Del Giro
80 105
Minicapuz
Minihood
Minicapó
Cj. Chicote
Harness
Mazo Cables
80 105
-
Menu Símbolos
ED51Z058
T0223088
100-35 No
C000316
C000316
100-40 No
100-45 No
1
2
3
4
4
5
6
7
8
9
9
10
11
12
13
14
15
16
17
18
19
20
21
22
23
24
25
26
27
28
29
30
31
32
33
34
35
36
37
38
39
40
41
42
43
44
44
45
46
068290N1
068305P1
068285N1
067980S1
071019S1
022625N1
353726X1
353433X1
065650S1
065736S1
065737S1
353691X1
353434X1
353676X1
353679X1
829185M1
353446X1
490742M1
067410S1
067956S1
027852S1
1706116M1
1442175X1
829185M1
353441X1
339030X1
391074X1
355617X1
067679S1
353677X1
353446X1
067979P1
068318P1
068122S1
353693X1
353434X1
353756X1
062785S1
353666X1
353441X1
355617X1
3149352M91
2801689M2
3589241M1
360826X1
037159N1
037160N1
353667X1
355564X1
1
1
1
1
1
1
6
6
1
1
1
4
4
10
2
12
12
5
1
1
1
1
2
2
2
2
8
8
1
4
4
1
2
1
4
4
4
1
4
4
4
1
1
1
2
1
1
2
2
NOSE NARIZ
PAD CIERRE
GRILLE REJILLA
HOOD CAPO
HOOD CAPO
CABLE CABLE
BOLT PERNO
WASHER ARANDELA
WEIGHT FRAME BASTIDOR P.PESAS
BOARD TABLERO
BOARD TABLERO
BOLT PERNO
WASHER ARANDELA
BOLT PERNO
BOLT PERNO
WASHER ARANDELA
WASHER ARANDELA
DAMPER AMORTIGUADOR
MINIHOOD MINICAPÓ
COVER CUBIERTA
HINGE BISAGRA
SPRING RESORTE
BOLT PERNO
WASHER ARANDELA
WASHER ARANDELA
NUT TUERCA
BOLT PERNO
WASHER ARANDELA
PANEL PANEL
BOLT PERNO
WASHER ARANDELA
PAD CIERRE
PAD CIERRE
BRACKET SOPORTE
BOLT PERNO
WASHER ARANDELA
WASHER ARANDELA
PANEL PANEL
BOLT PERNO
WASHER ARANDELA
WASHER ARANDELA
COVER CUBIERTA
FOAM ESPUMA
STRAP FAJA
BOLT PERNO
DEFLECTOR DEFLECTOR
DEFLECTOR DEFLECTOR
BOLT PERNO
NUT TUERCA
ENVOLTÓRIO
GALÃO
GRADE
CAPUZ
CAPUZ
CABO
PARAFUSO
ARRUELA
SUPORTE PESOS
LATERAL
LATERAL
PARAFUSO
ARRUELA
PARAFUSO
PARAFUSO
ARRUELA
ARRUELA
AMORTECEDOR
MINICAPUZ
TAMPA
DOBRADIÇA
MOLA
PARAFUSO
ARRUELA
ARRUELA
PORCA
PARAFUSO
ARRUELA
PAINEL
PARAFUSO
ARRUELA
GALÃO
GALÃO
SUPORTE
PARAFUSO
ARRUELA
ARRUELA
PAINEL
PARAFUSO
ARRUELA
ARRUELA
TAMPA
GUARNIÇÃO
ALÇA
PARAFUSO
DEFLETOR
DEFLETOR
PARAFUSO
PORCA
C026502 E03 12/05
(1)
4 Rodas Motrizes - Escapamento Vertical
4 Wheels Drive - Vertical Exhaust
4 Ruedas Motriz - Descarga Vertical
100 10
Lataria
Bodywork
Carroceria
100 10
-
Menu Símbolos
ED51Z058
T0223088
47
48
49
50
51
52
53
54
55
56
57
58
59
61
62
63
64
65
66
355617X1
353441X1
353667X1
355617X1
353441X1
353667X1
355617X1
353441X1
026409P1
353691X1
353434X1
353756X1
6200896M91
353688X1
353434X1
068496P1
353679X1
353446X1
829185M1
4
2
2
2
2
6
6
6
2
2
2
2
1
4
4
2
4
4
4
WASHER ARANDELA
WASHER ARANDELA
BOLT PERNO
WASHER ARANDELA
WASHER ARANDELA
BOLT PERNO
WASHER ARANDELA
WASHER ARANDELA
BRACKET SOPORTE
BOLT PERNO
WASHER ARANDELA
WASHER ARANDELA
DEFLECTOR DEFLECTOR
BOLT PERNO
WASHER ARANDELA
PAD CIERRE
BOLT PERNO
WASHER ARANDELA
WASHER ARANDELA
ARRUELA
ARRUELA
PARAFUSO
ARRUELA
ARRUELA
PARAFUSO
ARRUELA
ARRUELA
SUPORTE
PARAFUSO
ARRUELA
ARRUELA
DEFLETOR
PARAFUSO
ARRUELA
GALÃO
PARAFUSO
ARRUELA
ARRUELA
C026502 E03 12/05
(1)
4 Rodas Motrizes - Escapamento Vertical
4 Wheels Drive - Vertical Exhaust
4 Ruedas Motriz - Descarga Vertical
100 10
Lataria
Bodywork
Carroceria
100 10
-
Menu Símbolos
5/16X18X5/8
5/16X18X1"
ED51Z059
T0223089
100-45 No
1
2
3
4
5
6
7
8
9
10
11
12
13
14
16
17
18
19
20
21
22
23
24
25
26
27
28
29
30
31
32
33
34
35
36
37
40
42
43
44
45
46
46
47
48
48
49
49
50
067410S1
1442175X1
829185M1
067956S1
1706116M1
027852S1
353441X1
339030X1
490742M1
353666X1
353441X1
355617X1
062785S1
3149352M91
3589241M1
360826X1
2801689M2
071019S1
353691X1
353434X1
353756X1
353667X1
355617X1
068122S1
353693X1
353434X1
353756X1
353434X1
353688X1
353667X1
355617X1
353441X1
026409P1
6200896M91
353441X1
355564X1
068305P1
353446X1
353667X1
353441X1
355617X1
037159N1
037160N1
829185M1
353676X1
353679X1
065736S1
065737S1
829185M1
1
2
2
1
1
1
2
2
5
4
4
4
1
1
1
2
1
1
2
2
2
2
4
1
4
4
4
4
4
2
2
2
2
1
2
2
1
12
6
6
6
1
1
12
10
2
1
1
4
MINIHOOD MINICAPÓ
BOLT PERNO
WASHER ARANDELA
COVER CUBIERTA
SPRING RESORTE
HINGE BISAGRA
WASHER ARANDELA
NUT TUERCA
DAMPER AMORTIGUADOR
BOLT PERNO
WASHER ARANDELA
WASHER ARANDELA
PANEL PANEL
COVER CUBIERTA
STRAP FAJA
BOLT PERNO
FOAM ESPUMA
HOOD CAPO
BOLT PERNO
WASHER ARANDELA
WASHER ARANDELA
BOLT PERNO
WASHER ARANDELA
BRACKET SOPORTE
BOLT PERNO
WASHER ARANDELA
WASHER ARANDELA
WASHER ARANDELA
BOLT PERNO
BOLT PERNO
WASHER ARANDELA
WASHER ARANDELA
BRACKET SOPORTE
DEFLECTOR DEFLECTOR
WASHER ARANDELA
NUT TUERCA
PAD CIERRE
WASHER ARANDELA
BOLT PERNO
WASHER ARANDELA
WASHER ARANDELA
DEFLECTOR DEFLECTOR
DEFLECTOR DEFLECTOR
WASHER ARANDELA
BOLT PERNO
BOLT PERNO
BOARD TABLERO
BOARD TABLERO
WASHER ARANDELA
MINICAPUZ
PARAFUSO
ARRUELA
TAMPA
MOLA
DOBRADIÇA
ARRUELA
PORCA
AMORTECEDOR
PARAFUSO
ARRUELA
ARRUELA
PAINEL
TAMPA
ALÇA
PARAFUSO
GUARNIÇÃO
CAPUZ
PARAFUSO
ARRUELA
ARRUELA
PARAFUSO
ARRUELA
SUPORTE
PARAFUSO
ARRUELA
ARRUELA
ARRUELA
PARAFUSO
PARAFUSO
ARRUELA
ARRUELA
SUPORTE
DEFLETOR
ARRUELA
PORCA
GALÃO
ARRUELA
PARAFUSO
ARRUELA
ARRUELA
DEFLETOR
DEFLETOR
ARRUELA
PARAFUSO
PARAFUSO
LATERAL
LATERAL
ARRUELA
C026502 E03 12/05
(1)
2 Rodas Motrizes
2 Wheels Drive
2 Ruedas Motriz
100 15
Lataria
Bodywork
Carroceria
100 15
-
Menu Símbolos
ED51Z059
T0223089
100-35 No
51
52
53
54
55
56
57
58
59
60
61
62
63
64
65
66
67
68
69
70
353446X1
353679X1
067979P1
067679S1
353446X1
353677X1
068496P1
355617X1
391074X1
068318P1
068242P1
065580S1
065586S1
353433X1
353726X1
354264X1
353434X1
022625N1
068285N1
068290N1
4
4
1
1
4
4
2
8
8
2
1
1
1
6
6
4
4
1
1
1
WASHER ARANDELA
BOLT PERNO
PAD CIERRE
PANEL PANEL
WASHER ARANDELA
BOLT PERNO
PAD CIERRE
WASHER ARANDELA
BOLT PERNO
PAD CIERRE
FOAM ESPUMA
NOSE NARIZ
WEIGHT FRAME BASTIDOR P.PESAS
WASHER ARANDELA
BOLT PERNO
BOLT PERNO
WASHER ARANDELA
CABLE CABLE
GRILLE REJILLA
NOSE NARIZ
ARRUELA
PARAFUSO
GALÃO
PAINEL
ARRUELA
PARAFUSO
GALÃO
ARRUELA
PARAFUSO
GALÃO
GUARNIÇÃO
ENVOLTÓRIO
SUPORTE PESOS
ARRUELA
PARAFUSO
PARAFUSO
ARRUELA
CABO
GRADE
ENVOLTÓRIO
C026502 E03 12/05
(1)
2 Rodas Motrizes
2 Wheels Drive
2 Ruedas Motriz
100 15
Lataria
Bodywork
Carroceria
100 15
-
Menu Símbolos
ED51Z060
T0223090
100-35 No
100-40 No
1
2
3
4
5
6
7
8
9
9
10
11
12
13
14
15
16
17
18
19
20
21
22
23
24
25
26
27
28
29
30
31
32
33
34
35
36
37
38
39
40
41
42
43
44
45
46
47
48
49
068290N1
068305P1
068285N1
065741S1
022625N1
353726X1
353433X1
065586S1
065736S1
065737S1
354264X1
353434X1
353676X1
829185M1
353446X1
490742M1
067410S1
067956S1
027852S1
1706116M1
1442175X1
829185M1
353441X1
339030X1
391074X1
355617X1
067679S1
353677X1
353446X1
067979P1
068318P1
068122S1
353693X1
353434X1
353756X1
062785S1
353666X1
353441X1
355617X1
3149352M91
2801689M2
3589241M1
360826X1
353667X1
355617X1
353441X1
026409P1
353691X1
353434X1
353756X1
1
1
1
1
1
6
6
1
1
1
4
4
12
12
12
5
1
1
1
1
2
2
2
2
8
8
1
4
4
1
2
1
4
4
4
1
4
4
4
1
1
1
2
2
2
2
2
2
2
2
NOSE NARIZ
PAD CIERRE
GRILLE REJILLA
HOOD CAPO
CABLE CABLE
BOLT PERNO
WASHER ARANDELA
WEIGHT FRAME BASTIDOR P.PESAS
BOARD TABLERO
BOARD TABLERO
BOLT PERNO
WASHER ARANDELA
BOLT PERNO
WASHER ARANDELA
WASHER ARANDELA
DAMPER AMORTIGUADOR
MINIHOOD MINICAPÓ
COVER CUBIERTA
HINGE BISAGRA
SPRING RESORTE
BOLT PERNO
WASHER ARANDELA
WASHER ARANDELA
NUT TUERCA
BOLT PERNO
WASHER ARANDELA
PANEL PANEL
BOLT PERNO
WASHER ARANDELA
PAD CIERRE
PAD CIERRE
BRACKET SOPORTE
BOLT PERNO
WASHER ARANDELA
WASHER ARANDELA
PANEL PANEL
BOLT PERNO
WASHER ARANDELA
WASHER ARANDELA
COVER CUBIERTA
FOAM ESPUMA
STRAP FAJA
BOLT PERNO
BOLT PERNO
WASHER ARANDELA
WASHER ARANDELA
BRACKET SOPORTE
BOLT PERNO
WASHER ARANDELA
WASHER ARANDELA
ENVOLTÓRIO
GALÃO
GRADE
CAPUZ
CABO
PARAFUSO
ARRUELA
SUPORTE PESOS
LATERAL
LATERAL
PARAFUSO
ARRUELA
PARAFUSO
ARRUELA
ARRUELA
AMORTECEDOR
MINICAPUZ
TAMPA
DOBRADIÇA
MOLA
PARAFUSO
ARRUELA
ARRUELA
PORCA
PARAFUSO
ARRUELA
PAINEL
PARAFUSO
ARRUELA
GALÃO
GALÃO
SUPORTE
PARAFUSO
ARRUELA
ARRUELA
PAINEL
PARAFUSO
ARRUELA
ARRUELA
TAMPA
GUARNIÇÃO
ALÇA
PARAFUSO
PARAFUSO
ARRUELA
ARRUELA
SUPORTE
PARAFUSO
ARRUELA
ARRUELA
C026502 E03 12/05
(1)
Estreito
Narrow
Estrecho
100 20
Lataria
Bodywork
Carroceria
100 20
-
Menu Símbolos
ED51Z060
T0223090
50
51
52
53
54
55
56
57
6200896M91
353688X1
353688X1
353434X1
068496P1
353679X1
353446X1
829185M1
1
4
4
4
2
4
4
4
DEFLECTOR DEFLECTOR
BOLT PERNO
BOLT PERNO
WASHER ARANDELA
PAD CIERRE
BOLT PERNO
WASHER ARANDELA
WASHER ARANDELA
DEFLETOR
PARAFUSO
PARAFUSO
ARRUELA
GALÃO
PARAFUSO
ARRUELA
ARRUELA
C026502 E03 12/05
(1)
Estreito
Narrow
Estrecho
100 20
Lataria
Bodywork
Carroceria
100 20
-
Menu Símbolos
ED51Z061
T0223091
100-35 No
C000850
C000850
C000316
C000316
100-40 No
1
2
3
4
4
4
4
5
6
7
8
9
9
10
11
12
13
14
15
16
17
18
19
20
21
22
23
24
25
26
27
28
29
30
31
32
33
34
35
36
37
38
39
40
41
42
43
44
45
46
068290N1
068305P1
068285N1
065741S1
071203S1
065741S1
071203S1
022624N1
353726X1
353433X1
065586S1
065736S1
065737S1
354264X1
353434X1
353676X1
829185M1
353446X1
490742M1
067410S1
067956S1
027852S1
1706116M1
1442175X1
829185M1
353441X1
339030X1
391074X1
355617X1
067679S1
353677X1
353446X1
067979P1
068318P1
068122S1
353693X1
353434X1
353756X1
062785S1
353666X1
353441X1
355617X1
3149352M91
2801689M2
3589241M1
360826X1
353667X1
355617X1
353441X1
026409P1
1
1
1
1
1
1
1
1
6
6
1
1
1
4
4
12
12
12
5
1
1
1
1
2
2
2
2
8
8
1
4
4
1
2
1
4
4
4
1
4
4
4
1
1
1
2
2
2
2
2
NOSE NARIZ
PAD CIERRE
GRILLE REJILLA
HOOD CAPO
HOOD CAPO
HOOD CAPO
HOOD CAPO
CABLE CABLE
BOLT PERNO
WASHER ARANDELA
WEIGHT FRAME BASTIDOR P.PESAS
BOARD TABLERO
BOARD TABLERO
BOLT PERNO
WASHER ARANDELA
BOLT PERNO
WASHER ARANDELA
WASHER ARANDELA
DAMPER AMORTIGUADOR
MINIHOOD MINICAPÓ
COVER CUBIERTA
HINGE BISAGRA
SPRING RESORTE
BOLT PERNO
WASHER ARANDELA
WASHER ARANDELA
NUT TUERCA
BOLT PERNO
WASHER ARANDELA
PANEL PANEL
BOLT PERNO
WASHER ARANDELA
PAD CIERRE
PAD CIERRE
BRACKET SOPORTE
BOLT PERNO
WASHER ARANDELA
WASHER ARANDELA
PANEL PANEL
BOLT PERNO
WASHER ARANDELA
WASHER ARANDELA
COVER CUBIERTA
FOAM ESPUMA
STRAP FAJA
BOLT PERNO
BOLT PERNO
WASHER ARANDELA
WASHER ARANDELA
BRACKET SOPORTE
ENVOLTÓRIO
GALÃO
GRADE
CAPUZ
CAPUZ
CAPUZ
CAPUZ
CABO
PARAFUSO
ARRUELA
SUPORTE PESOS
LATERAL
LATERAL
PARAFUSO
ARRUELA
PARAFUSO
ARRUELA
ARRUELA
AMORTECEDOR
MINICAPUZ
TAMPA
DOBRADIÇA
MOLA
PARAFUSO
ARRUELA
ARRUELA
PORCA
PARAFUSO
ARRUELA
PAINEL
PARAFUSO
ARRUELA
GALÃO
GALÃO
SUPORTE
PARAFUSO
ARRUELA
ARRUELA
PAINEL
PARAFUSO
ARRUELA
ARRUELA
TAMPA
GUARNIÇÃO
ALÇA
PARAFUSO
PARAFUSO
ARRUELA
ARRUELA
SUPORTE
C026502 E03 12/05
(1)
Estreito
Narrow
Estrecho
100 25
Lataria
Bodywork
Carroceria
100 25
-
Menu Símbolos
ED51Z061
T0223091
47
48
49
50
51
52
54
55
56
57
353691X1
353434X1
353756X1
6200896M91
2801324M1
353688X1
068496P1
353679X1
353446X1
829185M1
2
2
2
1
1
4
2
4
4
4
BOLT PERNO
WASHER ARANDELA
WASHER ARANDELA
DEFLECTOR DEFLECTOR
PLUG TAPON
BOLT PERNO
PAD CIERRE
BOLT PERNO
WASHER ARANDELA
WASHER ARANDELA
PARAFUSO
ARRUELA
ARRUELA
DEFLETOR
BUJÃO
PARAFUSO
GALÃO
PARAFUSO
ARRUELA
ARRUELA
C026502 E03 12/05
(1)
Estreito
Narrow
Estrecho
100 25
Lataria
Bodywork
Carroceria
100 25
-
Menu Símbolos
ED51Z062
T0223092
100-35 No
C001654
100-40 No
100-45 No
1
2
3
4
5
6
7
8
9
9
10
11
12
13
14
15
16
17
18
19
20
21
22
23
24
25
26
27
28
29
30
31
32
33
34
35
36
37
38
39
40
41
42
43
44
44
45
46
47
068290N1
068305P1
068285N1
067980S1
022625N1
353726X1
353433X1
065586S1
065736S1
065737S1
354264X1
353434X1
353676X1
353679X1
829185M1
353446X1
490742M1
067410S1
067956S1
027852S1
1706116M1
1442175X1
829185M1
353441X1
339030X1
391074X1
355617X1
067679S1
353677X1
353446X1
067979P1
068318P1
068122S1
353693X1
353434X1
353756X1
062785S1
353666X1
353441X1
355617X1
3149352M91
2801689M2
3589241M1
360826X1
037159N1
037160N1
353667X1
355564X1
355617X1
1
1
1
1
1
6
6
1
1
1
4
4
10
2
12
12
5
1
1
1
1
2
2
2
2
8
8
1
4
4
1
2
1
4
4
4
1
4
4
4
1
1
1
2
1
1
2
2
4
NOSE NARIZ
PAD CIERRE
GRILLE REJILLA
HOOD CAPO
CABLE CABLE
BOLT PERNO
WASHER ARANDELA
WEIGHT FRAME BASTIDOR P.PESAS
BOARD TABLERO
BOARD TABLERO
BOLT PERNO
WASHER ARANDELA
BOLT PERNO
BOLT PERNO
WASHER ARANDELA
WASHER ARANDELA
DAMPER AMORTIGUADOR
MINIHOOD MINICAPÓ
COVER CUBIERTA
HINGE BISAGRA
SPRING RESORTE
BOLT PERNO
WASHER ARANDELA
WASHER ARANDELA
NUT TUERCA
BOLT PERNO
WASHER ARANDELA
PANEL PANEL
BOLT PERNO
WASHER ARANDELA
PAD CIERRE
PAD CIERRE
BRACKET SOPORTE
BOLT PERNO
WASHER ARANDELA
WASHER ARANDELA
PANEL PANEL
BOLT PERNO
WASHER ARANDELA
WASHER ARANDELA
COVER CUBIERTA
FOAM ESPUMA
STRAP FAJA
BOLT PERNO
DEFLECTOR DEFLECTOR
DEFLECTOR DEFLECTOR
BOLT PERNO
NUT TUERCA
WASHER ARANDELA
ENVOLTÓRIO
GALÃO
GRADE
CAPUZ
CABO
PARAFUSO
ARRUELA
SUPORTE PESOS
LATERAL
LATERAL
PARAFUSO
ARRUELA
PARAFUSO
PARAFUSO
ARRUELA
ARRUELA
AMORTECEDOR
MINICAPUZ
TAMPA
DOBRADIÇA
MOLA
PARAFUSO
ARRUELA
ARRUELA
PORCA
PARAFUSO
ARRUELA
PAINEL
PARAFUSO
ARRUELA
GALÃO
GALÃO
SUPORTE
PARAFUSO
ARRUELA
ARRUELA
PAINEL
PARAFUSO
ARRUELA
ARRUELA
TAMPA
GUARNIÇÃO
ALÇA
PARAFUSO
DEFLETOR
DEFLETOR
PARAFUSO
PORCA
ARRUELA
C026502 E03 12/05
(1)
Escapamento Horizontal
Horizontal Exhaust
Descarga Horizontal
100 30
Lataria
Bodywork
Carroceria
100 30
-
Menu Símbolos
ED51Z062
T0223092
48
49
50
51
52
53
54
55
56
57
58
59
61
62
63
64
65
66
353441X1
353667X1
355617X1
353441X1
353667X1
355617X1
353441X1
026409P1
353691X1
353434X1
353756X1
6200896M91
353688X1
353434X1
068496P1
353679X1
353446X1
829185M1
2
2
2
2
6
6
6
2
2
2
2
1
4
4
2
4
4
4
WASHER ARANDELA
BOLT PERNO
WASHER ARANDELA
WASHER ARANDELA
BOLT PERNO
WASHER ARANDELA
WASHER ARANDELA
BRACKET SOPORTE
BOLT PERNO
WASHER ARANDELA
WASHER ARANDELA
DEFLECTOR DEFLECTOR
BOLT PERNO
WASHER ARANDELA
PAD CIERRE
BOLT PERNO
WASHER ARANDELA
WASHER ARANDELA
ARRUELA
PARAFUSO
ARRUELA
ARRUELA
PARAFUSO
ARRUELA
ARRUELA
SUPORTE
PARAFUSO
ARRUELA
ARRUELA
DEFLETOR
PARAFUSO
ARRUELA
GALÃO
PARAFUSO
ARRUELA
ARRUELA
C026502 E03 12/05
(1)
Escapamento Horizontal
Horizontal Exhaust
Descarga Horizontal
100 30
Lataria
Bodywork
Carroceria
100 30
-
Menu Símbolos
ED00Z007
068285N1
2
4
5
6
7
8
9
10
11
12
13
14
15
6201892M1
3009257X1
3587203M1
065635S1
068502P1
490742M1
068242P1
355565X1
353446X1
829185M1
04003413/000
360826X1
04003412/000
1
2
1
1
2
2
1
2
2
2
2
2
2
STRAP FAJA
ALLEN BOLT TORNILLO ALLEN
EMBLEM EMBLEMA
GRILLE REJILLA
PAD CIERRE
DAMPER AMORTIGUADOR
FOAM ESPUMA
NUT TUERCA
WASHER ARANDELA
WASHER ARANDELA
ATTACHMENT ADITAMENTO
BOLT PERNO
PIN PASADOR
ALÇA
PARAFUSO ALLEN
EMBLEMA
GRADE
GALÃO
AMORTECEDOR
GUARNIÇÃO
PORCA
ARRUELA
ARRUELA
FIXADOR
PARAFUSO
PINO
C026502 E03 12/05
(1)
100 35
Grade Frontal
Front Grille
Rejilla Delantera
100 35
-
Menu Símbolos
11/16X3/8X1/16
13/16X13/32X1/16
1/4X20
E089Z001
3149352M91
1
2
3
4
5
829185M1
829251M1
3149353M91
353756X1
487426M1
1
1
1
1
1
WASHER ARANDELA
SLEEVE MANCHA
COVER CUBIERTA
WASHER ARANDELA
NUT TUERCA
ARRUELA
LUVA
TAMPA
ARRUELA
PORCA
C026502 E03 12/05
(1)
100 40
Tampa
Cover
Tapa
100 40
-
Menu Símbolos
EC46Z001
037159N1
1
2
3
4
4
5
6
7
8
033091P1
027687P1
026495P1
022947S1
022949S1
026497P1
026492P1
022993P1
026494P1
1
1
1
1
1
1
1
1
1
GROMMET PASACABLE
HARNESS MAZO CABLES
FOAM ESPUMA
PIPE CANO
PIPE CANO
FOAM ESPUMA
SLEEVE MANCHA
DEFLECTOR DEFLECTOR
FOAM ESPUMA
PASSA-FIO
CHICOTE
GUARNIÇÃO
TUBO
TUBO
GUARNIÇÃO
LUVA
DEFLETOR
GUARNIÇÃO
C026502 E03 12/05
(1)
100 45
Defletor
Deflector
Deflector
100 45
-
Menu Símbolos
EA81Z046
T0243062
1
2
3
4
069073P1
069083P1
069067P1
068802P1
1
2
1
1
DECAL CALCOMANIA
DECAL CALCOMANIA
DECAL CALCOMANIA
DECAL CALCOMANIA
DECAL
DECAL
DECAL
DECAL
C026502 E03 12/05
(1)
100 50
Decalcomania
Decal
Calcomania
100 50
-
Menu Símbolos
N060Z012
T0248009ADV
1
2
3
4
6
7
8
9
10
11
12
13
14
16
18
19
049101P1
3787203M1
2800862M1
3410238M1
3410244M1
068136P1
3410245M1
3146752M1
3149896M1
067209P1
3149677M1
022100P2
3146834M1
022091P1
022083P1
1875315M1
1
X
1
X
1
1
1
1
X
1
X
1
1
1
1
X
DECAL CALCOMANIA
EMBLEM EMBLEMA
DECAL CALCOMANIA
DECAL CALCOMANIA
EMBLEM EMBLEMA
DECAL CALCOMANIA
EMBLEM EMBLEMA
DECAL CALCOMANIA
DECAL CALCOMANIA
DECAL CALCOMANIA
DECAL CALCOMANIA
DECAL CALCOMANIA
DECAL CALCOMANIA
DECAL CALCOMANIA
DECAL CALCOMANIA
EMBLEM EMBLEMA
DECAL
EMBLEMA
DECAL
DECAL
EMBLEMA
DECAL
EMBLEMA
DECAL
DECAL
DECAL
DECAL
DECAL
DECAL
DECAL
DECAL
EMBLEMA
C026502 E03 12/05
(1)
Sem Hidráulico
Without Hydraulic
Sin Hidraulico
100 55
Português
Portuguese
Portugués
Emblemas
Emblems
Emblemas
100 55
-
Menu Símbolos
N059Z044
T0248011ADV
1
2
3
4
5
8
10
11
12
13
15
17
18
19
3787203M1
022096P1
3410241M1
1875315M1
3410238M1
3410245M1
3149896M1
067309P1
3149677M1
022101P2
022084P1
022092P1
022672P1
068136P1
X
1
1
X
X
1
X
1
X
1
1
1
1
1
EMBLEM EMBLEMA
DECAL CALCOMANIA
DECAL CALCOMANIA
EMBLEM EMBLEMA
DECAL CALCOMANIA
EMBLEM EMBLEMA
DECAL CALCOMANIA
DECAL CALCOMANIA
DECAL CALCOMANIA
DECAL CALCOMANIA
DECAL CALCOMANIA
DECAL CALCOMANIA
DECAL CALCOMANIA
DECAL CALCOMANIA
EMBLEMA
DECAL
DECAL
EMBLEMA
DECAL
EMBLEMA
DECAL
DECAL
DECAL
DECAL
DECAL
DECAL
DECAL
DECAL
C026502 E03 12/05
(1)
100 60
Emblemas
Emblems
Emblemas
100 60
-
Menu Símbolos
N059Z043
T0248012ADV
1
2
3
4
5
8
9
10
11
12
13
15
16
17
18
20
3787203M1
022098P1
3408126M1
1875315M1
3410238M1
3410245M1
3408125M1
3149896M1
067309P1
3149677M1
022103P2
022672P1
049101P1
068136P1
022094P1
022085P1
X
1
1
X
X
1
1
X
1
X
1
1
1
1
1
1
EMBLEM EMBLEMA
DECAL CALCOMANIA
DECAL CALCOMANIA
EMBLEM EMBLEMA
DECAL CALCOMANIA
EMBLEM EMBLEMA
DECAL CALCOMANIA
DECAL CALCOMANIA
DECAL CALCOMANIA
DECAL CALCOMANIA
DECAL CALCOMANIA
DECAL CALCOMANIA
DECAL CALCOMANIA
DECAL CALCOMANIA
DECAL CALCOMANIA
DECAL CALCOMANIA
EMBLEMA
DECAL
DECAL
EMBLEMA
DECAL
EMBLEMA
DECAL
DECAL
DECAL
DECAL
DECAL
DECAL
DECAL
DECAL
DECAL
DECAL
C026502 E03 12/05
(1)
100 65
Emblemas
Emblems
Emblemas
100 65
-
Menu Símbolos
EC23Z005
T0248010ADV
1
2
3
5
6
7
8
9
10
11
12
13
15
17
18
19
3787203M1
3411432M1
3410238M1
3410244M1
068136P1
3410245M1
3146754M1
3149896M1
067309P1
3149677M1
022102P2
022097P1
022093P1
3595689M1
022672P1
1875315M1
X
1
X
1
1
1
1
X
1
X
1
1
1
1
1
X
EMBLEM EMBLEMA
DECAL CALCOMANIA
DECAL CALCOMANIA
EMBLEM EMBLEMA
DECAL CALCOMANIA
EMBLEM EMBLEMA
DECAL CALCOMANIA
DECAL CALCOMANIA
DECAL CALCOMANIA
DECAL CALCOMANIA
DECAL CALCOMANIA
DECAL CALCOMANIA
DECAL CALCOMANIA
DECAL CALCOMANIA
DECAL CALCOMANIA
EMBLEM EMBLEMA
EMBLEMA
DECAL
DECAL
EMBLEMA
DECAL
EMBLEMA
DECAL
DECAL
DECAL
DECAL
DECAL
DECAL
DECAL
DECAL
DECAL
EMBLEMA
C026502 E03 12/05
(1)
Inglês - Sem Hidráulico
English - Without Hydraulic
Inglés - Sin Hidraulico
100 70
Emblemas
Emblems
Emblemas
100 70
-
Menu Símbolos
N059Z003
21484808
022029N1
1
2
3
4
5
6
7
8
9
10
11
12
13
14
15
16
17
18
20
21
22
23
24
25
3787203M1
022096P1
3410241M1
3410238M1
2801186M1
3410244M1
3410245M1
022654P3
022659P2
3146299M1
3149896M1
067210P1
3149677M1
022101P2
022081P1
022672P1
3146334M2
022084P1
022092P1
022672P1
3148214M1
1875315M1
068136P1
X
1
1
X
1
1
1
1
1
1
X
1
X
1
2
1
1
1
1
1
1
X
1
1
EMBLEM EMBLEMA
DECAL CALCOMANIA
DECAL CALCOMANIA
DECAL CALCOMANIA
EMBLEM EMBLEMA
EMBLEM EMBLEMA
EMBLEM EMBLEMA
DECAL CALCOMANIA
DECAL CALCOMANIA
DECAL CALCOMANIA
DECAL CALCOMANIA
DECAL CALCOMANIA
DECAL CALCOMANIA
DECAL CALCOMANIA
DECAL CALCOMANIA
DECAL CALCOMANIA
DECAL CALCOMANIA
DECAL CALCOMANIA
DECAL CALCOMANIA
DECAL CALCOMANIA
EMBLEM EMBLEMA
EMBLEM EMBLEMA
DECAL CALCOMANIA
KIT, DECAL CALCOMANIA JUEGO
EMBLEMA
DECAL
DECAL
DECAL
EMBLEMA
EMBLEMA
EMBLEMA
DECAL
DECAL
DECAL
DECAL
DECAL
DECAL
DECAL
DECAL
DECAL
DECAL
DECAL
DECAL
DECAL
EMBLEMA
EMBLEMA
DECAL
CJ. DECAL
C026502 E03 12/05
(1)
Espanhol - Com Hidráulico
Spanish - With Hydraulic
Español - Con Hidraulico
100 80
Emblemas
Emblems
Emblemas
100 80
-
Menu Símbolos
N059Z005
21484827
022048N1
1
2
3
4
5
6
7
8
9
10
12
13
14
15
16
17
18
19
20
21
22
23
24
25
3410239M1
3587203M1
3408126M1
3410238M1
2801186M1
3410244M1
068136P1
3410245M1
3146754M1
3149896M1
3149677M1
022102P2
022097P1
022081P1
022093P1
067210P1
3595689M1
3148214M1
1875315M1
022652P3
022657P2
048210P1
022672P1
1
X
1
X
1
1
1
1
1
X
X
1
1
2
1
1
1
1
X
1
1
2
1
1
DECAL CALCOMANIA
EMBLEM EMBLEMA
DECAL CALCOMANIA
DECAL CALCOMANIA
EMBLEM EMBLEMA
EMBLEM EMBLEMA
DECAL CALCOMANIA
EMBLEM EMBLEMA
DECAL CALCOMANIA
DECAL CALCOMANIA
DECAL CALCOMANIA
DECAL CALCOMANIA
DECAL CALCOMANIA
DECAL CALCOMANIA
DECAL CALCOMANIA
DECAL CALCOMANIA
DECAL CALCOMANIA
EMBLEM EMBLEMA
EMBLEM EMBLEMA
DECAL CALCOMANIA
DECAL CALCOMANIA
DECAL CALCOMANIA
DECAL CALCOMANIA
KIT, DECAL CALCOMANIA JUEGO
DECAL
EMBLEMA
DECAL
DECAL
EMBLEMA
EMBLEMA
DECAL
EMBLEMA
DECAL
DECAL
DECAL
DECAL
DECAL
DECAL
DECAL
DECAL
DECAL
EMBLEMA
EMBLEMA
DECAL
DECAL
DECAL
DECAL
CJ. DECAL
C026502 E03 12/05
(1)
Inglês - Com Hidráulico
English - With Hydraulic
Inglés - Con Hidraulico
100 85
Emblemas
Emblems
Emblemas
100 85
-
Menu Símbolos
022050N1
N059Z006
21484829
1
2
3
4
5
6
7
8
9
10
11
12
13
14
15
16
18
19
20
21
22
24
25
3787203M1
022098P1
3408126M1
1875315M1
3410238M1
2801186M1
3410244M1
3410245M1
022653P3
022658P2
3408125M1
3149896M1
067210P1
3149677M1
022103P2
022081P1
022672P1
3408130M1
068136P1
3148214M1
022094P1
022085P1
X
1
1
X
X
1
1
1
1
1
1
X
1
X
1
2
1
1
1
1
1
1
1
EMBLEM EMBLEMA
DECAL CALCOMANIA
DECAL CALCOMANIA
EMBLEM EMBLEMA
DECAL CALCOMANIA
EMBLEM EMBLEMA
EMBLEM EMBLEMA
EMBLEM EMBLEMA
DECAL CALCOMANIA
DECAL CALCOMANIA
DECAL CALCOMANIA
DECAL CALCOMANIA
DECAL CALCOMANIA
DECAL CALCOMANIA
DECAL CALCOMANIA
DECAL CALCOMANIA
DECAL CALCOMANIA
DECAL CALCOMANIA
DECAL CALCOMANIA
EMBLEM EMBLEMA
DECAL CALCOMANIA
DECAL CALCOMANIA
KIT, DECAL CALCOMANIA JUEGO
EMBLEMA
DECAL
DECAL
EMBLEMA
DECAL
EMBLEMA
EMBLEMA
EMBLEMA
DECAL
DECAL
DECAL
DECAL
DECAL
DECAL
DECAL
DECAL
DECAL
DECAL
DECAL
EMBLEMA
DECAL
DECAL
CJ. DECAL
C026502 E03 12/05
(1)
Francês - Com Hidráulico
French - With Hydraulic
Francés - Con Hidraulico
100 90
Emblemas
Emblems
Emblemas
100 90
-
Menu Símbolos
EA94Z018
T0243084
1
2
3
4
5
069067P1
069073P1
069083P1
068802P1
073214P1
1
1
2
1
1
DECAL CALCOMANIA
DECAL CALCOMANIA
DECAL CALCOMANIA
DECAL CALCOMANIA
DECAL CALCOMANIA
DECAL
DECAL
DECAL
DECAL
DECAL
C026502 E03 12/05
(1)
100 95
Decalcomania
Decal
Calcomania
100 95
-
Menu Símbolos
14.9 X 28 R1
13.6 X 38 R1
18.4 X 30 R1
23.1 X 26 R2
EF42Z001
21484201
1 022249P1 1 DECAL CALCOMANIA
DECAL
C026502 E03 12/05
(1)
100 100
Escala De Velocidades
Velocity Scale
Escala De Velocidades
100 100
-
Menu Símbolos
14.9 X 28 R1
14.9 X 28 R2
EF44Z001
21484202
1 022342P1 1 DECAL CALCOMANIA
DECAL
C026502 E03 12/05
(1)
100 105
8 Velocidades
8 Speed
8 Velocidades
Escala De Velocidades
Velocity Scale
Escala De Velocidades
100 105
-
Menu Símbolos
13.6 X 38 R1
16.9 X30 R1
18.4 X 30 R1
18.4 X 30 R2
23.1 X 26 R2
EF42Z002
21484203
1 022161P1 1 DECAL CALCOMANIA
DECAL
C026502 E03 12/05
(1)
100 110
Escala De Velocidades
Velocity Scale
Escala De Velocidades
100 110
-
Menu Símbolos
23.1 X 26 R2
EF43Z001
21484204
1 022341P1 1 DECAL CALCOMANIA
DECAL
C026502 E03 12/05
(1)
100 115
12 Velocidades
12 Speed
12 Velocidades
Escala De Velocidades
Velocity Scale
Escala De Velocidades
100 115
-
Menu Símbolos
13.6 X 38 R1
16.9 X 30 R1
18.4 X 30 R1
18.4 X 30 R2
EF42Z003
21484205
1 022160P1 1 DECAL CALCOMANIA
DECAL
C026502 E03 12/05
(1)
100 120
Escala De Velocidades
Velocity Scale
Escala De Velocidades
100 120
-
Menu Símbolos
14.9 X 28 R1
EF45Z001
21484206
1 022340P1 1 DECAL CALCOMANIA
DECAL
C026502 E03 12/05
(1)
100 125
12 Velocidades / Estreito
12 Speeds / Narrow
12 Velocidades / Estrecho
Escala De Velocidades
Velocity Scale
Escala De Velocidades
100 125
-
Menu Símbolos
13.6 X 38 R1
14.9 X 28 R1
14.9 X 28 R2
16.9 X 30 R1
18.4 X 30 R1
18.4 X 30 R2
23.1 X 26 R2
EF43Z002
T0242051
1 049605P1 1 DECAL CALCOMANIA
DECAL
C026502 E03 12/05
(1)
100 130
12 Velocidades
12 Speed
12 Velocidades
Escala De Velocidades
Velocity Scale
Escala De Velocidades
100 130
-
Menu Símbolos
13.6 X 38
16.9 X 30
18.4 X 30
18.4 X 34
EF42Z049
T0242063
1 054362P1 1 DECAL CALCOMANIA
DECAL
C026502 E03 12/05
(1)
Arabe
Arabic
Árabe
100 135
Escala De Velocidades
Velocity Scale
Escala De Velocidades
100 135
-
Menu Símbolos
13.6 X 38
16.9 X 30
18.4 X 30
18.4 X 34
EF42Z050
T0242064
1 054363P1 1 DECAL CALCOMANIA
DECAL
C026502 E03 12/05
(1)
12 Velocidades
12 Speed
12 Velocidades
100 140
Escala De Velocidades
Velocity Scale
Escala De Velocidades
100 140
-
Menu Símbolos
EF42Z012
T0242008
1 037057P1 1 DECAL CALCOMANIA
DECAL
C026502 E03 12/05
(1)
100 145
Escala De Velocidades
Velocity Scale
Escala De Velocidades
100 145
-
Menu Símbolos
EF42Z048
T0242010
1 3408158M1 1 DECAL CALCOMANIA
DECAL
C026502 E03 12/05
(1)
100 150
Escala De Velocidades
Velocity Scale
Escala De Velocidades
100 150
-
Menu Símbolos
EE84Z001
21481353
105-30 No
487077M91
105-20 No
1
2
3
4
5
6
7
8
9
10
11
12
13
14
15
16
17
18
19
20
21
22
23
24
25
26
27
28
29
30
31
32
33
34
35
36
37
38
39
40
41
42
43
44
353430X1
353431X1
184150M2
2800299M91
184149M3
354041X1
355617X1
050043P1
3589461M91
2801324M1
354059X1
353756X1
027983S1
353441X1
339030X1
390971X1
1442175X1
832813M1
033794N1
3146871M2
353756X1
353918X1
353441X1
2800006M1
353671X1
196010M1
353918X1
353441X1
3589565M91
3145926M1
893713M1
3145925M1
353441X1
353918X1
2802251M1
3148712M1
353441X1
353501X1
3225356M1
027579N1
1484499M93
035972P1
353540X1
375109X1
1
1
1
1
2
3
3
1
1
1
1
1
1
4
4
4
4
1
1
1
3
1
1
1
1
2
1
1
1
1
1
1
1
1
1
1
2
2
1
1
1
1
1
2
NUT TUERCA
NUT TUERCA
SPRING RESORTE
PLATE PLATO
DISC DISCO
COTTER PIN PASADOR DOUBLE
WASHER ARANDELA
LEVER PALANCA
KIT, ROD JUEGO DE BIELAS
PLUG TAPON
DOWEL CENTRAJE
WASHER ARANDELA
PEDAL PEDAL
WASHER ARANDELA
NUT TUERCA
WASHER ARANDELA
BOLT PERNO
PIN PASADOR
ROD VARILLA
LEVER PALANCA
WASHER ARANDELA
NUT TUERCA
WASHER ARANDELA
LEVER PALANCA
BOLT PERNO
WASHER ARANDELA
NUT TUERCA
WASHER ARANDELA
CONNECTOR CONECTOR
BRACKET SOPORTE
SPRING RESORTE
BRACKET SOPORTE
WASHER ARANDELA
NUT TUERCA
BOLT PERNO
STAPLE GRAPA
WASHER ARANDELA
BOLT PERNO
CLAMP ABRAZADERA
KIT, ROD JUEGO DE BIELAS
SHAFT ARBOL
KNOB POMO
BOLT PERNO
NUT TUERCA
PORCA
PORCA
MOLA
PLACA
DISCO
CUPILHA
ARRUELA
ALAVANCA
CJ. TIRANTE
BUJÃO
CONTRAPINO
ARRUELA
PEDAL
ARRUELA
PORCA
ARRUELA
PARAFUSO
PINO
TIRANTE
ALAVANCA
ARRUELA
PORCA
ARRUELA
ALAVANCA
PARAFUSO
ARRUELA
PORCA
ARRUELA
CONECTOR
SUPORTE
MOLA
SUPORTE
ARRUELA
PORCA
PARAFUSO
PRESILHA
ARRUELA
PARAFUSO
BRAÇADEIRA
CJ. TIRANTE
EIXO
MANÍPULO
PARAFUSO
PORCA
C026502 E03 12/05
(1)
105 10
Acelerador
Throttle
Acelerador
105 10
-
Menu Símbolos
EE46Z001
21481391
105-30 No
487077M91
105-20 No
1
2
3
4
5
6
7
8
9
10
11
12
13
14
15
16
17
18
19
20
21
22
23
24
25
26
27
28
29
30
31
32
33
34
35
36
37
38
39
40
41
42
43
44
45
46
47
48
49
353430X1
3148142M91
2801154M1
357515X1
487096M1
2801172M1
027579N1
1484499M93
196010M1
2800001M91
2800006M1
353441X1
339030X1
027983S1
033794N1
3146871M2
353441X1
353564X1
353918X1
353441X1
3589565M91
489002M1
893713M1
035972P1
355125X1
3148712M1
2802251M1
353441X1
353501X1
184149M3
184150M2
353431X1
2800299M91
353671X1
355617X1
354041X1
354041X1
355617X1
1442175X1
353671X1
355564X1
353441X1
3145925M1
050043P1
353540X1
353756X1
375109X1
355564X1
353441X1
1
1
1
1
1
1
1
1
2
1
1
4
4
1
1
1
1
1
1
1
1
1
1
1
1
1
1
2
2
2
1
1
1
1
4
4
2
2
4
1
1
1
1
1
1
4
2
1
1
NUT TUERCA
KIT, CABLE CABLES JUEGO
RING ARO
NUT TUERCA
BUTTON PULSADOR
WASHER ARANDELA
KIT, ROD JUEGO DE BIELAS
SHAFT ARBOL
WASHER ARANDELA
KIT, ROD JUEGO DE BIELAS
LEVER PALANCA
WASHER ARANDELA
NUT TUERCA
PEDAL PEDAL
ROD VARILLA
LEVER PALANCA
WASHER ARANDELA
BOLT PERNO
NUT TUERCA
WASHER ARANDELA
CONNECTOR CONECTOR
BRACKET SOPORTE
SPRING RESORTE
KNOB POMO
BOLT PERNO
STAPLE GRAPA
BOLT PERNO
WASHER ARANDELA
BOLT PERNO
DISC DISCO
SPRING RESORTE
NUT TUERCA
PLATE PLATO
BOLT PERNO
WASHER ARANDELA
COTTER PIN PASADOR DOUBLE
COTTER PIN PASADOR DOUBLE
WASHER ARANDELA
BOLT PERNO
BOLT PERNO
NUT TUERCA
WASHER ARANDELA
BRACKET SOPORTE
LEVER PALANCA
BOLT PERNO
WASHER ARANDELA
NUT TUERCA
NUT TUERCA
WASHER ARANDELA
PORCA
CJ. CABO
ANEL
PORCA
BOTÃO
ARRUELA
CJ. TIRANTE
EIXO
ARRUELA
CJ. TIRANTE
ALAVANCA
ARRUELA
PORCA
PEDAL
TIRANTE
ALAVANCA
ARRUELA
PARAFUSO
PORCA
ARRUELA
CONECTOR
SUPORTE
MOLA
MANÍPULO
PARAFUSO
PRESILHA
PARAFUSO
ARRUELA
PARAFUSO
DISCO
MOLA
PORCA
PLACA
PARAFUSO
ARRUELA
CUPILHA
CUPILHA
ARRUELA
PARAFUSO
PARAFUSO
PORCA
ARRUELA
SUPORTE
ALAVANCA
PARAFUSO
ARRUELA
PORCA
PORCA
ARRUELA
C026502 E03 12/05
(1)
105 15
Estreito
Narrow
Estrecho
Controle De Aceleração
Throttle Controls
Controles De Aceleración
105 15
-
Menu Símbolos
E007Z001
3589565M91
1
2
3
4
5
6
487082M1
487081M1
3589563M1
487079M1
3589564M1
354039X1
1
1
1
1
1
1
SPRING RESORTE
SEAT ASIENTO
SEAT ASIENTO
STUD ESPARRAGO
BODY CUERPO
COTTER PIN PASADOR DOUBLE
MOLA
ASSENTO
ASSENTO
PRISIONEIRO
CORPO
CUPILHA
C026502 E03 12/05
(1)
105 20
Conector
Ball Joint
Conector
105 20
-
Menu Símbolos
EE84Z019
T0213032
1850559M91
1
2
3
4
5
6
7
8
9
10
22
23
24
25
26
27
28
29
30
31
32
33
34
40
41
42
43
353430X1
353431X1
184150M2
2800299M91
184149M3
354041X1
355617X1
050043P1
3589461M91
2801324M1
355564X1
353441X1
2800006M1
353671X1
196010M1
353918X1
353441X1
487077M91
3145926M1
893713M1
3145925M1
353441X1
353918X1
027579N1
1484499M93
035972P1
353540X1
1
1
1
1
2
3
3
1
1
1
1
1
1
1
2
1
1
1
1
1
1
1
1
1
1
1
1
NUT TUERCA
NUT TUERCA
SPRING RESORTE
PLATE PLATO
DISC DISCO
COTTER PIN PASADOR DOUBLE
WASHER ARANDELA
LEVER PALANCA
KIT, ROD JUEGO DE BIELAS
PLUG TAPON
NUT TUERCA
WASHER ARANDELA
LEVER PALANCA
BOLT PERNO
WASHER ARANDELA
NUT TUERCA
WASHER ARANDELA
CONNECTOR CONECTOR
BRACKET SOPORTE
SPRING RESORTE
BRACKET SOPORTE
WASHER ARANDELA
NUT TUERCA
KIT, ROD JUEGO DE BIELAS
SHAFT ARBOL
KNOB POMO
BOLT PERNO
PORCA
PORCA
MOLA
PLACA
DISCO
CUPILHA
ARRUELA
ALAVANCA
CJ. TIRANTE
BUJÃO
PORCA
ARRUELA
ALAVANCA
PARAFUSO
ARRUELA
PORCA
ARRUELA
CONECTOR
SUPORTE
MOLA
SUPORTE
ARRUELA
PORCA
CJ. TIRANTE
EIXO
MANÍPULO
PARAFUSO
C026502 E03 12/05
(1)
Citrus
Citrus
Citrus
105 25
Acelerador
Throttle
Acelerador
105 25
-
Menu Símbolos
3/8X16
3/8X16
E006Z001
033794N1
1
2
3
4
5
033796S1
3146867M1
3146866M1
375109X1
022368S1
1
1
1
1
1
ROD VARILLA
NUT TUERCA
CONNECTOR CONECTOR
NUT TUERCA
ROD VARILLA
TIRANTE
PORCA
CONECTOR
PORCA
TIRANTE
C026502 E03 12/05
(1)
105 30
Tirante
Rod
Varilla
105 30
-
Menu Símbolos
E150Z002
T0222025
[A] COM CINTO DE SEGURANÇA RETRÁTIL
WITH SEAT BEALT RETRACTOR
CON CINTURON DE SEGURIDAD RETRACTIL
1
2
3
069045N1
339401X1
339376X1
1
4
4
[A] KIT, SEAT ASIENTO JUEGO
BOLT PERNO
WASHER ARANDELA
CJ. ASSENTO
PARAFUSO
ARRUELA
C026502 E03 12/05
(1)
105 35
C/Apoio Braço & C/Cinto Segurança
With Base & With Seat Belt
Con Apoyo & Con Cinturon
Assento
Seat
Asiento
105 35
-
Menu Símbolos
M10X1,5X25
5/16x18
5/16x18x3/4
7/16x20
EA70Z001
T0222011
1
2
3
4
5
6
7
8
9
10
11
051582N1
339401X1
353432X1
353432X1
057787S1
355565X1
353446X1
353677X1
353426X1
339376X1
353756X1
1
4
1
1
1
4
4
4
1
4
4
KIT, SEAT ASIENTO JUEGO
BOLT PERNO
WASHER ARANDELA
WASHER ARANDELA
BRACKET SOPORTE
NUT TUERCA
WASHER ARANDELA
BOLT PERNO
NUT TUERCA
WASHER ARANDELA
WASHER ARANDELA
CJ. ASSENTO
PARAFUSO
ARRUELA
ARRUELA
SUPORTE
PORCA
ARRUELA
PARAFUSO
PORCA
ARRUELA
ARRUELA
C026502 E03 12/05
(1)
105 40
Sem Cinto De Segurança
Without Seat Belt
Sim Cinturon
Assento
Seat
Asiento
105 40
-
Menu Símbolos
EA64Z017
T0222015
1
2
3
4
5
6
7
8
9
10
059483N1
353677X1
353699X1
353432X1
353426X1
353432X1
353446X1
829185M1
355565X1
057787S1
1
4
1
1
1
1
4
4
4
1
KIT, SEAT ASIENTO JUEGO
BOLT PERNO
BOLT PERNO
WASHER ARANDELA
NUT TUERCA
WASHER ARANDELA
WASHER ARANDELA
WASHER ARANDELA
NUT TUERCA
BRACKET SOPORTE
CJ. ASSENTO
PARAFUSO
PARAFUSO
ARRUELA
PORCA
ARRUELA
ARRUELA
ARRUELA
PORCA
SUPORTE
C026502 E03 12/05
(1)
105 45
Assento
Seat
Asiento
105 45
-
Menu Símbolos
M10X1,5X25
18,1X10,1X2,2
E150Z001
T0222022
[A] NÃO RETRÁTIL
NO RETRACTOR
NO RETRACTIL
1
2
3
059477N1
339401X1
339376X1
1
4
4
[A] SEAT ASIENTO
BOLT PERNO
WASHER ARANDELA
ASSENTO
PARAFUSO
ARRUELA
C026502 E03 12/05
(1)
105 50
C/Apoio Braço & C/Cinto Segurança
With Base & With Seat Belt
Con Apoyo & Con Cinturon
Assento
Seat
Asiento
105 50
-
Menu Símbolos
7/16x20x1.1/8
7/16x20
7/16x14x1.1/8
7/16x20
EA69Z001
21482208
059483N1
1
2
3
3
4
5
6
7
7
8
9
353699X1
353432X1
355619X1
353426X1
339401X1
339376X1
355619X1
353432X1
353426X1
057787S1
1
1
1
4
1
4
4
1
1
1
1
KIT, SEAT ASIENTO JUEGO
BOLT PERNO
WASHER ARANDELA
WASHER ARANDELA
NUT TUERCA
BOLT PERNO
WASHER ARANDELA
WASHER ARANDELA
WASHER ARANDELA
NUT TUERCA
BRACKET SOPORTE
CJ. ASSENTO
PARAFUSO
ARRUELA
ARRUELA
PORCA
PARAFUSO
ARRUELA
ARRUELA
ARRUELA
PORCA
SUPORTE
C026502 E03 12/05
(1)
105 55
Estreito
Narrow
Estrecho
Assento
Seat
Asiento
105 55
-
Menu Símbolos
EA71Z003
T0222027
1
2
3
059483N1
339401X1
339376X1
1
4
4
KIT, SEAT ASIENTO JUEGO
BOLT PERNO
WASHER ARANDELA
CJ. ASSENTO
PARAFUSO
ARRUELA
C026502 E03 12/05
(1)
105 60
S/Apoio Braço & S/Cinto Segurança
Without Base & Without Seat Belt
Sim Apoyo & Sim Cinturon
Assento
Seat
Asiento
105 60
-
Menu Símbolos
EA71Z002
T0222026
1
2
3
069046N1
339401X1
339376X1
1
4
4
KIT, SEAT ASIENTO JUEGO
BOLT PERNO
WASHER ARANDELA
CJ. ASSENTO
PARAFUSO
ARRUELA
C026502 E03 12/05
(1)
105 65
S/Apoio Braço & S/Cinto Segurança
Without Base & Without Seat Belt
Sim Apoyo & Sim Cinturon
Assento
Seat
Asiento
105 65
-
Menu Símbolos
1/2X20
1/2x20x2.3/4
5/16x24x1.3/4
10X32
5/16x24
EL90Z009
T0211003ADV
105-125 No
105-115 No
105-135 No
105-150 No
105-140 No
105-155 No
1
2
3
4
5
6
8
10
11
12
13
14
15
16
17
18
19
20
21
22
23
23
23
24
25
26
27
28
29
30
31
32
33
34
35
36
37
38
39
40
41
42
43
44
45
46
47
361332X1
2802224M1
027948S1
353753X1
375090X1
195708M1
059043S1
026648N1
058425P1
353437X1
353439X1
353888X1
13811X
036854S1
850778M1
2800888M91
1001489M1
037033N1
036857N1
29951X
1482675M1
1482676M1
1482677M1
1482670M1
339469X1
361203X1
3589503M1
027960N1
352438X1
3145369M1
354059X1
832813M1
3589498M1
339248X1
487096M1
357515X1
2801075M1
2801172M1
2801154M1
3589513M1
027951S1
027958N2
022532N1
1669096M2
180812M1
195663M1
181958M1
1
1
1
1
1
1
1
1
1
1
1
1
1
1
1
1
2
2
1
4
X
X
X
3
1
1
1
1
2
2
10
10
1
1
1
1
1
1
1
1
1
1
1
4
X
1
1
COTTER PIN PASADOR DOUBLE
SPRING RESORTE
LEVER PALANCA
WASHER ARANDELA
COTTER PIN PASADOR DOUBLE
CRAMP PASADOR
STOP PARO
KIT, ROD JUEGO DE BIELAS
ARM BRAZO
NUT TUERCA
WASHER ARANDELA
BOLT PERNO
GREASER ENGRASADOR
LEVER PALANCA
GREASER ENGRASADOR
BRACKET SOPORTE
O RING JUNTA TORICA
KIT, ROD JUEGO DE BIELAS
LEVER PALANCA
GREASER ENGRASADOR
SHIM CALCE
SHIM CALCE
SHIM CALCE
WASHER ARANDELA
CIRCLIP CIRCULITO
BOLT PERNO
LOCK RETENEDOR
PEDAL PEDAL
CIRCLIP CIRCULITO
WASHER ARANDELA
DOWEL CENTRAJE
PIN PASADOR
SHAFT ARBOL
PIN PASADOR
BUTTON PULSADOR
NUT TUERCA
COTTER PASADOR ABIERTO
WASHER ARANDELA
RING ARO
ROD VARILLA
HEAD CULATA
PEDAL PEDAL
PEDAL PEDAL
SHIM CALCE
WASHER ARANDELA
NUT TUERCA
SPRING RESORTE
CUPILHA
MOLA
ALAVANCA
ARRUELA
CUPILHA
GRAMPO
BATENTE
CJ. TIRANTE
BRAÇO
PORCA
ARRUELA
PARAFUSO
GRAXEIRA
ALAVANCA
GRAXEIRA
SUPORTE
ANEL "O"
CJ. TIRANTE
ALAVANCA
GRAXEIRA
CALÇO
CALÇO
CALÇO
ARRUELA
ANEL TRAVA
PARAFUSO
TRAVA
PEDAL
ANEL TRAVA
ARRUELA
CONTRAPINO
PINO
EIXO
PINO
BOTÃO
PORCA
PASSADOR
ARRUELA
ANEL
TIRANTE
ARTICULADOR
PEDAL
PEDAL
CALÇO
ARRUELA
PORCA
MOLA
C026502 E03 12/05
(1)
Tração Lateral
Side Drive
Traccion Lateral
105 70
4 Rodas Motrizes
4 Wheels Drive
4 Ruedas Motriz
Pedais Do Freio E Embreagem
Brake Pedals And Clutch
Pedales De Freno Y Embrague
105 70
-
Menu Símbolos
7/16x20x2.3/4
7/16x20
7/16x14x1.3/4
EL90Z009
T0211003ADV
48
49
50
51
52
53
54
55
56
58
60
61
62
022524S1
048533S1
377563X1
2800894M1
353432X1
353426X1
12501X
377184X1
353432X1
022842P1
181150M1
058423P1
3700585M1
1
1
1
1
1
1
1
1
1
1
1
1
1
ROD VARILLA
ROD VARILLA
BOLT PERNO
LEVER PALANCA
WASHER ARANDELA
NUT TUERCA
KEY CLAVE
BOLT PERNO
WASHER ARANDELA
SPACER PIEZA DISTANCIA
LOCK RETENEDOR
PLATE PLATO
SPRING RESORTE
TIRANTE
TIRANTE
PARAFUSO
ALAVANCA
ARRUELA
PORCA
CHAVETA
PARAFUSO
ARRUELA
ESPAÇADOR
TRAVA
PLACA
MOLA
C026502 E03 12/05
(1)
Tração Lateral
Side Drive
Traccion Lateral
105 70
4 Rodas Motrizes
4 Wheels Drive
4 Ruedas Motriz
Pedais Do Freio E Embreagem
Brake Pedals And Clutch
Pedales De Freno Y Embrague
105 70
-
Menu Símbolos
EL88Z005
T0211015ADV
105-125 No
105-120 No
105-130 No
105-150 No
105-140 No
1
2
3
4
5
6
7
8
9
10
11
12
13
14
15
16
17
18
19
20
21
22
23
24
24
25
26
27
28
29
30
31
32
33
34
35
36
37
38
39
40
41
42
43
44
45
46
47
361332X1
3589508M91
181150M1
3588673M1
339376X1
339402X1
2802224M1
195708M1
353540X1
027511S1
353430X1
026648N1
058425P1
353437X1
353439X1
353888X1
352438X1
3409161M91
29951X1
2800888M91
1001489M1
3146699M91
2802114M91
1482675M1
1482677M1
1482670M1
339469X1
361203X1
3589503M1
027960N1
352438X1
3145369M1
354059X1
832813M1
487096M1
357515X1
2801075M1
2801172M1
2801154M1
027955P1
195663M1
181958M1
022524S1
027958N2
354055X1
022532N2
1669096M2
180812M1
1
1
1
1
1
1
1
1
1
1
1
1
1
1
1
1
1
1
4
1
2
2
1
X
X
3
1
1
1
1
2
2
10
10
1
1
1
1
1
1
1
1
1
1
1
1
4
X
COTTER PIN PASADOR DOUBLE
LEVER PALANCA
LOCK RETENEDOR
PIN PASADOR
WASHER ARANDELA
NUT TUERCA
SPRING RESORTE
CRAMP PASADOR
BOLT PERNO
STOP PARO
NUT TUERCA
KIT, ROD JUEGO DE BIELAS
ARM BRAZO
NUT TUERCA
WASHER ARANDELA
BOLT PERNO
CIRCLIP CIRCULITO
LEVER PALANCA
SHOES ZAPATAS
BRACKET SOPORTE
O RING JUNTA TORICA
KIT, ROD JUEGO DE BIELAS
LEVER PALANCA
SHIM CALCE
SHIM CALCE
WASHER ARANDELA
CIRCLIP CIRCULITO
BOLT PERNO
LOCK RETENEDOR
PEDAL PEDAL
CIRCLIP CIRCULITO
WASHER ARANDELA
DOWEL CENTRAJE
PIN PASADOR
BUTTON PULSADOR
NUT TUERCA
COTTER PASADOR ABIERTO
WASHER ARANDELA
RING ARO
ROD VARILLA
NUT TUERCA
SPRING RESORTE
ROD VARILLA
PEDAL PEDAL
COTTER PIN PASADOR DOUBLE
PEDAL PEDAL
SHIM CALCE
WASHER ARANDELA
CUPILHA
ALAVANCA
TRAVA
PINO
ARRUELA
PORCA
MOLA
GRAMPO
PARAFUSO
BATENTE
PORCA
CJ. TIRANTE
BRAÇO
PORCA
ARRUELA
PARAFUSO
ANEL TRAVA
ALAVANCA
ENGRAXADEIRA
SUPORTE
ANEL "O"
CJ. TIRANTE
ALAVANCA
CALÇO
CALÇO
ARRUELA
ANEL TRAVA
PARAFUSO
TRAVA
PEDAL
ANEL TRAVA
ARRUELA
CONTRAPINO
PINO
BOTÃO
PORCA
PASSADOR
ARRUELA
ANEL
TIRANTE
PORCA
MOLA
TIRANTE
PEDAL
CUPILHA
PEDAL
CALÇO
ARRUELA
C026502 E03 12/05
(1)
105 75
Pedais Do Freio E Embreagem
Brake Pedals And Clutch
Pedales De Freno Y Embrague
105 75
-
Menu Símbolos
EL88Z005
T0211015ADV
52
53
54
55
56
57
58
59
12501X
048833S1
2800894M1
3589498M1
339248X1
13811X1
058423P1
3700585M1
1
1
1
1
1
1
1
1
KEY CLAVE
ROD VARILLA
LEVER PALANCA
SHAFT ARBOL
PIN PASADOR
SHOES ZAPATAS
PLATE PLATO
SPRING RESORTE
CHAVETA
TIRANTE
ALAVANCA
EIXO
PINO
ENGRAXADEIRA
PLACA
MOLA
C026502 E03 12/05
(1)
105 75
Pedais Do Freio E Embreagem
Brake Pedals And Clutch
Pedales De Freno Y Embrague
105 75
-
Menu Símbolos
EL89Z011
T0211016ADV
105-125 No
105-110 No
105-130 No
105-150 No
105-140 No
1
2
3
4
5
6
7
8
9
10
11
12
13
14
15
16
17
18
19
20
21
22
23
24
24
25
26
27
28
29
30
31
32
33
34
35
36
37
38
39
40
41
42
43
44
45
46
47
361332X1
027948S1
181150M1
3588673M1
339376X1
339402X1
2802224M1
195708M1
353540X1
027511S1
353430X1
026648N1
058425P1
353437X1
353439X1
353888X1
352438X1
3409161M91
29951X1
2800888M91
1001489M1
054364N1
2802114M91
1482675M1
1482677M1
1482670M1
339469X1
361203X1
3589503M1
027960N1
352438X1
3145369M1
354059X1
832813M1
487096M1
357515X1
2801075M1
2801172M1
2801154M1
027955P1
195663M1
181958M1
022524S1
027958N2
354055X1
027750N2
1669096M2
180812M1
1
1
1
1
1
1
1
1
1
1
1
1
1
1
1
1
1
1
4
1
2
2
1
X
X
3
1
2
1
1
2
2
10
10
1
1
1
1
1
1
1
1
1
1
1
1
4
X
COTTER PIN PASADOR DOUBLE
LEVER PALANCA
LOCK RETENEDOR
PIN PASADOR
WASHER ARANDELA
NUT TUERCA
SPRING RESORTE
CRAMP PASADOR
BOLT PERNO
STOP PARO
NUT TUERCA
KIT, ROD JUEGO DE BIELAS
ARM BRAZO
NUT TUERCA
WASHER ARANDELA
BOLT PERNO
CIRCLIP CIRCULITO
LEVER PALANCA
SHOES ZAPATAS
BRACKET SOPORTE
O RING JUNTA TORICA
KIT, ROD JUEGO DE BIELAS
LEVER PALANCA
SHIM CALCE
SHIM CALCE
WASHER ARANDELA
CIRCLIP CIRCULITO
BOLT PERNO
LOCK RETENEDOR
PEDAL PEDAL
CIRCLIP CIRCULITO
WASHER ARANDELA
DOWEL CENTRAJE
PIN PASADOR
BUTTON PULSADOR
NUT TUERCA
COTTER PASADOR ABIERTO
WASHER ARANDELA
RING ARO
ROD VARILLA
NUT TUERCA
SPRING RESORTE
ROD VARILLA
PEDAL PEDAL
COTTER PIN PASADOR DOUBLE
PEDAL PEDAL
SHIM CALCE
WASHER ARANDELA
CUPILHA
ALAVANCA
TRAVA
PINO
ARRUELA
PORCA
MOLA
GRAMPO
PARAFUSO
BATENTE
PORCA
CJ. TIRANTE
BRAÇO
PORCA
ARRUELA
PARAFUSO
ANEL TRAVA
ALAVANCA
ENGRAXADEIRA
SUPORTE
ANEL "O"
CJ. TIRANTE
ALAVANCA
CALÇO
CALÇO
ARRUELA
ANEL TRAVA
PARAFUSO
TRAVA
PEDAL
ANEL TRAVA
ARRUELA
CONTRAPINO
PINO
BOTÃO
PORCA
PASSADOR
ARRUELA
ANEL
TIRANTE
PORCA
MOLA
TIRANTE
PEDAL
CUPILHA
PEDAL
CALÇO
ARRUELA
C026502 E03 12/05
(1)
Estreito
Narrow
Estrecho
105 80
2 Rodas Motrizes
2 Wheels Drive
2 Ruedas Motriz
Pedais Do Freio E Embreagem
Brake Pedals And Clutch
Pedales De Freno Y Embrague
105 80
-
Menu Símbolos
EL89Z011
T0211016ADV
52
53
54
55
56
57
58
59
12501X
048833S1
2800894M1
3589498M1
339248X1
13811X1
058423P1
3700585M1
1
1
1
1
1
1
1
1
KEY CLAVE
ROD VARILLA
LEVER PALANCA
SHAFT ARBOL
PIN PASADOR
SHOES ZAPATAS
PLATE PLATO
SPRING RESORTE
CHAVETA
TIRANTE
ALAVANCA
EIXO
PINO
ENGRAXADEIRA
PLACA
MOLA
C026502 E03 12/05
(1)
Estreito
Narrow
Estrecho
105 80
2 Rodas Motrizes
2 Wheels Drive
2 Ruedas Motriz
Pedais Do Freio E Embreagem
Brake Pedals And Clutch
Pedales De Freno Y Embrague
105 80
-
Menu Símbolos
EE38Z015
3146018M91AD
105-125 No
105-105 No
105-130 No
105-150 No
105-140 No
105-145 No
1
2
3
4
5
6
7
8
9
10
12
13
14
15
16
17
18
19
20
21
22
23
24
24
24
25
26
27
28
29
30
31
32
33
34
35
36
37
38
39
40
41
42
43
44
45
46
361332X1
3589508M91
181150M1
3588673M1
339376X1
339402X1
2802224M1
195708M1
353540X1
027511S1
026648N1
058425P1
353437X1
353439X1
353888X1
13811X
3409161M91
850778M1
2800888M91
1001489M1
187661M91
2802114M91
1482675M1
1482676M1
1482677M1
1482670M1
339469X1
361203X1
3589503M1
027960N1
352438X1
3145369M1
354059X1
832813M1
487096M1
357515X1
2801075M1
2801172M1
2801154M1
3589513M1
195663M1
181958M1
022524S1
027958N2
354048X1
027750N2
1669096M2
1
1
1
1
1
1
1
1
1
1
1
1
1
1
1
1
1
1
1
2
2
1
X
X
X
3
1
1
1
1
2
2
10
10
1
1
1
1
1
1
1
1
1
1
1
1
4
COTTER PIN PASADOR DOUBLE
LEVER PALANCA
LOCK RETENEDOR
PIN PASADOR
WASHER ARANDELA
NUT TUERCA
SPRING RESORTE
CRAMP PASADOR
BOLT PERNO
STOP PARO
KIT, ROD JUEGO DE BIELAS
ARM BRAZO
NUT TUERCA
WASHER ARANDELA
BOLT PERNO
GREASER ENGRASADOR
LEVER PALANCA
GREASER ENGRASADOR
BRACKET SOPORTE
O RING JUNTA TORICA
KIT, ROD JUEGO DE BIELAS
LEVER PALANCA
SHIM CALCE
SHIM CALCE
SHIM CALCE
WASHER ARANDELA
CIRCLIP CIRCULITO
BOLT PERNO
LOCK RETENEDOR
PEDAL PEDAL
CIRCLIP CIRCULITO
WASHER ARANDELA
DOWEL CENTRAJE
PIN PASADOR
BUTTON PULSADOR
NUT TUERCA
COTTER PASADOR ABIERTO
WASHER ARANDELA
RING ARO
ROD VARILLA
NUT TUERCA
SPRING RESORTE
ROD VARILLA
PEDAL PEDAL
COTTER PIN PASADOR DOUBLE
PEDAL PEDAL
SHIM CALCE
CUPILHA
ALAVANCA
TRAVA
PINO
ARRUELA
PORCA
MOLA
GRAMPO
PARAFUSO
BATENTE
CJ. TIRANTE
BRAÇO
PORCA
ARRUELA
PARAFUSO
GRAXEIRA
ALAVANCA
GRAXEIRA
SUPORTE
ANEL "O"
CJ. TIRANTE
ALAVANCA
CALÇO
CALÇO
CALÇO
ARRUELA
ANEL TRAVA
PARAFUSO
TRAVA
PEDAL
ANEL TRAVA
ARRUELA
CONTRAPINO
PINO
BOTÃO
PORCA
PASSADOR
ARRUELA
ANEL
TIRANTE
PORCA
MOLA
TIRANTE
PEDAL
CUPILHA
PEDAL
CALÇO
C026502 E03 12/05
(1)
105 85
Pedais
Pedals
Pedales
105 85
-
Menu Símbolos
EE38Z015
3146018M91AD
47
48
49
50
52
53
54
56
57
61
62
63
64
65
66
67
68
69
70
71
72
73
180812M1
29951X
353432X1
377184X1
12501X
048833S1
2800894M1
3589498M1
339248X1
353753X1
353426X1
353432X1
361332X1
391166X1
027951S1
375090X1
027948S1
058423P1
352438X1
3700585M1
3145868M1
377563X1
X
4
1
1
1
1
1
1
1
1
1
1
1
1
1
1
1
1
1
1
1
1
WASHER ARANDELA
GREASER ENGRASADOR
WASHER ARANDELA
BOLT PERNO
KEY CLAVE
ROD VARILLA
LEVER PALANCA
SHAFT ARBOL
PIN PASADOR
WASHER ARANDELA
NUT TUERCA
WASHER ARANDELA
COTTER PIN PASADOR DOUBLE
WASHER ARANDELA
HEAD CULATA
COTTER PIN PASADOR DOUBLE
LEVER PALANCA
PLATE PLATO
CIRCLIP CIRCULITO
SPRING RESORTE
BOLT PERNO
BOLT PERNO
ARRUELA
GRAXEIRA
ARRUELA
PARAFUSO
CHAVETA
TIRANTE
ALAVANCA
EIXO
PINO
ARRUELA
PORCA
ARRUELA
CUPILHA
ARRUELA
ARTICULADOR
CUPILHA
ALAVANCA
PLACA
ANEL TRAVA
MOLA
PARAFUSO
PARAFUSO
C026502 E03 12/05
(1)
105 85
Pedais
Pedals
Pedales
105 85
-
Menu Símbolos
EL89Z013
022840N1ADV
105-125 No
105-120 No
105-130 No
105-150 No
105-140 No
1
2
3
4
5
6
7
8
9
10
11
12
13
14
15
16
17
18
19
20
21
22
23
24
24
25
26
27
28
29
30
31
32
33
34
35
36
37
38
39
40
41
42
43
44
45
46
47
361332X1
027948S1
181150M1
3588673M1
339376X1
339402X1
2802224M1
195708M1
353540X1
027511S1
353430X1
026648N1
058425P1
353437X1
353439X1
353888X1
352438X1
036854S1
29951X1
2800888M91
1001489M1
3146699M91
2802114M91
1482675M1
1482677M1
1482670M1
339469X1
361203X1
3589503M1
027960N1
352438X1
3145369M1
354059X1
832813M1
487096M1
357515X1
2801075M1
2801172M1
2801154M1
027955P1
195663M1
181958M1
022524S1
027958N2
354055X1
027750N2
1669096M2
180812M1
1
1
1
1
1
1
1
1
1
1
1
1
1
1
1
1
1
1
4
1
2
2
1
X
X
3
1
2
1
1
2
2
10
10
1
1
1
1
1
1
1
1
1
1
1
1
4
X
COTTER PIN PASADOR DOUBLE
LEVER PALANCA
LOCK RETENEDOR
PIN PASADOR
WASHER ARANDELA
NUT TUERCA
SPRING RESORTE
CRAMP PASADOR
BOLT PERNO
STOP PARO
NUT TUERCA
KIT, ROD JUEGO DE BIELAS
ARM BRAZO
NUT TUERCA
WASHER ARANDELA
BOLT PERNO
CIRCLIP CIRCULITO
LEVER PALANCA
SHOES ZAPATAS
BRACKET SOPORTE
O RING JUNTA TORICA
KIT, ROD JUEGO DE BIELAS
LEVER PALANCA
SHIM CALCE
SHIM CALCE
WASHER ARANDELA
CIRCLIP CIRCULITO
BOLT PERNO
LOCK RETENEDOR
PEDAL PEDAL
CIRCLIP CIRCULITO
WASHER ARANDELA
DOWEL CENTRAJE
PIN PASADOR
BUTTON PULSADOR
NUT TUERCA
COTTER PASADOR ABIERTO
WASHER ARANDELA
RING ARO
ROD VARILLA
NUT TUERCA
SPRING RESORTE
ROD VARILLA
PEDAL PEDAL
COTTER PIN PASADOR DOUBLE
PEDAL PEDAL
SHIM CALCE
WASHER ARANDELA
CUPILHA
ALAVANCA
TRAVA
PINO
ARRUELA
PORCA
MOLA
GRAMPO
PARAFUSO
BATENTE
PORCA
CJ. TIRANTE
BRAÇO
PORCA
ARRUELA
PARAFUSO
ANEL TRAVA
ALAVANCA
ENGRAXADEIRA
SUPORTE
ANEL "O"
CJ. TIRANTE
ALAVANCA
CALÇO
CALÇO
ARRUELA
ANEL TRAVA
PARAFUSO
TRAVA
PEDAL
ANEL TRAVA
ARRUELA
CONTRAPINO
PINO
BOTÃO
PORCA
PASSADOR
ARRUELA
ANEL
TIRANTE
PORCA
MOLA
TIRANTE
PEDAL
CUPILHA
PEDAL
CALÇO
ARRUELA
C026502 E03 12/05
(1)
105 90
2 Rodas Motrizes
2 Wheels Drive
2 Ruedas Motriz
Pedais Do Freio E Embreagem
Brake Pedals And Clutch
Pedales De Freno Y Embrague
105 90
-
Menu Símbolos
EL89Z013
022840N1ADV
52
53
54
55
56
57
58
59
12501X
048833S1
2800894M1
3589498M1
339248X1
13811X1
058423P1
3700585M1
1
1
1
1
1
1
1
1
KEY CLAVE
ROD VARILLA
LEVER PALANCA
SHAFT ARBOL
PIN PASADOR
SHOES ZAPATAS
PLATE PLATO
SPRING RESORTE
CHAVETA
TIRANTE
ALAVANCA
EIXO
PINO
ENGRAXADEIRA
PLACA
MOLA
C026502 E03 12/05
(1)
105 90
2 Rodas Motrizes
2 Wheels Drive
2 Ruedas Motriz
Pedais Do Freio E Embreagem
Brake Pedals And Clutch
Pedales De Freno Y Embrague
105 90
-
Menu Símbolos
EL88Z002
21481164
105-125 No
105-105 No
105-130 No
105-150 No
1
2
3
4
5
6
7
8
9
10
11
12
13
14
15
16
17
18
19
20
21
22
23
24
25
25
25
26
27
28
29
30
31
32
33
34
35
36
37
38
39
40
41
42
43
44
45
361332X1
3589508M91
181150M1
3588673M1
339376X1
339402X1
2802224M1
195708M1
353540X1
027511S1
353430X1
026648N1
058425P1
353437X1
353439X1
353888X1
13811X
036854S1
850778M1
2800888M91
1001489M1
187661M91
2802114M91
29951X
1482675M1
1482676M1
1482677M1
1482670M1
339469X1
361203X1
3589503M1
027960N1
352438X1
3145369M1
354059X1
832813M1
3589498M1
339248X1
487096M1
357515X1
2801075M1
2801172M1
2801154M1
3589513M1
354048X1
391166X1
353753X1
1
1
1
1
1
1
1
1
1
1
1
1
1
1
1
1
1
1
1
1
2
2
1
4
X
X
X
3
1
1
1
1
2
2
10
10
1
1
1
1
1
1
1
1
1
1
1
COTTER PIN PASADOR DOUBLE
LEVER PALANCA
LOCK RETENEDOR
PIN PASADOR
WASHER ARANDELA
NUT TUERCA
SPRING RESORTE
CRAMP PASADOR
BOLT PERNO
STOP PARO
NUT TUERCA
KIT, ROD JUEGO DE BIELAS
ARM BRAZO
NUT TUERCA
WASHER ARANDELA
BOLT PERNO
GREASER ENGRASADOR
LEVER PALANCA
GREASER ENGRASADOR
BRACKET SOPORTE
O RING JUNTA TORICA
KIT, ROD JUEGO DE BIELAS
LEVER PALANCA
GREASER ENGRASADOR
SHIM CALCE
SHIM CALCE
SHIM CALCE
WASHER ARANDELA
CIRCLIP CIRCULITO
BOLT PERNO
LOCK RETENEDOR
PEDAL PEDAL
CIRCLIP CIRCULITO
WASHER ARANDELA
DOWEL CENTRAJE
PIN PASADOR
SHAFT ARBOL
PIN PASADOR
BUTTON PULSADOR
NUT TUERCA
COTTER PASADOR ABIERTO
WASHER ARANDELA
RING ARO
ROD VARILLA
COTTER PIN PASADOR DOUBLE
WASHER ARANDELA
WASHER ARANDELA
CUPILHA
ALAVANCA
TRAVA
PINO
ARRUELA
PORCA
MOLA
GRAMPO
PARAFUSO
BATENTE
PORCA
CJ. TIRANTE
BRAÇO
PORCA
ARRUELA
PARAFUSO
GRAXEIRA
ALAVANCA
GRAXEIRA
SUPORTE
ANEL "O"
CJ. TIRANTE
ALAVANCA
GRAXEIRA
CALÇO
CALÇO
CALÇO
ARRUELA
ANEL TRAVA
PARAFUSO
TRAVA
PEDAL
ANEL TRAVA
ARRUELA
CONTRAPINO
PINO
EIXO
PINO
BOTÃO
PORCA
PASSADOR
ARRUELA
ANEL
TIRANTE
CUPILHA
ARRUELA
ARRUELA
C026502 E03 12/05
(1)
105 95
Pedais Do Freio E Embreagem
Brake Pedals And Clutch
Pedales De Freno Y Embrague
105 95
-
Menu Símbolos
EL88Z002
21481164
105-140 No
105-155 No
46
47
48
49
50
51
52
53
54
55
56
57
58
59
60
61
62
63
027958N2
022532N1
1669096M2
180812M1
195663M1
181958M1
022524S1
048833S1
377563X1
2800894M1
353432X1
353426X1
12501X
377184X1
353432X1
022529P1
022842P1
058423P1
1
1
4
3
1
1
1
1
1
1
1
1
1
1
1
1
1
1
PEDAL PEDAL
PEDAL PEDAL
SHIM CALCE
WASHER ARANDELA
NUT TUERCA
SPRING RESORTE
ROD VARILLA
ROD VARILLA
BOLT PERNO
LEVER PALANCA
WASHER ARANDELA
NUT TUERCA
KEY CLAVE
BOLT PERNO
WASHER ARANDELA
BRACKET SOPORTE
SPACER PIEZA DISTANCIA
PLATE PLATO
PEDAL
PEDAL
CALÇO
ARRUELA
PORCA
MOLA
TIRANTE
TIRANTE
PARAFUSO
ALAVANCA
ARRUELA
PORCA
CHAVETA
PARAFUSO
ARRUELA
SUPORTE
ESPAÇADOR
PLACA
C026502 E03 12/05
(1)
105 95
Pedais Do Freio E Embreagem
Brake Pedals And Clutch
Pedales De Freno Y Embrague
105 95
-
Menu Símbolos
EL89Z014
022841N1ADV
105-155 No
105-125 No
105-105 No
105-130 No
105-140 No
105-150 No
1
2
3
4
5
6
7
8
9
10
11
12
13
14
15
16
17
18
19
20
21
22
23
24
25
26
27
28
29
30
31
32
33
34
35
36
37
38
39
40
41
42
43
44
45
46
47
48
3589498M1
352438X1
1669096M2
180812M1
3145369M1
832813M1
354059X1
022532N1
026648N1
187661M91
058425P1
353888X1
353437X1
353439X1
377184X1
353432X1
832813M1
354059X1
3409161M91
850778M1
339469X1
1482670M1
1482675M1
1482676M1
1482677M1
2800894M1
12501X
1001489M1
022842P1
13811X
29951X
361332X1
353753X1
377563X1
353426X1
353432X1
2800888M91
2802114M91
027958N2
027960N1
361203X1
195663M1
181958M1
3589503M1
048833S1
022524S1
487096M1
357515X1
1
2
4
X
2
3
3
1
1
2
1
1
1
1
1
1
7
7
1
1
1
3
X
X
X
1
1
2
1
1
4
2
1
1
1
1
1
1
1
1
1
1
1
1
1
1
1
1
SHAFT ARBOL
CIRCLIP CIRCULITO
SHIM CALCE
WASHER ARANDELA
WASHER ARANDELA
PIN PASADOR
DOWEL CENTRAJE
PEDAL PEDAL
KIT, ROD JUEGO DE BIELAS
KIT, ROD JUEGO DE BIELAS
ARM BRAZO
BOLT PERNO
NUT TUERCA
WASHER ARANDELA
BOLT PERNO
WASHER ARANDELA
PIN PASADOR
DOWEL CENTRAJE
LEVER PALANCA
GREASER ENGRASADOR
CIRCLIP CIRCULITO
WASHER ARANDELA
SHIM CALCE
SHIM CALCE
SHIM CALCE
LEVER PALANCA
KEY CLAVE
O RING JUNTA TORICA
SPACER PIEZA DISTANCIA
GREASER ENGRASADOR
GREASER ENGRASADOR
COTTER PIN PASADOR DOUBLE
WASHER ARANDELA
BOLT PERNO
NUT TUERCA
WASHER ARANDELA
BRACKET SOPORTE
LEVER PALANCA
PEDAL PEDAL
PEDAL PEDAL
BOLT PERNO
NUT TUERCA
SPRING RESORTE
LOCK RETENEDOR
ROD VARILLA
ROD VARILLA
BUTTON PULSADOR
NUT TUERCA
EIXO
ANEL TRAVA
CALÇO
ARRUELA
ARRUELA
PINO
CONTRAPINO
PEDAL
CJ. TIRANTE
CJ. TIRANTE
BRAÇO
PARAFUSO
PORCA
ARRUELA
PARAFUSO
ARRUELA
PINO
CONTRAPINO
ALAVANCA
GRAXEIRA
ANEL TRAVA
ARRUELA
CALÇO
CALÇO
CALÇO
ALAVANCA
CHAVETA
ANEL "O"
ESPAÇADOR
GRAXEIRA
GRAXEIRA
CUPILHA
ARRUELA
PARAFUSO
PORCA
ARRUELA
SUPORTE
ALAVANCA
PEDAL
PEDAL
PARAFUSO
PORCA
MOLA
TRAVA
TIRANTE
TIRANTE
BOTÃO
PORCA
C026502 E03 12/05
(1)
105 100
2 Rodas Motrizes
2 Wheels Drive
2 Ruedas Motriz
Pedais Do Freio E Embreagem
Brake Pedals And Clutch
Pedales De Freno Y Embrague
105 100
-
Menu Símbolos
EL89Z014
022841N1ADV
49
50
51
52
53
54
55
56
57
58
59
60
61
62
63
64
65
2801075M1
2801172M1
2801154M1
3589513M1
3588673M1
354048X1
391166X1
181150M1
339376X1
339402X1
2802224M1
3589508M91
195708M1
027511S1
058423P1
352438X1
3700585M1
1
1
1
1
1
1
1
1
1
1
1
1
1
1
1
1
1
COTTER PASADOR ABIERTO
WASHER ARANDELA
RING ARO
ROD VARILLA
PIN PASADOR
COTTER PIN PASADOR DOUBLE
WASHER ARANDELA
LOCK RETENEDOR
WASHER ARANDELA
NUT TUERCA
SPRING RESORTE
LEVER PALANCA
CRAMP PASADOR
STOP PARO
PLATE PLATO
CIRCLIP CIRCULITO
SPRING RESORTE
PASSADOR
ARRUELA
ANEL
TIRANTE
PINO
CUPILHA
ARRUELA
TRAVA
ARRUELA
PORCA
MOLA
ALAVANCA
GRAMPO
BATENTE
PLACA
ANEL TRAVA
MOLA
C026502 E03 12/05
(1)
105 100
2 Rodas Motrizes
2 Wheels Drive
2 Ruedas Motriz
Pedais Do Freio E Embreagem
Brake Pedals And Clutch
Pedales De Freno Y Embrague
105 100
-
Menu Símbolos
3/8x24
EB99Z008
187661M91
1
2
3
195270M1
353430X1
184174M91
1
1
1
FORK HORQUILLA
NUT TUERCA
ROD VARILLA
GARFO
PORCA
TIRANTE
C026502 E03 12/05
(1)
105 105
Tirante
Rod
Varilla
105 105
-
Menu Símbolos
3/8X24
EB99Z005
054364N1
1
2
3
195270M1
353430X1
054365S1
1
2
1
FORK HORQUILLA
NUT TUERCA
ROD VARILLA
GARFO
PORCA
TIRANTE
C026502 E03 12/05
(1)
105 110
Tirante
Rod
Varilla
105 110
-
Menu Símbolos
3/8X24
E022Z001
037033N1
1
2
3
195270M1
353430X1
036852S1
1
1
1
FORK HORQUILLA
NUT TUERCA
ROD VARILLA
GARFO
PORCA
TIRANTE
C026502 E03 12/05
(1)
105 115
Freio
Brake
Freno
Tirante
Rod
Varilla
105 115
-
Menu Símbolos
EB99Z009
3146699M91
1
2
3
195270M1
353430X1
3146704M91
1
1
1
FORK HORQUILLA
NUT TUERCA
KIT, ROD JUEGO DE BIELAS
GARFO
PORCA
CJ. TIRANTE
C026502 E03 12/05
(1)
105 120
Tirante
Rod
Varilla
105 120
-
Menu Símbolos
3/8X24
E021Z001
026648N1
1
2
3
026646S1
353430X1
195270M1
1
1
1
ROD VARILLA
NUT TUERCA
FORK HORQUILLA
TIRANTE
PORCA
GARFO
C026502 E03 12/05
(1)
105 125
Embreagem
Clutch
Embrague
Tirante
Rod
Varilla
105 125
-
Menu Símbolos
1911Z001
2802114M91
1
2
195910M1
2800895M1
1
1
BUSH CASQUILLO
LEVER PALANCA
BUCHA
ALAVANCA
C026502 E03 12/05
(1)
105 130
Alavanca Do Freio
Lever Kit
Juego De Palanca
105 130
-
Menu Símbolos
EE74Z001
036857N1
1
2
195910M1
036858P1
1
1
BUSH CASQUILLO
LEVER PALANCA
BUCHA
ALAVANCA
C026502 E03 12/05
(1)
105 135
Lado Direito
Right Hand
Lado Derecho
Alavanca Do Freio
Lever
Palanca
105 135
-
Menu Símbolos
EB95Z008
027958N2
027958N2
1
2 184592M1
1
2
PEDAL PEDAL
BUSH CASQUILLO
PEDAL
BUCHA
C026502 E03 12/05
(1)
105 140
Lado Esquerdo
Left Hand
Lado Izquierdo
Pedal Do Freio
Brake Pedal
Pedal De Freno
105 140
-
Menu Símbolos
EB97Z011
027750N2
1
2
027751S2
184592M1
1
2
PEDAL PEDAL
BUSH CASQUILLO
PEDAL
BUCHA
C026502 E03 12/05
(1)
105 145
Pedal
Pedal
Pedal
Embreagem
Clutch
Embrague
105 145
-
Menu Símbolos
E023Z001
027960N1
027960N1
1
2 184592M1
1
2
PEDAL PEDAL
BUSH CASQUILLO
PEDAL
BUCHA
C026502 E03 12/05
(1)
105 150
Lado Direito
Right Hand
Lado Derecho
Pedal De Freio
Brake Pedal
Pedal De Freno
105 150
-
Menu Símbolos
IS40Z001
022532N1
022532N1
1
2 184592M1
1
2
PEDAL PEDAL
BUSH CASQUILLO
PEDAL
BUCHA
C026502 E03 12/05
(1)
105 155
Pedal
Pedal
Pedal
Embreagem
Clutch
Embrague
105 155
-
Menu Símbolos
ED96Z001
21483412
1
1
2
3
4
4
5
6
7
8
9
10
11
12
13
14
15
16
17
18
19
20
21
22
23
24
24
25
26
27
28
29
022888S1
022889S1
353810X1
353816X1
022884S2
061203S1
339369X1
391375X1
353677X1
353446X1
829185M1
353679X1
353446X1
829185M1
071754P1
355565X1
355565X1
339534X1
353434X1
353431X1
355564X1
353441X1
355617X1
506293M1
353666X1
022886P2
022887P2
339139X1
339369X1
339534X1
353434X1
353431X1
1
1
4
8
1
1
2
2
8
8
16
4
4
8
2
4
8
8
8
8
10
10
20
2
10
1
1
12
12
4
4
4
FENDER GUARDABARRO
FENDER GUARDABARRO
BOLT PERNO
BOLT PERNO
BRACKET SOPORTE
BRACKET SOPORTE
WASHER ARANDELA
BOLT PERNO
BOLT PERNO
WASHER ARANDELA
WASHER ARANDELA
BOLT PERNO
WASHER ARANDELA
WASHER ARANDELA
EXTENSION EXTENSION
NUT TUERCA
NUT TUERCA
WASHER ARANDELA
WASHER ARANDELA
NUT TUERCA
NUT TUERCA
WASHER ARANDELA
WASHER ARANDELA
STAPLE GRAPA
BOLT PERNO
EXTENSION EXTENSION
EXTENSION EXTENSION
BOLT PERNO
WASHER ARANDELA
WASHER ARANDELA
WASHER ARANDELA
NUT TUERCA
PÁRA-LAMA
PÁRA-LAMA
PARAFUSO
PARAFUSO
SUPORTE
SUPORTE
ARRUELA
PARAFUSO
PARAFUSO
ARRUELA
ARRUELA
PARAFUSO
ARRUELA
ARRUELA
EXTENSÃO
PORCA
PORCA
ARRUELA
ARRUELA
PORCA
PORCA
ARRUELA
ARRUELA
PRESILHA
PARAFUSO
EXTENSÃO
EXTENSÃO
PARAFUSO
ARRUELA
ARRUELA
ARRUELA
PORCA
C026502 E03 12/05
(1)
105 160
Para-Lama
Mudguard
Guardabarros
105 160
-
Menu Símbolos
ED96Z002
21483414
1
1
2
3
4
4
5
6
7
8
9
10
11
12
13
14
15
16
17
18
19
20
21
22
22
23
24
25
26
27
28
022891S1
022892S1
353810X1
353816X1
022880S2
022881S3
353677X1
353446X1
829185M1
353679X1
353446X1
829185M1
071754P1
355565X1
355565X1
339534X1
353434X1
353431X1
355564X1
353441X1
355617X1
506293M1
353666X1
022886P2
022887P2
022894P1
339139X1
339369X1
339534X1
353434X1
353431X1
1
1
4
8
1
1
8
8
16
4
4
8
2
4
8
8
8
8
10
10
20
2
10
1
1
4
12
12
4
4
4
FENDER GUARDABARRO
FENDER GUARDABARRO
BOLT PERNO
BOLT PERNO
BRACKET SOPORTE
SUPPORT DISPOS.DE SOSTEN
BOLT PERNO
WASHER ARANDELA
WASHER ARANDELA
BOLT PERNO
WASHER ARANDELA
WASHER ARANDELA
EXTENSION EXTENSION
NUT TUERCA
NUT TUERCA
WASHER ARANDELA
WASHER ARANDELA
NUT TUERCA
NUT TUERCA
WASHER ARANDELA
WASHER ARANDELA
STAPLE GRAPA
BOLT PERNO
EXTENSION EXTENSION
EXTENSION EXTENSION
PAD ALMOHADILLA
BOLT PERNO
WASHER ARANDELA
WASHER ARANDELA
WASHER ARANDELA
NUT TUERCA
PÁRA-LAMA
PÁRA-LAMA
PARAFUSO
PARAFUSO
SUPORTE
SUPORTE
PARAFUSO
ARRUELA
ARRUELA
PARAFUSO
ARRUELA
ARRUELA
EXTENSÃO
PORCA
PORCA
ARRUELA
ARRUELA
PORCA
PORCA
ARRUELA
ARRUELA
PRESILHA
PARAFUSO
EXTENSÃO
EXTENSÃO
TAMPÃO
PARAFUSO
ARRUELA
ARRUELA
ARRUELA
PORCA
C026502 E03 12/05
(1)
105 170
Para-Lama
Mudguard
Guardabarros
105 170
-
Menu Símbolos
ED96Z021
T0234015
1
2
3
4
5
6
7
8
9
10
11
12
13
14
15
16
17
18
19
20
21
22
23
24
071069S1
072843S1
072842S1
338600X1
353432X1
071068S1
361791X1
353439X1
353723X1
355565X1
353446X1
829185M1
353677X1
072830S1
832813M1
3808593M1
354059X1
339402X1
339376X1
339401X1
339169X1
339374X1
339124X1
072811P1
1
1
1
8
8
1
8
8
8
4
4
8
4
1
1
1
1
4
4
4
4
4
4
2
BRACKET SOPORTE
FENDER GUARDABARRO
FENDER GUARDABARRO
NUT TUERCA
WASHER ARANDELA
BRACKET SOPORTE
BOLT PERNO
WASHER ARANDELA
BOLT PERNO
NUT TUERCA
WASHER ARANDELA
WASHER ARANDELA
BOLT PERNO
KIT, PIPE JUEGO CANO
PIN PASADOR
HOOK GANCHO
DOWEL CENTRAJE
NUT TUERCA
WASHER ARANDELA
BOLT PERNO
NUT TUERCA
WASHER ARANDELA
BOLT PERNO
BRACKET SOPORTE
SUPORTE
PÁRA-LAMA
PÁRA-LAMA
PORCA
ARRUELA
SUPORTE
PARAFUSO
ARRUELA
PARAFUSO
PORCA
ARRUELA
ARRUELA
PARAFUSO
CJ. TUBO
PINO
GANCHO
CONTRAPINO
PORCA
ARRUELA
PARAFUSO
PORCA
ARRUELA
PARAFUSO
SUPORTE
C026502 E03 12/05
(1)
105 175
Para-Lama
Mudguard
Guardabarros
105 175
-
Menu Símbolos
ED96Z008
T0234002
1
2
3
4
5
6
7
8
9
10
11
12
13
068113S1
036935S1
036934S1
338600X1
353432X1
068034S1
377563X1
353439X1
353723X1
355565X1
353446X1
829185M1
353677X1
1
1
1
8
8
1
8
8
8
4
4
8
4
BRACKET SOPORTE
FENDER GUARDABARRO
FENDER GUARDABARRO
NUT TUERCA
WASHER ARANDELA
BRACKET SOPORTE
BOLT PERNO
WASHER ARANDELA
BOLT PERNO
NUT TUERCA
WASHER ARANDELA
WASHER ARANDELA
BOLT PERNO
SUPORTE
PÁRA-LAMA
PÁRA-LAMA
PORCA
ARRUELA
SUPORTE
PARAFUSO
ARRUELA
PARAFUSO
PORCA
ARRUELA
ARRUELA
PARAFUSO
C026502 E03 12/05
(1)
Estreito
Narrow
Estrecho
105 180
Para-Lama
Mudguard
Guardabarros
105 180
-
Menu Símbolos
E016Z002
T0288034
1
1
2
3
4
063609S1
063610S1
368547X1
353775X1
366957X1
1
1
8
8
8
CLEVIS GANCHO SEGURI.
CLEVIS GANCHO SEGURI.
BOLT PERNO
WASHER ARANDELA
NUT TUERCA
SUPORTE
SUPORTE
PARAFUSO
ARRUELA
PORCA
C026502 E03 12/05
(1)
105 185
Paralama
Fender
Guardafangos
Suporte
Support
Soporte
105 185
-
Menu Símbolos
EH62Z003
T0230046
1
2
3
4
5
6
7
8
9
10
11
12
13
14
15
16
17
17
18
19
20
033591S1
377825X1
027352S1
027368P1
353432X1
353698X1
353756X1
353434X1
353431X1
037902P1
353518X1
829185M1
353446X1
353916X1
377184X1
353432X1
027355S1
027356S1
353810X1
027349P1
377622X1
1
2
1
2
4
4
7
8
8
1
1
1
1
1
4
4
1
1
8
1
3
FOOT REST REPOSAPIES
BOLT PERNO
FOOT REST REPOSAPIES
BRACKET SOPORTE
WASHER ARANDELA
BOLT PERNO
WASHER ARANDELA
WASHER ARANDELA
NUT TUERCA
FOOT BOARD ESTRIBO
BOLT PERNO
WASHER ARANDELA
WASHER ARANDELA
NUT TUERCA
BOLT PERNO
WASHER ARANDELA
BRACKET SOPORTE
BRACKET SOPORTE
BOLT PERNO
FOOT REST REPOSAPIES
BOLT PERNO
SOLEIRA
PARAFUSO
SOLEIRA
SUPORTE
ARRUELA
PARAFUSO
ARRUELA
ARRUELA
PORCA
ESTRIBO
PARAFUSO
ARRUELA
ARRUELA
PORCA
PARAFUSO
ARRUELA
SUPORTE
SUPORTE
PARAFUSO
SOLEIRA
PARAFUSO
C026502 E03 12/05
(1)
2 Rm - Estreito - Com Redutor De Velocidade
2 Wd - Narrow - With Creeper
2 Rm - Estrecho - Con Reducción De Velociad
105 190
Soleira E Estribo
Footsteps
Chapas De Piso
105 190
-
Menu Símbolos
1750Z003
T0230047
1
2
3
4
5
6
7
8
9
10
10
11
12
13
14
15
16
354138X1
052834S1
052835S1
027368P1
353756X1
353434X1
353431X1
353698X1
353432X1
036925S1
036924S1
353810X1
037902P1
353518X1
829185M1
353446X1
353916X1
1
1
1
2
6
6
6
4
3
1
1
6
1
1
1
1
1
BOLT PERNO
FOOT REST REPOSAPIES
FOOT REST REPOSAPIES
BRACKET SOPORTE
WASHER ARANDELA
WASHER ARANDELA
NUT TUERCA
BOLT PERNO
WASHER ARANDELA
BRACKET SOPORTE
BRACKET SOPORTE
BOLT PERNO
FOOT BOARD ESTRIBO
BOLT PERNO
WASHER ARANDELA
WASHER ARANDELA
NUT TUERCA
PARAFUSO
SOLEIRA
SOLEIRA
SUPORTE
ARRUELA
ARRUELA
PORCA
PARAFUSO
ARRUELA
SUPORTE
SUPORTE
PARAFUSO
ESTRIBO
PARAFUSO
ARRUELA
ARRUELA
PORCA
C026502 E03 12/05
(1)
Estreito
Narrow
Estrecho
105 195
Soleira
Footstep
Estribos
105 195
-
Menu Símbolos
EH64Z001
T0230011
1
2
3
4
5
6
7
8
9
10
11
12
13
14
15
16
17
17
18
19
20
21
22
23
24
25
26
27
28
29
30
353810X1
027349P1
027349P1
027368P1
353432X1
353698X1
353756X1
353434X1
353431X1
037902P1
353446X1
829185M1
353517X1
353916X1
377184X1
353432X1
036863S1
036864S1
069221S1
339401X1
339376X1
062960S1
339761X1
339024X1
339374X1
339169X1
353699X1
353432X1
353426X1
353432X1
355619X1
8
1
1
2
4
4
7
8
8
1
1
1
1
1
4
4
1
1
1
4
4
1
2
4
2
2
1
1
1
1
1
BOLT PERNO
FOOT REST REPOSAPIES
FOOT REST REPOSAPIES
BRACKET SOPORTE
WASHER ARANDELA
BOLT PERNO
WASHER ARANDELA
WASHER ARANDELA
NUT TUERCA
FOOT BOARD ESTRIBO
WASHER ARANDELA
WASHER ARANDELA
BOLT PERNO
NUT TUERCA
BOLT PERNO
WASHER ARANDELA
BRACKET SOPORTE
BRACKET SOPORTE
TABLE MESA
BOLT PERNO
WASHER ARANDELA
CLEVIS GANCHO SEGURI.
BOLT PERNO
WASHER ARANDELA
WASHER ARANDELA
NUT TUERCA
BOLT PERNO
WASHER ARANDELA
NUT TUERCA
WASHER ARANDELA
WASHER ARANDELA
PARAFUSO
SOLEIRA
SOLEIRA
SUPORTE
ARRUELA
PARAFUSO
ARRUELA
ARRUELA
PORCA
ESTRIBO
ARRUELA
ARRUELA
PARAFUSO
PORCA
PARAFUSO
ARRUELA
SUPORTE
SUPORTE
PLATAFORMA
PARAFUSO
ARRUELA
SUPORTE
PARAFUSO
ARRUELA
ARRUELA
PORCA
PARAFUSO
ARRUELA
PORCA
ARRUELA
ARRUELA
C026502 E03 12/05
(1)
105 200
4rm
4wd
4rm
Soleira E Estribo
Footsteps
Chapas De Piso
105 200
-
Menu Símbolos
3/8x24x1.1/4
7/16x14x1"
3/8x24
5/16x24x3/4
5/16x24
7/16x14x1.3/4
EH66Z001
T0230015
1
2
3
4
5
6
7
8
9
10
11
12
13
14
15
16
17
17
353810X1
037587S1
037589S1
027368P1
353432X1
353698X1
353756X1
353434X1
353431X1
037902P1
353446X1
829185M1
353517X1
353916X1
377184X1
353432X1
036924S1
036925S1
9
1
1
2
4
4
8
9
9
1
1
1
1
1
4
4
1
1
BOLT PERNO
FOOT REST REPOSAPIES
FOOT REST REPOSAPIES
BRACKET SOPORTE
WASHER ARANDELA
BOLT PERNO
WASHER ARANDELA
WASHER ARANDELA
NUT TUERCA
FOOT BOARD ESTRIBO
WASHER ARANDELA
WASHER ARANDELA
BOLT PERNO
NUT TUERCA
BOLT PERNO
WASHER ARANDELA
BRACKET SOPORTE
BRACKET SOPORTE
PARAFUSO
SOLEIRA
SOLEIRA
SUPORTE
ARRUELA
PARAFUSO
ARRUELA
ARRUELA
PORCA
ESTRIBO
ARRUELA
ARRUELA
PARAFUSO
PORCA
PARAFUSO
ARRUELA
SUPORTE
SUPORTE
C026502 E03 12/05
(1)
105 205
Estreito
Narrow
Estrecho
Soleira E Estribo
Footsteps
Chapas De Piso
105 205
-
Menu Símbolos
EH68Z001
21483068
3411708M91
1
2
3
4
4
5
6
7
8
9
10
11
12
13
14
15
037587S1
037589S1
037902P1
036924S1
036925S1
2802236M3
2802237M3
027368P1
353698X1
353432X1
353810X1
353756X1
353434X1
353431X1
354138X1
1
1
1
1
1
1
1
2
4
4
6
4
6
6
1
1
15
15
15
15
15
15
15
15
15
15
15
15
15
15
15
FOOT REST REPOSAPIES
FOOT REST REPOSAPIES
FOOT BOARD ESTRIBO
BRACKET SOPORTE
BRACKET SOPORTE
BRACKET SOPORTE
BRACKET SOPORTE
BRACKET SOPORTE
BOLT PERNO
WASHER ARANDELA
BOLT PERNO
WASHER ARANDELA
WASHER ARANDELA
NUT TUERCA
BOLT PERNO
FOOTSTEP CHAPAS DE PISO
SOLEIRA
SOLEIRA
ESTRIBO
SUPORTE
SUPORTE
SUPORTE
SUPORTE
SUPORTE
PARAFUSO
ARRUELA
PARAFUSO
ARRUELA
ARRUELA
PORCA
PARAFUSO
CJ. SOLEIRA
C026502 E03 12/05
(1)
2 Rodas Motrizes - Estreito
2 Wheels Drive - Narrow
2 Ruedas Motriz - Estrecho
105 210
Soleira
Footsteps
Chapas De Piso
105 210
-
Menu Símbolos
EH63Z002
21483076
027389N1
1
2
3
4
5
6
7
8
9
10
10
11
12
13
14
15
16
17
18
027351S1
033590S1
353810X1
353434X1
353756X1
353431X1
886086M1
377184X1
353432X1
027355S1
027356S1
353698X1
353432X1
353518X1
829185M1
353446X1
353916X1
027368P1
1
1
8
8
7
8
1
4
4
1
1
4
4
1
1
1
1
2
1
18
18
18
18
18
18
18
18
18
18
18
18
18
18
18
18
18
18
FOOT REST REPOSAPIES
FOOT REST REPOSAPIES
BOLT PERNO
WASHER ARANDELA
WASHER ARANDELA
NUT TUERCA
STEP ESCALON
BOLT PERNO
WASHER ARANDELA
BRACKET SOPORTE
BRACKET SOPORTE
BOLT PERNO
WASHER ARANDELA
BOLT PERNO
WASHER ARANDELA
WASHER ARANDELA
NUT TUERCA
BRACKET SOPORTE
FOOTSTEP CHAPAS DE PISO
SOLEIRA
SOLEIRA
PARAFUSO
ARRUELA
ARRUELA
PORCA
DEGRAU
PARAFUSO
ARRUELA
SUPORTE
SUPORTE
PARAFUSO
ARRUELA
PARAFUSO
ARRUELA
ARRUELA
PORCA
SUPORTE
CJ. SOLEIRA
C026502 E03 12/05
(1)
105 215
2rm
2wd
2rm
Soleira E Estribo
Footsteps
Chapas De Piso
105 215
-
Menu Símbolos
EH62Z001
21483077
1
2
3
4
5
6
7
8
9
10
11
12
13
13
14
15
16
17
18
19
20
21
377825X1
027349P1
377622X1
027352S1
033591S1
353810X1
353434X1
353756X1
353431X1
886086M1
377184X1
353432X1
027355S1
027356S1
353698X1
353432X1
353518X1
829185M1
353446X1
353916X1
027368P1
1869272M1
2
1
3
1
1
8
8
7
8
1
4
4
1
1
4
4
1
1
1
1
2
3
BOLT PERNO
FOOT REST REPOSAPIES
BOLT PERNO
FOOT REST REPOSAPIES
FOOT REST REPOSAPIES
BOLT PERNO
WASHER ARANDELA
WASHER ARANDELA
NUT TUERCA
STEP ESCALON
BOLT PERNO
WASHER ARANDELA
BRACKET SOPORTE
BRACKET SOPORTE
BOLT PERNO
WASHER ARANDELA
BOLT PERNO
WASHER ARANDELA
WASHER ARANDELA
NUT TUERCA
BRACKET SOPORTE
SPACER PIEZA DISTANCIA
PARAFUSO
SOLEIRA
PARAFUSO
SOLEIRA
SOLEIRA
PARAFUSO
ARRUELA
ARRUELA
PORCA
DEGRAU
PARAFUSO
ARRUELA
SUPORTE
SUPORTE
PARAFUSO
ARRUELA
PARAFUSO
ARRUELA
ARRUELA
PORCA
SUPORTE
ESPAÇADOR
C026502 E03 12/05
(1)
4 Rodas Motrizes - Tração Central
4 Wheels Drive - Central Traction
4 Ruedas Motriz - Tracción Central
105 220
Soleira E Estribo
Footsteps
Chapas De Piso
105 220
-
Menu Símbolos
EH68Z013
T0230095
1
2
3
4
5
6
7
8
9
10
10
11
12
13
14
15
16
17
353810X1
353434X1
353756X1
353431X1
037902P1
353518X1
353446X1
829185M1
353916X1
036924S1
036925S1
071053S1
071054S1
027368P1
377184X1
353432X1
353698X1
353432X1
8
8
7
8
1
1
1
1
1
1
1
1
1
2
4
4
4
4
BOLT PERNO
WASHER ARANDELA
WASHER ARANDELA
NUT TUERCA
FOOT BOARD ESTRIBO
BOLT PERNO
WASHER ARANDELA
WASHER ARANDELA
NUT TUERCA
BRACKET SOPORTE
BRACKET SOPORTE
FOOT REST REPOSAPIES
FOOT REST REPOSAPIES
BRACKET SOPORTE
BOLT PERNO
WASHER ARANDELA
BOLT PERNO
WASHER ARANDELA
PARAFUSO
ARRUELA
ARRUELA
PORCA
ESTRIBO
PARAFUSO
ARRUELA
ARRUELA
PORCA
SUPORTE
SUPORTE
SOLEIRA
SOLEIRA
SUPORTE
PARAFUSO
ARRUELA
PARAFUSO
ARRUELA
C026502 E03 12/05
(1)
Citrus
Citrus
Citrus
105 225
Soleira
Footsteps
Chapas De Piso
105 225
-
Menu Símbolos
EH68Z011
T0230096
1
2
3
4
5
6
7
8
9
10
10
11
12
13
14
15
16
17
353810X1
353434X1
353756X1
353431X1
037902P1
353518X1
353446X1
829185M1
353916X1
036924S1
036925S1
071561S1
071563S1
027368P1
377184X1
353432X1
353698X1
353432X1
8
8
7
8
1
1
1
1
1
1
1
1
1
2
4
4
4
4
BOLT PERNO
WASHER ARANDELA
WASHER ARANDELA
NUT TUERCA
FOOT BOARD ESTRIBO
BOLT PERNO
WASHER ARANDELA
WASHER ARANDELA
NUT TUERCA
BRACKET SOPORTE
BRACKET SOPORTE
FOOT REST REPOSAPIES
FOOT REST REPOSAPIES
BRACKET SOPORTE
BOLT PERNO
WASHER ARANDELA
BOLT PERNO
WASHER ARANDELA
PARAFUSO
ARRUELA
ARRUELA
PORCA
ESTRIBO
PARAFUSO
ARRUELA
ARRUELA
PORCA
SUPORTE
SUPORTE
SOLEIRA
SOLEIRA
SUPORTE
PARAFUSO
ARRUELA
PARAFUSO
ARRUELA
C026502 E03 12/05
(1)
Com Creeper / Citrus
With Creeper / Citrus
Con Creeper / Citrus
105 230
Soleira
Footsteps
Chapas De Piso
105 230
-
Menu Símbolos
ED08Z010
T0288018
105-250 No
1
2
3
4
4
5
6
7
8
063361N1
339030X1
339375X1
3587343M1
3587344M1
3587400M91
373686X1
353775X1
366957X1
1
2
2
1
1
2
8
8
8
STRUCTURE ESTRUCTURA
NUT TUERCA
WASHER ARANDELA
BRACKET SOPORTE
BRACKET SOPORTE
REFLECTOR CATADIOPTRICO
BOLT PERNO
WASHER ARANDELA
NUT TUERCA
ESTRUTURA
PORCA
ARRUELA
SUPORTE
SUPORTE
REFLETOR
PARAFUSO
ARRUELA
PORCA
C026502 E03 12/05
(1)
Basculante
Inclinable
Inclinable
105 235
Estrutura De Proteção
Roll- Over Protective
Estructura De Protecion
105 235
-
Menu Símbolos
ED08Z011
T0288019
1
2
3
4
062910S1
353775X1
366957X1
373686X1
1
8
8
8
STRUCTURE ESTRUCTURA
WASHER ARANDELA
NUT TUERCA
BOLT PERNO
ESTRUTURA
ARRUELA
PORCA
PARAFUSO
C026502 E03 12/05
(1)
Rígido
Rigid
Rígido
105 240
Estrutura De Proteção
Roll- Over Protective
Estructura De Protecion
105 240
-
Menu Símbolos
ED09Z001
022756N1
1
2
3
4
5
6
7
022759S1
339034X1
339035X1
3009255X1
022758S1
022757S1
390864X1
1
6
2
2
1
1
6
BRIDGE PIECE CODO DE CRUCE
NUT TUERCA
NUT TUERCA
BOLT PERNO
COLUMN COLUMNA
COLUMN COLUMNA
BOLT PERNO
TRAVESSA
PORCA
PORCA
PARAFUSO
COLUNA
COLUNA
PARAFUSO
C026502 E03 12/05
(1)
105 245
Rops Basculante
Rops Inclinable
Rops Inclinable
Estrutura De Proteção
Roll- Over Protective
Estructura De Protecion
105 245
-
Menu Símbolos
M20x2.5x100
5/16x18
3/8x16x1 1/4
5/16x18x3/4
11/16x3/8x1 1/16
5/16x18
M20x2.5
E015Z002
063361N1
1
2
3
4
5
6
7
8
9
10
11
12
14
15
16
063537S1
063553S1
063554S1
391332X1
057930N1
057931P1
368897X1
026638P1
353681X1
360826X1
829185M1
026637P1
368897X1
1442552X1
2833960M1
1
1
1
2
2
2
1
1
1
1
1
1
1
2
2
PIPE CANO
COLUMN COLUMNA
COLUMN COLUMNA
BOLT PERNO
PIN PASADOR
STAPLE GRAPA
NUT TUERCA
PIN PASADOR
BOLT PERNO
BOLT PERNO
WASHER ARANDELA
FASTENER CIERRE
NUT TUERCA
NUT TUERCA
RIVET REMACHE
TUBO
COLUNA
COLUNA
PARAFUSO
PINO
PRESILHA
PORCA
PINO
PARAFUSO
PARAFUSO
ARRUELA
FIXAÇÃO
PORCA
PORCA
REBITE
C026502 E03 12/05
(1)
Basculante
Inclinable
Inclinable
105 250
Estrutura De Proteção
Roll - Over Protective
Estructura De Protecion
105 250
-
Menu Símbolos
M12x1,25x45
EI26Z004
T0288011
1
2
3
4
047162S1
1441368X1
339369X1
044808P1
1
4
4
2
CANOPY DOSEL
BOLT PERNO
WASHER ARANDELA
ATTACHMENT ADITAMENTO
TOLDO
PARAFUSO
ARRUELA
FIXADOR
C026502 E03 12/05
(1)
105 255
Toldo
Canopy
Toldo
105 255
-
Menu Símbolos
7.50X16
EG34Z001
21481701
2801498M91
130-55 No
1
2
3
488030M92
488334M91
1
1
1
1
1
WHEELS RODAJE
TYRE AND TUBE NEUM.Y.CAMARA
WHEEL RUEDA
RODAGEM
CJ.PNEU E CÂMARA
RODA
C026502 E03 12/05
(1)
130 10
7.50-16f2 (6l)
7.50-16f2 (6l)
7.50-16f2 (6l)
Rodas Dianteiras
Front Wheels
Ruedas Delanteras
130 10
-
Menu Símbolos
650X16
EG19Z001
21481712
3149799M91
130-60 No
1
2
3
3146503M91
489331M91
2
1
1
1
1
WHEELS RODAJE
TYRE AND TUBE NEUM.Y.CAMARA
RIM LLANTA
CJ. RODAGEM
CJ.PNEU E CÂMARA
ARO
C026502 E03 12/05
(1)
130 15
9.00-16f2 (6l)
9.00-16f2 (6l)
9.00-16f2 (6l)
Rodas Dianteiras
Front Wheels
Ruedas Delanteras
130 15
-
Menu Símbolos
EG34Z002
21481751
3145661M91
130-55 No
1
2
3
488030M92
3147067M91
1
1
1
1
1
WHEELS RODAJE
TYRE AND TUBE NEUM.Y.CAMARA
WHEEL RUEDA
CJ. RODAGEM
CJ.PNEU E CÂMARA
RODA
C026502 E03 12/05
(1)
130 20
7.50-16f2 (6l)
7.50-16f2 (6l)
7.50-16f2 (6l)
Rodas Dianteiras
Front Wheels
Ruedas Delanteras
130 20
-
Menu Símbolos
6.00X16
6.00X16-6L
EJ62Z001
21481752
3145665M91
1
2
3
4
5
3145680M91
488506M91
2801455M1
3145681M1
1
2
2
1
1
1
1
2
2
WHEELS RODAJE
TYRE AND TUBE NEUM.Y.CAMARA
WHEEL RUEDA
CHAMBER CAMARA
TYRE NEUMATICO
RODAGEM
CJ.PNEU E CÂMARA
RODA
CÂMARA
PNEU
C026502 E03 12/05
(1)
130 25
6.00 X 16
6.00 X 16
6.00 X 16
Rodagem
Wheels
Ruedas
130 25
-
Menu Símbolos
6L
N092Z001
21481760
1
2
3
4
5
6
7
8
9
3411239M91
3408246M1
3408340M91
3411240M1
027646P1
353427X1
3408326M1
3408327M1
3408345M91
1
6
1
1
6
6
1
1
1
1
1
1
1
1
9
9
KIT, WHEEL JUEGO DE RUEDA
BOLT PERNO
RIM LLANTA
DISC DISCO
WASHER ARANDELA
NUT TUERCA
CHAMBER CAMARA
TYRE NEUMATICO
TYRE AND TUBE NEUM.Y.CAMARA
CJ. RODA
PARAFUSO
ARO
DISCO
ARRUELA
PORCA
CÂMARA
PNEU
CJ.PNEU E CÂMARA
C026502 E03 12/05
(1)
130 30
12.4-24 R1 (6l)
12.4-24 R1 (6l)
12.4-24 R1 (6l)
Rodas Dianteiras
Front Wheels
Ruedas Delanteras
130 30
-
Menu Símbolos
13X24
14.9/13X24
EG24Z001
21481761
1
2
3
4
5
6
7
8
9
3411241M91
3408246M1
487150M92
3411240M1
027646P1
353427X1
182578M1
831521M1
831522M91
1
6
1
1
8
6
1
1
1
1
1
1
1
1
9
9
WHEEL RUEDA
BOLT PERNO
RIM LLANTA
DISC DISCO
WASHER ARANDELA
NUT TUERCA
CHAMBER CAMARA
TYRE NEUMATICO
TYRE AND TUBE NEUM.Y.CAMARA
RODA
PARAFUSO
ARO
DISCO
ARRUELA
PORCA
CÂMARA
PNEU
CJ.PNEU E CÂMARA
C026502 E03 12/05
(1)
130 35
14.9-24r1 (6l)
14.9-24r1 (6l)
14.9-24r1 (6l)
Rodas Dianteiras
Front Wheels
Ruedas Delanteras
130 35
-
Menu Símbolos
8.3X24
EG21Z001
T0217007
1
2
3
4
5
6
7
8
9
037008N1
3408246M1
037009S1
037010P1
353774X1
353427X1
036996P1
036995P1
036994N1
1
6
1
1
6
6
1
1
1
1
1
1
1
1
9
9
WHEEL RUEDA
BOLT PERNO
RIM LLANTA
DISC DISCO
WASHER ARANDELA
NUT TUERCA
CHAMBER CAMARA
TYRE NEUMATICO
TYRE AND TUBE NEUM.Y.CAMARA
RODA
PARAFUSO
ARO
DISCO
ARRUELA
PORCA
CÂMARA
PNEU
CJ.PNEU E CÂMARA
C026502 E03 12/05
(1)
130 40
8.30-24r1 (6l)
8.30-24r1 (6l)
8.30-24r1 (6l)
Rodas Dianteiras
Front Wheels
Ruedas Delanteras
130 40
-
Menu Símbolos
7.00X18
N093Z001
T0217008
1
2
3
4
036997N1
036999P1
036998P1
036938S1
2
2
2
1
1
1
TYRE AND TUBE NEUM.Y.CAMARA
CHAMBER CAMARA
TYRE NEUMATICO
WHEEL RUEDA
CJ.PNEU E CÂMARA
CÂMARA
PNEU
RODA
C026502 E03 12/05
(1)
4rm - Estreito - 7.00-18r1
4wd - Narrow - 7.00-18r1
4rm - Estrecho - 7.00-18r1
130 45
Rodas Dianteiras
Front Wheels
Ruedas Delanteras
130 45
-
Menu Símbolos
8.00X18
EJ63Z001
T0217009
1
2
3
4
036939N1
036941P1
036940P1
036938S1
2
1
1
2
1
1
TYRE AND TUBE NEUM.Y.CAMARA
CHAMBER CAMARA
TYRE NEUMATICO
WHEEL RUEDA
CJ.PNEU E CÂMARA
CÂMARA
PNEU
RODA
C026502 E03 12/05
(1)
130 50
8.00 X 18 R1
8.00 X 18 R1
8.00 X 18 R1
Rodagem
Wheels
Ruedas
130 50
-
Menu Símbolos
7.50X16L8
7.50X16
EK76Z001
488030M92
1
2
3149495M1
488036M1
1
1
TYRE NEUMATICO
CHAMBER CAMARA
PNEU
CÂMARA
C026502 E03 12/05
(1)
2 Rodas Motrizes
2 Wheels Drive
2 Ruedas Motriz
130 55
7.50-16f2 (6l)
7.50-16f2 (6l)
7.50-16f2 (6l)
Pneu & Câmara
Tyre & Chamber
Neum & Camara
130 55
-
Menu Símbolos
9.00X16 10L
9.00 X 16
EK66Z001
3146503M91
1
2
3146504M1
880481M1
1
1
TYRE NEUMATICO
CHAMBER CAMARA
PNEU
CÂMARA
C026502 E03 12/05
(1)
130 60
9.00-16f2 (6l)
9.00-16f2 (6l)
9.00-16f2 (6l)
Pneu & Câmara
Tyre & Chamber
Neum & Camara
130 60
-
Menu Símbolos
23.1/18X26
DW20X26
EG06Z001
21481512
1
2
3
4
5
5
490215M91
490216M1
490217M1
1481017M92
847417M1
3410536M1
2
1
1
2
16
16
1
1
TYRE AND TUBE NEUM.Y.CAMARA
TYRE NEUMATICO
CHAMBER CAMARA
RIM LLANTA
NUT TUERCA
WASHER ARANDELA
CJ.PNEU E CÂMARA
PNEU
CÂMARA
ARO
PORCA
ARRUELA
C026502 E03 12/05
(1)
130 65
23.1-26r2 (8l)
23.1-26r2 (8l)
23.1-26r2 (8l)
Rodas Traseiras
Rear Wheels
Ruedas Traseras
130 65
-
Menu Símbolos
14X30 PAVT
EF86Z001
21481523
2
3
4
5
6
7
8
9
10
11
12
13
14
15
1481659M91
897721M91
487870M91
487868M1
487869M1
1481045M1
1484541M1
353440X1
353775X1
898021M1
1751403M1
898022M2
363296X1
3147093M1
1
1
1
1
1
8
5
5
5
5
2
2
5
1
2
2
4
4
KIT, WHEEL JUEGO DE RUEDA
RIM LLANTA
TYRE AND TUBE NEUM.Y.CAMARA
TYRE NEUMATICO
CHAMBER CAMARA
NUT TUERCA
NUT TUERCA
WASHER ARANDELA
WASHER ARANDELA
CRAMP PASADOR
BOLT PERNO
LIMITATION WHEEL LIMITATION WHEEL
BOLT PERNO
DISC DISCO
CJ. RODA
ARO
CJ.PNEU E CÂMARA
PNEU
CÂMARA
PORCA
PORCA
ARRUELA
ARRUELA
GRAMPO
PARAFUSO
LIMITADOR RODA
PARAFUSO
DISCO
C026502 E03 12/05
(1)
130 70
18.4-30r2 (6l)
18.4-30r2 (6l)
18.4-30r2 (6l)
Rodas Traseiras
Rear Wheels
Ruedas Traseras
130 70
-
Menu Símbolos
PAVT
EF87Z001
21481524
3149641M91
3149493M1
2
3
4
5
6
7
8
9
10
11
12
13
14
15
1481920M91
897721M91
488092M91
487951M1
487869M1
1481045M1
1484541M1
353440X1
353775X1
898021M1
1751403M1
898022M2
363296X1
3147093M1
1
1
1
1
1
8
5
5
5
5
2
2
5
1
2
2
4
4
KIT, WHEEL JUEGO DE RUEDA
RIM LLANTA
TYRE AND TUBE NEUM.Y.CAMARA
TYRE NEUMATICO
CHAMBER CAMARA
NUT TUERCA
NUT TUERCA
WASHER ARANDELA
WASHER ARANDELA
CRAMP PASADOR
BOLT PERNO
LIMITATION WHEEL LIMITATION WHEEL
BOLT PERNO
DISC DISCO
CJ. RODA
ARO
CJ.PNEU E CÂMARA
PNEU
CÂMARA
PORCA
PORCA
ARRUELA
ARRUELA
GRAMPO
PARAFUSO
LIMITADOR RODA
PARAFUSO
DISCO
C026502 E03 12/05
(1)
130 75
18.4-30 R1 (10l)
18.4-30 R1 (10l)
18.4-30 R1 (10l)
Rodas Traseiras
Rear Wheels
Ruedas Traseras
130 75
-
Menu Símbolos
10L
EG03Z001
21481550
3408329M91
3149493M1
1
2
3
4
5
6
7
8
9
10
11
12
488092M91
3587146M91
487951M1
487869M1
3149812M1
3408526M91
3587145M1
027646P1
353427X1
3410536M1
847417M1
1
2
2
2
1
8
1
1
8
8
16
16
1
1
2
2
3
3
3
3
3
1
1
WHEELS RODAJE
TYRE AND TUBE NEUM.Y.CAMARA
WHEEL RUEDA
TYRE NEUMATICO
CHAMBER CAMARA
BOLT PERNO
RIM LLANTA
DISC DISCO
WASHER ARANDELA
NUT TUERCA
WASHER ARANDELA
NUT TUERCA
RODAGEM
CJ.PNEU E CÂMARA
RODA
PNEU
CÂMARA
PARAFUSO
ARO
DISCO
ARRUELA
PORCA
ARRUELA
PORCA
C026502 E03 12/05
(1)
130 80
18.4-30 R1 ( 10 L )
18.4-30 R1 ( 10 L )
18.4-30 R1 ( 10 L )
Rodas Traseiras
Rear Wheels
Ruedas Traseras
130 80
-
Menu Símbolos
6L
EF86Z002
21481555
3408621M91
1
2
3
4
5
6
7
8
9
10
11
12
487870M91
3587146M91
487868M1
487869M1
3149812M1
3408526M91
3587145M1
027646P1
353427X1
3410536M1
847417M1
1
2
2
2
2
8
1
1
8
8
16
16
5
5
3
3
3
3
3
5
5
WHEELS RODAJE
TYRE AND TUBE NEUM.Y.CAMARA
WHEEL RUEDA
TYRE NEUMATICO
CHAMBER CAMARA
BOLT PERNO
RIM LLANTA
DISC DISCO
WASHER ARANDELA
NUT TUERCA
WASHER ARANDELA
NUT TUERCA
RODAGEM
CJ.PNEU E CÂMARA
RODA
PNEU
CÂMARA
PARAFUSO
ARO
DISCO
ARRUELA
PORCA
ARRUELA
PORCA
C026502 E03 12/05
(1)
130 85
18.4-30r2 (6l)
18.4-30r2 (6l)
18.4-30r2 (6l)
Rodas Traseiras
Rear Wheels
Ruedas Traseras
130 85
-
Menu Símbolos
6L
14X30
EF86Z003
21481562
3410964M91
3149914M1
1
2
3
4
5
6
7
8
9
10
11
12
3410536M1
847417M1
487870M91
3149151M92
353427X1
3585377M1
882230M92
3149812M1
3587145M1
487869M1
487868M1
1
16
16
1
1
8
8
1
8
1
1
1
1
1
1
5
5
5
5
5
4
4
WHEELS RODAJE
WASHER ARANDELA
NUT TUERCA
TYRE AND TUBE NEUM.Y.CAMARA
RIM LLANTA
NUT TUERCA
WASHER ARANDELA
RIM LLANTA
BOLT PERNO
DISC DISCO
CHAMBER CAMARA
TYRE NEUMATICO
RODAGEM
ARRUELA
PORCA
CJ.PNEU E CÂMARA
ARO
PORCA
ARRUELA
ARO
PARAFUSO
DISCO
CÂMARA
PNEU
C026502 E03 12/05
(1)
130 90
18.4-30r2 (6l)
18.4-30r2 (6l)
18.4-30r2 (6l)
Rodas Traseiras
Rear Wheels
Ruedas Traseras
130 90
-
Menu Símbolos
10L
14X30
EF87Z002
21481563
3410965M91
3149914M1
3149493M1
1
2
3
4
5
6
7
8
9
10
11
12
3410536M1
847417M1
488092M91
3149151M92
353427X1
3585377M1
882230M92
3149812M1
3587145M1
487869M1
487951M1
1
16
16
1
1
8
8
1
8
1
1
1
1
1
1
5
5
5
5
5
4
4
WHEELS RODAJE
WASHER ARANDELA
NUT TUERCA
TYRE AND TUBE NEUM.Y.CAMARA
RIM LLANTA
NUT TUERCA
WASHER ARANDELA
RIM LLANTA
BOLT PERNO
DISC DISCO
CHAMBER CAMARA
TYRE NEUMATICO
RODAGEM
ARRUELA
PORCA
CJ.PNEU E CÂMARA
ARO
PORCA
ARRUELA
ARO
PARAFUSO
DISCO
CÂMARA
PNEU
C026502 E03 12/05
(1)
130 95
18.4-30 R1 (10l)
18.4-30 R1 (10l)
18.4-30 R1 (10l)
Rodas Traseiras
Rear Wheels
Ruedas Traseras
130 95
-
Menu Símbolos
EF84Z001
21481564
3410966M91
1
2
3
4
5
6
7
8
8
9
10
11
12
3410536M1
847417M1
828537M91
033901T1
353427X1
027646P1
3408283M91
487308M91
3149812M1
3149172M1
828539M1
828538M1
1
16
16
1
1
8
8
1
1
8
1
1
1
1
1
1
5
5
5
5
5
5
4
4
WHEELS RODAJE
WASHER ARANDELA
NUT TUERCA
TYRE AND TUBE NEUM.Y.CAMARA
RIM LLANTA
NUT TUERCA
WASHER ARANDELA
RIM LLANTA
RIM LLANTA
BOLT PERNO
DISC DISCO
CHAMBER CAMARA
TYRE NEUMATICO
RODAGEM
ARRUELA
PORCA
CJ.PNEU E CÂMARA
ARO
PORCA
ARRUELA
ARO
ARO
PARAFUSO
DISCO
CÂMARA
PNEU
C026502 E03 12/05
(1)
130 100
14.9-28r1 (6l)
14.9-28r1 (6l)
14.9-28r1 (6l)
Rodas Traseiras
Rear Wheels
Ruedas Traseras
130 100
-
Menu Símbolos
6L
11 X 38
EF85Z001
21481565
3149914M1
1
2
3
4
5
6
7
8
9
10
11
488006M91
488007M1
488008M1
3149148M91
353427X1
027646P1
488004M91
3149172M1
3149812M1
3410536M1
847417M1
1
1
1
1
8
8
1
1
8
16
16
1
1
4
4
4
4
4
TYRE AND TUBE NEUM.Y.CAMARA
TYRE NEUMATICO
CHAMBER CAMARA
WHEEL RUEDA
NUT TUERCA
WASHER ARANDELA
RIM LLANTA
DISC DISCO
BOLT PERNO
WASHER ARANDELA
NUT TUERCA
CJ.PNEU E CÂMARA
PNEU
CÂMARA
RODA
PORCA
ARRUELA
ARO
DISCO
PARAFUSO
ARRUELA
PORCA
C026502 E03 12/05
(1)
130 105
13.6-38r1 (6l)
13.6-38r1 (6l)
13.6-38r1 (6l)
Rodas Traseiras
Rear Wheels
Ruedas Traseras
130 105
-
Menu Símbolos
6L
5/8x18
EG07Z001
21481566
3412278M91
1
2
3
4
5
6
3410293M91
033916T1
881162M2
180380M1
3410294M91
1
2
2
16
2
2
1
1
1
2
2
WHEELS RODAJE
TYRE AND TUBE NEUM.Y.CAMARA
RIM LLANTA
NUT TUERCA
CHAMBER CAMARA
TYRE NEUMATICO
RODAGEM
CJ.PNEU E CÂMARA
ARO
PORCA
CÂMARA
PNEU
C026502 E03 12/05
(1)
130 110
12.4 X 28 R1
12.4 X 28 R1
12.4 X 28 R1
Rodas Traseiras
Rear Wheels
Ruedas Traseras
130 110
-
Menu Símbolos
14.8X24R16L
11X38
5/8x18
13x24
5/8x18
EF77Z001
21481567
3412983M91
1
2
3
4
5
6
7
8
9
10
11
831522M91
3412980M92
831521M1
182578M1
3408246M1
487150M92
3412697M2
027646P1
353427X1
881162M2
1
2
2
1
1
5
1
1
8
8
16
1
1
2
2
3
3
3
3
3
1
WHEELS RODAJE
TYRE AND TUBE NEUM.Y.CAMARA
WHEEL RUEDA
TYRE NEUMATICO
CHAMBER CAMARA
BOLT PERNO
RIM LLANTA
DISC DISCO
WASHER ARANDELA
NUT TUERCA
NUT TUERCA
RODAGEM
CJ.PNEU E CÂMARA
RODA
PNEU
CÂMARA
PARAFUSO
ARO
DISCO
ARRUELA
PORCA
PORCA
C026502 E03 12/05
(1)
130 115
14.9 X 24 R1
14.9 X 24 R1
14.9 X 24 R1
Rodas Traseiras
Rear Wheels
Ruedas Traseras
130 115
-
Menu Símbolos
16 X 30
EF79Z001
21481570
3587143M92
1
2
3
4
5
6
7
8
9
10
11
12
3410536M1
847417M1
3587140M91
3587146M91
353427X1
027646P1
3408526M91
3149812M1
3587145M1
487869M1
3587139M1
1
16
16
1
1
8
8
1
8
1
1
1
1
1
1
5
5
5
5
5
4
4
WHEELS RODAJE
WASHER ARANDELA
NUT TUERCA
TYRE AND TUBE NEUM.Y.CAMARA
WHEEL RUEDA
NUT TUERCA
WASHER ARANDELA
RIM LLANTA
BOLT PERNO
DISC DISCO
CHAMBER CAMARA
TYRE NEUMATICO
RODAGEM
ARRUELA
PORCA
CJ.PNEU E CÂMARA
RODA
PORCA
ARRUELA
ARO
PARAFUSO
DISCO
CÂMARA
PNEU
C026502 E03 12/05
(1)
130 120
18.4-30r1 (6l)
18.4-30r1 (6l)
18.4-30r1 (6l)
Rodas Traseiras
Rear Wheels
Ruedas Traseras
130 120
-
Menu Símbolos
EF83Z001
21481576
026866N1
1
2
3
4
5
6
7
8
8
9
10
11
12
3410536M1
847417M1
487540M91
033901T1
353427X1
027646P1
3408283M91
487308M91
3149812M1
3149172M1
828539M1
487539M1
1
16
16
1
1
8
8
1
1
8
1
1
1
1
1
1
5
5
5
5
5
5
4
4
WHEELS RODAJE
WASHER ARANDELA
NUT TUERCA
TYRE AND TUBE NEUM.Y.CAMARA
RIM LLANTA
NUT TUERCA
WASHER ARANDELA
RIM LLANTA
RIM LLANTA
BOLT PERNO
DISC DISCO
CHAMBER CAMARA
TYRE NEUMATICO
RODAGEM
ARRUELA
PORCA
CJ.PNEU E CÂMARA
ARO
PORCA
ARRUELA
ARO
ARO
PARAFUSO
DISCO
CÂMARA
PNEU
C026502 E03 12/05
(1)
130 125
14.9-28r2 (6l)
14.9-28r2 (6l)
14.9-28r2 (6l)
Rodas Traseiras
Rear Wheels
Ruedas Traseras
130 125
-
Menu Símbolos
EF89Z001
21481577
027386N1
3149914M1
1
2
3
4
5
6
7
8
9
10
11
12
3410536M1
847417M1
3098141M91
3149151M92
353427X1
3585377M1
882230M92
3149812M1
3587145M1
487869M1
3098142M1
1
16
16
1
1
8
8
1
8
1
1
1
1
1
1
5
5
5
5
5
4
4
WHEELS RODAJE
WASHER ARANDELA
NUT TUERCA
TYRE AND TUBE NEUM.Y.CAMARA
RIM LLANTA
NUT TUERCA
WASHER ARANDELA
RIM LLANTA
BOLT PERNO
DISC DISCO
CHAMBER CAMARA
TYRE NEUMATICO
RODAGEM
ARRUELA
PORCA
CJ.PNEU E CÂMARA
ARO
PORCA
ARRUELA
ARO
PARAFUSO
DISCO
CÂMARA
PNEU
C026502 E03 12/05
(1)
130 130
16.9-30r1 (6l)
16.9-30r1 (6l)
16.9-30r1 (6l)
Rodas Traseiras
Rear Wheels
Ruedas Traseras
130 130
-
Menu Símbolos
EI34Z001
23308213
3147070M91
1
2
3
4
5
6
353437X1
353439X1
3147068M1
2801582M2
3147071M1
1
8
8
8
4
8
1
1
1
1
1
WEIGHT PESA
NUT TUERCA
WASHER ARANDELA
BOLT PERNO
WEIGHT PESA
SPACER PIEZA DISTANCIA
CJ. PESO
PORCA
ARRUELA
PARAFUSO
PESO
ESPAÇADOR
C026502 E03 12/05
(1)
130 135
2 + 2 X 15 Kgf
2 + 2 X 15 Kgf
2 + 2 X 15 Kgf
Peso Da Roda Dianteira
Front Wheel Weights
Contrapesos De La Roda Delantera
130 135
-
Menu Símbolos
5/8x11x1.1/2
EF66Z001
23308202
2801587M91
1
2
3
4
5
049191P1
3148437M1
353433X1
353726X1
1
8
2
8
8
1
1
1
1
WEIGHT PESA
WEIGHT PESA
PLATE PLATO
WASHER ARANDELA
BOLT PERNO
CJ. PESO
PESO
PLACA
ARRUELA
PARAFUSO
C026502 E03 12/05
(1)
130 140
8 X 25 Kgf
8 X 25 Kgf
8 X 25 Kgf
Pesos Dianteiros
Front Wheight
Pesos Delanteros
130 140
-
Menu Símbolos
EF64Z001
T0282019
1
2
3
4
049192P1
3148437M1
353433X1
353726X1
8
2
8
8
WEIGHT PESA
PLATE PLATO
WASHER ARANDELA
BOLT PERNO
PESO
PLACA
ARRUELA
PARAFUSO
C026502 E03 12/05
(1)
130 145
8 X 35 Kgf
8 X 35 Kgf
8 X 35 Kgf
Pesos Dianteiros
Front Wheight
Pesos Delanteros
130 145
-
Menu Símbolos
1/2x20
EG39Z001
23308211
2801399M91
1
2
3
4
5
824194M1
2801393M1
353439X1
353437X1
1
8
4
8
8
1
1
1
1
WEIGHT PESA
BOLT PERNO
WEIGHT PESA
WASHER ARANDELA
NUT TUERCA
PESO
PARAFUSO
PESO
ARRUELA
PORCA
C026502 E03 12/05
(1)
130 150
2 + 2 X 21 Kgf
2 + 2 X 21 Kgf
2 + 2 X 21 Kgf
Peso Da Roda Dianteira
Front Wheel Weight
Peso De La Rueda Delantera
130 150
-
Menu Símbolos
5/8x18x3"
5/8x18x1.3/4
33.5X17X3.75
5/8x18
5/8x18
33.5X17X3.75
EF52Z001
23308247
3149180M91
1
2
3
4
5
6
7
8
9
353870X1
353864X1
3585377M1
353429X1
353429X1
3585377M1
2801403M1
3149851M1
1
16
8
16
8
16
16
4
2
1
1
1
1
1
1
1
1
WEIGHT PESA
BOLT PERNO
BOLT PERNO
WASHER ARANDELA
NUT TUERCA
NUT TUERCA
WASHER ARANDELA
WEIGHT PESA
ADAPTOR ADAPTADOR
PESO
PARAFUSO
PARAFUSO
ARRUELA
PORCA
PORCA
ARRUELA
PESO
ADAPTADOR
C026502 E03 12/05
(1)
130 155
2 + 2 X 52 Kgf
2 + 2 X 52 Kgf
2 + 2 X 52 Kgf
Peso Da Roda Traseira
Rear Wheel Weights
Contrapesos De La Roda Trasera
130 155
-
Menu Símbolos
EF50Z001
23308249
3408347M91
1
2
3
3408287M1
354285X1
1
2
8
1
1
WEIGHT PESA
WEIGHT PESA
BOLT PERNO
CJ. PESO
PESO
PARAFUSO
C026502 E03 12/05
(1)
130 160
1 + 1 X 72 Kg
1 + 1 X 72 Kg
1 + 1 X 72 Kg
Peso Da Roda Traseira
Rear Wheel Weights
Contrapesos De La Roda Trasera
130 160
-
Menu Símbolos
5/8x18x3"
5/8x18
EF52Z002
23308256
3408894M91
1
2
3
4
5
353870X1
2801403M1
353429X1
3585377M1
1
16
4
16
16
1
1
1
1
WEIGHT PESA
BOLT PERNO
WEIGHT PESA
NUT TUERCA
WASHER ARANDELA
PESO
PARAFUSO
PESO
PORCA
ARRUELA
C026502 E03 12/05
(1)
130 165
2 + 2 X 52 Kgf
2 + 2 X 52 Kgf
2 + 2 X 52 Kgf
Peso Da Roda Traseira
Rear Wheel Weights
Contrapesos De La Roda Trasera
130 165
-
Menu Símbolos
M16X2,0X58
40 kg
5/8x18x1.3/4
33.5X17X3.75
M16
EF48Z002
23308265
027967N1
1
2
3
4
5
6
7
3315210M1
2801392M2
2801394M2
353613X1
3585377M1
880009362160
1
8
2
2
8
8
8
1
1
1
1
1
1
WEIGHT PESA
BOLT PERNO
COUNTERWEIGHT CONTRAPESO
PLATE PLATO
BOLT PERNO
WASHER ARANDELA
NUT TUERCA
PESO
PARAFUSO
CONTRA PESO
PLACA
PARAFUSO
ARRUELA
PORCA
C026502 E03 12/05
(1)
130 170
1 + 1 X 40 Kgf
1 + 1 X 40 Kgf
1 + 1 X 40 Kgf
Peso Da Roda Traseira
Rear Wheel Weights
Contrapesos De La Roda Trasera
130 170
-
Menu Símbolos
M16X2,0X58
5/8x18
5/8x18x2.1/4
M16
EM08Z001
23308273
3589296M91
1
2
3
4
5
6
7
8
9
10
3315210M1
353427X1
3585377M1
3589297M1
353617X1
2801392M2
2801394M2
3585377M1
3904660M1
1
16
8
8
8
8
4
2
16
16
1
1
1
1
1
1
1
1
1
WEIGHT PESA
BOLT PERNO
NUT TUERCA
WASHER ARANDELA
SPACER PIEZA DISTANCIA
BOLT PERNO
COUNTERWEIGHT CONTRAPESO
PLATE PLATO
WASHER ARANDELA
NUT TUERCA
PESO
PARAFUSO
PORCA
ARRUELA
ESPAÇADOR
PARAFUSO
CONTRA PESO
PLACA
ARRUELA
PORCA
C026502 E03 12/05
(1)
130 175
2 + 2 X 40 Kg
2 + 2 X 40 Kg
2 + 2 X 40 Kg
Pesos Traseiro
Rear Weights
Contrapesos Traseras
130 175
-
Menu Símbolos
5/8x18x1.3/4
5/8x18
5/8x18
5/8x18x3"
EF55Z001
23308274
027908N1
1
2
3
4
5
6
7
8
9
353864X1
3585377M1
353429X1
3585377M1
353429X1
2801403M1
3149851M1
353870X1
8
8
8
8
8
2
2
8
1
9
9
9
9
9
9
9
9
BOLT PERNO
WASHER ARANDELA
NUT TUERCA
WASHER ARANDELA
NUT TUERCA
WEIGHT PESA
ADAPTOR ADAPTADOR
BOLT PERNO
WEIGHT PESA
PARAFUSO
ARRUELA
PORCA
ARRUELA
PORCA
PESO
ADAPTADOR
PARAFUSO
PESO
C026502 E03 12/05
(1)
130 180
1 + 1 X 52 Kgf
1 + 1 X 52 Kgf
1 + 1 X 52 Kgf
Peso Da Roda Traseira
Rear Wheel Weights
Contrapesos De La Roda Trasera
130 180
-
Menu Símbolos
1/2x20
EM93Z001
23308501
[A]
[B]
SERVIÇO LEVE
NORMAL DUTY
TIPO NORMALE
SERVIÇO PESADO
HEAVY DUTY
SERVICIO PESADO
2802418M91
140-20 No
1
2
3
4
4
5
6
7
2802411M1
1860900M1
2802397M91
487867M91
353437X1
353439X1
2802412M91
1
4
4
1
1
4
4
1
1
1
1
1
1
1
1
[A]
[B]
[A]
KIT, PULLEY JUEGO DE POLEA
STUD ESPARRAGO
STUD ESPARRAGO
KIT, PULLEY JUEGO DE POLEA
KIT, PULLEY JUEGO DE POLEA
NUT TUERCA
WASHER ARANDELA
KIT, SLEEVE JUEGO MANGUITOS
CJ. POLIA
PRISIONEIRO
PRISIONEIRO
CJ. POLIA
CJ. POLIA
PORCA
ARRUELA
CJ. LUVA
C026502 E03 12/05
(1)
140 10
Polia Tomada De Força
Power Take-Off Pulley
Polea Toma De Potencia
140 10
-
Menu Símbolos
1/2x20
EM94Z001
23308502
2802419M91
1
2
3
4
5
6
7
2802411M1
1860900M1
2802397M91
353437X1
353439X1
2802412M91
1
4
4
1
4
4
1
1
1
1
1
1
1
KIT, PULLEY JUEGO DE POLEA
STUD ESPARRAGO
STUD ESPARRAGO
KIT, PULLEY JUEGO DE POLEA
NUT TUERCA
WASHER ARANDELA
KIT, SLEEVE JUEGO MANGUITOS
CJ. POLIA
PRISIONEIRO
PRISIONEIRO
CJ. POLIA
PORCA
ARRUELA
CJ. LUVA
C026502 E03 12/05
(1)
140 15
Hd
Hd
Hd
Polia Tomada De Força
Power Take-Off Pulley
Polea Toma De Potencia
140 15
-
Menu Símbolos
7/16x20x1.1/8
N071Z001
487867M91
[A]
[B]
SERVIÇO LEVE
NORMAL DUTY
TIPO NORMALE
SERVIÇO PESADO
HEAVY DUTY
SERVICIO PESADO
1
2
3
4
4
353432X1
353560X1
180552M1
2800044M91
487666M94
4
4
1
1
1
[B]
[A]
WASHER ARANDELA
BOLT PERNO
PULLEY POLEA
KIT, PULLEY JUEGO DE POLEA
KIT, PULLEY JUEGO DE POLEA
ARRUELA
PARAFUSO
POLIA
CJ. POLIA
CJ. POLIA
C026502 E03 12/05
(1)
140 20
Polia
Pulley
Polea
140 20
-
Menu Símbolos
EP74Z002
T0258001
140-40 No
1 055830N1 1 KIT, CARRIER JUEGO PORTADOR
CJ. REDUTOR
C026502 E03 12/05
(1)
140 25
Redutor De Velocidade
Creeper
Reducción De Velociad
Caixa De Redução De Velocidades
Rangebox
Caja Cambio Gama
140 25
-
Menu Símbolos
EP74Z003
T0289170
140-35 No
105-120 No
1
2
3
4
5
6
3698329M91
377825X1
377622X1
033591S1
027352S1
3146699M91
1
2
3
1
1
2
KIT, CARRIER JUEGO PORTADOR
BOLT PERNO
BOLT PERNO
FOOT REST REPOSAPIES
FOOT REST REPOSAPIES
KIT, ROD JUEGO DE BIELAS
CJ. REDUTOR
PARAFUSO
PARAFUSO
SOLEIRA
SOLEIRA
CJ. TIRANTE
C026502 E03 12/05
(1)
140 30
Redutor De Velocidade
Creeper
Reducción De Velociad
Caixa De Redução De Velocidades
Rangebox
Caja Cambio Gama
140 30
-
Menu Símbolos
EP74Z001
3698329M91
1
2
3
4
5
6
7
8
9
10
11
12
13
14
15
16
17
18
19
20
21
22
23
24
25
26
27
28
29
30
31
32
33
34
35
36
37
38
39
40
41
42
43
44
45
46
47
48
49
50
052430R1
353916X1
052429R1
966142M1
1441970X1
832276M1
961966M1
907120M91
052426R1
907960M1
377820X1
377562X1
361538X1
1861986M2
377560X1
377557X1
052424R1
377185X1
886352M1
886353M1
195513M1
1868538M4
195453M1
1868539M1
195363M1
907970M1
897020M1
897025M1
184750M2
897711M1
897019M1
362463X1
353432X1
1671558M1
180409M1
1860307M1
1860306M3
184012M4
897367M1
1872507M1
180408M2
184011M1
052428R1
907130M1
052425R1
052427R1
184770M3
180765M1
907962M91
881144M1
1
1
1
1
1
1
1
1
1
1
3
7
14
1
5
3
1
19
1
1
1
1
1
1
2
1
9
162
6
3
3
4
4
1
2
1
1
1
2
1
1
1
1
1
1
1
1
2
1
2
KNOB POMO
NUT TUERCA
LEVER PALANCA
WASHER ARANDELA
RING ARO
O RING JUNTA TORICA
WASHER ARANDELA
REVERSING DEVICE INVERSOR
PIN PASADOR
BUSH CASQUILLO
BOLT PERNO
BOLT PERNO
BOLT PERNO
GASKET EMPAQUETADURA.
BOLT PERNO
BOLT PERNO
HOUSING ALOJAMIENTO
NUT TUERCA
SPRING RESORTE
SEAT ASIENTO
BEARING NEEDLE COJINETA AGUJAS
SLEEVE MANCHA
BEARING NEEDLE COJINETA AGUJAS
SHAFT ARBOL
CIRCLIP CIRCULITO
BEARING COJINETE
WASHER ARANDELA
ROLLER RODILLO
WASHER ARANDELA
GEAR ENGRANAJE
SHAFT ARBOL
BOLT PERNO
WASHER ARANDELA
SPROCKET RUEDA DE CADENA
PIN PASADOR
RING ARO
RING ARO
PLATE PLATO
WASHER ARANDELA
CARRIER PORTADOR
PLATE PLATO
SHIM CALCE
BALL BOLA
SPRING RESORTE
FORK HORQUILLA
SHAFT ARBOL
SLEEVE MANCHA
PIN PASADOR
SHAFT ARBOL
BOLT PERNO
MANÍPULO
PORCA
ALAVANCA
ARRUELA
ANEL
ANEL "O"
ARRUELA
INVERSOR
PINO
BUCHA
PARAFUSO
PARAFUSO
PARAFUSO
JUNTA
PARAFUSO
PARAFUSO
CARCAÇA
PORCA
MOLA
ASSENTO
ROLAMENTO AGULHA
LUVA
ROLAMENTO AGULHA
EIXO
ANEL TRAVA
ROLAMENTO
ARRUELA
ROLETE
ARRUELA
ENGRENAGEM
EIXO
PARAFUSO
ARRUELA
COROA
PINO
ANEL
ANEL
PLACA
ARRUELA
PORTA ENGRENAGEM
PLACA
CALÇO
ESFERA
MOLA
GARFO
EIXO
LUVA
PINO
EIXO
PARAFUSO
C026502 E03 12/05
(1)
140 35
Redutor De Velocidade
Creeper
Reducción De Velociad
Caixa De Redução De Velocidades
Rangebox
Caja Cambio Gama
140 35
-
Menu Símbolos
EP74Z006
055830N1
1
2
3
4
5
6
7
8
9
10
11
12
13
14
15
16
17
18
19
20
21
22
23
24
25
26
27
28
29
30
31
32
33
34
35
36
37
38
39
40
41
42
43
44
45
46
47
48
49
50
055831P1
3589412M1
3585348M1
051650S1
357659X1
195513M1
518938M92
1865530M1
184012M4
353434X1
362686X1
184770M2
366317X1
1868539M1
1868538M4
907962M91
180002M1
3408222M1
3589412M1
180418M2
3585797M1
3409613M1
1692580M1
051655P1
339124X1
055833P1
055832P1
3410533M92
894307M1
191314P1
3589412M1
3589429M1
377561X1
039434P1
339139X1
051372P1
195363M1
051653P1
3410432M1
180403M1
180409M1
180408M2
518414M1
1860308M91
518415M1
516526M1
516509M1
834211M1
897020M1
6203307M1
1
6
1
1
1
1
1
1
1
3
4
1
1
1
1
1
2
3
3
1
1
1
1
1
1
1
1
1
1
2
7
7
6
1
6
1
2
1
1
1
2
1
2
1
3
6
3
144
3
1
7
7
7
7
7
7
7
HOUSING ALOJAMIENTO
NUT TUERCA
BUTTON PULSADOR
LEVER PALANCA
PIN PASADOR
BEARING NEEDLE COJINETA AGUJAS
KIT, CARRIER JUEGO PORTADOR
ANNULAR GEAR ENGRANAJE ANULAR
PLATE PLATO
WASHER ARANDELA
BOLT PERNO
SLEEVE MANCHA
CIRCLIP CIRCULITO
SHAFT ARBOL
SLEEVE MANCHA
SHAFT ARBOL
BOLT PERNO
BOLT PERNO
NUT TUERCA
PIN PASADOR
SPRING RESORTE
WASHER ARANDELA
PLUG TAPON
LOCK RETENEDOR
BOLT PERNO
SHAFT ARBOL
FORK HORQUILLA
LEVER PALANCA
OIL SEAL BUJE RETENACEITE
PIN PASADOR
NUT TUERCA
STUD ESPARRAGO
BOLT PERNO
COVER CUBIERTA
BOLT PERNO
SHAFT ARBOL
CIRCLIP CIRCULITO
BUSH CASQUILLO
BEARING COJINETE
SHIM CALCE
PIN PASADOR
PLATE PLATO
WASHER ARANDELA
KIT, CARRIER JUEGO PORTADOR
SHAFT ARBOL
WASHER ARANDELA
GEAR ENGRANAJE
ROLLER RODILLO
WASHER ARANDELA
DECAL CALCOMANIA
CARCAÇA
PORCA
BOTÃO
ALAVANCA
PINO
ROLAMENTO AGULHA
CJ. REDUTOR
COROA
PLACA
ARRUELA
PARAFUSO
LUVA
ANEL TRAVA
EIXO
LUVA
EIXO
PARAFUSO
PARAFUSO
PORCA
PINO
MOLA
ARRUELA
BUJÃO
TRAVA
PARAFUSO
EIXO
GARFO
ALAVANCA
RETENTOR
PINO
PORCA
PRISIONEIRO
PARAFUSO
TAMPA
PARAFUSO
EIXO
ANEL TRAVA
BUCHA
ROLAMENTO
CALÇO
PINO
PLACA
ARRUELA
CJ. REDUTOR
EIXO
ARRUELA
ENGRENAGEM
ROLETE
ARRUELA
DECAL
C026502 E03 12/05
(1)
140 40
Redutor De Velocidade
Creeper
Reducción De Velociad
Caixa De Redução De Velocidades
Rangebox
Caja Cambio Gama
140 40
-
Menu Símbolos
EI58Z001
T0289014
50-140 No
30-80 No
1868003M91
022199T1
022346N1
1
2
3
4
5
6
7
8
9
10
11
12
13
14
15
16
17
18
19
20
21
22
23
24
25
26
27
28
29
1679310M1
532882M1
339470X1
1660713M1
532889M1
532891M1
352699X1
3598999M1
391162X1
831581M2
532877M92
3599000M1
1662726M1
028362N1
1868538M4
3149348M1
035678T1
3611135M1
3611134M93
1004633M1
831220M1
532876M2
1663312M1
1679306M1
842921M1
842922M1
3008359X1
1
1
1
1
1
1
1
1
1
1
1
1
1
1
1
2
1
1
1
1
1
2
1
1
1
1
2
1
1
GEAR ENGRANAJE
WASHER ARANDELA
RING ARO
GEAR ENGRANAJE
COLLAR COLLAR
HUB CUBO
CIRCLIP CIRCULITO
SLEEVE MANCHA
BEARING COJINETE
CIRCLIP CIRCULITO
PIPE CANO
SHAFT ARBOL
CIRCLIP CIRCULITO
KIT, AXLE JUEGO DE EJE
SLEEVE MANCHA
PLATE CHAPA
COVER CUBIERTA
SEAL RETEN
SLEEVE MANCHA
O RING JUNTA TORICA
CLUTCH EMBRAGUE
BEARING COJINETE
SPACER PIEZA DISTANCIA
WASHER ARANDELA
GEAR ENGRANAJE
BEARING COJINETE
BEARING COJINETE
O RING JUNTA TORICA
KIT, CAP JUEGO DE TAPON
ENGRENAGEM
ARRUELA
ANEL
ENGRENAGEM
COLAR
CUBO
ANEL TRAVA
LUVA
ROLAMENTO
ANEL TRAVA
TUBO
EIXO
ANEL TRAVA
CJ. EIXO
LUVA
CHAPA
TAMPA
RETENTOR
LUVA
ANEL "O"
EMBREAGEM
ROLAMENTO
ESPAÇADOR
ARRUELA
ENGRENAGEM
ROLAMENTO
ROLAMENTO
ANEL "O"
CJ. TAMPA
C026502 E03 12/05
(1)
140 45
540/1000 Rpm
540/1000 Rpm
540/1000 Rpm
Kit Da Tdp
Tdp Kit
Tdp Kit
140 45
-
Menu Símbolos
EI57Z002
T0289007
3145778M91
30-80 No
50-140 No
1868003M91
3599003M92
1
2
3
4
5
6
7
8
9
10
11
12
13
14
15
16
1868538M4
195453M1
3611135M1
1004633M1
3611134M93
391162X1
831581M2
3599003M92
3149348M1
035678T1
532898M1
028362N1
072295P1
1
1
1
1
1
1
1
1
1
2
1
1
1
1
1
1
9
9
KIT, CAP JUEGO DE TAPON
SLEEVE MANCHA
BEARING NEEDLE COJINETA AGUJAS
SEAL RETEN
O RING JUNTA TORICA
SLEEVE MANCHA
BEARING COJINETE
CIRCLIP CIRCULITO
SHAFT ARBOL
PLATE CHAPA
COVER CUBIERTA
SLEEVE MANCHA
KIT, AXLE JUEGO DE EJE
CLUTCH EMBRAGUE
SHAFT ARBOL
COLLAR COLLAR
CJ. TAMPA
LUVA
ROLAMENTO AGULHA
RETENTOR
ANEL "O"
LUVA
ROLAMENTO
ANEL TRAVA
EIXO
CHAPA
TAMPA
LUVA
CJ. EIXO
EMBREAGEM
EIXO
COLAR
C026502 E03 12/05
(1)
140 50
540 Rpm
540 Rpm
540 Rpm
Kit Da Tdp
Tdp Kit
Tdp Kit
140 50
-
Menu Símbolos
EE99Z001
T0289006
40-115 No
40-120 No
T0289002
1
1
2
2
3
4
5
6
7
8
9
037591S1
037592S1
3146035M91
3146036M91
026943N1
3147373M91
3148171M1
022651P3
022656P2
3148214M1
1
1
1
1
1
1
1
1
1
1
1
BRACKET SOPORTE
BRACKET SOPORTE
STABILISER ESTABILIZADOR
STABILISER ESTABILIZADOR
LIFT LEVANTE
ARM BRAZO
DECAL CALCOMANIA
PUMP BOMBA
DECAL CALCOMANIA
DECAL CALCOMANIA
EMBLEM EMBLEMA
SUPORTE
SUPORTE
ESTABILIZADOR
ESTABILIZADOR
LEVANTE
BRAÇO
DECAL
BOMBA
DECAL
DECAL
EMBLEMA
C026502 E03 12/05
(1)
140 55
Kit Sistema Hidráulico Do Levante
Kit Lift Hydraulic System
Kit Sistema De Levante Hidraulico
140 55
-
Menu Símbolos
EQ88Z002
T0289258
1
2
3
2802862M91
3225536M1
063368N1
1
6
1
HORN BOCINA
CLAMP ABRAZADERA
HARNESS MAZO CABLES
BUZINA
BRAÇADEIRA
CHICOTE
C026502 E03 12/05
(1)
140 60
Instalação Da Buzina
Horn Assy
Instalación Bocina
140 60
-
Menu Símbolos
EI56Z002
23308492
1
2
3
4
5
6
7
8
3225356M1
2802836M91
3587619M91
2802106M1
3146487M1
3149938M1
3147545M1
1447011M91
3
1
1
1
1
1
1
1
CLAMP ABRAZADERA
CABLE CABLE
TUBE ASSY CONJ.DE TUBO
INTAKE HEATER CALENTADOR ADM
DECAL CALCOMANIA
DECAL CALCOMANIA
WASHER ARANDELA
VALVE VALVULA
BRAÇADEIRA
CABO
CJ. TUBO
VELA AQUECEDORA
DECAL
DECAL
ARRUELA
VÁLVULA
C026502 E03 12/05
(1)
140 65
Aquecedor De Partida
Starting Heater
Calentador De Partida
140 65
-
Menu Símbolos
7/16x20x1.1/8
EN12Z002
23308960
1861988M92
1
2
3
4
5
6
7
8
9
10
11
12
826238M1
812561M1
872190M92
888722M1
353560X1
376760X1
353757X1
1861989M1
812560M1
646670M91
646669M1
2
1
1
1
1
1
1
1
1
1
1
1
12
12
12
12
12
12
12
12
12
12
12
WASHER ARANDELA
BOLT PERNO
PIPE CANO
BRACKET SOPORTE
BOLT PERNO
NUT TUERCA
WASHER ARANDELA
BRACKET SOPORTE
NUT TUERCA
CONNECTION CONEXION
END EXTREMO
INTAKE ENTRADA
ARRUELA
PARAFUSO
TUBO
SUPORTE
PARAFUSO
PORCA
ARRUELA
SUPORTE
PORCA
CONEXÃO
TERMINAL
TOMADA
C026502 E03 12/05
(1)
140 70
Tomada De Óleo Carreta
Kit Oil Pipe
Toma De Aceite
140 70
-
Menu Símbolos
EM74Z002
T0224018
1
2
3
3146342M92
834096M1
487387M1
1
1
1
1
LIGHT ALUMBRADO
GROMMET PASACABLE
BULB LAMPARA
FAROL
PASSA-FIO
LÂMPADA
C026502 E03 12/05
(1)
140 75
Farol De Serviço
Headlamp
Faro
140 75
-
Menu Símbolos
E182Z002
T0289246
1
2
3
4
5
022836P1
062987S1
058340T1
353445X1
355125X1
1
1
1
2
2
HARNESS MAZO CABLES
SUPPORT DISPOS.DE SOSTEN
SIGNAL AVISADOR
WASHER ARANDELA
BOLT PERNO
CHICOTE
SUPORTE
SINALEIRA
ARRUELA
PARAFUSO
C026502 E03 12/05
(1)
140 80
Suporte Iluminação Da Placa
Ilumination Plate Bracket
Soporte Iluminación Placa
140 80
-
Menu Símbolos
E182Z003
T0289248
1
2
3
4
5
6
7
8
064213S1
058340T1
022836P1
355125X1
353445X1
339123X1
339169X1
339374X1
1
1
1
2
2
2
2
2
SUPPORT DISPOS.DE SOSTEN
SIGNAL AVISADOR
HARNESS MAZO CABLES
BOLT PERNO
WASHER ARANDELA
BOLT PERNO
NUT TUERCA
WASHER ARANDELA
SUPORTE
SINALEIRA
CHICOTE
PARAFUSO
ARRUELA
PARAFUSO
PORCA
ARRUELA
C026502 E03 12/05
(1)
140 85
Suporte Iluminação Da Placa
Ilumination Plate Bracket
Soporte Iluminación Placa
140 85
-
Menu Símbolos
EI33Z005
T0289247
1
2
3
4
4
5
6
3009535X1
3006154X1
339111X1
063706P1
OX19468
3225356M1
052122N3
3
3
3
1
1
1
1
BOLT PERNO
WASHER ARANDELA
NUT TUERCA
BRACKET SOPORTE
BRACKET SOPORTE
CLAMP ABRAZADERA
HARNESS MAZO CABLES
PARAFUSO
ARRUELA
PORCA
SUPORTE
SUPORTE
BRAÇADEIRA
CHICOTE
C026502 E03 12/05
(1)
140 90
Tomada De Luz Da Carreta
Lighting System
Sistema De Iluminación
140 90
-
Menu Símbolos
EJ69Z005
049071N1
[A]
[B]
FAROL AUXILIAR
AUXILIARY LANTERN
FAROL AUXILIAR
FAROL SERVIÇO
SERVING LANTERN
FAROL SERVICIO
1
3
4
5
022661T1
024393T1
3603706M1
2801348M1
2
1
1
1
1
1
[A]
[B]
FRONT LIGHT FRONT LIGHT
LIGHT ALUMBRADO
BULB LAMPARA
BULB LAMPARA
FAROL DIANTEIRO
FAROL
LÂMPADA
LÂMPADA
C026502 E03 12/05
(1)
140 95
Farol
Head Lamp
Farol
140 95
-
Menu Símbolos
EJ69Z006
049349N1
[A] FAROL AUXILIAR
AUXILIARY LANTERN
FAROL AUXILIAR
1
2
3
022661T1
2801348M1
3603706M1
2
2
2
1
[A] FRONT LIGHT FRONT LIGHT
BULB LAMPARA
BULB LAMPARA
FAROL DIANTEIRO
LÂMPADA
LÂMPADA
C026502 E03 12/05
(1)
140 100
Farol
Head Lamp
Farol
140 100
-
Menu Símbolos
EM74Z001
T0224012
140-180 No
1
2
049072N1
022836P1
1
1
KIT, TOOL JGO.HERRAMIENTAS
HARNESS MAZO CABLES
KIT FERRAMENTAS
CHICOTE
C026502 E03 12/05
(1)
Montado No Pára-Lama
Mounted In The Fender
Montado En El Guardabarros
140 105
Farol De Serviço
Headlamp
Faro
140 105
-
Menu Símbolos
E033Z002
T0224019
140-95 No
140-170 No
1
2
3
4
5
049071N1
022836P1
033089P1
070797N1
052120N1
1
1
1
1
1
LIGHT ALUMBRADO
HARNESS MAZO CABLES
BRACKET SOPORTE
KIT, TOOL JGO.HERRAMIENTAS
HARNESS MAZO CABLES
FAROL
CHICOTE
SUPORTE
KIT FERRAMENTAS
CHICOTE
C026502 E03 12/05
(1)
Montado No Rops
Mounted In The Rops
Montado En El Rops
140 110
Farol Auxiliar De Serviço
Serving Auxiliary Lantern
Farol Auxiliar De Servicio
140 110
-
Menu Símbolos
7/16"
E033Z003
T0224021
140-100 No
140-170 No
1
2
3
4
5
049349N1
3146342M92
834096M1
070797N1
052120N1
1
1
1
1
1
LIGHT ALUMBRADO
LIGHT ALUMBRADO
GROMMET PASACABLE
KIT, TOOL JGO.HERRAMIENTAS
HARNESS MAZO CABLES
FAROL
FAROL
PASSA-FIO
KIT FERRAMENTAS
CHICOTE
C026502 E03 12/05
(1)
140 115
Farol Auxiliar De Serviço
Serving Auxiliary Lantern
Farol Auxiliar De Servicio
140 115
-
Menu Símbolos
EO38Z001
T0289103
140-170 No
1 070797N1 1 KIT, TOOL JGO.HERRAMIENTAS
KIT FERRAMENTAS
C026502 E03 12/05
(1)
140 120
Chaves De Roda
Spanner
Llave Rueda
140 120
-
Menu Símbolos
3/8x24x1.1/4
3/8x16
M10x1,50
3/8x16x1"
EH31Z001
T0289039
1
2
3
4
5
6
7
8
9
10
11
12
13
14
15
16
17
18
036983P1
027964N1
353810X1
355566X1
353434X1
353756X1
339534X1
353434X1
339402X1
353691X1
3149635M93
036335T1
036336T1
3587610M91
027988P1
3149803M1
3149804M1
3149636M2
1
1
2
2
2
2
2
2
2
2
1
1
1
1
2
1
1
1
2
2
11
11
11
BRACKET SOPORTE
TOOL BOX CAJA HERRAMIENTA
BOLT PERNO
NUT TUERCA
WASHER ARANDELA
WASHER ARANDELA
WASHER ARANDELA
WASHER ARANDELA
NUT TUERCA
BOLT PERNO
WHEEL KEY LLAVE DE RUEDA
SHOES ZAPATAS
HOSE FLEXIBLE
BOX CAJA
FOAM ESPUMA
PIPE CANO
BAR BARRA
WHEEL KEY LLAVE DE RUEDA
SUPORTE
CX. FERRAMENTAS
PARAFUSO
PORCA
ARRUELA
ARRUELA
ARRUELA
ARRUELA
PORCA
PARAFUSO
CHAVE DE RODA
ENGRAXADEIRA
MANGUEIRA
CAIXA
GUARNIÇÃO
TUBO
BARRA
CHAVE DE RODA
C026502 E03 12/05
(1)
140 125
Caixa De Ferramentas
Tools Box
Caja De Herramientas
140 125
-
Menu Símbolos
EH27Z016
T0256015
1
2
3
4
5
6
7
8
9
10
11
390809X1
339402X1
339376X1
390734X1
059566P1
027964N1
3145222M1
353433X1
037716P1
354441X1
353433X1
2
2
2
2
1
1
1
1
1
1
1
BOLT PERNO
NUT TUERCA
WASHER ARANDELA
WASHER ARANDELA
SUPPORT DISPOS.DE SOSTEN
TOOL BOX CAJA HERRAMIENTA
BOLT PERNO
WASHER ARANDELA
SPACER PIEZA DISTANCIA
BOLT PERNO
WASHER ARANDELA
PARAFUSO
PORCA
ARRUELA
ARRUELA
SUPORTE
CX. FERRAMENTAS
PARAFUSO
ARRUELA
ESPAÇADOR
PARAFUSO
ARRUELA
C026502 E03 12/05
(1)
140 130
Caixa De Ferramentas
Tools Box
Caja De Herramientas
140 130
-
Menu Símbolos
EH30Z001
23308988
1
2
3
4
5
6
7
027964N1
3149635M93
027998P1
3587610M91
3149636M2
3149804M1
3149803M1
1
1
2
1
1
1
1
1
1
2
2
2
TOOL BOX CAJA HERRAMIENTA
WHEEL KEY LLAVE DE RUEDA
FOAM ESPUMA
BOX CAJA
WHEEL KEY LLAVE DE RUEDA
BAR BARRA
PIPE CANO
CX. FERRAMENTAS
CHAVE DE RODA
GUARNIÇÃO
CAIXA
CHAVE DE RODA
BARRA
TUBO
C026502 E03 12/05
(1)
140 135
Caixa De Ferramentas
Tools Box
Caja De Herramientas
140 135
-
Menu Símbolos
24x33
27 X 33
EO38Z003
T0289191
1
1
2
3
4
5
055394P1
3149636M2
3149803M1
049332T1
3149804M1
T0289191
1
1
1
1
1
1
WHEEL KEY LLAVE DE RUEDA
WHEEL KEY LLAVE DE RUEDA
PIPE CANO
ALLEN KEY LLAVE ALLEN
BAR BARRA
KIT WHEEL KEY KIT LLAVE RUEDA
CHAVE DE RODA
CHAVE DE RODA
TUBO
CHAVE ALLEN
BARRA
KIT CHAVE RODA
C026502 E03 12/05
(1)
4 Rodas Motrizes
4 Wheels Drive
4 Ruedas Motriz
140 140
Chaves De Roda
Spanner
Llave Rueda
140 140
-
Menu Símbolos
EH27Z002
23308987
027964N1
1
2
3
027998P1
3587610M91
1
2
1
1
1
KIT, BOX JUEGO DE CAJA
FOAM ESPUMA
BOX CAJA
CJ. CAIXA
GUARNIÇÃO
CAIXA
C026502 E03 12/05
(1)
140 145
Caixa De Ferramentas
Tools Box
Caja De Herramientas
140 145
-
Menu Símbolos
EH27Z004
T0387001
1
2
3
353753X1
3019942X1
1696186M93
2
2
1
WASHER ARANDELA
BOLT PERNO
BOX CAJA
ARRUELA
PARAFUSO
CAIXA
C026502 E03 12/05
(1)
140 150
Caixa De Ferramentas
Tools Box
Caja De Herramientas
140 150
-
Menu Símbolos
EI32Z004
23308751
3145959M91
1
1
1
1
1
1
1
1
2
3
4
5
6
3145880M1
3145881M1
3145882M1
3145883M1
3145884M1
3145885M1
3145886M1
3145887M1
3145888M1
3145890M1
3145889M1
1437379M1
1
1
1
1
1
1
1
1
1
1
1
1
1
6
6
6
6
6
6
6
6
6
6
6
6
SPANNER LLAVE DE RUEDA
SPANNER LLAVE DE RUEDA
SPANNER LLAVE DE RUEDA
SPANNER LLAVE DE RUEDA
SPANNER LLAVE DE RUEDA
SPANNER LLAVE DE RUEDA
SPANNER LLAVE DE RUEDA
SPANNER LLAVE DE RUEDA
PLIERS PINZAS
SCREWDRIVER DESTORNILLADOR
SPANNER LLAVE DE RUEDA
ALLEN KEY LLAVE ALLEN
KIT, TOOL JGO.HERRAMIENTAS
CHAVE DE BOCA
CHAVE DE BOCA
CHAVE DE BOCA
CHAVE DE BOCA
CHAVE DE BOCA
CHAVE DE BOCA
CHAVE DE BOCA
CHAVE DE BOCA
ALICATE
CHAVE DE FENDA
CHAVE DE BOCA
CHAVE ALLEN
KIT FERRAMENTAS
C026502 E03 12/05
(1)
140 155
Kit De Ferramentas
Tools
Herramientas
140 155
-
Menu Símbolos
EI11Z001
23308979
1
2
036336T1
036335T1
1
1
HOSE FLEXIBLE
SHOES ZAPATAS
MANGUEIRA
ENGRAXADEIRA
C026502 E03 12/05
(1)
140 160
Engraxadeira
Greaser
Engrasadera
140 160
-
Menu Símbolos
EH83Z001
T0289054
1 T0289054 1 PROTECTOR PROTECTOR
PROTETOR
C026502 E03 12/05
(1)
140 165
Protetor Auricular
Protector
Protetor
140 165
-
Menu Símbolos
EI32Z005
070797N1
1
2
3
4
876500M1
3149803M1
070798T1
3149804M1
1
1
1
1
SPANNER LLAVE DE RUEDA
PIPE CANO
BOX CAJA
BAR BARRA
CHAVE DE BOCA
TUBO
CAIXA
BARRA
C026502 E03 12/05
(1)
140 170
Kit De Ferramentas
Tools
Herramientas
140 170
-
Menu Símbolos
EI32Z006
071593N1
1
2
3
3149636M2
3149803M1
3149804M1
1
1
1
WHEEL KEY LLAVE DE RUEDA
PIPE CANO
BAR BARRA
CHAVE DE RODA
TUBO
BARRA
C026502 E03 12/05
(1)
140 175
Kit De Ferramentas
Tools
Herramientas
140 175
-
Menu Símbolos
EI32Z007
049072N1
1 024393T1 1 LIGHT ALUMBRADO
FAROL
C026502 E03 12/05
(1)
140 180
Kit De Ferramentas
Tools
Herramientas
140 180
-
Menu Símbolos
E189Z002
T04850009
1
2
3
4
5
057778P1
355125X1
353753X1
353445X1
354120X1
1
2
2
2
2
TRIANGLE TRIANGULO
BOLT PERNO
WASHER ARANDELA
WASHER ARANDELA
NUT TUERCA
TRIÂNGULO
PARAFUSO
ARRUELA
ARRUELA
PORCA
C026502 E03 12/05
(1)
140 185
Triângulo De Advertência
Warning Triangle
Triángulo De Advertencia
140 185
-
Menu Símbolos
E189Z001
T04850008
1
2
3
4
5
6
353753X1
353445X1
355125X1
062989P1
057778P1
354120X1
2
2
2
1
1
2
WASHER ARANDELA
WASHER ARANDELA
BOLT PERNO
BRACKET SOPORTE
TRIANGLE TRIANGULO
NUT TUERCA
ARRUELA
ARRUELA
PARAFUSO
SUPORTE
TRIÂNGULO
PORCA
C026502 E03 12/05
(1)
140 190
Triângulo De Advertência
Warning Triangle
Triángulo De Advertencia
140 190
-
Menu Símbolos
N312Z001
6211816M91
[A] FREIO
BRAKE
FRENO
1
2
3
4
5
6
7
8
9
10
11
12
13
14
15
16
17
17
18
19
20
21
22
069676X1
3589429M1
069676X1
3408222M1
191314M1
069676X1
3589429M1
069676X1
377561X1
069676X1
3589428M1
069676X1
377563X1
055830N1
062924S1
062957S1
052348S1
033591S1
057785P1
069223S1
3146699M91
058976P1
063323P1
2
2
3
3
2
3
3
18
18
2
2
3
3
1
1
1
1
1
1
1
2
1
1
[A]
NUT TUERCA
STUD ESPARRAGO
NUT TUERCA
BOLT PERNO
PIN PASADOR
NUT TUERCA
STUD ESPARRAGO
NUT TUERCA
BOLT PERNO
NUT TUERCA
STUD ESPARRAGO
NUT TUERCA
BOLT PERNO
KIT, CARRIER JUEGO PORTADOR
PEDAL PEDAL
BRACKET SOPORTE
FOOT REST REPOSAPIES
FOOT REST REPOSAPIES
FOOT REST REPOSAPIES
TABLE MESA
KIT, ROD JUEGO DE BIELAS
TUBE TUBO
PIPE,OIL MANGUITO ACEITE
PORCA
PRISIONEIRO
PORCA
PARAFUSO
PINO
PORCA
PRISIONEIRO
PORCA
PARAFUSO
PORCA
PRISIONEIRO
PORCA
PARAFUSO
CJ. REDUTOR
PEDAL
SUPORTE
SOLEIRA
SOLEIRA
SOLEIRA
PLATAFORMA
CJ. TIRANTE
TUBO
TUBO
C026502 E03 12/05
(1)
140 195
Advanced 2 Rm Sem Espaçador
Advanced 2 Wd Without Spacer
Advanced 2 Rm Sin Espaciador
Kit Creeper Epicíclico Leve Com Controle Remoto
Kit Creeper Epicyclic Light With Remot Control
Kit Creeper Epicicloidal Leve Con Control Remoto
140 195
-
Menu Símbolos
N313Z001
6211817M91
[A] FREIO
BRAKE
FRENO
1
2
3
4
5
6
7
8
9
10
11
12
13
14
15
16
17
17
18
19
20
21
22
23
24
069676X1
3589429M1
069676X1
3408222M1
191314M1
069676X1
3589429M1
069676X1
377561X1
069676X1
3589428M1
069676X1
377563X1
055830N1
062924S1
062957S1
052348S1
033591S1
057785P1
069223S1
054364N1
058976P1
063323P1
054361P1
057380T1
2
2
3
3
2
3
3
18
18
2
2
3
3
1
1
1
1
1
1
1
2
1
1
1
1
[A]
NUT TUERCA
STUD ESPARRAGO
NUT TUERCA
BOLT PERNO
PIN PASADOR
NUT TUERCA
STUD ESPARRAGO
NUT TUERCA
BOLT PERNO
NUT TUERCA
STUD ESPARRAGO
NUT TUERCA
BOLT PERNO
KIT, CARRIER JUEGO PORTADOR
PEDAL PEDAL
BRACKET SOPORTE
FOOT REST REPOSAPIES
FOOT REST REPOSAPIES
FOOT REST REPOSAPIES
TABLE MESA
KIT, ROD JUEGO DE BIELAS
TUBE TUBO
PIPE,OIL MANGUITO ACEITE
GUARD DEFENSA
KIT, AXLE JUEGO DE EJE
PORCA
PRISIONEIRO
PORCA
PARAFUSO
PINO
PORCA
PRISIONEIRO
PORCA
PARAFUSO
PORCA
PRISIONEIRO
PORCA
PARAFUSO
CJ. REDUTOR
PEDAL
SUPORTE
SOLEIRA
SOLEIRA
SOLEIRA
PLATAFORMA
CJ. TIRANTE
TUBO
TUBO
PROTEÇÃO
CJ. EIXO
C026502 E03 12/05
(1)
140 200
Advanced 4 Rm Sem Espaçador
Advanced 4 Wd Without Spacer
Advanced 4 Rm Sin Espaciador
Kit Creeper Epicíclico Leve Com Controle Remoto
Kit Creeper Epicyclic Light With Remot Control
Kit Creeper Epicicloidal Leve Con Control Remoto
140 200
-
Menu Símbolos
N314Z001
6211818M91
[A] FREIO
BRAKE
FRENO
1
2
3
4
5
6
7
8
9
10
11
12
13
14
15
16
17
17
18
19
20
21
23
24
069676X1
3589429M1
069676X1
3408222M1
191314M1
069676X1
3589429M1
069676X1
377561X1
069676X1
3589428M1
069676X1
377563X1
055830N1
062924S1
062957S1
052348S1
033591S1
057785P1
069223S1
054364N1
063325P1
054361P1
057380T1
2
2
3
3
2
3
3
18
18
2
2
3
3
1
1
1
1
1
1
1
2
1
1
1
[A]
NUT TUERCA
STUD ESPARRAGO
NUT TUERCA
BOLT PERNO
PIN PASADOR
NUT TUERCA
STUD ESPARRAGO
NUT TUERCA
BOLT PERNO
NUT TUERCA
STUD ESPARRAGO
NUT TUERCA
BOLT PERNO
KIT, CARRIER JUEGO PORTADOR
PEDAL PEDAL
BRACKET SOPORTE
FOOT REST REPOSAPIES
FOOT REST REPOSAPIES
FOOT REST REPOSAPIES
TABLE MESA
KIT, ROD JUEGO DE BIELAS
PIPE CANO
GUARD DEFENSA
KIT, AXLE JUEGO DE EJE
PORCA
PRISIONEIRO
PORCA
PARAFUSO
PINO
PORCA
PRISIONEIRO
PORCA
PARAFUSO
PORCA
PRISIONEIRO
PORCA
PARAFUSO
CJ. REDUTOR
PEDAL
SUPORTE
SOLEIRA
SOLEIRA
SOLEIRA
PLATAFORMA
CJ. TIRANTE
TUBO
PROTEÇÃO
CJ. EIXO
C026502 E03 12/05
(1)
140 205
Advanced 2 Rm Sem Espaçador
Advanced 2 Wd Without Spacer
Advanced 2 Rm Sin Espaciador
Kit Creeper Epicíclico Leve Sem Controle Remoto
Kit Creeper Epicyclic Light Without Remot Control
Kit Creeper Epicicloidal Leve Sin Control Remoto
140 205
-
Menu Símbolos
N330Z001
6211819M91
[A] FREIO
BRAKE
FRENO
1
2
3
4
5
6
7
8
9
10
11
12
13
14
15
16
17
17
18
19
20
21
22
23
24
069676X1
3589429M1
069676X1
3408222M1
191314M1
069676X1
3589429M1
069676X1
377561X1
069676X1
3589428M1
069676X1
377563X1
055830N1
062924S1
062957S1
052348S1
033591S1
057785P1
069223S1
054364N1
063325P1
063323P1
054361P1
057380T1
2
2
3
3
2
3
3
18
18
2
2
3
3
1
1
1
1
1
1
1
1
1
1
1
1
[A]
NUT TUERCA
STUD ESPARRAGO
NUT TUERCA
BOLT PERNO
PIN PASADOR
NUT TUERCA
STUD ESPARRAGO
NUT TUERCA
BOLT PERNO
NUT TUERCA
STUD ESPARRAGO
NUT TUERCA
BOLT PERNO
KIT, CARRIER JUEGO PORTADOR
PEDAL PEDAL
BRACKET SOPORTE
FOOT REST REPOSAPIES
FOOT REST REPOSAPIES
FOOT REST REPOSAPIES
TABLE MESA
KIT, ROD JUEGO DE BIELAS
PIPE CANO
PIPE,OIL MANGUITO ACEITE
GUARD DEFENSA
KIT, AXLE JUEGO DE EJE
PORCA
PRISIONEIRO
PORCA
PARAFUSO
PINO
PORCA
PRISIONEIRO
PORCA
PARAFUSO
PORCA
PRISIONEIRO
PORCA
PARAFUSO
CJ. REDUTOR
PEDAL
SUPORTE
SOLEIRA
SOLEIRA
SOLEIRA
PLATAFORMA
CJ. TIRANTE
TUBO
TUBO
PROTEÇÃO
CJ. EIXO
C026502 E03 12/05
(1)
140 210
Advanced 4 Rm Sem Espaçador
Advanced 4 Wd Without Spacer
Advanced 4 Rm Sin Espaciador
Kit Creeper Epicíclico Leve Sem Controle Remoto
Kit Creeper Epicyclic Light Without Remot Control
Kit Creeper Epicicloidal Leve Sin Control Remoto
140 210
-
Menu Símbolos
N337Z001
6211826M91
[A] FREIO
BRAKE
FRENO
1
2
3
4
5
6
7
8
9
10
11
12
13
14
15
17
17
18
20
21
22
069676X1
3589429M1
069676X1
3408222M1
191314M1
069676X1
3589429M1
069676X1
377561X1
069676X1
3589428M1
069676X1
377563X1
055830N1
062924S1
052348S1
033591S1
057785P1
3146699M91
058976P1
063323P1
2
2
3
3
2
3
3
18
18
2
2
3
3
1
1
1
1
1
2
1
1
[A]
NUT TUERCA
STUD ESPARRAGO
NUT TUERCA
BOLT PERNO
PIN PASADOR
NUT TUERCA
STUD ESPARRAGO
NUT TUERCA
BOLT PERNO
NUT TUERCA
STUD ESPARRAGO
NUT TUERCA
BOLT PERNO
KIT, CARRIER JUEGO PORTADOR
PEDAL PEDAL
FOOT REST REPOSAPIES
FOOT REST REPOSAPIES
FOOT REST REPOSAPIES
KIT, ROD JUEGO DE BIELAS
TUBE TUBO
PIPE,OIL MANGUITO ACEITE
PORCA
PRISIONEIRO
PORCA
PARAFUSO
PINO
PORCA
PRISIONEIRO
PORCA
PARAFUSO
PORCA
PRISIONEIRO
PORCA
PARAFUSO
CJ. REDUTOR
PEDAL
SOLEIRA
SOLEIRA
SOLEIRA
CJ. TIRANTE
TUBO
TUBO
C026502 E03 12/05
(1)
140 215
Não Advanced, 2rm E Sem Espaçador
Not Advanced, 2wd Without Spacer
No Advanced, 2rm Y Sin Espaciador
Kit Creeper Epicíclico Leve Com Controle Remoto
Kit Creeper Epicyclic Light With Remot Control
Kit Creeper Epicicloidal Leve Con Control Remoto
140 215
-
Menu Símbolos
N338Z001
6211827M91
[A] FREIO
BRAKE
FRENO
1
2
3
4
5
6
7
8
9
10
11
12
13
14
15
17
17
18
20
21
22
23
24
069676X1
3589429M1
069676X1
3408222M1
191314M1
069676X1
3589429M1
069676X1
377561X1
069676X1
3589428M1
069676X1
377563X1
055830N1
062924S1
052348S1
033591S1
057785P1
054364N1
058976P1
063323P1
054361P1
057380T1
2
2
3
3
2
3
3
18
18
2
2
3
3
1
1
1
1
1
2
1
1
1
1
[A]
NUT TUERCA
STUD ESPARRAGO
NUT TUERCA
BOLT PERNO
PIN PASADOR
NUT TUERCA
STUD ESPARRAGO
NUT TUERCA
BOLT PERNO
NUT TUERCA
STUD ESPARRAGO
NUT TUERCA
BOLT PERNO
KIT, CARRIER JUEGO PORTADOR
PEDAL PEDAL
FOOT REST REPOSAPIES
FOOT REST REPOSAPIES
FOOT REST REPOSAPIES
KIT, ROD JUEGO DE BIELAS
TUBE TUBO
PIPE,OIL MANGUITO ACEITE
GUARD DEFENSA
KIT, AXLE JUEGO DE EJE
PORCA
PRISIONEIRO
PORCA
PARAFUSO
PINO
PORCA
PRISIONEIRO
PORCA
PARAFUSO
PORCA
PRISIONEIRO
PORCA
PARAFUSO
CJ. REDUTOR
PEDAL
SOLEIRA
SOLEIRA
SOLEIRA
CJ. TIRANTE
TUBO
TUBO
PROTEÇÃO
CJ. EIXO
C026502 E03 12/05
(1)
140 220
Não Advanced, 4rm E Sem Espaçador
Not Advanced, 4wd Without Spacer
No Advanced, 4rm Y Sin Espaciador
Kit Creeper Epicíclico Leve Com Controle Remoto
Kit Creeper Epicyclic Light With Remot Control
Kit Creeper Epicicloidal Leve Con Control Remoto
140 220
-
Menu Símbolos
N339Z001
6211828M91
[A] FREIO
BRAKE
FRENO
1
2
3
4
5
6
7
8
9
10
11
12
13
14
15
16
17
17
18
19
20
21
23
24
069676X1
3589429M1
069676X1
3408222M1
191314M1
069676X1
3589429M1
069676X1
377561X1
069676X1
3589428M1
069676X1
377563X1
055830N1
062924S1
062957S1
052348S1
033591S1
057785P1
069223S1
054364N1
063325P1
054361P1
057380T1
2
2
3
3
2
3
3
18
18
2
2
3
3
1
1
1
1
1
1
1
2
1
1
1
[A]
NUT TUERCA
STUD ESPARRAGO
NUT TUERCA
BOLT PERNO
PIN PASADOR
NUT TUERCA
STUD ESPARRAGO
NUT TUERCA
BOLT PERNO
NUT TUERCA
STUD ESPARRAGO
NUT TUERCA
BOLT PERNO
KIT, CARRIER JUEGO PORTADOR
PEDAL PEDAL
BRACKET SOPORTE
FOOT REST REPOSAPIES
FOOT REST REPOSAPIES
FOOT REST REPOSAPIES
TABLE MESA
KIT, ROD JUEGO DE BIELAS
PIPE CANO
GUARD DEFENSA
KIT, AXLE JUEGO DE EJE
PORCA
PRISIONEIRO
PORCA
PARAFUSO
PINO
PORCA
PRISIONEIRO
PORCA
PARAFUSO
PORCA
PRISIONEIRO
PORCA
PARAFUSO
CJ. REDUTOR
PEDAL
SUPORTE
SOLEIRA
SOLEIRA
SOLEIRA
PLATAFORMA
CJ. TIRANTE
TUBO
PROTEÇÃO
CJ. EIXO
C026502 E03 12/05
(1)
140 225
Não Advanced, 2rm E Sem Espaçador
Not Advanced, 2wd Without Spacer
No Advanced, 2rm Y Sin Espaciador
Kit Creeper Epicíclico Leve Sem Controle Remoto
Kit Creeper Epicyclic Light Without Remot Control
Kit Creeper Epicicloidal Leve Sin Control Remoto
140 225
-
Menu Símbolos
N340Z001
6211829M91
[A] FREIO
BRAKE
FRENO
1
2
3
4
5
6
7
8
9
10
11
12
13
14
15
17
17
18
20
21
23
24
069676X1
3589429M1
069676X1
3408222M1
191314M1
069676X1
3589429M1
069676X1
377561X1
069676X1
3589428M1
069676X1
377563X1
055830N1
062924S1
052348S1
033591S1
057785P1
054364N1
063325P1
054361P1
057380T1
2
2
3
3
2
3
3
18
18
2
2
3
3
1
1
1
1
1
2
1
1
1
[A]
NUT TUERCA
STUD ESPARRAGO
NUT TUERCA
BOLT PERNO
PIN PASADOR
NUT TUERCA
STUD ESPARRAGO
NUT TUERCA
BOLT PERNO
NUT TUERCA
STUD ESPARRAGO
NUT TUERCA
BOLT PERNO
KIT, CARRIER JUEGO PORTADOR
PEDAL PEDAL
FOOT REST REPOSAPIES
FOOT REST REPOSAPIES
FOOT REST REPOSAPIES
KIT, ROD JUEGO DE BIELAS
PIPE CANO
GUARD DEFENSA
KIT, AXLE JUEGO DE EJE
PORCA
PRISIONEIRO
PORCA
PARAFUSO
PINO
PORCA
PRISIONEIRO
PORCA
PARAFUSO
PORCA
PRISIONEIRO
PORCA
PARAFUSO
CJ. REDUTOR
PEDAL
SOLEIRA
SOLEIRA
SOLEIRA
CJ. TIRANTE
TUBO
PROTEÇÃO
CJ. EIXO
C026502 E03 12/05
(1)
140 230
Não Advanced, 4rm E Sem Espaçador
Not Advanced, 4wd Without Spacer
No Advanced, 4rm Y Sin Espaciador
Kit Creeper Epicíclico Leve Sem Controle Remoto
Kit Creeper Epicyclic Light Without Remot Control
Kit Creeper Epicicloidal Leve Sin Control Remoto
140 230
-
Menu Símbolos

catalogo pecas perkins 4236.pdf