Tractor 6110J
CATALOGO DE PIEZAS
Tractor 6110J
PC8538S (11-JAN-11) Spanish
John Deere Brasil
South American Edition
Litho in Brazil (Revised)
COPYRIGHT © 2011
DEERE & COMPANY
Moline, Illinois
All rights reserved
10-A01
TRACTOR 6110J (EDICION SUDAMERICANA)
PRIMARY PICTORIAL INDEX
INDEX PRINCIPAL D’ILLUSTRATIONS
HAUPT-BILDINDEX
INDICE PRINCIPALE ILLUSTRATO
INDICE GERAL
INDICE PRINCIPAL DE ILUSTRACIONES
PUBM0884 -UN-22MAY09
020- A01
020- A02
030- A01
030- A02
TRACTOR 6110J (EDICION SUDAMERICANA) PC8538S (01-JUL-10) 10-A01
PN=1
10-A02
TRACTOR 6110J (EDICION SUDAMERICANA)
PRIMARY PICTORIAL INDEX
INDEX PRINCIPAL D’ILLUSTRATIONS
HAUPT-BILDINDEX
INDICE PRINCIPALE ILLUSTRATO
INDICE GERAL
INDICE PRINCIPAL DE ILUSTRACIONES
PUBM0885 -UN-22MAY09
040- A01
040- A02
040- A03
040- A04
10-A02 TRACTOR 6110J (EDICION SUDAMERICANA) PC8538S (01-JUL-10)
PN=2
10-A03
TRACTOR 6110J (EDICION SUDAMERICANA)
PRIMARY PICTORIAL INDEX
INDEX PRINCIPAL D’ILLUSTRATIONS
HAUPT-BILDINDEX
INDICE PRINCIPALE ILLUSTRATO
INDICE GERAL
INDICE PRINCIPAL DE ILUSTRACIONES
PUBM0886 -UN-22MAY09
052- A01
054- A01
054- A02
TRACTOR 6110J (EDICION SUDAMERICANA) PC8538S (01-JUL-10) 10-A03
PN=3
10-A04
TRACTOR 6110J (EDICION SUDAMERICANA)
PRIMARY PICTORIAL INDEX
INDEX PRINCIPAL D’ILLUSTRATIONS
HAUPT-BILDINDEX
INDICE PRINCIPALE ILLUSTRATO
INDICE GERAL
INDICE PRINCIPAL DE ILUSTRACIONES
PUBM0887 -UN-22MAY09
056- A01
056- A02
058- A01
10-A04 TRACTOR 6110J (EDICION SUDAMERICANA) PC8538S (01-JUL-10)
PN=4
10-A05
TRACTOR 6110J (EDICION SUDAMERICANA)
PRIMARY PICTORIAL INDEX
INDEX PRINCIPAL D’ILLUSTRATIONS
HAUPT-BILDINDEX
INDICE PRINCIPALE ILLUSTRATO
INDICE GERAL
INDICE PRINCIPAL DE ILUSTRACIONES
PUBM0888 -UN-22MAY09
060- A01
070- A02
070- A03
070- A04
TRACTOR 6110J (EDICION SUDAMERICANA) PC8538S (01-JUL-10) 10-A05
PN=5
10-A06
TRACTOR 6110J (EDICION SUDAMERICANA)
PRIMARY PICTORIAL INDEX
INDEX PRINCIPAL D’ILLUSTRATIONS
HAUPT-BILDINDEX
INDICE PRINCIPALE ILLUSTRATO
INDICE GERAL
INDICE PRINCIPAL DE ILUSTRACIONES
PUBM0889 -UN-22MAY09
080- A01
080- A02
10-A06 TRACTOR 6110J (EDICION SUDAMERICANA) PC8538S (01-JUL-10)
PN=6
10-A07
TRACTOR 6110J (EDICION SUDAMERICANA)
PRIMARY PICTORIAL INDEX
INDEX PRINCIPAL D’ILLUSTRATIONS
HAUPT-BILDINDEX
INDICE PRINCIPALE ILLUSTRATO
INDICE GERAL
INDICE PRINCIPAL DE ILUSTRACIONES
PUBM0890 -UN-22MAY09
092- A01
092- A02
092- A03
093- A01
093- A02
TRACTOR 6110J (EDICION SUDAMERICANA) PC8538S (01-JUL-10) 10-A07
PN=7
10-A08
TRACTOR 6110J (EDICION SUDAMERICANA)
PRIMARY PICTORIAL INDEX
INDEX PRINCIPAL D’ILLUSTRATIONS
HAUPT-BILDINDEX
INDICE PRINCIPALE ILLUSTRATO
INDICE GERAL
INDICE PRINCIPAL DE ILUSTRACIONES
PUBM0891 -UN-22MAY09
094- A01
10-A08 TRACTOR 6110J (EDICION SUDAMERICANA) PC8538S (01-JUL-10)
PN=8
10-1
TRACTOR 6110J (EDICION SUDAMERICANA)
CODES USED IN "REMARKS" COLUMN
CODES UTILISES DANS LA COLONNE "REMARQUES"
KODE-ZEICHEN IN DER SPALTE "BEMERKUNGEN"
CODICI USATI NELLA COLONNA "NOTE"
CODIGOS USADOS NA COLUNA DE NOTAS
CODIFICACION EN LA COLUMNA "NOTAS"
KODATS SOM ANVANDS PA KOLUMN "ANMARKNINGAR"
ENGLISH FRANCAIS DEUTSCH
AMP AMPERE AMPERE AMPERE
AND AND ET UND
APPL THIS APPLICATION UNIQUEMENT POUR CETTE NUR FUER DIESE
ONLY UTILISATION ANWENDUNG
AR AS REQUIRED SUIVANT BESOIN NACH BEDARF
ASSY COMPLETE ASSEMBLY ENSEMBLE COMPLET KOMPLETE BAUQRUPPE
CF CUT FROM COUPER DE SCHNEIDEN VON
FOR USE WITH POUR FUR
FRONT FRONT AVANT VORN
ID INSIDE DIAMETER DIAMETRE INTERIEUR INNENDURCHMESSER
HP HORSE-POWER PUISSANCE EN HP PFERDESTARKE
INCL KEYS INCLUDING KEYS COMPREND LES REPERES EINSCHLIESSLICH TEILE
KIT KIT JEU DE REPARATION REPARATURSATZ
L NUMBER OF LINKS NOMBRE DE MAILLONS ZAHL DER GLIEDER
LGTH LENGTH LONGUEUR LAENGE
LH LEFT- HAND GAUCHE LINKS
LOW LOWER INFERIEUR UNTEN
MARKED MARKED MARQUE MARKIERT
MF MAKE FROM REALISER AVEC HERSTELLEN VON
MFWD MECHANICAL FRONT TRACTION AVANT MECHANISHER
WHEEL DRIVE MECANIQUE FRONTRADANTRIEB
NA NOT APPLICABLE NON UTILISE NICHT ZUTREFFEND
NSEP NOT SUPPLIED NON LIVRE SEPAREMENT EINZELN NICHT LIEFERBAR
SEPARATELY
OD OUTSIDE DIAMETER DIAMETRE EXTERIEUR AUSSENDURCHMESSER
OR OR OU ODER
ORD ORDER COMMANDER BESTELLE
ORD W/ ALSO ORDER COMMANDER AVEC BESTELLE MIT
OS OVERSIZE SURDIMENSION UEBERGROSSE
PACKG PACKAGE PAR PAQUET DE VERPACKT ZU
REAR REAR ARRIERE HINTEN
RH RIGHT- HAND DROIT RECHTS
STD STANDARD STANDARD STANDARD
SUB REPLACED BY REMPLACE PAR ERSETZT DURCH
SUB FOR SUBSTITUTES FOR REMPLACE ERSETZT FUER
TK THICKNESS EPAISSEUR STAERKE
UP UPPER SUPIRIEUR OBEN
US UNDERSIZE SOUS-DIMENSION UNTERGROSSE
USE WITH USE WITH A UTILISER AVEC BENUTZEN MIT
W/ WITH AVEC MIT
W/O WITHOUT SANS OHNE
Z GEAR AND SPROCKET NOMBRE DE DENTS DES ZAEHNEZAHL FUER KETTEN-
TEETH NUMBER PIGNONES UND ZAHNRAD
2WD 2-WHEEL DRIVE 2 ROUES MOTRICES 2 RADANTRIEB
4WD 4-WHEEL DRIVE 4 ROUES MOTRICES 4 RADANTRIEB
TRACTOR 6110J (EDICION SUDAMERICANA) PC8538S (11-JAN-11) 10-1
PN=9
10-2
TRACTOR 6110J (EDICION SUDAMERICANA)
CODES USED IN "REMARKS" COLUMN
CODES UTILISES DANS LA COLONNE "REMARQUES"
KODE-ZEICHEN IN DER SPALTE "BEMERKUNGEN"
CODICI USATI NELLA COLONNA "NOTE"
CODIGOS USADOS NA COLUNA DE NOTAS
CODIFICACION EN LA COLUMNA "NOTAS"
KODATS SOM ANVANDS PA KOLUMN "ANMARKNINGAR"
ITALIANO ESPANOL SVENSKA
AMP AMPERE AMPERIO AMPERE
AND E Y OCH
APPL SOLO PER QUESTO SOLO PARA ESTE PROPOSITO ENDAST FOER DENNA
AR SECONDO NECESSITA SEGUN NECESIDAD I MA AV BEHOEV
ASSY GRUPPO COMPLETO CONJUNTO COMPLETO KOMPLETT ENHET
CF CORTARE DI CORTAR DE SKUREN FRAN
FOR PER PARA FOER
FRONT ANTERIORE FRENTE FRAM
HP POTENZA IN CAVALLI POTENCIA HASTKRAFT
ID DIAMETRO INTERNO DIAMETRO INTERIOR INRE DIAMETER
INCL KEYS CHIAVETTE INCLUSE INCLUYE LAS POSICIONES INKLUSIVE NYCKLAR
KIT CORREDO CONJUNTO DE REPARACION SATS
L NUMERO DI MAGLIE NUMERO DE ESLABONES ANTAL LANKAR ELIER LED
LGTH LUNGHEZZA LONGITUD LAENGD
LH SINISTRA IZQUIERDA VAENSTER SIDA
LOW INFERIORE INFERIOR NEDRE
MARKED MARCATO MARCADO MARKT
MF FABBRICARE DI HACER DE TILLVERKA AV
MFWD TRAZIONE ANTERIORE TRACCION DELANTERA MEKANISK FRAMHJULSDRIFT
MECCANICA MECANICA
NA NON SI USA NO UTILIZADO EJ LAMPLIG
NSEP NON FORNITO NO SE SUMINISTRA POR KAN EJ ERHALLAS SEPARAT
SEPARATAMENTE SEPARADO
OD DIAMETRO ESTERNO DIAMETRO EXTERIOR YTIRE DIAMETER
OR OPPURE O ELLER
ORD ORDINARE PIDASE BESTAELL
ORD W/ ORDINARE CON PIDASE CON BESTAELL MED
OS EXTRA GRANDE SOBRETAMANO OEVERDIMENSIONERAD
PACKG IN CONFEZIONE DA POR PAQUETE DE I SATS ELLER PAKET
REAR POSTERIORE TRASERO BAK BAKRE
RH DESTRA DERECHA HOEGER SIDA
STD STANDARD NORMAL STANDARD
SUB SOSTITUITO PER SUSTITUIDO POR ERSATTER MED
SUB FOR SOSTITUSCE SUSTITICIOC PARA ERSATTER
TK SPESSORE ESPESOR TJOCKLEK
UP SUPERIORE SUPERIOR OVRE
US EXTRA PICCOLO SUBTAMANO UNDERDIMENSIONERAD
USE WITH USARE CON USAR CON ANVAND MED
W/ CON CON MED, INKLUSIVE
W/O SENZA SIN UTAN EXKLUSIVE
Z NO: DENTI CORONA O NUMERO DE DIENTES DE LOS ANTAL TANDER PA DREV OCH
2WD TRAZIONE 2 RUOTE SIMPLE TRACCION 2-HJULSDRIFT
4WD TRAZIONE 4 RUOTE DOBLE TRACCION 4-HJULSDRIFT
10-2 TRACTOR 6110J (EDICION SUDAMERICANA) PC8538S (11-JAN-11)
PN=10
10-3
TRACTOR 6110J (EDICION SUDAMERICANA)
CODES USED IN "REMARKS" COLUMN
CODES UTILISES DANS LA COLONNE "REMARQUES"
KODE-ZEICHEN IN DER SPALTE "BEMERKUNGEN"
CODICI USATI NELLA COLONNA "NOTE"
CODIGOS USADOS NA COLUNA DE NOTAS
CODIFICACION EN LA COLUMNA "NOTAS"
KODATS SOM ANVANDS PA KOLUMN "ANMARKNINGAR"
PORTUGUES
AMP AMPERE
AND E
APPL SOMENTE PARA ESTA APLICACAO
AR CONFORME NECESSARIO
ASSY CONJUNTO COMPLETO
CF CORTAR DE
FOR PARA
FRONT FRENTE
HP POTENCIA
ID DIAMETRO INTERNO
INCL KEYS INCLUSIVE ITENS
KIT CONJUNTO DE PECAS
L NUMERO DE ELOS
LGTH COMPRIMENTO
LH ESQUERDA
LOW INFERIOR
MARKED MARCADO
MF FAZER DE
MFWD TRACAO DIANTEIRA MECANICA
NA NAO USADO NESTA APLICACAO
NSEP NAO SE FORNECE SEPARADAMENTE
OD DIAMETRO EXTERNO
OR OU
ORD PEDIR
ORD W/ PEDIR COM
OS SOBRETAMANHO
PACKG POR EMBALAGEM DE
REAR TRASEIRO
RH DIREITO
STD STANDARD
SUB SUBSTITUIDO POR
SUB FOR SUBSTITUICAO PARA
TK ESPESSURA
UP SUPERIOR
US SUBTAMANHO
USE WITH USAR COM
W/ COM
W/O SEM
Z NUMERO DE DENTES DAS ENGRENAGENS
2WD TRACAO SIMPLES
4WD TRACAO DUPLA
TRACTOR 6110J (EDICION SUDAMERICANA) PC8538S (01-JUL-10) 10-3
PN=11
10-4
TRACTOR 6110J (EDICION SUDAMERICANA)
BASIC TRACTOR SERIAL NUMBER
CQ282320 -UN-
*1BM7815XC9A123456*
{21
{
3
{
4
{
5
{
6
{
{
7
1. UNIT CODE BM - JOHN DEERE BRAZIL
2. TRACTOR MODEL 6110J
3. MODEL SUFFIX
4. CHECK LETTER
5. PRODUCTION YEAR
6. TRANSMISSION TYPE
7. SEQUENTIAL NUMBER
LVP202 -UN-01JAN94
THE BASIC TRACTOR SERIAL NUMBER PLATE IS LOCATED ON THE RIGHT-HAND SIDE
OF THE FRONT SUPPORT.
10-4 TRACTOR 6110J (EDICION SUDAMERICANA) PC8538S (11-JAN-11)
PN=12
10-5
TRACTOR 6110J (EDICION SUDAMERICANA)
NUMERO DIDENTIFICATION DU TRACTEUR
CQ282320 -UN-
*1BM7815XC9A123456*
{
21
{
3
{
4
{
5
{
6{
{
7
1. CODE DUSINE BM - JOHN DEERE BRAZIL
2. MODÛLE DU TRACTEUR 6110J
3. SUFFIXE DE MODÛLE
4. LETTRE DE V©RIFICATION
5. ANN©E DE FABRICATION
6. TYPE DE BO TE DE VITESSES
7. NUM©RO S©QUENTIEL
LVP202 -UN-01JAN94
LE NUMERO DIDENTIFICATION DE LA MACHINE SE TROUVE A
LAVANT, SUR LE COTE DROIT DU CHASSIS PRINCIPAL
TRACTOR 6110J (EDICION SUDAMERICANA) PC8538S (11-JAN-11) 10-5
PN=13
10-6
TRACTOR 6110J (EDICION SUDAMERICANA)
PRODUKT-IDENTIFIKATIONSNUMMER
CQ282320 -UN-
*1BM7815XC9A123456*
{21
{
3
{
4
{
5
{
6
{
{
7
1. HERSTELLERWERKCODE BM - JOHN DEERE BRAZIL
2. MASCHINENMODELL 6110J
3. MODELLIDSUFFIX
4. PRÕFZIFFER
5. BAUJAHR
6. ZUS TZLICHE INFORMATIONEN
7. PRODUKTIONSPIN
LVP202 -UN-01JAN94
DAS PRODUKTIDENTIFIKATIONS-SCHILD IST VORN AN DER RECHTEN SEITE DES
HAUPTRAHMENS ANGEBRACHT.
10-6 TRACTOR 6110J (EDICION SUDAMERICANA) PC8538S (11-JAN-11)
PN=14
10-7
TRACTOR 6110J (EDICION SUDAMERICANA)
NUMERO DI IDENTIFICAZIONE PRODOTTO
CQ282320 -UN-
*1BM7815XC9A123456*
{
21
{
3
{
4
{
5
{
6{
{
7
1. CODICE UNITË PRODUTTIVA BM - JOHN DEERE BRAZIL
2. MODELLO DELLA MACCHINA 6110J
3. SUFFISSO ID MODELLO
4. CIFRA DI CONTROLLO
5. ANNO DI PRODUZIONE
6. ULTERIORI INFORMAZIONI
7. PIN DI PRODUZIONE
LVP202 -UN-01JAN94
LA TARGHETTA CON IL NUMERO DI SERIE E SITUATA SUL LATO DESTRO
DEL TELAIO PRINCIPALE.
TRACTOR 6110J (EDICION SUDAMERICANA) PC8538S (11-JAN-11) 10-7
PN=15
10-8
TRACTOR 6110J (EDICION SUDAMERICANA)
NUMERO DE SERIE DO TRATOR
CQ282320 -UN-
*1BM7815XC9A123456*
{21
{
3
{
4
{
5
{
6
{
{
7
1. NUM©RO S©QUENTIEL BM - JOHN DEERE BRASIL
2. MODELO DO TRATOR 6110J
3. SUFIXO DO MODELO
4. LETRA DE VERIFICA« O
5. ANO DE PRODU« O
6. TIPO DE TRANSMISS O
7. N£MERO SEQUENCIAL
LVP202 -UN-01JAN94
A PLACA DE NUMERO DE SERIE DO TRATOR ESTA LOCALIZADA AO LADO
DIREITO NO SUPORTE FRONTAL.
10-8 TRACTOR 6110J (EDICION SUDAMERICANA) PC8538S (11-JAN-11)
PN=16
10-9
TRACTOR 6110J (EDICION SUDAMERICANA)
NUMERO DE SERIE DEL TRACTOR
CQ282320 -UN-
*1BM7815XC9A123456*
{
21
{
3
{
4
{
5
{
6{
{
7
1. CÌDIGO DE UNIDAD BM - JOHN DEERE BRASIL
2. MODELO DEL TRACTOR 6110J
3. SUFIJO DE MODELO
4. LETRA DE CONTROL
5. A O DE FABRICACIÌN
6. TIPO DE TRANSMISIÌN
7. N£MERO SECUENCIAL
LVP202 -UN-01JAN94
LA CHAPA DE IDENTIFICACION DEL TRACTOR ESTA LOCALIZADA AL LADO DERECHO EN EL SOPORTE FRONTAL.
TRACTOR 6110J (EDICION SUDAMERICANA) PC8538S (11-JAN-11) 10-9
PN=17
10-10
TRACTOR 6110J (EDICION SUDAMERICANA)
PRODUKTSERIENNUMMER
CQ282320 -UN-
*1BM7815XC9A123456*
{21
{
3
{
4
{
5
{
6
{
{
7
1. FRAMST LLER ENHETSKOD BM - JOHN DEERE BRAZIL
2. MASKINMODELL 6110J
3. MODELLIDSUFFIX
4. KONTROLLERAR SIFFRA
5. PRODUKTIONSÂR
6. YTTERLIGARE INFORMATION
7. PRODUKTIONSPIN
LVP202 -UN-01JAN94
SERIENUMMERSKYLTEN FINNS PA RAMENS HOEGRA SIDA
10-10 TRACTOR 6110J (EDICION SUDAMERICANA) PC8538S (11-JAN-11)
PN=18
10-11
TRACTOR 6110J (EDICION SUDAMERICANA)
ENGINE SERIAL NUMBER PLATE
CDP47519 -UN-25JUL06
ENGINE SERIAL NUMBER IS DEFINED BY 13 CHARACTERS
1- TWO LETTERS FOR ENGINE FACTORY DESIGNATION (JX: ROSARIO,ARGENTINA)
2- ONE DIGIT FOR NUMBER OF CYLINDERS(4 CYLINDER,6 CYLINDER)
3- THREE DIGITS FOR DISPLACEMENT IN LITERS ( 045:4.5L,068:6.8L )
4- ONE LETTER FOR:
- DESIGNATED ASPIRATION TYPE (UNTIL 01 APRIL 2005)
H: TURBOCHARGED WITH AIR-TO-AIR AFTERCOOLER
- DESIGNATED EMISSION LEVEL (SINCE 02 APRIL 2005)
G: TIER2/STAGE II EMISSION LEVEL
L: TIER3/STAGE III EMISSION LEVEL
! FOR THE SIX DIGITS OF THE ACTUAL ENGINE NUMBER (5) COUNTING STARTS WITH 000001
5- SIX DIGITS
! IN THE PARTS CATALOG PAGES, ONLY THESE SIX DIGITS ARE SHOWN
ENGINE TYPE IS DEFINED BY 9 ALPHA-NUMERICAL CHARACTERS
6- FOUR DIGITS WITH SAME DEFINITION AS SERIAL NUMBER
7- ONE LETTER FOR ASPIRATION TYPE ( H )
8- TWO LETTERS FOR USER (BM= BRAZIL)
9- TWO DIGITS FOR VERSION (EG: 60 OR 81)
10- TWO LETTERS AND FIVE DIGITS FOR ENGINE NUMBER
TRACTOR 6110J (EDICION SUDAMERICANA) PC8538S (01-JUL-10) 10-11
PN=19
10-12
TRACTOR 6110J (EDICION SUDAMERICANA)
PLAQUETTE SIGNALETIQUE DU MOTEUR
CDP47519 -UN-25JUL06
LE NUMERO DE SERIE DU MOTEUR EST DEFINI PAR 13 CARACTERES
1- DEUX LETTRES DESIGNENT L’USINE DE MOTEURS (JX: ROSARIO,ARGENTINA)
2- UN CHIFFRE INDIQUE LE NOMBRE DE CYLINDRES (4 CYLINDRE,6 CYLINDRE)
3- TROIS CHIFFRES INDIQUENT LA CYLINDREE EN LITRES ( 045:4.5L,068:6.8L )
4- UN CHIFFRE INDIQUE:
- LE TYPE D’ASPIRATION (JUSQU’AU 1ER AVRIL 2005)
H: AVEC TURBOCOMPRESSEUR ET REFROIDISSEUR AIR-AIR
- LE NIVEAU D’EMISSIONS (A PARTIR DU 2 AVRIL 2005)
G: TIER2/NIVEAU II D’EMISSIONS
L: TIER3/NIVEAU III D’EMISSIONS
! LES SIX CHIFFRES INDIQUANT LE NUMERO DU MOTEUR PROPREMENT DIT (5) SONT
COMPTES A PARTIR DE 000001
5- SIX CHIFFRES
! SEULS CES SIX CHIFFRES APPARAISSENT SUR LES PAGES DU CATALOGUE PIECES
LE TYPE DE MOTEUR EST DEFINI PAR 9 CARACTERES ALPHANUMERIQUES
6- QUATRE CHIFFRES, MEME DEFINITION QUE POUR LE NUMERO DE SERIE
7- UNE LETTRE POUR LE TYPE D’ASPIRATION (H)
8- DEUX LETTRES POUR L’UTILISATEUR (BM = BRESIL)
9- DEUX CHIFFRES POUR LA VERSION (EX.: 60 OU 81)
10- DEUX LETTRES ET CINQ CHIFFRES POUR LE NUMERO DU MOTEUR
10-12 TRACTOR 6110J (EDICION SUDAMERICANA) PC8538S (01-JUL-10)
PN=20
10-13
TRACTOR 6110J (EDICION SUDAMERICANA)
MOTOR-SERIENNUMMERNSCHILD
CDP47519 -UN-25JUL06
DIE MOTORSERIENNUMMER HAT 13 STELLEN
1- ZWEI BUCHSTABEN FUER DAS HERSTELLERWERK DES MOTORS (JX: ROSARIO,ARGENTINA)
2- EINE ZAHL FUER DIE ANZAHL DER ZYLINDER (4 ZYLINDER,6 ZYLINDER)
3- DREI ZAHLEN FUER DEN HUBRAUM IN LITERN ( 045:4.5L,068:6.8L )
4- EIN BUCHSTABE FUER:
- TYP DES LUFTANSAUGSYSTEMS (BIS 01. APRIL 2005)
H: TURBOLADER MIT LUFT-ZU-LUFT LADELUFTKUEHLER
- EMISSIONSWERTE (AB 02. APRIL 2005)
G: EMISSIONSWERTE GEMAESS TIER2/STUFE II
L: EMISSIONSWERTE GEMAESS TIER3/STUFE III
! BEI DEN SECHS STELLEN DER EIGENTLICHEN MOTORNUMMER (5) BEGINNT DIE ZAEHLUNG MIT 000001
5- SECHS STELLEN
! AUF DEN SEITEN DES ERSATZTEILKATALOGS ERSCHEINEN NUR DIESE SECHS STELLEN
DER MOTORTYP WIRD DURCH 9 ALPHANUMERISCHE ZEICHEN DEFINIERT
6- VIER STELLEN; GLEICHE DEFINITION WIE SERIENNUMMER
7- EIN BUCHSTABE FUER TYP DES LUFTANSAUGSYSTEMS (H)
8- ZWEI BUCHSTABEN FUER ANWENDER (BM= BRASILIEN)
9- ZWEI ZAHLEN FUER VERSION (Z.B.: 60 ODER 81)
10-ZWEI BUCHSTABEN UND FUENF WEITERE STELLEN FUER MOTORNUMMER
TRACTOR 6110J (EDICION SUDAMERICANA) PC8538S (01-JUL-10) 10-13
PN=21
10-14
TRACTOR 6110J (EDICION SUDAMERICANA)
TARGHETTA DEL NUMERO DI SERIE DEL MOTORE
CDP47519 -UN-25JUL06
IL NUMERO DI SERIE DEL MOTORE E COMPOSTO DA 13 CIFRE
1-DUE LETTERE PER LA DESIGNAZIONE DELLA FABBRICA DEL MOTORE(JX:ROSARIO,ARGENTINA)
2- UNA CIFRA PER IL NUMERO DI CILINDRI (4 CILINDRI,6 CILINDRI)
3- TRE CIFRE PER LA CILINDRATA, IN LITRI ( 045:4.5L,068:6.8L )
4- UNA LETTERA PER:
- DESIGNAZIONE TIPO DI ASPIRAZIONE (FINO A 10 APRILE 2005)
H: TURBOCOMPRESSO CON AFTERCOOLER ARIA-ARIA
- DESIGNAZIONE LIVELLO DI EMISSIONI (DAL 2 APRILE 2005)
G: LIVELLO DI EMISSIONI TIER2/STADIO II
L: LIVELLO DI EMISSIONI TIER3/STADIO III
! LE SEI CIFRE DEL NUMERO DI SERIE DEL MOTORE IN USO (5) INIZIANO DA 000001
5- SEI CIFRE
! NELLA PAGINE DEL CATALOGO RICAMBI, VENGONO MOSTRATI SOLO QUESTE SEI CIFR
IL TIPO DI MOTORE E IDENTIFICATO DA 9 CARATTERI ALFANUMERICI
6- QUATTRO CIFRE CON LA STESSA DEFINIZIONE DI QUELLA DEL NUMERO DI SERIE
7- UNA LETTERA PER IL TIPO DI ASPIRAZIONE ( H )
8- DUE LETTERE PER L’UTILIZZATORE (BM = BRASILE)
9- DUE CIFRE PER LA VERSIONE (ES.: 60 O 81)
10- DUE LETTERE E CINQUE CIFRE PER IL NUMERO DI SERIE DEL MOTORE
10-14 TRACTOR 6110J (EDICION SUDAMERICANA) PC8538S (01-JUL-10)
PN=22
10-15
TRACTOR 6110J (EDICION SUDAMERICANA)
PLACA DE IDENTIFICACAO DO NUMERO DE SERIE DO MOTOR
CDP47519 -UN-25JUL06
O NUMERO DE SERIE DOS MOTORES E DEFINIDO POR 13 DIGITOS
1- DUAS LETRAS PARA INDICAR O FABRICANTE DO MOTOR (JX: ROSARIO,ARGENTINA)
2- UM NUMERO PARA INDICAR O NUMERO DE CILINDROS (4 CILINDRO,6 CILINDRO)
3- TRES NUMEROS PARA INDICAR A CILINDRADA EM LITROS ( 045:4.5L,068:6.8L )
4- UMA LETRA PARA :
-DESIGNAR O TIPO DE ASPIRACAO ( ATE 1 DE ABRIL DE 2005 )
H: TURBOALIMENTADO COM REFRIGERADOR INTERMEDIARIO AR- AR
-NIVEL DAS EMISSOES (DESDE 2 DE ABRIL DE 2005)
G: NIVEL DE EMISSAO TIER2/NIVEL II
L: NIVEL DE EMISSAO TIER3/NIVEL III
! PARA OS SEIS DIGITOS DO NUMERO DO MOTOR (5) A NUMERACAO COMECA COM 000001
5- SEIS DIGITOS
! NAS PAGINAS DE CATALOGO DE PECAS, SOMENTE ESSES SEIS DIGITOS SAO MOSTRADOS
O TIPO DO MOTOR E DEFINIDO MEDIANTE 9 CARACTERES ALFANUMERICOS
6- QUATRO NUMEROS QUE CORRESPONDEM AOS QUATRO PRIMEIROS NUMERO DE SERIE
7- UMA LETRA PARA DESIGNAR O TIPO DE ASPIRACAO (H)
8- DUAS LETRAS PARA DESIGNAR ONDE E USADO (BM = BRASIL)
9- DOIS NUMEROS PARA DESIGNAR A VERSAO (P.E.: 60 O 81)
10- DUAS LETRAS E CINCO NUMEROS PARA O NUMERO DO MOTOR
TRACTOR 6110J (EDICION SUDAMERICANA) PC8538S (01-JUL-10) 10-15
PN=23
10-16
TRACTOR 6110J (EDICION SUDAMERICANA)
PLACA DE NUMERO DE SERIE DEL MOTOR
CDP47519 -UN-25JUL06
EL NUMERO DE SERIE DEL MOTOR SE DEFINE MEDIANTE 13 DIGITOS
1- DOS LETRAS PARA DESIGNAR EL FABRICANTE DEL MOTOR (JX: ROSARIO,ARGENTINA)
2- UNA CIFRA PARA INDICAR EL NUMERO DE CILINDROS (4 CILINDRO,6 CILINDRO)
3- TRES CIFRAS PARA INDICAR LA CILINDRADA EN LITROS ( 045:4.5L,068:6.8L )
4- UNA LETRA PARA:
- DESIGNAR EL TIPO DE ASPIRACION (HASTA EL 1 DE ABRIL DE 2005)
H: TURBOALIMENTADO CON ENFRIADOR INTERMEDIO AIRE-AIRE
- NIVEL DE EMISIONES (DESDE EL 2 DE ABRIL DE 2005)
G: NIVEL DE EMISIONES TIER2/FASE II
L: NIVEL DE EMISIONES TIER3/FASE III
! EN LO QUE SE REFIERE A LAS SEIS CIFRAS DEL NUMERO DEL MOTOR (5),
NUMERACION COMIENZA CON 000001
5- SEIS CIFRAS
! EN LAS PAGINAS DEL CATALOGO DE PIEZAS, SOLO APARECEN ESTAS SEIS CIFRAS
EL TIPO DEL MOTOR SE DEFINE MEDIANTE 9 CARACTERES ALFANUMERICOS
6- QUATRO CIFRAS QUE CORRESPONDEN A LAS CUATRO PRIMERAS CIFRAS DEL NUMERO DE SERIE
7- UNA LETRA PARA DESIGNAR EL TIPO DE ASPIRACION ( H )
8- DOS LETRAS PARA DESIGNAR EL USUARIO (BM= BRASIL)
9- DOS CIFRAS PARA DESIGNAR LA VERSION (P.E.: 60 O 81)
10- DOS LETRAS Y CINCO CIFRAS PARA NUMERO MOTOR
10-16 TRACTOR 6110J (EDICION SUDAMERICANA) PC8538S (01-JUL-10)
PN=24
10-17
TRACTOR 6110J (EDICION SUDAMERICANA)
MOTORSERIENUMMERSKYLT
CDP47519 -UN-25JUL06
MOTORSERIENUMRET BESTAAR AV 13 TECKEN
1- TVAA BOKSTAEVER ANGER TILLVERKANDE MOTORFABRIK (JX: ROSARIO,ARGENTINA)
2- EN SIFFRA ANGER CYLINDERANTAL (4 CYLINDERANTAL,6 CYLINDERANTAL)
3- TRE SIFFROR ANDER SLAGVOLYM I LITER ( 045:4.5L,068:6.8L )
4- EN BOKSTAV ANGER:
- INSUGNING (T.O.M. APRIL 2005)
H: TURBOLADDAD MED LUFT-TILL-LUFT LADDLUFTKYLARE
- EMISSIONSNIVAA (FR.O.M. 02 APRIL 2005)
G: MILJOESTEG II EMISSIONSNIVAA
L: MILJOESTEG III EMISSIONSNIVAA
OBS! FOER MOTORNUMRETS SEX SIFFROR (5) STARTAR RAEKNEVERKET MED 000001
5- SEX SIFFROR
OBS! I RESERVDELSKATALOGEN ANGES ENDAST DESSA SEX SIFFROR
MOTORBETECKNINGEN DEFINIERAS AV 9 TECKEN
6- FYRA SIFFROR MED SAMMA DEFINITION SOM I SERIENUMRET
7- EN BOKSTAV ANGER INSUGNING (H)
8- TVAA SIFFROR ANGER ANVAENDAREN (BM = BRASILIEN)
9- TVAA SIFFROR ANGER VERSION (EX: 60 ELLER 81)
10- TVAA BOKSTAEVER OCH FEM SIFFROR ANGER MOTORNUMRET
TRACTOR 6110J (EDICION SUDAMERICANA) PC8538S (01-JUL-10) 10-17
PN=25
10-18
TRACTOR 6110J (EDICION SUDAMERICANA)
COMPONENT SERIAL NUMBER - POWRQUAD TRANSMISSION
NUMERO DE SERIE DES COMPOSANTS - BOITE POWRQUAD
PUBM0993 -UN-30JUL09
1. COMPONENT MANUFACTURER RO - JOHN DEERE WATERLOO
2. TYPE OF TRANSMISSION T6 - POWRQUAD
3. MODEL CLUTCH WITH 3 SPEED-SYNCHRONIZED TRANSMISSION
4. MAX INPUT TORQUE 29-290 NM 39-390NM
5. SERIAL NUMBER SIX DIGITS
1. CONSTRUCTEUR DES COMPOSANTS RO - JOHN DEERE WATERLOO
2. TRANSMISSION T6 - POWRQUAD
3. MODELE EMBRAYAGE, BOITE SYNCHRONISEE 3 VITESSES
4. COUPLE D’ENTREE MAX. 29 - 290 NM / 39 - 390 NM
5. NUMERO DE SERIE SIX CHIFFRES
10-18 TRACTOR 6110J (EDICION SUDAMERICANA) PC8538S (01-JUL-10)
PN=26
10-19
TRACTOR 6110J (EDICION SUDAMERICANA)
KOMPONENTEN-SERIENNUMMER - POWRQUAD-GETRIEBE
NUMERO DI SERIE DEL COMPONENTE - TRANSMISIONE POWRQUAD
PUBM0993 -UN-30JUL09
1. KOMPONENTEN-HERSTELLER RO- JOHN DEERE WATERLOO
2. GETRIEBETYP T6 POWRQUAD
3. MODELL KUPPLUNG MIT 3-GANG SYNCHRONGETRIEBE
4. MAXIMALES EINGANGSDREHMOMENT 29-290NM / 39-390NM
5. SERIENNUMMER SECHS STELLEN
1. COSTRUTTORE COMPONENTE RO - JOHN DEERE WATERLOO
2. TIPO DI TRASMISSIONE T6 POWRQUAD
3. MODELLO FRIZIONE, CON TRASMISSIONE A 3 RAPPORTI
SINCRONIZZATI
4. COPPIA MASSIMA IN INGRESSO 29-290NM / 39-390NM
5. NUMERO DI SERIE SEI CARATTERI
TRACTOR 6110J (EDICION SUDAMERICANA) PC8538S (01-JUL-10) 10-19
PN=27
10-20
TRACTOR 6110J (EDICION SUDAMERICANA)
NUMERO DE SERIE DE COMPONENTE - TRANSMISSAO POWRQUAD
PUBM0993 -UN-30JUL09
1. FABRICANTE DO COMPONENTE RO- JOHN DEERE WATERLOO
2. TIPO DE TRANSMISSAO T6 POWRQUAD
3. MODELO EMBREAGEM COM TRANSMISSAO SINCRONIZADA
DE 3 VELOCIDADES
4. TORQUE MAXIMO DE ENTRADA 29-290NM / 39-390NM
5. NUMERO DE SERIE SEIS DIGITOS
10-20 TRACTOR 6110J (EDICION SUDAMERICANA) PC8538S (01-JUL-10)
PN=28
10-21
TRACTOR 6110J (EDICION SUDAMERICANA)
NUMERO DE SERIE DEL COMPONENTE - TRANSMISION POWRQUAD
COMPONENT SERIENUMMER - POWRQUAD OVERFOERING
PUBM0993 -UN-30JUL09
1. FABRICANTE DEL COMPONENTE RO - JOHN DEERE WATERLOO
2. TIPO DE TRANSMISION T6 - POWRQUAD
3. MODELO EMBRAGE CON TRANSMISION SINCRONIZADA
3 VELOCIDADES
4. PAR MOTOR DE ENTRADA MAXIMO 29 - 290NM/39 - 390NM
5. NUMERO DE SERIE SEIS DIGITOS
1. KOMPONENTILLVERKARE RO - JOHN DEERE WATERLOO
2. TYP AV OVERFOERING T6 POWRQUAD
3. MODELL KOPPLING MED 3 SPEED - SYNKRONISERAS
4. MAXIMAL TILLFORD VRIDMOMENT 29-290 NM / 39-390 NM
5. SERIENUMMER SEX SIFFROR
TRACTOR 6110J (EDICION SUDAMERICANA) PC8538S (01-JUL-10) 10-21
PN=29
10-22
TRACTOR 6110J (EDICION SUDAMERICANA)
TRANSMISSION SERIAL NUMBER
NUMERO DE SERIE DE LA BOITE
PUBM0994 -UN-30JUL09
1. COMPONENT MANUFACTURER RO - JOHN DEERE WATERLOO
2. FOR TRANSMISSION MODULE TF - SYNCROPLUS / POWER REVERSER
3. NUMBER OF FORWARD GEARS C - 12 / G - 16
4. SERIAL NUMBER SIX DIGITS
1. CONSTRUCTEUR DES COMPOSANTS RO - JOHN DEERE WATERLOO
2. TRANSMISSION TF - SYNCROPLUS / POWER REVERSER
3. NOMBRE DE VITESSES EN MARCHE AVANT C - 12 / G - 16
4. NUMERO DE SERIE SIX CHIFFRES
10-22 TRACTOR 6110J (EDICION SUDAMERICANA) PC8538S (01-JUL-10)
PN=30
10-23
TRACTOR 6110J (EDICION SUDAMERICANA)
GETRIEBE-SERIENNUMMER
NUMERO DI SERIE TRASMISSIONE
PUBM0994 -UN-30JUL09
1. KOMPONENTEN-HERSTELLER RO - JOHN DEERE WATERLOO
2. FUER GETRIEBE MODUL TF - SYNCROPLUS/POWER REVERSER
3. ANZAHL DER VORWAERTSGAENGE C - 12 / G - 16
4. SERIENNUMMER SECHS STELLEN
1. COSTRUTTORE COMPONENTE RO - JOHN DEERE WATERLOO
2. PER MODULO TRASMISSIONE TF - SYNCROPLUS / POWER REVERSER
3. NUMERO DI MARCE AVANTI C - 12 / G - 16
4. NUMERO DI SERIE SEI CARATTERI
TRACTOR 6110J (EDICION SUDAMERICANA) PC8538S (01-JUL-10) 10-23
PN=31
10-24
TRACTOR 6110J (EDICION SUDAMERICANA)
NUMERO DE SERIE DA TRANSMISSAO
PUBM0994 -UN-30JUL09
1. FABRICANTE DO COMPONENTE RO - JOHN DEERE WATERLOO
2. PARA MODULO DA TRANSMISSAO TF - SYNCROPLUS/POWER REVERSER
3. NUMERO DE MARCHAS PARA A FRENTE C - 12 / G - 16
4. NUMERO DE SERIE SEIS DIGITOS
10-24 TRACTOR 6110J (EDICION SUDAMERICANA) PC8538S (01-JUL-10)
PN=32
10-25
TRACTOR 6110J (EDICION SUDAMERICANA)
NUMERO DE SERIE DE TRANSMISION
TRANSMISSIONSERIENUMMER
PUBM0994 -UN-30JUL09
1. FABRICANTE DEL COMPONENTE RO- JOHN DEERE WATERLOO
2. PARA MODULO DE TRANSMISION TF - SYNCROPLUS/POWER REVERSER
3. NUMERO DE MARCHAS DE AVANCE C - 12 / G - 16
4. NUMERO DE SERIE SEIS DIGITOS
1. KOMPONENTILLVERKARE RO - JOHN DEERE WATERLOO
2. FOER TRANSMISSIONSMODUL TF - SYNCROPLUS / POWER REVERSER
3. ANTAL FRAMAATVAEXLAR C - 12 / G - 16
4. SERIENUMMER SEX SIFFROR
TRACTOR 6110J (EDICION SUDAMERICANA) PC8538S (01-JUL-10) 10-25
PN=33
10-26
TRACTOR 6110J (EDICION SUDAMERICANA)
SERIAL NUMBER LISTING INFORMATION
SERIAL NUMBER INFORMATION IS LISTED TO SHOW ON WHICH MACHINES EACH PART CAN BE USED.
FOR EXAMPLE:
- THE PART CAN BE USED ON ALL MACHINES.
-000000 THE PART CAN BE USED ON ALL MACHINES UP TO AND INCLUDING THE SERIAL NUMBER LISTED.
000000- THE PART CAN BE USED ON ALL MACHINES BEGINNING WITH THE SERIAL NUMBER LISTED.
000000-000000 THE PART CAN BE USED ON ALL MACHINES BETWEEN AND INCLUDING THE SERIAL NUMBERS
LISTED.
WHEN XXXXXX’S ARE LISTED IN PLACE OF SERIAL NUMBERS, A SERIAL NUMBER CHANGE WAS MADE
BUT THE EXACT SERIAL NUMBER WAS NOT AVAILABLE WHEN THE CATALOG WAS PRODUCED.
DIRECTION ARROW
ARROWS ARE USED WITH ILLUSTRATIONS TO INDICATE THE FRONT OF THE UNIT. "RIGHT-HAND" AND
"LEFT-HAND" SIDES ARE DETERMINED BY FACING IN THE DIRECTION OF MACHINE FORWARD TRAVEL.
BOX-ENCLOSED ILLUSTRATIONS
A KEY NUMBER, SHOWN IN THE PARTS LIST, IS ASSIGNED TO A BOX ENCLOSING ALL PARTS SOLD AS A
SERVICE ASSEMBLY. A BOX NOT KEYED INCLUDES NON-CURRENT PARTS.
10-26 TRACTOR 6110J (EDICION SUDAMERICANA) PC8538S (01-JUL-10)
PN=34
10-27
TRACTOR 6110J (EDICION SUDAMERICANA)
GENERALITES CONCERNANT LES NUMEROS DE SERIE
CES INFORMATIONS PERMETTENT DE DETERMINER LES PIECES A MONTER SELON LE NUMERO DE SERIE
DE LA MACHINE:
- LA PIECE PEUT ETRE MONTEE SUR TOUTES LES MACHINES
-000000 LA PIECE PEUT ETRE MONTEE SUR LES MACHINES JUSQU’AU NUMERO DE SERIE INDIQUE INCLUS
000000- LA PIECE PEUT ETRE MONTEE SUR LES MACHINES A PARTIR DU NUMERO DE SERIE INDIQUE
000000-000000 LA PIECE PEUT ETRE MONTEE SUR LES MACHINES DONT LE NUMERO DE SERIE EST COMPRIS
ENTRE LES NUMEROS INDIQUES INCLUS
LORSQU’ UN NUMERO DE SERIE EST REMPLACE PAR XXXXXX, UN CHANGEMENT A ETE APPORTE DANS
LES NUMEROS DE SERIE, MAIS LE NUMERO DE SERIE EXACT N’ETAIT PAS CONNU AU MOMENT
DE LA PUBLICATION DU CATALOGUE.
FLECHES DIRECTIONNELLES
LES FLECHES FIGURANT SUR LES ILLUSTRATIONS INDIQUENT L’AVANT DE LA MACHINE. LES INDICATIONS
DE COTE, TELLES QUE DROITE ET GAUCHE, S’ENTENDENT PAR RAPPORT AU SENS NORMAL DE
MARCHE AVANT DE LA MACHINE.
ILLUSTRATIONS FIGURANT DANS DES ENCADRES
LES PIECES FIGURANT DANS UN ENCADRE SONT DISPONIBLE EN TANT QUE JEU {COMPLET;} UNE REFERENCE
FIGURANT DANS LA LISTE DES PIECES EST AFFECTEE A CE JEU. UN ENCADRE SANS REFERENCE
COMPREND DES PIECES D’UN ANCIEN ASSEMBLAGE.
TRACTOR 6110J (EDICION SUDAMERICANA) PC8538S (01-JUL-10) 10-27
PN=35
10-28
TRACTOR 6110J (EDICION SUDAMERICANA)
INFORMATIONEN ZUR SERIENNUMMER
SERIENNUMMERN SIND ANGEGEBEN, UM GENAU FESTSTELLEN ZU KOENNEN, WELCHE TEILE FUER
EINE BESTIMMTE MASCHINE VERWENDET WERDEN.
BEISPIEL:
- DIESES TEIL KANN FUER ALLE MASCHINEN VERWENDET WERDEN.
-000000 DIESES TEIL KANN FUER ALLE MASCHINEN BIS ZU DER GENANNTEN SERIENNUMMER VERWENDET
WERDEN.
000000- DIESES TEIL KANN FUER ALLE MASCHINEN AB DER GENANNTEN SERIENNUMMER VERWENDET
WERDEN.
000000-000000 DIESES TEIL KANN FUER ALLE MASCHINEN VERWENDET WERDEN, DEREN SERIENNUMMER
ZWISCHEN DEN GENANNTEN ZAHLEN LIEGT.
WO ANSTELLE EINER SERIENNUMMER DIE ANGABE XXXXXX STEHT, ERFOLGTE EINE AENDERUNG DER
BETREFFENDEN SERIENNUMMER. BEI ZUSAMMENSTELLUNG DES ERSATZTEILKATALOGES WAR DIE
GENAUE SERIENNUMMER JEDOCH NOCH NICHT BEKANNT.
PFEILE ZUR RICHTUNGSANGABE
DIE IN DEN ABBILDUNGEN VERWENDETEN PFEILE KENNZEICHNEN DIE VORDERSEITE DER
BETREFFENDEN EINHEIT. DIE BEZEICHNUNGEN "RECHTS" UND "LINKS" BEZIEHEN SICH AUF DIE
VORWAERTSFAHRTRICHTUNG DER MASCHINE.
UMRANDETE TEILE
MIT EINER UMRANDUNG VERSEHENE TEILE SIND ALS REPARATURSATZ ERHAELTLICH UND IN DER
ERSATZTEILLISTE MIT EINER ENTSPRECHENDEN NUMMER GEKENNZEICHNET.
UMRANDETE TEILE OHNE TEILENUMMERN SIND ALTE TEILE.
10-28 TRACTOR 6110J (EDICION SUDAMERICANA) PC8538S (01-JUL-10)
PN=36
10-29
TRACTOR 6110J (EDICION SUDAMERICANA)
INFORMAZIONI SUGLI ELENCHI DEI NUMERI DI MATRICOLA
SONO INDICATE QUI DI SEGUITO LE INFORMAZIONI RELATIVE AI NUMERI DI MATRICOLA PER SPIEGARE
SU QUALE MACCHINA POSSONO ESSERE USATE LE VARIE PARTI. AD ESEMPIO:
- LA PARTE PUO’ESSERE USATA SU TUTTE LE MACCHINE.
-000000 LA PARTE PUO’ESSERE USATA SU TUTTE LE MACCHINE FINO AL NUMERO DI MATRICOLA
INDICATO COMPRESO.
000000- LA PARTE PUO’ESSERE USATA SU TUTTE LE MACCHINE A PARTIRE DAL NUMERO DI MATRICOLA
INDICATO.
000000-000000 LA PARTE PUO’ESSERE USATA CON NUMERI DI MATRICOLA COMPRESI TRA QUELLI INDICATI.
QUANDO IN LUOGO DEL NUMERO DI MATRICOLA FIGURANO LE XXXXXX, SIGNIFICA CHE E’STATA
APPORTATA UNA VARIAZIONE AL NUMERO DI MATRICOLA MA IL NUMERO DI MATRICOLA ESATTO
NON ERA DISPONIBILE AL MOMENTO DELLA PRODUZIONE DEL CATALOGO.
FRECCIA DI DIREZIONE
LA FRECCIA VIENE USATA CON LE ILLUSTRAZIONI PER INDICARE LA PARTE ANTERIORE DELL’UNITA’
"LATO DESTRO" E "LATO SINISTRO" S’INTENDONO GUARDANDO LA MACCHINA CHE SI SPOSTA IN
MARCIA AVANTI.
ILLUSTRAZIONE RIQUADRATA
UN NUMERO DI RIFERIMENTO, INDICATO NELL’ELENCO PARTI, E’ASSEGNATO AD RIQUADRO CHE
COMPRENDE TUTTE LE PARTI VENDUTE COME GRUPPO DI SERVIZIO. I PEZZI ACCERCHIATI SENZA
NUMERO D’IDENTIFICAZIONE SONO PEZZI VECCHI.
TRACTOR 6110J (EDICION SUDAMERICANA) PC8538S (01-JUL-10) 10-29
PN=37
10-30
TRACTOR 6110J (EDICION SUDAMERICANA)
INFORMACAO DE LISTAGEM DE NUMERO DE SERIE
A INFORMACAO DO NUMERO DE SERIE E LISTADO PARA MOSTRAR EM QUAIS MAQUINAS CADA PECA PODE SER USADA.
POR EXEMPLO:
- A PECA PODE SER USADA EM TODAS AS MAQUINAS.
-000000 A PECA PODE SER USADA EM TODAS AS MAQUINAS, ATE E INCLUSIVE O NUMERO DE SERIE
LISTADO
000000- A PECA PODE SER USADA EM TODAS AS MAQUINAS COMECANDO COM O NUMERO DE SERIE
LISTADO
000000-000000 A PECA PODE SER USADA EM TODAS AS MAQUINAS, ENTRE E INCLUSIVE OS NUMEROS DE SERIE
LISTADOS.
QUANDO XXXXXX’S SAO LISTADOS NO LUGAR DE UM NUMERO DE SERIE, UMA MUDANCA NO NUMERO DE
SERIE FOI FEITA, MAS ESTE NAO ESTAVA DISPONIVEL QUANDO O CATALOGO FOI PRODUZIDO.
DIRECAO DA SETA
SETAS SAO USADAS NAS ILUSTRACOES PARA INDICAR A FRENTE DA MAQUINA. LADO DIREITO E LADO ESQUERDO
SAO DETERMINADOS PELA FRENTE NO SENTIDO DE DESLOCAMENTO DA MAQUINA.
CAIXA NAS ILUSTRACOES
O CODIGO CORRESPONDENTE AO NUMERO INDICADO PARA A CAIXA INCLUI TODOS OS ITENS QUE ESTAO
REPRESENTADOS DENTRO DA MESMA, INDICANDO O CONJUNTO COMPLETO. NAO INCLUI AS PECAS
QUE ESTAO FORA DA CAIXA.
10-30 TRACTOR 6110J (EDICION SUDAMERICANA) PC8538S (01-JUL-10)
PN=38
10-31
TRACTOR 6110J (EDICION SUDAMERICANA)
INFORMACION SOBRE NUMEROS DE SERIE
LA INFORMACION SOBRE NUMEROS DE SERIE INDICA LAS PIEZAS QUE SE UTILIZAN EN CADA MAQUINA.
POR EJEMPLO:
- LA REFERENCIA PUEDE SER UTILIZADA EN TODAS LAS MAQUINAS
-000000 LA REFERENCIA PUEDE SER UTILIZADA EN TODAS LAS MAQUINAS HASTA E INCLUYENDO EL
NUMERO DE SERIE INDICADO.
000000- LA REFERENCIA PUEDE SER UTILIZADA EN TODAS LAS MAQINAS A PARTIR DEL NUMERO DE
SERIE INDICADO
000000-000000 LA REFERENCIA PUEDE SER UTILIZADA EN TODAS LAS MAQUINAS CON NUMEROS DE SERIE
COMPRENDIDOS ENTRE LOS DOS NUMEROS.AMBOS INCLUSIVE.
CUANDO SE INDICA XXXXXX EN VEZ DE LOS NUMEROS DE SERIE, SE HA PRODUCIDO UN CAMBIO EN EL
NUMERO DE SERIE PERO NO ESTA DISPONIBLE EN LA FECHA DE LA PUBLICACION.
DIRECCION DE LA SAETA
SAETAS SON USADAS EN LAS ILUSTRACIONES PARA INDICAR LA FRENTE DE LA MAQUINA.
LADO DERECHO Y LADO IZQUIERDO SON DETERMINADOS POR LA FRENTE, EN EL SENTIDO DE
DESPLAZAMIENTO DE LA MAQUINA.
ILUSTRACIONES CON RECUADROS
LA LISTA DE REFERENCIAS ASIGNA UN NUMERO CLAVE PARA LOS RECUADROS QUE INCLUYEN TODAS
LAS PIEZAS QUE FORMAN UN CONJUNTO DE REPARACION. NO ESTAN INCLUSAS LAS PIEZAS DE
FUERA DE LA CAJA.
TRACTOR 6110J (EDICION SUDAMERICANA) PC8538S (01-JUL-10) 10-31
PN=39
10-32
TRACTOR 6110J (EDICION SUDAMERICANA)
SERIENNUMMERINFORMATION
SERIENUMMER ANGES FOR ATT VISA PA VILKA MASKINER EN VISS DEL KAN ANVANDAS, TEX:
- DELEN KAN ANVANDAS PA SAMTLIGA MASKINER
-000000 DELEN KAN ANVANDAS PA SAMTLIGA MASKINER TOM ANGIVET SERIENUMMER
000000- DELEN KAN ANVANDAS PA SAMTLIGA MASKINER FROM ANGIVET SERIENUMMER
000000-000000 DELEN KAN ANVANDAS PA SAMTLIGA MASKINER MELLAN ANGIVNA SERIENUMMER
NAR XXXXXX ANGES I STALLET FOR ETT SERIENUMMER HAR EN SERIENUMMER ANDRING SKETT,
MEN EXACT SERIENUMMER FANNS INTE TILLGANGLIGT INNAN RESERVDELSKATALOGEN GICK I TRYCK
RIKTNINGSPIL
PILAR ANVANDS FOR ATT MARKERA MOTORNS FRONT. BETECKNINGARNA "HOGER" OCH "VANSTER"
GALLER I MASKINENS KORRIKTNING.
INRUTAD ILLUSTRATION
ETT NYCKELNUMMER, SOM VISAS I RESERVDELSLISTAN, MARKERAR ATT SAMLIGA DELAR
INKLUDERADE I RUTAN ERHALLS SOM EN ENHET.
DELAR INKLUDERADE I RUTAN UTAN NYCKELNUMMER AR GAMLA DELAR.
ILLUSTRATIONER
ILLUSTRATIONERNA I KATALOGEN MOTSVARAR INTE NOEDVAENDIGTVIS SENAST TILLGAENGLIGA
UTFOERANDE, UTAN UTGOER ENDAST RIKTLINJER FOER ATERFOERSAELJARE OCH KUNDER.
BILDMATERIALET UPPDATERAS FOERST VID KONSTRUKTIONS- OCH/ELLER FUNKTIONSAENDRINGAR.
CKSO-SERVICEDELAR
I VISSA DELAR AV VAERLDEN ANVAENDS SERVICEDELAR SOM BETECKNAS CKSO. OM DIN
RESERVDELSDEPOT FINNS I EUROPA SKALL CKSO-DELAR BESTAELLAS.
10-32 TRACTOR 6110J (EDICION SUDAMERICANA) PC8538S (01-JUL-10)
PN=40
10-33
TRACTOR 6110J (EDICION SUDAMERICANA)
SECTION INDEX
10 - GENERAL INFORMATION
20 - ENGINE (4045TBM03)
30 - ENGINE AUXILIARIES, TANK, AIR SYSTEM
40 - ELECTRICAL COMPONENTS
52 - SYNCROPLUS TRANSMISSION
54 - POWRQUAD TRANSMISSION
56 - DRIVE SYSTEMS
58 - POWER TAKE-OFF
60 - STEERING AND BRAKES
70 - HYDRAULIC COMPONENTS
80 - FRAME, FRONT AXLES, SHEETS, MISCELLANEOUS
92 - OPERATOR’S STATION
93 - CONTROLS, ACCESSORIES AND AIR CONDITIONING
94 - CABLES AND SEAT
180 - NUMERICAL INDEX
INDEX DE SECTION
10 - GENERALITES
20 - MOTEUR (4045TBM03)
30 - MOTEUR, SYSTEMES ANNEXES, RESERVOIR, ADMISSION
40 - COMPOSANTS ELECTRIQUES
52 - BOITE SYNCROPLUS
54 - BOITE POWRQUAD
56 - TRANSMISSION
58 - PRISE DE FORCE
60 - DIRECTION ET FREINS
70 - COMPOSANTS HYDRAULIQUES
80 - CHASSIS, ESSIEUX AVANT, ELEMENTS D’HABILLAGE, DIVERS
92 - PLATE-FORME DE CONDUITE
93 - ELEMENTS DE COMMANDE, ACCESSOIRES ET CLIMATISATION
94 - CABLES ET FAUTEUIL
180 - INDEX DES REFERENCES DE PIECES
TRACTOR 6110J (EDICION SUDAMERICANA) PC8538S (01-JUL-10) 10-33
PN=41
10-34
TRACTOR 6110J (EDICION SUDAMERICANA)
GRUPPENINDEX
10 - ALLGEMEINE INFORMATION
20 - MOTOR (4045TBM03)
30 - MOTORANBAUTEILE, TANK, LUFTANSAUGSYSTEM
40 - ELEKTRISCHE KOMPONENTEN
52 - SYNCROPLUS GETRIEBE
54 - POWRQUAD GETRIEBE
56 - GETRIEBE
58 - ZAPFWELLE
60 - LENKUNG UND BREMSEN
70 - HYDRAULISCHE KOMPONENTEN
80 - RAHMEN, VORDERACHSEN, VERKLEIDUNGSTEILE, VERSCHIEDENES
92 - FAHRERPLATTFORM
93 - BEDIENUNGSELEMENTE, ZUBEHOER UND KLIMAANLAGE
94 - KABEL UND SITZ
180 - TEILENUMMERN-VERZEICHNIS
INDICE DELLA SEZIONE
10 - INFORMAZIONI GENERALI
20 - MOTORE (4045TBM03)
30 - PARTI AUSILIARIE MOTORE, SERBATOIO, SISTEMA ASPIRAZIONE ARIA
40 - COMPONENTI ELETTRICI
52 - TRASMISSIONE SYNCROPLUS
54 - TRASMISSIONE POWRQUAD
56 - ISTEMI DI TRANSMISSIONE
58 - PRESA DI FORZA
60 - STERZO E FRENI
70 - COMPONENTI IDRAULICI
80 - TELAIO, ASSALI ANTERIORI, COPERCHI, VARIE
92 - STAZIONE OPERATORE
93 - COMANDI, ACCESSORI E CONDIZIONATORE ARIA
94 - CAVO E SEDILE
180 - INDICE NUMERICO
10-34 TRACTOR 6110J (EDICION SUDAMERICANA) PC8538S (01-JUL-10)
PN=42
10-35
TRACTOR 6110J (EDICION SUDAMERICANA)
INDICE DE GRUPO
10 - INFORMACOES GERAIS
20 - MOTOR (4045TBM03) )
30 - PERIFERICOS DO MOTOR, TANQUE E SISTEMA DE ADMISSAO
40 - SISTEMA ELETRICO
52 - TRANSMISSAO SYNCROPLUS
54 - TRANSMISSAO POWRQUAD
56 - SISTEMA DE TRANSMISSAO
58 - TOMADA DE POTENCIA - TDP
60 - SISTEMA DE DIRECAO E FREIO
70 - SISTEMA HIDRAULICO
80 - CHASSI, EIXO DIANTEIRO, CAPO, ACESSORIOS
92 - PLATAFORMA DO OPERADOR
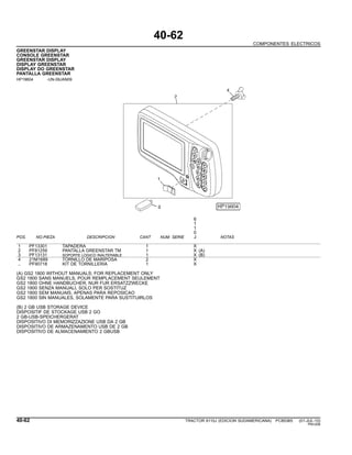
93 - CONTROLE, ACESSORIOS E AR CONDICIONADO
94 - CABOS ACESSORIOS E ASSENTO
180 - INDICE NUMERICO
INDICE DE GRUPOS
10 - INFORMACION GENERAL
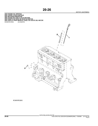
20 - MOTOR (4045TBM03)
30 - COMPONENTES AUXILIARES DEL MOTOR, DEPOSITO, SISTEMA DE ADMISION
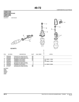
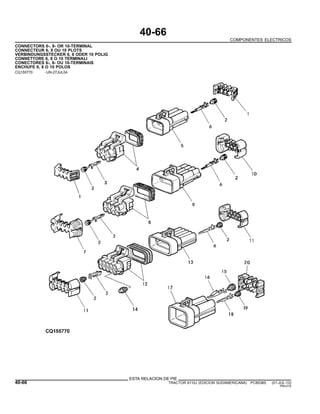
40 - COMPONENTES ELECTRICOS
52 - TRANSMISION SYNCROPLUS
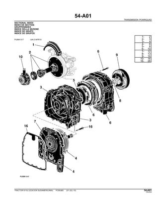
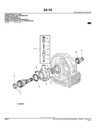
54 - TRANSMISION POWRQUAD
56 - TRANSMISION
58 - TOMA DE FUERZA
60 - DIRECCION Y FRENOS
70 - COMPONENTES HIDRAULICOS
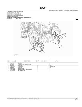
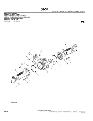
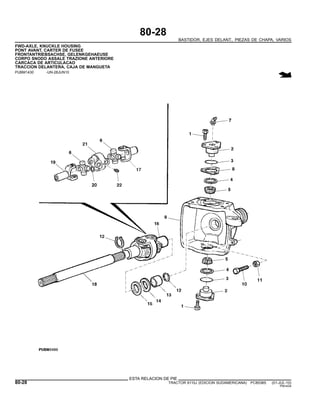
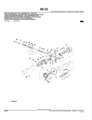
80 - BASTIDOR, EJES DELANT., PIEZAS DE CHAPA, VARIOS
92 - PLATAFORMA DE CONDUCCION
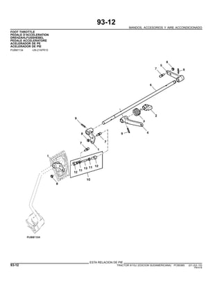
93 - MANDOS, ACCESORIOS Y AIRE ACCONDICIONADO
94 - CABLES Y ASIENTO
180 - INDICE DE REFERENCIAS DE PIEZAS
TRACTOR 6110J (EDICION SUDAMERICANA) PC8538S (01-JUL-10) 10-35
PN=43
10-36
TRACTOR 6110J (EDICION SUDAMERICANA)
GRUPPSFORTECKNING
10 - ALLMAEN INFORMATION
20 - MOTOR (4045TBM03)
30 - MOTORTILLBEHOER, BRAENSLETANK, INSUGNINGSSYSTEM
40 - ELKOMPONENTER
52 - SYNCROPLUS TRANSMISSION
54 - POWRQUAD TRANSMISSION
56 - KRAFTOEVERFOERING
58 - KRAFTUTTAG
60 - STYRNING OCH BROMSAR
70 - HYDRAULSYSTEM
80 - RAM, FRAMAXLAR, SKYDD, DIVERSE
92 - FOERARHYTT
93 - REGLAGE OCH INSTRUMENT, TILLBEHOER OCH LUFTKONDITIONERING
94 - KABEL OCH SAETE
180 - NUMMERFORTECKNING
10-36 TRACTOR 6110J (EDICION SUDAMERICANA) PC8538S (01-JUL-10)
PN=44
20-A01
MOTOR (4045TBM03)
XXXXXXXXXXXXXXXXXXXXXXXXXXXXXXXXXXXXXXXXXXXXXXXX SECTIONAL INDEX
XXXXXXXXXXXXXXXXXXXXXXXXXXXXXXXXXXXXXXXXXXXXXXXX INDEX DE SECTION
XXXXXXXXXXXXXXXXXXXXXXXXXXXXXXXXXXXXXXXXXXXXXXXX GRUPPENINDEX
XXXXXXXXXXXXXXXXXXXXXXXXXXXXXXXXXXXXXXXXXXXXXXXX INDICE DELLA SEZIONE
XXXXXXXXXXXXXXXXXXXXXXXXXXXXXXXXXXXXXXXXXXXXXXXX INDICE DE GRUPO
XXXXXXXXXXXXXXXXXXXXXXXXXXXXXXXXXXXXXXXXXXXXXXXX INDICE DE GRUPOS
RGP13994 -UN-28MAY10
1103- 2
1203- 3
1327- 4
1463- 5
1592- 6
1625- 8
1750- 10
1914- 12
2001- 14
2130- 15
2222- 16
2865- 17
2910- 18
30AQ- 20
35GK- 21
3601- 23
3722- 24
3908- 25
4005- 26
4461- 28
TRACTOR 6110J (EDICION SUDAMERICANA) PC8538S (01-JUL-10) 20-A01
PN=45
20-A02
MOTOR (4045TBM03)
XXXXXXXXXXXXXXXXXXXXXXXXXXXXXXXXXXXXXXXXXXXXXXXX SECTIONAL INDEX
XXXXXXXXXXXXXXXXXXXXXXXXXXXXXXXXXXXXXXXXXXXXXXXX INDEX DE SECTION
XXXXXXXXXXXXXXXXXXXXXXXXXXXXXXXXXXXXXXXXXXXXXXXX GRUPPENINDEX
XXXXXXXXXXXXXXXXXXXXXXXXXXXXXXXXXXXXXXXXXXXXXXXX INDICE DELLA SEZIONE
XXXXXXXXXXXXXXXXXXXXXXXXXXXXXXXXXXXXXXXXXXXXXXXX INDICE DE GRUPO
XXXXXXXXXXXXXXXXXXXXXXXXXXXXXXXXXXXXXXXXXXXXXXXX INDICE DE GRUPOS
RGP13995 -UN-28MAY10
4501- 30
4601- 32
4715- 34
4822- 36
4901- 38
5001- 40
5102- 42
5701- 44
5903- 45
65WW- 46
6606- 48
6701- 49
7643- 50
8733- 51
8801- 52
9838- 54
20-A02 TRACTOR 6110J (EDICION SUDAMERICANA) PC8538S (01-JUL-10)
PN=46
20-1
MOTOR (4045TBM03)
MEMORANDA
MEMORANDA
MEMORANDA
MEMORANDA
MEMORANDA
MEMORANDA
TRACTOR 6110J (EDICION SUDAMERICANA) PC8538S (01-JUL-10) 20-1
PN=47
20-2
MOTOR (4045TBM03)
1103 ROCKER ARM COVER
1103 CULBUTEURS
1103 ZYLINDERKOPFHAUBE
1103 COPERCHIO BILANCIERI
1103 TAMPA DO BALANCIM
1103 TAPA DE BALANCINES
RE59798PCDF01 -UN-16OCT07
MOTOR
POS. NO.PIEZA DESCRIPCION CANT NUM. SERIE NOTAS
1 R521401 MEDALLON 1
2 H23125 TAPON 4
3 R123574 TUERCA 4
4 R123575 ANILLO TORICO 4
5 ........ TAPA DE VALVULA 1 (MARCADO R519779) (PEDIMOS RE70401 Y RE59801)
6 R524480 JUNTA 1
RE520539 JUEGO DE JUNTAS AR (A)
(A) SUITABLE FOR HIGH TEMPERATURE, INCLUDE INSTRUCTIONS
CONVIENT POUR HAUTES TEMPERATURES, COMPREND LES INSTRUCTIONS
FUER HOHE TEMPERATUREN GEEIGNET, EINSCHLIESSLICH ANLEITUNG
RESISTENTE AD ALTE TEMPERATURE, ISTRUZIONI INCLUSE
APROPRIADO PARA ALTA TEMPERATURA, INCLUI INSTRUCOES
ADECUADO PARA ALTAS TEMPERATURAS, INCLUYE INSTRUCCIONES
20-2 TRACTOR 6110J (EDICION SUDAMERICANA) PC8538S (11-JAN-11)
PN=48
20-3
MOTOR (4045TBM03)
1203 OIL FILLER NECK
1203 GOULOTTE DE REMPLISSAGE D’HUILE
1203 OEL-EINFUELLSTUTZEN
1203 BOCCHETTONE DI RIEMPIMENTO DELL’OLIO
1203 BOCAL DE ENCHIMENTO DE OLEO
1203 BOCA DE LLENADO DE ACEITE
RE59891PCDE03 -UN-21AUG08
MOTOR
POS. NO.PIEZA DESCRIPCION CANT NUM. SERIE NOTAS
1 R80136 TAPON DE LLENADO 1
2 R80135 JUNTA 1
3 R517353 BOCA DE LLENADO 1
4 19M7798 TORNILLO 2 M8 X 40
5 R136495 JUNTA 2
6 R116296 TAPADERA 1
7 RE67238 TORNILLO 2
TRACTOR 6110J (EDICION SUDAMERICANA) PC8538S (01-JUL-10) 20-3
PN=49
20-4
MOTOR (4045TBM03)
1327 CRANKSHAFT PULLEY
1327 POULIE DU VILEBREQUIN
1327 KURBELWELLEN RIEMENSCHEIBE
1327 PULEGGIA ALBERO A GOMITI
1327 POLIA DO VIRABREQUIM
1327 POLEA DEL CIGUENAL
RE515237PCDD02 -UN-12MAR09
MOTOR
POS. NO.PIEZA DESCRIPCION CANT NUM. SERIE NOTAS
1 R503880 POLEA 1
2 R515040 CASQUILLO 1
3 R516648 TORNILLO 1 (A)
(A) ONE TIME USAGE
USAGE UNIQUE
NUR EINMAL VERWENDBAR
PER USO UNICO
USAR SOMENTE UMA VEZ
SOLO UTILIZAR UNA VEZ
20-4 TRACTOR 6110J (EDICION SUDAMERICANA) PC8538S (11-JAN-11)
PN=50
20-5
MOTOR (4045TBM03)
1463 FLYWHEEL HOUSING
1463 CARTER VOLANT
1463 SCHWUNGRADGEHAEUSE
1463 ARCASSAVOLANO
1463 CAIXA DO VOLANTE
1463 CARCASAVOLANTE
RE522292PCDA01 -UN-19MAY09
MOTOR
POS. NO.PIEZA DESCRIPCION CANT NUM. SERIE NOTAS
1 R135918 TORNILLO 12
2 R519313 CARCASA 1
3 R131765 TAPON 1
4 R61467 ANILLO TORICO 1
5 RE44574 RETEN 1
TRACTOR 6110J (EDICION SUDAMERICANA) PC8538S (01-JUL-10) 20-5
PN=51
20-6
MOTOR (4045TBM03)
1592 FLYWHEEL
1592 VOLANT
1592 CHWUNGRAD
1592 VOLANO
1592 VOLANTE
1592 VOLANTE
RE524536PCDA01 -UN-19MAY09
MOTOR
POS. NO.PIEZA DESCRIPCION CANT NUM. SERIE NOTAS
1 RE524535 VOLANTE 1 (MARCADO R520792)
2 R114282 CORONA DE TREN PLANETARIO 1
20-6 TRACTOR 6110J (EDICION SUDAMERICANA) PC8538S (01-JUL-10)
PN=52
20-7
MOTOR (4045TBM03)
MEMORANDA
MEMORANDA
MEMORANDA
MEMORANDA
MEMORANDA
MEMORANDA
TRACTOR 6110J (EDICION SUDAMERICANA) PC8538S (01-JUL-10) 20-7
PN=53
20-8
MOTOR (4045TBM03)
1625 FUEL INJECTION PUMP
1625 POMPE D’INJECTION
1625 EINSPRITZPUMPE
1625 POMPA D’INIEZIONE
1625 BOMBA DE INJECAO
1625 BOMBA DE INYECCION
RE540075PCDC02 -UN-28MAY10
ESTA RELACION DE PIE
20-8 TRACTOR 6110J (EDICION SUDAMERICANA) PC8538S (01-JUL-10)
PN=54
20-9
MOTOR (4045TBM03)
MOTOR
POS. NO.PIEZA DESCRIPCION CANT NUM. SERIE NOTAS
1 R132267 ENGRANAJE 1
2 RE545165 BOMBA DE INYECCION 1
3 14M7298 TUERCA CON BRIDA 3 M8
4 RE60029 RACOR ADAPTADOR 1
5 51M7040 ANILLO TORICO 1
6 RE47730 TUBERIA DE COMBUSTIBLE 1
7 RE68748 TUBO 3
8 RE48786 INYECTOR 4
SE501101 INYECTOR REMAN 4 (REMAN FOR RE48786)
9 R115532 TUBERIA DE COMBUSTIBLE 1
10 R116366 TORNILLO 4
11 RE515591 TUBERIA DE COMBUSTIBLE 1
12 RE19797 ABRAZADERA 2
13 19M6614 TORNILLO 2 M6 X 12
14 RE19799 ABRAZADERA 1
15 ........ TUBERIA DE COMBUSTIBLE 1 (PEDIMOS RE515591) (NSEP)
16 ........ TUBERIA DE COMBUSTIBLE 1 (PEDIMOS RE515591) (NSEP)
17 ........ TUBERIA DE COMBUSTIBLE 1 (PEDIMOS RE515591) (NSEP)
18 ........ TUBERIA DE COMBUSTIBLE 1 (PEDIMOS RE515591) (NSEP)
19 R97354 JUNTA 1
TRACTOR 6110J (EDICION SUDAMERICANA) PC8538S (01-JUL-10) 20-9
PN=55
20-10
MOTOR (4045TBM03)
1750 AIR INLET
1750 ADMISSION D’AIR
1750 LUFTEINLASS
1750 INGRESSO ARIA
1750 ENTRADA DE AR
1750 ENTRADA DE AIRE
RE503568PCDD01 -UN-20MAY09
MOTOR
POS. NO.PIEZA DESCRIPCION CANT NUM. SERIE NOTAS
1 R110531 ABRAZADERA 2
2 R500596 MANGUERA 1
3 RE501053 CONDUCTO DE AIRE 1
4 19M7179 TORNILLO 2 M10 X 50
5 R81275 JUNTA 2
6 R501472 ESPACIADOR 1
7 51M7039 ANILLO TORICO 1
8 RE60071 CONEXION 1
20-10 TRACTOR 6110J (EDICION SUDAMERICANA) PC8538S (01-JUL-10)
PN=56
20-11
MOTOR (4045TBM03)
MEMORANDA
MEMORANDA
MEMORANDA
MEMORANDA
MEMORANDA
MEMORANDA
TRACTOR 6110J (EDICION SUDAMERICANA) PC8538S (01-JUL-10) 20-11
PN=57
20-12
MOTOR (4045TBM03)
1914 OIL PAN
1914 CARTER D’HUILE
1914 OELWANNE
1914 COPPA DELL’OLIO
1914 CARTER DE OLEO
1914 CARTER DE ACEITE
RE59937PCDE01 -UN-21MAY09
ESTA RELACION DE PIE
20-12 TRACTOR 6110J (EDICION SUDAMERICANA) PC8538S (01-JUL-10)
PN=58
20-13
MOTOR (4045TBM03)
MOTOR
POS. NO.PIEZA DESCRIPCION CANT NUM. SERIE NOTAS
1 19M10075 TORNILLO 2 M8 X 110
2 RE516280 ENTRADA BOMBA ACEITE 1
3 R61871 ANILLO TORICO 1
4 R521493 JUNTA 1
5 RE57482 CARTER DE ACEITE 1
6 19M8062 TORNILLO 6 M8 X 20
7 R120247 ANILLO 1
8 R515195 TAPON DE VACIADO 1
9 19M8163 TORNILLO 22 M8 X 16
TRACTOR 6110J (EDICION SUDAMERICANA) PC8538S (01-JUL-10) 20-13
PN=59
20-14
MOTOR (4045TBM03)
2001 WATER PUMP PULLEY
2001 POMPE A EAU
2001 WASSERPUMPE
2001 POMPA ACQUA
2001 POLIA DA BOMBA DE AGUA
2001 BOMBA DE AGUA
RE58175PCDD02 -UN-23SEP08
MOTOR
POS. NO.PIEZA DESCRIPCION CANT NUM. SERIE NOTAS
1 R115250 POLEA 1
2 19M7774 TORNILLO 3 M6 X 12
20-14 TRACTOR 6110J (EDICION SUDAMERICANA) PC8538S (01-JUL-10)
PN=60
20-15
MOTOR (4045TBM03)
2130 THERMOSTAT, COVER
2130 THERMOSTAT, COUVERCLE
2130 THERMOSTAT, DECKEL
2130 THERMOSTATO, COPERCHIO
2130 TAMPA DO TERMOSTATO
2130 THERMOSTATO, TAPADREA
RE503960PCDD02 -UN-04JUN09
MOTOR
POS. NO.PIEZA DESCRIPCION CANT NUM. SERIE NOTAS
1 R501227 RETEN 1
2 R500472 TAPADERA 1
3 51M7041 ANILLO TORICO 1
4 RE46684 TAPON HERMETICO 3
5 19M7809 TORNILLO 2 M10 X 70
6 19M7785 TORNILLO 1 M10 X 25
TRACTOR 6110J (EDICION SUDAMERICANA) PC8538S (01-JUL-10) 20-15
PN=61
20-16
MOTOR (4045TBM03)
2222 THERMOSTAT
2222 THERMOSTAT
2222 THERMOSTAT
2222 TERMOSTATO
2222 TERMOSTATO
2222 TERMOSTATO
RE540313PCDA01 -UN-27MAY09
MOTOR
POS. NO.PIEZA DESCRIPCION CANT NUM. SERIE NOTAS
1 RE517011 TERMOSTATO 1
20-16 TRACTOR 6110J (EDICION SUDAMERICANA) PC8538S (01-JUL-10)
PN=62
20-17
MOTOR (4045TBM03)
2865 EXHAUST MANIFOLD
2865 COLLECTEUR D’ECHAPPEMENT
2865 AUSPUFFKRUEMMER
2865 COLLETTORE DI SCARICO
2865 COLETOR DO ESCAPE
2865 COLECTOR DE ESCAPE
RE516307PCDD01 -UN-21MAY09
MOTOR
POS. NO.PIEZA DESCRIPCION CANT NUM. SERIE NOTAS
1 19M7809 TORNILLO 8 M10 X 70
2 R515588 COLECTOR DE ESCAPE 1
3 R521439 JUNTA 4
TRACTOR 6110J (EDICION SUDAMERICANA) PC8538S (01-JUL-10) 20-17
PN=63
20-18
MOTOR (4045TBM03)
2910 VENTILATING SYSTEM
2910 SYSTEME DE VENTILATION
2910 ENTLUEFTUNGSSYSTEM
2910 SISTEMA DI VENTILAZIONE
2910 SISTEMA DE VENTILACAO
2910 SISTEMA DE VENTILACION
RE500266PCDB01 -UN-22MAY09
ESTA RELACION DE PIE
20-18 TRACTOR 6110J (EDICION SUDAMERICANA) PC8538S (01-JUL-10)
PN=64
20-19
MOTOR (4045TBM03)
MOTOR
POS. NO.PIEZA DESCRIPCION CANT NUM. SERIE NOTAS
1 R517171 MANGUERA 1
2 AT18904 ABRAZADERA 1
3 R72328 ANILLO TORICO 1
4 R123586 RACOR ACODADO 1
TRACTOR 6110J (EDICION SUDAMERICANA) PC8538S (01-JUL-10) 20-19
PN=65
20-20
MOTOR (4045TBM03)
30AQ STARTING MOTOR
30AQ DEMARREUR
30AQ ANLASSER
30AQ MOTORINO DI AVVIAMENTO
30AQ MOTOR DE ARRANQUE
30AQ MOTOR DA ARRANQUE
RE540096PCDA01 -UN-22MAY09
MOTOR
POS. NO.PIEZA DESCRIPCION CANT NUM. SERIE NOTAS
1 RE529594 MOTOR DE ARRANQUE 1 12V, 3KW
2 19M7786 TORNILLO 2 M10 X 30
20-20 TRACTOR 6110J (EDICION SUDAMERICANA) PC8538S (01-JUL-10)
PN=66
20-21
MOTOR (4045TBM03)
35GK FUEL FILTER
35GK FILTRE A COMBUSTIBLE
35GK KRAFTSTOFFFILTER
35GK FILTRO DEL COMBUSTIBILE
35GK FILTRO DE COMBUSTIVEL
35GK FILTRO DE COMBUSTIBLE
RE540100PCDA01 -UN-17MAR10
MOTOR
POS. NO.PIEZA DESCRIPCION CANT NUM. SERIE NOTAS
1 T28862 ABRAZADERA 1
2 RE528644 TUBERIA 1
3 19M7783 TORNILLO 1 M10 X 16
4 AH89557 ABRAZADERA 1
5 RE528936 TUBERIA DE COMBUSTIBLE 1
6 RE524144 RACOR ACODADO 1
7 RE528935 TUBERIA DE COMBUSTIBLE 1
8 RE60029 RACOR ADAPTADOR 1
9 51M7040 ANILLO TORICO 2
10 RE70358 CABEZA DE FILTRO 1
11 19M7784 TORNILLO 4 M10 X 20
12 RE46686 TAPON HERMETICO 2
13 J60538 SOPORTE 1
TRACTOR 6110J (EDICION SUDAMERICANA) PC8538S (01-JUL-10) 20-21
PN=67
20-22
MOTOR (4045TBM03)
MEMORANDA
MEMORANDA
MEMORANDA
MEMORANDA
MEMORANDA
MEMORANDA
20-22 TRACTOR 6110J (EDICION SUDAMERICANA) PC8538S (01-JUL-10)
PN=68
20-23
MOTOR (4045TBM03)
3601 FRONT PLATE
3601 PLAQUE AVANT
3601 VORDERE PLATTE
3601 PIASTRA ANTERIORE
3601 CHAPA FRONTAL
3601 PLACA DELANTERA
RE57614PCDD02 -UN-09DEC09
MOTOR
POS. NO.PIEZA DESCRIPCION CANT NUM. SERIE NOTAS
1 R134527 PLACA 1
2 R116386 ESPARRAGO 3
3 R134518 ESPARRAGO 2
4 R136475 TORNILLO 4
5 R109863 ARBOL 1
6 RE500631 ENGRANAJE 1
7 T20034 CASQUILLO 1
8 19M8844 TORNILLO 1 M10 X 60
9 R131283 ARANDELA DE EMPUJE 1
10 R114194 ARBOL 1
11 R101225 ARANDELA DE EMPUJE 2
12 R123584 ESPARRAGO 4
TRACTOR 6110J (EDICION SUDAMERICANA) PC8538S (01-JUL-10) 20-23
PN=69
20-24
MOTOR (4045TBM03)
3722 FUEL TRANSFER PUMP
3722 POMPE D’ALIMENTATION
3722 KRAFTSTOFFOERDERPUMPE
3722 POMPA DI ALIMENTAZIONE
3722 BOMBA DE COMBUSTIVEL
3722 BOMBA DE ALIMENTACION DE COMBUSTIBLE
RE538942PCDA01 -UN-22MAY09
MOTOR
POS. NO.PIEZA DESCRIPCION CANT NUM. SERIE NOTAS
1 RE535728 BOMBA DE ALIMENTACION 1
2 RE504233 TORNILLO 2
3 R133405 PASADOR 1
20-24 TRACTOR 6110J (EDICION SUDAMERICANA) PC8538S (01-JUL-10)
PN=70
20-25
MOTOR (4045TBM03)
3908 THERMOSTAT HOUSING
3908 BOITIER DE THERMOSTAT
3908 THERMOSTAT-GEHAEUSE
3908 CARCASSA TERMOSTATO
3908 CARCACA DO TERMOSTATO
3908 CARCASA DEL TERMOSTATO
RE503962PCDD01 -UN-25MAY09
MOTOR
POS. NO.PIEZA DESCRIPCION CANT NUM. SERIE NOTAS
1 51M7040 ANILLO TORICO 1
2 RE46686 TAPON HERMETICO 1
3 19M7811 TORNILLO 2 M10 X 90
4 R500471 CARCASA 1
5 51M7041 ANILLO TORICO 1
6 RE46684 TAPON HERMETICO 1
7 R501228 RETEN 1
8 R123226 RETEN 1
9 R501314 TUBERIA 1
10 CD14689 ESPACIADOR 1
11 R123324 ABRAZADERA 1
12 19M7801 TORNILLO 1 M8 X 60
TRACTOR 6110J (EDICION SUDAMERICANA) PC8538S (01-JUL-10) 20-25
PN=71
20-26
MOTOR (4045TBM03)
4005 ENGINE OIL DIPSTICK
4005 JAUGE A HUILE MOTEUR
4005 MOTOROELMESSSTAB
4005 ASTINA DE LIVELLO OLIO MOTORE
4005 VARETA DE NIVEL DE OLEO DO MOTOR
4005 ASPILLA PARA MEDIR EL NIVEL DE ACEITE DEL MOTOR
RE59878PCDD02 -UN-25MAY09
ESTA RELACION DE PIE
20-26 TRACTOR 6110J (EDICION SUDAMERICANA) PC8538S (01-JUL-10)
PN=72
20-27
MOTOR (4045TBM03)
MOTOR
POS. NO.PIEZA DESCRIPCION CANT NUM. SERIE NOTAS
1 RE502740 ASPILLA 1
2 R501178 TUBO DE ASPILLA DE NIVEL 1
3 R502725 TAPON 1
TRACTOR 6110J (EDICION SUDAMERICANA) PC8538S (01-JUL-10) 20-27
PN=73
20-28
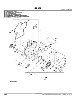
MOTOR (4045TBM03)
4461 TIMING GEAR COVER
4461 COUVERCLE DE DISTRIBUTION
4461 STEUERGEHAEUSE
4461 COPERCHIO DISTRIBUZIONE
4461 TAMPA ENGR. COMANDO DE VALVULAS
4461 TAPA DE DISTRIBUCION PARA TRANSMISION
RE540126PCDB02 -UN-22MAR10
ESTA RELACION DE PIE
20-28 TRACTOR 6110J (EDICION SUDAMERICANA) PC8538S (01-JUL-10)
PN=74
20-29
MOTOR (4045TBM03)
MOTOR
POS. NO.PIEZA DESCRIPCION CANT NUM. SERIE NOTAS
1 RE532939 KIT DE TAPAS 1
2 R520132 JUNTA 1
3 RE517370 CONEXION 2
4 51M7044 ANILLO TORICO 1
5 R520130 TAPADERA 1
6 R504734 ANILLO TORICO 1
7 RE508566 INSERTO 1
8 R123417 JUNTA 1
9 R121424 ANILLO TORICO 1
10 R121411 TAPADERA 1
11 19M7775 TORNILLO 3 M6 X 16
12 RE505980 BOMBA DE AGUA 1
13 R123226 RETEN 1
14 ........ IMPULSOR 1 (NSEP) (ORDER RE505980)
15 ........ RETEN 1 (NSEP) (ORDER RE505980)
16 RE46685 TAPON HERMETICO 1
17 51M7043 ANILLO TORICO 1
18 ........ RODAMIENTO DE BOLAS 1 (NSEP) (ORDER RE505980)
19 ........ ARBOL 1 (NSEP) (ORDER RE505980)
20 A364R ANILLO ELASTICO 1
21 R71228 ANILLO 1
22 19M7796 TORNILLO 8 M6 X 30
23 RE538097 RETEN 1
24 19M8291 TORNILLO 1 M8 X 35
25 19M8317 TORNILLO 4 M8 X 40
26 19M7979 TORNILLO 4 M8 X 55
27 14M7296 TUERCA CON BRIDA 6 M10
28 RE67239 TORNILLO 1 (A)
29 19M7801 TORNILLO 1 M8 X 60
30 R523060 TORNILLO 1
31 19M8966 TORNILLO 1 M10 X 50
32 R131283 ARANDELA DE EMPUJE 1
33 RE56369 ENGRANAJE 1
34 R114193 CASQUILLO 1
35 19M7867 TORNILLO 1 M8 X 25
(A) THREADS WITH PRE-APPLIED SEALANT
FILETS ENDUITS DE PRODUIT D’ETANCHEITE
MIT DICHTMITTEL
CON MATERIALE DI TENUTA
ROSCAS REVESTIDAS COM SELANTE PRE-APLICADO
ROSCAS CON PASTA SELLADORA PREAPLICADA
TRACTOR 6110J (EDICION SUDAMERICANA) PC8538S (11-JAN-11) 20-29
PN=75
20-30
MOTOR (4045TBM03)
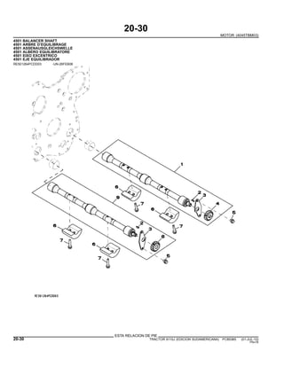
4501 BALANCER SHAFT
4501 ARBRE D’EQUILIBRAGE
4501 ASSENAUSGLEICHSWELLE
4501 ALBERO EQUILIBRATORE
4501 EIXO EXCENTRICO
4501 EJE EQUILIBRADOR
RE501264PCDD03 -UN-26FEB08
ESTA RELACION DE PIE
20-30 TRACTOR 6110J (EDICION SUDAMERICANA) PC8538S (01-JUL-10)
PN=76
20-31
MOTOR (4045TBM03)
MOTOR
POS. NO.PIEZA DESCRIPCION CANT NUM. SERIE NOTAS
1 RE500449 EJE EQUILIBRADOR 1 RH (ORD RE502446)
2 R133303 CHAVETA 2
3 ........ PLACA 2 (ORDER RE500446 OR RE500447)
4 R120639 ENGRANAJE 1 Z = 15, RH
5 19M7864 TORNILLO 4 M8 X 12
6 R500650 LASTRE 4
7 19M7798 TORNILLO 8 M8 X 40
8 ........ ENGRANAJE 1 Z = 15, LH (ORDER RE500447)
9 RE500448 EJE EQUILIBRADOR 1 LH (ORD RE502447)
TRACTOR 6110J (EDICION SUDAMERICANA) PC8538S (01-JUL-10) 20-31
PN=77
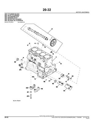
20-32
MOTOR (4045TBM03)
4601 CYLINDER BLOCK
4601 BLOC-CYLINDRES
4601 ZYLINDERBLOCK
4601 MONOBLOCCO
4601 BLOCO DO CILINDRO
4601 BLOQUE DE CILINDROS
RE57617PCDE01 -UN-25MAY09
ESTA RELACION DE PIE
20-32 TRACTOR 6110J (EDICION SUDAMERICANA) PC8538S (01-JUL-10)
PN=78
20-33
MOTOR (4045TBM03)
MOTOR
POS. NO.PIEZA DESCRIPCION CANT NUM. SERIE NOTAS
1 R133303 CHAVETA 1
2 RE56375 ARBOL DE LEVAS 1 (MARKED R135439)
3 R131182 OBTURADOR 4
4 R48685 PASADOR DE CENTRAJE 4
5 15H584 TAPON ROSCADO 1
6 AT13740 GRIFO DE VACIADO 1
7 ........ BLOQUE DE CILINDROS 1 (MARKED R504849) (ORDER RE532716)
8 RE71255 TAPON ROSCADO 5 (A)
9 R116466 TAPON 2
10 19M8999 TORNILLO 2 M8 X 25
11 R132518 PLACA 1
12 R119874 CASQUILLO 1
13 R131425 MUELLE DE COMPRESION 1
14 RE505501 VALVULA DE PURGA 1
15 RE63674 VALVULA 1
16 R115299 CASQUILLO 6
17 R26650 PASADOR DE CENTRAJE 2
18 T18891 TAPON 2
19 R114241 TAPA DE COJINETE 4
20 T23474 TORNILLO 10
21 T20168 ARANDELA 10
22 R132186 TAPA DE COJINETE 1
23 15H623 TAPON ROSCADO 1
24 U13639 ANILLO TORICO 1
25 RE508185 CONEXION 2
(A) THREADS WITH PRE-APPLIED SEALANT
FILETS ENDUITS DE PRODUIT D’ETANCHEITE
MIT DICHTMITTEL
CON MATERIALE DI TENUTA
ROSCAS REVESTIDAS COM SELANTE PRE-APLICADO
CON SELLADOR
TRACTOR 6110J (EDICION SUDAMERICANA) PC8538S (11-JAN-11) 20-33
PN=79
20-34
MOTOR (4045TBM03)
4715 CRANKSHAFT / BEARINGS
4715 VILEBREQUIN / COUSSINETS
4715 KURBELWELLE / LAGER
4715 ALBERO A GOMITI / CUSCINETTO
4715 VIRABREQUIM / CASQUILHOS
4715 CIGUENAL / COJINETE
RE515513PCDD03 -UN-09SEP08
6
1
1
MOTOR 0
POS. NO.PIEZA DESCRIPCION CANT NUM. SERIE J NOTAS
1 RE506195 CIGUENAL 1 (A)
SE501656 CIGUENAL REMAN 1 (REMAN FOR RE506195)
2 R120631 ENGRANAJE 1
3 R505609 CHAVETA 1
4 R48685 PASADOR DE CENTRAJE 1
5 RE65165 JUEGO DE RODAMIENTOS 4 STD (KIT R123561 AND R123562)
6 RE65168 JUEGO DE RODAMIENTOS 1 STD (KIT R123563 AND R123564)
7 R135918 TORNILLO 4
(A) GRINDING GUIDELINES : SEE CTM104
DIRECTIVES DE RECTIFICATION : VOIR CTM105
HINWEISE ZUM SCHLEIFEN : SIEHE CTM106
ISTRUZIONI RIGUARDO RETTIFICA : VEDERE CTM116
DIRETRIZES PARA RETIFICA: VER CTM206
INSTRUCCIONES REFERENTE AL RECTIFICADO : VER CTM107
20-34 TRACTOR 6110J (EDICION SUDAMERICANA) PC8538S (01-JUL-10)
PN=80
20-35
MOTOR (4045TBM03)
MEMORANDA
MEMORANDA
MEMORANDA
MEMORANDA
MEMORANDA
MEMORANDA
TRACTOR 6110J (EDICION SUDAMERICANA) PC8538S (01-JUL-10) 20-35
PN=81
20-36
MOTOR (4045TBM03)
4822 CONNECTING RODS AND PISTONS
4822 BIELLES ET PISTONS
4822 PLEUELSTANGEN UND KOLBEN
4822 BIELLE E PISTONI
4822 BIELAS E PISTOES
4822 BIELA Y PISTONES
RE508086PCDB02 -UN-26MAY09
ESTA RELACION DE PIE
20-36 TRACTOR 6110J (EDICION SUDAMERICANA) PC8538S (01-JUL-10)
PN=82
20-37
MOTOR (4045TBM03)
MOTOR
POS. NO.PIEZA DESCRIPCION CANT NUM. SERIE NOTAS
1 R54114 ANILLO ELASTICO 8
2 RE63915 JUEGO BULONES & CASQUILLOS 4 (INCLUDES R54114)
3 RE507850 JUEGO DE PISTON Y CAMISA 4
4 RE507852 JUEGO SEGMENTOS DE PISTON 4
5 AR65507 JUEGO DE ANILLOS TORICOS 4
6 R48767 EMPAQUETADURA 4
7 R55453 ANILLO TORICO 4
8 R26121 ANILLO TORICO 4
9 R501124 TORNILLO 2
10 R114082 CASQUILLO 1
11 RE500608 BIELA 4
12 RE65908 COJINETE 4
TRACTOR 6110J (EDICION SUDAMERICANA) PC8538S (01-JUL-10) 20-37
PN=83
20-38
MOTOR (4045TBM03)
4901 ROCKER ARM / SHAFT / TAPPET / PUSH ROD
4901 CULBUTEUR / ARBRE / POUSSOIR DE SOUPAPE / TIGE
4901 KIPPHEBEL / WELLE / VENTILSTOESSEL / STOESSELSTANGE
4901 TERGICRISTALLO / ALBERO / CEDENTE / ASTINA PUNTERIE
4901 BALANCIM / EIXO / TUCHO / HASTE DE COMANDO
4901 BALANCIN / ARBOL / BOTADOR / VARILLA DE EMPUJE
RE57618PCDB02 -UN-16MAR09
ESTA RELACION DE PIE
20-38 TRACTOR 6110J (EDICION SUDAMERICANA) PC8538S (01-JUL-10)
PN=84
20-39
MOTOR (4045TBM03)
MOTOR
POS. NO.PIEZA DESCRIPCION CANT NUM. SERIE NOTAS
1 R123271 ESPARRAGO 4
2 24M7346 ARANDELA 4
3 RE519736 EJE DE BALANCINES 1
4 R54565 TAPON 2
5 T20316 ARANDELA 2
6 RE508317 BALANCIN 8
7 14M7148 TUERCA 1 M10
8 R123161 APOYO 4
9 T20314 MUELLE 3
10 R123513 EJE DE BALANCINES 1
11 R107731 VARILLA DE EMPUJE 8
12 R123565 SEGUIDOR DE LEVA 8
TRACTOR 6110J (EDICION SUDAMERICANA) PC8538S (01-JUL-10) 20-39
PN=85
20-40
MOTOR (4045TBM03)
5001 OIL PUMP
5001 POMPE A HUILE
5001 OELPUMPE
5001 POMPA DELL’OLIO
5001 BOMBA DO OLEO
5001 BOMBA DE ACEITE
RE57763PCDD02 -UN-26MAY09
MOTOR
POS. NO.PIEZA DESCRIPCION CANT NUM. SERIE NOTAS
1 19M8987 TORNILLO 2 M8 X 65
2 R120638 ENGRANAJE 1 Z= 30
3 14M7066 TUERCA 1 M12
4 RE504914 BOMBA DE ACEITE 1
SE501814 BOMBA DE ACEITE REMAN 1 (REMAN FOR RE504914)
5 R97185 ANILLO TORICO 1
6 R121376 TUBO 1
20-40 TRACTOR 6110J (EDICION SUDAMERICANA) PC8538S (01-JUL-10)
PN=86
20-41
MOTOR (4045TBM03)
MEMORANDA
MEMORANDA
MEMORANDA
MEMORANDA
MEMORANDA
MEMORANDA
TRACTOR 6110J (EDICION SUDAMERICANA) PC8538S (01-JUL-10) 20-41
PN=87
20-42
MOTOR (4045TBM03)
5102 CYLINDER HEAD AND VALVES
5102 CULASSE AVEC SOUPAPES
5102 ZYLINDERKOPF MIT VENTILE
5102 TESTATA DEL MOTORE CON VALVOLAS
5102 CABECOTE E VALVULAS
5102 CULATA CON VALVULAS
RE59432PCDD03 -UN-11NOV08
ESTA RELACION DE PIE
20-42 TRACTOR 6110J (EDICION SUDAMERICANA) PC8538S (01-JUL-10)
PN=88
20-43
MOTOR (4045TBM03)
MOTOR
POS. NO.PIEZA DESCRIPCION CANT NUM. SERIE NOTAS
1 RE57234 CULATA 1
2 R90692 VALVULA DE ESCAPE 4
3 R85687 ANILLO ASIENTO DE VALVULA 4
4 R98062 VALVULA DE ADMISION 4
5 R98063 ANILLO ASIENTO DE VALVULA 4
6 R43409 TAPON 2
7 T58477 TAPON HERMETICO 1
8 R26906 ANILLO TORICO 1
9 CD16284 TAPON 1
10 RE71255 TAPON ROSCADO 1
11 R91889 RETENEDOR 16
12 RE60005 ROTADOR 8
13 RE31617 RETEN 8
14 R26125 MUELLE 8
15 R85363 TORNILLO 18
16 R116515 JUNTA DE CULATA 1
TRACTOR 6110J (EDICION SUDAMERICANA) PC8538S (01-JUL-10) 20-43
PN=89
20-44
MOTOR (4045TBM03)
5701 WATER PUMP INLET
5701 ENTREE DE POMPE A EAU
5701 WASSERPUMPEN-EINLASS
5701 INGRESSO DELLA POMPA DELL’ACQUA
5701 ENTRADA DA BOMBA DE AGUA
5701 ENTRADA DE BOMBA DE AGUA
RE59313PCDD02 -UN-11JUN07
MOTOR
POS. NO.PIEZA DESCRIPCION CANT NUM. SERIE NOTAS
1 19M7867 TORNILLO 2 M8 X 25
2 R121634 CARCASA 1
3 R89944 ANILLO TORICO 1
20-44 TRACTOR 6110J (EDICION SUDAMERICANA) PC8538S (01-JUL-10)
PN=90
20-45
MOTOR (4045TBM03)
5903 OIL COOLER
5903 REFROIDISSEUR D’HUILE
5903 OELKUEHLER
5903 RADIATORE DELL’OLIO
5903 RADIADOR DE OLEO
5903 REFRIGERADOR DE ACEITE
RE59756PCDD02 -UN-25APR08
MOTOR
POS. NO.PIEZA DESCRIPCION CANT NUM. SERIE NOTAS
1 RE67231 TORNILLO 6 (A) M6 X 16
2 RE59298 REFRIGERADOR DE ACEITE 1 (B)
3 T122075 ANILLO TORICO 2 29.820 X 2.616 MM
4 R123501 JUNTA 1
5 R123471 CARCASA 1
6 RE508599 RACOR ADAPTADOR 1
7 R501428 JUNTA 1
8 R504734 ANILLO TORICO 1 37.694 X 3.531 MM
9 ........ RACOR ADAPTADOR 1 NSEP (MARKED R502811) (ORDER RE508599)
10 19M7802 TORNILLO 2 M8 X 65
11 19M7970 TORNILLO 2 M8 X 100
12 RE67238 TORNILLO 1 (A) M8 X 20
13 RE46686 TAPON HERMETICO 1
14 51M7040 ANILLO TORICO 1 9.300 X 2.200 MM
15 RE46685 TAPON HERMETICO 1
16 51M7043 ANILLO TORICO 1 15.300 X 2.200 MM
(A) THREADS WITH PRE-APPLIED SEALANT (B) 9 PLATES
FILETS ENDUITS DE PRODUIT D’ETANCHEITE 9 PLAQUES
MIT DICHTMITTEL 9 PLATTEN
CON MATERIALE DI TENUTA 9 PIASTRE
ROSCAS REVESTIDAS COM SELANTE PRE-APLICADO 9 PLACAS
CON SELLADOR 9 PLACAS
TRACTOR 6110J (EDICION SUDAMERICANA) PC8538S (11-JAN-11) 20-45
PN=91
20-46
MOTOR (4045TBM03)
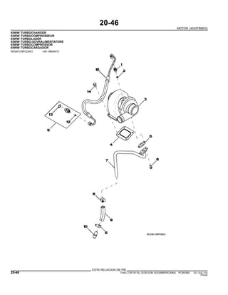
65WW TURBOCHARGER
65WW TURBOCOMPRESSEUR
65WW TURBOLADER
65WW TURBO-SOVRALIMENTATORE
65WW TURBOCOMPRESSOR
65WW TURBOCARGADOR
RE540139PCDA01 -UN-18MAR10
ESTA RELACION DE PIE
20-46 TRACTOR 6110J (EDICION SUDAMERICANA) PC8538S (01-JUL-10)
PN=92
20-47
MOTOR (4045TBM03)
MOTOR
POS. NO.PIEZA DESCRIPCION CANT NUM. SERIE NOTAS
1 M87733 RACOR ADAPTADOR 1
2 R63548 ANILLO TORICO 1
3 RE506261 TURBOCARGADOR 1
SE502472 TURBOCOMPRESOR REMAN 1 (REMAN FOR RE506261)
4 R92097 JUNTA 1
5 R105346 JUNTA 1
6 19M7866 TORNILLO 2 M8 X 20
7 RE501592 TUBERIA DE ACEITE 1
8 AR21839 ABRAZADERA 2
9 R104536 MANGUERA 1
10 RE54885 CONEXION DE MANGUERA 1
11 RE500026 RACOR ADAPTADOR 1
12 R63548 ANILLO TORICO 1
13 51M7045 ANILLO TORICO 1
14 19M7785 TORNILLO 2 M10 X 25
15 RE527289 MANGUERA 1
TRACTOR 6110J (EDICION SUDAMERICANA) PC8538S (01-JUL-10) 20-47
PN=93
20-48
MOTOR (4045TBM03)
6606 TEMPERATURE SWITCH
6606 CONTACTEUR DE TEMPERATURE
6606 TEMPERATURSCHALTER
6606 INTERRUTTORE DI TEMPERATURA
6606 TERMOSTATO
6606 INTERRUPTOR DE TEMPERATURA
RE501099PCDD01 -UN-25AUG08
MOTOR
POS. NO.PIEZA DESCRIPCION CANT NUM. SERIE NOTAS
1 RE500844 SENSOR 1
2 R26448 ANILLO TORICO 1
3 15H584 TAPON ROSCADO 1 1/2"
20-48 TRACTOR 6110J (EDICION SUDAMERICANA) PC8538S (01-JUL-10)
PN=94
20-49
MOTOR (4045TBM03)
6701 SENSORS
6701 CAPTEURS
6701 SENSOREN
6701 SENSORI
6701 SENSORES
6701 SENSORES
RE59977PCDD01 -UN-16AUG07
MOTOR
POS. NO.PIEZA DESCRIPCION CANT NUM. SERIE NOTAS
1 RE519144 SENSOR 1
2 51M7044 ANILLO TORICO 1
TRACTOR 6110J (EDICION SUDAMERICANA) PC8538S (11-JAN-11) 20-49
PN=95
20-50
MOTOR (4045TBM03)
7643 OIL PRESSURE SWITCH
7643 MANOCONTACT DE PRESSION D’HUILE
7643 OELDRUCKSCHALTER
7643 MANOCONTATTO DEL OLIO
7643 PRESSOSTATO DE OLEO
7643 INTERRUPTOR DE PRESION DE ACEITE
RE542211PCDA02 -UN-29SEP09
MOTOR
POS. NO.PIEZA DESCRIPCION CANT NUM. SERIE NOTAS
1 AT85174 INTERRUPTOR 1
20-50 TRACTOR 6110J (EDICION SUDAMERICANA) PC8538S (01-JUL-10)
PN=96
20-51
MOTOR (4045TBM03)
8733 BELT TENSIONER
8733 TENDEUR DE LA COURROIE D’ENTRAINEMENT
8733 ANTRIEBSRIEMENSPANNER
8733 TENDICINGHIA
8733 TENSOR DA CORREIA
8733 ENSOR DE LA CORREA DE TRANSMISION
RE540151PCDA01 -UN-16NOV09
MOTOR
POS. NO.PIEZA DESCRIPCION CANT NUM. SERIE NOTAS
1 19M7835 TORNILLO 3 M10 X 35
2 AL156090 TENSOR 1
3 AL157593 RUEDA LOCA 1
4 L112545 TORNILLO 1
5 L154170 TAPA 1
TRACTOR 6110J (EDICION SUDAMERICANA) PC8538S (01-JUL-10) 20-51
PN=97
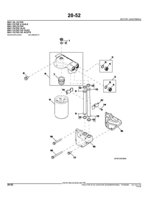
20-52
MOTOR (4045TBM03)
8801 OIL FILTER
8801 FILTRE A HUILE
8801 OELFILTER
8801 FILTRO OLIO
8801 FILTRO DO OLEO
8801 FILTRO DE ACEITE
RE59753PCDD04 -UN-29MAR10
ESTA RELACION DE PIE
20-52 TRACTOR 6110J (EDICION SUDAMERICANA) PC8538S (01-JUL-10)
PN=98
20-53
MOTOR (4045TBM03)
MOTOR
POS. NO.PIEZA DESCRIPCION CANT NUM. SERIE NOTAS
1 RE52242 TAPON DE VACIADO 1
2 51M7042 ANILLO TORICO 1
3 RE505232 TAPON HERMETICO 2 (INCLUSIVE R116115 Y 51M7045)
4 R116115 CONEXION 1
5 51M7045 ANILLO TORICO 1
6 RE503727 CABEZA DE FILTRO 1
7 RE500133 ADAPTADOR 1 (INCLUSIVE (2) RE505232)
8 19M7784 TORNILLO 2 M10 X 20
9 RE59754 FILTRO DE ACEITE 1
10 RE520368 SEMIABRAZADERA 2 (INCLUSIVE (5) 19M8618)
11 RE519740 TUBO 1 (INCLUSIVE (2) R518507)
12 R518507 ANILLO TORICO 4
13 RE519741 TUBO 1 (INCLUSIVE (2) R518507)
14 19M8618 TORNILLO 1 M6 X 12
15 R502864 JUNTA 1
16 R501436 RACOR ADAPTADOR 1
17 RE67238 TORNILLO 1 (A)
18 19M7913 TORNILLO 2 M8 X 90
19 19M7802 TORNILLO 3 M8 X 65
(A) WITH PRE-APPLIED SEALANT
FILETS ENDUITS DE PRODUIT D’ETANCHEITE
MIT DICHTMITTEL
CON MATERIALE DI TENUTA
COM PRE APLICACAO DE VEDANTE
CON SELLADOR
TRACTOR 6110J (EDICION SUDAMERICANA) PC8538S (11-JAN-11) 20-53
PN=99
20-54
MOTOR (4045TBM03)
9838 LIFT STRAPS
9838 OEILLETS DE LEVAGE
9838 AUFHAENGEOESEN
9838 PIASTRINE DI SOLLEVAMENTO
9838 CINTAS DE ELEVACAO
9838 CINTAS DE ELEVACION
RE540160PCDB01 -UN-25MAR10
MOTOR
POS. NO.PIEZA DESCRIPCION CANT NUM. SERIE NOTAS
1 ........ GRILLETE 1
2 19M7788 TORNILLO 1 M12 X 25
3 R516215 TIRA 1
4 ........ TORNILLO 1
20-54 TRACTOR 6110J (EDICION SUDAMERICANA) PC8538S (01-JUL-10)
PN=100
30-A01
COMPONENTES AUXILIARES DEL MOTOR, DEPOSITO, SISTEMA DE ADMISION
SECTIONAL INDEX
INDEX DE SECTION
GRUPPENINDEX
INDICE DELLA SEZIONE
INDICE DE GRUPO
INDICE DE GRUPOS
PUBM1432 -UN-28JUN10
1- 1
2- 2
3- 4
4- 6
5- 8
6- 10
8- 14
9- 16
21- 36
TRACTOR 6110J (EDICION SUDAMERICANA) PC8538S (01-JUL-10) 30-A01
PN=101
30-A02
COMPONENTES AUXILIARES DEL MOTOR, DEPOSITO, SISTEMA DE ADMISION
SECTIONAL INDEX
INDEX DE SECTION
GRUPPENINDEX
INDICE DELLA SEZIONE
INDICE DE GRUPO
INDICE DE GRUPOS
PUBM1433 -UN-28JUN10
7- 12
10- 18
11- 20
12- 22
13- 24
14- 26
15- 28
16- 29
17- 30
18- 32
19- 33
20- 34
30-A02 TRACTOR 6110J (EDICION SUDAMERICANA) PC8538S (01-JUL-10)
PN=102
30-1
COMPONENTES AUXILIARES DEL MOTOR, DEPOSITO, SISTEMA DE ADMISION
FAN CONSOLE AND ATTACHING PARTS
CONSOLE VENTILATEUR ET ELEMENTS DE FIXATION
LUEFTERKONSOLE UND ANBAUTEILE
CONSOLE PER VENTOLA E PARTI DI FISSAGGIO
CONSOLE DO VENTILADOR E PECAS DE MONTAGEM
CONSOLA DEL VENTILADOR Y PIEZAS DE MONTAJE
LX018264 -UN-23MAR98
6
1
1
0
POS. NO.PIEZA DESCRIPCION CANT NUM. SERIE J NOTAS
1 19M7166 TORNILLO 2 X M10 X 20
2 L111120 ANGULO 1 X
3 19M7408 TORNILLO 2 X M10 X 90
4 19M7268 TORNILLO 2 X M12 X 25
5 L111857 RETENEDOR 1 X
6 L111294 SOPORTE 1 X
7 19M7168 TORNILLO 4 X M10 X 30
8 JD10058 RODAMIENTO DE BOLAS 1 X
9 40M1863 ANILLO ELASTICO 1 X
10 L110777 CUBO 4 X
11 42M7058 ESPARRAGO 1 X
TRACTOR 6110J (EDICION SUDAMERICANA) PC8538S (01-JUL-10) 30-1
PN=103
30-2
COMPONENTES AUXILIARES DEL MOTOR, DEPOSITO, SISTEMA DE ADMISION
ENGINE FRONT BRACKETS
SUPPORTS AVANT MOTEUR
MOTORKONSOLE, VORN
STAFFA DEL MOTORE, ANTERIORE
SUPORTE FRONTAL DO MOTOR
SOPORTE DEL MOTOR, FRENTE
CD41813A -UN-22MAY01
6
1
1
MOTOR 0
POS. NO.PIEZA DESCRIPCION CANT NUM. SERIE J NOTAS
1 19M7793 TORNILLO 4 X M16 X 40
2 RE522530 SOPORTE 1 X RH
3 RE522531 SOPORTE 1 X LH
30-2 TRACTOR 6110J (EDICION SUDAMERICANA) PC8538S (01-JUL-10)
PN=104
30-3
COMPONENTES AUXILIARES DEL MOTOR, DEPOSITO, SISTEMA DE ADMISION
MEMORANDA
MEMORANDA
MEMORANDA
MEMORANDA
MEMORANDA
MEMORANDA
TRACTOR 6110J (EDICION SUDAMERICANA) PC8538S (01-JUL-10) 30-3
PN=105
30-4
COMPONENTES AUXILIARES DEL MOTOR, DEPOSITO, SISTEMA DE ADMISION
PULLEY AND FAN
POULIE ET VENTILATEUR
RILLENSCHEIBE UND LUEFTER
PULEGGIA E VENTOLA
POLIA DO VENTILADOR
POLEA ACANALADA Y VENTILADOR
CQ155780 -UN-27JUL04
ESTA RELACION DE PIE
30-4 TRACTOR 6110J (EDICION SUDAMERICANA) PC8538S (01-JUL-10)
PN=106
30-5
COMPONENTES AUXILIARES DEL MOTOR, DEPOSITO, SISTEMA DE ADMISION
6
1
1
0
POS. NO.PIEZA DESCRIPCION CANT NUM. SERIE J NOTAS
1 42M7058 ESPARRAGO 4 X
2 R128661 POLEA 1 X (A) OD 183.5MM
R128660 POLEA 1 X (B) OD 168MM
3 L79028 VENTILADOR 1 X
4 L205138 ESPACIADOR 1 X
5 14M7274 TUERCA 4 X M10
6 19M7162 TORNILLO 6 X
(A) WITHOUT CAB (B) WITH CAB
SANS CABINE AVEC CABINE
OHNE KABINE MIT KABINE
SENZA CABINA CON CABINA
SEM CABINE COM CABINE
SIN CABINA CON CABINA
TRACTOR 6110J (EDICION SUDAMERICANA) PC8538S (01-JUL-10) 30-5
PN=107
30-6
COMPONENTES AUXILIARES DEL MOTOR, DEPOSITO, SISTEMA DE ADMISION
ENGINE SUSPENSION
SUSPENSION DU MOTEUR
MOTORAUFHAENGUNG
SOSPENSIONI MOTORE
SUSPENSAO DO MOTOR
SUSPENSION DEL MOTOR
LX024522 -UN-05APR01
ESTA RELACION DE PIE
30-6 TRACTOR 6110J (EDICION SUDAMERICANA) PC8538S (01-JUL-10)
PN=108
30-7
COMPONENTES AUXILIARES DEL MOTOR, DEPOSITO, SISTEMA DE ADMISION
6
1
1
0
POS. NO.PIEZA DESCRIPCION CANT NUM. SERIE J NOTAS
1 L155927 ESPARRAGO 2 X
2 T62323 ARANDELA 4 X
3 AL161468 AISLANTE 4 X
4 L156986 RETENEDOR REDONDO 4 X
5 AL154541 ANGULO 2 X
6 14M7319 TUERCA DE SEGURIDAD 2 X M12
7 19M7496 TORNILLO 4 X M12 X 45
8 19M7364 TORNILLO 2 X M12 X 80
TRACTOR 6110J (EDICION SUDAMERICANA) PC8538S (01-JUL-10) 30-7
PN=109
30-8
COMPONENTES AUXILIARES DEL MOTOR, DEPOSITO, SISTEMA DE ADMISION
DRIVE BELT
COURROIE D’ENTRAINEMENT
ANTRIEBSRIEMEN
CINGHIA DI COMANDO
CORREIA DO MOTOR
CORREA DE TRANSMISION
CQ155628 -UN-14DEC04
6
1
1
0
POS. NO.PIEZA DESCRIPCION CANT NUM. SERIE J NOTAS
1 CQ51921 CORREA TRAPEZOIDAL 1 X (A) LGTH 1910MM
2 CQ58873 CORREA PLANA 1 X (B) LGTH 2455MM
(A) WITHOUT CAB (B) WITH CAB
SANS CABINE AVEC CABINE
OHNE KABINE MIT KABINE
SENZA CABINA CON CABINA
SEM CABINE COM CABINE
SIN CABINA CON CABINA
30-8 TRACTOR 6110J (EDICION SUDAMERICANA) PC8538S (01-JUL-10)
PN=110
30-9
COMPONENTES AUXILIARES DEL MOTOR, DEPOSITO, SISTEMA DE ADMISION
MEMORANDA
MEMORANDA
MEMORANDA
MEMORANDA
MEMORANDA
MEMORANDA
TRACTOR 6110J (EDICION SUDAMERICANA) PC8538S (01-JUL-10) 30-9
PN=111
30-10
COMPONENTES AUXILIARES DEL MOTOR, DEPOSITO, SISTEMA DE ADMISION
RADIATOR / FAN SHROUD / COOLANT HOSES
RADIATEUR / CAPOTAGE DU VENTILATEUR / CONDUITES DE LIQUIDE DE REFROIDISSEMENT
KUEHLER / LUEFTERHAUBE / KUEHLMITTELSCHLAEUCHE
RADIATORE / PROTEZIONE VENTILATORE / TUBI LIQUIDO REFRIGERANTE
RADIADOR / PROTECAO DA HELICE / MANGUEIRAS DE REFRIGERACAO
RADIADOR / CARENADO DEL VENTILADOR / MANGUERAS DE LIQUIDO REFRIGERANTE
PUBM1363 -UN-28JUN10
ESTA RELACION DE PIE
30-10 TRACTOR 6110J (EDICION SUDAMERICANA) PC8538S (01-JUL-10)
PN=112
30-11
COMPONENTES AUXILIARES DEL MOTOR, DEPOSITO, SISTEMA DE ADMISION
6
1
1
0
POS. NO.PIEZA DESCRIPCION CANT NUM. SERIE J NOTAS
1 L158231 CORAZA 1 X
2 19M7162 TORNILLO 4 X M8 X 16
3 24M7055 ARANDELA 4 X 8.400 X 16 X 1.600 MM
4 L166315 MANGUERA 4 X
5 AR21837 ABRAZADERA 2 X
6 L158232 MANGUERA 1 X
7 L166630 MANGUERA 1 X
8 L158289 BANDA DE GUARNICION 1 X
9 AL203689 CABEZA DEL RADIADOR 1 X
10 AL201724 RADIADOR 1 X
11 L158229 MANGUERA 1 X
12 AL37489 ABRAZADERA 2 X
13 L158251 ANGULO 2 X
14 MN10393 ABRAZADERA PARA MANGUERAS 4 X
15 24M7139 ARANDELA 4 X 6.400 X 18 X 1.600 MM
16 19M7560 TORNILLO 4 X M6 X 16
17 L79057 TORNILLO DE MARIPOSA 4 X
18 L78871 AISLANTE 4 X
19 L168269 MANGUERA 1 X
20 L158241 AISLANTE 2 X
21 AL162698 TAPADERA 1 X
22 14M7136 TUERCA 2 X M6
23 L158252 APOYO 1 X
24 L158306 AISLANTE 2 X
25 CQ62312 AISLANTE 1 X
26 AL201723 RADIADOR 1 X
27 CQ28556 ABRAZADERA 1 X
.. CQ38349 REFRIGERANTE 1 X
TRACTOR 6110J (EDICION SUDAMERICANA) PC8538S (01-JUL-10) 30-11
PN=113
30-12
COMPONENTES AUXILIARES DEL MOTOR, DEPOSITO, SISTEMA DE ADMISION
HEATING - LINES CONNECTIONS AT ENGINE
RACCORDS DE CONDUITES DE CHAUFFAGE SUR MOTEUR
HEIZUNG - LEITUNGSANSCHLUESSE MOTOR
RISCALDAMENTO - CONNETTORI TUBI A MOTORE
LINHAS DE CALEFACAO
RACORES DE CONDUCTOS DE LA CALEFACCION DEL MOTOR
CQ155788 -UN-27JUL04
ESTA RELACION DE PIE
30-12 TRACTOR 6110J (EDICION SUDAMERICANA) PC8538S (01-JUL-10)
PN=114
30-13
COMPONENTES AUXILIARES DEL MOTOR, DEPOSITO, SISTEMA DE ADMISION
6
1
1
0
POS. NO.PIEZA DESCRIPCION CANT NUM. SERIE J NOTAS
1 L155376 CONEXION 1 X
2 AL118565 ABRAZADERA 4 X
3 51M7043 ANILLO TORICO 2 X
4 AL116423 CONEXION 1 X
5 CQ43598 MANGUERA 1 X
6 CQ52174 MANGUERA 1 X
TRACTOR 6110J (EDICION SUDAMERICANA) PC8538S (01-JUL-10) 30-13
PN=115
30-14
COMPONENTES AUXILIARES DEL MOTOR, DEPOSITO, SISTEMA DE ADMISION
OIL COOLER (OPEN OPERATOR’S STATION)
REFROIDISSEUR D’HUILE (SANS CABINE)
OELKUEHLER (OFFENE FAHRERPLATTFORM)
RADIATORE DELL’OLIO (STAZIONE OPERATORE APERTA)
RESFRIADOR DE OLEO (SEM CABINE)
REFRIGERADOR DE ACEITE (PLATAF. ABIERTA)
CQ302838 -UN-09APR08
ESTA RELACION DE PIE
30-14 TRACTOR 6110J (EDICION SUDAMERICANA) PC8538S (01-JUL-10)
PN=116
30-15
COMPONENTES AUXILIARES DEL MOTOR, DEPOSITO, SISTEMA DE ADMISION
6
1
1
0
POS. NO.PIEZA DESCRIPCION CANT NUM. SERIE J NOTAS
1 19M7162 TORNILLO AR X M8 X 16
2 24M7055 ARANDELA AR X 8.400 X 16 X 1.600 MM
3 L168286 SOPORTE 1 X
4 L158235 BANDA DE GUARNICION 1 X
5 L165282 BANDA DE GUARNICION 1 X
6 14M7272 TUERCA AR X M6
7 24M7088 ARANDELA AR X 6.600 X 12 X 1.600 MM
8 19M7077 TORNILLO AR X M6 X 20
9 L159013 BANDA DE GUARNICION 1 X
10 AL172765 REFRIGERADOR DE ACEITE 1 X
11 Z35271 CASQUILLO 2 X
12 DQ52819 MALLA 1 X
13 DQ52819 MALLA 2 X
14 19M7297 TORNILLO 4 X M8 X 12
15 AL168815 APOYO 1 X
16 14M7029 TUERCA 4 X M8
17 19M7139 TORNILLO 4 X M8 X 20
TRACTOR 6110J (EDICION SUDAMERICANA) PC8538S (01-JUL-10) 30-15
PN=117
30-16
COMPONENTES AUXILIARES DEL MOTOR, DEPOSITO, SISTEMA DE ADMISION
OIL COOLER (CAB)
REFROIDISSEUR D’HUILE (CABINE)
OELKUEHLER (KABINE)
SCAMBIATORE DI CALORE OLIO (CABINA)
RESFRIADOR DE OLEO (CABINE)
ENFRIADOR DE ACEITE (CABINA)
CQ155787 -UN-27JUL04
6
1
1
0
POS. NO.PIEZA DESCRIPCION CANT NUM. SERIE J NOTAS
1 AL168814 REFRIGERADOR DE ACEITE 1 X
2 DQ52819 MALLA 2 X
3 AL163684 MALLA 1 X
4 AL162696 SOPORTE 1 X
5 AL168815 APOYO 1 X
6 Z35271 CASQUILLO 2 X
7 19M7139 TORNILLO 4 X M8 X 20
8 24M7055 ARANDELA AR X 8.400 X 16 X 1.600 MM
9 14M7029 TUERCA 4 X M8
10 19M7297 TORNILLO 2 X M8 X 12
11 L168286 SOPORTE 1 X
12 L159013 BANDA DE GUARNICION 1 X
13 L165281 BANDA DE GUARNICION 1 X
14 L158239 SOPORTE 1 X
15 L158240 BANDA DE GUARNICION 1 X
16 19M7077 TORNILLO AR X M6 X 20
17 24M7088 ARANDELA AR X 6.600 X 12 X 1.600 MM
18 14M7272 TUERCA AR X M6
19 19M7162 TORNILLO AR X M8 X 16
30-16 TRACTOR 6110J (EDICION SUDAMERICANA) PC8538S (01-JUL-10)
PN=118
30-17
COMPONENTES AUXILIARES DEL MOTOR, DEPOSITO, SISTEMA DE ADMISION
MEMORANDA
MEMORANDA
MEMORANDA
MEMORANDA
MEMORANDA
MEMORANDA
TRACTOR 6110J (EDICION SUDAMERICANA) PC8538S (01-JUL-10) 30-17
PN=119
30-18
COMPONENTES AUXILIARES DEL MOTOR, DEPOSITO, SISTEMA DE ADMISION
AIR CLEANER
FILTRE A AIR
LUFTFILTER
FILTRO ARIA
FILTRO DE AR
FILTRO DE AIRE
CQ302431 -UN-17MAR08
ESTA RELACION DE PIE
30-18 TRACTOR 6110J (EDICION SUDAMERICANA) PC8538S (01-JUL-10)
PN=120
30-19
COMPONENTES AUXILIARES DEL MOTOR, DEPOSITO, SISTEMA DE ADMISION
6
1
1
0
POS. NO.PIEZA DESCRIPCION CANT NUM. SERIE J NOTAS
1 AL156263 FILTRO DE AIRE 1 X
2 L158246 MANGUERA 1 X LGTH 730MM
3 L172906 MANGUITO 1 X
4 AL150289 MANOCONTACTO 1 X
5 AL150287 DEFLECTOR 1 X
6 AL172780 FILTRO DE AIRE 1 X
7 AL150288 FILTRO DE AIRE 1 X
8 L151979 MANGO 1 X
9 AL150286 CABEZA DE FILTRO 1 X
10 SG01001 ABRAZADERA 2 X
11 L168846 MANGUERA 3 X
TRACTOR 6110J (EDICION SUDAMERICANA) PC8538S (01-JUL-10) 30-19
PN=121
30-20
COMPONENTES AUXILIARES DEL MOTOR, DEPOSITO, SISTEMA DE ADMISION
OIL COOLER (LINES) (SYNCROPLUS)
REFROIDISSEUR D’HUILE (CONDUITES) (SYNCROPLUS)
OELKUEHLER (LEITUNGEN) (SYNCROPLUS)
RADIATORE OLIO (TUBAZIONI) (SYNCROPLUS)
RESFRIADOR DE OLEO (LINHAS) (SYNCROPLUS)
ENFRIADOR DE ACEITE (TUBERIAS) (SYNCROPLUS)
CQ300787 -UN-13MAR07
ESTA RELACION DE PIE
30-20 TRACTOR 6110J (EDICION SUDAMERICANA) PC8538S (01-JUL-10)
PN=122
30-21
COMPONENTES AUXILIARES DEL MOTOR, DEPOSITO, SISTEMA DE ADMISION
6
1
1
0
POS. NO.PIEZA DESCRIPCION CANT NUM. SERIE J NOTAS
1 61M5005 RACOR ADAPTADOR 1 X INCL KEYS 2 AND 3
2 51M7047 ANILLO TORICO 2 X
3 T77858 ANILLO TORICO 4 X
4 AL164935 MANGUERA HIDRAULICA 1 X
5 AL164934 MANGUERA HIDRAULICA 1 X (A)
AL168817 MANGUERA 1 X (B)
6 L169208 SOPORTE DE MANGUERA 1 X
7 AL171782 SOPORTE DE MANGUERA 1 X
8 L159016 ABRAZADERA AR X
9 19M7166 TORNILLO AR X M10 X 20
10 24M7028 ARANDELA AR X 10.500 X 20 X 2 MM
11 14M7140 TUERCA AR X M10
12 24M7026 ARANDELA AR X 9 X 17 X 1.600 MM
13 14M7029 TUERCA AR X M8
14 Z20701 ARANDELA 1 X
15 38H5019 RACOR ACODADO 1 X
16 L159011 ANGULO 1 X
17 19M7169 TORNILLO AR X M10 X 35
18 19M7984 TORNILLO AR X M10 X 12
(A) WITHOUT CAB (B) WITH CAB
SANS CABINE AVEC CABINE
OHNE KABINE MIT KABINE
SENZA CABINA CON CABINA
SEM CABINE COM CABINE
SIN CABINA CON CABINA
TRACTOR 6110J (EDICION SUDAMERICANA) PC8538S (01-JUL-10) 30-21
PN=123
30-22
COMPONENTES AUXILIARES DEL MOTOR, DEPOSITO, SISTEMA DE ADMISION
OIL COOLER (LINES) (POWRQUAD)
REFROIDISSEUR D’HUILE (CONDUITES) (POWRQUAD)
OELKUEHLER (LEITUNGEN) (POWRQUAD)
RADIATORE OLIO (TUBAZIONI) (POWRQUAD)
RESFRIADOR DE OLEO (LINHAS) (POWRQUAD)
ENFRIADOR DE ACEITE (TUBERIAS) (POWRQUAD)
PUBM1378 -UN-29JUN10
ESTA RELACION DE PIE
30-22 TRACTOR 6110J (EDICION SUDAMERICANA) PC8538S (01-JUL-10)
PN=124
30-23
COMPONENTES AUXILIARES DEL MOTOR, DEPOSITO, SISTEMA DE ADMISION
6
1
1
0
POS. NO.PIEZA DESCRIPCION CANT NUM. SERIE J NOTAS
1 61M5005 RACOR ADAPTADOR 2 X INCL KEYS 2 AND 3
2 51M7047 ANILLO TORICO 2 X
3 T77858 ANILLO TORICO 4 X
4 AL164931 MANGUERA HIDRAULICA 1 X
DQ64100 MANGUERA HIDRAULICA 1 X (A)
5 AL164930 MANGUERA HIDRAULICA 1 X (B)
AL168816 MANGUERA 1 X (C)
DQ64099 MANGUERA HIDRAULICA 1 X (A)
6 L169208 SOPORTE DE MANGUERA 1 X
7 AL171782 SOPORTE DE MANGUERA 1 X
8 L159016 ABRAZADERA AR X
9 19M7166 TORNILLO AR X M10 X 20
10 24M7028 ARANDELA AR X 10.500 X 20 X 2 MM
11 14M7140 TUERCA AR X M10
12 24M7026 ARANDELA AR X 9 X 17 X 1.600 MM
13 14M7029 TUERCA AR X M8
14 Z20701 ARANDELA 1 X
15 L114178 ABRAZADERA 1 X
16 19M7984 TORNILLO 2 X M10 X 12
17 19M7169 TORNILLO AR X M10 X 35
(A) WITH CREEPER TRANSMISSION (B) WITHOUT CAB (C) WITH CAB
AVEC REDUCTEUR GAMME RAMPANT SANS CABINE AVEC CABINE
BEI KRIECHGANGGETRIEBE OHNE KABINE MIT KABINE
CON SUPERRIDUTTORE SENZA CABINA CON CABINA
COM CREEPER SEM CABINE COM CABINE
CON TRANSMISION LENTA SIN CABINA CON CABINA
TRACTOR 6110J (EDICION SUDAMERICANA) PC8538S (01-JUL-10) 30-23
PN=125
30-24
COMPONENTES AUXILIARES DEL MOTOR, DEPOSITO, SISTEMA DE ADMISION
BRACKETS, FUEL TANK
RESERVOIR A COMBUSTIBLE, SUPPORTS
HALTERUNGEN, KRAFTSTOFFTANK
SUPPORTI PER SERBATOIO COMBUSTIBILE
SUPORTE DO TANQUE DE COMBUSTIVEL
SOPORTES, DEPOSITO DE COMBUSTIBLE
CQ155900 -UN-17SEP04
6
1
1
0
POS. NO.PIEZA DESCRIPCION CANT NUM. SERIE J NOTAS
1 DQ55333 CINTA 1 X FRONT
2 P60213 APOYO 1 X
3 24M7047 ARANDELA 4 X 13 X 24 X 2.500 MM
4 19M7387 TORNILLO AR X M12 X 40
5 CQ63798 PORTADOR 1 X
6 19M7496 TORNILLO AR X M12 X 45
7 19M8049 TORNILLO 2 X M10 X 80
8 AP32897 PLETINA DE AJUSTE 1 X
9 CQ47036 SOPORTE 1 X
30-24 TRACTOR 6110J (EDICION SUDAMERICANA) PC8538S (01-JUL-10)
PN=126
30-25
COMPONENTES AUXILIARES DEL MOTOR, DEPOSITO, SISTEMA DE ADMISION
MEMORANDA
MEMORANDA
MEMORANDA
MEMORANDA
MEMORANDA
MEMORANDA
TRACTOR 6110J (EDICION SUDAMERICANA) PC8538S (01-JUL-10) 30-25
PN=127
30-26
COMPONENTES AUXILIARES DEL MOTOR, DEPOSITO, SISTEMA DE ADMISION
FUEL TANK
RESERVOIR A COMBUSTIBLE
KRAFTSTOFFTANK
SERBATOIO COMBUSTIBILE
TANQUE DE COMBUSTIVEL
DEPOSITO DE COMBUSTIBLE
CQ156521 -UN-05DEC05
ESTA RELACION DE PIE
30-26 TRACTOR 6110J (EDICION SUDAMERICANA) PC8538S (01-JUL-10)
PN=128
30-27
COMPONENTES AUXILIARES DEL MOTOR, DEPOSITO, SISTEMA DE ADMISION
6
1
1
0
POS. NO.PIEZA DESCRIPCION CANT NUM. SERIE J NOTAS
1 MN10299 TANQUE DE COMBUSTIBLE 1 X 154L INCL KEY 10
2 AL113086 TAPON DE LLENADO 1 X
3 SG01301 ABRAZADERA 1 X
4 CQ34351 TAPON 1 X
5 AL161024 AFORADOR DE COMBUSTIBLE 1 X
6 CQ29104 FILTRO 1 X
7 CQ65301 BRIDA 1 X
8 CQ55032 MANGUERA 1 X
9 21M7296 TORNILLO 4 X M6 X 20
10 L2646N TAPON ROSCADO 1 X
11 24M7139 ARANDELA 1 X
12 R217636 ANILLO TORICO 1 X
13 SG06401 ABRAZADERA 4 X
14 MN10416 MANGUERA 1 X
TRACTOR 6110J (EDICION SUDAMERICANA) PC8538S (01-JUL-10) 30-27
PN=129
30-28
COMPONENTES AUXILIARES DEL MOTOR, DEPOSITO, SISTEMA DE ADMISION
FUEL TANK PROTECTION
RESERVOIR A COMBUSTIBLE, SUPPORTS
HALTERUNGEN, KRAFTSTOFFTANK
SUPPORTI PER SERBATOIO COMBUSTIBILE
PROTECAO DO TANQUE DE COMBUSTIVEL
PROTECION DEPOSITO DE COMBUSTIBLE
CQ157587 -UN-15MAR06
6
1
1
0
POS. NO.PIEZA DESCRIPCION CANT NUM. SERIE J NOTAS
1 DQ63790 PROTECCION 1 X
2 19M7487 TORNILLO 2 X M20 X 50
3 24M7051 ARANDELA 2 X 21 X 37 X 3 MM
4 14M7144 TUERCA 2 X M20
5 DQ41499 SOPORTE 1 X
6 DQ41285 SOPORTE 1 X
7 19M7496 TORNILLO AR X M12 X 45
8 19M7285 TORNILLO AR X M12 X 30
9 CQ38916 ESPACIADOR 1 X
10 12M7067 ARANDELA DE SEGURIDAD AR X 12 MM
11 DQ63793 PROTECCION 1 X
12 12M7070 ARANDELA DE SEGURIDAD 2 X 20 MM
13 19M7330 TORNILLO 1 X M12 X 55
30-28 TRACTOR 6110J (EDICION SUDAMERICANA) PC8538S (01-JUL-10)
PN=130
30-29
COMPONENTES AUXILIARES DEL MOTOR, DEPOSITO, SISTEMA DE ADMISION
PRIMARY FUEL FILTER
FILTRE A COMBUSTIBLE PRIMAIRE
KRAFTSTOFFVORFILTER
FILTRO PRIMARIO DEL COMBUSTIBILE
PRE FILTRO DE COMBUSTIVEL
FILTRO PRIMARIO DE COMBUSTIBLE
CQ301753 -UN-26JUL07
6
1
1
0
POS. NO.PIEZA DESCRIPCION CANT NUM. SERIE J NOTAS
1 DQ72620 FILTRO 1 X
2 DQ24057 FILTRO DE COMBUSTIBLE 1 X
3 DQ39530 TAZA 1 X
4 DQ72612 TAPON 1 X
5 ........ POSREFRIGERADOR 1 X (ORD DQ72620)
6 DQ25143 TAPON 1 X
7 DQ32910 TAPON ROSCADO 1 X
8 19M7167 TORNILLO 2 X M10 X 25
9 24M7040 ARANDELA 2 X 11 X 20 X 2 MM
10 12M7066 ARANDELA DE SEGURIDAD 2 X 10 MM
11 14M7140 TUERCA 2 X M10
TRACTOR 6110J (EDICION SUDAMERICANA) PC8538S (01-JUL-10) 30-29
PN=131
30-30
COMPONENTES AUXILIARES DEL MOTOR, DEPOSITO, SISTEMA DE ADMISION
FUEL HOSES
FLEXIBLES DE COMBUSTIBLE
KRAFTSTOFFSCHLAEUCHE
TUBI FLESSIBILI COMBUSTIBILE
MANGUEIRAS DE COMBUSTIVEL
MANGUERAS DE COMBUSTIBLE
CQ156975 -UN-05DEC05
ESTA RELACION DE PIE
30-30 TRACTOR 6110J (EDICION SUDAMERICANA) PC8538S (01-JUL-10)
PN=132
30-31
COMPONENTES AUXILIARES DEL MOTOR, DEPOSITO, SISTEMA DE ADMISION
6
1
1
0
POS. NO.PIEZA DESCRIPCION CANT NUM. SERIE J NOTAS
1 CQ29143 TORNILLO HUECO 2 X
2 S17072 ARANDELA 4 X
3 CQ55032 MANGUERA 1 X
4 SG06401 ABRAZADERA 6 X
5 CQ55029 MANGUERA 1 X
6 CQ08038 CONEXION DE MANGUERA 2 X
7 MN10416 MANGUERA 1 X
8 CQ29167 MANGUERA 1 X
9 AL158889 PROTECCION DE MANGUERA 1 X
10 AH78125 ABRAZADERA 1 X
11 24M7055 ARANDELA AR X 8.400 X 16 X 1.600 MM
12 19M7865 TORNILLO AR X M8 X 16
13 14M7029 TUERCA AR X M8
TRACTOR 6110J (EDICION SUDAMERICANA) PC8538S (01-JUL-10) 30-31
PN=133
30-32
COMPONENTES AUXILIARES DEL MOTOR, DEPOSITO, SISTEMA DE ADMISION
MOUNTING PARTS, SPEED CONTROL (FLAT FLOOR CAB)
REGLAGE DU REGIME - ELEMENTS DE FIXATION (CABINE A PLANCHER PLAT)
ANBAUTEILE, DREHZAHLVERSTELLUNG (KABINE MIT EBENEM BODEN)
PARTI DI MONTAGGIO, COMANDO VELOCITA (CABINA CON PAVIMENTO PIANO)
VARETA DO ACELERADOR
PIEZAS DE MONTAJE, VARILLAJE DE MANDO DEL ACELERADOR (CAB. CON SUELO PLANO)
LX017931 -UN-30JAN98
6
1
1
0
POS. NO.PIEZA DESCRIPCION CANT NUM. SERIE J NOTAS
1 AL163686 VASTAGO 1 X
2 T22242 ESLABON GIRATORIO 1 X
3 11M7009 PASADOR DE ALETAS 1 X
4 14M7272 TUERCA 3 X M6
5 56M7009 CABEZA DE ARTICUL.ESFERICA 1 X
6 24M7088 ARANDELA 4 X
30-32 TRACTOR 6110J (EDICION SUDAMERICANA) PC8538S (01-JUL-10)
PN=134
30-33
COMPONENTES AUXILIARES DEL MOTOR, DEPOSITO, SISTEMA DE ADMISION
AIR INTAKE HOSE
CONDUITE D’ADMISSION D’AIR
LUFTANSAUGSCHLAUCH
TUBO INGRESSO ARIA
MANGUEIRA DE ADMISSAO DE AR
MANGUERA DE ADMISION DE AIRE
CQ155797 -UN-30JUL04
6
1
1
0
POS. NO.PIEZA DESCRIPCION CANT NUM. SERIE J NOTAS
1 AL150169 ABRAZADERA PARA MANGUERAS 1 X
2 L202660 MANGUERA 1 X
3 AL112933 ABRAZADERA 1 X
TRACTOR 6110J (EDICION SUDAMERICANA) PC8538S (01-JUL-10) 30-33
PN=135
30-34
COMPONENTES AUXILIARES DEL MOTOR, DEPOSITO, SISTEMA DE ADMISION
MUFFLER
SILENCIEUX
SCHALLDAEMPFER
SILENZIATORE
SILENCIADOR
SILENCIADOR
LX024542 -UN-12MAR01
ESTA RELACION DE PIE
30-34 TRACTOR 6110J (EDICION SUDAMERICANA) PC8538S (01-JUL-10)
PN=136
30-35
COMPONENTES AUXILIARES DEL MOTOR, DEPOSITO, SISTEMA DE ADMISION
6
1
1
0
POS. NO.PIEZA DESCRIPCION CANT NUM. SERIE J NOTAS
1 DQ51588 ALIMENTADOR DE MIES 1 X (A)
2 AL153067 SILENCIADOR 1 X (B)
3 19M8819 TORNILLO 1 X M8 X 35
4 AL117063 CINTA 1 X
5 L113409 TORNILLO 1 X M8 X 70
6 AL117064 SOPORTE 1 X
7 19M7167 TORNILLO AR X (A) M10 X 25
19M7402 TORNILLO AR X (B) M10 X 25
8 24M7213 ARANDELA AR X
9 L114822 SOPORTE 1 X
10 L167664 PROTECCION 1 X
11 24M7028 ARANDELA 2 X 10.500 X 20 X 2 MM
12 19M3143 TORNILLO 2 X M10 X 20
13 AL82256 ABRAZADERA 1 X
(A) WITHOUT CAB (B) WITH CAB
SANS CABINE AVEC CABINE
OHNE KABINE MIT KABINE
SENZA CABINA CON CABINA
SEM CABINE COM CABINE
SIN CABINA CON CABINA
TRACTOR 6110J (EDICION SUDAMERICANA) PC8538S (01-JUL-10) 30-35
PN=137
30-36
COMPONENTES AUXILIARES DEL MOTOR, DEPOSITO, SISTEMA DE ADMISION
EXHAUST SYSTEM (EPCC)
SYSTEME D’ECHAPPEMENT (EPCC)
ABGASANLAGE NACH (EPCC)
SISTEMA DI SCARICO (EPCC)
SISTEMA DE ESCAPE
SISTEMA DE ESCAPE (EPCC)
PUBM1373 -UN-29JUN10
ESTA RELACION DE PIE
30-36 TRACTOR 6110J (EDICION SUDAMERICANA) PC8538S (01-JUL-10)
PN=138
30-37
COMPONENTES AUXILIARES DEL MOTOR, DEPOSITO, SISTEMA DE ADMISION
6
1
1
0
POS. NO.PIEZA DESCRIPCION CANT NUM. SERIE J NOTAS
1 L158590 PROTECCION 1 X
2 AL204717 TUBO DE ESCAPE 1 X
3 19M7785 TORNILLO 2 X M10 X 25
4 AL153600 SOPORTE 1 X
5 AL119409 ABRAZADERA 1 X
6 19M8851 TORNILLO 4 X M6 X 12
7 AL177823 ABRAZADERA 2 X
8 CQ51594 TUBO DE ESCAPE 1 X
9 AL204799 TUBO DE ESCAPE 1 X
TRACTOR 6110J (EDICION SUDAMERICANA) PC8538S (01-JUL-10) 30-37
PN=139
30-38
COMPONENTES AUXILIARES DEL MOTOR, DEPOSITO, SISTEMA DE ADMISION
MEMORANDA
MEMORANDA
MEMORANDA
MEMORANDA
MEMORANDA
MEMORANDA
30-38 TRACTOR 6110J (EDICION SUDAMERICANA) PC8538S (01-JUL-10)
PN=140
40-A01
COMPONENTES ELECTRICOS
SECTIONAL INDEX
INDEX DE SECTION
GRUPPENINDEX
INDICE DELLA SEZIONE
INDICE DE GRUPO
INDICE DE GRUPOS
PUBM1440 -UN-28JUN10
1- 1
2- 2
3- 3
4- 4
5- 5
7- 7
8- 8
10- 12
11- 14
12- 16
13- 18
21- 33
29- 44
30- 46
TRACTOR 6110J (EDICION SUDAMERICANA) PC8538S (01-JUL-10) 40-A01
PN=141
40-A02
COMPONENTES ELECTRICOS
SECTIONAL INDEX
INDEX DE SECTION
GRUPPENINDEX
INDICE DELLA SEZIONE
INDICE DE GRUPO
INDICE DE GRUPOS
PUBM1441 -UN-28JUN10
6- 6
9- 10
15- 22
16- 24
17- 26
18- 28
33- 52
34- 53
35- 54
36- 55
37- 56
41- 62
40-A02 TRACTOR 6110J (EDICION SUDAMERICANA) PC8538S (01-JUL-10)
PN=142
40-A03
COMPONENTES ELECTRICOS
SECTIONAL INDEX
INDEX DE SECTION
GRUPPENINDEX
INDICE DELLA SEZIONE
INDICE DE GRUPO
INDICE DE GRUPOS
PUBM1442 -UN-28JUN10
14- 20
19- 30
20- 32
22- 34
23- 35
24- 36
25- 38
26- 40
27- 41
28- 42
31- 48
32- 50
38- 57
39- 58
40- 60
TRACTOR 6110J (EDICION SUDAMERICANA) PC8538S (01-JUL-10) 40-A03
PN=143
40-A04
COMPONENTES ELECTRICOS
SECTIONAL INDEX
INDEX DE SECTION
GRUPPENINDEX
INDICE DELLA SEZIONE
INDICE DE GRUPO
INDICE DE GRUPOS
PUBM1454 -UN-28JUN10
42- 64
43- 66
44- 68
45- 69
46- 70
47- 72
48- 73
49- 74
50- 76
51- 78
40-A04 TRACTOR 6110J (EDICION SUDAMERICANA) PC8538S (01-JUL-10)
PN=144
40-1
COMPONENTES ELECTRICOS
STARTER MOTOR SHIELD
DEMARREUR GARANTS
STARTER MOTOR SHIELD
STARTER MOTOR SHIELD
PROTECAO DO MOTOR DE PARTIDA
PROTECCION DEL MOTOR DE ARRANQUE
PUBM1435 -UN-29JUN10
6
1
1
MOTOR 0
POS. NO.PIEZA DESCRIPCION CANT NUM. SERIE J NOTAS
1 RE530306 JUEGO 1 X
TRACTOR 6110J (EDICION SUDAMERICANA) PC8538S (01-JUL-10) 40-1
PN=145
40-2
COMPONENTES ELECTRICOS
ALTERNATOR ATTACHING PARTS (WITHOUT AIR CONDITIONING OR AIR COMPRESSOR)
ELEMENTS DE FIXATION, ALTERNATEUR (SANS CLIMATISATION OU COMPRESSEUR D’AIR)
BEFESTIGUNGSTEILE, DREHSTROMGENERATOR (OHNE KLIMAANLAGE ODER LUFTKOMPRESSOR)
PARTI MONTAGGIO ALTERNATORE (SENZA CONDIZIONAMENTO ARIA O COMPRESSORE ARIA)
SUPORTE DO ALTERNADOR (SEM CABINE)
PIEZAS DE SUJECION, ALTERNADOR (SIN AIRE ACONDICIONADO O COMPRESOR DE AIRE)
PUBM0362 -UN-24DEC08
6
1
1
0
POS. NO.PIEZA DESCRIPCION CANT NUM. SERIE J NOTAS
1 CQ48506 APOYO 2 X
2 19M7166 TORNILLO 1 X M10 X 20
3 19M7810 TORNILLO 1 X M10 X 80
4 19M7408 TORNILLO 1 X M10 X 90
5 14M7296 TUERCA CON BRIDA 2 X M10
6 24M7040 ARANDELA 2 X
40-2 TRACTOR 6110J (EDICION SUDAMERICANA) PC8538S (01-JUL-10)
PN=146
40-3
COMPONENTES ELECTRICOS
ALTERNATOR ATTACHING PARTS (WITH AIR CONDITIONING)
ELEMENTS DE FIXATION - ALTERNATEUR (AVEC CLIMATISATION)
BEFESTIGUNGSTEILE, DREHSTROMGENERATOR (BEI KLIMAANLAGE)
PARTI FISSAGGIO ALTERNATORE (CON ARIA CONDIZIONATA)
SUPORTE DO ALTERNADOR (CABINE)
PIEZAS DE SUJECION, ALTERNADOR (CON AIRE ACONDICIONADO)
LX032490 -UN-03JUL02
6
1
1
0
POS. NO.PIEZA DESCRIPCION CANT NUM. SERIE J NOTAS
1 19M7835 TORNILLO 5 X M10 X 35
2 CQ48046 FULCRO 1 X
3 34M7190 PASADOR ELASTICO 2 X
4 AL155417 RUEDA LOCA 1 X
5 L154170 TAPA 1 X
6 19M7408 TORNILLO 1 X M10 X 90
7 14M7296 TUERCA CON BRIDA 2 X M10
8 19M7810 TORNILLO 1 X M10 X 80
TRACTOR 6110J (EDICION SUDAMERICANA) PC8538S (01-JUL-10) 40-3
PN=147
40-4
COMPONENTES ELECTRICOS
BATTERY / ATTACHING PARTS
BATTERIE-ELEMENTS DE FIXATION
BATTERIE / BEFESTIGUNGSTEILE
BATTERIA / PARTI FISSAGGIO
BATERIA / FIXACAO DA BATERIA
BATERIA / PIEZAS DE FIJACION
CQ155737 -UN-30JUL04
6
1
1
0
POS. NO.PIEZA DESCRIPCION CANT NUM. SERIE J NOTAS
1 DQ68477 BATERIA CON CARGA LIQUIDA 1 X 750A
2 L158303 SOPORTE 1 X
3 14M7397 TUERCA DE SEGURIDAD 2 X M6
4 L158301 PERNO CON GANCHO 2 X
5 L158304 SOPORTE 1 X
6 14M7029 TUERCA 4 X M8
7 24M7055 ARANDELA 4 X 8.400 X 16 X 1.600 MM
8 19M7139 TORNILLO 4 X M8 X 20
40-4 TRACTOR 6110J (EDICION SUDAMERICANA) PC8538S (01-JUL-10)
PN=148
40-5
COMPONENTES ELECTRICOS
ALTERNATOR
ALTERNATEUR
DREHSTROMGENERATOR
ALTERNATORE
ALTERNADOR
ALTERNADOR
PUBM1343 -UN-28JUN10
6
1
1
0
POS. NO.PIEZA DESCRIPCION CANT NUM. SERIE J NOTAS
1 RE285712 TUERCA 1 X
2 14M7296 TUERCA CON BRIDA 2 X M10
3 AL172532 REGULADOR 1 X
4 AL166645 ALTERNADOR 1 X
5 14M7028 TUERCA 1 X M5
6 24M7027 ARANDELA 1 X 5.300 X 10 X 1 MM
7 CQ66216 POLEA 1 X
8 L78085 TUERCA CON BRIDA 1 X
9 DQ59038 ALTERNADOR 1 X
10 19M7810 TORNILLO 1 X
TRACTOR 6110J (EDICION SUDAMERICANA) PC8538S (01-JUL-10) 40-5
PN=149
40-6
COMPONENTES ELECTRICOS
TAIL LIGHTS AND TURN SIGNAL LIGHTS
FEUX ARRIERE ET CLIGNOTANTS
SCHLUSS- UND BLINKLEUCHTEN
LUCI DI CODA E DI DIREZIONE
LUZ TRASEIRA
LUCES TRASERAS E INTERMITENCIAS DE GIRO
LX033270 -UN-06AUG02
6
1
1
0
POS. NO.PIEZA DESCRIPCION CANT NUM. SERIE J NOTAS
1 AL176143 LUZ TRASERA 2 X
2 37M7274 TORNILLO 4 X
3 57M7014 LAMPARA 1 X 12V-21W
4 57M7011 LAMPARA 1 X 12V-21/5W
5 L151980 TUERCA DE SEGURIDAD 4 X
6 L152943 PASAMUROS 4 X
40-6 TRACTOR 6110J (EDICION SUDAMERICANA) PC8538S (01-JUL-10)
PN=150
40-7
COMPONENTES ELECTRICOS
HORN
FEUX ARRIERE ET CLIGNOTANTS
SCHLUSS- UND BLINKLEUCHTEN
LUCI DI CODA E DI DIREZIONE
BUZINA
BOZINA
LX025959 -UN-06AUG01
6
1
1
0
POS. NO.PIEZA DESCRIPCION CANT NUM. SERIE J NOTAS
1 19M7297 TORNILLO 1 X M8 X 12
2 24M7055 ARANDELA 1 X 8.400 X 16 X 1.600 MM
3 14M7273 TUERCA 1 X M8
4 AL203265 BOCINA 1 X
TRACTOR 6110J (EDICION SUDAMERICANA) PC8538S (01-JUL-10) 40-7
PN=151
40-8
COMPONENTES ELECTRICOS
WORK LIGHT
PROJECTEURS DE TRAVAIL
GERAETESCHEINWERFER
FARI DI LAVORO
LUZES DE TRABALHO
FAROS DE LABOR FRONTALES
PUBM1525 -UN-
6
1
1
0
POS. NO.PIEZA DESCRIPCION CANT NUM. SERIE J NOTAS
1 AL154553 FARO DE LABOR 4 (A)
2 RE60765 LENTE 2
3 AT130104 LAMPARA 4 (A)
AS04904 LAMPARA 4 (B)
4 37M7177 TORNILLO 4
5 19M7269 TORNILLO 2 M8 X 50
6 24M7055 ARANDELA 2
7 14M7166 TUERCA DE SEGURIDAD 2 M8
8 L153587 ARANDELA 4
9 CQ51923 PORTADOR 4
10 CQ25923 PASAMUROS 4
11 DQ25068 FARO DELANTERO 2 (B) REAR
DQ33944 FARO DELANTERO 2 (B) FRONT
12 L171231 TORNILLO 4
13 57M7289 DISPOSITIVO DE BLOQUEO ELEC 4
14 57M7256 CONJUNTO DE CONECTOR ELEC. 4
15 12M7142 ARANDELA AR
(A) WITH CAB (B) WITHOUT CAB
AVEC CABINE SANS CABINE
MIT KABINE OHNE KABINE
CON CABINA SENZA CABINA
COM CABINE SEM CABINE
CON CABINA SIN CABINA
40-8 TRACTOR 6110J (EDICION SUDAMERICANA) PC8538S (11-JAN-11)
PN=152
40-9
COMPONENTES ELECTRICOS
MEMORANDA
MEMORANDA
MEMORANDA
MEMORANDA
MEMORANDA
MEMORANDA
TRACTOR 6110J (EDICION SUDAMERICANA) PC8538S (01-JUL-10) 40-9
PN=153
40-10
COMPONENTES ELECTRICOS
HEADLIGHTS
PHARES AVANT
FRONTSCHEINWERFER
FARI ANTERIORI
FAROIS DIANTEIROS
FAROS DELANTEROS
PUBM1538 -UN-29JUN10
ESTA RELACION DE PIE
40-10 TRACTOR 6110J (EDICION SUDAMERICANA) PC8538S (01-JUL-10)
PN=154
40-11
COMPONENTES ELECTRICOS
6
1
1
0
POS. NO.PIEZA DESCRIPCION CANT NUM. SERIE J NOTAS
1 L78984 ABRAZADERA 6 X
2 37M7335 TORNILLO 8 X
3 CQ71882 RETEN 2 X
4 L154128 GUARDAPOLVO 1 X
5 MN10029 FARO DELANTERO 2 X
6 57M7166 LAMPARA 2 X
7 AZ47904 PLETINA DE AJUSTE 6 X
8 CQ71890 MOLDURA 1 X
9 DQ58449 FARO DELANTERO 1 X
TRACTOR 6110J (EDICION SUDAMERICANA) PC8538S (01-JUL-10) 40-11
PN=155
40-12
COMPONENTES ELECTRICOS
3-TERMINAL POWER OUTLET SOCKET
PRISE 3 PLOTS
STECKDOSE 3-POLIG
PRESA ELETTRICA TRIPOLARE
TOMADA DE CORRENTE DE 3 TERMINAIS
ENCHUFE DE 3 POLOS
LX017447 -UN-10FEB98
6
1
1
0
POS. NO.PIEZA DESCRIPCION CANT NUM. SERIE J NOTAS
1 57M7390 TERMINAL ELECTRICO 1 X
2 L157467 TIRA 1 X
3 AL201803 TAPA 1 X
4 37M7095 TORNILLO 4 X
5 AL114896 GRUPO DE CABLES 1 X
6 AL116176 GRUPO DE CABLES 1 X
40-12 TRACTOR 6110J (EDICION SUDAMERICANA) PC8538S (01-JUL-10)
PN=156
40-13
COMPONENTES ELECTRICOS
MEMORANDA
MEMORANDA
MEMORANDA
MEMORANDA
MEMORANDA
MEMORANDA
TRACTOR 6110J (EDICION SUDAMERICANA) PC8538S (01-JUL-10) 40-13
PN=157
40-14
COMPONENTES ELECTRICOS
REVERSE LIGHT
FEU DE MARCHE ARRIERE
RUECKFAHRSCHEINWERFER
LUCE DI RETROMARCIA
LUZ DO RE
LUCES DE MARCHA ATRAS
PUBM2140 -UN-
ESTA RELACION DE PIE
40-14 TRACTOR 6110J (EDICION SUDAMERICANA) PC8538S (11-JAN-11)
PN=158
40-15
COMPONENTES ELECTRICOS
6
1
1
0
POS. NO.PIEZA DESCRIPCION CANT NUM. SERIE J NOTAS
1 DQ65274 LUZ TRASERA 1 X
2 19M7163 TORNILLO 1 X M8 X 25
3 12M7065 ARANDELA DE SEGURIDAD 1 X 8 MM
4 14M7029 TUERCA 1 X M8
5 AL158140 GRUPO DE CABLES 1 X
6 DQ72369 GRUPO DE CABLES 2 X (A)
7 14M7100 TUERCA 2 X M4
8 14M7273 TUERCA 1 X M8
9 AL114955 GRUPO DE CABLES 1 X
10 CQ42092 PORTADOR 1 X
11 DQ67022 APOYO 1 X POWRQUAD
AL116265 PORTADOR 1 X SYNCROPLUS
12 24M7117 ARANDELA 2 X 4.300 X 9 X 0.800 MM
13 21M7369 TORNILLO 2 X M4 X 25
14 19M8675 TORNILLO 1 X M8 X 16
15 R44302 CINTA DE ATAR 3 X
16 AL150015 RELE 1 X
17 12M7067 ARANDELA DE SEGURIDAD 1 X 12 MM
18 14M7273 TUERCA 1 X M8
19 19M7162 TORNILLO 4 X M8 X 16
20 24M7055 ARANDELA 6 X 8.400 X 16 X 1.600 MM
21 CQ62315 PASAMUROS 1 X
22 AL176799 ZUMBADOR DE ADVERTENCIA 1 X
(A) WITHOUT CAB
SANS CABINE
OHNE KABINE
SENZA CABINA
SEM CABINE
SIN CABINA
TRACTOR 6110J (EDICION SUDAMERICANA) PC8538S (11-JAN-11) 40-15
PN=159
40-16
COMPONENTES ELECTRICOS
ENGINE WIRING HARNESS
FAISCEAU MOTEUR
MOTORKABELBAUM
CAVO ELETTRICO MOTORE
CHICOTE DO MOTOR
GRUPO DE CABLES MOTOR
CQ155749 -UN-30JUL04
ESTA RELACION DE PIE
40-16 TRACTOR 6110J (EDICION SUDAMERICANA) PC8538S (01-JUL-10)
PN=160
40-17
COMPONENTES ELECTRICOS
6
1
1
0
POS. NO.PIEZA DESCRIPCION CANT NUM. SERIE J NOTAS
1 AL164069 GRUPO DE CABLES 1 X (A)
2 AL164282 GRUPO DE CABLES 1 X (B)
3 L154171 ABRAZADERA 1 X
4 L153768 ABRAZADERA 2 X
5 14M7273 TUERCA 1 X M8
6 24M7055 ARANDELA 2 X
7 L153842 PORTADOR 2 X
(A) WITH CAB (B) WITHOUT CAB
AVEC CABINE SANS CABINE
MIT KABINE OHNE KABINE
CON CABINA SENZA CABINA
COM CABINE SEM CABINE
CON CABINA SIN CABINA
TRACTOR 6110J (EDICION SUDAMERICANA) PC8538S (01-JUL-10) 40-17
PN=161
40-18
COMPONENTES ELECTRICOS
WIRING HARNESS, ENGINE STARTING AID
FAISCEAU - AIDE AU DEMARRAGE
KABELBAUM, MOTORSTARTHILFE
CAVO ELETTRICO AUSILIO ELETTRICO DI AVVIAMENTO
CHICOTE E RELE DE PARTIDA
GRUPO DE CABLES/ AUXILIAR DE ARRANQUE
CQ156927 -UN-03DEC05
ESTA RELACION DE PIE
40-18 TRACTOR 6110J (EDICION SUDAMERICANA) PC8538S (01-JUL-10)
PN=162
40-19
COMPONENTES ELECTRICOS
6
1
1
0
POS. NO.PIEZA DESCRIPCION CANT NUM. SERIE J NOTAS
1 AL164627 GRUPO DE CABLES 1 X
2 RE164448 RELE DE ARRANQUE 1 X
3 24M7054 ARANDELA AR X
4 19M7560 TORNILLO AR X M6 X 16
5 12M7122 ARANDELA DE SEGURIDAD 2 X 8.400 MM
6 14H785 TUERCA 2 X 5/16"
7 12H295 ARANDELA DE SEGURIDAD 2 X 0.190"
8 14H631 TUERCA 2 X 0.190"
9 L110306 PROTECCION 1 X
10 L80303 ARANDELA 1 X
11 19M7077 TORNILLO AR X M6 X 20
12 14M7165 TUERCA DE SEGURIDAD AR X M6
13 CQ28556 ABRAZADERA 1 X
TRACTOR 6110J (EDICION SUDAMERICANA) PC8538S (01-JUL-10) 40-19
PN=163
40-20
COMPONENTES ELECTRICOS
CAB WIRING HARNESS
FAISCEAU CABINE
KABELBAUM KABINE
CAVO ELETTRICO CABINA
CHICOTE DA PLATAFORMA DO OPERADOR
GRUPO DE CABLES DE LA CABINA
CQ157863 -UN-22DEC06
ESTA RELACION DE PIE
40-20 TRACTOR 6110J (EDICION SUDAMERICANA) PC8538S (01-JUL-10)
PN=164
40-21
COMPONENTES ELECTRICOS
6
1
1
0
POS. NO.PIEZA DESCRIPCION CANT NUM. SERIE J NOTAS
1 AL169982 GRUPO DE CABLES 1 X
2 AL156915 GRUPO DE CABLES 1 X
3 L114902 ANGULO 1 X
4 19M7865 TORNILLO 2 X M8 X 16
5 14M7416 TUERCA CON BRIDA 1 X M8
6 14M7273 TUERCA 1 X M8
7 24M7055 ARANDELA 1 X 8.400 X 16 X 1.600 MM
8 AL118382 ABRAZADERA 3 X
9 L115159 ABRAZADERA 6 X
10 L156796 TAPON 1 X
11 L79919 PASAMUROS 2 X
12 R44302 CINTA DE ATAR 10 X
13 L113094 ABRAZADERA 4 X
14 L79919 PASAMUROS 1 X
15 L79337 PASAMUROS 1 X
16 AH77714 ABRAZADERA 5 X
17 14M7166 TUERCA DE SEGURIDAD 1 X M8
18 37M7095 TORNILLO 4 X
19 L155075 PLACA 1 X
20 AL161566 GRUPO DE CABLES 1 X
21 L78028 PASAMUROS 2 X
22 AL169983 GRUPO DE CABLES 2 X
23 CQ25923 PASAMUROS 2 X
24 CQ65525 CAPUCHON DE CONECTOR ELEC. 1 X
TRACTOR 6110J (EDICION SUDAMERICANA) PC8538S (01-JUL-10) 40-21
PN=165
40-22
COMPONENTES ELECTRICOS
WIRING HARNESS, HEADLIGHTS AND WORKLIGHTS (FRONT GRILLE)
FAISCEAU, PHARES PRINCIPAUX ET PHARES DE TRAVAIL (CALANDRE)
KABELBAUM, FRONTSCHEINWERFER UND GERAETESCHEINWERFER (FRONTGRILL)
CAVO ELETTRICO FARI ANTERIORI E FARI DI LAVORO (GRIGLIA ANTERIORE)
CHICOTE, LUZES DIANTEIRAS E LUZES DE TRABALHO (GRADE FRONTAL)
GRUPO DE CABLES, FAROS DELANTEROS Y FAROS DE TRABAJO (PANEL FRONTAL)
PY023826 -UN-
ESTA RELACION DE PIE
40-22 TRACTOR 6110J (EDICION SUDAMERICANA) PC8538S (11-JAN-11)
PN=166
40-23
COMPONENTES ELECTRICOS
6
1
1
0
POS. NO.PIEZA DESCRIPCION CANT NUM. SERIE J NOTAS
1 AL157627 GRUPO DE CABLES 1 X
2 R44302 CINTA DE ATAR 2 X
3 L154171 ABRAZADERA 1 X
4 L155448 TORNILLO 1 X
TRACTOR 6110J (EDICION SUDAMERICANA) PC8538S (01-JUL-10) 40-23
PN=167
40-24
COMPONENTES ELECTRICOS
WIRING HARNESS FIXTURE
SUPPORT POUR FAISCEAUX TRANSMISSION
HALTERUNG FUER GETRIEBEKABELBAEUME
RITEGNO CAVO ELETTRICO
SUPORTE PARA CABOS/CHICOTES DA TRANSMISSAO
SOPORTE PARA GRUPOS DE CABLES DE LA TRANSMISION
LX028721 -UN-25JAN02
6
1
1
0
POS. NO.PIEZA DESCRIPCION CANT NUM. SERIE J NOTAS
1 19M7386 TORNILLO 1 X M12 X 20
2 24M7044 ARANDELA 1 X 13 X 20 X 2 MM
3 L153768 ABRAZADERA 3 X
4 L154647 PORTADOR 1 X
40-24 TRACTOR 6110J (EDICION SUDAMERICANA) PC8538S (01-JUL-10)
PN=168
40-25
COMPONENTES ELECTRICOS
MEMORANDA
MEMORANDA
MEMORANDA
MEMORANDA
MEMORANDA
MEMORANDA
TRACTOR 6110J (EDICION SUDAMERICANA) PC8538S (01-JUL-10) 40-25
PN=169
40-26
COMPONENTES ELECTRICOS
TRANSMISSION HARNESS (CAB)
FAISCEAU TRANSMISSION (AVANT)
GETRIEBEKABELBAUM (FORN)
CAVO ELETTRICO TRASMISSIONE (ANTERIORE)
CHICOTE DA TRANSMISSAO (CABINE)
GRUPO DE CABLES TRANSMISION (CABINA)
PUBM1341 -UN-28JUN10
ESTA RELACION DE PIE
40-26 TRACTOR 6110J (EDICION SUDAMERICANA) PC8538S (01-JUL-10)
PN=170
40-27
COMPONENTES ELECTRICOS
6
1
1
0
POS. NO.PIEZA DESCRIPCION CANT NUM. SERIE J NOTAS
1 AL180297 GRUPO DE CABLES 1 X
2 L41858 CINTA DE ATAR 2 X
3 R44302 CINTA DE ATAR 6 X
4 L115277 ABRAZADERA 3 X
5 R232182 ABRAZADERA 1 X
TRACTOR 6110J (EDICION SUDAMERICANA) PC8538S (01-JUL-10) 40-27
PN=171
40-28
COMPONENTES ELECTRICOS
TRANSMISSION HARNESS, FRONT (OPEN OPERATOR’S STATION)
FAISCEAU TRANSMISSION AVANT (TRACTEURS SANS CABINE)
GETRIEBEKABELBAUM VORN (OFFENE FAHRERPLATTFORM)
CAVO ANTERIORE TRASMISSIONE (STAZIONE OPERATORE APERTA)
CHICOTE DA TRANSMISSAO (SEM CABINE)
GRUPO DE CABLES DELANTERO DE LA TRANSMISION (CON PLATAFORMA DE CONDUCCION ABIERTA)
LX029538 -UN-08APR02
6
1
1
0
POS. NO.PIEZA DESCRIPCION CANT NUM. SERIE J NOTAS
1 AL180296 GRUPO DE CABLES 1 X
2 L110765 ABRAZADERA 1 X
3 T13744 ABRAZADERA 1 X
4 24M7044 ARANDELA 1 X
5 19M7386 TORNILLO 1 X M12 X 20
6 R44302 CINTA DE ATAR 3 X
40-28 TRACTOR 6110J (EDICION SUDAMERICANA) PC8538S (01-JUL-10)
PN=172
40-29
COMPONENTES ELECTRICOS
MEMORANDA
MEMORANDA
MEMORANDA
MEMORANDA
MEMORANDA
MEMORANDA
TRACTOR 6110J (EDICION SUDAMERICANA) PC8538S (01-JUL-10) 40-29
PN=173
40-30
COMPONENTES ELECTRICOS
CAB WIRING HARNESS
FAISCEAU CABINE
KABELBAUM KABINE
CAVO ELETTRICO CABINA
CHICOTE DA CABINE
GRUPO DE CABLES DE LA CABINA
PUBM1342 -UN-01JUL10
ESTA RELACION DE PIE
40-30 TRACTOR 6110J (EDICION SUDAMERICANA) PC8538S (01-JUL-10)
PN=174
40-31
COMPONENTES ELECTRICOS
6
1
1
0
POS. NO.PIEZA DESCRIPCION CANT NUM. SERIE J NOTAS
1 AL178887 GRUPO DE CABLES 1 X
2 L154332 ABRAZADERA 2 X
3 AL82121 CONJUNTO DE CONECTOR ELEC. 1 X
4 14M7416 TUERCA CON BRIDA 1 X M8
5 R50454 ABRAZADERA 1 X
6 19M7163 TORNILLO 1 X M8 X 25
7 L152151 VAINA 4 X
8 L113094 ABRAZADERA 2 X
9 L78028 PASAMUROS 2 X
10 24M7055 ARANDELA 2 X 8.400 X 16 X 1.600 MM
11 14M7273 TUERCA 2 X M8
12 L32394 TAPA 2 X
13 L102007 PASAMUROS 2 X
TRACTOR 6110J (EDICION SUDAMERICANA) PC8538S (01-JUL-10) 40-31
PN=175
40-32
COMPONENTES ELECTRICOS
SPEAKER HARNESS
FAISCEAU, PAVILLON
KABELBAUM, KABINENDACH
VACO, TETTO CABINA
CHICOTE DO AUTO-FALANTE
CABLE DE MACE
CQ156961 -UN-05DEC05
6
1
1
0
POS. NO.PIEZA DESCRIPCION CANT NUM. SERIE J NOTAS
1 AL159801 GRUPO DE CABLES 1 X
40-32 TRACTOR 6110J (EDICION SUDAMERICANA) PC8538S (01-JUL-10)
PN=176
40-33
COMPONENTES ELECTRICOS
WARNING LIGHTS AT FRONT OF CAB ROOF
FEUX DE DETRESSE A L’AVANT DU PAVILLON
WARNLEUCHTEN-KABINENDACH VORN
LUCI DI AVVERTIMENTO LATO ANTERIORE TETTO CABINA
PISCAS DIRECIONAIS E LUZES DE POSICAO
LUCES INTERMITENTES DE EMERGENCIA DEL FRENTE DEL TECHO DE LA CABINA
LX051086 -UN-
6
1
1
0
POS. NO.PIEZA DESCRIPCION CANT NUM. SERIE J NOTAS
1 RE217551 FARO 2 X
2 L60585 ARANDELA AR X
3 RE49778 LAMPARA 1 X
4 CQ25923 PASAMUROS 2 X
5 19M8482 TORNILLO 4 X M6 X 80
TRACTOR 6110J (EDICION SUDAMERICANA) PC8538S (11-JAN-11) 40-33
PN=177
40-34
COMPONENTES ELECTRICOS
CHANNEL, WIRING HARNESS
PASSAGE DU FAISCEAU DE CABLES
KABELBAUMKANAL
CAVO ELETTRICO, CANALE
CANAL PARA CHICOTE ELETRICO
CANAL DEL GRUPO DE CABLES
PUBM1596 -UN-
6
1
1
0
POS. NO.PIEZA DESCRIPCION CANT NUM. SERIE J NOTAS
1 L175842 PERFIL EN U 1 X
2 L175841 PERFIL EN U 1 X
3 L166759 ABRAZADERA 1 X
4 L40924 TUERCA 3 X
5 14M7297 TUERCA 1 X M5
6 12M7077 ARANDELA 1 X
7 L170967 PERFIL EN U 1 X
8 R44302 CINTA DE ATAR 2 X
9 19M7317 TORNILLO 1 X M5 X 30
40-34 TRACTOR 6110J (EDICION SUDAMERICANA) PC8538S (11-JAN-11)
PN=178
40-35
COMPONENTES ELECTRICOS
WIRING HARNESS INSTRUMENTS
FAISCEAU TABLEAU DE BORD
KABELBAUM ARMATUREN
CAVO STRUMENTAZIONE
CHICOTE DO PAINEL
GRUPO DE CABLES DEL SALPICADERO
CQ155756 -UN-
6
1
1
0
POS. NO.PIEZA DESCRIPCION CANT NUM. SERIE J NOTAS
1 AL164954 GRUPO DE CABLES 1 X
2 R44302 CINTA DE ATAR AR X
TRACTOR 6110J (EDICION SUDAMERICANA) PC8538S (11-JAN-11) 40-35
PN=179
40-36
COMPONENTES ELECTRICOS
WIRING HARNESS, HEATING AND AIRCONDITIONING
FAISCEAU, CHAUFFAGE ET CLIMATISATION
KABELBAUM, HEIZUNG UND KLIMAANLAGE
CAVO RISCALDATORE E CONDIZIONAMENTO ARIA
CHICOTE ELETRICO, AQUECIMENTO E AR CONDICIONADO
GRUPO DE CABLES, CALEFACCION Y AIRE ACONDICIONADO
PUBM1438 -UN-28JUN10
6
1
1
0
POS. NO.PIEZA DESCRIPCION CANT NUM. SERIE J NOTAS
1 L111184 ABRAZADERA 3 X
2 R44302 CINTA DE ATAR AR X
3 L38642 PASAMUROS 1 X
4 AL160369 GRUPO DE CABLES 1 X
5 L111127 ABRAZADERA 1 X
6 R27180 PASAMUROS 1 X
40-36 TRACTOR 6110J (EDICION SUDAMERICANA) PC8538S (01-JUL-10)
PN=180
40-37
COMPONENTES ELECTRICOS
MEMORANDA
MEMORANDA
MEMORANDA
MEMORANDA
MEMORANDA
MEMORANDA
TRACTOR 6110J (EDICION SUDAMERICANA) PC8538S (01-JUL-10) 40-37
PN=181
40-38
COMPONENTES ELECTRICOS
WIRING HARNESS, CAB ROOF
FAISCEAU, PAVILLON
KABELBAUM, KABINENDACH
VACO, TETTO CABINA
CHICOTE DA TETO
GRUPO DE CABLES, TECHO CABINA
CQ157348 -UN-09DEC05
ESTA RELACION DE PIE
40-38 TRACTOR 6110J (EDICION SUDAMERICANA) PC8538S (01-JUL-10)
PN=182
40-39
COMPONENTES ELECTRICOS
6
1
1
0
POS. NO.PIEZA DESCRIPCION CANT NUM. SERIE J NOTAS
1 AL162768 GRUPO DE CABLES 1 X
2 24M7139 ARANDELA 1 X
3 19M7560 TORNILLO 1 X M6 X 16
4 L151529 PORTACABLES AR X
5 37M7181 TORNILLO 2 X
TRACTOR 6110J (EDICION SUDAMERICANA) PC8538S (01-JUL-10) 40-39
PN=183
40-40
COMPONENTES ELECTRICOS
BASIC CONTROL UNIT (BCU)
CENTRALE ELECTRIQUE (BCU)
ZENTRAL-STEUERINHEIT (BCU)
UNITA’ DI COMANDO BASE (BCU)
UNIDADE BASICA DE CONTROLE (BCU)
UNIDAD DE CONTROL BASICO (BCU)
CQ155757 -UN-23JUL04
6
1
1
0
POS. NO.PIEZA DESCRIPCION CANT NUM. SERIE J NOTAS
1 AL205515 UNIDAD DE CONTROL BASICO 1 X
2 19M8875 TORNILLO 2 X M6 X 25
40-40 TRACTOR 6110J (EDICION SUDAMERICANA) PC8538S (01-JUL-10)
PN=184
40-41
COMPONENTES ELECTRICOS
FUSES, DIODES, RELAYS
FUSIBLES, DIODES, RELAIS
SICHERUNGEN, DIODEN, RELAIS
FUSIBILI, DIODI, RELE’
FUSIVEIS, DIODOS, RELES
FUSIBLES, DIODOS, RELES
PUBM1524 -UN-
6
1
1
TRACTOR 0
POS. NO.PIEZA DESCRIPCION CANT NUM. SERIE J NOTAS
1 AL76702 RELE 1 X
2 AL152098 PORTADIODOS 1 X
3 37M7293 TORNILLO 1 X
4 AL77324 RELE 3 X
5 57M7121 FUSIBLE AR X 10A
99M7065 FUSIBLE AR X 15A
57M7120 FUSIBLE AR X 20A
57M7146 FUSIBLE AR X 30A
6 AL117951 CAJA DE FUSIBLES 1 X
7 L63386 TAPADERA 1 X
8 24M7146 ARANDELA 1 X
TRACTOR 6110J (EDICION SUDAMERICANA) PC8538S (11-JAN-11) 40-41
PN=185
40-42
COMPONENTES ELECTRICOS
FUSES, DIODES, RELAYS
FUSIBLES, DIODES, RELAIS
SICHERUNGEN, DIODEN, RELAIS
FUSIBILI, DIODI, RELE’
FUSIVEIS, RELES, DIODOS
FUSIBLES, DIODOS, RELES
CQ155759 -UN-23JUL04
6
1
1
0
POS. NO.PIEZA DESCRIPCION CANT NUM. SERIE J NOTAS
1 57M7121 FUSIBLE AR X 10A
99M7065 FUSIBLE AR X 15A
57M7120 FUSIBLE AR X 20A
57M7146 FUSIBLE AR X 30A
2 AL77324 RELE AR X
3 AL81718 RELE 1 X
4 AL152098 PORTADIODOS 1 X
5 AL76702 RELE AR X
40-42 TRACTOR 6110J (EDICION SUDAMERICANA) PC8538S (01-JUL-10)
PN=186
40-43
COMPONENTES ELECTRICOS
MEMORANDA
MEMORANDA
MEMORANDA
MEMORANDA
MEMORANDA
MEMORANDA
TRACTOR 6110J (EDICION SUDAMERICANA) PC8538S (01-JUL-10) 40-43
PN=187
40-44
COMPONENTES ELECTRICOS
BATTERY CABLE
CABLES BATTERIE
BATTERIEKABEL
CAVO BATTERIA
CABOS DA BATERIA
CABLE DE BATERIA
CQ155746 -UN-30JUL04
ESTA RELACION DE PIE
40-44 TRACTOR 6110J (EDICION SUDAMERICANA) PC8538S (01-JUL-10)
PN=188
40-45
COMPONENTES ELECTRICOS
6
1
1
0
POS. NO.PIEZA DESCRIPCION CANT NUM. SERIE J NOTAS
1 19M7268 TORNILLO 1 X M12 X 25
2 24M7047 ARANDELA 1 X
3 14M7273 TUERCA 3 X M8
4 24M7055 ARANDELA 3 X
5 AL159181 CABLE DE BATERIA 1 X
6 12M7135 ARANDELA DE SEGURIDAD 1 X
7 14M7274 TUERCA 1 X M10
8 AL154428 CABLE DE BATERIA 1 X
9 24M7145 ARANDELA 1 X
10 19M9201 TORNILLO AR X M14 X 25
11 AL159445 CABLE DE BATERIA 1 X
12 AL157540 CABLE DE BATERIA 1 X
13 L154937 REVESTIMIENTO 1 X
.. L165421 GRASA 1 X
TRACTOR 6110J (EDICION SUDAMERICANA) PC8538S (01-JUL-10) 40-45
PN=189
40-46
COMPONENTES ELECTRICOS
POWER WIRING HARNESS
FAISCEAU D’ ALIMENTATION
KABELBAUM, STROMVERSORGUNG
CAVO ELETTRICO DI POTENZA
CHICOTE DE ALIMENTACAO
GRUPO DE CABLES, ALIMENTACION
PUBM1140 -UN-
6
1
1
TRACTOR 0
POS. NO.PIEZA DESCRIPCION CANT NUM. SERIE J NOTAS
1 AL163363 GRUPO DE CABLES 1 X (A)
AL157641 GRUPO DE CABLES 1 X (B)
2 57M8181 PORTAFUSIBLE 2 X
3 57M8190 FUSIBLE 1 X 80A
57M7989 FUSIBLE 1 X 60A
4 57M8189 PORTAFUSIBLE 1 X COM FUSIVEL 80 AMP
57M9698 FUSIBLE 1 X COM FUSIVEL 60 AMP
5 57M8182 PORTAFUSIBLE 2 X
6 57M8093 PORTAFUSIBLE 1 X
7 21M7250 TORNILLO 2 X M4 X 12
8 24M7146 ARANDELA 2 X 4.300 X 12 X 1 MM
9 14M7139 TUERCA 2 X M4
(A) WITH CAB (B) WITHOUT CAB
AVEC CABINE SANS CABINE
MIT KABINE OHNE KABINE
CON CABINA SENZA CABINA
COM CABINE SEM CABINE
CON CABINA SIN CABINA
40-46 TRACTOR 6110J (EDICION SUDAMERICANA) PC8538S (11-JAN-11)
PN=190
40-47
COMPONENTES ELECTRICOS
MEMORANDA
MEMORANDA
MEMORANDA
MEMORANDA
MEMORANDA
MEMORANDA
TRACTOR 6110J (EDICION SUDAMERICANA) PC8538S (01-JUL-10) 40-47
PN=191
40-48
COMPONENTES ELECTRICOS
FUSE BOX / SYMBOLS
PLATINE DE FUSIBLES / SYMBOLES
SICHERUNGSKASTEN / SYMBOLAUFKLEBER
SCATOLA FUSIBILI / SIMBOLI
CAIXA DE FUSIVEIS / ADESIVOS
CAJA DE FUSIBLES / SIMBOLOS
LX034427 -UN-
ESTA RELACION DE PIE
40-48 TRACTOR 6110J (EDICION SUDAMERICANA) PC8538S (11-JAN-11)
PN=192
40-49
COMPONENTES ELECTRICOS
6
1
1
0
POS. NO.PIEZA DESCRIPCION CANT NUM. SERIE J NOTAS
1 AL181849 TAPADERA 1 X
2 L114030 BURLETE 1 X LGTH=1000MM (39-3/8")
3 L102363 TORNILLO 4 X
4 L102203 CAJA DE FUSIBLES 1 X
5 37M7179 TORNILLO 12 X
6 24M7117 ARANDELA 12 X
7 L102204 TAPADERA 1 X
8 L101241 TAPON 2 X
9 L114522 CAJA DE FUSIBLES 1 X
10 57M7204 TERMINAL ELECTRICO AR X -1,0MM2/6,3MM
57M7205 TERMINAL ELECTRICO AR X -2,5MM2/6,3MM
57M7206 TERMINAL ELECTRICO AR X -4,0MM2/6,3MM
11 57M7229 TERMINAL ELECTRICO AR X -1,0MM2/2,8MM
12 L114524 INSERTO 2 X
13 24M7146 ARANDELA 4 X
14 37M7293 TORNILLO 4 X
15 L168245 ETIQUETA ADHESIVA 1 X
TRACTOR 6110J (EDICION SUDAMERICANA) PC8538S (01-JUL-10) 40-49
PN=193
40-50
COMPONENTES ELECTRICOS
FUSE BOX / SYMBOLS
PLATINE DE FUSIBLES / SYMBOLES
SICHERUNGSKASTEN / SYMBOLAUFKLEBER
SCATOLA FUSIBILI / SIMBOLI
CAIXA DE FUSIVEIS / ADESIVOS
CAJA DE FUSIBLES / SIMBOLOS
PUBM1340 -UN-01JUL10
ESTA RELACION DE PIE
40-50 TRACTOR 6110J (EDICION SUDAMERICANA) PC8538S (01-JUL-10)
PN=194
40-51
COMPONENTES ELECTRICOS
6
1
1
0
POS. NO.PIEZA DESCRIPCION CANT NUM. SERIE J NOTAS
1 AL161113 TAPADERA 1 X
2 L154173 TAPADERA 1 X
3 L79880 GUIA 2 X
4 L102363 TORNILLO 4 X
5 L174379 INSERTO 1 X
6 L174378 INSERTO 1 X
7 57M7528 CAJA DE CONECTORES ELEC. AR X
8 L111376 PORTADOR 1 X
9 19M8263 TORNILLO 8 X M6 X 30
10 24M7244 ARANDELA 8 X
11 57M7229 TERMINAL ELECTRICO AR X -1,0MM2/2,8MM
12 57M7204 TERMINAL ELECTRICO AR X -1,0MM2/6,3MM
57M7205 TERMINAL ELECTRICO AR X -2,5MM2/6,3MM
13 57M7108 TERMINAL ELECTRICO 1 X
14 L79354 ALICATES 1 X
TRACTOR 6110J (EDICION SUDAMERICANA) PC8538S (01-JUL-10) 40-51
PN=195
40-52
COMPONENTES ELECTRICOS
TRAILEN HARNESS
CONNECTEUR ET COSSE DE CABLE
STECKVERBINDER UND KABELSCHUHE
CONNETTORE CON SPINETTE PER INSERIMENTO FILO
CHICOTE DO REBOQUE
CABLEADO DEL REMOLQUE
CQ156962 -UN-05DEC05
6
1
1
0
POS. NO.PIEZA DESCRIPCION CANT NUM. SERIE J NOTAS
1 AL162776 GRUPO DE CABLES 1 X -1,5MM2 /1,5MM
2 AL150924 SOPORTE 1 X
3 L151611 TAPADERA 1 X
4 37M7193 TORNILLO 3 X
5 19M7268 TORNILLO 2 X M12 X 25
40-52 TRACTOR 6110J (EDICION SUDAMERICANA) PC8538S (01-JUL-10)
PN=196
40-53
COMPONENTES ELECTRICOS
TRANSMISSION WIRING HARNESS W/ CAB W/ HITCH
FAISCEAU TRANSMISSION W/ CABINE W/ATTELAGE
GETRIEBEKABELBAUM W/ FAHRERKABINE W/ANHAENGEVORRICHTUNG
CAVO TRASMISSIONE W/ CABINA W/GANCIO
CHICOTE DA TRANSMISSAO C/ CABINE C/ LEVANTE
GRUPO DE CABLES DE LA TRANSMISION W/ CABINA W/ENCANCHE
PUBM1354 -UN-
6
1
1
0
POS. NO.PIEZA DESCRIPCION CANT NUM. SERIE J NOTAS
1 AL204911 GRUPO DE CABLES 1 X
2 L101761 ABRAZADERA 1 X
3 AH89557 ABRAZADERA 1 X
4 19M7008 TORNILLO 1 X
5 R44302 CINTA DE ATAR 1 X
6 19M7557 TORNILLO 1 X
TRACTOR 6110J (EDICION SUDAMERICANA) PC8538S (11-JAN-11) 40-53
PN=197
40-54
COMPONENTES ELECTRICOS
TRANSMISSION WIRING HARNESS W/ CAB W/O HITCH
FAISCEAU TRANSMISSION W/ CABINE W/O ATTELAGE
GETRIEBEKABELBAUM W/ FAHRERKABINE W/O ANHAENGEVORRICHTUNG
CAVO TRASMISSIONE W/ CABINA W/O GANCIO
CHICOTE DA TRANSMISSAO C/ CABINE S/ LEVANTE
GRUPO DE CABLES DE LA TRANSMISION W/ CABINA W/O ENGANCHE
PUBM1353 -UN-01JUL10
6
1
1
0
POS. NO.PIEZA DESCRIPCION CANT NUM. SERIE J NOTAS
1 AL178891 GRUPO DE CABLES 1 X
2 L167244 ABRAZADERA 1 X
3 R232182 ABRAZADERA 1 X
4 AH89557 ABRAZADERA 1 X
5 19M7162 TORNILLO 2 X M8 X 16
40-54 TRACTOR 6110J (EDICION SUDAMERICANA) PC8538S (11-JAN-11)
PN=198
40-55
COMPONENTES ELECTRICOS
TRANSMISSION WIRING HARNESS W/O CAB W/ HITCH
FAISCEAU TRANSMISSION W/O CABINE W/ATTELAGE
GETRIEBEKABELBAUM W/O FAHRERKABINE W/ANHAENGEVORRICHTUNG
CAVO TRASMISSIONE W/O CABINA W/GANCIO
CHICOTE DA TRANSMISSAO S/ CABINE C/ LEVANTE
GRUPO DE CABLES DE LA TRANSMISION W/O CABINA W/ENCANCHE
PUBM1352 -UN-01JUL10
6
1
1
0
POS. NO.PIEZA DESCRIPCION CANT NUM. SERIE J NOTAS
1 AL204913 GRUPO DE CABLES 1 X
2 L101761 ABRAZADERA 1 X
3 AH89557 ABRAZADERA 1 X
4 19M7008 TORNILLO 1 X
5 L110765 ABRAZADERA 1 X
6 R44302 CINTA DE ATAR 1 X
7 L167244 ABRAZADERA 1 X
TRACTOR 6110J (EDICION SUDAMERICANA) PC8538S (11-JAN-11) 40-55
PN=199
40-56
COMPONENTES ELECTRICOS
TRANSMISSION WIRING HARNESS W/O CAB W/O HITCH
FAISCEAU TRANSMISSION ARRIERE W/O CABINE W/O ATTELAGE
GETRIEBEKABELBAUM HINTEN W/O FAHRERKABINE W/O ANHAENGEVORRICHTUNG
CAVO ELETTRICO TRASMISSIONE, POSTERIORE W/O CABINA W/O GANCIO
CHICOTE TRASEIRO DA TRANSMISSAO S/ CABINE S/ LEVANTE
CABLE ELECTRICO DE LA TRANSMISION, PARTE TRASERA W/O CABINA W/O ENGANCHE
PUBM1351 -UN-01JUL10
6
1
1
0
POS. NO.PIEZA DESCRIPCION CANT NUM. SERIE J NOTAS
1 AL178813 GRUPO DE CABLES 1 X
2 L167244 ABRAZADERA 1 X
3 T13744 ABRAZADERA 1 X
4 AH89557 ABRAZADERA 1 X
5 19M7162 TORNILLO 2 X M8 X 16
40-56 TRACTOR 6110J (EDICION SUDAMERICANA) PC8538S (11-JAN-11)
PN=200
40-57
COMPONENTES ELECTRICOS
GREENSTAR - RECEIVER WIRING HARNESS
GREENSTAR - FAISCEAU RECEPTEUR
GREENSTAR - EMPFAENGERKABELBAUM
GREENSTAR - CAVO ELETTRICO RICEVITORE
GREENSTAR - CHICOTE DO RECEPTOR
GREENSTAR - GRUPO DE CABLES DEL RECEPTOR
PUBM1387 -UN-01JUL10
6
1
1
0
POS. NO.PIEZA DESCRIPCION CANT NUM. SERIE J NOTAS
1 AL177795 GRUPO DE CABLES AR X
2 L151529 PORTACABLES AR X
3 L112290 BURLETE AR X
4 L152460 CASQUILLO AR X
5 24M7054 ARANDELA AR X
6 19M7560 TORNILLO AR X
7 AL177068 SOPORTE AR X
8 57M7633 CONJUNTO DE CONECTOR ELEC. AR X
9 R78069 TAPON PARA CAVIDAD ELEC. AR X
10 R54477 REMACHE AR X
11 57M8439 ACCESORIO DE CONECTOR ELEC. AR X
12 AL175708 GRUPO DE CABLES AR X
13 R44302 CINTA DE ATAR AR X
14 RE207311 UNIDAD DE CONTROL ELECTRON. AR X
15 PF80865 GRUPO DE CABLES 1 X
16 PF80845 GRUPO DE CABLES 1 X
AL203755 GRUPO DE CABLES 1 X
.. L59796 BURLETE AR X
TRACTOR 6110J (EDICION SUDAMERICANA) PC8538S (01-JUL-10) 40-57
PN=201
40-58
COMPONENTES ELECTRICOS
BULKHEAD WIRING HARNESS
FAISCEAU DE FILS DE CLOISON
TRENNWAND-KABELBAUM
CAVO PARATIA
CHICOTE ELETRICO
ARNES DE ALAMBRADO
HP18516 -UN-03OCT07
6
1
1
0
POS. NO.PIEZA DESCRIPCION CANT NUM. SERIE J NOTAS
1 57M8017 TERMINAL ELECTRICO 1 X
57M7619 DISPOSITIVO DE BLOQUEO ELEC 1 X
2 57M8015 CONJUNTO DE CONECTOR ELEC. 1 X
57M8016 DISPOSITIVO DE BLOQUEO ELEC 1 X
3 57M8606 CAJA DE CONECTORES ELEC. 1 X
4 57M9231 CAJA DE CONECTORES ELEC. 1 X
57M8947 ACCESORIO DE CONECTOR ELEC. 1 X
5 57M9215 SELLADOR DE CONECTORES ELEC 1 X
6 57M7262 CAJA DE CONECTORES ELEC. 1 X
7 57M7258 SELLADOR DE CONECTORES ELEC 1 X
8 57M8907 DISPOSITIVO DE BLOQUEO ELEC 1 X
9 R104846 TERMINAL ELECTRICO 1 X
10 PF80793 GRUPO CABLES PANEL INSTRUM. 1 X
40-58 TRACTOR 6110J (EDICION SUDAMERICANA) PC8538S (01-JUL-10)
PN=202
40-59
COMPONENTES ELECTRICOS
MEMORANDA
MEMORANDA
MEMORANDA
MEMORANDA
MEMORANDA
MEMORANDA
TRACTOR 6110J (EDICION SUDAMERICANA) PC8538S (01-JUL-10) 40-59
PN=203
40-60
COMPONENTES ELECTRICOS
GPS - POSITION RECEIVER (GREENSTAR)
RECEPTEUR DE POSITIONNEMENT GPS (GREENSTAR)
GPS - POSITIONSEMPFAENGER (GREENSTAR)
GPS - RICEVITORE DI POSIZIONE (GREENSTAR)
RECEPTOR DE POSICAO - GPS (GREENSTAR)
RECEPTOR DE POSICION - GPS (GREENSTAR)
PUBM1470 -UN-28JUN10
ESTA RELACION DE PIE
40-60 TRACTOR 6110J (EDICION SUDAMERICANA) PC8538S (01-JUL-10)
PN=204
40-61
COMPONENTES ELECTRICOS
6
1
1
0
POS. NO.PIEZA DESCRIPCION CANT NUM. SERIE J NOTAS
1 PF81170 RECEPTOR DE POSICION 1 X
2 PF11335 SOPORTE 1 X
3 PF11600 TORNILLO 3 X
4 PF80824 SOPORTE 1 X
5 PF80858 GRUPO DE CABLES 1 X
6 PF81163 RECEPTOR DE POSICION 1 X
7 21M7246 TORNILLO 3 X M6 X 16
8 PF13379 TAPON 1 X
.. PF90321 COMPLETE GOODS/SHIP. BUNDLE 1 X
TRACTOR 6110J (EDICION SUDAMERICANA) PC8538S (01-JUL-10) 40-61
PN=205
40-62
COMPONENTES ELECTRICOS
GREENSTAR DISPLAY
CONSOLE GREENSTAR
GREENSTAR DISPLAY
DISPLAY GREENSTAR
DISPLAY DO GREENSTAR
PANTALLA GREENSTAR
HP19604 -UN-09JAN09
6
1
1
0
POS. NO.PIEZA DESCRIPCION CANT NUM. SERIE J NOTAS
1 PF13301 TAPADERA 1 X
2 PF81259 PANTALLA GREENSTAR TM 1 X (A)
3 PF13131 SOPORTE LOGICO INALTERABLE 1 X (B)
4 21M1689 TORNILLO DE MARIPOSA 2 X
.. PF90718 KIT DE TORNILLERIA 1 X
(A) GS2 1800 WITHOUT MANUALS; FOR REPLACEMENT ONLY
GS2 1800 SANS MANUELS, POUR REMPLACEMENT SEULEMENT
GS2 1800 OHNE HANDBUCHER, NUR FUR ERSATZZWECKE
GS2 1800 SENZA MANUALI, SOLO PER SOSTITUZ
GS2 1800 SEM MANUAIS, APENAS PARA REPOSICAO
GS2 1800 SIN MANUALES, SOLAMENTE PARA SUSTITUIRLOS
(B) 2 GB USB STORAGE DEVICE
DISPOSITIF DE STOCKAGE USB 2 GO
2 GB-USB-SPEICHERGERAT
DISPOSITIVO DI MEMORIZZAZIONE USB DA 2 GB
DISPOSITIVO DE ARMAZENAMENTO USB DE 2 GB
DISPOSITIVO DE ALMACENAMIENTO 2 GBUSB
40-62 TRACTOR 6110J (EDICION SUDAMERICANA) PC8538S (01-JUL-10)
PN=206
40-63
COMPONENTES ELECTRICOS
MEMORANDA
MEMORANDA
MEMORANDA
MEMORANDA
MEMORANDA
MEMORANDA
TRACTOR 6110J (EDICION SUDAMERICANA) PC8538S (01-JUL-10) 40-63
PN=207
40-64
COMPONENTES ELECTRICOS
CONNECTORS 1-4-TERMINAL
CONNECTEUR 1-4 PLOTS
VERBINDUNGSSTECKER 1-4 POLIG
CONNETTORE 1-4 TERMINALI
CONECTORES 1-4-TERMINAIS
ENCHUFE 1-4 POLOS
LX023027 -UN-18OCT99
ESTA RELACION DE PIE
40-64 TRACTOR 6110J (EDICION SUDAMERICANA) PC8538S (01-JUL-10)
PN=208
40-65
COMPONENTES ELECTRICOS
6
1
1
0
POS. NO.PIEZA DESCRIPCION CANT NUM. SERIE J NOTAS
1 57M7315 ACCESORIO DE CONECTOR ELEC. AR X
2 57M7377 SELLADOR DE CONECTORES ELEC AR X (A)
57M7258 SELLADOR DE CONECTORES ELEC AR X (B)
57M7493 SELLADOR DE CONECTORES ELEC AR X (C)
3 R104846 TERMINAL ELECTRICO AR X 0,5-1MM2 /1,5MM
4 57M7266 CONJUNTO DE CONECTOR ELEC. AR X
5 57M7267 CAJA DE CONECTORES ELEC. AR X
6 57M7252 TERMINAL ELECTRICO AR X 0,5-1MM2 /1,5MM
7 57M7289 DISPOSITIVO DE BLOQUEO ELEC AR X
8 57M7254 CONJUNTO DE CONECTOR ELEC. AR X (D)
9 57M7256 CONJUNTO DE CONECTOR ELEC. AR X (D)
10 57M7328 CAJA DE CONECTORES ELEC. AR X (E)
11 57M7365 TERMINAL ELECTRICO AR X (E)
12 57M7317 ACCESORIO DE CONECTOR ELEC. AR X
13 57M7255 TERMINAL ELECTRICO AR X
14 57M7257 CAJA DE CONECTORES ELEC. AR X
15 57M7318 ACCESORIO DE CONECTOR ELEC. AR X
16 57M7247 CAJA DE CONECTORES ELEC. AR X
17 57M7244 TERMINAL ELECTRICO AR X
18 57M7259 TAPON PARA CAVIDAD ELEC. AR X
(A) BLUE (B) RED (C) WHITE
BLEU ROUGE BLANC
BLAU ROT WEISS
AZZURRO ROSSO BIANCO
AZUL VERMELHO BRANCO
AZUL ROJO BLANCO
(D) BLACK (E) GRAY
NOIR GRIS
SCHWARZ GRAU
NERO GRIGIO
PRETO CINZA
NEGRO GRIS
TRACTOR 6110J (EDICION SUDAMERICANA) PC8538S (01-JUL-10) 40-65
PN=209
40-66
COMPONENTES ELECTRICOS
CONNECTORS 6-, 8- OR 10-TERMINAL
CONNECTEUR 6, 8 OU 10 PLOTS
VERBINDUNGSSTECKER 6, 8 ODER 10 POLIG
CONNETTORE 6, 8 O 10 TERMINALI
CONECTORES 6-, 8- OU 10-TERMINAIS
ENCHUFE 6, 8 O 10 POLOS
CQ155770 -UN-27JUL04
ESTA RELACION DE PIE
40-66 TRACTOR 6110J (EDICION SUDAMERICANA) PC8538S (01-JUL-10)
PN=210
40-67
COMPONENTES ELECTRICOS
6
1
1
0
POS. NO.PIEZA DESCRIPCION CANT NUM. SERIE J NOTAS
1 57M7291 CONJUNTO DE CONECTOR ELEC. AR X
2 57M7258 SELLADOR DE CONECTORES ELEC AR X (A)
57M7377 SELLADOR DE CONECTORES ELEC AR X (B)
57M7493 SELLADOR DE CONECTORES ELEC AR X (C)
3 R104846 TERMINAL ELECTRICO AR X 0,5-1MM2 /1,5MM
4 57M7260 CAJA DE CONECTORES ELEC. AR X
5 57M7263 CAJA DE CONECTORES ELEC. AR X
6 57M7252 TERMINAL ELECTRICO AR X 0,5-1MM2 /1,5MM
7 57M7296 ACCESORIO DE CONECTOR ELEC. AR X
8 57M7261 CAJA DE CONECTORES ELEC. AR X
9 57M7264 CAJA DE CONECTORES ELEC. AR X
10 57M7283 DISPOSITIVO DE BLOQUEO ELEC AR X
11 57M7281 DISPOSITIVO DE BLOQUEO ELEC AR X
12 57M7262 CAJA DE CONECTORES ELEC. AR X
13 57M7265 CAJA DE CONECTORES ELEC. AR X
14 57M7259 TAPON PARA CAVIDAD ELEC. AR X
15 57M7576 TERMINAL ELECTRICO AR X (A)
57M7292 SELLADOR DE CONECTORES ELEC AR X (D)
16 57M7583 TERMINAL ELECTRICO AR X
57M7584 TERMINAL ELECTRICO AR X
17 57M7697 CONJUNTO DE CONECTOR ELEC. AR X
18 57M7252 TERMINAL ELECTRICO AR X
19 57M7493 SELLADOR DE CONECTORES ELEC AR X
20 57M7699 TERMINAL ELECTRICO AR X
(A) RED (B) BLUE
ROUGE BLEU
ROT BLAU
ROSSO AZZURRO
VERMELHO AZUL
ROJO AZUL
(C) WHITE (D) ORANGE
BLANC ORANGE
WEISS ORANGE
BIANCO ARANCIONE
BRANCO LARANJA
BLANCO NARANJO
TRACTOR 6110J (EDICION SUDAMERICANA) PC8538S (01-JUL-10) 40-67
PN=211
40-68
COMPONENTES ELECTRICOS
CONNECTOR (1-, 2- OR 20-TERMINAL)
CONNECTEUR (1, 2 OU 20 PLOTS)
VERBINDUNGSSTECKER 1, 2, 20 POLIG
CONNETTORE (1, 2 O 20 TERMINALI)
CONECTORES (1-, 2- OU 20-TERMINAIS)
ENCHUFE (1,2 O 20 POLOS)
CQ156598 -UN-06MAY05
6
1
1
0
POS. NO.PIEZA DESCRIPCION CANT NUM. SERIE J NOTAS
1 57M7427 TERMINAL ELECTRICO AR X 0,5-1MM2 /6,3MM
57M7039 TERMINAL ELECTRICO AR X 1-2,5MM2 /6,3MM
57M7189 TERMINAL ELECTRICO AR X 4-6MM2 /6,3MM
2 57M7068 CAJA DE CONECTORES ELEC. AR X
3 57M7170 CAJA DE CONECTORES ELEC. AR X /6,3MM
4 57M7103 TERMINAL ELECTRICO AR X 0,5-1,5MM2 /6,3MM
57M7041 TERMINAL ELECTRICO AR X 1-2,5MM2 /6,3MM
57M7104 TERMINAL ELECTRICO AR X 4-6,0MM2 /6,3MM
5 57M7066 CAJA DE CONECTORES ELEC. AR X
6 57M7065 CAJA DE CONECTORES ELEC. AR X
7 57M7323 CAJA DE CONECTORES ELEC. AR X
8 57M7324 CAJA DE CONECTORES ELEC. AR X
9 57M7331 TERMINAL ELECTRICO AR X 0,5-1MM2 /1,6MM
10 L36670 TERMINAL ELECTRICO AR X 1-2,5MM2 /3,5MM
11 L35423 TERMINAL ELECTRICO AR X 2-4MM2/ 3,5MM
12 L35425 TERMINAL ELECTRICO AR X 1-2,5MM2 /1,6MM
13 L35424 CONJUNTO DE CONECTOR ELEC. AR X 1-2,5MM2 /1,6MM
14 L36681 CONECTOR AR X 2-4MM2 /3,5MM
15 L36685 TERMINAL ELECTRICO AR X 1-2,5MM2 /3,5MM
16 57M7161 CONECTOR AR X 0,5-1MM2 /1,6MM
17 57M7089 CONECTOR 1 X 0,5-1,5MM2 /6,3MM
40-68 TRACTOR 6110J (EDICION SUDAMERICANA) PC8538S (01-JUL-10)
PN=212
40-69
COMPONENTES ELECTRICOS
CONNECTORS 2 OR 10-TERMINAL
CONNECTEUR 2 OU 10 PLOTS
VERBINDUNGSSTECKER 2 ODER 10 POLIG
CONNETTORE 2 O 10 TERMINALI
CONECTORES 2 OU 10-TERMINAIS
ENCHUFE 2 O 10 POLOS
PUBM0364 -UN-24DEC08
6
1
1
0
POS. NO.PIEZA DESCRIPCION CANT NUM. SERIE J NOTAS
1 57M7399 TERMINAL ELECTRICO AR X (A)
57M7400 SELLADOR DE CONECTORES ELEC AR X (B)
2 57M8170 ACCESORIO DE CONECTOR ELEC. AR X
3 57M8169 TERMINAL ELECTRICO 1 X
4 57M8200 TERMINAL ELECTRICO 1 X
5 57M8071 CAJA DE CONECTORES ELEC. 1 X
6 57M8078 TERMINAL ELECTRICO AR X 0,5-1MM2 /2,8MM
57M8079 TERMINAL ELECTRICO AR X 1,5-2,5MM2,5 /2,8MM
7 57M8081 TERMINAL ELECTRICO 1 X
8 57M8202 TERMINAL ELECTRICO AR X
9 57M8201 TERMINAL ELECTRICO 1 X
(A) WHITE (B) BLUE
BLANC BLEU
WEISS BLAU
BIANCO AZZURRO
BRANCO AZUL
BLANCO AZUL
TRACTOR 6110J (EDICION SUDAMERICANA) PC8538S (01-JUL-10) 40-69
PN=213
40-70
COMPONENTES ELECTRICOS
CONNECTOR (42 TERMINAL)
CONNECTEUR (42 PLOTS)
VERBINDUNGSSTECKER (42 POLIG)
CONNETTORE (42 TERMINALI)
CONECTOR (42 TERMINAL)
ENCHUFE (42 POLOS)
CQ155772 -UN-27JUL04
ESTA RELACION DE PIE
40-70 TRACTOR 6110J (EDICION SUDAMERICANA) PC8538S (01-JUL-10)
PN=214
40-71
COMPONENTES ELECTRICOS
6
1
1
0
POS. NO.PIEZA DESCRIPCION CANT NUM. SERIE J NOTAS
1 57M8195 TERMINAL ELECTRICO 1 X (A)
57M8196 TERMINAL ELECTRICO 1 X (B)
57M8197 TERMINAL ELECTRICO 1 X (C)
2 57M8098 TERMINAL ELECTRICO 1 X
3 57M8167 TERMINAL ELECTRICO 1 X (A)
57M8198 TERMINAL ELECTRICO 1 X (B)
57M8199 TERMINAL ELECTRICO 1 X (C)
4 57M8099 TERMINAL ELECTRICO AR X 0,5-1MM2 /5,8MM
57M8100 TERMINAL ELECTRICO AR X 1,5-2,5MM2 /5,8MM
57M8101 TERMINAL ELECTRICO AR X 2,5-4MM2 /5,8MM
5 57M8105 TERMINAL ELECTRICO AR X (D)
57M8106 TERMINAL ELECTRICO AR X (E)
6 57M8077 TERMINAL ELECTRICO AR X 0,5-1MM2 /2,8MM
57M7351 TERMINAL ELECTRICO AR X 1,5-2,5MM2 /2,8MM
7 57M7400 SELLADOR DE CONECTORES ELEC AR X (C)
57M7399 TERMINAL ELECTRICO AR X (D)
8 57M8108 TERMINAL ELECTRICO AR X 0,5-1MM2 /1,6MM
9 57M7402 SELLADOR DE CABLE ELECTRICO AR X (B)
10 57M8107 TERMINAL ELECTRICO AR X
11 57M7401 TERMINAL ELECTRICO AR X
12 57M7403 TAPON PARA CAVIDAD ELEC. AR X
13 57M8096 RETENEDOR 1 X
14 57M8097 RETENEDOR 1 X
15 57M7398 TERMINAL ELECTRICO AR X 0,5-1MM2 /1,6MM
16 57M8078 TERMINAL ELECTRICO AR X 0,5-1MM2 /2,8MM
57M8079 TERMINAL ELECTRICO AR X 1,5-2,5MM2 /2,8MM
17 57M8102 TERMINAL ELECTRICO AR X 0,5-1MM2 /5,8MM
57M8103 TERMINAL ELECTRICO AR X 1,5-2,5MM2 /5,8MM
57M8104 TERMINAL ELECTRICO AR X 2,5-4MM2 /5,8MM
18 57M7919 TERMINAL ELECTRICO AR X
19 57M8164 TERMINAL ELECTRICO AR X
(A) BLACK (B) GRAY (C) BLUE
NOIR GRIS BLEU
SCHWARZ GRAU BLAU
NERO GRIGIO AZZURRO
PRETO CINZA AZUL
NEGRO GRIS AZUL
(D) WHITE (E) YELLOW
BLANC JAUNE
WEISS GELB
BIANCO GIALLO
BRANCO AMARELO
BLANCO AMARILLO
TRACTOR 6110J (EDICION SUDAMERICANA) PC8538S (01-JUL-10) 40-71
PN=215
40-72
COMPONENTES ELECTRICOS
CONNECTORS
CONNECTEUR
ANSCHLUSSSTECKER
CONNETTORE
CONECTORES
ENCHUFE
CQ155773 -UN-27JUL04
6
1
1
0
POS. NO.PIEZA DESCRIPCION CANT NUM. SERIE J NOTAS
1 57M7346 CONJUNTO DE CONECTOR ELEC. AR X
57M7349 ACCESORIO DE CONECTOR ELEC. AR X
2 57M7493 SELLADOR DE CONECTORES ELEC AR X
3 R104846 TERMINAL ELECTRICO AR X 0,5-1MM2 /1,5MM
4 57M7347 TERMINAL ELECTRICO AR X (A)
5 57M7829 TERMINAL ELECTRICO 2 X 0,8-1MM2 /1,5MM
6 57M7379 CONJUNTO DE CONECTOR ELEC. 1 X
7 57M7402 SELLADOR DE CABLE ELECTRICO 2 X
8 57M7393 TERMINAL ELECTRICO 2 X 0,5-1MM2 /2,8MM
9 57M7406 CONJUNTO DE CONECTOR ELEC. AR X
10 L112121 ACCESORIO DE CONECTOR ELEC. AR X
(A) GRAY
GRIS
GRAU
GRIGIO
CINZA
GRIS
40-72 TRACTOR 6110J (EDICION SUDAMERICANA) PC8538S (01-JUL-10)
PN=216
40-73
COMPONENTES ELECTRICOS
CONNECTORS
CONNECTEUR
ANSCHLUSSSTECKER
CONNETTORE
CONECTORES
ENCHUFE
CQ155774 -UN-27JUL04
6
1
1
0
POS. NO.PIEZA DESCRIPCION CANT NUM. SERIE J NOTAS
1 57M7364 CAJA DE CONECTORES ELEC. 1 X
2 R104846 TERMINAL ELECTRICO AR X
3 57M7377 SELLADOR DE CONECTORES ELEC AR X
4 57M7318 ACCESORIO DE CONECTOR ELEC. 1 X
TRACTOR 6110J (EDICION SUDAMERICANA) PC8538S (01-JUL-10) 40-73
PN=217
40-74
COMPONENTES ELECTRICOS
CONNECTORS
CONNECTEUR
ANSCHLUSSSTECKER
CONNETTORE
CONECTORES
ENCHUFE
CQ301895 -UN-19JUL07
ESTA RELACION DE PIE
40-74 TRACTOR 6110J (EDICION SUDAMERICANA) PC8538S (01-JUL-10)
PN=218
40-75
COMPONENTES ELECTRICOS
6
1
1
0
POS. NO.PIEZA DESCRIPCION CANT NUM. SERIE J NOTAS
1 57M7089 CONECTOR AR X 0,5-1,5MM2 /6,3MM
57M7106 CONECTOR AR X 2,5-4MM2 /6,3MM
2 57M7170 CAJA DE CONECTORES ELEC. AR X
3 57M7183 ACCESORIO DE CONECTOR ELEC. AR X
4 L38622 CAJA DE CONECTORES ELEC. AR X
5 L78202 CAJA DE CONECTORES ELEC. AR X
6 57M8398 CONJUNTO DE CONECTOR ELEC. AR X
7 57M8078 TERMINAL ELECTRICO AR X
8 57M8399 DISPOSITIVO DE BLOQUEO ELEC AR X
9 R77480 CONJUNTO DE CONECTOR ELEC. AR X
10 U46662 TERMINAL ELECTRICO AR X
11 57M9164 ACCESORIO DE CONECTOR ELEC. AR X
12 AE44929 CONJUNTO DE CONECTOR ELEC. AR X
13 57M7602 TERMINAL ELECTRICO AR X
TRACTOR 6110J (EDICION SUDAMERICANA) PC8538S (01-JUL-10) 40-75
PN=219
40-76
COMPONENTES ELECTRICOS
CONNECTOR FOR ELECTRONIC CONTROL UNITS
CONNECTEUR POUR BOITIERS DE COMMANDE ELECTRONIQUE
ANSCHLUSSTECKER FEUR ELEKTRONISCHE STEUERGERAETE
CONNETTORE PER UNITA’ ELETTRONICHE DI COMANDO
CONECTORES PARA A UNIDADE DE CONTROLE BASICA
ENCHUFE PARA UNIDADES DE CONTROL ELECTRONICO
CQ155776 -UN-27JUL04
ESTA RELACION DE PIE
40-76 TRACTOR 6110J (EDICION SUDAMERICANA) PC8538S (01-JUL-10)
PN=220
40-77
COMPONENTES ELECTRICOS
6
1
1
0
POS. NO.PIEZA DESCRIPCION CANT NUM. SERIE J NOTAS
1 57M8519 CAJA DE CONECTORES ELEC. 1 X
2 57M8531 TERMINAL ELECTRICO AR X
3 57M8530 TERMINAL ELECTRICO AR X
4 57M8528 CAPUCHON DE CONECTOR ELEC. 2 X
5 57M8527 CAJA DE CONECTORES ELEC. 1 X
6 57M8529 CAPUCHON DE CONECTOR ELEC. 1 X
7 57M8520 CAJA DE CONECTORES ELEC. 1 X
TRACTOR 6110J (EDICION SUDAMERICANA) PC8538S (01-JUL-10) 40-77
PN=221
40-78
COMPONENTES ELECTRICOS
CONNECTORS AND WIRE PINS
CONNECTEUR ET COSSE DE CABLE
STECKVERBINDER UND KABELSCHUHE
CONNETTORE CON SPINETTE PER INSERIMENTO FILO
CONECTORES E OLHAIS
ENCHUFE CON TERMINAL DE CABLE
CQ157529 -UN-15MAR06
6
1
1
0
POS. NO.PIEZA DESCRIPCION CANT NUM. SERIE J NOTAS
1 57M7118 TERMINAL ELECTRICO AR X -1,5MM2 /1,5MM
57M7430 TERMINAL ELECTRICO AR X -2,5MM2 /2,5MM
2 57M7054 TERMINAL ELECTRICO AR X 1-2,5MM2 /5,3MM
3 57M7052 TERMINAL ELECTRICO AR X 0,5-1MM2 /5,3MM
57M7079 TERMINAL ELECTRICO AR X 0,5-1MM2 /8,4MM
57M7348 TERMINAL ELECTRICO AR X 1-2,5MM2 /8,4MM
4 57M7175 TERMINAL ELECTRICO AR X 10-16MM2 /8,4MM
57M7207 CONJUNTO DE CONECTOR ELEC. AR X 16-25MM2 /8,4MM
5 57M7847 TERMINAL ELECTRICO AR X -10MM2 /6,5MM
57M7848 TERMINAL ELECTRICO AR X -10MM2 /8,5MM
6 57M7924 TERMINAL ELECTRICO AR X -10MM2 /8,5MM
7 57M8024 TERMINAL ELECTRICO AR X 1-2,5MM2 /6,3MM
8 57M7984 TERMINAL ELECTRICO AR X /6,3MM
9 57M7210 TERMINAL ELECTRICO 1 X /6,3MM
10 57M7044 TERMINAL ELECTRICO 1 X 0,5-1MM2 /6,3MM
11 57M8186 TERMINAL ELECTRICO 2 X 8-10MM2 /8MM
12 57M8057 TERMINAL ELECTRICO 1 X 1-1,5MM2 /4,8MM
13 57M7116 TERMINAL ELECTRICO AR X /6.3MM
40-78 TRACTOR 6110J (EDICION SUDAMERICANA) PC8538S (01-JUL-10)
PN=222
52-A01
TRANSMISION SYNCROPLUS
SECTIONAL INDEX
INDEX DE SECTION
GRUPPENINDEX
INDICE DELLA SEZIONE
INDICE DE GRUPO
INDICE DE GRUPOS
PUBM1574 -UN-30JUN10
1- 2
2- 3
3- 4
4- 5
5- 6
6- 7
7- 8
8- 10
9- 12
10- 13
11- 14
12- 16
13- 18
TRACTOR 6110J (EDICION SUDAMERICANA) PC8538S (01-JUL-10) 52-A01
PN=223
52-2
TRANSMISION SYNCROPLUS
FLYWHEEL COVER
VOLANT-MOTEUR, PROTECTION
SCHWUNGRAD, ABDECKUNG
VOLANO, COPERTURA
PROTECAO DO VOLANTE
PROTECCION DEL VOLANTE
PUBM1394 -UN-28JUN10
6
1
1
0
POS. NO.PIEZA DESCRIPCION CANT NUM. SERIE J NOTAS
1 AL170290 REVESTIMIENTO 1 X
2 24M7096 ARANDELA 2 X
3 19M7557 TORNILLO 2 X M10 X 16
52-2 TRACTOR 6110J (EDICION SUDAMERICANA) PC8538S (01-JUL-10)
PN=224
52-3
TRANSMISION SYNCROPLUS
U.J. DRIVE SHAFT, TORSION DAMPER (SYNCROPLUS)
ARBRE DE TRANSMISSION, DAMPER (SYNCROPLUS)
GELENKWELLE, TORSIONSDAEMPFER (SYNCROPLUS)
ALBERO CARDANICO, AMORTIZZATORE TORSIONALE (SYNCROPLUS)
CARDA DO MOTOR / AMORTECEDOR TORCIONAL (SYNCROPLUS)
EJE ARTICULADO, AMORTIGUADOR DE TORSION (SYNCROPLUS)
PUBM1395 -UN-28JUN10
6
1
1
0
POS. NO.PIEZA DESCRIPCION CANT NUM. SERIE J NOTAS
1 L112690 ARANDELA 1 X
2 L112001 CASQUILLO 2 X
3 AL165247 COJINETE CON ALOJAMIENTO 1 X
4 AL174123 AMORTIGUADOR DE TORSION 1 X
5 AL173229 EJE CARDAN 1 X
6 19M8292 TORNILLO 6 X M10 X 50
7 L110092 ARANDELA 1 X
8 19M7938 TORNILLO 1 X M10 X 20
9 L77173 TORNILLO 4 X
10 L80445 TORNILLO 4 X
11 L116041 BRIDA 1 X
12 L116013 ENVOLTURA 1 X
13 L41858 CINTA DE ATAR 1 X
TRACTOR 6110J (EDICION SUDAMERICANA) PC8538S (01-JUL-10) 52-3
PN=225
52-4
TRANSMISION SYNCROPLUS
CLUTCH HOUSING / TRANSMISSION OIL PUMP
CARTER D’EMBRAYAGE / POMPE A HUILE DE TRANSMISSION
KUPPLUNGSGEHAEUSE / GETRIEBEOELPUMPE
SCATOLA FRIZIONE / POMPA TRASMISSIONE
CARCACA DA EMBREAGEM / BOMBA DE LUBRIFICACAO
CARCASA DE EMBRAGUE / BOMBA DE ENGRASE DE LA TRANSMISION
LX001126 -UN-01JAN94
6
1
1
CHASIS 0
POS. NO.PIEZA DESCRIPCION CANT NUM. SERIE J NOTAS
1 AL166744 BOMBA 1 X
2 RE41945 ANILLO ASIENTO DE VALVULA 1 X
3 R38295 AGUJA DE RODAMIENTO 2 X
4 R108927 ENGRANAJE 1 X
5 R108925 ENGRANAJE 1 X
6 L204120 CARCASA 1 X
7 JD8510 RODAMIENTO DE BOLAS 1 X
8 40M5099 ANILLO ELASTICO 1 X
9 19M7184 TORNILLO 1 X M8 X 55
10 L167318 ARBOL 1 X
11 T27432 ANILLO ELASTICO 1 X TK 2,74MM
12 RE40370 RETEN 1 X
13 R87210 ARANDELA DE EMPUJE 1 X
14 R33167 ANILLO 2 X
15 16M7111 REMACHE 2 X
52-4 TRACTOR 6110J (EDICION SUDAMERICANA) PC8538S (01-JUL-10)
PN=226
52-5
TRANSMISION SYNCROPLUS
PERMA-CLUTCH II
EMBRAYAGE PERMA CLUTCH II
PERMA-KUPPLUNG II
FRIZIONE PERMA II
EMBREAGEM PERMACLUTCH II
EMBRAGUE PERMA II
CQ155051 -UN-20AUG03
6
1
1
CHASIS 0
POS. NO.PIEZA DESCRIPCION CANT NUM. SERIE J NOTAS
1 RE56031 PISTON 1 X (INCL KEYS 20, 21, 22)
2 R120840 EMPAQUETADURA 1 X
3 R120839 RETEN 1 X
4 L172982 TAMBOR 1 X
5 R95181 TAPADERA 1 X
6 L100581 CUBO 1 X
7 RE35512 DISCO DE FRENO 3 X
8 R96805 PLATO DE EMBRAGUE 2 X
9 R95182 MUELLE 12 X
10 R96806 PLATO DE EMBRAGUE 1 X
11 R104733 BULON 12 X
12 19M7385 TORNILLO 6 X M10 X 70
13 R95171 ANILLO DE SELLADO 1 X
14 R87227 ARANDELA DE EMPUJE 1 X
15 L79557 CASQUILLO 1 X
16 T27432 ANILLO ELASTICO 1 X TK 2,74MM
17 L75911 ARANDELA DE EMPUJE 2 X
18 JD10479 RODAMIENTO DE AGUJAS 1 X
19 L76033 ANILLO ELASTICO 1 X
20 400R BOLA 2 X
21 R79018 MUELLE DE COMPRESION 2 X
22 R87395 ARANDELA ELASTICA 2 X
TRACTOR 6110J (EDICION SUDAMERICANA) PC8538S (01-JUL-10) 52-5
PN=227
52-6
TRANSMISION SYNCROPLUS
MOUNTING PARTS, CLUTCH HOUSING
CARTER D’EMBRAYAGE - ELEMENTS DE FIXATION
BEFESTIGUNGSTEILE, KUPPLUNGSGEHAEUSE
VITERIA PER SCATOLA FRIZIONE
PECAS DA MONTAGEM, CARCACA DA EMBREAGEM
PIEZAS DE SUJECION, CARCASA DEL EMBRAGUE
PUBM1548 -UN-28JUN10
6
1
1
0
POS. NO.PIEZA DESCRIPCION CANT NUM. SERIE J NOTAS
1 34M5028 PASADOR ELASTICO 2 X
2 R95899 JUNTA 1 X
3 R95898 PLACA 1 X
4 L101463 SOPORTE 1 X
5 L115608 TORNILLO AR X
6 R95900 JUNTA 1 X
7 L115609 TORNILLO AR X
8 L41079 TAPON ROSCADO 1 X
9 L41709 TAPON ROSCADO 4 X
10 L41536 ANILLO TORICO 4 X
11 L41526 ANILLO TORICO 1 X
52-6 TRACTOR 6110J (EDICION SUDAMERICANA) PC8538S (01-JUL-10)
PN=228
52-7
TRANSMISION SYNCROPLUS
TRANSMISSION OIL FILTER
FILTRE A HUILE DE TRANSMISSION
GETRIEBEOELFILTER
FILTRO OLIO TRASMISSIONE
FILTRO DE OLEO DA TRANSMISSAO
FILTRO DE ACEITE DE LA TRANSMISION
LX001758 -UN-01JAN94
6
1
1
0
POS. NO.PIEZA DESCRIPCION CANT NUM. SERIE J NOTAS
1 AL156625 FILTRO DE ACEITE 1 X
TRACTOR 6110J (EDICION SUDAMERICANA) PC8538S (01-JUL-10) 52-7
PN=229
52-8
TRANSMISION SYNCROPLUS
HYDRAULIC PARTS, CLUTCH HOUSING
ELEMENTS HYDRAULIQUES, CARTER D’EMBRAYAGE
HYDRAUL.TEILE, KUPPLUNGSGEHAEUSE
PARTI COMANDO IDRAULICO SCATOLA FRIZIONE
ELEMENTOS HIDRAULICOS, CARCACA DA EMBREAGEM
ELEMENTOS HIDRAULICOS, CARCASA DE EMBRAGUE
PUBM1396 -UN-28JUN10
ESTA RELACION DE PIE
52-8 TRACTOR 6110J (EDICION SUDAMERICANA) PC8538S (01-JUL-10)
PN=230
52-9
TRANSMISION SYNCROPLUS
6
1
1
0
POS. NO.PIEZA DESCRIPCION CANT NUM. SERIE J NOTAS
1 R95066 VALVULA 1 X (A)
2 R110079 MUELLE 1 X
3 R116473 DISCO 1 X
4 R110080 MUELLE 1 X
5 RE47315 JUEGO 1 X
6 R107252 PASADOR ELASTICO 1 X
7 R95660 CARCASA 1 X
8 R95077 MUELLE 1 X
9 R95076 VALVULA 1 X
10 L41384 TAPON ROSCADO 6 X
11 L41383 ANILLO 6 X
12 L173222 VALVULA DE CARRETE 1 X (B)
13 R109535 MUELLE 1 X
14 R95081 VALVULA 2 X
15 R100949 MUELLE 1 X
16 R100948 MUELLE 1 X
17 R120947 VALVULA 1 X (C)
18 R109535 MUELLE 1 X
19 R86638 SUPLEMENTO 4 X
20 L166446 TAPON HERMETICO 1 X
21 51M7045 ANILLO TORICO 1 X
22 R119441 BRAZO 1 X
23 34M7272 PASADOR ELASTICO 2 X
24 R105605 MUELLE 1 X
25 R100950 VALVULA 1 X (D)
26 R100947 MUELLE 1 X
27 L170803 MUELLE 1 X
28 L173220 VALVULA DE CARRETE 1 X (E)
29 AR103873 RETEN 1 X
30 R121609 GUIA 1 X
31 R95063 BULON 1 X
32 R58941 BULON 1 X
33 R95073 TOPE 1 X
34 L78975 TAPON HERMETICO 1 X
35 R38295 AGUJA DE RODAMIENTO 1 X
(A) CLUTCH PEDAL (B) COOLING PILOT
PEDALE D’EMBRAYAGE CONTROLE DE LA LUBRIFICATION
KUPPLUNGSPEDAL KUEHLOEL-VORSTEUERUNG
PEDALE FRIZIONE COMANDO PILOTA RAFFREDDAMENTO
VALVULA DE CONTROLE DA EMBREAGEM VALVULA DE CONTROLE DO OLEO REFRIGERANTE
PEDAL DE EMBRAGUE CONTROL DE REFRIGERACION
(C) PRESSURE - REGULATING (D) ENGAGEMENT OVERRIDE
REGULATEUR DE PRESSION SOUPAPE DE SECURITE
DRUCKREGULIERUNG SICHERHEITSVENTIL
REGOLATORE DI PRESSIONE VALVOLA DI SICUREZZA
VALVULA REGULADORA DE PRESSAO VALVULA DE SEGURANCA
REGULADORA DE PRESION VALVULA DE ANULACION
(E) CLUTCH COOLING
REFROIDISSEMENT DE L’EMBRAYAGE
KUPPLUNGSKUEHLUNG
RAFFREDDAMENTO FRIZIONE
VALVULA DO OLEO REFRIGERANTE
REFRIGERACION DE EMBRAGUE
TRACTOR 6110J (EDICION SUDAMERICANA) PC8538S (01-JUL-10) 52-9
PN=231
52-10
TRANSMISION SYNCROPLUS
ELECTRICAL PARTS, CLUTCH HOUSING
CARTER D’EMBRAYAGE - ELEMENTS ELECTRIQUES
ELEKTR.TEILE, KUPPLUNGSGEHAEUSE
COMPONENTI ELETTRICI SCATOLA FRIZIONE
COMPONENTES ELETRICOS, CARCACA DA EMBREAGEM
PIEZAS ELECTRICAS, CARCASA DEL EMBRAGUE
PUBM1569 -UN-30JUN10
ESTA RELACION DE PIE
52-10 TRACTOR 6110J (EDICION SUDAMERICANA) PC8538S (01-JUL-10)
PN=232
52-11
TRANSMISION SYNCROPLUS
6
1
1
0
POS. NO.PIEZA DESCRIPCION CANT NUM. SERIE J NOTAS
1 L41526 ANILLO TORICO 2 X
2 AL178071 INTERRUPTOR 1 X (A)
3 51M7040 ANILLO TORICO 2 X
4 RE212878 MANOCONTACTO 1 X (B)
5 RE212876 MANOCONTACTO 1 X (C)
6 RE190805 ACOPLE PARA DIAGNOSTICO 1 X
7 AL81358 INTERRUPTOR 1 X (D)
8 AL163081 TAPON 1 X
9 R77175 TAPADERA 1 X
(A) OIL TEMPERATURE WARNING LAMP (B) OIL FILTER INDICATOR LAMP (OIL PRESSURE)
TEMOIN D’ALERTE TEMPERATURE D’HUILE FILTRE A HUILE - TEMOIN PRESSION D’HUILE
OELTEMPERATUR-WARNLAMPE OELFILTER - KONTROLLAMPE FUER OELDRUCK
SPIA TEMPERATURA OLIO SPIA PRESSIONE FILTRO OLIO
LAMPADA DE TEMPERATURA DO OLEO PRESSAO DO FILTRO DE OLEO (RESTRICAO)
LUZ TESTIGO, TEMPERATURA DE ACEITE LUZ TESTIGO PRESION ACEITE, FILTRO ACEITE
(C) OIL PRESSURE INDICATOR LAMP (D) OIL FILTER INDICATOR LAMP (OIL TEMPERATURE)
TEMOIN D’ALERTE PRESSION D’HUILE FILTRE A HUILE-TEMOIN TEMPERATURE D’HUILE
OELDRUCK WARNLAMPE OELFILTER- KONTROLLAMPE FUER OELTEMPERATUR
SPIA PRESSIONE OLIO SPIA TEMPERATURA FILTRO OLIO
LAMPADA INDICADORA DA PRESSAO DO OLEO OIL FILTER INDICATOR LAMP (OIL TEMPERATURE)
LUZ TESTIGO, PRESION DE ACEITE LUZ TESTIGO TEMPERATURA ACEITE, FILTRO ACEITE
TRACTOR 6110J (EDICION SUDAMERICANA) PC8538S (01-JUL-10) 52-11
PN=233
52-12
TRANSMISION SYNCROPLUS
MOUNTING PART, CLUTCH HOUSING
CARTER D’EMBRAYAGE - ELEMENTS DE FIXATION
BEFESTIGUNGSTEILE, KUPPLUNGSGEHAEUSE
VITERIA PER SCATOLA FRIZIONE
PECAS DE FIXACAO, CARCACA DA EMBREAGEM
PIEZAS DE SUJECION, CARCASA DEL EMBRAGUE
LX000002 -UN-01JAN94
6
1
1
0
POS. NO.PIEZA DESCRIPCION CANT NUM. SERIE J NOTAS
1 L76670 JUNTA 1 X
2 19M8292 TORNILLO 12 X M10 X 50
3 19M7810 TORNILLO 2 X M10 X 80
52-12 TRACTOR 6110J (EDICION SUDAMERICANA) PC8538S (01-JUL-10)
PN=234
52-13
TRANSMISION SYNCROPLUS
GEAR TRANSMISSION HOUSING
CARTER DE BOITE DE VITESSES
GANGSCHALTGETRIEBEGEHAEUSE
SCATOLA TRANSMISSIONE CAMBIO MARCIA
CAIXA DE CAMBIO DE MARCHAS
CAJA DE CAMBIO DE MARCHAS
PUBM1397 -UN-28JUN10
6
1
1
0
POS. NO.PIEZA DESCRIPCION CANT NUM. SERIE J NOTAS
1 AL162751 CAJA DE CAMBIOS 1 X (MARKED L156259)
2 AL166905 TAPON 1 X
3 L110066 PASADOR DE CENTRAJE 6 X
TRACTOR 6110J (EDICION SUDAMERICANA) PC8538S (01-JUL-10) 52-13
PN=235
52-14
TRANSMISION SYNCROPLUS
GEAR TRANSMISSION
BOITE DE VITESSES
GANGSCHALTGETRIEBE
TRASMISSIONE CAMBIO MARCIA
CAMBIO DE MARCHAS
CAMBIO DE MARCHAS
PUBM0489 -UN-19FEB09
ESTA RELACION DE PIE
52-14 TRACTOR 6110J (EDICION SUDAMERICANA) PC8538S (01-JUL-10)
PN=236
52-15
TRANSMISION SYNCROPLUS
6
1
1
TRANSMISION 0
POS. NO.PIEZA DESCRIPCION CANT NUM. SERIE J NOTAS
1 L156282 EJE 1 X
2 AL162756 ENGRANAJE 1 X
3 JD10330 CONO DEL COJINETE 1 X Z 26
4 L41649 CASQUILLO AR X LGTH 8,00MM
L41650 CASQUILLO AR X LGTH 8,05MM
L41651 CASQUILLO AR X LGTH 8,10MM
L41652 CASQUILLO AR X LGTH 8,15MM
L41653 CASQUILLO AR X LGTH 8,20MM
L41654 CASQUILLO AR X LGTH 8,25MM
L41655 CASQUILLO AR X LGTH 8,30MM
L41656 CASQUILLO AR X LGTH 8,35MM
L41657 CASQUILLO AR X LGTH 8,40MM
5 L156283 ENGRANAJE 1 X Z 30
6 L114567 RODAMIENTO RODILLOS CIL. 1 X
7 40M7043 ANILLO ELASTICO 1 X
8 L154516 EJE SECUNDARIO 1 X
9 L79871 ARANDELA 1 X
10 L111005 JUNTA 1 X
11 L157872 PASADOR 1 X
12 L79871 ARANDELA 1 X
13 19M7385 TORNILLO 1 X M10 X 70
14 JD10522 RODAMIENTO DE BOLAS 1 X
15 40M7115 ANILLO ELASTICO 1 X
16 40M7046 ANILLO ELASTICO 1 X
17 40M7120 ANILLO ELASTICO 1 X
18 40M7178 ANILLO ELASTICO 1 X
19 JD9320 RODAMIENTO DE BOLAS 1 X
20 19M7662 TORNILLO 14 X M10 X 30
21 L169258 EJE DE MANDO 1 X
22 L169253 ENGRANAJE 1 X Z 32
23 L155496 ENGRANAJE 2 X
24 L76923 ANILLO ELASTICO 2 X TK 2.0MM
.. DT5037 SELLADOR 1 X LOCTITE 242
TRACTOR 6110J (EDICION SUDAMERICANA) PC8538S (01-JUL-10) 52-15
PN=237
52-16
TRANSMISION SYNCROPLUS
GEAR TRANSMISSION
BOITE DE VITESSES
GANGSCHALTGETRIEBE
TRASMISSIONE CAMBIO MARCIA
CAMBIO DE MARCHAS
CAMBIO DE MARCHAS
PUBM0489 -UN-19FEB09
ESTA RELACION DE PIE
52-16 TRACTOR 6110J (EDICION SUDAMERICANA) PC8538S (01-JUL-10)
PN=238
52-17
TRANSMISION SYNCROPLUS
6
1
1
TRANSMISION 0
POS. NO.PIEZA DESCRIPCION CANT NUM. SERIE J NOTAS
25 L150336 SINCRONIZADOR 3 X
26 AL157732 SINCRONIZADOR 1 X
27 L75904 ANILLO ELASTICO AR X TK 2.3MM
L75905 ANILLO ELASTICO AR X TK 2.20MM
L75906 ANILLO ELASTICO AR X TK 2.10MM
L76923 ANILLO ELASTICO AR X
28 L169254 ENGRANAJE 1 X
29 L76821 ARANDELA DE EMPUJE AR X TK 3.65MM
L75917 ARANDELA DE EMPUJE AR X TK 3.80MM
L76822 ARANDELA DE EMPUJE AR X TK 3.95MM
L153635 ARANDELA DE EMPUJE AR X TK 4.05MM
L113339 ARANDELA DE EMPUJE AR X TK 4.15MM
30 L170237 ANILLO 1 X
31 L155885 ENGRANAJE 1 X Z 46
32 AL160962 SINCRONIZADOR 1 X
33 L116130 SINCRONIZADOR 1 X
34 L75911 ARANDELA DE EMPUJE 2 X
35 JD10479 RODAMIENTO DE AGUJAS 1 X
36 L76033 ANILLO ELASTICO 1 X
37 40M7252 ANILLO ELASTICO 1 X
38 L79795 ARANDELA AR X TK 1.0MM
L79796 ARANDELA AR X TK 1.5MM
L79797 ARANDELA AR X TK 2.0MM
L79798 ARANDELA AR X TK 2.5MM
L157284 ARANDELA AR X TK 1.25MM
L157285 ARANDELA AR X TK 1.75MM
L157555 ARANDELA AR X TK 2.25MM
39 L157515 ENGRANAJE 1 X
40 L78122 ARANDELA AR X TK 1.0MM
L78123 ARANDELA AR X TK 1.5MM
L78124 ARANDELA AR X TK 2.0MM
L78125 ARANDELA AR X TK 2.5MM
L157286 ARANDELA AR X TK 1.75MM
L157287 ARANDELA AR X TK 2.25MM
L157556 ARANDELA AR X TK 1.25MM
41 L167749 ARANDELA AR X
.. AL150921 EJE SECUNDARIO 1 X INCL KEYS 1, 2, 6-8, 11-16
.. AL110613 PIEZAS DE MONTAJE 1 X LNCL KEYS 10, 20, 37-40
.. AL150919 EJE DE MANDO 1 X INCL KEYS 3, 17-19, 21-36
.. DT5037 SELLADOR 1 X LOCTITE 242
TRACTOR 6110J (EDICION SUDAMERICANA) PC8538S (01-JUL-10) 52-17
PN=239
52-18
TRANSMISION SYNCROPLUS
SHIFTING PARTS, GEAR TRANSMISSION
BOITE DE VITESSES - ELEMENTS DE COMMANDE
SCHALTUNGSTEILE, GANGSCHALTGETRIEBE
PARTI AZIONAMENTO CAMBIO MARCIA TRASMISSIONE
ELEMENTOS DE COMANDO, CAMBIO DE MARCHAS
ELEMENTOS DE MANDO, CAMBIO DE MARCHAS
CQ302517 -UN-17MAR08
ESTA RELACION DE PIE
52-18 TRACTOR 6110J (EDICION SUDAMERICANA) PC8538S (01-JUL-10)
PN=240
52-19
TRANSMISION SYNCROPLUS
6
1
1
CHASIS 0
POS. NO.PIEZA DESCRIPCION CANT NUM. SERIE J NOTAS
1 34M3858 PASADOR ELASTICO 2 X
2 34M7226 PASADOR ELASTICO 1 X
3 AL166651 PALANCA 2 X
4 L76235 JUNTA 1 X
5 44M7111 PASADOR DE CENTRAJE 2 X
6 L153307 RETEN 2 X
7 AL81331 ARBOL 2 X
8 L153161 TAPADERA 1 X
9 19M7979 TORNILLO 4 X M8 X 55
10 RE46534 INTERRUPTOR 1 X (A)
11 L100769 ARANDELA AR X TK 1.60MM
L100768 ARANDELA AR X TK 1.80MM
L79187 ARANDELA AR X TK 2.00MM
L79188 ARANDELA AR X TK 2.20MM
L100767 ARANDELA AR X TK 2.40MM
12 19M8317 TORNILLO 2 X M8 X 40
13 L156690 VARILLA DE CAMBIO 1 X
14 L156691 VARILLA DE CAMBIO 1 X
15 JD10508 COJINETE 4 X
16 L76229 BULON 1 X
17 AL116245 DETENEDOR 2 X
18 L111054 CAMBIADOR 1 X (ORD W/ L113217)
19 L113217 ABRAZADERA 1 X
20 L33332 TORNILLO DE FIJACION 4 X
21 L79127 TORNILLO DE FIJACION 2 X
22 L78867 PASADOR 1 X
23 L78866 GUIA 1 X
24 L111052 CAMBIADOR 1 X (ORD W/ L113217)
(A) NEUTRAL START SWITCH
INTERRUPTEUR DE SECURITE AU DEMARRAGE
ANLASSICHERHEITSSCHALTER
INTERRUTTORE AVVIAMENTO IN SICUREZZA
INTERRUPTOR DE SEGURANCA DE PARTIDA
INTERRUPTOR DE SEGURIDAD DEL ARRANQUE
TRACTOR 6110J (EDICION SUDAMERICANA) PC8538S (01-JUL-10) 52-19
PN=241
52-20
TRANSMISION SYNCROPLUS
MEMORANDA
MEMORANDA
MEMORANDA
MEMORANDA
MEMORANDA
MEMORANDA
52-20 TRACTOR 6110J (EDICION SUDAMERICANA) PC8538S (01-JUL-10)
PN=242
54-A01
TRANSMISION POWRQUAD
SECTIONAL INDEX
INDEX DE SECTION
GRUPPENINDEX
INDICE DELLA SEZIONE
INDICE DE GRUPO
INDICE DE GRUPOS
PUBM1317 -UN-21APR10
1- 2
2- 3
3- 4
4- 6
5- 8
6- 10
7- 12
8- 13
9- 14
10- 16
16- 28
TRACTOR 6110J (EDICION SUDAMERICANA) PC8538S (01-JUL-10) 54-A01
PN=243
54-A02
TRANSMISION POWRQUAD
SECTIONAL INDEX
INDEX DE SECTION
GRUPPENINDEX
INDICE DELLA SEZIONE
INDICE DE GRUPO
INDICE DE GRUPOS
PUBM1572 -UN-30JUN10
11- 18
12- 20
13- 22
14- 24
15- 26
54-A02 TRACTOR 6110J (EDICION SUDAMERICANA) PC8538S (01-JUL-10)
PN=244
54-A03
TRANSMISION POWRQUAD
MEMORANDA
MEMORANDA
MEMORANDA
MEMORANDA
MEMORANDA
MEMORANDA
TRACTOR 6110J (EDICION SUDAMERICANA) PC8538S (01-JUL-10) 54-A03
PN=245
54-2
TRANSMISION POWRQUAD
FLYWHEEL COVER
VOLANT-MOTEUR, PROTECTION
SCHWUNGRAD, ABDECKUNG
VOLANO, COPERTURA
PROTECAO DO VOLANTE
PROTECCION DEL VOLANTE
PUBM1394 -UN-28JUN10
6
1
1
0
POS. NO.PIEZA DESCRIPCION CANT NUM. SERIE J NOTAS
1 AL170290 REVESTIMIENTO 1 X
2 24M7096 ARANDELA 2 X 10.500 X 18 X 1.600 MM
19M7557 TORNILLO 2 X M10 X 16
54-2 TRACTOR 6110J (EDICION SUDAMERICANA) PC8538S (01-JUL-10)
PN=246
54-3
TRANSMISION POWRQUAD
U.J. DRIVE SHAFT, TORSION DAMPER
ARBRE DE TRANSMISSION, DAMPER
GELENKWELLE, TORSIONSDAEMPFER
ALBERO CARDANICO, AMORTIZZATORE TORSIONALE
EIXO CARDAN, AMORTECEDOR DE TORCAO
EJE ARTICULADO, AMORTIGUADOR DE TORSION
PUBM1395 -UN-28JUN10
6
1
1
0
POS. NO.PIEZA DESCRIPCION CANT NUM. SERIE J NOTAS
1 L112690 ARANDELA 1 X
2 L112001 CASQUILLO 2 X
3 AL165247 COJINETE CON ALOJAMIENTO 1 X INCL. KEY 2
4 AL174123 AMORTIGUADOR DE TORSION 1 X
5 AL173864 EJE CARDAN 1 X
6 19M8292 TORNILLO 6 X M10 X 50
7 L110092 ARANDELA 1 X
8 19M7938 TORNILLO 1 X M10 X 20
9 L77173 TORNILLO 4 X
10 L80445 TORNILLO 4 X
11 L116041 BRIDA 1 X
12 L116013 ENVOLTURA 1 X
13 L41858 CINTA DE ATAR 1 X
TRACTOR 6110J (EDICION SUDAMERICANA) PC8538S (01-JUL-10) 54-3
PN=247
54-4
TRANSMISION POWRQUAD
TRACTION CLUTCH/ HOUSING PLANETARY BRAKE
EMBRAYAGE MARCHE AVANT / CARTER D’EMBRAYAGE MARCHE ARRIERE
FAHRKUPPLUNG/ PLANETENBREMSGEHAEUSE
FRIZIONE DI TRAZIONE / SCATOLA FRENO GRUPPO?PLANETARI
EMBREAGEM DE TRACAO/ CARCACA FREIO PLANETARIO
EMBRAGUE DE TRACCION / CAJA DEL FRENO DE RETROCESO
PUBM1506 -UN-28JUN10
ESTA RELACION DE PIE
54-4 TRACTOR 6110J (EDICION SUDAMERICANA) PC8538S (01-JUL-10)
PN=248
54-5
TRANSMISION POWRQUAD
6
1
1
0
POS. NO.PIEZA DESCRIPCION CANT NUM. SERIE J NOTAS
1 R255597 TAMBOR 1 X INCL KEY 4
2 R95360 ARANDELA DE EMPUJE 1 X
3 19M7863 TORNILLO 4 X M6 X 25
4 R104655 CASQUILLO 1 X
5 RE239984 PISTON 1 X
6 400R BOLA 2 X
7 R79018 MUELLE DE COMPRESION 2 X
8 R87395 ARANDELA ELASTICA 2 X
9 RE47305 JUEGO DE RETENES 1 X
10 R171006 PORTAPLANETARIOS 1 X
11 RE220989 CUBO 1 X
12 RE35512 DISCO DE FRENO 5 X
13 R96805 PLATO DE EMBRAGUE 4 X
14 R102913 MUELLE 12 X
15 R96806 PLATO DE EMBRAGUE 1 X
16 R104733 BULON 12 X
17 R276658 TORNILLO 6 X M10 X 65
18 R171009 ENGRANAJE PLANETARIO 6 X
19 R87210 ARANDELA DE EMPUJE 1 X
20 RE34603 PASADOR ELASTICO 6 X
21 R125173 ARANDELA 12 X
22 JD10542 RODAMIENTO DE AGUJAS 12 X
23 R107206 ANILLO ELASTICO 1 X
24 RE220029 ARBOL 1 X INCL.KEY23
25 AL170691 CARCASA 1 X MARKED R251670 (INCL. KEYS 26, 27, 28, 31,
35, 39, 40, 41, 42, 43)
26 L111964 PASADOR DE CENTRAJE 2 X
27 RE46684 TAPON HERMETICO 1 X
28 51M7041 ANILLO TORICO 1 X
29 R33167 ANILLO 2 X
30 R247895 TORNILLO DE HEXAG.INTERIOR 6 X
31 RE261756 ASIENTO DE VALVULA 2 X
32 RE251672 CARCASA 1 X MARKED R251670 (INCL. KEYS 27, 28, 35)
33 R113671 ANILLO ELASTICO 1 X
34 L156294 CONEXION DE MANGUERA 1 X
35 R121580 TAPON ROSCADO 2 X
36 R158505 JUNTA 1 X
37 RE47271 JUEGO 6 X
38 R255603 SUPLEMENTO AR X TK= 0,4MM (0.016")
R255604 SUPLEMENTO AR X TK= 0,8MM (0.031")
39 R251675 MANGUITO 1 X
40 R251678 MANGUITO 1 X
41 R38295 AGUJA DE RODAMIENTO 4 X
42 19M7862 TORNILLO 2 X M6 X 20
TRACTOR 6110J (EDICION SUDAMERICANA) PC8538S (01-JUL-10) 54-5
PN=249
54-6
TRANSMISION POWRQUAD
REVERSE BRAKE HOUSING
EMBRAYAGE MARCHE ARRIERE
UMKEHRKUPPLUNG
SCATOLA FRENO INVERSIONE
INVERSOR HIDRAULICO
INVERSOR HIDRAULICO
LX040875 -UN-02APR04
ESTA RELACION DE PIE
54-6 TRACTOR 6110J (EDICION SUDAMERICANA) PC8538S (01-JUL-10)
PN=250
54-7
TRANSMISION POWRQUAD
6
1
1
0
POS. NO.PIEZA DESCRIPCION CANT NUM. SERIE J NOTAS
1 R176474 ESPACIADOR 1 X
2 R122146 CORONA DE TREN PLANETARIO 1 X
3 R95378 PLATO DE EMBRAGUE 4 X
4 RE48092 DISCO CON DENTADO INTERIOR 5 X
5 R102913 MUELLE 8 X
6 R95422 DISCO 1 X TK= 6MM
R243074 PLACA 1 X TK= 7MM
7 R223964 JUNTA 1 X
8 R244132 CARCASA 1 X
9 R124438 CASQUILLO 1 X
10 L111964 PASADOR DE CENTRAJE 4 X
11 R95560 PISTON 1 X
12 19M7835 TORNILLO 6 X M10 X 35
13 L158623 MUELLE 8 X (A)
(A) WITH MECHANICAL REVERSER CONTROL
AVEC COMMANDE MECANIQUE DE L’INVERSEUR
BEI MECHANISCHER FAHRTRICHTUNGSBETAETIGUNG
CON COMANDO MECCANICO INVERSIONE DI MARCIA
COM CONTROLE DE REVERSAO MECANICA
CON MANDO MECANICO DEL INVERSOR
TRACTOR 6110J (EDICION SUDAMERICANA) PC8538S (01-JUL-10) 54-7
PN=251
54-8
TRANSMISION POWRQUAD
DIRECT DRIVE CLUTCH
EMBRAYAGE DE TRANSMISSION DIRECTE
DIREKTANTRIEBSKUPPLUNG
FRIZIONE COMANDO DIRETTO
EMBREAGEM DE TRANSMISSAO DIRETA
EMBRAGUE DE TRANSMISION DIRECTA
PY004788 -UN-01AUG07
ESTA RELACION DE PIE
54-8 TRACTOR 6110J (EDICION SUDAMERICANA) PC8538S (01-JUL-10)
PN=252
54-9
TRANSMISION POWRQUAD
6
1
1
0
POS. NO.PIEZA DESCRIPCION CANT NUM. SERIE J NOTAS
1 R217436 TAMBOR 1 X
2 R104738 CASQUILLO 1 X
3 R38295 AGUJA DE RODAMIENTO 2 X
4 RE47294 KIT DE EMBRAGUE 1 X
5 RE56036 PISTON 1 X
6 R87395 ARANDELA ELASTICA 2 X
7 400R BOLA 2 X
8 R101187 ENGRANAJE SOLAR 1 X
9 R220471 PLATO DE EMBRAGUE 1 X
10 RE239058 DISCO CON DENTADO INTERIOR 4 X
11 R216294 PLATO DE EMBRAGUE 3 X
12 R101170 ARANDELA 1 X
13 R219974 PASADOR 6 X
14 R125065 MUELLE 6 X LGTH= 30,00MM (1-3/16")
15 R219516 TAPADERA 1 X
16 R151435 TORNILLO 6 X M8 X 30
17 R39322 ANILLO 2 X
18 R105040 ARANDELA DE EMPUJE 1 X
19 R95835 ARANDELA DE EMPUJE 1 X
20 R120477 PISTON 1 X
TRACTOR 6110J (EDICION SUDAMERICANA) PC8538S (01-JUL-10) 54-9
PN=253
54-10
TRANSMISION POWRQUAD
PLANETARY BRAKE
FREIN DE PLANETAIRE
PLANETENTRIEBBREMSE
FRENO GRUPPO PLANETARI
FREIOS DAS PLANETARIAS
TREN DE PLANETARIOS DE FRENO
LX048771 -UN-06OCT05
ESTA RELACION DE PIE
54-10 TRACTOR 6110J (EDICION SUDAMERICANA) PC8538S (01-JUL-10)
PN=254
54-11
TRANSMISION POWRQUAD
6
1
1
0
POS. NO.PIEZA DESCRIPCION CANT NUM. SERIE J NOTAS
1 R188518 EMPAQUETADURA 2 X
2 R216291 PLATO DE EMBRAGUE 2 X
3 RE151059 DISCO CON DENTADO INTERIOR 1 X
4 R216293 PLATO DE EMBRAGUE 1 X
5 R101214 PISTON 2 X
6 RE244125 CARCASA 1 X MARKED R244123
7 R121580 TAPON ROSCADO 3 X
8 R95316 PISTON 1 X
9 L111964 PASADOR DE CENTRAJE 4 X
10 R158521 ANILLO TORICO 14 X
11 R158523 ANILLO TORICO 2 X
12 RE46684 TAPON HERMETICO 1 X
13 51M7041 ANILLO TORICO 2 X
14 R173443 TORNILLO 2 X
15 R101169 MUELLE 8 X
16 RE244129 CARCASA 1 X MARKED R244126
17 R216292 PLATO DE EMBRAGUE 2 X
18 RE34786 DISCO CON DENTADO INTERIOR 3 X
19 19M7944 TORNILLO 8 X M10 X 120
20 RE221608 TAPON DE VACIADO 1 X INCL KEY 13
21 R209938 DISCO DE FRENO 2 X TK= 5MM
22 R130606 TAPON ROSCADO 1 X
TRACTOR 6110J (EDICION SUDAMERICANA) PC8538S (11-JAN-11) 54-11
PN=255
54-12
TRANSMISION POWRQUAD
TRANSMISSION OUTPUT SHAFT
ABRE DE SORTIE DE TRANSMISSION
GETRIEBEABTRIEBSWELLE
ALBERGO DI USCITA DELLA TRANSMISSIONE
EIXO DE SAIDA DA TRANSMISSAO
EJE DE SALIDA DE LA TRANSMISION
LX026696 -UN-11JUN01
6
1
1
TRANSMISION 0
POS. NO.PIEZA DESCRIPCION CANT NUM. SERIE J NOTAS
1 RE61245 ARBOL 1 X
2 R112955 ANILLO 1 X
3 R112857 ANILLO TORICO 1 X
4 R92241 CASQUILLO 1 X
5 L101305 EJE DE MANDO 1 X LGTH 452MM
54-12 TRACTOR 6110J (EDICION SUDAMERICANA) PC8538S (01-JUL-10)
PN=256
54-13
TRANSMISION POWRQUAD
SUN GEARS
PLANETAIRES
SONNENRAEDER
INGRANAGGI CENTRALI
ENGRENAGENS SOLARES
PINONES SOLARES
RXA0073358 -UN-30JAN04
6
1
1
0
POS. NO.PIEZA DESCRIPCION CANT NUM. SERIE J NOTAS
1 RE228608 ENGRANAJE 1 X
2 R95895 ARANDELA DE EMPUJE 1 X
3 RE228607 ENGRANAJE 1 X
4 R219255 CASQUILLO 1 X
5 R95835 ARANDELA DE EMPUJE 1 X
6 RE245565 ENGRANAJE 1 X
7 R214122 ARANDELA 1 X
TRACTOR 6110J (EDICION SUDAMERICANA) PC8538S (01-JUL-10) 54-13
PN=257
54-14
TRANSMISION POWRQUAD
INPUT PLANETARY ASSEMBLY
TRAIN PLANETAIRE D’ENTREE
PLANETENTRIEB
GRUPPO INGRESSO COMANDO PLANETARI
CONJUNTO DE PLANETARIOS DE ENTRADA
TREN DE PLANETARIOS DE ENTRADA
LX048781 -UN-10OCT05
ESTA RELACION DE PIE
54-14 TRACTOR 6110J (EDICION SUDAMERICANA) PC8538S (01-JUL-10)
PN=258
54-15
TRANSMISION POWRQUAD
6
1
1
0
POS. NO.PIEZA DESCRIPCION CANT NUM. SERIE J NOTAS
1 R245934 CORONA DE TREN PLANETARIO 1 X
2 R228266 PORTAPLANETARIOS 1 X
3 R227060 ENGRANAJE 3 X
4 RE228488 COJINETE 6 X
5 R228601 ESPACIADOR 3 X
6 R96826 ARANDELA DE EMPUJE 6 X
7 R101178 EJE CON PINON 3 X
8 RE34603 PASADOR ELASTICO 3 X
9 R115215 TORNILLO 2 X
10 R212399 REVESTIMIENTO 1 X
11 R228268 ARANDELA 1 X
TRACTOR 6110J (EDICION SUDAMERICANA) PC8538S (01-JUL-10) 54-15
PN=259
54-16
TRANSMISION POWRQUAD
TRANSMISSION OIL PUMP
POMPE A HUILE DE TRANSMISSION
GETRIEBEOELPUMPE
POMPA TRANSMISSIONE
BOMBA DE OLEO DA TRANSMISSAO
BOMBA DE ENGRASE DE LA TRANSMISSION
LX048793 -UN-11OCT05
ESTA RELACION DE PIE
54-16 TRACTOR 6110J (EDICION SUDAMERICANA) PC8538S (01-JUL-10)
PN=260
54-17
TRANSMISION POWRQUAD
6
1
1
0
POS. NO.PIEZA DESCRIPCION CANT NUM. SERIE J NOTAS
1 RE225879 ARBOL 1 X
2 R214121 CASQUILLO 1 X
3 R130488 COLECTOR 1 X
4 R38295 AGUJA DE RODAMIENTO 2 X
5 JD10269 RODAMIENTO RODILLOS CIL. 1 X
6 RE47291 KIT DE REPARACION DE BOMBAS 1 X
7 R79639 BOLA 1 X
8 40M7097 ANILLO ELASTICO 1 X
9 R108925 ENGRANAJE 1 X
10 R108927 ENGRANAJE 1 X
11 T27432 ANILLO ELASTICO 1 X
12 R106825 TORNILLO 6 X
13 R115119 RODAMIENTO DE BOLAS 1 X
14 R100991 PASADOR 1 X LGTH= 47MM
15 R100989 PISTON 1 X
16 R100988 RETENEDOR 1 X
17 R101239 MUELLE 1 X
18 RE40448 RETENEDOR 1 X
TRACTOR 6110J (EDICION SUDAMERICANA) PC8538S (01-JUL-10) 54-17
PN=261
54-18
TRANSMISION POWRQUAD
TRANSMISSION FRONT COVER
CARTER AVANT
VORDERER GETRIEBEDECKEL
COPERCHIO ANTERIORE TRASMISSIONE
CARCACA FRONTAL DA TRANSMISSAO
TAPA FRONTAL DEL CAMBIO
PUBM1427 -UN-29JUN10
ESTA RELACION DE PIE
54-18 TRACTOR 6110J (EDICION SUDAMERICANA) PC8538S (01-JUL-10)
PN=262
54-19
TRANSMISION POWRQUAD
6
1
1
0
POS. NO.PIEZA DESCRIPCION CANT NUM. SERIE J NOTAS
1 L154133 BRAZO 1 X
2 R95063 BULON 1 X
3 AR103873 RETEN 1 X
4 R115141 TORNILLO 8 X
5 R95066 VALVULA 1 X
6 R107252 PASADOR ELASTICO 1 X
7 R116100 MUELLE 1 X
8 R116473 DISCO 2 X
9 R116101 MUELLE 1 X
10 RE47315 JUEGO 1 X
11 34M7272 PASADOR ELASTICO 2 X
12 R58941 BULON 1 X
13 R213853 TOPE 1 X (UTILIZAR CON R202359)
14 51M7045 ANILLO TORICO 2 X
15 L78975 TAPON HERMETICO 1 X
16 R241994 VALVULA DE CARRETE 2 X
17 R255005 MUELLE DE COMPRESION 2 X
18 R273498 VALVULA DE CARRETE 1 X
19 51M7043 ANILLO TORICO 1 X
20 RE46685 TAPON HERMETICO 1 X
21 R120947 VALVULA 1 X
22 R109535 MUELLE 1 X
23 R86638 SUPLEMENTO 4 X
24 51M7045 ANILLO TORICO 1 X
25 AL166743 TAPON HERMETICO 1 X
26 R252208 VALVULA DE CARRETE 1 X
27 R299263 MUELLE DE COMPRESION 1 X
28 R299262 MUELLE DE COMPRESION 1 X
29 R299264 PASADOR 1 X
30 R176199 PISTON 1 X
31 P48347 ANILLO TORICO 1 X
32 R112976 RETEN 1 X
33 R171413 JUNTA 1 X
34 R171412 TAPADERA 1 X
35 19M7775 TORNILLO 3 X M6 X 16
36 R54174 MUELLE 1 X
37 R176198 VALVULA 1 X
38 R273530 MUELLE DE COMPRESION 1 X
39 R121609 GUIA 1 X
40 R124949 ARTICULACION 1 X
41 L153819 PORTADOR 1 X
42 24M7028 ARANDELA 1 X
43 19M9168 TORNILLO 1 X M10 X 180
44 R104714 TORNILLO 1 X M10 X 185
45 R202640 JUNTA 1 X
46 R208927 CARCASA 1 X
47 R112063 TORNILLO 5 X
48 RE46684 TAPON HERMETICO AR X
49 51M7041 ANILLO TORICO 1 X
50 51M7042 ANILLO TORICO 1 X
51 L158473 TAPON 1 X
TRACTOR 6110J (EDICION SUDAMERICANA) PC8538S (01-JUL-10) 54-19
PN=263
54-20
TRANSMISION POWRQUAD
HOUSING, 4-SPEED SHIFTING (WITH MECHANICAL REVERSER CONTROL)
CARTER, BOITE 4 VITESSES (AVEC COMMANDE MECANIQUE D’INVERSEUR)
GEHAEUSE, 4-GANGSCHALTUNG (BEI MECHANISCHER FAHRTRICHTUNGSBETAETIGUNG)
SCATOLA, CAMBIO A 4 MARCE (CON COMANDO MECCANICO INVERSORE)
CARCACA (COM CONTROLE DE REVERSAO MECANICA)
CARCASA, TRANSMISION DE 4 MARCHAS (CON ACCIONAMIENTO MECANICO DEL INVERSOR)
PUBM1314 -UN-22APR10
ESTA RELACION DE PIE
54-20 TRACTOR 6110J (EDICION SUDAMERICANA) PC8538S (01-JUL-10)
PN=264
54-21
TRANSMISION POWRQUAD
6
1
1
0
POS. NO.PIEZA DESCRIPCION CANT NUM. SERIE J NOTAS
1 19M7775 TORNILLO 3 X M6 X 16
2 34M5028 PASADOR ELASTICO 2 X
3 R213485 JUNTA 1 X
4 R213348 PLACA 1 X
5 R213484 JUNTA 1 X
6 R194487 CARCASA 1 X
7 R248215 CARRETE 3 X
8 R194659 MUELLE DE COMPRESION 3 X
9 R194658 MUELLE DE COMPRESION 3 X
10 51M7043 ANILLO TORICO 3 X
11 RE46685 TAPON HERMETICO 3 X
12 R192305 CARRETE 1 X
13 19M7834 TORNILLO 11 X M6 X 45
14 405R BOLA 1 X
15 R197564 MUELLE DE COMPRESION 1 X
16 R184116 TAPON HERMETICO 1 X
17 51M7042 ANILLO TORICO 1 X
18 R202861 TAPON HERMETICO 1 X
19 R182130 ABRAZADERA 1 X
20 AL155310 CABLE SIMETRICO 1 X
TRACTOR 6110J (EDICION SUDAMERICANA) PC8538S (01-JUL-10) 54-21
PN=265
54-22
TRANSMISION POWRQUAD
FRONT COVER AND VALVES WITH MECHANICAL REVERSER CONTROL
BOITIER DE SOUPAPES AVANT / SOUPAPES AVEC COMMANDE MECANIQUE DE L’INVERSEUR
VORDERER DECKEL UND VENTILE BEI MECHANISCHER FAHRTRICHTUNGSBETAETIGUNG
COPERCHIO ANTERIORE E VALVOLE CON COMANDO MECCANICO DI INVERSIONE DI MARCIA
TAMPA DIANTEIRA E VALVULAS COM CONTROLE DE REVERSAO MECANICA
TAPA FRONTAL Y VALVULAS CON MANDO MECANICO DEL INVERSOR
PUBM1429 -UN-28JUN10
ESTA RELACION DE PIE
54-22 TRACTOR 6110J (EDICION SUDAMERICANA) PC8538S (01-JUL-10)
PN=266
54-23
TRANSMISION POWRQUAD
6
1
1
0
POS. NO.PIEZA DESCRIPCION CANT NUM. SERIE J NOTAS
1 R257609 JUNTA 1 X FRONT
R257613 JUNTA 1 X REAR
2 R167349 PLACA 1 X
3 R197640 CARCASA 1 X
4 R95081 VALVULA 2 X
5 R95084 MUELLE 1 X
6 51M7045 ANILLO TORICO 1 X
7 L166446 TAPON HERMETICO 1 X
8 R116040 MUELLE 1 X
9 51M7043 ANILLO TORICO AR X
10 RE46685 TAPON HERMETICO AR X
11 R167686 JUNTA 1 X
12 R167722 TAPADERA 1 X
13 L156151 TORNILLO 3 X
14 AR103873 RETEN 1 X
15 34M5028 PASADOR ELASTICO 3 X
16 R121580 TAPON ROSCADO 1 X
17 R184115 ARBOL 1 X
18 L154293 PALANCA 1 X
19 34M7268 PASADOR ELASTICO 1 X
20 L154134 PORTADOR 1 X
21 R105605 MUELLE 1 X
22 L158312 TORNILLO 4 X (10.9)
23 19M7775 TORNILLO 4 X M6 X 16, (10.9)
24 R186903 TAPADERA 1 X
25 R186905 JUNTA 1 X
26 L41384 TAPON ROSCADO 1 X
27 51M7043 ANILLO TORICO 1 X
28 R129184 MUELLE DE COMPRESION 1 X
29 R167684 VALVULA DE CARRETE 1 X
30 R224445 CARRETE 1 X
31 R192193 BULON 1 X
32 40M7251 ANILLO ELASTICO 1 X
33 R197326 PALANCA 1 X
34 H63237 ANILLO ELASTICO 1 X
35 R95086 VALVULA 1 X
36 T23853 MUELLE 1 X
37 R28776 ANILLO TORICO 1 X
38 R134141 VALVULA 1 X
39 P51079 ANILLO TORICO 1 X
40 R112977 RETEN 1 X
41 R88791 PISTON 1 X
42 RE47303 JUEGO 1 X
43 R104728 ANILLO TORICO 1 X
44 R87455 TAPON 1 X
45 40M1857 ANILLO ELASTICO 1 X
46 405R BOLA 1 X
47 L171152 MUELLE 1 X
48 24M7027 ARANDELA 1 X
49 51M7042 ANILLO TORICO 1 X
50 R202861 TAPON HERMETICO 1 X
51 R109067 TORNILLO 33 X (10.9)
52 R38295 AGUJA DE RODAMIENTO 2 X
53 R95077 MUELLE 1 X
54 R95076 VALVULA 1 X
55 R109066 TORNILLO 3 X (10.9)
56 RE46684 TAPON HERMETICO 1 X
57 51M7041 ANILLO TORICO 1 X
TRACTOR 6110J (EDICION SUDAMERICANA) PC8538S (01-JUL-10) 54-23
PN=267
54-24
TRANSMISION POWRQUAD
SENDING UNITS / PRESSURE SWITCHES
CAPTEURS / MANOCONTACTS
GEBER / DRUCKSCHALTER
SENSORI / INTERRUTTORI A PRESSIONE
SENSORES / PRESSOSTATOS
SENSORES /MANOCONTACTOS DE PRESION
PUBM1437 -UN-29JUN10
ESTA RELACION DE PIE
54-24 TRACTOR 6110J (EDICION SUDAMERICANA) PC8538S (01-JUL-10)
PN=268
54-25
TRANSMISION POWRQUAD
6
1
1
0
POS. NO.PIEZA DESCRIPCION CANT NUM. SERIE J NOTAS
1 R111085 CONEXION 1 X
2 R95398 MANGUERA 1 X
3 R44302 CINTA DE ATAR 1 X
4 R107638 VAINA 1 X
5 R112945 RACOR ACODADO 1 X
6 R113419 RACOR ADAPTADOR 1 X
7 RE212876 MANOCONTACTO 1 X (E)
8 RE46685 TAPON HERMETICO 1 X
9 51M7043 ANILLO TORICO 1 X
10 AL81358 INTERRUPTOR 1 X (A) (B)
11 L41526 ANILLO TORICO 2 X
12 RE39354 RETEN 1 X
13 RE46534 INTERRUPTOR 1 X (A) (C)
14 51M7042 ANILLO TORICO 1 X
15 51M7041 ANILLO TORICO AR X
16 AL80099 MACHO ACOPLAMIENTO HIDRAUL 1 X
17 R77175 TAPADERA 1 X
18 R27976 ANILLO TORICO 1 X
19 R34028 TORNILLO 1 X
20 AL178071 INTERRUPTOR 1 X (A) (D)
21 51M7040 ANILLO TORICO 1 X
(A) WITH MECHANICAL REVERSER CONTROL (B) LOW TEMPERATURE
AVEC COMMANDE MECANIQUE DE L’INVERSEUR BASSE TEMPERATURE
BEI MECHANISCHER FAHRTRICHTUNGSBETAETIGUNG NIEDRIGE TEMPERATUR
CON COMANDO MECCANICO INVERSIONE DI MARCIA BASSA TEMPERATURA
COM CONTROLE DE REVERSAO MECANICA BAIXA TEMPERATURA
CON MANDO MECANICO DEL INVERSOR TEMPERATURA BAJA
(C) NEUTRAL SENSOR (D) TEMPERATURE
CAPTEUR DE POSITION NEUTRE TEMPERATURE
NEUTRALSTELLUNGSSENSOR TEMPERATUR
SENSORE POSIZIONE NEUTRALE TEMPERATURA
SENSOR DO NEUTRO TEMPERATURA
SENSOR DE POSICION NEUTRO TEMPERATURA
(E) PRESSURE
PRESSION
DRUCK
PRESSIONE
PRESSAO
PRESION
TRACTOR 6110J (EDICION SUDAMERICANA) PC8538S (01-JUL-10) 54-25
PN=269
54-26
TRANSMISION POWRQUAD
TRANSMISSION OIL FILTER
FILTRE A HUILE DE TRANSMISSION
GETRIEBEOELFILTER
FILTRO OLIO TRASMISSIONE
FILTRO DE OLEO DA TRANSMISSAO
FILTRO DE ACEITE DE LA TRANSMISION
LX039415 -UN-08MAR04
6
1
1
0
POS. NO.PIEZA DESCRIPCION CANT NUM. SERIE J NOTAS
1 R120902 JUNTA 1 X
2 R95850 CARCASA 1 X
3 R109066 TORNILLO 6 X (10.9)
4 51M7040 ANILLO TORICO 1 X
5 RE212878 MANOCONTACTO 1 X (A)
6 AL156625 FILTRO DE ACEITE 1 X LGTH= 151,6MM (5-31/32")
7 34M5028 PASADOR ELASTICO 2 X
(A) OIL FILTER INDICATOR LAMP (OIL PRESSURE)
FILTRE A HUILE - TEMOIN PRESSION D’HUILE
OELFILTER - KONTROLLAMPE FUER OELDRUCK
SPIA PRESSIONE FILTRO OLIO
LAMPADA INDICADORA DO FILTRO DE OLEO (PRESSAO DO OLEO)
LUZ TESTIGO PRESION ACEITE, FILTRO ACEITE
54-26 TRACTOR 6110J (EDICION SUDAMERICANA) PC8538S (01-JUL-10)
PN=270
54-27
TRANSMISION POWRQUAD
MEMORANDA
MEMORANDA
MEMORANDA
MEMORANDA
MEMORANDA
MEMORANDA
TRACTOR 6110J (EDICION SUDAMERICANA) PC8538S (01-JUL-10) 54-27
PN=271
54-28
TRANSMISION POWRQUAD
MOUNTING PARTS
ELEMENTS DE FIXATION
BEFESTIGUNGSTEILE
PARTI MONTAGGIO
PECAS DE MONTAGEM
PIEZAS DE SUJECION
PUBM1439 -UN-28JUN10
ESTA RELACION DE PIE
54-28 TRACTOR 6110J (EDICION SUDAMERICANA) PC8538S (01-JUL-10)
PN=272
54-29
TRANSMISION POWRQUAD
6
1
1
0
POS. NO.PIEZA DESCRIPCION CANT NUM. SERIE J NOTAS
1 19M7807 TORNILLO 8 X M10 X 60
2 19M8162 TORNILLO 4 X
3 19M7785 TORNILLO 2 X M10 X 25
4 L152507 JUNTA 1 X
5 19M7958 TORNILLO 1 X M10 X 150
TRACTOR 6110J (EDICION SUDAMERICANA) PC8538S (01-JUL-10) 54-29
PN=273
54-30
TRANSMISION POWRQUAD
MEMORANDA
MEMORANDA
MEMORANDA
MEMORANDA
MEMORANDA
MEMORANDA
54-30 TRACTOR 6110J (EDICION SUDAMERICANA) PC8538S (01-JUL-10)
PN=274
56-A01
TRANSMISION
SECTIONAL INDEX
INDEX DE SECTION
GRUPPENINDEX
INDICE DELLA SEZIONE
INDICE DE GRUPO
INDICE DE GRUPOS
PUBM1398 -UN-01JUL10
1- 1
2- 2
3- 4
4- 6
5- 8
6- 10
21- 12
7- 14
8- 16
9- 18
TRACTOR 6110J (EDICION SUDAMERICANA) PC8538S (01-JUL-10) 56-A01
PN=275
56-A02
TRANSMISION
SECTIONAL INDEX
INDEX DE SECTION
GRUPPENINDEX
INDICE DELLA SEZIONE
INDICE DE GRUPO
INDICE DE GRUPOS
PUBM1558 -UN-29JUN10
10- 19
11- 20
12- 22
13- 23
14- 24
15- 26
16- 27
17- 28
18- 29
19- 30
20- 32
56-A02 TRACTOR 6110J (EDICION SUDAMERICANA) PC8538S (01-JUL-10)
PN=276
56-1
TRANSMISION
RANGE TRANSMISSION HOUSING (SYNCROPLUS)
CARTER DE BOITE DE GAMMES (SYNCROPLUS)
GRUPPENSCHALTGETRIEBEGEHAEUSE (SYNCROPLUS)
SCATOLA TRASMISSIONE A GAMME (SYNCROPLUS)
CAIXA DE CAMBIO DE GRUPOS (SYNCROPLUS)
CAJA DEL CAMBIO DE GRUPOS (SYNCROPLUS)
PUBM1399 -UN-28JUN10
6
1
1
0
POS. NO.PIEZA DESCRIPCION CANT NUM. SERIE J NOTAS
1 L75885 JUNTA 1 X
2 19M7403 TORNILLO 9 X M12 X 35
3 15M2714 TAPON DE VACIADO 1 X
4 L76408 ANILLO TORICO 1 X
5 AL156862 CARCASA 1 X SYNCROPLUS (MARKED L156261 OR L166551)
6 L110066 PASADOR DE CENTRAJE 2 X
7 L78494 CASQUILLO 2 X
TRACTOR 6110J (EDICION SUDAMERICANA) PC8538S (01-JUL-10) 56-1
PN=277
56-2
TRANSMISION
RANGE TRANSMISSION HOUSING (POWRQUAD)
CARTER DE BOITE DE GAMMES (POWRQUAD)
GRUPPENSCHALTGETRIEBEGEHAEUSE (POWRQUAD)
SCATOLA TRASMISSIONE A GAMME (POWRQUAD)
CAIXA DE CAMBIO DE GRUPOS (POWRQUAD)
CAJA DEL CAMBIO DE GRUPOS (POWRQUAD)
PUBM1400 -UN-28JUN10
6
1
1
0
POS. NO.PIEZA DESCRIPCION CANT NUM. SERIE J NOTAS
1 L75885 JUNTA 2 X
2 19M7403 TORNILLO 2 X
3 15M2714 TAPON DE VACIADO 2 X
4 L76408 ANILLO TORICO 2 X
5 AL156863 CARCASA 1 X (MARKED L156262 OR L166552)
6 L110066 PASADOR DE CENTRAJE 1 X
7 L78494 CASQUILLO 1 X
56-2 TRACTOR 6110J (EDICION SUDAMERICANA) PC8538S (01-JUL-10)
PN=278
56-3
TRANSMISION
MEMORANDA
MEMORANDA
MEMORANDA
MEMORANDA
MEMORANDA
MEMORANDA
TRACTOR 6110J (EDICION SUDAMERICANA) PC8538S (01-JUL-10) 56-3
PN=279
56-4
TRANSMISION
DIFF, DRIVE SHAFT, RANGE TRANSMISSION (4X4)
BOITE DE GAMMES - ARBRE DU PIGNON D’ATTAQUE (4X4)
HAUPTWELLE, GRUPPENSCHALTGETRIEBE (4X4)
ALBERO COMANDO DIFFERENZIALE, TRASMISSIONE CAMBIO GAMMA (4X4)
EIXO DE SAIDA DO DIFERENCIAL, CAMBIO DE GRUPOS (4X4)
EJE DE SALIDA DEL DIFERENCIAL, CAMBIO DE GRUPOS (4X4)
PUBM1401 -UN-28JUN10
ESTA RELACION DE PIE
56-4 TRACTOR 6110J (EDICION SUDAMERICANA) PC8538S (01-JUL-10)
PN=280
56-5
TRANSMISION
6
1
1
TRANSMISION 0
POS. NO.PIEZA DESCRIPCION CANT NUM. SERIE J NOTAS
1 AL164690 MANDO DE ENGRANAJES CONICOS 1 X Z 9/51
2 AL113714 RODAMIENTO RODILLOS CIL. 1 X
3 AL77434 RODAMIENTO RODILLOS CIL. 2 X
4 L156851 SOPORTE RODAMIENTO SIN ROD. 1 X
5 L77775 MUELLE DE COMPRESION 5 X
6 L173991 ANILLO ELASTICO AR X TK 3.00MM
L78069 ANILLO ELASTICO AR X TK 2.90MM
L78070 ANILLO ELASTICO AR X TK 2.80MM
L78071 ANILLO ELASTICO AR X TK 2.70MM
L78072 ANILLO ELASTICO AR X TK 2.60MM
L78073 ANILLO ELASTICO AR X TK 2.50MM
7 L157084 SUPLEMENTO AR X TK 0.2MM
L157085 SUPLEMENTO AR X TK 0.3MM
L157086 SUPLEMENTO AR X TK 0.5MM
8 L170237 ANILLO AR X TK 3.0MM
9 L168800 PINON 1 X
10 L110851 TORNILLO 1 X
11 L76821 ARANDELA DE EMPUJE AR X TK 3.65MM
L75917 ARANDELA DE EMPUJE AR X TK 3.80MM
L76822 ARANDELA DE EMPUJE AR X TK 3.95MM
L113339 ARANDELA DE EMPUJE AR X TK 4.15MM
L153635 ARANDELA DE EMPUJE AR X TK 4.05MM
12 L166228 ENGRANAJE 1 X
13 AL157733 SINCRONIZADOR 2 X
14 L76923 ANILLO ELASTICO AR X
L75904 ANILLO ELASTICO AR X TK 2.3MM
L75905 ANILLO ELASTICO AR X TK 2.20MM
L75906 ANILLO ELASTICO AR X TK 2.10MM
15 L155889 ENGRANAJE 1 X Z 55 (MARKED L155889)
16 L166231 ENGRANAJE 1 X Z 43
17 L166230 ENGRANAJE 1 X
18 L170237 ANILLO 1 X
19 19M7156 TORNILLO 5 X M10 X 60
20 24M7028 ARANDELA 4 X
21 L172927 RODAMIENTO RODILLOS CIL. 1 X
22 24M7332 ARANDELA 1 X
23 19M7162 TORNILLO 1 X M8 X 16
24 L116130 SINCRONIZADOR 4 X
25 L155496 ENGRANAJE 1 X
26 L167749 ARANDELA 1 X
.. DT5299 ADHESIVO AR X LOCTITE 648
TRACTOR 6110J (EDICION SUDAMERICANA) PC8538S (01-JUL-10) 56-5
PN=281
56-6
TRANSMISION
DRIVE SHAFT, RANGE TRANSMISION
BOITE DE GAMMES - ARBRE D’ENTRAINEMENT
ANTRIEBSWELLE, GRUPPENSCHALTGETR
ALBERO COMANDO, TRASMISSIONE CAMBIO GAMMA
ARVORE DE TRANSMISSAO, CAMBIO DE GRUPOS
ARBOL DE TRANSMISION, CAMBIO DE GRUPOS
LX018020 -UN-27JAN98
ESTA RELACION DE PIE
56-6 TRACTOR 6110J (EDICION SUDAMERICANA) PC8538S (01-JUL-10)
PN=282
56-7
TRANSMISION
6
1
1
0
POS. NO.PIEZA DESCRIPCION CANT NUM. SERIE J NOTAS
1 L155339 SOPORTE RODAMIENTO SIN ROD. 1 X
2 19M8533 TORNILLO 3 X M10 X 25
3 AL178191 RODAMIENTO RODILLOS CONICOS 1 X
4 L166233 ARBOL 1 X
5 L77758 ANILLO ELASTICO AR X TK 3.40MM
L77763 ANILLO ELASTICO AR X TK 2.50MM
L77762 ANILLO ELASTICO AR X TK 2.60MM
L77761 ANILLO ELASTICO AR X TK 2.70MM
L77760 ANILLO ELASTICO AR X TK 2.80MM
L77759 ANILLO ELASTICO AR X TK 2.90MM
L114266 ANILLO ELASTICO AR X TK 3.00MM
L75882 ANILLO ELASTICO AR X TK 3.10MM
L75883 ANILLO ELASTICO AR X TK 3.20MM
L75884 ANILLO ELASTICO AR X TK 3.30MM
6 AL113279 COJINETE 1 X
7 L75889 MANGUITO 1 X
8 L150695 ESPARRAGO 1 X
TRACTOR 6110J (EDICION SUDAMERICANA) PC8538S (01-JUL-10) 56-7
PN=283
56-8
TRANSMISION
PARKING LOCK, RANGE TRANSMISSION
BOITE DE GAMMES - FREIN DE STATIONNEMENT
PARKSPERRE, GRUPPENSCHALTGETRIEBE
BLOCCO STAZIONAMENTO, TRASM. A GAMME
BLOQUEIO DO ESTACIONAMENTO, CAMBIO DE GRUPOS
BLOQUEO DE ESTACIONAMIENTO, CAMBIO DE GRUPOS
PUBM1402 -UN-28JUN10
ESTA RELACION DE PIE
56-8 TRACTOR 6110J (EDICION SUDAMERICANA) PC8538S (01-JUL-10)
PN=284
56-9
TRANSMISION
6
1
1
TRANSMISION 0
POS. NO.PIEZA DESCRIPCION CANT NUM. SERIE J NOTAS
1 L153968 TRINQUETE 1 X
2 L78415 CASQUILLO 1 X
3 L150696 BULON 1 X
4 19M8397 TORNILLO 2 X M8 X 50
5 L165947 LEVA 1 X
6 L154520 ARANDELA DE EMPUJE 2 X
7 JD8856 RODAMIENTO DE AGUJAS 1 X
8 L150693 BULON 1 X
9 34M7215 PASADOR ELASTICO 1 X
10 L155639 MUELLE DE TRACCION 1 X
11 L79037 RETEN 1 X
12 24M7369 ARANDELA AR X TK 1.4MM
24M7370 ARANDELA AR X TK 1.5MM
24M7371 ARANDELA AR X TK 1.6MM
24M7372 ARANDELA AR X TK 1.7MM
24M7373 ARANDELA AR X TK 1.8MM
24M7374 ARANDELA AR X TK 1.9MM
24M7375 ARANDELA AR X TK 2.0MM
24M7452 ARANDELA AR X TK 1.1 MM
24M7398 ARANDELA AR X TK 1.2MM
24M7399 ARANDELA AR X TK 1.3MM
13 AL164323 BRAZO 1 X
14 34M7259 PASADOR ELASTICO 1 X
15 AL79072 APOYO 1 X
16 19M7162 TORNILLO 1 X M8 X 16
17 L80107 CASQUILLO 2 X
18 AL113358 PALANCA 1 X
19 24M7386 ARANDELA 1 X
20 40M7253 ANILLO ELASTICO 1 X
21 L80167 MUELLE DE TORSION 1 X
22 L167801 VASTAGO 1 X LGTH 184.5MM
23 34M5719 PASADOR ELASTICO 1 X
.. AL156714 ARANDELA 1 X
TRACTOR 6110J (EDICION SUDAMERICANA) PC8538S (01-JUL-10) 56-9
PN=285
56-10
TRANSMISION
SHIFTING PARTS, RANGE TRANSM. (SYNCROPLUS/POWRQUAD)
BOITE DE GAMMES - ELEMENTS DE COMMANDE (SYNCROPLUS/POWRQUAD)
SCHALTUNGSTEILE, GRUPPENSCHALTGETR. (SYNCROPLUS/POWRQUAD)
PARTI AZIONAAMENTO CAMBIO GAMMA TRASMISSIONE (SYNCROPLUS/POWRQUAD)
PECAS DE ACIONAMENTO, GRUPOS (SYNCROPLUS/POWRQUAD)
VARILLAJE DE MANDO, CAMBIO DE GRUPOS (SYNCROPLUS/POWRQUAD)
PUBM1403 -UN-28JUN10
ESTA RELACION DE PIE
56-10 TRACTOR 6110J (EDICION SUDAMERICANA) PC8538S (01-JUL-10)
PN=286
56-11
TRANSMISION
6
1
1
0
POS. NO.PIEZA DESCRIPCION CANT NUM. SERIE J NOTAS
1 L153159 TAPADERA 1 X (MARKED L153159)
2 L153307 RETEN AR X
3 30M7024 TAPON 1 X
4 AL81250 ARBOL 2 X
5 AL166649 PALANCA AR X
6 44M7111 PASADOR DE CENTRAJE AR X
7 34M7226 PASADOR ELASTICO AR X
8 L153345 CARCASA 1 X
9 AL116245 DETENEDOR 2 X
10 JD10508 COJINETE AR X
11 19M7866 TORNILLO 3 X M8 X 20
12 L33332 TORNILLO DE FIJACION 4 X
13 L111048 CAMBIADOR 2 X
14 L165942 VARILLA DE CAMBIO 1 X (B)
15 L113217 ABRAZADERA 1 X
16 L156693 VARILLA DE CAMBIO 1 X (A)
17 L76229 BULON 1 X
18 34M3858 PASADOR ELASTICO 1 X
19 L76234 JUNTA 1 X
20 19M7800 TORNILLO 5 X M8 X 50
21 30M7010 TAPON 2 X
22 19M7866 TORNILLO 1 X M8 X 20
23 L165946 ABRAZADERA 1 X
.. DT5037 SELLADOR AR X LOCTITE 242
.. DT5299 ADHESIVO AR X LOCTITE 648
(A) FOR GROUPS A-B (B) FOR GROUPS C-D
POUR GAMMES A-B POUR GAMMES C-D
FUER GRUPPEN A-B FUER GRUPPEN C-D
PER GRUPPI A-B PER GRUPPI C-D
PARA GRUPOS A-B PARA GRUPOS C-D
PARA GRUPOS A-B PARA GRUPOS C-D
TRACTOR 6110J (EDICION SUDAMERICANA) PC8538S (01-JUL-10) 56-11
PN=287
56-12
TRANSMISION
ANTI PERCH PARTS FOR NEUTRAL POSITION
ELEMENTS POUR MAINTIEN DE LA POSITION NEUTRE
SCHALTUNTERSTUETZUNG ZUR NEUTRALSTELLUNG
ELEMENTI PER FISSARE POSIZ. NEUTRALE
ELEMENTO DA FIXACAO DA POSICAO NEUTRA
ELEMENTO DE FIJACION DE LA POSICION NEUTRA
PUBM1404 -UN-29JUN10
6
1
1
0
POS. NO.PIEZA DESCRIPCION CANT NUM. SERIE J NOTAS
1 L80052 HORQUILLA 2 X
2 24M7055 ARANDELA 1 X
3 L114120 TORNILLO 1 X
4 L113541 CASQUILLO 1 X
5 19M7868 TORNILLO 1 X M8 X 30
6 L113099 PASADOR DE CENTRAJE 1 X
7 L159313 MUELLE 1 X
8 AL114210 PALANCA 1 X
9 L113335 RODILLO 1 X
10 40M7040 ANILLO ELASTICO 1 X
11 34M7249 PASADOR ELASTICO 1 X
12 L113049 PALANCA 1 X
13 34M7267 PASADOR ELASTICO 2 X 6 X 24 MM
14 45M7080 PASADOR DE MUELLE 2 X
15 AL158041 ARBOL 1 X
16 14M7009 TUERCA 2 X M6
17 L154131 VASTAGO 1 X
18 L53813 ANILLO TORICO 2 X
19 40M7068 ANILLO ELASTICO 2 X
56-12 TRACTOR 6110J (EDICION SUDAMERICANA) PC8538S (01-JUL-10)
PN=288
56-13
TRANSMISION
MEMORANDA
MEMORANDA
MEMORANDA
MEMORANDA
MEMORANDA
MEMORANDA
TRACTOR 6110J (EDICION SUDAMERICANA) PC8538S (01-JUL-10) 56-13
PN=289
56-14
TRANSMISION
FWD - DRIVE
PONT AVANT - ENTRAINEMENT
FRONTANTRIEB - ABTRIEB
4WD - COMANDO
EIXO DE SAIDA DA TRACAO DIANTEIRA
EJE DE SALIDA / TRACCION DELANTERA
PUBM1405 -UN-28JUN10
ESTA RELACION DE PIE
56-14 TRACTOR 6110J (EDICION SUDAMERICANA) PC8538S (01-JUL-10)
PN=290
56-15
TRANSMISION
6
1
1
0
POS. NO.PIEZA DESCRIPCION CANT NUM. SERIE J NOTAS
1 AL166905 TAPON 1 X LGHT 41MM OD 10MM
2 L110066 PASADOR DE CENTRAJE 2 X
3 L64500 SELLADOR 1 X 50 CM3
4 JD10498 PISTA EXT DE RODAMIENTO 1 X
5 JD10497 CONO DEL COJINETE 1 X
6 L102565 ARANDELA DE EMPUJE 1 X
7 L102489 DISCO 1 X
8 AL114942 CONO DEL COJINETE 2 X
9 L155993 ENGRANAJE 1 X Z 25/44 (RATIO 1.760)
L155994 ENGRANAJE 1 X Z 24/44 (RATIO 1.870)
10 L77262 SUPLEMENTO AR X TK 0.05MM
24M7150 SUPLEMENTO AR X TK 0.10MM
24M7331 SUPLEMENTO AR X TK 0.20MM
24M7258 SUPLEMENTO AR X TK 0.50MM
11 L114651 ESPACIADOR 1 X
12 L100522 ANILLO DE SELLADO 1 X
13 L157992 ARBOL 1 X
14 19M7163 TORNILLO 2 X M8 X 25
19M7288 TORNILLO 2 X M8 X 30
15 L41187 CASQUILLO 1 X
16 L157568 RETENEDOR REDONDO 1 X
17 L78828 SOPORTE RODAMIENTO SIN ROD. 1 X
18 AL79750 RETEN 1 X
19 L78683 ANILLO TORICO 1 X
20 L78827 SUPLEMENTO AR X TK 0.05MM
L78838 SUPLEMENTO AR X TK 0.10MM
L78839 SUPLEMENTO AR X TK 0.20MM
L78840 SUPLEMENTO AR X TK 0.50MM
21 L100959 PISTA EXT DE RODAMIENTO 1 X
22 AL80939 CONO DEL COJINETE 1 X
23 19M7180 TORNILLO 1 X M10 X 45
24 AT107509 TAPON 2 X
25 L170424 CAJA 1 X
26 19M7513 TORNILLO 12 X M8 X 30
27 AL179236 TAPON HERMETICO 1 X
28 51M7048 ANILLO TORICO 1 X
29 L41709 TAPON ROSCADO 1 X
30 L41526 ANILLO TORICO 1 X
31 38H5135 CONEXION 2 X
32 51M7042 ANILLO TORICO 2 X
33 L114655 BULON 1 X
34 R34140 ANILLO 1 X
.. DT5173 ACEITE 3 X
TRACTOR 6110J (EDICION SUDAMERICANA) PC8538S (01-JUL-10) 56-15
PN=291
56-16
TRANSMISION
FWD MULTI - DISK CLUTCH
PONT AVANT - EMBRAYAGE MULTIDISQUE
FRONTANTRIEB - LAMELLENKUPPLUNG
4WD FRIZIONE A DISCHI MULTIPLI
EMBREAGEM MULTIDISCOS TRACAO DIANTEIRA
EMBRAGUE MULTIDISCO - TRACC. DELANT.
CQ302525 -UN-23APR08
ESTA RELACION DE PIE
56-16 TRACTOR 6110J (EDICION SUDAMERICANA) PC8538S (01-JUL-10)
PN=292
56-17
TRANSMISION
6
1
1
0
POS. NO.PIEZA DESCRIPCION CANT NUM. SERIE J NOTAS
1 AL118814 ENGRANAJE 1 X
2 L110129 IMPULSOR 1 X
3 L157103 TAMBOR 1 X Z 50 (RATIO 1.760)
L157106 TAMBOR 1 X Z 51 (RATIO 1.870)
L157104 TAMBOR 1 X Z 51 (RATIO 1.795)
L157108 TAMBOR 1 X Z 53 (RATIO 1.943)
4 L102567 CASQUILLO 1 X
5 R79018 MUELLE DE COMPRESION 1 X
6 L112884 CONO DE VALVULA 3 X
7 L172658 TAPON ROSCADO 3 X
8 L158967 ANILLO ELASTICO 1 X
9 L102489 DISCO 1 X
10 L101779 ARANDELA DE EMPUJE 1 X
11 AL114526 DISCO CON DENTADO EXTERIOR 10 X
12 L78682 DISCO CON DENTADO INTERIOR 9 X
13 L101488 PISTON 1 X
14 L100935 CASQUILLO 1 X
15 L78687 ANILLO TORICO 1 X
16 L100519 MUELLE DE DISCO 2 X
17 L101122 ANILLO 1 X
TRACTOR 6110J (EDICION SUDAMERICANA) PC8538S (01-JUL-10) 56-17
PN=293
56-18
TRANSMISION
FWD-SOLENOID VALVE
PONT AVANT - ELECTROVANNE
FRONTANTRIEB-MAGNETVENTIL
4WD - VALVOLA A SOLENOIDE
VALVULA SOLENOIDE DA TRACAO DIANTEIRA
TRACC. DELANT., ELECTROVALVULA
LX048534 -UN-14NOV05
6
1
1
0
POS. NO.PIEZA DESCRIPCION CANT NUM. SERIE J NOTAS
1 RE47392 JUEGO DE ANILLOS TORICOS 1 X
2 RE211158 ELECTROVALVULA 1 X
3 19M7560 TORNILLO 2 X M6 X 16
4 R211082 ABRAZADERA 1 X
56-18 TRACTOR 6110J (EDICION SUDAMERICANA) PC8538S (01-JUL-10)
PN=294
56-19
TRANSMISION
DIFFERENTIAL HOUSING
CARTER DE DIFFERENTIEL
DIFFERENTIALGEHAEUSE
SCATOLA DEL DIFFERENZIALE
CARCACA DO DIFERENCIAL
CAJA DEL DIFERENCIAL
PUBM1406 -UN-28JUN10
6
1
1
0
POS. NO.PIEZA DESCRIPCION CANT NUM. SERIE J NOTAS
1 AL179429 CAJA 1 X
2 L112380 PASADOR DE CENTRAJE 4 X
3 L77560 BULON 4 X
4 L110067 PASADOR DE CENTRAJE 6 X
5 L80062 TAPON HERMETICO 1 X
6 51M7061 ANILLO TORICO 1 X
7 AL79010 MALLA 1 X
8 51M7048 ANILLO TORICO 2 X
9 L101574 TAPON HERMETICO 2 X
10 L174554 CAJA 1 X
TRACTOR 6110J (EDICION SUDAMERICANA) PC8538S (01-JUL-10) 56-19
PN=295
56-20
TRANSMISION
DIFFERENTIAL
DIFFERENZIALE
DIFFERENTIAL
DIFFERENTIAL
DIFERENCIAL
DIFERENCIAL
PUBM1500 -UN-28JUN10
ESTA RELACION DE PIE
56-20 TRACTOR 6110J (EDICION SUDAMERICANA) PC8538S (01-JUL-10)
PN=296
56-21
TRANSMISION
6
1
1
TRANSMISION 0
POS. NO.PIEZA DESCRIPCION CANT NUM. SERIE J NOTAS
1 19M8475 TORNILLO 10 X M10 X 30
2 L77138 SOPORTE RODAMIENTO SIN ROD. 1 X LH
3 L102146 SUPLEMENTO AR X TK 0.075MM
L102147 SUPLEMENTO AR X TK 0.1MM
L102148 SUPLEMENTO AR X TK 0.25MM
L102149 SUPLEMENTO AR X TK 0.5MM
4 L77371 PISTA EXT DE RODAMIENTO 1 X
5 L78580 ANILLO DE PISTON 2 X
6 AL80941 CONO DEL COJINETE 1 X
7 AL112560 TAPA DE COJINETE 1 X RH
8 AL78835 CONO DEL COJINETE 1 X
9 L172599 TORNILLO 1 X
10 L173432 BULON 1 X
11 L173431 BULON 1 X
12 59M7001 MUELLE DE COMPRESION 4 X
13 L152216 CARCASA 1 X
14 L173433 BULON 1 X
15 L31792 ARANDELA 2 X
16 L158220 ENGRANAJE CONICO 1 X Z 18
17 L113016 ENGRANAJE 4 X
18 L157982 ARANDELA DE EMPUJE 4 X
19 L173998 APOYO 1 X
20 L158222 ENGRANAJE CONICO 1 X
21 L77141 DISCO CON DENTADO EXTERIOR 7 X
22 AL159216 DISCO CON DENTADO INTERIOR 6 X
23 L151416 ANILLO TORICO 1 X
24 L62735 ANILLO TORICO 1 X
25 AL175138 PISTON 1 X
26 L155267 CARCASA 1 X
27 19M8702 TORNILLO 10 X M12 X 45
28 L100961 PISTA EXT DE RODAMIENTO 1 X
TRACTOR 6110J (EDICION SUDAMERICANA) PC8538S (01-JUL-10) 56-21
PN=297
56-22
TRANSMISION
FORCED LUBRICATION
LUBRIFICATION SOUS PRESSION
DRUCKBEOELUNG
LUBRIFICAZIONE FORZATA
LUBRIFICACAO FORCADA
ENGRASE A PRESION
LX014507 -UN-31MAY96
6
1
1
TRACTOR 0
POS. NO.PIEZA DESCRIPCION CANT NUM. SERIE J NOTAS
1 AL76421 TUBERIA DE ACEITE 1 X
2 L101829 CONEXION 1 X
3 L59901 ANILLO TORICO 1 X
4 51M7042 ANILLO TORICO 1 X
5 L78870 CASQUILLO 1 X
6 AL172570 ABRAZADERA PARA MANGUERAS 2 X
7 L76654 TUBO 1 X
8 L77065 RETENEDOR 1 X
9 19M7162 TORNILLO 1 X M8 X 16
10 L76661 RETENEDOR 1 X
56-22 TRACTOR 6110J (EDICION SUDAMERICANA) PC8538S (01-JUL-10)
PN=298
56-23
TRANSMISION
SOLENOID VALVE FOR DIFFERENTIAL LOCK
ELECTROVANNE POUR BLOCAGE HYDRAULIQUE DU DIFFERENTIEL
MAGNETVENTIL FUER DIFFERENTIALSPERRE
VALVOLA A SOLENOIDE PER BLOCCAGGIO DIFFERENZIALE
VALVULA SOLENOIDE PARA BLOQUEIO DO DIFERENCIAL
ELECTROVALVULA PARA BLOQUEO DEL DIFERENCIAL
PUBM1501 -UN-29JUN10
6
1
1
0
POS. NO.PIEZA DESCRIPCION CANT NUM. SERIE J NOTAS
1 RE211158 ELECTROVALVULA 1 X
2 R211082 ABRAZADERA 1 X
3 RE47392 JUEGO DE ANILLOS TORICOS 1 X
4 51M7042 ANILLO TORICO 2 X
5 38H5135 CONEXION 1 X
6 38H5037 RACOR ADAPTADOR 1 X
7 R77175 TAPADERA 1 X
8 RE190805 ACOPLE PARA DIAGNOSTICO 1 X
9 21M7572 TORNILLO DE HEXAG.INTERIOR 2 X M8 X 20
10 21M7463 TORNILLO 1 X M8 X 60
11 L112092 CARCASA 1 X
12 L40966 ARANDELA 1 X
13 L100573 JUNTA 1 X
14 19M7560 TORNILLO 2 X M6 X 16
.. DT5037 SELLADOR AR X LOCTITE 242
TRACTOR 6110J (EDICION SUDAMERICANA) PC8538S (01-JUL-10) 56-23
PN=299
56-24
TRANSMISION
DIFFERENTIAL LOCK, OIL LINES (MFWD)
BLOCAGE DU DIFFERENTIEL, CONDUITES HYDRAULIQUES (AVEC PONT AVANT MECANIQUE)
DIFFERENTIALSPERRE, OELLEITUNGEN (MIT MFWD)
BLOCCAGGIO DIFFERENZIALE, TUBI OLIO (CON 4WD)
TUBOS HIDRAULICOS DO BLOQUEIO DO DIFERENCIAL (4X4)
BLOQUEO DEL DIFERENCIAL, TUBERIAS HIDRAULICAS (TDM)
PUBM1407 -UN-28JUN10
ESTA RELACION DE PIE
56-24 TRACTOR 6110J (EDICION SUDAMERICANA) PC8538S (01-JUL-10)
PN=300
56-25
TRANSMISION
6
1
1
0
POS. NO.PIEZA DESCRIPCION CANT NUM. SERIE J NOTAS
1 51M7043 ANILLO TORICO 1 X
2 61M5003 RACOR ADAPTADOR 1 X
3 T77857 ANILLO TORICO 4 X
4 AL155070 TUBERIA DE ACEITE 1 X
5 T77613 ANILLO TORICO 2 X
6 AL81320 TUBERIA DE ACEITE 1 X
7 38H5135 CONEXION 2 X
8 51M7042 ANILLO TORICO 2 X
9 AL150179 TUBERIA DE ACEITE 1 X
10 L153819 PORTADOR 1 X
11 38H5002 RACOR ADAPTADOR 1 X
12 51M7041 ANILLO TORICO 1 X
13 H75541 ABRAZADERA 1 X
14 19M7162 TORNILLO 1 X
15 14M7273 TUERCA 1 X
TRACTOR 6110J (EDICION SUDAMERICANA) PC8538S (01-JUL-10) 56-25
PN=301
56-26
TRANSMISION
SUCTION LINE, TRANSMISSION OIL PUMP
POMPE A HUILE DE TRANSMISSION, CONDUITE D’ASPIRATION
ANSAUGLEITUNG, GETRIEBEOELPUMPE
TUBO ASPIRAZIONE POMPA OLIO TRASMISSIONE
TUBOS DE ASPIRACAO DA BOMBA DE LUBRIFICACAO
TUBERIA DE ASPIRACION, BOMBA DE ENGRASE DE LA TRANSMISION
CQ302530 -UN-23APR08
6
1
1
0
POS. NO.PIEZA DESCRIPCION CANT NUM. SERIE J NOTAS
1 L78457 ANILLO TORICO 1 X
2 L78545 BRIDA 2 X
3 19M7555 TORNILLO 3 X M8 X 30
4 AL164106 TUBO 1 X SYNCROPLUS
AL164112 TUBO 1 X POWRQUAD
5 51M7119 ANILLO TORICO 1 X
56-26 TRACTOR 6110J (EDICION SUDAMERICANA) PC8538S (01-JUL-10)
PN=302
56-27
TRANSMISION
GROUND SPEED SENDING UNIT
CAPTEUR POUR TACHYMETRE
GEBER FUER FAHRGESCHWINDIGKEIT
RILEVATORE DI VELOCITA
SENSOR DO TACOMETRO
SENSOR DEL TACOMETRO
PUBM1408 -UN-29JUN10
6
1
1
0
POS. NO.PIEZA DESCRIPCION CANT NUM. SERIE J NOTAS
1 15M2717 TAPON DE VACIADO 1 X (A)
2 L59900 ANILLO TORICO 1 X
3 AL77322 TAPON 1 X
(A) WITHOUT SENSOR
SANS CAPTEUR
OHNE GEBER
SENZA SENSORE
SEM SENSOR
SIN SENSOR
TRACTOR 6110J (EDICION SUDAMERICANA) PC8538S (01-JUL-10) 56-27
PN=303
56-28
TRANSMISION
MOUNTING PARTS FOR OIL RETURN (SYNCROPLUS)
CONDUITE DE RETOUR, ELEMENTS DE FIXATION (SYNCROPLUS)
ANBAUTEILE FUER OELRUECKLAUF (SYNCROPLUS)
PARTI DI MONTAGGIO PER RITORNO OLIO (SYNCROPLUS)
RETORNO DE OLEO DA TRANSMISSAO (SYNCROPLUS)
PIEZAS DE MONTAJE - RETORNO DE ACEITE (SYNCROPLUS)
LX014227 -UN-31MAY96
6
1
1
0
POS. NO.PIEZA DESCRIPCION CANT NUM. SERIE J NOTAS
1 L158800 CONEXION 2 X
2 L53861 ANILLO TORICO 2 X
3 19M7162 TORNILLO 2 X M8 X 16
4 AL82025 ABRAZADERA 2 X
5 L155730 MANGUERA 1 X
56-28 TRACTOR 6110J (EDICION SUDAMERICANA) PC8538S (01-JUL-10)
PN=304
56-29
TRANSMISION
MOUNTING PARTS FOR OIL RETURN (POWRQUAD)
CONDUITE DE RETOUR, ELEMENTS DE FIXATION (POWRQUAD)
ANBAUTEILE FUER OELRUECKLAUF (POWRQUAD)
PARTI DI MONTAGGIO PER RITORNO OLIO (POWRQUAD)
RETORNO DE OLEO DA TRANSMISSAO (POWRQUAD)
PIEZAS DE MONTAJE - RETORNO DE ACEITE (POWRQUAD)
LX034256 -UN-17JAN03
6
1
1
0
POS. NO.PIEZA DESCRIPCION CANT NUM. SERIE J NOTAS
1 L158800 CONEXION 1 X
2 L53861 ANILLO TORICO 1 X
3 19M7162 TORNILLO 1 X M8 X 16
4 L156294 CONEXION DE MANGUERA 1 X
5 R158505 JUNTA 1 X
6 19M7863 TORNILLO 4 X M6 X 25
7 L155730 MANGUERA 1 X
8 AL82025 ABRAZADERA 1 X
9 19M7862 TORNILLO 2 X
TRACTOR 6110J (EDICION SUDAMERICANA) PC8538S (01-JUL-10) 56-29
PN=305
56-30
TRANSMISION
REAR AXLE
ESSIEU ARRIERE
HINTERACHSE
ASSALE POSTERIORE
EIXO TRASEIRO
EJE TRASERO
PUBM1499 -UN-28JUN10
ESTA RELACION DE PIE
56-30 TRACTOR 6110J (EDICION SUDAMERICANA) PC8538S (01-JUL-10)
PN=306
56-31
TRANSMISION
6
1
1
0
POS. NO.PIEZA DESCRIPCION CANT NUM. SERIE J NOTAS
1 AL157747 CARCASA 1 X RH
AL157748 CARCASA 1 X LH
2 40M1839 ANILLO ELASTICO 3 X
3 L154620 PISTA EXT DE RODAMIENTO 1 X
4 L154621 PISTA EXT DE RODAMIENTO 1 X
5 L76058 ANILLO ANTI-DESGASTE 1 X
6 L172081 PINON 3 X
7 L75294 ANILLO ELASTICO 6 X
8 AL182098 RODAMIENTO RODILLOS CIL. 3 X
9 L101243 PORTAPLANETARIOS 1 X
10 L156914 CASQUILLO 1 X
11 L80361 EJE DE MANDO 1 X RH
L80362 EJE DE MANDO 1 X LH
12 L176898 PALIER 1 X
13 AL158922 RETEN 1 X
14 AL156506 CONO DEL COJINETE 1 X
15 AL69712 RETEN 1 X
16 AL156503 CONO DEL COJINETE 1 X
17 L76059 ANILLO ELASTICO 1 X
18 L57311 TORNILLO 1 X
19 L101142 CHAPA DE SEGURIDAD 1 X
20 58M5575 ENGRASADOR 1 X
21 L155937 PALIER 2 X
22 44M7114 PASADOR DE CENTRAJE 2 X
23 L79831 CORONA DE TREN PLANETARIO 1 X
.. DT5267 GRASA AR X
TRACTOR 6110J (EDICION SUDAMERICANA) PC8538S (01-JUL-10) 56-31
PN=307
56-32
TRANSMISION
MOUNTING PARTS, REAR AXLE
ESSIEU ARRIERE - ELEMENTS DE FIXATION
BEFESTIGUNGSTEILE, HINTERACHSE
PARTI MONTAGGIO ASSALE POSTERIORE
PECAS DE FIXACAO - EIXO TRASEIRO
PIEZAS DE FIJACION - EJE TRASERO
LX021308 -UN-05MAR99
6
1
1
0
POS. NO.PIEZA DESCRIPCION CANT NUM. SERIE J NOTAS
1 L111385 TORNILLO 22 X
2 L113893 TORNILLO 2 X
3 14M7274 TUERCA 2 X M10, (FOR L113893)
4 CQ25602 ADHESIVO 1 X LOCTITE 573
56-32 TRACTOR 6110J (EDICION SUDAMERICANA) PC8538S (01-JUL-10)
PN=308
58-A01
TOMA DE FUERZA
SECTIONAL INDEX
INDEX DE SECTION
GRUPPENINDEX
INDICE DELLA SEZIONE
INDICE DE GRUPO
INDICE DE GRUPOS
PUBM0939 -UN-15MAY09
1- 1
2- 2
3- 3
4- 4
5- 6
6- 8
7- 10
8- 11
9- 12
10- 14
11- 16
12- 17
13- 18
TRACTOR 6110J (EDICION SUDAMERICANA) PC8538S (01-JUL-10) 58-A01
PN=309
58-A02
TOMA DE FUERZA
MEMORANDA
MEMORANDA
MEMORANDA
MEMORANDA
MEMORANDA
MEMORANDA
58-A02 TRACTOR 6110J (EDICION SUDAMERICANA) PC8538S (01-JUL-10)
PN=310
58-1
TOMA DE FUERZA
REAR PTO HOUSING 540 RPM
CARTER DE PRISE DE FORCE ARRIERE 540 TR/MIN
GEHAEUSE FUER HECKZAPFWELLE 540 U/MIN
SCATOLA PTO POSTERIORE 540 GIRI/MIN
CARCACA DA TOMADA DE POTENCIA TRASEIRA 540 RPM
CAJA DE LA TDF TRASERA DE 540 R/MIN
PUBM1409 -UN-28JUN10
6
1
1
0
POS. NO.PIEZA DESCRIPCION CANT NUM. SERIE J NOTAS
1 L41709 TAPON ROSCADO 1 X
2 L41526 ANILLO TORICO 1 X
3 AL167008 CARCASA 1 X
4 AL166903 TAPON 1 X OD 7MM
5 AL166904 TAPON 3 X OD 8MM
6 L111964 PASADOR DE CENTRAJE 2 X
7 AL158828 TAPON HERMETICO 1 X
8 15M7078 TAPON DE VACIADO 1 X
9 51M7047 ANILLO TORICO 1 X
10 30M7011 TAPON 2 X
11 L166528 CARCASA 1 X
12 99M7043 TAPON 2 X
TRACTOR 6110J (EDICION SUDAMERICANA) PC8538S (01-JUL-10) 58-1
PN=311
58-2
TOMA DE FUERZA
REAR PTO HOUSING 540/1000 RPM
CARTER DE PRISE DE FORCE ARRIERE 540/1000 TR/MIN
GEHAEUSE FUER HECKZAPFWELLE 540/1000 U/MIN
SCATOLA PTO POSTERIORE 540/1000 GIRI/MIN
CAIXA DA TOMADA DE POTENCIA TRASEIRA 540/1000 RPM
CAJA DE LA TDF TRASERA DE 540/1000 R/MIN
PUBM1410 -UN-29JUN10
6
1
1
0
POS. NO.PIEZA DESCRIPCION CANT NUM. SERIE J NOTAS
1 AL167009 CARCASA 1 X
2 L166529 CARCASA 1 X
3 AL158828 TAPON HERMETICO 1 X
4 15M7078 TAPON DE VACIADO 1 X
5 51M7047 ANILLO TORICO 1 X
6 AL166903 TAPON 1 X OD 7MM
7 AL166904 TAPON 3 X OD 8MM
8 L111964 PASADOR DE CENTRAJE 2 X
9 30M7011 TAPON 2 X
10 L41526 ANILLO TORICO 1 X
11 L41709 TAPON ROSCADO 1 X
12 30M5581 TAPON 1 X
13 99M7043 TAPON 2 X
58-2 TRACTOR 6110J (EDICION SUDAMERICANA) PC8538S (01-JUL-10)
PN=312
58-3
TOMA DE FUERZA
TRANSMISSION OIL FILLER NECK
GOULOTTE DE REMPLISSAGE D’HUILE DE TRANSMISSION
GETRIEBEOEL-EINFUELLSTUTZEN
TUBO PER RIPIENO DELL’OLIO DEL CAMBIO
BOCAL DE OLEO DA TRANSMISSAO
BOCA DE LLENADO PARA ACEITE DEL CAMBIO
PUBM1418 -UN-28JUN10
6
1
1
0
POS. NO.PIEZA DESCRIPCION CANT NUM. SERIE J NOTAS
1 AL163619 TAPON 1 X
2 24H1304 ARANDELA 1 X (A)
3 T21564 ARANDELA 1 X
4 L102647 BOCA DE LLENADO 1 X
5 AL117892 VALVULA DE PURGA 1 X
6 51M7042 ANILLO TORICO 1 X
7 L165781 RACOR ADAPTADOR 1 X
8 L78338 TAPON 1 X
9 T77814 ANILLO TORICO 1 X
10 19M7865 TORNILLO 1 X M8 X 16
11 19M7866 TORNILLO 3 X M8 X 20
12 L53821 ANILLO TORICO 1 X
13 AL82582 ASPILLA 1 X NSEP (ORD AL163619)
.. DT5037 SELLADOR 1 X LOCTITE 242
(A) WITH REAR PTO 540 RPM, WITHOUT SCV
AVEC PRISE DE FORCE ARRIERE 540 TR/MIN SANS DISTRIBUTEUR AUXILIAIRE
BEI HECKZAPFWELLE 540 1/MIN OHNE ZUSATZSTEUERGERAET
CON PTO POSTER. 540 G/MIN SENZA DISTRIBUTORE
COM TDP TRASEIRA 540 RPM, SEM VCR
CON TDF TRASERA 540 R/MIN SIN VALVULA DE MANDO A DISTANCIA
TRACTOR 6110J (EDICION SUDAMERICANA) PC8538S (01-JUL-10) 58-3
PN=313
58-4
TOMA DE FUERZA
REAR PTO 540 RPM
PRISE DE FORCE ARRIERE 540 TR/MIN
HECKZAPFWELLE 540 1/MIN
PTO POSTERIORE 540 GIRI/MIN
TDP TRASEIRA 540 RPM
TDF TRASERA DE 540 R/MIN
LX008016 -UN-01JAN94
ESTA RELACION DE PIE
58-4 TRACTOR 6110J (EDICION SUDAMERICANA) PC8538S (01-JUL-10)
PN=314
58-5
TOMA DE FUERZA
6
1
1
0
POS. NO.PIEZA DESCRIPCION CANT NUM. SERIE J NOTAS
1 AL76125 REVESTIMIENTO 1 X
2 L76327 ENGRANAJE 1 X Z 59
3 L76495 PORTADOR 1 X
4 L76494 REVESTIMIENTO 1 X
5 L169277 ARBOL 1 X
6 AL80939 CONO DEL COJINETE 2 X
7 40M7179 ANILLO ELASTICO 1 X
8 L100959 PISTA EXT DE RODAMIENTO 2 X
9 L64838 RODAMIENTO DE BOLAS 1 X
10 48M7038 RETEN 1 X
11 L101355 ANILLO ELASTICO AR X TK 2.25MM
L101356 ANILLO ELASTICO AR X TK 2.35MM
L76291 ANILLO ELASTICO AR X TK 2.45MM
L76292 ANILLO ELASTICO AR X TK 2.55MM
L76294 ANILLO ELASTICO AR X TK 2.75MM
L76295 ANILLO ELASTICO AR X TK 2.85MM
L76293 ANILLO ELASTICO AR X TK 2.65MM
12 M44162 ANILLO TORICO 2 X
13 L79862 ARANDELA 1 X
TRACTOR 6110J (EDICION SUDAMERICANA) PC8538S (01-JUL-10) 58-5
PN=315
58-6
TOMA DE FUERZA
REAR PTO 540/1000 RPM
PRISE DE FORCE ARRIERE 540/1000 TR/MIN
HECKZAPFWELLE 540/1000 1/MIN
PTO POSTERIORE 540/1000 GIRI/MIN
TDP TRASEIRA 540/1000 RPM
TDF TRASERA DE 540/1000 R/MIN
LX014520 -UN-31MAY96
ESTA RELACION DE PIE
58-6 TRACTOR 6110J (EDICION SUDAMERICANA) PC8538S (01-JUL-10)
PN=316
58-7
TOMA DE FUERZA
6
1
1
0
POS. NO.PIEZA DESCRIPCION CANT NUM. SERIE J NOTAS
1 AL76005 REVESTIMIENTO 1 X
2 L167350 ENGRANAJE 1 X Z 53/24
3 L77301 JUNTA 1 X
4 L76308 REVESTIMIENTO 1 X
5 L173243 ARBOL 1 X
6 L101573 RUEDECILLA FONICA 1 X TK 1.75MM
7 AL78835 CONO DEL COJINETE 1 X
8 L77371 PISTA EXT DE RODAMIENTO 1 X
9 L172889 ENGRANAJE 1 X Z 30
10 R95784 ARANDELA DE EMPUJE 2 X
11 L33035 ANILLO ELASTICO 2 X
12 R125178 MANGUITO ACANALADO 1 X
13 R95152 ARANDELA DE EMPUJE 1 X
14 AL114548 RODAMIENTO DE AGUJAS 2 X
15 30M7024 TAPON 1 X
16 AL80939 CONO DEL COJINETE 1 X
17 L100959 PISTA EXT DE RODAMIENTO 1 X
18 R129680 ANILLO ELASTICO 1 X
19 L173241 ARBOL 1 X
20 AL150750 RETEN 1 X
21 34M7187 PASADOR ELASTICO 1 X
22 R93485 MUELLE DE COMPRESION 1 X
23 L76029 PISTON 1 X
24 P47889 ANILLO TORICO 1 X
25 L76193 RETENEDOR 1 X
.. DT5299 ADHESIVO 1 X
TRACTOR 6110J (EDICION SUDAMERICANA) PC8538S (01-JUL-10) 58-7
PN=317
58-8
TOMA DE FUERZA
COUNTERSHAFT, REAR PTO
ARBRE SECONDAIRE, PRISE DE FORCE ARRIERE
NEBENWELLE, HECKZAPFWELLE
CONTRALBERO PTO POSTERIORE
EIXO SECUNDARIO DA TDP TRASEIRA
EJE SECUNDARIO, TDF TRASERA
PUBM0334 -UN-15DEC08
6
1
1
0
POS. NO.PIEZA DESCRIPCION CANT NUM. SERIE J NOTAS
1 L156912 EJE SECUNDARIO 1 X
2 L156910 ENGRANAJE 1 X Z 23
3 40M7066 ANILLO ELASTICO 2 X
4 JD37047 RODAMIENTO RODILLOS CONICOS 1 X
5 AL160366 CONO DEL COJINETE 1 X
6 L76287 SOPORTE RODAMIENTO SIN ROD. 1 X
7 L111818 ANILLO ELASTICO AR X TK 2.55MM
L76296 ANILLO ELASTICO AR X TK 2.65MM
L102097 ANILLO ELASTICO AR X TK 2.70MM
L76297 ANILLO ELASTICO AR X TK 2.75MM
L76298 ANILLO ELASTICO AR X TK 2.85MM
L76299 ANILLO ELASTICO AR X TK 2.95MM
L156502 ANILLO ELASTICO 1 X TK 2.45MM
8 L156773 PISTA EXT DE RODAMIENTO 1 X
9 19M7169 TORNILLO 4 X M10 X 35
58-8 TRACTOR 6110J (EDICION SUDAMERICANA) PC8538S (01-JUL-10)
PN=318
58-9
TOMA DE FUERZA
MEMORANDA
MEMORANDA
MEMORANDA
MEMORANDA
MEMORANDA
MEMORANDA
TRACTOR 6110J (EDICION SUDAMERICANA) PC8538S (01-JUL-10) 58-9
PN=319
58-10
TOMA DE FUERZA
REAR PTO BEARING SUPPORT 540 RPM
SUPPORT DE PALIER, PRISE DE FORCE ARRIERE 540 RPM
LAGERSTUETZE, HECKZAPFWELLE 540 RPM
SUPPORTO CUSCINETTO PTO POSTERIORE 540 RPM
SUPORTE DO ROLAMENTO DA TDP TRASEIRA 540 RPM
SOPORTE DEL ROLAMIENTO DE LA TDP TRASERA 540 RPM
LX007507 -UN-01JAN94
6
1
1
0
POS. NO.PIEZA DESCRIPCION CANT NUM. SERIE J NOTAS
1 L166213 APOYO 1 X
2 19M7898 TORNILLO 4 X M10 X 130
3 L101355 ANILLO ELASTICO AR X TK 2.25MM
L101356 ANILLO ELASTICO AR X TK 2.35MM
L76291 ANILLO ELASTICO AR X TK 2.45MM
L76292 ANILLO ELASTICO AR X TK 2.55MM
L76293 ANILLO ELASTICO AR X TK 2.65MM
L76294 ANILLO ELASTICO AR X TK 2.75MM
L76295 ANILLO ELASTICO AR X TK 2.85MM
4 40M7044 ANILLO ELASTICO 1 X
58-10 TRACTOR 6110J (EDICION SUDAMERICANA) PC8538S (01-JUL-10)
PN=320
58-11
TOMA DE FUERZA
REAR PTO BEARING SUPPORT 540/1000 RPM
SUPPORT DE PALIER, PRISE DE FORCE ARRIERE 540/1000 RPM
LAGERSTUETZE, HECKZAPFWELLE 540/1000 RPM
SUPPORTO CUSCINETTO PTO POSTERIORE 540/1000 RPM
SUPORTE DO ROLAMENTO DA TDP 540/1000 RPM
SOPORTE DEL RODAMIENTO DE LA TDF 540/1000 RPM
LX007512 -UN-01JAN94
6
1
1
0
POS. NO.PIEZA DESCRIPCION CANT NUM. SERIE J NOTAS
1 L114757 APOYO 1 X
2 19M7638 TORNILLO 5 X M10 X 130
3 L101355 ANILLO ELASTICO AR X TK 2.25MM
L101356 ANILLO ELASTICO AR X TK 2.35MM
L76291 ANILLO ELASTICO AR X TK 2.45MM
L76292 ANILLO ELASTICO AR X TK 2.55MM
L76293 ANILLO ELASTICO AR X TK 2.65MM
L76294 ANILLO ELASTICO AR X TK 2.75MM
L76295 ANILLO ELASTICO AR X TK 2.85MM
TRACTOR 6110J (EDICION SUDAMERICANA) PC8538S (01-JUL-10) 58-11
PN=321
58-12
TOMA DE FUERZA
REAR PTO CLUTCH
EMBRAYAGE DE PRISE DE FORCE ARRIERE
KUPPLUNG, HECKZAPFWELLE
FRIZIONE PTO POSTERIORE
EMBREAGEM DA TDP TRASEIRA
EMBRAGUE DE TDF TRASERA
LX017402 -UN-08DEC97
ESTA RELACION DE PIE
58-12 TRACTOR 6110J (EDICION SUDAMERICANA) PC8538S (01-JUL-10)
PN=322
58-13
TOMA DE FUERZA
6
1
1
0
POS. NO.PIEZA DESCRIPCION CANT NUM. SERIE J NOTAS
1 L114089 PISTON 1 X
2 R35034 EMPAQUETADURA 1 X
3 AL115948 TAMBOR 1 X
4 L76286 CASQUILLO 1 X
5 JD8171 CONO DEL COJINETE 1 X
6 R33167 ANILLO 2 X
7 L77254 RETEN 1 X
8 L77255 MUELLE DE DISCO 5 X
9 L114088 ARANDELA 1 X
10 40M7237 ANILLO ELASTICO 1 X
11 AL161463 PLATO DE EMBRAGUE 1 X (A) Z 15
AL161462 PLATO DE EMBRAGUE 1 X (B) Z 24
12 AL80939 CONO DEL COJINETE 1 X
13 L33159 ARANDELA DE EMPUJE 1 X TK 1.50MM
14 L170885 CUBO 1 X
15 R95109 PLATO DE EMBRAGUE 1 X
16 RE65291 DISCO CON DENTADO INTERIOR 3 X
17 R95110 PLATO DE EMBRAGUE 2 X
18 19M7407 TORNILLO 6 X M8 X 25
19 L100959 PISTA EXT DE RODAMIENTO 1 X
20 JD8217 PISTA EXT DE RODAMIENTO 1 X
21 RE222770 DISCO ACCIONADOR DE FRENO AR X TK 2.00MM
22 L101618 ARANDELA DE EMPUJE 1 X
(A) WITH PTO 540 RPM (B) WITH PTO 540/1000 RPM
AVEC PRISE DE FORCE 540 TR/MIN AVEC PRISE DE FORCE 540/1000 TR/MIN
BEI ZAPFWELLE 540 BEI ZAPFWELLE 540/1000
CON PTO 540 CON PTO 540/1000
COM TDP 540 RPM COM TDP 540/1000 RPM
CON TDF 540 RPM CON TDF 540/1000 RPM
TRACTOR 6110J (EDICION SUDAMERICANA) PC8538S (01-JUL-10) 58-13
PN=323
58-14
TOMA DE FUERZA
REAR PTO MODULATING VALVE
DISTRIBUTEUR DE PRISE DE FORCE ARRIERE
BETAETIGUNGSVENTIL, HECKZAPFWELLE
VALVOLA DI MODULAZIONE PTO POSTERIORE
VALVULA DE COMANDO DA TDP
VALVULA DE MANDO, TDF TRASERA
PUBM1502 -UN-28JUN10
ESTA RELACION DE PIE
58-14 TRACTOR 6110J (EDICION SUDAMERICANA) PC8538S (01-JUL-10)
PN=324
58-15
TOMA DE FUERZA
6
1
1
0
POS. NO.PIEZA DESCRIPCION CANT NUM. SERIE J NOTAS
1 19M7834 TORNILLO 6 X M6 X 45
2 R95198 PLACA 1 X
3 R95197 JUNTA 1 X
4 R152204 CARCASA 1 X
5 R153481 CORREDERA 1 X
6 R95195 MUELLE DE COMPRESION 1 X
7 34M3872 PASADOR ELASTICO 1 X
8 R95216 MUELLE DE COMPRESION 1 X
9 R95890 PISTON 1 X
10 RE190805 ACOPLE PARA DIAGNOSTICO 2 X
11 R77175 TAPADERA 2 X
12 P48347 ANILLO TORICO 1 X
13 R95892 TAPON 1 X
14 40M1851 ANILLO ELASTICO 1 X
15 19M7775 TORNILLO 2 X M6 X 16
16 AL158332 ELECTROVALVULA 2 X
17 L176859 JUNTA 1 X
18 19M7560 TORNILLO 6 X M6 X 16
19 RE47393 JUEGO 1 X
20 R104558 ANILLO TORICO 1 X
21 R211082 ABRAZADERA 1 X
.. AL76434 BLOQUE DE VALVULAS 1 X
TRACTOR 6110J (EDICION SUDAMERICANA) PC8538S (01-JUL-10) 58-15
PN=325
58-16
TOMA DE FUERZA
REAR PTO OUTPUT SHAFT
ARBRE D’ENTRAINEMENT, PRISE DE FORCE ARRIERE
ANTRIEBSWELLE, HECKZAPFWELLE
ALBERO USCITA PTO POSTERIORE
EIXO DE SAIDA DA TDP TRASEIRA
EJE DE SALIDA, TDF TRASERA
LX014535 -UN-31MAY96
6
1
1
0
POS. NO.PIEZA DESCRIPCION CANT NUM. SERIE J NOTAS
1 L76445 TAPON 1 X
2 L59904 ANILLO TORICO 1 X
3 L76924 EJE DE MANDO 1 X
4 L76568 EJE DE MANDO 1 X SYNCROPLUS
L76569 EJE DE MANDO 1 X POWRQUAD LGTH 354MM
58-16 TRACTOR 6110J (EDICION SUDAMERICANA) PC8538S (01-JUL-10)
PN=326
58-17
TOMA DE FUERZA
POWER TAKE-OFF GUARD
GARANT DE PDF
ZAPFWELLENSCHUTZ
PROTEZIONE PDF
PROTECAO DA TDP
PROTECCIONES DE LA TDF
PUBM1419 -UN-01JUL10
6
1
1
0
POS. NO.PIEZA DESCRIPCION CANT NUM. SERIE J NOTAS
1 19M7386 TORNILLO 2 X M12 X 20
2 12M7067 ARANDELA DE SEGURIDAD 2 X
3 L200484 REVESTIMIENTO 1 X
4 L64456 PROTECCION 1 X
5 R27329 TORNILLO 2 X
TRACTOR 6110J (EDICION SUDAMERICANA) PC8538S (01-JUL-10) 58-17
PN=327
58-18
TOMA DE FUERZA
MOUNTING PARTS, PTO HOUSING
CARTER DE PRISE DE FORCE - ELEMENTS DE FIXATION
BEFESTIGUNGSTEILE FUER ZAPFWELLENGEHAEUSE
PARTI MONTAGGIO ALLOGGIAMENTO PTO
PECAS DE MONTAGEM DA CAIXA DA TDP
PIEZAS DE FIJACION, CAJA DE LA TDF
PUBM1503 -UN-28JUN10
6
1
1
0
POS. NO.PIEZA DESCRIPCION CANT NUM. SERIE J NOTAS
1 L64500 SELLADOR 1 X
2 L34383 ARANDELA 1 X
3 19M7396 TORNILLO 4 X M16 X 45
4 19M7675 TORNILLO 6 X M16 X 200
5 19M7495 TORNILLO 3 X M16 X 100
58-18 TRACTOR 6110J (EDICION SUDAMERICANA) PC8538S (01-JUL-10)
PN=328
60-A01
DIRECCION Y FRENOS
SECTIONAL INDEX
INDEX DE SECTION
GRUPPENINDEX
INDICE DELLA SEZIONE
INDICE DE GRUPO
INDICE DE GRUPOS
PUBM1452 -UN-01JUL10
1- 2
2- 4
3- 6
4- 7
5- 8
6- 10
8- 12
7- 14
9- 16
10- 18
11- 20
12- 22
TRACTOR 6110J (EDICION SUDAMERICANA) PC8538S (01-JUL-10) 60-A01
PN=329
60-2
DIRECCION Y FRENOS
STEERING WHEEL/ATTACHING PARTS
VOLANT/ELEMENTS DE FIXATION
LENKRAD/ANBAUTEILE
VOLANTE / PARTI DI FISSAGGIO
VOLANTE / PECAS DE FIXACAO
VOLANTE DE DIRECCION/ PIEZAS DE FIJACION
PUBM1361 -UN-28JUN10
ESTA RELACION DE PIE
60-2 TRACTOR 6110J (EDICION SUDAMERICANA) PC8538S (01-JUL-10)
PN=330
60-3
DIRECCION Y FRENOS
6
1
1
TRACTOR 0
POS. NO.PIEZA DESCRIPCION CANT NUM. SERIE J NOTAS
1 L172182 VOLANTE DE DIRECCION 1 X
2 T17148 ARANDELA DE SEGURIDAD 1 X
3 14M7209 TUERCA 1 X M18
4 AL155228 TAPADERA 1 X
AL155227 TAPADERA 1 X
5 PF81060 CADENA DE MOTOSIERRA 1 X
6 PF12746 TORNILLO AR X
7 PF12143 TAPADERA 1 X
8 PF12800 PLACA NUMERO DE SERIE 1 X
9 PF12747 REMACHE 1 X
PF12747 REMACHE 1 X
PF12747 REMACHE 1 X
10 PF12321 ABRAZADERA DE BLOQUE 1 X
11 M85517 PASAMUROS 1 X
12 PF81061 PIEZAS CADENA MONTAJE 1 X
13 PFP10110 SOPORTE 1 X
14 PFP10109 SOPORTE 1 X
15 PFP10111 PERNO EN U 1 X
16 PF12198 YUGO 1 X
17 PF12336 ARANDELA 1 X
18 14M7397 TUERCA DE SEGURIDAD 2 X M6
19 21M7577 TORNILLO DE HEXAG.INTERIOR 2 X M6 X 16
20 24M7096 ARANDELA 1 X
21 03M7190 TORNILLO 1 X
22 N209668 EMPUNADURA 1 X
23 PF12168 CUBO 1 X
24 PF12169 TAPADERA 1 X
.. PF81087 KIT DE TORNILLERIA 1 X
TRACTOR 6110J (EDICION SUDAMERICANA) PC8538S (01-JUL-10) 60-3
PN=331
60-4
DIRECCION Y FRENOS
STEERING COLUMN
COLONNE DE DIRECTION
LENKSAEULE
PIANTONE STERZO
COLUNA DE DIRECAO
COLUMNA DE DIRECCION
PUBM1417 -UN-29JUN10
ESTA RELACION DE PIE
60-4 TRACTOR 6110J (EDICION SUDAMERICANA) PC8538S (01-JUL-10)
PN=332
60-5
DIRECCION Y FRENOS
6
1
1
TRACTOR 0
POS. NO.PIEZA DESCRIPCION CANT NUM. SERIE J NOTAS
1 AL158160 COLUMNA DE DIRECCION 1 X (A)
AL172782 COLUMNA DE DIRECCION 1 X (B)
2 14M7165 TUERCA DE SEGURIDAD 2 X M6
3 R114779 CASQUILLO 1 X
4 24M7251 ARANDELA 4 X
5 RE54004 JUEGO 1 X
6 R106302 EMPUNADURA 1 X
7 19M7784 TORNILLO 3 X M10 X 20
8 24H1884 ARANDELA AR X NSEP (ORD AL157856)
9 19M7168 TORNILLO 4 X (A) M10 X 30
10 24M7178 ARANDELA 4 X (A)
11 AL154960 AISLANTE 4 X (A)
12 R126641 MANGUITO ACANALADO 1 X (A)
13 AL157856 AISLANTE 1 X (A)
14 R126640 MANGUITO ACANALADO 1 X (A)
15 L151020 TORNILLO 2 X M6X16
16 L154057 HORQUILLA 1 X
17 R114758 CAJA CILINDRICA 1 X
18 19M7077 TORNILLO 2 X M6 X 20
19 L175853 ENVOLTURA 1 X
20 R114841 ANILLO ELASTICO 2 X
21 AL150755 CILINDRO DE GAS 1 X
22 AL157743 CARCASA 1 X (A)
23 ........ ARBOL 1 X (A) NSEP (ORD AL157856)
........ ARBOL 1 X (B) NSEP (ORD AL157856)
24 ........ AISLANTE 1 X NSEP (ORD AL157856)
25 ........ MANGUITO 1 X NSEP (ORD AL157856)
(A) WITH CAB ONLY (B) WITH OPEN OPERATOR’S STATION
SEULEMENT AVEC CABINE SANS CABINE
NUR MIT KABINE BEI OFFENER FAHRERPLATTFORM
SOLO CON CABINA POSTAZIONE OPERATORE APERTA
SOMENTE COM CABINE COM ESTACAO DO OPERADOR ABERTA
SOLO CON CABINA CON PLATAFORMA DE CONDUCCION ABIERTA
TRACTOR 6110J (EDICION SUDAMERICANA) PC8538S (01-JUL-10) 60-5
PN=333
60-6
DIRECCION Y FRENOS
HYDROSTATIC STEERING UNIT
UNITE DE DIRECTION HYDROSTATIQUE
HYDROSTAT. LENKEINHEIT
GRUPPO VALVOLA STERZO IDROST.
UNIDADE DE DIRECAO HIDROSTATICA
CONJUNTO DE DIRECCION HIDROSTATICA
PUBM1384 -UN-28JUN10
6
1
1
TRACTOR 0
POS. NO.PIEZA DESCRIPCION CANT NUM. SERIE J NOTAS
1 AL110258 VALVULA 1 X (A)
2 51M7043 ANILLO TORICO 4 X
3 61M5003 RACOR ADAPTADOR 4 X
4 51M7041 ANILLO TORICO 1 X
5 61M5016 RACOR ACODADO 1 X
(A) FOR SAFETY REASONS, ORDER STEERING VALVE NAMED ON TYPE PLATE
POUR DES RAISONS DE SECURITE, COMMANDER L’UNITE DE DIRECT. INDIQUEE SUR PLAQUETTE SIGNALETIQU
AUS SICHERHEITSGRUENDEN LENKEINHEIT NACH TYPENSCHILD BESTELLEN
PER MOTIVI DI SICUREZZA, ORDINARE IL TIPO DI VALVOLA DELLO STERZO RIPORTATO SULLA TARGHETTA
POR MOTIVO DE SEGURANCA, PEDIR O CODIGO MARCADO NA PECA
POR MOTIVOS DE SEGURIDAD, PEDIR UNIDAD DE DIRECCION SEGUN PLACA DE IDENTIFICACION
60-6 TRACTOR 6110J (EDICION SUDAMERICANA) PC8538S (01-JUL-10)
PN=334
60-7
DIRECCION Y FRENOS
GASKET KIT FOR HYDROSTATIC STEERING UNIT
JEU DE JOINTS POUR UNITE DE DIRECTION HYDROSTATIQUE
DICHTUNGSSATZ FUER HYDROSTATISCHE LENKEINHEIT
KIT GUARNIZIONI PER STERZO IDROSTATICO
KIT DE REPARO DA UNIDADE DE DIRECAO HIDROSTATICA
JUEGO DE JUNTAS PARA UNIDAD DE DIRECCION HIDROSTATICA
LX016512 -UN-15JUL97
6
1
1
TRACTOR 0
POS. NO.PIEZA DESCRIPCION CANT NUM. SERIE J NOTAS
1 AL112819 JUEGO DE RETENES 1 X
TRACTOR 6110J (EDICION SUDAMERICANA) PC8538S (01-JUL-10) 60-7
PN=335
60-8
DIRECCION Y FRENOS
HYDROSTATIC STEERING, OIL LINES (OPEN OPERATOR’S)
DIRECTION HYDROSTATIQUE, CONDUITES D’HUILE (TRACTEURS SANS CABINE)
HYDROSTATISCHE LENKUNG, OELLEITUNGEN (OFFENE FAHRERPLATTFORM)
STERZO IDROSTATICO, TUBI OLIO (STAZIONE OPERATORE APERTA)
LINHAS DA DIRECAO HIDROSTATICA (EPCC)
TUBERIAS DE LA DIRECCION HIDROSTATICA (PLATAFORMA DE C ONDUCCION ABIERTA)
PUBM1494 -UN-28JUN10
ESTA RELACION DE PIE
60-8 TRACTOR 6110J (EDICION SUDAMERICANA) PC8538S (01-JUL-10)
PN=336
60-9
DIRECCION Y FRENOS
6
1
1
TRACTOR 0
POS. NO.PIEZA DESCRIPCION CANT NUM. SERIE J NOTAS
1 T77857 ANILLO TORICO AR X
2 R50454 ABRAZADERA 1 X
3 L114178 ABRAZADERA 1 X (ORD AL118382)
4 14M7416 TUERCA CON BRIDA 4 X M8
5 AL37489 ABRAZADERA 1 X
6 AL79540 MANGUERA HIDRAULICA 1 X
7 AL115334 MANGUERA HIDRAULICA 1 X
8 T77613 ANILLO TORICO 1 X
9 51M7041 ANILLO TORICO 1 X
10 AL157571 MANGUERA HIDRAULICA 1 X
11 AL150529 MANGUERA HIDRAULICA 2 X
12 L41980 ABRAZADERA 1 X
13 24M7055 ARANDELA 1 X 8.400 X 16 X 1.600 MM
14 19M8263 TORNILLO 1 X M6 X 30
TRACTOR 6110J (EDICION SUDAMERICANA) PC8538S (01-JUL-10) 60-9
PN=337
60-10
DIRECCION Y FRENOS
HYDROSTATIC STEERING OIL LINES (CAB), WITH 60 L PUMP
DIRECTION HYDROSTATIQUE, CONDUITES HYDRAULIQUES (CABINE) AVEC POMPE 60 L
HYDROSTATISCHE LENKUNG, OELLEITUNGEN (KABINE) MIT 60 L PUMPE
TUBI OLIO STERZO IDROSTATICO (CABINA), CON POMPA DA 60 LITRI
LINHAS DA DIRECAO HIDROSTATICA COM BOMBA 60L (CABINE)
TUBERIAS DE DIRECCION HIDROSTATICA (CABINA) CON BOMBA DE 60 L
PUBM1336 -UN-01JUL10
ESTA RELACION DE PIE
60-10 TRACTOR 6110J (EDICION SUDAMERICANA) PC8538S (01-JUL-10)
PN=338
60-11
DIRECCION Y FRENOS
6
1
1
TRACTOR 0
POS. NO.PIEZA DESCRIPCION CANT NUM. SERIE J NOTAS
1 T77857 ANILLO TORICO AR X
2 AL163565 MANGUERA HIDRAULICA 1 X
3 AL115334 MANGUERA HIDRAULICA 1 X
4 T77613 ANILLO TORICO AR X
5 AL37489 ABRAZADERA 1 X
6 L102007 PASAMUROS 2 X
7 AL153791 MANGUERA HIDRAULICA 2 X
8 AL157571 MANGUERA HIDRAULICA 1 X
9 L41980 ABRAZADERA 1 X
10 19M8263 TORNILLO 1 X M6 X 30
11 R50454 ABRAZADERA 2 X
12 24M7055 ARANDELA 2 X
13 37M7059 TORNILLO AR X M5 X 12
14 19M7386 TORNILLO 1 X M12 X 20
15 L114178 ABRAZADERA 1 X
16 AL169907 ABRAZADERA 1 X
17 14M7416 TUERCA CON BRIDA 1 X M8
18 24M7139 ARANDELA 1 X 6.400 X 18 X 1.600 MM
19 AL153850 AISLANTE 4 X
20 AL153356 SOPORTE 1 X
21 61M5002 RACOR ADAPTADOR 1 X
22 51M7041 ANILLO TORICO 1 X
23 37M7104 TORNILLO 2 X
24 19M7660 TORNILLO 2 X M8 X 20
TRACTOR 6110J (EDICION SUDAMERICANA) PC8538S (01-JUL-10) 60-11
PN=339
60-12
DIRECCION Y FRENOS
HYDROSTATIC STEERING, OIL LINES
DIRECTION HYDROSTATIQUE, CONDUITES HYDRAULIQUES
HYDROSTATISCHE LENKUNG, OELLEITUNGEN
STERZO IDROSTATICO, TUBI OLIO
LINHAS DA DIRECAO HIDROSTATICA
DIRECCION HIDROSTATICA, TUBERIAS HIDRAULICAS
PUBM1375 -UN-28JUN10
ESTA RELACION DE PIE
60-12 TRACTOR 6110J (EDICION SUDAMERICANA) PC8538S (01-JUL-10)
PN=340
60-13
DIRECCION Y FRENOS
6
1
1
TRACTOR 0
POS. NO.PIEZA DESCRIPCION CANT NUM. SERIE J NOTAS
1 AL170185 TUBERIA DE ACEITE 1 X RH
2 AL170186 TUBERIA DE ACEITE 1 X LH
3 L101560 ABRAZADERA 2 X
4 T77857 ANILLO TORICO 2 X
5 AL170454 MANGUERA HIDRAULICA 2 X
6 T70659 ABRAZADERA 2 X
7 19M8533 TORNILLO 2 X M10 X 25
8 14M7274 TUERCA 2 X M10
9 19M7288 TORNILLO AR X M8 X 30
10 14M7273 TUERCA 3 X M8
11 24M7096 ARANDELA 2 X
12 H75541 ABRAZADERA 1 X
13 19M7557 TORNILLO 2 X
14 L168503 APOYO 1 X
15 14M7272 TUERCA 1 X M6
16 L38284 ABRAZADERA 2 X
17 19M7603 TORNILLO 1 X M6 X 20
18 L157895 PORTADOR 2 X
19 24M7028 ARANDELA 2 X
20 19M7168 TORNILLO 1 X M10 X 30
21 38H5036 RACOR ACODADO 2 X
22 51M7042 ANILLO TORICO 2 X
23 19M7660 TORNILLO 2 X M8 X 20
24 24M7055 ARANDELA 2 X
TRACTOR 6110J (EDICION SUDAMERICANA) PC8538S (01-JUL-10) 60-13
PN=341
60-14
DIRECCION Y FRENOS
BRAKE DISK
DISQUE DE FREIN
BREMSSCHEIBE
DISCO FRENO
DISCO DE FREIO
DISCO DEL FRENO
LX000048 -UN-01JAN94
6
1
1
0
POS. NO.PIEZA DESCRIPCION CANT NUM. SERIE J NOTAS
1 L111978 PISTON 2 X
2 AL181918 MUELLE 6 X
3 L56243 ANILLO TORICO 2 X
4 L56246 ANILLO TORICO 2 X
5 AL171954 DISCO DE FRENO 2 X TK 4.9MM
6 L114053 DISCO 2 X TK 22MM
60-14 TRACTOR 6110J (EDICION SUDAMERICANA) PC8538S (01-JUL-10)
PN=342
60-15
DIRECCION Y FRENOS
MEMORANDA
MEMORANDA
MEMORANDA
MEMORANDA
MEMORANDA
MEMORANDA
TRACTOR 6110J (EDICION SUDAMERICANA) PC8538S (01-JUL-10) 60-15
PN=343
60-16
DIRECCION Y FRENOS
BRAKE PEDAL, BRAKE SWITCH
PEDALES DE FREIN, CONTACTEUR DE FREINS
BREMSPEDALE, BREMSSCHALTER
PEDALI FRENO, INTERRUTTORE FRENO
VALVULA DO FREIO E PEDAIS
PEDALES DE FRENO, INTERRUPTORES DE FRENOT
PUBM1110 -UN-21APR10
ESTA RELACION DE PIE
60-16 TRACTOR 6110J (EDICION SUDAMERICANA) PC8538S (01-JUL-10)
PN=344
60-17
DIRECCION Y FRENOS
6
1
1
0
POS. NO.PIEZA DESCRIPCION CANT NUM. SERIE J NOTAS
1 AP37887 VALVULA 1 X
2 L102049 DEPOSITO 1 X
3 DQ69816 PORTADOR 1 X
4 AL156199 MANOCONTACTO 1 X
5 19M7300 TORNILLO 2 X M6 X 10
6 AL112163 BULON 1 X
7 40M7051 ANILLO ELASTICO 2 X
8 L110762 TIRA/ALFOMBRILLA 1 X
9 51M7041 ANILLO TORICO 1 X
10 19M5055 TORNILLO 4 X M10 X 25
11 19M7163 TORNILLO 1 X M8 X 25
12 24M7047 ARANDELA 2 X 13 X 24 X 2.500 MM
13 L110065 CONEXION 1 X
14 B2762R ANILLO TORICO 1 X
15 L169231 CASQUILLO 1 X
16 AL164011 PEDAL 1 X
17 AL164010 PEDAL 1 X
18 L77779 CASQUILLO 2 X
19 40M7030 ANILLO ELASTICO 2 X
20 L101897 ESPARRAGO 2 X
21 L111002 CASQUILLO 2 X
22 L111003 MANGUITO 2 X
23 L79009 BULON 1 X
24 22M7168 TORNILLO DE FIJACION 4 X
25 L79270 MANGUITO 1 X
26 34M7095 PASADOR ELASTICO 1 X
27 AL164008 PEDAL 1 X
28 AL164009 PEDAL 1 X
29 03M7331 TORNILLO 2 X M8 X 35
30 14M7273 TUERCA 2 X M8
31 14M7274 TUERCA 1 X M10
TRACTOR 6110J (EDICION SUDAMERICANA) PC8538S (01-JUL-10) 60-17
PN=345
60-18
DIRECCION Y FRENOS
BRAKE VALVE
MAITRE-CYLINDRE
BREMSVENTIL
VALVOLA FRENO
VALVULA DO FREIO
VALVULA DEL FRENO
CQ157867 -UN-21JUN06
ESTA RELACION DE PIE
60-18 TRACTOR 6110J (EDICION SUDAMERICANA) PC8538S (01-JUL-10)
PN=346
60-19
DIRECCION Y FRENOS
6
1
1
CABINA 0
POS. NO.PIEZA DESCRIPCION CANT NUM. SERIE J NOTAS
1 AP37887 VALVULA 1 X
2 R26552 BOLA 1 X
3 19M8493 TORNILLO 2 X M8 X 12
4 R108052 EMBOLO 2 X
5 61M5002 RACOR ADAPTADOR 2 X
6 51M7041 ANILLO TORICO 1 X
7 R60755 AGUJA DE RODAMIENTO 2 X
8 R108062 TAPON HERMETICO 2 X
9 U17409 ANILLO TORICO 2 X
10 RE175238 JUEGO 2 X
11 R108041 RETEN 2 X
12 T13119 ANILLO TORICO 2 X
13 19M7402 TORNILLO 4 X M10 X 25
14 RE46598 JUEGO 1 X
15 AP32913 PISTON 2 X
16 34H294 PASADOR ELASTICO 2 X
17 R108066 ANILLO TORICO 2 X
TRACTOR 6110J (EDICION SUDAMERICANA) PC8538S (01-JUL-10) 60-19
PN=347
60-20
DIRECCION Y FRENOS
BRAKE OIL LINES
CONDUITES D’HUILE DE FREIN
BREMSOELLEITUNGEN
TUBAZIONI FRENO
LINHAS DE OLEO DO FREIO
TUBERIAS DE ACEITE DEL FRENO
PUBM1491 -UN-28JUN10
ESTA RELACION DE PIE
60-20 TRACTOR 6110J (EDICION SUDAMERICANA) PC8538S (01-JUL-10)
PN=348
60-21
DIRECCION Y FRENOS
6
1
1
0
POS. NO.PIEZA DESCRIPCION CANT NUM. SERIE J NOTAS
1 19M7163 TORNILLO 1 X M8 X 25
2 AH77724 ABRAZADERA 1 X
3 14M7274 TUERCA 1 X M10
4 L113281 ESPACIADOR 1 X
5 L159212 TUBERIA DE ACEITE 1 X
6 AL80154 ABRAZADERA AR X
7 L62172 MANGUERA 1 X
8 T77613 ANILLO TORICO AR X
9 L114539 PASAMUROS 1 X
10 L100644 PASAMUROS 2 X
11 L111138 MANGUERA 1 X
12 L100851 ABRAZADERA 1 X
13 AL164598 TUBERIA DE ACEITE 1 X RH
14 AL164597 TUBERIA DE ACEITE 1 X LH
15 L41980 ABRAZADERA 1 X
16 19M8263 TORNILLO 1 X M6 X 30
17 AL110276 MANGUERA HIDRAULICA 2 X
18 L53873 ANILLO TORICO 1 X
19 L113347 CONEXION EN T 1 X
20 AL80154 ABRAZADERA AR X
21 L41709 TAPON ROSCADO 1 X
22 51M7041 ANILLO TORICO 1 X
23 L41860 SELLADOR 1 X LOCTITE 648, 10CCM
TRACTOR 6110J (EDICION SUDAMERICANA) PC8538S (01-JUL-10) 60-21
PN=349
60-22
DIRECCION Y FRENOS
BRAKE OIL LINES
CONDUITES D’HUILE DE FREIN
BREMSOELLEITUNGEN
TUBAZIONI FRENO (NOT USATI CON FRENATURA PNEUMATICA PER RIMOCHIO)
LINHAS HIDRAULICAS DO FREIO
TUBERIAS DE ACEITE DEL FRENO
PUBM1492 -UN-28JUN10
ESTA RELACION DE PIE
60-22 TRACTOR 6110J (EDICION SUDAMERICANA) PC8538S (01-JUL-10)
PN=350
60-23
DIRECCION Y FRENOS
6
1
1
0
POS. NO.PIEZA DESCRIPCION CANT NUM. SERIE J NOTAS
1 L101287 ABRAZADERA 2 X
2 51M7041 ANILLO TORICO AR X
3 L100425 RACOR ADAPTADOR AR X
4 61M5002 RACOR ADAPTADOR AR X
5 T77613 ANILLO TORICO 4 X
6 L101561 ABRAZADERA 1 X
7 AL156683 TUBERIA DE FRENOS 1 X RH
8 AL156684 TUBERIA DE FRENOS 1 X LH
9 19M7768 TORNILLO 1 X M6 X 16
10 61M5016 RACOR ACODADO 1 X
11 14M7272 TUERCA 1 X M6
12 14M7273 TUERCA 3 X M8
13 19M7298 TORNILLO 1 X M8 X 35
14 L57382 ABRAZADERA 2 X
15 L102453 VALVULA DE PURGA AR X
16 R47862 TAPA AR X
17 L168610 SOPORTE 1 X
TRACTOR 6110J (EDICION SUDAMERICANA) PC8538S (01-JUL-10) 60-23
PN=351
70-A02
COMPONENTES HIDRAULICOS
XXXXXXXXXXXXXXXXXXXXXXXXXXXXXXXXXXXXXXXXXXXXXXXX SECTIONAL INDEX
XXXXXXXXXXXXXXXXXXXXXXXXXXXXXXXXXXXXXXXXXXXXXXXX INDEX DE SECTION
XXXXXXXXXXXXXXXXXXXXXXXXXXXXXXXXXXXXXXXXXXXXXXXX GRUPPENINDEX
XXXXXXXXXXXXXXXXXXXXXXXXXXXXXXXXXXXXXXXXXXXXXXXX INDICE DELLA SEZIONE
XXXXXXXXXXXXXXXXXXXXXXXXXXXXXXXXXXXXXXXXXXXXXXXX INDICE DE GRUPO
XXXXXXXXXXXXXXXXXXXXXXXXXXXXXXXXXXXXXXXXXXXXXXXX INDICE DE GRUPOS
PUBM1455 -UN-29JUN10
20- 30
21- 32
25- 40
26- 41
70-A02 TRACTOR 6110J (EDICION SUDAMERICANA) PC8538S (01-JUL-10)
PN=352
70-A03
COMPONENTES HIDRAULICOS
XXXXXXXXXXXXXXXXXXXXXXXXXXXXXXXXXXXXXXXXXXXXXXXX SECTIONAL INDEX
XXXXXXXXXXXXXXXXXXXXXXXXXXXXXXXXXXXXXXXXXXXXXXXX INDEX DE SECTION
XXXXXXXXXXXXXXXXXXXXXXXXXXXXXXXXXXXXXXXXXXXXXXXX GRUPPENINDEX
XXXXXXXXXXXXXXXXXXXXXXXXXXXXXXXXXXXXXXXXXXXXXXXX INDICE DELLA SEZIONE
XXXXXXXXXXXXXXXXXXXXXXXXXXXXXXXXXXXXXXXXXXXXXXXX INDICE DE GRUPO
XXXXXXXXXXXXXXXXXXXXXXXXXXXXXXXXXXXXXXXXXXXXXXXX INDICE DE GRUPOS
PUBM1456 -UN-28JUN10
1- 2
2- 4
3- 5
4- 6
5- 7
6- 8
7- 9
8- 10
9- 12
10- 14
11- 16
12- 17
13- 18
TRACTOR 6110J (EDICION SUDAMERICANA) PC8538S (01-JUL-10) 70-A03
PN=353
70-A04
COMPONENTES HIDRAULICOS
XXXXXXXXXXXXXXXXXXXXXXXXXXXXXXXXXXXXXXXXXXXXXXXX SECTIONAL INDEX
XXXXXXXXXXXXXXXXXXXXXXXXXXXXXXXXXXXXXXXXXXXXXXXX INDEX DE SECTION
XXXXXXXXXXXXXXXXXXXXXXXXXXXXXXXXXXXXXXXXXXXXXXXX GRUPPENINDEX
XXXXXXXXXXXXXXXXXXXXXXXXXXXXXXXXXXXXXXXXXXXXXXXX INDICE DELLA SEZIONE
XXXXXXXXXXXXXXXXXXXXXXXXXXXXXXXXXXXXXXXXXXXXXXXX INDICE DE GRUPO
XXXXXXXXXXXXXXXXXXXXXXXXXXXXXXXXXXXXXXXXXXXXXXXX INDICE DE GRUPOS
PUBM1457 -UN-28JUN10
14- 19
15- 20
16- 22
17- 24
18- 26
19- 28
22- 34
23- 36
24- 38
27- 42
28- 44
29- 46
30- 48
31- 50
70-A04 TRACTOR 6110J (EDICION SUDAMERICANA) PC8538S (01-JUL-10)
PN=354
70-A05
COMPONENTES HIDRAULICOS
MEMORANDA
MEMORANDA
MEMORANDA
MEMORANDA
MEMORANDA
MEMORANDA
TRACTOR 6110J (EDICION SUDAMERICANA) PC8538S (01-JUL-10) 70-A05
PN=355
70-2
COMPONENTES HIDRAULICOS
ROCKSHAFT
RELEVAGE
KRAFTHEBER
SOLLEVATORE
LEVANTE HIDRAULICO
ELEVADOR HIDRAULICO
PUBM1366 -UN-28JUN10
ESTA RELACION DE PIE
70-2 TRACTOR 6110J (EDICION SUDAMERICANA) PC8538S (01-JUL-10)
PN=356
70-3
COMPONENTES HIDRAULICOS
6
1
1
0
POS. NO.PIEZA DESCRIPCION CANT NUM. SERIE J NOTAS
1 L112503 APOYO 1 X
2 L79234 CASQUILLO 2 X
3 L168344 EJE OSCILANTE 1 X
4 L79232 RETEN 2 X
5 L79230 ARANDELA 2 X
6 L116615 BRAZO ELEVADOR 1 X
7 L116616 BRAZO ELEVADOR 1 X
8 L77320 ARANDELA 2 X
9 19M8011 TORNILLO 2 X M12 X 30
10 34M7230 PASADOR ELASTICO 2 X
11 24M7361 ARANDELA 8 X
12 L158930 TORNILLO 8 X
13 58M7009 ENGRASADOR 2 X
.. DT5267 GRASA AR X
TRACTOR 6110J (EDICION SUDAMERICANA) PC8538S (01-JUL-10) 70-3
PN=357
70-4
COMPONENTES HIDRAULICOS
POSITION SENSOR, ROCKSHAFT
CAPTEUR DE POSITION DU RELEVAGE
LAGESENSOR, KRAFTHEBER
SENSORE DE POSIZIONE, SOLLEVATORE
SENSOR DE PROFUNDIDADE, LEVANTE HIDRAULICO
SENSOR DE PROFUNDIDAD, ELEVADOR HIDRAULICO
LX024802 -UN-29AUG00
6
1
1
0
POS. NO.PIEZA DESCRIPCION CANT NUM. SERIE J NOTAS
1 L172758 SECTOR 1 X
2 24M7267 ARANDELA 6 X
3 19M7966 TORNILLO 2 X M6 X 25
4 L102324 RETEN 1 X
5 AL176767 SENSOR 1 X
6 L111707 PROTECCION 1 X
7 L113543 TORNILLO 4 X
70-4 TRACTOR 6110J (EDICION SUDAMERICANA) PC8538S (01-JUL-10)
PN=358
70-5
COMPONENTES HIDRAULICOS
LIFT CYLINDER
VERIN DE RELEVAGE
HUBZYLINDER
CILINDRO DI SOLLEVAMENTO
CILINDRO DO LEVANTE
CILINDRO DE ELEVACION
CQ156293 -UN-10MAR05
6
1
1
0
POS. NO.PIEZA DESCRIPCION CANT NUM. SERIE J NOTAS
1 AL110593 CILINDRO HIDRAULICO 2 X
2 AL80708 JUEGO DE RETENES 2 X (WEBER)
AL165199 JUEGO DE RETENES 2 X
3 AL76638 CASQUILLO DE ARTICULACION 4 X
4 40M7103 ANILLO ELASTICO 4 X
5 58M5573 ENGRASADOR 4 X
6 L154750 BULON 2 X
7 L77594 CASQUILLO 2 X
8 R69166 PASADOR 4 X
9 11M7012 PASADOR DE ALETAS 4 X
10 L158223 BULON 2 X
11 T77857 ANILLO TORICO 1 X
12 38H5003 RACOR ADAPTADOR 1 X
13 51M7043 ANILLO TORICO 1 X
TRACTOR 6110J (EDICION SUDAMERICANA) PC8538S (01-JUL-10) 70-5
PN=359
70-6
COMPONENTES HIDRAULICOS
OIL LINES, LIFT CYLINDER
VERIN DE RELEVAGE - CONDUITES HYDRAULIQUES
OELLEITUNGEN, HUBZYLINDER
TUBI OLIO CILINDRO DI SOLLEVAMENTO
MANGUEIRA DO CILINDRO DO LEVANTE
TUBERIAS HIDRAULICAS, CILINDRO ELEVADOR
PUBM1362 -UN-28JUN10
6
1
1
0
POS. NO.PIEZA DESCRIPCION CANT NUM. SERIE J NOTAS
1 38H5003 RACOR ADAPTADOR 2 X
2 T77932 ANILLO TORICO 1 X
3 38H5243 CONEXION EN T 1 X
4 AL164700 MANGUERA HIDRAULICA 1 X
5 T77857 ANILLO TORICO AR X
6 AL164648 MANGUERA HIDRAULICA 1 X
7 51M7043 ANILLO TORICO 2 X
70-6 TRACTOR 6110J (EDICION SUDAMERICANA) PC8538S (01-JUL-10)
PN=360
70-7
COMPONENTES HIDRAULICOS
CABLE, CENTER AND QUICK TACH LINKS
CABLES, BARRES DE POUSSEE ET DE TRACTION A CROCHET
SEILZUEGE, OBER- UND UNTERLENKER MIT FANGHAKEN
CAVO, TERZO PUNTO E PARALLELE CON ATTACCO QUICK TACH
CABOS DO LEVANTE
CABLES, TENSOR CENTRAL Y BARRAS DE TIRO CON GANCHOS DE ACOPL.
PUBM1496 -UN-01JUL10
6
1
1
0
POS. NO.PIEZA DESCRIPCION CANT NUM. SERIE J NOTAS
1 AL32693 CABLE 1 X
2 AL31983 CABLE 1 X
3 L39978 ABRAZADERA 2 X
4 21M7296 TORNILLO 1 X M6 X 20
5 14M7376 TUERCA DE SEGURIDAD 1 X M6
6 24M7244 ARANDELA 1 X
7 L101357 HORQUILLA 1 X
8 21M7292 TORNILLO 1 X M6 X 16
TRACTOR 6110J (EDICION SUDAMERICANA) PC8538S (01-JUL-10) 70-7
PN=361
70-8
COMPONENTES HIDRAULICOS
DRAFT SENSOR, DRAFT LINKS
SONDE DE CONTROLE D’EFFORT (BARRE DE TRACTION)
ZUGKRAFTSENSOR, UNTERLENKER
SENSORE DI TRAINO, PARALLELE
SENSOR DE CONTROLE DE CARGA, BARRA DE TRACAO
SENSOR DE CONTROL DE CARGA, BARRAS DE TIRO
PY003461 -UN-19JAN07
6
1
1
0
POS. NO.PIEZA DESCRIPCION CANT NUM. SERIE J NOTAS
1 L175651 BULON 1 X
2 DT5299 ADHESIVO 1 X
3 DQ53213 SENSOR 2 X
4 AL169481 SENSOR 1 X
5 L80005 ANILLO TORICO 1 X
6 19M8618 TORNILLO 3 X M6 X 12
7 44M7110 PASADOR DE CENTRAJE 2 X
8 15M7062 TAPON DE VACIADO 2 X
9 L101403 ESPARRAGO 2 X
10 L101389 PLACA 1 X
11 L64882 TUERCA CON BRIDA 2 X
12 L172584 PROTECCION 1 X
70-8 TRACTOR 6110J (EDICION SUDAMERICANA) PC8538S (01-JUL-10)
PN=362
70-9
COMPONENTES HIDRAULICOS
ADJUSTABLE STABILIZER BAR, RIGHT OR LEFT
BRAS STABILISATEUR DROIT OU GAUCHE REGLABLE
EINSTELLBARE STABILISIERUNGSSTREBE RECHTS ODER LINKS
BARRA STABILIZZATRICE REGOLABILE, LATO SINISTRO O DESTRO
BARRA ESTABILIZADORA AJUSTAVEL, DIREITA OU ESQUERDA
BARRA ESTABILIZADORA REGULABLE, LADO DERECHO O IZQUIERDO
PUBM1364 -UN-28JUN10
6
1
1
0
POS. NO.PIEZA DESCRIPCION CANT NUM. SERIE J NOTAS
1 24M7090 ARANDELA 4 X
2 12M7070 ARANDELA DE SEGURIDAD 4 X
3 CQ07569 TORNILLO 4 X
4 11M7054 PASADOR DE ALETAS 4 X
5 DQ26015 APOYO 2 X
6 CQ26016 PASADOR 2 X
7 AL201900 BRAZO 2 X
8 CQ25768 CASQUILLO 2 X
9 SU292606 ENGRASADOR 2 X
10 L202150 TUBO 2 X
11 L77493 BULON 2 X
12 SU292160 BLOQUE ESTABILIZADOR 2 X
13 AL201899 ESTABILIZADOR 1 X
14 L202151 PASADOR ELASTICO 2 X
TRACTOR 6110J (EDICION SUDAMERICANA) PC8538S (01-JUL-10) 70-9
PN=363
70-10
COMPONENTES HIDRAULICOS
DRAFT LINK STANDARD
BARRES DE TRACTION STANDARD
STANDARD-UNTERLENKER
PARALLELE STANDARD
BARRA DE TRACAO STANDARD
BARRAS DE TIRO STANDARD
PUBM1360 -UN-28JUN10
6
1
1
0
POS. NO.PIEZA DESCRIPCION CANT NUM. SERIE J NOTAS
1 AL201843 BRAZO INFERIOR 2 X
2 L79610 CASQUILLO 2 X
3 L26943 PASADOR 2 X
4 L79611 MANGUITO 2 X
5 40M7249 ANILLO ELASTICO 2 X
6 L206857 BRAZO INFERIOR 1 X
7 14M7413 TUERCA DE SEGURIDAD 1 X M24
70-10 TRACTOR 6110J (EDICION SUDAMERICANA) PC8538S (01-JUL-10)
PN=364
70-11
COMPONENTES HIDRAULICOS
MEMORANDA
MEMORANDA
MEMORANDA
MEMORANDA
MEMORANDA
MEMORANDA
TRACTOR 6110J (EDICION SUDAMERICANA) PC8538S (01-JUL-10) 70-11
PN=365
70-12
COMPONENTES HIDRAULICOS
DRAFT LINKS WITH HOOKS
BARRES DE TRACTION A CROCHET
UNTERLENKER MIT FANGHAKEN
PARALLELE CON GANCIO
BRACOS DO LEVANTE TIPO HOOK
BARRAS DE TIRO CON GANCHOS
PUBM1497 -UN-29JUN10
ESTA RELACION DE PIE
70-12 TRACTOR 6110J (EDICION SUDAMERICANA) PC8538S (01-JUL-10)
PN=366
70-13
COMPONENTES HIDRAULICOS
6
1
1
0
POS. NO.PIEZA DESCRIPCION CANT NUM. SERIE J NOTAS
1 AL117720 TRINQUETE 1 X
2 L115083 REMACHE 1 X (ORD W/ L115082)
3 L115082 GRILLETE 1 X (ORD W/ L115083)
4 34M7160 PASADOR ELASTICO 1 X
5 L115353 MUELLE DE TRACCION 1 X
6 34M7243 PASADOR ELASTICO 2 X
7 34M7245 PASADOR ELASTICO 1 X
8 14M7413 TUERCA DE SEGURIDAD 1 X M24
9 L111718 SOPORTE 1 X
10 AL32027 GUIA 2 X
11 L79610 CASQUILLO 2 X
12 L26943 PASADOR 2 X
13 L79611 MANGUITO 2 X
14 40M7249 ANILLO ELASTICO 2 X
15 AL163906 BRAZO INFERIOR 1 X RH
AL163905 BRAZO INFERIOR 1 X LH
TRACTOR 6110J (EDICION SUDAMERICANA) PC8538S (01-JUL-10) 70-13
PN=367
70-14
COMPONENTES HIDRAULICOS
LIFT LINKS
BIELLES DE RELEVAGE
HUBSPINDELN
TIRANTI DI SOLLEVAMENTO
TENSORES LATERAIS
TENSORES LATERALES
PUBM1371 -UN-28JUN10
ESTA RELACION DE PIE
70-14 TRACTOR 6110J (EDICION SUDAMERICANA) PC8538S (01-JUL-10)
PN=368
70-15
COMPONENTES HIDRAULICOS
6
1
1
TRACTOR 0
POS. NO.PIEZA DESCRIPCION CANT NUM. SERIE J NOTAS
1 AL201892 TENSOR LATERAL 1 X RH
2 AL201897 TENSOR LATERAL 1 X LH
3 L202138 HUSILLO 1 X
4 L202135 HORCA 1 X
5 L202136 BRAZO 1 X
6 L202137 SOPORTE 1 X
7 L202140 HORCA 1 X
8 L202141 BRAZO 1 X
9 SU292606 ENGRASADOR 2 X
10 L79924 BULON 2 X
11 R69166 PASADOR 2 X
12 11M7012 PASADOR DE ALETAS 2 X
13 L158186 BULON 2 X
14 L156665 TIRA 2 X
15 AL114597 BULON 2 X
16 SU292142 PASADOR AR X
17 L202139 PORTADOR 1 X
18 11M7012 PASADOR DE ALETAS 1 X
19 CQ42968 BOLA 2 X
TRACTOR 6110J (EDICION SUDAMERICANA) PC8538S (01-JUL-10) 70-15
PN=369
70-16
COMPONENTES HIDRAULICOS
CENTER LINK
BARRE DE POUSSEE
OBERLENKER
TIRANTE CENTRALE
TENSOR CENTRAL
TENSOR CENTRAL
PUBM1365 -UN-28JUN10
6
1
1
0
POS. NO.PIEZA DESCRIPCION CANT NUM. SERIE J NOTAS
1 AL201898 BRAZO 1 X
2 AL201863 BRAZO 1 X
3 L202144 UNION 1 X
4 AL201844 TENSOR CENTRAL 1 X
5 SU292606 ENGRASADOR 1 X
6 L202146 MUELLE 1 X
7 L202147 PORTADOR 1 X
8 DQ65036 APOYO 1 X
9 ........ PASADOR DE ALETAS 1 X
10 19M7386 TORNILLO 2 X
70-16 TRACTOR 6110J (EDICION SUDAMERICANA) PC8538S (01-JUL-10)
PN=370
70-17
COMPONENTES HIDRAULICOS
CENTER LINK HOOK (CATEGORY II)
BARRE DE POUSSEE A CROCHET (CATEGORIE II)
OBERLENKER MIT FANGHAKEN (KATEGORIE II)
GANCIO TERZO PUNTO (CATEGORIA II)
BRACO DE LEVANTE CENTRAL TIPO HOOK (CATEGORIA II)
TENSOR LATERAL CON GANCHO (CATEGORIA II)
PUBM1369 -UN-28JUN10
6
1
1
0
POS. NO.PIEZA DESCRIPCION CANT NUM. SERIE J NOTAS
1 L56746 MANGO 1 X
2 34H241 PASADOR ELASTICO 2 X
3 L64295 PALANCA 1 X
4 L35037 ESTRIBO 1 X
5 34M7269 PASADOR ELASTICO 3 X
6 F2823R MUELLE 1 X
7 L64632 BULON 1 X
8 L64634 MUELLE 1 X
9 L42050 BOLA 1 X
10 AL176473 TENSOR CENTRAL 1 X
11 AL159973 EXTREMO DE BRAZO 1 X
12 JD7798 ENGRASADOR 2 X
13 L156788 UNION 1 X
14 AL159971 EXTREMO DE BRAZO 1 X
15 AL67199 PALANCA 1 X
TRACTOR 6110J (EDICION SUDAMERICANA) PC8538S (01-JUL-10) 70-17
PN=371
70-18
COMPONENTES HIDRAULICOS
CENTER LINK BRACKET
BARRE DE POUSSEE - SUPPORT
ANHAENGEBOCK OBERLENKER
SUPPORTO DEL TIRANTE CENTRALE
SUPORTE DO TENSOR CENTRAL
SOPORTE DE ANCLAJE DEL TENSOR CENTRAL
LX000055 -UN-01JAN94
6
1
1
0
POS. NO.PIEZA DESCRIPCION CANT NUM. SERIE J NOTAS
1 L78801 SOPORTE 1 X
2 19M8208 TORNILLO 2 X M16 X 50
3 L158185 BULON 1 X OD 25MM
4 AL14540 PASADOR DE FIJACION RAPIDA 1 X
70-18 TRACTOR 6110J (EDICION SUDAMERICANA) PC8538S (01-JUL-10)
PN=372
70-19
COMPONENTES HIDRAULICOS
HYDRAULIC BLOCK SUPPORTS
SUPPORT POUR BLOC HYDRAULIQUE
HALTERUNGEN FUER HYDRAULIKBLOCK
SUPPORTI GRUPPO IDRAULICO
SUPORTES DO COMANDO HIDRAULICO
SOPORTES PARA BLOQUE HIDRAULICO
PUBM0022 -UN-01SEP08
6
1
1
0
POS. NO.PIEZA DESCRIPCION CANT NUM. SERIE J NOTAS
1 MN10280 APOYO 1 X
2 19M9432 TORNILLO 2 X M18 X 40
3 14M7029 TUERCA 2 X M8
4 12M7065 ARANDELA DE SEGURIDAD 2 X
5 19M7288 TORNILLO 2 X M8 X 30
6 19M7988 TORNILLO 3 X M12 X 30
7 24M7361 ARANDELA 2 X
8 CQ52934 PROTECCION 1 X
9 24M7240 ARANDELA 3 X
TRACTOR 6110J (EDICION SUDAMERICANA) PC8538S (01-JUL-10) 70-19
PN=373
70-20
COMPONENTES HIDRAULICOS
OIL RETURN LINE (ROCKSHAFT VALVE) (60LPM)
CONDUITE DE RETOUR D’HUILE (DISTRIBUTEUR DU RELEVAGE)
OEL- RUECKLAUFLEITUNG (KRAFTHEBERVENTIL)
TUBO RITORNO OLIO (VALVOLA SOLLEVATORE )
RETORNO DE OLEO DO MOTOR DE PASSO (60LPM)
TUBERIA DE RETORNO DE ACEITE (VALVULA DEL ELEVADOR HIDR.) (60LPM)
PUBM1482 -UN-28JUN10
ESTA RELACION DE PIE
70-20 TRACTOR 6110J (EDICION SUDAMERICANA) PC8538S (01-JUL-10)
PN=374
70-21
COMPONENTES HIDRAULICOS
6
1
1
0
POS. NO.PIEZA DESCRIPCION CANT NUM. SERIE J NOTAS
1 L155376 CONEXION 1 X
2 51M7043 ANILLO TORICO 1 X
3 51M7045 ANILLO TORICO 1 X
4 L158359 MANGUERA 1 X
5 AL64588 ABRAZADERA 2 X
6 L158360 CONEXION 1 X
TRACTOR 6110J (EDICION SUDAMERICANA) PC8538S (01-JUL-10) 70-21
PN=375
70-22
COMPONENTES HIDRAULICOS
MOUNTING PARTS, INLET PRIORITY VALVE
SOUPAPE DE PRIORITE - ELEMENTS DE FIXATION
ANBAUTEILE, PRIORITAETSVENTIL
PARTI MONTAGGIO VALVOLA DI PRIORITA’ IN INGRESSO
SUPORTE DA VALVULA PRIORITARIA DE ENTRADA
PIEZAS DE MONTAJE PARA VALVULA DE PRIORIDAD
LX015376 -UN-02OCT96
6
1
1
0
POS. NO.PIEZA DESCRIPCION CANT NUM. SERIE J NOTAS
1 L111085 RETENEDOR 1 X
2 L79006 TORNILLO AR X
3 24M7240 ARANDELA 3 X
4 14M7275 TUERCA AR X M12
5 19M7988 TORNILLO 1 X M12 X 30
6 42M7038 ESPARRAGO 2 X
70-22 TRACTOR 6110J (EDICION SUDAMERICANA) PC8538S (01-JUL-10)
PN=376
70-23
COMPONENTES HIDRAULICOS
MEMORANDA
MEMORANDA
MEMORANDA
MEMORANDA
MEMORANDA
MEMORANDA
TRACTOR 6110J (EDICION SUDAMERICANA) PC8538S (01-JUL-10) 70-23
PN=377
70-24
COMPONENTES HIDRAULICOS
INLET PRIORITY VALVE (60 LPM)
SOUPAPE DE PRIORITE (60 LPM)
PRIORITAETSVENTIL (60 LPM)
VALVOLA DI PRIORITA’ IN INGRESSO (60 LPM)
VALVULA PRIORITARIA DE ENTRADA (60 LPM)
VALVULA DE PRIORIDAD DE ENTRADA (60 LPM)
PUBM1370 -UN-29JUN10
ESTA RELACION DE PIE
70-24 TRACTOR 6110J (EDICION SUDAMERICANA) PC8538S (01-JUL-10)
PN=378
70-25
COMPONENTES HIDRAULICOS
6
1
1
0
POS. NO.PIEZA DESCRIPCION CANT NUM. SERIE J NOTAS
1 AL153389 BLOQUE DE VALVULAS 1 X
2 RE49625 VALVULA DESCARGA DE PRESION 1 X
3 AL170216 JUEGO 1 X
4 RE245952 CORREDERA 1 X
5 R79060 ANILLO TORICO 1 X
6 AL150732 VALVULA DESCARGA DE PRESION 1 X
7 R58832 FILTRO 2 X
8 ........ TORNILLO DE FIJACION 1 X (MF 22H896) ID 1MM
9 R95494 ANILLO TORICO 1 X
10 RE46684 TAPON HERMETICO 3 X
11 R111298 MUELLE DE COMPRESION 1 X
12 RE49624 TAPON HERMETICO 1 X
13 L152324 ANILLO TORICO 1 X
14 R77175 TAPADERA 3 X
15 AL80099 MACHO ACOPLAMIENTO HIDRAUL 3 X
16 T77857 ANILLO TORICO 1 X
17 61M5003 RACOR ADAPTADOR 1 X
18 R132899 ARANDELA AR X
19 R115892 ANILLO 1 X
20 51M7041 ANILLO TORICO 6 X
21 RE62446 JUEGO 1 X
TRACTOR 6110J (EDICION SUDAMERICANA) PC8538S (01-JUL-10) 70-25
PN=379
70-26
COMPONENTES HIDRAULICOS
ROCKSHAFT CONTROL VALVE WITH STEPPERMOTOR
DISTRIBUTEUR DU RELEVAGE ET MOTEUR PAS-A-PAS
KRAFTHEBERVENTIL MIT SCHRITTMOTOR
VALVOLA COMANDO SOLLEVATORE CON STEPPER MOTOR
VALVULA DE CONTROLE DO LEVANTE HIDRAULICO - MOTOR DE PASSO
VALVULA DE CONTROL DEL ELEVADOR HIDRAULICO CON MOTOR DE REGLAJE
PUBM1367 -UN-28JUN10
ESTA RELACION DE PIE
70-26 TRACTOR 6110J (EDICION SUDAMERICANA) PC8538S (01-JUL-10)
PN=380
70-27
COMPONENTES HIDRAULICOS
6
1
1
0
POS. NO.PIEZA DESCRIPCION CANT NUM. SERIE J NOTAS
1 15M7077 TAPON DE VACIADO 2 X
2 51M7045 ANILLO TORICO 2 X
3 L155934 VALVULA 1 X
4 L159026 CARCASA 1 X
5 L78964 ASIENTO DE VALVULA 1 X
6 AL168858 VALVULA DE MANDO ACC. HIDR. 2 X
7 AL79037 JUEGO DE SUPLEMENTOS 1 X
8 AL172261 ELEVADOR HIDRAULICO 1 X
9 L155935 MUELLE DE COMPRESION 1 X
10 AL159011 VALVULA DESCARGA DE PRESION 1 X
11 L59901 ANILLO TORICO 1 X
12 AL181805 MOTOR ELECTRICO 1 X
13 L75747 ANILLO TORICO 1 X
14 26M5447 CHAVETA 1 X
15 19M8618 TORNILLO 4 X M6 X 12
16 24M7267 ARANDELA 4 X
17 R95494 ANILLO TORICO 1 X
18 AL164560 JUEGO DE JUNTAS 1 X
19 AL164561 JUEGO DE JUNTAS 1 X
20 AL80395 JUEGO DE RODAMIENTOS 1 X
21 L37963 TAPA 1 X
22 AL200020 ELEVADOR HIDRAULICO 1 X
23 L100259 ACCESORIO DE CONECTOR ELEC. 1 X
24 51M7048 ANILLO TORICO 1 X
25 L165818 CONO DE VALVULA 1 X
26 61M5243 CONEXION EN T 1 X
27 T77932 ANILLO TORICO 1 X
28 CQ49005 ABRAZADERA 1 X
TRACTOR 6110J (EDICION SUDAMERICANA) PC8538S (01-JUL-10) 70-27
PN=381
70-28
COMPONENTES HIDRAULICOS
CONNECTING PARTS, INLET PRIORITY VALVE (60 LPM)
SOUPAPE DE PRIORITE - RACCORDS (60 LPM)
ANSCHLUSSTEILE, PRIORITAETSVENTIL (60 LPM)
PARTI COLLEGAMENTO VALVOLA DI PRIORITA’ IN INGRESSO (60 LPM)
CONEXOES DA VALVULA DE PRIORIDADE (60 LPM))
VALVULA DE PRIORIDAD - CONEXIONES (60 LPM)
PUBM1498 -UN-28JUN10
6
1
1
0
POS. NO.PIEZA DESCRIPCION CANT NUM. SERIE J NOTAS
1 51M7047 ANILLO TORICO 1 X
2 61M5005 RACOR ADAPTADOR 1 X INCL KEY 1,3
3 T77858 ANILLO TORICO 1 X
4 51M7041 ANILLO TORICO 1 X
5 61M5002 RACOR ADAPTADOR 1 X INCL KEY 4,8
6 T77857 ANILLO TORICO 1 X
7 T77613 ANILLO TORICO 2 X
70-28 TRACTOR 6110J (EDICION SUDAMERICANA) PC8538S (01-JUL-10)
PN=382
70-29
COMPONENTES HIDRAULICOS
MEMORANDA
MEMORANDA
MEMORANDA
MEMORANDA
MEMORANDA
MEMORANDA
TRACTOR 6110J (EDICION SUDAMERICANA) PC8538S (01-JUL-10) 70-29
PN=383
70-30
COMPONENTES HIDRAULICOS
HYDRAULIC PUMP (28CM3)
POMPE HYDRAULIQUE (28CM3)
HYDRAULIKPUMPE (28CM3)
POMPE IDRAULICHE (28CM3)
BOMBA HIDRAULICA(28CM3)
BOMBAS HIDRAULICAS (28CM3)
LX029347 -UN-14JAN02
ESTA RELACION DE PIE
70-30 TRACTOR 6110J (EDICION SUDAMERICANA) PC8538S (01-JUL-10)
PN=384
70-31
COMPONENTES HIDRAULICOS
6
1
1
0
POS. NO.PIEZA DESCRIPCION CANT NUM. SERIE J NOTAS
1 AL156335 BOMBA HIDRAULICA 1 X 28CM3 / 200BAR
2 L77317 JUNTA 1 X
3 19M7988 TORNILLO 4 X M12 X 30
4 L64500 SELLADOR 1 X LOCTITE 574
5 AL114392 RACOR ADAPTADOR 1 X
6 19M7785 TORNILLO 2 X M10 X 25
TRACTOR 6110J (EDICION SUDAMERICANA) PC8538S (01-JUL-10) 70-31
PN=385
70-32
COMPONENTES HIDRAULICOS
OIL LINES AND CONNECTING PARTS (HYDRAULIC PUMP 28CM3)
CONDUITES HYDRAULIQUES ET ELEMENTS DE RACCORDEMENT (POMPE HYDRAULIQUE 28CM3)
OELLEITUNGEN UND ANSCHLUSSTEILE (HYDRAULIKPUMPE 28CM3)
TUBI OLIO E RACCORDI (POMPA IDRAULICA 28CM3)
LINHAS DE OLEO E CONEXOES PARA BOMBA DE (BOMBA HIDRAULICA 28CM3)
TUBERIAS DE ACEITE Y RACORES (BOMBA HIDRAULICA 28CM3)
LX028111 -UN-19OCT01
ESTA RELACION DE PIE
70-32 TRACTOR 6110J (EDICION SUDAMERICANA) PC8538S (01-JUL-10)
PN=386
70-33
COMPONENTES HIDRAULICOS
6
1
1
0
POS. NO.PIEZA DESCRIPCION CANT NUM. SERIE J NOTAS
1 51M7047 ANILLO TORICO 2 X
2 61M5005 RACOR ADAPTADOR 2 X INCL KEYS 1, 3
3 T77858 ANILLO TORICO 2 X
4 AL114404 MANGUERA HIDRAULICA 1 X
5 AL165144 MANGUERA 1 X
6 AL114812 ABRAZADERA 2 X
7 L116560 MANGUERA 1 X
8 51M7100 ANILLO TORICO 1 X
9 AL157760 MANGUERA HIDRAULICA 1 X
10 AL112193 VALVULA DESCARGA DE PRESION 1 X
11 51M7041 ANILLO TORICO 2 X
12 L100802 CONEXION 1 X
13 AL37489 ABRAZADERA 4 X
14 L34995 ANILLO TORICO 1 X
15 AL78652 RACOR ACODADO 1 X
16 L111479 MANGUERA 1 X LGTH 325MM
17 L102179 CONEXION DE MANGUERA 1 X
18 51M7043 ANILLO TORICO 1 X
19 51M7048 ANILLO TORICO 2 X
20 AL155008 MANGUITO 2 X
21 L111412 MANGUERA 1 X
22 L115460 RACOR ADAPTADOR 1 X
23 19M7660 TORNILLO 4 X M8 X 20
24 L171572 ABRAZADERA 2 X
25 51M7103 ANILLO TORICO 1 X
TRACTOR 6110J (EDICION SUDAMERICANA) PC8538S (01-JUL-10) 70-33
PN=387
70-34
COMPONENTES HIDRAULICOS
SELECTIVE CONTROL VALVE (301 SERIES)
DISTRIBUTEUR AUXILIAIRE (SERIE 301)
ZUSATZSTEUERGERAET (SERIE 301)
DISTRIBUTORE IDRAULICO (SERIE 301)
VALVULA DE CONTROLE REMOTO (SERIE 301)
VALVULA DE MANDO A DISTANCIA (SERIE 301)
PUBM1483 -UN-28JUN10
ESTA RELACION DE PIE
70-34 TRACTOR 6110J (EDICION SUDAMERICANA) PC8538S (01-JUL-10)
PN=388
70-35
COMPONENTES HIDRAULICOS
6
1
1
0
POS. NO.PIEZA DESCRIPCION CANT NUM. SERIE J NOTAS
1 AL171119 VALVUL.DE MANDO A DISTANCIA 1 X
2 E69117 ANILLO TORICO 2 X
3 L152323 ANILLO TORICO 1 X
4 R26976 ANILLO TORICO 1 X
5 AL118383 BRIDA 1 X
6 R95493 DISCO 1 X
7 R111238 MUELLE DE COMPRESION 1 X
8 19M7768 TORNILLO 1 X M6 X 16
9 R111242 TAPON HERMETICO 1 X
10 R95491 EMPUNADURA 1 X
11 25H723 PASADOR ACANALADO 1 X
12 19M8706 TORNILLO 3 X M6 X 75
13 R111288 CONO DE VALVULA 2 X
14 R95494 ANILLO TORICO 1 X
15 R95490 EMPUNADURA 1 X
16 R111308 ANILLO 2 X
17 R113228 TAPON 1 X
18 34H184 PASADOR ELASTICO 1 X
19 R241161 ANILLO TORICO 1 X
20 RE49624 TAPON HERMETICO 2 X
21 L152324 ANILLO TORICO 2 X
22 RE239125 KIT DE CONTROL 1 X
23 R126667 RETEN 1 X
24 RE246313 KIT DE REPARACION 1 X
25 RE50384 KIT DE REPARACION 1 X
26 RE50385 JUEGO 1 X
27 L152325 ANILLO TORICO 1 X
28 L152326 ANILLO TORICO 1 X
29 R118192 ARANDELA DE SEGURIDAD 3 X
30 R118092 JUNTA AR X
31 P47889 ANILLO TORICO AR X
32 R113218 ANILLO REFORZADOR 1 X
33 R111527 ANILLO TORICO 1 X
34 R111504 ANILLO REFORZADOR 1 X
35 R117942 ANILLO TORICO 1 X
36 R113229 ANILLO TORICO 1 X
37 R113223 ANILLO REFORZADOR 1 X
38 R113224 ANILLO TORICO 1 X
39 R113226 ANILLO TORICO 1 X
40 L102154 TAPON 1 X
L102155 TAPON 1 X
.. R117738 GRASA 1 X 270G
TRACTOR 6110J (EDICION SUDAMERICANA) PC8538S (01-JUL-10) 70-35
PN=389
70-36
COMPONENTES HIDRAULICOS
REPAIR KIT SELETIVE CONTROL VALVE (301 SERIE)
JEU DE REPARATION - DISTRIBUTEUR AUXILIAIRE (SERIE 301)
REPARATURSATZ ZUSATZSTEUERGERAET (SERIE 301)
KIT REPARAZIONE PER DISTRIBUTORE (SERIE 301)
KIT DE REPARO DAS VALVULAS DE CONTROLE REMOTO (SERIE 301)
CONJUNTO DE REPARACION VALVULA DE MANDO A DISTANCIA (SERIE 301)
LX024971 -UN-14NOV00
ESTA RELACION DE PIE
70-36 TRACTOR 6110J (EDICION SUDAMERICANA) PC8538S (01-JUL-10)
PN=390
70-37
COMPONENTES HIDRAULICOS
6
1
1
0
POS. NO.PIEZA DESCRIPCION CANT NUM. SERIE J NOTAS
1 RE241164 KIT DE REPARACION 1 X
TRACTOR 6110J (EDICION SUDAMERICANA) PC8538S (01-JUL-10) 70-37
PN=391
70-38
COMPONENTES HIDRAULICOS
REPAIR KIT SELETIVE CONTROL VALVE (301 SERIE)
JEU DE REPARATION - DISTRIBUTEUR AUXILIAIRE (SERIE 301)
REPARATURSATZ ZUSATZSTEUERGERAET (SERIE 301)
KIT REPARAZIONE PER DISTRIBUTORE (SERIE 301)
KIT DE REPARO DAS VALVULAS DE CONTROLE REMOTO (SERIE 301)
CONJUNTO DE REPARACION VALVULA DE MANDO A DISTANCIA (SERIE 301)
CQ157330 -UN-
ESTA RELACION DE PIE
70-38 TRACTOR 6110J (EDICION SUDAMERICANA) PC8538S (11-JAN-11)
PN=392
70-39
COMPONENTES HIDRAULICOS
6
1
1
0
POS. NO.PIEZA DESCRIPCION CANT NUM. SERIE J NOTAS
1 RE67001 KIT DE REPARACION 1 X
2 RE49628 JUEGO 1 X
3 RE172250 JUEGO 1 X
4 RE49632 JUEGO 1 X
TRACTOR 6110J (EDICION SUDAMERICANA) PC8538S (11-JAN-11) 70-39
PN=393
70-40
COMPONENTES HIDRAULICOS
HYDRAULIC PUMP DRIVE
ELEMENTS D’ENTREINEMENT DE LA POMPE HYDRAULIQUE
ANTRIEBSTEILE FUER HYDRAULIKPUMPE
COMANDO POMPA IDRAULICA
ACIONAMENTO BOMBA DE CARGA E HIDRAULICA
ACCIONAMIENTO BOMBA DE CARGA E HIDRUALICA
LX003073 -UN-01JAN94
6
1
1
0
POS. NO.PIEZA DESCRIPCION CANT NUM. SERIE J NOTAS
1 L77774 MANGUITO 1 X
2 AL82960 RODAMIENTO RODILLOS CONICOS 2 X
3 L155492 ENGRANAJE CONICO 1 X 60LPM
4 L75889 MANGUITO 1 X
5 L114773 ANILLO AR X
R48745 ANILLO ELASTICO AR X TK 1.93MM
R48746 ANILLO ELASTICO AR X TK 2.01MM
R48749 ANILLO ELASTICO AR X TK 2.24MM
R48750 ANILLO ELASTICO AR X TK 2.31MM
L78784 ANILLO ELASTICO AR X TK 2.38MM
R96515 ANILLO ELASTICO AR X TK 2.45MM
L78785 ANILLO ELASTICO AR X TK 2.52MM
R96517 ANILLO ELASTICO AR X TK 2.60MM
6 44M7146 PASADOR DE CENTRAJE 1 X
7 L155244 ENGRANAJE CONICO 1 X Z 29
8 R48747 ANILLO ELASTICO AR X TK 2.08MM
R48748 ANILLO ELASTICO AR X TK 2.16MM
70-40 TRACTOR 6110J (EDICION SUDAMERICANA) PC8538S (01-JUL-10)
PN=394
70-41
COMPONENTES HIDRAULICOS
HYDRAULIC OIL FILTERS
FILTRES A HUILE HYDRAULIQUE
HYDRAULIKOELFILTER
FILTRO OLIO IDRAULICO
FILTRO DE OLEO HIDRAULICO
FILTRO DE ACEITE HIDRAULICO
PUBM1484 -UN-30JUN10
6
1
1
0
POS. NO.PIEZA DESCRIPCION CANT NUM. SERIE J NOTAS
1 AL160772 CABEZA DE FILTRO 1 X
2 24M7096 ARANDELA 4 X
3 19M7166 TORNILLO 2 X M10 X 20
4 AL155008 MANGUITO 2 X
5 51M7048 ANILLO TORICO 2 X
6 L171572 ABRAZADERA 2 X
7 51M7101 ANILLO TORICO 2 X
8 51M7100 ANILLO TORICO 1 X
9 15M7076 TAPON DE VACIADO 1 X
10 51M7041 ANILLO TORICO 1 X
11 AL160773 CABEZA DE FILTRO 1 X
12 AL203061 FILTRO DE ACEITE 1 X (INCL. KEY 14)
13 AL160761 CARCASA DEL FILTRO 1 X
14 R56757 ANILLO TORICO 1 X
15 DQ62060 APOYO 1 X
16 14M7274 TUERCA 2 X M10
TRACTOR 6110J (EDICION SUDAMERICANA) PC8538S (01-JUL-10) 70-41
PN=395
70-42
COMPONENTES HIDRAULICOS
SELECTIVE CONTROL VALVE (101 SERIES)
DISTRIBUTEUR AUXILIAIRE (SERIE 101)
ZUSATZSTEUERGERAET (SERIE 101)
DISTRIBUTORE IDRAULICO (SERIE 101)
VALVULA DE CONTROLE (SERIES 101)
VALVULA DE MANDO A DISTANCIA (SERIE 101)
PUBM1485 -UN-28JUN10
ESTA RELACION DE PIE
70-42 TRACTOR 6110J (EDICION SUDAMERICANA) PC8538S (01-JUL-10)
PN=396
70-43
COMPONENTES HIDRAULICOS
6
1
1
0
POS. NO.PIEZA DESCRIPCION CANT NUM. SERIE J NOTAS
1 AL160825 VALVUL.DE MANDO A DISTANCIA AR X
2 T77857 ANILLO TORICO 1 X
3 R241161 ANILLO TORICO 2 X
4 R111206 RETEN 1 X
5 R111278 CONO DE VALVULA AR X
6 P60266 MUELLE 1 X
7 R113211 MANGUITO 1 X
8 R95493 DISCO 1 X
9 R95494 ANILLO TORICO 1 X
10 19M8705 TORNILLO 2 X M6 X 65
11 AL118383 BRIDA 1 X
12 19M7768 TORNILLO 2 X M6 X 16
13 R113228 TAPON 1 X
14 L37733 ANILLO TORICO 1 X
TRACTOR 6110J (EDICION SUDAMERICANA) PC8538S (01-JUL-10) 70-43
PN=397
70-44
COMPONENTES HIDRAULICOS
REPAIR KITS SELECTIVE CONTROL VALVE 100 ,101
JEUX DE REPARATION - DISTRIBUTEUR AUXILIAIRE 100, 101
REPARATURSAETZE ZUSATZSTEUERGERAET 100, 101
KITS RIPARAZIONE PER DISTRIBUTORE 100, 101
KIT DE REPAROS DA VALVULA DE CONTROLE 100,101
CONJUNTOS DE REPARACION VALVULA DE MANDO A DISTANCIA 100, 101
LX008293 -UN-
ESTA RELACION DE PIE
70-44 TRACTOR 6110J (EDICION SUDAMERICANA) PC8538S (11-JAN-11)
PN=398
70-45
COMPONENTES HIDRAULICOS
6
1
1
0
POS. NO.PIEZA DESCRIPCION CANT NUM. SERIE J NOTAS
1 RE50333 KIT DE TORNILLERIA 1 X
2 RE50334 KIT DE RETENCION 1 X
3 RE50332 JUEGO DE RETENES 1 X
4 RE50385 JUEGO 1 X
TRACTOR 6110J (EDICION SUDAMERICANA) PC8538S (11-JAN-11) 70-45
PN=399
70-46
COMPONENTES HIDRAULICOS
END COVER
COUVERCLE
ABSCHLUSSDECKEL
FONDELLO
TAMPAS DO COMANDO
TAPA
LXA003684 -UN-01JAN94
ESTA RELACION DE PIE
70-46 TRACTOR 6110J (EDICION SUDAMERICANA) PC8538S (01-JUL-10)
PN=400
70-47
COMPONENTES HIDRAULICOS
6
1
1
0
POS. NO.PIEZA DESCRIPCION CANT NUM. SERIE J NOTAS
1 R95494 ANILLO TORICO 1 X
2 AL77680 TAPADERA 1 X RH
3 U42902 ANILLO TORICO 1 X
4 H63283 ANILLO TORICO 1 X
5 T75984 ANILLO TORICO 1 X
6 19M8678 TORNILLO AR X M10 X 22
7 R95616 ESPARRAGO 3 X M10 X 1 X 141
8 19M8664 TORNILLO 3 X M10 X 70
9 14M7148 TUERCA AR X M10
10 AL77028 TAPADERA 1 X LH
11 Z29304 ANILLO TORICO 1 X
12 L169844 ESPARRAGO 3 X M10 X 1 X 85
TRACTOR 6110J (EDICION SUDAMERICANA) PC8538S (01-JUL-10) 70-47
PN=401
70-48
COMPONENTES HIDRAULICOS
QUICK DISCONNECT COUPLERS
ACCOUPLEMENT RAPIDE
SCHNELLKUPPLUNG
GIUNTI RAPIDI
ENGATE RAPIDO
ACOPLAMIENTO HIDRAULICO RAPIDO
PUBM1388 -UN-28JUN10
ESTA RELACION DE PIE
70-48 TRACTOR 6110J (EDICION SUDAMERICANA) PC8538S (01-JUL-10)
PN=402
70-49
COMPONENTES HIDRAULICOS
6
1
1
0
POS. NO.PIEZA DESCRIPCION CANT NUM. SERIE J NOTAS
1 AJ58437 HEMBRA ACOPLAMIENTO HIDRAUL 1 X 3/4"
2 CQ30150 UNION DE RACOR 1 X 3/4"
3 CQ33591 RACOR ADAPTADOR 1 X 3/4"
4 RE268228 TAPA 1 X GREEN/VERT/GRUEN/VERDE/VERDE/VERDE/GROEN
RE268229 TAPA 1 X GREEN/VERT/GRUEN/VERDE/VERDE/VERDE/GROEN
RE268230 TAPA 1 X BLUE/BLEU/BLAU/AZZURRO/AZUL/AZUL/BLA
RE268231 TAPA 1 X BLUE/BLEU/BLAU/AZZURRO/AZUL/AZUL/BLA
5 51M7045 ANILLO TORICO AR X
6 AL166180 HEMBRA ACOPLAMIENTO HIDRAUL AR X LGTH 95MM
7 40M7102 ANILLO ELASTICO 1 X
8 AL166745 JUEGO DE RETENES 1 X FASTERN
9 AL112953 JUEGO DE RETENES 1 X FASTERN
10 L112370 TAPADERA 1 X
TRACTOR 6110J (EDICION SUDAMERICANA) PC8538S (01-JUL-10) 70-49
PN=403
70-50
COMPONENTES HIDRAULICOS
HYDRAULIC CONTROL SPACER
BLOC D’ECARTEMENT POUR COMMANDE HYDRAULIQUE
DISTANZBLOCK FUER HYDRAULIKSTEUERUNG
DISTANZIATORE COMANDO IDRAULICO
ESPACADOR DO COMANDO HIDRAULICO
ESPACIADOR DE SISTEMA CONTROL HIDRAULICO
CQ302459 -UN-25JAN08
6
1
1
0
POS. NO.PIEZA DESCRIPCION CANT NUM. SERIE J NOTAS
1 R95494 ANILLO TORICO AR X
2 R95493 DISCO AR X
3 AL117977 TORNILLO 1 X
4 51M7052 ANILLO TORICO 1 X
5 51M7045 ANILLO TORICO 1 X
6 15M7077 TAPON DE VACIADO 2 X
7 51M7041 ANILLO TORICO 1 X
8 15M7076 TAPON DE VACIADO 1 X
9 AL161388 ESPACIADOR 1 X
70-50 TRACTOR 6110J (EDICION SUDAMERICANA) PC8538S (01-JUL-10)
PN=404
80-A01
BASTIDOR, EJES DELANT., PIEZAS DE CHAPA, VARIOS
SECTIONAL INDEX
INDEX DE SECTION
GRUPPENINDEX
INDICE DELLA SEZIONE
INDICE DE GRUPO
INDICE DE GRUPOS
PUBM1446 -UN-28JUN10
1- 1
2- 2
3- 4
4- 6
5- 7
6- 8
7- 10
8- 12
9- 14
10- 16
11- 18
12- 19
13- 20
26- 40
27- 41
30- 46
31- 47
TRACTOR 6110J (EDICION SUDAMERICANA) PC8538S (01-JUL-10) 80-A01
PN=405
80-A02
BASTIDOR, EJES DELANT., PIEZAS DE CHAPA, VARIOS
SECTIONAL INDEX
INDEX DE SECTION
GRUPPENINDEX
INDICE DELLA SEZIONE
INDICE DE GRUPO
INDICE DE GRUPOS
PUBM1447 -UN-28JUN10
14- 21
15- 22
16- 23
17- 24
18- 26
19- 28
20- 30
21- 32
22- 34
23- 36
24- 38
25- 39
28- 42
29- 44
80-A02 TRACTOR 6110J (EDICION SUDAMERICANA) PC8538S (01-JUL-10)
PN=406
80-1
BASTIDOR, EJES DELANT., PIEZAS DE CHAPA, VARIOS
MAIN FRAME AND MOUNTING PARTS
CHASSIS PRINCIPAL ET ELEMENTS DE FIXATION
HAUPTRAHMEN UND ANBAUTEILE
TELAIO PRINCIPALE E PARTI DI MONTAGGIO
CHASSI E PECAS DE MONTAGEM
BASTIDOR PRINCIPAL Y PIEZAS DE MONTAJE
PUBM1391 -UN-28JUN10
6
1
1
0
POS. NO.PIEZA DESCRIPCION CANT NUM. SERIE J NOTAS
1 DQ68990 BASTIDOR DE EXTENSION 1 X RH
2 DQ68991 BASTIDOR DE EXTENSION 1 X LH
3 L170688 TRAVESANO 1 X
4 AL162970 SOPORTE EJE DELANTERO 1 X
5 L114874 BULON 2 X
6 19M8639 TORNILLO 10 X M20 X 70
7 19M7946 TORNILLO 8 X M20 X 40
8 L165048 CASQUILLO 4 X
9 24M7242 ARANDELA AR X
10 L153099 TORNILLO 4 X
11 L158414 SOPORTE EJE DELANTERO 1 X
12 14M7168 TUERCA DE SEGURIDAD 1 X M12
13 L114339 PROTECCION DE MANGUERA 1 X
14 L168634 APOYO 1 X
15 L114178 ABRAZADERA 1 X
16 19M7166 TORNILLO 1 X M10 X 20
17 14M7294 TUERCA 1 X M10
18 19M3167 TORNILLO 1 X M12 X 60
19 24M7043 ARANDELA 1 X 12 X 25 X 3 MM
20 12M7067 ARANDELA DE SEGURIDAD 1 X 12 MM
21 L113446 PLACA 8 X
.. DT5267 GRASA 1 X
TRACTOR 6110J (EDICION SUDAMERICANA) PC8538S (01-JUL-10) 80-1
PN=407
80-2
BASTIDOR, EJES DELANT., PIEZAS DE CHAPA, VARIOS
HOOD SUPPORT
SUPPORT DE CAPOT
HAUBENSTUETZE
SUPPORTO COFANO
SUPORTE DO CAPO
SOPORTE DEL CAPO
PUBM1385 -UN-28JUN10
ESTA RELACION DE PIE
80-2 TRACTOR 6110J (EDICION SUDAMERICANA) PC8538S (01-JUL-10)
PN=408
80-3
BASTIDOR, EJES DELANT., PIEZAS DE CHAPA, VARIOS
6
1
1
0
POS. NO.PIEZA DESCRIPCION CANT NUM. SERIE J NOTAS
1 AL154573 PORTAFUSIBLE 1 X
2 24M7055 ARANDELA 5 X 8.400 X 16 X 1.600 MM
3 19M7865 TORNILLO 27 X M8 X 16
4 AL162701 SOPORTE 1 X
5 14M7029 TUERCA 10 X M8
6 AL162703 SOPORTE 4 X
7 L158278 APOYO 1 X LH
8 L158277 APOYO 1 X RH
9 AL162729 APOYO 1 X RH
10 AL162730 APOYO 1 X LH
11 AL158053 APOYO 1 X
12 AL158151 BANDA DE GUARNICION 1 X LGTH 1920MM
13 AL169335 APOYO 1 X 4CYL
AL205085 APOYO 1 X MW 4CYL
14 L152658 AISLANTE 1 X LGTH 1485MM
15 L152663 BURLETE 1 X
16 L157826 PORTADOR 2 X
17 L153842 PORTADOR 1 X
18 L173476 GANCHO 1 X
19 14M7140 TUERCA 2 X M10
20 L155965 MANGUITO 2 X
21 L155966 PASAMUROS 2 X
22 L169323 APOYO 2 X
23 L157769 GUIA 2 X
24 16M7114 REMACHE 2 X
25 24M7139 ARANDELA 4 X 6.400 X 18 X 1.600 MM
26 L153768 ABRAZADERA AR X
27 L79919 PASAMUROS 1 X
28 AL162699 PLACA 1 X
29 AL163193 BANDA DE GUARNICION 1 X LGTH 1380MM
30 L167473 ESPACIADOR 4 X
31 19M7785 TORNILLO 4 X M10 X 25
32 24M7178 ARANDELA 4 X 10.500 X 30 X 2.500 MM
33 AL167617 PROTECCION ANTITERMICA 1 X
34 CQ04738 AISLANTE 1 X
35 14M7273 TUERCA 4 X M8
36 AL164643 BISAGRA 1 X
37 L167363 TIRA/ALFOMBRILLA 1 X
38 L167362 TIRA/ALFOMBRILLA 1 X
39 CQ62312 AISLANTE 2 X
40 L101519 ABRAZADERA 1 X
41 19M7166 TORNILLO 1 X M10 X 20
42 24M7028 ARANDELA 2 X 10.500 X 20 X 2 MM
43 14M7029 TUERCA AR X M8
44 14M7347 TUERCA 10 X
45 MN10413 REVESTIMIENTO 1 X
46 19M7866 TORNILLO 1 X
47 CQ61656 CORAZA 1 X
48 L167365 TIRA/ALFOMBRILLA 1 X
49 L158306 AISLANTE 1 X
50 L155510 PROTECCION ANTITERMICA 1 X
51 19M7162 TORNILLO 3 X M8 X 16
52 19M7163 TORNILLO 1 X
53 14M7298 TUERCA CON BRIDA 1 X
54 L158279 AISLANTE 2 X
55 19M7864 TORNILLO 6 X
TRACTOR 6110J (EDICION SUDAMERICANA) PC8538S (01-JUL-10) 80-3
PN=409
80-4
BASTIDOR, EJES DELANT., PIEZAS DE CHAPA, VARIOS
HOOD AND RADIATOR GRILLE
CAPOT ET GRILLE DU RADIATEUR
HAUBE UND KUEHLERGRILL
COFANO E GRIGLIA RADIATORE
CAPO E GRADE DO RADIADOR
CAPO Y PARRILLA DEL RADIADOR
PUBM1421 -UN-28JUN10
ESTA RELACION DE PIE
80-4 TRACTOR 6110J (EDICION SUDAMERICANA) PC8538S (01-JUL-10)
PN=410
80-5
BASTIDOR, EJES DELANT., PIEZAS DE CHAPA, VARIOS
6
1
1
0
POS. NO.PIEZA DESCRIPCION CANT NUM. SERIE J NOTAS
1 AL202768 CAPO 1 X INC KEYS 2, 3, 4, 5, 6, 7, 8, 9, 10, 11,
12, 13, 14, 15, 16, 17
2 L203436 CAPO 1 X
3 L203435 CAPO 1 X LH
4 L203433 CAPO 1 X RH
5 L203437 CAPO 1 X
6 L203438 BRIDA 1 X
7 R263120 TORNILLO 30 X
8 L203490 TORNILLO 8 X
9 AL203444 SOPORTE 1 X
10 AL203843 SOPORTE 1 X
11 14M7233 TUERCA SOLDABLE 2 X
12 AL203634 SOPORTE 1 X LH
13 AL203635 SOPORTE 1 X RH
14 L204116 SOPORTE 1 X
15 AL164643 BISAGRA 2 X RH
16 AL157407 BULON 1 X
17 R30437 ANILLO ELASTICO 2 X
18 AL174451 VENTANA DE AIREACION 1 X RH
19 37M7179 TORNILLO 18 X
20 AL174452 VENTANA DE AIREACION 1 X LH
21 DQ63432 CILINDRO DE GAS 2 X
22 L78979 ESPARRAGO CON BOLA 2 X
23 14M7273 TUERCA 4 X
24 L157398 ENREJADO 1 X
25 L155181 ENREJADO 1 X
26 L155596 ENREJADO 1 X LH
27 L155597 ENREJADO 1 X RH
28 37M7240 TORNILLO 26 X
29 16M7119 REMACHE 8 X
30 AL157575 PESTILLO 1 X
31 19M8703 TORNILLO 2 X
32 L153536 VASTAGO 1 X
33 R169906 MECANISMO 1 X
34 37M7181 TORNILLO 2 X
35 L156573 TIRA 1 X
36 AL156954 CUERDA 1 X
37 L175019 MEDALLON 1 X
38 L111800 CASQUILLO 2 X
39 CQ62315 PASAMUROS 2 X
.. L200689 ADHESIVO 1 X
TRACTOR 6110J (EDICION SUDAMERICANA) PC8538S (01-JUL-10) 80-5
PN=411
80-6
BASTIDOR, EJES DELANT., PIEZAS DE CHAPA, VARIOS
MAIN FRAME BASIC WEIGHT
CHASSIS PRINCIPAL SUPPORT DE MASSES
HAUPTRAHMEN-GRUNDGEWICHT
TELAIO PORTANTE PESO DI BASE
SUPORTE DOS PESOS FRONTAIS
CHASIS PRINCIPAL CONTRAPESO BASE
CQ155655 -UN-01JUL04
6
1
1
0
POS. NO.PIEZA DESCRIPCION CANT NUM. SERIE J NOTAS
1 CQ29519 APOYO 1 X 70KG
2 19M7620 TORNILLO 4 X M20 X 130
3 C2214E ARANDELA 4 X
80-6 TRACTOR 6110J (EDICION SUDAMERICANA) PC8538S (01-JUL-10)
PN=412
80-7
BASTIDOR, EJES DELANT., PIEZAS DE CHAPA, VARIOS
ADDITIONAL FRONT WEIGHTS
MASSES FRONTALES
FRONTZUSATZGEWICHTE
PESI ANTERIORI ADDIZIONALI
PESOS DIANTEIROS
CONTRAPESOS DELANTEROS ADICIONALES
PUBM1415 -UN-01JUL10
6
1
1
0
POS. NO.PIEZA DESCRIPCION CANT NUM. SERIE J NOTAS
1 T32146 BULON 1 X
2 L18955 PASADOR DE FIJACION RAPIDA 1 X
3 L38450 LASTRE 2 X RH
4 19M7411 TORNILLO 2 X M16 X 130
5 L38449 LASTRE 2 X LH
6 24M7241 ARANDELA 2 X
7 12M7069 ARANDELA DE SEGURIDAD 2 X
8 DQ70291 RETENEDOR 2 X
TRACTOR 6110J (EDICION SUDAMERICANA) PC8538S (01-JUL-10) 80-7
PN=413
80-8
BASTIDOR, EJES DELANT., PIEZAS DE CHAPA, VARIOS
FRONT WHEELS
ROUES AVANT REGLABLES
VORDERRAEDER SPURWEITENVERSTELLBAR
RUOTE ANTERIORI, CARREGGIATA REGOLABILE
RODAS DIANTEIRAS
RUEDAS DELANTERAS CON ANCHO DE VIA AJUSTABLE
PUBM1368 -UN-28JUN10
ESTA RELACION DE PIE
80-8 TRACTOR 6110J (EDICION SUDAMERICANA) PC8538S (01-JUL-10)
PN=414
80-9
BASTIDOR, EJES DELANT., PIEZAS DE CHAPA, VARIOS
6
1
1
0
POS. NO.PIEZA DESCRIPCION CANT NUM. SERIE J NOTAS
1 DQ34723 ARO DE LLANTA 2 X 11.2-28 R1 6PR
DQ30260 ARO DE LLANTA 2 X 14.9-26 R1 12PR
DQ30262 ARO DE LLANTA 2 X 16.9-24 R4 8PR
DQ30256 ARO DE LLANTA 2 X 14.9-24 R2 8PR
2 CQ29426 TORNILLO 16 X
L41560 TORNILLO 16 X 14.9-24 R1 R2 8PR
3 CQ30872 DISCO DE RUEDA 2 X 11.2-28 R1 6PR
CQ30867 DISCO DE RUEDA 2 X 14.9-26 R1 12PR
CQ30870 DISCO DE RUEDA 2 X 16.9-24 R4 8PR
4 CQ29427 TUERCA 16 X 5/8"
14M7276 TUERCA 16 X 14.9-24 R1 R2 8PR
5 CQ29428 ARANDELA 16 X
L115344 ARANDELA 16 X 14.9-24 R1 R2 8PR
6 DQ20973 TUERCA CON BRIDA 16 X
7 AZ33725 CAMARA 2 X 14.9-24 R1 R2 8PR; 16.9-24 R4 8PR
CQ26128 CAMARA 2 X 14.9-26 R1 12PR
DQ37643 CAMARA 2 X 12.4-36R1 6PR-275
CQ34453 CAMARA 2 X 11.2-28 R1 6PR
8 CQ26127 CUBIERTA DE NEUMATICO 2 X 14.9-26 R1 12PR
CQ41341 CUBIERTA DE NEUMATICO 2 X 16.9-24 R4 8PR
CQ47188 CUBIERTA DE NEUMATICO 2 X 14.9-24 R1 8PR
CQ66248 CUBIERTA DE NEUMATICO 2 X 14.9-24 R2 8PR
CQ37642 CUBIERTA DE NEUMATICO 2 X 12.4-36 R1 6PR
CQ34452 CUBIERTA DE NEUMATICO 2 X 11.2-28 R1 6PR
9 DQ26126 RUEDA 2 X 14.9-26 R1 12PR
DQ28326 RUEDA 2 X 16.9-24 R4 8PR
RE261134 CENTRO DE RUEDA Y LLANTA 2 X 14.9-24 R1 R2 8PR
DQ37676 RUEDA 2 X 12.4-36R1 6PR
DQ31503 RUEDA 2 X 11.2-28 R1 6PR
.. DQ59493 RUEDA CON NEUMATICO 1 X 14.9-24 R2 8PR
TRACTOR 6110J (EDICION SUDAMERICANA) PC8538S (01-JUL-10) 80-9
PN=415
80-10
BASTIDOR, EJES DELANT., PIEZAS DE CHAPA, VARIOS
STEEL DISK REAR WHEELS
ROUES ARRIERE ACIER
STAHL-HINTERRAEDER
RUOTE POSTERIORI CON DISCO IN ACCIAIO
RODAS TRASEIRAS DE ACO
RUEDAS TRASERAS DE ACERO
CQ151406 -UN-18MAY05
6
1
1
0
POS. NO.PIEZA DESCRIPCION CANT NUM. SERIE J NOTAS
1 CQ07843 CUBIERTA DE NEUMATICO 2 X 23.1/18-30 R1 12PR FL
CQ66250 CUBIERTA DE NEUMATICO 2 X 23.1-30 R2 10PR FL
2 CQ07844 CAMARA 2 X 23.1-30
3 DQ48452 RUEDA 2 X 23.1-30 R1 12PR FL
4 CQ50357 ANILLO 2 X
5 19M9433 TORNILLO 16 X M20 X 70
80-10 TRACTOR 6110J (EDICION SUDAMERICANA) PC8538S (01-JUL-10)
PN=416
80-11
BASTIDOR, EJES DELANT., PIEZAS DE CHAPA, VARIOS
MEMORANDA
MEMORANDA
MEMORANDA
MEMORANDA
MEMORANDA
MEMORANDA
TRACTOR 6110J (EDICION SUDAMERICANA) PC8538S (01-JUL-10) 80-11
PN=417
80-12
BASTIDOR, EJES DELANT., PIEZAS DE CHAPA, VARIOS
REAR WHEELS, ADJUSTABLE
ROUES ARRIERE REGLABLES
HINTERRAEDER, SPURWEITENVERSTELLBAR
RUOTE POSTERIORI CARREGGIATA REGOLABILE
RODAS TRASEIRAS COM DISCO DE ACO
RUEDAS TRASERAS CON DISCO DE ACERO
CQ155196 -UN-30SEP03
ESTA RELACION DE PIE
80-12 TRACTOR 6110J (EDICION SUDAMERICANA) PC8538S (01-JUL-10)
PN=418
80-13
BASTIDOR, EJES DELANT., PIEZAS DE CHAPA, VARIOS
6
1
1
0
POS. NO.PIEZA DESCRIPCION CANT NUM. SERIE J NOTAS
1 CQ29426 TORNILLO 16 X 5/8"
L41560 TORNILLO 16 X
2 CQ29428 ARANDELA 16 X 5/8"
L115344 ARANDELA 16 X
3 CQ29427 TUERCA 16 X 5/8"
14M7276 TUERCA 16 X
4 DQ34723 ARO DE LLANTA 2 X 11.2-28 R1 6PR
AL110764 LLANTA 2 X 18.4-34 R4 12PR FL; 18.4-34 R1 FL 10PR
DQ30877 ARO DE LLANTA 2 X 18.4-38 R1 FL 10PR
5 19M9433 TORNILLO 16 X M20 X 70
L31683 TORNILLO 16 X 19.050 X 40 MM, 13.6-46 R2 PC 6PR
6 CQ50357 ANILLO 2 X
7 CQ50662 RUEDA 2 X 34" 18.4-38 R1 FL 10PR
CQ30867 DISCO DE RUEDA 2 X 24" 14.9-26 R1 12PR
CQ30872 DISCO DE RUEDA 2 X 11.2-28 R1 6PR
R206171 DISCO DE RUEDA 2 X 18.4-34 R4 12PR FL; 18.4-34 R1 FL 10PR
8 CQ28088 CUBIERTA DE NEUMATICO 2 X 18.4-38 R1 PC 10PR
CQ34452 CUBIERTA DE NEUMATICO 2 X 11.2-28 R1 6PR
CQ41340 CUBIERTA DE NEUMATICO 2 X 18.4-34 R4 PC AERO ;18.4-34 R4 12PR FL
CQ07843 CUBIERTA DE NEUMATICO 2 X 23.1-30 R1 12PR FL; 23.1-30 R1 PC 12PR
9 RE23542 CAMARA 2 X 18.4-34 R4 PC AERO ;18.4-34 R4 12PR FL
R23551 CAMARA 2 X 18.4-38 R1 PC 10PR; 18.4-38 R1 FL 10PR
CQ34453 CAMARA 2 X 11.2-28 R1 6PR
CQ07844 CAMARA 2 X 23.1-30 R1 R2 12PR 10PR FL PC
10 DQ48453 RUEDA 2 X ORDER RE206170
RE206170 CENTRO DE RUEDA Y LLANTA 2 X 18.4-34 R4 12PR FL; 18.4-34 R1 FL 10PR
DQ50588 RUEDA 2 X 18.4-38 R1 FL 10PR
11 DQ48452 RUEDA 2 X 23.1-30 R1 12PR FL; 23.1-30 R2 10PR FL
12 L115418 ARANDELA 16 X 13.6-46 R2 PC 6PR
TRACTOR 6110J (EDICION SUDAMERICANA) PC8538S (01-JUL-10) 80-13
PN=419
80-14
BASTIDOR, EJES DELANT., PIEZAS DE CHAPA, VARIOS
CAST REAR (R)
ROUES (R)
HINTERRAEDER (R)
RUOTE (R)
RODAS PARA EIXO PINHAO E CREMALHEIRA (R)
RUEDAS (R)
PUBM1355 -UN-28JUN10
ESTA RELACION DE PIE
80-14 TRACTOR 6110J (EDICION SUDAMERICANA) PC8538S (01-JUL-10)
PN=420
80-15
BASTIDOR, EJES DELANT., PIEZAS DE CHAPA, VARIOS
6
1
1
0
POS. NO.PIEZA DESCRIPCION CANT NUM. SERIE J NOTAS
1 R109147 TORNILLO 8 X 18.4-38 R1 PC 10PR
19H1782 TORNILLO 6 X 18.4-34 R4 PC AERO
2 R99437 ARANDELA 10 X
12H236 ARANDELA DE SEGURIDAD 10 X 18.4-34 R4 PC AERO
3 J53701 CASQUILLO 2 X 18.4-34 R4 PC AERO
R111101 SEMIMANGUITO 2 X 18.4-38 R1 PC 10PR
4 R124104 PINON 2 X
A4379R PINON 2 X 18.4-34 R4 PC AERO
5 CQ65207 PASADOR 2 X
R83588 EJE DE MANDO 2 X 18.4-34 R4 PC AERO
6 CQ32109 DISCO AR X 23.1-30 R1 PC 12PR
CQ65139 DISCO 2 X 23.1-30 R2 10PR PC, 23.1-30 R1 PC 12PR
7 CQ66643 DISCO 2 X 18.4-38 R1 PC 10PR AND 15.5-38 R1 6PR PC
CQ33856 DISCO 2 X 18.4-34 R4 PC AERO
8 12H245 ARANDELA DE SEGURIDAD 6 X
9 R109823 TORNILLO 6 X
10 R41012 RUEDA 2 X 18.4-38 R1 PC 10PR
J53401 LLANTA 2 X 18.4-34 R1 PC 10PR; 18.4-34 R4 PC AERO
R34659 LLANTA 2 X 23.1-30 R1 PC 12PR ; 23.1-30 R2 10PR PC
CQ34080 LLANTA 2 X 13.6-38 R1 PC 6PR
CQ34081 RUEDA 2 X 15.5-38 R1 6PR PC
11 14H800 TUERCA 16 X
12 L38141 ABRAZADERA 16 X
13 08H4373 TORNILLO 16 X
14 R111009 TORNILLO 4 X
15 A4883R ANILLO ELASTICO 8 X
16 J53702 CASQUILLO 2 X 18.4-34 R4 PC AERO
R124247 SEMIMANGUITO 2 X 18.4-38 R1 PC 10PR; 23.1-30 R1 PC 12PR;
23.1-30 R2 10PR PC; 15.5-38 R1 6PR PC
17 R73380 ANILLO ELASTICO 2 X
18 CQ07843 CUBIERTA DE NEUMATICO 2 X 23.1-30 R1 12PR FL; 23.1-30 R1 PC 12PR
CQ28088 CUBIERTA DE NEUMATICO 2 X 18.4-38 R1 PC 10PR; 18.4-38 R1 FL 10PR
CQ26740 CUBIERTA DE NEUMATICO 2 X 18.4-34 R1 PC 10PR; 18.4-34 R1 FL 10PR
CQ26159 CUBIERTA DE NEUMATICO 2 X 23.1-30 R2 8 LONAS
CQ66250 CUBIERTA DE NEUMATICO 2 X 23.1-30 R2 10PR FL; 23.1-30 R2 10PR PC
CQ25620 CUBIERTA DE NEUMATICO 2 X 13.6-38 R1 PC 6PR
CQ40864 CUBIERTA DE NEUMATICO 2 X 15.5-38 R1 6PR PC
L112367 CUBIERTA DE NEUMATICO 2 X 13.6-46 R2 PC 6PR
.. AL112664 CUBIERTA DE NEUMATICO 2 X 13.6-46 R2 PC 6PR
TRACTOR 6110J (EDICION SUDAMERICANA) PC8538S (01-JUL-10) 80-15
PN=421
80-16
BASTIDOR, EJES DELANT., PIEZAS DE CHAPA, VARIOS
CAST REAR (R)
ROUES (R)
HINTERRAEDER (R)
RUOTE (R)
RODAS PARA EIXO PINHAO E CREMALHEIRA (R)
RUEDAS (R)
PUBM1356 -UN-28JUN10
ESTA RELACION DE PIE
80-16 TRACTOR 6110J (EDICION SUDAMERICANA) PC8538S (01-JUL-10)
PN=422
80-17
BASTIDOR, EJES DELANT., PIEZAS DE CHAPA, VARIOS
6
1
1
0
POS. NO.PIEZA DESCRIPCION CANT NUM. SERIE J NOTAS
1 CQ07844 CAMARA 2 X WITH 23.1-30 R1 12PR FL; 23.1-30 R1 PC 1
2PR; 23.1-30 R2 10PR FL; 23.1-30 R2 10 PR
PC
R23551 CAMARA 2 X WITH 18.4-38 R1 PC 10PR; 18.4-38 R1 FL 10
PR
RE23542 CAMARA 2 X WITH 18.4-34 R4 PC AERO; 18.4-34 R4 12PR FL
CQ25621 CAMARA 2 X WITH 13.6-38 R1 PC 6PR
CQ25614 CAMARA 2 X WITH 15.5-38 R1 6PR PC
AL39876 CAMARA 2 X WITH 13.6-46 R2 PC 6PR
2 J53262 ABRAZADERA 16 X WITH 18.4-34 R4 PC AERO; 18.4-34 R1 PC 1
0PR; 23.1-30 R1 PC 12PR; 23.1-30 R2 10 PR
PC
3 R34801R TORNILLO 16 X WITH 18.4-34 R4 PC AERO; 18.4-34 R1 PC 1
0PR; 23.1-30 R1 PC 12PR; 23.1-30 R2 10 PR
PC
4 J55278 TAPON 2 X
5 L34029 CUBO 2 X WITH 13.6-46 R2 PC 6PR
6 R73380 ANILLO ELASTICO 2 X
7 R111010 TUERCA 4 X
8 08H4419 TORNILLO 6 X
9 R58303 TORNILLO 6 X
10 AL157374 RUEDA 2 X WITH 13.6-46 R2 PC 6PR
11 R125475 PASADOR 6 X
.. AL112664 CUBIERTA DE NEUMATICO 2 X WITH 13.6-46 R2 PC 6PR
TRACTOR 6110J (EDICION SUDAMERICANA) PC8538S (01-JUL-10) 80-17
PN=423
80-18
BASTIDOR, EJES DELANT., PIEZAS DE CHAPA, VARIOS
WEIGHTS
MASSES DE LESTAGE
ZUSATZGEWICHTE
PESI
CONTRAPESOS
CONTRAPESOS
PUBM1490 -UN-28JUN10
6
1
1
0
POS. NO.PIEZA DESCRIPCION CANT NUM. SERIE J NOTAS
1 19M7609 TORNILLO 6 X M16 X 90
R81272 TORNILLO 6 X (USE WITH RE206170)
2 24M7049 ARANDELA 12 X 17.500 X 30 X 3 MM
3 14M7142 TUERCA 12 X M16
4 CQ26402 TORNILLO AR X
5 L28228 LASTRE 4 X (55KG)
6 CQ27184 ESPACIADOR 6 X
R190726 ESPACIADOR 6 X (USE WITH RE206170)
80-18 TRACTOR 6110J (EDICION SUDAMERICANA) PC8538S (01-JUL-10)
PN=424
80-19
BASTIDOR, EJES DELANT., PIEZAS DE CHAPA, VARIOS
WEIGHTS
MASSES DE LESTAGE
ZUSATZGEWICHTE
PESI
CONTRAPESOS
CONTRAPESOS
PUBM1489 -UN-28JUN10
6
1
1
0
POS. NO.PIEZA DESCRIPCION CANT NUM. SERIE J NOTAS
1 L28228 LASTRE 4 X (55KG)
2 CQ26402 TORNILLO AR X
3 R34801R TORNILLO 16 X
4 CQ16408 ARANDELA 12 X
5 14H800 TUERCA 16 X 5/8"
TRACTOR 6110J (EDICION SUDAMERICANA) PC8538S (01-JUL-10) 80-19
PN=425
80-20
BASTIDOR, EJES DELANT., PIEZAS DE CHAPA, VARIOS
WEIGHTS
MASSES DE LESTAGE
ZUSATZGEWICHTE
PESI
CONTRA PESOS
CONTRAPESOS
CQ151633 -UN-26OCT01
6
1
1
0
POS. NO.PIEZA DESCRIPCION CANT NUM. SERIE J NOTAS
1 19M7343 TORNILLO 6 X M16 X 60
2 L28230 LASTRE 2 X (38,5KG)
3 24M7049 ARANDELA 12 X 17.500 X 30 X 3 MM
4 14M7142 TUERCA 12 X M16
5 CQ27128 TORNILLO AR X M16 X 100
6 CQ26402 TORNILLO AR X M16 X 160
7 L28228 LASTRE 4 X (55KG)
80-20 TRACTOR 6110J (EDICION SUDAMERICANA) PC8538S (01-JUL-10)
PN=426
80-21
BASTIDOR, EJES DELANT., PIEZAS DE CHAPA, VARIOS
FWD-AXLE
PONT AVANT
FRONTANTRIEBSACHSE
ASSALE TRAZIONE ANTERIORE
EIXO DE TRACAO DIANTEIRO
EJE DE TRACCION DELANTERA
CQ157147 -UN-05DEC05
6
1
1
0
POS. NO.PIEZA DESCRIPCION CANT NUM. SERIE J NOTAS
1 DQ61022 EJE DELANTERO 1 X
TRACTOR 6110J (EDICION SUDAMERICANA) PC8538S (01-JUL-10) 80-21
PN=427
80-22
BASTIDOR, EJES DELANT., PIEZAS DE CHAPA, VARIOS
FWD, UNIVERSAL JOINTED SHAFT
PONT AVANT - ARBRE DE TRANSMISSION
FRONTANTRIEB, GELENKWELLE
TRAZ. ANTER., ALBERO CARDANICO
CARDA DO EIXO DIANTEIRO
TRACCION DELANTERA, EJE DE TRANSMISION ARTICULADO
PUBM1392 -UN-28JUN10
6
1
1
0
POS. NO.PIEZA DESCRIPCION CANT NUM. SERIE J NOTAS
1 DQ36680 CARDA 1 X
2 CQ43005 CAMBIADOR 2 X
3 DQ43003 MANGUITO 1 X
4 DQ43004 CRUCETA CARDAN 2 X
5 CQ43006 BRIDA 1 X
6 19M8552 TORNILLO 4 X M12 X 25
80-22 TRACTOR 6110J (EDICION SUDAMERICANA) PC8538S (01-JUL-10)
PN=428
80-23
BASTIDOR, EJES DELANT., PIEZAS DE CHAPA, VARIOS
ANTI-WRAP GUARD (MFWD-AXLE WITHOUT TLS)
PONT AVANT NON SUSPENDU (SANS TLS), PROTECTION ANTIENROULEMENT
WICKELSCHUTZ (FRONTANTRIEBSACHSE OHNE TLS)
PROTEZIONE ANTIAVVOLGIMENTO (ASSALE TRAZIONE ANTERIORE SENZA TLS)
PROTECAO (EIXO DIANTEIRO SEM SUSPENSAO)
PROTECCION ANTIENROLLAMIENTO (EJE DE TDM SIN SUSPENSION TLS)
PY014346 -UN-10FEB09
6
1
1
0
POS. NO.PIEZA DESCRIPCION CANT NUM. SERIE J NOTAS
1 AL110487 PROTECCION 1 X
2 19M7784 TORNILLO 2 X M10 X 20
3 L157928 SOPORTE 1 X
4 19M7288 TORNILLO 2 X M8 X 30
5 19M7864 TORNILLO 2 X M8 X 12
6 L175783 PROTECCION 1 X
TRACTOR 6110J (EDICION SUDAMERICANA) PC8538S (01-JUL-10) 80-23
PN=429
80-24
BASTIDOR, EJES DELANT., PIEZAS DE CHAPA, VARIOS
BEVEL GEAR SET, FWD-AXLE
PONT AVANT - JEU DE PIGNONS CONIQUES
KEGELRADSATZ, FRONTANTRIEBSACHSE
GRUPPO INGRANAGGI CONICI, ASSALE TRAZIONE ANTERIORE
ACIONAMENTO DO EIXO DIANTEIRO
CONJUNTO DE ENGRANAJES CONICOS (EJE DE TDM)
PUBM1504 -UN-29JUN10
ESTA RELACION DE PIE
80-24 TRACTOR 6110J (EDICION SUDAMERICANA) PC8538S (01-JUL-10)
PN=430
80-25
BASTIDOR, EJES DELANT., PIEZAS DE CHAPA, VARIOS
6
1
1
0
POS. NO.PIEZA DESCRIPCION CANT NUM. SERIE J NOTAS
1 CQ29345 GUARDACABO 2 X
2 CQ50408 TUERCA 1 X
3 CQ50410 ARANDELA 1 X
4 CQ27241 TAPON 2 X
5 CQ27990 BRIDA 1 X
6 CQ45134 CASQUILLO 2 X
7 L100230 PROTECCION 1 X
8 CQ67641 RETENEDOR 1 X
9 AL111096 COJINETE 1 X
10 CQ27195 ESPACIADOR 1 X TK 11.30MM
CQ27196 ESPACIADOR 1 X TK 11.33MM
CQ27197 ESPACIADOR 1 X TK 11.36MM
CQ27198 ESPACIADOR 1 X TK 11.39MM
CQ27199 ESPACIADOR 1 X TK 11.42MM
CQ27200 ESPACIADOR 1 X TK 11.45MM
CQ27201 ESPACIADOR 1 X TK 11.48MM
CQ27202 ESPACIADOR 1 X TK 11.51MM
CQ27203 ESPACIADOR 1 X TK 11.54MM
CQ27204 ESPACIADOR 1 X TK 11.57MM
CQ27205 ESPACIADOR 1 X TK 11.60MM
CQ27206 ESPACIADOR 1 X TK 11.63MM
CQ27207 ESPACIADOR 1 X TK 11.68MM
CQ27208 ESPACIADOR 1 X TK 11.69MM
CQ27209 ESPACIADOR 1 X TK 11.72MM
CQ27210 ESPACIADOR 1 X TK 11.75MM
CQ27211 ESPACIADOR 1 X TK 11.78MM
CQ27212 ESPACIADOR 1 X TK 11.81MM
CQ27213 ESPACIADOR 1 X TK 11.84MM
CQ27214 ESPACIADOR 1 X TK 11.87MM
CQ27215 ESPACIADOR 1 X TK 11.90MM
CQ27216 ESPACIADOR 1 X TK 11.93MM
CQ27217 ESPACIADOR 1 X TK 11.96MM
CQ27218 ESPACIADOR 1 X TK 11.99MM
CQ27219 ESPACIADOR 1 X TK 12.02MM
CQ27220 ESPACIADOR 1 X TK 12.05MM
CQ27221 ESPACIADOR 1 X TK 12.08MM
CQ27222 ESPACIADOR 1 X TK 12.11MM
CQ27223 ESPACIADOR 1 X TK 12.14MM
CQ27224 ESPACIADOR 1 X TK 12.17MM
CQ27225 ESPACIADOR 1 X TK 12.20MM
CQ27226 ESPACIADOR 1 X TK 12.23MM
CQ27227 ESPACIADOR 1 X TK 11.15MM
CQ27228 ESPACIADOR 1 X TK 11.18MM
CQ27229 ESPACIADOR 1 X TK 11.21MM
CQ27230 ESPACIADOR 1 X TK 11.24MM
CQ27231 ESPACIADOR 1 X TK 11.27MM
TRACTOR 6110J (EDICION SUDAMERICANA) PC8538S (01-JUL-10) 80-25
PN=431
80-26
BASTIDOR, EJES DELANT., PIEZAS DE CHAPA, VARIOS
BEVEL GEAR SET, FWD-AXLE
PONT AVANT, JEU DE PIGNONS CONIQUES
KEGELRADSATZ, FRONTANTRIEBSACHSE
GRUPPO INGRANAGGI CONICI, ASSALE 4WD
ACIONAMENTO DO EIXO DIANTEIRO
CAJA DE ENGRANAJES CONICOS, EJE DE TDM
PUBM1504 -UN-29JUN10
ESTA RELACION DE PIE
80-26 TRACTOR 6110J (EDICION SUDAMERICANA) PC8538S (01-JUL-10)
PN=432
80-27
BASTIDOR, EJES DELANT., PIEZAS DE CHAPA, VARIOS
6
1
1
0
POS. NO.PIEZA DESCRIPCION CANT NUM. SERIE J NOTAS
11 L40272 ESPACIADOR 1 X TK 1.2MM
L40982 ARANDELA 1 X TK 1.0MM
L40983 ARANDELA 1 X TK 1.05MM
L40984 ARANDELA 1 X TK 1.1MM
L40985 ARANDELA 1 X TK 1.15MM
L40987 ARANDELA 1 X TK 1.25MM
L40988 ARANDELA 1 X TK 1.3MM
L40989 ARANDELA 1 X TK 1.35MM
L40990 ARANDELA 1 X TK 1.40MM
L40991 ARANDELA 1 X TK 1.45MM
L40992 ARANDELA 1 X TK 1.5MM
L40993 ARANDELA 1 X TK 1.55MM
L40994 ARANDELA 1 X TK 1.6MM
L40995 ARANDELA 1 X TK 0.9MM
L40996 ARANDELA 1 X TK 0.95MM
L55606 SUPLEMENTO 1 X TK 0.65MM
L55607 SUPLEMENTO 1 X TK 0.70MM
L55608 SUPLEMENTO 1 X TK 0.75MM
L55610 ARANDELA 1 X TK 0.85MM
12 AL79794 RODAMIENTO RODILLOS CONICOS 1 X
TRACTOR 6110J (EDICION SUDAMERICANA) PC8538S (01-JUL-10) 80-27
PN=433
80-28
BASTIDOR, EJES DELANT., PIEZAS DE CHAPA, VARIOS
FWD-AXLE, KNUCKLE HOUSING
PONT AVANT, CARTER DE FUSEE
FRONTANTRIEBSACHSE, GELENKGEHAEUSE
CORPO SNODO ASSALE TRAZIONE ANTERIORE
CARCACA DE ARTICULACAO
TRACCION DELANTERA, CAJA DE MANGUETA
PUBM1430 -UN-28JUN10
ESTA RELACION DE PIE
80-28 TRACTOR 6110J (EDICION SUDAMERICANA) PC8538S (01-JUL-10)
PN=434
80-29
BASTIDOR, EJES DELANT., PIEZAS DE CHAPA, VARIOS
6
1
1
0
POS. NO.PIEZA DESCRIPCION CANT NUM. SERIE J NOTAS
1 19M8011 TORNILLO 12 X M12 X 30
2 CQ27251 ARBOL 4 X
3 CQ50412 ANILLO TORICO 4 X
4 L55594 TAPA DE COJINETE 1 X
5 CQ27250 CONO DEL COJINETE 4 X
6 DQ28725 CRUCETA CARDAN 4 X
7 L40552 ENGRASADOR 4 X
8 L63127 SUPLEMENTO 2 X TK 0.2MM
L63128 SUPLEMENTO 1 X TK 0.3MM
L41006 ARANDELA 1 X TK 0.4MM
L40075 ARANDELA 1 X TK 1.0MM
9 CQ27248 CARCASA 1 X RH
CQ27249 CARCASA 1 X LH
10 CQ64646 TORNILLO 2 X
11 CQ27298 TUERCA 2 X
12 CQ27243 ANILLO ELASTICO 2 X
13 L60088 CASQUILLO 2 X
14 CQ27244 RETENEDOR 2 X
15 CQ27989 RETENEDOR 2 X
16 DQ31200 ARTICULACION 2 X
17 DQ28542 CAMBIADOR 1 X
18 CQ50411 ARBOL 2 X
19 CQ50413 CAMBIADOR 1 X
20 CQ64112 ANILLO ELASTICO 16 X
21 DQ28540 CAMBIADOR 2 X
22 DQ28539 ENGRASADOR 4 X
TRACTOR 6110J (EDICION SUDAMERICANA) PC8538S (01-JUL-10) 80-29
PN=435
80-30
BASTIDOR, EJES DELANT., PIEZAS DE CHAPA, VARIOS
STEERING CYLINDER PARTS
ELEMENTS DU VERIN DE DIRECTION
LENKZYLINDER-EINZELTEILE
GRUPPO CILINDRO STERZO
CILINDRO DA DIRECAO
COMPONENTES-CILINDRO DIRECION
PUBM1436 -UN-28JUN10
ESTA RELACION DE PIE
80-30 TRACTOR 6110J (EDICION SUDAMERICANA) PC8538S (01-JUL-10)
PN=436
80-31
BASTIDOR, EJES DELANT., PIEZAS DE CHAPA, VARIOS
6
1
1
0
POS. NO.PIEZA DESCRIPCION CANT NUM. SERIE J NOTAS
1 L40282 ANILLO TORICO 1 X
2 L41216 RETEN 2 X
3 L41164 RETEN 2 X
4 CQ64250 GUIA 1 X
5 L53888 ANILLO TORICO 1 X LAN641 75X81X3
L40283 ANILLO TORICO 1 X LAN461 76X82X3
6 L40071 CAJA DE CILINDRO HIDRAULICO 1 X
7 DQ67132 BARRA DE DIRECCION 2 X
8 L41171 SUPLEMENTO 1 X TK 0.5MM
L41172 SUPLEMENTO 1 X TK 0.6MM
L41173 SUPLEMENTO 1 X TK 0.7MM
L41174 SUPLEMENTO 1 X TK 0.8MM
L41175 SUPLEMENTO 1 X TK 0.9MM
9 CQ64251 GUIA 1 X
10 19M8122 TORNILLO 5 X M12 X 85
11 DQ64254 RETEN 1 X
12 CQ64253 GUIA VASTAGO CILINDRO HIDR. 4 X
13 CQ27307 VASTAGO 1 X
14 CQ27308 ANILLO ELASTICO 1 X
15 L40005 ARANDELA 1 X
16 L40205 ANILLO 2 X
17 L40284 ANILLO TORICO 1 X
18 CQ64249 PISTON 1 X
19 CQ64252 GUIA VASTAGO CILINDRO HIDR. 2 X
20 DQ64254 RETEN 1 X
21 DQ67133 EXTREMO BARRA DIRECCION 2 X
22 DQ67134 EXTREMO BARRA DIRECCION 2 X
23 14M5409 TUERCA 2 X M20
24 CQ64111 TUERCA 1 X
TRACTOR 6110J (EDICION SUDAMERICANA) PC8538S (01-JUL-10) 80-31
PN=437
80-32
BASTIDOR, EJES DELANT., PIEZAS DE CHAPA, VARIOS
MULTIPLE DISK SELF-LOCK. DIFFERENTIAL, FWD-AXLE
PONT AVANT MOTEUR - DIFFERENTIEL A BLOCAGE MULTIDISQUE
LAMELLENSPERRDIFFERENTIAL, FRONTANTRIEBSACHSE
ASSALE TRAZIONE ANTERIORE, DIFFERENZ. A BLOCCAGGIO
DIFERENCIAL E CARCACA DO EIXO DIANTEIRO
EJE DE TDM, DIFERENCIAL DE BLOQUE MULTIDISCO
PUBM1386 -UN-28JUN10
ESTA RELACION DE PIE
80-32 TRACTOR 6110J (EDICION SUDAMERICANA) PC8538S (01-JUL-10)
PN=438
80-33
BASTIDOR, EJES DELANT., PIEZAS DE CHAPA, VARIOS
6
1
1
0
POS. NO.PIEZA DESCRIPCION CANT NUM. SERIE J NOTAS
1 CQ29344 CHAPA 2 X
2 CQ27245 RETENEDOR 2 X
3 CQ27246 ANILLO ELASTICO 2 X
4 CQ27244 RETENEDOR 1 X
5 L60088 CASQUILLO 2 X
6 19M7174 TORNILLO 30 X M16 X 50
7 L40274 ARANDELA 30 X
8 CQ29345 GUARDACABO 2 X
9 L40273 ANILLO TORICO 1 X
10 L40272 ESPACIADOR 1 X TK 1.2MM
L40982 ARANDELA 1 X
L40983 ARANDELA 1 X TK 1.05MM
L40984 ARANDELA 1 X TK 1.1MM
L40985 ARANDELA 1 X TK 1.15MM
L40987 ARANDELA 1 X TK 1.25MM
L40988 ARANDELA 1 X TK 1.3MM
L40989 ARANDELA 1 X TK 1.35MM
L40990 ARANDELA 1 X TK 1.40MM
L40991 ARANDELA 1 X TK 1.45MM
L40992 ARANDELA 1 X TK 1.5MM
L40993 ARANDELA 1 X TK 1.55MM
L40994 ARANDELA 1 X TK 1.6MM
L40995 ARANDELA 1 X TK 0.9MM
L40996 ARANDELA 1 X TK 0.95MM
L55606 SUPLEMENTO 1 X TK 0.65MM
L55607 SUPLEMENTO 1 X TK 0.70MM
L55608 SUPLEMENTO 1 X TK 0.75MM
L55610 ARANDELA 1 X TK 0.85MM
11 JD37087 RODAMIENTO RODILLOS CONICOS 2 X
12 34M7135 PASADOR ELASTICO 4 X
13 DQ27253 GRUPO CONICO 1 X
14 AL38020 DIFERENCIAL 1 X
15 L40003 DISCO CON DENTADO INTERIOR 8 X
16 CQ27730 DISCO CON DENTADO EXTERIOR AR X TK 1.2MM
L35577 DISCO CON DENTADO EXTERIOR AR X TK 1.3MM
L62420 DISCO CON DENTADO EXTERIOR AR X TK 1.4MM
17 L40130 DISCO CON DENTADO INTERIOR 2 X TK 3.2MM
18 CQ27234 UNITU DENTADA 2 X
19 L39983 EJE DIFERENCIAL 2 X
20 L101698 ENGRANAJE CONICO 4 X
21 L40253 ARANDELA 4 X
22 L40254 SECTOR 4 X
23 19M8119 TORNILLO 12 X M12 X 130
24 L204993 TUERCA DE SEGURIDAD 2 X TK 17 MM
25 AL32877 RESPIRADERO 1 X
26 19M7921 TORNILLO 1 X M20 X 150
27 L78006 ESPACIADOR 2 X
28 A31870 TUERCA DE SEGURIDAD AR X
29 L114874 BULON 2 X
30 19M7907 TORNILLO 1 X M20 X 140
31 CQ45134 CASQUILLO 2 X
32 L78009 ARANDELA 1 X
33 L41005 SUPLEMENTO 2 X TK 0.1MM
L41004 SUPLEMENTO 1 X TK 0.2MM
L41003 SUPLEMENTO 1 X TK 0.3MM
L101689 SUPLEMENTO 1 X TK 0.45MM
L41001 SUPLEMENTO 1 X TK 0.5MM
L41000 SUPLEMENTO 1 X TK 0.6MM
L112212 ARANDELA 1 X TK 0.7MM
L40999 ARANDELA 1 X TK 0.8MM
L112214 ARANDELA 1 X TK 0.85MM
L112215 ARANDELA 1 X TK 0.9MM
L40998 ARANDELA 1 X TK 1.0MM
L112217 ARANDELA 1 X TK 1.1MM
L112218 ARANDELA 1 X TK 1.15MM
TRACTOR 6110J (EDICION SUDAMERICANA) PC8538S (01-JUL-10) 80-33
PN=439
80-34
BASTIDOR, EJES DELANT., PIEZAS DE CHAPA, VARIOS
FWD-AXLE, HOUSING
CARTER DE PONT AVANT
FRONTANTRIEBSACHSE, GEHAEUSE
ASSALE TRAZIONE ANTERIORE, SCATOLA
CARCACA DO EIXO DIANTEIRO
CAJA DEL EJE DE TDM
PUBM0952 -UN-03JUN09
ESTA RELACION DE PIE
80-34 TRACTOR 6110J (EDICION SUDAMERICANA) PC8538S (01-JUL-10)
PN=440
80-35
BASTIDOR, EJES DELANT., PIEZAS DE CHAPA, VARIOS
6
1
1
0
POS. NO.PIEZA DESCRIPCION CANT NUM. SERIE J NOTAS
1 CQ64245 PUENTE 1 X
2 19M7174 TORNILLO 30 X M16 X 50
3 L40274 ARANDELA 30 X
4 L40273 ANILLO TORICO 2 X
5 CQ64248 CARCASA 1 X
6 CQ29345 GUARDACABO 2 X
7 CQ45134 CASQUILLO 2 X
8 CQ64246 PUENTE 1 X
9 AL32877 RESPIRADERO 1 X
10 CQ27241 TAPON 2 X
TRACTOR 6110J (EDICION SUDAMERICANA) PC8538S (01-JUL-10) 80-35
PN=441
80-36
BASTIDOR, EJES DELANT., PIEZAS DE CHAPA, VARIOS
FWD-AXLE, KNUCKLE HOUSING
PONT AVANT, CARTER DE FUSEE
FRONTANTRIEBSACHSE, GELENKGEHAEUSE
CORPO SNODO ASSALE TRAZIONE ANTERIORE
CARCACA DA ARTICULACAO E PLANETARIA
TRACCION DELANTERA, CAJA DE MANGUETA
PUBM1434 -UN-29JUN10
ESTA RELACION DE PIE
80-36 TRACTOR 6110J (EDICION SUDAMERICANA) PC8538S (01-JUL-10)
PN=442
80-37
BASTIDOR, EJES DELANT., PIEZAS DE CHAPA, VARIOS
6
1
1
0
POS. NO.PIEZA DESCRIPCION CANT NUM. SERIE J NOTAS
1 CQ64114 TORNILLO 4 X
2 CQ27242 TAPON 2 X
3 DQ20973 TUERCA CON BRIDA 16 X
4 CQ72046 PORTAPLANETARIOS 2 X
5 L39997 ARANDELA 1 X TK 1.5MM
L55602 ARANDELA 1 X TK 1.7MM
L40121 ARANDELA 1 X TK 2.0MM
L55603 ARANDELA 1 X TK 2.2MM
L41008 ARANDELA 1 X TK 2.5MM
CQ27305 ARANDELA 1 X TK 2.7MM
L41170 ARANDELA 1 X TK 3.0MM
6 CQ29407 ANILLO 2 X
7 CQ27302 ARBOL 2 X
8 CQ29406 ARANDELA DE EMPUJE 2 X
9 T82565 ARANDELA DE EMPUJE 2 X
10 T116822 TUERCA 2 X
11 19M7902 TORNILLO 4 X M8 X 16
12 T116827 ARANDELA 4 X
13 40M4624 ANILLO ELASTICO 8 X
14 L41159 ANILLO ELASTICO 16 X
15 JD10250 RODAMIENTO RODILLOS CIL. 8 X
16 CQ29408 UNITU DENTADA 8 X
17 AL200971 RETEN 2 X
18 CQ27301 CORONA DE TREN PLANETARIO 2 X
19 JD10249 RODAMIENTO RODILLOS CONICOS 4 X
20 L40281 ANILLO TORICO 2 X
21 L41928 CUBO 2 X
22 CQ49408 TORNILLO 16 X
23 CQ27271 ESPACIADOR 1 X TK 14.089MM
CQ27272 ESPACIADOR 1 X TK 14.414MM
CQ27273 ESPACIADOR 1 X TK 14.139MM
CQ27274 ESPACIADOR 1 X TK 14.164MM
CQ27275 ESPACIADOR 1 X TK 14.189MM
CQ27276 ESPACIADOR 1 X TK 14.214MM
CQ27277 ESPACIADOR 1 X TK 14.239MM
CQ27278 ESPACIADOR 1 X TK 14.264MM
CQ27279 ESPACIADOR 1 X TK 14.289MM
CQ27280 ESPACIADOR 1 X TK 14.314MM
CQ27281 ESPACIADOR 1 X TK 14.339MM
CQ27282 ESPACIADOR 1 X TK 14.364MM
CQ27283 ESPACIADOR 1 X TK 14.389MM
CQ27284 ESPACIADOR 1 X TK 14.414MM
CQ27285 ESPACIADOR 1 X TK 14.439MM
CQ27286 ESPACIADOR 1 X TK 14.464MM
CQ27287 ESPACIADOR 1 X TK 14.489MM
CQ27288 ESPACIADOR 1 X TK 14.514MM
CQ27289 ESPACIADOR 1 X TK 14.539MM
CQ27290 ESPACIADOR 1 X TK 14.564MM
CQ27291 ESPACIADOR 1 X TK 14.589MM
CQ27292 ESPACIADOR 1 X TK 14.619MM
CQ27293 ESPACIADOR 1 X TK 14.639MM
CQ27294 ESPACIADOR 1 X TK 14.664MM
CQ27295 ESPACIADOR 1 X TK 14.689MM
CQ27296 ESPACIADOR 1 X TK 14.714MM
TRACTOR 6110J (EDICION SUDAMERICANA) PC8538S (01-JUL-10) 80-37
PN=443
80-38
BASTIDOR, EJES DELANT., PIEZAS DE CHAPA, VARIOS
DRAWBAR SUPPORT
SUPPORT BARRE D’ATTELAGE
STUETZE FUER ZUGPENDEL
SUPPORTO DELLA BARRA DI TRAINO
SUPORTE DA BARRA DE TRACAO
SOPORTE PARA BARRA DE TIRO OSCILANTE
PUBM1493 -UN-28JUN10
6
1
1
0
POS. NO.PIEZA DESCRIPCION CANT NUM. SERIE J NOTAS
1 L18955 PASADOR DE FIJACION RAPIDA 2 X
2 L37226 APOYO 1 X
3 19M7720 TORNILLO 4 X M16 X 80
4 L76895 ESPACIADOR 1 X
5 L101177 ESPACIADOR 2 X
6 19M7845 TORNILLO 4 X M16 X 90
7 L77331 CASQUILLO 2 X
8 L60404 BULON 2 X
9 R95612 CASQUILLO 1 X
80-38 TRACTOR 6110J (EDICION SUDAMERICANA) PC8538S (01-JUL-10)
PN=444
80-39
BASTIDOR, EJES DELANT., PIEZAS DE CHAPA, VARIOS
DRAWBAR
BARRE D’ATTELAGE OSCILLANTE
ZUGPENDEL
BARRA TRAINO ORIENTABILE
BARRA DE TRACAO
BARRA DE TIRO OSCILANTE
PUBM1495 -UN-28JUN10
6
1
1
0
POS. NO.PIEZA DESCRIPCION CANT NUM. SERIE J NOTAS
1 DQ34064 PASADOR 1 X LGTH = 247.5MM
DQ34065 PASADOR 1 X LGTH = 174.5MM
2 CQ31233 PASADOR ELASTICO 1 X 12X90
3 L114953 BARRA DE TIRO OSCILANTE 1 X LGTH = 1145MM
L203949 BARRA DE TIRO OSCILANTE 1 X LGTH = 995MM
4 CQ31202 TORNILLO 1 X M18 X 150
5 CQ31207 TORNILLO 1 X
6 L79894 TIRA 1 X
7 L78501 TIRA 1 X
8 CQ31201 TUERCA 1 X M18X2.5
9 14M7276 TUERCA 2 X M16
10 CQ27851 APOYO 1 X
11 L79149 MUELLE 1 X
12 24M7318 ARANDELA 1 X
13 14M7260 TUERCA 1 X M16
14 L37225 BULON 1 X
15 L37224 RACOR ADAPTADOR 1 X
16 CQ33966 PASADOR 1 X LGTH = 247.5MM
CQ33967 PASADOR 1 X LGTH = 174.5MM
TRACTOR 6110J (EDICION SUDAMERICANA) PC8538S (01-JUL-10) 80-39
PN=445
80-40
BASTIDOR, EJES DELANT., PIEZAS DE CHAPA, VARIOS
TOOL BOX
BOITE A OUTILS
WERKZEUGKASTEN
CASSETTA DEGLI ATTREZZI
CAIXA DE FERRAMENTAS
CAJA DE HERRAMIENTAS
CQ155661 -UN-01JUL04
6
1
1
0
POS. NO.PIEZA DESCRIPCION CANT NUM. SERIE J NOTAS
1 DQ33769 CAJA DE HERRAMIENTAS 1 X
2 DQ64777 HERRAMIENTA 2 X
3 DQ04397 CERRADURA 1 X
4 DQ64776 JUEGO LLAVES PLANAS 2 X
80-40 TRACTOR 6110J (EDICION SUDAMERICANA) PC8538S (01-JUL-10)
PN=446
80-41
BASTIDOR, EJES DELANT., PIEZAS DE CHAPA, VARIOS
TOOL BOX
BOITE A OUTILS
WERKZEUGKASTEN
CASSETTA DEGLI ATTREZZI
CAIXA DE FERRAMENTAS
CAJA DE HERRAMIENTAS
PUBM1453 -UN-28JUN10
6
1
1
0
POS. NO.PIEZA DESCRIPCION CANT NUM. SERIE J NOTAS
1 19M7169 TORNILLO 2 X M10 X 35
2 24M7101 ARANDELA 2 X
3 12M7066 ARANDELA DE SEGURIDAD 2 X
4 14M7140 TUERCA 2 X
5 DQ58532 APOYO 1 X
6 14M7029 TUERCA 2 X
7 12M7065 ARANDELA DE SEGURIDAD 2 X
8 24M7207 ARANDELA 2 X
9 19M7139 TORNILLO 2 X M8 X 20
TRACTOR 6110J (EDICION SUDAMERICANA) PC8538S (01-JUL-10) 80-41
PN=447
80-42
BASTIDOR, EJES DELANT., PIEZAS DE CHAPA, VARIOS
PLASTIC PLUG AND TIE BANDS
BOUCHON EN PLASTIQUE ET COLLIERS
PLASTIK-STOPFEN UND SPANNBAENDER
TAPPO IN PLASTICA E FASCETTE DI RITEGNO
PLUGS DE PLASTICO E ABRACADEIRAS
TAPON DE PLASTICO Y TIRAS DE RETENCION
PUBM1383 -UN-01JUL10
6
1
1
0
POS. NO.PIEZA DESCRIPCION CANT NUM. SERIE J NOTAS
1 99M7043 TAPON AR X OD 7.0MM
99M7016 TAPON AR X OD 9.0MM
99M7015 TAPON AR X OD 11.0MM
99M7095 TAPON AR X OD 13.0MM
99M7009 TAPON AR X OD 14.5MM
99M7032 TAPON AR X OD 15.5MM
99M7057 TAPON AR X OD 18.0MM
99M7115 TAPON AR X OD 22.4MM
99M7130 TAPON AR X OD 29.0MM
CQ47666 TAPON AR X OD 30.0MM
99M7098 TAPON AR X OD 6,0MM
99M7056 TAPON AR X OD 31.8MM
2 R44302 CINTA DE ATAR AR X LGTH 190MM
H77698 CINTA DE ATAR AR X LGTH 360MM
L41858 CINTA DE ATAR AR X LGHT 360MM
CQ03768 ABRAZADERA AR X LGHT 230MM
CQ28556 ABRAZADERA AR X
80-42 TRACTOR 6110J (EDICION SUDAMERICANA) PC8538S (01-JUL-10)
PN=448
80-43
BASTIDOR, EJES DELANT., PIEZAS DE CHAPA, VARIOS
MEMORANDA
MEMORANDA
MEMORANDA
MEMORANDA
MEMORANDA
MEMORANDA
TRACTOR 6110J (EDICION SUDAMERICANA) PC8538S (01-JUL-10) 80-43
PN=449
80-44
BASTIDOR, EJES DELANT., PIEZAS DE CHAPA, VARIOS
ACCESSORY PARTS
ACCESSOIRES
ZUBEHOERTEILE
ACCESSORI
ACESSORIOS
ACCESORIOS
PUBM1160 -UN-21APR10
ESTA RELACION DE PIE
80-44 TRACTOR 6110J (EDICION SUDAMERICANA) PC8538S (01-JUL-10)
PN=450
80-45
BASTIDOR, EJES DELANT., PIEZAS DE CHAPA, VARIOS
6
1
1
0
POS. NO.PIEZA DESCRIPCION CANT NUM. SERIE J NOTAS
1 L64500 SELLADOR 1 X LOCTITE 574, 50CCM
2 L102616 SELLADOR 1 X TEROSTAT 935,310CCM, BLACK, NOIR
3 R46727 SELLADOR 1 X 6000MM
L152148 CINTA ADHESIVA 1 X
TRACTOR 6110J (EDICION SUDAMERICANA) PC8538S (01-JUL-10) 80-45
PN=451
80-46
BASTIDOR, EJES DELANT., PIEZAS DE CHAPA, VARIOS
TRADEMARK, DECALS
MARQUE, AUTOCOLLANTS
FIRMENZEICHEN, AUFKLEBER
MARCHIO COMMERCIALE, ETICHETTE
DECALCOS
MARCA REGISTRADA, ADHESIVOS
PUBM1337 -UN-28JUN10
6
1
1
0
POS. NO.PIEZA DESCRIPCION CANT NUM. SERIE J NOTAS
1 L170996 ETIQUETA ADHESIVA 1 X RH
2 L170995 ETIQUETA ADHESIVA 1 X LH
3 L205758 ETIQUETA ADHESIVA 1 X 6110J RH
L205759 ETIQUETA ADHESIVA 1 X 6110J LH
4 L64996 ETIQUETA ADHESIVA 1 X
5 CC40740 ETIQUETA ADHESIVA 1 X
6 H151673 ETIQUETA ADHESIVA 1 X
7 L115158 ETIQUETA ADHESIVA 1 X
80-46 TRACTOR 6110J (EDICION SUDAMERICANA) PC8538S (01-JUL-10)
PN=452
80-47
BASTIDOR, EJES DELANT., PIEZAS DE CHAPA, VARIOS
FRONT FENDERS
AILES AVANT
KOTFLUEGEL VORN
PARAFANGHI ANTERIORI
PARALAMAS DIANTEIROS
GUARDABARROS DELANTEROS
LX001909 -UN-01JAN94
6
1
1
0
POS. NO.PIEZA DESCRIPCION CANT NUM. SERIE J NOTAS
1 L165957 ZOCALO 2 X
2 19M8653 TORNILLO 8 X M16 X 35
3 L114160 SOPORTE 1 X RH
L114159 SOPORTE 1 X LH
4 19M7791 TORNILLO 4 X M12 X 40
5 AL69320 APOYO 1 X RH
AL69331 APOYO 1 X LH
6 19M7790 TORNILLO 6 X M12 X 35
7 MN10384 GUARDABARRO 2 X
8 L27099 TIRA 6 X
9 03M7264 TORNILLO 12 X M10 X 25
10 14M7296 TUERCA CON BRIDA 12 X M10
TRACTOR 6110J (EDICION SUDAMERICANA) PC8538S (01-JUL-10) 80-47
PN=453
80-48
BASTIDOR, EJES DELANT., PIEZAS DE CHAPA, VARIOS
MEMORANDA
MEMORANDA
MEMORANDA
MEMORANDA
MEMORANDA
MEMORANDA
80-48 TRACTOR 6110J (EDICION SUDAMERICANA) PC8538S (01-JUL-10)
PN=454
92-A01
PLATAFORMA DE CONDUCCION
XXXXXXXXXXXXXXXXXXXXXXXXXXXXXXXXXXXXXXXXXXXXXXXX SECTIONAL INDEX
XXXXXXXXXXXXXXXXXXXXXXXXXXXXXXXXXXXXXXXXXXXXXXXX INDEX DE SECTION
XXXXXXXXXXXXXXXXXXXXXXXXXXXXXXXXXXXXXXXXXXXXXXXX GRUPPENINDEX
XXXXXXXXXXXXXXXXXXXXXXXXXXXXXXXXXXXXXXXXXXXXXXXX INDICE DELLA SEZIONE
XXXXXXXXXXXXXXXXXXXXXXXXXXXXXXXXXXXXXXXXXXXXXXXX INDICE DE GRUPO
XXXXXXXXXXXXXXXXXXXXXXXXXXXXXXXXXXXXXXXXXXXXXXXX INDICE DE GRUPOS
PUBM1422 -UN-28JUN10
1- 2
2- 4
3- 6
5- 10
7- 12
14- 26
23- 44
24- 46
TRACTOR 6110J (EDICION SUDAMERICANA) PC8538S (01-JUL-10) 92-A01
PN=455
92-A02
PLATAFORMA DE CONDUCCION
XXXXXXXXXXXXXXXXXXXXXXXXXXXXXXXXXXXXXXXXXXXXXXXX SECTIONAL INDEX
XXXXXXXXXXXXXXXXXXXXXXXXXXXXXXXXXXXXXXXXXXXXXXXX INDEX DE SECTION
XXXXXXXXXXXXXXXXXXXXXXXXXXXXXXXXXXXXXXXXXXXXXXXX GRUPPENINDEX
XXXXXXXXXXXXXXXXXXXXXXXXXXXXXXXXXXXXXXXXXXXXXXXX INDICE DELLA SEZIONE
XXXXXXXXXXXXXXXXXXXXXXXXXXXXXXXXXXXXXXXXXXXXXXXX INDICE DE GRUPO
XXXXXXXXXXXXXXXXXXXXXXXXXXXXXXXXXXXXXXXXXXXXXXXX INDICE DE GRUPOS
PUBM1423 -UN-28JUN10
6- 11
8- 14
9- 16
15- 28
16- 30
17- 32
92-A02 TRACTOR 6110J (EDICION SUDAMERICANA) PC8538S (01-JUL-10)
PN=456
92-A03
PLATAFORMA DE CONDUCCION
XXXXXXXXXXXXXXXXXXXXXXXXXXXXXXXXXXXXXXXXXXXXXXXX SECTIONAL INDEX
XXXXXXXXXXXXXXXXXXXXXXXXXXXXXXXXXXXXXXXXXXXXXXXX INDEX DE SECTION
XXXXXXXXXXXXXXXXXXXXXXXXXXXXXXXXXXXXXXXXXXXXXXXX GRUPPENINDEX
XXXXXXXXXXXXXXXXXXXXXXXXXXXXXXXXXXXXXXXXXXXXXXXX INDICE DELLA SEZIONE
XXXXXXXXXXXXXXXXXXXXXXXXXXXXXXXXXXXXXXXXXXXXXXXX INDICE DE GRUPO
XXXXXXXXXXXXXXXXXXXXXXXXXXXXXXXXXXXXXXXXXXXXXXXX INDICE DE GRUPOS
PUBM1424 -UN-28JUN10
4- 8
10- 18
11- 20
12- 22
13- 24
18- 34
19- 36
20- 38
21- 40
22- 42
TRACTOR 6110J (EDICION SUDAMERICANA) PC8538S (01-JUL-10) 92-A03
PN=457
92-2
PLATAFORMA DE CONDUCCION
CAB FRAME
CADRE CABINE
KABINENRAHMEN
TELAIO CABINA
ESTRURA DA PLATAFORMA DO OPERADOR
BASTIDOR CABINA
PUBM1146 -UN-21APR10
ESTA RELACION DE PIE
92-2 TRACTOR 6110J (EDICION SUDAMERICANA) PC8538S (01-JUL-10)
PN=458
92-3
PLATAFORMA DE CONDUCCION
6
1
1
TRACTOR 0
POS. NO.PIEZA DESCRIPCION CANT NUM. SERIE J NOTAS
1 DQ58302 BASTIDOR 1 X (CAB)
DQ63188 BASTIDOR DE CABINA 1 X (CAB WITH DOOR RH SIDE)
2 DQ58301 BASTIDOR 1 X (EPCC)
3 DQ53462 MOLDURA 1 X LH
4 DQ53463 MOLDURA 1 X RH
5 19M7560 TORNILLO 12 X M6 X 16
19M7077 TORNILLO AR X M6 X 20
6 24M7139 ARANDELA 12 X 6.400 X 18 X 1.600 MM
7 14M7165 TUERCA DE SEGURIDAD 2 X M6
8 Z30233 TAPADERA 2 X
TRACTOR 6110J (EDICION SUDAMERICANA) PC8538S (01-JUL-10) 92-3
PN=459
92-4
PLATAFORMA DE CONDUCCION
SUSPENSION FOR CAB / OPEN OERATORS STATION
PALIERS POUR CABINE
LAGERUNG FUER KABINE
SUPPORTI PER CABINA
SUSPENSAO DA PLATAFORMA DO OPERADOR
SOPORTES DE ANCLAJE DE LA CABINA
CQ155665 -UN-01JUL04
ESTA RELACION DE PIE
92-4 TRACTOR 6110J (EDICION SUDAMERICANA) PC8538S (01-JUL-10)
PN=460
92-5
PLATAFORMA DE CONDUCCION
6
1
1
0
POS. NO.PIEZA DESCRIPCION CANT NUM. SERIE J NOTAS
1 DQ52336 SOPORTE 1 X LH
DQ52337 SOPORTE 1 X RH
2 L111072 TAPON AR X
3 DQ52380 SOPORTE 1 X LH
DQ52379 SOPORTE 1 X RH
4 24M7053 ARANDELA 13 X
5 CQ34905 ARANDELA 8 X
6 R111173 AISLANTE 4 X
7 CQ27171 ESPACIADOR 4 X
8 R66375 AISLANTE 10 X
9 19M8035 TORNILLO 6 X M16 X 35
10 19M7969 TORNILLO 4 X M20 X 110
11 14M7291 TUERCA CON BRIDA 4 X M16
12 24M7051 ARANDELA 4 X 21 X 37 X 3 MM
13 14M7410 TUERCA DE SEGURIDAD 1 X M20
TRACTOR 6110J (EDICION SUDAMERICANA) PC8538S (01-JUL-10) 92-5
PN=461
92-6
PLATAFORMA DE CONDUCCION
CONTROL SUPPORT
SUPPORT TABLEAU DE BORD
ARMATURENWANDTRAEGER
SUPPORTO CRUSCOTTO
SUPORTE DO PAINEL
SOPORTE SALPICADERO
PUBM1069 -UN-21APR10
6
1
1
0
POS. NO.PIEZA DESCRIPCION CANT NUM. SERIE J NOTAS
1 DQ61096 CONSOLA 1 X CABINE
DQ61097 CONSOLA 1 X EPCC
2 AL159914 APOYO 1 X
3 L154335 TAPADERA 1 X
4 L157372 TORNILLO 4 X
5 19M7560 TORNILLO 4 X (FOR DQ61096)
37M7131 TORNILLO 4 X (FOR DQ61097)
6 24M7139 ARANDELA 4 X (USE WITH 19M7560)
24M7309 ARANDELA 4 X
7 37M7059 TORNILLO 2 X
8 ........ BANDA DE GUARNICION 1 X LGTH=470MM (18-33/64") (MF R46727)
9 ........ BURLETE 2 X (MF L152250)
10 19M7166 TORNILLO 4 X M10 X 20
11 L154379 TIRA/ALFOMBRILLA 2 X
12 L154378 TIRA/ALFOMBRILLA 1 X
13 ........ BURLETE 1 X (MF L59748)
14 DQ68471 TIRA/ALFOMBRILLA 1 X (EPCC)
15 99M7130 TAPON 1 X
.. L59748 BURLETE 1 X LGTH 1000MM
.. L152250 BURLETE 1 X LGTH 22000MM
.. R46727 SELLADOR 1 X LGTH 6000MM
.. DT5538 ADHESIVO 1 X
92-6 TRACTOR 6110J (EDICION SUDAMERICANA) PC8538S (01-JUL-10)
PN=462
92-7
PLATAFORMA DE CONDUCCION
MEMORANDA
MEMORANDA
MEMORANDA
MEMORANDA
MEMORANDA
MEMORANDA
TRACTOR 6110J (EDICION SUDAMERICANA) PC8538S (01-JUL-10) 92-7
PN=463
92-8
PLATAFORMA DE CONDUCCION
TRIM COMPONENTS (FOR REAR OF CAB)
ELEMENTS D’HABILLAGE (POUR L’ARRIERE DE LA CABINE)
VERKLEIDUNGSTEILE (KABINE HINTEN)
COMPONENTI DI FINITURA (PER LATO POSTERIORE CABINA)
PECAS DE REVESTIMENTO (PARTE TRASEIRA)
COMPONENTES DE REVESTIMIENTO (PARTE TRASERA DE LA CABINA)
PUBM0388 -UN-24DEC08
ESTA RELACION DE PIE
92-8 TRACTOR 6110J (EDICION SUDAMERICANA) PC8538S (01-JUL-10)
PN=464
92-9
PLATAFORMA DE CONDUCCION
6
1
1
0
POS. NO.PIEZA DESCRIPCION CANT NUM. SERIE J NOTAS
1 AL117641 PANEL 1 X
2 L153769 ABRAZADERA 3 X
3 L59748 BURLETE 1 X LGTH 3M
4 37M7240 TORNILLO 2 X
5 24M7298 ARANDELA 6 X
6 19M7162 TORNILLO 6 X M8 X 16
7 L76331 PASAMUROS 2 X
8 DT5470 BURLETE AR X
9 DT5472 BURLETE AR X
10 R54477 REMACHE 2 X
11 R111570 PESTILLO 1 X
12 L154067 TUERCA DE EMPUJE 2 X
13 L153759 TAPADERA 1 X
14 AL155749 PROTECCION 1 X
15 24M7146 ARANDELA 6 X
16 37M7179 TORNILLO 6 X
17 L76767 AISLANTE 1 X
TRACTOR 6110J (EDICION SUDAMERICANA) PC8538S (01-JUL-10) 92-9
PN=465
92-10
PLATAFORMA DE CONDUCCION
REAR FENDER UPHOLSTERY
HABILLAGE D’AILE
KOTFLUEGELVERKLEIDUNG HINTEN
RIVESTIMENTO PARAFANGO
REVESTIMENTO DO PARALAMA
REVESTIMIENTO DEL GUARDABARROS
PUBM1158 -UN-21APR10
6
1
1
0
POS. NO.PIEZA DESCRIPCION CANT NUM. SERIE J NOTAS
1 CQ58168 TAPIZADO ACUSTICO 1 X CAB
L155008 TAPIZADO ACUSTICO 1 X WITH DOOR RH SIDE
2 L40924 TUERCA 6 X
3 L151554 TAPIZADO ACUSTICO 1 X
4 L152519 MOLDURA 1 X
5 L56021 TIRA/ALFOMBRILLA 5 X
6 L39860 FLEJE 5 X
7 AL180301 TAPIZADO ACUSTICO 1 X
8 L152254 BURLETE 1 X
9 DY8313 TIRA/ALFOMBRILLA 1 X
10 L151718 TAPA 1 X
92-10 TRACTOR 6110J (EDICION SUDAMERICANA) PC8538S (01-JUL-10)
PN=466
92-11
PLATAFORMA DE CONDUCCION
UPHOLSTERY, UPPER (CAB REAR)
HABILLAGE, PARTIE SUPERIEURE (ARRIERE CABINE)
POLSTERUNG, OBEN (KABINE HINTEN)
RIVESTIMENTO SUPERIORE (RETRO CABINA)
REVESTIMENTO TRASEIRO DA CABINE (INTERNO)
REVESTIMIENTO PARTE SUPERIOR (POSTERIOR CABINA)
PUBM1159 -UN-21APR10
6
1
1
0
POS. NO.PIEZA DESCRIPCION CANT NUM. SERIE J NOTAS
1 L154428 REVESTIMIENTO 1 X
2 L100380 TORNILLO 2 X
3 L151614 TAPIZADO ACUSTICO 1 X
4 37M7291 TORNILLO 2 X
5 DT5470 BURLETE AR X
.. L165428 ADHESIVO 1 X
TRACTOR 6110J (EDICION SUDAMERICANA) PC8538S (01-JUL-10) 92-11
PN=467
92-12
PLATAFORMA DE CONDUCCION
POST UPHOLSTERY
HABILLAGE DES MONTANTS
PFOSTENVERKLEIDUNG
RIVESTIMENTO MONTANTE
REVESTIMENTO INTERNO
REVESTIMIENTO DEL POSTE
PUBM1374 -UN-29JUN10
ESTA RELACION DE PIE
92-12 TRACTOR 6110J (EDICION SUDAMERICANA) PC8538S (01-JUL-10)
PN=468
92-13
PLATAFORMA DE CONDUCCION
6
1
1
TRACTOR 0
POS. NO.PIEZA DESCRIPCION CANT NUM. SERIE J NOTAS
1 AL163809 TAPIZADO ACUSTICO 1 X FRONT, LH,
2 L157547 TAPIZADO ACUSTICO 1 X (A) FRONT, RH
3 L157732 PANEL 1 X LH
4 L158434 TAPIZADO ACUSTICO 1 X REAR, RH
5 L159241 TAPIZADO ACUSTICO 1 X REAR, LH
6 L152652 PANEL 1 X RH
7 L151569 TAPON 2 X
8 L151570 TAPON 5 X
(A) WITH GSD DISPLAY
AVEC CONSOLE GREENSTAR
BEI GSD MONITOR ANBAU
CON DISPLAY GSD
COM MOSTRADOR GSD
CON PANTALLA GREENSTAR
TRACTOR 6110J (EDICION SUDAMERICANA) PC8538S (01-JUL-10) 92-13
PN=469
92-14
PLATAFORMA DE CONDUCCION
FLOOR PLATES
TOLES DE SOL
BODENBLECHE
PIASTRE DI PAVIMENTO
PISO DA CABINE
CHAPAS DEL SUELO
PUBM1372 -UN-28JUN10
6
1
1
0
POS. NO.PIEZA DESCRIPCION CANT NUM. SERIE J NOTAS
1 L79125 PASAMUROS 1 X
2 L157372 TORNILLO AR X
3 CQ52392 PISO 1 X
4 L62810 BURLETE 1 X
5 L150424 TAPADERA 1 X
6 L154991 TAPADERA 1 X
7 R46727 SELLADOR AR X
8 19M7560 TORNILLO AR X M6 X 16
9 24M7139 ARANDELA AR X
10 DT5471 BURLETE AR X
11 DQ53525 PLACA 1 X
92-14 TRACTOR 6110J (EDICION SUDAMERICANA) PC8538S (01-JUL-10)
PN=470
92-15
PLATAFORMA DE CONDUCCION
MEMORANDA
MEMORANDA
MEMORANDA
MEMORANDA
MEMORANDA
MEMORANDA
TRACTOR 6110J (EDICION SUDAMERICANA) PC8538S (01-JUL-10) 92-15
PN=471
92-16
PLATAFORMA DE CONDUCCION
FLOOR MATS
TAPIS DE SOL
BODENMATTEN
TAPETINI
TAPETE
ALFOMBRILLAS
PUBM1067 -UN-21APR10
ESTA RELACION DE PIE
92-16 TRACTOR 6110J (EDICION SUDAMERICANA) PC8538S (01-JUL-10)
PN=472
92-17
PLATAFORMA DE CONDUCCION
6
1
1
0
POS. NO.PIEZA DESCRIPCION CANT NUM. SERIE J NOTAS
1 L168228 ESTERA 1 X CAB
DQ58814 ESTERA 1 X EPCC
2 L115239 MOLDURA 1 X
3 37M7146 TORNILLO 5 X
4 24M7309 ARANDELA 5 X
5 L171150 ESTERA 1 X RH
6 L171151 ESTERA 1 X LH
7 L157274 MOLDURA 1 X
8 24M7138 ARANDELA 2 X
9 37M7088 TORNILLO 2 X
TRACTOR 6110J (EDICION SUDAMERICANA) PC8538S (01-JUL-10) 92-17
PN=473
92-18
PLATAFORMA DE CONDUCCION
SIDE COVERS
HABILLAGE LATERAL
SEITENVERKLEIDUNG
PROFILI LATERALI
REVESTIMENTO LATERAL
REVESTIMIENTO LATERAL
PUBM1478 -UN-28JUN10
ESTA RELACION DE PIE
92-18 TRACTOR 6110J (EDICION SUDAMERICANA) PC8538S (01-JUL-10)
PN=474
92-19
PLATAFORMA DE CONDUCCION
6
1
1
0
POS. NO.PIEZA DESCRIPCION CANT NUM. SERIE J NOTAS
1 AL176430 PANEL 1 X LH
AL176431 PANEL 1 X RH
2 R46727 SELLADOR 1 X
3 L114257 TUERCA 22 X
4 L111480 TUERCA DE EMPUJE 14 X
5 L171486 TUERCA 4 X
6 L112657 AISLANTE 6 X
7 21M7292 TORNILLO 2 X M6 X 16
8 L102588 TORNILLO 4 X
9 L174118 TORNILLO 22 X
10 L39134 REMACHE 6 X
11 L112232 TIRA/ALFOMBRILLA 1 X
12 L100435 TAPON 2 X
13 21M7296 TORNILLO 6 X M6 X 20
14 24M7251 ARANDELA 8 X
15 L151528 ABRAZADERA 4 X
16 R44302 CINTA DE ATAR 10 X
17 L78846 MOLDURA 1 X LH
L78847 MOLDURA 1 X RH
18 37M7361 TORNILLO 6 X
19 L59796 BURLETE 2 X
20 L155423 ESPACIADOR 4 X
21 L100389 TAPON 2 X
22 L116184 RETEN 4 X
TRACTOR 6110J (EDICION SUDAMERICANA) PC8538S (01-JUL-10) 92-19
PN=475
92-20
PLATAFORMA DE CONDUCCION
REAR FENDER
AILES ARRIERE
KOTFLUEGEL HINTEN
PARAFANGHI POSTERIORI
PARALAMA
GUARDABARROS TRASEROS
PUBM1480 -UN-28JUN10
ESTA RELACION DE PIE
92-20 TRACTOR 6110J (EDICION SUDAMERICANA) PC8538S (01-JUL-10)
PN=476
92-21
PLATAFORMA DE CONDUCCION
6
1
1
0
POS. NO.PIEZA DESCRIPCION CANT NUM. SERIE J NOTAS
1 AL168325 GUARDABARRO 1 X LH
AL168326 GUARDABARRO 1 X RH
2 L77912 BANDA DE GUARNICION 2 X
3 L157464 REVESTIMIENTO 1 X LH
L157465 REVESTIMIENTO 1 X RH
4 24M7139 ARANDELA AR X
5 L200800 REVESTIMIENTO 1 X LH
L200802 REVESTIMIENTO 1 X RH
6 99M7043 TAPON AR X
7 99M7056 TAPON AR X
8 DT5472 BURLETE AR X
9 19M7560 TORNILLO AR X
10 L157372 TORNILLO 14 X
11 L80355 TUERCA DE SEGURIDAD 2 X
12 14M7165 TUERCA DE SEGURIDAD 10 X M6
13 L112797 TORNILLO 6 X
14 19M8831 TORNILLO 2 X M5 X 16
15 19M8675 TORNILLO 2 X M8 X 16
16 19M7077 TORNILLO 2 X M6 X 20
17 R206454 TAPON 2 X
TRACTOR 6110J (EDICION SUDAMERICANA) PC8538S (01-JUL-10) 92-21
PN=477
92-22
PLATAFORMA DE CONDUCCION
HANDLES
POIGNEES
HALTEGRIFFE
MANIGLIE
PEGADOR
ASIDEROS
PUBM1359 -UN-28JUN10
ESTA RELACION DE PIE
92-22 TRACTOR 6110J (EDICION SUDAMERICANA) PC8538S (01-JUL-10)
PN=478
92-23
PLATAFORMA DE CONDUCCION
6
1
1
0
POS. NO.PIEZA DESCRIPCION CANT NUM. SERIE J NOTAS
1 AL80651 MANGO 1 X WITH DOOR RH SIDE
2 AL76067 MANGO 1 X LH
3 L202305 ARANDELA AR X
4 L153130 TORNILLO 6 X M8 X 30
5 19M8715 TORNILLO 2 X
6 L113886 MANGO 1 X
7 L113887 REVESTIMIENTO 1 X
8 L202306 ARANDELA AR X
TRACTOR 6110J (EDICION SUDAMERICANA) PC8538S (01-JUL-10) 92-23
PN=479
92-24
PLATAFORMA DE CONDUCCION
REAR HANDLES (OPEN OPERATOR’S STATION)
POIGNEES ARRIERE (TRACTEURS SANS CABINE)
HALTEGRIFFE HINTEN (OFFENE FAHRERPLATTFORM)
MANIGLIE POSTERIORI (POSTAZIONE OPERATORE APERTA)
PEGADOR (EPCC)
ASIDEROS PARTE TRASERA (PLATAFORMA DE CONDUCCION ABIERTA)
PUBM1149 -UN-21APR10
ESTA RELACION DE PIE
92-24 TRACTOR 6110J (EDICION SUDAMERICANA) PC8538S (01-JUL-10)
PN=480
92-25
PLATAFORMA DE CONDUCCION
6
1
1
0
POS. NO.PIEZA DESCRIPCION CANT NUM. SERIE J NOTAS
1 19M7286 TORNILLO 2 X M6 X 25
2 14M7165 TUERCA DE SEGURIDAD 2 X M6
3 24M7100 ARANDELA 2 X
4 L57824 ARANDELA 2 X
5 L57250 MANGO 1 X
6 L114314 ARANDELA 2 X
TRACTOR 6110J (EDICION SUDAMERICANA) PC8538S (01-JUL-10) 92-25
PN=481
92-26
PLATAFORMA DE CONDUCCION
STEPS
MARCHE
TRITTSTUFE
GRADINI
ESCADA
PELDANO
PUBM1338 -UN-28JUN10
ESTA RELACION DE PIE
92-26 TRACTOR 6110J (EDICION SUDAMERICANA) PC8538S (01-JUL-10)
PN=482
92-27
PLATAFORMA DE CONDUCCION
6
1
1
0
POS. NO.PIEZA DESCRIPCION CANT NUM. SERIE J NOTAS
1 DQ52393 ESCALERA 1 X
2 CQ67635 SOPORTE 1 X
3 14M7274 TUERCA 8 X M10
4 24M7028 ARANDELA 6 X
5 19M7167 TORNILLO AR X M10 X 25
6 CQ67634 SOPORTE 1 X
7 03M7088 TORNILLO 4 X
8 19M7479 TORNILLO 1 X M10 X 80
TRACTOR 6110J (EDICION SUDAMERICANA) PC8538S (01-JUL-10) 92-27
PN=483
92-28
PLATAFORMA DE CONDUCCION
HEADLINER, ROOF TRIM
PARTIE INTERIEURE DU PAVILLON, REVETEMENT
INNENDACH, INNENDACHVERKLEIDUNG
FASCIA ANTERIORE, FINITURA TETTO
TETO INTERNO DA CABINE
TECHO INTERIOR, REVESTIMIENTO DEL TECHO INTERIOR
CQ301987 -UN-09APR08
ESTA RELACION DE PIE
92-28 TRACTOR 6110J (EDICION SUDAMERICANA) PC8538S (01-JUL-10)
PN=484
92-29
PLATAFORMA DE CONDUCCION
6
1
1
0
POS. NO.PIEZA DESCRIPCION CANT NUM. SERIE J NOTAS
1 ........ BURLETE 1 X LGTH 1500MM (MF L155025)
2 AL164480 TECHO 1 X
AL164808 TECHO 1 X (WITH DOOR RH SIDE)
3 37M7091 TORNILLO 2 X
4 24M7309 ARANDELA 2 X
5 L100413 JUNTA 1 X LH
6 L100414 JUNTA 1 X RH
7 37M7357 TORNILLO 8 X
8 L155257 ADMISION DE AIRE 2 X
9 L152035 MOLDURA 2 X
10 21M7292 TORNILLO 11 X M6 X 16
11 AL160142 PANEL 1 X INCL KEY 16
12 L154897 TAPADERA AR X
13 ........ BURLETE 2 X (MF L155025)
14 L156206 ENREJADO 2 X
15 L110138 TIRA/ALFOMBRILLA 2 X
16 L156205 BASTIDOR 2 X
.. L155025 RETEN 1 X LGTH 18000MM
TRACTOR 6110J (EDICION SUDAMERICANA) PC8538S (01-JUL-10) 92-29
PN=485
92-30
PLATAFORMA DE CONDUCCION
OUTER ROOF WITHOUT HATCH (EPCC)
PARTIE EXTERIEURE DE PAVILLON SANS TRAPPE (EPCC)
AUSSENDACH OHNE LUKE (EPCC)
TETTO ESTERIORE SENZA TETTUCCIO (EPCC)
TETO DA CABINE (EPCC)
TECHO EXTERIOR SIN TRAMPILLA (EPCC)
PUBM1349 -UN-28JUN10
ESTA RELACION DE PIE
92-30 TRACTOR 6110J (EDICION SUDAMERICANA) PC8538S (01-JUL-10)
PN=486
92-31
PLATAFORMA DE CONDUCCION
6
1
1
0
POS. NO.PIEZA DESCRIPCION CANT NUM. SERIE J NOTAS
1 MN10437 TECHO 1 X
2 19M8035 TORNILLO 2 X M16 X 35
3 37M7242 TORNILLO 4 X
4 24M7139 ARANDELA 4 X
5 L61335 ARANDELA 4 X
6 24M7315 ARANDELA 2 X
7 L200226 ARANDELA 2 X
8 MN10436 APOYO 1 X RH
9 MN10435 APOYO 1 X LH
10 L112797 TORNILLO 8 X
TRACTOR 6110J (EDICION SUDAMERICANA) PC8538S (01-JUL-10) 92-31
PN=487
92-32
PLATAFORMA DE CONDUCCION
OUTER ROOF WITHOUT HATCH (CABINE)
PARTIE EXTERIEURE DE PAVILLON SANS TRAPPE(CABINE)
AUSSENDACH OHNE LUKE(KABINE)
TETTO ESTERIORE SENZA TETTUCCIO(CABINA)
TETO DA CABINE (CABINE)
TECHO EXTERIOR SIN TRAMPILLA(CABINA)
PUBM1151 -UN-21APR10
ESTA RELACION DE PIE
92-32 TRACTOR 6110J (EDICION SUDAMERICANA) PC8538S (01-JUL-10)
PN=488
92-33
PLATAFORMA DE CONDUCCION
6
1
1
0
POS. NO.PIEZA DESCRIPCION CANT NUM. SERIE J NOTAS
1 AL179341 TECHO 1 X
2 19M7481 TORNILLO 2 X M16 X 80
3 24M7315 ARANDELA 2 X
4 L200226 ARANDELA 2 X
5 37M7422 TORNILLO 4 X
6 24M7139 ARANDELA 6 X
7 L61335 ARANDELA 4 X
8 L157372 TORNILLO 14 X
TRACTOR 6110J (EDICION SUDAMERICANA) PC8538S (01-JUL-10) 92-33
PN=489
92-34
PLATAFORMA DE CONDUCCION
REAR WINDOW
VITRE ARRIERE
HECKFENSTER
FINESTRINO POSTERIORE
JANELA TRASEIRA
VENTANA TRASERA
CQ301763 -UN-19JUL07
ESTA RELACION DE PIE
92-34 TRACTOR 6110J (EDICION SUDAMERICANA) PC8538S (01-JUL-10)
PN=490
92-35
PLATAFORMA DE CONDUCCION
6
1
1
0
POS. NO.PIEZA DESCRIPCION CANT NUM. SERIE J NOTAS
1 AL111717 MANGO 1 X
2 24M7362 ARANDELA 4 X
3 14M7478 TUERCA DE SEGURIDAD 2 X M8
4 AL163211 BISAGRA 1 X LH
5 L156325 CRISTAL DE VENTANA 1 X
6 AL173630 FULCRO 1 X
7 T27260 ARANDELA 2 X
8 24M7252 ARANDELA 1 X
9 L168271 MANGO 1 X
10 14M7528 TUERCA DE SEGURIDAD 1 X M6
11 L156522 TAPON 1 X
12 34M7302 PASADOR ELASTICO 1 X
13 L111419 JUNTA 2 X
14 03M7331 TORNILLO 2 X
15 L157816 BURLETE 1 X
16 24M7298 ARANDELA 2 X
17 L78704 ARANDELA DE GUARNICION 8 X
18 L78851 CASQUILLO 2 X
19 24M7055 ARANDELA 4 X
20 14M7166 TUERCA DE SEGURIDAD 2 X M8
21 L78703 TAPA 8 X
22 21M7310 TORNILLO 6 X M6 X 25
23 24M7309 ARANDELA 6 X
24 L78705 CASQUILLO 6 X
25 24M7251 ARANDELA 6 X
26 14M7376 TUERCA DE SEGURIDAD 6 X M6
27 L78693 TIRA/ALFOMBRILLA 2 X
28 L75449 PERFIL EN U 2 X
29 19M7139 TORNILLO 4 X M8 X 20
30 L111414 ANGULO 1 X
31 AL173397 MANGO 1 X
32 14M7416 TUERCA CON BRIDA 4 X M8
33 DQ50436 CILINDRO DE GAS 2 X
34 L111440 TAPADERA 2 X
35 L112290 BURLETE 1 X
36 L110367 ARANDELA 2 X
37 L113715 ESPARRAGO CON BOLA 2 X
38 AL163210 BISAGRA 1 X RH
39 Z26250 ARANDELA 1 X
40 L61335 ARANDELA 1 X
TRACTOR 6110J (EDICION SUDAMERICANA) PC8538S (01-JUL-10) 92-35
PN=491
92-36
PLATAFORMA DE CONDUCCION
SIDE WINDOWS, TILTABLE
VITRES LATERALES BASCULANTES
SEITENSCHEIBEN, AUSSTELLBAR
FINESTRINO LATERALI ORIENTABILI
JANELA LATERAL DA CABINE
VENTANAS LATERALES, ABATIBLES
PUBM1099 -UN-29JUN10
ESTA RELACION DE PIE
92-36 TRACTOR 6110J (EDICION SUDAMERICANA) PC8538S (01-JUL-10)
PN=492
92-37
PLATAFORMA DE CONDUCCION
6
1
1
0
POS. NO.PIEZA DESCRIPCION CANT NUM. SERIE J NOTAS
1 L78703 TAPA 6 X
2 14M7165 TUERCA DE SEGURIDAD 4 X M6
3 24M7251 ARANDELA 6 X
4 L78702 CASQUILLO 6 X
5 L78704 ARANDELA DE GUARNICION 6 X
6 AL163297 BISAGRA 4 X
7 03M7391 TORNILLO 4 X
8 L157818 BURLETE 2 X
9 L171980 PLACA 2 X
10 L173805 TORNILLO 8 X
11 L115740 BULON 2 X
12 AL152733 PESTILLO 1 X RH
AL152732 PESTILLO 1 X LH
13 40M7088 ANILLO ELASTICO 2 X
14 L171975 CRISTAL DE VENTANA 1 X RH
L171976 CRISTAL DE VENTANA 1 X LH
15 14M7272 TUERCA 2 X M6
TRACTOR 6110J (EDICION SUDAMERICANA) PC8538S (01-JUL-10) 92-37
PN=493
92-38
PLATAFORMA DE CONDUCCION
DOOR HANDLE AND LOCK
POIGNEE ET SERRURE
TUERGRIFF UND SCHLOSS
MANIGLIA E SERRATURA PORTA
TRINCO DA PORTA
MANILLA Y CERRADURA
LX020675 -UN-11JAN99
ESTA RELACION DE PIE
92-38 TRACTOR 6110J (EDICION SUDAMERICANA) PC8538S (01-JUL-10)
PN=494
92-39
PLATAFORMA DE CONDUCCION
6
1
1
0
POS. NO.PIEZA DESCRIPCION CANT NUM. SERIE J NOTAS
1 L113440 ANGULO 1 X LH
L113441 ANGULO 1 X RH
2 AL202908 CERRADURA 1 X LH
AL202906 CERRADURA 1 X RH
3 L113436 PLACA 1 X LH
L113437 PLACA 1 X RH
4 L113438 CAPO 1 X LH
L113439 CAPO 1 X RH
5 R74402 TOPE 2 X
6 L113717 ESTRIBO 2 X
7 L113718 CHAPA DE SEGURIDAD 2 X
8 03M7192 TORNILLO 2 X
9 L102588 TORNILLO 6 X
10 24M7178 ARANDELA AR X
11 21M7310 TORNILLO 2 X M6 X 25
12 24M7054 ARANDELA 2 X
13 14M7166 TUERCA DE SEGURIDAD 4 X M8
14 24M7055 ARANDELA 4 X
15 L78691 CASQUILLO 2 X
16 L78690 CASQUILLO 1 X
17 L113908 ARANDELA DE GUARNICION 2 X
18 L113907 ARANDELA DE GUARNICION 2 X
19 AL113174 MANGO 2 X
20 L79432 TUERCA 1 X
21 L79433 ARANDELA 1 X
22 19M7574 TORNILLO 4 X M8 X 40
TRACTOR 6110J (EDICION SUDAMERICANA) PC8538S (01-JUL-10) 92-39
PN=495
92-40
PLATAFORMA DE CONDUCCION
WITHOUT RIGHT-HAND DOOR
SANS PORTE DROITE
OHNE RECHTE TUER
SENZA PORTA DESTRA
SEM PORTA DIREITA
SIN PUERTA DERECHA
PUBM1199 -UN-21APR10
ESTA RELACION DE PIE
92-40 TRACTOR 6110J (EDICION SUDAMERICANA) PC8538S (01-JUL-10)
PN=496
92-41
PLATAFORMA DE CONDUCCION
6
1
1
0
POS. NO.PIEZA DESCRIPCION CANT NUM. SERIE J NOTAS
1 L170677 CRISTAL DE VENTANA 1 X
2 L157817 BURLETE 1 X
3 AL78377 APOYO 2 X
4 03M7309 TORNILLO 1 X
5 L78704 ARANDELA DE GUARNICION 4 X
6 L78851 CASQUILLO 2 X
7 24M7055 ARANDELA 2 X
8 14M7166 TUERCA DE SEGURIDAD 2 X M8
9 L78703 TAPA 2 X
10 L157095 APOYO 1 X
11 22M7170 TORNILLO DE FIJACION 4 X
12 L111072 TAPON 1 X
13 AL117519 TUERCA SOLDABLE 4 X
14 24M7260 ARANDELA 4 X
15 L116184 RETEN 2 X TK= 5.0MM (13/64")
16 24M7362 ARANDELA 2 X
17 L153130 TORNILLO 2 X
TRACTOR 6110J (EDICION SUDAMERICANA) PC8538S (01-JUL-10) 92-41
PN=497
92-42
PLATAFORMA DE CONDUCCION
DOORS
PORTES
TUEREN
PORTE
PORTA
PUERTAS
PUBM1111 -UN-21APR10
ESTA RELACION DE PIE
92-42 TRACTOR 6110J (EDICION SUDAMERICANA) PC8538S (01-JUL-10)
PN=498
92-43
PLATAFORMA DE CONDUCCION
6
1
1
0
POS. NO.PIEZA DESCRIPCION CANT NUM. SERIE J NOTAS
1 AL78276 MANGO 1 X LH
AL78277 MANGO 1 X RH
2 24H1292 ARANDELA 1 X
3 AL179829 BISAGRA 1 X LH
AL179830 BISAGRA 1 X RH
4 AL179831 BISAGRA 1 X LH
AL179832 BISAGRA 1 X RH
5 DQ59131 CILINDRO DE GAS 1 X
6 R237474 ESPARRAGO CON BOLA 2 X
7 L112743 CASQUILLO 2 X
8 L169102 PUERTA 1 X LH
L169103 PUERTA 1 X RH
9 L157817 BURLETE 1 X LGTH=3720MM (146-29/64") (MF AL164267)
10 L116184 RETEN 4 X
11 L111988 ARANDELA 2 X
12 L78769 ARANDELA 2 X
13 L78768 ARANDELA 2 X
14 L78851 CASQUILLO 2 X
15 24M7055 ARANDELA 2 X
16 21M7392 TORNILLO 2 X M8 X 30
17 L78703 TAPA 2 X
18 21M7491 TORNILLO 6 X M8 X 16
19 24M7362 ARANDELA 2 X
20 L155606 ARANDELA DE GUARNICION 4 X
21 L78704 ARANDELA DE GUARNICION 1 X
22 L77651 ARANDELA 1 X
23 L100869 ARANDELA 2 X
24 AL117519 TUERCA SOLDABLE 4 X
25 L151718 TAPA 2 X
L151719 TAPA 1 X RH
26 L79485 CASQUILLO 1 X
TRACTOR 6110J (EDICION SUDAMERICANA) PC8538S (01-JUL-10) 92-43
PN=499
92-44
PLATAFORMA DE CONDUCCION
WINDSHIELD
PARE-BRISE, NON INCLINABLE
FRONTSCHEIBE
PARABREZZA
PARABRISA
PARABRISAS DELANTERO
PUBM1198 -UN-21APR10
ESTA RELACION DE PIE
92-44 TRACTOR 6110J (EDICION SUDAMERICANA) PC8538S (01-JUL-10)
PN=500
92-45
PLATAFORMA DE CONDUCCION
6
1
1
0
POS. NO.PIEZA DESCRIPCION CANT NUM. SERIE J NOTAS
1 14M7416 TUERCA CON BRIDA 4 X M8
2 L113232 PLACA 2 X
3 L112290 BURLETE 1 X
4 L112951 APOYO 2 X
5 03M7331 TORNILLO 4 X
6 L79909 TIRA/ALFOMBRILLA 2 X
7 L116304 ETIQUETA ADHESIVA 2 X
8 L157820 BURLETE 1 X LGTH 2000MM
9 L171336 PARABRISAS 1 X
10 L100685 RETENEDOR 2 X
11 37M7305 TORNILLO 4 X
12 L112971 ANGULO 1 X
13 L111480 TUERCA DE EMPUJE 2 X
14 L157821 BURLETE 2 X
15 L151753 CRISTAL DE VENTANA 1 X RH
16 L151752 CRISTAL DE VENTANA 1 X LH
17 L155576 TUERCA 4 X
18 24M7309 ARANDELA 4 X
19 21M7423 TORNILLO 2 X M6 X 30, RH
20 L78703 TAPA 4 X
21 L78704 ARANDELA DE GUARNICION 4 X
22 L41443 ANILLO TORICO 4 X
23 L78702 CASQUILLO 4 X
TRACTOR 6110J (EDICION SUDAMERICANA) PC8538S (01-JUL-10) 92-45
PN=501
92-46
PLATAFORMA DE CONDUCCION
BULKHEAD
TABLIER
SCHOTTWAND
PARATIA
VEDACAO DA CABINE
TABIQUE
PUBM1125 -UN-21APR10
ESTA RELACION DE PIE
92-46 TRACTOR 6110J (EDICION SUDAMERICANA) PC8538S (01-JUL-10)
PN=502
92-47
PLATAFORMA DE CONDUCCION
6
1
1
0
POS. NO.PIEZA DESCRIPCION CANT NUM. SERIE J NOTAS
1 AL157707 BURLETE 1 X
2 19M7867 TORNILLO AR X M8 X 25
3 DT5471 BURLETE 1 X
4 AL154932 BASTIDOR 1 X
5 AL164012 PARED CORTAFUEGOS 1 X (CABINE)
AL164013 PARED CORTAFUEGOS 1 X (EPCC)
6 24M7055 ARANDELA AR X
7 19M7162 TORNILLO AR X M8 X 16
8 L164972 TUERCA 1 X
9 M84971 TUERCA 3 X
TRACTOR 6110J (EDICION SUDAMERICANA) PC8538S (01-JUL-10) 92-47
PN=503
92-48
PLATAFORMA DE CONDUCCION
MEMORANDA
MEMORANDA
MEMORANDA
MEMORANDA
MEMORANDA
MEMORANDA
92-48 TRACTOR 6110J (EDICION SUDAMERICANA) PC8538S (01-JUL-10)
PN=504
93-A01
MANDOS, ACCESORIOS Y AIRE ACCONDICIONADO
SECTIONAL INDEX
INDEX DE SECTION
GRUPPENINDEX
INDICE DELLA SEZIONE
INDICE DE GRUPO
INDICE DE GRUPOS
PUBM1425 -UN-28JUN10
1- 2
2- 4
3- 6
4- 7
9- 16
10- 18
21- 32
22- 34
23- 36
24- 38
25- 40
26- 42
27- 44
28- 45
29- 46
TRACTOR 6110J (EDICION SUDAMERICANA) PC8538S (01-JUL-10) 93-A01
PN=505
93-A02
MANDOS, ACCESORIOS Y AIRE ACCONDICIONADO
SECTIONAL INDEX
INDEX DE SECTION
GRUPPENINDEX
INDICE DELLA SEZIONE
INDICE DE GRUPO
INDICE DE GRUPOS
PUBM1426 -UN-28JUN10
5- 8
6- 10
7- 12
8- 14
11- 20
12- 22
13- 24
14- 25
15- 26
16- 27
17- 28
18- 29
19- 30
20- 31
93-A02 TRACTOR 6110J (EDICION SUDAMERICANA) PC8538S (01-JUL-10)
PN=506
93-1
MANDOS, ACCESORIOS Y AIRE ACCONDICIONADO
MEMORANDA
MEMORANDA
MEMORANDA
MEMORANDA
MEMORANDA
MEMORANDA
TRACTOR 6110J (EDICION SUDAMERICANA) PC8538S (01-JUL-10) 93-1
PN=507
93-2
MANDOS, ACCESORIOS Y AIRE ACCONDICIONADO
DASH/COWL
HABILLAGE TABLEAU DE BORD
ARMATURENWANDVERKLEIDUNG
CRUSCOTTO / COPERTURA
PAINEL
REVESTIMIENTO SALPICADERO
PUBM1082 -UN-21APR10
ESTA RELACION DE PIE
93-2 TRACTOR 6110J (EDICION SUDAMERICANA) PC8538S (01-JUL-10)
PN=508
93-3
MANDOS, ACCESORIOS Y AIRE ACCONDICIONADO
6
1
1
0
POS. NO.PIEZA DESCRIPCION CANT NUM. SERIE J NOTAS
1 AL164922 CUBRETABLERO 1 X CABINE
AL171534 CUBRETABLERO 1 X EPCC
2 L155361 TAPADERA 1 X
3 L164972 TUERCA 3 X
4 L112797 TORNILLO 1 X
5 L113415 TORNILLO 3 X
6 MN10255 CENTRAL DE CONTROLES 1 X
7 37M7181 TORNILLO 8 X
8 24M7027 ARANDELA 1 X
9 14M7265 TUERCA DE SEGURIDAD 1 X M5
10 CQ64057 TIRA/ALFOMBRILLA 1 X EPCC
11 L154378 TIRA/ALFOMBRILLA 1 X
12 L154379 TIRA/ALFOMBRILLA 2 X
TRACTOR 6110J (EDICION SUDAMERICANA) PC8538S (01-JUL-10) 93-3
PN=509
93-4
MANDOS, ACCESORIOS Y AIRE ACCONDICIONADO
ELECTRICAL INSTRUMENTS
TABLEAU DE BORD - ELEMENTS ELECTRIQUES
ELEKTRISCHE ARMATUREN
STRUMENTI ELETTRICI
CONPONENTES ELETRICOS
COMPONENTES ELECTRICOS
PUBM1481 -UN-28JUN10
ESTA RELACION DE PIE
93-4 TRACTOR 6110J (EDICION SUDAMERICANA) PC8538S (01-JUL-10)
PN=510
93-5
MANDOS, ACCESORIOS Y AIRE ACCONDICIONADO
6
1
1
0
POS. NO.PIEZA DESCRIPCION CANT NUM. SERIE J NOTAS
1 RE61717 INTERRUPTOR GIRATORIO 1 X
2 AL35179 INTERRUPTOR 1 X
3 L157295 TAPON 1 X
4 L37489 MANGO 1 X
5 R115974 TUERCA 1 X
6 RE183935 LLAVE 1 X
7 L79734 ETIQUETA ADHESIVA 1 X
8 L114509 TAPON AR X
9 AL155612 INT. ALTERNANTE/BASCULANTE 1 X
10 21M7290 TORNILLO 1 X M3 X 35
11 L102359 ETIQUETA ADHESIVA 1 X
12 AL154249 INTERRUPTOR 1 X
13 AL157883 INT. ALTERNANTE/BASCULANTE 1 X
14 AL76568 EMPUNADURA 1 X
15 R44165 TUERCA DE SEGURIDAD 1 X
16 AL36529 INTERRUPTOR 1 X
17 37M7336 TORNILLO 2 X
18 L115020 ETIQUETA ADHESIVA 1 X
19 R39554 INTERRUPTOR 1 X
20 T55501 TAPA 1 X
21 DQ70988 PORTALLAVES 1 X
TRACTOR 6110J (EDICION SUDAMERICANA) PC8538S (01-JUL-10) 93-5
PN=511
93-6
MANDOS, ACCESORIOS Y AIRE ACCONDICIONADO
FWD SWITCH
INTERRUPTEUR PONT AVANT
SCHALTER FUER FRONTANTRIEB
INTERRUTTORE 4WD
INTERRUPTOR DA TRACAO DIANTEIRA
INTERRUPTOR DE LA TDM
CQ155689 -UN-06JUL04
6
1
1
0
POS. NO.PIEZA DESCRIPCION CANT NUM. SERIE J NOTAS
1 AL165520 INT. ALTERNANTE/BASCULANTE 1 X (A)
AL156854 INT. ALTERNANTE/BASCULANTE 1 X (B)
(A) WITHOUT CAB (B) WITH CAB
SANS CABINE AVEC CABINE
OHNE KABINE MIT KABINE
SENZA CABINA CON CABINA
SEM CABINE COM CABINE
SIN CABINA CON CABINA
93-6 TRACTOR 6110J (EDICION SUDAMERICANA) PC8538S (01-JUL-10)
PN=512
93-7
MANDOS, ACCESORIOS Y AIRE ACCONDICIONADO
DIFFERENTIAL LOCK SWITCH
BLOCAGE DU DIFFERENTIEL, CONTACTEUR
SCHALTER FUER DIFFERENTIALSPERRE
INTERRUTTORE BLOCCAGGIO DIFFERENZIALE
INTERRUPTOR DE BLOQUEIO DO DIFERENCIAL
INTERRUPTOR DE BLOQUEO DEL DIFERENCIAL
CQ155886 -UN-26AUG04
6
1
1
0
POS. NO.PIEZA DESCRIPCION CANT NUM. SERIE J NOTAS
1 RE46534 INTERRUPTOR 1 X
2 RE43637 ACCIONADOR 1 X
3 L80302 ETIQUETA ADHESIVA 1 X
TRACTOR 6110J (EDICION SUDAMERICANA) PC8538S (01-JUL-10) 93-7
PN=513
93-8
MANDOS, ACCESORIOS Y AIRE ACCONDICIONADO
CLUTCH OPERATING PARTS, CLUTCH PEDAL
ELEMENTS DE COMMANDE DE L’EMBRAYAGE, PEDALE D’EMBRAYAGE
KUPPLUNGSBETAETIGUNGSTEILE, KUPPLUNGSPEDAL
PARTI COMANDO FRIZIONE, PEDALE FRIZIONE
PEDAL DA EMBREAGEM
PIEZAS DEL ACCIONAMIENTO DEL EMBRAGUE, PEDAL DE EMBRAGUE
PUBM1089 -UN-21APR10
6
1
1
0
POS. NO.PIEZA DESCRIPCION CANT NUM. SERIE J NOTAS
1 L110617 BULON 1 X
2 AL110894 SOPORTE 1 X
3 14M7274 TUERCA 1 X M10
4 19M8533 TORNILLO 1 X M10 X 25
5 L100285 TORNILLO 3 X
6 AL169899 PEDAL 1 X INCL KEY 7
7 L41178 CASQUILLO 2 X
8 AL203461 CONTROL 1 X INCL KEY 1, 2, 3, 4, 6, 7
93-8 TRACTOR 6110J (EDICION SUDAMERICANA) PC8538S (01-JUL-10)
PN=514
93-9
MANDOS, ACCESORIOS Y AIRE ACCONDICIONADO
MEMORANDA
MEMORANDA
MEMORANDA
MEMORANDA
MEMORANDA
MEMORANDA
TRACTOR 6110J (EDICION SUDAMERICANA) PC8538S (01-JUL-10) 93-9
PN=515
93-10
MANDOS, ACCESORIOS Y AIRE ACCONDICIONADO
CLUTCH OPERATING PARTS, BOWDEN CABLE
COMMANDE DE L’EMBRAYAGE, CABLE SOUS GAINE
KUPPLUNGSBETAETIGUNGSTEILE, BOWDENZUG
PARTI COMANDO FRIZIONE, CAVO BOWDEN
CABO DA EMBRAGEM
ELEMENTOS DE MANDO DEL EMBRAGUE, CABLE
LX035844 -UN-08JUL03
ESTA RELACION DE PIE
93-10 TRACTOR 6110J (EDICION SUDAMERICANA) PC8538S (01-JUL-10)
PN=516
93-11
MANDOS, ACCESORIOS Y AIRE ACCONDICIONADO
6
1
1
0
POS. NO.PIEZA DESCRIPCION CANT NUM. SERIE J NOTAS
1 AL151612 CABLE 1 X (SYNCROPLUS) LGTH 1130MM
2 L157793 PASAMUROS 1 X
3 L154381 ENVOLTURA 2 X
4 14M7272 TUERCA 1 X M6
5 L79792 ANILLO ELASTICO 2 X
6 45M7080 PASADOR DE MUELLE 1 X
7 45M7063 BULON 1 X
8 L166609 HORQUILLA 2 X
TRACTOR 6110J (EDICION SUDAMERICANA) PC8538S (01-JUL-10) 93-11
PN=517
93-12
MANDOS, ACCESORIOS Y AIRE ACCONDICIONADO
FOOT THROTTLE
PEDALE D’ACCELERATION
DREHZAHLFUSSHEBEL
PEDALE ACCELERATORE
ACELERADOR DE PE
ACELERADOR DE PIE
PUBM1134 -UN-21APR10
ESTA RELACION DE PIE
93-12 TRACTOR 6110J (EDICION SUDAMERICANA) PC8538S (01-JUL-10)
PN=518
93-13
MANDOS, ACCESORIOS Y AIRE ACCONDICIONADO
6
1
1
0
POS. NO.PIEZA DESCRIPCION CANT NUM. SERIE J NOTAS
1 L151157 PALANCA 1 X
2 L150527 PALANCA 1 X
3 L150526 MUELLE DE TORSION 1 X
4 CQ59332 PALANCA 1 X
5 L112950 PALANCA 1 X
6 L150525 ARBOL 1 X
7 55M7012 ESPARRAGO CON BOLA 1 X
8 14M7165 TUERCA DE SEGURIDAD 6 X M6
9 34H394 PASADOR ELASTICO 1 X
10 DQ63989 ROTULA 1 X
11 14M7027 TUERCA 1 X M6
12 56M7006 CABEZA DE ARTICUL.ESFERICA 1 X
13 L150034 ESPARRAGO 1 X
TRACTOR 6110J (EDICION SUDAMERICANA) PC8538S (01-JUL-10) 93-13
PN=519
93-14
MANDOS, ACCESORIOS Y AIRE ACCONDICIONADO
FOOT THROTTLE
PEDALE D’ACCELERATION
DREHZAHLFUSSHEBEL
PEDALE ACCELERATORE
ACELERADOR DE PE
ACELERADOR DE PIE
PUBM1133 -UN-21APR10
ESTA RELACION DE PIE
93-14 TRACTOR 6110J (EDICION SUDAMERICANA) PC8538S (01-JUL-10)
PN=520
93-15
MANDOS, ACCESORIOS Y AIRE ACCONDICIONADO
6
1
1
0
POS. NO.PIEZA DESCRIPCION CANT NUM. SERIE J NOTAS
1 L113020 PEDAL 1 X
2 L113021 CASQUILLO 1 X
3 L78701 MUELLE 1 X
4 37M7361 TORNILLO 3 X
5 L150340 CARCASA 1 X
6 L150363 CASQUILLO 2 X
7 R26871 ANILLO ELASTICO 1 X
8 L150079 PARAGOLPES 1 X
9 L150454 VASTAGO 1 X
10 DQ65998 ACELERADOR 1 X
TRACTOR 6110J (EDICION SUDAMERICANA) PC8538S (01-JUL-10) 93-15
PN=521
93-16
MANDOS, ACCESORIOS Y AIRE ACCONDICIONADO
CONTROL CONSOLE (CAB)
CONSOLE DE COMMANDE (CABINE)
BEDIENUNGSKONSOLE (KABINE)
CONSOLE DI COMANDI (CABINA)
CONTROLE DO CONSOLE (CABINE)
CONSOLA DE INSTRUMENTOS (CABINA)
PUBM1142 -UN-21APR10
ESTA RELACION DE PIE
93-16 TRACTOR 6110J (EDICION SUDAMERICANA) PC8538S (01-JUL-10)
PN=522
93-17
MANDOS, ACCESORIOS Y AIRE ACCONDICIONADO
6
1
1
0
POS. NO.PIEZA DESCRIPCION CANT NUM. SERIE J NOTAS
1 AL201018 TAPADERA 1 X
2 37M7185 TORNILLO 2 X
3 L151699 PANEL 1 X
4 L40924 TUERCA 3 X
5 L158260 CONSOLA DE CONTROL 1 X
6 L39603 TUERCA 3 X
7 21M7246 TORNILLO 6 X M6 X 16
8 AL79029 TIRA 1 X
9 L101932 ESPACIADOR 2 X
10 21M7403 TORNILLO 2 X M6 X 40
11 AL115814 TUERCA 16 X
12 L113415 TORNILLO 1 X
13 L168519 PANEL 1 X
14 L113846 MOLDURA 1 X
15 L112282 TAPON 1 X
16 37M7290 TORNILLO 3 X
17 37M7140 TORNILLO 2 X
18 24M7027 ARANDELA 1 X
19 L79648 TUERCA DE EMPUJE 2 X
20 L102110 TUERCA 1 X
21 21M7285 TORNILLO 2 X M6 X 12
22 L115292 TORNILLO 12 X
23 99M7073 TAPON 1 X
24 99M7016 TAPON 1 X
25 L157254 BURLETE 2 X
TRACTOR 6110J (EDICION SUDAMERICANA) PC8538S (01-JUL-10) 93-17
PN=523
93-18
MANDOS, ACCESORIOS Y AIRE ACCONDICIONADO
CONTROL CONSOLE (OPEN OPERATOR’S STATION)
CONSOLE DE COMMANDE (TRACTEURS SANS CABINE)
BEDIENUNGSKONSOLE (OFFENE FAHRERPLATTFORM)
CONSOLE COMANDI (POSTAZIONE OPERATORE APERTA)
CONTROLE DO CONSOLE (EPCC)
CONSOLA DE INSTRUMENTOS (PLATAFORMA DE CONDUCCION ABIERTA)
PUBM1117 -UN-22APR10
ESTA RELACION DE PIE
93-18 TRACTOR 6110J (EDICION SUDAMERICANA) PC8538S (01-JUL-10)
PN=524
93-19
MANDOS, ACCESORIOS Y AIRE ACCONDICIONADO
6
1
1
0
POS. NO.PIEZA DESCRIPCION CANT NUM. SERIE J NOTAS
1 L113559 REVESTIMIENTO 1 X
2 37M7185 TORNILLO 2 X
3 AL117697 PANEL 1 X (A)
4 L40924 TUERCA 3 X
5 L112511 CONSOLA DE CONTROL 1 X
6 AL178554 CARTABON 1 X
7 21M7246 TORNILLO 4 X M6 X 16
8 AL79029 TIRA 1 X
9 L101932 ESPACIADOR 1 X
10 21M7403 TORNILLO 2 X M6 X 40
11 L39603 TUERCA 1 X
12 37M7230 TORNILLO 4 X
13 19M8866 TORNILLO 4 X M5 X 16
14 L59635 CASQUILLO 2 X
15 24M7027 ARANDELA 4 X
16 AL115814 TUERCA 16 X
17 L102110 TUERCA 1 X
18 L157254 BURLETE 2 X
19 L102490 AISLANTE 1 X
20 L113415 TORNILLO 1 X
21 L112282 TAPON 1 X
22 L79648 TUERCA DE EMPUJE 4 X
23 L112796 TORNILLO 2 X
24 L115235 PANEL 1 X
(A) WITHOUT RAILING
SANS MAIN COURANTE
OHNE HANDLAUF
SENZA GUIDE
SEM CORRIMAO
SIN PASAMANOS
TRACTOR 6110J (EDICION SUDAMERICANA) PC8538S (01-JUL-10) 93-19
PN=525
93-20
MANDOS, ACCESORIOS Y AIRE ACCONDICIONADO
WINDSCREEN WASHER SYSTEM WITH RESERVOIR
LAVE-GLACE PARE-BRISE AVEC RESERVOIR
SCHEIBENWASCHANLAGE VORN MIT VORRATSBEHAELTER
DISPOS. LAVAPARABREZZA CON SERBATOIO
RESERVATORIO DE AGUA DO LIMPADOR DO PARABRISA
LAVAPARABRISAS CON DEPOSITO
CQ155691 -UN-06JUL04
ESTA RELACION DE PIE
93-20 TRACTOR 6110J (EDICION SUDAMERICANA) PC8538S (01-JUL-10)
PN=526
93-21
MANDOS, ACCESORIOS Y AIRE ACCONDICIONADO
6
1
1
0
POS. NO.PIEZA DESCRIPCION CANT NUM. SERIE J NOTAS
1 AL77711 DEPOSITO 1 X
2 L78422 DEPOSITO 1 X
3 L80013 TAPON DE LLENADO 1 X
4 AL79013 BOMBA 1 X
5 L80014 PASAMUROS 2 X
6 L80015 TAPON 1 X
7 L155455 MANGUERA 1 X
8 AL114276 VALVULA DE RETENCION 1 X
9 AL35642 TOBERA 1 X
10 24H1292 ARANDELA 2 X 8.738 X 19.050 X 3.048 MM
11 19M8830 TORNILLO 2 X M8 X 30
TRACTOR 6110J (EDICION SUDAMERICANA) PC8538S (01-JUL-10) 93-21
PN=527
93-22
MANDOS, ACCESORIOS Y AIRE ACCONDICIONADO
FRONT WINDSHIELD WIPER
ESSUIE-GLACE PARE-BRISE
SCHEIBENWISCHER VORN
TERGICRISTALLO ANTERIORE
LIMPADOR DE PARABRISAS
LIMPIAPARABRISAS FRONTAL
PUBM1138 -UN-21APR10
ESTA RELACION DE PIE
93-22 TRACTOR 6110J (EDICION SUDAMERICANA) PC8538S (01-JUL-10)
PN=528
93-23
MANDOS, ACCESORIOS Y AIRE ACCONDICIONADO
6
1
1
0
POS. NO.PIEZA DESCRIPCION CANT NUM. SERIE J NOTAS
1 RE151494 MOTOR DE LIMPIAPARABRISAS 1 X
2 19M7560 TORNILLO 1 X M6 X 16
3 12M7133 ARANDELA DE SEGURIDAD 1 X
4 14M7272 TUERCA 1 X M6
5 19M6614 TORNILLO 4 X M6 X 12
6 24M7139 ARANDELA 3 X
7 24M7055 ARANDELA 1 X
8 14M7273 TUERCA 1 X M8
9 AL153662 BRAZO DE LIMPIAPARABRISAS 1 X
10 AL153660 HOJA DE LIMPIAPARABRISAS 1 X (A) LGTH= 500MM
(A) WITH HINGED WINDSHIELD
AVEC VITRE AVANT ORIENTABLE
BEI AUSSTELLBARER FRONTSCHEIBE
CON PARABREZZA INCERNIERATO
COM PARABRISA ARTICULAVEL
CON PARABRISAS ABATIBLE
TRACTOR 6110J (EDICION SUDAMERICANA) PC8538S (01-JUL-10) 93-23
PN=529
93-24
MANDOS, ACCESORIOS Y AIRE ACCONDICIONADO
RADIO CONSOLE
CONSOLE DE RADIO
RADIOKONSOLE
SCATOLA RADIO
COMSOLE DO RADIO
CONSOLA PARA RADIO
LX048702 -UN-27SEP05
6
1
1
0
POS. NO.PIEZA DESCRIPCION CANT NUM. SERIE J NOTAS
1 L203991 TORNILLO 2 X
2 37M7263 TORNILLO 2 X
3 L78041 ANGULO 1 X
4 L204008 SOPORTE 1 X
5 19M7300 TORNILLO 4 X M6 X 10
6 24M7054 ARANDELA 4 X
7 L78238 TUERCA 4 X
8 L151740 PANEL 1 X
9 L152335 TAPADERA 1 X
10 24M7138 ARANDELA 1 X
11 Z59391 REMACHE 1 X
12 R54477 REMACHE 2 X
13 L151863 SOPORTE 1 X
14 L111480 TUERCA DE EMPUJE 2 X
93-24 TRACTOR 6110J (EDICION SUDAMERICANA) PC8538S (01-JUL-10)
PN=530
93-25
MANDOS, ACCESORIOS Y AIRE ACCONDICIONADO
OUTSIDE MIRROR
RETROVISEUR EXTERIEUR
AUSSENSPIEGEL
RETROVISORE
RETROVISOR
RETROVISOR
PUBM1150 -UN-21APR10
6
1
1
0
POS. NO.PIEZA DESCRIPCION CANT NUM. SERIE J NOTAS
1 DQ46087 PORTADOR 1 X LH
DQ46088 PORTADOR 1 X RH
2 L79775 TAPA 2 X
3 DQ43135 ESPEJO RETROVISOR 1 X
4 24M7362 ARANDELA 4 X
5 19M7660 TORNILLO 1 X M8 X 20
6 DQ43133 ESPEJO RETROVISOR 1 X LH
DQ43134 ESPEJO RETROVISOR 1 X RH
TRACTOR 6110J (EDICION SUDAMERICANA) PC8538S (01-JUL-10) 93-25
PN=531
93-26
MANDOS, ACCESORIOS Y AIRE ACCONDICIONADO
INSIDE REAR VIEW MIRROR (OOS)
RETROVISEUR INTERIEUR (EPCC)
INNENRUECKSPIEGEL (EPCC)
SPECCHIETTO RETROVISIVO INTERIORE (EPCC)
RETROVISOR INTERNO (EPCC)
ESPEJO RETROVISOR INTERIOR (EPCC)
PUBM1062 -UN-21APR10
6
1
1
0
POS. NO.PIEZA DESCRIPCION CANT NUM. SERIE J NOTAS
1 AT186760 ESPEJO RETROVISOR 1 X
2 SU20627 SOPORTE 1 X
3 24M7055 ARANDELA 2 X
4 R210137 ARANDELA 1 X
5 14M7166 TUERCA DE SEGURIDAD 2 X M8
6 19M7913 TORNILLO 1 X M8 X 90
93-26 TRACTOR 6110J (EDICION SUDAMERICANA) PC8538S (11-JAN-11)
PN=532
93-27
MANDOS, ACCESORIOS Y AIRE ACCONDICIONADO
INSIDE REAR VIEW MIRROR WITH CAB
RETROVISEUR INTERIEUR TRACTEURS AVEC CABINE
INNEN-RUECKSPIEGEL BEI KABINE
RETROVISORE INTERIORE CON CABINA
RETROVISOR INTERNO COM CABINE
ESPEJO RETROVISOR INTERIOR CON CABINA
PUBM2130 -UN-
6
1
1
0
POS. NO.PIEZA DESCRIPCION CANT NUM. SERIE J NOTAS
1 AT186760 ESPEJO RETROVISOR 1 X
2 L113657 RETENEDOR 1 X
3 AL154247 TIRA 1 X
4 24M7260 ARANDELA 2 X
5 19M8830 TORNILLO 1 X
6 14M7478 TUERCA DE SEGURIDAD 1 X
7 24M7362 ARANDELA 1 X
8 L113993 TUERCA 1 X
9 21M7296 TORNILLO 2 X
TRACTOR 6110J (EDICION SUDAMERICANA) PC8538S (11-JAN-11) 93-27
PN=533
93-28
MANDOS, ACCESORIOS Y AIRE ACCONDICIONADO
SUN VISOR
PARE-SOLEIL
SONNENBLENDE
PARASOLE
PARA SOL
PARASOL
PUBM1093 -UN-21APR10
6
1
1
0
POS. NO.PIEZA DESCRIPCION CANT NUM. SERIE J NOTAS
1 AL156781 PARASOL 1 X
2 21M7310 TORNILLO 3 X M6 X 25
3 L113023 GANCHO 1 X
4 21M7296 TORNILLO 2 X M6 X 20
93-28 TRACTOR 6110J (EDICION SUDAMERICANA) PC8538S (01-JUL-10)
PN=534
93-29
MANDOS, ACCESORIOS Y AIRE ACCONDICIONADO
HOLDER FOR OPERATOR’S MANUAL (OPEN OPERATOR’S STATION)
CASIER DE RANGEMENT POUR LIVRET D’ENTRETIEN (TRACTEURS SANS CABINE)
BETRIEBSANLEITUNGSHALTER (OFFENE FAHRERPLATTFORM)
SOSTEGNO MANUALE OPERATORE (STAZIONE OPERATORE APERTA)
PORTA-MANUAL DO OPERADOR (POSTO ABERTO DO OPERADOR)
COMPARTIMENTO PARA MANUAL DEL OPERADOR (CON PLATAFORMA DE CONDUCCION ABIERTA)
LX048426 -UN-21JUN05
6
1
1
0
POS. NO.PIEZA DESCRIPCION CANT NUM. SERIE J NOTAS
1 37M7063 TORNILLO 3 X
2 L115238 CONTENEDOR 1 X
3 L115149 RETENEDOR 1 X
4 37M7079 TORNILLO 1 X
5 24M7309 ARANDELA 1 X
TRACTOR 6110J (EDICION SUDAMERICANA) PC8538S (01-JUL-10) 93-29
PN=535
93-30
MANDOS, ACCESORIOS Y AIRE ACCONDICIONADO
OPERATOR’S MANUAL HOLDER
CASIER DE RANGEMENT LIVRET D’ENTRETIEN
HALTER FUER BETRIEBSANLEITUNG
TASCA PER IL MANUALE DELL’OPERATORE
PORTA-MANUAL DO OPERADOR
SOPORTE PARA MANUAL DEL OPERADOR
PUBM1107 -UN-21APR10
6
1
1
0
POS. NO.PIEZA DESCRIPCION CANT NUM. SERIE J NOTAS
1 R77915 PORTADOR 1 X
2 L39134 REMACHE 4 X
93-30 TRACTOR 6110J (EDICION SUDAMERICANA) PC8538S (01-JUL-10)
PN=536
93-31
MANDOS, ACCESORIOS Y AIRE ACCONDICIONADO
ROCKSHAFT, REMOTE CONTROL
COMMANDE A DISTANCE DU RELEVAGE
KRAFTHEBER, FERNBEDIENUNG
TIRANTERIA COMANDO SOLLEVATORE ANTERIORE
CONTROLE EXTERNO DO LEVANTE
ELEVADOR HIDR., MANDO A DISTANCIA
PUBM1055 -UN-21APR10
6
1
1
0
POS. NO.PIEZA DESCRIPCION CANT NUM. SERIE J NOTAS
1 AL172871 CONTROL 1 X
2 L168608 ABRAZADERA 1 X (USE WITH AL172871)
3 37M7411 TORNILLO AR X
4 L169912 ENVOLTURA 2 X (USE WITH AL168325 OR AL168326)
5 L65071 ETIQUETA ADHESIVA 1 X LH
6 24M7117 ARANDELA AR X (UTILIZAR CON 37M7411)
7 R234273 BASTIDOR 1 X (UTILIZAR CON AL168325 O AL168326)
8 R206454 TAPON 1 X
TRACTOR 6110J (EDICION SUDAMERICANA) PC8538S (01-JUL-10) 93-31
PN=537
93-32
MANDOS, ACCESORIOS Y AIRE ACCONDICIONADO
HEATER UNIT, HEATER HOSES, FAN PARTS
UNITE DE CHAUFFAGE, CONDUITES DE CHAUFFAGE, ELEMENTS SOUFFLANTE
HEIZUNGSEINHEIT, HEIZUNGSSCHLAEUCHE, GEBLAESETEILE
DI RISCALDAMENTO, TUBI PER DETTO, COMPONENTI VENTILAZIONE
UNIDADE DE AR-CONDICIONADO
UNIDAD DE CALEFACCION, MANGUERAS DE CALEFACCION, COMPONENTES DEL VENTILADOR
PUBM1411 -UN-28JUN10
ESTA RELACION DE PIE
93-32 TRACTOR 6110J (EDICION SUDAMERICANA) PC8538S (01-JUL-10)
PN=538
93-33
MANDOS, ACCESORIOS Y AIRE ACCONDICIONADO
6
1
1
TRACTOR 0
POS. NO.PIEZA DESCRIPCION CANT NUM. SERIE J NOTAS
1 L110186 MANGUERA 1 X
2 L168126 ABRAZADERA 4 X
3 L110147 PORTADOR 1 X
4 AL171742 VALVULA MANUAL 1 X
5 L158565 MANGUERA 1 X
6 24M7139 ARANDELA 6 X
7 AL152449 RED DE RESISTENCIAS 1 X
8 14M7028 TUERCA 2 X M5
9 19M7640 TORNILLO 2 X M5 X 12
10 RE46634 INTERRUPTOR 1 X
11 AL110881 SOPLADOR 2 X
12 19M7560 TORNILLO 8 X M6 X 16
13 L79884 JUNTA 2 X
14 24M7027 ARANDELA 3 X
15 AL163858 INTERCAMBIADOR DE CALOR 1 X
16 24M7054 ARANDELA 2 X
17 19M8669 TORNILLO 2 X M5 X 35
18 19M7768 TORNILLO 3 X M6 X 16
19 L157800 PLACA 1 X
20 AL160645 VALVULA DE RETENCION 1 X
21 R33259 ANILLO TORICO 2 X
22 R113050 ANILLO TORICO 1 X
23 L157116 RETENEDOR 1 X
24 AL179243 MANGUERA 1 X INCL KEY 26
25 L59927 TUERCA 1 X
26 R10093 ANILLO TORICO 2 X
27 AL110299 MANGUERA 1 X INCL KEY 21
28 L79919 PASAMUROS 3 X
29 L79648 TUERCA DE EMPUJE 4 X
30 L38642 PASAMUROS 1 X
31 37M7256 TORNILLO 3 X
32 L158566 MANGUERA 1 X
33 AL173750 CAJA 1 X
34 L59800 TUERCA 8 X
35 R44165 TUERCA DE SEGURIDAD 1 X
36 AL76568 EMPUNADURA 3 X
37 L113312 TIRA/ALFOMBRILLA 1 X LH
L113313 TIRA/ALFOMBRILLA 1 X RH
38 RE43497 INTERRUPTOR 1 X
39 AL59879 INTERRUPTOR 1 X INCL KEY 25
40 L169889 TAPADERA 1 X
41 37M7185 TORNILLO 4 X
42 L151729 VENTANA DE AIREACION 2 X
43 37M7272 TORNILLO 2 X
44 L110865 ETIQUETA ADHESIVA 1 X
45 L110867 ETIQUETA ADHESIVA 1 X
46 L157466 DEFLECTOR 2 X
47 AL172331 SOPORTE 1 X
48 AL64588 ABRAZADERA 2 X
49 37M7042 TORNILLO 4 X
50 57M7116 TERMINAL ELECTRICO 1 X
51 Z36392 CINTA DE ATAR AR X
TRACTOR 6110J (EDICION SUDAMERICANA) PC8538S (01-JUL-10) 93-33
PN=539
93-34
MANDOS, ACCESORIOS Y AIRE ACCONDICIONADO
COVER FOR HEATER UNIT
COUVERCLE POUR BOITIER DE CHAUFFAGE
ABDECKUNG FUER HEIZUNGSEINHEIT
COPERCHIO PER RISCALDATORE
TAMPA DA UNIDADE DE AR-CONDICIONADO
TAPA DE LA UNIDAD DE CALEFACCION
PUBM1200 -UN-21APR10
ESTA RELACION DE PIE
93-34 TRACTOR 6110J (EDICION SUDAMERICANA) PC8538S (01-JUL-10)
PN=540
93-35
MANDOS, ACCESORIOS Y AIRE ACCONDICIONADO
6
1
1
0
POS. NO.PIEZA DESCRIPCION CANT NUM. SERIE J NOTAS
1 37M7140 TORNILLO 2 X
2 37M7185 TORNILLO 2 X
3 24M7139 ARANDELA 2 X
4 37M7218 TORNILLO 3 X
5 99M7057 TAPON 2 X
6 L151731 TAPADERA 1 X
7 37M7219 TORNILLO 2 X
8 19M7560 TORNILLO 8 X M6 X 16
9 L110146 PORTADOR 2 X
10 L79648 TUERCA DE EMPUJE 4 X
11 L110148 ANGULO 1 X LH
12 L110149 ANGULO 1 X RH
13 L110633 PORTADOR 1 X
14 L110189 JUNTA 2 X
15 14M7272 TUERCA 8 X M6
16 24M7139 ARANDELA 8 X
TRACTOR 6110J (EDICION SUDAMERICANA) PC8538S (01-JUL-10) 93-35
PN=541
93-36
MANDOS, ACCESORIOS Y AIRE ACCONDICIONADO
AIR CLEANER
FILTRE A AIR
LUFTFILTER
FILTRO ARIA
FILTRO DE AR
FILTRO DE AIRE
PUBM1201 -UN-21APR10
ESTA RELACION DE PIE
93-36 TRACTOR 6110J (EDICION SUDAMERICANA) PC8538S (01-JUL-10)
PN=542
93-37
MANDOS, ACCESORIOS Y AIRE ACCONDICIONADO
6
1
1
0
POS. NO.PIEZA DESCRIPCION CANT NUM. SERIE J NOTAS
1 AL177184 FILTRO DE AIRE 1 X
2 40M7040 ANILLO ELASTICO 2 X
3 L111425 TUERCA DE EMPUJE 2 X
4 37M7255 TORNILLO 6 X
5 AL111469 TORNILLO DE MARIPOSA 2 X
6 AL152152 CAJA 1 X INCL KEY 4
7 AL110300 TORNILLO 2 X
8 L110183 TIRA/ALFOMBRILLA 1 X
9 L151732 TAPADERA 1 X
TRACTOR 6110J (EDICION SUDAMERICANA) PC8538S (01-JUL-10) 93-37
PN=543
93-38
MANDOS, ACCESORIOS Y AIRE ACCONDICIONADO
DOME LIGHT, CONSOLE LIGHT, BEACON LIGHT SWITCH, AIR CHANNELS
PLAFONNIER, ECLAIRAGE CONSOLE, CONTACTEUR GYROPHARE, CIRCULATION D’AIR
INNENLEUCHTE, KONSOLENBELEUCHTUNG, SCHALTER FUER RUNDUMLEUCHTE, LUFTFUEHRUNG
PLAFONIERA, LAMPADINA PER CONSOLE, INTERRUTTORE PER LUCE ROTANTE, BOCCHETTE DI VENTILAZIONE
LUZES INTERNAS, CONDUTORES DE AR
LUZ INTERIOR DE CABINA, LUZ DE CONSOLA, INTERRUPTOR LUZ DE AVISO GIRATORIA, CONDUCTOS DE AIRE
PUBM1202 -UN-21APR10
ESTA RELACION DE PIE
93-38 TRACTOR 6110J (EDICION SUDAMERICANA) PC8538S (01-JUL-10)
PN=544
93-39
MANDOS, ACCESORIOS Y AIRE ACCONDICIONADO
6
1
1
0
POS. NO.PIEZA DESCRIPCION CANT NUM. SERIE J NOTAS
1 19M8403 TORNILLO 4 X M8 X 75
2 37M7290 TORNILLO 2 X
3 14M7416 TUERCA CON BRIDA 4 X M8
4 R81207 TAPADERA 2 X
5 R106551 TAPADERA 1 X
6 L110150 CONDUCTO DE AIRE 1 X LH
L110151 CONDUCTO DE AIRE 1 X RH
7 57M7615 FARO 2 X
8 AL110365 FARO 1 X
9 L112250 PORTADOR 1 X
10 57M7105 LAMPARA 1 X
11 L110496 LENTE 1 X
12 L151733 TAPADERA 1 X
13 L168124 PASAMUROS AR X
TRACTOR 6110J (EDICION SUDAMERICANA) PC8538S (01-JUL-10) 93-39
PN=545
93-40
MANDOS, ACCESORIOS Y AIRE ACCONDICIONADO
CONDENSED WATER DRAIN WITH AIR CONDITIONING
EVACUATION DE L’EAU DE CONDENSATION, AVEC CLIMATISATION
KONDENSWASSERABLAUF BEI KLIMAANLAGE
SCARICO CONDENSA CON CLIMATIZZATORE
DRENO DE CONSENSACAO COM A/C
VACIADO DE CONDENSACION DE AGUA, CON AIRE ACONDICIONADO
PUBM1154 -UN-21APR10
ESTA RELACION DE PIE
93-40 TRACTOR 6110J (EDICION SUDAMERICANA) PC8538S (01-JUL-10)
PN=546
93-41
MANDOS, ACCESORIOS Y AIRE ACCONDICIONADO
6
1
1
0
POS. NO.PIEZA DESCRIPCION CANT NUM. SERIE J NOTAS
1 AL153802 TUBO 1 X LH
AL153803 TUBO 1 X RH
2 37M7089 TORNILLO 4 X
3 L114086 VAINA 2 X
4 L169203 ARANDELA 2 X
5 R60263 CASQUILLO 2 X
6 R60264 CONEXION DE MANGUERA 2 X
7 SG06401 ABRAZADERA 2 X
8 L170670 PLACA 2 X
9 L110296 ANILLO TORICO 2 X
TRACTOR 6110J (EDICION SUDAMERICANA) PC8538S (01-JUL-10) 93-41
PN=547
93-42
MANDOS, ACCESORIOS Y AIRE ACCONDICIONADO
LINES, HEATER AND AIR CONDITIONING
CONDUITES, CHAUFFAGE ET CLIMATISATION
LEITUNGEN, HEIZUNG UND KLIMAANLAGE
TUBI RISCALDAMENTO E CONDIZIONAMENTO ARIA
LINHAS DO AR CONDICIONADO
TUBERIAS, CALEFACCION Y SISTEMA DE AIRE ACONDICIONADO
CQ155713 -UN-06JUL04
ESTA RELACION DE PIE
93-42 TRACTOR 6110J (EDICION SUDAMERICANA) PC8538S (01-JUL-10)
PN=548
93-43
MANDOS, ACCESORIOS Y AIRE ACCONDICIONADO
6
1
1
0
POS. NO.PIEZA DESCRIPCION CANT NUM. SERIE J NOTAS
1 L158567 TUBERIA 1 X
2 L110816 ABRAZADERA 6 X
3 L152636 ESPARRAGO 4 X
4 AL157806 TUBERIA 1 X (A)
AL174537 TUBERIA 1 X
5 AL158926 TUBERIA DE ACEITE 1 X (A)
6 L110815 ABRAZADERA 6 X
7 L111465 TUBERIA 1 X
8 L169839 AISLANTE AR X LGTH 650MM
9 AL118565 ABRAZADERA 4 X
10 R10093 ANILLO TORICO 2 X
11 R33259 ANILLO TORICO 2 X
12 14M7376 TUERCA DE SEGURIDAD 4 X M6
13 24M7309 ARANDELA 4 X
14 AL158537 TAPADERA 1 X LH
15 AL158538 TAPADERA 1 X RH
16 21M7423 TORNILLO 1 X M6 X 30
17 L169857 AISLANTE 1 X
18 L169858 AISLANTE 1 X
19 L169859 AISLANTE 1 X
(A) AIR CONDITIONING
CLIMATISATION
KLIMAANLAGE
IMPIANTO CONDIZION. ARIA
SISTEMA DE AR CONDICIONADO
SISTEMA DE AIRE ACONDICIONADO
TRACTOR 6110J (EDICION SUDAMERICANA) PC8538S (01-JUL-10) 93-43
PN=549
93-44
MANDOS, ACCESORIOS Y AIRE ACCONDICIONADO
RECEIVER DRYER, PRESSURE SWITCH FOR AIR CONDITIONING
DESHYDRATEUR, MANOCONTACT POUR CLIMATISATION
TROCKNER, DRUCKSCHALTER FUER KLIMAANLAGE
RICEVITORE-ESSICCATORE, INTERRUTTORE PER IMP. ARIA CONDIZ.
FILTRO SECADOR DA CABINE E PRESSOSTATO
SECADOR, INTERRUPTOR
LX034698 -UN-09MAY03
6
1
1
0
POS. NO.PIEZA DESCRIPCION CANT NUM. SERIE J NOTAS
1 AL162467 DEPOSITO & DESHUMECTADOR 1 X
2 14M7165 TUERCA DE SEGURIDAD 2 X M6
3 24M7054 ARANDELA 2 X
4 R10093 ANILLO TORICO 2 X
5 L151429 ANILLO TORICO 1 X
6 AL168231 SENSOR 1 X (ORD W/ L151429)
93-44 TRACTOR 6110J (EDICION SUDAMERICANA) PC8538S (01-JUL-10)
PN=550
93-45
MANDOS, ACCESORIOS Y AIRE ACCONDICIONADO
COMPRESSOR, AIR CONDITIONING
CLIMATISATION - COMPRESSEUR
KOMPRESSOR, KLIMAANLAGE
COMPRESSORE CONDIZIONAMENTO ARIA
COMPRESSOR DO AR CONDICIONADO
COMPRESOR, AIRE ACONDICIONADO
CQ156178 -UN-24JAN05
6
1
1
0
POS. NO.PIEZA DESCRIPCION CANT NUM. SERIE J NOTAS
1 DQ49620 COMPRESOR 1 X
2 19M7691 TORNILLO 4 X M8 X 90
3 24M7055 ARANDELA 4 X
4 L115093 PASADOR ELASTICO 2 X
5 L155548 PROTECCION 1 X
6 DQ51064 JUEGO 1 X
7 DQ59390 COLECTOR 1 X
TRACTOR 6110J (EDICION SUDAMERICANA) PC8538S (01-JUL-10) 93-45
PN=551
93-46
MANDOS, ACCESORIOS Y AIRE ACCONDICIONADO
LINES, AIR CONDITIONING
CONDUITES, CLIMATISATION
LEITUNGEN, KLIMAANLAGE
TUBI CONDIZIONAMENTO ARIA
LINHAS DO AR CONDICIONADO
CONDUCTOS, ACONDICIONADOR DE AIRE
PUBM1564 -UN-01JUL10
ESTA RELACION DE PIE
93-46 TRACTOR 6110J (EDICION SUDAMERICANA) PC8538S (01-JUL-10)
PN=552
93-47
MANDOS, ACCESORIOS Y AIRE ACCONDICIONADO
6
1
1
0
POS. NO.PIEZA DESCRIPCION CANT NUM. SERIE J NOTAS
1 AL161500 MANGUITO DE REFRIGERANTE 1 X
2 AL161175 MANGUERA 1 X INCL KEY 3
3 ........ TAPA 1 X NSEP (ORD AL110238)
4 R113050 ANILLO TORICO 2 X
5 AL161174 MANGUERA 1 X
6 L114178 ABRAZADERA 1 X
7 19M7657 TORNILLO 2 X M8 X 25
8 14M7416 TUERCA CON BRIDA 1 X M8
9 R33259 ANILLO TORICO 2 X
10 R10093 ANILLO TORICO 1 X
11 19M7386 TORNILLO 2 X M12 X 20
12 24M7047 ARANDELA 2 X
13 AL154392 RETENEDOR 1 X
14 R49921 ABRAZADERA 1 X
15 24M7055 ARANDELA 2 X 8.400 X 16 X 1.600 MM
16 19M7162 TORNILLO 1 X M8 X 16
17 L114660 ABRAZADERA 2 X
18 AL157838 ABRAZADERA 3 X
19 L157586 PROTECCION ANTITERMICA 1 X
20 L168690 RETENEDOR 1 X
21 L152663 BURLETE 1 X
22 19M7297 TORNILLO 1 X M8 X 12
TRACTOR 6110J (EDICION SUDAMERICANA) PC8538S (01-JUL-10) 93-47
PN=553
93-48
MANDOS, ACCESORIOS Y AIRE ACCONDICIONADO
MEMORANDA
MEMORANDA
MEMORANDA
MEMORANDA
MEMORANDA
MEMORANDA
93-48 TRACTOR 6110J (EDICION SUDAMERICANA) PC8538S (01-JUL-10)
PN=554
94-A01
CABLES Y ASIENTO
XXXXXXXXXXXXXXXXXXXXXXXXXXXXXXXXXXXXXXXXXXXXXXXX SECTIONAL INDEX
XXXXXXXXXXXXXXXXXXXXXXXXXXXXXXXXXXXXXXXXXXXXXXXX INDEX DE SECTION
XXXXXXXXXXXXXXXXXXXXXXXXXXXXXXXXXXXXXXXXXXXXXXXX GRUPPENINDEX
XXXXXXXXXXXXXXXXXXXXXXXXXXXXXXXXXXXXXXXXXXXXXXXX INDICE DELLA SEZIONE
XXXXXXXXXXXXXXXXXXXXXXXXXXXXXXXXXXXXXXXXXXXXXXXX INDICE DE GRUPO
XXXXXXXXXXXXXXXXXXXXXXXXXXXXXXXXXXXXXXXXXXXXXXXX INDICE DE GRUPOS
PUBM1458 -UN-28JUN10
1- 2
2- 3
3- 4
4- 6
5- 8
6- 10
7- 12
8- 14
9- 16
10- 18
11- 20
12- 21
13- 22
14- 24
15- 26
16- 29
17- 30
18- 32
19- 34
20- 36
21- 38
TRACTOR 6110J (EDICION SUDAMERICANA) PC8538S (01-JUL-10) 94-A01
PN=555
94-2
CABLES Y ASIENTO
SHIFT LEVER SUPPORT
SUPPORT LEVIERS DE COMMANDE
KONSOLE FUER SCHALTHEBEL
SUPPORTO LEVA CAMBIO
SUPORTE DAS ALAVANCAS
CONSOLA PARA PALANCA DEL CAMBIO
PUBM1376 -UN-28JUN10
6
1
1
0
POS. NO.PIEZA DESCRIPCION CANT NUM. SERIE J NOTAS
1 AL157837 APOYO 1 X
2 14M7416 TUERCA CON BRIDA 4 X M8
3 L32394 TAPA 2 X
4 19M7162 TORNILLO 1 X M8 X 16
94-2 TRACTOR 6110J (EDICION SUDAMERICANA) PC8538S (01-JUL-10)
PN=556
94-3
CABLES Y ASIENTO
BOWDEN CABLE RETAINER ASSEMBLY (POWRQUAD)
SUPPORT DES CABLES SOUS GAINE (POWRQUAD)
HALTERANBAU FUER BOWDENZUEGE (POWRQUAD)
GRUPPO STAFFA PER CAVI BOWDEN (POWRQUAD)
SUPORTE DOS CABOS (POWRQUAD)
CONJUNTO RETENCION DE CABLES DE MANDO (POWRQUAD)
PUBM1382 -UN-28JUN10
6
1
1
0
POS. NO.PIEZA DESCRIPCION CANT NUM. SERIE J NOTAS
1 14M7273 TUERCA 4 X M8
2 AL81862 ANGULO 1 X
3 AL163841 ANGULO 1 X
4 19M7167 TORNILLO 2 X M10 X 25
5 14M7296 TUERCA CON BRIDA 2 X M10
6 19M7168 TORNILLO 1 X M10 X 30
7 24M7028 ARANDELA 1 X
TRACTOR 6110J (EDICION SUDAMERICANA) PC8538S (01-JUL-10) 94-3
PN=557
94-4
CABLES Y ASIENTO
GEAR SHIFT BOWDEN CABLE (POWRQUAD)
COMMANDE DES VITESSES, CABLE SOUS GAINE (POWRQUAD)
BOWDENZUG FUER GANGSCHALTUNG (POWRQUAD)
CAVI PER COMANDO CAMBIO MARCIA (POWRQUAD)
CABOS DE MARCHA E PARK (POWRQUAD)
CABLE BOWDEN DE CAMBIO DE MARCHAS (POWRQUAD)
CQ155717 -UN-07JUL04
ESTA RELACION DE PIE
94-4 TRACTOR 6110J (EDICION SUDAMERICANA) PC8538S (01-JUL-10)
PN=558
94-5
CABLES Y ASIENTO
6
1
1
0
POS. NO.PIEZA DESCRIPCION CANT NUM. SERIE J NOTAS
1 DQ53134 CABLE SIMETRICO 1 X
2 14M7272 TUERCA AR X
3 L80051 HORQUILLA AR X LGTH 32MM
L80052 HORQUILLA AR X LGTH 44MM
L80053 HORQUILLA AR X LGTH 56MM
4 L79076 ANILLO ELASTICO AR X
5 AL155310 CABLE SIMETRICO 1 X
6 AL79050 BULON AR X LGTH 12MM
45M7080 PASADOR DE MUELLE AR X LGTH 24MM
7 DQ53133 CABLE SIMETRICO 1 X
8 R182130 ABRAZADERA AR X
9 19M7775 TORNILLO AR X M6 X 16
10 L78620 ANILLO TORICO AR X
TRACTOR 6110J (EDICION SUDAMERICANA) PC8538S (01-JUL-10) 94-5
PN=559
94-6
CABLES Y ASIENTO
GEAR SHIFT BOWDEN CABLES AND PARKING LOCK (SYNCROPLUS)
COMMANDE VITESSES/FREIN DE STATION., CABLES SOUS GAINE (SYNCROPLUS)
BOWDENZUEGE FUER GANGSCHALTUNG UND PARKSPERRE (SYNCROPLUS)
CAVI BOWDEN COM.CAMBIO MARCIA E BLOCCAG.DI PARCHEG. (SYNCROPLUS)
CABO DE MARCHAS E PARK (SYNCROPLUS)
CABLES P. CAMBIO DE MARCHAS Y BLOQUEO DE ESTACIONAM. (SYNCROPLUS)
LX018313 -UN-18MAR98
ESTA RELACION DE PIE
94-6 TRACTOR 6110J (EDICION SUDAMERICANA) PC8538S (01-JUL-10)
PN=560
94-7
CABLES Y ASIENTO
6
1
1
0
POS. NO.PIEZA DESCRIPCION CANT NUM. SERIE J NOTAS
1 DQ53203 CABLE SIMETRICO 1 X LGTH 890MM
2 14M7272 TUERCA 2 X M6
3 DQ53133 CABLE SIMETRICO 1 X LGTH 1212MM
4 L80051 HORQUILLA 1 X LGTH 32MM
L80052 HORQUILLA 1 X LGTH 44MM
L80053 HORQUILLA 1 X LGTH 56MM
5 DQ53204 CABLE SIMETRICO 1 X LGTH 888MM
6 AL79050 BULON AR X LGTH 12MM
45M7080 PASADOR DE MUELLE AR X LGTH 24MM
7 L79076 ANILLO ELASTICO 6 X
TRACTOR 6110J (EDICION SUDAMERICANA) PC8538S (01-JUL-10) 94-7
PN=561
94-8
CABLES Y ASIENTO
GEAR SHIFT COMPONENTS WITH 12-SPEED TRANSMISSION (SYNCROPLUS)
COMMANDE DES VITESSES, ELEMENTS - BOITE 12 VITESSES (SYNCROPLUS)
GANGSCHALTUNG BEI 12-GANG GETRIEBE (SYNCROPLUS)
PARTI CAMBIO MARCIA CON TRASM. 12 MARCE (SYNCROPLUS)
ALAVANCA DO CAMBIO DE MARCHAS (SYNCROPLUS)
CAMBIO DE MARCHAS CON TRANSMISION DE 12 MARCHAS (SYNCROPLUS)
PUBM1377 -UN-28JUN10
ESTA RELACION DE PIE
94-8 TRACTOR 6110J (EDICION SUDAMERICANA) PC8538S (01-JUL-10)
PN=562
94-9
CABLES Y ASIENTO
6
1
1
0
POS. NO.PIEZA DESCRIPCION CANT NUM. SERIE J NOTAS
1 L150446 INSERTO 1 X
2 19M7560 TORNILLO 1 X M6 X 16
3 24M7139 ARANDELA 1 X
4 L116840 EMPUNADURA 1 X
5 AL117517 PANEL 1 X INCL KEY 29
AL117179 PANEL 1 X (EPCC)
6 L115292 TORNILLO 5 X (CABINE)
19M8866 TORNILLO 5 X M5 X 16, (EPCC)
7 L102357 TUERCA 5 X
8 M78508 TORNILLO 5 X M8 X 20
9 24M7024 ARANDELA 2 X
10 L114032 BULON 1 X
11 L111165 ARANDELA 6 X
12 AL150844 CUADRANTE 1 X INCL KEY 20
13 AL117586 CUADRANTE 1 X INCL KEY 20
14 AL110868 VARILLA DE CAMBIO 1 X
15 L79335 ARANDELA 2 X
16 14M7166 TUERCA DE SEGURIDAD 1 X M8
17 19M8403 TORNILLO 1 X M8 X 75
18 AL110860 APOYO 1 X INCL KEY 20
19 AL150845 CUADRANTE 1 X
20 L77978 CASQUILLO 1 X
21 L111988 ARANDELA AR X TK 1.0MM
L111987 ARANDELA AR X TK 1.5MM
L77963 ARANDELA AR X TK 2.0MM
22 AL150667 SOPORTE 1 X
23 19M7160 TORNILLO 1 X M6 X 30
24 14M7272 TUERCA 1 X M6
25 AL113247 SOPORTE 1 X
26 14M7416 TUERCA CON BRIDA 2 X M8
27 L102451 MUELLE DE TRACCION 1 X
28 AL110543 PORTADOR 1 X
29 L111878 TUERCA 3 X
30 L112469 SUPLEMENTO 4 X
31 DQ46828 TORNILLO 1 X
32 19M7865 TORNILLO 3 X M8 X 16
33 L114509 TAPON 1 X
34 L111480 TUERCA DE EMPUJE 1 X
35 AL80994 AISLANTE 1 X
.. AL112289 VARILLA DE CAMBIO 1 X (INCL 14,15,16,17,18,35)
TRACTOR 6110J (EDICION SUDAMERICANA) PC8538S (01-JUL-10) 94-9
PN=563
94-10
CABLES Y ASIENTO
BOWDEN CABLES FOR RANGE SHIFT
COMMANDE DES GAMMES, CABLES SOUS GAINE
BOWDENZUEGE FUER GRUPPENSCHALTUNG
CAVI BOWDEN PER CAMBIO GAMMA
CABOS DE GRUPOS
CABLES BOWDEN PARA EL CAMBIO DE GRUPOS
LX018329 -UN-18MAR98
ESTA RELACION DE PIE
94-10 TRACTOR 6110J (EDICION SUDAMERICANA) PC8538S (01-JUL-10)
PN=564
94-11
CABLES Y ASIENTO
6
1
1
0
POS. NO.PIEZA DESCRIPCION CANT NUM. SERIE J NOTAS
1 AL79050 BULON 1 X LGTH 12MM
45M7080 PASADOR DE MUELLE 1 X LGTH 24MM
2 14M7272 TUERCA 2 X M6
3 L80051 HORQUILLA 1 X LGTH 32MM
L80052 HORQUILLA 1 X LGTH 44MM
L80053 HORQUILLA 1 X LGTH 56MM
4 L79076 ANILLO ELASTICO 1 X
5 DQ53145 CABLE SIMETRICO 1 X LGTH 1127MM
6 DQ53205 CABLE SIMETRICO 1 X LGTH 1090MM
TRACTOR 6110J (EDICION SUDAMERICANA) PC8538S (01-JUL-10) 94-11
PN=565
94-12
CABLES Y ASIENTO
GEAR SHIFT COMPONENTS (POWRQUAD)
COMMANDE DES VITESSES, ELEMENTS (POWRQUAD)
GANGSCHALTUNG (POWRQUAD)
CAMBIO MARCIA (POWRQUAD)
ALAVANCA DO CAMBIO DE MARCHAS (POWRQUAD)
COMPONENTES DEL CAMBIO (POWRQUAD)
PUBM1380 -UN-28JUN10
ESTA RELACION DE PIE
94-12 TRACTOR 6110J (EDICION SUDAMERICANA) PC8538S (01-JUL-10)
PN=566
94-13
CABLES Y ASIENTO
6
1
1
TRACTOR 0
POS. NO.PIEZA DESCRIPCION CANT NUM. SERIE J NOTAS
1 AL110868 VARILLA DE CAMBIO 1 X
2 L114032 BULON 1 X
3 AL112606 PANEL 1 X (CABINE)
AL110722 PANEL 1 X (EPCC)
4 AL119445 SOPORTE 1 X
5 AL110860 APOYO 1 X INCL KEY 18
6 L116262 CASQUILLO 1 X
7 L113019 INSERTO 1 X (CABINE)
L77964 INSERTO 1 X (EPCC)
8 L112041 MUELLE 1 X
9 L79335 ARANDELA 2 X
10 19M8403 TORNILLO 1 X M8 X 75
11 14M7166 TUERCA DE SEGURIDAD 1 X M8
12 L111165 ARANDELA 6 X
13 AL150844 CUADRANTE 1 X INCL KEY 18 (SUB FOR AL117587)
14 AL157672 VARILLA DE CAMBIO 1 X INCL KEY 18 AND 31 (SUB FOR AL119446)
15 AL150845 CUADRANTE 1 X INCL KEY 18 (SUB FOR AL117845)
16 M78508 TORNILLO 1 X M8 X 20
17 24M7024 ARANDELA 2 X
18 L77978 CASQUILLO 1 X
19 L102357 TUERCA 3 X
20 L115292 TORNILLO 5 X (CABINE)
19M8866 TORNILLO 5 X (EPCC)
21 L116263 ARANDELA 1 X
22 24M7139 ARANDELA 2 X
23 19M7560 TORNILLO 2 X M6 X 16
24 L111179 EMPUNADURA 1 X (CABINE)
L77805 EMPUNADURA 1 X (EPCC)
25 14M7272 TUERCA 1 X M6
26 AL110543 PORTADOR 1 X
27 AL113247 SOPORTE 1 X
28 19M7160 TORNILLO 1 X M6 X 30
29 L102451 MUELLE DE TRACCION 1 X
30 L111988 ARANDELA AR X TK 1.0MM
L111987 ARANDELA AR X TK 1.5MM
L77963 ARANDELA AR X TK 2.0MM
31 34M7172 PASADOR ELASTICO 1 X
32 14M7416 TUERCA CON BRIDA 2 X M8
33 L111878 TUERCA 4 X
34 L112469 SUPLEMENTO 4 X
35 L115395 LEVA 1 X
36 L116261 CASQUILLO 1 X
37 19M7865 TORNILLO 2 X M8 X 16
38 L150446 INSERTO 1 X
39 L116840 EMPUNADURA 1 X
40 AL80994 AISLANTE 1 X
41 AL157661 CUADRANTE 1 X
42 L111480 TUERCA DE EMPUJE 1 X
43 L110964 PALANCA 1 X
44 DQ46828 TORNILLO AR X
TRACTOR 6110J (EDICION SUDAMERICANA) PC8538S (01-JUL-10) 94-13
PN=567
94-14
CABLES Y ASIENTO
RANGE SHIFTING
COMMANDE DES GAMMES
GRUPPENSCHALTUNG
COMPONENTI CAMBIO GAMMA TRASMISSIONE
ALAVANCA DE MUDANCA DE GRUPOS
CAMBIO DE GRUPOS
PUBM1381 -UN-28JUN10
ESTA RELACION DE PIE
94-14 TRACTOR 6110J (EDICION SUDAMERICANA) PC8538S (01-JUL-10)
PN=568
94-15
CABLES Y ASIENTO
6
1
1
0
POS. NO.PIEZA DESCRIPCION CANT NUM. SERIE J NOTAS
1 L113018 INSERTO 1 X
2 19M7560 TORNILLO 1 X M6 X 16
3 24M7139 ARANDELA 1 X
4 L77805 EMPUNADURA 1 X
5 AL110859 VARILLA DE CAMBIO 1 X
6 M78508 TORNILLO 3 X M8 X 20
7 24M7024 ARANDELA 2 X
8 L112053 APOYO 1 X
9 L77963 ARANDELA 3 X TK 2.0MM
10 L101929 CASQUILLO 1 X
11 L77978 CASQUILLO 1 X
12 AL117583 CUADRANTE 1 X
13 14M7166 TUERCA DE SEGURIDAD 1 X M8
14 L79335 ARANDELA 2 X
15 14M7416 TUERCA CON BRIDA 2 X M8
16 19M8403 TORNILLO 1 X M8 X 75
17 AL117582 CUADRANTE 1 X INCL KEY 11
18 AL110860 APOYO 1 X INCL KEY 11
19 L113994 BULON 1 X
20 L111988 ARANDELA AR X TK 1.0MM
L111987 ARANDELA AR X TK 1.5MM
L77963 ARANDELA AR X
21 L112469 SUPLEMENTO 4 X
22 L113225 ARANDELA 1 X TK 6.0MM
23 DQ46828 TORNILLO 1 X
24 19M7865 TORNILLO 2 X
25 AL80994 AISLANTE 1 X
.. AL112743 VARILLA DE CAMBIO 1 X
TRACTOR 6110J (EDICION SUDAMERICANA) PC8538S (01-JUL-10) 94-15
PN=569
94-16
CABLES Y ASIENTO
MECHANICAL SPEED CONTROL
CONTROLE DU REGIME MECANIQUE
MECHANISCHE DREHZAHLREGULIERUNG
COMANDO MECCANICO VELOCITA’
ACELERADOR MANUAL
MANDO MECANICO DE VELOCIDAD
PUBM1379 -UN-28JUN10
ESTA RELACION DE PIE
94-16 TRACTOR 6110J (EDICION SUDAMERICANA) PC8538S (01-JUL-10)
PN=570
94-17
CABLES Y ASIENTO
6
1
1
0
POS. NO.PIEZA DESCRIPCION CANT NUM. SERIE J NOTAS
1 AL151282 PALANCA 1 X
2 AL119895 PALANCA 1 X ID 10MM
3 14M7265 TUERCA DE SEGURIDAD 1 X M5
4 12M7077 ARANDELA 1 X
5 55M7003 ESPARRAGO CON BOLA 1 X
6 L110422 PLACA 1 X
7 L58671 ARANDELA 2 X
8 R50227 RETENEDOR REDONDO 1 X
9 R31271 MUELLE DE COMPRESION 1 X
10 24M7055 ARANDELA 1 X
11 19M7378 TORNILLO 1 X M8 X 45
12 14M7151 TUERCA 2 X M8
13 L80051 HORQUILLA 1 X
14 14M7272 TUERCA 2 X M6
15 L116576 CASQUILLO 1 X
16 DQ34208 CABLE SIMETRICO 1 X
17 AL79050 BULON 1 X
18 L79076 ANILLO ELASTICO 1 X
19 40M7040 ANILLO ELASTICO 1 X
20 L113076 ASA 1 X
21 AL119851 PALANCA 1 X
TRACTOR 6110J (EDICION SUDAMERICANA) PC8538S (01-JUL-10) 94-17
PN=571
94-18
CABLES Y ASIENTO
SELECTIVE CONTROL VALVE, CONTROL LINKAGE
DISTRIBUTEUR AUXILIAIRE, ELEMENTS DE COMMANDE
ZUSATZSTEUERGERAET, BETAETIGUNGSTEILE
DISTRIBUTORE, TIRANTE DI COMANDO
ALAVANCAS DE CONTROLE DAS VCR
VMD, ELEMENTOS DE MANDO
PUBM1052 -UN-21APR10
ESTA RELACION DE PIE
94-18 TRACTOR 6110J (EDICION SUDAMERICANA) PC8538S (01-JUL-10)
PN=572
94-19
CABLES Y ASIENTO
6
1
1
0
POS. NO.PIEZA DESCRIPCION CANT NUM. SERIE J NOTAS
1 AL76483 APOYO 1 X
2 24M7262 ARANDELA 1 X
3 L110766 CASQUILLO 1 X
4 L32394 TAPA 2 X
5 DQ69428 CABLE SIMETRICO AR X
6 L101931 ESPACIADOR AR X
7 24M7180 ARANDELA 1 X
8 14M7168 TUERCA DE SEGURIDAD 1 X M12
9 19M7139 TORNILLO 1 X M8 X 20
10 L171710 ANILLO AR X
11 14M7273 TUERCA AR X M8
12 L77747 EMPUNADURA AR X
13 L171481 INSERTO AR X
14 45M7080 PASADOR DE MUELLE AR X
15 L79076 ANILLO ELASTICO AR X
16 14M7360 TUERCA DE SEGURIDAD 1 X M5
17 AL173417 CUADRANTE 1 X
18 14M7272 TUERCA 1 X M6
19 L80052 HORQUILLA 1 X
20 CQ47666 TAPON AR X
21 CQ02164 PASAMUROS AR X
22 L100560 TUERCA DE UNION 1 X
23 14M7396 TUERCA DE SEGURIDAD AR X M8
24 AL173418 CUADRANTE 1 X
25 AL173414 PALANCA 1 X
26 AL173415 PALANCA 1 X
27 AL173416 PALANCA 1 X (A)
28 L113527 TORNILLO 1 X M5 X 45
29 L41858 CINTA DE ATAR 1 X
30 14M7416 TUERCA CON BRIDA 3 X M8
31 L171711 ANILLO 1 X
32 L171712 ANILLO 1 X
33 24M7055 ARANDELA 1 X
(A) WITH 3 SELECT. CONTROL VALVES
AVEC 3 DISTRIB. AUXILIAIRES
BEI 3 ZUSATZSTEUERGERAETEN
CON 3 DISTRIBUTORI AUSILIARI
COM 3 VCR
CON 3 VALV. DE MANDO AUXIL.
TRACTOR 6110J (EDICION SUDAMERICANA) PC8538S (01-JUL-10) 94-19
PN=573
94-20
CABLES Y ASIENTO
CONSOLE FOR SHIFTABLE REAR PTO
CONSOLE POUR PRISE DE FORCE A SELECTEUR DE REGIME ET REDUCTEUR GAMME RAMPANTE
KONSOLE FUER UMSCHALTBARE HECKZAPFWELLE
CONSOLE PER PTO POSTERIORE CON CAMBIO
SUPORTE DAS ALAVANCAS DA PTO
CONSOLA PARA TDF TRASERA DE CAMBIO MANUAL
PUBM1053 -UN-21APR10
6
1
1
0
POS. NO.PIEZA DESCRIPCION CANT NUM. SERIE J NOTAS
1 AL163851 SOPORTE 1 X (B)
2 DQ46008 SOPORTE 1 X (A)
3 14M7416 TUERCA CON BRIDA AR X
(B) WITH CAB (A) WITHOUT CAB
SANS CABINE AVEC CABINE
OHNE KABINE MIT KABINE
SENZA CABINA CON CABINA
SEM CABINE CON CABINE
SIN CABINA CON CABINA
94-20 TRACTOR 6110J (EDICION SUDAMERICANA) PC8538S (11-JAN-11)
PN=574
94-21
CABLES Y ASIENTO
UPHOLSTERY PARTS WITHOUT ROCKSHAFT CONTROL
ELEMENTS D’HABILLAGE SANS COMMANDE DU RELEVAGE
VERKLEIDUNGSTEILE OHNE KRAFTHEBERBETAETIGUNG
RIVESTIMENTO SENZA COMANDO DEL SOLLEVATORE
APOIA BRACO SEM CONTROLE DO LEVANTE HIDRAULICO
PANELES SIN MANDO DEL ELEVADOR HIDRAULICO
PUBM1487 -UN-28JUN10
6
1
1
0
POS. NO.PIEZA DESCRIPCION CANT NUM. SERIE J NOTAS
1 AL156882 CONSOLA DE CONTROL 1 X (CABINE)
AL156898 CONSOLA DE CONTROL 1 X (EPCC)
2 L115292 TORNILLO 12 X M5 X 18, (CABINE)
19M8866 TORNILLO 8 X M5 X 16, (EPCC)
3 L111965 TOPE AR X
4 L114509 TAPON 2 X (CABINE)
R106551 TAPADERA 1 X (EPCC)
5 L153594 PANEL 1 X (CABINE)
L113823 PANEL 1 X (EPCC)
6 L157990 TAPADERA 1 X
7 AL115814 TUERCA 7 X
8 L151020 TORNILLO 1 X (CABINE)
9 AL163958 GRUPO DE CABLES AR X
10 14M7165 TUERCA DE SEGURIDAD 4 X (CABINE)
11 L156536 PANEL 1 X (CABINE)
L80085 PANEL 1 X (EPCC)
12 L156260 ALMACEN 1 X (CABINE)
TRACTOR 6110J (EDICION SUDAMERICANA) PC8538S (01-JUL-10) 94-21
PN=575
94-22
CABLES Y ASIENTO
ROCKSHAFT CONTROL, LOCKING LEVER FOR SCV
COMMANDE DU RELEVAGE, BUTEES DES DISTRIBUTEURS AUXILIAIRES
KRAFTHEBERBETAETIGUNG, ARRETIERUNGSHEBEL FUER ZUSATZSTEUERGERAET
COMANDO SOLLEVATORE, ARRESTO PER DISTRIBUTORI
SUPORTE DO CONTROLE DO LEVANTE HIDRAULICO
MANDO DEL ELEVADOR HIDRAULICO, PALANCAS DE RETENCION P. VMD
PUBM1488 -UN-28JUN10
ESTA RELACION DE PIE
94-22 TRACTOR 6110J (EDICION SUDAMERICANA) PC8538S (01-JUL-10)
PN=576
94-23
CABLES Y ASIENTO
6
1
1
0
POS. NO.PIEZA DESCRIPCION CANT NUM. SERIE J NOTAS
1 AL156882 CONSOLA DE CONTROL 1 X (CABINE)
AL156898 CONSOLA DE CONTROL 1 X (EPCC)
2 L111965 TOPE AR X
3 L102110 TUERCA 1 X
4 AL110119 POTENCIOMETRO 1 X
5 L114509 TAPON 3 X
6 AL115814 TUERCA 8 X
7 AL82770 EMPUNADURA 1 X
8 L102678 TUERCA 1 X
9 RE255240 MODULO 1 X
10 RE255150 INTERRUPTOR 1 X
11 L115241 PROTECCION 1 X
12 37M7179 TORNILLO 1 X
13 RE49639 EMPUNADURA 2 X
14 37M7382 TORNILLO 1 X
15 L115371 PANEL 1 X (CABINE)
L115370 PANEL 1 X (EPCC)
16 L115292 TORNILLO 8 X (CABINE)
19M8866 TORNILLO 8 X M5 X 16, (EPCC)
TRACTOR 6110J (EDICION SUDAMERICANA) PC8538S (01-JUL-10) 94-23
PN=577
94-24
CABLES Y ASIENTO
ROCKSHAFT CONTROL
COMMANDE DU RELEVAGE
KRAFTHEBERBETAETIGUNG
COMANDO SOLLEVATORE
CONTROLE DO LEVANTE HIDRAULICO
MANDO DEL ELEVADOR HIDRAULICO
PUBM1203 -UN-21APR10
ESTA RELACION DE PIE
94-24 TRACTOR 6110J (EDICION SUDAMERICANA) PC8538S (01-JUL-10)
PN=578
94-25
CABLES Y ASIENTO
6
1
1
0
POS. NO.PIEZA DESCRIPCION CANT NUM. SERIE J NOTAS
1 R213346 CARCASA 1 X (ORD W/ R166612)
2 37M7376 TORNILLO 2 X
3 37M7179 TORNILLO 1 X
4 34H234 PASADOR ELASTICO 1 X
5 R112551 MUELLE 1 X
6 R212934 RUEDA 1 X
7 R213206 MUELLE DE COMPRESION 1 X
8 R212936 RUEDA 1 X
9 40M7126 ANILLO ELASTICO 1 X
10 R213644 ARANDELA 1 X
11 L170010 CARCASA 1 X
12 R118453 ABRAZADERA 1 X
13 RE58029 EMPUNADURA 1 X
14 R117463 TAPADERA 1 X
15 R212937 EMPUNADURA 1 X
16 R112553 MUELLE DE TORSION 1 X
17 L171701 ARANDELA 1 X
.. AL173730 CONTROL 1 X
TRACTOR 6110J (EDICION SUDAMERICANA) PC8538S (01-JUL-10) 94-25
PN=579
94-26
CABLES Y ASIENTO
PTO, SWITCHES
PRISES DE FORCE, CONTACTEURS
HECKZAPFWELLE, SCHALTER
PTO, INTERUTTORI
INTERRUPTOR DA TDP
INTERRUPTOR TDF
CQ155735 -UN-07JUL04
ESTA RELACION DE PIE
94-26 TRACTOR 6110J (EDICION SUDAMERICANA) PC8538S (01-JUL-10)
PN=580
94-27
CABLES Y ASIENTO
6
1
1
0
POS. NO.PIEZA DESCRIPCION CANT NUM. SERIE J NOTAS
1 RE169008 INTERRUPTOR AR X
2 L158822 TUERCA 1 X
3 L158963 ARANDELA 1 X
4 R44313 MUELLE DE COMPRESION 1 X
5 R117611 EMPUNADURA 1 X
6 24M7265 ARANDELA 1 X
7 R72653 ANILLO ELASTICO 1 X
8 R108073 TAPA 1 X
TRACTOR 6110J (EDICION SUDAMERICANA) PC8538S (01-JUL-10) 94-27
PN=581
94-28
CABLES Y ASIENTO
MEMORANDA
MEMORANDA
MEMORANDA
MEMORANDA
MEMORANDA
MEMORANDA
94-28 TRACTOR 6110J (EDICION SUDAMERICANA) PC8538S (01-JUL-10)
PN=582
94-29
CABLES Y ASIENTO
SEATS (OPEN OPERATOR STATION)
FAUTEUILS (PLATE-FORME DE CONDUITE)
SITZE (OFFENE FAHRERPLATTFORM)
SEDILI (POSTAZIONE OPERATORE APERTA)
ASSENTOS (EPCC)
ASIENTOS (ESTACION DEL OPERADOR ABIERTA)
CQ156179 -UN-24JAN05
6
1
1
0
POS. NO.PIEZA DESCRIPCION CANT NUM. SERIE J NOTAS
1 DQ63806 ASIENTO 1 X
2 CQ57432 APOYO 1 X
3 19M7268 TORNILLO 4 X M12 X 25
4 24M7026 ARANDELA 4 X
5 12M7067 ARANDELA DE SEGURIDAD 4 X 12 MM
6 14M7031 TUERCA 4 X M12
TRACTOR 6110J (EDICION SUDAMERICANA) PC8538S (01-JUL-10) 94-29
PN=583
94-30
CABLES Y ASIENTO
SEATS (OPEN OPERATOR STATION)
FAUTEUILS (PLATE-FORME DE CONDUITE)
SITZE (OFFENE FAHRERPLATTFORM)
SEDILI (POSTAZIONE OPERATORE APERTA)
ASSENTOS (EPCC)
ASIENTOS (ESTACION DEL OPERADOR ABIERTA)
CQ300505 -UN-30JAN07
ESTA RELACION DE PIE
94-30 TRACTOR 6110J (EDICION SUDAMERICANA) PC8538S (01-JUL-10)
PN=584
94-31
CABLES Y ASIENTO
6
1
1
0
POS. NO.PIEZA DESCRIPCION CANT NUM. SERIE J NOTAS
1 DQ58193 JUEGO 1 X
2 DQ58191 JUEGO 1 X
3 DQ58192 JUEGO 1 X
4 DQ58189 JUEGO 1 X
5 DQ58190 JUEGO 1 X
6 DQ58194 CINTURON DE SEGURIDAD 1 X
TRACTOR 6110J (EDICION SUDAMERICANA) PC8538S (01-JUL-10) 94-31
PN=585
94-32
CABLES Y ASIENTO
SEATS (OPEN OPERATOR STATION)
FAUTEUILS (PLATE-FORME DE CONDUITE)
SITZE (OFFENE FAHREPLATTFORM)
SEDILI (POSTAZIONE OPERATORE APERTA)
ASSENTOS (EPCC)
ASIENTOS (ESTACION DEL OPERADOR ABIERTA)
CQ300506 -UN-30JAN07
ESTA RELACION DE PIE
94-32 TRACTOR 6110J (EDICION SUDAMERICANA) PC8538S (01-JUL-10)
PN=586
94-33
CABLES Y ASIENTO
6
1
1
0
POS. NO.PIEZA DESCRIPCION CANT NUM. SERIE J NOTAS
1 DQ65990 PROTECCION 1 X
2 CQ58205 CORREDERA PARA CAJON 1 X
3 DQ65991 BASTIDOR 1 X
4 DQ58199 AMORTIGUADOR 1 X
5 DQ42160 REGULADOR 1 X
6 DQ42174 MUELLE 1 X
7 DQ42161 CONJ. GUARDAPOLVOS ASIENTO 1 X
8 DQ64363 CONJ.LIMIT.SUSPEN.VERTIC. 1 X
9 DQ42163 PALANCA BARRA 1 X
10 DQ64362 PORTADOR 1 X
11 DQ42175 CONJ.LIMIT.SUSPEN.VERTIC. 1 X
12 CQ58204 ZOCALO 1 X
TRACTOR 6110J (EDICION SUDAMERICANA) PC8538S (01-JUL-10) 94-33
PN=587
94-34
CABLES Y ASIENTO
SEATS (CAB)
FAUTEUILS (CABINE)
SITZE (KABINE)
SEDILI (CABINA)
ASSENTOS (CABINE)
ASIENTOS (CABINA)
CQ155736 -UN-08JUL04
6
1
1
0
POS. NO.PIEZA DESCRIPCION CANT NUM. SERIE J NOTAS
1 DQ56939 ASIENTO 1 X
2 CQ57475 SOPORTE 1 X LH
CQ57433 SOPORTE 1 X RH
3 19M7139 TORNILLO 4 X M8 X 20
4 24M7026 ARANDELA 4 X
5 14M7029 TUERCA 4 X M8
94-34 TRACTOR 6110J (EDICION SUDAMERICANA) PC8538S (01-JUL-10)
PN=588
94-35
CABLES Y ASIENTO
MEMORANDA
MEMORANDA
MEMORANDA
MEMORANDA
MEMORANDA
MEMORANDA
TRACTOR 6110J (EDICION SUDAMERICANA) PC8538S (01-JUL-10) 94-35
PN=589
94-36
CABLES Y ASIENTO
REPAIR KITS FOR COMFORT SEATS (CAB)
JEUX DE REPARATION POUR FAUTEUILS CONFORT (CABINE)
REPARATURSAETZE FUER KOMFORT-SITZ (KABINE)
KIT RIPARAZIONE SEDILI COMFORT (CABINA)
KITS PARA ASSENTO CONFORT (CABINE)
CONJUNTOS DE REPARACION P. ASIENTO CONFORT (CABINA)
CQ300485 -UN-22DEC06
ESTA RELACION DE PIE
94-36 TRACTOR 6110J (EDICION SUDAMERICANA) PC8538S (01-JUL-10)
PN=590
94-37
CABLES Y ASIENTO
6
1
1
0
POS. NO.PIEZA DESCRIPCION CANT NUM. SERIE J NOTAS
1 DQ62628 JUEGO PARA ASIENTO 1 X
2 DQ62620 JUEGO DE REPOSABRAZOS 1 X RH
DQ62621 JUEGO DE REPOSABRAZOS 1 X LH
3 DQ62631 JUEGO PARA ASIENTO 1 X
4 CQ62633 APOYO 1 X
5 DQ62616 JUEGO PARA ASIENTO 1 X
6 DQ62615 JUEGO PARA ASIENTO 1 X
7 DQ66167 JUEGO PARA ASIENTO 1 X
8 DQ62623 JUEGO PARA ASIENTO 1 X
9 DQ62617 JUEGO PARA ASIENTO 1 X
10 DQ62618 JUEGO PARA ASIENTO 1 X
TRACTOR 6110J (EDICION SUDAMERICANA) PC8538S (01-JUL-10) 94-37
PN=591
94-38
CABLES Y ASIENTO
REPAIR KITS FOR COMFORT SEATS (CAB)
JEUX DE REPARATION POUR FAUTEUILS CONFORT (CABINE)
REPARATURSAETZE FUER KOMFORT-SITZ (KABINE)
KIT RIPARAZIONE SEDILI COMFORT (CABINA)
KITS PARA ASSENTO CONFORT (CABINE)
CONJUNTOS DE REPARACION P. ASIENTO CONFORT (CABINA)
CQ300486 -UN-22DEC06
ESTA RELACION DE PIE
94-38 TRACTOR 6110J (EDICION SUDAMERICANA) PC8538S (01-JUL-10)
PN=592
94-39
CABLES Y ASIENTO
6
1
1
0
POS. NO.PIEZA DESCRIPCION CANT NUM. SERIE J NOTAS
1 DQ62622 CONJ.PALANCA CONTRL.ASIENTO 1 X
2 DQ62619 JUEGO PARA ASIENTO 1 X
3 DQ62629 JUEGO PARA ASIENTO 1 X
4 DQ62630 ZOCALO 1 X
5 DQ62625 JUEGO PARA ASIENTO 1 X
6 DQ50652 JUEGO PARA ASIENTO 1 X
7 DQ62624 JUEGO PARA ASIENTO 1 X
8 DQ50655 JUEGO PARA ASIENTO 1 X
9 DQ62632 ZOCALO 1 X
10 DQ62626 JUEGO PARA ASIENTO 1 X
11 DQ62627 CONJUNTO RAILES ASIENTO 1 X
TRACTOR 6110J (EDICION SUDAMERICANA) PC8538S (01-JUL-10) 94-39
PN=593
94-40
CABLES Y ASIENTO
MEMORANDA
MEMORANDA
MEMORANDA
MEMORANDA
MEMORANDA
MEMORANDA
94-40 TRACTOR 6110J (EDICION SUDAMERICANA) PC8538S (01-JUL-10)
PN=594
180-1
TRACTOR 6110J (EDICION SUDAMERICANA)
INDICE NUMERICO
NO.PIEZA POS. PAGINA NO.PIEZA POS. PAGINA NO.PIEZA POS. PAGINA
AE44929 12 40-75 AL115814 16 93-19 AL153356 20 60-11
AH77714 16 40-21 AL115814 7 94-21 AL153389 1 70-25
AH77724 2 60-21 AL115814 6 94-23 AL153600 4 30-37
AH78125 10 30-31 AL115948 3 58-13 AL153660 10 93-23
AH89557 4 20-21 AL116176 6 40-12 AL153662 9 93-23
AH89557 3 40-53 AL116245 17 52-19 AL153791 7 60-11
AH89557 4 40-54 AL116245 9 56-11 AL153802 1 93-41
AH89557 3 40-55 AL116265 11 40-15 AL153803 1 93-41
AH89557 4 40-56 AL116423 4 30-13 AL153850 19 60-11
AJ58437 1 70-49 AL117063 4 30-35 AL154247 3 93-27
AL110119 4 94-23 AL117064 6 30-35 AL154249 12 93-5
AL110238 3 93-47 AL117179 5 94-9 AL154392 13 93-47
AL110258 1 60-6 AL117517 5 94-9 AL154428 8 40-45
AL110276 17 60-21 AL117519 13 92-41 AL154541 5 30-7
AL110299 27 93-33 AL117519 24 92-43 AL154553 1 40-8
AL110300 7 93-37 AL117582 17 94-15 AL154573 1 80-3
AL110365 8 93-39 AL117583 12 94-15 AL154932 4 92-47
AL110487 1 80-23 AL117586 13 94-9 AL154960 11 60-5
AL110543 28 94-9 AL117587 13 94-13 AL155008 20 70-33
AL110543 26 94-13 AL117641 1 92-9 AL155008 4 70-41
AL110593 1 70-5 AL117697 3 93-19 AL155070 4 56-25
AL110613 .. 52-17 AL117720 1 70-13 AL155227 4 60-3
AL110722 3 94-13 AL117845 15 94-13 AL155228 4 60-3
AL110764 4 80-13 AL117892 5 58-3 AL155310 20 54-21
AL110859 5 94-15 AL117951 6 40-41 AL155310 5 94-5
AL110860 18 94-9 AL117977 3 70-50 AL155417 4 40-3
AL110860 5 94-13 AL118382 8 40-21 AL155612 9 93-5
AL110860 18 94-15 AL118382 3 60-9 AL155749 14 92-9
AL110868 14 94-9 AL118383 5 70-35 AL156090 2 20-51
AL110868 1 94-13 AL118383 11 70-43 AL156199 4 60-17
AL110881 11 93-33 AL118565 2 30-13 AL156263 1 30-19
AL110894 2 93-8 AL118565 9 93-43 AL156335 1 70-31
AL111096 9 80-25 AL118814 1 56-17 AL156503 16 56-31
AL111469 5 93-37 AL119409 5 30-37 AL156506 14 56-31
AL111717 1 92-35 AL119445 4 94-13 AL156625 1 52-7
AL112163 6 60-17 AL119446 14 94-13 AL156625 6 54-26
AL112193 10 70-33 AL119851 21 94-17 AL156683 7 60-23
AL112289 .. 94-9 AL119895 2 94-17 AL156684 8 60-23
AL112560 7 56-21 AL14540 4 70-18 AL156714 .. 56-9
AL112606 3 94-13 AL150015 16 40-15 AL156781 1 93-28
AL112664 .. 80-15 AL150169 1 30-33 AL156854 1 93-6
AL112664 .. 80-17 AL150179 9 56-25 AL156862 5 56-1
AL112743 .. 94-15 AL150286 9 30-19 AL156863 5 56-2
AL112819 1 60-7 AL150287 5 30-19 AL156882 1 94-21
AL112933 3 30-33 AL150288 7 30-19 AL156882 1 94-23
AL112953 9 70-49 AL150289 4 30-19 AL156898 1 94-21
AL113086 2 30-27 AL150529 11 60-9 AL156898 1 94-23
AL113174 19 92-39 AL150667 22 94-9 AL156915 2 40-21
AL113247 25 94-9 AL150732 6 70-25 AL156954 36 80-5
AL113247 27 94-13 AL150750 20 58-7 AL157374 10 80-17
AL113279 6 56-7 AL150755 21 60-5 AL157407 16 80-5
AL113358 18 56-9 AL150844 12 94-9 AL157540 12 40-45
AL113714 2 56-5 AL150844 13 94-13 AL157571 10 60-9
AL114210 8 56-12 AL150845 19 94-9 AL157571 8 60-11
AL114276 8 93-21 AL150845 15 94-13 AL157575 30 80-5
AL114392 5 70-31 AL150919 .. 52-17 AL157593 3 20-51
AL114404 4 70-33 AL150921 .. 52-17 AL157627 1 40-23
AL114526 11 56-17 AL150924 2 40-52 AL157641 1 40-46
AL114548 14 58-7 AL151282 1 94-17 AL157661 41 94-13
AL114597 15 70-15 AL151612 1 93-11 AL157672 14 94-13
AL114812 6 70-33 AL152098 2 40-41 AL157707 1 92-47
AL114896 5 40-12 AL152098 4 40-42 AL157732 26 52-17
AL114942 8 56-15 AL152152 6 93-37 AL157733 13 56-5
AL114955 9 40-15 AL152449 7 93-33 AL157743 22 60-5
AL115334 7 60-9 AL152732 12 92-37 AL157747 1 56-31
AL115334 3 60-11 AL152733 12 92-37 AL157748 1 56-31
AL115814 11 93-17 AL153067 2 30-35 AL157760 9 70-33
TRACTOR 6110J (EDICION SUDAMERICANA) PC8538S (11-JAN-11) 180-1
PN=595
180-2
TRACTOR 6110J (EDICION SUDAMERICANA)
INDICE NUMERICO – CONTINUACION
NO.PIEZA POS. PAGINA NO.PIEZA POS. PAGINA NO.PIEZA POS. PAGINA
AL157806 4 93-43 AL163565 2 60-11 AL168326 7 93-31
AL157837 1 94-2 AL163619 1 58-3 AL168814 1 30-16
AL157838 18 93-47 AL163619 13 58-3 AL168815 15 30-15
AL157856 8 60-5 AL163684 3 30-16 AL168815 5 30-16
AL157856 13 60-5 AL163686 1 30-32 AL168816 5 30-23
AL157856 23 60-5 AL163809 1 92-13 AL168817 5 30-21
AL157856 24 60-5 AL163841 3 94-3 AL168858 6 70-27
AL157883 13 93-5 AL163851 1 94-20 AL169335 13 80-3
AL158041 15 56-12 AL163858 15 93-33 AL169481 4 70-8
AL158053 11 80-3 AL163905 15 70-13 AL169899 6 93-8
AL158140 5 40-15 AL163906 15 70-13 AL169907 16 60-11
AL158151 12 80-3 AL163958 9 94-21 AL169982 1 40-21
AL158160 1 60-5 AL164008 27 60-17 AL169983 22 40-21
AL158332 16 58-15 AL164009 28 60-17 AL170185 1 60-13
AL158537 14 93-43 AL164010 17 60-17 AL170186 2 60-13
AL158538 15 93-43 AL164011 16 60-17 AL170216 3 70-25
AL158828 7 58-1 AL164012 5 92-47 AL170290 1 52-2
AL158828 3 58-2 AL164013 5 92-47 AL170290 1 54-2
AL158889 9 30-31 AL164069 1 40-17 AL170454 5 60-13
AL158922 13 56-31 AL164106 4 56-26 AL170691 25 54-5
AL158926 5 93-43 AL164112 4 56-26 AL171119 1 70-35
AL159011 10 70-27 AL164267 9 92-43 AL171534 1 93-3
AL159181 5 40-45 AL164282 2 40-17 AL171742 4 93-33
AL159216 22 56-21 AL164323 13 56-9 AL171782 7 30-21
AL159445 11 40-45 AL164480 2 92-29 AL171782 7 30-23
AL159801 1 40-32 AL164560 18 70-27 AL171954 5 60-14
AL159914 2 92-6 AL164561 19 70-27 AL172261 8 70-27
AL159971 14 70-17 AL164597 14 60-21 AL172331 47 93-33
AL159973 11 70-17 AL164598 13 60-21 AL172532 3 40-5
AL160142 11 92-29 AL164627 1 40-19 AL172570 6 56-22
AL160366 5 58-8 AL164643 36 80-3 AL172765 10 30-15
AL160369 4 40-36 AL164643 15 80-5 AL172780 6 30-19
AL160645 20 93-33 AL164648 6 70-6 AL172782 1 60-5
AL160761 13 70-41 AL164690 1 56-5 AL172871 1 93-31
AL160772 1 70-41 AL164700 4 70-6 AL173229 5 52-3
AL160773 11 70-41 AL164808 2 92-29 AL173397 31 92-35
AL160825 1 70-43 AL164922 1 93-3 AL173414 25 94-19
AL160962 32 52-17 AL164930 5 30-23 AL173415 26 94-19
AL161024 5 30-27 AL164931 4 30-23 AL173416 27 94-19
AL161113 1 40-51 AL164934 5 30-21 AL173417 17 94-19
AL161174 5 93-47 AL164935 4 30-21 AL173418 24 94-19
AL161175 2 93-47 AL164954 1 40-35 AL173630 6 92-35
AL161388 9 70-50 AL165144 5 70-33 AL173730 .. 94-25
AL161462 11 58-13 AL165199 2 70-5 AL173750 33 93-33
AL161463 11 58-13 AL165247 3 52-3 AL173864 5 54-3
AL161468 3 30-7 AL165247 3 54-3 AL174123 4 52-3
AL161500 1 93-47 AL165520 1 93-6 AL174123 4 54-3
AL161566 20 40-21 AL166180 6 70-49 AL174451 18 80-5
AL162467 1 93-44 AL166645 4 40-5 AL174452 20 80-5
AL162696 4 30-16 AL166649 5 56-11 AL174537 4 93-43
AL162698 21 30-11 AL166651 3 52-19 AL175138 25 56-21
AL162699 28 80-3 AL166743 25 54-19 AL175708 12 40-57
AL162701 4 80-3 AL166744 1 52-4 AL176143 1 40-6
AL162703 6 80-3 AL166745 8 70-49 AL176430 1 92-19
AL162729 9 80-3 AL166903 4 58-1 AL176431 1 92-19
AL162730 10 80-3 AL166903 6 58-2 AL176473 10 70-17
AL162751 1 52-13 AL166904 5 58-1 AL176767 5 70-4
AL162756 2 52-15 AL166904 7 58-2 AL176799 22 40-15
AL162768 1 40-39 AL166905 2 52-13 AL177068 7 40-57
AL162776 1 40-52 AL166905 1 56-15 AL177184 1 93-37
AL162970 4 80-1 AL167008 3 58-1 AL177795 1 40-57
AL163081 8 52-11 AL167009 1 58-2 AL177823 7 30-37
AL163193 29 80-3 AL167617 33 80-3 AL178071 2 52-11
AL163210 38 92-35 AL168231 6 93-44 AL178071 20 54-25
AL163211 4 92-35 AL168325 1 92-21 AL178191 3 56-7
AL163297 6 92-37 AL168325 7 93-31 AL178554 6 93-19
AL163363 1 40-46 AL168326 1 92-21 AL178813 1 40-56
180-2 TRACTOR 6110J (EDICION SUDAMERICANA) PC8538S (11-JAN-11)
PN=596
180-3
TRACTOR 6110J (EDICION SUDAMERICANA)
INDICE NUMERICO – CONTINUACION
NO.PIEZA POS. PAGINA NO.PIEZA POS. PAGINA NO.PIEZA POS. PAGINA
AL178887 1 40-31 AL69320 5 80-47 AL82770 7 94-23
AL178891 1 40-54 AL69331 5 80-47 AL82960 2 70-40
AL179236 27 56-15 AL69712 15 56-31 AP32897 8 30-24
AL179243 24 93-33 AL76005 1 58-7 AP32913 15 60-19
AL179341 1 92-33 AL76067 2 92-23 AP37887 1 60-17
AL179429 1 56-19 AL76125 1 58-5 AP37887 1 60-19
AL179829 3 92-43 AL76421 1 56-22 AR103873 29 52-9
AL179830 3 92-43 AL76434 .. 58-15 AR103873 3 54-19
AL179831 4 92-43 AL76483 1 94-19 AR103873 14 54-23
AL179832 4 92-43 AL76568 14 93-5 AR21837 5 30-11
AL180296 1 40-28 AL76568 36 93-33 AR21839 8 20-47
AL180297 1 40-27 AL76638 3 70-5 AR65507 5 20-37
AL180301 7 92-10 AL76702 1 40-41 AS04904 3 40-8
AL181805 12 70-27 AL76702 5 40-42 AT107509 24 56-15
AL181849 1 40-49 AL77028 10 70-47 AT130104 3 40-8
AL181918 2 60-14 AL77322 3 56-27 AT13740 6 20-33
AL182098 8 56-31 AL77324 4 40-41 AT186760 1 93-26
AL200020 22 70-27 AL77324 2 40-42 AT186760 1 93-27
AL200971 17 80-37 AL77434 3 56-5 AT18904 2 20-19
AL201018 1 93-17 AL77680 2 70-47 AT85174 1 20-50
AL201723 26 30-11 AL77711 1 93-21 AZ33725 7 80-9
AL201724 10 30-11 AL78276 1 92-43 AZ47904 7 40-11
AL201803 3 40-12 AL78277 1 92-43 A31870 28 80-33
AL201843 1 70-10 AL78377 3 92-41 A364R 20 20-29
AL201844 4 70-16 AL78652 15 70-33 A4379R 4 80-15
AL201863 2 70-16 AL78835 8 56-21 A4883R 15 80-15
AL201892 1 70-15 AL78835 7 58-7 B2762R 14 60-17
AL201897 2 70-15 AL79010 7 56-19 CC40740 5 80-46
AL201898 1 70-16 AL79013 4 93-21 CD14689 10 20-25
AL201899 13 70-9 AL79029 8 93-17 CD16284 9 20-43
AL201900 7 70-9 AL79029 8 93-19 CQ02164 21 94-19
AL202768 1 80-5 AL79037 7 70-27 CQ03768 2 80-42
AL202906 2 92-39 AL79050 6 94-5 CQ04738 34 80-3
AL202908 2 92-39 AL79050 6 94-7 CQ07569 3 70-9
AL203061 12 70-41 AL79050 1 94-11 CQ07843 1 80-10
AL203265 4 40-7 AL79050 17 94-17 CQ07843 8 80-13
AL203444 9 80-5 AL79072 15 56-9 CQ07843 18 80-15
AL203461 8 93-8 AL79540 6 60-9 CQ07844 2 80-10
AL203634 12 80-5 AL79750 18 56-15 CQ07844 9 80-13
AL203635 13 80-5 AL79794 12 80-27 CQ07844 1 80-17
AL203689 9 30-11 AL80099 16 54-25 CQ08038 6 30-31
AL203755 16 40-57 AL80099 15 70-25 CQ16408 4 80-19
AL203843 10 80-5 AL80154 6 60-21 CQ25602 4 56-32
AL204717 2 30-37 AL80154 20 60-21 CQ25614 1 80-17
AL204799 9 30-37 AL80395 20 70-27 CQ25620 18 80-15
AL204911 1 40-53 AL80651 1 92-23 CQ25621 1 80-17
AL204913 1 40-55 AL80708 2 70-5 CQ25768 8 70-9
AL205085 13 80-3 AL80939 22 56-15 CQ25923 10 40-8
AL205515 1 40-40 AL80939 6 58-5 CQ25923 23 40-21
AL31983 2 70-7 AL80939 16 58-7 CQ25923 4 40-33
AL32027 10 70-13 AL80939 12 58-13 CQ26016 6 70-9
AL32693 1 70-7 AL80941 6 56-21 CQ26127 8 80-9
AL32877 25 80-33 AL80994 35 94-9 CQ26128 7 80-9
AL32877 9 80-35 AL80994 40 94-13 CQ26159 18 80-15
AL35179 2 93-5 AL80994 25 94-15 CQ26402 4 80-18
AL35642 9 93-21 AL81250 4 56-11 CQ26402 2 80-19
AL36529 16 93-5 AL81320 6 56-25 CQ26402 6 80-20
AL37489 12 30-11 AL81331 7 52-19 CQ26740 18 80-15
AL37489 5 60-9 AL81358 7 52-11 CQ27128 5 80-20
AL37489 5 60-11 AL81358 10 54-25 CQ27171 7 92-5
AL37489 13 70-33 AL81718 3 40-42 CQ27184 6 80-18
AL38020 14 80-33 AL81862 2 94-3 CQ27195 10 80-25
AL39876 1 80-17 AL82025 4 56-28 CQ27196 10 80-25
AL59879 39 93-33 AL82025 8 56-29 CQ27197 10 80-25
AL64588 5 70-21 AL82121 3 40-31 CQ27198 10 80-25
AL64588 48 93-33 AL82256 13 30-35 CQ27199 10 80-25
AL67199 15 70-17 AL82582 13 58-3 CQ27200 10 80-25
TRACTOR 6110J (EDICION SUDAMERICANA) PC8538S (11-JAN-11) 180-3
PN=597
180-4
TRACTOR 6110J (EDICION SUDAMERICANA)
INDICE NUMERICO – CONTINUACION
NO.PIEZA POS. PAGINA NO.PIEZA POS. PAGINA NO.PIEZA POS. PAGINA
CQ27201 10 80-25 CQ27294 23 80-37 CQ43006 5 80-22
CQ27202 10 80-25 CQ27295 23 80-37 CQ43598 5 30-13
CQ27203 10 80-25 CQ27296 23 80-37 CQ45134 6 80-25
CQ27204 10 80-25 CQ27298 11 80-29 CQ45134 31 80-33
CQ27205 10 80-25 CQ27301 18 80-37 CQ45134 7 80-35
CQ27206 10 80-25 CQ27302 7 80-37 CQ47036 9 30-24
CQ27207 10 80-25 CQ27305 5 80-37 CQ47188 8 80-9
CQ27208 10 80-25 CQ27307 13 80-31 CQ47666 1 80-42
CQ27209 10 80-25 CQ27308 14 80-31 CQ47666 20 94-19
CQ27210 10 80-25 CQ27730 16 80-33 CQ48046 2 40-3
CQ27211 10 80-25 CQ27851 10 80-39 CQ48506 1 40-2
CQ27212 10 80-25 CQ27989 15 80-29 CQ49005 28 70-27
CQ27213 10 80-25 CQ27990 5 80-25 CQ49408 22 80-37
CQ27214 10 80-25 CQ28088 8 80-13 CQ50357 4 80-10
CQ27215 10 80-25 CQ28088 18 80-15 CQ50357 6 80-13
CQ27216 10 80-25 CQ28556 27 30-11 CQ50408 2 80-25
CQ27217 10 80-25 CQ28556 13 40-19 CQ50410 3 80-25
CQ27218 10 80-25 CQ28556 2 80-42 CQ50411 18 80-29
CQ27219 10 80-25 CQ29104 6 30-27 CQ50412 3 80-29
CQ27220 10 80-25 CQ29143 1 30-31 CQ50413 19 80-29
CQ27221 10 80-25 CQ29167 8 30-31 CQ50662 7 80-13
CQ27222 10 80-25 CQ29344 1 80-33 CQ51594 8 30-37
CQ27223 10 80-25 CQ29345 1 80-25 CQ51921 1 30-8
CQ27224 10 80-25 CQ29345 8 80-33 CQ51923 9 40-8
CQ27225 10 80-25 CQ29345 6 80-35 CQ52174 6 30-13
CQ27226 10 80-25 CQ29406 8 80-37 CQ52392 3 92-14
CQ27227 10 80-25 CQ29407 6 80-37 CQ52934 8 70-19
CQ27228 10 80-25 CQ29408 16 80-37 CQ55029 5 30-31
CQ27229 10 80-25 CQ29426 2 80-9 CQ55032 8 30-27
CQ27230 10 80-25 CQ29426 1 80-13 CQ55032 3 30-31
CQ27231 10 80-25 CQ29427 4 80-9 CQ57432 2 94-29
CQ27234 18 80-33 CQ29427 3 80-13 CQ57433 2 94-34
CQ27241 4 80-25 CQ29428 5 80-9 CQ57475 2 94-34
CQ27241 10 80-35 CQ29428 2 80-13 CQ58168 1 92-10
CQ27242 2 80-37 CQ29519 1 80-6 CQ58204 12 94-33
CQ27243 12 80-29 CQ30150 2 70-49 CQ58205 2 94-33
CQ27244 14 80-29 CQ30867 3 80-9 CQ58873 2 30-8
CQ27244 4 80-33 CQ30867 7 80-13 CQ59332 4 93-13
CQ27245 2 80-33 CQ30870 3 80-9 CQ61656 47 80-3
CQ27246 3 80-33 CQ30872 3 80-9 CQ62312 25 30-11
CQ27248 9 80-29 CQ30872 7 80-13 CQ62312 39 80-3
CQ27249 9 80-29 CQ31201 8 80-39 CQ62315 21 40-15
CQ27250 5 80-29 CQ31202 4 80-39 CQ62315 39 80-5
CQ27251 2 80-29 CQ31207 5 80-39 CQ62633 4 94-37
CQ27271 23 80-37 CQ31233 2 80-39 CQ63798 5 30-24
CQ27272 23 80-37 CQ32109 6 80-15 CQ64057 10 93-3
CQ27273 23 80-37 CQ33591 3 70-49 CQ64111 24 80-31
CQ27274 23 80-37 CQ33856 7 80-15 CQ64112 20 80-29
CQ27275 23 80-37 CQ33966 16 80-39 CQ64114 1 80-37
CQ27276 23 80-37 CQ33967 16 80-39 CQ64245 1 80-35
CQ27277 23 80-37 CQ34080 10 80-15 CQ64246 8 80-35
CQ27278 23 80-37 CQ34081 10 80-15 CQ64248 5 80-35
CQ27279 23 80-37 CQ34351 4 30-27 CQ64249 18 80-31
CQ27280 23 80-37 CQ34452 8 80-9 CQ64250 4 80-31
CQ27281 23 80-37 CQ34452 8 80-13 CQ64251 9 80-31
CQ27282 23 80-37 CQ34453 7 80-9 CQ64252 19 80-31
CQ27283 23 80-37 CQ34453 9 80-13 CQ64253 12 80-31
CQ27284 23 80-37 CQ34905 5 92-5 CQ64646 10 80-29
CQ27285 23 80-37 CQ37642 8 80-9 CQ65139 6 80-15
CQ27286 23 80-37 CQ38349 .. 30-11 CQ65207 5 80-15
CQ27287 23 80-37 CQ38916 9 30-28 CQ65301 7 30-27
CQ27288 23 80-37 CQ40864 18 80-15 CQ65525 24 40-21
CQ27289 23 80-37 CQ41340 8 80-13 CQ66216 7 40-5
CQ27290 23 80-37 CQ41341 8 80-9 CQ66248 8 80-9
CQ27291 23 80-37 CQ42092 10 40-15 CQ66250 1 80-10
CQ27292 23 80-37 CQ42968 19 70-15 CQ66250 18 80-15
CQ27293 23 80-37 CQ43005 2 80-22 CQ66643 7 80-15
180-4 TRACTOR 6110J (EDICION SUDAMERICANA) PC8538S (11-JAN-11)
PN=598
180-5
TRACTOR 6110J (EDICION SUDAMERICANA)
INDICE NUMERICO – CONTINUACION
NO.PIEZA POS. PAGINA NO.PIEZA POS. PAGINA NO.PIEZA POS. PAGINA
CQ67634 6 92-27 DQ52336 1 92-5 DQ64099 5 30-23
CQ67635 2 92-27 DQ52337 1 92-5 DQ64100 4 30-23
CQ67641 8 80-25 DQ52379 3 92-5 DQ64254 11 80-31
CQ71882 3 40-11 DQ52380 3 92-5 DQ64254 20 80-31
CQ71890 8 40-11 DQ52393 1 92-27 DQ64362 10 94-33
CQ72046 4 80-37 DQ52819 12 30-15 DQ64363 8 94-33
C2214E 3 80-6 DQ52819 13 30-15 DQ64776 4 80-40
DQ04397 3 80-40 DQ52819 2 30-16 DQ64777 2 80-40
DQ20973 6 80-9 DQ53133 7 94-5 DQ65036 8 70-16
DQ20973 3 80-37 DQ53133 3 94-7 DQ65274 1 40-15
DQ24057 2 30-29 DQ53134 1 94-5 DQ65990 1 94-33
DQ25068 11 40-8 DQ53145 5 94-11 DQ65991 3 94-33
DQ25143 6 30-29 DQ53203 1 94-7 DQ65998 10 93-15
DQ26015 5 70-9 DQ53204 5 94-7 DQ66167 7 94-37
DQ26126 9 80-9 DQ53205 6 94-11 DQ67022 11 40-15
DQ27253 13 80-33 DQ53213 3 70-8 DQ67132 7 80-31
DQ28326 9 80-9 DQ53462 3 92-3 DQ67133 21 80-31
DQ28539 22 80-29 DQ53463 4 92-3 DQ67134 22 80-31
DQ28540 21 80-29 DQ53525 11 92-14 DQ68471 14 92-6
DQ28542 17 80-29 DQ55333 1 30-24 DQ68477 1 40-4
DQ28725 6 80-29 DQ56939 1 94-34 DQ68990 1 80-1
DQ30256 1 80-9 DQ58189 4 94-31 DQ68991 2 80-1
DQ30260 1 80-9 DQ58190 5 94-31 DQ69428 5 94-19
DQ30262 1 80-9 DQ58191 2 94-31 DQ69816 3 60-17
DQ30877 4 80-13 DQ58192 3 94-31 DQ70291 8 80-7
DQ31200 16 80-29 DQ58193 1 94-31 DQ70988 21 93-5
DQ31503 9 80-9 DQ58194 6 94-31 DQ72369 6 40-15
DQ32910 7 30-29 DQ58199 4 94-33 DQ72612 4 30-29
DQ33769 1 80-40 DQ58301 2 92-3 DQ72620 1 30-29
DQ33944 11 40-8 DQ58302 1 92-3 DQ72620 5 30-29
DQ34064 1 80-39 DQ58449 9 40-11 DT5037 .. 52-15
DQ34065 1 80-39 DQ58532 5 80-41 DT5037 .. 52-17
DQ34208 16 94-17 DQ58814 1 92-17 DT5037 .. 56-11
DQ34723 1 80-9 DQ59038 9 40-5 DT5037 .. 56-23
DQ34723 4 80-13 DQ59131 5 92-43 DT5037 .. 58-3
DQ36680 1 80-22 DQ59390 7 93-45 DT5173 .. 56-15
DQ37643 7 80-9 DQ59493 .. 80-9 DT5267 .. 56-31
DQ37676 9 80-9 DQ61022 1 80-21 DT5267 .. 70-3
DQ39530 3 30-29 DQ61096 1 92-6 DT5267 .. 80-1
DQ41285 6 30-28 DQ61096 5 92-6 DT5299 .. 56-5
DQ41499 5 30-28 DQ61097 1 92-6 DT5299 .. 56-11
DQ42160 5 94-33 DQ61097 5 92-6 DT5299 .. 58-7
DQ42161 7 94-33 DQ62060 15 70-41 DT5299 2 70-8
DQ42163 9 94-33 DQ62615 6 94-37 DT5470 8 92-9
DQ42174 6 94-33 DQ62616 5 94-37 DT5470 5 92-11
DQ42175 11 94-33 DQ62617 9 94-37 DT5471 10 92-14
DQ43003 3 80-22 DQ62618 10 94-37 DT5471 3 92-47
DQ43004 4 80-22 DQ62619 2 94-39 DT5472 9 92-9
DQ43133 6 93-25 DQ62620 2 94-37 DT5472 8 92-21
DQ43134 6 93-25 DQ62621 2 94-37 DT5538 .. 92-6
DQ43135 3 93-25 DQ62622 1 94-39 DY8313 9 92-10
DQ46008 2 94-20 DQ62623 8 94-37 E69117 2 70-35
DQ46087 1 93-25 DQ62624 7 94-39 F2823R 6 70-17
DQ46088 1 93-25 DQ62625 5 94-39 H151673 6 80-46
DQ46828 31 94-9 DQ62626 10 94-39 H23125 2 20-2
DQ46828 44 94-13 DQ62627 11 94-39 H63237 34 54-23
DQ46828 23 94-15 DQ62628 1 94-37 H63283 4 70-47
DQ48452 3 80-10 DQ62629 3 94-39 H75541 13 56-25
DQ48452 11 80-13 DQ62630 4 94-39 H75541 12 60-13
DQ48453 10 80-13 DQ62631 3 94-37 H77698 2 80-42
DQ49620 1 93-45 DQ62632 9 94-39 JD10058 8 30-1
DQ50436 33 92-35 DQ63188 1 92-3 JD10249 19 80-37
DQ50588 10 80-13 DQ63432 21 80-5 JD10250 15 80-37
DQ50652 6 94-39 DQ63790 1 30-28 JD10269 5 54-17
DQ50655 8 94-39 DQ63793 11 30-28 JD10330 3 52-15
DQ51064 6 93-45 DQ63806 1 94-29 JD10479 18 52-5
DQ51588 1 30-35 DQ63989 10 93-13 JD10479 35 52-17
TRACTOR 6110J (EDICION SUDAMERICANA) PC8538S (11-JAN-11) 180-5
PN=599
180-6
TRACTOR 6110J (EDICION SUDAMERICANA)
INDICE NUMERICO – CONTINUACION
NO.PIEZA POS. PAGINA NO.PIEZA POS. PAGINA NO.PIEZA POS. PAGINA
JD10497 5 56-15 L101560 3 60-13 L110183 8 93-37
JD10498 4 56-15 L101561 6 60-23 L110186 1 93-33
JD10508 15 52-19 L101573 6 58-7 L110189 14 93-35
JD10508 10 56-11 L101574 9 56-19 L110296 9 93-41
JD10522 14 52-15 L101618 22 58-13 L110306 9 40-19
JD10542 22 54-5 L101689 33 80-33 L110367 36 92-35
JD37047 4 58-8 L101698 20 80-33 L110422 6 94-17
JD37087 11 80-33 L101761 2 40-53 L110496 11 93-39
JD7798 12 70-17 L101761 2 40-55 L110617 1 93-8
JD8171 5 58-13 L101779 10 56-17 L110633 13 93-35
JD8217 20 58-13 L101829 2 56-22 L110762 8 60-17
JD8510 7 52-4 L101897 20 60-17 L110765 2 40-28
JD8856 7 56-9 L101929 10 94-15 L110765 5 40-55
JD9320 19 52-15 L101931 6 94-19 L110766 3 94-19
J53262 2 80-17 L101932 9 93-17 L110777 10 30-1
J53401 10 80-15 L101932 9 93-19 L110815 6 93-43
J53701 3 80-15 L102007 13 40-31 L110816 2 93-43
J53702 16 80-15 L102007 6 60-11 L110851 10 56-5
J55278 4 80-17 L102049 2 60-17 L110865 44 93-33
J60538 13 20-21 L102097 7 58-8 L110867 45 93-33
L100230 7 80-25 L102110 20 93-17 L110964 43 94-13
L100259 23 70-27 L102110 17 93-19 L111002 21 60-17
L100285 5 93-8 L102110 3 94-23 L111003 22 60-17
L100380 2 92-11 L102146 3 56-21 L111005 10 52-15
L100389 21 92-19 L102147 3 56-21 L111048 13 56-11
L100413 5 92-29 L102148 3 56-21 L111052 24 52-19
L100414 6 92-29 L102149 3 56-21 L111054 18 52-19
L100425 3 60-23 L102154 40 70-35 L111072 2 92-5
L100435 12 92-19 L102155 40 70-35 L111072 12 92-41
L100519 16 56-17 L102179 17 70-33 L111085 1 70-22
L100522 12 56-15 L102203 4 40-49 L111120 2 30-1
L100560 22 94-19 L102204 7 40-49 L111127 5 40-36
L100573 13 56-23 L102324 4 70-4 L111138 11 60-21
L100581 6 52-5 L102357 7 94-9 L111165 11 94-9
L100644 10 60-21 L102357 19 94-13 L111165 12 94-13
L100685 10 92-45 L102359 11 93-5 L111179 24 94-13
L100767 11 52-19 L102363 3 40-49 L111184 1 40-36
L100768 11 52-19 L102363 4 40-51 L111294 6 30-1
L100769 11 52-19 L102451 27 94-9 L111376 8 40-51
L100802 12 70-33 L102451 29 94-13 L111385 1 56-32
L100851 12 60-21 L102453 15 60-23 L111412 21 70-33
L100869 23 92-43 L102489 7 56-15 L111414 30 92-35
L100935 14 56-17 L102489 9 56-17 L111419 13 92-35
L100959 21 56-15 L102490 19 93-19 L111425 3 93-37
L100959 8 58-5 L102565 6 56-15 L111440 34 92-35
L100959 17 58-7 L102567 4 56-17 L111465 7 93-43
L100959 19 58-13 L102588 8 92-19 L111479 16 70-33
L100961 28 56-21 L102588 9 92-39 L111480 4 92-19
L101122 17 56-17 L102616 2 80-45 L111480 13 92-45
L101142 19 56-31 L102647 4 58-3 L111480 14 93-24
L101177 5 80-38 L102678 8 94-23 L111480 34 94-9
L101241 8 40-49 L110065 13 60-17 L111480 42 94-13
L101243 9 56-31 L110066 3 52-13 L111707 6 70-4
L101287 1 60-23 L110066 6 56-1 L111718 9 70-13
L101305 5 54-12 L110066 6 56-2 L111800 38 80-5
L101355 11 58-5 L110066 2 56-15 L111818 7 58-8
L101355 3 58-10 L110067 4 56-19 L111857 5 30-1
L101355 3 58-11 L110092 7 52-3 L111878 29 94-9
L101356 11 58-5 L110092 7 54-3 L111878 33 94-13
L101356 3 58-10 L110129 2 56-17 L111964 26 54-5
L101356 3 58-11 L110138 15 92-29 L111964 10 54-7
L101357 7 70-7 L110146 9 93-35 L111964 9 54-11
L101389 10 70-8 L110147 3 93-33 L111964 6 58-1
L101403 9 70-8 L110148 11 93-35 L111964 8 58-2
L101463 4 52-6 L110149 12 93-35 L111965 3 94-21
L101488 13 56-17 L110150 6 93-39 L111965 2 94-23
L101519 40 80-3 L110151 6 93-39 L111978 1 60-14
180-6 TRACTOR 6110J (EDICION SUDAMERICANA) PC8538S (11-JAN-11)
PN=600
180-7
TRACTOR 6110J (EDICION SUDAMERICANA)
INDICE NUMERICO – CONTINUACION
NO.PIEZA POS. PAGINA NO.PIEZA POS. PAGINA NO.PIEZA POS. PAGINA
L111987 21 94-9 L113339 29 52-17 L114902 3 40-21
L111987 30 94-13 L113339 11 56-5 L114953 3 80-39
L111987 20 94-15 L113347 19 60-21 L115020 18 93-5
L111988 11 92-43 L113409 5 30-35 L115082 2 70-13
L111988 21 94-9 L113415 5 93-3 L115082 3 70-13
L111988 30 94-13 L113415 12 93-17 L115083 2 70-13
L111988 20 94-15 L113415 20 93-19 L115083 3 70-13
L112001 2 52-3 L113436 3 92-39 L115093 4 93-45
L112001 2 54-3 L113437 3 92-39 L115149 3 93-29
L112041 8 94-13 L113438 4 92-39 L115158 7 80-46
L112053 8 94-15 L113439 4 92-39 L115159 9 40-21
L112092 11 56-23 L113440 1 92-39 L115235 24 93-19
L112121 10 40-72 L113441 1 92-39 L115238 2 93-29
L112212 33 80-33 L113446 21 80-1 L115239 2 92-17
L112214 33 80-33 L113527 28 94-19 L115241 11 94-23
L112215 33 80-33 L113541 4 56-12 L115277 4 40-27
L112217 33 80-33 L113543 7 70-4 L115292 22 93-17
L112218 33 80-33 L113559 1 93-19 L115292 6 94-9
L112232 11 92-19 L113657 2 93-27 L115292 20 94-13
L112250 9 93-39 L113715 37 92-35 L115292 2 94-21
L112282 15 93-17 L113717 6 92-39 L115292 16 94-23
L112282 21 93-19 L113718 7 92-39 L115344 5 80-9
L112290 3 40-57 L113823 5 94-21 L115344 2 80-13
L112290 35 92-35 L113846 14 93-17 L115353 5 70-13
L112290 3 92-45 L113886 6 92-23 L115370 15 94-23
L112367 18 80-15 L113887 7 92-23 L115371 15 94-23
L112370 10 70-49 L113893 2 56-32 L115395 35 94-13
L112380 2 56-19 L113893 3 56-32 L115418 12 80-13
L112469 30 94-9 L113907 18 92-39 L115460 22 70-33
L112469 34 94-13 L113908 17 92-39 L115608 5 52-6
L112469 21 94-15 L113993 8 93-27 L115609 7 52-6
L112503 1 70-3 L113994 19 94-15 L115740 11 92-37
L112511 5 93-19 L114030 2 40-49 L116013 12 52-3
L112545 4 20-51 L114032 10 94-9 L116013 12 54-3
L112657 6 92-19 L114032 2 94-13 L116041 11 52-3
L112690 1 52-3 L114053 6 60-14 L116041 11 54-3
L112690 1 54-3 L114086 3 93-41 L116130 33 52-17
L112743 7 92-43 L114088 9 58-13 L116130 24 56-5
L112796 23 93-19 L114089 1 58-13 L116184 22 92-19
L112797 13 92-21 L114120 3 56-12 L116184 15 92-41
L112797 10 92-31 L114159 3 80-47 L116184 10 92-43
L112797 4 93-3 L114160 3 80-47 L116261 36 94-13
L112884 6 56-17 L114178 15 30-23 L116262 6 94-13
L112950 5 93-13 L114178 3 60-9 L116263 21 94-13
L112951 4 92-45 L114178 15 60-11 L116304 7 92-45
L112971 12 92-45 L114178 15 80-1 L116560 7 70-33
L113016 17 56-21 L114178 6 93-47 L116576 15 94-17
L113018 1 94-15 L114257 3 92-19 L116615 6 70-3
L113019 7 94-13 L114266 5 56-7 L116616 7 70-3
L113020 1 93-15 L114314 6 92-25 L116840 4 94-9
L113021 2 93-15 L114339 13 80-1 L116840 39 94-13
L113023 3 93-28 L114509 8 93-5 L150034 13 93-13
L113049 12 56-12 L114509 33 94-9 L150079 8 93-15
L113076 20 94-17 L114509 4 94-21 L150336 25 52-17
L113094 13 40-21 L114509 5 94-23 L150340 5 93-15
L113094 8 40-31 L114522 9 40-49 L150363 6 93-15
L113099 6 56-12 L114524 12 40-49 L150424 5 92-14
L113217 18 52-19 L114539 9 60-21 L150446 1 94-9
L113217 19 52-19 L114567 6 52-15 L150446 38 94-13
L113217 24 52-19 L114651 11 56-15 L150454 9 93-15
L113217 15 56-11 L114655 33 56-15 L150525 6 93-13
L113225 22 94-15 L114660 17 93-47 L150526 3 93-13
L113232 2 92-45 L114757 1 58-11 L150527 2 93-13
L113281 4 60-21 L114773 5 70-40 L150693 8 56-9
L113312 37 93-33 L114822 9 30-35 L150695 8 56-7
L113313 37 93-33 L114874 5 80-1 L150696 3 56-9
L113335 9 56-12 L114874 29 80-33 L151020 15 60-5
TRACTOR 6110J (EDICION SUDAMERICANA) PC8538S (11-JAN-11) 180-7
PN=601
180-8
TRACTOR 6110J (EDICION SUDAMERICANA)
INDICE NUMERICO – CONTINUACION
NO.PIEZA POS. PAGINA NO.PIEZA POS. PAGINA NO.PIEZA POS. PAGINA
L151020 8 94-21 L153819 41 54-19 L155937 21 56-31
L151157 1 93-13 L153819 10 56-25 L155965 20 80-3
L151416 23 56-21 L153842 7 40-17 L155966 21 80-3
L151429 5 93-44 L153842 17 80-3 L155993 9 56-15
L151429 6 93-44 L153968 1 56-9 L155994 9 56-15
L151528 15 92-19 L154057 16 60-5 L156151 13 54-23
L151529 4 40-39 L154067 12 92-9 L156205 16 92-29
L151529 2 40-57 L154128 4 40-11 L156206 14 92-29
L151554 3 92-10 L154131 17 56-12 L156259 1 52-13
L151569 7 92-13 L154133 1 54-19 L156260 12 94-21
L151570 8 92-13 L154134 20 54-23 L156261 5 56-1
L151611 3 40-52 L154170 5 20-51 L156262 5 56-2
L151614 3 92-11 L154170 5 40-3 L156282 1 52-15
L151699 3 93-17 L154171 3 40-17 L156283 5 52-15
L151718 10 92-10 L154171 3 40-23 L156294 34 54-5
L151718 25 92-43 L154173 2 40-51 L156294 4 56-29
L151719 25 92-43 L154293 18 54-23 L156325 5 92-35
L151729 42 93-33 L154332 2 40-31 L156502 7 58-8
L151731 6 93-35 L154335 3 92-6 L156522 11 92-35
L151732 9 93-37 L154378 12 92-6 L156536 11 94-21
L151733 12 93-39 L154378 11 93-3 L156573 35 80-5
L151740 8 93-24 L154379 11 92-6 L156665 14 70-15
L151752 16 92-45 L154379 12 93-3 L156690 13 52-19
L151753 15 92-45 L154381 3 93-11 L156691 14 52-19
L151863 13 93-24 L154428 1 92-11 L156693 16 56-11
L151979 8 30-19 L154516 8 52-15 L156773 8 58-8
L151980 5 40-6 L154520 6 56-9 L156788 13 70-17
L152035 9 92-29 L154620 3 56-31 L156796 10 40-21
L152148 3 80-45 L154621 4 56-31 L156851 4 56-5
L152151 7 40-31 L154647 4 40-24 L156910 2 58-8
L152216 13 56-21 L154750 6 70-5 L156912 1 58-8
L152250 9 92-6 L154897 12 92-29 L156914 10 56-31
L152250 .. 92-6 L154937 13 40-45 L156986 4 30-7
L152254 8 92-10 L154991 6 92-14 L157084 7 56-5
L152323 3 70-35 L155008 1 92-10 L157085 7 56-5
L152324 13 70-25 L155025 1 92-29 L157086 7 56-5
L152324 21 70-35 L155025 13 92-29 L157095 10 92-41
L152325 27 70-35 L155025 .. 92-29 L157103 3 56-17
L152326 28 70-35 L155075 19 40-21 L157104 3 56-17
L152335 9 93-24 L155181 25 80-5 L157106 3 56-17
L152460 4 40-57 L155244 7 70-40 L157108 3 56-17
L152507 4 54-29 L155257 8 92-29 L157116 23 93-33
L152519 4 92-10 L155267 26 56-21 L157254 25 93-17
L152636 3 93-43 L155339 1 56-7 L157254 18 93-19
L152652 6 92-13 L155361 2 93-3 L157274 7 92-17
L152658 14 80-3 L155376 1 30-13 L157284 38 52-17
L152663 15 80-3 L155376 1 70-21 L157285 38 52-17
L152663 21 93-47 L155423 20 92-19 L157286 40 52-17
L152943 6 40-6 L155448 4 40-23 L157287 40 52-17
L153099 10 80-1 L155455 7 93-21 L157295 3 93-5
L153130 4 92-23 L155492 3 70-40 L157372 4 92-6
L153130 17 92-41 L155496 23 52-15 L157372 2 92-14
L153159 1 56-11 L155496 25 56-5 L157372 10 92-21
L153161 8 52-19 L155510 50 80-3 L157372 8 92-33
L153307 6 52-19 L155548 5 93-45 L157398 24 80-5
L153307 2 56-11 L155576 17 92-45 L157464 3 92-21
L153345 8 56-11 L155596 26 80-5 L157465 3 92-21
L153536 32 80-5 L155597 27 80-5 L157466 46 93-33
L153587 8 40-8 L155606 20 92-43 L157467 2 40-12
L153594 5 94-21 L155639 10 56-9 L157515 39 52-17
L153635 29 52-17 L155730 5 56-28 L157547 2 92-13
L153635 11 56-5 L155730 7 56-29 L157555 38 52-17
L153759 13 92-9 L155885 31 52-17 L157556 40 52-17
L153768 4 40-17 L155889 15 56-5 L157568 16 56-15
L153768 3 40-24 L155927 1 30-7 L157586 19 93-47
L153768 26 80-3 L155934 3 70-27 L157732 3 92-13
L153769 2 92-9 L155935 9 70-27 L157769 23 80-3
180-8 TRACTOR 6110J (EDICION SUDAMERICANA) PC8538S (11-JAN-11)
PN=602
180-9
TRACTOR 6110J (EDICION SUDAMERICANA)
INDICE NUMERICO – CONTINUACION
NO.PIEZA POS. PAGINA NO.PIEZA POS. PAGINA NO.PIEZA POS. PAGINA
L157793 2 93-11 L164972 3 93-3 L169844 12 70-47
L157800 19 93-33 L165048 8 80-1 L169857 17 93-43
L157816 15 92-35 L165281 13 30-16 L169858 18 93-43
L157817 2 92-41 L165282 5 30-15 L169859 19 93-43
L157817 9 92-43 L165421 .. 40-45 L169889 40 93-33
L157818 8 92-37 L165428 .. 92-11 L169912 4 93-31
L157820 8 92-45 L165781 7 58-3 L170010 11 94-25
L157821 14 92-45 L165818 25 70-27 L170237 30 52-17
L157826 16 80-3 L165942 14 56-11 L170237 8 56-5
L157872 11 52-15 L165946 23 56-11 L170237 18 56-5
L157895 18 60-13 L165947 5 56-9 L170424 25 56-15
L157928 3 80-23 L165957 1 80-47 L170670 8 93-41
L157982 18 56-21 L166213 1 58-10 L170677 1 92-41
L157990 6 94-21 L166228 12 56-5 L170688 3 80-1
L157992 13 56-15 L166230 17 56-5 L170803 27 52-9
L158185 3 70-18 L166231 16 56-5 L170885 14 58-13
L158186 13 70-15 L166233 4 56-7 L170967 7 40-34
L158220 16 56-21 L166315 4 30-11 L170995 2 80-46
L158222 20 56-21 L166446 20 52-9 L170996 1 80-46
L158223 10 70-5 L166446 7 54-23 L171150 5 92-17
L158229 11 30-11 L166528 11 58-1 L171151 6 92-17
L158231 1 30-11 L166529 2 58-2 L171152 47 54-23
L158232 6 30-11 L166609 8 93-11 L171231 12 40-8
L158235 4 30-15 L166630 7 30-11 L171336 9 92-45
L158239 14 30-16 L166759 3 40-34 L171481 13 94-19
L158240 15 30-16 L167244 2 40-54 L171486 5 92-19
L158241 20 30-11 L167244 7 40-55 L171572 24 70-33
L158246 2 30-19 L167244 2 40-56 L171572 6 70-41
L158251 13 30-11 L167318 10 52-4 L171701 17 94-25
L158252 23 30-11 L167350 2 58-7 L171710 10 94-19
L158260 5 93-17 L167362 38 80-3 L171711 31 94-19
L158277 8 80-3 L167363 37 80-3 L171712 32 94-19
L158278 7 80-3 L167365 48 80-3 L171975 14 92-37
L158279 54 80-3 L167473 30 80-3 L171976 14 92-37
L158289 8 30-11 L167664 10 30-35 L171980 9 92-37
L158301 4 40-4 L167749 41 52-17 L172081 6 56-31
L158303 2 40-4 L167749 26 56-5 L172182 1 60-3
L158304 5 40-4 L167801 22 56-9 L172584 12 70-8
L158306 24 30-11 L168124 13 93-39 L172599 9 56-21
L158306 49 80-3 L168126 2 93-33 L172658 7 56-17
L158312 22 54-23 L168228 1 92-17 L172758 1 70-4
L158359 4 70-21 L168245 15 40-49 L172889 9 58-7
L158360 6 70-21 L168269 19 30-11 L172906 3 30-19
L158414 11 80-1 L168271 9 92-35 L172927 21 56-5
L158434 4 92-13 L168286 3 30-15 L172982 4 52-5
L158473 51 54-19 L168286 11 30-16 L173220 28 52-9
L158565 5 93-33 L168344 3 70-3 L173222 12 52-9
L158566 32 93-33 L168503 14 60-13 L173241 19 58-7
L158567 1 93-43 L168519 13 93-17 L173243 5 58-7
L158590 1 30-37 L168608 2 93-31 L173431 11 56-21
L158623 13 54-7 L168610 17 60-23 L173432 10 56-21
L158800 1 56-28 L168634 14 80-1 L173433 14 56-21
L158800 1 56-29 L168690 20 93-47 L173476 18 80-3
L158822 2 94-27 L168800 9 56-5 L173805 10 92-37
L158930 12 70-3 L168846 11 30-19 L173991 6 56-5
L158963 3 94-27 L169102 8 92-43 L173998 19 56-21
L158967 8 56-17 L169103 8 92-43 L174118 9 92-19
L159011 16 30-21 L169203 4 93-41 L174378 6 40-51
L159013 9 30-15 L169208 6 30-21 L174379 5 40-51
L159013 12 30-16 L169208 6 30-23 L174554 10 56-19
L159016 8 30-21 L169231 15 60-17 L175019 37 80-5
L159016 8 30-23 L169253 22 52-15 L175651 1 70-8
L159026 4 70-27 L169254 28 52-17 L175783 6 80-23
L159212 5 60-21 L169258 21 52-15 L175841 2 40-34
L159241 5 92-13 L169277 5 58-5 L175842 1 40-34
L159313 7 56-12 L169323 22 80-3 L175853 19 60-5
L164972 8 92-47 L169839 8 93-43 L176859 17 58-15
TRACTOR 6110J (EDICION SUDAMERICANA) PC8538S (11-JAN-11) 180-9
PN=603
180-10
TRACTOR 6110J (EDICION SUDAMERICANA)
INDICE NUMERICO – CONTINUACION
NO.PIEZA POS. PAGINA NO.PIEZA POS. PAGINA NO.PIEZA POS. PAGINA
L176898 12 56-31 L36685 15 40-68 L40993 11 80-27
L18955 2 80-7 L37224 15 80-39 L40993 10 80-33
L18955 1 80-38 L37225 14 80-39 L40994 11 80-27
L200226 7 92-31 L37226 2 80-38 L40994 10 80-33
L200226 4 92-33 L37489 4 93-5 L40995 11 80-27
L200484 3 58-17 L37733 14 70-43 L40995 10 80-33
L200689 .. 80-5 L37963 21 70-27 L40996 11 80-27
L200800 5 92-21 L38141 12 80-15 L40996 10 80-33
L200802 5 92-21 L38284 16 60-13 L40998 33 80-33
L202135 4 70-15 L38449 5 80-7 L40999 33 80-33
L202136 5 70-15 L38450 3 80-7 L41000 33 80-33
L202137 6 70-15 L38622 4 40-75 L41001 33 80-33
L202138 3 70-15 L38642 3 40-36 L41003 33 80-33
L202139 17 70-15 L38642 30 93-33 L41004 33 80-33
L202140 7 70-15 L39134 10 92-19 L41005 33 80-33
L202141 8 70-15 L39134 2 93-30 L41006 8 80-29
L202144 3 70-16 L39603 6 93-17 L41008 5 80-37
L202146 6 70-16 L39603 11 93-19 L41079 8 52-6
L202147 7 70-16 L39860 6 92-10 L41159 14 80-37
L202150 10 70-9 L39978 3 70-7 L41164 3 80-31
L202151 14 70-9 L39983 19 80-33 L41170 5 80-37
L202305 3 92-23 L39997 5 80-37 L41171 8 80-31
L202306 8 92-23 L40003 15 80-33 L41172 8 80-31
L202660 2 30-33 L40005 15 80-31 L41173 8 80-31
L203433 4 80-5 L40071 6 80-31 L41174 8 80-31
L203435 3 80-5 L40075 8 80-29 L41175 8 80-31
L203436 2 80-5 L40121 5 80-37 L41178 7 93-8
L203437 5 80-5 L40130 17 80-33 L41187 15 56-15
L203438 6 80-5 L40205 16 80-31 L41216 2 80-31
L203490 8 80-5 L40253 21 80-33 L41383 11 52-9
L203949 3 80-39 L40254 22 80-33 L41384 10 52-9
L203991 1 93-24 L40272 11 80-27 L41384 26 54-23
L204008 4 93-24 L40272 10 80-33 L41443 22 92-45
L204116 14 80-5 L40273 9 80-33 L41526 11 52-6
L204120 6 52-4 L40273 4 80-35 L41526 1 52-11
L204993 24 80-33 L40274 7 80-33 L41526 11 54-25
L205138 4 30-5 L40274 3 80-35 L41526 30 56-15
L205758 3 80-46 L40281 20 80-37 L41526 2 58-1
L205759 3 80-46 L40282 1 80-31 L41526 10 58-2
L206857 6 70-10 L40283 5 80-31 L41536 10 52-6
L2646N 10 30-27 L40284 17 80-31 L41560 2 80-9
L26943 3 70-10 L40552 7 80-29 L41560 1 80-13
L26943 12 70-13 L40924 4 40-34 L41649 4 52-15
L27099 8 80-47 L40924 2 92-10 L41650 4 52-15
L28228 5 80-18 L40924 4 93-17 L41651 4 52-15
L28228 1 80-19 L40924 4 93-19 L41652 4 52-15
L28228 7 80-20 L40966 12 56-23 L41653 4 52-15
L28230 2 80-20 L40982 11 80-27 L41654 4 52-15
L31683 5 80-13 L40982 10 80-33 L41655 4 52-15
L31792 15 56-21 L40983 11 80-27 L41656 4 52-15
L32394 12 40-31 L40983 10 80-33 L41657 4 52-15
L32394 3 94-2 L40984 11 80-27 L41709 9 52-6
L32394 4 94-19 L40984 10 80-33 L41709 29 56-15
L33035 11 58-7 L40985 11 80-27 L41709 1 58-1
L33159 13 58-13 L40985 10 80-33 L41709 11 58-2
L33332 20 52-19 L40987 11 80-27 L41709 21 60-21
L33332 12 56-11 L40987 10 80-33 L41858 2 40-27
L34029 5 80-17 L40988 11 80-27 L41858 13 52-3
L34383 2 58-18 L40988 10 80-33 L41858 13 54-3
L34995 14 70-33 L40989 11 80-27 L41858 2 80-42
L35037 4 70-17 L40989 10 80-33 L41858 29 94-19
L35423 11 40-68 L40990 11 80-27 L41860 23 60-21
L35424 13 40-68 L40990 10 80-33 L41928 21 80-37
L35425 12 40-68 L40991 11 80-27 L41980 12 60-9
L35577 16 80-33 L40991 10 80-33 L41980 9 60-11
L36670 10 40-68 L40992 11 80-27 L41980 15 60-21
L36681 14 40-68 L40992 10 80-33 L42050 9 70-17
180-10 TRACTOR 6110J (EDICION SUDAMERICANA) PC8538S (11-JAN-11)
PN=604
180-11
TRACTOR 6110J (EDICION SUDAMERICANA)
INDICE NUMERICO – CONTINUACION
NO.PIEZA POS. PAGINA NO.PIEZA POS. PAGINA NO.PIEZA POS. PAGINA
L53813 18 56-12 L75882 5 56-7 L76923 24 52-15
L53821 12 58-3 L75883 5 56-7 L76923 27 52-17
L53861 2 56-28 L75884 5 56-7 L76923 14 56-5
L53861 2 56-29 L75885 1 56-1 L76924 3 58-16
L53873 18 60-21 L75885 1 56-2 L77065 8 56-22
L53888 5 80-31 L75889 7 56-7 L77138 2 56-21
L55594 4 80-29 L75889 4 70-40 L77141 21 56-21
L55602 5 80-37 L75904 27 52-17 L77173 9 52-3
L55603 5 80-37 L75904 14 56-5 L77173 9 54-3
L55606 11 80-27 L75905 27 52-17 L77254 7 58-13
L55606 10 80-33 L75905 14 56-5 L77255 8 58-13
L55607 11 80-27 L75906 27 52-17 L77262 10 56-15
L55607 10 80-33 L75906 14 56-5 L77301 3 58-7
L55608 11 80-27 L75911 17 52-5 L77317 2 70-31
L55608 10 80-33 L75911 34 52-17 L77320 8 70-3
L55610 11 80-27 L75917 29 52-17 L77331 7 80-38
L55610 10 80-33 L75917 11 56-5 L77371 4 56-21
L56021 5 92-10 L76029 23 58-7 L77371 8 58-7
L56243 3 60-14 L76033 19 52-5 L77493 11 70-9
L56246 4 60-14 L76033 36 52-17 L77560 3 56-19
L56746 1 70-17 L76058 5 56-31 L77594 7 70-5
L57250 5 92-25 L76059 17 56-31 L77651 22 92-43
L57311 18 56-31 L76193 25 58-7 L77747 12 94-19
L57382 14 60-23 L76229 16 52-19 L77758 5 56-7
L57824 4 92-25 L76229 17 56-11 L77759 5 56-7
L58671 7 94-17 L76234 19 56-11 L77760 5 56-7
L59635 14 93-19 L76235 4 52-19 L77761 5 56-7
L59748 13 92-6 L76286 4 58-13 L77762 5 56-7
L59748 .. 92-6 L76287 6 58-8 L77763 5 56-7
L59748 3 92-9 L76291 11 58-5 L77774 1 70-40
L59796 .. 40-57 L76291 3 58-10 L77775 5 56-5
L59796 19 92-19 L76291 3 58-11 L77779 18 60-17
L59800 34 93-33 L76292 11 58-5 L77805 24 94-13
L59900 2 56-27 L76292 3 58-10 L77805 4 94-15
L59901 3 56-22 L76292 3 58-11 L77912 2 92-21
L59901 11 70-27 L76293 11 58-5 L77963 21 94-9
L59904 2 58-16 L76293 3 58-10 L77963 30 94-13
L59927 25 93-33 L76293 3 58-11 L77963 9 94-15
L60088 13 80-29 L76294 11 58-5 L77963 20 94-15
L60088 5 80-33 L76294 3 58-10 L77964 7 94-13
L60404 8 80-38 L76294 3 58-11 L77978 20 94-9
L60585 2 40-33 L76295 11 58-5 L77978 18 94-13
L61335 5 92-31 L76295 3 58-10 L77978 11 94-15
L61335 7 92-33 L76295 3 58-11 L78006 27 80-33
L61335 40 92-35 L76296 7 58-8 L78009 32 80-33
L62172 7 60-21 L76297 7 58-8 L78028 21 40-21
L62420 16 80-33 L76298 7 58-8 L78028 9 40-31
L62735 24 56-21 L76299 7 58-8 L78041 3 93-24
L62810 4 92-14 L76308 4 58-7 L78069 6 56-5
L63127 8 80-29 L76327 2 58-5 L78070 6 56-5
L63128 8 80-29 L76331 7 92-9 L78071 6 56-5
L63386 7 40-41 L76408 4 56-1 L78072 6 56-5
L64295 3 70-17 L76408 4 56-2 L78073 6 56-5
L64456 4 58-17 L76445 1 58-16 L78085 8 40-5
L64500 3 56-15 L76494 4 58-5 L78122 40 52-17
L64500 1 58-18 L76495 3 58-5 L78123 40 52-17
L64500 4 70-31 L76568 4 58-16 L78124 40 52-17
L64500 1 80-45 L76569 4 58-16 L78125 40 52-17
L64632 7 70-17 L76654 7 56-22 L78202 5 40-75
L64634 8 70-17 L76661 10 56-22 L78238 7 93-24
L64838 9 58-5 L76670 1 52-12 L78338 8 58-3
L64882 11 70-8 L76767 17 92-9 L78415 2 56-9
L64996 4 80-46 L76821 29 52-17 L78422 2 93-21
L65071 5 93-31 L76821 11 56-5 L78457 1 56-26
L75294 7 56-31 L76822 29 52-17 L78494 7 56-1
L75449 28 92-35 L76822 11 56-5 L78494 7 56-2
L75747 13 70-27 L76895 4 80-38 L78501 7 80-39
TRACTOR 6110J (EDICION SUDAMERICANA) PC8538S (11-JAN-11) 180-11
PN=605
180-12
TRACTOR 6110J (EDICION SUDAMERICANA)
INDICE NUMERICO – CONTINUACION
NO.PIEZA POS. PAGINA NO.PIEZA POS. PAGINA NO.PIEZA POS. PAGINA
L78545 2 56-26 L79335 9 94-13 MN10384 7 80-47
L78580 5 56-21 L79335 14 94-15 MN10393 14 30-11
L78620 10 94-5 L79337 15 40-21 MN10413 45 80-3
L78682 12 56-17 L79354 14 40-51 MN10416 14 30-27
L78683 19 56-15 L79432 20 92-39 MN10416 7 30-31
L78687 15 56-17 L79433 21 92-39 MN10435 9 92-31
L78690 16 92-39 L79485 26 92-43 MN10436 8 92-31
L78691 15 92-39 L79557 15 52-5 MN10437 1 92-31
L78693 27 92-35 L79610 2 70-10 M44162 12 58-5
L78701 3 93-15 L79610 11 70-13 M78508 8 94-9
L78702 4 92-37 L79611 4 70-10 M78508 16 94-13
L78702 23 92-45 L79611 13 70-13 M78508 6 94-15
L78703 21 92-35 L79648 19 93-17 M84971 9 92-47
L78703 1 92-37 L79648 22 93-19 M85517 11 60-3
L78703 9 92-41 L79648 29 93-33 M87733 1 20-47
L78703 17 92-43 L79648 10 93-35 N209668 22 60-3
L78703 20 92-45 L79734 7 93-5 PFP10109 14 60-3
L78704 17 92-35 L79775 2 93-25 PFP10110 13 60-3
L78704 5 92-37 L79792 5 93-11 PFP10111 15 60-3
L78704 5 92-41 L79795 38 52-17 PF11335 2 40-61
L78704 21 92-43 L79796 38 52-17 PF11600 3 40-61
L78704 21 92-45 L79797 38 52-17 PF12143 7 60-3
L78705 24 92-35 L79798 38 52-17 PF12168 23 60-3
L78768 13 92-43 L79831 23 56-31 PF12169 24 60-3
L78769 12 92-43 L79862 13 58-5 PF12198 16 60-3
L78784 5 70-40 L79871 9 52-15 PF12321 10 60-3
L78785 5 70-40 L79871 12 52-15 PF12336 17 60-3
L78801 1 70-18 L79880 3 40-51 PF12746 6 60-3
L78827 20 56-15 L79884 13 93-33 PF12747 9 60-3
L78828 17 56-15 L79894 6 80-39 PF12800 8 60-3
L78838 20 56-15 L79909 6 92-45 PF13131 3 40-62
L78839 20 56-15 L79919 11 40-21 PF13301 1 40-62
L78840 20 56-15 L79919 14 40-21 PF13379 8 40-61
L78846 17 92-19 L79919 27 80-3 PF80793 10 40-58
L78847 17 92-19 L79919 28 93-33 PF80824 4 40-61
L78851 18 92-35 L79924 10 70-15 PF80845 16 40-57
L78851 6 92-41 L80005 5 70-8 PF80858 5 40-61
L78851 14 92-43 L80013 3 93-21 PF80865 15 40-57
L78866 23 52-19 L80014 5 93-21 PF81060 5 60-3
L78867 22 52-19 L80015 6 93-21 PF81061 12 60-3
L78870 5 56-22 L80051 3 94-5 PF81087 .. 60-3
L78871 18 30-11 L80051 4 94-7 PF81163 6 40-61
L78964 5 70-27 L80051 3 94-11 PF81170 1 40-61
L78975 34 52-9 L80051 13 94-17 PF81259 2 40-62
L78975 15 54-19 L80052 1 56-12 PF90321 .. 40-61
L78979 22 80-5 L80052 3 94-5 PF90718 .. 40-62
L78984 1 40-11 L80052 4 94-7 P47889 24 58-7
L79006 2 70-22 L80052 3 94-11 P47889 31 70-35
L79009 23 60-17 L80052 19 94-19 P48347 31 54-19
L79028 3 30-5 L80053 3 94-5 P48347 12 58-15
L79037 11 56-9 L80053 4 94-7 P51079 39 54-23
L79057 17 30-11 L80053 3 94-11 P60213 2 30-24
L79076 4 94-5 L80062 5 56-19 P60266 6 70-43
L79076 7 94-7 L80085 11 94-21 RE151059 3 54-11
L79076 4 94-11 L80107 17 56-9 RE151494 1 93-23
L79076 18 94-17 L80167 21 56-9 RE164448 2 40-19
L79076 15 94-19 L80302 3 93-7 RE169008 1 94-27
L79125 1 92-14 L80303 10 40-19 RE172250 3 70-39
L79127 21 52-19 L80355 11 92-21 RE175238 10 60-19
L79149 11 80-39 L80361 11 56-31 RE183935 6 93-5
L79187 11 52-19 L80362 11 56-31 RE190805 6 52-11
L79188 11 52-19 L80445 10 52-3 RE190805 8 56-23
L79230 5 70-3 L80445 10 54-3 RE190805 10 58-15
L79232 4 70-3 MN10029 5 40-11 RE19797 12 20-9
L79234 2 70-3 MN10255 6 93-3 RE19799 14 20-9
L79270 25 60-17 MN10280 1 70-19 RE206170 10 80-13
L79335 15 94-9 MN10299 1 30-27 RE207311 14 40-57
180-12 TRACTOR 6110J (EDICION SUDAMERICANA) PC8538S (11-JAN-11)
PN=606
180-13
TRACTOR 6110J (EDICION SUDAMERICANA)
INDICE NUMERICO – CONTINUACION
NO.PIEZA POS. PAGINA NO.PIEZA POS. PAGINA NO.PIEZA POS. PAGINA
RE211158 2 56-18 RE46686 12 20-21 RE516280 2 20-13
RE211158 1 56-23 RE46686 2 20-25 RE517011 1 20-16
RE212876 5 52-11 RE46686 13 20-45 RE517370 3 20-29
RE212876 7 54-25 RE47271 37 54-5 RE519144 1 20-49
RE212878 4 52-11 RE47291 6 54-17 RE519736 3 20-39
RE212878 5 54-26 RE47294 4 54-9 RE519740 11 20-53
RE217551 1 40-33 RE47303 42 54-23 RE519741 13 20-53
RE220029 24 54-5 RE47305 9 54-5 RE520368 10 20-53
RE220989 11 54-5 RE47315 5 52-9 RE520539 6 20-2
RE221608 20 54-11 RE47315 10 54-19 RE52242 1 20-53
RE222770 21 58-13 RE47392 1 56-18 RE522530 2 30-2
RE225879 1 54-17 RE47392 3 56-23 RE522531 3 30-2
RE228488 4 54-15 RE47393 19 58-15 RE524144 6 20-21
RE228607 3 54-13 RE47730 6 20-9 RE524535 1 20-6
RE228608 1 54-13 RE48092 4 54-7 RE527289 15 20-47
RE23542 9 80-13 RE48786 8 20-9 RE528644 2 20-21
RE23542 1 80-17 RE49624 12 70-25 RE528935 7 20-21
RE239058 10 54-9 RE49624 20 70-35 RE528936 5 20-21
RE239125 22 70-35 RE49625 2 70-25 RE529594 1 20-20
RE239984 5 54-5 RE49628 2 70-39 RE530306 1 40-1
RE241164 1 70-37 RE49632 4 70-39 RE532939 1 20-29
RE244125 6 54-11 RE49639 13 94-23 RE535728 1 20-24
RE244129 16 54-11 RE49778 3 40-33 RE538097 23 20-29
RE245565 6 54-13 RE500026 11 20-47 RE54004 5 60-5
RE245952 4 70-25 RE500133 7 20-53 RE545165 2 20-9
RE246313 24 70-35 RE500446 3 20-31 RE54885 10 20-47
RE251672 32 54-5 RE500447 8 20-31 RE56031 1 52-5
RE255150 10 94-23 RE500448 9 20-31 RE56036 5 54-9
RE255240 9 94-23 RE500449 1 20-31 RE56369 33 20-29
RE261134 9 80-9 RE500608 11 20-37 RE56375 2 20-33
RE261756 31 54-5 RE500631 6 20-23 RE57234 1 20-43
RE268228 4 70-49 RE500844 1 20-48 RE57482 5 20-13
RE268229 4 70-49 RE501053 3 20-10 RE58029 13 94-25
RE268230 4 70-49 RE501592 7 20-47 RE59298 2 20-45
RE268231 4 70-49 RE502446 1 20-31 RE59754 9 20-53
RE285712 1 40-5 RE502447 9 20-31 RE59801 5 20-2
RE31617 13 20-43 RE502740 1 20-27 RE60005 12 20-43
RE34603 20 54-5 RE50332 3 70-45 RE60029 4 20-9
RE34603 8 54-15 RE50333 1 70-45 RE60029 8 20-21
RE34786 18 54-11 RE50334 2 70-45 RE60071 8 20-10
RE35512 7 52-5 RE503727 6 20-53 RE60765 2 40-8
RE35512 12 54-5 RE50384 25 70-35 RE61245 1 54-12
RE39354 12 54-25 RE50385 26 70-35 RE61717 1 93-5
RE40370 12 52-4 RE50385 4 70-45 RE62446 21 70-25
RE40448 18 54-17 RE504233 2 20-24 RE63674 15 20-33
RE41945 2 52-4 RE504914 4 20-40 RE63915 2 20-37
RE43497 38 93-33 RE505232 3 20-53 RE65165 5 20-34
RE43637 2 93-7 RE505232 7 20-53 RE65168 6 20-34
RE44574 5 20-5 RE505501 14 20-33 RE65291 16 58-13
RE46534 10 52-19 RE505980 12 20-29 RE65908 12 20-37
RE46534 13 54-25 RE505980 14 20-29 RE67001 1 70-39
RE46534 1 93-7 RE505980 15 20-29 RE67231 1 20-45
RE46598 14 60-19 RE505980 18 20-29 RE67238 7 20-3
RE46634 10 93-33 RE505980 19 20-29 RE67238 12 20-45
RE46684 4 20-15 RE506195 1 20-34 RE67238 17 20-53
RE46684 6 20-25 RE506261 3 20-47 RE67239 28 20-29
RE46684 27 54-5 RE507850 3 20-37 RE68748 7 20-9
RE46684 12 54-11 RE507852 4 20-37 RE70358 10 20-21
RE46684 48 54-19 RE508185 25 20-33 RE70401 5 20-2
RE46684 56 54-23 RE508317 6 20-39 RE71255 8 20-33
RE46684 10 70-25 RE508566 7 20-29 RE71255 10 20-43
RE46685 16 20-29 RE508599 6 20-45 R10093 26 93-33
RE46685 15 20-45 RE515591 11 20-9 R10093 10 93-43
RE46685 20 54-19 RE515591 15 20-9 R10093 4 93-44
RE46685 11 54-21 RE515591 16 20-9 R10093 10 93-47
RE46685 10 54-23 RE515591 17 20-9 R100947 26 52-9
RE46685 8 54-25 RE515591 18 20-9 R100948 16 52-9
TRACTOR 6110J (EDICION SUDAMERICANA) PC8538S (11-JAN-11) 180-13
PN=607
180-14
TRACTOR 6110J (EDICION SUDAMERICANA)
INDICE NUMERICO – CONTINUACION
NO.PIEZA POS. PAGINA NO.PIEZA POS. PAGINA NO.PIEZA POS. PAGINA
R100949 15 52-9 R111238 7 70-35 R120477 20 54-9
R100950 25 52-9 R111242 9 70-35 R120631 2 20-34
R100988 16 54-17 R111278 5 70-43 R120638 2 20-40
R100989 15 54-17 R111288 13 70-35 R120639 4 20-31
R100991 14 54-17 R111298 11 70-25 R120839 3 52-5
R101169 15 54-11 R111308 16 70-35 R120840 2 52-5
R101170 12 54-9 R111504 34 70-35 R120902 1 54-26
R101178 7 54-15 R111527 33 70-35 R120947 17 52-9
R101187 8 54-9 R111570 11 92-9 R120947 21 54-19
R101214 5 54-11 R112063 47 54-19 R121376 6 20-40
R101225 11 20-23 R112551 5 94-25 R121411 10 20-29
R101239 17 54-17 R112553 16 94-25 R121424 9 20-29
R102913 14 54-5 R112857 3 54-12 R121580 35 54-5
R102913 5 54-7 R112945 5 54-25 R121580 7 54-11
R104536 9 20-47 R112955 2 54-12 R121580 16 54-23
R104558 20 58-15 R112976 32 54-19 R121609 30 52-9
R104655 4 54-5 R112977 40 54-23 R121609 39 54-19
R104714 44 54-19 R113050 22 93-33 R121634 2 20-44
R104728 43 54-23 R113050 4 93-47 R122146 2 54-7
R104733 11 52-5 R113211 7 70-43 R123161 8 20-39
R104733 16 54-5 R113218 32 70-35 R123226 8 20-25
R104738 2 54-9 R113223 37 70-35 R123226 13 20-29
R104846 9 40-58 R113224 38 70-35 R123271 1 20-39
R104846 3 40-65 R113226 39 70-35 R123324 11 20-25
R104846 3 40-67 R113228 17 70-35 R123417 8 20-29
R104846 3 40-72 R113228 13 70-43 R123471 5 20-45
R104846 2 40-73 R113229 36 70-35 R123501 4 20-45
R105040 18 54-9 R113419 6 54-25 R123513 10 20-39
R105346 5 20-47 R113671 33 54-5 R123561 5 20-34
R105605 24 52-9 R114082 10 20-37 R123563 6 20-34
R105605 21 54-23 R114193 34 20-29 R123565 12 20-39
R106302 6 60-5 R114194 10 20-23 R123574 3 20-2
R106551 5 93-39 R114241 19 20-33 R123575 4 20-2
R106551 4 94-21 R114282 2 20-6 R123584 12 20-23
R106825 12 54-17 R114758 17 60-5 R123586 4 20-19
R107206 23 54-5 R114779 3 60-5 R124104 4 80-15
R107252 6 52-9 R114841 20 60-5 R124247 16 80-15
R107252 6 54-19 R115119 13 54-17 R124438 9 54-7
R107638 4 54-25 R115141 4 54-19 R124949 40 54-19
R107731 11 20-39 R115215 9 54-15 R125065 14 54-9
R108041 11 60-19 R115250 1 20-14 R125173 21 54-5
R108052 4 60-19 R115299 16 20-33 R125178 12 58-7
R108062 8 60-19 R115532 9 20-9 R125475 11 80-17
R108066 17 60-19 R115892 19 70-25 R126640 14 60-5
R108073 8 94-27 R115974 5 93-5 R126641 12 60-5
R108925 5 52-4 R116040 8 54-23 R126667 23 70-35
R108925 9 54-17 R116100 7 54-19 R128660 2 30-5
R108927 4 52-4 R116101 9 54-19 R128661 2 30-5
R108927 10 54-17 R116115 3 20-53 R129184 28 54-23
R109066 55 54-23 R116115 4 20-53 R129680 18 58-7
R109066 3 54-26 R116296 6 20-3 R130488 3 54-17
R109067 51 54-23 R116366 10 20-9 R130606 22 54-11
R109147 1 80-15 R116386 2 20-23 R131182 3 20-33
R109535 13 52-9 R116466 9 20-33 R131283 9 20-23
R109535 18 52-9 R116473 3 52-9 R131283 32 20-29
R109535 22 54-19 R116473 8 54-19 R131425 13 20-33
R109823 9 80-15 R116515 16 20-43 R131765 3 20-5
R109863 5 20-23 R117463 14 94-25 R132186 22 20-33
R110079 2 52-9 R117611 5 94-27 R132267 1 20-9
R110080 4 52-9 R117738 .. 70-35 R132518 11 20-33
R110531 1 20-10 R117942 35 70-35 R132899 18 70-25
R111009 14 80-15 R118092 30 70-35 R133303 2 20-31
R111010 7 80-17 R118192 29 70-35 R133303 1 20-33
R111085 1 54-25 R118453 12 94-25 R133405 3 20-24
R111101 3 80-15 R119441 22 52-9 R134141 38 54-23
R111173 6 92-5 R119874 12 20-33 R134518 3 20-23
R111206 4 70-43 R120247 7 20-13 R134527 1 20-23
180-14 TRACTOR 6110J (EDICION SUDAMERICANA) PC8538S (11-JAN-11)
PN=608
180-15
TRACTOR 6110J (EDICION SUDAMERICANA)
INDICE NUMERICO – CONTINUACION
NO.PIEZA POS. PAGINA NO.PIEZA POS. PAGINA NO.PIEZA POS. PAGINA
R135439 2 20-33 R214122 7 54-13 R34028 19 54-25
R135918 1 20-5 R216291 2 54-11 R34140 34 56-15
R135918 7 20-34 R216292 17 54-11 R34659 10 80-15
R136475 4 20-23 R216293 4 54-11 R34801R 3 80-17
R136495 5 20-3 R216294 11 54-9 R34801R 3 80-19
R151435 16 54-9 R217436 1 54-9 R35034 2 58-13
R152204 4 58-15 R217636 12 30-27 R38295 3 52-4
R153481 5 58-15 R219255 4 54-13 R38295 35 52-9
R158505 36 54-5 R219516 15 54-9 R38295 41 54-5
R158505 5 56-29 R219974 13 54-9 R38295 3 54-9
R158521 10 54-11 R220471 9 54-9 R38295 4 54-17
R158523 11 54-11 R223964 7 54-7 R38295 52 54-23
R166612 1 94-25 R224445 30 54-23 R39322 17 54-9
R167349 2 54-23 R227060 3 54-15 R39554 19 93-5
R167684 29 54-23 R228266 2 54-15 R41012 10 80-15
R167686 11 54-23 R228268 11 54-15 R43409 6 20-43
R167722 12 54-23 R228601 5 54-15 R44165 15 93-5
R169906 33 80-5 R232182 5 40-27 R44165 35 93-33
R171006 10 54-5 R232182 3 40-54 R44302 15 40-15
R171009 18 54-5 R234273 7 93-31 R44302 12 40-21
R171412 34 54-19 R23551 9 80-13 R44302 2 40-23
R171413 33 54-19 R23551 1 80-17 R44302 3 40-27
R173443 14 54-11 R237474 6 92-43 R44302 6 40-28
R176198 37 54-19 R241161 19 70-35 R44302 8 40-34
R176199 30 54-19 R241161 3 70-43 R44302 2 40-35
R176474 1 54-7 R241994 16 54-19 R44302 2 40-36
R182130 19 54-21 R243074 6 54-7 R44302 5 40-53
R182130 8 94-5 R244132 8 54-7 R44302 6 40-55
R184115 17 54-23 R245934 1 54-15 R44302 13 40-57
R184116 16 54-21 R247895 30 54-5 R44302 3 54-25
R186903 24 54-23 R248215 7 54-21 R44302 2 80-42
R186905 25 54-23 R251675 39 54-5 R44302 16 92-19
R188518 1 54-11 R251678 40 54-5 R44313 4 94-27
R190726 6 80-18 R252208 26 54-19 R46727 3 80-45
R192193 31 54-23 R255005 17 54-19 R46727 8 92-6
R192305 12 54-21 R255597 1 54-5 R46727 .. 92-6
R194487 6 54-21 R255603 38 54-5 R46727 7 92-14
R194658 9 54-21 R255604 38 54-5 R46727 2 92-19
R194659 8 54-21 R257609 1 54-23 R47862 16 60-23
R197326 33 54-23 R257613 1 54-23 R48685 4 20-33
R197564 15 54-21 R26121 8 20-37 R48685 4 20-34
R197640 3 54-23 R26125 14 20-43 R48745 5 70-40
R202359 13 54-19 R263120 7 80-5 R48746 5 70-40
R202640 45 54-19 R26448 2 20-48 R48747 8 70-40
R202861 18 54-21 R26552 2 60-19 R48748 8 70-40
R202861 50 54-23 R26650 17 20-33 R48749 5 70-40
R206171 7 80-13 R26871 7 93-15 R48750 5 70-40
R206454 17 92-21 R26906 8 20-43 R48767 6 20-37
R206454 8 93-31 R26976 4 70-35 R49921 14 93-47
R208927 46 54-19 R27180 6 40-36 R500471 4 20-25
R209938 21 54-11 R27329 5 58-17 R500472 2 20-15
R210137 4 93-26 R273498 18 54-19 R500596 2 20-10
R211082 4 56-18 R273530 38 54-19 R500650 6 20-31
R211082 2 56-23 R276658 17 54-5 R501124 9 20-37
R211082 21 58-15 R27976 18 54-25 R501178 2 20-27
R212399 10 54-15 R28776 37 54-23 R501227 1 20-15
R212934 6 94-25 R299262 28 54-19 R501228 7 20-25
R212936 8 94-25 R299263 27 54-19 R501314 9 20-25
R212937 15 94-25 R299264 29 54-19 R501428 7 20-45
R213206 7 94-25 R30437 17 80-5 R501436 16 20-53
R213346 1 94-25 R31271 9 94-17 R501472 6 20-10
R213348 4 54-21 R33167 14 52-4 R50227 8 94-17
R213484 5 54-21 R33167 29 54-5 R502725 3 20-27
R213485 3 54-21 R33167 6 58-13 R502811 9 20-45
R213644 10 94-25 R33259 21 93-33 R502864 15 20-53
R213853 13 54-19 R33259 11 93-43 R503880 1 20-4
R214121 2 54-17 R33259 9 93-47 R50454 5 40-31
TRACTOR 6110J (EDICION SUDAMERICANA) PC8538S (11-JAN-11) 180-15
PN=609
180-16
TRACTOR 6110J (EDICION SUDAMERICANA)
INDICE NUMERICO – CONTINUACION
NO.PIEZA POS. PAGINA NO.PIEZA POS. PAGINA NO.PIEZA POS. PAGINA
R50454 2 60-9 R80135 2 20-3 R95784 10 58-7
R50454 11 60-11 R80136 1 20-3 R95835 19 54-9
R504734 6 20-29 R81207 4 93-39 R95835 5 54-13
R504734 8 20-45 R81272 1 80-18 R95850 2 54-26
R504849 7 20-33 R81275 5 20-10 R95890 9 58-15
R505609 3 20-34 R83588 5 80-15 R95892 13 58-15
R515040 2 20-4 R85363 15 20-43 R95895 2 54-13
R515195 8 20-13 R85687 3 20-43 R95898 3 52-6
R515588 2 20-17 R86638 19 52-9 R95899 2 52-6
R516215 3 20-54 R86638 23 54-19 R95900 6 52-6
R516648 3 20-4 R87210 13 52-4 R96515 5 70-40
R517171 1 20-19 R87210 19 54-5 R96517 5 70-40
R517353 3 20-3 R87227 14 52-5 R96805 8 52-5
R518507 11 20-53 R87395 22 52-5 R96805 13 54-5
R518507 12 20-53 R87395 8 54-5 R96806 10 52-5
R518507 13 20-53 R87395 6 54-9 R96806 15 54-5
R519313 2 20-5 R87455 44 54-23 R96826 6 54-15
R519779 5 20-2 R88791 41 54-23 R97185 5 20-40
R520130 5 20-29 R89944 3 20-44 R97354 19 20-9
R520132 2 20-29 R90692 2 20-43 R98062 4 20-43
R520792 1 20-6 R91889 11 20-43 R98063 5 20-43
R521401 1 20-2 R92097 4 20-47 R99437 2 80-15
R521439 3 20-17 R92241 4 54-12 SE501101 8 20-9
R521493 4 20-13 R93485 22 58-7 SE501656 1 20-34
R523060 30 20-29 R95063 31 52-9 SE501814 4 20-40
R524480 6 20-2 R95063 2 54-19 SE502472 3 20-47
R54114 1 20-37 R95066 1 52-9 SG01001 10 30-19
R54174 36 54-19 R95066 5 54-19 SG01301 3 30-27
R54477 10 40-57 R95073 33 52-9 SG06401 13 30-27
R54477 10 92-9 R95076 9 52-9 SG06401 4 30-31
R54477 12 93-24 R95076 54 54-23 SG06401 7 93-41
R54565 4 20-39 R95077 8 52-9 SU20627 2 93-26
R55453 7 20-37 R95077 53 54-23 SU292142 16 70-15
R56757 14 70-41 R95081 14 52-9 SU292160 12 70-9
R58303 9 80-17 R95081 4 54-23 SU292606 9 70-9
R58832 7 70-25 R95084 5 54-23 SU292606 9 70-15
R58941 32 52-9 R95086 35 54-23 SU292606 5 70-16
R58941 12 54-19 R95109 15 58-13 S17072 2 30-31
R60263 5 93-41 R95110 17 58-13 T116822 10 80-37
R60264 6 93-41 R95152 13 58-7 T116827 12 80-37
R60755 7 60-19 R95171 13 52-5 T122075 3 20-45
R61467 4 20-5 R95181 5 52-5 T13119 12 60-19
R61871 3 20-13 R95182 9 52-5 T13744 3 40-28
R63548 2 20-47 R95195 6 58-15 T13744 3 40-56
R63548 12 20-47 R95197 3 58-15 T17148 2 60-3
R66375 8 92-5 R95198 2 58-15 T18891 18 20-33
R69166 8 70-5 R95216 8 58-15 T20034 7 20-23
R69166 11 70-15 R95316 8 54-11 T20168 21 20-33
R71228 21 20-29 R95360 2 54-5 T20314 9 20-39
R72328 3 20-19 R95378 3 54-7 T20316 5 20-39
R72653 7 94-27 R95398 2 54-25 T21564 3 58-3
R73380 17 80-15 R95422 6 54-7 T22242 2 30-32
R73380 6 80-17 R95490 15 70-35 T23474 20 20-33
R74402 5 92-39 R95491 10 70-35 T23853 36 54-23
R77175 9 52-11 R95493 6 70-35 T27260 7 92-35
R77175 17 54-25 R95493 8 70-43 T27432 11 52-4
R77175 7 56-23 R95493 2 70-50 T27432 16 52-5
R77175 11 58-15 R95494 9 70-25 T27432 11 54-17
R77175 14 70-25 R95494 17 70-27 T28862 1 20-21
R77480 9 40-75 R95494 14 70-35 T32146 1 80-7
R77915 1 93-30 R95494 9 70-43 T55501 20 93-5
R78069 9 40-57 R95494 1 70-47 T58477 7 20-43
R79018 21 52-5 R95494 1 70-50 T62323 2 30-7
R79018 7 54-5 R95560 11 54-7 T70659 6 60-13
R79018 5 56-17 R95612 9 80-38 T75984 5 70-47
R79060 5 70-25 R95616 7 70-47 T77613 5 56-25
R79639 7 54-17 R95660 7 52-9 T77613 8 60-9
180-16 TRACTOR 6110J (EDICION SUDAMERICANA) PC8538S (11-JAN-11)
PN=610
180-17
TRACTOR 6110J (EDICION SUDAMERICANA)
INDICE NUMERICO – CONTINUACION
NO.PIEZA POS. PAGINA NO.PIEZA POS. PAGINA NO.PIEZA POS. PAGINA
T77613 4 60-11 12M7077 4 94-17 14M7272 6 30-15
T77613 8 60-21 12M7122 5 40-19 14M7272 18 30-16
T77613 5 60-23 12M7133 3 93-23 14M7272 4 30-32
T77613 7 70-28 12M7135 6 40-45 14M7272 15 60-13
T77814 9 58-3 12M7142 15 40-8 14M7272 11 60-23
T77857 3 56-25 14H631 8 40-19 14M7272 15 92-37
T77857 1 60-9 14H785 6 40-19 14M7272 4 93-11
T77857 1 60-11 14H800 11 80-15 14M7272 4 93-23
T77857 4 60-13 14H800 5 80-19 14M7272 15 93-35
T77857 11 70-5 14M5409 23 80-31 14M7272 2 94-5
T77857 5 70-6 14M7009 16 56-12 14M7272 2 94-7
T77857 16 70-25 14M7027 11 93-13 14M7272 24 94-9
T77857 6 70-28 14M7028 5 40-5 14M7272 2 94-11
T77857 2 70-43 14M7028 8 93-33 14M7272 25 94-13
T77858 3 30-21 14M7029 16 30-15 14M7272 14 94-17
T77858 3 30-23 14M7029 9 30-16 14M7272 18 94-19
T77858 3 70-28 14M7029 13 30-21 14M7273 3 40-7
T77858 3 70-33 14M7029 13 30-23 14M7273 8 40-15
T77932 2 70-6 14M7029 13 30-31 14M7273 18 40-15
T77932 27 70-27 14M7029 6 40-4 14M7273 5 40-17
T82565 9 80-37 14M7029 4 40-15 14M7273 6 40-21
U13639 24 20-33 14M7029 3 70-19 14M7273 11 40-31
U17409 9 60-19 14M7029 5 80-3 14M7273 3 40-45
U42902 3 70-47 14M7029 43 80-3 14M7273 15 56-25
U46662 10 40-75 14M7029 6 80-41 14M7273 10 60-13
Z20701 14 30-21 14M7029 5 94-34 14M7273 30 60-17
Z20701 14 30-23 14M7031 6 94-29 14M7273 12 60-23
Z26250 39 92-35 14M7066 3 20-40 14M7273 35 80-3
Z29304 11 70-47 14M7100 7 40-15 14M7273 23 80-5
Z30233 8 92-3 14M7136 22 30-11 14M7273 8 93-23
Z35271 11 30-15 14M7139 9 40-46 14M7273 1 94-3
Z35271 6 30-16 14M7140 11 30-21 14M7273 11 94-19
Z36392 51 93-33 14M7140 11 30-23 14M7274 5 30-5
Z59391 11 93-24 14M7140 11 30-29 14M7274 7 40-45
03M7088 7 92-27 14M7140 19 80-3 14M7274 3 56-32
03M7190 21 60-3 14M7140 4 80-41 14M7274 8 60-13
03M7192 8 92-39 14M7142 3 80-18 14M7274 31 60-17
03M7264 9 80-47 14M7142 4 80-20 14M7274 3 60-21
03M7309 4 92-41 14M7144 4 30-28 14M7274 16 70-41
03M7331 29 60-17 14M7148 7 20-39 14M7274 3 92-27
03M7331 14 92-35 14M7148 9 70-47 14M7274 3 93-8
03M7331 5 92-45 14M7151 12 94-17 14M7275 4 70-22
03M7391 7 92-37 14M7165 12 40-19 14M7276 4 80-9
08H4373 13 80-15 14M7165 2 60-5 14M7276 3 80-13
08H4419 8 80-17 14M7165 7 92-3 14M7276 9 80-39
11M7009 3 30-32 14M7165 12 92-21 14M7291 11 92-5
11M7012 9 70-5 14M7165 2 92-25 14M7294 17 80-1
11M7012 12 70-15 14M7165 2 92-37 14M7296 27 20-29
11M7012 18 70-15 14M7165 8 93-13 14M7296 5 40-2
11M7054 4 70-9 14M7165 2 93-44 14M7296 7 40-3
12H236 2 80-15 14M7165 10 94-21 14M7296 2 40-5
12H245 8 80-15 14M7166 7 40-8 14M7296 10 80-47
12H295 7 40-19 14M7166 17 40-21 14M7296 5 94-3
12M7065 3 40-15 14M7166 20 92-35 14M7297 5 40-34
12M7065 4 70-19 14M7166 13 92-39 14M7298 3 20-9
12M7065 7 80-41 14M7166 8 92-41 14M7298 53 80-3
12M7066 10 30-29 14M7166 5 93-26 14M7319 6 30-7
12M7066 3 80-41 14M7166 16 94-9 14M7347 44 80-3
12M7067 10 30-28 14M7166 11 94-13 14M7360 16 94-19
12M7067 17 40-15 14M7166 13 94-15 14M7376 5 70-7
12M7067 2 58-17 14M7168 12 80-1 14M7376 26 92-35
12M7067 20 80-1 14M7168 8 94-19 14M7376 12 93-43
12M7067 5 94-29 14M7209 3 60-3 14M7396 23 94-19
12M7069 7 80-7 14M7233 11 80-5 14M7397 3 40-4
12M7070 12 30-28 14M7260 13 80-39 14M7397 18 60-3
12M7070 2 70-9 14M7265 9 93-3 14M7410 13 92-5
12M7077 6 40-34 14M7265 3 94-17 14M7413 7 70-10
TRACTOR 6110J (EDICION SUDAMERICANA) PC8538S (11-JAN-11) 180-17
PN=611
180-18
TRACTOR 6110J (EDICION SUDAMERICANA)
INDICE NUMERICO – CONTINUACION
NO.PIEZA POS. PAGINA NO.PIEZA POS. PAGINA NO.PIEZA POS. PAGINA
14M7413 8 70-13 19M7162 16 56-9 19M7386 5 40-28
14M7416 5 40-21 19M7162 9 56-22 19M7386 1 58-17
14M7416 4 40-31 19M7162 14 56-25 19M7386 14 60-11
14M7416 4 60-9 19M7162 3 56-28 19M7386 10 70-16
14M7416 17 60-11 19M7162 3 56-29 19M7386 11 93-47
14M7416 32 92-35 19M7162 51 80-3 19M7387 4 30-24
14M7416 1 92-45 19M7162 6 92-9 19M7396 3 58-18
14M7416 3 93-39 19M7162 7 92-47 19M7402 7 30-35
14M7416 8 93-47 19M7162 16 93-47 19M7402 13 60-19
14M7416 2 94-2 19M7162 4 94-2 19M7403 2 56-1
14M7416 26 94-9 19M7163 2 40-15 19M7403 2 56-2
14M7416 32 94-13 19M7163 6 40-31 19M7407 18 58-13
14M7416 15 94-15 19M7163 14 56-15 19M7408 3 30-1
14M7416 30 94-19 19M7163 11 60-17 19M7408 4 40-2
14M7416 3 94-20 19M7163 1 60-21 19M7408 6 40-3
14M7478 3 92-35 19M7163 52 80-3 19M7411 4 80-7
14M7478 6 93-27 19M7166 1 30-1 19M7479 8 92-27
14M7528 10 92-35 19M7166 9 30-21 19M7481 2 92-33
15H584 5 20-33 19M7166 9 30-23 19M7487 2 30-28
15H584 3 20-48 19M7166 2 40-2 19M7495 5 58-18
15H623 23 20-33 19M7166 3 70-41 19M7496 7 30-7
15M2714 3 56-1 19M7166 16 80-1 19M7496 6 30-24
15M2714 3 56-2 19M7166 41 80-3 19M7496 7 30-28
15M2717 1 56-27 19M7166 10 92-6 19M7513 26 56-15
15M7062 8 70-8 19M7167 8 30-29 19M7555 3 56-26
15M7076 9 70-41 19M7167 7 30-35 19M7557 6 40-53
15M7076 8 70-50 19M7167 5 92-27 19M7557 3 52-2
15M7077 1 70-27 19M7167 4 94-3 19M7557 2 54-2
15M7077 6 70-50 19M7168 7 30-1 19M7557 13 60-13
15M7078 8 58-1 19M7168 9 60-5 19M7560 16 30-11
15M7078 4 58-2 19M7168 20 60-13 19M7560 4 40-19
16M7111 15 52-4 19M7168 6 94-3 19M7560 3 40-39
16M7114 24 80-3 19M7169 17 30-21 19M7560 6 40-57
16M7119 29 80-5 19M7169 17 30-23 19M7560 3 56-18
19H1782 1 80-15 19M7169 9 58-8 19M7560 14 56-23
19M10075 1 20-13 19M7169 1 80-41 19M7560 18 58-15
19M3143 12 30-35 19M7174 6 80-33 19M7560 5 92-3
19M3167 18 80-1 19M7174 2 80-35 19M7560 5 92-6
19M5055 10 60-17 19M7179 4 20-10 19M7560 8 92-14
19M6614 13 20-9 19M7180 23 56-15 19M7560 9 92-21
19M6614 5 93-23 19M7184 9 52-4 19M7560 2 93-23
19M7008 4 40-53 19M7268 4 30-1 19M7560 12 93-33
19M7008 4 40-55 19M7268 1 40-45 19M7560 8 93-35
19M7077 8 30-15 19M7268 5 40-52 19M7560 2 94-9
19M7077 16 30-16 19M7268 3 94-29 19M7560 23 94-13
19M7077 11 40-19 19M7269 5 40-8 19M7560 2 94-15
19M7077 18 60-5 19M7285 8 30-28 19M7574 22 92-39
19M7077 5 92-3 19M7286 1 92-25 19M7603 17 60-13
19M7077 16 92-21 19M7288 14 56-15 19M7609 1 80-18
19M7139 17 30-15 19M7288 9 60-13 19M7620 2 80-6
19M7139 7 30-16 19M7288 5 70-19 19M7638 2 58-11
19M7139 8 40-4 19M7288 4 80-23 19M7640 9 93-33
19M7139 9 80-41 19M7297 14 30-15 19M7657 7 93-47
19M7139 29 92-35 19M7297 10 30-16 19M7660 24 60-11
19M7139 9 94-19 19M7297 1 40-7 19M7660 23 60-13
19M7139 3 94-34 19M7297 22 93-47 19M7660 23 70-33
19M7156 19 56-5 19M7298 13 60-23 19M7660 5 93-25
19M7160 23 94-9 19M7300 5 60-17 19M7662 20 52-15
19M7160 28 94-13 19M7300 5 93-24 19M7675 4 58-18
19M7162 6 30-5 19M7317 9 40-34 19M7691 2 93-45
19M7162 2 30-11 19M7330 13 30-28 19M7720 3 80-38
19M7162 1 30-15 19M7343 1 80-20 19M7768 9 60-23
19M7162 19 30-16 19M7364 8 30-7 19M7768 8 70-35
19M7162 19 40-15 19M7378 11 94-17 19M7768 12 70-43
19M7162 5 40-54 19M7385 12 52-5 19M7768 18 93-33
19M7162 5 40-56 19M7385 13 52-15 19M7774 2 20-14
19M7162 23 56-5 19M7386 1 40-24 19M7775 11 20-29
180-18 TRACTOR 6110J (EDICION SUDAMERICANA) PC8538S (11-JAN-11)
PN=612
180-19
TRACTOR 6110J (EDICION SUDAMERICANA)
INDICE NUMERICO – CONTINUACION
NO.PIEZA POS. PAGINA NO.PIEZA POS. PAGINA NO.PIEZA POS. PAGINA
19M7775 35 54-19 19M7902 11 80-37 19M8706 12 70-35
19M7775 1 54-21 19M7907 30 80-33 19M8715 5 92-23
19M7775 23 54-23 19M7913 18 20-53 19M8819 3 30-35
19M7775 15 58-15 19M7913 6 93-26 19M8830 11 93-21
19M7775 9 94-5 19M7921 26 80-33 19M8830 5 93-27
19M7783 3 20-21 19M7938 8 52-3 19M8831 14 92-21
19M7784 11 20-21 19M7938 8 54-3 19M8844 8 20-23
19M7784 8 20-53 19M7944 19 54-11 19M8851 6 30-37
19M7784 7 60-5 19M7946 7 80-1 19M8866 13 93-19
19M7784 2 80-23 19M7958 5 54-29 19M8866 6 94-9
19M7785 6 20-15 19M7966 3 70-4 19M8866 20 94-13
19M7785 14 20-47 19M7969 10 92-5 19M8866 2 94-21
19M7785 3 30-37 19M7970 11 20-45 19M8866 16 94-23
19M7785 3 54-29 19M7979 26 20-29 19M8875 2 40-40
19M7785 6 70-31 19M7979 9 52-19 19M8966 31 20-29
19M7785 31 80-3 19M7984 18 30-21 19M8987 1 20-40
19M7786 2 20-20 19M7984 16 30-23 19M8999 10 20-33
19M7788 2 20-54 19M7988 6 70-19 19M9168 43 54-19
19M7790 6 80-47 19M7988 5 70-22 19M9201 10 40-45
19M7791 4 80-47 19M7988 3 70-31 19M9432 2 70-19
19M7793 1 30-2 19M8011 9 70-3 19M9433 5 80-10
19M7796 22 20-29 19M8011 1 80-29 19M9433 5 80-13
19M7798 4 20-3 19M8035 9 92-5 21M1689 4 40-62
19M7798 7 20-31 19M8035 2 92-31 21M7246 7 40-61
19M7800 20 56-11 19M8049 7 30-24 21M7246 7 93-17
19M7801 12 20-25 19M8062 6 20-13 21M7246 7 93-19
19M7801 29 20-29 19M8119 23 80-33 21M7250 7 40-46
19M7802 10 20-45 19M8122 10 80-31 21M7285 21 93-17
19M7802 19 20-53 19M8162 2 54-29 21M7290 10 93-5
19M7807 1 54-29 19M8163 9 20-13 21M7292 8 70-7
19M7809 5 20-15 19M8208 2 70-18 21M7292 7 92-19
19M7809 1 20-17 19M8263 9 40-51 21M7292 10 92-29
19M7810 3 40-2 19M8263 14 60-9 21M7296 9 30-27
19M7810 8 40-3 19M8263 10 60-11 21M7296 4 70-7
19M7810 10 40-5 19M8263 16 60-21 21M7296 13 92-19
19M7810 3 52-12 19M8291 24 20-29 21M7296 9 93-27
19M7811 3 20-25 19M8292 6 52-3 21M7296 4 93-28
19M7834 13 54-21 19M8292 2 52-12 21M7310 22 92-35
19M7834 1 58-15 19M8292 6 54-3 21M7310 11 92-39
19M7835 1 20-51 19M8317 25 20-29 21M7310 2 93-28
19M7835 1 40-3 19M8317 12 52-19 21M7369 13 40-15
19M7835 12 54-7 19M8397 4 56-9 21M7392 16 92-43
19M7845 6 80-38 19M8403 1 93-39 21M7403 10 93-17
19M7862 42 54-5 19M8403 17 94-9 21M7403 10 93-19
19M7862 9 56-29 19M8403 10 94-13 21M7423 19 92-45
19M7863 3 54-5 19M8403 16 94-15 21M7423 16 93-43
19M7863 6 56-29 19M8475 1 56-21 21M7463 10 56-23
19M7864 5 20-31 19M8482 5 40-33 21M7491 18 92-43
19M7864 55 80-3 19M8493 3 60-19 21M7572 9 56-23
19M7864 5 80-23 19M8533 2 56-7 21M7577 19 60-3
19M7865 12 30-31 19M8533 7 60-13 22H896 8 70-25
19M7865 4 40-21 19M8533 4 93-8 22M7168 24 60-17
19M7865 10 58-3 19M8552 6 80-22 22M7170 11 92-41
19M7865 3 80-3 19M8618 10 20-53 24H1292 2 92-43
19M7865 32 94-9 19M8618 14 20-53 24H1292 10 93-21
19M7865 37 94-13 19M8618 6 70-8 24H1304 2 58-3
19M7865 24 94-15 19M8618 15 70-27 24H1884 8 60-5
19M7866 6 20-47 19M8639 6 80-1 24M7024 9 94-9
19M7866 11 56-11 19M8653 2 80-47 24M7024 17 94-13
19M7866 22 56-11 19M8664 8 70-47 24M7024 7 94-15
19M7866 11 58-3 19M8669 17 93-33 24M7026 12 30-21
19M7866 46 80-3 19M8675 14 40-15 24M7026 12 30-23
19M7867 35 20-29 19M8675 15 92-21 24M7026 4 94-29
19M7867 1 20-44 19M8678 6 70-47 24M7026 4 94-34
19M7867 2 92-47 19M8702 27 56-21 24M7027 6 40-5
19M7868 5 56-12 19M8703 31 80-5 24M7027 48 54-23
19M7898 2 58-10 19M8705 10 70-43 24M7027 8 93-3
TRACTOR 6110J (EDICION SUDAMERICANA) PC8538S (11-JAN-11) 180-19
PN=613
180-20
TRACTOR 6110J (EDICION SUDAMERICANA)
INDICE NUMERICO – CONTINUACION
NO.PIEZA POS. PAGINA NO.PIEZA POS. PAGINA NO.PIEZA POS. PAGINA
24M7027 18 93-17 24M7096 11 60-13 24M7315 3 92-33
24M7027 15 93-19 24M7096 2 70-41 24M7318 12 80-39
24M7027 14 93-33 24M7100 3 92-25 24M7331 10 56-15
24M7028 10 30-21 24M7101 2 80-41 24M7332 22 56-5
24M7028 10 30-23 24M7117 12 40-15 24M7346 2 20-39
24M7028 11 30-35 24M7117 6 40-49 24M7361 11 70-3
24M7028 42 54-19 24M7117 6 93-31 24M7361 7 70-19
24M7028 20 56-5 24M7138 8 92-17 24M7362 2 92-35
24M7028 19 60-13 24M7138 10 93-24 24M7362 16 92-41
24M7028 42 80-3 24M7139 15 30-11 24M7362 19 92-43
24M7028 4 92-27 24M7139 11 30-27 24M7362 4 93-25
24M7028 7 94-3 24M7139 2 40-39 24M7362 7 93-27
24M7040 9 30-29 24M7139 18 60-11 24M7369 12 56-9
24M7040 6 40-2 24M7139 25 80-3 24M7370 12 56-9
24M7043 19 80-1 24M7139 6 92-3 24M7371 12 56-9
24M7044 2 40-24 24M7139 6 92-6 24M7372 12 56-9
24M7044 4 40-28 24M7139 9 92-14 24M7373 12 56-9
24M7047 3 30-24 24M7139 4 92-21 24M7374 12 56-9
24M7047 2 40-45 24M7139 4 92-31 24M7375 12 56-9
24M7047 12 60-17 24M7139 6 92-33 24M7386 19 56-9
24M7047 12 93-47 24M7139 6 93-23 24M7398 12 56-9
24M7049 2 80-18 24M7139 6 93-33 24M7399 12 56-9
24M7049 3 80-20 24M7139 3 93-35 24M7452 12 56-9
24M7051 3 30-28 24M7139 16 93-35 25H723 11 70-35
24M7051 12 92-5 24M7139 3 94-9 26M5447 14 70-27
24M7053 4 92-5 24M7139 22 94-13 30M5581 12 58-2
24M7054 3 40-19 24M7139 3 94-15 30M7010 21 56-11
24M7054 5 40-57 24M7145 9 40-45 30M7011 10 58-1
24M7054 12 92-39 24M7146 8 40-41 30M7011 9 58-2
24M7054 6 93-24 24M7146 8 40-46 30M7024 3 56-11
24M7054 16 93-33 24M7146 13 40-49 30M7024 15 58-7
24M7054 3 93-44 24M7146 15 92-9 34H184 18 70-35
24M7055 3 30-11 24M7150 10 56-15 34H234 4 94-25
24M7055 2 30-15 24M7178 10 60-5 34H241 2 70-17
24M7055 8 30-16 24M7178 32 80-3 34H294 16 60-19
24M7055 11 30-31 24M7178 10 92-39 34H394 9 93-13
24M7055 7 40-4 24M7180 7 94-19 34M3858 1 52-19
24M7055 2 40-7 24M7207 8 80-41 34M3858 18 56-11
24M7055 6 40-8 24M7213 8 30-35 34M3872 7 58-15
24M7055 20 40-15 24M7240 9 70-19 34M5028 1 52-6
24M7055 6 40-17 24M7240 3 70-22 34M5028 2 54-21
24M7055 7 40-21 24M7241 6 80-7 34M5028 15 54-23
24M7055 10 40-31 24M7242 9 80-1 34M5028 7 54-26
24M7055 4 40-45 24M7244 10 40-51 34M5719 23 56-9
24M7055 2 56-12 24M7244 6 70-7 34M7095 26 60-17
24M7055 13 60-9 24M7251 4 60-5 34M7135 12 80-33
24M7055 12 60-11 24M7251 14 92-19 34M7160 4 70-13
24M7055 24 60-13 24M7251 25 92-35 34M7172 31 94-13
24M7055 2 80-3 24M7251 3 92-37 34M7187 21 58-7
24M7055 19 92-35 24M7252 8 92-35 34M7190 3 40-3
24M7055 14 92-39 24M7258 10 56-15 34M7215 9 56-9
24M7055 7 92-41 24M7260 14 92-41 34M7226 2 52-19
24M7055 15 92-43 24M7260 4 93-27 34M7226 7 56-11
24M7055 6 92-47 24M7262 2 94-19 34M7230 10 70-3
24M7055 7 93-23 24M7265 6 94-27 34M7243 6 70-13
24M7055 3 93-26 24M7267 2 70-4 34M7245 7 70-13
24M7055 3 93-45 24M7267 16 70-27 34M7249 11 56-12
24M7055 15 93-47 24M7298 5 92-9 34M7259 14 56-9
24M7055 10 94-17 24M7298 16 92-35 34M7267 13 56-12
24M7055 33 94-19 24M7309 6 92-6 34M7268 19 54-23
24M7088 7 30-15 24M7309 4 92-17 34M7269 5 70-17
24M7088 17 30-16 24M7309 4 92-29 34M7272 23 52-9
24M7088 6 30-32 24M7309 23 92-35 34M7272 11 54-19
24M7090 1 70-9 24M7309 18 92-45 34M7302 12 92-35
24M7096 2 52-2 24M7309 5 93-29 37M7042 49 93-33
24M7096 2 54-2 24M7309 13 93-43 37M7059 13 60-11
24M7096 20 60-3 24M7315 6 92-31 37M7059 7 92-6
180-20 TRACTOR 6110J (EDICION SUDAMERICANA) PC8538S (11-JAN-11)
PN=614
180-21
TRACTOR 6110J (EDICION SUDAMERICANA)
INDICE NUMERICO – CONTINUACION
NO.PIEZA POS. PAGINA NO.PIEZA POS. PAGINA NO.PIEZA POS. PAGINA
37M7063 1 93-29 40M4624 13 80-37 51M7041 9 60-17
37M7079 4 93-29 40M5099 8 52-4 51M7041 6 60-19
37M7088 9 92-17 40M7030 19 60-17 51M7041 22 60-21
37M7089 2 93-41 40M7040 10 56-12 51M7041 2 60-23
37M7091 3 92-29 40M7040 2 93-37 51M7041 20 70-25
37M7095 4 40-12 40M7040 19 94-17 51M7041 4 70-28
37M7095 18 40-21 40M7043 7 52-15 51M7041 11 70-33
37M7104 23 60-11 40M7044 4 58-10 51M7041 10 70-41
37M7131 5 92-6 40M7046 16 52-15 51M7041 7 70-50
37M7140 17 93-17 40M7051 7 60-17 51M7042 2 20-53
37M7140 1 93-35 40M7066 3 58-8 51M7042 50 54-19
37M7146 3 92-17 40M7068 19 56-12 51M7042 17 54-21
37M7177 4 40-8 40M7088 13 92-37 51M7042 49 54-23
37M7179 5 40-49 40M7097 8 54-17 51M7042 14 54-25
37M7179 19 80-5 40M7102 7 70-49 51M7042 32 56-15
37M7179 16 92-9 40M7103 4 70-5 51M7042 4 56-22
37M7179 12 94-23 40M7115 15 52-15 51M7042 4 56-23
37M7179 3 94-25 40M7120 17 52-15 51M7042 8 56-25
37M7181 5 40-39 40M7126 9 94-25 51M7042 6 58-3
37M7181 34 80-5 40M7178 18 52-15 51M7042 22 60-13
37M7181 7 93-3 40M7179 7 58-5 51M7043 17 20-29
37M7185 2 93-17 40M7237 10 58-13 51M7043 16 20-45
37M7185 2 93-19 40M7249 5 70-10 51M7043 3 30-13
37M7185 41 93-33 40M7249 14 70-13 51M7043 19 54-19
37M7185 2 93-35 40M7251 32 54-23 51M7043 10 54-21
37M7193 4 40-52 40M7252 37 52-17 51M7043 9 54-23
37M7218 4 93-35 40M7253 20 56-9 51M7043 27 54-23
37M7219 7 93-35 400R 20 52-5 51M7043 9 54-25
37M7230 12 93-19 400R 6 54-5 51M7043 1 56-25
37M7240 28 80-5 400R 7 54-9 51M7043 2 60-6
37M7240 4 92-9 405R 14 54-21 51M7043 13 70-5
37M7242 3 92-31 405R 46 54-23 51M7043 7 70-6
37M7255 4 93-37 42M7038 6 70-22 51M7043 2 70-21
37M7256 31 93-33 42M7058 11 30-1 51M7043 18 70-33
37M7263 2 93-24 42M7058 1 30-5 51M7044 4 20-29
37M7272 43 93-33 44M7110 7 70-8 51M7044 2 20-49
37M7274 2 40-6 44M7111 5 52-19 51M7045 13 20-47
37M7290 16 93-17 44M7111 6 56-11 51M7045 3 20-53
37M7290 2 93-39 44M7114 22 56-31 51M7045 5 20-53
37M7291 4 92-11 44M7146 6 70-40 51M7045 21 52-9
37M7293 3 40-41 45M7063 7 93-11 51M7045 14 54-19
37M7293 14 40-49 45M7080 14 56-12 51M7045 24 54-19
37M7305 11 92-45 45M7080 6 93-11 51M7045 6 54-23
37M7335 2 40-11 45M7080 6 94-5 51M7045 3 70-21
37M7336 17 93-5 45M7080 6 94-7 51M7045 2 70-27
37M7357 7 92-29 45M7080 1 94-11 51M7045 5 70-49
37M7361 18 92-19 45M7080 14 94-19 51M7045 5 70-50
37M7361 4 93-15 48M7038 10 58-5 51M7047 2 30-21
37M7376 2 94-25 51M7039 7 20-10 51M7047 2 30-23
37M7382 14 94-23 51M7040 5 20-9 51M7047 9 58-1
37M7411 3 93-31 51M7040 9 20-21 51M7047 5 58-2
37M7411 6 93-31 51M7040 1 20-25 51M7047 1 70-28
37M7422 5 92-33 51M7040 14 20-45 51M7047 1 70-33
38H5002 11 56-25 51M7040 3 52-11 51M7048 28 56-15
38H5003 12 70-5 51M7040 21 54-25 51M7048 8 56-19
38H5003 1 70-6 51M7040 4 54-26 51M7048 24 70-27
38H5019 15 30-21 51M7041 3 20-15 51M7048 19 70-33
38H5036 21 60-13 51M7041 5 20-25 51M7048 5 70-41
38H5037 6 56-23 51M7041 28 54-5 51M7052 4 70-50
38H5135 31 56-15 51M7041 13 54-11 51M7061 6 56-19
38H5135 5 56-23 51M7041 49 54-19 51M7100 8 70-33
38H5135 7 56-25 51M7041 57 54-23 51M7100 8 70-41
38H5243 3 70-6 51M7041 15 54-25 51M7101 7 70-41
40M1839 2 56-31 51M7041 12 56-25 51M7103 25 70-33
40M1851 14 58-15 51M7041 4 60-6 51M7119 5 56-26
40M1857 45 54-23 51M7041 9 60-9 55M7003 5 94-17
40M1863 9 30-1 51M7041 22 60-11 55M7012 7 93-13
TRACTOR 6110J (EDICION SUDAMERICANA) PC8538S (11-JAN-11) 180-21
PN=615
180-22
TRACTOR 6110J (EDICION SUDAMERICANA)
INDICE NUMERICO – CONTINUACION
NO.PIEZA POS. PAGINA NO.PIEZA POS. PAGINA NO.PIEZA POS. PAGINA
56M7006 12 93-13 57M7266 4 40-65 57M8057 12 40-78
56M7009 5 30-32 57M7267 5 40-65 57M8071 5 40-69
57M7011 4 40-6 57M7281 11 40-67 57M8077 6 40-71
57M7014 3 40-6 57M7283 10 40-67 57M8078 6 40-69
57M7039 1 40-68 57M7289 13 40-8 57M8078 16 40-71
57M7041 4 40-68 57M7289 7 40-65 57M8078 7 40-75
57M7044 10 40-78 57M7291 1 40-67 57M8079 6 40-69
57M7052 3 40-78 57M7292 15 40-67 57M8079 16 40-71
57M7054 2 40-78 57M7296 7 40-67 57M8081 7 40-69
57M7065 6 40-68 57M7315 1 40-65 57M8093 6 40-46
57M7066 5 40-68 57M7317 12 40-65 57M8096 13 40-71
57M7068 2 40-68 57M7318 15 40-65 57M8097 14 40-71
57M7079 3 40-78 57M7318 4 40-73 57M8098 2 40-71
57M7089 17 40-68 57M7323 7 40-68 57M8099 4 40-71
57M7089 1 40-75 57M7324 8 40-68 57M8100 4 40-71
57M7103 4 40-68 57M7328 10 40-65 57M8101 4 40-71
57M7104 4 40-68 57M7331 9 40-68 57M8102 17 40-71
57M7105 10 93-39 57M7346 1 40-72 57M8103 17 40-71
57M7106 1 40-75 57M7347 4 40-72 57M8104 17 40-71
57M7108 13 40-51 57M7348 3 40-78 57M8105 5 40-71
57M7116 13 40-78 57M7349 1 40-72 57M8106 5 40-71
57M7116 50 93-33 57M7351 6 40-71 57M8107 10 40-71
57M7118 1 40-78 57M7364 1 40-73 57M8108 8 40-71
57M7120 5 40-41 57M7365 11 40-65 57M8164 19 40-71
57M7120 1 40-42 57M7377 2 40-65 57M8167 3 40-71
57M7121 5 40-41 57M7377 2 40-67 57M8169 3 40-69
57M7121 1 40-42 57M7377 3 40-73 57M8170 2 40-69
57M7146 5 40-41 57M7379 6 40-72 57M8181 2 40-46
57M7146 1 40-42 57M7390 1 40-12 57M8182 5 40-46
57M7161 16 40-68 57M7393 8 40-72 57M8186 11 40-78
57M7166 6 40-11 57M7398 15 40-71 57M8189 4 40-46
57M7170 3 40-68 57M7399 1 40-69 57M8190 3 40-46
57M7170 2 40-75 57M7399 7 40-71 57M8195 1 40-71
57M7175 4 40-78 57M7400 1 40-69 57M8196 1 40-71
57M7183 3 40-75 57M7400 7 40-71 57M8197 1 40-71
57M7189 1 40-68 57M7401 11 40-71 57M8198 3 40-71
57M7204 10 40-49 57M7402 9 40-71 57M8199 3 40-71
57M7204 12 40-51 57M7402 7 40-72 57M8200 4 40-69
57M7205 10 40-49 57M7403 12 40-71 57M8201 9 40-69
57M7205 12 40-51 57M7406 9 40-72 57M8202 8 40-69
57M7206 10 40-49 57M7427 1 40-68 57M8398 6 40-75
57M7207 4 40-78 57M7430 1 40-78 57M8399 8 40-75
57M7210 9 40-78 57M7493 2 40-65 57M8439 11 40-57
57M7229 11 40-49 57M7493 2 40-67 57M8519 1 40-77
57M7229 11 40-51 57M7493 19 40-67 57M8520 7 40-77
57M7244 17 40-65 57M7493 2 40-72 57M8527 5 40-77
57M7247 16 40-65 57M7528 7 40-51 57M8528 4 40-77
57M7252 6 40-65 57M7576 15 40-67 57M8529 6 40-77
57M7252 6 40-67 57M7583 16 40-67 57M8530 3 40-77
57M7252 18 40-67 57M7584 16 40-67 57M8531 2 40-77
57M7254 8 40-65 57M7602 13 40-75 57M8606 3 40-58
57M7255 13 40-65 57M7615 7 93-39 57M8907 8 40-58
57M7256 14 40-8 57M7619 1 40-58 57M8947 4 40-58
57M7256 9 40-65 57M7633 8 40-57 57M9164 11 40-75
57M7257 14 40-65 57M7697 17 40-67 57M9215 5 40-58
57M7258 7 40-58 57M7699 20 40-67 57M9231 4 40-58
57M7258 2 40-65 57M7829 5 40-72 57M9698 4 40-46
57M7258 2 40-67 57M7847 5 40-78 58M5573 5 70-5
57M7259 18 40-65 57M7848 5 40-78 58M5575 20 56-31
57M7259 14 40-67 57M7919 18 40-71 58M7009 13 70-3
57M7260 4 40-67 57M7924 6 40-78 59M7001 12 56-21
57M7261 8 40-67 57M7984 8 40-78 61M5002 21 60-11
57M7262 6 40-58 57M7989 3 40-46 61M5002 5 60-19
57M7262 12 40-67 57M8015 2 40-58 61M5002 4 60-23
57M7263 5 40-67 57M8016 2 40-58 61M5002 5 70-28
57M7264 9 40-67 57M8017 1 40-58 61M5003 2 56-25
57M7265 13 40-67 57M8024 7 40-78 61M5003 3 60-6
180-22 TRACTOR 6110J (EDICION SUDAMERICANA) PC8538S (11-JAN-11)
PN=616
180-23
TRACTOR 6110J (EDICION SUDAMERICANA)
INDICE NUMERICO – CONTINUACION
NO.PIEZA POS. PAGINA NO.PIEZA POS. PAGINA NO.PIEZA POS. PAGINA
61M5003 17 70-25
61M5005 1 30-21
61M5005 1 30-23
61M5005 2 70-28
61M5005 2 70-33
61M5016 5 60-6
61M5016 10 60-23
61M5243 26 70-27
99M7009 1 80-42
99M7015 1 80-42
99M7016 1 80-42
99M7016 24 93-17
99M7032 1 80-42
99M7043 12 58-1
99M7043 13 58-2
99M7043 1 80-42
99M7043 6 92-21
99M7056 1 80-42
99M7056 7 92-21
99M7057 1 80-42
99M7057 5 93-35
99M7065 5 40-41
99M7065 1 40-42
99M7073 23 93-17
99M7095 1 80-42
99M7098 1 80-42
99M7115 1 80-42
99M7130 1 80-42
99M7130 15 92-6
TRACTOR 6110J (EDICION SUDAMERICANA) PC8538S (11-JAN-11) 180-23
PN=617
6110 jonh dheere 1

6110 jonh dheere 1

  • 1.
    Tractor 6110J CATALOGO DEPIEZAS Tractor 6110J PC8538S (11-JAN-11) Spanish John Deere Brasil South American Edition Litho in Brazil (Revised) COPYRIGHT © 2011 DEERE & COMPANY Moline, Illinois All rights reserved
  • 3.
    10-A01 TRACTOR 6110J (EDICIONSUDAMERICANA) PRIMARY PICTORIAL INDEX INDEX PRINCIPAL D’ILLUSTRATIONS HAUPT-BILDINDEX INDICE PRINCIPALE ILLUSTRATO INDICE GERAL INDICE PRINCIPAL DE ILUSTRACIONES PUBM0884 -UN-22MAY09 020- A01 020- A02 030- A01 030- A02 TRACTOR 6110J (EDICION SUDAMERICANA) PC8538S (01-JUL-10) 10-A01 PN=1
  • 4.
    10-A02 TRACTOR 6110J (EDICIONSUDAMERICANA) PRIMARY PICTORIAL INDEX INDEX PRINCIPAL D’ILLUSTRATIONS HAUPT-BILDINDEX INDICE PRINCIPALE ILLUSTRATO INDICE GERAL INDICE PRINCIPAL DE ILUSTRACIONES PUBM0885 -UN-22MAY09 040- A01 040- A02 040- A03 040- A04 10-A02 TRACTOR 6110J (EDICION SUDAMERICANA) PC8538S (01-JUL-10) PN=2
  • 5.
    10-A03 TRACTOR 6110J (EDICIONSUDAMERICANA) PRIMARY PICTORIAL INDEX INDEX PRINCIPAL D’ILLUSTRATIONS HAUPT-BILDINDEX INDICE PRINCIPALE ILLUSTRATO INDICE GERAL INDICE PRINCIPAL DE ILUSTRACIONES PUBM0886 -UN-22MAY09 052- A01 054- A01 054- A02 TRACTOR 6110J (EDICION SUDAMERICANA) PC8538S (01-JUL-10) 10-A03 PN=3
  • 6.
    10-A04 TRACTOR 6110J (EDICIONSUDAMERICANA) PRIMARY PICTORIAL INDEX INDEX PRINCIPAL D’ILLUSTRATIONS HAUPT-BILDINDEX INDICE PRINCIPALE ILLUSTRATO INDICE GERAL INDICE PRINCIPAL DE ILUSTRACIONES PUBM0887 -UN-22MAY09 056- A01 056- A02 058- A01 10-A04 TRACTOR 6110J (EDICION SUDAMERICANA) PC8538S (01-JUL-10) PN=4
  • 7.
    10-A05 TRACTOR 6110J (EDICIONSUDAMERICANA) PRIMARY PICTORIAL INDEX INDEX PRINCIPAL D’ILLUSTRATIONS HAUPT-BILDINDEX INDICE PRINCIPALE ILLUSTRATO INDICE GERAL INDICE PRINCIPAL DE ILUSTRACIONES PUBM0888 -UN-22MAY09 060- A01 070- A02 070- A03 070- A04 TRACTOR 6110J (EDICION SUDAMERICANA) PC8538S (01-JUL-10) 10-A05 PN=5
  • 8.
    10-A06 TRACTOR 6110J (EDICIONSUDAMERICANA) PRIMARY PICTORIAL INDEX INDEX PRINCIPAL D’ILLUSTRATIONS HAUPT-BILDINDEX INDICE PRINCIPALE ILLUSTRATO INDICE GERAL INDICE PRINCIPAL DE ILUSTRACIONES PUBM0889 -UN-22MAY09 080- A01 080- A02 10-A06 TRACTOR 6110J (EDICION SUDAMERICANA) PC8538S (01-JUL-10) PN=6
  • 9.
    10-A07 TRACTOR 6110J (EDICIONSUDAMERICANA) PRIMARY PICTORIAL INDEX INDEX PRINCIPAL D’ILLUSTRATIONS HAUPT-BILDINDEX INDICE PRINCIPALE ILLUSTRATO INDICE GERAL INDICE PRINCIPAL DE ILUSTRACIONES PUBM0890 -UN-22MAY09 092- A01 092- A02 092- A03 093- A01 093- A02 TRACTOR 6110J (EDICION SUDAMERICANA) PC8538S (01-JUL-10) 10-A07 PN=7
  • 10.
    10-A08 TRACTOR 6110J (EDICIONSUDAMERICANA) PRIMARY PICTORIAL INDEX INDEX PRINCIPAL D’ILLUSTRATIONS HAUPT-BILDINDEX INDICE PRINCIPALE ILLUSTRATO INDICE GERAL INDICE PRINCIPAL DE ILUSTRACIONES PUBM0891 -UN-22MAY09 094- A01 10-A08 TRACTOR 6110J (EDICION SUDAMERICANA) PC8538S (01-JUL-10) PN=8
  • 11.
    10-1 TRACTOR 6110J (EDICIONSUDAMERICANA) CODES USED IN "REMARKS" COLUMN CODES UTILISES DANS LA COLONNE "REMARQUES" KODE-ZEICHEN IN DER SPALTE "BEMERKUNGEN" CODICI USATI NELLA COLONNA "NOTE" CODIGOS USADOS NA COLUNA DE NOTAS CODIFICACION EN LA COLUMNA "NOTAS" KODATS SOM ANVANDS PA KOLUMN "ANMARKNINGAR" ENGLISH FRANCAIS DEUTSCH AMP AMPERE AMPERE AMPERE AND AND ET UND APPL THIS APPLICATION UNIQUEMENT POUR CETTE NUR FUER DIESE ONLY UTILISATION ANWENDUNG AR AS REQUIRED SUIVANT BESOIN NACH BEDARF ASSY COMPLETE ASSEMBLY ENSEMBLE COMPLET KOMPLETE BAUQRUPPE CF CUT FROM COUPER DE SCHNEIDEN VON FOR USE WITH POUR FUR FRONT FRONT AVANT VORN ID INSIDE DIAMETER DIAMETRE INTERIEUR INNENDURCHMESSER HP HORSE-POWER PUISSANCE EN HP PFERDESTARKE INCL KEYS INCLUDING KEYS COMPREND LES REPERES EINSCHLIESSLICH TEILE KIT KIT JEU DE REPARATION REPARATURSATZ L NUMBER OF LINKS NOMBRE DE MAILLONS ZAHL DER GLIEDER LGTH LENGTH LONGUEUR LAENGE LH LEFT- HAND GAUCHE LINKS LOW LOWER INFERIEUR UNTEN MARKED MARKED MARQUE MARKIERT MF MAKE FROM REALISER AVEC HERSTELLEN VON MFWD MECHANICAL FRONT TRACTION AVANT MECHANISHER WHEEL DRIVE MECANIQUE FRONTRADANTRIEB NA NOT APPLICABLE NON UTILISE NICHT ZUTREFFEND NSEP NOT SUPPLIED NON LIVRE SEPAREMENT EINZELN NICHT LIEFERBAR SEPARATELY OD OUTSIDE DIAMETER DIAMETRE EXTERIEUR AUSSENDURCHMESSER OR OR OU ODER ORD ORDER COMMANDER BESTELLE ORD W/ ALSO ORDER COMMANDER AVEC BESTELLE MIT OS OVERSIZE SURDIMENSION UEBERGROSSE PACKG PACKAGE PAR PAQUET DE VERPACKT ZU REAR REAR ARRIERE HINTEN RH RIGHT- HAND DROIT RECHTS STD STANDARD STANDARD STANDARD SUB REPLACED BY REMPLACE PAR ERSETZT DURCH SUB FOR SUBSTITUTES FOR REMPLACE ERSETZT FUER TK THICKNESS EPAISSEUR STAERKE UP UPPER SUPIRIEUR OBEN US UNDERSIZE SOUS-DIMENSION UNTERGROSSE USE WITH USE WITH A UTILISER AVEC BENUTZEN MIT W/ WITH AVEC MIT W/O WITHOUT SANS OHNE Z GEAR AND SPROCKET NOMBRE DE DENTS DES ZAEHNEZAHL FUER KETTEN- TEETH NUMBER PIGNONES UND ZAHNRAD 2WD 2-WHEEL DRIVE 2 ROUES MOTRICES 2 RADANTRIEB 4WD 4-WHEEL DRIVE 4 ROUES MOTRICES 4 RADANTRIEB TRACTOR 6110J (EDICION SUDAMERICANA) PC8538S (11-JAN-11) 10-1 PN=9
  • 12.
    10-2 TRACTOR 6110J (EDICIONSUDAMERICANA) CODES USED IN "REMARKS" COLUMN CODES UTILISES DANS LA COLONNE "REMARQUES" KODE-ZEICHEN IN DER SPALTE "BEMERKUNGEN" CODICI USATI NELLA COLONNA "NOTE" CODIGOS USADOS NA COLUNA DE NOTAS CODIFICACION EN LA COLUMNA "NOTAS" KODATS SOM ANVANDS PA KOLUMN "ANMARKNINGAR" ITALIANO ESPANOL SVENSKA AMP AMPERE AMPERIO AMPERE AND E Y OCH APPL SOLO PER QUESTO SOLO PARA ESTE PROPOSITO ENDAST FOER DENNA AR SECONDO NECESSITA SEGUN NECESIDAD I MA AV BEHOEV ASSY GRUPPO COMPLETO CONJUNTO COMPLETO KOMPLETT ENHET CF CORTARE DI CORTAR DE SKUREN FRAN FOR PER PARA FOER FRONT ANTERIORE FRENTE FRAM HP POTENZA IN CAVALLI POTENCIA HASTKRAFT ID DIAMETRO INTERNO DIAMETRO INTERIOR INRE DIAMETER INCL KEYS CHIAVETTE INCLUSE INCLUYE LAS POSICIONES INKLUSIVE NYCKLAR KIT CORREDO CONJUNTO DE REPARACION SATS L NUMERO DI MAGLIE NUMERO DE ESLABONES ANTAL LANKAR ELIER LED LGTH LUNGHEZZA LONGITUD LAENGD LH SINISTRA IZQUIERDA VAENSTER SIDA LOW INFERIORE INFERIOR NEDRE MARKED MARCATO MARCADO MARKT MF FABBRICARE DI HACER DE TILLVERKA AV MFWD TRAZIONE ANTERIORE TRACCION DELANTERA MEKANISK FRAMHJULSDRIFT MECCANICA MECANICA NA NON SI USA NO UTILIZADO EJ LAMPLIG NSEP NON FORNITO NO SE SUMINISTRA POR KAN EJ ERHALLAS SEPARAT SEPARATAMENTE SEPARADO OD DIAMETRO ESTERNO DIAMETRO EXTERIOR YTIRE DIAMETER OR OPPURE O ELLER ORD ORDINARE PIDASE BESTAELL ORD W/ ORDINARE CON PIDASE CON BESTAELL MED OS EXTRA GRANDE SOBRETAMANO OEVERDIMENSIONERAD PACKG IN CONFEZIONE DA POR PAQUETE DE I SATS ELLER PAKET REAR POSTERIORE TRASERO BAK BAKRE RH DESTRA DERECHA HOEGER SIDA STD STANDARD NORMAL STANDARD SUB SOSTITUITO PER SUSTITUIDO POR ERSATTER MED SUB FOR SOSTITUSCE SUSTITICIOC PARA ERSATTER TK SPESSORE ESPESOR TJOCKLEK UP SUPERIORE SUPERIOR OVRE US EXTRA PICCOLO SUBTAMANO UNDERDIMENSIONERAD USE WITH USARE CON USAR CON ANVAND MED W/ CON CON MED, INKLUSIVE W/O SENZA SIN UTAN EXKLUSIVE Z NO: DENTI CORONA O NUMERO DE DIENTES DE LOS ANTAL TANDER PA DREV OCH 2WD TRAZIONE 2 RUOTE SIMPLE TRACCION 2-HJULSDRIFT 4WD TRAZIONE 4 RUOTE DOBLE TRACCION 4-HJULSDRIFT 10-2 TRACTOR 6110J (EDICION SUDAMERICANA) PC8538S (11-JAN-11) PN=10
  • 13.
    10-3 TRACTOR 6110J (EDICIONSUDAMERICANA) CODES USED IN "REMARKS" COLUMN CODES UTILISES DANS LA COLONNE "REMARQUES" KODE-ZEICHEN IN DER SPALTE "BEMERKUNGEN" CODICI USATI NELLA COLONNA "NOTE" CODIGOS USADOS NA COLUNA DE NOTAS CODIFICACION EN LA COLUMNA "NOTAS" KODATS SOM ANVANDS PA KOLUMN "ANMARKNINGAR" PORTUGUES AMP AMPERE AND E APPL SOMENTE PARA ESTA APLICACAO AR CONFORME NECESSARIO ASSY CONJUNTO COMPLETO CF CORTAR DE FOR PARA FRONT FRENTE HP POTENCIA ID DIAMETRO INTERNO INCL KEYS INCLUSIVE ITENS KIT CONJUNTO DE PECAS L NUMERO DE ELOS LGTH COMPRIMENTO LH ESQUERDA LOW INFERIOR MARKED MARCADO MF FAZER DE MFWD TRACAO DIANTEIRA MECANICA NA NAO USADO NESTA APLICACAO NSEP NAO SE FORNECE SEPARADAMENTE OD DIAMETRO EXTERNO OR OU ORD PEDIR ORD W/ PEDIR COM OS SOBRETAMANHO PACKG POR EMBALAGEM DE REAR TRASEIRO RH DIREITO STD STANDARD SUB SUBSTITUIDO POR SUB FOR SUBSTITUICAO PARA TK ESPESSURA UP SUPERIOR US SUBTAMANHO USE WITH USAR COM W/ COM W/O SEM Z NUMERO DE DENTES DAS ENGRENAGENS 2WD TRACAO SIMPLES 4WD TRACAO DUPLA TRACTOR 6110J (EDICION SUDAMERICANA) PC8538S (01-JUL-10) 10-3 PN=11
  • 14.
    10-4 TRACTOR 6110J (EDICIONSUDAMERICANA) BASIC TRACTOR SERIAL NUMBER CQ282320 -UN- *1BM7815XC9A123456* {21 { 3 { 4 { 5 { 6 { { 7 1. UNIT CODE BM - JOHN DEERE BRAZIL 2. TRACTOR MODEL 6110J 3. MODEL SUFFIX 4. CHECK LETTER 5. PRODUCTION YEAR 6. TRANSMISSION TYPE 7. SEQUENTIAL NUMBER LVP202 -UN-01JAN94 THE BASIC TRACTOR SERIAL NUMBER PLATE IS LOCATED ON THE RIGHT-HAND SIDE OF THE FRONT SUPPORT. 10-4 TRACTOR 6110J (EDICION SUDAMERICANA) PC8538S (11-JAN-11) PN=12
  • 15.
    10-5 TRACTOR 6110J (EDICIONSUDAMERICANA) NUMERO DIDENTIFICATION DU TRACTEUR CQ282320 -UN- *1BM7815XC9A123456* { 21 { 3 { 4 { 5 { 6{ { 7 1. CODE DUSINE BM - JOHN DEERE BRAZIL 2. MODÛLE DU TRACTEUR 6110J 3. SUFFIXE DE MODÛLE 4. LETTRE DE V©RIFICATION 5. ANN©E DE FABRICATION 6. TYPE DE BO TE DE VITESSES 7. NUM©RO S©QUENTIEL LVP202 -UN-01JAN94 LE NUMERO DIDENTIFICATION DE LA MACHINE SE TROUVE A LAVANT, SUR LE COTE DROIT DU CHASSIS PRINCIPAL TRACTOR 6110J (EDICION SUDAMERICANA) PC8538S (11-JAN-11) 10-5 PN=13
  • 16.
    10-6 TRACTOR 6110J (EDICIONSUDAMERICANA) PRODUKT-IDENTIFIKATIONSNUMMER CQ282320 -UN- *1BM7815XC9A123456* {21 { 3 { 4 { 5 { 6 { { 7 1. HERSTELLERWERKCODE BM - JOHN DEERE BRAZIL 2. MASCHINENMODELL 6110J 3. MODELLIDSUFFIX 4. PRÕFZIFFER 5. BAUJAHR 6. ZUS TZLICHE INFORMATIONEN 7. PRODUKTIONSPIN LVP202 -UN-01JAN94 DAS PRODUKTIDENTIFIKATIONS-SCHILD IST VORN AN DER RECHTEN SEITE DES HAUPTRAHMENS ANGEBRACHT. 10-6 TRACTOR 6110J (EDICION SUDAMERICANA) PC8538S (11-JAN-11) PN=14
  • 17.
    10-7 TRACTOR 6110J (EDICIONSUDAMERICANA) NUMERO DI IDENTIFICAZIONE PRODOTTO CQ282320 -UN- *1BM7815XC9A123456* { 21 { 3 { 4 { 5 { 6{ { 7 1. CODICE UNITË PRODUTTIVA BM - JOHN DEERE BRAZIL 2. MODELLO DELLA MACCHINA 6110J 3. SUFFISSO ID MODELLO 4. CIFRA DI CONTROLLO 5. ANNO DI PRODUZIONE 6. ULTERIORI INFORMAZIONI 7. PIN DI PRODUZIONE LVP202 -UN-01JAN94 LA TARGHETTA CON IL NUMERO DI SERIE E SITUATA SUL LATO DESTRO DEL TELAIO PRINCIPALE. TRACTOR 6110J (EDICION SUDAMERICANA) PC8538S (11-JAN-11) 10-7 PN=15
  • 18.
    10-8 TRACTOR 6110J (EDICIONSUDAMERICANA) NUMERO DE SERIE DO TRATOR CQ282320 -UN- *1BM7815XC9A123456* {21 { 3 { 4 { 5 { 6 { { 7 1. NUM©RO S©QUENTIEL BM - JOHN DEERE BRASIL 2. MODELO DO TRATOR 6110J 3. SUFIXO DO MODELO 4. LETRA DE VERIFICA« O 5. ANO DE PRODU« O 6. TIPO DE TRANSMISS O 7. N£MERO SEQUENCIAL LVP202 -UN-01JAN94 A PLACA DE NUMERO DE SERIE DO TRATOR ESTA LOCALIZADA AO LADO DIREITO NO SUPORTE FRONTAL. 10-8 TRACTOR 6110J (EDICION SUDAMERICANA) PC8538S (11-JAN-11) PN=16
  • 19.
    10-9 TRACTOR 6110J (EDICIONSUDAMERICANA) NUMERO DE SERIE DEL TRACTOR CQ282320 -UN- *1BM7815XC9A123456* { 21 { 3 { 4 { 5 { 6{ { 7 1. CÌDIGO DE UNIDAD BM - JOHN DEERE BRASIL 2. MODELO DEL TRACTOR 6110J 3. SUFIJO DE MODELO 4. LETRA DE CONTROL 5. A O DE FABRICACIÌN 6. TIPO DE TRANSMISIÌN 7. N£MERO SECUENCIAL LVP202 -UN-01JAN94 LA CHAPA DE IDENTIFICACION DEL TRACTOR ESTA LOCALIZADA AL LADO DERECHO EN EL SOPORTE FRONTAL. TRACTOR 6110J (EDICION SUDAMERICANA) PC8538S (11-JAN-11) 10-9 PN=17
  • 20.
    10-10 TRACTOR 6110J (EDICIONSUDAMERICANA) PRODUKTSERIENNUMMER CQ282320 -UN- *1BM7815XC9A123456* {21 { 3 { 4 { 5 { 6 { { 7 1. FRAMST LLER ENHETSKOD BM - JOHN DEERE BRAZIL 2. MASKINMODELL 6110J 3. MODELLIDSUFFIX 4. KONTROLLERAR SIFFRA 5. PRODUKTIONSÂR 6. YTTERLIGARE INFORMATION 7. PRODUKTIONSPIN LVP202 -UN-01JAN94 SERIENUMMERSKYLTEN FINNS PA RAMENS HOEGRA SIDA 10-10 TRACTOR 6110J (EDICION SUDAMERICANA) PC8538S (11-JAN-11) PN=18
  • 21.
    10-11 TRACTOR 6110J (EDICIONSUDAMERICANA) ENGINE SERIAL NUMBER PLATE CDP47519 -UN-25JUL06 ENGINE SERIAL NUMBER IS DEFINED BY 13 CHARACTERS 1- TWO LETTERS FOR ENGINE FACTORY DESIGNATION (JX: ROSARIO,ARGENTINA) 2- ONE DIGIT FOR NUMBER OF CYLINDERS(4 CYLINDER,6 CYLINDER) 3- THREE DIGITS FOR DISPLACEMENT IN LITERS ( 045:4.5L,068:6.8L ) 4- ONE LETTER FOR: - DESIGNATED ASPIRATION TYPE (UNTIL 01 APRIL 2005) H: TURBOCHARGED WITH AIR-TO-AIR AFTERCOOLER - DESIGNATED EMISSION LEVEL (SINCE 02 APRIL 2005) G: TIER2/STAGE II EMISSION LEVEL L: TIER3/STAGE III EMISSION LEVEL ! FOR THE SIX DIGITS OF THE ACTUAL ENGINE NUMBER (5) COUNTING STARTS WITH 000001 5- SIX DIGITS ! IN THE PARTS CATALOG PAGES, ONLY THESE SIX DIGITS ARE SHOWN ENGINE TYPE IS DEFINED BY 9 ALPHA-NUMERICAL CHARACTERS 6- FOUR DIGITS WITH SAME DEFINITION AS SERIAL NUMBER 7- ONE LETTER FOR ASPIRATION TYPE ( H ) 8- TWO LETTERS FOR USER (BM= BRAZIL) 9- TWO DIGITS FOR VERSION (EG: 60 OR 81) 10- TWO LETTERS AND FIVE DIGITS FOR ENGINE NUMBER TRACTOR 6110J (EDICION SUDAMERICANA) PC8538S (01-JUL-10) 10-11 PN=19
  • 22.
    10-12 TRACTOR 6110J (EDICIONSUDAMERICANA) PLAQUETTE SIGNALETIQUE DU MOTEUR CDP47519 -UN-25JUL06 LE NUMERO DE SERIE DU MOTEUR EST DEFINI PAR 13 CARACTERES 1- DEUX LETTRES DESIGNENT L’USINE DE MOTEURS (JX: ROSARIO,ARGENTINA) 2- UN CHIFFRE INDIQUE LE NOMBRE DE CYLINDRES (4 CYLINDRE,6 CYLINDRE) 3- TROIS CHIFFRES INDIQUENT LA CYLINDREE EN LITRES ( 045:4.5L,068:6.8L ) 4- UN CHIFFRE INDIQUE: - LE TYPE D’ASPIRATION (JUSQU’AU 1ER AVRIL 2005) H: AVEC TURBOCOMPRESSEUR ET REFROIDISSEUR AIR-AIR - LE NIVEAU D’EMISSIONS (A PARTIR DU 2 AVRIL 2005) G: TIER2/NIVEAU II D’EMISSIONS L: TIER3/NIVEAU III D’EMISSIONS ! LES SIX CHIFFRES INDIQUANT LE NUMERO DU MOTEUR PROPREMENT DIT (5) SONT COMPTES A PARTIR DE 000001 5- SIX CHIFFRES ! SEULS CES SIX CHIFFRES APPARAISSENT SUR LES PAGES DU CATALOGUE PIECES LE TYPE DE MOTEUR EST DEFINI PAR 9 CARACTERES ALPHANUMERIQUES 6- QUATRE CHIFFRES, MEME DEFINITION QUE POUR LE NUMERO DE SERIE 7- UNE LETTRE POUR LE TYPE D’ASPIRATION (H) 8- DEUX LETTRES POUR L’UTILISATEUR (BM = BRESIL) 9- DEUX CHIFFRES POUR LA VERSION (EX.: 60 OU 81) 10- DEUX LETTRES ET CINQ CHIFFRES POUR LE NUMERO DU MOTEUR 10-12 TRACTOR 6110J (EDICION SUDAMERICANA) PC8538S (01-JUL-10) PN=20
  • 23.
    10-13 TRACTOR 6110J (EDICIONSUDAMERICANA) MOTOR-SERIENNUMMERNSCHILD CDP47519 -UN-25JUL06 DIE MOTORSERIENNUMMER HAT 13 STELLEN 1- ZWEI BUCHSTABEN FUER DAS HERSTELLERWERK DES MOTORS (JX: ROSARIO,ARGENTINA) 2- EINE ZAHL FUER DIE ANZAHL DER ZYLINDER (4 ZYLINDER,6 ZYLINDER) 3- DREI ZAHLEN FUER DEN HUBRAUM IN LITERN ( 045:4.5L,068:6.8L ) 4- EIN BUCHSTABE FUER: - TYP DES LUFTANSAUGSYSTEMS (BIS 01. APRIL 2005) H: TURBOLADER MIT LUFT-ZU-LUFT LADELUFTKUEHLER - EMISSIONSWERTE (AB 02. APRIL 2005) G: EMISSIONSWERTE GEMAESS TIER2/STUFE II L: EMISSIONSWERTE GEMAESS TIER3/STUFE III ! BEI DEN SECHS STELLEN DER EIGENTLICHEN MOTORNUMMER (5) BEGINNT DIE ZAEHLUNG MIT 000001 5- SECHS STELLEN ! AUF DEN SEITEN DES ERSATZTEILKATALOGS ERSCHEINEN NUR DIESE SECHS STELLEN DER MOTORTYP WIRD DURCH 9 ALPHANUMERISCHE ZEICHEN DEFINIERT 6- VIER STELLEN; GLEICHE DEFINITION WIE SERIENNUMMER 7- EIN BUCHSTABE FUER TYP DES LUFTANSAUGSYSTEMS (H) 8- ZWEI BUCHSTABEN FUER ANWENDER (BM= BRASILIEN) 9- ZWEI ZAHLEN FUER VERSION (Z.B.: 60 ODER 81) 10-ZWEI BUCHSTABEN UND FUENF WEITERE STELLEN FUER MOTORNUMMER TRACTOR 6110J (EDICION SUDAMERICANA) PC8538S (01-JUL-10) 10-13 PN=21
  • 24.
    10-14 TRACTOR 6110J (EDICIONSUDAMERICANA) TARGHETTA DEL NUMERO DI SERIE DEL MOTORE CDP47519 -UN-25JUL06 IL NUMERO DI SERIE DEL MOTORE E COMPOSTO DA 13 CIFRE 1-DUE LETTERE PER LA DESIGNAZIONE DELLA FABBRICA DEL MOTORE(JX:ROSARIO,ARGENTINA) 2- UNA CIFRA PER IL NUMERO DI CILINDRI (4 CILINDRI,6 CILINDRI) 3- TRE CIFRE PER LA CILINDRATA, IN LITRI ( 045:4.5L,068:6.8L ) 4- UNA LETTERA PER: - DESIGNAZIONE TIPO DI ASPIRAZIONE (FINO A 10 APRILE 2005) H: TURBOCOMPRESSO CON AFTERCOOLER ARIA-ARIA - DESIGNAZIONE LIVELLO DI EMISSIONI (DAL 2 APRILE 2005) G: LIVELLO DI EMISSIONI TIER2/STADIO II L: LIVELLO DI EMISSIONI TIER3/STADIO III ! LE SEI CIFRE DEL NUMERO DI SERIE DEL MOTORE IN USO (5) INIZIANO DA 000001 5- SEI CIFRE ! NELLA PAGINE DEL CATALOGO RICAMBI, VENGONO MOSTRATI SOLO QUESTE SEI CIFR IL TIPO DI MOTORE E IDENTIFICATO DA 9 CARATTERI ALFANUMERICI 6- QUATTRO CIFRE CON LA STESSA DEFINIZIONE DI QUELLA DEL NUMERO DI SERIE 7- UNA LETTERA PER IL TIPO DI ASPIRAZIONE ( H ) 8- DUE LETTERE PER L’UTILIZZATORE (BM = BRASILE) 9- DUE CIFRE PER LA VERSIONE (ES.: 60 O 81) 10- DUE LETTERE E CINQUE CIFRE PER IL NUMERO DI SERIE DEL MOTORE 10-14 TRACTOR 6110J (EDICION SUDAMERICANA) PC8538S (01-JUL-10) PN=22
  • 25.
    10-15 TRACTOR 6110J (EDICIONSUDAMERICANA) PLACA DE IDENTIFICACAO DO NUMERO DE SERIE DO MOTOR CDP47519 -UN-25JUL06 O NUMERO DE SERIE DOS MOTORES E DEFINIDO POR 13 DIGITOS 1- DUAS LETRAS PARA INDICAR O FABRICANTE DO MOTOR (JX: ROSARIO,ARGENTINA) 2- UM NUMERO PARA INDICAR O NUMERO DE CILINDROS (4 CILINDRO,6 CILINDRO) 3- TRES NUMEROS PARA INDICAR A CILINDRADA EM LITROS ( 045:4.5L,068:6.8L ) 4- UMA LETRA PARA : -DESIGNAR O TIPO DE ASPIRACAO ( ATE 1 DE ABRIL DE 2005 ) H: TURBOALIMENTADO COM REFRIGERADOR INTERMEDIARIO AR- AR -NIVEL DAS EMISSOES (DESDE 2 DE ABRIL DE 2005) G: NIVEL DE EMISSAO TIER2/NIVEL II L: NIVEL DE EMISSAO TIER3/NIVEL III ! PARA OS SEIS DIGITOS DO NUMERO DO MOTOR (5) A NUMERACAO COMECA COM 000001 5- SEIS DIGITOS ! NAS PAGINAS DE CATALOGO DE PECAS, SOMENTE ESSES SEIS DIGITOS SAO MOSTRADOS O TIPO DO MOTOR E DEFINIDO MEDIANTE 9 CARACTERES ALFANUMERICOS 6- QUATRO NUMEROS QUE CORRESPONDEM AOS QUATRO PRIMEIROS NUMERO DE SERIE 7- UMA LETRA PARA DESIGNAR O TIPO DE ASPIRACAO (H) 8- DUAS LETRAS PARA DESIGNAR ONDE E USADO (BM = BRASIL) 9- DOIS NUMEROS PARA DESIGNAR A VERSAO (P.E.: 60 O 81) 10- DUAS LETRAS E CINCO NUMEROS PARA O NUMERO DO MOTOR TRACTOR 6110J (EDICION SUDAMERICANA) PC8538S (01-JUL-10) 10-15 PN=23
  • 26.
    10-16 TRACTOR 6110J (EDICIONSUDAMERICANA) PLACA DE NUMERO DE SERIE DEL MOTOR CDP47519 -UN-25JUL06 EL NUMERO DE SERIE DEL MOTOR SE DEFINE MEDIANTE 13 DIGITOS 1- DOS LETRAS PARA DESIGNAR EL FABRICANTE DEL MOTOR (JX: ROSARIO,ARGENTINA) 2- UNA CIFRA PARA INDICAR EL NUMERO DE CILINDROS (4 CILINDRO,6 CILINDRO) 3- TRES CIFRAS PARA INDICAR LA CILINDRADA EN LITROS ( 045:4.5L,068:6.8L ) 4- UNA LETRA PARA: - DESIGNAR EL TIPO DE ASPIRACION (HASTA EL 1 DE ABRIL DE 2005) H: TURBOALIMENTADO CON ENFRIADOR INTERMEDIO AIRE-AIRE - NIVEL DE EMISIONES (DESDE EL 2 DE ABRIL DE 2005) G: NIVEL DE EMISIONES TIER2/FASE II L: NIVEL DE EMISIONES TIER3/FASE III ! EN LO QUE SE REFIERE A LAS SEIS CIFRAS DEL NUMERO DEL MOTOR (5), NUMERACION COMIENZA CON 000001 5- SEIS CIFRAS ! EN LAS PAGINAS DEL CATALOGO DE PIEZAS, SOLO APARECEN ESTAS SEIS CIFRAS EL TIPO DEL MOTOR SE DEFINE MEDIANTE 9 CARACTERES ALFANUMERICOS 6- QUATRO CIFRAS QUE CORRESPONDEN A LAS CUATRO PRIMERAS CIFRAS DEL NUMERO DE SERIE 7- UNA LETRA PARA DESIGNAR EL TIPO DE ASPIRACION ( H ) 8- DOS LETRAS PARA DESIGNAR EL USUARIO (BM= BRASIL) 9- DOS CIFRAS PARA DESIGNAR LA VERSION (P.E.: 60 O 81) 10- DOS LETRAS Y CINCO CIFRAS PARA NUMERO MOTOR 10-16 TRACTOR 6110J (EDICION SUDAMERICANA) PC8538S (01-JUL-10) PN=24
  • 27.
    10-17 TRACTOR 6110J (EDICIONSUDAMERICANA) MOTORSERIENUMMERSKYLT CDP47519 -UN-25JUL06 MOTORSERIENUMRET BESTAAR AV 13 TECKEN 1- TVAA BOKSTAEVER ANGER TILLVERKANDE MOTORFABRIK (JX: ROSARIO,ARGENTINA) 2- EN SIFFRA ANGER CYLINDERANTAL (4 CYLINDERANTAL,6 CYLINDERANTAL) 3- TRE SIFFROR ANDER SLAGVOLYM I LITER ( 045:4.5L,068:6.8L ) 4- EN BOKSTAV ANGER: - INSUGNING (T.O.M. APRIL 2005) H: TURBOLADDAD MED LUFT-TILL-LUFT LADDLUFTKYLARE - EMISSIONSNIVAA (FR.O.M. 02 APRIL 2005) G: MILJOESTEG II EMISSIONSNIVAA L: MILJOESTEG III EMISSIONSNIVAA OBS! FOER MOTORNUMRETS SEX SIFFROR (5) STARTAR RAEKNEVERKET MED 000001 5- SEX SIFFROR OBS! I RESERVDELSKATALOGEN ANGES ENDAST DESSA SEX SIFFROR MOTORBETECKNINGEN DEFINIERAS AV 9 TECKEN 6- FYRA SIFFROR MED SAMMA DEFINITION SOM I SERIENUMRET 7- EN BOKSTAV ANGER INSUGNING (H) 8- TVAA SIFFROR ANGER ANVAENDAREN (BM = BRASILIEN) 9- TVAA SIFFROR ANGER VERSION (EX: 60 ELLER 81) 10- TVAA BOKSTAEVER OCH FEM SIFFROR ANGER MOTORNUMRET TRACTOR 6110J (EDICION SUDAMERICANA) PC8538S (01-JUL-10) 10-17 PN=25
  • 28.
    10-18 TRACTOR 6110J (EDICIONSUDAMERICANA) COMPONENT SERIAL NUMBER - POWRQUAD TRANSMISSION NUMERO DE SERIE DES COMPOSANTS - BOITE POWRQUAD PUBM0993 -UN-30JUL09 1. COMPONENT MANUFACTURER RO - JOHN DEERE WATERLOO 2. TYPE OF TRANSMISSION T6 - POWRQUAD 3. MODEL CLUTCH WITH 3 SPEED-SYNCHRONIZED TRANSMISSION 4. MAX INPUT TORQUE 29-290 NM 39-390NM 5. SERIAL NUMBER SIX DIGITS 1. CONSTRUCTEUR DES COMPOSANTS RO - JOHN DEERE WATERLOO 2. TRANSMISSION T6 - POWRQUAD 3. MODELE EMBRAYAGE, BOITE SYNCHRONISEE 3 VITESSES 4. COUPLE D’ENTREE MAX. 29 - 290 NM / 39 - 390 NM 5. NUMERO DE SERIE SIX CHIFFRES 10-18 TRACTOR 6110J (EDICION SUDAMERICANA) PC8538S (01-JUL-10) PN=26
  • 29.
    10-19 TRACTOR 6110J (EDICIONSUDAMERICANA) KOMPONENTEN-SERIENNUMMER - POWRQUAD-GETRIEBE NUMERO DI SERIE DEL COMPONENTE - TRANSMISIONE POWRQUAD PUBM0993 -UN-30JUL09 1. KOMPONENTEN-HERSTELLER RO- JOHN DEERE WATERLOO 2. GETRIEBETYP T6 POWRQUAD 3. MODELL KUPPLUNG MIT 3-GANG SYNCHRONGETRIEBE 4. MAXIMALES EINGANGSDREHMOMENT 29-290NM / 39-390NM 5. SERIENNUMMER SECHS STELLEN 1. COSTRUTTORE COMPONENTE RO - JOHN DEERE WATERLOO 2. TIPO DI TRASMISSIONE T6 POWRQUAD 3. MODELLO FRIZIONE, CON TRASMISSIONE A 3 RAPPORTI SINCRONIZZATI 4. COPPIA MASSIMA IN INGRESSO 29-290NM / 39-390NM 5. NUMERO DI SERIE SEI CARATTERI TRACTOR 6110J (EDICION SUDAMERICANA) PC8538S (01-JUL-10) 10-19 PN=27
  • 30.
    10-20 TRACTOR 6110J (EDICIONSUDAMERICANA) NUMERO DE SERIE DE COMPONENTE - TRANSMISSAO POWRQUAD PUBM0993 -UN-30JUL09 1. FABRICANTE DO COMPONENTE RO- JOHN DEERE WATERLOO 2. TIPO DE TRANSMISSAO T6 POWRQUAD 3. MODELO EMBREAGEM COM TRANSMISSAO SINCRONIZADA DE 3 VELOCIDADES 4. TORQUE MAXIMO DE ENTRADA 29-290NM / 39-390NM 5. NUMERO DE SERIE SEIS DIGITOS 10-20 TRACTOR 6110J (EDICION SUDAMERICANA) PC8538S (01-JUL-10) PN=28
  • 31.
    10-21 TRACTOR 6110J (EDICIONSUDAMERICANA) NUMERO DE SERIE DEL COMPONENTE - TRANSMISION POWRQUAD COMPONENT SERIENUMMER - POWRQUAD OVERFOERING PUBM0993 -UN-30JUL09 1. FABRICANTE DEL COMPONENTE RO - JOHN DEERE WATERLOO 2. TIPO DE TRANSMISION T6 - POWRQUAD 3. MODELO EMBRAGE CON TRANSMISION SINCRONIZADA 3 VELOCIDADES 4. PAR MOTOR DE ENTRADA MAXIMO 29 - 290NM/39 - 390NM 5. NUMERO DE SERIE SEIS DIGITOS 1. KOMPONENTILLVERKARE RO - JOHN DEERE WATERLOO 2. TYP AV OVERFOERING T6 POWRQUAD 3. MODELL KOPPLING MED 3 SPEED - SYNKRONISERAS 4. MAXIMAL TILLFORD VRIDMOMENT 29-290 NM / 39-390 NM 5. SERIENUMMER SEX SIFFROR TRACTOR 6110J (EDICION SUDAMERICANA) PC8538S (01-JUL-10) 10-21 PN=29
  • 32.
    10-22 TRACTOR 6110J (EDICIONSUDAMERICANA) TRANSMISSION SERIAL NUMBER NUMERO DE SERIE DE LA BOITE PUBM0994 -UN-30JUL09 1. COMPONENT MANUFACTURER RO - JOHN DEERE WATERLOO 2. FOR TRANSMISSION MODULE TF - SYNCROPLUS / POWER REVERSER 3. NUMBER OF FORWARD GEARS C - 12 / G - 16 4. SERIAL NUMBER SIX DIGITS 1. CONSTRUCTEUR DES COMPOSANTS RO - JOHN DEERE WATERLOO 2. TRANSMISSION TF - SYNCROPLUS / POWER REVERSER 3. NOMBRE DE VITESSES EN MARCHE AVANT C - 12 / G - 16 4. NUMERO DE SERIE SIX CHIFFRES 10-22 TRACTOR 6110J (EDICION SUDAMERICANA) PC8538S (01-JUL-10) PN=30
  • 33.
    10-23 TRACTOR 6110J (EDICIONSUDAMERICANA) GETRIEBE-SERIENNUMMER NUMERO DI SERIE TRASMISSIONE PUBM0994 -UN-30JUL09 1. KOMPONENTEN-HERSTELLER RO - JOHN DEERE WATERLOO 2. FUER GETRIEBE MODUL TF - SYNCROPLUS/POWER REVERSER 3. ANZAHL DER VORWAERTSGAENGE C - 12 / G - 16 4. SERIENNUMMER SECHS STELLEN 1. COSTRUTTORE COMPONENTE RO - JOHN DEERE WATERLOO 2. PER MODULO TRASMISSIONE TF - SYNCROPLUS / POWER REVERSER 3. NUMERO DI MARCE AVANTI C - 12 / G - 16 4. NUMERO DI SERIE SEI CARATTERI TRACTOR 6110J (EDICION SUDAMERICANA) PC8538S (01-JUL-10) 10-23 PN=31
  • 34.
    10-24 TRACTOR 6110J (EDICIONSUDAMERICANA) NUMERO DE SERIE DA TRANSMISSAO PUBM0994 -UN-30JUL09 1. FABRICANTE DO COMPONENTE RO - JOHN DEERE WATERLOO 2. PARA MODULO DA TRANSMISSAO TF - SYNCROPLUS/POWER REVERSER 3. NUMERO DE MARCHAS PARA A FRENTE C - 12 / G - 16 4. NUMERO DE SERIE SEIS DIGITOS 10-24 TRACTOR 6110J (EDICION SUDAMERICANA) PC8538S (01-JUL-10) PN=32
  • 35.
    10-25 TRACTOR 6110J (EDICIONSUDAMERICANA) NUMERO DE SERIE DE TRANSMISION TRANSMISSIONSERIENUMMER PUBM0994 -UN-30JUL09 1. FABRICANTE DEL COMPONENTE RO- JOHN DEERE WATERLOO 2. PARA MODULO DE TRANSMISION TF - SYNCROPLUS/POWER REVERSER 3. NUMERO DE MARCHAS DE AVANCE C - 12 / G - 16 4. NUMERO DE SERIE SEIS DIGITOS 1. KOMPONENTILLVERKARE RO - JOHN DEERE WATERLOO 2. FOER TRANSMISSIONSMODUL TF - SYNCROPLUS / POWER REVERSER 3. ANTAL FRAMAATVAEXLAR C - 12 / G - 16 4. SERIENUMMER SEX SIFFROR TRACTOR 6110J (EDICION SUDAMERICANA) PC8538S (01-JUL-10) 10-25 PN=33
  • 36.
    10-26 TRACTOR 6110J (EDICIONSUDAMERICANA) SERIAL NUMBER LISTING INFORMATION SERIAL NUMBER INFORMATION IS LISTED TO SHOW ON WHICH MACHINES EACH PART CAN BE USED. FOR EXAMPLE: - THE PART CAN BE USED ON ALL MACHINES. -000000 THE PART CAN BE USED ON ALL MACHINES UP TO AND INCLUDING THE SERIAL NUMBER LISTED. 000000- THE PART CAN BE USED ON ALL MACHINES BEGINNING WITH THE SERIAL NUMBER LISTED. 000000-000000 THE PART CAN BE USED ON ALL MACHINES BETWEEN AND INCLUDING THE SERIAL NUMBERS LISTED. WHEN XXXXXX’S ARE LISTED IN PLACE OF SERIAL NUMBERS, A SERIAL NUMBER CHANGE WAS MADE BUT THE EXACT SERIAL NUMBER WAS NOT AVAILABLE WHEN THE CATALOG WAS PRODUCED. DIRECTION ARROW ARROWS ARE USED WITH ILLUSTRATIONS TO INDICATE THE FRONT OF THE UNIT. "RIGHT-HAND" AND "LEFT-HAND" SIDES ARE DETERMINED BY FACING IN THE DIRECTION OF MACHINE FORWARD TRAVEL. BOX-ENCLOSED ILLUSTRATIONS A KEY NUMBER, SHOWN IN THE PARTS LIST, IS ASSIGNED TO A BOX ENCLOSING ALL PARTS SOLD AS A SERVICE ASSEMBLY. A BOX NOT KEYED INCLUDES NON-CURRENT PARTS. 10-26 TRACTOR 6110J (EDICION SUDAMERICANA) PC8538S (01-JUL-10) PN=34
  • 37.
    10-27 TRACTOR 6110J (EDICIONSUDAMERICANA) GENERALITES CONCERNANT LES NUMEROS DE SERIE CES INFORMATIONS PERMETTENT DE DETERMINER LES PIECES A MONTER SELON LE NUMERO DE SERIE DE LA MACHINE: - LA PIECE PEUT ETRE MONTEE SUR TOUTES LES MACHINES -000000 LA PIECE PEUT ETRE MONTEE SUR LES MACHINES JUSQU’AU NUMERO DE SERIE INDIQUE INCLUS 000000- LA PIECE PEUT ETRE MONTEE SUR LES MACHINES A PARTIR DU NUMERO DE SERIE INDIQUE 000000-000000 LA PIECE PEUT ETRE MONTEE SUR LES MACHINES DONT LE NUMERO DE SERIE EST COMPRIS ENTRE LES NUMEROS INDIQUES INCLUS LORSQU’ UN NUMERO DE SERIE EST REMPLACE PAR XXXXXX, UN CHANGEMENT A ETE APPORTE DANS LES NUMEROS DE SERIE, MAIS LE NUMERO DE SERIE EXACT N’ETAIT PAS CONNU AU MOMENT DE LA PUBLICATION DU CATALOGUE. FLECHES DIRECTIONNELLES LES FLECHES FIGURANT SUR LES ILLUSTRATIONS INDIQUENT L’AVANT DE LA MACHINE. LES INDICATIONS DE COTE, TELLES QUE DROITE ET GAUCHE, S’ENTENDENT PAR RAPPORT AU SENS NORMAL DE MARCHE AVANT DE LA MACHINE. ILLUSTRATIONS FIGURANT DANS DES ENCADRES LES PIECES FIGURANT DANS UN ENCADRE SONT DISPONIBLE EN TANT QUE JEU {COMPLET;} UNE REFERENCE FIGURANT DANS LA LISTE DES PIECES EST AFFECTEE A CE JEU. UN ENCADRE SANS REFERENCE COMPREND DES PIECES D’UN ANCIEN ASSEMBLAGE. TRACTOR 6110J (EDICION SUDAMERICANA) PC8538S (01-JUL-10) 10-27 PN=35
  • 38.
    10-28 TRACTOR 6110J (EDICIONSUDAMERICANA) INFORMATIONEN ZUR SERIENNUMMER SERIENNUMMERN SIND ANGEGEBEN, UM GENAU FESTSTELLEN ZU KOENNEN, WELCHE TEILE FUER EINE BESTIMMTE MASCHINE VERWENDET WERDEN. BEISPIEL: - DIESES TEIL KANN FUER ALLE MASCHINEN VERWENDET WERDEN. -000000 DIESES TEIL KANN FUER ALLE MASCHINEN BIS ZU DER GENANNTEN SERIENNUMMER VERWENDET WERDEN. 000000- DIESES TEIL KANN FUER ALLE MASCHINEN AB DER GENANNTEN SERIENNUMMER VERWENDET WERDEN. 000000-000000 DIESES TEIL KANN FUER ALLE MASCHINEN VERWENDET WERDEN, DEREN SERIENNUMMER ZWISCHEN DEN GENANNTEN ZAHLEN LIEGT. WO ANSTELLE EINER SERIENNUMMER DIE ANGABE XXXXXX STEHT, ERFOLGTE EINE AENDERUNG DER BETREFFENDEN SERIENNUMMER. BEI ZUSAMMENSTELLUNG DES ERSATZTEILKATALOGES WAR DIE GENAUE SERIENNUMMER JEDOCH NOCH NICHT BEKANNT. PFEILE ZUR RICHTUNGSANGABE DIE IN DEN ABBILDUNGEN VERWENDETEN PFEILE KENNZEICHNEN DIE VORDERSEITE DER BETREFFENDEN EINHEIT. DIE BEZEICHNUNGEN "RECHTS" UND "LINKS" BEZIEHEN SICH AUF DIE VORWAERTSFAHRTRICHTUNG DER MASCHINE. UMRANDETE TEILE MIT EINER UMRANDUNG VERSEHENE TEILE SIND ALS REPARATURSATZ ERHAELTLICH UND IN DER ERSATZTEILLISTE MIT EINER ENTSPRECHENDEN NUMMER GEKENNZEICHNET. UMRANDETE TEILE OHNE TEILENUMMERN SIND ALTE TEILE. 10-28 TRACTOR 6110J (EDICION SUDAMERICANA) PC8538S (01-JUL-10) PN=36
  • 39.
    10-29 TRACTOR 6110J (EDICIONSUDAMERICANA) INFORMAZIONI SUGLI ELENCHI DEI NUMERI DI MATRICOLA SONO INDICATE QUI DI SEGUITO LE INFORMAZIONI RELATIVE AI NUMERI DI MATRICOLA PER SPIEGARE SU QUALE MACCHINA POSSONO ESSERE USATE LE VARIE PARTI. AD ESEMPIO: - LA PARTE PUO’ESSERE USATA SU TUTTE LE MACCHINE. -000000 LA PARTE PUO’ESSERE USATA SU TUTTE LE MACCHINE FINO AL NUMERO DI MATRICOLA INDICATO COMPRESO. 000000- LA PARTE PUO’ESSERE USATA SU TUTTE LE MACCHINE A PARTIRE DAL NUMERO DI MATRICOLA INDICATO. 000000-000000 LA PARTE PUO’ESSERE USATA CON NUMERI DI MATRICOLA COMPRESI TRA QUELLI INDICATI. QUANDO IN LUOGO DEL NUMERO DI MATRICOLA FIGURANO LE XXXXXX, SIGNIFICA CHE E’STATA APPORTATA UNA VARIAZIONE AL NUMERO DI MATRICOLA MA IL NUMERO DI MATRICOLA ESATTO NON ERA DISPONIBILE AL MOMENTO DELLA PRODUZIONE DEL CATALOGO. FRECCIA DI DIREZIONE LA FRECCIA VIENE USATA CON LE ILLUSTRAZIONI PER INDICARE LA PARTE ANTERIORE DELL’UNITA’ "LATO DESTRO" E "LATO SINISTRO" S’INTENDONO GUARDANDO LA MACCHINA CHE SI SPOSTA IN MARCIA AVANTI. ILLUSTRAZIONE RIQUADRATA UN NUMERO DI RIFERIMENTO, INDICATO NELL’ELENCO PARTI, E’ASSEGNATO AD RIQUADRO CHE COMPRENDE TUTTE LE PARTI VENDUTE COME GRUPPO DI SERVIZIO. I PEZZI ACCERCHIATI SENZA NUMERO D’IDENTIFICAZIONE SONO PEZZI VECCHI. TRACTOR 6110J (EDICION SUDAMERICANA) PC8538S (01-JUL-10) 10-29 PN=37
  • 40.
    10-30 TRACTOR 6110J (EDICIONSUDAMERICANA) INFORMACAO DE LISTAGEM DE NUMERO DE SERIE A INFORMACAO DO NUMERO DE SERIE E LISTADO PARA MOSTRAR EM QUAIS MAQUINAS CADA PECA PODE SER USADA. POR EXEMPLO: - A PECA PODE SER USADA EM TODAS AS MAQUINAS. -000000 A PECA PODE SER USADA EM TODAS AS MAQUINAS, ATE E INCLUSIVE O NUMERO DE SERIE LISTADO 000000- A PECA PODE SER USADA EM TODAS AS MAQUINAS COMECANDO COM O NUMERO DE SERIE LISTADO 000000-000000 A PECA PODE SER USADA EM TODAS AS MAQUINAS, ENTRE E INCLUSIVE OS NUMEROS DE SERIE LISTADOS. QUANDO XXXXXX’S SAO LISTADOS NO LUGAR DE UM NUMERO DE SERIE, UMA MUDANCA NO NUMERO DE SERIE FOI FEITA, MAS ESTE NAO ESTAVA DISPONIVEL QUANDO O CATALOGO FOI PRODUZIDO. DIRECAO DA SETA SETAS SAO USADAS NAS ILUSTRACOES PARA INDICAR A FRENTE DA MAQUINA. LADO DIREITO E LADO ESQUERDO SAO DETERMINADOS PELA FRENTE NO SENTIDO DE DESLOCAMENTO DA MAQUINA. CAIXA NAS ILUSTRACOES O CODIGO CORRESPONDENTE AO NUMERO INDICADO PARA A CAIXA INCLUI TODOS OS ITENS QUE ESTAO REPRESENTADOS DENTRO DA MESMA, INDICANDO O CONJUNTO COMPLETO. NAO INCLUI AS PECAS QUE ESTAO FORA DA CAIXA. 10-30 TRACTOR 6110J (EDICION SUDAMERICANA) PC8538S (01-JUL-10) PN=38
  • 41.
    10-31 TRACTOR 6110J (EDICIONSUDAMERICANA) INFORMACION SOBRE NUMEROS DE SERIE LA INFORMACION SOBRE NUMEROS DE SERIE INDICA LAS PIEZAS QUE SE UTILIZAN EN CADA MAQUINA. POR EJEMPLO: - LA REFERENCIA PUEDE SER UTILIZADA EN TODAS LAS MAQUINAS -000000 LA REFERENCIA PUEDE SER UTILIZADA EN TODAS LAS MAQUINAS HASTA E INCLUYENDO EL NUMERO DE SERIE INDICADO. 000000- LA REFERENCIA PUEDE SER UTILIZADA EN TODAS LAS MAQINAS A PARTIR DEL NUMERO DE SERIE INDICADO 000000-000000 LA REFERENCIA PUEDE SER UTILIZADA EN TODAS LAS MAQUINAS CON NUMEROS DE SERIE COMPRENDIDOS ENTRE LOS DOS NUMEROS.AMBOS INCLUSIVE. CUANDO SE INDICA XXXXXX EN VEZ DE LOS NUMEROS DE SERIE, SE HA PRODUCIDO UN CAMBIO EN EL NUMERO DE SERIE PERO NO ESTA DISPONIBLE EN LA FECHA DE LA PUBLICACION. DIRECCION DE LA SAETA SAETAS SON USADAS EN LAS ILUSTRACIONES PARA INDICAR LA FRENTE DE LA MAQUINA. LADO DERECHO Y LADO IZQUIERDO SON DETERMINADOS POR LA FRENTE, EN EL SENTIDO DE DESPLAZAMIENTO DE LA MAQUINA. ILUSTRACIONES CON RECUADROS LA LISTA DE REFERENCIAS ASIGNA UN NUMERO CLAVE PARA LOS RECUADROS QUE INCLUYEN TODAS LAS PIEZAS QUE FORMAN UN CONJUNTO DE REPARACION. NO ESTAN INCLUSAS LAS PIEZAS DE FUERA DE LA CAJA. TRACTOR 6110J (EDICION SUDAMERICANA) PC8538S (01-JUL-10) 10-31 PN=39
  • 42.
    10-32 TRACTOR 6110J (EDICIONSUDAMERICANA) SERIENNUMMERINFORMATION SERIENUMMER ANGES FOR ATT VISA PA VILKA MASKINER EN VISS DEL KAN ANVANDAS, TEX: - DELEN KAN ANVANDAS PA SAMTLIGA MASKINER -000000 DELEN KAN ANVANDAS PA SAMTLIGA MASKINER TOM ANGIVET SERIENUMMER 000000- DELEN KAN ANVANDAS PA SAMTLIGA MASKINER FROM ANGIVET SERIENUMMER 000000-000000 DELEN KAN ANVANDAS PA SAMTLIGA MASKINER MELLAN ANGIVNA SERIENUMMER NAR XXXXXX ANGES I STALLET FOR ETT SERIENUMMER HAR EN SERIENUMMER ANDRING SKETT, MEN EXACT SERIENUMMER FANNS INTE TILLGANGLIGT INNAN RESERVDELSKATALOGEN GICK I TRYCK RIKTNINGSPIL PILAR ANVANDS FOR ATT MARKERA MOTORNS FRONT. BETECKNINGARNA "HOGER" OCH "VANSTER" GALLER I MASKINENS KORRIKTNING. INRUTAD ILLUSTRATION ETT NYCKELNUMMER, SOM VISAS I RESERVDELSLISTAN, MARKERAR ATT SAMLIGA DELAR INKLUDERADE I RUTAN ERHALLS SOM EN ENHET. DELAR INKLUDERADE I RUTAN UTAN NYCKELNUMMER AR GAMLA DELAR. ILLUSTRATIONER ILLUSTRATIONERNA I KATALOGEN MOTSVARAR INTE NOEDVAENDIGTVIS SENAST TILLGAENGLIGA UTFOERANDE, UTAN UTGOER ENDAST RIKTLINJER FOER ATERFOERSAELJARE OCH KUNDER. BILDMATERIALET UPPDATERAS FOERST VID KONSTRUKTIONS- OCH/ELLER FUNKTIONSAENDRINGAR. CKSO-SERVICEDELAR I VISSA DELAR AV VAERLDEN ANVAENDS SERVICEDELAR SOM BETECKNAS CKSO. OM DIN RESERVDELSDEPOT FINNS I EUROPA SKALL CKSO-DELAR BESTAELLAS. 10-32 TRACTOR 6110J (EDICION SUDAMERICANA) PC8538S (01-JUL-10) PN=40
  • 43.
    10-33 TRACTOR 6110J (EDICIONSUDAMERICANA) SECTION INDEX 10 - GENERAL INFORMATION 20 - ENGINE (4045TBM03) 30 - ENGINE AUXILIARIES, TANK, AIR SYSTEM 40 - ELECTRICAL COMPONENTS 52 - SYNCROPLUS TRANSMISSION 54 - POWRQUAD TRANSMISSION 56 - DRIVE SYSTEMS 58 - POWER TAKE-OFF 60 - STEERING AND BRAKES 70 - HYDRAULIC COMPONENTS 80 - FRAME, FRONT AXLES, SHEETS, MISCELLANEOUS 92 - OPERATOR’S STATION 93 - CONTROLS, ACCESSORIES AND AIR CONDITIONING 94 - CABLES AND SEAT 180 - NUMERICAL INDEX INDEX DE SECTION 10 - GENERALITES 20 - MOTEUR (4045TBM03) 30 - MOTEUR, SYSTEMES ANNEXES, RESERVOIR, ADMISSION 40 - COMPOSANTS ELECTRIQUES 52 - BOITE SYNCROPLUS 54 - BOITE POWRQUAD 56 - TRANSMISSION 58 - PRISE DE FORCE 60 - DIRECTION ET FREINS 70 - COMPOSANTS HYDRAULIQUES 80 - CHASSIS, ESSIEUX AVANT, ELEMENTS D’HABILLAGE, DIVERS 92 - PLATE-FORME DE CONDUITE 93 - ELEMENTS DE COMMANDE, ACCESSOIRES ET CLIMATISATION 94 - CABLES ET FAUTEUIL 180 - INDEX DES REFERENCES DE PIECES TRACTOR 6110J (EDICION SUDAMERICANA) PC8538S (01-JUL-10) 10-33 PN=41
  • 44.
    10-34 TRACTOR 6110J (EDICIONSUDAMERICANA) GRUPPENINDEX 10 - ALLGEMEINE INFORMATION 20 - MOTOR (4045TBM03) 30 - MOTORANBAUTEILE, TANK, LUFTANSAUGSYSTEM 40 - ELEKTRISCHE KOMPONENTEN 52 - SYNCROPLUS GETRIEBE 54 - POWRQUAD GETRIEBE 56 - GETRIEBE 58 - ZAPFWELLE 60 - LENKUNG UND BREMSEN 70 - HYDRAULISCHE KOMPONENTEN 80 - RAHMEN, VORDERACHSEN, VERKLEIDUNGSTEILE, VERSCHIEDENES 92 - FAHRERPLATTFORM 93 - BEDIENUNGSELEMENTE, ZUBEHOER UND KLIMAANLAGE 94 - KABEL UND SITZ 180 - TEILENUMMERN-VERZEICHNIS INDICE DELLA SEZIONE 10 - INFORMAZIONI GENERALI 20 - MOTORE (4045TBM03) 30 - PARTI AUSILIARIE MOTORE, SERBATOIO, SISTEMA ASPIRAZIONE ARIA 40 - COMPONENTI ELETTRICI 52 - TRASMISSIONE SYNCROPLUS 54 - TRASMISSIONE POWRQUAD 56 - ISTEMI DI TRANSMISSIONE 58 - PRESA DI FORZA 60 - STERZO E FRENI 70 - COMPONENTI IDRAULICI 80 - TELAIO, ASSALI ANTERIORI, COPERCHI, VARIE 92 - STAZIONE OPERATORE 93 - COMANDI, ACCESSORI E CONDIZIONATORE ARIA 94 - CAVO E SEDILE 180 - INDICE NUMERICO 10-34 TRACTOR 6110J (EDICION SUDAMERICANA) PC8538S (01-JUL-10) PN=42
  • 45.
    10-35 TRACTOR 6110J (EDICIONSUDAMERICANA) INDICE DE GRUPO 10 - INFORMACOES GERAIS 20 - MOTOR (4045TBM03) ) 30 - PERIFERICOS DO MOTOR, TANQUE E SISTEMA DE ADMISSAO 40 - SISTEMA ELETRICO 52 - TRANSMISSAO SYNCROPLUS 54 - TRANSMISSAO POWRQUAD 56 - SISTEMA DE TRANSMISSAO 58 - TOMADA DE POTENCIA - TDP 60 - SISTEMA DE DIRECAO E FREIO 70 - SISTEMA HIDRAULICO 80 - CHASSI, EIXO DIANTEIRO, CAPO, ACESSORIOS 92 - PLATAFORMA DO OPERADOR 93 - CONTROLE, ACESSORIOS E AR CONDICIONADO 94 - CABOS ACESSORIOS E ASSENTO 180 - INDICE NUMERICO INDICE DE GRUPOS 10 - INFORMACION GENERAL 20 - MOTOR (4045TBM03) 30 - COMPONENTES AUXILIARES DEL MOTOR, DEPOSITO, SISTEMA DE ADMISION 40 - COMPONENTES ELECTRICOS 52 - TRANSMISION SYNCROPLUS 54 - TRANSMISION POWRQUAD 56 - TRANSMISION 58 - TOMA DE FUERZA 60 - DIRECCION Y FRENOS 70 - COMPONENTES HIDRAULICOS 80 - BASTIDOR, EJES DELANT., PIEZAS DE CHAPA, VARIOS 92 - PLATAFORMA DE CONDUCCION 93 - MANDOS, ACCESORIOS Y AIRE ACCONDICIONADO 94 - CABLES Y ASIENTO 180 - INDICE DE REFERENCIAS DE PIEZAS TRACTOR 6110J (EDICION SUDAMERICANA) PC8538S (01-JUL-10) 10-35 PN=43
  • 46.
    10-36 TRACTOR 6110J (EDICIONSUDAMERICANA) GRUPPSFORTECKNING 10 - ALLMAEN INFORMATION 20 - MOTOR (4045TBM03) 30 - MOTORTILLBEHOER, BRAENSLETANK, INSUGNINGSSYSTEM 40 - ELKOMPONENTER 52 - SYNCROPLUS TRANSMISSION 54 - POWRQUAD TRANSMISSION 56 - KRAFTOEVERFOERING 58 - KRAFTUTTAG 60 - STYRNING OCH BROMSAR 70 - HYDRAULSYSTEM 80 - RAM, FRAMAXLAR, SKYDD, DIVERSE 92 - FOERARHYTT 93 - REGLAGE OCH INSTRUMENT, TILLBEHOER OCH LUFTKONDITIONERING 94 - KABEL OCH SAETE 180 - NUMMERFORTECKNING 10-36 TRACTOR 6110J (EDICION SUDAMERICANA) PC8538S (01-JUL-10) PN=44
  • 47.
    20-A01 MOTOR (4045TBM03) XXXXXXXXXXXXXXXXXXXXXXXXXXXXXXXXXXXXXXXXXXXXXXXX SECTIONALINDEX XXXXXXXXXXXXXXXXXXXXXXXXXXXXXXXXXXXXXXXXXXXXXXXX INDEX DE SECTION XXXXXXXXXXXXXXXXXXXXXXXXXXXXXXXXXXXXXXXXXXXXXXXX GRUPPENINDEX XXXXXXXXXXXXXXXXXXXXXXXXXXXXXXXXXXXXXXXXXXXXXXXX INDICE DELLA SEZIONE XXXXXXXXXXXXXXXXXXXXXXXXXXXXXXXXXXXXXXXXXXXXXXXX INDICE DE GRUPO XXXXXXXXXXXXXXXXXXXXXXXXXXXXXXXXXXXXXXXXXXXXXXXX INDICE DE GRUPOS RGP13994 -UN-28MAY10 1103- 2 1203- 3 1327- 4 1463- 5 1592- 6 1625- 8 1750- 10 1914- 12 2001- 14 2130- 15 2222- 16 2865- 17 2910- 18 30AQ- 20 35GK- 21 3601- 23 3722- 24 3908- 25 4005- 26 4461- 28 TRACTOR 6110J (EDICION SUDAMERICANA) PC8538S (01-JUL-10) 20-A01 PN=45
  • 48.
    20-A02 MOTOR (4045TBM03) XXXXXXXXXXXXXXXXXXXXXXXXXXXXXXXXXXXXXXXXXXXXXXXX SECTIONALINDEX XXXXXXXXXXXXXXXXXXXXXXXXXXXXXXXXXXXXXXXXXXXXXXXX INDEX DE SECTION XXXXXXXXXXXXXXXXXXXXXXXXXXXXXXXXXXXXXXXXXXXXXXXX GRUPPENINDEX XXXXXXXXXXXXXXXXXXXXXXXXXXXXXXXXXXXXXXXXXXXXXXXX INDICE DELLA SEZIONE XXXXXXXXXXXXXXXXXXXXXXXXXXXXXXXXXXXXXXXXXXXXXXXX INDICE DE GRUPO XXXXXXXXXXXXXXXXXXXXXXXXXXXXXXXXXXXXXXXXXXXXXXXX INDICE DE GRUPOS RGP13995 -UN-28MAY10 4501- 30 4601- 32 4715- 34 4822- 36 4901- 38 5001- 40 5102- 42 5701- 44 5903- 45 65WW- 46 6606- 48 6701- 49 7643- 50 8733- 51 8801- 52 9838- 54 20-A02 TRACTOR 6110J (EDICION SUDAMERICANA) PC8538S (01-JUL-10) PN=46
  • 49.
  • 50.
    20-2 MOTOR (4045TBM03) 1103 ROCKERARM COVER 1103 CULBUTEURS 1103 ZYLINDERKOPFHAUBE 1103 COPERCHIO BILANCIERI 1103 TAMPA DO BALANCIM 1103 TAPA DE BALANCINES RE59798PCDF01 -UN-16OCT07 MOTOR POS. NO.PIEZA DESCRIPCION CANT NUM. SERIE NOTAS 1 R521401 MEDALLON 1 2 H23125 TAPON 4 3 R123574 TUERCA 4 4 R123575 ANILLO TORICO 4 5 ........ TAPA DE VALVULA 1 (MARCADO R519779) (PEDIMOS RE70401 Y RE59801) 6 R524480 JUNTA 1 RE520539 JUEGO DE JUNTAS AR (A) (A) SUITABLE FOR HIGH TEMPERATURE, INCLUDE INSTRUCTIONS CONVIENT POUR HAUTES TEMPERATURES, COMPREND LES INSTRUCTIONS FUER HOHE TEMPERATUREN GEEIGNET, EINSCHLIESSLICH ANLEITUNG RESISTENTE AD ALTE TEMPERATURE, ISTRUZIONI INCLUSE APROPRIADO PARA ALTA TEMPERATURA, INCLUI INSTRUCOES ADECUADO PARA ALTAS TEMPERATURAS, INCLUYE INSTRUCCIONES 20-2 TRACTOR 6110J (EDICION SUDAMERICANA) PC8538S (11-JAN-11) PN=48
  • 51.
    20-3 MOTOR (4045TBM03) 1203 OILFILLER NECK 1203 GOULOTTE DE REMPLISSAGE D’HUILE 1203 OEL-EINFUELLSTUTZEN 1203 BOCCHETTONE DI RIEMPIMENTO DELL’OLIO 1203 BOCAL DE ENCHIMENTO DE OLEO 1203 BOCA DE LLENADO DE ACEITE RE59891PCDE03 -UN-21AUG08 MOTOR POS. NO.PIEZA DESCRIPCION CANT NUM. SERIE NOTAS 1 R80136 TAPON DE LLENADO 1 2 R80135 JUNTA 1 3 R517353 BOCA DE LLENADO 1 4 19M7798 TORNILLO 2 M8 X 40 5 R136495 JUNTA 2 6 R116296 TAPADERA 1 7 RE67238 TORNILLO 2 TRACTOR 6110J (EDICION SUDAMERICANA) PC8538S (01-JUL-10) 20-3 PN=49
  • 52.
    20-4 MOTOR (4045TBM03) 1327 CRANKSHAFTPULLEY 1327 POULIE DU VILEBREQUIN 1327 KURBELWELLEN RIEMENSCHEIBE 1327 PULEGGIA ALBERO A GOMITI 1327 POLIA DO VIRABREQUIM 1327 POLEA DEL CIGUENAL RE515237PCDD02 -UN-12MAR09 MOTOR POS. NO.PIEZA DESCRIPCION CANT NUM. SERIE NOTAS 1 R503880 POLEA 1 2 R515040 CASQUILLO 1 3 R516648 TORNILLO 1 (A) (A) ONE TIME USAGE USAGE UNIQUE NUR EINMAL VERWENDBAR PER USO UNICO USAR SOMENTE UMA VEZ SOLO UTILIZAR UNA VEZ 20-4 TRACTOR 6110J (EDICION SUDAMERICANA) PC8538S (11-JAN-11) PN=50
  • 53.
    20-5 MOTOR (4045TBM03) 1463 FLYWHEELHOUSING 1463 CARTER VOLANT 1463 SCHWUNGRADGEHAEUSE 1463 ARCASSAVOLANO 1463 CAIXA DO VOLANTE 1463 CARCASAVOLANTE RE522292PCDA01 -UN-19MAY09 MOTOR POS. NO.PIEZA DESCRIPCION CANT NUM. SERIE NOTAS 1 R135918 TORNILLO 12 2 R519313 CARCASA 1 3 R131765 TAPON 1 4 R61467 ANILLO TORICO 1 5 RE44574 RETEN 1 TRACTOR 6110J (EDICION SUDAMERICANA) PC8538S (01-JUL-10) 20-5 PN=51
  • 54.
    20-6 MOTOR (4045TBM03) 1592 FLYWHEEL 1592VOLANT 1592 CHWUNGRAD 1592 VOLANO 1592 VOLANTE 1592 VOLANTE RE524536PCDA01 -UN-19MAY09 MOTOR POS. NO.PIEZA DESCRIPCION CANT NUM. SERIE NOTAS 1 RE524535 VOLANTE 1 (MARCADO R520792) 2 R114282 CORONA DE TREN PLANETARIO 1 20-6 TRACTOR 6110J (EDICION SUDAMERICANA) PC8538S (01-JUL-10) PN=52
  • 55.
  • 56.
    20-8 MOTOR (4045TBM03) 1625 FUELINJECTION PUMP 1625 POMPE D’INJECTION 1625 EINSPRITZPUMPE 1625 POMPA D’INIEZIONE 1625 BOMBA DE INJECAO 1625 BOMBA DE INYECCION RE540075PCDC02 -UN-28MAY10 ESTA RELACION DE PIE 20-8 TRACTOR 6110J (EDICION SUDAMERICANA) PC8538S (01-JUL-10) PN=54
  • 57.
    20-9 MOTOR (4045TBM03) MOTOR POS. NO.PIEZADESCRIPCION CANT NUM. SERIE NOTAS 1 R132267 ENGRANAJE 1 2 RE545165 BOMBA DE INYECCION 1 3 14M7298 TUERCA CON BRIDA 3 M8 4 RE60029 RACOR ADAPTADOR 1 5 51M7040 ANILLO TORICO 1 6 RE47730 TUBERIA DE COMBUSTIBLE 1 7 RE68748 TUBO 3 8 RE48786 INYECTOR 4 SE501101 INYECTOR REMAN 4 (REMAN FOR RE48786) 9 R115532 TUBERIA DE COMBUSTIBLE 1 10 R116366 TORNILLO 4 11 RE515591 TUBERIA DE COMBUSTIBLE 1 12 RE19797 ABRAZADERA 2 13 19M6614 TORNILLO 2 M6 X 12 14 RE19799 ABRAZADERA 1 15 ........ TUBERIA DE COMBUSTIBLE 1 (PEDIMOS RE515591) (NSEP) 16 ........ TUBERIA DE COMBUSTIBLE 1 (PEDIMOS RE515591) (NSEP) 17 ........ TUBERIA DE COMBUSTIBLE 1 (PEDIMOS RE515591) (NSEP) 18 ........ TUBERIA DE COMBUSTIBLE 1 (PEDIMOS RE515591) (NSEP) 19 R97354 JUNTA 1 TRACTOR 6110J (EDICION SUDAMERICANA) PC8538S (01-JUL-10) 20-9 PN=55
  • 58.
    20-10 MOTOR (4045TBM03) 1750 AIRINLET 1750 ADMISSION D’AIR 1750 LUFTEINLASS 1750 INGRESSO ARIA 1750 ENTRADA DE AR 1750 ENTRADA DE AIRE RE503568PCDD01 -UN-20MAY09 MOTOR POS. NO.PIEZA DESCRIPCION CANT NUM. SERIE NOTAS 1 R110531 ABRAZADERA 2 2 R500596 MANGUERA 1 3 RE501053 CONDUCTO DE AIRE 1 4 19M7179 TORNILLO 2 M10 X 50 5 R81275 JUNTA 2 6 R501472 ESPACIADOR 1 7 51M7039 ANILLO TORICO 1 8 RE60071 CONEXION 1 20-10 TRACTOR 6110J (EDICION SUDAMERICANA) PC8538S (01-JUL-10) PN=56
  • 59.
  • 60.
    20-12 MOTOR (4045TBM03) 1914 OILPAN 1914 CARTER D’HUILE 1914 OELWANNE 1914 COPPA DELL’OLIO 1914 CARTER DE OLEO 1914 CARTER DE ACEITE RE59937PCDE01 -UN-21MAY09 ESTA RELACION DE PIE 20-12 TRACTOR 6110J (EDICION SUDAMERICANA) PC8538S (01-JUL-10) PN=58
  • 61.
    20-13 MOTOR (4045TBM03) MOTOR POS. NO.PIEZADESCRIPCION CANT NUM. SERIE NOTAS 1 19M10075 TORNILLO 2 M8 X 110 2 RE516280 ENTRADA BOMBA ACEITE 1 3 R61871 ANILLO TORICO 1 4 R521493 JUNTA 1 5 RE57482 CARTER DE ACEITE 1 6 19M8062 TORNILLO 6 M8 X 20 7 R120247 ANILLO 1 8 R515195 TAPON DE VACIADO 1 9 19M8163 TORNILLO 22 M8 X 16 TRACTOR 6110J (EDICION SUDAMERICANA) PC8538S (01-JUL-10) 20-13 PN=59
  • 62.
    20-14 MOTOR (4045TBM03) 2001 WATERPUMP PULLEY 2001 POMPE A EAU 2001 WASSERPUMPE 2001 POMPA ACQUA 2001 POLIA DA BOMBA DE AGUA 2001 BOMBA DE AGUA RE58175PCDD02 -UN-23SEP08 MOTOR POS. NO.PIEZA DESCRIPCION CANT NUM. SERIE NOTAS 1 R115250 POLEA 1 2 19M7774 TORNILLO 3 M6 X 12 20-14 TRACTOR 6110J (EDICION SUDAMERICANA) PC8538S (01-JUL-10) PN=60
  • 63.
    20-15 MOTOR (4045TBM03) 2130 THERMOSTAT,COVER 2130 THERMOSTAT, COUVERCLE 2130 THERMOSTAT, DECKEL 2130 THERMOSTATO, COPERCHIO 2130 TAMPA DO TERMOSTATO 2130 THERMOSTATO, TAPADREA RE503960PCDD02 -UN-04JUN09 MOTOR POS. NO.PIEZA DESCRIPCION CANT NUM. SERIE NOTAS 1 R501227 RETEN 1 2 R500472 TAPADERA 1 3 51M7041 ANILLO TORICO 1 4 RE46684 TAPON HERMETICO 3 5 19M7809 TORNILLO 2 M10 X 70 6 19M7785 TORNILLO 1 M10 X 25 TRACTOR 6110J (EDICION SUDAMERICANA) PC8538S (01-JUL-10) 20-15 PN=61
  • 64.
    20-16 MOTOR (4045TBM03) 2222 THERMOSTAT 2222THERMOSTAT 2222 THERMOSTAT 2222 TERMOSTATO 2222 TERMOSTATO 2222 TERMOSTATO RE540313PCDA01 -UN-27MAY09 MOTOR POS. NO.PIEZA DESCRIPCION CANT NUM. SERIE NOTAS 1 RE517011 TERMOSTATO 1 20-16 TRACTOR 6110J (EDICION SUDAMERICANA) PC8538S (01-JUL-10) PN=62
  • 65.
    20-17 MOTOR (4045TBM03) 2865 EXHAUSTMANIFOLD 2865 COLLECTEUR D’ECHAPPEMENT 2865 AUSPUFFKRUEMMER 2865 COLLETTORE DI SCARICO 2865 COLETOR DO ESCAPE 2865 COLECTOR DE ESCAPE RE516307PCDD01 -UN-21MAY09 MOTOR POS. NO.PIEZA DESCRIPCION CANT NUM. SERIE NOTAS 1 19M7809 TORNILLO 8 M10 X 70 2 R515588 COLECTOR DE ESCAPE 1 3 R521439 JUNTA 4 TRACTOR 6110J (EDICION SUDAMERICANA) PC8538S (01-JUL-10) 20-17 PN=63
  • 66.
    20-18 MOTOR (4045TBM03) 2910 VENTILATINGSYSTEM 2910 SYSTEME DE VENTILATION 2910 ENTLUEFTUNGSSYSTEM 2910 SISTEMA DI VENTILAZIONE 2910 SISTEMA DE VENTILACAO 2910 SISTEMA DE VENTILACION RE500266PCDB01 -UN-22MAY09 ESTA RELACION DE PIE 20-18 TRACTOR 6110J (EDICION SUDAMERICANA) PC8538S (01-JUL-10) PN=64
  • 67.
    20-19 MOTOR (4045TBM03) MOTOR POS. NO.PIEZADESCRIPCION CANT NUM. SERIE NOTAS 1 R517171 MANGUERA 1 2 AT18904 ABRAZADERA 1 3 R72328 ANILLO TORICO 1 4 R123586 RACOR ACODADO 1 TRACTOR 6110J (EDICION SUDAMERICANA) PC8538S (01-JUL-10) 20-19 PN=65
  • 68.
    20-20 MOTOR (4045TBM03) 30AQ STARTINGMOTOR 30AQ DEMARREUR 30AQ ANLASSER 30AQ MOTORINO DI AVVIAMENTO 30AQ MOTOR DE ARRANQUE 30AQ MOTOR DA ARRANQUE RE540096PCDA01 -UN-22MAY09 MOTOR POS. NO.PIEZA DESCRIPCION CANT NUM. SERIE NOTAS 1 RE529594 MOTOR DE ARRANQUE 1 12V, 3KW 2 19M7786 TORNILLO 2 M10 X 30 20-20 TRACTOR 6110J (EDICION SUDAMERICANA) PC8538S (01-JUL-10) PN=66
  • 69.
    20-21 MOTOR (4045TBM03) 35GK FUELFILTER 35GK FILTRE A COMBUSTIBLE 35GK KRAFTSTOFFFILTER 35GK FILTRO DEL COMBUSTIBILE 35GK FILTRO DE COMBUSTIVEL 35GK FILTRO DE COMBUSTIBLE RE540100PCDA01 -UN-17MAR10 MOTOR POS. NO.PIEZA DESCRIPCION CANT NUM. SERIE NOTAS 1 T28862 ABRAZADERA 1 2 RE528644 TUBERIA 1 3 19M7783 TORNILLO 1 M10 X 16 4 AH89557 ABRAZADERA 1 5 RE528936 TUBERIA DE COMBUSTIBLE 1 6 RE524144 RACOR ACODADO 1 7 RE528935 TUBERIA DE COMBUSTIBLE 1 8 RE60029 RACOR ADAPTADOR 1 9 51M7040 ANILLO TORICO 2 10 RE70358 CABEZA DE FILTRO 1 11 19M7784 TORNILLO 4 M10 X 20 12 RE46686 TAPON HERMETICO 2 13 J60538 SOPORTE 1 TRACTOR 6110J (EDICION SUDAMERICANA) PC8538S (01-JUL-10) 20-21 PN=67
  • 70.
  • 71.
    20-23 MOTOR (4045TBM03) 3601 FRONTPLATE 3601 PLAQUE AVANT 3601 VORDERE PLATTE 3601 PIASTRA ANTERIORE 3601 CHAPA FRONTAL 3601 PLACA DELANTERA RE57614PCDD02 -UN-09DEC09 MOTOR POS. NO.PIEZA DESCRIPCION CANT NUM. SERIE NOTAS 1 R134527 PLACA 1 2 R116386 ESPARRAGO 3 3 R134518 ESPARRAGO 2 4 R136475 TORNILLO 4 5 R109863 ARBOL 1 6 RE500631 ENGRANAJE 1 7 T20034 CASQUILLO 1 8 19M8844 TORNILLO 1 M10 X 60 9 R131283 ARANDELA DE EMPUJE 1 10 R114194 ARBOL 1 11 R101225 ARANDELA DE EMPUJE 2 12 R123584 ESPARRAGO 4 TRACTOR 6110J (EDICION SUDAMERICANA) PC8538S (01-JUL-10) 20-23 PN=69
  • 72.
    20-24 MOTOR (4045TBM03) 3722 FUELTRANSFER PUMP 3722 POMPE D’ALIMENTATION 3722 KRAFTSTOFFOERDERPUMPE 3722 POMPA DI ALIMENTAZIONE 3722 BOMBA DE COMBUSTIVEL 3722 BOMBA DE ALIMENTACION DE COMBUSTIBLE RE538942PCDA01 -UN-22MAY09 MOTOR POS. NO.PIEZA DESCRIPCION CANT NUM. SERIE NOTAS 1 RE535728 BOMBA DE ALIMENTACION 1 2 RE504233 TORNILLO 2 3 R133405 PASADOR 1 20-24 TRACTOR 6110J (EDICION SUDAMERICANA) PC8538S (01-JUL-10) PN=70
  • 73.
    20-25 MOTOR (4045TBM03) 3908 THERMOSTATHOUSING 3908 BOITIER DE THERMOSTAT 3908 THERMOSTAT-GEHAEUSE 3908 CARCASSA TERMOSTATO 3908 CARCACA DO TERMOSTATO 3908 CARCASA DEL TERMOSTATO RE503962PCDD01 -UN-25MAY09 MOTOR POS. NO.PIEZA DESCRIPCION CANT NUM. SERIE NOTAS 1 51M7040 ANILLO TORICO 1 2 RE46686 TAPON HERMETICO 1 3 19M7811 TORNILLO 2 M10 X 90 4 R500471 CARCASA 1 5 51M7041 ANILLO TORICO 1 6 RE46684 TAPON HERMETICO 1 7 R501228 RETEN 1 8 R123226 RETEN 1 9 R501314 TUBERIA 1 10 CD14689 ESPACIADOR 1 11 R123324 ABRAZADERA 1 12 19M7801 TORNILLO 1 M8 X 60 TRACTOR 6110J (EDICION SUDAMERICANA) PC8538S (01-JUL-10) 20-25 PN=71
  • 74.
    20-26 MOTOR (4045TBM03) 4005 ENGINEOIL DIPSTICK 4005 JAUGE A HUILE MOTEUR 4005 MOTOROELMESSSTAB 4005 ASTINA DE LIVELLO OLIO MOTORE 4005 VARETA DE NIVEL DE OLEO DO MOTOR 4005 ASPILLA PARA MEDIR EL NIVEL DE ACEITE DEL MOTOR RE59878PCDD02 -UN-25MAY09 ESTA RELACION DE PIE 20-26 TRACTOR 6110J (EDICION SUDAMERICANA) PC8538S (01-JUL-10) PN=72
  • 75.
    20-27 MOTOR (4045TBM03) MOTOR POS. NO.PIEZADESCRIPCION CANT NUM. SERIE NOTAS 1 RE502740 ASPILLA 1 2 R501178 TUBO DE ASPILLA DE NIVEL 1 3 R502725 TAPON 1 TRACTOR 6110J (EDICION SUDAMERICANA) PC8538S (01-JUL-10) 20-27 PN=73
  • 76.
    20-28 MOTOR (4045TBM03) 4461 TIMINGGEAR COVER 4461 COUVERCLE DE DISTRIBUTION 4461 STEUERGEHAEUSE 4461 COPERCHIO DISTRIBUZIONE 4461 TAMPA ENGR. COMANDO DE VALVULAS 4461 TAPA DE DISTRIBUCION PARA TRANSMISION RE540126PCDB02 -UN-22MAR10 ESTA RELACION DE PIE 20-28 TRACTOR 6110J (EDICION SUDAMERICANA) PC8538S (01-JUL-10) PN=74
  • 77.
    20-29 MOTOR (4045TBM03) MOTOR POS. NO.PIEZADESCRIPCION CANT NUM. SERIE NOTAS 1 RE532939 KIT DE TAPAS 1 2 R520132 JUNTA 1 3 RE517370 CONEXION 2 4 51M7044 ANILLO TORICO 1 5 R520130 TAPADERA 1 6 R504734 ANILLO TORICO 1 7 RE508566 INSERTO 1 8 R123417 JUNTA 1 9 R121424 ANILLO TORICO 1 10 R121411 TAPADERA 1 11 19M7775 TORNILLO 3 M6 X 16 12 RE505980 BOMBA DE AGUA 1 13 R123226 RETEN 1 14 ........ IMPULSOR 1 (NSEP) (ORDER RE505980) 15 ........ RETEN 1 (NSEP) (ORDER RE505980) 16 RE46685 TAPON HERMETICO 1 17 51M7043 ANILLO TORICO 1 18 ........ RODAMIENTO DE BOLAS 1 (NSEP) (ORDER RE505980) 19 ........ ARBOL 1 (NSEP) (ORDER RE505980) 20 A364R ANILLO ELASTICO 1 21 R71228 ANILLO 1 22 19M7796 TORNILLO 8 M6 X 30 23 RE538097 RETEN 1 24 19M8291 TORNILLO 1 M8 X 35 25 19M8317 TORNILLO 4 M8 X 40 26 19M7979 TORNILLO 4 M8 X 55 27 14M7296 TUERCA CON BRIDA 6 M10 28 RE67239 TORNILLO 1 (A) 29 19M7801 TORNILLO 1 M8 X 60 30 R523060 TORNILLO 1 31 19M8966 TORNILLO 1 M10 X 50 32 R131283 ARANDELA DE EMPUJE 1 33 RE56369 ENGRANAJE 1 34 R114193 CASQUILLO 1 35 19M7867 TORNILLO 1 M8 X 25 (A) THREADS WITH PRE-APPLIED SEALANT FILETS ENDUITS DE PRODUIT D’ETANCHEITE MIT DICHTMITTEL CON MATERIALE DI TENUTA ROSCAS REVESTIDAS COM SELANTE PRE-APLICADO ROSCAS CON PASTA SELLADORA PREAPLICADA TRACTOR 6110J (EDICION SUDAMERICANA) PC8538S (11-JAN-11) 20-29 PN=75
  • 78.
    20-30 MOTOR (4045TBM03) 4501 BALANCERSHAFT 4501 ARBRE D’EQUILIBRAGE 4501 ASSENAUSGLEICHSWELLE 4501 ALBERO EQUILIBRATORE 4501 EIXO EXCENTRICO 4501 EJE EQUILIBRADOR RE501264PCDD03 -UN-26FEB08 ESTA RELACION DE PIE 20-30 TRACTOR 6110J (EDICION SUDAMERICANA) PC8538S (01-JUL-10) PN=76
  • 79.
    20-31 MOTOR (4045TBM03) MOTOR POS. NO.PIEZADESCRIPCION CANT NUM. SERIE NOTAS 1 RE500449 EJE EQUILIBRADOR 1 RH (ORD RE502446) 2 R133303 CHAVETA 2 3 ........ PLACA 2 (ORDER RE500446 OR RE500447) 4 R120639 ENGRANAJE 1 Z = 15, RH 5 19M7864 TORNILLO 4 M8 X 12 6 R500650 LASTRE 4 7 19M7798 TORNILLO 8 M8 X 40 8 ........ ENGRANAJE 1 Z = 15, LH (ORDER RE500447) 9 RE500448 EJE EQUILIBRADOR 1 LH (ORD RE502447) TRACTOR 6110J (EDICION SUDAMERICANA) PC8538S (01-JUL-10) 20-31 PN=77
  • 80.
    20-32 MOTOR (4045TBM03) 4601 CYLINDERBLOCK 4601 BLOC-CYLINDRES 4601 ZYLINDERBLOCK 4601 MONOBLOCCO 4601 BLOCO DO CILINDRO 4601 BLOQUE DE CILINDROS RE57617PCDE01 -UN-25MAY09 ESTA RELACION DE PIE 20-32 TRACTOR 6110J (EDICION SUDAMERICANA) PC8538S (01-JUL-10) PN=78
  • 81.
    20-33 MOTOR (4045TBM03) MOTOR POS. NO.PIEZADESCRIPCION CANT NUM. SERIE NOTAS 1 R133303 CHAVETA 1 2 RE56375 ARBOL DE LEVAS 1 (MARKED R135439) 3 R131182 OBTURADOR 4 4 R48685 PASADOR DE CENTRAJE 4 5 15H584 TAPON ROSCADO 1 6 AT13740 GRIFO DE VACIADO 1 7 ........ BLOQUE DE CILINDROS 1 (MARKED R504849) (ORDER RE532716) 8 RE71255 TAPON ROSCADO 5 (A) 9 R116466 TAPON 2 10 19M8999 TORNILLO 2 M8 X 25 11 R132518 PLACA 1 12 R119874 CASQUILLO 1 13 R131425 MUELLE DE COMPRESION 1 14 RE505501 VALVULA DE PURGA 1 15 RE63674 VALVULA 1 16 R115299 CASQUILLO 6 17 R26650 PASADOR DE CENTRAJE 2 18 T18891 TAPON 2 19 R114241 TAPA DE COJINETE 4 20 T23474 TORNILLO 10 21 T20168 ARANDELA 10 22 R132186 TAPA DE COJINETE 1 23 15H623 TAPON ROSCADO 1 24 U13639 ANILLO TORICO 1 25 RE508185 CONEXION 2 (A) THREADS WITH PRE-APPLIED SEALANT FILETS ENDUITS DE PRODUIT D’ETANCHEITE MIT DICHTMITTEL CON MATERIALE DI TENUTA ROSCAS REVESTIDAS COM SELANTE PRE-APLICADO CON SELLADOR TRACTOR 6110J (EDICION SUDAMERICANA) PC8538S (11-JAN-11) 20-33 PN=79
  • 82.
    20-34 MOTOR (4045TBM03) 4715 CRANKSHAFT/ BEARINGS 4715 VILEBREQUIN / COUSSINETS 4715 KURBELWELLE / LAGER 4715 ALBERO A GOMITI / CUSCINETTO 4715 VIRABREQUIM / CASQUILHOS 4715 CIGUENAL / COJINETE RE515513PCDD03 -UN-09SEP08 6 1 1 MOTOR 0 POS. NO.PIEZA DESCRIPCION CANT NUM. SERIE J NOTAS 1 RE506195 CIGUENAL 1 (A) SE501656 CIGUENAL REMAN 1 (REMAN FOR RE506195) 2 R120631 ENGRANAJE 1 3 R505609 CHAVETA 1 4 R48685 PASADOR DE CENTRAJE 1 5 RE65165 JUEGO DE RODAMIENTOS 4 STD (KIT R123561 AND R123562) 6 RE65168 JUEGO DE RODAMIENTOS 1 STD (KIT R123563 AND R123564) 7 R135918 TORNILLO 4 (A) GRINDING GUIDELINES : SEE CTM104 DIRECTIVES DE RECTIFICATION : VOIR CTM105 HINWEISE ZUM SCHLEIFEN : SIEHE CTM106 ISTRUZIONI RIGUARDO RETTIFICA : VEDERE CTM116 DIRETRIZES PARA RETIFICA: VER CTM206 INSTRUCCIONES REFERENTE AL RECTIFICADO : VER CTM107 20-34 TRACTOR 6110J (EDICION SUDAMERICANA) PC8538S (01-JUL-10) PN=80
  • 83.
  • 84.
    20-36 MOTOR (4045TBM03) 4822 CONNECTINGRODS AND PISTONS 4822 BIELLES ET PISTONS 4822 PLEUELSTANGEN UND KOLBEN 4822 BIELLE E PISTONI 4822 BIELAS E PISTOES 4822 BIELA Y PISTONES RE508086PCDB02 -UN-26MAY09 ESTA RELACION DE PIE 20-36 TRACTOR 6110J (EDICION SUDAMERICANA) PC8538S (01-JUL-10) PN=82
  • 85.
    20-37 MOTOR (4045TBM03) MOTOR POS. NO.PIEZADESCRIPCION CANT NUM. SERIE NOTAS 1 R54114 ANILLO ELASTICO 8 2 RE63915 JUEGO BULONES & CASQUILLOS 4 (INCLUDES R54114) 3 RE507850 JUEGO DE PISTON Y CAMISA 4 4 RE507852 JUEGO SEGMENTOS DE PISTON 4 5 AR65507 JUEGO DE ANILLOS TORICOS 4 6 R48767 EMPAQUETADURA 4 7 R55453 ANILLO TORICO 4 8 R26121 ANILLO TORICO 4 9 R501124 TORNILLO 2 10 R114082 CASQUILLO 1 11 RE500608 BIELA 4 12 RE65908 COJINETE 4 TRACTOR 6110J (EDICION SUDAMERICANA) PC8538S (01-JUL-10) 20-37 PN=83
  • 86.
    20-38 MOTOR (4045TBM03) 4901 ROCKERARM / SHAFT / TAPPET / PUSH ROD 4901 CULBUTEUR / ARBRE / POUSSOIR DE SOUPAPE / TIGE 4901 KIPPHEBEL / WELLE / VENTILSTOESSEL / STOESSELSTANGE 4901 TERGICRISTALLO / ALBERO / CEDENTE / ASTINA PUNTERIE 4901 BALANCIM / EIXO / TUCHO / HASTE DE COMANDO 4901 BALANCIN / ARBOL / BOTADOR / VARILLA DE EMPUJE RE57618PCDB02 -UN-16MAR09 ESTA RELACION DE PIE 20-38 TRACTOR 6110J (EDICION SUDAMERICANA) PC8538S (01-JUL-10) PN=84
  • 87.
    20-39 MOTOR (4045TBM03) MOTOR POS. NO.PIEZADESCRIPCION CANT NUM. SERIE NOTAS 1 R123271 ESPARRAGO 4 2 24M7346 ARANDELA 4 3 RE519736 EJE DE BALANCINES 1 4 R54565 TAPON 2 5 T20316 ARANDELA 2 6 RE508317 BALANCIN 8 7 14M7148 TUERCA 1 M10 8 R123161 APOYO 4 9 T20314 MUELLE 3 10 R123513 EJE DE BALANCINES 1 11 R107731 VARILLA DE EMPUJE 8 12 R123565 SEGUIDOR DE LEVA 8 TRACTOR 6110J (EDICION SUDAMERICANA) PC8538S (01-JUL-10) 20-39 PN=85
  • 88.
    20-40 MOTOR (4045TBM03) 5001 OILPUMP 5001 POMPE A HUILE 5001 OELPUMPE 5001 POMPA DELL’OLIO 5001 BOMBA DO OLEO 5001 BOMBA DE ACEITE RE57763PCDD02 -UN-26MAY09 MOTOR POS. NO.PIEZA DESCRIPCION CANT NUM. SERIE NOTAS 1 19M8987 TORNILLO 2 M8 X 65 2 R120638 ENGRANAJE 1 Z= 30 3 14M7066 TUERCA 1 M12 4 RE504914 BOMBA DE ACEITE 1 SE501814 BOMBA DE ACEITE REMAN 1 (REMAN FOR RE504914) 5 R97185 ANILLO TORICO 1 6 R121376 TUBO 1 20-40 TRACTOR 6110J (EDICION SUDAMERICANA) PC8538S (01-JUL-10) PN=86
  • 89.
  • 90.
    20-42 MOTOR (4045TBM03) 5102 CYLINDERHEAD AND VALVES 5102 CULASSE AVEC SOUPAPES 5102 ZYLINDERKOPF MIT VENTILE 5102 TESTATA DEL MOTORE CON VALVOLAS 5102 CABECOTE E VALVULAS 5102 CULATA CON VALVULAS RE59432PCDD03 -UN-11NOV08 ESTA RELACION DE PIE 20-42 TRACTOR 6110J (EDICION SUDAMERICANA) PC8538S (01-JUL-10) PN=88
  • 91.
    20-43 MOTOR (4045TBM03) MOTOR POS. NO.PIEZADESCRIPCION CANT NUM. SERIE NOTAS 1 RE57234 CULATA 1 2 R90692 VALVULA DE ESCAPE 4 3 R85687 ANILLO ASIENTO DE VALVULA 4 4 R98062 VALVULA DE ADMISION 4 5 R98063 ANILLO ASIENTO DE VALVULA 4 6 R43409 TAPON 2 7 T58477 TAPON HERMETICO 1 8 R26906 ANILLO TORICO 1 9 CD16284 TAPON 1 10 RE71255 TAPON ROSCADO 1 11 R91889 RETENEDOR 16 12 RE60005 ROTADOR 8 13 RE31617 RETEN 8 14 R26125 MUELLE 8 15 R85363 TORNILLO 18 16 R116515 JUNTA DE CULATA 1 TRACTOR 6110J (EDICION SUDAMERICANA) PC8538S (01-JUL-10) 20-43 PN=89
  • 92.
    20-44 MOTOR (4045TBM03) 5701 WATERPUMP INLET 5701 ENTREE DE POMPE A EAU 5701 WASSERPUMPEN-EINLASS 5701 INGRESSO DELLA POMPA DELL’ACQUA 5701 ENTRADA DA BOMBA DE AGUA 5701 ENTRADA DE BOMBA DE AGUA RE59313PCDD02 -UN-11JUN07 MOTOR POS. NO.PIEZA DESCRIPCION CANT NUM. SERIE NOTAS 1 19M7867 TORNILLO 2 M8 X 25 2 R121634 CARCASA 1 3 R89944 ANILLO TORICO 1 20-44 TRACTOR 6110J (EDICION SUDAMERICANA) PC8538S (01-JUL-10) PN=90
  • 93.
    20-45 MOTOR (4045TBM03) 5903 OILCOOLER 5903 REFROIDISSEUR D’HUILE 5903 OELKUEHLER 5903 RADIATORE DELL’OLIO 5903 RADIADOR DE OLEO 5903 REFRIGERADOR DE ACEITE RE59756PCDD02 -UN-25APR08 MOTOR POS. NO.PIEZA DESCRIPCION CANT NUM. SERIE NOTAS 1 RE67231 TORNILLO 6 (A) M6 X 16 2 RE59298 REFRIGERADOR DE ACEITE 1 (B) 3 T122075 ANILLO TORICO 2 29.820 X 2.616 MM 4 R123501 JUNTA 1 5 R123471 CARCASA 1 6 RE508599 RACOR ADAPTADOR 1 7 R501428 JUNTA 1 8 R504734 ANILLO TORICO 1 37.694 X 3.531 MM 9 ........ RACOR ADAPTADOR 1 NSEP (MARKED R502811) (ORDER RE508599) 10 19M7802 TORNILLO 2 M8 X 65 11 19M7970 TORNILLO 2 M8 X 100 12 RE67238 TORNILLO 1 (A) M8 X 20 13 RE46686 TAPON HERMETICO 1 14 51M7040 ANILLO TORICO 1 9.300 X 2.200 MM 15 RE46685 TAPON HERMETICO 1 16 51M7043 ANILLO TORICO 1 15.300 X 2.200 MM (A) THREADS WITH PRE-APPLIED SEALANT (B) 9 PLATES FILETS ENDUITS DE PRODUIT D’ETANCHEITE 9 PLAQUES MIT DICHTMITTEL 9 PLATTEN CON MATERIALE DI TENUTA 9 PIASTRE ROSCAS REVESTIDAS COM SELANTE PRE-APLICADO 9 PLACAS CON SELLADOR 9 PLACAS TRACTOR 6110J (EDICION SUDAMERICANA) PC8538S (11-JAN-11) 20-45 PN=91
  • 94.
    20-46 MOTOR (4045TBM03) 65WW TURBOCHARGER 65WWTURBOCOMPRESSEUR 65WW TURBOLADER 65WW TURBO-SOVRALIMENTATORE 65WW TURBOCOMPRESSOR 65WW TURBOCARGADOR RE540139PCDA01 -UN-18MAR10 ESTA RELACION DE PIE 20-46 TRACTOR 6110J (EDICION SUDAMERICANA) PC8538S (01-JUL-10) PN=92
  • 95.
    20-47 MOTOR (4045TBM03) MOTOR POS. NO.PIEZADESCRIPCION CANT NUM. SERIE NOTAS 1 M87733 RACOR ADAPTADOR 1 2 R63548 ANILLO TORICO 1 3 RE506261 TURBOCARGADOR 1 SE502472 TURBOCOMPRESOR REMAN 1 (REMAN FOR RE506261) 4 R92097 JUNTA 1 5 R105346 JUNTA 1 6 19M7866 TORNILLO 2 M8 X 20 7 RE501592 TUBERIA DE ACEITE 1 8 AR21839 ABRAZADERA 2 9 R104536 MANGUERA 1 10 RE54885 CONEXION DE MANGUERA 1 11 RE500026 RACOR ADAPTADOR 1 12 R63548 ANILLO TORICO 1 13 51M7045 ANILLO TORICO 1 14 19M7785 TORNILLO 2 M10 X 25 15 RE527289 MANGUERA 1 TRACTOR 6110J (EDICION SUDAMERICANA) PC8538S (01-JUL-10) 20-47 PN=93
  • 96.
    20-48 MOTOR (4045TBM03) 6606 TEMPERATURESWITCH 6606 CONTACTEUR DE TEMPERATURE 6606 TEMPERATURSCHALTER 6606 INTERRUTTORE DI TEMPERATURA 6606 TERMOSTATO 6606 INTERRUPTOR DE TEMPERATURA RE501099PCDD01 -UN-25AUG08 MOTOR POS. NO.PIEZA DESCRIPCION CANT NUM. SERIE NOTAS 1 RE500844 SENSOR 1 2 R26448 ANILLO TORICO 1 3 15H584 TAPON ROSCADO 1 1/2" 20-48 TRACTOR 6110J (EDICION SUDAMERICANA) PC8538S (01-JUL-10) PN=94
  • 97.
    20-49 MOTOR (4045TBM03) 6701 SENSORS 6701CAPTEURS 6701 SENSOREN 6701 SENSORI 6701 SENSORES 6701 SENSORES RE59977PCDD01 -UN-16AUG07 MOTOR POS. NO.PIEZA DESCRIPCION CANT NUM. SERIE NOTAS 1 RE519144 SENSOR 1 2 51M7044 ANILLO TORICO 1 TRACTOR 6110J (EDICION SUDAMERICANA) PC8538S (11-JAN-11) 20-49 PN=95
  • 98.
    20-50 MOTOR (4045TBM03) 7643 OILPRESSURE SWITCH 7643 MANOCONTACT DE PRESSION D’HUILE 7643 OELDRUCKSCHALTER 7643 MANOCONTATTO DEL OLIO 7643 PRESSOSTATO DE OLEO 7643 INTERRUPTOR DE PRESION DE ACEITE RE542211PCDA02 -UN-29SEP09 MOTOR POS. NO.PIEZA DESCRIPCION CANT NUM. SERIE NOTAS 1 AT85174 INTERRUPTOR 1 20-50 TRACTOR 6110J (EDICION SUDAMERICANA) PC8538S (01-JUL-10) PN=96
  • 99.
    20-51 MOTOR (4045TBM03) 8733 BELTTENSIONER 8733 TENDEUR DE LA COURROIE D’ENTRAINEMENT 8733 ANTRIEBSRIEMENSPANNER 8733 TENDICINGHIA 8733 TENSOR DA CORREIA 8733 ENSOR DE LA CORREA DE TRANSMISION RE540151PCDA01 -UN-16NOV09 MOTOR POS. NO.PIEZA DESCRIPCION CANT NUM. SERIE NOTAS 1 19M7835 TORNILLO 3 M10 X 35 2 AL156090 TENSOR 1 3 AL157593 RUEDA LOCA 1 4 L112545 TORNILLO 1 5 L154170 TAPA 1 TRACTOR 6110J (EDICION SUDAMERICANA) PC8538S (01-JUL-10) 20-51 PN=97
  • 100.
    20-52 MOTOR (4045TBM03) 8801 OILFILTER 8801 FILTRE A HUILE 8801 OELFILTER 8801 FILTRO OLIO 8801 FILTRO DO OLEO 8801 FILTRO DE ACEITE RE59753PCDD04 -UN-29MAR10 ESTA RELACION DE PIE 20-52 TRACTOR 6110J (EDICION SUDAMERICANA) PC8538S (01-JUL-10) PN=98
  • 101.
    20-53 MOTOR (4045TBM03) MOTOR POS. NO.PIEZADESCRIPCION CANT NUM. SERIE NOTAS 1 RE52242 TAPON DE VACIADO 1 2 51M7042 ANILLO TORICO 1 3 RE505232 TAPON HERMETICO 2 (INCLUSIVE R116115 Y 51M7045) 4 R116115 CONEXION 1 5 51M7045 ANILLO TORICO 1 6 RE503727 CABEZA DE FILTRO 1 7 RE500133 ADAPTADOR 1 (INCLUSIVE (2) RE505232) 8 19M7784 TORNILLO 2 M10 X 20 9 RE59754 FILTRO DE ACEITE 1 10 RE520368 SEMIABRAZADERA 2 (INCLUSIVE (5) 19M8618) 11 RE519740 TUBO 1 (INCLUSIVE (2) R518507) 12 R518507 ANILLO TORICO 4 13 RE519741 TUBO 1 (INCLUSIVE (2) R518507) 14 19M8618 TORNILLO 1 M6 X 12 15 R502864 JUNTA 1 16 R501436 RACOR ADAPTADOR 1 17 RE67238 TORNILLO 1 (A) 18 19M7913 TORNILLO 2 M8 X 90 19 19M7802 TORNILLO 3 M8 X 65 (A) WITH PRE-APPLIED SEALANT FILETS ENDUITS DE PRODUIT D’ETANCHEITE MIT DICHTMITTEL CON MATERIALE DI TENUTA COM PRE APLICACAO DE VEDANTE CON SELLADOR TRACTOR 6110J (EDICION SUDAMERICANA) PC8538S (11-JAN-11) 20-53 PN=99
  • 102.
    20-54 MOTOR (4045TBM03) 9838 LIFTSTRAPS 9838 OEILLETS DE LEVAGE 9838 AUFHAENGEOESEN 9838 PIASTRINE DI SOLLEVAMENTO 9838 CINTAS DE ELEVACAO 9838 CINTAS DE ELEVACION RE540160PCDB01 -UN-25MAR10 MOTOR POS. NO.PIEZA DESCRIPCION CANT NUM. SERIE NOTAS 1 ........ GRILLETE 1 2 19M7788 TORNILLO 1 M12 X 25 3 R516215 TIRA 1 4 ........ TORNILLO 1 20-54 TRACTOR 6110J (EDICION SUDAMERICANA) PC8538S (01-JUL-10) PN=100
  • 103.
    30-A01 COMPONENTES AUXILIARES DELMOTOR, DEPOSITO, SISTEMA DE ADMISION SECTIONAL INDEX INDEX DE SECTION GRUPPENINDEX INDICE DELLA SEZIONE INDICE DE GRUPO INDICE DE GRUPOS PUBM1432 -UN-28JUN10 1- 1 2- 2 3- 4 4- 6 5- 8 6- 10 8- 14 9- 16 21- 36 TRACTOR 6110J (EDICION SUDAMERICANA) PC8538S (01-JUL-10) 30-A01 PN=101
  • 104.
    30-A02 COMPONENTES AUXILIARES DELMOTOR, DEPOSITO, SISTEMA DE ADMISION SECTIONAL INDEX INDEX DE SECTION GRUPPENINDEX INDICE DELLA SEZIONE INDICE DE GRUPO INDICE DE GRUPOS PUBM1433 -UN-28JUN10 7- 12 10- 18 11- 20 12- 22 13- 24 14- 26 15- 28 16- 29 17- 30 18- 32 19- 33 20- 34 30-A02 TRACTOR 6110J (EDICION SUDAMERICANA) PC8538S (01-JUL-10) PN=102
  • 105.
    30-1 COMPONENTES AUXILIARES DELMOTOR, DEPOSITO, SISTEMA DE ADMISION FAN CONSOLE AND ATTACHING PARTS CONSOLE VENTILATEUR ET ELEMENTS DE FIXATION LUEFTERKONSOLE UND ANBAUTEILE CONSOLE PER VENTOLA E PARTI DI FISSAGGIO CONSOLE DO VENTILADOR E PECAS DE MONTAGEM CONSOLA DEL VENTILADOR Y PIEZAS DE MONTAJE LX018264 -UN-23MAR98 6 1 1 0 POS. NO.PIEZA DESCRIPCION CANT NUM. SERIE J NOTAS 1 19M7166 TORNILLO 2 X M10 X 20 2 L111120 ANGULO 1 X 3 19M7408 TORNILLO 2 X M10 X 90 4 19M7268 TORNILLO 2 X M12 X 25 5 L111857 RETENEDOR 1 X 6 L111294 SOPORTE 1 X 7 19M7168 TORNILLO 4 X M10 X 30 8 JD10058 RODAMIENTO DE BOLAS 1 X 9 40M1863 ANILLO ELASTICO 1 X 10 L110777 CUBO 4 X 11 42M7058 ESPARRAGO 1 X TRACTOR 6110J (EDICION SUDAMERICANA) PC8538S (01-JUL-10) 30-1 PN=103
  • 106.
    30-2 COMPONENTES AUXILIARES DELMOTOR, DEPOSITO, SISTEMA DE ADMISION ENGINE FRONT BRACKETS SUPPORTS AVANT MOTEUR MOTORKONSOLE, VORN STAFFA DEL MOTORE, ANTERIORE SUPORTE FRONTAL DO MOTOR SOPORTE DEL MOTOR, FRENTE CD41813A -UN-22MAY01 6 1 1 MOTOR 0 POS. NO.PIEZA DESCRIPCION CANT NUM. SERIE J NOTAS 1 19M7793 TORNILLO 4 X M16 X 40 2 RE522530 SOPORTE 1 X RH 3 RE522531 SOPORTE 1 X LH 30-2 TRACTOR 6110J (EDICION SUDAMERICANA) PC8538S (01-JUL-10) PN=104
  • 107.
    30-3 COMPONENTES AUXILIARES DELMOTOR, DEPOSITO, SISTEMA DE ADMISION MEMORANDA MEMORANDA MEMORANDA MEMORANDA MEMORANDA MEMORANDA TRACTOR 6110J (EDICION SUDAMERICANA) PC8538S (01-JUL-10) 30-3 PN=105
  • 108.
    30-4 COMPONENTES AUXILIARES DELMOTOR, DEPOSITO, SISTEMA DE ADMISION PULLEY AND FAN POULIE ET VENTILATEUR RILLENSCHEIBE UND LUEFTER PULEGGIA E VENTOLA POLIA DO VENTILADOR POLEA ACANALADA Y VENTILADOR CQ155780 -UN-27JUL04 ESTA RELACION DE PIE 30-4 TRACTOR 6110J (EDICION SUDAMERICANA) PC8538S (01-JUL-10) PN=106
  • 109.
    30-5 COMPONENTES AUXILIARES DELMOTOR, DEPOSITO, SISTEMA DE ADMISION 6 1 1 0 POS. NO.PIEZA DESCRIPCION CANT NUM. SERIE J NOTAS 1 42M7058 ESPARRAGO 4 X 2 R128661 POLEA 1 X (A) OD 183.5MM R128660 POLEA 1 X (B) OD 168MM 3 L79028 VENTILADOR 1 X 4 L205138 ESPACIADOR 1 X 5 14M7274 TUERCA 4 X M10 6 19M7162 TORNILLO 6 X (A) WITHOUT CAB (B) WITH CAB SANS CABINE AVEC CABINE OHNE KABINE MIT KABINE SENZA CABINA CON CABINA SEM CABINE COM CABINE SIN CABINA CON CABINA TRACTOR 6110J (EDICION SUDAMERICANA) PC8538S (01-JUL-10) 30-5 PN=107
  • 110.
    30-6 COMPONENTES AUXILIARES DELMOTOR, DEPOSITO, SISTEMA DE ADMISION ENGINE SUSPENSION SUSPENSION DU MOTEUR MOTORAUFHAENGUNG SOSPENSIONI MOTORE SUSPENSAO DO MOTOR SUSPENSION DEL MOTOR LX024522 -UN-05APR01 ESTA RELACION DE PIE 30-6 TRACTOR 6110J (EDICION SUDAMERICANA) PC8538S (01-JUL-10) PN=108
  • 111.
    30-7 COMPONENTES AUXILIARES DELMOTOR, DEPOSITO, SISTEMA DE ADMISION 6 1 1 0 POS. NO.PIEZA DESCRIPCION CANT NUM. SERIE J NOTAS 1 L155927 ESPARRAGO 2 X 2 T62323 ARANDELA 4 X 3 AL161468 AISLANTE 4 X 4 L156986 RETENEDOR REDONDO 4 X 5 AL154541 ANGULO 2 X 6 14M7319 TUERCA DE SEGURIDAD 2 X M12 7 19M7496 TORNILLO 4 X M12 X 45 8 19M7364 TORNILLO 2 X M12 X 80 TRACTOR 6110J (EDICION SUDAMERICANA) PC8538S (01-JUL-10) 30-7 PN=109
  • 112.
    30-8 COMPONENTES AUXILIARES DELMOTOR, DEPOSITO, SISTEMA DE ADMISION DRIVE BELT COURROIE D’ENTRAINEMENT ANTRIEBSRIEMEN CINGHIA DI COMANDO CORREIA DO MOTOR CORREA DE TRANSMISION CQ155628 -UN-14DEC04 6 1 1 0 POS. NO.PIEZA DESCRIPCION CANT NUM. SERIE J NOTAS 1 CQ51921 CORREA TRAPEZOIDAL 1 X (A) LGTH 1910MM 2 CQ58873 CORREA PLANA 1 X (B) LGTH 2455MM (A) WITHOUT CAB (B) WITH CAB SANS CABINE AVEC CABINE OHNE KABINE MIT KABINE SENZA CABINA CON CABINA SEM CABINE COM CABINE SIN CABINA CON CABINA 30-8 TRACTOR 6110J (EDICION SUDAMERICANA) PC8538S (01-JUL-10) PN=110
  • 113.
    30-9 COMPONENTES AUXILIARES DELMOTOR, DEPOSITO, SISTEMA DE ADMISION MEMORANDA MEMORANDA MEMORANDA MEMORANDA MEMORANDA MEMORANDA TRACTOR 6110J (EDICION SUDAMERICANA) PC8538S (01-JUL-10) 30-9 PN=111
  • 114.
    30-10 COMPONENTES AUXILIARES DELMOTOR, DEPOSITO, SISTEMA DE ADMISION RADIATOR / FAN SHROUD / COOLANT HOSES RADIATEUR / CAPOTAGE DU VENTILATEUR / CONDUITES DE LIQUIDE DE REFROIDISSEMENT KUEHLER / LUEFTERHAUBE / KUEHLMITTELSCHLAEUCHE RADIATORE / PROTEZIONE VENTILATORE / TUBI LIQUIDO REFRIGERANTE RADIADOR / PROTECAO DA HELICE / MANGUEIRAS DE REFRIGERACAO RADIADOR / CARENADO DEL VENTILADOR / MANGUERAS DE LIQUIDO REFRIGERANTE PUBM1363 -UN-28JUN10 ESTA RELACION DE PIE 30-10 TRACTOR 6110J (EDICION SUDAMERICANA) PC8538S (01-JUL-10) PN=112
  • 115.
    30-11 COMPONENTES AUXILIARES DELMOTOR, DEPOSITO, SISTEMA DE ADMISION 6 1 1 0 POS. NO.PIEZA DESCRIPCION CANT NUM. SERIE J NOTAS 1 L158231 CORAZA 1 X 2 19M7162 TORNILLO 4 X M8 X 16 3 24M7055 ARANDELA 4 X 8.400 X 16 X 1.600 MM 4 L166315 MANGUERA 4 X 5 AR21837 ABRAZADERA 2 X 6 L158232 MANGUERA 1 X 7 L166630 MANGUERA 1 X 8 L158289 BANDA DE GUARNICION 1 X 9 AL203689 CABEZA DEL RADIADOR 1 X 10 AL201724 RADIADOR 1 X 11 L158229 MANGUERA 1 X 12 AL37489 ABRAZADERA 2 X 13 L158251 ANGULO 2 X 14 MN10393 ABRAZADERA PARA MANGUERAS 4 X 15 24M7139 ARANDELA 4 X 6.400 X 18 X 1.600 MM 16 19M7560 TORNILLO 4 X M6 X 16 17 L79057 TORNILLO DE MARIPOSA 4 X 18 L78871 AISLANTE 4 X 19 L168269 MANGUERA 1 X 20 L158241 AISLANTE 2 X 21 AL162698 TAPADERA 1 X 22 14M7136 TUERCA 2 X M6 23 L158252 APOYO 1 X 24 L158306 AISLANTE 2 X 25 CQ62312 AISLANTE 1 X 26 AL201723 RADIADOR 1 X 27 CQ28556 ABRAZADERA 1 X .. CQ38349 REFRIGERANTE 1 X TRACTOR 6110J (EDICION SUDAMERICANA) PC8538S (01-JUL-10) 30-11 PN=113
  • 116.
    30-12 COMPONENTES AUXILIARES DELMOTOR, DEPOSITO, SISTEMA DE ADMISION HEATING - LINES CONNECTIONS AT ENGINE RACCORDS DE CONDUITES DE CHAUFFAGE SUR MOTEUR HEIZUNG - LEITUNGSANSCHLUESSE MOTOR RISCALDAMENTO - CONNETTORI TUBI A MOTORE LINHAS DE CALEFACAO RACORES DE CONDUCTOS DE LA CALEFACCION DEL MOTOR CQ155788 -UN-27JUL04 ESTA RELACION DE PIE 30-12 TRACTOR 6110J (EDICION SUDAMERICANA) PC8538S (01-JUL-10) PN=114
  • 117.
    30-13 COMPONENTES AUXILIARES DELMOTOR, DEPOSITO, SISTEMA DE ADMISION 6 1 1 0 POS. NO.PIEZA DESCRIPCION CANT NUM. SERIE J NOTAS 1 L155376 CONEXION 1 X 2 AL118565 ABRAZADERA 4 X 3 51M7043 ANILLO TORICO 2 X 4 AL116423 CONEXION 1 X 5 CQ43598 MANGUERA 1 X 6 CQ52174 MANGUERA 1 X TRACTOR 6110J (EDICION SUDAMERICANA) PC8538S (01-JUL-10) 30-13 PN=115
  • 118.
    30-14 COMPONENTES AUXILIARES DELMOTOR, DEPOSITO, SISTEMA DE ADMISION OIL COOLER (OPEN OPERATOR’S STATION) REFROIDISSEUR D’HUILE (SANS CABINE) OELKUEHLER (OFFENE FAHRERPLATTFORM) RADIATORE DELL’OLIO (STAZIONE OPERATORE APERTA) RESFRIADOR DE OLEO (SEM CABINE) REFRIGERADOR DE ACEITE (PLATAF. ABIERTA) CQ302838 -UN-09APR08 ESTA RELACION DE PIE 30-14 TRACTOR 6110J (EDICION SUDAMERICANA) PC8538S (01-JUL-10) PN=116
  • 119.
    30-15 COMPONENTES AUXILIARES DELMOTOR, DEPOSITO, SISTEMA DE ADMISION 6 1 1 0 POS. NO.PIEZA DESCRIPCION CANT NUM. SERIE J NOTAS 1 19M7162 TORNILLO AR X M8 X 16 2 24M7055 ARANDELA AR X 8.400 X 16 X 1.600 MM 3 L168286 SOPORTE 1 X 4 L158235 BANDA DE GUARNICION 1 X 5 L165282 BANDA DE GUARNICION 1 X 6 14M7272 TUERCA AR X M6 7 24M7088 ARANDELA AR X 6.600 X 12 X 1.600 MM 8 19M7077 TORNILLO AR X M6 X 20 9 L159013 BANDA DE GUARNICION 1 X 10 AL172765 REFRIGERADOR DE ACEITE 1 X 11 Z35271 CASQUILLO 2 X 12 DQ52819 MALLA 1 X 13 DQ52819 MALLA 2 X 14 19M7297 TORNILLO 4 X M8 X 12 15 AL168815 APOYO 1 X 16 14M7029 TUERCA 4 X M8 17 19M7139 TORNILLO 4 X M8 X 20 TRACTOR 6110J (EDICION SUDAMERICANA) PC8538S (01-JUL-10) 30-15 PN=117
  • 120.
    30-16 COMPONENTES AUXILIARES DELMOTOR, DEPOSITO, SISTEMA DE ADMISION OIL COOLER (CAB) REFROIDISSEUR D’HUILE (CABINE) OELKUEHLER (KABINE) SCAMBIATORE DI CALORE OLIO (CABINA) RESFRIADOR DE OLEO (CABINE) ENFRIADOR DE ACEITE (CABINA) CQ155787 -UN-27JUL04 6 1 1 0 POS. NO.PIEZA DESCRIPCION CANT NUM. SERIE J NOTAS 1 AL168814 REFRIGERADOR DE ACEITE 1 X 2 DQ52819 MALLA 2 X 3 AL163684 MALLA 1 X 4 AL162696 SOPORTE 1 X 5 AL168815 APOYO 1 X 6 Z35271 CASQUILLO 2 X 7 19M7139 TORNILLO 4 X M8 X 20 8 24M7055 ARANDELA AR X 8.400 X 16 X 1.600 MM 9 14M7029 TUERCA 4 X M8 10 19M7297 TORNILLO 2 X M8 X 12 11 L168286 SOPORTE 1 X 12 L159013 BANDA DE GUARNICION 1 X 13 L165281 BANDA DE GUARNICION 1 X 14 L158239 SOPORTE 1 X 15 L158240 BANDA DE GUARNICION 1 X 16 19M7077 TORNILLO AR X M6 X 20 17 24M7088 ARANDELA AR X 6.600 X 12 X 1.600 MM 18 14M7272 TUERCA AR X M6 19 19M7162 TORNILLO AR X M8 X 16 30-16 TRACTOR 6110J (EDICION SUDAMERICANA) PC8538S (01-JUL-10) PN=118
  • 121.
    30-17 COMPONENTES AUXILIARES DELMOTOR, DEPOSITO, SISTEMA DE ADMISION MEMORANDA MEMORANDA MEMORANDA MEMORANDA MEMORANDA MEMORANDA TRACTOR 6110J (EDICION SUDAMERICANA) PC8538S (01-JUL-10) 30-17 PN=119
  • 122.
    30-18 COMPONENTES AUXILIARES DELMOTOR, DEPOSITO, SISTEMA DE ADMISION AIR CLEANER FILTRE A AIR LUFTFILTER FILTRO ARIA FILTRO DE AR FILTRO DE AIRE CQ302431 -UN-17MAR08 ESTA RELACION DE PIE 30-18 TRACTOR 6110J (EDICION SUDAMERICANA) PC8538S (01-JUL-10) PN=120
  • 123.
    30-19 COMPONENTES AUXILIARES DELMOTOR, DEPOSITO, SISTEMA DE ADMISION 6 1 1 0 POS. NO.PIEZA DESCRIPCION CANT NUM. SERIE J NOTAS 1 AL156263 FILTRO DE AIRE 1 X 2 L158246 MANGUERA 1 X LGTH 730MM 3 L172906 MANGUITO 1 X 4 AL150289 MANOCONTACTO 1 X 5 AL150287 DEFLECTOR 1 X 6 AL172780 FILTRO DE AIRE 1 X 7 AL150288 FILTRO DE AIRE 1 X 8 L151979 MANGO 1 X 9 AL150286 CABEZA DE FILTRO 1 X 10 SG01001 ABRAZADERA 2 X 11 L168846 MANGUERA 3 X TRACTOR 6110J (EDICION SUDAMERICANA) PC8538S (01-JUL-10) 30-19 PN=121
  • 124.
    30-20 COMPONENTES AUXILIARES DELMOTOR, DEPOSITO, SISTEMA DE ADMISION OIL COOLER (LINES) (SYNCROPLUS) REFROIDISSEUR D’HUILE (CONDUITES) (SYNCROPLUS) OELKUEHLER (LEITUNGEN) (SYNCROPLUS) RADIATORE OLIO (TUBAZIONI) (SYNCROPLUS) RESFRIADOR DE OLEO (LINHAS) (SYNCROPLUS) ENFRIADOR DE ACEITE (TUBERIAS) (SYNCROPLUS) CQ300787 -UN-13MAR07 ESTA RELACION DE PIE 30-20 TRACTOR 6110J (EDICION SUDAMERICANA) PC8538S (01-JUL-10) PN=122
  • 125.
    30-21 COMPONENTES AUXILIARES DELMOTOR, DEPOSITO, SISTEMA DE ADMISION 6 1 1 0 POS. NO.PIEZA DESCRIPCION CANT NUM. SERIE J NOTAS 1 61M5005 RACOR ADAPTADOR 1 X INCL KEYS 2 AND 3 2 51M7047 ANILLO TORICO 2 X 3 T77858 ANILLO TORICO 4 X 4 AL164935 MANGUERA HIDRAULICA 1 X 5 AL164934 MANGUERA HIDRAULICA 1 X (A) AL168817 MANGUERA 1 X (B) 6 L169208 SOPORTE DE MANGUERA 1 X 7 AL171782 SOPORTE DE MANGUERA 1 X 8 L159016 ABRAZADERA AR X 9 19M7166 TORNILLO AR X M10 X 20 10 24M7028 ARANDELA AR X 10.500 X 20 X 2 MM 11 14M7140 TUERCA AR X M10 12 24M7026 ARANDELA AR X 9 X 17 X 1.600 MM 13 14M7029 TUERCA AR X M8 14 Z20701 ARANDELA 1 X 15 38H5019 RACOR ACODADO 1 X 16 L159011 ANGULO 1 X 17 19M7169 TORNILLO AR X M10 X 35 18 19M7984 TORNILLO AR X M10 X 12 (A) WITHOUT CAB (B) WITH CAB SANS CABINE AVEC CABINE OHNE KABINE MIT KABINE SENZA CABINA CON CABINA SEM CABINE COM CABINE SIN CABINA CON CABINA TRACTOR 6110J (EDICION SUDAMERICANA) PC8538S (01-JUL-10) 30-21 PN=123
  • 126.
    30-22 COMPONENTES AUXILIARES DELMOTOR, DEPOSITO, SISTEMA DE ADMISION OIL COOLER (LINES) (POWRQUAD) REFROIDISSEUR D’HUILE (CONDUITES) (POWRQUAD) OELKUEHLER (LEITUNGEN) (POWRQUAD) RADIATORE OLIO (TUBAZIONI) (POWRQUAD) RESFRIADOR DE OLEO (LINHAS) (POWRQUAD) ENFRIADOR DE ACEITE (TUBERIAS) (POWRQUAD) PUBM1378 -UN-29JUN10 ESTA RELACION DE PIE 30-22 TRACTOR 6110J (EDICION SUDAMERICANA) PC8538S (01-JUL-10) PN=124
  • 127.
    30-23 COMPONENTES AUXILIARES DELMOTOR, DEPOSITO, SISTEMA DE ADMISION 6 1 1 0 POS. NO.PIEZA DESCRIPCION CANT NUM. SERIE J NOTAS 1 61M5005 RACOR ADAPTADOR 2 X INCL KEYS 2 AND 3 2 51M7047 ANILLO TORICO 2 X 3 T77858 ANILLO TORICO 4 X 4 AL164931 MANGUERA HIDRAULICA 1 X DQ64100 MANGUERA HIDRAULICA 1 X (A) 5 AL164930 MANGUERA HIDRAULICA 1 X (B) AL168816 MANGUERA 1 X (C) DQ64099 MANGUERA HIDRAULICA 1 X (A) 6 L169208 SOPORTE DE MANGUERA 1 X 7 AL171782 SOPORTE DE MANGUERA 1 X 8 L159016 ABRAZADERA AR X 9 19M7166 TORNILLO AR X M10 X 20 10 24M7028 ARANDELA AR X 10.500 X 20 X 2 MM 11 14M7140 TUERCA AR X M10 12 24M7026 ARANDELA AR X 9 X 17 X 1.600 MM 13 14M7029 TUERCA AR X M8 14 Z20701 ARANDELA 1 X 15 L114178 ABRAZADERA 1 X 16 19M7984 TORNILLO 2 X M10 X 12 17 19M7169 TORNILLO AR X M10 X 35 (A) WITH CREEPER TRANSMISSION (B) WITHOUT CAB (C) WITH CAB AVEC REDUCTEUR GAMME RAMPANT SANS CABINE AVEC CABINE BEI KRIECHGANGGETRIEBE OHNE KABINE MIT KABINE CON SUPERRIDUTTORE SENZA CABINA CON CABINA COM CREEPER SEM CABINE COM CABINE CON TRANSMISION LENTA SIN CABINA CON CABINA TRACTOR 6110J (EDICION SUDAMERICANA) PC8538S (01-JUL-10) 30-23 PN=125
  • 128.
    30-24 COMPONENTES AUXILIARES DELMOTOR, DEPOSITO, SISTEMA DE ADMISION BRACKETS, FUEL TANK RESERVOIR A COMBUSTIBLE, SUPPORTS HALTERUNGEN, KRAFTSTOFFTANK SUPPORTI PER SERBATOIO COMBUSTIBILE SUPORTE DO TANQUE DE COMBUSTIVEL SOPORTES, DEPOSITO DE COMBUSTIBLE CQ155900 -UN-17SEP04 6 1 1 0 POS. NO.PIEZA DESCRIPCION CANT NUM. SERIE J NOTAS 1 DQ55333 CINTA 1 X FRONT 2 P60213 APOYO 1 X 3 24M7047 ARANDELA 4 X 13 X 24 X 2.500 MM 4 19M7387 TORNILLO AR X M12 X 40 5 CQ63798 PORTADOR 1 X 6 19M7496 TORNILLO AR X M12 X 45 7 19M8049 TORNILLO 2 X M10 X 80 8 AP32897 PLETINA DE AJUSTE 1 X 9 CQ47036 SOPORTE 1 X 30-24 TRACTOR 6110J (EDICION SUDAMERICANA) PC8538S (01-JUL-10) PN=126
  • 129.
    30-25 COMPONENTES AUXILIARES DELMOTOR, DEPOSITO, SISTEMA DE ADMISION MEMORANDA MEMORANDA MEMORANDA MEMORANDA MEMORANDA MEMORANDA TRACTOR 6110J (EDICION SUDAMERICANA) PC8538S (01-JUL-10) 30-25 PN=127
  • 130.
    30-26 COMPONENTES AUXILIARES DELMOTOR, DEPOSITO, SISTEMA DE ADMISION FUEL TANK RESERVOIR A COMBUSTIBLE KRAFTSTOFFTANK SERBATOIO COMBUSTIBILE TANQUE DE COMBUSTIVEL DEPOSITO DE COMBUSTIBLE CQ156521 -UN-05DEC05 ESTA RELACION DE PIE 30-26 TRACTOR 6110J (EDICION SUDAMERICANA) PC8538S (01-JUL-10) PN=128
  • 131.
    30-27 COMPONENTES AUXILIARES DELMOTOR, DEPOSITO, SISTEMA DE ADMISION 6 1 1 0 POS. NO.PIEZA DESCRIPCION CANT NUM. SERIE J NOTAS 1 MN10299 TANQUE DE COMBUSTIBLE 1 X 154L INCL KEY 10 2 AL113086 TAPON DE LLENADO 1 X 3 SG01301 ABRAZADERA 1 X 4 CQ34351 TAPON 1 X 5 AL161024 AFORADOR DE COMBUSTIBLE 1 X 6 CQ29104 FILTRO 1 X 7 CQ65301 BRIDA 1 X 8 CQ55032 MANGUERA 1 X 9 21M7296 TORNILLO 4 X M6 X 20 10 L2646N TAPON ROSCADO 1 X 11 24M7139 ARANDELA 1 X 12 R217636 ANILLO TORICO 1 X 13 SG06401 ABRAZADERA 4 X 14 MN10416 MANGUERA 1 X TRACTOR 6110J (EDICION SUDAMERICANA) PC8538S (01-JUL-10) 30-27 PN=129
  • 132.
    30-28 COMPONENTES AUXILIARES DELMOTOR, DEPOSITO, SISTEMA DE ADMISION FUEL TANK PROTECTION RESERVOIR A COMBUSTIBLE, SUPPORTS HALTERUNGEN, KRAFTSTOFFTANK SUPPORTI PER SERBATOIO COMBUSTIBILE PROTECAO DO TANQUE DE COMBUSTIVEL PROTECION DEPOSITO DE COMBUSTIBLE CQ157587 -UN-15MAR06 6 1 1 0 POS. NO.PIEZA DESCRIPCION CANT NUM. SERIE J NOTAS 1 DQ63790 PROTECCION 1 X 2 19M7487 TORNILLO 2 X M20 X 50 3 24M7051 ARANDELA 2 X 21 X 37 X 3 MM 4 14M7144 TUERCA 2 X M20 5 DQ41499 SOPORTE 1 X 6 DQ41285 SOPORTE 1 X 7 19M7496 TORNILLO AR X M12 X 45 8 19M7285 TORNILLO AR X M12 X 30 9 CQ38916 ESPACIADOR 1 X 10 12M7067 ARANDELA DE SEGURIDAD AR X 12 MM 11 DQ63793 PROTECCION 1 X 12 12M7070 ARANDELA DE SEGURIDAD 2 X 20 MM 13 19M7330 TORNILLO 1 X M12 X 55 30-28 TRACTOR 6110J (EDICION SUDAMERICANA) PC8538S (01-JUL-10) PN=130
  • 133.
    30-29 COMPONENTES AUXILIARES DELMOTOR, DEPOSITO, SISTEMA DE ADMISION PRIMARY FUEL FILTER FILTRE A COMBUSTIBLE PRIMAIRE KRAFTSTOFFVORFILTER FILTRO PRIMARIO DEL COMBUSTIBILE PRE FILTRO DE COMBUSTIVEL FILTRO PRIMARIO DE COMBUSTIBLE CQ301753 -UN-26JUL07 6 1 1 0 POS. NO.PIEZA DESCRIPCION CANT NUM. SERIE J NOTAS 1 DQ72620 FILTRO 1 X 2 DQ24057 FILTRO DE COMBUSTIBLE 1 X 3 DQ39530 TAZA 1 X 4 DQ72612 TAPON 1 X 5 ........ POSREFRIGERADOR 1 X (ORD DQ72620) 6 DQ25143 TAPON 1 X 7 DQ32910 TAPON ROSCADO 1 X 8 19M7167 TORNILLO 2 X M10 X 25 9 24M7040 ARANDELA 2 X 11 X 20 X 2 MM 10 12M7066 ARANDELA DE SEGURIDAD 2 X 10 MM 11 14M7140 TUERCA 2 X M10 TRACTOR 6110J (EDICION SUDAMERICANA) PC8538S (01-JUL-10) 30-29 PN=131
  • 134.
    30-30 COMPONENTES AUXILIARES DELMOTOR, DEPOSITO, SISTEMA DE ADMISION FUEL HOSES FLEXIBLES DE COMBUSTIBLE KRAFTSTOFFSCHLAEUCHE TUBI FLESSIBILI COMBUSTIBILE MANGUEIRAS DE COMBUSTIVEL MANGUERAS DE COMBUSTIBLE CQ156975 -UN-05DEC05 ESTA RELACION DE PIE 30-30 TRACTOR 6110J (EDICION SUDAMERICANA) PC8538S (01-JUL-10) PN=132
  • 135.
    30-31 COMPONENTES AUXILIARES DELMOTOR, DEPOSITO, SISTEMA DE ADMISION 6 1 1 0 POS. NO.PIEZA DESCRIPCION CANT NUM. SERIE J NOTAS 1 CQ29143 TORNILLO HUECO 2 X 2 S17072 ARANDELA 4 X 3 CQ55032 MANGUERA 1 X 4 SG06401 ABRAZADERA 6 X 5 CQ55029 MANGUERA 1 X 6 CQ08038 CONEXION DE MANGUERA 2 X 7 MN10416 MANGUERA 1 X 8 CQ29167 MANGUERA 1 X 9 AL158889 PROTECCION DE MANGUERA 1 X 10 AH78125 ABRAZADERA 1 X 11 24M7055 ARANDELA AR X 8.400 X 16 X 1.600 MM 12 19M7865 TORNILLO AR X M8 X 16 13 14M7029 TUERCA AR X M8 TRACTOR 6110J (EDICION SUDAMERICANA) PC8538S (01-JUL-10) 30-31 PN=133
  • 136.
    30-32 COMPONENTES AUXILIARES DELMOTOR, DEPOSITO, SISTEMA DE ADMISION MOUNTING PARTS, SPEED CONTROL (FLAT FLOOR CAB) REGLAGE DU REGIME - ELEMENTS DE FIXATION (CABINE A PLANCHER PLAT) ANBAUTEILE, DREHZAHLVERSTELLUNG (KABINE MIT EBENEM BODEN) PARTI DI MONTAGGIO, COMANDO VELOCITA (CABINA CON PAVIMENTO PIANO) VARETA DO ACELERADOR PIEZAS DE MONTAJE, VARILLAJE DE MANDO DEL ACELERADOR (CAB. CON SUELO PLANO) LX017931 -UN-30JAN98 6 1 1 0 POS. NO.PIEZA DESCRIPCION CANT NUM. SERIE J NOTAS 1 AL163686 VASTAGO 1 X 2 T22242 ESLABON GIRATORIO 1 X 3 11M7009 PASADOR DE ALETAS 1 X 4 14M7272 TUERCA 3 X M6 5 56M7009 CABEZA DE ARTICUL.ESFERICA 1 X 6 24M7088 ARANDELA 4 X 30-32 TRACTOR 6110J (EDICION SUDAMERICANA) PC8538S (01-JUL-10) PN=134
  • 137.
    30-33 COMPONENTES AUXILIARES DELMOTOR, DEPOSITO, SISTEMA DE ADMISION AIR INTAKE HOSE CONDUITE D’ADMISSION D’AIR LUFTANSAUGSCHLAUCH TUBO INGRESSO ARIA MANGUEIRA DE ADMISSAO DE AR MANGUERA DE ADMISION DE AIRE CQ155797 -UN-30JUL04 6 1 1 0 POS. NO.PIEZA DESCRIPCION CANT NUM. SERIE J NOTAS 1 AL150169 ABRAZADERA PARA MANGUERAS 1 X 2 L202660 MANGUERA 1 X 3 AL112933 ABRAZADERA 1 X TRACTOR 6110J (EDICION SUDAMERICANA) PC8538S (01-JUL-10) 30-33 PN=135
  • 138.
    30-34 COMPONENTES AUXILIARES DELMOTOR, DEPOSITO, SISTEMA DE ADMISION MUFFLER SILENCIEUX SCHALLDAEMPFER SILENZIATORE SILENCIADOR SILENCIADOR LX024542 -UN-12MAR01 ESTA RELACION DE PIE 30-34 TRACTOR 6110J (EDICION SUDAMERICANA) PC8538S (01-JUL-10) PN=136
  • 139.
    30-35 COMPONENTES AUXILIARES DELMOTOR, DEPOSITO, SISTEMA DE ADMISION 6 1 1 0 POS. NO.PIEZA DESCRIPCION CANT NUM. SERIE J NOTAS 1 DQ51588 ALIMENTADOR DE MIES 1 X (A) 2 AL153067 SILENCIADOR 1 X (B) 3 19M8819 TORNILLO 1 X M8 X 35 4 AL117063 CINTA 1 X 5 L113409 TORNILLO 1 X M8 X 70 6 AL117064 SOPORTE 1 X 7 19M7167 TORNILLO AR X (A) M10 X 25 19M7402 TORNILLO AR X (B) M10 X 25 8 24M7213 ARANDELA AR X 9 L114822 SOPORTE 1 X 10 L167664 PROTECCION 1 X 11 24M7028 ARANDELA 2 X 10.500 X 20 X 2 MM 12 19M3143 TORNILLO 2 X M10 X 20 13 AL82256 ABRAZADERA 1 X (A) WITHOUT CAB (B) WITH CAB SANS CABINE AVEC CABINE OHNE KABINE MIT KABINE SENZA CABINA CON CABINA SEM CABINE COM CABINE SIN CABINA CON CABINA TRACTOR 6110J (EDICION SUDAMERICANA) PC8538S (01-JUL-10) 30-35 PN=137
  • 140.
    30-36 COMPONENTES AUXILIARES DELMOTOR, DEPOSITO, SISTEMA DE ADMISION EXHAUST SYSTEM (EPCC) SYSTEME D’ECHAPPEMENT (EPCC) ABGASANLAGE NACH (EPCC) SISTEMA DI SCARICO (EPCC) SISTEMA DE ESCAPE SISTEMA DE ESCAPE (EPCC) PUBM1373 -UN-29JUN10 ESTA RELACION DE PIE 30-36 TRACTOR 6110J (EDICION SUDAMERICANA) PC8538S (01-JUL-10) PN=138
  • 141.
    30-37 COMPONENTES AUXILIARES DELMOTOR, DEPOSITO, SISTEMA DE ADMISION 6 1 1 0 POS. NO.PIEZA DESCRIPCION CANT NUM. SERIE J NOTAS 1 L158590 PROTECCION 1 X 2 AL204717 TUBO DE ESCAPE 1 X 3 19M7785 TORNILLO 2 X M10 X 25 4 AL153600 SOPORTE 1 X 5 AL119409 ABRAZADERA 1 X 6 19M8851 TORNILLO 4 X M6 X 12 7 AL177823 ABRAZADERA 2 X 8 CQ51594 TUBO DE ESCAPE 1 X 9 AL204799 TUBO DE ESCAPE 1 X TRACTOR 6110J (EDICION SUDAMERICANA) PC8538S (01-JUL-10) 30-37 PN=139
  • 142.
    30-38 COMPONENTES AUXILIARES DELMOTOR, DEPOSITO, SISTEMA DE ADMISION MEMORANDA MEMORANDA MEMORANDA MEMORANDA MEMORANDA MEMORANDA 30-38 TRACTOR 6110J (EDICION SUDAMERICANA) PC8538S (01-JUL-10) PN=140
  • 143.
    40-A01 COMPONENTES ELECTRICOS SECTIONAL INDEX INDEXDE SECTION GRUPPENINDEX INDICE DELLA SEZIONE INDICE DE GRUPO INDICE DE GRUPOS PUBM1440 -UN-28JUN10 1- 1 2- 2 3- 3 4- 4 5- 5 7- 7 8- 8 10- 12 11- 14 12- 16 13- 18 21- 33 29- 44 30- 46 TRACTOR 6110J (EDICION SUDAMERICANA) PC8538S (01-JUL-10) 40-A01 PN=141
  • 144.
    40-A02 COMPONENTES ELECTRICOS SECTIONAL INDEX INDEXDE SECTION GRUPPENINDEX INDICE DELLA SEZIONE INDICE DE GRUPO INDICE DE GRUPOS PUBM1441 -UN-28JUN10 6- 6 9- 10 15- 22 16- 24 17- 26 18- 28 33- 52 34- 53 35- 54 36- 55 37- 56 41- 62 40-A02 TRACTOR 6110J (EDICION SUDAMERICANA) PC8538S (01-JUL-10) PN=142
  • 145.
    40-A03 COMPONENTES ELECTRICOS SECTIONAL INDEX INDEXDE SECTION GRUPPENINDEX INDICE DELLA SEZIONE INDICE DE GRUPO INDICE DE GRUPOS PUBM1442 -UN-28JUN10 14- 20 19- 30 20- 32 22- 34 23- 35 24- 36 25- 38 26- 40 27- 41 28- 42 31- 48 32- 50 38- 57 39- 58 40- 60 TRACTOR 6110J (EDICION SUDAMERICANA) PC8538S (01-JUL-10) 40-A03 PN=143
  • 146.
    40-A04 COMPONENTES ELECTRICOS SECTIONAL INDEX INDEXDE SECTION GRUPPENINDEX INDICE DELLA SEZIONE INDICE DE GRUPO INDICE DE GRUPOS PUBM1454 -UN-28JUN10 42- 64 43- 66 44- 68 45- 69 46- 70 47- 72 48- 73 49- 74 50- 76 51- 78 40-A04 TRACTOR 6110J (EDICION SUDAMERICANA) PC8538S (01-JUL-10) PN=144
  • 147.
    40-1 COMPONENTES ELECTRICOS STARTER MOTORSHIELD DEMARREUR GARANTS STARTER MOTOR SHIELD STARTER MOTOR SHIELD PROTECAO DO MOTOR DE PARTIDA PROTECCION DEL MOTOR DE ARRANQUE PUBM1435 -UN-29JUN10 6 1 1 MOTOR 0 POS. NO.PIEZA DESCRIPCION CANT NUM. SERIE J NOTAS 1 RE530306 JUEGO 1 X TRACTOR 6110J (EDICION SUDAMERICANA) PC8538S (01-JUL-10) 40-1 PN=145
  • 148.
    40-2 COMPONENTES ELECTRICOS ALTERNATOR ATTACHINGPARTS (WITHOUT AIR CONDITIONING OR AIR COMPRESSOR) ELEMENTS DE FIXATION, ALTERNATEUR (SANS CLIMATISATION OU COMPRESSEUR D’AIR) BEFESTIGUNGSTEILE, DREHSTROMGENERATOR (OHNE KLIMAANLAGE ODER LUFTKOMPRESSOR) PARTI MONTAGGIO ALTERNATORE (SENZA CONDIZIONAMENTO ARIA O COMPRESSORE ARIA) SUPORTE DO ALTERNADOR (SEM CABINE) PIEZAS DE SUJECION, ALTERNADOR (SIN AIRE ACONDICIONADO O COMPRESOR DE AIRE) PUBM0362 -UN-24DEC08 6 1 1 0 POS. NO.PIEZA DESCRIPCION CANT NUM. SERIE J NOTAS 1 CQ48506 APOYO 2 X 2 19M7166 TORNILLO 1 X M10 X 20 3 19M7810 TORNILLO 1 X M10 X 80 4 19M7408 TORNILLO 1 X M10 X 90 5 14M7296 TUERCA CON BRIDA 2 X M10 6 24M7040 ARANDELA 2 X 40-2 TRACTOR 6110J (EDICION SUDAMERICANA) PC8538S (01-JUL-10) PN=146
  • 149.
    40-3 COMPONENTES ELECTRICOS ALTERNATOR ATTACHINGPARTS (WITH AIR CONDITIONING) ELEMENTS DE FIXATION - ALTERNATEUR (AVEC CLIMATISATION) BEFESTIGUNGSTEILE, DREHSTROMGENERATOR (BEI KLIMAANLAGE) PARTI FISSAGGIO ALTERNATORE (CON ARIA CONDIZIONATA) SUPORTE DO ALTERNADOR (CABINE) PIEZAS DE SUJECION, ALTERNADOR (CON AIRE ACONDICIONADO) LX032490 -UN-03JUL02 6 1 1 0 POS. NO.PIEZA DESCRIPCION CANT NUM. SERIE J NOTAS 1 19M7835 TORNILLO 5 X M10 X 35 2 CQ48046 FULCRO 1 X 3 34M7190 PASADOR ELASTICO 2 X 4 AL155417 RUEDA LOCA 1 X 5 L154170 TAPA 1 X 6 19M7408 TORNILLO 1 X M10 X 90 7 14M7296 TUERCA CON BRIDA 2 X M10 8 19M7810 TORNILLO 1 X M10 X 80 TRACTOR 6110J (EDICION SUDAMERICANA) PC8538S (01-JUL-10) 40-3 PN=147
  • 150.
    40-4 COMPONENTES ELECTRICOS BATTERY /ATTACHING PARTS BATTERIE-ELEMENTS DE FIXATION BATTERIE / BEFESTIGUNGSTEILE BATTERIA / PARTI FISSAGGIO BATERIA / FIXACAO DA BATERIA BATERIA / PIEZAS DE FIJACION CQ155737 -UN-30JUL04 6 1 1 0 POS. NO.PIEZA DESCRIPCION CANT NUM. SERIE J NOTAS 1 DQ68477 BATERIA CON CARGA LIQUIDA 1 X 750A 2 L158303 SOPORTE 1 X 3 14M7397 TUERCA DE SEGURIDAD 2 X M6 4 L158301 PERNO CON GANCHO 2 X 5 L158304 SOPORTE 1 X 6 14M7029 TUERCA 4 X M8 7 24M7055 ARANDELA 4 X 8.400 X 16 X 1.600 MM 8 19M7139 TORNILLO 4 X M8 X 20 40-4 TRACTOR 6110J (EDICION SUDAMERICANA) PC8538S (01-JUL-10) PN=148
  • 151.
    40-5 COMPONENTES ELECTRICOS ALTERNATOR ALTERNATEUR DREHSTROMGENERATOR ALTERNATORE ALTERNADOR ALTERNADOR PUBM1343 -UN-28JUN10 6 1 1 0 POS.NO.PIEZA DESCRIPCION CANT NUM. SERIE J NOTAS 1 RE285712 TUERCA 1 X 2 14M7296 TUERCA CON BRIDA 2 X M10 3 AL172532 REGULADOR 1 X 4 AL166645 ALTERNADOR 1 X 5 14M7028 TUERCA 1 X M5 6 24M7027 ARANDELA 1 X 5.300 X 10 X 1 MM 7 CQ66216 POLEA 1 X 8 L78085 TUERCA CON BRIDA 1 X 9 DQ59038 ALTERNADOR 1 X 10 19M7810 TORNILLO 1 X TRACTOR 6110J (EDICION SUDAMERICANA) PC8538S (01-JUL-10) 40-5 PN=149
  • 152.
    40-6 COMPONENTES ELECTRICOS TAIL LIGHTSAND TURN SIGNAL LIGHTS FEUX ARRIERE ET CLIGNOTANTS SCHLUSS- UND BLINKLEUCHTEN LUCI DI CODA E DI DIREZIONE LUZ TRASEIRA LUCES TRASERAS E INTERMITENCIAS DE GIRO LX033270 -UN-06AUG02 6 1 1 0 POS. NO.PIEZA DESCRIPCION CANT NUM. SERIE J NOTAS 1 AL176143 LUZ TRASERA 2 X 2 37M7274 TORNILLO 4 X 3 57M7014 LAMPARA 1 X 12V-21W 4 57M7011 LAMPARA 1 X 12V-21/5W 5 L151980 TUERCA DE SEGURIDAD 4 X 6 L152943 PASAMUROS 4 X 40-6 TRACTOR 6110J (EDICION SUDAMERICANA) PC8538S (01-JUL-10) PN=150
  • 153.
    40-7 COMPONENTES ELECTRICOS HORN FEUX ARRIEREET CLIGNOTANTS SCHLUSS- UND BLINKLEUCHTEN LUCI DI CODA E DI DIREZIONE BUZINA BOZINA LX025959 -UN-06AUG01 6 1 1 0 POS. NO.PIEZA DESCRIPCION CANT NUM. SERIE J NOTAS 1 19M7297 TORNILLO 1 X M8 X 12 2 24M7055 ARANDELA 1 X 8.400 X 16 X 1.600 MM 3 14M7273 TUERCA 1 X M8 4 AL203265 BOCINA 1 X TRACTOR 6110J (EDICION SUDAMERICANA) PC8538S (01-JUL-10) 40-7 PN=151
  • 154.
    40-8 COMPONENTES ELECTRICOS WORK LIGHT PROJECTEURSDE TRAVAIL GERAETESCHEINWERFER FARI DI LAVORO LUZES DE TRABALHO FAROS DE LABOR FRONTALES PUBM1525 -UN- 6 1 1 0 POS. NO.PIEZA DESCRIPCION CANT NUM. SERIE J NOTAS 1 AL154553 FARO DE LABOR 4 (A) 2 RE60765 LENTE 2 3 AT130104 LAMPARA 4 (A) AS04904 LAMPARA 4 (B) 4 37M7177 TORNILLO 4 5 19M7269 TORNILLO 2 M8 X 50 6 24M7055 ARANDELA 2 7 14M7166 TUERCA DE SEGURIDAD 2 M8 8 L153587 ARANDELA 4 9 CQ51923 PORTADOR 4 10 CQ25923 PASAMUROS 4 11 DQ25068 FARO DELANTERO 2 (B) REAR DQ33944 FARO DELANTERO 2 (B) FRONT 12 L171231 TORNILLO 4 13 57M7289 DISPOSITIVO DE BLOQUEO ELEC 4 14 57M7256 CONJUNTO DE CONECTOR ELEC. 4 15 12M7142 ARANDELA AR (A) WITH CAB (B) WITHOUT CAB AVEC CABINE SANS CABINE MIT KABINE OHNE KABINE CON CABINA SENZA CABINA COM CABINE SEM CABINE CON CABINA SIN CABINA 40-8 TRACTOR 6110J (EDICION SUDAMERICANA) PC8538S (11-JAN-11) PN=152
  • 155.
  • 156.
    40-10 COMPONENTES ELECTRICOS HEADLIGHTS PHARES AVANT FRONTSCHEINWERFER FARIANTERIORI FAROIS DIANTEIROS FAROS DELANTEROS PUBM1538 -UN-29JUN10 ESTA RELACION DE PIE 40-10 TRACTOR 6110J (EDICION SUDAMERICANA) PC8538S (01-JUL-10) PN=154
  • 157.
    40-11 COMPONENTES ELECTRICOS 6 1 1 0 POS. NO.PIEZADESCRIPCION CANT NUM. SERIE J NOTAS 1 L78984 ABRAZADERA 6 X 2 37M7335 TORNILLO 8 X 3 CQ71882 RETEN 2 X 4 L154128 GUARDAPOLVO 1 X 5 MN10029 FARO DELANTERO 2 X 6 57M7166 LAMPARA 2 X 7 AZ47904 PLETINA DE AJUSTE 6 X 8 CQ71890 MOLDURA 1 X 9 DQ58449 FARO DELANTERO 1 X TRACTOR 6110J (EDICION SUDAMERICANA) PC8538S (01-JUL-10) 40-11 PN=155
  • 158.
    40-12 COMPONENTES ELECTRICOS 3-TERMINAL POWEROUTLET SOCKET PRISE 3 PLOTS STECKDOSE 3-POLIG PRESA ELETTRICA TRIPOLARE TOMADA DE CORRENTE DE 3 TERMINAIS ENCHUFE DE 3 POLOS LX017447 -UN-10FEB98 6 1 1 0 POS. NO.PIEZA DESCRIPCION CANT NUM. SERIE J NOTAS 1 57M7390 TERMINAL ELECTRICO 1 X 2 L157467 TIRA 1 X 3 AL201803 TAPA 1 X 4 37M7095 TORNILLO 4 X 5 AL114896 GRUPO DE CABLES 1 X 6 AL116176 GRUPO DE CABLES 1 X 40-12 TRACTOR 6110J (EDICION SUDAMERICANA) PC8538S (01-JUL-10) PN=156
  • 159.
  • 160.
    40-14 COMPONENTES ELECTRICOS REVERSE LIGHT FEUDE MARCHE ARRIERE RUECKFAHRSCHEINWERFER LUCE DI RETROMARCIA LUZ DO RE LUCES DE MARCHA ATRAS PUBM2140 -UN- ESTA RELACION DE PIE 40-14 TRACTOR 6110J (EDICION SUDAMERICANA) PC8538S (11-JAN-11) PN=158
  • 161.
    40-15 COMPONENTES ELECTRICOS 6 1 1 0 POS. NO.PIEZADESCRIPCION CANT NUM. SERIE J NOTAS 1 DQ65274 LUZ TRASERA 1 X 2 19M7163 TORNILLO 1 X M8 X 25 3 12M7065 ARANDELA DE SEGURIDAD 1 X 8 MM 4 14M7029 TUERCA 1 X M8 5 AL158140 GRUPO DE CABLES 1 X 6 DQ72369 GRUPO DE CABLES 2 X (A) 7 14M7100 TUERCA 2 X M4 8 14M7273 TUERCA 1 X M8 9 AL114955 GRUPO DE CABLES 1 X 10 CQ42092 PORTADOR 1 X 11 DQ67022 APOYO 1 X POWRQUAD AL116265 PORTADOR 1 X SYNCROPLUS 12 24M7117 ARANDELA 2 X 4.300 X 9 X 0.800 MM 13 21M7369 TORNILLO 2 X M4 X 25 14 19M8675 TORNILLO 1 X M8 X 16 15 R44302 CINTA DE ATAR 3 X 16 AL150015 RELE 1 X 17 12M7067 ARANDELA DE SEGURIDAD 1 X 12 MM 18 14M7273 TUERCA 1 X M8 19 19M7162 TORNILLO 4 X M8 X 16 20 24M7055 ARANDELA 6 X 8.400 X 16 X 1.600 MM 21 CQ62315 PASAMUROS 1 X 22 AL176799 ZUMBADOR DE ADVERTENCIA 1 X (A) WITHOUT CAB SANS CABINE OHNE KABINE SENZA CABINA SEM CABINE SIN CABINA TRACTOR 6110J (EDICION SUDAMERICANA) PC8538S (11-JAN-11) 40-15 PN=159
  • 162.
    40-16 COMPONENTES ELECTRICOS ENGINE WIRINGHARNESS FAISCEAU MOTEUR MOTORKABELBAUM CAVO ELETTRICO MOTORE CHICOTE DO MOTOR GRUPO DE CABLES MOTOR CQ155749 -UN-30JUL04 ESTA RELACION DE PIE 40-16 TRACTOR 6110J (EDICION SUDAMERICANA) PC8538S (01-JUL-10) PN=160
  • 163.
    40-17 COMPONENTES ELECTRICOS 6 1 1 0 POS. NO.PIEZADESCRIPCION CANT NUM. SERIE J NOTAS 1 AL164069 GRUPO DE CABLES 1 X (A) 2 AL164282 GRUPO DE CABLES 1 X (B) 3 L154171 ABRAZADERA 1 X 4 L153768 ABRAZADERA 2 X 5 14M7273 TUERCA 1 X M8 6 24M7055 ARANDELA 2 X 7 L153842 PORTADOR 2 X (A) WITH CAB (B) WITHOUT CAB AVEC CABINE SANS CABINE MIT KABINE OHNE KABINE CON CABINA SENZA CABINA COM CABINE SEM CABINE CON CABINA SIN CABINA TRACTOR 6110J (EDICION SUDAMERICANA) PC8538S (01-JUL-10) 40-17 PN=161
  • 164.
    40-18 COMPONENTES ELECTRICOS WIRING HARNESS,ENGINE STARTING AID FAISCEAU - AIDE AU DEMARRAGE KABELBAUM, MOTORSTARTHILFE CAVO ELETTRICO AUSILIO ELETTRICO DI AVVIAMENTO CHICOTE E RELE DE PARTIDA GRUPO DE CABLES/ AUXILIAR DE ARRANQUE CQ156927 -UN-03DEC05 ESTA RELACION DE PIE 40-18 TRACTOR 6110J (EDICION SUDAMERICANA) PC8538S (01-JUL-10) PN=162
  • 165.
    40-19 COMPONENTES ELECTRICOS 6 1 1 0 POS. NO.PIEZADESCRIPCION CANT NUM. SERIE J NOTAS 1 AL164627 GRUPO DE CABLES 1 X 2 RE164448 RELE DE ARRANQUE 1 X 3 24M7054 ARANDELA AR X 4 19M7560 TORNILLO AR X M6 X 16 5 12M7122 ARANDELA DE SEGURIDAD 2 X 8.400 MM 6 14H785 TUERCA 2 X 5/16" 7 12H295 ARANDELA DE SEGURIDAD 2 X 0.190" 8 14H631 TUERCA 2 X 0.190" 9 L110306 PROTECCION 1 X 10 L80303 ARANDELA 1 X 11 19M7077 TORNILLO AR X M6 X 20 12 14M7165 TUERCA DE SEGURIDAD AR X M6 13 CQ28556 ABRAZADERA 1 X TRACTOR 6110J (EDICION SUDAMERICANA) PC8538S (01-JUL-10) 40-19 PN=163
  • 166.
    40-20 COMPONENTES ELECTRICOS CAB WIRINGHARNESS FAISCEAU CABINE KABELBAUM KABINE CAVO ELETTRICO CABINA CHICOTE DA PLATAFORMA DO OPERADOR GRUPO DE CABLES DE LA CABINA CQ157863 -UN-22DEC06 ESTA RELACION DE PIE 40-20 TRACTOR 6110J (EDICION SUDAMERICANA) PC8538S (01-JUL-10) PN=164
  • 167.
    40-21 COMPONENTES ELECTRICOS 6 1 1 0 POS. NO.PIEZADESCRIPCION CANT NUM. SERIE J NOTAS 1 AL169982 GRUPO DE CABLES 1 X 2 AL156915 GRUPO DE CABLES 1 X 3 L114902 ANGULO 1 X 4 19M7865 TORNILLO 2 X M8 X 16 5 14M7416 TUERCA CON BRIDA 1 X M8 6 14M7273 TUERCA 1 X M8 7 24M7055 ARANDELA 1 X 8.400 X 16 X 1.600 MM 8 AL118382 ABRAZADERA 3 X 9 L115159 ABRAZADERA 6 X 10 L156796 TAPON 1 X 11 L79919 PASAMUROS 2 X 12 R44302 CINTA DE ATAR 10 X 13 L113094 ABRAZADERA 4 X 14 L79919 PASAMUROS 1 X 15 L79337 PASAMUROS 1 X 16 AH77714 ABRAZADERA 5 X 17 14M7166 TUERCA DE SEGURIDAD 1 X M8 18 37M7095 TORNILLO 4 X 19 L155075 PLACA 1 X 20 AL161566 GRUPO DE CABLES 1 X 21 L78028 PASAMUROS 2 X 22 AL169983 GRUPO DE CABLES 2 X 23 CQ25923 PASAMUROS 2 X 24 CQ65525 CAPUCHON DE CONECTOR ELEC. 1 X TRACTOR 6110J (EDICION SUDAMERICANA) PC8538S (01-JUL-10) 40-21 PN=165
  • 168.
    40-22 COMPONENTES ELECTRICOS WIRING HARNESS,HEADLIGHTS AND WORKLIGHTS (FRONT GRILLE) FAISCEAU, PHARES PRINCIPAUX ET PHARES DE TRAVAIL (CALANDRE) KABELBAUM, FRONTSCHEINWERFER UND GERAETESCHEINWERFER (FRONTGRILL) CAVO ELETTRICO FARI ANTERIORI E FARI DI LAVORO (GRIGLIA ANTERIORE) CHICOTE, LUZES DIANTEIRAS E LUZES DE TRABALHO (GRADE FRONTAL) GRUPO DE CABLES, FAROS DELANTEROS Y FAROS DE TRABAJO (PANEL FRONTAL) PY023826 -UN- ESTA RELACION DE PIE 40-22 TRACTOR 6110J (EDICION SUDAMERICANA) PC8538S (11-JAN-11) PN=166
  • 169.
    40-23 COMPONENTES ELECTRICOS 6 1 1 0 POS. NO.PIEZADESCRIPCION CANT NUM. SERIE J NOTAS 1 AL157627 GRUPO DE CABLES 1 X 2 R44302 CINTA DE ATAR 2 X 3 L154171 ABRAZADERA 1 X 4 L155448 TORNILLO 1 X TRACTOR 6110J (EDICION SUDAMERICANA) PC8538S (01-JUL-10) 40-23 PN=167
  • 170.
    40-24 COMPONENTES ELECTRICOS WIRING HARNESSFIXTURE SUPPORT POUR FAISCEAUX TRANSMISSION HALTERUNG FUER GETRIEBEKABELBAEUME RITEGNO CAVO ELETTRICO SUPORTE PARA CABOS/CHICOTES DA TRANSMISSAO SOPORTE PARA GRUPOS DE CABLES DE LA TRANSMISION LX028721 -UN-25JAN02 6 1 1 0 POS. NO.PIEZA DESCRIPCION CANT NUM. SERIE J NOTAS 1 19M7386 TORNILLO 1 X M12 X 20 2 24M7044 ARANDELA 1 X 13 X 20 X 2 MM 3 L153768 ABRAZADERA 3 X 4 L154647 PORTADOR 1 X 40-24 TRACTOR 6110J (EDICION SUDAMERICANA) PC8538S (01-JUL-10) PN=168
  • 171.
  • 172.
    40-26 COMPONENTES ELECTRICOS TRANSMISSION HARNESS(CAB) FAISCEAU TRANSMISSION (AVANT) GETRIEBEKABELBAUM (FORN) CAVO ELETTRICO TRASMISSIONE (ANTERIORE) CHICOTE DA TRANSMISSAO (CABINE) GRUPO DE CABLES TRANSMISION (CABINA) PUBM1341 -UN-28JUN10 ESTA RELACION DE PIE 40-26 TRACTOR 6110J (EDICION SUDAMERICANA) PC8538S (01-JUL-10) PN=170
  • 173.
    40-27 COMPONENTES ELECTRICOS 6 1 1 0 POS. NO.PIEZADESCRIPCION CANT NUM. SERIE J NOTAS 1 AL180297 GRUPO DE CABLES 1 X 2 L41858 CINTA DE ATAR 2 X 3 R44302 CINTA DE ATAR 6 X 4 L115277 ABRAZADERA 3 X 5 R232182 ABRAZADERA 1 X TRACTOR 6110J (EDICION SUDAMERICANA) PC8538S (01-JUL-10) 40-27 PN=171
  • 174.
    40-28 COMPONENTES ELECTRICOS TRANSMISSION HARNESS,FRONT (OPEN OPERATOR’S STATION) FAISCEAU TRANSMISSION AVANT (TRACTEURS SANS CABINE) GETRIEBEKABELBAUM VORN (OFFENE FAHRERPLATTFORM) CAVO ANTERIORE TRASMISSIONE (STAZIONE OPERATORE APERTA) CHICOTE DA TRANSMISSAO (SEM CABINE) GRUPO DE CABLES DELANTERO DE LA TRANSMISION (CON PLATAFORMA DE CONDUCCION ABIERTA) LX029538 -UN-08APR02 6 1 1 0 POS. NO.PIEZA DESCRIPCION CANT NUM. SERIE J NOTAS 1 AL180296 GRUPO DE CABLES 1 X 2 L110765 ABRAZADERA 1 X 3 T13744 ABRAZADERA 1 X 4 24M7044 ARANDELA 1 X 5 19M7386 TORNILLO 1 X M12 X 20 6 R44302 CINTA DE ATAR 3 X 40-28 TRACTOR 6110J (EDICION SUDAMERICANA) PC8538S (01-JUL-10) PN=172
  • 175.
  • 176.
    40-30 COMPONENTES ELECTRICOS CAB WIRINGHARNESS FAISCEAU CABINE KABELBAUM KABINE CAVO ELETTRICO CABINA CHICOTE DA CABINE GRUPO DE CABLES DE LA CABINA PUBM1342 -UN-01JUL10 ESTA RELACION DE PIE 40-30 TRACTOR 6110J (EDICION SUDAMERICANA) PC8538S (01-JUL-10) PN=174
  • 177.
    40-31 COMPONENTES ELECTRICOS 6 1 1 0 POS. NO.PIEZADESCRIPCION CANT NUM. SERIE J NOTAS 1 AL178887 GRUPO DE CABLES 1 X 2 L154332 ABRAZADERA 2 X 3 AL82121 CONJUNTO DE CONECTOR ELEC. 1 X 4 14M7416 TUERCA CON BRIDA 1 X M8 5 R50454 ABRAZADERA 1 X 6 19M7163 TORNILLO 1 X M8 X 25 7 L152151 VAINA 4 X 8 L113094 ABRAZADERA 2 X 9 L78028 PASAMUROS 2 X 10 24M7055 ARANDELA 2 X 8.400 X 16 X 1.600 MM 11 14M7273 TUERCA 2 X M8 12 L32394 TAPA 2 X 13 L102007 PASAMUROS 2 X TRACTOR 6110J (EDICION SUDAMERICANA) PC8538S (01-JUL-10) 40-31 PN=175
  • 178.
    40-32 COMPONENTES ELECTRICOS SPEAKER HARNESS FAISCEAU,PAVILLON KABELBAUM, KABINENDACH VACO, TETTO CABINA CHICOTE DO AUTO-FALANTE CABLE DE MACE CQ156961 -UN-05DEC05 6 1 1 0 POS. NO.PIEZA DESCRIPCION CANT NUM. SERIE J NOTAS 1 AL159801 GRUPO DE CABLES 1 X 40-32 TRACTOR 6110J (EDICION SUDAMERICANA) PC8538S (01-JUL-10) PN=176
  • 179.
    40-33 COMPONENTES ELECTRICOS WARNING LIGHTSAT FRONT OF CAB ROOF FEUX DE DETRESSE A L’AVANT DU PAVILLON WARNLEUCHTEN-KABINENDACH VORN LUCI DI AVVERTIMENTO LATO ANTERIORE TETTO CABINA PISCAS DIRECIONAIS E LUZES DE POSICAO LUCES INTERMITENTES DE EMERGENCIA DEL FRENTE DEL TECHO DE LA CABINA LX051086 -UN- 6 1 1 0 POS. NO.PIEZA DESCRIPCION CANT NUM. SERIE J NOTAS 1 RE217551 FARO 2 X 2 L60585 ARANDELA AR X 3 RE49778 LAMPARA 1 X 4 CQ25923 PASAMUROS 2 X 5 19M8482 TORNILLO 4 X M6 X 80 TRACTOR 6110J (EDICION SUDAMERICANA) PC8538S (11-JAN-11) 40-33 PN=177
  • 180.
    40-34 COMPONENTES ELECTRICOS CHANNEL, WIRINGHARNESS PASSAGE DU FAISCEAU DE CABLES KABELBAUMKANAL CAVO ELETTRICO, CANALE CANAL PARA CHICOTE ELETRICO CANAL DEL GRUPO DE CABLES PUBM1596 -UN- 6 1 1 0 POS. NO.PIEZA DESCRIPCION CANT NUM. SERIE J NOTAS 1 L175842 PERFIL EN U 1 X 2 L175841 PERFIL EN U 1 X 3 L166759 ABRAZADERA 1 X 4 L40924 TUERCA 3 X 5 14M7297 TUERCA 1 X M5 6 12M7077 ARANDELA 1 X 7 L170967 PERFIL EN U 1 X 8 R44302 CINTA DE ATAR 2 X 9 19M7317 TORNILLO 1 X M5 X 30 40-34 TRACTOR 6110J (EDICION SUDAMERICANA) PC8538S (11-JAN-11) PN=178
  • 181.
    40-35 COMPONENTES ELECTRICOS WIRING HARNESSINSTRUMENTS FAISCEAU TABLEAU DE BORD KABELBAUM ARMATUREN CAVO STRUMENTAZIONE CHICOTE DO PAINEL GRUPO DE CABLES DEL SALPICADERO CQ155756 -UN- 6 1 1 0 POS. NO.PIEZA DESCRIPCION CANT NUM. SERIE J NOTAS 1 AL164954 GRUPO DE CABLES 1 X 2 R44302 CINTA DE ATAR AR X TRACTOR 6110J (EDICION SUDAMERICANA) PC8538S (11-JAN-11) 40-35 PN=179
  • 182.
    40-36 COMPONENTES ELECTRICOS WIRING HARNESS,HEATING AND AIRCONDITIONING FAISCEAU, CHAUFFAGE ET CLIMATISATION KABELBAUM, HEIZUNG UND KLIMAANLAGE CAVO RISCALDATORE E CONDIZIONAMENTO ARIA CHICOTE ELETRICO, AQUECIMENTO E AR CONDICIONADO GRUPO DE CABLES, CALEFACCION Y AIRE ACONDICIONADO PUBM1438 -UN-28JUN10 6 1 1 0 POS. NO.PIEZA DESCRIPCION CANT NUM. SERIE J NOTAS 1 L111184 ABRAZADERA 3 X 2 R44302 CINTA DE ATAR AR X 3 L38642 PASAMUROS 1 X 4 AL160369 GRUPO DE CABLES 1 X 5 L111127 ABRAZADERA 1 X 6 R27180 PASAMUROS 1 X 40-36 TRACTOR 6110J (EDICION SUDAMERICANA) PC8538S (01-JUL-10) PN=180
  • 183.
  • 184.
    40-38 COMPONENTES ELECTRICOS WIRING HARNESS,CAB ROOF FAISCEAU, PAVILLON KABELBAUM, KABINENDACH VACO, TETTO CABINA CHICOTE DA TETO GRUPO DE CABLES, TECHO CABINA CQ157348 -UN-09DEC05 ESTA RELACION DE PIE 40-38 TRACTOR 6110J (EDICION SUDAMERICANA) PC8538S (01-JUL-10) PN=182
  • 185.
    40-39 COMPONENTES ELECTRICOS 6 1 1 0 POS. NO.PIEZADESCRIPCION CANT NUM. SERIE J NOTAS 1 AL162768 GRUPO DE CABLES 1 X 2 24M7139 ARANDELA 1 X 3 19M7560 TORNILLO 1 X M6 X 16 4 L151529 PORTACABLES AR X 5 37M7181 TORNILLO 2 X TRACTOR 6110J (EDICION SUDAMERICANA) PC8538S (01-JUL-10) 40-39 PN=183
  • 186.
    40-40 COMPONENTES ELECTRICOS BASIC CONTROLUNIT (BCU) CENTRALE ELECTRIQUE (BCU) ZENTRAL-STEUERINHEIT (BCU) UNITA’ DI COMANDO BASE (BCU) UNIDADE BASICA DE CONTROLE (BCU) UNIDAD DE CONTROL BASICO (BCU) CQ155757 -UN-23JUL04 6 1 1 0 POS. NO.PIEZA DESCRIPCION CANT NUM. SERIE J NOTAS 1 AL205515 UNIDAD DE CONTROL BASICO 1 X 2 19M8875 TORNILLO 2 X M6 X 25 40-40 TRACTOR 6110J (EDICION SUDAMERICANA) PC8538S (01-JUL-10) PN=184
  • 187.
    40-41 COMPONENTES ELECTRICOS FUSES, DIODES,RELAYS FUSIBLES, DIODES, RELAIS SICHERUNGEN, DIODEN, RELAIS FUSIBILI, DIODI, RELE’ FUSIVEIS, DIODOS, RELES FUSIBLES, DIODOS, RELES PUBM1524 -UN- 6 1 1 TRACTOR 0 POS. NO.PIEZA DESCRIPCION CANT NUM. SERIE J NOTAS 1 AL76702 RELE 1 X 2 AL152098 PORTADIODOS 1 X 3 37M7293 TORNILLO 1 X 4 AL77324 RELE 3 X 5 57M7121 FUSIBLE AR X 10A 99M7065 FUSIBLE AR X 15A 57M7120 FUSIBLE AR X 20A 57M7146 FUSIBLE AR X 30A 6 AL117951 CAJA DE FUSIBLES 1 X 7 L63386 TAPADERA 1 X 8 24M7146 ARANDELA 1 X TRACTOR 6110J (EDICION SUDAMERICANA) PC8538S (11-JAN-11) 40-41 PN=185
  • 188.
    40-42 COMPONENTES ELECTRICOS FUSES, DIODES,RELAYS FUSIBLES, DIODES, RELAIS SICHERUNGEN, DIODEN, RELAIS FUSIBILI, DIODI, RELE’ FUSIVEIS, RELES, DIODOS FUSIBLES, DIODOS, RELES CQ155759 -UN-23JUL04 6 1 1 0 POS. NO.PIEZA DESCRIPCION CANT NUM. SERIE J NOTAS 1 57M7121 FUSIBLE AR X 10A 99M7065 FUSIBLE AR X 15A 57M7120 FUSIBLE AR X 20A 57M7146 FUSIBLE AR X 30A 2 AL77324 RELE AR X 3 AL81718 RELE 1 X 4 AL152098 PORTADIODOS 1 X 5 AL76702 RELE AR X 40-42 TRACTOR 6110J (EDICION SUDAMERICANA) PC8538S (01-JUL-10) PN=186
  • 189.
  • 190.
    40-44 COMPONENTES ELECTRICOS BATTERY CABLE CABLESBATTERIE BATTERIEKABEL CAVO BATTERIA CABOS DA BATERIA CABLE DE BATERIA CQ155746 -UN-30JUL04 ESTA RELACION DE PIE 40-44 TRACTOR 6110J (EDICION SUDAMERICANA) PC8538S (01-JUL-10) PN=188
  • 191.
    40-45 COMPONENTES ELECTRICOS 6 1 1 0 POS. NO.PIEZADESCRIPCION CANT NUM. SERIE J NOTAS 1 19M7268 TORNILLO 1 X M12 X 25 2 24M7047 ARANDELA 1 X 3 14M7273 TUERCA 3 X M8 4 24M7055 ARANDELA 3 X 5 AL159181 CABLE DE BATERIA 1 X 6 12M7135 ARANDELA DE SEGURIDAD 1 X 7 14M7274 TUERCA 1 X M10 8 AL154428 CABLE DE BATERIA 1 X 9 24M7145 ARANDELA 1 X 10 19M9201 TORNILLO AR X M14 X 25 11 AL159445 CABLE DE BATERIA 1 X 12 AL157540 CABLE DE BATERIA 1 X 13 L154937 REVESTIMIENTO 1 X .. L165421 GRASA 1 X TRACTOR 6110J (EDICION SUDAMERICANA) PC8538S (01-JUL-10) 40-45 PN=189
  • 192.
    40-46 COMPONENTES ELECTRICOS POWER WIRINGHARNESS FAISCEAU D’ ALIMENTATION KABELBAUM, STROMVERSORGUNG CAVO ELETTRICO DI POTENZA CHICOTE DE ALIMENTACAO GRUPO DE CABLES, ALIMENTACION PUBM1140 -UN- 6 1 1 TRACTOR 0 POS. NO.PIEZA DESCRIPCION CANT NUM. SERIE J NOTAS 1 AL163363 GRUPO DE CABLES 1 X (A) AL157641 GRUPO DE CABLES 1 X (B) 2 57M8181 PORTAFUSIBLE 2 X 3 57M8190 FUSIBLE 1 X 80A 57M7989 FUSIBLE 1 X 60A 4 57M8189 PORTAFUSIBLE 1 X COM FUSIVEL 80 AMP 57M9698 FUSIBLE 1 X COM FUSIVEL 60 AMP 5 57M8182 PORTAFUSIBLE 2 X 6 57M8093 PORTAFUSIBLE 1 X 7 21M7250 TORNILLO 2 X M4 X 12 8 24M7146 ARANDELA 2 X 4.300 X 12 X 1 MM 9 14M7139 TUERCA 2 X M4 (A) WITH CAB (B) WITHOUT CAB AVEC CABINE SANS CABINE MIT KABINE OHNE KABINE CON CABINA SENZA CABINA COM CABINE SEM CABINE CON CABINA SIN CABINA 40-46 TRACTOR 6110J (EDICION SUDAMERICANA) PC8538S (11-JAN-11) PN=190
  • 193.
  • 194.
    40-48 COMPONENTES ELECTRICOS FUSE BOX/ SYMBOLS PLATINE DE FUSIBLES / SYMBOLES SICHERUNGSKASTEN / SYMBOLAUFKLEBER SCATOLA FUSIBILI / SIMBOLI CAIXA DE FUSIVEIS / ADESIVOS CAJA DE FUSIBLES / SIMBOLOS LX034427 -UN- ESTA RELACION DE PIE 40-48 TRACTOR 6110J (EDICION SUDAMERICANA) PC8538S (11-JAN-11) PN=192
  • 195.
    40-49 COMPONENTES ELECTRICOS 6 1 1 0 POS. NO.PIEZADESCRIPCION CANT NUM. SERIE J NOTAS 1 AL181849 TAPADERA 1 X 2 L114030 BURLETE 1 X LGTH=1000MM (39-3/8") 3 L102363 TORNILLO 4 X 4 L102203 CAJA DE FUSIBLES 1 X 5 37M7179 TORNILLO 12 X 6 24M7117 ARANDELA 12 X 7 L102204 TAPADERA 1 X 8 L101241 TAPON 2 X 9 L114522 CAJA DE FUSIBLES 1 X 10 57M7204 TERMINAL ELECTRICO AR X -1,0MM2/6,3MM 57M7205 TERMINAL ELECTRICO AR X -2,5MM2/6,3MM 57M7206 TERMINAL ELECTRICO AR X -4,0MM2/6,3MM 11 57M7229 TERMINAL ELECTRICO AR X -1,0MM2/2,8MM 12 L114524 INSERTO 2 X 13 24M7146 ARANDELA 4 X 14 37M7293 TORNILLO 4 X 15 L168245 ETIQUETA ADHESIVA 1 X TRACTOR 6110J (EDICION SUDAMERICANA) PC8538S (01-JUL-10) 40-49 PN=193
  • 196.
    40-50 COMPONENTES ELECTRICOS FUSE BOX/ SYMBOLS PLATINE DE FUSIBLES / SYMBOLES SICHERUNGSKASTEN / SYMBOLAUFKLEBER SCATOLA FUSIBILI / SIMBOLI CAIXA DE FUSIVEIS / ADESIVOS CAJA DE FUSIBLES / SIMBOLOS PUBM1340 -UN-01JUL10 ESTA RELACION DE PIE 40-50 TRACTOR 6110J (EDICION SUDAMERICANA) PC8538S (01-JUL-10) PN=194
  • 197.
    40-51 COMPONENTES ELECTRICOS 6 1 1 0 POS. NO.PIEZADESCRIPCION CANT NUM. SERIE J NOTAS 1 AL161113 TAPADERA 1 X 2 L154173 TAPADERA 1 X 3 L79880 GUIA 2 X 4 L102363 TORNILLO 4 X 5 L174379 INSERTO 1 X 6 L174378 INSERTO 1 X 7 57M7528 CAJA DE CONECTORES ELEC. AR X 8 L111376 PORTADOR 1 X 9 19M8263 TORNILLO 8 X M6 X 30 10 24M7244 ARANDELA 8 X 11 57M7229 TERMINAL ELECTRICO AR X -1,0MM2/2,8MM 12 57M7204 TERMINAL ELECTRICO AR X -1,0MM2/6,3MM 57M7205 TERMINAL ELECTRICO AR X -2,5MM2/6,3MM 13 57M7108 TERMINAL ELECTRICO 1 X 14 L79354 ALICATES 1 X TRACTOR 6110J (EDICION SUDAMERICANA) PC8538S (01-JUL-10) 40-51 PN=195
  • 198.
    40-52 COMPONENTES ELECTRICOS TRAILEN HARNESS CONNECTEURET COSSE DE CABLE STECKVERBINDER UND KABELSCHUHE CONNETTORE CON SPINETTE PER INSERIMENTO FILO CHICOTE DO REBOQUE CABLEADO DEL REMOLQUE CQ156962 -UN-05DEC05 6 1 1 0 POS. NO.PIEZA DESCRIPCION CANT NUM. SERIE J NOTAS 1 AL162776 GRUPO DE CABLES 1 X -1,5MM2 /1,5MM 2 AL150924 SOPORTE 1 X 3 L151611 TAPADERA 1 X 4 37M7193 TORNILLO 3 X 5 19M7268 TORNILLO 2 X M12 X 25 40-52 TRACTOR 6110J (EDICION SUDAMERICANA) PC8538S (01-JUL-10) PN=196
  • 199.
    40-53 COMPONENTES ELECTRICOS TRANSMISSION WIRINGHARNESS W/ CAB W/ HITCH FAISCEAU TRANSMISSION W/ CABINE W/ATTELAGE GETRIEBEKABELBAUM W/ FAHRERKABINE W/ANHAENGEVORRICHTUNG CAVO TRASMISSIONE W/ CABINA W/GANCIO CHICOTE DA TRANSMISSAO C/ CABINE C/ LEVANTE GRUPO DE CABLES DE LA TRANSMISION W/ CABINA W/ENCANCHE PUBM1354 -UN- 6 1 1 0 POS. NO.PIEZA DESCRIPCION CANT NUM. SERIE J NOTAS 1 AL204911 GRUPO DE CABLES 1 X 2 L101761 ABRAZADERA 1 X 3 AH89557 ABRAZADERA 1 X 4 19M7008 TORNILLO 1 X 5 R44302 CINTA DE ATAR 1 X 6 19M7557 TORNILLO 1 X TRACTOR 6110J (EDICION SUDAMERICANA) PC8538S (11-JAN-11) 40-53 PN=197
  • 200.
    40-54 COMPONENTES ELECTRICOS TRANSMISSION WIRINGHARNESS W/ CAB W/O HITCH FAISCEAU TRANSMISSION W/ CABINE W/O ATTELAGE GETRIEBEKABELBAUM W/ FAHRERKABINE W/O ANHAENGEVORRICHTUNG CAVO TRASMISSIONE W/ CABINA W/O GANCIO CHICOTE DA TRANSMISSAO C/ CABINE S/ LEVANTE GRUPO DE CABLES DE LA TRANSMISION W/ CABINA W/O ENGANCHE PUBM1353 -UN-01JUL10 6 1 1 0 POS. NO.PIEZA DESCRIPCION CANT NUM. SERIE J NOTAS 1 AL178891 GRUPO DE CABLES 1 X 2 L167244 ABRAZADERA 1 X 3 R232182 ABRAZADERA 1 X 4 AH89557 ABRAZADERA 1 X 5 19M7162 TORNILLO 2 X M8 X 16 40-54 TRACTOR 6110J (EDICION SUDAMERICANA) PC8538S (11-JAN-11) PN=198
  • 201.
    40-55 COMPONENTES ELECTRICOS TRANSMISSION WIRINGHARNESS W/O CAB W/ HITCH FAISCEAU TRANSMISSION W/O CABINE W/ATTELAGE GETRIEBEKABELBAUM W/O FAHRERKABINE W/ANHAENGEVORRICHTUNG CAVO TRASMISSIONE W/O CABINA W/GANCIO CHICOTE DA TRANSMISSAO S/ CABINE C/ LEVANTE GRUPO DE CABLES DE LA TRANSMISION W/O CABINA W/ENCANCHE PUBM1352 -UN-01JUL10 6 1 1 0 POS. NO.PIEZA DESCRIPCION CANT NUM. SERIE J NOTAS 1 AL204913 GRUPO DE CABLES 1 X 2 L101761 ABRAZADERA 1 X 3 AH89557 ABRAZADERA 1 X 4 19M7008 TORNILLO 1 X 5 L110765 ABRAZADERA 1 X 6 R44302 CINTA DE ATAR 1 X 7 L167244 ABRAZADERA 1 X TRACTOR 6110J (EDICION SUDAMERICANA) PC8538S (11-JAN-11) 40-55 PN=199
  • 202.
    40-56 COMPONENTES ELECTRICOS TRANSMISSION WIRINGHARNESS W/O CAB W/O HITCH FAISCEAU TRANSMISSION ARRIERE W/O CABINE W/O ATTELAGE GETRIEBEKABELBAUM HINTEN W/O FAHRERKABINE W/O ANHAENGEVORRICHTUNG CAVO ELETTRICO TRASMISSIONE, POSTERIORE W/O CABINA W/O GANCIO CHICOTE TRASEIRO DA TRANSMISSAO S/ CABINE S/ LEVANTE CABLE ELECTRICO DE LA TRANSMISION, PARTE TRASERA W/O CABINA W/O ENGANCHE PUBM1351 -UN-01JUL10 6 1 1 0 POS. NO.PIEZA DESCRIPCION CANT NUM. SERIE J NOTAS 1 AL178813 GRUPO DE CABLES 1 X 2 L167244 ABRAZADERA 1 X 3 T13744 ABRAZADERA 1 X 4 AH89557 ABRAZADERA 1 X 5 19M7162 TORNILLO 2 X M8 X 16 40-56 TRACTOR 6110J (EDICION SUDAMERICANA) PC8538S (11-JAN-11) PN=200
  • 203.
    40-57 COMPONENTES ELECTRICOS GREENSTAR -RECEIVER WIRING HARNESS GREENSTAR - FAISCEAU RECEPTEUR GREENSTAR - EMPFAENGERKABELBAUM GREENSTAR - CAVO ELETTRICO RICEVITORE GREENSTAR - CHICOTE DO RECEPTOR GREENSTAR - GRUPO DE CABLES DEL RECEPTOR PUBM1387 -UN-01JUL10 6 1 1 0 POS. NO.PIEZA DESCRIPCION CANT NUM. SERIE J NOTAS 1 AL177795 GRUPO DE CABLES AR X 2 L151529 PORTACABLES AR X 3 L112290 BURLETE AR X 4 L152460 CASQUILLO AR X 5 24M7054 ARANDELA AR X 6 19M7560 TORNILLO AR X 7 AL177068 SOPORTE AR X 8 57M7633 CONJUNTO DE CONECTOR ELEC. AR X 9 R78069 TAPON PARA CAVIDAD ELEC. AR X 10 R54477 REMACHE AR X 11 57M8439 ACCESORIO DE CONECTOR ELEC. AR X 12 AL175708 GRUPO DE CABLES AR X 13 R44302 CINTA DE ATAR AR X 14 RE207311 UNIDAD DE CONTROL ELECTRON. AR X 15 PF80865 GRUPO DE CABLES 1 X 16 PF80845 GRUPO DE CABLES 1 X AL203755 GRUPO DE CABLES 1 X .. L59796 BURLETE AR X TRACTOR 6110J (EDICION SUDAMERICANA) PC8538S (01-JUL-10) 40-57 PN=201
  • 204.
    40-58 COMPONENTES ELECTRICOS BULKHEAD WIRINGHARNESS FAISCEAU DE FILS DE CLOISON TRENNWAND-KABELBAUM CAVO PARATIA CHICOTE ELETRICO ARNES DE ALAMBRADO HP18516 -UN-03OCT07 6 1 1 0 POS. NO.PIEZA DESCRIPCION CANT NUM. SERIE J NOTAS 1 57M8017 TERMINAL ELECTRICO 1 X 57M7619 DISPOSITIVO DE BLOQUEO ELEC 1 X 2 57M8015 CONJUNTO DE CONECTOR ELEC. 1 X 57M8016 DISPOSITIVO DE BLOQUEO ELEC 1 X 3 57M8606 CAJA DE CONECTORES ELEC. 1 X 4 57M9231 CAJA DE CONECTORES ELEC. 1 X 57M8947 ACCESORIO DE CONECTOR ELEC. 1 X 5 57M9215 SELLADOR DE CONECTORES ELEC 1 X 6 57M7262 CAJA DE CONECTORES ELEC. 1 X 7 57M7258 SELLADOR DE CONECTORES ELEC 1 X 8 57M8907 DISPOSITIVO DE BLOQUEO ELEC 1 X 9 R104846 TERMINAL ELECTRICO 1 X 10 PF80793 GRUPO CABLES PANEL INSTRUM. 1 X 40-58 TRACTOR 6110J (EDICION SUDAMERICANA) PC8538S (01-JUL-10) PN=202
  • 205.
  • 206.
    40-60 COMPONENTES ELECTRICOS GPS -POSITION RECEIVER (GREENSTAR) RECEPTEUR DE POSITIONNEMENT GPS (GREENSTAR) GPS - POSITIONSEMPFAENGER (GREENSTAR) GPS - RICEVITORE DI POSIZIONE (GREENSTAR) RECEPTOR DE POSICAO - GPS (GREENSTAR) RECEPTOR DE POSICION - GPS (GREENSTAR) PUBM1470 -UN-28JUN10 ESTA RELACION DE PIE 40-60 TRACTOR 6110J (EDICION SUDAMERICANA) PC8538S (01-JUL-10) PN=204
  • 207.
    40-61 COMPONENTES ELECTRICOS 6 1 1 0 POS. NO.PIEZADESCRIPCION CANT NUM. SERIE J NOTAS 1 PF81170 RECEPTOR DE POSICION 1 X 2 PF11335 SOPORTE 1 X 3 PF11600 TORNILLO 3 X 4 PF80824 SOPORTE 1 X 5 PF80858 GRUPO DE CABLES 1 X 6 PF81163 RECEPTOR DE POSICION 1 X 7 21M7246 TORNILLO 3 X M6 X 16 8 PF13379 TAPON 1 X .. PF90321 COMPLETE GOODS/SHIP. BUNDLE 1 X TRACTOR 6110J (EDICION SUDAMERICANA) PC8538S (01-JUL-10) 40-61 PN=205
  • 208.
    40-62 COMPONENTES ELECTRICOS GREENSTAR DISPLAY CONSOLEGREENSTAR GREENSTAR DISPLAY DISPLAY GREENSTAR DISPLAY DO GREENSTAR PANTALLA GREENSTAR HP19604 -UN-09JAN09 6 1 1 0 POS. NO.PIEZA DESCRIPCION CANT NUM. SERIE J NOTAS 1 PF13301 TAPADERA 1 X 2 PF81259 PANTALLA GREENSTAR TM 1 X (A) 3 PF13131 SOPORTE LOGICO INALTERABLE 1 X (B) 4 21M1689 TORNILLO DE MARIPOSA 2 X .. PF90718 KIT DE TORNILLERIA 1 X (A) GS2 1800 WITHOUT MANUALS; FOR REPLACEMENT ONLY GS2 1800 SANS MANUELS, POUR REMPLACEMENT SEULEMENT GS2 1800 OHNE HANDBUCHER, NUR FUR ERSATZZWECKE GS2 1800 SENZA MANUALI, SOLO PER SOSTITUZ GS2 1800 SEM MANUAIS, APENAS PARA REPOSICAO GS2 1800 SIN MANUALES, SOLAMENTE PARA SUSTITUIRLOS (B) 2 GB USB STORAGE DEVICE DISPOSITIF DE STOCKAGE USB 2 GO 2 GB-USB-SPEICHERGERAT DISPOSITIVO DI MEMORIZZAZIONE USB DA 2 GB DISPOSITIVO DE ARMAZENAMENTO USB DE 2 GB DISPOSITIVO DE ALMACENAMIENTO 2 GBUSB 40-62 TRACTOR 6110J (EDICION SUDAMERICANA) PC8538S (01-JUL-10) PN=206
  • 209.
  • 210.
    40-64 COMPONENTES ELECTRICOS CONNECTORS 1-4-TERMINAL CONNECTEUR1-4 PLOTS VERBINDUNGSSTECKER 1-4 POLIG CONNETTORE 1-4 TERMINALI CONECTORES 1-4-TERMINAIS ENCHUFE 1-4 POLOS LX023027 -UN-18OCT99 ESTA RELACION DE PIE 40-64 TRACTOR 6110J (EDICION SUDAMERICANA) PC8538S (01-JUL-10) PN=208
  • 211.
    40-65 COMPONENTES ELECTRICOS 6 1 1 0 POS. NO.PIEZADESCRIPCION CANT NUM. SERIE J NOTAS 1 57M7315 ACCESORIO DE CONECTOR ELEC. AR X 2 57M7377 SELLADOR DE CONECTORES ELEC AR X (A) 57M7258 SELLADOR DE CONECTORES ELEC AR X (B) 57M7493 SELLADOR DE CONECTORES ELEC AR X (C) 3 R104846 TERMINAL ELECTRICO AR X 0,5-1MM2 /1,5MM 4 57M7266 CONJUNTO DE CONECTOR ELEC. AR X 5 57M7267 CAJA DE CONECTORES ELEC. AR X 6 57M7252 TERMINAL ELECTRICO AR X 0,5-1MM2 /1,5MM 7 57M7289 DISPOSITIVO DE BLOQUEO ELEC AR X 8 57M7254 CONJUNTO DE CONECTOR ELEC. AR X (D) 9 57M7256 CONJUNTO DE CONECTOR ELEC. AR X (D) 10 57M7328 CAJA DE CONECTORES ELEC. AR X (E) 11 57M7365 TERMINAL ELECTRICO AR X (E) 12 57M7317 ACCESORIO DE CONECTOR ELEC. AR X 13 57M7255 TERMINAL ELECTRICO AR X 14 57M7257 CAJA DE CONECTORES ELEC. AR X 15 57M7318 ACCESORIO DE CONECTOR ELEC. AR X 16 57M7247 CAJA DE CONECTORES ELEC. AR X 17 57M7244 TERMINAL ELECTRICO AR X 18 57M7259 TAPON PARA CAVIDAD ELEC. AR X (A) BLUE (B) RED (C) WHITE BLEU ROUGE BLANC BLAU ROT WEISS AZZURRO ROSSO BIANCO AZUL VERMELHO BRANCO AZUL ROJO BLANCO (D) BLACK (E) GRAY NOIR GRIS SCHWARZ GRAU NERO GRIGIO PRETO CINZA NEGRO GRIS TRACTOR 6110J (EDICION SUDAMERICANA) PC8538S (01-JUL-10) 40-65 PN=209
  • 212.
    40-66 COMPONENTES ELECTRICOS CONNECTORS 6-,8- OR 10-TERMINAL CONNECTEUR 6, 8 OU 10 PLOTS VERBINDUNGSSTECKER 6, 8 ODER 10 POLIG CONNETTORE 6, 8 O 10 TERMINALI CONECTORES 6-, 8- OU 10-TERMINAIS ENCHUFE 6, 8 O 10 POLOS CQ155770 -UN-27JUL04 ESTA RELACION DE PIE 40-66 TRACTOR 6110J (EDICION SUDAMERICANA) PC8538S (01-JUL-10) PN=210
  • 213.
    40-67 COMPONENTES ELECTRICOS 6 1 1 0 POS. NO.PIEZADESCRIPCION CANT NUM. SERIE J NOTAS 1 57M7291 CONJUNTO DE CONECTOR ELEC. AR X 2 57M7258 SELLADOR DE CONECTORES ELEC AR X (A) 57M7377 SELLADOR DE CONECTORES ELEC AR X (B) 57M7493 SELLADOR DE CONECTORES ELEC AR X (C) 3 R104846 TERMINAL ELECTRICO AR X 0,5-1MM2 /1,5MM 4 57M7260 CAJA DE CONECTORES ELEC. AR X 5 57M7263 CAJA DE CONECTORES ELEC. AR X 6 57M7252 TERMINAL ELECTRICO AR X 0,5-1MM2 /1,5MM 7 57M7296 ACCESORIO DE CONECTOR ELEC. AR X 8 57M7261 CAJA DE CONECTORES ELEC. AR X 9 57M7264 CAJA DE CONECTORES ELEC. AR X 10 57M7283 DISPOSITIVO DE BLOQUEO ELEC AR X 11 57M7281 DISPOSITIVO DE BLOQUEO ELEC AR X 12 57M7262 CAJA DE CONECTORES ELEC. AR X 13 57M7265 CAJA DE CONECTORES ELEC. AR X 14 57M7259 TAPON PARA CAVIDAD ELEC. AR X 15 57M7576 TERMINAL ELECTRICO AR X (A) 57M7292 SELLADOR DE CONECTORES ELEC AR X (D) 16 57M7583 TERMINAL ELECTRICO AR X 57M7584 TERMINAL ELECTRICO AR X 17 57M7697 CONJUNTO DE CONECTOR ELEC. AR X 18 57M7252 TERMINAL ELECTRICO AR X 19 57M7493 SELLADOR DE CONECTORES ELEC AR X 20 57M7699 TERMINAL ELECTRICO AR X (A) RED (B) BLUE ROUGE BLEU ROT BLAU ROSSO AZZURRO VERMELHO AZUL ROJO AZUL (C) WHITE (D) ORANGE BLANC ORANGE WEISS ORANGE BIANCO ARANCIONE BRANCO LARANJA BLANCO NARANJO TRACTOR 6110J (EDICION SUDAMERICANA) PC8538S (01-JUL-10) 40-67 PN=211
  • 214.
    40-68 COMPONENTES ELECTRICOS CONNECTOR (1-,2- OR 20-TERMINAL) CONNECTEUR (1, 2 OU 20 PLOTS) VERBINDUNGSSTECKER 1, 2, 20 POLIG CONNETTORE (1, 2 O 20 TERMINALI) CONECTORES (1-, 2- OU 20-TERMINAIS) ENCHUFE (1,2 O 20 POLOS) CQ156598 -UN-06MAY05 6 1 1 0 POS. NO.PIEZA DESCRIPCION CANT NUM. SERIE J NOTAS 1 57M7427 TERMINAL ELECTRICO AR X 0,5-1MM2 /6,3MM 57M7039 TERMINAL ELECTRICO AR X 1-2,5MM2 /6,3MM 57M7189 TERMINAL ELECTRICO AR X 4-6MM2 /6,3MM 2 57M7068 CAJA DE CONECTORES ELEC. AR X 3 57M7170 CAJA DE CONECTORES ELEC. AR X /6,3MM 4 57M7103 TERMINAL ELECTRICO AR X 0,5-1,5MM2 /6,3MM 57M7041 TERMINAL ELECTRICO AR X 1-2,5MM2 /6,3MM 57M7104 TERMINAL ELECTRICO AR X 4-6,0MM2 /6,3MM 5 57M7066 CAJA DE CONECTORES ELEC. AR X 6 57M7065 CAJA DE CONECTORES ELEC. AR X 7 57M7323 CAJA DE CONECTORES ELEC. AR X 8 57M7324 CAJA DE CONECTORES ELEC. AR X 9 57M7331 TERMINAL ELECTRICO AR X 0,5-1MM2 /1,6MM 10 L36670 TERMINAL ELECTRICO AR X 1-2,5MM2 /3,5MM 11 L35423 TERMINAL ELECTRICO AR X 2-4MM2/ 3,5MM 12 L35425 TERMINAL ELECTRICO AR X 1-2,5MM2 /1,6MM 13 L35424 CONJUNTO DE CONECTOR ELEC. AR X 1-2,5MM2 /1,6MM 14 L36681 CONECTOR AR X 2-4MM2 /3,5MM 15 L36685 TERMINAL ELECTRICO AR X 1-2,5MM2 /3,5MM 16 57M7161 CONECTOR AR X 0,5-1MM2 /1,6MM 17 57M7089 CONECTOR 1 X 0,5-1,5MM2 /6,3MM 40-68 TRACTOR 6110J (EDICION SUDAMERICANA) PC8538S (01-JUL-10) PN=212
  • 215.
    40-69 COMPONENTES ELECTRICOS CONNECTORS 2OR 10-TERMINAL CONNECTEUR 2 OU 10 PLOTS VERBINDUNGSSTECKER 2 ODER 10 POLIG CONNETTORE 2 O 10 TERMINALI CONECTORES 2 OU 10-TERMINAIS ENCHUFE 2 O 10 POLOS PUBM0364 -UN-24DEC08 6 1 1 0 POS. NO.PIEZA DESCRIPCION CANT NUM. SERIE J NOTAS 1 57M7399 TERMINAL ELECTRICO AR X (A) 57M7400 SELLADOR DE CONECTORES ELEC AR X (B) 2 57M8170 ACCESORIO DE CONECTOR ELEC. AR X 3 57M8169 TERMINAL ELECTRICO 1 X 4 57M8200 TERMINAL ELECTRICO 1 X 5 57M8071 CAJA DE CONECTORES ELEC. 1 X 6 57M8078 TERMINAL ELECTRICO AR X 0,5-1MM2 /2,8MM 57M8079 TERMINAL ELECTRICO AR X 1,5-2,5MM2,5 /2,8MM 7 57M8081 TERMINAL ELECTRICO 1 X 8 57M8202 TERMINAL ELECTRICO AR X 9 57M8201 TERMINAL ELECTRICO 1 X (A) WHITE (B) BLUE BLANC BLEU WEISS BLAU BIANCO AZZURRO BRANCO AZUL BLANCO AZUL TRACTOR 6110J (EDICION SUDAMERICANA) PC8538S (01-JUL-10) 40-69 PN=213
  • 216.
    40-70 COMPONENTES ELECTRICOS CONNECTOR (42TERMINAL) CONNECTEUR (42 PLOTS) VERBINDUNGSSTECKER (42 POLIG) CONNETTORE (42 TERMINALI) CONECTOR (42 TERMINAL) ENCHUFE (42 POLOS) CQ155772 -UN-27JUL04 ESTA RELACION DE PIE 40-70 TRACTOR 6110J (EDICION SUDAMERICANA) PC8538S (01-JUL-10) PN=214
  • 217.
    40-71 COMPONENTES ELECTRICOS 6 1 1 0 POS. NO.PIEZADESCRIPCION CANT NUM. SERIE J NOTAS 1 57M8195 TERMINAL ELECTRICO 1 X (A) 57M8196 TERMINAL ELECTRICO 1 X (B) 57M8197 TERMINAL ELECTRICO 1 X (C) 2 57M8098 TERMINAL ELECTRICO 1 X 3 57M8167 TERMINAL ELECTRICO 1 X (A) 57M8198 TERMINAL ELECTRICO 1 X (B) 57M8199 TERMINAL ELECTRICO 1 X (C) 4 57M8099 TERMINAL ELECTRICO AR X 0,5-1MM2 /5,8MM 57M8100 TERMINAL ELECTRICO AR X 1,5-2,5MM2 /5,8MM 57M8101 TERMINAL ELECTRICO AR X 2,5-4MM2 /5,8MM 5 57M8105 TERMINAL ELECTRICO AR X (D) 57M8106 TERMINAL ELECTRICO AR X (E) 6 57M8077 TERMINAL ELECTRICO AR X 0,5-1MM2 /2,8MM 57M7351 TERMINAL ELECTRICO AR X 1,5-2,5MM2 /2,8MM 7 57M7400 SELLADOR DE CONECTORES ELEC AR X (C) 57M7399 TERMINAL ELECTRICO AR X (D) 8 57M8108 TERMINAL ELECTRICO AR X 0,5-1MM2 /1,6MM 9 57M7402 SELLADOR DE CABLE ELECTRICO AR X (B) 10 57M8107 TERMINAL ELECTRICO AR X 11 57M7401 TERMINAL ELECTRICO AR X 12 57M7403 TAPON PARA CAVIDAD ELEC. AR X 13 57M8096 RETENEDOR 1 X 14 57M8097 RETENEDOR 1 X 15 57M7398 TERMINAL ELECTRICO AR X 0,5-1MM2 /1,6MM 16 57M8078 TERMINAL ELECTRICO AR X 0,5-1MM2 /2,8MM 57M8079 TERMINAL ELECTRICO AR X 1,5-2,5MM2 /2,8MM 17 57M8102 TERMINAL ELECTRICO AR X 0,5-1MM2 /5,8MM 57M8103 TERMINAL ELECTRICO AR X 1,5-2,5MM2 /5,8MM 57M8104 TERMINAL ELECTRICO AR X 2,5-4MM2 /5,8MM 18 57M7919 TERMINAL ELECTRICO AR X 19 57M8164 TERMINAL ELECTRICO AR X (A) BLACK (B) GRAY (C) BLUE NOIR GRIS BLEU SCHWARZ GRAU BLAU NERO GRIGIO AZZURRO PRETO CINZA AZUL NEGRO GRIS AZUL (D) WHITE (E) YELLOW BLANC JAUNE WEISS GELB BIANCO GIALLO BRANCO AMARELO BLANCO AMARILLO TRACTOR 6110J (EDICION SUDAMERICANA) PC8538S (01-JUL-10) 40-71 PN=215
  • 218.
    40-72 COMPONENTES ELECTRICOS CONNECTORS CONNECTEUR ANSCHLUSSSTECKER CONNETTORE CONECTORES ENCHUFE CQ155773 -UN-27JUL04 6 1 1 0 POS.NO.PIEZA DESCRIPCION CANT NUM. SERIE J NOTAS 1 57M7346 CONJUNTO DE CONECTOR ELEC. AR X 57M7349 ACCESORIO DE CONECTOR ELEC. AR X 2 57M7493 SELLADOR DE CONECTORES ELEC AR X 3 R104846 TERMINAL ELECTRICO AR X 0,5-1MM2 /1,5MM 4 57M7347 TERMINAL ELECTRICO AR X (A) 5 57M7829 TERMINAL ELECTRICO 2 X 0,8-1MM2 /1,5MM 6 57M7379 CONJUNTO DE CONECTOR ELEC. 1 X 7 57M7402 SELLADOR DE CABLE ELECTRICO 2 X 8 57M7393 TERMINAL ELECTRICO 2 X 0,5-1MM2 /2,8MM 9 57M7406 CONJUNTO DE CONECTOR ELEC. AR X 10 L112121 ACCESORIO DE CONECTOR ELEC. AR X (A) GRAY GRIS GRAU GRIGIO CINZA GRIS 40-72 TRACTOR 6110J (EDICION SUDAMERICANA) PC8538S (01-JUL-10) PN=216
  • 219.
    40-73 COMPONENTES ELECTRICOS CONNECTORS CONNECTEUR ANSCHLUSSSTECKER CONNETTORE CONECTORES ENCHUFE CQ155774 -UN-27JUL04 6 1 1 0 POS.NO.PIEZA DESCRIPCION CANT NUM. SERIE J NOTAS 1 57M7364 CAJA DE CONECTORES ELEC. 1 X 2 R104846 TERMINAL ELECTRICO AR X 3 57M7377 SELLADOR DE CONECTORES ELEC AR X 4 57M7318 ACCESORIO DE CONECTOR ELEC. 1 X TRACTOR 6110J (EDICION SUDAMERICANA) PC8538S (01-JUL-10) 40-73 PN=217
  • 220.
    40-74 COMPONENTES ELECTRICOS CONNECTORS CONNECTEUR ANSCHLUSSSTECKER CONNETTORE CONECTORES ENCHUFE CQ301895 -UN-19JUL07 ESTARELACION DE PIE 40-74 TRACTOR 6110J (EDICION SUDAMERICANA) PC8538S (01-JUL-10) PN=218
  • 221.
    40-75 COMPONENTES ELECTRICOS 6 1 1 0 POS. NO.PIEZADESCRIPCION CANT NUM. SERIE J NOTAS 1 57M7089 CONECTOR AR X 0,5-1,5MM2 /6,3MM 57M7106 CONECTOR AR X 2,5-4MM2 /6,3MM 2 57M7170 CAJA DE CONECTORES ELEC. AR X 3 57M7183 ACCESORIO DE CONECTOR ELEC. AR X 4 L38622 CAJA DE CONECTORES ELEC. AR X 5 L78202 CAJA DE CONECTORES ELEC. AR X 6 57M8398 CONJUNTO DE CONECTOR ELEC. AR X 7 57M8078 TERMINAL ELECTRICO AR X 8 57M8399 DISPOSITIVO DE BLOQUEO ELEC AR X 9 R77480 CONJUNTO DE CONECTOR ELEC. AR X 10 U46662 TERMINAL ELECTRICO AR X 11 57M9164 ACCESORIO DE CONECTOR ELEC. AR X 12 AE44929 CONJUNTO DE CONECTOR ELEC. AR X 13 57M7602 TERMINAL ELECTRICO AR X TRACTOR 6110J (EDICION SUDAMERICANA) PC8538S (01-JUL-10) 40-75 PN=219
  • 222.
    40-76 COMPONENTES ELECTRICOS CONNECTOR FORELECTRONIC CONTROL UNITS CONNECTEUR POUR BOITIERS DE COMMANDE ELECTRONIQUE ANSCHLUSSTECKER FEUR ELEKTRONISCHE STEUERGERAETE CONNETTORE PER UNITA’ ELETTRONICHE DI COMANDO CONECTORES PARA A UNIDADE DE CONTROLE BASICA ENCHUFE PARA UNIDADES DE CONTROL ELECTRONICO CQ155776 -UN-27JUL04 ESTA RELACION DE PIE 40-76 TRACTOR 6110J (EDICION SUDAMERICANA) PC8538S (01-JUL-10) PN=220
  • 223.
    40-77 COMPONENTES ELECTRICOS 6 1 1 0 POS. NO.PIEZADESCRIPCION CANT NUM. SERIE J NOTAS 1 57M8519 CAJA DE CONECTORES ELEC. 1 X 2 57M8531 TERMINAL ELECTRICO AR X 3 57M8530 TERMINAL ELECTRICO AR X 4 57M8528 CAPUCHON DE CONECTOR ELEC. 2 X 5 57M8527 CAJA DE CONECTORES ELEC. 1 X 6 57M8529 CAPUCHON DE CONECTOR ELEC. 1 X 7 57M8520 CAJA DE CONECTORES ELEC. 1 X TRACTOR 6110J (EDICION SUDAMERICANA) PC8538S (01-JUL-10) 40-77 PN=221
  • 224.
    40-78 COMPONENTES ELECTRICOS CONNECTORS ANDWIRE PINS CONNECTEUR ET COSSE DE CABLE STECKVERBINDER UND KABELSCHUHE CONNETTORE CON SPINETTE PER INSERIMENTO FILO CONECTORES E OLHAIS ENCHUFE CON TERMINAL DE CABLE CQ157529 -UN-15MAR06 6 1 1 0 POS. NO.PIEZA DESCRIPCION CANT NUM. SERIE J NOTAS 1 57M7118 TERMINAL ELECTRICO AR X -1,5MM2 /1,5MM 57M7430 TERMINAL ELECTRICO AR X -2,5MM2 /2,5MM 2 57M7054 TERMINAL ELECTRICO AR X 1-2,5MM2 /5,3MM 3 57M7052 TERMINAL ELECTRICO AR X 0,5-1MM2 /5,3MM 57M7079 TERMINAL ELECTRICO AR X 0,5-1MM2 /8,4MM 57M7348 TERMINAL ELECTRICO AR X 1-2,5MM2 /8,4MM 4 57M7175 TERMINAL ELECTRICO AR X 10-16MM2 /8,4MM 57M7207 CONJUNTO DE CONECTOR ELEC. AR X 16-25MM2 /8,4MM 5 57M7847 TERMINAL ELECTRICO AR X -10MM2 /6,5MM 57M7848 TERMINAL ELECTRICO AR X -10MM2 /8,5MM 6 57M7924 TERMINAL ELECTRICO AR X -10MM2 /8,5MM 7 57M8024 TERMINAL ELECTRICO AR X 1-2,5MM2 /6,3MM 8 57M7984 TERMINAL ELECTRICO AR X /6,3MM 9 57M7210 TERMINAL ELECTRICO 1 X /6,3MM 10 57M7044 TERMINAL ELECTRICO 1 X 0,5-1MM2 /6,3MM 11 57M8186 TERMINAL ELECTRICO 2 X 8-10MM2 /8MM 12 57M8057 TERMINAL ELECTRICO 1 X 1-1,5MM2 /4,8MM 13 57M7116 TERMINAL ELECTRICO AR X /6.3MM 40-78 TRACTOR 6110J (EDICION SUDAMERICANA) PC8538S (01-JUL-10) PN=222
  • 225.
    52-A01 TRANSMISION SYNCROPLUS SECTIONAL INDEX INDEXDE SECTION GRUPPENINDEX INDICE DELLA SEZIONE INDICE DE GRUPO INDICE DE GRUPOS PUBM1574 -UN-30JUN10 1- 2 2- 3 3- 4 4- 5 5- 6 6- 7 7- 8 8- 10 9- 12 10- 13 11- 14 12- 16 13- 18 TRACTOR 6110J (EDICION SUDAMERICANA) PC8538S (01-JUL-10) 52-A01 PN=223
  • 226.
    52-2 TRANSMISION SYNCROPLUS FLYWHEEL COVER VOLANT-MOTEUR,PROTECTION SCHWUNGRAD, ABDECKUNG VOLANO, COPERTURA PROTECAO DO VOLANTE PROTECCION DEL VOLANTE PUBM1394 -UN-28JUN10 6 1 1 0 POS. NO.PIEZA DESCRIPCION CANT NUM. SERIE J NOTAS 1 AL170290 REVESTIMIENTO 1 X 2 24M7096 ARANDELA 2 X 3 19M7557 TORNILLO 2 X M10 X 16 52-2 TRACTOR 6110J (EDICION SUDAMERICANA) PC8538S (01-JUL-10) PN=224
  • 227.
    52-3 TRANSMISION SYNCROPLUS U.J. DRIVESHAFT, TORSION DAMPER (SYNCROPLUS) ARBRE DE TRANSMISSION, DAMPER (SYNCROPLUS) GELENKWELLE, TORSIONSDAEMPFER (SYNCROPLUS) ALBERO CARDANICO, AMORTIZZATORE TORSIONALE (SYNCROPLUS) CARDA DO MOTOR / AMORTECEDOR TORCIONAL (SYNCROPLUS) EJE ARTICULADO, AMORTIGUADOR DE TORSION (SYNCROPLUS) PUBM1395 -UN-28JUN10 6 1 1 0 POS. NO.PIEZA DESCRIPCION CANT NUM. SERIE J NOTAS 1 L112690 ARANDELA 1 X 2 L112001 CASQUILLO 2 X 3 AL165247 COJINETE CON ALOJAMIENTO 1 X 4 AL174123 AMORTIGUADOR DE TORSION 1 X 5 AL173229 EJE CARDAN 1 X 6 19M8292 TORNILLO 6 X M10 X 50 7 L110092 ARANDELA 1 X 8 19M7938 TORNILLO 1 X M10 X 20 9 L77173 TORNILLO 4 X 10 L80445 TORNILLO 4 X 11 L116041 BRIDA 1 X 12 L116013 ENVOLTURA 1 X 13 L41858 CINTA DE ATAR 1 X TRACTOR 6110J (EDICION SUDAMERICANA) PC8538S (01-JUL-10) 52-3 PN=225
  • 228.
    52-4 TRANSMISION SYNCROPLUS CLUTCH HOUSING/ TRANSMISSION OIL PUMP CARTER D’EMBRAYAGE / POMPE A HUILE DE TRANSMISSION KUPPLUNGSGEHAEUSE / GETRIEBEOELPUMPE SCATOLA FRIZIONE / POMPA TRASMISSIONE CARCACA DA EMBREAGEM / BOMBA DE LUBRIFICACAO CARCASA DE EMBRAGUE / BOMBA DE ENGRASE DE LA TRANSMISION LX001126 -UN-01JAN94 6 1 1 CHASIS 0 POS. NO.PIEZA DESCRIPCION CANT NUM. SERIE J NOTAS 1 AL166744 BOMBA 1 X 2 RE41945 ANILLO ASIENTO DE VALVULA 1 X 3 R38295 AGUJA DE RODAMIENTO 2 X 4 R108927 ENGRANAJE 1 X 5 R108925 ENGRANAJE 1 X 6 L204120 CARCASA 1 X 7 JD8510 RODAMIENTO DE BOLAS 1 X 8 40M5099 ANILLO ELASTICO 1 X 9 19M7184 TORNILLO 1 X M8 X 55 10 L167318 ARBOL 1 X 11 T27432 ANILLO ELASTICO 1 X TK 2,74MM 12 RE40370 RETEN 1 X 13 R87210 ARANDELA DE EMPUJE 1 X 14 R33167 ANILLO 2 X 15 16M7111 REMACHE 2 X 52-4 TRACTOR 6110J (EDICION SUDAMERICANA) PC8538S (01-JUL-10) PN=226
  • 229.
    52-5 TRANSMISION SYNCROPLUS PERMA-CLUTCH II EMBRAYAGEPERMA CLUTCH II PERMA-KUPPLUNG II FRIZIONE PERMA II EMBREAGEM PERMACLUTCH II EMBRAGUE PERMA II CQ155051 -UN-20AUG03 6 1 1 CHASIS 0 POS. NO.PIEZA DESCRIPCION CANT NUM. SERIE J NOTAS 1 RE56031 PISTON 1 X (INCL KEYS 20, 21, 22) 2 R120840 EMPAQUETADURA 1 X 3 R120839 RETEN 1 X 4 L172982 TAMBOR 1 X 5 R95181 TAPADERA 1 X 6 L100581 CUBO 1 X 7 RE35512 DISCO DE FRENO 3 X 8 R96805 PLATO DE EMBRAGUE 2 X 9 R95182 MUELLE 12 X 10 R96806 PLATO DE EMBRAGUE 1 X 11 R104733 BULON 12 X 12 19M7385 TORNILLO 6 X M10 X 70 13 R95171 ANILLO DE SELLADO 1 X 14 R87227 ARANDELA DE EMPUJE 1 X 15 L79557 CASQUILLO 1 X 16 T27432 ANILLO ELASTICO 1 X TK 2,74MM 17 L75911 ARANDELA DE EMPUJE 2 X 18 JD10479 RODAMIENTO DE AGUJAS 1 X 19 L76033 ANILLO ELASTICO 1 X 20 400R BOLA 2 X 21 R79018 MUELLE DE COMPRESION 2 X 22 R87395 ARANDELA ELASTICA 2 X TRACTOR 6110J (EDICION SUDAMERICANA) PC8538S (01-JUL-10) 52-5 PN=227
  • 230.
    52-6 TRANSMISION SYNCROPLUS MOUNTING PARTS,CLUTCH HOUSING CARTER D’EMBRAYAGE - ELEMENTS DE FIXATION BEFESTIGUNGSTEILE, KUPPLUNGSGEHAEUSE VITERIA PER SCATOLA FRIZIONE PECAS DA MONTAGEM, CARCACA DA EMBREAGEM PIEZAS DE SUJECION, CARCASA DEL EMBRAGUE PUBM1548 -UN-28JUN10 6 1 1 0 POS. NO.PIEZA DESCRIPCION CANT NUM. SERIE J NOTAS 1 34M5028 PASADOR ELASTICO 2 X 2 R95899 JUNTA 1 X 3 R95898 PLACA 1 X 4 L101463 SOPORTE 1 X 5 L115608 TORNILLO AR X 6 R95900 JUNTA 1 X 7 L115609 TORNILLO AR X 8 L41079 TAPON ROSCADO 1 X 9 L41709 TAPON ROSCADO 4 X 10 L41536 ANILLO TORICO 4 X 11 L41526 ANILLO TORICO 1 X 52-6 TRACTOR 6110J (EDICION SUDAMERICANA) PC8538S (01-JUL-10) PN=228
  • 231.
    52-7 TRANSMISION SYNCROPLUS TRANSMISSION OILFILTER FILTRE A HUILE DE TRANSMISSION GETRIEBEOELFILTER FILTRO OLIO TRASMISSIONE FILTRO DE OLEO DA TRANSMISSAO FILTRO DE ACEITE DE LA TRANSMISION LX001758 -UN-01JAN94 6 1 1 0 POS. NO.PIEZA DESCRIPCION CANT NUM. SERIE J NOTAS 1 AL156625 FILTRO DE ACEITE 1 X TRACTOR 6110J (EDICION SUDAMERICANA) PC8538S (01-JUL-10) 52-7 PN=229
  • 232.
    52-8 TRANSMISION SYNCROPLUS HYDRAULIC PARTS,CLUTCH HOUSING ELEMENTS HYDRAULIQUES, CARTER D’EMBRAYAGE HYDRAUL.TEILE, KUPPLUNGSGEHAEUSE PARTI COMANDO IDRAULICO SCATOLA FRIZIONE ELEMENTOS HIDRAULICOS, CARCACA DA EMBREAGEM ELEMENTOS HIDRAULICOS, CARCASA DE EMBRAGUE PUBM1396 -UN-28JUN10 ESTA RELACION DE PIE 52-8 TRACTOR 6110J (EDICION SUDAMERICANA) PC8538S (01-JUL-10) PN=230
  • 233.
    52-9 TRANSMISION SYNCROPLUS 6 1 1 0 POS. NO.PIEZADESCRIPCION CANT NUM. SERIE J NOTAS 1 R95066 VALVULA 1 X (A) 2 R110079 MUELLE 1 X 3 R116473 DISCO 1 X 4 R110080 MUELLE 1 X 5 RE47315 JUEGO 1 X 6 R107252 PASADOR ELASTICO 1 X 7 R95660 CARCASA 1 X 8 R95077 MUELLE 1 X 9 R95076 VALVULA 1 X 10 L41384 TAPON ROSCADO 6 X 11 L41383 ANILLO 6 X 12 L173222 VALVULA DE CARRETE 1 X (B) 13 R109535 MUELLE 1 X 14 R95081 VALVULA 2 X 15 R100949 MUELLE 1 X 16 R100948 MUELLE 1 X 17 R120947 VALVULA 1 X (C) 18 R109535 MUELLE 1 X 19 R86638 SUPLEMENTO 4 X 20 L166446 TAPON HERMETICO 1 X 21 51M7045 ANILLO TORICO 1 X 22 R119441 BRAZO 1 X 23 34M7272 PASADOR ELASTICO 2 X 24 R105605 MUELLE 1 X 25 R100950 VALVULA 1 X (D) 26 R100947 MUELLE 1 X 27 L170803 MUELLE 1 X 28 L173220 VALVULA DE CARRETE 1 X (E) 29 AR103873 RETEN 1 X 30 R121609 GUIA 1 X 31 R95063 BULON 1 X 32 R58941 BULON 1 X 33 R95073 TOPE 1 X 34 L78975 TAPON HERMETICO 1 X 35 R38295 AGUJA DE RODAMIENTO 1 X (A) CLUTCH PEDAL (B) COOLING PILOT PEDALE D’EMBRAYAGE CONTROLE DE LA LUBRIFICATION KUPPLUNGSPEDAL KUEHLOEL-VORSTEUERUNG PEDALE FRIZIONE COMANDO PILOTA RAFFREDDAMENTO VALVULA DE CONTROLE DA EMBREAGEM VALVULA DE CONTROLE DO OLEO REFRIGERANTE PEDAL DE EMBRAGUE CONTROL DE REFRIGERACION (C) PRESSURE - REGULATING (D) ENGAGEMENT OVERRIDE REGULATEUR DE PRESSION SOUPAPE DE SECURITE DRUCKREGULIERUNG SICHERHEITSVENTIL REGOLATORE DI PRESSIONE VALVOLA DI SICUREZZA VALVULA REGULADORA DE PRESSAO VALVULA DE SEGURANCA REGULADORA DE PRESION VALVULA DE ANULACION (E) CLUTCH COOLING REFROIDISSEMENT DE L’EMBRAYAGE KUPPLUNGSKUEHLUNG RAFFREDDAMENTO FRIZIONE VALVULA DO OLEO REFRIGERANTE REFRIGERACION DE EMBRAGUE TRACTOR 6110J (EDICION SUDAMERICANA) PC8538S (01-JUL-10) 52-9 PN=231
  • 234.
    52-10 TRANSMISION SYNCROPLUS ELECTRICAL PARTS,CLUTCH HOUSING CARTER D’EMBRAYAGE - ELEMENTS ELECTRIQUES ELEKTR.TEILE, KUPPLUNGSGEHAEUSE COMPONENTI ELETTRICI SCATOLA FRIZIONE COMPONENTES ELETRICOS, CARCACA DA EMBREAGEM PIEZAS ELECTRICAS, CARCASA DEL EMBRAGUE PUBM1569 -UN-30JUN10 ESTA RELACION DE PIE 52-10 TRACTOR 6110J (EDICION SUDAMERICANA) PC8538S (01-JUL-10) PN=232
  • 235.
    52-11 TRANSMISION SYNCROPLUS 6 1 1 0 POS. NO.PIEZADESCRIPCION CANT NUM. SERIE J NOTAS 1 L41526 ANILLO TORICO 2 X 2 AL178071 INTERRUPTOR 1 X (A) 3 51M7040 ANILLO TORICO 2 X 4 RE212878 MANOCONTACTO 1 X (B) 5 RE212876 MANOCONTACTO 1 X (C) 6 RE190805 ACOPLE PARA DIAGNOSTICO 1 X 7 AL81358 INTERRUPTOR 1 X (D) 8 AL163081 TAPON 1 X 9 R77175 TAPADERA 1 X (A) OIL TEMPERATURE WARNING LAMP (B) OIL FILTER INDICATOR LAMP (OIL PRESSURE) TEMOIN D’ALERTE TEMPERATURE D’HUILE FILTRE A HUILE - TEMOIN PRESSION D’HUILE OELTEMPERATUR-WARNLAMPE OELFILTER - KONTROLLAMPE FUER OELDRUCK SPIA TEMPERATURA OLIO SPIA PRESSIONE FILTRO OLIO LAMPADA DE TEMPERATURA DO OLEO PRESSAO DO FILTRO DE OLEO (RESTRICAO) LUZ TESTIGO, TEMPERATURA DE ACEITE LUZ TESTIGO PRESION ACEITE, FILTRO ACEITE (C) OIL PRESSURE INDICATOR LAMP (D) OIL FILTER INDICATOR LAMP (OIL TEMPERATURE) TEMOIN D’ALERTE PRESSION D’HUILE FILTRE A HUILE-TEMOIN TEMPERATURE D’HUILE OELDRUCK WARNLAMPE OELFILTER- KONTROLLAMPE FUER OELTEMPERATUR SPIA PRESSIONE OLIO SPIA TEMPERATURA FILTRO OLIO LAMPADA INDICADORA DA PRESSAO DO OLEO OIL FILTER INDICATOR LAMP (OIL TEMPERATURE) LUZ TESTIGO, PRESION DE ACEITE LUZ TESTIGO TEMPERATURA ACEITE, FILTRO ACEITE TRACTOR 6110J (EDICION SUDAMERICANA) PC8538S (01-JUL-10) 52-11 PN=233
  • 236.
    52-12 TRANSMISION SYNCROPLUS MOUNTING PART,CLUTCH HOUSING CARTER D’EMBRAYAGE - ELEMENTS DE FIXATION BEFESTIGUNGSTEILE, KUPPLUNGSGEHAEUSE VITERIA PER SCATOLA FRIZIONE PECAS DE FIXACAO, CARCACA DA EMBREAGEM PIEZAS DE SUJECION, CARCASA DEL EMBRAGUE LX000002 -UN-01JAN94 6 1 1 0 POS. NO.PIEZA DESCRIPCION CANT NUM. SERIE J NOTAS 1 L76670 JUNTA 1 X 2 19M8292 TORNILLO 12 X M10 X 50 3 19M7810 TORNILLO 2 X M10 X 80 52-12 TRACTOR 6110J (EDICION SUDAMERICANA) PC8538S (01-JUL-10) PN=234
  • 237.
    52-13 TRANSMISION SYNCROPLUS GEAR TRANSMISSIONHOUSING CARTER DE BOITE DE VITESSES GANGSCHALTGETRIEBEGEHAEUSE SCATOLA TRANSMISSIONE CAMBIO MARCIA CAIXA DE CAMBIO DE MARCHAS CAJA DE CAMBIO DE MARCHAS PUBM1397 -UN-28JUN10 6 1 1 0 POS. NO.PIEZA DESCRIPCION CANT NUM. SERIE J NOTAS 1 AL162751 CAJA DE CAMBIOS 1 X (MARKED L156259) 2 AL166905 TAPON 1 X 3 L110066 PASADOR DE CENTRAJE 6 X TRACTOR 6110J (EDICION SUDAMERICANA) PC8538S (01-JUL-10) 52-13 PN=235
  • 238.
    52-14 TRANSMISION SYNCROPLUS GEAR TRANSMISSION BOITEDE VITESSES GANGSCHALTGETRIEBE TRASMISSIONE CAMBIO MARCIA CAMBIO DE MARCHAS CAMBIO DE MARCHAS PUBM0489 -UN-19FEB09 ESTA RELACION DE PIE 52-14 TRACTOR 6110J (EDICION SUDAMERICANA) PC8538S (01-JUL-10) PN=236
  • 239.
    52-15 TRANSMISION SYNCROPLUS 6 1 1 TRANSMISION 0 POS.NO.PIEZA DESCRIPCION CANT NUM. SERIE J NOTAS 1 L156282 EJE 1 X 2 AL162756 ENGRANAJE 1 X 3 JD10330 CONO DEL COJINETE 1 X Z 26 4 L41649 CASQUILLO AR X LGTH 8,00MM L41650 CASQUILLO AR X LGTH 8,05MM L41651 CASQUILLO AR X LGTH 8,10MM L41652 CASQUILLO AR X LGTH 8,15MM L41653 CASQUILLO AR X LGTH 8,20MM L41654 CASQUILLO AR X LGTH 8,25MM L41655 CASQUILLO AR X LGTH 8,30MM L41656 CASQUILLO AR X LGTH 8,35MM L41657 CASQUILLO AR X LGTH 8,40MM 5 L156283 ENGRANAJE 1 X Z 30 6 L114567 RODAMIENTO RODILLOS CIL. 1 X 7 40M7043 ANILLO ELASTICO 1 X 8 L154516 EJE SECUNDARIO 1 X 9 L79871 ARANDELA 1 X 10 L111005 JUNTA 1 X 11 L157872 PASADOR 1 X 12 L79871 ARANDELA 1 X 13 19M7385 TORNILLO 1 X M10 X 70 14 JD10522 RODAMIENTO DE BOLAS 1 X 15 40M7115 ANILLO ELASTICO 1 X 16 40M7046 ANILLO ELASTICO 1 X 17 40M7120 ANILLO ELASTICO 1 X 18 40M7178 ANILLO ELASTICO 1 X 19 JD9320 RODAMIENTO DE BOLAS 1 X 20 19M7662 TORNILLO 14 X M10 X 30 21 L169258 EJE DE MANDO 1 X 22 L169253 ENGRANAJE 1 X Z 32 23 L155496 ENGRANAJE 2 X 24 L76923 ANILLO ELASTICO 2 X TK 2.0MM .. DT5037 SELLADOR 1 X LOCTITE 242 TRACTOR 6110J (EDICION SUDAMERICANA) PC8538S (01-JUL-10) 52-15 PN=237
  • 240.
    52-16 TRANSMISION SYNCROPLUS GEAR TRANSMISSION BOITEDE VITESSES GANGSCHALTGETRIEBE TRASMISSIONE CAMBIO MARCIA CAMBIO DE MARCHAS CAMBIO DE MARCHAS PUBM0489 -UN-19FEB09 ESTA RELACION DE PIE 52-16 TRACTOR 6110J (EDICION SUDAMERICANA) PC8538S (01-JUL-10) PN=238
  • 241.
    52-17 TRANSMISION SYNCROPLUS 6 1 1 TRANSMISION 0 POS.NO.PIEZA DESCRIPCION CANT NUM. SERIE J NOTAS 25 L150336 SINCRONIZADOR 3 X 26 AL157732 SINCRONIZADOR 1 X 27 L75904 ANILLO ELASTICO AR X TK 2.3MM L75905 ANILLO ELASTICO AR X TK 2.20MM L75906 ANILLO ELASTICO AR X TK 2.10MM L76923 ANILLO ELASTICO AR X 28 L169254 ENGRANAJE 1 X 29 L76821 ARANDELA DE EMPUJE AR X TK 3.65MM L75917 ARANDELA DE EMPUJE AR X TK 3.80MM L76822 ARANDELA DE EMPUJE AR X TK 3.95MM L153635 ARANDELA DE EMPUJE AR X TK 4.05MM L113339 ARANDELA DE EMPUJE AR X TK 4.15MM 30 L170237 ANILLO 1 X 31 L155885 ENGRANAJE 1 X Z 46 32 AL160962 SINCRONIZADOR 1 X 33 L116130 SINCRONIZADOR 1 X 34 L75911 ARANDELA DE EMPUJE 2 X 35 JD10479 RODAMIENTO DE AGUJAS 1 X 36 L76033 ANILLO ELASTICO 1 X 37 40M7252 ANILLO ELASTICO 1 X 38 L79795 ARANDELA AR X TK 1.0MM L79796 ARANDELA AR X TK 1.5MM L79797 ARANDELA AR X TK 2.0MM L79798 ARANDELA AR X TK 2.5MM L157284 ARANDELA AR X TK 1.25MM L157285 ARANDELA AR X TK 1.75MM L157555 ARANDELA AR X TK 2.25MM 39 L157515 ENGRANAJE 1 X 40 L78122 ARANDELA AR X TK 1.0MM L78123 ARANDELA AR X TK 1.5MM L78124 ARANDELA AR X TK 2.0MM L78125 ARANDELA AR X TK 2.5MM L157286 ARANDELA AR X TK 1.75MM L157287 ARANDELA AR X TK 2.25MM L157556 ARANDELA AR X TK 1.25MM 41 L167749 ARANDELA AR X .. AL150921 EJE SECUNDARIO 1 X INCL KEYS 1, 2, 6-8, 11-16 .. AL110613 PIEZAS DE MONTAJE 1 X LNCL KEYS 10, 20, 37-40 .. AL150919 EJE DE MANDO 1 X INCL KEYS 3, 17-19, 21-36 .. DT5037 SELLADOR 1 X LOCTITE 242 TRACTOR 6110J (EDICION SUDAMERICANA) PC8538S (01-JUL-10) 52-17 PN=239
  • 242.
    52-18 TRANSMISION SYNCROPLUS SHIFTING PARTS,GEAR TRANSMISSION BOITE DE VITESSES - ELEMENTS DE COMMANDE SCHALTUNGSTEILE, GANGSCHALTGETRIEBE PARTI AZIONAMENTO CAMBIO MARCIA TRASMISSIONE ELEMENTOS DE COMANDO, CAMBIO DE MARCHAS ELEMENTOS DE MANDO, CAMBIO DE MARCHAS CQ302517 -UN-17MAR08 ESTA RELACION DE PIE 52-18 TRACTOR 6110J (EDICION SUDAMERICANA) PC8538S (01-JUL-10) PN=240
  • 243.
    52-19 TRANSMISION SYNCROPLUS 6 1 1 CHASIS 0 POS.NO.PIEZA DESCRIPCION CANT NUM. SERIE J NOTAS 1 34M3858 PASADOR ELASTICO 2 X 2 34M7226 PASADOR ELASTICO 1 X 3 AL166651 PALANCA 2 X 4 L76235 JUNTA 1 X 5 44M7111 PASADOR DE CENTRAJE 2 X 6 L153307 RETEN 2 X 7 AL81331 ARBOL 2 X 8 L153161 TAPADERA 1 X 9 19M7979 TORNILLO 4 X M8 X 55 10 RE46534 INTERRUPTOR 1 X (A) 11 L100769 ARANDELA AR X TK 1.60MM L100768 ARANDELA AR X TK 1.80MM L79187 ARANDELA AR X TK 2.00MM L79188 ARANDELA AR X TK 2.20MM L100767 ARANDELA AR X TK 2.40MM 12 19M8317 TORNILLO 2 X M8 X 40 13 L156690 VARILLA DE CAMBIO 1 X 14 L156691 VARILLA DE CAMBIO 1 X 15 JD10508 COJINETE 4 X 16 L76229 BULON 1 X 17 AL116245 DETENEDOR 2 X 18 L111054 CAMBIADOR 1 X (ORD W/ L113217) 19 L113217 ABRAZADERA 1 X 20 L33332 TORNILLO DE FIJACION 4 X 21 L79127 TORNILLO DE FIJACION 2 X 22 L78867 PASADOR 1 X 23 L78866 GUIA 1 X 24 L111052 CAMBIADOR 1 X (ORD W/ L113217) (A) NEUTRAL START SWITCH INTERRUPTEUR DE SECURITE AU DEMARRAGE ANLASSICHERHEITSSCHALTER INTERRUTTORE AVVIAMENTO IN SICUREZZA INTERRUPTOR DE SEGURANCA DE PARTIDA INTERRUPTOR DE SEGURIDAD DEL ARRANQUE TRACTOR 6110J (EDICION SUDAMERICANA) PC8538S (01-JUL-10) 52-19 PN=241
  • 244.
  • 245.
    54-A01 TRANSMISION POWRQUAD SECTIONAL INDEX INDEXDE SECTION GRUPPENINDEX INDICE DELLA SEZIONE INDICE DE GRUPO INDICE DE GRUPOS PUBM1317 -UN-21APR10 1- 2 2- 3 3- 4 4- 6 5- 8 6- 10 7- 12 8- 13 9- 14 10- 16 16- 28 TRACTOR 6110J (EDICION SUDAMERICANA) PC8538S (01-JUL-10) 54-A01 PN=243
  • 246.
    54-A02 TRANSMISION POWRQUAD SECTIONAL INDEX INDEXDE SECTION GRUPPENINDEX INDICE DELLA SEZIONE INDICE DE GRUPO INDICE DE GRUPOS PUBM1572 -UN-30JUN10 11- 18 12- 20 13- 22 14- 24 15- 26 54-A02 TRACTOR 6110J (EDICION SUDAMERICANA) PC8538S (01-JUL-10) PN=244
  • 247.
  • 248.
    54-2 TRANSMISION POWRQUAD FLYWHEEL COVER VOLANT-MOTEUR,PROTECTION SCHWUNGRAD, ABDECKUNG VOLANO, COPERTURA PROTECAO DO VOLANTE PROTECCION DEL VOLANTE PUBM1394 -UN-28JUN10 6 1 1 0 POS. NO.PIEZA DESCRIPCION CANT NUM. SERIE J NOTAS 1 AL170290 REVESTIMIENTO 1 X 2 24M7096 ARANDELA 2 X 10.500 X 18 X 1.600 MM 19M7557 TORNILLO 2 X M10 X 16 54-2 TRACTOR 6110J (EDICION SUDAMERICANA) PC8538S (01-JUL-10) PN=246
  • 249.
    54-3 TRANSMISION POWRQUAD U.J. DRIVESHAFT, TORSION DAMPER ARBRE DE TRANSMISSION, DAMPER GELENKWELLE, TORSIONSDAEMPFER ALBERO CARDANICO, AMORTIZZATORE TORSIONALE EIXO CARDAN, AMORTECEDOR DE TORCAO EJE ARTICULADO, AMORTIGUADOR DE TORSION PUBM1395 -UN-28JUN10 6 1 1 0 POS. NO.PIEZA DESCRIPCION CANT NUM. SERIE J NOTAS 1 L112690 ARANDELA 1 X 2 L112001 CASQUILLO 2 X 3 AL165247 COJINETE CON ALOJAMIENTO 1 X INCL. KEY 2 4 AL174123 AMORTIGUADOR DE TORSION 1 X 5 AL173864 EJE CARDAN 1 X 6 19M8292 TORNILLO 6 X M10 X 50 7 L110092 ARANDELA 1 X 8 19M7938 TORNILLO 1 X M10 X 20 9 L77173 TORNILLO 4 X 10 L80445 TORNILLO 4 X 11 L116041 BRIDA 1 X 12 L116013 ENVOLTURA 1 X 13 L41858 CINTA DE ATAR 1 X TRACTOR 6110J (EDICION SUDAMERICANA) PC8538S (01-JUL-10) 54-3 PN=247
  • 250.
    54-4 TRANSMISION POWRQUAD TRACTION CLUTCH/HOUSING PLANETARY BRAKE EMBRAYAGE MARCHE AVANT / CARTER D’EMBRAYAGE MARCHE ARRIERE FAHRKUPPLUNG/ PLANETENBREMSGEHAEUSE FRIZIONE DI TRAZIONE / SCATOLA FRENO GRUPPO?PLANETARI EMBREAGEM DE TRACAO/ CARCACA FREIO PLANETARIO EMBRAGUE DE TRACCION / CAJA DEL FRENO DE RETROCESO PUBM1506 -UN-28JUN10 ESTA RELACION DE PIE 54-4 TRACTOR 6110J (EDICION SUDAMERICANA) PC8538S (01-JUL-10) PN=248
  • 251.
    54-5 TRANSMISION POWRQUAD 6 1 1 0 POS. NO.PIEZADESCRIPCION CANT NUM. SERIE J NOTAS 1 R255597 TAMBOR 1 X INCL KEY 4 2 R95360 ARANDELA DE EMPUJE 1 X 3 19M7863 TORNILLO 4 X M6 X 25 4 R104655 CASQUILLO 1 X 5 RE239984 PISTON 1 X 6 400R BOLA 2 X 7 R79018 MUELLE DE COMPRESION 2 X 8 R87395 ARANDELA ELASTICA 2 X 9 RE47305 JUEGO DE RETENES 1 X 10 R171006 PORTAPLANETARIOS 1 X 11 RE220989 CUBO 1 X 12 RE35512 DISCO DE FRENO 5 X 13 R96805 PLATO DE EMBRAGUE 4 X 14 R102913 MUELLE 12 X 15 R96806 PLATO DE EMBRAGUE 1 X 16 R104733 BULON 12 X 17 R276658 TORNILLO 6 X M10 X 65 18 R171009 ENGRANAJE PLANETARIO 6 X 19 R87210 ARANDELA DE EMPUJE 1 X 20 RE34603 PASADOR ELASTICO 6 X 21 R125173 ARANDELA 12 X 22 JD10542 RODAMIENTO DE AGUJAS 12 X 23 R107206 ANILLO ELASTICO 1 X 24 RE220029 ARBOL 1 X INCL.KEY23 25 AL170691 CARCASA 1 X MARKED R251670 (INCL. KEYS 26, 27, 28, 31, 35, 39, 40, 41, 42, 43) 26 L111964 PASADOR DE CENTRAJE 2 X 27 RE46684 TAPON HERMETICO 1 X 28 51M7041 ANILLO TORICO 1 X 29 R33167 ANILLO 2 X 30 R247895 TORNILLO DE HEXAG.INTERIOR 6 X 31 RE261756 ASIENTO DE VALVULA 2 X 32 RE251672 CARCASA 1 X MARKED R251670 (INCL. KEYS 27, 28, 35) 33 R113671 ANILLO ELASTICO 1 X 34 L156294 CONEXION DE MANGUERA 1 X 35 R121580 TAPON ROSCADO 2 X 36 R158505 JUNTA 1 X 37 RE47271 JUEGO 6 X 38 R255603 SUPLEMENTO AR X TK= 0,4MM (0.016") R255604 SUPLEMENTO AR X TK= 0,8MM (0.031") 39 R251675 MANGUITO 1 X 40 R251678 MANGUITO 1 X 41 R38295 AGUJA DE RODAMIENTO 4 X 42 19M7862 TORNILLO 2 X M6 X 20 TRACTOR 6110J (EDICION SUDAMERICANA) PC8538S (01-JUL-10) 54-5 PN=249
  • 252.
    54-6 TRANSMISION POWRQUAD REVERSE BRAKEHOUSING EMBRAYAGE MARCHE ARRIERE UMKEHRKUPPLUNG SCATOLA FRENO INVERSIONE INVERSOR HIDRAULICO INVERSOR HIDRAULICO LX040875 -UN-02APR04 ESTA RELACION DE PIE 54-6 TRACTOR 6110J (EDICION SUDAMERICANA) PC8538S (01-JUL-10) PN=250
  • 253.
    54-7 TRANSMISION POWRQUAD 6 1 1 0 POS. NO.PIEZADESCRIPCION CANT NUM. SERIE J NOTAS 1 R176474 ESPACIADOR 1 X 2 R122146 CORONA DE TREN PLANETARIO 1 X 3 R95378 PLATO DE EMBRAGUE 4 X 4 RE48092 DISCO CON DENTADO INTERIOR 5 X 5 R102913 MUELLE 8 X 6 R95422 DISCO 1 X TK= 6MM R243074 PLACA 1 X TK= 7MM 7 R223964 JUNTA 1 X 8 R244132 CARCASA 1 X 9 R124438 CASQUILLO 1 X 10 L111964 PASADOR DE CENTRAJE 4 X 11 R95560 PISTON 1 X 12 19M7835 TORNILLO 6 X M10 X 35 13 L158623 MUELLE 8 X (A) (A) WITH MECHANICAL REVERSER CONTROL AVEC COMMANDE MECANIQUE DE L’INVERSEUR BEI MECHANISCHER FAHRTRICHTUNGSBETAETIGUNG CON COMANDO MECCANICO INVERSIONE DI MARCIA COM CONTROLE DE REVERSAO MECANICA CON MANDO MECANICO DEL INVERSOR TRACTOR 6110J (EDICION SUDAMERICANA) PC8538S (01-JUL-10) 54-7 PN=251
  • 254.
    54-8 TRANSMISION POWRQUAD DIRECT DRIVECLUTCH EMBRAYAGE DE TRANSMISSION DIRECTE DIREKTANTRIEBSKUPPLUNG FRIZIONE COMANDO DIRETTO EMBREAGEM DE TRANSMISSAO DIRETA EMBRAGUE DE TRANSMISION DIRECTA PY004788 -UN-01AUG07 ESTA RELACION DE PIE 54-8 TRACTOR 6110J (EDICION SUDAMERICANA) PC8538S (01-JUL-10) PN=252
  • 255.
    54-9 TRANSMISION POWRQUAD 6 1 1 0 POS. NO.PIEZADESCRIPCION CANT NUM. SERIE J NOTAS 1 R217436 TAMBOR 1 X 2 R104738 CASQUILLO 1 X 3 R38295 AGUJA DE RODAMIENTO 2 X 4 RE47294 KIT DE EMBRAGUE 1 X 5 RE56036 PISTON 1 X 6 R87395 ARANDELA ELASTICA 2 X 7 400R BOLA 2 X 8 R101187 ENGRANAJE SOLAR 1 X 9 R220471 PLATO DE EMBRAGUE 1 X 10 RE239058 DISCO CON DENTADO INTERIOR 4 X 11 R216294 PLATO DE EMBRAGUE 3 X 12 R101170 ARANDELA 1 X 13 R219974 PASADOR 6 X 14 R125065 MUELLE 6 X LGTH= 30,00MM (1-3/16") 15 R219516 TAPADERA 1 X 16 R151435 TORNILLO 6 X M8 X 30 17 R39322 ANILLO 2 X 18 R105040 ARANDELA DE EMPUJE 1 X 19 R95835 ARANDELA DE EMPUJE 1 X 20 R120477 PISTON 1 X TRACTOR 6110J (EDICION SUDAMERICANA) PC8538S (01-JUL-10) 54-9 PN=253
  • 256.
    54-10 TRANSMISION POWRQUAD PLANETARY BRAKE FREINDE PLANETAIRE PLANETENTRIEBBREMSE FRENO GRUPPO PLANETARI FREIOS DAS PLANETARIAS TREN DE PLANETARIOS DE FRENO LX048771 -UN-06OCT05 ESTA RELACION DE PIE 54-10 TRACTOR 6110J (EDICION SUDAMERICANA) PC8538S (01-JUL-10) PN=254
  • 257.
    54-11 TRANSMISION POWRQUAD 6 1 1 0 POS. NO.PIEZADESCRIPCION CANT NUM. SERIE J NOTAS 1 R188518 EMPAQUETADURA 2 X 2 R216291 PLATO DE EMBRAGUE 2 X 3 RE151059 DISCO CON DENTADO INTERIOR 1 X 4 R216293 PLATO DE EMBRAGUE 1 X 5 R101214 PISTON 2 X 6 RE244125 CARCASA 1 X MARKED R244123 7 R121580 TAPON ROSCADO 3 X 8 R95316 PISTON 1 X 9 L111964 PASADOR DE CENTRAJE 4 X 10 R158521 ANILLO TORICO 14 X 11 R158523 ANILLO TORICO 2 X 12 RE46684 TAPON HERMETICO 1 X 13 51M7041 ANILLO TORICO 2 X 14 R173443 TORNILLO 2 X 15 R101169 MUELLE 8 X 16 RE244129 CARCASA 1 X MARKED R244126 17 R216292 PLATO DE EMBRAGUE 2 X 18 RE34786 DISCO CON DENTADO INTERIOR 3 X 19 19M7944 TORNILLO 8 X M10 X 120 20 RE221608 TAPON DE VACIADO 1 X INCL KEY 13 21 R209938 DISCO DE FRENO 2 X TK= 5MM 22 R130606 TAPON ROSCADO 1 X TRACTOR 6110J (EDICION SUDAMERICANA) PC8538S (11-JAN-11) 54-11 PN=255
  • 258.
    54-12 TRANSMISION POWRQUAD TRANSMISSION OUTPUTSHAFT ABRE DE SORTIE DE TRANSMISSION GETRIEBEABTRIEBSWELLE ALBERGO DI USCITA DELLA TRANSMISSIONE EIXO DE SAIDA DA TRANSMISSAO EJE DE SALIDA DE LA TRANSMISION LX026696 -UN-11JUN01 6 1 1 TRANSMISION 0 POS. NO.PIEZA DESCRIPCION CANT NUM. SERIE J NOTAS 1 RE61245 ARBOL 1 X 2 R112955 ANILLO 1 X 3 R112857 ANILLO TORICO 1 X 4 R92241 CASQUILLO 1 X 5 L101305 EJE DE MANDO 1 X LGTH 452MM 54-12 TRACTOR 6110J (EDICION SUDAMERICANA) PC8538S (01-JUL-10) PN=256
  • 259.
    54-13 TRANSMISION POWRQUAD SUN GEARS PLANETAIRES SONNENRAEDER INGRANAGGICENTRALI ENGRENAGENS SOLARES PINONES SOLARES RXA0073358 -UN-30JAN04 6 1 1 0 POS. NO.PIEZA DESCRIPCION CANT NUM. SERIE J NOTAS 1 RE228608 ENGRANAJE 1 X 2 R95895 ARANDELA DE EMPUJE 1 X 3 RE228607 ENGRANAJE 1 X 4 R219255 CASQUILLO 1 X 5 R95835 ARANDELA DE EMPUJE 1 X 6 RE245565 ENGRANAJE 1 X 7 R214122 ARANDELA 1 X TRACTOR 6110J (EDICION SUDAMERICANA) PC8538S (01-JUL-10) 54-13 PN=257
  • 260.
    54-14 TRANSMISION POWRQUAD INPUT PLANETARYASSEMBLY TRAIN PLANETAIRE D’ENTREE PLANETENTRIEB GRUPPO INGRESSO COMANDO PLANETARI CONJUNTO DE PLANETARIOS DE ENTRADA TREN DE PLANETARIOS DE ENTRADA LX048781 -UN-10OCT05 ESTA RELACION DE PIE 54-14 TRACTOR 6110J (EDICION SUDAMERICANA) PC8538S (01-JUL-10) PN=258
  • 261.
    54-15 TRANSMISION POWRQUAD 6 1 1 0 POS. NO.PIEZADESCRIPCION CANT NUM. SERIE J NOTAS 1 R245934 CORONA DE TREN PLANETARIO 1 X 2 R228266 PORTAPLANETARIOS 1 X 3 R227060 ENGRANAJE 3 X 4 RE228488 COJINETE 6 X 5 R228601 ESPACIADOR 3 X 6 R96826 ARANDELA DE EMPUJE 6 X 7 R101178 EJE CON PINON 3 X 8 RE34603 PASADOR ELASTICO 3 X 9 R115215 TORNILLO 2 X 10 R212399 REVESTIMIENTO 1 X 11 R228268 ARANDELA 1 X TRACTOR 6110J (EDICION SUDAMERICANA) PC8538S (01-JUL-10) 54-15 PN=259
  • 262.
    54-16 TRANSMISION POWRQUAD TRANSMISSION OILPUMP POMPE A HUILE DE TRANSMISSION GETRIEBEOELPUMPE POMPA TRANSMISSIONE BOMBA DE OLEO DA TRANSMISSAO BOMBA DE ENGRASE DE LA TRANSMISSION LX048793 -UN-11OCT05 ESTA RELACION DE PIE 54-16 TRACTOR 6110J (EDICION SUDAMERICANA) PC8538S (01-JUL-10) PN=260
  • 263.
    54-17 TRANSMISION POWRQUAD 6 1 1 0 POS. NO.PIEZADESCRIPCION CANT NUM. SERIE J NOTAS 1 RE225879 ARBOL 1 X 2 R214121 CASQUILLO 1 X 3 R130488 COLECTOR 1 X 4 R38295 AGUJA DE RODAMIENTO 2 X 5 JD10269 RODAMIENTO RODILLOS CIL. 1 X 6 RE47291 KIT DE REPARACION DE BOMBAS 1 X 7 R79639 BOLA 1 X 8 40M7097 ANILLO ELASTICO 1 X 9 R108925 ENGRANAJE 1 X 10 R108927 ENGRANAJE 1 X 11 T27432 ANILLO ELASTICO 1 X 12 R106825 TORNILLO 6 X 13 R115119 RODAMIENTO DE BOLAS 1 X 14 R100991 PASADOR 1 X LGTH= 47MM 15 R100989 PISTON 1 X 16 R100988 RETENEDOR 1 X 17 R101239 MUELLE 1 X 18 RE40448 RETENEDOR 1 X TRACTOR 6110J (EDICION SUDAMERICANA) PC8538S (01-JUL-10) 54-17 PN=261
  • 264.
    54-18 TRANSMISION POWRQUAD TRANSMISSION FRONTCOVER CARTER AVANT VORDERER GETRIEBEDECKEL COPERCHIO ANTERIORE TRASMISSIONE CARCACA FRONTAL DA TRANSMISSAO TAPA FRONTAL DEL CAMBIO PUBM1427 -UN-29JUN10 ESTA RELACION DE PIE 54-18 TRACTOR 6110J (EDICION SUDAMERICANA) PC8538S (01-JUL-10) PN=262
  • 265.
    54-19 TRANSMISION POWRQUAD 6 1 1 0 POS. NO.PIEZADESCRIPCION CANT NUM. SERIE J NOTAS 1 L154133 BRAZO 1 X 2 R95063 BULON 1 X 3 AR103873 RETEN 1 X 4 R115141 TORNILLO 8 X 5 R95066 VALVULA 1 X 6 R107252 PASADOR ELASTICO 1 X 7 R116100 MUELLE 1 X 8 R116473 DISCO 2 X 9 R116101 MUELLE 1 X 10 RE47315 JUEGO 1 X 11 34M7272 PASADOR ELASTICO 2 X 12 R58941 BULON 1 X 13 R213853 TOPE 1 X (UTILIZAR CON R202359) 14 51M7045 ANILLO TORICO 2 X 15 L78975 TAPON HERMETICO 1 X 16 R241994 VALVULA DE CARRETE 2 X 17 R255005 MUELLE DE COMPRESION 2 X 18 R273498 VALVULA DE CARRETE 1 X 19 51M7043 ANILLO TORICO 1 X 20 RE46685 TAPON HERMETICO 1 X 21 R120947 VALVULA 1 X 22 R109535 MUELLE 1 X 23 R86638 SUPLEMENTO 4 X 24 51M7045 ANILLO TORICO 1 X 25 AL166743 TAPON HERMETICO 1 X 26 R252208 VALVULA DE CARRETE 1 X 27 R299263 MUELLE DE COMPRESION 1 X 28 R299262 MUELLE DE COMPRESION 1 X 29 R299264 PASADOR 1 X 30 R176199 PISTON 1 X 31 P48347 ANILLO TORICO 1 X 32 R112976 RETEN 1 X 33 R171413 JUNTA 1 X 34 R171412 TAPADERA 1 X 35 19M7775 TORNILLO 3 X M6 X 16 36 R54174 MUELLE 1 X 37 R176198 VALVULA 1 X 38 R273530 MUELLE DE COMPRESION 1 X 39 R121609 GUIA 1 X 40 R124949 ARTICULACION 1 X 41 L153819 PORTADOR 1 X 42 24M7028 ARANDELA 1 X 43 19M9168 TORNILLO 1 X M10 X 180 44 R104714 TORNILLO 1 X M10 X 185 45 R202640 JUNTA 1 X 46 R208927 CARCASA 1 X 47 R112063 TORNILLO 5 X 48 RE46684 TAPON HERMETICO AR X 49 51M7041 ANILLO TORICO 1 X 50 51M7042 ANILLO TORICO 1 X 51 L158473 TAPON 1 X TRACTOR 6110J (EDICION SUDAMERICANA) PC8538S (01-JUL-10) 54-19 PN=263
  • 266.
    54-20 TRANSMISION POWRQUAD HOUSING, 4-SPEEDSHIFTING (WITH MECHANICAL REVERSER CONTROL) CARTER, BOITE 4 VITESSES (AVEC COMMANDE MECANIQUE D’INVERSEUR) GEHAEUSE, 4-GANGSCHALTUNG (BEI MECHANISCHER FAHRTRICHTUNGSBETAETIGUNG) SCATOLA, CAMBIO A 4 MARCE (CON COMANDO MECCANICO INVERSORE) CARCACA (COM CONTROLE DE REVERSAO MECANICA) CARCASA, TRANSMISION DE 4 MARCHAS (CON ACCIONAMIENTO MECANICO DEL INVERSOR) PUBM1314 -UN-22APR10 ESTA RELACION DE PIE 54-20 TRACTOR 6110J (EDICION SUDAMERICANA) PC8538S (01-JUL-10) PN=264
  • 267.
    54-21 TRANSMISION POWRQUAD 6 1 1 0 POS. NO.PIEZADESCRIPCION CANT NUM. SERIE J NOTAS 1 19M7775 TORNILLO 3 X M6 X 16 2 34M5028 PASADOR ELASTICO 2 X 3 R213485 JUNTA 1 X 4 R213348 PLACA 1 X 5 R213484 JUNTA 1 X 6 R194487 CARCASA 1 X 7 R248215 CARRETE 3 X 8 R194659 MUELLE DE COMPRESION 3 X 9 R194658 MUELLE DE COMPRESION 3 X 10 51M7043 ANILLO TORICO 3 X 11 RE46685 TAPON HERMETICO 3 X 12 R192305 CARRETE 1 X 13 19M7834 TORNILLO 11 X M6 X 45 14 405R BOLA 1 X 15 R197564 MUELLE DE COMPRESION 1 X 16 R184116 TAPON HERMETICO 1 X 17 51M7042 ANILLO TORICO 1 X 18 R202861 TAPON HERMETICO 1 X 19 R182130 ABRAZADERA 1 X 20 AL155310 CABLE SIMETRICO 1 X TRACTOR 6110J (EDICION SUDAMERICANA) PC8538S (01-JUL-10) 54-21 PN=265
  • 268.
    54-22 TRANSMISION POWRQUAD FRONT COVERAND VALVES WITH MECHANICAL REVERSER CONTROL BOITIER DE SOUPAPES AVANT / SOUPAPES AVEC COMMANDE MECANIQUE DE L’INVERSEUR VORDERER DECKEL UND VENTILE BEI MECHANISCHER FAHRTRICHTUNGSBETAETIGUNG COPERCHIO ANTERIORE E VALVOLE CON COMANDO MECCANICO DI INVERSIONE DI MARCIA TAMPA DIANTEIRA E VALVULAS COM CONTROLE DE REVERSAO MECANICA TAPA FRONTAL Y VALVULAS CON MANDO MECANICO DEL INVERSOR PUBM1429 -UN-28JUN10 ESTA RELACION DE PIE 54-22 TRACTOR 6110J (EDICION SUDAMERICANA) PC8538S (01-JUL-10) PN=266
  • 269.
    54-23 TRANSMISION POWRQUAD 6 1 1 0 POS. NO.PIEZADESCRIPCION CANT NUM. SERIE J NOTAS 1 R257609 JUNTA 1 X FRONT R257613 JUNTA 1 X REAR 2 R167349 PLACA 1 X 3 R197640 CARCASA 1 X 4 R95081 VALVULA 2 X 5 R95084 MUELLE 1 X 6 51M7045 ANILLO TORICO 1 X 7 L166446 TAPON HERMETICO 1 X 8 R116040 MUELLE 1 X 9 51M7043 ANILLO TORICO AR X 10 RE46685 TAPON HERMETICO AR X 11 R167686 JUNTA 1 X 12 R167722 TAPADERA 1 X 13 L156151 TORNILLO 3 X 14 AR103873 RETEN 1 X 15 34M5028 PASADOR ELASTICO 3 X 16 R121580 TAPON ROSCADO 1 X 17 R184115 ARBOL 1 X 18 L154293 PALANCA 1 X 19 34M7268 PASADOR ELASTICO 1 X 20 L154134 PORTADOR 1 X 21 R105605 MUELLE 1 X 22 L158312 TORNILLO 4 X (10.9) 23 19M7775 TORNILLO 4 X M6 X 16, (10.9) 24 R186903 TAPADERA 1 X 25 R186905 JUNTA 1 X 26 L41384 TAPON ROSCADO 1 X 27 51M7043 ANILLO TORICO 1 X 28 R129184 MUELLE DE COMPRESION 1 X 29 R167684 VALVULA DE CARRETE 1 X 30 R224445 CARRETE 1 X 31 R192193 BULON 1 X 32 40M7251 ANILLO ELASTICO 1 X 33 R197326 PALANCA 1 X 34 H63237 ANILLO ELASTICO 1 X 35 R95086 VALVULA 1 X 36 T23853 MUELLE 1 X 37 R28776 ANILLO TORICO 1 X 38 R134141 VALVULA 1 X 39 P51079 ANILLO TORICO 1 X 40 R112977 RETEN 1 X 41 R88791 PISTON 1 X 42 RE47303 JUEGO 1 X 43 R104728 ANILLO TORICO 1 X 44 R87455 TAPON 1 X 45 40M1857 ANILLO ELASTICO 1 X 46 405R BOLA 1 X 47 L171152 MUELLE 1 X 48 24M7027 ARANDELA 1 X 49 51M7042 ANILLO TORICO 1 X 50 R202861 TAPON HERMETICO 1 X 51 R109067 TORNILLO 33 X (10.9) 52 R38295 AGUJA DE RODAMIENTO 2 X 53 R95077 MUELLE 1 X 54 R95076 VALVULA 1 X 55 R109066 TORNILLO 3 X (10.9) 56 RE46684 TAPON HERMETICO 1 X 57 51M7041 ANILLO TORICO 1 X TRACTOR 6110J (EDICION SUDAMERICANA) PC8538S (01-JUL-10) 54-23 PN=267
  • 270.
    54-24 TRANSMISION POWRQUAD SENDING UNITS/ PRESSURE SWITCHES CAPTEURS / MANOCONTACTS GEBER / DRUCKSCHALTER SENSORI / INTERRUTTORI A PRESSIONE SENSORES / PRESSOSTATOS SENSORES /MANOCONTACTOS DE PRESION PUBM1437 -UN-29JUN10 ESTA RELACION DE PIE 54-24 TRACTOR 6110J (EDICION SUDAMERICANA) PC8538S (01-JUL-10) PN=268
  • 271.
    54-25 TRANSMISION POWRQUAD 6 1 1 0 POS. NO.PIEZADESCRIPCION CANT NUM. SERIE J NOTAS 1 R111085 CONEXION 1 X 2 R95398 MANGUERA 1 X 3 R44302 CINTA DE ATAR 1 X 4 R107638 VAINA 1 X 5 R112945 RACOR ACODADO 1 X 6 R113419 RACOR ADAPTADOR 1 X 7 RE212876 MANOCONTACTO 1 X (E) 8 RE46685 TAPON HERMETICO 1 X 9 51M7043 ANILLO TORICO 1 X 10 AL81358 INTERRUPTOR 1 X (A) (B) 11 L41526 ANILLO TORICO 2 X 12 RE39354 RETEN 1 X 13 RE46534 INTERRUPTOR 1 X (A) (C) 14 51M7042 ANILLO TORICO 1 X 15 51M7041 ANILLO TORICO AR X 16 AL80099 MACHO ACOPLAMIENTO HIDRAUL 1 X 17 R77175 TAPADERA 1 X 18 R27976 ANILLO TORICO 1 X 19 R34028 TORNILLO 1 X 20 AL178071 INTERRUPTOR 1 X (A) (D) 21 51M7040 ANILLO TORICO 1 X (A) WITH MECHANICAL REVERSER CONTROL (B) LOW TEMPERATURE AVEC COMMANDE MECANIQUE DE L’INVERSEUR BASSE TEMPERATURE BEI MECHANISCHER FAHRTRICHTUNGSBETAETIGUNG NIEDRIGE TEMPERATUR CON COMANDO MECCANICO INVERSIONE DI MARCIA BASSA TEMPERATURA COM CONTROLE DE REVERSAO MECANICA BAIXA TEMPERATURA CON MANDO MECANICO DEL INVERSOR TEMPERATURA BAJA (C) NEUTRAL SENSOR (D) TEMPERATURE CAPTEUR DE POSITION NEUTRE TEMPERATURE NEUTRALSTELLUNGSSENSOR TEMPERATUR SENSORE POSIZIONE NEUTRALE TEMPERATURA SENSOR DO NEUTRO TEMPERATURA SENSOR DE POSICION NEUTRO TEMPERATURA (E) PRESSURE PRESSION DRUCK PRESSIONE PRESSAO PRESION TRACTOR 6110J (EDICION SUDAMERICANA) PC8538S (01-JUL-10) 54-25 PN=269
  • 272.
    54-26 TRANSMISION POWRQUAD TRANSMISSION OILFILTER FILTRE A HUILE DE TRANSMISSION GETRIEBEOELFILTER FILTRO OLIO TRASMISSIONE FILTRO DE OLEO DA TRANSMISSAO FILTRO DE ACEITE DE LA TRANSMISION LX039415 -UN-08MAR04 6 1 1 0 POS. NO.PIEZA DESCRIPCION CANT NUM. SERIE J NOTAS 1 R120902 JUNTA 1 X 2 R95850 CARCASA 1 X 3 R109066 TORNILLO 6 X (10.9) 4 51M7040 ANILLO TORICO 1 X 5 RE212878 MANOCONTACTO 1 X (A) 6 AL156625 FILTRO DE ACEITE 1 X LGTH= 151,6MM (5-31/32") 7 34M5028 PASADOR ELASTICO 2 X (A) OIL FILTER INDICATOR LAMP (OIL PRESSURE) FILTRE A HUILE - TEMOIN PRESSION D’HUILE OELFILTER - KONTROLLAMPE FUER OELDRUCK SPIA PRESSIONE FILTRO OLIO LAMPADA INDICADORA DO FILTRO DE OLEO (PRESSAO DO OLEO) LUZ TESTIGO PRESION ACEITE, FILTRO ACEITE 54-26 TRACTOR 6110J (EDICION SUDAMERICANA) PC8538S (01-JUL-10) PN=270
  • 273.
  • 274.
    54-28 TRANSMISION POWRQUAD MOUNTING PARTS ELEMENTSDE FIXATION BEFESTIGUNGSTEILE PARTI MONTAGGIO PECAS DE MONTAGEM PIEZAS DE SUJECION PUBM1439 -UN-28JUN10 ESTA RELACION DE PIE 54-28 TRACTOR 6110J (EDICION SUDAMERICANA) PC8538S (01-JUL-10) PN=272
  • 275.
    54-29 TRANSMISION POWRQUAD 6 1 1 0 POS. NO.PIEZADESCRIPCION CANT NUM. SERIE J NOTAS 1 19M7807 TORNILLO 8 X M10 X 60 2 19M8162 TORNILLO 4 X 3 19M7785 TORNILLO 2 X M10 X 25 4 L152507 JUNTA 1 X 5 19M7958 TORNILLO 1 X M10 X 150 TRACTOR 6110J (EDICION SUDAMERICANA) PC8538S (01-JUL-10) 54-29 PN=273
  • 276.
  • 277.
    56-A01 TRANSMISION SECTIONAL INDEX INDEX DESECTION GRUPPENINDEX INDICE DELLA SEZIONE INDICE DE GRUPO INDICE DE GRUPOS PUBM1398 -UN-01JUL10 1- 1 2- 2 3- 4 4- 6 5- 8 6- 10 21- 12 7- 14 8- 16 9- 18 TRACTOR 6110J (EDICION SUDAMERICANA) PC8538S (01-JUL-10) 56-A01 PN=275
  • 278.
    56-A02 TRANSMISION SECTIONAL INDEX INDEX DESECTION GRUPPENINDEX INDICE DELLA SEZIONE INDICE DE GRUPO INDICE DE GRUPOS PUBM1558 -UN-29JUN10 10- 19 11- 20 12- 22 13- 23 14- 24 15- 26 16- 27 17- 28 18- 29 19- 30 20- 32 56-A02 TRACTOR 6110J (EDICION SUDAMERICANA) PC8538S (01-JUL-10) PN=276
  • 279.
    56-1 TRANSMISION RANGE TRANSMISSION HOUSING(SYNCROPLUS) CARTER DE BOITE DE GAMMES (SYNCROPLUS) GRUPPENSCHALTGETRIEBEGEHAEUSE (SYNCROPLUS) SCATOLA TRASMISSIONE A GAMME (SYNCROPLUS) CAIXA DE CAMBIO DE GRUPOS (SYNCROPLUS) CAJA DEL CAMBIO DE GRUPOS (SYNCROPLUS) PUBM1399 -UN-28JUN10 6 1 1 0 POS. NO.PIEZA DESCRIPCION CANT NUM. SERIE J NOTAS 1 L75885 JUNTA 1 X 2 19M7403 TORNILLO 9 X M12 X 35 3 15M2714 TAPON DE VACIADO 1 X 4 L76408 ANILLO TORICO 1 X 5 AL156862 CARCASA 1 X SYNCROPLUS (MARKED L156261 OR L166551) 6 L110066 PASADOR DE CENTRAJE 2 X 7 L78494 CASQUILLO 2 X TRACTOR 6110J (EDICION SUDAMERICANA) PC8538S (01-JUL-10) 56-1 PN=277
  • 280.
    56-2 TRANSMISION RANGE TRANSMISSION HOUSING(POWRQUAD) CARTER DE BOITE DE GAMMES (POWRQUAD) GRUPPENSCHALTGETRIEBEGEHAEUSE (POWRQUAD) SCATOLA TRASMISSIONE A GAMME (POWRQUAD) CAIXA DE CAMBIO DE GRUPOS (POWRQUAD) CAJA DEL CAMBIO DE GRUPOS (POWRQUAD) PUBM1400 -UN-28JUN10 6 1 1 0 POS. NO.PIEZA DESCRIPCION CANT NUM. SERIE J NOTAS 1 L75885 JUNTA 2 X 2 19M7403 TORNILLO 2 X 3 15M2714 TAPON DE VACIADO 2 X 4 L76408 ANILLO TORICO 2 X 5 AL156863 CARCASA 1 X (MARKED L156262 OR L166552) 6 L110066 PASADOR DE CENTRAJE 1 X 7 L78494 CASQUILLO 1 X 56-2 TRACTOR 6110J (EDICION SUDAMERICANA) PC8538S (01-JUL-10) PN=278
  • 281.
  • 282.
    56-4 TRANSMISION DIFF, DRIVE SHAFT,RANGE TRANSMISSION (4X4) BOITE DE GAMMES - ARBRE DU PIGNON D’ATTAQUE (4X4) HAUPTWELLE, GRUPPENSCHALTGETRIEBE (4X4) ALBERO COMANDO DIFFERENZIALE, TRASMISSIONE CAMBIO GAMMA (4X4) EIXO DE SAIDA DO DIFERENCIAL, CAMBIO DE GRUPOS (4X4) EJE DE SALIDA DEL DIFERENCIAL, CAMBIO DE GRUPOS (4X4) PUBM1401 -UN-28JUN10 ESTA RELACION DE PIE 56-4 TRACTOR 6110J (EDICION SUDAMERICANA) PC8538S (01-JUL-10) PN=280
  • 283.
    56-5 TRANSMISION 6 1 1 TRANSMISION 0 POS. NO.PIEZADESCRIPCION CANT NUM. SERIE J NOTAS 1 AL164690 MANDO DE ENGRANAJES CONICOS 1 X Z 9/51 2 AL113714 RODAMIENTO RODILLOS CIL. 1 X 3 AL77434 RODAMIENTO RODILLOS CIL. 2 X 4 L156851 SOPORTE RODAMIENTO SIN ROD. 1 X 5 L77775 MUELLE DE COMPRESION 5 X 6 L173991 ANILLO ELASTICO AR X TK 3.00MM L78069 ANILLO ELASTICO AR X TK 2.90MM L78070 ANILLO ELASTICO AR X TK 2.80MM L78071 ANILLO ELASTICO AR X TK 2.70MM L78072 ANILLO ELASTICO AR X TK 2.60MM L78073 ANILLO ELASTICO AR X TK 2.50MM 7 L157084 SUPLEMENTO AR X TK 0.2MM L157085 SUPLEMENTO AR X TK 0.3MM L157086 SUPLEMENTO AR X TK 0.5MM 8 L170237 ANILLO AR X TK 3.0MM 9 L168800 PINON 1 X 10 L110851 TORNILLO 1 X 11 L76821 ARANDELA DE EMPUJE AR X TK 3.65MM L75917 ARANDELA DE EMPUJE AR X TK 3.80MM L76822 ARANDELA DE EMPUJE AR X TK 3.95MM L113339 ARANDELA DE EMPUJE AR X TK 4.15MM L153635 ARANDELA DE EMPUJE AR X TK 4.05MM 12 L166228 ENGRANAJE 1 X 13 AL157733 SINCRONIZADOR 2 X 14 L76923 ANILLO ELASTICO AR X L75904 ANILLO ELASTICO AR X TK 2.3MM L75905 ANILLO ELASTICO AR X TK 2.20MM L75906 ANILLO ELASTICO AR X TK 2.10MM 15 L155889 ENGRANAJE 1 X Z 55 (MARKED L155889) 16 L166231 ENGRANAJE 1 X Z 43 17 L166230 ENGRANAJE 1 X 18 L170237 ANILLO 1 X 19 19M7156 TORNILLO 5 X M10 X 60 20 24M7028 ARANDELA 4 X 21 L172927 RODAMIENTO RODILLOS CIL. 1 X 22 24M7332 ARANDELA 1 X 23 19M7162 TORNILLO 1 X M8 X 16 24 L116130 SINCRONIZADOR 4 X 25 L155496 ENGRANAJE 1 X 26 L167749 ARANDELA 1 X .. DT5299 ADHESIVO AR X LOCTITE 648 TRACTOR 6110J (EDICION SUDAMERICANA) PC8538S (01-JUL-10) 56-5 PN=281
  • 284.
    56-6 TRANSMISION DRIVE SHAFT, RANGETRANSMISION BOITE DE GAMMES - ARBRE D’ENTRAINEMENT ANTRIEBSWELLE, GRUPPENSCHALTGETR ALBERO COMANDO, TRASMISSIONE CAMBIO GAMMA ARVORE DE TRANSMISSAO, CAMBIO DE GRUPOS ARBOL DE TRANSMISION, CAMBIO DE GRUPOS LX018020 -UN-27JAN98 ESTA RELACION DE PIE 56-6 TRACTOR 6110J (EDICION SUDAMERICANA) PC8538S (01-JUL-10) PN=282
  • 285.
    56-7 TRANSMISION 6 1 1 0 POS. NO.PIEZA DESCRIPCIONCANT NUM. SERIE J NOTAS 1 L155339 SOPORTE RODAMIENTO SIN ROD. 1 X 2 19M8533 TORNILLO 3 X M10 X 25 3 AL178191 RODAMIENTO RODILLOS CONICOS 1 X 4 L166233 ARBOL 1 X 5 L77758 ANILLO ELASTICO AR X TK 3.40MM L77763 ANILLO ELASTICO AR X TK 2.50MM L77762 ANILLO ELASTICO AR X TK 2.60MM L77761 ANILLO ELASTICO AR X TK 2.70MM L77760 ANILLO ELASTICO AR X TK 2.80MM L77759 ANILLO ELASTICO AR X TK 2.90MM L114266 ANILLO ELASTICO AR X TK 3.00MM L75882 ANILLO ELASTICO AR X TK 3.10MM L75883 ANILLO ELASTICO AR X TK 3.20MM L75884 ANILLO ELASTICO AR X TK 3.30MM 6 AL113279 COJINETE 1 X 7 L75889 MANGUITO 1 X 8 L150695 ESPARRAGO 1 X TRACTOR 6110J (EDICION SUDAMERICANA) PC8538S (01-JUL-10) 56-7 PN=283
  • 286.
    56-8 TRANSMISION PARKING LOCK, RANGETRANSMISSION BOITE DE GAMMES - FREIN DE STATIONNEMENT PARKSPERRE, GRUPPENSCHALTGETRIEBE BLOCCO STAZIONAMENTO, TRASM. A GAMME BLOQUEIO DO ESTACIONAMENTO, CAMBIO DE GRUPOS BLOQUEO DE ESTACIONAMIENTO, CAMBIO DE GRUPOS PUBM1402 -UN-28JUN10 ESTA RELACION DE PIE 56-8 TRACTOR 6110J (EDICION SUDAMERICANA) PC8538S (01-JUL-10) PN=284
  • 287.
    56-9 TRANSMISION 6 1 1 TRANSMISION 0 POS. NO.PIEZADESCRIPCION CANT NUM. SERIE J NOTAS 1 L153968 TRINQUETE 1 X 2 L78415 CASQUILLO 1 X 3 L150696 BULON 1 X 4 19M8397 TORNILLO 2 X M8 X 50 5 L165947 LEVA 1 X 6 L154520 ARANDELA DE EMPUJE 2 X 7 JD8856 RODAMIENTO DE AGUJAS 1 X 8 L150693 BULON 1 X 9 34M7215 PASADOR ELASTICO 1 X 10 L155639 MUELLE DE TRACCION 1 X 11 L79037 RETEN 1 X 12 24M7369 ARANDELA AR X TK 1.4MM 24M7370 ARANDELA AR X TK 1.5MM 24M7371 ARANDELA AR X TK 1.6MM 24M7372 ARANDELA AR X TK 1.7MM 24M7373 ARANDELA AR X TK 1.8MM 24M7374 ARANDELA AR X TK 1.9MM 24M7375 ARANDELA AR X TK 2.0MM 24M7452 ARANDELA AR X TK 1.1 MM 24M7398 ARANDELA AR X TK 1.2MM 24M7399 ARANDELA AR X TK 1.3MM 13 AL164323 BRAZO 1 X 14 34M7259 PASADOR ELASTICO 1 X 15 AL79072 APOYO 1 X 16 19M7162 TORNILLO 1 X M8 X 16 17 L80107 CASQUILLO 2 X 18 AL113358 PALANCA 1 X 19 24M7386 ARANDELA 1 X 20 40M7253 ANILLO ELASTICO 1 X 21 L80167 MUELLE DE TORSION 1 X 22 L167801 VASTAGO 1 X LGTH 184.5MM 23 34M5719 PASADOR ELASTICO 1 X .. AL156714 ARANDELA 1 X TRACTOR 6110J (EDICION SUDAMERICANA) PC8538S (01-JUL-10) 56-9 PN=285
  • 288.
    56-10 TRANSMISION SHIFTING PARTS, RANGETRANSM. (SYNCROPLUS/POWRQUAD) BOITE DE GAMMES - ELEMENTS DE COMMANDE (SYNCROPLUS/POWRQUAD) SCHALTUNGSTEILE, GRUPPENSCHALTGETR. (SYNCROPLUS/POWRQUAD) PARTI AZIONAAMENTO CAMBIO GAMMA TRASMISSIONE (SYNCROPLUS/POWRQUAD) PECAS DE ACIONAMENTO, GRUPOS (SYNCROPLUS/POWRQUAD) VARILLAJE DE MANDO, CAMBIO DE GRUPOS (SYNCROPLUS/POWRQUAD) PUBM1403 -UN-28JUN10 ESTA RELACION DE PIE 56-10 TRACTOR 6110J (EDICION SUDAMERICANA) PC8538S (01-JUL-10) PN=286
  • 289.
    56-11 TRANSMISION 6 1 1 0 POS. NO.PIEZA DESCRIPCIONCANT NUM. SERIE J NOTAS 1 L153159 TAPADERA 1 X (MARKED L153159) 2 L153307 RETEN AR X 3 30M7024 TAPON 1 X 4 AL81250 ARBOL 2 X 5 AL166649 PALANCA AR X 6 44M7111 PASADOR DE CENTRAJE AR X 7 34M7226 PASADOR ELASTICO AR X 8 L153345 CARCASA 1 X 9 AL116245 DETENEDOR 2 X 10 JD10508 COJINETE AR X 11 19M7866 TORNILLO 3 X M8 X 20 12 L33332 TORNILLO DE FIJACION 4 X 13 L111048 CAMBIADOR 2 X 14 L165942 VARILLA DE CAMBIO 1 X (B) 15 L113217 ABRAZADERA 1 X 16 L156693 VARILLA DE CAMBIO 1 X (A) 17 L76229 BULON 1 X 18 34M3858 PASADOR ELASTICO 1 X 19 L76234 JUNTA 1 X 20 19M7800 TORNILLO 5 X M8 X 50 21 30M7010 TAPON 2 X 22 19M7866 TORNILLO 1 X M8 X 20 23 L165946 ABRAZADERA 1 X .. DT5037 SELLADOR AR X LOCTITE 242 .. DT5299 ADHESIVO AR X LOCTITE 648 (A) FOR GROUPS A-B (B) FOR GROUPS C-D POUR GAMMES A-B POUR GAMMES C-D FUER GRUPPEN A-B FUER GRUPPEN C-D PER GRUPPI A-B PER GRUPPI C-D PARA GRUPOS A-B PARA GRUPOS C-D PARA GRUPOS A-B PARA GRUPOS C-D TRACTOR 6110J (EDICION SUDAMERICANA) PC8538S (01-JUL-10) 56-11 PN=287
  • 290.
    56-12 TRANSMISION ANTI PERCH PARTSFOR NEUTRAL POSITION ELEMENTS POUR MAINTIEN DE LA POSITION NEUTRE SCHALTUNTERSTUETZUNG ZUR NEUTRALSTELLUNG ELEMENTI PER FISSARE POSIZ. NEUTRALE ELEMENTO DA FIXACAO DA POSICAO NEUTRA ELEMENTO DE FIJACION DE LA POSICION NEUTRA PUBM1404 -UN-29JUN10 6 1 1 0 POS. NO.PIEZA DESCRIPCION CANT NUM. SERIE J NOTAS 1 L80052 HORQUILLA 2 X 2 24M7055 ARANDELA 1 X 3 L114120 TORNILLO 1 X 4 L113541 CASQUILLO 1 X 5 19M7868 TORNILLO 1 X M8 X 30 6 L113099 PASADOR DE CENTRAJE 1 X 7 L159313 MUELLE 1 X 8 AL114210 PALANCA 1 X 9 L113335 RODILLO 1 X 10 40M7040 ANILLO ELASTICO 1 X 11 34M7249 PASADOR ELASTICO 1 X 12 L113049 PALANCA 1 X 13 34M7267 PASADOR ELASTICO 2 X 6 X 24 MM 14 45M7080 PASADOR DE MUELLE 2 X 15 AL158041 ARBOL 1 X 16 14M7009 TUERCA 2 X M6 17 L154131 VASTAGO 1 X 18 L53813 ANILLO TORICO 2 X 19 40M7068 ANILLO ELASTICO 2 X 56-12 TRACTOR 6110J (EDICION SUDAMERICANA) PC8538S (01-JUL-10) PN=288
  • 291.
  • 292.
    56-14 TRANSMISION FWD - DRIVE PONTAVANT - ENTRAINEMENT FRONTANTRIEB - ABTRIEB 4WD - COMANDO EIXO DE SAIDA DA TRACAO DIANTEIRA EJE DE SALIDA / TRACCION DELANTERA PUBM1405 -UN-28JUN10 ESTA RELACION DE PIE 56-14 TRACTOR 6110J (EDICION SUDAMERICANA) PC8538S (01-JUL-10) PN=290
  • 293.
    56-15 TRANSMISION 6 1 1 0 POS. NO.PIEZA DESCRIPCIONCANT NUM. SERIE J NOTAS 1 AL166905 TAPON 1 X LGHT 41MM OD 10MM 2 L110066 PASADOR DE CENTRAJE 2 X 3 L64500 SELLADOR 1 X 50 CM3 4 JD10498 PISTA EXT DE RODAMIENTO 1 X 5 JD10497 CONO DEL COJINETE 1 X 6 L102565 ARANDELA DE EMPUJE 1 X 7 L102489 DISCO 1 X 8 AL114942 CONO DEL COJINETE 2 X 9 L155993 ENGRANAJE 1 X Z 25/44 (RATIO 1.760) L155994 ENGRANAJE 1 X Z 24/44 (RATIO 1.870) 10 L77262 SUPLEMENTO AR X TK 0.05MM 24M7150 SUPLEMENTO AR X TK 0.10MM 24M7331 SUPLEMENTO AR X TK 0.20MM 24M7258 SUPLEMENTO AR X TK 0.50MM 11 L114651 ESPACIADOR 1 X 12 L100522 ANILLO DE SELLADO 1 X 13 L157992 ARBOL 1 X 14 19M7163 TORNILLO 2 X M8 X 25 19M7288 TORNILLO 2 X M8 X 30 15 L41187 CASQUILLO 1 X 16 L157568 RETENEDOR REDONDO 1 X 17 L78828 SOPORTE RODAMIENTO SIN ROD. 1 X 18 AL79750 RETEN 1 X 19 L78683 ANILLO TORICO 1 X 20 L78827 SUPLEMENTO AR X TK 0.05MM L78838 SUPLEMENTO AR X TK 0.10MM L78839 SUPLEMENTO AR X TK 0.20MM L78840 SUPLEMENTO AR X TK 0.50MM 21 L100959 PISTA EXT DE RODAMIENTO 1 X 22 AL80939 CONO DEL COJINETE 1 X 23 19M7180 TORNILLO 1 X M10 X 45 24 AT107509 TAPON 2 X 25 L170424 CAJA 1 X 26 19M7513 TORNILLO 12 X M8 X 30 27 AL179236 TAPON HERMETICO 1 X 28 51M7048 ANILLO TORICO 1 X 29 L41709 TAPON ROSCADO 1 X 30 L41526 ANILLO TORICO 1 X 31 38H5135 CONEXION 2 X 32 51M7042 ANILLO TORICO 2 X 33 L114655 BULON 1 X 34 R34140 ANILLO 1 X .. DT5173 ACEITE 3 X TRACTOR 6110J (EDICION SUDAMERICANA) PC8538S (01-JUL-10) 56-15 PN=291
  • 294.
    56-16 TRANSMISION FWD MULTI -DISK CLUTCH PONT AVANT - EMBRAYAGE MULTIDISQUE FRONTANTRIEB - LAMELLENKUPPLUNG 4WD FRIZIONE A DISCHI MULTIPLI EMBREAGEM MULTIDISCOS TRACAO DIANTEIRA EMBRAGUE MULTIDISCO - TRACC. DELANT. CQ302525 -UN-23APR08 ESTA RELACION DE PIE 56-16 TRACTOR 6110J (EDICION SUDAMERICANA) PC8538S (01-JUL-10) PN=292
  • 295.
    56-17 TRANSMISION 6 1 1 0 POS. NO.PIEZA DESCRIPCIONCANT NUM. SERIE J NOTAS 1 AL118814 ENGRANAJE 1 X 2 L110129 IMPULSOR 1 X 3 L157103 TAMBOR 1 X Z 50 (RATIO 1.760) L157106 TAMBOR 1 X Z 51 (RATIO 1.870) L157104 TAMBOR 1 X Z 51 (RATIO 1.795) L157108 TAMBOR 1 X Z 53 (RATIO 1.943) 4 L102567 CASQUILLO 1 X 5 R79018 MUELLE DE COMPRESION 1 X 6 L112884 CONO DE VALVULA 3 X 7 L172658 TAPON ROSCADO 3 X 8 L158967 ANILLO ELASTICO 1 X 9 L102489 DISCO 1 X 10 L101779 ARANDELA DE EMPUJE 1 X 11 AL114526 DISCO CON DENTADO EXTERIOR 10 X 12 L78682 DISCO CON DENTADO INTERIOR 9 X 13 L101488 PISTON 1 X 14 L100935 CASQUILLO 1 X 15 L78687 ANILLO TORICO 1 X 16 L100519 MUELLE DE DISCO 2 X 17 L101122 ANILLO 1 X TRACTOR 6110J (EDICION SUDAMERICANA) PC8538S (01-JUL-10) 56-17 PN=293
  • 296.
    56-18 TRANSMISION FWD-SOLENOID VALVE PONT AVANT- ELECTROVANNE FRONTANTRIEB-MAGNETVENTIL 4WD - VALVOLA A SOLENOIDE VALVULA SOLENOIDE DA TRACAO DIANTEIRA TRACC. DELANT., ELECTROVALVULA LX048534 -UN-14NOV05 6 1 1 0 POS. NO.PIEZA DESCRIPCION CANT NUM. SERIE J NOTAS 1 RE47392 JUEGO DE ANILLOS TORICOS 1 X 2 RE211158 ELECTROVALVULA 1 X 3 19M7560 TORNILLO 2 X M6 X 16 4 R211082 ABRAZADERA 1 X 56-18 TRACTOR 6110J (EDICION SUDAMERICANA) PC8538S (01-JUL-10) PN=294
  • 297.
    56-19 TRANSMISION DIFFERENTIAL HOUSING CARTER DEDIFFERENTIEL DIFFERENTIALGEHAEUSE SCATOLA DEL DIFFERENZIALE CARCACA DO DIFERENCIAL CAJA DEL DIFERENCIAL PUBM1406 -UN-28JUN10 6 1 1 0 POS. NO.PIEZA DESCRIPCION CANT NUM. SERIE J NOTAS 1 AL179429 CAJA 1 X 2 L112380 PASADOR DE CENTRAJE 4 X 3 L77560 BULON 4 X 4 L110067 PASADOR DE CENTRAJE 6 X 5 L80062 TAPON HERMETICO 1 X 6 51M7061 ANILLO TORICO 1 X 7 AL79010 MALLA 1 X 8 51M7048 ANILLO TORICO 2 X 9 L101574 TAPON HERMETICO 2 X 10 L174554 CAJA 1 X TRACTOR 6110J (EDICION SUDAMERICANA) PC8538S (01-JUL-10) 56-19 PN=295
  • 298.
  • 299.
    56-21 TRANSMISION 6 1 1 TRANSMISION 0 POS. NO.PIEZADESCRIPCION CANT NUM. SERIE J NOTAS 1 19M8475 TORNILLO 10 X M10 X 30 2 L77138 SOPORTE RODAMIENTO SIN ROD. 1 X LH 3 L102146 SUPLEMENTO AR X TK 0.075MM L102147 SUPLEMENTO AR X TK 0.1MM L102148 SUPLEMENTO AR X TK 0.25MM L102149 SUPLEMENTO AR X TK 0.5MM 4 L77371 PISTA EXT DE RODAMIENTO 1 X 5 L78580 ANILLO DE PISTON 2 X 6 AL80941 CONO DEL COJINETE 1 X 7 AL112560 TAPA DE COJINETE 1 X RH 8 AL78835 CONO DEL COJINETE 1 X 9 L172599 TORNILLO 1 X 10 L173432 BULON 1 X 11 L173431 BULON 1 X 12 59M7001 MUELLE DE COMPRESION 4 X 13 L152216 CARCASA 1 X 14 L173433 BULON 1 X 15 L31792 ARANDELA 2 X 16 L158220 ENGRANAJE CONICO 1 X Z 18 17 L113016 ENGRANAJE 4 X 18 L157982 ARANDELA DE EMPUJE 4 X 19 L173998 APOYO 1 X 20 L158222 ENGRANAJE CONICO 1 X 21 L77141 DISCO CON DENTADO EXTERIOR 7 X 22 AL159216 DISCO CON DENTADO INTERIOR 6 X 23 L151416 ANILLO TORICO 1 X 24 L62735 ANILLO TORICO 1 X 25 AL175138 PISTON 1 X 26 L155267 CARCASA 1 X 27 19M8702 TORNILLO 10 X M12 X 45 28 L100961 PISTA EXT DE RODAMIENTO 1 X TRACTOR 6110J (EDICION SUDAMERICANA) PC8538S (01-JUL-10) 56-21 PN=297
  • 300.
    56-22 TRANSMISION FORCED LUBRICATION LUBRIFICATION SOUSPRESSION DRUCKBEOELUNG LUBRIFICAZIONE FORZATA LUBRIFICACAO FORCADA ENGRASE A PRESION LX014507 -UN-31MAY96 6 1 1 TRACTOR 0 POS. NO.PIEZA DESCRIPCION CANT NUM. SERIE J NOTAS 1 AL76421 TUBERIA DE ACEITE 1 X 2 L101829 CONEXION 1 X 3 L59901 ANILLO TORICO 1 X 4 51M7042 ANILLO TORICO 1 X 5 L78870 CASQUILLO 1 X 6 AL172570 ABRAZADERA PARA MANGUERAS 2 X 7 L76654 TUBO 1 X 8 L77065 RETENEDOR 1 X 9 19M7162 TORNILLO 1 X M8 X 16 10 L76661 RETENEDOR 1 X 56-22 TRACTOR 6110J (EDICION SUDAMERICANA) PC8538S (01-JUL-10) PN=298
  • 301.
    56-23 TRANSMISION SOLENOID VALVE FORDIFFERENTIAL LOCK ELECTROVANNE POUR BLOCAGE HYDRAULIQUE DU DIFFERENTIEL MAGNETVENTIL FUER DIFFERENTIALSPERRE VALVOLA A SOLENOIDE PER BLOCCAGGIO DIFFERENZIALE VALVULA SOLENOIDE PARA BLOQUEIO DO DIFERENCIAL ELECTROVALVULA PARA BLOQUEO DEL DIFERENCIAL PUBM1501 -UN-29JUN10 6 1 1 0 POS. NO.PIEZA DESCRIPCION CANT NUM. SERIE J NOTAS 1 RE211158 ELECTROVALVULA 1 X 2 R211082 ABRAZADERA 1 X 3 RE47392 JUEGO DE ANILLOS TORICOS 1 X 4 51M7042 ANILLO TORICO 2 X 5 38H5135 CONEXION 1 X 6 38H5037 RACOR ADAPTADOR 1 X 7 R77175 TAPADERA 1 X 8 RE190805 ACOPLE PARA DIAGNOSTICO 1 X 9 21M7572 TORNILLO DE HEXAG.INTERIOR 2 X M8 X 20 10 21M7463 TORNILLO 1 X M8 X 60 11 L112092 CARCASA 1 X 12 L40966 ARANDELA 1 X 13 L100573 JUNTA 1 X 14 19M7560 TORNILLO 2 X M6 X 16 .. DT5037 SELLADOR AR X LOCTITE 242 TRACTOR 6110J (EDICION SUDAMERICANA) PC8538S (01-JUL-10) 56-23 PN=299
  • 302.
    56-24 TRANSMISION DIFFERENTIAL LOCK, OILLINES (MFWD) BLOCAGE DU DIFFERENTIEL, CONDUITES HYDRAULIQUES (AVEC PONT AVANT MECANIQUE) DIFFERENTIALSPERRE, OELLEITUNGEN (MIT MFWD) BLOCCAGGIO DIFFERENZIALE, TUBI OLIO (CON 4WD) TUBOS HIDRAULICOS DO BLOQUEIO DO DIFERENCIAL (4X4) BLOQUEO DEL DIFERENCIAL, TUBERIAS HIDRAULICAS (TDM) PUBM1407 -UN-28JUN10 ESTA RELACION DE PIE 56-24 TRACTOR 6110J (EDICION SUDAMERICANA) PC8538S (01-JUL-10) PN=300
  • 303.
    56-25 TRANSMISION 6 1 1 0 POS. NO.PIEZA DESCRIPCIONCANT NUM. SERIE J NOTAS 1 51M7043 ANILLO TORICO 1 X 2 61M5003 RACOR ADAPTADOR 1 X 3 T77857 ANILLO TORICO 4 X 4 AL155070 TUBERIA DE ACEITE 1 X 5 T77613 ANILLO TORICO 2 X 6 AL81320 TUBERIA DE ACEITE 1 X 7 38H5135 CONEXION 2 X 8 51M7042 ANILLO TORICO 2 X 9 AL150179 TUBERIA DE ACEITE 1 X 10 L153819 PORTADOR 1 X 11 38H5002 RACOR ADAPTADOR 1 X 12 51M7041 ANILLO TORICO 1 X 13 H75541 ABRAZADERA 1 X 14 19M7162 TORNILLO 1 X 15 14M7273 TUERCA 1 X TRACTOR 6110J (EDICION SUDAMERICANA) PC8538S (01-JUL-10) 56-25 PN=301
  • 304.
    56-26 TRANSMISION SUCTION LINE, TRANSMISSIONOIL PUMP POMPE A HUILE DE TRANSMISSION, CONDUITE D’ASPIRATION ANSAUGLEITUNG, GETRIEBEOELPUMPE TUBO ASPIRAZIONE POMPA OLIO TRASMISSIONE TUBOS DE ASPIRACAO DA BOMBA DE LUBRIFICACAO TUBERIA DE ASPIRACION, BOMBA DE ENGRASE DE LA TRANSMISION CQ302530 -UN-23APR08 6 1 1 0 POS. NO.PIEZA DESCRIPCION CANT NUM. SERIE J NOTAS 1 L78457 ANILLO TORICO 1 X 2 L78545 BRIDA 2 X 3 19M7555 TORNILLO 3 X M8 X 30 4 AL164106 TUBO 1 X SYNCROPLUS AL164112 TUBO 1 X POWRQUAD 5 51M7119 ANILLO TORICO 1 X 56-26 TRACTOR 6110J (EDICION SUDAMERICANA) PC8538S (01-JUL-10) PN=302
  • 305.
    56-27 TRANSMISION GROUND SPEED SENDINGUNIT CAPTEUR POUR TACHYMETRE GEBER FUER FAHRGESCHWINDIGKEIT RILEVATORE DI VELOCITA SENSOR DO TACOMETRO SENSOR DEL TACOMETRO PUBM1408 -UN-29JUN10 6 1 1 0 POS. NO.PIEZA DESCRIPCION CANT NUM. SERIE J NOTAS 1 15M2717 TAPON DE VACIADO 1 X (A) 2 L59900 ANILLO TORICO 1 X 3 AL77322 TAPON 1 X (A) WITHOUT SENSOR SANS CAPTEUR OHNE GEBER SENZA SENSORE SEM SENSOR SIN SENSOR TRACTOR 6110J (EDICION SUDAMERICANA) PC8538S (01-JUL-10) 56-27 PN=303
  • 306.
    56-28 TRANSMISION MOUNTING PARTS FOROIL RETURN (SYNCROPLUS) CONDUITE DE RETOUR, ELEMENTS DE FIXATION (SYNCROPLUS) ANBAUTEILE FUER OELRUECKLAUF (SYNCROPLUS) PARTI DI MONTAGGIO PER RITORNO OLIO (SYNCROPLUS) RETORNO DE OLEO DA TRANSMISSAO (SYNCROPLUS) PIEZAS DE MONTAJE - RETORNO DE ACEITE (SYNCROPLUS) LX014227 -UN-31MAY96 6 1 1 0 POS. NO.PIEZA DESCRIPCION CANT NUM. SERIE J NOTAS 1 L158800 CONEXION 2 X 2 L53861 ANILLO TORICO 2 X 3 19M7162 TORNILLO 2 X M8 X 16 4 AL82025 ABRAZADERA 2 X 5 L155730 MANGUERA 1 X 56-28 TRACTOR 6110J (EDICION SUDAMERICANA) PC8538S (01-JUL-10) PN=304
  • 307.
    56-29 TRANSMISION MOUNTING PARTS FOROIL RETURN (POWRQUAD) CONDUITE DE RETOUR, ELEMENTS DE FIXATION (POWRQUAD) ANBAUTEILE FUER OELRUECKLAUF (POWRQUAD) PARTI DI MONTAGGIO PER RITORNO OLIO (POWRQUAD) RETORNO DE OLEO DA TRANSMISSAO (POWRQUAD) PIEZAS DE MONTAJE - RETORNO DE ACEITE (POWRQUAD) LX034256 -UN-17JAN03 6 1 1 0 POS. NO.PIEZA DESCRIPCION CANT NUM. SERIE J NOTAS 1 L158800 CONEXION 1 X 2 L53861 ANILLO TORICO 1 X 3 19M7162 TORNILLO 1 X M8 X 16 4 L156294 CONEXION DE MANGUERA 1 X 5 R158505 JUNTA 1 X 6 19M7863 TORNILLO 4 X M6 X 25 7 L155730 MANGUERA 1 X 8 AL82025 ABRAZADERA 1 X 9 19M7862 TORNILLO 2 X TRACTOR 6110J (EDICION SUDAMERICANA) PC8538S (01-JUL-10) 56-29 PN=305
  • 308.
    56-30 TRANSMISION REAR AXLE ESSIEU ARRIERE HINTERACHSE ASSALEPOSTERIORE EIXO TRASEIRO EJE TRASERO PUBM1499 -UN-28JUN10 ESTA RELACION DE PIE 56-30 TRACTOR 6110J (EDICION SUDAMERICANA) PC8538S (01-JUL-10) PN=306
  • 309.
    56-31 TRANSMISION 6 1 1 0 POS. NO.PIEZA DESCRIPCIONCANT NUM. SERIE J NOTAS 1 AL157747 CARCASA 1 X RH AL157748 CARCASA 1 X LH 2 40M1839 ANILLO ELASTICO 3 X 3 L154620 PISTA EXT DE RODAMIENTO 1 X 4 L154621 PISTA EXT DE RODAMIENTO 1 X 5 L76058 ANILLO ANTI-DESGASTE 1 X 6 L172081 PINON 3 X 7 L75294 ANILLO ELASTICO 6 X 8 AL182098 RODAMIENTO RODILLOS CIL. 3 X 9 L101243 PORTAPLANETARIOS 1 X 10 L156914 CASQUILLO 1 X 11 L80361 EJE DE MANDO 1 X RH L80362 EJE DE MANDO 1 X LH 12 L176898 PALIER 1 X 13 AL158922 RETEN 1 X 14 AL156506 CONO DEL COJINETE 1 X 15 AL69712 RETEN 1 X 16 AL156503 CONO DEL COJINETE 1 X 17 L76059 ANILLO ELASTICO 1 X 18 L57311 TORNILLO 1 X 19 L101142 CHAPA DE SEGURIDAD 1 X 20 58M5575 ENGRASADOR 1 X 21 L155937 PALIER 2 X 22 44M7114 PASADOR DE CENTRAJE 2 X 23 L79831 CORONA DE TREN PLANETARIO 1 X .. DT5267 GRASA AR X TRACTOR 6110J (EDICION SUDAMERICANA) PC8538S (01-JUL-10) 56-31 PN=307
  • 310.
    56-32 TRANSMISION MOUNTING PARTS, REARAXLE ESSIEU ARRIERE - ELEMENTS DE FIXATION BEFESTIGUNGSTEILE, HINTERACHSE PARTI MONTAGGIO ASSALE POSTERIORE PECAS DE FIXACAO - EIXO TRASEIRO PIEZAS DE FIJACION - EJE TRASERO LX021308 -UN-05MAR99 6 1 1 0 POS. NO.PIEZA DESCRIPCION CANT NUM. SERIE J NOTAS 1 L111385 TORNILLO 22 X 2 L113893 TORNILLO 2 X 3 14M7274 TUERCA 2 X M10, (FOR L113893) 4 CQ25602 ADHESIVO 1 X LOCTITE 573 56-32 TRACTOR 6110J (EDICION SUDAMERICANA) PC8538S (01-JUL-10) PN=308
  • 311.
    58-A01 TOMA DE FUERZA SECTIONALINDEX INDEX DE SECTION GRUPPENINDEX INDICE DELLA SEZIONE INDICE DE GRUPO INDICE DE GRUPOS PUBM0939 -UN-15MAY09 1- 1 2- 2 3- 3 4- 4 5- 6 6- 8 7- 10 8- 11 9- 12 10- 14 11- 16 12- 17 13- 18 TRACTOR 6110J (EDICION SUDAMERICANA) PC8538S (01-JUL-10) 58-A01 PN=309
  • 312.
    58-A02 TOMA DE FUERZA MEMORANDA MEMORANDA MEMORANDA MEMORANDA MEMORANDA MEMORANDA 58-A02TRACTOR 6110J (EDICION SUDAMERICANA) PC8538S (01-JUL-10) PN=310
  • 313.
    58-1 TOMA DE FUERZA REARPTO HOUSING 540 RPM CARTER DE PRISE DE FORCE ARRIERE 540 TR/MIN GEHAEUSE FUER HECKZAPFWELLE 540 U/MIN SCATOLA PTO POSTERIORE 540 GIRI/MIN CARCACA DA TOMADA DE POTENCIA TRASEIRA 540 RPM CAJA DE LA TDF TRASERA DE 540 R/MIN PUBM1409 -UN-28JUN10 6 1 1 0 POS. NO.PIEZA DESCRIPCION CANT NUM. SERIE J NOTAS 1 L41709 TAPON ROSCADO 1 X 2 L41526 ANILLO TORICO 1 X 3 AL167008 CARCASA 1 X 4 AL166903 TAPON 1 X OD 7MM 5 AL166904 TAPON 3 X OD 8MM 6 L111964 PASADOR DE CENTRAJE 2 X 7 AL158828 TAPON HERMETICO 1 X 8 15M7078 TAPON DE VACIADO 1 X 9 51M7047 ANILLO TORICO 1 X 10 30M7011 TAPON 2 X 11 L166528 CARCASA 1 X 12 99M7043 TAPON 2 X TRACTOR 6110J (EDICION SUDAMERICANA) PC8538S (01-JUL-10) 58-1 PN=311
  • 314.
    58-2 TOMA DE FUERZA REARPTO HOUSING 540/1000 RPM CARTER DE PRISE DE FORCE ARRIERE 540/1000 TR/MIN GEHAEUSE FUER HECKZAPFWELLE 540/1000 U/MIN SCATOLA PTO POSTERIORE 540/1000 GIRI/MIN CAIXA DA TOMADA DE POTENCIA TRASEIRA 540/1000 RPM CAJA DE LA TDF TRASERA DE 540/1000 R/MIN PUBM1410 -UN-29JUN10 6 1 1 0 POS. NO.PIEZA DESCRIPCION CANT NUM. SERIE J NOTAS 1 AL167009 CARCASA 1 X 2 L166529 CARCASA 1 X 3 AL158828 TAPON HERMETICO 1 X 4 15M7078 TAPON DE VACIADO 1 X 5 51M7047 ANILLO TORICO 1 X 6 AL166903 TAPON 1 X OD 7MM 7 AL166904 TAPON 3 X OD 8MM 8 L111964 PASADOR DE CENTRAJE 2 X 9 30M7011 TAPON 2 X 10 L41526 ANILLO TORICO 1 X 11 L41709 TAPON ROSCADO 1 X 12 30M5581 TAPON 1 X 13 99M7043 TAPON 2 X 58-2 TRACTOR 6110J (EDICION SUDAMERICANA) PC8538S (01-JUL-10) PN=312
  • 315.
    58-3 TOMA DE FUERZA TRANSMISSIONOIL FILLER NECK GOULOTTE DE REMPLISSAGE D’HUILE DE TRANSMISSION GETRIEBEOEL-EINFUELLSTUTZEN TUBO PER RIPIENO DELL’OLIO DEL CAMBIO BOCAL DE OLEO DA TRANSMISSAO BOCA DE LLENADO PARA ACEITE DEL CAMBIO PUBM1418 -UN-28JUN10 6 1 1 0 POS. NO.PIEZA DESCRIPCION CANT NUM. SERIE J NOTAS 1 AL163619 TAPON 1 X 2 24H1304 ARANDELA 1 X (A) 3 T21564 ARANDELA 1 X 4 L102647 BOCA DE LLENADO 1 X 5 AL117892 VALVULA DE PURGA 1 X 6 51M7042 ANILLO TORICO 1 X 7 L165781 RACOR ADAPTADOR 1 X 8 L78338 TAPON 1 X 9 T77814 ANILLO TORICO 1 X 10 19M7865 TORNILLO 1 X M8 X 16 11 19M7866 TORNILLO 3 X M8 X 20 12 L53821 ANILLO TORICO 1 X 13 AL82582 ASPILLA 1 X NSEP (ORD AL163619) .. DT5037 SELLADOR 1 X LOCTITE 242 (A) WITH REAR PTO 540 RPM, WITHOUT SCV AVEC PRISE DE FORCE ARRIERE 540 TR/MIN SANS DISTRIBUTEUR AUXILIAIRE BEI HECKZAPFWELLE 540 1/MIN OHNE ZUSATZSTEUERGERAET CON PTO POSTER. 540 G/MIN SENZA DISTRIBUTORE COM TDP TRASEIRA 540 RPM, SEM VCR CON TDF TRASERA 540 R/MIN SIN VALVULA DE MANDO A DISTANCIA TRACTOR 6110J (EDICION SUDAMERICANA) PC8538S (01-JUL-10) 58-3 PN=313
  • 316.
    58-4 TOMA DE FUERZA REARPTO 540 RPM PRISE DE FORCE ARRIERE 540 TR/MIN HECKZAPFWELLE 540 1/MIN PTO POSTERIORE 540 GIRI/MIN TDP TRASEIRA 540 RPM TDF TRASERA DE 540 R/MIN LX008016 -UN-01JAN94 ESTA RELACION DE PIE 58-4 TRACTOR 6110J (EDICION SUDAMERICANA) PC8538S (01-JUL-10) PN=314
  • 317.
    58-5 TOMA DE FUERZA 6 1 1 0 POS.NO.PIEZA DESCRIPCION CANT NUM. SERIE J NOTAS 1 AL76125 REVESTIMIENTO 1 X 2 L76327 ENGRANAJE 1 X Z 59 3 L76495 PORTADOR 1 X 4 L76494 REVESTIMIENTO 1 X 5 L169277 ARBOL 1 X 6 AL80939 CONO DEL COJINETE 2 X 7 40M7179 ANILLO ELASTICO 1 X 8 L100959 PISTA EXT DE RODAMIENTO 2 X 9 L64838 RODAMIENTO DE BOLAS 1 X 10 48M7038 RETEN 1 X 11 L101355 ANILLO ELASTICO AR X TK 2.25MM L101356 ANILLO ELASTICO AR X TK 2.35MM L76291 ANILLO ELASTICO AR X TK 2.45MM L76292 ANILLO ELASTICO AR X TK 2.55MM L76294 ANILLO ELASTICO AR X TK 2.75MM L76295 ANILLO ELASTICO AR X TK 2.85MM L76293 ANILLO ELASTICO AR X TK 2.65MM 12 M44162 ANILLO TORICO 2 X 13 L79862 ARANDELA 1 X TRACTOR 6110J (EDICION SUDAMERICANA) PC8538S (01-JUL-10) 58-5 PN=315
  • 318.
    58-6 TOMA DE FUERZA REARPTO 540/1000 RPM PRISE DE FORCE ARRIERE 540/1000 TR/MIN HECKZAPFWELLE 540/1000 1/MIN PTO POSTERIORE 540/1000 GIRI/MIN TDP TRASEIRA 540/1000 RPM TDF TRASERA DE 540/1000 R/MIN LX014520 -UN-31MAY96 ESTA RELACION DE PIE 58-6 TRACTOR 6110J (EDICION SUDAMERICANA) PC8538S (01-JUL-10) PN=316
  • 319.
    58-7 TOMA DE FUERZA 6 1 1 0 POS.NO.PIEZA DESCRIPCION CANT NUM. SERIE J NOTAS 1 AL76005 REVESTIMIENTO 1 X 2 L167350 ENGRANAJE 1 X Z 53/24 3 L77301 JUNTA 1 X 4 L76308 REVESTIMIENTO 1 X 5 L173243 ARBOL 1 X 6 L101573 RUEDECILLA FONICA 1 X TK 1.75MM 7 AL78835 CONO DEL COJINETE 1 X 8 L77371 PISTA EXT DE RODAMIENTO 1 X 9 L172889 ENGRANAJE 1 X Z 30 10 R95784 ARANDELA DE EMPUJE 2 X 11 L33035 ANILLO ELASTICO 2 X 12 R125178 MANGUITO ACANALADO 1 X 13 R95152 ARANDELA DE EMPUJE 1 X 14 AL114548 RODAMIENTO DE AGUJAS 2 X 15 30M7024 TAPON 1 X 16 AL80939 CONO DEL COJINETE 1 X 17 L100959 PISTA EXT DE RODAMIENTO 1 X 18 R129680 ANILLO ELASTICO 1 X 19 L173241 ARBOL 1 X 20 AL150750 RETEN 1 X 21 34M7187 PASADOR ELASTICO 1 X 22 R93485 MUELLE DE COMPRESION 1 X 23 L76029 PISTON 1 X 24 P47889 ANILLO TORICO 1 X 25 L76193 RETENEDOR 1 X .. DT5299 ADHESIVO 1 X TRACTOR 6110J (EDICION SUDAMERICANA) PC8538S (01-JUL-10) 58-7 PN=317
  • 320.
    58-8 TOMA DE FUERZA COUNTERSHAFT,REAR PTO ARBRE SECONDAIRE, PRISE DE FORCE ARRIERE NEBENWELLE, HECKZAPFWELLE CONTRALBERO PTO POSTERIORE EIXO SECUNDARIO DA TDP TRASEIRA EJE SECUNDARIO, TDF TRASERA PUBM0334 -UN-15DEC08 6 1 1 0 POS. NO.PIEZA DESCRIPCION CANT NUM. SERIE J NOTAS 1 L156912 EJE SECUNDARIO 1 X 2 L156910 ENGRANAJE 1 X Z 23 3 40M7066 ANILLO ELASTICO 2 X 4 JD37047 RODAMIENTO RODILLOS CONICOS 1 X 5 AL160366 CONO DEL COJINETE 1 X 6 L76287 SOPORTE RODAMIENTO SIN ROD. 1 X 7 L111818 ANILLO ELASTICO AR X TK 2.55MM L76296 ANILLO ELASTICO AR X TK 2.65MM L102097 ANILLO ELASTICO AR X TK 2.70MM L76297 ANILLO ELASTICO AR X TK 2.75MM L76298 ANILLO ELASTICO AR X TK 2.85MM L76299 ANILLO ELASTICO AR X TK 2.95MM L156502 ANILLO ELASTICO 1 X TK 2.45MM 8 L156773 PISTA EXT DE RODAMIENTO 1 X 9 19M7169 TORNILLO 4 X M10 X 35 58-8 TRACTOR 6110J (EDICION SUDAMERICANA) PC8538S (01-JUL-10) PN=318
  • 321.
    58-9 TOMA DE FUERZA MEMORANDA MEMORANDA MEMORANDA MEMORANDA MEMORANDA MEMORANDA TRACTOR6110J (EDICION SUDAMERICANA) PC8538S (01-JUL-10) 58-9 PN=319
  • 322.
    58-10 TOMA DE FUERZA REARPTO BEARING SUPPORT 540 RPM SUPPORT DE PALIER, PRISE DE FORCE ARRIERE 540 RPM LAGERSTUETZE, HECKZAPFWELLE 540 RPM SUPPORTO CUSCINETTO PTO POSTERIORE 540 RPM SUPORTE DO ROLAMENTO DA TDP TRASEIRA 540 RPM SOPORTE DEL ROLAMIENTO DE LA TDP TRASERA 540 RPM LX007507 -UN-01JAN94 6 1 1 0 POS. NO.PIEZA DESCRIPCION CANT NUM. SERIE J NOTAS 1 L166213 APOYO 1 X 2 19M7898 TORNILLO 4 X M10 X 130 3 L101355 ANILLO ELASTICO AR X TK 2.25MM L101356 ANILLO ELASTICO AR X TK 2.35MM L76291 ANILLO ELASTICO AR X TK 2.45MM L76292 ANILLO ELASTICO AR X TK 2.55MM L76293 ANILLO ELASTICO AR X TK 2.65MM L76294 ANILLO ELASTICO AR X TK 2.75MM L76295 ANILLO ELASTICO AR X TK 2.85MM 4 40M7044 ANILLO ELASTICO 1 X 58-10 TRACTOR 6110J (EDICION SUDAMERICANA) PC8538S (01-JUL-10) PN=320
  • 323.
    58-11 TOMA DE FUERZA REARPTO BEARING SUPPORT 540/1000 RPM SUPPORT DE PALIER, PRISE DE FORCE ARRIERE 540/1000 RPM LAGERSTUETZE, HECKZAPFWELLE 540/1000 RPM SUPPORTO CUSCINETTO PTO POSTERIORE 540/1000 RPM SUPORTE DO ROLAMENTO DA TDP 540/1000 RPM SOPORTE DEL RODAMIENTO DE LA TDF 540/1000 RPM LX007512 -UN-01JAN94 6 1 1 0 POS. NO.PIEZA DESCRIPCION CANT NUM. SERIE J NOTAS 1 L114757 APOYO 1 X 2 19M7638 TORNILLO 5 X M10 X 130 3 L101355 ANILLO ELASTICO AR X TK 2.25MM L101356 ANILLO ELASTICO AR X TK 2.35MM L76291 ANILLO ELASTICO AR X TK 2.45MM L76292 ANILLO ELASTICO AR X TK 2.55MM L76293 ANILLO ELASTICO AR X TK 2.65MM L76294 ANILLO ELASTICO AR X TK 2.75MM L76295 ANILLO ELASTICO AR X TK 2.85MM TRACTOR 6110J (EDICION SUDAMERICANA) PC8538S (01-JUL-10) 58-11 PN=321
  • 324.
    58-12 TOMA DE FUERZA REARPTO CLUTCH EMBRAYAGE DE PRISE DE FORCE ARRIERE KUPPLUNG, HECKZAPFWELLE FRIZIONE PTO POSTERIORE EMBREAGEM DA TDP TRASEIRA EMBRAGUE DE TDF TRASERA LX017402 -UN-08DEC97 ESTA RELACION DE PIE 58-12 TRACTOR 6110J (EDICION SUDAMERICANA) PC8538S (01-JUL-10) PN=322
  • 325.
    58-13 TOMA DE FUERZA 6 1 1 0 POS.NO.PIEZA DESCRIPCION CANT NUM. SERIE J NOTAS 1 L114089 PISTON 1 X 2 R35034 EMPAQUETADURA 1 X 3 AL115948 TAMBOR 1 X 4 L76286 CASQUILLO 1 X 5 JD8171 CONO DEL COJINETE 1 X 6 R33167 ANILLO 2 X 7 L77254 RETEN 1 X 8 L77255 MUELLE DE DISCO 5 X 9 L114088 ARANDELA 1 X 10 40M7237 ANILLO ELASTICO 1 X 11 AL161463 PLATO DE EMBRAGUE 1 X (A) Z 15 AL161462 PLATO DE EMBRAGUE 1 X (B) Z 24 12 AL80939 CONO DEL COJINETE 1 X 13 L33159 ARANDELA DE EMPUJE 1 X TK 1.50MM 14 L170885 CUBO 1 X 15 R95109 PLATO DE EMBRAGUE 1 X 16 RE65291 DISCO CON DENTADO INTERIOR 3 X 17 R95110 PLATO DE EMBRAGUE 2 X 18 19M7407 TORNILLO 6 X M8 X 25 19 L100959 PISTA EXT DE RODAMIENTO 1 X 20 JD8217 PISTA EXT DE RODAMIENTO 1 X 21 RE222770 DISCO ACCIONADOR DE FRENO AR X TK 2.00MM 22 L101618 ARANDELA DE EMPUJE 1 X (A) WITH PTO 540 RPM (B) WITH PTO 540/1000 RPM AVEC PRISE DE FORCE 540 TR/MIN AVEC PRISE DE FORCE 540/1000 TR/MIN BEI ZAPFWELLE 540 BEI ZAPFWELLE 540/1000 CON PTO 540 CON PTO 540/1000 COM TDP 540 RPM COM TDP 540/1000 RPM CON TDF 540 RPM CON TDF 540/1000 RPM TRACTOR 6110J (EDICION SUDAMERICANA) PC8538S (01-JUL-10) 58-13 PN=323
  • 326.
    58-14 TOMA DE FUERZA REARPTO MODULATING VALVE DISTRIBUTEUR DE PRISE DE FORCE ARRIERE BETAETIGUNGSVENTIL, HECKZAPFWELLE VALVOLA DI MODULAZIONE PTO POSTERIORE VALVULA DE COMANDO DA TDP VALVULA DE MANDO, TDF TRASERA PUBM1502 -UN-28JUN10 ESTA RELACION DE PIE 58-14 TRACTOR 6110J (EDICION SUDAMERICANA) PC8538S (01-JUL-10) PN=324
  • 327.
    58-15 TOMA DE FUERZA 6 1 1 0 POS.NO.PIEZA DESCRIPCION CANT NUM. SERIE J NOTAS 1 19M7834 TORNILLO 6 X M6 X 45 2 R95198 PLACA 1 X 3 R95197 JUNTA 1 X 4 R152204 CARCASA 1 X 5 R153481 CORREDERA 1 X 6 R95195 MUELLE DE COMPRESION 1 X 7 34M3872 PASADOR ELASTICO 1 X 8 R95216 MUELLE DE COMPRESION 1 X 9 R95890 PISTON 1 X 10 RE190805 ACOPLE PARA DIAGNOSTICO 2 X 11 R77175 TAPADERA 2 X 12 P48347 ANILLO TORICO 1 X 13 R95892 TAPON 1 X 14 40M1851 ANILLO ELASTICO 1 X 15 19M7775 TORNILLO 2 X M6 X 16 16 AL158332 ELECTROVALVULA 2 X 17 L176859 JUNTA 1 X 18 19M7560 TORNILLO 6 X M6 X 16 19 RE47393 JUEGO 1 X 20 R104558 ANILLO TORICO 1 X 21 R211082 ABRAZADERA 1 X .. AL76434 BLOQUE DE VALVULAS 1 X TRACTOR 6110J (EDICION SUDAMERICANA) PC8538S (01-JUL-10) 58-15 PN=325
  • 328.
    58-16 TOMA DE FUERZA REARPTO OUTPUT SHAFT ARBRE D’ENTRAINEMENT, PRISE DE FORCE ARRIERE ANTRIEBSWELLE, HECKZAPFWELLE ALBERO USCITA PTO POSTERIORE EIXO DE SAIDA DA TDP TRASEIRA EJE DE SALIDA, TDF TRASERA LX014535 -UN-31MAY96 6 1 1 0 POS. NO.PIEZA DESCRIPCION CANT NUM. SERIE J NOTAS 1 L76445 TAPON 1 X 2 L59904 ANILLO TORICO 1 X 3 L76924 EJE DE MANDO 1 X 4 L76568 EJE DE MANDO 1 X SYNCROPLUS L76569 EJE DE MANDO 1 X POWRQUAD LGTH 354MM 58-16 TRACTOR 6110J (EDICION SUDAMERICANA) PC8538S (01-JUL-10) PN=326
  • 329.
    58-17 TOMA DE FUERZA POWERTAKE-OFF GUARD GARANT DE PDF ZAPFWELLENSCHUTZ PROTEZIONE PDF PROTECAO DA TDP PROTECCIONES DE LA TDF PUBM1419 -UN-01JUL10 6 1 1 0 POS. NO.PIEZA DESCRIPCION CANT NUM. SERIE J NOTAS 1 19M7386 TORNILLO 2 X M12 X 20 2 12M7067 ARANDELA DE SEGURIDAD 2 X 3 L200484 REVESTIMIENTO 1 X 4 L64456 PROTECCION 1 X 5 R27329 TORNILLO 2 X TRACTOR 6110J (EDICION SUDAMERICANA) PC8538S (01-JUL-10) 58-17 PN=327
  • 330.
    58-18 TOMA DE FUERZA MOUNTINGPARTS, PTO HOUSING CARTER DE PRISE DE FORCE - ELEMENTS DE FIXATION BEFESTIGUNGSTEILE FUER ZAPFWELLENGEHAEUSE PARTI MONTAGGIO ALLOGGIAMENTO PTO PECAS DE MONTAGEM DA CAIXA DA TDP PIEZAS DE FIJACION, CAJA DE LA TDF PUBM1503 -UN-28JUN10 6 1 1 0 POS. NO.PIEZA DESCRIPCION CANT NUM. SERIE J NOTAS 1 L64500 SELLADOR 1 X 2 L34383 ARANDELA 1 X 3 19M7396 TORNILLO 4 X M16 X 45 4 19M7675 TORNILLO 6 X M16 X 200 5 19M7495 TORNILLO 3 X M16 X 100 58-18 TRACTOR 6110J (EDICION SUDAMERICANA) PC8538S (01-JUL-10) PN=328
  • 331.
    60-A01 DIRECCION Y FRENOS SECTIONALINDEX INDEX DE SECTION GRUPPENINDEX INDICE DELLA SEZIONE INDICE DE GRUPO INDICE DE GRUPOS PUBM1452 -UN-01JUL10 1- 2 2- 4 3- 6 4- 7 5- 8 6- 10 8- 12 7- 14 9- 16 10- 18 11- 20 12- 22 TRACTOR 6110J (EDICION SUDAMERICANA) PC8538S (01-JUL-10) 60-A01 PN=329
  • 332.
    60-2 DIRECCION Y FRENOS STEERINGWHEEL/ATTACHING PARTS VOLANT/ELEMENTS DE FIXATION LENKRAD/ANBAUTEILE VOLANTE / PARTI DI FISSAGGIO VOLANTE / PECAS DE FIXACAO VOLANTE DE DIRECCION/ PIEZAS DE FIJACION PUBM1361 -UN-28JUN10 ESTA RELACION DE PIE 60-2 TRACTOR 6110J (EDICION SUDAMERICANA) PC8538S (01-JUL-10) PN=330
  • 333.
    60-3 DIRECCION Y FRENOS 6 1 1 TRACTOR0 POS. NO.PIEZA DESCRIPCION CANT NUM. SERIE J NOTAS 1 L172182 VOLANTE DE DIRECCION 1 X 2 T17148 ARANDELA DE SEGURIDAD 1 X 3 14M7209 TUERCA 1 X M18 4 AL155228 TAPADERA 1 X AL155227 TAPADERA 1 X 5 PF81060 CADENA DE MOTOSIERRA 1 X 6 PF12746 TORNILLO AR X 7 PF12143 TAPADERA 1 X 8 PF12800 PLACA NUMERO DE SERIE 1 X 9 PF12747 REMACHE 1 X PF12747 REMACHE 1 X PF12747 REMACHE 1 X 10 PF12321 ABRAZADERA DE BLOQUE 1 X 11 M85517 PASAMUROS 1 X 12 PF81061 PIEZAS CADENA MONTAJE 1 X 13 PFP10110 SOPORTE 1 X 14 PFP10109 SOPORTE 1 X 15 PFP10111 PERNO EN U 1 X 16 PF12198 YUGO 1 X 17 PF12336 ARANDELA 1 X 18 14M7397 TUERCA DE SEGURIDAD 2 X M6 19 21M7577 TORNILLO DE HEXAG.INTERIOR 2 X M6 X 16 20 24M7096 ARANDELA 1 X 21 03M7190 TORNILLO 1 X 22 N209668 EMPUNADURA 1 X 23 PF12168 CUBO 1 X 24 PF12169 TAPADERA 1 X .. PF81087 KIT DE TORNILLERIA 1 X TRACTOR 6110J (EDICION SUDAMERICANA) PC8538S (01-JUL-10) 60-3 PN=331
  • 334.
    60-4 DIRECCION Y FRENOS STEERINGCOLUMN COLONNE DE DIRECTION LENKSAEULE PIANTONE STERZO COLUNA DE DIRECAO COLUMNA DE DIRECCION PUBM1417 -UN-29JUN10 ESTA RELACION DE PIE 60-4 TRACTOR 6110J (EDICION SUDAMERICANA) PC8538S (01-JUL-10) PN=332
  • 335.
    60-5 DIRECCION Y FRENOS 6 1 1 TRACTOR0 POS. NO.PIEZA DESCRIPCION CANT NUM. SERIE J NOTAS 1 AL158160 COLUMNA DE DIRECCION 1 X (A) AL172782 COLUMNA DE DIRECCION 1 X (B) 2 14M7165 TUERCA DE SEGURIDAD 2 X M6 3 R114779 CASQUILLO 1 X 4 24M7251 ARANDELA 4 X 5 RE54004 JUEGO 1 X 6 R106302 EMPUNADURA 1 X 7 19M7784 TORNILLO 3 X M10 X 20 8 24H1884 ARANDELA AR X NSEP (ORD AL157856) 9 19M7168 TORNILLO 4 X (A) M10 X 30 10 24M7178 ARANDELA 4 X (A) 11 AL154960 AISLANTE 4 X (A) 12 R126641 MANGUITO ACANALADO 1 X (A) 13 AL157856 AISLANTE 1 X (A) 14 R126640 MANGUITO ACANALADO 1 X (A) 15 L151020 TORNILLO 2 X M6X16 16 L154057 HORQUILLA 1 X 17 R114758 CAJA CILINDRICA 1 X 18 19M7077 TORNILLO 2 X M6 X 20 19 L175853 ENVOLTURA 1 X 20 R114841 ANILLO ELASTICO 2 X 21 AL150755 CILINDRO DE GAS 1 X 22 AL157743 CARCASA 1 X (A) 23 ........ ARBOL 1 X (A) NSEP (ORD AL157856) ........ ARBOL 1 X (B) NSEP (ORD AL157856) 24 ........ AISLANTE 1 X NSEP (ORD AL157856) 25 ........ MANGUITO 1 X NSEP (ORD AL157856) (A) WITH CAB ONLY (B) WITH OPEN OPERATOR’S STATION SEULEMENT AVEC CABINE SANS CABINE NUR MIT KABINE BEI OFFENER FAHRERPLATTFORM SOLO CON CABINA POSTAZIONE OPERATORE APERTA SOMENTE COM CABINE COM ESTACAO DO OPERADOR ABERTA SOLO CON CABINA CON PLATAFORMA DE CONDUCCION ABIERTA TRACTOR 6110J (EDICION SUDAMERICANA) PC8538S (01-JUL-10) 60-5 PN=333
  • 336.
    60-6 DIRECCION Y FRENOS HYDROSTATICSTEERING UNIT UNITE DE DIRECTION HYDROSTATIQUE HYDROSTAT. LENKEINHEIT GRUPPO VALVOLA STERZO IDROST. UNIDADE DE DIRECAO HIDROSTATICA CONJUNTO DE DIRECCION HIDROSTATICA PUBM1384 -UN-28JUN10 6 1 1 TRACTOR 0 POS. NO.PIEZA DESCRIPCION CANT NUM. SERIE J NOTAS 1 AL110258 VALVULA 1 X (A) 2 51M7043 ANILLO TORICO 4 X 3 61M5003 RACOR ADAPTADOR 4 X 4 51M7041 ANILLO TORICO 1 X 5 61M5016 RACOR ACODADO 1 X (A) FOR SAFETY REASONS, ORDER STEERING VALVE NAMED ON TYPE PLATE POUR DES RAISONS DE SECURITE, COMMANDER L’UNITE DE DIRECT. INDIQUEE SUR PLAQUETTE SIGNALETIQU AUS SICHERHEITSGRUENDEN LENKEINHEIT NACH TYPENSCHILD BESTELLEN PER MOTIVI DI SICUREZZA, ORDINARE IL TIPO DI VALVOLA DELLO STERZO RIPORTATO SULLA TARGHETTA POR MOTIVO DE SEGURANCA, PEDIR O CODIGO MARCADO NA PECA POR MOTIVOS DE SEGURIDAD, PEDIR UNIDAD DE DIRECCION SEGUN PLACA DE IDENTIFICACION 60-6 TRACTOR 6110J (EDICION SUDAMERICANA) PC8538S (01-JUL-10) PN=334
  • 337.
    60-7 DIRECCION Y FRENOS GASKETKIT FOR HYDROSTATIC STEERING UNIT JEU DE JOINTS POUR UNITE DE DIRECTION HYDROSTATIQUE DICHTUNGSSATZ FUER HYDROSTATISCHE LENKEINHEIT KIT GUARNIZIONI PER STERZO IDROSTATICO KIT DE REPARO DA UNIDADE DE DIRECAO HIDROSTATICA JUEGO DE JUNTAS PARA UNIDAD DE DIRECCION HIDROSTATICA LX016512 -UN-15JUL97 6 1 1 TRACTOR 0 POS. NO.PIEZA DESCRIPCION CANT NUM. SERIE J NOTAS 1 AL112819 JUEGO DE RETENES 1 X TRACTOR 6110J (EDICION SUDAMERICANA) PC8538S (01-JUL-10) 60-7 PN=335
  • 338.
    60-8 DIRECCION Y FRENOS HYDROSTATICSTEERING, OIL LINES (OPEN OPERATOR’S) DIRECTION HYDROSTATIQUE, CONDUITES D’HUILE (TRACTEURS SANS CABINE) HYDROSTATISCHE LENKUNG, OELLEITUNGEN (OFFENE FAHRERPLATTFORM) STERZO IDROSTATICO, TUBI OLIO (STAZIONE OPERATORE APERTA) LINHAS DA DIRECAO HIDROSTATICA (EPCC) TUBERIAS DE LA DIRECCION HIDROSTATICA (PLATAFORMA DE C ONDUCCION ABIERTA) PUBM1494 -UN-28JUN10 ESTA RELACION DE PIE 60-8 TRACTOR 6110J (EDICION SUDAMERICANA) PC8538S (01-JUL-10) PN=336
  • 339.
    60-9 DIRECCION Y FRENOS 6 1 1 TRACTOR0 POS. NO.PIEZA DESCRIPCION CANT NUM. SERIE J NOTAS 1 T77857 ANILLO TORICO AR X 2 R50454 ABRAZADERA 1 X 3 L114178 ABRAZADERA 1 X (ORD AL118382) 4 14M7416 TUERCA CON BRIDA 4 X M8 5 AL37489 ABRAZADERA 1 X 6 AL79540 MANGUERA HIDRAULICA 1 X 7 AL115334 MANGUERA HIDRAULICA 1 X 8 T77613 ANILLO TORICO 1 X 9 51M7041 ANILLO TORICO 1 X 10 AL157571 MANGUERA HIDRAULICA 1 X 11 AL150529 MANGUERA HIDRAULICA 2 X 12 L41980 ABRAZADERA 1 X 13 24M7055 ARANDELA 1 X 8.400 X 16 X 1.600 MM 14 19M8263 TORNILLO 1 X M6 X 30 TRACTOR 6110J (EDICION SUDAMERICANA) PC8538S (01-JUL-10) 60-9 PN=337
  • 340.
    60-10 DIRECCION Y FRENOS HYDROSTATICSTEERING OIL LINES (CAB), WITH 60 L PUMP DIRECTION HYDROSTATIQUE, CONDUITES HYDRAULIQUES (CABINE) AVEC POMPE 60 L HYDROSTATISCHE LENKUNG, OELLEITUNGEN (KABINE) MIT 60 L PUMPE TUBI OLIO STERZO IDROSTATICO (CABINA), CON POMPA DA 60 LITRI LINHAS DA DIRECAO HIDROSTATICA COM BOMBA 60L (CABINE) TUBERIAS DE DIRECCION HIDROSTATICA (CABINA) CON BOMBA DE 60 L PUBM1336 -UN-01JUL10 ESTA RELACION DE PIE 60-10 TRACTOR 6110J (EDICION SUDAMERICANA) PC8538S (01-JUL-10) PN=338
  • 341.
    60-11 DIRECCION Y FRENOS 6 1 1 TRACTOR0 POS. NO.PIEZA DESCRIPCION CANT NUM. SERIE J NOTAS 1 T77857 ANILLO TORICO AR X 2 AL163565 MANGUERA HIDRAULICA 1 X 3 AL115334 MANGUERA HIDRAULICA 1 X 4 T77613 ANILLO TORICO AR X 5 AL37489 ABRAZADERA 1 X 6 L102007 PASAMUROS 2 X 7 AL153791 MANGUERA HIDRAULICA 2 X 8 AL157571 MANGUERA HIDRAULICA 1 X 9 L41980 ABRAZADERA 1 X 10 19M8263 TORNILLO 1 X M6 X 30 11 R50454 ABRAZADERA 2 X 12 24M7055 ARANDELA 2 X 13 37M7059 TORNILLO AR X M5 X 12 14 19M7386 TORNILLO 1 X M12 X 20 15 L114178 ABRAZADERA 1 X 16 AL169907 ABRAZADERA 1 X 17 14M7416 TUERCA CON BRIDA 1 X M8 18 24M7139 ARANDELA 1 X 6.400 X 18 X 1.600 MM 19 AL153850 AISLANTE 4 X 20 AL153356 SOPORTE 1 X 21 61M5002 RACOR ADAPTADOR 1 X 22 51M7041 ANILLO TORICO 1 X 23 37M7104 TORNILLO 2 X 24 19M7660 TORNILLO 2 X M8 X 20 TRACTOR 6110J (EDICION SUDAMERICANA) PC8538S (01-JUL-10) 60-11 PN=339
  • 342.
    60-12 DIRECCION Y FRENOS HYDROSTATICSTEERING, OIL LINES DIRECTION HYDROSTATIQUE, CONDUITES HYDRAULIQUES HYDROSTATISCHE LENKUNG, OELLEITUNGEN STERZO IDROSTATICO, TUBI OLIO LINHAS DA DIRECAO HIDROSTATICA DIRECCION HIDROSTATICA, TUBERIAS HIDRAULICAS PUBM1375 -UN-28JUN10 ESTA RELACION DE PIE 60-12 TRACTOR 6110J (EDICION SUDAMERICANA) PC8538S (01-JUL-10) PN=340
  • 343.
    60-13 DIRECCION Y FRENOS 6 1 1 TRACTOR0 POS. NO.PIEZA DESCRIPCION CANT NUM. SERIE J NOTAS 1 AL170185 TUBERIA DE ACEITE 1 X RH 2 AL170186 TUBERIA DE ACEITE 1 X LH 3 L101560 ABRAZADERA 2 X 4 T77857 ANILLO TORICO 2 X 5 AL170454 MANGUERA HIDRAULICA 2 X 6 T70659 ABRAZADERA 2 X 7 19M8533 TORNILLO 2 X M10 X 25 8 14M7274 TUERCA 2 X M10 9 19M7288 TORNILLO AR X M8 X 30 10 14M7273 TUERCA 3 X M8 11 24M7096 ARANDELA 2 X 12 H75541 ABRAZADERA 1 X 13 19M7557 TORNILLO 2 X 14 L168503 APOYO 1 X 15 14M7272 TUERCA 1 X M6 16 L38284 ABRAZADERA 2 X 17 19M7603 TORNILLO 1 X M6 X 20 18 L157895 PORTADOR 2 X 19 24M7028 ARANDELA 2 X 20 19M7168 TORNILLO 1 X M10 X 30 21 38H5036 RACOR ACODADO 2 X 22 51M7042 ANILLO TORICO 2 X 23 19M7660 TORNILLO 2 X M8 X 20 24 24M7055 ARANDELA 2 X TRACTOR 6110J (EDICION SUDAMERICANA) PC8538S (01-JUL-10) 60-13 PN=341
  • 344.
    60-14 DIRECCION Y FRENOS BRAKEDISK DISQUE DE FREIN BREMSSCHEIBE DISCO FRENO DISCO DE FREIO DISCO DEL FRENO LX000048 -UN-01JAN94 6 1 1 0 POS. NO.PIEZA DESCRIPCION CANT NUM. SERIE J NOTAS 1 L111978 PISTON 2 X 2 AL181918 MUELLE 6 X 3 L56243 ANILLO TORICO 2 X 4 L56246 ANILLO TORICO 2 X 5 AL171954 DISCO DE FRENO 2 X TK 4.9MM 6 L114053 DISCO 2 X TK 22MM 60-14 TRACTOR 6110J (EDICION SUDAMERICANA) PC8538S (01-JUL-10) PN=342
  • 345.
    60-15 DIRECCION Y FRENOS MEMORANDA MEMORANDA MEMORANDA MEMORANDA MEMORANDA MEMORANDA TRACTOR6110J (EDICION SUDAMERICANA) PC8538S (01-JUL-10) 60-15 PN=343
  • 346.
    60-16 DIRECCION Y FRENOS BRAKEPEDAL, BRAKE SWITCH PEDALES DE FREIN, CONTACTEUR DE FREINS BREMSPEDALE, BREMSSCHALTER PEDALI FRENO, INTERRUTTORE FRENO VALVULA DO FREIO E PEDAIS PEDALES DE FRENO, INTERRUPTORES DE FRENOT PUBM1110 -UN-21APR10 ESTA RELACION DE PIE 60-16 TRACTOR 6110J (EDICION SUDAMERICANA) PC8538S (01-JUL-10) PN=344
  • 347.
    60-17 DIRECCION Y FRENOS 6 1 1 0 POS.NO.PIEZA DESCRIPCION CANT NUM. SERIE J NOTAS 1 AP37887 VALVULA 1 X 2 L102049 DEPOSITO 1 X 3 DQ69816 PORTADOR 1 X 4 AL156199 MANOCONTACTO 1 X 5 19M7300 TORNILLO 2 X M6 X 10 6 AL112163 BULON 1 X 7 40M7051 ANILLO ELASTICO 2 X 8 L110762 TIRA/ALFOMBRILLA 1 X 9 51M7041 ANILLO TORICO 1 X 10 19M5055 TORNILLO 4 X M10 X 25 11 19M7163 TORNILLO 1 X M8 X 25 12 24M7047 ARANDELA 2 X 13 X 24 X 2.500 MM 13 L110065 CONEXION 1 X 14 B2762R ANILLO TORICO 1 X 15 L169231 CASQUILLO 1 X 16 AL164011 PEDAL 1 X 17 AL164010 PEDAL 1 X 18 L77779 CASQUILLO 2 X 19 40M7030 ANILLO ELASTICO 2 X 20 L101897 ESPARRAGO 2 X 21 L111002 CASQUILLO 2 X 22 L111003 MANGUITO 2 X 23 L79009 BULON 1 X 24 22M7168 TORNILLO DE FIJACION 4 X 25 L79270 MANGUITO 1 X 26 34M7095 PASADOR ELASTICO 1 X 27 AL164008 PEDAL 1 X 28 AL164009 PEDAL 1 X 29 03M7331 TORNILLO 2 X M8 X 35 30 14M7273 TUERCA 2 X M8 31 14M7274 TUERCA 1 X M10 TRACTOR 6110J (EDICION SUDAMERICANA) PC8538S (01-JUL-10) 60-17 PN=345
  • 348.
    60-18 DIRECCION Y FRENOS BRAKEVALVE MAITRE-CYLINDRE BREMSVENTIL VALVOLA FRENO VALVULA DO FREIO VALVULA DEL FRENO CQ157867 -UN-21JUN06 ESTA RELACION DE PIE 60-18 TRACTOR 6110J (EDICION SUDAMERICANA) PC8538S (01-JUL-10) PN=346
  • 349.
    60-19 DIRECCION Y FRENOS 6 1 1 CABINA0 POS. NO.PIEZA DESCRIPCION CANT NUM. SERIE J NOTAS 1 AP37887 VALVULA 1 X 2 R26552 BOLA 1 X 3 19M8493 TORNILLO 2 X M8 X 12 4 R108052 EMBOLO 2 X 5 61M5002 RACOR ADAPTADOR 2 X 6 51M7041 ANILLO TORICO 1 X 7 R60755 AGUJA DE RODAMIENTO 2 X 8 R108062 TAPON HERMETICO 2 X 9 U17409 ANILLO TORICO 2 X 10 RE175238 JUEGO 2 X 11 R108041 RETEN 2 X 12 T13119 ANILLO TORICO 2 X 13 19M7402 TORNILLO 4 X M10 X 25 14 RE46598 JUEGO 1 X 15 AP32913 PISTON 2 X 16 34H294 PASADOR ELASTICO 2 X 17 R108066 ANILLO TORICO 2 X TRACTOR 6110J (EDICION SUDAMERICANA) PC8538S (01-JUL-10) 60-19 PN=347
  • 350.
    60-20 DIRECCION Y FRENOS BRAKEOIL LINES CONDUITES D’HUILE DE FREIN BREMSOELLEITUNGEN TUBAZIONI FRENO LINHAS DE OLEO DO FREIO TUBERIAS DE ACEITE DEL FRENO PUBM1491 -UN-28JUN10 ESTA RELACION DE PIE 60-20 TRACTOR 6110J (EDICION SUDAMERICANA) PC8538S (01-JUL-10) PN=348
  • 351.
    60-21 DIRECCION Y FRENOS 6 1 1 0 POS.NO.PIEZA DESCRIPCION CANT NUM. SERIE J NOTAS 1 19M7163 TORNILLO 1 X M8 X 25 2 AH77724 ABRAZADERA 1 X 3 14M7274 TUERCA 1 X M10 4 L113281 ESPACIADOR 1 X 5 L159212 TUBERIA DE ACEITE 1 X 6 AL80154 ABRAZADERA AR X 7 L62172 MANGUERA 1 X 8 T77613 ANILLO TORICO AR X 9 L114539 PASAMUROS 1 X 10 L100644 PASAMUROS 2 X 11 L111138 MANGUERA 1 X 12 L100851 ABRAZADERA 1 X 13 AL164598 TUBERIA DE ACEITE 1 X RH 14 AL164597 TUBERIA DE ACEITE 1 X LH 15 L41980 ABRAZADERA 1 X 16 19M8263 TORNILLO 1 X M6 X 30 17 AL110276 MANGUERA HIDRAULICA 2 X 18 L53873 ANILLO TORICO 1 X 19 L113347 CONEXION EN T 1 X 20 AL80154 ABRAZADERA AR X 21 L41709 TAPON ROSCADO 1 X 22 51M7041 ANILLO TORICO 1 X 23 L41860 SELLADOR 1 X LOCTITE 648, 10CCM TRACTOR 6110J (EDICION SUDAMERICANA) PC8538S (01-JUL-10) 60-21 PN=349
  • 352.
    60-22 DIRECCION Y FRENOS BRAKEOIL LINES CONDUITES D’HUILE DE FREIN BREMSOELLEITUNGEN TUBAZIONI FRENO (NOT USATI CON FRENATURA PNEUMATICA PER RIMOCHIO) LINHAS HIDRAULICAS DO FREIO TUBERIAS DE ACEITE DEL FRENO PUBM1492 -UN-28JUN10 ESTA RELACION DE PIE 60-22 TRACTOR 6110J (EDICION SUDAMERICANA) PC8538S (01-JUL-10) PN=350
  • 353.
    60-23 DIRECCION Y FRENOS 6 1 1 0 POS.NO.PIEZA DESCRIPCION CANT NUM. SERIE J NOTAS 1 L101287 ABRAZADERA 2 X 2 51M7041 ANILLO TORICO AR X 3 L100425 RACOR ADAPTADOR AR X 4 61M5002 RACOR ADAPTADOR AR X 5 T77613 ANILLO TORICO 4 X 6 L101561 ABRAZADERA 1 X 7 AL156683 TUBERIA DE FRENOS 1 X RH 8 AL156684 TUBERIA DE FRENOS 1 X LH 9 19M7768 TORNILLO 1 X M6 X 16 10 61M5016 RACOR ACODADO 1 X 11 14M7272 TUERCA 1 X M6 12 14M7273 TUERCA 3 X M8 13 19M7298 TORNILLO 1 X M8 X 35 14 L57382 ABRAZADERA 2 X 15 L102453 VALVULA DE PURGA AR X 16 R47862 TAPA AR X 17 L168610 SOPORTE 1 X TRACTOR 6110J (EDICION SUDAMERICANA) PC8538S (01-JUL-10) 60-23 PN=351
  • 354.
    70-A02 COMPONENTES HIDRAULICOS XXXXXXXXXXXXXXXXXXXXXXXXXXXXXXXXXXXXXXXXXXXXXXXX SECTIONALINDEX XXXXXXXXXXXXXXXXXXXXXXXXXXXXXXXXXXXXXXXXXXXXXXXX INDEX DE SECTION XXXXXXXXXXXXXXXXXXXXXXXXXXXXXXXXXXXXXXXXXXXXXXXX GRUPPENINDEX XXXXXXXXXXXXXXXXXXXXXXXXXXXXXXXXXXXXXXXXXXXXXXXX INDICE DELLA SEZIONE XXXXXXXXXXXXXXXXXXXXXXXXXXXXXXXXXXXXXXXXXXXXXXXX INDICE DE GRUPO XXXXXXXXXXXXXXXXXXXXXXXXXXXXXXXXXXXXXXXXXXXXXXXX INDICE DE GRUPOS PUBM1455 -UN-29JUN10 20- 30 21- 32 25- 40 26- 41 70-A02 TRACTOR 6110J (EDICION SUDAMERICANA) PC8538S (01-JUL-10) PN=352
  • 355.
    70-A03 COMPONENTES HIDRAULICOS XXXXXXXXXXXXXXXXXXXXXXXXXXXXXXXXXXXXXXXXXXXXXXXX SECTIONALINDEX XXXXXXXXXXXXXXXXXXXXXXXXXXXXXXXXXXXXXXXXXXXXXXXX INDEX DE SECTION XXXXXXXXXXXXXXXXXXXXXXXXXXXXXXXXXXXXXXXXXXXXXXXX GRUPPENINDEX XXXXXXXXXXXXXXXXXXXXXXXXXXXXXXXXXXXXXXXXXXXXXXXX INDICE DELLA SEZIONE XXXXXXXXXXXXXXXXXXXXXXXXXXXXXXXXXXXXXXXXXXXXXXXX INDICE DE GRUPO XXXXXXXXXXXXXXXXXXXXXXXXXXXXXXXXXXXXXXXXXXXXXXXX INDICE DE GRUPOS PUBM1456 -UN-28JUN10 1- 2 2- 4 3- 5 4- 6 5- 7 6- 8 7- 9 8- 10 9- 12 10- 14 11- 16 12- 17 13- 18 TRACTOR 6110J (EDICION SUDAMERICANA) PC8538S (01-JUL-10) 70-A03 PN=353
  • 356.
    70-A04 COMPONENTES HIDRAULICOS XXXXXXXXXXXXXXXXXXXXXXXXXXXXXXXXXXXXXXXXXXXXXXXX SECTIONALINDEX XXXXXXXXXXXXXXXXXXXXXXXXXXXXXXXXXXXXXXXXXXXXXXXX INDEX DE SECTION XXXXXXXXXXXXXXXXXXXXXXXXXXXXXXXXXXXXXXXXXXXXXXXX GRUPPENINDEX XXXXXXXXXXXXXXXXXXXXXXXXXXXXXXXXXXXXXXXXXXXXXXXX INDICE DELLA SEZIONE XXXXXXXXXXXXXXXXXXXXXXXXXXXXXXXXXXXXXXXXXXXXXXXX INDICE DE GRUPO XXXXXXXXXXXXXXXXXXXXXXXXXXXXXXXXXXXXXXXXXXXXXXXX INDICE DE GRUPOS PUBM1457 -UN-28JUN10 14- 19 15- 20 16- 22 17- 24 18- 26 19- 28 22- 34 23- 36 24- 38 27- 42 28- 44 29- 46 30- 48 31- 50 70-A04 TRACTOR 6110J (EDICION SUDAMERICANA) PC8538S (01-JUL-10) PN=354
  • 357.
  • 358.
    70-2 COMPONENTES HIDRAULICOS ROCKSHAFT RELEVAGE KRAFTHEBER SOLLEVATORE LEVANTE HIDRAULICO ELEVADORHIDRAULICO PUBM1366 -UN-28JUN10 ESTA RELACION DE PIE 70-2 TRACTOR 6110J (EDICION SUDAMERICANA) PC8538S (01-JUL-10) PN=356
  • 359.
    70-3 COMPONENTES HIDRAULICOS 6 1 1 0 POS. NO.PIEZADESCRIPCION CANT NUM. SERIE J NOTAS 1 L112503 APOYO 1 X 2 L79234 CASQUILLO 2 X 3 L168344 EJE OSCILANTE 1 X 4 L79232 RETEN 2 X 5 L79230 ARANDELA 2 X 6 L116615 BRAZO ELEVADOR 1 X 7 L116616 BRAZO ELEVADOR 1 X 8 L77320 ARANDELA 2 X 9 19M8011 TORNILLO 2 X M12 X 30 10 34M7230 PASADOR ELASTICO 2 X 11 24M7361 ARANDELA 8 X 12 L158930 TORNILLO 8 X 13 58M7009 ENGRASADOR 2 X .. DT5267 GRASA AR X TRACTOR 6110J (EDICION SUDAMERICANA) PC8538S (01-JUL-10) 70-3 PN=357
  • 360.
    70-4 COMPONENTES HIDRAULICOS POSITION SENSOR,ROCKSHAFT CAPTEUR DE POSITION DU RELEVAGE LAGESENSOR, KRAFTHEBER SENSORE DE POSIZIONE, SOLLEVATORE SENSOR DE PROFUNDIDADE, LEVANTE HIDRAULICO SENSOR DE PROFUNDIDAD, ELEVADOR HIDRAULICO LX024802 -UN-29AUG00 6 1 1 0 POS. NO.PIEZA DESCRIPCION CANT NUM. SERIE J NOTAS 1 L172758 SECTOR 1 X 2 24M7267 ARANDELA 6 X 3 19M7966 TORNILLO 2 X M6 X 25 4 L102324 RETEN 1 X 5 AL176767 SENSOR 1 X 6 L111707 PROTECCION 1 X 7 L113543 TORNILLO 4 X 70-4 TRACTOR 6110J (EDICION SUDAMERICANA) PC8538S (01-JUL-10) PN=358
  • 361.
    70-5 COMPONENTES HIDRAULICOS LIFT CYLINDER VERINDE RELEVAGE HUBZYLINDER CILINDRO DI SOLLEVAMENTO CILINDRO DO LEVANTE CILINDRO DE ELEVACION CQ156293 -UN-10MAR05 6 1 1 0 POS. NO.PIEZA DESCRIPCION CANT NUM. SERIE J NOTAS 1 AL110593 CILINDRO HIDRAULICO 2 X 2 AL80708 JUEGO DE RETENES 2 X (WEBER) AL165199 JUEGO DE RETENES 2 X 3 AL76638 CASQUILLO DE ARTICULACION 4 X 4 40M7103 ANILLO ELASTICO 4 X 5 58M5573 ENGRASADOR 4 X 6 L154750 BULON 2 X 7 L77594 CASQUILLO 2 X 8 R69166 PASADOR 4 X 9 11M7012 PASADOR DE ALETAS 4 X 10 L158223 BULON 2 X 11 T77857 ANILLO TORICO 1 X 12 38H5003 RACOR ADAPTADOR 1 X 13 51M7043 ANILLO TORICO 1 X TRACTOR 6110J (EDICION SUDAMERICANA) PC8538S (01-JUL-10) 70-5 PN=359
  • 362.
    70-6 COMPONENTES HIDRAULICOS OIL LINES,LIFT CYLINDER VERIN DE RELEVAGE - CONDUITES HYDRAULIQUES OELLEITUNGEN, HUBZYLINDER TUBI OLIO CILINDRO DI SOLLEVAMENTO MANGUEIRA DO CILINDRO DO LEVANTE TUBERIAS HIDRAULICAS, CILINDRO ELEVADOR PUBM1362 -UN-28JUN10 6 1 1 0 POS. NO.PIEZA DESCRIPCION CANT NUM. SERIE J NOTAS 1 38H5003 RACOR ADAPTADOR 2 X 2 T77932 ANILLO TORICO 1 X 3 38H5243 CONEXION EN T 1 X 4 AL164700 MANGUERA HIDRAULICA 1 X 5 T77857 ANILLO TORICO AR X 6 AL164648 MANGUERA HIDRAULICA 1 X 7 51M7043 ANILLO TORICO 2 X 70-6 TRACTOR 6110J (EDICION SUDAMERICANA) PC8538S (01-JUL-10) PN=360
  • 363.
    70-7 COMPONENTES HIDRAULICOS CABLE, CENTERAND QUICK TACH LINKS CABLES, BARRES DE POUSSEE ET DE TRACTION A CROCHET SEILZUEGE, OBER- UND UNTERLENKER MIT FANGHAKEN CAVO, TERZO PUNTO E PARALLELE CON ATTACCO QUICK TACH CABOS DO LEVANTE CABLES, TENSOR CENTRAL Y BARRAS DE TIRO CON GANCHOS DE ACOPL. PUBM1496 -UN-01JUL10 6 1 1 0 POS. NO.PIEZA DESCRIPCION CANT NUM. SERIE J NOTAS 1 AL32693 CABLE 1 X 2 AL31983 CABLE 1 X 3 L39978 ABRAZADERA 2 X 4 21M7296 TORNILLO 1 X M6 X 20 5 14M7376 TUERCA DE SEGURIDAD 1 X M6 6 24M7244 ARANDELA 1 X 7 L101357 HORQUILLA 1 X 8 21M7292 TORNILLO 1 X M6 X 16 TRACTOR 6110J (EDICION SUDAMERICANA) PC8538S (01-JUL-10) 70-7 PN=361
  • 364.
    70-8 COMPONENTES HIDRAULICOS DRAFT SENSOR,DRAFT LINKS SONDE DE CONTROLE D’EFFORT (BARRE DE TRACTION) ZUGKRAFTSENSOR, UNTERLENKER SENSORE DI TRAINO, PARALLELE SENSOR DE CONTROLE DE CARGA, BARRA DE TRACAO SENSOR DE CONTROL DE CARGA, BARRAS DE TIRO PY003461 -UN-19JAN07 6 1 1 0 POS. NO.PIEZA DESCRIPCION CANT NUM. SERIE J NOTAS 1 L175651 BULON 1 X 2 DT5299 ADHESIVO 1 X 3 DQ53213 SENSOR 2 X 4 AL169481 SENSOR 1 X 5 L80005 ANILLO TORICO 1 X 6 19M8618 TORNILLO 3 X M6 X 12 7 44M7110 PASADOR DE CENTRAJE 2 X 8 15M7062 TAPON DE VACIADO 2 X 9 L101403 ESPARRAGO 2 X 10 L101389 PLACA 1 X 11 L64882 TUERCA CON BRIDA 2 X 12 L172584 PROTECCION 1 X 70-8 TRACTOR 6110J (EDICION SUDAMERICANA) PC8538S (01-JUL-10) PN=362
  • 365.
    70-9 COMPONENTES HIDRAULICOS ADJUSTABLE STABILIZERBAR, RIGHT OR LEFT BRAS STABILISATEUR DROIT OU GAUCHE REGLABLE EINSTELLBARE STABILISIERUNGSSTREBE RECHTS ODER LINKS BARRA STABILIZZATRICE REGOLABILE, LATO SINISTRO O DESTRO BARRA ESTABILIZADORA AJUSTAVEL, DIREITA OU ESQUERDA BARRA ESTABILIZADORA REGULABLE, LADO DERECHO O IZQUIERDO PUBM1364 -UN-28JUN10 6 1 1 0 POS. NO.PIEZA DESCRIPCION CANT NUM. SERIE J NOTAS 1 24M7090 ARANDELA 4 X 2 12M7070 ARANDELA DE SEGURIDAD 4 X 3 CQ07569 TORNILLO 4 X 4 11M7054 PASADOR DE ALETAS 4 X 5 DQ26015 APOYO 2 X 6 CQ26016 PASADOR 2 X 7 AL201900 BRAZO 2 X 8 CQ25768 CASQUILLO 2 X 9 SU292606 ENGRASADOR 2 X 10 L202150 TUBO 2 X 11 L77493 BULON 2 X 12 SU292160 BLOQUE ESTABILIZADOR 2 X 13 AL201899 ESTABILIZADOR 1 X 14 L202151 PASADOR ELASTICO 2 X TRACTOR 6110J (EDICION SUDAMERICANA) PC8538S (01-JUL-10) 70-9 PN=363
  • 366.
    70-10 COMPONENTES HIDRAULICOS DRAFT LINKSTANDARD BARRES DE TRACTION STANDARD STANDARD-UNTERLENKER PARALLELE STANDARD BARRA DE TRACAO STANDARD BARRAS DE TIRO STANDARD PUBM1360 -UN-28JUN10 6 1 1 0 POS. NO.PIEZA DESCRIPCION CANT NUM. SERIE J NOTAS 1 AL201843 BRAZO INFERIOR 2 X 2 L79610 CASQUILLO 2 X 3 L26943 PASADOR 2 X 4 L79611 MANGUITO 2 X 5 40M7249 ANILLO ELASTICO 2 X 6 L206857 BRAZO INFERIOR 1 X 7 14M7413 TUERCA DE SEGURIDAD 1 X M24 70-10 TRACTOR 6110J (EDICION SUDAMERICANA) PC8538S (01-JUL-10) PN=364
  • 367.
  • 368.
    70-12 COMPONENTES HIDRAULICOS DRAFT LINKSWITH HOOKS BARRES DE TRACTION A CROCHET UNTERLENKER MIT FANGHAKEN PARALLELE CON GANCIO BRACOS DO LEVANTE TIPO HOOK BARRAS DE TIRO CON GANCHOS PUBM1497 -UN-29JUN10 ESTA RELACION DE PIE 70-12 TRACTOR 6110J (EDICION SUDAMERICANA) PC8538S (01-JUL-10) PN=366
  • 369.
    70-13 COMPONENTES HIDRAULICOS 6 1 1 0 POS. NO.PIEZADESCRIPCION CANT NUM. SERIE J NOTAS 1 AL117720 TRINQUETE 1 X 2 L115083 REMACHE 1 X (ORD W/ L115082) 3 L115082 GRILLETE 1 X (ORD W/ L115083) 4 34M7160 PASADOR ELASTICO 1 X 5 L115353 MUELLE DE TRACCION 1 X 6 34M7243 PASADOR ELASTICO 2 X 7 34M7245 PASADOR ELASTICO 1 X 8 14M7413 TUERCA DE SEGURIDAD 1 X M24 9 L111718 SOPORTE 1 X 10 AL32027 GUIA 2 X 11 L79610 CASQUILLO 2 X 12 L26943 PASADOR 2 X 13 L79611 MANGUITO 2 X 14 40M7249 ANILLO ELASTICO 2 X 15 AL163906 BRAZO INFERIOR 1 X RH AL163905 BRAZO INFERIOR 1 X LH TRACTOR 6110J (EDICION SUDAMERICANA) PC8538S (01-JUL-10) 70-13 PN=367
  • 370.
    70-14 COMPONENTES HIDRAULICOS LIFT LINKS BIELLESDE RELEVAGE HUBSPINDELN TIRANTI DI SOLLEVAMENTO TENSORES LATERAIS TENSORES LATERALES PUBM1371 -UN-28JUN10 ESTA RELACION DE PIE 70-14 TRACTOR 6110J (EDICION SUDAMERICANA) PC8538S (01-JUL-10) PN=368
  • 371.
    70-15 COMPONENTES HIDRAULICOS 6 1 1 TRACTOR 0 POS.NO.PIEZA DESCRIPCION CANT NUM. SERIE J NOTAS 1 AL201892 TENSOR LATERAL 1 X RH 2 AL201897 TENSOR LATERAL 1 X LH 3 L202138 HUSILLO 1 X 4 L202135 HORCA 1 X 5 L202136 BRAZO 1 X 6 L202137 SOPORTE 1 X 7 L202140 HORCA 1 X 8 L202141 BRAZO 1 X 9 SU292606 ENGRASADOR 2 X 10 L79924 BULON 2 X 11 R69166 PASADOR 2 X 12 11M7012 PASADOR DE ALETAS 2 X 13 L158186 BULON 2 X 14 L156665 TIRA 2 X 15 AL114597 BULON 2 X 16 SU292142 PASADOR AR X 17 L202139 PORTADOR 1 X 18 11M7012 PASADOR DE ALETAS 1 X 19 CQ42968 BOLA 2 X TRACTOR 6110J (EDICION SUDAMERICANA) PC8538S (01-JUL-10) 70-15 PN=369
  • 372.
    70-16 COMPONENTES HIDRAULICOS CENTER LINK BARREDE POUSSEE OBERLENKER TIRANTE CENTRALE TENSOR CENTRAL TENSOR CENTRAL PUBM1365 -UN-28JUN10 6 1 1 0 POS. NO.PIEZA DESCRIPCION CANT NUM. SERIE J NOTAS 1 AL201898 BRAZO 1 X 2 AL201863 BRAZO 1 X 3 L202144 UNION 1 X 4 AL201844 TENSOR CENTRAL 1 X 5 SU292606 ENGRASADOR 1 X 6 L202146 MUELLE 1 X 7 L202147 PORTADOR 1 X 8 DQ65036 APOYO 1 X 9 ........ PASADOR DE ALETAS 1 X 10 19M7386 TORNILLO 2 X 70-16 TRACTOR 6110J (EDICION SUDAMERICANA) PC8538S (01-JUL-10) PN=370
  • 373.
    70-17 COMPONENTES HIDRAULICOS CENTER LINKHOOK (CATEGORY II) BARRE DE POUSSEE A CROCHET (CATEGORIE II) OBERLENKER MIT FANGHAKEN (KATEGORIE II) GANCIO TERZO PUNTO (CATEGORIA II) BRACO DE LEVANTE CENTRAL TIPO HOOK (CATEGORIA II) TENSOR LATERAL CON GANCHO (CATEGORIA II) PUBM1369 -UN-28JUN10 6 1 1 0 POS. NO.PIEZA DESCRIPCION CANT NUM. SERIE J NOTAS 1 L56746 MANGO 1 X 2 34H241 PASADOR ELASTICO 2 X 3 L64295 PALANCA 1 X 4 L35037 ESTRIBO 1 X 5 34M7269 PASADOR ELASTICO 3 X 6 F2823R MUELLE 1 X 7 L64632 BULON 1 X 8 L64634 MUELLE 1 X 9 L42050 BOLA 1 X 10 AL176473 TENSOR CENTRAL 1 X 11 AL159973 EXTREMO DE BRAZO 1 X 12 JD7798 ENGRASADOR 2 X 13 L156788 UNION 1 X 14 AL159971 EXTREMO DE BRAZO 1 X 15 AL67199 PALANCA 1 X TRACTOR 6110J (EDICION SUDAMERICANA) PC8538S (01-JUL-10) 70-17 PN=371
  • 374.
    70-18 COMPONENTES HIDRAULICOS CENTER LINKBRACKET BARRE DE POUSSEE - SUPPORT ANHAENGEBOCK OBERLENKER SUPPORTO DEL TIRANTE CENTRALE SUPORTE DO TENSOR CENTRAL SOPORTE DE ANCLAJE DEL TENSOR CENTRAL LX000055 -UN-01JAN94 6 1 1 0 POS. NO.PIEZA DESCRIPCION CANT NUM. SERIE J NOTAS 1 L78801 SOPORTE 1 X 2 19M8208 TORNILLO 2 X M16 X 50 3 L158185 BULON 1 X OD 25MM 4 AL14540 PASADOR DE FIJACION RAPIDA 1 X 70-18 TRACTOR 6110J (EDICION SUDAMERICANA) PC8538S (01-JUL-10) PN=372
  • 375.
    70-19 COMPONENTES HIDRAULICOS HYDRAULIC BLOCKSUPPORTS SUPPORT POUR BLOC HYDRAULIQUE HALTERUNGEN FUER HYDRAULIKBLOCK SUPPORTI GRUPPO IDRAULICO SUPORTES DO COMANDO HIDRAULICO SOPORTES PARA BLOQUE HIDRAULICO PUBM0022 -UN-01SEP08 6 1 1 0 POS. NO.PIEZA DESCRIPCION CANT NUM. SERIE J NOTAS 1 MN10280 APOYO 1 X 2 19M9432 TORNILLO 2 X M18 X 40 3 14M7029 TUERCA 2 X M8 4 12M7065 ARANDELA DE SEGURIDAD 2 X 5 19M7288 TORNILLO 2 X M8 X 30 6 19M7988 TORNILLO 3 X M12 X 30 7 24M7361 ARANDELA 2 X 8 CQ52934 PROTECCION 1 X 9 24M7240 ARANDELA 3 X TRACTOR 6110J (EDICION SUDAMERICANA) PC8538S (01-JUL-10) 70-19 PN=373
  • 376.
    70-20 COMPONENTES HIDRAULICOS OIL RETURNLINE (ROCKSHAFT VALVE) (60LPM) CONDUITE DE RETOUR D’HUILE (DISTRIBUTEUR DU RELEVAGE) OEL- RUECKLAUFLEITUNG (KRAFTHEBERVENTIL) TUBO RITORNO OLIO (VALVOLA SOLLEVATORE ) RETORNO DE OLEO DO MOTOR DE PASSO (60LPM) TUBERIA DE RETORNO DE ACEITE (VALVULA DEL ELEVADOR HIDR.) (60LPM) PUBM1482 -UN-28JUN10 ESTA RELACION DE PIE 70-20 TRACTOR 6110J (EDICION SUDAMERICANA) PC8538S (01-JUL-10) PN=374
  • 377.
    70-21 COMPONENTES HIDRAULICOS 6 1 1 0 POS. NO.PIEZADESCRIPCION CANT NUM. SERIE J NOTAS 1 L155376 CONEXION 1 X 2 51M7043 ANILLO TORICO 1 X 3 51M7045 ANILLO TORICO 1 X 4 L158359 MANGUERA 1 X 5 AL64588 ABRAZADERA 2 X 6 L158360 CONEXION 1 X TRACTOR 6110J (EDICION SUDAMERICANA) PC8538S (01-JUL-10) 70-21 PN=375
  • 378.
    70-22 COMPONENTES HIDRAULICOS MOUNTING PARTS,INLET PRIORITY VALVE SOUPAPE DE PRIORITE - ELEMENTS DE FIXATION ANBAUTEILE, PRIORITAETSVENTIL PARTI MONTAGGIO VALVOLA DI PRIORITA’ IN INGRESSO SUPORTE DA VALVULA PRIORITARIA DE ENTRADA PIEZAS DE MONTAJE PARA VALVULA DE PRIORIDAD LX015376 -UN-02OCT96 6 1 1 0 POS. NO.PIEZA DESCRIPCION CANT NUM. SERIE J NOTAS 1 L111085 RETENEDOR 1 X 2 L79006 TORNILLO AR X 3 24M7240 ARANDELA 3 X 4 14M7275 TUERCA AR X M12 5 19M7988 TORNILLO 1 X M12 X 30 6 42M7038 ESPARRAGO 2 X 70-22 TRACTOR 6110J (EDICION SUDAMERICANA) PC8538S (01-JUL-10) PN=376
  • 379.
  • 380.
    70-24 COMPONENTES HIDRAULICOS INLET PRIORITYVALVE (60 LPM) SOUPAPE DE PRIORITE (60 LPM) PRIORITAETSVENTIL (60 LPM) VALVOLA DI PRIORITA’ IN INGRESSO (60 LPM) VALVULA PRIORITARIA DE ENTRADA (60 LPM) VALVULA DE PRIORIDAD DE ENTRADA (60 LPM) PUBM1370 -UN-29JUN10 ESTA RELACION DE PIE 70-24 TRACTOR 6110J (EDICION SUDAMERICANA) PC8538S (01-JUL-10) PN=378
  • 381.
    70-25 COMPONENTES HIDRAULICOS 6 1 1 0 POS. NO.PIEZADESCRIPCION CANT NUM. SERIE J NOTAS 1 AL153389 BLOQUE DE VALVULAS 1 X 2 RE49625 VALVULA DESCARGA DE PRESION 1 X 3 AL170216 JUEGO 1 X 4 RE245952 CORREDERA 1 X 5 R79060 ANILLO TORICO 1 X 6 AL150732 VALVULA DESCARGA DE PRESION 1 X 7 R58832 FILTRO 2 X 8 ........ TORNILLO DE FIJACION 1 X (MF 22H896) ID 1MM 9 R95494 ANILLO TORICO 1 X 10 RE46684 TAPON HERMETICO 3 X 11 R111298 MUELLE DE COMPRESION 1 X 12 RE49624 TAPON HERMETICO 1 X 13 L152324 ANILLO TORICO 1 X 14 R77175 TAPADERA 3 X 15 AL80099 MACHO ACOPLAMIENTO HIDRAUL 3 X 16 T77857 ANILLO TORICO 1 X 17 61M5003 RACOR ADAPTADOR 1 X 18 R132899 ARANDELA AR X 19 R115892 ANILLO 1 X 20 51M7041 ANILLO TORICO 6 X 21 RE62446 JUEGO 1 X TRACTOR 6110J (EDICION SUDAMERICANA) PC8538S (01-JUL-10) 70-25 PN=379
  • 382.
    70-26 COMPONENTES HIDRAULICOS ROCKSHAFT CONTROLVALVE WITH STEPPERMOTOR DISTRIBUTEUR DU RELEVAGE ET MOTEUR PAS-A-PAS KRAFTHEBERVENTIL MIT SCHRITTMOTOR VALVOLA COMANDO SOLLEVATORE CON STEPPER MOTOR VALVULA DE CONTROLE DO LEVANTE HIDRAULICO - MOTOR DE PASSO VALVULA DE CONTROL DEL ELEVADOR HIDRAULICO CON MOTOR DE REGLAJE PUBM1367 -UN-28JUN10 ESTA RELACION DE PIE 70-26 TRACTOR 6110J (EDICION SUDAMERICANA) PC8538S (01-JUL-10) PN=380
  • 383.
    70-27 COMPONENTES HIDRAULICOS 6 1 1 0 POS. NO.PIEZADESCRIPCION CANT NUM. SERIE J NOTAS 1 15M7077 TAPON DE VACIADO 2 X 2 51M7045 ANILLO TORICO 2 X 3 L155934 VALVULA 1 X 4 L159026 CARCASA 1 X 5 L78964 ASIENTO DE VALVULA 1 X 6 AL168858 VALVULA DE MANDO ACC. HIDR. 2 X 7 AL79037 JUEGO DE SUPLEMENTOS 1 X 8 AL172261 ELEVADOR HIDRAULICO 1 X 9 L155935 MUELLE DE COMPRESION 1 X 10 AL159011 VALVULA DESCARGA DE PRESION 1 X 11 L59901 ANILLO TORICO 1 X 12 AL181805 MOTOR ELECTRICO 1 X 13 L75747 ANILLO TORICO 1 X 14 26M5447 CHAVETA 1 X 15 19M8618 TORNILLO 4 X M6 X 12 16 24M7267 ARANDELA 4 X 17 R95494 ANILLO TORICO 1 X 18 AL164560 JUEGO DE JUNTAS 1 X 19 AL164561 JUEGO DE JUNTAS 1 X 20 AL80395 JUEGO DE RODAMIENTOS 1 X 21 L37963 TAPA 1 X 22 AL200020 ELEVADOR HIDRAULICO 1 X 23 L100259 ACCESORIO DE CONECTOR ELEC. 1 X 24 51M7048 ANILLO TORICO 1 X 25 L165818 CONO DE VALVULA 1 X 26 61M5243 CONEXION EN T 1 X 27 T77932 ANILLO TORICO 1 X 28 CQ49005 ABRAZADERA 1 X TRACTOR 6110J (EDICION SUDAMERICANA) PC8538S (01-JUL-10) 70-27 PN=381
  • 384.
    70-28 COMPONENTES HIDRAULICOS CONNECTING PARTS,INLET PRIORITY VALVE (60 LPM) SOUPAPE DE PRIORITE - RACCORDS (60 LPM) ANSCHLUSSTEILE, PRIORITAETSVENTIL (60 LPM) PARTI COLLEGAMENTO VALVOLA DI PRIORITA’ IN INGRESSO (60 LPM) CONEXOES DA VALVULA DE PRIORIDADE (60 LPM)) VALVULA DE PRIORIDAD - CONEXIONES (60 LPM) PUBM1498 -UN-28JUN10 6 1 1 0 POS. NO.PIEZA DESCRIPCION CANT NUM. SERIE J NOTAS 1 51M7047 ANILLO TORICO 1 X 2 61M5005 RACOR ADAPTADOR 1 X INCL KEY 1,3 3 T77858 ANILLO TORICO 1 X 4 51M7041 ANILLO TORICO 1 X 5 61M5002 RACOR ADAPTADOR 1 X INCL KEY 4,8 6 T77857 ANILLO TORICO 1 X 7 T77613 ANILLO TORICO 2 X 70-28 TRACTOR 6110J (EDICION SUDAMERICANA) PC8538S (01-JUL-10) PN=382
  • 385.
  • 386.
    70-30 COMPONENTES HIDRAULICOS HYDRAULIC PUMP(28CM3) POMPE HYDRAULIQUE (28CM3) HYDRAULIKPUMPE (28CM3) POMPE IDRAULICHE (28CM3) BOMBA HIDRAULICA(28CM3) BOMBAS HIDRAULICAS (28CM3) LX029347 -UN-14JAN02 ESTA RELACION DE PIE 70-30 TRACTOR 6110J (EDICION SUDAMERICANA) PC8538S (01-JUL-10) PN=384
  • 387.
    70-31 COMPONENTES HIDRAULICOS 6 1 1 0 POS. NO.PIEZADESCRIPCION CANT NUM. SERIE J NOTAS 1 AL156335 BOMBA HIDRAULICA 1 X 28CM3 / 200BAR 2 L77317 JUNTA 1 X 3 19M7988 TORNILLO 4 X M12 X 30 4 L64500 SELLADOR 1 X LOCTITE 574 5 AL114392 RACOR ADAPTADOR 1 X 6 19M7785 TORNILLO 2 X M10 X 25 TRACTOR 6110J (EDICION SUDAMERICANA) PC8538S (01-JUL-10) 70-31 PN=385
  • 388.
    70-32 COMPONENTES HIDRAULICOS OIL LINESAND CONNECTING PARTS (HYDRAULIC PUMP 28CM3) CONDUITES HYDRAULIQUES ET ELEMENTS DE RACCORDEMENT (POMPE HYDRAULIQUE 28CM3) OELLEITUNGEN UND ANSCHLUSSTEILE (HYDRAULIKPUMPE 28CM3) TUBI OLIO E RACCORDI (POMPA IDRAULICA 28CM3) LINHAS DE OLEO E CONEXOES PARA BOMBA DE (BOMBA HIDRAULICA 28CM3) TUBERIAS DE ACEITE Y RACORES (BOMBA HIDRAULICA 28CM3) LX028111 -UN-19OCT01 ESTA RELACION DE PIE 70-32 TRACTOR 6110J (EDICION SUDAMERICANA) PC8538S (01-JUL-10) PN=386
  • 389.
    70-33 COMPONENTES HIDRAULICOS 6 1 1 0 POS. NO.PIEZADESCRIPCION CANT NUM. SERIE J NOTAS 1 51M7047 ANILLO TORICO 2 X 2 61M5005 RACOR ADAPTADOR 2 X INCL KEYS 1, 3 3 T77858 ANILLO TORICO 2 X 4 AL114404 MANGUERA HIDRAULICA 1 X 5 AL165144 MANGUERA 1 X 6 AL114812 ABRAZADERA 2 X 7 L116560 MANGUERA 1 X 8 51M7100 ANILLO TORICO 1 X 9 AL157760 MANGUERA HIDRAULICA 1 X 10 AL112193 VALVULA DESCARGA DE PRESION 1 X 11 51M7041 ANILLO TORICO 2 X 12 L100802 CONEXION 1 X 13 AL37489 ABRAZADERA 4 X 14 L34995 ANILLO TORICO 1 X 15 AL78652 RACOR ACODADO 1 X 16 L111479 MANGUERA 1 X LGTH 325MM 17 L102179 CONEXION DE MANGUERA 1 X 18 51M7043 ANILLO TORICO 1 X 19 51M7048 ANILLO TORICO 2 X 20 AL155008 MANGUITO 2 X 21 L111412 MANGUERA 1 X 22 L115460 RACOR ADAPTADOR 1 X 23 19M7660 TORNILLO 4 X M8 X 20 24 L171572 ABRAZADERA 2 X 25 51M7103 ANILLO TORICO 1 X TRACTOR 6110J (EDICION SUDAMERICANA) PC8538S (01-JUL-10) 70-33 PN=387
  • 390.
    70-34 COMPONENTES HIDRAULICOS SELECTIVE CONTROLVALVE (301 SERIES) DISTRIBUTEUR AUXILIAIRE (SERIE 301) ZUSATZSTEUERGERAET (SERIE 301) DISTRIBUTORE IDRAULICO (SERIE 301) VALVULA DE CONTROLE REMOTO (SERIE 301) VALVULA DE MANDO A DISTANCIA (SERIE 301) PUBM1483 -UN-28JUN10 ESTA RELACION DE PIE 70-34 TRACTOR 6110J (EDICION SUDAMERICANA) PC8538S (01-JUL-10) PN=388
  • 391.
    70-35 COMPONENTES HIDRAULICOS 6 1 1 0 POS. NO.PIEZADESCRIPCION CANT NUM. SERIE J NOTAS 1 AL171119 VALVUL.DE MANDO A DISTANCIA 1 X 2 E69117 ANILLO TORICO 2 X 3 L152323 ANILLO TORICO 1 X 4 R26976 ANILLO TORICO 1 X 5 AL118383 BRIDA 1 X 6 R95493 DISCO 1 X 7 R111238 MUELLE DE COMPRESION 1 X 8 19M7768 TORNILLO 1 X M6 X 16 9 R111242 TAPON HERMETICO 1 X 10 R95491 EMPUNADURA 1 X 11 25H723 PASADOR ACANALADO 1 X 12 19M8706 TORNILLO 3 X M6 X 75 13 R111288 CONO DE VALVULA 2 X 14 R95494 ANILLO TORICO 1 X 15 R95490 EMPUNADURA 1 X 16 R111308 ANILLO 2 X 17 R113228 TAPON 1 X 18 34H184 PASADOR ELASTICO 1 X 19 R241161 ANILLO TORICO 1 X 20 RE49624 TAPON HERMETICO 2 X 21 L152324 ANILLO TORICO 2 X 22 RE239125 KIT DE CONTROL 1 X 23 R126667 RETEN 1 X 24 RE246313 KIT DE REPARACION 1 X 25 RE50384 KIT DE REPARACION 1 X 26 RE50385 JUEGO 1 X 27 L152325 ANILLO TORICO 1 X 28 L152326 ANILLO TORICO 1 X 29 R118192 ARANDELA DE SEGURIDAD 3 X 30 R118092 JUNTA AR X 31 P47889 ANILLO TORICO AR X 32 R113218 ANILLO REFORZADOR 1 X 33 R111527 ANILLO TORICO 1 X 34 R111504 ANILLO REFORZADOR 1 X 35 R117942 ANILLO TORICO 1 X 36 R113229 ANILLO TORICO 1 X 37 R113223 ANILLO REFORZADOR 1 X 38 R113224 ANILLO TORICO 1 X 39 R113226 ANILLO TORICO 1 X 40 L102154 TAPON 1 X L102155 TAPON 1 X .. R117738 GRASA 1 X 270G TRACTOR 6110J (EDICION SUDAMERICANA) PC8538S (01-JUL-10) 70-35 PN=389
  • 392.
    70-36 COMPONENTES HIDRAULICOS REPAIR KITSELETIVE CONTROL VALVE (301 SERIE) JEU DE REPARATION - DISTRIBUTEUR AUXILIAIRE (SERIE 301) REPARATURSATZ ZUSATZSTEUERGERAET (SERIE 301) KIT REPARAZIONE PER DISTRIBUTORE (SERIE 301) KIT DE REPARO DAS VALVULAS DE CONTROLE REMOTO (SERIE 301) CONJUNTO DE REPARACION VALVULA DE MANDO A DISTANCIA (SERIE 301) LX024971 -UN-14NOV00 ESTA RELACION DE PIE 70-36 TRACTOR 6110J (EDICION SUDAMERICANA) PC8538S (01-JUL-10) PN=390
  • 393.
    70-37 COMPONENTES HIDRAULICOS 6 1 1 0 POS. NO.PIEZADESCRIPCION CANT NUM. SERIE J NOTAS 1 RE241164 KIT DE REPARACION 1 X TRACTOR 6110J (EDICION SUDAMERICANA) PC8538S (01-JUL-10) 70-37 PN=391
  • 394.
    70-38 COMPONENTES HIDRAULICOS REPAIR KITSELETIVE CONTROL VALVE (301 SERIE) JEU DE REPARATION - DISTRIBUTEUR AUXILIAIRE (SERIE 301) REPARATURSATZ ZUSATZSTEUERGERAET (SERIE 301) KIT REPARAZIONE PER DISTRIBUTORE (SERIE 301) KIT DE REPARO DAS VALVULAS DE CONTROLE REMOTO (SERIE 301) CONJUNTO DE REPARACION VALVULA DE MANDO A DISTANCIA (SERIE 301) CQ157330 -UN- ESTA RELACION DE PIE 70-38 TRACTOR 6110J (EDICION SUDAMERICANA) PC8538S (11-JAN-11) PN=392
  • 395.
    70-39 COMPONENTES HIDRAULICOS 6 1 1 0 POS. NO.PIEZADESCRIPCION CANT NUM. SERIE J NOTAS 1 RE67001 KIT DE REPARACION 1 X 2 RE49628 JUEGO 1 X 3 RE172250 JUEGO 1 X 4 RE49632 JUEGO 1 X TRACTOR 6110J (EDICION SUDAMERICANA) PC8538S (11-JAN-11) 70-39 PN=393
  • 396.
    70-40 COMPONENTES HIDRAULICOS HYDRAULIC PUMPDRIVE ELEMENTS D’ENTREINEMENT DE LA POMPE HYDRAULIQUE ANTRIEBSTEILE FUER HYDRAULIKPUMPE COMANDO POMPA IDRAULICA ACIONAMENTO BOMBA DE CARGA E HIDRAULICA ACCIONAMIENTO BOMBA DE CARGA E HIDRUALICA LX003073 -UN-01JAN94 6 1 1 0 POS. NO.PIEZA DESCRIPCION CANT NUM. SERIE J NOTAS 1 L77774 MANGUITO 1 X 2 AL82960 RODAMIENTO RODILLOS CONICOS 2 X 3 L155492 ENGRANAJE CONICO 1 X 60LPM 4 L75889 MANGUITO 1 X 5 L114773 ANILLO AR X R48745 ANILLO ELASTICO AR X TK 1.93MM R48746 ANILLO ELASTICO AR X TK 2.01MM R48749 ANILLO ELASTICO AR X TK 2.24MM R48750 ANILLO ELASTICO AR X TK 2.31MM L78784 ANILLO ELASTICO AR X TK 2.38MM R96515 ANILLO ELASTICO AR X TK 2.45MM L78785 ANILLO ELASTICO AR X TK 2.52MM R96517 ANILLO ELASTICO AR X TK 2.60MM 6 44M7146 PASADOR DE CENTRAJE 1 X 7 L155244 ENGRANAJE CONICO 1 X Z 29 8 R48747 ANILLO ELASTICO AR X TK 2.08MM R48748 ANILLO ELASTICO AR X TK 2.16MM 70-40 TRACTOR 6110J (EDICION SUDAMERICANA) PC8538S (01-JUL-10) PN=394
  • 397.
    70-41 COMPONENTES HIDRAULICOS HYDRAULIC OILFILTERS FILTRES A HUILE HYDRAULIQUE HYDRAULIKOELFILTER FILTRO OLIO IDRAULICO FILTRO DE OLEO HIDRAULICO FILTRO DE ACEITE HIDRAULICO PUBM1484 -UN-30JUN10 6 1 1 0 POS. NO.PIEZA DESCRIPCION CANT NUM. SERIE J NOTAS 1 AL160772 CABEZA DE FILTRO 1 X 2 24M7096 ARANDELA 4 X 3 19M7166 TORNILLO 2 X M10 X 20 4 AL155008 MANGUITO 2 X 5 51M7048 ANILLO TORICO 2 X 6 L171572 ABRAZADERA 2 X 7 51M7101 ANILLO TORICO 2 X 8 51M7100 ANILLO TORICO 1 X 9 15M7076 TAPON DE VACIADO 1 X 10 51M7041 ANILLO TORICO 1 X 11 AL160773 CABEZA DE FILTRO 1 X 12 AL203061 FILTRO DE ACEITE 1 X (INCL. KEY 14) 13 AL160761 CARCASA DEL FILTRO 1 X 14 R56757 ANILLO TORICO 1 X 15 DQ62060 APOYO 1 X 16 14M7274 TUERCA 2 X M10 TRACTOR 6110J (EDICION SUDAMERICANA) PC8538S (01-JUL-10) 70-41 PN=395
  • 398.
    70-42 COMPONENTES HIDRAULICOS SELECTIVE CONTROLVALVE (101 SERIES) DISTRIBUTEUR AUXILIAIRE (SERIE 101) ZUSATZSTEUERGERAET (SERIE 101) DISTRIBUTORE IDRAULICO (SERIE 101) VALVULA DE CONTROLE (SERIES 101) VALVULA DE MANDO A DISTANCIA (SERIE 101) PUBM1485 -UN-28JUN10 ESTA RELACION DE PIE 70-42 TRACTOR 6110J (EDICION SUDAMERICANA) PC8538S (01-JUL-10) PN=396
  • 399.
    70-43 COMPONENTES HIDRAULICOS 6 1 1 0 POS. NO.PIEZADESCRIPCION CANT NUM. SERIE J NOTAS 1 AL160825 VALVUL.DE MANDO A DISTANCIA AR X 2 T77857 ANILLO TORICO 1 X 3 R241161 ANILLO TORICO 2 X 4 R111206 RETEN 1 X 5 R111278 CONO DE VALVULA AR X 6 P60266 MUELLE 1 X 7 R113211 MANGUITO 1 X 8 R95493 DISCO 1 X 9 R95494 ANILLO TORICO 1 X 10 19M8705 TORNILLO 2 X M6 X 65 11 AL118383 BRIDA 1 X 12 19M7768 TORNILLO 2 X M6 X 16 13 R113228 TAPON 1 X 14 L37733 ANILLO TORICO 1 X TRACTOR 6110J (EDICION SUDAMERICANA) PC8538S (01-JUL-10) 70-43 PN=397
  • 400.
    70-44 COMPONENTES HIDRAULICOS REPAIR KITSSELECTIVE CONTROL VALVE 100 ,101 JEUX DE REPARATION - DISTRIBUTEUR AUXILIAIRE 100, 101 REPARATURSAETZE ZUSATZSTEUERGERAET 100, 101 KITS RIPARAZIONE PER DISTRIBUTORE 100, 101 KIT DE REPAROS DA VALVULA DE CONTROLE 100,101 CONJUNTOS DE REPARACION VALVULA DE MANDO A DISTANCIA 100, 101 LX008293 -UN- ESTA RELACION DE PIE 70-44 TRACTOR 6110J (EDICION SUDAMERICANA) PC8538S (11-JAN-11) PN=398
  • 401.
    70-45 COMPONENTES HIDRAULICOS 6 1 1 0 POS. NO.PIEZADESCRIPCION CANT NUM. SERIE J NOTAS 1 RE50333 KIT DE TORNILLERIA 1 X 2 RE50334 KIT DE RETENCION 1 X 3 RE50332 JUEGO DE RETENES 1 X 4 RE50385 JUEGO 1 X TRACTOR 6110J (EDICION SUDAMERICANA) PC8538S (11-JAN-11) 70-45 PN=399
  • 402.
    70-46 COMPONENTES HIDRAULICOS END COVER COUVERCLE ABSCHLUSSDECKEL FONDELLO TAMPASDO COMANDO TAPA LXA003684 -UN-01JAN94 ESTA RELACION DE PIE 70-46 TRACTOR 6110J (EDICION SUDAMERICANA) PC8538S (01-JUL-10) PN=400
  • 403.
    70-47 COMPONENTES HIDRAULICOS 6 1 1 0 POS. NO.PIEZADESCRIPCION CANT NUM. SERIE J NOTAS 1 R95494 ANILLO TORICO 1 X 2 AL77680 TAPADERA 1 X RH 3 U42902 ANILLO TORICO 1 X 4 H63283 ANILLO TORICO 1 X 5 T75984 ANILLO TORICO 1 X 6 19M8678 TORNILLO AR X M10 X 22 7 R95616 ESPARRAGO 3 X M10 X 1 X 141 8 19M8664 TORNILLO 3 X M10 X 70 9 14M7148 TUERCA AR X M10 10 AL77028 TAPADERA 1 X LH 11 Z29304 ANILLO TORICO 1 X 12 L169844 ESPARRAGO 3 X M10 X 1 X 85 TRACTOR 6110J (EDICION SUDAMERICANA) PC8538S (01-JUL-10) 70-47 PN=401
  • 404.
    70-48 COMPONENTES HIDRAULICOS QUICK DISCONNECTCOUPLERS ACCOUPLEMENT RAPIDE SCHNELLKUPPLUNG GIUNTI RAPIDI ENGATE RAPIDO ACOPLAMIENTO HIDRAULICO RAPIDO PUBM1388 -UN-28JUN10 ESTA RELACION DE PIE 70-48 TRACTOR 6110J (EDICION SUDAMERICANA) PC8538S (01-JUL-10) PN=402
  • 405.
    70-49 COMPONENTES HIDRAULICOS 6 1 1 0 POS. NO.PIEZADESCRIPCION CANT NUM. SERIE J NOTAS 1 AJ58437 HEMBRA ACOPLAMIENTO HIDRAUL 1 X 3/4" 2 CQ30150 UNION DE RACOR 1 X 3/4" 3 CQ33591 RACOR ADAPTADOR 1 X 3/4" 4 RE268228 TAPA 1 X GREEN/VERT/GRUEN/VERDE/VERDE/VERDE/GROEN RE268229 TAPA 1 X GREEN/VERT/GRUEN/VERDE/VERDE/VERDE/GROEN RE268230 TAPA 1 X BLUE/BLEU/BLAU/AZZURRO/AZUL/AZUL/BLA RE268231 TAPA 1 X BLUE/BLEU/BLAU/AZZURRO/AZUL/AZUL/BLA 5 51M7045 ANILLO TORICO AR X 6 AL166180 HEMBRA ACOPLAMIENTO HIDRAUL AR X LGTH 95MM 7 40M7102 ANILLO ELASTICO 1 X 8 AL166745 JUEGO DE RETENES 1 X FASTERN 9 AL112953 JUEGO DE RETENES 1 X FASTERN 10 L112370 TAPADERA 1 X TRACTOR 6110J (EDICION SUDAMERICANA) PC8538S (01-JUL-10) 70-49 PN=403
  • 406.
    70-50 COMPONENTES HIDRAULICOS HYDRAULIC CONTROLSPACER BLOC D’ECARTEMENT POUR COMMANDE HYDRAULIQUE DISTANZBLOCK FUER HYDRAULIKSTEUERUNG DISTANZIATORE COMANDO IDRAULICO ESPACADOR DO COMANDO HIDRAULICO ESPACIADOR DE SISTEMA CONTROL HIDRAULICO CQ302459 -UN-25JAN08 6 1 1 0 POS. NO.PIEZA DESCRIPCION CANT NUM. SERIE J NOTAS 1 R95494 ANILLO TORICO AR X 2 R95493 DISCO AR X 3 AL117977 TORNILLO 1 X 4 51M7052 ANILLO TORICO 1 X 5 51M7045 ANILLO TORICO 1 X 6 15M7077 TAPON DE VACIADO 2 X 7 51M7041 ANILLO TORICO 1 X 8 15M7076 TAPON DE VACIADO 1 X 9 AL161388 ESPACIADOR 1 X 70-50 TRACTOR 6110J (EDICION SUDAMERICANA) PC8538S (01-JUL-10) PN=404
  • 407.
    80-A01 BASTIDOR, EJES DELANT.,PIEZAS DE CHAPA, VARIOS SECTIONAL INDEX INDEX DE SECTION GRUPPENINDEX INDICE DELLA SEZIONE INDICE DE GRUPO INDICE DE GRUPOS PUBM1446 -UN-28JUN10 1- 1 2- 2 3- 4 4- 6 5- 7 6- 8 7- 10 8- 12 9- 14 10- 16 11- 18 12- 19 13- 20 26- 40 27- 41 30- 46 31- 47 TRACTOR 6110J (EDICION SUDAMERICANA) PC8538S (01-JUL-10) 80-A01 PN=405
  • 408.
    80-A02 BASTIDOR, EJES DELANT.,PIEZAS DE CHAPA, VARIOS SECTIONAL INDEX INDEX DE SECTION GRUPPENINDEX INDICE DELLA SEZIONE INDICE DE GRUPO INDICE DE GRUPOS PUBM1447 -UN-28JUN10 14- 21 15- 22 16- 23 17- 24 18- 26 19- 28 20- 30 21- 32 22- 34 23- 36 24- 38 25- 39 28- 42 29- 44 80-A02 TRACTOR 6110J (EDICION SUDAMERICANA) PC8538S (01-JUL-10) PN=406
  • 409.
    80-1 BASTIDOR, EJES DELANT.,PIEZAS DE CHAPA, VARIOS MAIN FRAME AND MOUNTING PARTS CHASSIS PRINCIPAL ET ELEMENTS DE FIXATION HAUPTRAHMEN UND ANBAUTEILE TELAIO PRINCIPALE E PARTI DI MONTAGGIO CHASSI E PECAS DE MONTAGEM BASTIDOR PRINCIPAL Y PIEZAS DE MONTAJE PUBM1391 -UN-28JUN10 6 1 1 0 POS. NO.PIEZA DESCRIPCION CANT NUM. SERIE J NOTAS 1 DQ68990 BASTIDOR DE EXTENSION 1 X RH 2 DQ68991 BASTIDOR DE EXTENSION 1 X LH 3 L170688 TRAVESANO 1 X 4 AL162970 SOPORTE EJE DELANTERO 1 X 5 L114874 BULON 2 X 6 19M8639 TORNILLO 10 X M20 X 70 7 19M7946 TORNILLO 8 X M20 X 40 8 L165048 CASQUILLO 4 X 9 24M7242 ARANDELA AR X 10 L153099 TORNILLO 4 X 11 L158414 SOPORTE EJE DELANTERO 1 X 12 14M7168 TUERCA DE SEGURIDAD 1 X M12 13 L114339 PROTECCION DE MANGUERA 1 X 14 L168634 APOYO 1 X 15 L114178 ABRAZADERA 1 X 16 19M7166 TORNILLO 1 X M10 X 20 17 14M7294 TUERCA 1 X M10 18 19M3167 TORNILLO 1 X M12 X 60 19 24M7043 ARANDELA 1 X 12 X 25 X 3 MM 20 12M7067 ARANDELA DE SEGURIDAD 1 X 12 MM 21 L113446 PLACA 8 X .. DT5267 GRASA 1 X TRACTOR 6110J (EDICION SUDAMERICANA) PC8538S (01-JUL-10) 80-1 PN=407
  • 410.
    80-2 BASTIDOR, EJES DELANT.,PIEZAS DE CHAPA, VARIOS HOOD SUPPORT SUPPORT DE CAPOT HAUBENSTUETZE SUPPORTO COFANO SUPORTE DO CAPO SOPORTE DEL CAPO PUBM1385 -UN-28JUN10 ESTA RELACION DE PIE 80-2 TRACTOR 6110J (EDICION SUDAMERICANA) PC8538S (01-JUL-10) PN=408
  • 411.
    80-3 BASTIDOR, EJES DELANT.,PIEZAS DE CHAPA, VARIOS 6 1 1 0 POS. NO.PIEZA DESCRIPCION CANT NUM. SERIE J NOTAS 1 AL154573 PORTAFUSIBLE 1 X 2 24M7055 ARANDELA 5 X 8.400 X 16 X 1.600 MM 3 19M7865 TORNILLO 27 X M8 X 16 4 AL162701 SOPORTE 1 X 5 14M7029 TUERCA 10 X M8 6 AL162703 SOPORTE 4 X 7 L158278 APOYO 1 X LH 8 L158277 APOYO 1 X RH 9 AL162729 APOYO 1 X RH 10 AL162730 APOYO 1 X LH 11 AL158053 APOYO 1 X 12 AL158151 BANDA DE GUARNICION 1 X LGTH 1920MM 13 AL169335 APOYO 1 X 4CYL AL205085 APOYO 1 X MW 4CYL 14 L152658 AISLANTE 1 X LGTH 1485MM 15 L152663 BURLETE 1 X 16 L157826 PORTADOR 2 X 17 L153842 PORTADOR 1 X 18 L173476 GANCHO 1 X 19 14M7140 TUERCA 2 X M10 20 L155965 MANGUITO 2 X 21 L155966 PASAMUROS 2 X 22 L169323 APOYO 2 X 23 L157769 GUIA 2 X 24 16M7114 REMACHE 2 X 25 24M7139 ARANDELA 4 X 6.400 X 18 X 1.600 MM 26 L153768 ABRAZADERA AR X 27 L79919 PASAMUROS 1 X 28 AL162699 PLACA 1 X 29 AL163193 BANDA DE GUARNICION 1 X LGTH 1380MM 30 L167473 ESPACIADOR 4 X 31 19M7785 TORNILLO 4 X M10 X 25 32 24M7178 ARANDELA 4 X 10.500 X 30 X 2.500 MM 33 AL167617 PROTECCION ANTITERMICA 1 X 34 CQ04738 AISLANTE 1 X 35 14M7273 TUERCA 4 X M8 36 AL164643 BISAGRA 1 X 37 L167363 TIRA/ALFOMBRILLA 1 X 38 L167362 TIRA/ALFOMBRILLA 1 X 39 CQ62312 AISLANTE 2 X 40 L101519 ABRAZADERA 1 X 41 19M7166 TORNILLO 1 X M10 X 20 42 24M7028 ARANDELA 2 X 10.500 X 20 X 2 MM 43 14M7029 TUERCA AR X M8 44 14M7347 TUERCA 10 X 45 MN10413 REVESTIMIENTO 1 X 46 19M7866 TORNILLO 1 X 47 CQ61656 CORAZA 1 X 48 L167365 TIRA/ALFOMBRILLA 1 X 49 L158306 AISLANTE 1 X 50 L155510 PROTECCION ANTITERMICA 1 X 51 19M7162 TORNILLO 3 X M8 X 16 52 19M7163 TORNILLO 1 X 53 14M7298 TUERCA CON BRIDA 1 X 54 L158279 AISLANTE 2 X 55 19M7864 TORNILLO 6 X TRACTOR 6110J (EDICION SUDAMERICANA) PC8538S (01-JUL-10) 80-3 PN=409
  • 412.
    80-4 BASTIDOR, EJES DELANT.,PIEZAS DE CHAPA, VARIOS HOOD AND RADIATOR GRILLE CAPOT ET GRILLE DU RADIATEUR HAUBE UND KUEHLERGRILL COFANO E GRIGLIA RADIATORE CAPO E GRADE DO RADIADOR CAPO Y PARRILLA DEL RADIADOR PUBM1421 -UN-28JUN10 ESTA RELACION DE PIE 80-4 TRACTOR 6110J (EDICION SUDAMERICANA) PC8538S (01-JUL-10) PN=410
  • 413.
    80-5 BASTIDOR, EJES DELANT.,PIEZAS DE CHAPA, VARIOS 6 1 1 0 POS. NO.PIEZA DESCRIPCION CANT NUM. SERIE J NOTAS 1 AL202768 CAPO 1 X INC KEYS 2, 3, 4, 5, 6, 7, 8, 9, 10, 11, 12, 13, 14, 15, 16, 17 2 L203436 CAPO 1 X 3 L203435 CAPO 1 X LH 4 L203433 CAPO 1 X RH 5 L203437 CAPO 1 X 6 L203438 BRIDA 1 X 7 R263120 TORNILLO 30 X 8 L203490 TORNILLO 8 X 9 AL203444 SOPORTE 1 X 10 AL203843 SOPORTE 1 X 11 14M7233 TUERCA SOLDABLE 2 X 12 AL203634 SOPORTE 1 X LH 13 AL203635 SOPORTE 1 X RH 14 L204116 SOPORTE 1 X 15 AL164643 BISAGRA 2 X RH 16 AL157407 BULON 1 X 17 R30437 ANILLO ELASTICO 2 X 18 AL174451 VENTANA DE AIREACION 1 X RH 19 37M7179 TORNILLO 18 X 20 AL174452 VENTANA DE AIREACION 1 X LH 21 DQ63432 CILINDRO DE GAS 2 X 22 L78979 ESPARRAGO CON BOLA 2 X 23 14M7273 TUERCA 4 X 24 L157398 ENREJADO 1 X 25 L155181 ENREJADO 1 X 26 L155596 ENREJADO 1 X LH 27 L155597 ENREJADO 1 X RH 28 37M7240 TORNILLO 26 X 29 16M7119 REMACHE 8 X 30 AL157575 PESTILLO 1 X 31 19M8703 TORNILLO 2 X 32 L153536 VASTAGO 1 X 33 R169906 MECANISMO 1 X 34 37M7181 TORNILLO 2 X 35 L156573 TIRA 1 X 36 AL156954 CUERDA 1 X 37 L175019 MEDALLON 1 X 38 L111800 CASQUILLO 2 X 39 CQ62315 PASAMUROS 2 X .. L200689 ADHESIVO 1 X TRACTOR 6110J (EDICION SUDAMERICANA) PC8538S (01-JUL-10) 80-5 PN=411
  • 414.
    80-6 BASTIDOR, EJES DELANT.,PIEZAS DE CHAPA, VARIOS MAIN FRAME BASIC WEIGHT CHASSIS PRINCIPAL SUPPORT DE MASSES HAUPTRAHMEN-GRUNDGEWICHT TELAIO PORTANTE PESO DI BASE SUPORTE DOS PESOS FRONTAIS CHASIS PRINCIPAL CONTRAPESO BASE CQ155655 -UN-01JUL04 6 1 1 0 POS. NO.PIEZA DESCRIPCION CANT NUM. SERIE J NOTAS 1 CQ29519 APOYO 1 X 70KG 2 19M7620 TORNILLO 4 X M20 X 130 3 C2214E ARANDELA 4 X 80-6 TRACTOR 6110J (EDICION SUDAMERICANA) PC8538S (01-JUL-10) PN=412
  • 415.
    80-7 BASTIDOR, EJES DELANT.,PIEZAS DE CHAPA, VARIOS ADDITIONAL FRONT WEIGHTS MASSES FRONTALES FRONTZUSATZGEWICHTE PESI ANTERIORI ADDIZIONALI PESOS DIANTEIROS CONTRAPESOS DELANTEROS ADICIONALES PUBM1415 -UN-01JUL10 6 1 1 0 POS. NO.PIEZA DESCRIPCION CANT NUM. SERIE J NOTAS 1 T32146 BULON 1 X 2 L18955 PASADOR DE FIJACION RAPIDA 1 X 3 L38450 LASTRE 2 X RH 4 19M7411 TORNILLO 2 X M16 X 130 5 L38449 LASTRE 2 X LH 6 24M7241 ARANDELA 2 X 7 12M7069 ARANDELA DE SEGURIDAD 2 X 8 DQ70291 RETENEDOR 2 X TRACTOR 6110J (EDICION SUDAMERICANA) PC8538S (01-JUL-10) 80-7 PN=413
  • 416.
    80-8 BASTIDOR, EJES DELANT.,PIEZAS DE CHAPA, VARIOS FRONT WHEELS ROUES AVANT REGLABLES VORDERRAEDER SPURWEITENVERSTELLBAR RUOTE ANTERIORI, CARREGGIATA REGOLABILE RODAS DIANTEIRAS RUEDAS DELANTERAS CON ANCHO DE VIA AJUSTABLE PUBM1368 -UN-28JUN10 ESTA RELACION DE PIE 80-8 TRACTOR 6110J (EDICION SUDAMERICANA) PC8538S (01-JUL-10) PN=414
  • 417.
    80-9 BASTIDOR, EJES DELANT.,PIEZAS DE CHAPA, VARIOS 6 1 1 0 POS. NO.PIEZA DESCRIPCION CANT NUM. SERIE J NOTAS 1 DQ34723 ARO DE LLANTA 2 X 11.2-28 R1 6PR DQ30260 ARO DE LLANTA 2 X 14.9-26 R1 12PR DQ30262 ARO DE LLANTA 2 X 16.9-24 R4 8PR DQ30256 ARO DE LLANTA 2 X 14.9-24 R2 8PR 2 CQ29426 TORNILLO 16 X L41560 TORNILLO 16 X 14.9-24 R1 R2 8PR 3 CQ30872 DISCO DE RUEDA 2 X 11.2-28 R1 6PR CQ30867 DISCO DE RUEDA 2 X 14.9-26 R1 12PR CQ30870 DISCO DE RUEDA 2 X 16.9-24 R4 8PR 4 CQ29427 TUERCA 16 X 5/8" 14M7276 TUERCA 16 X 14.9-24 R1 R2 8PR 5 CQ29428 ARANDELA 16 X L115344 ARANDELA 16 X 14.9-24 R1 R2 8PR 6 DQ20973 TUERCA CON BRIDA 16 X 7 AZ33725 CAMARA 2 X 14.9-24 R1 R2 8PR; 16.9-24 R4 8PR CQ26128 CAMARA 2 X 14.9-26 R1 12PR DQ37643 CAMARA 2 X 12.4-36R1 6PR-275 CQ34453 CAMARA 2 X 11.2-28 R1 6PR 8 CQ26127 CUBIERTA DE NEUMATICO 2 X 14.9-26 R1 12PR CQ41341 CUBIERTA DE NEUMATICO 2 X 16.9-24 R4 8PR CQ47188 CUBIERTA DE NEUMATICO 2 X 14.9-24 R1 8PR CQ66248 CUBIERTA DE NEUMATICO 2 X 14.9-24 R2 8PR CQ37642 CUBIERTA DE NEUMATICO 2 X 12.4-36 R1 6PR CQ34452 CUBIERTA DE NEUMATICO 2 X 11.2-28 R1 6PR 9 DQ26126 RUEDA 2 X 14.9-26 R1 12PR DQ28326 RUEDA 2 X 16.9-24 R4 8PR RE261134 CENTRO DE RUEDA Y LLANTA 2 X 14.9-24 R1 R2 8PR DQ37676 RUEDA 2 X 12.4-36R1 6PR DQ31503 RUEDA 2 X 11.2-28 R1 6PR .. DQ59493 RUEDA CON NEUMATICO 1 X 14.9-24 R2 8PR TRACTOR 6110J (EDICION SUDAMERICANA) PC8538S (01-JUL-10) 80-9 PN=415
  • 418.
    80-10 BASTIDOR, EJES DELANT.,PIEZAS DE CHAPA, VARIOS STEEL DISK REAR WHEELS ROUES ARRIERE ACIER STAHL-HINTERRAEDER RUOTE POSTERIORI CON DISCO IN ACCIAIO RODAS TRASEIRAS DE ACO RUEDAS TRASERAS DE ACERO CQ151406 -UN-18MAY05 6 1 1 0 POS. NO.PIEZA DESCRIPCION CANT NUM. SERIE J NOTAS 1 CQ07843 CUBIERTA DE NEUMATICO 2 X 23.1/18-30 R1 12PR FL CQ66250 CUBIERTA DE NEUMATICO 2 X 23.1-30 R2 10PR FL 2 CQ07844 CAMARA 2 X 23.1-30 3 DQ48452 RUEDA 2 X 23.1-30 R1 12PR FL 4 CQ50357 ANILLO 2 X 5 19M9433 TORNILLO 16 X M20 X 70 80-10 TRACTOR 6110J (EDICION SUDAMERICANA) PC8538S (01-JUL-10) PN=416
  • 419.
    80-11 BASTIDOR, EJES DELANT.,PIEZAS DE CHAPA, VARIOS MEMORANDA MEMORANDA MEMORANDA MEMORANDA MEMORANDA MEMORANDA TRACTOR 6110J (EDICION SUDAMERICANA) PC8538S (01-JUL-10) 80-11 PN=417
  • 420.
    80-12 BASTIDOR, EJES DELANT.,PIEZAS DE CHAPA, VARIOS REAR WHEELS, ADJUSTABLE ROUES ARRIERE REGLABLES HINTERRAEDER, SPURWEITENVERSTELLBAR RUOTE POSTERIORI CARREGGIATA REGOLABILE RODAS TRASEIRAS COM DISCO DE ACO RUEDAS TRASERAS CON DISCO DE ACERO CQ155196 -UN-30SEP03 ESTA RELACION DE PIE 80-12 TRACTOR 6110J (EDICION SUDAMERICANA) PC8538S (01-JUL-10) PN=418
  • 421.
    80-13 BASTIDOR, EJES DELANT.,PIEZAS DE CHAPA, VARIOS 6 1 1 0 POS. NO.PIEZA DESCRIPCION CANT NUM. SERIE J NOTAS 1 CQ29426 TORNILLO 16 X 5/8" L41560 TORNILLO 16 X 2 CQ29428 ARANDELA 16 X 5/8" L115344 ARANDELA 16 X 3 CQ29427 TUERCA 16 X 5/8" 14M7276 TUERCA 16 X 4 DQ34723 ARO DE LLANTA 2 X 11.2-28 R1 6PR AL110764 LLANTA 2 X 18.4-34 R4 12PR FL; 18.4-34 R1 FL 10PR DQ30877 ARO DE LLANTA 2 X 18.4-38 R1 FL 10PR 5 19M9433 TORNILLO 16 X M20 X 70 L31683 TORNILLO 16 X 19.050 X 40 MM, 13.6-46 R2 PC 6PR 6 CQ50357 ANILLO 2 X 7 CQ50662 RUEDA 2 X 34" 18.4-38 R1 FL 10PR CQ30867 DISCO DE RUEDA 2 X 24" 14.9-26 R1 12PR CQ30872 DISCO DE RUEDA 2 X 11.2-28 R1 6PR R206171 DISCO DE RUEDA 2 X 18.4-34 R4 12PR FL; 18.4-34 R1 FL 10PR 8 CQ28088 CUBIERTA DE NEUMATICO 2 X 18.4-38 R1 PC 10PR CQ34452 CUBIERTA DE NEUMATICO 2 X 11.2-28 R1 6PR CQ41340 CUBIERTA DE NEUMATICO 2 X 18.4-34 R4 PC AERO ;18.4-34 R4 12PR FL CQ07843 CUBIERTA DE NEUMATICO 2 X 23.1-30 R1 12PR FL; 23.1-30 R1 PC 12PR 9 RE23542 CAMARA 2 X 18.4-34 R4 PC AERO ;18.4-34 R4 12PR FL R23551 CAMARA 2 X 18.4-38 R1 PC 10PR; 18.4-38 R1 FL 10PR CQ34453 CAMARA 2 X 11.2-28 R1 6PR CQ07844 CAMARA 2 X 23.1-30 R1 R2 12PR 10PR FL PC 10 DQ48453 RUEDA 2 X ORDER RE206170 RE206170 CENTRO DE RUEDA Y LLANTA 2 X 18.4-34 R4 12PR FL; 18.4-34 R1 FL 10PR DQ50588 RUEDA 2 X 18.4-38 R1 FL 10PR 11 DQ48452 RUEDA 2 X 23.1-30 R1 12PR FL; 23.1-30 R2 10PR FL 12 L115418 ARANDELA 16 X 13.6-46 R2 PC 6PR TRACTOR 6110J (EDICION SUDAMERICANA) PC8538S (01-JUL-10) 80-13 PN=419
  • 422.
    80-14 BASTIDOR, EJES DELANT.,PIEZAS DE CHAPA, VARIOS CAST REAR (R) ROUES (R) HINTERRAEDER (R) RUOTE (R) RODAS PARA EIXO PINHAO E CREMALHEIRA (R) RUEDAS (R) PUBM1355 -UN-28JUN10 ESTA RELACION DE PIE 80-14 TRACTOR 6110J (EDICION SUDAMERICANA) PC8538S (01-JUL-10) PN=420
  • 423.
    80-15 BASTIDOR, EJES DELANT.,PIEZAS DE CHAPA, VARIOS 6 1 1 0 POS. NO.PIEZA DESCRIPCION CANT NUM. SERIE J NOTAS 1 R109147 TORNILLO 8 X 18.4-38 R1 PC 10PR 19H1782 TORNILLO 6 X 18.4-34 R4 PC AERO 2 R99437 ARANDELA 10 X 12H236 ARANDELA DE SEGURIDAD 10 X 18.4-34 R4 PC AERO 3 J53701 CASQUILLO 2 X 18.4-34 R4 PC AERO R111101 SEMIMANGUITO 2 X 18.4-38 R1 PC 10PR 4 R124104 PINON 2 X A4379R PINON 2 X 18.4-34 R4 PC AERO 5 CQ65207 PASADOR 2 X R83588 EJE DE MANDO 2 X 18.4-34 R4 PC AERO 6 CQ32109 DISCO AR X 23.1-30 R1 PC 12PR CQ65139 DISCO 2 X 23.1-30 R2 10PR PC, 23.1-30 R1 PC 12PR 7 CQ66643 DISCO 2 X 18.4-38 R1 PC 10PR AND 15.5-38 R1 6PR PC CQ33856 DISCO 2 X 18.4-34 R4 PC AERO 8 12H245 ARANDELA DE SEGURIDAD 6 X 9 R109823 TORNILLO 6 X 10 R41012 RUEDA 2 X 18.4-38 R1 PC 10PR J53401 LLANTA 2 X 18.4-34 R1 PC 10PR; 18.4-34 R4 PC AERO R34659 LLANTA 2 X 23.1-30 R1 PC 12PR ; 23.1-30 R2 10PR PC CQ34080 LLANTA 2 X 13.6-38 R1 PC 6PR CQ34081 RUEDA 2 X 15.5-38 R1 6PR PC 11 14H800 TUERCA 16 X 12 L38141 ABRAZADERA 16 X 13 08H4373 TORNILLO 16 X 14 R111009 TORNILLO 4 X 15 A4883R ANILLO ELASTICO 8 X 16 J53702 CASQUILLO 2 X 18.4-34 R4 PC AERO R124247 SEMIMANGUITO 2 X 18.4-38 R1 PC 10PR; 23.1-30 R1 PC 12PR; 23.1-30 R2 10PR PC; 15.5-38 R1 6PR PC 17 R73380 ANILLO ELASTICO 2 X 18 CQ07843 CUBIERTA DE NEUMATICO 2 X 23.1-30 R1 12PR FL; 23.1-30 R1 PC 12PR CQ28088 CUBIERTA DE NEUMATICO 2 X 18.4-38 R1 PC 10PR; 18.4-38 R1 FL 10PR CQ26740 CUBIERTA DE NEUMATICO 2 X 18.4-34 R1 PC 10PR; 18.4-34 R1 FL 10PR CQ26159 CUBIERTA DE NEUMATICO 2 X 23.1-30 R2 8 LONAS CQ66250 CUBIERTA DE NEUMATICO 2 X 23.1-30 R2 10PR FL; 23.1-30 R2 10PR PC CQ25620 CUBIERTA DE NEUMATICO 2 X 13.6-38 R1 PC 6PR CQ40864 CUBIERTA DE NEUMATICO 2 X 15.5-38 R1 6PR PC L112367 CUBIERTA DE NEUMATICO 2 X 13.6-46 R2 PC 6PR .. AL112664 CUBIERTA DE NEUMATICO 2 X 13.6-46 R2 PC 6PR TRACTOR 6110J (EDICION SUDAMERICANA) PC8538S (01-JUL-10) 80-15 PN=421
  • 424.
    80-16 BASTIDOR, EJES DELANT.,PIEZAS DE CHAPA, VARIOS CAST REAR (R) ROUES (R) HINTERRAEDER (R) RUOTE (R) RODAS PARA EIXO PINHAO E CREMALHEIRA (R) RUEDAS (R) PUBM1356 -UN-28JUN10 ESTA RELACION DE PIE 80-16 TRACTOR 6110J (EDICION SUDAMERICANA) PC8538S (01-JUL-10) PN=422
  • 425.
    80-17 BASTIDOR, EJES DELANT.,PIEZAS DE CHAPA, VARIOS 6 1 1 0 POS. NO.PIEZA DESCRIPCION CANT NUM. SERIE J NOTAS 1 CQ07844 CAMARA 2 X WITH 23.1-30 R1 12PR FL; 23.1-30 R1 PC 1 2PR; 23.1-30 R2 10PR FL; 23.1-30 R2 10 PR PC R23551 CAMARA 2 X WITH 18.4-38 R1 PC 10PR; 18.4-38 R1 FL 10 PR RE23542 CAMARA 2 X WITH 18.4-34 R4 PC AERO; 18.4-34 R4 12PR FL CQ25621 CAMARA 2 X WITH 13.6-38 R1 PC 6PR CQ25614 CAMARA 2 X WITH 15.5-38 R1 6PR PC AL39876 CAMARA 2 X WITH 13.6-46 R2 PC 6PR 2 J53262 ABRAZADERA 16 X WITH 18.4-34 R4 PC AERO; 18.4-34 R1 PC 1 0PR; 23.1-30 R1 PC 12PR; 23.1-30 R2 10 PR PC 3 R34801R TORNILLO 16 X WITH 18.4-34 R4 PC AERO; 18.4-34 R1 PC 1 0PR; 23.1-30 R1 PC 12PR; 23.1-30 R2 10 PR PC 4 J55278 TAPON 2 X 5 L34029 CUBO 2 X WITH 13.6-46 R2 PC 6PR 6 R73380 ANILLO ELASTICO 2 X 7 R111010 TUERCA 4 X 8 08H4419 TORNILLO 6 X 9 R58303 TORNILLO 6 X 10 AL157374 RUEDA 2 X WITH 13.6-46 R2 PC 6PR 11 R125475 PASADOR 6 X .. AL112664 CUBIERTA DE NEUMATICO 2 X WITH 13.6-46 R2 PC 6PR TRACTOR 6110J (EDICION SUDAMERICANA) PC8538S (01-JUL-10) 80-17 PN=423
  • 426.
    80-18 BASTIDOR, EJES DELANT.,PIEZAS DE CHAPA, VARIOS WEIGHTS MASSES DE LESTAGE ZUSATZGEWICHTE PESI CONTRAPESOS CONTRAPESOS PUBM1490 -UN-28JUN10 6 1 1 0 POS. NO.PIEZA DESCRIPCION CANT NUM. SERIE J NOTAS 1 19M7609 TORNILLO 6 X M16 X 90 R81272 TORNILLO 6 X (USE WITH RE206170) 2 24M7049 ARANDELA 12 X 17.500 X 30 X 3 MM 3 14M7142 TUERCA 12 X M16 4 CQ26402 TORNILLO AR X 5 L28228 LASTRE 4 X (55KG) 6 CQ27184 ESPACIADOR 6 X R190726 ESPACIADOR 6 X (USE WITH RE206170) 80-18 TRACTOR 6110J (EDICION SUDAMERICANA) PC8538S (01-JUL-10) PN=424
  • 427.
    80-19 BASTIDOR, EJES DELANT.,PIEZAS DE CHAPA, VARIOS WEIGHTS MASSES DE LESTAGE ZUSATZGEWICHTE PESI CONTRAPESOS CONTRAPESOS PUBM1489 -UN-28JUN10 6 1 1 0 POS. NO.PIEZA DESCRIPCION CANT NUM. SERIE J NOTAS 1 L28228 LASTRE 4 X (55KG) 2 CQ26402 TORNILLO AR X 3 R34801R TORNILLO 16 X 4 CQ16408 ARANDELA 12 X 5 14H800 TUERCA 16 X 5/8" TRACTOR 6110J (EDICION SUDAMERICANA) PC8538S (01-JUL-10) 80-19 PN=425
  • 428.
    80-20 BASTIDOR, EJES DELANT.,PIEZAS DE CHAPA, VARIOS WEIGHTS MASSES DE LESTAGE ZUSATZGEWICHTE PESI CONTRA PESOS CONTRAPESOS CQ151633 -UN-26OCT01 6 1 1 0 POS. NO.PIEZA DESCRIPCION CANT NUM. SERIE J NOTAS 1 19M7343 TORNILLO 6 X M16 X 60 2 L28230 LASTRE 2 X (38,5KG) 3 24M7049 ARANDELA 12 X 17.500 X 30 X 3 MM 4 14M7142 TUERCA 12 X M16 5 CQ27128 TORNILLO AR X M16 X 100 6 CQ26402 TORNILLO AR X M16 X 160 7 L28228 LASTRE 4 X (55KG) 80-20 TRACTOR 6110J (EDICION SUDAMERICANA) PC8538S (01-JUL-10) PN=426
  • 429.
    80-21 BASTIDOR, EJES DELANT.,PIEZAS DE CHAPA, VARIOS FWD-AXLE PONT AVANT FRONTANTRIEBSACHSE ASSALE TRAZIONE ANTERIORE EIXO DE TRACAO DIANTEIRO EJE DE TRACCION DELANTERA CQ157147 -UN-05DEC05 6 1 1 0 POS. NO.PIEZA DESCRIPCION CANT NUM. SERIE J NOTAS 1 DQ61022 EJE DELANTERO 1 X TRACTOR 6110J (EDICION SUDAMERICANA) PC8538S (01-JUL-10) 80-21 PN=427
  • 430.
    80-22 BASTIDOR, EJES DELANT.,PIEZAS DE CHAPA, VARIOS FWD, UNIVERSAL JOINTED SHAFT PONT AVANT - ARBRE DE TRANSMISSION FRONTANTRIEB, GELENKWELLE TRAZ. ANTER., ALBERO CARDANICO CARDA DO EIXO DIANTEIRO TRACCION DELANTERA, EJE DE TRANSMISION ARTICULADO PUBM1392 -UN-28JUN10 6 1 1 0 POS. NO.PIEZA DESCRIPCION CANT NUM. SERIE J NOTAS 1 DQ36680 CARDA 1 X 2 CQ43005 CAMBIADOR 2 X 3 DQ43003 MANGUITO 1 X 4 DQ43004 CRUCETA CARDAN 2 X 5 CQ43006 BRIDA 1 X 6 19M8552 TORNILLO 4 X M12 X 25 80-22 TRACTOR 6110J (EDICION SUDAMERICANA) PC8538S (01-JUL-10) PN=428
  • 431.
    80-23 BASTIDOR, EJES DELANT.,PIEZAS DE CHAPA, VARIOS ANTI-WRAP GUARD (MFWD-AXLE WITHOUT TLS) PONT AVANT NON SUSPENDU (SANS TLS), PROTECTION ANTIENROULEMENT WICKELSCHUTZ (FRONTANTRIEBSACHSE OHNE TLS) PROTEZIONE ANTIAVVOLGIMENTO (ASSALE TRAZIONE ANTERIORE SENZA TLS) PROTECAO (EIXO DIANTEIRO SEM SUSPENSAO) PROTECCION ANTIENROLLAMIENTO (EJE DE TDM SIN SUSPENSION TLS) PY014346 -UN-10FEB09 6 1 1 0 POS. NO.PIEZA DESCRIPCION CANT NUM. SERIE J NOTAS 1 AL110487 PROTECCION 1 X 2 19M7784 TORNILLO 2 X M10 X 20 3 L157928 SOPORTE 1 X 4 19M7288 TORNILLO 2 X M8 X 30 5 19M7864 TORNILLO 2 X M8 X 12 6 L175783 PROTECCION 1 X TRACTOR 6110J (EDICION SUDAMERICANA) PC8538S (01-JUL-10) 80-23 PN=429
  • 432.
    80-24 BASTIDOR, EJES DELANT.,PIEZAS DE CHAPA, VARIOS BEVEL GEAR SET, FWD-AXLE PONT AVANT - JEU DE PIGNONS CONIQUES KEGELRADSATZ, FRONTANTRIEBSACHSE GRUPPO INGRANAGGI CONICI, ASSALE TRAZIONE ANTERIORE ACIONAMENTO DO EIXO DIANTEIRO CONJUNTO DE ENGRANAJES CONICOS (EJE DE TDM) PUBM1504 -UN-29JUN10 ESTA RELACION DE PIE 80-24 TRACTOR 6110J (EDICION SUDAMERICANA) PC8538S (01-JUL-10) PN=430
  • 433.
    80-25 BASTIDOR, EJES DELANT.,PIEZAS DE CHAPA, VARIOS 6 1 1 0 POS. NO.PIEZA DESCRIPCION CANT NUM. SERIE J NOTAS 1 CQ29345 GUARDACABO 2 X 2 CQ50408 TUERCA 1 X 3 CQ50410 ARANDELA 1 X 4 CQ27241 TAPON 2 X 5 CQ27990 BRIDA 1 X 6 CQ45134 CASQUILLO 2 X 7 L100230 PROTECCION 1 X 8 CQ67641 RETENEDOR 1 X 9 AL111096 COJINETE 1 X 10 CQ27195 ESPACIADOR 1 X TK 11.30MM CQ27196 ESPACIADOR 1 X TK 11.33MM CQ27197 ESPACIADOR 1 X TK 11.36MM CQ27198 ESPACIADOR 1 X TK 11.39MM CQ27199 ESPACIADOR 1 X TK 11.42MM CQ27200 ESPACIADOR 1 X TK 11.45MM CQ27201 ESPACIADOR 1 X TK 11.48MM CQ27202 ESPACIADOR 1 X TK 11.51MM CQ27203 ESPACIADOR 1 X TK 11.54MM CQ27204 ESPACIADOR 1 X TK 11.57MM CQ27205 ESPACIADOR 1 X TK 11.60MM CQ27206 ESPACIADOR 1 X TK 11.63MM CQ27207 ESPACIADOR 1 X TK 11.68MM CQ27208 ESPACIADOR 1 X TK 11.69MM CQ27209 ESPACIADOR 1 X TK 11.72MM CQ27210 ESPACIADOR 1 X TK 11.75MM CQ27211 ESPACIADOR 1 X TK 11.78MM CQ27212 ESPACIADOR 1 X TK 11.81MM CQ27213 ESPACIADOR 1 X TK 11.84MM CQ27214 ESPACIADOR 1 X TK 11.87MM CQ27215 ESPACIADOR 1 X TK 11.90MM CQ27216 ESPACIADOR 1 X TK 11.93MM CQ27217 ESPACIADOR 1 X TK 11.96MM CQ27218 ESPACIADOR 1 X TK 11.99MM CQ27219 ESPACIADOR 1 X TK 12.02MM CQ27220 ESPACIADOR 1 X TK 12.05MM CQ27221 ESPACIADOR 1 X TK 12.08MM CQ27222 ESPACIADOR 1 X TK 12.11MM CQ27223 ESPACIADOR 1 X TK 12.14MM CQ27224 ESPACIADOR 1 X TK 12.17MM CQ27225 ESPACIADOR 1 X TK 12.20MM CQ27226 ESPACIADOR 1 X TK 12.23MM CQ27227 ESPACIADOR 1 X TK 11.15MM CQ27228 ESPACIADOR 1 X TK 11.18MM CQ27229 ESPACIADOR 1 X TK 11.21MM CQ27230 ESPACIADOR 1 X TK 11.24MM CQ27231 ESPACIADOR 1 X TK 11.27MM TRACTOR 6110J (EDICION SUDAMERICANA) PC8538S (01-JUL-10) 80-25 PN=431
  • 434.
    80-26 BASTIDOR, EJES DELANT.,PIEZAS DE CHAPA, VARIOS BEVEL GEAR SET, FWD-AXLE PONT AVANT, JEU DE PIGNONS CONIQUES KEGELRADSATZ, FRONTANTRIEBSACHSE GRUPPO INGRANAGGI CONICI, ASSALE 4WD ACIONAMENTO DO EIXO DIANTEIRO CAJA DE ENGRANAJES CONICOS, EJE DE TDM PUBM1504 -UN-29JUN10 ESTA RELACION DE PIE 80-26 TRACTOR 6110J (EDICION SUDAMERICANA) PC8538S (01-JUL-10) PN=432
  • 435.
    80-27 BASTIDOR, EJES DELANT.,PIEZAS DE CHAPA, VARIOS 6 1 1 0 POS. NO.PIEZA DESCRIPCION CANT NUM. SERIE J NOTAS 11 L40272 ESPACIADOR 1 X TK 1.2MM L40982 ARANDELA 1 X TK 1.0MM L40983 ARANDELA 1 X TK 1.05MM L40984 ARANDELA 1 X TK 1.1MM L40985 ARANDELA 1 X TK 1.15MM L40987 ARANDELA 1 X TK 1.25MM L40988 ARANDELA 1 X TK 1.3MM L40989 ARANDELA 1 X TK 1.35MM L40990 ARANDELA 1 X TK 1.40MM L40991 ARANDELA 1 X TK 1.45MM L40992 ARANDELA 1 X TK 1.5MM L40993 ARANDELA 1 X TK 1.55MM L40994 ARANDELA 1 X TK 1.6MM L40995 ARANDELA 1 X TK 0.9MM L40996 ARANDELA 1 X TK 0.95MM L55606 SUPLEMENTO 1 X TK 0.65MM L55607 SUPLEMENTO 1 X TK 0.70MM L55608 SUPLEMENTO 1 X TK 0.75MM L55610 ARANDELA 1 X TK 0.85MM 12 AL79794 RODAMIENTO RODILLOS CONICOS 1 X TRACTOR 6110J (EDICION SUDAMERICANA) PC8538S (01-JUL-10) 80-27 PN=433
  • 436.
    80-28 BASTIDOR, EJES DELANT.,PIEZAS DE CHAPA, VARIOS FWD-AXLE, KNUCKLE HOUSING PONT AVANT, CARTER DE FUSEE FRONTANTRIEBSACHSE, GELENKGEHAEUSE CORPO SNODO ASSALE TRAZIONE ANTERIORE CARCACA DE ARTICULACAO TRACCION DELANTERA, CAJA DE MANGUETA PUBM1430 -UN-28JUN10 ESTA RELACION DE PIE 80-28 TRACTOR 6110J (EDICION SUDAMERICANA) PC8538S (01-JUL-10) PN=434
  • 437.
    80-29 BASTIDOR, EJES DELANT.,PIEZAS DE CHAPA, VARIOS 6 1 1 0 POS. NO.PIEZA DESCRIPCION CANT NUM. SERIE J NOTAS 1 19M8011 TORNILLO 12 X M12 X 30 2 CQ27251 ARBOL 4 X 3 CQ50412 ANILLO TORICO 4 X 4 L55594 TAPA DE COJINETE 1 X 5 CQ27250 CONO DEL COJINETE 4 X 6 DQ28725 CRUCETA CARDAN 4 X 7 L40552 ENGRASADOR 4 X 8 L63127 SUPLEMENTO 2 X TK 0.2MM L63128 SUPLEMENTO 1 X TK 0.3MM L41006 ARANDELA 1 X TK 0.4MM L40075 ARANDELA 1 X TK 1.0MM 9 CQ27248 CARCASA 1 X RH CQ27249 CARCASA 1 X LH 10 CQ64646 TORNILLO 2 X 11 CQ27298 TUERCA 2 X 12 CQ27243 ANILLO ELASTICO 2 X 13 L60088 CASQUILLO 2 X 14 CQ27244 RETENEDOR 2 X 15 CQ27989 RETENEDOR 2 X 16 DQ31200 ARTICULACION 2 X 17 DQ28542 CAMBIADOR 1 X 18 CQ50411 ARBOL 2 X 19 CQ50413 CAMBIADOR 1 X 20 CQ64112 ANILLO ELASTICO 16 X 21 DQ28540 CAMBIADOR 2 X 22 DQ28539 ENGRASADOR 4 X TRACTOR 6110J (EDICION SUDAMERICANA) PC8538S (01-JUL-10) 80-29 PN=435
  • 438.
    80-30 BASTIDOR, EJES DELANT.,PIEZAS DE CHAPA, VARIOS STEERING CYLINDER PARTS ELEMENTS DU VERIN DE DIRECTION LENKZYLINDER-EINZELTEILE GRUPPO CILINDRO STERZO CILINDRO DA DIRECAO COMPONENTES-CILINDRO DIRECION PUBM1436 -UN-28JUN10 ESTA RELACION DE PIE 80-30 TRACTOR 6110J (EDICION SUDAMERICANA) PC8538S (01-JUL-10) PN=436
  • 439.
    80-31 BASTIDOR, EJES DELANT.,PIEZAS DE CHAPA, VARIOS 6 1 1 0 POS. NO.PIEZA DESCRIPCION CANT NUM. SERIE J NOTAS 1 L40282 ANILLO TORICO 1 X 2 L41216 RETEN 2 X 3 L41164 RETEN 2 X 4 CQ64250 GUIA 1 X 5 L53888 ANILLO TORICO 1 X LAN641 75X81X3 L40283 ANILLO TORICO 1 X LAN461 76X82X3 6 L40071 CAJA DE CILINDRO HIDRAULICO 1 X 7 DQ67132 BARRA DE DIRECCION 2 X 8 L41171 SUPLEMENTO 1 X TK 0.5MM L41172 SUPLEMENTO 1 X TK 0.6MM L41173 SUPLEMENTO 1 X TK 0.7MM L41174 SUPLEMENTO 1 X TK 0.8MM L41175 SUPLEMENTO 1 X TK 0.9MM 9 CQ64251 GUIA 1 X 10 19M8122 TORNILLO 5 X M12 X 85 11 DQ64254 RETEN 1 X 12 CQ64253 GUIA VASTAGO CILINDRO HIDR. 4 X 13 CQ27307 VASTAGO 1 X 14 CQ27308 ANILLO ELASTICO 1 X 15 L40005 ARANDELA 1 X 16 L40205 ANILLO 2 X 17 L40284 ANILLO TORICO 1 X 18 CQ64249 PISTON 1 X 19 CQ64252 GUIA VASTAGO CILINDRO HIDR. 2 X 20 DQ64254 RETEN 1 X 21 DQ67133 EXTREMO BARRA DIRECCION 2 X 22 DQ67134 EXTREMO BARRA DIRECCION 2 X 23 14M5409 TUERCA 2 X M20 24 CQ64111 TUERCA 1 X TRACTOR 6110J (EDICION SUDAMERICANA) PC8538S (01-JUL-10) 80-31 PN=437
  • 440.
    80-32 BASTIDOR, EJES DELANT.,PIEZAS DE CHAPA, VARIOS MULTIPLE DISK SELF-LOCK. DIFFERENTIAL, FWD-AXLE PONT AVANT MOTEUR - DIFFERENTIEL A BLOCAGE MULTIDISQUE LAMELLENSPERRDIFFERENTIAL, FRONTANTRIEBSACHSE ASSALE TRAZIONE ANTERIORE, DIFFERENZ. A BLOCCAGGIO DIFERENCIAL E CARCACA DO EIXO DIANTEIRO EJE DE TDM, DIFERENCIAL DE BLOQUE MULTIDISCO PUBM1386 -UN-28JUN10 ESTA RELACION DE PIE 80-32 TRACTOR 6110J (EDICION SUDAMERICANA) PC8538S (01-JUL-10) PN=438
  • 441.
    80-33 BASTIDOR, EJES DELANT.,PIEZAS DE CHAPA, VARIOS 6 1 1 0 POS. NO.PIEZA DESCRIPCION CANT NUM. SERIE J NOTAS 1 CQ29344 CHAPA 2 X 2 CQ27245 RETENEDOR 2 X 3 CQ27246 ANILLO ELASTICO 2 X 4 CQ27244 RETENEDOR 1 X 5 L60088 CASQUILLO 2 X 6 19M7174 TORNILLO 30 X M16 X 50 7 L40274 ARANDELA 30 X 8 CQ29345 GUARDACABO 2 X 9 L40273 ANILLO TORICO 1 X 10 L40272 ESPACIADOR 1 X TK 1.2MM L40982 ARANDELA 1 X L40983 ARANDELA 1 X TK 1.05MM L40984 ARANDELA 1 X TK 1.1MM L40985 ARANDELA 1 X TK 1.15MM L40987 ARANDELA 1 X TK 1.25MM L40988 ARANDELA 1 X TK 1.3MM L40989 ARANDELA 1 X TK 1.35MM L40990 ARANDELA 1 X TK 1.40MM L40991 ARANDELA 1 X TK 1.45MM L40992 ARANDELA 1 X TK 1.5MM L40993 ARANDELA 1 X TK 1.55MM L40994 ARANDELA 1 X TK 1.6MM L40995 ARANDELA 1 X TK 0.9MM L40996 ARANDELA 1 X TK 0.95MM L55606 SUPLEMENTO 1 X TK 0.65MM L55607 SUPLEMENTO 1 X TK 0.70MM L55608 SUPLEMENTO 1 X TK 0.75MM L55610 ARANDELA 1 X TK 0.85MM 11 JD37087 RODAMIENTO RODILLOS CONICOS 2 X 12 34M7135 PASADOR ELASTICO 4 X 13 DQ27253 GRUPO CONICO 1 X 14 AL38020 DIFERENCIAL 1 X 15 L40003 DISCO CON DENTADO INTERIOR 8 X 16 CQ27730 DISCO CON DENTADO EXTERIOR AR X TK 1.2MM L35577 DISCO CON DENTADO EXTERIOR AR X TK 1.3MM L62420 DISCO CON DENTADO EXTERIOR AR X TK 1.4MM 17 L40130 DISCO CON DENTADO INTERIOR 2 X TK 3.2MM 18 CQ27234 UNITU DENTADA 2 X 19 L39983 EJE DIFERENCIAL 2 X 20 L101698 ENGRANAJE CONICO 4 X 21 L40253 ARANDELA 4 X 22 L40254 SECTOR 4 X 23 19M8119 TORNILLO 12 X M12 X 130 24 L204993 TUERCA DE SEGURIDAD 2 X TK 17 MM 25 AL32877 RESPIRADERO 1 X 26 19M7921 TORNILLO 1 X M20 X 150 27 L78006 ESPACIADOR 2 X 28 A31870 TUERCA DE SEGURIDAD AR X 29 L114874 BULON 2 X 30 19M7907 TORNILLO 1 X M20 X 140 31 CQ45134 CASQUILLO 2 X 32 L78009 ARANDELA 1 X 33 L41005 SUPLEMENTO 2 X TK 0.1MM L41004 SUPLEMENTO 1 X TK 0.2MM L41003 SUPLEMENTO 1 X TK 0.3MM L101689 SUPLEMENTO 1 X TK 0.45MM L41001 SUPLEMENTO 1 X TK 0.5MM L41000 SUPLEMENTO 1 X TK 0.6MM L112212 ARANDELA 1 X TK 0.7MM L40999 ARANDELA 1 X TK 0.8MM L112214 ARANDELA 1 X TK 0.85MM L112215 ARANDELA 1 X TK 0.9MM L40998 ARANDELA 1 X TK 1.0MM L112217 ARANDELA 1 X TK 1.1MM L112218 ARANDELA 1 X TK 1.15MM TRACTOR 6110J (EDICION SUDAMERICANA) PC8538S (01-JUL-10) 80-33 PN=439
  • 442.
    80-34 BASTIDOR, EJES DELANT.,PIEZAS DE CHAPA, VARIOS FWD-AXLE, HOUSING CARTER DE PONT AVANT FRONTANTRIEBSACHSE, GEHAEUSE ASSALE TRAZIONE ANTERIORE, SCATOLA CARCACA DO EIXO DIANTEIRO CAJA DEL EJE DE TDM PUBM0952 -UN-03JUN09 ESTA RELACION DE PIE 80-34 TRACTOR 6110J (EDICION SUDAMERICANA) PC8538S (01-JUL-10) PN=440
  • 443.
    80-35 BASTIDOR, EJES DELANT.,PIEZAS DE CHAPA, VARIOS 6 1 1 0 POS. NO.PIEZA DESCRIPCION CANT NUM. SERIE J NOTAS 1 CQ64245 PUENTE 1 X 2 19M7174 TORNILLO 30 X M16 X 50 3 L40274 ARANDELA 30 X 4 L40273 ANILLO TORICO 2 X 5 CQ64248 CARCASA 1 X 6 CQ29345 GUARDACABO 2 X 7 CQ45134 CASQUILLO 2 X 8 CQ64246 PUENTE 1 X 9 AL32877 RESPIRADERO 1 X 10 CQ27241 TAPON 2 X TRACTOR 6110J (EDICION SUDAMERICANA) PC8538S (01-JUL-10) 80-35 PN=441
  • 444.
    80-36 BASTIDOR, EJES DELANT.,PIEZAS DE CHAPA, VARIOS FWD-AXLE, KNUCKLE HOUSING PONT AVANT, CARTER DE FUSEE FRONTANTRIEBSACHSE, GELENKGEHAEUSE CORPO SNODO ASSALE TRAZIONE ANTERIORE CARCACA DA ARTICULACAO E PLANETARIA TRACCION DELANTERA, CAJA DE MANGUETA PUBM1434 -UN-29JUN10 ESTA RELACION DE PIE 80-36 TRACTOR 6110J (EDICION SUDAMERICANA) PC8538S (01-JUL-10) PN=442
  • 445.
    80-37 BASTIDOR, EJES DELANT.,PIEZAS DE CHAPA, VARIOS 6 1 1 0 POS. NO.PIEZA DESCRIPCION CANT NUM. SERIE J NOTAS 1 CQ64114 TORNILLO 4 X 2 CQ27242 TAPON 2 X 3 DQ20973 TUERCA CON BRIDA 16 X 4 CQ72046 PORTAPLANETARIOS 2 X 5 L39997 ARANDELA 1 X TK 1.5MM L55602 ARANDELA 1 X TK 1.7MM L40121 ARANDELA 1 X TK 2.0MM L55603 ARANDELA 1 X TK 2.2MM L41008 ARANDELA 1 X TK 2.5MM CQ27305 ARANDELA 1 X TK 2.7MM L41170 ARANDELA 1 X TK 3.0MM 6 CQ29407 ANILLO 2 X 7 CQ27302 ARBOL 2 X 8 CQ29406 ARANDELA DE EMPUJE 2 X 9 T82565 ARANDELA DE EMPUJE 2 X 10 T116822 TUERCA 2 X 11 19M7902 TORNILLO 4 X M8 X 16 12 T116827 ARANDELA 4 X 13 40M4624 ANILLO ELASTICO 8 X 14 L41159 ANILLO ELASTICO 16 X 15 JD10250 RODAMIENTO RODILLOS CIL. 8 X 16 CQ29408 UNITU DENTADA 8 X 17 AL200971 RETEN 2 X 18 CQ27301 CORONA DE TREN PLANETARIO 2 X 19 JD10249 RODAMIENTO RODILLOS CONICOS 4 X 20 L40281 ANILLO TORICO 2 X 21 L41928 CUBO 2 X 22 CQ49408 TORNILLO 16 X 23 CQ27271 ESPACIADOR 1 X TK 14.089MM CQ27272 ESPACIADOR 1 X TK 14.414MM CQ27273 ESPACIADOR 1 X TK 14.139MM CQ27274 ESPACIADOR 1 X TK 14.164MM CQ27275 ESPACIADOR 1 X TK 14.189MM CQ27276 ESPACIADOR 1 X TK 14.214MM CQ27277 ESPACIADOR 1 X TK 14.239MM CQ27278 ESPACIADOR 1 X TK 14.264MM CQ27279 ESPACIADOR 1 X TK 14.289MM CQ27280 ESPACIADOR 1 X TK 14.314MM CQ27281 ESPACIADOR 1 X TK 14.339MM CQ27282 ESPACIADOR 1 X TK 14.364MM CQ27283 ESPACIADOR 1 X TK 14.389MM CQ27284 ESPACIADOR 1 X TK 14.414MM CQ27285 ESPACIADOR 1 X TK 14.439MM CQ27286 ESPACIADOR 1 X TK 14.464MM CQ27287 ESPACIADOR 1 X TK 14.489MM CQ27288 ESPACIADOR 1 X TK 14.514MM CQ27289 ESPACIADOR 1 X TK 14.539MM CQ27290 ESPACIADOR 1 X TK 14.564MM CQ27291 ESPACIADOR 1 X TK 14.589MM CQ27292 ESPACIADOR 1 X TK 14.619MM CQ27293 ESPACIADOR 1 X TK 14.639MM CQ27294 ESPACIADOR 1 X TK 14.664MM CQ27295 ESPACIADOR 1 X TK 14.689MM CQ27296 ESPACIADOR 1 X TK 14.714MM TRACTOR 6110J (EDICION SUDAMERICANA) PC8538S (01-JUL-10) 80-37 PN=443
  • 446.
    80-38 BASTIDOR, EJES DELANT.,PIEZAS DE CHAPA, VARIOS DRAWBAR SUPPORT SUPPORT BARRE D’ATTELAGE STUETZE FUER ZUGPENDEL SUPPORTO DELLA BARRA DI TRAINO SUPORTE DA BARRA DE TRACAO SOPORTE PARA BARRA DE TIRO OSCILANTE PUBM1493 -UN-28JUN10 6 1 1 0 POS. NO.PIEZA DESCRIPCION CANT NUM. SERIE J NOTAS 1 L18955 PASADOR DE FIJACION RAPIDA 2 X 2 L37226 APOYO 1 X 3 19M7720 TORNILLO 4 X M16 X 80 4 L76895 ESPACIADOR 1 X 5 L101177 ESPACIADOR 2 X 6 19M7845 TORNILLO 4 X M16 X 90 7 L77331 CASQUILLO 2 X 8 L60404 BULON 2 X 9 R95612 CASQUILLO 1 X 80-38 TRACTOR 6110J (EDICION SUDAMERICANA) PC8538S (01-JUL-10) PN=444
  • 447.
    80-39 BASTIDOR, EJES DELANT.,PIEZAS DE CHAPA, VARIOS DRAWBAR BARRE D’ATTELAGE OSCILLANTE ZUGPENDEL BARRA TRAINO ORIENTABILE BARRA DE TRACAO BARRA DE TIRO OSCILANTE PUBM1495 -UN-28JUN10 6 1 1 0 POS. NO.PIEZA DESCRIPCION CANT NUM. SERIE J NOTAS 1 DQ34064 PASADOR 1 X LGTH = 247.5MM DQ34065 PASADOR 1 X LGTH = 174.5MM 2 CQ31233 PASADOR ELASTICO 1 X 12X90 3 L114953 BARRA DE TIRO OSCILANTE 1 X LGTH = 1145MM L203949 BARRA DE TIRO OSCILANTE 1 X LGTH = 995MM 4 CQ31202 TORNILLO 1 X M18 X 150 5 CQ31207 TORNILLO 1 X 6 L79894 TIRA 1 X 7 L78501 TIRA 1 X 8 CQ31201 TUERCA 1 X M18X2.5 9 14M7276 TUERCA 2 X M16 10 CQ27851 APOYO 1 X 11 L79149 MUELLE 1 X 12 24M7318 ARANDELA 1 X 13 14M7260 TUERCA 1 X M16 14 L37225 BULON 1 X 15 L37224 RACOR ADAPTADOR 1 X 16 CQ33966 PASADOR 1 X LGTH = 247.5MM CQ33967 PASADOR 1 X LGTH = 174.5MM TRACTOR 6110J (EDICION SUDAMERICANA) PC8538S (01-JUL-10) 80-39 PN=445
  • 448.
    80-40 BASTIDOR, EJES DELANT.,PIEZAS DE CHAPA, VARIOS TOOL BOX BOITE A OUTILS WERKZEUGKASTEN CASSETTA DEGLI ATTREZZI CAIXA DE FERRAMENTAS CAJA DE HERRAMIENTAS CQ155661 -UN-01JUL04 6 1 1 0 POS. NO.PIEZA DESCRIPCION CANT NUM. SERIE J NOTAS 1 DQ33769 CAJA DE HERRAMIENTAS 1 X 2 DQ64777 HERRAMIENTA 2 X 3 DQ04397 CERRADURA 1 X 4 DQ64776 JUEGO LLAVES PLANAS 2 X 80-40 TRACTOR 6110J (EDICION SUDAMERICANA) PC8538S (01-JUL-10) PN=446
  • 449.
    80-41 BASTIDOR, EJES DELANT.,PIEZAS DE CHAPA, VARIOS TOOL BOX BOITE A OUTILS WERKZEUGKASTEN CASSETTA DEGLI ATTREZZI CAIXA DE FERRAMENTAS CAJA DE HERRAMIENTAS PUBM1453 -UN-28JUN10 6 1 1 0 POS. NO.PIEZA DESCRIPCION CANT NUM. SERIE J NOTAS 1 19M7169 TORNILLO 2 X M10 X 35 2 24M7101 ARANDELA 2 X 3 12M7066 ARANDELA DE SEGURIDAD 2 X 4 14M7140 TUERCA 2 X 5 DQ58532 APOYO 1 X 6 14M7029 TUERCA 2 X 7 12M7065 ARANDELA DE SEGURIDAD 2 X 8 24M7207 ARANDELA 2 X 9 19M7139 TORNILLO 2 X M8 X 20 TRACTOR 6110J (EDICION SUDAMERICANA) PC8538S (01-JUL-10) 80-41 PN=447
  • 450.
    80-42 BASTIDOR, EJES DELANT.,PIEZAS DE CHAPA, VARIOS PLASTIC PLUG AND TIE BANDS BOUCHON EN PLASTIQUE ET COLLIERS PLASTIK-STOPFEN UND SPANNBAENDER TAPPO IN PLASTICA E FASCETTE DI RITEGNO PLUGS DE PLASTICO E ABRACADEIRAS TAPON DE PLASTICO Y TIRAS DE RETENCION PUBM1383 -UN-01JUL10 6 1 1 0 POS. NO.PIEZA DESCRIPCION CANT NUM. SERIE J NOTAS 1 99M7043 TAPON AR X OD 7.0MM 99M7016 TAPON AR X OD 9.0MM 99M7015 TAPON AR X OD 11.0MM 99M7095 TAPON AR X OD 13.0MM 99M7009 TAPON AR X OD 14.5MM 99M7032 TAPON AR X OD 15.5MM 99M7057 TAPON AR X OD 18.0MM 99M7115 TAPON AR X OD 22.4MM 99M7130 TAPON AR X OD 29.0MM CQ47666 TAPON AR X OD 30.0MM 99M7098 TAPON AR X OD 6,0MM 99M7056 TAPON AR X OD 31.8MM 2 R44302 CINTA DE ATAR AR X LGTH 190MM H77698 CINTA DE ATAR AR X LGTH 360MM L41858 CINTA DE ATAR AR X LGHT 360MM CQ03768 ABRAZADERA AR X LGHT 230MM CQ28556 ABRAZADERA AR X 80-42 TRACTOR 6110J (EDICION SUDAMERICANA) PC8538S (01-JUL-10) PN=448
  • 451.
    80-43 BASTIDOR, EJES DELANT.,PIEZAS DE CHAPA, VARIOS MEMORANDA MEMORANDA MEMORANDA MEMORANDA MEMORANDA MEMORANDA TRACTOR 6110J (EDICION SUDAMERICANA) PC8538S (01-JUL-10) 80-43 PN=449
  • 452.
    80-44 BASTIDOR, EJES DELANT.,PIEZAS DE CHAPA, VARIOS ACCESSORY PARTS ACCESSOIRES ZUBEHOERTEILE ACCESSORI ACESSORIOS ACCESORIOS PUBM1160 -UN-21APR10 ESTA RELACION DE PIE 80-44 TRACTOR 6110J (EDICION SUDAMERICANA) PC8538S (01-JUL-10) PN=450
  • 453.
    80-45 BASTIDOR, EJES DELANT.,PIEZAS DE CHAPA, VARIOS 6 1 1 0 POS. NO.PIEZA DESCRIPCION CANT NUM. SERIE J NOTAS 1 L64500 SELLADOR 1 X LOCTITE 574, 50CCM 2 L102616 SELLADOR 1 X TEROSTAT 935,310CCM, BLACK, NOIR 3 R46727 SELLADOR 1 X 6000MM L152148 CINTA ADHESIVA 1 X TRACTOR 6110J (EDICION SUDAMERICANA) PC8538S (01-JUL-10) 80-45 PN=451
  • 454.
    80-46 BASTIDOR, EJES DELANT.,PIEZAS DE CHAPA, VARIOS TRADEMARK, DECALS MARQUE, AUTOCOLLANTS FIRMENZEICHEN, AUFKLEBER MARCHIO COMMERCIALE, ETICHETTE DECALCOS MARCA REGISTRADA, ADHESIVOS PUBM1337 -UN-28JUN10 6 1 1 0 POS. NO.PIEZA DESCRIPCION CANT NUM. SERIE J NOTAS 1 L170996 ETIQUETA ADHESIVA 1 X RH 2 L170995 ETIQUETA ADHESIVA 1 X LH 3 L205758 ETIQUETA ADHESIVA 1 X 6110J RH L205759 ETIQUETA ADHESIVA 1 X 6110J LH 4 L64996 ETIQUETA ADHESIVA 1 X 5 CC40740 ETIQUETA ADHESIVA 1 X 6 H151673 ETIQUETA ADHESIVA 1 X 7 L115158 ETIQUETA ADHESIVA 1 X 80-46 TRACTOR 6110J (EDICION SUDAMERICANA) PC8538S (01-JUL-10) PN=452
  • 455.
    80-47 BASTIDOR, EJES DELANT.,PIEZAS DE CHAPA, VARIOS FRONT FENDERS AILES AVANT KOTFLUEGEL VORN PARAFANGHI ANTERIORI PARALAMAS DIANTEIROS GUARDABARROS DELANTEROS LX001909 -UN-01JAN94 6 1 1 0 POS. NO.PIEZA DESCRIPCION CANT NUM. SERIE J NOTAS 1 L165957 ZOCALO 2 X 2 19M8653 TORNILLO 8 X M16 X 35 3 L114160 SOPORTE 1 X RH L114159 SOPORTE 1 X LH 4 19M7791 TORNILLO 4 X M12 X 40 5 AL69320 APOYO 1 X RH AL69331 APOYO 1 X LH 6 19M7790 TORNILLO 6 X M12 X 35 7 MN10384 GUARDABARRO 2 X 8 L27099 TIRA 6 X 9 03M7264 TORNILLO 12 X M10 X 25 10 14M7296 TUERCA CON BRIDA 12 X M10 TRACTOR 6110J (EDICION SUDAMERICANA) PC8538S (01-JUL-10) 80-47 PN=453
  • 456.
    80-48 BASTIDOR, EJES DELANT.,PIEZAS DE CHAPA, VARIOS MEMORANDA MEMORANDA MEMORANDA MEMORANDA MEMORANDA MEMORANDA 80-48 TRACTOR 6110J (EDICION SUDAMERICANA) PC8538S (01-JUL-10) PN=454
  • 457.
    92-A01 PLATAFORMA DE CONDUCCION XXXXXXXXXXXXXXXXXXXXXXXXXXXXXXXXXXXXXXXXXXXXXXXXSECTIONAL INDEX XXXXXXXXXXXXXXXXXXXXXXXXXXXXXXXXXXXXXXXXXXXXXXXX INDEX DE SECTION XXXXXXXXXXXXXXXXXXXXXXXXXXXXXXXXXXXXXXXXXXXXXXXX GRUPPENINDEX XXXXXXXXXXXXXXXXXXXXXXXXXXXXXXXXXXXXXXXXXXXXXXXX INDICE DELLA SEZIONE XXXXXXXXXXXXXXXXXXXXXXXXXXXXXXXXXXXXXXXXXXXXXXXX INDICE DE GRUPO XXXXXXXXXXXXXXXXXXXXXXXXXXXXXXXXXXXXXXXXXXXXXXXX INDICE DE GRUPOS PUBM1422 -UN-28JUN10 1- 2 2- 4 3- 6 5- 10 7- 12 14- 26 23- 44 24- 46 TRACTOR 6110J (EDICION SUDAMERICANA) PC8538S (01-JUL-10) 92-A01 PN=455
  • 458.
    92-A02 PLATAFORMA DE CONDUCCION XXXXXXXXXXXXXXXXXXXXXXXXXXXXXXXXXXXXXXXXXXXXXXXXSECTIONAL INDEX XXXXXXXXXXXXXXXXXXXXXXXXXXXXXXXXXXXXXXXXXXXXXXXX INDEX DE SECTION XXXXXXXXXXXXXXXXXXXXXXXXXXXXXXXXXXXXXXXXXXXXXXXX GRUPPENINDEX XXXXXXXXXXXXXXXXXXXXXXXXXXXXXXXXXXXXXXXXXXXXXXXX INDICE DELLA SEZIONE XXXXXXXXXXXXXXXXXXXXXXXXXXXXXXXXXXXXXXXXXXXXXXXX INDICE DE GRUPO XXXXXXXXXXXXXXXXXXXXXXXXXXXXXXXXXXXXXXXXXXXXXXXX INDICE DE GRUPOS PUBM1423 -UN-28JUN10 6- 11 8- 14 9- 16 15- 28 16- 30 17- 32 92-A02 TRACTOR 6110J (EDICION SUDAMERICANA) PC8538S (01-JUL-10) PN=456
  • 459.
    92-A03 PLATAFORMA DE CONDUCCION XXXXXXXXXXXXXXXXXXXXXXXXXXXXXXXXXXXXXXXXXXXXXXXXSECTIONAL INDEX XXXXXXXXXXXXXXXXXXXXXXXXXXXXXXXXXXXXXXXXXXXXXXXX INDEX DE SECTION XXXXXXXXXXXXXXXXXXXXXXXXXXXXXXXXXXXXXXXXXXXXXXXX GRUPPENINDEX XXXXXXXXXXXXXXXXXXXXXXXXXXXXXXXXXXXXXXXXXXXXXXXX INDICE DELLA SEZIONE XXXXXXXXXXXXXXXXXXXXXXXXXXXXXXXXXXXXXXXXXXXXXXXX INDICE DE GRUPO XXXXXXXXXXXXXXXXXXXXXXXXXXXXXXXXXXXXXXXXXXXXXXXX INDICE DE GRUPOS PUBM1424 -UN-28JUN10 4- 8 10- 18 11- 20 12- 22 13- 24 18- 34 19- 36 20- 38 21- 40 22- 42 TRACTOR 6110J (EDICION SUDAMERICANA) PC8538S (01-JUL-10) 92-A03 PN=457
  • 460.
    92-2 PLATAFORMA DE CONDUCCION CABFRAME CADRE CABINE KABINENRAHMEN TELAIO CABINA ESTRURA DA PLATAFORMA DO OPERADOR BASTIDOR CABINA PUBM1146 -UN-21APR10 ESTA RELACION DE PIE 92-2 TRACTOR 6110J (EDICION SUDAMERICANA) PC8538S (01-JUL-10) PN=458
  • 461.
    92-3 PLATAFORMA DE CONDUCCION 6 1 1 TRACTOR0 POS. NO.PIEZA DESCRIPCION CANT NUM. SERIE J NOTAS 1 DQ58302 BASTIDOR 1 X (CAB) DQ63188 BASTIDOR DE CABINA 1 X (CAB WITH DOOR RH SIDE) 2 DQ58301 BASTIDOR 1 X (EPCC) 3 DQ53462 MOLDURA 1 X LH 4 DQ53463 MOLDURA 1 X RH 5 19M7560 TORNILLO 12 X M6 X 16 19M7077 TORNILLO AR X M6 X 20 6 24M7139 ARANDELA 12 X 6.400 X 18 X 1.600 MM 7 14M7165 TUERCA DE SEGURIDAD 2 X M6 8 Z30233 TAPADERA 2 X TRACTOR 6110J (EDICION SUDAMERICANA) PC8538S (01-JUL-10) 92-3 PN=459
  • 462.
    92-4 PLATAFORMA DE CONDUCCION SUSPENSIONFOR CAB / OPEN OERATORS STATION PALIERS POUR CABINE LAGERUNG FUER KABINE SUPPORTI PER CABINA SUSPENSAO DA PLATAFORMA DO OPERADOR SOPORTES DE ANCLAJE DE LA CABINA CQ155665 -UN-01JUL04 ESTA RELACION DE PIE 92-4 TRACTOR 6110J (EDICION SUDAMERICANA) PC8538S (01-JUL-10) PN=460
  • 463.
    92-5 PLATAFORMA DE CONDUCCION 6 1 1 0 POS.NO.PIEZA DESCRIPCION CANT NUM. SERIE J NOTAS 1 DQ52336 SOPORTE 1 X LH DQ52337 SOPORTE 1 X RH 2 L111072 TAPON AR X 3 DQ52380 SOPORTE 1 X LH DQ52379 SOPORTE 1 X RH 4 24M7053 ARANDELA 13 X 5 CQ34905 ARANDELA 8 X 6 R111173 AISLANTE 4 X 7 CQ27171 ESPACIADOR 4 X 8 R66375 AISLANTE 10 X 9 19M8035 TORNILLO 6 X M16 X 35 10 19M7969 TORNILLO 4 X M20 X 110 11 14M7291 TUERCA CON BRIDA 4 X M16 12 24M7051 ARANDELA 4 X 21 X 37 X 3 MM 13 14M7410 TUERCA DE SEGURIDAD 1 X M20 TRACTOR 6110J (EDICION SUDAMERICANA) PC8538S (01-JUL-10) 92-5 PN=461
  • 464.
    92-6 PLATAFORMA DE CONDUCCION CONTROLSUPPORT SUPPORT TABLEAU DE BORD ARMATURENWANDTRAEGER SUPPORTO CRUSCOTTO SUPORTE DO PAINEL SOPORTE SALPICADERO PUBM1069 -UN-21APR10 6 1 1 0 POS. NO.PIEZA DESCRIPCION CANT NUM. SERIE J NOTAS 1 DQ61096 CONSOLA 1 X CABINE DQ61097 CONSOLA 1 X EPCC 2 AL159914 APOYO 1 X 3 L154335 TAPADERA 1 X 4 L157372 TORNILLO 4 X 5 19M7560 TORNILLO 4 X (FOR DQ61096) 37M7131 TORNILLO 4 X (FOR DQ61097) 6 24M7139 ARANDELA 4 X (USE WITH 19M7560) 24M7309 ARANDELA 4 X 7 37M7059 TORNILLO 2 X 8 ........ BANDA DE GUARNICION 1 X LGTH=470MM (18-33/64") (MF R46727) 9 ........ BURLETE 2 X (MF L152250) 10 19M7166 TORNILLO 4 X M10 X 20 11 L154379 TIRA/ALFOMBRILLA 2 X 12 L154378 TIRA/ALFOMBRILLA 1 X 13 ........ BURLETE 1 X (MF L59748) 14 DQ68471 TIRA/ALFOMBRILLA 1 X (EPCC) 15 99M7130 TAPON 1 X .. L59748 BURLETE 1 X LGTH 1000MM .. L152250 BURLETE 1 X LGTH 22000MM .. R46727 SELLADOR 1 X LGTH 6000MM .. DT5538 ADHESIVO 1 X 92-6 TRACTOR 6110J (EDICION SUDAMERICANA) PC8538S (01-JUL-10) PN=462
  • 465.
  • 466.
    92-8 PLATAFORMA DE CONDUCCION TRIMCOMPONENTS (FOR REAR OF CAB) ELEMENTS D’HABILLAGE (POUR L’ARRIERE DE LA CABINE) VERKLEIDUNGSTEILE (KABINE HINTEN) COMPONENTI DI FINITURA (PER LATO POSTERIORE CABINA) PECAS DE REVESTIMENTO (PARTE TRASEIRA) COMPONENTES DE REVESTIMIENTO (PARTE TRASERA DE LA CABINA) PUBM0388 -UN-24DEC08 ESTA RELACION DE PIE 92-8 TRACTOR 6110J (EDICION SUDAMERICANA) PC8538S (01-JUL-10) PN=464
  • 467.
    92-9 PLATAFORMA DE CONDUCCION 6 1 1 0 POS.NO.PIEZA DESCRIPCION CANT NUM. SERIE J NOTAS 1 AL117641 PANEL 1 X 2 L153769 ABRAZADERA 3 X 3 L59748 BURLETE 1 X LGTH 3M 4 37M7240 TORNILLO 2 X 5 24M7298 ARANDELA 6 X 6 19M7162 TORNILLO 6 X M8 X 16 7 L76331 PASAMUROS 2 X 8 DT5470 BURLETE AR X 9 DT5472 BURLETE AR X 10 R54477 REMACHE 2 X 11 R111570 PESTILLO 1 X 12 L154067 TUERCA DE EMPUJE 2 X 13 L153759 TAPADERA 1 X 14 AL155749 PROTECCION 1 X 15 24M7146 ARANDELA 6 X 16 37M7179 TORNILLO 6 X 17 L76767 AISLANTE 1 X TRACTOR 6110J (EDICION SUDAMERICANA) PC8538S (01-JUL-10) 92-9 PN=465
  • 468.
    92-10 PLATAFORMA DE CONDUCCION REARFENDER UPHOLSTERY HABILLAGE D’AILE KOTFLUEGELVERKLEIDUNG HINTEN RIVESTIMENTO PARAFANGO REVESTIMENTO DO PARALAMA REVESTIMIENTO DEL GUARDABARROS PUBM1158 -UN-21APR10 6 1 1 0 POS. NO.PIEZA DESCRIPCION CANT NUM. SERIE J NOTAS 1 CQ58168 TAPIZADO ACUSTICO 1 X CAB L155008 TAPIZADO ACUSTICO 1 X WITH DOOR RH SIDE 2 L40924 TUERCA 6 X 3 L151554 TAPIZADO ACUSTICO 1 X 4 L152519 MOLDURA 1 X 5 L56021 TIRA/ALFOMBRILLA 5 X 6 L39860 FLEJE 5 X 7 AL180301 TAPIZADO ACUSTICO 1 X 8 L152254 BURLETE 1 X 9 DY8313 TIRA/ALFOMBRILLA 1 X 10 L151718 TAPA 1 X 92-10 TRACTOR 6110J (EDICION SUDAMERICANA) PC8538S (01-JUL-10) PN=466
  • 469.
    92-11 PLATAFORMA DE CONDUCCION UPHOLSTERY,UPPER (CAB REAR) HABILLAGE, PARTIE SUPERIEURE (ARRIERE CABINE) POLSTERUNG, OBEN (KABINE HINTEN) RIVESTIMENTO SUPERIORE (RETRO CABINA) REVESTIMENTO TRASEIRO DA CABINE (INTERNO) REVESTIMIENTO PARTE SUPERIOR (POSTERIOR CABINA) PUBM1159 -UN-21APR10 6 1 1 0 POS. NO.PIEZA DESCRIPCION CANT NUM. SERIE J NOTAS 1 L154428 REVESTIMIENTO 1 X 2 L100380 TORNILLO 2 X 3 L151614 TAPIZADO ACUSTICO 1 X 4 37M7291 TORNILLO 2 X 5 DT5470 BURLETE AR X .. L165428 ADHESIVO 1 X TRACTOR 6110J (EDICION SUDAMERICANA) PC8538S (01-JUL-10) 92-11 PN=467
  • 470.
    92-12 PLATAFORMA DE CONDUCCION POSTUPHOLSTERY HABILLAGE DES MONTANTS PFOSTENVERKLEIDUNG RIVESTIMENTO MONTANTE REVESTIMENTO INTERNO REVESTIMIENTO DEL POSTE PUBM1374 -UN-29JUN10 ESTA RELACION DE PIE 92-12 TRACTOR 6110J (EDICION SUDAMERICANA) PC8538S (01-JUL-10) PN=468
  • 471.
    92-13 PLATAFORMA DE CONDUCCION 6 1 1 TRACTOR0 POS. NO.PIEZA DESCRIPCION CANT NUM. SERIE J NOTAS 1 AL163809 TAPIZADO ACUSTICO 1 X FRONT, LH, 2 L157547 TAPIZADO ACUSTICO 1 X (A) FRONT, RH 3 L157732 PANEL 1 X LH 4 L158434 TAPIZADO ACUSTICO 1 X REAR, RH 5 L159241 TAPIZADO ACUSTICO 1 X REAR, LH 6 L152652 PANEL 1 X RH 7 L151569 TAPON 2 X 8 L151570 TAPON 5 X (A) WITH GSD DISPLAY AVEC CONSOLE GREENSTAR BEI GSD MONITOR ANBAU CON DISPLAY GSD COM MOSTRADOR GSD CON PANTALLA GREENSTAR TRACTOR 6110J (EDICION SUDAMERICANA) PC8538S (01-JUL-10) 92-13 PN=469
  • 472.
    92-14 PLATAFORMA DE CONDUCCION FLOORPLATES TOLES DE SOL BODENBLECHE PIASTRE DI PAVIMENTO PISO DA CABINE CHAPAS DEL SUELO PUBM1372 -UN-28JUN10 6 1 1 0 POS. NO.PIEZA DESCRIPCION CANT NUM. SERIE J NOTAS 1 L79125 PASAMUROS 1 X 2 L157372 TORNILLO AR X 3 CQ52392 PISO 1 X 4 L62810 BURLETE 1 X 5 L150424 TAPADERA 1 X 6 L154991 TAPADERA 1 X 7 R46727 SELLADOR AR X 8 19M7560 TORNILLO AR X M6 X 16 9 24M7139 ARANDELA AR X 10 DT5471 BURLETE AR X 11 DQ53525 PLACA 1 X 92-14 TRACTOR 6110J (EDICION SUDAMERICANA) PC8538S (01-JUL-10) PN=470
  • 473.
  • 474.
    92-16 PLATAFORMA DE CONDUCCION FLOORMATS TAPIS DE SOL BODENMATTEN TAPETINI TAPETE ALFOMBRILLAS PUBM1067 -UN-21APR10 ESTA RELACION DE PIE 92-16 TRACTOR 6110J (EDICION SUDAMERICANA) PC8538S (01-JUL-10) PN=472
  • 475.
    92-17 PLATAFORMA DE CONDUCCION 6 1 1 0 POS.NO.PIEZA DESCRIPCION CANT NUM. SERIE J NOTAS 1 L168228 ESTERA 1 X CAB DQ58814 ESTERA 1 X EPCC 2 L115239 MOLDURA 1 X 3 37M7146 TORNILLO 5 X 4 24M7309 ARANDELA 5 X 5 L171150 ESTERA 1 X RH 6 L171151 ESTERA 1 X LH 7 L157274 MOLDURA 1 X 8 24M7138 ARANDELA 2 X 9 37M7088 TORNILLO 2 X TRACTOR 6110J (EDICION SUDAMERICANA) PC8538S (01-JUL-10) 92-17 PN=473
  • 476.
    92-18 PLATAFORMA DE CONDUCCION SIDECOVERS HABILLAGE LATERAL SEITENVERKLEIDUNG PROFILI LATERALI REVESTIMENTO LATERAL REVESTIMIENTO LATERAL PUBM1478 -UN-28JUN10 ESTA RELACION DE PIE 92-18 TRACTOR 6110J (EDICION SUDAMERICANA) PC8538S (01-JUL-10) PN=474
  • 477.
    92-19 PLATAFORMA DE CONDUCCION 6 1 1 0 POS.NO.PIEZA DESCRIPCION CANT NUM. SERIE J NOTAS 1 AL176430 PANEL 1 X LH AL176431 PANEL 1 X RH 2 R46727 SELLADOR 1 X 3 L114257 TUERCA 22 X 4 L111480 TUERCA DE EMPUJE 14 X 5 L171486 TUERCA 4 X 6 L112657 AISLANTE 6 X 7 21M7292 TORNILLO 2 X M6 X 16 8 L102588 TORNILLO 4 X 9 L174118 TORNILLO 22 X 10 L39134 REMACHE 6 X 11 L112232 TIRA/ALFOMBRILLA 1 X 12 L100435 TAPON 2 X 13 21M7296 TORNILLO 6 X M6 X 20 14 24M7251 ARANDELA 8 X 15 L151528 ABRAZADERA 4 X 16 R44302 CINTA DE ATAR 10 X 17 L78846 MOLDURA 1 X LH L78847 MOLDURA 1 X RH 18 37M7361 TORNILLO 6 X 19 L59796 BURLETE 2 X 20 L155423 ESPACIADOR 4 X 21 L100389 TAPON 2 X 22 L116184 RETEN 4 X TRACTOR 6110J (EDICION SUDAMERICANA) PC8538S (01-JUL-10) 92-19 PN=475
  • 478.
    92-20 PLATAFORMA DE CONDUCCION REARFENDER AILES ARRIERE KOTFLUEGEL HINTEN PARAFANGHI POSTERIORI PARALAMA GUARDABARROS TRASEROS PUBM1480 -UN-28JUN10 ESTA RELACION DE PIE 92-20 TRACTOR 6110J (EDICION SUDAMERICANA) PC8538S (01-JUL-10) PN=476
  • 479.
    92-21 PLATAFORMA DE CONDUCCION 6 1 1 0 POS.NO.PIEZA DESCRIPCION CANT NUM. SERIE J NOTAS 1 AL168325 GUARDABARRO 1 X LH AL168326 GUARDABARRO 1 X RH 2 L77912 BANDA DE GUARNICION 2 X 3 L157464 REVESTIMIENTO 1 X LH L157465 REVESTIMIENTO 1 X RH 4 24M7139 ARANDELA AR X 5 L200800 REVESTIMIENTO 1 X LH L200802 REVESTIMIENTO 1 X RH 6 99M7043 TAPON AR X 7 99M7056 TAPON AR X 8 DT5472 BURLETE AR X 9 19M7560 TORNILLO AR X 10 L157372 TORNILLO 14 X 11 L80355 TUERCA DE SEGURIDAD 2 X 12 14M7165 TUERCA DE SEGURIDAD 10 X M6 13 L112797 TORNILLO 6 X 14 19M8831 TORNILLO 2 X M5 X 16 15 19M8675 TORNILLO 2 X M8 X 16 16 19M7077 TORNILLO 2 X M6 X 20 17 R206454 TAPON 2 X TRACTOR 6110J (EDICION SUDAMERICANA) PC8538S (01-JUL-10) 92-21 PN=477
  • 480.
    92-22 PLATAFORMA DE CONDUCCION HANDLES POIGNEES HALTEGRIFFE MANIGLIE PEGADOR ASIDEROS PUBM1359-UN-28JUN10 ESTA RELACION DE PIE 92-22 TRACTOR 6110J (EDICION SUDAMERICANA) PC8538S (01-JUL-10) PN=478
  • 481.
    92-23 PLATAFORMA DE CONDUCCION 6 1 1 0 POS.NO.PIEZA DESCRIPCION CANT NUM. SERIE J NOTAS 1 AL80651 MANGO 1 X WITH DOOR RH SIDE 2 AL76067 MANGO 1 X LH 3 L202305 ARANDELA AR X 4 L153130 TORNILLO 6 X M8 X 30 5 19M8715 TORNILLO 2 X 6 L113886 MANGO 1 X 7 L113887 REVESTIMIENTO 1 X 8 L202306 ARANDELA AR X TRACTOR 6110J (EDICION SUDAMERICANA) PC8538S (01-JUL-10) 92-23 PN=479
  • 482.
    92-24 PLATAFORMA DE CONDUCCION REARHANDLES (OPEN OPERATOR’S STATION) POIGNEES ARRIERE (TRACTEURS SANS CABINE) HALTEGRIFFE HINTEN (OFFENE FAHRERPLATTFORM) MANIGLIE POSTERIORI (POSTAZIONE OPERATORE APERTA) PEGADOR (EPCC) ASIDEROS PARTE TRASERA (PLATAFORMA DE CONDUCCION ABIERTA) PUBM1149 -UN-21APR10 ESTA RELACION DE PIE 92-24 TRACTOR 6110J (EDICION SUDAMERICANA) PC8538S (01-JUL-10) PN=480
  • 483.
    92-25 PLATAFORMA DE CONDUCCION 6 1 1 0 POS.NO.PIEZA DESCRIPCION CANT NUM. SERIE J NOTAS 1 19M7286 TORNILLO 2 X M6 X 25 2 14M7165 TUERCA DE SEGURIDAD 2 X M6 3 24M7100 ARANDELA 2 X 4 L57824 ARANDELA 2 X 5 L57250 MANGO 1 X 6 L114314 ARANDELA 2 X TRACTOR 6110J (EDICION SUDAMERICANA) PC8538S (01-JUL-10) 92-25 PN=481
  • 484.
    92-26 PLATAFORMA DE CONDUCCION STEPS MARCHE TRITTSTUFE GRADINI ESCADA PELDANO PUBM1338-UN-28JUN10 ESTA RELACION DE PIE 92-26 TRACTOR 6110J (EDICION SUDAMERICANA) PC8538S (01-JUL-10) PN=482
  • 485.
    92-27 PLATAFORMA DE CONDUCCION 6 1 1 0 POS.NO.PIEZA DESCRIPCION CANT NUM. SERIE J NOTAS 1 DQ52393 ESCALERA 1 X 2 CQ67635 SOPORTE 1 X 3 14M7274 TUERCA 8 X M10 4 24M7028 ARANDELA 6 X 5 19M7167 TORNILLO AR X M10 X 25 6 CQ67634 SOPORTE 1 X 7 03M7088 TORNILLO 4 X 8 19M7479 TORNILLO 1 X M10 X 80 TRACTOR 6110J (EDICION SUDAMERICANA) PC8538S (01-JUL-10) 92-27 PN=483
  • 486.
    92-28 PLATAFORMA DE CONDUCCION HEADLINER,ROOF TRIM PARTIE INTERIEURE DU PAVILLON, REVETEMENT INNENDACH, INNENDACHVERKLEIDUNG FASCIA ANTERIORE, FINITURA TETTO TETO INTERNO DA CABINE TECHO INTERIOR, REVESTIMIENTO DEL TECHO INTERIOR CQ301987 -UN-09APR08 ESTA RELACION DE PIE 92-28 TRACTOR 6110J (EDICION SUDAMERICANA) PC8538S (01-JUL-10) PN=484
  • 487.
    92-29 PLATAFORMA DE CONDUCCION 6 1 1 0 POS.NO.PIEZA DESCRIPCION CANT NUM. SERIE J NOTAS 1 ........ BURLETE 1 X LGTH 1500MM (MF L155025) 2 AL164480 TECHO 1 X AL164808 TECHO 1 X (WITH DOOR RH SIDE) 3 37M7091 TORNILLO 2 X 4 24M7309 ARANDELA 2 X 5 L100413 JUNTA 1 X LH 6 L100414 JUNTA 1 X RH 7 37M7357 TORNILLO 8 X 8 L155257 ADMISION DE AIRE 2 X 9 L152035 MOLDURA 2 X 10 21M7292 TORNILLO 11 X M6 X 16 11 AL160142 PANEL 1 X INCL KEY 16 12 L154897 TAPADERA AR X 13 ........ BURLETE 2 X (MF L155025) 14 L156206 ENREJADO 2 X 15 L110138 TIRA/ALFOMBRILLA 2 X 16 L156205 BASTIDOR 2 X .. L155025 RETEN 1 X LGTH 18000MM TRACTOR 6110J (EDICION SUDAMERICANA) PC8538S (01-JUL-10) 92-29 PN=485
  • 488.
    92-30 PLATAFORMA DE CONDUCCION OUTERROOF WITHOUT HATCH (EPCC) PARTIE EXTERIEURE DE PAVILLON SANS TRAPPE (EPCC) AUSSENDACH OHNE LUKE (EPCC) TETTO ESTERIORE SENZA TETTUCCIO (EPCC) TETO DA CABINE (EPCC) TECHO EXTERIOR SIN TRAMPILLA (EPCC) PUBM1349 -UN-28JUN10 ESTA RELACION DE PIE 92-30 TRACTOR 6110J (EDICION SUDAMERICANA) PC8538S (01-JUL-10) PN=486
  • 489.
    92-31 PLATAFORMA DE CONDUCCION 6 1 1 0 POS.NO.PIEZA DESCRIPCION CANT NUM. SERIE J NOTAS 1 MN10437 TECHO 1 X 2 19M8035 TORNILLO 2 X M16 X 35 3 37M7242 TORNILLO 4 X 4 24M7139 ARANDELA 4 X 5 L61335 ARANDELA 4 X 6 24M7315 ARANDELA 2 X 7 L200226 ARANDELA 2 X 8 MN10436 APOYO 1 X RH 9 MN10435 APOYO 1 X LH 10 L112797 TORNILLO 8 X TRACTOR 6110J (EDICION SUDAMERICANA) PC8538S (01-JUL-10) 92-31 PN=487
  • 490.
    92-32 PLATAFORMA DE CONDUCCION OUTERROOF WITHOUT HATCH (CABINE) PARTIE EXTERIEURE DE PAVILLON SANS TRAPPE(CABINE) AUSSENDACH OHNE LUKE(KABINE) TETTO ESTERIORE SENZA TETTUCCIO(CABINA) TETO DA CABINE (CABINE) TECHO EXTERIOR SIN TRAMPILLA(CABINA) PUBM1151 -UN-21APR10 ESTA RELACION DE PIE 92-32 TRACTOR 6110J (EDICION SUDAMERICANA) PC8538S (01-JUL-10) PN=488
  • 491.
    92-33 PLATAFORMA DE CONDUCCION 6 1 1 0 POS.NO.PIEZA DESCRIPCION CANT NUM. SERIE J NOTAS 1 AL179341 TECHO 1 X 2 19M7481 TORNILLO 2 X M16 X 80 3 24M7315 ARANDELA 2 X 4 L200226 ARANDELA 2 X 5 37M7422 TORNILLO 4 X 6 24M7139 ARANDELA 6 X 7 L61335 ARANDELA 4 X 8 L157372 TORNILLO 14 X TRACTOR 6110J (EDICION SUDAMERICANA) PC8538S (01-JUL-10) 92-33 PN=489
  • 492.
    92-34 PLATAFORMA DE CONDUCCION REARWINDOW VITRE ARRIERE HECKFENSTER FINESTRINO POSTERIORE JANELA TRASEIRA VENTANA TRASERA CQ301763 -UN-19JUL07 ESTA RELACION DE PIE 92-34 TRACTOR 6110J (EDICION SUDAMERICANA) PC8538S (01-JUL-10) PN=490
  • 493.
    92-35 PLATAFORMA DE CONDUCCION 6 1 1 0 POS.NO.PIEZA DESCRIPCION CANT NUM. SERIE J NOTAS 1 AL111717 MANGO 1 X 2 24M7362 ARANDELA 4 X 3 14M7478 TUERCA DE SEGURIDAD 2 X M8 4 AL163211 BISAGRA 1 X LH 5 L156325 CRISTAL DE VENTANA 1 X 6 AL173630 FULCRO 1 X 7 T27260 ARANDELA 2 X 8 24M7252 ARANDELA 1 X 9 L168271 MANGO 1 X 10 14M7528 TUERCA DE SEGURIDAD 1 X M6 11 L156522 TAPON 1 X 12 34M7302 PASADOR ELASTICO 1 X 13 L111419 JUNTA 2 X 14 03M7331 TORNILLO 2 X 15 L157816 BURLETE 1 X 16 24M7298 ARANDELA 2 X 17 L78704 ARANDELA DE GUARNICION 8 X 18 L78851 CASQUILLO 2 X 19 24M7055 ARANDELA 4 X 20 14M7166 TUERCA DE SEGURIDAD 2 X M8 21 L78703 TAPA 8 X 22 21M7310 TORNILLO 6 X M6 X 25 23 24M7309 ARANDELA 6 X 24 L78705 CASQUILLO 6 X 25 24M7251 ARANDELA 6 X 26 14M7376 TUERCA DE SEGURIDAD 6 X M6 27 L78693 TIRA/ALFOMBRILLA 2 X 28 L75449 PERFIL EN U 2 X 29 19M7139 TORNILLO 4 X M8 X 20 30 L111414 ANGULO 1 X 31 AL173397 MANGO 1 X 32 14M7416 TUERCA CON BRIDA 4 X M8 33 DQ50436 CILINDRO DE GAS 2 X 34 L111440 TAPADERA 2 X 35 L112290 BURLETE 1 X 36 L110367 ARANDELA 2 X 37 L113715 ESPARRAGO CON BOLA 2 X 38 AL163210 BISAGRA 1 X RH 39 Z26250 ARANDELA 1 X 40 L61335 ARANDELA 1 X TRACTOR 6110J (EDICION SUDAMERICANA) PC8538S (01-JUL-10) 92-35 PN=491
  • 494.
    92-36 PLATAFORMA DE CONDUCCION SIDEWINDOWS, TILTABLE VITRES LATERALES BASCULANTES SEITENSCHEIBEN, AUSSTELLBAR FINESTRINO LATERALI ORIENTABILI JANELA LATERAL DA CABINE VENTANAS LATERALES, ABATIBLES PUBM1099 -UN-29JUN10 ESTA RELACION DE PIE 92-36 TRACTOR 6110J (EDICION SUDAMERICANA) PC8538S (01-JUL-10) PN=492
  • 495.
    92-37 PLATAFORMA DE CONDUCCION 6 1 1 0 POS.NO.PIEZA DESCRIPCION CANT NUM. SERIE J NOTAS 1 L78703 TAPA 6 X 2 14M7165 TUERCA DE SEGURIDAD 4 X M6 3 24M7251 ARANDELA 6 X 4 L78702 CASQUILLO 6 X 5 L78704 ARANDELA DE GUARNICION 6 X 6 AL163297 BISAGRA 4 X 7 03M7391 TORNILLO 4 X 8 L157818 BURLETE 2 X 9 L171980 PLACA 2 X 10 L173805 TORNILLO 8 X 11 L115740 BULON 2 X 12 AL152733 PESTILLO 1 X RH AL152732 PESTILLO 1 X LH 13 40M7088 ANILLO ELASTICO 2 X 14 L171975 CRISTAL DE VENTANA 1 X RH L171976 CRISTAL DE VENTANA 1 X LH 15 14M7272 TUERCA 2 X M6 TRACTOR 6110J (EDICION SUDAMERICANA) PC8538S (01-JUL-10) 92-37 PN=493
  • 496.
    92-38 PLATAFORMA DE CONDUCCION DOORHANDLE AND LOCK POIGNEE ET SERRURE TUERGRIFF UND SCHLOSS MANIGLIA E SERRATURA PORTA TRINCO DA PORTA MANILLA Y CERRADURA LX020675 -UN-11JAN99 ESTA RELACION DE PIE 92-38 TRACTOR 6110J (EDICION SUDAMERICANA) PC8538S (01-JUL-10) PN=494
  • 497.
    92-39 PLATAFORMA DE CONDUCCION 6 1 1 0 POS.NO.PIEZA DESCRIPCION CANT NUM. SERIE J NOTAS 1 L113440 ANGULO 1 X LH L113441 ANGULO 1 X RH 2 AL202908 CERRADURA 1 X LH AL202906 CERRADURA 1 X RH 3 L113436 PLACA 1 X LH L113437 PLACA 1 X RH 4 L113438 CAPO 1 X LH L113439 CAPO 1 X RH 5 R74402 TOPE 2 X 6 L113717 ESTRIBO 2 X 7 L113718 CHAPA DE SEGURIDAD 2 X 8 03M7192 TORNILLO 2 X 9 L102588 TORNILLO 6 X 10 24M7178 ARANDELA AR X 11 21M7310 TORNILLO 2 X M6 X 25 12 24M7054 ARANDELA 2 X 13 14M7166 TUERCA DE SEGURIDAD 4 X M8 14 24M7055 ARANDELA 4 X 15 L78691 CASQUILLO 2 X 16 L78690 CASQUILLO 1 X 17 L113908 ARANDELA DE GUARNICION 2 X 18 L113907 ARANDELA DE GUARNICION 2 X 19 AL113174 MANGO 2 X 20 L79432 TUERCA 1 X 21 L79433 ARANDELA 1 X 22 19M7574 TORNILLO 4 X M8 X 40 TRACTOR 6110J (EDICION SUDAMERICANA) PC8538S (01-JUL-10) 92-39 PN=495
  • 498.
    92-40 PLATAFORMA DE CONDUCCION WITHOUTRIGHT-HAND DOOR SANS PORTE DROITE OHNE RECHTE TUER SENZA PORTA DESTRA SEM PORTA DIREITA SIN PUERTA DERECHA PUBM1199 -UN-21APR10 ESTA RELACION DE PIE 92-40 TRACTOR 6110J (EDICION SUDAMERICANA) PC8538S (01-JUL-10) PN=496
  • 499.
    92-41 PLATAFORMA DE CONDUCCION 6 1 1 0 POS.NO.PIEZA DESCRIPCION CANT NUM. SERIE J NOTAS 1 L170677 CRISTAL DE VENTANA 1 X 2 L157817 BURLETE 1 X 3 AL78377 APOYO 2 X 4 03M7309 TORNILLO 1 X 5 L78704 ARANDELA DE GUARNICION 4 X 6 L78851 CASQUILLO 2 X 7 24M7055 ARANDELA 2 X 8 14M7166 TUERCA DE SEGURIDAD 2 X M8 9 L78703 TAPA 2 X 10 L157095 APOYO 1 X 11 22M7170 TORNILLO DE FIJACION 4 X 12 L111072 TAPON 1 X 13 AL117519 TUERCA SOLDABLE 4 X 14 24M7260 ARANDELA 4 X 15 L116184 RETEN 2 X TK= 5.0MM (13/64") 16 24M7362 ARANDELA 2 X 17 L153130 TORNILLO 2 X TRACTOR 6110J (EDICION SUDAMERICANA) PC8538S (01-JUL-10) 92-41 PN=497
  • 500.
    92-42 PLATAFORMA DE CONDUCCION DOORS PORTES TUEREN PORTE PORTA PUERTAS PUBM1111-UN-21APR10 ESTA RELACION DE PIE 92-42 TRACTOR 6110J (EDICION SUDAMERICANA) PC8538S (01-JUL-10) PN=498
  • 501.
    92-43 PLATAFORMA DE CONDUCCION 6 1 1 0 POS.NO.PIEZA DESCRIPCION CANT NUM. SERIE J NOTAS 1 AL78276 MANGO 1 X LH AL78277 MANGO 1 X RH 2 24H1292 ARANDELA 1 X 3 AL179829 BISAGRA 1 X LH AL179830 BISAGRA 1 X RH 4 AL179831 BISAGRA 1 X LH AL179832 BISAGRA 1 X RH 5 DQ59131 CILINDRO DE GAS 1 X 6 R237474 ESPARRAGO CON BOLA 2 X 7 L112743 CASQUILLO 2 X 8 L169102 PUERTA 1 X LH L169103 PUERTA 1 X RH 9 L157817 BURLETE 1 X LGTH=3720MM (146-29/64") (MF AL164267) 10 L116184 RETEN 4 X 11 L111988 ARANDELA 2 X 12 L78769 ARANDELA 2 X 13 L78768 ARANDELA 2 X 14 L78851 CASQUILLO 2 X 15 24M7055 ARANDELA 2 X 16 21M7392 TORNILLO 2 X M8 X 30 17 L78703 TAPA 2 X 18 21M7491 TORNILLO 6 X M8 X 16 19 24M7362 ARANDELA 2 X 20 L155606 ARANDELA DE GUARNICION 4 X 21 L78704 ARANDELA DE GUARNICION 1 X 22 L77651 ARANDELA 1 X 23 L100869 ARANDELA 2 X 24 AL117519 TUERCA SOLDABLE 4 X 25 L151718 TAPA 2 X L151719 TAPA 1 X RH 26 L79485 CASQUILLO 1 X TRACTOR 6110J (EDICION SUDAMERICANA) PC8538S (01-JUL-10) 92-43 PN=499
  • 502.
    92-44 PLATAFORMA DE CONDUCCION WINDSHIELD PARE-BRISE,NON INCLINABLE FRONTSCHEIBE PARABREZZA PARABRISA PARABRISAS DELANTERO PUBM1198 -UN-21APR10 ESTA RELACION DE PIE 92-44 TRACTOR 6110J (EDICION SUDAMERICANA) PC8538S (01-JUL-10) PN=500
  • 503.
    92-45 PLATAFORMA DE CONDUCCION 6 1 1 0 POS.NO.PIEZA DESCRIPCION CANT NUM. SERIE J NOTAS 1 14M7416 TUERCA CON BRIDA 4 X M8 2 L113232 PLACA 2 X 3 L112290 BURLETE 1 X 4 L112951 APOYO 2 X 5 03M7331 TORNILLO 4 X 6 L79909 TIRA/ALFOMBRILLA 2 X 7 L116304 ETIQUETA ADHESIVA 2 X 8 L157820 BURLETE 1 X LGTH 2000MM 9 L171336 PARABRISAS 1 X 10 L100685 RETENEDOR 2 X 11 37M7305 TORNILLO 4 X 12 L112971 ANGULO 1 X 13 L111480 TUERCA DE EMPUJE 2 X 14 L157821 BURLETE 2 X 15 L151753 CRISTAL DE VENTANA 1 X RH 16 L151752 CRISTAL DE VENTANA 1 X LH 17 L155576 TUERCA 4 X 18 24M7309 ARANDELA 4 X 19 21M7423 TORNILLO 2 X M6 X 30, RH 20 L78703 TAPA 4 X 21 L78704 ARANDELA DE GUARNICION 4 X 22 L41443 ANILLO TORICO 4 X 23 L78702 CASQUILLO 4 X TRACTOR 6110J (EDICION SUDAMERICANA) PC8538S (01-JUL-10) 92-45 PN=501
  • 504.
    92-46 PLATAFORMA DE CONDUCCION BULKHEAD TABLIER SCHOTTWAND PARATIA VEDACAODA CABINE TABIQUE PUBM1125 -UN-21APR10 ESTA RELACION DE PIE 92-46 TRACTOR 6110J (EDICION SUDAMERICANA) PC8538S (01-JUL-10) PN=502
  • 505.
    92-47 PLATAFORMA DE CONDUCCION 6 1 1 0 POS.NO.PIEZA DESCRIPCION CANT NUM. SERIE J NOTAS 1 AL157707 BURLETE 1 X 2 19M7867 TORNILLO AR X M8 X 25 3 DT5471 BURLETE 1 X 4 AL154932 BASTIDOR 1 X 5 AL164012 PARED CORTAFUEGOS 1 X (CABINE) AL164013 PARED CORTAFUEGOS 1 X (EPCC) 6 24M7055 ARANDELA AR X 7 19M7162 TORNILLO AR X M8 X 16 8 L164972 TUERCA 1 X 9 M84971 TUERCA 3 X TRACTOR 6110J (EDICION SUDAMERICANA) PC8538S (01-JUL-10) 92-47 PN=503
  • 506.
    92-48 PLATAFORMA DE CONDUCCION MEMORANDA MEMORANDA MEMORANDA MEMORANDA MEMORANDA MEMORANDA 92-48TRACTOR 6110J (EDICION SUDAMERICANA) PC8538S (01-JUL-10) PN=504
  • 507.
    93-A01 MANDOS, ACCESORIOS YAIRE ACCONDICIONADO SECTIONAL INDEX INDEX DE SECTION GRUPPENINDEX INDICE DELLA SEZIONE INDICE DE GRUPO INDICE DE GRUPOS PUBM1425 -UN-28JUN10 1- 2 2- 4 3- 6 4- 7 9- 16 10- 18 21- 32 22- 34 23- 36 24- 38 25- 40 26- 42 27- 44 28- 45 29- 46 TRACTOR 6110J (EDICION SUDAMERICANA) PC8538S (01-JUL-10) 93-A01 PN=505
  • 508.
    93-A02 MANDOS, ACCESORIOS YAIRE ACCONDICIONADO SECTIONAL INDEX INDEX DE SECTION GRUPPENINDEX INDICE DELLA SEZIONE INDICE DE GRUPO INDICE DE GRUPOS PUBM1426 -UN-28JUN10 5- 8 6- 10 7- 12 8- 14 11- 20 12- 22 13- 24 14- 25 15- 26 16- 27 17- 28 18- 29 19- 30 20- 31 93-A02 TRACTOR 6110J (EDICION SUDAMERICANA) PC8538S (01-JUL-10) PN=506
  • 509.
    93-1 MANDOS, ACCESORIOS YAIRE ACCONDICIONADO MEMORANDA MEMORANDA MEMORANDA MEMORANDA MEMORANDA MEMORANDA TRACTOR 6110J (EDICION SUDAMERICANA) PC8538S (01-JUL-10) 93-1 PN=507
  • 510.
    93-2 MANDOS, ACCESORIOS YAIRE ACCONDICIONADO DASH/COWL HABILLAGE TABLEAU DE BORD ARMATURENWANDVERKLEIDUNG CRUSCOTTO / COPERTURA PAINEL REVESTIMIENTO SALPICADERO PUBM1082 -UN-21APR10 ESTA RELACION DE PIE 93-2 TRACTOR 6110J (EDICION SUDAMERICANA) PC8538S (01-JUL-10) PN=508
  • 511.
    93-3 MANDOS, ACCESORIOS YAIRE ACCONDICIONADO 6 1 1 0 POS. NO.PIEZA DESCRIPCION CANT NUM. SERIE J NOTAS 1 AL164922 CUBRETABLERO 1 X CABINE AL171534 CUBRETABLERO 1 X EPCC 2 L155361 TAPADERA 1 X 3 L164972 TUERCA 3 X 4 L112797 TORNILLO 1 X 5 L113415 TORNILLO 3 X 6 MN10255 CENTRAL DE CONTROLES 1 X 7 37M7181 TORNILLO 8 X 8 24M7027 ARANDELA 1 X 9 14M7265 TUERCA DE SEGURIDAD 1 X M5 10 CQ64057 TIRA/ALFOMBRILLA 1 X EPCC 11 L154378 TIRA/ALFOMBRILLA 1 X 12 L154379 TIRA/ALFOMBRILLA 2 X TRACTOR 6110J (EDICION SUDAMERICANA) PC8538S (01-JUL-10) 93-3 PN=509
  • 512.
    93-4 MANDOS, ACCESORIOS YAIRE ACCONDICIONADO ELECTRICAL INSTRUMENTS TABLEAU DE BORD - ELEMENTS ELECTRIQUES ELEKTRISCHE ARMATUREN STRUMENTI ELETTRICI CONPONENTES ELETRICOS COMPONENTES ELECTRICOS PUBM1481 -UN-28JUN10 ESTA RELACION DE PIE 93-4 TRACTOR 6110J (EDICION SUDAMERICANA) PC8538S (01-JUL-10) PN=510
  • 513.
    93-5 MANDOS, ACCESORIOS YAIRE ACCONDICIONADO 6 1 1 0 POS. NO.PIEZA DESCRIPCION CANT NUM. SERIE J NOTAS 1 RE61717 INTERRUPTOR GIRATORIO 1 X 2 AL35179 INTERRUPTOR 1 X 3 L157295 TAPON 1 X 4 L37489 MANGO 1 X 5 R115974 TUERCA 1 X 6 RE183935 LLAVE 1 X 7 L79734 ETIQUETA ADHESIVA 1 X 8 L114509 TAPON AR X 9 AL155612 INT. ALTERNANTE/BASCULANTE 1 X 10 21M7290 TORNILLO 1 X M3 X 35 11 L102359 ETIQUETA ADHESIVA 1 X 12 AL154249 INTERRUPTOR 1 X 13 AL157883 INT. ALTERNANTE/BASCULANTE 1 X 14 AL76568 EMPUNADURA 1 X 15 R44165 TUERCA DE SEGURIDAD 1 X 16 AL36529 INTERRUPTOR 1 X 17 37M7336 TORNILLO 2 X 18 L115020 ETIQUETA ADHESIVA 1 X 19 R39554 INTERRUPTOR 1 X 20 T55501 TAPA 1 X 21 DQ70988 PORTALLAVES 1 X TRACTOR 6110J (EDICION SUDAMERICANA) PC8538S (01-JUL-10) 93-5 PN=511
  • 514.
    93-6 MANDOS, ACCESORIOS YAIRE ACCONDICIONADO FWD SWITCH INTERRUPTEUR PONT AVANT SCHALTER FUER FRONTANTRIEB INTERRUTTORE 4WD INTERRUPTOR DA TRACAO DIANTEIRA INTERRUPTOR DE LA TDM CQ155689 -UN-06JUL04 6 1 1 0 POS. NO.PIEZA DESCRIPCION CANT NUM. SERIE J NOTAS 1 AL165520 INT. ALTERNANTE/BASCULANTE 1 X (A) AL156854 INT. ALTERNANTE/BASCULANTE 1 X (B) (A) WITHOUT CAB (B) WITH CAB SANS CABINE AVEC CABINE OHNE KABINE MIT KABINE SENZA CABINA CON CABINA SEM CABINE COM CABINE SIN CABINA CON CABINA 93-6 TRACTOR 6110J (EDICION SUDAMERICANA) PC8538S (01-JUL-10) PN=512
  • 515.
    93-7 MANDOS, ACCESORIOS YAIRE ACCONDICIONADO DIFFERENTIAL LOCK SWITCH BLOCAGE DU DIFFERENTIEL, CONTACTEUR SCHALTER FUER DIFFERENTIALSPERRE INTERRUTTORE BLOCCAGGIO DIFFERENZIALE INTERRUPTOR DE BLOQUEIO DO DIFERENCIAL INTERRUPTOR DE BLOQUEO DEL DIFERENCIAL CQ155886 -UN-26AUG04 6 1 1 0 POS. NO.PIEZA DESCRIPCION CANT NUM. SERIE J NOTAS 1 RE46534 INTERRUPTOR 1 X 2 RE43637 ACCIONADOR 1 X 3 L80302 ETIQUETA ADHESIVA 1 X TRACTOR 6110J (EDICION SUDAMERICANA) PC8538S (01-JUL-10) 93-7 PN=513
  • 516.
    93-8 MANDOS, ACCESORIOS YAIRE ACCONDICIONADO CLUTCH OPERATING PARTS, CLUTCH PEDAL ELEMENTS DE COMMANDE DE L’EMBRAYAGE, PEDALE D’EMBRAYAGE KUPPLUNGSBETAETIGUNGSTEILE, KUPPLUNGSPEDAL PARTI COMANDO FRIZIONE, PEDALE FRIZIONE PEDAL DA EMBREAGEM PIEZAS DEL ACCIONAMIENTO DEL EMBRAGUE, PEDAL DE EMBRAGUE PUBM1089 -UN-21APR10 6 1 1 0 POS. NO.PIEZA DESCRIPCION CANT NUM. SERIE J NOTAS 1 L110617 BULON 1 X 2 AL110894 SOPORTE 1 X 3 14M7274 TUERCA 1 X M10 4 19M8533 TORNILLO 1 X M10 X 25 5 L100285 TORNILLO 3 X 6 AL169899 PEDAL 1 X INCL KEY 7 7 L41178 CASQUILLO 2 X 8 AL203461 CONTROL 1 X INCL KEY 1, 2, 3, 4, 6, 7 93-8 TRACTOR 6110J (EDICION SUDAMERICANA) PC8538S (01-JUL-10) PN=514
  • 517.
    93-9 MANDOS, ACCESORIOS YAIRE ACCONDICIONADO MEMORANDA MEMORANDA MEMORANDA MEMORANDA MEMORANDA MEMORANDA TRACTOR 6110J (EDICION SUDAMERICANA) PC8538S (01-JUL-10) 93-9 PN=515
  • 518.
    93-10 MANDOS, ACCESORIOS YAIRE ACCONDICIONADO CLUTCH OPERATING PARTS, BOWDEN CABLE COMMANDE DE L’EMBRAYAGE, CABLE SOUS GAINE KUPPLUNGSBETAETIGUNGSTEILE, BOWDENZUG PARTI COMANDO FRIZIONE, CAVO BOWDEN CABO DA EMBRAGEM ELEMENTOS DE MANDO DEL EMBRAGUE, CABLE LX035844 -UN-08JUL03 ESTA RELACION DE PIE 93-10 TRACTOR 6110J (EDICION SUDAMERICANA) PC8538S (01-JUL-10) PN=516
  • 519.
    93-11 MANDOS, ACCESORIOS YAIRE ACCONDICIONADO 6 1 1 0 POS. NO.PIEZA DESCRIPCION CANT NUM. SERIE J NOTAS 1 AL151612 CABLE 1 X (SYNCROPLUS) LGTH 1130MM 2 L157793 PASAMUROS 1 X 3 L154381 ENVOLTURA 2 X 4 14M7272 TUERCA 1 X M6 5 L79792 ANILLO ELASTICO 2 X 6 45M7080 PASADOR DE MUELLE 1 X 7 45M7063 BULON 1 X 8 L166609 HORQUILLA 2 X TRACTOR 6110J (EDICION SUDAMERICANA) PC8538S (01-JUL-10) 93-11 PN=517
  • 520.
    93-12 MANDOS, ACCESORIOS YAIRE ACCONDICIONADO FOOT THROTTLE PEDALE D’ACCELERATION DREHZAHLFUSSHEBEL PEDALE ACCELERATORE ACELERADOR DE PE ACELERADOR DE PIE PUBM1134 -UN-21APR10 ESTA RELACION DE PIE 93-12 TRACTOR 6110J (EDICION SUDAMERICANA) PC8538S (01-JUL-10) PN=518
  • 521.
    93-13 MANDOS, ACCESORIOS YAIRE ACCONDICIONADO 6 1 1 0 POS. NO.PIEZA DESCRIPCION CANT NUM. SERIE J NOTAS 1 L151157 PALANCA 1 X 2 L150527 PALANCA 1 X 3 L150526 MUELLE DE TORSION 1 X 4 CQ59332 PALANCA 1 X 5 L112950 PALANCA 1 X 6 L150525 ARBOL 1 X 7 55M7012 ESPARRAGO CON BOLA 1 X 8 14M7165 TUERCA DE SEGURIDAD 6 X M6 9 34H394 PASADOR ELASTICO 1 X 10 DQ63989 ROTULA 1 X 11 14M7027 TUERCA 1 X M6 12 56M7006 CABEZA DE ARTICUL.ESFERICA 1 X 13 L150034 ESPARRAGO 1 X TRACTOR 6110J (EDICION SUDAMERICANA) PC8538S (01-JUL-10) 93-13 PN=519
  • 522.
    93-14 MANDOS, ACCESORIOS YAIRE ACCONDICIONADO FOOT THROTTLE PEDALE D’ACCELERATION DREHZAHLFUSSHEBEL PEDALE ACCELERATORE ACELERADOR DE PE ACELERADOR DE PIE PUBM1133 -UN-21APR10 ESTA RELACION DE PIE 93-14 TRACTOR 6110J (EDICION SUDAMERICANA) PC8538S (01-JUL-10) PN=520
  • 523.
    93-15 MANDOS, ACCESORIOS YAIRE ACCONDICIONADO 6 1 1 0 POS. NO.PIEZA DESCRIPCION CANT NUM. SERIE J NOTAS 1 L113020 PEDAL 1 X 2 L113021 CASQUILLO 1 X 3 L78701 MUELLE 1 X 4 37M7361 TORNILLO 3 X 5 L150340 CARCASA 1 X 6 L150363 CASQUILLO 2 X 7 R26871 ANILLO ELASTICO 1 X 8 L150079 PARAGOLPES 1 X 9 L150454 VASTAGO 1 X 10 DQ65998 ACELERADOR 1 X TRACTOR 6110J (EDICION SUDAMERICANA) PC8538S (01-JUL-10) 93-15 PN=521
  • 524.
    93-16 MANDOS, ACCESORIOS YAIRE ACCONDICIONADO CONTROL CONSOLE (CAB) CONSOLE DE COMMANDE (CABINE) BEDIENUNGSKONSOLE (KABINE) CONSOLE DI COMANDI (CABINA) CONTROLE DO CONSOLE (CABINE) CONSOLA DE INSTRUMENTOS (CABINA) PUBM1142 -UN-21APR10 ESTA RELACION DE PIE 93-16 TRACTOR 6110J (EDICION SUDAMERICANA) PC8538S (01-JUL-10) PN=522
  • 525.
    93-17 MANDOS, ACCESORIOS YAIRE ACCONDICIONADO 6 1 1 0 POS. NO.PIEZA DESCRIPCION CANT NUM. SERIE J NOTAS 1 AL201018 TAPADERA 1 X 2 37M7185 TORNILLO 2 X 3 L151699 PANEL 1 X 4 L40924 TUERCA 3 X 5 L158260 CONSOLA DE CONTROL 1 X 6 L39603 TUERCA 3 X 7 21M7246 TORNILLO 6 X M6 X 16 8 AL79029 TIRA 1 X 9 L101932 ESPACIADOR 2 X 10 21M7403 TORNILLO 2 X M6 X 40 11 AL115814 TUERCA 16 X 12 L113415 TORNILLO 1 X 13 L168519 PANEL 1 X 14 L113846 MOLDURA 1 X 15 L112282 TAPON 1 X 16 37M7290 TORNILLO 3 X 17 37M7140 TORNILLO 2 X 18 24M7027 ARANDELA 1 X 19 L79648 TUERCA DE EMPUJE 2 X 20 L102110 TUERCA 1 X 21 21M7285 TORNILLO 2 X M6 X 12 22 L115292 TORNILLO 12 X 23 99M7073 TAPON 1 X 24 99M7016 TAPON 1 X 25 L157254 BURLETE 2 X TRACTOR 6110J (EDICION SUDAMERICANA) PC8538S (01-JUL-10) 93-17 PN=523
  • 526.
    93-18 MANDOS, ACCESORIOS YAIRE ACCONDICIONADO CONTROL CONSOLE (OPEN OPERATOR’S STATION) CONSOLE DE COMMANDE (TRACTEURS SANS CABINE) BEDIENUNGSKONSOLE (OFFENE FAHRERPLATTFORM) CONSOLE COMANDI (POSTAZIONE OPERATORE APERTA) CONTROLE DO CONSOLE (EPCC) CONSOLA DE INSTRUMENTOS (PLATAFORMA DE CONDUCCION ABIERTA) PUBM1117 -UN-22APR10 ESTA RELACION DE PIE 93-18 TRACTOR 6110J (EDICION SUDAMERICANA) PC8538S (01-JUL-10) PN=524
  • 527.
    93-19 MANDOS, ACCESORIOS YAIRE ACCONDICIONADO 6 1 1 0 POS. NO.PIEZA DESCRIPCION CANT NUM. SERIE J NOTAS 1 L113559 REVESTIMIENTO 1 X 2 37M7185 TORNILLO 2 X 3 AL117697 PANEL 1 X (A) 4 L40924 TUERCA 3 X 5 L112511 CONSOLA DE CONTROL 1 X 6 AL178554 CARTABON 1 X 7 21M7246 TORNILLO 4 X M6 X 16 8 AL79029 TIRA 1 X 9 L101932 ESPACIADOR 1 X 10 21M7403 TORNILLO 2 X M6 X 40 11 L39603 TUERCA 1 X 12 37M7230 TORNILLO 4 X 13 19M8866 TORNILLO 4 X M5 X 16 14 L59635 CASQUILLO 2 X 15 24M7027 ARANDELA 4 X 16 AL115814 TUERCA 16 X 17 L102110 TUERCA 1 X 18 L157254 BURLETE 2 X 19 L102490 AISLANTE 1 X 20 L113415 TORNILLO 1 X 21 L112282 TAPON 1 X 22 L79648 TUERCA DE EMPUJE 4 X 23 L112796 TORNILLO 2 X 24 L115235 PANEL 1 X (A) WITHOUT RAILING SANS MAIN COURANTE OHNE HANDLAUF SENZA GUIDE SEM CORRIMAO SIN PASAMANOS TRACTOR 6110J (EDICION SUDAMERICANA) PC8538S (01-JUL-10) 93-19 PN=525
  • 528.
    93-20 MANDOS, ACCESORIOS YAIRE ACCONDICIONADO WINDSCREEN WASHER SYSTEM WITH RESERVOIR LAVE-GLACE PARE-BRISE AVEC RESERVOIR SCHEIBENWASCHANLAGE VORN MIT VORRATSBEHAELTER DISPOS. LAVAPARABREZZA CON SERBATOIO RESERVATORIO DE AGUA DO LIMPADOR DO PARABRISA LAVAPARABRISAS CON DEPOSITO CQ155691 -UN-06JUL04 ESTA RELACION DE PIE 93-20 TRACTOR 6110J (EDICION SUDAMERICANA) PC8538S (01-JUL-10) PN=526
  • 529.
    93-21 MANDOS, ACCESORIOS YAIRE ACCONDICIONADO 6 1 1 0 POS. NO.PIEZA DESCRIPCION CANT NUM. SERIE J NOTAS 1 AL77711 DEPOSITO 1 X 2 L78422 DEPOSITO 1 X 3 L80013 TAPON DE LLENADO 1 X 4 AL79013 BOMBA 1 X 5 L80014 PASAMUROS 2 X 6 L80015 TAPON 1 X 7 L155455 MANGUERA 1 X 8 AL114276 VALVULA DE RETENCION 1 X 9 AL35642 TOBERA 1 X 10 24H1292 ARANDELA 2 X 8.738 X 19.050 X 3.048 MM 11 19M8830 TORNILLO 2 X M8 X 30 TRACTOR 6110J (EDICION SUDAMERICANA) PC8538S (01-JUL-10) 93-21 PN=527
  • 530.
    93-22 MANDOS, ACCESORIOS YAIRE ACCONDICIONADO FRONT WINDSHIELD WIPER ESSUIE-GLACE PARE-BRISE SCHEIBENWISCHER VORN TERGICRISTALLO ANTERIORE LIMPADOR DE PARABRISAS LIMPIAPARABRISAS FRONTAL PUBM1138 -UN-21APR10 ESTA RELACION DE PIE 93-22 TRACTOR 6110J (EDICION SUDAMERICANA) PC8538S (01-JUL-10) PN=528
  • 531.
    93-23 MANDOS, ACCESORIOS YAIRE ACCONDICIONADO 6 1 1 0 POS. NO.PIEZA DESCRIPCION CANT NUM. SERIE J NOTAS 1 RE151494 MOTOR DE LIMPIAPARABRISAS 1 X 2 19M7560 TORNILLO 1 X M6 X 16 3 12M7133 ARANDELA DE SEGURIDAD 1 X 4 14M7272 TUERCA 1 X M6 5 19M6614 TORNILLO 4 X M6 X 12 6 24M7139 ARANDELA 3 X 7 24M7055 ARANDELA 1 X 8 14M7273 TUERCA 1 X M8 9 AL153662 BRAZO DE LIMPIAPARABRISAS 1 X 10 AL153660 HOJA DE LIMPIAPARABRISAS 1 X (A) LGTH= 500MM (A) WITH HINGED WINDSHIELD AVEC VITRE AVANT ORIENTABLE BEI AUSSTELLBARER FRONTSCHEIBE CON PARABREZZA INCERNIERATO COM PARABRISA ARTICULAVEL CON PARABRISAS ABATIBLE TRACTOR 6110J (EDICION SUDAMERICANA) PC8538S (01-JUL-10) 93-23 PN=529
  • 532.
    93-24 MANDOS, ACCESORIOS YAIRE ACCONDICIONADO RADIO CONSOLE CONSOLE DE RADIO RADIOKONSOLE SCATOLA RADIO COMSOLE DO RADIO CONSOLA PARA RADIO LX048702 -UN-27SEP05 6 1 1 0 POS. NO.PIEZA DESCRIPCION CANT NUM. SERIE J NOTAS 1 L203991 TORNILLO 2 X 2 37M7263 TORNILLO 2 X 3 L78041 ANGULO 1 X 4 L204008 SOPORTE 1 X 5 19M7300 TORNILLO 4 X M6 X 10 6 24M7054 ARANDELA 4 X 7 L78238 TUERCA 4 X 8 L151740 PANEL 1 X 9 L152335 TAPADERA 1 X 10 24M7138 ARANDELA 1 X 11 Z59391 REMACHE 1 X 12 R54477 REMACHE 2 X 13 L151863 SOPORTE 1 X 14 L111480 TUERCA DE EMPUJE 2 X 93-24 TRACTOR 6110J (EDICION SUDAMERICANA) PC8538S (01-JUL-10) PN=530
  • 533.
    93-25 MANDOS, ACCESORIOS YAIRE ACCONDICIONADO OUTSIDE MIRROR RETROVISEUR EXTERIEUR AUSSENSPIEGEL RETROVISORE RETROVISOR RETROVISOR PUBM1150 -UN-21APR10 6 1 1 0 POS. NO.PIEZA DESCRIPCION CANT NUM. SERIE J NOTAS 1 DQ46087 PORTADOR 1 X LH DQ46088 PORTADOR 1 X RH 2 L79775 TAPA 2 X 3 DQ43135 ESPEJO RETROVISOR 1 X 4 24M7362 ARANDELA 4 X 5 19M7660 TORNILLO 1 X M8 X 20 6 DQ43133 ESPEJO RETROVISOR 1 X LH DQ43134 ESPEJO RETROVISOR 1 X RH TRACTOR 6110J (EDICION SUDAMERICANA) PC8538S (01-JUL-10) 93-25 PN=531
  • 534.
    93-26 MANDOS, ACCESORIOS YAIRE ACCONDICIONADO INSIDE REAR VIEW MIRROR (OOS) RETROVISEUR INTERIEUR (EPCC) INNENRUECKSPIEGEL (EPCC) SPECCHIETTO RETROVISIVO INTERIORE (EPCC) RETROVISOR INTERNO (EPCC) ESPEJO RETROVISOR INTERIOR (EPCC) PUBM1062 -UN-21APR10 6 1 1 0 POS. NO.PIEZA DESCRIPCION CANT NUM. SERIE J NOTAS 1 AT186760 ESPEJO RETROVISOR 1 X 2 SU20627 SOPORTE 1 X 3 24M7055 ARANDELA 2 X 4 R210137 ARANDELA 1 X 5 14M7166 TUERCA DE SEGURIDAD 2 X M8 6 19M7913 TORNILLO 1 X M8 X 90 93-26 TRACTOR 6110J (EDICION SUDAMERICANA) PC8538S (11-JAN-11) PN=532
  • 535.
    93-27 MANDOS, ACCESORIOS YAIRE ACCONDICIONADO INSIDE REAR VIEW MIRROR WITH CAB RETROVISEUR INTERIEUR TRACTEURS AVEC CABINE INNEN-RUECKSPIEGEL BEI KABINE RETROVISORE INTERIORE CON CABINA RETROVISOR INTERNO COM CABINE ESPEJO RETROVISOR INTERIOR CON CABINA PUBM2130 -UN- 6 1 1 0 POS. NO.PIEZA DESCRIPCION CANT NUM. SERIE J NOTAS 1 AT186760 ESPEJO RETROVISOR 1 X 2 L113657 RETENEDOR 1 X 3 AL154247 TIRA 1 X 4 24M7260 ARANDELA 2 X 5 19M8830 TORNILLO 1 X 6 14M7478 TUERCA DE SEGURIDAD 1 X 7 24M7362 ARANDELA 1 X 8 L113993 TUERCA 1 X 9 21M7296 TORNILLO 2 X TRACTOR 6110J (EDICION SUDAMERICANA) PC8538S (11-JAN-11) 93-27 PN=533
  • 536.
    93-28 MANDOS, ACCESORIOS YAIRE ACCONDICIONADO SUN VISOR PARE-SOLEIL SONNENBLENDE PARASOLE PARA SOL PARASOL PUBM1093 -UN-21APR10 6 1 1 0 POS. NO.PIEZA DESCRIPCION CANT NUM. SERIE J NOTAS 1 AL156781 PARASOL 1 X 2 21M7310 TORNILLO 3 X M6 X 25 3 L113023 GANCHO 1 X 4 21M7296 TORNILLO 2 X M6 X 20 93-28 TRACTOR 6110J (EDICION SUDAMERICANA) PC8538S (01-JUL-10) PN=534
  • 537.
    93-29 MANDOS, ACCESORIOS YAIRE ACCONDICIONADO HOLDER FOR OPERATOR’S MANUAL (OPEN OPERATOR’S STATION) CASIER DE RANGEMENT POUR LIVRET D’ENTRETIEN (TRACTEURS SANS CABINE) BETRIEBSANLEITUNGSHALTER (OFFENE FAHRERPLATTFORM) SOSTEGNO MANUALE OPERATORE (STAZIONE OPERATORE APERTA) PORTA-MANUAL DO OPERADOR (POSTO ABERTO DO OPERADOR) COMPARTIMENTO PARA MANUAL DEL OPERADOR (CON PLATAFORMA DE CONDUCCION ABIERTA) LX048426 -UN-21JUN05 6 1 1 0 POS. NO.PIEZA DESCRIPCION CANT NUM. SERIE J NOTAS 1 37M7063 TORNILLO 3 X 2 L115238 CONTENEDOR 1 X 3 L115149 RETENEDOR 1 X 4 37M7079 TORNILLO 1 X 5 24M7309 ARANDELA 1 X TRACTOR 6110J (EDICION SUDAMERICANA) PC8538S (01-JUL-10) 93-29 PN=535
  • 538.
    93-30 MANDOS, ACCESORIOS YAIRE ACCONDICIONADO OPERATOR’S MANUAL HOLDER CASIER DE RANGEMENT LIVRET D’ENTRETIEN HALTER FUER BETRIEBSANLEITUNG TASCA PER IL MANUALE DELL’OPERATORE PORTA-MANUAL DO OPERADOR SOPORTE PARA MANUAL DEL OPERADOR PUBM1107 -UN-21APR10 6 1 1 0 POS. NO.PIEZA DESCRIPCION CANT NUM. SERIE J NOTAS 1 R77915 PORTADOR 1 X 2 L39134 REMACHE 4 X 93-30 TRACTOR 6110J (EDICION SUDAMERICANA) PC8538S (01-JUL-10) PN=536
  • 539.
    93-31 MANDOS, ACCESORIOS YAIRE ACCONDICIONADO ROCKSHAFT, REMOTE CONTROL COMMANDE A DISTANCE DU RELEVAGE KRAFTHEBER, FERNBEDIENUNG TIRANTERIA COMANDO SOLLEVATORE ANTERIORE CONTROLE EXTERNO DO LEVANTE ELEVADOR HIDR., MANDO A DISTANCIA PUBM1055 -UN-21APR10 6 1 1 0 POS. NO.PIEZA DESCRIPCION CANT NUM. SERIE J NOTAS 1 AL172871 CONTROL 1 X 2 L168608 ABRAZADERA 1 X (USE WITH AL172871) 3 37M7411 TORNILLO AR X 4 L169912 ENVOLTURA 2 X (USE WITH AL168325 OR AL168326) 5 L65071 ETIQUETA ADHESIVA 1 X LH 6 24M7117 ARANDELA AR X (UTILIZAR CON 37M7411) 7 R234273 BASTIDOR 1 X (UTILIZAR CON AL168325 O AL168326) 8 R206454 TAPON 1 X TRACTOR 6110J (EDICION SUDAMERICANA) PC8538S (01-JUL-10) 93-31 PN=537
  • 540.
    93-32 MANDOS, ACCESORIOS YAIRE ACCONDICIONADO HEATER UNIT, HEATER HOSES, FAN PARTS UNITE DE CHAUFFAGE, CONDUITES DE CHAUFFAGE, ELEMENTS SOUFFLANTE HEIZUNGSEINHEIT, HEIZUNGSSCHLAEUCHE, GEBLAESETEILE DI RISCALDAMENTO, TUBI PER DETTO, COMPONENTI VENTILAZIONE UNIDADE DE AR-CONDICIONADO UNIDAD DE CALEFACCION, MANGUERAS DE CALEFACCION, COMPONENTES DEL VENTILADOR PUBM1411 -UN-28JUN10 ESTA RELACION DE PIE 93-32 TRACTOR 6110J (EDICION SUDAMERICANA) PC8538S (01-JUL-10) PN=538
  • 541.
    93-33 MANDOS, ACCESORIOS YAIRE ACCONDICIONADO 6 1 1 TRACTOR 0 POS. NO.PIEZA DESCRIPCION CANT NUM. SERIE J NOTAS 1 L110186 MANGUERA 1 X 2 L168126 ABRAZADERA 4 X 3 L110147 PORTADOR 1 X 4 AL171742 VALVULA MANUAL 1 X 5 L158565 MANGUERA 1 X 6 24M7139 ARANDELA 6 X 7 AL152449 RED DE RESISTENCIAS 1 X 8 14M7028 TUERCA 2 X M5 9 19M7640 TORNILLO 2 X M5 X 12 10 RE46634 INTERRUPTOR 1 X 11 AL110881 SOPLADOR 2 X 12 19M7560 TORNILLO 8 X M6 X 16 13 L79884 JUNTA 2 X 14 24M7027 ARANDELA 3 X 15 AL163858 INTERCAMBIADOR DE CALOR 1 X 16 24M7054 ARANDELA 2 X 17 19M8669 TORNILLO 2 X M5 X 35 18 19M7768 TORNILLO 3 X M6 X 16 19 L157800 PLACA 1 X 20 AL160645 VALVULA DE RETENCION 1 X 21 R33259 ANILLO TORICO 2 X 22 R113050 ANILLO TORICO 1 X 23 L157116 RETENEDOR 1 X 24 AL179243 MANGUERA 1 X INCL KEY 26 25 L59927 TUERCA 1 X 26 R10093 ANILLO TORICO 2 X 27 AL110299 MANGUERA 1 X INCL KEY 21 28 L79919 PASAMUROS 3 X 29 L79648 TUERCA DE EMPUJE 4 X 30 L38642 PASAMUROS 1 X 31 37M7256 TORNILLO 3 X 32 L158566 MANGUERA 1 X 33 AL173750 CAJA 1 X 34 L59800 TUERCA 8 X 35 R44165 TUERCA DE SEGURIDAD 1 X 36 AL76568 EMPUNADURA 3 X 37 L113312 TIRA/ALFOMBRILLA 1 X LH L113313 TIRA/ALFOMBRILLA 1 X RH 38 RE43497 INTERRUPTOR 1 X 39 AL59879 INTERRUPTOR 1 X INCL KEY 25 40 L169889 TAPADERA 1 X 41 37M7185 TORNILLO 4 X 42 L151729 VENTANA DE AIREACION 2 X 43 37M7272 TORNILLO 2 X 44 L110865 ETIQUETA ADHESIVA 1 X 45 L110867 ETIQUETA ADHESIVA 1 X 46 L157466 DEFLECTOR 2 X 47 AL172331 SOPORTE 1 X 48 AL64588 ABRAZADERA 2 X 49 37M7042 TORNILLO 4 X 50 57M7116 TERMINAL ELECTRICO 1 X 51 Z36392 CINTA DE ATAR AR X TRACTOR 6110J (EDICION SUDAMERICANA) PC8538S (01-JUL-10) 93-33 PN=539
  • 542.
    93-34 MANDOS, ACCESORIOS YAIRE ACCONDICIONADO COVER FOR HEATER UNIT COUVERCLE POUR BOITIER DE CHAUFFAGE ABDECKUNG FUER HEIZUNGSEINHEIT COPERCHIO PER RISCALDATORE TAMPA DA UNIDADE DE AR-CONDICIONADO TAPA DE LA UNIDAD DE CALEFACCION PUBM1200 -UN-21APR10 ESTA RELACION DE PIE 93-34 TRACTOR 6110J (EDICION SUDAMERICANA) PC8538S (01-JUL-10) PN=540
  • 543.
    93-35 MANDOS, ACCESORIOS YAIRE ACCONDICIONADO 6 1 1 0 POS. NO.PIEZA DESCRIPCION CANT NUM. SERIE J NOTAS 1 37M7140 TORNILLO 2 X 2 37M7185 TORNILLO 2 X 3 24M7139 ARANDELA 2 X 4 37M7218 TORNILLO 3 X 5 99M7057 TAPON 2 X 6 L151731 TAPADERA 1 X 7 37M7219 TORNILLO 2 X 8 19M7560 TORNILLO 8 X M6 X 16 9 L110146 PORTADOR 2 X 10 L79648 TUERCA DE EMPUJE 4 X 11 L110148 ANGULO 1 X LH 12 L110149 ANGULO 1 X RH 13 L110633 PORTADOR 1 X 14 L110189 JUNTA 2 X 15 14M7272 TUERCA 8 X M6 16 24M7139 ARANDELA 8 X TRACTOR 6110J (EDICION SUDAMERICANA) PC8538S (01-JUL-10) 93-35 PN=541
  • 544.
    93-36 MANDOS, ACCESORIOS YAIRE ACCONDICIONADO AIR CLEANER FILTRE A AIR LUFTFILTER FILTRO ARIA FILTRO DE AR FILTRO DE AIRE PUBM1201 -UN-21APR10 ESTA RELACION DE PIE 93-36 TRACTOR 6110J (EDICION SUDAMERICANA) PC8538S (01-JUL-10) PN=542
  • 545.
    93-37 MANDOS, ACCESORIOS YAIRE ACCONDICIONADO 6 1 1 0 POS. NO.PIEZA DESCRIPCION CANT NUM. SERIE J NOTAS 1 AL177184 FILTRO DE AIRE 1 X 2 40M7040 ANILLO ELASTICO 2 X 3 L111425 TUERCA DE EMPUJE 2 X 4 37M7255 TORNILLO 6 X 5 AL111469 TORNILLO DE MARIPOSA 2 X 6 AL152152 CAJA 1 X INCL KEY 4 7 AL110300 TORNILLO 2 X 8 L110183 TIRA/ALFOMBRILLA 1 X 9 L151732 TAPADERA 1 X TRACTOR 6110J (EDICION SUDAMERICANA) PC8538S (01-JUL-10) 93-37 PN=543
  • 546.
    93-38 MANDOS, ACCESORIOS YAIRE ACCONDICIONADO DOME LIGHT, CONSOLE LIGHT, BEACON LIGHT SWITCH, AIR CHANNELS PLAFONNIER, ECLAIRAGE CONSOLE, CONTACTEUR GYROPHARE, CIRCULATION D’AIR INNENLEUCHTE, KONSOLENBELEUCHTUNG, SCHALTER FUER RUNDUMLEUCHTE, LUFTFUEHRUNG PLAFONIERA, LAMPADINA PER CONSOLE, INTERRUTTORE PER LUCE ROTANTE, BOCCHETTE DI VENTILAZIONE LUZES INTERNAS, CONDUTORES DE AR LUZ INTERIOR DE CABINA, LUZ DE CONSOLA, INTERRUPTOR LUZ DE AVISO GIRATORIA, CONDUCTOS DE AIRE PUBM1202 -UN-21APR10 ESTA RELACION DE PIE 93-38 TRACTOR 6110J (EDICION SUDAMERICANA) PC8538S (01-JUL-10) PN=544
  • 547.
    93-39 MANDOS, ACCESORIOS YAIRE ACCONDICIONADO 6 1 1 0 POS. NO.PIEZA DESCRIPCION CANT NUM. SERIE J NOTAS 1 19M8403 TORNILLO 4 X M8 X 75 2 37M7290 TORNILLO 2 X 3 14M7416 TUERCA CON BRIDA 4 X M8 4 R81207 TAPADERA 2 X 5 R106551 TAPADERA 1 X 6 L110150 CONDUCTO DE AIRE 1 X LH L110151 CONDUCTO DE AIRE 1 X RH 7 57M7615 FARO 2 X 8 AL110365 FARO 1 X 9 L112250 PORTADOR 1 X 10 57M7105 LAMPARA 1 X 11 L110496 LENTE 1 X 12 L151733 TAPADERA 1 X 13 L168124 PASAMUROS AR X TRACTOR 6110J (EDICION SUDAMERICANA) PC8538S (01-JUL-10) 93-39 PN=545
  • 548.
    93-40 MANDOS, ACCESORIOS YAIRE ACCONDICIONADO CONDENSED WATER DRAIN WITH AIR CONDITIONING EVACUATION DE L’EAU DE CONDENSATION, AVEC CLIMATISATION KONDENSWASSERABLAUF BEI KLIMAANLAGE SCARICO CONDENSA CON CLIMATIZZATORE DRENO DE CONSENSACAO COM A/C VACIADO DE CONDENSACION DE AGUA, CON AIRE ACONDICIONADO PUBM1154 -UN-21APR10 ESTA RELACION DE PIE 93-40 TRACTOR 6110J (EDICION SUDAMERICANA) PC8538S (01-JUL-10) PN=546
  • 549.
    93-41 MANDOS, ACCESORIOS YAIRE ACCONDICIONADO 6 1 1 0 POS. NO.PIEZA DESCRIPCION CANT NUM. SERIE J NOTAS 1 AL153802 TUBO 1 X LH AL153803 TUBO 1 X RH 2 37M7089 TORNILLO 4 X 3 L114086 VAINA 2 X 4 L169203 ARANDELA 2 X 5 R60263 CASQUILLO 2 X 6 R60264 CONEXION DE MANGUERA 2 X 7 SG06401 ABRAZADERA 2 X 8 L170670 PLACA 2 X 9 L110296 ANILLO TORICO 2 X TRACTOR 6110J (EDICION SUDAMERICANA) PC8538S (01-JUL-10) 93-41 PN=547
  • 550.
    93-42 MANDOS, ACCESORIOS YAIRE ACCONDICIONADO LINES, HEATER AND AIR CONDITIONING CONDUITES, CHAUFFAGE ET CLIMATISATION LEITUNGEN, HEIZUNG UND KLIMAANLAGE TUBI RISCALDAMENTO E CONDIZIONAMENTO ARIA LINHAS DO AR CONDICIONADO TUBERIAS, CALEFACCION Y SISTEMA DE AIRE ACONDICIONADO CQ155713 -UN-06JUL04 ESTA RELACION DE PIE 93-42 TRACTOR 6110J (EDICION SUDAMERICANA) PC8538S (01-JUL-10) PN=548
  • 551.
    93-43 MANDOS, ACCESORIOS YAIRE ACCONDICIONADO 6 1 1 0 POS. NO.PIEZA DESCRIPCION CANT NUM. SERIE J NOTAS 1 L158567 TUBERIA 1 X 2 L110816 ABRAZADERA 6 X 3 L152636 ESPARRAGO 4 X 4 AL157806 TUBERIA 1 X (A) AL174537 TUBERIA 1 X 5 AL158926 TUBERIA DE ACEITE 1 X (A) 6 L110815 ABRAZADERA 6 X 7 L111465 TUBERIA 1 X 8 L169839 AISLANTE AR X LGTH 650MM 9 AL118565 ABRAZADERA 4 X 10 R10093 ANILLO TORICO 2 X 11 R33259 ANILLO TORICO 2 X 12 14M7376 TUERCA DE SEGURIDAD 4 X M6 13 24M7309 ARANDELA 4 X 14 AL158537 TAPADERA 1 X LH 15 AL158538 TAPADERA 1 X RH 16 21M7423 TORNILLO 1 X M6 X 30 17 L169857 AISLANTE 1 X 18 L169858 AISLANTE 1 X 19 L169859 AISLANTE 1 X (A) AIR CONDITIONING CLIMATISATION KLIMAANLAGE IMPIANTO CONDIZION. ARIA SISTEMA DE AR CONDICIONADO SISTEMA DE AIRE ACONDICIONADO TRACTOR 6110J (EDICION SUDAMERICANA) PC8538S (01-JUL-10) 93-43 PN=549
  • 552.
    93-44 MANDOS, ACCESORIOS YAIRE ACCONDICIONADO RECEIVER DRYER, PRESSURE SWITCH FOR AIR CONDITIONING DESHYDRATEUR, MANOCONTACT POUR CLIMATISATION TROCKNER, DRUCKSCHALTER FUER KLIMAANLAGE RICEVITORE-ESSICCATORE, INTERRUTTORE PER IMP. ARIA CONDIZ. FILTRO SECADOR DA CABINE E PRESSOSTATO SECADOR, INTERRUPTOR LX034698 -UN-09MAY03 6 1 1 0 POS. NO.PIEZA DESCRIPCION CANT NUM. SERIE J NOTAS 1 AL162467 DEPOSITO & DESHUMECTADOR 1 X 2 14M7165 TUERCA DE SEGURIDAD 2 X M6 3 24M7054 ARANDELA 2 X 4 R10093 ANILLO TORICO 2 X 5 L151429 ANILLO TORICO 1 X 6 AL168231 SENSOR 1 X (ORD W/ L151429) 93-44 TRACTOR 6110J (EDICION SUDAMERICANA) PC8538S (01-JUL-10) PN=550
  • 553.
    93-45 MANDOS, ACCESORIOS YAIRE ACCONDICIONADO COMPRESSOR, AIR CONDITIONING CLIMATISATION - COMPRESSEUR KOMPRESSOR, KLIMAANLAGE COMPRESSORE CONDIZIONAMENTO ARIA COMPRESSOR DO AR CONDICIONADO COMPRESOR, AIRE ACONDICIONADO CQ156178 -UN-24JAN05 6 1 1 0 POS. NO.PIEZA DESCRIPCION CANT NUM. SERIE J NOTAS 1 DQ49620 COMPRESOR 1 X 2 19M7691 TORNILLO 4 X M8 X 90 3 24M7055 ARANDELA 4 X 4 L115093 PASADOR ELASTICO 2 X 5 L155548 PROTECCION 1 X 6 DQ51064 JUEGO 1 X 7 DQ59390 COLECTOR 1 X TRACTOR 6110J (EDICION SUDAMERICANA) PC8538S (01-JUL-10) 93-45 PN=551
  • 554.
    93-46 MANDOS, ACCESORIOS YAIRE ACCONDICIONADO LINES, AIR CONDITIONING CONDUITES, CLIMATISATION LEITUNGEN, KLIMAANLAGE TUBI CONDIZIONAMENTO ARIA LINHAS DO AR CONDICIONADO CONDUCTOS, ACONDICIONADOR DE AIRE PUBM1564 -UN-01JUL10 ESTA RELACION DE PIE 93-46 TRACTOR 6110J (EDICION SUDAMERICANA) PC8538S (01-JUL-10) PN=552
  • 555.
    93-47 MANDOS, ACCESORIOS YAIRE ACCONDICIONADO 6 1 1 0 POS. NO.PIEZA DESCRIPCION CANT NUM. SERIE J NOTAS 1 AL161500 MANGUITO DE REFRIGERANTE 1 X 2 AL161175 MANGUERA 1 X INCL KEY 3 3 ........ TAPA 1 X NSEP (ORD AL110238) 4 R113050 ANILLO TORICO 2 X 5 AL161174 MANGUERA 1 X 6 L114178 ABRAZADERA 1 X 7 19M7657 TORNILLO 2 X M8 X 25 8 14M7416 TUERCA CON BRIDA 1 X M8 9 R33259 ANILLO TORICO 2 X 10 R10093 ANILLO TORICO 1 X 11 19M7386 TORNILLO 2 X M12 X 20 12 24M7047 ARANDELA 2 X 13 AL154392 RETENEDOR 1 X 14 R49921 ABRAZADERA 1 X 15 24M7055 ARANDELA 2 X 8.400 X 16 X 1.600 MM 16 19M7162 TORNILLO 1 X M8 X 16 17 L114660 ABRAZADERA 2 X 18 AL157838 ABRAZADERA 3 X 19 L157586 PROTECCION ANTITERMICA 1 X 20 L168690 RETENEDOR 1 X 21 L152663 BURLETE 1 X 22 19M7297 TORNILLO 1 X M8 X 12 TRACTOR 6110J (EDICION SUDAMERICANA) PC8538S (01-JUL-10) 93-47 PN=553
  • 556.
    93-48 MANDOS, ACCESORIOS YAIRE ACCONDICIONADO MEMORANDA MEMORANDA MEMORANDA MEMORANDA MEMORANDA MEMORANDA 93-48 TRACTOR 6110J (EDICION SUDAMERICANA) PC8538S (01-JUL-10) PN=554
  • 557.
    94-A01 CABLES Y ASIENTO XXXXXXXXXXXXXXXXXXXXXXXXXXXXXXXXXXXXXXXXXXXXXXXXSECTIONAL INDEX XXXXXXXXXXXXXXXXXXXXXXXXXXXXXXXXXXXXXXXXXXXXXXXX INDEX DE SECTION XXXXXXXXXXXXXXXXXXXXXXXXXXXXXXXXXXXXXXXXXXXXXXXX GRUPPENINDEX XXXXXXXXXXXXXXXXXXXXXXXXXXXXXXXXXXXXXXXXXXXXXXXX INDICE DELLA SEZIONE XXXXXXXXXXXXXXXXXXXXXXXXXXXXXXXXXXXXXXXXXXXXXXXX INDICE DE GRUPO XXXXXXXXXXXXXXXXXXXXXXXXXXXXXXXXXXXXXXXXXXXXXXXX INDICE DE GRUPOS PUBM1458 -UN-28JUN10 1- 2 2- 3 3- 4 4- 6 5- 8 6- 10 7- 12 8- 14 9- 16 10- 18 11- 20 12- 21 13- 22 14- 24 15- 26 16- 29 17- 30 18- 32 19- 34 20- 36 21- 38 TRACTOR 6110J (EDICION SUDAMERICANA) PC8538S (01-JUL-10) 94-A01 PN=555
  • 558.
    94-2 CABLES Y ASIENTO SHIFTLEVER SUPPORT SUPPORT LEVIERS DE COMMANDE KONSOLE FUER SCHALTHEBEL SUPPORTO LEVA CAMBIO SUPORTE DAS ALAVANCAS CONSOLA PARA PALANCA DEL CAMBIO PUBM1376 -UN-28JUN10 6 1 1 0 POS. NO.PIEZA DESCRIPCION CANT NUM. SERIE J NOTAS 1 AL157837 APOYO 1 X 2 14M7416 TUERCA CON BRIDA 4 X M8 3 L32394 TAPA 2 X 4 19M7162 TORNILLO 1 X M8 X 16 94-2 TRACTOR 6110J (EDICION SUDAMERICANA) PC8538S (01-JUL-10) PN=556
  • 559.
    94-3 CABLES Y ASIENTO BOWDENCABLE RETAINER ASSEMBLY (POWRQUAD) SUPPORT DES CABLES SOUS GAINE (POWRQUAD) HALTERANBAU FUER BOWDENZUEGE (POWRQUAD) GRUPPO STAFFA PER CAVI BOWDEN (POWRQUAD) SUPORTE DOS CABOS (POWRQUAD) CONJUNTO RETENCION DE CABLES DE MANDO (POWRQUAD) PUBM1382 -UN-28JUN10 6 1 1 0 POS. NO.PIEZA DESCRIPCION CANT NUM. SERIE J NOTAS 1 14M7273 TUERCA 4 X M8 2 AL81862 ANGULO 1 X 3 AL163841 ANGULO 1 X 4 19M7167 TORNILLO 2 X M10 X 25 5 14M7296 TUERCA CON BRIDA 2 X M10 6 19M7168 TORNILLO 1 X M10 X 30 7 24M7028 ARANDELA 1 X TRACTOR 6110J (EDICION SUDAMERICANA) PC8538S (01-JUL-10) 94-3 PN=557
  • 560.
    94-4 CABLES Y ASIENTO GEARSHIFT BOWDEN CABLE (POWRQUAD) COMMANDE DES VITESSES, CABLE SOUS GAINE (POWRQUAD) BOWDENZUG FUER GANGSCHALTUNG (POWRQUAD) CAVI PER COMANDO CAMBIO MARCIA (POWRQUAD) CABOS DE MARCHA E PARK (POWRQUAD) CABLE BOWDEN DE CAMBIO DE MARCHAS (POWRQUAD) CQ155717 -UN-07JUL04 ESTA RELACION DE PIE 94-4 TRACTOR 6110J (EDICION SUDAMERICANA) PC8538S (01-JUL-10) PN=558
  • 561.
    94-5 CABLES Y ASIENTO 6 1 1 0 POS.NO.PIEZA DESCRIPCION CANT NUM. SERIE J NOTAS 1 DQ53134 CABLE SIMETRICO 1 X 2 14M7272 TUERCA AR X 3 L80051 HORQUILLA AR X LGTH 32MM L80052 HORQUILLA AR X LGTH 44MM L80053 HORQUILLA AR X LGTH 56MM 4 L79076 ANILLO ELASTICO AR X 5 AL155310 CABLE SIMETRICO 1 X 6 AL79050 BULON AR X LGTH 12MM 45M7080 PASADOR DE MUELLE AR X LGTH 24MM 7 DQ53133 CABLE SIMETRICO 1 X 8 R182130 ABRAZADERA AR X 9 19M7775 TORNILLO AR X M6 X 16 10 L78620 ANILLO TORICO AR X TRACTOR 6110J (EDICION SUDAMERICANA) PC8538S (01-JUL-10) 94-5 PN=559
  • 562.
    94-6 CABLES Y ASIENTO GEARSHIFT BOWDEN CABLES AND PARKING LOCK (SYNCROPLUS) COMMANDE VITESSES/FREIN DE STATION., CABLES SOUS GAINE (SYNCROPLUS) BOWDENZUEGE FUER GANGSCHALTUNG UND PARKSPERRE (SYNCROPLUS) CAVI BOWDEN COM.CAMBIO MARCIA E BLOCCAG.DI PARCHEG. (SYNCROPLUS) CABO DE MARCHAS E PARK (SYNCROPLUS) CABLES P. CAMBIO DE MARCHAS Y BLOQUEO DE ESTACIONAM. (SYNCROPLUS) LX018313 -UN-18MAR98 ESTA RELACION DE PIE 94-6 TRACTOR 6110J (EDICION SUDAMERICANA) PC8538S (01-JUL-10) PN=560
  • 563.
    94-7 CABLES Y ASIENTO 6 1 1 0 POS.NO.PIEZA DESCRIPCION CANT NUM. SERIE J NOTAS 1 DQ53203 CABLE SIMETRICO 1 X LGTH 890MM 2 14M7272 TUERCA 2 X M6 3 DQ53133 CABLE SIMETRICO 1 X LGTH 1212MM 4 L80051 HORQUILLA 1 X LGTH 32MM L80052 HORQUILLA 1 X LGTH 44MM L80053 HORQUILLA 1 X LGTH 56MM 5 DQ53204 CABLE SIMETRICO 1 X LGTH 888MM 6 AL79050 BULON AR X LGTH 12MM 45M7080 PASADOR DE MUELLE AR X LGTH 24MM 7 L79076 ANILLO ELASTICO 6 X TRACTOR 6110J (EDICION SUDAMERICANA) PC8538S (01-JUL-10) 94-7 PN=561
  • 564.
    94-8 CABLES Y ASIENTO GEARSHIFT COMPONENTS WITH 12-SPEED TRANSMISSION (SYNCROPLUS) COMMANDE DES VITESSES, ELEMENTS - BOITE 12 VITESSES (SYNCROPLUS) GANGSCHALTUNG BEI 12-GANG GETRIEBE (SYNCROPLUS) PARTI CAMBIO MARCIA CON TRASM. 12 MARCE (SYNCROPLUS) ALAVANCA DO CAMBIO DE MARCHAS (SYNCROPLUS) CAMBIO DE MARCHAS CON TRANSMISION DE 12 MARCHAS (SYNCROPLUS) PUBM1377 -UN-28JUN10 ESTA RELACION DE PIE 94-8 TRACTOR 6110J (EDICION SUDAMERICANA) PC8538S (01-JUL-10) PN=562
  • 565.
    94-9 CABLES Y ASIENTO 6 1 1 0 POS.NO.PIEZA DESCRIPCION CANT NUM. SERIE J NOTAS 1 L150446 INSERTO 1 X 2 19M7560 TORNILLO 1 X M6 X 16 3 24M7139 ARANDELA 1 X 4 L116840 EMPUNADURA 1 X 5 AL117517 PANEL 1 X INCL KEY 29 AL117179 PANEL 1 X (EPCC) 6 L115292 TORNILLO 5 X (CABINE) 19M8866 TORNILLO 5 X M5 X 16, (EPCC) 7 L102357 TUERCA 5 X 8 M78508 TORNILLO 5 X M8 X 20 9 24M7024 ARANDELA 2 X 10 L114032 BULON 1 X 11 L111165 ARANDELA 6 X 12 AL150844 CUADRANTE 1 X INCL KEY 20 13 AL117586 CUADRANTE 1 X INCL KEY 20 14 AL110868 VARILLA DE CAMBIO 1 X 15 L79335 ARANDELA 2 X 16 14M7166 TUERCA DE SEGURIDAD 1 X M8 17 19M8403 TORNILLO 1 X M8 X 75 18 AL110860 APOYO 1 X INCL KEY 20 19 AL150845 CUADRANTE 1 X 20 L77978 CASQUILLO 1 X 21 L111988 ARANDELA AR X TK 1.0MM L111987 ARANDELA AR X TK 1.5MM L77963 ARANDELA AR X TK 2.0MM 22 AL150667 SOPORTE 1 X 23 19M7160 TORNILLO 1 X M6 X 30 24 14M7272 TUERCA 1 X M6 25 AL113247 SOPORTE 1 X 26 14M7416 TUERCA CON BRIDA 2 X M8 27 L102451 MUELLE DE TRACCION 1 X 28 AL110543 PORTADOR 1 X 29 L111878 TUERCA 3 X 30 L112469 SUPLEMENTO 4 X 31 DQ46828 TORNILLO 1 X 32 19M7865 TORNILLO 3 X M8 X 16 33 L114509 TAPON 1 X 34 L111480 TUERCA DE EMPUJE 1 X 35 AL80994 AISLANTE 1 X .. AL112289 VARILLA DE CAMBIO 1 X (INCL 14,15,16,17,18,35) TRACTOR 6110J (EDICION SUDAMERICANA) PC8538S (01-JUL-10) 94-9 PN=563
  • 566.
    94-10 CABLES Y ASIENTO BOWDENCABLES FOR RANGE SHIFT COMMANDE DES GAMMES, CABLES SOUS GAINE BOWDENZUEGE FUER GRUPPENSCHALTUNG CAVI BOWDEN PER CAMBIO GAMMA CABOS DE GRUPOS CABLES BOWDEN PARA EL CAMBIO DE GRUPOS LX018329 -UN-18MAR98 ESTA RELACION DE PIE 94-10 TRACTOR 6110J (EDICION SUDAMERICANA) PC8538S (01-JUL-10) PN=564
  • 567.
    94-11 CABLES Y ASIENTO 6 1 1 0 POS.NO.PIEZA DESCRIPCION CANT NUM. SERIE J NOTAS 1 AL79050 BULON 1 X LGTH 12MM 45M7080 PASADOR DE MUELLE 1 X LGTH 24MM 2 14M7272 TUERCA 2 X M6 3 L80051 HORQUILLA 1 X LGTH 32MM L80052 HORQUILLA 1 X LGTH 44MM L80053 HORQUILLA 1 X LGTH 56MM 4 L79076 ANILLO ELASTICO 1 X 5 DQ53145 CABLE SIMETRICO 1 X LGTH 1127MM 6 DQ53205 CABLE SIMETRICO 1 X LGTH 1090MM TRACTOR 6110J (EDICION SUDAMERICANA) PC8538S (01-JUL-10) 94-11 PN=565
  • 568.
    94-12 CABLES Y ASIENTO GEARSHIFT COMPONENTS (POWRQUAD) COMMANDE DES VITESSES, ELEMENTS (POWRQUAD) GANGSCHALTUNG (POWRQUAD) CAMBIO MARCIA (POWRQUAD) ALAVANCA DO CAMBIO DE MARCHAS (POWRQUAD) COMPONENTES DEL CAMBIO (POWRQUAD) PUBM1380 -UN-28JUN10 ESTA RELACION DE PIE 94-12 TRACTOR 6110J (EDICION SUDAMERICANA) PC8538S (01-JUL-10) PN=566
  • 569.
    94-13 CABLES Y ASIENTO 6 1 1 TRACTOR0 POS. NO.PIEZA DESCRIPCION CANT NUM. SERIE J NOTAS 1 AL110868 VARILLA DE CAMBIO 1 X 2 L114032 BULON 1 X 3 AL112606 PANEL 1 X (CABINE) AL110722 PANEL 1 X (EPCC) 4 AL119445 SOPORTE 1 X 5 AL110860 APOYO 1 X INCL KEY 18 6 L116262 CASQUILLO 1 X 7 L113019 INSERTO 1 X (CABINE) L77964 INSERTO 1 X (EPCC) 8 L112041 MUELLE 1 X 9 L79335 ARANDELA 2 X 10 19M8403 TORNILLO 1 X M8 X 75 11 14M7166 TUERCA DE SEGURIDAD 1 X M8 12 L111165 ARANDELA 6 X 13 AL150844 CUADRANTE 1 X INCL KEY 18 (SUB FOR AL117587) 14 AL157672 VARILLA DE CAMBIO 1 X INCL KEY 18 AND 31 (SUB FOR AL119446) 15 AL150845 CUADRANTE 1 X INCL KEY 18 (SUB FOR AL117845) 16 M78508 TORNILLO 1 X M8 X 20 17 24M7024 ARANDELA 2 X 18 L77978 CASQUILLO 1 X 19 L102357 TUERCA 3 X 20 L115292 TORNILLO 5 X (CABINE) 19M8866 TORNILLO 5 X (EPCC) 21 L116263 ARANDELA 1 X 22 24M7139 ARANDELA 2 X 23 19M7560 TORNILLO 2 X M6 X 16 24 L111179 EMPUNADURA 1 X (CABINE) L77805 EMPUNADURA 1 X (EPCC) 25 14M7272 TUERCA 1 X M6 26 AL110543 PORTADOR 1 X 27 AL113247 SOPORTE 1 X 28 19M7160 TORNILLO 1 X M6 X 30 29 L102451 MUELLE DE TRACCION 1 X 30 L111988 ARANDELA AR X TK 1.0MM L111987 ARANDELA AR X TK 1.5MM L77963 ARANDELA AR X TK 2.0MM 31 34M7172 PASADOR ELASTICO 1 X 32 14M7416 TUERCA CON BRIDA 2 X M8 33 L111878 TUERCA 4 X 34 L112469 SUPLEMENTO 4 X 35 L115395 LEVA 1 X 36 L116261 CASQUILLO 1 X 37 19M7865 TORNILLO 2 X M8 X 16 38 L150446 INSERTO 1 X 39 L116840 EMPUNADURA 1 X 40 AL80994 AISLANTE 1 X 41 AL157661 CUADRANTE 1 X 42 L111480 TUERCA DE EMPUJE 1 X 43 L110964 PALANCA 1 X 44 DQ46828 TORNILLO AR X TRACTOR 6110J (EDICION SUDAMERICANA) PC8538S (01-JUL-10) 94-13 PN=567
  • 570.
    94-14 CABLES Y ASIENTO RANGESHIFTING COMMANDE DES GAMMES GRUPPENSCHALTUNG COMPONENTI CAMBIO GAMMA TRASMISSIONE ALAVANCA DE MUDANCA DE GRUPOS CAMBIO DE GRUPOS PUBM1381 -UN-28JUN10 ESTA RELACION DE PIE 94-14 TRACTOR 6110J (EDICION SUDAMERICANA) PC8538S (01-JUL-10) PN=568
  • 571.
    94-15 CABLES Y ASIENTO 6 1 1 0 POS.NO.PIEZA DESCRIPCION CANT NUM. SERIE J NOTAS 1 L113018 INSERTO 1 X 2 19M7560 TORNILLO 1 X M6 X 16 3 24M7139 ARANDELA 1 X 4 L77805 EMPUNADURA 1 X 5 AL110859 VARILLA DE CAMBIO 1 X 6 M78508 TORNILLO 3 X M8 X 20 7 24M7024 ARANDELA 2 X 8 L112053 APOYO 1 X 9 L77963 ARANDELA 3 X TK 2.0MM 10 L101929 CASQUILLO 1 X 11 L77978 CASQUILLO 1 X 12 AL117583 CUADRANTE 1 X 13 14M7166 TUERCA DE SEGURIDAD 1 X M8 14 L79335 ARANDELA 2 X 15 14M7416 TUERCA CON BRIDA 2 X M8 16 19M8403 TORNILLO 1 X M8 X 75 17 AL117582 CUADRANTE 1 X INCL KEY 11 18 AL110860 APOYO 1 X INCL KEY 11 19 L113994 BULON 1 X 20 L111988 ARANDELA AR X TK 1.0MM L111987 ARANDELA AR X TK 1.5MM L77963 ARANDELA AR X 21 L112469 SUPLEMENTO 4 X 22 L113225 ARANDELA 1 X TK 6.0MM 23 DQ46828 TORNILLO 1 X 24 19M7865 TORNILLO 2 X 25 AL80994 AISLANTE 1 X .. AL112743 VARILLA DE CAMBIO 1 X TRACTOR 6110J (EDICION SUDAMERICANA) PC8538S (01-JUL-10) 94-15 PN=569
  • 572.
    94-16 CABLES Y ASIENTO MECHANICALSPEED CONTROL CONTROLE DU REGIME MECANIQUE MECHANISCHE DREHZAHLREGULIERUNG COMANDO MECCANICO VELOCITA’ ACELERADOR MANUAL MANDO MECANICO DE VELOCIDAD PUBM1379 -UN-28JUN10 ESTA RELACION DE PIE 94-16 TRACTOR 6110J (EDICION SUDAMERICANA) PC8538S (01-JUL-10) PN=570
  • 573.
    94-17 CABLES Y ASIENTO 6 1 1 0 POS.NO.PIEZA DESCRIPCION CANT NUM. SERIE J NOTAS 1 AL151282 PALANCA 1 X 2 AL119895 PALANCA 1 X ID 10MM 3 14M7265 TUERCA DE SEGURIDAD 1 X M5 4 12M7077 ARANDELA 1 X 5 55M7003 ESPARRAGO CON BOLA 1 X 6 L110422 PLACA 1 X 7 L58671 ARANDELA 2 X 8 R50227 RETENEDOR REDONDO 1 X 9 R31271 MUELLE DE COMPRESION 1 X 10 24M7055 ARANDELA 1 X 11 19M7378 TORNILLO 1 X M8 X 45 12 14M7151 TUERCA 2 X M8 13 L80051 HORQUILLA 1 X 14 14M7272 TUERCA 2 X M6 15 L116576 CASQUILLO 1 X 16 DQ34208 CABLE SIMETRICO 1 X 17 AL79050 BULON 1 X 18 L79076 ANILLO ELASTICO 1 X 19 40M7040 ANILLO ELASTICO 1 X 20 L113076 ASA 1 X 21 AL119851 PALANCA 1 X TRACTOR 6110J (EDICION SUDAMERICANA) PC8538S (01-JUL-10) 94-17 PN=571
  • 574.
    94-18 CABLES Y ASIENTO SELECTIVECONTROL VALVE, CONTROL LINKAGE DISTRIBUTEUR AUXILIAIRE, ELEMENTS DE COMMANDE ZUSATZSTEUERGERAET, BETAETIGUNGSTEILE DISTRIBUTORE, TIRANTE DI COMANDO ALAVANCAS DE CONTROLE DAS VCR VMD, ELEMENTOS DE MANDO PUBM1052 -UN-21APR10 ESTA RELACION DE PIE 94-18 TRACTOR 6110J (EDICION SUDAMERICANA) PC8538S (01-JUL-10) PN=572
  • 575.
    94-19 CABLES Y ASIENTO 6 1 1 0 POS.NO.PIEZA DESCRIPCION CANT NUM. SERIE J NOTAS 1 AL76483 APOYO 1 X 2 24M7262 ARANDELA 1 X 3 L110766 CASQUILLO 1 X 4 L32394 TAPA 2 X 5 DQ69428 CABLE SIMETRICO AR X 6 L101931 ESPACIADOR AR X 7 24M7180 ARANDELA 1 X 8 14M7168 TUERCA DE SEGURIDAD 1 X M12 9 19M7139 TORNILLO 1 X M8 X 20 10 L171710 ANILLO AR X 11 14M7273 TUERCA AR X M8 12 L77747 EMPUNADURA AR X 13 L171481 INSERTO AR X 14 45M7080 PASADOR DE MUELLE AR X 15 L79076 ANILLO ELASTICO AR X 16 14M7360 TUERCA DE SEGURIDAD 1 X M5 17 AL173417 CUADRANTE 1 X 18 14M7272 TUERCA 1 X M6 19 L80052 HORQUILLA 1 X 20 CQ47666 TAPON AR X 21 CQ02164 PASAMUROS AR X 22 L100560 TUERCA DE UNION 1 X 23 14M7396 TUERCA DE SEGURIDAD AR X M8 24 AL173418 CUADRANTE 1 X 25 AL173414 PALANCA 1 X 26 AL173415 PALANCA 1 X 27 AL173416 PALANCA 1 X (A) 28 L113527 TORNILLO 1 X M5 X 45 29 L41858 CINTA DE ATAR 1 X 30 14M7416 TUERCA CON BRIDA 3 X M8 31 L171711 ANILLO 1 X 32 L171712 ANILLO 1 X 33 24M7055 ARANDELA 1 X (A) WITH 3 SELECT. CONTROL VALVES AVEC 3 DISTRIB. AUXILIAIRES BEI 3 ZUSATZSTEUERGERAETEN CON 3 DISTRIBUTORI AUSILIARI COM 3 VCR CON 3 VALV. DE MANDO AUXIL. TRACTOR 6110J (EDICION SUDAMERICANA) PC8538S (01-JUL-10) 94-19 PN=573
  • 576.
    94-20 CABLES Y ASIENTO CONSOLEFOR SHIFTABLE REAR PTO CONSOLE POUR PRISE DE FORCE A SELECTEUR DE REGIME ET REDUCTEUR GAMME RAMPANTE KONSOLE FUER UMSCHALTBARE HECKZAPFWELLE CONSOLE PER PTO POSTERIORE CON CAMBIO SUPORTE DAS ALAVANCAS DA PTO CONSOLA PARA TDF TRASERA DE CAMBIO MANUAL PUBM1053 -UN-21APR10 6 1 1 0 POS. NO.PIEZA DESCRIPCION CANT NUM. SERIE J NOTAS 1 AL163851 SOPORTE 1 X (B) 2 DQ46008 SOPORTE 1 X (A) 3 14M7416 TUERCA CON BRIDA AR X (B) WITH CAB (A) WITHOUT CAB SANS CABINE AVEC CABINE OHNE KABINE MIT KABINE SENZA CABINA CON CABINA SEM CABINE CON CABINE SIN CABINA CON CABINA 94-20 TRACTOR 6110J (EDICION SUDAMERICANA) PC8538S (11-JAN-11) PN=574
  • 577.
    94-21 CABLES Y ASIENTO UPHOLSTERYPARTS WITHOUT ROCKSHAFT CONTROL ELEMENTS D’HABILLAGE SANS COMMANDE DU RELEVAGE VERKLEIDUNGSTEILE OHNE KRAFTHEBERBETAETIGUNG RIVESTIMENTO SENZA COMANDO DEL SOLLEVATORE APOIA BRACO SEM CONTROLE DO LEVANTE HIDRAULICO PANELES SIN MANDO DEL ELEVADOR HIDRAULICO PUBM1487 -UN-28JUN10 6 1 1 0 POS. NO.PIEZA DESCRIPCION CANT NUM. SERIE J NOTAS 1 AL156882 CONSOLA DE CONTROL 1 X (CABINE) AL156898 CONSOLA DE CONTROL 1 X (EPCC) 2 L115292 TORNILLO 12 X M5 X 18, (CABINE) 19M8866 TORNILLO 8 X M5 X 16, (EPCC) 3 L111965 TOPE AR X 4 L114509 TAPON 2 X (CABINE) R106551 TAPADERA 1 X (EPCC) 5 L153594 PANEL 1 X (CABINE) L113823 PANEL 1 X (EPCC) 6 L157990 TAPADERA 1 X 7 AL115814 TUERCA 7 X 8 L151020 TORNILLO 1 X (CABINE) 9 AL163958 GRUPO DE CABLES AR X 10 14M7165 TUERCA DE SEGURIDAD 4 X (CABINE) 11 L156536 PANEL 1 X (CABINE) L80085 PANEL 1 X (EPCC) 12 L156260 ALMACEN 1 X (CABINE) TRACTOR 6110J (EDICION SUDAMERICANA) PC8538S (01-JUL-10) 94-21 PN=575
  • 578.
    94-22 CABLES Y ASIENTO ROCKSHAFTCONTROL, LOCKING LEVER FOR SCV COMMANDE DU RELEVAGE, BUTEES DES DISTRIBUTEURS AUXILIAIRES KRAFTHEBERBETAETIGUNG, ARRETIERUNGSHEBEL FUER ZUSATZSTEUERGERAET COMANDO SOLLEVATORE, ARRESTO PER DISTRIBUTORI SUPORTE DO CONTROLE DO LEVANTE HIDRAULICO MANDO DEL ELEVADOR HIDRAULICO, PALANCAS DE RETENCION P. VMD PUBM1488 -UN-28JUN10 ESTA RELACION DE PIE 94-22 TRACTOR 6110J (EDICION SUDAMERICANA) PC8538S (01-JUL-10) PN=576
  • 579.
    94-23 CABLES Y ASIENTO 6 1 1 0 POS.NO.PIEZA DESCRIPCION CANT NUM. SERIE J NOTAS 1 AL156882 CONSOLA DE CONTROL 1 X (CABINE) AL156898 CONSOLA DE CONTROL 1 X (EPCC) 2 L111965 TOPE AR X 3 L102110 TUERCA 1 X 4 AL110119 POTENCIOMETRO 1 X 5 L114509 TAPON 3 X 6 AL115814 TUERCA 8 X 7 AL82770 EMPUNADURA 1 X 8 L102678 TUERCA 1 X 9 RE255240 MODULO 1 X 10 RE255150 INTERRUPTOR 1 X 11 L115241 PROTECCION 1 X 12 37M7179 TORNILLO 1 X 13 RE49639 EMPUNADURA 2 X 14 37M7382 TORNILLO 1 X 15 L115371 PANEL 1 X (CABINE) L115370 PANEL 1 X (EPCC) 16 L115292 TORNILLO 8 X (CABINE) 19M8866 TORNILLO 8 X M5 X 16, (EPCC) TRACTOR 6110J (EDICION SUDAMERICANA) PC8538S (01-JUL-10) 94-23 PN=577
  • 580.
    94-24 CABLES Y ASIENTO ROCKSHAFTCONTROL COMMANDE DU RELEVAGE KRAFTHEBERBETAETIGUNG COMANDO SOLLEVATORE CONTROLE DO LEVANTE HIDRAULICO MANDO DEL ELEVADOR HIDRAULICO PUBM1203 -UN-21APR10 ESTA RELACION DE PIE 94-24 TRACTOR 6110J (EDICION SUDAMERICANA) PC8538S (01-JUL-10) PN=578
  • 581.
    94-25 CABLES Y ASIENTO 6 1 1 0 POS.NO.PIEZA DESCRIPCION CANT NUM. SERIE J NOTAS 1 R213346 CARCASA 1 X (ORD W/ R166612) 2 37M7376 TORNILLO 2 X 3 37M7179 TORNILLO 1 X 4 34H234 PASADOR ELASTICO 1 X 5 R112551 MUELLE 1 X 6 R212934 RUEDA 1 X 7 R213206 MUELLE DE COMPRESION 1 X 8 R212936 RUEDA 1 X 9 40M7126 ANILLO ELASTICO 1 X 10 R213644 ARANDELA 1 X 11 L170010 CARCASA 1 X 12 R118453 ABRAZADERA 1 X 13 RE58029 EMPUNADURA 1 X 14 R117463 TAPADERA 1 X 15 R212937 EMPUNADURA 1 X 16 R112553 MUELLE DE TORSION 1 X 17 L171701 ARANDELA 1 X .. AL173730 CONTROL 1 X TRACTOR 6110J (EDICION SUDAMERICANA) PC8538S (01-JUL-10) 94-25 PN=579
  • 582.
    94-26 CABLES Y ASIENTO PTO,SWITCHES PRISES DE FORCE, CONTACTEURS HECKZAPFWELLE, SCHALTER PTO, INTERUTTORI INTERRUPTOR DA TDP INTERRUPTOR TDF CQ155735 -UN-07JUL04 ESTA RELACION DE PIE 94-26 TRACTOR 6110J (EDICION SUDAMERICANA) PC8538S (01-JUL-10) PN=580
  • 583.
    94-27 CABLES Y ASIENTO 6 1 1 0 POS.NO.PIEZA DESCRIPCION CANT NUM. SERIE J NOTAS 1 RE169008 INTERRUPTOR AR X 2 L158822 TUERCA 1 X 3 L158963 ARANDELA 1 X 4 R44313 MUELLE DE COMPRESION 1 X 5 R117611 EMPUNADURA 1 X 6 24M7265 ARANDELA 1 X 7 R72653 ANILLO ELASTICO 1 X 8 R108073 TAPA 1 X TRACTOR 6110J (EDICION SUDAMERICANA) PC8538S (01-JUL-10) 94-27 PN=581
  • 584.
    94-28 CABLES Y ASIENTO MEMORANDA MEMORANDA MEMORANDA MEMORANDA MEMORANDA MEMORANDA 94-28TRACTOR 6110J (EDICION SUDAMERICANA) PC8538S (01-JUL-10) PN=582
  • 585.
    94-29 CABLES Y ASIENTO SEATS(OPEN OPERATOR STATION) FAUTEUILS (PLATE-FORME DE CONDUITE) SITZE (OFFENE FAHRERPLATTFORM) SEDILI (POSTAZIONE OPERATORE APERTA) ASSENTOS (EPCC) ASIENTOS (ESTACION DEL OPERADOR ABIERTA) CQ156179 -UN-24JAN05 6 1 1 0 POS. NO.PIEZA DESCRIPCION CANT NUM. SERIE J NOTAS 1 DQ63806 ASIENTO 1 X 2 CQ57432 APOYO 1 X 3 19M7268 TORNILLO 4 X M12 X 25 4 24M7026 ARANDELA 4 X 5 12M7067 ARANDELA DE SEGURIDAD 4 X 12 MM 6 14M7031 TUERCA 4 X M12 TRACTOR 6110J (EDICION SUDAMERICANA) PC8538S (01-JUL-10) 94-29 PN=583
  • 586.
    94-30 CABLES Y ASIENTO SEATS(OPEN OPERATOR STATION) FAUTEUILS (PLATE-FORME DE CONDUITE) SITZE (OFFENE FAHRERPLATTFORM) SEDILI (POSTAZIONE OPERATORE APERTA) ASSENTOS (EPCC) ASIENTOS (ESTACION DEL OPERADOR ABIERTA) CQ300505 -UN-30JAN07 ESTA RELACION DE PIE 94-30 TRACTOR 6110J (EDICION SUDAMERICANA) PC8538S (01-JUL-10) PN=584
  • 587.
    94-31 CABLES Y ASIENTO 6 1 1 0 POS.NO.PIEZA DESCRIPCION CANT NUM. SERIE J NOTAS 1 DQ58193 JUEGO 1 X 2 DQ58191 JUEGO 1 X 3 DQ58192 JUEGO 1 X 4 DQ58189 JUEGO 1 X 5 DQ58190 JUEGO 1 X 6 DQ58194 CINTURON DE SEGURIDAD 1 X TRACTOR 6110J (EDICION SUDAMERICANA) PC8538S (01-JUL-10) 94-31 PN=585
  • 588.
    94-32 CABLES Y ASIENTO SEATS(OPEN OPERATOR STATION) FAUTEUILS (PLATE-FORME DE CONDUITE) SITZE (OFFENE FAHREPLATTFORM) SEDILI (POSTAZIONE OPERATORE APERTA) ASSENTOS (EPCC) ASIENTOS (ESTACION DEL OPERADOR ABIERTA) CQ300506 -UN-30JAN07 ESTA RELACION DE PIE 94-32 TRACTOR 6110J (EDICION SUDAMERICANA) PC8538S (01-JUL-10) PN=586
  • 589.
    94-33 CABLES Y ASIENTO 6 1 1 0 POS.NO.PIEZA DESCRIPCION CANT NUM. SERIE J NOTAS 1 DQ65990 PROTECCION 1 X 2 CQ58205 CORREDERA PARA CAJON 1 X 3 DQ65991 BASTIDOR 1 X 4 DQ58199 AMORTIGUADOR 1 X 5 DQ42160 REGULADOR 1 X 6 DQ42174 MUELLE 1 X 7 DQ42161 CONJ. GUARDAPOLVOS ASIENTO 1 X 8 DQ64363 CONJ.LIMIT.SUSPEN.VERTIC. 1 X 9 DQ42163 PALANCA BARRA 1 X 10 DQ64362 PORTADOR 1 X 11 DQ42175 CONJ.LIMIT.SUSPEN.VERTIC. 1 X 12 CQ58204 ZOCALO 1 X TRACTOR 6110J (EDICION SUDAMERICANA) PC8538S (01-JUL-10) 94-33 PN=587
  • 590.
    94-34 CABLES Y ASIENTO SEATS(CAB) FAUTEUILS (CABINE) SITZE (KABINE) SEDILI (CABINA) ASSENTOS (CABINE) ASIENTOS (CABINA) CQ155736 -UN-08JUL04 6 1 1 0 POS. NO.PIEZA DESCRIPCION CANT NUM. SERIE J NOTAS 1 DQ56939 ASIENTO 1 X 2 CQ57475 SOPORTE 1 X LH CQ57433 SOPORTE 1 X RH 3 19M7139 TORNILLO 4 X M8 X 20 4 24M7026 ARANDELA 4 X 5 14M7029 TUERCA 4 X M8 94-34 TRACTOR 6110J (EDICION SUDAMERICANA) PC8538S (01-JUL-10) PN=588
  • 591.
    94-35 CABLES Y ASIENTO MEMORANDA MEMORANDA MEMORANDA MEMORANDA MEMORANDA MEMORANDA TRACTOR6110J (EDICION SUDAMERICANA) PC8538S (01-JUL-10) 94-35 PN=589
  • 592.
    94-36 CABLES Y ASIENTO REPAIRKITS FOR COMFORT SEATS (CAB) JEUX DE REPARATION POUR FAUTEUILS CONFORT (CABINE) REPARATURSAETZE FUER KOMFORT-SITZ (KABINE) KIT RIPARAZIONE SEDILI COMFORT (CABINA) KITS PARA ASSENTO CONFORT (CABINE) CONJUNTOS DE REPARACION P. ASIENTO CONFORT (CABINA) CQ300485 -UN-22DEC06 ESTA RELACION DE PIE 94-36 TRACTOR 6110J (EDICION SUDAMERICANA) PC8538S (01-JUL-10) PN=590
  • 593.
    94-37 CABLES Y ASIENTO 6 1 1 0 POS.NO.PIEZA DESCRIPCION CANT NUM. SERIE J NOTAS 1 DQ62628 JUEGO PARA ASIENTO 1 X 2 DQ62620 JUEGO DE REPOSABRAZOS 1 X RH DQ62621 JUEGO DE REPOSABRAZOS 1 X LH 3 DQ62631 JUEGO PARA ASIENTO 1 X 4 CQ62633 APOYO 1 X 5 DQ62616 JUEGO PARA ASIENTO 1 X 6 DQ62615 JUEGO PARA ASIENTO 1 X 7 DQ66167 JUEGO PARA ASIENTO 1 X 8 DQ62623 JUEGO PARA ASIENTO 1 X 9 DQ62617 JUEGO PARA ASIENTO 1 X 10 DQ62618 JUEGO PARA ASIENTO 1 X TRACTOR 6110J (EDICION SUDAMERICANA) PC8538S (01-JUL-10) 94-37 PN=591
  • 594.
    94-38 CABLES Y ASIENTO REPAIRKITS FOR COMFORT SEATS (CAB) JEUX DE REPARATION POUR FAUTEUILS CONFORT (CABINE) REPARATURSAETZE FUER KOMFORT-SITZ (KABINE) KIT RIPARAZIONE SEDILI COMFORT (CABINA) KITS PARA ASSENTO CONFORT (CABINE) CONJUNTOS DE REPARACION P. ASIENTO CONFORT (CABINA) CQ300486 -UN-22DEC06 ESTA RELACION DE PIE 94-38 TRACTOR 6110J (EDICION SUDAMERICANA) PC8538S (01-JUL-10) PN=592
  • 595.
    94-39 CABLES Y ASIENTO 6 1 1 0 POS.NO.PIEZA DESCRIPCION CANT NUM. SERIE J NOTAS 1 DQ62622 CONJ.PALANCA CONTRL.ASIENTO 1 X 2 DQ62619 JUEGO PARA ASIENTO 1 X 3 DQ62629 JUEGO PARA ASIENTO 1 X 4 DQ62630 ZOCALO 1 X 5 DQ62625 JUEGO PARA ASIENTO 1 X 6 DQ50652 JUEGO PARA ASIENTO 1 X 7 DQ62624 JUEGO PARA ASIENTO 1 X 8 DQ50655 JUEGO PARA ASIENTO 1 X 9 DQ62632 ZOCALO 1 X 10 DQ62626 JUEGO PARA ASIENTO 1 X 11 DQ62627 CONJUNTO RAILES ASIENTO 1 X TRACTOR 6110J (EDICION SUDAMERICANA) PC8538S (01-JUL-10) 94-39 PN=593
  • 596.
    94-40 CABLES Y ASIENTO MEMORANDA MEMORANDA MEMORANDA MEMORANDA MEMORANDA MEMORANDA 94-40TRACTOR 6110J (EDICION SUDAMERICANA) PC8538S (01-JUL-10) PN=594
  • 597.
    180-1 TRACTOR 6110J (EDICIONSUDAMERICANA) INDICE NUMERICO NO.PIEZA POS. PAGINA NO.PIEZA POS. PAGINA NO.PIEZA POS. PAGINA AE44929 12 40-75 AL115814 16 93-19 AL153356 20 60-11 AH77714 16 40-21 AL115814 7 94-21 AL153389 1 70-25 AH77724 2 60-21 AL115814 6 94-23 AL153600 4 30-37 AH78125 10 30-31 AL115948 3 58-13 AL153660 10 93-23 AH89557 4 20-21 AL116176 6 40-12 AL153662 9 93-23 AH89557 3 40-53 AL116245 17 52-19 AL153791 7 60-11 AH89557 4 40-54 AL116245 9 56-11 AL153802 1 93-41 AH89557 3 40-55 AL116265 11 40-15 AL153803 1 93-41 AH89557 4 40-56 AL116423 4 30-13 AL153850 19 60-11 AJ58437 1 70-49 AL117063 4 30-35 AL154247 3 93-27 AL110119 4 94-23 AL117064 6 30-35 AL154249 12 93-5 AL110238 3 93-47 AL117179 5 94-9 AL154392 13 93-47 AL110258 1 60-6 AL117517 5 94-9 AL154428 8 40-45 AL110276 17 60-21 AL117519 13 92-41 AL154541 5 30-7 AL110299 27 93-33 AL117519 24 92-43 AL154553 1 40-8 AL110300 7 93-37 AL117582 17 94-15 AL154573 1 80-3 AL110365 8 93-39 AL117583 12 94-15 AL154932 4 92-47 AL110487 1 80-23 AL117586 13 94-9 AL154960 11 60-5 AL110543 28 94-9 AL117587 13 94-13 AL155008 20 70-33 AL110543 26 94-13 AL117641 1 92-9 AL155008 4 70-41 AL110593 1 70-5 AL117697 3 93-19 AL155070 4 56-25 AL110613 .. 52-17 AL117720 1 70-13 AL155227 4 60-3 AL110722 3 94-13 AL117845 15 94-13 AL155228 4 60-3 AL110764 4 80-13 AL117892 5 58-3 AL155310 20 54-21 AL110859 5 94-15 AL117951 6 40-41 AL155310 5 94-5 AL110860 18 94-9 AL117977 3 70-50 AL155417 4 40-3 AL110860 5 94-13 AL118382 8 40-21 AL155612 9 93-5 AL110860 18 94-15 AL118382 3 60-9 AL155749 14 92-9 AL110868 14 94-9 AL118383 5 70-35 AL156090 2 20-51 AL110868 1 94-13 AL118383 11 70-43 AL156199 4 60-17 AL110881 11 93-33 AL118565 2 30-13 AL156263 1 30-19 AL110894 2 93-8 AL118565 9 93-43 AL156335 1 70-31 AL111096 9 80-25 AL118814 1 56-17 AL156503 16 56-31 AL111469 5 93-37 AL119409 5 30-37 AL156506 14 56-31 AL111717 1 92-35 AL119445 4 94-13 AL156625 1 52-7 AL112163 6 60-17 AL119446 14 94-13 AL156625 6 54-26 AL112193 10 70-33 AL119851 21 94-17 AL156683 7 60-23 AL112289 .. 94-9 AL119895 2 94-17 AL156684 8 60-23 AL112560 7 56-21 AL14540 4 70-18 AL156714 .. 56-9 AL112606 3 94-13 AL150015 16 40-15 AL156781 1 93-28 AL112664 .. 80-15 AL150169 1 30-33 AL156854 1 93-6 AL112664 .. 80-17 AL150179 9 56-25 AL156862 5 56-1 AL112743 .. 94-15 AL150286 9 30-19 AL156863 5 56-2 AL112819 1 60-7 AL150287 5 30-19 AL156882 1 94-21 AL112933 3 30-33 AL150288 7 30-19 AL156882 1 94-23 AL112953 9 70-49 AL150289 4 30-19 AL156898 1 94-21 AL113086 2 30-27 AL150529 11 60-9 AL156898 1 94-23 AL113174 19 92-39 AL150667 22 94-9 AL156915 2 40-21 AL113247 25 94-9 AL150732 6 70-25 AL156954 36 80-5 AL113247 27 94-13 AL150750 20 58-7 AL157374 10 80-17 AL113279 6 56-7 AL150755 21 60-5 AL157407 16 80-5 AL113358 18 56-9 AL150844 12 94-9 AL157540 12 40-45 AL113714 2 56-5 AL150844 13 94-13 AL157571 10 60-9 AL114210 8 56-12 AL150845 19 94-9 AL157571 8 60-11 AL114276 8 93-21 AL150845 15 94-13 AL157575 30 80-5 AL114392 5 70-31 AL150919 .. 52-17 AL157593 3 20-51 AL114404 4 70-33 AL150921 .. 52-17 AL157627 1 40-23 AL114526 11 56-17 AL150924 2 40-52 AL157641 1 40-46 AL114548 14 58-7 AL151282 1 94-17 AL157661 41 94-13 AL114597 15 70-15 AL151612 1 93-11 AL157672 14 94-13 AL114812 6 70-33 AL152098 2 40-41 AL157707 1 92-47 AL114896 5 40-12 AL152098 4 40-42 AL157732 26 52-17 AL114942 8 56-15 AL152152 6 93-37 AL157733 13 56-5 AL114955 9 40-15 AL152449 7 93-33 AL157743 22 60-5 AL115334 7 60-9 AL152732 12 92-37 AL157747 1 56-31 AL115334 3 60-11 AL152733 12 92-37 AL157748 1 56-31 AL115814 11 93-17 AL153067 2 30-35 AL157760 9 70-33 TRACTOR 6110J (EDICION SUDAMERICANA) PC8538S (11-JAN-11) 180-1 PN=595
  • 598.
    180-2 TRACTOR 6110J (EDICIONSUDAMERICANA) INDICE NUMERICO – CONTINUACION NO.PIEZA POS. PAGINA NO.PIEZA POS. PAGINA NO.PIEZA POS. PAGINA AL157806 4 93-43 AL163565 2 60-11 AL168326 7 93-31 AL157837 1 94-2 AL163619 1 58-3 AL168814 1 30-16 AL157838 18 93-47 AL163619 13 58-3 AL168815 15 30-15 AL157856 8 60-5 AL163684 3 30-16 AL168815 5 30-16 AL157856 13 60-5 AL163686 1 30-32 AL168816 5 30-23 AL157856 23 60-5 AL163809 1 92-13 AL168817 5 30-21 AL157856 24 60-5 AL163841 3 94-3 AL168858 6 70-27 AL157883 13 93-5 AL163851 1 94-20 AL169335 13 80-3 AL158041 15 56-12 AL163858 15 93-33 AL169481 4 70-8 AL158053 11 80-3 AL163905 15 70-13 AL169899 6 93-8 AL158140 5 40-15 AL163906 15 70-13 AL169907 16 60-11 AL158151 12 80-3 AL163958 9 94-21 AL169982 1 40-21 AL158160 1 60-5 AL164008 27 60-17 AL169983 22 40-21 AL158332 16 58-15 AL164009 28 60-17 AL170185 1 60-13 AL158537 14 93-43 AL164010 17 60-17 AL170186 2 60-13 AL158538 15 93-43 AL164011 16 60-17 AL170216 3 70-25 AL158828 7 58-1 AL164012 5 92-47 AL170290 1 52-2 AL158828 3 58-2 AL164013 5 92-47 AL170290 1 54-2 AL158889 9 30-31 AL164069 1 40-17 AL170454 5 60-13 AL158922 13 56-31 AL164106 4 56-26 AL170691 25 54-5 AL158926 5 93-43 AL164112 4 56-26 AL171119 1 70-35 AL159011 10 70-27 AL164267 9 92-43 AL171534 1 93-3 AL159181 5 40-45 AL164282 2 40-17 AL171742 4 93-33 AL159216 22 56-21 AL164323 13 56-9 AL171782 7 30-21 AL159445 11 40-45 AL164480 2 92-29 AL171782 7 30-23 AL159801 1 40-32 AL164560 18 70-27 AL171954 5 60-14 AL159914 2 92-6 AL164561 19 70-27 AL172261 8 70-27 AL159971 14 70-17 AL164597 14 60-21 AL172331 47 93-33 AL159973 11 70-17 AL164598 13 60-21 AL172532 3 40-5 AL160142 11 92-29 AL164627 1 40-19 AL172570 6 56-22 AL160366 5 58-8 AL164643 36 80-3 AL172765 10 30-15 AL160369 4 40-36 AL164643 15 80-5 AL172780 6 30-19 AL160645 20 93-33 AL164648 6 70-6 AL172782 1 60-5 AL160761 13 70-41 AL164690 1 56-5 AL172871 1 93-31 AL160772 1 70-41 AL164700 4 70-6 AL173229 5 52-3 AL160773 11 70-41 AL164808 2 92-29 AL173397 31 92-35 AL160825 1 70-43 AL164922 1 93-3 AL173414 25 94-19 AL160962 32 52-17 AL164930 5 30-23 AL173415 26 94-19 AL161024 5 30-27 AL164931 4 30-23 AL173416 27 94-19 AL161113 1 40-51 AL164934 5 30-21 AL173417 17 94-19 AL161174 5 93-47 AL164935 4 30-21 AL173418 24 94-19 AL161175 2 93-47 AL164954 1 40-35 AL173630 6 92-35 AL161388 9 70-50 AL165144 5 70-33 AL173730 .. 94-25 AL161462 11 58-13 AL165199 2 70-5 AL173750 33 93-33 AL161463 11 58-13 AL165247 3 52-3 AL173864 5 54-3 AL161468 3 30-7 AL165247 3 54-3 AL174123 4 52-3 AL161500 1 93-47 AL165520 1 93-6 AL174123 4 54-3 AL161566 20 40-21 AL166180 6 70-49 AL174451 18 80-5 AL162467 1 93-44 AL166645 4 40-5 AL174452 20 80-5 AL162696 4 30-16 AL166649 5 56-11 AL174537 4 93-43 AL162698 21 30-11 AL166651 3 52-19 AL175138 25 56-21 AL162699 28 80-3 AL166743 25 54-19 AL175708 12 40-57 AL162701 4 80-3 AL166744 1 52-4 AL176143 1 40-6 AL162703 6 80-3 AL166745 8 70-49 AL176430 1 92-19 AL162729 9 80-3 AL166903 4 58-1 AL176431 1 92-19 AL162730 10 80-3 AL166903 6 58-2 AL176473 10 70-17 AL162751 1 52-13 AL166904 5 58-1 AL176767 5 70-4 AL162756 2 52-15 AL166904 7 58-2 AL176799 22 40-15 AL162768 1 40-39 AL166905 2 52-13 AL177068 7 40-57 AL162776 1 40-52 AL166905 1 56-15 AL177184 1 93-37 AL162970 4 80-1 AL167008 3 58-1 AL177795 1 40-57 AL163081 8 52-11 AL167009 1 58-2 AL177823 7 30-37 AL163193 29 80-3 AL167617 33 80-3 AL178071 2 52-11 AL163210 38 92-35 AL168231 6 93-44 AL178071 20 54-25 AL163211 4 92-35 AL168325 1 92-21 AL178191 3 56-7 AL163297 6 92-37 AL168325 7 93-31 AL178554 6 93-19 AL163363 1 40-46 AL168326 1 92-21 AL178813 1 40-56 180-2 TRACTOR 6110J (EDICION SUDAMERICANA) PC8538S (11-JAN-11) PN=596
  • 599.
    180-3 TRACTOR 6110J (EDICIONSUDAMERICANA) INDICE NUMERICO – CONTINUACION NO.PIEZA POS. PAGINA NO.PIEZA POS. PAGINA NO.PIEZA POS. PAGINA AL178887 1 40-31 AL69320 5 80-47 AL82770 7 94-23 AL178891 1 40-54 AL69331 5 80-47 AL82960 2 70-40 AL179236 27 56-15 AL69712 15 56-31 AP32897 8 30-24 AL179243 24 93-33 AL76005 1 58-7 AP32913 15 60-19 AL179341 1 92-33 AL76067 2 92-23 AP37887 1 60-17 AL179429 1 56-19 AL76125 1 58-5 AP37887 1 60-19 AL179829 3 92-43 AL76421 1 56-22 AR103873 29 52-9 AL179830 3 92-43 AL76434 .. 58-15 AR103873 3 54-19 AL179831 4 92-43 AL76483 1 94-19 AR103873 14 54-23 AL179832 4 92-43 AL76568 14 93-5 AR21837 5 30-11 AL180296 1 40-28 AL76568 36 93-33 AR21839 8 20-47 AL180297 1 40-27 AL76638 3 70-5 AR65507 5 20-37 AL180301 7 92-10 AL76702 1 40-41 AS04904 3 40-8 AL181805 12 70-27 AL76702 5 40-42 AT107509 24 56-15 AL181849 1 40-49 AL77028 10 70-47 AT130104 3 40-8 AL181918 2 60-14 AL77322 3 56-27 AT13740 6 20-33 AL182098 8 56-31 AL77324 4 40-41 AT186760 1 93-26 AL200020 22 70-27 AL77324 2 40-42 AT186760 1 93-27 AL200971 17 80-37 AL77434 3 56-5 AT18904 2 20-19 AL201018 1 93-17 AL77680 2 70-47 AT85174 1 20-50 AL201723 26 30-11 AL77711 1 93-21 AZ33725 7 80-9 AL201724 10 30-11 AL78276 1 92-43 AZ47904 7 40-11 AL201803 3 40-12 AL78277 1 92-43 A31870 28 80-33 AL201843 1 70-10 AL78377 3 92-41 A364R 20 20-29 AL201844 4 70-16 AL78652 15 70-33 A4379R 4 80-15 AL201863 2 70-16 AL78835 8 56-21 A4883R 15 80-15 AL201892 1 70-15 AL78835 7 58-7 B2762R 14 60-17 AL201897 2 70-15 AL79010 7 56-19 CC40740 5 80-46 AL201898 1 70-16 AL79013 4 93-21 CD14689 10 20-25 AL201899 13 70-9 AL79029 8 93-17 CD16284 9 20-43 AL201900 7 70-9 AL79029 8 93-19 CQ02164 21 94-19 AL202768 1 80-5 AL79037 7 70-27 CQ03768 2 80-42 AL202906 2 92-39 AL79050 6 94-5 CQ04738 34 80-3 AL202908 2 92-39 AL79050 6 94-7 CQ07569 3 70-9 AL203061 12 70-41 AL79050 1 94-11 CQ07843 1 80-10 AL203265 4 40-7 AL79050 17 94-17 CQ07843 8 80-13 AL203444 9 80-5 AL79072 15 56-9 CQ07843 18 80-15 AL203461 8 93-8 AL79540 6 60-9 CQ07844 2 80-10 AL203634 12 80-5 AL79750 18 56-15 CQ07844 9 80-13 AL203635 13 80-5 AL79794 12 80-27 CQ07844 1 80-17 AL203689 9 30-11 AL80099 16 54-25 CQ08038 6 30-31 AL203755 16 40-57 AL80099 15 70-25 CQ16408 4 80-19 AL203843 10 80-5 AL80154 6 60-21 CQ25602 4 56-32 AL204717 2 30-37 AL80154 20 60-21 CQ25614 1 80-17 AL204799 9 30-37 AL80395 20 70-27 CQ25620 18 80-15 AL204911 1 40-53 AL80651 1 92-23 CQ25621 1 80-17 AL204913 1 40-55 AL80708 2 70-5 CQ25768 8 70-9 AL205085 13 80-3 AL80939 22 56-15 CQ25923 10 40-8 AL205515 1 40-40 AL80939 6 58-5 CQ25923 23 40-21 AL31983 2 70-7 AL80939 16 58-7 CQ25923 4 40-33 AL32027 10 70-13 AL80939 12 58-13 CQ26016 6 70-9 AL32693 1 70-7 AL80941 6 56-21 CQ26127 8 80-9 AL32877 25 80-33 AL80994 35 94-9 CQ26128 7 80-9 AL32877 9 80-35 AL80994 40 94-13 CQ26159 18 80-15 AL35179 2 93-5 AL80994 25 94-15 CQ26402 4 80-18 AL35642 9 93-21 AL81250 4 56-11 CQ26402 2 80-19 AL36529 16 93-5 AL81320 6 56-25 CQ26402 6 80-20 AL37489 12 30-11 AL81331 7 52-19 CQ26740 18 80-15 AL37489 5 60-9 AL81358 7 52-11 CQ27128 5 80-20 AL37489 5 60-11 AL81358 10 54-25 CQ27171 7 92-5 AL37489 13 70-33 AL81718 3 40-42 CQ27184 6 80-18 AL38020 14 80-33 AL81862 2 94-3 CQ27195 10 80-25 AL39876 1 80-17 AL82025 4 56-28 CQ27196 10 80-25 AL59879 39 93-33 AL82025 8 56-29 CQ27197 10 80-25 AL64588 5 70-21 AL82121 3 40-31 CQ27198 10 80-25 AL64588 48 93-33 AL82256 13 30-35 CQ27199 10 80-25 AL67199 15 70-17 AL82582 13 58-3 CQ27200 10 80-25 TRACTOR 6110J (EDICION SUDAMERICANA) PC8538S (11-JAN-11) 180-3 PN=597
  • 600.
    180-4 TRACTOR 6110J (EDICIONSUDAMERICANA) INDICE NUMERICO – CONTINUACION NO.PIEZA POS. PAGINA NO.PIEZA POS. PAGINA NO.PIEZA POS. PAGINA CQ27201 10 80-25 CQ27294 23 80-37 CQ43006 5 80-22 CQ27202 10 80-25 CQ27295 23 80-37 CQ43598 5 30-13 CQ27203 10 80-25 CQ27296 23 80-37 CQ45134 6 80-25 CQ27204 10 80-25 CQ27298 11 80-29 CQ45134 31 80-33 CQ27205 10 80-25 CQ27301 18 80-37 CQ45134 7 80-35 CQ27206 10 80-25 CQ27302 7 80-37 CQ47036 9 30-24 CQ27207 10 80-25 CQ27305 5 80-37 CQ47188 8 80-9 CQ27208 10 80-25 CQ27307 13 80-31 CQ47666 1 80-42 CQ27209 10 80-25 CQ27308 14 80-31 CQ47666 20 94-19 CQ27210 10 80-25 CQ27730 16 80-33 CQ48046 2 40-3 CQ27211 10 80-25 CQ27851 10 80-39 CQ48506 1 40-2 CQ27212 10 80-25 CQ27989 15 80-29 CQ49005 28 70-27 CQ27213 10 80-25 CQ27990 5 80-25 CQ49408 22 80-37 CQ27214 10 80-25 CQ28088 8 80-13 CQ50357 4 80-10 CQ27215 10 80-25 CQ28088 18 80-15 CQ50357 6 80-13 CQ27216 10 80-25 CQ28556 27 30-11 CQ50408 2 80-25 CQ27217 10 80-25 CQ28556 13 40-19 CQ50410 3 80-25 CQ27218 10 80-25 CQ28556 2 80-42 CQ50411 18 80-29 CQ27219 10 80-25 CQ29104 6 30-27 CQ50412 3 80-29 CQ27220 10 80-25 CQ29143 1 30-31 CQ50413 19 80-29 CQ27221 10 80-25 CQ29167 8 30-31 CQ50662 7 80-13 CQ27222 10 80-25 CQ29344 1 80-33 CQ51594 8 30-37 CQ27223 10 80-25 CQ29345 1 80-25 CQ51921 1 30-8 CQ27224 10 80-25 CQ29345 8 80-33 CQ51923 9 40-8 CQ27225 10 80-25 CQ29345 6 80-35 CQ52174 6 30-13 CQ27226 10 80-25 CQ29406 8 80-37 CQ52392 3 92-14 CQ27227 10 80-25 CQ29407 6 80-37 CQ52934 8 70-19 CQ27228 10 80-25 CQ29408 16 80-37 CQ55029 5 30-31 CQ27229 10 80-25 CQ29426 2 80-9 CQ55032 8 30-27 CQ27230 10 80-25 CQ29426 1 80-13 CQ55032 3 30-31 CQ27231 10 80-25 CQ29427 4 80-9 CQ57432 2 94-29 CQ27234 18 80-33 CQ29427 3 80-13 CQ57433 2 94-34 CQ27241 4 80-25 CQ29428 5 80-9 CQ57475 2 94-34 CQ27241 10 80-35 CQ29428 2 80-13 CQ58168 1 92-10 CQ27242 2 80-37 CQ29519 1 80-6 CQ58204 12 94-33 CQ27243 12 80-29 CQ30150 2 70-49 CQ58205 2 94-33 CQ27244 14 80-29 CQ30867 3 80-9 CQ58873 2 30-8 CQ27244 4 80-33 CQ30867 7 80-13 CQ59332 4 93-13 CQ27245 2 80-33 CQ30870 3 80-9 CQ61656 47 80-3 CQ27246 3 80-33 CQ30872 3 80-9 CQ62312 25 30-11 CQ27248 9 80-29 CQ30872 7 80-13 CQ62312 39 80-3 CQ27249 9 80-29 CQ31201 8 80-39 CQ62315 21 40-15 CQ27250 5 80-29 CQ31202 4 80-39 CQ62315 39 80-5 CQ27251 2 80-29 CQ31207 5 80-39 CQ62633 4 94-37 CQ27271 23 80-37 CQ31233 2 80-39 CQ63798 5 30-24 CQ27272 23 80-37 CQ32109 6 80-15 CQ64057 10 93-3 CQ27273 23 80-37 CQ33591 3 70-49 CQ64111 24 80-31 CQ27274 23 80-37 CQ33856 7 80-15 CQ64112 20 80-29 CQ27275 23 80-37 CQ33966 16 80-39 CQ64114 1 80-37 CQ27276 23 80-37 CQ33967 16 80-39 CQ64245 1 80-35 CQ27277 23 80-37 CQ34080 10 80-15 CQ64246 8 80-35 CQ27278 23 80-37 CQ34081 10 80-15 CQ64248 5 80-35 CQ27279 23 80-37 CQ34351 4 30-27 CQ64249 18 80-31 CQ27280 23 80-37 CQ34452 8 80-9 CQ64250 4 80-31 CQ27281 23 80-37 CQ34452 8 80-13 CQ64251 9 80-31 CQ27282 23 80-37 CQ34453 7 80-9 CQ64252 19 80-31 CQ27283 23 80-37 CQ34453 9 80-13 CQ64253 12 80-31 CQ27284 23 80-37 CQ34905 5 92-5 CQ64646 10 80-29 CQ27285 23 80-37 CQ37642 8 80-9 CQ65139 6 80-15 CQ27286 23 80-37 CQ38349 .. 30-11 CQ65207 5 80-15 CQ27287 23 80-37 CQ38916 9 30-28 CQ65301 7 30-27 CQ27288 23 80-37 CQ40864 18 80-15 CQ65525 24 40-21 CQ27289 23 80-37 CQ41340 8 80-13 CQ66216 7 40-5 CQ27290 23 80-37 CQ41341 8 80-9 CQ66248 8 80-9 CQ27291 23 80-37 CQ42092 10 40-15 CQ66250 1 80-10 CQ27292 23 80-37 CQ42968 19 70-15 CQ66250 18 80-15 CQ27293 23 80-37 CQ43005 2 80-22 CQ66643 7 80-15 180-4 TRACTOR 6110J (EDICION SUDAMERICANA) PC8538S (11-JAN-11) PN=598
  • 601.
    180-5 TRACTOR 6110J (EDICIONSUDAMERICANA) INDICE NUMERICO – CONTINUACION NO.PIEZA POS. PAGINA NO.PIEZA POS. PAGINA NO.PIEZA POS. PAGINA CQ67634 6 92-27 DQ52336 1 92-5 DQ64099 5 30-23 CQ67635 2 92-27 DQ52337 1 92-5 DQ64100 4 30-23 CQ67641 8 80-25 DQ52379 3 92-5 DQ64254 11 80-31 CQ71882 3 40-11 DQ52380 3 92-5 DQ64254 20 80-31 CQ71890 8 40-11 DQ52393 1 92-27 DQ64362 10 94-33 CQ72046 4 80-37 DQ52819 12 30-15 DQ64363 8 94-33 C2214E 3 80-6 DQ52819 13 30-15 DQ64776 4 80-40 DQ04397 3 80-40 DQ52819 2 30-16 DQ64777 2 80-40 DQ20973 6 80-9 DQ53133 7 94-5 DQ65036 8 70-16 DQ20973 3 80-37 DQ53133 3 94-7 DQ65274 1 40-15 DQ24057 2 30-29 DQ53134 1 94-5 DQ65990 1 94-33 DQ25068 11 40-8 DQ53145 5 94-11 DQ65991 3 94-33 DQ25143 6 30-29 DQ53203 1 94-7 DQ65998 10 93-15 DQ26015 5 70-9 DQ53204 5 94-7 DQ66167 7 94-37 DQ26126 9 80-9 DQ53205 6 94-11 DQ67022 11 40-15 DQ27253 13 80-33 DQ53213 3 70-8 DQ67132 7 80-31 DQ28326 9 80-9 DQ53462 3 92-3 DQ67133 21 80-31 DQ28539 22 80-29 DQ53463 4 92-3 DQ67134 22 80-31 DQ28540 21 80-29 DQ53525 11 92-14 DQ68471 14 92-6 DQ28542 17 80-29 DQ55333 1 30-24 DQ68477 1 40-4 DQ28725 6 80-29 DQ56939 1 94-34 DQ68990 1 80-1 DQ30256 1 80-9 DQ58189 4 94-31 DQ68991 2 80-1 DQ30260 1 80-9 DQ58190 5 94-31 DQ69428 5 94-19 DQ30262 1 80-9 DQ58191 2 94-31 DQ69816 3 60-17 DQ30877 4 80-13 DQ58192 3 94-31 DQ70291 8 80-7 DQ31200 16 80-29 DQ58193 1 94-31 DQ70988 21 93-5 DQ31503 9 80-9 DQ58194 6 94-31 DQ72369 6 40-15 DQ32910 7 30-29 DQ58199 4 94-33 DQ72612 4 30-29 DQ33769 1 80-40 DQ58301 2 92-3 DQ72620 1 30-29 DQ33944 11 40-8 DQ58302 1 92-3 DQ72620 5 30-29 DQ34064 1 80-39 DQ58449 9 40-11 DT5037 .. 52-15 DQ34065 1 80-39 DQ58532 5 80-41 DT5037 .. 52-17 DQ34208 16 94-17 DQ58814 1 92-17 DT5037 .. 56-11 DQ34723 1 80-9 DQ59038 9 40-5 DT5037 .. 56-23 DQ34723 4 80-13 DQ59131 5 92-43 DT5037 .. 58-3 DQ36680 1 80-22 DQ59390 7 93-45 DT5173 .. 56-15 DQ37643 7 80-9 DQ59493 .. 80-9 DT5267 .. 56-31 DQ37676 9 80-9 DQ61022 1 80-21 DT5267 .. 70-3 DQ39530 3 30-29 DQ61096 1 92-6 DT5267 .. 80-1 DQ41285 6 30-28 DQ61096 5 92-6 DT5299 .. 56-5 DQ41499 5 30-28 DQ61097 1 92-6 DT5299 .. 56-11 DQ42160 5 94-33 DQ61097 5 92-6 DT5299 .. 58-7 DQ42161 7 94-33 DQ62060 15 70-41 DT5299 2 70-8 DQ42163 9 94-33 DQ62615 6 94-37 DT5470 8 92-9 DQ42174 6 94-33 DQ62616 5 94-37 DT5470 5 92-11 DQ42175 11 94-33 DQ62617 9 94-37 DT5471 10 92-14 DQ43003 3 80-22 DQ62618 10 94-37 DT5471 3 92-47 DQ43004 4 80-22 DQ62619 2 94-39 DT5472 9 92-9 DQ43133 6 93-25 DQ62620 2 94-37 DT5472 8 92-21 DQ43134 6 93-25 DQ62621 2 94-37 DT5538 .. 92-6 DQ43135 3 93-25 DQ62622 1 94-39 DY8313 9 92-10 DQ46008 2 94-20 DQ62623 8 94-37 E69117 2 70-35 DQ46087 1 93-25 DQ62624 7 94-39 F2823R 6 70-17 DQ46088 1 93-25 DQ62625 5 94-39 H151673 6 80-46 DQ46828 31 94-9 DQ62626 10 94-39 H23125 2 20-2 DQ46828 44 94-13 DQ62627 11 94-39 H63237 34 54-23 DQ46828 23 94-15 DQ62628 1 94-37 H63283 4 70-47 DQ48452 3 80-10 DQ62629 3 94-39 H75541 13 56-25 DQ48452 11 80-13 DQ62630 4 94-39 H75541 12 60-13 DQ48453 10 80-13 DQ62631 3 94-37 H77698 2 80-42 DQ49620 1 93-45 DQ62632 9 94-39 JD10058 8 30-1 DQ50436 33 92-35 DQ63188 1 92-3 JD10249 19 80-37 DQ50588 10 80-13 DQ63432 21 80-5 JD10250 15 80-37 DQ50652 6 94-39 DQ63790 1 30-28 JD10269 5 54-17 DQ50655 8 94-39 DQ63793 11 30-28 JD10330 3 52-15 DQ51064 6 93-45 DQ63806 1 94-29 JD10479 18 52-5 DQ51588 1 30-35 DQ63989 10 93-13 JD10479 35 52-17 TRACTOR 6110J (EDICION SUDAMERICANA) PC8538S (11-JAN-11) 180-5 PN=599
  • 602.
    180-6 TRACTOR 6110J (EDICIONSUDAMERICANA) INDICE NUMERICO – CONTINUACION NO.PIEZA POS. PAGINA NO.PIEZA POS. PAGINA NO.PIEZA POS. PAGINA JD10497 5 56-15 L101560 3 60-13 L110183 8 93-37 JD10498 4 56-15 L101561 6 60-23 L110186 1 93-33 JD10508 15 52-19 L101573 6 58-7 L110189 14 93-35 JD10508 10 56-11 L101574 9 56-19 L110296 9 93-41 JD10522 14 52-15 L101618 22 58-13 L110306 9 40-19 JD10542 22 54-5 L101689 33 80-33 L110367 36 92-35 JD37047 4 58-8 L101698 20 80-33 L110422 6 94-17 JD37087 11 80-33 L101761 2 40-53 L110496 11 93-39 JD7798 12 70-17 L101761 2 40-55 L110617 1 93-8 JD8171 5 58-13 L101779 10 56-17 L110633 13 93-35 JD8217 20 58-13 L101829 2 56-22 L110762 8 60-17 JD8510 7 52-4 L101897 20 60-17 L110765 2 40-28 JD8856 7 56-9 L101929 10 94-15 L110765 5 40-55 JD9320 19 52-15 L101931 6 94-19 L110766 3 94-19 J53262 2 80-17 L101932 9 93-17 L110777 10 30-1 J53401 10 80-15 L101932 9 93-19 L110815 6 93-43 J53701 3 80-15 L102007 13 40-31 L110816 2 93-43 J53702 16 80-15 L102007 6 60-11 L110851 10 56-5 J55278 4 80-17 L102049 2 60-17 L110865 44 93-33 J60538 13 20-21 L102097 7 58-8 L110867 45 93-33 L100230 7 80-25 L102110 20 93-17 L110964 43 94-13 L100259 23 70-27 L102110 17 93-19 L111002 21 60-17 L100285 5 93-8 L102110 3 94-23 L111003 22 60-17 L100380 2 92-11 L102146 3 56-21 L111005 10 52-15 L100389 21 92-19 L102147 3 56-21 L111048 13 56-11 L100413 5 92-29 L102148 3 56-21 L111052 24 52-19 L100414 6 92-29 L102149 3 56-21 L111054 18 52-19 L100425 3 60-23 L102154 40 70-35 L111072 2 92-5 L100435 12 92-19 L102155 40 70-35 L111072 12 92-41 L100519 16 56-17 L102179 17 70-33 L111085 1 70-22 L100522 12 56-15 L102203 4 40-49 L111120 2 30-1 L100560 22 94-19 L102204 7 40-49 L111127 5 40-36 L100573 13 56-23 L102324 4 70-4 L111138 11 60-21 L100581 6 52-5 L102357 7 94-9 L111165 11 94-9 L100644 10 60-21 L102357 19 94-13 L111165 12 94-13 L100685 10 92-45 L102359 11 93-5 L111179 24 94-13 L100767 11 52-19 L102363 3 40-49 L111184 1 40-36 L100768 11 52-19 L102363 4 40-51 L111294 6 30-1 L100769 11 52-19 L102451 27 94-9 L111376 8 40-51 L100802 12 70-33 L102451 29 94-13 L111385 1 56-32 L100851 12 60-21 L102453 15 60-23 L111412 21 70-33 L100869 23 92-43 L102489 7 56-15 L111414 30 92-35 L100935 14 56-17 L102489 9 56-17 L111419 13 92-35 L100959 21 56-15 L102490 19 93-19 L111425 3 93-37 L100959 8 58-5 L102565 6 56-15 L111440 34 92-35 L100959 17 58-7 L102567 4 56-17 L111465 7 93-43 L100959 19 58-13 L102588 8 92-19 L111479 16 70-33 L100961 28 56-21 L102588 9 92-39 L111480 4 92-19 L101122 17 56-17 L102616 2 80-45 L111480 13 92-45 L101142 19 56-31 L102647 4 58-3 L111480 14 93-24 L101177 5 80-38 L102678 8 94-23 L111480 34 94-9 L101241 8 40-49 L110065 13 60-17 L111480 42 94-13 L101243 9 56-31 L110066 3 52-13 L111707 6 70-4 L101287 1 60-23 L110066 6 56-1 L111718 9 70-13 L101305 5 54-12 L110066 6 56-2 L111800 38 80-5 L101355 11 58-5 L110066 2 56-15 L111818 7 58-8 L101355 3 58-10 L110067 4 56-19 L111857 5 30-1 L101355 3 58-11 L110092 7 52-3 L111878 29 94-9 L101356 11 58-5 L110092 7 54-3 L111878 33 94-13 L101356 3 58-10 L110129 2 56-17 L111964 26 54-5 L101356 3 58-11 L110138 15 92-29 L111964 10 54-7 L101357 7 70-7 L110146 9 93-35 L111964 9 54-11 L101389 10 70-8 L110147 3 93-33 L111964 6 58-1 L101403 9 70-8 L110148 11 93-35 L111964 8 58-2 L101463 4 52-6 L110149 12 93-35 L111965 3 94-21 L101488 13 56-17 L110150 6 93-39 L111965 2 94-23 L101519 40 80-3 L110151 6 93-39 L111978 1 60-14 180-6 TRACTOR 6110J (EDICION SUDAMERICANA) PC8538S (11-JAN-11) PN=600
  • 603.
    180-7 TRACTOR 6110J (EDICIONSUDAMERICANA) INDICE NUMERICO – CONTINUACION NO.PIEZA POS. PAGINA NO.PIEZA POS. PAGINA NO.PIEZA POS. PAGINA L111987 21 94-9 L113339 29 52-17 L114902 3 40-21 L111987 30 94-13 L113339 11 56-5 L114953 3 80-39 L111987 20 94-15 L113347 19 60-21 L115020 18 93-5 L111988 11 92-43 L113409 5 30-35 L115082 2 70-13 L111988 21 94-9 L113415 5 93-3 L115082 3 70-13 L111988 30 94-13 L113415 12 93-17 L115083 2 70-13 L111988 20 94-15 L113415 20 93-19 L115083 3 70-13 L112001 2 52-3 L113436 3 92-39 L115093 4 93-45 L112001 2 54-3 L113437 3 92-39 L115149 3 93-29 L112041 8 94-13 L113438 4 92-39 L115158 7 80-46 L112053 8 94-15 L113439 4 92-39 L115159 9 40-21 L112092 11 56-23 L113440 1 92-39 L115235 24 93-19 L112121 10 40-72 L113441 1 92-39 L115238 2 93-29 L112212 33 80-33 L113446 21 80-1 L115239 2 92-17 L112214 33 80-33 L113527 28 94-19 L115241 11 94-23 L112215 33 80-33 L113541 4 56-12 L115277 4 40-27 L112217 33 80-33 L113543 7 70-4 L115292 22 93-17 L112218 33 80-33 L113559 1 93-19 L115292 6 94-9 L112232 11 92-19 L113657 2 93-27 L115292 20 94-13 L112250 9 93-39 L113715 37 92-35 L115292 2 94-21 L112282 15 93-17 L113717 6 92-39 L115292 16 94-23 L112282 21 93-19 L113718 7 92-39 L115344 5 80-9 L112290 3 40-57 L113823 5 94-21 L115344 2 80-13 L112290 35 92-35 L113846 14 93-17 L115353 5 70-13 L112290 3 92-45 L113886 6 92-23 L115370 15 94-23 L112367 18 80-15 L113887 7 92-23 L115371 15 94-23 L112370 10 70-49 L113893 2 56-32 L115395 35 94-13 L112380 2 56-19 L113893 3 56-32 L115418 12 80-13 L112469 30 94-9 L113907 18 92-39 L115460 22 70-33 L112469 34 94-13 L113908 17 92-39 L115608 5 52-6 L112469 21 94-15 L113993 8 93-27 L115609 7 52-6 L112503 1 70-3 L113994 19 94-15 L115740 11 92-37 L112511 5 93-19 L114030 2 40-49 L116013 12 52-3 L112545 4 20-51 L114032 10 94-9 L116013 12 54-3 L112657 6 92-19 L114032 2 94-13 L116041 11 52-3 L112690 1 52-3 L114053 6 60-14 L116041 11 54-3 L112690 1 54-3 L114086 3 93-41 L116130 33 52-17 L112743 7 92-43 L114088 9 58-13 L116130 24 56-5 L112796 23 93-19 L114089 1 58-13 L116184 22 92-19 L112797 13 92-21 L114120 3 56-12 L116184 15 92-41 L112797 10 92-31 L114159 3 80-47 L116184 10 92-43 L112797 4 93-3 L114160 3 80-47 L116261 36 94-13 L112884 6 56-17 L114178 15 30-23 L116262 6 94-13 L112950 5 93-13 L114178 3 60-9 L116263 21 94-13 L112951 4 92-45 L114178 15 60-11 L116304 7 92-45 L112971 12 92-45 L114178 15 80-1 L116560 7 70-33 L113016 17 56-21 L114178 6 93-47 L116576 15 94-17 L113018 1 94-15 L114257 3 92-19 L116615 6 70-3 L113019 7 94-13 L114266 5 56-7 L116616 7 70-3 L113020 1 93-15 L114314 6 92-25 L116840 4 94-9 L113021 2 93-15 L114339 13 80-1 L116840 39 94-13 L113023 3 93-28 L114509 8 93-5 L150034 13 93-13 L113049 12 56-12 L114509 33 94-9 L150079 8 93-15 L113076 20 94-17 L114509 4 94-21 L150336 25 52-17 L113094 13 40-21 L114509 5 94-23 L150340 5 93-15 L113094 8 40-31 L114522 9 40-49 L150363 6 93-15 L113099 6 56-12 L114524 12 40-49 L150424 5 92-14 L113217 18 52-19 L114539 9 60-21 L150446 1 94-9 L113217 19 52-19 L114567 6 52-15 L150446 38 94-13 L113217 24 52-19 L114651 11 56-15 L150454 9 93-15 L113217 15 56-11 L114655 33 56-15 L150525 6 93-13 L113225 22 94-15 L114660 17 93-47 L150526 3 93-13 L113232 2 92-45 L114757 1 58-11 L150527 2 93-13 L113281 4 60-21 L114773 5 70-40 L150693 8 56-9 L113312 37 93-33 L114822 9 30-35 L150695 8 56-7 L113313 37 93-33 L114874 5 80-1 L150696 3 56-9 L113335 9 56-12 L114874 29 80-33 L151020 15 60-5 TRACTOR 6110J (EDICION SUDAMERICANA) PC8538S (11-JAN-11) 180-7 PN=601
  • 604.
    180-8 TRACTOR 6110J (EDICIONSUDAMERICANA) INDICE NUMERICO – CONTINUACION NO.PIEZA POS. PAGINA NO.PIEZA POS. PAGINA NO.PIEZA POS. PAGINA L151020 8 94-21 L153819 41 54-19 L155937 21 56-31 L151157 1 93-13 L153819 10 56-25 L155965 20 80-3 L151416 23 56-21 L153842 7 40-17 L155966 21 80-3 L151429 5 93-44 L153842 17 80-3 L155993 9 56-15 L151429 6 93-44 L153968 1 56-9 L155994 9 56-15 L151528 15 92-19 L154057 16 60-5 L156151 13 54-23 L151529 4 40-39 L154067 12 92-9 L156205 16 92-29 L151529 2 40-57 L154128 4 40-11 L156206 14 92-29 L151554 3 92-10 L154131 17 56-12 L156259 1 52-13 L151569 7 92-13 L154133 1 54-19 L156260 12 94-21 L151570 8 92-13 L154134 20 54-23 L156261 5 56-1 L151611 3 40-52 L154170 5 20-51 L156262 5 56-2 L151614 3 92-11 L154170 5 40-3 L156282 1 52-15 L151699 3 93-17 L154171 3 40-17 L156283 5 52-15 L151718 10 92-10 L154171 3 40-23 L156294 34 54-5 L151718 25 92-43 L154173 2 40-51 L156294 4 56-29 L151719 25 92-43 L154293 18 54-23 L156325 5 92-35 L151729 42 93-33 L154332 2 40-31 L156502 7 58-8 L151731 6 93-35 L154335 3 92-6 L156522 11 92-35 L151732 9 93-37 L154378 12 92-6 L156536 11 94-21 L151733 12 93-39 L154378 11 93-3 L156573 35 80-5 L151740 8 93-24 L154379 11 92-6 L156665 14 70-15 L151752 16 92-45 L154379 12 93-3 L156690 13 52-19 L151753 15 92-45 L154381 3 93-11 L156691 14 52-19 L151863 13 93-24 L154428 1 92-11 L156693 16 56-11 L151979 8 30-19 L154516 8 52-15 L156773 8 58-8 L151980 5 40-6 L154520 6 56-9 L156788 13 70-17 L152035 9 92-29 L154620 3 56-31 L156796 10 40-21 L152148 3 80-45 L154621 4 56-31 L156851 4 56-5 L152151 7 40-31 L154647 4 40-24 L156910 2 58-8 L152216 13 56-21 L154750 6 70-5 L156912 1 58-8 L152250 9 92-6 L154897 12 92-29 L156914 10 56-31 L152250 .. 92-6 L154937 13 40-45 L156986 4 30-7 L152254 8 92-10 L154991 6 92-14 L157084 7 56-5 L152323 3 70-35 L155008 1 92-10 L157085 7 56-5 L152324 13 70-25 L155025 1 92-29 L157086 7 56-5 L152324 21 70-35 L155025 13 92-29 L157095 10 92-41 L152325 27 70-35 L155025 .. 92-29 L157103 3 56-17 L152326 28 70-35 L155075 19 40-21 L157104 3 56-17 L152335 9 93-24 L155181 25 80-5 L157106 3 56-17 L152460 4 40-57 L155244 7 70-40 L157108 3 56-17 L152507 4 54-29 L155257 8 92-29 L157116 23 93-33 L152519 4 92-10 L155267 26 56-21 L157254 25 93-17 L152636 3 93-43 L155339 1 56-7 L157254 18 93-19 L152652 6 92-13 L155361 2 93-3 L157274 7 92-17 L152658 14 80-3 L155376 1 30-13 L157284 38 52-17 L152663 15 80-3 L155376 1 70-21 L157285 38 52-17 L152663 21 93-47 L155423 20 92-19 L157286 40 52-17 L152943 6 40-6 L155448 4 40-23 L157287 40 52-17 L153099 10 80-1 L155455 7 93-21 L157295 3 93-5 L153130 4 92-23 L155492 3 70-40 L157372 4 92-6 L153130 17 92-41 L155496 23 52-15 L157372 2 92-14 L153159 1 56-11 L155496 25 56-5 L157372 10 92-21 L153161 8 52-19 L155510 50 80-3 L157372 8 92-33 L153307 6 52-19 L155548 5 93-45 L157398 24 80-5 L153307 2 56-11 L155576 17 92-45 L157464 3 92-21 L153345 8 56-11 L155596 26 80-5 L157465 3 92-21 L153536 32 80-5 L155597 27 80-5 L157466 46 93-33 L153587 8 40-8 L155606 20 92-43 L157467 2 40-12 L153594 5 94-21 L155639 10 56-9 L157515 39 52-17 L153635 29 52-17 L155730 5 56-28 L157547 2 92-13 L153635 11 56-5 L155730 7 56-29 L157555 38 52-17 L153759 13 92-9 L155885 31 52-17 L157556 40 52-17 L153768 4 40-17 L155889 15 56-5 L157568 16 56-15 L153768 3 40-24 L155927 1 30-7 L157586 19 93-47 L153768 26 80-3 L155934 3 70-27 L157732 3 92-13 L153769 2 92-9 L155935 9 70-27 L157769 23 80-3 180-8 TRACTOR 6110J (EDICION SUDAMERICANA) PC8538S (11-JAN-11) PN=602
  • 605.
    180-9 TRACTOR 6110J (EDICIONSUDAMERICANA) INDICE NUMERICO – CONTINUACION NO.PIEZA POS. PAGINA NO.PIEZA POS. PAGINA NO.PIEZA POS. PAGINA L157793 2 93-11 L164972 3 93-3 L169844 12 70-47 L157800 19 93-33 L165048 8 80-1 L169857 17 93-43 L157816 15 92-35 L165281 13 30-16 L169858 18 93-43 L157817 2 92-41 L165282 5 30-15 L169859 19 93-43 L157817 9 92-43 L165421 .. 40-45 L169889 40 93-33 L157818 8 92-37 L165428 .. 92-11 L169912 4 93-31 L157820 8 92-45 L165781 7 58-3 L170010 11 94-25 L157821 14 92-45 L165818 25 70-27 L170237 30 52-17 L157826 16 80-3 L165942 14 56-11 L170237 8 56-5 L157872 11 52-15 L165946 23 56-11 L170237 18 56-5 L157895 18 60-13 L165947 5 56-9 L170424 25 56-15 L157928 3 80-23 L165957 1 80-47 L170670 8 93-41 L157982 18 56-21 L166213 1 58-10 L170677 1 92-41 L157990 6 94-21 L166228 12 56-5 L170688 3 80-1 L157992 13 56-15 L166230 17 56-5 L170803 27 52-9 L158185 3 70-18 L166231 16 56-5 L170885 14 58-13 L158186 13 70-15 L166233 4 56-7 L170967 7 40-34 L158220 16 56-21 L166315 4 30-11 L170995 2 80-46 L158222 20 56-21 L166446 20 52-9 L170996 1 80-46 L158223 10 70-5 L166446 7 54-23 L171150 5 92-17 L158229 11 30-11 L166528 11 58-1 L171151 6 92-17 L158231 1 30-11 L166529 2 58-2 L171152 47 54-23 L158232 6 30-11 L166609 8 93-11 L171231 12 40-8 L158235 4 30-15 L166630 7 30-11 L171336 9 92-45 L158239 14 30-16 L166759 3 40-34 L171481 13 94-19 L158240 15 30-16 L167244 2 40-54 L171486 5 92-19 L158241 20 30-11 L167244 7 40-55 L171572 24 70-33 L158246 2 30-19 L167244 2 40-56 L171572 6 70-41 L158251 13 30-11 L167318 10 52-4 L171701 17 94-25 L158252 23 30-11 L167350 2 58-7 L171710 10 94-19 L158260 5 93-17 L167362 38 80-3 L171711 31 94-19 L158277 8 80-3 L167363 37 80-3 L171712 32 94-19 L158278 7 80-3 L167365 48 80-3 L171975 14 92-37 L158279 54 80-3 L167473 30 80-3 L171976 14 92-37 L158289 8 30-11 L167664 10 30-35 L171980 9 92-37 L158301 4 40-4 L167749 41 52-17 L172081 6 56-31 L158303 2 40-4 L167749 26 56-5 L172182 1 60-3 L158304 5 40-4 L167801 22 56-9 L172584 12 70-8 L158306 24 30-11 L168124 13 93-39 L172599 9 56-21 L158306 49 80-3 L168126 2 93-33 L172658 7 56-17 L158312 22 54-23 L168228 1 92-17 L172758 1 70-4 L158359 4 70-21 L168245 15 40-49 L172889 9 58-7 L158360 6 70-21 L168269 19 30-11 L172906 3 30-19 L158414 11 80-1 L168271 9 92-35 L172927 21 56-5 L158434 4 92-13 L168286 3 30-15 L172982 4 52-5 L158473 51 54-19 L168286 11 30-16 L173220 28 52-9 L158565 5 93-33 L168344 3 70-3 L173222 12 52-9 L158566 32 93-33 L168503 14 60-13 L173241 19 58-7 L158567 1 93-43 L168519 13 93-17 L173243 5 58-7 L158590 1 30-37 L168608 2 93-31 L173431 11 56-21 L158623 13 54-7 L168610 17 60-23 L173432 10 56-21 L158800 1 56-28 L168634 14 80-1 L173433 14 56-21 L158800 1 56-29 L168690 20 93-47 L173476 18 80-3 L158822 2 94-27 L168800 9 56-5 L173805 10 92-37 L158930 12 70-3 L168846 11 30-19 L173991 6 56-5 L158963 3 94-27 L169102 8 92-43 L173998 19 56-21 L158967 8 56-17 L169103 8 92-43 L174118 9 92-19 L159011 16 30-21 L169203 4 93-41 L174378 6 40-51 L159013 9 30-15 L169208 6 30-21 L174379 5 40-51 L159013 12 30-16 L169208 6 30-23 L174554 10 56-19 L159016 8 30-21 L169231 15 60-17 L175019 37 80-5 L159016 8 30-23 L169253 22 52-15 L175651 1 70-8 L159026 4 70-27 L169254 28 52-17 L175783 6 80-23 L159212 5 60-21 L169258 21 52-15 L175841 2 40-34 L159241 5 92-13 L169277 5 58-5 L175842 1 40-34 L159313 7 56-12 L169323 22 80-3 L175853 19 60-5 L164972 8 92-47 L169839 8 93-43 L176859 17 58-15 TRACTOR 6110J (EDICION SUDAMERICANA) PC8538S (11-JAN-11) 180-9 PN=603
  • 606.
    180-10 TRACTOR 6110J (EDICIONSUDAMERICANA) INDICE NUMERICO – CONTINUACION NO.PIEZA POS. PAGINA NO.PIEZA POS. PAGINA NO.PIEZA POS. PAGINA L176898 12 56-31 L36685 15 40-68 L40993 11 80-27 L18955 2 80-7 L37224 15 80-39 L40993 10 80-33 L18955 1 80-38 L37225 14 80-39 L40994 11 80-27 L200226 7 92-31 L37226 2 80-38 L40994 10 80-33 L200226 4 92-33 L37489 4 93-5 L40995 11 80-27 L200484 3 58-17 L37733 14 70-43 L40995 10 80-33 L200689 .. 80-5 L37963 21 70-27 L40996 11 80-27 L200800 5 92-21 L38141 12 80-15 L40996 10 80-33 L200802 5 92-21 L38284 16 60-13 L40998 33 80-33 L202135 4 70-15 L38449 5 80-7 L40999 33 80-33 L202136 5 70-15 L38450 3 80-7 L41000 33 80-33 L202137 6 70-15 L38622 4 40-75 L41001 33 80-33 L202138 3 70-15 L38642 3 40-36 L41003 33 80-33 L202139 17 70-15 L38642 30 93-33 L41004 33 80-33 L202140 7 70-15 L39134 10 92-19 L41005 33 80-33 L202141 8 70-15 L39134 2 93-30 L41006 8 80-29 L202144 3 70-16 L39603 6 93-17 L41008 5 80-37 L202146 6 70-16 L39603 11 93-19 L41079 8 52-6 L202147 7 70-16 L39860 6 92-10 L41159 14 80-37 L202150 10 70-9 L39978 3 70-7 L41164 3 80-31 L202151 14 70-9 L39983 19 80-33 L41170 5 80-37 L202305 3 92-23 L39997 5 80-37 L41171 8 80-31 L202306 8 92-23 L40003 15 80-33 L41172 8 80-31 L202660 2 30-33 L40005 15 80-31 L41173 8 80-31 L203433 4 80-5 L40071 6 80-31 L41174 8 80-31 L203435 3 80-5 L40075 8 80-29 L41175 8 80-31 L203436 2 80-5 L40121 5 80-37 L41178 7 93-8 L203437 5 80-5 L40130 17 80-33 L41187 15 56-15 L203438 6 80-5 L40205 16 80-31 L41216 2 80-31 L203490 8 80-5 L40253 21 80-33 L41383 11 52-9 L203949 3 80-39 L40254 22 80-33 L41384 10 52-9 L203991 1 93-24 L40272 11 80-27 L41384 26 54-23 L204008 4 93-24 L40272 10 80-33 L41443 22 92-45 L204116 14 80-5 L40273 9 80-33 L41526 11 52-6 L204120 6 52-4 L40273 4 80-35 L41526 1 52-11 L204993 24 80-33 L40274 7 80-33 L41526 11 54-25 L205138 4 30-5 L40274 3 80-35 L41526 30 56-15 L205758 3 80-46 L40281 20 80-37 L41526 2 58-1 L205759 3 80-46 L40282 1 80-31 L41526 10 58-2 L206857 6 70-10 L40283 5 80-31 L41536 10 52-6 L2646N 10 30-27 L40284 17 80-31 L41560 2 80-9 L26943 3 70-10 L40552 7 80-29 L41560 1 80-13 L26943 12 70-13 L40924 4 40-34 L41649 4 52-15 L27099 8 80-47 L40924 2 92-10 L41650 4 52-15 L28228 5 80-18 L40924 4 93-17 L41651 4 52-15 L28228 1 80-19 L40924 4 93-19 L41652 4 52-15 L28228 7 80-20 L40966 12 56-23 L41653 4 52-15 L28230 2 80-20 L40982 11 80-27 L41654 4 52-15 L31683 5 80-13 L40982 10 80-33 L41655 4 52-15 L31792 15 56-21 L40983 11 80-27 L41656 4 52-15 L32394 12 40-31 L40983 10 80-33 L41657 4 52-15 L32394 3 94-2 L40984 11 80-27 L41709 9 52-6 L32394 4 94-19 L40984 10 80-33 L41709 29 56-15 L33035 11 58-7 L40985 11 80-27 L41709 1 58-1 L33159 13 58-13 L40985 10 80-33 L41709 11 58-2 L33332 20 52-19 L40987 11 80-27 L41709 21 60-21 L33332 12 56-11 L40987 10 80-33 L41858 2 40-27 L34029 5 80-17 L40988 11 80-27 L41858 13 52-3 L34383 2 58-18 L40988 10 80-33 L41858 13 54-3 L34995 14 70-33 L40989 11 80-27 L41858 2 80-42 L35037 4 70-17 L40989 10 80-33 L41858 29 94-19 L35423 11 40-68 L40990 11 80-27 L41860 23 60-21 L35424 13 40-68 L40990 10 80-33 L41928 21 80-37 L35425 12 40-68 L40991 11 80-27 L41980 12 60-9 L35577 16 80-33 L40991 10 80-33 L41980 9 60-11 L36670 10 40-68 L40992 11 80-27 L41980 15 60-21 L36681 14 40-68 L40992 10 80-33 L42050 9 70-17 180-10 TRACTOR 6110J (EDICION SUDAMERICANA) PC8538S (11-JAN-11) PN=604
  • 607.
    180-11 TRACTOR 6110J (EDICIONSUDAMERICANA) INDICE NUMERICO – CONTINUACION NO.PIEZA POS. PAGINA NO.PIEZA POS. PAGINA NO.PIEZA POS. PAGINA L53813 18 56-12 L75882 5 56-7 L76923 24 52-15 L53821 12 58-3 L75883 5 56-7 L76923 27 52-17 L53861 2 56-28 L75884 5 56-7 L76923 14 56-5 L53861 2 56-29 L75885 1 56-1 L76924 3 58-16 L53873 18 60-21 L75885 1 56-2 L77065 8 56-22 L53888 5 80-31 L75889 7 56-7 L77138 2 56-21 L55594 4 80-29 L75889 4 70-40 L77141 21 56-21 L55602 5 80-37 L75904 27 52-17 L77173 9 52-3 L55603 5 80-37 L75904 14 56-5 L77173 9 54-3 L55606 11 80-27 L75905 27 52-17 L77254 7 58-13 L55606 10 80-33 L75905 14 56-5 L77255 8 58-13 L55607 11 80-27 L75906 27 52-17 L77262 10 56-15 L55607 10 80-33 L75906 14 56-5 L77301 3 58-7 L55608 11 80-27 L75911 17 52-5 L77317 2 70-31 L55608 10 80-33 L75911 34 52-17 L77320 8 70-3 L55610 11 80-27 L75917 29 52-17 L77331 7 80-38 L55610 10 80-33 L75917 11 56-5 L77371 4 56-21 L56021 5 92-10 L76029 23 58-7 L77371 8 58-7 L56243 3 60-14 L76033 19 52-5 L77493 11 70-9 L56246 4 60-14 L76033 36 52-17 L77560 3 56-19 L56746 1 70-17 L76058 5 56-31 L77594 7 70-5 L57250 5 92-25 L76059 17 56-31 L77651 22 92-43 L57311 18 56-31 L76193 25 58-7 L77747 12 94-19 L57382 14 60-23 L76229 16 52-19 L77758 5 56-7 L57824 4 92-25 L76229 17 56-11 L77759 5 56-7 L58671 7 94-17 L76234 19 56-11 L77760 5 56-7 L59635 14 93-19 L76235 4 52-19 L77761 5 56-7 L59748 13 92-6 L76286 4 58-13 L77762 5 56-7 L59748 .. 92-6 L76287 6 58-8 L77763 5 56-7 L59748 3 92-9 L76291 11 58-5 L77774 1 70-40 L59796 .. 40-57 L76291 3 58-10 L77775 5 56-5 L59796 19 92-19 L76291 3 58-11 L77779 18 60-17 L59800 34 93-33 L76292 11 58-5 L77805 24 94-13 L59900 2 56-27 L76292 3 58-10 L77805 4 94-15 L59901 3 56-22 L76292 3 58-11 L77912 2 92-21 L59901 11 70-27 L76293 11 58-5 L77963 21 94-9 L59904 2 58-16 L76293 3 58-10 L77963 30 94-13 L59927 25 93-33 L76293 3 58-11 L77963 9 94-15 L60088 13 80-29 L76294 11 58-5 L77963 20 94-15 L60088 5 80-33 L76294 3 58-10 L77964 7 94-13 L60404 8 80-38 L76294 3 58-11 L77978 20 94-9 L60585 2 40-33 L76295 11 58-5 L77978 18 94-13 L61335 5 92-31 L76295 3 58-10 L77978 11 94-15 L61335 7 92-33 L76295 3 58-11 L78006 27 80-33 L61335 40 92-35 L76296 7 58-8 L78009 32 80-33 L62172 7 60-21 L76297 7 58-8 L78028 21 40-21 L62420 16 80-33 L76298 7 58-8 L78028 9 40-31 L62735 24 56-21 L76299 7 58-8 L78041 3 93-24 L62810 4 92-14 L76308 4 58-7 L78069 6 56-5 L63127 8 80-29 L76327 2 58-5 L78070 6 56-5 L63128 8 80-29 L76331 7 92-9 L78071 6 56-5 L63386 7 40-41 L76408 4 56-1 L78072 6 56-5 L64295 3 70-17 L76408 4 56-2 L78073 6 56-5 L64456 4 58-17 L76445 1 58-16 L78085 8 40-5 L64500 3 56-15 L76494 4 58-5 L78122 40 52-17 L64500 1 58-18 L76495 3 58-5 L78123 40 52-17 L64500 4 70-31 L76568 4 58-16 L78124 40 52-17 L64500 1 80-45 L76569 4 58-16 L78125 40 52-17 L64632 7 70-17 L76654 7 56-22 L78202 5 40-75 L64634 8 70-17 L76661 10 56-22 L78238 7 93-24 L64838 9 58-5 L76670 1 52-12 L78338 8 58-3 L64882 11 70-8 L76767 17 92-9 L78415 2 56-9 L64996 4 80-46 L76821 29 52-17 L78422 2 93-21 L65071 5 93-31 L76821 11 56-5 L78457 1 56-26 L75294 7 56-31 L76822 29 52-17 L78494 7 56-1 L75449 28 92-35 L76822 11 56-5 L78494 7 56-2 L75747 13 70-27 L76895 4 80-38 L78501 7 80-39 TRACTOR 6110J (EDICION SUDAMERICANA) PC8538S (11-JAN-11) 180-11 PN=605
  • 608.
    180-12 TRACTOR 6110J (EDICIONSUDAMERICANA) INDICE NUMERICO – CONTINUACION NO.PIEZA POS. PAGINA NO.PIEZA POS. PAGINA NO.PIEZA POS. PAGINA L78545 2 56-26 L79335 9 94-13 MN10384 7 80-47 L78580 5 56-21 L79335 14 94-15 MN10393 14 30-11 L78620 10 94-5 L79337 15 40-21 MN10413 45 80-3 L78682 12 56-17 L79354 14 40-51 MN10416 14 30-27 L78683 19 56-15 L79432 20 92-39 MN10416 7 30-31 L78687 15 56-17 L79433 21 92-39 MN10435 9 92-31 L78690 16 92-39 L79485 26 92-43 MN10436 8 92-31 L78691 15 92-39 L79557 15 52-5 MN10437 1 92-31 L78693 27 92-35 L79610 2 70-10 M44162 12 58-5 L78701 3 93-15 L79610 11 70-13 M78508 8 94-9 L78702 4 92-37 L79611 4 70-10 M78508 16 94-13 L78702 23 92-45 L79611 13 70-13 M78508 6 94-15 L78703 21 92-35 L79648 19 93-17 M84971 9 92-47 L78703 1 92-37 L79648 22 93-19 M85517 11 60-3 L78703 9 92-41 L79648 29 93-33 M87733 1 20-47 L78703 17 92-43 L79648 10 93-35 N209668 22 60-3 L78703 20 92-45 L79734 7 93-5 PFP10109 14 60-3 L78704 17 92-35 L79775 2 93-25 PFP10110 13 60-3 L78704 5 92-37 L79792 5 93-11 PFP10111 15 60-3 L78704 5 92-41 L79795 38 52-17 PF11335 2 40-61 L78704 21 92-43 L79796 38 52-17 PF11600 3 40-61 L78704 21 92-45 L79797 38 52-17 PF12143 7 60-3 L78705 24 92-35 L79798 38 52-17 PF12168 23 60-3 L78768 13 92-43 L79831 23 56-31 PF12169 24 60-3 L78769 12 92-43 L79862 13 58-5 PF12198 16 60-3 L78784 5 70-40 L79871 9 52-15 PF12321 10 60-3 L78785 5 70-40 L79871 12 52-15 PF12336 17 60-3 L78801 1 70-18 L79880 3 40-51 PF12746 6 60-3 L78827 20 56-15 L79884 13 93-33 PF12747 9 60-3 L78828 17 56-15 L79894 6 80-39 PF12800 8 60-3 L78838 20 56-15 L79909 6 92-45 PF13131 3 40-62 L78839 20 56-15 L79919 11 40-21 PF13301 1 40-62 L78840 20 56-15 L79919 14 40-21 PF13379 8 40-61 L78846 17 92-19 L79919 27 80-3 PF80793 10 40-58 L78847 17 92-19 L79919 28 93-33 PF80824 4 40-61 L78851 18 92-35 L79924 10 70-15 PF80845 16 40-57 L78851 6 92-41 L80005 5 70-8 PF80858 5 40-61 L78851 14 92-43 L80013 3 93-21 PF80865 15 40-57 L78866 23 52-19 L80014 5 93-21 PF81060 5 60-3 L78867 22 52-19 L80015 6 93-21 PF81061 12 60-3 L78870 5 56-22 L80051 3 94-5 PF81087 .. 60-3 L78871 18 30-11 L80051 4 94-7 PF81163 6 40-61 L78964 5 70-27 L80051 3 94-11 PF81170 1 40-61 L78975 34 52-9 L80051 13 94-17 PF81259 2 40-62 L78975 15 54-19 L80052 1 56-12 PF90321 .. 40-61 L78979 22 80-5 L80052 3 94-5 PF90718 .. 40-62 L78984 1 40-11 L80052 4 94-7 P47889 24 58-7 L79006 2 70-22 L80052 3 94-11 P47889 31 70-35 L79009 23 60-17 L80052 19 94-19 P48347 31 54-19 L79028 3 30-5 L80053 3 94-5 P48347 12 58-15 L79037 11 56-9 L80053 4 94-7 P51079 39 54-23 L79057 17 30-11 L80053 3 94-11 P60213 2 30-24 L79076 4 94-5 L80062 5 56-19 P60266 6 70-43 L79076 7 94-7 L80085 11 94-21 RE151059 3 54-11 L79076 4 94-11 L80107 17 56-9 RE151494 1 93-23 L79076 18 94-17 L80167 21 56-9 RE164448 2 40-19 L79076 15 94-19 L80302 3 93-7 RE169008 1 94-27 L79125 1 92-14 L80303 10 40-19 RE172250 3 70-39 L79127 21 52-19 L80355 11 92-21 RE175238 10 60-19 L79149 11 80-39 L80361 11 56-31 RE183935 6 93-5 L79187 11 52-19 L80362 11 56-31 RE190805 6 52-11 L79188 11 52-19 L80445 10 52-3 RE190805 8 56-23 L79230 5 70-3 L80445 10 54-3 RE190805 10 58-15 L79232 4 70-3 MN10029 5 40-11 RE19797 12 20-9 L79234 2 70-3 MN10255 6 93-3 RE19799 14 20-9 L79270 25 60-17 MN10280 1 70-19 RE206170 10 80-13 L79335 15 94-9 MN10299 1 30-27 RE207311 14 40-57 180-12 TRACTOR 6110J (EDICION SUDAMERICANA) PC8538S (11-JAN-11) PN=606
  • 609.
    180-13 TRACTOR 6110J (EDICIONSUDAMERICANA) INDICE NUMERICO – CONTINUACION NO.PIEZA POS. PAGINA NO.PIEZA POS. PAGINA NO.PIEZA POS. PAGINA RE211158 2 56-18 RE46686 12 20-21 RE516280 2 20-13 RE211158 1 56-23 RE46686 2 20-25 RE517011 1 20-16 RE212876 5 52-11 RE46686 13 20-45 RE517370 3 20-29 RE212876 7 54-25 RE47271 37 54-5 RE519144 1 20-49 RE212878 4 52-11 RE47291 6 54-17 RE519736 3 20-39 RE212878 5 54-26 RE47294 4 54-9 RE519740 11 20-53 RE217551 1 40-33 RE47303 42 54-23 RE519741 13 20-53 RE220029 24 54-5 RE47305 9 54-5 RE520368 10 20-53 RE220989 11 54-5 RE47315 5 52-9 RE520539 6 20-2 RE221608 20 54-11 RE47315 10 54-19 RE52242 1 20-53 RE222770 21 58-13 RE47392 1 56-18 RE522530 2 30-2 RE225879 1 54-17 RE47392 3 56-23 RE522531 3 30-2 RE228488 4 54-15 RE47393 19 58-15 RE524144 6 20-21 RE228607 3 54-13 RE47730 6 20-9 RE524535 1 20-6 RE228608 1 54-13 RE48092 4 54-7 RE527289 15 20-47 RE23542 9 80-13 RE48786 8 20-9 RE528644 2 20-21 RE23542 1 80-17 RE49624 12 70-25 RE528935 7 20-21 RE239058 10 54-9 RE49624 20 70-35 RE528936 5 20-21 RE239125 22 70-35 RE49625 2 70-25 RE529594 1 20-20 RE239984 5 54-5 RE49628 2 70-39 RE530306 1 40-1 RE241164 1 70-37 RE49632 4 70-39 RE532939 1 20-29 RE244125 6 54-11 RE49639 13 94-23 RE535728 1 20-24 RE244129 16 54-11 RE49778 3 40-33 RE538097 23 20-29 RE245565 6 54-13 RE500026 11 20-47 RE54004 5 60-5 RE245952 4 70-25 RE500133 7 20-53 RE545165 2 20-9 RE246313 24 70-35 RE500446 3 20-31 RE54885 10 20-47 RE251672 32 54-5 RE500447 8 20-31 RE56031 1 52-5 RE255150 10 94-23 RE500448 9 20-31 RE56036 5 54-9 RE255240 9 94-23 RE500449 1 20-31 RE56369 33 20-29 RE261134 9 80-9 RE500608 11 20-37 RE56375 2 20-33 RE261756 31 54-5 RE500631 6 20-23 RE57234 1 20-43 RE268228 4 70-49 RE500844 1 20-48 RE57482 5 20-13 RE268229 4 70-49 RE501053 3 20-10 RE58029 13 94-25 RE268230 4 70-49 RE501592 7 20-47 RE59298 2 20-45 RE268231 4 70-49 RE502446 1 20-31 RE59754 9 20-53 RE285712 1 40-5 RE502447 9 20-31 RE59801 5 20-2 RE31617 13 20-43 RE502740 1 20-27 RE60005 12 20-43 RE34603 20 54-5 RE50332 3 70-45 RE60029 4 20-9 RE34603 8 54-15 RE50333 1 70-45 RE60029 8 20-21 RE34786 18 54-11 RE50334 2 70-45 RE60071 8 20-10 RE35512 7 52-5 RE503727 6 20-53 RE60765 2 40-8 RE35512 12 54-5 RE50384 25 70-35 RE61245 1 54-12 RE39354 12 54-25 RE50385 26 70-35 RE61717 1 93-5 RE40370 12 52-4 RE50385 4 70-45 RE62446 21 70-25 RE40448 18 54-17 RE504233 2 20-24 RE63674 15 20-33 RE41945 2 52-4 RE504914 4 20-40 RE63915 2 20-37 RE43497 38 93-33 RE505232 3 20-53 RE65165 5 20-34 RE43637 2 93-7 RE505232 7 20-53 RE65168 6 20-34 RE44574 5 20-5 RE505501 14 20-33 RE65291 16 58-13 RE46534 10 52-19 RE505980 12 20-29 RE65908 12 20-37 RE46534 13 54-25 RE505980 14 20-29 RE67001 1 70-39 RE46534 1 93-7 RE505980 15 20-29 RE67231 1 20-45 RE46598 14 60-19 RE505980 18 20-29 RE67238 7 20-3 RE46634 10 93-33 RE505980 19 20-29 RE67238 12 20-45 RE46684 4 20-15 RE506195 1 20-34 RE67238 17 20-53 RE46684 6 20-25 RE506261 3 20-47 RE67239 28 20-29 RE46684 27 54-5 RE507850 3 20-37 RE68748 7 20-9 RE46684 12 54-11 RE507852 4 20-37 RE70358 10 20-21 RE46684 48 54-19 RE508185 25 20-33 RE70401 5 20-2 RE46684 56 54-23 RE508317 6 20-39 RE71255 8 20-33 RE46684 10 70-25 RE508566 7 20-29 RE71255 10 20-43 RE46685 16 20-29 RE508599 6 20-45 R10093 26 93-33 RE46685 15 20-45 RE515591 11 20-9 R10093 10 93-43 RE46685 20 54-19 RE515591 15 20-9 R10093 4 93-44 RE46685 11 54-21 RE515591 16 20-9 R10093 10 93-47 RE46685 10 54-23 RE515591 17 20-9 R100947 26 52-9 RE46685 8 54-25 RE515591 18 20-9 R100948 16 52-9 TRACTOR 6110J (EDICION SUDAMERICANA) PC8538S (11-JAN-11) 180-13 PN=607
  • 610.
    180-14 TRACTOR 6110J (EDICIONSUDAMERICANA) INDICE NUMERICO – CONTINUACION NO.PIEZA POS. PAGINA NO.PIEZA POS. PAGINA NO.PIEZA POS. PAGINA R100949 15 52-9 R111238 7 70-35 R120477 20 54-9 R100950 25 52-9 R111242 9 70-35 R120631 2 20-34 R100988 16 54-17 R111278 5 70-43 R120638 2 20-40 R100989 15 54-17 R111288 13 70-35 R120639 4 20-31 R100991 14 54-17 R111298 11 70-25 R120839 3 52-5 R101169 15 54-11 R111308 16 70-35 R120840 2 52-5 R101170 12 54-9 R111504 34 70-35 R120902 1 54-26 R101178 7 54-15 R111527 33 70-35 R120947 17 52-9 R101187 8 54-9 R111570 11 92-9 R120947 21 54-19 R101214 5 54-11 R112063 47 54-19 R121376 6 20-40 R101225 11 20-23 R112551 5 94-25 R121411 10 20-29 R101239 17 54-17 R112553 16 94-25 R121424 9 20-29 R102913 14 54-5 R112857 3 54-12 R121580 35 54-5 R102913 5 54-7 R112945 5 54-25 R121580 7 54-11 R104536 9 20-47 R112955 2 54-12 R121580 16 54-23 R104558 20 58-15 R112976 32 54-19 R121609 30 52-9 R104655 4 54-5 R112977 40 54-23 R121609 39 54-19 R104714 44 54-19 R113050 22 93-33 R121634 2 20-44 R104728 43 54-23 R113050 4 93-47 R122146 2 54-7 R104733 11 52-5 R113211 7 70-43 R123161 8 20-39 R104733 16 54-5 R113218 32 70-35 R123226 8 20-25 R104738 2 54-9 R113223 37 70-35 R123226 13 20-29 R104846 9 40-58 R113224 38 70-35 R123271 1 20-39 R104846 3 40-65 R113226 39 70-35 R123324 11 20-25 R104846 3 40-67 R113228 17 70-35 R123417 8 20-29 R104846 3 40-72 R113228 13 70-43 R123471 5 20-45 R104846 2 40-73 R113229 36 70-35 R123501 4 20-45 R105040 18 54-9 R113419 6 54-25 R123513 10 20-39 R105346 5 20-47 R113671 33 54-5 R123561 5 20-34 R105605 24 52-9 R114082 10 20-37 R123563 6 20-34 R105605 21 54-23 R114193 34 20-29 R123565 12 20-39 R106302 6 60-5 R114194 10 20-23 R123574 3 20-2 R106551 5 93-39 R114241 19 20-33 R123575 4 20-2 R106551 4 94-21 R114282 2 20-6 R123584 12 20-23 R106825 12 54-17 R114758 17 60-5 R123586 4 20-19 R107206 23 54-5 R114779 3 60-5 R124104 4 80-15 R107252 6 52-9 R114841 20 60-5 R124247 16 80-15 R107252 6 54-19 R115119 13 54-17 R124438 9 54-7 R107638 4 54-25 R115141 4 54-19 R124949 40 54-19 R107731 11 20-39 R115215 9 54-15 R125065 14 54-9 R108041 11 60-19 R115250 1 20-14 R125173 21 54-5 R108052 4 60-19 R115299 16 20-33 R125178 12 58-7 R108062 8 60-19 R115532 9 20-9 R125475 11 80-17 R108066 17 60-19 R115892 19 70-25 R126640 14 60-5 R108073 8 94-27 R115974 5 93-5 R126641 12 60-5 R108925 5 52-4 R116040 8 54-23 R126667 23 70-35 R108925 9 54-17 R116100 7 54-19 R128660 2 30-5 R108927 4 52-4 R116101 9 54-19 R128661 2 30-5 R108927 10 54-17 R116115 3 20-53 R129184 28 54-23 R109066 55 54-23 R116115 4 20-53 R129680 18 58-7 R109066 3 54-26 R116296 6 20-3 R130488 3 54-17 R109067 51 54-23 R116366 10 20-9 R130606 22 54-11 R109147 1 80-15 R116386 2 20-23 R131182 3 20-33 R109535 13 52-9 R116466 9 20-33 R131283 9 20-23 R109535 18 52-9 R116473 3 52-9 R131283 32 20-29 R109535 22 54-19 R116473 8 54-19 R131425 13 20-33 R109823 9 80-15 R116515 16 20-43 R131765 3 20-5 R109863 5 20-23 R117463 14 94-25 R132186 22 20-33 R110079 2 52-9 R117611 5 94-27 R132267 1 20-9 R110080 4 52-9 R117738 .. 70-35 R132518 11 20-33 R110531 1 20-10 R117942 35 70-35 R132899 18 70-25 R111009 14 80-15 R118092 30 70-35 R133303 2 20-31 R111010 7 80-17 R118192 29 70-35 R133303 1 20-33 R111085 1 54-25 R118453 12 94-25 R133405 3 20-24 R111101 3 80-15 R119441 22 52-9 R134141 38 54-23 R111173 6 92-5 R119874 12 20-33 R134518 3 20-23 R111206 4 70-43 R120247 7 20-13 R134527 1 20-23 180-14 TRACTOR 6110J (EDICION SUDAMERICANA) PC8538S (11-JAN-11) PN=608
  • 611.
    180-15 TRACTOR 6110J (EDICIONSUDAMERICANA) INDICE NUMERICO – CONTINUACION NO.PIEZA POS. PAGINA NO.PIEZA POS. PAGINA NO.PIEZA POS. PAGINA R135439 2 20-33 R214122 7 54-13 R34028 19 54-25 R135918 1 20-5 R216291 2 54-11 R34140 34 56-15 R135918 7 20-34 R216292 17 54-11 R34659 10 80-15 R136475 4 20-23 R216293 4 54-11 R34801R 3 80-17 R136495 5 20-3 R216294 11 54-9 R34801R 3 80-19 R151435 16 54-9 R217436 1 54-9 R35034 2 58-13 R152204 4 58-15 R217636 12 30-27 R38295 3 52-4 R153481 5 58-15 R219255 4 54-13 R38295 35 52-9 R158505 36 54-5 R219516 15 54-9 R38295 41 54-5 R158505 5 56-29 R219974 13 54-9 R38295 3 54-9 R158521 10 54-11 R220471 9 54-9 R38295 4 54-17 R158523 11 54-11 R223964 7 54-7 R38295 52 54-23 R166612 1 94-25 R224445 30 54-23 R39322 17 54-9 R167349 2 54-23 R227060 3 54-15 R39554 19 93-5 R167684 29 54-23 R228266 2 54-15 R41012 10 80-15 R167686 11 54-23 R228268 11 54-15 R43409 6 20-43 R167722 12 54-23 R228601 5 54-15 R44165 15 93-5 R169906 33 80-5 R232182 5 40-27 R44165 35 93-33 R171006 10 54-5 R232182 3 40-54 R44302 15 40-15 R171009 18 54-5 R234273 7 93-31 R44302 12 40-21 R171412 34 54-19 R23551 9 80-13 R44302 2 40-23 R171413 33 54-19 R23551 1 80-17 R44302 3 40-27 R173443 14 54-11 R237474 6 92-43 R44302 6 40-28 R176198 37 54-19 R241161 19 70-35 R44302 8 40-34 R176199 30 54-19 R241161 3 70-43 R44302 2 40-35 R176474 1 54-7 R241994 16 54-19 R44302 2 40-36 R182130 19 54-21 R243074 6 54-7 R44302 5 40-53 R182130 8 94-5 R244132 8 54-7 R44302 6 40-55 R184115 17 54-23 R245934 1 54-15 R44302 13 40-57 R184116 16 54-21 R247895 30 54-5 R44302 3 54-25 R186903 24 54-23 R248215 7 54-21 R44302 2 80-42 R186905 25 54-23 R251675 39 54-5 R44302 16 92-19 R188518 1 54-11 R251678 40 54-5 R44313 4 94-27 R190726 6 80-18 R252208 26 54-19 R46727 3 80-45 R192193 31 54-23 R255005 17 54-19 R46727 8 92-6 R192305 12 54-21 R255597 1 54-5 R46727 .. 92-6 R194487 6 54-21 R255603 38 54-5 R46727 7 92-14 R194658 9 54-21 R255604 38 54-5 R46727 2 92-19 R194659 8 54-21 R257609 1 54-23 R47862 16 60-23 R197326 33 54-23 R257613 1 54-23 R48685 4 20-33 R197564 15 54-21 R26121 8 20-37 R48685 4 20-34 R197640 3 54-23 R26125 14 20-43 R48745 5 70-40 R202359 13 54-19 R263120 7 80-5 R48746 5 70-40 R202640 45 54-19 R26448 2 20-48 R48747 8 70-40 R202861 18 54-21 R26552 2 60-19 R48748 8 70-40 R202861 50 54-23 R26650 17 20-33 R48749 5 70-40 R206171 7 80-13 R26871 7 93-15 R48750 5 70-40 R206454 17 92-21 R26906 8 20-43 R48767 6 20-37 R206454 8 93-31 R26976 4 70-35 R49921 14 93-47 R208927 46 54-19 R27180 6 40-36 R500471 4 20-25 R209938 21 54-11 R27329 5 58-17 R500472 2 20-15 R210137 4 93-26 R273498 18 54-19 R500596 2 20-10 R211082 4 56-18 R273530 38 54-19 R500650 6 20-31 R211082 2 56-23 R276658 17 54-5 R501124 9 20-37 R211082 21 58-15 R27976 18 54-25 R501178 2 20-27 R212399 10 54-15 R28776 37 54-23 R501227 1 20-15 R212934 6 94-25 R299262 28 54-19 R501228 7 20-25 R212936 8 94-25 R299263 27 54-19 R501314 9 20-25 R212937 15 94-25 R299264 29 54-19 R501428 7 20-45 R213206 7 94-25 R30437 17 80-5 R501436 16 20-53 R213346 1 94-25 R31271 9 94-17 R501472 6 20-10 R213348 4 54-21 R33167 14 52-4 R50227 8 94-17 R213484 5 54-21 R33167 29 54-5 R502725 3 20-27 R213485 3 54-21 R33167 6 58-13 R502811 9 20-45 R213644 10 94-25 R33259 21 93-33 R502864 15 20-53 R213853 13 54-19 R33259 11 93-43 R503880 1 20-4 R214121 2 54-17 R33259 9 93-47 R50454 5 40-31 TRACTOR 6110J (EDICION SUDAMERICANA) PC8538S (11-JAN-11) 180-15 PN=609
  • 612.
    180-16 TRACTOR 6110J (EDICIONSUDAMERICANA) INDICE NUMERICO – CONTINUACION NO.PIEZA POS. PAGINA NO.PIEZA POS. PAGINA NO.PIEZA POS. PAGINA R50454 2 60-9 R80135 2 20-3 R95784 10 58-7 R50454 11 60-11 R80136 1 20-3 R95835 19 54-9 R504734 6 20-29 R81207 4 93-39 R95835 5 54-13 R504734 8 20-45 R81272 1 80-18 R95850 2 54-26 R504849 7 20-33 R81275 5 20-10 R95890 9 58-15 R505609 3 20-34 R83588 5 80-15 R95892 13 58-15 R515040 2 20-4 R85363 15 20-43 R95895 2 54-13 R515195 8 20-13 R85687 3 20-43 R95898 3 52-6 R515588 2 20-17 R86638 19 52-9 R95899 2 52-6 R516215 3 20-54 R86638 23 54-19 R95900 6 52-6 R516648 3 20-4 R87210 13 52-4 R96515 5 70-40 R517171 1 20-19 R87210 19 54-5 R96517 5 70-40 R517353 3 20-3 R87227 14 52-5 R96805 8 52-5 R518507 11 20-53 R87395 22 52-5 R96805 13 54-5 R518507 12 20-53 R87395 8 54-5 R96806 10 52-5 R518507 13 20-53 R87395 6 54-9 R96806 15 54-5 R519313 2 20-5 R87455 44 54-23 R96826 6 54-15 R519779 5 20-2 R88791 41 54-23 R97185 5 20-40 R520130 5 20-29 R89944 3 20-44 R97354 19 20-9 R520132 2 20-29 R90692 2 20-43 R98062 4 20-43 R520792 1 20-6 R91889 11 20-43 R98063 5 20-43 R521401 1 20-2 R92097 4 20-47 R99437 2 80-15 R521439 3 20-17 R92241 4 54-12 SE501101 8 20-9 R521493 4 20-13 R93485 22 58-7 SE501656 1 20-34 R523060 30 20-29 R95063 31 52-9 SE501814 4 20-40 R524480 6 20-2 R95063 2 54-19 SE502472 3 20-47 R54114 1 20-37 R95066 1 52-9 SG01001 10 30-19 R54174 36 54-19 R95066 5 54-19 SG01301 3 30-27 R54477 10 40-57 R95073 33 52-9 SG06401 13 30-27 R54477 10 92-9 R95076 9 52-9 SG06401 4 30-31 R54477 12 93-24 R95076 54 54-23 SG06401 7 93-41 R54565 4 20-39 R95077 8 52-9 SU20627 2 93-26 R55453 7 20-37 R95077 53 54-23 SU292142 16 70-15 R56757 14 70-41 R95081 14 52-9 SU292160 12 70-9 R58303 9 80-17 R95081 4 54-23 SU292606 9 70-9 R58832 7 70-25 R95084 5 54-23 SU292606 9 70-15 R58941 32 52-9 R95086 35 54-23 SU292606 5 70-16 R58941 12 54-19 R95109 15 58-13 S17072 2 30-31 R60263 5 93-41 R95110 17 58-13 T116822 10 80-37 R60264 6 93-41 R95152 13 58-7 T116827 12 80-37 R60755 7 60-19 R95171 13 52-5 T122075 3 20-45 R61467 4 20-5 R95181 5 52-5 T13119 12 60-19 R61871 3 20-13 R95182 9 52-5 T13744 3 40-28 R63548 2 20-47 R95195 6 58-15 T13744 3 40-56 R63548 12 20-47 R95197 3 58-15 T17148 2 60-3 R66375 8 92-5 R95198 2 58-15 T18891 18 20-33 R69166 8 70-5 R95216 8 58-15 T20034 7 20-23 R69166 11 70-15 R95316 8 54-11 T20168 21 20-33 R71228 21 20-29 R95360 2 54-5 T20314 9 20-39 R72328 3 20-19 R95378 3 54-7 T20316 5 20-39 R72653 7 94-27 R95398 2 54-25 T21564 3 58-3 R73380 17 80-15 R95422 6 54-7 T22242 2 30-32 R73380 6 80-17 R95490 15 70-35 T23474 20 20-33 R74402 5 92-39 R95491 10 70-35 T23853 36 54-23 R77175 9 52-11 R95493 6 70-35 T27260 7 92-35 R77175 17 54-25 R95493 8 70-43 T27432 11 52-4 R77175 7 56-23 R95493 2 70-50 T27432 16 52-5 R77175 11 58-15 R95494 9 70-25 T27432 11 54-17 R77175 14 70-25 R95494 17 70-27 T28862 1 20-21 R77480 9 40-75 R95494 14 70-35 T32146 1 80-7 R77915 1 93-30 R95494 9 70-43 T55501 20 93-5 R78069 9 40-57 R95494 1 70-47 T58477 7 20-43 R79018 21 52-5 R95494 1 70-50 T62323 2 30-7 R79018 7 54-5 R95560 11 54-7 T70659 6 60-13 R79018 5 56-17 R95612 9 80-38 T75984 5 70-47 R79060 5 70-25 R95616 7 70-47 T77613 5 56-25 R79639 7 54-17 R95660 7 52-9 T77613 8 60-9 180-16 TRACTOR 6110J (EDICION SUDAMERICANA) PC8538S (11-JAN-11) PN=610
  • 613.
    180-17 TRACTOR 6110J (EDICIONSUDAMERICANA) INDICE NUMERICO – CONTINUACION NO.PIEZA POS. PAGINA NO.PIEZA POS. PAGINA NO.PIEZA POS. PAGINA T77613 4 60-11 12M7077 4 94-17 14M7272 6 30-15 T77613 8 60-21 12M7122 5 40-19 14M7272 18 30-16 T77613 5 60-23 12M7133 3 93-23 14M7272 4 30-32 T77613 7 70-28 12M7135 6 40-45 14M7272 15 60-13 T77814 9 58-3 12M7142 15 40-8 14M7272 11 60-23 T77857 3 56-25 14H631 8 40-19 14M7272 15 92-37 T77857 1 60-9 14H785 6 40-19 14M7272 4 93-11 T77857 1 60-11 14H800 11 80-15 14M7272 4 93-23 T77857 4 60-13 14H800 5 80-19 14M7272 15 93-35 T77857 11 70-5 14M5409 23 80-31 14M7272 2 94-5 T77857 5 70-6 14M7009 16 56-12 14M7272 2 94-7 T77857 16 70-25 14M7027 11 93-13 14M7272 24 94-9 T77857 6 70-28 14M7028 5 40-5 14M7272 2 94-11 T77857 2 70-43 14M7028 8 93-33 14M7272 25 94-13 T77858 3 30-21 14M7029 16 30-15 14M7272 14 94-17 T77858 3 30-23 14M7029 9 30-16 14M7272 18 94-19 T77858 3 70-28 14M7029 13 30-21 14M7273 3 40-7 T77858 3 70-33 14M7029 13 30-23 14M7273 8 40-15 T77932 2 70-6 14M7029 13 30-31 14M7273 18 40-15 T77932 27 70-27 14M7029 6 40-4 14M7273 5 40-17 T82565 9 80-37 14M7029 4 40-15 14M7273 6 40-21 U13639 24 20-33 14M7029 3 70-19 14M7273 11 40-31 U17409 9 60-19 14M7029 5 80-3 14M7273 3 40-45 U42902 3 70-47 14M7029 43 80-3 14M7273 15 56-25 U46662 10 40-75 14M7029 6 80-41 14M7273 10 60-13 Z20701 14 30-21 14M7029 5 94-34 14M7273 30 60-17 Z20701 14 30-23 14M7031 6 94-29 14M7273 12 60-23 Z26250 39 92-35 14M7066 3 20-40 14M7273 35 80-3 Z29304 11 70-47 14M7100 7 40-15 14M7273 23 80-5 Z30233 8 92-3 14M7136 22 30-11 14M7273 8 93-23 Z35271 11 30-15 14M7139 9 40-46 14M7273 1 94-3 Z35271 6 30-16 14M7140 11 30-21 14M7273 11 94-19 Z36392 51 93-33 14M7140 11 30-23 14M7274 5 30-5 Z59391 11 93-24 14M7140 11 30-29 14M7274 7 40-45 03M7088 7 92-27 14M7140 19 80-3 14M7274 3 56-32 03M7190 21 60-3 14M7140 4 80-41 14M7274 8 60-13 03M7192 8 92-39 14M7142 3 80-18 14M7274 31 60-17 03M7264 9 80-47 14M7142 4 80-20 14M7274 3 60-21 03M7309 4 92-41 14M7144 4 30-28 14M7274 16 70-41 03M7331 29 60-17 14M7148 7 20-39 14M7274 3 92-27 03M7331 14 92-35 14M7148 9 70-47 14M7274 3 93-8 03M7331 5 92-45 14M7151 12 94-17 14M7275 4 70-22 03M7391 7 92-37 14M7165 12 40-19 14M7276 4 80-9 08H4373 13 80-15 14M7165 2 60-5 14M7276 3 80-13 08H4419 8 80-17 14M7165 7 92-3 14M7276 9 80-39 11M7009 3 30-32 14M7165 12 92-21 14M7291 11 92-5 11M7012 9 70-5 14M7165 2 92-25 14M7294 17 80-1 11M7012 12 70-15 14M7165 2 92-37 14M7296 27 20-29 11M7012 18 70-15 14M7165 8 93-13 14M7296 5 40-2 11M7054 4 70-9 14M7165 2 93-44 14M7296 7 40-3 12H236 2 80-15 14M7165 10 94-21 14M7296 2 40-5 12H245 8 80-15 14M7166 7 40-8 14M7296 10 80-47 12H295 7 40-19 14M7166 17 40-21 14M7296 5 94-3 12M7065 3 40-15 14M7166 20 92-35 14M7297 5 40-34 12M7065 4 70-19 14M7166 13 92-39 14M7298 3 20-9 12M7065 7 80-41 14M7166 8 92-41 14M7298 53 80-3 12M7066 10 30-29 14M7166 5 93-26 14M7319 6 30-7 12M7066 3 80-41 14M7166 16 94-9 14M7347 44 80-3 12M7067 10 30-28 14M7166 11 94-13 14M7360 16 94-19 12M7067 17 40-15 14M7166 13 94-15 14M7376 5 70-7 12M7067 2 58-17 14M7168 12 80-1 14M7376 26 92-35 12M7067 20 80-1 14M7168 8 94-19 14M7376 12 93-43 12M7067 5 94-29 14M7209 3 60-3 14M7396 23 94-19 12M7069 7 80-7 14M7233 11 80-5 14M7397 3 40-4 12M7070 12 30-28 14M7260 13 80-39 14M7397 18 60-3 12M7070 2 70-9 14M7265 9 93-3 14M7410 13 92-5 12M7077 6 40-34 14M7265 3 94-17 14M7413 7 70-10 TRACTOR 6110J (EDICION SUDAMERICANA) PC8538S (11-JAN-11) 180-17 PN=611
  • 614.
    180-18 TRACTOR 6110J (EDICIONSUDAMERICANA) INDICE NUMERICO – CONTINUACION NO.PIEZA POS. PAGINA NO.PIEZA POS. PAGINA NO.PIEZA POS. PAGINA 14M7413 8 70-13 19M7162 16 56-9 19M7386 5 40-28 14M7416 5 40-21 19M7162 9 56-22 19M7386 1 58-17 14M7416 4 40-31 19M7162 14 56-25 19M7386 14 60-11 14M7416 4 60-9 19M7162 3 56-28 19M7386 10 70-16 14M7416 17 60-11 19M7162 3 56-29 19M7386 11 93-47 14M7416 32 92-35 19M7162 51 80-3 19M7387 4 30-24 14M7416 1 92-45 19M7162 6 92-9 19M7396 3 58-18 14M7416 3 93-39 19M7162 7 92-47 19M7402 7 30-35 14M7416 8 93-47 19M7162 16 93-47 19M7402 13 60-19 14M7416 2 94-2 19M7162 4 94-2 19M7403 2 56-1 14M7416 26 94-9 19M7163 2 40-15 19M7403 2 56-2 14M7416 32 94-13 19M7163 6 40-31 19M7407 18 58-13 14M7416 15 94-15 19M7163 14 56-15 19M7408 3 30-1 14M7416 30 94-19 19M7163 11 60-17 19M7408 4 40-2 14M7416 3 94-20 19M7163 1 60-21 19M7408 6 40-3 14M7478 3 92-35 19M7163 52 80-3 19M7411 4 80-7 14M7478 6 93-27 19M7166 1 30-1 19M7479 8 92-27 14M7528 10 92-35 19M7166 9 30-21 19M7481 2 92-33 15H584 5 20-33 19M7166 9 30-23 19M7487 2 30-28 15H584 3 20-48 19M7166 2 40-2 19M7495 5 58-18 15H623 23 20-33 19M7166 3 70-41 19M7496 7 30-7 15M2714 3 56-1 19M7166 16 80-1 19M7496 6 30-24 15M2714 3 56-2 19M7166 41 80-3 19M7496 7 30-28 15M2717 1 56-27 19M7166 10 92-6 19M7513 26 56-15 15M7062 8 70-8 19M7167 8 30-29 19M7555 3 56-26 15M7076 9 70-41 19M7167 7 30-35 19M7557 6 40-53 15M7076 8 70-50 19M7167 5 92-27 19M7557 3 52-2 15M7077 1 70-27 19M7167 4 94-3 19M7557 2 54-2 15M7077 6 70-50 19M7168 7 30-1 19M7557 13 60-13 15M7078 8 58-1 19M7168 9 60-5 19M7560 16 30-11 15M7078 4 58-2 19M7168 20 60-13 19M7560 4 40-19 16M7111 15 52-4 19M7168 6 94-3 19M7560 3 40-39 16M7114 24 80-3 19M7169 17 30-21 19M7560 6 40-57 16M7119 29 80-5 19M7169 17 30-23 19M7560 3 56-18 19H1782 1 80-15 19M7169 9 58-8 19M7560 14 56-23 19M10075 1 20-13 19M7169 1 80-41 19M7560 18 58-15 19M3143 12 30-35 19M7174 6 80-33 19M7560 5 92-3 19M3167 18 80-1 19M7174 2 80-35 19M7560 5 92-6 19M5055 10 60-17 19M7179 4 20-10 19M7560 8 92-14 19M6614 13 20-9 19M7180 23 56-15 19M7560 9 92-21 19M6614 5 93-23 19M7184 9 52-4 19M7560 2 93-23 19M7008 4 40-53 19M7268 4 30-1 19M7560 12 93-33 19M7008 4 40-55 19M7268 1 40-45 19M7560 8 93-35 19M7077 8 30-15 19M7268 5 40-52 19M7560 2 94-9 19M7077 16 30-16 19M7268 3 94-29 19M7560 23 94-13 19M7077 11 40-19 19M7269 5 40-8 19M7560 2 94-15 19M7077 18 60-5 19M7285 8 30-28 19M7574 22 92-39 19M7077 5 92-3 19M7286 1 92-25 19M7603 17 60-13 19M7077 16 92-21 19M7288 14 56-15 19M7609 1 80-18 19M7139 17 30-15 19M7288 9 60-13 19M7620 2 80-6 19M7139 7 30-16 19M7288 5 70-19 19M7638 2 58-11 19M7139 8 40-4 19M7288 4 80-23 19M7640 9 93-33 19M7139 9 80-41 19M7297 14 30-15 19M7657 7 93-47 19M7139 29 92-35 19M7297 10 30-16 19M7660 24 60-11 19M7139 9 94-19 19M7297 1 40-7 19M7660 23 60-13 19M7139 3 94-34 19M7297 22 93-47 19M7660 23 70-33 19M7156 19 56-5 19M7298 13 60-23 19M7660 5 93-25 19M7160 23 94-9 19M7300 5 60-17 19M7662 20 52-15 19M7160 28 94-13 19M7300 5 93-24 19M7675 4 58-18 19M7162 6 30-5 19M7317 9 40-34 19M7691 2 93-45 19M7162 2 30-11 19M7330 13 30-28 19M7720 3 80-38 19M7162 1 30-15 19M7343 1 80-20 19M7768 9 60-23 19M7162 19 30-16 19M7364 8 30-7 19M7768 8 70-35 19M7162 19 40-15 19M7378 11 94-17 19M7768 12 70-43 19M7162 5 40-54 19M7385 12 52-5 19M7768 18 93-33 19M7162 5 40-56 19M7385 13 52-15 19M7774 2 20-14 19M7162 23 56-5 19M7386 1 40-24 19M7775 11 20-29 180-18 TRACTOR 6110J (EDICION SUDAMERICANA) PC8538S (11-JAN-11) PN=612
  • 615.
    180-19 TRACTOR 6110J (EDICIONSUDAMERICANA) INDICE NUMERICO – CONTINUACION NO.PIEZA POS. PAGINA NO.PIEZA POS. PAGINA NO.PIEZA POS. PAGINA 19M7775 35 54-19 19M7902 11 80-37 19M8706 12 70-35 19M7775 1 54-21 19M7907 30 80-33 19M8715 5 92-23 19M7775 23 54-23 19M7913 18 20-53 19M8819 3 30-35 19M7775 15 58-15 19M7913 6 93-26 19M8830 11 93-21 19M7775 9 94-5 19M7921 26 80-33 19M8830 5 93-27 19M7783 3 20-21 19M7938 8 52-3 19M8831 14 92-21 19M7784 11 20-21 19M7938 8 54-3 19M8844 8 20-23 19M7784 8 20-53 19M7944 19 54-11 19M8851 6 30-37 19M7784 7 60-5 19M7946 7 80-1 19M8866 13 93-19 19M7784 2 80-23 19M7958 5 54-29 19M8866 6 94-9 19M7785 6 20-15 19M7966 3 70-4 19M8866 20 94-13 19M7785 14 20-47 19M7969 10 92-5 19M8866 2 94-21 19M7785 3 30-37 19M7970 11 20-45 19M8866 16 94-23 19M7785 3 54-29 19M7979 26 20-29 19M8875 2 40-40 19M7785 6 70-31 19M7979 9 52-19 19M8966 31 20-29 19M7785 31 80-3 19M7984 18 30-21 19M8987 1 20-40 19M7786 2 20-20 19M7984 16 30-23 19M8999 10 20-33 19M7788 2 20-54 19M7988 6 70-19 19M9168 43 54-19 19M7790 6 80-47 19M7988 5 70-22 19M9201 10 40-45 19M7791 4 80-47 19M7988 3 70-31 19M9432 2 70-19 19M7793 1 30-2 19M8011 9 70-3 19M9433 5 80-10 19M7796 22 20-29 19M8011 1 80-29 19M9433 5 80-13 19M7798 4 20-3 19M8035 9 92-5 21M1689 4 40-62 19M7798 7 20-31 19M8035 2 92-31 21M7246 7 40-61 19M7800 20 56-11 19M8049 7 30-24 21M7246 7 93-17 19M7801 12 20-25 19M8062 6 20-13 21M7246 7 93-19 19M7801 29 20-29 19M8119 23 80-33 21M7250 7 40-46 19M7802 10 20-45 19M8122 10 80-31 21M7285 21 93-17 19M7802 19 20-53 19M8162 2 54-29 21M7290 10 93-5 19M7807 1 54-29 19M8163 9 20-13 21M7292 8 70-7 19M7809 5 20-15 19M8208 2 70-18 21M7292 7 92-19 19M7809 1 20-17 19M8263 9 40-51 21M7292 10 92-29 19M7810 3 40-2 19M8263 14 60-9 21M7296 9 30-27 19M7810 8 40-3 19M8263 10 60-11 21M7296 4 70-7 19M7810 10 40-5 19M8263 16 60-21 21M7296 13 92-19 19M7810 3 52-12 19M8291 24 20-29 21M7296 9 93-27 19M7811 3 20-25 19M8292 6 52-3 21M7296 4 93-28 19M7834 13 54-21 19M8292 2 52-12 21M7310 22 92-35 19M7834 1 58-15 19M8292 6 54-3 21M7310 11 92-39 19M7835 1 20-51 19M8317 25 20-29 21M7310 2 93-28 19M7835 1 40-3 19M8317 12 52-19 21M7369 13 40-15 19M7835 12 54-7 19M8397 4 56-9 21M7392 16 92-43 19M7845 6 80-38 19M8403 1 93-39 21M7403 10 93-17 19M7862 42 54-5 19M8403 17 94-9 21M7403 10 93-19 19M7862 9 56-29 19M8403 10 94-13 21M7423 19 92-45 19M7863 3 54-5 19M8403 16 94-15 21M7423 16 93-43 19M7863 6 56-29 19M8475 1 56-21 21M7463 10 56-23 19M7864 5 20-31 19M8482 5 40-33 21M7491 18 92-43 19M7864 55 80-3 19M8493 3 60-19 21M7572 9 56-23 19M7864 5 80-23 19M8533 2 56-7 21M7577 19 60-3 19M7865 12 30-31 19M8533 7 60-13 22H896 8 70-25 19M7865 4 40-21 19M8533 4 93-8 22M7168 24 60-17 19M7865 10 58-3 19M8552 6 80-22 22M7170 11 92-41 19M7865 3 80-3 19M8618 10 20-53 24H1292 2 92-43 19M7865 32 94-9 19M8618 14 20-53 24H1292 10 93-21 19M7865 37 94-13 19M8618 6 70-8 24H1304 2 58-3 19M7865 24 94-15 19M8618 15 70-27 24H1884 8 60-5 19M7866 6 20-47 19M8639 6 80-1 24M7024 9 94-9 19M7866 11 56-11 19M8653 2 80-47 24M7024 17 94-13 19M7866 22 56-11 19M8664 8 70-47 24M7024 7 94-15 19M7866 11 58-3 19M8669 17 93-33 24M7026 12 30-21 19M7866 46 80-3 19M8675 14 40-15 24M7026 12 30-23 19M7867 35 20-29 19M8675 15 92-21 24M7026 4 94-29 19M7867 1 20-44 19M8678 6 70-47 24M7026 4 94-34 19M7867 2 92-47 19M8702 27 56-21 24M7027 6 40-5 19M7868 5 56-12 19M8703 31 80-5 24M7027 48 54-23 19M7898 2 58-10 19M8705 10 70-43 24M7027 8 93-3 TRACTOR 6110J (EDICION SUDAMERICANA) PC8538S (11-JAN-11) 180-19 PN=613
  • 616.
    180-20 TRACTOR 6110J (EDICIONSUDAMERICANA) INDICE NUMERICO – CONTINUACION NO.PIEZA POS. PAGINA NO.PIEZA POS. PAGINA NO.PIEZA POS. PAGINA 24M7027 18 93-17 24M7096 11 60-13 24M7315 3 92-33 24M7027 15 93-19 24M7096 2 70-41 24M7318 12 80-39 24M7027 14 93-33 24M7100 3 92-25 24M7331 10 56-15 24M7028 10 30-21 24M7101 2 80-41 24M7332 22 56-5 24M7028 10 30-23 24M7117 12 40-15 24M7346 2 20-39 24M7028 11 30-35 24M7117 6 40-49 24M7361 11 70-3 24M7028 42 54-19 24M7117 6 93-31 24M7361 7 70-19 24M7028 20 56-5 24M7138 8 92-17 24M7362 2 92-35 24M7028 19 60-13 24M7138 10 93-24 24M7362 16 92-41 24M7028 42 80-3 24M7139 15 30-11 24M7362 19 92-43 24M7028 4 92-27 24M7139 11 30-27 24M7362 4 93-25 24M7028 7 94-3 24M7139 2 40-39 24M7362 7 93-27 24M7040 9 30-29 24M7139 18 60-11 24M7369 12 56-9 24M7040 6 40-2 24M7139 25 80-3 24M7370 12 56-9 24M7043 19 80-1 24M7139 6 92-3 24M7371 12 56-9 24M7044 2 40-24 24M7139 6 92-6 24M7372 12 56-9 24M7044 4 40-28 24M7139 9 92-14 24M7373 12 56-9 24M7047 3 30-24 24M7139 4 92-21 24M7374 12 56-9 24M7047 2 40-45 24M7139 4 92-31 24M7375 12 56-9 24M7047 12 60-17 24M7139 6 92-33 24M7386 19 56-9 24M7047 12 93-47 24M7139 6 93-23 24M7398 12 56-9 24M7049 2 80-18 24M7139 6 93-33 24M7399 12 56-9 24M7049 3 80-20 24M7139 3 93-35 24M7452 12 56-9 24M7051 3 30-28 24M7139 16 93-35 25H723 11 70-35 24M7051 12 92-5 24M7139 3 94-9 26M5447 14 70-27 24M7053 4 92-5 24M7139 22 94-13 30M5581 12 58-2 24M7054 3 40-19 24M7139 3 94-15 30M7010 21 56-11 24M7054 5 40-57 24M7145 9 40-45 30M7011 10 58-1 24M7054 12 92-39 24M7146 8 40-41 30M7011 9 58-2 24M7054 6 93-24 24M7146 8 40-46 30M7024 3 56-11 24M7054 16 93-33 24M7146 13 40-49 30M7024 15 58-7 24M7054 3 93-44 24M7146 15 92-9 34H184 18 70-35 24M7055 3 30-11 24M7150 10 56-15 34H234 4 94-25 24M7055 2 30-15 24M7178 10 60-5 34H241 2 70-17 24M7055 8 30-16 24M7178 32 80-3 34H294 16 60-19 24M7055 11 30-31 24M7178 10 92-39 34H394 9 93-13 24M7055 7 40-4 24M7180 7 94-19 34M3858 1 52-19 24M7055 2 40-7 24M7207 8 80-41 34M3858 18 56-11 24M7055 6 40-8 24M7213 8 30-35 34M3872 7 58-15 24M7055 20 40-15 24M7240 9 70-19 34M5028 1 52-6 24M7055 6 40-17 24M7240 3 70-22 34M5028 2 54-21 24M7055 7 40-21 24M7241 6 80-7 34M5028 15 54-23 24M7055 10 40-31 24M7242 9 80-1 34M5028 7 54-26 24M7055 4 40-45 24M7244 10 40-51 34M5719 23 56-9 24M7055 2 56-12 24M7244 6 70-7 34M7095 26 60-17 24M7055 13 60-9 24M7251 4 60-5 34M7135 12 80-33 24M7055 12 60-11 24M7251 14 92-19 34M7160 4 70-13 24M7055 24 60-13 24M7251 25 92-35 34M7172 31 94-13 24M7055 2 80-3 24M7251 3 92-37 34M7187 21 58-7 24M7055 19 92-35 24M7252 8 92-35 34M7190 3 40-3 24M7055 14 92-39 24M7258 10 56-15 34M7215 9 56-9 24M7055 7 92-41 24M7260 14 92-41 34M7226 2 52-19 24M7055 15 92-43 24M7260 4 93-27 34M7226 7 56-11 24M7055 6 92-47 24M7262 2 94-19 34M7230 10 70-3 24M7055 7 93-23 24M7265 6 94-27 34M7243 6 70-13 24M7055 3 93-26 24M7267 2 70-4 34M7245 7 70-13 24M7055 3 93-45 24M7267 16 70-27 34M7249 11 56-12 24M7055 15 93-47 24M7298 5 92-9 34M7259 14 56-9 24M7055 10 94-17 24M7298 16 92-35 34M7267 13 56-12 24M7055 33 94-19 24M7309 6 92-6 34M7268 19 54-23 24M7088 7 30-15 24M7309 4 92-17 34M7269 5 70-17 24M7088 17 30-16 24M7309 4 92-29 34M7272 23 52-9 24M7088 6 30-32 24M7309 23 92-35 34M7272 11 54-19 24M7090 1 70-9 24M7309 18 92-45 34M7302 12 92-35 24M7096 2 52-2 24M7309 5 93-29 37M7042 49 93-33 24M7096 2 54-2 24M7309 13 93-43 37M7059 13 60-11 24M7096 20 60-3 24M7315 6 92-31 37M7059 7 92-6 180-20 TRACTOR 6110J (EDICION SUDAMERICANA) PC8538S (11-JAN-11) PN=614
  • 617.
    180-21 TRACTOR 6110J (EDICIONSUDAMERICANA) INDICE NUMERICO – CONTINUACION NO.PIEZA POS. PAGINA NO.PIEZA POS. PAGINA NO.PIEZA POS. PAGINA 37M7063 1 93-29 40M4624 13 80-37 51M7041 9 60-17 37M7079 4 93-29 40M5099 8 52-4 51M7041 6 60-19 37M7088 9 92-17 40M7030 19 60-17 51M7041 22 60-21 37M7089 2 93-41 40M7040 10 56-12 51M7041 2 60-23 37M7091 3 92-29 40M7040 2 93-37 51M7041 20 70-25 37M7095 4 40-12 40M7040 19 94-17 51M7041 4 70-28 37M7095 18 40-21 40M7043 7 52-15 51M7041 11 70-33 37M7104 23 60-11 40M7044 4 58-10 51M7041 10 70-41 37M7131 5 92-6 40M7046 16 52-15 51M7041 7 70-50 37M7140 17 93-17 40M7051 7 60-17 51M7042 2 20-53 37M7140 1 93-35 40M7066 3 58-8 51M7042 50 54-19 37M7146 3 92-17 40M7068 19 56-12 51M7042 17 54-21 37M7177 4 40-8 40M7088 13 92-37 51M7042 49 54-23 37M7179 5 40-49 40M7097 8 54-17 51M7042 14 54-25 37M7179 19 80-5 40M7102 7 70-49 51M7042 32 56-15 37M7179 16 92-9 40M7103 4 70-5 51M7042 4 56-22 37M7179 12 94-23 40M7115 15 52-15 51M7042 4 56-23 37M7179 3 94-25 40M7120 17 52-15 51M7042 8 56-25 37M7181 5 40-39 40M7126 9 94-25 51M7042 6 58-3 37M7181 34 80-5 40M7178 18 52-15 51M7042 22 60-13 37M7181 7 93-3 40M7179 7 58-5 51M7043 17 20-29 37M7185 2 93-17 40M7237 10 58-13 51M7043 16 20-45 37M7185 2 93-19 40M7249 5 70-10 51M7043 3 30-13 37M7185 41 93-33 40M7249 14 70-13 51M7043 19 54-19 37M7185 2 93-35 40M7251 32 54-23 51M7043 10 54-21 37M7193 4 40-52 40M7252 37 52-17 51M7043 9 54-23 37M7218 4 93-35 40M7253 20 56-9 51M7043 27 54-23 37M7219 7 93-35 400R 20 52-5 51M7043 9 54-25 37M7230 12 93-19 400R 6 54-5 51M7043 1 56-25 37M7240 28 80-5 400R 7 54-9 51M7043 2 60-6 37M7240 4 92-9 405R 14 54-21 51M7043 13 70-5 37M7242 3 92-31 405R 46 54-23 51M7043 7 70-6 37M7255 4 93-37 42M7038 6 70-22 51M7043 2 70-21 37M7256 31 93-33 42M7058 11 30-1 51M7043 18 70-33 37M7263 2 93-24 42M7058 1 30-5 51M7044 4 20-29 37M7272 43 93-33 44M7110 7 70-8 51M7044 2 20-49 37M7274 2 40-6 44M7111 5 52-19 51M7045 13 20-47 37M7290 16 93-17 44M7111 6 56-11 51M7045 3 20-53 37M7290 2 93-39 44M7114 22 56-31 51M7045 5 20-53 37M7291 4 92-11 44M7146 6 70-40 51M7045 21 52-9 37M7293 3 40-41 45M7063 7 93-11 51M7045 14 54-19 37M7293 14 40-49 45M7080 14 56-12 51M7045 24 54-19 37M7305 11 92-45 45M7080 6 93-11 51M7045 6 54-23 37M7335 2 40-11 45M7080 6 94-5 51M7045 3 70-21 37M7336 17 93-5 45M7080 6 94-7 51M7045 2 70-27 37M7357 7 92-29 45M7080 1 94-11 51M7045 5 70-49 37M7361 18 92-19 45M7080 14 94-19 51M7045 5 70-50 37M7361 4 93-15 48M7038 10 58-5 51M7047 2 30-21 37M7376 2 94-25 51M7039 7 20-10 51M7047 2 30-23 37M7382 14 94-23 51M7040 5 20-9 51M7047 9 58-1 37M7411 3 93-31 51M7040 9 20-21 51M7047 5 58-2 37M7411 6 93-31 51M7040 1 20-25 51M7047 1 70-28 37M7422 5 92-33 51M7040 14 20-45 51M7047 1 70-33 38H5002 11 56-25 51M7040 3 52-11 51M7048 28 56-15 38H5003 12 70-5 51M7040 21 54-25 51M7048 8 56-19 38H5003 1 70-6 51M7040 4 54-26 51M7048 24 70-27 38H5019 15 30-21 51M7041 3 20-15 51M7048 19 70-33 38H5036 21 60-13 51M7041 5 20-25 51M7048 5 70-41 38H5037 6 56-23 51M7041 28 54-5 51M7052 4 70-50 38H5135 31 56-15 51M7041 13 54-11 51M7061 6 56-19 38H5135 5 56-23 51M7041 49 54-19 51M7100 8 70-33 38H5135 7 56-25 51M7041 57 54-23 51M7100 8 70-41 38H5243 3 70-6 51M7041 15 54-25 51M7101 7 70-41 40M1839 2 56-31 51M7041 12 56-25 51M7103 25 70-33 40M1851 14 58-15 51M7041 4 60-6 51M7119 5 56-26 40M1857 45 54-23 51M7041 9 60-9 55M7003 5 94-17 40M1863 9 30-1 51M7041 22 60-11 55M7012 7 93-13 TRACTOR 6110J (EDICION SUDAMERICANA) PC8538S (11-JAN-11) 180-21 PN=615
  • 618.
    180-22 TRACTOR 6110J (EDICIONSUDAMERICANA) INDICE NUMERICO – CONTINUACION NO.PIEZA POS. PAGINA NO.PIEZA POS. PAGINA NO.PIEZA POS. PAGINA 56M7006 12 93-13 57M7266 4 40-65 57M8057 12 40-78 56M7009 5 30-32 57M7267 5 40-65 57M8071 5 40-69 57M7011 4 40-6 57M7281 11 40-67 57M8077 6 40-71 57M7014 3 40-6 57M7283 10 40-67 57M8078 6 40-69 57M7039 1 40-68 57M7289 13 40-8 57M8078 16 40-71 57M7041 4 40-68 57M7289 7 40-65 57M8078 7 40-75 57M7044 10 40-78 57M7291 1 40-67 57M8079 6 40-69 57M7052 3 40-78 57M7292 15 40-67 57M8079 16 40-71 57M7054 2 40-78 57M7296 7 40-67 57M8081 7 40-69 57M7065 6 40-68 57M7315 1 40-65 57M8093 6 40-46 57M7066 5 40-68 57M7317 12 40-65 57M8096 13 40-71 57M7068 2 40-68 57M7318 15 40-65 57M8097 14 40-71 57M7079 3 40-78 57M7318 4 40-73 57M8098 2 40-71 57M7089 17 40-68 57M7323 7 40-68 57M8099 4 40-71 57M7089 1 40-75 57M7324 8 40-68 57M8100 4 40-71 57M7103 4 40-68 57M7328 10 40-65 57M8101 4 40-71 57M7104 4 40-68 57M7331 9 40-68 57M8102 17 40-71 57M7105 10 93-39 57M7346 1 40-72 57M8103 17 40-71 57M7106 1 40-75 57M7347 4 40-72 57M8104 17 40-71 57M7108 13 40-51 57M7348 3 40-78 57M8105 5 40-71 57M7116 13 40-78 57M7349 1 40-72 57M8106 5 40-71 57M7116 50 93-33 57M7351 6 40-71 57M8107 10 40-71 57M7118 1 40-78 57M7364 1 40-73 57M8108 8 40-71 57M7120 5 40-41 57M7365 11 40-65 57M8164 19 40-71 57M7120 1 40-42 57M7377 2 40-65 57M8167 3 40-71 57M7121 5 40-41 57M7377 2 40-67 57M8169 3 40-69 57M7121 1 40-42 57M7377 3 40-73 57M8170 2 40-69 57M7146 5 40-41 57M7379 6 40-72 57M8181 2 40-46 57M7146 1 40-42 57M7390 1 40-12 57M8182 5 40-46 57M7161 16 40-68 57M7393 8 40-72 57M8186 11 40-78 57M7166 6 40-11 57M7398 15 40-71 57M8189 4 40-46 57M7170 3 40-68 57M7399 1 40-69 57M8190 3 40-46 57M7170 2 40-75 57M7399 7 40-71 57M8195 1 40-71 57M7175 4 40-78 57M7400 1 40-69 57M8196 1 40-71 57M7183 3 40-75 57M7400 7 40-71 57M8197 1 40-71 57M7189 1 40-68 57M7401 11 40-71 57M8198 3 40-71 57M7204 10 40-49 57M7402 9 40-71 57M8199 3 40-71 57M7204 12 40-51 57M7402 7 40-72 57M8200 4 40-69 57M7205 10 40-49 57M7403 12 40-71 57M8201 9 40-69 57M7205 12 40-51 57M7406 9 40-72 57M8202 8 40-69 57M7206 10 40-49 57M7427 1 40-68 57M8398 6 40-75 57M7207 4 40-78 57M7430 1 40-78 57M8399 8 40-75 57M7210 9 40-78 57M7493 2 40-65 57M8439 11 40-57 57M7229 11 40-49 57M7493 2 40-67 57M8519 1 40-77 57M7229 11 40-51 57M7493 19 40-67 57M8520 7 40-77 57M7244 17 40-65 57M7493 2 40-72 57M8527 5 40-77 57M7247 16 40-65 57M7528 7 40-51 57M8528 4 40-77 57M7252 6 40-65 57M7576 15 40-67 57M8529 6 40-77 57M7252 6 40-67 57M7583 16 40-67 57M8530 3 40-77 57M7252 18 40-67 57M7584 16 40-67 57M8531 2 40-77 57M7254 8 40-65 57M7602 13 40-75 57M8606 3 40-58 57M7255 13 40-65 57M7615 7 93-39 57M8907 8 40-58 57M7256 14 40-8 57M7619 1 40-58 57M8947 4 40-58 57M7256 9 40-65 57M7633 8 40-57 57M9164 11 40-75 57M7257 14 40-65 57M7697 17 40-67 57M9215 5 40-58 57M7258 7 40-58 57M7699 20 40-67 57M9231 4 40-58 57M7258 2 40-65 57M7829 5 40-72 57M9698 4 40-46 57M7258 2 40-67 57M7847 5 40-78 58M5573 5 70-5 57M7259 18 40-65 57M7848 5 40-78 58M5575 20 56-31 57M7259 14 40-67 57M7919 18 40-71 58M7009 13 70-3 57M7260 4 40-67 57M7924 6 40-78 59M7001 12 56-21 57M7261 8 40-67 57M7984 8 40-78 61M5002 21 60-11 57M7262 6 40-58 57M7989 3 40-46 61M5002 5 60-19 57M7262 12 40-67 57M8015 2 40-58 61M5002 4 60-23 57M7263 5 40-67 57M8016 2 40-58 61M5002 5 70-28 57M7264 9 40-67 57M8017 1 40-58 61M5003 2 56-25 57M7265 13 40-67 57M8024 7 40-78 61M5003 3 60-6 180-22 TRACTOR 6110J (EDICION SUDAMERICANA) PC8538S (11-JAN-11) PN=616
  • 619.
    180-23 TRACTOR 6110J (EDICIONSUDAMERICANA) INDICE NUMERICO – CONTINUACION NO.PIEZA POS. PAGINA NO.PIEZA POS. PAGINA NO.PIEZA POS. PAGINA 61M5003 17 70-25 61M5005 1 30-21 61M5005 1 30-23 61M5005 2 70-28 61M5005 2 70-33 61M5016 5 60-6 61M5016 10 60-23 61M5243 26 70-27 99M7009 1 80-42 99M7015 1 80-42 99M7016 1 80-42 99M7016 24 93-17 99M7032 1 80-42 99M7043 12 58-1 99M7043 13 58-2 99M7043 1 80-42 99M7043 6 92-21 99M7056 1 80-42 99M7056 7 92-21 99M7057 1 80-42 99M7057 5 93-35 99M7065 5 40-41 99M7065 1 40-42 99M7073 23 93-17 99M7095 1 80-42 99M7098 1 80-42 99M7115 1 80-42 99M7130 1 80-42 99M7130 15 92-6 TRACTOR 6110J (EDICION SUDAMERICANA) PC8538S (11-JAN-11) 180-23 PN=617