ΑΣΚΗΣΕΙΣ ΗΛΕΚΤΡΟΤΕΧΝΙΑΣ-
ΗΛΕΚΤΡΙΚΩΝ ΚΥΚΛΩΜΑΤΩΝ
Χριστοφορίδης Δημήτριος
ΑΣΚΗΣΗ 1.1 Αντικαταστήστε το παρακάτω
κύκλωμα αντιστάσεων ανάμεσα
στα άκρα a και b με μια
αντίσταση.
Στα άκρα c έως και d οι
αντιστάσεις είναι
παράλληλες οπότε έχουμε:
Άρα στα άκρα από a έως και e οι αντιστάσεις που είναι σε σειρά στον πάνω κλάδο είναι:
1+Rcd+6=1+1+6=8Ω η οποία αντίσταση με την 8Ω που είναι παράλληλα μας δίνει
συνολικά:
ΛΥΣΗ 1.1
1 1 1 2
4
8 8 8
ae
ae
R
R
     
1 1 1 1
1
2 3 6
cd
cd
R
R
     
Τέλος έχουμε: 4 16 20
ab ae eb ab
R R R R
      
ΑΣΚΗΣΗ 1.2
Ένα κύκλωμα γέφυρας φαίνεται στο παρακάτω σχήμα. Με
τις εντάσεις να έχουν την κατεύθυνση του σχήματος να
βρείτε α) Τον νόμο των ρευμάτων του Kirchhoff στους
τέσσερεις κόμβους a, b, c, d και β) Τον νόμο των τάσεων του
Kirchhoff γύρω από τους κόμβους abda, bcdb, και adca.
α) Κόμβος a:
ΛΥΣΗ 1.2
I =i1+i3
Κόμβος b: i1=i2+i5
Κόμβος c: i2= I +i4
Κόμβος d: 0=i3+i4+i5
β) Κόμβος abda: i1R1+i5R5 = i3 R3
Κόμβος bcdb: i5R5= i2R2 + i4 R4
Κόμβος adca: i3R3 - i4R4 = E
ΑΣΚΗΣΗ 1.3
Ας θεωρήσουμε στο παρακάτω σχήμα την ειδική
περίπτωση της ισορροπημένης γέφυρας (Wheatstone
bridge) που έχουμε όταν το i5=0. α) Αν R1=10Ω,
R2=20Ω και R3=30Ω υπολογίστε την R4 . β) Εάν το
Ε=45V υπολογίστε το ρεύμα που παρέχει η μπαταρία.
α) Εφόσον i5=0 θα έχουμε i1=i2 και i3=-i4 . Επίσης
στους κόμβους b και d έχουμε το ίδιο δυναμικό
οπότε:
ΛΥΣΗ 1.3
i1R1 = i3 R3 Επίσης: i2 R2 = -i4 R4
Από τα παραπάνω προκύπτουν οι σχέσεις:
𝑅1
𝑅2
=
𝑅3
𝑅4
⇒𝑅4 =
𝑅2 ⋅ 𝑅3
𝑅1
=¿ ¿
Η ισοδύναμη αντίσταση στα άκρα της μπαταρίας προκύπτει από την σχέση:
𝑅 𝑒=¿ ¿
οπότε το ρεύμα της μπαταρίας θα είναι:
𝐼𝑏𝑎𝑡𝑡𝑒𝑟𝑦=
𝐸
𝑅𝑒
=
45
22,5
=2 𝐴
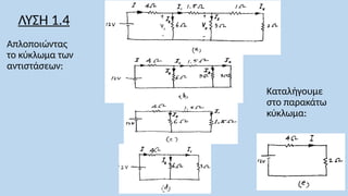
ΑΣΚΗΣΗ 1.4 Στο παρακάτω κύκλωμα τύπου σκάλας να
βρείτε την τάση Vx και την ένταση Ix.
Απλοποιώντας
το κύκλωμα των
αντιστάσεων:
Καταλήγουμε
στο παρακάτω
κύκλωμα:
ΛΥΣΗ 1.4
Οπότε για το διπλανό
σχήμα έχουμε:
12
2
4 2
   

για το διπλανό σχήμα έχουμε: 1
6
2 1,333
6 3
    

από το διπλανό σχήμα θα έχουμε: 3
3
1,333 0,667
3 3
X
I I
    

Και τελικά από το διπλανό
σχήμα θα έχουμε:
3 (3 ) 0,667 3 2,0
X
V I V
     
ΛΥΣΗ 1.4
ΑΣΚΗΣΗ 1.5 Στο παρακάτω κύκλωμα να υπολογιστούν
τα ρεύματα σε κάθε μια από τις
αντιστάσεις του.
Σύμφωνα με την
μέθοδο των κόμβων
θα έχουμε για τον
κόμβο 1 τα εξής:
ΛΥΣΗ 1.5
9=
𝑉1 −𝑉 2
4
+
𝑉 1
5
+
𝑉 1− 𝑉 2−32
2

4+
𝑉 1− 𝑉2
4
+
𝑉1 −𝑉 2− 32
2
=
𝑉 2
10
19⋅𝑉 1−15⋅𝑉 2=500
Επίσης θα έχουμε
για τον κόμβο 2 τα
εξής:
(1)
(2)
1 2
15 17 240
V V
   
Από τις σχέσεις 1 και 2 θα έχουμε: V1=50V και V2=30V
Άρα για τις εντάσεις ρεύματος σε κάθε αντίσταση του κυκλώματος θα έχουμε:
𝐼1=
𝑉1
5
=
50
5
=10 𝐴
𝐼2=
𝑉 1−𝑉 2 −32
2
=
50−30− 32
2
=−6 𝐴
𝐼3=
𝑉 1−𝑉 2
4
=
50−30
4
=5 𝐴
𝐼4=
𝑉 2
10
=
30
10
=3 𝐴
ΑΣΚΗΣΗ 1.6 Να υπολογιστούν η τάση και η αντίσταση
Thevenin στα άκρα ab του παρακάτω
κυκλώματος.
Η τάσηThevenin είναι η τάση στα άκρα ab του ανοικτού κυκλώματος στο σχήμα b η οποία είναι ίση με την τάση στα άκρα cd. Η
αντίσταση των 6Ω στο ανοικτό κύκλωμα του σχήματος b δεν θα ληφθεί υπόψη. Οπότε η ισοδύναμη αντίσταση που εφαρμόζεται
η τάση των 90V θα είναι:
ΛΥΣΗ 1.6 ⇒ ⇒
𝑅𝑒=8 +¿ ¿ Άρα η ένταση Ι θα είναι: 𝐼=
90
12,8
=7,03 𝐴
Επειδή ξέρουμε ότι η συνολική τάση είναι ίση με το άθροισμα των εν σειρά τάσεων θα έχουμε:
90=𝑉𝑐𝑜+8⋅𝐼 ⇒𝑉𝑐𝑜=90−8⋅(7,03)=33,75𝑉 𝐼𝑐𝑜=
33,75
8
=4,22 𝐴
Και άρα η ένταση Ιco θα είναι:
Και σύμφωνα με τον 1ο
νόμο του Kirchhoff η ένταση Ιcd θα είναι: 𝐼𝑐𝑑=7,03−4,22=2,81 𝐴
Και άρα η τάση Vcd που είναι και η τάση VTh θα είναι: 𝑉 h
𝑇 =𝑉𝑐𝑑=2,81⋅8=22,48𝑉
Για να βρούμε την αντίσταση Thevenin από το σχήμα (c) έχουμε:  
 
Th ab
8 8
( ) 4 8
4 4 8
8 8
R R 6 6 10
8 8 4 4 +8
( ) 4 8
8 8

 
 
   

 
      
 
 
 
 

 
ΑΣΚΗΣΗ 1.7 Να υπολογίσετε το ρεύμα στην αντίσταση
των 20Ω χρησιμοποιώντας την μέθοδο
Thevenin στο παρακάτω κύκλωμα.
Καταρχήν αφαιρούμε την
αντίσταση των 20Ω από το
κύκλωμα και από το διπλανό
σχήμα (α) με τις πολικότητες
όπως είναι στο σχήμα θα έχουμε:
ΛΥΣΗ 1.7
8 2 8 16
V V
   
𝑉 4 𝛺=
4
10+4
⋅10=
20
7
𝑉
Και λόγω διαίρεση τάσης στο
αριστερό κύκλωμα θα έχουμε:
Επίσης η τάση Thevenin στο μεσαίο κύκλωμα θα είναι: 𝑉 h
𝑇 =𝑉4 𝛺+𝑉8 𝛺 ⇒𝑉 h
𝑇 =
20
7
+16 ⇒ 𝑉 h
𝑇 =
132
7
𝑉
Αν αφαιρέσουμε την αντίσταση των 20Ω από το
κύκλωμα και βραχυκυκλώσουμε τον κλάδο
αντικαθιστώντας την πηγή τάσης και βγάλουμε την πηγή
έντασης θα έχουμε από το διπλανό σχήμα (b)
𝑅 h
𝑇 =
10 ⋅ 4
10+4
+8 ⇒ 𝑅 h
𝑇 =
76
7
𝛺 𝐼20 𝛺=
𝑉 h
𝑇
20+𝑅 h
𝑇
=
132
7
20+
76
7
=
132
216
=0,611 𝐴
ΑΣΚΗΣΗ 1.8 Να υπολογίσετε το ρεύμα στην αντίσταση
των 5Ω χρησιμοποιώντας την μέθοδο
Thevenin στο παρακάτω κύκλωμα.
Αντικαθιστούμε την αντίσταση των 5Ω με την τάση Thevenin και θα
έχουμε το διπλανό κύκλωμα:
ΛΥΣΗ 1.8
10 −𝑉 1
5
=
𝑉 1− 𝑉 h
𝑇
10
+
𝑉 1 − 𝑉 2
10
⇒ 4𝑉 1 −𝑉 2− 𝑉 h
𝑇 =20
θα έχουμε στον κόμβο 1 από τον 1o νόμο του Kirchhoff:
(1)
στον 2ο
κόμβο θα έχουμε:
𝑉1 −𝑉 2
10
=
𝑉 2
10
+
𝑉 2−𝑉 h
𝑇
10
⇒ −𝑉 1+3𝑉 2−𝑉 h
𝑇 =0
(2)
𝑉1 −𝑉 h
𝑇
10
+
𝑉 2−𝑉 h
𝑇
10
=10 ⇒ 𝑉1+𝑉 2 −2𝑉 h
𝑇 =100
Και στον 3ο
κόμβο θα έχουμε:
(3)
Από τις (1), (2) και (3) σχέσεις θα έχουμε: 𝑉 h
𝑇 =−
1020
13
𝑉
Στο παραπάνω κύκλωμα
αντικαθιστώντας την πηγή τάσης
με βραχυκύκλωμα και αφαιρώντας
την πηγή έντασης θα μπορούσαμε
να το σχεδιάσουμε:
Το ισοδύναμο κύκλωμα αντιστάσεων «Δ» σε οποιαδήποτε άκρα
ab, ac, bc δίνεται από ένα αντίστοιχο κύκλωμα αστέρα (Υ)
αντιστάσεων και αντίστροφα και επιλύεται από την παρακάτω
σχέση:
Οπότε από το διπλανό
κύκλωμα και την
παραπάνω σχέση
RΔ= 3Rγ => RΔ= 3*10=30Ω
θα έχουμε ένα
αντίστοιχο ισοδύναμο
κύκλωμα 
Το οποίο
αντίστοιχα
καταλήγει:
Έτσι από το διπλανό σχήμα (d) θα έχουμε:
165
( ) 30
110
14
165 13
( ) 30
14
Th
R

  

𝐼5 𝛺 =
𝑉 h
𝑇
5+ 𝑅 h
𝑇
=¿ ¿
Οπότε

2_ΑΣΚΗΣΕΙΣ ΗΛΕΚΤΡΟΤΕΧΝΙΑΣ- ΗΛΕΚΤΡΙΚΩΝ ΚΥΚΛΩΜΑΤΩΝ_2021.pptx

  • 1.
  • 2.
    ΑΣΚΗΣΗ 1.1 Αντικαταστήστετο παρακάτω κύκλωμα αντιστάσεων ανάμεσα στα άκρα a και b με μια αντίσταση.
  • 3.
    Στα άκρα cέως και d οι αντιστάσεις είναι παράλληλες οπότε έχουμε: Άρα στα άκρα από a έως και e οι αντιστάσεις που είναι σε σειρά στον πάνω κλάδο είναι: 1+Rcd+6=1+1+6=8Ω η οποία αντίσταση με την 8Ω που είναι παράλληλα μας δίνει συνολικά: ΛΥΣΗ 1.1 1 1 1 2 4 8 8 8 ae ae R R       1 1 1 1 1 2 3 6 cd cd R R       Τέλος έχουμε: 4 16 20 ab ae eb ab R R R R       
  • 4.
    ΑΣΚΗΣΗ 1.2 Ένα κύκλωμαγέφυρας φαίνεται στο παρακάτω σχήμα. Με τις εντάσεις να έχουν την κατεύθυνση του σχήματος να βρείτε α) Τον νόμο των ρευμάτων του Kirchhoff στους τέσσερεις κόμβους a, b, c, d και β) Τον νόμο των τάσεων του Kirchhoff γύρω από τους κόμβους abda, bcdb, και adca.
  • 5.
    α) Κόμβος a: ΛΥΣΗ1.2 I =i1+i3 Κόμβος b: i1=i2+i5 Κόμβος c: i2= I +i4 Κόμβος d: 0=i3+i4+i5 β) Κόμβος abda: i1R1+i5R5 = i3 R3 Κόμβος bcdb: i5R5= i2R2 + i4 R4 Κόμβος adca: i3R3 - i4R4 = E
  • 6.
    ΑΣΚΗΣΗ 1.3 Ας θεωρήσουμεστο παρακάτω σχήμα την ειδική περίπτωση της ισορροπημένης γέφυρας (Wheatstone bridge) που έχουμε όταν το i5=0. α) Αν R1=10Ω, R2=20Ω και R3=30Ω υπολογίστε την R4 . β) Εάν το Ε=45V υπολογίστε το ρεύμα που παρέχει η μπαταρία.
  • 7.
    α) Εφόσον i5=0θα έχουμε i1=i2 και i3=-i4 . Επίσης στους κόμβους b και d έχουμε το ίδιο δυναμικό οπότε: ΛΥΣΗ 1.3 i1R1 = i3 R3 Επίσης: i2 R2 = -i4 R4 Από τα παραπάνω προκύπτουν οι σχέσεις: 𝑅1 𝑅2 = 𝑅3 𝑅4 ⇒𝑅4 = 𝑅2 ⋅ 𝑅3 𝑅1 =¿ ¿ Η ισοδύναμη αντίσταση στα άκρα της μπαταρίας προκύπτει από την σχέση: 𝑅 𝑒=¿ ¿ οπότε το ρεύμα της μπαταρίας θα είναι: 𝐼𝑏𝑎𝑡𝑡𝑒𝑟𝑦= 𝐸 𝑅𝑒 = 45 22,5 =2 𝐴
  • 8.
    ΑΣΚΗΣΗ 1.4 Στοπαρακάτω κύκλωμα τύπου σκάλας να βρείτε την τάση Vx και την ένταση Ix.
  • 9.
  • 10.
    Οπότε για τοδιπλανό σχήμα έχουμε: 12 2 4 2      για το διπλανό σχήμα έχουμε: 1 6 2 1,333 6 3       από το διπλανό σχήμα θα έχουμε: 3 3 1,333 0,667 3 3 X I I       Και τελικά από το διπλανό σχήμα θα έχουμε: 3 (3 ) 0,667 3 2,0 X V I V       ΛΥΣΗ 1.4
  • 11.
    ΑΣΚΗΣΗ 1.5 Στοπαρακάτω κύκλωμα να υπολογιστούν τα ρεύματα σε κάθε μια από τις αντιστάσεις του.
  • 12.
    Σύμφωνα με την μέθοδοτων κόμβων θα έχουμε για τον κόμβο 1 τα εξής: ΛΥΣΗ 1.5 9= 𝑉1 −𝑉 2 4 + 𝑉 1 5 + 𝑉 1− 𝑉 2−32 2  4+ 𝑉 1− 𝑉2 4 + 𝑉1 −𝑉 2− 32 2 = 𝑉 2 10 19⋅𝑉 1−15⋅𝑉 2=500 Επίσης θα έχουμε για τον κόμβο 2 τα εξής: (1) (2) 1 2 15 17 240 V V     Από τις σχέσεις 1 και 2 θα έχουμε: V1=50V και V2=30V Άρα για τις εντάσεις ρεύματος σε κάθε αντίσταση του κυκλώματος θα έχουμε: 𝐼1= 𝑉1 5 = 50 5 =10 𝐴 𝐼2= 𝑉 1−𝑉 2 −32 2 = 50−30− 32 2 =−6 𝐴 𝐼3= 𝑉 1−𝑉 2 4 = 50−30 4 =5 𝐴 𝐼4= 𝑉 2 10 = 30 10 =3 𝐴
  • 13.
    ΑΣΚΗΣΗ 1.6 Ναυπολογιστούν η τάση και η αντίσταση Thevenin στα άκρα ab του παρακάτω κυκλώματος.
  • 14.
    Η τάσηThevenin είναιη τάση στα άκρα ab του ανοικτού κυκλώματος στο σχήμα b η οποία είναι ίση με την τάση στα άκρα cd. Η αντίσταση των 6Ω στο ανοικτό κύκλωμα του σχήματος b δεν θα ληφθεί υπόψη. Οπότε η ισοδύναμη αντίσταση που εφαρμόζεται η τάση των 90V θα είναι: ΛΥΣΗ 1.6 ⇒ ⇒ 𝑅𝑒=8 +¿ ¿ Άρα η ένταση Ι θα είναι: 𝐼= 90 12,8 =7,03 𝐴 Επειδή ξέρουμε ότι η συνολική τάση είναι ίση με το άθροισμα των εν σειρά τάσεων θα έχουμε: 90=𝑉𝑐𝑜+8⋅𝐼 ⇒𝑉𝑐𝑜=90−8⋅(7,03)=33,75𝑉 𝐼𝑐𝑜= 33,75 8 =4,22 𝐴 Και άρα η ένταση Ιco θα είναι: Και σύμφωνα με τον 1ο νόμο του Kirchhoff η ένταση Ιcd θα είναι: 𝐼𝑐𝑑=7,03−4,22=2,81 𝐴 Και άρα η τάση Vcd που είναι και η τάση VTh θα είναι: 𝑉 h 𝑇 =𝑉𝑐𝑑=2,81⋅8=22,48𝑉 Για να βρούμε την αντίσταση Thevenin από το σχήμα (c) έχουμε:     Th ab 8 8 ( ) 4 8 4 4 8 8 8 R R 6 6 10 8 8 4 4 +8 ( ) 4 8 8 8                              
  • 15.
    ΑΣΚΗΣΗ 1.7 Ναυπολογίσετε το ρεύμα στην αντίσταση των 20Ω χρησιμοποιώντας την μέθοδο Thevenin στο παρακάτω κύκλωμα.
  • 16.
    Καταρχήν αφαιρούμε την αντίστασητων 20Ω από το κύκλωμα και από το διπλανό σχήμα (α) με τις πολικότητες όπως είναι στο σχήμα θα έχουμε: ΛΥΣΗ 1.7 8 2 8 16 V V     𝑉 4 𝛺= 4 10+4 ⋅10= 20 7 𝑉 Και λόγω διαίρεση τάσης στο αριστερό κύκλωμα θα έχουμε: Επίσης η τάση Thevenin στο μεσαίο κύκλωμα θα είναι: 𝑉 h 𝑇 =𝑉4 𝛺+𝑉8 𝛺 ⇒𝑉 h 𝑇 = 20 7 +16 ⇒ 𝑉 h 𝑇 = 132 7 𝑉 Αν αφαιρέσουμε την αντίσταση των 20Ω από το κύκλωμα και βραχυκυκλώσουμε τον κλάδο αντικαθιστώντας την πηγή τάσης και βγάλουμε την πηγή έντασης θα έχουμε από το διπλανό σχήμα (b) 𝑅 h 𝑇 = 10 ⋅ 4 10+4 +8 ⇒ 𝑅 h 𝑇 = 76 7 𝛺 𝐼20 𝛺= 𝑉 h 𝑇 20+𝑅 h 𝑇 = 132 7 20+ 76 7 = 132 216 =0,611 𝐴
  • 17.
    ΑΣΚΗΣΗ 1.8 Ναυπολογίσετε το ρεύμα στην αντίσταση των 5Ω χρησιμοποιώντας την μέθοδο Thevenin στο παρακάτω κύκλωμα.
  • 18.
    Αντικαθιστούμε την αντίστασητων 5Ω με την τάση Thevenin και θα έχουμε το διπλανό κύκλωμα: ΛΥΣΗ 1.8 10 −𝑉 1 5 = 𝑉 1− 𝑉 h 𝑇 10 + 𝑉 1 − 𝑉 2 10 ⇒ 4𝑉 1 −𝑉 2− 𝑉 h 𝑇 =20 θα έχουμε στον κόμβο 1 από τον 1o νόμο του Kirchhoff: (1) στον 2ο κόμβο θα έχουμε: 𝑉1 −𝑉 2 10 = 𝑉 2 10 + 𝑉 2−𝑉 h 𝑇 10 ⇒ −𝑉 1+3𝑉 2−𝑉 h 𝑇 =0 (2) 𝑉1 −𝑉 h 𝑇 10 + 𝑉 2−𝑉 h 𝑇 10 =10 ⇒ 𝑉1+𝑉 2 −2𝑉 h 𝑇 =100 Και στον 3ο κόμβο θα έχουμε: (3) Από τις (1), (2) και (3) σχέσεις θα έχουμε: 𝑉 h 𝑇 =− 1020 13 𝑉 Στο παραπάνω κύκλωμα αντικαθιστώντας την πηγή τάσης με βραχυκύκλωμα και αφαιρώντας την πηγή έντασης θα μπορούσαμε να το σχεδιάσουμε:
  • 19.
    Το ισοδύναμο κύκλωμααντιστάσεων «Δ» σε οποιαδήποτε άκρα ab, ac, bc δίνεται από ένα αντίστοιχο κύκλωμα αστέρα (Υ) αντιστάσεων και αντίστροφα και επιλύεται από την παρακάτω σχέση: Οπότε από το διπλανό κύκλωμα και την παραπάνω σχέση RΔ= 3Rγ => RΔ= 3*10=30Ω θα έχουμε ένα αντίστοιχο ισοδύναμο κύκλωμα  Το οποίο αντίστοιχα καταλήγει: Έτσι από το διπλανό σχήμα (d) θα έχουμε: 165 ( ) 30 110 14 165 13 ( ) 30 14 Th R      𝐼5 𝛺 = 𝑉 h 𝑇 5+ 𝑅 h 𝑇 =¿ ¿ Οπότε