PENGENALAN
SMART RELAY
Pengenalan Smart Relay Zelio
Smart relay adalah PLC yang paling sederhana, perangkat ini
memiliki ukuran yang kecil dan fleksibel. Smart relay zelio diproduksi oleh
Scheneider– Telemechanique. Smart relay zelio dapat diprogram layaknya
seperti PLC pada umumnya. Sofware yang digunakan untuk memprogram
smart relay zelio adalah zeliosoft.
Tipe Smart Relay
Terdapat dua macam tipe smart relay
yaitu tipe compact dan tipe modular. Keunggulan
smart relay tipe modular dengan tipe compact
yaaitu smart relay modular dapat ditambahkan
extension module. Smart relay modular dapat
ditambah input dan output. Batas untuk
penambahan I/O adalah sampai dengan 40 input
dan output. Selain itu kelebihan smart relay
modular adalah dapat monitoring jarak jauh
dengan penambahan modul tambahan yang
mendukung monitoring jarak jauh.
Bagian-
bagian
Smart
relay Zelio
Dari gambar di atas dapat kita lihat
bagian-bagian dari smart relay :
1. Lubang kaki penopang samart relay, untuk lubang sekrup sewaktu
pemasangan smart relay agar tidak bergeser dan tetap pada tempatnya saat
dipasang.
2. Sekrup terminal daya smart relay, untuk memasang kabel sumber daya
untuk menghidupkan smart relay.
3. LCD display, untuk menampilkan karakter dan membantu melihat pada
waktu memprogram secara langsung pada smart relay tanpa menggunakan
PC.
4. Sekrup terminal blok input discrete, untuk menyambungkan kabel input
discrete dengan smart relay.
5. Sekrup terminal blok input analog, untuk menyambungkan kabel input
analog dengan samart relay.
6. Slot untuk memori atu kabel koneksi ke PC, untuk memasang memori
tambahan pada smart relay atau untuk menghubungkan smart relay
dengan komputer utuk kebutuhan transfer program pada smart relay.
7. Tombol shift, berfungsi
untuk navigasi pada smart
relay.
8. Tombol menu, digunakan
untuk menampilkan menu
dan menjalankan menu
yang sudah dipilih.
9. Terminal blok relay output,
untuk menyambungkan
output relay dari smart
relay ke beban yang akan
dikendalikan.
10. Tombol navigasi, untuk
menjalankan smart relay
pada saat memprogaram
dan menyeleksi menu.
Prinsip Kerja Smart
relay
Smart relay bekerja untuk
mengatur proses atau mesin.
Smart relay menerima sinyal
input yang berasal dari mesin atau
proses. Selanjutnya smart relay
akan mengatur proses
berdasarkan program yang telah
ditanamkan sebelumnya.
Smart relay beroperasi dalam
3 langkah yang disebut
dengan proses scan, yakni:
 Read : membaca data dari
perangkat masukkan yang
terkoneksi dengan input
smart relay.
 Program execute :
mengeksekusi
instruksi/program yang
tersimpan di memori.
 Write : memperbaharui
(updating) dan
menuliskan instruksi atau
program ke smart relay
sesuai kondisi keluaran
yang diinginkan.
Perangkat
Pemrograman Smart
relay
Perangkat komunikasi data diperlukan untuk menanamkan
program maupun untuk pemvaxa program dari smart relay.
Salah satu contoh perangkat pemrogram smart relay adalah
SR2 USB01 (lihat gambar 1.3). Perangakat ini berfungsi
untuk menghubungkan smart relay zelio ke PC/ laptop
maupun Poket PC . Sebelum dapat menggunakan perangkat
ini, kita harus menginstal drivernya terlebih dahulu.
Konsep NO dan
NC
Sebelum membuat diagram ladder harus
dipahami dulu symbol-simbol I/O yang
digunakan pada diagram ladder. Pada
rele konvensional, diagram ladder
dibentuk dengan perangkat keras, seperti
rele, kontaktor, timer maupun counter.
Prinsip kontak dan koil pada setiap
ladder diagram memiliki dua kondisi
yaitu normali open (NO) dan Normaly
Close (NC). Sebagai contoh pada sebuah
rele ac 8-pin (gambar 1.4) terdapat koil
(2-7), dan dua pasang kontak NO (1-3
dan 5-8) dan NC (1-4 dan 6-8). Pada
kondisi awal, kontak NO terhubung buka
sedangkan kontak NC tehubung singkat
(tersambung).
Berikut ini adalah simbol-simbol dari kontak input dan output yang
disajikan dalam bentuk tabel untuk mempermudah pemahaman.
Simbol Kontak Input
Input Simbol Kondisi Logika Keterangan
NO INPUT 0 Kondisi awal berlogika 0 (off)
INPUT 1 Jika diberi sinyal dari perangkat input, maka kontak ini
berlogika 1 (on)
NC INPUT 0 Kondisi awal berlogika 1 (on)
INPUT 1 Jika diberi sinyal dari perangkat input, maka kontak ini
akan berlogika 0 (off)
Simbol Kontak Output
OUTPUT SIMBOL KETERANGAN
Actuated
Coil
Kondisi awal logika o (off), jika diberi sinyal dari elemen input (kontak) maka
coil akan berlogika 1 (on)
Negated
Coil
Kondisi awal berlogika 1 (on), jika diberi sinyal dari elemen input (kontak),
maka coil ini akan berlogika 0 (off)
Diagram Ladder
Smart relay dapat deprogram menggunakan bahasa ladder atau yang umum disebut
dengan diagram ladder sesuai standar IEC311. Prinsipnya diagram ladder merupakan
sebuah fungsi logika yang memetakan kondisi inputnya ke ouputnya.
Fungsi diagram logika ini dibentuk berdasarkan konsep logika.
Diagram Ladder MOT
Pada kondisi awal input I1 berlogika 1, sehingga output Q1 akan aktif (berlogika 1). Jika I1 ditekan
(diberi logika 0), maka Q1 menjadi tidak aktif (berlogika 0). Jadi dapat disimpulkan bahwa ladder
NOT, setiap aksi yang diberikan di input akan memberikan respons yang berlawanan pada
outputnya.
Ladder AND pada gambar 1.5 terdiri dari dua buah input, yakni input I1 dan I2, serta sebuah
output (Q1). Output pada ladder ini akan berlogika 1 jika dan hanya jika kedua kontak inputnya
belogika 1.
Diagram Ladder AND
Sedangkan untuk Ladder OR, koil Q1 pada ladder OR akan aktif jika salah satu kontaknya berlogika 1.
Berikut ini adalah gambar diagram ladder OR.
Diaegram Ladder OR
Berikut ini adalah diagram ladder yang lebih kompleks. Ladder ini merupakan gabungan dari fungsi logika
OR dan AND-NOT. Akibatnya kondisi Q1 sangat dipengaruhi oleh kondisi dari ketiga buah kontak yang
terhubaung dengan koil tersebut. Koil Q1 akan aktif jika kontak I1 atau I3 diaktifkan. Koil Q1 dapat
dinonaktifkan dengan memberi aksi ke kontak I2.
Diagram Ladder OR dan AND-NOT
GERBANG LOGIKA DAN
ALJABAR BOOLE
GERBANG LOGIKA
• Gerbang merupakan rangkaian dengan satu atau lebih sinyal
masukan, tetapi hanya menghasilkan satu sinyal keluaran.
• Gerbang dinyatakan dengan dua keadaan :
• Tegangan tinggi / logika tinggi / high logic / logika 1
• Tegangan rendah / logika rendah / low logic / logika 0
• Rangkaian digital dirancang dengan menggunakan Aljabar Boole,
penemunya George Boole.
Gerbang Logika Dasar
Jenis
Gerbang
Simbol Grafis dan
Fungsi Aljabar
Tabel
Kebenaran
Timing Diagram
Inverter
(NOT)
AND
OR
Y = A
A Y
0 1
1 0
Input Output
A Y
A
B
Y
A
B
Y
A B Y
0 0 0
0 1 0
1 0 0
1 1 1
A B Y
0 0 0
0 1 1
1 0 1
1 1 1
Y = A . B
Y = A + B
A
B
Y
A
B
Y
Y
A
Gerbang Logika Lain
A B Y
0 0 1
0 1 1
1 0 1
1 1 0
Jenis
Gerbang
Simbol Grafis dan
Fungsi Aljabar
Tabel Kebenaran Timing Dagram
NAND
(NOT AND)
NOR
(NOT OR)
A
B
Y
A B Y
0 0 1
0 1 0
1 0 0
1 1 0
A
B
Y
Y = A + B
Y = A . B
A
B
Y
A
B
Y
Gerbang Logika Lain (Cont..)
A B Y
0 0 0
0 1 1
1 0 1
1 1 0
Jenis
Gerbang
Simbol Grafis dan
Fungsi Aljabar
Tabel Kebenaran Timing Diagram
EX-OR
EX-NOR
A B Y
0 0 1
0 1 0
1 0 0
1 1 1
A
B
Y
B
A
Y 

B
A
Y 

B
A
Y
A
B
Y
A
B
Y
Menurunkan Tabel Kebenaran
Contoh :
1. A
B
A
Y = A + B
2. A
B
C B+C
Y = A (B+C)
Menurunkan Tabel Kebenaran
Contoh :
1. A
B
A
Y = A + B
A B A Y
0 0 1 1
0 1 1 1
1 0 0 0
1 1 0 1
2. A
B
C B+C
Y = A (B+C)
Cont..
3.
C
D
AB
CD
Y = AB + CD
A
B
Konversi
gerbang
logika ke
Program
zelio
Smart
Relay
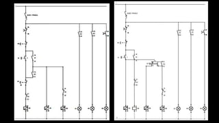
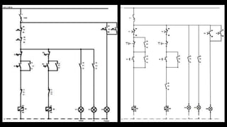
Konversi gerbang logika ke Program zelio
Smart Relay
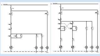
Konversi
Pengendali
elektromagnetik
ke
Program Zelio
Smart Relay
Zelio Smart Relay.pptx
Zelio Smart Relay.pptx
Zelio Smart Relay.pptx
Zelio Smart Relay.pptx

Zelio Smart Relay.pptx

  • 1.
  • 2.
    Pengenalan Smart RelayZelio Smart relay adalah PLC yang paling sederhana, perangkat ini memiliki ukuran yang kecil dan fleksibel. Smart relay zelio diproduksi oleh Scheneider– Telemechanique. Smart relay zelio dapat diprogram layaknya seperti PLC pada umumnya. Sofware yang digunakan untuk memprogram smart relay zelio adalah zeliosoft.
  • 3.
    Tipe Smart Relay Terdapatdua macam tipe smart relay yaitu tipe compact dan tipe modular. Keunggulan smart relay tipe modular dengan tipe compact yaaitu smart relay modular dapat ditambahkan extension module. Smart relay modular dapat ditambah input dan output. Batas untuk penambahan I/O adalah sampai dengan 40 input dan output. Selain itu kelebihan smart relay modular adalah dapat monitoring jarak jauh dengan penambahan modul tambahan yang mendukung monitoring jarak jauh.
  • 4.
  • 5.
    Dari gambar diatas dapat kita lihat bagian-bagian dari smart relay : 1. Lubang kaki penopang samart relay, untuk lubang sekrup sewaktu pemasangan smart relay agar tidak bergeser dan tetap pada tempatnya saat dipasang. 2. Sekrup terminal daya smart relay, untuk memasang kabel sumber daya untuk menghidupkan smart relay. 3. LCD display, untuk menampilkan karakter dan membantu melihat pada waktu memprogram secara langsung pada smart relay tanpa menggunakan PC. 4. Sekrup terminal blok input discrete, untuk menyambungkan kabel input discrete dengan smart relay. 5. Sekrup terminal blok input analog, untuk menyambungkan kabel input analog dengan samart relay. 6. Slot untuk memori atu kabel koneksi ke PC, untuk memasang memori tambahan pada smart relay atau untuk menghubungkan smart relay dengan komputer utuk kebutuhan transfer program pada smart relay.
  • 6.
    7. Tombol shift,berfungsi untuk navigasi pada smart relay. 8. Tombol menu, digunakan untuk menampilkan menu dan menjalankan menu yang sudah dipilih. 9. Terminal blok relay output, untuk menyambungkan output relay dari smart relay ke beban yang akan dikendalikan. 10. Tombol navigasi, untuk menjalankan smart relay pada saat memprogaram dan menyeleksi menu.
  • 7.
    Prinsip Kerja Smart relay Smartrelay bekerja untuk mengatur proses atau mesin. Smart relay menerima sinyal input yang berasal dari mesin atau proses. Selanjutnya smart relay akan mengatur proses berdasarkan program yang telah ditanamkan sebelumnya.
  • 8.
    Smart relay beroperasidalam 3 langkah yang disebut dengan proses scan, yakni:  Read : membaca data dari perangkat masukkan yang terkoneksi dengan input smart relay.  Program execute : mengeksekusi instruksi/program yang tersimpan di memori.  Write : memperbaharui (updating) dan menuliskan instruksi atau program ke smart relay sesuai kondisi keluaran yang diinginkan.
  • 9.
    Perangkat Pemrograman Smart relay Perangkat komunikasidata diperlukan untuk menanamkan program maupun untuk pemvaxa program dari smart relay. Salah satu contoh perangkat pemrogram smart relay adalah SR2 USB01 (lihat gambar 1.3). Perangakat ini berfungsi untuk menghubungkan smart relay zelio ke PC/ laptop maupun Poket PC . Sebelum dapat menggunakan perangkat ini, kita harus menginstal drivernya terlebih dahulu.
  • 10.
    Konsep NO dan NC Sebelummembuat diagram ladder harus dipahami dulu symbol-simbol I/O yang digunakan pada diagram ladder. Pada rele konvensional, diagram ladder dibentuk dengan perangkat keras, seperti rele, kontaktor, timer maupun counter. Prinsip kontak dan koil pada setiap ladder diagram memiliki dua kondisi yaitu normali open (NO) dan Normaly Close (NC). Sebagai contoh pada sebuah rele ac 8-pin (gambar 1.4) terdapat koil (2-7), dan dua pasang kontak NO (1-3 dan 5-8) dan NC (1-4 dan 6-8). Pada kondisi awal, kontak NO terhubung buka sedangkan kontak NC tehubung singkat (tersambung).
  • 11.
    Berikut ini adalahsimbol-simbol dari kontak input dan output yang disajikan dalam bentuk tabel untuk mempermudah pemahaman. Simbol Kontak Input Input Simbol Kondisi Logika Keterangan NO INPUT 0 Kondisi awal berlogika 0 (off) INPUT 1 Jika diberi sinyal dari perangkat input, maka kontak ini berlogika 1 (on) NC INPUT 0 Kondisi awal berlogika 1 (on) INPUT 1 Jika diberi sinyal dari perangkat input, maka kontak ini akan berlogika 0 (off)
  • 12.
    Simbol Kontak Output OUTPUTSIMBOL KETERANGAN Actuated Coil Kondisi awal logika o (off), jika diberi sinyal dari elemen input (kontak) maka coil akan berlogika 1 (on) Negated Coil Kondisi awal berlogika 1 (on), jika diberi sinyal dari elemen input (kontak), maka coil ini akan berlogika 0 (off)
  • 13.
    Diagram Ladder Smart relaydapat deprogram menggunakan bahasa ladder atau yang umum disebut dengan diagram ladder sesuai standar IEC311. Prinsipnya diagram ladder merupakan sebuah fungsi logika yang memetakan kondisi inputnya ke ouputnya. Fungsi diagram logika ini dibentuk berdasarkan konsep logika. Diagram Ladder MOT
  • 14.
    Pada kondisi awalinput I1 berlogika 1, sehingga output Q1 akan aktif (berlogika 1). Jika I1 ditekan (diberi logika 0), maka Q1 menjadi tidak aktif (berlogika 0). Jadi dapat disimpulkan bahwa ladder NOT, setiap aksi yang diberikan di input akan memberikan respons yang berlawanan pada outputnya. Ladder AND pada gambar 1.5 terdiri dari dua buah input, yakni input I1 dan I2, serta sebuah output (Q1). Output pada ladder ini akan berlogika 1 jika dan hanya jika kedua kontak inputnya belogika 1. Diagram Ladder AND
  • 15.
    Sedangkan untuk LadderOR, koil Q1 pada ladder OR akan aktif jika salah satu kontaknya berlogika 1. Berikut ini adalah gambar diagram ladder OR. Diaegram Ladder OR Berikut ini adalah diagram ladder yang lebih kompleks. Ladder ini merupakan gabungan dari fungsi logika OR dan AND-NOT. Akibatnya kondisi Q1 sangat dipengaruhi oleh kondisi dari ketiga buah kontak yang terhubaung dengan koil tersebut. Koil Q1 akan aktif jika kontak I1 atau I3 diaktifkan. Koil Q1 dapat dinonaktifkan dengan memberi aksi ke kontak I2. Diagram Ladder OR dan AND-NOT
  • 16.
  • 17.
    GERBANG LOGIKA • Gerbangmerupakan rangkaian dengan satu atau lebih sinyal masukan, tetapi hanya menghasilkan satu sinyal keluaran. • Gerbang dinyatakan dengan dua keadaan : • Tegangan tinggi / logika tinggi / high logic / logika 1 • Tegangan rendah / logika rendah / low logic / logika 0 • Rangkaian digital dirancang dengan menggunakan Aljabar Boole, penemunya George Boole.
  • 18.
    Gerbang Logika Dasar Jenis Gerbang SimbolGrafis dan Fungsi Aljabar Tabel Kebenaran Timing Diagram Inverter (NOT) AND OR Y = A A Y 0 1 1 0 Input Output A Y A B Y A B Y A B Y 0 0 0 0 1 0 1 0 0 1 1 1 A B Y 0 0 0 0 1 1 1 0 1 1 1 1 Y = A . B Y = A + B A B Y A B Y Y A
  • 19.
    Gerbang Logika Lain AB Y 0 0 1 0 1 1 1 0 1 1 1 0 Jenis Gerbang Simbol Grafis dan Fungsi Aljabar Tabel Kebenaran Timing Dagram NAND (NOT AND) NOR (NOT OR) A B Y A B Y 0 0 1 0 1 0 1 0 0 1 1 0 A B Y Y = A + B Y = A . B A B Y A B Y
  • 20.
    Gerbang Logika Lain(Cont..) A B Y 0 0 0 0 1 1 1 0 1 1 1 0 Jenis Gerbang Simbol Grafis dan Fungsi Aljabar Tabel Kebenaran Timing Diagram EX-OR EX-NOR A B Y 0 0 1 0 1 0 1 0 0 1 1 1 A B Y B A Y   B A Y   B A Y A B Y A B Y
  • 21.
    Menurunkan Tabel Kebenaran Contoh: 1. A B A Y = A + B 2. A B C B+C Y = A (B+C)
  • 22.
    Menurunkan Tabel Kebenaran Contoh: 1. A B A Y = A + B A B A Y 0 0 1 1 0 1 1 1 1 0 0 0 1 1 0 1 2. A B C B+C Y = A (B+C)
  • 23.
  • 24.
  • 25.
    Konversi gerbang logikake Program zelio Smart Relay
  • 26.