SVEU ˇCILIŠTE U ZAGREBU
FAKULTET ELEKTROTEHNIKE I RA ˇCUNARSTVA
ZAVRŠNI RAD br. 3841
Izvedba i implementacija sustava
za prikaz i dijeljenje podataka u
mobilnom okruženju
Bruno Vunderl
Zagreb, sijeˇcanj 2015.
Veliku zahvalu dugujem mentoru prof.dr.sc. Danku Baschu te dr. sc. Martinu
Žagaru koji me svojim struˇcnim savjetima vodio kroz izradu seminarskog i završnog
rada. Tako ¯der se zahvaljujem i dragom prijatelju mag. ing. comp. Davoru Cihlaru
koji je svojim radom pomogao drugim studentima i meni da se odvažimo samostalno
upustiti u izradu digitalnih elektroniˇckih ure ¯daja. Upu´cujem i zahvalu svim trenutnim i
alumni ˇclanovima FSB Racing Team-a s kojima sam sura ¯duju´ci stekao puno praktiˇcnih
iskustva o projektiranju i primjeni elektroniˇckih ure ¯daja.
iii
SADRŽAJ
1. Uvod 1
2. Projektiranje sustava za prikaz i dijeljenje podataka 2
2.1. Funkcionalnosti sustava . . . . . . . . . . . . . . . . . . . . . . . . . 2
2.2. Okolina i podruˇcje primjene . . . . . . . . . . . . . . . . . . . . . . 3
2.2.1. Fiziˇcka izvedba . . . . . . . . . . . . . . . . . . . . . . . . . 3
2.2.2. Elektriˇcno napajanje . . . . . . . . . . . . . . . . . . . . . . 3
2.2.3. Prikupljanje podataka . . . . . . . . . . . . . . . . . . . . . . 4
2.2.4. Dijeljenje podataka . . . . . . . . . . . . . . . . . . . . . . . 5
3. Arhitektura sustava 6
3.1. Mikroprocesor . . . . . . . . . . . . . . . . . . . . . . . . . . . . . . 6
3.2. Podatkovne sabirnice . . . . . . . . . . . . . . . . . . . . . . . . . . 7
3.3. Dodatni ure ¯daji i sklopovi . . . . . . . . . . . . . . . . . . . . . . . 8
3.3.1. Prekidaˇcki regulatori napajanja . . . . . . . . . . . . . . . . . 8
3.3.2. Linearni regulator napajanja . . . . . . . . . . . . . . . . . . 9
3.3.3. Sklopovi za pretvorbu logiˇckih razina . . . . . . . . . . . . . 9
3.3.4. WiFi sklop . . . . . . . . . . . . . . . . . . . . . . . . . . . 10
3.3.5. Bluetooth sklop . . . . . . . . . . . . . . . . . . . . . . . . . 10
3.3.6. GPS sklop . . . . . . . . . . . . . . . . . . . . . . . . . . . 10
3.3.7. CAN prilagodnik . . . . . . . . . . . . . . . . . . . . . . . . 10
3.3.8. Upravljaˇc svjetle´cim diodama . . . . . . . . . . . . . . . . . 11
3.3.9. TFT zaslon . . . . . . . . . . . . . . . . . . . . . . . . . . . 12
3.3.10. SD kartica . . . . . . . . . . . . . . . . . . . . . . . . . . . . 12
3.3.11. Žiroskop i akcelerometar . . . . . . . . . . . . . . . . . . . . 12
4. Žiˇcna i bežiˇcna komunikacija 13
4.1. Serijska sabirnica . . . . . . . . . . . . . . . . . . . . . . . . . . . . 13
iv
4.2. CAN sabirnica . . . . . . . . . . . . . . . . . . . . . . . . . . . . . 13
4.3. WiFi komunikacija . . . . . . . . . . . . . . . . . . . . . . . . . . . 14
4.4. Bluetooth komunikacija . . . . . . . . . . . . . . . . . . . . . . . . . 15
4.5. Globalni pozicijski sustav . . . . . . . . . . . . . . . . . . . . . . . . 16
5. Suˇcelje, ergonomija i interakcija 18
5.1. Prikaz svjetle´cim diodama . . . . . . . . . . . . . . . . . . . . . . . 18
5.2. Prikaz na TFT zaslonu . . . . . . . . . . . . . . . . . . . . . . . . . 18
5.3. Interakcija s vozaˇcem . . . . . . . . . . . . . . . . . . . . . . . . . . 19
5.4. Klijentske aplikacije . . . . . . . . . . . . . . . . . . . . . . . . . . 19
6. Zakljuˇcak 21
Literatura 22
A. Shematski dijagrami razvijenog sustava 23
v
1. Uvod
Kako bi se opisao i struˇcno prouˇcio rad strojeva, elektriˇcnih i elektroniˇckih ure ¯daja ili
sustava, oˇcitavaju se informacije s ve´ceg broja digitalnih i analognih senzora koji prate
njegov rad. Podatci koji se oˇcitavaju najˇceš´ce su usko vezani uz podruˇcje primjene.
Samo osnovni podatci su potrebni za jednostavno korištenje stroja dok su razvojnim
inženjerima i naprednim korisnicima potrebni detaljni podatci kako bi otkrili nepravil-
nosti u radu i mogu´cnosti za unaprje ¯denje te kako bi u svakom trenu bili detaljno in-
formirani o radu stroja. Za prikaz podataka potrebno je suˇcelje pomo´cu kojega ˇcovjek
može u stvarnom vremenu pratiti rad i upravljati pojedinim funkcionalnostima stroja.
Navedena komponenta sustava naziva se suˇcelje ˇcovjeka i stroja1
.
Postupak interakcije izme ¯du ˇcovjeka i stroja zapoˇcinje opservacijom trenutnog
stanja. Stanje je definirano svim ili samo odre ¯denim podatcima koji opisuju mehaniˇcke,
elektriˇcne i raˇcunalne parametre promatranog stroja. Iste je potrebno obraditi, pripremiti
za prikaz i prikazati na suˇcelju. Potom ˇcovjek u funkciji operatera kroz interakciju sa
suˇceljem može utjecati na parametre rada stroja. Kroz daljnju interakciju ostvaruje se
povratna veza, a samim time i kontrola ˇcovjeka nad strojem. U sluˇcaju potrebe da stroj
bude pra´cen kroz duži period vremena potrebno je prikupljati podatke, a u sluˇcaju da
više osoba istovremeno prati rad stroja potrebno je i raspodijeljeno suˇcelje.
Predmet ovog rada je izvedba i implementacija ugradbenog raˇcunalnog sustava s
mogu´cnoš´cu prikupljanja senzorskih podataka s vozila u pokretu, prikazom osnovnih
podataka vozaˇcu i distribucijom detaljnih podataka udaljenim klijentima. Konkretna
implementacija namijenjena je upotrebi u bolidu projektiranom i izra ¯denom od strane
FSB Racing Teama2
na natjecanjima Formula Student. Formula Student bolid je vozilo
s elektriˇcnim motorom ili motorom na unutarnje izgaranje koje zadovoljava strogim
regulacijama natjecanja (Society of Automotive Engineers, 2014). Poznavanje trenut-
nih parametara rada vozila omogu´cavaju vozaˇcu bolju kontrolu nad vozilom, a razvo-
jnim inženjerima mogu´cnost pra´cenja rada vozila.
1
engl. Human-machine interface, abbr. HMI
2
FSB Racing Team, URL: www.fsb-racing.com
1
2. Projektiranje sustava za prikaz i
dijeljenje podataka
Ovo poglavlje navodi potrebne funkcionalnosti koje sustav treba implementirati, is-
tražuje okolinu i podruˇcje primjene te donosi prijedlog tehniˇckog rješenja. Detaljno
se obra ¯duje arhitektura sustava i elektroniˇcka implementacija uz pregled mogu´cnosti
razvijenog rješenja.
2.1. Funkcionalnosti sustava
Sustav za prikaz i dijeljenje podataka u bolidu za natjecanje Formula Student ima dvije
osnovne zada´ce. Prikazati vozaˇcu trenutno stanje vozila te prenijeti informacije o
stanju bolida razvojnim inženjerima udaljenima od bolida. Sustav je potrebno mo´ci
dodatno podesiti bez preprogramiranja uz visoku razinu sigurnosti.
Prikaz podataka vozaˇcu sadrži prikaz trenutne brzine, stupnja prijenosa, broja okre-
taja, trenutka preporuˇcene promjene brzine, stanja temperature rashladne teku´cine i
tlaka ulja u motoru. Ostali prikupljeni podatci obuhva´caju napon baterijskog paketa,
tlak na usisu, oˇcitanje lambda sonde, poziciju leptirastog vratila, trenutnu lokaciju i
oˇcitanja s akcelerometra i žiroskopa.
Dijeljenje podataka zahtjeva bežiˇcni prijenos detaljnog stanja vozila. Zahtjev je da
udaljenost bude dovoljna da bi bilo mogu´ce pratiti bolid tijekom testiranja izdržljivosti
na kružnoj trka´coj automobilskoj stazi. Tako ¯der, podatci moraju biti osvježavani ˇceš´ce
od 3 puta u sekundi te kasniti manje od 500 ms. Podatke je potrebno mo´ci prihvatiti
na ve´cem broju pametnih mobilnih telefona, tableta i prijenosnih raˇcunala korištenjem
standardnih bežiˇcnih tehnologija.
2
2.2. Okolina i podruˇcje primjene
Projektiranje ugradbenog sustava za prikupljanje, obradu, prikaz i distribuciju po-
dataka o radu vozila zapoˇcinje definiranjem okoline u kojoj ´ce se isti nalaziti. U suk-
ladnosti s istom je mogu´ce projektirati i izvesti sustav s odgovaraju´cim znaˇcajkama.
Neke od bitnih znaˇcajka okoline su: pozicija i oblik modula, napajanje i ožiˇcenje,
naˇcin prikupljanja podataka, mogu´cnosti i svojstva vozila te ergonomija.
2.2.1. Fiziˇcka izvedba
Sustav za prikaz podataka u svakom trenu mora biti u vidnom polju vozaˇca. Samim
time su jedina mogu´ca mjesta za postavljanje istog u razini prednjeg obruˇca (engl. front
hoop) i unutar volana. Mana ugradnje sustava za prikaz u volan je to što se isti rotira
te ga je tijekom vožnje i prilikom rotacije volana teže oˇcitati od sustava ugra ¯denog
u razini prednjeg obruˇca. Sukladno s iskustvima prethodnih godina odabrano je da
modul bude ugra ¯den iza volana, u ku´cište priˇcvrš´ceno na prednji obruˇc.
Slika 2.1: Primjer ugradnje u volan s prethodnog bolida
Jedan od uvjeta u kojima ´ce se sustav za prikaz nalaziti je visoka svjetlina oko-
line. Tada je teže je oˇcitavati vrijednosti s grafiˇckih zaslona niske svjetline i kontrasta.
Iz tog razloga ranije navedene podatke najjasnije je prikazati korištenjem svjetle´cih
dioda. Kako je pomo´cu ograniˇcenog broja svjetle´cih dioda mogu´ce prikazati samo
grube vrijednosti, detaljni prikaz informacija o vozilu mogu´ce je dobiti korištenjem
kontrastnog i svijetlog TFT zaslona s jednostavnim grafiˇckim suˇceljem.
2.2.2. Elektriˇcno napajanje
Ve´cina vozila kao izvore elektriˇcnog napajanja koriste povezani sustav reguliranoga
alternatora i baterijskog sustava s više ´celija. Elektriˇcni ure ¯daji napajaju se istosmjer-
nom strujom s uobiˇcajenim vrijednostima napona 6V i 12V. Sve unutarnje komponente
3
Slika 2.2: Primjer modula za prikaz ugra ¯denog u razini prednjeg obruˇca na bolidu TU Delft 14
sustava za prikaz, obradu i distribuciju zahtijevaju 5V ili 3.3V te je stoga potrebno reg-
ulirati i prilagoditi napon. S obzirom da je sustav digitalan i nije osjetljiv na elektriˇcni
šum, preporuˇcljivo je koristiti prekidaˇcki regulator napajanja (engl. switching regula-
tor) radi ve´ce efikasnosti. Prilikom projektiranja napajanja potrebno je obratiti pažnju
na pravilno spajanje mase kako ne bi došlo do izboja prilikom paljenja i gašenja vozila.
Masa treba biti spojena na šasiju u blizini toˇcke gdje je spojena masa ostalih elektriˇcnih
ure ¯daja i senzora. S obzirom da neki senzori koriste i 5V naponsku razinu, a osjetljivi
su na šum, preporuˇca se i dodatna ugradnja linearnog 5V regulatora iz kojeg ´ce biti
napajani iskljuˇcivo senzori.
Slika 2.3: Izvedba sheme regulacije napona
2.2.3. Prikupljanje podataka
Sve trenutne tehniˇcke podatke o vozilu prikuplja i obra ¯duje ure ¯daj za upravljanje mo-
torom1
. Kako bi se podatci mogli istovremeno prikazati vozaˇcu i razvojnim inženjer-
ima potrebno je podatke u stvarnom vremenu oˇcitavati s ECU-a. Ve´cina automobila
1
engl. Engine control unit, abbr. ECU
4
u široj primjeni koristi OBDII2
protokol implementiran na CAN3
sabirnici. Specifiˇcni
ECU koji se nalazi na bolidu je VEMS V3 (VEMS, 2014), a predvi ¯deni naˇcin povezi-
vanja s istim je putem serijske sabirnice.
Osim prikupljanja ve´c djelomiˇcno obra ¯denih podataka s ECU-a ponekad je potrebno
prikupljati podatke i s drugih ure ¯daja u vozilu. Primjer takvih ure ¯daja su sustav za up-
ravljanje baterijskim paketom4
, sustav za stabilnost vozila5
i sustav upravljanje vozilom.
Najˇceš´ce je komunikacija izme ¯du svih ure ¯daja unutar vozila ostvarena CAN sabir-
nicom i protokolom izvedenim od strane proizvo ¯daˇca. Radi mogu´cnosti budu´ceg
proširenja sustava na modulu je izvedeno i suˇcelje za CAN sabirnicu.
2.2.4. Dijeljenje podataka
Podatke o vozilu mogu´ce je dijeliti s drugim ure ¯dajima u vozilu CAN sabirnicom.
Bežiˇcno dijeljenje podataka ostvaruje se integracijom modula s radijskim primopreda-
jnikom. Neke od najˇceš´ce korištenih tehnologija u bežiˇcnom prijenosu podataka su
WiFi, Bluetooth, ZigBee, NRF24 te direktna radijska komunikacija na odre ¯denoj slo-
bodnoj ili registriranoj frekvenciji. Od navedenih tehnologija najˇceš´ce korištene su
WiFi i Bluetooth zbog izrazito velike prisutnosti u mobilnim raˇcunalnim sustavima
poput prijenosnih raˇcunala, pametnih mobilnih telefona i tableta. Upravo iz tog ra-
zloga odabrane tehnologije su WiFi i Bluetooth.
WiFi komunikacija služi za prikaz podataka na udaljenosti do par stotina metara.
Omogu´cava prikaz podataka na ve´cem broju klijentskih aplikacija i ure ¯daja. To je
ostvareno korištenjem IP multicast tehnologije. Osim velikog broja klijenata i relativno
velike udaljenosti, WiFi podržava i prijenos velikih koliˇcina informacija uz razmjerno
kratko vrijeme propagacije. Nedostatak WiFi-a je potreba za postavljanjem pristupne
toˇcke s usmjerivaˇcem (engl. router) na koju ´ce se sustav za prikaz i dijeljenje podataka
spajati te potreba za zaštitom upravljaˇckih rijeˇci i povjerljivih informacija.
Bluetooth je za razliku od WiFi tehnologije namijenjen komunikaciji izme ¯du jednog
klijenta i jednog servera te je puno kra´cega dometa i manjeg kapaciteta prijenosa po-
dataka. Time je pogodniji za upravljanje modulom i sustavom te sigurniji za prijenos
povjerljivih podataka. Uz korištenje Bluetooth Low Energy mogu´ce je ostvariti i izraz-
ito nisku potrošnju elektriˇcne energije.
2
On-Board Diagnostics
3
Controler Area Network
4
engl. Battery Managment System, abbr. BMS
5
engl. Electronic Stability Control, abbr. ESC
5
3. Arhitektura sustava
Arhitektura sustava zapoˇcinje odabirom ure ¯daja koji ´ce zadovoljiti uvijete okoline i po-
druˇcja primjene. Konkretni sustav je izveden korištenjem mikroprocesora radi visoke
fleksibilnosti uz mogu´cnost budu´ce nadogradnje FPGA tehnologijom. Periferni ˇcipovi
i ure ¯daji koriste I2C1
, SPI2
i UART3
sabirnice.
3.1. Mikroprocesor
Odabir mikroprocesora zapoˇcinje razmatranjem tehnologija i potrebnih zahtjeva sus-
tava. Od na tržištu trenutno prisutnih, najˇceš´ce su u vozilima korištene su RISCSPI4
set computing arhitekture širine sabirnice 8, 16 ili 32 bita. Najˇceš´ce implementacije su
AVR, PIC i ARMv7 serije A i M. x86 i x64 arhitekture koriste se gotovo iskljuˇcivo u
sustavima za informiranje i zabavu te sustavima za obradu slike i podataka sa senzora
visoke rezolucije kao što su radar i lidar. Kako su ure ¯daji u vozilu kritiˇcni za sig-
urnost, proizvo ¯daˇci ˇcesto nude i posebne "automotive" varijante procesora. S obzirom
da prikupljanje, prikaz i distribucija podataka ne zahtijevaju visoku procesorsku mo´c,
predvi ¯deno je da se sustav koristi mikroprocesorima AVR, PIC i ARMv7 M arhitektura
uz mogu´cnost budu´ce nadogradnje FPGA sklopom.
Kako bi se omogu´cila jednostavna nadogradnja i platformska neovisnost, mikro-
procesor se nalazi na odvojivoj tiskanoj ploˇcici s jedinstveno definiranim prikljuˇccima.
Ovisno o potrebi ili želji mogu´ce je prema specifikaciji prikazanoj u dodatku A pro-
jektirati tiskanu ploˇcicu s drugim mikroprocesorom ili arhitekturom. Prikljuˇcno suˇcelje
sadrži 8 prikljuˇcka sa po 5 prikljuˇcaka na standardnom 100mil razmaku. Dva prikljuˇcka
namijenjena su za spajanje dodatnih ulaznih ili izlaznih ure ¯daja kao što su npr. dodatni
prekidaˇci ili LED prikaznici.
1
Inter-Integrated Circuit
2
Serial Peripheral Interface
3
Universal Asynchronous Receiver/Transmitter
4
Reduced instruction
6
Slika 3.1: Izvedba podnožja mikrokontrolera
U sklopu ovog rada razvijena su dva modula. Prvi modul koristi STM32F103
mikroprocesor ARM-M3 32 bitnu arhitekturu. Drugi modul je iz AVR serije te ko-
risti 8 bitnu arhitekturu te se radi o ATMEGA2560 mikroprocesoru. Isti su odabrani
radi podjednake koliˇcine programske memorije (64 KB) te raširenosti na tržištu. 32-
bitni ARM mikroprocesor radi na maksimalnoj frekvenciji od 72MHz uz maksimalnih
90DMIPS-a. 8-bitni AVR radi na 16MHz uz maksimalnih 16DMIPS-a. Osim boljih
performansi, ARM ima implementiranu jednu CAN i dvije SPI sabirnice.
3.2. Podatkovne sabirnice
Na sustavu su izvedene slijede´ce sabirnice: UART, SPI, I2C i CAN. Putem UART
sabirnice spojena su ˇcetiri ure ¯daja kao i putem SPI sabirnice. I2C sabirnica koristi se
iskljuˇcivo za komunikaciju sa žiroskopom/akcelerometrom.
NA UART sabirnicu povezani su WiFi, GPS, Bluetooth i RS232 prikljuˇcak s pretvornikom
razina. Postavke UART sabirnice su frekvencija prijenosa od 115200 B/s, 8 podatkovnih
i 1 stop bit te onemogu´cena provjera pariteta. Kako serijskom sabirnicom mogu dvos-
mjerno komunicirati samo dva ure ¯daja, implementirano je vremensko multipleksiranje
sabirnice kojim upravlja mikroprocesor. Za potrebe toga koristi se sklop 74HC4052.
To je 4 kanalni multipleksor sa dvije podatkovne linije ˇciji je rad detaljnije opisan
tablicom 2.1.
SPI sabirnicom spojeni su vanjski CAN modul, MAX7219 upravljaˇc LED dio-
7
Tablica 3.1: Prikaz rada multipleksora serijske sabirnice
B0 B1 Ure ¯daj
0 0 RS232
0 1 WiFi
1 0 GPS
1 1 Bluetooth
dama, grafiˇcki TFT zaslon te SD kartica. Odabir ure ¯daja s kojim u odre ¯denom trenutku
mikroprocesor komunicira ostvaruje se postavljanjem visoke vrijednosti na "chip se-
lect" pin željenog ure ¯daja.
Tablica 3.2: Prikaz odabira SPI sabirnice
Signal Ure ¯daj
C0 LED upravljaˇc
C1 TFT zaslon
C2 SD kartica
C3 CAN
I2C sabirnica koristi se za komunikaciju sa žiroskopom i akcelerometrom integri-
ranim u jedan ure ¯daj. Mikroprocesor oˇcitava podatke s I2C adrese 0x68, i ˇcita ukupno
14 registara poˇcevši s registrom 0x3B.
3.3. Dodatni ure ¯daji i sklopovi
Kako bi sve funkcionalnosti sustava bile ostvarene, osim mikroprocesora su potrebni
dodatni ure ¯daji i sklopovi. Me ¯du navedenima se nalaze komponente za komunikaciju
WiFi, GPS, Bluetooth, RS232 i CAN sklopovi, komponente za prikaz i pohranu po-
dataka LED upravljaˇc, TFT zaslon, sklop SD kartice, senzor zakreta i momenta (žiroskop
i akcelerometar) te posmaˇcni registar za upravljanje dodatnim svjetle´cim diodama.
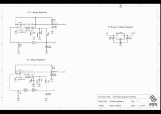
3.3.1. Prekidaˇcki regulatori napajanja
Prekidaˇcki regulator napajanja služi za DC-DC prilagodbu razina napajanja uz vi-
soku efikasnost. U ovom sustavu koriste se dva MC34063 višenamjenska DC-DC
regulatora. Jedan regulator napaja sustav s 3.3V, a drugi s 5V. Prekidaˇcki regulatori
8
postavljeni su tako da rade s frekvencijom prekidanja 10KHz i maksimalnim talasan-
jem napona od 10mV. Vrijednosti su postavljene korištenjem odgovaraju´cih param-
etara izlaznog LC kruga.
3.3.2. Linearni regulator napajanja
Linearni regulator napajanja koristi se za napajanje senzora. Jedan od najˇceš´ce ko-
rištenih integriranih regulatora napajanja za 5V razinu je LM7805 koji se koristi i u
ovom projektu. Na ulazu i izlazu regulatora postavljeni su 100uF elektrolitski konden-
zatori. Ovisno o uvjetima u kojima ´ce bolid biti korišten odnosno o temperaturama na
kojima ´ce se kondenzatori nalaziti mogu´ce je da elektrolitski kondenzatori zakažu. U
tom sluˇcaju, preporuˇca se zamjena istih tantalskim kondenzatorima.
3.3.3. Sklopovi za pretvorbu logiˇckih razina
U ovom projektu komunikacija se odvija na tri logiˇcke razine: 3.3, 5 i 12 volti. Razlog
tome su razliˇcite razine napona napajanja dijelova sustava. Ve´cina senzora bolida te
ECU koriste 12V razinu dok se pojedini senzori napajaju s 5V, a ve´cina sklopova sus-
tava za prikaz i dijeljenje podataka 3.3V. Kako bi se sprijeˇcila mogu´ca ošte´cenja proiza-
šla iz korištenja krivih naponskih razina prilikom komunikacije potrebno je prilago ¯da-
vanje razina. Radi prilagodbe izme ¯du 5V i 3.3V razina implementiran je 74HC4050
buffer. Ovisno o naponu kojim se navedeni sklop napaja, na tu ´ce razinu prilagoditi
ulazni signal. Za prilagodbu izme ¯du 12V komunikacije pomo´cu koje se prikupljaju
podatci s ECU-a koristi se MAX3232 integrirani krug.
Slika 3.2: Primjer spajanja sklopa za pretvorbu logiˇckih razina
9
3.3.4. WiFi sklop
ESP8266 je jednostavni WiFi integrirani sklop izrazito malih dimenzija, niske potrošnje
i cijene. U ovom projektu koristi se gotova izvedba tiskane ploˇcice s UFL prikljuˇckom
za vanjsku antenu. S njime se komunicira UART protokolom uz na multiplekseru
postavljenu vrijednost 01. Sklop zahtjeva 3.3V napajanje i odgovaraju´ce naponske
razine za komunikaciju te je potrebno prilagoditi razine ako se s njime komunicira
pomo´cu mikroprocesora koji radi na 5V.
3.3.5. Bluetooth sklop
Bleuetooth sklop korišten u ovom projektu je ˇcesto korišten HC-05 modul. Antena
modula je izvedena kao dio tiskane ploˇcice. Modul ima pinove za serijsku UART
komunikaciju na 3.3V kao i dodatni pin za ulazak u upravljaˇcki naˇcin rada.
3.3.6. GPS sklop
GPS sklop koji se koristi u ovom projektu je MTK3339 integrirani sustav na prilagod-
noj ploˇcici. Na ploˇcici je izvedena keramiˇcka antena, ali i UFL prikljuˇcak za vanjsku
antenu na kojega ´ce biti spojena antena te postavljena izvan oklopa bolida radi bolje
recepcije. Ploˇcica se napaja s 3.3V te komunicira UART-om na istoj naponskoj razini.
Iz tog razloga je potrebno koristiti prilago ¯dene razine. Integrirani sustav se sastoji od
mikroprocesora i GPS integriranog kruga. Osjetljivost je -165dBm, a modul osluškuje
na 66 kanala, radi s 22 kanala te izlazne vrijednosti osvježuje frekvencijom od 10Hz.
Radi jednostavnijeg rada sa sklopom izveden je i iz sklopa izlazni pin koji signalizira
da je GPS odredio poziciju.
3.3.7. CAN prilagodnik
Kako bi se ostvarila CAN komunikacija mikrokontrolerima koji nemaju ugra ¯denu
funkcionalnost potrebna su dva integrirana kruga. MCP2515 SPI sabirnicom kon-
troliran CAN upravljaˇc i MCP2551 primopredajnik. Kako ne bi bilo potrebno cijelo
vrijeme osluškivati SPI sabirnicu (jer to nije niti mogu´ce), sklop sadrži prekidni pin
kojime procesor obavještava o dolasku paketa u me ¯duspremnik.
10
Slika 3.3: Shema spajanja CAN prilagodnika
3.3.8. Upravljaˇc svjetle´cim diodama
Za prikaz vozaˇcu najbitnijih podataka u vozilu koriste se svjetlje´ce diode. To su u
sluˇcaju Formula Student bolida broj okretaja motora te brzina vozila. U ovom projektu
koristi se 32 svjetle´ce diode. Kako mikrokontroler nema mogu´cnost uz ostatak per-
iferije direktno upravljati tim brojem izlaza s ne zanemarivom potrošnjom, potrebno je
implementirati dodatni sklop koji ´ce upravljati svjetlje´cim diodama. U ovom projektu
se koristi MAX7219 s kojim se komunicira putem SPI sabirnice.
U projektu se koriste dodatne svjetle´ce diode za prikaz tlaka ulja, temperature rash-
ladne teku´cine te trenutka preporuˇcenog prebacivanja stupnja prijenosa. Za to se koristi
posmaˇcni registar s preklopnikom 74HC595.
Slika 3.4: Shema spajanja sklopa za upravljanje svjetle´cim diodama
11
3.3.9. TFT zaslon
TFT zaslon koristi se za prikaz vozaˇcu manje bitnih informacija i upravljanjem postavkama
sustava za prikaz i dijeljenje podataka. Korišteni zaslon rezolucije je 240 toˇcaka širine
i 320 visine. Sadržajem zaslona se upravlja SPI sabirnicom dok je svjetlinu mogu´ce
promijeniti korištenjem dodatnog pina. S obzirom da se zaslon nalazi u svjetlom
okruženju uz ˇceste direktne refleksije, isti ´ce radi bolje ˇcitkosti cijelo vrijeme raditi
maksimalnom snagom.
3.3.10. SD kartica
ˇCitaˇc SD kartice nalazi se na štampanoj ploˇcici s TFT zaslonom. Na SD karticu se
zapisuju svi podatci o bolidu, oˇcitanja s GPS-a i dodatni doga ¯daji. Sadržaju kartice
pristupa se SPI suˇceljem s 3.3V naponskim razinama. Preporuˇca se korištenje kartice
ve´ce od 4 GB radi mogu´cnosti zapisa ve´ceg broja utrka i testiranja bez potrebe za
brisanjem iste.
Slika 3.5: Shema spajanja TFT zaslona i SD kartice
3.3.11. Žiroskop i akcelerometar
Žiroskop i akcelerometar integrirani su u jedan sustav u sklopu. Konkretno korišten
model je temeljen na MPU-6050 integriranom krugu. Radi stabilnosti preporuˇca se
korištenje 5V napajanja. Sa sklopom se komunicira I2C sabirnicom.
12
4. Žiˇcna i bežiˇcna komunikacija
4.1. Serijska sabirnica
Na sabirnici je implementiran AIM (AIM, 2014) protokol ponad RS232 komunikaci-
jskog protokola. UART razine mikroprocesora niže su od logiˇckih naponskih razina
RS232 protokola te ih je potrebno prilagoditi kako bi komunikacija mogla biti usp-
ješno ostvarena. Korištenjem MAX3232 ˇcipa mogu´ce je prilagoditi naponske razine
mikroprocesorima koji rade na 3.3V ili 5V. Kako bi bilo mogu´ce odabrati naponske
razine u skladu s mikroprocesorom, implementiran je prespojnik (engl. jumper). Svaki
podatak osvježava se specifikacijom definiranom frekvencijom, a poruke se sastoje od
zaglavlja, identifikatora, dva bajta podataka te kontrolnog zbroja.
Slika 4.1: Prikaz paketa AIM protokola
4.2. CAN sabirnica
CAN sabirnicom komunicira se s dodatnim ure ¯dajima na bolidu. Svi podatci priku-
pljeni s ECU-a oblikuju se u pakete te propuštaju na CAN sabirnicu. Okvir koji
definira pojedini paket sastoji se od 5 glavnih dijelova. To su: arbitracijski, upravl-
jaˇcki, podatkovni i zaštitni dio te dio fiziˇckog sloja. Arbitracijski dio se sastoji od 11
bitnog identifikatora te RTR1
bita. Upravljaˇcki dio paketa sastoji se od 4 bitnog polja
u kojem je pohranjena duljina podatkovnog polja, rezerviranog bita i bita kojim se
oznaˇcuje da li je ID paketa 11 ili 29 bitni. Podatkovni dio ovisno o vrijednosti upravl-
jaˇckih bitova može duljinom varirati izme ¯du 1 i 64 bajta. Potom slijedi zaštitni dio s
1
abbr. Remote Transmission Request
13
15 bitnim poljem dobivenim kružnim zaštitnim kodiranjem(engl. Cyclic Redundancy
Check abbr. CRC).
Slika 4.2: Prikaz okvira CAN poruke
Kako bi se slijedila dobra praksa i omogu´cila proširivost, programski je imple-
mentirano numeriranje i identificiranje poruka prema OBD22
standardu. Isti se od
2005 koristi na gotovo svim cestovnim vozilima te je time omogu´cena jednostavnija
provedba dijagnostiˇckih pregleda i utvr ¯divanje kvarova i problema na vozilu. Set iden-
tifikatora poruka definiran je dokumentom izdanim od strane Europskog parlamenta i
Europske komisije (European Parliament, 1998).
4.3. WiFi komunikacija
Sklopom se upravlja i komunicira pomo´cu AT komandi definiranih u službenom priruˇcniku
(Espressif Systems, 2014). Osmišljeno je da sustav za prikaz i dijeljenje podataka bude
klijent na vanjskom bežiˇcnom razdjelniku. U programskom kodu potrebno je definirati
naziv pristupne toˇcke (SSID) i lozinku koje mikroprocesor prilikom uspostavljanja
veze prenosi modulu za bežiˇcnu WiFi komunikaciju. Kao potvrdu o uspješno ost-
varenoj komunikaciji modul mikroprocesoru šalje OK te nakon toga mikroprocesor
može krenuti s izvršavanjem dijela koda za raspodjelu podataka udaljenim klijentima.
Slijede´ci primjer raˇcunalnog koda za uspostavu komunikacije napisan je u C program-
skom jeziku uz korištenje vanjskih biblioteka 4.3.
Nakon što je veza uspostavljena slijedi dvosmjerna komunikacija izme ¯du modula
za prikaz i dijeljenje informacija u funkciji programskog poslužitelja i klijentskih ure-
¯daja. Komunikacija je bazirana na User datagram protocol3
protokolu radi mogu´cnosti
ˇcestog pucanja i ponovnog uspostavljanja veze. Sa strane klijentske aplikacije koristi
se AT naredba CIPSEND za slanje podataka i +IPD za primanje podataka. Sa kli-
jentske strane potrebna je aplikacija koja zadovoljava implementirano komunikacijsko
suˇcelje.
2
(engl. OnBoard Diagnostics)
3
abbr. UDP
14
boolean connectWiFi ( ) {
S e r i a l . p r i n t l n ( "AT+CWMODE=1" ) ;
delay ( 1 0 0 0 ) ;
S t r i n g cmd="AT+CWJAP=" " ;
cmd+=SSID ;
cmd+="  " ,  " " ;
cmd+=PASS ;
cmd+="  " " ;
S e r i a l . p r i n t l n ( cmd ) ;
delay ( 1 0 0 0 ) ;
i f ( S e r i a l . f i n d ( "OK" ) )
return t r u e ;
e l s e
return f a l s e ;
}
Slika 4.3: Primjer uspostavljanja WiFi komunikacije
4.4. Bluetooth komunikacija
Bluetooth modulom se kao i WiFi modulom upravlja korištenjem AT naredbi. Naj-
važnije postavke su brzina prijenosa, naziv ure ¯daja i lozinka za uparivanje s ure ¯dajem.
Njih je mogu´ce promijeniti, a za potrebe ovog rada korištena je brzina prijenosa od
115200B/s, naziv FSBRT i zadana lozinka. Uparivanje mobilnog ure ¯daja i modula
ostvaruje se odabirom imena me ¯du vidljivim ure ¯dajima te upisivanjem lozinke nakon
odabira. Nakon toga ostvaruje se jednostavna jedan na jedan veza modula i mobilnog
ure ¯daja. Na strani mikroprocesora svi podatci poslani na serijsku sabirnicu biti ´ce
preneseni na mobilni ure ¯daj na kojem je tako ¯der otvoren serijski port.
Komunikacijsko suˇcelje je potrebno implementirati s obje strane komunikacijskog
kanala. Sustav za prikaz i dijeljenje podataka nakon uspješnog uspostavljanja veze s
klijentom zapoˇcinje sa sinkronim slanjem podataka klijentu. Nakon primitka i obrade
paketa poslanog od strane ECU-a, podatak se proslje ¯duje klijentu. Prilikom toga koristi
se 1 oktet za zapis identifikatora poruke i 4 okteta za podatak. U tablici 4.1 je prikazan
skup svih mogu´cih poruka s pripadaju´cim identifikatorom.
15
void setBaud ( unsigned long baud ) {
i n t r e c e i v e d = 0;
d i g i t a l W r i t e ( _cmdPin , 1 ) ;
delay ( 2 0 0 ) ;
_ b t S e r i a l . w r i t e ( "AT+UART=" ) ;
_ b t S e r i a l . p r i n t ( baud ) ;
_ b t S e r i a l . w r i t e ( " , 0 , 0  r  n" ) ;
r e c e i v e d = _ b t S e r i a l . readBytes ( _buffer , _ b u f s i z e ) ;
d i g i t a l W r i t e ( _cmdPin , 0 ) ;
delay ( 1 0 0 ) ;
cmd ( "AT+RESET" ) ;
_ b t S e r i a l . begin ( baud ) ;
delay ( 5 0 0 ) ; }
Slika 4.4: Primjer postavljanja brzine prijenosa Bluetooth kanalom
Tablica 4.1: Popis kodova korištenih u Bluetooth komunikacijskom suˇcelju
RPM Wheel speed Oil pressure Coolant temperature
1 5 9 17
Battery voltage Throttle angle Manifold pressure Air intake temperature
33 45 69 97
Exhaust temperature Lambda Gear Error code
101 105 113 125
4.5. Globalni pozicijski sustav
S mikroprocesorom GPS modul komunicira definiranim NMEA paketima. Isti se
sastoje od preambule, identifikacijskog skupa okteta, identifikatora tipa paketa, po-
datkovnog dijela, oznake kraja podatkovnog dijela, kontrolnog zbroja te oznake kraja
paketa. Podatkovni dio paketa proizvoljne je duljine, a maksimalna mogu´ca duljina
paketa limitirana je na 255 okteta. Primjer dobro strukturiranog paketa je $PMTK000∗
32 < CR >< LF >. $ oznaˇcava poˇcetak paketa, PMTK je identifikacijski skup od
4 okteta specifiˇcnih za korišteni GPS sklop, 0000 oznaˇcava poruku PMTKT EST na
koju sklop odgovara statusom o radu, ∗ je oznaka kraja paketa, a 32 kontrolni zbroj.
Po završetku je potrebno umetnuti znakove < CR >< LF > kako bi se oznaˇcio kraj
retka.
16
Slika 4.5: Okvir NMEA paketa
Upravljaˇcke rijeˇci propisane su službenom dokumentacijom (GlobalTop Tech Inc.,
2014.). Njome su propisani i formati upita i odgovora prilikom komunikacije sa
sklopom.
17
5. Suˇcelje, ergonomija i interakcija
5.1. Prikaz svjetle´cim diodama
Svjetle´cim diodama upravlja se sklopom MAX7219 s kojim mikroprocesor komuni-
cira putem SPI sabirnice. Za odabir diode koja ´ce u odre ¯denom trenutku svijetliti
potrebno je postaviti signal segmenta SEG na visoku razinu te signal DIG postaviti
na nisku razinu. Primjer funkcioniranja matrice LED dioda vidljiv je na 5.1
Slika 5.1: Okvir NMEA paketa
Kako bi MAX7219 sklop mogao prikazati stanje potrebno je poslati potpunu ma-
tricu dimenzija 8 redaka i 8 stupaca. S obzirom da se koristi samo dio izlaza, 32 izlaza
ostaju neiskorištena, a 32 se koriste za prikaz brzine i broja okretaja. Radi jednostavni-
jeg korištenja izvedena je funkcija koja posebno adresira svaki poseban bit.
5.2. Prikaz na TFT zaslonu
Dizajn zaslona u vozilu mora biti jednostavan i iznimno pregledan. Iz tog razloga
tijekom vožnje na njemu se prikazuju samo ikone o statusu vozila te velika oznaka u
kojoj je vozaˇc brzini. Osim ovog naˇcina rada, mogu´ce je pomo´cu sklopke odabrati
naˇcin rada dijagnostike vozila kada se na ekranu prikazuju detaljne informacije što
18
posljediˇcno unanjuje preglednost, ali omogu´cava pra´cenje detaljnih podataka samom
vozaˇcu. Za prikaz na zaslonu koriste se ve´c gotove grafiˇcke biblioteke koje podržavaju
rezoluciju zaslona od 320 toˇcaka visine i 240 širine.
5.3. Interakcija s vozaˇcem
Kako bi se omogu´cila interakcija vozaˇca i sustava za prikaz, preostali pinovi mikro-
procesora iskorišteni su za programibilne ulazi ili izlaze. Na njihovim krajevima
postavljeni su zatezni prikljuˇcci koji omogu´cavaju jednostavno spajanje dodatne per-
iferije. Ista ukljuˇcuje prekidaˇce koji se mogu koristiti za navigaciju kroz meni na
zaslonu, spajanje sklopki kojima se prebacuje izme ¯du stupnjeva prijenosa, sklopki
kojima se aktiviraju odre ¯deni naˇcini dodatni rada ECU-a kao što su npr. pomo´c pri
naglom startu(engl. traction control), odabir profila rada vozila itd. Time se tako ¯der
omogu´cava jednostavna nadogradnja sustava koji može tijekom vremena izrade i pro-
jektiranja bolida biti unaprije ¯divan iz godine u godinu.
5.4. Klijentske aplikacije
Za potrebe sustava za prikaz i dijeljenje podataka razvijene su dvije klijentske ap-
likacije. Raˇcunalna aplikacija izra ¯dena je u Python programskom jeziku uz korištenje
Kivy razvojne okoline za grafiˇcka suˇcelja. Komunikacija se ostvaruje bežiˇcnim putem
korištenjem UDP protokola i multicast naˇcina slanja. Slika 5.2 prikazuje grafiˇcko
suˇcelje razvijene klijentske aplikacije.
Kako bi podatke bilo mogu´ce oˇcitati i na pametni mobilnim ure ¯dajima izra ¯dena
je mobilna aplikacija za operacijski sustav Android. Komunikacija je ostvarena Blue-
tooth tehnologijom. Aplikacija osim prikaza podataka omogu´cava i prijenos podataka
na udaljeni server mobilnom mrežom kako bi se ostvarilo pra´cenje bolida te pohranji-
vanje podataka u bazu. Isti kasnije mogu biti korišteni za analizu dinamiˇckih svojstva
bolida te dijagnostiku. Za potrebe konstantnog pra´cenja podataka aplikacija koristi
pozadinski servis o aktivnosti kojeg korisnika obavještava ikonom u statusnoj traci.
Servis može biti iskljuˇcen u postavkama aplikacije.
19
Slika 5.2: Primjer jednostavnog oˇcitavanja na osobnom raˇcunalu
Prikaz zaslona mobilne aplikacije za Android mobilne ure ¯daje.
20
6. Zakljuˇcak
Prikupljanje, prikaz i dijeljenje informacija o vozilu su tri razliˇcite cjeline potrebne za
upravljanje motornim vozilom. Kontinuirano pra´cenje podataka naknadno omogu´cava
analizu postoje´cih te razvoj novih rješenja u automobilskoj industriji. Zajedniˇcka os-
nova navedenih cjelina su informacije o vozilu kojima ti sustavi raspolažu. Temeljem
toga zakljuˇcuje se da je mogu´ce objediniti cjeline u jedinstveni raˇcunalni sustav sa
svrhom upravljanja svim podacima o vozilu.
U ovom radu prikazan je prijedlog konkretne izvedbe sustava u specifiˇcnoj i vrlo
zahtjevnoj okolini. Utvr ¯deno je da složenost sustava raste s brojem razliˇcitih modula
koje je potrebno izvesti. Komunikacijski kanali odnosno njihov broj i kapacitet su
ograniˇcavaju´ci ˇcimbenici prilikom projektiranja takvog sustava. Predloženo rješenje
koristi vremensku raspodjelu komunikacijskih resursa, ali rješenje je mogu´ce ostvariti
i uvo ¯denjem dodatnih komunikacijskih kanala i pove´canjem procesorske mo´ci.
Prikaz podataka o vozilu je kritiˇcan dio sustava vozila te je bitna pouzdanost istoga
u radu. Sadržaj koji se predstavlja vozaˇcu mora biti pregledan i ne dvosmislen. Za
potrebe razvoja potrebno je omogu´civanje udaljenog pristupa podacima o vozilu. Tako
prikupljeni podatci služe za analizu podataka tijekom i nakon testiranja.
Uvo ¯denjem predloženog objedinjenog sustava mogu´ce je ostvariti nadogradnju bez
promjene i prilagodljivost. Time se ostvaruje ušteda prilikom proizvodnje i jednos-
tavnija daljnja gra ¯da elektroniˇckog i elektriˇcnog sustava vozila.
21
LITERATURA
AIM. AIM protocol documentation, 2014. URL http://www.aim-sportline.
com/download/ecu/ECU-AIM_Logger_145_eng.pdf.
Espressif Systems. AT Instruction Set, 2014. URL http://bbs.espressif.
com/download/file.php?id=84.
European Parliament. DIRECTIVE 98/69/EC OF THE EUROPEAN PARLIA-
MENT AND OF THE COUNCIL, 1998. URL http://eur-lex.europa.
eu/LexUriServ/LexUriServ.do?uri=CONSLEG:1998L0069:
19981228:EN:PDF.
GlobalTop Tech Inc. PMTK command packet, 2014. URL http://www.
adafruit.com/datasheets/PMTK_A11.pdf.
Ratko Magjarevi´c, Zoran Stare, Mario Cifrek, Hrvoje Džapo, Matko Ivanˇci´c, i Igor
Lackovi´c. Projektiranje tiskanih veza. 2009.
David A Patterson i John L Hennessy. Computer organization and design: the hard-
ware/software interface. Newnes, 2013.
Davor Petrinovi´c i Mladen Vuˇci´c. Osnove projektiranja raˇcunalnih sustava. 2007.
Slobodan Ribari´c. Gra ¯da raˇcunala, arhitektura i organizacija raˇcunarskih sustava.
2011.
Society of Automotive Engineers. 2014 Formula SAE Rules, 2014. URL students.
sae.org/cds/formulaseries/rules/2014_fsae_rules.pdf.
VEMS. VEMS v3.3 installation instructions, 2014. URL http://www.vems.hu/
wiki/index.php?page=MembersPage%2FPhatBob%2FUserGuide.
Mladen Vuˇci´c. Upotreba mikrokontrolera u ugra ¯denim raˇcunalnim sustavima. 2007.
22
Dodatak A
Shematski dijagrami razvijenog
sustava
23
1
1
2
2
3
3
4
4
5
5
6
6
7
7
8
8
D D
C C
B B
A A
Document Title:
Sheet Title:
Author: Date: 22.11.2014.Bruno Vunderl
System Distribution
00-Driver_Information_System.SchDoc
Rev: v0
UART_RX
UART_TX
SPI_MOSI
SPI_MISO
SPI_SCK
I2C_SCL
I2C_SDA
UART_MUX0
UART_MUX1
SPI_CS0
SPI_CS1
SPI_CS2
SPI_CS3
DISP_BACKLIGHT
SHIFT_CLK
SHIFT_DATA
SHIFT_LATCH
CAN_IRQ
GPIO_0
GPIO_1
GPIO_2
GPIO_3
GPIO_4
GPIO_5
GPIO_6
GPIO_7
DISP_D/C
CAN_H
CAN_L
BLUETOOTH-CMD
MPU
02-MPU-module.SchDoc
SPI_MOSI
SPI_SCK
SPI_CS0
LED_display
03-LED-display.SchDoc
SPI_CS1
SPI_MOSI
DISP_BACKLIGHT
SPI_MISO
SPI_SCK
DISP_D/C
SPI_CS2
TFT_display
01-TFT_display.SchDoc
SPI_MOSI
SPI_MISO
SPI_SCK
SPI_CS0
SPI_CS1
SPI_CS2
SPI_CS3
SPI_CS0
SPI_CS1
SPI_CS2
SPI_SCK
SPI_SCK
SPI_MOSI
SPI_MOSI
SPI_MISO
SPI_MOSI
SPI_SCK
SPI_CS3
SPI_MISO
CAN-IRQ
CAN_H
CAN_L
CAN-module
06-CanBus-module.SchDoc
SPI_CS3
SPI_SCK
SPI_MOSI
SPI_MISO
Voltage Regulator
04-Voltage_Regulator.SchDoc
SHIFT_CLK
SHIFT_DATA
SHIFT_LATCH
Aditional LED control
05-Additional-LED-control.SchDoc
UART_RX
UART_TX
UART_MUX0
UART_MUX1
WIFI-TX
WIFI-RX
BLUETOOTH-TX
BLUETOOTH-RX
GPS-TX
GPS-RX
RS232-TX
RS232-RX
UART multiplexer
08-UART-multiplexer.SchDoc
BLUETOOTH-TX
BLUETOOTH-RX
BLUETOOTH-CMD
Bluetooth module
07-Bluetooth-module.SchDoc
WIFI-TX
WIFI-RX
WiFi module
09-WiFi-module.SchDoc
GPS-TX
GPS-RX
GPS module
10-GPS-module.SchDoc
RS232-TX
RS232-RX
RS232 module
11-RS232-module.SchDoc
I2C_SCL
I2C_SDA
Accelerometer module
12-Accelerometer-module.SchDoc
CAN_IRQ
GPIO_0
GPIO_1
GPIO_2
GPIO_3
GPIO_4
GPIO_5
GPIO_6
GPIO_7
CAN_H
CAN_L
IO connectors
13-IO-ports.SchDoc
NLSPI0CS0
NLSPI0CS1
NLSPI0CS2
NLSPI0CS3
NLSPI0MISO
NLSPI0MOSI
NLSPI0SCK
1
1
2
2
3
3
4
4
D D
C C
B B
A A
Document Title:
Sheet Title:
Author: Date: 28.12.2014.Bruno Vunderl
TFT Display Module
01-TFT_display.SchDoc
Rev: 1
GND
3V3 MISO
1
LED
2
SCK
3
MOSI
4
D/C
5
RST
6
CS
7
GND
8
VCC
9
H101
HEADER_9P3V3
GND
SPI_CS1
SPI_MOSI
VCC
1
O1
2
I1
3
O3
6
GND
8
O2
4
I2
5
I3
7
I4
9
O4
10
I5
11
O5
12
NC
13
I6
14
O6
15
NC
16
IC101
74HC4050
SPI_SCK
DISP_D/C
DISP_BACKLIGHT
3V3
SPI_MISO
SPI_CS2
SCK
1
MISO
2
MOSI
4
CS
7
H102
SD_card
10µ
C101
3V3 GNDPIC10101 PIC10102
COC101
PIH10101
PIH10102
PIH10103
PIH10104
PIH10105
PIH10106
PIH10107
PIH10108
PIH10109
COH101
PIH10201 PIH10202 PIH10204 PIH10207
COH102
PIIC10101
PIIC10102
PIIC10103
PIIC10104
PIIC10105
PIIC10106
PIIC10107
PIIC10108 PIIC10109
PIIC101010
PIIC101011
PIIC101012
PIIC101013
PIIC101014
PIIC101015
PIIC101016
COIC101
PIC10101
PIH10106
PIH10109
PIIC10101
PIC10102
PIH10108
PIIC10108
PIH10101
PIH10202
POSPI0MISO
PIH10102
PIIC101012
PIH10103
PIH10201
PIIC10106
PIH10104
PIH10204
PIIC10104
PIH10105
PIIC101010
PIH10107
PIIC10102
PIH10207
PIIC101015
PIIC10103POSPI0CS1
PIIC10105POSPI0MOSI
PIIC10107POSPI0SCK
PIIC10109PODISP0D0C
PIIC101011PODISP0BACKLIGHT
PIIC101013
PIIC101014POSPI0CS2
PIIC101016
PODISP0BACKLIGHT
PODISP0D0C
POSPI0CS1 POSPI0CS2
POSPI0MISO
POSPI0MOSI
POSPI0SCK
1
1
2
2
3
3
4
4
D D
C C
B B
A A
Document Title:
Sheet Title:
Author: Date: 27.12.2014.Bruno Vunderl
uProcessor Breakout
02-MPU-module.SchDoc
Rev: 1
1
2
3
4
5
H201
1
2
3
4
5
H202
1
2
3
4
5
H203
1
2
3
4
5
H204
1
2
3
4
5
H207
1
2
3
4
5
H206
1
2
3
4
5
H205
1
2
3
4
5
H208
UART_RX
UART_TX
GND
SPI_MOSI
SPI_MISO
SPI_SCK
GND
I2C_SCL
I2C_SDA
5V 5V
GND
GND
GND
GND
UART_MUX0
UART_MUX1
SPI_CS0
SPI_CS1
SPI_CS2
SPI_CS3
DISP_BACKLIGHT
SHIFT_CLK
SHIFT_DATA
SHIFT_LATCH
CAN_IRQ
GPIO_0
GPIO_1
GPIO_2
GPIO_3
GPIO_4
GPIO_5
GPIO_6
GPIO_7
DISP_D/C
3V3 3V3
CAN_H
CAN_L
BLUETOOTH-CMD
PIH20101
PIH20102
PIH20103
PIH20104
PIH20105
COH201
PIH20201
PIH20202
PIH20203
PIH20204
PIH20205
COH202
PIH20301PIH20302PIH20303PIH20304PIH20305
COH203
PIH20401PIH20402PIH20403PIH20404PIH20405
COH204
PIH20501
PIH20502
PIH20503
PIH20504
PIH20505
COH205
PIH20601
PIH20602
PIH20603
PIH20604
PIH20605
COH206
PIH20701PIH20702PIH20703PIH20704PIH20705
COH207
PIH20801 PIH20802 PIH20803 PIH20804 PIH20805
COH208
PIH20701 PIH20705PIH20801 PIH20805
PIH20103
PIH20203
PIH20503
PIH20603
PIH20703PIH20803
POCAN0H
POI2C0SDA
PIH20101POUART0MUX1
PIH20102POUART0TX
PIH20104POUART0RX
PIH20105POUART0MUX0
PIH20201POSPI0SCK
PIH20202POSPI0MISO
PIH20204POSPI0MOSI
PIH20205POBLUETOOTH0CMD
PIH20301
POGPIO04
PIH20302
POGPIO03
PIH20303
POGPIO02
PIH20304
POGPIO01
PIH20305
POGPIO00
PIH20401PIH20402
POCAN0L
PIH20403
POGPIO07
PIH20404
POGPIO06
PIH20405
POGPIO05
PIH20501POSPI0CS0
PIH20502POSPI0CS1
PIH20504POSPI0CS2
PIH20505POSPI0CS3
PIH20601POSHIFT0CLK
PIH20602POSHIFT0DATA
PIH20604POSHIFT0LATCH
PIH20605POCAN0IRQ
PIH20702
PODISP0D0C
PIH20704
PODISP0BACKLIGHT
PIH20802 PIH20804
POI2C0SCL
POBLUETOOTH0CMD
POCAN0H
POCAN0IRQ
POCAN0L
PODISP0BACKLIGHTPODISP0D0C
POGPIO00POGPIO01POGPIO02POGPIO03POGPIO04 POGPIO05POGPIO06POGPIO07
POI2C0SCLPOI2C0SDA
POSHIFT0CLK
POSHIFT0DATA
POSHIFT0LATCH
POSPI0CS0
POSPI0CS1
POSPI0CS2
POSPI0CS3
POSPI0MISO
POSPI0MOSI
POSPI0SCK
POUART0MUX0
POUART0MUX1
POUART0RX
POUART0TX
1
1
2
2
3
3
4
4
D D
C C
B B
A A
Document Title:
Sheet Title:
Author: Date: 27.12.2014.Bruno Vunderl
LED display module
03-LED-display.SchDoc
Rev: 1
DIG2
6
DIG6
5
GND
4
SEG E
21
SEG G
17
ISET
18
V+
19
SEG C
20
DIG4
3
SEG D
23
DIN
1
DIG0
2
SEG F
15
SEG B
16
SEG A
14
GND
9
DIG1
11
DIG5
10
CLK
13
SEG DP
22
DIG3
7
DIG7
8
DOUT
24
LOAD
12
IC302
MAX7219EWG
GND
5V
2K8
R301
1µ
C301
10K
R302
GND
10µ
C302
5V GND
Green
LED301
Green
LED302
Green
LED303
Green
LED304
Green
LED305
Green
LED306
Green
LED307
Green
LED308
Green
LED309
Green
LED310
Green
LED311
Green
LED312
Green
LED313
Green
LED314
Green
LED315
Green
LED316
Yellow
LED317
Yellow
LED318
Yellow
LED319
Yellow
LED320
Yellow
LED321
Yellow
LED322
Yellow
LED323
Yellow
LED324
Red
LED325
Red
LED326
Red
LED327
Red
LED328
Red
LED329
Red
LED330
Red
LED331
Red
LED332
DIG0
DIG1
DIG2
DIG3
SEG0 SEG1 SEG2 SEG3 SEG4 SEG5 SEG6 SEG7
SEG[0..7]
DIG[0..7]
SEG0
SEG1
SEG2
SEG3
SEG4
SEG5
SEG6
SEG7
DIG0
DIG1
DIG2
DIG3
DIG4
DIG5
DIG6
DIG7
GND
SPI_MOSI
VCC
1
O1
2
I1
3
O3
6
GND
8
O2
4
I2
5
I3
7
I4
9
O4
10
I5
11
O5
12
NC
13
I6
14
O6
15
NC
16
IC301
74HC4050
SPI_SCK
SPI_CS0
5V
1µ
C303
10µ
C304
5V GND
PIC30101 PIC30102
COC301
PIC30201 PIC30202
COC302
PIC30301 PIC30302
COC303
PIC30401 PIC30402
COC304
PIIC30101
PIIC30102
PIIC30103
PIIC30104
PIIC30105
PIIC30106
PIIC30107
PIIC30108 PIIC30109
PIIC301010
PIIC301011
PIIC301012
PIIC301013
PIIC301014
PIIC301015
PIIC301016
COIC301
PIIC30201
PIIC30202
PIIC30203
PIIC30204
PIIC30205
PIIC30206
PIIC30207
PIIC30208
PIIC30209
PIIC302010
PIIC302011
PIIC302012
PIIC302013
PIIC302014
PIIC302015
PIIC302016
PIIC302017
PIIC302018
PIIC302019
PIIC302020
PIIC302021
PIIC302022
PIIC302023
PIIC302024
COIC302
PILED3010APILED3010K
COLED301
PILED3020APILED3020K
COLED302
PILED3030APILED3030K
COLED303
PILED3040APILED3040K
COLED304
PILED3050APILED3050K
COLED305
PILED3060APILED3060K
COLED306
PILED3070APILED3070K
COLED307
PILED3080APILED3080K
COLED308
PILED3090APILED3090K
COLED309
PILED3100APILED3100K
COLED310
PILED3110APILED3110K
COLED311
PILED3120APILED3120K
COLED312
PILED3130APILED3130K
COLED313
PILED3140APILED3140K
COLED314
PILED3150APILED3150K
COLED315
PILED3160APILED3160K
COLED316
PILED3170APILED3170K
COLED317
PILED3180APILED3180K
COLED318
PILED3190APILED3190K
COLED319
PILED3200APILED3200K
COLED320
PILED3210APILED3210K
COLED321
PILED3220APILED3220K
COLED322
PILED3230APILED3230K
COLED323
PILED3240APILED3240K
COLED324
PILED3250APILED3250K
COLED325
PILED3260APILED3260K
COLED326
PILED3270APILED3270K
COLED327
PILED3280APILED3280K
COLED328
PILED3290APILED3290K
COLED329
PILED3300APILED3300K
COLED330
PILED3310APILED3310K
COLED331
PILED3320APILED3320K
COLED332
PIR30101
PIR30102
COR301
PIR30201
PIR30202
COR302
PIC30101
PIC30201
PIC30301
PIC30401
PIIC30101
PIIC302019
PIR30101
PIC30102
PIC30202
PIC30302
PIC30402
PIIC30108
PIIC30204
PIIC30209
PIIC30102
PIIC30103
PIIC30104
PIIC30105
PIIC30106
PIIC30107
PIIC30109POSPI0SCK
PIIC301010
PIIC302013
PIIC301011POSPI0CS0
PIIC301012
PIIC302012
PIR30202
PIIC301013
PIIC301014POSPI0MOSI
PIIC301015
PIIC30201
PIIC301016
PIIC30206
PIIC302018
PIR30102
PIIC302024
PIR30201
PIIC30202
PILED3040K PILED3080K PILED3120K PILED3160K PILED3200K PILED3240K PILED3280K PILED3320K
NLDIG000070
NLDIG0
PIIC302011
PILED3030K PILED3070K PILED3110K PILED3150K PILED3190K PILED3230K PILED3270K PILED3310K
NLDIG000070
NLDIG1
PILED3020K PILED3060K PILED3100K PILED3140K PILED3180K
PILED3220K PILED3260K PILED3300K
NLDIG000070
NLDIG2
PIIC30207
PILED3010K PILED3050K PILED3090K PILED3130K PILED3170K PILED3210K PILED3250K PILED3290K
NLDIG000070
NLDIG3
PIIC30203
NLDIG000070
NLDIG4
PIIC302010
NLDIG000070
NLDIG5
PIIC30205
NLDIG000070
NLDIG6
PIIC30208
NLDIG000070
NLDIG7
PIIC302014
PILED3010A
PILED3020A
PILED3030A
PILED3040A
NLSEG000070
NLSEG0
PIIC302016
PILED3050A
PILED3060A
PILED3070A
PILED3080A
NLSEG000070
NLSEG1
PIIC302020
PILED3090A
PILED3100A
PILED3110A
PILED3120A
NLSEG000070
NLSEG2
PIIC302023
PILED3130A
PILED3140A
PILED3150A
PILED3160A
NLSEG000070
NLSEG3
PIIC302021
PILED3170A
PILED3180A
PILED3190A
PILED3200A
NLSEG000070
NLSEG4
PIIC302015
PILED3210A
PILED3220A
PILED3230A
PILED3240A
NLSEG000070
NLSEG5
PIIC302017
PILED3250A
PILED3260A
PILED3270A
PILED3280A
NLSEG000070
NLSEG6
PIIC302022
PILED3290A
PILED3300A
PILED3310A
PILED3320A
NLSEG000070
NLSEG7
POSPI0CS0
POSPI0MOSI
POSPI0SCK
1
1
2
2
3
3
4
4
D D
C C
B B
A A
Document Title:
Sheet Title:
Author: Date: 12.1.2015.Bruno Vunderl
Voltage regulators
04-Voltage_Regulator.SchDoc
Rev: 1
3.3V Voltage Regulator
Voltage In
R401
0.33R
GND
GND
L401
220uH
3V3
GND
R403
18K
R402
11K
GND
GND
100uF
C403
470uF
C402
GND
470pF
C401
DS401
1N5819
SW COLL
1
SW EM
2
TIM CAP
3
GND
4
IN-
5
VCC
6
IPK
7
DRV COLL
8
IC401
MC34063AD
VIN
5V Voltage Regulator
Voltage In
R454
0.33R
GND
GND
L451
220uH
5V
GND
R453
3.3K
R452
330R
R451
1,2K
GND
GND
100uF
C453
470uF
C452
GND
470pF
C451
DS451
1N5819
SW COLL
1
SW EM
2
TIM CAP
3
GND
4
IN-
5
VCC
6
IPK
7
DRV COLL
8
IC451
MC34063AD
VIN
VI
1
VO
3
2
GND
U491L7805
GND
GND
100µ
C492
100µ
C493
VCC 5V_SENS
5V Linear Voltage Regulator
PIC40101
PIC40102
COC401
PIC40201
PIC40202
COC402
PIC40301
PIC40302
COC403
PIC45101
PIC45102
COC451
PIC45201
PIC45202
COC452
PIC45301
PIC45302
COC453
PIC49201
PIC49202
COC492
PIC49301
PIC49302
COC493
PIDS4010A
PIDS4010K
CODS401
PIDS4510A
PIDS4510K
CODS451
PIIC40101
PIIC40102
PIIC40103PIIC40104
PIIC40105
PIIC40106
PIIC40107
PIIC40108
COIC401
PIIC45101
PIIC45102
PIIC45103PIIC45104
PIIC45105
PIIC45106
PIIC45107
PIIC45108
COIC451
PIL40101
PIL40102
COL401
PIL45101
PIL45102
COL451
PIR40101
PIR40102
COR401
PIR40201
PIR40202
COR402
PIR40301 PIR40302
COR403
PIR45101
PIR45102
COR451
PIR45201 PIR45202
COR452
PIR45301 PIR45302
COR453
PIR45401
PIR45402
COR454
PIU49101
PIU49102
PIU49103
COU491
PIC40201
PIL40101
PIR40302
PIC45201
PIL45101
PIR45302
PIC49302PIU49103
PIC40102
PIC40202
PIC40302
PIC45102
PIC45202
PIC45302
PIC49201 PIC49301
PIDS4010A
PIDS4510A
PIIC40104
PIIC45104
PIR40201
PIR45101
PIU49102
PIC40101
PIIC40103
PIC45101
PIIC45103
PIDS4010K
PIIC40102
PIL40102
PIDS4510K
PIIC45102
PIL45102
PIIC40101
PIIC40107
PIIC40108
PIR40101
PIIC40105
PIR40202 PIR40301
PIIC45101
PIIC45107
PIIC45108
PIR45401
PIIC45105
PIR45102 PIR45201 PIR45202 PIR45301
PIC49202PIU49101
PIC40301
PIC45301
PIIC40106
PIIC45106
PIR40102
PIR45402
1
1
2
2
3
3
4
4
D D
C C
B B
A A
Document Title:
Sheet Title:
Author: Date: 22.11.2014Bruno Vunderl
Additional LED control
05-Additional-LED-control.SchDoc
Rev: 1
SHIFT_CLK
SHIFT_DATA
SHIFT_LATCH
VCC
16
GND
8
G
13
RCK
12
SER
14
SRCLR
10
SRCK
11
QA
15
QB
1
QC
2
QD
3
QE
4
QF
5
QG
6
QH
7
QH1
9
U501 74HC595
GND
5V
CR
CG
CB
A
D501
CR
CG
CB
A
D502
CR
CG
CB
A
D504CR
CG
CB
A
D503
T501 T502 T503
T504 T505 T506
R501
R502
R503
R504
R505
R506
R507
R508
R509
R510
R511
R512
5V
5V 5V
5V
Coolant temperature warning
Oil pressure warning
GND
T507
GND
R513 R515 R516 R517
LED501
LED502
LED503
LED504
5V 5V 5V 5V
Shift light
10µ
C501
5V GND
GND
5V
PIC50101 PIC50102
COC501
PID5010A
PID5010CB PID5010CG PID5010CR
COD501
PID5020A
PID5020CB PID5020CG PID5020CR
COD502
PID5030A
PID5030CBPID5030CGPID5030CR COD503
PID5040A
PID5040CBPID5040CGPID5040CR COD504
PILED5010A
PILED5010K
COLED501
PILED5020A
PILED5020K
COLED502
PILED5030A
PILED5030K
COLED503
PILED5040A
PILED5040K
COLED504
PIR50101
PIR50102
COR501
PIR50201
PIR50202
COR502
PIR50301
PIR50302
COR503
PIR50401
PIR50402
COR504
PIR50501
PIR50502
COR505
PIR50601
PIR50602
COR506
PIR50701
PIR50702
COR507
PIR50801
PIR50802
COR508
PIR50901
PIR50902
COR509
PIR51001
PIR51002
COR510
PIR51101
PIR51102
COR511
PIR51201
PIR51202
COR512
PIR51301
PIR51302
COR513
PIR51501
PIR51502
COR515
PIR51601
PIR51602
COR516
PIR51701
PIR51702
COR517
PIT5010B
PIT5010C
PIT5010E
COT501
PIT5020B
PIT5020C
PIT5020E
COT502
PIT5030B
PIT5030C
PIT5030E
COT503
PIT5040B
PIT5040C
PIT5040E COT504
PIT5050B
PIT5050C
PIT5050E COT505
PIT5060B
PIT5060C
PIT5060E COT506
PIT5070B
PIT5070CPIT5070E
COT507
PIU50101
PIU50102
PIU50103
PIU50104
PIU50105
PIU50106
PIU50107
PIU50108
PIU50109
PIU501010
PIU501011
PIU501012
PIU501013
PIU501014
PIU501015
PIU501016
COU501
PIC50101
PID5010A PID5020A
PID5030A PID5040A
PILED5010A PILED5020A PILED5030A PILED5040A
PIU501010
PIU501016
PIC50102
PIT5010E PIT5020E PIT5030E
PIT5040E PIT5050E PIT5060E
PIT5070E
PIU50108
PIU501013
PID5010CB
PIR50101
PID5010CG
PIR50201
PID5010CR
PIR50301
PID5020CB
PIR50401
PID5020CG
PIR50501
PID5020CR
PIR50601
PID5030CB
PIR50902
PID5030CG
PIR50802
PID5030CR
PIR50702
PID5040CB
PIR51202
PID5040CG
PIR51102
PID5040CR
PIR51002
PILED5010K
PIR51301
PILED5020K
PIR51502
PILED5030K
PIR51602
PILED5040K
PIR51702
PIR50102 PIR50402
PIT5010C
PIR50202 PIR50502
PIT5020C
PIR50302 PIR50602
PIR50701 PIR51001
PIT5040C
PIR50801 PIR51101
PIT5050C
PIR50901 PIR51201
PIT5060C
PIR51302 PIR51501 PIR51601 PIR51701
PIT5070C
PIT5010BPIU50102 PIT5020B
PIU50101
PIT5030B
PIU501015
PIT5030C
PIT5040B
PIU50103
PIT5050B
PIU50104
PIT5060B
PIU50105
PIT5070B
PIU50106
PIU50107
PIU50109
PIU501011POSHIFT0CLK
PIU501012POSHIFT0LATCH
PIU501014POSHIFT0DATA
POSHIFT0CLK
POSHIFT0DATA
POSHIFT0LATCH
1
1
2
2
3
3
4
4
D D
C C
B B
A A
Document Title:
Sheet Title:
Author: Date: 22.11.2014Bruno Vunderl
CAN module
06-CanBus-module.SchDoc
Rev: 2
5V
5V
GND
5V
GND
GND
5V
GND
TXCAN
1
RXCAN
2
CLKOUT/SOF
3
TX0RTS
4
TX1RTS
5
TX2RTS
7
OSC2
8
OSC1
9
VSS
10
RX1BF
11
RX0BF
12
INT
13
SCK
14
SI
16
SO
17
CS
18
RESET
19
VDD
20
NC
6
NC
15
IC601
MCP2515-I/ST
TXD
1
VSS
2
VDD
3
RXD
4
VREF
5
CANL
6
CANH
7
RS
8
IC602
MCP2551-I/SN
LED1
Green
LED2
Red
LED3
Green
LED4
Blue
470R
R603
470R
R604
470R
R605
470R
R606
1K
R602
16.00MHz
XT1
100n
C603
100n
C604
22p
C601
22p
C602
4.7K
R607
1
2
J601
Jumper
120R
R608
GND
10K
R601
5V
SPI_CS3
SPI_SCK
SPI_MISO
SPI_MOSI
CAN-IRQ
CAN_H
CAN_L
PIC60101 PIC60102
COC601
PIC60201 PIC60202
COC602 PIC60301
PIC60302COC603
PIC60401
PIC60402
COC604
PIIC60101PIIC60102
PIIC60103
PIIC60104
PIIC60105
PIIC60106
PIIC60107
PIIC60108
PIIC60109
PIIC601010
PIIC601011
PIIC601012
PIIC601013
PIIC601014
PIIC601015
PIIC601016
PIIC601017
PIIC601018
PIIC601019
PIIC601020
COIC601
PIIC60201
PIIC60202
PIIC60203
PIIC60204
PIIC60205
PIIC60206
PIIC60207
PIIC60208
COIC602
PIJ60101 PIJ60102
COJ601
PILED10A
PILED10K
COLED1
PILED20A
PILED20K
COLED2
PILED30A
PILED30K
COLED3
PILED40A
PILED40K
COLED4
PIR60101
PIR60102
COR601
PIR60201 PIR60202
COR602
PIR60301
PIR60302
COR603
PIR60401
PIR60402
COR604
PIR60501
PIR60502
COR605
PIR60601
PIR60602
COR606
PIR60701 PIR60702
COR607
PIR60801
PIR60802
COR608
PIXT101
PIXT102
COXT1
PIC60301
PIC60401
PIIC601020
PIIC60203
PIR60101 PIR60201
PIR60301 PIR60401 PIR60501 PIR60601
PIC60101
PIC60201
PIC60302
PIC60402
PIIC601010
PIIC60202
PILED40K
PIR60701
PIC60102
PIIC60109
PIXT102
PIC60202
PIIC60108
PIXT101
PIIC60101
PIIC60201
PILED20K
PIIC60102
PIIC60204
PILED10K
PIIC60103
PIIC60104
PIIC60105
PIIC60106
PIIC60107
PIIC601011
PIIC601012
PIIC601013
PILED30K
POCAN0IRQ
PIIC601014POSPI0SCK
PIIC601015
PIIC601016POSPI0MOSI
PIIC601017POSPI0MISO
PIIC601018
PIR60102POSPI0CS3
PIIC601019PIR60202
PIIC60205
PIIC60206
PIR60802
POCAN0L
PIIC60207
PIJ60102
POCAN0H
PIIC60208PIR60702
PIJ60101
PIR60801
PILED10A
PIR60302
PILED20A
PIR60402
PILED30A
PIR60502
PILED40A
PIR60602
POCAN0IRQ
POCAN0H
POCAN0L
POSPI0CS3
POSPI0MISO
POSPI0MOSI
POSPI0SCK
1
1
2
2
3
3
4
4
D D
C C
B B
A A
Document Title:
Sheet Title:
Author: Date: 16.1.2015.Bruno Vunderl
Bluetooth module
07-Bluetooth-module.SchDoc
Rev: 1
BLUETOOTH-TX
BLUETOOTH-RX BLUETOOTH-CMDTX
1
RX
2
RST
11
GND
13
3V3
12
CMD
34
LED_1
31
LED_2
32
U701
HC-05
GND
3V3
GND
LED701
LED702
R701
R702
GND GND
10µ
C701
3V3 GNDPIC70101 PIC70102
COC701
PILED7010A
PILED7010K
COLED701PILED7020A
PILED7020K
COLED702
PIR70101 PIR70102
COR701
PIR70201 PIR70202
COR702
PIU70101
PIU70102
PIU701011
PIU701012
PIU701013
PIU701031
PIU701032
PIU701034
COU701
PIC70101
PIU701012
PIC70102
PILED7010KPILED7020K
PIU701011
PIU701013
PILED7010A
PIR70102
PILED7020A
PIR70202
PIR70101PIU701032
PIR70201PIU701031
PIU70101POBLUETOOTH0RX
PIU70102POBLUETOOTH0TX
PIU701034POBLUETOOTH0CMDPOBLUETOOTH0CMDPOBLUETOOTH0RX
POBLUETOOTH0TX
1
1
2
2
3
3
4
4
D D
C C
B B
A A
Document Title:
Sheet Title:
Author: Date: 22.11.2014Bruno Vunderl
UART-multiplexer
08-UART-multiplexer.SchDoc
Rev: 1
UART_RX
UART_TX
UART_MUX0
UART_MUX1
WIFI-TX
WIFI-RX
BLUETOOTH-TX
BLUETOOTH-RX
GPS-TX
GPS-RX
RS232-TX
RS232-RX
Y2
2
Y0
1
Y
3
Y3
4
VCC
16
Y1
5
EN
6
X
13
VEE
7
GND
8
X0
12
B
9
A
10
X3
11
X2
15
X1
14
U801
MC74HC4052D
GND
5V
GND GND
10µ
C801
5V GNDPIC80101 PIC80102
COC801
PIU80101
PIU80102
PIU80103
PIU80104
PIU80105
PIU80106
PIU80107PIU80108
PIU80109
PIU801010
PIU801011
PIU801012 PIU801013
PIU801014
PIU801015
PIU801016
COU801
PIC80101
PIU801016
PIC80102
PIU80106
PIU80107PIU80108
PIU80101POBLUETOOTH0TX
PIU80102POGPS0TX
PIU80103POUART0TX
PIU80104PORS2320TX
PIU80105POWIFI0TX
PIU80109POUART0MUX1
PIU801010POUART0MUX0
PIU801011PORS2320RX
PIU801012POBLUETOOTH0RX PIU801013POUART0RX
PIU801014POWIFI0RX
PIU801015POGPS0RX
POBLUETOOTH0RX
POBLUETOOTH0TX
POGPS0RX
POGPS0TX
PORS2320RX
PORS2320TX
POUART0MUX0
POUART0MUX1
POUART0RX
POUART0TX
POWIFI0RX
POWIFI0TX
1
1
2
2
3
3
4
4
D D
C C
B B
A A
Document Title:
Sheet Title:
Author: Date: 19.1.2015.Bruno Vunderl
WiFi module
09-WiFi-module.SchDoc
Rev: 1
WIFI-TX
WIFI-RX TX
1
RX
2
RST
11
GND
13
3V3
12
ESP901
ESP8266 WiFi module
GND
GND
3V3
10µ
C901
3V3 GNDPIC90101 PIC90102
COC901
PIESP90101
PIESP90102
PIESP901011
PIESP901012
PIESP901013
COESP901
PIC90101
PIESP901012
PIC90102
PIESP901011
PIESP901013
PIESP90101POWIFI0RX
PIESP90102POWIFI0TX
POWIFI0RX
POWIFI0TX
1
1
2
2
3
3
4
4
D D
C C
B B
A A
Document Title:
Sheet Title:
Author: Date: 20.1.2015.Bruno Vunderl
GPS module
10-GPS-module.SchDoc
Rev: 1
GPS-TX
GPS-RX TX
5
RX
6
EN
2
GND
7
3V3
8
GPS1001
GPS-Ultimate
GND
3V3
10µ
C1001
3V3 GNDPIC100101 PIC100102
COC1001
PIGPS100102
PIGPS100105
PIGPS100106
PIGPS100107
PIGPS100108
COGPS1001
PIC100101
PIGPS100108
PIC100102
PIGPS100107PIGPS100102
PIGPS100105POGPS0RX
PIGPS100106POGPS0TX
POGPS0RX
POGPS0TX
1
1
2
2
3
3
4
4
D D
C C
B B
A A
Document Title:
Sheet Title:
Author: Date: 20.1.2015.Bruno Vunderl
RS232-module
11-RS232-module.SchDoc
Rev: 1
RS232-TX
RS232-RX
C1+
1
+5.5v
2
C1-
3
C2+
4
C2-
5
-5.5v
6
7
89
10
11
12 13
14
GND
15
VCC
16
5k
5k
U1101
MAX3232
1
6
2
7
3
8
4
9
5
K1101
DB9
3v3
GND
GNDC1101
0.1uF
C1102
0.1uF
C1103
0.1uF
C1104
0.1uF
GND
GND
10µ
C1105
3V3 GND
PIC110101
PIC110102
COC1101
PIC110201
PIC110202
COC1102
PIC110301PIC110302
COC1103
PIC110401PIC110402
COC1104
PIC110501 PIC110502
COC1105
PIK110101
PIK110102
PIK110103
PIK110104
PIK110105
PIK110106
PIK110107
PIK110108
PIK110109
COK1101
PIU110101
PIU110102
PIU110103
PIU110104
PIU110105
PIU110106
PIU110107
PIU110108PIU110109
PIU1101010
PIU1101011
PIU1101012 PIU1101013
PIU1101014
PIU1101015
PIU1101016
COU1101
PIC110501
PIU1101016
PIC110301
PIC110401
PIC110502
PIK110105
PIU1101015
PIC110101 PIU110103
PIC110102 PIU110101
PIC110201 PIU110105
PIC110202 PIU110104
PIC110302PIU110102
PIC110402PIU110106
PIK110101
PIK110102PIU1101014
PIK110103
PIU1101013
PIK110104
PIK110106
PIK110107
PIK110108
PIK110109
PIU110107
PIU110108PIU110109
PIU1101010
PIU1101011PORS2320TX
PIU1101012PORS2320RXPORS2320RX
PORS2320TX
1
1
2
2
3
3
4
4
D D
C C
B B
A A
Document Title:
Sheet Title:
Author: Date: 22.11.2014Bruno Vunderl
Accelerometer module
12-Accelerometer-module.SchDoc
Rev: 1
I2C_SCL
I2C_SDA
INT
5
SDA
4
SCL
3
GND
2
5V
1
GY1201
Magnetometer
5V
GND
10µ
C1201
5V GNDPIC120101 PIC120102
COC1201
PIGY120101
PIGY120102 PIGY120103
PIGY120104
PIGY120105
COGY1201
PIC120101
PIGY120101
PIC120102
PIGY120102 PIGY120103POI2C0SCL
PIGY120104POI2C0SDA
PIGY120105
POI2C0SCL
POI2C0SDA
1
1
2
2
3
3
4
4
D D
C C
B B
A A
Document Title:
Sheet Title:
Author: Date: 22.11.2014Bruno Vunderl
IO ports
13-IO-ports.SchDoc
Rev: 1
CAN_IRQ
GPIO_0
GPIO_1
GPIO_2
GPIO_3
GPIO_4
GPIO_5
GPIO_6
GPIO_7
CAN_H
CAN_L
1
2
J1301
1
2
J1302
1
2
J1303
1
2
J1304
1
2
J1305
1
2
J1306
1
2
J1307
1
2
J1308
1
2
J1309
1
2
J1310
1
2
J1311
1
2
J1312
GND
VIN 5V 3V3 5V SENS
CAN_L
CAN_H
1
2
J1313
GND
PIJ130101PIJ130102
COJ1301
PIJ130201PIJ130202
COJ1302
PIJ130301PIJ130302
COJ1303
PIJ130401PIJ130402
COJ1304
PIJ130501PIJ130502
COJ1305
PIJ130601PIJ130602
COJ1306
PIJ130701PIJ130702
COJ1307
PIJ130801PIJ130802
COJ1308
PIJ130901PIJ130902
COJ1309
PIJ131001PIJ131002
COJ1310
PIJ131101PIJ131102
COJ1311
PIJ131201PIJ131202
COJ1312
PIJ131301PIJ131302
COJ1313
PIJ130501PIJ130502PIJ130401PIJ130402 PIJ130601PIJ130602PIJ130101PIJ130102 PIJ131301PIJ131302PIJ130301PIJ130302
POCAN0H
PIJ130701
POGPIO01
PIJ130702
POGPIO00
PIJ130801
POGPIO03
PIJ130802
POGPIO02
PIJ130901PIJ130902
POCAN0L
PIJ131001
POGPIO05
PIJ131002
POGPIO04
PIJ131101
POGPIO07
PIJ131102
POGPIO06
PIJ131201PIJ131202
POCAN0IRQ
PIJ130201PIJ130202
POCAN0H POCAN0IRQPOCAN0LPOGPIO00POGPIO01 POGPIO02POGPIO03 POGPIO04POGPIO05 POGPIO06POGPIO07
1
1
2
2
3
3
4
4
D D
C C
B B
A A
Document Title:
Sheet Title:
Author: Date: 22.11.2014Bruno Vunderl
STM32 ARM Board
STM32_ARM_Board.SchDoc
Rev: 1
BOOT0
44
NRST
7
OSC_IN/PD0
5
OSC_OUT/PD1
6
PA0-WKUP
10
PA1
11
PA2
12
PA3
13
PA4
14
PA5
15
PA6
16
PA7
17
PA8
29
PA9
30
PA10
31
PA11
32
PA12
33
PA13/JTMS/SWDIO
34
PA14/JTCK/SWCLK
37
PA15/JTDI
38
PB0
18
PB1
19
PB2/BOOT1
20
PB3/JTDO
39
PB4/JNTRST
40
PB5
41
PB6
42
PB7
43
PB8
45
PB9
46
PB10
21
PB11
22
PB12
25
PB13
26
PB14
27
PB15
28
PC13-TAMPER-RTC
2
PC14-OSC32_IN
3
PC15-OSC32_OUT
4
VBAT
1
VDD_1
24
VDD_2
36
VDD_3
48
VDDA
9
VSS_1
23
VSS_2
35
VSS_3
47
VSSA
8
UC1
STM32F103C8T6
GND
VCC
1
43
2
B1
RESET
100n
C1
GND
10K
R1
GND
BOOT0
XTAL1
8MHz
27p
C3
27p
C4
GND
XTAL2
32KHz
27p
C6
27p
C5
GND
UART_RX
UART_TX
SPI_MOSI
SPI_MISO
SPI_SCK I2C_SCL
I2C_SDA
UART_MUX0
UART_MUX1
SPI_CS0
SPI_CS1
SPI_CS2
SPI_CS3
DISP_BACKLIGHT
SHIFT_CLK
SHIFT_DATA
SHIFT_LATCH
CAN_IRQ
GPIO_0
GPIO_1
GPIO_2
GPIO_3
GPIO_4
GPIO_5
GPIO_6
GPIO_7
DISP_D/C
BLUETOOTH-CMD
CAN_H
CAN_L
1
2
3
4
SWD1
GND
3V3
PIB101PIB102
PIB103 PIB104
COB1
PIC101 PIC102
COC1
PIC301 PIC302
COC3
PIC401 PIC402
COC4
PIC501
PIC502
COC5
PIC601
PIC602
COC6
PIR101
PIR102
COR1
PISWD101
PISWD102
PISWD103
PISWD104
COSWD1
PIUC101
PIUC102
PIUC103
PIUC104
PIUC105
PIUC106
PIUC107
PIUC108PIUC109
PIUC1010
PIUC1011
PIUC1012
PIUC1013
PIUC1014
PIUC1015
PIUC1016
PIUC1017
PIUC1018
PIUC1019
PIUC1020
PIUC1021
PIUC1022
PIUC1023PIUC1024
PIUC1025
PIUC1026
PIUC1027
PIUC1028
PIUC1029
PIUC1030
PIUC1031
PIUC1032
PIUC1033
PIUC1034
PIUC1035PIUC1036
PIUC1037
PIUC1038
PIUC1039
PIUC1040
PIUC1041
PIUC1042
PIUC1043
PIUC1044
PIUC1045
PIUC1046
PIUC1047PIUC1048
COUC1
PIXTAL101
PIXTAL102
COXTAL1
PIXTAL201 PIXTAL202
COXTAL2
PISWD101
PIB102
PIB103
PIC101
PIC301
PIC401
PIC501PIC601
PIR102
PISWD103
PIUC108
PIUC1023
PIUC1035
PIUC1047
PIB101
PIB104
PIC102
PIUC107
PIC302 PIUC105
PIXTAL101
PIC402
PIUC106
PIXTAL102
PIC502
PIUC103
PIXTAL202
PIC602
PIUC104
PIXTAL201
PIR101
PIUC1044
POBOOT0
PISWD102
PIUC1037
PISWD104
PIUC1034
PIUC102
PIUC1010POUART0MUX0
PIUC1011POUART0MUX1
PIUC1012POUART0TX
PIUC1013POUART0RX
PIUC1014POGPIO04
PIUC1015POSPI0SCK
PIUC1016POSPI0MISO
PIUC1017POSPI0MOSI
PIUC1018POGPIO07
PIUC1019POGPIO06
PIUC1020POGPIO05
PIUC1021POSHIFT0LATCH
PIUC1022POCAN0IRQ
PIUC1025POSPI0CS0
PIUC1026POSPI0CS1
PIUC1027POSPI0CS2
PIUC1028POSPI0CS3
PIUC1029POBLUETOOTH0CMD
PIUC1030POCAN0H
PIUC1031POCAN0L
PIUC1032POGPIO02
PIUC1033POGPIO01
PIUC1038POGPIO00
PIUC1039PODISP0D0C
PIUC1040PODISP0BACKLIGHT
PIUC1041POI2C0SCL
PIUC1042POI2C0SDA
PIUC1043POGPIO03
PIUC1045POSHIFT0CLK
PIUC1046POSHIFT0DATA
PIUC101
PIUC109
PIUC1024
PIUC1036
PIUC1048
POBLUETOOTH0CMD
POBOOT0
POCAN0H
POCAN0IRQ
POCAN0L
PODISP0BACKLIGHT
PODISP0D0C
POGPIO00
POGPIO01
POGPIO02
POGPIO03
POGPIO04
POGPIO05
POGPIO06
POGPIO07
POI2C0SCL
POI2C0SDA
POSHIFT0CLK
POSHIFT0DATA
POSHIFT0LATCH
POSPI0CS0
POSPI0CS1
POSPI0CS2
POSPI0CS3
POSPI0MISO
POSPI0MOSI
POSPI0SCK
POUART0MUX0
POUART0MUX1
POUART0RX
POUART0TX
Izvedba i implementacija sustava za prikaz i dijeljenje podataka u mobilnom
okruženju
Sažetak
Potrebno je definirati sustav za prikaz i obradu podataka te potom dizajnirati i
izvesti predloženo rješenje za rad u stvarnom vremenu. Ostvariti komunikaciju izme ¯du
sustava za prikupljanje podataka i modula za prikaz podataka. Prilagoditi sustav za rad
s podatcima u mobilnom okruženju i udaljeno dijeljenje podataka. Omogu´citi podršku
za rad na više razliˇcitih razvojnih platformi.
Kljuˇcne rijeˇci: prikaz podataka, udaljeno dijeljenje podataka, motorna vozila, bežiˇcna
komunikacija, suˇcelje ˇcovjeka i stroja
Design and Implementation of Data Visualization and Distribution System in
Mobile Environment
Abstract
The aim of this thesis is to define a module for data processing and visualization.
Module is to be designed and implemented to support real time operation. Communi-
cation between data collection and visualization units is to be established. System is
configured in such a way that it operates in mobile environment and supports remote
data distribution. System supports multiple development platforms and architectures.
Keywords: data visualization, remote data distribution, motor vehicles, wireless com-
munication, human-machine interface

zavrsni

  • 1.
    SVEU ˇCILIŠTE UZAGREBU FAKULTET ELEKTROTEHNIKE I RA ˇCUNARSTVA ZAVRŠNI RAD br. 3841 Izvedba i implementacija sustava za prikaz i dijeljenje podataka u mobilnom okruženju Bruno Vunderl Zagreb, sijeˇcanj 2015.
  • 3.
    Veliku zahvalu dugujemmentoru prof.dr.sc. Danku Baschu te dr. sc. Martinu Žagaru koji me svojim struˇcnim savjetima vodio kroz izradu seminarskog i završnog rada. Tako ¯der se zahvaljujem i dragom prijatelju mag. ing. comp. Davoru Cihlaru koji je svojim radom pomogao drugim studentima i meni da se odvažimo samostalno upustiti u izradu digitalnih elektroniˇckih ure ¯daja. Upu´cujem i zahvalu svim trenutnim i alumni ˇclanovima FSB Racing Team-a s kojima sam sura ¯duju´ci stekao puno praktiˇcnih iskustva o projektiranju i primjeni elektroniˇckih ure ¯daja. iii
  • 4.
    SADRŽAJ 1. Uvod 1 2.Projektiranje sustava za prikaz i dijeljenje podataka 2 2.1. Funkcionalnosti sustava . . . . . . . . . . . . . . . . . . . . . . . . . 2 2.2. Okolina i podruˇcje primjene . . . . . . . . . . . . . . . . . . . . . . 3 2.2.1. Fiziˇcka izvedba . . . . . . . . . . . . . . . . . . . . . . . . . 3 2.2.2. Elektriˇcno napajanje . . . . . . . . . . . . . . . . . . . . . . 3 2.2.3. Prikupljanje podataka . . . . . . . . . . . . . . . . . . . . . . 4 2.2.4. Dijeljenje podataka . . . . . . . . . . . . . . . . . . . . . . . 5 3. Arhitektura sustava 6 3.1. Mikroprocesor . . . . . . . . . . . . . . . . . . . . . . . . . . . . . . 6 3.2. Podatkovne sabirnice . . . . . . . . . . . . . . . . . . . . . . . . . . 7 3.3. Dodatni ure ¯daji i sklopovi . . . . . . . . . . . . . . . . . . . . . . . 8 3.3.1. Prekidaˇcki regulatori napajanja . . . . . . . . . . . . . . . . . 8 3.3.2. Linearni regulator napajanja . . . . . . . . . . . . . . . . . . 9 3.3.3. Sklopovi za pretvorbu logiˇckih razina . . . . . . . . . . . . . 9 3.3.4. WiFi sklop . . . . . . . . . . . . . . . . . . . . . . . . . . . 10 3.3.5. Bluetooth sklop . . . . . . . . . . . . . . . . . . . . . . . . . 10 3.3.6. GPS sklop . . . . . . . . . . . . . . . . . . . . . . . . . . . 10 3.3.7. CAN prilagodnik . . . . . . . . . . . . . . . . . . . . . . . . 10 3.3.8. Upravljaˇc svjetle´cim diodama . . . . . . . . . . . . . . . . . 11 3.3.9. TFT zaslon . . . . . . . . . . . . . . . . . . . . . . . . . . . 12 3.3.10. SD kartica . . . . . . . . . . . . . . . . . . . . . . . . . . . . 12 3.3.11. Žiroskop i akcelerometar . . . . . . . . . . . . . . . . . . . . 12 4. Žiˇcna i bežiˇcna komunikacija 13 4.1. Serijska sabirnica . . . . . . . . . . . . . . . . . . . . . . . . . . . . 13 iv
  • 5.
    4.2. CAN sabirnica. . . . . . . . . . . . . . . . . . . . . . . . . . . . . 13 4.3. WiFi komunikacija . . . . . . . . . . . . . . . . . . . . . . . . . . . 14 4.4. Bluetooth komunikacija . . . . . . . . . . . . . . . . . . . . . . . . . 15 4.5. Globalni pozicijski sustav . . . . . . . . . . . . . . . . . . . . . . . . 16 5. Suˇcelje, ergonomija i interakcija 18 5.1. Prikaz svjetle´cim diodama . . . . . . . . . . . . . . . . . . . . . . . 18 5.2. Prikaz na TFT zaslonu . . . . . . . . . . . . . . . . . . . . . . . . . 18 5.3. Interakcija s vozaˇcem . . . . . . . . . . . . . . . . . . . . . . . . . . 19 5.4. Klijentske aplikacije . . . . . . . . . . . . . . . . . . . . . . . . . . 19 6. Zakljuˇcak 21 Literatura 22 A. Shematski dijagrami razvijenog sustava 23 v
  • 6.
    1. Uvod Kako bise opisao i struˇcno prouˇcio rad strojeva, elektriˇcnih i elektroniˇckih ure ¯daja ili sustava, oˇcitavaju se informacije s ve´ceg broja digitalnih i analognih senzora koji prate njegov rad. Podatci koji se oˇcitavaju najˇceš´ce su usko vezani uz podruˇcje primjene. Samo osnovni podatci su potrebni za jednostavno korištenje stroja dok su razvojnim inženjerima i naprednim korisnicima potrebni detaljni podatci kako bi otkrili nepravil- nosti u radu i mogu´cnosti za unaprje ¯denje te kako bi u svakom trenu bili detaljno in- formirani o radu stroja. Za prikaz podataka potrebno je suˇcelje pomo´cu kojega ˇcovjek može u stvarnom vremenu pratiti rad i upravljati pojedinim funkcionalnostima stroja. Navedena komponenta sustava naziva se suˇcelje ˇcovjeka i stroja1 . Postupak interakcije izme ¯du ˇcovjeka i stroja zapoˇcinje opservacijom trenutnog stanja. Stanje je definirano svim ili samo odre ¯denim podatcima koji opisuju mehaniˇcke, elektriˇcne i raˇcunalne parametre promatranog stroja. Iste je potrebno obraditi, pripremiti za prikaz i prikazati na suˇcelju. Potom ˇcovjek u funkciji operatera kroz interakciju sa suˇceljem može utjecati na parametre rada stroja. Kroz daljnju interakciju ostvaruje se povratna veza, a samim time i kontrola ˇcovjeka nad strojem. U sluˇcaju potrebe da stroj bude pra´cen kroz duži period vremena potrebno je prikupljati podatke, a u sluˇcaju da više osoba istovremeno prati rad stroja potrebno je i raspodijeljeno suˇcelje. Predmet ovog rada je izvedba i implementacija ugradbenog raˇcunalnog sustava s mogu´cnoš´cu prikupljanja senzorskih podataka s vozila u pokretu, prikazom osnovnih podataka vozaˇcu i distribucijom detaljnih podataka udaljenim klijentima. Konkretna implementacija namijenjena je upotrebi u bolidu projektiranom i izra ¯denom od strane FSB Racing Teama2 na natjecanjima Formula Student. Formula Student bolid je vozilo s elektriˇcnim motorom ili motorom na unutarnje izgaranje koje zadovoljava strogim regulacijama natjecanja (Society of Automotive Engineers, 2014). Poznavanje trenut- nih parametara rada vozila omogu´cavaju vozaˇcu bolju kontrolu nad vozilom, a razvo- jnim inženjerima mogu´cnost pra´cenja rada vozila. 1 engl. Human-machine interface, abbr. HMI 2 FSB Racing Team, URL: www.fsb-racing.com 1
  • 7.
    2. Projektiranje sustavaza prikaz i dijeljenje podataka Ovo poglavlje navodi potrebne funkcionalnosti koje sustav treba implementirati, is- tražuje okolinu i podruˇcje primjene te donosi prijedlog tehniˇckog rješenja. Detaljno se obra ¯duje arhitektura sustava i elektroniˇcka implementacija uz pregled mogu´cnosti razvijenog rješenja. 2.1. Funkcionalnosti sustava Sustav za prikaz i dijeljenje podataka u bolidu za natjecanje Formula Student ima dvije osnovne zada´ce. Prikazati vozaˇcu trenutno stanje vozila te prenijeti informacije o stanju bolida razvojnim inženjerima udaljenima od bolida. Sustav je potrebno mo´ci dodatno podesiti bez preprogramiranja uz visoku razinu sigurnosti. Prikaz podataka vozaˇcu sadrži prikaz trenutne brzine, stupnja prijenosa, broja okre- taja, trenutka preporuˇcene promjene brzine, stanja temperature rashladne teku´cine i tlaka ulja u motoru. Ostali prikupljeni podatci obuhva´caju napon baterijskog paketa, tlak na usisu, oˇcitanje lambda sonde, poziciju leptirastog vratila, trenutnu lokaciju i oˇcitanja s akcelerometra i žiroskopa. Dijeljenje podataka zahtjeva bežiˇcni prijenos detaljnog stanja vozila. Zahtjev je da udaljenost bude dovoljna da bi bilo mogu´ce pratiti bolid tijekom testiranja izdržljivosti na kružnoj trka´coj automobilskoj stazi. Tako ¯der, podatci moraju biti osvježavani ˇceš´ce od 3 puta u sekundi te kasniti manje od 500 ms. Podatke je potrebno mo´ci prihvatiti na ve´cem broju pametnih mobilnih telefona, tableta i prijenosnih raˇcunala korištenjem standardnih bežiˇcnih tehnologija. 2
  • 8.
    2.2. Okolina ipodruˇcje primjene Projektiranje ugradbenog sustava za prikupljanje, obradu, prikaz i distribuciju po- dataka o radu vozila zapoˇcinje definiranjem okoline u kojoj ´ce se isti nalaziti. U suk- ladnosti s istom je mogu´ce projektirati i izvesti sustav s odgovaraju´cim znaˇcajkama. Neke od bitnih znaˇcajka okoline su: pozicija i oblik modula, napajanje i ožiˇcenje, naˇcin prikupljanja podataka, mogu´cnosti i svojstva vozila te ergonomija. 2.2.1. Fiziˇcka izvedba Sustav za prikaz podataka u svakom trenu mora biti u vidnom polju vozaˇca. Samim time su jedina mogu´ca mjesta za postavljanje istog u razini prednjeg obruˇca (engl. front hoop) i unutar volana. Mana ugradnje sustava za prikaz u volan je to što se isti rotira te ga je tijekom vožnje i prilikom rotacije volana teže oˇcitati od sustava ugra ¯denog u razini prednjeg obruˇca. Sukladno s iskustvima prethodnih godina odabrano je da modul bude ugra ¯den iza volana, u ku´cište priˇcvrš´ceno na prednji obruˇc. Slika 2.1: Primjer ugradnje u volan s prethodnog bolida Jedan od uvjeta u kojima ´ce se sustav za prikaz nalaziti je visoka svjetlina oko- line. Tada je teže je oˇcitavati vrijednosti s grafiˇckih zaslona niske svjetline i kontrasta. Iz tog razloga ranije navedene podatke najjasnije je prikazati korištenjem svjetle´cih dioda. Kako je pomo´cu ograniˇcenog broja svjetle´cih dioda mogu´ce prikazati samo grube vrijednosti, detaljni prikaz informacija o vozilu mogu´ce je dobiti korištenjem kontrastnog i svijetlog TFT zaslona s jednostavnim grafiˇckim suˇceljem. 2.2.2. Elektriˇcno napajanje Ve´cina vozila kao izvore elektriˇcnog napajanja koriste povezani sustav reguliranoga alternatora i baterijskog sustava s više ´celija. Elektriˇcni ure ¯daji napajaju se istosmjer- nom strujom s uobiˇcajenim vrijednostima napona 6V i 12V. Sve unutarnje komponente 3
  • 9.
    Slika 2.2: Primjermodula za prikaz ugra ¯denog u razini prednjeg obruˇca na bolidu TU Delft 14 sustava za prikaz, obradu i distribuciju zahtijevaju 5V ili 3.3V te je stoga potrebno reg- ulirati i prilagoditi napon. S obzirom da je sustav digitalan i nije osjetljiv na elektriˇcni šum, preporuˇcljivo je koristiti prekidaˇcki regulator napajanja (engl. switching regula- tor) radi ve´ce efikasnosti. Prilikom projektiranja napajanja potrebno je obratiti pažnju na pravilno spajanje mase kako ne bi došlo do izboja prilikom paljenja i gašenja vozila. Masa treba biti spojena na šasiju u blizini toˇcke gdje je spojena masa ostalih elektriˇcnih ure ¯daja i senzora. S obzirom da neki senzori koriste i 5V naponsku razinu, a osjetljivi su na šum, preporuˇca se i dodatna ugradnja linearnog 5V regulatora iz kojeg ´ce biti napajani iskljuˇcivo senzori. Slika 2.3: Izvedba sheme regulacije napona 2.2.3. Prikupljanje podataka Sve trenutne tehniˇcke podatke o vozilu prikuplja i obra ¯duje ure ¯daj za upravljanje mo- torom1 . Kako bi se podatci mogli istovremeno prikazati vozaˇcu i razvojnim inženjer- ima potrebno je podatke u stvarnom vremenu oˇcitavati s ECU-a. Ve´cina automobila 1 engl. Engine control unit, abbr. ECU 4
  • 10.
    u široj primjenikoristi OBDII2 protokol implementiran na CAN3 sabirnici. Specifiˇcni ECU koji se nalazi na bolidu je VEMS V3 (VEMS, 2014), a predvi ¯deni naˇcin povezi- vanja s istim je putem serijske sabirnice. Osim prikupljanja ve´c djelomiˇcno obra ¯denih podataka s ECU-a ponekad je potrebno prikupljati podatke i s drugih ure ¯daja u vozilu. Primjer takvih ure ¯daja su sustav za up- ravljanje baterijskim paketom4 , sustav za stabilnost vozila5 i sustav upravljanje vozilom. Najˇceš´ce je komunikacija izme ¯du svih ure ¯daja unutar vozila ostvarena CAN sabir- nicom i protokolom izvedenim od strane proizvo ¯daˇca. Radi mogu´cnosti budu´ceg proširenja sustava na modulu je izvedeno i suˇcelje za CAN sabirnicu. 2.2.4. Dijeljenje podataka Podatke o vozilu mogu´ce je dijeliti s drugim ure ¯dajima u vozilu CAN sabirnicom. Bežiˇcno dijeljenje podataka ostvaruje se integracijom modula s radijskim primopreda- jnikom. Neke od najˇceš´ce korištenih tehnologija u bežiˇcnom prijenosu podataka su WiFi, Bluetooth, ZigBee, NRF24 te direktna radijska komunikacija na odre ¯denoj slo- bodnoj ili registriranoj frekvenciji. Od navedenih tehnologija najˇceš´ce korištene su WiFi i Bluetooth zbog izrazito velike prisutnosti u mobilnim raˇcunalnim sustavima poput prijenosnih raˇcunala, pametnih mobilnih telefona i tableta. Upravo iz tog ra- zloga odabrane tehnologije su WiFi i Bluetooth. WiFi komunikacija služi za prikaz podataka na udaljenosti do par stotina metara. Omogu´cava prikaz podataka na ve´cem broju klijentskih aplikacija i ure ¯daja. To je ostvareno korištenjem IP multicast tehnologije. Osim velikog broja klijenata i relativno velike udaljenosti, WiFi podržava i prijenos velikih koliˇcina informacija uz razmjerno kratko vrijeme propagacije. Nedostatak WiFi-a je potreba za postavljanjem pristupne toˇcke s usmjerivaˇcem (engl. router) na koju ´ce se sustav za prikaz i dijeljenje podataka spajati te potreba za zaštitom upravljaˇckih rijeˇci i povjerljivih informacija. Bluetooth je za razliku od WiFi tehnologije namijenjen komunikaciji izme ¯du jednog klijenta i jednog servera te je puno kra´cega dometa i manjeg kapaciteta prijenosa po- dataka. Time je pogodniji za upravljanje modulom i sustavom te sigurniji za prijenos povjerljivih podataka. Uz korištenje Bluetooth Low Energy mogu´ce je ostvariti i izraz- ito nisku potrošnju elektriˇcne energije. 2 On-Board Diagnostics 3 Controler Area Network 4 engl. Battery Managment System, abbr. BMS 5 engl. Electronic Stability Control, abbr. ESC 5
  • 11.
    3. Arhitektura sustava Arhitekturasustava zapoˇcinje odabirom ure ¯daja koji ´ce zadovoljiti uvijete okoline i po- druˇcja primjene. Konkretni sustav je izveden korištenjem mikroprocesora radi visoke fleksibilnosti uz mogu´cnost budu´ce nadogradnje FPGA tehnologijom. Periferni ˇcipovi i ure ¯daji koriste I2C1 , SPI2 i UART3 sabirnice. 3.1. Mikroprocesor Odabir mikroprocesora zapoˇcinje razmatranjem tehnologija i potrebnih zahtjeva sus- tava. Od na tržištu trenutno prisutnih, najˇceš´ce su u vozilima korištene su RISCSPI4 set computing arhitekture širine sabirnice 8, 16 ili 32 bita. Najˇceš´ce implementacije su AVR, PIC i ARMv7 serije A i M. x86 i x64 arhitekture koriste se gotovo iskljuˇcivo u sustavima za informiranje i zabavu te sustavima za obradu slike i podataka sa senzora visoke rezolucije kao što su radar i lidar. Kako su ure ¯daji u vozilu kritiˇcni za sig- urnost, proizvo ¯daˇci ˇcesto nude i posebne "automotive" varijante procesora. S obzirom da prikupljanje, prikaz i distribucija podataka ne zahtijevaju visoku procesorsku mo´c, predvi ¯deno je da se sustav koristi mikroprocesorima AVR, PIC i ARMv7 M arhitektura uz mogu´cnost budu´ce nadogradnje FPGA sklopom. Kako bi se omogu´cila jednostavna nadogradnja i platformska neovisnost, mikro- procesor se nalazi na odvojivoj tiskanoj ploˇcici s jedinstveno definiranim prikljuˇccima. Ovisno o potrebi ili želji mogu´ce je prema specifikaciji prikazanoj u dodatku A pro- jektirati tiskanu ploˇcicu s drugim mikroprocesorom ili arhitekturom. Prikljuˇcno suˇcelje sadrži 8 prikljuˇcka sa po 5 prikljuˇcaka na standardnom 100mil razmaku. Dva prikljuˇcka namijenjena su za spajanje dodatnih ulaznih ili izlaznih ure ¯daja kao što su npr. dodatni prekidaˇci ili LED prikaznici. 1 Inter-Integrated Circuit 2 Serial Peripheral Interface 3 Universal Asynchronous Receiver/Transmitter 4 Reduced instruction 6
  • 12.
    Slika 3.1: Izvedbapodnožja mikrokontrolera U sklopu ovog rada razvijena su dva modula. Prvi modul koristi STM32F103 mikroprocesor ARM-M3 32 bitnu arhitekturu. Drugi modul je iz AVR serije te ko- risti 8 bitnu arhitekturu te se radi o ATMEGA2560 mikroprocesoru. Isti su odabrani radi podjednake koliˇcine programske memorije (64 KB) te raširenosti na tržištu. 32- bitni ARM mikroprocesor radi na maksimalnoj frekvenciji od 72MHz uz maksimalnih 90DMIPS-a. 8-bitni AVR radi na 16MHz uz maksimalnih 16DMIPS-a. Osim boljih performansi, ARM ima implementiranu jednu CAN i dvije SPI sabirnice. 3.2. Podatkovne sabirnice Na sustavu su izvedene slijede´ce sabirnice: UART, SPI, I2C i CAN. Putem UART sabirnice spojena su ˇcetiri ure ¯daja kao i putem SPI sabirnice. I2C sabirnica koristi se iskljuˇcivo za komunikaciju sa žiroskopom/akcelerometrom. NA UART sabirnicu povezani su WiFi, GPS, Bluetooth i RS232 prikljuˇcak s pretvornikom razina. Postavke UART sabirnice su frekvencija prijenosa od 115200 B/s, 8 podatkovnih i 1 stop bit te onemogu´cena provjera pariteta. Kako serijskom sabirnicom mogu dvos- mjerno komunicirati samo dva ure ¯daja, implementirano je vremensko multipleksiranje sabirnice kojim upravlja mikroprocesor. Za potrebe toga koristi se sklop 74HC4052. To je 4 kanalni multipleksor sa dvije podatkovne linije ˇciji je rad detaljnije opisan tablicom 2.1. SPI sabirnicom spojeni su vanjski CAN modul, MAX7219 upravljaˇc LED dio- 7
  • 13.
    Tablica 3.1: Prikazrada multipleksora serijske sabirnice B0 B1 Ure ¯daj 0 0 RS232 0 1 WiFi 1 0 GPS 1 1 Bluetooth dama, grafiˇcki TFT zaslon te SD kartica. Odabir ure ¯daja s kojim u odre ¯denom trenutku mikroprocesor komunicira ostvaruje se postavljanjem visoke vrijednosti na "chip se- lect" pin željenog ure ¯daja. Tablica 3.2: Prikaz odabira SPI sabirnice Signal Ure ¯daj C0 LED upravljaˇc C1 TFT zaslon C2 SD kartica C3 CAN I2C sabirnica koristi se za komunikaciju sa žiroskopom i akcelerometrom integri- ranim u jedan ure ¯daj. Mikroprocesor oˇcitava podatke s I2C adrese 0x68, i ˇcita ukupno 14 registara poˇcevši s registrom 0x3B. 3.3. Dodatni ure ¯daji i sklopovi Kako bi sve funkcionalnosti sustava bile ostvarene, osim mikroprocesora su potrebni dodatni ure ¯daji i sklopovi. Me ¯du navedenima se nalaze komponente za komunikaciju WiFi, GPS, Bluetooth, RS232 i CAN sklopovi, komponente za prikaz i pohranu po- dataka LED upravljaˇc, TFT zaslon, sklop SD kartice, senzor zakreta i momenta (žiroskop i akcelerometar) te posmaˇcni registar za upravljanje dodatnim svjetle´cim diodama. 3.3.1. Prekidaˇcki regulatori napajanja Prekidaˇcki regulator napajanja služi za DC-DC prilagodbu razina napajanja uz vi- soku efikasnost. U ovom sustavu koriste se dva MC34063 višenamjenska DC-DC regulatora. Jedan regulator napaja sustav s 3.3V, a drugi s 5V. Prekidaˇcki regulatori 8
  • 14.
    postavljeni su takoda rade s frekvencijom prekidanja 10KHz i maksimalnim talasan- jem napona od 10mV. Vrijednosti su postavljene korištenjem odgovaraju´cih param- etara izlaznog LC kruga. 3.3.2. Linearni regulator napajanja Linearni regulator napajanja koristi se za napajanje senzora. Jedan od najˇceš´ce ko- rištenih integriranih regulatora napajanja za 5V razinu je LM7805 koji se koristi i u ovom projektu. Na ulazu i izlazu regulatora postavljeni su 100uF elektrolitski konden- zatori. Ovisno o uvjetima u kojima ´ce bolid biti korišten odnosno o temperaturama na kojima ´ce se kondenzatori nalaziti mogu´ce je da elektrolitski kondenzatori zakažu. U tom sluˇcaju, preporuˇca se zamjena istih tantalskim kondenzatorima. 3.3.3. Sklopovi za pretvorbu logiˇckih razina U ovom projektu komunikacija se odvija na tri logiˇcke razine: 3.3, 5 i 12 volti. Razlog tome su razliˇcite razine napona napajanja dijelova sustava. Ve´cina senzora bolida te ECU koriste 12V razinu dok se pojedini senzori napajaju s 5V, a ve´cina sklopova sus- tava za prikaz i dijeljenje podataka 3.3V. Kako bi se sprijeˇcila mogu´ca ošte´cenja proiza- šla iz korištenja krivih naponskih razina prilikom komunikacije potrebno je prilago ¯da- vanje razina. Radi prilagodbe izme ¯du 5V i 3.3V razina implementiran je 74HC4050 buffer. Ovisno o naponu kojim se navedeni sklop napaja, na tu ´ce razinu prilagoditi ulazni signal. Za prilagodbu izme ¯du 12V komunikacije pomo´cu koje se prikupljaju podatci s ECU-a koristi se MAX3232 integrirani krug. Slika 3.2: Primjer spajanja sklopa za pretvorbu logiˇckih razina 9
  • 15.
    3.3.4. WiFi sklop ESP8266je jednostavni WiFi integrirani sklop izrazito malih dimenzija, niske potrošnje i cijene. U ovom projektu koristi se gotova izvedba tiskane ploˇcice s UFL prikljuˇckom za vanjsku antenu. S njime se komunicira UART protokolom uz na multiplekseru postavljenu vrijednost 01. Sklop zahtjeva 3.3V napajanje i odgovaraju´ce naponske razine za komunikaciju te je potrebno prilagoditi razine ako se s njime komunicira pomo´cu mikroprocesora koji radi na 5V. 3.3.5. Bluetooth sklop Bleuetooth sklop korišten u ovom projektu je ˇcesto korišten HC-05 modul. Antena modula je izvedena kao dio tiskane ploˇcice. Modul ima pinove za serijsku UART komunikaciju na 3.3V kao i dodatni pin za ulazak u upravljaˇcki naˇcin rada. 3.3.6. GPS sklop GPS sklop koji se koristi u ovom projektu je MTK3339 integrirani sustav na prilagod- noj ploˇcici. Na ploˇcici je izvedena keramiˇcka antena, ali i UFL prikljuˇcak za vanjsku antenu na kojega ´ce biti spojena antena te postavljena izvan oklopa bolida radi bolje recepcije. Ploˇcica se napaja s 3.3V te komunicira UART-om na istoj naponskoj razini. Iz tog razloga je potrebno koristiti prilago ¯dene razine. Integrirani sustav se sastoji od mikroprocesora i GPS integriranog kruga. Osjetljivost je -165dBm, a modul osluškuje na 66 kanala, radi s 22 kanala te izlazne vrijednosti osvježuje frekvencijom od 10Hz. Radi jednostavnijeg rada sa sklopom izveden je i iz sklopa izlazni pin koji signalizira da je GPS odredio poziciju. 3.3.7. CAN prilagodnik Kako bi se ostvarila CAN komunikacija mikrokontrolerima koji nemaju ugra ¯denu funkcionalnost potrebna su dva integrirana kruga. MCP2515 SPI sabirnicom kon- troliran CAN upravljaˇc i MCP2551 primopredajnik. Kako ne bi bilo potrebno cijelo vrijeme osluškivati SPI sabirnicu (jer to nije niti mogu´ce), sklop sadrži prekidni pin kojime procesor obavještava o dolasku paketa u me ¯duspremnik. 10
  • 16.
    Slika 3.3: Shemaspajanja CAN prilagodnika 3.3.8. Upravljaˇc svjetle´cim diodama Za prikaz vozaˇcu najbitnijih podataka u vozilu koriste se svjetlje´ce diode. To su u sluˇcaju Formula Student bolida broj okretaja motora te brzina vozila. U ovom projektu koristi se 32 svjetle´ce diode. Kako mikrokontroler nema mogu´cnost uz ostatak per- iferije direktno upravljati tim brojem izlaza s ne zanemarivom potrošnjom, potrebno je implementirati dodatni sklop koji ´ce upravljati svjetlje´cim diodama. U ovom projektu se koristi MAX7219 s kojim se komunicira putem SPI sabirnice. U projektu se koriste dodatne svjetle´ce diode za prikaz tlaka ulja, temperature rash- ladne teku´cine te trenutka preporuˇcenog prebacivanja stupnja prijenosa. Za to se koristi posmaˇcni registar s preklopnikom 74HC595. Slika 3.4: Shema spajanja sklopa za upravljanje svjetle´cim diodama 11
  • 17.
    3.3.9. TFT zaslon TFTzaslon koristi se za prikaz vozaˇcu manje bitnih informacija i upravljanjem postavkama sustava za prikaz i dijeljenje podataka. Korišteni zaslon rezolucije je 240 toˇcaka širine i 320 visine. Sadržajem zaslona se upravlja SPI sabirnicom dok je svjetlinu mogu´ce promijeniti korištenjem dodatnog pina. S obzirom da se zaslon nalazi u svjetlom okruženju uz ˇceste direktne refleksije, isti ´ce radi bolje ˇcitkosti cijelo vrijeme raditi maksimalnom snagom. 3.3.10. SD kartica ˇCitaˇc SD kartice nalazi se na štampanoj ploˇcici s TFT zaslonom. Na SD karticu se zapisuju svi podatci o bolidu, oˇcitanja s GPS-a i dodatni doga ¯daji. Sadržaju kartice pristupa se SPI suˇceljem s 3.3V naponskim razinama. Preporuˇca se korištenje kartice ve´ce od 4 GB radi mogu´cnosti zapisa ve´ceg broja utrka i testiranja bez potrebe za brisanjem iste. Slika 3.5: Shema spajanja TFT zaslona i SD kartice 3.3.11. Žiroskop i akcelerometar Žiroskop i akcelerometar integrirani su u jedan sustav u sklopu. Konkretno korišten model je temeljen na MPU-6050 integriranom krugu. Radi stabilnosti preporuˇca se korištenje 5V napajanja. Sa sklopom se komunicira I2C sabirnicom. 12
  • 18.
    4. Žiˇcna ibežiˇcna komunikacija 4.1. Serijska sabirnica Na sabirnici je implementiran AIM (AIM, 2014) protokol ponad RS232 komunikaci- jskog protokola. UART razine mikroprocesora niže su od logiˇckih naponskih razina RS232 protokola te ih je potrebno prilagoditi kako bi komunikacija mogla biti usp- ješno ostvarena. Korištenjem MAX3232 ˇcipa mogu´ce je prilagoditi naponske razine mikroprocesorima koji rade na 3.3V ili 5V. Kako bi bilo mogu´ce odabrati naponske razine u skladu s mikroprocesorom, implementiran je prespojnik (engl. jumper). Svaki podatak osvježava se specifikacijom definiranom frekvencijom, a poruke se sastoje od zaglavlja, identifikatora, dva bajta podataka te kontrolnog zbroja. Slika 4.1: Prikaz paketa AIM protokola 4.2. CAN sabirnica CAN sabirnicom komunicira se s dodatnim ure ¯dajima na bolidu. Svi podatci priku- pljeni s ECU-a oblikuju se u pakete te propuštaju na CAN sabirnicu. Okvir koji definira pojedini paket sastoji se od 5 glavnih dijelova. To su: arbitracijski, upravl- jaˇcki, podatkovni i zaštitni dio te dio fiziˇckog sloja. Arbitracijski dio se sastoji od 11 bitnog identifikatora te RTR1 bita. Upravljaˇcki dio paketa sastoji se od 4 bitnog polja u kojem je pohranjena duljina podatkovnog polja, rezerviranog bita i bita kojim se oznaˇcuje da li je ID paketa 11 ili 29 bitni. Podatkovni dio ovisno o vrijednosti upravl- jaˇckih bitova može duljinom varirati izme ¯du 1 i 64 bajta. Potom slijedi zaštitni dio s 1 abbr. Remote Transmission Request 13
  • 19.
    15 bitnim poljemdobivenim kružnim zaštitnim kodiranjem(engl. Cyclic Redundancy Check abbr. CRC). Slika 4.2: Prikaz okvira CAN poruke Kako bi se slijedila dobra praksa i omogu´cila proširivost, programski je imple- mentirano numeriranje i identificiranje poruka prema OBD22 standardu. Isti se od 2005 koristi na gotovo svim cestovnim vozilima te je time omogu´cena jednostavnija provedba dijagnostiˇckih pregleda i utvr ¯divanje kvarova i problema na vozilu. Set iden- tifikatora poruka definiran je dokumentom izdanim od strane Europskog parlamenta i Europske komisije (European Parliament, 1998). 4.3. WiFi komunikacija Sklopom se upravlja i komunicira pomo´cu AT komandi definiranih u službenom priruˇcniku (Espressif Systems, 2014). Osmišljeno je da sustav za prikaz i dijeljenje podataka bude klijent na vanjskom bežiˇcnom razdjelniku. U programskom kodu potrebno je definirati naziv pristupne toˇcke (SSID) i lozinku koje mikroprocesor prilikom uspostavljanja veze prenosi modulu za bežiˇcnu WiFi komunikaciju. Kao potvrdu o uspješno ost- varenoj komunikaciji modul mikroprocesoru šalje OK te nakon toga mikroprocesor može krenuti s izvršavanjem dijela koda za raspodjelu podataka udaljenim klijentima. Slijede´ci primjer raˇcunalnog koda za uspostavu komunikacije napisan je u C program- skom jeziku uz korištenje vanjskih biblioteka 4.3. Nakon što je veza uspostavljena slijedi dvosmjerna komunikacija izme ¯du modula za prikaz i dijeljenje informacija u funkciji programskog poslužitelja i klijentskih ure- ¯daja. Komunikacija je bazirana na User datagram protocol3 protokolu radi mogu´cnosti ˇcestog pucanja i ponovnog uspostavljanja veze. Sa strane klijentske aplikacije koristi se AT naredba CIPSEND za slanje podataka i +IPD za primanje podataka. Sa kli- jentske strane potrebna je aplikacija koja zadovoljava implementirano komunikacijsko suˇcelje. 2 (engl. OnBoard Diagnostics) 3 abbr. UDP 14
  • 20.
    boolean connectWiFi () { S e r i a l . p r i n t l n ( "AT+CWMODE=1" ) ; delay ( 1 0 0 0 ) ; S t r i n g cmd="AT+CWJAP=" " ; cmd+=SSID ; cmd+=" " , " " ; cmd+=PASS ; cmd+=" " " ; S e r i a l . p r i n t l n ( cmd ) ; delay ( 1 0 0 0 ) ; i f ( S e r i a l . f i n d ( "OK" ) ) return t r u e ; e l s e return f a l s e ; } Slika 4.3: Primjer uspostavljanja WiFi komunikacije 4.4. Bluetooth komunikacija Bluetooth modulom se kao i WiFi modulom upravlja korištenjem AT naredbi. Naj- važnije postavke su brzina prijenosa, naziv ure ¯daja i lozinka za uparivanje s ure ¯dajem. Njih je mogu´ce promijeniti, a za potrebe ovog rada korištena je brzina prijenosa od 115200B/s, naziv FSBRT i zadana lozinka. Uparivanje mobilnog ure ¯daja i modula ostvaruje se odabirom imena me ¯du vidljivim ure ¯dajima te upisivanjem lozinke nakon odabira. Nakon toga ostvaruje se jednostavna jedan na jedan veza modula i mobilnog ure ¯daja. Na strani mikroprocesora svi podatci poslani na serijsku sabirnicu biti ´ce preneseni na mobilni ure ¯daj na kojem je tako ¯der otvoren serijski port. Komunikacijsko suˇcelje je potrebno implementirati s obje strane komunikacijskog kanala. Sustav za prikaz i dijeljenje podataka nakon uspješnog uspostavljanja veze s klijentom zapoˇcinje sa sinkronim slanjem podataka klijentu. Nakon primitka i obrade paketa poslanog od strane ECU-a, podatak se proslje ¯duje klijentu. Prilikom toga koristi se 1 oktet za zapis identifikatora poruke i 4 okteta za podatak. U tablici 4.1 je prikazan skup svih mogu´cih poruka s pripadaju´cim identifikatorom. 15
  • 21.
    void setBaud (unsigned long baud ) { i n t r e c e i v e d = 0; d i g i t a l W r i t e ( _cmdPin , 1 ) ; delay ( 2 0 0 ) ; _ b t S e r i a l . w r i t e ( "AT+UART=" ) ; _ b t S e r i a l . p r i n t ( baud ) ; _ b t S e r i a l . w r i t e ( " , 0 , 0 r n" ) ; r e c e i v e d = _ b t S e r i a l . readBytes ( _buffer , _ b u f s i z e ) ; d i g i t a l W r i t e ( _cmdPin , 0 ) ; delay ( 1 0 0 ) ; cmd ( "AT+RESET" ) ; _ b t S e r i a l . begin ( baud ) ; delay ( 5 0 0 ) ; } Slika 4.4: Primjer postavljanja brzine prijenosa Bluetooth kanalom Tablica 4.1: Popis kodova korištenih u Bluetooth komunikacijskom suˇcelju RPM Wheel speed Oil pressure Coolant temperature 1 5 9 17 Battery voltage Throttle angle Manifold pressure Air intake temperature 33 45 69 97 Exhaust temperature Lambda Gear Error code 101 105 113 125 4.5. Globalni pozicijski sustav S mikroprocesorom GPS modul komunicira definiranim NMEA paketima. Isti se sastoje od preambule, identifikacijskog skupa okteta, identifikatora tipa paketa, po- datkovnog dijela, oznake kraja podatkovnog dijela, kontrolnog zbroja te oznake kraja paketa. Podatkovni dio paketa proizvoljne je duljine, a maksimalna mogu´ca duljina paketa limitirana je na 255 okteta. Primjer dobro strukturiranog paketa je $PMTK000∗ 32 < CR >< LF >. $ oznaˇcava poˇcetak paketa, PMTK je identifikacijski skup od 4 okteta specifiˇcnih za korišteni GPS sklop, 0000 oznaˇcava poruku PMTKT EST na koju sklop odgovara statusom o radu, ∗ je oznaka kraja paketa, a 32 kontrolni zbroj. Po završetku je potrebno umetnuti znakove < CR >< LF > kako bi se oznaˇcio kraj retka. 16
  • 22.
    Slika 4.5: OkvirNMEA paketa Upravljaˇcke rijeˇci propisane su službenom dokumentacijom (GlobalTop Tech Inc., 2014.). Njome su propisani i formati upita i odgovora prilikom komunikacije sa sklopom. 17
  • 23.
    5. Suˇcelje, ergonomijai interakcija 5.1. Prikaz svjetle´cim diodama Svjetle´cim diodama upravlja se sklopom MAX7219 s kojim mikroprocesor komuni- cira putem SPI sabirnice. Za odabir diode koja ´ce u odre ¯denom trenutku svijetliti potrebno je postaviti signal segmenta SEG na visoku razinu te signal DIG postaviti na nisku razinu. Primjer funkcioniranja matrice LED dioda vidljiv je na 5.1 Slika 5.1: Okvir NMEA paketa Kako bi MAX7219 sklop mogao prikazati stanje potrebno je poslati potpunu ma- tricu dimenzija 8 redaka i 8 stupaca. S obzirom da se koristi samo dio izlaza, 32 izlaza ostaju neiskorištena, a 32 se koriste za prikaz brzine i broja okretaja. Radi jednostavni- jeg korištenja izvedena je funkcija koja posebno adresira svaki poseban bit. 5.2. Prikaz na TFT zaslonu Dizajn zaslona u vozilu mora biti jednostavan i iznimno pregledan. Iz tog razloga tijekom vožnje na njemu se prikazuju samo ikone o statusu vozila te velika oznaka u kojoj je vozaˇc brzini. Osim ovog naˇcina rada, mogu´ce je pomo´cu sklopke odabrati naˇcin rada dijagnostike vozila kada se na ekranu prikazuju detaljne informacije što 18
  • 24.
    posljediˇcno unanjuje preglednost,ali omogu´cava pra´cenje detaljnih podataka samom vozaˇcu. Za prikaz na zaslonu koriste se ve´c gotove grafiˇcke biblioteke koje podržavaju rezoluciju zaslona od 320 toˇcaka visine i 240 širine. 5.3. Interakcija s vozaˇcem Kako bi se omogu´cila interakcija vozaˇca i sustava za prikaz, preostali pinovi mikro- procesora iskorišteni su za programibilne ulazi ili izlaze. Na njihovim krajevima postavljeni su zatezni prikljuˇcci koji omogu´cavaju jednostavno spajanje dodatne per- iferije. Ista ukljuˇcuje prekidaˇce koji se mogu koristiti za navigaciju kroz meni na zaslonu, spajanje sklopki kojima se prebacuje izme ¯du stupnjeva prijenosa, sklopki kojima se aktiviraju odre ¯deni naˇcini dodatni rada ECU-a kao što su npr. pomo´c pri naglom startu(engl. traction control), odabir profila rada vozila itd. Time se tako ¯der omogu´cava jednostavna nadogradnja sustava koji može tijekom vremena izrade i pro- jektiranja bolida biti unaprije ¯divan iz godine u godinu. 5.4. Klijentske aplikacije Za potrebe sustava za prikaz i dijeljenje podataka razvijene su dvije klijentske ap- likacije. Raˇcunalna aplikacija izra ¯dena je u Python programskom jeziku uz korištenje Kivy razvojne okoline za grafiˇcka suˇcelja. Komunikacija se ostvaruje bežiˇcnim putem korištenjem UDP protokola i multicast naˇcina slanja. Slika 5.2 prikazuje grafiˇcko suˇcelje razvijene klijentske aplikacije. Kako bi podatke bilo mogu´ce oˇcitati i na pametni mobilnim ure ¯dajima izra ¯dena je mobilna aplikacija za operacijski sustav Android. Komunikacija je ostvarena Blue- tooth tehnologijom. Aplikacija osim prikaza podataka omogu´cava i prijenos podataka na udaljeni server mobilnom mrežom kako bi se ostvarilo pra´cenje bolida te pohranji- vanje podataka u bazu. Isti kasnije mogu biti korišteni za analizu dinamiˇckih svojstva bolida te dijagnostiku. Za potrebe konstantnog pra´cenja podataka aplikacija koristi pozadinski servis o aktivnosti kojeg korisnika obavještava ikonom u statusnoj traci. Servis može biti iskljuˇcen u postavkama aplikacije. 19
  • 25.
    Slika 5.2: Primjerjednostavnog oˇcitavanja na osobnom raˇcunalu Prikaz zaslona mobilne aplikacije za Android mobilne ure ¯daje. 20
  • 26.
    6. Zakljuˇcak Prikupljanje, prikazi dijeljenje informacija o vozilu su tri razliˇcite cjeline potrebne za upravljanje motornim vozilom. Kontinuirano pra´cenje podataka naknadno omogu´cava analizu postoje´cih te razvoj novih rješenja u automobilskoj industriji. Zajedniˇcka os- nova navedenih cjelina su informacije o vozilu kojima ti sustavi raspolažu. Temeljem toga zakljuˇcuje se da je mogu´ce objediniti cjeline u jedinstveni raˇcunalni sustav sa svrhom upravljanja svim podacima o vozilu. U ovom radu prikazan je prijedlog konkretne izvedbe sustava u specifiˇcnoj i vrlo zahtjevnoj okolini. Utvr ¯deno je da složenost sustava raste s brojem razliˇcitih modula koje je potrebno izvesti. Komunikacijski kanali odnosno njihov broj i kapacitet su ograniˇcavaju´ci ˇcimbenici prilikom projektiranja takvog sustava. Predloženo rješenje koristi vremensku raspodjelu komunikacijskih resursa, ali rješenje je mogu´ce ostvariti i uvo ¯denjem dodatnih komunikacijskih kanala i pove´canjem procesorske mo´ci. Prikaz podataka o vozilu je kritiˇcan dio sustava vozila te je bitna pouzdanost istoga u radu. Sadržaj koji se predstavlja vozaˇcu mora biti pregledan i ne dvosmislen. Za potrebe razvoja potrebno je omogu´civanje udaljenog pristupa podacima o vozilu. Tako prikupljeni podatci služe za analizu podataka tijekom i nakon testiranja. Uvo ¯denjem predloženog objedinjenog sustava mogu´ce je ostvariti nadogradnju bez promjene i prilagodljivost. Time se ostvaruje ušteda prilikom proizvodnje i jednos- tavnija daljnja gra ¯da elektroniˇckog i elektriˇcnog sustava vozila. 21
  • 27.
    LITERATURA AIM. AIM protocoldocumentation, 2014. URL http://www.aim-sportline. com/download/ecu/ECU-AIM_Logger_145_eng.pdf. Espressif Systems. AT Instruction Set, 2014. URL http://bbs.espressif. com/download/file.php?id=84. European Parliament. DIRECTIVE 98/69/EC OF THE EUROPEAN PARLIA- MENT AND OF THE COUNCIL, 1998. URL http://eur-lex.europa. eu/LexUriServ/LexUriServ.do?uri=CONSLEG:1998L0069: 19981228:EN:PDF. GlobalTop Tech Inc. PMTK command packet, 2014. URL http://www. adafruit.com/datasheets/PMTK_A11.pdf. Ratko Magjarevi´c, Zoran Stare, Mario Cifrek, Hrvoje Džapo, Matko Ivanˇci´c, i Igor Lackovi´c. Projektiranje tiskanih veza. 2009. David A Patterson i John L Hennessy. Computer organization and design: the hard- ware/software interface. Newnes, 2013. Davor Petrinovi´c i Mladen Vuˇci´c. Osnove projektiranja raˇcunalnih sustava. 2007. Slobodan Ribari´c. Gra ¯da raˇcunala, arhitektura i organizacija raˇcunarskih sustava. 2011. Society of Automotive Engineers. 2014 Formula SAE Rules, 2014. URL students. sae.org/cds/formulaseries/rules/2014_fsae_rules.pdf. VEMS. VEMS v3.3 installation instructions, 2014. URL http://www.vems.hu/ wiki/index.php?page=MembersPage%2FPhatBob%2FUserGuide. Mladen Vuˇci´c. Upotreba mikrokontrolera u ugra ¯denim raˇcunalnim sustavima. 2007. 22
  • 28.
    Dodatak A Shematski dijagramirazvijenog sustava 23
  • 29.
    1 1 2 2 3 3 4 4 5 5 6 6 7 7 8 8 D D C C BB A A Document Title: Sheet Title: Author: Date: 22.11.2014.Bruno Vunderl System Distribution 00-Driver_Information_System.SchDoc Rev: v0 UART_RX UART_TX SPI_MOSI SPI_MISO SPI_SCK I2C_SCL I2C_SDA UART_MUX0 UART_MUX1 SPI_CS0 SPI_CS1 SPI_CS2 SPI_CS3 DISP_BACKLIGHT SHIFT_CLK SHIFT_DATA SHIFT_LATCH CAN_IRQ GPIO_0 GPIO_1 GPIO_2 GPIO_3 GPIO_4 GPIO_5 GPIO_6 GPIO_7 DISP_D/C CAN_H CAN_L BLUETOOTH-CMD MPU 02-MPU-module.SchDoc SPI_MOSI SPI_SCK SPI_CS0 LED_display 03-LED-display.SchDoc SPI_CS1 SPI_MOSI DISP_BACKLIGHT SPI_MISO SPI_SCK DISP_D/C SPI_CS2 TFT_display 01-TFT_display.SchDoc SPI_MOSI SPI_MISO SPI_SCK SPI_CS0 SPI_CS1 SPI_CS2 SPI_CS3 SPI_CS0 SPI_CS1 SPI_CS2 SPI_SCK SPI_SCK SPI_MOSI SPI_MOSI SPI_MISO SPI_MOSI SPI_SCK SPI_CS3 SPI_MISO CAN-IRQ CAN_H CAN_L CAN-module 06-CanBus-module.SchDoc SPI_CS3 SPI_SCK SPI_MOSI SPI_MISO Voltage Regulator 04-Voltage_Regulator.SchDoc SHIFT_CLK SHIFT_DATA SHIFT_LATCH Aditional LED control 05-Additional-LED-control.SchDoc UART_RX UART_TX UART_MUX0 UART_MUX1 WIFI-TX WIFI-RX BLUETOOTH-TX BLUETOOTH-RX GPS-TX GPS-RX RS232-TX RS232-RX UART multiplexer 08-UART-multiplexer.SchDoc BLUETOOTH-TX BLUETOOTH-RX BLUETOOTH-CMD Bluetooth module 07-Bluetooth-module.SchDoc WIFI-TX WIFI-RX WiFi module 09-WiFi-module.SchDoc GPS-TX GPS-RX GPS module 10-GPS-module.SchDoc RS232-TX RS232-RX RS232 module 11-RS232-module.SchDoc I2C_SCL I2C_SDA Accelerometer module 12-Accelerometer-module.SchDoc CAN_IRQ GPIO_0 GPIO_1 GPIO_2 GPIO_3 GPIO_4 GPIO_5 GPIO_6 GPIO_7 CAN_H CAN_L IO connectors 13-IO-ports.SchDoc NLSPI0CS0 NLSPI0CS1 NLSPI0CS2 NLSPI0CS3 NLSPI0MISO NLSPI0MOSI NLSPI0SCK
  • 30.
    1 1 2 2 3 3 4 4 D D C C BB A A Document Title: Sheet Title: Author: Date: 28.12.2014.Bruno Vunderl TFT Display Module 01-TFT_display.SchDoc Rev: 1 GND 3V3 MISO 1 LED 2 SCK 3 MOSI 4 D/C 5 RST 6 CS 7 GND 8 VCC 9 H101 HEADER_9P3V3 GND SPI_CS1 SPI_MOSI VCC 1 O1 2 I1 3 O3 6 GND 8 O2 4 I2 5 I3 7 I4 9 O4 10 I5 11 O5 12 NC 13 I6 14 O6 15 NC 16 IC101 74HC4050 SPI_SCK DISP_D/C DISP_BACKLIGHT 3V3 SPI_MISO SPI_CS2 SCK 1 MISO 2 MOSI 4 CS 7 H102 SD_card 10µ C101 3V3 GNDPIC10101 PIC10102 COC101 PIH10101 PIH10102 PIH10103 PIH10104 PIH10105 PIH10106 PIH10107 PIH10108 PIH10109 COH101 PIH10201 PIH10202 PIH10204 PIH10207 COH102 PIIC10101 PIIC10102 PIIC10103 PIIC10104 PIIC10105 PIIC10106 PIIC10107 PIIC10108 PIIC10109 PIIC101010 PIIC101011 PIIC101012 PIIC101013 PIIC101014 PIIC101015 PIIC101016 COIC101 PIC10101 PIH10106 PIH10109 PIIC10101 PIC10102 PIH10108 PIIC10108 PIH10101 PIH10202 POSPI0MISO PIH10102 PIIC101012 PIH10103 PIH10201 PIIC10106 PIH10104 PIH10204 PIIC10104 PIH10105 PIIC101010 PIH10107 PIIC10102 PIH10207 PIIC101015 PIIC10103POSPI0CS1 PIIC10105POSPI0MOSI PIIC10107POSPI0SCK PIIC10109PODISP0D0C PIIC101011PODISP0BACKLIGHT PIIC101013 PIIC101014POSPI0CS2 PIIC101016 PODISP0BACKLIGHT PODISP0D0C POSPI0CS1 POSPI0CS2 POSPI0MISO POSPI0MOSI POSPI0SCK
  • 31.
    1 1 2 2 3 3 4 4 D D C C BB A A Document Title: Sheet Title: Author: Date: 27.12.2014.Bruno Vunderl uProcessor Breakout 02-MPU-module.SchDoc Rev: 1 1 2 3 4 5 H201 1 2 3 4 5 H202 1 2 3 4 5 H203 1 2 3 4 5 H204 1 2 3 4 5 H207 1 2 3 4 5 H206 1 2 3 4 5 H205 1 2 3 4 5 H208 UART_RX UART_TX GND SPI_MOSI SPI_MISO SPI_SCK GND I2C_SCL I2C_SDA 5V 5V GND GND GND GND UART_MUX0 UART_MUX1 SPI_CS0 SPI_CS1 SPI_CS2 SPI_CS3 DISP_BACKLIGHT SHIFT_CLK SHIFT_DATA SHIFT_LATCH CAN_IRQ GPIO_0 GPIO_1 GPIO_2 GPIO_3 GPIO_4 GPIO_5 GPIO_6 GPIO_7 DISP_D/C 3V3 3V3 CAN_H CAN_L BLUETOOTH-CMD PIH20101 PIH20102 PIH20103 PIH20104 PIH20105 COH201 PIH20201 PIH20202 PIH20203 PIH20204 PIH20205 COH202 PIH20301PIH20302PIH20303PIH20304PIH20305 COH203 PIH20401PIH20402PIH20403PIH20404PIH20405 COH204 PIH20501 PIH20502 PIH20503 PIH20504 PIH20505 COH205 PIH20601 PIH20602 PIH20603 PIH20604 PIH20605 COH206 PIH20701PIH20702PIH20703PIH20704PIH20705 COH207 PIH20801 PIH20802 PIH20803 PIH20804 PIH20805 COH208 PIH20701 PIH20705PIH20801 PIH20805 PIH20103 PIH20203 PIH20503 PIH20603 PIH20703PIH20803 POCAN0H POI2C0SDA PIH20101POUART0MUX1 PIH20102POUART0TX PIH20104POUART0RX PIH20105POUART0MUX0 PIH20201POSPI0SCK PIH20202POSPI0MISO PIH20204POSPI0MOSI PIH20205POBLUETOOTH0CMD PIH20301 POGPIO04 PIH20302 POGPIO03 PIH20303 POGPIO02 PIH20304 POGPIO01 PIH20305 POGPIO00 PIH20401PIH20402 POCAN0L PIH20403 POGPIO07 PIH20404 POGPIO06 PIH20405 POGPIO05 PIH20501POSPI0CS0 PIH20502POSPI0CS1 PIH20504POSPI0CS2 PIH20505POSPI0CS3 PIH20601POSHIFT0CLK PIH20602POSHIFT0DATA PIH20604POSHIFT0LATCH PIH20605POCAN0IRQ PIH20702 PODISP0D0C PIH20704 PODISP0BACKLIGHT PIH20802 PIH20804 POI2C0SCL POBLUETOOTH0CMD POCAN0H POCAN0IRQ POCAN0L PODISP0BACKLIGHTPODISP0D0C POGPIO00POGPIO01POGPIO02POGPIO03POGPIO04 POGPIO05POGPIO06POGPIO07 POI2C0SCLPOI2C0SDA POSHIFT0CLK POSHIFT0DATA POSHIFT0LATCH POSPI0CS0 POSPI0CS1 POSPI0CS2 POSPI0CS3 POSPI0MISO POSPI0MOSI POSPI0SCK POUART0MUX0 POUART0MUX1 POUART0RX POUART0TX
  • 32.
    1 1 2 2 3 3 4 4 D D C C BB A A Document Title: Sheet Title: Author: Date: 27.12.2014.Bruno Vunderl LED display module 03-LED-display.SchDoc Rev: 1 DIG2 6 DIG6 5 GND 4 SEG E 21 SEG G 17 ISET 18 V+ 19 SEG C 20 DIG4 3 SEG D 23 DIN 1 DIG0 2 SEG F 15 SEG B 16 SEG A 14 GND 9 DIG1 11 DIG5 10 CLK 13 SEG DP 22 DIG3 7 DIG7 8 DOUT 24 LOAD 12 IC302 MAX7219EWG GND 5V 2K8 R301 1µ C301 10K R302 GND 10µ C302 5V GND Green LED301 Green LED302 Green LED303 Green LED304 Green LED305 Green LED306 Green LED307 Green LED308 Green LED309 Green LED310 Green LED311 Green LED312 Green LED313 Green LED314 Green LED315 Green LED316 Yellow LED317 Yellow LED318 Yellow LED319 Yellow LED320 Yellow LED321 Yellow LED322 Yellow LED323 Yellow LED324 Red LED325 Red LED326 Red LED327 Red LED328 Red LED329 Red LED330 Red LED331 Red LED332 DIG0 DIG1 DIG2 DIG3 SEG0 SEG1 SEG2 SEG3 SEG4 SEG5 SEG6 SEG7 SEG[0..7] DIG[0..7] SEG0 SEG1 SEG2 SEG3 SEG4 SEG5 SEG6 SEG7 DIG0 DIG1 DIG2 DIG3 DIG4 DIG5 DIG6 DIG7 GND SPI_MOSI VCC 1 O1 2 I1 3 O3 6 GND 8 O2 4 I2 5 I3 7 I4 9 O4 10 I5 11 O5 12 NC 13 I6 14 O6 15 NC 16 IC301 74HC4050 SPI_SCK SPI_CS0 5V 1µ C303 10µ C304 5V GND PIC30101 PIC30102 COC301 PIC30201 PIC30202 COC302 PIC30301 PIC30302 COC303 PIC30401 PIC30402 COC304 PIIC30101 PIIC30102 PIIC30103 PIIC30104 PIIC30105 PIIC30106 PIIC30107 PIIC30108 PIIC30109 PIIC301010 PIIC301011 PIIC301012 PIIC301013 PIIC301014 PIIC301015 PIIC301016 COIC301 PIIC30201 PIIC30202 PIIC30203 PIIC30204 PIIC30205 PIIC30206 PIIC30207 PIIC30208 PIIC30209 PIIC302010 PIIC302011 PIIC302012 PIIC302013 PIIC302014 PIIC302015 PIIC302016 PIIC302017 PIIC302018 PIIC302019 PIIC302020 PIIC302021 PIIC302022 PIIC302023 PIIC302024 COIC302 PILED3010APILED3010K COLED301 PILED3020APILED3020K COLED302 PILED3030APILED3030K COLED303 PILED3040APILED3040K COLED304 PILED3050APILED3050K COLED305 PILED3060APILED3060K COLED306 PILED3070APILED3070K COLED307 PILED3080APILED3080K COLED308 PILED3090APILED3090K COLED309 PILED3100APILED3100K COLED310 PILED3110APILED3110K COLED311 PILED3120APILED3120K COLED312 PILED3130APILED3130K COLED313 PILED3140APILED3140K COLED314 PILED3150APILED3150K COLED315 PILED3160APILED3160K COLED316 PILED3170APILED3170K COLED317 PILED3180APILED3180K COLED318 PILED3190APILED3190K COLED319 PILED3200APILED3200K COLED320 PILED3210APILED3210K COLED321 PILED3220APILED3220K COLED322 PILED3230APILED3230K COLED323 PILED3240APILED3240K COLED324 PILED3250APILED3250K COLED325 PILED3260APILED3260K COLED326 PILED3270APILED3270K COLED327 PILED3280APILED3280K COLED328 PILED3290APILED3290K COLED329 PILED3300APILED3300K COLED330 PILED3310APILED3310K COLED331 PILED3320APILED3320K COLED332 PIR30101 PIR30102 COR301 PIR30201 PIR30202 COR302 PIC30101 PIC30201 PIC30301 PIC30401 PIIC30101 PIIC302019 PIR30101 PIC30102 PIC30202 PIC30302 PIC30402 PIIC30108 PIIC30204 PIIC30209 PIIC30102 PIIC30103 PIIC30104 PIIC30105 PIIC30106 PIIC30107 PIIC30109POSPI0SCK PIIC301010 PIIC302013 PIIC301011POSPI0CS0 PIIC301012 PIIC302012 PIR30202 PIIC301013 PIIC301014POSPI0MOSI PIIC301015 PIIC30201 PIIC301016 PIIC30206 PIIC302018 PIR30102 PIIC302024 PIR30201 PIIC30202 PILED3040K PILED3080K PILED3120K PILED3160K PILED3200K PILED3240K PILED3280K PILED3320K NLDIG000070 NLDIG0 PIIC302011 PILED3030K PILED3070K PILED3110K PILED3150K PILED3190K PILED3230K PILED3270K PILED3310K NLDIG000070 NLDIG1 PILED3020K PILED3060K PILED3100K PILED3140K PILED3180K PILED3220K PILED3260K PILED3300K NLDIG000070 NLDIG2 PIIC30207 PILED3010K PILED3050K PILED3090K PILED3130K PILED3170K PILED3210K PILED3250K PILED3290K NLDIG000070 NLDIG3 PIIC30203 NLDIG000070 NLDIG4 PIIC302010 NLDIG000070 NLDIG5 PIIC30205 NLDIG000070 NLDIG6 PIIC30208 NLDIG000070 NLDIG7 PIIC302014 PILED3010A PILED3020A PILED3030A PILED3040A NLSEG000070 NLSEG0 PIIC302016 PILED3050A PILED3060A PILED3070A PILED3080A NLSEG000070 NLSEG1 PIIC302020 PILED3090A PILED3100A PILED3110A PILED3120A NLSEG000070 NLSEG2 PIIC302023 PILED3130A PILED3140A PILED3150A PILED3160A NLSEG000070 NLSEG3 PIIC302021 PILED3170A PILED3180A PILED3190A PILED3200A NLSEG000070 NLSEG4 PIIC302015 PILED3210A PILED3220A PILED3230A PILED3240A NLSEG000070 NLSEG5 PIIC302017 PILED3250A PILED3260A PILED3270A PILED3280A NLSEG000070 NLSEG6 PIIC302022 PILED3290A PILED3300A PILED3310A PILED3320A NLSEG000070 NLSEG7 POSPI0CS0 POSPI0MOSI POSPI0SCK
  • 33.
    1 1 2 2 3 3 4 4 D D C C BB A A Document Title: Sheet Title: Author: Date: 12.1.2015.Bruno Vunderl Voltage regulators 04-Voltage_Regulator.SchDoc Rev: 1 3.3V Voltage Regulator Voltage In R401 0.33R GND GND L401 220uH 3V3 GND R403 18K R402 11K GND GND 100uF C403 470uF C402 GND 470pF C401 DS401 1N5819 SW COLL 1 SW EM 2 TIM CAP 3 GND 4 IN- 5 VCC 6 IPK 7 DRV COLL 8 IC401 MC34063AD VIN 5V Voltage Regulator Voltage In R454 0.33R GND GND L451 220uH 5V GND R453 3.3K R452 330R R451 1,2K GND GND 100uF C453 470uF C452 GND 470pF C451 DS451 1N5819 SW COLL 1 SW EM 2 TIM CAP 3 GND 4 IN- 5 VCC 6 IPK 7 DRV COLL 8 IC451 MC34063AD VIN VI 1 VO 3 2 GND U491L7805 GND GND 100µ C492 100µ C493 VCC 5V_SENS 5V Linear Voltage Regulator PIC40101 PIC40102 COC401 PIC40201 PIC40202 COC402 PIC40301 PIC40302 COC403 PIC45101 PIC45102 COC451 PIC45201 PIC45202 COC452 PIC45301 PIC45302 COC453 PIC49201 PIC49202 COC492 PIC49301 PIC49302 COC493 PIDS4010A PIDS4010K CODS401 PIDS4510A PIDS4510K CODS451 PIIC40101 PIIC40102 PIIC40103PIIC40104 PIIC40105 PIIC40106 PIIC40107 PIIC40108 COIC401 PIIC45101 PIIC45102 PIIC45103PIIC45104 PIIC45105 PIIC45106 PIIC45107 PIIC45108 COIC451 PIL40101 PIL40102 COL401 PIL45101 PIL45102 COL451 PIR40101 PIR40102 COR401 PIR40201 PIR40202 COR402 PIR40301 PIR40302 COR403 PIR45101 PIR45102 COR451 PIR45201 PIR45202 COR452 PIR45301 PIR45302 COR453 PIR45401 PIR45402 COR454 PIU49101 PIU49102 PIU49103 COU491 PIC40201 PIL40101 PIR40302 PIC45201 PIL45101 PIR45302 PIC49302PIU49103 PIC40102 PIC40202 PIC40302 PIC45102 PIC45202 PIC45302 PIC49201 PIC49301 PIDS4010A PIDS4510A PIIC40104 PIIC45104 PIR40201 PIR45101 PIU49102 PIC40101 PIIC40103 PIC45101 PIIC45103 PIDS4010K PIIC40102 PIL40102 PIDS4510K PIIC45102 PIL45102 PIIC40101 PIIC40107 PIIC40108 PIR40101 PIIC40105 PIR40202 PIR40301 PIIC45101 PIIC45107 PIIC45108 PIR45401 PIIC45105 PIR45102 PIR45201 PIR45202 PIR45301 PIC49202PIU49101 PIC40301 PIC45301 PIIC40106 PIIC45106 PIR40102 PIR45402
  • 34.
    1 1 2 2 3 3 4 4 D D C C BB A A Document Title: Sheet Title: Author: Date: 22.11.2014Bruno Vunderl Additional LED control 05-Additional-LED-control.SchDoc Rev: 1 SHIFT_CLK SHIFT_DATA SHIFT_LATCH VCC 16 GND 8 G 13 RCK 12 SER 14 SRCLR 10 SRCK 11 QA 15 QB 1 QC 2 QD 3 QE 4 QF 5 QG 6 QH 7 QH1 9 U501 74HC595 GND 5V CR CG CB A D501 CR CG CB A D502 CR CG CB A D504CR CG CB A D503 T501 T502 T503 T504 T505 T506 R501 R502 R503 R504 R505 R506 R507 R508 R509 R510 R511 R512 5V 5V 5V 5V Coolant temperature warning Oil pressure warning GND T507 GND R513 R515 R516 R517 LED501 LED502 LED503 LED504 5V 5V 5V 5V Shift light 10µ C501 5V GND GND 5V PIC50101 PIC50102 COC501 PID5010A PID5010CB PID5010CG PID5010CR COD501 PID5020A PID5020CB PID5020CG PID5020CR COD502 PID5030A PID5030CBPID5030CGPID5030CR COD503 PID5040A PID5040CBPID5040CGPID5040CR COD504 PILED5010A PILED5010K COLED501 PILED5020A PILED5020K COLED502 PILED5030A PILED5030K COLED503 PILED5040A PILED5040K COLED504 PIR50101 PIR50102 COR501 PIR50201 PIR50202 COR502 PIR50301 PIR50302 COR503 PIR50401 PIR50402 COR504 PIR50501 PIR50502 COR505 PIR50601 PIR50602 COR506 PIR50701 PIR50702 COR507 PIR50801 PIR50802 COR508 PIR50901 PIR50902 COR509 PIR51001 PIR51002 COR510 PIR51101 PIR51102 COR511 PIR51201 PIR51202 COR512 PIR51301 PIR51302 COR513 PIR51501 PIR51502 COR515 PIR51601 PIR51602 COR516 PIR51701 PIR51702 COR517 PIT5010B PIT5010C PIT5010E COT501 PIT5020B PIT5020C PIT5020E COT502 PIT5030B PIT5030C PIT5030E COT503 PIT5040B PIT5040C PIT5040E COT504 PIT5050B PIT5050C PIT5050E COT505 PIT5060B PIT5060C PIT5060E COT506 PIT5070B PIT5070CPIT5070E COT507 PIU50101 PIU50102 PIU50103 PIU50104 PIU50105 PIU50106 PIU50107 PIU50108 PIU50109 PIU501010 PIU501011 PIU501012 PIU501013 PIU501014 PIU501015 PIU501016 COU501 PIC50101 PID5010A PID5020A PID5030A PID5040A PILED5010A PILED5020A PILED5030A PILED5040A PIU501010 PIU501016 PIC50102 PIT5010E PIT5020E PIT5030E PIT5040E PIT5050E PIT5060E PIT5070E PIU50108 PIU501013 PID5010CB PIR50101 PID5010CG PIR50201 PID5010CR PIR50301 PID5020CB PIR50401 PID5020CG PIR50501 PID5020CR PIR50601 PID5030CB PIR50902 PID5030CG PIR50802 PID5030CR PIR50702 PID5040CB PIR51202 PID5040CG PIR51102 PID5040CR PIR51002 PILED5010K PIR51301 PILED5020K PIR51502 PILED5030K PIR51602 PILED5040K PIR51702 PIR50102 PIR50402 PIT5010C PIR50202 PIR50502 PIT5020C PIR50302 PIR50602 PIR50701 PIR51001 PIT5040C PIR50801 PIR51101 PIT5050C PIR50901 PIR51201 PIT5060C PIR51302 PIR51501 PIR51601 PIR51701 PIT5070C PIT5010BPIU50102 PIT5020B PIU50101 PIT5030B PIU501015 PIT5030C PIT5040B PIU50103 PIT5050B PIU50104 PIT5060B PIU50105 PIT5070B PIU50106 PIU50107 PIU50109 PIU501011POSHIFT0CLK PIU501012POSHIFT0LATCH PIU501014POSHIFT0DATA POSHIFT0CLK POSHIFT0DATA POSHIFT0LATCH
  • 35.
    1 1 2 2 3 3 4 4 D D C C BB A A Document Title: Sheet Title: Author: Date: 22.11.2014Bruno Vunderl CAN module 06-CanBus-module.SchDoc Rev: 2 5V 5V GND 5V GND GND 5V GND TXCAN 1 RXCAN 2 CLKOUT/SOF 3 TX0RTS 4 TX1RTS 5 TX2RTS 7 OSC2 8 OSC1 9 VSS 10 RX1BF 11 RX0BF 12 INT 13 SCK 14 SI 16 SO 17 CS 18 RESET 19 VDD 20 NC 6 NC 15 IC601 MCP2515-I/ST TXD 1 VSS 2 VDD 3 RXD 4 VREF 5 CANL 6 CANH 7 RS 8 IC602 MCP2551-I/SN LED1 Green LED2 Red LED3 Green LED4 Blue 470R R603 470R R604 470R R605 470R R606 1K R602 16.00MHz XT1 100n C603 100n C604 22p C601 22p C602 4.7K R607 1 2 J601 Jumper 120R R608 GND 10K R601 5V SPI_CS3 SPI_SCK SPI_MISO SPI_MOSI CAN-IRQ CAN_H CAN_L PIC60101 PIC60102 COC601 PIC60201 PIC60202 COC602 PIC60301 PIC60302COC603 PIC60401 PIC60402 COC604 PIIC60101PIIC60102 PIIC60103 PIIC60104 PIIC60105 PIIC60106 PIIC60107 PIIC60108 PIIC60109 PIIC601010 PIIC601011 PIIC601012 PIIC601013 PIIC601014 PIIC601015 PIIC601016 PIIC601017 PIIC601018 PIIC601019 PIIC601020 COIC601 PIIC60201 PIIC60202 PIIC60203 PIIC60204 PIIC60205 PIIC60206 PIIC60207 PIIC60208 COIC602 PIJ60101 PIJ60102 COJ601 PILED10A PILED10K COLED1 PILED20A PILED20K COLED2 PILED30A PILED30K COLED3 PILED40A PILED40K COLED4 PIR60101 PIR60102 COR601 PIR60201 PIR60202 COR602 PIR60301 PIR60302 COR603 PIR60401 PIR60402 COR604 PIR60501 PIR60502 COR605 PIR60601 PIR60602 COR606 PIR60701 PIR60702 COR607 PIR60801 PIR60802 COR608 PIXT101 PIXT102 COXT1 PIC60301 PIC60401 PIIC601020 PIIC60203 PIR60101 PIR60201 PIR60301 PIR60401 PIR60501 PIR60601 PIC60101 PIC60201 PIC60302 PIC60402 PIIC601010 PIIC60202 PILED40K PIR60701 PIC60102 PIIC60109 PIXT102 PIC60202 PIIC60108 PIXT101 PIIC60101 PIIC60201 PILED20K PIIC60102 PIIC60204 PILED10K PIIC60103 PIIC60104 PIIC60105 PIIC60106 PIIC60107 PIIC601011 PIIC601012 PIIC601013 PILED30K POCAN0IRQ PIIC601014POSPI0SCK PIIC601015 PIIC601016POSPI0MOSI PIIC601017POSPI0MISO PIIC601018 PIR60102POSPI0CS3 PIIC601019PIR60202 PIIC60205 PIIC60206 PIR60802 POCAN0L PIIC60207 PIJ60102 POCAN0H PIIC60208PIR60702 PIJ60101 PIR60801 PILED10A PIR60302 PILED20A PIR60402 PILED30A PIR60502 PILED40A PIR60602 POCAN0IRQ POCAN0H POCAN0L POSPI0CS3 POSPI0MISO POSPI0MOSI POSPI0SCK
  • 36.
    1 1 2 2 3 3 4 4 D D C C BB A A Document Title: Sheet Title: Author: Date: 16.1.2015.Bruno Vunderl Bluetooth module 07-Bluetooth-module.SchDoc Rev: 1 BLUETOOTH-TX BLUETOOTH-RX BLUETOOTH-CMDTX 1 RX 2 RST 11 GND 13 3V3 12 CMD 34 LED_1 31 LED_2 32 U701 HC-05 GND 3V3 GND LED701 LED702 R701 R702 GND GND 10µ C701 3V3 GNDPIC70101 PIC70102 COC701 PILED7010A PILED7010K COLED701PILED7020A PILED7020K COLED702 PIR70101 PIR70102 COR701 PIR70201 PIR70202 COR702 PIU70101 PIU70102 PIU701011 PIU701012 PIU701013 PIU701031 PIU701032 PIU701034 COU701 PIC70101 PIU701012 PIC70102 PILED7010KPILED7020K PIU701011 PIU701013 PILED7010A PIR70102 PILED7020A PIR70202 PIR70101PIU701032 PIR70201PIU701031 PIU70101POBLUETOOTH0RX PIU70102POBLUETOOTH0TX PIU701034POBLUETOOTH0CMDPOBLUETOOTH0CMDPOBLUETOOTH0RX POBLUETOOTH0TX
  • 37.
    1 1 2 2 3 3 4 4 D D C C BB A A Document Title: Sheet Title: Author: Date: 22.11.2014Bruno Vunderl UART-multiplexer 08-UART-multiplexer.SchDoc Rev: 1 UART_RX UART_TX UART_MUX0 UART_MUX1 WIFI-TX WIFI-RX BLUETOOTH-TX BLUETOOTH-RX GPS-TX GPS-RX RS232-TX RS232-RX Y2 2 Y0 1 Y 3 Y3 4 VCC 16 Y1 5 EN 6 X 13 VEE 7 GND 8 X0 12 B 9 A 10 X3 11 X2 15 X1 14 U801 MC74HC4052D GND 5V GND GND 10µ C801 5V GNDPIC80101 PIC80102 COC801 PIU80101 PIU80102 PIU80103 PIU80104 PIU80105 PIU80106 PIU80107PIU80108 PIU80109 PIU801010 PIU801011 PIU801012 PIU801013 PIU801014 PIU801015 PIU801016 COU801 PIC80101 PIU801016 PIC80102 PIU80106 PIU80107PIU80108 PIU80101POBLUETOOTH0TX PIU80102POGPS0TX PIU80103POUART0TX PIU80104PORS2320TX PIU80105POWIFI0TX PIU80109POUART0MUX1 PIU801010POUART0MUX0 PIU801011PORS2320RX PIU801012POBLUETOOTH0RX PIU801013POUART0RX PIU801014POWIFI0RX PIU801015POGPS0RX POBLUETOOTH0RX POBLUETOOTH0TX POGPS0RX POGPS0TX PORS2320RX PORS2320TX POUART0MUX0 POUART0MUX1 POUART0RX POUART0TX POWIFI0RX POWIFI0TX
  • 38.
    1 1 2 2 3 3 4 4 D D C C BB A A Document Title: Sheet Title: Author: Date: 19.1.2015.Bruno Vunderl WiFi module 09-WiFi-module.SchDoc Rev: 1 WIFI-TX WIFI-RX TX 1 RX 2 RST 11 GND 13 3V3 12 ESP901 ESP8266 WiFi module GND GND 3V3 10µ C901 3V3 GNDPIC90101 PIC90102 COC901 PIESP90101 PIESP90102 PIESP901011 PIESP901012 PIESP901013 COESP901 PIC90101 PIESP901012 PIC90102 PIESP901011 PIESP901013 PIESP90101POWIFI0RX PIESP90102POWIFI0TX POWIFI0RX POWIFI0TX
  • 39.
    1 1 2 2 3 3 4 4 D D C C BB A A Document Title: Sheet Title: Author: Date: 20.1.2015.Bruno Vunderl GPS module 10-GPS-module.SchDoc Rev: 1 GPS-TX GPS-RX TX 5 RX 6 EN 2 GND 7 3V3 8 GPS1001 GPS-Ultimate GND 3V3 10µ C1001 3V3 GNDPIC100101 PIC100102 COC1001 PIGPS100102 PIGPS100105 PIGPS100106 PIGPS100107 PIGPS100108 COGPS1001 PIC100101 PIGPS100108 PIC100102 PIGPS100107PIGPS100102 PIGPS100105POGPS0RX PIGPS100106POGPS0TX POGPS0RX POGPS0TX
  • 40.
    1 1 2 2 3 3 4 4 D D C C BB A A Document Title: Sheet Title: Author: Date: 20.1.2015.Bruno Vunderl RS232-module 11-RS232-module.SchDoc Rev: 1 RS232-TX RS232-RX C1+ 1 +5.5v 2 C1- 3 C2+ 4 C2- 5 -5.5v 6 7 89 10 11 12 13 14 GND 15 VCC 16 5k 5k U1101 MAX3232 1 6 2 7 3 8 4 9 5 K1101 DB9 3v3 GND GNDC1101 0.1uF C1102 0.1uF C1103 0.1uF C1104 0.1uF GND GND 10µ C1105 3V3 GND PIC110101 PIC110102 COC1101 PIC110201 PIC110202 COC1102 PIC110301PIC110302 COC1103 PIC110401PIC110402 COC1104 PIC110501 PIC110502 COC1105 PIK110101 PIK110102 PIK110103 PIK110104 PIK110105 PIK110106 PIK110107 PIK110108 PIK110109 COK1101 PIU110101 PIU110102 PIU110103 PIU110104 PIU110105 PIU110106 PIU110107 PIU110108PIU110109 PIU1101010 PIU1101011 PIU1101012 PIU1101013 PIU1101014 PIU1101015 PIU1101016 COU1101 PIC110501 PIU1101016 PIC110301 PIC110401 PIC110502 PIK110105 PIU1101015 PIC110101 PIU110103 PIC110102 PIU110101 PIC110201 PIU110105 PIC110202 PIU110104 PIC110302PIU110102 PIC110402PIU110106 PIK110101 PIK110102PIU1101014 PIK110103 PIU1101013 PIK110104 PIK110106 PIK110107 PIK110108 PIK110109 PIU110107 PIU110108PIU110109 PIU1101010 PIU1101011PORS2320TX PIU1101012PORS2320RXPORS2320RX PORS2320TX
  • 41.
    1 1 2 2 3 3 4 4 D D C C BB A A Document Title: Sheet Title: Author: Date: 22.11.2014Bruno Vunderl Accelerometer module 12-Accelerometer-module.SchDoc Rev: 1 I2C_SCL I2C_SDA INT 5 SDA 4 SCL 3 GND 2 5V 1 GY1201 Magnetometer 5V GND 10µ C1201 5V GNDPIC120101 PIC120102 COC1201 PIGY120101 PIGY120102 PIGY120103 PIGY120104 PIGY120105 COGY1201 PIC120101 PIGY120101 PIC120102 PIGY120102 PIGY120103POI2C0SCL PIGY120104POI2C0SDA PIGY120105 POI2C0SCL POI2C0SDA
  • 42.
    1 1 2 2 3 3 4 4 D D C C BB A A Document Title: Sheet Title: Author: Date: 22.11.2014Bruno Vunderl IO ports 13-IO-ports.SchDoc Rev: 1 CAN_IRQ GPIO_0 GPIO_1 GPIO_2 GPIO_3 GPIO_4 GPIO_5 GPIO_6 GPIO_7 CAN_H CAN_L 1 2 J1301 1 2 J1302 1 2 J1303 1 2 J1304 1 2 J1305 1 2 J1306 1 2 J1307 1 2 J1308 1 2 J1309 1 2 J1310 1 2 J1311 1 2 J1312 GND VIN 5V 3V3 5V SENS CAN_L CAN_H 1 2 J1313 GND PIJ130101PIJ130102 COJ1301 PIJ130201PIJ130202 COJ1302 PIJ130301PIJ130302 COJ1303 PIJ130401PIJ130402 COJ1304 PIJ130501PIJ130502 COJ1305 PIJ130601PIJ130602 COJ1306 PIJ130701PIJ130702 COJ1307 PIJ130801PIJ130802 COJ1308 PIJ130901PIJ130902 COJ1309 PIJ131001PIJ131002 COJ1310 PIJ131101PIJ131102 COJ1311 PIJ131201PIJ131202 COJ1312 PIJ131301PIJ131302 COJ1313 PIJ130501PIJ130502PIJ130401PIJ130402 PIJ130601PIJ130602PIJ130101PIJ130102 PIJ131301PIJ131302PIJ130301PIJ130302 POCAN0H PIJ130701 POGPIO01 PIJ130702 POGPIO00 PIJ130801 POGPIO03 PIJ130802 POGPIO02 PIJ130901PIJ130902 POCAN0L PIJ131001 POGPIO05 PIJ131002 POGPIO04 PIJ131101 POGPIO07 PIJ131102 POGPIO06 PIJ131201PIJ131202 POCAN0IRQ PIJ130201PIJ130202 POCAN0H POCAN0IRQPOCAN0LPOGPIO00POGPIO01 POGPIO02POGPIO03 POGPIO04POGPIO05 POGPIO06POGPIO07
  • 43.
    1 1 2 2 3 3 4 4 D D C C BB A A Document Title: Sheet Title: Author: Date: 22.11.2014Bruno Vunderl STM32 ARM Board STM32_ARM_Board.SchDoc Rev: 1 BOOT0 44 NRST 7 OSC_IN/PD0 5 OSC_OUT/PD1 6 PA0-WKUP 10 PA1 11 PA2 12 PA3 13 PA4 14 PA5 15 PA6 16 PA7 17 PA8 29 PA9 30 PA10 31 PA11 32 PA12 33 PA13/JTMS/SWDIO 34 PA14/JTCK/SWCLK 37 PA15/JTDI 38 PB0 18 PB1 19 PB2/BOOT1 20 PB3/JTDO 39 PB4/JNTRST 40 PB5 41 PB6 42 PB7 43 PB8 45 PB9 46 PB10 21 PB11 22 PB12 25 PB13 26 PB14 27 PB15 28 PC13-TAMPER-RTC 2 PC14-OSC32_IN 3 PC15-OSC32_OUT 4 VBAT 1 VDD_1 24 VDD_2 36 VDD_3 48 VDDA 9 VSS_1 23 VSS_2 35 VSS_3 47 VSSA 8 UC1 STM32F103C8T6 GND VCC 1 43 2 B1 RESET 100n C1 GND 10K R1 GND BOOT0 XTAL1 8MHz 27p C3 27p C4 GND XTAL2 32KHz 27p C6 27p C5 GND UART_RX UART_TX SPI_MOSI SPI_MISO SPI_SCK I2C_SCL I2C_SDA UART_MUX0 UART_MUX1 SPI_CS0 SPI_CS1 SPI_CS2 SPI_CS3 DISP_BACKLIGHT SHIFT_CLK SHIFT_DATA SHIFT_LATCH CAN_IRQ GPIO_0 GPIO_1 GPIO_2 GPIO_3 GPIO_4 GPIO_5 GPIO_6 GPIO_7 DISP_D/C BLUETOOTH-CMD CAN_H CAN_L 1 2 3 4 SWD1 GND 3V3 PIB101PIB102 PIB103 PIB104 COB1 PIC101 PIC102 COC1 PIC301 PIC302 COC3 PIC401 PIC402 COC4 PIC501 PIC502 COC5 PIC601 PIC602 COC6 PIR101 PIR102 COR1 PISWD101 PISWD102 PISWD103 PISWD104 COSWD1 PIUC101 PIUC102 PIUC103 PIUC104 PIUC105 PIUC106 PIUC107 PIUC108PIUC109 PIUC1010 PIUC1011 PIUC1012 PIUC1013 PIUC1014 PIUC1015 PIUC1016 PIUC1017 PIUC1018 PIUC1019 PIUC1020 PIUC1021 PIUC1022 PIUC1023PIUC1024 PIUC1025 PIUC1026 PIUC1027 PIUC1028 PIUC1029 PIUC1030 PIUC1031 PIUC1032 PIUC1033 PIUC1034 PIUC1035PIUC1036 PIUC1037 PIUC1038 PIUC1039 PIUC1040 PIUC1041 PIUC1042 PIUC1043 PIUC1044 PIUC1045 PIUC1046 PIUC1047PIUC1048 COUC1 PIXTAL101 PIXTAL102 COXTAL1 PIXTAL201 PIXTAL202 COXTAL2 PISWD101 PIB102 PIB103 PIC101 PIC301 PIC401 PIC501PIC601 PIR102 PISWD103 PIUC108 PIUC1023 PIUC1035 PIUC1047 PIB101 PIB104 PIC102 PIUC107 PIC302 PIUC105 PIXTAL101 PIC402 PIUC106 PIXTAL102 PIC502 PIUC103 PIXTAL202 PIC602 PIUC104 PIXTAL201 PIR101 PIUC1044 POBOOT0 PISWD102 PIUC1037 PISWD104 PIUC1034 PIUC102 PIUC1010POUART0MUX0 PIUC1011POUART0MUX1 PIUC1012POUART0TX PIUC1013POUART0RX PIUC1014POGPIO04 PIUC1015POSPI0SCK PIUC1016POSPI0MISO PIUC1017POSPI0MOSI PIUC1018POGPIO07 PIUC1019POGPIO06 PIUC1020POGPIO05 PIUC1021POSHIFT0LATCH PIUC1022POCAN0IRQ PIUC1025POSPI0CS0 PIUC1026POSPI0CS1 PIUC1027POSPI0CS2 PIUC1028POSPI0CS3 PIUC1029POBLUETOOTH0CMD PIUC1030POCAN0H PIUC1031POCAN0L PIUC1032POGPIO02 PIUC1033POGPIO01 PIUC1038POGPIO00 PIUC1039PODISP0D0C PIUC1040PODISP0BACKLIGHT PIUC1041POI2C0SCL PIUC1042POI2C0SDA PIUC1043POGPIO03 PIUC1045POSHIFT0CLK PIUC1046POSHIFT0DATA PIUC101 PIUC109 PIUC1024 PIUC1036 PIUC1048 POBLUETOOTH0CMD POBOOT0 POCAN0H POCAN0IRQ POCAN0L PODISP0BACKLIGHT PODISP0D0C POGPIO00 POGPIO01 POGPIO02 POGPIO03 POGPIO04 POGPIO05 POGPIO06 POGPIO07 POI2C0SCL POI2C0SDA POSHIFT0CLK POSHIFT0DATA POSHIFT0LATCH POSPI0CS0 POSPI0CS1 POSPI0CS2 POSPI0CS3 POSPI0MISO POSPI0MOSI POSPI0SCK POUART0MUX0 POUART0MUX1 POUART0RX POUART0TX
  • 44.
    Izvedba i implementacijasustava za prikaz i dijeljenje podataka u mobilnom okruženju Sažetak Potrebno je definirati sustav za prikaz i obradu podataka te potom dizajnirati i izvesti predloženo rješenje za rad u stvarnom vremenu. Ostvariti komunikaciju izme ¯du sustava za prikupljanje podataka i modula za prikaz podataka. Prilagoditi sustav za rad s podatcima u mobilnom okruženju i udaljeno dijeljenje podataka. Omogu´citi podršku za rad na više razliˇcitih razvojnih platformi. Kljuˇcne rijeˇci: prikaz podataka, udaljeno dijeljenje podataka, motorna vozila, bežiˇcna komunikacija, suˇcelje ˇcovjeka i stroja Design and Implementation of Data Visualization and Distribution System in Mobile Environment Abstract The aim of this thesis is to define a module for data processing and visualization. Module is to be designed and implemented to support real time operation. Communi- cation between data collection and visualization units is to be established. System is configured in such a way that it operates in mobile environment and supports remote data distribution. System supports multiple development platforms and architectures. Keywords: data visualization, remote data distribution, motor vehicles, wireless com- munication, human-machine interface