Wiring diagram
FH (4)
CHID A740874–
CHID B645496–
Foreword
Order number: 89041245
©2012 Volvo Truck Corporation, Göteborg, Sweden
All rights reserved. No part of this publication may be reproduced, stored in retrieval system,
or transmitted in any forms by any means, electronic, mechanical, photocopying, recording or
otherwise, without the prior written permission of Volvo Truck Corporation .
The descriptions and service procedures contained in this manual are based on designs and
methods studies carried out up to December 2012.
The products are under continuous development. Vehicles and components produced after the
above date may therefore have different specifications and repair methods. When this is judged
to have a significant bearing on this manual, an updated version of this manual will be issued to
cover the changes.
The following levels of observations, cautions and warnings are used in this Service
Documentation:
Note: Indicates a procedure, practice, or condition that must be followed in order to have the
vehicle or component function in the manner intended.
Caution: Indicates an unsafe practice where damage to the product could occur.
Warning: Indicates an unsafe practice where personal injury or severe damage to the product
could occur.
Danger: Indicates an unsafe practice where serious personal injury or death could occur.
Volvo Truck Corporation
Göteborg, Sweden
Note: Check always the latest information at the “Wiring diagrams-site”.
Contents
Component wiring diagram index ..............................................................................................1
Component wiring diagrams......................................................................................................4
Illustrations index................................................................................................................. 114
Illustrations.......................................................................................................................... 115
Fuses................................................................................................................................... 199
Relays.................................................................................................................................. 202
FRC (A01) connectors........................................................................................................... 204
Wiring harness layout ........................................................................................................... 208
Ground connections............................................................................................................. 210
List of connectors................................................................................................................. 211
List of components............................................................................................................... 252
Abbreviations....................................................................................................................... 264
Cable colour code................................................................................................................. 266
Feedback ............................................................................................................................. 267
Component wiring diagram index
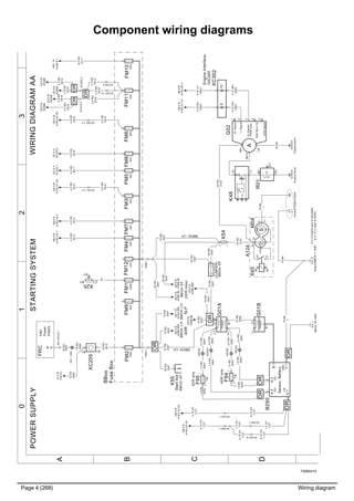
AA Power supply, starting system................................................................... “ ”, page 4
AB Power distribution, CCIOM....................................................................... “ ”, page 5
AC Main switch, UADR.................................................................................... “ ”, page 6
AD Main switch, ADR1/ADR2 ......................................................................... “ ”, page 7
AE Main switch, ADR3 .................................................................................... “ ”, page 8
AF Key switch.................................................................................................. “ ”, page 9
BA Instrument.................................................................................................. “ ”, page 10
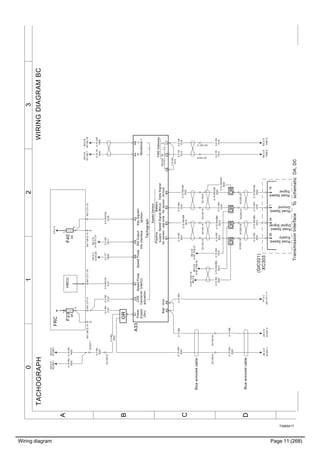
BC Tachograph................................................................................................ “ ”, page 11
BE VMCU, Vehicle Master Control Unit .......................................................... “ ”, page 12
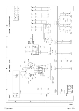
BG CIOM, Cab IO Module............................................................................... “ ”, page 13
BU TIS Telematics service............................................................................... “ ”, page 14
BX TIS Toll collect, FMS connector................................................................. “ ”, page 15
CA Engine interface ........................................................................................ “ ”, page 16
CA1 Engine interface, networks ....................................................................... “ ”, page 17
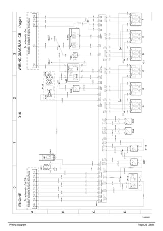
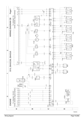
CB Engine D13, EM-EC01.............................................................................. “ ”, page 18
Engine D13, EM-EC06/EM-EU5, page 1 .................................................. “ ”, page 19
Engine D13, EM-EC06/EM-EU5, page 2 .................................................. “ ”, page 20
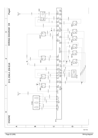
Engine D13, EML4 EM-EU6, page 1......................................................... “ ”, page 21
Engine D13, EML4 EM-EU6, page 2......................................................... “ ”, page 22
Engine D16, page 1................................................................................... “ ”, page 23
Engine D16, page 2................................................................................... “ ”, page 24
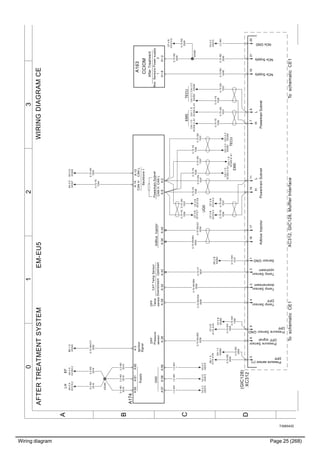
CE After treatment system, EM-EU5............................................................... “ ”, page 25
CE1 After treatment system, EM-EU5............................................................... “ ”, page 26
CF After treatment system, Adblue tank control, EM-EU5.............................. “ ”, page 27
CK After treatment system, EML4 EM-EU6 .................................................... “ ”, page 28
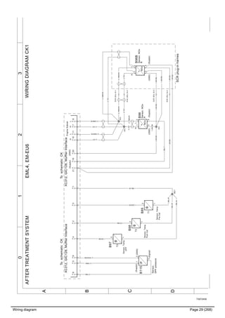
CK1 After treatment system, EML4 EM-EU6 .................................................... “ ”, page 29
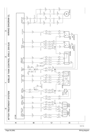
CL After treatment system, Adblue tank control, EML4 EM-EU6................... “ ”, page 30
DA Transmission, manual (interface).............................................................. “ ”, page 31
DA1 Transmission, manual (gearbox and retarder).......................................... “ ”, page 32
DC Transmission , I-SHIFT (interface) ............................................................ “ ”, page 33
DC1 Transmission, I-SHIFT (gearbox and retarder) ......................................... “ ”, page 34
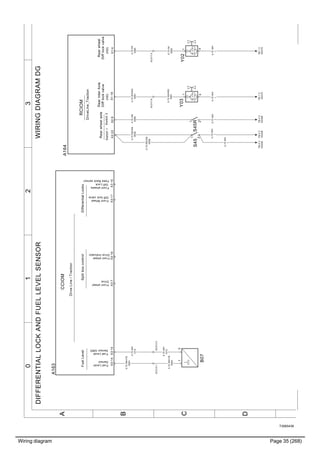
DG Differential lock and fuel level sensor........................................................ “ ”, page 35
DK Retarder (interface).................................................................................... “ ”, page 36
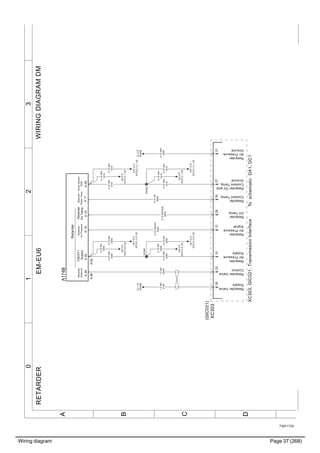
DM Retarder (interface) EML4 EM-EU6 ......................................................... “ ”, page 37
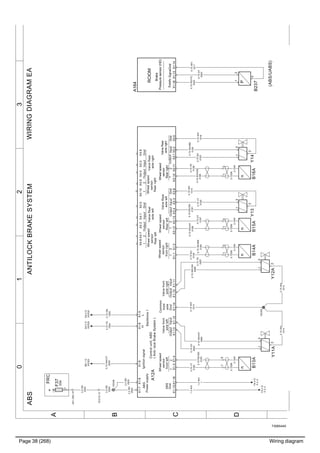
EA ABS............................................................................................................ “ ”, page 38
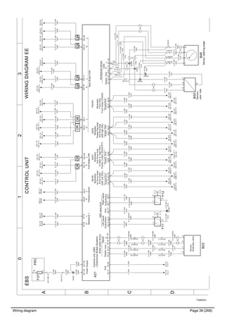
EE EBS, control unit........................................................................................ “ ”, page 39
EF EBS, front axle modulator.......................................................................... “ ”, page 40
EG EBS, rear axle modulator .......................................................................... “ ”, page 41
EH EBS, 6x2 and tridem.................................................................................. “ ”, page 42
Wiring diagram Page 1 (268)
EI EBS, trailer modulator................................................................................ “ ”, page 43
FA Air-suspension, front.................................................................................. “ ”, page 44
FB Air-suspension, rear, level sensor, WRG................................................... “ ”, page 45
FC Air-suspension, rear, 6x2, 6x4 and tridem, valves..................................... “ ”, page 46
FD Air-suspension, rear, 4x2........................................................................... “ ”, page 47
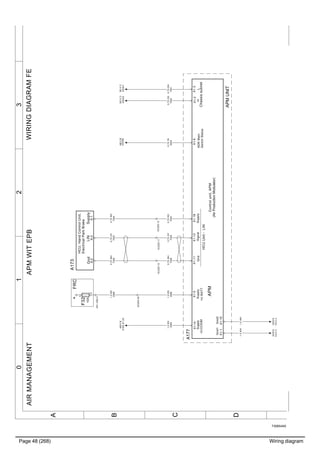
FE Air management, APM, Air Production Modulator with EPB..................... “ ”, page 48
FH Front axle steering, hydraulic .................................................................... “ ”, page 49
FL Rear axle steering, electronic, RAS .......................................................... “ ”, page 50
FM Rear axle steering, self steering, RAS....................................................... “ ”, page 51
GA Exterior light, front, left, road...................................................................... “ ”, page 52
GB Exterior light, front, right, bending light road.............................................. “ ”, page 53
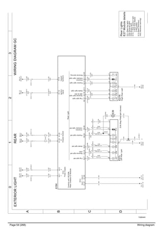
GC Exterior light, rear ...................................................................................... “ ”, page 54
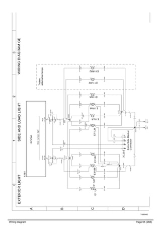
GE Exterior light, side and load light................................................................ “ ”, page 55
GF Exterior light, roof, identification light......................................................... “ ”, page 56
GK Trailer connection, RIGID.......................................................................... “ ”, page 57
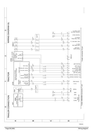
GL Trailer connection, TRACTOR................................................................... “ ”, page 58
GM Trailer connections, RIGID TREL-14......................................................... “ ”, page 59
GP Wiper, washer............................................................................................ “ ”, page 60
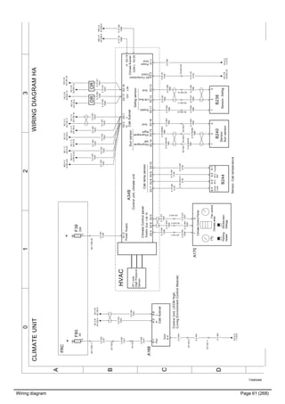
HA Climate unit................................................................................................ “ ”, page 61
HB Integrated parking cooler, IPC................................................................... “ ”, page 62
HC Parking heater, water................................................................................. “ ”, page 63
HD Parking heater, air...................................................................................... “ ”, page 64
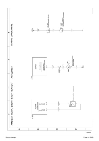
HE Amb. temp, short stop heater, AC clutch................................................... “ ”, page 65
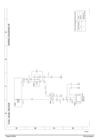
HF Fuel hose heater........................................................................................ “ ”, page 66
IA Interior light................................................................................................ “ ”, page 67
IB Interior light................................................................................................ “ ”, page 68
IC Interior light, instep light............................................................................. “ ”, page 69
IF Comfort accessories.................................................................................. “ ”, page 70
IG 12V power supply 20A/20A/11A................................................................ “ ”, page 71
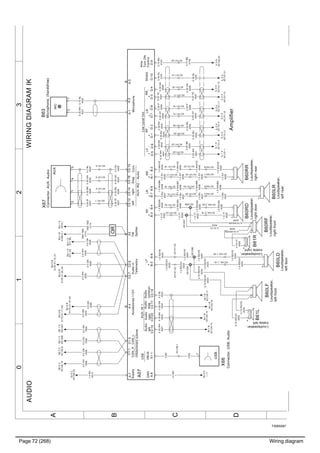
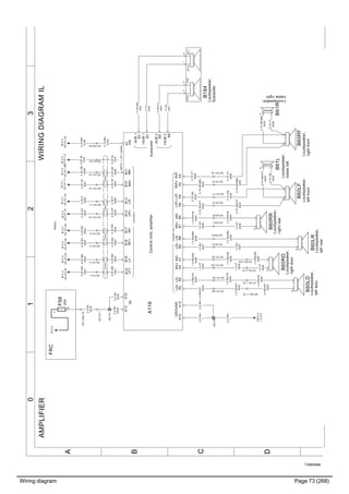
IK Audio.......................................................................................................... “ ”, page 72
IL Amplifier..................................................................................................... “ ”, page 73
IN DVD, bunk display..................................................................................... “ ”, page 74
IO Video switch, camera, SID display............................................................ “ ”, page 75
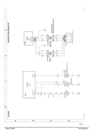
IP Horn........................................................................................................... “ ”, page 76
IR Door, left..................................................................................................... “ ”, page 77
IS Door, right .................................................................................................. “ ”, page 78
IT Seats.......................................................................................................... “ ”, page 79
IU Sun roof, sun visor..................................................................................... “ ”, page 80
KA Cab tilt........................................................................................................ “ ”, page 81
LA Lubrication system..................................................................................... “ ”, page 82
Page 2 (268) Wiring diagram
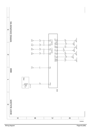
NA Body builder, BBM..................................................................................... “ ”, page 83
NB Body builder, VMCU .................................................................................. “ ”, page 84
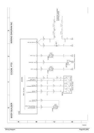
NC Body builder, CCIOM, PTO ....................................................................... “ ”, page 85
ND Body builder electrical center .................................................................... “ ”, page 86
NE Body builder electrical center, extra lighting.............................................. “ ”, page 87
NF Body builder extra lighting ......................................................................... “ ”, page 88
NK Body builder plough lamps ........................................................................ “ ”, page 89
PA DACU, Driver Assistance Control Unit ...................................................... “ ”, page 90
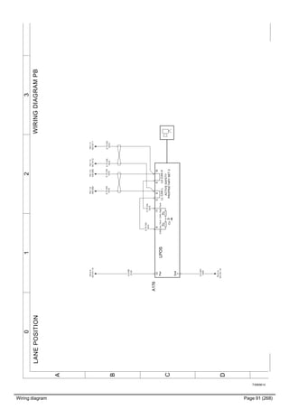
PB Lane position ............................................................................................. “ ”, page 91
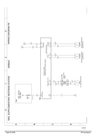
PE SRS, Supplementary Restrain System, airbag......................................... “ ”, page 92
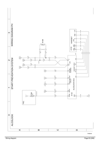
PH Alcolock, start prevention system.............................................................. “ ”, page 93
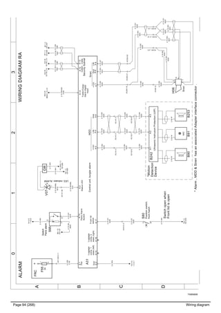
RA Alarm.......................................................................................................... “ ”, page 94
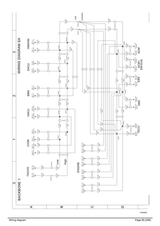
SA Backbone 1................................................................................................ “ ”, page 95
SB Backbone 2................................................................................................ “ ”, page 96
SC Cab subnet ................................................................................................ “ ”, page 97
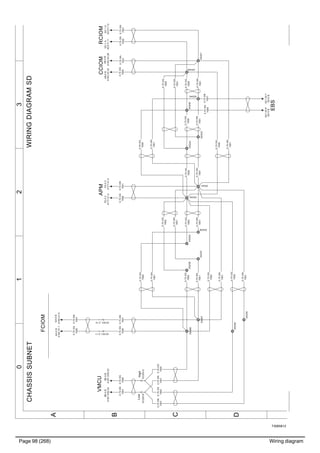
SD Chassis subnet.......................................................................................... “ ”, page 98
SE Infotainment subnet................................................................................... “ ”, page 99
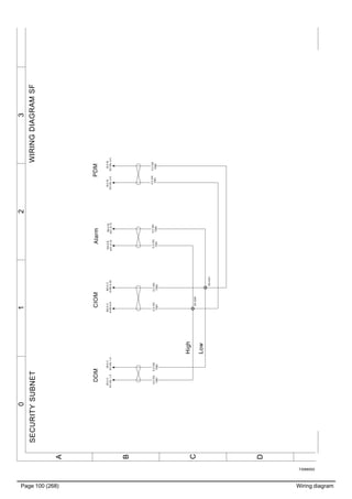
SF Security subnet.......................................................................................... “ ”, page 100
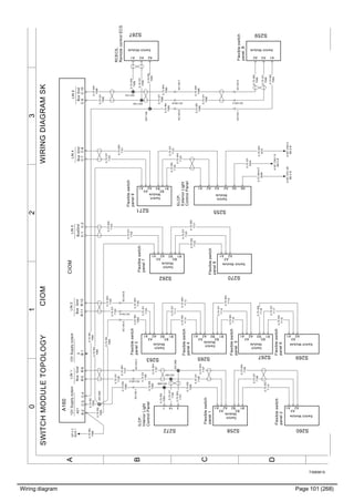
SK Switch module topology, CIOM ................................................................ “ ”, page 101
SL Switch module topology, HMIIOM ............................................................. “ ”, page 102
XA OBD interface............................................................................................ “ ”, page 103
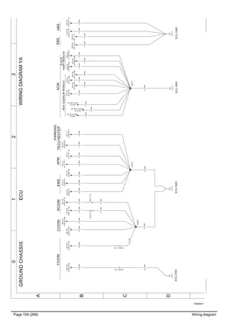
YA Ground, chassis, ECU............................................................................... “ ”, page 104
YB Ground, chassis, front/rear load ............................................................... “ ”, page 105
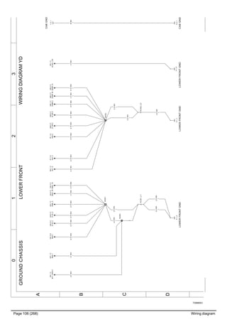
YD Ground, chassis, lower front...................................................................... “ ”, page 106
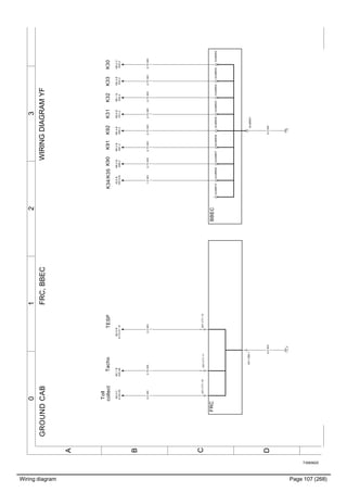
YF Ground, cab, FRC, BBEC.......................................................................... “ ”, page 107
YG Ground, cab, instrument panel .................................................................. “ ”, page 108
YH Ground, cab, instrument panel .................................................................. “ ”, page 109
YK Ground, cab, front shelf ............................................................................. “ ”, page 110
YK_RHD Ground, cab, front shelf, headliner............................................................ “ ”, page 111
YM Ground, cab, lower bunk/floor ................................................................... “ ”, page 112
YN Ground, cab, firewall, cockpit carrier plate ................................................ “ ”, page 113
Wiring diagram Page 3 (268)
Page 4 (268) Wiring diagram
T3065410
Component wiring diagrams
3210
A
B
C
D
WIRINGDIAGRAMAAPOWERSUPPLYSTARTINGSYSTEM
70RD
2007
70BK
1
16RD
4000
50RD
2007
95RD
2007
70RD
2007
XC205
A1B1
4.0RD
2015
4.0RD
2016
95RD
2007
50RD
2007
M04
W-Signal
L-Signal
15-Signal/
PWMcontr
BattSensI/O
DFMsignal
G02
A
AB+
CB-
4
3
2
1
BB+2
5
2.5RD
2019
0.75GY
7127
4.0RD
2018
4.0RD
2017
70BK
170BK
1
G01A
B1D1
C1A1
C1A1
0.75BU
0003
0.75VT
0002
G01B
B1
70RD
2006
70RD
2007
70RD
2007
0.75GY
7127
4.0RD
2015
4.0RD
2014
4.0RD
2013
BBox
FuseBox
FMA:1
GA:0B
A162.X1:29
AB:0B
A163.X4:1
AB:0B
A163.X4:2
AB:0B
A163.X2:25
FRC
AD:0B
A28B.88A
4.0RD
2016
GA:0B
A162.X2:29
70RD
2007
AD:0B
A28B.88
AB:0B
A163.X2:4
XC315:1
0.75GY
7127
AB:0B
A163.X1:21
XC325:1
1.5GY
7127
1.5GY
7127
XC327:9
0.75GY
7127
0.75GY
7127
A01.STUD:1
FMB:1
FM6
30A
FM9
30A
FM4
30A
FM2
100A
FM3
30A
FM8
30A
FM7
30A
X25
A1
C1B1
FM1
200A
FM5
30A
70RD
2143
35
16RD
2010
1.5RD
2003
5.4_2*
Engine/BBOX-LGND
XC315:2
2.5RD
2019
16RD
4000
IF:3B
F93.A1
GC:0A
XC323:1
GC:0A
XC323:2
XC355:1
AB:0B
A163.X2:25
XC327:15
XC325:2
XC355:2
2.5RD
2019
+
FRC
Power
supply
F95
1A
1
2
35RD
2143
0.75WH
0003
0.75WH
0002
2.5RD
2019
CE:0B
XS386
2.5RD
2019
CE:0B
XS386
X55+
50RD
2007
StartAid
FM12
23A
FM11
23A
FM10
40A
2.5RD
2019
CK:0B
XS386
2.5RD
2019
CK:0B
XS386
6.0RD
2117
HB:1B
A186.B:1
70RD
2007
AE:1B
K70A.88a
OR
X54
12
OROR
OR
AD:0B
A28B.88
AD:0B
A28B.88
AD:0B
A28B.88A
(ADRrelay)
(JUMPER)
ADRSLP
5.8_1
BBOX-EFGND
OR
BBOX-LH
BBOX-LH
BBOX-LHBBOX-LH
BBOX-EF
BBOX-EFBBOX-EF
*5.4_2Enginegndisrelocated
to5.10incaseofADR3
XC302
EngineInterface,
GIC020
910
XC321_2:1
XC322_2:1
4.0RD
2003
1.5RD
2003
XS323
4.0RD
2000
XS324
4.0RD
2000
XS326
1.5RD
2003
4.0RD
2003
XS325
OR
OR
XS1_1204
R01
A1
B1
C1
K48
A
B1
C1
3.1
Engineblock
Ground
Engineblock
Ground
GroundEngineblock
ADRonly
F94
1A
1
2
ADRonly
S
K65
A124
86
85
30
+50
30
87
B-
B+
31
70RD
2007
16RD
4000
GNDLIN
24V12V
B250
Sensor,Battery
A:3
A:1
A:2
B:1
C:1
OR
OR
1.5RD
2000
1.5RD
2000
1.5RD
2000
35BK
1
Wiring diagram Page 5 (268)
T3065412
3210
A
B
C
D
WIRINGDIAGRAMABPOWERDISTRIBUTIONCCIOM,CENTRALCHASSIEIOMODULE
GND2
APMredudancy
Supply
PowerDistribution
Chassis
LubricationMotor
GND1
Chassissub-net
CANHCANL
Battery
Sensor
PGASBatnetLIN,
CCIOM
PowerSupply
Voltage
MainSwitch
Status
Alternator
control
L-Signalfrom
Alternator
A163
X3:8X1:29
X2:14
X1:24
X2:4X2:25X2:26X1:21X4:2X4:1X2:22
X2:29
0.75GY
7127
0.75YE
0004
1.0YE
0004
0.75YE
0004
0.75YE
0004
0.75BU
0003
0.75YE
0004
0.75VT
0002
0.75GN
7001
1.0RD
2085
0.75RD/GN
2026
2.5WH
1
2.5WH
1
0.75GY
7127
4.0RD
2014
4.0RD
2013
FE:0C
A177.X1:14
AA:2B
FM4.A1
AA:2B
FM7.A1
AA:0D
XC315:1
0.75OG
7000
SD:3C
XS348
SD:4C
XS347
LA:0B
XC317:22
YA:1C
XS366
YA:1C
XS366
AA:3D
XC302.10
AD:1C
XC327:2
AA:3D
XC302.9
XC315:3
ADR
EFLH
AD:0B
A28B.X1:5
ADR
LH/SLP
XS358
0.75YE
0004
0.75YE
0004
FE:0C
A177.X1:9
AC:1C
S169.A1
AC:1C
S254.1
EF
AA:0D
XC355:1
XC355:3
0.75YE
0004
0.75YE
0004
ADR
APMEFLH
Page 6 (268) Wiring diagram
T3065413
3210
A
B
C
D
WIRINGDIAGRAMACMAINSWITCHUADR
S254
13
24
S169A1
A2
0.75YE
0004
0.75WH
1
1.0WH
1
1.0YE
0004
AB:2B
XC315:3
YB:0B
XC315:4
YB:1C
XS370
AB:0B
A163.X2:14
ChassisSwitch
IFBBoxin
Lefthand
IFBBoxin
EndofFrame
ToggleSwitch
Opencircuitrequest
Ifswitchclosed
Opencircuitrequest
IfswitchOpen
Wiring diagram Page 7 (268)
T3065415
3210
A
B
C
D
WIRINGDIAGRAMADMAINSWITCHADR1/ADR2
BISTABLE
RELAY
B-boxLH
B-boxLH
0.75PK
0006
F92
1A
1
2
2.5RD
2007
0.75RD/GN
0007
0.75PK
0006
70RD
2007
PCB
A28B88A
88
X1:1X1:4
X1:7X1:5X1:3X1:6
X1:2
X2:3
X2:2
X2:4
X2:1
95RD
2007
50RD
2007
0.75PK
0006
0.75RD/GN
0007
0.75RD
2022
2.5WH
1
2.5WH
1
0.75WH/RD
0008
0.75PK
0006
0.75RD/GN
0007
0.75VT
0005
XC327:5
2.5WH
1
2.5WH
1
0.75YE
0004
0.75WH
1070
70RD
2007
70RD
2007
AA:1B
FMA:1
2.5RD
2007
0.75RD
2022
0.5WH/GN
2020
0.5GN
6000
XC131:6XC131:15
ADR
fuse
BC:0B
XC207:1
AA:1C
G01A.A1
BE:1C
XS1292
BE:1B
XS1107
AB:2B
XC355:3
XC207:3
XC207:6
XC327:2
0.75YE
0004
YB:0D
5.5_1
YB:0D
5.5_1
XC207:5
XC207:4
XC131:7
XC131:16
0.75PK
0006
0.75RD/GN
0007
0.75WH/RD
0008
0.75GY
0006
0.75RD/BU
0007
XC108_2:2
0.75RD/BU
0007
XC108_2:1
0.75GY
0006
0.75GY
0006
XC108_2:3
0.75PK
0006
0.75PK
0006
XC108_2:4
0.75RD/GN
0007
S39
24
13
XC329:1
XC327:1
0.75RD
2022
0.75RD
2022
AB:2B
XC315:3
XC327:4
0.75WH/RD
0008
XC328:4
0.75WH/RD
0008
0.75WH/RD
0008
0.75RD/GN
0007
XC327:6
XC328:5
0.75RD/GN
0007
0.75RD/GN
0007
XC328:6
0.75PK
0006
0.75PK
0006
XC327:10
XC328:10
0.75VT
0005
XC328:7
XC328:8
XC327:7
2.5WH
1
2.5WH
1
XC327:82.5WH
1
XC108_1:30.75PK
0006
0.75PK
0006
XC108_1:4
0.75RD/GN
0007
XC108_1:1 0.75GY
0006
0.75GY
0006
XC108_1:2 0.75RD/BU
0007
0.75RD/BU
0007
0.75VT
0005
OROR
OROR
BC:0B
XC207:1
XC328:1
0.75RD
2022
XC329:7
2.5WH
1
XC329:8
2.5WH
1
2.5WH
1
XC329:4
XC329:5
XC329:6
YB:0D
5.5_1
YB:0D
5.5_1
XC329:10
0.75VT
0005
0.75VT
0005
Neutral
ADREMERGENCYSWITCHINCAB(S38,S39)
SwitchPositionAction
0
1OpentheADR
Mainswitch
0!-!1
0.75VT
0005
BE:0B
A187.CN1:14
AA:2B
FMB:1
AA:2D
X54.2
AA:1C
G01A.A1
B-boxLH
B-boxEF
B-boxEF
B-boxLH
B-boxEFB-boxEF
10
S38
1
23106
794
0.75WH/RD
0008
0.75YE
0004
0.75RD/GN
0007
0.75RD/GN
0007
0.75RD/BU
0007
Page 8 (268) Wiring diagram
T3065411
3210
A
B
C
D
WIRINGDIAGRAMAEMAINSWITCHADR3
K70B
PCB
BISTABLE
RELAY
A28B88A
88X1:6X1:3
X1:1X1:4
X1:2
X2:3
X2:2
X2:4
X2:1
X1:5X1:7
K70A
85
8688
88a
85
8688
88a
0.75WH
2022
70BK
1
70RD
2007
70RD
2007
2.5RD
2150
2.5RD
2007
0.75BN
1
2.5WH
1
2.5WH
1
2.5WH
1
2.5WH
1
2.5WH
1
2.5RD
2007
2.5RD
2007
XS398
G01B
B1D1
A1C1
G01A
A1
B1
F92
1A
1
2
Wiringoutsideboxedarea
isthesameasforbasicADRsystem.
Togndinframe
BC:0D
XC140:24
BC:0D
XC140:21
Bluearmoredcable
XC207:2XC207:1
0.75WH
2022
AA:1B
FMA:1
5.10_1
70BK
1000
70RD
2006
2.5BN
1
0.75BN
1
XS307
Wiring diagram Page 9 (268)
T3065414
3210
A
B
C
D
WIRINGDIAGRAMAFKEYSWITCH
0.35WH
1070
0.35BU
0022
0.35BN
0023
0.35BN
0024
0.35BU
0021
Gray
coding
Off
ACC
Run
Preheat
Crank
S15
1
2
3
5
6
Keyswitch
Keyin/outABCKeyRef/Gnd
VMCU
A187
CN3:19CN3:15CN3:24CN3:25CN3:14
0.75RD/BU
0022
PH:1D
A132.A:5
0.75WH/RD
0022
PH:1D
A132.A:6
OR
Page 10 (268) Wiring diagram
T3065416
3210
A
B
C
D
WIRINGDIAGRAMBAINSTRUMENT
0.5OG
7008
0.75GN
7005
0.75YE
7004
0.5RD
2028
0.5RD
2027
0.5OG
70020.5GN
7003
0.5OG
7002
0.5GN
7003
0.5GN
3000
0.5WH
7012
0.5GN
7013
0.5WH
1
Displaysubnet
Pwr
Gnd
SIDlowIClink
Hazard
Warning
HL
HL
A03
A:3A:1
A:2
A:4
A:6A:5A:8
0.75GN
7007
0.75OG
7006
0.5OG
7008
0.5GN
7009
0.5OG
7002
0.5GN
7003
XS168
FRC
A01.CB12:5
0.5WH
1
A01.CB12:12
IO:3B
A156.A:5
IO:3B
A156.A:6
SE:2C
XS150
SE:2C
XS151
SB:1C
XS1114
SB:1B
XS1113
SID
High
Supply
HMIIOM
LH
LHHH
Display
subnet
Backbone1
GndL
Backbone2
L
Infotainment
subnet
A161
Controlunit,HMIIOM,
HumanMachineInterface
IOModule
A:15A:14A:17A:18A:12
A:20A:21
A:23A:24
A:26
SID
Low
IO:2B
A155.A:5
IO:2B
A155.A:6
0.5OG
7002
BE:0B
A187.CN1:7
SA:3B
XS163
SA:3B
XS162
SE:2C
XC140:18
0.5GN
7009
SE:2C
XC140:9
++
XS169
0.5OG
7008
IO:0C
A169.B:3
0.5GN
7009
IO:0C
A169.B:2
F18
3A
1
2
F24
3A
1
2
YG:0D
1.5.A:9
YG:0D
1.5.B:3
0.5GN
7003
OROR
OROR
Wiring diagram Page 11 (268)
T3065417
3210
A
B
C
D
WIRINGDIAGRAMBCTACHOGRAPH
0.75RD/GN
2032
0.75BN
1
SA:0B
XC140:16
0.75RD
2022
0.5GN
7015
0.5WH/GN
2138
0.5GN
7015
0.5YE
7014
0.75WH
1
0.5VT
0009
0.75WH
1070
0.75WH/BN
0012
0.75RD
2031
FRC
0.75RD
2022
AD:0D
XC329:1
BE:0B
A187.CN2:19
BE:0B
A187.CN2:20
BE:0B
A187.CN2:21
XC140:13
0.75RD
2031
0.75RD
2031
XC140:14
0.75WH/BN
0012
0.75WH/BN
0012
XC140:15
0.75WH
1070
XC140:6
0.75RD/GN
2032
0.75RD/GN
2032
XC203:22
0.75RD/GN
2032
XC203:21
0.75WH
1070
0.75WH
1070
XC203:20
0.75WH/BN
0012
XC203:19
0.75RD
2031
BX:0C
A122.B3
A01.CT1:10
0.5RD
2157
YF:0C
A01.CT1:11
0.75YE
7004
SA:0B
XC140:7
0.75GN
7005
A01.CB12:15A01.CT1:18
0.5RD/YE
2137
BX:2D
FMS.6
BX:2D
FMS.9
DataSignal
(in/out)
SpeedPulse
(VMCU)
FMSGateway
Power
Supply
(24v)
Backbone1
L
SpeedSensor
Gnd
infointerface
KeySignal=SpeedPulseStdOutput
Ignition
H
LH
Positive
supply
forsensor
SpeedSignal,
realtime
Battery
Minus
forsensorBatt-120ohm
CAN
tranceiver
activation
A33
Tachograph
A5B1B2B4B3A6
A3A4A8A1D8B6B7D3
C8C5C7
XC140:8
XC140:17
F40
3A
1
2
XC140:21
0.5RD
2022
XC207:1
OROROROR
0.5GN
0011
BU:2B
A125.X1:27
AD:0D
XC328:1
0.5RD
2022
0.75BN
1
AE:2D
XC207:2
0.75WH
2022
AE:2D
XC207:1
Bluearmoredcable
XC140:21
0.75WH
2022
XC140:24
F23
3A
1
2
A01.CT1:5
OR
0.5RD
2157
A01.CB12:14
+
CA:2A
VMCU
RoadSpeed,
Supply
RoadSpeed,
Ground
RoadSpeed
Signal
RoadSpeed,
DigitalSignal
XC303
2471626
0.5GN
7015
0.5YE
7014
Bluearmoredcable
TransmissionInterfaceToschematicDA,DC
(GIC021)
Page 12 (268) Wiring diagram
T3065419
3210
A
B
C
D
WIRINGDIAGRAMBEVMCUVEHICLEMASTERCONTROLUNIT
0.75WH/VT
2020
0.75GN
3000
Headershelf
Backlight
Accessories
SignalOutput
OBDII
Proprietary
Backbone1
LH
Backbone2
H
ChassisSubnet
LHL
Ignition
signal
chassis
VMCU
ClutchPedal
Acceleratorpedalsensor
VehicleSpeedsensor
Dashboard
Backlight
Hazard
Hardwire
Bodybuilder
Backlight
HL
Supply1
Gnd1
SupplySensor/switch
Switch
LIN7
ESCL
TiltPump
120W120W
Enableout
LIN7
GndGnd
GndLED/PWM
Pedal1
Supply2
Gnd2
Pedal2
Ignition
signal
cab
Feedbackcabtilt
GndchassisCabChassis
Bunk
Backlight
SwitchBacklightsGND
Gnd4Gnd1Gnd2Gnd3
GndPOSSupplySupplySignalSignal
HazardSwitch
Position
LightCircuit
ControllerVehicle
SupplySupply
A187
CN2:23????CN3:7
CN1:24
CN1:23CN1:14CN1:12
CN2:13CN2:20CN2:17CN2:18
CN1:6CN3:8
CN1:10CN3:2CN1:7CN1:17
CN1:4CN1:2
CN2:21
CN2:22CN1:9CN3:4
CN2:19CN2:24CN2:25CN12:5
CN12:8
CN1:5CN1:15CN1:16CN1:18
CN1:21CN1:22CN1:26
CN3:1
CN3:3CN3:5
CN3:6CN3:10CN3:22
CN3:13
CN3:20CN3:11CN3:9
0.75GN
3000
0.75WH/VT
2020
0.5WH/VT
2020
0.75WH/VT
2020
0.5WH/BU
0013
0.5WH
1070
0.5WH/BN
0014
0.5GN
6000
0.5PK
6000
0.75WH
1070
0.75GY
7017
0.75WH/VT
2020
0.75RD/GY
7021
0.75PK
7020
0.5OG
7018
0.5GN
7019
0.75RD
2031
0.75WH/BN
0012
0.75WH
1070
0.75GN
7001
0.75OG
7000
0.75GN
7007
0.75OG
7006
0.75GN
7005
0.75YE
7004
0.5WH
1070
0.5RD
2034
0.5RD
2035
SA:2B
XS157
SB:3C
XS1120
SB:3B
XS1119
SD:0B
XC203:5
SD:0B
XC203:6
SA:2B
XS156
B25
Sensor,acceleratorpedal
4321
XA:1C
OBD.14
XA:1C
OBD.6
BG:2C
M50.A:1
BG:2C
M50.A:3
FCIOM
GC:2A
XC317:13
RCIOM
GP:2C
B243.3
GP:2C
B243.2
0.5WH/GN
0015
BC:1D
XC203:19
BC:2D
XC203:20
BC:2D
XC203:21
0.75GN
3000
GC:2A
XC317:14
0.5GN
3000
BA:2B
A03.A:8
0.5WH/GN
2020
AD:3A
S38.9_A1
ADR
Switch
0.5GN
6000
AD:3A
S38.1_A1
ND:1B
S246.1
XC203:27
0.5GN
3000
0.5GN
6000
IF:0C
R04.1
XC203:26
BU:3D
S77.1
FCIOM
RCIOMACM
XS320
0.75WH/VT
2020
0.5WH/GY
4014
IG:0C
U30.3
EA:0B
A12A.X1:9
ABS
0.5GN
6000
IF:1C
IF:0C
X105.1
0.5GN
6000
IG:1D
X07A.1
0.75RD/GY
0016
KA:3B
XC130:14
0.75BU
0018
KA:2D
XC213:1
0.75WH
1070
KA:3D
XC130:15
0.75GN
6000
RA:1B
S95.1
XS1292
0.5WH/GN
2020
0.75WH/VT
2020
CE:0B
A174.A:3
S58
0.75WH/GN
2020
PH:1D
A132.A:8
0.5GN
6000
E110.1
0.75WH/VT
2020
CK:0B
A174B.A:3
Euro6
XS1107
GA:0B
A162.X1:17
GA:0B
A162.X1:22
ACM+
0.5GN
6000
0.5WH
1070
0.75WH
1070
HF:1C
XC141:29
0.5WH
1070
ND:0B
S243.10_1
0.75WH
1070
AD:3A
S38.10_A1
0.5WH
1070
BU:3D
S77.10_1
0.5GN
6000
HF:1B
XC141:33
0.75GY
3044
SK:2C
S255.A5
0.75WH
1070
SK:2C
S255.A4
0.75WH/VT
3046
SK:2C
S255.A6
F27
10A
F28
20A
11
22
++
FRC
XC301_2:14XC301_2:13
5623
Rainsensor
Wiring diagram Page 13 (268)
T3065422
3210
A
B
C
D
WIRINGDIAGRAMBGCIOMCABIOMODULE
L
Swivel
seatswitches
L
BB1Termination
Antenna
Immobilizer
L
CIOM
Steeringcolumn
lockcontrol
(ESCLpowersupply)
Cabsubnet
HL2
L
GndHH2
FMSSubnet
SecuritySubnetBackbone2
Backbone1
Beltbuckle
On/OffHH1L1
Power
Supply
L1H1H
FrontLidlock
Relay
control1
Relay
control2sensors
Feedback
Luggage
Compartment
Switch
A160
Controlunit,CIOM
CabIOModule
A:1
A:4B:8B:10B:9
A:8
A:9
A:10
A:11A:12C:5C:6A:13A:28A:29A:30A:14
A:15A:22A:23A:21A:24
A:25
A:26
A:27
MC/LINµ
M50A:3A:1
A:4A:2
A:1A:3
0.5WH
1
0.5OG
7022
0.5GN
7023
(87)
(85)
(87a)
(30)
(86)
(87)
(85)
(87a)
(30)
(86)
K52AK52B
FLLrelay
control-1
FLLrelay
control-2
A1
A3
A2
A5A4
B3
B1
B2
B5B4
M
M48
Motor,
frontlid
lock
214
5
0.5RD
2037
0.5RD
2037
0.5RD
2037
0.5WH
1
0.5GN
50010.5WH/VT
5000
0.75YE
7024
0.5OG
7022
0.5GN
7023
0.5OG
7022
0.5GN
7023
0.75GN
7005
1.5WH
1
0.75RD/GY
7021
0.75PK
7020
0.75RD/BU
5004
IIMM_ANT_1
IIMM_ANTSTSW_ILL
IIMM_ANT_2
ILL_CATHODE
0.75BU
5003
0.5OG
7081
0.5GN
7082
0.75OG
7006
0.75GN
7005
0.75GN
7007
0.75YE
7004
FRC
A01.CB12:3
1.0WH
1
SA:1B
XS154
SA:1B
XS155
SB:1B
XS1113
SB:1C
XS1114
IT:1B
A06D.A:2
BE:0B
A187.CN12:5
BE:0B
A187.CN1:17
0.75VT
0027
IT:3B
A06P.A:9
0.5YE
7014
BX:2D
FMS.6
0.5GN
7015
BX:2D
FMS.9
F63
10A
1
2
0.75YE
7004
SA:2B
XS157
SA:2B
XS156
0.75WH/GN
5008
SF:1C
XS1257
SF:1C
XS1256
SC:2C
XC130:8
0.5GN
7023
SC:2C
XC130:9
W02
Antenna,immobiliser
1346
SC:1C
XC140:19SC:1C
XC140:20
SC:1C
XS1218SC:1C
XS1219
+
0.5OG
7022
0.75RD/GN
5005
1.0RD
2036
A01.CB2:5
XC213:5
0.5PK
5006
XC213:6
0.5WH/RD
5007
+
XC213:12
XS1294
0.5WH
1
XS1293
HA:1B
A34B.X2:2
HA:1B
A34B.X2:1
0.75PK
5009
IB:1D
XS1283
0.75GN
70250.5WH/GY
5002
XC213:7
0.5WH
1
0.75 WH
1
XC130:2
0.75PK
5009
YH:0D
1.4.B:2
YH:0D
1.4.B:10
1
LockingLID
4
+
+
FRONTLIDLOCKMOTOR(M48)
UnlockingLID
_
PIN
_
YH:0D
1.4.A:1
YG:0D
1.5.A:8
F34
5A
1
2
Motor,
ESCL
(Electrical)
(SteeringColumn)
(Lock)
ILL_ANODE
Page 14 (268) Wiring diagram
T3065424
3210
A
B
C
D
WIRINGDIAGRAMBUTISTELEMATICSSERVICE
0.5BN
0247
0.5GN
4026
K71
BA
A1
A3
A5A4
A2
B3
B4B5
B1
B2
0.5WH
4025
0.5WH
1
0.5GN
4187
Supply
Gnd
SIDCP
LIN
Splitter
FM
Audioout
Ethernet
PWRGND
LIN
VideoLVDSL+L-
A175X1:1
X1:10X1:12X1:11X1:13X2:1
X3:1
X1:17X1:18
X4:1
0.5WH
4186
4174
0.35WH
4177
0.75NL
4176
4168
0.5GN
0215
4180
0.75GY
7034
4174
0.5GN
4026
0.5WH
4025
0.5GN
6000
0.5WH
1070
0.5WH
1070
FRC
A01.CB3:6
F66
3A
1
2
XC141:6
0.5WH/VT
0028
0.5WH/VT
0028
XC141:7
4170
0.5OG
7008
SE:2C
XC140:18
0.5GN
7009
SE:2C
XC140:9
0.5OG
7008
SE:1C
XS1208
0.5GN
7009
SE:1C
XS1207
BE:1B
XS1107
IK:0B
A07.C2:7
IK:0B
A07.C2:8
IK:0B
A07.X3
XC141:8
+
XC141:35
W21
1
W15
1
A09
1
W06
1
0.5GN
0011
BC:1B
A33.D8
0.75WH
7035
XC141:9
W16
1
4174
IK:2B
FREE
0.5RD
2040
0.5RD
2040
0.5OG
0214
4171
4179
Phone
W14
1
0<-1
EMERGENCYSWITCHCALL(S77)
Action
Activationof
Emergencycall
toWarehouse
Netural
SwitchPosition
0
1
A01.CT1:33
BE:0B
A187.CN1:6
SL:2C
XC144:11
SL:3C
XC144:10
MIC
B271
21
0.5BN
3002
0.5WH
1
YK:1C
XS1289
0.5WH
1
YK_RHD:1C
XS1289
OR
0.5WH
4025
IK:0B
A07.C2:7
0.5WH
1
YF:1C
4175
IO:1B
XC151:1
4169
0.5GN
4026
IK:0B
A07.C2:8
Emergency
assistance
CAN1_RL
Infotainment
subnet
LED
Supply
Gnd
GPS
Switch
Ethernet
WLANGSM
D8
.
Rc
Cc
Rc
CAN1_RH
Audioout
Microphone
Audio
switchL+L-
A125X1:1
X1:7
X5:1
X4:1X3:1X2:1
HHLL
X1:34X1:33X1:37X1:14X1:13X1:36
X1:25X1:20X1:19X1:27X1:35X1:39X1:40X1:26
0.5BN
3002
FMSplitter
A188
B:1
A:1C:1
0.75GY
7034
0.5RD
2040
0.75WH
7035
4169
0.5WH
4184
0.5GN
4185
10
S7719
10
4
8
IK:0B
A07.C2:7
IK:0B
A07.C2:8
YK:1C
XS1289
0.5BN
0247
0.5WH
1
A01.CT1:12
Wiring diagram Page 15 (268)
T3065426
3210
A
B
C
D
WIRINGDIAGRAMBXTISTOLLCOLLECT,FMSCONNECTOR
0.5GN
7015
0.5YE
7014
0.5VT
0009
0.75WH
1
0.5YE
7014
0.5GN
7015
FRC
Tollcollect
Pwr
Gnd
IgnitionBacklightTacho
DSRC
GSMGPS
A122
A3A2A1X3:1X2:1
A5
B3
C8C1C2C3C6C5C7
4123657
691012
HL
A01.CT1:34
FMSConnector
A01.CB3:15A01.CB3:18
BG:0C
A160.A:10
BG:0C
A160.A:26
TollcollectDSRC
OBU
A123
YF:0C
A01.CT1:19
F25
3A
1
2
0.5RD
2041
0.75RD/GY
0220
0.75BU
0222
BC:1B
A33.B6
F91
10A
1
2
clamp30(+24V)
clamp15(+24V)
0.5WH
1
W17
1
W18
1
0.75RD
2042
0.75RD
2043
0.75GY
0216
0.75WH/YE
0217
0.75RD/BU
0218
0.75RD/GN
0219
0.75RD/YE
0221
A01.CT1:16
clamp31(powerground)
BC:2C
XC140:8
BC:3C
XC140:17
TACHO
CIOM
0.5WH/GN
2020
A01.CB3:23
+
F85
3A
1
2
+
(87)
(85)
(87a)
(30)
(86)
K22
1
3
2
45
+
Ignition
20ARelay
YG:0D
1.5.A:6
0.5WH/RD
6000
4173
4172
Headershelf
signal
cab
Ignition
Backlights
SUBNET
FMS
127
A01.CT1:13
PE:1B
F81.1
VMCU
From
VMCU
Page 16 (268) Wiring diagram
T3065427
3210
A
B
C
D
WIRINGDIAGRAMCAENGINEINTERFACE
XC302,GIC020,EngineInterfaceToschematicCBToschematicCB
(GIC020)
XC302
1.5RD
2044
1.5RD
2044
1.5RD
2044
1.5RD
2044
2.5WH
1
1.5WH/RD
2047
2.5WH
1
0.75VT
2046
A01.CB2:22
A01.CB2:23
A01.CB2:18
A01.CB2:9
F41
15A
1
2
F42
15A
1
2
F44
10A
1
2
F43
10A
1
2
2.5WH
1
YA:2C
XS374
YA:2C
XS374
1.5WH/BN
2045
XC210:3
0.75VT
2046
XC210:6
0.75WH/RD
2047
XC210:1
XC210:2
1.5WH/BN
2045
YA:2C
XS374
(87)
(85)
(30)
(86)
K27
Relay,EMS
(EngineManagementSystem)
40A
1
3
2
5
FRC
XC210:4
1.5RD
2044
XS1302
+
From
VMCU
BC:2A
F40.1
PowerSupply3,
EMSLoads,
fuelheater
PowerSupply2,
EMS
PowerSupply1,
EMS
PowerSupply1,
EMSLoads,
Viscofan
PowerSupply2,
EMSLoads
Ground,
EMScommon2
Ground,
EMScommon1
Ground,
EMSextragnd,
fuelheater
3337273931211315
BC1:2A
F40.1
Wiring diagram Page 17 (268)
T3072458
3210
A
B
C
D
WIRINGDIAGRAMCA1ENGINEINTERFACENETWORKS
Backbone1Backbone2Powertrain
Subnet
LHLHLHLH
PowertrainSubnet
EML4
EML4EML4
EngineSubnet
EML4
EM-EU6EM-EU6
LH
123456343663
0.75GN
7005
SA:1D
XS332
0.75YE
7004
SA:1D
XS331
0.75GN
7005
SA:2D
XS330
0.75YE
7004
SA:2D
XS329
0.75GN
7005
SA:3D
XS328
0.75YE
7004
SA:3D
XS327
0.75GN
7005
SA:4C
XC203:2
0.75YE
7004
SA:4C
XC203:1
0.75OG
7006
DC:0C
XC303.2
0.75GN
7007
DC:0C
XC303.5
TECUTECU
0.75YE
7038
0.75GN
7039
0.75YE
7038
0.75GN
7039
EM-EU6EM-EU6
NOX
0.75OG
7128
DC:0C
XC303.3_A2
0.75GN
7129
DC:0C
XC303.6_A2
0.75GN
7037
XC303.6_A1
0.75YE
7036
DC:0CDC:0C
XC303.3_A1
0.75GN
7037
CE:0D
XC312.8_A1
0.75YE
7036
CE:0D
XC312.7_A1
0.75GN
7037
CE:0B
A174.A:2
0.75YE
7036
CE:0B
A174.A:6
ACM
XS349
0.75YE
7036
XS350
0.75GN
7037
0.75YE
7036
DC:0C
XC303.3_A1
0.75GN
7037
DC:0C
XC303.6_A1
0.75YE
7036
CE:0D
XC312.7_A1
0.75GN
7037
CE:0D
XC312.8_A1
0.75GN
7037
CE:0B
A174.A:2
0.75YE
7036
CE:0B
A174.A:6
ACMNOX
NOX
TECU
CK1:0D
XC312_2.7_A2
CK1:0D
XC312_2.8_A2
CK:0D
XC312.7_A2
CK:0D
XC312.8_A2
TECU
0.75OG
7006
DA:0C
XC303.2
0.75GN
7007
DA:0C
XC303.5
Transmission
Manual
XC302,GIC020,EngineInterfaceToschematicCBToschematicCB
(GIC020)
XC302
Page 18 (268) Wiring diagram
T3065429
3210
A
B
C
D
0.75GN
0.75BN/W
0.75GR/W
0.75GN/W
0.75Y
0.75GN/W
0.75BN/W
1.5W1,5W
1.0W1.0W1.0W1.0W1.0W1.0W1.0W1.0W1.0W1.0W1.0W1.0W
1,5W
0,75BN
0,75BL/GN
1
0,75Y0.75BL
0,75BL/BN
4
0,75GN
n
B05
2
13
XE22
XE23
XE34
XE35
1,5W1,5W
XE11
1,5GR/SB
1,5GR/SB
XE10
XE13
1.0W1.0W1.0W1.0W1.0W1.0W1.0W1.0W1.0W
33
0.75SB
2,5W
5
0.75OR
2
0.75GR
R01
B1D1C1A1
n
B32
Y35
A43
1
234
5
XE12
0.75GR/R
n
B04
1
1.0R
1.0BL/R
P
B37
1
2
3
4
NCVSVSVNCVSVNCVSVNCVNCVSV
SV
NCV
NCVSVNCV
ECU
Gnd
ECU
Gnd
ECU
Gnd
ECU
Gnd
Switch
Gnd_2
Switch
Gnd_1
StarterLSCoolant
Level
Cam
Speed
Cam
Speed
Crank
Speed
Crank
Speed
Crankcase
Press.
V5ext2
Backbone2PowertrainBackbone1
HLHLHLV5ext2
Gnd
V5ext1
GndV5ext1
Exhaust
Temp.
Fuel
Press.
Coolant
Temp.
ECU
Supply
ECU
Supply
Boost
Temp.CoolingFanStopRequest
Preheat
Relay
Boost
Press.
AirFilter
Ind.
Oil
Press.
Oil
Level_H
Oil
Level_L
Oil
Temp.
EPG1VCBWaterIn
FuelValve
Water
InFuel
SV
ABDEFY33
412314214234123143143
B119
1
2
3
4
0,75GR
0.75GN/W
0,75GR
0,75BL/W
0,75BN/W
WIRINGDIAGRAMCBENGINED13,EM-EC01
3
0.75BL
6
0.75VO
2.5W2.5W
0,75Y
0,75BN/W
0.75BL/R
0.75BL/SB
15
EPG1WASTEGATE
Y37A1
62
7
A14
EB60EB51EB21EB22
EA20EA62
EB27EB16
EB4EB3
EB38EB55EB57EB11EB18EB17EB28EB8EB23EB10
EA59EA12EA56EA61EA52EA60EA32EB49
1.0Y
Y392
1
1.0W
EB30EB25
Feedback
EB7
EA27EA44EA48EA36EA40EA47EA22EA46EA7EA31EA45EA37EA38
EB59
EA11
EB61
EA24EA16EA28
EA3EB58EA57EB52EB56EA29EA15
EA35EA39
EB29
StarterHS
EB37EB44
1.5GR/SB0.75BN/W
0.75BN/W
1.5GN/R
XE9
0,75GR/W
0,75BL/W
Engineblock
0,75GR/W
B212
1
0,75Y/W
P
B54
2
4
0.75BN
XE6
0.75GR/W
P
B514
0.75GR
0,75Y
0.75BN/W
0.75BL/GN
S681
3
0.75Y
1.0Y/W
0,75GR/W0.75BN/W
P
B39
1
2
3
4
1.5W
P
B1184
B52
R10
Y38
A45
5
1
7
42
3
XE3
0.75BN/W
0.75BN
0.75BN0.75BN
0.75BL/R
1.0GR/SB
C
223
12
12121
Fan
Speed+
Fan
Speed-
Engine
block
86
8587
30+50
30
87
M
M04K65
B-
B+
A124
31
XC302,GIC020,EngineInterface
ToschematicCA,CA1
1.5R/SB
3921372731
XC302,GIC020,EngineInterface
ToschematicCA
K48
123
A
1.0BL/SB
XE58
0.75GR/W
1.0W1.0W1.0W1.0W1.0W1.0W1.0W
Wiring diagram Page 19 (268)
T3065430
3210
A
B
C
D
S683
1
B52R10
Y38
A45
5
1
7
42
3
Engineblock
n
B04
n
B05
XE22XE34
XE23
XE35
NCVSVSVNCVSVNCVSVNCVNCVSVNCVSV
ABCDEF
Y33
412314214234122231314433
EPG1WASTEGATE
Y371
62
7
XE11
M
Y109
2
1
Y39
1
2
CoolantLevel
Indicator
Coolant
PumpDrive
RelayDriveCrank
Speed+
Crank
Speed-
Switch
Gnd2
Cam
Speed+
Cam
Speed-
WaterIn
Fuel
Indicator
WaterIn
FuelValve
Drive
VCBDriveAVU(PWM)EPG/
WastegateDrive
Waste
Gate
(AVU)
ECU
Gnd
ECU
Gnd
ECU
Gnd
ECU
Gnd
NCVSVNCVSV
PistonCooling
JetDrive
OilThermostat
Drive
A14
EA3EA57
EA59EA45EA61EA28EA12EA16EA24EA20EA32EA52EA56EA60EA37
EA4
EA36EA38EA40EA44EA46EA48EA62
EB53EB10EB38EB23EB59EB30EB61EB8
2121
EB41EB58EB50
XE10
XE9
Y1101
2
Y1111
2
0.75Y
0.75Y
0.75GR/W
0.75GR/W
0.75GR/W
1.0Y/W
1.5W
1.5GN/R
0.75BL/SB
86
8587
30+50
30
87
M
M04K65
B-
B+
A124
31
1.5R/SB
1.5GR/SB
1,0Y/BN
0,75BL/R
0,75BL/SB0,75BN/W
1,0Y/R
1,0GR/SB
1,0GN/W
1,0GN/W
1,0GR/SB
1,0GR/SB
1,0GR/SB
1,0W
1,5W
1,0W1,0W1,0W1,0W1,0W1,0W1,0W1,0W1,0W1,0W1,0W1,0W1,0W1,0W1,0W1,0W
1,0W1,0W1,0W1,0W1,0W1,0W1,0W1,0W1,0W1,0W1,0W
1,5W1,5W1,5W
1,5W
2,5W2,5W2,5W
0,75BN0,75BL
1,0W
1,0R/SB
A3921372731
XC302,GIC020,EngineInterface
ToschematicCA
StarterLS
EB29
StarterHS
EB37
1
0,75Y0.75BL
0,75R
4
0,75GN
135
0.75OR
2
0.75GR
R01
B1D1C1A1
1.0BL
1.0R
1.0BL/R
Backbone2PowertrainBackbone1
HLHLHLECU
Supply
ECU
Supply
Preheat
Relay
3
0.75BL
6
0.75VO
15
EB60EB51EB21EB22EB55EB57EB25
Feedback
EB7EB52EB56
Engine
block
XC302,GIC020,EngineInterface
ToschematicCA,CA1
K48
12
1 2
3
A
WIRINGDIAGRAMCBENGINEPage1D13,EM-EC06,EM-EU5
Page 20 (268) Wiring diagram
T3065431
3210
A
B
C
D
B212
1
P
B514
XE3
P
B544
P
B39
1
2
3
4
P
1
2
3
4
B213
XE6
P
B1184B119
1
2
3
4
XE13
P
B371
2
3
4
XE12
n
B32
Y35
A43
1
2
3
45
V5EXT2
Gnd
Coolant
Temp
AirFilter
Indicator
V5EXT2GND
Supply
CrankCase
Pressure
OilPressureFuel
Pressure
ButterflyValve
BackPressure
Cooling
FanDrive
Fan
Speed-
Fan
Speed+
V5EXT1
Supply
Boost
Temp
Boost
Pressure
V5EXT1
Gnd
Oil
LevelH
Oil
Temp
Oil
LevelL
OilPiston
Cooling
JetPressure
A14
11AE7AEEA15EA31EA35EA29EA47EA39EA22EB17EB18EB27EB19EB49EB12EB4EB28EB3EB16EB11
P
B207
11221212
4
0,75BN/W0,75BN/W0,75BN/W
0,75BN
0,75BN0,75BN0,75BN0,75BN
0,75OR
0,75BN
0,75BN/W0,75BN/W
0,75BN/W
0,75BL/SB
0,75BL/R0,75Y/W
0,75GR/W
0,75GN/Y
0,75BL/Y
0,75Y
0,75BL/Y
0,75BN/W
0,75GN/W
0,75GN/W0,75GN/W
0,75BL/W
0,75GR/R0,75GR/W
0,75BL/GN
0,75GR
0,75SB
0,75Y
0,75GR
0,75GN
0,75BN/W
0,75BN/W
XE15
0,75Y
WIRINGDIAGRAMCBENGINEPage2D13,EM-EC06,EM-EU5
33
XC302,GIC020,EngineInterface
ToschematicCA
Wiring diagram Page 21 (268)
T3071757
3210
A
B
C
D
S683
1
B52R10
Y38
A45
5
1
7
42
3
Engineblock
n
B04
n
B05
XE22XE34
XE23
XE35
NCVSVSVNCVSVNCVSVNCVNCVSVNCVSV
ABCDEF
Y33
412314214234122231314433
EPG1WASTEGATE
Y371
62
7
XE11
M
Y109
2
1
Y39
1
2
CoolantLevel
Indicator
Coolant
PumpDrive
Crank
Speed+
Crank
Speed-
Switch
Gnd2
Cam
Speed+
Cam
Speed-
WaterIn
Fuel
Indicator
WaterIn
FuelValve
Drive
VCBDriveAVU(PWM)EPG/
WastegateDrive
Waste
Gate
(AVU)
ECU
Gnd
ECU
Gnd
ECU
Gnd
ECU
Gnd
NCVSVNCVSV
PistonCooling
JetDrive
OilThermostat
Drive
A14
EA10EA57
EA59EA45EA61EA28EA12EA16EA24EA20EA32EA52EA56EA60EA37
EA4
EA36EA38EA40EA44EA46EA48EA62
EB53EB10EB38EB23EB59EB30EB61EB8
2121
EB41EB58EB50
XE10
XE9
Y110
2
1
Y111
2
1
0.75Y
0.75Y
0.75GR/W
0.75GR/W
0.75GR/W
1.0W
1.0Y/W
2.5W
2.5GN/R
0.75BL/SB
0,75BL/R
0,75BL/SB
Y34
EGRValve
Drive1BDrive1A
EB9EB13
213
0,75SB
0,75Y/GR0,75BN/W
1,0R/W
1,5GR/SB
2,5GR/SB
1,0GN/W
1,5W
1,0W1,0W1,0W1,0W1,0W1,0W1,0W1,0W1,0W1,0W1,0W1,0W1,0W1,0W1,0W1,0W
1,0W1,0W1,0W1,0W1,0W1,0W1,0W1,0W1,0W1,0W1,0W
1,5W1,5W1,5W
1,0W
2,5W2,5W
2,5W
0,75Y/W0,75BL/R
1,0W
XE30
A392133372731
XC302,GIC020,EngineInterface
ToschematicCA
1
0,75GN0.75BL/GN
0,75BN/W
4
0,75Y
135
0.75Y
2
0.75GN
R01
B1D1C1A1
1.0BL
1.0R
1.0BL/R
Backbone2Powertrain
EngineSubnet
Backbone1
HLHLHL
HL
ECU
Supply
ECU
Supply
Preheat
Relay
3
0.75BL
6
0.75VO
15
EB60EB51EB21EB22EB55EB57
EB35EB36
EB25
Feedback
EB7EB52EB56
Engine
block
XC302,GIC020,EngineInterface
ToschematicCA,CA1
3436
XC302,GIC020,EngineInterface
ToschematicCA1
K48
12
1 2
3
A
1,0GN/W1,0GN/W
2,5GR/W
1,0R/SB
1,0Y/BN
1,0GN/W
1,0W
86
8587
30+50
30
87
M
M04K65
B-
B+
A124
31
1.5R/SB
1.5GR/SB
Page2:4A
A43.4
0.75SB
Page2:0B
Y103.5
0.75BN/W
0.75GR
0.75OR
WIRINGDIAGRAMCBENGINEPage1D13,EML4,EM-EU6
StarterLS
EB29
StarterHS
EB37
Page 22 (268) Wiring diagram
T3071758
WIRINGDIAGRAMCBENGINEPage2
0.75BL/GN
0.75GR
0.75BN
0.75GN/Y
0.75BN/W
0.75BN
0.75GR/SB
0.75SB
0.75OR
0.75GN/R
0.75SB
0.75GN/W
0.75GN/W
1.0GN/W
0.75BN/W
0.75BN/W
0.75GR/W
0.75BN0.75BN
0.75BN/W
0.75BN/W
0.75Y/W
B21
2
21121
0.75BL/GN
P
B541
24
P
B1181
2
2
3
4
P
B51
4
PP
B371
2
3
4
0.75BN/W
B119
1
2
3
4
P
B187
12
4
0.75GR/R
0.75Y
Oil
Temp
CoolingFan
Drive
AT/AHI
FuelPress.
Turbo
Speed-
CrankCase
Press
ExhausManifoldV5EXT2
SupplyEGRTemp
AfterCooler
V5EXT2
GroundOilPress.
Boost
Pressure
Turbo
Speed+
Coolant
Temp.
Fuel
Press
EGRDiff.
Press.
Boost
Temp
V5EXT1
Supply
Fan
Speed-
V5EXT1
Ground
Fan
Speed+
Throttle
Position
Throttle
Motor
Throttle
Motor
PistonCooling
OilPressure
Oil
LevelH
Oil
LevelL
A14
EA7
V5EXT3
Supply
EA1EA11EA31EA35EA47EA21EA39
EA41
EA22
EA42
EA50
EB17EB18EB27
0.75BN/W
PullUp
Ground
PullUp
Ground
EB6EB19
EB49
EB5
EB4EA6
EB28
EB3
0.75BL/R
0.75GR/W
B39
1
2
3
4
Switch
Gnd1
Airfilter
Indicator
EA15EA29
stoprequest
EA27
EB1EB48EB24EB16EB11
0.75BN
0.75GR0.75GN
0.75BL/W
1.0BN/W
0.75GN/W
0.75GR
P
B21312
4
Pressure(CLB)
EB12
1.0BN
n
B32
Y35
A43
1
23
45
XE12
XE13
XE20
XE6
P
B207
4
1.0BN/W
0.75Y
XE3
M
Y114
415
0.75BN/W
0.75BN/W
0.75BN/W
Page1:2B
XE30
Page1:4C
XE11
D13,EML4,EM-EU6
0.75BN/W
0.75BL/GN
0.75BL/SB
0.75BL/W
0.75BL/SB
0.75BL/Y
ATInj.1
HSLSAT/AHI
Shut-Off
Valve
AHIAir
PurgeLSPurgeHS
EB2EB62EB45EB40EB42
Y103
234567
0.75GR/W
0.75BN
0.75BL/W
0.75BN
3210
A
B
C
D
Wiring diagram Page 23 (268)
T3065432
3210
A
B
C
D
0.75GN
0.75BN/W
0.75GR/W
0.75GN/W
0.75Y
0.75GN/W
0.75BN/W
1.5W1,5W
1.0W1.0W1.0W1.0W1.0W1.0W1.0W1.0W1.0W1.0W1.0W
1,5W
0,75BN
0,75BL/GN
1
0,75Y1.5R/SB
1.5R/SB
4
0,75GN
n
B05
2
13
XE22
XE23
XE34
XE35
1,5W1,5W
XE11
1,5GR/SB
1,5GR/SB
XE10
XE13
1.0W1.0W1.0W1.0W1.0W1.0W1.0W1.0W1.0W1.0W1.0W1.0W1.0W1.0W1.0W1.0W
33
0.75SB
2,5W
5
0.75OR
2
0.75GR
R01
B1D1C1A1
n
B32
Y35
A43
1
234
5
XE12
0.75GR/R
n
B04
1
1.0R
1.0BL/R
P
B37
1
2
3
4
NCVSVSVNCVSVNCVSVNCVNCVSV
SV
NCV
NCVSVNCV
ECU
Gnd
ECU
Gnd
ECU
Gnd
ECU
Gnd
Switch
Gnd_2
StarterLSCoolant
Level
Cam
Speed
Cam
Speed
Crank
Speed
Crank
Speed
Backbone2PowertrainBackbone1
HLHLHL
V5ext1
GndV5ext1
Exhaust
Temp.
ECU
Supply
ECU
Supply
Boost
Temp.CoolingFanStopRequest
Command
Boost
Press.
Oil
Level_H
Oil
Level_L
Oil
Temp.
EPG1VCBFuelPriming
PumpVIFValve
Water
InFuel
SV
ABDEFY33
412314214234123143143
B119
1
2
3
4
0,75GR
0.75GN/W
0,75GR
0,75BL/W
0,75BN/W
WIRINGDIAGRAMCBENGINED16
3
0.75BL
6
0.75VO
2.5W2.5W
0,75Y
0,75BN/W
0.75BL/R
0.75BL/SB
15
EPG1WASTEGATE
Y37A1
62
7
A14
EB60EB51EB21EB22
EA20EA62EB4EB3
EB38EB55EB57EB8EB23EB10
EA59EA12EA56EA61EA52EA60EA32EB49
1.0W
Y392
1
1.0W
EB30EB25
Feedback
EB7
EA27EA44EA48EA36EA40EA47EA22EA46EA7EA31EA45EA37EA38
EB59
EA11
EB61
EA24EA16EA28
EB33EB58EA57EB52EB56
EA35EA39
EB29
StarterHS
EB37EB44
1.5GR/SB
1.5GN/R
XE9
0,75GR/W
0,75BL/SB
0,75GR/W
0,75Y
S683
1
1.0Y/W
0,75GR/W
1.5W
B52
R10
Y38
A45
5
1
7
42
3
1.0GR/SB
C
223
12
Fan
Speed+
Fan
Speed-
Engine
block
86
8587
30+50
30
87
M
M04K65
B-
B+
A124
31
XC302,GIC020,EngineInterface
ToschematicCA,CA1
1.5R/SB
3921372731
XC302,GIC020,EngineInterface
ToschematicCA
K48
123
A
1.0BL/SB
0.75BL
Wastegate
(AVU)
EB50
Page2:2C
A44.FF7
Page2:2C
A44.FF1
1,0GR/SB
Page1
1.0W
Page 24 (268) Wiring diagram
T3065433
3210
A
B
C
D
WIRINGDIAGRAMCBENGINED16
Page1:3B
Page1:3B
Page2
A14
Switch
Gnd_1
Crankcase
Press.
V5EXT2GNDECUFuel
Press.
Coolant
Temp.
AirFilter
Ind.
Oilpressure
EB27EB16EB11EB18EB17EB28EA29EA15
0.75BN/W
0.75BL/GN
B212
1
0,75Y/W
P
B54
2
4
0.75BN
XE6
ButteflyValve
BackPressure
EB12
B213
4
0.75GR
0.75BN/W
FuelPriming
Pump
EA3
0.75Y
0.75Y
P
B39
1
2
3
4
P
B1184
XE3
0.75BN/W
0.75BN
0.75BN0.75BN
0.75BL/R0.75BL/Y
1213
2
1
P
XE15
0.75GR/W
0.75BN/W
0.75BN/W
1.5W
1.0GR/SB
M
P
GND
B51
M15
12
4
A445
17
23
4
1.0BL/W0.75BN
XE10
A45.WL7
0.75BL/GN
Wiring diagram Page 25 (268)
T3065420
3210
A
B
C
D
WIRINGDIAGRAMCEAFTERTREATMENTSYSTEMEM-EU5
(GIC128)
XC312,GIC128,MufflerInterfaceToschematicCE1ToschematicCE1
XC312
Pressuresensor(+)
DPF
PressureSensor
DPFsignal
PressureSensorGND
DPF
TempSensor
DPF
TempSensor
downstream
SensorGND
NOxSupply
TempSensor
upstream
NOxSupply
NOxGND
PowertrainSubnet
HLHL
PowertrainSubnetAdblueInjector
49657811102016191721123
0.75RD
2050
CANL
Backbone1
CANL
Supply
Ignition
Signal
CANH
GND
CANH
CATTempSensor
UpstreamDownstream
DPF
Temp
sensor
DPF
Pressure
sensor
AdBlueInjector
PowertrainSubnet
A174
A:2
A:10A:14A:3
A:6A:36A:39A:34A:26A:40A:42A:58A:57A:59
A:60A:61A:62
0.75YE
7036
0.75GN
7037
0.75WH
1009
0.75RD/GN
0039
0.75VT
0037
0.75WH/BN
0038
1.5WH
1
1.5WH
1
1.5WH
1
2.5RD
2019
2.5RD
2019
XS386
2.5RD
2019
2.5RD
2019
2.5RD
2019
0.75WH/VT
2020
0.75GN
7005
0.75YE
7004
0.75YE
7036
0.75GN
7037
0.75YE
7036
0.75GN
7037
0.75RD
2049
XS390
0.75YE
7036
0.75RD
2049
0.75RD
2048
0.75GN
7037
SA:3D
XS328
SA:3D
XS327
BE:1D
XS320
AA:3A
XC355:2
AA:3A
XC315:2
YA:3C
XS373
YA:3C
XS373
YA:3C
XS373
0.75WH
1010
DK:2B
XS383
1.5WH
1
YA:3C
XS373
0.75RD
2049
CF:4B
XC313:9
0.75YE
7036
0.75GN
7037
0.75GN
7037
0.75YE
7036
0.75WH
1009
0.75WH/RD
0036
CF:2B
XS385
0.75RD
2050
DK:1C
XS384
CF:2B
A174.A:54
0.75RD/GY
0034
0.75WH/BU
0035
0.75GN
7037
CF:3B
XC313:8
0.75YE
7036
CF:3B
XC313:7
CF:3B
XC313:5
CF:3B
XC313:4
TECU
TECU
UQS
EMS
EMS
AfterTreatment
CCIOM
NoxSensorsPowersupply
12
A163
X1:2X1:6
EFLH
DK:1A
A174.A:50
CA1:1D
XC302.6_A1
CA1:1D
XC302.3_A1
CA1:1D
XC302.6_A1
CA1:1D
XC302.3_A1
CA1:2C
XS350
CA1:2C
XS349
CA1:2C
XS349
CA1:2C
XS350
Page 26 (268) Wiring diagram
T3077266
3210
A
B
C
D
WIRINGDIAGRAMCE1AFTERTREATMENTSYSTEMEM-EU5
956
XC312,GIC128,MufflerInterface
ToschematicCE
XC312,GIC128,MufflerInterface
ToschematicCE
NOx
B96A
Sensor,NOx
A
2
HL
HLHL
1
34(Supply)
(Supply)
(GND)
(GND)
EngineSubnet
XE2
XE3
2143
B97
Sensor,Temp,
DPF
2
1
T3
0.75GN
1716
Soleonidvalve,
Dosingunit
2
1
0.75BN/W
0.75Y
0.75W
0.75GN/Y
0.75Y
0.75GN
0.75Y
0.75GN
871110202119
Y80
0.75Y
0.75GN
0.75BL/Y
0.75GN/Y
Wiring diagram Page 27 (268)
T3065421
3210
A
B
C
D
WIRINGDIAGRAMCFAFTERTREATMENTSYSTEMADBLUETANKCONTROL,EM-EU5
0.75RD
2050
0.75RD
2050
XC319:1
0.75YE
7036
0.75GN
7037
0.75WH
1009
2.5RD
2052
0.75RD/YE
0031
0.75WH/BU
0033
2.5RD
2052
0.75BN
0180
0.75WH/VT
0179
0.75WH/VT
0179
0.75BN
0180
0.75RD
2050
0.75WH
1009
0.75WH
1009
0.75RD/BU
0040
0.75VT
0029
0.75VT
0029
0.75WH/YE
0178
0.75WH/BN
0042
0.75BU
2051
0.75WH
1010
0.75GY
0030
0.75GY
0030
0.75WH
1010
0.75BU
2051
0.75WH/BN
0042
0.75WH
1009
1.5WH
1
0.75GN
7037
0.75GN
7037
0.75YE
7036
0.75YE
7036
0.75WH
1009
2.5RD
2052
1.5RD
2052
0.75RD
2050
2.5RD
2052
0.75WH/BN
0042
0.75BU
2051
0.75WH/YE
0178
0.75WH/BU
0033
0.75RD/YE
0031
0.75WH
1010
2.5RD
2052
2.5RD
2052
1.5RD
2052
1.5RD
2052
0.75RD/YE
0031
0.75WH/BU
0033
0.75RD/GY
0032
R57
12
R23
12
R56
12
0.75RD/GY
0032
0.75RD/YE
0031
XC313:17
XC313:16XC313:18
XC316:15
XC316:16
XC316:7
0.75WH/BU
0033
XS382
1.5RD
2052
XS387
Y811
4Pump
Reverting
Valve
Pressure
Sensor
M4989101112234
1.5RD
2052
B142213
4
0.75WH/BN
0042
0.75BU
2051
0.75WH/YE
0178
0.75WH/YE
0178
0.75RD/BU
0040
0.75RD/BU
0040
0.75WH/VT
0179
0.75BN
0180
0.75BN
0180
0.75WH/VT
0179
0.75VT
0029
0.75VT
0029
0.75VT
0029
XC316:110.75WH/VT
0179
XC313:8
XC313:7 XC316:10
XC316:2XC313:2
XC316:1XC313:1
XC316:14
XC313:14
XC316:6
XC313:15
1.5RD
2052
XC316:5
XC313:21
DK:2B
XS383
0.75WH
1009
XS385
DK:1D
XC303.21
1.5RD
2052
DK:1D
XC303.35_A1
DK:1C
XS384
XC313:13
0.75GY
0030
XC316:130.75GY
0030
XC313:19
2.5RD
2052
XC316:8 2.5RD
2052
2.5RD
2052
XC316:9XC313:9 0.75RD
2050
XC316:12
0.75WH
1009
XC313:6
0.75WH
1009
0.75WH
1009
XC313:3 XC316:30.75WH
1010
XC313:7
XC313:8
XC316:11
0.75GN
7037
XC316:10
0.75YE
7036
XC313:4
0.75YE
7036
XC313:5
0.75GN
7037
XS389
XS388
XC313:6
XC316:12
0.75WH
1
0.75WH
1
XC313:9
XC316:9
0.75RD
2049
0.75RD
2049
YA:3C
XS373
DK:1D
XC303.21
0.75RD
2049
0.75RD/GY
0032
XC319:14
XC319:6
XC319:5
XC319:8
XC319:16
XC319:15
XC319:7
XC319:13
XC319:3
XC319:2
XC319:12
XC319:9
XC319:10
XC319:11
CE:4C
XS390
ACM
Heatvalve
AdBlue
AdBluePumpmoduleControl
AdBluelevel/
tempsensor
AdBlueHeaterHose
Supply1toActuatorsOutput3Output2Output1
V5EXT1
GNDSupply
V5EXT2
A174
A:12A:18A:20A:8A:7A:4A30A:44A:46A:48A:52A:24A:28A:51A:54A:56
0.75BN
0180
0.75WH
1009
CE:0D
XC312.9_A1
0.75WH
1009
CE:0D
XC312.9_A1
RED
BLACK
Euro4/5
WHITE
Quality
B247
21
43
CE:0B
A174.A:2
0.75GN
7037
CE:0B
A174.A:6
0.75YE
7036
CE:0D
XC312.11_A1
CE:0D
XC312.10_A1
0.75RD/BU
0040
DK:1A
A174.A:50
0.75RD
2050
0.75RD/YE
0031
0.75RD/GY
0032
0.75WH/BU
0033
0.75RD/GY
0032
0.75WH/BN
0042
0.75BU
2051
0.75GY
0030
0.75WH
1010
0.75RD/BU
0040
0.75WH/YE
0178
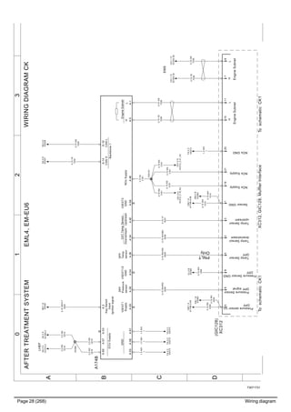
Page 28 (268) Wiring diagram
T3071731
3210
A
B
C
D
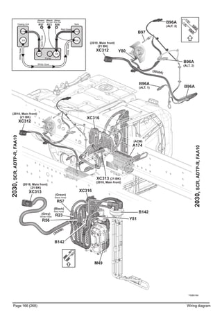
WIRINGDIAGRAMCKAFTERTREATMENTSYSTEMEML4,EM-EU6
(GIC128)
XC312,GIC128,MufflerInterfaceToschematicCK1ToschematicCK1
0.75RD
2161
0.75RD
2161
Backbone1
L
ECUSupply
KeySwitch
Input
Ignitionsignal
H
LHLH
GNDCATTempSensor
UpstreamDownstream
DPF
Temp
sensor
DPF
Pressure
sensorNOxSupply
EngineSubnetV5EXT1
Supply
V5EXT2
GND
V5EXT1/2
GND
A174B
A:1
A:10A:14A:3
A:5A:26A:3494:A24:A93:AA:50A:58
A:57A:53
A:54A:55A:56
A:60
A:61
0.75RD
2161
0.75YE
7038
0.75GN
7039
0.75WH
1010
0.75WH/RD
0036
0.75WH
1010
PNLT
Only
2.5RD
2019
0.75RD/GN
0039
0.75GN
7005
0.75YE
7004
0.75RD
2050
1.5WH
1
1.5WH
1
0.75WH/BN
0038
0.75WH/VT
2020
1.5WH
1
0.75WH
1009
2.5RD
2019
2.5RD
2019
2.5RD
2019
0.75VT
0037
YA:3C
XS373
YA:3C
XS373
YA:3C
XS373
DM:2B
XS383
CL:2B
XS385
AA:3A
XC315:2
AA:3A
XC355:2
BE:1D
XS320
SA:3D
XS327
SA:3D
XS328
DM:1B
XS384
0.75RD
2050
DM:1A
A174B.A:50
DM:1A
A174B.A:56
LHEF
XS3101
0.75RD
2161
0.75RD
2161
1.5WH
1
YA:3C
XS373
XS386
Pressuresensor(+)
DPF
PressureSensor
DPFsignal
PressureSensorGND
DPF
TempSensor
DPF
TempSensor
downstream
TempSensor
upstream
SensorGND
NOxSupply
NOxSupply
NOxGND
EngineSubnetEngineSubnet
XC312
2027314919112165810
CK1:0D
XC312_2.19_A2
CK1:0D
XC312_2.21_A2
0.75YE
7038
CA1:1D
XC302.34
0.75GN
7039
CA1:1D
XC302.36
EMS
CANLCANH
Wiring diagram Page 29 (268)
T3072459
3210
A
B
C
D
WIRINGDIAGRAMCK1AFTERTREATMENTSYSTEMEML4,EM-EU6
9521436
XC312,GIC128,MufflerInterface
ToschematicCK
XC312,GIC128,MufflerInterface
SCRplug-inharnes
ToschematicCK
1.0R/SB
0.75BN/W
0.75Y
0.75Y
0.75Y
0.75BN/W
0.75BN/W
0.75BN/W
1.0BL/Y
1.0W/SB
1.0BL/W
1.0BL/W
1.0BL/W
1.0BL/W
B97
Sensor,Temp,
DPF
2
1
2
12
1
B85
Sensor,Temp
PreCat
B98
T2
T1
T3
Sensor,Temp,
PostCat
NOx
B96B
Sensor,NOx
B
21
43
XE4
XE1
NOx
B96
Sensor,NOx
A
2
H
H
L
HLHL
L
1
34
PB115
Sensor,
DPFpressure
12(Supply)(GND)
(Supply)
(Supply)
(Supply)(GND)
(GND)
EngineSubnet
(GND)(Signal)3
XE2
XE3
SCR_NOx_Ifc:1
SCR_NOx_Ifc:2
SCR_NOx_Ifc:3
SCR_NOx_Ifc:4
0.75BL
0.75BN
0.75GR/SB
1.0GN/W
1.0Y/BN
1.0R/SB
871110202119
0.75Y
0.75BN/W
0.75Y
0.75BN/W
1.0W/SB
0.75Y
1.0W/SB1.0W/SB
1.0W/SB
1.0R/SB
1.0R/SB
Page 30 (268) Wiring diagram
T3071732
3210
A
B
C
D
WIRINGDIAGRAMCLAFTERTREATMENTSYSTEMADBLUETANKCONTROL,EML4,EM-EU6
0.75WH
1009
2.5RD
2156
2.5RD
2156
HeatvalveAdBluelevel/AdBlueHeaterHoseSupplyto
UreaLoads
V5EXT1/2V5EXT2
HL
DosagePumpAirControl
Valve
UreaAir
Temp
tempsensor
GNDSupplyUreapressureAirPressure
Supplyto
UreaHosesAdBlueOutput1Output2
A174B
A:18A:4A:21A:27A:28A:32A:35A:46A:47A:20A:16A:59A:51A:54A:62
0.75GY
2051
0.75GY
2051
0.75GY
2051
0.75WH
1009
0.75WH
1009
0.75RD
2155
0.75WH
1009
0.75WH
1009
0.75RD
2155
0.75RD
2155
XC313:17
0.75RD/GY
0032
0.75GY
2051
0.75WH
1009
XC319:16
XC319:1
0.75WH/BN
0042
0.75WH/YE
0040
0.75WH/BU
0033
XC313:8
XC316:1
0.75VT
0029
0.75RD
2155
0.75BN
0180
2.5RD
2156
R56A
12
0.75WH/BN
0042
XC313:21
XC319:8
XC319:3
0.75WH/VT
0179
XC316:3
0.75WH
1009
0.75BU
0231
XC313:2XC313:13
XC316:5
0.75WH/VT
0179
R57A
12
0.75WH/YE
0040
0.75BN
0180
XC319:5
0.75VT
0029
XC316:8
XS381
0.75BN
0180
XC316:11
XC316:2
0.75WH/BU
0033
B142B
3
3
1
1
1
4
XC319:6
0.75GY
2051
0.75VT
0029
XC313:3
0.75WH/BU
0033
0.75BN
0180
0.75VT
0029
1.5RD
2155
0.75RD/GY
0032
XC319:14
0.75RD
2155
XC319:11
0.75BU
0231
0.75WH/YE
0040
0.75WH
1009
XC313:15
Y81C
1
2
2.5RD
2155
XC313:19
0.75WH/YE
0040
XC313:6
0.75WH/BU
0033
0.75YE
0030
YELLOWEuro6
XC319:10
0.75GY
2051
XC316:6
0.75RD/GY
0032
BLACK
XC316:13
2.5RD
2156
0.75WH/VT
0179
XC316:16
XC313:14
0.75GY
2051
XC316:15
0.75WH/BU
0033
XC316:10
XC316:14
0.75RD/GY
0032
0.75WH/VT
0179
0.75YE
0030
XC316:12
0.75RD/GY
0032
XC319:15
XC319:2
0.75BU
0231
XC313:16
0.75WH
1009
XC313:7
XC313:1
0.75VT
0029
XC319:13
0.75WH/YE
0040
0.75WH/BN
0042
DM:1C
XC303.35_A2
DM:1C
XC303.21
CK:0D
XC312.9_A2
AirvalveUreatemp
T
A1904
XS379
0.75GY
2051
0.75BU
0231
0.75BU
0231
Urea
pressure
Air
pressure
0.75YE
0030
0.75YE
0030
0.75WH/BN
0042
0.75WH/BN
0042
P
B2633
0.75WH
1009
0.75WH
1009
XS385
XS380
0.75BN
0180
0.75YE
0030
0.75WH/VT
0179
P
B2623
0.75WH
1009
0.75RD
2155
0.75RD
2155
2.5RD
2156
2.5RD
2156
2.5RD
2156
1.5RD
2155
XS3100
XS399
CK1:0D
XC312_2.9_A2
0.75WH
1009
0.75RD/GY
0230
0.75RD/GY
0230
XC316:7
0.75WH/BU
0229
XC313:20
0.75RD/GY
0230
0.75RD/GY
0230
0.75RD/GY
0230
XC319:7
0.75WH/BU
0229
M
M73
1
3
0.75WH/BU
0229
0.75WH/BU
0229
0.75WH/BU
0229
XC319:4XC316:4
XC313:18
XC319:12
2
2
212
Wiring diagram Page 31 (268)
T3065437
3210
A
B
C
D
WIRINGDIAGRAMDATRANSMISSIONMANUAL
XC303
(GIC021)
XC303,GIC021,TransmissionInterfaceToschematicDA1ToschematicDA1
0.75GN
7007
0.75OG
7006
0.75GN
7007
0.75OG
7006
SB:4D
XC210:9
SB:4D
XC210:12
CA1:1D
XC302.2
CA1:1D
XC302.5
Backbone2Backbone2
(Split)
LHLH
25810
1.5WH
1
CCIOM
Mechanical
Gear
LowSplitsensor
Neutral
Feedbacksensor
RangeInhibit
Valve
Gearbox
OilTempSensor
AreaInhibit
Valve
Gearbox
OilTempSensor
return/GND
Reversefeedback
Sensor
SwitchforLowrange
Manualgearbox
Man.Gearboxsensors
&valvesGnd
A163
X3:10X3:1202:3X91:3X81:3XX3:21X3:24X3:5X3:1
0.75WH
1073
0.75WH
1073
0.75YE
0047
0.75RD/BU
1011
0.75WH
1073
0.75RD/GY
0052
0.75GN
0053
0.75WH/BN
0048
0.75WH/BN
0049
0.75BU
0050
0.75RD/GN
0051
DG:1D
XS353
DG:1D
XS353
YB:2D
5.5_3
Gearboxoil
temp
Ground,
signals
RangeInhibit
Valve
AreaInhibit
signal
Neutral
feedback
LowRange
Switch
Gearboxoil
temp,Ground
Reverse
Feedback
GearLowSplit
Feedback
91120191738223133
Page 32 (268) Wiring diagram
T3072473
3210
A
B
C
D
WIRINGDIAGRAMDA1TRANSMISSIONMANUAL,GEARBOXANDRETARDER
B23B138Neutral
Switch
1215212829272335
P
Y17
T
B
RET-TH
A41
512
1324
4763
0.75GR
0.75BN/W
0.75VBN/W
0.75P
Backbone2
CANHCANL
0.75BL/R
0.75BL/SB
B12
0.75GR
0.75OR
XE44
0.75VO/W
B692
1
0.75BL/W
0.75OY/GR
0.75BL/GN
3193825810201922173311
XC303
(GIC021)
7162624
0.75BN
XC303,GIC021,TransmissionInterfaceXC303,GIC021,TransmissionInterface
Y06
1
4
0.75W
0.75W
0.75W
0.75W
0.75W
0.75W
Y31
2
1
P
S47
1
2
P
S49
1
2
P
S63
1
2
P
S101
1
2
0.75GR/W
0.75GR/W
0.75BL/GN
XE45
T
B09B
21
0.75W
0.75W
0.75W
XE410.75Y/W
0.75OR
0.75GN
0.75Y
0.75BN
ToschematicDK,DMToschematicDAToschematicBC
0.75BN/W
0.75BN/W
Wiring diagram Page 33 (268)
T3065438
3210
A
B
C
D
WIRINGDIAGRAMDCTRANSMISSIONI-SHIFT
XC303
(GIC021)
XC303,GIC021,TransmissionInterfaceToschematicDC1ToschematicDC1
0.75GN
7129
0.75OG
7128
0.75GN
7040
0.75GN
7007
0.75OG
7006
0.75GN
7007
0.75OG
7006
0.75GN
7037
0.75YE
7036
0.75GN
7037
0.75YE
7036
1.5WH
1
0.75GN
7005
0.75YE
7004
SA:1D
XS332
SA:1D
XS331
YA:2C
XS374
SB:4D
XC210:9
SB:4D
XC210:12
Euro6
F70
20A
1
2
(87)
(85)
(30)
(86)
K17
1
3
2
5
FRC
A01.CB8:8
XC208:5
2.5RD
2024
40A
FromVMCU
+
CA1:1D
XC302.2
CA1:1D
XC302.5
Ground
TECU
Backbone2Powertrain
Subnet
Powertrain
Subnet
EURO6
Backbone1
PowerSupply
TECU
Backbone2
(Split)
LHLHLHLHLHLH
Powertrain
Subnet
TerminationinTECU
1234581061339303663
2.5RD
2024
CA1:1D
XC302.3_A2
CA1:1D
XC302.6_A2
CA1:1D
XC302.6_A1
CA1:1D
XC302.3_A1
CA1:2C
XS350
CA1:2C
XS349
Page 34 (268) Wiring diagram
T3072460
3210
A
B
C
D
WIRINGDIAGRAMDC1TRANSMISSIONI-SHIFT,GEARBOXANDRETARDER
B23B138
ToschematicDK,DMToschematicDCToschematicBC
1215212829272335
P
Y17
T
B
RET-TH
A41
512
1324
4763
0.75BL/GN
0.75R
0.75VO/W
0.75W
0.75GR/W
0.75Y
1.5W
1.0W
1.0W
1.0R/SB
1.5R/SB
1.0R/SB
0.75VO
0.75VO0.75VO
A13A
H
CAN
Backbone2
LH
CAN
Powertrain
LH
CAN
TERM
Powertrain
LH
CAN
TECU
Supply
TECU
Gnd
Backbone1
L
0.75BL/R
0.75BL/SB
B12
0.75GR
0.75Y/GR
XE22XE21
0.75OR
XE12XE11
XE13
0.75P
B692
1
0.75GN/BN
0.75OR
0.75BL/SB
0.75R
0.75R
13142581036303639
XC303
(GIC021)
7162624
0.75GN
0.75Y
0.75BL
0.75BL
0.75BL
0.75BN/P
XC303,GIC021,TransmissionInterfaceXC303,GIC021,TransmissionInterface
SECP
VASEVAFE
VASDVAFDB26B
Y26
Y21
Y23
Y22
A42B
A4A8A18A12A15A11A19A14A2A1A13A10
B4B16B12B15B2B1B7B6B10B11
Wiring diagram Page 35 (268)
T3065439
3210
A
B
C
D
WIRINGDIAGRAMDGDIFFERENTIALLOCKANDFUELLEVELSENSOR
0.75WH
1
0.75WH
1
0.75WH
1012
XC314:3
B07
12
S45
1
2
S45R
1
2
XC314:1
0.75WH/YE
0054
YB:4C
XS308
YB:4C
XS308
YB:1C
XS370
YB:1C
XS370
0.75WH
1
0.75WH
1
0.75RD/GN
0059
0.75GN
0060
XC317:6
0.75WH/RD
0061
XC317:5
0.75PK
0062
0.75WH/RD
0061
0.75PK
0062
Switch1
Rearwheelaxle
Switch2(HD)(HD)
RCIOM
RearInterAxle
Difflockvalve
Rearwheel
Difflockvalve
DriveLine_Traction
A164
X2:9X2:22X1:4X1:16
0.75WH/YE
0054
0.75WH
1012
CCIOM
DriveLine/Traction
Frontwheel
DriveIndicator
Frontwheels
DiffLock
FeedBacksensor
FrontWheel
Difflockvalve
FuelLevel
Sensor
FuelLevel
SensorGND
SplitboxcontrolDifferentialLocksFuelLevel
Frontwheel
Drive
A163
X3:17X3:14X3:15X3:16X3:7X3:15
0.75WH
1
YB:4C
XS308
0.75RD/GN
0059
Y031
4
Y021
4
Page 36 (268) Wiring diagram
T3065423
3210
A
B
C
D
WIRINGDIAGRAMDKRETARDER
Retarder
CoolantTemp
Retarder
OilTemp
Retarder
AirPressure
A:19A:32A:50
2927
RetarderValve
Supply
Retarder
AirPressure
Supply
Retarder
AirPressure
Signal
Retarder
OilTemp
Retarder
CoolantTemp
RetarderValve
Control
Retarder
AirPressure,
Ground
RetarderOiland
CoolantTemp,
Ground
XC303
XC303,GIC021,TransmissionInterface
121521352823
0.75RD
2050
0.75RD
2050
0.75RD
2050
0.75RD
2050
CF:1B
XS382
0.75WH
1009
0.75WH
1010
0.75RD
2050
0.75WH
1010
0.75WH
1010
0.75WH
1009
Retarder
V5EXT1
Supply
Retarder
Control
Tempsensorground/
V5EXT2gnd
A174
Controlunit,ACM
(AftertreatmentControlModule)
A:15A:31A:55
1.5RD
2052
1.5BU
0043
0.75WH/GY
0044
0.75WH/GN
0045
0.75YE
0046
0.75WH
1010
CF:2B
XC313:3
CF:2B
XS385
0.75RD
2050
CF:3B
XC313:9
0.75WH
1010
0.75RD
2050
XS383
XS384
CF:
A174.A:54
CE:0D
XC312.1_A1
CE:0D
XC312.5_A1
CE:0D
XC312.5_A1
CF:3B
XC313:9
(GIC021)
ToschematicDA1,DC1
Wiring diagram Page 37 (268)
T3071733
3210
A
B
C
D
WIRINGDIAGRAMDMRETARDEREM-EU6
1.5BU
00430.75WH
1010
0.75WH
1010
0.75WH
1010
0.75RD
2050
0.75WH
10090.75RD
2050
0.75WH
1010
XS384
0.75WH
1010
XS383
1.5RD
2155
CL:1B
XS399
CK:0D
XC312.1_A2
CL:2B
XS385
CK:0D
XC312.5_A2
Retarder
V5EXT1
Supply
RetarderRetarder
WaterTemp
Retarder
AirPressure
Retarder
Soleonid
TempSensor
GNDOilTemp
A174B
A:15A:11A:19A:36A:50
A:36A:50
A:56
0.75WH/GN
0045
0.75YE
0046
0.75WH/GY
0044
0.75RD
2050
0.75WH
1010
CK:0D
XC312.5_A2
CK:0D
XC312.1_A2
RetarderValve
Supply
Retarder
AirPressure
Supply
Retarder
AirPressure
Signal
Retarder
OilTemp
Retarder
CoolantTemp
RetarderValve
Control
Retarder
AirPressure,
Ground
RetarderOiland
CoolantTemp,
Ground
1215212829272335
0.75RD
2050
CK1:0D
XC312_2.5_A2
0.75RD
2050
CK1:0D
XC312_2.5_A2
CK1:0D
XC312_2.1_A2
CK1:0D
XC312_2.1_A2
0.75RD
2050
XC303
XC303,GIC021,TransmissionInterface
(GIC021)
ToschematicDA1,DC1
Page 38 (268) Wiring diagram
T3065440
3210
A
B
C
D
WIRINGDIAGRAMEAABSANTILOCKBRAKESYSTEM
n
0.75SB
0.75W
B16A
31
GndGnd
Backbone1Powersupply
Gnd
Wheelspeed
sensor
frontleft
Valvefront
axleleft
InputInputOutputOutput21Input2
Wheelspeed
sensor
frontright
Valvefront
axleright
Wheelspeed
sensor
Rearleft
ValveRear
axleleft
Wheelspeed
sensor
Rearright
ValveRear
axleright
Ignitionsignal
Gnd
ABS
ABS
Common
front
axle
Gnd11GndOutputOutput
1OutputOutput
ValveRear
axleleft
Wheelspeed
sensor
Rearleft
Wheelspeed
sensor
Rearright
Input
Input
ValveRear
axleright
2Input2
A12A
Controlunit,ABS
(Anti-lockBrakeSystem)
X1:5X1:9X1:7X1:8
X1:10X1:15X1:11X1:16X1:14X3:1X1:12X1:13X3:2X3:3X3:6X3:10X3:4X3:5
X1:6
X1:4X1:3
12
HL
X3:12X3:11X3:13
21
X1:1X1:2
X4:7X4:3X4:9X4:10X4:5X4:4X4:1X4:2X4:6X4:8
0.75WH/GN
0188
0.75WH
1014
0.75WH
1014
0.75WH/VT
2020
1.5WH
1
1.5WH
1
0.75WH
1017
0.75GY
0063
0.75RD/YE
2054
0.75YE
7004
0.75GN
7005
2.5RD
2055
SA:2D
XS330
SA:2D
XS329
2.5RD
2055
0.75BU
0184
0.75WH/BN
0185
0.75WH/GY
0186
0.75GY
0187
0.75RD/GN
0191
0.75VT
0190
0.75WH
10150.75YE
0189
0.75BU
0193
0.75WH/BN
0192
0.75WH
1016
n
0.75SB
0.75W
B14A
31
n
0.75SB
0.75W
B15A
31
P
B237
4
12
(ABS/UABS)
FRC
A01.CB2:19
XC210:10
2.5RD
2055
2.5RD
2055
F37
20A
1
2
YA:4D
5.3_4
YA:4D
5.3_4
BE:1D
XS320
Brake
Pressuresensor(HD)
SupplySignalGnd
RCIOM
A164
X1:18X1:13X1:14
XS356
XS355
n
0.75SB
0.75W
B13A
31
0.75VT
0182
0.75RD/GN
0183
Y13
13
2
Y14
13
2
0.75GY
0064
0.75WH/GY
0065
0.75YE
0067
0.75WH/GN
0066
Y11A
13
2Y12A
13
2
0.75WH
1014
+
Wiring diagram Page 39 (268)
T3065441
3210
A
B
C
D
WIRINGDIAGRAMEEEBSCONTROLUNIT
0.75GN
7047
0.75VT
7046
1.0RD
2058
1.0WH
1020
0.75VT
7052
1.5WH
1
0.75GN
7053
0.75VT
70520.75WH
1022
0.75GN
7001
0.75OG
7000
0.75YE
7004
0.75GN
7005
2.5RD
2055
1.0WH
1020
1.0RD
2058
1.0WH
1020
1.0RD
2058
1.0WH
1019
1.0RD
2057
1.0WH
1019
1.0RD
2057
1.0WH
1018
1.0RD
2063
1.0WH
1018
1.0RD
2063
0.75VT
7052
0.75RD
2142
0.75WH
1022
0.75WH
1014
0.75WH
1014
2.5RD
2055
XS359EF:0B
U01.X1:2
EF:0B
U01.X1:1
EF:3B
U08.X1:2
EF:3B
U08.X1:1
EG:0B
U03B.X1:2
EG:0B
U03B.X1:1
EG:2B
U03A.X1:2
EG:2B
U03A.X1:1
EH:0B
U04.X1:2
EH:0B
U04.X1:1
EH:1B
U07.X1:2
EH:1B
U07.X1:1
SA:2D
XS330
SA:2D
XS329
1.5WH
1
XC213:8
0.75RD
2056
XC213:9
0.75WH
1017
XC213:10
0.75BU
0068
XC213:11
0.75WH/RD
0069
0.75WH/GY
0065
0.75WH
1014
0.75WH/GN
0066
0.75YE
0067
2142
0.75WH
1022
0.75VT
7052
0.75GN
7053
0.75GN
7053
HLHL
ABSvalvefront
Leftsignal
GndGnd
Backbone1
PowerSupply
SupplyLHGndGndSupply
Signal
Gnd
Chassissubnet
Brakepedalsensor
Supply12InputOutput
Rightsignal
OutputInput
REAR
Modulator
1stDriveAxle/
DriveAxles
(withlowRAL)
Supply
ADD1
Modulator
2ndDriveAxle
(Tridemw.highRAL)
PusherTridem(RAA31PT)
Gnd
ADD2
Modulator
Pusher/TagAxle/
2ndDriveAxle
(withhighRAL)
SupplyGnd
FRONT
Modulator
FrontAxle
FrontAxles(FAA20)
SupplyGnd
Multiplexedsensor
CAN
LHLHLH
FrontBrakeCANRearBrakeCAN
A21Controlunit,EBS
(ElectronicBrakeSystem)
X3:4X1:3X1:8X1:7
X3:10
X2:5X3:9X3:8X1:4
X3:1
X3:3
X3:2X1:15X1:5
X2:3X2:4
X1:6
X1:9X1:11X1:10X1:12X1:13X1:14
X2:8X2:7
HL
X2:15X2:16X1:16X3:11
X3:12X3:13
X3:17X3:18
X2:9X2:17X2:1X2:2
YA:4D
5.3_4
0.75GN
7053
0.75VT
7052
0.75RD
2142
0.75WH
1022
SD:3C
XS346
SD:3C
XS345
B03
Sensor,
footbrakevalve
1324
B49
Sensor,steeringangle
43
43
21
A01.CB2:19
FRC
0.75WH
1022
0.75RD
2142
0.75GN
7053
XC210:10
2.5RD
2055
2.5RD
2055
F37
1
2
XC203:15
XC203:16
XC203:7
XC203:8
YA:4D
5.3_4
0.75RD
21421.0RD
2058
EG:3B
U03C.X1:2
1.0WH
1020
EG:3B
U03C.X1:1
1.0RD
2058
EG:3B
U03C.X1:2
1.0WH
1020
EG:3B
U03C.X1:1EH:0B
U04.X1:2
EH:0B
U04.X1:1
+
XS357
XS360
XS361
XS362
XS363
B50
Sensor,
yaw-rate
1
2
Y11
13
2Y12
13
2
0.75GY
0064
XC203:25
0.75RD
2056
0.75RD
2056
XC203:17
0.75WH
1017
0.75WH
1017
XC203:9
0.75BU
0068
0.75BU
0068
XC203:18
0.75WH/RD
0069
0.75WH/RD
0069
0.75GN
7047
EG:3B
U03C.X1:4
0.75VT
7046
EG:3B
U03C.X1:3
0.75VT
7049
EG:2B
U03A.X1:3
0.75GN
7048
EG:2B
U03A.X1:4
0.75VT
7049
EG:0B
U03B.X1:3
0.75GN
7048
EG:0B
U03B.X1:4
OR
0.75VT
7045
EF:3B
U08.X1:3
0.75GN
7126
EF:3B
U08.X1:4
OR
0.75VT
7045
EF:0B
U01.X1:3
0.75GN
7126
EF:0B
U01.X1:4
OROR
0.75VT
7046
EH:1B
U07.X1:3
0.75GN
7047
EH:1B
U07.X1:4
0.75VT
7046
EG:3B
U03C.X1:3
0.75GN
7047
EG:3B
U03C.X1:4
0.75VT
7046
EH:0B
U04.X1:3
0.75GN
7047
EH:0B
U04.X1:4
OROR
EH:0B
U04.X1:3
EH:0B
U04.X1:4
OROR 0.75RD
Page 40 (268) Wiring diagram
T3065442
3210
A
B
C
D
WIRINGDIAGRAMEFEBSFRONTAXLEMODULATOR
B_GndA_GndB_SPLA_SPLAB
X2:3
X2:4
X2:1
X2:5
X2:2
X2:6
D_GndC_GndD_SPLC_SPLCD
X3:3
X3:4
X3:1
X3:5
X3:2
X3:6
LWS_A/B
GNDSupplyHL
WSS_AWSS_B
LLHH
B_GndA_GndB_SPLA_SPLAB
X2:3
X2:4
X3:2X4:1X4:2
X2:1
X3:1
X2:5
X2:2
X2:6
LWS_A/B
CAN
GNDSupplyHL
X1:1X1:2X1:3X1:4
WSS_AWSS_B
LWS_C/D
WSS_DWSS_C
HLHLHLHL
X4:2X4:1X5:2X5:1X6:1X7:1X7:2X6:2
1.0WH
1018
1.0RD
20631.0WH
1018
1.0RD
2063
0.75GN
7126
0.75VT
70450.75VT
7045
EE:0B
A21.X2:5
EE:0B
A21.X2:9
EE:0B
A21.X2:5
EE:0B
A21.X2:9
Sensor
wheel
speed
Sensor
Brake
lining
Sensor
wheel
speed
Sensor
Brake
lining
Sensor
Brake
lining
Sensor
Brake
lining
Sensor
wheel
speed
Sensor
wheel
speed
Sensor
wheel
speed
Sensor
wheel
speed
Sensor
Brake
lining
Sensor
Brake
lining
ModulatorfrontaxleModulatorfrontaxle,leftandright
0.75GN
7126
U08
Modulator,EBS,
FAA10
U
S
B40B
U
S
B41B
n
0.75SB
0.75W
B13B
31321321321321321321
n
0.75SB
0.75W
B14B
31
0.75RD/YE
20640.75RD/GN
0086 0.75WH
1024
0.75WH/YE
20650.75RD/BU
0087 0.75WH
1025
0.75PK
0071
0.75WH
0070
0.75PK
0073
0.75WH
0072
U
S
B46B
U
S
B40B
n
0.75SB
0.75W
B13B
31
n
0.75SB
0.75W
B19
31
U
S
B47B
CAN
U01
Modulator,EBS,FAA20X1:4X1:3X1:1X1:2
U
S
B41B
n
0.75SB
0.75W
B14B
31
n
0.75SB
0.75W
B20
31
0.75PK
0077
0.75WH
0074
0.75PK
0075
0.75WH
0072
0.75PK
0073
0.75WH
0070
0.75PK
0071
0.75WH
1027
0.75RD/BU
0089
0.75WH/YE
2067
0.75WH
1026
0.75RD/GN
0088
0.75RD/YE
2066
0.75WH
1025
0.75RD/BU
0087
0.75WH/YE
2065
0.75WH
1024
0.75RD/GN
0086
0.75RD/YE
2064
0.75WH
0076
EE:0B
A21.X2:15
EE:0B
A21.X2:16
EE:0B
A21.X2:15
EE:0B
A21.X2:16
0.75W
0.75Y
0.75R
0.75W
0.75Y
0.75R
0.75W
0.75Y
0.75R
0.75W
0.75Y
0.75R
0.75W
0.75Y
0.75R
0.75W
0.75Y
0.75R
Wiring diagram Page 41 (268)
T3065443
3210
A
B
C
D
WIRINGDIAGRAMEGEBSREARAXLEMODULATOR
WSS_AWSS_B
LLHH
B_GndA_GndB_SPLA_SPLAB
X2:3
X2:4
X3:2X4:1X4:2
X2:1
X3:1
X2:5
X2:2
X2:6
LWS_A/B
CAN
GNDSupplyHL
X1:1X1:2X1:3X1:4
WSS_AWSS_B
LLHH
B_GndA_GndB_SPLA_SPLAB
X2:3
X2:4
X3:2X4:1X4:2
X2:1
X3:1
X2:5
X2:2
X2:6
LWS_A/B
B_GndA_GndB_SPLA_SPLAB
X2:3
X2:4
X2:1
X2:5
X2:2
X2:6
D_GndC_GndD_SPLC_SPLCD
X3:3
X3:4
X3:1
X3:5
X3:2
X3:6
LWS_A/B
CAN
GNDSupplyGNDSupplyHHLL
X1:1X1:2X1:3X1:4
1.0RD
2058
1.0WH
1020
1.0WH
1019
1.0RD
2057
0.75GN
7048
0.75VT
7049
1.0WH
1019
1.0RD
2057
0.75GN
7048
0.75VT
7049
0.75BU
0200
0.75BU
0198
0.75BU
0196
0.75BU
0194
0.75RD/BU
0092
0.75YE/BU
2070
0.75RD/BU
0090
0.75YE/BU
2068
0.75WH/BU
1030
0.75WH
0201
0.75WH
0199
0.75WH
0197
0.75WH
0195
0.75WH/BU
1028
0.75RD
0203
0.75WH
0197
0.75BU
0196
0.75YE
2145
0.75BU
0194
0.75WH
0195
EE:0B
A21.X3:13
EE:0B
A21.X3:12
EE:0B
A21.X3:13
EE:0B
A21.X3:12
Modulator,rearaxleModulatorrearAxle,twodrivenrearaxles
0.75WH
1061
U03A
Modulator,EBS,
onereardrivenaxleCAN
WSS_AWSS_B
LWS_C/D
WSS_DWSS_C
HLHLHLHL
U03B
Modulator,EBS,
tworeardrivenaxles
X4:2
X1:4X1:3X1:1X1:2
X4:1X5:2X5:1X6:1X7:1X7:2X6:2
U
S
B44B
U
S
B45B
U
S
B42B
U
S
B43B
U
S
B42A
U
S
B43A
n
0.75SB
0.75W
B17
31
n
0.75SB
0.75W
B18
31
n
0.75SB
0.75W
B15B
31
n
0.75SB
0.75W
B15B
31
n
0.75SB
0.75W
B16B
31
n
0.75SB
0.75W
B16B
31
Sensor
Brake
lining
Sensor
wheel
speed
Sensor
Brake
lining
Sensor
Brake
lining
Sensor
Brake
lining
Sensor
wheel
speed
Sensor
wheel
speed
Sensor
wheel
speed
Sensor
wheel
speed
Sensor
wheel
speed
Sensor
Brake
lining
Sensor
Brake
lining
0.75YE/BU
2070
0.75GN
7047
0.75YE
2071
Sensor
wheel
speed
0.75BL
0198
Sensor
Brake
lining
n
0.75SB
0.75W
B18
31
U
S
B44B
0.75W
0199
U03C
Modulator,EBS,
rearaxle
Modulators,tworearaxleswhenover23/26ton
n
0.75SB
0.75W
B17
31
1.0WH
1020
Sensor
wheel
speed
0.75RD
0093
U
S
B45B
Sensor
Brake
lining
0.75WH
1031
0.75VT
7046
0.75W
0201
1.0RD
2058
0.75WH/BU
1030
0.75RD/BU
0092
0.75BL
0200
EE:0B
A21.X3:4
EE:0B
A21.X3:3
EE:0B
A21.X3:9
EE:0B
A21.X3:8
0.75VT
7046
0.75GN
7047
0.75RD/BU
0202
0.75YE/BU
2144
0.75WH/BU
1060
0.75YE
2069 0.75RD
0091 0.75WH
1029
0.75WH
1031
0.75YE
2071 0.75RD
0093
EE:0B
A21.X3:18
EE:0B
A21.X3:17
EE:0B
A21.X3:11
EE:0B
A21.X3:10
EE:0B
A21.X3:11
EE:0B
A21.X3:10
EE:0B
A21.X3:2
EE:0B
A21.X3:1
0.75W
0.75Y
0.75R
0.75W
0.75Y
0.75R
0.75W
0.75Y
0.75R
0.75W
0.75Y
0.75R
0.75W
0.75Y
0.75R
0.75W
0.75Y
0.75R
0.75W
0.75Y
0.75R
0.75W
0.75Y
0.75R
321321321321321321321321
Page 42 (268) Wiring diagram
T3065444
3210
A
B
C
D
WIRINGDIAGRAMEHEBS6X2andTRIDEM
LWS_A/B
WSS_AWSS_B
LLHH
B_GndA_GndB_SPLA_SPLAB
U04
Modulator,EBS,
pusheraxle
X2:3
X2:4
X3:2X4:1X4:2
X2:1
X3:1
X2:5
X2:2
X2:6
WSS_AWSS_B
LLHH
B_GndA_GndB_SPLA_SPLAB
X2:3
X2:4
X3:2X4:1X4:2
X2:1
X3:1
X2:5
X2:2
X2:6
0.75GN
7047
0.75VT
7046
1.0RD
2058
1.0WH
1020
0.75GN
7047
0.75VT
7046
0.75VT
7046
1.0WH
1020
1.0RD
2058
1.0WH
1020
1.0RD
2058
0.75P
0094
0.75P
0095
0.75WH
1033
0.75P
0097
0.75P
0096
0.75P
0208
0.75P
0206
0.75P
0207
0.75P
0209
Modulator,TagAxleModulator,PusherAxle
EE:0B
A21.X3:4
EE:0B
A21.X3:3
EE:0B
A21.X3:4
EE:0B
A21.X3:3
0.75GN
7047
Sensor
wheel
speed
Sensor
wheel
speed
Sensor
wheel
speed
Sensor
wheel
speed
Sensor
Brake
lining
Sensor
Brake
lining
Sensor
Brake
lining
Sensor
Brake
lining
LWS_A/B
CAN
GNDSupplyHL
U07
Modulator,EBS,
tagaxle
X1:1X1:2X1:3X1:4
CAN
GNDSupplyHL
X1:1X1:2X1:3X1:4
U
S
0.75W
0.75Y
0.75R
B74B
U
S
0.75W
0.75Y
0.75R
B75B
U
S0.75W
0.75Y
0.75R
B76B
U
S
0.75W
0.75Y
0.75R
B77B
n
0.75SB
0.75W
B70
31
n
0.75SB
0.75W
B71
31
n
0.75SB
0.75W
B72
31
n
0.75SB
0.75W
B73
31
EE:0B
A21.X3:9
EE:0B
A21.X3:8
0.75Y/BL
2072
0.75W/BL
1032
0.75R/BL
0098
0.75YE
2073 0.75RD
0099
0.75R/BL
0210
0.75Y/BL
2148
0.75W/BL
1064
0.75YE
2149
0.75WH
1065
0.75RD
0211
EE:0B
A21.X3:2
EE:0B
A21.X3:1
EE:0B
A21.X3:2
EE:0B
A21.X3:1
EE:0B
A21.X3:17
EE:0B
A21.X3:18
321321321321
Wiring diagram Page 43 (268)
T3065445
3210
A
B
C
D
WIRINGDIAGRAMEIEBSTRAILERMODULATOR
0.75WH
1034
0.75RD
2062
0.75RD
2060
0.75WH
1023
0.75WH/YE
0107
0.75WH/GY
0108
0.75GY
0109
0.75YE
0110
1.0RD
2061
SupplySupplySignalGndBackupOutIn
A21
Controlunit,EBS
(ElectronicBrakeSystem)
X2:6
TrailermodulatorvalvePressuresensor
X2:12X2:10X2:13X2:14
X2:18X2:11
ModulatorEBS
trailercontrol
P
U
U05A
3621754
Y134B1
3
TrailerPWMvalve
CCIOM
GND
X2:21X1:26
Supply
A163
Page 44 (268) Wiring diagram
T3065446
3210
A
B
C
D
WIRINGDIAGRAMFAAIRSUSPENSIONFRONT
132Gnd
1
12
2
0.75WH
0121
0.75BN
0181
0.75RD
2081
0.75WH
1038
0.75RD/GN
0124
0.75BU
0122
Gnd
Y40
Solenoidvalveunit,
frontaxle,airsuspension
4321
+/-
B28
Sensor,chassislevel,
frontaxle
4
P
B56
Sensor,airpressure,
suspensionbellowsfrontaxle
4
0.75VT
0120
0.75RD
2080
0.75WH
1036
0.75PK
0123
CCIOM
ECSPressuresensor
Supply1
ECSLevelsensor
Supply2
ECSFront
ECSFront(left)
Pressuresensor
Signal1
ECSPressuresensor
GND1
ECSfront(left)
LevelSensor
Signal1
ECSlevelsensor
GND2
ECSFrontAxleSoleniodvalve
A163
X2:1X2:22X1:23X1:3X1:7X1:9X1:10X1:19X2:19X2:23
XC310:1
0.75RD
2081
0.75RD
2081
XC310:4
0.75BN
0181
0.75BN
0181
XC310:2
0.75WH
0121
0.75WH
0121
OROROR
Wiring diagram Page 45 (268)
T3065447
3210
A
B
C
D
WIRINGDIAGRAMFBAIRSUSPENSIONREAR,LEVELSENSORS,WRG
+/-
B29B
Sensor,chassislevel,
lhs.rearaxle
4
0.5WH
1
0.75WH
1039
0.75WH
1039
0.75RD
2082
0.75RD
2082
0.75RD
2082
0.75RD
2082
0.75WH
1039
0.75GN
0125
XS314
XS315
Chargerholder
+/-
B30
Sensor,chassislevel,
rhs.rearaxle
4
Cabsubnet
0.75WH
1039
0.5GN
7023
SC:1C
XS1220
0.5OG
7022
SC:2C
XS1221
WRG
WirelessRemoteGateway
(toberenamedtoA212)
FRC
A01.CB2:4
Signal2
Right
Level
sensor
supplyGnd2
Signal1
Left
ECSrearaxleslevelsensor
RCIOM
A164
X3:10X3:12X3:9X3:2
0.75WH/GN
0126
YG:0D
1.5.B:10
OR
XC140:23
0.5RD
2083
0.5RD
2083
XC140:25
0.5WH
1
WRC
F33
3A
1
2
6314
+
OR
1212
Page 46 (268) Wiring diagram
T3065448
3210
A
B
C
D
WIRINGDIAGRAMFCAIRSUSPENSIONREAR,6x2,6x4andTRIDEMVALVES
Ground
Signal
Supply
PressureSensorSoleniodValves
ValvesReturn
(P3)(P24)(P21/P22)(P25)(P1)(P23)GND1
412356
Y137
A:7A:3A:2A:1A:4A:5A:6A:11A:12A:8A:9
0.75RD
2084
P
B248
4
1212
P
B24A
4
0.75RD
2084
0.75RD
2084
0.75WH
1040
2.5WH
1040
0.75WH
1041
0.75WH
1041
0.75WH
1041
0.75RD
2084
0.75RD
2084
0.75WH/YE
0138
0.75WH/GN
1059
0.75BU
0136
0.75WH/BN
0135
0.75WH/VT
0133
0.75BN
0132
0.75VT
0131
0.75RD/GN
0130
0.75BN
0129
0.75PK
0128
0.75WH/RD
0127
Gnd
Y136
4321
XS318
XS319
0.75WH
1040
XS306
MegavalveSolenoidValveUnit
RCIOM
ECSRearSolenoidValve(PWM)
Return
GND1
ECSRearSolenoidValve
Return
GND2
PressureSensor
ECSRearSensorsignalPressureSensor
789Ground1SupplySignal3
A164
X3:13
12
X3:7X3:4X3:3
124365
X3:29X3:1X3:14X3:24X3:20X3:28X3:19X3:17X3:11X3:8X3:23X3:25
0.75RD
2084
0.75GY
0137
0.75WH
1041
0.75RD/GY
0134
0.75WH
1041
OROR
FD:1C
XS316
FD:1C
XS317
OROR
TRIDEM
Wiring diagram Page 47 (268)
T3065449
3210
A
B
C
D
WIRINGDIAGRAMFDAIRSUSPENSIONREAR,4x2
P
B574
0.75WH
1041
0.75RD
2084
0.75RD
2084
0.75WH
1041
2.5WH
1040
0.75BN
0129
0.75PK
0128
0.75WH/RD
0127
0.75WH
1041
0.75WH/YE
0138
0.75RD
2084
0.75RD
2084
0.75WH
1041
Gnd
Y135
4321
0.75RD
2084
0.75WH
1041
P
B584
XS316
XS317
OROR
0.75GY
0137
RCIOM
Press.sensor
Gnd1
ECSrearaxlespressuresensor
3
ECSRearSolenoidValve
1
Return
GND12
A164
X3:13X3:29X3:25X3:23X3:24X3:11
1212
X3:1
supplySignal1Signal2
X3:14
FC:0D
Y137.A:6
FC:0D
Y137.A:4
Page 48 (268) Wiring diagram
T3065450
3210
A
B
C
D
WIRINGDIAGRAMFEAIRMANAGEMENTAPMWITEPB
Chassissubnet
Supply
Gnd1
Supply
HCUUnit-LIN
Gnd2
SignalGndSupply
APM
+UBATT+UCCIOM
ADRMain
SwitchStatus
A177
Controlunit,APM
(AirProductionModulator)
X1:5X1:3X1:9
X1:10X1:1
X1:2
HL
X1:18X1:12X1:11X1:14
0.75RD
7054
SD:2C
XS341
0.75YE
0004
1.0RD
2085
1.5WH
1
0.75GN
7001
1.5WH
1
0.75OG
7000
SD:2C
XS342
AB:0B
A163.X1:24
APMUNIT
YA:2C
XS374
YA:2C
XS374
XC203:10
0.75WH
7056
XC203:11
0.75GY
7055
0.75GY
7055
XC203:12
0.75RD
7054
A01.CB2:3
FRC
XC203:35
1.0RD
2086
1.0RD
2086
AB:2B
XS358
+
0.75WH
7056
F32
10A
1
2
GndLINSupply
A173
HCU,HandControlUnit,
ElectricalParkBrake
A:3A:2A:1
Wiring diagram Page 49 (268)
T3065451
3210
A
B
C
D
WIRINGDIAGRAMFHFRONTAXLESTEERINGHYDRAULIC
0.75WH
1045
0.75WH
1045
0.75WH
1045
0.75WH/BN
0145
0.75WH
1045
0.75WH/BN
0145
XS364
0.75WH/BN
0145
XS365
0.75WH
1045
XS396
0.75WH/BN
0145
0.75WH/BN
0145
0.75WH/BN
0145
0.75WH
1045
0.75WH/BN
0145
0.75WH
1045
XS395
0.75WH
1045
RHDLHD
CCIOM
Hydraulic
SteeringSwitch
Hydraulic
HydralicSteering
SwitchGnd
A163
X3:2X3:9
S60A1
3
S60B1
3
S60A_RHD1
3
S60B_RHD
1
3
S701
2
X3:2X3:9
S70_RHD
1
2
OROR
Thepressuresensorslogicis,
ifunderpressure=open
Nopressure=closed
0.75WH/BN
0145
Page 50 (268) Wiring diagram
T3065454
3210
A
B
C
D
WIRINGDIAGRAMFLREARAXLESTEERINGELECTRONIC,RAS
Steeringanglesensor,rear
GndS1S2Power
RearAxleSteering
LH
Curve
RH
Curve
(AD2)(AD1)GndGnd(AD7/AD8)(ADM2)
Cutoffvalve
12
A21
Controlunit,EBS
(ElectronicBrakeSystem)
X4:3X4:8X4:2X4:1X4:12X4:11X4:10X4:9X4:6X45
0.75BU
0140
0.75VT
0139
0.75WH
1042
0.75RD
2087
0.75WH
1044
0.75GN
0141
0.75WH/GN
0142
0.75WH/GY
0143
0.75YE
0144
Y53
Controlvalveblock,RAS
745632
B49R
Sensor,steeringangle,Rear
4312
XC354:4 0.75BU
0140
0.75BU
0140
XC354:3 0.75VT
0139
0.75VT
0139
XC354:2 0.75WH
1042
XC354:1 0.75RD
2087
0.75WH
1043
0.75RD
2087
0.75WH
1042
OROROROR
Wiring diagram Page 51 (268)
T3065456
3210
A
B
C
D
WIRINGDIAGRAMFMREARAXLESTEERINGSELFSTEERED,RAS
0.75GN
0146
0.75WH
1046
ThirdAxel
RAS
Selfsteered
RCIOM
A164
Y101
X3:26X3:27
GNDLockValve
4
Page 52 (268) Wiring diagram
T3065457
3210
A
B
C
D
WIRINGDIAGRAMGAEXTERIORLIGHT,FRONT,LEFTROAD
MainUnit
LIN
12V
E83L9
8
12
543761314
6151
E98L3
2
1
0.75WH
1
0.75WH/RD
3013
0.75GN
3000
ExteriorLightFront
Position_Light
frontLeft
HeadlightLevelMotor1
PowerSupply1
HeadlightLevel
Motor1signal
Cornerlight
Extramainbeamleft
HeadLightLow/
DippedBeamLeft
FrontSideDirection
LeftIndicator
HeadLightHigh/
MainbeamLeft
CAN_L
Grounds
2
PowerSupply
CAN_H
Chassissubnet
FrontDirection
LeftIndicator
Hazard
hardwire
1
Ignition
Bi-Xenonlight
shutterleft
FCIOM
1
2
FrontFog
LightLeft
DayTimeRunning
LightsLeft
A162
X2:2X1:19X1:8X1:15X1:16X2:13X1:11
X1:22X1:29X2:29
X1:4X2:28
X1:17X1:1X1:15
X1:28X1:24X1:20X2:25
0.75WH/VT
2020
1.0WH
1
0.75WH
1
0.75WH
1
0.75WH
1
0.75RD
7043
0.75GY
7044
0.75WH/BN
3011
0.75WH/VT
3003
0.75WH/RD
3005
0.75BU
3030
0.75RD/GN
3028
4.0RD
2016
0.75OG
7000
0.75GN
7001
SD:0BSD:1B
XC301_2:12
AA:2A
XC321_2:1
YA:0C
XC321_2:2
AA:3A
XC322_2:1
E13L1
2
0.75WH/RD
3013
GB:2C
E83R.9
GB:2C
E83R.11
GND
LowBeam
GND
Fog
CornerLight
ExtraMainBeam
YD:1C
XS351
YD:1C
XS351
YD:1C
XS351
YA:0C
XC301_2:15
0.75BN
3032
0.75YE
3034
1.0GY
3007
0.75WH/BN
3009
0.75RD/BU
3036
2.5WH
1
2.5WH
1
2015
GND
HighBeam,levelling
positionanddirectionind.
YD:1C
XS351
BE:0D
XC301_2:13
BE:0D
XC301_2:14
YD:1C
XS351
XC301_2:11
Wiring diagram Page 53 (268)
T3065460
3210
A
B
C
D
WIRINGDIAGRAMGBEXTERIORLIGHT,FRONT,RIGHTBENDINGLIGHT,ROAD
E98R3
2
1
MainUnit
LIN
12V
E83R9
7
11
38541261310
1615
14
0.75WH
1
0.75BU
3014
0.75BU
3014
0.75WH
1
0.75WH
1
1.0WH
1
0.75WH
1
0.75RD
7043
0.75GY
7044
0.75BN
3029
0.75GN
3031
0.75PK
3012
0.75WH/RD
3004
0.75VT
3006
0.75WH/YE
3037
0.75PK
3010
1.0WH/BU
3008
0.75GN
7042
0.75WH/GY
3035
0.75RD
3016
0.75WH/VT
3033
0.75OG
7041
GA:2C
E83L.9
GA:2C
E83L.12
GND
Fog
CornerLight
ExtraMainBeam
GND
LowBeam
GND
HighBeam,levelling
positionanddirectionind.
YD:2C
XS352
YD:2C
XS352
YD:2C
XS352
E13R
1
2
YD:2C
XS352
ExteriorLightFront
HeadLightLow
DippedBeamRight
FrontSideDirection
IndicatorRight
HeadLightHigh/
MainBeamRight
VTFrontFogLight
Right
Positionlight,
front,Right
Frontdirection
indicator,RightFCIOM
Cornerlight
Extramainbeam
Bi-Xenonlight
shutterright
DayTimeRunning
LightsRight
HeadlightLevel
Motor2signal
HeadlightLevelMotor
RightPowerSupply1
BendingLight
ECUSupply
Bending
Light
CAN_HCAN_L
A162
X2:1X1:16X1:12X1:7X1:14X2:6X1:23X1:3X2:5X2:3X2:4X2:26X1:10X2:9
YD:2C
XS352
Page 54 (268) Wiring diagram
T3065461
3210
A
B
C
D
WIRINGDIAGRAMGCEXTERIORLIGHTREAR
E13E06E09E10E09E10E21
E27L
3
1
257
0.75PK
3067
Reverselightright
(MD&HD)
Reversewarning
Foglightleft
Reverselightleft
(HD)
1
Brakelightleft
Positionlightleft
RearLight
2HL
ECU
PowerSupply
Gnd1Gnd2
ChassisSubnet
Hazard
hardwire
Ignition
signal
Foglightright
Direction
Indicatorlightleft
Direction
Indicatorlightright
Brakelightright
Positionlightright
ECU
A164
Controlunit,RCIOM,
RearChassisIOModule
X1:12
X2:1X2:2X2:7X2:16X2:25X1:28X2:23
X1:6
X2:4X2:24
X1:22X1:23X4:1X4:2
X2:18X2:10X2:11X1:27
E13E0630H12E
E27R
3
1
27465
4.0RD
2018
4.0RD
2017
1.5WH
1
1.5WH
1
1.5WH
1
0.75WH
1
0.75WH/RD
3023
0.75WH/BN
30210.75WH/BU
3019
0.75GY
3042
1.5WH
1
2.5WH
1
2.5WH
1
0.75WH/VT
2020
0.75WH/RD
3023
0.75OG
7000
0.75GN
7001
LeftRearLightRightRearLightRearLights
E27Moduledetails
0.75YE
3022
SD:3C
XS348
SD:4C
XS347
XC317:12XC317:11
0.75GN
7001
0.75OG
7000
0.75GN
3000
BE:1D
XS320
BE:0D
XC203:27
XC323:1
4.0RD
2017
4.0RD
2018
XC323:2XC317:13
0.75WH/VT
2020
XC317:14
0.75GN
3000
YA:1B
XC317:15
YA:1B
XC317:16
YB:4C
XS308
E39
1
2
E21(Rearfoglight)
E06(Reverselight)
E09(Brakelight)
E10(1Rearpositionlight
2RearSideMarker
3Regplate)
E13(RearDirection)
H03(Reversewarning)
0.75BU
3026
E39(RegPlatelight(Korea))
XS333
XC353:6
0.75GY
3042
XC353:5
0.75WH/BU
3019
XC353:3
0.75WH/BN
3021
XC353:1XS334
YB:4C
XS308
XC353:4
0.75WH/RD
3023
XC353:2
AA:3B
FM5.A1
AA:3B
FM8.A1
0.75RD/YE
3020
0.75PK
3027
0.75VT
3024
0.75WH/GN
3043
0.75BN
3025
0.75BN
3025
XC353:7
64
Wiring diagram Page 55 (268)
T3065462
3210
A
B
C
D
WIRINGDIAGRAMGEEXTERIORLIGHTSIDEANDLOADLIGHT
0.75WH
1
0.75VT
3017
Front
Sidemarkerslight
Rear
RCIOM
A164
X1:21X1:17
0.75WH
1
0.75VT
3017
0.75VT
3017
0.75WH
1
0.75WH
1
0.75WH
1
0.75RD/GY
3066
0.75RD/GY
3066
0.75WH
1
0.75WH
1
0.75WH
1
0.75RD/GY
3066
0.75VT
3017
0.75RD/GY
3066
0.75RD/GY
3066
0.75VT
3017
0.75VT
3017
0.75WH
1
0.75RD/GY
3066
0.75VT
3017
0.75VT
3017
0.75WH
1
0.75RD/GY
3066
0.75RD/GY
3066
0.75WH
1
0.75WH
1
0.75WH
1
0.75WH
1
0.75WH
1
0.75WH
1
0.75VT
3017
0.75VT
3017
0.75WH
1
XC330:1
XC331:1
0.75VT
3017
0.75RD/GY
3066
XS300
XC331:3
0.75WH
1
XC330:3
0.75WH
1
XS301
XS303
E11LF1
2
E11LC1
2
E11RF1
2
E11RC1
2
E11LR
1
2
E11RR1
2
0.75VT
3017
0.75RD/GY
3066
ExtraSideMarker
Connector
XS376XS377
XS378
YB:3D
5.6_1
E11RR2
1
2
E11LR2
1
2
Tridem
sidemarkerlamps
LA:0C
M14.3
0.75RD/GY
3066
XS302
XC3511243
0.75WH
1
E11LW1
2
E11RW
1
2
0.75WH
1
Page 56 (268) Wiring diagram
T3065463
3210
A
B
C
D
WIRINGDIAGRAMGFEXTERIORLIGHT,ROOFIDENTIFICATIONLIGHT
0.75WH
1
0.75WH
1
S247
4
1
8
10
0.75GN
3047
0.75WH
1
0.75WH
1
0.75GN
3047
0.75GN
3047
0.75GN
3047
0.75WH
1
0.75WH
1
0.75WH
1
0.75GN
3047
0.75GN
3047
1.5BU
3047
0.75GN
3047
XS124
XS126
0.75GN
3047
XC116:4
XS125
0.75GN
3047
0.75GN
3047
0.75WH
1
0.75GN
3047
0.75WH
1
XS1211
XS1210
0.75WH/RD
6000
0.75WH
1
XC124:12
0.75GN
3047
0.75GN
3047
0.75GN
3047
0.75WH
10.75GN
3047
0.75WH
1
XC124:13
0.75GN
3047
YK:0D
1.8.B:2
XC116:3
1.5BK
1
XC116:5
1.5GY
1
NF:3D
XS1265
1.5RD
8064
NF:3C
XS1264
0.75WH
1
XC116:6
0.75RD
8064
NF:3A
A01.CT1:36
0.75WH
1
0.75GN
3047
0.75GN
3047
0.75WH
1
XS1276
0.75WH
1
0.75GN
3047
0.75WH
1
XS1275
0.75GN
3047
YK:0D
1.8.B:3
XS1277
XS1278
YK:0D
1.8.B:2
0.75WH
1
E29L
1
3
E29C
1
3
E29R
1
3
E29L_H1
1
2
E29C_H1
1
2
E29R_H1
1
2
A01.CT1:6
FRC
Headershelf
backlight
fromVMCU
Activationof
IDLamp
0-1
1
0
SwitchPosition
Netural
Action
IDLAMPSWITCH(S247)
A01.CT1:9
Positionlight
fromVMCU
A01.CT1:2
YK:0D
1.8.A:6
YK_RHD:0D
1.8.A:6
OR
YK:0D
1.8.A:9
YK_RHD:0D
1.8.A:9
OR
0.75WH
1
YK_RHD:2D
1.9.A:2
OR
0.75WH
1
YK_RHD:2D
1.9.A:2
OR
0.75WH
1
YK_RHD:2D
1.9.A:3
OR
E94L_EOM
1
2
E94R_EOM
1
2
E94L_EMB
1
2
E94R_EMB
1
2
OR
OR
Wiring diagram Page 57 (268)
T3065453
3210
A
B
C
D
WIRINGDIAGRAMGKTRAILERCONNECTIONRIGID
X1:1X1:2
HL
X1:26X1:13X1:20X1:24X1:25X1:19X1:7
2.5WH
1
4.0WH
1
1.5WH/GN
80201.5WH/YE
8019
1.5WH
1
1.5GN
7084
1.5VT
7083
2.5RD
8017
2.5WH
1
1.5BU
8018
2.5WH
1
1.5WH/GN
8020
Lhs.
directionindicator
RearFogLight
Lhs.rearparking
lightcircuit
BrakeLight
ReverseLight
ParkLightRight
ReverseLight
FlasherLeft
ParkLightLeft
BrakeLight
FogLight
FlasherRight
Free/(startaid(-))
Free/Axellifting
device(+)
Commonreturn
Commonreturnfor
pins14and15
GND
Spare,
BodyBuilder
Spare,
BodyBuilder
GND
Trailerconnector:15pinTrailerconnector:2x7pin
Pwoersupply
(+24Volt)
Free/Steeraxle
lock(+)
GND
GND
Supply
4.0WH
1
Controllamp
TrailerABS/EBSConnector7-pin
Brake
ProprietaryNet
Kl.15
A01.CB1:4
FRC
Brake
proprietarynet
EBS
A21
Controlunit,EBS
(ElectronicBrakeSystem)
CANH
CANL
Spare,
BodyBuilder
Spare,
BodyBuilder
XC317:23
XC317:24
XC317:25
XC317:26
CabPT
CabPT
XC342:20
2.5RD
8017
XC342:21
1.5BU
8018
XC342:22
1.5WH/YE
8019
XC342:23
1.5WH/GN
8020
1.5WH/GN
8020
XC342:6XC342:5
XC317:7XC317:8
0.75GN
7084
0.75GN
7084
0.75VT
7083
0.75VT
7083
YB:3C
XS309
YB:3C
XS309
YB:3C
XS309
YB:3C
XS309
1.5GN
3051
1.5WH/RD
3053
1.5RD/GY
3054
XC317:1
4.0RD
2129
XC342:1
XC201:1
4.0RD
2129
4.0RD
2129
XC210:5
2.5RD
8017
2.5RD
8017
XC210:11
1.5BU
8018
XC210:7
1.5WH/YE
8019
XC210:8
1.5WH/GN
8020
YB:3C
XS309
YB:3C
XS309
4.0RD
2129
1.5WH/GY
3052
Rhs.
directionindicator
Rhs.rearparking
lightcircuit
F46
20A
1
2
XC342:8
1.5GY
0160
1.5GY
0160
XC342:9
1.5BN
0161
1.5BN
0161
XC342:15
1.5YE
3050
1.5YE
3050
XC342:16
1.5GN
3051
1.5GN
3051
XC342:17
1.5WH/GY
3052
1.5WH/GY
3052
XC342:18
1.5WH/RD
3053
1.5WH/RD
3053
XC342:19
1.5RD/GY
3054
1.5RD/GY
3054
XC342:24
1.5GY
3055
XC342:25
XC317:17
1.5GY
3055
1.5GY
3055
XC317:18
1.5PK
3056
1.5PK
3056
DirectionIndicator
lightLeft
PositionLightLeft
PositionLightRight
BrakeLight
DirectionIndicator
lightRight
TrailerLight
ControlLamp
Ignition
keysignal
ABS/EBS
Trailer
A164
Controlunit,RCIOM,
RearChassisIOModule
2.5PK
3056
1.5BU
8018
1.5WH/YE
8019
2.5PK
3056
2.5RD
8017
1.5GY
3055
1.5WH/YE
8019
1.5YE
3050
+
TrailerLight
CCIOM
FogLight
Reverse
LightA163
Controlunit,CCIOM,
CentralChassisIOModule
X1:27X2:27
OROROROROROROROROROROR
X02
1254376
X04
12
X05
12344653577
X03
123410915876511121314
BBEC1
19212220
1.5BU
8018
Page 58 (268) Wiring diagram
T3065455
3210
A
B
C
D
WIRINGDIAGRAMGLTRAILERCONNECTIONTRACTOR
2.5WH
1
4.0WH
1
FRC
Brake
ProprietaryNet
1.5WH
1
1.5WH/YE
8019
2.5RD
8017
Brake
proprietarynet
EBS
A21
Controlunit,EBS
(ElectronicBrakeSystem)
Trailerconnector:15pin
CabPT
TrailerABS/EBSConnector7-pin
CabPT
4.0WH
1
A01.CB1:4
CANH
Kl.15
GND
Supply
GND
CANL
Controllamp
1.5GY
0160
1.5BN
0161
1.5GN
3051
1.5WH/GY
3052
1.5WH/RD
3053
1.5RD/GY
3054
2.5PK
3056
1.5GN
7084
1.5VT
7083
XC317:7
XC317:8
1.5BN
0161
1.5GY
0160
XC317:17
XC317:18
XC317:19
XC317:20
XC317:21
1.5GN
3051
1.5WH/GY
3052
1.5WH/RD
3053
1.5RD/GY
3054
YB:2C
XS372
1.5YE
3050
1.5GY
3055
YB:2C
XS372
XC201:1
4.0RD
2129
4.0RD
2129
YB:2C
XS372
YB:2C
XS372
XC210:5
2.5RD
8017
XC210:11
1.5BU
8018
XC210:7
1.5WH/YE
8019
XC210:8
1.5WH/GN
8020
ReverseLight
Lhs.rearparking
lightcircuit
Commonreturnfor
pins14and15
Free/(startaid(-))
Rhs.rearparking
lightcircuit
Rhs.directionindicator
BrakeLight
RearFogLight
Commonreturn
Lhs.directionindicator
Free/Steeraxle
lock(+)
Free/Axellifting
device(+)
Pwoersupply
(+24Volt)
F46
20A
X1:1X1:2
HL
1
2
DirectionIndicator
lightLeft
PositionLightLeft
PositionLightRight
BrakeLight
DirectionIndicator
lightRight
TrailerLight
ControlLamp
Ignition
keysignal
ABS/EBS
Trailer
A164
Controlunit,RCIOM,
RearChassisIOModule
X1:26X1:13X1:20X1:24X1:25X1:19X1:7
1.5BU
8018
+
1.5YE
3050
TrailerLight
CCIOM
FogLight
Reverse
Light
A163
Controlunit,CCIOM,
CentralChassisIOModule
X1:27X2:27
1.5WH/GN
8020
X03_2
723657410111415121398
X02_2
2
BBEC1
19202122
145316
Wiring diagram Page 59 (268)
T3065467
3210
A
B
C
D
WIRINGDIAGRAMGMTRAILERCONNECTIONRIGIDTREL-14
4.0WH
1
XC342:25
1.5YE
3050
1.5WH/GN
8020
1.5BU
8018
ReverseLight
Lhs.rearparking
lightcircuit
XC342:21
1.5WH/RD
3053
Free/(startaid(-))
Rhs.rearparking
lightcircuit
Rhs.directionindicatorXC342:16
XC342:24
Trailerconnector:14pin(TREL-14)
BrakeLight
2.5PK
3056
XC342:20
RearFogLight
XC342:19
1.5WH/GY
3052
XC342:15
Commonreturn
XC342:23
2.5RD
8017
1.5GN
3051
1.5GY
3055
XC342:18
Lhs.directionindicator
Free/Steeraxle
lock(+)
XC342:22
Free/Axellifting
device(+)
1.5WH/YE
8019 Pwoersupply
(+24Volt)
1.5RD/GY
3054
XC342:17
GND
X63:1
X63:2
X63:3X63:4X63:5
X63:6X63:7AX63:7BX63:9
X63:10
X63:11
X63:12
Overhanginterface
YB:3C
XS309
X63
127B10111213147A465398A8B
Page 60 (268) Wiring diagram
T3065468
3210
A
B
C
D
WIRINGDIAGRAMGPWIPERWASHER
M
M03
Motor,headlamphigh
pressurewasherpump
1
2
1.5WH/GN
2105
M
53B
31
31B53
M01
Motor,windscreenwiper
4
1
23
0.75RD
7085
0.75WH
1
0.75WH
1070
0.75GY
7017
1.5WH
1
A01.CB2:2
FRC
YD:1C
XS393
A01.CB2:10A01.CB2:1
XC213:20
0.75WH/BN
0151
0.75WH/BN
0151
XC213:21
1.5VT
2103
XC213:22
1.5RD/GN
2104
1.5RD/GN
2104
BE:0B
A187.CN1:5
BE:0B
A187.CN1:18
Cab
passthrough
A01.CB2:25
B243
Sensor,rain
213
F71
15A
1
2
YD:1C
XS351
SK:0A
A160.B:2
1.5WH/GN
2105
XC203:28
0.75WH
1058
0.75WH/BN
0150
0.75BN
2106
(87)
(85)(87a)
(30)
(86)
K06
1
3
2
(87)
(85)
(87a)
(30)
(86)
K05
1
3
2
45
Low
speed
High
speed
M
M02
Motor,windscreen
washerpump
2
1
1.5WH/GN
2105
(87)
(85)
(87a)
(30)
(86)
K16
1
3
2
4455
+
Headlightwasher
pump20Arelay
Wiper
On/Off
20Arelay
FCIOM
Washer
WasherFluidSensor
MotorWindscreen
WasherPump
A162
X2:7X2:20
GndSignal
X2:19
1.5VT
2103
Wiperpark
position
B249
Sensor,
Washerfluidlevel
1
3
F51
20A
1
2
1.5WH
1
YN:1C
XS1232
VMCUFromVMCU
Wiper
Speed
20Arelay
+
From
VMCU
XC301_2:19
Wiring diagram Page 61 (268)
T3065469
3210
A
B
C
D
WIRINGDIAGRAMHACLIMATEUNIT
12VLINHL
Pwr
Gnd
CabSubnet
A168
ControlUnit,LECMHigh,
(LivingEnvironmentControlModule)
A:4
A:1
H
A:3
L
A:6
PowerSupply
Power
Gnd
CabSubnet
VSup/signal
left
Sunsensor
LINBus
Gnd
Supply
Gnd
Defogsensor
ACCompressor
Clutch
ClimateControlpanel
LIN10
ACLoop
HighPressure
Sensor
GndSupply
VSup/signal
Right
Cabtempsensor
H
CANL
ClimateSubnetA34B
Controlunit,climateunit
X1:2X2:17
X1:1
X2:1X2:2
X2:3X2:13X2:12X2:11X2:16X2:15X2:14X2:4X2:6X2:5
13
X2:7X2:8X2:9X2:10
X2:18
X2:20
X2:19
0.5WH
1
0.5OG
7022
0.5GN
7023
0.5OG
7022
0.5GN
7023
0.5WH
1
0.5RD
2107
0.75YE
0152
2.5RD
2108
0.75GY
7057
0.75RD
7058
0.75GY
7057
0.75RD
7058
2.5WH
1
0.75GN
0155
0.75WH/VT
0154
0.75BN
0153
0.5OG
7022
0.5OG
7022
0.5GN
7023
A01.CB2:20
FRC
A01.CB3:11
0.75YE
0152
HE:3B
XC302.23
F80
3A
1
2
F38
20A
1
2
0.5RD
2107
XC103:2
XC103:1
XC203:29
YH:0D
1.4.A:5
HC:3B
XC203:13
HC:3B
XC203:14
HD:2B
XC130:5
HD:2B
XC130:16
OROR
XC140:10
0.75RD
7064
XC140:11
0.75GY
7063
0.75GY
7063
XC140:12
0.75WH
7065
0.75WH
7065
0.75RD
7064
HVAC
0.5GN
7023
SC:2B
XC103:3
SC:3B
XC103:4
SC:3C
XC130:17
SC:3C
XC130:18
0.75RD
2109
XC144:1
0.75RD
7058
0.75RD
7058
XC144:2
7059
0.75WH
7059
XC144:3
0.75GY
7057
0.75GY
7057
++
SC:2C
XC140:5
SC:2C
XC140:4
SC:1C
XS1218
SC:1C
XS1219
XC149:1
0.75WH/YE
7061
0.75WH/YE
7061
XC149:2
0.75RD/BU
7060
0.75RD/BU
7060
XC149:3
0.75WH
7062
0.75WH
7062
0.5OG
7022
BG:0C
A160.A:8
0.5GN
7023
BG:0C
A160.A:24
XC130:6
0.5RD
2107
0.75YE
7068
HB:3A
XC208:3
0.75GN
7069
HB:3A
XC208:6
XC130:11
0.5WH
1
B236
Sensor,Defog
1
B244
Sensor,Cabtemperature
A:4
Solar
Load
NTCNTC
Ref
Vsupp
A:3A:2A:1
B240
Sensor,
Sunsensor
32321
YG:0D
1.5.B:6
ClimateControlPanel
T
o
C
Climatearea
Fancontrol
Parking
heater
Windscreen
Defogg
A170
0.75WH
Page 62 (268) Wiring diagram
T3065470
3210
A
B
C
D
WIRINGDIAGRAMHBIPCINTERGRATEDPARKINGCOOLER
2.5WH
1
2.5WH
1
PCCU
PwrSupply
24V
HVIL1Fansupply
Gnd0-32VinoutGround+
PowerSupply
ACComp150V/DC
-
LINACComp
+12VLINGnd
+12VLINGnd
Jumper
Housing
Ground
A186
A:4
CANHL
A:5
A:1A:2A:3
A:2A:3
A:12A:11
B:1
B:2
13
A:6A:7C:BC:CC:A
C:A
C:D
C:D
D:1
AC
Compressor
HVIL1
+
PowerSupply
150V/DC
-
Inverter
Jumper
Housing
Ground
A185
A1A7A6C:CC:B
D:1
6.0WH
1
0.75BK
0212
0.75YE
7068
M
Condensor
fan
M55
6.0RD
2117
0.75GN
7069
AA:4B
FM10.A1
HA:1B
A34B.X2:19
HA:1B
A34B.X2:20
XC208:3
0.75YE
7068
XC208:6
0.75GN
7069
1.5BU
2118
1.5WH
1050
0.75GY
7071
0.75RD
7070
0.75WH
7072
0.75VT
0158
0.75WH/VT
0157
5.5_4
0.75BK
0213
2.5WH
1
5.0_1
2.5RD
2119
2.5BK
1051
XS354
Wiring diagram Page 63 (268)
T3065471
3210
A
B
C
D
WIRINGDIAGRAMHCPARKINGHEATERWATER
Y32A1
3
0.75GY
7057
0.75RD
7058
1.5WH
1
0.75RD/BU
1048
0.75WH/BU
2111
1.5RD
2110
FRC
A01.CB8:6
HD:1B
XC130:21
HD:1B
XC130:4
HD:1B
XC130:3
F69
15A
1
2
XC203:36
1.5RD
2110
YA:2C
XS374
XC203:33
0.75RD/BU
1048
XC203:34
0.75WH/BU
2111
HA:1B
A34B.X2:17
HA:1B
A34B.X2:18
XC203:13
A01.CB8:3
A01.CB12:25
OR
+
1.5RD
2110
0.75RD
70580.75GY
7057
0.75WH/BU
2111
XC203:14
OR
Fuel
pump+
Fuel
pump-Gnd
Power
supply
Parkingheater,water
Inhibit
Signal
A:12A:11
2:B1:B
A:8
A:9
A:5
E128
X1:2X1:5
X1:6X1:7X1:10
X1:1
OR
12VLIN
Page 64 (268) Wiring diagram
T3065472
3210
A
B
C
D
WIRINGDIAGRAMHDPARKINGHEATERAIR
0.75GY
7057
0.75RD
7058
1.5RD
2110
HC:1A
A01.CB12:25
0.75RD/BU
1048
HC:0B
XC203:33
0.75WH/BU
2111
HC:1B
XC203:34
Power
supply
Fuel
dosing
pump1
Fuel
dosing
pump2
CabH
Gnd
Inhibit
ParkHeater
E127A
Parkingheater,Air
A2A4A6A7A5A1
12VLIN
A3
XC130:21
1.5RD
2110
XC130:3
0.75WH/BU
2111
XC130:4
0.75RD/BU
1048
1.5WH
1
XC130:5
0.75RD
7058
XC130:16
0.75GY
7057
HA:1B
A34B.X2:17
HA:1B
A34B.X2:18
YM:0C
1.3.A:2
Wiring diagram Page 65 (268)
T3065474
3210
A
B
C
D
WIRINGDIAGRAMHEAMBIENTTEMP.,SHORTSTOPHEATERACCLUTCH
MM13
Motor,coolantpump,
parkingheater
2
1
0.75WH
1
0.75RD/BU
1049
0.75WH/BU
2113
B22
Sensor,outdoortemperature
2
1
X2:15X2:16
0.75GY
1
0.75YE
0152
HA:3C
XC203:29
Y42
Clutch,magnetic,
airconditioningcompressor2
1
0.75WH/YE
2112
0.75WH
0152
CCIOM
ClimateControl
ThermalSwitch+
ValveShortStopHeater
A163
X3:14
FCIOM
Climatecontrol
TempSensor
Ground
OutdoorTemp
SensorSupply
A162
S55
1
2
0.75WH/YE
2154
YB:1C
XS370
XC302
EngineInterface,GIC020
23
Page 66 (268) Wiring diagram
T3065580
3210
A
B
C
D
WIRINGDIAGRAMHFFUELHOSEHEATER
(87)
(85)
(87a)
(30)
(86)
K69
1
3
2
45
2.5WH
1
2.5WH
1
0.75WH
1
0.75WH/VT
2116
2.5WH/VT
2115
2.5WH/VT
2115
0.5GN
6000
F39
20A
1
2
A01.CB2:21
2.5RD
2114
FRC
XC208:8
2.5WH/VT
2115
XS375
R46
Heater,fuelhose,
thermoline
A:3A:2A:1A:4
2.5WH/VT
2115
YH:0D
1.4.A:10
YB:0C
XS371
YB:0C
XS371
Activationof
FuelLineHeater
Netural
SwitchPosition
FUELLINEHEATERSWITCH(S227)
0
1
Action
+
0-1
A01.CT1:14
0.5WH/GN
2020
0.75WH
1070
BE:0B
A187.CN1:4
XC141:28
0.75WH/VT
2116
0.75WH/VT
2116
XC141:29
0.75WH
1070
BE:0B
A187.CN1:21
XC141:33
0.5GN
6000
10
S2271
10
94
8
Wiring diagram Page 67 (268)
T3065581
3210
A
B
C
D
WIRINGDIAGRAMIAINTERIORLIGHT
E93R
3
2
E93L
3
2
E88
1
2
E126L
2
31
0.5WH
1
0.5WH
1
E85R1
1
2
0.5RD/BU
6006
0.75RD
6008
undef*opt*
6008
undef
6025
0.75VT
6025
0.75WH
1
0.75WH
1
0.75WH
1
0.75RD/GY
60110.75RD/GY
6011
E90
2
WHITE
RED
3
0.75GY
6012
0.75WH
1
0.75WH
1
0.75WH
1
0.75RD
6008
0.75WH
1
0.75WH
1
0.75VT
6013
0.75RD
6008
0.75WH
1
0.75VT
6009
0.75RD
6008
Frontshelf
storagelight
S222DS
A
B
S222C
A
B
0.75WH
1
Snake
light
0.75WH
1
Frontshelf
light
S222PS
A
B
Rooflight
Headliner
0.75RD
6008
XC124:8
0.5WH
1
Catwalk
reading
lamps
R+H
RED
WHITE
E106
2
31
RED
WHITE
E106
2
31
Catwalk
LeftRight
A01.CT1:17
0.75RD
6008
A01.CT1:25
0.75BN
6007
A01.CT1:15A01.CT1:23
0.5RD/BU
6006
E85L1
2
E93C
3
2
0.5PK
6005
XC145_1:2
0.5PK
6005
XC145_1:3
0.5RD/BU
6006
XC145_2:2
0.5PK
6005
0.5PK
6005
XC145_2:3
0.5RD/BU
6006
XC145_2:1XC145_1:1
0.5WH
1
0.5WH
1
0.75RD
6008
FRC
XC145_1:5
0.75WH
1
XC145_2:5
0.75WH
1
XC145_2:6
XC145_2:4
0.75GY
6012
XC145_1:6
0.75RD
6008
XC145_1:4
0.75GY
6012
0.5WH
1
0.75RD
6008
0.75RD
6008
XC124:4
0.75GY
6012
A01.CT1:35
A01.CT1:31
0.75RD/GY
6011
Task
light
circuit
XS171
XS1240
XS141
Resting
lightCrt2
Night
Driving
Lightcircuit
Max
LightCkt1
Resting
lightCrt1
0.75RD
6008
E126R
2
31
0.75WH
1
XC114_1:1
undef
6008
0.75WH
1
XC114_1:2
undef
6025
0.75VT
6025
YK:0D
1.8.B:1
E88
1
2
XC114_2:2
XC114_2:1
0.75GY
6012
0.5RD/BU
6006
0.5RD/BU
6006
YK:0D
1.8.A:2
YK_RHD:0D
1.8.A:2
YK:0D
1.8.A:2
YK_RHD:0D
1.8.A:2
OROR
0.75GY
6012
0.75GY
6012
YK:0D
1.8.A:5
YK:0D
1.8.A:10
YK:0D
1.8.A:10
YK:0D
1.8.A:10
YK:0D
1.8.A:10
0.75WH
1
YK_RHD:2D
1.9.A:1
OR
0.75WH
1
YK_RHD:0D
1.8.A:5
OR
VMCU
IB:2A
F57.2
0.75RD
6008
IB:3B
XC124:21
IB:3D
E86A.3
OR
OR
OROROROR
OR
OR
OR
OR
VMCU
MaxLight
Crt2
0.75WH
1
Page 68 (268) Wiring diagram
T3065582
3210
A
B
C
D
WIRINGDIAGRAMIBINTERIORLIGHT
E23L3
2
0.75RD
6008
0.75WH/YE
6012
0.75PK
5009
0.75PK
5009
0.75WH/BN
6016
0.75PK
5009
0.75BU
6015
0.75RD
6008
0.75RD
6008
0.75WH/BN
6017
Bedlight
sidewalls
XC130:10
0.75WH
1
Luggagecompartment
switchesandlamps
XC101_2:2
0.75WH/YE
6012
S57R
B1A1
0.75RD
6008
XC101_2:1
Centerstacklight0.75WH/YE
6012
XC101_1:1
0.75RD
6008
RED
WHITE
E108
2
31
0.75RD
6008
0.75WH
1
S57L
B1A1
XC130:1
0.75RD
6008
0.75WH/BN
6018
XC101_1:2
XC101_2:3
XC101_1:3
0.75RD
6008
0.75WH/YE
6012
0.75WH
1
0.75WH
1
XS1236
0.75RD
6008
YM:0C
1.3.A:6
YM:0C
1.3.A:6
0.75WH
1
YH:0D
1.4.B:4
E23R
Lamp,luggage
compartment
illumination
3
2
FRC
TaskLightCircuit
A01.CB12:6
F57
10A
1
2
Interiorlights
VMCU
NightDriving
LightCircuit
Resting
LightCkt1
Max
LightCkt1
Resting
LightCkt2
Max
LightCkt2
A187
CN1:20CN1:19CN12:4CN12:2CN12:1
BG:1D
XC130:2
E86
2
31E86
2
31
SwitchClosedwhen
Luggagecompartmentopen
IC:2B
XS1229
XS1283
0.75WH/YE
6012
XS1252
IG:1A
IA:2A
A01.CT1:17
0.75VT
6010
XC102:2
0.75WH
1
Bedlightupper
sidewall
0.75VT
6010
0.75RD
6008
Rearshelf
storagelight
XS102
0.75RD
6008
0.75WH
1
0.75VT
6010
0.75WH
1
XC124:21
XS105
0.75RD
6008
0.75WH
1
0.75WH
1
0.75VT
6010
0.75RD
6008
XS101
0.75WH
1
0.75WH
1
E86A
2
31
0.75RD
6008
XC102:1
0.75WH
1
0.75RD
6008
0.75WH
1
0.75WH/YE
6012
0.75RD
6008
IA:2B
XS171
0.75GY
6012
IA:4B
XC124:4
YK_RHD:2D
1.9.A:9
YK:0D
1.8.B:9
YK_RHD:2D
1.9.A:8
YK:0D
1.8.B:8
OR
OR
E113LE113LC
0.75VT
6010
E113RE113RC
S283LS283LCS283RCS283R
0.75VT
6010
Wiring diagram Page 69 (268)
T3065583
3210
A
B
C
D
WIRINGDIAGRAMICINTERIORLIGHTINSTEPLIGHT
RED
WHITE
E109L
2
31
WHITE
RED
E16L
2
RED
WHITE
E109R
2
0.75WH/BN
6016
0.5WH/BN
6016
0.5GY
6007
0.5GY
6007
0.5WH
1
0.5WH
1
0.75BN
3015
0.75BN
3015
XS1231
XC213:14
0.75BN
3015
XC301_2:7
WHITE
RED
E16R
2
IR:1D
XS107
0.5WH
1
IR:1D
XS107
IS:1D
XS104
0.5WH
1
IS:1D
XS104
XC104_1:8XC104_1:9XC104_2:8XC104_2:9
0.5GY
6007
0.75BN
3015
0.5GY
6007
0.5GY
6007
0.5WH/BN
6016
0.5WH/BN
6016
0.5WH/BN
6016
0.5WH/BN
6016
Interiorlights
VMCU
NightDriving
LightCircuit
Resting
LightCkt1
Max
LightCkt1
Resting
LightCkt2
Max
LightCkt2
A187
CN1:20CN1:19CN12:1CN12:2CN12:4
FCIOM
Interiorlight
Insteplight
A162
X2:8
XS1281
0.5WH/BN
6016
E119L1
3
E119R1
3
XS1229
IB:0C
E108.3
XC203:30
0.75BN
3015
0.75BN
3015
0.5GY
6007
0.75WH/BN
6016
0.5GY
6007
0.75WH
1
YN:1C
XS1232
0.75WH
1
YN:1C
XS1232
131313
Page 70 (268) Wiring diagram
T3065584
3210
A
B
C
D
WIRINGDIAGRAMIFCOMFORTACCESSORIES
(87)
(85)
(30)
(86)
K14
1
3
2
5
A04A
1
2
E110
2
1
R04
Cigarette
lighter2
3
1
1.5WH
1
1.5RD
4006
0.5GN
6000
0.5WH
1
1.5RD
4007
0.5GN
6000
4.0WH
1
0.75WH
1
1.5WH
1
A01.CB12:23A01.CB10:4A01.CB3:1A01.CB7:6
A01.CT2:2
A01.CB11:1
FRC
R1112
F50
30A
1
2
F75
10A
1
2
1.5RD
4005
XC130:19
1.5RD
4006
XC130:20
0.75RD
4004
0.75RD
4004
XC127:2
4.0RD
4002
F67
15A
1
2
A01.CB12:24
0.5GN
6000
BE:1B
XS1107
X105
123
1.5WH
1
YM:0C
1.3.A:4
YM:0C
1.3.A:3
Power
Recline
A1571
2
A01.CB3:4
F64
15A
1
2
F65
15A
1
2
XC130:22
0.5RD
2101
0.5RD
2101
0.5WH
1
XC102:4
0.75RD
4004
XC102:3
0.75WH
1
XC124:11
0.75RD
4004
XC141:19
0.75RD
4004
0.75RD
4004
X106
123
BE:1B
XS1107
XC146:1
16RD
4000
0.75WH
1
YK:0D
1.8.B:7
F10
15A
1
2
AA:1B
XC205.B1
XC150:1
10RD
4188
10RD
4009
10RD
4188
XC150:2
10BK
1
(87)
(85)
(87a)
(30)
(86)
K02
K95
1
3
2
45
(87)
(85)
(87a)
(30)
(86)1
3
2
45
(87)
(85)
(30)
(86)
K08
1
3
2
5
Powersupply3
40ArelayRefrigerator
10ARelay
Accessories
40ARelay
Heater,Coffee
Maker
CupHolder
Light
24VPowerOutlet24VPowerOutlet
FridgeinCab
YM:0C
1.3.A:1
10RD
4009BE:1B
XS1107
4.0WH
1
YM:0C
1.3.A:3
YM:0C
1.3.A:7
F93
50A
YH:0D
1.4.A:2
YH:0D
1.4.A:2
YH:0D
1.4.A:6
XC152_1:1
4.0RD
4002
4.0RD
4002
XC152_2:1
4.0RD
4002
4.0RD
4002
XC152_1:2
4.0WH
1
XC152_2:2
4.0WH
1
OROR
10WH
1
YK:4D
1.10
0.75RD
4011
IG:2B
0.75WH
1
YK:0D
1.8.A:4
0.75WH
1
YK_RHD:2D
1.9.A:7
OR
A01.CT2:1
From
VMCU
From
VMCU
From
VMCU
+
+
+
PH:1B
F88.1
IU:3A
F22.2
OR
OR
Microwave
Oven
R55
A:1
B:1
Wiring diagram Page 71 (268)
T3065585
3210
A
B
C
D
WIRINGDIAGRAMIG12VPOWERSUPPLY20A/20A/11A
1.5WH
1
1.5WH
1
0.75WH
1069
1.5RD
4011
0.75WH
1069
0.75WH
1069
0.75RD
4015
0.75RD
4015
0.75RD
4015
1.5WH
1
1.5WH
1
1.5RD
4163
0.5GN
6000
1.5RD
4013
1.5RD
4162
0.5WH/GY
4014
1.5RD
4016
F59
15A
1
2
FRC
U33
15
37
6911
F03
10A
1
2
A01.CB10:2
A01.CT1:28
0.75RD
4012
U30
54
37
6911
A01.CB12:21A01.CB10:3A01.CB12:18
X07A
123
BE:0B
A187.CN1:12
CBPwr
IK:0B
A07.A:7
IN:1B
XC124:22
Socket12V
Dashboard
TV-DVD
BE:1B
XS1107
YH:0D
1.4.B:1
0.75RD
4011
IF:3B
K95.1
1.5RD
4011
XC140:22
1.5RD
4013
A01.CT2:4A01.CB12:8
F56
10A
1
2
DC/DCConverter
20AinHeaderself
DC/DCConverter
20AinDashboard
X114
12
(87)
(85)
(30)
(86)
K11
1
3
2
5
PowerSupply4
40Arelay
A01.CT2:2
F60
15A
1
2
F01
10A
1
2
0.5BU
4014
Accessories
signal
A01.CT1:1
12Vinterfacefor
mobiledevice
XS1299
XC141:31XC141:32
1.5WH
1069
IN:1D
XC124:2
12V
24V
12V
24V
12V
24V
U29
1
23
8
76
X114
12
OR
1.5WH
1
0.75WH
1069
IN:1D
XC124:2
DC/DCConverter
11AinHeaderself
CBPwr
0.5BU
4014
1.5RD
4161
1.5RD
4161
1.5WH
1069
1.5RD
4016
OR
OR
YK:0D
1.8.A:1
YK_RHD:0D
1.8.A:1
YK:0D
1.8.A:1
YK_RHD:0D
1.8.A:1
OROR
IL:1A
F58.1
FromVMCU
+
VMCU
IB:2A
F57.1
OR
Page 72 (268) Wiring diagram
T3065587
3210
A
B
C
D
WIRINGDIAGRAMIKAUDIO
+
Audio
diag.
right
-GNDLR
Audio
commonVBUS-
RF
USB
LR
leftCAN_H
Amp
TurnON
Control+
CAN_L
-+
LowLevelOut
+-
Com.Microphone
-++-
Infotainmentsubnet
-
Audio
left
AUX-IN1
RR
AUX-IN2-Audio
+
LFAudio
right
LF
-
Diag.
+
RFRR
SupplyAudioin
Telematics
FM
Splitter
Accessories+12V
Shield
A07
C3:14
A:8B:1B:5
C3:15C1:5A:7
B:2
A:2
D:7
A:1C1:1
D:6B:4
C2:7C3:13C2:8
D:4B:7D:9D:3D:2D:1D:8B:6
A:5
D:5B:8B:3C3:17C3:20C3:19
C3:16
C3:18D:10X1:1
X3A:4
0.5GN
4026
1.5RD/GN
4036
1.5RD/GN
4036
1.5VT
4035
1.5VT
4035
1.5RD/YE
4034
1.5RD/YE
4034
1.5RD/GY
4033
1.5RD/GY
4033
0.75RD/GY
4033
1.5RD
4013
TBDTBD
4174
0.5GN
4026
0.5WH
4025
0.35BN
4022
0.75RD/YE
4034
0.75RD/GY
4033
0.75NL
4032
0.75BN
0149
0.75RD/YE
4034
0.75RD/GN
4036
0.75VT
4035
0.75RD/GN
4036
0.75VT
4035
0.35WH
4031
1.5WH/YE
40401.5GY
4039
0.35GN
4048
0.35YE
4047
0.35P
4046
0.35GY
4045
0.35RD
4044
0.35BU
4043
0.35BN
4042
0.35WH
4041
XC131:25
XC131:24
XC131:22
Amplifier
IL:1A
XC131:1
IL:1A
XC131:2
IL:2A
XC131:3
IL:2A
XC131:4
IL:2A
XC131:10
IL:2A
XC131:11
IL:2A
XC131:12
IL:2A
XC131:13
XC141:18
XC141:17 XC131:23
XC141:16
1.5WH/BN
4038
XC141:15
1.5BU
4037
XC104_2:20
1.5RD/GN
4036
XC104_2:19
1.5VT
4035
XC104_1:20
1.5RD/YE
4034
XC104_1:19
1.5RD/GY
4033
IL:3A
XC130:24
USB
X66
Connector,USB,Audio
1
0.35WH
4021
IN:1B
XC124:15
B60RD
Loudspeaker,
rightdoor
+-
B60RF
Loudspeaker,
rightfront
+-
B60LD
Loudspeaker,
leftdoor
+-
B60LF
Loudspeaker,
leftfront
+-
B61R
Loudspeaker,
trebleright
+-
MIC
B63
Microphone,(handsfree)
21
IN:1B
XC124:14
XC141:20
0.75BN
0149
XC141:18
XC141:17
XC141:16
XC141:15
XC141:25
XC141:24
XC141:23
XC141:22
XC103:8
1.5WH/YE
4040
1.5WH/YE
4040
XC103:7
1.5GY
4039
1.5GY
4039
XC103:6
1.5WH/BN
4038
1.5WH/BN
4038
XC103:5
1.5BU
4037
1.5BU
4037
XC141:25
XC141:24
1.5VT
4035
XC141:23XC141:22
XC147:4
0.3NL
4029
0.3NL
4029
XC147:3
0.35GN
4030
0.35GN
4030
XC147:2
0.35BN
4028
0.35BN
4028
XC147:1
0.35W
4027
0.35W
4027
XC148:1
4182
4182
1.5WH/YE
40401.5GY
4039
1.5WH/BN
4038
1.5RD/GN
40361.5BU
4037
0.35BN
40420.35BU
4043
0.35RD
4044
0.35GY
4045
0.35P
4046
0.35YE
40470.35GN
4048
0.5GN
7009
SE:1C
XS1207
0.5OG
7008
SE:1C
XS1208
0.5GN
7009
SE:2C
XC140:9
0.5OG
7008
SE:2C
XC140:18
AUX
X67
Connector,AUX,Audio
1245
B61L
Loudspeaker,
trebleleft
+-
1.5RD/GY
4033
1.5RD/YE
4034
BU:2B
A125.X1:20_A2
BU:2B
A125.X1:19_A1
BU:1B
A188.A:1
IG:0C
XC140:22
0.35GN
4024
IN:1B
XC124:16
0.3NL
4023
IN:1B
XC124:17
TBDTBD
4174
BU:1A
W16.1
B60RR
Loudspeaker,
rightrear
+-
B60LR
Loudspeaker,
leftrear
+-
XS1295
XS1296
XS1297
XS1298
1.5WH
1
YK:4D
1.11
0.5WH
4025
BU:0B
A175.X1:17_A2
0.5GN
4026
BU:0B
A175.X1:18_A2
OR
0.5WH
4025
BU:1D
K71.A3
BU:1D
K71.B3
XC141:12
0.35NL
1076
0.35NL
10760.35WH
4041
IL:3A
XC131:21
Wiring diagram Page 73 (268)
T3065588
3210
A
B
C
D
WIRINGDIAGRAMILAMPLIFIER
RR+ON30
GROUND
+SUB1
-SUB1
+SUB2
-SUB2
Lowlevelin
Subwoofer
Speakerout
LIP-LIP+RIP-RIP+
A116ControlUnit,amplifier
A5A6A4A10A1
B16
B6
B17
B5
B15
B4
B14
LR+LF+RF-LF-
LR+LR-LD+LD-RR+RR-RD+RD-
RF+LR-RR-
B13B10B11A7B18A13
B1
B3
B2
B9
B8
A8A9A3A2
A15
A12
2.5WH
1
2.5RD
2078
2.5WH
1
2.5WH
1
0.75BN
0149
0.75VT
4036
0.75WH/BN
4035
0.75GN
4034
0.75WH/VT
4033
0.35GN
4048
0.35YE
4047
0.35P
4046
0.35GY
4045
0.35RD
4044
0.35BU
4043
0.35BN
4042
0.35WH
4041
RADIO
IK:2C
XC141:22
IK:3C
XC141:23
IK:3C
XC141:24
IK:3C
XC141:25
IK:3C
XC141:15
IK:3C
XC141:16
IK:3C
XC141:17
IK:3C
XC141:18
XC131:24
1.5RD/YE
4034
XC131:8
0.75WH/BN
4035
0.75WH/BN
4035
XC131:23
1.5VT
4035
XC131:22
1.5RD/GN
4036
XC131:9
0.75WH/VT
4033
0.75WH/VT
4033
XC131:17
0.75GN
4034
0.75GN
4034
XC131:18
0.75VT
4036
XC131:25
1.5GY
4039
1.5WH/YE
4040
XC103:7
1.5GY
4039
XC103:8
1.5WH/YE
4040
XC104_1:19
1.5RD/GY
4033
1.5RD/GY
4033
XC104_1:20
1.5RD/YE
4034
1.5RD/YE
4034
XC104_2:19
1.5VT
4035
XC104_2:20
1.5RD/GN
4036
1.5RD/GN
4036
1.5BU
4037
XC103:5
1.5BU
4037
XC103:6
1.5WH/BN
4038
IK:3C
XC141:20
A01.CB3:19
XS176
FRC
B61R
Loudspeaker,
trebleright
+ -
B60RF
Loudspeaker,
rightfront
+-
B60LF
Loudspeaker,
leftfront
+-B60RD
Loudspeaker,
rightdoor
+-
B60LD
Loudspeaker,
leftdoor
+-
B184
Loudspeaker,
Subwofer
VC1+
1
VC1-
4
VC2+
2
VC2-
5
F58
20A
1
2
XC131:1
0.35WH
4041
XC131:2
0.35BN
4042
XC131:3
0.35BU
4043
XC131:4
0.35RD
4044
XC131:10
0.35GY
4045
XC131:11
0.35P
4046
XC131:12
0.35YE
4047
XC131:13
0.35GN
4048
XC130:24
0.75BN
0149
XC127:1
2.5RD
2078
YM:0C
1.3.A:5
2.5RD
2078
1.5WH/BN
4038
1.5RD/GY
4033
B61L
Loudspeaker,
trebleleft
+ -
0.75VT
4036
XS175
B60RR
Loudspeaker,
rightrear
+-
B60LR
Loudspeaker,
leftrear
+-
IG:2A
MSTC-1_671_shield
1.5VT
4049
1.5WH/BN
4050
1.5GN
4051
1.5WH/VT
4052
0.35NL
1076
IK:3C
XC141:12
XC131:21
0.35NL
1076
1.5VT
4035
Page 74 (268) Wiring diagram
T3065589
3210
A
B
C
D
WIRINGDIAGRAMINDVD,BUNKDISPLAY
Antenna
Module
W20
1
0.75WH
1069
0.75WH
1069
4181
0.35GN
4024
0.3NL
4023
PWR
GND
BunkDisplay
A48
1:3X4:2XX2:1X1:2X2:2X2:5
X1:3
0.35BN
4022
0.75RD
4012
0.35WH
4021
IK:0B
A07.C3:19
IK:0B
A07.C3:20
0.75RD
4012
XC124:2
XC124:22
IG:3B
A01.CT1:28
IK:0B
A07.C3:17
IK:0B
A07.C3:18
XC124:14
0.35WH
4022
XC124:15
0.35BN
4021
XC124:16
XC124:17
0.3NL
4023
0.35GN
4024
0.75WH
1069
IG:2C
U33.9
IG:3C
U29.6
Wiring diagram Page 75 (268)
T3065590
3210
A
B
C
D
WIRINGDIAGRAMIOVIDEOSWITCH,CAMERASIDDISPLAY
SIDlowIClink
Pwr
Gnd
A155
Display,SIDLow
A:5
A:12
VisionCamera1Gnd
Power
SupplyInfotainmentsubnet
SIDHigh
TESP
VisionCamera2VisionCamera3VisionCamera4
LVDSInput
LVDSOutput
GndSignal
DVD/TV
A169Controlunit,VS(VideoSwitch)
C:1
A:2A:3A:24A:23A:22A:4A:5A:8A:9A:7A:10A:11A:12A:13A:14A:16A:17A:18A:19A:21
B:2B:3B:6B:7B:1D:1
B:8
C:2D:2
0.5GN
7009
0.5OG
7008
0.35BU
4087
0.35BU
4082
0.35BU
4077
0.35BU
4072
0.35RD
4074
0.35
4073
0.35
4078
0.35
4083
0.5WH
1
Displaysubnet
Pwr
Supply
Gnd
VideodataLVDS
A156
Display,SIDHigh
A:5A:6A:11B:1
H
A:6A:11
HL
HL
H
B:2
LL
A:12
0.5RD
2029
0.5RD
2029
0.5WH
1
0.5WH
1
0.5OG
7008
0.5GN
7009
A01.CB12:13
0.5RD
2091
FRC
A01.CB3:12
0.5GN
7003
BA:2C
XS168
0.5OG
7002
BA:2C
XS169
SE:2C
XS150
SE:2C
XS151
24VGND
B67
2134545
0.5GN
7013
BA:2B
A03.A:6
0.5WH
7012
BA:2B
A03.A:5
F53
5A
1
2
F21
3A
1
2
4175
BU:0B
A175.X2:1
OR
0.35RD
4079
0.35RD
4084
0.35
4088
0.35RD
4089
4175
XC151:1
4175
24VGND
B245A
2134521345213
24VGND
B245B
24VGND
B245C
4175
+
YG:0D
1.5.A:4
BA:1C
A161.A:24
BA:1C
A161.A:23
OR
YG:0D
1.5.B:4
YG:0D
1.5.B:4
+
0.35GN
4075
0.35BK
4076
0.35GN
4080
0.35BK
4081
0.35GN
4085
0.35BK
4086
0.35GN
4090
0.35BK
4091
Page 76 (268) Wiring diagram
T3065591
3210
A
B
C
D
WIRINGDIAGRAMIPHORN
H01
Horn,
air-operated
1
2
0.75VT
4096
0.75VT
4096
0.75VT
4096
0.75VT
4096
0.5WH
1
0.75WH
1
0.75WH
1
0.75P
1055
0.75P
4094
0.5WH/BN
4092
0.5WH/RD
4093
0.75WH/GY
4097
H021
2
S14
Switch,pushbutton,horn
A:3A:2A:1
HornX115B
Contactreel,
withoutairbag
A:5A:4
B:5B:4B:6
A:6
XC213:17
YD:2C
XS352
YD:2C
XS352
ClockSpringor
SteeringwheelInterface
XS392
Horn
CIOM
A160
A:6A:20
AuxiliaryCity
FCIOM
Horn
CityHornAuxiliaryHorn
A162
X2:11X2:12
0.75P
4095
Horn,
ElectricalCityhorn
0.75VT
4096
XC203:31
0.75VT
4096
0.75VT
4096
YG:0D
1.5.B:1
Horn
X115A
Contactreel,
airbag
A:5A:4
B:5B:4B:6
A:6
0.5WH/BN
4092
0.5WH/RD
4093
0.5WH
1
0.75P
4094
0.75P
40950.75P
1055
YG:0D
1.5.B:1
0.75WH
1
YN:1C
XS1232
XC301_2:20
OROR
OR
OR
ORY72
1
4
Wiring diagram Page 77 (268)
T3065593
3210
A
B
C
D
WIRINGDIAGRAMIRDOORLEFT
2.5WH
1
0.75WH
1
MMMM
M
M
R02L
A:1A:3A:2A:5A:4
A:8
A:6
2.5RD
2092
0.5WH
1
0.5WH
1
2.5WH
1
0.75WH
4108
0.75GY
4115
0.75WH
4116
0.75WH
1
2.5RD
2092
2.5RD
2092
2.5RD
2092
2.5WH
1
2.5RD
2092
Pwr
Supply
Pwr
Gnd
Securitysubnet
OpenDoor
sensor
UnlockDoor
sensor
LINGnd
LIN8Pwr
Pwr
LockDoor
sensor
Signal
Gnd
APModule
DoorlatchmotorWindowLift
Main/Wideanglemirror(MotorHB)
CommonX-axeY-axeY-axeX-axe
DCPModule
PowerWindow
HB2HB1HB2HB1
Door
InsteplamporWarningLamp
A165L
ControlUnit,DDM/PDM,
Driver/PassengerDoorModule
X1:6X1:5X1:4X1:3
X3:5
X3:1X2:3
X3:2X2:2X2:1
X2:4
X2:7X2:8X3:6X3:4
X2:5
HL
X2:6X3:3X2:9
X2:10X2:11
X2:12
X1:12
A01.CB12:19
S36L
Switch,unit,doorfunctions
A:3A:2A:1
XC104_1:17
XC104_1:18XC104_1:3
0.5OG
7081
XC104_1:4
0.5GN
7082
MAntipinch
M44L
Motor,windowlift
withantipinch
X1:1X1:6X1:5X1:4
M45L
Motor,windowlift
withoutantipinch
21
FRC
XS106
A01.CB12:17
F61
20A
1
2
F30
10A
1
2
0.75RD
4098
2.5WH
1
0.5BN
4104
0.5WH/VT
4103
0.5WH/RD
4106
0.5WH/BN
4107
2.5RD/GN
4100
2.5PK
4101
0.75GY
4099
0.75WH
3
0.75RD
4114
E129L
Lamp,doorwarninglamp2
XC104_1:7
0.75RD
2093
M09L6342
LU
5
0.5GN
7082
0.5OG
7081
0.75BU
4102
SF:1C
XS1257
SF:1C
XS1256
IC:2D
E109L.2
IC:2D
E16L.2
F29
10A
1
2
A01.CB12:16
0.5WH/GY
4105
(87)
(85)
(87a)
(30)
(86)
K21
1
3
2
45
MirrorHeating
10ARelay
+
Doorlatchmotor
onleftside
XS107
0.5PK
4111
0.5RD/GN
4136
0.5VT
4113
0.5WH/RD
4110
0.75WH
1
0.75RD
2093
0.5WH/GY
4112
XC104_1:10XC104_1:22
YH:0D
1.4.B:6
YH:0D
1.4.A:3
YH:0D
1.4.B:3
IQ:2B
F30.1
FromVMCU
+
LeftDoor
interface
LeftDoor
interface
LeftDoor
interface
WINDOWLIFTMOTOR
WITHOUTANTIPINCH(M45L)
PIN
OpenWindow
CloseWindow_
_
+
+
PIN4
_
+
LEFTDOORLATCHMOTOR(M09L)
1
21
DoorUnlock
DoorLock
_+
1
MainmirrorWideanglemirror
Page 78 (268) Wiring diagram
T3065594
3210
A
B
C
D
WIRINGDIAGRAMISDOORRIGHT
(87)
(85)
(87a)
(30)
(86)
K21
1
3
2
45
0.5OG
7081
0.5GN
7082
0.75WH
1
S36R
Switch,unit,doorfunctions
A:3A:2A:1
MMMM
R02R
A:1A:3A:2A:5A:4
A:8
MainmirrorWideanglemirror
A:6
0.5WH
1
0.5WH
1
2.5WH
1
Pwr
Supply
Pwr
Gnd
Securitysubnet
OpenDoor
sensor
UnlockDoor
sensor
LINGnd
LIN8Pwr
PwrHL
LockDoor
sensor
Signal
Gnd
APModule
DoorlatchmotorWindowLift
Main/Wideanglemirror(MotorHB)
CommonX-axeY-axeX-axeY-axe
DCPModule
PowerWindow
HB2HB2HB1
Door
InsteplamporWarninglamp
A165R
ControlUnit,DDM/PDM,
Driver/PassengerDoorModule
X1:6X1:5X1:4X1:3
X3:5
X3:1X2:3
X3:2X2:2X2:1
X2:4
X2:7X2:8X3:6
HB1
X3:4
X2:5
X2:6X3:3X2:9
X2:10X2:11
X2:12
X1:12
2.5RD
2094
2.5WH
1
2.5RD
2094
2.5RD
2094
2.5RD
2094
A01.CB12:20
XC104_2:18
2.5RD
2094
XC104_2:17
XC104_2:3
0.5OG
7081
XC104_2:4
0.5GN
7082
M45R
MM
Motor,windowlift
withoutantipinch
21
MAntipinch
M44R
Motor,windowlift
withantipinch
X1:1X1:6X1:5X1:4
XS103
FRC
F20
20A
1
2
A01.CB12:16
F29
10A
1
2
Rightdoor
interface
0.75RD
4117
2.5RD/GN
4119
2.5PK
41200.75GY
4118
0.75BU
4121
0.75WH
1
XS104
XC104_2:7
0.75RD
2095
IC:3D
E109R.2
IC:3D
E16R.2
E129R
Lamp,doorwarninglamp2
0.5GN
7082
SF:1C
XS1257
0.5OG
7081
SF:1C
XS1256
F30
10A
1
2
0.75WH
4127
0.5WH/VT
4122
0.5BN
4123
0.5WH/GY
4124
0.5WH/RD
4125
0.5WH/BN
4126
+MirrorHeating
10ARelay
M09R3
2
145
L
6
Doorlatchmotor
onRightside
0.5WH/GY
4130
0.5WH/RD
4128
0.5VT
4131
0.5RD/GN
4139
0.5PK
4129
0.75WH
1
0.75RD
2095
0.75RD
4132
0.75WH
4134
0.75GY
4133
XC104_2:22
XC104_2:10
0.75WH
1
2.5WH
1
YH:0D
1.4.B:5
YH:0D
1.4.A:4
2.5WH
1
YH:0D
1.4.B:3
RA:0B
A31.A:12
RA:0B
A31.A:10
+
From
VMCU
Rightdoor
interface
Rightdoor
interface
PIN
4
DoorLock
2
_
_
_
+
+
1
WINDOWLIFTMOTOR
WITHOUTANTIPINCH(M45R)
PIN
DoorUnlock
1
CloseWindow
OpenWindow
+
_
RIGHTDOORLATCHMOTOR(M09R)
+
Wiring diagram Page 79 (268)
T3065595
3210
A
B
C
D
WIRINGDIAGRAMITSEATS
(87)
(85)
(87a)
(30)
(86)
K24
1
3
2
45
01
R03
S55
1.5Y/R
A06P
A:4
A:3A:9
01
R03
S55
M
M
1.5Y/R
2.5W
1.5GN/R
M12
S61
0.75BN
0.75BN
A06D
A:4
A:3A:1A:2
2.5WH
12.5WH
1
0.75VT
0027
0.75RD/GN
5005
A01.CB12:1A01.CB12:10
BG:0C
A160.A:22
BG:0C
A160.A:21
FRC
YH:0D
1.4.A:9
YH:0D
1.4.A:7
A01.CB3:16A01.CB3:17
F13
15A
1
2
F90
15A
1
2
(87)
(85)
(87a)
(30)
(86)
K09
1
3
2
45
SeatMovement
10ARelay
1.5RD
2038
1.5RD
2100
1.0RD
2038
XS1301
1.5RD
2038
1.5RD
2038
PH:1D
A132.A:2
Enginerunning
10ARelay
From
VMCU
From
VMCU
++
Page 80 (268) Wiring diagram
T3065596
3210
A
B
C
D
WIRINGDIAGRAMIUSUNROOFSUNVISOR
0.75WH
1
F22
5A
1
2
0.75WH/VT
2101
0.75WH
1
0.75WH/VT
2101
0.75BU
4159
0.75WH/BU
4160
A01.CT1:4A01.CT1:3
F52
15A
1
2
XC124:19
1.5RD/GN
4157
1.5VT
4158
XC124:20
1.5VT
4158
A01.CT1:24
0.5WH/RD
6000
A01.CT1:26
Backlight
+
Sunroofmotor2
relay20A
Sunroofmotor1
relay20A
FRC
+
SUNVISORMOTORSWITCH(S238)
0
1
2
Netural
ActionSwitchPosition
Down
Up
+
+
1
_
_
2
Up
Down
MOTORFRONTSUNVISOR
(M43)
PIN
+
Open
PIN
+
_Close
_
VTSUNROOFMOTOR(M51)
12
M
M43
Motor,sunvisor,front
21
A1A2
0
S238
Switch,
Sunvisor,
front
5
14
36108
7
M
M51
Motor,
Sunroof,
unit
21
1.5RD/GN
4157
(87)
(85)
(87a)
(30)
(86)
K03
1
3
2
45(87)
(85)
(87a)
(30)
(86)K041
3
2
45
A01.CT1:21
0.5WH
1
YK:0D
1.8.A:4
YK_RHD:0D
1.8.A:4
OR
IF:4B
A01.CB3:4
VMCU
From
VMCU
From
VMCU
Wiring diagram Page 81 (268)
T3065597
3210
A
B
C
D
WIRINGDIAGRAMKACABTILT
M
M11_RHD
MotorCabtiltpump,(RHD)
1
2
4.0WH/YE
2131
0.75WH
1070
4.0WH
1
0.75RD/GY
0016
XC130:14
0.75RD/GY
0016
XC130:15
0.75WH
1070
F45
30A
1
2
FRC
A01.CB1:3
(87)
(85)
(30)
(86)
K28
1
3
2
5
A01.CB7:8
XC201:2
4.0WH/YE
2131
S52L
1
2
S52R
1
2
0.75GY
0017
YD:2C
XS352
BE:0B
A187.CN2:17
XC213:2
0.75WH/BN
0.75WH/BN
2139
XC213:1
0.75BU
0018
0.75BU
0018
BE:0B
A187.CN2:13
BE:0B
A187.CN2:18
Cabtiltpump
40Arelay
4.0WH
1
4.0WH/YE
2131
YD:1C
XS393
S26B
Switch,
cabtiltpump,
chassis
1
3M
M11
Motor,cabtiltpump
1
2
+
FromCabtiltpump
relaygroundinVMCU
XC301_2:2
4.0WH/YE
2131
Page 82 (268) Wiring diagram
T3065598
3210
A
B
C
D
WIRINGDIAGRAMLALUBRICATIONSYSTEM
M
M141
3
0.75WH
1
0.75RD/GN
2026
AB:0B
A163.X3:8
XC317:22
0.75RD/GN
2026
GE:1D
XS378
Wiring diagram Page 83 (268)
T3065599
3210
A
B
C
D
WIRINGDIAGRAMNABODYBUILDERBBM
0.75BN
80940.75WH/RD
8104
0.75PK
8092
0.75RD/GN
8091
0.75WH/BU
80900.75RD/BU
8089
0.75WH/YE
8088
1.5WH
1
0.75GN
7007
0.75OG
7006
0.75YE
7004
0.75GN
7005
SA:2B
XS158
SA:2B
XS159
SB:3C
XS1118
SB:2B
XS1117
A01.CB10:8
1.5RD
2130
FRC
F19
15A
1
2
+
YG:0D
1.5.A:2
BackBone1
GndSupplyCANLCANHCANLCANH
BackBone2
Remote
Enable
Slide
out
Slide
in
Taillift
up
Taillift
down
Taillift
tilt
Taillift
overload
A36
A:12A:1A:2A:3A:4A:7
B3:1B3:5B3:6B3:7B1:10B3:10B1:25
ND:0D
BBEC2.14_B1
ND:0D
BBEC2.15_B1
ND:0D
BBEC2.16_B1
ND:0D
BBEC2.25_B1
ND:0D
BBEC2.23_B1
ND:0D
BBEC2.24_B1
ND:0D
BBEC2.22_B1
Page 84 (268) Wiring diagram
T3065466
3210
A
B
C
D
WIRINGDIAGRAMNBBODYBUILDERVMCU
ExtraSpot
LampFront
BB
BB
Flexible
Switch2
Side/Reverse
working
lights
Cab/Body
Working
Light
BB
Flexible
Switch3/
TailLiftEnable/
Crane
Extraparking
lightsBB
EL6
BB
Flexible
Switch1
VMCU
Warning
Body/Tail
Liftfeedback
EL2EL3
BB1
Eng.run/
Neutral/
Park
Brake
BB
Supply
A187CN11:8CN11:3CN11:1CN11:2CN11:9CN11:4CN11:6CN11:7CN11:11
0.75WH/VT
8002
0.75GN
8083
0.75VT
8000
ND:0B
BBEC1.4_A1
ND:0B
BBEC1.1_A1
ND:0B
BBEC1.2_A1
0.5WH/RD
8005
0.5BU
8006
NE:0A
BBEC1.9_A1
NE:0A
BBEC1.7_A1
0.5BN
8007
NE:0A
BBEC1.8_A1
ND:0B
BBEC1.3_A1
0.75WH/BN
8004
ND:0B
BBEC1.5_A1
0.75BN
8045
F68
15A
FRC
+
1
2
Wiring diagram Page 85 (268)
T3065600
3210
A
B
C
D
WIRINGDIAGRAMNCBODYBUILDERCCIOM,PTO
0.75RD/GY
0164
Handle
11122
TrailerPlate
2
KingPin
B234
Sensor,5thwheel
A:1A:2A:3A:4
1.5WH
1
0.75WH
1056
0.75WH
8022
1.5WH
1
0.75WH
1
0.75WH
1
0.75WH/GN
8068
0.75RD/BU
8021
0.75BU
0167
0.75WH/BN
0165
0.75WH/BU
0166
YB:1C
XS370
YB:1C
XS370
YB:2C
XS372
0.75BN
0163
0.75GY
0162
XC317:25
0.75RD/GY
0164
XC317:24
0.75BN
0163
XC317:23
0.75GY
0162
XC317:26
0.75WH
1056
EL7
1
4
CCIOM
5thwheelvalve
common
BBM-5thwheel
Slidable5thwheel
valve(Tractor)
/Containerunlock(Rigid)
PTO1valve
PTO1FBsensor
PTO2valve
5thwheelloadlight
5thwheelfeedback1
(Trailerplate)
5thwheelfeedback2
(kingpin)
5thwheelfeedback3
(Handle)
5thwheelGround
A163
6:2X31:1XX2:5X1:1X1:17X1:15X1:25X2:2X2:10X2:28
XC318A:4
0.75WH/GN
8068
YB:1C
XS397
XC318A:7
XC318B:4
0.75WH/GN
8068
XC318B:7
0.75WH
1
XC318C:4
0.75WH/GN
8068
0.75WH/GN
8068
XC318C:7
0.75WH
1
0.75WH
1
Customersupplied
workingLamps
PTO
feedback1
XC303
TransmissionInterface,GIC021
34
Y1021
4
Y18A1
4
Y18B1
4
Page 86 (268) Wiring diagram
T3065601
3210
A
B
C
D
WIRINGDIAGRAMNDBODYBUILDERELECTRICALCENTER
0.75WH/YE
8088
0.75RD/BU
8089
0.75WH/BU
8090
0.75PK
8092
0.75WH/RD
8104
0.75BN
8094
BBEC2
1211101216511413
121413
23192124252220
(87)
(85)(87a)
(30)
(86)
K301
3
2
45
BB2
12
0.5YE
8008
0.5WH
1070
1.5WH/BU
8058
0.75WH/GN
0159
0.75WH
1
6.0RD
8028
4.0RD
8027
0.5PK
6000
0.5YE
8084
0.5RD
8023
0.5RD
8023
0.5PK
6000
0.5PK
6000
0.5GY
8086
0.5WH/GY
8085
0.5WH/YE
8087
0.75WH/VT
8002
0.75GN
8083
0.75VT
8000
0.5RD
8023
0.5RD
8023
0.5PK
6000
BBEC,
BodyBuilder
ElectricalCenter
A01.CB12:9
A01.CB6:1A01.CB5:2
FRC
BodyBuilder
chassisconnections
BackLight
NB:0C
A187.CN11:3NB:0C
A187.CN11:9
NB:0C
A187.CN11:8
1.5YE
8033
1.5WH/GY
8034
1.5GY
8035
1.5GY
8035
2.5WH/BN
8037
2.5VT
8038
2.5VT
80381.5WH/BU
8041
2.5RD/GN
8029
2.5RD/GN
8029
2.5PK
8030
2.5PK
8030
2.5WH/RD
8044
2.5WH/RD
8044
1.5BU
8046
1.5RD/GN
8049
1.5PK
80501.5WH/RD
8051
1.5YE
8033
A01.CB6:2
PowerSupply
BB1Eng.run/
Neutral/ParkBrake
BBFlexibleSwitch1
BBFlexibleSwitch2
WarningBody/TailLift
A01.CB5:1
Ignition
Ignition
Main
BE:0B
A187.CN1:23
BBFlexibleSwitch3
F065A
1
2
STD.
F08
20A
1
2
2.5BU
8036
XC202:2XC202:4XC202:5XC202:7
XC202:16
1.5WH/BN
8047
XC202:21
XC202:22
XC202:23
XC202:24
XC202:25
XC202:6
2.5WH/BN
8037
XC202:1
1.5WH/GN
8032
1.5WH/GN
8032
1.5WH/YE
8039
1.5WH/YE
8039
1.5RD/BU
8040
1.5RD/BU
8040
XC202:3
1.5WH/GY
8034
BB2
2.5RD
8025
feedback
TailLift
Enable/Crane
1.5BU
8046
1.5BU
8046
1.5WH/BN
8047
1.5WH/BN
8047
1.5VT
8048
1.5VT
8048
1.5RD/GN
8049
1.5PK
8050
1.5WH/RD
8051
1.5WH/RD
8051
1.5RD
8054
2.5RD
8056
A01.CB4:1
Parking
Lamp
SPOTP-F
AUX
1.5WH/RD
8057
NE:0C
XC213:24
NF:0C
XC141:21
RA:0B
A31.A:14
Trailer/CargoAlaram
digitalinput
2.5BU
8036
2.5RD
8055
(87)
(85)
(30)
(86)
K07
1
3
2
5(87)
(85)
(30)
(86)
K20
1
3
2
5
+
BBMain
40Arelay
BBIgnition
40Arelay
NE:0B
K31.3
1.5RD
8053
NE:1B
K32.3
NE:3B
K33.3
Park
Light
Parking
Lamp
SPOTP-R
1.5VT
8048
1.5VT
8048
NK:4B
XS1305
A02XACA02PAE
1A5A
C
F07
30A
15A15A20A10A10A15A15A15A5A15A5A15A
1
2
F49
50A
1
2
F73
30A
1
2
F74
20A
1
2
1.5BN
8052
2.5BN
8003
0.75BN
8045
1.5BN
8052
1.5BN
8052
2.5RD
8043
0.75WH/BN
8004
NB:0C
A187.CN11:2
2.5BN
8003
0.75BN
8045
NB:0C
A187.CN11:4
4.0RD
8026
0.75WH/BN
8004
BE:0B
A187.CN1:2
BBEC1
Switch1Switch2Switch3Switch4
123451110
BBEC161676543
76543
76543
15
BB112
FromVMCUFromVMCU
++
X124
12
NA:1C
A36.B1:25
NA:1C
A36.B3:1NA:1C
A36.B3:5
0.75RD/GN
8091
NA:1C
A36.B3:6
NA:1C
A36.B3:7
NA:1C
A36.B3:10
NA:1C
A36.B1:10
Taillift/Tipperpreparationchassiharnessisendingwithsame
adapterharnessshownonBB1-X124alsoforBB2andBB3.
S243
41
810
S244
41
810
S245
41
810
S246
41
810
0.5WH
1070
0.5WH
1070
BB3
123456734567
BB3
YF:4C
GndBB02
0.5WH
1070
XC202:15
XC202:14
XC202:19
XC202:20
XC202:13
XC202:12
XC202:11
XC202:10
1.5WH/BU
8041
Wiring diagram
T3065602
Page 87 (268)
3210
A
B
C
D
WIRINGDIAGRAMNEBODYBUILDERELECTRICALCENTEREXTRALIGHTING
(87)
(85)
(87a)
(30)
(86)
K32
1
3
2
45(87)
(85)
(87a)
(30)
(86)K311
3
2
45
1.5WH
1
1.5WH
1
1.5WH/BN
8061
1.5WH/RD
8057
1.5WH
1
1.5BU
8059
XS401
XS400
1.5BU
8060
1.5WH/BN
8061
XS118
XS119
XC208:1
XC111:1
1.5WH/BN
8061
XC113:1
1.5BU
8061
XC124:3
XC113:2
1.5BK
1
XC141:34
1.5WH/BN
8061
XC111:2
1.5WH
1
YK:0D
1.8.B:5
XC213:19
CabBody
workingLamps,
onroof
SidereverseworkingLamps
Extraspotlamp,frontEL6
1.5BU
8059
1.5BU
8060
EL6:3EL6:1
XC318A:5
1.5WH
1
XC318A:2
1.5BU
8060
EL6:2
ND:3D
BBEC1.15_A1
EL3:1EL3:2
CabBody
workingLamps
WLC-PKCH
1.5RD
8063
NF:2C
XS113
XC111:31.5RD
8063
NF:2B
XC113:3
1.5WH
1
NF:2C
XS120
XC111:4
1.5GY
1
NF:2B
XC113:4
Extra
spotlamp
frontEL6
0.75WH
1
1.5RD
8054
ND:2B
A02P.3A
0.5WH/RD
8005
NB:0C
A187.CN11:6
0.75WH
1
Sidereverse
working
LampEL2
0.5BU
8006
NB:0C
A187.CN11:1
2.5RD
8055
ND:2B
A02P.5A
Cab/Body
working
LampEL3
0.75WH
1
(87)
(85)
(87a)
(30)
(86)K331
3
2
45
2.5RD
8056
ND:2B
A02P.6A
BBEC
0.5WH/RD
8005
0.5BU
8006
0.5BN
8007
EL3L
1
4
EL3R
1
4
EL3AL
1
4
EL3AR
1
4
1.5WH
1
1.5WH
1
EL2RR
1
4
EL2LR
1
4
EL2RF
1
4
EL2LF
1
4
XC208:2
1.5WH/BN
8061
NotSupplied
byVolvo
XC213:24
1.5WH/RD
8057
XS1279
1.5WH/BN
8061
XC130:23
1.5WH/BN
8061
XC108_1:5
1.5WH/BN
8061
1.5WH/BN
8061
XC108_1:6
1.5WH
1
1.5WH
1
XC108_2:5
1.5WH/BN
8061
1.5WH/BN
8061
XC108_2:6
1.5WH
1
1.5WH
1
YM:0C
1.3.A:9
YM:0C
1.3.A:10
XC318A:6XC318A:3
1.5WH/BN
8061
YB:1C
XS397
YB:1C
XS397
1.5WH
1
XS402
1.5BU
8060
XS403
1.5WH
1
XC318B:5
1.5WH
1
XC318B:21.5BU
8060
XS404
XS405
1.5WH
1
XC358:3
1.5WH
1
1.5WH
1
XC358:1
1.5BU
8060
XC318C:2
1.5BU
8060
XC318C:5
1.5WH
1
XC318B:3
1.5WH/BN
8061
XC318C:3
1.5WH/BN
8061
1.5WH/BN
8061
XC318B:6
1.5WH
1
XC318C:6
1.5WH
1
1.5WH
1
1.5WH/BN
8061
XC106:1
1.5GY
8061
XC106:3
1.5WH
1
1.5BK
1
1.5WH/BN
8061
0.5BN
8007
NB:0C
A187.CN11:7
BBEC1789
1.5WH
1
YK_RHD:2D
1.9.A:5
OR
1.5WH
1
YN:1C
XS1232
YF:3C
GndBB03
YF:3C
GndBB04
YF:3C
GndBB05
1.5WH
1
1.5WH
1
Page 88 (268) Wiring diagram
T3065603
3210
A
B
C
D
WIRINGDIAGRAMNFBODYBUILDEREXTRALIGHTING
1.5WH
1
XC124:23
1.5WH
1
1.5WH
1
1.5WH
1
M
EL4LF
A
B
(87)
(85)
(87a)
(30)
(86)
K10
1
3
45
2
(87)
(85)
(87a)
(30)
(86)
K12
1
3
2
45
1.5GY
8063
1.5BK
1
1.5BK
1
1.5GY
8063
1.5GY
8058
1.5RD
8062
1.5BK
1
1.5WH/BU
8058
1.5WH
1
1.5WH/BU
8058
1.5RD
8062
1.5RD
8062
1.5BK
1
1.5GY
8064
1.5WH
1
1.5WH
1
1.5RD
8064
1.5GY
1
1.5WH
1
1.5RD
8063
1.5RD
8063
0.75WH
1
1.5WH
1
1.5WH/BU
8058
1.5BK
1
1.5GY
8063
1.5GY
8063
XC124:9
EL0R
1
2
XC115_1:2
M
EL4RF
A
B
Rooflightsign
1.5RD
8062
XC115_1:1
A01.CT1:32
1.5RD
8062
XC115_1:3
0.75RD
8065
1.5BK
1
A01.CT1:27
0.75WH
1
1.5GY
8063
0.75RD
8065
A01.CT1:22
1.5BK
1
1.5GY
8063
1.5RD
8064
EL0L1
2
XC118:1
0.75RD
8064
XC115_1:4
XC118:3
0.75RD
8065
0.75RD
8065
1.5WH
1
XC124:10
XC113:3
1.5RD
8063
1.5RD
8063
1.5RD
8063
1.5WH
1
XC113:4
1.5GY
1
1.5WH
1
1.5RD
8063
LampExtraspot
Roof,Front
Lamp,Beaconwarning
Lamp,Full
beamsign
1.5BK
1
ND:3D
BBEC1.16_A1
XC115_2:2
1.5BK
1
XC115_2:1
1.5RD
8063
1.5GY
8063
1.5GY
8063
YK:0D
1.8.B:6
YK:0D
1.8.B:4
YK:0D
1.8.B:4
EL1
++++
LampExtraspot
RoofEL1
20Arelay
Lamp,Beacon
warningEL4
20Arelay
Rooflightsign
EL5
10Arelay
Lamp,Full
beamsignEL0
10Arelay
XS1253
GF:1C
XC116:5
XS1264
GF:1C
XC116:6
GF:1C
XC116:6
XC115_2:5
1.5RD
8064
XC115_1:6
1.5GY
8058
XC115_2:6
1.5WH
1
NE:2C
XC111:3
NE:2C
XC111:3
NE:2C
XC111:4
NE:2C
XC111:4
XC141:21
1.5WH/BU
8058
XS121
XS113
XS120
EL5L
1
3
EL5R
1
3
FRC
XS1265
XC119:3XC119:1
XC124:24
XC107:3
XC124:25
XC107:2
XC107:1
LampExtraspot
Roof,Center
EL1
1.5WH
1
1.5BK
1
XC141:21
1.5RD
8064
XC117
123
XC112123
F11
15A
1
2
F12
15A
1
2
F16
10A
1
2
(87)
(85)
(87a)
(30)
(86)
K13
1
3
2
45
(87)
(85)
(87a)
(30)
(86)
K15
1
3
2
45
F15
10A
1
2
A01.CT1:36
1.5BK
1
XC118:3XC118:1
YK:0D
1.8.A:3
YK_RHD:0D
1.8.A:3
OR
YK:0D
1.8.A:6
YK_RHD:0D
1.8.A:6
YK:0D
1.8.A:8
YK_RHD:0D
1.8.A:8
OR
YK:0D
1.8.A:8
YK_RHD:0D
1.8.A:8
OR
1.5WH
1
YK:1C
XS1289
0.75WH
1
YK_RHD:2D
1.9.A:4
OR
0.75WH
1
YK_RHD:2D
1.9.A:4
OR
1.5WH
1
YK_RHD:2D
1.9.A:6
OROR
1.5WH
1
YK_RHD:1C
XS1289
OR
FromFromFromFrom
VMCUVMCUVMCUVMCU
M
EL4LR
2
1
M
EL4RR
2
1
undef*opt*
Wiring diagram Page 89 (268)
T3065604
3210
A
B
C
D
WIRINGDIAGRAMNKBODYBUILDERPLOUGHLAMPS
BBM
A02PAE
1A1B
15A15A15A15A5A5A
2A2B3A3B5A5B4A4B6A6B
C
(87)
(85)
(87a)
(30)
(86)K911
3
2
(87)
(85)
(87a)
(30)
(86)K90
Outputs
1
3
454545
2
(87)
(85)
(87a)
(30)
(86)K921
3
2
0.75GN-YE
8071
0.75GN
8071
A36
B3:20B3:21B3:22B3:8
1.5RD/GY
8080
1.5RD/GY
8080
1.5RD/GY
8079
1.5RD/GY
8079
0.5YE
8008
5A5A5A5A
ACA02Y
15115
62
1
FH
1612
0.75GY
1
0.75GY
1
1.5RD/GY
8079
0.75VT
8074
0.75GY
10.75GY
1
0.75GY
1
0.75GY
1
0.75WH
10.75WH
1
Ploughlamps
(customerbuilt)
0.75RD
8078
0.75WH
1
BBEC,
BodyBuilderElectricalCenter
STD.
1.5RD
8010
E13L_PL
1
2
E08L_PL
1
2
E01L_PL
1
2
E02L_PL
1
2
E02R_PL
1
2
E01R_PL
1
2
E08R_PL
1
2
E13R_PL
1
2
1.5RD
8077
0.75BN
8081
0.75BK
8073
0.75GY
10.75GY
1
0.75GY
1
0.75GY
1
Dir.
ind.
LHS
Dir.
ind.
RHS
Park
RHS
Full
RHS
Dipped
RHS
Full
LHS
Park
LHS
Dipped
LHS
Exteriorlights
VMCU
ExtraParkLight
A187
CN11:11
0.75RD/GN
8075
1.5RD/GY
8080
E13L_LE08L_L
0.75GN-YE
8071
E02L_L
0.75BN
8072
E01L_LE02R_L
0.75BK
8082
E01R_LE08R_LE13R_L
XS1305
0.75YE
8008
0.75YE
8008
ND:3D
BBEC1.6_A1
XS1306XS1307
XS1308
0.75BU
8069
0.75BU
8069
XS1309
0.75BU
8070
0.75BU
8070
XS1317
DippedBeamFullBeam
Parklight
YF:2C
GndBB07
YF:3C
GndBB08YF:3C
GndBB09
Page 90 (268) Wiring diagram
T3065605
3210
A
B
C
D
WIRINGDIAGRAMPADACU,DRIVERASSISTANCECONTROLUNIT
0.75OG
7073
0.75GN
7074
1.5WH
1
0.75RD
2126
V32
LED,indicator,
LCS(LaneChangesupport)
1
2
FLS_PWR
CANHCANL
B238
Sensor,FLS
(ForwardLookingSensor)
1
+24VFLS_GND
4
5
7
0.75GN
7027
0.75YE
7026
0.75GN
7027
0.75YE
7026
Power
Supply
Gnd
Backbone1
HLPwrPwrGnd
DACU
H
Backbone2
ActiveSafety
Subnet1
ActiveSafety
Subnet2
Supply
Forwardlooking
sensor(FLS)
FCWLED
(ForwardCollisionWarning)LPOS
PWRGnd
LCSLED
A26Controlunit,DACU
(DriverAssistance
ControlUnit)
B:13
A:5
A:3
A:7
A:6A:8A:10
B:2A:12B:1A:2
B:3B:4
B:10B:11
B:12A:4
0.75OG
7073
0.75GN
7074
0.75GN
7074
0.75GN
7074
0.75OG
7073
0.75OG
7073
0.75YE
7026
0.75GN
7027
0.75GN
7027
0.75YE
7026
0.5WH
1052
0.5WH
1
0.5PK
2123
0.75YE
7026
0.75GN
7027
0.75OG
7073
0.75GN
7074
0.5WH
1
0.75YE
7004
0.75GN
7005
0.75OG
7006
0.75GN
7007
SB:2B
XS1115
SB:2C
XS1116
SA:3B
XS160
SA:3B
XS161
A01.CB3:5
0.5RD
2121
FRC
0.75OG
7073
PB:1C
A176.9
PB:1C
A176.10
LCS
sidesensor
ActiveSafety
prop.subnet1B246
105
+12VGND
27
F31
5A
1
2
XC141:30
0.5RD/GN
2124
0.5RD/GN
2124
XC204:10
0.5RD
2126
XC204:2XC204:1
XC131:20XC131:19
XC131:14XC131:5
E111
LEDModule,
ForwardCollisionWarning
2
10.5RD
2122
PB:1C
A176.12
0.75GN
7074
0.75WH
1
0.75RD
2126
XC141:14
0.5RD
2122
PB:1C
A176.7
XC141:13
0.5WH
1052
0.5RD
2125
0.75YE
7026
0.75GN
7027
XC108_1:5
0.5RD 2125
XC108_1:6
XC108_1:7
XC108_1:8
XC108_2:5
XC108_2:6
0.5WH 1053
0.5WH 1053
XC108_2:7
XC108_2:8
XC141:1
0.75OG
7073
XC141:2
0.75GN
7074
XC141:10
0.75OG
7073
XC141:11
XS1263
XS1262
PB:1C
A176.10
PB:1C
A176.9
0.5WH
1053
+
YG:0D
1.5.A:5
0.75OG
7073
0.75GN
7074
XS1261
XS1260
0.75GN
7074
PH:2B
XS1316
PH:2B
XS1315
PH:1D
A132.A:11
PH:1D
A132.A:10TR
R14
15
XS1311
XS1312
XC130:12XC130:13
XS1313
XS1314
TR
R14
15
XC130:12XC130:13
YG:0D
1.5.A:10
0.5WH
1
YK:1C
XS1289
0.5WH
1
YK_RHD:1C
XS1289
OR
XC153_1:4
XC153_2:4
XC153_1:1
XC153_2:1
XC153_1:2
0.5YE 7026
0.75YE
7026
0.5YE
7026
0.75YE
7026
0.75GN
7027
XC153_2:3
0.5GN
7027
0.75GN
7027
XC301_2:5
XC301_2:6
XC301_2:4
XC301_2:3
YD:3D
5.1_5
L
HL
HL
HL
0.5RD 2125
0.5RD 2125
0.5RD 2125
0.5RD 2125
0.5RD 2125
0.5WH 1053
0.5WH 1053
0.5WH 1053
0.5WH 1053
XC153_1:3
70270.5GN
XC153_2:2
Wiring diagram Page 91 (268)
T3065614
3210
A
B
C
D
WIRINGDIAGRAMPBLANEPOSITION
0.75OG
7073
0.75GN
7074
0.5WH
1052
0.75OG
7073
0.75GN
7074
PA:1D
XS1262
PA:1D
XS1263
0.5RD
2122
PA:0A
XC141:14
PA:0A
XC141:13
0.75OG
7073
PA:1C
XC141:1
0.75GN
7074
PA:1C
XC141:2
Gnd
Pwr
LHCANHLLCANL
ACTIVESAFETY
PROPRIETARYNET2Cc
Rc
CAN_low_TermCAN_High_Term
Rc
LPOS
A176
510982
7
1112
Page 92 (268) Wiring diagram
T3065606
3210
A
B
C
D
WIRINGDIAGRAMPESRS,SUPPLEMENTARYRESTRAINSYSTEMAIRBAG
Powersupply
CabSubnet
BeltPretensioner
HL
Airbagignition-Driver
Gnd(+)(-)(+))+()-()-(
DriverPassenger
A15
Controlunit,SRS
(SupplementaryRestrainSystem)
X1:34X1:33X1:32X1:31
X1:61X1:62
X1:74X1:53X1:54
X1:75
0.5WH
5013
0.5WH
5012
0.5OG
5015
0.5GN
7023
0.5OG
7022
0.5OG
5017
0.5WH/OG
5016
0.5WH
1
0.5RD
2127
FRC
A01.CB3:10
0.5WH/OG
5014
Y44
Air-bag,pyrotechnical
0.5WH/OG
5010
0.5OG
5011
Y43DS
Seatbeltpretensioner,
pyrotechnical
Y43PS
Seatbeltpretensioner,
pyrotechnical
AirBag2AirBag1X115A
Contactreel,
airbag
B:7
121212
B:8
A:7A:8
F81
5A
1
2
SC:1C
XS1219
SC:1C
XS1218
K22,Ignition
20Arelay
YG:0D
1.5.A:7
BX:2A
Wiring diagram Page 93 (268)
T3066049
3210
A
B
C
D
WIRINGDIAGRAMPHALCOLOCKSTARTPREVENTIONSYSTEM
0.75YE
7026
0.75GN
7027
0.75YE
7026
0.75RD
2039
0.5WH
L
CPU
+8,8V
CPU
GNDGND+12VH
CAN
HANDSETA133
654213
0.5WH0.5WH0.5WH0.5WH0.5WH
0.75WH/GN
2020
0.75RD/BU
0022
0.75WH/RD
0022
1.0RD
2038
FRC
A01.CB2:16
F88
5A
1
2
0.75WH
1
YG:0D
1.5.A:3
0.75GN
7027
PA:0B
A26.B:13
0.75YE
7026
PA:0B
A26.B:4
0.75GN
7027
PA:3C
XS1260
0.75YE
7026
PA:3C
XS1261
BE:1C
XS1292
AF:1C
A187.CN3:15
AF:1B
S15.2
IT:3B
XS1301XS1316
0.75GN
7027
XS1315
TR
R14B
1
5
IF:1A
STARTPREVENT
CIRCUIT
GND
Ignition
HANDSETCABLEALCOLOCKECU
CAN
HLENGINE
RUNNING
Supply
A132
A:1A:6A:8
B:3B:9
A:5
A:7B:1B:5B:8B:7
A:11A:10A:2
Page 94 (268) Wiring diagram
T3065608
3210
A
B
C
D
WIRINGDIAGRAMRAALARM
0.75RD
5020
0.75WH
5021
0.75RD
5020
0.75GY
50220.75WH
50210.75RD
5020
0.5GN
7082
0.5OG
7081
0.5OG
7081
0.5GN
7082
CANLCANH
SecuritySubnet
PwrStatusLED
Frontlid
switch
Luggage
comp.1
state(left)
Luggage
comp.2
state(right)Gnd
Siren
PanicAlarm
Switch
Gnd+12V
Trailer/Cargo
Alarmdigital
Input
GndLIN+12V
MDD
LIN
A31
Controlunit,burglaralarm
A:2A:12A:14
A:16
A:1
A:9A:15
A:10
A:8A:3A:6A:7A:4A:5
A:13
A:17
S95
Switch
Panicalarm
1
3
20.75WH/GN
0159
V07
LED,indicator,ALARM
1
2
0.5WH
1
FRC
XC301:8
A01.CB12:11
XC213:13
0.75GY
5026
F55
3A
1
2
XC204:19
0.75RD
5020
XC204:21
0.75WH
1
YH:0D
1.4.B:8
*Motion
Detection
Device
XC124:5XC124:6XC124:7
XC141:5
0.75RD
5023
XC141:3
0.75WH
5025
XC141:4
0.75GY
5024
ND:0B
BBEC1.10_A1
+
0.75WH
5021
0.75RD
50200.75WH
5025
0.75GY
5024
0.75RD
5023
0.75GY
5026
0.75GY
5018
0.5RD
2128
*Alarm,MDD&SirenhasanassociatedAdapterinterfaceconnector.
0.75GY
5024
0.75WH
5025
0.75RD
5023
0.75WH
5021
YG:0D
1.5.A:1
B242
UltrasonicInstrusionProtection(UIP)
A:1A:2A:3
XC204:20
0.75GY
5022
0.75GN
6000
BE:1B
XS1107
XC141:36
0.75WH/BN
5019
0.75WH/BN
5019
S80
Positionswitch,
fronthatch
1
3
0.35W
B90
MIC
0.35W
B91
0.35W
B253
H06
Siren
3
2
1
0.75RD
5020
0.75GY
5022Switchopenwhen
Frontlidisopen
IS:0B
XC104_2:4
IS:0B
XC104_2:3
SF:1C
XS1256
SF:1C
XS1257
0.75WH
1
YK:1C
XS1289
0.75WH
1
YK_RHD:1C
XS1289
OR
0.75WH
1
YN:1C
XS1232
XC301_2:8
XC301_2:10
XC301_2:9
0.75GY
5022
Wiring diagram Page 95 (268)
T3065609
3210
A
B
C
D
WIRINGDIAGRAMSABACKBONE1
0.75GN
7005
0.75YE
7004
0.75GN
7005
0.75YE
7004
0.75YE
7004
0.75GN
7005
0.75GN
7005
0.75YE
7004
0.75GN
7005
0.75YE
7004
0.75GN
7005
0.75YE
7004
0.75GN
7005
0.75YE
7004
0.75YE
7004
0.75GN
7005
0.75GN
7005
0.75YE
7004
0.75GN
7005
0.75GN
7005
0.75YE
7004
0.75YE
7004
0.75GN
7005
0.75YE
7004
0.75YE
7004
0.75GN
7005
0.75YE
7004
0.75GN
7005
0.75YE
7004
0.75GN
7005
0.75YE
7004
0.75GN
7005
0.75YE
7004
0.75YE
7004
0.75GN
7005
0.75GN
7005
XS155
BG:0C
A160.A:29
0.75YE
7004
BG:0C
A160.A:13
EE:0B
A21.X1:5
EE:0B
A21.X1:6
BE:0B
A187.CN3:7
EA:0B
A12A.X1:5
EA:0B
A12A.X1:6
XS157
XS156
PA:0B
A26.B:10
PA:0B
A26.B:1
XS154
0.75YE
7004
0.75GN
7005
0.75GN
7005
XS329
DC:0C
XC303.4
0.75YE
7004
XS330
DC:0C
XC303.1
XS162
XS163
NA:1C
A36.A:1
NA:1C
A36.A:2
CHASSIS
CAB
BE:0B
A187.CN3:8
0.75GN
7005
High
Low
XS159
XS158
XS161
XS160
CIOMDACUHMIIOMVMCUBBMTACHO
ACMABSTECUEBS
XS327
XS328
ENGINE
XS332
0.75GN
7005
XS331
0.75YE
7004
0.75GN
7005
0.75YE
7004
0.75GN
7005
0.75YE
7004
0.75GN
7005
0.75YE
7004
XC203:1
0.75YE
7004
XC203:2
0.75GN
7005
BG:0C
A160.A:13
BG:0C
A160.A:29
BC:1B
A33.A4
BC:1B
A33.A8
0.75YE
7004
BA:1C
A161.A:18
BA:1C
A161.A:17
XC140:16
0.75GN
7005
XC140:7
0.75YE
7004
0.75GN
7005
CE:0B
A174.A:10
CE:0B
A174.A:14
0.75YE
7004
CK:0B
A174B.A:14
0.75GN
7005
CK:0B
A174B.A:10
ACM+
EM-EU6
CA1:1D
XC302.4
CA1:1D
XC302.1
CA1:1D
XC302.4
CA1:1D
XC302.1
CA1:1D
XC302.4
CA1:1D
XC302.1
CA1:1D
XC302.4
CA1:1D
XC302.1
Page 96 (268) Wiring diagram
T3065610
3210
A
B
C
D
WIRINGDIAGRAMSBBACKBONE2
0.75OG
7006
0.75OG
7006
0.75GN
7007
0.75OG
7006
0.75GN
7007
0.75OG
7006
0.75GN
7007
0.75OG
7006
0.75OG
7006
0.75GN
7007
0.75GN
7007
0.75OG
7006
0.75OG
7006
0.75GN
7007
0.75GN
7007
0.75OG
7006
0.75GN
7007
0.75OG
7006
0.75OG
7006
0.75GN
7007
BG:0C
A160.A:27
BG:0C
A160.A:11
BE:0B
A187.CN3:4
BE:0B
A187.CN3:5
BA:1C
A161.A:15
BA:1C
A161.A:14
PA:0B
A26.B:11
XS1116
PA:0B
A26.B:2
XS1117
NA:1C
A36.A:4
XS1118
NA:1C
A36.A:3
Low
CAB
CHASSIE
High
XS1114
XS1113
XS1120
XS1119
CIOMVMCUDACUBBMHMIIOM
TECU
XS1115
XC210:9XC210:12
0.75GN
7007
DC:0C
XC303.8
DC:0C
XC303.10
0.75GN
7007
0.75GN
7007
0.75OG
7006
DA:0C
XC303.8
DA:0C
XC303.10
Transmission
Manual
Wiring diagram Page 97 (268)
T3065611
3210
A
B
C
D
WIRINGDIAGRAMSCCABSUBNET
0.5OG
7022
0.5GN
7023
0.5OG
7022
0.5GN
7023
0.5OG
7022
0.5GN
7023
0.5OG
70220.5OG
7022
0.5GN
7023
0.5GN
7023
CabSubnet
Low
High
XS1218
XS1220
XS1219
XS1221
0.5GN
7023
HA:0C
A168.A:6
0.5OG
7022
HA:0C
A168.A:3
LECM
0.5OG
7022
BG:0C
A160.A:8
0.5GN
7023
BG:0C
A160.A:24
CIOM
0.5OG
7022
HA:1B
A34B.X2:2
0.5GN
7023
HA:1B
A34B.X2:1
CCM
0.5OG
7022
PE:1B
A15.X1:61
0.5GN
7023
PE:1B
A15.X1:62
SRS
BG:0C
A160.A:24
0.5OG
7022
BG:0C
A160.A:8
BG:0C
A160.A:24
BG:0C
A160.A:8
0.5GN
7023
HA:1B
A34B.X2:1
HA:1B
A34B.X2:2
HA:1B
A34B.X2:1
HA:1B
A34B.X2:2
WRC
XS1254
XS1255
XC130:9 XC130:8
0.5OG
7022
XC130:18
0.5GN
7023
XC130:17
0.5OG
7022
XC103:3
0.5GN
7023
XC103:4
0.5OG
7022
0.5GN
7023
FB:2C
WRC.6
FB:2C
WRC.3
XC140:5 XC140:4
XC140:19 XC140:20
Page 98 (268) Wiring diagram
T3065612
3210
A
B
C
D
WIRINGDIAGRAMSDCHASSISSUBNET
0.75GN
7001
0.75OG
7000
0.75GN
7001
0.75OG
7000
0.75OG
7000
0.75GN
7001
BE:0B
A187.CN2:23
BE:0B
A187.CN2:22
0.75OG
7000
0.75GN
7001
0.75GN
7001
0.75OG
7000
0.75GN
7001
0.75GN
7001
0.75OG
7000
0.75OG
7000
0.75GN
7001
0.75GN
7001
0.75OG
7000
0.75OG
7000
0.75OG
7000
0.75GN
7001
0.75GN
7001
0.75OG
7000
0.75OG
7000
0.75GN
7001
0.75OG
7000
0.75GN
7001
0.75OG
7000
0.75GN
7001
0.75GN
7001
0.75GN
7001
0.75GN
7001
0.75OG
7000
0.75GN
7001
0.75OG
7000
0.75OG
7000
0.75GN
7001
GC:1A
XC317:11
GC:1A
XC317:12
GA:0B
A162.X1:1
GA:0B
A162.X1:5
FE:0C
A177.X1:2
FE:0C
A177.X1:3
0.75OG
7000
AB:0B
A163.X2:22
AB:0B
A163.X2:26
HighLow
VMCU
FCIOM
CCIOM
0.75GN
7001
APMRCIOM
XS337
EE:0B
A21.X2:8
EE:0B
A21.X2:7
EBS
XS341
XS343
XS344
XS345
XS346
0.75OG
7000
XC203:5
0.75OG
7000
XC203:6
0.75GN
7001
0.75OG
7000
XS336
XS335
XS338XS340
XS339
XS342
XS348
XS347
XS368
XS367
XC301_2:11
XC301_2:12
Wiring diagram Page 99 (268)
T3065613
3210
A
B
C
D
WIRINGDIAGRAMSEINFOTAINMENTSUBNET
0.5OG
7008
0.5GN
7009
0.5OG
7008
0.5OG
7008
0.5GN
7009
0.5OG
7008
0.5OG
7008
0.5GN
7009
0.5OG
7008
0.5GN
7009
0.5GN
7009
0.5OG
7008
0.5GN
7009
0.5OG
7008
0.5GN
7009
IO:0C
A169.B:2
IO:0C
A169.B:3
BA:1C
A161.A:23
BA:1C
A161.A:24
TGWAUDIO
VIDEOSWITCHHMIIOM
XS150
XS151
XC140:9
XC140:18
XS1208
XS1207Low
Low
High
HighLowHigh
0.5GN
7009
0.5OG
7008
BU:2B
A125.X1:13
BU:2B
A125.X1:14
BU:2B
A125.X1:13
BU:2B
A125.X1:14
IK:0B
A07.C1:5
IK:0B
A07.C1:1
IK:0B
A07.C1:5
IK:0B
A07.C1:1
0.5GN
7009
BA:1C
A161.A:24
BA:1C
A161.A:23
Page 100 (268) Wiring diagram
T3066050
3210
A
B
C
D
WIRINGDIAGRAMSFSECURITYSUBNET
0.5GN
7082
0.5OG
7081
0.5GN
7082
0.5OG
7081
High
Low
CIOM
0.5GN
7082
BG:0C
A160.A:25
0.5OG
7081
BG:0C
A160.A:9
Alarm
0.5GN
7082
IR:0C
XC104_1:4
0.5OG
7081
IR:0C
XC104_1:3
PDMDDM
IS:0B
XC104_2:4
IS:0B
XC104_2:3
XS1257
XS1256
RA:0B
A31.A:10
RA:0B
A31.A:12
Wiring diagram Page 101 (268)
T3065615
3210
A
B
C
D
WIRINGDIAGRAMSKCIOMSWITCHMODULETOPOLOGY
Switch
Module
S265
0.75GY
7123
0.75WH
7124
0.75RD
7085
0.75RD
7085
0.75GY
7106
0.75WH
7107
0.75WH
7109
0.75GY
7108
0.75RD
7110
0.75WH/VT
3046
0.75WH
1070
0.75GY
3044
0.75RD
7085
0.75RD
7125
0.75RD
7085
0.75GY
7100
0.75WH
7101
0.75RD
7085
0.75WH
7121
0.75GY
7120
0.75RD
7122
Flexibleswitch
panel1
Flexibleswitch
panel2
Flexibleswitch
panel3
Flexibleswitch
panel4
Flexibleswitch
panel5
Flexibleswitch
panel8
ILCP,
InteriorLight
ControlPanel
Flexibleswitch
panel6
ELCP,
ExteriorLight
ControlPanel
Flexibleswitch
panel_B
RCECS,
RemotecontrolECS
Flexibleswitch
panel7
Flexibleswitch
panel9
0.75RD
7116
0.75GY
7114
0.75RD
7119
0.75GY
7117
0.75WH
7118
0.75RD
7085
0.75GY
7102
0.75WH
7103
SwitchModule
S259
SwitchModule
S287
XC140:1
XC140:2
0.75GY
7106
XC140:3
0.75WH
7107
0.75RD
7085
0.75GY
7098
0.75WH
7099
GP:2C
B243.1
XS1150
XS1149
XS1151
Switch
Module
S255
XC103:1
0.75RD
7085
XC103:2
0.75GY
7098
XC103:3
0.75WH
7099
XC130:6
0.75RD
7085
0.75RD
7085
XC130:8
0.75GY
7098
0.75GY
7098
XC130:7
0.75WH
7099
Switch
Module
S263
A3 B3
A2A1 B2 B1
A3 B3
A2A1
A3
A2A1B2 B1
A3 B2
A2A1 A2 A3 A5A4 A6A1
A2 A2A3 A3A1 A1
B3 B1
A3 B3
A2A1 B2 B1
A3 B3
A2A1
A3
A2A1B2 B1
A3 B3
A2A1
A3
A2A1B2 B1
Switch
Module
S258
SwitchModule
S260
0.75WH
7099
0.75WH
7099
0.75GY
7098
0.75WH
7112
0.75GY
7111
0.75RD
7113
SwitchModule
S269
XC144:4
0.75RD
7085
0.75RD
7085
XC144:5
0.75GY
7104
0.75GY
7104
XC144:6
0.75WH
7105
0.75WH
7105
XS1266
0.75RD
7085
0.75RD
7085
XS1267
0.75GY
7106
XS1268
0.75WH
7107
0.75WH
7107
0.75RD
7085
0.75GY
7106
XS1269
Bus
LIN4
Gnd
LIN5
BusBus
LIN3
GndGnd
LIN2
GndBus
CIOMLIN1
BusGnd
12VSupplyoutput
421
12VSupplyoutput
3
A160
B:1B:5B:12B:11C:1C:9C:10C:4C:3B:6B:2C:8C:2C:7
Switch
Module
S271
Switch
Module
S262
SwitchModule
S270
S272
31 14
BE:0B
A187.CN3:13
BE:0B
A187.CN3:3
BE:0B
A187.CN1:26
Switch
Module
S267
0.75WH
7115
Page 102 (268) Wiring diagram
T3065616
3210
A
B
C
D
WIRINGDIAGRAMSLSWITCHMODULETOPOLOGYHMIIOM
0.75WH
7035
0.75GY
7034
0.75GY
7090
0.75GY
7090
0.75GY
7090
0.75WH
7091
0.75WH
7091
0.75WH
7091
0.75RD
7089
0.75RD
7089
0.75RD
7089
0.75WH
7079
0.75GY
7080
0.75RD
7078
0.75GY
7076
0.75WH
7077
0.75RD
7075
GearLever
Unit
Insideseat
GND
+12V
LIN
S171
R/YR/BNR/BL
A06DA:6A:7A:8
Switch
Module
S257
A3A2A1A6A5A4
LIN14
HMIIOM
LIN13LIN15
VP_LINCLINC
A161
A:5A:2A:4A:8A:6A:3
A:3A:1A:2
A:9A:10A:7
X115B
Contactreel,
withoutairbag
B:2B:1
A:3A:2A:1
B:3
SwitchModule
S275
A3A2A1
SwitchModule
S285
A3A2A1
XC144:7
XC144:8
XC144:9
0.75GY
7093
0.75GY
7093
0.75WH
7094
0.75WH
7094
0.75RD
7092
0.75RD
7092
SWS,
SteeringWheel
Switchs
XS1271
XS1272
XS1273
Stalkmodule
XC144:11
XC144:10
SIDCP,
SecondaryInformation
DisplayControlPanel
0.75GY
7034
BU:0D
XC141:8
0.75WH
7035
BU:0D
XC141:9
X115A
Contactreel,
airbag
B:2B:1
A:3A:2A:1
B:3
0.75RD
7075
0.75GY
7076
0.75WH
7077
0.75WH
7078
0.75WH
7079
0.75GY
7080
OROROR
OROROR
GndVP_LINALINAGndVP_LINBLINBGnd
Wiring diagram Page 103 (268)
T3065618
3210
A
B
C
D
WIRINGDIAGRAMXAOBDINTERFACE
0.75WH
1
0.5OG
7018
0.5GN
7019
BE:0B
A187.CN3:2
BE:0B
A187.CN3:1
FRC
A01.CB12:4
0.75RD
2120
F625A
1
2
+
OBD
6416145
YG:0D
1.5.B:5
0.75WH
1
YG:0D
1.5.B:5
Page 104 (268) Wiring diagram
T3065617
3210
A
B
C
D
WIRINGDIAGRAMYAECUGROUNDCHASSIS
2.5WH
1
2.5WH
1
1.5WH
1
2.5WH
1
1.5WH
1
1.5WH
1
2.5WH
1
2.5WH
1
1.5WH
1
4.0WH
1
2.5WH
1
2.5WH
1
1.5WH
1
1.5WH
1
1.5WH
1
2.5WH
1
1.5WH
1
4.0WH
1
EE:0B
A21.X1:7
GA:0B
A162.X2:28
1.5WH
1
DC:0C
XC303.39
1.5WH
1
FE:0C
A177.X1:1
1.5WH
1
FE:0C
A177.X1:10
2.5WH
1
AB:0B
A163.X1:29
AB:0B
A163.X2:29
2.5WH
1
XS366
XS374
4.0WH
1
EA:0B
A12A.X1:16
EA:0B
A12A.X1:15
EE:0B
A21.X1:8
ABSEBS
2.5WH
1
CA:0D
XC302.39
CA:0D
XC302.31
GC:0B
A164.X1:28
HC:1C
E128.X1:5
GA:0B
A162.X1:28
TECUAPMACMEMS
PARKING
HEATER
GC:0B
A164.X1:27
RCIOMCCIOMFCIOM
NOX/UQSACMMODULE
ECUGNDECUGNDECUGND
XC317:15
2.5WH
1
XC317:16
2.5WH
1
5.3_1
ECUGND
CF:4B
XC313:6
CA:0D
XC302.27
5.3_35.3_4
XS373
1.5WH
1
CE:0B
A174.A:57
1.5WH
1
CE:0B
A174.A:58
1.5WH
1
CE:0B
A174.A:59
CE:0D
XC312.20_A1
ACM+MODULE
1.5WH
1
CK:0B
A174B.A:55
1.5WH
1
CK:0B
A174B.A:58
1.5WH
1
CK:0B
A174B.A:61
Euro6
5.3_2
1.5WH
1
CK:0D
XC312.20_A2
CK1:0D
XC312_2.20_A2
XC321_2:2
XC301_2:15
Wiring diagram Page 105 (268)
T3065619
3210
A
B
C
D
WIRINGDIAGRAMYBFRONT/REARLOADGROUNDCHASSIS
GL:1D
X03_2.4
1.5WH
1
0.75WH
1
0.75WH
1
0.75WH
1
2.5WH
1
2.5WH
1
2.5WH
1
1.5WH
1
2.5WH
1
1.5WH
1
1.5WH
1
GK:3D
X04.1
0.75WH
1
1.0WH
11.5WH
1
0.75WH
1
1.5WH
1
0.75WH
1
0.75WH
1
0.75WH
1
0.75WH
1
1.5WH
1
2.5WH
1
2.5WH
10.75WH
1
0.75WH
1
2.5WH
1
4.0WH
1
2.5WH
1
4.0WH
1
1.5WH
1
4.0WH
1
2.5WH
1
4.0WH
1
GK:0D
X02.4
XS309
1.5WH
1
GK:0D
X02.3
2.5WH
1
GK:3D
X05.1
XS372
1.5WH
1
GL:0D
X02_2.3
4.0WH
1
GL:0D
X02_2.4
4.0WH
1
XS308
1.5WH
1
GC:2D
E27R.1
GL:1D
X03_2.13
GK:1D
X03.4
GK:1D
X03.13
DG:3C
S45.2
DG:3C
S45R.2
Sidemarker
RLTRconnMFMC
REARLOADGNDTCGNDREARLOADGND
AD:1C
XC328:7
AD:1C
XC328:8
FRONTLOADGND
BBOXAdapter
X02/X03/X04/X05/X63X02/X03
FRONTLOADGND
XS370
0.75WH
1
NC:2C
Y18A.4
NC:2C
Y18B.4
DG:3C
Y03.4
DG:4C
Y02.4
PTO1
PTO2
RDIFF
RDIFFI.A.
ADRSW
RDIFFI.A.SW
RDIFFSW
RLIGHTSL
RLIGHTSR
NC:2C
EL7.4
GE:1D
XS378
XC315:4
GC:1D
E27L.1
AC:1C
S169.A2
AC:1C
S254.2
CSL
5.7_15.5_2*5.5_15.5_3*
TSEF
MF
5.6_1*
4.0WH
1
GM:1C
X63.1
NE:1D
XC318A:5
NE:4B
XC318A:6
XS397
NC:3D
XC318A:7
FRONTLOADGND
WorkingLamps
5.6_2*
*5.6_2isrelocatedto5.11
incaseofADR3
*5.6_1isrelocatedto5.11
incaseofADR3
*5.6_3isrelocatedto5.11
incaseofADR3
*5.5_2isrelocatedto5.11
incaseofADR3
2.5WH
1
AD:1C
XC329:7
2.5WH
1
AD:1C
XC329:8
BBOXEFBBOXL
XS371
HF:1D
R46.A:2
HF:1D
R46.A:1
Thermoline
Fuelfilterheater
CA:0B
A182A.B:2
CA:1B
A182B.B:2
HE:2D
M13.2
ShortStopHeater
DA:0C
XC303.31_A2
0.75WH
1
DG:3C
S45.2
RDIFFSW
FRONTLOADGND
Page 106 (268) Wiring diagram
T3066051
3210
A
B
C
D
WIRINGDIAGRAMYDLOWERFRONTGROUNDCHASSIS
4.0WH
1
2.5WH
1
4.0WH
1
0.75WH
1
0.75WH
1
4.0WH
1
2.5WH
1
1
1.0WH
1
4.0WH
1
0.75WH
1
16BK
1
0.75WH
1
0.75WH
1
0.75WH
1
0.75WH
1
1.0WH
1
0.75WH
1
0.75WH
1
0.75WH
1
0.75WH
1
1.5WH
1
GP:1C
M03.1
XS352
GA:0C
E13L.2
GA:1C
E98L.2
GA:2C
E83L.15
GB:1C
E98R.2
GB:2C
E83R.16
GB:2C
E83R.15
IP:1D
H01.2
2.5WH
1
2.5WH
1
IP:1D
H02.2
GP:3D
M02.1
LOWERFRONTGNDCABGND
CABGND
GB:0C
E13R.2
KA:1C
M11.2
GA:2C
E83L.16
5.1_25.1_1
XS393
4.0WH
1
KA:1C
M11_RHD.2
5.2_1
1.0_1
LOWERFRONTGND
XS351
GA:0C
E13L.2
GB:0C
E13R.2
XC301_2:1XC322_2:2
1.5WH
1
PA:1C
XC301_2:6
5.1_5
LOWERFRONTGND
Wiring diagram Page 107 (268)
T3065620
3210
A
B
C
D
WIRINGDIAGRAMYFFRC,BBECGROUNDCAB
0.75WH
1
0.5WH
1
BU:0B
A175.X1:10
A01.CB9:1
6.0WH
1
1.4_2
FRC
A01.CT1:12A01.CT1:11
0.5WH
1
BX:0C
A122.A5
A01.CT1:19
BC:1B
A33.A6
Toll
collectTachoTESP
BBEC
GndBB10GndBB06
1.5WH
1
IQ:0B
XS1318
GndBB07
0.75WH
1
NK:2B
K90.2
GndBB08
0.75WH
1
NK:3B
K91.2
GndBB09
0.75WH
1
NK:4B
K92.2
GndBB03
0.75WH
1
NE:0B
K31.2
GndBB04
0.75WH
1
NE:1B
K32.2
GndBB05
0.75WH
1
NE:3B
K33.2
GndBB02
0.75WH
1
ND:2C
K30.2
GndBB01
1.6
6.0WH
1
K30K31K32K33K34/K35K92K91K90
Page 108 (268) Wiring diagram
T3065621
A:1A:3A:2A:4A:5A:6A:7A:8A:9A:10B:1B:3B:2B:4B:5B:6B:7B:8B:9B:10
3210
A
B
C
D
WIRINGDIAGRAMYGINSTRUMENTPANELGROUNDCAB
0.75WH
1
0.5WH
1
0.5WH
1
RA:0B
A31.A:3
1.5WH
1
NA:1C
A36.A:12
0.75WH
1
0.5WH
1
IO:0C
A169.B:8
0.5WH
1
PA:0B
A26.A:10
0.75WH
1
BX:2D
FMS.1
0.5WH
1
PE:1B
A15.X1:74
0.5WH
1
FB:2B
XC140:25
PH:1D
A132.A:7
1.0WH
1
BG:0C
A160.C:5
0.5WH
1
BA:1C
A161.A:12
0.5WH
1
BA:2B
A03.A:1
0.75WH
1
XA:1C
OBD.5
0.5WH
1
IO:3B
A156.A:11
0.5WH
1
IO:2B
A155.A:11
0.5WH
1
PA:2A
E111.1
HA:0D
XC130:11
0.5WH
1
IP:3C
X115B.A:5
XA:1C
OBD.4
0.5WH
1
IP:2C
X115A.A:5
1.5
Groundstud,Instrumentpanel
Wiring diagram Page 109 (268)
T3065622
A:1A:3A:2A:4A:5A:6A:7A:8A:9A:10B:1B:3B:2B:4B:5B:6B:7B:8B:9B:10
3210
A
B
C
D
WIRINGDIAGRAMYHINSTRUMENTPANELGROUNDCAB
2.5WH
1
2.5WH
1
0.75WH
1
0.75WH
1
0.75WH
1
0.5WH
1
0.75WH
1
2.5WH
1
2.5WH
1
2.5WH
1
IT:1B
A06D.A:4
IT:3B
A06P.A:4
HA:1B
A34B.X1:1
RA:1B
S95.3
0.75WH
1
IB:0C
E108.2
1.5WH
1
IG:0C
U30.11
0.75WH
1
BG:1B
XC213:7
BG:1B
XS1293
HF:1C
K69.2
1.5WH
1
BG:2C
M50.A:2
1.5WH
1
IF:1C
X105.3
1.5WH
1
IF:0C
R04.3
2.5WH
1
IS:1D
XC104_2:17
2.5WH
1
IR:1D
XC104_1:17
IR:1D
XC104_1:10
IS:1D
XC104_2:10
IR:1D
XC104_1:22
0.5WH
1
IF:0C
E110.2
IS:1D
XC104_2:22
1.4
Groundstud,Instrumentpanel
Page 110 (268) Wiring diagram
T3065624
A:1A:3A:2A:4A:5A:6A:7A:8A:9A:10B:1B:3B:2B:4B:5B:6B:7B:8B:9B:10
3210
A
B
C
D
WIRINGDIAGRAMYKFRONTSHELFGROUNDCAB
IA:2D
XS141
0.75WH
1
1.5WH
1
NE:2C
XC113:2
1.5WH
1
NF:2B
XC113:4
0.75WH
1
NF:4C
EL0R.2
0.75WH
1
NF:4C
EL0L.2
0.75WH
1
IF:2D
XC102:3
0.75WH
1
GF:0C
XS1210
0.75WH
1
GF:3C
XS1275
GF:0D
XS1278
0.75WH
1
IA:1C
E85L.2
1.8
Groundstud,Frontshelf
1.5WH
1
IG:2C
U33.11
1.5WH
1
IG:3C
U29.7
0.5WH
1
IA:0D
XC145_1:1
0.5WH
1
IA:0D
XC145_2:1
1.5WH
1
NF:1B
XC115_1:2
0.75WH
1
IU:2C
S238.5
0.75WH
1
IF:3D
K95.21.5WH
1
NF:3B
XC115_2:6
0.75WH
1
GF:1C
XC116:5
0.75WH
1
GF:1C
XC116:3
1.5WH
1
NF:0C
XC124:23
1.5WH
1
NF:0B
XC115_1:4
0.75WH
1
0.5WH
1
XS1289
0.5WH
1
1.5WH
1
0.75WH
1
NF:1B
XC115_2:2
RA:1A
V07.2
PA:3C
V32.2
0.75WH
1
IA:3D
XC145_2:5
0.75WH
1
IA:3D
E126L.2
0.75WH
1
IA:3D
XC145_1:5
0.75WH
1
IA:3D
E126R.2
1.10
10WH
1
IF:3D
XC150:2
1.5WH
1
1.11
IK:0B
A07.A:8
1.5WH
1
0.5WH
1
BU:1D
K71.B1
0.75WH
1
IB:3D
E86A.2
0.75WH
1
IB:3D
XC102:2
BU:2B
A125.X1:35
Wiring diagram Page 111 (268)
T3072461
A:1A:3A:2A:4A:5A:6A:7A:8A:9A:10A:1A:3A:2A:4A:5A:6A:7A:8A:9A:10
3210
A
B
C
D
1.8
Groundstud,Frontshelf
0.75WH
1
1.5WH
1
1.5WH
1
0.75WH
1
0.75WH
1
1.5WH
1
0.75WH
1
0.5WH
1
0.5WH
1
1.5WH
1
0.75WH
1
0.75WH
1
1.9
Groundstud,Headliner
0.75WH
1
0.75WH
1
0.75WH
1
1.5WH
1
0.75WH
1
1.5WH
1
0.75WH
1
1.5WH
1
IG:2C
U33.11
IG:3C
U29.7
IA:0D
XC145_1:1
IA:0D
XC145_2:1
1.5WH
1
NF:1B
XC115_1:2
IU:2C
S238.5
NF:3B
XC115_2:6
GF:1C
XC116:5
GF:1C
XC116:3
NF:0C
XC124:23
NF:0B
XC115_1:4
0.5WH
1
0.5WH
1
1.5WH
1
0.75WH
1
1.5WH
1
XS1289
0.75WH
1
0.75WH
1
0.75WH
1
0.75WH
1
IA:1C
E85L.2
GF:0C
XS1210
GF:0D
XS1278
GF:3C
XS1275
NF:4C
EL0R.2
NF:4C
EL0L.2
NE:2C
XC113:2
NF:2B
XC113:4
IF:2D
XC102:3
IA:2D
XS141
NF:1B
XC115_2:2
RA:1A
V07.2
PA:3C
V32.2
BU:2B
A125.X1:35
SeesheetYK.
0.75WH
1
IB:3D
E86A.2
0.75WH
1
IB:3D
XC102:2
WIRINGDIAGRAMYK_RHDFRONTSHELF,HEADLINERGROUNDCAB
Page 112 (268) Wiring diagram
T3065625
0.75WH
1
2.5WH
1
4.0WH
1
0.75WH
1
IF:2C
A04A.2
IF:4D
XC152_1:2
IL:1C
XS176
IB:2D
XC101_1:3
0.75WH
1
IB:2D
XC101_2:3
1.5WH
1
NE:3D
XC108_1:6
1.5WH
1
NE:3D
XC108_2:6
1.5WH
1
IF:1C
X106.3
4.0WH
1
IF:4D
XC152_2:2
0.5WH
1
IF:4B
A157.2
1.5WH
1
HD:1C
E127A.A2
1.3
Groundstud,Lowerbunk
A:1A:3A:2A:4A:5A:6A:7A:8A:9A:10
WIRINGDIAGRAMYMLOWERBUNK/FLOORGROUNDCAB
3210
A
B
C
D
Wiring diagram Page 113 (268)
T3072462
WIRINGDIAGRAMYNGROUNDCAB
3210
A
B
C
D
0.75WH
1
1.5WH
1
1.5WH
1
0.75WH
1
XS1232
0.75WH
1
0.75WH
1
1.5WH
1
1.2
Groundstud,Firewall
IC:1C
E119L.3
IC:1C
E119R.3
NE:1C
EL6:3
GP:0C
M01.1
IP:1D
Y72.4
RA:1D
S80.3
16BK
1
1.1
Groundstud,CockpitCarrierPlate
CockpitCarrierPlate
1.12
Groundstud,CockpitCarrierPlate
FIREWALL,COCKPITCARRIERPLATE
Illustrations index
- Power supply ............................................................................... “ ”, page 115
- Ground connections..................................................................... “ ”, page 118
- Fuse and relay centre.................................................................. “ ”, page 119
- ECU.............................................................................................. “ ”, page 120
- Antenna........................................................................................ “ ”, page 122
- Switches....................................................................................... “ ”, page 124
- Cab inlet....................................................................................... “ ”, page 128
1000 Wiring harness, instruments........................................................ “ ”, page 129
1100 Wiring harness, front shelf........................................................... “ ”, page 136
1110 Wiring harness, roof rear shelf..................................................... “ ”, page 140
1140 Wiring harness, rear wall ............................................................. “ ”, page 144
1150 Wiring harness, door.................................................................... “ ”, page 146
1160 Wiring harness, firewall................................................................ “ ”, page 148
2000 Wiring harness, lower front.......................................................... “ ”, page 150
2010 Wiring harness, main front........................................................... “ ”, page 151
2020 Wiring harness, battery box......................................................... “ ”, page 160
2030 Wiring harness, SCR ................................................................... “ ”, page 165
2040 Wiring harness, main rear............................................................ “ ”, page 170
2050 Wiring harness, side marking lights............................................. “ ”, page 178
2060 Wiring harness, trailer connection ............................................... “ ”, page 171
2070 Wiring harness, rear lights, diff. ................................................... “ ”, page 170
2080 Wiring harness, ECS ................................................................... “ ”, page 170
2090 Wiring harness, ABS/EBS ........................................................... “ ”, page 179
2100 Wiring harness, RAS-EC ............................................................. “ ”, page 180
2120 Wiring harness, body builder ....................................................... “ ”, page 186
2125 Wiring harness, side/reverse working light.................................. “ ”, page 178
2130 Wiring harness, plough light ........................................................ “ ”, page 148
3000 Wiring harness, engine................................................................ “ ”, page 187
3010 Wiring harness, gearbox.............................................................. “ ”, page 195
3020 Wiring harness, retarder .............................................................. “ ”, page 197
Page 114 (268) Wiring diagram
Wiring diagram Page 115 (268)
T3065103
Powersupply,BBOX-L
Powersupply,BBOX-L
(ADR)
XC328
(ADR)
5.5
(Frame)
(Battery)
5.4
(Engine)
3.1
(ECU,IOM:s)
5.3
(2010,2020)
XC315
(FM1)
X25
A163
(CCIOM)
(CAB)
1.0(Instrument)
XC205(B+)
(ADR)
XC207(9YE)
5.1
(Lowerfront)
(CAB)
5.2
XC322
(Horn,Lamps)
(FCIOM)
(A162.X2)
(Mainfront)
(CAB)
5.2
(A162.X1)
XC321
(FCIOM)
(A162.X2)
(FCIOM)
(Horn,Lamps)
XC322
XC323
(2040Mainrear)
(RCIOM,A164.X4)
(GIC020)
XC302
(3000)
(2010)
(2010)
(M
ain
front)
(XC360)
E128
U08
1.1
(CAB)
(FRC)
(Dashboard)
(Firewall)
1.12
5.1
(Lowerfront)
A162
(FCIOM)
X1
X2
A162
(FCIOM)
X1
X2
XC301
(A162.X1)
(2000)
XC321
(FCIOM)
(A162.X1)
X4
FM3
FM4
FM5
FM6
FM7
FM8
FM9
FM10
FM11
FM12
FM1
FM2
FMA
Battery
FMB
Starter
(Alt.1)
(Engine)
X54
(Alt.2)
(Engine)
X54
(Alt.2)
(Engine)
X54
5.
(5.4)
(ADR3)
10
(ADR3)
(5.5,5.6)
5.11
(CPC-ADV)
5.0
Illustrations
Page 116 (268) Wiring diagram
T3065104
(Mainfront)
(2010)
(Alt.2)
(Engine)
X54
Powersupply,BBOX-EF
XC327
(16BK,ADR)
(ADR)
5.5
(Frame)
5.4
(Engine)
3.1
(ECU,IOM:s)
5.3
(CAB)
1.0(Instrument)
XC205(B+)
(ADR)
XC207(9YE)
1.1
(CAB)
(Frombattery)
5.8
XC329
(16BK,ADR)
(2040Main)
XC355(4BK)
(ST-AID)
X55
(CAB)
5.2
XC323
(2040Main)
(RCIOM,A164.X4)
5.1
(Lowerfront)
(FRC)
(Dashboard)
(Firewall)
1.12
(A162.X1)
(FCIOM)
XC321
(A162.X2)
(FCIOM)
(Horn,Lamps)
XC322
A163
(CCIOM)
5.1
(Lowerfront)
(CAB)
5.2
XC322
(Horn,Lamps)
(FCIOM)
(A162.X2)
(2010)
(M
ain
front)
U08
A162
(FCIOM)X1
X2
A162
(FCIOM)
X1
X2
XC321
(FCIOM)
(A162.X1)
X4
FM3
FM4
FM5
FM6
FM7
FM8
FM9
FM10
FM11
FM12
FM1
FM2
FMA
Battery
FMB
Starter
(CPC-ADV)
5.0
Powersupply,BBOX-EF
(Mainfront)
(2010)
(Alt.2)
(Engine)
X54
(Alt.1)
(Engine)
X54
(Alt.2)
(Engine)
X54
(FM1)
X25
(GIC020)
XC302
(3000)
XC301
(A162.X1)
(2000)
5.
(5.4)
(ADR3)
10
(ADR3)
(5.5,5.6)
5.11
(XC360)
E128
Wiring diagram Page 117 (268)
T3065105
Powersupply,FAA20
Powersupply,FAA20
(RCIOM,A164.X4)
(2040Mainrear)
XC323
()ADR
XC328
(Engine)
3.1
(CAB)
5.2
(ADR)
5.5
(Frame)
5.4
(ECU,IOM:s)
5.3
5.1
(Lowerfront)
(CAB)
1.0
(FRC)
(Dashboard)
(Firewall)
1.12
1.1
(CAB)
(FM1)
X25
(2010,2020)
XC315
(A162.X2)
(FCIOM)
(Horn,Lamps)
XC322
(A162.X1)
(FCIOM)
XC321
A163
(CCIOM)
5.1
(Lowerfront)
(CAB)
5.2
XC322
(Horn,Lamps)
(FCIOM)
(A162.X2)
(2010)
(M
ain
front)
U08
A162
(FCIOM)X1
X2
A162
(FCIOM)
X1
X2
XC321
(FCIOM)
(A162.X1)
X4FM3
FM4
FM5
FM6
FM7
FM8
FM9
FM10
FM11
FM12
FM1
FM2
FMA
Battery
FMB
Starter
(Instrument)
XC205(B+)
(ADR)
XC207(9YE)
(Mainfront)
(2010)
(Alt.1)
(Engine)
X54
(Alt.2)
(Engine)
X54
(Alt.2)
(Engine)
X54
(GIC020)
XC302
(3000)
XC301
(A162.X1)
(2000)
(XC360)
E128
Page 118 (268) Wiring diagram
T3078847
Ground
(ADR)
5.5
(Frame)
5.4
(Engine)
3.1
5.3
(ECU,IOM:s)
(CAB)
1.0
1.1
(CAB)
(Frombattery)
5.8
5.2
(CAB)
(Lowerfront)
5.1
(FRC)
(Dashboard)
(Firewall)
1.12
5.0
(CPC-ADV)
Ground
1.4
1.6
1.5
1.11
(LHD)
1.8
(LHD)
1.10
(LHD)
(Rear)
1.3
5.
(5.4)
(ADR3)
10
(ADR3)
(5.5,5.6)
5.11
Wiring diagram Page 119 (268)
T3065102
Spare
5
K26
CABTilt
Pump
K28
F01
F02
F03
F04
F05
F06
F07
F08
F09
F10
F11
F12
F13
F14
F15
F16
F17
F18
F19
F20
F21
F22
F23
F24
F25
F26
F27
F28
F29
F30
F31
F32
F33
F34
F35
F36
F37
F38
F39
F40
F41
F42
F43
F44
F45
F46
F47
F48
F49
Seats
Move.
K24
Spare
7
K25
Ignition
K22
MirrorHeat.
K23
Spare
1
K21
BBIgnition
K20
Trailer
BodyLight
K19
Spare
6
K18
Spare2
Euro6
K17
HeadLight
W.pump
K16
Full
Beam
Inside
K15
Becon
WarningL.
K13
Roof
Light
Sign
K12
Power
Supply3
24Voutlets
K14
Extra
SpotLamps
K10
Engine
Runn.
K09
Power
Supply4
DC/DC12V
K11
Accessory
K08
Power
Supply2
K07
CT2
Sunroof
Motor1
K04
Sunroof
Motor2
K03
Spare
4
K01
Refrig.
K02
F50
F51
F52
F53
F54
F55
F56
F57
F58
F59
F60
F61
F62
F63
F64
F65
F66
F67
F68
F69
F70
F71
F72
F73
F74
F75
F76
F77
F78
F79
F80
F81
F82
F83
F84
F85
F86
F89
F87
F90
F88
F91
Widscreen
WiperMotor
K05
Widscreen
WiperHi/Lo
K06
Rainsensor
CB8 CB7
CB5
CB3
CB2
CB1
CB6
CB4
CB9
CB12
CB11
CB10
F07
F10
F20
F30
F31
F40
F48
3A.
5A.
10A.
15A.
20A.
30A.
A02P
A02X
A01FRC
F02
F04
F06
EMS
K27
BB
Relay
K30
BB
Relay
K31
BB
Relay
K32
BB
Relay
K33Thermoline
K69
50A.
BBEC1 BBEC2
CN3CN2CN1
CN11
CN12
113
2614
113
2614
113
2614
Extra
(Frontlidlock)
Extrapos.
Spare
F50
F60
F70
F80
F90
A02Y
Gnd
BBxx
BB
Relay
K91
(Microwaveoven)
F93
A187VMCU
A01.Stud:1(Powersupply)
(Ground)
A01.CB9:1
A01.CB11:1(CoffeMaker)
A01FRCA01FRC
F49
CT1
FrontHeaderShelf
A01.CCT2:1-2
(DC/DC12V)
(FrontHeaderShelf)
K52A
K52B
BB
Relay
K92
BB
Relay
K90
BB
Relay
K35
R14
BB
Relay
K34
1.
2.
3.
4.
1.
2.
3.
4.
BBEC
3.
(RHD)
(RHD)
1.2.1.
1.1.
4.
Page 120 (268) Wiring diagram
T3065113
9
3 4
6
5
87
2
1
B
ECU,LHD
ECU,LHD
(LPOS)
A176
(FRC)
A01
(TGW)
A125
A175
(TESP)
(H1)
(Toll Collect)
A122
V32
(LCS)
(Alarm)
B242
A122
(Toll Collect)
(DC/DC)
U29/U33
(H1)
A175
(TESP)
A07
(AUDIO)
S272
(ILCP)A33
(TACHO)
(FOG)
B236
(Alarm)
V07
(SUN)
B240
(RAIN)
B243
(FCW)
E111
(CCM)
A34
A03
(SID)
A155/6
S255
(ELCP)
(GLU)
S171
(SID)
S257
(CCM)
A170
(S. lock)
M50
B49
(Steering angle)
A168
(LECM)
(VMCU)
A187
BBEC
S36L
(DDM)
A165L
(Amplifier)
A116
(SubWoofer)
B184
(FM-splitt)
A188
(Base Plate)
S275
(CIOM)A160
A161 (HMIIOM)
A169 (Video SW)
A31 (Alarm)
A26 (DACU)
A36 (BBM)
A132.A
(Alco)
(WRG)
WRC
(DC/DC)
U30
(HPCU)
A173
(SRS)
A15
S267A,B
(Panel 5)
S269
(Panel 6)
S265A,B
(Panel 4)
S263A,B
(Panel 3)
S262A,B
(Panel 7)
S270
(Panel 8)
S271
(Panel 9)
S259
(Panel B)
S258
(Panel 1)
S260
(Panel 2)
(RHS under bunk)
S95
(Panic)
(Temp)
B244
X66 (USB)
X67 (AUX)
S38 S227
Switches
(HW 5-6)
Switches
(HW 1-4)
Switches
(HW 1-4)
S243
BB4
Switches
(HW 5-6)
S77
S244
S245
S246
BB1 BB2 BB3
Wiring diagram Page 121 (268)
T3065114
9
3
4
6
5
8 7
2
1
B
ECU,RHD
ECU,RHD (LPOS)
A176
A01
(FRC)
(TGW)
A125
A175
(TESP)
A122 (H1)
(Toll Collect)
(LCS)
V32
(Alarm)
B242
A122
(Toll Collect)
(DC/DC)
U29/U33
(H1)A175
(TESP)
A07
(AUDIO)
S272
(ILCP) A33
(TACHO)
(FOG)
B236
(Alarm)
V07
B240
(SUN)
(RAIN)
B243
(FCW)
E111
A34
(CCM)
A03
S255
(ELCP)
(GLU)
S171
(SID)
S257
A168
(LECM)
A187
(VMCU)
BBEC
S36R
(DDM)
A165R
(Amplifier)
A116
(SubWoofer)
B184
(FM-splitt)
A188
(CIOM)A160
A161 (HMIIOM)
A169 (Video SW)
A31 (Alarm)
A26 (DACU)
A36 (BBM)
A132.A
(Alco)
(WRG)
WRC(HPCU)
3A17
S267A,B
( 5)Panel
S269
( 6)Panel
S265A,B
(Panel 4)
S263A,B
(Panel 3)
S262A,B
( 7)Panel
S270
( 8)Panel
S271
(Panel 9)
S259
( B)Panel
S258
(Panel 1)
S260
(Panel 2)
(RHS under bunk)
(SID)
A155/6
A170
(CCM)
M50
(S. lock)
B49
(Steering angle)
S275
(Base Plate)
U30
(DC/DC)
(SRS)
A15
S95
(Panic)
B244
(Temp)
X66 (USB)
X67 (AUX)
S38S227
Switches
(HW 5-6)
Switches
(HW 1-4)
Switches
(HW 1-4)
S243
BB4
Switches
(HW 5-6)
S244
S245
S246
BB1BB2BB3
S77
Page 122 (268) Wiring diagram
T3065123
Antennas,H1
Antennas,H1
WLANBeige
DVB/TBrown
GSM/3GViolet
CBCurry
GPSBlue
GSM/3GViolet
GPSBrown
GSM/3GBeige
FM/AMWhite(RTOLL-PK)
CB-radioDV/T,WLAN,
GSM/3G
B
(RTOLL-PK)
GSM/3G,
GPS
FM/AM,
GSM/3G,GPS
GPSBlue
GSM/3GViolet
(LVDS)
XC151
(A156.BorA169.C)
(X66USB)
XC148
A09
(PHONE)
(TIS)
(RADIO-CB)
(PHONE)
(FM-splitt)
A188
A125
(TGW)
(TESP)
A175
(RTOLL-PK)
A122
(Audio)
A07
FM
USB
FM
ETHLVDS
(CodeBordeaux)
GSM
(CodeBlue)
GPS
ETH
GSM/3G
GPS
WLAN
Wiring diagram Page 123 (268)
T3076467
Antennas,H2/H3
Antennas,H2/H3
WLANBeige
DVB/TBrown
GSM/3GViolet
CBCurry
GPSBlue
GSM/3GViolet
GPSBrown
GSM/3GBeige
FM/AMWhite(RTOLL-PK)
CB-radio
DV/T,WLAN,
GSM/3G
B
(RTOLL-PK)
GSM/3G,
GPS
FM/AM,
GSM/3G,GPS
GPSBlue
GSM/3GViolet
(LVDS)
XC151
(A156.BorA169.C)
(X66USB)
XC148
A09
(PHONE)
(TIS)
(RADIO-CB)
(PHONE)
A188
(FM-splitt)
(TGW)
A125
(TESP)
A175
(RTOLL-PK)
A122
(Audio)
A07
FM
USB
FM
ETH
DLVS
(CodeBordeaux)
GSM
(CodeBlue)
GPS
ETH
GSM/3G
GPS
WLAN
BrownDVB/T
Page 124 (268) Wiring diagram
Switches
B02B S02Temperature
adjustment
Interiorlighting
S03 S03A
Worklights,
fifthwheel
Worklights,
cabrear
S05A
Automaticinterior
lighting
S08
Diferentiallock
rear
Switches
S09
Differentiallock
betweenrearaxles
S23
Roofhatch
S38
ADRmainswitch
S211
Regeneration
S127
Crane
S188
Interiorlighting,night
S76A
Headlampsroof
S76B
Headlampsfront
S86
Foldingmirrors
S12
Ploughlights
S76
Auxiliarylamps,
headlamps
S79 S79A
Siderevers/working
light
Sideworkinglight
S20
Steeringlock,
rearaxle
S73
Reversewarning
S75
Warninglamp,roof
S10
Roofsignlight
S28A
Powertakeoff1
S28B
Powertakeoff2
S83
Containerlock
S210
Identificationlight
S202
Lanekeepingsupport
(LKS)
S26
Cabtilt
S96
Alarmreduceset
S11
Bogielift
S31
Tractioncontrol
S32
Hillstartaid
S77
Emergencyrequest
S113
Tridemaxlelift
T3065100
Flexible switches
Description
B02B Switch, parking heater adjustment
S02 Switch, interior light
S03 Switch, fifth wheel light
S03A Switch, working light cab back
S05A Switch, interior light and door auto
S08 Switch, diff. lock rear wheels
S09 Switch, diff. lock inter axle and rear wheel
S10 Switch, roof sign light
S11 Switch, bogie lift
S12 Switch, plough light
S20 Switch, 3:rd axle lock
S23 Switch, roof hatch
S26 Switch, cab tilt
S28A Switch, power take off 1
S28B Switch, power take off 2
S31 Switch, traction control
S32 Switch, hill start aid
S73 Switch, back up alarm
S75 Switch, beacon warning light
S76 Switch, extra main beams
S76A Switch, spot light roof
S76B Switch, spot light front
S77 Switch, emergency request
S79 Switch, side reverse/working light
S79A Switch, side working light
S83 Switch, fifth wheel slide lock/container lock
S96 Switch, alarm reduced set
S113 Switch, tridem axle lift
S127 Switch, crane
S188 Switch, interior light, night light
S202 Switch, lane keeping support
S210 Switch, identification light
S211 Switch, regeneration inhibit
Wiring diagram Page 125 (268)
Component number
Switches
Switches
S300
Forwardcollision
warning(FCW)
S238
Sunblind
S301
Alt.rideheight
S302
Alt.loadheight
S303
Heightmode
ferrytransort
S304
Kneeling
S306
Driveralertsupport
(DAS)
S305
Repositionfifthwheel
S312S308 S310S309/S311
Autoreversinglight
Maximumtraction
Alt.loaddistribution/
maximumtraction
Traction/bogielift
S218
Parkingheater
S220
Staticbendinglight
S229
Lanechangesupport
(LCS)
S227
Fuelpre-heater
S228
Tridembogiecontrol
S212Tail-lift
T3065101
Page 126 (268) Wiring diagram
Flexible switches
Description
S212 Switch, tail lift
S218 Switch, parking heater
S220 Switch, static corner light
S228 Switch, tridem bogie control
S299 Switch, Lane Change Support, LCS
S300 Switch, Forward Collision Warning, FCW
S301 Switch, alt. ride height
S302 Switch, alt. loading height
S303 Switch, height mode, ferry transport
S304 Switch, kneeling
S305 Switch, reposition fifth wheel
S306 Switch, Driver Alert Support, DAS
S308 Switch, auto reversing light
S309 Switch, alt. power transfer/maximumtraction
S310 Switch, maximum traction
S311 Switch, alt. load distribution/maximumtraction
S312 Switch, traction bogie lift
Wiring diagram Page 127 (268)
Component number
T3065124
Page 128 (268) Wiring diagram
CABinlet
CABinlet
(4GY)
XC201
XC206(spare)
XC207(9YE)
XC208(12GN)
XC209(spare)
XC210(12VT)
XC211(spare)
XC212(spare)
XC213(25BK)
(4GY)XC201
(25GY)XC202
(36BN)XC203
(36VT)XC204
(B+)XC205
(9YE)
XC207
(12GN)
XC208
(12VT)
XC210
(25BK)
XC213
(Firewall)
(36VT)
XC204
(7BK)
XC214
(CAB)
1.0
E119R
S26B
(25BK)
XC213
(Firewall)
(36BN)
XC203
(B+)
XC205
(25GY)
XC202
E119R
S26B
(4GY)
XC201
(9YE)
XC207
(ADR)
(B+)
XC205
1160 (Firewall)
1000(Instrument)
(Instrument)
XC201(4GY)
XC202(25GY)
XC203(36BN)
XC204(36VT)
XC208(12GN)
XC210(12VT)
XC205(B+)
(ADR)
XC207(9YE)
(Firewall)
XC213(25BK)
Wiring diagram Page 129 (268)
T3065106
1000,LHD
(1100)
(X67AUX)
XC147
(1100)
(X66USB)
XC148
E111
(FCW)
1000,LHD
(Rain)
B243
X66(USB)
X67(AUX)
XC104_1
(1150)
S58
OBD
S255
B25
A155(SID)
A156(SID)
(Rain)
K69
(Temp)
B244
E110
BBEC
(Panic)
S95
(24V)
X105
(12V)
X07AR04
S38S227
(Instrument)
A03
(F.Panel9)
S271A,B
S171
(10GY)
A06D
Y43DS
(4YE)
S287.A
A132.A
FMS.A
U30
(DC/DC)
(4GY)
XC127
(1140)
(25GY)
XC131
(1140)
(25BK)
XC130
(1140)
W02
S15
A36
A26
A31
A169A161
A160
B
Switches
(HW5-6)
S243
BB4
S77
S244
S245
S246
BB1BB2BB3
A
Switches
(HW1-4)
Switches
(HW1-4)
Switches
(HW5-6)
B
(Hoodlock)
K52A
K52B
(wiresinsideseat)
(Steering)
(Wheel)
(3BK)
B61L
B60LF
(2GY)
T3065107
Page 130 (268) Wiring diagram
1000,RHD
(1100)
(X67AUX)
XC147
(1100)
(X66USB)
XC148
(FCW)
E111
1000,RHD
(Rain)
B243
X66(USB)
X67(AUX)
(DOOR)
XC104_1
(1150)
S58
OBD
S255
B25
A155(SID)
A156(SID)
(Temp)
B244
E110
BBEC
(Panic)
S95
(24V)
X105
(12V)
X07AR04
S38S227
(Instrument)
A03
(F.Panel9)
S271A,B
(10GY)
A06D
Y43DS
(4YE)
S287.A
A132.A
FMS.A
U30
W02
S15
A36
A26
A31A169
A161
A160
Switches
(HW5-6)
Switches
(HW1-4)
S243
BB4
S244
S245
S246
BB1BB2BB3
(B+)
XC205
S171
(4GY)
XC201
(12GN)
XC208
(12VT)
XC210(36VT)
XC204
(36BN)
XC203
(25GY)
XC202
(B+)
XC205
S77
Switches
(HW1-4)
Switches
(HW5-6)
(wiresinsideseat)
(Steering)
(Wheel)
(25BK)
XC213
(9YE)
XC207A
(Rain)
K69
(Hoodlock)
K52A
K52B
(3BK)
B61R
B60RF
(2GY)
Wiring diagram Page 131 (268)
T3065108
1000,Steeringwheel
B49
M50
B49
X115.A
X115.B
Y44
Y44
(Stalkswitchplate)
S275
S275
(Stalkswitchplate)
Y44
1000,Steeringwheel
S24
S06
S02
A
S285
S14
X115.A
X115.B
X115.A
X115.B
(1000)
T3065109
Page 132 (268) Wiring diagram
1000,LHD
(BBM)
A36
1000,LHD
(DACU)
A26
A31
(ALARM)
(VideoSwitch)
A169(HMIIOM)
A161
(CIOM)
A160
(SRS)
A15
(ALCO)
A132
U30
(DC/DC)
(ALCO)
A133
1.4
1.6
(B+)
XC205
(FRC)
A01
(VMCU)
A187
B3
1.5
B2
B1
A
A
B
B
C
D
A
A
B
C
(Hoodlock)
K52A
K52B
(Rain)
K69
A
B
B
A
Wiring diagram Page 133 (268)
T3065110
1000,RHD
(BBM)
A36
1000,RHD
A26
(DACU)
(ALARM)
A31
(VideoSwitch)
A169(HMIIOM)
A161
(CIOM)
A160
A15
(SRS)
(ALCO)
A132
(DC/DC)
U30
(ALCO)
A133
1.5
1.6
(B+)
XC205
(FRC)
A01
A187
(VMCU)
1.4
AB
B
A
B3
B2
B1
A
A
B
B
C
D
A
A
B
C
(Hoodlock)
K52A
K52B
(Rain)
K69
T3065111
Page 134 (268) Wiring diagram
A06P(10GY)
Y43PS(4YE)
(1150)
XC104_2
S270
(F.Panel8)
E108
S262A,B
(F.Panel7)
FMS.AU30
(DC/DC)
1.41.6
A173
(SUN)
B240
A34B.X1(2GY)
A34B.X2(25SB)
A34B
(Micro)
XC146
(1000)
XC140
(25BK)
XC151
(Micro)
XC146
(Micro)
F93
(25BK)
XC140
(
XC141
36BK)
1000,LHD
1000,LHD
A01
(FRC)
A187
(VMCU)
(4GY)
XC201
XC206
XC207
XC208
XC209
XC210
XC211
XC212
XC213
XC201
XC202
XC203
XC204
XC205
(25GY)
XC202
(9YE)
XC207
(12GN)
XC208
(12VT)
XC210
(B+)
XC205
(25BK)
XC213
(36BN)
XC203
(36VT)
XC204
(1150)
XC104_2
(SRS)
A15
(Switchpanel)
XC144
A01
(FRC)
(SID)
S257
S267A,B
(F.Panel5)
A170
(CCM)
S269
(F.Panel6)
S265
(F.Panel4)
A,B
S263
(F.Panel3)
A,B
F93
(Micro)
(A156.BorA169.C)
XC151
(FRC)
A01.CT2
(4GY)
(FRC)
A01.CT1
(36BK)
(SUN)
XC149(1000)
XC141
(36BK)
Schematicfor
climateunit
notsupplied
byVOLVO
Schematicfor
climateunit
notsupplied
byVOLVO
(SUN)
XC149
(3BK)
B61R
B60RF
(2GY)
(1100)
(1100)
1.4A
1.4B
1.5A1.5B
1.5
Wiring diagram Page 135 (268)
T3065112
(A156.BorA169.C)
XC151
(1100)
XC141
(36BK)
(Micro)
XC146
(FRC)
A01.CT2
(4GY)
(FRC)
A01.CT1
(36BK)
(Micro)
F93
(1100)
XC140
(25BK)
(SUN)
XC149
(10GY)
A06P
Y43PS
(4YE)
(1150)
XC104_2
S270
(F.Panel8)
E108
S262A,B
(F.Panel7)
FMS.A
U30
(DC/DC)
1.4
1.6
1.4A
1.4B
1.5A1.5B
A173
(SUN)
B240
(2GY)
A34B.X1
XC151
(Micro)
XC146
(
XC140
25BK)
(36BK)
XC141
1000,RHD
1000,RHD
A01
(FRC)
A187
(VMCU)
(SRS)
A15
(Switchpanel)
XC144
A01
(FRC)
(SID)
S257
S267A,B
(F.Panel5)
A170
(CCM)
S269
(F.Panel6)
S265
(F.Panel4)
A,B
S263
(F.Panel3)
A,B
(25SB)
A34B.X2
C
C
(Micro)
F93
A34B
1.5
(1100)
(1100)
(4GY)
XC127
(1140)
(25GY)
XC131
(1140)
(25BK)
XC130
(1140)
(3BK)
B61L
B60LF
(2GY)
Schematicfor
climateunit
notsupplied
byVOLVO
(SUN)
XC149
Schematicfor
climateunit
notsupplied
byVOLVO
T3065115
Page 136 (268) Wiring diagram
A33A
(A156.BorA169.C)
XC151
(Micro)
XC146
F93
(Micro)
(LCS)
V32
(TollCollect)
A123
S258A,B
(F.Panel1)
B63
S260
(F.Panel2)
S227
S238
S247
S272
(TGW)
A125A,B,C
A176
(LPOS)
(FOG)
B236
(Alarm)
V07
1.10
E106
E126R
XC145_2
XC145_1
E106
E126L
E88
WRC
XC147(X67AUX)
XC148(X66USB)
1.11
(2GY)
M43
X114
(2GY)
A07
(25BK)
XC124
(6NL)
XC115_1E90
(TGW)
A125A,B,C
(LPOS)
A176
(FM-splitt)
A188
(6BU)
XC116
1100,LHDH1,
S272
1100,LHDH1,
S238S227
S247B63
S260
(F.Panel2)
S258
(F.Panel1)
S86
A,B,CA122
(TollCollect)
(TACHO)
A33A
A,B,C
A07
(Audio)
A,B,C
X1,X2,X3,X4
A183
(TESP)
E88
1.8
S247
S227
(Micro)
K95
(1000)
XC141
(36BK)
(1000)
XC140
(25BK)
(FRC)
A01.CT2
(4GY)
(FRC)
A01.CT1
(36BK)
(FRC)
A01.CT2
(4GY)
(FRC)
A01.CT1
(36BK)
(DC/DC)
U29/U33
U29/U33
(DC/DC)
(SUN)
XC149
B271
K95(Micro)
(Micro)
F93
XC146
(Micro)
K71A/B
(TIS)
K71A
K71B
(TIS)
Wiring diagram Page 137 (268)
T3065116
1100,H2/H3,LHD
1100,LH2/H3,HD
1.10
1.8
E106
E88
E126R
XC145_2
V32
(LCS)
S272
E90
E93R
E29L
E29R
E29C
A125
(TGW)
A,B,C
XC150
(Micro)
EL5_R
EL5_L
A176
(LPOS)
(TollCollect)
A122A,B,C
1.11
WRC
XC147(X67AUX)
XC148(X66USB)
XC145_1
S222DS
E106
E126L
E88
A188
(FM-splitt)
(6BU)
XC116
S222PS
(25BK)
XC124(6NL)
XC115_1
(2GY)
M43
(2GY)
X114
E93L
E93C
A33
A07
(6NL)
XC115_2
(TESP)
A175
X1,X2,X3,X4
(FRC)
A01.CT2
(4GY)
(FRC)
A01.CT1
(36BK)
(A156.BorA169.C)
XC151
(Micro)
XC146
(Micro)
F93
(TollCollect)
A123
(1000)
XC141
(36BK)
(1000)
XC140
(25BK)
(FRC)
A01.CT2
(4GY)
(FRC)
A01.CT1
(36BK)
(SUN)
XC149
S258A,B
(F.Panel1)
B63
S260
(F.Panel2)
S238
S247
S272
(TGW)
A125A,B,C
(LPOS)
A176
(FOG)
B236
(Alarm)
V07
S238
S247B63
S260
(F.Panel2)
S258
(F.Panel1)
(TACHO)
A33A
A,B,C
A07
(Audio)
A,B,C
(TESP)
A175
X1,X2,X3,X4
(XC114)
S222C
(DC/DC)
U29/U33
S227
S227
B271
U29/U33
(Micro)
F93
XC146
(Micro)
K95(Micro)
K71A/B
(TIS)
(TIS)
K71A
K71B
(DC/DC)
(Micro)
K95
T3065117
Page 138 (268) Wiring diagram
1100,H1,RHD
1100,RH1,HD
(TollCollect)
A122A,B,C
1.11
1.9
E106
E126R
XC145_1
(LCS)
V32
S272
A123
(TollCollect)
E90
(TGW)
A125A,B,C
(TollCollect)
A122A,B,C
1.10
WRC
(X67AUX)
XC147
(X66USB)
XC148
XC145_2E106
E126L
E88
(TACHO)
A33AA,B,C
(Audio)
A07A,B,C
(6BU)
XC116
(25BK)
XC124
(6NL)
XC115_1
(2GY)
M43
S258A,B
(F.Panel1)
B63
S260
(F.Panel2)
S227
S247
A33AA07
S272
(TGW)
A125A,B,C
(DC/DC)
U29/U33
(LPOS)
A176
(FRC)
A01.CT2
(4GY)
(FRC)
A01.CT1
(36BK)
(FOG)
B236
(Alarm)
V07
(6NL)
XC115_2
(TESP)
A175
X1,X2,X3,X4
A175(TESP)
X1,X2,X3,X4
S247B63S258
(F.Panel1)
S238S227S260
(F.Panel2)
S86
E88
(FM-splitt)
A188
(DC/DC)
U29/U33
1.8
(LPOS)
A176
(A156.BorA169.C)
XC151
(1000)
XC141
(36BK)
(Micro)
XC146
(FRC)
A01.CT2
(4GY)
(FRC)
A01.CT1
(36BK)
(Micro)
F93
(1000)
XC140
(25BK)
(2GY)
X114
(SUN)
XC149
B271
S238
(Micro)
XC146
(Micro)
F93
K95(Micro)
(TIS)
K71A
K71B
(Micro)
K95
K71A/B
(TIS)
Wiring diagram Page 139 (268)
T3065118
1100,H2/H3,RHD
1100,RH2/H3,HD
1.11
1.9
E106
E126R
XC145_1
(LCS)
V32
S272
E90
E29L
E29R
E29C
(TGW)
A125A,B,C
(Micro)
XC150
EL5_R
EL5_L
(LPOS)
A176
1.10
WRC
(X67AUX)
XC147
(X66USB)
XC148
XC145_2
S222PS
E106
E126L
E88
A188
(FM-splitt)
(6BU)
XC116S222DS
(25BK)
XC124
(6NL)
XC115_1
(2GY)
M43
(2GY)
X114
(XC114)
S222C
E93L
E93C
A33
A07
(6NL)
XC115_2
(TESP)
A175
X1,X2,X3,X4E88
1.8
E93R
(TollCollect)
A123
(A156.BorA169.C)
XC151
(1000)
XC141
(36BK)
(Micro)
XC146
(FRC)
A01.CT2
(4GY)
(FRC)
A01.CT1
(36BK)
F93
(Micro)
(SUN)
XC149
(1000)
XC140
(25BK)
(TACHO)
A33AA,B,C
(Audio)
A07A,B,C
S258A,B
(F.Panel1)
B63
S260
(F.Panel2)
S227
S247S272
(TGW)
A125A,B,C(DC/DC)
U29/U33
(LPOS)
A176
(FRC)
A01.CT2
(4GY)
(FRC)
A01.CT1
(36BK)
(FOG)
B236
(Alarm)
V07
S247B63S258
(F.Panel1)
S238S260
(F.Panel2)
A122
(TollCollect)
A,B,C
(TESP)
A175
X1,X2,X3,X4
(DC/DC)
U29/U33
S227
S86B271
S238
XC146
(Micro)
F93
(Micro)
K95(Micro)
(TIS)
K71A
K71B
(Micro)
K95
K71A/B
(TIS)
T3065119
Page 140 (268) Wiring diagram
1110,H1
1110,H1
(Front-shelf)
XC124
(25BK)
E29L
(Front-shelf)
XC115_1
(6NL)
E94L
E29C
XC115_2
(Front-shelf)
(6BL)
E94R
XC118_1(2BK)
(3BK)XC117
M51
B242
E85R
E85L
(4GY)
XC113
(4BK)
XC111
EL4RF
EL4LF
EL4RR
EL3R
EL3L
EL4LR
E113R
E113RC
E113LC
E113L
XC102
S283L
S283LC
S283RC
S283R
XC118_2(2BK)
(3BK)XC119
GSM/3G,
GPS
(RTOLL-PK)
FM/AM,
GSM/3G,
GPS
CB-radio
DB/T,WLAN,V
GSM/3G
GPSBlue
GSM/3GViolet
GPSBrown
GSM/3GBeige
FM/AMWhite
WLANBeige
DVB/TBrown
GSM/3GViolet
CBCurry
(RTOLL-PK)
(3GY)
XC107
(3BK)
XC112
1.8(LHD)
1.9(RHD)
E29R
A188
(FM-splitt)
Wiring diagram Page 141 (268)
T3065120
1110,H1
1110,H1
(Front-shelf)
XC124
(25BK)
E29L
(Front-shelf)
XC115_1
(6NL)
E94L
E29C
E29R
E94R
M51
B242
E85R
E85L
EL4RF
EL4LF
EL3R
E113R
E113RC
E113LC
E113L
XC102
S283L
S283LC
S283RC
S283R
GSM/3G,
GPS
(RTOLL-PK)
FM/AM,
GSM/3G,
GPS
CB-radioDB/T,WLAN,
GSM/3G
V
GPSBlue
GSM/3GViolet
GPSBrown
GSM/3GBeige
FM/AMWhite
WLANBeige
DVB/TBrown
GSM/3GViolet
CBCurry
(RTOLL-PK)
EL3L
XC118_1(2BK)
(3BK)XC117
(4GY)
XC113
(2BK)
XC106
(3GY)
XC107
(3BK)
XC112
A188
(FM-splitt)
1.8(LHD)
1.9(RHD)
T3065121
Page 142 (268) Wiring diagram
1110,H2/H3
1110,H2/H3
(Front-shelf)
XC124
(25BK)
1.8(LHD)
1.9(RHD)
(Front-shelf)
XC115_1
(6NL)
E94L
E94RM51
B242
E85R
E85L
EL4RF
EL4LF
EL3R
EL3L
E113R
E113RC
E113LC
E113L
XC102
S283L
S283LC
S283RC
A04.A
S283R
FM/AM,
GSM/3G,
GPS
CB-radio
DVB/T,WLAN,
GSM/3G
GPSBlue
GSM/3GViolet
GPSBrown
GSM/3GBeige
FM/AMWhite
WLANBeige
DVB/TBrown
GSM/3GViolet
CBCurry
(RTOLL-PK)
A48L,X1-X3
E86A
XC118_1(2BK)
(3BK)XC117
XC113
(4GY)
(2BK)
XC106
(3GY)
XC107
(3BK)
XC112
(RTOLL-PK)
GSM/3G,
GPS
DVB/TBrown
A188
(FM-splitt)
Wiring diagram Page 143 (268)
T3065122
1110,H2/H3
1110,H2/H3
(Front-shelf)
XC124
(25BK)
(Front-shelf)
XC115_1
(6NL)
E94L
E94RM51
B242
E85R
E85L
EL4RF
EL4LF
EL3R
EL3L
E113R
E113RC
E113LC
E113L
XC102
S283L
S283LC
S283RC
A04.A
S283R
(RTOLL-PK)
GSM/3G,
GPS
CB-radio
DB/T,WLAN,
GSM/3G
V
A188
(FM-splitt)
GPSBlue
GSM/3GViolet
GPSBrown
GSM/3GBeige
FM/AMWhite
WLANBeige
DVB/TBrown
GSM/3GViolet
CBCurry
(RTOLL-PK)
A48L,X1-X3XC115_2
(Front-shelf)
(6BL)
XC119
(3BK)
E86A
XC118_1
(2BK)
XC113
(4GY)
XC118_2
(2BK)
(3GY)
XC107
(3BK)
XC112
(4BK)
XC111
XC117
(3BK)
EL0L
EL0R
FM/AM,
GSM/3G,
GPS
EL4RR
EL4RL
DVB/TBrown
1.8(LHD)
1.9(RHD)
T3065125
Page 144 (268) Wiring diagram
(F.PanelB)
S259
1140,LHD
1140,LHD
E86
B60RR
XC101_2
(E86)A168
B60LR
(E86)
XC101_1
S259
S39
A157
A04
E23R
S52R
R11
XC153
(B246)
XC108_2
B246
S57R(A/B)
XC103
X106
E23L
(25BK)
XC130
(Instrument)
XC131
(25GY)S52L
S57L
(A/B)
E127A
(18GR/15VO)
A116A/B
B184
B
A
A168
1.3
1000
1000
11401000
S05B
S23B
B02B
S21B
B
(10GY)
A06D
Y43DS
(4YE)
A171
(wiresinsideseat)
(4GY)
XC127
(Instrument)
Wiring diagram Page 145 (268)
T3065126
XC101_2
(E86)
1140,RHD
1140,RHD
E86
EL3L
B60RR
A168
B60LR
XC101_1
(E86)
S259
S39
A157
A04
E23R
S52R
R11
XC108_1
B246
S57R(A/B)
XC103
X106
E23L
S52L
(A/B)
S57L
E127A
(18GR/15VO)
A116A/B
B184
B
A
S39
XC108_2
EL3R
1.3
1000
1000
1140
(F.PanelB)
S259
A168
S05B
S23B
B02B
S21B
(25BK)
XC130
(Instrument)
XC131
(25GY)
1000
C
(10GY)
A06P
Y43PS
(4YE)
(4GY)
XC127
(Instrument)
XC153
(B246)
T3065127
Page 146 (268) Wiring diagram
1150
1150
(Instrument)
XC104_1
E129L
M09L
E16L
(Instrument)
XC104_1
E109L
B60LD
S36L
R02L
M45L/M44L
A165L
X1 X2 X3
E16LS
M45L/M44L
E129L
M09L
B60LD
A165L
X1 X2 X3
R02L
S36LE109L
Wiring diagram Page 147 (268)
T3065128
1150
1150
(Instrument)
XC104_2
E129R
M09R
E16R
(Instrument)
XC104_2
E109R
B60RD
S36R
R02R
M45R/M44R
(DPM)
A165R
X1 X2 X3
E16R
E129R
M09R
B60RD (DPM)
A165R
X1 X2 X3
R02R
S36R E109R
M45R/M44R
T3065129
Page 148 (268) Wiring diagram
1160,2130,LHD
1160,2130,LHD
XC214
(Main-Front)
(26BK)
XC213
(Instrument)
E119R
E119L
E119L
Y72
B03
S80
M48
M01
S26B
EL6
(Firewall)
1.2
1.1
(CAB)
1.12
(FRC,Firewall)
S26B
1.0
(CAB)
(CPC-ADV)
M55
(22BK)
(Instrument)
XC104_2
(Ploughlight)
controlledby
K90/K91
2130
1160
1160
2130
1160
Wiring diagram Page 149 (268)
T3065130
1160,2130,RHD
1160,2130,RHD
XC214
(Main-Front)
(26BK)
XC213
(Instrument)
E119R
E119L
E119L
Y72
B03
S80
M48
M01
S26B
EL6
(Firewall)
1.2
1.1
(CAB)
1.0
(CAB)
(CPC-ADV)
M55
(22BK)
(Instrument)
XC104_2
(Ploughlight)
controlledby
K90/K91
2130
1160
1160
2130
1160
(FRC,Firewall)
1.12
T3065131
Page 150 (268) Wiring diagram
2000
2000
B238
(FLS)
H01
M11
(STWPOS-L)
B22
H06
H02
E13R
E83R
E98R
B249
M03
M02
M11
(STWPOS-R)
E83L
E13L
E98LA162
(FCIOM)
X2
X1
E03/E81
E07
E98R
E83R
E13
E02
E01
(BendLight)
ECU
E03/E81
E07
E98L
E83L
E13
E02
E01
(DRL/POS)
Satellite
(DRL/POS)
Satellite
(DRL/POS)
ECU
(Xenon/HID)
ECU(Xenon/HID)
ECU
(Horn,Lamps)
(FCIOM,A162.X2)
(Powersupply)
XC322
XC321
(FCIOM,A162.X1)
(Powersupply)
XC301
(2010)
(A162.X1)
(DRL/POS)
ECU
M08L
M08R
Wiring diagram Page 151 (268)
T3065152
2010,TractorBBOX-L
2010,TractorBBOX-L
5.3
X02
X03
(GIC020)
XC302
(3000)
()E128
XC360
U08
Y12
U05
(Gearbox)
XC303
(3010)
(SCR)
XC313
(2030)
EI.7
B07
(Fuelsensor)
XC314
(2040)
(26BK)
XC317
A177
(APM)
XC315
(Batterybox)
Y11
B56
Y40
B28
(FSS-AIR)
B28
(FSI-DWIS)
(BKWSSA)B13B
(GRLWSA)B40B
(BKWSSB)B14B
(GRLWSB)B41B
5.55.1
B28
(FSS-LEAF)
(Worklamp)
XC318
(7BK)
(Thermo-line)
R46
S70
S60A/B
U08
B13B
B40B
(B28)
XC310A177
(APM)
Y03(OG)
Y18A(WH)
Y18B(YE)
(CCIOM)
A163
B50
(ACM)
A174
A21
(EBS)
(29BU)
X3
X4
(2SB)
(29BK)
X1
X2
(29GY)
(18GY)
X2
(12BK)
X4
X3
(18GY)
X1
(16BK)
Y02(VT)
(EAT-NOx)
XC312
(2030)
(Lowerfront)
XC301
(2000)
LWSA/B
black
WSSA
grey
WSSB
black
CANB
SPL/GND
green
(Instrument)
XC201(4GY)
XC203(36N)
XC204(36VT)
XC208(12GN)
XC209(6NL)
XC210(12VT)
(Fuelpump)
Y32A
T3065153
Page 152 (268) Wiring diagram
2010,Rigid
2010,Rigid
5.3
U08
Y12
U05
B07
(Fuelsensor)
XC314
A177
(APM)
XC315
(Batterybox)
Y11
B56
Y40
B28
(FSS-AIR)
B28
(FSI-DWIS)
(BKWSSA)B13B
(GRLWSA)B40B
(BKWSSB)B14B
(GRLWSB)B41B
5.5
5.1
B28
(FSS-LEAF)
(Fuelpump)
Y32A
R46
(Thermo-line)
S70
S60A/B
U08
(CCIOM)
A163
B50
(ACM)
A174
A21
(EBS)
(29BU)
X3
X4
(2SB)
(29BK)
X1
X2
(29GY)
(18GY)
X2
(12BK)
X4
X3
(18GY)
X1
(16BK)
B40B
()E128
XC360
(B28)
XC310
(APM)
A177
Y09(RD)
Y133(BU)
Y18B(YE)
Y02(VT)
Y03(OG)
Y18A(WH)
B13B
(GIC020)
XC302
(3000)
(Lowerfront)
XC301
(2000)
(Gearbox)
XC303
(3010)(SCR)
XC313
(2030)
(2040)
XC317
(26BK)
(EAT-NOx)
XC312
(2030)
LWSA/B
black
WSSA
grey
WSSB
black
CANB
SPL/GND
green
(Instrument)
XC201(4GY)
XC203(36N)
XC204(36VT)
XC208(12GN)
XC209(6NL)
XC210(12VT)
(7BK)
(Worklamp)
XC318A
Wiring diagram Page 153 (268)
T3065154
2010,TractorBBOX-EF
5.3
X02
X03
()E128
XC360
U08
Y12
U05
EI.7
B07
(Fuelsensor)
XC314
A177
(APM)
S254
ToXC315
(Batterybox)
Y11
B56
Y40
B28
(FSS-AIR)
B28
(FSI-DWIS)
(BKWSSA)B13B
(GRLWSA)B40B
(BKWSSB)B14B
(GRLWSB)B41B
5.5
B28
(FSS-LEAF)
Y32A
(Fuelpump)
R46
(Thermo-line)
S70
S60A/B
U08
LWSA/B
black
WSSA
grey
WSSB
black
CANB
SPL/GND
green
(2040)
XC355
(4BK)
(Instrument)
XC201(4GY)
XC203(36N)
XC204(36VT)
XC208(12GN)
XC209(6NL)
XC210(12VT)
(CCIOM)
A163
B50
(ACM)
A174
A21
(EBS)
(29BU)
X3
X4
(2SB)
(29BK)
X1
X2
(29GY)
(18GY)
X2
(12BK)
X4
X3
(18GY)
X1
(16BK)
B13B
B40B
(GIC020)
XC302
(3000)
(Gearbox)
XC303
(3010)(SCR)
XC313
(2030)
(2040)
XC317
(26BK)
(B28)
XC310
A177
(APM)
Y03(OG)
Y18A(WH)
Y18B(YE)
Y02(VT)
(EAT-NOx)
XC312
(2030)
(Lowerfront)
XC301
(2000)
5.1
(2040)
2010,TractorBBOX-EF
XC318A
(7BK)
(Worklamp)
T3065155
Page 154 (268) Wiring diagram
2010,FAA20
2010,FAA20
5.3
()E128
XC360
U05
B07
(Fuelsensor)
XC314
A177
(APM)
XC315
(Batterybox)
(BKWSSB)B14B
(GRLWSB)B41B
5.5
B28
(FSS-LEAF)
Y32A
(Fuelpump)
R46
(Thermo-line)
S70
S60A/B
(APM)
A177
LWSC/D
grey
WSSD
brown
WSSC
green
ALSA/B
brown
Y09(RD)
Y133(BU)
(BKWSSA)B13B
(GRLWSA)B40B
B19(BKWSSC)
B46B(GRLWSC)
(BKWSSD)B20
(GRLWSD)B47B
U01
U01
LWSA/B
black
WSSA
grey
WSSB
black
CANB
SPL/GND
green
(CCIOM)
A163
B50
(ACM)
A174
A21
(EBS)
(29BU)
X3
X4
(2SB)
(29BK)
X1
X2
(29GY)
(18GY)
X2
(12BK)
X4
X3
(18GY)
X1
(16BK)
B13B
B40B
B19
B46B
B20
B47B
(GIC020)
XC302
(3000)
(Gearbox)
XC303
(3010)(SCR)
XC313
(2030)
(2040)
XC317
(26BK)
(B28)
XC310
(EAT-NOx)
XC312
(2030)
(Lowerfront)
XC301
(2000)
5.1
Y02(VT)
Y03(OG)
Y18A(WH)
Y18B(YE)
(Instrument)
XC201(4GY)
XC203(36N)
XC204(36VT)
XC208(12GN)
XC209(6NL)
XC210(12VT)
XC318A
(7BK)
(Worklamp)
Wiring diagram Page 155 (268)
T3065156
2000,2010,LHS
2000,2010,LHS
S254
(BBOX-EF)
B28
(FSS-AIR)
S70
S60A/B
B13B(BKWSSA)
B40B(BKLWSA)
B13B
B56
Y40
S60A
S60B
M11
(RHD)
B249
M03
M02
B40B
Y11
B28
(FSS-LEAF)
(2000,Lowerfront)
(2010,Mainfront)
E83L
E98L
B28
(FSI-DWIS)
(FSI-DWIS)
XC310
(CPC-ADV)
A185
A186
(CPC-ADV)
T3065157
Page 156 (268) Wiring diagram
2000,2010,RHS
2000,2010,RHS
(BKWSSB)B14B
(GRLWSB)B41B
B14B
B41B
Y11
5.2(CAB)
(GIC020)
XC302
(3000)
(2010,Mainfront)
E83R
(2000)
E98R
U08
E128
5.1
(Lowerfront)
XC360
(2000)
H02
H01
(2000)
(2000)H06
B22
(2000)
A162
(FCIOM)
(2000)
X2
X1
(FCIOM)
(A162.X2)
(Horn,Lamps)
XC322
(FCIOM)
(A162.X1)
XC321
(2000)
(A162.X1)
XC301
(Lowerfront)
(2000)
(2010)
(Mainfront)
M11
(2000)
E13R
(2000)
Wiring diagram Page 157 (268)
T3071167
2010,IPC,CPC-ADV
2010,IPC,CPC-ADV
(Inverter)
A185
5.0
(CPC-ADV)
(150VPowersupply)
(2010)
(2010)
(2010)
(150V)
A186C
(2010)
(PCCU)
A186
M55
(150V)
A185C
(A185D,A186D)
5.5
(Batterybox)
FM10
(2010)
A186A
A186B
(FM10,5.5-ground)
(2010)
A185A
(Ground)
A185D
A186D
(Ground)
(2010)
(2010)
(Instrument)
XC208(12GN)
(2010)
M55
T3071168
Page 158 (268) Wiring diagram
2010,FAA10,BSYS-CON
2010,FAA10,BSYS-CON
5.3
X02
X03
(GIC020)
XC302
(3000)
()E128
XC360
(ABS)
Y12A
Y134B
(TRBR-HCR)
(Gearbox)
XC303
(3010)
(SCR)
XC313
(2030)
EI.7
B07
(Fuelsensor)
XC314
(2040)
XC317
(26BK)
A177
(APM)
XC315
(Batterybox)
Y11A
(ABS)
(BKWSSA)B13A
(BKWSSB)B14A
5.55.1
B28
(FSS-LEAF)
XC318A
(7BK)
(Worklamp)
R46
(Thermo-line)
S70
S60A/B
B13A
(B28)
XC310A177
(APM)
Y03(OG)
Y18A(WH)
(CCIOM)
A163
(ACM)
A174
A12A
(ABS)
(29BU)
X3
X4
(2SB)
(29BK)
X1
X2
(29GY)
X3
(18GY)
X1
(16BK)
Y02(VT)
(EAT-NOx)
(2030)
XC312
(Lowerfront)
XC301
(2000)
Y18B(YE)
(Instrument)
XC201(4GY)
XC203(36N)
XC204(36VT)
XC208(12GN)
XC209(6NL)
XC210(12VT)
Y32A
(Fuelpump)
Wiring diagram Page 159 (268)
T3071169
2010,FAA20,BSYS-CON
2010,FAA20,BSYS-CON
5.3
()E128
XC360
B07
(Fuelsensor)
XC314
A177
(APM)
XC315
(Batterybox)
(BKWSSB)
B14A
5.5
B28
(FSS-LEAF)
Y32A
(Fuelpump)
XC318
(7BK)
(Worklamp)
R46
(Thermo-line)
S70
S60A/B
(APM)
A177
Y02(VT)
Y03(OG)
Y18A(WH)
Y09(RD)
Y133(BU)
(BKWSSA)B13A
(CCIOM)
A163
(ACM)
A174
A12A
(ABS)
(29BU)
X3
X4
(2SB)
(29BK)
X1
X2
(29GY)
X3
(18GY)
X1
(16BK)
Y18B(YE)
B13A
(GIC020)
XC302
(3000)
(Gearbox)
XC303
(3010)(SCR)
XC313
(2030)
(2040)
XC317
(26BK)
(B28)
XC310
(EAT-NOx)
XC312
(2030)
(Lowerfront)
XC301
(2000)
5.1
(Instrument)
XC201(4GY)
XC203(36N)
XC204(36VT)
XC208(12GN)
XC209(6NL)
XC210(12VT)
Y12A
(ABS)Y11A
(ABS)
(TRBR-HCR)
Y134B
T3065158
Page 160 (268) Wiring diagram
2020,BBOX-L
2020,BBOX-L
MSWI-B, MSWI-R, UADR
MSWI-C, UADR
S169
XC315
B250
B250.A
XC315
B250
B250.A
FM A Batt No Fuse M10
FM B Start No Fuse M10
FM 1 BB 200A M8
FM 2 Cab 100A M8
FM 3 FCIOM 30A M5
FM 4 CCIOM 30A M5
FM 5 RCIOM 30A M5
FM 6 FCIOM 30A M5
FM 7 CCIOM 30A M5
FM 8 RCIOM 30A M5
FM 9 FAS 30A M5
FM 10 PCCU 40A M5
FM 11 ACM 23A M5
FM 12 RAS 23A M5
FM3
FM4
FM5
FM6
FM7
FM8
FM9
FM10
FM11
FM12
FM1
FM2
FMA
Battery
FMB
Starter
G01A.C1
(B250.A:3)
(24V)
G01B.D1
(B250.A:2)
(12V)
G01A.C1
(B250.A:3)
(24V)
G01B.D1
(B250.A:2)
(12V)
Wiring diagram Page 161 (268)
T3065159
2020,BBOX-L
2020,BBOX-L
MSWI-A, ADR1, ADR2
B250
XC315
XC328
F92 (1A)
(Tacho)
A28B
X1
X2
(B250)
F94(12V)
F95(24V)
88A
88
1A
1A
1A
B250.A
G01A.C1
(B250.A:3)
(24V)
G01B.D1
(B250.A:2)
(12V)
FM A Batt No Fuse M10
FM B Start No Fuse M10
FM 1 BB 200A M8
FM 2 Cab 100A M8
FM 3 FCIOM 30A M5
FM 4 CCIOM 30A M5
FM 5 RCIOM 30A M5
FM 6 FCIOM 30A M5
FM 7 CCIOM 30A M5
FM 8 RCIOM 30A M5
FM 9 FAS 30A M5
FM 10 PCCU 40A M5
FM 11 ACM 23A M5
FM 12 RAS 23A M5
FM3
FM4
FM5
FM6
FM7
FM8
FM9
FM10
FM11
FM12
FM1
FM2
FMA
Battery
FMB
Starter
T3065160
Page 162 (268) Wiring diagram
2020,BBOX-L
MSWI-A, ADR3
K70B
B250
XC315
XC328
F92 (1A)
(Tacho)
A28B
X1
X2
(B250)
F94 (12V)
F95 (24V)
88A
88
1A
1A
1A
B250.A
K70A
88
88A
88
88A
FM A Batt No Fuse M10
FM B Start No Fuse M10
FM 1 BB 200A M8
FM 2 Cab 100A M8
FM 3 FCIOM 30A M5
FM 4 CCIOM 30A M5
FM 5 RCIOM 30A M5
FM 6 FCIOM 30A M5
FM 7 CCIOM 30A M5
FM 8 RCIOM 30A M5
FM 9 FAS 30A M5
FM 10 PCCU 40A M5
FM 11 ACM 23A M5
FM 12 RAS 23A M5
FM3
FM4
FM5
FM6
FM7
FM8
FM9
FM10
FM11
FM12
FM1
FM2
FMA
Battery
FMB
Starter
G01A.C1
(B250.A:3)
(24V)
G01B.D1
(B250.A:2)
(12V)
Wiring diagram Page 163 (268)
T3065161
88A
88
2020,BBOX-EF
MSWI-B, MSWI-C, MSWI-R
B250
B250.A
XC325
(XC355, 2010)
5.8
2020,BBOX-EF
(ST-AID)
X55
JUMPER
(24V)
(B250.A:3)
G01A.C1
(12V)
(B250.A:2)
G01B.D1
FM A Start No Fuse M10
FM B Batt No Fuse M10
FM 1 BB 200A M8
FM 2 Cab 100A M8
FM 3 FCIOM 30A M5
FM 4 CCIOM 30A M5
FM 5 RCIOM 30A M5
FM 6 FCIOM 30A M5
FM 7 CCIOM 30A M5
FM 8 RCIOM 30A M5
FM 9 FAS 30A M5
FM 10 PCCU 40A M5
FM 11 ACM 23A M5
FM 12 RAS 23A M5
FM3
FM4
FM5
FM6
FM7
FM8
FM9
FM10
FM11
FM12
FM1
FM2
FMB
Battery
FMA
Starter
T3065162
Page 164 (268) Wiring diagram
2020,BBOX-EF
MSWI-A, ADR1, ADR2
2020,BBOX-EF
A28B
FM A Start No Fuse M10
FM B Batt No Fuse M10
FM 1 BB 200A M8
FM 2 Cab 100A M8
FM 3 FCIOM 30A M5
FM 4 CCIOM 30A M5
FM 5 RCIOM 30A M5
FM 6 FCIOM 30A M5
FM 7 CCIOM 30A M5
FM 8 RCIOM 30A M5
FM 9 FAS 30A M5
FM 10 PCCU 40A M5
FM 11 ACM 23A M5
FM 12 RAS 23A M5
FM3
FM4
FM5
FM6
FM7
FM8
FM9
FM10
FM11
FM12
FM1
FM2
FMB
Battery
FMA
Starter
88A
88
B250
B250.A
XC327
(XC329, XC355)
(2010)
5.8
(ST-AID)
X55
(24V)
(B250.A:3)
G01A.C1
(12V)
(B250.A:2)
G01B.D1
X1
X2
F92 (1A)
(Tacho)
F94 (12V)
F95 (24V)
(B250)
1A
1A
1A
Wiring diagram Page 165 (268)
T3065163
(2010, Main front)
(21 BK)
XC312
B97
B96A
(ALT. 3)
B96A
(ALT. 2)
B96A
B96A
(ALT. 1)
(2030A)
2030,SCR,ADTP-BC
2030,SCR,ADTP-BC
(2010, Main front)
(21 BK)
XC312
(2010, Main front)
(21 BK)
XC313
(ACM)
A174
XC319
(2030B)
M49
(2030B)
XC319
(Grey)
White Hose
R56
Y81
M49
B96A
Y80
(Black)
Red Hose
R23
(Green)
Black Hose
R57
B142
B142
Red Hose
BlackHose
Dosing Unit
5/16
3/8
5/16
Tank
WhiteHose
WhiteHose
Pump
3/85/16
White Hose
3/8
(Grey)
White Hose
R56
(Black)
Red Hose
R23
(Green)
Black Hose
R57
T3065164
Page 166 (268) Wiring diagram
(2010, Main front)
(21 BK)
XC312 Y80
B97
B96A
(ALT. 3)
B96A
(ALT. 2)
B96A
B96A
(ALT. 1)
2030,SCR,ADTP-R,FAA10
2030,SCR,ADTP-R,FAA10
M49
(2010, Main front)
(21 BK)
XC313
B142
XC316
(2030B)
Y81
(2010, Main front)
(21 BK)
XC312
B142
(2030A)
(ACM)
A174
XC313 (21 BK)
(2010, Main front)
XC316
(Grey)
White Hose
R56
(Black)
Red Hose
R23
(Green)
Black Hose
R57
Red Hose
BlackHose
Dosing Unit
5/16
3/8
5/16
Tank
WhiteHose
WhiteHose
Pump
3/85/16
White Hose
3/8
(Grey)
White Hose
R56
(Black)
Red Hose
R23
(Green)
Black Hose
R57
Wiring diagram Page 167 (268)
T3065165
2030,SCR,ADTP-L,,FAA20
(2010)
(Main front)
(21 BK)
XC312
B97
B96A
(ALT. 3)
B96A
(ALT. 2)
B96A
B96A
(ALT. 1)
(2010, Main front)
(21 BK)
XC312
(2010, Main front)
(21 BK)
XC313 (ACM)
A174
(2010, Main front)
(21 BK)
XC313
M49
M49
XC316
2030,SCR,ADTP-L,FAA20
XC316
(2030B)
(2030B)
(2030A)
Y81
B96A
Y80
B142
(Grey)
White Hose
R56
(Black)
Red Hose
R23
(Green)
Black Hose
R57
Red Hose
BlackHose
Dosing Unit
5/16
3/8
5/16
Tank
WhiteHose
WhiteHose
Pump
3/85/16
White Hose
3/8
(Grey)
White Hose
R56
(Black)
Red Hose
R23
(Green)
Black Hose
R57
T3071170
Page 168 (268) Wiring diagram
2030,SCR,ADTP-BC,EM-EU6
(2010, Main front)
(21 BK)
XC312
(2010, Main front)
(21 BK)
XC313
(ACM)
A174
XC319
(2030B)
(2030B)
B262
(5V)
B142B
2030,SCR,ADTP-BC,EM-EU6
(2010)
(Main front)
(21 BK)
XC312
B97
(ALT. 3)
B96B
(ALT. 2)
B96B
B96A
(ALT. 1)
B96B
(2030A)
B96A
B115
B98
B85
XC319
(Black)
B142B(4BK)
(24V)
Y81C
(24V)
M73
A190
(5V)
B263
(5V)
Coolant
IN
Coolant
OUT
Urea
IN
Urea
OUT
Air OUT to
nozzel
Air IN
B96B
(ALT. 1)
B96B
B96A
(2030A
)
B97
B96A
B115
(2030A)
(24V)
M73
(5V)
A190
(Black)
Yellow Hose
R56A
(Green)
Black Hose
R57A
Yellow Hose
BlackHose
Dosing Unit
5/16
6mm 5/16
Tank
Air pipe
(Black)
Yellow Hose
R56A
(Green)
Black Hose
R57A
Air pipe
6mm 8mm
Black Hose
Waterpipe
Water pipe
(24V)
M73
Y81C
(24V)
(5V)
A190
B263
(5V)
(5V)
B262
(Black)
Tank Sensor
B142B
3/85/16 M
Waterpipe
Water pipe
Air pipe
Wiring diagram Page 169 (268)
T3071171
2030,SCR,ADTP-R,EM-EU6
(2010, Main front)
(21 BK)
XC312
(2010)
(Main front)
(21 BK)
XC313
A174
(ACM)
(2030B)
(2030B)
B262
(5V)
2030,SCR,ADTP-R,EM-EU6
XC316
(Black)
(4BK)B142B
(24V)
Y81C
(24V)
M73
A190
(5V)
B263
(5V)
Coolant
IN
Coolant
OUT
Urea
IN
Urea
OUT
Air OUT to
nozzel
Air IN
B96B
(ALT. 1)
B96B
B96A
(2030A)
B97
B96A
B115
(2010)
(Main front)
XC312(21 BK)
B97
(ALT. 3)
B96B
(ALT. 2)
B96B
B96A
(ALT. 1)
B96B
(2030A)
B96A
B115
B98
B85
(2030A)
XC313
XC316
(Black)
B142B
(4BK)
(ALT. 2)
B96B(ALT. 3)
B96B
(Black)
Yellow Hose
R56A
(Green)
Black Hose
R57A
Yellow Hose
BlackHose
Dosing Unit
5/16
6mm 5/16
Tank
Air pipe
(Black)
Yellow Hose
R56A
(Green)
Black Hose
R57A
Air pipe
6mm 8mm
Black Hose
Waterpipe
Water pipe
(24V)
M73
Y81C
(24V)
(5V)
A190
B263
(5V)
(5V)
B262
(Black)
Tank Sensor
B142B
3/85/16 M
Waterpipe
Water pipe
Air pipe
T3065166
Page 170 (268) Wiring diagram
2040,2070,2080,RAD-GR,RAD-L90,Tractor
2040RAD-GR,,2070,2080,RAD-L90,Tractor
(2050)
XC330
(RSS-AIR)
B30
5.6(2010)
XC317
(26BK)
(2050)
XC331
(RSS-AIR)
B58
(6BN,5:th-wheel)B234
M14(4SB,LubricationC.)(Nodesupply)
XC323
B57
(CHH-LOW)
(RSS-AIR)
B29B
(CHH-LOW)
(RSS-AIR)
S45
E27R
E27L
(2070)
(2040)
(2080)
(RCIOM)
A164
(RCIOM)
A164
(MainRear)
(2SB)
(MainRear)
(29BK)
(29BU)
(ECS)
(29GY)
(Light,Diff-)
2070
2040
2080
(1-Channel)
11Inlet
2322
21
3421
E10
E06
ReverseE09
Brake
E21Fog
E10
Parking
E27R3
232221
11
1234
RightLeft
(2-Channel)
E21Fog
E13
Direction
E10
Position
E06
Reverse
E09
Brake
E10
ParkingE13
Direction
E10
Position
(BSYS-CON)
B237
Inlet
RightLeft
X2
X3
X4
X1
1.Ground
2.DirectionInd.
3.Brake
4.Position
5.Reverse
6.Fog
7.B.U.PAlarm
(2040)
Y135
(RSS-AIR)
B29B
(RSS-LEAF)
(RAD-L90)
(RSS-LEAF)
Wiring diagram Page 171 (268)
T3065167
2040,2060,2070,2080,RAD-GR,RAD-L90,Rigid
2040RAD-GR,,2060RAD-L90,Rigid,2070,2080,
(2050)
XC330
(RSS-AIR)
B30
5.6
(2010)
XC317
(26BK)(2050)
XC331
(RSS-AIR)
B58
XC323
(Nodesupply)
B57
(RSS-AIR)
B29B
(RSS-AIR)
S45
E27R
(2070)
(2040)
(RCIOM)
A164
1.Ground
2.DirectionInd.
3.Brake
4.Position
5.Reverse
6.Fog
7.B.U.PAlarm
E27R
Y135
(RSS-AIR)
Inlet
3
232221
11
1234
RightLeft
(2-Channel)
H03E10
E27L
5.7
(2060)
XC342
(2060)
(2080)
X02
(ABS,EBS)
X04,X05
(TREL7-7)
(Lights)
X63
(TREL14)
(Lights)
(2060)(2070)
(2040)
(adapter)
XC353
E39
Korea
(adapter)
X03
(TREL15)
(Lights)
X02
(ABS,EBS)
B29B
(RSS-LEAF)
(RAD-L90)
(RSS-LEAF)
(ExtraSideM.Lights)
XC351(RCIOM)
A164
(MainRear)
(2SB)
(MainRear)
(29BK)
(29BU)
(ECS)
(29GY)
(Light,Diff-)
2070
2040
2080
E06
Reverse
E09
Brake
E21Fog
E10
Parking
E21Fog
E13
Direction
E10
Position
(BSYS-CON)
B237
E06
Reverse
E09
Brake
E10
Parking
E13
Direction
E10
Position
X2
X3
X4
X1
T3065169
Page 172 (268) Wiring diagram
(2040)
2040,2060,2070,2080,RADT-GR
2040RADT-GR,2060,2070,2080,
(2050)
XC330
B30
5.6
(2010)
XC317
(26BK)
(2050)
XC331
XC323
(Nodesupply)
B29B
S45
E27R
(2070)
(2040)
(RCIOM)
A164
Y10
(TA-SELFS)
5.7(2060)
XC342
(2060)
(2080)
E27L
(2060)
(2070)Y137
Withintergrated
pressuresensor
(ExtraSideM.Lights)
XC351
1.Ground
2.DirectionInd.
3.Brake
4.Position
5.Reverse
6.Fog
7.B.U.PAlarm
E27R
H03E10
E27L
X02
(ABS,EBS)
X04,X05
(TREL7-7)
(Lights)
X63
(TREL14)
(Lights)
(adapter)
XC353
E39
Korea
(adapter)
X03
(TREL15)
(Lights)
X02
(ABS,EBS)
E06
Reverse
E09
Brake
E21Fog
E10
Parking
E21Fog
E13
Direction
E10
Position
E06
Reverse
E09
Brake
E10
Parking
E13
Direction
E10
Position
(RCIOM)
A164
(MainRear)
(2SB)
(MainRear)
(29BK)
(29BU)
(ECS)
(29GY)
(Light,Diff-)
2070
2040
2080
(BSYS-CON)
B237
X2
X3
X4
X1
Y137
(4-Channel)
3242122231
26
25
Inlet
P
RightIeftRightIeftLift
1193456128721
Wiring diagram Page 173 (268)
T3065170
2040,2070,2080,RAPD-GR,Tractor
2040RAPD-GR,,2070,2080,Tractor
(2050)
XC330
B30
5.6
(2010)
XC317
(26BK)
(2050)
XC331
(6BN,5:th-wheel)B234
M14(4SB,LubricationC.)
(Nodesupply)
XC323
B29B
S45
E27R(2070)
(2040)
(2080)
(RCIOM)
A164
E27L
(RCIOM)
A164
(MainRear)
(2SB)
(MainRear)
(29BK)
(29BU)
(ECS)
(29GY)
(Light,Diff-)
2070
2040
2080
E10
E06
ReverseE09
Brake
E21Fog
E10
Parking
E27RE21Fog
E13
Direction
E10
Position
E06
Reverse
E09
Brake
E10
ParkingE13
Direction
E10
Position
(BSYS-CON)
B237
1.Ground
2.DirectionInd.
3.Brake
4.Position
5.Reverse
6.Fog
7.B.U.PAlarm(2040)
E27R
H03E10
E27L
E06
Reverse
E09
Brake
E21Fog
E10
Parking
E21Fog
E13
Direction
E10
Position
E06
Reverse
E09
Brake
E10
Parking
E13
Direction
E10
Position
X3
X2
X4
X1
Y137
Withintergrated
pressuresensor
Y137
(4-Channel)
3242122231
26
25
Inlet
P
RightIeftRightIeftLift
1193456128721
T3065171
Page 174 (268) Wiring diagram
2040,2070,2080,RADD-GR,Tractor
2040RADD-GR,Tractor,2070,2080,
(2050)
XC330
B30
5.6
(2010)
XC317
(26BK)
(2050)
XC331
(6BN,5:th-wheel)B234
M14(4SB,LubricationC.)
(Nodesupply)
XC323
B29B
S45RE27R(2070)
(2040)
(2080)
(RCIOM)
A164
S45
(2070)
E27L
E10
E06
ReverseE09
Brake
E21Fog
E10
Parking
E27RE21Fog
E13
Direction
E10
Position
E06
Reverse
E09
Brake
E10
ParkingE13
Direction
E10
Position
(BSYS-CON)
B237
1.Ground
2.DirectionInd.
3.Brake
4.Position
5.Reverse
6.Fog
7.B.U.PAlarm
(2040)
E27R
H03E10
E27L
E06
Reverse
E09
Brake
E21Fog
E10
Parking
E21Fog
E13
Direction
E10
Position
E06
Reverse
E09
Brake
E10
Parking
E13
Direction
E10
Position
(RCIOM)
A164
(MainRear)
(2SB)
(MainRear)
(29BK)
(29BU)
(ECS)
(29GY)
(Light,Diff-)
2070
2040
2080
X3
X4
X2
Y137
Withintergrated
pressuresensor
Y137
(4-Channel)
3242122231
26
25
Inlet
P
RightIeftRightIeftLift
1193456128721
X1
Wiring diagram Page 175 (268)
T3065172
(BSYS-CON)
B237
(2040)
2040,2060,2070,2080,RADD-GR,Rigid
2040RADD-GR,,2060Rigid,2070,2080,
(2050)
XC330
B30
5.6
(2010)
XC317
(26BK)
(2050)
XC331
XC323
(Nodesupply)
B29B
S45
E27R
(2070)
(2040)
(RCIOM)
A164
5.7(2060)
XC342
(2060)
(2080)
E27L
(2060)(2070)
S45R1.Ground
2.DirectionInd.
3.Brake
4.Position
5.Reverse
6.Fog
7.B.U.PAlarm
E27R
H03E10
E27L
E06
Reverse
E09
Brake
E21Fog
E10
Parking
E21Fog
E13
Direction
E10
Position
E06
Reverse
E09
Brake
E10
Parking
E13
Direction
E10
Position
(ExtraSideM.Lights)
XC351
(RCIOM)
A164
(MainRear)
(2SB)
(MainRear)
(29BK)
(29BU)
(ECS)
(29GY)
(Light,Diff-)
2070
2040
2080
X02
(ABS,EBS)
X04,X05
(TREL7-7)
(Lights)
X63
(TREL14)
(Lights)
(adapter)
XC353
E39
Korea
(adapter)
X03
(TREL15)
(Lights)
X02
(ABS,EBS)
X2
X3
X4
X1
Y137
Withintergrated
pressuresensor
Y137
(4-Channel)
3242122231
26
25
Inlet
P
RightIeftRightIeftLift
1193456128721
T3065173
Page 176 (268) Wiring diagram
2040,2060,2070,2080,RADD-BR
2040RADD-BR,2060,2070,2080,
(2050)
XC330
(2010)
XC317
(26BK)
XC323
(Nodesupply)
E27R
(2070)
(2040)(RCIOM)
A164
S69
5.6,5.7
(2060)
XC342
(2060)
(2080)
(ExtraSideM.Lights)
XC351
(2060)(2070)
S45R
S45
XC331
(2050)
(6BN,5:th-wheel)B234
M14(4SB,LubricationC.)
B29B
E27L
(BSYS-CON)
B237
(2040)
X02
(ABS,EBS)
X04,X05
(TREL7-7)
(Lights)
X63
(TREL14)
(Lights)
E39
Korea
(adapter)
X03
(TREL15)
(Lights)
X02
(ABS,EBS)
E27L
(RCIOM)
A164
(MainRear)
(2SB)
(MainRear)
(29BK)
(29BU)
(ECS)
(29GY)
(Light,Diff-)
2070
2040
2080
E10
E06
ReverseE09
Brake
E21Fog
E10
Parking
E27RE21Fog
E13
Direction
E10
Position
E06
Reverse
E09
Brake
E10
ParkingE13
Direction
E10
Position
1.Ground
2.DirectionInd.
3.Brake
4.Position
5.Reverse
6.Fog
7.B.U.PAlarm
E27R
H03E10
E27L
E06
Reverse
E09
Brake
E21Fog
E10
Parking
E21Fog
E13
Direction
E10
Position
E06
Reverse
E09
Brake
E10
Parking
E13
Direction
E10
Position
X3
X2
X4
X1
Wiring diagram Page 177 (268)
T3065174
2040,2060,2070,2080,RADDT-GR
2040RADDT-GR,2060,2070,2080,
(2050)
XC330
B30
5.6
(2010)
XC317
(26BK)
(2050)
XC331
XC323
(Nodesupply)
B29B
S45
E27R
(2070)
(2040)
(RCIOM)
A164
5.7
(2060)
XC342
(2060)
(2080)
(2060)(2070)
S45R
(2080)
(2070)
B58
B57
Y136
(2070)
Y136
(ExtraSideM.Lights)
XC351
E27L
(ABS,EBS)
X02
(Lights)
(TREL7-7)
X04,X05
X63
(TREL14)
(Lights)
E39
Korea
(adapter)
X03
(TREL15)
(Lights)
X02
(ABS,EBS)
1.Ground
2.DirectionInd.
3.Brake
4.Position
5.Reverse
6.Fog
7.B.U.PAlarm
E27R
H03E10
E27L
E06
Reverse
E09
Brake
E21Fog
E10
Parking
E21Fog
E13
Direction
E10
Position
E06
Reverse
E09
Brake
E10
Parking
E13
Direction
E10
Position
(RCIOM)
A164
(MainRear)
(2SB)
(MainRear)
(29BK)
(29BU)
(ECS)
(29GY)
(Light,Diff-)
2070
2040
2080
(BSYS-CON)
B237
(2040)
X2
X3
X4
X1
Y137
Withintergrated
pressuresensor
Y137
(4-Channel)
3242122231
26
25
Inlet
P
RightIeftRightIeftLift
1193456128721
Inlet
3
232221
11
1234
RightLeft
(2-Channel)
T3065175
Page 178 (268) Wiring diagram
2125,2050
E11RF
E11RC
E11RW
E11RR
E11LR
E11LW
E11LC
E11LF
(2040)
(3BK)
XC330
(2050)
(2125A)
EL2RR
EL2LR
(2125A)
(2125A)
EL2RF
EL2LF
(2050)
(2050)
(2050)
(2050)
(2050)
(2050)
(2125C)
(2125C)
XC331
(3BK)
(2040)
(2050)
XC358
(4BK)
(2040)
(2125B)
(2125B)
(2050)
XC318A
(7BK)
(2010)
XC318B
(7BK)
XC318C
(7BK)
2125,2050
Wiring diagram Page 179 (268)
T3065176
B15B
B42A
2090,RAD-L90RAD-GR,
A21.X3
(18GY)
(2090)
U03A
(2090)
B16B
B43A
B42A(BKLWS)
B43A(GRLWS)
U03A
(WSSB)
(LWSB)
(WSSA)
(LWSA)
LWSA/B
black
WSSA
grey
WSSB
black
CANB
SPL/GND
green
LHSRHS
B50
(YAW-rate)
A21
(EBS)
(18GY)
(Rear)
(16BK)
(Power,GND)
(Footvalve)
(YAW-rate)
(2010)
2090,RAD-L90RAD-GR,
(18GY)
(Front)
(Trailer)
(2010)
(RSTS-EHY)
(12BK)
A21.X3
(18GY)
X2
X3
X4
X1
2010
2010
2100
2090
T3065182
Page 180 (268) Wiring diagram
B15B
B42A
2100,2090,RSTS-EHY,RADT-GR
2100RADT-GR,,RSTS-EHY2090,
Y53
B49R
Y53
B49R
(2100)
(2100)
(2100)
(2090)
LWSA/B
black
WSSA
grey
WSSB
black
CANB
SPL/GND
green
(2090)
B16BB43A
B73
B77B
B76B
B72
U03A
U07
LHSRHS
(LWSB)
(WSSB)
(WSSB)(LWSB)
(WSSA)
(LWSA)
(WSSA)
(LWSA)
U03A
(12BK)
A21.X4
B77B(BKLWS)
B76B(GRLWS)
(BKLWS)B42A
(GRLWS)B43A
U07
LWSA/B
black
WSSA
grey
WSSB
black
CANB
SPL/GND
green
LHSRHS
(2100)
A21.X3
(18GY)
B50
(YAW-rate)
(EBS)
A21
(18GY)
(Rear)
(16BK)
(Power,GND)
(Footvalve)
(YAW-rate)
(2010)
(18GY)
(Front)
(Trailer)
(2010)
(RSTS-EHY)
(12BK)
X2
X3
X4
X1
2010
2010
2100
2090
A21.X3
(18GY)
Wiring diagram Page 181 (268)
T3065183
B15BB42A
2100,2090,RSTS-EHY,RAPD-GR
2100,RAPD-GR2090,,RSTS-EHY
Y53
B49R
Y53
B49R
(2100)
(2100)
XC354
XC354
(2100)
(2090)
U04
U03A
(2090)
B16B
B43A
B71
B75B
B74B
B70
(BKLWS)B75B
(GRLWS)B74B
B42A(BKLWS)
B43A(GRLWS)
U03A
U04
(LWSB)
(WSSB)
(WSSB)
(LWSB)
(WSSA)(LWSA)
(WSSA)
(LWSA)
LWSA/B
black
WSSA
grey
WSSB
black
CANB
SPL/GND
green
LHSRHS
LWSA/B
black
WSSA
grey
WSSB
black
CANB
SPL/GND
green
LHSRHS
A21.X3
(18GY)
B50
(YAW-rate)
A21
(EBS)
(18GY)
(Rear)
(16BK)
(Power,GND)
(Footvalve)
(YAW-rate)
(2010)
(18GY)
(Front)
(Trailer)
(2010)
(RSTS-EHY)
(12BK)
(18GY)
A21.X3X2
X3
X4
X1
2010
2010
2100
2090
A21.X4
(12BK)
T3065185
Page 182 (268) Wiring diagram
B15B
B42A
2090,RADD-GR/-BR/-TR1/-TR2,RAL17/21
2090,/-BR/-TR1/-TR2RAL17/21RADD-GR,
(2090)
(2090)
B16BB43A
B18
B45B
B44BB17
U03B
(LWSD)
(WSSD)
(WSSB)(LWSB)
(WSSA)
(LWSA)
(WSSC)(LWSC)
B45B(BKLWS)
B44B(GRLWS)
(BKLWS)B42B
(GRLWS)B43B
LWSC/D
grey
WSSD
brown
WSSC
green
ALSA/B
brown
LHSRHS
U03B
LWSA/B
black
WSSA
grey
WSSB
black
CANB
SPL/GND
green
LHSRHS
A21.X3
(18GY)
B50
(YAW-rate)
(EBS)
A21
(18GY)
(Rear)
(16BK)
(Power,GND)
(Footvalve)
(YAW-rate)
(2010)
(18GY)
(Front)
(Trailer)
(2010)
(RSTS-EHY)
(12BK)
X2
X3
X4
X1
2010
2010
2100
2090
A21.X3
(18GY)
Wiring diagram Page 183 (268)
T3065187
B15B
B42A
2090,RADD-BR/-TR1/-TR2,RAL>23
(2090)
(2090)
B16B
B43A
B18
B45B
B44B
B17
U03A
(LWSB)
(WSSB)
(WSSB)
(LWSB)
(WSSA)
(LWSA)
(WSSA)
(LWSA)
B45B(BKLWS)
B44B(GRLWS)
(BKLWS)B42A
(GRLWS)B43A
U03C
(2090)
(2090)
A21.X3
(18GY)
B50
(YAW-rate)
(EBS)
A21
(18GY)
(Rear)
(16BK)
(Power,GND)
(Footvalve)
(YAW-rate)
(2010)
(18GY)
(Front)
(Trailer)
(2010)
(RSTS-EHY)
(12BK)
X2
X3
X4
X1
2010
2010
2100
2090
A21.X3
(18GY)
2090,RAL>23RADD-BR/-TR1/-TR2,
LWSA/B
black
WSSA
grey
WSSB
black
CANB
SPL/GND
green
LHSRHS
U03A
LWSA/B
black
WSSA
grey
WSSB
black
CANB
SPL/GND
green
LHSRHS
U03C
T3065188
Page 184 (268) Wiring diagram
2100,2090,RADDT-GR,RSTS-EHY,RAL>33
B15B
B42A
2100,2090,RADDT-GR,RSTS-EHY,RAL>33
(2090)
LWSA/B
black
WSSA
grey
WSSB
black
CANB
SPL/GND
green
(2090)
B16BB43A
B18
B45B
B44B
B17
U03A
LHSRHS
(LWSB)
(WSSB)
(WSSB)(LWSB)
(WSSA)
(LWSA)
(WSSA)
(LWSA)
B45B(BKLWS)
B44B(GRLWS)
B77B(BKLWS)
B76B(GRLWS)
(BKLWS)B42A
(GRLWS)B43A
U03C
LWSA/B
black
WSSA
grey
WSSB
black
CANB
SPL/GND
green
LHSRHS
U07
(2090)
(2090)
(2100)
(2100)
(2100)
B73
B77B
(LWSB)
(WSSB)
B72
(WSSA)B76B
(LWSA)
Y53
U03C
(2100)
U07
Y53
(2100)
LWSA/B
black
WSSA
grey
WSSB
black
CANB
SPL/GND
green
LHSRHS
B49R
B49R
U03A
A21.X3
(18GY)
B50
(YAW-rate)
(EBS)
A21
(18GY)
(Rear)
(16BK)
(Power,GND)
(Footvalve)
(YAW-rate)
(2010)
(18GY)
(Front)
(Trailer)
(2010)
(RSTS-EHY)
(12BK)
X2
X3
X4
X1
2010
2010
2100
2090
A21.X3
(18GY)
(12BK)
A21.X4
Wiring diagram Page 185 (268)
T3071172
(WSSA)
B15A
2090,ABS
2090,ABS
(2090)
(WSSB)
B16A
Y13
Y14(WSSA)
B15A
(WSSB)
B16A
A12A.X3
(18GY)
A12A
(ABS)
(18GY)
(Rear)
(16BK)
(Power,GND)
(Footvalve)
(2010)
X3
X1
2010
2090
(NOTUsed)
(Empty)
(NOTUsed)
(Empty)
T3065192
Page 186 (268) Wiring diagram
2120,BB-wires
2120,BB-wires
(2120)
(2120)
FM1
(BB)
BB1(1GY-tape)
BB2(2GY-tape)
BB3(noGY-tape)
(Instrument)
XC202(25GY)
X25
BB1(1GY-tape)
BB2(2GY-tape)
BB3(noGY-tape)
(SidemarkerLampsforRigid)
XC351(4BK)
(Powerjunction)
X25
Wiring diagram Page 187 (268)
T3065193
B39
X54
K65
B04
B05
M04
Y33(F)
Y33(E)
Y33(D)
B21
Y39
Y33(A)
Y33(B)
Y33(C)
B37
R01
B118
B54
A45
B119
B51
Y42
Y37A
K48
S68
B
A
G02
B2+
B1+
B1+
G02
3000,MD13,EM-EU3
3000,MD13,EM-EU3
A43
A14
B
A
B2+
A14
(2010)
(39BK)
XC302
(GIC020)
(Engineblock)
(Engineblock)
T3065194
Page 188 (268) Wiring diagram
3000,MD13,EM-EU3
3000,MD13,EM-EU3
A14
S68
B39
B05
B04
M04
X54
Y33(F)
Y33(E)
Y33(D)
Y39
Y33(A)
Y33(B)
A43
R01
Y33(C)
X54
K65
M04
B21
A45
K48
B37
Y37A
B119
(2010)
(39BK)
XC302
(GIC020)
ToBBOX
ToBBOX
(Engineblock)
(Engineblock)
(Engineblock)
Wiring diagram Page 189 (268)
T3065195
3000,MD13,EM-EU5
3000,MD13,EM-EU5
B39
B04
B05
M04
Y33(F)
Y33(E)
Y33(D)
B21
Y39
Y33(A)
Y33(B)
Y33(C)
B37
R01
B118
B54
A45
B119
B51
Y42
Y37
B
A
S68
A14
G02
B2+
B1+
B1+
G02
B213
A43
Y109
B
A
B207
B2+
A14
X54
K65
K48
(2010)
(39BK)
XC302
(GIC020)
(Engineblock)
(Engineblock)
T3065196
Page 190 (268) Wiring diagram
3000,MD13,EM-EU5
3000,MD13,EM-EU5
A14
S68
B39
B05
B04
M04
X54
Y33(F)
Y33(E)
Y33(D)
Y39
Y33(A)
Y33(B)
A43
R01
Y33(C)
X54
K65
M04
B21
B207
Y111
Y110
B213
A45
Y109
K48
B37
(2010)
(39BK)
XC302
(GIC020)
ToBBOX
ToBBOX
Y37
(Engineblock)
(Engineblock)
(Engineblock)
Wiring diagram Page 191 (268)
T3071175
3000,MD13,EML4
3000,MD13,EML4
B39
B04
B05
M04
B21
Y39
Y33(C)
B37
R01
B118
B54
A45
B119
B51
Y42
Y37
A14
B
A
S68
A14
G02
B2+
B1+
B1+
G02
B213
A43
Y109
B
A
B207
B2+
Y114
Y34
B187
Y103
Y33(D)
Y33(E)
Y33(F)
Y33(B)
Y33(A)
X54
K65
K48
(2010)
(39BK)
XC302
(GIC020)
(Engineblock)
(Engineblock)
T3071176
Page 192 (268) Wiring diagram
3000,MD13,EML4
3000,MD13,EML4
A14
S68
(Engineblock)
B39
B04
M04
X54
Y33(F)
Y33(E)
Y33(D)
Y39
Y33(A)
Y33(B)
A43
R01
Y33(C)
X54
K65
M04
B21
B207
Y111
Y110
B213
A45
Y109
K48
B37
B05
Y114
B187
Y103
(Engineblock)
Y34
Y34
(2010)
(39BK)
XC302
(GIC020)
ToBBOX
ToBBOX
Y37
Wiring diagram Page 193 (268)
T3065198
3000,MD16
3000,MD16
B39
B04
B05
M04
Y33(F)
Y33(E)
Y33(D)
B21
Y39
Y33(A)
Y33(B)
Y33(C)
B37
R01
B118
A45
B119
Y42
Y37A
A14
B
A
S68
A14
G02
B2+
B1+
B1+
G02
B213
A43
B
A
A44
B54
B2+
X54K65
K48
(2010)
(39BK)
XC302
(GIC020)
(Engineblock)
(Engineblock)
T3065199
Page 194 (268) Wiring diagram
3000,MD16
3000,MD16
B39
B04
B05
M04
B21
B37
R01
B119
Y37A
K48
S68
G02
X54
K65
M04
B213
B54
X54
A14
Y33(F)
Y33(E)
Y33(D)
Y39
Y33(A)
Y33(B)
Y33(C)
B118
(2010)
(39BK)
XC302
(GIC020)
(Engineblock)
(Engineblock)
Wiring diagram Page 195 (268)
T3065200
3010,MECHTRAN
3010,MECHTRAN
(3010)
(2010)
(39 GN)
XC303
(3010)
S49
B09B
S47
Y31
B12
Y06
S63
(3010)
S49
Y31
B12
S47
S63
Y06
B09B
(2010)
(39 GN)
XC303
S101
S101
T3065201
Page 196 (268) Wiring diagram
3010,I-SHIFT
3010,I-SHIFT
(3010)
(2010)
(39 GN)
XC303
B12
(3010)
B12
A42
1.
A
2.
B
1.
A
2.
B
(2010)
(39 GN)
XC303
A13A
A13A
Wiring diagram Page 197 (268)
T3065202
3010,3020,MECHTRAN
3010,3020,MECHTRAN
(3010)
(3010)
B09B
S47
Y31
B12
Y06
S63
(3010)
Y31
B12
S47
S63
Y06
B09B
A41
B69
Y18G
Y18H
Y18G
Y18H
A41
B69
S49
S49
(3020)
(3020)
(3020)
(3020)
(3020)
(3010)
(2010)
(39 GN)
XC303
S101
S101
(2010)
(39 GN)
XC303
T3065203
Page 198 (268) Wiring diagram
3010,3020,I-SHIFT
3010,3020,I-SHIFT
(3010)
A41
B69
S124C
A41
B69
S124C
B12
A42
1.
A
2.
B
B12
(3020)
(3020)
1.
A
2.
B
XC303
(39 GN)
(2010)
A13A
(3010)
(3020)
(3020)
(2010)
(39 GN)
XC303
A13A
Wiring diagram Page 199 (268)
T3065102
Spare
5
K26
CABTilt
Pump
K28
F01
F02
F03
F04
F05
F06
F07
F08
F09
F10
F11
F12
F13
F14
F15
F16
F17
F18
F19
F20
F21
F22
F23
F24
F25
F26
F27
F28
F29
F30
F31
F32
F33
F34
F35
F36
F37
F38
F39
F40
F41
F42
F43
F44
F45
F46
F47
F48
F49
Seats
Move.
K24
Spare
7
K25
Ignition
K22
MirrorHeat.
K23
Spare
1
K21
BBIgnition
K20
Trailer
BodyLight
K19
Spare
6
K18
Spare2
Euro6
K17
HeadLight
W.pump
K16
Full
Beam
Inside
K15
Becon
WarningL.
K13
Roof
Light
Sign
K12
Power
Supply3
24Voutlets
K14
Extra
SpotLamps
K10
Engine
Runn.
K09
Power
Supply4
DC/DC12V
K11
Accessory
K08
Power
Supply2
K07
CT2
Sunroof
Motor1
K04
Sunroof
Motor2
K03
Spare
4
K01
Refrig.
K02
F50
F51
F52
F53
F54
F55
F56
F57
F58
F59
F60
F61
F62
F63
F64
F65
F66
F67
F68
F69
F70
F71
F72
F73
F74
F75
F76
F77
F78
F79
F80
F81
F82
F83
F84
F85
F86
F89
F87
F90
F88
F91
Widscreen
WiperMotor
K05
Widscreen
WiperHi/Lo
K06
Rainsensor
CB8 CB7
CB5
CB3
CB2
CB1
CB6
CB4
CB9
CB12
CB11
CB10
F07
F10
F20
F30
F31
F40
F48
3A.
5A.
10A.
15A.
20A.
30A.
A02P
A02X
A01FRC
F02
F04
F06
EMS
K27
BB
Relay
K30
BB
Relay
K31
BB
Relay
K32
BB
Relay
K33Thermoline
K69
50A.
BBEC1 BBEC2
CN3CN2CN1
CN11
CN12
113
2614
113
2614
113
2614
Extra
(Frontlidlock)
Extrapos.
Spare
F50
F60
F70
F80
F90
A02Y
Gnd
BBxx
BB
Relay
K91
(Microwaveoven)
F93
A187VMCU
A01.Stud:1(Powersupply)
(Ground)
A01.CB9:1
A01.CB11:1(CoffeMaker)
A01FRCA01FRC
F49
CT1
FrontHeaderShelf
A01.CCT2:1-2
(DC/DC12V)
(FrontHeaderShelf)
K52A
K52B
BB
Relay
K92
BB
Relay
K90
BB
Relay
K35
R14
BB
Relay
K34
1.
2.
3.
4.
1.
2.
3.
4.
BBEC
3.
(RHD)
(RHD)
1.2.1.
1.1.
4.
Fuses
F01 12V power outlet supply ............... (IG:1 A)
F02 -.....................................................
F03 TV prep kit, power supply ............. (IG:3 A)
F04 -.....................................................
F05 -.....................................................
F06 Body Builder switch, power
supply............................................ (ND:2 A)
F07 Body Builder Electrical Centre,
main power supply 1 (30A)........... (ND:3 B)
F08 Body Builder Electrical Centre,
main power supply 2 (20A)........... (ND:2 B)
F09 -.....................................................
F10 -..................................................... (IF:1 A)
F11 Extra spot lamps roof, EL1 ........... (NF:0 A)
F12 Beacon warning lamps roof EL4... (NF:1 A)
F13 Driver and passenger seats
heater,
Alcolock , engine running power
supply............................................ (IT:1 A)
F14 -.....................................................
F15 Roof light sign or roof EL 5 ........... (NF:3 A)
F16 Full beam inside sign area EL 0 ... (NF:4 A)
F17 -l ....................................................
F18 HMIIOM (Human Machine inter-
face input & output module)
power supply................................. (BA:1 A)
F19 BBM (Body Builder Module)
power supply................................. (NA:1 A)
F20 DDM/PDM (Driver/Passenger
Door Module) right, power supply. (IS:0 A)
F21 SID (Secondary instrument dis-
play) power supply........................ (IO:2 A)
F22 Sun visor, bunk recline power
supply............................................ (IU:3 A)
F23 Tachograph power supply............. (BC:1 A)
F24 Instrument power supply............... (BA:2 A)
F25 Toll collect power supply............... (BX:0 A)
F26 -.....................................................
F27 VMCU ........................................... (BE:0 B)
F28 VMCU ........................................... (BE:0 B)
F29 Right mirror heating ...................... (IR:1 A/
IS:1 A)
F30 Left mirror heating......................... (IR:1 A/
IS:1 A
F31 DACU (Driver Assistance Control
Unit) power supply........................ (PA:0 A)
F32 APM (Air Pressure Monitoring)
power supply................................. (FE:1 A)
F33 Wireless remote control................ (FB:2 A)
F34 Electrical front lid lock ................... (BG:1 A)
F35 -.....................................................
F36 -.....................................................
F37 ABS/EBS power supply................ (EA:0 A/
EE:0 A)
F38 CCM (Climate Control Module)
supply............................................ (HA:1 A)
F39 Fuel line heater power supply....... (HF:1 A)
F40 Tachograph ignition power supply (BC:2 A)
F41 EMS (Engine Management Sys-
tem) ECU power supply main....... (CA:2 A)
F42 EMS controlled loads 1................. (CA:2 A)
F43 Fuel filter heater............................ (CA:1 A)
F44 EMS controlled loads 2................. (CA:2 A)
F45 Cab tilt pump motor supply........... (KA:1 A)
F46 Trailer ABS/EBS power supply..... (GK:0 A/
GL:1 A)
F47 -.....................................................
F48 -.....................................................
F49 Body Builder chassis main power
supply............................................ (ND:3 B)
F50 Coffee maker accessory power
supply............................................ (IF:3 A)
F51 Windscreen wiper motor on & off
low speed/high speed................... (GP:0 A)
F52 Sunroof motor supply.................... (IU:1 A)
F53 Video Switch power supply........... (IO:0 A)
F54 -.....................................................
F55 Alarm power supply ...................... (RA:0 A)
F56 -..................................................... (IG:1 A)
F57 Interior light ................................... (IB:2 B)
F58 Amplifier power supply.................. (IL:1 A)
F59 Converter power supply in header
shelf .............................................. (IG:2 A)
F60 Converter power supply in
dashboard..................................... (IG:0 A)
F61 DDM/PDM (Driver/Passenger
Door Module) left, power supply... (IR:0 A)
F62 OBD diagnostic connector, power
supply............................................ (XA:2 B)
F63 CIOM (Cab Input/Output Module)
power supply................................. (BG:0 A)
Page 200 (268) Wiring diagram
F64 24V power outlet supply 1 in
dashboard..................................... (IF:1 A)
F65 24V power outlet supply 2 in bunk
panel ............................................. (IF:1 A)
F66 TIS (Transport Information Sys-
tem) & Telematics System power
supply............................................ (BU:0 A)
F67 Cigarette lighter............................. (IF:0 A)
F68 VMCU ........................................... (NB:0 C)
F69 Cab parking heater power supply. (HC:1 A)
F70 TECU ............................................ (DC:1 A)
F71 Headlight washer pump motor...... (GP:1 B)
F72 -.....................................................
F73 Body Builder Electrical Centre
ignition supply (30A) ..................... (ND:3B)
F74 Body Builder Electrical Centre
ignition supply (20A) ..................... (ND:2 B)
F75 Refrigerator power supply............. (IF:3 A)
F76 -.....................................................
F77 -.....................................................
F78 -.....................................................
F79 -.....................................................
F80 LECM (Living Environment Con-
trol Module) power supply ............ (HA:0 A)
F81 SRS (Security Restrain System)
airbag ignition power supply......... (PE:1 B)
F82 -.....................................................
F83 -.....................................................
F84 -.....................................................
F85 FMS (Fleet Management System)
connector ignition power supply ... (BX:2 A)
F86 -.....................................................
F87 -.....................................................
F88 Alcolock power supply.................. (PH:1 B)
F89 -.....................................................
F90 Seat motor .................................... (IT:3 A)
F91 FMS connector power supply....... (BX:3 A)
F92 Tachograph, ADR (2020).............. (AD:0 C/
AE:2 B)
F93 Microwave oven (1000) ................ (IF:3 B)
F94 ADR (2020)................................... (AA:0 D)
F95 ADR (2020)................................... (AA:0 D)
Main fuse in battery box
FM1 Body builder supply.................... AA:2 B)
FM2 Cab, main power supply,............ (AA:1 B)
FM3 FCIOM power supply 1 .............. (AA:2 B)
FM4 CCIOM power supply 1.............. (AA:2 B)
FM5 RCIOM power supply 1.............. (AA:3 B)
FM6 FCIOM power supply 2 .............. (AA:3 B)
FM7 CCIOM power supply 2.............. (AA:2 B)
FM8 RCIOM power supply 2.............. (AA:3 B)
FM9 RASEC power supply ................ (AA:1 B)
FM10 IPC power supply....................... (AA:4 B)
FM11 ACM power supply..................... (AA:3 B)
FM12 EAS power supply...................... (AA:2 B)
Wiring diagram Page 201 (268)
T3065102
Page 202 (268) Wiring diagram
Spare
5
K26
CABTilt
Pump
K28
F01
F02
F03
F04
F05
F06
F07
F08
F09
F10
F11
F12
F13
F14
F15
F16
F17
F18
F19
F20
F21
F22
F23
F24
F25
F26
F27
F28
F29
F30
F31
F32
F33
F34
F35
F36
F37
F38
F39
F40
F41
F42
F43
F44
F45
F46
F47
F48
F49
Seats
Move.
K24
Spare
7
K25
Ignition
K22
MirrorHeat.
K23
Spare
1
K21
BBIgnition
K20
Trailer
BodyLight
K19
Spare
6
K18
Spare2
Euro6
K17
HeadLight
W.pump
K16
Full
Beam
Inside
K15
Becon
WarningL.
K13
Roof
Light
Sign
K12
Power
Supply3
24Voutlets
K14
Extra
SpotLamps
K10
Engine
Runn.
K09
Power
Supply4
DC/DC12V
K11
Accessory
K08
Power
Supply2
K07
CT2
Sunroof
Motor1
K04
Sunroof
Motor2
K03
Spare
4
K01
Refrig.
K02
F50
F51
F52
F53
F54
F55
F56
F57
F58
F59
F60
F61
F62
F63
F64
F65
F66
F67
F68
F69
F70
F71
F72
F73
F74
F75
F76
F77
F78
F79
F80
F81
F82
F83
F84
F85
F86
F89
F87
F90
F88
F91
Widscreen
WiperMotor
K05
Widscreen
WiperHi/Lo
K06
Rainsensor
CB8 CB7
CB5
CB3
CB2
CB1
CB6
CB4
CB9
CB12
CB11
CB10
F07
F10
F20
F30
F31
F40
F48
3A.
5A.
10A.
15A.
20A.
30A.
A02P
A02X
A01FRC
F02
F04
F06
EMS
K27
BB
Relay
K30
BB
Relay
K31
BB
Relay
K32
BB
Relay
K33Thermoline
K69
50A.
BBEC1 BBEC2
CN3CN2CN1
CN11
CN12
113
2614
113
2614
113
2614
Extra
(Frontlidlock)
Extrapos.
Spare
F50
F60
F70
F80
F90
A02Y
Gnd
BBxx
BB
Relay
K91
(Microwaveoven)
F93
A187VMCU
A01.Stud:1(Powersupply)
(Ground)
A01.CB9:1
A01.CB11:1(CoffeMaker)
A01FRCA01FRC
F49
CT1
FrontHeaderShelf
A01.CCT2:1-2
(DC/DC12V)
(FrontHeaderShelf)
K52A
K52B
BB
Relay
K92
BB
Relay
K90
BB
Relay
K35
R14
BB
Relay
K34
1.
2.
3.
4.
1.
2.
3.
4.
BBEC
3.
(RHD)
(RHD)
1.2.1.
1.1.
4.
Relays
K01 -.....................................................
K02 Relay, refrigerator......................... (IF:2 A)
K03 Relay, sunroof motor 2.................. (IU:1 B)
K04 Relay, sunroof motor 1.................. (IU:0 B)
K05 Relay, front wiper on/off ................ (GP:0 B)
K06 Relay, front wiper low/high............ (GP:0 B)
K07 Relay, body builder electrical cen-
ter, power supply 2........................ (ND:2 A)
K08 Relay, accessories........................ (IF:3 A)
K09 Relay, seats heater....................... (IT:0 A)
K10 Relay, body builder electrical cen-
ter, extra spot lamps...................... (NF:0 A)
K11 Relay, power supply 4................... (IG:2 A)
K12 Relay, roof light sign...................... (NF:3 A)
K13 Relay, beacon warning lamps....... (NF:1 A)
K14 Relay, power supply 3................... (IF:1 A)
K15 Relay, full beam inside sign area.. (NF:4 A)
K16 Relay, headlight washer pump ..... (GP:1 B)
K17 TECU ............................................ (DC;0 A)
K18 -.....................................................
K19 -.....................................................
K20 Relay, BB ignition.......................... (ND:3 A)
K21 Relay, mirror heating..................... (IR:1 A/
IS:1 A
K22 Relay, ignition................................ (BX:2 A)
K23 -.....................................................
K24 Relay, adjustable seat................... (IT:3 A)
K25 -.....................................................
K26 -.....................................................
K27 Relay, engine management
system........................................... (CA:3 A)
K28 Relay, cab tilt pump....................... (KA:1 A)
K30 Relay, tail lift enable/crane............ (ND:2 C)
K31 Relay, extra spot lamp front EL6... (NE:0 B)
K32 Relay, side reverse working lamp
EL2................................................ (NE:1 B)
K33 Relay, cab/body working lamp
EL3................................................ (NE:3 B)
K34 -.....................................................
K35 -.....................................................
K48 Power relay, engine preheating
(3000)............................................
(AA:2 D/
CB:1 A)
K52A Power relay, FLL motor 1.............. (BG:1 B)
K52B Power relay, FLL motor 2.............. (BG:1 B)
K65 Relay, starter motor....................... (CB:2 B)
K69 Relay, fuel heater.......................... (HF:1 C)
K70A Relay, ADR3/SLP (2020).............. (AE:1 B)
K70B Relay, ADR3/SLP (2020).............. (AE:1 C)
K71 Relay, audio switch telematics, L+
(1100)............................................ (BU:1 D)
K90 Relay............................................. (NK:2 B)
K91 Relay............................................. (NK:3 B)
K92 Relay............................................. (NK:4 B)
K95 Relay, microwave oven (1100)...... (IF:3 C)
Wiring diagram Page 203 (268)
FRC (A01) connectors
A01.CB1
Pin no: Circuit function Wiring no: Diagram
3 Cab tilt pump motor supply 2131 KA:1 B
4 Trailer ABS, EBS power supply 2129 GK:0 A/GL:1 A
A01.CB2
Pin no: Circuit function Wiring no: Diagram
1 Windscreen wiper high speed 2104 GP:1 B
2 Windscreen wiper park position signal 0151 GP:0 B
3 APM power supply 2086 FE:1 B
4 WRG power supply 2083 FB:2 B
5 Direct battery 2037 BG:1 A
9 Fuel filter heater power supply 2047 CA:1 B
10 Windscreen wiper low speed 2103 GP:0 B
16 Power supply 2039 PH:1 B
18 EMS load power supply 2 2046 CA:2 B
19 Direct battery 2055 EA:0 A/EE:0 A
20 CCM power supply 2108 HA:1 B
21 Fuel heater relay supply 2114 HF:1 A
22 EMS power supply 1 2044 CA:2 B
23 EMS load power supply 1 2045 CA:2 B
25 Headlight washer pump supply 2105 GP:1 B
A01.CB3
Pin no: Circuit function Wiring no: Diagram
1 Refrigerator supply 4004 IF:2 B
4 Sunvisor and power recline supply 2101 IF:4 B
5 DACU power supply 2121 PA:0 A
6 Direct battery 2040 BU:0 A
10 SRS power supply 2127 PE;1 B
11 LECM power supply 2107 HA:0 B
12 VS power supply 2091 IO:0 A
15 Ignition 2043 BX:2 B
16 Seats movement 2100 IT:1 A
18 Direct battery 2042 BX:3 B
19 Amplifier supply 2078 IL:1 A
A01.CB4
Pin no: Circuit function Wiring no: Diagram
1 BBEC main C power supply 8028 ND:3 B
Page 204 (268) Wiring diagram
A01.CB5
Pin no: Circuit function Wiring no: Diagram
1 BBEC ignition supply 8043 ND:2 B
2 BBEC main power supply 2 8025 ND:2 B
A01.CB6
Pin no: Circuit function Wiring no: Diagram
1 BBEC ignition power supply 8027 ND:3 B
2 BBEC main power supply 1 8026 ND:3 B
A01.CB7
Pin no: Circuit function Wiring no: Diagram
8 Cab tilt enable switch 2139 KA:2 B
A01.CB8
Pin no: Circuit function Wiring no: Diagram
6 Parking air, water heater supply 2110 HC:1 A
8 TECU power supply 2024 DC:1 B
A01.CB9
Pin no: Circuit function Wiring no: Diagram
1 Ground 1 YF:1 D
A01.CB10
Pin no: Circuit function Wiring no: Diagram
3 12V dashboard output 4162 IG:1 B
4 24V power outlet supply 2 4006 IF:1 B
8 BBM power supply 2130 NA:1 B
A01.CB11
Pin no: Circuit function Wiring no: Diagram
1 Coffe maker supply 4002 IF:3 B
Wiring diagram Page 205 (268)
A01.CB12
Pin no: Circuit function Wiring no: Diagram
1 Engine running 2038 IT:1 A
3 CIOM power supply 2036 BG:0 A
4 OBD interface power supply 2120 XA:2 B
5 HMIIOM power supply 2027 BA:1 A
6 Task light ckt 6008 IB:2 B
9 BBEC switch main power supply 8023 ND:2 A
10 Engine running 2038 IT:3 A
11 Alarm power supply 2128 RA:0 B
12 Instrument cluster power supply 2028 BA:2 A
13 SID power supply 2029 IO:2 A
16 Mirror power supply passenger 2095 IS:1 A
17 Mirror power supply driver 2093 IQ:2 B/IR:1 A
18 12V dashboard socket supply 4015 IG:1 B
19 DDM power supply/window lift with antipinch supply 2092 IR:0 A
20 PDM power supply/window lift with antipinch supply 2094 IS:0 A
21 DC/DC converter supply 4163 IG:0 B
23 24V power outlet supply 1 4005 IF:1 B
24 Cigarette lighter supply 4007 IF:0 B
25 Parking air, water heater supply 2110 HC:1 A
Page 206 (268) Wiring diagram
A01.CT1
Pin no: Circuit function Wiring no: Diagram
1 Accessories signal 4014 IG:2 B
2 Ground 1 GF:3 A
3 Sunroof motor signal 2 4158 IU:1 B
4 Sunroof motor signal 1 4157 IU:1 B
5 Main power supply 1 2157 BC:1 A
6 Backlight 6000 GF:3 A
9 Position light circuit supply 3047 GF:2 A
10 Key ignition 2138 BC:2 A
11 Ground 1 YF:0 C
12 Ground 1 YF:1 C
13 Ignition signal 2020 BX:0 B
14 Ignition signal 2020 HF:1 A
15 Night driving light Ckt 6006 IA:0 A
16 Backlight 6000 BX:0 B/IQ:2 B
17 Task light ckt 6008 IA:2 A
18 Speed pulse 2137 BC:1 A
19 Ground 1 YF:0 C
21 Ground 1 IU:3 B
22 EL1 extra spot lamp power supply 8062 NF:0 A
23 Resting light ckt 2 6005 IA:0 A
24 Backlight 6000 IU:2 B
25 Resting light ckt 1 6007 IA:1 A
26 Sunvisor and power recline supply 2101 IU:3 B
27 Full beam lamp supply 8065 NF:4 A
28 Accessory supply 4012 IG:3 B
31 Max light Ckt 2 6012 IA:3 A
32 Beacon lamp power supply 8063 NF: 1 A
33 Direct battery 2040 BU:0 A
34 Direct battery 2041 BX: 0 B
35 Max light Ckt 1 6011 IA:1 A
36 Roof light sign EL5 power supply 8064 NF:3 A
A01.CT2
Pin no: Circuit function Wiring no: Diagram
2 DC/DC converter supply 4011 IG:2 B
4 DC/DC output supply 4161 IG:2 B
Wiring diagram Page 207 (268)
T3071165
Page 208 (268) Wiring diagram
VMCUA187
CIOMA160
HMIIOM
A161
VSA169
AlarmA31
DACUA26
BBMA36
A03
A176 LPOS
A33 TachoA07 Audio A125 TGW A122 Toll
U29/U33
A132Alco
U30
BBEC
BBEC1
BBEC2
1160
Firewall
A175 TESP
XC145_1
Cuttelfish,CAB
Cuttelfish,CAB
XC205
XC203
XC213
XC204
XC202
XC207
XC208
XC210
XC104_1
1000
Instrument
FRCA01
XC104_2
1150
Door
XC141
XC140
XC115_1
XC124
XC115_2
XC116
XC118_2
XC117
XC118_1
XC119
1100
A-pillar
1100 A-pillar
Y43DS
A43B
X1 X2
XC130
XC131
XC127
XC108_1
XC101_1
XC101_2
XC103
1140
Lower bunk
1140
Rear wall
XC148XC147
XC107
XC144
XC102
XC113
XC112
XC145_2
X115A/B
1110 Roof
Beacon
XC111
XC106
XC114
XC150
XC149XC146
Y43PS
A06D A06P
XC201
Beacon
SignLamp
1110 Roof
1150
Door
1000
Instrument
1100
A-pillar
1000
Instrument
ADR
BB
S275
USB
XC108_2
XC153_1 XC153_2
Wiring harness layout
2010MainF.
Wiring diagram Page 209 (268)
T3071166
XC203
XC213
XC204
XC202
XC207
XC208
XC210
FCIOM
A162
RCIOM
A164
CCIOM
A163
A21
EBS
ACM
A174
APM
A177
2000 Lower front
3000
Engine
1160
Firewall
2020
Battery
XC302
XC303
2090EBS
A12A
ABS
XC201
XC205
E13L
Cuttelfish,CHASSIE
Cuttelfish,CHASSIE
XC301
XC321
XC322
BB1,2,3
XC328
XC315
XC312
XC316 or XC319
XC313
Node supply
XC342
2070 Light, Diff.
2060 Trail.
2040MainC.
XC323
XC317
XC330
XC331
2050
Side mark.
2020
Battery
3010
Gearbox
E83L
E98L
E13R
E83R
E98R
2030
EATS
2030
SCR
XC318
XC354
2100
RSTS-EHY
2080 Susp.
2080Susp.
2120BB
ADR
Node supply
XC355
XC329
XC327
XC325
2050
ExtraL.
2050
Side mark.
2010MainF.
ADR
ADR
ADR
ADR
BB
XC360
XC358
BB
ADR
E27L E27RXC353
(E39)
XC314
B07)(
XC310
B28)(
E128
ADR
Ground connections
List of ground connections
1.0_1 (YD:4 A) “ ”, page 115
1.1 (YN:2 D) “ ”, page 115
1.10 (YK:4 D) “ ”, page 136
1.11 (YK:4 D) “ ”, page 136
1.12 (YN:3 D) “ ”, page 115
1.2 (YN:1 D) “ ”, page 148
1.3 (YM:1 D) “ ”, page 144
1.4 (YH:2 D) “ ”, page 132
1.4_2 (YF:1 D) “ ”, page 132
1.5 (YG:2 D) “ ”, page 132
1.6 (YF:3 D) “ ”, page 132
1.8 (YK:2 D) “ ”, page 136
1.8 (YK_RHD:1 E) “ ”, page 136
1.9 (YK_RHD:3 E) “ ”, page 140
3.1 (AA:2 D) “ ”, page 115
5.0_1 (HB:4 E) “ ”, page 115
5.1_1 (YD:2 D) “ ”, page 115
5.1_2 (YD:1 D) “ ”, page 115
5.1_5 (YD:3 D) “ ”, page 115
5.2_1 (YD:4 D) “ ”, page 115
5.3_1 (YA:0 D) “ ”, page 115
5.3_2 (YA:1 D) “ ”, page 115
5.3_3 (YA:3 D) “ ”, page 115
5.3_4 (YA:4 D) “ ”, page 115
5.4_2 (AA:2 E) “ ”, page 115
5.5_1 (YB:0 D) “ ”, page 115
5.5_2 (YB:0 D) “ ”, page 115
5.5_3 (YB:2 D) “ ”, page 115
5.5_4 (HB:1 D) “ ”, page 115
5.6_1 (YB:3 D) “ ”, page 170
5.6_2 (YB:4 D) “ ”, page 170
5.7_1 (YB:3 D) “ ”, page 171
5.7_2 (YB:3 D) “ ”, page 171
5.8_1 (AA:1 E) “ ”, page 116
5.10_1 (AE:1 D) “ ”, page 115
Page 210 (268) Wiring diagram
List of connectors
XC101_1
T3071137
Pin no: Circuit function Wiring no: Diagram
1 Task light ckt 6008 IB:2 C
2 Max light Ckt 2 6012 IB:2 C
3 Ground 1 IB:2 D
XC101_2
T3071137
Pin no: Circuit function Wiring no: Diagram
1 Task light ckt 6008 IB:3 C
2 Max light Ckt 2 6012 IB:3 C
3 Ground 1 IB:3 D
XC102
T3071138
Pin no: Circuit function Wiring no: Diagram
1 Task light ckt 6008 IB:3 B
2 Ground 1 IB:3 D
3 Ground 1 IF:2 D
4 Refrigerator supply 4004 IF:2 C
Wiring diagram Page 211 (268)
XC103
T3071127
Pin no: Circuit function Wiring no: Diagram
1 LECM power supply 2107 HA:0 B
1 CIOM 12V output 1 power supply 7085 SK:3 C
2 Ground 1 HA:0 C
2 CIOM LIN5 bus 7098 SK:3 C
3 Cab subnet low 7023 SC:2 B
3 CIOM LIN5 ground 7099 SK:3 C
4 Cab subnet high 7022 SC:3 B
5 Radio audio Rear Left loudspeaker + 4037 IK:2 D/IL:2 C
6 Radio audio Rear Left loudspeaker – 4038 IK:2 D/IL:2 C
7 Radio audio Rear Right loudspeaker + 4039 IK:2 D/IL:2 C
8 Radio audio Rear Right loudspeaker – 4040 IK:2 D/IL:2 C
XC104_1
T3071142
Pin no: Circuit function Wiring no: Diagram
3 Security subnet high 7081 IR:0 C
4 Security subnet low 7082 IR:0 C
7 Mirror power supply driver 2093 IQ:2 C/IR:1 B
8 Night driving light CKt 6016 IC:2 C
9 Resting light ckt 1 6007 IC:3 C
10 Ground 1 IR:1 D
17 Ground 1 IR:1 D
18 DDM power supply / window lift with antipinch supply 2092 IR:0 C
19 Radio audio front Left loudspeaker + 4033 IK:1 D/IL1 D
20 Radio audio front Left loudspeaker – 4034 IK:1 D/IL1 D
22 Ground 1 IR:1 D
Page 212 (268) Wiring diagram
XC104_2
T3071142
Pin no: Circuit function Wiring no: Diagram
3 Security subnet high 7081 IS:0 C
4 Security subnet low 7082 IS:0 C
7 Mirror power supply passenger 2095 IS:1 B
8 Night driving light CKt 6016 IC:3 C
9 Resting light ckt 1 6007 IC:3 C
10 Ground 1 IS:1 D
17 Ground 1 IS:1 D
18 PDM power supply / window lift with antipinch supply 2094 IS:0 B
19 Radio audio front Right loudspeaker + 4035 IK:2 D
19 Radio audio front Left loudspeaker + 4033 IL:1 D
20 Radio audio front Right loudspeaker – 4036 IK:2 D
20 Radio audio front Left loudspeaker – 4034 IL:1 D
22 Ground 1 IS:1 D
XC106
T3071119
Pin no: Circuit function Wiring no: Diagram
1 Cab body working lamp power supply 8061 NE:3 C
3 Ground 1 NE:3 C
Wiring diagram Page 213 (268)
XC107
T3071137
Pin no: Circuit function Wiring no: Diagram
1 BBEC parking lamp SPOTP-R signal 8058 NF:0 D
2 Ground 1 NF:0 D
3 EL1 extra spot lamp power supply 8062 NF:0 D
XC108_1
T3071139
Pin no: Circuit function Wiring no: Diagram
1 ADR main switch closing request 0006 AD:3 B
2 ADR main switch closing request 0007 AD:3 B
3 ADR main switch closing request 0006 AD:2 D
4 ADR main switch closing request 0007 AD:2 D
5 Cab body working lamp power supply 8061 NE:3 C
5 Side sensor + 12V 2125 PA:2 C
6 Ground 1 NE:3 D
6 Side sensor ground 1053 PA:2 C
7 Active safety propriatery subnet 1 high 7026 PA:2 D
8 Active safety propriatery subnet 1 low 7027 PA:2 D
Page 214 (268) Wiring diagram
XC108_2
T3071139
Pin no: Circuit function Wiring no: Diagram
1 ADR main switch closing request 0006 AD:3 C
2 ADR main switch closing request 0007 AD:3 C
3 ADR main switch closing request 0006 AD:2 D
4 ADR main switch closing request 0007 AD:2 D
5 Cab body working lamp power supply 8061 NE:3 C
5 Side sensor + 12V 2125 PA:2 C
6 Ground 1 NE:3 D
6 Side sensor ground 1053 PA:2 C
7 Active safety propriatery subnet 1 high 7026 PA:2 D
8 Active safety propriatery subnet 1 low 7027 PA:2 D
Wiring diagram Page 215 (268)
XC111
T3071144
Pin no: Circuit function Wiring no: Diagram
1 Cab body working lamp power supply 8061 NE:3 C
2 Ground 1 NE:2 C
3 Beacon lamp power supply 8063 NE:2 C
4 Ground 1 NE:2 C
XC112
T3071121
Pin no: Circuit function Wiring no: Diagram
1 EL1 extra spot lamp power supply 8062 NF:0 D
2 BBEC parking lamp SPOTP-R signal 8058 NF:0 D
3 Ground 1 NF:0 D
XC113
T3071138
Pin no: Circuit function Wiring no: Diagram
1 Cab body working lamp power supply 8061 NE:3 C
2 Ground 1 NE:2 C
3 Beacon lamp power supply 8063 NF:2 B
4 Ground 1 NF:2 B
Page 216 (268) Wiring diagram
XC114_1
T3071136
Pin no: Circuit function Wiring no: Diagram
1 Task light ckt 6008 IA:2 B
2 Frontshelf compartent switch 3 contact 6025 IA:2 C
XC114_2
T3071136
Pin no: Circuit function Wiring no: Diagram
1 Task light ckt 6008 IA:2 B
2 Frontshelf compartent switch 3 contact 6025 IA:2 C
XC115_1
T3019918
Pin no: Circuit function Wiring no: Diagram
1 Beacon lamp power supply 8063 NF:1 B
2 Ground 1 NF:1 B
3 EL1 extra spot lamp power supply 8062 NF:0 B
4 Ground 1 NF:0 B
6 BBEC parking lamp SPOTP-R signal 8058 NF:0 B
Wiring diagram Page 217 (268)
XC115_2
T3019918
Pin no: Circuit function Wiring no: Diagram
1 Beacon lamp power supply 8063 NF:2 B
2 Ground 1 NF:1 B
5 Roof light sign EL5 power supply 8064 NF:3 B
6 Ground 1 NF:3 B
XC116
T3019918
Pin no: Circuit function Wiring no: Diagram
3 Ground 1 GF:1 C
4 Position light circuit supply 3047 GF:2 C
5 Ground 1 GF:1 C
6 Roof light sign EL5 power supply 8064 GF:1 C
XC117
T3071121
Pin no: Circuit function Wiring no: Diagram
1 EL1 extra spot lamp power supply 8062 NF:B D
2 BBEC parking lamp SPOTP-R signal 8058 NF:B D
3 Ground 1 NF:B D
Page 218 (268) Wiring diagram
XC118
T3071119
Pin no: Circuit function Wiring no: Diagram
1 Beacon lamp power supply 8063 NF:1 B/NF:2 B
3 Ground 1 NF:1 B/NF:1 B
XC119
T3071121
Pin no: Circuit function Wiring no: Diagram
1 Roof light sign EL5 power supply 8064 NF:3 B
3 Ground 1 NF:3 B
Wiring diagram Page 219 (268)
XC124
T3071131
Pin no: Circuit function Wiring no: Diagram
2 Converter 12V ground 1069 IN:1 D
3 Cab body working lamp power supply 8061 NE:3 B
4 Max light Ckt 2 6012 IA:4 B
5 (UIP) MDD 12V supply 5023 RA:2 C
6 (UIP) MDD 12V ground 5025 RA:2 C
7 (UIP) MDD 12V LIN 5024 RA:2 C
8 Max light Ckt 1 6011 IA:1 C
9 Full beam lamp supply 8065 NF:4 B
10 Beacon lamp power supply 8063 NF:2 B
11 Refrigerator supply 4004 IF:2 B
12 Position light circuit supply 3047 GF:0 B
13 Position light circuit supply 3047 GF:2 B
14 Aux IN-1 audio right 4022 IN:1 B
15 Aux IN-1 audio left 4021 IN:1 B
16 Aux IN-1 audio diagnostic 4024 IN:1 B
17 Aux IN-1 audio common 4023 IN:1 B
19 Sunroof motor signal 1 4157 IU:1 C
20 Sunroof motor signal 2 4158 IU:1 C
21 Task light ckt 6008 IB:3 B
22 TV/DVD supply 4012 IN:1 B
23 Ground 1 NF:0 C
24 EL1 extra spot lamp power supply 8062 NF:0 C
25 BBEC parking lamp SPOTP-R signal 8058 NF:0 C
XC127
T3071122
Pin no: Circuit function Wiring no: Diagram
1 Amplifier supply 2078 IL:1 A
2 Coffe maker supply 4002 IF:3 B
Page 220 (268) Wiring diagram
XC130
T3071131
Pin no: Circuit function Wiring no: Diagram
1 Max light Ckt 2 6012 IB:1 B
2 Luggage compartment switch status 5009 BG:1 D
3 Fuel dosing pump 1 + supply 2111 HD:1 B
4 Fuel dosing pump 2 (-) 1048 HD:1 B
5 Climate control LIN 12V supply 7066 HD:2 B
6 LECM power supply 2107 HA:0 B
6 CIOM 12V output 1 power supply 7085 SK:3 C
7 CIOM LIN 5 ground 7099 SK:3 C
8 Cab subnet high 7022 SC:2 C
8 CIOM LIN 5 bus 7098 SK:3 C
9 Cab subnet low 7023 SC:2 C
10 Task light ckt 6008 IB:2 B
11 Ground 1 HA:0 D
12 Active safety propriatery subnet 1 high 7026 PA:2 C/PA:2 D
13 Active safety propriatery subnet 1 low 7027 PA:3 C/PA:3 D
14 Cab tilt feedback 0016 KA:3 B
15 Electronic ground 1070 KA:3 D
16 Climate control communication LIN 7067 HD:2 B
17 Cab subnet high 7022 SC:3 C
18 Cab subnet low 7023 SC:3 C
19 24V power outlet supply 2 4006 IF:1 B
20 Refrigerator supply 4004 IF:2 B
21 Parking air, water heater supply 2110 HD:1 B
22 Sunvisor and power recline supply 2101 IF:4 B
23 Cab body working lamp power supply 8061 NE:3 B
24 Amplifier wake up 0149 IL:3 A
Wiring diagram Page 221 (268)
XC131
T3071131
Pin no: Circuit function Wiring no: Diagram
1 Radio audio front left amplifier + 4041 IL:1 A
2 Radio audio front left amplifier – 4042 IL:1 A
3 Radio audio front right amplifier + 4043 IL:2 A
4 Radio audio front right amplifier – 4044 IL:2 A
5 Active safety propriatery subnet 1 high 7026 PA:3 D
6 ADR main switch closing request 0006 AD:3 B
7 ADR main switch closing request 0006 AD:2 D
8 Radio audio rear right loudspeaker – 4040 IL:2 C
9 Radio audio front right amplifier + 4043 IL:2 C
10 Radio audio rear left amplifier + 4045 IL:2 A
11 Radio audio rear left amplifier – 4046 IL:2 A
12 Radio audio rear right amplifier + 4047 IL:2 A
13 Radio audio rear right amplifier – 4048 IL:2 A
14 Active safety propriatery subnet 1 low 7027 PA:3 D
15 ADR main switch closing request 0007 AD:3 B
16 ADR main switch closing request 0007 AD:2 D
17 Radio audio front left loudspeaker – 4034 IL:2 C
18 Radio audio front right loudspeaker – 4036 IL:2 C
19 APM redundancy power supply 2125 PA:2 C
20 Side sensor ground 1053 PA:2 C
21 Shield Low Level Signals Audio unit Amplifier 1076 IL:3 A
22 Radio audio rear right loudspeaker – 4040 IK:2 C
22 Radio audio front right loudspeaker – 4036 IL:1 C
23 Radio audio rear right loudspeaker + 4039 IK:2 C
23 Radio audio front right loudspeaker + 4035 IL:1 C
24 Radio audio rear left loudspeaker – 4038 IK:2 C
24 Radio audio front left loudspeaker – 4034 IL:1 C
25 Radio audio rear left loudspeaker + 4037 IK:2 C
25 Radio audio front left loudspeaker + 4033 IL:1 C
Page 222 (268) Wiring diagram
XC140
T3071131
Pin no: Circuit function Wiring no: Diagram
1 CIOM 12V output 2 power supply 7086 SK:0 B
2 Backbone 2 high 7106 SK:0 B
3 Backbone 2 low 7107 SK:0 B
4 Cab subnet high 7022 SC:2 C
5 Cab subnet low 7023 SC:2 C
6 Digital signal IO 2032 BC:2 C
7 Backbone 1high 7004 SA:0 B
8 FMS subnet high 7014 BC:2 C
9 Infotainment subnet low 7009 SE:2 C
10 Defog sensor supply 7064 HA:3 C
11 Defog sensor LIN 7063 HA:3 C
12 Defog sensor ground 7065 HA:3 C
13 Tachograph speedometer supply 2031 BC:1 C
14 Speed signal real time 0012 BC:2 C
15 Electronic ground 1070 BC:2 C
16 Backbone 1 low 7005 SA:0 B
17 FMS subnet low 7015 BC:3 C
18 Infotainment subnet high 7008 SE:2 C
19 Cab subnet low 7023 SC:1 C
20 Cab subnet high 7022 SC:1 C
21 ADR tacho power supply 2022 BC:0 B/BC:0 D
22 Wide angle mirror Y axis signal 4013 IG:0 C
23 WRG power supply 2083 FB:2 B
24 Ground 1 BC:0 D
25 Ground 1 FB:2 B
Wiring diagram Page 223 (268)
XC141
T3071134
Pin no: Circuit function Wiring no: Diagram
1 Active safety proprietary subnet 2 high 7073 PA:1 C
2 Active safety proprietary subnet 2 low 7074 PA:1 C
3 (UIP) MDD ground 5025 RA:3 C
4 (UIP) MDD LIN 5024 RA:2 C
5 (UIP) MDD 12V supply 5023 RA:2 C
6 Emergency assistance switch status 0028 BU:3 C
7 Emergency assistance LED 3002 BU:3 C
8 LIN IR receiver 7034 BU:0 D
9 IR receiver ground 7035 BU:0 D
10 Active safety proprietary subnet 2 high 7073 PA:1 D
11 Active safety proprietary subnet 2 low 7074 PA:1 D
12 Shield Low Level Signals Audio unit Amplifier 1076 IK:3 C
13 LPOS ground 1052 PA:0 A
14 ADR tacho power supply 2122 PA:0 A
15 Radio audio rear left loudspeaker + 4037 IK:2 C
15 Radio audio rear left amplifier + 4045 IK:3 C
16 Radio audio rear left loudspeaker - 4038 IK:2 C
16 Radio audio rear left amplifier - 4046 IK:3 C
17 Radio audio rear right loudspeaker + 4039 IK:2 C
17 Radio audio rear right amplifier + 4047 IK:3 C
18 Radio audio rear right loudspeaker - 4040 IK:2 C
18 Radio audio rear right amplifier - 4048 IK:3 C
19 Refrigerator supply 4004 IF:2 B
20 Amplifier wake up 0149 IK:3 C
21 BBEC parking lamp SPOTP-R signal 8058 NF;0 C/NF:0 D
22 Radio audio front left loudspeaker + 4033 IK:1 C
22 Radio audio front left amplifier + 4041 IK:2 C
23 Radio audio front left loudspeaker - 4034 IK:1 C
23 Radio audio front left amplifier - 4042 IK:3 C
24 Radio audio front right loudspeaker + 4035 IK:2 C
24 Radio audio front right amplifier + 4043 IK:3 C
25 Radio audio front right loudspeaker - 4036 IK:2 C
25 Radio audio front right amplifier - 4044 IK:3 C
Page 224 (268) Wiring diagram
28 Fuel heater switch signal 2116 HF:1 C
29 Electronic ground 1070 HF:1 C
30 LCS LED indicator supply 2124 PA:3 C
31 12V dashboard socket supply 4015 IG:1 D
32 Converter 12V ground 1069 IG:1 D
33 Backlight 6000 HF:1 B
34 Cab body working lamp power supply 8061 NE:3 B
35 Direct battery 2040 BU:0 B
36 Alarm indicator status LED 5019 RA:1 B
XC144
T3071127
Pin no: Circuit function Wiring no: Diagram
1 Climate control panel supply 7058 HA:1 C
2 Climate control panel ground 7059 HA:1 C
3 Climate control panel LIN 7057 HA:1 C
4 CIOM 12V output 2 power supply 7086 SK:1 B
5 CIOM LIN2 bus 7104 SK:1 B
6 CIOM LIN2 ground 7105 SK:1 B
7 HMIIOM LIN15 comm supply 7092 SL:2 C
8 HMIIOM LIN13 comm ground 7094 SL:2 C
9 HMIIOM LIN13 comm LIN 7093 SL:2 C
10 IR receiver ground 7035 SL:3 C
11 LIN IR receiver 7034 SL:2 C
Wiring diagram Page 225 (268)
XC145_1
T3071123
Pin no: Circuit function Wiring no: Diagram
1 Ground 1 IA: 0 D
2 Resting light ckt 2 6005 IA: 0 C
3 Night driving light Ckt 6006 IA: 0 C
4 Max light Ckt 2 6012 IA: 3 C
5 Ground 1 IA: 3 D
6 Task light ckt 6008 IA: 3 C
XC145_2
T3071123
Pin no: Circuit function Wiring no: Diagram
1 Ground 1 IA:0 D
2 Resting light ckt 2 6005 IA:0 C
3 Night driving light Ckt 6006 IA:0 C
4 Max light Ckt 2 6012 IA:4 C
5 Ground 1 IA:3 D
6 Task light ckt 6008 IA:3 C
XC147
T3071138
Pin no: Circuit function Wiring no: Diagram
1 Aux IN-2 audio left 4027 IK:2 B
2 Aux IN-2 audio right 4028 IK:2 B
3 Aux IN-2 audio diagnostic 4030 IK:2 B
4 Aux IN-2 audio common 4029 IK:2 B
Page 226 (268) Wiring diagram
XC149
T3071135
Pin no: Circuit function Wiring no: Diagram
1 Sunsensor supply 7061 HA:2 C
2 Sunsensor LIN 7060 HA:3 C
3 Sunsensor ground 7062 HA:3 C
XC153_1
T3071146
Pin no: Circuit function Wiring no: Diagram
1 Side sensor ground 1053 PA:2 D
2 Active safety propriatery subnet 1 high 7026 PA:2 D
3 Active safety propriatery subnet 1 low 7027 PA:2 D
4 Side sensor +12V 2125 PA:2 D
XC153_2
T3071146
Pin no: Circuit function Wiring no: Diagram
1 Side sensor ground 1053 PA:2 D
2 Active safety propriatery subnet 1 high 7026 PA:2 D
3 Active safety propriatery subnet 1 low 7027 PA:2 D
4 Side sensor +12V 2125 PA:2 D
Wiring diagram Page 227 (268)
XC201
T3071122
Pin no: Circuit function Wiring no: Diagram
1 Trailer ABS, EBS power supply 2129 GK:0 B/GL:1 B
2 Cab tilt pump motor supply 2131 KA:1 B
XC202
T3071131
Pin no: Circuit function Wiring no: Diagram
1 BB1 connector interface pin 1 8046 ND:2 D
2 BB1 connector interface pin 2 8047 ND:2 D
3 BB1 connector interface pin 3 8048 ND:2 D
4 BB1 connector interface pin 4 8049 ND:2 D
5 BB1 connector interface pin 5 8050 ND:2 D
6 BB1 connector interface pin 6 8051 ND:2 D
7 BB1 connector interface pin 7 8052 ND:3 D
10 BB2 connector interface pin 1 8032 ND:0 D
11 BB2 connector interface pin 2 8033 ND:0 D
12 BB2 connector interface pin 3 8034 ND:0 D
13 BB2 connector interface pin 4 8035 ND:0 D
14 BB3 connector interface pin 1 8039 ND:1 D
15 BB3 connector interface pin 2 8040 ND:1 D
16 BB3 connector interface pin 3 8041 ND:1 D
19 BB2 connector interface pin 5 8036 ND:0 D
20 BB2 connector interface pin 6 8037 ND:0 D
21 BB2 connector interface pin 7 8038 ND:0 D
22 BB3 connector interface pin 4 8029 ND:1 D
23 BB3 connector interface pin 5 8030 ND:1 D
24 BB3 connector interface pin 6 8044 ND:1 D
25 BB3 connector interface pin 7 8003 ND:1 D
Page 228 (268) Wiring diagram
XC203
T3071134
Pin no: Circuit function Wiring no: Diagram
1 Backbone 1 high 7004 SA:4 C
2 Backbone 1 low 7005 SA:4 C
5 Chassis subnet high 7000 SD:0 B
6 Chassis subnet low 7001 SD:0 B
7 EBS sensor CAN high 7052 EE:3 D
8 EBS sensor CAN low 7053 EE:3 D
9 Foot brake sensor signal 1 0068 EE:0 C
10 Sunsensor LIN 7060 FE:1 C
11 Climate control panel supply 7058 FE:1 C
12 Climate control panel ground 7059 FE:2 C
13 Climate control LIN 12V supply 7066 HC:3 B
14 Climate control communication LIN 7067 HC:3 B
15 Direct battery 2142 EE:3 D
16 Multiplexed sensor ground 1022 EE:3 D
17 Brake pedal sensor ground 1017 EE:0 C
18 Foot brake sensor signal 2 0069 EE:0 C
19 Tachograph speedometer supply 2031 BC:1 D
20 Speed signal real time 0012 BC:2 D
21 Electronic ground 1070 BC:2 D
22 Digital signal IO 2032 BC:2 D
25 Brake pedal sensor supply 2056 EE:0 C
26 Ignition signal 2020 BE:1 C
27 Hazard hardwired 3000 BE:0 D
28 Headlight washer pump supply 2105 GP:1 C
29 AC compressor clutch signal 0152 HA:3 C
30 Side instep light 3015 IC:1 B
31 Auxillary horn signal 4096 IP:1 C
33 Fuel dosing pump 2 (-) 1048 HC:0 B
34 Fuel dosing pump 1 + supply 2111 HC:1 B
35 APM power supply 2086 FE:1 B
36 Parking air, water heater supply 2110 HC:1 B
Wiring diagram Page 229 (268)
XC204
T3071134
Pin no: Circuit function Wiring no: Diagram
1 EBS sensor CAN low 7053 PA:1 D
2 Active safety proprietary subnet 2 low 7074 PA:0 D
3 Cab tilt enable switch 2139 KA:2 C
4 Cab tilt pump enable 0018 KA:2 D
10 FLS sensor power supply 2126 PA:0 C
19 Burglar alarm siren 12V 5020 RA:3 C
20 Burglar alarm siren LIN 5022 RA:3 C
21 Burglar alarm siren ground 5021 RA:3 C
XC207
T3019929
Pin no: Circuit function Wiring no: Diagram
1 ADR tacho power supply 2022 AE:2 D/BC:0 B
2 Ground 1 AE:2 D
3 ADR main switch closing request 0005 AD:2 A
4 ADR main switch closing request 0007 AD:1 D
5 ADR main switch closing request 0006 AD:1 D
6 ADR main switch closing request 0008 AD:1 D
Page 230 (268) Wiring diagram
XC208
T3019801
Pin no: Circuit function Wiring no: Diagram
1 Side revers working lamp power supply 8060 NE:1 B
2 Cab body working lamp power supply 8061 NE:3 A
3 Climate subnet high 7068 HB:3 A
5 TECU power supply 2024 DC:1 B
6 Climate subnet low 7069 HB:3 A
8 Fuel heater supply 2115 HF:1 C
XC210
T3019801
Pin no: Circuit function Wiring no: Diagram
1 EMS power supply 1 2044 CA:2 C
2 EMS load power supply 1 2045 CA:2 C
3 EMS load power supply 2 2046 CA:2 C
4 EMS power supply 1 2044 CA:1 C
5 Trailer power supply +24V 8017 GK:2 B/GL:2 B
6 Fuel filter heater power supply 2047 CA:1 C
7 Trailer strat aid/free 8019 GK:2 B/GL:3 B
8 Trailer body light EL8 relay supply 8020 GK:2 B/GL:3 B
9 Backbone 2 high 7006 SB:4 D
10 Direct battery 2055 EA:0 B/EE:0 A
11 Trailer steering lock/free 8018 GK:2 B/GL:2 B
12 Backbone 2 low 7007 SB:4 D
Wiring diagram Page 231 (268)
XC213
T3071131
Pin no: Circuit function Wiring no: Diagram
1 Cab tilt pump enable 0018 KA:2 D
2 Cab tilt enable switch 2139 KA:2 C
5 Front lid lock motor supply 1 5006 BG:1 B
6 Front lid lock motor supply 2 5007 BG:1 B
7 Ground 1 BG:1 B
8 Brake pedal sensor supply 2056 EE:0 D
9 Brake pedal sensor ground 1017 EE:0 D
10 Foot brake sensor signal 1 0068 EE:0 D
11 Foot brake sensor signal 2 0069 EE:0 D
12 Front lid lock sensor feedback 5002 BG:1 C
13 Front lid switch signal 5026 RA:1 C
14 Side instep light 3015 IC:1 C
17 Auxillary horn signal 4096 IP:1 C
19 Extra spot lamp EL6 front power supply 8059 NE:0 C
20 Windscreen wiper park position signal 0151 GP:0 C
21 Windscreen wiper low speed 2103 GP:0 C
22 Windscreen wiper high speed 2104 GP:1 C
24 BBEC parking lamp SPOTP-F signal 8057 NE:0 C
Page 232 (268) Wiring diagram
XC301_2
T3071132
Pin no: Circuit function Wiring no: Diagram
1 Ground 1 YD:1 C
2 Cab tilt pump motor supply 2131 KA:1 B
3 Active safety proprietary subnet 2 high 7073 PA:1 D
4 Active safety proprietary subnet 2 low 7074 PA:0 D
5 FLS sensor power supply 2126 PA:0 C
6 Ground 1 PA:1 C
7 Side instep light 3015 IC:1 B
8 Burgler alarm siren 12V 5020 RA:3 D
9 Burgler alarm siren LIN 5022 RA:4 D
10 Burgler alarm siren ground 5021 RA:4 D
11 Chassis subnet high 7000 SD:0 B
12 Chassis subnet low 7001 SD:1 B
13 Ignition signal 2020 BE:0 D
14 Hazard hardwired 3000 BE:0 D
15 Ground 1 YA:0 C
19 Headlight washer pump supply 2105 GP:1 C
20 Auxiliary horn signal 4096 IP:1 C
Wiring diagram Page 233 (268)
XC302 (GIC020)
T3019924
Pin no: Circuit function Wiring no: Diagram
1 Backbone 1 high 7004 CA1:1 D
2 Backbone 2 high 7006 CA1:1 D
3 PWTsubnet high 7036 CA1:2 D
3 PWTsubnet high 7128 CA1:3 D
4 Backbone 1 low 7005 CA1:1 D
5 Backbone 2 low 7007 CA1:1 D
6 PWTsubnet low 7037 CA1:2 D
6 PWTsubnet low 7129 CA1:3 D
9 Alternator L-signal 0003 AA:3 D
10 Alternator control 0002 AA:3 D
13 EMS power supply 1 2044 CA:2 D
15 EMS power supply 1 2044 CA:1 D
21 EMS load power supply 2 2046 CA:2 D
23 AC compressor clutch signal 0152 HE:3 C
27 Ground 1 CA:2 D
31 Ground 1 CA:2 D
33 EMS load power supply 1 2045 CA:2 D
34 Engine subnet high 7038 CA1:3 D
36 Engine subnet low 7039 CA1:4 D
37 Fuel filter heater power supply 2047 CA:1 D
39 Ground 1 CA:2 D
Page 234 (268) Wiring diagram
XC303 (GIC021)
T3019924
Pin no: Circuit function Wiring no: Diagram
1 Backbone 1 high 7004 DC:1 C
2 Backbone 2 high 7006 DC:2 C
3 PWTsubnet high 7036 DC:2 C
4 Backbone 1 low 7005 DC:1 C
5 Backbone 2 low 7007 DC:2 C
6 PWTsubnet low 7037 DC:3 C
7 Electronic ground 1070 BC:2 D
8 Backbone 2 high 7006 DC:2 C
9 Area inhibit valve on/off 0053 DA:1 C
10 Backbone 2 low 7007 DC:2 C
11 Gearbox oil temp sensor 0047 DA:0 C
12 Retarder air pressure 0044 DK:1 D/DM:2 D
13 TECU power supply 2024 DC:1 C
15 V5EXT 1 supply 2050 DK:1 D
15 V5EXT 2 supply 2051 DM:1 D
16 Digital signal IO 2032 BC:2 D
17 Range inhibit valve on/off 0052 DA:1 C
19 Revers feedback sensor 0050 DA:2 C
20 Gearbox low split sensor 0049 DA:2 C
21 V5EXT 1 ground 1009 DK:3 D/DM:2 D
22 Low range manual gearbox switch 0051 DA:2 C
23 Retarder PWM control 0043 DK:1 D/DM:1 D
24 Speed signal real time 0012 BC:2 D
26 Tachograph speedometer supply 2031 BC:1 D
27 V5EXT 2 ground 1010 DK:2 D/DM:2 D
28 Retarder oil temperature 0045 DK:2 D/DM:2 D
29 Retarder water temperature 0046 DK:2 D/DM:2 D
30 PWTsubnet terminal resistor strap 7040 DC:2 C
31 Ground 1 DA:1 C
31 Manual Gearbox sensors & valves ground 1073 DA:1 C
33 Gearbox oil temperature sensor ground 1011 DA:0 C
Wiring diagram Page 235 (268)
35 Actuator supply-1 2052 DK:1 D
35 Supply to Adblue loads 2155 DM:1 D
36 PWTsubnet terminal resistor strap 7040 DC:3 C
38 Neutral feedback sensor 0048 DC:1 C
39 Ground 1 DC:0 C
XC310
T3019922
Pin no: Circuit function Wiring no: Diagram
1 ECS level sensor supply 2 2081 FA:2 C
2 ECS level sensor ground 2 0121 FA:2 C
4 ECS level sensor signal 1 0181 FA:2 C
Page 236 (268) Wiring diagram
XC312 (GIC128)
T3071130
Pin no: Circuit function Wiring no: Diagram
1 V5EXT 2 ground 1010 CE:1 D/CK:2 D
2 CAT temp downstream 0038 CE:1 D/CK:1 D
3 CAT temp upstream 0037 CE:1 D/CK:1 D
4 Temp after DPF 0039 CE:1 D/CK:1 D
5 V5EXT 1 supply 2050 CE:0 D/CK:0 D
6 DPF pressure 0036 CE:0 D/CK:1 D
7 PWTsubnet high 7036 CE:3 D
7 Engine subnet high 7038 CK:3 D
8 PWTsubnet low 7037 CE:3 D
8 Engine subnet low 7039 CK:3 D
9 V5EXT 1 ground 1009 CE:0 D/CK:1 D
10 PWTsubnet high 7036 CE:2 D
10 Engine subnet high 7038 CK:3 D
11 PWTsubnet low 7037 CE:2 D
11 Engine subnet low 7039 CK:3 D
16 Adblue injector lsd 0035 CE:1 D
17 Adblue injector hsd 0034 CE:2 D
19 Nox-1 power supply 2048 CE:3 D
19 NOx supply 2161 CK:2 D
20 Ground 1 CE:4 D/CK:2 D
21 Nox-2 power supply 2049 CE:4 D
21 NOx supply 2161 CK:2 D
Wiring diagram Page 237 (268)
XC313
T3071130
Pin no: Circuit function Wiring no: Diagram
1 V5EXT 2 supply 2051 CF:2 B
1 Adblue temp control 0231 CL:1 B
2 Adblue pressure 0042 CF:2 B/CL:3 B
3 V5EXT 2 ground 1010 CF:2 B
3 Adblue air pressure 0030 CL:3 B
4 PWTsubnet high 7036 CF:3 B
5 PWTsubnet low 7037 CF:3 B
6 V5EXT 1 ground 1009 CF:2 B/CL:2 B
6 Ground 1 CF:4 B
7 Adblue level control 0180 CF:3 B/CL:2 B
7 PWTsubnet high 7036 CF:3 B
8 Adblue temp control 0179 CF:2 B/CL:2 B
8 PWTsubnet low 7037 CF:3 B
9 V5EXT 1 supply 2050 CF:3 B
9 Nox-2 power supply 2049 CF:4 B
13 Adblue air pressure 0030 CF:2 B
13 V5EXT 2 supply 2051 CL:2 B
14 Adblue air temp control 0178 CF:1 B
14 Adblue air valve on/off 0040 CL:1 B
15 Adblue air valve on/off 0040 CF:1 B
15 Supply to Adblue loads 2155 CL:1 B
16 Adblue heater hose control 1 0033 CF:0 B/CL:0 B
17 Adblue heater hose control 2 0032 CF:0 B/CL:0 B
18 Adblue heater hose control 3 0031 CF:0 B
18 Adblue dosage pump L 0230 CL:4 B
19 Actuator supply-1 2052 CF:0 B
19 Supply to Adblue hoses 2156 CL:0 B
20 Adblue dosage pump H 0229 CL:3 B
21 Adblue tank heating valve on/off 0029 CF:1 B/CL:0 B
Page 238 (268) Wiring diagram
XC314
T3071121
Pin no: Circuit function Wiring no: Diagram
1 Fuel level sensor 0054 DG:0 C
3 Fuel level sensor ground 1012 DG:0 C
XC315
T3071125
Pin no: Circuit function Wiring no: Diagram
1 LIN battery sensor 7127 AA:0 D
2 ACM power supply 2019 AA:3 A
3 Main switch status 0004 AB:2 B
6 Ground 1 YB:0 B
Wiring diagram Page 239 (268)
XC316
T3071129
Pin no: Circuit function Wiring no: Diagram
1 V5EXT 2 supply 2051 CF:2 C
1 Adblue temp control 0231 CL:1 C
2 Adblue pressure 0042 CF:2 C/CL:3 C
3 V5EXT 2 ground 1010 CF:2 C
3 Adblue air pressure 0030 CL:3 C
4 Adblue dosage pump H 0229 CL:3 C
5 Adblue tank heating valve on/off 0029 CF:1 C/CL:0 C
6 Adblue air valve on/off 0040 CF:1 C
6 Supply to Adblue loads 2155 CL:1 C
7 Adblue heater hose control 3 0031 CF:0 C
7 Adblue dosage pump L 0230 CL:4 C
8 Actuator supply-1 2052 CF:0 C
8 Supply to Adblue hoses 2156 CL:0 C
9 V5EXT 2 supply 2051 CF:3 C
9 Nox-2 power supply 2049 CF:4 C
10 Adblue level control 0180 CF:3 C/CL:2 C
10 PWTsubnet high 7036 CF:3 C
11 Adblue temp control 0179 CF:2 C/CL:2 C
11 PWTsubnet low 7037 CF:3 C
12 V5EXT 1 ground 1009 CF:2 C/CL:1 C
12 Grund 1 CF:4 C
13 Adblue air pressure 0030 CF:2 C
13 V5EXT 2 supply 2051 CL:2 C
14 Adblue air temp control 0178 CF:1 C
14 Adblue air valve on/off 0040 CL:1 C
15 Adblue heater hose control 2 0032 CF:0 C/CL:0 C
16 Adblue heater hose control 1 0033 CF:0 C/CL:0 C
Page 240 (268) Wiring diagram
XC317
T3071132
Pin no: Circuit function Wiring no: Diagram
1 Trailer ABS, EBS power supply 2129 GK:0 B
5 Rear diff lock valve on/off 0062 DG:4 C
6 Rear inter axle diff lock valve on/off 0061 DG:3 C
7 EBS proprietary net high 7083 GK:0 B
7 Trailer ignition key signal 0160 GL:1 C
8 EBS proprietary net low 7084 GK:0 B
8 Trailer control lamp 0161 GL:1 C
11 Chassis subnet high 7000 GC:1 A
12 Chassis subnet low 7001 GC:1 A
13 Ignition signal 2020 GC:2 A
14 Hazard hardwired 3000 GC:2 A
15 Ground 1 YA:1 B
16 Ground 1 YA:1 B
17 Trailer fog light 3055 GK:3 B
17 Trailer direction indicator left 3050 GL:1 C
18 Trailer reverse light 3056 GK:4 B
18 Trailer direction indicator right 3051 GL:1 C
19 Trailer position light left 3052 GL:1 C
20 Trailer position light right 3053 GL:2 C
21 Trailer brake light 3054 GL:2 C
22 Lubrication motor power supply 2026 LA:0 B
23 Trailer power supply +24V 8017 GK:2 B
23 5th wheel feedback 1 0162 NC:1 C
24 Trailer steering lock/free + 8018 GK:2 B
24 5th wheel feedback 2 0163 NC:1 C
25 Trailer strat aid/free - 8019 GK:2 B
25 5th wheel feedback 3 0164 NC:1 C
26 Trailer body light EL8 relay supply 8020 GK:2 B
26 5th wheel feedback common ground 1056 NC:1 C
Wiring diagram Page 241 (268)
XC318A
T3020295
Pin no: Circuit function Wiring no: Diagram
2 Side reverse working lamp power supply 8060 NE:1 B
3 Cab body working lamp power supply 8061 NE:3 B
4 5th wheel load light 8068 NC:3 C
5 Ground 1 NE:1 D
6 Ground 1 NE:4 B
7 Ground 1 NC:3 D
XC318B
T3020295
Pin no: Circuit function Wiring no: Diagram
2 Side reverse working lamp power supply 8060 NE:1 B
3 Cab body working lamp power supply 8061 NE:3 B
4 5th wheel load light 8068 NC:3 C
5 Ground 1 NE:1 D
6 Ground 1 NE:4 B
7 Ground 1 NC:3 C
Page 242 (268) Wiring diagram
XC318C
T3020295
Pin no: Circuit function Wiring no: Diagram
2 Side reverse working lamp power supply 8060 NE:2 B
3 Cab body working lamp power supply 8061 NE:3 B
4 5th wheel load light 8068 NC:3 C
5 Ground 1 NE:2 D
6 Ground 1 NE:4 B
7 Ground 1 NC:3 C
Wiring diagram Page 243 (268)
XC319
T3071129
Pin no: Circuit function Wiring no: Diagram
1 V5EXT 2 supply 2051 CF:2 C
1 Adblue temp control 0231 CL:1 C
2 Adblue pressure 0042 CF:2 C/CL:3 C
3 V5EXT 2 ground 1010 CF:2 C
3 Adblue air pressure 0030 CL:3 C
4 Adblue dosage pump H 0229 CL:4 C
5 Adblue tank heating valve on/off 0029 CF:1 C/CL:0 C
6 Adblue air valve on/off 0040 CF:1 C
6 Supply to Adblue loads 2155 CL:1 C
7 Adblue heater hose control 3 0031 CF:0 C
7 Adblue dosage pump L 0230 CL:4 C
8 Actuator supply-1 2052 CF:0 C
8 Supply to Adblue hoses 2156 CL:0 C
9 V5EXT 2 supply 2051 CF:3 C
10 Adblue level control 0180 CF:3 C/CL:2 C
11 Adblue temp control 0179 CF:2 C/CL:2 C
12 V5EXT 1 ground 1009 CF:2 C/CL:2 C
13 Adblue air pressure 0030 CF:2 C
13 V5EXT 2 supply 2051 CL:2 C
14 Adblue air temp control 0178 CF:1 C
14 Adblue air valve on/off 0040 CL:1 C
15 Adblue heater hose control 2 0032 CF:0 C/CL:0 C
16 Adblue heater hose control 1 0033 CF:0 C/CL:0 C
Page 244 (268) Wiring diagram
XC321_2
T3071143
Pin no: Circuit function Wiring no: Diagram
1 FCIOM power supply 2015 AA:2 A
2 Ground 1 YA:0 C
XC322_2
T3071143
Pin no: Circuit function Wiring no: Diagram
1 FCIOM power supply 2016 AA:3 A
2 Ground 1 YD:2 C
XC323
T3071143
Pin no: Circuit function Wiring no: Diagram
1 RCIOM power supply 2017 GC:0 A
2 RCIOM power supply 2018 GC:0 A
Wiring diagram Page 245 (268)
XC325
T3071144
Pin no: Circuit function Wiring no: Diagram
1 LIN battery sensor 7127 AA:0 D
2 ACM power supply 2019 AA:4 B
XC327
T3071129
Pin no: Circuit function Wiring no: Diagram
1 ADR tacho power supply 2022 AD:0 C
2 Main switch status 0004 AD:1 C
4 ADR main switch closing request 0008 AD:1 C
5 ADR main switch closing request 0007 AD:1 C
6 ADR main switch closing request 0006 AD:1 C
7 Ground 1 AD:1 C
8 Ground 1 AD:1 C
9 LIN battery sensor 7127 AA:0 D
10 ADR main switch closing request 0005 AD:1 B
15 ACM power supply 2019 AA:4 B
Page 246 (268) Wiring diagram
XC328
T3071129
Pin no: Circuit function Wiring no: Diagram
1 ADR tacho power supply 2022 AD:0 D
4 ADR main switch closing request 0008 AD:1 C
5 ADR main switch closing request 0007 AD:1 C
6 ADR main switch closing request 0006 AD:2 C
7 Ground 1 AD:1 C
8 Ground 1 AD:1 C
10 ADR main switch closing request 0005 AD:1 A
XC329
T3071129
Pin no: Circuit function Wiring no: Diagram
1 ADR tacho power supply 2022 AD:0 D
4 ADR main switch closing request 0008 AD:1 C
5 ADR main switch closing request 0007 AD:1 C
6 ADR main switch closing request 0006 AD:1 C
7 Ground 1 AD:1 C
8 Ground 1 AD:1 C
10 ADR main switch closing request 0005 AD:1 A
Wiring diagram Page 247 (268)
XC330
T3071121
Pin no: Circuit function Wiring no: Diagram
1 Side markers light 3017 GE:1 B
3 Ground 1 GE:0 D
XC331
T3071121
Pin no: Circuit function Wiring no: Diagram
1 Side markers light 3017 GE:1 B
3 Ground 1 GE:2 D
Page 248 (268) Wiring diagram
XC342
T3071132
Pin no: Circuit function Wiring no: Diagram
1 Trailer ABS, EBS power supply 2129 GK:0 C
5 EBS proprietary net high 7083 GK:0 C
6 EBS proprietary net low 7084 GK:0 C
8 Trailer ignition key signal 0160 GK:1 B
9 Trailer control lamp 0161 GK:1 B
15 Trailer direction indicator left 3050 GK:1 B/GM:1 B
16 Trailer direction indicator right 3051 GK:1 B/GM:1 B
17 Trailer position light left 3052 GK:1 B/GM:1 B
18 Trailer position light right 3053 GK:1 B/GM:1 B
19 Trailer brake light 3054 GK:1 B/GM:1 B
20 Trailer power supply + 24V 8017 GK:2 BC/GM:2
B
21 Trailer steering lock/free + 8018 GK:2 B/GM:2 B
22 Trailer strat aid/free - 8019 GK:2 B/GM:2 B
23 Trailer body light EL8 relay supply 8020 GK:2 B/GM:3 B
24 Trailer fog light 3055 GK:3 B/GM:1 B
25 Trailer reverse light 3056 GK:4 B/GM:2 B
Wiring diagram Page 249 (268)
XC351
T3019922
Pin no: Circuit function Wiring no: Diagram
1 Side markers ligtht 3017 GE:1 D
2 Side Marker light Rear 3066 GE:1 D
3 Ground 1 GE:1 D
4 Ground 1 GE:1 D
XC353
T3020295
Pin no: Circuit function Wiring no: Diagram
1 Ground 1 GC:1 E
2 Rear direction indicator left 3025 GC:1 C
3 Brake light left 3021 GC:1 C
4 Position light rear left 3023 GC:1 C
5 Reverse light rear left 3019 GC:1 C
6 Rear fog light left 3042 GC:1 C
7 Reverse Warning 3067 GC:1 C
XC354
T3071144
Pin no: Circuit function Wiring no: Diagram
1 Steering angle sensor supply 2087 FL:1 C
2 Steering angle sensor rear ground 1042 FL:1 C
3 Steering angle sensor rear signal 1 0139 FL:1 C
4 Steering angle sensor rear signal 2 0140 FL:1 C
Page 250 (268) Wiring diagram
XC355
T3071144
Pin no: Circuit function Wiring no: Diagram
1 LIN battery sensor 7127 AA:0 D
2 ACM power supply 2019 AA:3 A
3 Main switch status 0004 AB:2 B
XC358
T3071144
Pin no: Circuit function Wiring no: Diagram
1 Side reverse working lamp power supply 8060 NE:1 B
3 Ground 1 NE:1 C
Wiring diagram Page 251 (268)
List of components
A01 FRC, (Fuse and Relay Centre) (1000/
1100)
A02P Fuse holder, 6–fuses, bodybuilder (ND:2
B/NK:0 B) (BBEC)
A02X Fuse holder, 6–fuses, bodybuilder (ND:3
B) (BBEC)
A02Y Fuse holder, 6–fuses, bodybuilder (NK:2
C) (BBEC)
A03 Instrument (BA:2 B) (1000)
A04A Refrigerator (IF:2 C) (1110/1140)
A06D El. adjustable seat (optional fan and heat)
(IT:1 B/SL:1 D) (1000)
A06P El. adjustable seat (optional fan and heat)
(IT:3 B) (1000)
A07 Control unit, Audio (IK:0 B) (1100)
A09 Telephone (BU:4 B)
A12A Control unit, ABS (Anti-lock Brake Sys-
tem) (EA:0 B) (2090)
A13A Control unit, TECU (Transmission ECU)
(DC1:1 C) (3010)
A14 Control unit, ECM (Engine Control Mod-
ule) (CB:0 C) (3000)
A15 Control unit, SRS (Supplementary Re-
strain System) (PE:1 B) (1000)
A21 Control unit, EBS (Electronic Brake Sys-
tem) (EE:0 B/EI:0 A/FL:0 B/GK:0 A/GL:0
A) (2010)
A26 Control unit, DACU (Driver Assistance
Control Unit) (PA:0 B) (1000)
A28B Control unit, ADR main switch (AD:0 B/
AE:2 B) (2020)
A31 Control unit, burglar alarm (RA:0 B)
(1000)
A33 Tachograph (BC:1 B) (1100)
A34B Control unit, climate unit (HA:1 B) (1000)
A36 Control unit, BBM (Body Builder Module)
(NA:1 C/NK:1 A) (1000)
A41 Component group transmission. Contains
B23, B138 and Y17 (DA1:3 C/DC1:3 C)
(3020)
A41B Component group transmission. Contains
B23, B138 and Y17 (DM:1 C)
A42B Component group transmission. Contains
B26, Y21, Y22, Y23 and Y26 (DC1:1 D)
(3010)
A43 Electric fan control (B32 fan speed sen-
sor, Y35 visco clutch) (CB:0 D) (3000)
A44 Fuel filter bracket (B51 fuel pressure sen-
sor, M15 priming pump) (CB:2 B) (3000)
A45 Fuel conditioner (B52 water level sensor,
R10 heater, Y38 water drain solenoid)
(CB:1 B) (3000)
A48 TV (IN:1 C) (1110)
A116 Control unit, amplifier (IL:1 B) (1140)
A122 Control unit , toll collect OBU (BX:0 C)
(1100)
A123 Control unit toll collect DSRC (BX:0 D)
(1100)
A124 Component group engine (K65 power re-
lay, starter motor pre-relay M04 starter
motor) (CB:0 D)
A125 Control unit, TGW (Telematics Gateway)
(BU:2 B) (1100)
A132 Control unit, alcolock (PH:I D) (1000)
A133 Handset, alcolock (PH:2 D) (1000)
A155 Display, SID Low (IO:2 B) (1000)
A156 Display, SID High (IO:3 B) (1000)
A157 Power Recliner, Bunk (IF:4 B) (1140)
A160 Control unit, CIOM Cab IO Module (BG:0
C/IP:3 B/SK:0 A) (1000)
Page 252 (268) Wiring diagram
A161 Control unit, HMIIOM Human Machine In-
terface IO Module (BA:1 C/SL:1 A) (1000)
A162 Control unit, FCIOM Front Chassis IO
Module (GA:0 B/GB:0 A/GP:3 B/HE:0 B/
IC:0 A/IP:1 B) (2000)
A163 Control unit, CCIOM Central Chassis IO
Module (AB:0 B/CE:3 B/DA:0 A/DG:0 A/
EI:2 A/FA:0 A/FH:1 A/GK:3 A/GL:2 A/
HE:2 B/NC:0 A) (2010)
A164 Control unit, RCIOM Rear Chassis IO
Module (DG:3 A/EA:4 B/FB:0 A/FC:0 A/
FD:1 A/FM:0 A/GC:0 B/GE:0 A/GK:1 A/
GL:1 A) (2040)
A165L Control unit, DDM/PDM, Drive/Passenger
Door Module (IR:0 C) (1150)
A165R Control unit, DDM/PDM, Drive/Passenger
Door Module (IS:0 C) (1150)
A168 Control unit, LECM High, (Living Environ-
ment Control Module) (HA:0 C) (1140)
A169 Control unit, VS (Video Switch) (IO:0 C)
(1000)
A170 Control panel, climate (HA:1 D) (1000)
A173 HCU, Hand Control Unit, Electrical Park
Brake (FE:1 B) (1000)
A174 Control unit, ACM (AftertreatmentControl
Module) (CE:0 B/CF:0 A/DK:1 A) (2010)
A174B Control unit, ACM (AftertreatmentControl
Module) (CK:0 B/CL:0 A/DM:1 A)
A175 Control unit, TESP, (Telematics Service
Platform) (BU:0 B) (1100)
A176 Control unit, LPOS, Lane Position Object
Sensor (PB:1 B) (1100)
A177 Control unit, APM, (Air Production Modu-
lator) (FE:0 C) (2010)
A185 Electric AC Compressor, EACC, parking
cooler (HB:2 D) (2010)
A186 Control unit, PCCU (Parking Cooler Con-
trol Unit) (HB:1 B) (2010)
A187 Control unit, VMCU, Vehicle Master Con-
trol Unit (AF:2 C/BE:0 B/IB:0 A/IC:2 A/
NB:0 C/NK:4 A) (1000)
A188 FM signal splitter (BU:1 B) (1100)
A190 Component group Adblue (CL:1 D)
(2030)
B02B Thermostat, parking heater (1140)
B03 Sensor, footbrake valve (EE:0 D) (1160)
B04 Sensor, engine speed, crankshaft (CB:1
D) (3000)
B05 Sensor, engine speed, camshaft (CB:1 D)
(3000)
B07 Sensor, fuel level (DG:0 C) (2010)
B09B Sensor, oil temperature, gearbox (DA1:1
C) (3010)
B12 Sensor, tachograph/speedometer(DA1:0
C/DC1:0 C) (3010)
B13A Sensor, wheel speed, lhs. 1:st front axle
(EA:0 D) (2010)
B13B Sensor, wheel speed, lhs. 1:st front axle
(EF:1 D/EF:3 D) (2010)
B14A Sensor, wheel speed, rhs. 1:st front axle
(EA:1 D) (2010)
B14B Sensor, wheel speed, rhs. 1:st front axle
(EF:1 D/EF:3 D) (2010)
B15A Sensor, wheel speed, lhs. 1:st driven rear
axle (EA:2 D) (2090)
B15B Sensor, wheel speed, lhs. 1:st driven rear
axle (EG:2 D/EG:1 D) (2090)
B16A Sensor, wheel speed, rhs. 1:st driven rear
axle (EA:2 D) (2090)
B16B Sensor, wheel speed, rhs. 1:st driven rear
axle (EG:3 D/EG:1 D) (2090)
B17 Sensor, wheel speed, lhs. 2:nd driven
rear axle (EG:3 D/EG:1 D) (2090)
B18 Sensor, wheel speed, rhs. 2:nd driven
rear axle (EG:4 D/EG:2 D) (2090)
B19 Sensor, wheel speed, lhs. 2:nd front axle
(EF:1 D) (2010)
B20 Sensor, wheel speed, rhs. 2:nd front axle
(EF:2 D) (2010)
Wiring diagram Page 253 (268)
B21 Sensor, coolant temperature, engine
(CB:1 B) (3000)
B22 Sensor, outdoor temperature (HE:0 D)
(2000)
B23A Sensor, oil temperature, retarder (DA1:3
C/DC1:3 C)
B24A Sensor, air pressure, bogie lift bellow
(FC:3 D)
B25 Sensor, accelerator pedal (BE:1 D)
(1000)
B28 Sensor, chassis level, front axle (FA:2 D)
(2010)
B29B Sensor, chassis level, lhs. rear axle (FB:0
D) (2080)
B30 Sensor, chassis level, rhs. rear axle (FB:1
D) (2080)
B32 Sensor, engine cooling fan speed (In-
cluded in A43) (CB:0 D)
B37 Sensor, boost pressure and boost tem-
perature (CB:1 D) (3000)
B39 Sensor, air filter pressure and air filter
temperature (CB:1 B) (3000)
B40B Sensor, brake lining wear indicator, lhs. 1:
st front axle (EF:0 D/EF:3 D) (2010)
B41B Sensor, brake lining wear indicator, rhs. 1:
st front axle (EF:0 D/EF:3 D) (2010)
B42A Sensor, brake lining wear indicator, lhs. 1:
st driven rear axle (EG:2 D) (2090)
B42B Sensor, brake lining wear indicator, lhs. 1:
st driven rear axle (EG:0 D) (2090)
B43A Sensor, brake lining wear indicator, rhs. 1:
st driven rear axle (EG:2 D) (2090)
B43B Sensor, brake lining wear indicator, rhs. 1:
st driven rear axle (EG:0 D) (2090)
B44B Sensor, brake lining wear indicator, lhs. 2:
nd driven rear axle (EG:3 D/EG:0 D)
(2090)
B45B Sensor, brake lining wear indicator, rhs. 2:
nd driven rear axle (EG:3 D/EG:1 D)
(2090)
B46B Sensor, brake lining wear indicator, lhs. 2:
nd front axle (EF:0 D) (2010)
B47B Sensor, brake lining wear indicator, rhs. 2:
nd front axle (EF:1 D) (2010)
B49 Sensor, steering angle (EE:3 D) (1000)
B49R Sensor, steering angle, rear (FL:1 D)
(2100)
B50 Sensor, yaw-rate (EE:3 D) (2010)
B51 Sensor, fuel pressure (CB:2 B) (3000)
B52 Sensor, water level (Included in A45)
(CB:2 B)
B54 Sensor, crank case pressure (CB:1 B)
(3000)
B56 Sensor, air pressure, suspension bellows,
front axle (FA:1 D) (2010)
B57 Sensor, air pressure, suspension bellows,
lhs. rear (FD:1 D) (2080)
B58 Sensor, air pressure, suspension bellows,
rhs. rear (FD:1 D) (2080)
B60LD Loudspeaker, left door (IK:1 D/IL:1 E)
(1150)
B60LF Loudspeaker, left front (IK:1 D/IL:2 D)
(1000)
B60LR Loudspeaker, left rear (IK:2 D/IL:2 E)
(1140)
B60RD Loudspeaker, right door (IK:2 D/IL:1 D)
(1150)
B60RF Loudspeaker, left front (IK:2 D/IL:3 D)
(1000)
B60RR Loudspeaker, right rear (IK:2 D/IL:2 D)
(1140)
B61L Loudspeaker, treble left (IK:1 D/IL:2 D)
(1000)
B61R Loudspeaker, treble right (IK:1 D/IL:3 D)
(1000)
B63 Microphone, (handsfree) (IK:3 A) (1100)
B67 Rear view camera (IO:0 D)
Page 254 (268) Wiring diagram
B69 Sensor, coolant temperature, retarder
(DA1:3 B/DC1:3 B) (3020)
B70 Sensor, wheel speed, lhs., pusher axle
(EH:1 C) (2090)
B71 Sensor, wheel speed, rhs., pusher axle
(EH:1 C) (2090)
B72 Sensor, wheel speed, lhs., tag axle (EH:2
C) (2090)
B73 Sensor, wheel speed, rhs., tag axle (EH:2
C) (2090)
B74B Sensor, brake lining wear indicator, lhs.,
pusher axle (EH:0 C) (2090)
B75B Sensor, brake lining wear indicator, rhs.,
pusher axle (EH:0 C) (2090)
B76B Sensor, brake lining wear indicator, lhs.,
tag axle (EH:1 C) (2090)
B77B Sensor, brake lining wear indicator, rhs.,
tag axle (EH:2 C) (2090)
B85 Sensor, exhaust temp, downstream DPF
(CK1:1 C) (2030)
B90 Transmitter, movement sensor (Included
in B242) (RA:2 D)
B91 Receiver, movement sensor (Included in
B242) (RA:2 D)
B96A Sensor, NOx (CE1:2 C/CK1:2 C) (2030)
B96B Sensor, NOx (CK1:3 C) (2030)
B97 Sensor, exhaust temp, upstream catalyst
(CE1:1 C/CK1:0 C) (2030)
B98 Sensor, exhaust temp, downstream cata-
lyst (CK1:0 C) (2030)
B115 Sensor, DPF pressure (CK1:0 C) (2030)
B118 Sensor, oil pressure (CB:1 B) (3000)
B119 Sensor, oil level and oil temp (CB:1 D)
(3000)
B138 Sensor, Control pressure retarder (In-
cluded in A41) (DA1:3 C/DC1:3 C)
B142 Sensor, AdBlue level and temperature
(CF:3 C) (2030)
B142B Sensor, AdBlue level and temperature
(CL:2 D) (2030)
B184 Loudspeaker, subwofer (IL:3 C) (1140)
B187 AT/AHI fuel pressure (CB:3 B) (3000)
B207 Sensor, oil cooling jet pressure (CB:3 B)
(3000)
B213 Sensor, pressure, butterfly valve back-
pressure (CB:4 B) (3000)
B234 Sensor, 5th wheel (NC:1 D) (2040)
B236 Sensor, Defog (HA:3 D) (1100)
B237 Sensor, Brake pressure (EA:3 D) (2040)
B238 Sensor, FLS (Forward Looking Sensor)
(PA:0 C) (2000)
B240 Sensor, Sun sensor (HA:2 D) (1000)
B242 Ultrasonic Instrusion Protection (UIP)
(RA:2 D) (1110)
B243 Sensor, rain (GP:2 C) (1000)
B244 Sensor, Cab temperature (HA:2 D) (1000)
B245A Camera, accessory (IO:1 D)
B245B Camera, accessory (IO:1 D)
B245C Camera, accessory (IO:2 D)
B246 Sensor, Side sensor (PA:2 D) (1140)
B247 Sensor, AdBlue quality sensor (CF:3 D)
B248 Sensor, pressure, pusher lift (FC:2 D)
B249 Sensor, Washer fluid level (GP:3 D)
(2000)
B250 Sensor, Battery (AA:0 D) (2020)
B253 Transmitter, Burglar Alarm (Included in
B242) (RA:3 D)
B262 Sensor, Adblue pressure (CL:2 D) (2030)
B263 Sensor, Adblue air pressure (CL:3 D)
(2030)
B271 Microphone, TGW2 (BU:3 D)
Wiring diagram Page 255 (268)
BB1 Connector, Chassis Body Builder 1 (ND:2
D) (2120)
BB2 Connector, Chassis Body Builder 2 (ND:0
D) (2120)
BB3 Connector, Chassis Body Builder 3 (ND:1
D) (2120)
BBEC1 Connector, Body Builder Electrical Center
1 (GK:2 A/GL:2 A/ND:0 B/ND:3 D/NE:0
A) (1000)
BBEC2 Connector, Body Builder Electrical Center
2 (ND:0 D) (1000)
E01L_PL Lamp, full beams (NK:2 D)
E01R_PL Lamp, full beams (NK:3 D)
E02L_PL Lamp, dipped beams (NK:2 D)
E02R_PL Lamp, dipped beams (NK:2 D)
E06 Lamp, reversing light (GC:1 D/GC:2 D)
(2070)
E08L_PL Lamp, parking light, front (NK:1 D)
E08R_PL Lamp, parking light, front (NK:3 D)
E09 Lamp, brake light (GC:1 D/GC:2 D)
(2070)
E10 Lamp, tail light (GC:1 D/GC:2 D) (2070)
E11LC Lamp, side marker light, (GE:0 C) (2050)
E11LF Lamp, side marker light (GE:0 C) (2050)
E11LR Lamp, side marker light (GE:2 C) (2050)
E11LR2 Lamp, side marker light (GE:2 C)
E11LW Lamp, side marker light (GE:1 C) (2050)
E11RC Lamp, side marker light (GE:1 C) (2050)
E11RF Lamp, side marker light (GE:0 C) (2050)
E11RR Lamp, side marker light (GE:2 C) (2050)
E11RR2 Lamp, side marker light (GE:3 C)
E11RW Lamp, side marker light (GE:2 C) (2050)
E13 Lamp, direction indicator (GC:1 D) (2070)
E13L Lamp, direction indicator (GA:0 C) (2000)
E13L_PL Lamp, direction indicator (NK:1 D)
E13R Lamp, direction indicator (GB:0 C) (2000)
E13R_PL Lamp, direction indicator (NK:3 D)
E16L Lamp, instep light (IC:2 D) (1150)
E16R Lamp, instep light (IC:3 D) (1150)
E21 Lamp, rear fog light (GC:1 D/GC:2 D)
(2070)
E23L Lamp, luggage compartment illumination
(IB:1 C) (1140)
E23R Lamp, luggage compartment illumination
(IB:1 C) (1140)
E27L Tail lamp module (GC:1 D) (2070)
E27R Tail lamp module (GC:2 C) (2070)
E29C Lamp, identification light (GF:2 E) (1100)
E29C_H1 Lamp, identification light (GF:3 E) (1110)
E29L Lamp, identification light (GF:2 E) (1100)
E29L_H1 Lamp, identification light (GF:4 E) (1110)
E29R Lamp, identification light (GF:2 E) (1100)
E29R_H1 Lamp, identification light (GF:3 E) (1110)
E39 Lamp, Licence Plate Illumination (GC:2
D) (2070)
E83L Headlight module (GA:2 C) (2000)
E83R Headlight module (GB:2 C) (2000)
E85L Lamp, interior light, roof (IA:1 C) (1110)
E85R Lamp, interior light, roof (IA:1 C) (1110)
E86 Lamp, interior light, bed light, side walls
(IB:2 D/IB:2 D) (1140)
E86A Lamp, interior light, bed light, side walls
(IB:3 D) (1110)
E88 Lamp, interior light, snake lamp (IA:4 C/
IA:4 C) (1100)
Page 256 (268) Wiring diagram
E90 Lamp, interior light, map/reading light,
midsection (IA:1 D) (1100)
E93C Lamp, interior light, storage light, front
shelf (IA:2 D) (1100)
E93L Lamp, interior light, storage light, front
shelf (IA:2 D) (1100)
E93R Lamp, interior light, storage light, front
shelf (IA:2 D) (1100)
E94L_EMB Lamp, position light, EMB (GF:0 E) (1110)
E94L_EOM Lamp, position light, EOM (GF:0 D)
E94R_EMB Lamp, position light, EMB (GF:1 E) (1110)
E94R_EOM Lamp, position light, EOM (GF:1 D)
E98L Auxiliary unit, left (GA:1 C) (2000)
E98R Auxiliary unit, right (GB:1 C) (2000)
E106 Lamp, interior light, ambient light, catwalk
(IA:0 C/IA:0 C) (1100)
E108 Lamp, interior light, ambient light, center
stack (IB:0 C) (1000)
E109L Lamp, door trim list, light guides (IC:2 D)
(1150)
E109R Lamp, door trim list, light guides (IC:3 D)
(1150)
E110 Lamp, interior light, cup holder light (IF:0
C) (1000)
E111 LED module, forward collision warning
(PA:2 A) (1000)
E113L Lamp, interior light, storage light, rear
shelf (IB:3 C) (1110)
E113LC Lamp, interior light, storage light, rear
shelf (IB:3 C) (1110)
E113R Lamp, interior light, storage light, rear
shelf (IB:4 C) (1110)
E113RC Lamp, interior light, storage light, rear
shelf (IB:4 C) (1110)
E119L Lamp, instep light (IC:1 C) (1160)
E119R Lamp, instep light (IC:1 C) (1160)
E126L Lamp, interior light, catwalk reading light
(IA:3 D) (1100)
E126R Lamp, interior light, catwalk reading light
(IA:3 D) (1100)
E127A Parking heater, air (HD:1 C) (1140)
E128 Parking heater, water (HC:1 C) (2010)
E129L Lamp, door warning lamp (IR:1 D) (1150)
E129R Lamp, door warning lamp (IS:1 D) (1150)
EL0L Lamp, full beam, inside sign area, roof
(NF:4 C) (1110)
EL0R Lamp, full beam, inside sign area, roof
(NF:4 C) (1110)
EL2LF Lamp, side/reverse working light (NE:2 C)
(2125)
EL2LR Lamp, side/reverse working light (NE:1 C)
(2125)
EL2RF Lamp, side/reverse working light (NE:2 C)
(2125)
EL2RR Lamp, side/reverse working light (NE:1 C)
(2125)
EL3AL Lamp, cab/body working light (NE:3 D)
EL3AR Lamp, cab/body working light (NE:4 D)
EL3L Lamp, cab/body working light (NE:3 D)
(1110/1140)
EL3R Lamp, cab/body working light (NE:3 D)
(1110/1140)
EL4LF Lamp, beacon warning lamp, roof (NF:1
C) (1110)
EL4LR Lamp, beacon warning lamp, roof (NF:1
D) (1110)
EL4RF Lamp, beacon warning lamp, roof (NF:2
C) (1110)
EL4RR Lamp, beacon warning lamp, roof (NF:2
D) (1110)
EL5L Lamp, roof light sign (NF:3 D) (1100)
EL5R Lamp, roof light sign (NF:3 D) (1100)
Wiring diagram Page 257 (268)
EL6 Lamp, extra spot, front (NE:2 C) (1160)
EL7 Lamp, 5th wheel/load light (NC:3 C)
(2010)
FMS Connector, FMS, Fleet Management Sys-
tems (BX:2 D) (1000)
G01A Battery (AA:1 D/AE:1 B) (2020)
G01B Battery (AA:1 D/AE:1 B) (2020)
G02 Alternator (AA:3 D) (3000)
GIC020 Engine interface (CA:0 D/CB:0 A) (3000)
H01 Horn, air-operated (IP:1 D) (2000)
H02 Horn (IP:1 D) (2000)
H03 Reverse warner, acoustic (GC:3 D)
(2070)
H06 Siren (RA:3 D) (2000)
JUMPER (AA:2 C) (2020)
K02 Relay, refrigerator (IF:2 A)
K03 Relay, sunroof motor 2 (IU:1 B)
K04 Relay, sunroof motor 1(IU:0 B)
K05 Relay, front wiper on/off (GP:0 B)
K06 Relay, front wiper low/high (GP:0 B)
K07 Relay, body builder electrical centre,
power supply 2 (ND:2 A)
K08 Relay, accessories (IF:3 A)
K09 Relay, engine running (IT:0 A)
K10 Relay, body builder electrical centre, extra
spot lamps (NF:0 A)
K11 Relay, power supply 4 (IF:3 A/IG:2 A)
K12 Relay, roof light sign (NF:3 A)
K13 Relay, beacon warning lamps (NF:1 A)
K14 Relay, power supply 3 (IF:1 A)
K15 Relay, full beam inside sign area (NF:4 A)
K16 Relay, headlight washer pump (GP:1 B)
K17 Relay, TECU (DC:0 A)
K20 Relay, BB ignition (ND:3 A)
K21 Relay, mirror heating (IR:1 A/IS:1 A)
K22 Relay, ignition (BX:2 A)
K24 Relay, seats movement (IT:3 A)
K27 Relay, EMS (Engine Management Sys-
tem) (CA:3 A)
K28 Relay, cab tilt pump (KA:1 A)
K30 Relay, taillift enable/crane (ND:2 C)
K31 Relay, extra spot lamp front EL6 (NE:0 B)
K32 Relay, side reverse working lamp EL2
(NE:1 B)
K33 Relay, cab/body working lamp EL3 (NE:3
B)
K48 Power relay, engine preheating (AA:2 D/
CB:1 B) (3000)
K52A Power relay, FLL motor 1 (BG:1 B) (1000)
K52B Power relay, FLL motor 2 (BG:1 B) (1000)
K65 Relay, starter motor (CB:0 D) (3000)
K69 Relay, fuel heater (HF:1 C) (1000)
K70A Relay, ADR/SLP (AE:1 B) (2020)
K70B Relay, ADR/SLP (AE:1 C) (2020)
K71 Relay, audio switch telematics, L+ (BU:1
D) (1100)
K90 Relay, (NK:2 B)
K91 Relay, (NK:3 B)
K92 Relay, (NK:4 B)
K95 Relay, microwave oven (IF:3 C) (1100)
M01 Motor, windscreen wiper (GP:0 C) (1160)
M02 Motor, windscreen washer pump (GP:3
D) (2000)
Page 258 (268) Wiring diagram
M03 Motor, headlamp high pressure washer
pump (GP:1 C) (2000)
M04 Motor, starter motor (AA:2 D/CB:0 D)
(3000)
M09L Motor, door lock (IR:2 D) (1150)
M09R Motor, door lock (IS:2 D) (1150)
M11 Motor, cab tilt pump (KA:1 C) (2000)
M11_RHD Motor, cab tilt pump (KA:1 C) (2000)
M13 Motor, coolant pump, parking heater
(HE:2 D)
M14 Motor, central lubrication pump (LA:0 C)
(2040)
M15 Motor, fuel priming pump (Included in
A44) (CB:2 C)
M43 Motor, sun visor, front (IU:2 C) (1100)
M44L Motor, window lift with antipinch (IR:0 D)
(1150)
M44R Motor, window lift with antipinch (IS:0 D)
(1150)
M45L Motor, window lift without antipinch (IR:2
D) (1150)
M45R Motor, window lift without antipinch (IS:2
D) (1150)
M48 Motor, front lid lock (BG:1 B) (1160)
M49 Adblue pump module (CF:1 D) (2030)
M50 Motor, ESCL (Electrical Steering Column
Lock) (BG:2 C) (1000)
M51 Motor, sun roof, unit (IU:1 C) (1110)
M55 Condensor fan, parking cooler (HB:1 C)
(1160)
M73 Motor, AdBlue dosage pump (CL:4 D)
(2030)
OBD Connector, OBD, (On-Board Diagnostics)
(XA:1 C) (1000)
R01 Heater, engine preheat (AA:3 D/CB:0 A)
(3000)
R02L Heater, rear-view mirror (IR:1 B) (1150)
R02R Heater, rear-view mirror (IS:1 B) (1150)
R04 Cigarette lighter (IF:0 C) (1000)
R10 Heater, fuel pre filter (Included in A45)
(CB:3 B)
R11 Heater, coffee maker (IF:3 D) (1040)
R14 Termination resistor (PA:3 C/PA:3 E)
R14B Termination resistor (PH:3 B)
R23 Heater, AdBlue hose,red (CF:0 D) (2030)
R46 Heater, fuel hose, thermoline (HF:1 D)
(2010)
R55 Microwave oven (IF:3 C)
R56 Heater, AdBlue hose, white (CF:0 D)
(2030)
R56A Heater, AdBlue hose, yellow (CL:0 D)
(2030)
R57 Heater, AdBlue hose, black (CF:0 D)
(2030)
R57A Heater, AdBlue hose, black (CL:0 D)
(2030)
S02 Stalk switch, full-/dipped beam, direction
indicator (1000)
S06 Stalk switch, windscreen wiper (1000)
S14 Switch, push button, horn (IP:3 D) (1000)
S15 Switch, key switch (AF:1 B) (1000)
S24 Stalk switch, retarder (1000)
S26B Switch, cab tilt pump, chassis (KA:2 C)
(1160)
S36L Switch unit, door functions (IR:2 B) (1150)
S36R Switch unit, door functions (IS:2 C) (1150)
S38 Switch, ADR, emergency switch, cab
(AD:3 A) (1000)
S39 Switch, ADR, emergency switch, exterior
(AD:3 C) (1140)
Wiring diagram Page 259 (268)
S45 Position switch, differential gear lock indi-
cator, rear wheels (DG:3 C) (2070)
S45R Position switch, differential gear lock indi-
cator, rear wheels (DG:3 C) (2070)
S47 Position switch, low split indicator, NO.
(DA1:2 C) (3010)
S49 Position switch, reverse lamps, NO.
(DA1:2 C) (3010)
S52L Proximity switch, cab lock, NO. (KA:3 C)
(1140)
S52R Proximity switch, cab lock, NO. (KA:3 D)
(1140)
S55 Thermal switch (HE:2 C)
S57L Position switch, luggage compartment
lighting, NC. (IB:1 D) (1140)
S57R Position switch, luggage compartment
lighting, NC. (IB:1 D) (1140)
S58 Position switch, clutch pedal, NO. (BE:2
D) (1000)
S60A Pressure switch, oil, power steering, NC.
(FH:1 C) (2010)
S60A_RHD Pressure switch, oil, power steering, NC.
(FH:2 C)
S60B Pressure switch, oil, power steering, NC.
(FH:1 C) (2010)
S60B_RHD Pressure switch, oil, power steering, NC.
(FH:2 C)
S63 Position switch, low range gear (DA1:2 C)
(3010)
S68 Proximity switch, coolant level (CB:2 B)
(3000)
S70 Position switch, flow sensor, power-steer-
ing, NC. (FH:1 C) (2010)
S70_RHD Position switch, flow sensor, power-steer-
ing, NC. (FH:3 C)
S77 Switch, emergency call (BU:3 D) (1000)
S80 Position switch, front hatch (RA:1 D)
(1160)
S95 Switch, Panic alarm (RA:1 B) (1000)
S101 Switch, position switch, gear box neutral
position (DA1:1 C) (3010)
S169 Switch, battery main switch (AC:1 C)
(2020)
S171 Switch, GLU (Gearlever unit (1000)
S222C Switch, interior light, storage, front shelf
(IA:2 C) (1100)
S222DS Switch, interior light, storage, front shelf
(IA:2 C) (1100)
S222PS Switch, interior light, storage, front shelf
(IA:2 C) (1100)
S227 Switch, fuel heater, thermoline (HF:1 B)
(1000/1100)
S238 Switch, sun visor, front (IU:2 C) (1100)
S243 Switch 1, body builder electrical centre
(ND:0 B)
S244 Switch 2, body builder electrical centre
(ND:0 B)
S245 Switch 3, body builder electrical centre
(ND:0 B)
S246 Switch 4, body builder electrical centre
(ND:1 B)
S247 Switch, identification lights (GF:3 B)
(1100)
S254 Switch, battery main switch (AC:1 C)
(2010)
S255 Exterior light control panel (SK:2 C)
(1000)
S257 SID control panel (SL:2 D) (1000)
S258 Switch, flexible panel 1 (SK:0 C) (1100)
S259 Switch, flexible panel B(SK:4 D) (1140)
S260 Switch, flexible panel 2 (SK:0 D) (1100)
S262 Switch, flexible panel 7 (SK:2 B) (1000)
S263 Switch, flexible panel 3 (SK:1 B) (1000)
S265 Switch, flexible panel 4 (SK:1 C) (1000)
Page 260 (268) Wiring diagram
S267 Switch, flexible panel 5 (SK:1 D) (1000)
S269 Switch, flexible panel 6 (SK:1 D) (1000)
S270 Switch, flexible panel 8 (SK:2 C) (1000)
S271 Switch, flexible panel 9 (SK:2 B) (1000)
S272 Switch, ILCP, Interior Light Control Panel
(SK:0 B) (1100)
S275 Stalk module, on steering column (con-
nected to S02, S06 and S24 ) (SL:2 D)
(1000)
S283L Switch, interior light, storage, rear shelf
(IB:3 C) (1110)
S283LC Switch, interior light, storage, rear shelf
(IB:3 C) (1110)
S283R Switch, interior light, storage, rear shelf
(IB:4 C) (1110)
S283RC Switch, interior light, storage, rear shelf
(IB:4 C) (1110)
S285 Steering wheel switch module (SL:1 D)
(1000)
S287 Switch unit, ECS, wired remote control
(SK:4 B) (1000)
U01 Modulator, EBS, front FAA20 (EF:0 B)
(2010)
U03A Modulator, EBS, one rear driven axle
(EG:2 B) (2090)
U03B Modulator, EBS, two rear driven axles
(EG:0 B) (2090)
U03C Modulator, EBS, rear axle (EG:3 B)
(2090)
U04 Modulator, EBS, pusher axle (EH:0 B)
(2090)
U05 Modulator, EBS, trailer (EI:0 D) (2010)
U07 Modulator, EBS, tag axle (EH:1 B) (2090)
U08 Modulator, EBS, front FAA10 (EF:3 B)
(2010)
U29 Voltage converter (IG:3 C) (1100)
U30 Voltage converter (IG:0 C) (1000)
U33 Voltage converter (IG:2 C) (1100)
V07 LED, indicator, Alarm (RA:1 B) (1100)
V32 LED, indicator, LCS (Lane Change Sup-
port) (PA:3 C) (1100)
W02 Antenna, immobiliser (BG:0 D) (1000)
W06 Antenna, GSM (BU:3 B)
W14 Antenna, GSM/GPS (BU:3 A)
W15 Antenna, module (BU:3 B)
W16 Antenna, FM (BU:1 A)
W17 Antenna, GSM, toll collect (BX:1 C)
W18 Antenna, GPS, toll collect (BX:1 C)
W20 Antenna, module (IN:2 B)
W21 Antenna, WLAN, Wireless Local Area
Network (BU:3 A)
WRC Connector, WRG, Wireless Remote Con-
trol (FB:2 C) (1100)
X02 Trailer connection, ABS/EBS (GK:0 D)
(2060)
X02_2 Connector, trailer ABS/EBS 7–pin (GL:0
D) (2010)
X03 Trailer connection, 15–pole unit (GK:1 D)
(2060)
X03_2 Connector, trailer 15–pin (GL:1 D) (2010)
X04 Trailer connection, 7–pole unit, 24 N
(GK:3 D) (2060)
X05 Trailer connection, 7–pole unit, 24 S
(GK:3 D) (2060)
X07A Socket, 12V (IG:1 D) (1000)
X25 Connector, B+ frame (AA:2 B) (2120)
X54 Connector, Engine (B+) power (AA:2 D)
(3000)
X55 Plug, start aid (AA:1 C) (2020)
X63 Trailer connection, VBG 14 (GM:1 C)
(2060)
Wiring diagram Page 261 (268)
X66 Connector, USB, Audio (IK:0 C) (1000)
X67 Connector, USB, AUX (IK:2 A) (1000)
X105 Socket, 24V outlet (IF:1 C) (1000)
X106 Socket, 24V outlet (IF:1 C) (1140)
X114 Socket, connector, CB supply (IG:2 D/
IG:3 D) (1100)
X115A Contact reel, airbag (IP:2 C/PE:1 C/SL:0
B) (1000)
X115B Contact reel, without airbag (IP:3 C/SL:2
B) (1000)
XC205 Cab passthrough, B+ (AA:1 B) (1000)
XC302 Connector, GIC020, engine interface
(AA:3 D/CA:0 D/CA1:1 D/HE:3 B) (2010/
3000)
XC303 Connector, GIC021, transmission inter-
face (BC:1 D/DA:0 C/DC:0 C/DK:1 D/
DM:1 C/NC:2 D) (2010/3010)
XC312 Connector, GIC128, muffler interface
(CE:0 D/CK:0 D) (2010/2030)
Y02 Solenoid valve, differential lock, rear
wheels (DG:4 C) (2010)
Y03 Solenoid valve, differential lock, inter
axles, rear (DG:3 C) (2010)
Y06 Solenoid valve, range inhibitor (DA1:1 C)
(3010)
Y10 Solenoid valve, 3:rd axle lock (FM:2 C)
(2080)
Y11 Solenoid valve unit, ABS, lhs. front (EE:1
D) (2010)
Y11_A Solenoid valve unit, ABS, lhs. front (EA:1
D) (2010)
Y12 Solenoid valve unit, ABS, rhs. front (EE:1
D) (2010)
Y12_A Solenoid valve unit, ABS, rhs. front (EA:1
D) (2010)
Y13 Solenoid valve unit, ABS, lhs. rear (EA:2
D) (2090)
Y14 Solenoid valve unit, ABS, rhs. rear (EA:2
D) (2090)
Y17 Solenoid valve, retarder (Included in A41)
(DA1:3 C/DC1:3 C)
Y18A Solenoid valve, PTO (Power Take Off)
(NC:2 C) (2010)
Y18B Solenoid valve, PTO (Power Take Off)
(NC:2 C) (2010)
Y31 Solenoid valve, area inhibitor (DA1:1 C)
(3010)
Y32A Fuel dosing pump, parking heater (HC:1
D) (2010)
Y33 Solenoid valve, UI (Unit Injectors) (CB:3
D) (3000)
Y34 Solenoid valve, UI (Unit Injectors) (CB:1
D) (3000)
Y35 Actuator, EGR system (Included in A43)
(CB:0 B)
Y37 Solenoid valve unit, AVU (Air Valve Unit)
(CB:2 B) (3000)
Y37A Solenoid valve unit, AVU (Air Valve Unit)
(CB:3 B) (3000)
Y38 Solenoid valve, WIF, fuel pre filte water
draining (Included in A45) (CB:1 B)
Y39 Solenoid valve, VCB (CB:3 B) (3000)
Y40 Solenoid valve unit, front axle, air suspen-
sion (FA:2 D) (2010)
Y42 Clutch, magnetic, air conditioning com-
pressor (HE:3 C) (3000)
Y43DS Seat belt tensioner, pyrotechnical (PE:2
D) (1000)
Y43PS Seat belt tensioner, pyrotechnical (PE:2
D) (1000)
Y44 Air-bag, pyrotechnical (PE:1 D) (1000)
Y53 Control valve block , RAS (FL:2 D) (2100)
Y72 Solenoid valve, Airhorn (IP:1 D) (1160)
Y80 Solenoid valve, AdBlue dosing unit
(CE1:1 C) (2030)
Page 262 (268) Wiring diagram
Y81 Solenoid valve, AdBlue tank heating
(CF:1 D) (2030)
Y81C Solenoid valve, AdBlue tank heating
(CL:1 D) (2030)
Y102 Solenoid valve, 5th wheel slide (NC:0 C)
Y103 AHI (CB:0 B) (3000)
Y109 Electro clutch, coolant pump (CB:2 B)
(3000)
Y110 Solenoid valve, oil thermostat (CB:2 B)
(3000)
Y111 Solenoid valve, oil piston cooling jet
(CB:2 B) (3000)
Y114 Throttle (CB:1 D) (3000)
Y134B Solenoid valve, ETB (Electrical Trailer
Brake) (EI:3 C) (2010)
Y135 Solenoid valve unit (FD:2 D) (2080)
Y136 Solenoid valve unit (FC:2 D) (2080)
Y137 Mega valve unit (FC:0 D) (2080)
Wiring diagram Page 263 (268)
Abbreviations
ABS............................ Antilock brake system
ADR1 ......................... ADR adaptation, 1 switch
ADR2 ......................... ADR adaptation, 2 switches
ADR3 ......................... ADR adaptation, for safe loading
pass (SLP)
ADTP-BC ................... Ad-blue tank position right, below
cab
ADTP-L ...................... Ad-blue tank position left
ADTP-LF.................... Ad-blue tank position left, front
ADTP-M ..................... Ad-blue tank position mid
ADTP-MR................... Ad-blue tank position mid, right
side
ADTP-R...................... Ad-blue tank position right2
BBEC ......................... Body builder electrical center
BBM ........................... Body builder module
BBOX-EF................... Battery box, end of frame
BBOX-L...................... Battery box, left hand side
BSYS-CON................ Brake system, conventionel
CHH-LOW.................. Chassis height low
CPC-ADV................... Cab parking cooler, advanced
DACU......................... Driver assistance control unit
DS .............................. Driver side
EBS............................ Electronic brake system
EM-EC01 ................... European community 2001 level
EURO 3
EM-EC06 ................... European community 2006 level
EURO 4
EM-EU5 ..................... Engine emission control, EURO 5
EM-EU6 ..................... Engine emission control, EURO 6
EML4.......................... Emission level, early introduction
stages
ENG-VE13................. Volvo engine 13 litre
ENG-VE16................. Volvo engine 16 litre
EPB............................ Electrical park brake
FAA10 ........................ 1 front axle, non driven
FAA20 ........................ 2 front axle, non driven
FMS............................ Fleet management system
FRC............................ Fuse and relay center
FSS-LEAF.................. Leaf suspension, front
GSS-AGS................... Automatic gear shifting system (I-
shift)
GSS-RC..................... Range gear shifting, cable
manoeuvred
GSS-SRC................... Split and range gear shifting, ca-
ble manoeuvred
IPC ............................. Integrated parking cooler
L ................................. Left
LF............................... Left front
LHD............................ Left hand drive
LHS ............................ Left hand side
LR............................... Left rear
MAINSWI ................... Electromechanical main switch
MAINSW-M................ Mechanical main switch
MSWI-A...................... Main switch, ADR
MSWI-B...................... Main switch, circuit shutdown
(timer)
MSWI-C ..................... Main switch, chassis controlled
circuit shutdown
MSWI-R ..................... Main switch, remote controlled cir-
cuit shutdown
ODB ........................... On Board Diagnostic
PH-CAB ..................... Cab parking heater
PH-ENGCA................ Engine and cab parking heater
PS .............................. Passenger side
PSS-DUAL................. Power steering system dual
PTO............................ Power take off
R................................. Right
RAD-L90 .................... Rear axle installation, 1 axle, 1
driven, 2 leaf, 90 mm
RAD-GR..................... Rear axle installation, 1 axle, 1
driven, air (GRAS) suspension
RADD-BR................... Rear axle installation, 2 axle, 2
driven, leaf, B-ride
RADD-GR.................. Rear axle installation, 2 axle, 2
driven, air (GRAS) suspension
RADD-TR1................. Rear axle installation, 2 axle, 2
driven, leaf narrow
RADD-TR2................. Rear axle installation, 2 axle, 2
driven, leaf wide
RADDT-GR................ Rear axle installation, 3 axle, 2
driven, air (GRAS) suspension,
tag
RADT-GR................... Rear axle installation, 2 axle, 1
driven, air (GRAS) suspension,
tag
Page 264 (268) Wiring diagram
RAPD-GR .................. Rear axle installation, 2 axle, 1
driven, air (GRAS) suspension,
pusher
RAL17........................ Rear axle load 17 tonnes
RAL21........................ Rear axle load 21 tonnes
RAL23........................ Rear axle load 23 tonnes
RAL26........................ Rear axle load 26 tonnes
RAL33........................ Rear axle load 33 tonnes
RF .............................. Right front
RHD ........................... Right hand drive
RHS............................ Right hand side
RIGID......................... Platform or tipper truck
RR.............................. Right rear
RSTS-EHY................. Rear steering system, electrical
controlled, hydraulic
SCR............................ Selective Catalyst Reduction
SI-GRAF .................... Tachograph
SI-GRAFR.................. Tachograph
SI-SPEED.................. Speedometer
SPEED-DU ................ Dual speed limiter
SRS............................ Supplementary restrain system
STWPOS-L................ Steering wheel position left hand
side
STWPOS-R................ Steering wheel position right hand
side
TECU ......................... Transmission electronic control
unit
TIS-BAS..................... Transport information system,
Logger and Positioning
TIS-HIGH ................... Transport information system,
Logg. Pos. and Adv. message
system
TIS-MED .................... Transport information system,
Logg. Pos. and message
TRACTOR.................. Semi-trailer tractor
TREL7-7..................... Trailer connectors 2x7-pole unit
TREL14...................... Trailer connectors 14-pole unit
UADR......................... Without ADR adaptation
UMAINSWI................. Without main switch
URETARD.................. Without retarder
UTRBRAKE ............... Without trailer brake valve
Wiring diagram Page 265 (268)
Cable colour code
BK ................................................... Black
BN................................................... Brown
BU................................................... Blue
GN................................................... Green
GY................................................... Grey
OG .................................................. Orange
PK ................................................... Pink
RD................................................... Red
VT ................................................... Violet
WH.................................................. White
YE ................................................... Yellow
Alternative cable colour code (engine and transmission)
BL.................................................... Blue
BN................................................... Brown
GN................................................... Green
GR................................................... Grey
OR................................................... Orange
P...................................................... Pink
R...................................................... Red
SB ................................................... Black
VO................................................... Violet
W..................................................... White
Y...................................................... Yellow
Note: If a wire have two colours, this is written out like the following example: YE/RD = Yellow/Red.
Page 266 (268) Wiring diagram
Feedback
One of our objectives is that workshop personnel should have access to correct and appropriate service manuals where it
concerns fault tracing, repairs and maintenance of Volvo vehicles.
In order to maintain the high standards of our service information, your opinions and experiences when using this
information would be greatly appreciated.
If you have any comments or suggestions, use “Argus dealer” or send them to us using the email address below.
VPCS technical team
Smalleheerweg 29
BE-9041 Gent
Belgium
technical.team@volvo.com
Fax +32 9 2556767
Volvo Truck Corporation
www.volvotrucks.com
89041245 English 12.2012 Release 01S Digital copy remastered in Sweden

wiring diagram fh 4

  • 1.
    Wiring diagram FH (4) CHIDA740874– CHID B645496–
  • 2.
    Foreword Order number: 89041245 ©2012Volvo Truck Corporation, Göteborg, Sweden All rights reserved. No part of this publication may be reproduced, stored in retrieval system, or transmitted in any forms by any means, electronic, mechanical, photocopying, recording or otherwise, without the prior written permission of Volvo Truck Corporation . The descriptions and service procedures contained in this manual are based on designs and methods studies carried out up to December 2012. The products are under continuous development. Vehicles and components produced after the above date may therefore have different specifications and repair methods. When this is judged to have a significant bearing on this manual, an updated version of this manual will be issued to cover the changes. The following levels of observations, cautions and warnings are used in this Service Documentation: Note: Indicates a procedure, practice, or condition that must be followed in order to have the vehicle or component function in the manner intended. Caution: Indicates an unsafe practice where damage to the product could occur. Warning: Indicates an unsafe practice where personal injury or severe damage to the product could occur. Danger: Indicates an unsafe practice where serious personal injury or death could occur. Volvo Truck Corporation Göteborg, Sweden Note: Check always the latest information at the “Wiring diagrams-site”.
  • 3.
    Contents Component wiring diagramindex ..............................................................................................1 Component wiring diagrams......................................................................................................4 Illustrations index................................................................................................................. 114 Illustrations.......................................................................................................................... 115 Fuses................................................................................................................................... 199 Relays.................................................................................................................................. 202 FRC (A01) connectors........................................................................................................... 204 Wiring harness layout ........................................................................................................... 208 Ground connections............................................................................................................. 210 List of connectors................................................................................................................. 211 List of components............................................................................................................... 252 Abbreviations....................................................................................................................... 264 Cable colour code................................................................................................................. 266 Feedback ............................................................................................................................. 267
  • 5.
    Component wiring diagramindex AA Power supply, starting system................................................................... “ ”, page 4 AB Power distribution, CCIOM....................................................................... “ ”, page 5 AC Main switch, UADR.................................................................................... “ ”, page 6 AD Main switch, ADR1/ADR2 ......................................................................... “ ”, page 7 AE Main switch, ADR3 .................................................................................... “ ”, page 8 AF Key switch.................................................................................................. “ ”, page 9 BA Instrument.................................................................................................. “ ”, page 10 BC Tachograph................................................................................................ “ ”, page 11 BE VMCU, Vehicle Master Control Unit .......................................................... “ ”, page 12 BG CIOM, Cab IO Module............................................................................... “ ”, page 13 BU TIS Telematics service............................................................................... “ ”, page 14 BX TIS Toll collect, FMS connector................................................................. “ ”, page 15 CA Engine interface ........................................................................................ “ ”, page 16 CA1 Engine interface, networks ....................................................................... “ ”, page 17 CB Engine D13, EM-EC01.............................................................................. “ ”, page 18 Engine D13, EM-EC06/EM-EU5, page 1 .................................................. “ ”, page 19 Engine D13, EM-EC06/EM-EU5, page 2 .................................................. “ ”, page 20 Engine D13, EML4 EM-EU6, page 1......................................................... “ ”, page 21 Engine D13, EML4 EM-EU6, page 2......................................................... “ ”, page 22 Engine D16, page 1................................................................................... “ ”, page 23 Engine D16, page 2................................................................................... “ ”, page 24 CE After treatment system, EM-EU5............................................................... “ ”, page 25 CE1 After treatment system, EM-EU5............................................................... “ ”, page 26 CF After treatment system, Adblue tank control, EM-EU5.............................. “ ”, page 27 CK After treatment system, EML4 EM-EU6 .................................................... “ ”, page 28 CK1 After treatment system, EML4 EM-EU6 .................................................... “ ”, page 29 CL After treatment system, Adblue tank control, EML4 EM-EU6................... “ ”, page 30 DA Transmission, manual (interface).............................................................. “ ”, page 31 DA1 Transmission, manual (gearbox and retarder).......................................... “ ”, page 32 DC Transmission , I-SHIFT (interface) ............................................................ “ ”, page 33 DC1 Transmission, I-SHIFT (gearbox and retarder) ......................................... “ ”, page 34 DG Differential lock and fuel level sensor........................................................ “ ”, page 35 DK Retarder (interface).................................................................................... “ ”, page 36 DM Retarder (interface) EML4 EM-EU6 ......................................................... “ ”, page 37 EA ABS............................................................................................................ “ ”, page 38 EE EBS, control unit........................................................................................ “ ”, page 39 EF EBS, front axle modulator.......................................................................... “ ”, page 40 EG EBS, rear axle modulator .......................................................................... “ ”, page 41 EH EBS, 6x2 and tridem.................................................................................. “ ”, page 42 Wiring diagram Page 1 (268)
  • 6.
    EI EBS, trailermodulator................................................................................ “ ”, page 43 FA Air-suspension, front.................................................................................. “ ”, page 44 FB Air-suspension, rear, level sensor, WRG................................................... “ ”, page 45 FC Air-suspension, rear, 6x2, 6x4 and tridem, valves..................................... “ ”, page 46 FD Air-suspension, rear, 4x2........................................................................... “ ”, page 47 FE Air management, APM, Air Production Modulator with EPB..................... “ ”, page 48 FH Front axle steering, hydraulic .................................................................... “ ”, page 49 FL Rear axle steering, electronic, RAS .......................................................... “ ”, page 50 FM Rear axle steering, self steering, RAS....................................................... “ ”, page 51 GA Exterior light, front, left, road...................................................................... “ ”, page 52 GB Exterior light, front, right, bending light road.............................................. “ ”, page 53 GC Exterior light, rear ...................................................................................... “ ”, page 54 GE Exterior light, side and load light................................................................ “ ”, page 55 GF Exterior light, roof, identification light......................................................... “ ”, page 56 GK Trailer connection, RIGID.......................................................................... “ ”, page 57 GL Trailer connection, TRACTOR................................................................... “ ”, page 58 GM Trailer connections, RIGID TREL-14......................................................... “ ”, page 59 GP Wiper, washer............................................................................................ “ ”, page 60 HA Climate unit................................................................................................ “ ”, page 61 HB Integrated parking cooler, IPC................................................................... “ ”, page 62 HC Parking heater, water................................................................................. “ ”, page 63 HD Parking heater, air...................................................................................... “ ”, page 64 HE Amb. temp, short stop heater, AC clutch................................................... “ ”, page 65 HF Fuel hose heater........................................................................................ “ ”, page 66 IA Interior light................................................................................................ “ ”, page 67 IB Interior light................................................................................................ “ ”, page 68 IC Interior light, instep light............................................................................. “ ”, page 69 IF Comfort accessories.................................................................................. “ ”, page 70 IG 12V power supply 20A/20A/11A................................................................ “ ”, page 71 IK Audio.......................................................................................................... “ ”, page 72 IL Amplifier..................................................................................................... “ ”, page 73 IN DVD, bunk display..................................................................................... “ ”, page 74 IO Video switch, camera, SID display............................................................ “ ”, page 75 IP Horn........................................................................................................... “ ”, page 76 IR Door, left..................................................................................................... “ ”, page 77 IS Door, right .................................................................................................. “ ”, page 78 IT Seats.......................................................................................................... “ ”, page 79 IU Sun roof, sun visor..................................................................................... “ ”, page 80 KA Cab tilt........................................................................................................ “ ”, page 81 LA Lubrication system..................................................................................... “ ”, page 82 Page 2 (268) Wiring diagram
  • 7.
    NA Body builder,BBM..................................................................................... “ ”, page 83 NB Body builder, VMCU .................................................................................. “ ”, page 84 NC Body builder, CCIOM, PTO ....................................................................... “ ”, page 85 ND Body builder electrical center .................................................................... “ ”, page 86 NE Body builder electrical center, extra lighting.............................................. “ ”, page 87 NF Body builder extra lighting ......................................................................... “ ”, page 88 NK Body builder plough lamps ........................................................................ “ ”, page 89 PA DACU, Driver Assistance Control Unit ...................................................... “ ”, page 90 PB Lane position ............................................................................................. “ ”, page 91 PE SRS, Supplementary Restrain System, airbag......................................... “ ”, page 92 PH Alcolock, start prevention system.............................................................. “ ”, page 93 RA Alarm.......................................................................................................... “ ”, page 94 SA Backbone 1................................................................................................ “ ”, page 95 SB Backbone 2................................................................................................ “ ”, page 96 SC Cab subnet ................................................................................................ “ ”, page 97 SD Chassis subnet.......................................................................................... “ ”, page 98 SE Infotainment subnet................................................................................... “ ”, page 99 SF Security subnet.......................................................................................... “ ”, page 100 SK Switch module topology, CIOM ................................................................ “ ”, page 101 SL Switch module topology, HMIIOM ............................................................. “ ”, page 102 XA OBD interface............................................................................................ “ ”, page 103 YA Ground, chassis, ECU............................................................................... “ ”, page 104 YB Ground, chassis, front/rear load ............................................................... “ ”, page 105 YD Ground, chassis, lower front...................................................................... “ ”, page 106 YF Ground, cab, FRC, BBEC.......................................................................... “ ”, page 107 YG Ground, cab, instrument panel .................................................................. “ ”, page 108 YH Ground, cab, instrument panel .................................................................. “ ”, page 109 YK Ground, cab, front shelf ............................................................................. “ ”, page 110 YK_RHD Ground, cab, front shelf, headliner............................................................ “ ”, page 111 YM Ground, cab, lower bunk/floor ................................................................... “ ”, page 112 YN Ground, cab, firewall, cockpit carrier plate ................................................ “ ”, page 113 Wiring diagram Page 3 (268)
  • 8.
    Page 4 (268)Wiring diagram T3065410 Component wiring diagrams 3210 A B C D WIRINGDIAGRAMAAPOWERSUPPLYSTARTINGSYSTEM 70RD 2007 70BK 1 16RD 4000 50RD 2007 95RD 2007 70RD 2007 XC205 A1B1 4.0RD 2015 4.0RD 2016 95RD 2007 50RD 2007 M04 W-Signal L-Signal 15-Signal/ PWMcontr BattSensI/O DFMsignal G02 A AB+ CB- 4 3 2 1 BB+2 5 2.5RD 2019 0.75GY 7127 4.0RD 2018 4.0RD 2017 70BK 170BK 1 G01A B1D1 C1A1 C1A1 0.75BU 0003 0.75VT 0002 G01B B1 70RD 2006 70RD 2007 70RD 2007 0.75GY 7127 4.0RD 2015 4.0RD 2014 4.0RD 2013 BBox FuseBox FMA:1 GA:0B A162.X1:29 AB:0B A163.X4:1 AB:0B A163.X4:2 AB:0B A163.X2:25 FRC AD:0B A28B.88A 4.0RD 2016 GA:0B A162.X2:29 70RD 2007 AD:0B A28B.88 AB:0B A163.X2:4 XC315:1 0.75GY 7127 AB:0B A163.X1:21 XC325:1 1.5GY 7127 1.5GY 7127 XC327:9 0.75GY 7127 0.75GY 7127 A01.STUD:1 FMB:1 FM6 30A FM9 30A FM4 30A FM2 100A FM3 30A FM8 30A FM7 30A X25 A1 C1B1 FM1 200A FM5 30A 70RD 2143 35 16RD 2010 1.5RD 2003 5.4_2* Engine/BBOX-LGND XC315:2 2.5RD 2019 16RD 4000 IF:3B F93.A1 GC:0A XC323:1 GC:0A XC323:2 XC355:1 AB:0B A163.X2:25 XC327:15 XC325:2 XC355:2 2.5RD 2019 + FRC Power supply F95 1A 1 2 35RD 2143 0.75WH 0003 0.75WH 0002 2.5RD 2019 CE:0B XS386 2.5RD 2019 CE:0B XS386 X55+ 50RD 2007 StartAid FM12 23A FM11 23A FM10 40A 2.5RD 2019 CK:0B XS386 2.5RD 2019 CK:0B XS386 6.0RD 2117 HB:1B A186.B:1 70RD 2007 AE:1B K70A.88a OR X54 12 OROR OR AD:0B A28B.88 AD:0B A28B.88 AD:0B A28B.88A (ADRrelay) (JUMPER) ADRSLP 5.8_1 BBOX-EFGND OR BBOX-LH BBOX-LH BBOX-LHBBOX-LH BBOX-EF BBOX-EFBBOX-EF *5.4_2Enginegndisrelocated to5.10incaseofADR3 XC302 EngineInterface, GIC020 910 XC321_2:1 XC322_2:1 4.0RD 2003 1.5RD 2003 XS323 4.0RD 2000 XS324 4.0RD 2000 XS326 1.5RD 2003 4.0RD 2003 XS325 OR OR XS1_1204 R01 A1 B1 C1 K48 A B1 C1 3.1 Engineblock Ground Engineblock Ground GroundEngineblock ADRonly F94 1A 1 2 ADRonly S K65 A124 86 85 30 +50 30 87 B- B+ 31 70RD 2007 16RD 4000 GNDLIN 24V12V B250 Sensor,Battery A:3 A:1 A:2 B:1 C:1 OR OR 1.5RD 2000 1.5RD 2000 1.5RD 2000 35BK 1
  • 9.
    Wiring diagram Page5 (268) T3065412 3210 A B C D WIRINGDIAGRAMABPOWERDISTRIBUTIONCCIOM,CENTRALCHASSIEIOMODULE GND2 APMredudancy Supply PowerDistribution Chassis LubricationMotor GND1 Chassissub-net CANHCANL Battery Sensor PGASBatnetLIN, CCIOM PowerSupply Voltage MainSwitch Status Alternator control L-Signalfrom Alternator A163 X3:8X1:29 X2:14 X1:24 X2:4X2:25X2:26X1:21X4:2X4:1X2:22 X2:29 0.75GY 7127 0.75YE 0004 1.0YE 0004 0.75YE 0004 0.75YE 0004 0.75BU 0003 0.75YE 0004 0.75VT 0002 0.75GN 7001 1.0RD 2085 0.75RD/GN 2026 2.5WH 1 2.5WH 1 0.75GY 7127 4.0RD 2014 4.0RD 2013 FE:0C A177.X1:14 AA:2B FM4.A1 AA:2B FM7.A1 AA:0D XC315:1 0.75OG 7000 SD:3C XS348 SD:4C XS347 LA:0B XC317:22 YA:1C XS366 YA:1C XS366 AA:3D XC302.10 AD:1C XC327:2 AA:3D XC302.9 XC315:3 ADR EFLH AD:0B A28B.X1:5 ADR LH/SLP XS358 0.75YE 0004 0.75YE 0004 FE:0C A177.X1:9 AC:1C S169.A1 AC:1C S254.1 EF AA:0D XC355:1 XC355:3 0.75YE 0004 0.75YE 0004 ADR APMEFLH
  • 10.
    Page 6 (268)Wiring diagram T3065413 3210 A B C D WIRINGDIAGRAMACMAINSWITCHUADR S254 13 24 S169A1 A2 0.75YE 0004 0.75WH 1 1.0WH 1 1.0YE 0004 AB:2B XC315:3 YB:0B XC315:4 YB:1C XS370 AB:0B A163.X2:14 ChassisSwitch IFBBoxin Lefthand IFBBoxin EndofFrame ToggleSwitch Opencircuitrequest Ifswitchclosed Opencircuitrequest IfswitchOpen
  • 11.
    Wiring diagram Page7 (268) T3065415 3210 A B C D WIRINGDIAGRAMADMAINSWITCHADR1/ADR2 BISTABLE RELAY B-boxLH B-boxLH 0.75PK 0006 F92 1A 1 2 2.5RD 2007 0.75RD/GN 0007 0.75PK 0006 70RD 2007 PCB A28B88A 88 X1:1X1:4 X1:7X1:5X1:3X1:6 X1:2 X2:3 X2:2 X2:4 X2:1 95RD 2007 50RD 2007 0.75PK 0006 0.75RD/GN 0007 0.75RD 2022 2.5WH 1 2.5WH 1 0.75WH/RD 0008 0.75PK 0006 0.75RD/GN 0007 0.75VT 0005 XC327:5 2.5WH 1 2.5WH 1 0.75YE 0004 0.75WH 1070 70RD 2007 70RD 2007 AA:1B FMA:1 2.5RD 2007 0.75RD 2022 0.5WH/GN 2020 0.5GN 6000 XC131:6XC131:15 ADR fuse BC:0B XC207:1 AA:1C G01A.A1 BE:1C XS1292 BE:1B XS1107 AB:2B XC355:3 XC207:3 XC207:6 XC327:2 0.75YE 0004 YB:0D 5.5_1 YB:0D 5.5_1 XC207:5 XC207:4 XC131:7 XC131:16 0.75PK 0006 0.75RD/GN 0007 0.75WH/RD 0008 0.75GY 0006 0.75RD/BU 0007 XC108_2:2 0.75RD/BU 0007 XC108_2:1 0.75GY 0006 0.75GY 0006 XC108_2:3 0.75PK 0006 0.75PK 0006 XC108_2:4 0.75RD/GN 0007 S39 24 13 XC329:1 XC327:1 0.75RD 2022 0.75RD 2022 AB:2B XC315:3 XC327:4 0.75WH/RD 0008 XC328:4 0.75WH/RD 0008 0.75WH/RD 0008 0.75RD/GN 0007 XC327:6 XC328:5 0.75RD/GN 0007 0.75RD/GN 0007 XC328:6 0.75PK 0006 0.75PK 0006 XC327:10 XC328:10 0.75VT 0005 XC328:7 XC328:8 XC327:7 2.5WH 1 2.5WH 1 XC327:82.5WH 1 XC108_1:30.75PK 0006 0.75PK 0006 XC108_1:4 0.75RD/GN 0007 XC108_1:1 0.75GY 0006 0.75GY 0006 XC108_1:2 0.75RD/BU 0007 0.75RD/BU 0007 0.75VT 0005 OROR OROR BC:0B XC207:1 XC328:1 0.75RD 2022 XC329:7 2.5WH 1 XC329:8 2.5WH 1 2.5WH 1 XC329:4 XC329:5 XC329:6 YB:0D 5.5_1 YB:0D 5.5_1 XC329:10 0.75VT 0005 0.75VT 0005 Neutral ADREMERGENCYSWITCHINCAB(S38,S39) SwitchPositionAction 0 1OpentheADR Mainswitch 0!-!1 0.75VT 0005 BE:0B A187.CN1:14 AA:2B FMB:1 AA:2D X54.2 AA:1C G01A.A1 B-boxLH B-boxEF B-boxEF B-boxLH B-boxEFB-boxEF 10 S38 1 23106 794 0.75WH/RD 0008 0.75YE 0004 0.75RD/GN 0007 0.75RD/GN 0007 0.75RD/BU 0007
  • 12.
    Page 8 (268)Wiring diagram T3065411 3210 A B C D WIRINGDIAGRAMAEMAINSWITCHADR3 K70B PCB BISTABLE RELAY A28B88A 88X1:6X1:3 X1:1X1:4 X1:2 X2:3 X2:2 X2:4 X2:1 X1:5X1:7 K70A 85 8688 88a 85 8688 88a 0.75WH 2022 70BK 1 70RD 2007 70RD 2007 2.5RD 2150 2.5RD 2007 0.75BN 1 2.5WH 1 2.5WH 1 2.5WH 1 2.5WH 1 2.5WH 1 2.5RD 2007 2.5RD 2007 XS398 G01B B1D1 A1C1 G01A A1 B1 F92 1A 1 2 Wiringoutsideboxedarea isthesameasforbasicADRsystem. Togndinframe BC:0D XC140:24 BC:0D XC140:21 Bluearmoredcable XC207:2XC207:1 0.75WH 2022 AA:1B FMA:1 5.10_1 70BK 1000 70RD 2006 2.5BN 1 0.75BN 1 XS307
  • 13.
    Wiring diagram Page9 (268) T3065414 3210 A B C D WIRINGDIAGRAMAFKEYSWITCH 0.35WH 1070 0.35BU 0022 0.35BN 0023 0.35BN 0024 0.35BU 0021 Gray coding Off ACC Run Preheat Crank S15 1 2 3 5 6 Keyswitch Keyin/outABCKeyRef/Gnd VMCU A187 CN3:19CN3:15CN3:24CN3:25CN3:14 0.75RD/BU 0022 PH:1D A132.A:5 0.75WH/RD 0022 PH:1D A132.A:6 OR
  • 14.
    Page 10 (268)Wiring diagram T3065416 3210 A B C D WIRINGDIAGRAMBAINSTRUMENT 0.5OG 7008 0.75GN 7005 0.75YE 7004 0.5RD 2028 0.5RD 2027 0.5OG 70020.5GN 7003 0.5OG 7002 0.5GN 7003 0.5GN 3000 0.5WH 7012 0.5GN 7013 0.5WH 1 Displaysubnet Pwr Gnd SIDlowIClink Hazard Warning HL HL A03 A:3A:1 A:2 A:4 A:6A:5A:8 0.75GN 7007 0.75OG 7006 0.5OG 7008 0.5GN 7009 0.5OG 7002 0.5GN 7003 XS168 FRC A01.CB12:5 0.5WH 1 A01.CB12:12 IO:3B A156.A:5 IO:3B A156.A:6 SE:2C XS150 SE:2C XS151 SB:1C XS1114 SB:1B XS1113 SID High Supply HMIIOM LH LHHH Display subnet Backbone1 GndL Backbone2 L Infotainment subnet A161 Controlunit,HMIIOM, HumanMachineInterface IOModule A:15A:14A:17A:18A:12 A:20A:21 A:23A:24 A:26 SID Low IO:2B A155.A:5 IO:2B A155.A:6 0.5OG 7002 BE:0B A187.CN1:7 SA:3B XS163 SA:3B XS162 SE:2C XC140:18 0.5GN 7009 SE:2C XC140:9 ++ XS169 0.5OG 7008 IO:0C A169.B:3 0.5GN 7009 IO:0C A169.B:2 F18 3A 1 2 F24 3A 1 2 YG:0D 1.5.A:9 YG:0D 1.5.B:3 0.5GN 7003 OROR OROR
  • 15.
    Wiring diagram Page11 (268) T3065417 3210 A B C D WIRINGDIAGRAMBCTACHOGRAPH 0.75RD/GN 2032 0.75BN 1 SA:0B XC140:16 0.75RD 2022 0.5GN 7015 0.5WH/GN 2138 0.5GN 7015 0.5YE 7014 0.75WH 1 0.5VT 0009 0.75WH 1070 0.75WH/BN 0012 0.75RD 2031 FRC 0.75RD 2022 AD:0D XC329:1 BE:0B A187.CN2:19 BE:0B A187.CN2:20 BE:0B A187.CN2:21 XC140:13 0.75RD 2031 0.75RD 2031 XC140:14 0.75WH/BN 0012 0.75WH/BN 0012 XC140:15 0.75WH 1070 XC140:6 0.75RD/GN 2032 0.75RD/GN 2032 XC203:22 0.75RD/GN 2032 XC203:21 0.75WH 1070 0.75WH 1070 XC203:20 0.75WH/BN 0012 XC203:19 0.75RD 2031 BX:0C A122.B3 A01.CT1:10 0.5RD 2157 YF:0C A01.CT1:11 0.75YE 7004 SA:0B XC140:7 0.75GN 7005 A01.CB12:15A01.CT1:18 0.5RD/YE 2137 BX:2D FMS.6 BX:2D FMS.9 DataSignal (in/out) SpeedPulse (VMCU) FMSGateway Power Supply (24v) Backbone1 L SpeedSensor Gnd infointerface KeySignal=SpeedPulseStdOutput Ignition H LH Positive supply forsensor SpeedSignal, realtime Battery Minus forsensorBatt-120ohm CAN tranceiver activation A33 Tachograph A5B1B2B4B3A6 A3A4A8A1D8B6B7D3 C8C5C7 XC140:8 XC140:17 F40 3A 1 2 XC140:21 0.5RD 2022 XC207:1 OROROROR 0.5GN 0011 BU:2B A125.X1:27 AD:0D XC328:1 0.5RD 2022 0.75BN 1 AE:2D XC207:2 0.75WH 2022 AE:2D XC207:1 Bluearmoredcable XC140:21 0.75WH 2022 XC140:24 F23 3A 1 2 A01.CT1:5 OR 0.5RD 2157 A01.CB12:14 + CA:2A VMCU RoadSpeed, Supply RoadSpeed, Ground RoadSpeed Signal RoadSpeed, DigitalSignal XC303 2471626 0.5GN 7015 0.5YE 7014 Bluearmoredcable TransmissionInterfaceToschematicDA,DC (GIC021)
  • 16.
    Page 12 (268)Wiring diagram T3065419 3210 A B C D WIRINGDIAGRAMBEVMCUVEHICLEMASTERCONTROLUNIT 0.75WH/VT 2020 0.75GN 3000 Headershelf Backlight Accessories SignalOutput OBDII Proprietary Backbone1 LH Backbone2 H ChassisSubnet LHL Ignition signal chassis VMCU ClutchPedal Acceleratorpedalsensor VehicleSpeedsensor Dashboard Backlight Hazard Hardwire Bodybuilder Backlight HL Supply1 Gnd1 SupplySensor/switch Switch LIN7 ESCL TiltPump 120W120W Enableout LIN7 GndGnd GndLED/PWM Pedal1 Supply2 Gnd2 Pedal2 Ignition signal cab Feedbackcabtilt GndchassisCabChassis Bunk Backlight SwitchBacklightsGND Gnd4Gnd1Gnd2Gnd3 GndPOSSupplySupplySignalSignal HazardSwitch Position LightCircuit ControllerVehicle SupplySupply A187 CN2:23????CN3:7 CN1:24 CN1:23CN1:14CN1:12 CN2:13CN2:20CN2:17CN2:18 CN1:6CN3:8 CN1:10CN3:2CN1:7CN1:17 CN1:4CN1:2 CN2:21 CN2:22CN1:9CN3:4 CN2:19CN2:24CN2:25CN12:5 CN12:8 CN1:5CN1:15CN1:16CN1:18 CN1:21CN1:22CN1:26 CN3:1 CN3:3CN3:5 CN3:6CN3:10CN3:22 CN3:13 CN3:20CN3:11CN3:9 0.75GN 3000 0.75WH/VT 2020 0.5WH/VT 2020 0.75WH/VT 2020 0.5WH/BU 0013 0.5WH 1070 0.5WH/BN 0014 0.5GN 6000 0.5PK 6000 0.75WH 1070 0.75GY 7017 0.75WH/VT 2020 0.75RD/GY 7021 0.75PK 7020 0.5OG 7018 0.5GN 7019 0.75RD 2031 0.75WH/BN 0012 0.75WH 1070 0.75GN 7001 0.75OG 7000 0.75GN 7007 0.75OG 7006 0.75GN 7005 0.75YE 7004 0.5WH 1070 0.5RD 2034 0.5RD 2035 SA:2B XS157 SB:3C XS1120 SB:3B XS1119 SD:0B XC203:5 SD:0B XC203:6 SA:2B XS156 B25 Sensor,acceleratorpedal 4321 XA:1C OBD.14 XA:1C OBD.6 BG:2C M50.A:1 BG:2C M50.A:3 FCIOM GC:2A XC317:13 RCIOM GP:2C B243.3 GP:2C B243.2 0.5WH/GN 0015 BC:1D XC203:19 BC:2D XC203:20 BC:2D XC203:21 0.75GN 3000 GC:2A XC317:14 0.5GN 3000 BA:2B A03.A:8 0.5WH/GN 2020 AD:3A S38.9_A1 ADR Switch 0.5GN 6000 AD:3A S38.1_A1 ND:1B S246.1 XC203:27 0.5GN 3000 0.5GN 6000 IF:0C R04.1 XC203:26 BU:3D S77.1 FCIOM RCIOMACM XS320 0.75WH/VT 2020 0.5WH/GY 4014 IG:0C U30.3 EA:0B A12A.X1:9 ABS 0.5GN 6000 IF:1C IF:0C X105.1 0.5GN 6000 IG:1D X07A.1 0.75RD/GY 0016 KA:3B XC130:14 0.75BU 0018 KA:2D XC213:1 0.75WH 1070 KA:3D XC130:15 0.75GN 6000 RA:1B S95.1 XS1292 0.5WH/GN 2020 0.75WH/VT 2020 CE:0B A174.A:3 S58 0.75WH/GN 2020 PH:1D A132.A:8 0.5GN 6000 E110.1 0.75WH/VT 2020 CK:0B A174B.A:3 Euro6 XS1107 GA:0B A162.X1:17 GA:0B A162.X1:22 ACM+ 0.5GN 6000 0.5WH 1070 0.75WH 1070 HF:1C XC141:29 0.5WH 1070 ND:0B S243.10_1 0.75WH 1070 AD:3A S38.10_A1 0.5WH 1070 BU:3D S77.10_1 0.5GN 6000 HF:1B XC141:33 0.75GY 3044 SK:2C S255.A5 0.75WH 1070 SK:2C S255.A4 0.75WH/VT 3046 SK:2C S255.A6 F27 10A F28 20A 11 22 ++ FRC XC301_2:14XC301_2:13 5623 Rainsensor
  • 17.
    Wiring diagram Page13 (268) T3065422 3210 A B C D WIRINGDIAGRAMBGCIOMCABIOMODULE L Swivel seatswitches L BB1Termination Antenna Immobilizer L CIOM Steeringcolumn lockcontrol (ESCLpowersupply) Cabsubnet HL2 L GndHH2 FMSSubnet SecuritySubnetBackbone2 Backbone1 Beltbuckle On/OffHH1L1 Power Supply L1H1H FrontLidlock Relay control1 Relay control2sensors Feedback Luggage Compartment Switch A160 Controlunit,CIOM CabIOModule A:1 A:4B:8B:10B:9 A:8 A:9 A:10 A:11A:12C:5C:6A:13A:28A:29A:30A:14 A:15A:22A:23A:21A:24 A:25 A:26 A:27 MC/LINµ M50A:3A:1 A:4A:2 A:1A:3 0.5WH 1 0.5OG 7022 0.5GN 7023 (87) (85) (87a) (30) (86) (87) (85) (87a) (30) (86) K52AK52B FLLrelay control-1 FLLrelay control-2 A1 A3 A2 A5A4 B3 B1 B2 B5B4 M M48 Motor, frontlid lock 214 5 0.5RD 2037 0.5RD 2037 0.5RD 2037 0.5WH 1 0.5GN 50010.5WH/VT 5000 0.75YE 7024 0.5OG 7022 0.5GN 7023 0.5OG 7022 0.5GN 7023 0.75GN 7005 1.5WH 1 0.75RD/GY 7021 0.75PK 7020 0.75RD/BU 5004 IIMM_ANT_1 IIMM_ANTSTSW_ILL IIMM_ANT_2 ILL_CATHODE 0.75BU 5003 0.5OG 7081 0.5GN 7082 0.75OG 7006 0.75GN 7005 0.75GN 7007 0.75YE 7004 FRC A01.CB12:3 1.0WH 1 SA:1B XS154 SA:1B XS155 SB:1B XS1113 SB:1C XS1114 IT:1B A06D.A:2 BE:0B A187.CN12:5 BE:0B A187.CN1:17 0.75VT 0027 IT:3B A06P.A:9 0.5YE 7014 BX:2D FMS.6 0.5GN 7015 BX:2D FMS.9 F63 10A 1 2 0.75YE 7004 SA:2B XS157 SA:2B XS156 0.75WH/GN 5008 SF:1C XS1257 SF:1C XS1256 SC:2C XC130:8 0.5GN 7023 SC:2C XC130:9 W02 Antenna,immobiliser 1346 SC:1C XC140:19SC:1C XC140:20 SC:1C XS1218SC:1C XS1219 + 0.5OG 7022 0.75RD/GN 5005 1.0RD 2036 A01.CB2:5 XC213:5 0.5PK 5006 XC213:6 0.5WH/RD 5007 + XC213:12 XS1294 0.5WH 1 XS1293 HA:1B A34B.X2:2 HA:1B A34B.X2:1 0.75PK 5009 IB:1D XS1283 0.75GN 70250.5WH/GY 5002 XC213:7 0.5WH 1 0.75 WH 1 XC130:2 0.75PK 5009 YH:0D 1.4.B:2 YH:0D 1.4.B:10 1 LockingLID 4 + + FRONTLIDLOCKMOTOR(M48) UnlockingLID _ PIN _ YH:0D 1.4.A:1 YG:0D 1.5.A:8 F34 5A 1 2 Motor, ESCL (Electrical) (SteeringColumn) (Lock) ILL_ANODE
  • 18.
    Page 14 (268)Wiring diagram T3065424 3210 A B C D WIRINGDIAGRAMBUTISTELEMATICSSERVICE 0.5BN 0247 0.5GN 4026 K71 BA A1 A3 A5A4 A2 B3 B4B5 B1 B2 0.5WH 4025 0.5WH 1 0.5GN 4187 Supply Gnd SIDCP LIN Splitter FM Audioout Ethernet PWRGND LIN VideoLVDSL+L- A175X1:1 X1:10X1:12X1:11X1:13X2:1 X3:1 X1:17X1:18 X4:1 0.5WH 4186 4174 0.35WH 4177 0.75NL 4176 4168 0.5GN 0215 4180 0.75GY 7034 4174 0.5GN 4026 0.5WH 4025 0.5GN 6000 0.5WH 1070 0.5WH 1070 FRC A01.CB3:6 F66 3A 1 2 XC141:6 0.5WH/VT 0028 0.5WH/VT 0028 XC141:7 4170 0.5OG 7008 SE:2C XC140:18 0.5GN 7009 SE:2C XC140:9 0.5OG 7008 SE:1C XS1208 0.5GN 7009 SE:1C XS1207 BE:1B XS1107 IK:0B A07.C2:7 IK:0B A07.C2:8 IK:0B A07.X3 XC141:8 + XC141:35 W21 1 W15 1 A09 1 W06 1 0.5GN 0011 BC:1B A33.D8 0.75WH 7035 XC141:9 W16 1 4174 IK:2B FREE 0.5RD 2040 0.5RD 2040 0.5OG 0214 4171 4179 Phone W14 1 0<-1 EMERGENCYSWITCHCALL(S77) Action Activationof Emergencycall toWarehouse Netural SwitchPosition 0 1 A01.CT1:33 BE:0B A187.CN1:6 SL:2C XC144:11 SL:3C XC144:10 MIC B271 21 0.5BN 3002 0.5WH 1 YK:1C XS1289 0.5WH 1 YK_RHD:1C XS1289 OR 0.5WH 4025 IK:0B A07.C2:7 0.5WH 1 YF:1C 4175 IO:1B XC151:1 4169 0.5GN 4026 IK:0B A07.C2:8 Emergency assistance CAN1_RL Infotainment subnet LED Supply Gnd GPS Switch Ethernet WLANGSM D8 . Rc Cc Rc CAN1_RH Audioout Microphone Audio switchL+L- A125X1:1 X1:7 X5:1 X4:1X3:1X2:1 HHLL X1:34X1:33X1:37X1:14X1:13X1:36 X1:25X1:20X1:19X1:27X1:35X1:39X1:40X1:26 0.5BN 3002 FMSplitter A188 B:1 A:1C:1 0.75GY 7034 0.5RD 2040 0.75WH 7035 4169 0.5WH 4184 0.5GN 4185 10 S7719 10 4 8 IK:0B A07.C2:7 IK:0B A07.C2:8 YK:1C XS1289 0.5BN 0247 0.5WH 1 A01.CT1:12
  • 19.
    Wiring diagram Page15 (268) T3065426 3210 A B C D WIRINGDIAGRAMBXTISTOLLCOLLECT,FMSCONNECTOR 0.5GN 7015 0.5YE 7014 0.5VT 0009 0.75WH 1 0.5YE 7014 0.5GN 7015 FRC Tollcollect Pwr Gnd IgnitionBacklightTacho DSRC GSMGPS A122 A3A2A1X3:1X2:1 A5 B3 C8C1C2C3C6C5C7 4123657 691012 HL A01.CT1:34 FMSConnector A01.CB3:15A01.CB3:18 BG:0C A160.A:10 BG:0C A160.A:26 TollcollectDSRC OBU A123 YF:0C A01.CT1:19 F25 3A 1 2 0.5RD 2041 0.75RD/GY 0220 0.75BU 0222 BC:1B A33.B6 F91 10A 1 2 clamp30(+24V) clamp15(+24V) 0.5WH 1 W17 1 W18 1 0.75RD 2042 0.75RD 2043 0.75GY 0216 0.75WH/YE 0217 0.75RD/BU 0218 0.75RD/GN 0219 0.75RD/YE 0221 A01.CT1:16 clamp31(powerground) BC:2C XC140:8 BC:3C XC140:17 TACHO CIOM 0.5WH/GN 2020 A01.CB3:23 + F85 3A 1 2 + (87) (85) (87a) (30) (86) K22 1 3 2 45 + Ignition 20ARelay YG:0D 1.5.A:6 0.5WH/RD 6000 4173 4172 Headershelf signal cab Ignition Backlights SUBNET FMS 127 A01.CT1:13 PE:1B F81.1 VMCU From VMCU
  • 20.
    Page 16 (268)Wiring diagram T3065427 3210 A B C D WIRINGDIAGRAMCAENGINEINTERFACE XC302,GIC020,EngineInterfaceToschematicCBToschematicCB (GIC020) XC302 1.5RD 2044 1.5RD 2044 1.5RD 2044 1.5RD 2044 2.5WH 1 1.5WH/RD 2047 2.5WH 1 0.75VT 2046 A01.CB2:22 A01.CB2:23 A01.CB2:18 A01.CB2:9 F41 15A 1 2 F42 15A 1 2 F44 10A 1 2 F43 10A 1 2 2.5WH 1 YA:2C XS374 YA:2C XS374 1.5WH/BN 2045 XC210:3 0.75VT 2046 XC210:6 0.75WH/RD 2047 XC210:1 XC210:2 1.5WH/BN 2045 YA:2C XS374 (87) (85) (30) (86) K27 Relay,EMS (EngineManagementSystem) 40A 1 3 2 5 FRC XC210:4 1.5RD 2044 XS1302 + From VMCU BC:2A F40.1 PowerSupply3, EMSLoads, fuelheater PowerSupply2, EMS PowerSupply1, EMS PowerSupply1, EMSLoads, Viscofan PowerSupply2, EMSLoads Ground, EMScommon2 Ground, EMScommon1 Ground, EMSextragnd, fuelheater 3337273931211315 BC1:2A F40.1
  • 21.
    Wiring diagram Page17 (268) T3072458 3210 A B C D WIRINGDIAGRAMCA1ENGINEINTERFACENETWORKS Backbone1Backbone2Powertrain Subnet LHLHLHLH PowertrainSubnet EML4 EML4EML4 EngineSubnet EML4 EM-EU6EM-EU6 LH 123456343663 0.75GN 7005 SA:1D XS332 0.75YE 7004 SA:1D XS331 0.75GN 7005 SA:2D XS330 0.75YE 7004 SA:2D XS329 0.75GN 7005 SA:3D XS328 0.75YE 7004 SA:3D XS327 0.75GN 7005 SA:4C XC203:2 0.75YE 7004 SA:4C XC203:1 0.75OG 7006 DC:0C XC303.2 0.75GN 7007 DC:0C XC303.5 TECUTECU 0.75YE 7038 0.75GN 7039 0.75YE 7038 0.75GN 7039 EM-EU6EM-EU6 NOX 0.75OG 7128 DC:0C XC303.3_A2 0.75GN 7129 DC:0C XC303.6_A2 0.75GN 7037 XC303.6_A1 0.75YE 7036 DC:0CDC:0C XC303.3_A1 0.75GN 7037 CE:0D XC312.8_A1 0.75YE 7036 CE:0D XC312.7_A1 0.75GN 7037 CE:0B A174.A:2 0.75YE 7036 CE:0B A174.A:6 ACM XS349 0.75YE 7036 XS350 0.75GN 7037 0.75YE 7036 DC:0C XC303.3_A1 0.75GN 7037 DC:0C XC303.6_A1 0.75YE 7036 CE:0D XC312.7_A1 0.75GN 7037 CE:0D XC312.8_A1 0.75GN 7037 CE:0B A174.A:2 0.75YE 7036 CE:0B A174.A:6 ACMNOX NOX TECU CK1:0D XC312_2.7_A2 CK1:0D XC312_2.8_A2 CK:0D XC312.7_A2 CK:0D XC312.8_A2 TECU 0.75OG 7006 DA:0C XC303.2 0.75GN 7007 DA:0C XC303.5 Transmission Manual XC302,GIC020,EngineInterfaceToschematicCBToschematicCB (GIC020) XC302
  • 22.
    Page 18 (268)Wiring diagram T3065429 3210 A B C D 0.75GN 0.75BN/W 0.75GR/W 0.75GN/W 0.75Y 0.75GN/W 0.75BN/W 1.5W1,5W 1.0W1.0W1.0W1.0W1.0W1.0W1.0W1.0W1.0W1.0W1.0W1.0W 1,5W 0,75BN 0,75BL/GN 1 0,75Y0.75BL 0,75BL/BN 4 0,75GN n B05 2 13 XE22 XE23 XE34 XE35 1,5W1,5W XE11 1,5GR/SB 1,5GR/SB XE10 XE13 1.0W1.0W1.0W1.0W1.0W1.0W1.0W1.0W1.0W 33 0.75SB 2,5W 5 0.75OR 2 0.75GR R01 B1D1C1A1 n B32 Y35 A43 1 234 5 XE12 0.75GR/R n B04 1 1.0R 1.0BL/R P B37 1 2 3 4 NCVSVSVNCVSVNCVSVNCVNCVSV SV NCV NCVSVNCV ECU Gnd ECU Gnd ECU Gnd ECU Gnd Switch Gnd_2 Switch Gnd_1 StarterLSCoolant Level Cam Speed Cam Speed Crank Speed Crank Speed Crankcase Press. V5ext2 Backbone2PowertrainBackbone1 HLHLHLV5ext2 Gnd V5ext1 GndV5ext1 Exhaust Temp. Fuel Press. Coolant Temp. ECU Supply ECU Supply Boost Temp.CoolingFanStopRequest Preheat Relay Boost Press. AirFilter Ind. Oil Press. Oil Level_H Oil Level_L Oil Temp. EPG1VCBWaterIn FuelValve Water InFuel SV ABDEFY33 412314214234123143143 B119 1 2 3 4 0,75GR 0.75GN/W 0,75GR 0,75BL/W 0,75BN/W WIRINGDIAGRAMCBENGINED13,EM-EC01 3 0.75BL 6 0.75VO 2.5W2.5W 0,75Y 0,75BN/W 0.75BL/R 0.75BL/SB 15 EPG1WASTEGATE Y37A1 62 7 A14 EB60EB51EB21EB22 EA20EA62 EB27EB16 EB4EB3 EB38EB55EB57EB11EB18EB17EB28EB8EB23EB10 EA59EA12EA56EA61EA52EA60EA32EB49 1.0Y Y392 1 1.0W EB30EB25 Feedback EB7 EA27EA44EA48EA36EA40EA47EA22EA46EA7EA31EA45EA37EA38 EB59 EA11 EB61 EA24EA16EA28 EA3EB58EA57EB52EB56EA29EA15 EA35EA39 EB29 StarterHS EB37EB44 1.5GR/SB0.75BN/W 0.75BN/W 1.5GN/R XE9 0,75GR/W 0,75BL/W Engineblock 0,75GR/W B212 1 0,75Y/W P B54 2 4 0.75BN XE6 0.75GR/W P B514 0.75GR 0,75Y 0.75BN/W 0.75BL/GN S681 3 0.75Y 1.0Y/W 0,75GR/W0.75BN/W P B39 1 2 3 4 1.5W P B1184 B52 R10 Y38 A45 5 1 7 42 3 XE3 0.75BN/W 0.75BN 0.75BN0.75BN 0.75BL/R 1.0GR/SB C 223 12 12121 Fan Speed+ Fan Speed- Engine block 86 8587 30+50 30 87 M M04K65 B- B+ A124 31 XC302,GIC020,EngineInterface ToschematicCA,CA1 1.5R/SB 3921372731 XC302,GIC020,EngineInterface ToschematicCA K48 123 A 1.0BL/SB XE58 0.75GR/W 1.0W1.0W1.0W1.0W1.0W1.0W1.0W
  • 23.
    Wiring diagram Page19 (268) T3065430 3210 A B C D S683 1 B52R10 Y38 A45 5 1 7 42 3 Engineblock n B04 n B05 XE22XE34 XE23 XE35 NCVSVSVNCVSVNCVSVNCVNCVSVNCVSV ABCDEF Y33 412314214234122231314433 EPG1WASTEGATE Y371 62 7 XE11 M Y109 2 1 Y39 1 2 CoolantLevel Indicator Coolant PumpDrive RelayDriveCrank Speed+ Crank Speed- Switch Gnd2 Cam Speed+ Cam Speed- WaterIn Fuel Indicator WaterIn FuelValve Drive VCBDriveAVU(PWM)EPG/ WastegateDrive Waste Gate (AVU) ECU Gnd ECU Gnd ECU Gnd ECU Gnd NCVSVNCVSV PistonCooling JetDrive OilThermostat Drive A14 EA3EA57 EA59EA45EA61EA28EA12EA16EA24EA20EA32EA52EA56EA60EA37 EA4 EA36EA38EA40EA44EA46EA48EA62 EB53EB10EB38EB23EB59EB30EB61EB8 2121 EB41EB58EB50 XE10 XE9 Y1101 2 Y1111 2 0.75Y 0.75Y 0.75GR/W 0.75GR/W 0.75GR/W 1.0Y/W 1.5W 1.5GN/R 0.75BL/SB 86 8587 30+50 30 87 M M04K65 B- B+ A124 31 1.5R/SB 1.5GR/SB 1,0Y/BN 0,75BL/R 0,75BL/SB0,75BN/W 1,0Y/R 1,0GR/SB 1,0GN/W 1,0GN/W 1,0GR/SB 1,0GR/SB 1,0GR/SB 1,0W 1,5W 1,0W1,0W1,0W1,0W1,0W1,0W1,0W1,0W1,0W1,0W1,0W1,0W1,0W1,0W1,0W1,0W 1,0W1,0W1,0W1,0W1,0W1,0W1,0W1,0W1,0W1,0W1,0W 1,5W1,5W1,5W 1,5W 2,5W2,5W2,5W 0,75BN0,75BL 1,0W 1,0R/SB A3921372731 XC302,GIC020,EngineInterface ToschematicCA StarterLS EB29 StarterHS EB37 1 0,75Y0.75BL 0,75R 4 0,75GN 135 0.75OR 2 0.75GR R01 B1D1C1A1 1.0BL 1.0R 1.0BL/R Backbone2PowertrainBackbone1 HLHLHLECU Supply ECU Supply Preheat Relay 3 0.75BL 6 0.75VO 15 EB60EB51EB21EB22EB55EB57EB25 Feedback EB7EB52EB56 Engine block XC302,GIC020,EngineInterface ToschematicCA,CA1 K48 12 1 2 3 A WIRINGDIAGRAMCBENGINEPage1D13,EM-EC06,EM-EU5
  • 24.
    Page 20 (268)Wiring diagram T3065431 3210 A B C D B212 1 P B514 XE3 P B544 P B39 1 2 3 4 P 1 2 3 4 B213 XE6 P B1184B119 1 2 3 4 XE13 P B371 2 3 4 XE12 n B32 Y35 A43 1 2 3 45 V5EXT2 Gnd Coolant Temp AirFilter Indicator V5EXT2GND Supply CrankCase Pressure OilPressureFuel Pressure ButterflyValve BackPressure Cooling FanDrive Fan Speed- Fan Speed+ V5EXT1 Supply Boost Temp Boost Pressure V5EXT1 Gnd Oil LevelH Oil Temp Oil LevelL OilPiston Cooling JetPressure A14 11AE7AEEA15EA31EA35EA29EA47EA39EA22EB17EB18EB27EB19EB49EB12EB4EB28EB3EB16EB11 P B207 11221212 4 0,75BN/W0,75BN/W0,75BN/W 0,75BN 0,75BN0,75BN0,75BN0,75BN 0,75OR 0,75BN 0,75BN/W0,75BN/W 0,75BN/W 0,75BL/SB 0,75BL/R0,75Y/W 0,75GR/W 0,75GN/Y 0,75BL/Y 0,75Y 0,75BL/Y 0,75BN/W 0,75GN/W 0,75GN/W0,75GN/W 0,75BL/W 0,75GR/R0,75GR/W 0,75BL/GN 0,75GR 0,75SB 0,75Y 0,75GR 0,75GN 0,75BN/W 0,75BN/W XE15 0,75Y WIRINGDIAGRAMCBENGINEPage2D13,EM-EC06,EM-EU5 33 XC302,GIC020,EngineInterface ToschematicCA
  • 25.
    Wiring diagram Page21 (268) T3071757 3210 A B C D S683 1 B52R10 Y38 A45 5 1 7 42 3 Engineblock n B04 n B05 XE22XE34 XE23 XE35 NCVSVSVNCVSVNCVSVNCVNCVSVNCVSV ABCDEF Y33 412314214234122231314433 EPG1WASTEGATE Y371 62 7 XE11 M Y109 2 1 Y39 1 2 CoolantLevel Indicator Coolant PumpDrive Crank Speed+ Crank Speed- Switch Gnd2 Cam Speed+ Cam Speed- WaterIn Fuel Indicator WaterIn FuelValve Drive VCBDriveAVU(PWM)EPG/ WastegateDrive Waste Gate (AVU) ECU Gnd ECU Gnd ECU Gnd ECU Gnd NCVSVNCVSV PistonCooling JetDrive OilThermostat Drive A14 EA10EA57 EA59EA45EA61EA28EA12EA16EA24EA20EA32EA52EA56EA60EA37 EA4 EA36EA38EA40EA44EA46EA48EA62 EB53EB10EB38EB23EB59EB30EB61EB8 2121 EB41EB58EB50 XE10 XE9 Y110 2 1 Y111 2 1 0.75Y 0.75Y 0.75GR/W 0.75GR/W 0.75GR/W 1.0W 1.0Y/W 2.5W 2.5GN/R 0.75BL/SB 0,75BL/R 0,75BL/SB Y34 EGRValve Drive1BDrive1A EB9EB13 213 0,75SB 0,75Y/GR0,75BN/W 1,0R/W 1,5GR/SB 2,5GR/SB 1,0GN/W 1,5W 1,0W1,0W1,0W1,0W1,0W1,0W1,0W1,0W1,0W1,0W1,0W1,0W1,0W1,0W1,0W1,0W 1,0W1,0W1,0W1,0W1,0W1,0W1,0W1,0W1,0W1,0W1,0W 1,5W1,5W1,5W 1,0W 2,5W2,5W 2,5W 0,75Y/W0,75BL/R 1,0W XE30 A392133372731 XC302,GIC020,EngineInterface ToschematicCA 1 0,75GN0.75BL/GN 0,75BN/W 4 0,75Y 135 0.75Y 2 0.75GN R01 B1D1C1A1 1.0BL 1.0R 1.0BL/R Backbone2Powertrain EngineSubnet Backbone1 HLHLHL HL ECU Supply ECU Supply Preheat Relay 3 0.75BL 6 0.75VO 15 EB60EB51EB21EB22EB55EB57 EB35EB36 EB25 Feedback EB7EB52EB56 Engine block XC302,GIC020,EngineInterface ToschematicCA,CA1 3436 XC302,GIC020,EngineInterface ToschematicCA1 K48 12 1 2 3 A 1,0GN/W1,0GN/W 2,5GR/W 1,0R/SB 1,0Y/BN 1,0GN/W 1,0W 86 8587 30+50 30 87 M M04K65 B- B+ A124 31 1.5R/SB 1.5GR/SB Page2:4A A43.4 0.75SB Page2:0B Y103.5 0.75BN/W 0.75GR 0.75OR WIRINGDIAGRAMCBENGINEPage1D13,EML4,EM-EU6 StarterLS EB29 StarterHS EB37
  • 26.
    Page 22 (268)Wiring diagram T3071758 WIRINGDIAGRAMCBENGINEPage2 0.75BL/GN 0.75GR 0.75BN 0.75GN/Y 0.75BN/W 0.75BN 0.75GR/SB 0.75SB 0.75OR 0.75GN/R 0.75SB 0.75GN/W 0.75GN/W 1.0GN/W 0.75BN/W 0.75BN/W 0.75GR/W 0.75BN0.75BN 0.75BN/W 0.75BN/W 0.75Y/W B21 2 21121 0.75BL/GN P B541 24 P B1181 2 2 3 4 P B51 4 PP B371 2 3 4 0.75BN/W B119 1 2 3 4 P B187 12 4 0.75GR/R 0.75Y Oil Temp CoolingFan Drive AT/AHI FuelPress. Turbo Speed- CrankCase Press ExhausManifoldV5EXT2 SupplyEGRTemp AfterCooler V5EXT2 GroundOilPress. Boost Pressure Turbo Speed+ Coolant Temp. Fuel Press EGRDiff. Press. Boost Temp V5EXT1 Supply Fan Speed- V5EXT1 Ground Fan Speed+ Throttle Position Throttle Motor Throttle Motor PistonCooling OilPressure Oil LevelH Oil LevelL A14 EA7 V5EXT3 Supply EA1EA11EA31EA35EA47EA21EA39 EA41 EA22 EA42 EA50 EB17EB18EB27 0.75BN/W PullUp Ground PullUp Ground EB6EB19 EB49 EB5 EB4EA6 EB28 EB3 0.75BL/R 0.75GR/W B39 1 2 3 4 Switch Gnd1 Airfilter Indicator EA15EA29 stoprequest EA27 EB1EB48EB24EB16EB11 0.75BN 0.75GR0.75GN 0.75BL/W 1.0BN/W 0.75GN/W 0.75GR P B21312 4 Pressure(CLB) EB12 1.0BN n B32 Y35 A43 1 23 45 XE12 XE13 XE20 XE6 P B207 4 1.0BN/W 0.75Y XE3 M Y114 415 0.75BN/W 0.75BN/W 0.75BN/W Page1:2B XE30 Page1:4C XE11 D13,EML4,EM-EU6 0.75BN/W 0.75BL/GN 0.75BL/SB 0.75BL/W 0.75BL/SB 0.75BL/Y ATInj.1 HSLSAT/AHI Shut-Off Valve AHIAir PurgeLSPurgeHS EB2EB62EB45EB40EB42 Y103 234567 0.75GR/W 0.75BN 0.75BL/W 0.75BN 3210 A B C D
  • 27.
    Wiring diagram Page23 (268) T3065432 3210 A B C D 0.75GN 0.75BN/W 0.75GR/W 0.75GN/W 0.75Y 0.75GN/W 0.75BN/W 1.5W1,5W 1.0W1.0W1.0W1.0W1.0W1.0W1.0W1.0W1.0W1.0W1.0W 1,5W 0,75BN 0,75BL/GN 1 0,75Y1.5R/SB 1.5R/SB 4 0,75GN n B05 2 13 XE22 XE23 XE34 XE35 1,5W1,5W XE11 1,5GR/SB 1,5GR/SB XE10 XE13 1.0W1.0W1.0W1.0W1.0W1.0W1.0W1.0W1.0W1.0W1.0W1.0W1.0W1.0W1.0W1.0W 33 0.75SB 2,5W 5 0.75OR 2 0.75GR R01 B1D1C1A1 n B32 Y35 A43 1 234 5 XE12 0.75GR/R n B04 1 1.0R 1.0BL/R P B37 1 2 3 4 NCVSVSVNCVSVNCVSVNCVNCVSV SV NCV NCVSVNCV ECU Gnd ECU Gnd ECU Gnd ECU Gnd Switch Gnd_2 StarterLSCoolant Level Cam Speed Cam Speed Crank Speed Crank Speed Backbone2PowertrainBackbone1 HLHLHL V5ext1 GndV5ext1 Exhaust Temp. ECU Supply ECU Supply Boost Temp.CoolingFanStopRequest Command Boost Press. Oil Level_H Oil Level_L Oil Temp. EPG1VCBFuelPriming PumpVIFValve Water InFuel SV ABDEFY33 412314214234123143143 B119 1 2 3 4 0,75GR 0.75GN/W 0,75GR 0,75BL/W 0,75BN/W WIRINGDIAGRAMCBENGINED16 3 0.75BL 6 0.75VO 2.5W2.5W 0,75Y 0,75BN/W 0.75BL/R 0.75BL/SB 15 EPG1WASTEGATE Y37A1 62 7 A14 EB60EB51EB21EB22 EA20EA62EB4EB3 EB38EB55EB57EB8EB23EB10 EA59EA12EA56EA61EA52EA60EA32EB49 1.0W Y392 1 1.0W EB30EB25 Feedback EB7 EA27EA44EA48EA36EA40EA47EA22EA46EA7EA31EA45EA37EA38 EB59 EA11 EB61 EA24EA16EA28 EB33EB58EA57EB52EB56 EA35EA39 EB29 StarterHS EB37EB44 1.5GR/SB 1.5GN/R XE9 0,75GR/W 0,75BL/SB 0,75GR/W 0,75Y S683 1 1.0Y/W 0,75GR/W 1.5W B52 R10 Y38 A45 5 1 7 42 3 1.0GR/SB C 223 12 Fan Speed+ Fan Speed- Engine block 86 8587 30+50 30 87 M M04K65 B- B+ A124 31 XC302,GIC020,EngineInterface ToschematicCA,CA1 1.5R/SB 3921372731 XC302,GIC020,EngineInterface ToschematicCA K48 123 A 1.0BL/SB 0.75BL Wastegate (AVU) EB50 Page2:2C A44.FF7 Page2:2C A44.FF1 1,0GR/SB Page1 1.0W
  • 28.
    Page 24 (268)Wiring diagram T3065433 3210 A B C D WIRINGDIAGRAMCBENGINED16 Page1:3B Page1:3B Page2 A14 Switch Gnd_1 Crankcase Press. V5EXT2GNDECUFuel Press. Coolant Temp. AirFilter Ind. Oilpressure EB27EB16EB11EB18EB17EB28EA29EA15 0.75BN/W 0.75BL/GN B212 1 0,75Y/W P B54 2 4 0.75BN XE6 ButteflyValve BackPressure EB12 B213 4 0.75GR 0.75BN/W FuelPriming Pump EA3 0.75Y 0.75Y P B39 1 2 3 4 P B1184 XE3 0.75BN/W 0.75BN 0.75BN0.75BN 0.75BL/R0.75BL/Y 1213 2 1 P XE15 0.75GR/W 0.75BN/W 0.75BN/W 1.5W 1.0GR/SB M P GND B51 M15 12 4 A445 17 23 4 1.0BL/W0.75BN XE10 A45.WL7 0.75BL/GN
  • 29.
    Wiring diagram Page25 (268) T3065420 3210 A B C D WIRINGDIAGRAMCEAFTERTREATMENTSYSTEMEM-EU5 (GIC128) XC312,GIC128,MufflerInterfaceToschematicCE1ToschematicCE1 XC312 Pressuresensor(+) DPF PressureSensor DPFsignal PressureSensorGND DPF TempSensor DPF TempSensor downstream SensorGND NOxSupply TempSensor upstream NOxSupply NOxGND PowertrainSubnet HLHL PowertrainSubnetAdblueInjector 49657811102016191721123 0.75RD 2050 CANL Backbone1 CANL Supply Ignition Signal CANH GND CANH CATTempSensor UpstreamDownstream DPF Temp sensor DPF Pressure sensor AdBlueInjector PowertrainSubnet A174 A:2 A:10A:14A:3 A:6A:36A:39A:34A:26A:40A:42A:58A:57A:59 A:60A:61A:62 0.75YE 7036 0.75GN 7037 0.75WH 1009 0.75RD/GN 0039 0.75VT 0037 0.75WH/BN 0038 1.5WH 1 1.5WH 1 1.5WH 1 2.5RD 2019 2.5RD 2019 XS386 2.5RD 2019 2.5RD 2019 2.5RD 2019 0.75WH/VT 2020 0.75GN 7005 0.75YE 7004 0.75YE 7036 0.75GN 7037 0.75YE 7036 0.75GN 7037 0.75RD 2049 XS390 0.75YE 7036 0.75RD 2049 0.75RD 2048 0.75GN 7037 SA:3D XS328 SA:3D XS327 BE:1D XS320 AA:3A XC355:2 AA:3A XC315:2 YA:3C XS373 YA:3C XS373 YA:3C XS373 0.75WH 1010 DK:2B XS383 1.5WH 1 YA:3C XS373 0.75RD 2049 CF:4B XC313:9 0.75YE 7036 0.75GN 7037 0.75GN 7037 0.75YE 7036 0.75WH 1009 0.75WH/RD 0036 CF:2B XS385 0.75RD 2050 DK:1C XS384 CF:2B A174.A:54 0.75RD/GY 0034 0.75WH/BU 0035 0.75GN 7037 CF:3B XC313:8 0.75YE 7036 CF:3B XC313:7 CF:3B XC313:5 CF:3B XC313:4 TECU TECU UQS EMS EMS AfterTreatment CCIOM NoxSensorsPowersupply 12 A163 X1:2X1:6 EFLH DK:1A A174.A:50 CA1:1D XC302.6_A1 CA1:1D XC302.3_A1 CA1:1D XC302.6_A1 CA1:1D XC302.3_A1 CA1:2C XS350 CA1:2C XS349 CA1:2C XS349 CA1:2C XS350
  • 30.
    Page 26 (268)Wiring diagram T3077266 3210 A B C D WIRINGDIAGRAMCE1AFTERTREATMENTSYSTEMEM-EU5 956 XC312,GIC128,MufflerInterface ToschematicCE XC312,GIC128,MufflerInterface ToschematicCE NOx B96A Sensor,NOx A 2 HL HLHL 1 34(Supply) (Supply) (GND) (GND) EngineSubnet XE2 XE3 2143 B97 Sensor,Temp, DPF 2 1 T3 0.75GN 1716 Soleonidvalve, Dosingunit 2 1 0.75BN/W 0.75Y 0.75W 0.75GN/Y 0.75Y 0.75GN 0.75Y 0.75GN 871110202119 Y80 0.75Y 0.75GN 0.75BL/Y 0.75GN/Y
  • 31.
    Wiring diagram Page27 (268) T3065421 3210 A B C D WIRINGDIAGRAMCFAFTERTREATMENTSYSTEMADBLUETANKCONTROL,EM-EU5 0.75RD 2050 0.75RD 2050 XC319:1 0.75YE 7036 0.75GN 7037 0.75WH 1009 2.5RD 2052 0.75RD/YE 0031 0.75WH/BU 0033 2.5RD 2052 0.75BN 0180 0.75WH/VT 0179 0.75WH/VT 0179 0.75BN 0180 0.75RD 2050 0.75WH 1009 0.75WH 1009 0.75RD/BU 0040 0.75VT 0029 0.75VT 0029 0.75WH/YE 0178 0.75WH/BN 0042 0.75BU 2051 0.75WH 1010 0.75GY 0030 0.75GY 0030 0.75WH 1010 0.75BU 2051 0.75WH/BN 0042 0.75WH 1009 1.5WH 1 0.75GN 7037 0.75GN 7037 0.75YE 7036 0.75YE 7036 0.75WH 1009 2.5RD 2052 1.5RD 2052 0.75RD 2050 2.5RD 2052 0.75WH/BN 0042 0.75BU 2051 0.75WH/YE 0178 0.75WH/BU 0033 0.75RD/YE 0031 0.75WH 1010 2.5RD 2052 2.5RD 2052 1.5RD 2052 1.5RD 2052 0.75RD/YE 0031 0.75WH/BU 0033 0.75RD/GY 0032 R57 12 R23 12 R56 12 0.75RD/GY 0032 0.75RD/YE 0031 XC313:17 XC313:16XC313:18 XC316:15 XC316:16 XC316:7 0.75WH/BU 0033 XS382 1.5RD 2052 XS387 Y811 4Pump Reverting Valve Pressure Sensor M4989101112234 1.5RD 2052 B142213 4 0.75WH/BN 0042 0.75BU 2051 0.75WH/YE 0178 0.75WH/YE 0178 0.75RD/BU 0040 0.75RD/BU 0040 0.75WH/VT 0179 0.75BN 0180 0.75BN 0180 0.75WH/VT 0179 0.75VT 0029 0.75VT 0029 0.75VT 0029 XC316:110.75WH/VT 0179 XC313:8 XC313:7 XC316:10 XC316:2XC313:2 XC316:1XC313:1 XC316:14 XC313:14 XC316:6 XC313:15 1.5RD 2052 XC316:5 XC313:21 DK:2B XS383 0.75WH 1009 XS385 DK:1D XC303.21 1.5RD 2052 DK:1D XC303.35_A1 DK:1C XS384 XC313:13 0.75GY 0030 XC316:130.75GY 0030 XC313:19 2.5RD 2052 XC316:8 2.5RD 2052 2.5RD 2052 XC316:9XC313:9 0.75RD 2050 XC316:12 0.75WH 1009 XC313:6 0.75WH 1009 0.75WH 1009 XC313:3 XC316:30.75WH 1010 XC313:7 XC313:8 XC316:11 0.75GN 7037 XC316:10 0.75YE 7036 XC313:4 0.75YE 7036 XC313:5 0.75GN 7037 XS389 XS388 XC313:6 XC316:12 0.75WH 1 0.75WH 1 XC313:9 XC316:9 0.75RD 2049 0.75RD 2049 YA:3C XS373 DK:1D XC303.21 0.75RD 2049 0.75RD/GY 0032 XC319:14 XC319:6 XC319:5 XC319:8 XC319:16 XC319:15 XC319:7 XC319:13 XC319:3 XC319:2 XC319:12 XC319:9 XC319:10 XC319:11 CE:4C XS390 ACM Heatvalve AdBlue AdBluePumpmoduleControl AdBluelevel/ tempsensor AdBlueHeaterHose Supply1toActuatorsOutput3Output2Output1 V5EXT1 GNDSupply V5EXT2 A174 A:12A:18A:20A:8A:7A:4A30A:44A:46A:48A:52A:24A:28A:51A:54A:56 0.75BN 0180 0.75WH 1009 CE:0D XC312.9_A1 0.75WH 1009 CE:0D XC312.9_A1 RED BLACK Euro4/5 WHITE Quality B247 21 43 CE:0B A174.A:2 0.75GN 7037 CE:0B A174.A:6 0.75YE 7036 CE:0D XC312.11_A1 CE:0D XC312.10_A1 0.75RD/BU 0040 DK:1A A174.A:50 0.75RD 2050 0.75RD/YE 0031 0.75RD/GY 0032 0.75WH/BU 0033 0.75RD/GY 0032 0.75WH/BN 0042 0.75BU 2051 0.75GY 0030 0.75WH 1010 0.75RD/BU 0040 0.75WH/YE 0178
  • 32.
    Page 28 (268)Wiring diagram T3071731 3210 A B C D WIRINGDIAGRAMCKAFTERTREATMENTSYSTEMEML4,EM-EU6 (GIC128) XC312,GIC128,MufflerInterfaceToschematicCK1ToschematicCK1 0.75RD 2161 0.75RD 2161 Backbone1 L ECUSupply KeySwitch Input Ignitionsignal H LHLH GNDCATTempSensor UpstreamDownstream DPF Temp sensor DPF Pressure sensorNOxSupply EngineSubnetV5EXT1 Supply V5EXT2 GND V5EXT1/2 GND A174B A:1 A:10A:14A:3 A:5A:26A:3494:A24:A93:AA:50A:58 A:57A:53 A:54A:55A:56 A:60 A:61 0.75RD 2161 0.75YE 7038 0.75GN 7039 0.75WH 1010 0.75WH/RD 0036 0.75WH 1010 PNLT Only 2.5RD 2019 0.75RD/GN 0039 0.75GN 7005 0.75YE 7004 0.75RD 2050 1.5WH 1 1.5WH 1 0.75WH/BN 0038 0.75WH/VT 2020 1.5WH 1 0.75WH 1009 2.5RD 2019 2.5RD 2019 2.5RD 2019 0.75VT 0037 YA:3C XS373 YA:3C XS373 YA:3C XS373 DM:2B XS383 CL:2B XS385 AA:3A XC315:2 AA:3A XC355:2 BE:1D XS320 SA:3D XS327 SA:3D XS328 DM:1B XS384 0.75RD 2050 DM:1A A174B.A:50 DM:1A A174B.A:56 LHEF XS3101 0.75RD 2161 0.75RD 2161 1.5WH 1 YA:3C XS373 XS386 Pressuresensor(+) DPF PressureSensor DPFsignal PressureSensorGND DPF TempSensor DPF TempSensor downstream TempSensor upstream SensorGND NOxSupply NOxSupply NOxGND EngineSubnetEngineSubnet XC312 2027314919112165810 CK1:0D XC312_2.19_A2 CK1:0D XC312_2.21_A2 0.75YE 7038 CA1:1D XC302.34 0.75GN 7039 CA1:1D XC302.36 EMS CANLCANH
  • 33.
    Wiring diagram Page29 (268) T3072459 3210 A B C D WIRINGDIAGRAMCK1AFTERTREATMENTSYSTEMEML4,EM-EU6 9521436 XC312,GIC128,MufflerInterface ToschematicCK XC312,GIC128,MufflerInterface SCRplug-inharnes ToschematicCK 1.0R/SB 0.75BN/W 0.75Y 0.75Y 0.75Y 0.75BN/W 0.75BN/W 0.75BN/W 1.0BL/Y 1.0W/SB 1.0BL/W 1.0BL/W 1.0BL/W 1.0BL/W B97 Sensor,Temp, DPF 2 1 2 12 1 B85 Sensor,Temp PreCat B98 T2 T1 T3 Sensor,Temp, PostCat NOx B96B Sensor,NOx B 21 43 XE4 XE1 NOx B96 Sensor,NOx A 2 H H L HLHL L 1 34 PB115 Sensor, DPFpressure 12(Supply)(GND) (Supply) (Supply) (Supply)(GND) (GND) EngineSubnet (GND)(Signal)3 XE2 XE3 SCR_NOx_Ifc:1 SCR_NOx_Ifc:2 SCR_NOx_Ifc:3 SCR_NOx_Ifc:4 0.75BL 0.75BN 0.75GR/SB 1.0GN/W 1.0Y/BN 1.0R/SB 871110202119 0.75Y 0.75BN/W 0.75Y 0.75BN/W 1.0W/SB 0.75Y 1.0W/SB1.0W/SB 1.0W/SB 1.0R/SB 1.0R/SB
  • 34.
    Page 30 (268)Wiring diagram T3071732 3210 A B C D WIRINGDIAGRAMCLAFTERTREATMENTSYSTEMADBLUETANKCONTROL,EML4,EM-EU6 0.75WH 1009 2.5RD 2156 2.5RD 2156 HeatvalveAdBluelevel/AdBlueHeaterHoseSupplyto UreaLoads V5EXT1/2V5EXT2 HL DosagePumpAirControl Valve UreaAir Temp tempsensor GNDSupplyUreapressureAirPressure Supplyto UreaHosesAdBlueOutput1Output2 A174B A:18A:4A:21A:27A:28A:32A:35A:46A:47A:20A:16A:59A:51A:54A:62 0.75GY 2051 0.75GY 2051 0.75GY 2051 0.75WH 1009 0.75WH 1009 0.75RD 2155 0.75WH 1009 0.75WH 1009 0.75RD 2155 0.75RD 2155 XC313:17 0.75RD/GY 0032 0.75GY 2051 0.75WH 1009 XC319:16 XC319:1 0.75WH/BN 0042 0.75WH/YE 0040 0.75WH/BU 0033 XC313:8 XC316:1 0.75VT 0029 0.75RD 2155 0.75BN 0180 2.5RD 2156 R56A 12 0.75WH/BN 0042 XC313:21 XC319:8 XC319:3 0.75WH/VT 0179 XC316:3 0.75WH 1009 0.75BU 0231 XC313:2XC313:13 XC316:5 0.75WH/VT 0179 R57A 12 0.75WH/YE 0040 0.75BN 0180 XC319:5 0.75VT 0029 XC316:8 XS381 0.75BN 0180 XC316:11 XC316:2 0.75WH/BU 0033 B142B 3 3 1 1 1 4 XC319:6 0.75GY 2051 0.75VT 0029 XC313:3 0.75WH/BU 0033 0.75BN 0180 0.75VT 0029 1.5RD 2155 0.75RD/GY 0032 XC319:14 0.75RD 2155 XC319:11 0.75BU 0231 0.75WH/YE 0040 0.75WH 1009 XC313:15 Y81C 1 2 2.5RD 2155 XC313:19 0.75WH/YE 0040 XC313:6 0.75WH/BU 0033 0.75YE 0030 YELLOWEuro6 XC319:10 0.75GY 2051 XC316:6 0.75RD/GY 0032 BLACK XC316:13 2.5RD 2156 0.75WH/VT 0179 XC316:16 XC313:14 0.75GY 2051 XC316:15 0.75WH/BU 0033 XC316:10 XC316:14 0.75RD/GY 0032 0.75WH/VT 0179 0.75YE 0030 XC316:12 0.75RD/GY 0032 XC319:15 XC319:2 0.75BU 0231 XC313:16 0.75WH 1009 XC313:7 XC313:1 0.75VT 0029 XC319:13 0.75WH/YE 0040 0.75WH/BN 0042 DM:1C XC303.35_A2 DM:1C XC303.21 CK:0D XC312.9_A2 AirvalveUreatemp T A1904 XS379 0.75GY 2051 0.75BU 0231 0.75BU 0231 Urea pressure Air pressure 0.75YE 0030 0.75YE 0030 0.75WH/BN 0042 0.75WH/BN 0042 P B2633 0.75WH 1009 0.75WH 1009 XS385 XS380 0.75BN 0180 0.75YE 0030 0.75WH/VT 0179 P B2623 0.75WH 1009 0.75RD 2155 0.75RD 2155 2.5RD 2156 2.5RD 2156 2.5RD 2156 1.5RD 2155 XS3100 XS399 CK1:0D XC312_2.9_A2 0.75WH 1009 0.75RD/GY 0230 0.75RD/GY 0230 XC316:7 0.75WH/BU 0229 XC313:20 0.75RD/GY 0230 0.75RD/GY 0230 0.75RD/GY 0230 XC319:7 0.75WH/BU 0229 M M73 1 3 0.75WH/BU 0229 0.75WH/BU 0229 0.75WH/BU 0229 XC319:4XC316:4 XC313:18 XC319:12 2 2 212
  • 35.
    Wiring diagram Page31 (268) T3065437 3210 A B C D WIRINGDIAGRAMDATRANSMISSIONMANUAL XC303 (GIC021) XC303,GIC021,TransmissionInterfaceToschematicDA1ToschematicDA1 0.75GN 7007 0.75OG 7006 0.75GN 7007 0.75OG 7006 SB:4D XC210:9 SB:4D XC210:12 CA1:1D XC302.2 CA1:1D XC302.5 Backbone2Backbone2 (Split) LHLH 25810 1.5WH 1 CCIOM Mechanical Gear LowSplitsensor Neutral Feedbacksensor RangeInhibit Valve Gearbox OilTempSensor AreaInhibit Valve Gearbox OilTempSensor return/GND Reversefeedback Sensor SwitchforLowrange Manualgearbox Man.Gearboxsensors &valvesGnd A163 X3:10X3:1202:3X91:3X81:3XX3:21X3:24X3:5X3:1 0.75WH 1073 0.75WH 1073 0.75YE 0047 0.75RD/BU 1011 0.75WH 1073 0.75RD/GY 0052 0.75GN 0053 0.75WH/BN 0048 0.75WH/BN 0049 0.75BU 0050 0.75RD/GN 0051 DG:1D XS353 DG:1D XS353 YB:2D 5.5_3 Gearboxoil temp Ground, signals RangeInhibit Valve AreaInhibit signal Neutral feedback LowRange Switch Gearboxoil temp,Ground Reverse Feedback GearLowSplit Feedback 91120191738223133
  • 36.
    Page 32 (268)Wiring diagram T3072473 3210 A B C D WIRINGDIAGRAMDA1TRANSMISSIONMANUAL,GEARBOXANDRETARDER B23B138Neutral Switch 1215212829272335 P Y17 T B RET-TH A41 512 1324 4763 0.75GR 0.75BN/W 0.75VBN/W 0.75P Backbone2 CANHCANL 0.75BL/R 0.75BL/SB B12 0.75GR 0.75OR XE44 0.75VO/W B692 1 0.75BL/W 0.75OY/GR 0.75BL/GN 3193825810201922173311 XC303 (GIC021) 7162624 0.75BN XC303,GIC021,TransmissionInterfaceXC303,GIC021,TransmissionInterface Y06 1 4 0.75W 0.75W 0.75W 0.75W 0.75W 0.75W Y31 2 1 P S47 1 2 P S49 1 2 P S63 1 2 P S101 1 2 0.75GR/W 0.75GR/W 0.75BL/GN XE45 T B09B 21 0.75W 0.75W 0.75W XE410.75Y/W 0.75OR 0.75GN 0.75Y 0.75BN ToschematicDK,DMToschematicDAToschematicBC 0.75BN/W 0.75BN/W
  • 37.
    Wiring diagram Page33 (268) T3065438 3210 A B C D WIRINGDIAGRAMDCTRANSMISSIONI-SHIFT XC303 (GIC021) XC303,GIC021,TransmissionInterfaceToschematicDC1ToschematicDC1 0.75GN 7129 0.75OG 7128 0.75GN 7040 0.75GN 7007 0.75OG 7006 0.75GN 7007 0.75OG 7006 0.75GN 7037 0.75YE 7036 0.75GN 7037 0.75YE 7036 1.5WH 1 0.75GN 7005 0.75YE 7004 SA:1D XS332 SA:1D XS331 YA:2C XS374 SB:4D XC210:9 SB:4D XC210:12 Euro6 F70 20A 1 2 (87) (85) (30) (86) K17 1 3 2 5 FRC A01.CB8:8 XC208:5 2.5RD 2024 40A FromVMCU + CA1:1D XC302.2 CA1:1D XC302.5 Ground TECU Backbone2Powertrain Subnet Powertrain Subnet EURO6 Backbone1 PowerSupply TECU Backbone2 (Split) LHLHLHLHLHLH Powertrain Subnet TerminationinTECU 1234581061339303663 2.5RD 2024 CA1:1D XC302.3_A2 CA1:1D XC302.6_A2 CA1:1D XC302.6_A1 CA1:1D XC302.3_A1 CA1:2C XS350 CA1:2C XS349
  • 38.
    Page 34 (268)Wiring diagram T3072460 3210 A B C D WIRINGDIAGRAMDC1TRANSMISSIONI-SHIFT,GEARBOXANDRETARDER B23B138 ToschematicDK,DMToschematicDCToschematicBC 1215212829272335 P Y17 T B RET-TH A41 512 1324 4763 0.75BL/GN 0.75R 0.75VO/W 0.75W 0.75GR/W 0.75Y 1.5W 1.0W 1.0W 1.0R/SB 1.5R/SB 1.0R/SB 0.75VO 0.75VO0.75VO A13A H CAN Backbone2 LH CAN Powertrain LH CAN TERM Powertrain LH CAN TECU Supply TECU Gnd Backbone1 L 0.75BL/R 0.75BL/SB B12 0.75GR 0.75Y/GR XE22XE21 0.75OR XE12XE11 XE13 0.75P B692 1 0.75GN/BN 0.75OR 0.75BL/SB 0.75R 0.75R 13142581036303639 XC303 (GIC021) 7162624 0.75GN 0.75Y 0.75BL 0.75BL 0.75BL 0.75BN/P XC303,GIC021,TransmissionInterfaceXC303,GIC021,TransmissionInterface SECP VASEVAFE VASDVAFDB26B Y26 Y21 Y23 Y22 A42B A4A8A18A12A15A11A19A14A2A1A13A10 B4B16B12B15B2B1B7B6B10B11
  • 39.
    Wiring diagram Page35 (268) T3065439 3210 A B C D WIRINGDIAGRAMDGDIFFERENTIALLOCKANDFUELLEVELSENSOR 0.75WH 1 0.75WH 1 0.75WH 1012 XC314:3 B07 12 S45 1 2 S45R 1 2 XC314:1 0.75WH/YE 0054 YB:4C XS308 YB:4C XS308 YB:1C XS370 YB:1C XS370 0.75WH 1 0.75WH 1 0.75RD/GN 0059 0.75GN 0060 XC317:6 0.75WH/RD 0061 XC317:5 0.75PK 0062 0.75WH/RD 0061 0.75PK 0062 Switch1 Rearwheelaxle Switch2(HD)(HD) RCIOM RearInterAxle Difflockvalve Rearwheel Difflockvalve DriveLine_Traction A164 X2:9X2:22X1:4X1:16 0.75WH/YE 0054 0.75WH 1012 CCIOM DriveLine/Traction Frontwheel DriveIndicator Frontwheels DiffLock FeedBacksensor FrontWheel Difflockvalve FuelLevel Sensor FuelLevel SensorGND SplitboxcontrolDifferentialLocksFuelLevel Frontwheel Drive A163 X3:17X3:14X3:15X3:16X3:7X3:15 0.75WH 1 YB:4C XS308 0.75RD/GN 0059 Y031 4 Y021 4
  • 40.
    Page 36 (268)Wiring diagram T3065423 3210 A B C D WIRINGDIAGRAMDKRETARDER Retarder CoolantTemp Retarder OilTemp Retarder AirPressure A:19A:32A:50 2927 RetarderValve Supply Retarder AirPressure Supply Retarder AirPressure Signal Retarder OilTemp Retarder CoolantTemp RetarderValve Control Retarder AirPressure, Ground RetarderOiland CoolantTemp, Ground XC303 XC303,GIC021,TransmissionInterface 121521352823 0.75RD 2050 0.75RD 2050 0.75RD 2050 0.75RD 2050 CF:1B XS382 0.75WH 1009 0.75WH 1010 0.75RD 2050 0.75WH 1010 0.75WH 1010 0.75WH 1009 Retarder V5EXT1 Supply Retarder Control Tempsensorground/ V5EXT2gnd A174 Controlunit,ACM (AftertreatmentControlModule) A:15A:31A:55 1.5RD 2052 1.5BU 0043 0.75WH/GY 0044 0.75WH/GN 0045 0.75YE 0046 0.75WH 1010 CF:2B XC313:3 CF:2B XS385 0.75RD 2050 CF:3B XC313:9 0.75WH 1010 0.75RD 2050 XS383 XS384 CF: A174.A:54 CE:0D XC312.1_A1 CE:0D XC312.5_A1 CE:0D XC312.5_A1 CF:3B XC313:9 (GIC021) ToschematicDA1,DC1
  • 41.
    Wiring diagram Page37 (268) T3071733 3210 A B C D WIRINGDIAGRAMDMRETARDEREM-EU6 1.5BU 00430.75WH 1010 0.75WH 1010 0.75WH 1010 0.75RD 2050 0.75WH 10090.75RD 2050 0.75WH 1010 XS384 0.75WH 1010 XS383 1.5RD 2155 CL:1B XS399 CK:0D XC312.1_A2 CL:2B XS385 CK:0D XC312.5_A2 Retarder V5EXT1 Supply RetarderRetarder WaterTemp Retarder AirPressure Retarder Soleonid TempSensor GNDOilTemp A174B A:15A:11A:19A:36A:50 A:36A:50 A:56 0.75WH/GN 0045 0.75YE 0046 0.75WH/GY 0044 0.75RD 2050 0.75WH 1010 CK:0D XC312.5_A2 CK:0D XC312.1_A2 RetarderValve Supply Retarder AirPressure Supply Retarder AirPressure Signal Retarder OilTemp Retarder CoolantTemp RetarderValve Control Retarder AirPressure, Ground RetarderOiland CoolantTemp, Ground 1215212829272335 0.75RD 2050 CK1:0D XC312_2.5_A2 0.75RD 2050 CK1:0D XC312_2.5_A2 CK1:0D XC312_2.1_A2 CK1:0D XC312_2.1_A2 0.75RD 2050 XC303 XC303,GIC021,TransmissionInterface (GIC021) ToschematicDA1,DC1
  • 42.
    Page 38 (268)Wiring diagram T3065440 3210 A B C D WIRINGDIAGRAMEAABSANTILOCKBRAKESYSTEM n 0.75SB 0.75W B16A 31 GndGnd Backbone1Powersupply Gnd Wheelspeed sensor frontleft Valvefront axleleft InputInputOutputOutput21Input2 Wheelspeed sensor frontright Valvefront axleright Wheelspeed sensor Rearleft ValveRear axleleft Wheelspeed sensor Rearright ValveRear axleright Ignitionsignal Gnd ABS ABS Common front axle Gnd11GndOutputOutput 1OutputOutput ValveRear axleleft Wheelspeed sensor Rearleft Wheelspeed sensor Rearright Input Input ValveRear axleright 2Input2 A12A Controlunit,ABS (Anti-lockBrakeSystem) X1:5X1:9X1:7X1:8 X1:10X1:15X1:11X1:16X1:14X3:1X1:12X1:13X3:2X3:3X3:6X3:10X3:4X3:5 X1:6 X1:4X1:3 12 HL X3:12X3:11X3:13 21 X1:1X1:2 X4:7X4:3X4:9X4:10X4:5X4:4X4:1X4:2X4:6X4:8 0.75WH/GN 0188 0.75WH 1014 0.75WH 1014 0.75WH/VT 2020 1.5WH 1 1.5WH 1 0.75WH 1017 0.75GY 0063 0.75RD/YE 2054 0.75YE 7004 0.75GN 7005 2.5RD 2055 SA:2D XS330 SA:2D XS329 2.5RD 2055 0.75BU 0184 0.75WH/BN 0185 0.75WH/GY 0186 0.75GY 0187 0.75RD/GN 0191 0.75VT 0190 0.75WH 10150.75YE 0189 0.75BU 0193 0.75WH/BN 0192 0.75WH 1016 n 0.75SB 0.75W B14A 31 n 0.75SB 0.75W B15A 31 P B237 4 12 (ABS/UABS) FRC A01.CB2:19 XC210:10 2.5RD 2055 2.5RD 2055 F37 20A 1 2 YA:4D 5.3_4 YA:4D 5.3_4 BE:1D XS320 Brake Pressuresensor(HD) SupplySignalGnd RCIOM A164 X1:18X1:13X1:14 XS356 XS355 n 0.75SB 0.75W B13A 31 0.75VT 0182 0.75RD/GN 0183 Y13 13 2 Y14 13 2 0.75GY 0064 0.75WH/GY 0065 0.75YE 0067 0.75WH/GN 0066 Y11A 13 2Y12A 13 2 0.75WH 1014 +
  • 43.
    Wiring diagram Page39 (268) T3065441 3210 A B C D WIRINGDIAGRAMEEEBSCONTROLUNIT 0.75GN 7047 0.75VT 7046 1.0RD 2058 1.0WH 1020 0.75VT 7052 1.5WH 1 0.75GN 7053 0.75VT 70520.75WH 1022 0.75GN 7001 0.75OG 7000 0.75YE 7004 0.75GN 7005 2.5RD 2055 1.0WH 1020 1.0RD 2058 1.0WH 1020 1.0RD 2058 1.0WH 1019 1.0RD 2057 1.0WH 1019 1.0RD 2057 1.0WH 1018 1.0RD 2063 1.0WH 1018 1.0RD 2063 0.75VT 7052 0.75RD 2142 0.75WH 1022 0.75WH 1014 0.75WH 1014 2.5RD 2055 XS359EF:0B U01.X1:2 EF:0B U01.X1:1 EF:3B U08.X1:2 EF:3B U08.X1:1 EG:0B U03B.X1:2 EG:0B U03B.X1:1 EG:2B U03A.X1:2 EG:2B U03A.X1:1 EH:0B U04.X1:2 EH:0B U04.X1:1 EH:1B U07.X1:2 EH:1B U07.X1:1 SA:2D XS330 SA:2D XS329 1.5WH 1 XC213:8 0.75RD 2056 XC213:9 0.75WH 1017 XC213:10 0.75BU 0068 XC213:11 0.75WH/RD 0069 0.75WH/GY 0065 0.75WH 1014 0.75WH/GN 0066 0.75YE 0067 2142 0.75WH 1022 0.75VT 7052 0.75GN 7053 0.75GN 7053 HLHL ABSvalvefront Leftsignal GndGnd Backbone1 PowerSupply SupplyLHGndGndSupply Signal Gnd Chassissubnet Brakepedalsensor Supply12InputOutput Rightsignal OutputInput REAR Modulator 1stDriveAxle/ DriveAxles (withlowRAL) Supply ADD1 Modulator 2ndDriveAxle (Tridemw.highRAL) PusherTridem(RAA31PT) Gnd ADD2 Modulator Pusher/TagAxle/ 2ndDriveAxle (withhighRAL) SupplyGnd FRONT Modulator FrontAxle FrontAxles(FAA20) SupplyGnd Multiplexedsensor CAN LHLHLH FrontBrakeCANRearBrakeCAN A21Controlunit,EBS (ElectronicBrakeSystem) X3:4X1:3X1:8X1:7 X3:10 X2:5X3:9X3:8X1:4 X3:1 X3:3 X3:2X1:15X1:5 X2:3X2:4 X1:6 X1:9X1:11X1:10X1:12X1:13X1:14 X2:8X2:7 HL X2:15X2:16X1:16X3:11 X3:12X3:13 X3:17X3:18 X2:9X2:17X2:1X2:2 YA:4D 5.3_4 0.75GN 7053 0.75VT 7052 0.75RD 2142 0.75WH 1022 SD:3C XS346 SD:3C XS345 B03 Sensor, footbrakevalve 1324 B49 Sensor,steeringangle 43 43 21 A01.CB2:19 FRC 0.75WH 1022 0.75RD 2142 0.75GN 7053 XC210:10 2.5RD 2055 2.5RD 2055 F37 1 2 XC203:15 XC203:16 XC203:7 XC203:8 YA:4D 5.3_4 0.75RD 21421.0RD 2058 EG:3B U03C.X1:2 1.0WH 1020 EG:3B U03C.X1:1 1.0RD 2058 EG:3B U03C.X1:2 1.0WH 1020 EG:3B U03C.X1:1EH:0B U04.X1:2 EH:0B U04.X1:1 + XS357 XS360 XS361 XS362 XS363 B50 Sensor, yaw-rate 1 2 Y11 13 2Y12 13 2 0.75GY 0064 XC203:25 0.75RD 2056 0.75RD 2056 XC203:17 0.75WH 1017 0.75WH 1017 XC203:9 0.75BU 0068 0.75BU 0068 XC203:18 0.75WH/RD 0069 0.75WH/RD 0069 0.75GN 7047 EG:3B U03C.X1:4 0.75VT 7046 EG:3B U03C.X1:3 0.75VT 7049 EG:2B U03A.X1:3 0.75GN 7048 EG:2B U03A.X1:4 0.75VT 7049 EG:0B U03B.X1:3 0.75GN 7048 EG:0B U03B.X1:4 OR 0.75VT 7045 EF:3B U08.X1:3 0.75GN 7126 EF:3B U08.X1:4 OR 0.75VT 7045 EF:0B U01.X1:3 0.75GN 7126 EF:0B U01.X1:4 OROR 0.75VT 7046 EH:1B U07.X1:3 0.75GN 7047 EH:1B U07.X1:4 0.75VT 7046 EG:3B U03C.X1:3 0.75GN 7047 EG:3B U03C.X1:4 0.75VT 7046 EH:0B U04.X1:3 0.75GN 7047 EH:0B U04.X1:4 OROR EH:0B U04.X1:3 EH:0B U04.X1:4 OROR 0.75RD
  • 44.
    Page 40 (268)Wiring diagram T3065442 3210 A B C D WIRINGDIAGRAMEFEBSFRONTAXLEMODULATOR B_GndA_GndB_SPLA_SPLAB X2:3 X2:4 X2:1 X2:5 X2:2 X2:6 D_GndC_GndD_SPLC_SPLCD X3:3 X3:4 X3:1 X3:5 X3:2 X3:6 LWS_A/B GNDSupplyHL WSS_AWSS_B LLHH B_GndA_GndB_SPLA_SPLAB X2:3 X2:4 X3:2X4:1X4:2 X2:1 X3:1 X2:5 X2:2 X2:6 LWS_A/B CAN GNDSupplyHL X1:1X1:2X1:3X1:4 WSS_AWSS_B LWS_C/D WSS_DWSS_C HLHLHLHL X4:2X4:1X5:2X5:1X6:1X7:1X7:2X6:2 1.0WH 1018 1.0RD 20631.0WH 1018 1.0RD 2063 0.75GN 7126 0.75VT 70450.75VT 7045 EE:0B A21.X2:5 EE:0B A21.X2:9 EE:0B A21.X2:5 EE:0B A21.X2:9 Sensor wheel speed Sensor Brake lining Sensor wheel speed Sensor Brake lining Sensor Brake lining Sensor Brake lining Sensor wheel speed Sensor wheel speed Sensor wheel speed Sensor wheel speed Sensor Brake lining Sensor Brake lining ModulatorfrontaxleModulatorfrontaxle,leftandright 0.75GN 7126 U08 Modulator,EBS, FAA10 U S B40B U S B41B n 0.75SB 0.75W B13B 31321321321321321321 n 0.75SB 0.75W B14B 31 0.75RD/YE 20640.75RD/GN 0086 0.75WH 1024 0.75WH/YE 20650.75RD/BU 0087 0.75WH 1025 0.75PK 0071 0.75WH 0070 0.75PK 0073 0.75WH 0072 U S B46B U S B40B n 0.75SB 0.75W B13B 31 n 0.75SB 0.75W B19 31 U S B47B CAN U01 Modulator,EBS,FAA20X1:4X1:3X1:1X1:2 U S B41B n 0.75SB 0.75W B14B 31 n 0.75SB 0.75W B20 31 0.75PK 0077 0.75WH 0074 0.75PK 0075 0.75WH 0072 0.75PK 0073 0.75WH 0070 0.75PK 0071 0.75WH 1027 0.75RD/BU 0089 0.75WH/YE 2067 0.75WH 1026 0.75RD/GN 0088 0.75RD/YE 2066 0.75WH 1025 0.75RD/BU 0087 0.75WH/YE 2065 0.75WH 1024 0.75RD/GN 0086 0.75RD/YE 2064 0.75WH 0076 EE:0B A21.X2:15 EE:0B A21.X2:16 EE:0B A21.X2:15 EE:0B A21.X2:16 0.75W 0.75Y 0.75R 0.75W 0.75Y 0.75R 0.75W 0.75Y 0.75R 0.75W 0.75Y 0.75R 0.75W 0.75Y 0.75R 0.75W 0.75Y 0.75R
  • 45.
    Wiring diagram Page41 (268) T3065443 3210 A B C D WIRINGDIAGRAMEGEBSREARAXLEMODULATOR WSS_AWSS_B LLHH B_GndA_GndB_SPLA_SPLAB X2:3 X2:4 X3:2X4:1X4:2 X2:1 X3:1 X2:5 X2:2 X2:6 LWS_A/B CAN GNDSupplyHL X1:1X1:2X1:3X1:4 WSS_AWSS_B LLHH B_GndA_GndB_SPLA_SPLAB X2:3 X2:4 X3:2X4:1X4:2 X2:1 X3:1 X2:5 X2:2 X2:6 LWS_A/B B_GndA_GndB_SPLA_SPLAB X2:3 X2:4 X2:1 X2:5 X2:2 X2:6 D_GndC_GndD_SPLC_SPLCD X3:3 X3:4 X3:1 X3:5 X3:2 X3:6 LWS_A/B CAN GNDSupplyGNDSupplyHHLL X1:1X1:2X1:3X1:4 1.0RD 2058 1.0WH 1020 1.0WH 1019 1.0RD 2057 0.75GN 7048 0.75VT 7049 1.0WH 1019 1.0RD 2057 0.75GN 7048 0.75VT 7049 0.75BU 0200 0.75BU 0198 0.75BU 0196 0.75BU 0194 0.75RD/BU 0092 0.75YE/BU 2070 0.75RD/BU 0090 0.75YE/BU 2068 0.75WH/BU 1030 0.75WH 0201 0.75WH 0199 0.75WH 0197 0.75WH 0195 0.75WH/BU 1028 0.75RD 0203 0.75WH 0197 0.75BU 0196 0.75YE 2145 0.75BU 0194 0.75WH 0195 EE:0B A21.X3:13 EE:0B A21.X3:12 EE:0B A21.X3:13 EE:0B A21.X3:12 Modulator,rearaxleModulatorrearAxle,twodrivenrearaxles 0.75WH 1061 U03A Modulator,EBS, onereardrivenaxleCAN WSS_AWSS_B LWS_C/D WSS_DWSS_C HLHLHLHL U03B Modulator,EBS, tworeardrivenaxles X4:2 X1:4X1:3X1:1X1:2 X4:1X5:2X5:1X6:1X7:1X7:2X6:2 U S B44B U S B45B U S B42B U S B43B U S B42A U S B43A n 0.75SB 0.75W B17 31 n 0.75SB 0.75W B18 31 n 0.75SB 0.75W B15B 31 n 0.75SB 0.75W B15B 31 n 0.75SB 0.75W B16B 31 n 0.75SB 0.75W B16B 31 Sensor Brake lining Sensor wheel speed Sensor Brake lining Sensor Brake lining Sensor Brake lining Sensor wheel speed Sensor wheel speed Sensor wheel speed Sensor wheel speed Sensor wheel speed Sensor Brake lining Sensor Brake lining 0.75YE/BU 2070 0.75GN 7047 0.75YE 2071 Sensor wheel speed 0.75BL 0198 Sensor Brake lining n 0.75SB 0.75W B18 31 U S B44B 0.75W 0199 U03C Modulator,EBS, rearaxle Modulators,tworearaxleswhenover23/26ton n 0.75SB 0.75W B17 31 1.0WH 1020 Sensor wheel speed 0.75RD 0093 U S B45B Sensor Brake lining 0.75WH 1031 0.75VT 7046 0.75W 0201 1.0RD 2058 0.75WH/BU 1030 0.75RD/BU 0092 0.75BL 0200 EE:0B A21.X3:4 EE:0B A21.X3:3 EE:0B A21.X3:9 EE:0B A21.X3:8 0.75VT 7046 0.75GN 7047 0.75RD/BU 0202 0.75YE/BU 2144 0.75WH/BU 1060 0.75YE 2069 0.75RD 0091 0.75WH 1029 0.75WH 1031 0.75YE 2071 0.75RD 0093 EE:0B A21.X3:18 EE:0B A21.X3:17 EE:0B A21.X3:11 EE:0B A21.X3:10 EE:0B A21.X3:11 EE:0B A21.X3:10 EE:0B A21.X3:2 EE:0B A21.X3:1 0.75W 0.75Y 0.75R 0.75W 0.75Y 0.75R 0.75W 0.75Y 0.75R 0.75W 0.75Y 0.75R 0.75W 0.75Y 0.75R 0.75W 0.75Y 0.75R 0.75W 0.75Y 0.75R 0.75W 0.75Y 0.75R 321321321321321321321321
  • 46.
    Page 42 (268)Wiring diagram T3065444 3210 A B C D WIRINGDIAGRAMEHEBS6X2andTRIDEM LWS_A/B WSS_AWSS_B LLHH B_GndA_GndB_SPLA_SPLAB U04 Modulator,EBS, pusheraxle X2:3 X2:4 X3:2X4:1X4:2 X2:1 X3:1 X2:5 X2:2 X2:6 WSS_AWSS_B LLHH B_GndA_GndB_SPLA_SPLAB X2:3 X2:4 X3:2X4:1X4:2 X2:1 X3:1 X2:5 X2:2 X2:6 0.75GN 7047 0.75VT 7046 1.0RD 2058 1.0WH 1020 0.75GN 7047 0.75VT 7046 0.75VT 7046 1.0WH 1020 1.0RD 2058 1.0WH 1020 1.0RD 2058 0.75P 0094 0.75P 0095 0.75WH 1033 0.75P 0097 0.75P 0096 0.75P 0208 0.75P 0206 0.75P 0207 0.75P 0209 Modulator,TagAxleModulator,PusherAxle EE:0B A21.X3:4 EE:0B A21.X3:3 EE:0B A21.X3:4 EE:0B A21.X3:3 0.75GN 7047 Sensor wheel speed Sensor wheel speed Sensor wheel speed Sensor wheel speed Sensor Brake lining Sensor Brake lining Sensor Brake lining Sensor Brake lining LWS_A/B CAN GNDSupplyHL U07 Modulator,EBS, tagaxle X1:1X1:2X1:3X1:4 CAN GNDSupplyHL X1:1X1:2X1:3X1:4 U S 0.75W 0.75Y 0.75R B74B U S 0.75W 0.75Y 0.75R B75B U S0.75W 0.75Y 0.75R B76B U S 0.75W 0.75Y 0.75R B77B n 0.75SB 0.75W B70 31 n 0.75SB 0.75W B71 31 n 0.75SB 0.75W B72 31 n 0.75SB 0.75W B73 31 EE:0B A21.X3:9 EE:0B A21.X3:8 0.75Y/BL 2072 0.75W/BL 1032 0.75R/BL 0098 0.75YE 2073 0.75RD 0099 0.75R/BL 0210 0.75Y/BL 2148 0.75W/BL 1064 0.75YE 2149 0.75WH 1065 0.75RD 0211 EE:0B A21.X3:2 EE:0B A21.X3:1 EE:0B A21.X3:2 EE:0B A21.X3:1 EE:0B A21.X3:17 EE:0B A21.X3:18 321321321321
  • 47.
    Wiring diagram Page43 (268) T3065445 3210 A B C D WIRINGDIAGRAMEIEBSTRAILERMODULATOR 0.75WH 1034 0.75RD 2062 0.75RD 2060 0.75WH 1023 0.75WH/YE 0107 0.75WH/GY 0108 0.75GY 0109 0.75YE 0110 1.0RD 2061 SupplySupplySignalGndBackupOutIn A21 Controlunit,EBS (ElectronicBrakeSystem) X2:6 TrailermodulatorvalvePressuresensor X2:12X2:10X2:13X2:14 X2:18X2:11 ModulatorEBS trailercontrol P U U05A 3621754 Y134B1 3 TrailerPWMvalve CCIOM GND X2:21X1:26 Supply A163
  • 48.
    Page 44 (268)Wiring diagram T3065446 3210 A B C D WIRINGDIAGRAMFAAIRSUSPENSIONFRONT 132Gnd 1 12 2 0.75WH 0121 0.75BN 0181 0.75RD 2081 0.75WH 1038 0.75RD/GN 0124 0.75BU 0122 Gnd Y40 Solenoidvalveunit, frontaxle,airsuspension 4321 +/- B28 Sensor,chassislevel, frontaxle 4 P B56 Sensor,airpressure, suspensionbellowsfrontaxle 4 0.75VT 0120 0.75RD 2080 0.75WH 1036 0.75PK 0123 CCIOM ECSPressuresensor Supply1 ECSLevelsensor Supply2 ECSFront ECSFront(left) Pressuresensor Signal1 ECSPressuresensor GND1 ECSfront(left) LevelSensor Signal1 ECSlevelsensor GND2 ECSFrontAxleSoleniodvalve A163 X2:1X2:22X1:23X1:3X1:7X1:9X1:10X1:19X2:19X2:23 XC310:1 0.75RD 2081 0.75RD 2081 XC310:4 0.75BN 0181 0.75BN 0181 XC310:2 0.75WH 0121 0.75WH 0121 OROROR
  • 49.
    Wiring diagram Page45 (268) T3065447 3210 A B C D WIRINGDIAGRAMFBAIRSUSPENSIONREAR,LEVELSENSORS,WRG +/- B29B Sensor,chassislevel, lhs.rearaxle 4 0.5WH 1 0.75WH 1039 0.75WH 1039 0.75RD 2082 0.75RD 2082 0.75RD 2082 0.75RD 2082 0.75WH 1039 0.75GN 0125 XS314 XS315 Chargerholder +/- B30 Sensor,chassislevel, rhs.rearaxle 4 Cabsubnet 0.75WH 1039 0.5GN 7023 SC:1C XS1220 0.5OG 7022 SC:2C XS1221 WRG WirelessRemoteGateway (toberenamedtoA212) FRC A01.CB2:4 Signal2 Right Level sensor supplyGnd2 Signal1 Left ECSrearaxleslevelsensor RCIOM A164 X3:10X3:12X3:9X3:2 0.75WH/GN 0126 YG:0D 1.5.B:10 OR XC140:23 0.5RD 2083 0.5RD 2083 XC140:25 0.5WH 1 WRC F33 3A 1 2 6314 + OR 1212
  • 50.
    Page 46 (268)Wiring diagram T3065448 3210 A B C D WIRINGDIAGRAMFCAIRSUSPENSIONREAR,6x2,6x4andTRIDEMVALVES Ground Signal Supply PressureSensorSoleniodValves ValvesReturn (P3)(P24)(P21/P22)(P25)(P1)(P23)GND1 412356 Y137 A:7A:3A:2A:1A:4A:5A:6A:11A:12A:8A:9 0.75RD 2084 P B248 4 1212 P B24A 4 0.75RD 2084 0.75RD 2084 0.75WH 1040 2.5WH 1040 0.75WH 1041 0.75WH 1041 0.75WH 1041 0.75RD 2084 0.75RD 2084 0.75WH/YE 0138 0.75WH/GN 1059 0.75BU 0136 0.75WH/BN 0135 0.75WH/VT 0133 0.75BN 0132 0.75VT 0131 0.75RD/GN 0130 0.75BN 0129 0.75PK 0128 0.75WH/RD 0127 Gnd Y136 4321 XS318 XS319 0.75WH 1040 XS306 MegavalveSolenoidValveUnit RCIOM ECSRearSolenoidValve(PWM) Return GND1 ECSRearSolenoidValve Return GND2 PressureSensor ECSRearSensorsignalPressureSensor 789Ground1SupplySignal3 A164 X3:13 12 X3:7X3:4X3:3 124365 X3:29X3:1X3:14X3:24X3:20X3:28X3:19X3:17X3:11X3:8X3:23X3:25 0.75RD 2084 0.75GY 0137 0.75WH 1041 0.75RD/GY 0134 0.75WH 1041 OROR FD:1C XS316 FD:1C XS317 OROR TRIDEM
  • 51.
    Wiring diagram Page47 (268) T3065449 3210 A B C D WIRINGDIAGRAMFDAIRSUSPENSIONREAR,4x2 P B574 0.75WH 1041 0.75RD 2084 0.75RD 2084 0.75WH 1041 2.5WH 1040 0.75BN 0129 0.75PK 0128 0.75WH/RD 0127 0.75WH 1041 0.75WH/YE 0138 0.75RD 2084 0.75RD 2084 0.75WH 1041 Gnd Y135 4321 0.75RD 2084 0.75WH 1041 P B584 XS316 XS317 OROR 0.75GY 0137 RCIOM Press.sensor Gnd1 ECSrearaxlespressuresensor 3 ECSRearSolenoidValve 1 Return GND12 A164 X3:13X3:29X3:25X3:23X3:24X3:11 1212 X3:1 supplySignal1Signal2 X3:14 FC:0D Y137.A:6 FC:0D Y137.A:4
  • 52.
    Page 48 (268)Wiring diagram T3065450 3210 A B C D WIRINGDIAGRAMFEAIRMANAGEMENTAPMWITEPB Chassissubnet Supply Gnd1 Supply HCUUnit-LIN Gnd2 SignalGndSupply APM +UBATT+UCCIOM ADRMain SwitchStatus A177 Controlunit,APM (AirProductionModulator) X1:5X1:3X1:9 X1:10X1:1 X1:2 HL X1:18X1:12X1:11X1:14 0.75RD 7054 SD:2C XS341 0.75YE 0004 1.0RD 2085 1.5WH 1 0.75GN 7001 1.5WH 1 0.75OG 7000 SD:2C XS342 AB:0B A163.X1:24 APMUNIT YA:2C XS374 YA:2C XS374 XC203:10 0.75WH 7056 XC203:11 0.75GY 7055 0.75GY 7055 XC203:12 0.75RD 7054 A01.CB2:3 FRC XC203:35 1.0RD 2086 1.0RD 2086 AB:2B XS358 + 0.75WH 7056 F32 10A 1 2 GndLINSupply A173 HCU,HandControlUnit, ElectricalParkBrake A:3A:2A:1
  • 53.
    Wiring diagram Page49 (268) T3065451 3210 A B C D WIRINGDIAGRAMFHFRONTAXLESTEERINGHYDRAULIC 0.75WH 1045 0.75WH 1045 0.75WH 1045 0.75WH/BN 0145 0.75WH 1045 0.75WH/BN 0145 XS364 0.75WH/BN 0145 XS365 0.75WH 1045 XS396 0.75WH/BN 0145 0.75WH/BN 0145 0.75WH/BN 0145 0.75WH 1045 0.75WH/BN 0145 0.75WH 1045 XS395 0.75WH 1045 RHDLHD CCIOM Hydraulic SteeringSwitch Hydraulic HydralicSteering SwitchGnd A163 X3:2X3:9 S60A1 3 S60B1 3 S60A_RHD1 3 S60B_RHD 1 3 S701 2 X3:2X3:9 S70_RHD 1 2 OROR Thepressuresensorslogicis, ifunderpressure=open Nopressure=closed 0.75WH/BN 0145
  • 54.
    Page 50 (268)Wiring diagram T3065454 3210 A B C D WIRINGDIAGRAMFLREARAXLESTEERINGELECTRONIC,RAS Steeringanglesensor,rear GndS1S2Power RearAxleSteering LH Curve RH Curve (AD2)(AD1)GndGnd(AD7/AD8)(ADM2) Cutoffvalve 12 A21 Controlunit,EBS (ElectronicBrakeSystem) X4:3X4:8X4:2X4:1X4:12X4:11X4:10X4:9X4:6X45 0.75BU 0140 0.75VT 0139 0.75WH 1042 0.75RD 2087 0.75WH 1044 0.75GN 0141 0.75WH/GN 0142 0.75WH/GY 0143 0.75YE 0144 Y53 Controlvalveblock,RAS 745632 B49R Sensor,steeringangle,Rear 4312 XC354:4 0.75BU 0140 0.75BU 0140 XC354:3 0.75VT 0139 0.75VT 0139 XC354:2 0.75WH 1042 XC354:1 0.75RD 2087 0.75WH 1043 0.75RD 2087 0.75WH 1042 OROROROR
  • 55.
    Wiring diagram Page51 (268) T3065456 3210 A B C D WIRINGDIAGRAMFMREARAXLESTEERINGSELFSTEERED,RAS 0.75GN 0146 0.75WH 1046 ThirdAxel RAS Selfsteered RCIOM A164 Y101 X3:26X3:27 GNDLockValve 4
  • 56.
    Page 52 (268)Wiring diagram T3065457 3210 A B C D WIRINGDIAGRAMGAEXTERIORLIGHT,FRONT,LEFTROAD MainUnit LIN 12V E83L9 8 12 543761314 6151 E98L3 2 1 0.75WH 1 0.75WH/RD 3013 0.75GN 3000 ExteriorLightFront Position_Light frontLeft HeadlightLevelMotor1 PowerSupply1 HeadlightLevel Motor1signal Cornerlight Extramainbeamleft HeadLightLow/ DippedBeamLeft FrontSideDirection LeftIndicator HeadLightHigh/ MainbeamLeft CAN_L Grounds 2 PowerSupply CAN_H Chassissubnet FrontDirection LeftIndicator Hazard hardwire 1 Ignition Bi-Xenonlight shutterleft FCIOM 1 2 FrontFog LightLeft DayTimeRunning LightsLeft A162 X2:2X1:19X1:8X1:15X1:16X2:13X1:11 X1:22X1:29X2:29 X1:4X2:28 X1:17X1:1X1:15 X1:28X1:24X1:20X2:25 0.75WH/VT 2020 1.0WH 1 0.75WH 1 0.75WH 1 0.75WH 1 0.75RD 7043 0.75GY 7044 0.75WH/BN 3011 0.75WH/VT 3003 0.75WH/RD 3005 0.75BU 3030 0.75RD/GN 3028 4.0RD 2016 0.75OG 7000 0.75GN 7001 SD:0BSD:1B XC301_2:12 AA:2A XC321_2:1 YA:0C XC321_2:2 AA:3A XC322_2:1 E13L1 2 0.75WH/RD 3013 GB:2C E83R.9 GB:2C E83R.11 GND LowBeam GND Fog CornerLight ExtraMainBeam YD:1C XS351 YD:1C XS351 YD:1C XS351 YA:0C XC301_2:15 0.75BN 3032 0.75YE 3034 1.0GY 3007 0.75WH/BN 3009 0.75RD/BU 3036 2.5WH 1 2.5WH 1 2015 GND HighBeam,levelling positionanddirectionind. YD:1C XS351 BE:0D XC301_2:13 BE:0D XC301_2:14 YD:1C XS351 XC301_2:11
  • 57.
    Wiring diagram Page53 (268) T3065460 3210 A B C D WIRINGDIAGRAMGBEXTERIORLIGHT,FRONT,RIGHTBENDINGLIGHT,ROAD E98R3 2 1 MainUnit LIN 12V E83R9 7 11 38541261310 1615 14 0.75WH 1 0.75BU 3014 0.75BU 3014 0.75WH 1 0.75WH 1 1.0WH 1 0.75WH 1 0.75RD 7043 0.75GY 7044 0.75BN 3029 0.75GN 3031 0.75PK 3012 0.75WH/RD 3004 0.75VT 3006 0.75WH/YE 3037 0.75PK 3010 1.0WH/BU 3008 0.75GN 7042 0.75WH/GY 3035 0.75RD 3016 0.75WH/VT 3033 0.75OG 7041 GA:2C E83L.9 GA:2C E83L.12 GND Fog CornerLight ExtraMainBeam GND LowBeam GND HighBeam,levelling positionanddirectionind. YD:2C XS352 YD:2C XS352 YD:2C XS352 E13R 1 2 YD:2C XS352 ExteriorLightFront HeadLightLow DippedBeamRight FrontSideDirection IndicatorRight HeadLightHigh/ MainBeamRight VTFrontFogLight Right Positionlight, front,Right Frontdirection indicator,RightFCIOM Cornerlight Extramainbeam Bi-Xenonlight shutterright DayTimeRunning LightsRight HeadlightLevel Motor2signal HeadlightLevelMotor RightPowerSupply1 BendingLight ECUSupply Bending Light CAN_HCAN_L A162 X2:1X1:16X1:12X1:7X1:14X2:6X1:23X1:3X2:5X2:3X2:4X2:26X1:10X2:9 YD:2C XS352
  • 58.
    Page 54 (268)Wiring diagram T3065461 3210 A B C D WIRINGDIAGRAMGCEXTERIORLIGHTREAR E13E06E09E10E09E10E21 E27L 3 1 257 0.75PK 3067 Reverselightright (MD&HD) Reversewarning Foglightleft Reverselightleft (HD) 1 Brakelightleft Positionlightleft RearLight 2HL ECU PowerSupply Gnd1Gnd2 ChassisSubnet Hazard hardwire Ignition signal Foglightright Direction Indicatorlightleft Direction Indicatorlightright Brakelightright Positionlightright ECU A164 Controlunit,RCIOM, RearChassisIOModule X1:12 X2:1X2:2X2:7X2:16X2:25X1:28X2:23 X1:6 X2:4X2:24 X1:22X1:23X4:1X4:2 X2:18X2:10X2:11X1:27 E13E0630H12E E27R 3 1 27465 4.0RD 2018 4.0RD 2017 1.5WH 1 1.5WH 1 1.5WH 1 0.75WH 1 0.75WH/RD 3023 0.75WH/BN 30210.75WH/BU 3019 0.75GY 3042 1.5WH 1 2.5WH 1 2.5WH 1 0.75WH/VT 2020 0.75WH/RD 3023 0.75OG 7000 0.75GN 7001 LeftRearLightRightRearLightRearLights E27Moduledetails 0.75YE 3022 SD:3C XS348 SD:4C XS347 XC317:12XC317:11 0.75GN 7001 0.75OG 7000 0.75GN 3000 BE:1D XS320 BE:0D XC203:27 XC323:1 4.0RD 2017 4.0RD 2018 XC323:2XC317:13 0.75WH/VT 2020 XC317:14 0.75GN 3000 YA:1B XC317:15 YA:1B XC317:16 YB:4C XS308 E39 1 2 E21(Rearfoglight) E06(Reverselight) E09(Brakelight) E10(1Rearpositionlight 2RearSideMarker 3Regplate) E13(RearDirection) H03(Reversewarning) 0.75BU 3026 E39(RegPlatelight(Korea)) XS333 XC353:6 0.75GY 3042 XC353:5 0.75WH/BU 3019 XC353:3 0.75WH/BN 3021 XC353:1XS334 YB:4C XS308 XC353:4 0.75WH/RD 3023 XC353:2 AA:3B FM5.A1 AA:3B FM8.A1 0.75RD/YE 3020 0.75PK 3027 0.75VT 3024 0.75WH/GN 3043 0.75BN 3025 0.75BN 3025 XC353:7 64
  • 59.
    Wiring diagram Page55 (268) T3065462 3210 A B C D WIRINGDIAGRAMGEEXTERIORLIGHTSIDEANDLOADLIGHT 0.75WH 1 0.75VT 3017 Front Sidemarkerslight Rear RCIOM A164 X1:21X1:17 0.75WH 1 0.75VT 3017 0.75VT 3017 0.75WH 1 0.75WH 1 0.75WH 1 0.75RD/GY 3066 0.75RD/GY 3066 0.75WH 1 0.75WH 1 0.75WH 1 0.75RD/GY 3066 0.75VT 3017 0.75RD/GY 3066 0.75RD/GY 3066 0.75VT 3017 0.75VT 3017 0.75WH 1 0.75RD/GY 3066 0.75VT 3017 0.75VT 3017 0.75WH 1 0.75RD/GY 3066 0.75RD/GY 3066 0.75WH 1 0.75WH 1 0.75WH 1 0.75WH 1 0.75WH 1 0.75WH 1 0.75VT 3017 0.75VT 3017 0.75WH 1 XC330:1 XC331:1 0.75VT 3017 0.75RD/GY 3066 XS300 XC331:3 0.75WH 1 XC330:3 0.75WH 1 XS301 XS303 E11LF1 2 E11LC1 2 E11RF1 2 E11RC1 2 E11LR 1 2 E11RR1 2 0.75VT 3017 0.75RD/GY 3066 ExtraSideMarker Connector XS376XS377 XS378 YB:3D 5.6_1 E11RR2 1 2 E11LR2 1 2 Tridem sidemarkerlamps LA:0C M14.3 0.75RD/GY 3066 XS302 XC3511243 0.75WH 1 E11LW1 2 E11RW 1 2 0.75WH 1
  • 60.
    Page 56 (268)Wiring diagram T3065463 3210 A B C D WIRINGDIAGRAMGFEXTERIORLIGHT,ROOFIDENTIFICATIONLIGHT 0.75WH 1 0.75WH 1 S247 4 1 8 10 0.75GN 3047 0.75WH 1 0.75WH 1 0.75GN 3047 0.75GN 3047 0.75GN 3047 0.75WH 1 0.75WH 1 0.75WH 1 0.75GN 3047 0.75GN 3047 1.5BU 3047 0.75GN 3047 XS124 XS126 0.75GN 3047 XC116:4 XS125 0.75GN 3047 0.75GN 3047 0.75WH 1 0.75GN 3047 0.75WH 1 XS1211 XS1210 0.75WH/RD 6000 0.75WH 1 XC124:12 0.75GN 3047 0.75GN 3047 0.75GN 3047 0.75WH 10.75GN 3047 0.75WH 1 XC124:13 0.75GN 3047 YK:0D 1.8.B:2 XC116:3 1.5BK 1 XC116:5 1.5GY 1 NF:3D XS1265 1.5RD 8064 NF:3C XS1264 0.75WH 1 XC116:6 0.75RD 8064 NF:3A A01.CT1:36 0.75WH 1 0.75GN 3047 0.75GN 3047 0.75WH 1 XS1276 0.75WH 1 0.75GN 3047 0.75WH 1 XS1275 0.75GN 3047 YK:0D 1.8.B:3 XS1277 XS1278 YK:0D 1.8.B:2 0.75WH 1 E29L 1 3 E29C 1 3 E29R 1 3 E29L_H1 1 2 E29C_H1 1 2 E29R_H1 1 2 A01.CT1:6 FRC Headershelf backlight fromVMCU Activationof IDLamp 0-1 1 0 SwitchPosition Netural Action IDLAMPSWITCH(S247) A01.CT1:9 Positionlight fromVMCU A01.CT1:2 YK:0D 1.8.A:6 YK_RHD:0D 1.8.A:6 OR YK:0D 1.8.A:9 YK_RHD:0D 1.8.A:9 OR 0.75WH 1 YK_RHD:2D 1.9.A:2 OR 0.75WH 1 YK_RHD:2D 1.9.A:2 OR 0.75WH 1 YK_RHD:2D 1.9.A:3 OR E94L_EOM 1 2 E94R_EOM 1 2 E94L_EMB 1 2 E94R_EMB 1 2 OR OR
  • 61.
    Wiring diagram Page57 (268) T3065453 3210 A B C D WIRINGDIAGRAMGKTRAILERCONNECTIONRIGID X1:1X1:2 HL X1:26X1:13X1:20X1:24X1:25X1:19X1:7 2.5WH 1 4.0WH 1 1.5WH/GN 80201.5WH/YE 8019 1.5WH 1 1.5GN 7084 1.5VT 7083 2.5RD 8017 2.5WH 1 1.5BU 8018 2.5WH 1 1.5WH/GN 8020 Lhs. directionindicator RearFogLight Lhs.rearparking lightcircuit BrakeLight ReverseLight ParkLightRight ReverseLight FlasherLeft ParkLightLeft BrakeLight FogLight FlasherRight Free/(startaid(-)) Free/Axellifting device(+) Commonreturn Commonreturnfor pins14and15 GND Spare, BodyBuilder Spare, BodyBuilder GND Trailerconnector:15pinTrailerconnector:2x7pin Pwoersupply (+24Volt) Free/Steeraxle lock(+) GND GND Supply 4.0WH 1 Controllamp TrailerABS/EBSConnector7-pin Brake ProprietaryNet Kl.15 A01.CB1:4 FRC Brake proprietarynet EBS A21 Controlunit,EBS (ElectronicBrakeSystem) CANH CANL Spare, BodyBuilder Spare, BodyBuilder XC317:23 XC317:24 XC317:25 XC317:26 CabPT CabPT XC342:20 2.5RD 8017 XC342:21 1.5BU 8018 XC342:22 1.5WH/YE 8019 XC342:23 1.5WH/GN 8020 1.5WH/GN 8020 XC342:6XC342:5 XC317:7XC317:8 0.75GN 7084 0.75GN 7084 0.75VT 7083 0.75VT 7083 YB:3C XS309 YB:3C XS309 YB:3C XS309 YB:3C XS309 1.5GN 3051 1.5WH/RD 3053 1.5RD/GY 3054 XC317:1 4.0RD 2129 XC342:1 XC201:1 4.0RD 2129 4.0RD 2129 XC210:5 2.5RD 8017 2.5RD 8017 XC210:11 1.5BU 8018 XC210:7 1.5WH/YE 8019 XC210:8 1.5WH/GN 8020 YB:3C XS309 YB:3C XS309 4.0RD 2129 1.5WH/GY 3052 Rhs. directionindicator Rhs.rearparking lightcircuit F46 20A 1 2 XC342:8 1.5GY 0160 1.5GY 0160 XC342:9 1.5BN 0161 1.5BN 0161 XC342:15 1.5YE 3050 1.5YE 3050 XC342:16 1.5GN 3051 1.5GN 3051 XC342:17 1.5WH/GY 3052 1.5WH/GY 3052 XC342:18 1.5WH/RD 3053 1.5WH/RD 3053 XC342:19 1.5RD/GY 3054 1.5RD/GY 3054 XC342:24 1.5GY 3055 XC342:25 XC317:17 1.5GY 3055 1.5GY 3055 XC317:18 1.5PK 3056 1.5PK 3056 DirectionIndicator lightLeft PositionLightLeft PositionLightRight BrakeLight DirectionIndicator lightRight TrailerLight ControlLamp Ignition keysignal ABS/EBS Trailer A164 Controlunit,RCIOM, RearChassisIOModule 2.5PK 3056 1.5BU 8018 1.5WH/YE 8019 2.5PK 3056 2.5RD 8017 1.5GY 3055 1.5WH/YE 8019 1.5YE 3050 + TrailerLight CCIOM FogLight Reverse LightA163 Controlunit,CCIOM, CentralChassisIOModule X1:27X2:27 OROROROROROROROROROROR X02 1254376 X04 12 X05 12344653577 X03 123410915876511121314 BBEC1 19212220 1.5BU 8018
  • 62.
    Page 58 (268)Wiring diagram T3065455 3210 A B C D WIRINGDIAGRAMGLTRAILERCONNECTIONTRACTOR 2.5WH 1 4.0WH 1 FRC Brake ProprietaryNet 1.5WH 1 1.5WH/YE 8019 2.5RD 8017 Brake proprietarynet EBS A21 Controlunit,EBS (ElectronicBrakeSystem) Trailerconnector:15pin CabPT TrailerABS/EBSConnector7-pin CabPT 4.0WH 1 A01.CB1:4 CANH Kl.15 GND Supply GND CANL Controllamp 1.5GY 0160 1.5BN 0161 1.5GN 3051 1.5WH/GY 3052 1.5WH/RD 3053 1.5RD/GY 3054 2.5PK 3056 1.5GN 7084 1.5VT 7083 XC317:7 XC317:8 1.5BN 0161 1.5GY 0160 XC317:17 XC317:18 XC317:19 XC317:20 XC317:21 1.5GN 3051 1.5WH/GY 3052 1.5WH/RD 3053 1.5RD/GY 3054 YB:2C XS372 1.5YE 3050 1.5GY 3055 YB:2C XS372 XC201:1 4.0RD 2129 4.0RD 2129 YB:2C XS372 YB:2C XS372 XC210:5 2.5RD 8017 XC210:11 1.5BU 8018 XC210:7 1.5WH/YE 8019 XC210:8 1.5WH/GN 8020 ReverseLight Lhs.rearparking lightcircuit Commonreturnfor pins14and15 Free/(startaid(-)) Rhs.rearparking lightcircuit Rhs.directionindicator BrakeLight RearFogLight Commonreturn Lhs.directionindicator Free/Steeraxle lock(+) Free/Axellifting device(+) Pwoersupply (+24Volt) F46 20A X1:1X1:2 HL 1 2 DirectionIndicator lightLeft PositionLightLeft PositionLightRight BrakeLight DirectionIndicator lightRight TrailerLight ControlLamp Ignition keysignal ABS/EBS Trailer A164 Controlunit,RCIOM, RearChassisIOModule X1:26X1:13X1:20X1:24X1:25X1:19X1:7 1.5BU 8018 + 1.5YE 3050 TrailerLight CCIOM FogLight Reverse Light A163 Controlunit,CCIOM, CentralChassisIOModule X1:27X2:27 1.5WH/GN 8020 X03_2 723657410111415121398 X02_2 2 BBEC1 19202122 145316
  • 63.
    Wiring diagram Page59 (268) T3065467 3210 A B C D WIRINGDIAGRAMGMTRAILERCONNECTIONRIGIDTREL-14 4.0WH 1 XC342:25 1.5YE 3050 1.5WH/GN 8020 1.5BU 8018 ReverseLight Lhs.rearparking lightcircuit XC342:21 1.5WH/RD 3053 Free/(startaid(-)) Rhs.rearparking lightcircuit Rhs.directionindicatorXC342:16 XC342:24 Trailerconnector:14pin(TREL-14) BrakeLight 2.5PK 3056 XC342:20 RearFogLight XC342:19 1.5WH/GY 3052 XC342:15 Commonreturn XC342:23 2.5RD 8017 1.5GN 3051 1.5GY 3055 XC342:18 Lhs.directionindicator Free/Steeraxle lock(+) XC342:22 Free/Axellifting device(+) 1.5WH/YE 8019 Pwoersupply (+24Volt) 1.5RD/GY 3054 XC342:17 GND X63:1 X63:2 X63:3X63:4X63:5 X63:6X63:7AX63:7BX63:9 X63:10 X63:11 X63:12 Overhanginterface YB:3C XS309 X63 127B10111213147A465398A8B
  • 64.
    Page 60 (268)Wiring diagram T3065468 3210 A B C D WIRINGDIAGRAMGPWIPERWASHER M M03 Motor,headlamphigh pressurewasherpump 1 2 1.5WH/GN 2105 M 53B 31 31B53 M01 Motor,windscreenwiper 4 1 23 0.75RD 7085 0.75WH 1 0.75WH 1070 0.75GY 7017 1.5WH 1 A01.CB2:2 FRC YD:1C XS393 A01.CB2:10A01.CB2:1 XC213:20 0.75WH/BN 0151 0.75WH/BN 0151 XC213:21 1.5VT 2103 XC213:22 1.5RD/GN 2104 1.5RD/GN 2104 BE:0B A187.CN1:5 BE:0B A187.CN1:18 Cab passthrough A01.CB2:25 B243 Sensor,rain 213 F71 15A 1 2 YD:1C XS351 SK:0A A160.B:2 1.5WH/GN 2105 XC203:28 0.75WH 1058 0.75WH/BN 0150 0.75BN 2106 (87) (85)(87a) (30) (86) K06 1 3 2 (87) (85) (87a) (30) (86) K05 1 3 2 45 Low speed High speed M M02 Motor,windscreen washerpump 2 1 1.5WH/GN 2105 (87) (85) (87a) (30) (86) K16 1 3 2 4455 + Headlightwasher pump20Arelay Wiper On/Off 20Arelay FCIOM Washer WasherFluidSensor MotorWindscreen WasherPump A162 X2:7X2:20 GndSignal X2:19 1.5VT 2103 Wiperpark position B249 Sensor, Washerfluidlevel 1 3 F51 20A 1 2 1.5WH 1 YN:1C XS1232 VMCUFromVMCU Wiper Speed 20Arelay + From VMCU XC301_2:19
  • 65.
    Wiring diagram Page61 (268) T3065469 3210 A B C D WIRINGDIAGRAMHACLIMATEUNIT 12VLINHL Pwr Gnd CabSubnet A168 ControlUnit,LECMHigh, (LivingEnvironmentControlModule) A:4 A:1 H A:3 L A:6 PowerSupply Power Gnd CabSubnet VSup/signal left Sunsensor LINBus Gnd Supply Gnd Defogsensor ACCompressor Clutch ClimateControlpanel LIN10 ACLoop HighPressure Sensor GndSupply VSup/signal Right Cabtempsensor H CANL ClimateSubnetA34B Controlunit,climateunit X1:2X2:17 X1:1 X2:1X2:2 X2:3X2:13X2:12X2:11X2:16X2:15X2:14X2:4X2:6X2:5 13 X2:7X2:8X2:9X2:10 X2:18 X2:20 X2:19 0.5WH 1 0.5OG 7022 0.5GN 7023 0.5OG 7022 0.5GN 7023 0.5WH 1 0.5RD 2107 0.75YE 0152 2.5RD 2108 0.75GY 7057 0.75RD 7058 0.75GY 7057 0.75RD 7058 2.5WH 1 0.75GN 0155 0.75WH/VT 0154 0.75BN 0153 0.5OG 7022 0.5OG 7022 0.5GN 7023 A01.CB2:20 FRC A01.CB3:11 0.75YE 0152 HE:3B XC302.23 F80 3A 1 2 F38 20A 1 2 0.5RD 2107 XC103:2 XC103:1 XC203:29 YH:0D 1.4.A:5 HC:3B XC203:13 HC:3B XC203:14 HD:2B XC130:5 HD:2B XC130:16 OROR XC140:10 0.75RD 7064 XC140:11 0.75GY 7063 0.75GY 7063 XC140:12 0.75WH 7065 0.75WH 7065 0.75RD 7064 HVAC 0.5GN 7023 SC:2B XC103:3 SC:3B XC103:4 SC:3C XC130:17 SC:3C XC130:18 0.75RD 2109 XC144:1 0.75RD 7058 0.75RD 7058 XC144:2 7059 0.75WH 7059 XC144:3 0.75GY 7057 0.75GY 7057 ++ SC:2C XC140:5 SC:2C XC140:4 SC:1C XS1218 SC:1C XS1219 XC149:1 0.75WH/YE 7061 0.75WH/YE 7061 XC149:2 0.75RD/BU 7060 0.75RD/BU 7060 XC149:3 0.75WH 7062 0.75WH 7062 0.5OG 7022 BG:0C A160.A:8 0.5GN 7023 BG:0C A160.A:24 XC130:6 0.5RD 2107 0.75YE 7068 HB:3A XC208:3 0.75GN 7069 HB:3A XC208:6 XC130:11 0.5WH 1 B236 Sensor,Defog 1 B244 Sensor,Cabtemperature A:4 Solar Load NTCNTC Ref Vsupp A:3A:2A:1 B240 Sensor, Sunsensor 32321 YG:0D 1.5.B:6 ClimateControlPanel T o C Climatearea Fancontrol Parking heater Windscreen Defogg A170 0.75WH
  • 66.
    Page 62 (268)Wiring diagram T3065470 3210 A B C D WIRINGDIAGRAMHBIPCINTERGRATEDPARKINGCOOLER 2.5WH 1 2.5WH 1 PCCU PwrSupply 24V HVIL1Fansupply Gnd0-32VinoutGround+ PowerSupply ACComp150V/DC - LINACComp +12VLINGnd +12VLINGnd Jumper Housing Ground A186 A:4 CANHL A:5 A:1A:2A:3 A:2A:3 A:12A:11 B:1 B:2 13 A:6A:7C:BC:CC:A C:A C:D C:D D:1 AC Compressor HVIL1 + PowerSupply 150V/DC - Inverter Jumper Housing Ground A185 A1A7A6C:CC:B D:1 6.0WH 1 0.75BK 0212 0.75YE 7068 M Condensor fan M55 6.0RD 2117 0.75GN 7069 AA:4B FM10.A1 HA:1B A34B.X2:19 HA:1B A34B.X2:20 XC208:3 0.75YE 7068 XC208:6 0.75GN 7069 1.5BU 2118 1.5WH 1050 0.75GY 7071 0.75RD 7070 0.75WH 7072 0.75VT 0158 0.75WH/VT 0157 5.5_4 0.75BK 0213 2.5WH 1 5.0_1 2.5RD 2119 2.5BK 1051 XS354
  • 67.
    Wiring diagram Page63 (268) T3065471 3210 A B C D WIRINGDIAGRAMHCPARKINGHEATERWATER Y32A1 3 0.75GY 7057 0.75RD 7058 1.5WH 1 0.75RD/BU 1048 0.75WH/BU 2111 1.5RD 2110 FRC A01.CB8:6 HD:1B XC130:21 HD:1B XC130:4 HD:1B XC130:3 F69 15A 1 2 XC203:36 1.5RD 2110 YA:2C XS374 XC203:33 0.75RD/BU 1048 XC203:34 0.75WH/BU 2111 HA:1B A34B.X2:17 HA:1B A34B.X2:18 XC203:13 A01.CB8:3 A01.CB12:25 OR + 1.5RD 2110 0.75RD 70580.75GY 7057 0.75WH/BU 2111 XC203:14 OR Fuel pump+ Fuel pump-Gnd Power supply Parkingheater,water Inhibit Signal A:12A:11 2:B1:B A:8 A:9 A:5 E128 X1:2X1:5 X1:6X1:7X1:10 X1:1 OR 12VLIN
  • 68.
    Page 64 (268)Wiring diagram T3065472 3210 A B C D WIRINGDIAGRAMHDPARKINGHEATERAIR 0.75GY 7057 0.75RD 7058 1.5RD 2110 HC:1A A01.CB12:25 0.75RD/BU 1048 HC:0B XC203:33 0.75WH/BU 2111 HC:1B XC203:34 Power supply Fuel dosing pump1 Fuel dosing pump2 CabH Gnd Inhibit ParkHeater E127A Parkingheater,Air A2A4A6A7A5A1 12VLIN A3 XC130:21 1.5RD 2110 XC130:3 0.75WH/BU 2111 XC130:4 0.75RD/BU 1048 1.5WH 1 XC130:5 0.75RD 7058 XC130:16 0.75GY 7057 HA:1B A34B.X2:17 HA:1B A34B.X2:18 YM:0C 1.3.A:2
  • 69.
    Wiring diagram Page65 (268) T3065474 3210 A B C D WIRINGDIAGRAMHEAMBIENTTEMP.,SHORTSTOPHEATERACCLUTCH MM13 Motor,coolantpump, parkingheater 2 1 0.75WH 1 0.75RD/BU 1049 0.75WH/BU 2113 B22 Sensor,outdoortemperature 2 1 X2:15X2:16 0.75GY 1 0.75YE 0152 HA:3C XC203:29 Y42 Clutch,magnetic, airconditioningcompressor2 1 0.75WH/YE 2112 0.75WH 0152 CCIOM ClimateControl ThermalSwitch+ ValveShortStopHeater A163 X3:14 FCIOM Climatecontrol TempSensor Ground OutdoorTemp SensorSupply A162 S55 1 2 0.75WH/YE 2154 YB:1C XS370 XC302 EngineInterface,GIC020 23
  • 70.
    Page 66 (268)Wiring diagram T3065580 3210 A B C D WIRINGDIAGRAMHFFUELHOSEHEATER (87) (85) (87a) (30) (86) K69 1 3 2 45 2.5WH 1 2.5WH 1 0.75WH 1 0.75WH/VT 2116 2.5WH/VT 2115 2.5WH/VT 2115 0.5GN 6000 F39 20A 1 2 A01.CB2:21 2.5RD 2114 FRC XC208:8 2.5WH/VT 2115 XS375 R46 Heater,fuelhose, thermoline A:3A:2A:1A:4 2.5WH/VT 2115 YH:0D 1.4.A:10 YB:0C XS371 YB:0C XS371 Activationof FuelLineHeater Netural SwitchPosition FUELLINEHEATERSWITCH(S227) 0 1 Action + 0-1 A01.CT1:14 0.5WH/GN 2020 0.75WH 1070 BE:0B A187.CN1:4 XC141:28 0.75WH/VT 2116 0.75WH/VT 2116 XC141:29 0.75WH 1070 BE:0B A187.CN1:21 XC141:33 0.5GN 6000 10 S2271 10 94 8
  • 71.
    Wiring diagram Page67 (268) T3065581 3210 A B C D WIRINGDIAGRAMIAINTERIORLIGHT E93R 3 2 E93L 3 2 E88 1 2 E126L 2 31 0.5WH 1 0.5WH 1 E85R1 1 2 0.5RD/BU 6006 0.75RD 6008 undef*opt* 6008 undef 6025 0.75VT 6025 0.75WH 1 0.75WH 1 0.75WH 1 0.75RD/GY 60110.75RD/GY 6011 E90 2 WHITE RED 3 0.75GY 6012 0.75WH 1 0.75WH 1 0.75WH 1 0.75RD 6008 0.75WH 1 0.75WH 1 0.75VT 6013 0.75RD 6008 0.75WH 1 0.75VT 6009 0.75RD 6008 Frontshelf storagelight S222DS A B S222C A B 0.75WH 1 Snake light 0.75WH 1 Frontshelf light S222PS A B Rooflight Headliner 0.75RD 6008 XC124:8 0.5WH 1 Catwalk reading lamps R+H RED WHITE E106 2 31 RED WHITE E106 2 31 Catwalk LeftRight A01.CT1:17 0.75RD 6008 A01.CT1:25 0.75BN 6007 A01.CT1:15A01.CT1:23 0.5RD/BU 6006 E85L1 2 E93C 3 2 0.5PK 6005 XC145_1:2 0.5PK 6005 XC145_1:3 0.5RD/BU 6006 XC145_2:2 0.5PK 6005 0.5PK 6005 XC145_2:3 0.5RD/BU 6006 XC145_2:1XC145_1:1 0.5WH 1 0.5WH 1 0.75RD 6008 FRC XC145_1:5 0.75WH 1 XC145_2:5 0.75WH 1 XC145_2:6 XC145_2:4 0.75GY 6012 XC145_1:6 0.75RD 6008 XC145_1:4 0.75GY 6012 0.5WH 1 0.75RD 6008 0.75RD 6008 XC124:4 0.75GY 6012 A01.CT1:35 A01.CT1:31 0.75RD/GY 6011 Task light circuit XS171 XS1240 XS141 Resting lightCrt2 Night Driving Lightcircuit Max LightCkt1 Resting lightCrt1 0.75RD 6008 E126R 2 31 0.75WH 1 XC114_1:1 undef 6008 0.75WH 1 XC114_1:2 undef 6025 0.75VT 6025 YK:0D 1.8.B:1 E88 1 2 XC114_2:2 XC114_2:1 0.75GY 6012 0.5RD/BU 6006 0.5RD/BU 6006 YK:0D 1.8.A:2 YK_RHD:0D 1.8.A:2 YK:0D 1.8.A:2 YK_RHD:0D 1.8.A:2 OROR 0.75GY 6012 0.75GY 6012 YK:0D 1.8.A:5 YK:0D 1.8.A:10 YK:0D 1.8.A:10 YK:0D 1.8.A:10 YK:0D 1.8.A:10 0.75WH 1 YK_RHD:2D 1.9.A:1 OR 0.75WH 1 YK_RHD:0D 1.8.A:5 OR VMCU IB:2A F57.2 0.75RD 6008 IB:3B XC124:21 IB:3D E86A.3 OR OR OROROROR OR OR OR OR VMCU MaxLight Crt2 0.75WH 1
  • 72.
    Page 68 (268)Wiring diagram T3065582 3210 A B C D WIRINGDIAGRAMIBINTERIORLIGHT E23L3 2 0.75RD 6008 0.75WH/YE 6012 0.75PK 5009 0.75PK 5009 0.75WH/BN 6016 0.75PK 5009 0.75BU 6015 0.75RD 6008 0.75RD 6008 0.75WH/BN 6017 Bedlight sidewalls XC130:10 0.75WH 1 Luggagecompartment switchesandlamps XC101_2:2 0.75WH/YE 6012 S57R B1A1 0.75RD 6008 XC101_2:1 Centerstacklight0.75WH/YE 6012 XC101_1:1 0.75RD 6008 RED WHITE E108 2 31 0.75RD 6008 0.75WH 1 S57L B1A1 XC130:1 0.75RD 6008 0.75WH/BN 6018 XC101_1:2 XC101_2:3 XC101_1:3 0.75RD 6008 0.75WH/YE 6012 0.75WH 1 0.75WH 1 XS1236 0.75RD 6008 YM:0C 1.3.A:6 YM:0C 1.3.A:6 0.75WH 1 YH:0D 1.4.B:4 E23R Lamp,luggage compartment illumination 3 2 FRC TaskLightCircuit A01.CB12:6 F57 10A 1 2 Interiorlights VMCU NightDriving LightCircuit Resting LightCkt1 Max LightCkt1 Resting LightCkt2 Max LightCkt2 A187 CN1:20CN1:19CN12:4CN12:2CN12:1 BG:1D XC130:2 E86 2 31E86 2 31 SwitchClosedwhen Luggagecompartmentopen IC:2B XS1229 XS1283 0.75WH/YE 6012 XS1252 IG:1A IA:2A A01.CT1:17 0.75VT 6010 XC102:2 0.75WH 1 Bedlightupper sidewall 0.75VT 6010 0.75RD 6008 Rearshelf storagelight XS102 0.75RD 6008 0.75WH 1 0.75VT 6010 0.75WH 1 XC124:21 XS105 0.75RD 6008 0.75WH 1 0.75WH 1 0.75VT 6010 0.75RD 6008 XS101 0.75WH 1 0.75WH 1 E86A 2 31 0.75RD 6008 XC102:1 0.75WH 1 0.75RD 6008 0.75WH 1 0.75WH/YE 6012 0.75RD 6008 IA:2B XS171 0.75GY 6012 IA:4B XC124:4 YK_RHD:2D 1.9.A:9 YK:0D 1.8.B:9 YK_RHD:2D 1.9.A:8 YK:0D 1.8.B:8 OR OR E113LE113LC 0.75VT 6010 E113RE113RC S283LS283LCS283RCS283R 0.75VT 6010
  • 73.
    Wiring diagram Page69 (268) T3065583 3210 A B C D WIRINGDIAGRAMICINTERIORLIGHTINSTEPLIGHT RED WHITE E109L 2 31 WHITE RED E16L 2 RED WHITE E109R 2 0.75WH/BN 6016 0.5WH/BN 6016 0.5GY 6007 0.5GY 6007 0.5WH 1 0.5WH 1 0.75BN 3015 0.75BN 3015 XS1231 XC213:14 0.75BN 3015 XC301_2:7 WHITE RED E16R 2 IR:1D XS107 0.5WH 1 IR:1D XS107 IS:1D XS104 0.5WH 1 IS:1D XS104 XC104_1:8XC104_1:9XC104_2:8XC104_2:9 0.5GY 6007 0.75BN 3015 0.5GY 6007 0.5GY 6007 0.5WH/BN 6016 0.5WH/BN 6016 0.5WH/BN 6016 0.5WH/BN 6016 Interiorlights VMCU NightDriving LightCircuit Resting LightCkt1 Max LightCkt1 Resting LightCkt2 Max LightCkt2 A187 CN1:20CN1:19CN12:1CN12:2CN12:4 FCIOM Interiorlight Insteplight A162 X2:8 XS1281 0.5WH/BN 6016 E119L1 3 E119R1 3 XS1229 IB:0C E108.3 XC203:30 0.75BN 3015 0.75BN 3015 0.5GY 6007 0.75WH/BN 6016 0.5GY 6007 0.75WH 1 YN:1C XS1232 0.75WH 1 YN:1C XS1232 131313
  • 74.
    Page 70 (268)Wiring diagram T3065584 3210 A B C D WIRINGDIAGRAMIFCOMFORTACCESSORIES (87) (85) (30) (86) K14 1 3 2 5 A04A 1 2 E110 2 1 R04 Cigarette lighter2 3 1 1.5WH 1 1.5RD 4006 0.5GN 6000 0.5WH 1 1.5RD 4007 0.5GN 6000 4.0WH 1 0.75WH 1 1.5WH 1 A01.CB12:23A01.CB10:4A01.CB3:1A01.CB7:6 A01.CT2:2 A01.CB11:1 FRC R1112 F50 30A 1 2 F75 10A 1 2 1.5RD 4005 XC130:19 1.5RD 4006 XC130:20 0.75RD 4004 0.75RD 4004 XC127:2 4.0RD 4002 F67 15A 1 2 A01.CB12:24 0.5GN 6000 BE:1B XS1107 X105 123 1.5WH 1 YM:0C 1.3.A:4 YM:0C 1.3.A:3 Power Recline A1571 2 A01.CB3:4 F64 15A 1 2 F65 15A 1 2 XC130:22 0.5RD 2101 0.5RD 2101 0.5WH 1 XC102:4 0.75RD 4004 XC102:3 0.75WH 1 XC124:11 0.75RD 4004 XC141:19 0.75RD 4004 0.75RD 4004 X106 123 BE:1B XS1107 XC146:1 16RD 4000 0.75WH 1 YK:0D 1.8.B:7 F10 15A 1 2 AA:1B XC205.B1 XC150:1 10RD 4188 10RD 4009 10RD 4188 XC150:2 10BK 1 (87) (85) (87a) (30) (86) K02 K95 1 3 2 45 (87) (85) (87a) (30) (86)1 3 2 45 (87) (85) (30) (86) K08 1 3 2 5 Powersupply3 40ArelayRefrigerator 10ARelay Accessories 40ARelay Heater,Coffee Maker CupHolder Light 24VPowerOutlet24VPowerOutlet FridgeinCab YM:0C 1.3.A:1 10RD 4009BE:1B XS1107 4.0WH 1 YM:0C 1.3.A:3 YM:0C 1.3.A:7 F93 50A YH:0D 1.4.A:2 YH:0D 1.4.A:2 YH:0D 1.4.A:6 XC152_1:1 4.0RD 4002 4.0RD 4002 XC152_2:1 4.0RD 4002 4.0RD 4002 XC152_1:2 4.0WH 1 XC152_2:2 4.0WH 1 OROR 10WH 1 YK:4D 1.10 0.75RD 4011 IG:2B 0.75WH 1 YK:0D 1.8.A:4 0.75WH 1 YK_RHD:2D 1.9.A:7 OR A01.CT2:1 From VMCU From VMCU From VMCU + + + PH:1B F88.1 IU:3A F22.2 OR OR Microwave Oven R55 A:1 B:1
  • 75.
    Wiring diagram Page71 (268) T3065585 3210 A B C D WIRINGDIAGRAMIG12VPOWERSUPPLY20A/20A/11A 1.5WH 1 1.5WH 1 0.75WH 1069 1.5RD 4011 0.75WH 1069 0.75WH 1069 0.75RD 4015 0.75RD 4015 0.75RD 4015 1.5WH 1 1.5WH 1 1.5RD 4163 0.5GN 6000 1.5RD 4013 1.5RD 4162 0.5WH/GY 4014 1.5RD 4016 F59 15A 1 2 FRC U33 15 37 6911 F03 10A 1 2 A01.CB10:2 A01.CT1:28 0.75RD 4012 U30 54 37 6911 A01.CB12:21A01.CB10:3A01.CB12:18 X07A 123 BE:0B A187.CN1:12 CBPwr IK:0B A07.A:7 IN:1B XC124:22 Socket12V Dashboard TV-DVD BE:1B XS1107 YH:0D 1.4.B:1 0.75RD 4011 IF:3B K95.1 1.5RD 4011 XC140:22 1.5RD 4013 A01.CT2:4A01.CB12:8 F56 10A 1 2 DC/DCConverter 20AinHeaderself DC/DCConverter 20AinDashboard X114 12 (87) (85) (30) (86) K11 1 3 2 5 PowerSupply4 40Arelay A01.CT2:2 F60 15A 1 2 F01 10A 1 2 0.5BU 4014 Accessories signal A01.CT1:1 12Vinterfacefor mobiledevice XS1299 XC141:31XC141:32 1.5WH 1069 IN:1D XC124:2 12V 24V 12V 24V 12V 24V U29 1 23 8 76 X114 12 OR 1.5WH 1 0.75WH 1069 IN:1D XC124:2 DC/DCConverter 11AinHeaderself CBPwr 0.5BU 4014 1.5RD 4161 1.5RD 4161 1.5WH 1069 1.5RD 4016 OR OR YK:0D 1.8.A:1 YK_RHD:0D 1.8.A:1 YK:0D 1.8.A:1 YK_RHD:0D 1.8.A:1 OROR IL:1A F58.1 FromVMCU + VMCU IB:2A F57.1 OR
  • 76.
    Page 72 (268)Wiring diagram T3065587 3210 A B C D WIRINGDIAGRAMIKAUDIO + Audio diag. right -GNDLR Audio commonVBUS- RF USB LR leftCAN_H Amp TurnON Control+ CAN_L -+ LowLevelOut +- Com.Microphone -++- Infotainmentsubnet - Audio left AUX-IN1 RR AUX-IN2-Audio + LFAudio right LF - Diag. + RFRR SupplyAudioin Telematics FM Splitter Accessories+12V Shield A07 C3:14 A:8B:1B:5 C3:15C1:5A:7 B:2 A:2 D:7 A:1C1:1 D:6B:4 C2:7C3:13C2:8 D:4B:7D:9D:3D:2D:1D:8B:6 A:5 D:5B:8B:3C3:17C3:20C3:19 C3:16 C3:18D:10X1:1 X3A:4 0.5GN 4026 1.5RD/GN 4036 1.5RD/GN 4036 1.5VT 4035 1.5VT 4035 1.5RD/YE 4034 1.5RD/YE 4034 1.5RD/GY 4033 1.5RD/GY 4033 0.75RD/GY 4033 1.5RD 4013 TBDTBD 4174 0.5GN 4026 0.5WH 4025 0.35BN 4022 0.75RD/YE 4034 0.75RD/GY 4033 0.75NL 4032 0.75BN 0149 0.75RD/YE 4034 0.75RD/GN 4036 0.75VT 4035 0.75RD/GN 4036 0.75VT 4035 0.35WH 4031 1.5WH/YE 40401.5GY 4039 0.35GN 4048 0.35YE 4047 0.35P 4046 0.35GY 4045 0.35RD 4044 0.35BU 4043 0.35BN 4042 0.35WH 4041 XC131:25 XC131:24 XC131:22 Amplifier IL:1A XC131:1 IL:1A XC131:2 IL:2A XC131:3 IL:2A XC131:4 IL:2A XC131:10 IL:2A XC131:11 IL:2A XC131:12 IL:2A XC131:13 XC141:18 XC141:17 XC131:23 XC141:16 1.5WH/BN 4038 XC141:15 1.5BU 4037 XC104_2:20 1.5RD/GN 4036 XC104_2:19 1.5VT 4035 XC104_1:20 1.5RD/YE 4034 XC104_1:19 1.5RD/GY 4033 IL:3A XC130:24 USB X66 Connector,USB,Audio 1 0.35WH 4021 IN:1B XC124:15 B60RD Loudspeaker, rightdoor +- B60RF Loudspeaker, rightfront +- B60LD Loudspeaker, leftdoor +- B60LF Loudspeaker, leftfront +- B61R Loudspeaker, trebleright +- MIC B63 Microphone,(handsfree) 21 IN:1B XC124:14 XC141:20 0.75BN 0149 XC141:18 XC141:17 XC141:16 XC141:15 XC141:25 XC141:24 XC141:23 XC141:22 XC103:8 1.5WH/YE 4040 1.5WH/YE 4040 XC103:7 1.5GY 4039 1.5GY 4039 XC103:6 1.5WH/BN 4038 1.5WH/BN 4038 XC103:5 1.5BU 4037 1.5BU 4037 XC141:25 XC141:24 1.5VT 4035 XC141:23XC141:22 XC147:4 0.3NL 4029 0.3NL 4029 XC147:3 0.35GN 4030 0.35GN 4030 XC147:2 0.35BN 4028 0.35BN 4028 XC147:1 0.35W 4027 0.35W 4027 XC148:1 4182 4182 1.5WH/YE 40401.5GY 4039 1.5WH/BN 4038 1.5RD/GN 40361.5BU 4037 0.35BN 40420.35BU 4043 0.35RD 4044 0.35GY 4045 0.35P 4046 0.35YE 40470.35GN 4048 0.5GN 7009 SE:1C XS1207 0.5OG 7008 SE:1C XS1208 0.5GN 7009 SE:2C XC140:9 0.5OG 7008 SE:2C XC140:18 AUX X67 Connector,AUX,Audio 1245 B61L Loudspeaker, trebleleft +- 1.5RD/GY 4033 1.5RD/YE 4034 BU:2B A125.X1:20_A2 BU:2B A125.X1:19_A1 BU:1B A188.A:1 IG:0C XC140:22 0.35GN 4024 IN:1B XC124:16 0.3NL 4023 IN:1B XC124:17 TBDTBD 4174 BU:1A W16.1 B60RR Loudspeaker, rightrear +- B60LR Loudspeaker, leftrear +- XS1295 XS1296 XS1297 XS1298 1.5WH 1 YK:4D 1.11 0.5WH 4025 BU:0B A175.X1:17_A2 0.5GN 4026 BU:0B A175.X1:18_A2 OR 0.5WH 4025 BU:1D K71.A3 BU:1D K71.B3 XC141:12 0.35NL 1076 0.35NL 10760.35WH 4041 IL:3A XC131:21
  • 77.
    Wiring diagram Page73 (268) T3065588 3210 A B C D WIRINGDIAGRAMILAMPLIFIER RR+ON30 GROUND +SUB1 -SUB1 +SUB2 -SUB2 Lowlevelin Subwoofer Speakerout LIP-LIP+RIP-RIP+ A116ControlUnit,amplifier A5A6A4A10A1 B16 B6 B17 B5 B15 B4 B14 LR+LF+RF-LF- LR+LR-LD+LD-RR+RR-RD+RD- RF+LR-RR- B13B10B11A7B18A13 B1 B3 B2 B9 B8 A8A9A3A2 A15 A12 2.5WH 1 2.5RD 2078 2.5WH 1 2.5WH 1 0.75BN 0149 0.75VT 4036 0.75WH/BN 4035 0.75GN 4034 0.75WH/VT 4033 0.35GN 4048 0.35YE 4047 0.35P 4046 0.35GY 4045 0.35RD 4044 0.35BU 4043 0.35BN 4042 0.35WH 4041 RADIO IK:2C XC141:22 IK:3C XC141:23 IK:3C XC141:24 IK:3C XC141:25 IK:3C XC141:15 IK:3C XC141:16 IK:3C XC141:17 IK:3C XC141:18 XC131:24 1.5RD/YE 4034 XC131:8 0.75WH/BN 4035 0.75WH/BN 4035 XC131:23 1.5VT 4035 XC131:22 1.5RD/GN 4036 XC131:9 0.75WH/VT 4033 0.75WH/VT 4033 XC131:17 0.75GN 4034 0.75GN 4034 XC131:18 0.75VT 4036 XC131:25 1.5GY 4039 1.5WH/YE 4040 XC103:7 1.5GY 4039 XC103:8 1.5WH/YE 4040 XC104_1:19 1.5RD/GY 4033 1.5RD/GY 4033 XC104_1:20 1.5RD/YE 4034 1.5RD/YE 4034 XC104_2:19 1.5VT 4035 XC104_2:20 1.5RD/GN 4036 1.5RD/GN 4036 1.5BU 4037 XC103:5 1.5BU 4037 XC103:6 1.5WH/BN 4038 IK:3C XC141:20 A01.CB3:19 XS176 FRC B61R Loudspeaker, trebleright + - B60RF Loudspeaker, rightfront +- B60LF Loudspeaker, leftfront +-B60RD Loudspeaker, rightdoor +- B60LD Loudspeaker, leftdoor +- B184 Loudspeaker, Subwofer VC1+ 1 VC1- 4 VC2+ 2 VC2- 5 F58 20A 1 2 XC131:1 0.35WH 4041 XC131:2 0.35BN 4042 XC131:3 0.35BU 4043 XC131:4 0.35RD 4044 XC131:10 0.35GY 4045 XC131:11 0.35P 4046 XC131:12 0.35YE 4047 XC131:13 0.35GN 4048 XC130:24 0.75BN 0149 XC127:1 2.5RD 2078 YM:0C 1.3.A:5 2.5RD 2078 1.5WH/BN 4038 1.5RD/GY 4033 B61L Loudspeaker, trebleleft + - 0.75VT 4036 XS175 B60RR Loudspeaker, rightrear +- B60LR Loudspeaker, leftrear +- IG:2A MSTC-1_671_shield 1.5VT 4049 1.5WH/BN 4050 1.5GN 4051 1.5WH/VT 4052 0.35NL 1076 IK:3C XC141:12 XC131:21 0.35NL 1076 1.5VT 4035
  • 78.
    Page 74 (268)Wiring diagram T3065589 3210 A B C D WIRINGDIAGRAMINDVD,BUNKDISPLAY Antenna Module W20 1 0.75WH 1069 0.75WH 1069 4181 0.35GN 4024 0.3NL 4023 PWR GND BunkDisplay A48 1:3X4:2XX2:1X1:2X2:2X2:5 X1:3 0.35BN 4022 0.75RD 4012 0.35WH 4021 IK:0B A07.C3:19 IK:0B A07.C3:20 0.75RD 4012 XC124:2 XC124:22 IG:3B A01.CT1:28 IK:0B A07.C3:17 IK:0B A07.C3:18 XC124:14 0.35WH 4022 XC124:15 0.35BN 4021 XC124:16 XC124:17 0.3NL 4023 0.35GN 4024 0.75WH 1069 IG:2C U33.9 IG:3C U29.6
  • 79.
    Wiring diagram Page75 (268) T3065590 3210 A B C D WIRINGDIAGRAMIOVIDEOSWITCH,CAMERASIDDISPLAY SIDlowIClink Pwr Gnd A155 Display,SIDLow A:5 A:12 VisionCamera1Gnd Power SupplyInfotainmentsubnet SIDHigh TESP VisionCamera2VisionCamera3VisionCamera4 LVDSInput LVDSOutput GndSignal DVD/TV A169Controlunit,VS(VideoSwitch) C:1 A:2A:3A:24A:23A:22A:4A:5A:8A:9A:7A:10A:11A:12A:13A:14A:16A:17A:18A:19A:21 B:2B:3B:6B:7B:1D:1 B:8 C:2D:2 0.5GN 7009 0.5OG 7008 0.35BU 4087 0.35BU 4082 0.35BU 4077 0.35BU 4072 0.35RD 4074 0.35 4073 0.35 4078 0.35 4083 0.5WH 1 Displaysubnet Pwr Supply Gnd VideodataLVDS A156 Display,SIDHigh A:5A:6A:11B:1 H A:6A:11 HL HL H B:2 LL A:12 0.5RD 2029 0.5RD 2029 0.5WH 1 0.5WH 1 0.5OG 7008 0.5GN 7009 A01.CB12:13 0.5RD 2091 FRC A01.CB3:12 0.5GN 7003 BA:2C XS168 0.5OG 7002 BA:2C XS169 SE:2C XS150 SE:2C XS151 24VGND B67 2134545 0.5GN 7013 BA:2B A03.A:6 0.5WH 7012 BA:2B A03.A:5 F53 5A 1 2 F21 3A 1 2 4175 BU:0B A175.X2:1 OR 0.35RD 4079 0.35RD 4084 0.35 4088 0.35RD 4089 4175 XC151:1 4175 24VGND B245A 2134521345213 24VGND B245B 24VGND B245C 4175 + YG:0D 1.5.A:4 BA:1C A161.A:24 BA:1C A161.A:23 OR YG:0D 1.5.B:4 YG:0D 1.5.B:4 + 0.35GN 4075 0.35BK 4076 0.35GN 4080 0.35BK 4081 0.35GN 4085 0.35BK 4086 0.35GN 4090 0.35BK 4091
  • 80.
    Page 76 (268)Wiring diagram T3065591 3210 A B C D WIRINGDIAGRAMIPHORN H01 Horn, air-operated 1 2 0.75VT 4096 0.75VT 4096 0.75VT 4096 0.75VT 4096 0.5WH 1 0.75WH 1 0.75WH 1 0.75P 1055 0.75P 4094 0.5WH/BN 4092 0.5WH/RD 4093 0.75WH/GY 4097 H021 2 S14 Switch,pushbutton,horn A:3A:2A:1 HornX115B Contactreel, withoutairbag A:5A:4 B:5B:4B:6 A:6 XC213:17 YD:2C XS352 YD:2C XS352 ClockSpringor SteeringwheelInterface XS392 Horn CIOM A160 A:6A:20 AuxiliaryCity FCIOM Horn CityHornAuxiliaryHorn A162 X2:11X2:12 0.75P 4095 Horn, ElectricalCityhorn 0.75VT 4096 XC203:31 0.75VT 4096 0.75VT 4096 YG:0D 1.5.B:1 Horn X115A Contactreel, airbag A:5A:4 B:5B:4B:6 A:6 0.5WH/BN 4092 0.5WH/RD 4093 0.5WH 1 0.75P 4094 0.75P 40950.75P 1055 YG:0D 1.5.B:1 0.75WH 1 YN:1C XS1232 XC301_2:20 OROR OR OR ORY72 1 4
  • 81.
    Wiring diagram Page77 (268) T3065593 3210 A B C D WIRINGDIAGRAMIRDOORLEFT 2.5WH 1 0.75WH 1 MMMM M M R02L A:1A:3A:2A:5A:4 A:8 A:6 2.5RD 2092 0.5WH 1 0.5WH 1 2.5WH 1 0.75WH 4108 0.75GY 4115 0.75WH 4116 0.75WH 1 2.5RD 2092 2.5RD 2092 2.5RD 2092 2.5WH 1 2.5RD 2092 Pwr Supply Pwr Gnd Securitysubnet OpenDoor sensor UnlockDoor sensor LINGnd LIN8Pwr Pwr LockDoor sensor Signal Gnd APModule DoorlatchmotorWindowLift Main/Wideanglemirror(MotorHB) CommonX-axeY-axeY-axeX-axe DCPModule PowerWindow HB2HB1HB2HB1 Door InsteplamporWarningLamp A165L ControlUnit,DDM/PDM, Driver/PassengerDoorModule X1:6X1:5X1:4X1:3 X3:5 X3:1X2:3 X3:2X2:2X2:1 X2:4 X2:7X2:8X3:6X3:4 X2:5 HL X2:6X3:3X2:9 X2:10X2:11 X2:12 X1:12 A01.CB12:19 S36L Switch,unit,doorfunctions A:3A:2A:1 XC104_1:17 XC104_1:18XC104_1:3 0.5OG 7081 XC104_1:4 0.5GN 7082 MAntipinch M44L Motor,windowlift withantipinch X1:1X1:6X1:5X1:4 M45L Motor,windowlift withoutantipinch 21 FRC XS106 A01.CB12:17 F61 20A 1 2 F30 10A 1 2 0.75RD 4098 2.5WH 1 0.5BN 4104 0.5WH/VT 4103 0.5WH/RD 4106 0.5WH/BN 4107 2.5RD/GN 4100 2.5PK 4101 0.75GY 4099 0.75WH 3 0.75RD 4114 E129L Lamp,doorwarninglamp2 XC104_1:7 0.75RD 2093 M09L6342 LU 5 0.5GN 7082 0.5OG 7081 0.75BU 4102 SF:1C XS1257 SF:1C XS1256 IC:2D E109L.2 IC:2D E16L.2 F29 10A 1 2 A01.CB12:16 0.5WH/GY 4105 (87) (85) (87a) (30) (86) K21 1 3 2 45 MirrorHeating 10ARelay + Doorlatchmotor onleftside XS107 0.5PK 4111 0.5RD/GN 4136 0.5VT 4113 0.5WH/RD 4110 0.75WH 1 0.75RD 2093 0.5WH/GY 4112 XC104_1:10XC104_1:22 YH:0D 1.4.B:6 YH:0D 1.4.A:3 YH:0D 1.4.B:3 IQ:2B F30.1 FromVMCU + LeftDoor interface LeftDoor interface LeftDoor interface WINDOWLIFTMOTOR WITHOUTANTIPINCH(M45L) PIN OpenWindow CloseWindow_ _ + + PIN4 _ + LEFTDOORLATCHMOTOR(M09L) 1 21 DoorUnlock DoorLock _+ 1 MainmirrorWideanglemirror
  • 82.
    Page 78 (268)Wiring diagram T3065594 3210 A B C D WIRINGDIAGRAMISDOORRIGHT (87) (85) (87a) (30) (86) K21 1 3 2 45 0.5OG 7081 0.5GN 7082 0.75WH 1 S36R Switch,unit,doorfunctions A:3A:2A:1 MMMM R02R A:1A:3A:2A:5A:4 A:8 MainmirrorWideanglemirror A:6 0.5WH 1 0.5WH 1 2.5WH 1 Pwr Supply Pwr Gnd Securitysubnet OpenDoor sensor UnlockDoor sensor LINGnd LIN8Pwr PwrHL LockDoor sensor Signal Gnd APModule DoorlatchmotorWindowLift Main/Wideanglemirror(MotorHB) CommonX-axeY-axeX-axeY-axe DCPModule PowerWindow HB2HB2HB1 Door InsteplamporWarninglamp A165R ControlUnit,DDM/PDM, Driver/PassengerDoorModule X1:6X1:5X1:4X1:3 X3:5 X3:1X2:3 X3:2X2:2X2:1 X2:4 X2:7X2:8X3:6 HB1 X3:4 X2:5 X2:6X3:3X2:9 X2:10X2:11 X2:12 X1:12 2.5RD 2094 2.5WH 1 2.5RD 2094 2.5RD 2094 2.5RD 2094 A01.CB12:20 XC104_2:18 2.5RD 2094 XC104_2:17 XC104_2:3 0.5OG 7081 XC104_2:4 0.5GN 7082 M45R MM Motor,windowlift withoutantipinch 21 MAntipinch M44R Motor,windowlift withantipinch X1:1X1:6X1:5X1:4 XS103 FRC F20 20A 1 2 A01.CB12:16 F29 10A 1 2 Rightdoor interface 0.75RD 4117 2.5RD/GN 4119 2.5PK 41200.75GY 4118 0.75BU 4121 0.75WH 1 XS104 XC104_2:7 0.75RD 2095 IC:3D E109R.2 IC:3D E16R.2 E129R Lamp,doorwarninglamp2 0.5GN 7082 SF:1C XS1257 0.5OG 7081 SF:1C XS1256 F30 10A 1 2 0.75WH 4127 0.5WH/VT 4122 0.5BN 4123 0.5WH/GY 4124 0.5WH/RD 4125 0.5WH/BN 4126 +MirrorHeating 10ARelay M09R3 2 145 L 6 Doorlatchmotor onRightside 0.5WH/GY 4130 0.5WH/RD 4128 0.5VT 4131 0.5RD/GN 4139 0.5PK 4129 0.75WH 1 0.75RD 2095 0.75RD 4132 0.75WH 4134 0.75GY 4133 XC104_2:22 XC104_2:10 0.75WH 1 2.5WH 1 YH:0D 1.4.B:5 YH:0D 1.4.A:4 2.5WH 1 YH:0D 1.4.B:3 RA:0B A31.A:12 RA:0B A31.A:10 + From VMCU Rightdoor interface Rightdoor interface PIN 4 DoorLock 2 _ _ _ + + 1 WINDOWLIFTMOTOR WITHOUTANTIPINCH(M45R) PIN DoorUnlock 1 CloseWindow OpenWindow + _ RIGHTDOORLATCHMOTOR(M09R) +
  • 83.
    Wiring diagram Page79 (268) T3065595 3210 A B C D WIRINGDIAGRAMITSEATS (87) (85) (87a) (30) (86) K24 1 3 2 45 01 R03 S55 1.5Y/R A06P A:4 A:3A:9 01 R03 S55 M M 1.5Y/R 2.5W 1.5GN/R M12 S61 0.75BN 0.75BN A06D A:4 A:3A:1A:2 2.5WH 12.5WH 1 0.75VT 0027 0.75RD/GN 5005 A01.CB12:1A01.CB12:10 BG:0C A160.A:22 BG:0C A160.A:21 FRC YH:0D 1.4.A:9 YH:0D 1.4.A:7 A01.CB3:16A01.CB3:17 F13 15A 1 2 F90 15A 1 2 (87) (85) (87a) (30) (86) K09 1 3 2 45 SeatMovement 10ARelay 1.5RD 2038 1.5RD 2100 1.0RD 2038 XS1301 1.5RD 2038 1.5RD 2038 PH:1D A132.A:2 Enginerunning 10ARelay From VMCU From VMCU ++
  • 84.
    Page 80 (268)Wiring diagram T3065596 3210 A B C D WIRINGDIAGRAMIUSUNROOFSUNVISOR 0.75WH 1 F22 5A 1 2 0.75WH/VT 2101 0.75WH 1 0.75WH/VT 2101 0.75BU 4159 0.75WH/BU 4160 A01.CT1:4A01.CT1:3 F52 15A 1 2 XC124:19 1.5RD/GN 4157 1.5VT 4158 XC124:20 1.5VT 4158 A01.CT1:24 0.5WH/RD 6000 A01.CT1:26 Backlight + Sunroofmotor2 relay20A Sunroofmotor1 relay20A FRC + SUNVISORMOTORSWITCH(S238) 0 1 2 Netural ActionSwitchPosition Down Up + + 1 _ _ 2 Up Down MOTORFRONTSUNVISOR (M43) PIN + Open PIN + _Close _ VTSUNROOFMOTOR(M51) 12 M M43 Motor,sunvisor,front 21 A1A2 0 S238 Switch, Sunvisor, front 5 14 36108 7 M M51 Motor, Sunroof, unit 21 1.5RD/GN 4157 (87) (85) (87a) (30) (86) K03 1 3 2 45(87) (85) (87a) (30) (86)K041 3 2 45 A01.CT1:21 0.5WH 1 YK:0D 1.8.A:4 YK_RHD:0D 1.8.A:4 OR IF:4B A01.CB3:4 VMCU From VMCU From VMCU
  • 85.
    Wiring diagram Page81 (268) T3065597 3210 A B C D WIRINGDIAGRAMKACABTILT M M11_RHD MotorCabtiltpump,(RHD) 1 2 4.0WH/YE 2131 0.75WH 1070 4.0WH 1 0.75RD/GY 0016 XC130:14 0.75RD/GY 0016 XC130:15 0.75WH 1070 F45 30A 1 2 FRC A01.CB1:3 (87) (85) (30) (86) K28 1 3 2 5 A01.CB7:8 XC201:2 4.0WH/YE 2131 S52L 1 2 S52R 1 2 0.75GY 0017 YD:2C XS352 BE:0B A187.CN2:17 XC213:2 0.75WH/BN 0.75WH/BN 2139 XC213:1 0.75BU 0018 0.75BU 0018 BE:0B A187.CN2:13 BE:0B A187.CN2:18 Cabtiltpump 40Arelay 4.0WH 1 4.0WH/YE 2131 YD:1C XS393 S26B Switch, cabtiltpump, chassis 1 3M M11 Motor,cabtiltpump 1 2 + FromCabtiltpump relaygroundinVMCU XC301_2:2 4.0WH/YE 2131
  • 86.
    Page 82 (268)Wiring diagram T3065598 3210 A B C D WIRINGDIAGRAMLALUBRICATIONSYSTEM M M141 3 0.75WH 1 0.75RD/GN 2026 AB:0B A163.X3:8 XC317:22 0.75RD/GN 2026 GE:1D XS378
  • 87.
    Wiring diagram Page83 (268) T3065599 3210 A B C D WIRINGDIAGRAMNABODYBUILDERBBM 0.75BN 80940.75WH/RD 8104 0.75PK 8092 0.75RD/GN 8091 0.75WH/BU 80900.75RD/BU 8089 0.75WH/YE 8088 1.5WH 1 0.75GN 7007 0.75OG 7006 0.75YE 7004 0.75GN 7005 SA:2B XS158 SA:2B XS159 SB:3C XS1118 SB:2B XS1117 A01.CB10:8 1.5RD 2130 FRC F19 15A 1 2 + YG:0D 1.5.A:2 BackBone1 GndSupplyCANLCANHCANLCANH BackBone2 Remote Enable Slide out Slide in Taillift up Taillift down Taillift tilt Taillift overload A36 A:12A:1A:2A:3A:4A:7 B3:1B3:5B3:6B3:7B1:10B3:10B1:25 ND:0D BBEC2.14_B1 ND:0D BBEC2.15_B1 ND:0D BBEC2.16_B1 ND:0D BBEC2.25_B1 ND:0D BBEC2.23_B1 ND:0D BBEC2.24_B1 ND:0D BBEC2.22_B1
  • 88.
    Page 84 (268)Wiring diagram T3065466 3210 A B C D WIRINGDIAGRAMNBBODYBUILDERVMCU ExtraSpot LampFront BB BB Flexible Switch2 Side/Reverse working lights Cab/Body Working Light BB Flexible Switch3/ TailLiftEnable/ Crane Extraparking lightsBB EL6 BB Flexible Switch1 VMCU Warning Body/Tail Liftfeedback EL2EL3 BB1 Eng.run/ Neutral/ Park Brake BB Supply A187CN11:8CN11:3CN11:1CN11:2CN11:9CN11:4CN11:6CN11:7CN11:11 0.75WH/VT 8002 0.75GN 8083 0.75VT 8000 ND:0B BBEC1.4_A1 ND:0B BBEC1.1_A1 ND:0B BBEC1.2_A1 0.5WH/RD 8005 0.5BU 8006 NE:0A BBEC1.9_A1 NE:0A BBEC1.7_A1 0.5BN 8007 NE:0A BBEC1.8_A1 ND:0B BBEC1.3_A1 0.75WH/BN 8004 ND:0B BBEC1.5_A1 0.75BN 8045 F68 15A FRC + 1 2
  • 89.
    Wiring diagram Page85 (268) T3065600 3210 A B C D WIRINGDIAGRAMNCBODYBUILDERCCIOM,PTO 0.75RD/GY 0164 Handle 11122 TrailerPlate 2 KingPin B234 Sensor,5thwheel A:1A:2A:3A:4 1.5WH 1 0.75WH 1056 0.75WH 8022 1.5WH 1 0.75WH 1 0.75WH 1 0.75WH/GN 8068 0.75RD/BU 8021 0.75BU 0167 0.75WH/BN 0165 0.75WH/BU 0166 YB:1C XS370 YB:1C XS370 YB:2C XS372 0.75BN 0163 0.75GY 0162 XC317:25 0.75RD/GY 0164 XC317:24 0.75BN 0163 XC317:23 0.75GY 0162 XC317:26 0.75WH 1056 EL7 1 4 CCIOM 5thwheelvalve common BBM-5thwheel Slidable5thwheel valve(Tractor) /Containerunlock(Rigid) PTO1valve PTO1FBsensor PTO2valve 5thwheelloadlight 5thwheelfeedback1 (Trailerplate) 5thwheelfeedback2 (kingpin) 5thwheelfeedback3 (Handle) 5thwheelGround A163 6:2X31:1XX2:5X1:1X1:17X1:15X1:25X2:2X2:10X2:28 XC318A:4 0.75WH/GN 8068 YB:1C XS397 XC318A:7 XC318B:4 0.75WH/GN 8068 XC318B:7 0.75WH 1 XC318C:4 0.75WH/GN 8068 0.75WH/GN 8068 XC318C:7 0.75WH 1 0.75WH 1 Customersupplied workingLamps PTO feedback1 XC303 TransmissionInterface,GIC021 34 Y1021 4 Y18A1 4 Y18B1 4
  • 90.
    Page 86 (268)Wiring diagram T3065601 3210 A B C D WIRINGDIAGRAMNDBODYBUILDERELECTRICALCENTER 0.75WH/YE 8088 0.75RD/BU 8089 0.75WH/BU 8090 0.75PK 8092 0.75WH/RD 8104 0.75BN 8094 BBEC2 1211101216511413 121413 23192124252220 (87) (85)(87a) (30) (86) K301 3 2 45 BB2 12 0.5YE 8008 0.5WH 1070 1.5WH/BU 8058 0.75WH/GN 0159 0.75WH 1 6.0RD 8028 4.0RD 8027 0.5PK 6000 0.5YE 8084 0.5RD 8023 0.5RD 8023 0.5PK 6000 0.5PK 6000 0.5GY 8086 0.5WH/GY 8085 0.5WH/YE 8087 0.75WH/VT 8002 0.75GN 8083 0.75VT 8000 0.5RD 8023 0.5RD 8023 0.5PK 6000 BBEC, BodyBuilder ElectricalCenter A01.CB12:9 A01.CB6:1A01.CB5:2 FRC BodyBuilder chassisconnections BackLight NB:0C A187.CN11:3NB:0C A187.CN11:9 NB:0C A187.CN11:8 1.5YE 8033 1.5WH/GY 8034 1.5GY 8035 1.5GY 8035 2.5WH/BN 8037 2.5VT 8038 2.5VT 80381.5WH/BU 8041 2.5RD/GN 8029 2.5RD/GN 8029 2.5PK 8030 2.5PK 8030 2.5WH/RD 8044 2.5WH/RD 8044 1.5BU 8046 1.5RD/GN 8049 1.5PK 80501.5WH/RD 8051 1.5YE 8033 A01.CB6:2 PowerSupply BB1Eng.run/ Neutral/ParkBrake BBFlexibleSwitch1 BBFlexibleSwitch2 WarningBody/TailLift A01.CB5:1 Ignition Ignition Main BE:0B A187.CN1:23 BBFlexibleSwitch3 F065A 1 2 STD. F08 20A 1 2 2.5BU 8036 XC202:2XC202:4XC202:5XC202:7 XC202:16 1.5WH/BN 8047 XC202:21 XC202:22 XC202:23 XC202:24 XC202:25 XC202:6 2.5WH/BN 8037 XC202:1 1.5WH/GN 8032 1.5WH/GN 8032 1.5WH/YE 8039 1.5WH/YE 8039 1.5RD/BU 8040 1.5RD/BU 8040 XC202:3 1.5WH/GY 8034 BB2 2.5RD 8025 feedback TailLift Enable/Crane 1.5BU 8046 1.5BU 8046 1.5WH/BN 8047 1.5WH/BN 8047 1.5VT 8048 1.5VT 8048 1.5RD/GN 8049 1.5PK 8050 1.5WH/RD 8051 1.5WH/RD 8051 1.5RD 8054 2.5RD 8056 A01.CB4:1 Parking Lamp SPOTP-F AUX 1.5WH/RD 8057 NE:0C XC213:24 NF:0C XC141:21 RA:0B A31.A:14 Trailer/CargoAlaram digitalinput 2.5BU 8036 2.5RD 8055 (87) (85) (30) (86) K07 1 3 2 5(87) (85) (30) (86) K20 1 3 2 5 + BBMain 40Arelay BBIgnition 40Arelay NE:0B K31.3 1.5RD 8053 NE:1B K32.3 NE:3B K33.3 Park Light Parking Lamp SPOTP-R 1.5VT 8048 1.5VT 8048 NK:4B XS1305 A02XACA02PAE 1A5A C F07 30A 15A15A20A10A10A15A15A15A5A15A5A15A 1 2 F49 50A 1 2 F73 30A 1 2 F74 20A 1 2 1.5BN 8052 2.5BN 8003 0.75BN 8045 1.5BN 8052 1.5BN 8052 2.5RD 8043 0.75WH/BN 8004 NB:0C A187.CN11:2 2.5BN 8003 0.75BN 8045 NB:0C A187.CN11:4 4.0RD 8026 0.75WH/BN 8004 BE:0B A187.CN1:2 BBEC1 Switch1Switch2Switch3Switch4 123451110 BBEC161676543 76543 76543 15 BB112 FromVMCUFromVMCU ++ X124 12 NA:1C A36.B1:25 NA:1C A36.B3:1NA:1C A36.B3:5 0.75RD/GN 8091 NA:1C A36.B3:6 NA:1C A36.B3:7 NA:1C A36.B3:10 NA:1C A36.B1:10 Taillift/Tipperpreparationchassiharnessisendingwithsame adapterharnessshownonBB1-X124alsoforBB2andBB3. S243 41 810 S244 41 810 S245 41 810 S246 41 810 0.5WH 1070 0.5WH 1070 BB3 123456734567 BB3 YF:4C GndBB02 0.5WH 1070 XC202:15 XC202:14 XC202:19 XC202:20 XC202:13 XC202:12 XC202:11 XC202:10 1.5WH/BU 8041
  • 91.
    Wiring diagram T3065602 Page 87(268) 3210 A B C D WIRINGDIAGRAMNEBODYBUILDERELECTRICALCENTEREXTRALIGHTING (87) (85) (87a) (30) (86) K32 1 3 2 45(87) (85) (87a) (30) (86)K311 3 2 45 1.5WH 1 1.5WH 1 1.5WH/BN 8061 1.5WH/RD 8057 1.5WH 1 1.5BU 8059 XS401 XS400 1.5BU 8060 1.5WH/BN 8061 XS118 XS119 XC208:1 XC111:1 1.5WH/BN 8061 XC113:1 1.5BU 8061 XC124:3 XC113:2 1.5BK 1 XC141:34 1.5WH/BN 8061 XC111:2 1.5WH 1 YK:0D 1.8.B:5 XC213:19 CabBody workingLamps, onroof SidereverseworkingLamps Extraspotlamp,frontEL6 1.5BU 8059 1.5BU 8060 EL6:3EL6:1 XC318A:5 1.5WH 1 XC318A:2 1.5BU 8060 EL6:2 ND:3D BBEC1.15_A1 EL3:1EL3:2 CabBody workingLamps WLC-PKCH 1.5RD 8063 NF:2C XS113 XC111:31.5RD 8063 NF:2B XC113:3 1.5WH 1 NF:2C XS120 XC111:4 1.5GY 1 NF:2B XC113:4 Extra spotlamp frontEL6 0.75WH 1 1.5RD 8054 ND:2B A02P.3A 0.5WH/RD 8005 NB:0C A187.CN11:6 0.75WH 1 Sidereverse working LampEL2 0.5BU 8006 NB:0C A187.CN11:1 2.5RD 8055 ND:2B A02P.5A Cab/Body working LampEL3 0.75WH 1 (87) (85) (87a) (30) (86)K331 3 2 45 2.5RD 8056 ND:2B A02P.6A BBEC 0.5WH/RD 8005 0.5BU 8006 0.5BN 8007 EL3L 1 4 EL3R 1 4 EL3AL 1 4 EL3AR 1 4 1.5WH 1 1.5WH 1 EL2RR 1 4 EL2LR 1 4 EL2RF 1 4 EL2LF 1 4 XC208:2 1.5WH/BN 8061 NotSupplied byVolvo XC213:24 1.5WH/RD 8057 XS1279 1.5WH/BN 8061 XC130:23 1.5WH/BN 8061 XC108_1:5 1.5WH/BN 8061 1.5WH/BN 8061 XC108_1:6 1.5WH 1 1.5WH 1 XC108_2:5 1.5WH/BN 8061 1.5WH/BN 8061 XC108_2:6 1.5WH 1 1.5WH 1 YM:0C 1.3.A:9 YM:0C 1.3.A:10 XC318A:6XC318A:3 1.5WH/BN 8061 YB:1C XS397 YB:1C XS397 1.5WH 1 XS402 1.5BU 8060 XS403 1.5WH 1 XC318B:5 1.5WH 1 XC318B:21.5BU 8060 XS404 XS405 1.5WH 1 XC358:3 1.5WH 1 1.5WH 1 XC358:1 1.5BU 8060 XC318C:2 1.5BU 8060 XC318C:5 1.5WH 1 XC318B:3 1.5WH/BN 8061 XC318C:3 1.5WH/BN 8061 1.5WH/BN 8061 XC318B:6 1.5WH 1 XC318C:6 1.5WH 1 1.5WH 1 1.5WH/BN 8061 XC106:1 1.5GY 8061 XC106:3 1.5WH 1 1.5BK 1 1.5WH/BN 8061 0.5BN 8007 NB:0C A187.CN11:7 BBEC1789 1.5WH 1 YK_RHD:2D 1.9.A:5 OR 1.5WH 1 YN:1C XS1232 YF:3C GndBB03 YF:3C GndBB04 YF:3C GndBB05 1.5WH 1 1.5WH 1
  • 92.
    Page 88 (268)Wiring diagram T3065603 3210 A B C D WIRINGDIAGRAMNFBODYBUILDEREXTRALIGHTING 1.5WH 1 XC124:23 1.5WH 1 1.5WH 1 1.5WH 1 M EL4LF A B (87) (85) (87a) (30) (86) K10 1 3 45 2 (87) (85) (87a) (30) (86) K12 1 3 2 45 1.5GY 8063 1.5BK 1 1.5BK 1 1.5GY 8063 1.5GY 8058 1.5RD 8062 1.5BK 1 1.5WH/BU 8058 1.5WH 1 1.5WH/BU 8058 1.5RD 8062 1.5RD 8062 1.5BK 1 1.5GY 8064 1.5WH 1 1.5WH 1 1.5RD 8064 1.5GY 1 1.5WH 1 1.5RD 8063 1.5RD 8063 0.75WH 1 1.5WH 1 1.5WH/BU 8058 1.5BK 1 1.5GY 8063 1.5GY 8063 XC124:9 EL0R 1 2 XC115_1:2 M EL4RF A B Rooflightsign 1.5RD 8062 XC115_1:1 A01.CT1:32 1.5RD 8062 XC115_1:3 0.75RD 8065 1.5BK 1 A01.CT1:27 0.75WH 1 1.5GY 8063 0.75RD 8065 A01.CT1:22 1.5BK 1 1.5GY 8063 1.5RD 8064 EL0L1 2 XC118:1 0.75RD 8064 XC115_1:4 XC118:3 0.75RD 8065 0.75RD 8065 1.5WH 1 XC124:10 XC113:3 1.5RD 8063 1.5RD 8063 1.5RD 8063 1.5WH 1 XC113:4 1.5GY 1 1.5WH 1 1.5RD 8063 LampExtraspot Roof,Front Lamp,Beaconwarning Lamp,Full beamsign 1.5BK 1 ND:3D BBEC1.16_A1 XC115_2:2 1.5BK 1 XC115_2:1 1.5RD 8063 1.5GY 8063 1.5GY 8063 YK:0D 1.8.B:6 YK:0D 1.8.B:4 YK:0D 1.8.B:4 EL1 ++++ LampExtraspot RoofEL1 20Arelay Lamp,Beacon warningEL4 20Arelay Rooflightsign EL5 10Arelay Lamp,Full beamsignEL0 10Arelay XS1253 GF:1C XC116:5 XS1264 GF:1C XC116:6 GF:1C XC116:6 XC115_2:5 1.5RD 8064 XC115_1:6 1.5GY 8058 XC115_2:6 1.5WH 1 NE:2C XC111:3 NE:2C XC111:3 NE:2C XC111:4 NE:2C XC111:4 XC141:21 1.5WH/BU 8058 XS121 XS113 XS120 EL5L 1 3 EL5R 1 3 FRC XS1265 XC119:3XC119:1 XC124:24 XC107:3 XC124:25 XC107:2 XC107:1 LampExtraspot Roof,Center EL1 1.5WH 1 1.5BK 1 XC141:21 1.5RD 8064 XC117 123 XC112123 F11 15A 1 2 F12 15A 1 2 F16 10A 1 2 (87) (85) (87a) (30) (86) K13 1 3 2 45 (87) (85) (87a) (30) (86) K15 1 3 2 45 F15 10A 1 2 A01.CT1:36 1.5BK 1 XC118:3XC118:1 YK:0D 1.8.A:3 YK_RHD:0D 1.8.A:3 OR YK:0D 1.8.A:6 YK_RHD:0D 1.8.A:6 YK:0D 1.8.A:8 YK_RHD:0D 1.8.A:8 OR YK:0D 1.8.A:8 YK_RHD:0D 1.8.A:8 OR 1.5WH 1 YK:1C XS1289 0.75WH 1 YK_RHD:2D 1.9.A:4 OR 0.75WH 1 YK_RHD:2D 1.9.A:4 OR 1.5WH 1 YK_RHD:2D 1.9.A:6 OROR 1.5WH 1 YK_RHD:1C XS1289 OR FromFromFromFrom VMCUVMCUVMCUVMCU M EL4LR 2 1 M EL4RR 2 1 undef*opt*
  • 93.
    Wiring diagram Page89 (268) T3065604 3210 A B C D WIRINGDIAGRAMNKBODYBUILDERPLOUGHLAMPS BBM A02PAE 1A1B 15A15A15A15A5A5A 2A2B3A3B5A5B4A4B6A6B C (87) (85) (87a) (30) (86)K911 3 2 (87) (85) (87a) (30) (86)K90 Outputs 1 3 454545 2 (87) (85) (87a) (30) (86)K921 3 2 0.75GN-YE 8071 0.75GN 8071 A36 B3:20B3:21B3:22B3:8 1.5RD/GY 8080 1.5RD/GY 8080 1.5RD/GY 8079 1.5RD/GY 8079 0.5YE 8008 5A5A5A5A ACA02Y 15115 62 1 FH 1612 0.75GY 1 0.75GY 1 1.5RD/GY 8079 0.75VT 8074 0.75GY 10.75GY 1 0.75GY 1 0.75GY 1 0.75WH 10.75WH 1 Ploughlamps (customerbuilt) 0.75RD 8078 0.75WH 1 BBEC, BodyBuilderElectricalCenter STD. 1.5RD 8010 E13L_PL 1 2 E08L_PL 1 2 E01L_PL 1 2 E02L_PL 1 2 E02R_PL 1 2 E01R_PL 1 2 E08R_PL 1 2 E13R_PL 1 2 1.5RD 8077 0.75BN 8081 0.75BK 8073 0.75GY 10.75GY 1 0.75GY 1 0.75GY 1 Dir. ind. LHS Dir. ind. RHS Park RHS Full RHS Dipped RHS Full LHS Park LHS Dipped LHS Exteriorlights VMCU ExtraParkLight A187 CN11:11 0.75RD/GN 8075 1.5RD/GY 8080 E13L_LE08L_L 0.75GN-YE 8071 E02L_L 0.75BN 8072 E01L_LE02R_L 0.75BK 8082 E01R_LE08R_LE13R_L XS1305 0.75YE 8008 0.75YE 8008 ND:3D BBEC1.6_A1 XS1306XS1307 XS1308 0.75BU 8069 0.75BU 8069 XS1309 0.75BU 8070 0.75BU 8070 XS1317 DippedBeamFullBeam Parklight YF:2C GndBB07 YF:3C GndBB08YF:3C GndBB09
  • 94.
    Page 90 (268)Wiring diagram T3065605 3210 A B C D WIRINGDIAGRAMPADACU,DRIVERASSISTANCECONTROLUNIT 0.75OG 7073 0.75GN 7074 1.5WH 1 0.75RD 2126 V32 LED,indicator, LCS(LaneChangesupport) 1 2 FLS_PWR CANHCANL B238 Sensor,FLS (ForwardLookingSensor) 1 +24VFLS_GND 4 5 7 0.75GN 7027 0.75YE 7026 0.75GN 7027 0.75YE 7026 Power Supply Gnd Backbone1 HLPwrPwrGnd DACU H Backbone2 ActiveSafety Subnet1 ActiveSafety Subnet2 Supply Forwardlooking sensor(FLS) FCWLED (ForwardCollisionWarning)LPOS PWRGnd LCSLED A26Controlunit,DACU (DriverAssistance ControlUnit) B:13 A:5 A:3 A:7 A:6A:8A:10 B:2A:12B:1A:2 B:3B:4 B:10B:11 B:12A:4 0.75OG 7073 0.75GN 7074 0.75GN 7074 0.75GN 7074 0.75OG 7073 0.75OG 7073 0.75YE 7026 0.75GN 7027 0.75GN 7027 0.75YE 7026 0.5WH 1052 0.5WH 1 0.5PK 2123 0.75YE 7026 0.75GN 7027 0.75OG 7073 0.75GN 7074 0.5WH 1 0.75YE 7004 0.75GN 7005 0.75OG 7006 0.75GN 7007 SB:2B XS1115 SB:2C XS1116 SA:3B XS160 SA:3B XS161 A01.CB3:5 0.5RD 2121 FRC 0.75OG 7073 PB:1C A176.9 PB:1C A176.10 LCS sidesensor ActiveSafety prop.subnet1B246 105 +12VGND 27 F31 5A 1 2 XC141:30 0.5RD/GN 2124 0.5RD/GN 2124 XC204:10 0.5RD 2126 XC204:2XC204:1 XC131:20XC131:19 XC131:14XC131:5 E111 LEDModule, ForwardCollisionWarning 2 10.5RD 2122 PB:1C A176.12 0.75GN 7074 0.75WH 1 0.75RD 2126 XC141:14 0.5RD 2122 PB:1C A176.7 XC141:13 0.5WH 1052 0.5RD 2125 0.75YE 7026 0.75GN 7027 XC108_1:5 0.5RD 2125 XC108_1:6 XC108_1:7 XC108_1:8 XC108_2:5 XC108_2:6 0.5WH 1053 0.5WH 1053 XC108_2:7 XC108_2:8 XC141:1 0.75OG 7073 XC141:2 0.75GN 7074 XC141:10 0.75OG 7073 XC141:11 XS1263 XS1262 PB:1C A176.10 PB:1C A176.9 0.5WH 1053 + YG:0D 1.5.A:5 0.75OG 7073 0.75GN 7074 XS1261 XS1260 0.75GN 7074 PH:2B XS1316 PH:2B XS1315 PH:1D A132.A:11 PH:1D A132.A:10TR R14 15 XS1311 XS1312 XC130:12XC130:13 XS1313 XS1314 TR R14 15 XC130:12XC130:13 YG:0D 1.5.A:10 0.5WH 1 YK:1C XS1289 0.5WH 1 YK_RHD:1C XS1289 OR XC153_1:4 XC153_2:4 XC153_1:1 XC153_2:1 XC153_1:2 0.5YE 7026 0.75YE 7026 0.5YE 7026 0.75YE 7026 0.75GN 7027 XC153_2:3 0.5GN 7027 0.75GN 7027 XC301_2:5 XC301_2:6 XC301_2:4 XC301_2:3 YD:3D 5.1_5 L HL HL HL 0.5RD 2125 0.5RD 2125 0.5RD 2125 0.5RD 2125 0.5RD 2125 0.5WH 1053 0.5WH 1053 0.5WH 1053 0.5WH 1053 XC153_1:3 70270.5GN XC153_2:2
  • 95.
    Wiring diagram Page91 (268) T3065614 3210 A B C D WIRINGDIAGRAMPBLANEPOSITION 0.75OG 7073 0.75GN 7074 0.5WH 1052 0.75OG 7073 0.75GN 7074 PA:1D XS1262 PA:1D XS1263 0.5RD 2122 PA:0A XC141:14 PA:0A XC141:13 0.75OG 7073 PA:1C XC141:1 0.75GN 7074 PA:1C XC141:2 Gnd Pwr LHCANHLLCANL ACTIVESAFETY PROPRIETARYNET2Cc Rc CAN_low_TermCAN_High_Term Rc LPOS A176 510982 7 1112
  • 96.
    Page 92 (268)Wiring diagram T3065606 3210 A B C D WIRINGDIAGRAMPESRS,SUPPLEMENTARYRESTRAINSYSTEMAIRBAG Powersupply CabSubnet BeltPretensioner HL Airbagignition-Driver Gnd(+)(-)(+))+()-()-( DriverPassenger A15 Controlunit,SRS (SupplementaryRestrainSystem) X1:34X1:33X1:32X1:31 X1:61X1:62 X1:74X1:53X1:54 X1:75 0.5WH 5013 0.5WH 5012 0.5OG 5015 0.5GN 7023 0.5OG 7022 0.5OG 5017 0.5WH/OG 5016 0.5WH 1 0.5RD 2127 FRC A01.CB3:10 0.5WH/OG 5014 Y44 Air-bag,pyrotechnical 0.5WH/OG 5010 0.5OG 5011 Y43DS Seatbeltpretensioner, pyrotechnical Y43PS Seatbeltpretensioner, pyrotechnical AirBag2AirBag1X115A Contactreel, airbag B:7 121212 B:8 A:7A:8 F81 5A 1 2 SC:1C XS1219 SC:1C XS1218 K22,Ignition 20Arelay YG:0D 1.5.A:7 BX:2A
  • 97.
    Wiring diagram Page93 (268) T3066049 3210 A B C D WIRINGDIAGRAMPHALCOLOCKSTARTPREVENTIONSYSTEM 0.75YE 7026 0.75GN 7027 0.75YE 7026 0.75RD 2039 0.5WH L CPU +8,8V CPU GNDGND+12VH CAN HANDSETA133 654213 0.5WH0.5WH0.5WH0.5WH0.5WH 0.75WH/GN 2020 0.75RD/BU 0022 0.75WH/RD 0022 1.0RD 2038 FRC A01.CB2:16 F88 5A 1 2 0.75WH 1 YG:0D 1.5.A:3 0.75GN 7027 PA:0B A26.B:13 0.75YE 7026 PA:0B A26.B:4 0.75GN 7027 PA:3C XS1260 0.75YE 7026 PA:3C XS1261 BE:1C XS1292 AF:1C A187.CN3:15 AF:1B S15.2 IT:3B XS1301XS1316 0.75GN 7027 XS1315 TR R14B 1 5 IF:1A STARTPREVENT CIRCUIT GND Ignition HANDSETCABLEALCOLOCKECU CAN HLENGINE RUNNING Supply A132 A:1A:6A:8 B:3B:9 A:5 A:7B:1B:5B:8B:7 A:11A:10A:2
  • 98.
    Page 94 (268)Wiring diagram T3065608 3210 A B C D WIRINGDIAGRAMRAALARM 0.75RD 5020 0.75WH 5021 0.75RD 5020 0.75GY 50220.75WH 50210.75RD 5020 0.5GN 7082 0.5OG 7081 0.5OG 7081 0.5GN 7082 CANLCANH SecuritySubnet PwrStatusLED Frontlid switch Luggage comp.1 state(left) Luggage comp.2 state(right)Gnd Siren PanicAlarm Switch Gnd+12V Trailer/Cargo Alarmdigital Input GndLIN+12V MDD LIN A31 Controlunit,burglaralarm A:2A:12A:14 A:16 A:1 A:9A:15 A:10 A:8A:3A:6A:7A:4A:5 A:13 A:17 S95 Switch Panicalarm 1 3 20.75WH/GN 0159 V07 LED,indicator,ALARM 1 2 0.5WH 1 FRC XC301:8 A01.CB12:11 XC213:13 0.75GY 5026 F55 3A 1 2 XC204:19 0.75RD 5020 XC204:21 0.75WH 1 YH:0D 1.4.B:8 *Motion Detection Device XC124:5XC124:6XC124:7 XC141:5 0.75RD 5023 XC141:3 0.75WH 5025 XC141:4 0.75GY 5024 ND:0B BBEC1.10_A1 + 0.75WH 5021 0.75RD 50200.75WH 5025 0.75GY 5024 0.75RD 5023 0.75GY 5026 0.75GY 5018 0.5RD 2128 *Alarm,MDD&SirenhasanassociatedAdapterinterfaceconnector. 0.75GY 5024 0.75WH 5025 0.75RD 5023 0.75WH 5021 YG:0D 1.5.A:1 B242 UltrasonicInstrusionProtection(UIP) A:1A:2A:3 XC204:20 0.75GY 5022 0.75GN 6000 BE:1B XS1107 XC141:36 0.75WH/BN 5019 0.75WH/BN 5019 S80 Positionswitch, fronthatch 1 3 0.35W B90 MIC 0.35W B91 0.35W B253 H06 Siren 3 2 1 0.75RD 5020 0.75GY 5022Switchopenwhen Frontlidisopen IS:0B XC104_2:4 IS:0B XC104_2:3 SF:1C XS1256 SF:1C XS1257 0.75WH 1 YK:1C XS1289 0.75WH 1 YK_RHD:1C XS1289 OR 0.75WH 1 YN:1C XS1232 XC301_2:8 XC301_2:10 XC301_2:9 0.75GY 5022
  • 99.
    Wiring diagram Page95 (268) T3065609 3210 A B C D WIRINGDIAGRAMSABACKBONE1 0.75GN 7005 0.75YE 7004 0.75GN 7005 0.75YE 7004 0.75YE 7004 0.75GN 7005 0.75GN 7005 0.75YE 7004 0.75GN 7005 0.75YE 7004 0.75GN 7005 0.75YE 7004 0.75GN 7005 0.75YE 7004 0.75YE 7004 0.75GN 7005 0.75GN 7005 0.75YE 7004 0.75GN 7005 0.75GN 7005 0.75YE 7004 0.75YE 7004 0.75GN 7005 0.75YE 7004 0.75YE 7004 0.75GN 7005 0.75YE 7004 0.75GN 7005 0.75YE 7004 0.75GN 7005 0.75YE 7004 0.75GN 7005 0.75YE 7004 0.75YE 7004 0.75GN 7005 0.75GN 7005 XS155 BG:0C A160.A:29 0.75YE 7004 BG:0C A160.A:13 EE:0B A21.X1:5 EE:0B A21.X1:6 BE:0B A187.CN3:7 EA:0B A12A.X1:5 EA:0B A12A.X1:6 XS157 XS156 PA:0B A26.B:10 PA:0B A26.B:1 XS154 0.75YE 7004 0.75GN 7005 0.75GN 7005 XS329 DC:0C XC303.4 0.75YE 7004 XS330 DC:0C XC303.1 XS162 XS163 NA:1C A36.A:1 NA:1C A36.A:2 CHASSIS CAB BE:0B A187.CN3:8 0.75GN 7005 High Low XS159 XS158 XS161 XS160 CIOMDACUHMIIOMVMCUBBMTACHO ACMABSTECUEBS XS327 XS328 ENGINE XS332 0.75GN 7005 XS331 0.75YE 7004 0.75GN 7005 0.75YE 7004 0.75GN 7005 0.75YE 7004 0.75GN 7005 0.75YE 7004 XC203:1 0.75YE 7004 XC203:2 0.75GN 7005 BG:0C A160.A:13 BG:0C A160.A:29 BC:1B A33.A4 BC:1B A33.A8 0.75YE 7004 BA:1C A161.A:18 BA:1C A161.A:17 XC140:16 0.75GN 7005 XC140:7 0.75YE 7004 0.75GN 7005 CE:0B A174.A:10 CE:0B A174.A:14 0.75YE 7004 CK:0B A174B.A:14 0.75GN 7005 CK:0B A174B.A:10 ACM+ EM-EU6 CA1:1D XC302.4 CA1:1D XC302.1 CA1:1D XC302.4 CA1:1D XC302.1 CA1:1D XC302.4 CA1:1D XC302.1 CA1:1D XC302.4 CA1:1D XC302.1
  • 100.
    Page 96 (268)Wiring diagram T3065610 3210 A B C D WIRINGDIAGRAMSBBACKBONE2 0.75OG 7006 0.75OG 7006 0.75GN 7007 0.75OG 7006 0.75GN 7007 0.75OG 7006 0.75GN 7007 0.75OG 7006 0.75OG 7006 0.75GN 7007 0.75GN 7007 0.75OG 7006 0.75OG 7006 0.75GN 7007 0.75GN 7007 0.75OG 7006 0.75GN 7007 0.75OG 7006 0.75OG 7006 0.75GN 7007 BG:0C A160.A:27 BG:0C A160.A:11 BE:0B A187.CN3:4 BE:0B A187.CN3:5 BA:1C A161.A:15 BA:1C A161.A:14 PA:0B A26.B:11 XS1116 PA:0B A26.B:2 XS1117 NA:1C A36.A:4 XS1118 NA:1C A36.A:3 Low CAB CHASSIE High XS1114 XS1113 XS1120 XS1119 CIOMVMCUDACUBBMHMIIOM TECU XS1115 XC210:9XC210:12 0.75GN 7007 DC:0C XC303.8 DC:0C XC303.10 0.75GN 7007 0.75GN 7007 0.75OG 7006 DA:0C XC303.8 DA:0C XC303.10 Transmission Manual
  • 101.
    Wiring diagram Page97 (268) T3065611 3210 A B C D WIRINGDIAGRAMSCCABSUBNET 0.5OG 7022 0.5GN 7023 0.5OG 7022 0.5GN 7023 0.5OG 7022 0.5GN 7023 0.5OG 70220.5OG 7022 0.5GN 7023 0.5GN 7023 CabSubnet Low High XS1218 XS1220 XS1219 XS1221 0.5GN 7023 HA:0C A168.A:6 0.5OG 7022 HA:0C A168.A:3 LECM 0.5OG 7022 BG:0C A160.A:8 0.5GN 7023 BG:0C A160.A:24 CIOM 0.5OG 7022 HA:1B A34B.X2:2 0.5GN 7023 HA:1B A34B.X2:1 CCM 0.5OG 7022 PE:1B A15.X1:61 0.5GN 7023 PE:1B A15.X1:62 SRS BG:0C A160.A:24 0.5OG 7022 BG:0C A160.A:8 BG:0C A160.A:24 BG:0C A160.A:8 0.5GN 7023 HA:1B A34B.X2:1 HA:1B A34B.X2:2 HA:1B A34B.X2:1 HA:1B A34B.X2:2 WRC XS1254 XS1255 XC130:9 XC130:8 0.5OG 7022 XC130:18 0.5GN 7023 XC130:17 0.5OG 7022 XC103:3 0.5GN 7023 XC103:4 0.5OG 7022 0.5GN 7023 FB:2C WRC.6 FB:2C WRC.3 XC140:5 XC140:4 XC140:19 XC140:20
  • 102.
    Page 98 (268)Wiring diagram T3065612 3210 A B C D WIRINGDIAGRAMSDCHASSISSUBNET 0.75GN 7001 0.75OG 7000 0.75GN 7001 0.75OG 7000 0.75OG 7000 0.75GN 7001 BE:0B A187.CN2:23 BE:0B A187.CN2:22 0.75OG 7000 0.75GN 7001 0.75GN 7001 0.75OG 7000 0.75GN 7001 0.75GN 7001 0.75OG 7000 0.75OG 7000 0.75GN 7001 0.75GN 7001 0.75OG 7000 0.75OG 7000 0.75OG 7000 0.75GN 7001 0.75GN 7001 0.75OG 7000 0.75OG 7000 0.75GN 7001 0.75OG 7000 0.75GN 7001 0.75OG 7000 0.75GN 7001 0.75GN 7001 0.75GN 7001 0.75GN 7001 0.75OG 7000 0.75GN 7001 0.75OG 7000 0.75OG 7000 0.75GN 7001 GC:1A XC317:11 GC:1A XC317:12 GA:0B A162.X1:1 GA:0B A162.X1:5 FE:0C A177.X1:2 FE:0C A177.X1:3 0.75OG 7000 AB:0B A163.X2:22 AB:0B A163.X2:26 HighLow VMCU FCIOM CCIOM 0.75GN 7001 APMRCIOM XS337 EE:0B A21.X2:8 EE:0B A21.X2:7 EBS XS341 XS343 XS344 XS345 XS346 0.75OG 7000 XC203:5 0.75OG 7000 XC203:6 0.75GN 7001 0.75OG 7000 XS336 XS335 XS338XS340 XS339 XS342 XS348 XS347 XS368 XS367 XC301_2:11 XC301_2:12
  • 103.
    Wiring diagram Page99 (268) T3065613 3210 A B C D WIRINGDIAGRAMSEINFOTAINMENTSUBNET 0.5OG 7008 0.5GN 7009 0.5OG 7008 0.5OG 7008 0.5GN 7009 0.5OG 7008 0.5OG 7008 0.5GN 7009 0.5OG 7008 0.5GN 7009 0.5GN 7009 0.5OG 7008 0.5GN 7009 0.5OG 7008 0.5GN 7009 IO:0C A169.B:2 IO:0C A169.B:3 BA:1C A161.A:23 BA:1C A161.A:24 TGWAUDIO VIDEOSWITCHHMIIOM XS150 XS151 XC140:9 XC140:18 XS1208 XS1207Low Low High HighLowHigh 0.5GN 7009 0.5OG 7008 BU:2B A125.X1:13 BU:2B A125.X1:14 BU:2B A125.X1:13 BU:2B A125.X1:14 IK:0B A07.C1:5 IK:0B A07.C1:1 IK:0B A07.C1:5 IK:0B A07.C1:1 0.5GN 7009 BA:1C A161.A:24 BA:1C A161.A:23
  • 104.
    Page 100 (268)Wiring diagram T3066050 3210 A B C D WIRINGDIAGRAMSFSECURITYSUBNET 0.5GN 7082 0.5OG 7081 0.5GN 7082 0.5OG 7081 High Low CIOM 0.5GN 7082 BG:0C A160.A:25 0.5OG 7081 BG:0C A160.A:9 Alarm 0.5GN 7082 IR:0C XC104_1:4 0.5OG 7081 IR:0C XC104_1:3 PDMDDM IS:0B XC104_2:4 IS:0B XC104_2:3 XS1257 XS1256 RA:0B A31.A:10 RA:0B A31.A:12
  • 105.
    Wiring diagram Page101 (268) T3065615 3210 A B C D WIRINGDIAGRAMSKCIOMSWITCHMODULETOPOLOGY Switch Module S265 0.75GY 7123 0.75WH 7124 0.75RD 7085 0.75RD 7085 0.75GY 7106 0.75WH 7107 0.75WH 7109 0.75GY 7108 0.75RD 7110 0.75WH/VT 3046 0.75WH 1070 0.75GY 3044 0.75RD 7085 0.75RD 7125 0.75RD 7085 0.75GY 7100 0.75WH 7101 0.75RD 7085 0.75WH 7121 0.75GY 7120 0.75RD 7122 Flexibleswitch panel1 Flexibleswitch panel2 Flexibleswitch panel3 Flexibleswitch panel4 Flexibleswitch panel5 Flexibleswitch panel8 ILCP, InteriorLight ControlPanel Flexibleswitch panel6 ELCP, ExteriorLight ControlPanel Flexibleswitch panel_B RCECS, RemotecontrolECS Flexibleswitch panel7 Flexibleswitch panel9 0.75RD 7116 0.75GY 7114 0.75RD 7119 0.75GY 7117 0.75WH 7118 0.75RD 7085 0.75GY 7102 0.75WH 7103 SwitchModule S259 SwitchModule S287 XC140:1 XC140:2 0.75GY 7106 XC140:3 0.75WH 7107 0.75RD 7085 0.75GY 7098 0.75WH 7099 GP:2C B243.1 XS1150 XS1149 XS1151 Switch Module S255 XC103:1 0.75RD 7085 XC103:2 0.75GY 7098 XC103:3 0.75WH 7099 XC130:6 0.75RD 7085 0.75RD 7085 XC130:8 0.75GY 7098 0.75GY 7098 XC130:7 0.75WH 7099 Switch Module S263 A3 B3 A2A1 B2 B1 A3 B3 A2A1 A3 A2A1B2 B1 A3 B2 A2A1 A2 A3 A5A4 A6A1 A2 A2A3 A3A1 A1 B3 B1 A3 B3 A2A1 B2 B1 A3 B3 A2A1 A3 A2A1B2 B1 A3 B3 A2A1 A3 A2A1B2 B1 Switch Module S258 SwitchModule S260 0.75WH 7099 0.75WH 7099 0.75GY 7098 0.75WH 7112 0.75GY 7111 0.75RD 7113 SwitchModule S269 XC144:4 0.75RD 7085 0.75RD 7085 XC144:5 0.75GY 7104 0.75GY 7104 XC144:6 0.75WH 7105 0.75WH 7105 XS1266 0.75RD 7085 0.75RD 7085 XS1267 0.75GY 7106 XS1268 0.75WH 7107 0.75WH 7107 0.75RD 7085 0.75GY 7106 XS1269 Bus LIN4 Gnd LIN5 BusBus LIN3 GndGnd LIN2 GndBus CIOMLIN1 BusGnd 12VSupplyoutput 421 12VSupplyoutput 3 A160 B:1B:5B:12B:11C:1C:9C:10C:4C:3B:6B:2C:8C:2C:7 Switch Module S271 Switch Module S262 SwitchModule S270 S272 31 14 BE:0B A187.CN3:13 BE:0B A187.CN3:3 BE:0B A187.CN1:26 Switch Module S267 0.75WH 7115
  • 106.
    Page 102 (268)Wiring diagram T3065616 3210 A B C D WIRINGDIAGRAMSLSWITCHMODULETOPOLOGYHMIIOM 0.75WH 7035 0.75GY 7034 0.75GY 7090 0.75GY 7090 0.75GY 7090 0.75WH 7091 0.75WH 7091 0.75WH 7091 0.75RD 7089 0.75RD 7089 0.75RD 7089 0.75WH 7079 0.75GY 7080 0.75RD 7078 0.75GY 7076 0.75WH 7077 0.75RD 7075 GearLever Unit Insideseat GND +12V LIN S171 R/YR/BNR/BL A06DA:6A:7A:8 Switch Module S257 A3A2A1A6A5A4 LIN14 HMIIOM LIN13LIN15 VP_LINCLINC A161 A:5A:2A:4A:8A:6A:3 A:3A:1A:2 A:9A:10A:7 X115B Contactreel, withoutairbag B:2B:1 A:3A:2A:1 B:3 SwitchModule S275 A3A2A1 SwitchModule S285 A3A2A1 XC144:7 XC144:8 XC144:9 0.75GY 7093 0.75GY 7093 0.75WH 7094 0.75WH 7094 0.75RD 7092 0.75RD 7092 SWS, SteeringWheel Switchs XS1271 XS1272 XS1273 Stalkmodule XC144:11 XC144:10 SIDCP, SecondaryInformation DisplayControlPanel 0.75GY 7034 BU:0D XC141:8 0.75WH 7035 BU:0D XC141:9 X115A Contactreel, airbag B:2B:1 A:3A:2A:1 B:3 0.75RD 7075 0.75GY 7076 0.75WH 7077 0.75WH 7078 0.75WH 7079 0.75GY 7080 OROROR OROROR GndVP_LINALINAGndVP_LINBLINBGnd
  • 107.
    Wiring diagram Page103 (268) T3065618 3210 A B C D WIRINGDIAGRAMXAOBDINTERFACE 0.75WH 1 0.5OG 7018 0.5GN 7019 BE:0B A187.CN3:2 BE:0B A187.CN3:1 FRC A01.CB12:4 0.75RD 2120 F625A 1 2 + OBD 6416145 YG:0D 1.5.B:5 0.75WH 1 YG:0D 1.5.B:5
  • 108.
    Page 104 (268)Wiring diagram T3065617 3210 A B C D WIRINGDIAGRAMYAECUGROUNDCHASSIS 2.5WH 1 2.5WH 1 1.5WH 1 2.5WH 1 1.5WH 1 1.5WH 1 2.5WH 1 2.5WH 1 1.5WH 1 4.0WH 1 2.5WH 1 2.5WH 1 1.5WH 1 1.5WH 1 1.5WH 1 2.5WH 1 1.5WH 1 4.0WH 1 EE:0B A21.X1:7 GA:0B A162.X2:28 1.5WH 1 DC:0C XC303.39 1.5WH 1 FE:0C A177.X1:1 1.5WH 1 FE:0C A177.X1:10 2.5WH 1 AB:0B A163.X1:29 AB:0B A163.X2:29 2.5WH 1 XS366 XS374 4.0WH 1 EA:0B A12A.X1:16 EA:0B A12A.X1:15 EE:0B A21.X1:8 ABSEBS 2.5WH 1 CA:0D XC302.39 CA:0D XC302.31 GC:0B A164.X1:28 HC:1C E128.X1:5 GA:0B A162.X1:28 TECUAPMACMEMS PARKING HEATER GC:0B A164.X1:27 RCIOMCCIOMFCIOM NOX/UQSACMMODULE ECUGNDECUGNDECUGND XC317:15 2.5WH 1 XC317:16 2.5WH 1 5.3_1 ECUGND CF:4B XC313:6 CA:0D XC302.27 5.3_35.3_4 XS373 1.5WH 1 CE:0B A174.A:57 1.5WH 1 CE:0B A174.A:58 1.5WH 1 CE:0B A174.A:59 CE:0D XC312.20_A1 ACM+MODULE 1.5WH 1 CK:0B A174B.A:55 1.5WH 1 CK:0B A174B.A:58 1.5WH 1 CK:0B A174B.A:61 Euro6 5.3_2 1.5WH 1 CK:0D XC312.20_A2 CK1:0D XC312_2.20_A2 XC321_2:2 XC301_2:15
  • 109.
    Wiring diagram Page105 (268) T3065619 3210 A B C D WIRINGDIAGRAMYBFRONT/REARLOADGROUNDCHASSIS GL:1D X03_2.4 1.5WH 1 0.75WH 1 0.75WH 1 0.75WH 1 2.5WH 1 2.5WH 1 2.5WH 1 1.5WH 1 2.5WH 1 1.5WH 1 1.5WH 1 GK:3D X04.1 0.75WH 1 1.0WH 11.5WH 1 0.75WH 1 1.5WH 1 0.75WH 1 0.75WH 1 0.75WH 1 0.75WH 1 1.5WH 1 2.5WH 1 2.5WH 10.75WH 1 0.75WH 1 2.5WH 1 4.0WH 1 2.5WH 1 4.0WH 1 1.5WH 1 4.0WH 1 2.5WH 1 4.0WH 1 GK:0D X02.4 XS309 1.5WH 1 GK:0D X02.3 2.5WH 1 GK:3D X05.1 XS372 1.5WH 1 GL:0D X02_2.3 4.0WH 1 GL:0D X02_2.4 4.0WH 1 XS308 1.5WH 1 GC:2D E27R.1 GL:1D X03_2.13 GK:1D X03.4 GK:1D X03.13 DG:3C S45.2 DG:3C S45R.2 Sidemarker RLTRconnMFMC REARLOADGNDTCGNDREARLOADGND AD:1C XC328:7 AD:1C XC328:8 FRONTLOADGND BBOXAdapter X02/X03/X04/X05/X63X02/X03 FRONTLOADGND XS370 0.75WH 1 NC:2C Y18A.4 NC:2C Y18B.4 DG:3C Y03.4 DG:4C Y02.4 PTO1 PTO2 RDIFF RDIFFI.A. ADRSW RDIFFI.A.SW RDIFFSW RLIGHTSL RLIGHTSR NC:2C EL7.4 GE:1D XS378 XC315:4 GC:1D E27L.1 AC:1C S169.A2 AC:1C S254.2 CSL 5.7_15.5_2*5.5_15.5_3* TSEF MF 5.6_1* 4.0WH 1 GM:1C X63.1 NE:1D XC318A:5 NE:4B XC318A:6 XS397 NC:3D XC318A:7 FRONTLOADGND WorkingLamps 5.6_2* *5.6_2isrelocatedto5.11 incaseofADR3 *5.6_1isrelocatedto5.11 incaseofADR3 *5.6_3isrelocatedto5.11 incaseofADR3 *5.5_2isrelocatedto5.11 incaseofADR3 2.5WH 1 AD:1C XC329:7 2.5WH 1 AD:1C XC329:8 BBOXEFBBOXL XS371 HF:1D R46.A:2 HF:1D R46.A:1 Thermoline Fuelfilterheater CA:0B A182A.B:2 CA:1B A182B.B:2 HE:2D M13.2 ShortStopHeater DA:0C XC303.31_A2 0.75WH 1 DG:3C S45.2 RDIFFSW FRONTLOADGND
  • 110.
    Page 106 (268)Wiring diagram T3066051 3210 A B C D WIRINGDIAGRAMYDLOWERFRONTGROUNDCHASSIS 4.0WH 1 2.5WH 1 4.0WH 1 0.75WH 1 0.75WH 1 4.0WH 1 2.5WH 1 1 1.0WH 1 4.0WH 1 0.75WH 1 16BK 1 0.75WH 1 0.75WH 1 0.75WH 1 0.75WH 1 1.0WH 1 0.75WH 1 0.75WH 1 0.75WH 1 0.75WH 1 1.5WH 1 GP:1C M03.1 XS352 GA:0C E13L.2 GA:1C E98L.2 GA:2C E83L.15 GB:1C E98R.2 GB:2C E83R.16 GB:2C E83R.15 IP:1D H01.2 2.5WH 1 2.5WH 1 IP:1D H02.2 GP:3D M02.1 LOWERFRONTGNDCABGND CABGND GB:0C E13R.2 KA:1C M11.2 GA:2C E83L.16 5.1_25.1_1 XS393 4.0WH 1 KA:1C M11_RHD.2 5.2_1 1.0_1 LOWERFRONTGND XS351 GA:0C E13L.2 GB:0C E13R.2 XC301_2:1XC322_2:2 1.5WH 1 PA:1C XC301_2:6 5.1_5 LOWERFRONTGND
  • 111.
    Wiring diagram Page107 (268) T3065620 3210 A B C D WIRINGDIAGRAMYFFRC,BBECGROUNDCAB 0.75WH 1 0.5WH 1 BU:0B A175.X1:10 A01.CB9:1 6.0WH 1 1.4_2 FRC A01.CT1:12A01.CT1:11 0.5WH 1 BX:0C A122.A5 A01.CT1:19 BC:1B A33.A6 Toll collectTachoTESP BBEC GndBB10GndBB06 1.5WH 1 IQ:0B XS1318 GndBB07 0.75WH 1 NK:2B K90.2 GndBB08 0.75WH 1 NK:3B K91.2 GndBB09 0.75WH 1 NK:4B K92.2 GndBB03 0.75WH 1 NE:0B K31.2 GndBB04 0.75WH 1 NE:1B K32.2 GndBB05 0.75WH 1 NE:3B K33.2 GndBB02 0.75WH 1 ND:2C K30.2 GndBB01 1.6 6.0WH 1 K30K31K32K33K34/K35K92K91K90
  • 112.
    Page 108 (268)Wiring diagram T3065621 A:1A:3A:2A:4A:5A:6A:7A:8A:9A:10B:1B:3B:2B:4B:5B:6B:7B:8B:9B:10 3210 A B C D WIRINGDIAGRAMYGINSTRUMENTPANELGROUNDCAB 0.75WH 1 0.5WH 1 0.5WH 1 RA:0B A31.A:3 1.5WH 1 NA:1C A36.A:12 0.75WH 1 0.5WH 1 IO:0C A169.B:8 0.5WH 1 PA:0B A26.A:10 0.75WH 1 BX:2D FMS.1 0.5WH 1 PE:1B A15.X1:74 0.5WH 1 FB:2B XC140:25 PH:1D A132.A:7 1.0WH 1 BG:0C A160.C:5 0.5WH 1 BA:1C A161.A:12 0.5WH 1 BA:2B A03.A:1 0.75WH 1 XA:1C OBD.5 0.5WH 1 IO:3B A156.A:11 0.5WH 1 IO:2B A155.A:11 0.5WH 1 PA:2A E111.1 HA:0D XC130:11 0.5WH 1 IP:3C X115B.A:5 XA:1C OBD.4 0.5WH 1 IP:2C X115A.A:5 1.5 Groundstud,Instrumentpanel
  • 113.
    Wiring diagram Page109 (268) T3065622 A:1A:3A:2A:4A:5A:6A:7A:8A:9A:10B:1B:3B:2B:4B:5B:6B:7B:8B:9B:10 3210 A B C D WIRINGDIAGRAMYHINSTRUMENTPANELGROUNDCAB 2.5WH 1 2.5WH 1 0.75WH 1 0.75WH 1 0.75WH 1 0.5WH 1 0.75WH 1 2.5WH 1 2.5WH 1 2.5WH 1 IT:1B A06D.A:4 IT:3B A06P.A:4 HA:1B A34B.X1:1 RA:1B S95.3 0.75WH 1 IB:0C E108.2 1.5WH 1 IG:0C U30.11 0.75WH 1 BG:1B XC213:7 BG:1B XS1293 HF:1C K69.2 1.5WH 1 BG:2C M50.A:2 1.5WH 1 IF:1C X105.3 1.5WH 1 IF:0C R04.3 2.5WH 1 IS:1D XC104_2:17 2.5WH 1 IR:1D XC104_1:17 IR:1D XC104_1:10 IS:1D XC104_2:10 IR:1D XC104_1:22 0.5WH 1 IF:0C E110.2 IS:1D XC104_2:22 1.4 Groundstud,Instrumentpanel
  • 114.
    Page 110 (268)Wiring diagram T3065624 A:1A:3A:2A:4A:5A:6A:7A:8A:9A:10B:1B:3B:2B:4B:5B:6B:7B:8B:9B:10 3210 A B C D WIRINGDIAGRAMYKFRONTSHELFGROUNDCAB IA:2D XS141 0.75WH 1 1.5WH 1 NE:2C XC113:2 1.5WH 1 NF:2B XC113:4 0.75WH 1 NF:4C EL0R.2 0.75WH 1 NF:4C EL0L.2 0.75WH 1 IF:2D XC102:3 0.75WH 1 GF:0C XS1210 0.75WH 1 GF:3C XS1275 GF:0D XS1278 0.75WH 1 IA:1C E85L.2 1.8 Groundstud,Frontshelf 1.5WH 1 IG:2C U33.11 1.5WH 1 IG:3C U29.7 0.5WH 1 IA:0D XC145_1:1 0.5WH 1 IA:0D XC145_2:1 1.5WH 1 NF:1B XC115_1:2 0.75WH 1 IU:2C S238.5 0.75WH 1 IF:3D K95.21.5WH 1 NF:3B XC115_2:6 0.75WH 1 GF:1C XC116:5 0.75WH 1 GF:1C XC116:3 1.5WH 1 NF:0C XC124:23 1.5WH 1 NF:0B XC115_1:4 0.75WH 1 0.5WH 1 XS1289 0.5WH 1 1.5WH 1 0.75WH 1 NF:1B XC115_2:2 RA:1A V07.2 PA:3C V32.2 0.75WH 1 IA:3D XC145_2:5 0.75WH 1 IA:3D E126L.2 0.75WH 1 IA:3D XC145_1:5 0.75WH 1 IA:3D E126R.2 1.10 10WH 1 IF:3D XC150:2 1.5WH 1 1.11 IK:0B A07.A:8 1.5WH 1 0.5WH 1 BU:1D K71.B1 0.75WH 1 IB:3D E86A.2 0.75WH 1 IB:3D XC102:2 BU:2B A125.X1:35
  • 115.
    Wiring diagram Page111 (268) T3072461 A:1A:3A:2A:4A:5A:6A:7A:8A:9A:10A:1A:3A:2A:4A:5A:6A:7A:8A:9A:10 3210 A B C D 1.8 Groundstud,Frontshelf 0.75WH 1 1.5WH 1 1.5WH 1 0.75WH 1 0.75WH 1 1.5WH 1 0.75WH 1 0.5WH 1 0.5WH 1 1.5WH 1 0.75WH 1 0.75WH 1 1.9 Groundstud,Headliner 0.75WH 1 0.75WH 1 0.75WH 1 1.5WH 1 0.75WH 1 1.5WH 1 0.75WH 1 1.5WH 1 IG:2C U33.11 IG:3C U29.7 IA:0D XC145_1:1 IA:0D XC145_2:1 1.5WH 1 NF:1B XC115_1:2 IU:2C S238.5 NF:3B XC115_2:6 GF:1C XC116:5 GF:1C XC116:3 NF:0C XC124:23 NF:0B XC115_1:4 0.5WH 1 0.5WH 1 1.5WH 1 0.75WH 1 1.5WH 1 XS1289 0.75WH 1 0.75WH 1 0.75WH 1 0.75WH 1 IA:1C E85L.2 GF:0C XS1210 GF:0D XS1278 GF:3C XS1275 NF:4C EL0R.2 NF:4C EL0L.2 NE:2C XC113:2 NF:2B XC113:4 IF:2D XC102:3 IA:2D XS141 NF:1B XC115_2:2 RA:1A V07.2 PA:3C V32.2 BU:2B A125.X1:35 SeesheetYK. 0.75WH 1 IB:3D E86A.2 0.75WH 1 IB:3D XC102:2 WIRINGDIAGRAMYK_RHDFRONTSHELF,HEADLINERGROUNDCAB
  • 116.
    Page 112 (268)Wiring diagram T3065625 0.75WH 1 2.5WH 1 4.0WH 1 0.75WH 1 IF:2C A04A.2 IF:4D XC152_1:2 IL:1C XS176 IB:2D XC101_1:3 0.75WH 1 IB:2D XC101_2:3 1.5WH 1 NE:3D XC108_1:6 1.5WH 1 NE:3D XC108_2:6 1.5WH 1 IF:1C X106.3 4.0WH 1 IF:4D XC152_2:2 0.5WH 1 IF:4B A157.2 1.5WH 1 HD:1C E127A.A2 1.3 Groundstud,Lowerbunk A:1A:3A:2A:4A:5A:6A:7A:8A:9A:10 WIRINGDIAGRAMYMLOWERBUNK/FLOORGROUNDCAB 3210 A B C D
  • 117.
    Wiring diagram Page113 (268) T3072462 WIRINGDIAGRAMYNGROUNDCAB 3210 A B C D 0.75WH 1 1.5WH 1 1.5WH 1 0.75WH 1 XS1232 0.75WH 1 0.75WH 1 1.5WH 1 1.2 Groundstud,Firewall IC:1C E119L.3 IC:1C E119R.3 NE:1C EL6:3 GP:0C M01.1 IP:1D Y72.4 RA:1D S80.3 16BK 1 1.1 Groundstud,CockpitCarrierPlate CockpitCarrierPlate 1.12 Groundstud,CockpitCarrierPlate FIREWALL,COCKPITCARRIERPLATE
  • 118.
    Illustrations index - Powersupply ............................................................................... “ ”, page 115 - Ground connections..................................................................... “ ”, page 118 - Fuse and relay centre.................................................................. “ ”, page 119 - ECU.............................................................................................. “ ”, page 120 - Antenna........................................................................................ “ ”, page 122 - Switches....................................................................................... “ ”, page 124 - Cab inlet....................................................................................... “ ”, page 128 1000 Wiring harness, instruments........................................................ “ ”, page 129 1100 Wiring harness, front shelf........................................................... “ ”, page 136 1110 Wiring harness, roof rear shelf..................................................... “ ”, page 140 1140 Wiring harness, rear wall ............................................................. “ ”, page 144 1150 Wiring harness, door.................................................................... “ ”, page 146 1160 Wiring harness, firewall................................................................ “ ”, page 148 2000 Wiring harness, lower front.......................................................... “ ”, page 150 2010 Wiring harness, main front........................................................... “ ”, page 151 2020 Wiring harness, battery box......................................................... “ ”, page 160 2030 Wiring harness, SCR ................................................................... “ ”, page 165 2040 Wiring harness, main rear............................................................ “ ”, page 170 2050 Wiring harness, side marking lights............................................. “ ”, page 178 2060 Wiring harness, trailer connection ............................................... “ ”, page 171 2070 Wiring harness, rear lights, diff. ................................................... “ ”, page 170 2080 Wiring harness, ECS ................................................................... “ ”, page 170 2090 Wiring harness, ABS/EBS ........................................................... “ ”, page 179 2100 Wiring harness, RAS-EC ............................................................. “ ”, page 180 2120 Wiring harness, body builder ....................................................... “ ”, page 186 2125 Wiring harness, side/reverse working light.................................. “ ”, page 178 2130 Wiring harness, plough light ........................................................ “ ”, page 148 3000 Wiring harness, engine................................................................ “ ”, page 187 3010 Wiring harness, gearbox.............................................................. “ ”, page 195 3020 Wiring harness, retarder .............................................................. “ ”, page 197 Page 114 (268) Wiring diagram
  • 119.
    Wiring diagram Page115 (268) T3065103 Powersupply,BBOX-L Powersupply,BBOX-L (ADR) XC328 (ADR) 5.5 (Frame) (Battery) 5.4 (Engine) 3.1 (ECU,IOM:s) 5.3 (2010,2020) XC315 (FM1) X25 A163 (CCIOM) (CAB) 1.0(Instrument) XC205(B+) (ADR) XC207(9YE) 5.1 (Lowerfront) (CAB) 5.2 XC322 (Horn,Lamps) (FCIOM) (A162.X2) (Mainfront) (CAB) 5.2 (A162.X1) XC321 (FCIOM) (A162.X2) (FCIOM) (Horn,Lamps) XC322 XC323 (2040Mainrear) (RCIOM,A164.X4) (GIC020) XC302 (3000) (2010) (2010) (M ain front) (XC360) E128 U08 1.1 (CAB) (FRC) (Dashboard) (Firewall) 1.12 5.1 (Lowerfront) A162 (FCIOM) X1 X2 A162 (FCIOM) X1 X2 XC301 (A162.X1) (2000) XC321 (FCIOM) (A162.X1) X4 FM3 FM4 FM5 FM6 FM7 FM8 FM9 FM10 FM11 FM12 FM1 FM2 FMA Battery FMB Starter (Alt.1) (Engine) X54 (Alt.2) (Engine) X54 (Alt.2) (Engine) X54 5. (5.4) (ADR3) 10 (ADR3) (5.5,5.6) 5.11 (CPC-ADV) 5.0 Illustrations
  • 120.
    Page 116 (268)Wiring diagram T3065104 (Mainfront) (2010) (Alt.2) (Engine) X54 Powersupply,BBOX-EF XC327 (16BK,ADR) (ADR) 5.5 (Frame) 5.4 (Engine) 3.1 (ECU,IOM:s) 5.3 (CAB) 1.0(Instrument) XC205(B+) (ADR) XC207(9YE) 1.1 (CAB) (Frombattery) 5.8 XC329 (16BK,ADR) (2040Main) XC355(4BK) (ST-AID) X55 (CAB) 5.2 XC323 (2040Main) (RCIOM,A164.X4) 5.1 (Lowerfront) (FRC) (Dashboard) (Firewall) 1.12 (A162.X1) (FCIOM) XC321 (A162.X2) (FCIOM) (Horn,Lamps) XC322 A163 (CCIOM) 5.1 (Lowerfront) (CAB) 5.2 XC322 (Horn,Lamps) (FCIOM) (A162.X2) (2010) (M ain front) U08 A162 (FCIOM)X1 X2 A162 (FCIOM) X1 X2 XC321 (FCIOM) (A162.X1) X4 FM3 FM4 FM5 FM6 FM7 FM8 FM9 FM10 FM11 FM12 FM1 FM2 FMA Battery FMB Starter (CPC-ADV) 5.0 Powersupply,BBOX-EF (Mainfront) (2010) (Alt.2) (Engine) X54 (Alt.1) (Engine) X54 (Alt.2) (Engine) X54 (FM1) X25 (GIC020) XC302 (3000) XC301 (A162.X1) (2000) 5. (5.4) (ADR3) 10 (ADR3) (5.5,5.6) 5.11 (XC360) E128
  • 121.
    Wiring diagram Page117 (268) T3065105 Powersupply,FAA20 Powersupply,FAA20 (RCIOM,A164.X4) (2040Mainrear) XC323 ()ADR XC328 (Engine) 3.1 (CAB) 5.2 (ADR) 5.5 (Frame) 5.4 (ECU,IOM:s) 5.3 5.1 (Lowerfront) (CAB) 1.0 (FRC) (Dashboard) (Firewall) 1.12 1.1 (CAB) (FM1) X25 (2010,2020) XC315 (A162.X2) (FCIOM) (Horn,Lamps) XC322 (A162.X1) (FCIOM) XC321 A163 (CCIOM) 5.1 (Lowerfront) (CAB) 5.2 XC322 (Horn,Lamps) (FCIOM) (A162.X2) (2010) (M ain front) U08 A162 (FCIOM)X1 X2 A162 (FCIOM) X1 X2 XC321 (FCIOM) (A162.X1) X4FM3 FM4 FM5 FM6 FM7 FM8 FM9 FM10 FM11 FM12 FM1 FM2 FMA Battery FMB Starter (Instrument) XC205(B+) (ADR) XC207(9YE) (Mainfront) (2010) (Alt.1) (Engine) X54 (Alt.2) (Engine) X54 (Alt.2) (Engine) X54 (GIC020) XC302 (3000) XC301 (A162.X1) (2000) (XC360) E128
  • 122.
    Page 118 (268)Wiring diagram T3078847 Ground (ADR) 5.5 (Frame) 5.4 (Engine) 3.1 5.3 (ECU,IOM:s) (CAB) 1.0 1.1 (CAB) (Frombattery) 5.8 5.2 (CAB) (Lowerfront) 5.1 (FRC) (Dashboard) (Firewall) 1.12 5.0 (CPC-ADV) Ground 1.4 1.6 1.5 1.11 (LHD) 1.8 (LHD) 1.10 (LHD) (Rear) 1.3 5. (5.4) (ADR3) 10 (ADR3) (5.5,5.6) 5.11
  • 123.
    Wiring diagram Page119 (268) T3065102 Spare 5 K26 CABTilt Pump K28 F01 F02 F03 F04 F05 F06 F07 F08 F09 F10 F11 F12 F13 F14 F15 F16 F17 F18 F19 F20 F21 F22 F23 F24 F25 F26 F27 F28 F29 F30 F31 F32 F33 F34 F35 F36 F37 F38 F39 F40 F41 F42 F43 F44 F45 F46 F47 F48 F49 Seats Move. K24 Spare 7 K25 Ignition K22 MirrorHeat. K23 Spare 1 K21 BBIgnition K20 Trailer BodyLight K19 Spare 6 K18 Spare2 Euro6 K17 HeadLight W.pump K16 Full Beam Inside K15 Becon WarningL. K13 Roof Light Sign K12 Power Supply3 24Voutlets K14 Extra SpotLamps K10 Engine Runn. K09 Power Supply4 DC/DC12V K11 Accessory K08 Power Supply2 K07 CT2 Sunroof Motor1 K04 Sunroof Motor2 K03 Spare 4 K01 Refrig. K02 F50 F51 F52 F53 F54 F55 F56 F57 F58 F59 F60 F61 F62 F63 F64 F65 F66 F67 F68 F69 F70 F71 F72 F73 F74 F75 F76 F77 F78 F79 F80 F81 F82 F83 F84 F85 F86 F89 F87 F90 F88 F91 Widscreen WiperMotor K05 Widscreen WiperHi/Lo K06 Rainsensor CB8 CB7 CB5 CB3 CB2 CB1 CB6 CB4 CB9 CB12 CB11 CB10 F07 F10 F20 F30 F31 F40 F48 3A. 5A. 10A. 15A. 20A. 30A. A02P A02X A01FRC F02 F04 F06 EMS K27 BB Relay K30 BB Relay K31 BB Relay K32 BB Relay K33Thermoline K69 50A. BBEC1 BBEC2 CN3CN2CN1 CN11 CN12 113 2614 113 2614 113 2614 Extra (Frontlidlock) Extrapos. Spare F50 F60 F70 F80 F90 A02Y Gnd BBxx BB Relay K91 (Microwaveoven) F93 A187VMCU A01.Stud:1(Powersupply) (Ground) A01.CB9:1 A01.CB11:1(CoffeMaker) A01FRCA01FRC F49 CT1 FrontHeaderShelf A01.CCT2:1-2 (DC/DC12V) (FrontHeaderShelf) K52A K52B BB Relay K92 BB Relay K90 BB Relay K35 R14 BB Relay K34 1. 2. 3. 4. 1. 2. 3. 4. BBEC 3. (RHD) (RHD) 1.2.1. 1.1. 4.
  • 124.
    Page 120 (268)Wiring diagram T3065113 9 3 4 6 5 87 2 1 B ECU,LHD ECU,LHD (LPOS) A176 (FRC) A01 (TGW) A125 A175 (TESP) (H1) (Toll Collect) A122 V32 (LCS) (Alarm) B242 A122 (Toll Collect) (DC/DC) U29/U33 (H1) A175 (TESP) A07 (AUDIO) S272 (ILCP)A33 (TACHO) (FOG) B236 (Alarm) V07 (SUN) B240 (RAIN) B243 (FCW) E111 (CCM) A34 A03 (SID) A155/6 S255 (ELCP) (GLU) S171 (SID) S257 (CCM) A170 (S. lock) M50 B49 (Steering angle) A168 (LECM) (VMCU) A187 BBEC S36L (DDM) A165L (Amplifier) A116 (SubWoofer) B184 (FM-splitt) A188 (Base Plate) S275 (CIOM)A160 A161 (HMIIOM) A169 (Video SW) A31 (Alarm) A26 (DACU) A36 (BBM) A132.A (Alco) (WRG) WRC (DC/DC) U30 (HPCU) A173 (SRS) A15 S267A,B (Panel 5) S269 (Panel 6) S265A,B (Panel 4) S263A,B (Panel 3) S262A,B (Panel 7) S270 (Panel 8) S271 (Panel 9) S259 (Panel B) S258 (Panel 1) S260 (Panel 2) (RHS under bunk) S95 (Panic) (Temp) B244 X66 (USB) X67 (AUX) S38 S227 Switches (HW 5-6) Switches (HW 1-4) Switches (HW 1-4) S243 BB4 Switches (HW 5-6) S77 S244 S245 S246 BB1 BB2 BB3
  • 125.
    Wiring diagram Page121 (268) T3065114 9 3 4 6 5 8 7 2 1 B ECU,RHD ECU,RHD (LPOS) A176 A01 (FRC) (TGW) A125 A175 (TESP) A122 (H1) (Toll Collect) (LCS) V32 (Alarm) B242 A122 (Toll Collect) (DC/DC) U29/U33 (H1)A175 (TESP) A07 (AUDIO) S272 (ILCP) A33 (TACHO) (FOG) B236 (Alarm) V07 B240 (SUN) (RAIN) B243 (FCW) E111 A34 (CCM) A03 S255 (ELCP) (GLU) S171 (SID) S257 A168 (LECM) A187 (VMCU) BBEC S36R (DDM) A165R (Amplifier) A116 (SubWoofer) B184 (FM-splitt) A188 (CIOM)A160 A161 (HMIIOM) A169 (Video SW) A31 (Alarm) A26 (DACU) A36 (BBM) A132.A (Alco) (WRG) WRC(HPCU) 3A17 S267A,B ( 5)Panel S269 ( 6)Panel S265A,B (Panel 4) S263A,B (Panel 3) S262A,B ( 7)Panel S270 ( 8)Panel S271 (Panel 9) S259 ( B)Panel S258 (Panel 1) S260 (Panel 2) (RHS under bunk) (SID) A155/6 A170 (CCM) M50 (S. lock) B49 (Steering angle) S275 (Base Plate) U30 (DC/DC) (SRS) A15 S95 (Panic) B244 (Temp) X66 (USB) X67 (AUX) S38S227 Switches (HW 5-6) Switches (HW 1-4) Switches (HW 1-4) S243 BB4 Switches (HW 5-6) S244 S245 S246 BB1BB2BB3 S77
  • 126.
    Page 122 (268)Wiring diagram T3065123 Antennas,H1 Antennas,H1 WLANBeige DVB/TBrown GSM/3GViolet CBCurry GPSBlue GSM/3GViolet GPSBrown GSM/3GBeige FM/AMWhite(RTOLL-PK) CB-radioDV/T,WLAN, GSM/3G B (RTOLL-PK) GSM/3G, GPS FM/AM, GSM/3G,GPS GPSBlue GSM/3GViolet (LVDS) XC151 (A156.BorA169.C) (X66USB) XC148 A09 (PHONE) (TIS) (RADIO-CB) (PHONE) (FM-splitt) A188 A125 (TGW) (TESP) A175 (RTOLL-PK) A122 (Audio) A07 FM USB FM ETHLVDS (CodeBordeaux) GSM (CodeBlue) GPS ETH GSM/3G GPS WLAN
  • 127.
    Wiring diagram Page123 (268) T3076467 Antennas,H2/H3 Antennas,H2/H3 WLANBeige DVB/TBrown GSM/3GViolet CBCurry GPSBlue GSM/3GViolet GPSBrown GSM/3GBeige FM/AMWhite(RTOLL-PK) CB-radio DV/T,WLAN, GSM/3G B (RTOLL-PK) GSM/3G, GPS FM/AM, GSM/3G,GPS GPSBlue GSM/3GViolet (LVDS) XC151 (A156.BorA169.C) (X66USB) XC148 A09 (PHONE) (TIS) (RADIO-CB) (PHONE) A188 (FM-splitt) (TGW) A125 (TESP) A175 (RTOLL-PK) A122 (Audio) A07 FM USB FM ETH DLVS (CodeBordeaux) GSM (CodeBlue) GPS ETH GSM/3G GPS WLAN BrownDVB/T
  • 128.
    Page 124 (268)Wiring diagram Switches B02B S02Temperature adjustment Interiorlighting S03 S03A Worklights, fifthwheel Worklights, cabrear S05A Automaticinterior lighting S08 Diferentiallock rear Switches S09 Differentiallock betweenrearaxles S23 Roofhatch S38 ADRmainswitch S211 Regeneration S127 Crane S188 Interiorlighting,night S76A Headlampsroof S76B Headlampsfront S86 Foldingmirrors S12 Ploughlights S76 Auxiliarylamps, headlamps S79 S79A Siderevers/working light Sideworkinglight S20 Steeringlock, rearaxle S73 Reversewarning S75 Warninglamp,roof S10 Roofsignlight S28A Powertakeoff1 S28B Powertakeoff2 S83 Containerlock S210 Identificationlight S202 Lanekeepingsupport (LKS) S26 Cabtilt S96 Alarmreduceset S11 Bogielift S31 Tractioncontrol S32 Hillstartaid S77 Emergencyrequest S113 Tridemaxlelift T3065100
  • 129.
    Flexible switches Description B02B Switch,parking heater adjustment S02 Switch, interior light S03 Switch, fifth wheel light S03A Switch, working light cab back S05A Switch, interior light and door auto S08 Switch, diff. lock rear wheels S09 Switch, diff. lock inter axle and rear wheel S10 Switch, roof sign light S11 Switch, bogie lift S12 Switch, plough light S20 Switch, 3:rd axle lock S23 Switch, roof hatch S26 Switch, cab tilt S28A Switch, power take off 1 S28B Switch, power take off 2 S31 Switch, traction control S32 Switch, hill start aid S73 Switch, back up alarm S75 Switch, beacon warning light S76 Switch, extra main beams S76A Switch, spot light roof S76B Switch, spot light front S77 Switch, emergency request S79 Switch, side reverse/working light S79A Switch, side working light S83 Switch, fifth wheel slide lock/container lock S96 Switch, alarm reduced set S113 Switch, tridem axle lift S127 Switch, crane S188 Switch, interior light, night light S202 Switch, lane keeping support S210 Switch, identification light S211 Switch, regeneration inhibit Wiring diagram Page 125 (268) Component number
  • 130.
  • 131.
    Flexible switches Description S212 Switch,tail lift S218 Switch, parking heater S220 Switch, static corner light S228 Switch, tridem bogie control S299 Switch, Lane Change Support, LCS S300 Switch, Forward Collision Warning, FCW S301 Switch, alt. ride height S302 Switch, alt. loading height S303 Switch, height mode, ferry transport S304 Switch, kneeling S305 Switch, reposition fifth wheel S306 Switch, Driver Alert Support, DAS S308 Switch, auto reversing light S309 Switch, alt. power transfer/maximumtraction S310 Switch, maximum traction S311 Switch, alt. load distribution/maximumtraction S312 Switch, traction bogie lift Wiring diagram Page 127 (268) Component number
  • 132.
    T3065124 Page 128 (268)Wiring diagram CABinlet CABinlet (4GY) XC201 XC206(spare) XC207(9YE) XC208(12GN) XC209(spare) XC210(12VT) XC211(spare) XC212(spare) XC213(25BK) (4GY)XC201 (25GY)XC202 (36BN)XC203 (36VT)XC204 (B+)XC205 (9YE) XC207 (12GN) XC208 (12VT) XC210 (25BK) XC213 (Firewall) (36VT) XC204 (7BK) XC214 (CAB) 1.0 E119R S26B (25BK) XC213 (Firewall) (36BN) XC203 (B+) XC205 (25GY) XC202 E119R S26B (4GY) XC201 (9YE) XC207 (ADR) (B+) XC205 1160 (Firewall) 1000(Instrument) (Instrument) XC201(4GY) XC202(25GY) XC203(36BN) XC204(36VT) XC208(12GN) XC210(12VT) XC205(B+) (ADR) XC207(9YE) (Firewall) XC213(25BK)
  • 133.
    Wiring diagram Page129 (268) T3065106 1000,LHD (1100) (X67AUX) XC147 (1100) (X66USB) XC148 E111 (FCW) 1000,LHD (Rain) B243 X66(USB) X67(AUX) XC104_1 (1150) S58 OBD S255 B25 A155(SID) A156(SID) (Rain) K69 (Temp) B244 E110 BBEC (Panic) S95 (24V) X105 (12V) X07AR04 S38S227 (Instrument) A03 (F.Panel9) S271A,B S171 (10GY) A06D Y43DS (4YE) S287.A A132.A FMS.A U30 (DC/DC) (4GY) XC127 (1140) (25GY) XC131 (1140) (25BK) XC130 (1140) W02 S15 A36 A26 A31 A169A161 A160 B Switches (HW5-6) S243 BB4 S77 S244 S245 S246 BB1BB2BB3 A Switches (HW1-4) Switches (HW1-4) Switches (HW5-6) B (Hoodlock) K52A K52B (wiresinsideseat) (Steering) (Wheel) (3BK) B61L B60LF (2GY)
  • 134.
    T3065107 Page 130 (268)Wiring diagram 1000,RHD (1100) (X67AUX) XC147 (1100) (X66USB) XC148 (FCW) E111 1000,RHD (Rain) B243 X66(USB) X67(AUX) (DOOR) XC104_1 (1150) S58 OBD S255 B25 A155(SID) A156(SID) (Temp) B244 E110 BBEC (Panic) S95 (24V) X105 (12V) X07AR04 S38S227 (Instrument) A03 (F.Panel9) S271A,B (10GY) A06D Y43DS (4YE) S287.A A132.A FMS.A U30 W02 S15 A36 A26 A31A169 A161 A160 Switches (HW5-6) Switches (HW1-4) S243 BB4 S244 S245 S246 BB1BB2BB3 (B+) XC205 S171 (4GY) XC201 (12GN) XC208 (12VT) XC210(36VT) XC204 (36BN) XC203 (25GY) XC202 (B+) XC205 S77 Switches (HW1-4) Switches (HW5-6) (wiresinsideseat) (Steering) (Wheel) (25BK) XC213 (9YE) XC207A (Rain) K69 (Hoodlock) K52A K52B (3BK) B61R B60RF (2GY)
  • 135.
    Wiring diagram Page131 (268) T3065108 1000,Steeringwheel B49 M50 B49 X115.A X115.B Y44 Y44 (Stalkswitchplate) S275 S275 (Stalkswitchplate) Y44 1000,Steeringwheel S24 S06 S02 A S285 S14 X115.A X115.B X115.A X115.B (1000)
  • 136.
    T3065109 Page 132 (268)Wiring diagram 1000,LHD (BBM) A36 1000,LHD (DACU) A26 A31 (ALARM) (VideoSwitch) A169(HMIIOM) A161 (CIOM) A160 (SRS) A15 (ALCO) A132 U30 (DC/DC) (ALCO) A133 1.4 1.6 (B+) XC205 (FRC) A01 (VMCU) A187 B3 1.5 B2 B1 A A B B C D A A B C (Hoodlock) K52A K52B (Rain) K69 A B B A
  • 137.
    Wiring diagram Page133 (268) T3065110 1000,RHD (BBM) A36 1000,RHD A26 (DACU) (ALARM) A31 (VideoSwitch) A169(HMIIOM) A161 (CIOM) A160 A15 (SRS) (ALCO) A132 (DC/DC) U30 (ALCO) A133 1.5 1.6 (B+) XC205 (FRC) A01 A187 (VMCU) 1.4 AB B A B3 B2 B1 A A B B C D A A B C (Hoodlock) K52A K52B (Rain) K69
  • 138.
    T3065111 Page 134 (268)Wiring diagram A06P(10GY) Y43PS(4YE) (1150) XC104_2 S270 (F.Panel8) E108 S262A,B (F.Panel7) FMS.AU30 (DC/DC) 1.41.6 A173 (SUN) B240 A34B.X1(2GY) A34B.X2(25SB) A34B (Micro) XC146 (1000) XC140 (25BK) XC151 (Micro) XC146 (Micro) F93 (25BK) XC140 ( XC141 36BK) 1000,LHD 1000,LHD A01 (FRC) A187 (VMCU) (4GY) XC201 XC206 XC207 XC208 XC209 XC210 XC211 XC212 XC213 XC201 XC202 XC203 XC204 XC205 (25GY) XC202 (9YE) XC207 (12GN) XC208 (12VT) XC210 (B+) XC205 (25BK) XC213 (36BN) XC203 (36VT) XC204 (1150) XC104_2 (SRS) A15 (Switchpanel) XC144 A01 (FRC) (SID) S257 S267A,B (F.Panel5) A170 (CCM) S269 (F.Panel6) S265 (F.Panel4) A,B S263 (F.Panel3) A,B F93 (Micro) (A156.BorA169.C) XC151 (FRC) A01.CT2 (4GY) (FRC) A01.CT1 (36BK) (SUN) XC149(1000) XC141 (36BK) Schematicfor climateunit notsupplied byVOLVO Schematicfor climateunit notsupplied byVOLVO (SUN) XC149 (3BK) B61R B60RF (2GY) (1100) (1100) 1.4A 1.4B 1.5A1.5B 1.5
  • 139.
    Wiring diagram Page135 (268) T3065112 (A156.BorA169.C) XC151 (1100) XC141 (36BK) (Micro) XC146 (FRC) A01.CT2 (4GY) (FRC) A01.CT1 (36BK) (Micro) F93 (1100) XC140 (25BK) (SUN) XC149 (10GY) A06P Y43PS (4YE) (1150) XC104_2 S270 (F.Panel8) E108 S262A,B (F.Panel7) FMS.A U30 (DC/DC) 1.4 1.6 1.4A 1.4B 1.5A1.5B A173 (SUN) B240 (2GY) A34B.X1 XC151 (Micro) XC146 ( XC140 25BK) (36BK) XC141 1000,RHD 1000,RHD A01 (FRC) A187 (VMCU) (SRS) A15 (Switchpanel) XC144 A01 (FRC) (SID) S257 S267A,B (F.Panel5) A170 (CCM) S269 (F.Panel6) S265 (F.Panel4) A,B S263 (F.Panel3) A,B (25SB) A34B.X2 C C (Micro) F93 A34B 1.5 (1100) (1100) (4GY) XC127 (1140) (25GY) XC131 (1140) (25BK) XC130 (1140) (3BK) B61L B60LF (2GY) Schematicfor climateunit notsupplied byVOLVO (SUN) XC149 Schematicfor climateunit notsupplied byVOLVO
  • 140.
    T3065115 Page 136 (268)Wiring diagram A33A (A156.BorA169.C) XC151 (Micro) XC146 F93 (Micro) (LCS) V32 (TollCollect) A123 S258A,B (F.Panel1) B63 S260 (F.Panel2) S227 S238 S247 S272 (TGW) A125A,B,C A176 (LPOS) (FOG) B236 (Alarm) V07 1.10 E106 E126R XC145_2 XC145_1 E106 E126L E88 WRC XC147(X67AUX) XC148(X66USB) 1.11 (2GY) M43 X114 (2GY) A07 (25BK) XC124 (6NL) XC115_1E90 (TGW) A125A,B,C (LPOS) A176 (FM-splitt) A188 (6BU) XC116 1100,LHDH1, S272 1100,LHDH1, S238S227 S247B63 S260 (F.Panel2) S258 (F.Panel1) S86 A,B,CA122 (TollCollect) (TACHO) A33A A,B,C A07 (Audio) A,B,C X1,X2,X3,X4 A183 (TESP) E88 1.8 S247 S227 (Micro) K95 (1000) XC141 (36BK) (1000) XC140 (25BK) (FRC) A01.CT2 (4GY) (FRC) A01.CT1 (36BK) (FRC) A01.CT2 (4GY) (FRC) A01.CT1 (36BK) (DC/DC) U29/U33 U29/U33 (DC/DC) (SUN) XC149 B271 K95(Micro) (Micro) F93 XC146 (Micro) K71A/B (TIS) K71A K71B (TIS)
  • 141.
    Wiring diagram Page137 (268) T3065116 1100,H2/H3,LHD 1100,LH2/H3,HD 1.10 1.8 E106 E88 E126R XC145_2 V32 (LCS) S272 E90 E93R E29L E29R E29C A125 (TGW) A,B,C XC150 (Micro) EL5_R EL5_L A176 (LPOS) (TollCollect) A122A,B,C 1.11 WRC XC147(X67AUX) XC148(X66USB) XC145_1 S222DS E106 E126L E88 A188 (FM-splitt) (6BU) XC116 S222PS (25BK) XC124(6NL) XC115_1 (2GY) M43 (2GY) X114 E93L E93C A33 A07 (6NL) XC115_2 (TESP) A175 X1,X2,X3,X4 (FRC) A01.CT2 (4GY) (FRC) A01.CT1 (36BK) (A156.BorA169.C) XC151 (Micro) XC146 (Micro) F93 (TollCollect) A123 (1000) XC141 (36BK) (1000) XC140 (25BK) (FRC) A01.CT2 (4GY) (FRC) A01.CT1 (36BK) (SUN) XC149 S258A,B (F.Panel1) B63 S260 (F.Panel2) S238 S247 S272 (TGW) A125A,B,C (LPOS) A176 (FOG) B236 (Alarm) V07 S238 S247B63 S260 (F.Panel2) S258 (F.Panel1) (TACHO) A33A A,B,C A07 (Audio) A,B,C (TESP) A175 X1,X2,X3,X4 (XC114) S222C (DC/DC) U29/U33 S227 S227 B271 U29/U33 (Micro) F93 XC146 (Micro) K95(Micro) K71A/B (TIS) (TIS) K71A K71B (DC/DC) (Micro) K95
  • 142.
    T3065117 Page 138 (268)Wiring diagram 1100,H1,RHD 1100,RH1,HD (TollCollect) A122A,B,C 1.11 1.9 E106 E126R XC145_1 (LCS) V32 S272 A123 (TollCollect) E90 (TGW) A125A,B,C (TollCollect) A122A,B,C 1.10 WRC (X67AUX) XC147 (X66USB) XC148 XC145_2E106 E126L E88 (TACHO) A33AA,B,C (Audio) A07A,B,C (6BU) XC116 (25BK) XC124 (6NL) XC115_1 (2GY) M43 S258A,B (F.Panel1) B63 S260 (F.Panel2) S227 S247 A33AA07 S272 (TGW) A125A,B,C (DC/DC) U29/U33 (LPOS) A176 (FRC) A01.CT2 (4GY) (FRC) A01.CT1 (36BK) (FOG) B236 (Alarm) V07 (6NL) XC115_2 (TESP) A175 X1,X2,X3,X4 A175(TESP) X1,X2,X3,X4 S247B63S258 (F.Panel1) S238S227S260 (F.Panel2) S86 E88 (FM-splitt) A188 (DC/DC) U29/U33 1.8 (LPOS) A176 (A156.BorA169.C) XC151 (1000) XC141 (36BK) (Micro) XC146 (FRC) A01.CT2 (4GY) (FRC) A01.CT1 (36BK) (Micro) F93 (1000) XC140 (25BK) (2GY) X114 (SUN) XC149 B271 S238 (Micro) XC146 (Micro) F93 K95(Micro) (TIS) K71A K71B (Micro) K95 K71A/B (TIS)
  • 143.
    Wiring diagram Page139 (268) T3065118 1100,H2/H3,RHD 1100,RH2/H3,HD 1.11 1.9 E106 E126R XC145_1 (LCS) V32 S272 E90 E29L E29R E29C (TGW) A125A,B,C (Micro) XC150 EL5_R EL5_L (LPOS) A176 1.10 WRC (X67AUX) XC147 (X66USB) XC148 XC145_2 S222PS E106 E126L E88 A188 (FM-splitt) (6BU) XC116S222DS (25BK) XC124 (6NL) XC115_1 (2GY) M43 (2GY) X114 (XC114) S222C E93L E93C A33 A07 (6NL) XC115_2 (TESP) A175 X1,X2,X3,X4E88 1.8 E93R (TollCollect) A123 (A156.BorA169.C) XC151 (1000) XC141 (36BK) (Micro) XC146 (FRC) A01.CT2 (4GY) (FRC) A01.CT1 (36BK) F93 (Micro) (SUN) XC149 (1000) XC140 (25BK) (TACHO) A33AA,B,C (Audio) A07A,B,C S258A,B (F.Panel1) B63 S260 (F.Panel2) S227 S247S272 (TGW) A125A,B,C(DC/DC) U29/U33 (LPOS) A176 (FRC) A01.CT2 (4GY) (FRC) A01.CT1 (36BK) (FOG) B236 (Alarm) V07 S247B63S258 (F.Panel1) S238S260 (F.Panel2) A122 (TollCollect) A,B,C (TESP) A175 X1,X2,X3,X4 (DC/DC) U29/U33 S227 S86B271 S238 XC146 (Micro) F93 (Micro) K95(Micro) (TIS) K71A K71B (Micro) K95 K71A/B (TIS)
  • 144.
    T3065119 Page 140 (268)Wiring diagram 1110,H1 1110,H1 (Front-shelf) XC124 (25BK) E29L (Front-shelf) XC115_1 (6NL) E94L E29C XC115_2 (Front-shelf) (6BL) E94R XC118_1(2BK) (3BK)XC117 M51 B242 E85R E85L (4GY) XC113 (4BK) XC111 EL4RF EL4LF EL4RR EL3R EL3L EL4LR E113R E113RC E113LC E113L XC102 S283L S283LC S283RC S283R XC118_2(2BK) (3BK)XC119 GSM/3G, GPS (RTOLL-PK) FM/AM, GSM/3G, GPS CB-radio DB/T,WLAN,V GSM/3G GPSBlue GSM/3GViolet GPSBrown GSM/3GBeige FM/AMWhite WLANBeige DVB/TBrown GSM/3GViolet CBCurry (RTOLL-PK) (3GY) XC107 (3BK) XC112 1.8(LHD) 1.9(RHD) E29R A188 (FM-splitt)
  • 145.
    Wiring diagram Page141 (268) T3065120 1110,H1 1110,H1 (Front-shelf) XC124 (25BK) E29L (Front-shelf) XC115_1 (6NL) E94L E29C E29R E94R M51 B242 E85R E85L EL4RF EL4LF EL3R E113R E113RC E113LC E113L XC102 S283L S283LC S283RC S283R GSM/3G, GPS (RTOLL-PK) FM/AM, GSM/3G, GPS CB-radioDB/T,WLAN, GSM/3G V GPSBlue GSM/3GViolet GPSBrown GSM/3GBeige FM/AMWhite WLANBeige DVB/TBrown GSM/3GViolet CBCurry (RTOLL-PK) EL3L XC118_1(2BK) (3BK)XC117 (4GY) XC113 (2BK) XC106 (3GY) XC107 (3BK) XC112 A188 (FM-splitt) 1.8(LHD) 1.9(RHD)
  • 146.
    T3065121 Page 142 (268)Wiring diagram 1110,H2/H3 1110,H2/H3 (Front-shelf) XC124 (25BK) 1.8(LHD) 1.9(RHD) (Front-shelf) XC115_1 (6NL) E94L E94RM51 B242 E85R E85L EL4RF EL4LF EL3R EL3L E113R E113RC E113LC E113L XC102 S283L S283LC S283RC A04.A S283R FM/AM, GSM/3G, GPS CB-radio DVB/T,WLAN, GSM/3G GPSBlue GSM/3GViolet GPSBrown GSM/3GBeige FM/AMWhite WLANBeige DVB/TBrown GSM/3GViolet CBCurry (RTOLL-PK) A48L,X1-X3 E86A XC118_1(2BK) (3BK)XC117 XC113 (4GY) (2BK) XC106 (3GY) XC107 (3BK) XC112 (RTOLL-PK) GSM/3G, GPS DVB/TBrown A188 (FM-splitt)
  • 147.
    Wiring diagram Page143 (268) T3065122 1110,H2/H3 1110,H2/H3 (Front-shelf) XC124 (25BK) (Front-shelf) XC115_1 (6NL) E94L E94RM51 B242 E85R E85L EL4RF EL4LF EL3R EL3L E113R E113RC E113LC E113L XC102 S283L S283LC S283RC A04.A S283R (RTOLL-PK) GSM/3G, GPS CB-radio DB/T,WLAN, GSM/3G V A188 (FM-splitt) GPSBlue GSM/3GViolet GPSBrown GSM/3GBeige FM/AMWhite WLANBeige DVB/TBrown GSM/3GViolet CBCurry (RTOLL-PK) A48L,X1-X3XC115_2 (Front-shelf) (6BL) XC119 (3BK) E86A XC118_1 (2BK) XC113 (4GY) XC118_2 (2BK) (3GY) XC107 (3BK) XC112 (4BK) XC111 XC117 (3BK) EL0L EL0R FM/AM, GSM/3G, GPS EL4RR EL4RL DVB/TBrown 1.8(LHD) 1.9(RHD)
  • 148.
    T3065125 Page 144 (268)Wiring diagram (F.PanelB) S259 1140,LHD 1140,LHD E86 B60RR XC101_2 (E86)A168 B60LR (E86) XC101_1 S259 S39 A157 A04 E23R S52R R11 XC153 (B246) XC108_2 B246 S57R(A/B) XC103 X106 E23L (25BK) XC130 (Instrument) XC131 (25GY)S52L S57L (A/B) E127A (18GR/15VO) A116A/B B184 B A A168 1.3 1000 1000 11401000 S05B S23B B02B S21B B (10GY) A06D Y43DS (4YE) A171 (wiresinsideseat) (4GY) XC127 (Instrument)
  • 149.
    Wiring diagram Page145 (268) T3065126 XC101_2 (E86) 1140,RHD 1140,RHD E86 EL3L B60RR A168 B60LR XC101_1 (E86) S259 S39 A157 A04 E23R S52R R11 XC108_1 B246 S57R(A/B) XC103 X106 E23L S52L (A/B) S57L E127A (18GR/15VO) A116A/B B184 B A S39 XC108_2 EL3R 1.3 1000 1000 1140 (F.PanelB) S259 A168 S05B S23B B02B S21B (25BK) XC130 (Instrument) XC131 (25GY) 1000 C (10GY) A06P Y43PS (4YE) (4GY) XC127 (Instrument) XC153 (B246)
  • 150.
    T3065127 Page 146 (268)Wiring diagram 1150 1150 (Instrument) XC104_1 E129L M09L E16L (Instrument) XC104_1 E109L B60LD S36L R02L M45L/M44L A165L X1 X2 X3 E16LS M45L/M44L E129L M09L B60LD A165L X1 X2 X3 R02L S36LE109L
  • 151.
    Wiring diagram Page147 (268) T3065128 1150 1150 (Instrument) XC104_2 E129R M09R E16R (Instrument) XC104_2 E109R B60RD S36R R02R M45R/M44R (DPM) A165R X1 X2 X3 E16R E129R M09R B60RD (DPM) A165R X1 X2 X3 R02R S36R E109R M45R/M44R
  • 152.
    T3065129 Page 148 (268)Wiring diagram 1160,2130,LHD 1160,2130,LHD XC214 (Main-Front) (26BK) XC213 (Instrument) E119R E119L E119L Y72 B03 S80 M48 M01 S26B EL6 (Firewall) 1.2 1.1 (CAB) 1.12 (FRC,Firewall) S26B 1.0 (CAB) (CPC-ADV) M55 (22BK) (Instrument) XC104_2 (Ploughlight) controlledby K90/K91 2130 1160 1160 2130 1160
  • 153.
    Wiring diagram Page149 (268) T3065130 1160,2130,RHD 1160,2130,RHD XC214 (Main-Front) (26BK) XC213 (Instrument) E119R E119L E119L Y72 B03 S80 M48 M01 S26B EL6 (Firewall) 1.2 1.1 (CAB) 1.0 (CAB) (CPC-ADV) M55 (22BK) (Instrument) XC104_2 (Ploughlight) controlledby K90/K91 2130 1160 1160 2130 1160 (FRC,Firewall) 1.12
  • 154.
    T3065131 Page 150 (268)Wiring diagram 2000 2000 B238 (FLS) H01 M11 (STWPOS-L) B22 H06 H02 E13R E83R E98R B249 M03 M02 M11 (STWPOS-R) E83L E13L E98LA162 (FCIOM) X2 X1 E03/E81 E07 E98R E83R E13 E02 E01 (BendLight) ECU E03/E81 E07 E98L E83L E13 E02 E01 (DRL/POS) Satellite (DRL/POS) Satellite (DRL/POS) ECU (Xenon/HID) ECU(Xenon/HID) ECU (Horn,Lamps) (FCIOM,A162.X2) (Powersupply) XC322 XC321 (FCIOM,A162.X1) (Powersupply) XC301 (2010) (A162.X1) (DRL/POS) ECU M08L M08R
  • 155.
    Wiring diagram Page151 (268) T3065152 2010,TractorBBOX-L 2010,TractorBBOX-L 5.3 X02 X03 (GIC020) XC302 (3000) ()E128 XC360 U08 Y12 U05 (Gearbox) XC303 (3010) (SCR) XC313 (2030) EI.7 B07 (Fuelsensor) XC314 (2040) (26BK) XC317 A177 (APM) XC315 (Batterybox) Y11 B56 Y40 B28 (FSS-AIR) B28 (FSI-DWIS) (BKWSSA)B13B (GRLWSA)B40B (BKWSSB)B14B (GRLWSB)B41B 5.55.1 B28 (FSS-LEAF) (Worklamp) XC318 (7BK) (Thermo-line) R46 S70 S60A/B U08 B13B B40B (B28) XC310A177 (APM) Y03(OG) Y18A(WH) Y18B(YE) (CCIOM) A163 B50 (ACM) A174 A21 (EBS) (29BU) X3 X4 (2SB) (29BK) X1 X2 (29GY) (18GY) X2 (12BK) X4 X3 (18GY) X1 (16BK) Y02(VT) (EAT-NOx) XC312 (2030) (Lowerfront) XC301 (2000) LWSA/B black WSSA grey WSSB black CANB SPL/GND green (Instrument) XC201(4GY) XC203(36N) XC204(36VT) XC208(12GN) XC209(6NL) XC210(12VT) (Fuelpump) Y32A
  • 156.
    T3065153 Page 152 (268)Wiring diagram 2010,Rigid 2010,Rigid 5.3 U08 Y12 U05 B07 (Fuelsensor) XC314 A177 (APM) XC315 (Batterybox) Y11 B56 Y40 B28 (FSS-AIR) B28 (FSI-DWIS) (BKWSSA)B13B (GRLWSA)B40B (BKWSSB)B14B (GRLWSB)B41B 5.5 5.1 B28 (FSS-LEAF) (Fuelpump) Y32A R46 (Thermo-line) S70 S60A/B U08 (CCIOM) A163 B50 (ACM) A174 A21 (EBS) (29BU) X3 X4 (2SB) (29BK) X1 X2 (29GY) (18GY) X2 (12BK) X4 X3 (18GY) X1 (16BK) B40B ()E128 XC360 (B28) XC310 (APM) A177 Y09(RD) Y133(BU) Y18B(YE) Y02(VT) Y03(OG) Y18A(WH) B13B (GIC020) XC302 (3000) (Lowerfront) XC301 (2000) (Gearbox) XC303 (3010)(SCR) XC313 (2030) (2040) XC317 (26BK) (EAT-NOx) XC312 (2030) LWSA/B black WSSA grey WSSB black CANB SPL/GND green (Instrument) XC201(4GY) XC203(36N) XC204(36VT) XC208(12GN) XC209(6NL) XC210(12VT) (7BK) (Worklamp) XC318A
  • 157.
    Wiring diagram Page153 (268) T3065154 2010,TractorBBOX-EF 5.3 X02 X03 ()E128 XC360 U08 Y12 U05 EI.7 B07 (Fuelsensor) XC314 A177 (APM) S254 ToXC315 (Batterybox) Y11 B56 Y40 B28 (FSS-AIR) B28 (FSI-DWIS) (BKWSSA)B13B (GRLWSA)B40B (BKWSSB)B14B (GRLWSB)B41B 5.5 B28 (FSS-LEAF) Y32A (Fuelpump) R46 (Thermo-line) S70 S60A/B U08 LWSA/B black WSSA grey WSSB black CANB SPL/GND green (2040) XC355 (4BK) (Instrument) XC201(4GY) XC203(36N) XC204(36VT) XC208(12GN) XC209(6NL) XC210(12VT) (CCIOM) A163 B50 (ACM) A174 A21 (EBS) (29BU) X3 X4 (2SB) (29BK) X1 X2 (29GY) (18GY) X2 (12BK) X4 X3 (18GY) X1 (16BK) B13B B40B (GIC020) XC302 (3000) (Gearbox) XC303 (3010)(SCR) XC313 (2030) (2040) XC317 (26BK) (B28) XC310 A177 (APM) Y03(OG) Y18A(WH) Y18B(YE) Y02(VT) (EAT-NOx) XC312 (2030) (Lowerfront) XC301 (2000) 5.1 (2040) 2010,TractorBBOX-EF XC318A (7BK) (Worklamp)
  • 158.
    T3065155 Page 154 (268)Wiring diagram 2010,FAA20 2010,FAA20 5.3 ()E128 XC360 U05 B07 (Fuelsensor) XC314 A177 (APM) XC315 (Batterybox) (BKWSSB)B14B (GRLWSB)B41B 5.5 B28 (FSS-LEAF) Y32A (Fuelpump) R46 (Thermo-line) S70 S60A/B (APM) A177 LWSC/D grey WSSD brown WSSC green ALSA/B brown Y09(RD) Y133(BU) (BKWSSA)B13B (GRLWSA)B40B B19(BKWSSC) B46B(GRLWSC) (BKWSSD)B20 (GRLWSD)B47B U01 U01 LWSA/B black WSSA grey WSSB black CANB SPL/GND green (CCIOM) A163 B50 (ACM) A174 A21 (EBS) (29BU) X3 X4 (2SB) (29BK) X1 X2 (29GY) (18GY) X2 (12BK) X4 X3 (18GY) X1 (16BK) B13B B40B B19 B46B B20 B47B (GIC020) XC302 (3000) (Gearbox) XC303 (3010)(SCR) XC313 (2030) (2040) XC317 (26BK) (B28) XC310 (EAT-NOx) XC312 (2030) (Lowerfront) XC301 (2000) 5.1 Y02(VT) Y03(OG) Y18A(WH) Y18B(YE) (Instrument) XC201(4GY) XC203(36N) XC204(36VT) XC208(12GN) XC209(6NL) XC210(12VT) XC318A (7BK) (Worklamp)
  • 159.
    Wiring diagram Page155 (268) T3065156 2000,2010,LHS 2000,2010,LHS S254 (BBOX-EF) B28 (FSS-AIR) S70 S60A/B B13B(BKWSSA) B40B(BKLWSA) B13B B56 Y40 S60A S60B M11 (RHD) B249 M03 M02 B40B Y11 B28 (FSS-LEAF) (2000,Lowerfront) (2010,Mainfront) E83L E98L B28 (FSI-DWIS) (FSI-DWIS) XC310 (CPC-ADV) A185 A186 (CPC-ADV)
  • 160.
    T3065157 Page 156 (268)Wiring diagram 2000,2010,RHS 2000,2010,RHS (BKWSSB)B14B (GRLWSB)B41B B14B B41B Y11 5.2(CAB) (GIC020) XC302 (3000) (2010,Mainfront) E83R (2000) E98R U08 E128 5.1 (Lowerfront) XC360 (2000) H02 H01 (2000) (2000)H06 B22 (2000) A162 (FCIOM) (2000) X2 X1 (FCIOM) (A162.X2) (Horn,Lamps) XC322 (FCIOM) (A162.X1) XC321 (2000) (A162.X1) XC301 (Lowerfront) (2000) (2010) (Mainfront) M11 (2000) E13R (2000)
  • 161.
    Wiring diagram Page157 (268) T3071167 2010,IPC,CPC-ADV 2010,IPC,CPC-ADV (Inverter) A185 5.0 (CPC-ADV) (150VPowersupply) (2010) (2010) (2010) (150V) A186C (2010) (PCCU) A186 M55 (150V) A185C (A185D,A186D) 5.5 (Batterybox) FM10 (2010) A186A A186B (FM10,5.5-ground) (2010) A185A (Ground) A185D A186D (Ground) (2010) (2010) (Instrument) XC208(12GN) (2010) M55
  • 162.
    T3071168 Page 158 (268)Wiring diagram 2010,FAA10,BSYS-CON 2010,FAA10,BSYS-CON 5.3 X02 X03 (GIC020) XC302 (3000) ()E128 XC360 (ABS) Y12A Y134B (TRBR-HCR) (Gearbox) XC303 (3010) (SCR) XC313 (2030) EI.7 B07 (Fuelsensor) XC314 (2040) XC317 (26BK) A177 (APM) XC315 (Batterybox) Y11A (ABS) (BKWSSA)B13A (BKWSSB)B14A 5.55.1 B28 (FSS-LEAF) XC318A (7BK) (Worklamp) R46 (Thermo-line) S70 S60A/B B13A (B28) XC310A177 (APM) Y03(OG) Y18A(WH) (CCIOM) A163 (ACM) A174 A12A (ABS) (29BU) X3 X4 (2SB) (29BK) X1 X2 (29GY) X3 (18GY) X1 (16BK) Y02(VT) (EAT-NOx) (2030) XC312 (Lowerfront) XC301 (2000) Y18B(YE) (Instrument) XC201(4GY) XC203(36N) XC204(36VT) XC208(12GN) XC209(6NL) XC210(12VT) Y32A (Fuelpump)
  • 163.
    Wiring diagram Page159 (268) T3071169 2010,FAA20,BSYS-CON 2010,FAA20,BSYS-CON 5.3 ()E128 XC360 B07 (Fuelsensor) XC314 A177 (APM) XC315 (Batterybox) (BKWSSB) B14A 5.5 B28 (FSS-LEAF) Y32A (Fuelpump) XC318 (7BK) (Worklamp) R46 (Thermo-line) S70 S60A/B (APM) A177 Y02(VT) Y03(OG) Y18A(WH) Y09(RD) Y133(BU) (BKWSSA)B13A (CCIOM) A163 (ACM) A174 A12A (ABS) (29BU) X3 X4 (2SB) (29BK) X1 X2 (29GY) X3 (18GY) X1 (16BK) Y18B(YE) B13A (GIC020) XC302 (3000) (Gearbox) XC303 (3010)(SCR) XC313 (2030) (2040) XC317 (26BK) (B28) XC310 (EAT-NOx) XC312 (2030) (Lowerfront) XC301 (2000) 5.1 (Instrument) XC201(4GY) XC203(36N) XC204(36VT) XC208(12GN) XC209(6NL) XC210(12VT) Y12A (ABS)Y11A (ABS) (TRBR-HCR) Y134B
  • 164.
    T3065158 Page 160 (268)Wiring diagram 2020,BBOX-L 2020,BBOX-L MSWI-B, MSWI-R, UADR MSWI-C, UADR S169 XC315 B250 B250.A XC315 B250 B250.A FM A Batt No Fuse M10 FM B Start No Fuse M10 FM 1 BB 200A M8 FM 2 Cab 100A M8 FM 3 FCIOM 30A M5 FM 4 CCIOM 30A M5 FM 5 RCIOM 30A M5 FM 6 FCIOM 30A M5 FM 7 CCIOM 30A M5 FM 8 RCIOM 30A M5 FM 9 FAS 30A M5 FM 10 PCCU 40A M5 FM 11 ACM 23A M5 FM 12 RAS 23A M5 FM3 FM4 FM5 FM6 FM7 FM8 FM9 FM10 FM11 FM12 FM1 FM2 FMA Battery FMB Starter G01A.C1 (B250.A:3) (24V) G01B.D1 (B250.A:2) (12V) G01A.C1 (B250.A:3) (24V) G01B.D1 (B250.A:2) (12V)
  • 165.
    Wiring diagram Page161 (268) T3065159 2020,BBOX-L 2020,BBOX-L MSWI-A, ADR1, ADR2 B250 XC315 XC328 F92 (1A) (Tacho) A28B X1 X2 (B250) F94(12V) F95(24V) 88A 88 1A 1A 1A B250.A G01A.C1 (B250.A:3) (24V) G01B.D1 (B250.A:2) (12V) FM A Batt No Fuse M10 FM B Start No Fuse M10 FM 1 BB 200A M8 FM 2 Cab 100A M8 FM 3 FCIOM 30A M5 FM 4 CCIOM 30A M5 FM 5 RCIOM 30A M5 FM 6 FCIOM 30A M5 FM 7 CCIOM 30A M5 FM 8 RCIOM 30A M5 FM 9 FAS 30A M5 FM 10 PCCU 40A M5 FM 11 ACM 23A M5 FM 12 RAS 23A M5 FM3 FM4 FM5 FM6 FM7 FM8 FM9 FM10 FM11 FM12 FM1 FM2 FMA Battery FMB Starter
  • 166.
    T3065160 Page 162 (268)Wiring diagram 2020,BBOX-L MSWI-A, ADR3 K70B B250 XC315 XC328 F92 (1A) (Tacho) A28B X1 X2 (B250) F94 (12V) F95 (24V) 88A 88 1A 1A 1A B250.A K70A 88 88A 88 88A FM A Batt No Fuse M10 FM B Start No Fuse M10 FM 1 BB 200A M8 FM 2 Cab 100A M8 FM 3 FCIOM 30A M5 FM 4 CCIOM 30A M5 FM 5 RCIOM 30A M5 FM 6 FCIOM 30A M5 FM 7 CCIOM 30A M5 FM 8 RCIOM 30A M5 FM 9 FAS 30A M5 FM 10 PCCU 40A M5 FM 11 ACM 23A M5 FM 12 RAS 23A M5 FM3 FM4 FM5 FM6 FM7 FM8 FM9 FM10 FM11 FM12 FM1 FM2 FMA Battery FMB Starter G01A.C1 (B250.A:3) (24V) G01B.D1 (B250.A:2) (12V)
  • 167.
    Wiring diagram Page163 (268) T3065161 88A 88 2020,BBOX-EF MSWI-B, MSWI-C, MSWI-R B250 B250.A XC325 (XC355, 2010) 5.8 2020,BBOX-EF (ST-AID) X55 JUMPER (24V) (B250.A:3) G01A.C1 (12V) (B250.A:2) G01B.D1 FM A Start No Fuse M10 FM B Batt No Fuse M10 FM 1 BB 200A M8 FM 2 Cab 100A M8 FM 3 FCIOM 30A M5 FM 4 CCIOM 30A M5 FM 5 RCIOM 30A M5 FM 6 FCIOM 30A M5 FM 7 CCIOM 30A M5 FM 8 RCIOM 30A M5 FM 9 FAS 30A M5 FM 10 PCCU 40A M5 FM 11 ACM 23A M5 FM 12 RAS 23A M5 FM3 FM4 FM5 FM6 FM7 FM8 FM9 FM10 FM11 FM12 FM1 FM2 FMB Battery FMA Starter
  • 168.
    T3065162 Page 164 (268)Wiring diagram 2020,BBOX-EF MSWI-A, ADR1, ADR2 2020,BBOX-EF A28B FM A Start No Fuse M10 FM B Batt No Fuse M10 FM 1 BB 200A M8 FM 2 Cab 100A M8 FM 3 FCIOM 30A M5 FM 4 CCIOM 30A M5 FM 5 RCIOM 30A M5 FM 6 FCIOM 30A M5 FM 7 CCIOM 30A M5 FM 8 RCIOM 30A M5 FM 9 FAS 30A M5 FM 10 PCCU 40A M5 FM 11 ACM 23A M5 FM 12 RAS 23A M5 FM3 FM4 FM5 FM6 FM7 FM8 FM9 FM10 FM11 FM12 FM1 FM2 FMB Battery FMA Starter 88A 88 B250 B250.A XC327 (XC329, XC355) (2010) 5.8 (ST-AID) X55 (24V) (B250.A:3) G01A.C1 (12V) (B250.A:2) G01B.D1 X1 X2 F92 (1A) (Tacho) F94 (12V) F95 (24V) (B250) 1A 1A 1A
  • 169.
    Wiring diagram Page165 (268) T3065163 (2010, Main front) (21 BK) XC312 B97 B96A (ALT. 3) B96A (ALT. 2) B96A B96A (ALT. 1) (2030A) 2030,SCR,ADTP-BC 2030,SCR,ADTP-BC (2010, Main front) (21 BK) XC312 (2010, Main front) (21 BK) XC313 (ACM) A174 XC319 (2030B) M49 (2030B) XC319 (Grey) White Hose R56 Y81 M49 B96A Y80 (Black) Red Hose R23 (Green) Black Hose R57 B142 B142 Red Hose BlackHose Dosing Unit 5/16 3/8 5/16 Tank WhiteHose WhiteHose Pump 3/85/16 White Hose 3/8 (Grey) White Hose R56 (Black) Red Hose R23 (Green) Black Hose R57
  • 170.
    T3065164 Page 166 (268)Wiring diagram (2010, Main front) (21 BK) XC312 Y80 B97 B96A (ALT. 3) B96A (ALT. 2) B96A B96A (ALT. 1) 2030,SCR,ADTP-R,FAA10 2030,SCR,ADTP-R,FAA10 M49 (2010, Main front) (21 BK) XC313 B142 XC316 (2030B) Y81 (2010, Main front) (21 BK) XC312 B142 (2030A) (ACM) A174 XC313 (21 BK) (2010, Main front) XC316 (Grey) White Hose R56 (Black) Red Hose R23 (Green) Black Hose R57 Red Hose BlackHose Dosing Unit 5/16 3/8 5/16 Tank WhiteHose WhiteHose Pump 3/85/16 White Hose 3/8 (Grey) White Hose R56 (Black) Red Hose R23 (Green) Black Hose R57
  • 171.
    Wiring diagram Page167 (268) T3065165 2030,SCR,ADTP-L,,FAA20 (2010) (Main front) (21 BK) XC312 B97 B96A (ALT. 3) B96A (ALT. 2) B96A B96A (ALT. 1) (2010, Main front) (21 BK) XC312 (2010, Main front) (21 BK) XC313 (ACM) A174 (2010, Main front) (21 BK) XC313 M49 M49 XC316 2030,SCR,ADTP-L,FAA20 XC316 (2030B) (2030B) (2030A) Y81 B96A Y80 B142 (Grey) White Hose R56 (Black) Red Hose R23 (Green) Black Hose R57 Red Hose BlackHose Dosing Unit 5/16 3/8 5/16 Tank WhiteHose WhiteHose Pump 3/85/16 White Hose 3/8 (Grey) White Hose R56 (Black) Red Hose R23 (Green) Black Hose R57
  • 172.
    T3071170 Page 168 (268)Wiring diagram 2030,SCR,ADTP-BC,EM-EU6 (2010, Main front) (21 BK) XC312 (2010, Main front) (21 BK) XC313 (ACM) A174 XC319 (2030B) (2030B) B262 (5V) B142B 2030,SCR,ADTP-BC,EM-EU6 (2010) (Main front) (21 BK) XC312 B97 (ALT. 3) B96B (ALT. 2) B96B B96A (ALT. 1) B96B (2030A) B96A B115 B98 B85 XC319 (Black) B142B(4BK) (24V) Y81C (24V) M73 A190 (5V) B263 (5V) Coolant IN Coolant OUT Urea IN Urea OUT Air OUT to nozzel Air IN B96B (ALT. 1) B96B B96A (2030A ) B97 B96A B115 (2030A) (24V) M73 (5V) A190 (Black) Yellow Hose R56A (Green) Black Hose R57A Yellow Hose BlackHose Dosing Unit 5/16 6mm 5/16 Tank Air pipe (Black) Yellow Hose R56A (Green) Black Hose R57A Air pipe 6mm 8mm Black Hose Waterpipe Water pipe (24V) M73 Y81C (24V) (5V) A190 B263 (5V) (5V) B262 (Black) Tank Sensor B142B 3/85/16 M Waterpipe Water pipe Air pipe
  • 173.
    Wiring diagram Page169 (268) T3071171 2030,SCR,ADTP-R,EM-EU6 (2010, Main front) (21 BK) XC312 (2010) (Main front) (21 BK) XC313 A174 (ACM) (2030B) (2030B) B262 (5V) 2030,SCR,ADTP-R,EM-EU6 XC316 (Black) (4BK)B142B (24V) Y81C (24V) M73 A190 (5V) B263 (5V) Coolant IN Coolant OUT Urea IN Urea OUT Air OUT to nozzel Air IN B96B (ALT. 1) B96B B96A (2030A) B97 B96A B115 (2010) (Main front) XC312(21 BK) B97 (ALT. 3) B96B (ALT. 2) B96B B96A (ALT. 1) B96B (2030A) B96A B115 B98 B85 (2030A) XC313 XC316 (Black) B142B (4BK) (ALT. 2) B96B(ALT. 3) B96B (Black) Yellow Hose R56A (Green) Black Hose R57A Yellow Hose BlackHose Dosing Unit 5/16 6mm 5/16 Tank Air pipe (Black) Yellow Hose R56A (Green) Black Hose R57A Air pipe 6mm 8mm Black Hose Waterpipe Water pipe (24V) M73 Y81C (24V) (5V) A190 B263 (5V) (5V) B262 (Black) Tank Sensor B142B 3/85/16 M Waterpipe Water pipe Air pipe
  • 174.
    T3065166 Page 170 (268)Wiring diagram 2040,2070,2080,RAD-GR,RAD-L90,Tractor 2040RAD-GR,,2070,2080,RAD-L90,Tractor (2050) XC330 (RSS-AIR) B30 5.6(2010) XC317 (26BK) (2050) XC331 (RSS-AIR) B58 (6BN,5:th-wheel)B234 M14(4SB,LubricationC.)(Nodesupply) XC323 B57 (CHH-LOW) (RSS-AIR) B29B (CHH-LOW) (RSS-AIR) S45 E27R E27L (2070) (2040) (2080) (RCIOM) A164 (RCIOM) A164 (MainRear) (2SB) (MainRear) (29BK) (29BU) (ECS) (29GY) (Light,Diff-) 2070 2040 2080 (1-Channel) 11Inlet 2322 21 3421 E10 E06 ReverseE09 Brake E21Fog E10 Parking E27R3 232221 11 1234 RightLeft (2-Channel) E21Fog E13 Direction E10 Position E06 Reverse E09 Brake E10 ParkingE13 Direction E10 Position (BSYS-CON) B237 Inlet RightLeft X2 X3 X4 X1 1.Ground 2.DirectionInd. 3.Brake 4.Position 5.Reverse 6.Fog 7.B.U.PAlarm (2040) Y135 (RSS-AIR) B29B (RSS-LEAF) (RAD-L90) (RSS-LEAF)
  • 175.
    Wiring diagram Page171 (268) T3065167 2040,2060,2070,2080,RAD-GR,RAD-L90,Rigid 2040RAD-GR,,2060RAD-L90,Rigid,2070,2080, (2050) XC330 (RSS-AIR) B30 5.6 (2010) XC317 (26BK)(2050) XC331 (RSS-AIR) B58 XC323 (Nodesupply) B57 (RSS-AIR) B29B (RSS-AIR) S45 E27R (2070) (2040) (RCIOM) A164 1.Ground 2.DirectionInd. 3.Brake 4.Position 5.Reverse 6.Fog 7.B.U.PAlarm E27R Y135 (RSS-AIR) Inlet 3 232221 11 1234 RightLeft (2-Channel) H03E10 E27L 5.7 (2060) XC342 (2060) (2080) X02 (ABS,EBS) X04,X05 (TREL7-7) (Lights) X63 (TREL14) (Lights) (2060)(2070) (2040) (adapter) XC353 E39 Korea (adapter) X03 (TREL15) (Lights) X02 (ABS,EBS) B29B (RSS-LEAF) (RAD-L90) (RSS-LEAF) (ExtraSideM.Lights) XC351(RCIOM) A164 (MainRear) (2SB) (MainRear) (29BK) (29BU) (ECS) (29GY) (Light,Diff-) 2070 2040 2080 E06 Reverse E09 Brake E21Fog E10 Parking E21Fog E13 Direction E10 Position (BSYS-CON) B237 E06 Reverse E09 Brake E10 Parking E13 Direction E10 Position X2 X3 X4 X1
  • 176.
    T3065169 Page 172 (268)Wiring diagram (2040) 2040,2060,2070,2080,RADT-GR 2040RADT-GR,2060,2070,2080, (2050) XC330 B30 5.6 (2010) XC317 (26BK) (2050) XC331 XC323 (Nodesupply) B29B S45 E27R (2070) (2040) (RCIOM) A164 Y10 (TA-SELFS) 5.7(2060) XC342 (2060) (2080) E27L (2060) (2070)Y137 Withintergrated pressuresensor (ExtraSideM.Lights) XC351 1.Ground 2.DirectionInd. 3.Brake 4.Position 5.Reverse 6.Fog 7.B.U.PAlarm E27R H03E10 E27L X02 (ABS,EBS) X04,X05 (TREL7-7) (Lights) X63 (TREL14) (Lights) (adapter) XC353 E39 Korea (adapter) X03 (TREL15) (Lights) X02 (ABS,EBS) E06 Reverse E09 Brake E21Fog E10 Parking E21Fog E13 Direction E10 Position E06 Reverse E09 Brake E10 Parking E13 Direction E10 Position (RCIOM) A164 (MainRear) (2SB) (MainRear) (29BK) (29BU) (ECS) (29GY) (Light,Diff-) 2070 2040 2080 (BSYS-CON) B237 X2 X3 X4 X1 Y137 (4-Channel) 3242122231 26 25 Inlet P RightIeftRightIeftLift 1193456128721
  • 177.
    Wiring diagram Page173 (268) T3065170 2040,2070,2080,RAPD-GR,Tractor 2040RAPD-GR,,2070,2080,Tractor (2050) XC330 B30 5.6 (2010) XC317 (26BK) (2050) XC331 (6BN,5:th-wheel)B234 M14(4SB,LubricationC.) (Nodesupply) XC323 B29B S45 E27R(2070) (2040) (2080) (RCIOM) A164 E27L (RCIOM) A164 (MainRear) (2SB) (MainRear) (29BK) (29BU) (ECS) (29GY) (Light,Diff-) 2070 2040 2080 E10 E06 ReverseE09 Brake E21Fog E10 Parking E27RE21Fog E13 Direction E10 Position E06 Reverse E09 Brake E10 ParkingE13 Direction E10 Position (BSYS-CON) B237 1.Ground 2.DirectionInd. 3.Brake 4.Position 5.Reverse 6.Fog 7.B.U.PAlarm(2040) E27R H03E10 E27L E06 Reverse E09 Brake E21Fog E10 Parking E21Fog E13 Direction E10 Position E06 Reverse E09 Brake E10 Parking E13 Direction E10 Position X3 X2 X4 X1 Y137 Withintergrated pressuresensor Y137 (4-Channel) 3242122231 26 25 Inlet P RightIeftRightIeftLift 1193456128721
  • 178.
    T3065171 Page 174 (268)Wiring diagram 2040,2070,2080,RADD-GR,Tractor 2040RADD-GR,Tractor,2070,2080, (2050) XC330 B30 5.6 (2010) XC317 (26BK) (2050) XC331 (6BN,5:th-wheel)B234 M14(4SB,LubricationC.) (Nodesupply) XC323 B29B S45RE27R(2070) (2040) (2080) (RCIOM) A164 S45 (2070) E27L E10 E06 ReverseE09 Brake E21Fog E10 Parking E27RE21Fog E13 Direction E10 Position E06 Reverse E09 Brake E10 ParkingE13 Direction E10 Position (BSYS-CON) B237 1.Ground 2.DirectionInd. 3.Brake 4.Position 5.Reverse 6.Fog 7.B.U.PAlarm (2040) E27R H03E10 E27L E06 Reverse E09 Brake E21Fog E10 Parking E21Fog E13 Direction E10 Position E06 Reverse E09 Brake E10 Parking E13 Direction E10 Position (RCIOM) A164 (MainRear) (2SB) (MainRear) (29BK) (29BU) (ECS) (29GY) (Light,Diff-) 2070 2040 2080 X3 X4 X2 Y137 Withintergrated pressuresensor Y137 (4-Channel) 3242122231 26 25 Inlet P RightIeftRightIeftLift 1193456128721 X1
  • 179.
    Wiring diagram Page175 (268) T3065172 (BSYS-CON) B237 (2040) 2040,2060,2070,2080,RADD-GR,Rigid 2040RADD-GR,,2060Rigid,2070,2080, (2050) XC330 B30 5.6 (2010) XC317 (26BK) (2050) XC331 XC323 (Nodesupply) B29B S45 E27R (2070) (2040) (RCIOM) A164 5.7(2060) XC342 (2060) (2080) E27L (2060)(2070) S45R1.Ground 2.DirectionInd. 3.Brake 4.Position 5.Reverse 6.Fog 7.B.U.PAlarm E27R H03E10 E27L E06 Reverse E09 Brake E21Fog E10 Parking E21Fog E13 Direction E10 Position E06 Reverse E09 Brake E10 Parking E13 Direction E10 Position (ExtraSideM.Lights) XC351 (RCIOM) A164 (MainRear) (2SB) (MainRear) (29BK) (29BU) (ECS) (29GY) (Light,Diff-) 2070 2040 2080 X02 (ABS,EBS) X04,X05 (TREL7-7) (Lights) X63 (TREL14) (Lights) (adapter) XC353 E39 Korea (adapter) X03 (TREL15) (Lights) X02 (ABS,EBS) X2 X3 X4 X1 Y137 Withintergrated pressuresensor Y137 (4-Channel) 3242122231 26 25 Inlet P RightIeftRightIeftLift 1193456128721
  • 180.
    T3065173 Page 176 (268)Wiring diagram 2040,2060,2070,2080,RADD-BR 2040RADD-BR,2060,2070,2080, (2050) XC330 (2010) XC317 (26BK) XC323 (Nodesupply) E27R (2070) (2040)(RCIOM) A164 S69 5.6,5.7 (2060) XC342 (2060) (2080) (ExtraSideM.Lights) XC351 (2060)(2070) S45R S45 XC331 (2050) (6BN,5:th-wheel)B234 M14(4SB,LubricationC.) B29B E27L (BSYS-CON) B237 (2040) X02 (ABS,EBS) X04,X05 (TREL7-7) (Lights) X63 (TREL14) (Lights) E39 Korea (adapter) X03 (TREL15) (Lights) X02 (ABS,EBS) E27L (RCIOM) A164 (MainRear) (2SB) (MainRear) (29BK) (29BU) (ECS) (29GY) (Light,Diff-) 2070 2040 2080 E10 E06 ReverseE09 Brake E21Fog E10 Parking E27RE21Fog E13 Direction E10 Position E06 Reverse E09 Brake E10 ParkingE13 Direction E10 Position 1.Ground 2.DirectionInd. 3.Brake 4.Position 5.Reverse 6.Fog 7.B.U.PAlarm E27R H03E10 E27L E06 Reverse E09 Brake E21Fog E10 Parking E21Fog E13 Direction E10 Position E06 Reverse E09 Brake E10 Parking E13 Direction E10 Position X3 X2 X4 X1
  • 181.
    Wiring diagram Page177 (268) T3065174 2040,2060,2070,2080,RADDT-GR 2040RADDT-GR,2060,2070,2080, (2050) XC330 B30 5.6 (2010) XC317 (26BK) (2050) XC331 XC323 (Nodesupply) B29B S45 E27R (2070) (2040) (RCIOM) A164 5.7 (2060) XC342 (2060) (2080) (2060)(2070) S45R (2080) (2070) B58 B57 Y136 (2070) Y136 (ExtraSideM.Lights) XC351 E27L (ABS,EBS) X02 (Lights) (TREL7-7) X04,X05 X63 (TREL14) (Lights) E39 Korea (adapter) X03 (TREL15) (Lights) X02 (ABS,EBS) 1.Ground 2.DirectionInd. 3.Brake 4.Position 5.Reverse 6.Fog 7.B.U.PAlarm E27R H03E10 E27L E06 Reverse E09 Brake E21Fog E10 Parking E21Fog E13 Direction E10 Position E06 Reverse E09 Brake E10 Parking E13 Direction E10 Position (RCIOM) A164 (MainRear) (2SB) (MainRear) (29BK) (29BU) (ECS) (29GY) (Light,Diff-) 2070 2040 2080 (BSYS-CON) B237 (2040) X2 X3 X4 X1 Y137 Withintergrated pressuresensor Y137 (4-Channel) 3242122231 26 25 Inlet P RightIeftRightIeftLift 1193456128721 Inlet 3 232221 11 1234 RightLeft (2-Channel)
  • 182.
    T3065175 Page 178 (268)Wiring diagram 2125,2050 E11RF E11RC E11RW E11RR E11LR E11LW E11LC E11LF (2040) (3BK) XC330 (2050) (2125A) EL2RR EL2LR (2125A) (2125A) EL2RF EL2LF (2050) (2050) (2050) (2050) (2050) (2050) (2125C) (2125C) XC331 (3BK) (2040) (2050) XC358 (4BK) (2040) (2125B) (2125B) (2050) XC318A (7BK) (2010) XC318B (7BK) XC318C (7BK) 2125,2050
  • 183.
    Wiring diagram Page179 (268) T3065176 B15B B42A 2090,RAD-L90RAD-GR, A21.X3 (18GY) (2090) U03A (2090) B16B B43A B42A(BKLWS) B43A(GRLWS) U03A (WSSB) (LWSB) (WSSA) (LWSA) LWSA/B black WSSA grey WSSB black CANB SPL/GND green LHSRHS B50 (YAW-rate) A21 (EBS) (18GY) (Rear) (16BK) (Power,GND) (Footvalve) (YAW-rate) (2010) 2090,RAD-L90RAD-GR, (18GY) (Front) (Trailer) (2010) (RSTS-EHY) (12BK) A21.X3 (18GY) X2 X3 X4 X1 2010 2010 2100 2090
  • 184.
    T3065182 Page 180 (268)Wiring diagram B15B B42A 2100,2090,RSTS-EHY,RADT-GR 2100RADT-GR,,RSTS-EHY2090, Y53 B49R Y53 B49R (2100) (2100) (2100) (2090) LWSA/B black WSSA grey WSSB black CANB SPL/GND green (2090) B16BB43A B73 B77B B76B B72 U03A U07 LHSRHS (LWSB) (WSSB) (WSSB)(LWSB) (WSSA) (LWSA) (WSSA) (LWSA) U03A (12BK) A21.X4 B77B(BKLWS) B76B(GRLWS) (BKLWS)B42A (GRLWS)B43A U07 LWSA/B black WSSA grey WSSB black CANB SPL/GND green LHSRHS (2100) A21.X3 (18GY) B50 (YAW-rate) (EBS) A21 (18GY) (Rear) (16BK) (Power,GND) (Footvalve) (YAW-rate) (2010) (18GY) (Front) (Trailer) (2010) (RSTS-EHY) (12BK) X2 X3 X4 X1 2010 2010 2100 2090 A21.X3 (18GY)
  • 185.
    Wiring diagram Page181 (268) T3065183 B15BB42A 2100,2090,RSTS-EHY,RAPD-GR 2100,RAPD-GR2090,,RSTS-EHY Y53 B49R Y53 B49R (2100) (2100) XC354 XC354 (2100) (2090) U04 U03A (2090) B16B B43A B71 B75B B74B B70 (BKLWS)B75B (GRLWS)B74B B42A(BKLWS) B43A(GRLWS) U03A U04 (LWSB) (WSSB) (WSSB) (LWSB) (WSSA)(LWSA) (WSSA) (LWSA) LWSA/B black WSSA grey WSSB black CANB SPL/GND green LHSRHS LWSA/B black WSSA grey WSSB black CANB SPL/GND green LHSRHS A21.X3 (18GY) B50 (YAW-rate) A21 (EBS) (18GY) (Rear) (16BK) (Power,GND) (Footvalve) (YAW-rate) (2010) (18GY) (Front) (Trailer) (2010) (RSTS-EHY) (12BK) (18GY) A21.X3X2 X3 X4 X1 2010 2010 2100 2090 A21.X4 (12BK)
  • 186.
    T3065185 Page 182 (268)Wiring diagram B15B B42A 2090,RADD-GR/-BR/-TR1/-TR2,RAL17/21 2090,/-BR/-TR1/-TR2RAL17/21RADD-GR, (2090) (2090) B16BB43A B18 B45B B44BB17 U03B (LWSD) (WSSD) (WSSB)(LWSB) (WSSA) (LWSA) (WSSC)(LWSC) B45B(BKLWS) B44B(GRLWS) (BKLWS)B42B (GRLWS)B43B LWSC/D grey WSSD brown WSSC green ALSA/B brown LHSRHS U03B LWSA/B black WSSA grey WSSB black CANB SPL/GND green LHSRHS A21.X3 (18GY) B50 (YAW-rate) (EBS) A21 (18GY) (Rear) (16BK) (Power,GND) (Footvalve) (YAW-rate) (2010) (18GY) (Front) (Trailer) (2010) (RSTS-EHY) (12BK) X2 X3 X4 X1 2010 2010 2100 2090 A21.X3 (18GY)
  • 187.
    Wiring diagram Page183 (268) T3065187 B15B B42A 2090,RADD-BR/-TR1/-TR2,RAL>23 (2090) (2090) B16B B43A B18 B45B B44B B17 U03A (LWSB) (WSSB) (WSSB) (LWSB) (WSSA) (LWSA) (WSSA) (LWSA) B45B(BKLWS) B44B(GRLWS) (BKLWS)B42A (GRLWS)B43A U03C (2090) (2090) A21.X3 (18GY) B50 (YAW-rate) (EBS) A21 (18GY) (Rear) (16BK) (Power,GND) (Footvalve) (YAW-rate) (2010) (18GY) (Front) (Trailer) (2010) (RSTS-EHY) (12BK) X2 X3 X4 X1 2010 2010 2100 2090 A21.X3 (18GY) 2090,RAL>23RADD-BR/-TR1/-TR2, LWSA/B black WSSA grey WSSB black CANB SPL/GND green LHSRHS U03A LWSA/B black WSSA grey WSSB black CANB SPL/GND green LHSRHS U03C
  • 188.
    T3065188 Page 184 (268)Wiring diagram 2100,2090,RADDT-GR,RSTS-EHY,RAL>33 B15B B42A 2100,2090,RADDT-GR,RSTS-EHY,RAL>33 (2090) LWSA/B black WSSA grey WSSB black CANB SPL/GND green (2090) B16BB43A B18 B45B B44B B17 U03A LHSRHS (LWSB) (WSSB) (WSSB)(LWSB) (WSSA) (LWSA) (WSSA) (LWSA) B45B(BKLWS) B44B(GRLWS) B77B(BKLWS) B76B(GRLWS) (BKLWS)B42A (GRLWS)B43A U03C LWSA/B black WSSA grey WSSB black CANB SPL/GND green LHSRHS U07 (2090) (2090) (2100) (2100) (2100) B73 B77B (LWSB) (WSSB) B72 (WSSA)B76B (LWSA) Y53 U03C (2100) U07 Y53 (2100) LWSA/B black WSSA grey WSSB black CANB SPL/GND green LHSRHS B49R B49R U03A A21.X3 (18GY) B50 (YAW-rate) (EBS) A21 (18GY) (Rear) (16BK) (Power,GND) (Footvalve) (YAW-rate) (2010) (18GY) (Front) (Trailer) (2010) (RSTS-EHY) (12BK) X2 X3 X4 X1 2010 2010 2100 2090 A21.X3 (18GY) (12BK) A21.X4
  • 189.
    Wiring diagram Page185 (268) T3071172 (WSSA) B15A 2090,ABS 2090,ABS (2090) (WSSB) B16A Y13 Y14(WSSA) B15A (WSSB) B16A A12A.X3 (18GY) A12A (ABS) (18GY) (Rear) (16BK) (Power,GND) (Footvalve) (2010) X3 X1 2010 2090 (NOTUsed) (Empty) (NOTUsed) (Empty)
  • 190.
    T3065192 Page 186 (268)Wiring diagram 2120,BB-wires 2120,BB-wires (2120) (2120) FM1 (BB) BB1(1GY-tape) BB2(2GY-tape) BB3(noGY-tape) (Instrument) XC202(25GY) X25 BB1(1GY-tape) BB2(2GY-tape) BB3(noGY-tape) (SidemarkerLampsforRigid) XC351(4BK) (Powerjunction) X25
  • 191.
    Wiring diagram Page187 (268) T3065193 B39 X54 K65 B04 B05 M04 Y33(F) Y33(E) Y33(D) B21 Y39 Y33(A) Y33(B) Y33(C) B37 R01 B118 B54 A45 B119 B51 Y42 Y37A K48 S68 B A G02 B2+ B1+ B1+ G02 3000,MD13,EM-EU3 3000,MD13,EM-EU3 A43 A14 B A B2+ A14 (2010) (39BK) XC302 (GIC020) (Engineblock) (Engineblock)
  • 192.
    T3065194 Page 188 (268)Wiring diagram 3000,MD13,EM-EU3 3000,MD13,EM-EU3 A14 S68 B39 B05 B04 M04 X54 Y33(F) Y33(E) Y33(D) Y39 Y33(A) Y33(B) A43 R01 Y33(C) X54 K65 M04 B21 A45 K48 B37 Y37A B119 (2010) (39BK) XC302 (GIC020) ToBBOX ToBBOX (Engineblock) (Engineblock) (Engineblock)
  • 193.
    Wiring diagram Page189 (268) T3065195 3000,MD13,EM-EU5 3000,MD13,EM-EU5 B39 B04 B05 M04 Y33(F) Y33(E) Y33(D) B21 Y39 Y33(A) Y33(B) Y33(C) B37 R01 B118 B54 A45 B119 B51 Y42 Y37 B A S68 A14 G02 B2+ B1+ B1+ G02 B213 A43 Y109 B A B207 B2+ A14 X54 K65 K48 (2010) (39BK) XC302 (GIC020) (Engineblock) (Engineblock)
  • 194.
    T3065196 Page 190 (268)Wiring diagram 3000,MD13,EM-EU5 3000,MD13,EM-EU5 A14 S68 B39 B05 B04 M04 X54 Y33(F) Y33(E) Y33(D) Y39 Y33(A) Y33(B) A43 R01 Y33(C) X54 K65 M04 B21 B207 Y111 Y110 B213 A45 Y109 K48 B37 (2010) (39BK) XC302 (GIC020) ToBBOX ToBBOX Y37 (Engineblock) (Engineblock) (Engineblock)
  • 195.
    Wiring diagram Page191 (268) T3071175 3000,MD13,EML4 3000,MD13,EML4 B39 B04 B05 M04 B21 Y39 Y33(C) B37 R01 B118 B54 A45 B119 B51 Y42 Y37 A14 B A S68 A14 G02 B2+ B1+ B1+ G02 B213 A43 Y109 B A B207 B2+ Y114 Y34 B187 Y103 Y33(D) Y33(E) Y33(F) Y33(B) Y33(A) X54 K65 K48 (2010) (39BK) XC302 (GIC020) (Engineblock) (Engineblock)
  • 196.
    T3071176 Page 192 (268)Wiring diagram 3000,MD13,EML4 3000,MD13,EML4 A14 S68 (Engineblock) B39 B04 M04 X54 Y33(F) Y33(E) Y33(D) Y39 Y33(A) Y33(B) A43 R01 Y33(C) X54 K65 M04 B21 B207 Y111 Y110 B213 A45 Y109 K48 B37 B05 Y114 B187 Y103 (Engineblock) Y34 Y34 (2010) (39BK) XC302 (GIC020) ToBBOX ToBBOX Y37
  • 197.
    Wiring diagram Page193 (268) T3065198 3000,MD16 3000,MD16 B39 B04 B05 M04 Y33(F) Y33(E) Y33(D) B21 Y39 Y33(A) Y33(B) Y33(C) B37 R01 B118 A45 B119 Y42 Y37A A14 B A S68 A14 G02 B2+ B1+ B1+ G02 B213 A43 B A A44 B54 B2+ X54K65 K48 (2010) (39BK) XC302 (GIC020) (Engineblock) (Engineblock)
  • 198.
    T3065199 Page 194 (268)Wiring diagram 3000,MD16 3000,MD16 B39 B04 B05 M04 B21 B37 R01 B119 Y37A K48 S68 G02 X54 K65 M04 B213 B54 X54 A14 Y33(F) Y33(E) Y33(D) Y39 Y33(A) Y33(B) Y33(C) B118 (2010) (39BK) XC302 (GIC020) (Engineblock) (Engineblock)
  • 199.
    Wiring diagram Page195 (268) T3065200 3010,MECHTRAN 3010,MECHTRAN (3010) (2010) (39 GN) XC303 (3010) S49 B09B S47 Y31 B12 Y06 S63 (3010) S49 Y31 B12 S47 S63 Y06 B09B (2010) (39 GN) XC303 S101 S101
  • 200.
    T3065201 Page 196 (268)Wiring diagram 3010,I-SHIFT 3010,I-SHIFT (3010) (2010) (39 GN) XC303 B12 (3010) B12 A42 1. A 2. B 1. A 2. B (2010) (39 GN) XC303 A13A A13A
  • 201.
    Wiring diagram Page197 (268) T3065202 3010,3020,MECHTRAN 3010,3020,MECHTRAN (3010) (3010) B09B S47 Y31 B12 Y06 S63 (3010) Y31 B12 S47 S63 Y06 B09B A41 B69 Y18G Y18H Y18G Y18H A41 B69 S49 S49 (3020) (3020) (3020) (3020) (3020) (3010) (2010) (39 GN) XC303 S101 S101 (2010) (39 GN) XC303
  • 202.
    T3065203 Page 198 (268)Wiring diagram 3010,3020,I-SHIFT 3010,3020,I-SHIFT (3010) A41 B69 S124C A41 B69 S124C B12 A42 1. A 2. B B12 (3020) (3020) 1. A 2. B XC303 (39 GN) (2010) A13A (3010) (3020) (3020) (2010) (39 GN) XC303 A13A
  • 203.
    Wiring diagram Page199 (268) T3065102 Spare 5 K26 CABTilt Pump K28 F01 F02 F03 F04 F05 F06 F07 F08 F09 F10 F11 F12 F13 F14 F15 F16 F17 F18 F19 F20 F21 F22 F23 F24 F25 F26 F27 F28 F29 F30 F31 F32 F33 F34 F35 F36 F37 F38 F39 F40 F41 F42 F43 F44 F45 F46 F47 F48 F49 Seats Move. K24 Spare 7 K25 Ignition K22 MirrorHeat. K23 Spare 1 K21 BBIgnition K20 Trailer BodyLight K19 Spare 6 K18 Spare2 Euro6 K17 HeadLight W.pump K16 Full Beam Inside K15 Becon WarningL. K13 Roof Light Sign K12 Power Supply3 24Voutlets K14 Extra SpotLamps K10 Engine Runn. K09 Power Supply4 DC/DC12V K11 Accessory K08 Power Supply2 K07 CT2 Sunroof Motor1 K04 Sunroof Motor2 K03 Spare 4 K01 Refrig. K02 F50 F51 F52 F53 F54 F55 F56 F57 F58 F59 F60 F61 F62 F63 F64 F65 F66 F67 F68 F69 F70 F71 F72 F73 F74 F75 F76 F77 F78 F79 F80 F81 F82 F83 F84 F85 F86 F89 F87 F90 F88 F91 Widscreen WiperMotor K05 Widscreen WiperHi/Lo K06 Rainsensor CB8 CB7 CB5 CB3 CB2 CB1 CB6 CB4 CB9 CB12 CB11 CB10 F07 F10 F20 F30 F31 F40 F48 3A. 5A. 10A. 15A. 20A. 30A. A02P A02X A01FRC F02 F04 F06 EMS K27 BB Relay K30 BB Relay K31 BB Relay K32 BB Relay K33Thermoline K69 50A. BBEC1 BBEC2 CN3CN2CN1 CN11 CN12 113 2614 113 2614 113 2614 Extra (Frontlidlock) Extrapos. Spare F50 F60 F70 F80 F90 A02Y Gnd BBxx BB Relay K91 (Microwaveoven) F93 A187VMCU A01.Stud:1(Powersupply) (Ground) A01.CB9:1 A01.CB11:1(CoffeMaker) A01FRCA01FRC F49 CT1 FrontHeaderShelf A01.CCT2:1-2 (DC/DC12V) (FrontHeaderShelf) K52A K52B BB Relay K92 BB Relay K90 BB Relay K35 R14 BB Relay K34 1. 2. 3. 4. 1. 2. 3. 4. BBEC 3. (RHD) (RHD) 1.2.1. 1.1. 4. Fuses
  • 204.
    F01 12V poweroutlet supply ............... (IG:1 A) F02 -..................................................... F03 TV prep kit, power supply ............. (IG:3 A) F04 -..................................................... F05 -..................................................... F06 Body Builder switch, power supply............................................ (ND:2 A) F07 Body Builder Electrical Centre, main power supply 1 (30A)........... (ND:3 B) F08 Body Builder Electrical Centre, main power supply 2 (20A)........... (ND:2 B) F09 -..................................................... F10 -..................................................... (IF:1 A) F11 Extra spot lamps roof, EL1 ........... (NF:0 A) F12 Beacon warning lamps roof EL4... (NF:1 A) F13 Driver and passenger seats heater, Alcolock , engine running power supply............................................ (IT:1 A) F14 -..................................................... F15 Roof light sign or roof EL 5 ........... (NF:3 A) F16 Full beam inside sign area EL 0 ... (NF:4 A) F17 -l .................................................... F18 HMIIOM (Human Machine inter- face input & output module) power supply................................. (BA:1 A) F19 BBM (Body Builder Module) power supply................................. (NA:1 A) F20 DDM/PDM (Driver/Passenger Door Module) right, power supply. (IS:0 A) F21 SID (Secondary instrument dis- play) power supply........................ (IO:2 A) F22 Sun visor, bunk recline power supply............................................ (IU:3 A) F23 Tachograph power supply............. (BC:1 A) F24 Instrument power supply............... (BA:2 A) F25 Toll collect power supply............... (BX:0 A) F26 -..................................................... F27 VMCU ........................................... (BE:0 B) F28 VMCU ........................................... (BE:0 B) F29 Right mirror heating ...................... (IR:1 A/ IS:1 A) F30 Left mirror heating......................... (IR:1 A/ IS:1 A F31 DACU (Driver Assistance Control Unit) power supply........................ (PA:0 A) F32 APM (Air Pressure Monitoring) power supply................................. (FE:1 A) F33 Wireless remote control................ (FB:2 A) F34 Electrical front lid lock ................... (BG:1 A) F35 -..................................................... F36 -..................................................... F37 ABS/EBS power supply................ (EA:0 A/ EE:0 A) F38 CCM (Climate Control Module) supply............................................ (HA:1 A) F39 Fuel line heater power supply....... (HF:1 A) F40 Tachograph ignition power supply (BC:2 A) F41 EMS (Engine Management Sys- tem) ECU power supply main....... (CA:2 A) F42 EMS controlled loads 1................. (CA:2 A) F43 Fuel filter heater............................ (CA:1 A) F44 EMS controlled loads 2................. (CA:2 A) F45 Cab tilt pump motor supply........... (KA:1 A) F46 Trailer ABS/EBS power supply..... (GK:0 A/ GL:1 A) F47 -..................................................... F48 -..................................................... F49 Body Builder chassis main power supply............................................ (ND:3 B) F50 Coffee maker accessory power supply............................................ (IF:3 A) F51 Windscreen wiper motor on & off low speed/high speed................... (GP:0 A) F52 Sunroof motor supply.................... (IU:1 A) F53 Video Switch power supply........... (IO:0 A) F54 -..................................................... F55 Alarm power supply ...................... (RA:0 A) F56 -..................................................... (IG:1 A) F57 Interior light ................................... (IB:2 B) F58 Amplifier power supply.................. (IL:1 A) F59 Converter power supply in header shelf .............................................. (IG:2 A) F60 Converter power supply in dashboard..................................... (IG:0 A) F61 DDM/PDM (Driver/Passenger Door Module) left, power supply... (IR:0 A) F62 OBD diagnostic connector, power supply............................................ (XA:2 B) F63 CIOM (Cab Input/Output Module) power supply................................. (BG:0 A) Page 200 (268) Wiring diagram
  • 205.
    F64 24V poweroutlet supply 1 in dashboard..................................... (IF:1 A) F65 24V power outlet supply 2 in bunk panel ............................................. (IF:1 A) F66 TIS (Transport Information Sys- tem) & Telematics System power supply............................................ (BU:0 A) F67 Cigarette lighter............................. (IF:0 A) F68 VMCU ........................................... (NB:0 C) F69 Cab parking heater power supply. (HC:1 A) F70 TECU ............................................ (DC:1 A) F71 Headlight washer pump motor...... (GP:1 B) F72 -..................................................... F73 Body Builder Electrical Centre ignition supply (30A) ..................... (ND:3B) F74 Body Builder Electrical Centre ignition supply (20A) ..................... (ND:2 B) F75 Refrigerator power supply............. (IF:3 A) F76 -..................................................... F77 -..................................................... F78 -..................................................... F79 -..................................................... F80 LECM (Living Environment Con- trol Module) power supply ............ (HA:0 A) F81 SRS (Security Restrain System) airbag ignition power supply......... (PE:1 B) F82 -..................................................... F83 -..................................................... F84 -..................................................... F85 FMS (Fleet Management System) connector ignition power supply ... (BX:2 A) F86 -..................................................... F87 -..................................................... F88 Alcolock power supply.................. (PH:1 B) F89 -..................................................... F90 Seat motor .................................... (IT:3 A) F91 FMS connector power supply....... (BX:3 A) F92 Tachograph, ADR (2020).............. (AD:0 C/ AE:2 B) F93 Microwave oven (1000) ................ (IF:3 B) F94 ADR (2020)................................... (AA:0 D) F95 ADR (2020)................................... (AA:0 D) Main fuse in battery box FM1 Body builder supply.................... AA:2 B) FM2 Cab, main power supply,............ (AA:1 B) FM3 FCIOM power supply 1 .............. (AA:2 B) FM4 CCIOM power supply 1.............. (AA:2 B) FM5 RCIOM power supply 1.............. (AA:3 B) FM6 FCIOM power supply 2 .............. (AA:3 B) FM7 CCIOM power supply 2.............. (AA:2 B) FM8 RCIOM power supply 2.............. (AA:3 B) FM9 RASEC power supply ................ (AA:1 B) FM10 IPC power supply....................... (AA:4 B) FM11 ACM power supply..................... (AA:3 B) FM12 EAS power supply...................... (AA:2 B) Wiring diagram Page 201 (268)
  • 206.
    T3065102 Page 202 (268)Wiring diagram Spare 5 K26 CABTilt Pump K28 F01 F02 F03 F04 F05 F06 F07 F08 F09 F10 F11 F12 F13 F14 F15 F16 F17 F18 F19 F20 F21 F22 F23 F24 F25 F26 F27 F28 F29 F30 F31 F32 F33 F34 F35 F36 F37 F38 F39 F40 F41 F42 F43 F44 F45 F46 F47 F48 F49 Seats Move. K24 Spare 7 K25 Ignition K22 MirrorHeat. K23 Spare 1 K21 BBIgnition K20 Trailer BodyLight K19 Spare 6 K18 Spare2 Euro6 K17 HeadLight W.pump K16 Full Beam Inside K15 Becon WarningL. K13 Roof Light Sign K12 Power Supply3 24Voutlets K14 Extra SpotLamps K10 Engine Runn. K09 Power Supply4 DC/DC12V K11 Accessory K08 Power Supply2 K07 CT2 Sunroof Motor1 K04 Sunroof Motor2 K03 Spare 4 K01 Refrig. K02 F50 F51 F52 F53 F54 F55 F56 F57 F58 F59 F60 F61 F62 F63 F64 F65 F66 F67 F68 F69 F70 F71 F72 F73 F74 F75 F76 F77 F78 F79 F80 F81 F82 F83 F84 F85 F86 F89 F87 F90 F88 F91 Widscreen WiperMotor K05 Widscreen WiperHi/Lo K06 Rainsensor CB8 CB7 CB5 CB3 CB2 CB1 CB6 CB4 CB9 CB12 CB11 CB10 F07 F10 F20 F30 F31 F40 F48 3A. 5A. 10A. 15A. 20A. 30A. A02P A02X A01FRC F02 F04 F06 EMS K27 BB Relay K30 BB Relay K31 BB Relay K32 BB Relay K33Thermoline K69 50A. BBEC1 BBEC2 CN3CN2CN1 CN11 CN12 113 2614 113 2614 113 2614 Extra (Frontlidlock) Extrapos. Spare F50 F60 F70 F80 F90 A02Y Gnd BBxx BB Relay K91 (Microwaveoven) F93 A187VMCU A01.Stud:1(Powersupply) (Ground) A01.CB9:1 A01.CB11:1(CoffeMaker) A01FRCA01FRC F49 CT1 FrontHeaderShelf A01.CCT2:1-2 (DC/DC12V) (FrontHeaderShelf) K52A K52B BB Relay K92 BB Relay K90 BB Relay K35 R14 BB Relay K34 1. 2. 3. 4. 1. 2. 3. 4. BBEC 3. (RHD) (RHD) 1.2.1. 1.1. 4. Relays
  • 207.
    K01 -..................................................... K02 Relay,refrigerator......................... (IF:2 A) K03 Relay, sunroof motor 2.................. (IU:1 B) K04 Relay, sunroof motor 1.................. (IU:0 B) K05 Relay, front wiper on/off ................ (GP:0 B) K06 Relay, front wiper low/high............ (GP:0 B) K07 Relay, body builder electrical cen- ter, power supply 2........................ (ND:2 A) K08 Relay, accessories........................ (IF:3 A) K09 Relay, seats heater....................... (IT:0 A) K10 Relay, body builder electrical cen- ter, extra spot lamps...................... (NF:0 A) K11 Relay, power supply 4................... (IG:2 A) K12 Relay, roof light sign...................... (NF:3 A) K13 Relay, beacon warning lamps....... (NF:1 A) K14 Relay, power supply 3................... (IF:1 A) K15 Relay, full beam inside sign area.. (NF:4 A) K16 Relay, headlight washer pump ..... (GP:1 B) K17 TECU ............................................ (DC;0 A) K18 -..................................................... K19 -..................................................... K20 Relay, BB ignition.......................... (ND:3 A) K21 Relay, mirror heating..................... (IR:1 A/ IS:1 A K22 Relay, ignition................................ (BX:2 A) K23 -..................................................... K24 Relay, adjustable seat................... (IT:3 A) K25 -..................................................... K26 -..................................................... K27 Relay, engine management system........................................... (CA:3 A) K28 Relay, cab tilt pump....................... (KA:1 A) K30 Relay, tail lift enable/crane............ (ND:2 C) K31 Relay, extra spot lamp front EL6... (NE:0 B) K32 Relay, side reverse working lamp EL2................................................ (NE:1 B) K33 Relay, cab/body working lamp EL3................................................ (NE:3 B) K34 -..................................................... K35 -..................................................... K48 Power relay, engine preheating (3000)............................................ (AA:2 D/ CB:1 A) K52A Power relay, FLL motor 1.............. (BG:1 B) K52B Power relay, FLL motor 2.............. (BG:1 B) K65 Relay, starter motor....................... (CB:2 B) K69 Relay, fuel heater.......................... (HF:1 C) K70A Relay, ADR3/SLP (2020).............. (AE:1 B) K70B Relay, ADR3/SLP (2020).............. (AE:1 C) K71 Relay, audio switch telematics, L+ (1100)............................................ (BU:1 D) K90 Relay............................................. (NK:2 B) K91 Relay............................................. (NK:3 B) K92 Relay............................................. (NK:4 B) K95 Relay, microwave oven (1100)...... (IF:3 C) Wiring diagram Page 203 (268)
  • 208.
    FRC (A01) connectors A01.CB1 Pinno: Circuit function Wiring no: Diagram 3 Cab tilt pump motor supply 2131 KA:1 B 4 Trailer ABS, EBS power supply 2129 GK:0 A/GL:1 A A01.CB2 Pin no: Circuit function Wiring no: Diagram 1 Windscreen wiper high speed 2104 GP:1 B 2 Windscreen wiper park position signal 0151 GP:0 B 3 APM power supply 2086 FE:1 B 4 WRG power supply 2083 FB:2 B 5 Direct battery 2037 BG:1 A 9 Fuel filter heater power supply 2047 CA:1 B 10 Windscreen wiper low speed 2103 GP:0 B 16 Power supply 2039 PH:1 B 18 EMS load power supply 2 2046 CA:2 B 19 Direct battery 2055 EA:0 A/EE:0 A 20 CCM power supply 2108 HA:1 B 21 Fuel heater relay supply 2114 HF:1 A 22 EMS power supply 1 2044 CA:2 B 23 EMS load power supply 1 2045 CA:2 B 25 Headlight washer pump supply 2105 GP:1 B A01.CB3 Pin no: Circuit function Wiring no: Diagram 1 Refrigerator supply 4004 IF:2 B 4 Sunvisor and power recline supply 2101 IF:4 B 5 DACU power supply 2121 PA:0 A 6 Direct battery 2040 BU:0 A 10 SRS power supply 2127 PE;1 B 11 LECM power supply 2107 HA:0 B 12 VS power supply 2091 IO:0 A 15 Ignition 2043 BX:2 B 16 Seats movement 2100 IT:1 A 18 Direct battery 2042 BX:3 B 19 Amplifier supply 2078 IL:1 A A01.CB4 Pin no: Circuit function Wiring no: Diagram 1 BBEC main C power supply 8028 ND:3 B Page 204 (268) Wiring diagram
  • 209.
    A01.CB5 Pin no: Circuitfunction Wiring no: Diagram 1 BBEC ignition supply 8043 ND:2 B 2 BBEC main power supply 2 8025 ND:2 B A01.CB6 Pin no: Circuit function Wiring no: Diagram 1 BBEC ignition power supply 8027 ND:3 B 2 BBEC main power supply 1 8026 ND:3 B A01.CB7 Pin no: Circuit function Wiring no: Diagram 8 Cab tilt enable switch 2139 KA:2 B A01.CB8 Pin no: Circuit function Wiring no: Diagram 6 Parking air, water heater supply 2110 HC:1 A 8 TECU power supply 2024 DC:1 B A01.CB9 Pin no: Circuit function Wiring no: Diagram 1 Ground 1 YF:1 D A01.CB10 Pin no: Circuit function Wiring no: Diagram 3 12V dashboard output 4162 IG:1 B 4 24V power outlet supply 2 4006 IF:1 B 8 BBM power supply 2130 NA:1 B A01.CB11 Pin no: Circuit function Wiring no: Diagram 1 Coffe maker supply 4002 IF:3 B Wiring diagram Page 205 (268)
  • 210.
    A01.CB12 Pin no: Circuitfunction Wiring no: Diagram 1 Engine running 2038 IT:1 A 3 CIOM power supply 2036 BG:0 A 4 OBD interface power supply 2120 XA:2 B 5 HMIIOM power supply 2027 BA:1 A 6 Task light ckt 6008 IB:2 B 9 BBEC switch main power supply 8023 ND:2 A 10 Engine running 2038 IT:3 A 11 Alarm power supply 2128 RA:0 B 12 Instrument cluster power supply 2028 BA:2 A 13 SID power supply 2029 IO:2 A 16 Mirror power supply passenger 2095 IS:1 A 17 Mirror power supply driver 2093 IQ:2 B/IR:1 A 18 12V dashboard socket supply 4015 IG:1 B 19 DDM power supply/window lift with antipinch supply 2092 IR:0 A 20 PDM power supply/window lift with antipinch supply 2094 IS:0 A 21 DC/DC converter supply 4163 IG:0 B 23 24V power outlet supply 1 4005 IF:1 B 24 Cigarette lighter supply 4007 IF:0 B 25 Parking air, water heater supply 2110 HC:1 A Page 206 (268) Wiring diagram
  • 211.
    A01.CT1 Pin no: Circuitfunction Wiring no: Diagram 1 Accessories signal 4014 IG:2 B 2 Ground 1 GF:3 A 3 Sunroof motor signal 2 4158 IU:1 B 4 Sunroof motor signal 1 4157 IU:1 B 5 Main power supply 1 2157 BC:1 A 6 Backlight 6000 GF:3 A 9 Position light circuit supply 3047 GF:2 A 10 Key ignition 2138 BC:2 A 11 Ground 1 YF:0 C 12 Ground 1 YF:1 C 13 Ignition signal 2020 BX:0 B 14 Ignition signal 2020 HF:1 A 15 Night driving light Ckt 6006 IA:0 A 16 Backlight 6000 BX:0 B/IQ:2 B 17 Task light ckt 6008 IA:2 A 18 Speed pulse 2137 BC:1 A 19 Ground 1 YF:0 C 21 Ground 1 IU:3 B 22 EL1 extra spot lamp power supply 8062 NF:0 A 23 Resting light ckt 2 6005 IA:0 A 24 Backlight 6000 IU:2 B 25 Resting light ckt 1 6007 IA:1 A 26 Sunvisor and power recline supply 2101 IU:3 B 27 Full beam lamp supply 8065 NF:4 A 28 Accessory supply 4012 IG:3 B 31 Max light Ckt 2 6012 IA:3 A 32 Beacon lamp power supply 8063 NF: 1 A 33 Direct battery 2040 BU:0 A 34 Direct battery 2041 BX: 0 B 35 Max light Ckt 1 6011 IA:1 A 36 Roof light sign EL5 power supply 8064 NF:3 A A01.CT2 Pin no: Circuit function Wiring no: Diagram 2 DC/DC converter supply 4011 IG:2 B 4 DC/DC output supply 4161 IG:2 B Wiring diagram Page 207 (268)
  • 212.
    T3071165 Page 208 (268)Wiring diagram VMCUA187 CIOMA160 HMIIOM A161 VSA169 AlarmA31 DACUA26 BBMA36 A03 A176 LPOS A33 TachoA07 Audio A125 TGW A122 Toll U29/U33 A132Alco U30 BBEC BBEC1 BBEC2 1160 Firewall A175 TESP XC145_1 Cuttelfish,CAB Cuttelfish,CAB XC205 XC203 XC213 XC204 XC202 XC207 XC208 XC210 XC104_1 1000 Instrument FRCA01 XC104_2 1150 Door XC141 XC140 XC115_1 XC124 XC115_2 XC116 XC118_2 XC117 XC118_1 XC119 1100 A-pillar 1100 A-pillar Y43DS A43B X1 X2 XC130 XC131 XC127 XC108_1 XC101_1 XC101_2 XC103 1140 Lower bunk 1140 Rear wall XC148XC147 XC107 XC144 XC102 XC113 XC112 XC145_2 X115A/B 1110 Roof Beacon XC111 XC106 XC114 XC150 XC149XC146 Y43PS A06D A06P XC201 Beacon SignLamp 1110 Roof 1150 Door 1000 Instrument 1100 A-pillar 1000 Instrument ADR BB S275 USB XC108_2 XC153_1 XC153_2 Wiring harness layout
  • 213.
    2010MainF. Wiring diagram Page209 (268) T3071166 XC203 XC213 XC204 XC202 XC207 XC208 XC210 FCIOM A162 RCIOM A164 CCIOM A163 A21 EBS ACM A174 APM A177 2000 Lower front 3000 Engine 1160 Firewall 2020 Battery XC302 XC303 2090EBS A12A ABS XC201 XC205 E13L Cuttelfish,CHASSIE Cuttelfish,CHASSIE XC301 XC321 XC322 BB1,2,3 XC328 XC315 XC312 XC316 or XC319 XC313 Node supply XC342 2070 Light, Diff. 2060 Trail. 2040MainC. XC323 XC317 XC330 XC331 2050 Side mark. 2020 Battery 3010 Gearbox E83L E98L E13R E83R E98R 2030 EATS 2030 SCR XC318 XC354 2100 RSTS-EHY 2080 Susp. 2080Susp. 2120BB ADR Node supply XC355 XC329 XC327 XC325 2050 ExtraL. 2050 Side mark. 2010MainF. ADR ADR ADR ADR BB XC360 XC358 BB ADR E27L E27RXC353 (E39) XC314 B07)( XC310 B28)( E128 ADR
  • 214.
    Ground connections List ofground connections 1.0_1 (YD:4 A) “ ”, page 115 1.1 (YN:2 D) “ ”, page 115 1.10 (YK:4 D) “ ”, page 136 1.11 (YK:4 D) “ ”, page 136 1.12 (YN:3 D) “ ”, page 115 1.2 (YN:1 D) “ ”, page 148 1.3 (YM:1 D) “ ”, page 144 1.4 (YH:2 D) “ ”, page 132 1.4_2 (YF:1 D) “ ”, page 132 1.5 (YG:2 D) “ ”, page 132 1.6 (YF:3 D) “ ”, page 132 1.8 (YK:2 D) “ ”, page 136 1.8 (YK_RHD:1 E) “ ”, page 136 1.9 (YK_RHD:3 E) “ ”, page 140 3.1 (AA:2 D) “ ”, page 115 5.0_1 (HB:4 E) “ ”, page 115 5.1_1 (YD:2 D) “ ”, page 115 5.1_2 (YD:1 D) “ ”, page 115 5.1_5 (YD:3 D) “ ”, page 115 5.2_1 (YD:4 D) “ ”, page 115 5.3_1 (YA:0 D) “ ”, page 115 5.3_2 (YA:1 D) “ ”, page 115 5.3_3 (YA:3 D) “ ”, page 115 5.3_4 (YA:4 D) “ ”, page 115 5.4_2 (AA:2 E) “ ”, page 115 5.5_1 (YB:0 D) “ ”, page 115 5.5_2 (YB:0 D) “ ”, page 115 5.5_3 (YB:2 D) “ ”, page 115 5.5_4 (HB:1 D) “ ”, page 115 5.6_1 (YB:3 D) “ ”, page 170 5.6_2 (YB:4 D) “ ”, page 170 5.7_1 (YB:3 D) “ ”, page 171 5.7_2 (YB:3 D) “ ”, page 171 5.8_1 (AA:1 E) “ ”, page 116 5.10_1 (AE:1 D) “ ”, page 115 Page 210 (268) Wiring diagram
  • 215.
    List of connectors XC101_1 T3071137 Pinno: Circuit function Wiring no: Diagram 1 Task light ckt 6008 IB:2 C 2 Max light Ckt 2 6012 IB:2 C 3 Ground 1 IB:2 D XC101_2 T3071137 Pin no: Circuit function Wiring no: Diagram 1 Task light ckt 6008 IB:3 C 2 Max light Ckt 2 6012 IB:3 C 3 Ground 1 IB:3 D XC102 T3071138 Pin no: Circuit function Wiring no: Diagram 1 Task light ckt 6008 IB:3 B 2 Ground 1 IB:3 D 3 Ground 1 IF:2 D 4 Refrigerator supply 4004 IF:2 C Wiring diagram Page 211 (268)
  • 216.
    XC103 T3071127 Pin no: Circuitfunction Wiring no: Diagram 1 LECM power supply 2107 HA:0 B 1 CIOM 12V output 1 power supply 7085 SK:3 C 2 Ground 1 HA:0 C 2 CIOM LIN5 bus 7098 SK:3 C 3 Cab subnet low 7023 SC:2 B 3 CIOM LIN5 ground 7099 SK:3 C 4 Cab subnet high 7022 SC:3 B 5 Radio audio Rear Left loudspeaker + 4037 IK:2 D/IL:2 C 6 Radio audio Rear Left loudspeaker – 4038 IK:2 D/IL:2 C 7 Radio audio Rear Right loudspeaker + 4039 IK:2 D/IL:2 C 8 Radio audio Rear Right loudspeaker – 4040 IK:2 D/IL:2 C XC104_1 T3071142 Pin no: Circuit function Wiring no: Diagram 3 Security subnet high 7081 IR:0 C 4 Security subnet low 7082 IR:0 C 7 Mirror power supply driver 2093 IQ:2 C/IR:1 B 8 Night driving light CKt 6016 IC:2 C 9 Resting light ckt 1 6007 IC:3 C 10 Ground 1 IR:1 D 17 Ground 1 IR:1 D 18 DDM power supply / window lift with antipinch supply 2092 IR:0 C 19 Radio audio front Left loudspeaker + 4033 IK:1 D/IL1 D 20 Radio audio front Left loudspeaker – 4034 IK:1 D/IL1 D 22 Ground 1 IR:1 D Page 212 (268) Wiring diagram
  • 217.
    XC104_2 T3071142 Pin no: Circuitfunction Wiring no: Diagram 3 Security subnet high 7081 IS:0 C 4 Security subnet low 7082 IS:0 C 7 Mirror power supply passenger 2095 IS:1 B 8 Night driving light CKt 6016 IC:3 C 9 Resting light ckt 1 6007 IC:3 C 10 Ground 1 IS:1 D 17 Ground 1 IS:1 D 18 PDM power supply / window lift with antipinch supply 2094 IS:0 B 19 Radio audio front Right loudspeaker + 4035 IK:2 D 19 Radio audio front Left loudspeaker + 4033 IL:1 D 20 Radio audio front Right loudspeaker – 4036 IK:2 D 20 Radio audio front Left loudspeaker – 4034 IL:1 D 22 Ground 1 IS:1 D XC106 T3071119 Pin no: Circuit function Wiring no: Diagram 1 Cab body working lamp power supply 8061 NE:3 C 3 Ground 1 NE:3 C Wiring diagram Page 213 (268)
  • 218.
    XC107 T3071137 Pin no: Circuitfunction Wiring no: Diagram 1 BBEC parking lamp SPOTP-R signal 8058 NF:0 D 2 Ground 1 NF:0 D 3 EL1 extra spot lamp power supply 8062 NF:0 D XC108_1 T3071139 Pin no: Circuit function Wiring no: Diagram 1 ADR main switch closing request 0006 AD:3 B 2 ADR main switch closing request 0007 AD:3 B 3 ADR main switch closing request 0006 AD:2 D 4 ADR main switch closing request 0007 AD:2 D 5 Cab body working lamp power supply 8061 NE:3 C 5 Side sensor + 12V 2125 PA:2 C 6 Ground 1 NE:3 D 6 Side sensor ground 1053 PA:2 C 7 Active safety propriatery subnet 1 high 7026 PA:2 D 8 Active safety propriatery subnet 1 low 7027 PA:2 D Page 214 (268) Wiring diagram
  • 219.
    XC108_2 T3071139 Pin no: Circuitfunction Wiring no: Diagram 1 ADR main switch closing request 0006 AD:3 C 2 ADR main switch closing request 0007 AD:3 C 3 ADR main switch closing request 0006 AD:2 D 4 ADR main switch closing request 0007 AD:2 D 5 Cab body working lamp power supply 8061 NE:3 C 5 Side sensor + 12V 2125 PA:2 C 6 Ground 1 NE:3 D 6 Side sensor ground 1053 PA:2 C 7 Active safety propriatery subnet 1 high 7026 PA:2 D 8 Active safety propriatery subnet 1 low 7027 PA:2 D Wiring diagram Page 215 (268)
  • 220.
    XC111 T3071144 Pin no: Circuitfunction Wiring no: Diagram 1 Cab body working lamp power supply 8061 NE:3 C 2 Ground 1 NE:2 C 3 Beacon lamp power supply 8063 NE:2 C 4 Ground 1 NE:2 C XC112 T3071121 Pin no: Circuit function Wiring no: Diagram 1 EL1 extra spot lamp power supply 8062 NF:0 D 2 BBEC parking lamp SPOTP-R signal 8058 NF:0 D 3 Ground 1 NF:0 D XC113 T3071138 Pin no: Circuit function Wiring no: Diagram 1 Cab body working lamp power supply 8061 NE:3 C 2 Ground 1 NE:2 C 3 Beacon lamp power supply 8063 NF:2 B 4 Ground 1 NF:2 B Page 216 (268) Wiring diagram
  • 221.
    XC114_1 T3071136 Pin no: Circuitfunction Wiring no: Diagram 1 Task light ckt 6008 IA:2 B 2 Frontshelf compartent switch 3 contact 6025 IA:2 C XC114_2 T3071136 Pin no: Circuit function Wiring no: Diagram 1 Task light ckt 6008 IA:2 B 2 Frontshelf compartent switch 3 contact 6025 IA:2 C XC115_1 T3019918 Pin no: Circuit function Wiring no: Diagram 1 Beacon lamp power supply 8063 NF:1 B 2 Ground 1 NF:1 B 3 EL1 extra spot lamp power supply 8062 NF:0 B 4 Ground 1 NF:0 B 6 BBEC parking lamp SPOTP-R signal 8058 NF:0 B Wiring diagram Page 217 (268)
  • 222.
    XC115_2 T3019918 Pin no: Circuitfunction Wiring no: Diagram 1 Beacon lamp power supply 8063 NF:2 B 2 Ground 1 NF:1 B 5 Roof light sign EL5 power supply 8064 NF:3 B 6 Ground 1 NF:3 B XC116 T3019918 Pin no: Circuit function Wiring no: Diagram 3 Ground 1 GF:1 C 4 Position light circuit supply 3047 GF:2 C 5 Ground 1 GF:1 C 6 Roof light sign EL5 power supply 8064 GF:1 C XC117 T3071121 Pin no: Circuit function Wiring no: Diagram 1 EL1 extra spot lamp power supply 8062 NF:B D 2 BBEC parking lamp SPOTP-R signal 8058 NF:B D 3 Ground 1 NF:B D Page 218 (268) Wiring diagram
  • 223.
    XC118 T3071119 Pin no: Circuitfunction Wiring no: Diagram 1 Beacon lamp power supply 8063 NF:1 B/NF:2 B 3 Ground 1 NF:1 B/NF:1 B XC119 T3071121 Pin no: Circuit function Wiring no: Diagram 1 Roof light sign EL5 power supply 8064 NF:3 B 3 Ground 1 NF:3 B Wiring diagram Page 219 (268)
  • 224.
    XC124 T3071131 Pin no: Circuitfunction Wiring no: Diagram 2 Converter 12V ground 1069 IN:1 D 3 Cab body working lamp power supply 8061 NE:3 B 4 Max light Ckt 2 6012 IA:4 B 5 (UIP) MDD 12V supply 5023 RA:2 C 6 (UIP) MDD 12V ground 5025 RA:2 C 7 (UIP) MDD 12V LIN 5024 RA:2 C 8 Max light Ckt 1 6011 IA:1 C 9 Full beam lamp supply 8065 NF:4 B 10 Beacon lamp power supply 8063 NF:2 B 11 Refrigerator supply 4004 IF:2 B 12 Position light circuit supply 3047 GF:0 B 13 Position light circuit supply 3047 GF:2 B 14 Aux IN-1 audio right 4022 IN:1 B 15 Aux IN-1 audio left 4021 IN:1 B 16 Aux IN-1 audio diagnostic 4024 IN:1 B 17 Aux IN-1 audio common 4023 IN:1 B 19 Sunroof motor signal 1 4157 IU:1 C 20 Sunroof motor signal 2 4158 IU:1 C 21 Task light ckt 6008 IB:3 B 22 TV/DVD supply 4012 IN:1 B 23 Ground 1 NF:0 C 24 EL1 extra spot lamp power supply 8062 NF:0 C 25 BBEC parking lamp SPOTP-R signal 8058 NF:0 C XC127 T3071122 Pin no: Circuit function Wiring no: Diagram 1 Amplifier supply 2078 IL:1 A 2 Coffe maker supply 4002 IF:3 B Page 220 (268) Wiring diagram
  • 225.
    XC130 T3071131 Pin no: Circuitfunction Wiring no: Diagram 1 Max light Ckt 2 6012 IB:1 B 2 Luggage compartment switch status 5009 BG:1 D 3 Fuel dosing pump 1 + supply 2111 HD:1 B 4 Fuel dosing pump 2 (-) 1048 HD:1 B 5 Climate control LIN 12V supply 7066 HD:2 B 6 LECM power supply 2107 HA:0 B 6 CIOM 12V output 1 power supply 7085 SK:3 C 7 CIOM LIN 5 ground 7099 SK:3 C 8 Cab subnet high 7022 SC:2 C 8 CIOM LIN 5 bus 7098 SK:3 C 9 Cab subnet low 7023 SC:2 C 10 Task light ckt 6008 IB:2 B 11 Ground 1 HA:0 D 12 Active safety propriatery subnet 1 high 7026 PA:2 C/PA:2 D 13 Active safety propriatery subnet 1 low 7027 PA:3 C/PA:3 D 14 Cab tilt feedback 0016 KA:3 B 15 Electronic ground 1070 KA:3 D 16 Climate control communication LIN 7067 HD:2 B 17 Cab subnet high 7022 SC:3 C 18 Cab subnet low 7023 SC:3 C 19 24V power outlet supply 2 4006 IF:1 B 20 Refrigerator supply 4004 IF:2 B 21 Parking air, water heater supply 2110 HD:1 B 22 Sunvisor and power recline supply 2101 IF:4 B 23 Cab body working lamp power supply 8061 NE:3 B 24 Amplifier wake up 0149 IL:3 A Wiring diagram Page 221 (268)
  • 226.
    XC131 T3071131 Pin no: Circuitfunction Wiring no: Diagram 1 Radio audio front left amplifier + 4041 IL:1 A 2 Radio audio front left amplifier – 4042 IL:1 A 3 Radio audio front right amplifier + 4043 IL:2 A 4 Radio audio front right amplifier – 4044 IL:2 A 5 Active safety propriatery subnet 1 high 7026 PA:3 D 6 ADR main switch closing request 0006 AD:3 B 7 ADR main switch closing request 0006 AD:2 D 8 Radio audio rear right loudspeaker – 4040 IL:2 C 9 Radio audio front right amplifier + 4043 IL:2 C 10 Radio audio rear left amplifier + 4045 IL:2 A 11 Radio audio rear left amplifier – 4046 IL:2 A 12 Radio audio rear right amplifier + 4047 IL:2 A 13 Radio audio rear right amplifier – 4048 IL:2 A 14 Active safety propriatery subnet 1 low 7027 PA:3 D 15 ADR main switch closing request 0007 AD:3 B 16 ADR main switch closing request 0007 AD:2 D 17 Radio audio front left loudspeaker – 4034 IL:2 C 18 Radio audio front right loudspeaker – 4036 IL:2 C 19 APM redundancy power supply 2125 PA:2 C 20 Side sensor ground 1053 PA:2 C 21 Shield Low Level Signals Audio unit Amplifier 1076 IL:3 A 22 Radio audio rear right loudspeaker – 4040 IK:2 C 22 Radio audio front right loudspeaker – 4036 IL:1 C 23 Radio audio rear right loudspeaker + 4039 IK:2 C 23 Radio audio front right loudspeaker + 4035 IL:1 C 24 Radio audio rear left loudspeaker – 4038 IK:2 C 24 Radio audio front left loudspeaker – 4034 IL:1 C 25 Radio audio rear left loudspeaker + 4037 IK:2 C 25 Radio audio front left loudspeaker + 4033 IL:1 C Page 222 (268) Wiring diagram
  • 227.
    XC140 T3071131 Pin no: Circuitfunction Wiring no: Diagram 1 CIOM 12V output 2 power supply 7086 SK:0 B 2 Backbone 2 high 7106 SK:0 B 3 Backbone 2 low 7107 SK:0 B 4 Cab subnet high 7022 SC:2 C 5 Cab subnet low 7023 SC:2 C 6 Digital signal IO 2032 BC:2 C 7 Backbone 1high 7004 SA:0 B 8 FMS subnet high 7014 BC:2 C 9 Infotainment subnet low 7009 SE:2 C 10 Defog sensor supply 7064 HA:3 C 11 Defog sensor LIN 7063 HA:3 C 12 Defog sensor ground 7065 HA:3 C 13 Tachograph speedometer supply 2031 BC:1 C 14 Speed signal real time 0012 BC:2 C 15 Electronic ground 1070 BC:2 C 16 Backbone 1 low 7005 SA:0 B 17 FMS subnet low 7015 BC:3 C 18 Infotainment subnet high 7008 SE:2 C 19 Cab subnet low 7023 SC:1 C 20 Cab subnet high 7022 SC:1 C 21 ADR tacho power supply 2022 BC:0 B/BC:0 D 22 Wide angle mirror Y axis signal 4013 IG:0 C 23 WRG power supply 2083 FB:2 B 24 Ground 1 BC:0 D 25 Ground 1 FB:2 B Wiring diagram Page 223 (268)
  • 228.
    XC141 T3071134 Pin no: Circuitfunction Wiring no: Diagram 1 Active safety proprietary subnet 2 high 7073 PA:1 C 2 Active safety proprietary subnet 2 low 7074 PA:1 C 3 (UIP) MDD ground 5025 RA:3 C 4 (UIP) MDD LIN 5024 RA:2 C 5 (UIP) MDD 12V supply 5023 RA:2 C 6 Emergency assistance switch status 0028 BU:3 C 7 Emergency assistance LED 3002 BU:3 C 8 LIN IR receiver 7034 BU:0 D 9 IR receiver ground 7035 BU:0 D 10 Active safety proprietary subnet 2 high 7073 PA:1 D 11 Active safety proprietary subnet 2 low 7074 PA:1 D 12 Shield Low Level Signals Audio unit Amplifier 1076 IK:3 C 13 LPOS ground 1052 PA:0 A 14 ADR tacho power supply 2122 PA:0 A 15 Radio audio rear left loudspeaker + 4037 IK:2 C 15 Radio audio rear left amplifier + 4045 IK:3 C 16 Radio audio rear left loudspeaker - 4038 IK:2 C 16 Radio audio rear left amplifier - 4046 IK:3 C 17 Radio audio rear right loudspeaker + 4039 IK:2 C 17 Radio audio rear right amplifier + 4047 IK:3 C 18 Radio audio rear right loudspeaker - 4040 IK:2 C 18 Radio audio rear right amplifier - 4048 IK:3 C 19 Refrigerator supply 4004 IF:2 B 20 Amplifier wake up 0149 IK:3 C 21 BBEC parking lamp SPOTP-R signal 8058 NF;0 C/NF:0 D 22 Radio audio front left loudspeaker + 4033 IK:1 C 22 Radio audio front left amplifier + 4041 IK:2 C 23 Radio audio front left loudspeaker - 4034 IK:1 C 23 Radio audio front left amplifier - 4042 IK:3 C 24 Radio audio front right loudspeaker + 4035 IK:2 C 24 Radio audio front right amplifier + 4043 IK:3 C 25 Radio audio front right loudspeaker - 4036 IK:2 C 25 Radio audio front right amplifier - 4044 IK:3 C Page 224 (268) Wiring diagram
  • 229.
    28 Fuel heaterswitch signal 2116 HF:1 C 29 Electronic ground 1070 HF:1 C 30 LCS LED indicator supply 2124 PA:3 C 31 12V dashboard socket supply 4015 IG:1 D 32 Converter 12V ground 1069 IG:1 D 33 Backlight 6000 HF:1 B 34 Cab body working lamp power supply 8061 NE:3 B 35 Direct battery 2040 BU:0 B 36 Alarm indicator status LED 5019 RA:1 B XC144 T3071127 Pin no: Circuit function Wiring no: Diagram 1 Climate control panel supply 7058 HA:1 C 2 Climate control panel ground 7059 HA:1 C 3 Climate control panel LIN 7057 HA:1 C 4 CIOM 12V output 2 power supply 7086 SK:1 B 5 CIOM LIN2 bus 7104 SK:1 B 6 CIOM LIN2 ground 7105 SK:1 B 7 HMIIOM LIN15 comm supply 7092 SL:2 C 8 HMIIOM LIN13 comm ground 7094 SL:2 C 9 HMIIOM LIN13 comm LIN 7093 SL:2 C 10 IR receiver ground 7035 SL:3 C 11 LIN IR receiver 7034 SL:2 C Wiring diagram Page 225 (268)
  • 230.
    XC145_1 T3071123 Pin no: Circuitfunction Wiring no: Diagram 1 Ground 1 IA: 0 D 2 Resting light ckt 2 6005 IA: 0 C 3 Night driving light Ckt 6006 IA: 0 C 4 Max light Ckt 2 6012 IA: 3 C 5 Ground 1 IA: 3 D 6 Task light ckt 6008 IA: 3 C XC145_2 T3071123 Pin no: Circuit function Wiring no: Diagram 1 Ground 1 IA:0 D 2 Resting light ckt 2 6005 IA:0 C 3 Night driving light Ckt 6006 IA:0 C 4 Max light Ckt 2 6012 IA:4 C 5 Ground 1 IA:3 D 6 Task light ckt 6008 IA:3 C XC147 T3071138 Pin no: Circuit function Wiring no: Diagram 1 Aux IN-2 audio left 4027 IK:2 B 2 Aux IN-2 audio right 4028 IK:2 B 3 Aux IN-2 audio diagnostic 4030 IK:2 B 4 Aux IN-2 audio common 4029 IK:2 B Page 226 (268) Wiring diagram
  • 231.
    XC149 T3071135 Pin no: Circuitfunction Wiring no: Diagram 1 Sunsensor supply 7061 HA:2 C 2 Sunsensor LIN 7060 HA:3 C 3 Sunsensor ground 7062 HA:3 C XC153_1 T3071146 Pin no: Circuit function Wiring no: Diagram 1 Side sensor ground 1053 PA:2 D 2 Active safety propriatery subnet 1 high 7026 PA:2 D 3 Active safety propriatery subnet 1 low 7027 PA:2 D 4 Side sensor +12V 2125 PA:2 D XC153_2 T3071146 Pin no: Circuit function Wiring no: Diagram 1 Side sensor ground 1053 PA:2 D 2 Active safety propriatery subnet 1 high 7026 PA:2 D 3 Active safety propriatery subnet 1 low 7027 PA:2 D 4 Side sensor +12V 2125 PA:2 D Wiring diagram Page 227 (268)
  • 232.
    XC201 T3071122 Pin no: Circuitfunction Wiring no: Diagram 1 Trailer ABS, EBS power supply 2129 GK:0 B/GL:1 B 2 Cab tilt pump motor supply 2131 KA:1 B XC202 T3071131 Pin no: Circuit function Wiring no: Diagram 1 BB1 connector interface pin 1 8046 ND:2 D 2 BB1 connector interface pin 2 8047 ND:2 D 3 BB1 connector interface pin 3 8048 ND:2 D 4 BB1 connector interface pin 4 8049 ND:2 D 5 BB1 connector interface pin 5 8050 ND:2 D 6 BB1 connector interface pin 6 8051 ND:2 D 7 BB1 connector interface pin 7 8052 ND:3 D 10 BB2 connector interface pin 1 8032 ND:0 D 11 BB2 connector interface pin 2 8033 ND:0 D 12 BB2 connector interface pin 3 8034 ND:0 D 13 BB2 connector interface pin 4 8035 ND:0 D 14 BB3 connector interface pin 1 8039 ND:1 D 15 BB3 connector interface pin 2 8040 ND:1 D 16 BB3 connector interface pin 3 8041 ND:1 D 19 BB2 connector interface pin 5 8036 ND:0 D 20 BB2 connector interface pin 6 8037 ND:0 D 21 BB2 connector interface pin 7 8038 ND:0 D 22 BB3 connector interface pin 4 8029 ND:1 D 23 BB3 connector interface pin 5 8030 ND:1 D 24 BB3 connector interface pin 6 8044 ND:1 D 25 BB3 connector interface pin 7 8003 ND:1 D Page 228 (268) Wiring diagram
  • 233.
    XC203 T3071134 Pin no: Circuitfunction Wiring no: Diagram 1 Backbone 1 high 7004 SA:4 C 2 Backbone 1 low 7005 SA:4 C 5 Chassis subnet high 7000 SD:0 B 6 Chassis subnet low 7001 SD:0 B 7 EBS sensor CAN high 7052 EE:3 D 8 EBS sensor CAN low 7053 EE:3 D 9 Foot brake sensor signal 1 0068 EE:0 C 10 Sunsensor LIN 7060 FE:1 C 11 Climate control panel supply 7058 FE:1 C 12 Climate control panel ground 7059 FE:2 C 13 Climate control LIN 12V supply 7066 HC:3 B 14 Climate control communication LIN 7067 HC:3 B 15 Direct battery 2142 EE:3 D 16 Multiplexed sensor ground 1022 EE:3 D 17 Brake pedal sensor ground 1017 EE:0 C 18 Foot brake sensor signal 2 0069 EE:0 C 19 Tachograph speedometer supply 2031 BC:1 D 20 Speed signal real time 0012 BC:2 D 21 Electronic ground 1070 BC:2 D 22 Digital signal IO 2032 BC:2 D 25 Brake pedal sensor supply 2056 EE:0 C 26 Ignition signal 2020 BE:1 C 27 Hazard hardwired 3000 BE:0 D 28 Headlight washer pump supply 2105 GP:1 C 29 AC compressor clutch signal 0152 HA:3 C 30 Side instep light 3015 IC:1 B 31 Auxillary horn signal 4096 IP:1 C 33 Fuel dosing pump 2 (-) 1048 HC:0 B 34 Fuel dosing pump 1 + supply 2111 HC:1 B 35 APM power supply 2086 FE:1 B 36 Parking air, water heater supply 2110 HC:1 B Wiring diagram Page 229 (268)
  • 234.
    XC204 T3071134 Pin no: Circuitfunction Wiring no: Diagram 1 EBS sensor CAN low 7053 PA:1 D 2 Active safety proprietary subnet 2 low 7074 PA:0 D 3 Cab tilt enable switch 2139 KA:2 C 4 Cab tilt pump enable 0018 KA:2 D 10 FLS sensor power supply 2126 PA:0 C 19 Burglar alarm siren 12V 5020 RA:3 C 20 Burglar alarm siren LIN 5022 RA:3 C 21 Burglar alarm siren ground 5021 RA:3 C XC207 T3019929 Pin no: Circuit function Wiring no: Diagram 1 ADR tacho power supply 2022 AE:2 D/BC:0 B 2 Ground 1 AE:2 D 3 ADR main switch closing request 0005 AD:2 A 4 ADR main switch closing request 0007 AD:1 D 5 ADR main switch closing request 0006 AD:1 D 6 ADR main switch closing request 0008 AD:1 D Page 230 (268) Wiring diagram
  • 235.
    XC208 T3019801 Pin no: Circuitfunction Wiring no: Diagram 1 Side revers working lamp power supply 8060 NE:1 B 2 Cab body working lamp power supply 8061 NE:3 A 3 Climate subnet high 7068 HB:3 A 5 TECU power supply 2024 DC:1 B 6 Climate subnet low 7069 HB:3 A 8 Fuel heater supply 2115 HF:1 C XC210 T3019801 Pin no: Circuit function Wiring no: Diagram 1 EMS power supply 1 2044 CA:2 C 2 EMS load power supply 1 2045 CA:2 C 3 EMS load power supply 2 2046 CA:2 C 4 EMS power supply 1 2044 CA:1 C 5 Trailer power supply +24V 8017 GK:2 B/GL:2 B 6 Fuel filter heater power supply 2047 CA:1 C 7 Trailer strat aid/free 8019 GK:2 B/GL:3 B 8 Trailer body light EL8 relay supply 8020 GK:2 B/GL:3 B 9 Backbone 2 high 7006 SB:4 D 10 Direct battery 2055 EA:0 B/EE:0 A 11 Trailer steering lock/free 8018 GK:2 B/GL:2 B 12 Backbone 2 low 7007 SB:4 D Wiring diagram Page 231 (268)
  • 236.
    XC213 T3071131 Pin no: Circuitfunction Wiring no: Diagram 1 Cab tilt pump enable 0018 KA:2 D 2 Cab tilt enable switch 2139 KA:2 C 5 Front lid lock motor supply 1 5006 BG:1 B 6 Front lid lock motor supply 2 5007 BG:1 B 7 Ground 1 BG:1 B 8 Brake pedal sensor supply 2056 EE:0 D 9 Brake pedal sensor ground 1017 EE:0 D 10 Foot brake sensor signal 1 0068 EE:0 D 11 Foot brake sensor signal 2 0069 EE:0 D 12 Front lid lock sensor feedback 5002 BG:1 C 13 Front lid switch signal 5026 RA:1 C 14 Side instep light 3015 IC:1 C 17 Auxillary horn signal 4096 IP:1 C 19 Extra spot lamp EL6 front power supply 8059 NE:0 C 20 Windscreen wiper park position signal 0151 GP:0 C 21 Windscreen wiper low speed 2103 GP:0 C 22 Windscreen wiper high speed 2104 GP:1 C 24 BBEC parking lamp SPOTP-F signal 8057 NE:0 C Page 232 (268) Wiring diagram
  • 237.
    XC301_2 T3071132 Pin no: Circuitfunction Wiring no: Diagram 1 Ground 1 YD:1 C 2 Cab tilt pump motor supply 2131 KA:1 B 3 Active safety proprietary subnet 2 high 7073 PA:1 D 4 Active safety proprietary subnet 2 low 7074 PA:0 D 5 FLS sensor power supply 2126 PA:0 C 6 Ground 1 PA:1 C 7 Side instep light 3015 IC:1 B 8 Burgler alarm siren 12V 5020 RA:3 D 9 Burgler alarm siren LIN 5022 RA:4 D 10 Burgler alarm siren ground 5021 RA:4 D 11 Chassis subnet high 7000 SD:0 B 12 Chassis subnet low 7001 SD:1 B 13 Ignition signal 2020 BE:0 D 14 Hazard hardwired 3000 BE:0 D 15 Ground 1 YA:0 C 19 Headlight washer pump supply 2105 GP:1 C 20 Auxiliary horn signal 4096 IP:1 C Wiring diagram Page 233 (268)
  • 238.
    XC302 (GIC020) T3019924 Pin no:Circuit function Wiring no: Diagram 1 Backbone 1 high 7004 CA1:1 D 2 Backbone 2 high 7006 CA1:1 D 3 PWTsubnet high 7036 CA1:2 D 3 PWTsubnet high 7128 CA1:3 D 4 Backbone 1 low 7005 CA1:1 D 5 Backbone 2 low 7007 CA1:1 D 6 PWTsubnet low 7037 CA1:2 D 6 PWTsubnet low 7129 CA1:3 D 9 Alternator L-signal 0003 AA:3 D 10 Alternator control 0002 AA:3 D 13 EMS power supply 1 2044 CA:2 D 15 EMS power supply 1 2044 CA:1 D 21 EMS load power supply 2 2046 CA:2 D 23 AC compressor clutch signal 0152 HE:3 C 27 Ground 1 CA:2 D 31 Ground 1 CA:2 D 33 EMS load power supply 1 2045 CA:2 D 34 Engine subnet high 7038 CA1:3 D 36 Engine subnet low 7039 CA1:4 D 37 Fuel filter heater power supply 2047 CA:1 D 39 Ground 1 CA:2 D Page 234 (268) Wiring diagram
  • 239.
    XC303 (GIC021) T3019924 Pin no:Circuit function Wiring no: Diagram 1 Backbone 1 high 7004 DC:1 C 2 Backbone 2 high 7006 DC:2 C 3 PWTsubnet high 7036 DC:2 C 4 Backbone 1 low 7005 DC:1 C 5 Backbone 2 low 7007 DC:2 C 6 PWTsubnet low 7037 DC:3 C 7 Electronic ground 1070 BC:2 D 8 Backbone 2 high 7006 DC:2 C 9 Area inhibit valve on/off 0053 DA:1 C 10 Backbone 2 low 7007 DC:2 C 11 Gearbox oil temp sensor 0047 DA:0 C 12 Retarder air pressure 0044 DK:1 D/DM:2 D 13 TECU power supply 2024 DC:1 C 15 V5EXT 1 supply 2050 DK:1 D 15 V5EXT 2 supply 2051 DM:1 D 16 Digital signal IO 2032 BC:2 D 17 Range inhibit valve on/off 0052 DA:1 C 19 Revers feedback sensor 0050 DA:2 C 20 Gearbox low split sensor 0049 DA:2 C 21 V5EXT 1 ground 1009 DK:3 D/DM:2 D 22 Low range manual gearbox switch 0051 DA:2 C 23 Retarder PWM control 0043 DK:1 D/DM:1 D 24 Speed signal real time 0012 BC:2 D 26 Tachograph speedometer supply 2031 BC:1 D 27 V5EXT 2 ground 1010 DK:2 D/DM:2 D 28 Retarder oil temperature 0045 DK:2 D/DM:2 D 29 Retarder water temperature 0046 DK:2 D/DM:2 D 30 PWTsubnet terminal resistor strap 7040 DC:2 C 31 Ground 1 DA:1 C 31 Manual Gearbox sensors & valves ground 1073 DA:1 C 33 Gearbox oil temperature sensor ground 1011 DA:0 C Wiring diagram Page 235 (268)
  • 240.
    35 Actuator supply-12052 DK:1 D 35 Supply to Adblue loads 2155 DM:1 D 36 PWTsubnet terminal resistor strap 7040 DC:3 C 38 Neutral feedback sensor 0048 DC:1 C 39 Ground 1 DC:0 C XC310 T3019922 Pin no: Circuit function Wiring no: Diagram 1 ECS level sensor supply 2 2081 FA:2 C 2 ECS level sensor ground 2 0121 FA:2 C 4 ECS level sensor signal 1 0181 FA:2 C Page 236 (268) Wiring diagram
  • 241.
    XC312 (GIC128) T3071130 Pin no:Circuit function Wiring no: Diagram 1 V5EXT 2 ground 1010 CE:1 D/CK:2 D 2 CAT temp downstream 0038 CE:1 D/CK:1 D 3 CAT temp upstream 0037 CE:1 D/CK:1 D 4 Temp after DPF 0039 CE:1 D/CK:1 D 5 V5EXT 1 supply 2050 CE:0 D/CK:0 D 6 DPF pressure 0036 CE:0 D/CK:1 D 7 PWTsubnet high 7036 CE:3 D 7 Engine subnet high 7038 CK:3 D 8 PWTsubnet low 7037 CE:3 D 8 Engine subnet low 7039 CK:3 D 9 V5EXT 1 ground 1009 CE:0 D/CK:1 D 10 PWTsubnet high 7036 CE:2 D 10 Engine subnet high 7038 CK:3 D 11 PWTsubnet low 7037 CE:2 D 11 Engine subnet low 7039 CK:3 D 16 Adblue injector lsd 0035 CE:1 D 17 Adblue injector hsd 0034 CE:2 D 19 Nox-1 power supply 2048 CE:3 D 19 NOx supply 2161 CK:2 D 20 Ground 1 CE:4 D/CK:2 D 21 Nox-2 power supply 2049 CE:4 D 21 NOx supply 2161 CK:2 D Wiring diagram Page 237 (268)
  • 242.
    XC313 T3071130 Pin no: Circuitfunction Wiring no: Diagram 1 V5EXT 2 supply 2051 CF:2 B 1 Adblue temp control 0231 CL:1 B 2 Adblue pressure 0042 CF:2 B/CL:3 B 3 V5EXT 2 ground 1010 CF:2 B 3 Adblue air pressure 0030 CL:3 B 4 PWTsubnet high 7036 CF:3 B 5 PWTsubnet low 7037 CF:3 B 6 V5EXT 1 ground 1009 CF:2 B/CL:2 B 6 Ground 1 CF:4 B 7 Adblue level control 0180 CF:3 B/CL:2 B 7 PWTsubnet high 7036 CF:3 B 8 Adblue temp control 0179 CF:2 B/CL:2 B 8 PWTsubnet low 7037 CF:3 B 9 V5EXT 1 supply 2050 CF:3 B 9 Nox-2 power supply 2049 CF:4 B 13 Adblue air pressure 0030 CF:2 B 13 V5EXT 2 supply 2051 CL:2 B 14 Adblue air temp control 0178 CF:1 B 14 Adblue air valve on/off 0040 CL:1 B 15 Adblue air valve on/off 0040 CF:1 B 15 Supply to Adblue loads 2155 CL:1 B 16 Adblue heater hose control 1 0033 CF:0 B/CL:0 B 17 Adblue heater hose control 2 0032 CF:0 B/CL:0 B 18 Adblue heater hose control 3 0031 CF:0 B 18 Adblue dosage pump L 0230 CL:4 B 19 Actuator supply-1 2052 CF:0 B 19 Supply to Adblue hoses 2156 CL:0 B 20 Adblue dosage pump H 0229 CL:3 B 21 Adblue tank heating valve on/off 0029 CF:1 B/CL:0 B Page 238 (268) Wiring diagram
  • 243.
    XC314 T3071121 Pin no: Circuitfunction Wiring no: Diagram 1 Fuel level sensor 0054 DG:0 C 3 Fuel level sensor ground 1012 DG:0 C XC315 T3071125 Pin no: Circuit function Wiring no: Diagram 1 LIN battery sensor 7127 AA:0 D 2 ACM power supply 2019 AA:3 A 3 Main switch status 0004 AB:2 B 6 Ground 1 YB:0 B Wiring diagram Page 239 (268)
  • 244.
    XC316 T3071129 Pin no: Circuitfunction Wiring no: Diagram 1 V5EXT 2 supply 2051 CF:2 C 1 Adblue temp control 0231 CL:1 C 2 Adblue pressure 0042 CF:2 C/CL:3 C 3 V5EXT 2 ground 1010 CF:2 C 3 Adblue air pressure 0030 CL:3 C 4 Adblue dosage pump H 0229 CL:3 C 5 Adblue tank heating valve on/off 0029 CF:1 C/CL:0 C 6 Adblue air valve on/off 0040 CF:1 C 6 Supply to Adblue loads 2155 CL:1 C 7 Adblue heater hose control 3 0031 CF:0 C 7 Adblue dosage pump L 0230 CL:4 C 8 Actuator supply-1 2052 CF:0 C 8 Supply to Adblue hoses 2156 CL:0 C 9 V5EXT 2 supply 2051 CF:3 C 9 Nox-2 power supply 2049 CF:4 C 10 Adblue level control 0180 CF:3 C/CL:2 C 10 PWTsubnet high 7036 CF:3 C 11 Adblue temp control 0179 CF:2 C/CL:2 C 11 PWTsubnet low 7037 CF:3 C 12 V5EXT 1 ground 1009 CF:2 C/CL:1 C 12 Grund 1 CF:4 C 13 Adblue air pressure 0030 CF:2 C 13 V5EXT 2 supply 2051 CL:2 C 14 Adblue air temp control 0178 CF:1 C 14 Adblue air valve on/off 0040 CL:1 C 15 Adblue heater hose control 2 0032 CF:0 C/CL:0 C 16 Adblue heater hose control 1 0033 CF:0 C/CL:0 C Page 240 (268) Wiring diagram
  • 245.
    XC317 T3071132 Pin no: Circuitfunction Wiring no: Diagram 1 Trailer ABS, EBS power supply 2129 GK:0 B 5 Rear diff lock valve on/off 0062 DG:4 C 6 Rear inter axle diff lock valve on/off 0061 DG:3 C 7 EBS proprietary net high 7083 GK:0 B 7 Trailer ignition key signal 0160 GL:1 C 8 EBS proprietary net low 7084 GK:0 B 8 Trailer control lamp 0161 GL:1 C 11 Chassis subnet high 7000 GC:1 A 12 Chassis subnet low 7001 GC:1 A 13 Ignition signal 2020 GC:2 A 14 Hazard hardwired 3000 GC:2 A 15 Ground 1 YA:1 B 16 Ground 1 YA:1 B 17 Trailer fog light 3055 GK:3 B 17 Trailer direction indicator left 3050 GL:1 C 18 Trailer reverse light 3056 GK:4 B 18 Trailer direction indicator right 3051 GL:1 C 19 Trailer position light left 3052 GL:1 C 20 Trailer position light right 3053 GL:2 C 21 Trailer brake light 3054 GL:2 C 22 Lubrication motor power supply 2026 LA:0 B 23 Trailer power supply +24V 8017 GK:2 B 23 5th wheel feedback 1 0162 NC:1 C 24 Trailer steering lock/free + 8018 GK:2 B 24 5th wheel feedback 2 0163 NC:1 C 25 Trailer strat aid/free - 8019 GK:2 B 25 5th wheel feedback 3 0164 NC:1 C 26 Trailer body light EL8 relay supply 8020 GK:2 B 26 5th wheel feedback common ground 1056 NC:1 C Wiring diagram Page 241 (268)
  • 246.
    XC318A T3020295 Pin no: Circuitfunction Wiring no: Diagram 2 Side reverse working lamp power supply 8060 NE:1 B 3 Cab body working lamp power supply 8061 NE:3 B 4 5th wheel load light 8068 NC:3 C 5 Ground 1 NE:1 D 6 Ground 1 NE:4 B 7 Ground 1 NC:3 D XC318B T3020295 Pin no: Circuit function Wiring no: Diagram 2 Side reverse working lamp power supply 8060 NE:1 B 3 Cab body working lamp power supply 8061 NE:3 B 4 5th wheel load light 8068 NC:3 C 5 Ground 1 NE:1 D 6 Ground 1 NE:4 B 7 Ground 1 NC:3 C Page 242 (268) Wiring diagram
  • 247.
    XC318C T3020295 Pin no: Circuitfunction Wiring no: Diagram 2 Side reverse working lamp power supply 8060 NE:2 B 3 Cab body working lamp power supply 8061 NE:3 B 4 5th wheel load light 8068 NC:3 C 5 Ground 1 NE:2 D 6 Ground 1 NE:4 B 7 Ground 1 NC:3 C Wiring diagram Page 243 (268)
  • 248.
    XC319 T3071129 Pin no: Circuitfunction Wiring no: Diagram 1 V5EXT 2 supply 2051 CF:2 C 1 Adblue temp control 0231 CL:1 C 2 Adblue pressure 0042 CF:2 C/CL:3 C 3 V5EXT 2 ground 1010 CF:2 C 3 Adblue air pressure 0030 CL:3 C 4 Adblue dosage pump H 0229 CL:4 C 5 Adblue tank heating valve on/off 0029 CF:1 C/CL:0 C 6 Adblue air valve on/off 0040 CF:1 C 6 Supply to Adblue loads 2155 CL:1 C 7 Adblue heater hose control 3 0031 CF:0 C 7 Adblue dosage pump L 0230 CL:4 C 8 Actuator supply-1 2052 CF:0 C 8 Supply to Adblue hoses 2156 CL:0 C 9 V5EXT 2 supply 2051 CF:3 C 10 Adblue level control 0180 CF:3 C/CL:2 C 11 Adblue temp control 0179 CF:2 C/CL:2 C 12 V5EXT 1 ground 1009 CF:2 C/CL:2 C 13 Adblue air pressure 0030 CF:2 C 13 V5EXT 2 supply 2051 CL:2 C 14 Adblue air temp control 0178 CF:1 C 14 Adblue air valve on/off 0040 CL:1 C 15 Adblue heater hose control 2 0032 CF:0 C/CL:0 C 16 Adblue heater hose control 1 0033 CF:0 C/CL:0 C Page 244 (268) Wiring diagram
  • 249.
    XC321_2 T3071143 Pin no: Circuitfunction Wiring no: Diagram 1 FCIOM power supply 2015 AA:2 A 2 Ground 1 YA:0 C XC322_2 T3071143 Pin no: Circuit function Wiring no: Diagram 1 FCIOM power supply 2016 AA:3 A 2 Ground 1 YD:2 C XC323 T3071143 Pin no: Circuit function Wiring no: Diagram 1 RCIOM power supply 2017 GC:0 A 2 RCIOM power supply 2018 GC:0 A Wiring diagram Page 245 (268)
  • 250.
    XC325 T3071144 Pin no: Circuitfunction Wiring no: Diagram 1 LIN battery sensor 7127 AA:0 D 2 ACM power supply 2019 AA:4 B XC327 T3071129 Pin no: Circuit function Wiring no: Diagram 1 ADR tacho power supply 2022 AD:0 C 2 Main switch status 0004 AD:1 C 4 ADR main switch closing request 0008 AD:1 C 5 ADR main switch closing request 0007 AD:1 C 6 ADR main switch closing request 0006 AD:1 C 7 Ground 1 AD:1 C 8 Ground 1 AD:1 C 9 LIN battery sensor 7127 AA:0 D 10 ADR main switch closing request 0005 AD:1 B 15 ACM power supply 2019 AA:4 B Page 246 (268) Wiring diagram
  • 251.
    XC328 T3071129 Pin no: Circuitfunction Wiring no: Diagram 1 ADR tacho power supply 2022 AD:0 D 4 ADR main switch closing request 0008 AD:1 C 5 ADR main switch closing request 0007 AD:1 C 6 ADR main switch closing request 0006 AD:2 C 7 Ground 1 AD:1 C 8 Ground 1 AD:1 C 10 ADR main switch closing request 0005 AD:1 A XC329 T3071129 Pin no: Circuit function Wiring no: Diagram 1 ADR tacho power supply 2022 AD:0 D 4 ADR main switch closing request 0008 AD:1 C 5 ADR main switch closing request 0007 AD:1 C 6 ADR main switch closing request 0006 AD:1 C 7 Ground 1 AD:1 C 8 Ground 1 AD:1 C 10 ADR main switch closing request 0005 AD:1 A Wiring diagram Page 247 (268)
  • 252.
    XC330 T3071121 Pin no: Circuitfunction Wiring no: Diagram 1 Side markers light 3017 GE:1 B 3 Ground 1 GE:0 D XC331 T3071121 Pin no: Circuit function Wiring no: Diagram 1 Side markers light 3017 GE:1 B 3 Ground 1 GE:2 D Page 248 (268) Wiring diagram
  • 253.
    XC342 T3071132 Pin no: Circuitfunction Wiring no: Diagram 1 Trailer ABS, EBS power supply 2129 GK:0 C 5 EBS proprietary net high 7083 GK:0 C 6 EBS proprietary net low 7084 GK:0 C 8 Trailer ignition key signal 0160 GK:1 B 9 Trailer control lamp 0161 GK:1 B 15 Trailer direction indicator left 3050 GK:1 B/GM:1 B 16 Trailer direction indicator right 3051 GK:1 B/GM:1 B 17 Trailer position light left 3052 GK:1 B/GM:1 B 18 Trailer position light right 3053 GK:1 B/GM:1 B 19 Trailer brake light 3054 GK:1 B/GM:1 B 20 Trailer power supply + 24V 8017 GK:2 BC/GM:2 B 21 Trailer steering lock/free + 8018 GK:2 B/GM:2 B 22 Trailer strat aid/free - 8019 GK:2 B/GM:2 B 23 Trailer body light EL8 relay supply 8020 GK:2 B/GM:3 B 24 Trailer fog light 3055 GK:3 B/GM:1 B 25 Trailer reverse light 3056 GK:4 B/GM:2 B Wiring diagram Page 249 (268)
  • 254.
    XC351 T3019922 Pin no: Circuitfunction Wiring no: Diagram 1 Side markers ligtht 3017 GE:1 D 2 Side Marker light Rear 3066 GE:1 D 3 Ground 1 GE:1 D 4 Ground 1 GE:1 D XC353 T3020295 Pin no: Circuit function Wiring no: Diagram 1 Ground 1 GC:1 E 2 Rear direction indicator left 3025 GC:1 C 3 Brake light left 3021 GC:1 C 4 Position light rear left 3023 GC:1 C 5 Reverse light rear left 3019 GC:1 C 6 Rear fog light left 3042 GC:1 C 7 Reverse Warning 3067 GC:1 C XC354 T3071144 Pin no: Circuit function Wiring no: Diagram 1 Steering angle sensor supply 2087 FL:1 C 2 Steering angle sensor rear ground 1042 FL:1 C 3 Steering angle sensor rear signal 1 0139 FL:1 C 4 Steering angle sensor rear signal 2 0140 FL:1 C Page 250 (268) Wiring diagram
  • 255.
    XC355 T3071144 Pin no: Circuitfunction Wiring no: Diagram 1 LIN battery sensor 7127 AA:0 D 2 ACM power supply 2019 AA:3 A 3 Main switch status 0004 AB:2 B XC358 T3071144 Pin no: Circuit function Wiring no: Diagram 1 Side reverse working lamp power supply 8060 NE:1 B 3 Ground 1 NE:1 C Wiring diagram Page 251 (268)
  • 256.
    List of components A01FRC, (Fuse and Relay Centre) (1000/ 1100) A02P Fuse holder, 6–fuses, bodybuilder (ND:2 B/NK:0 B) (BBEC) A02X Fuse holder, 6–fuses, bodybuilder (ND:3 B) (BBEC) A02Y Fuse holder, 6–fuses, bodybuilder (NK:2 C) (BBEC) A03 Instrument (BA:2 B) (1000) A04A Refrigerator (IF:2 C) (1110/1140) A06D El. adjustable seat (optional fan and heat) (IT:1 B/SL:1 D) (1000) A06P El. adjustable seat (optional fan and heat) (IT:3 B) (1000) A07 Control unit, Audio (IK:0 B) (1100) A09 Telephone (BU:4 B) A12A Control unit, ABS (Anti-lock Brake Sys- tem) (EA:0 B) (2090) A13A Control unit, TECU (Transmission ECU) (DC1:1 C) (3010) A14 Control unit, ECM (Engine Control Mod- ule) (CB:0 C) (3000) A15 Control unit, SRS (Supplementary Re- strain System) (PE:1 B) (1000) A21 Control unit, EBS (Electronic Brake Sys- tem) (EE:0 B/EI:0 A/FL:0 B/GK:0 A/GL:0 A) (2010) A26 Control unit, DACU (Driver Assistance Control Unit) (PA:0 B) (1000) A28B Control unit, ADR main switch (AD:0 B/ AE:2 B) (2020) A31 Control unit, burglar alarm (RA:0 B) (1000) A33 Tachograph (BC:1 B) (1100) A34B Control unit, climate unit (HA:1 B) (1000) A36 Control unit, BBM (Body Builder Module) (NA:1 C/NK:1 A) (1000) A41 Component group transmission. Contains B23, B138 and Y17 (DA1:3 C/DC1:3 C) (3020) A41B Component group transmission. Contains B23, B138 and Y17 (DM:1 C) A42B Component group transmission. Contains B26, Y21, Y22, Y23 and Y26 (DC1:1 D) (3010) A43 Electric fan control (B32 fan speed sen- sor, Y35 visco clutch) (CB:0 D) (3000) A44 Fuel filter bracket (B51 fuel pressure sen- sor, M15 priming pump) (CB:2 B) (3000) A45 Fuel conditioner (B52 water level sensor, R10 heater, Y38 water drain solenoid) (CB:1 B) (3000) A48 TV (IN:1 C) (1110) A116 Control unit, amplifier (IL:1 B) (1140) A122 Control unit , toll collect OBU (BX:0 C) (1100) A123 Control unit toll collect DSRC (BX:0 D) (1100) A124 Component group engine (K65 power re- lay, starter motor pre-relay M04 starter motor) (CB:0 D) A125 Control unit, TGW (Telematics Gateway) (BU:2 B) (1100) A132 Control unit, alcolock (PH:I D) (1000) A133 Handset, alcolock (PH:2 D) (1000) A155 Display, SID Low (IO:2 B) (1000) A156 Display, SID High (IO:3 B) (1000) A157 Power Recliner, Bunk (IF:4 B) (1140) A160 Control unit, CIOM Cab IO Module (BG:0 C/IP:3 B/SK:0 A) (1000) Page 252 (268) Wiring diagram
  • 257.
    A161 Control unit,HMIIOM Human Machine In- terface IO Module (BA:1 C/SL:1 A) (1000) A162 Control unit, FCIOM Front Chassis IO Module (GA:0 B/GB:0 A/GP:3 B/HE:0 B/ IC:0 A/IP:1 B) (2000) A163 Control unit, CCIOM Central Chassis IO Module (AB:0 B/CE:3 B/DA:0 A/DG:0 A/ EI:2 A/FA:0 A/FH:1 A/GK:3 A/GL:2 A/ HE:2 B/NC:0 A) (2010) A164 Control unit, RCIOM Rear Chassis IO Module (DG:3 A/EA:4 B/FB:0 A/FC:0 A/ FD:1 A/FM:0 A/GC:0 B/GE:0 A/GK:1 A/ GL:1 A) (2040) A165L Control unit, DDM/PDM, Drive/Passenger Door Module (IR:0 C) (1150) A165R Control unit, DDM/PDM, Drive/Passenger Door Module (IS:0 C) (1150) A168 Control unit, LECM High, (Living Environ- ment Control Module) (HA:0 C) (1140) A169 Control unit, VS (Video Switch) (IO:0 C) (1000) A170 Control panel, climate (HA:1 D) (1000) A173 HCU, Hand Control Unit, Electrical Park Brake (FE:1 B) (1000) A174 Control unit, ACM (AftertreatmentControl Module) (CE:0 B/CF:0 A/DK:1 A) (2010) A174B Control unit, ACM (AftertreatmentControl Module) (CK:0 B/CL:0 A/DM:1 A) A175 Control unit, TESP, (Telematics Service Platform) (BU:0 B) (1100) A176 Control unit, LPOS, Lane Position Object Sensor (PB:1 B) (1100) A177 Control unit, APM, (Air Production Modu- lator) (FE:0 C) (2010) A185 Electric AC Compressor, EACC, parking cooler (HB:2 D) (2010) A186 Control unit, PCCU (Parking Cooler Con- trol Unit) (HB:1 B) (2010) A187 Control unit, VMCU, Vehicle Master Con- trol Unit (AF:2 C/BE:0 B/IB:0 A/IC:2 A/ NB:0 C/NK:4 A) (1000) A188 FM signal splitter (BU:1 B) (1100) A190 Component group Adblue (CL:1 D) (2030) B02B Thermostat, parking heater (1140) B03 Sensor, footbrake valve (EE:0 D) (1160) B04 Sensor, engine speed, crankshaft (CB:1 D) (3000) B05 Sensor, engine speed, camshaft (CB:1 D) (3000) B07 Sensor, fuel level (DG:0 C) (2010) B09B Sensor, oil temperature, gearbox (DA1:1 C) (3010) B12 Sensor, tachograph/speedometer(DA1:0 C/DC1:0 C) (3010) B13A Sensor, wheel speed, lhs. 1:st front axle (EA:0 D) (2010) B13B Sensor, wheel speed, lhs. 1:st front axle (EF:1 D/EF:3 D) (2010) B14A Sensor, wheel speed, rhs. 1:st front axle (EA:1 D) (2010) B14B Sensor, wheel speed, rhs. 1:st front axle (EF:1 D/EF:3 D) (2010) B15A Sensor, wheel speed, lhs. 1:st driven rear axle (EA:2 D) (2090) B15B Sensor, wheel speed, lhs. 1:st driven rear axle (EG:2 D/EG:1 D) (2090) B16A Sensor, wheel speed, rhs. 1:st driven rear axle (EA:2 D) (2090) B16B Sensor, wheel speed, rhs. 1:st driven rear axle (EG:3 D/EG:1 D) (2090) B17 Sensor, wheel speed, lhs. 2:nd driven rear axle (EG:3 D/EG:1 D) (2090) B18 Sensor, wheel speed, rhs. 2:nd driven rear axle (EG:4 D/EG:2 D) (2090) B19 Sensor, wheel speed, lhs. 2:nd front axle (EF:1 D) (2010) B20 Sensor, wheel speed, rhs. 2:nd front axle (EF:2 D) (2010) Wiring diagram Page 253 (268)
  • 258.
    B21 Sensor, coolanttemperature, engine (CB:1 B) (3000) B22 Sensor, outdoor temperature (HE:0 D) (2000) B23A Sensor, oil temperature, retarder (DA1:3 C/DC1:3 C) B24A Sensor, air pressure, bogie lift bellow (FC:3 D) B25 Sensor, accelerator pedal (BE:1 D) (1000) B28 Sensor, chassis level, front axle (FA:2 D) (2010) B29B Sensor, chassis level, lhs. rear axle (FB:0 D) (2080) B30 Sensor, chassis level, rhs. rear axle (FB:1 D) (2080) B32 Sensor, engine cooling fan speed (In- cluded in A43) (CB:0 D) B37 Sensor, boost pressure and boost tem- perature (CB:1 D) (3000) B39 Sensor, air filter pressure and air filter temperature (CB:1 B) (3000) B40B Sensor, brake lining wear indicator, lhs. 1: st front axle (EF:0 D/EF:3 D) (2010) B41B Sensor, brake lining wear indicator, rhs. 1: st front axle (EF:0 D/EF:3 D) (2010) B42A Sensor, brake lining wear indicator, lhs. 1: st driven rear axle (EG:2 D) (2090) B42B Sensor, brake lining wear indicator, lhs. 1: st driven rear axle (EG:0 D) (2090) B43A Sensor, brake lining wear indicator, rhs. 1: st driven rear axle (EG:2 D) (2090) B43B Sensor, brake lining wear indicator, rhs. 1: st driven rear axle (EG:0 D) (2090) B44B Sensor, brake lining wear indicator, lhs. 2: nd driven rear axle (EG:3 D/EG:0 D) (2090) B45B Sensor, brake lining wear indicator, rhs. 2: nd driven rear axle (EG:3 D/EG:1 D) (2090) B46B Sensor, brake lining wear indicator, lhs. 2: nd front axle (EF:0 D) (2010) B47B Sensor, brake lining wear indicator, rhs. 2: nd front axle (EF:1 D) (2010) B49 Sensor, steering angle (EE:3 D) (1000) B49R Sensor, steering angle, rear (FL:1 D) (2100) B50 Sensor, yaw-rate (EE:3 D) (2010) B51 Sensor, fuel pressure (CB:2 B) (3000) B52 Sensor, water level (Included in A45) (CB:2 B) B54 Sensor, crank case pressure (CB:1 B) (3000) B56 Sensor, air pressure, suspension bellows, front axle (FA:1 D) (2010) B57 Sensor, air pressure, suspension bellows, lhs. rear (FD:1 D) (2080) B58 Sensor, air pressure, suspension bellows, rhs. rear (FD:1 D) (2080) B60LD Loudspeaker, left door (IK:1 D/IL:1 E) (1150) B60LF Loudspeaker, left front (IK:1 D/IL:2 D) (1000) B60LR Loudspeaker, left rear (IK:2 D/IL:2 E) (1140) B60RD Loudspeaker, right door (IK:2 D/IL:1 D) (1150) B60RF Loudspeaker, left front (IK:2 D/IL:3 D) (1000) B60RR Loudspeaker, right rear (IK:2 D/IL:2 D) (1140) B61L Loudspeaker, treble left (IK:1 D/IL:2 D) (1000) B61R Loudspeaker, treble right (IK:1 D/IL:3 D) (1000) B63 Microphone, (handsfree) (IK:3 A) (1100) B67 Rear view camera (IO:0 D) Page 254 (268) Wiring diagram
  • 259.
    B69 Sensor, coolanttemperature, retarder (DA1:3 B/DC1:3 B) (3020) B70 Sensor, wheel speed, lhs., pusher axle (EH:1 C) (2090) B71 Sensor, wheel speed, rhs., pusher axle (EH:1 C) (2090) B72 Sensor, wheel speed, lhs., tag axle (EH:2 C) (2090) B73 Sensor, wheel speed, rhs., tag axle (EH:2 C) (2090) B74B Sensor, brake lining wear indicator, lhs., pusher axle (EH:0 C) (2090) B75B Sensor, brake lining wear indicator, rhs., pusher axle (EH:0 C) (2090) B76B Sensor, brake lining wear indicator, lhs., tag axle (EH:1 C) (2090) B77B Sensor, brake lining wear indicator, rhs., tag axle (EH:2 C) (2090) B85 Sensor, exhaust temp, downstream DPF (CK1:1 C) (2030) B90 Transmitter, movement sensor (Included in B242) (RA:2 D) B91 Receiver, movement sensor (Included in B242) (RA:2 D) B96A Sensor, NOx (CE1:2 C/CK1:2 C) (2030) B96B Sensor, NOx (CK1:3 C) (2030) B97 Sensor, exhaust temp, upstream catalyst (CE1:1 C/CK1:0 C) (2030) B98 Sensor, exhaust temp, downstream cata- lyst (CK1:0 C) (2030) B115 Sensor, DPF pressure (CK1:0 C) (2030) B118 Sensor, oil pressure (CB:1 B) (3000) B119 Sensor, oil level and oil temp (CB:1 D) (3000) B138 Sensor, Control pressure retarder (In- cluded in A41) (DA1:3 C/DC1:3 C) B142 Sensor, AdBlue level and temperature (CF:3 C) (2030) B142B Sensor, AdBlue level and temperature (CL:2 D) (2030) B184 Loudspeaker, subwofer (IL:3 C) (1140) B187 AT/AHI fuel pressure (CB:3 B) (3000) B207 Sensor, oil cooling jet pressure (CB:3 B) (3000) B213 Sensor, pressure, butterfly valve back- pressure (CB:4 B) (3000) B234 Sensor, 5th wheel (NC:1 D) (2040) B236 Sensor, Defog (HA:3 D) (1100) B237 Sensor, Brake pressure (EA:3 D) (2040) B238 Sensor, FLS (Forward Looking Sensor) (PA:0 C) (2000) B240 Sensor, Sun sensor (HA:2 D) (1000) B242 Ultrasonic Instrusion Protection (UIP) (RA:2 D) (1110) B243 Sensor, rain (GP:2 C) (1000) B244 Sensor, Cab temperature (HA:2 D) (1000) B245A Camera, accessory (IO:1 D) B245B Camera, accessory (IO:1 D) B245C Camera, accessory (IO:2 D) B246 Sensor, Side sensor (PA:2 D) (1140) B247 Sensor, AdBlue quality sensor (CF:3 D) B248 Sensor, pressure, pusher lift (FC:2 D) B249 Sensor, Washer fluid level (GP:3 D) (2000) B250 Sensor, Battery (AA:0 D) (2020) B253 Transmitter, Burglar Alarm (Included in B242) (RA:3 D) B262 Sensor, Adblue pressure (CL:2 D) (2030) B263 Sensor, Adblue air pressure (CL:3 D) (2030) B271 Microphone, TGW2 (BU:3 D) Wiring diagram Page 255 (268)
  • 260.
    BB1 Connector, ChassisBody Builder 1 (ND:2 D) (2120) BB2 Connector, Chassis Body Builder 2 (ND:0 D) (2120) BB3 Connector, Chassis Body Builder 3 (ND:1 D) (2120) BBEC1 Connector, Body Builder Electrical Center 1 (GK:2 A/GL:2 A/ND:0 B/ND:3 D/NE:0 A) (1000) BBEC2 Connector, Body Builder Electrical Center 2 (ND:0 D) (1000) E01L_PL Lamp, full beams (NK:2 D) E01R_PL Lamp, full beams (NK:3 D) E02L_PL Lamp, dipped beams (NK:2 D) E02R_PL Lamp, dipped beams (NK:2 D) E06 Lamp, reversing light (GC:1 D/GC:2 D) (2070) E08L_PL Lamp, parking light, front (NK:1 D) E08R_PL Lamp, parking light, front (NK:3 D) E09 Lamp, brake light (GC:1 D/GC:2 D) (2070) E10 Lamp, tail light (GC:1 D/GC:2 D) (2070) E11LC Lamp, side marker light, (GE:0 C) (2050) E11LF Lamp, side marker light (GE:0 C) (2050) E11LR Lamp, side marker light (GE:2 C) (2050) E11LR2 Lamp, side marker light (GE:2 C) E11LW Lamp, side marker light (GE:1 C) (2050) E11RC Lamp, side marker light (GE:1 C) (2050) E11RF Lamp, side marker light (GE:0 C) (2050) E11RR Lamp, side marker light (GE:2 C) (2050) E11RR2 Lamp, side marker light (GE:3 C) E11RW Lamp, side marker light (GE:2 C) (2050) E13 Lamp, direction indicator (GC:1 D) (2070) E13L Lamp, direction indicator (GA:0 C) (2000) E13L_PL Lamp, direction indicator (NK:1 D) E13R Lamp, direction indicator (GB:0 C) (2000) E13R_PL Lamp, direction indicator (NK:3 D) E16L Lamp, instep light (IC:2 D) (1150) E16R Lamp, instep light (IC:3 D) (1150) E21 Lamp, rear fog light (GC:1 D/GC:2 D) (2070) E23L Lamp, luggage compartment illumination (IB:1 C) (1140) E23R Lamp, luggage compartment illumination (IB:1 C) (1140) E27L Tail lamp module (GC:1 D) (2070) E27R Tail lamp module (GC:2 C) (2070) E29C Lamp, identification light (GF:2 E) (1100) E29C_H1 Lamp, identification light (GF:3 E) (1110) E29L Lamp, identification light (GF:2 E) (1100) E29L_H1 Lamp, identification light (GF:4 E) (1110) E29R Lamp, identification light (GF:2 E) (1100) E29R_H1 Lamp, identification light (GF:3 E) (1110) E39 Lamp, Licence Plate Illumination (GC:2 D) (2070) E83L Headlight module (GA:2 C) (2000) E83R Headlight module (GB:2 C) (2000) E85L Lamp, interior light, roof (IA:1 C) (1110) E85R Lamp, interior light, roof (IA:1 C) (1110) E86 Lamp, interior light, bed light, side walls (IB:2 D/IB:2 D) (1140) E86A Lamp, interior light, bed light, side walls (IB:3 D) (1110) E88 Lamp, interior light, snake lamp (IA:4 C/ IA:4 C) (1100) Page 256 (268) Wiring diagram
  • 261.
    E90 Lamp, interiorlight, map/reading light, midsection (IA:1 D) (1100) E93C Lamp, interior light, storage light, front shelf (IA:2 D) (1100) E93L Lamp, interior light, storage light, front shelf (IA:2 D) (1100) E93R Lamp, interior light, storage light, front shelf (IA:2 D) (1100) E94L_EMB Lamp, position light, EMB (GF:0 E) (1110) E94L_EOM Lamp, position light, EOM (GF:0 D) E94R_EMB Lamp, position light, EMB (GF:1 E) (1110) E94R_EOM Lamp, position light, EOM (GF:1 D) E98L Auxiliary unit, left (GA:1 C) (2000) E98R Auxiliary unit, right (GB:1 C) (2000) E106 Lamp, interior light, ambient light, catwalk (IA:0 C/IA:0 C) (1100) E108 Lamp, interior light, ambient light, center stack (IB:0 C) (1000) E109L Lamp, door trim list, light guides (IC:2 D) (1150) E109R Lamp, door trim list, light guides (IC:3 D) (1150) E110 Lamp, interior light, cup holder light (IF:0 C) (1000) E111 LED module, forward collision warning (PA:2 A) (1000) E113L Lamp, interior light, storage light, rear shelf (IB:3 C) (1110) E113LC Lamp, interior light, storage light, rear shelf (IB:3 C) (1110) E113R Lamp, interior light, storage light, rear shelf (IB:4 C) (1110) E113RC Lamp, interior light, storage light, rear shelf (IB:4 C) (1110) E119L Lamp, instep light (IC:1 C) (1160) E119R Lamp, instep light (IC:1 C) (1160) E126L Lamp, interior light, catwalk reading light (IA:3 D) (1100) E126R Lamp, interior light, catwalk reading light (IA:3 D) (1100) E127A Parking heater, air (HD:1 C) (1140) E128 Parking heater, water (HC:1 C) (2010) E129L Lamp, door warning lamp (IR:1 D) (1150) E129R Lamp, door warning lamp (IS:1 D) (1150) EL0L Lamp, full beam, inside sign area, roof (NF:4 C) (1110) EL0R Lamp, full beam, inside sign area, roof (NF:4 C) (1110) EL2LF Lamp, side/reverse working light (NE:2 C) (2125) EL2LR Lamp, side/reverse working light (NE:1 C) (2125) EL2RF Lamp, side/reverse working light (NE:2 C) (2125) EL2RR Lamp, side/reverse working light (NE:1 C) (2125) EL3AL Lamp, cab/body working light (NE:3 D) EL3AR Lamp, cab/body working light (NE:4 D) EL3L Lamp, cab/body working light (NE:3 D) (1110/1140) EL3R Lamp, cab/body working light (NE:3 D) (1110/1140) EL4LF Lamp, beacon warning lamp, roof (NF:1 C) (1110) EL4LR Lamp, beacon warning lamp, roof (NF:1 D) (1110) EL4RF Lamp, beacon warning lamp, roof (NF:2 C) (1110) EL4RR Lamp, beacon warning lamp, roof (NF:2 D) (1110) EL5L Lamp, roof light sign (NF:3 D) (1100) EL5R Lamp, roof light sign (NF:3 D) (1100) Wiring diagram Page 257 (268)
  • 262.
    EL6 Lamp, extraspot, front (NE:2 C) (1160) EL7 Lamp, 5th wheel/load light (NC:3 C) (2010) FMS Connector, FMS, Fleet Management Sys- tems (BX:2 D) (1000) G01A Battery (AA:1 D/AE:1 B) (2020) G01B Battery (AA:1 D/AE:1 B) (2020) G02 Alternator (AA:3 D) (3000) GIC020 Engine interface (CA:0 D/CB:0 A) (3000) H01 Horn, air-operated (IP:1 D) (2000) H02 Horn (IP:1 D) (2000) H03 Reverse warner, acoustic (GC:3 D) (2070) H06 Siren (RA:3 D) (2000) JUMPER (AA:2 C) (2020) K02 Relay, refrigerator (IF:2 A) K03 Relay, sunroof motor 2 (IU:1 B) K04 Relay, sunroof motor 1(IU:0 B) K05 Relay, front wiper on/off (GP:0 B) K06 Relay, front wiper low/high (GP:0 B) K07 Relay, body builder electrical centre, power supply 2 (ND:2 A) K08 Relay, accessories (IF:3 A) K09 Relay, engine running (IT:0 A) K10 Relay, body builder electrical centre, extra spot lamps (NF:0 A) K11 Relay, power supply 4 (IF:3 A/IG:2 A) K12 Relay, roof light sign (NF:3 A) K13 Relay, beacon warning lamps (NF:1 A) K14 Relay, power supply 3 (IF:1 A) K15 Relay, full beam inside sign area (NF:4 A) K16 Relay, headlight washer pump (GP:1 B) K17 Relay, TECU (DC:0 A) K20 Relay, BB ignition (ND:3 A) K21 Relay, mirror heating (IR:1 A/IS:1 A) K22 Relay, ignition (BX:2 A) K24 Relay, seats movement (IT:3 A) K27 Relay, EMS (Engine Management Sys- tem) (CA:3 A) K28 Relay, cab tilt pump (KA:1 A) K30 Relay, taillift enable/crane (ND:2 C) K31 Relay, extra spot lamp front EL6 (NE:0 B) K32 Relay, side reverse working lamp EL2 (NE:1 B) K33 Relay, cab/body working lamp EL3 (NE:3 B) K48 Power relay, engine preheating (AA:2 D/ CB:1 B) (3000) K52A Power relay, FLL motor 1 (BG:1 B) (1000) K52B Power relay, FLL motor 2 (BG:1 B) (1000) K65 Relay, starter motor (CB:0 D) (3000) K69 Relay, fuel heater (HF:1 C) (1000) K70A Relay, ADR/SLP (AE:1 B) (2020) K70B Relay, ADR/SLP (AE:1 C) (2020) K71 Relay, audio switch telematics, L+ (BU:1 D) (1100) K90 Relay, (NK:2 B) K91 Relay, (NK:3 B) K92 Relay, (NK:4 B) K95 Relay, microwave oven (IF:3 C) (1100) M01 Motor, windscreen wiper (GP:0 C) (1160) M02 Motor, windscreen washer pump (GP:3 D) (2000) Page 258 (268) Wiring diagram
  • 263.
    M03 Motor, headlamphigh pressure washer pump (GP:1 C) (2000) M04 Motor, starter motor (AA:2 D/CB:0 D) (3000) M09L Motor, door lock (IR:2 D) (1150) M09R Motor, door lock (IS:2 D) (1150) M11 Motor, cab tilt pump (KA:1 C) (2000) M11_RHD Motor, cab tilt pump (KA:1 C) (2000) M13 Motor, coolant pump, parking heater (HE:2 D) M14 Motor, central lubrication pump (LA:0 C) (2040) M15 Motor, fuel priming pump (Included in A44) (CB:2 C) M43 Motor, sun visor, front (IU:2 C) (1100) M44L Motor, window lift with antipinch (IR:0 D) (1150) M44R Motor, window lift with antipinch (IS:0 D) (1150) M45L Motor, window lift without antipinch (IR:2 D) (1150) M45R Motor, window lift without antipinch (IS:2 D) (1150) M48 Motor, front lid lock (BG:1 B) (1160) M49 Adblue pump module (CF:1 D) (2030) M50 Motor, ESCL (Electrical Steering Column Lock) (BG:2 C) (1000) M51 Motor, sun roof, unit (IU:1 C) (1110) M55 Condensor fan, parking cooler (HB:1 C) (1160) M73 Motor, AdBlue dosage pump (CL:4 D) (2030) OBD Connector, OBD, (On-Board Diagnostics) (XA:1 C) (1000) R01 Heater, engine preheat (AA:3 D/CB:0 A) (3000) R02L Heater, rear-view mirror (IR:1 B) (1150) R02R Heater, rear-view mirror (IS:1 B) (1150) R04 Cigarette lighter (IF:0 C) (1000) R10 Heater, fuel pre filter (Included in A45) (CB:3 B) R11 Heater, coffee maker (IF:3 D) (1040) R14 Termination resistor (PA:3 C/PA:3 E) R14B Termination resistor (PH:3 B) R23 Heater, AdBlue hose,red (CF:0 D) (2030) R46 Heater, fuel hose, thermoline (HF:1 D) (2010) R55 Microwave oven (IF:3 C) R56 Heater, AdBlue hose, white (CF:0 D) (2030) R56A Heater, AdBlue hose, yellow (CL:0 D) (2030) R57 Heater, AdBlue hose, black (CF:0 D) (2030) R57A Heater, AdBlue hose, black (CL:0 D) (2030) S02 Stalk switch, full-/dipped beam, direction indicator (1000) S06 Stalk switch, windscreen wiper (1000) S14 Switch, push button, horn (IP:3 D) (1000) S15 Switch, key switch (AF:1 B) (1000) S24 Stalk switch, retarder (1000) S26B Switch, cab tilt pump, chassis (KA:2 C) (1160) S36L Switch unit, door functions (IR:2 B) (1150) S36R Switch unit, door functions (IS:2 C) (1150) S38 Switch, ADR, emergency switch, cab (AD:3 A) (1000) S39 Switch, ADR, emergency switch, exterior (AD:3 C) (1140) Wiring diagram Page 259 (268)
  • 264.
    S45 Position switch,differential gear lock indi- cator, rear wheels (DG:3 C) (2070) S45R Position switch, differential gear lock indi- cator, rear wheels (DG:3 C) (2070) S47 Position switch, low split indicator, NO. (DA1:2 C) (3010) S49 Position switch, reverse lamps, NO. (DA1:2 C) (3010) S52L Proximity switch, cab lock, NO. (KA:3 C) (1140) S52R Proximity switch, cab lock, NO. (KA:3 D) (1140) S55 Thermal switch (HE:2 C) S57L Position switch, luggage compartment lighting, NC. (IB:1 D) (1140) S57R Position switch, luggage compartment lighting, NC. (IB:1 D) (1140) S58 Position switch, clutch pedal, NO. (BE:2 D) (1000) S60A Pressure switch, oil, power steering, NC. (FH:1 C) (2010) S60A_RHD Pressure switch, oil, power steering, NC. (FH:2 C) S60B Pressure switch, oil, power steering, NC. (FH:1 C) (2010) S60B_RHD Pressure switch, oil, power steering, NC. (FH:2 C) S63 Position switch, low range gear (DA1:2 C) (3010) S68 Proximity switch, coolant level (CB:2 B) (3000) S70 Position switch, flow sensor, power-steer- ing, NC. (FH:1 C) (2010) S70_RHD Position switch, flow sensor, power-steer- ing, NC. (FH:3 C) S77 Switch, emergency call (BU:3 D) (1000) S80 Position switch, front hatch (RA:1 D) (1160) S95 Switch, Panic alarm (RA:1 B) (1000) S101 Switch, position switch, gear box neutral position (DA1:1 C) (3010) S169 Switch, battery main switch (AC:1 C) (2020) S171 Switch, GLU (Gearlever unit (1000) S222C Switch, interior light, storage, front shelf (IA:2 C) (1100) S222DS Switch, interior light, storage, front shelf (IA:2 C) (1100) S222PS Switch, interior light, storage, front shelf (IA:2 C) (1100) S227 Switch, fuel heater, thermoline (HF:1 B) (1000/1100) S238 Switch, sun visor, front (IU:2 C) (1100) S243 Switch 1, body builder electrical centre (ND:0 B) S244 Switch 2, body builder electrical centre (ND:0 B) S245 Switch 3, body builder electrical centre (ND:0 B) S246 Switch 4, body builder electrical centre (ND:1 B) S247 Switch, identification lights (GF:3 B) (1100) S254 Switch, battery main switch (AC:1 C) (2010) S255 Exterior light control panel (SK:2 C) (1000) S257 SID control panel (SL:2 D) (1000) S258 Switch, flexible panel 1 (SK:0 C) (1100) S259 Switch, flexible panel B(SK:4 D) (1140) S260 Switch, flexible panel 2 (SK:0 D) (1100) S262 Switch, flexible panel 7 (SK:2 B) (1000) S263 Switch, flexible panel 3 (SK:1 B) (1000) S265 Switch, flexible panel 4 (SK:1 C) (1000) Page 260 (268) Wiring diagram
  • 265.
    S267 Switch, flexiblepanel 5 (SK:1 D) (1000) S269 Switch, flexible panel 6 (SK:1 D) (1000) S270 Switch, flexible panel 8 (SK:2 C) (1000) S271 Switch, flexible panel 9 (SK:2 B) (1000) S272 Switch, ILCP, Interior Light Control Panel (SK:0 B) (1100) S275 Stalk module, on steering column (con- nected to S02, S06 and S24 ) (SL:2 D) (1000) S283L Switch, interior light, storage, rear shelf (IB:3 C) (1110) S283LC Switch, interior light, storage, rear shelf (IB:3 C) (1110) S283R Switch, interior light, storage, rear shelf (IB:4 C) (1110) S283RC Switch, interior light, storage, rear shelf (IB:4 C) (1110) S285 Steering wheel switch module (SL:1 D) (1000) S287 Switch unit, ECS, wired remote control (SK:4 B) (1000) U01 Modulator, EBS, front FAA20 (EF:0 B) (2010) U03A Modulator, EBS, one rear driven axle (EG:2 B) (2090) U03B Modulator, EBS, two rear driven axles (EG:0 B) (2090) U03C Modulator, EBS, rear axle (EG:3 B) (2090) U04 Modulator, EBS, pusher axle (EH:0 B) (2090) U05 Modulator, EBS, trailer (EI:0 D) (2010) U07 Modulator, EBS, tag axle (EH:1 B) (2090) U08 Modulator, EBS, front FAA10 (EF:3 B) (2010) U29 Voltage converter (IG:3 C) (1100) U30 Voltage converter (IG:0 C) (1000) U33 Voltage converter (IG:2 C) (1100) V07 LED, indicator, Alarm (RA:1 B) (1100) V32 LED, indicator, LCS (Lane Change Sup- port) (PA:3 C) (1100) W02 Antenna, immobiliser (BG:0 D) (1000) W06 Antenna, GSM (BU:3 B) W14 Antenna, GSM/GPS (BU:3 A) W15 Antenna, module (BU:3 B) W16 Antenna, FM (BU:1 A) W17 Antenna, GSM, toll collect (BX:1 C) W18 Antenna, GPS, toll collect (BX:1 C) W20 Antenna, module (IN:2 B) W21 Antenna, WLAN, Wireless Local Area Network (BU:3 A) WRC Connector, WRG, Wireless Remote Con- trol (FB:2 C) (1100) X02 Trailer connection, ABS/EBS (GK:0 D) (2060) X02_2 Connector, trailer ABS/EBS 7–pin (GL:0 D) (2010) X03 Trailer connection, 15–pole unit (GK:1 D) (2060) X03_2 Connector, trailer 15–pin (GL:1 D) (2010) X04 Trailer connection, 7–pole unit, 24 N (GK:3 D) (2060) X05 Trailer connection, 7–pole unit, 24 S (GK:3 D) (2060) X07A Socket, 12V (IG:1 D) (1000) X25 Connector, B+ frame (AA:2 B) (2120) X54 Connector, Engine (B+) power (AA:2 D) (3000) X55 Plug, start aid (AA:1 C) (2020) X63 Trailer connection, VBG 14 (GM:1 C) (2060) Wiring diagram Page 261 (268)
  • 266.
    X66 Connector, USB,Audio (IK:0 C) (1000) X67 Connector, USB, AUX (IK:2 A) (1000) X105 Socket, 24V outlet (IF:1 C) (1000) X106 Socket, 24V outlet (IF:1 C) (1140) X114 Socket, connector, CB supply (IG:2 D/ IG:3 D) (1100) X115A Contact reel, airbag (IP:2 C/PE:1 C/SL:0 B) (1000) X115B Contact reel, without airbag (IP:3 C/SL:2 B) (1000) XC205 Cab passthrough, B+ (AA:1 B) (1000) XC302 Connector, GIC020, engine interface (AA:3 D/CA:0 D/CA1:1 D/HE:3 B) (2010/ 3000) XC303 Connector, GIC021, transmission inter- face (BC:1 D/DA:0 C/DC:0 C/DK:1 D/ DM:1 C/NC:2 D) (2010/3010) XC312 Connector, GIC128, muffler interface (CE:0 D/CK:0 D) (2010/2030) Y02 Solenoid valve, differential lock, rear wheels (DG:4 C) (2010) Y03 Solenoid valve, differential lock, inter axles, rear (DG:3 C) (2010) Y06 Solenoid valve, range inhibitor (DA1:1 C) (3010) Y10 Solenoid valve, 3:rd axle lock (FM:2 C) (2080) Y11 Solenoid valve unit, ABS, lhs. front (EE:1 D) (2010) Y11_A Solenoid valve unit, ABS, lhs. front (EA:1 D) (2010) Y12 Solenoid valve unit, ABS, rhs. front (EE:1 D) (2010) Y12_A Solenoid valve unit, ABS, rhs. front (EA:1 D) (2010) Y13 Solenoid valve unit, ABS, lhs. rear (EA:2 D) (2090) Y14 Solenoid valve unit, ABS, rhs. rear (EA:2 D) (2090) Y17 Solenoid valve, retarder (Included in A41) (DA1:3 C/DC1:3 C) Y18A Solenoid valve, PTO (Power Take Off) (NC:2 C) (2010) Y18B Solenoid valve, PTO (Power Take Off) (NC:2 C) (2010) Y31 Solenoid valve, area inhibitor (DA1:1 C) (3010) Y32A Fuel dosing pump, parking heater (HC:1 D) (2010) Y33 Solenoid valve, UI (Unit Injectors) (CB:3 D) (3000) Y34 Solenoid valve, UI (Unit Injectors) (CB:1 D) (3000) Y35 Actuator, EGR system (Included in A43) (CB:0 B) Y37 Solenoid valve unit, AVU (Air Valve Unit) (CB:2 B) (3000) Y37A Solenoid valve unit, AVU (Air Valve Unit) (CB:3 B) (3000) Y38 Solenoid valve, WIF, fuel pre filte water draining (Included in A45) (CB:1 B) Y39 Solenoid valve, VCB (CB:3 B) (3000) Y40 Solenoid valve unit, front axle, air suspen- sion (FA:2 D) (2010) Y42 Clutch, magnetic, air conditioning com- pressor (HE:3 C) (3000) Y43DS Seat belt tensioner, pyrotechnical (PE:2 D) (1000) Y43PS Seat belt tensioner, pyrotechnical (PE:2 D) (1000) Y44 Air-bag, pyrotechnical (PE:1 D) (1000) Y53 Control valve block , RAS (FL:2 D) (2100) Y72 Solenoid valve, Airhorn (IP:1 D) (1160) Y80 Solenoid valve, AdBlue dosing unit (CE1:1 C) (2030) Page 262 (268) Wiring diagram
  • 267.
    Y81 Solenoid valve,AdBlue tank heating (CF:1 D) (2030) Y81C Solenoid valve, AdBlue tank heating (CL:1 D) (2030) Y102 Solenoid valve, 5th wheel slide (NC:0 C) Y103 AHI (CB:0 B) (3000) Y109 Electro clutch, coolant pump (CB:2 B) (3000) Y110 Solenoid valve, oil thermostat (CB:2 B) (3000) Y111 Solenoid valve, oil piston cooling jet (CB:2 B) (3000) Y114 Throttle (CB:1 D) (3000) Y134B Solenoid valve, ETB (Electrical Trailer Brake) (EI:3 C) (2010) Y135 Solenoid valve unit (FD:2 D) (2080) Y136 Solenoid valve unit (FC:2 D) (2080) Y137 Mega valve unit (FC:0 D) (2080) Wiring diagram Page 263 (268)
  • 268.
    Abbreviations ABS............................ Antilock brakesystem ADR1 ......................... ADR adaptation, 1 switch ADR2 ......................... ADR adaptation, 2 switches ADR3 ......................... ADR adaptation, for safe loading pass (SLP) ADTP-BC ................... Ad-blue tank position right, below cab ADTP-L ...................... Ad-blue tank position left ADTP-LF.................... Ad-blue tank position left, front ADTP-M ..................... Ad-blue tank position mid ADTP-MR................... Ad-blue tank position mid, right side ADTP-R...................... Ad-blue tank position right2 BBEC ......................... Body builder electrical center BBM ........................... Body builder module BBOX-EF................... Battery box, end of frame BBOX-L...................... Battery box, left hand side BSYS-CON................ Brake system, conventionel CHH-LOW.................. Chassis height low CPC-ADV................... Cab parking cooler, advanced DACU......................... Driver assistance control unit DS .............................. Driver side EBS............................ Electronic brake system EM-EC01 ................... European community 2001 level EURO 3 EM-EC06 ................... European community 2006 level EURO 4 EM-EU5 ..................... Engine emission control, EURO 5 EM-EU6 ..................... Engine emission control, EURO 6 EML4.......................... Emission level, early introduction stages ENG-VE13................. Volvo engine 13 litre ENG-VE16................. Volvo engine 16 litre EPB............................ Electrical park brake FAA10 ........................ 1 front axle, non driven FAA20 ........................ 2 front axle, non driven FMS............................ Fleet management system FRC............................ Fuse and relay center FSS-LEAF.................. Leaf suspension, front GSS-AGS................... Automatic gear shifting system (I- shift) GSS-RC..................... Range gear shifting, cable manoeuvred GSS-SRC................... Split and range gear shifting, ca- ble manoeuvred IPC ............................. Integrated parking cooler L ................................. Left LF............................... Left front LHD............................ Left hand drive LHS ............................ Left hand side LR............................... Left rear MAINSWI ................... Electromechanical main switch MAINSW-M................ Mechanical main switch MSWI-A...................... Main switch, ADR MSWI-B...................... Main switch, circuit shutdown (timer) MSWI-C ..................... Main switch, chassis controlled circuit shutdown MSWI-R ..................... Main switch, remote controlled cir- cuit shutdown ODB ........................... On Board Diagnostic PH-CAB ..................... Cab parking heater PH-ENGCA................ Engine and cab parking heater PS .............................. Passenger side PSS-DUAL................. Power steering system dual PTO............................ Power take off R................................. Right RAD-L90 .................... Rear axle installation, 1 axle, 1 driven, 2 leaf, 90 mm RAD-GR..................... Rear axle installation, 1 axle, 1 driven, air (GRAS) suspension RADD-BR................... Rear axle installation, 2 axle, 2 driven, leaf, B-ride RADD-GR.................. Rear axle installation, 2 axle, 2 driven, air (GRAS) suspension RADD-TR1................. Rear axle installation, 2 axle, 2 driven, leaf narrow RADD-TR2................. Rear axle installation, 2 axle, 2 driven, leaf wide RADDT-GR................ Rear axle installation, 3 axle, 2 driven, air (GRAS) suspension, tag RADT-GR................... Rear axle installation, 2 axle, 1 driven, air (GRAS) suspension, tag Page 264 (268) Wiring diagram
  • 269.
    RAPD-GR .................. Rearaxle installation, 2 axle, 1 driven, air (GRAS) suspension, pusher RAL17........................ Rear axle load 17 tonnes RAL21........................ Rear axle load 21 tonnes RAL23........................ Rear axle load 23 tonnes RAL26........................ Rear axle load 26 tonnes RAL33........................ Rear axle load 33 tonnes RF .............................. Right front RHD ........................... Right hand drive RHS............................ Right hand side RIGID......................... Platform or tipper truck RR.............................. Right rear RSTS-EHY................. Rear steering system, electrical controlled, hydraulic SCR............................ Selective Catalyst Reduction SI-GRAF .................... Tachograph SI-GRAFR.................. Tachograph SI-SPEED.................. Speedometer SPEED-DU ................ Dual speed limiter SRS............................ Supplementary restrain system STWPOS-L................ Steering wheel position left hand side STWPOS-R................ Steering wheel position right hand side TECU ......................... Transmission electronic control unit TIS-BAS..................... Transport information system, Logger and Positioning TIS-HIGH ................... Transport information system, Logg. Pos. and Adv. message system TIS-MED .................... Transport information system, Logg. Pos. and message TRACTOR.................. Semi-trailer tractor TREL7-7..................... Trailer connectors 2x7-pole unit TREL14...................... Trailer connectors 14-pole unit UADR......................... Without ADR adaptation UMAINSWI................. Without main switch URETARD.................. Without retarder UTRBRAKE ............... Without trailer brake valve Wiring diagram Page 265 (268)
  • 270.
    Cable colour code BK................................................... Black BN................................................... Brown BU................................................... Blue GN................................................... Green GY................................................... Grey OG .................................................. Orange PK ................................................... Pink RD................................................... Red VT ................................................... Violet WH.................................................. White YE ................................................... Yellow Alternative cable colour code (engine and transmission) BL.................................................... Blue BN................................................... Brown GN................................................... Green GR................................................... Grey OR................................................... Orange P...................................................... Pink R...................................................... Red SB ................................................... Black VO................................................... Violet W..................................................... White Y...................................................... Yellow Note: If a wire have two colours, this is written out like the following example: YE/RD = Yellow/Red. Page 266 (268) Wiring diagram
  • 271.
    Feedback One of ourobjectives is that workshop personnel should have access to correct and appropriate service manuals where it concerns fault tracing, repairs and maintenance of Volvo vehicles. In order to maintain the high standards of our service information, your opinions and experiences when using this information would be greatly appreciated. If you have any comments or suggestions, use “Argus dealer” or send them to us using the email address below. VPCS technical team Smalleheerweg 29 BE-9041 Gent Belgium technical.team@volvo.com Fax +32 9 2556767
  • 272.
    Volvo Truck Corporation www.volvotrucks.com 89041245English 12.2012 Release 01S Digital copy remastered in Sweden