xx 年度
                                   經濟部工業局
                           協助傳統工業技術開發計畫



                             xxxxxxxxxxxx 開發計畫




                全程計畫:自 9x 年 xx 月 xx 日至 9x 年 xx 月 xx 日止




                         廠商名稱:xxxxxxxx股份有限公司

                       主辦單位:             經濟部工業局




                             中華民國       9x 年    04   月
                                          1


PDF 檔案以 "PDF 製作工廠" 試用版建立 ÿ
                         http://www.fineprint.com
計      畫       書      內       容
                                     內                                    容                               頁次

            一、公司概況
                (一)基本資料 ------------------------------------------------------------------------------- 1
                (二)營運狀況 ------------------------------------------------------------------------------- 1
                (三)經營團隊 ------------------------------------------------------------------------------- 6
                (四)研發能力與實績 ---------------------------------------------------------------------- 8
                (五)經營理念及策略 ----------------------------------------------------------------------10
           二、開發產品說明
                (一)說明 -------------------------------------------------------------------------------------11
                (二)應用範圍 -------------------------------------------------------------------------------15
                (三)世界市場及國內市場狀況 -----------------------------------------------------------15
                (四)開發完成後對公司影響 --------------------------------------------------------------16
                (五)對國內產業發展之關聯性 -----------------------------------------------------------18
            三、風險與對策
                (一)產業變化 --------------------------------------------------------------------------------19
                (二)技術能力 --------------------------------------------------------------------------------19
                (三)智慧財產權說明 -----------------------------------------------------------------------21
                (四)產品行銷 --------------------------------------------------------------------------------22
                (五)生產製造 --------------------------------------------------------------------------------23
            四、計畫執行說明
                (一)預計進度及查核點說明 ------------------------------------------------------------- 24
                (二)參與本計畫研發人員簡歷表 ------------------------------------------------------- 26
                (三)經費預算 ------------------------------------------------------------------------------- 27
            五、預期成果及效益
            六、附件資料
                (一)技術移轉合約、專利證書、聘書或意願書,顧問任職單位同意函等
                (二)其他參考資料(如:相關產品型錄或國外技轉公司背景資料等)




                                                           2


PDF 檔案以 "PDF 製作工廠" 試用版建立 http://www.fineprint.com
一、公司概況
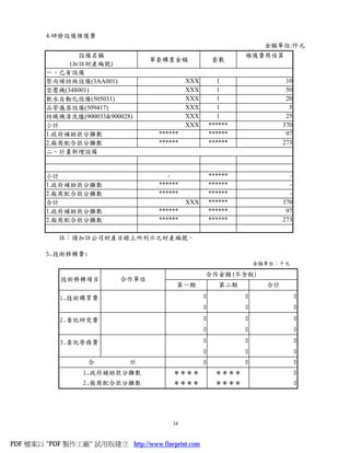
         公司名稱:xxxxxx 股份有限公司
         (一)基本資料
            1.公司簡介
              創立日期: xx   年 xx 月
               9x 年實收資本額: xxx,xxx                仟元
               負責人:王 xx

            2.主要股東及持股比例
                                                                                      單位:千股
                 主要股東名稱                    持有股份                              持股比例
                     王 xx                                 8,336                           12.08%
                     林 xx                                 6,732                            9.76%
                     林 xx                                 7,937                           11.50%
                     陳 xx                                 1,380                            2.00%
                     張 xx                                   917                            1.33%
                     朱 xx                                 1,302                            1.89%
                     牟 xx                                   417                            0.60%
                     施 xx                                    62                            0.09%
                xx 投資(股)xx                                  438                            0.63%
                    合   計                                27,521                           39.88%


        (二)、營運及財務狀況
            1.經營狀況:說明公司主要經營之產品項目、銷售業績及市場佔有率                                                      單位:千元
                                 xx年                             xx年                           xx年
          公司主要產品項目                         市 場                              市 場         市 場
                          產 量 銷售額                    產量          銷售額            產 量 銷售額
                                           佔有率                              佔有率         佔有率
           聚酯加工絲           5,509 426,485                 6,744    466,758              9,787   712,659
           彈性複合紗           1,643 240,615                 1,537    214,688              1,257   288,283
           尼龍加工絲                                            --         --                 --         --
           其他               190 140,952                   904      67,161                       35,635
           合          計    7,342 808,052                 9,184    748,607             11,044 1,036,577
           年度營業額(A)                        808,052                          748,607                   1,036,577
           年度研發費用(B)                         5,436                            3,143                       1,858
           (B)/(A)%                           0.67                             0.42                        0.18




                                                     3


PDF 檔案以 "PDF 製作工廠" 試用版建立 http://www.fineprint.com
2.廠房、設備投資與產能
              (1)廠房
               工廠
                  地址           xx 市 xxxxxxx 路 xxx 號
                  面積           x,xxx 坪
                  所有權          自有
                  購入金額         xx,xxx 仟元


               台北辦公室
                  地址           xx 市 xx 區 xxxxxx 路 xx 號 x 樓
                  面積           xxxxx 坪
                  所有權          自有
                  購入金額         xx,xxx 仟元


              (2)設備投資與產能
                  設備名稱         規格廠牌        單位    數量          金額          產能月/噸     備註
              1.廠房                         坪      3,410    92,592,291
              2.假撚機            Seragge     台          20     6,377,204      660 300D
              3.假撚機            xx          台           6     2,933,333      198 300D
              4.氣撚機            xx          台          10       43,677       400 320D
              5.強撚機            xx          台           4     1,350,000       10
              6.包紗機            Aiki        台          17       96,840      954.2
              7.假撚試驗機          Seragge     台           1   42,605,898
              8.筒子機            xx          台          15        2,160
              9.氣撚試驗機          Aiki        台           1      743,145
              10.空壓機           xx          台          30       38,100
              11.冷凍乾燥設備                    台           5        1,286
              12.紡絲設備                      套           1   58,583,349      2,500 200D


            3.產品銷售方式、銷售據點及分佈、銷售通路與主要客戶
               (1)主要商品、服務之銷售、提供地區:
                 本公司生產之聚酯加工絲、彈性複合絲主要供應國內外織布廠生產男、女西裝
               衣料、女裝薄料及工業用布料,銷售對象遍及國內各大織布廠及外銷東南亞、中東、
               歐洲等地區。內銷主要客戶為福懋興業、台灣富綢、宏和精密、及赤崁紡織等。


                                            4


PDF 檔案以 "PDF 製作工廠" 試用版建立 http://www.fineprint.com
年度           xx 年度                 xx 年度            xx 年度
               地區                  金額       ﹪            金額       ﹪      金額        ﹪
               內銷                  658,488  62.98        642,885  85.88   703,997  94.18
               外 歐洲地區               48,592   6.01            619   0.08     4,709   0.45
                 亞洲地區               78,529   9.72         91,436  12.21    46,434   4.49
               銷 其他                 22,443   2.78         13,667   1.83     9,159   0.88
                 小計                149,564  18.51        105,722  14.12    60,302   5.82
               合計                  808,052 100.00        748,607 100.00 1,036,597 100.00


              (2)最近二年度生產量值
                                                                             單位:噸;仟元
                           年度                 xx 年度                       xx 年度
                項目                    產量              產值             產量         產值
                聚酯加工絲                   5,509          411,794         6,744     404,825
                彈性複合紗                   1,643          247,392         1,537     204,707
                其他                        190           33,009           904       9,497
                合計                      7,342          692,195         9,184     619,028


              (3)最近二年度銷售量值:
                                                                             單位:噸;仟元
                      年度               xx 年度                              xx 年度
                              內銷                  外銷                內銷              外銷
                項目         量          值        量       值         量       值       量       值
                聚酯加工絲      4,484    335,343      956 91,142      5,529 374,927   1,175 91,831
                彈性加工絲      1,287    185,171      299 55,444      1,295 210,559      23   4,129
                其他         1,800    137,974       45   2,978     1,550 57,399      239   9,762
                合計         7,571    658,488    1,300 149,564     8,374 642,885   1,437 105,722




                                                  5


PDF 檔案以 "PDF 製作工廠" 試用版建立 http://www.fineprint.com
4.最近三年財務狀況
           (1)財務狀況說明
               •簡明資產負債表                                                        單位:新台幣仟元
                               年 度                          最近三年度財務資料
           項   目                           xx年                 xx年                xx年
           流動資產                              377,317                 486,448        553,128
           長期投資                              310,924                 332,097            64,940
           固定資產                              516,616                 507,037        327,372
           其他資產                                  59,203               18,180            10,180
                         分配前                 151,075                 103,843        102,984
           流動負債
                         分配後                 151,075                 105,768        136,921
           長期負債                                         0                 0                 0
           其他負債                                  16,751               15,055             6,944
           股     本                           690,000                 600,000        300,000
                         分配前                     37,514              198,137        267,914
           保留盈餘
                         分配後                     37,514              136,212        133,977
           資產總額                             1,269,136           1,344,065           956,820
                         分配前                 167,826                 118,898        109,928
           負債總額
                         分配後                 167,826                 120,823        143,865
                         分配前                1,101,310           1,225,167           846,892
           股東權益總額
                         分配後                1,101,310           1,223,242           812,955


               ‚簡明損益表
                                                                               單位: 新台幣仟元
                   年 度                              最近三年度財務資料
           項 目                       xx年                       xx年                xx年
           營業收入淨額                           808,052                  748,607       1,036,597
           營業毛利                          32,313                      102,857        221,459
           營業損益                       (24,698)                        51,506        174,352
           營業外收入                                  683                  4,439             7,091
           營業外支出                            509                         278                 88
           稅前損益                      (108,698)                        71,160        186,016
           稅後損益                       (98,698)                        64,160        145,816
           每股盈餘(元)                         (1.43)                       0.93              2.89




                                                        6


PDF 檔案以 "PDF 製作工廠" 試用版建立 http://www.fineprint.com
(2)財務分析
                            年 度                  最近三年財務分析
         分析項目                        xx年            xx年         xx年
         財務結構 自有資本比率                    86.78          91.15        88.51
           (%)  長期資金佔固定資產比率            213.18         241.63       258.69
         償還能力 流動比率*                    249.75         468.45       537.10
           (%)  速動比率                   157.50         357.77       463.78
                應收款項週轉率(次)*              5.81           5.56         7.27
                應收款項收現日數                62.82          65.65        50.21
         經營能力 存貨週轉率(次)*                  6.35           7.44        12.29
          (次;日) 平均售貨日數                  57.48          49.06        29.70
                固定資產週轉率(次)*              1.56           1.48         3.17
                總資產週轉率(次)*               0.64           0.56         1.08
                總資產報酬率                (7.52)            5.60        17.81
         獲利能力 股東權益報酬率                 (8.48)            6.19        20.05
           (%)   毛利率                     3.99          13.74        21.36
                 營業利益率                (3.58)            8.58        58.12
                 稅前純益率               (15.75)           11.86        62.01
          生產力    每一員工年營業額
                                     4,537,618       4,158.92    5,758.87
          (千元)   (年營業額/員工數)
        註:「*」之計算公式如下:
          流動比率:流動資產/流動負債
          應收款項週轉率(次):銷貨額/平均應收帳款
          存貨週轉率:銷貨成本/平均存貨成本
          固定資產週轉率:銷貨額/平均固定資產
          總資產週轉率:銷貨額/平均總資產




                                           7


PDF 檔案以 "PDF 製作工廠" 試用版建立 http://www.fineprint.com
(三)經營團隊
            1.全公司組織圖及各部門工作執掌
             (1)全公司組織圖

                                                    股東會



                                                    董事會



                                                    董事長



                                                    總經理




                        營業部            研發部            管理部   生產部




                                                      8




PDF 檔案以 "PDF 製作工廠" 試用版建立 ÿ
                         http://www.fineprint.com
(2)各部門工作執掌
            部   門 別工            作        執         掌
                    1.公司各項制度之規劃、制定、修改等工作。
            總 經 理 室 2.負責專案管理、專案進度控制及有關專案之各項行政工作。
                    3.公司各項制度之稽核工作。
            研   發 部 1.負責新產品之研究開發及品質、製程之改善工作。
            生   產 部 1.負責紡絲、假撚、合撚產品製造及相關材料等事宜。
            管   理 部 1. 各項電腦帳務會計處理之登錄、審核分析及保管、財務報表之編製
                       、分析;各項稅務處理;預算之編製、推行與差異分析。
                    2. 負責零用金、銀行存款之保管與收支;票據之收入、開立與保管
                       ;信用狀之開發、結匯與押匯之工作;資金調度及資產投保作業
                       等事宜。
                    3.負責人力資源規劃、資材管理工作、及各項人事總務工作
            營   業 部 1.負責國內外原絲、加工絲銷售工作,業務拓展及服務等相關事宜。
            x  x  部 1.負責國內外針織布銷售工作,業務拓展及服務等相關事宜。
            x  x  部 1.負責國內外平織胚布銷售工作,業務拓展及服務等相關事宜。
            x  x  部 1.負責國內外平織成品布銷售工作,業務拓展及服務等相關事宜。

            (3)各部門主管學經歷及以往成就說明
              職       稱 姓   名 主    要    學           歷主     要     經     歷
              總經理        李 xx xx 高級中學                Xx 公司 副總經理
                         陳 xx                        xx 公司 xx 部課長
                                                     xx 公司 xx 廠廠長
              執行副總經理          xx 大學 xx 系             xx 公司 xx 部副主任
                                                     xx 公司 總經理
                              林 xx                   xx 公司副理
             管理部協理                       xx 大學會計系
                                                     xx 公司經理
             平織成品部協理          馬 xx       xx 大學紡織系    xx 股份有限公司經理
                              張 xx                   xx 公司經理
             針織部協理                       xx 工專紡織工程科
                                                     xx 公司 副總經理
                              龔 xx                   xx 公司專員
             生產部經理                       xx 高工電工科
                                                     xx 公司經理
                              李 xx                   xx 公司講師
             研發部經理                       xx 大學紡研所
                                                     xx 公司副總經理
                              繆 xx                   xx 公司業務部 課長
             營業部經理                       xx 大學國貿系
                                                     xx 公司營業部副理

            2.人力分析
                職  別       博 士   碩 士        學 士   專 科   其 他    合   計
                管理人員              1          5     13    21     40
                研發人員              4          6     5      2     17
                工程人員                         6     10    62     78
                其  他                                     69     69
                合  計                 6       17   28     154   204




                                             9


PDF 檔案以 "PDF 製作工廠" 試用版建立 http://www.fineprint.com
(四)研發能力與實績
           1.研發部門組織
              (1)組織圖


                                         研發部



                           纖維組         織物組         印染組           專案執行小組


               (2)R&D 團隊
                • 職稱及專長說明
              序號 專職人員    職 稱           學歷    本業經驗    到職日             專 長
              001  李 xx 計畫督導人          高中     15 年   75.01.01   計畫督導統籌規劃
              002  陳 xx 計畫主持人          大學     21 年   88.03.01   計畫主導與協調
              003  葉 xx 研究員            碩士     20 年   87.06.01   織物加工技術開發
              004  陳 xx 研究員            專科     15 年   84.10.15   織物應用技術開發
              005  王 xx 研究員            大學     17 年   90.12.01   織物應用技術開發
              006  施 xx 研究員            碩士     6年     88.06.01   紡絲品質控管、油劑試驗
              007  張 xx 副研究員           碩士     5年     88.07.01   紡絲製程研發規劃
              008  張 xx 副研究員           大學     8年     88.03.01   品質控管、紗線製程規劃
              009  魏 xx 副研究員           碩士     4年     88.06.01   紗線製程規劃設計
              010  馬 xx 助理研究員          高中     15 年   88.03.01   機電工程規劃
              011  牟 xx 助理研究員          大學     5年     88.08.02   紡絲製程設計、
              012  丁 xx 助理研究員          大學     3年     90.09.26   油劑試驗
              013  吳 xx 助理研究員          大學     3年     89.04.18   紡絲工程
              014  姚 xx 研究助理           大學     1年     90.09.26   紗線加工
              015  程 xx 研究助理           大學     1年     90.09.26   紗線加工
              016  林 xx 研究助理           大學     1年     90.10.18   機械保全
              017  林 xx 研究助理           大學     1年     90.12.05   機電工程
              018  白 xx 研究助理           專科     2年     88.07.17   紡絲試驗
              019  藍 xx 副研究員           大學     8年     88.07.01   計畫管理


                ‚ 學歷說明
                本業年資        博 士   碩 士        學 士     專 科        其 他   合 計
                2 年以下        -     -         4        1          -     4
                 2~5年        -     2         3        -          -     6
                 6 ~10 年     -     1         2        -          -     3
                10 年以上       -     1         2        1          2     6
                合      計     -     4         11       2          2    19



                                              10


PDF 檔案以 "PDF 製作工廠" 試用版建立 ÿ
                         http://www.fineprint.com
3.研發成果及發表論文明細
                (1)研發成果
                   本公司唯一專門生產聚酯、尼龍、醋酸纖維等「複合加工新合纖」的聚酯纖維
                   專業假撚廠,產製錠子式複合新合纖加工絲(CO-TEXTURED YARN)、異型斷
                   面複合氣撚絲(AIR-TEXTURED YARN)、彈性纖維包芯絲(AIR-COVERING
                   SPANDEX YARN)等,為國內第一家開發及生產 0.5d/f 假撚絲的廠商,並於 88
                   年與日本 xxxx 公司共同開發經紗用彈性包芯紗,提昇下游廠商的競爭力。
                 •複合紗假撚工程
                   陽離子聚酯及聚酯仿羊毛、仿麻紗複合假撚,以不同伸度之陽離子聚酯及聚
                   酯複合假撚成柔軟雙色調、具毛感之仿羊毛新合成纖維,開創西裝、褲料之
                   用紗。
                 ‚針織用空氣變形仿棉加工絲
                    以細丹尼多條數原絲經由特別空氣變形加工製程,經濕熱定型後成為最佳仿
                    棉針織用絲。
                 ƒ針織用仿羊毛空氣變形加工絲
                    與中國紡織研究中心合作開發絲線用特殊連續磨毛裝置,製成仿美利奴羊毛
                    針織用紗。
                 „開發經紗用空氣包覆彈性纖維加工絲
                   國內首家開發經紗用空氣包覆彈性纖維加工絲,開發彈性纖維於絲織布之運
                   用,並為國內織造業創造彈性布之廣大市場,奠定台灣成為世界彈性絲織布
                   之生產基地的基礎。
                 …開發成衣用細丹尼聚丙烯長纖維
                    國內首家成功研發高附加價值的細丹尼聚丙烯長纖維,由 1 公斤 1 美元的聚
                    丙烯粒提高為 1 公斤 7~10 美元的化纖製品。

            (2)發表論文明細
               •第 17 屆纖維紡織科技研討會 --阻燃聚丙烯纖維可紡性之研究
                                  --抗菌聚丙烯纖維可紡性之研究
                  ‚織布公會會刊第 27 期--細丹尼聚丙烯纖維開創衣著布料新領域

               (3)近五年曾經參與政府相關研發計畫之實績                          單位:千元
                                                          計畫規模
                年度              計畫名稱                類別
                                                         人力  金額
                 89   新纖維應用產品開發輔導計畫      工業局計畫                  xxxx
                      CR 級聚丙烯細丹尼長纖維技術開發計                 21  xxx,xxx
                 89                      業界科專計畫
                      畫
                 88   聚丙烯色絲產品開發輔導計劃      業界合作計畫           7       xxx
                 87   合成纖維新素材加工技術        業界合作計畫           5      xxxx
                 86   紡紗技術輔導推廣計劃         業界合作計畫           5       xxx




                                          11


PDF 檔案以 "PDF 製作工廠" 試用版建立 http://www.fineprint.com
(五)經營理念及策略
            1.經營理念
               客戶為上、事皆盡心,穩健踏實、持續改善
               培育人才、員工為念,分享利潤、共創未來
               本公司自創辦以來一直秉持著上述的經營理念為原則,持續研發新的產品,以滿足
               客戶的需求,保持領先研創的美譽,再創經營利潤佳績。並且鼓勵員工在作業中把
               好的事情一次做好,把對的事情一次做對,提昇職工敬業樂群的工作態度及愛廠愛
               家之和諧的人生觀。


           2.經營策略
              (1) 持續開發各項新產品,提高產品的附加價值以滿足客戶的需求。
              (2) 多方面蒐集市場資訊,並與國內研究機構,如紡研中心等單位合作開發新素材,
                  以提昇產品與下游廠商的市場競爭力。
              (3) 重視環境保護的概念,積極提昇產品的環保理念。
              (4) 積極培育人才,鼓勵員工在工作中自我成長學習,以提昇管理素質。




                                          12


PDF 檔案以 "PDF 製作工廠" 試用版建立 http://www.fineprint.com
二、開發產品說明
          (一)說明
            1.國內發展方向、利益及發展策略分析
              (1)聚丙烯纖維不僅擁有原料成本低廉的競爭優勢,同時具有極佳的輕量性、快乾性
                 、保溫性、防污性、抗菌性、耐磨性及耐化學藥品性等優異的纖維特性,且隨著
                 聚丙烯產業技術的發展,如耐日光性、耐熱性的改良、纖維物性的提昇、纖維回
                 收處理製程的改善及生產成本的降低等,目前已廣泛使用於工業編織物、過濾材
                 及地工織物等產業用途。

              (2)近年來,國外一些化纖設備製造廠及工程公司相繼開發出聚丙烯高強力絲專用紡
                 絲設備及工程技術,如英國的 XXX 公司、義大利的 XXX 公司和 XXX 公司都有
                 此技術,德國的 XXX 和 XXX 公司都有整機銷售。

              (3)聚丙烯高強力絲保持了聚丙烯纖維固有的優良性能,其強力可以與聚酯、聚醯胺
                 工業用纖維媲美。其強度為一般聚丙烯纖維的兩倍,而成本只比一般聚丙烯纖維
                 高 XXX%左右。設備投資低,原料價格便宜,消耗能量最少,具有明顯的技術
                 經濟優勢。

              (4)國內產業用纖維發展之 SWOT 分析
                      優  勢(S)                         劣  勢(W)
               a.纖維紡絲、加工技術及後段染整技術成             a.工業用途之成品開發應用經驗較缺乏。
                 熟。                            b.工業用成品驗證機構少,缺乏公信力。
               b.中高階紡織技術人才充沛。                  c.特殊產業用織物之設計人才缺乏。
               c.快速反應能力強。
               d 上中下游整合能力強,成本競爭因素強
                 。
                      機  會(O)                         威  脅(T)
               a.入世後,以往之非貿易障礙得以消除,             a.國內投資成本高漲,法定工時縮短造成
                 進入專業及壟斷市場的可行性加大。                企業經營困難。
               b.資訊發達加速上中下游一貫化之整合。             b.大陸亦積極投入研發產業用纖維,以其
               c.衣著用纖維面臨獲利大量萎縮困境,提               內需市場之龐大,其發展速度可能超越
                 昇下游廠商投入新產品研發及設計之                台灣。
                 意願。                           c.面臨歐美廠商之市場壟斷策略。

              (5)技術可行性
                 聚丙烯纖維雖然具有輕量性、快乾性及保溫性、耐化學藥性等優異的纖維特性,
                 但目前仍以不織布等工業用素材為主要用途,而工業用聚丙烯纖維仍以普通強力
                 (XXXg/d 以下)或短纖維為主,為了擴大工業用聚丙烯纖維的使用範圍,xx 公司開
                 發工業用高強力聚丙烯纖維製造技術。


                  工業用高強力聚丙烯纖維製造技術的開發不僅可建立高品質、機能性新纖維的
                生產技術,同時藉由建立本土化之機能性纖維製造技術,帶動台灣相關產業的發展
                                          13


PDF 檔案以 "PDF 製作工廠" 試用版建立 http://www.fineprint.com
,並掌控高附加價值產品的競爭優勢。本計畫的執行內容包含了高強力聚丙烯纖維
                的原料摻合技術、紡絲技術、後段加工技術等,針對工業用高強力聚丙烯纖維進行
                全製程關鍵技術的開發,以建立完整上、中、下游製造技術,提昇台灣紡織產業的
                競爭力。

              2.開發技術目標與規格:
                計畫目標—說明計畫執行後,在重要技術指標、產業的變化
                    目標項目         計畫前狀況           完成後狀況
               技術及產業狀況:
               A.高強力聚丙烯纖維 國內技術僅達 XXX g/d,而 建立 XXX g/d 以上高強力聚丙
                 紡絲技術       無 XXX g/d 以上   烯纖維冷卻設計、油劑開發、多
                 1 原料流變分析                  段延伸及成型技術
                 2 紡口設計
                 3 冷卻設計及油劑開
                   發
                 4 多段延伸及成型技
                   術

               B.高強力聚丙烯纖維 國內技術僅達 XXX g/d,而 建立 XXX g/d 以上高強力聚丙烯
                 加工技術       無 XXX g/d 以上   纖維撚紗加工之生產技術。
                 1.強(合)撚加工技
                 術開發

               C.高強力聚丙烯織物                           結合纖維製造、織布及染整技術
                 應用技術開發                             ,可以製造具有各種機能性之聚
                                                    丙烯織物,並開發多樣化之功能
                                                    性新素材,提供下游廠商技術性
                                                    之服務。


            3.細部技術規格
               (1)製   程:採用多段 XXXXXXX 構造的延伸技術,以 XXXXX 紡絲製程技
                        術製得高強力聚丙烯纖維,較目前一般傳統 XXXXX 製程較穩定
                        且成本低。
               (2)種類與用途:XXXD~XXXXD:車縫線
                        XXXD~XXXXD:各種工業用絲。

              4.主要關鍵技術、零組件及其來源
              (1)主要關鍵技術
                 採用 XXXXXX 及 XXXXXX 紡絲製程取代傳統紡絲→XXXX 撚之 XXX
                 製程,其一段延伸製程採取下列改進特點:
                 a.XXXXXXXX
                 b. XXXXXXXX
                 c. XXXXXXXX
                 d. XXXXXXXX
                    e.XXXXXXXXX
                                          14


PDF 檔案以 "PDF 製作工廠" 試用版建立 http://www.fineprint.com
一般製程高強力聚丙烯烯為之原料分類為(1)XXXXXXX 及(2)
                    XXXXX,其缺點為工業化困難;以 XXXXX 即可,工業化較為經濟合
                    適。
              (2)主要零組件
                      零組件                   零組件設備           優點
                 a.擠壓機              XXXXX           XXXXX
                 Extruder
                 b.顏料混合機械           XXXXX           XXXXX
                 Coloring Machine
                 c.紡絲箱體             XXXXX           XXXXX
                 Spin Beam
                 d.紡口組件             XXXXX           XXXXX
                 Pack Assembly
                 e.冷卻系統             XXXXX           XXXXX
                 Delay Quenching
                 System
                 f.捲取               XXXXX           XXXXX
                 Take - Up
                 g.捲機               XXXXX           XXXXX
                 Winder




                                              15


PDF 檔案以 "PDF 製作工廠" 試用版建立 http://www.fineprint.com
5.技術應用範圍(請儘量以圖表配合說明)



                               工業用高強力聚丙烯纖維
                                 研發項目規劃



                                   專利地圖分析



                                   關鍵技術開發
                     自行研發                           合作研究




            聚丙烯粒流變分析               研究方法               原料改質技術
                              1.進行全製程關鍵技術開
                                發。
              紡絲製程技術          2.建立小型試量產技術。          原料分子量調整技術
                              3.商品化之整合技術開發。
                              4.機能性、差異化及多樣化
                                之新產品開發技術。
                              5.聚丙烯粒流變分析基礎
                                研究。




                                   現場量產化技術




                                  成果發表、產品展示




                                          16


PDF 檔案以 "PDF 製作工廠" 試用版建立 http://www.fineprint.com
(二)應用範圍
                帶類                 繩纜                  過濾布

                                         +船用纜繩
             +箱包帶                                   +洗礦過濾布
                     +建築安全帶       +登山繩
                                                                 煉油業過濾布
                                           +蓬蓋布用繩
              +汽車安全帶
                       +高壓水龍帶                         +污 處 過 布
                                                        水 理 濾
                                                                    +食品業過濾布
                                    +降落傘繩
                +工業用吊帶                           +體育運動安全繩
                                                                            工業用高強
                                                                            力聚丙烯纖
                                                                            維製造技術
                         +鞋子襯裡布

                                         +梭織地工織物                 +集裝袋縫紉線
          +車用蓬布




            帆   布               地工織物                  縫紉線



         (三)世界市場及國內市場狀況
           1.國內外技術現況與發展趨勢分析比較
                目前國內業者生產的領域上侷限在尼龍、聚酯兩大類紡織產品,對於聚丙烯纖維
             的生產技術亦只是開發一般工業用紗,對於工業用改質高強力的聚丙烯纖維總是望之卻
             步。主要的因素在於傳統聚丙烯纖維熱安定性、染色性不佳及國內原料供應商無法配合
             後段加工業者需求設計專用原料所致。
               台灣合成纖維產業在經歷了數十年的發展之後,無論是尼龍纖維或是聚酯纖維的生
             產與銷售都是創造了空前的佳績,外銷紡織品為國內帶來大量的外匯。只是曾幾何時,
             東南亞、韓國及大陸的低價紡織商品已使得國內紡織業者面臨了最大的窘境,企業的經
             營者面對的問題不再只是利潤的多寡,而是如何在如此劇烈的競爭中生存下去。經濟部
             工業局亦洞悉此一發展趨勢,故於 2002 年紡織工業之策略即將產業用纖維之比例由原
             來的 15%提昇至 20%,本公司為配合政府政策及考量公司未來之發展,故積極投入工
             業用高強力聚丙烯纖維的研製。

            PP 與他種纖維之競爭優勢比較表(資料來源:塑膠資訊 1999.5,NO.30)
              纖維品種 使用溫度℃ 耐水解等級 耐酸等級                   耐鹼等級        耐磨性      價格指數(a)
             COTTON  90    4     1                      4          4         80
             WOOL    80    3     4                      1          2         400
             NYLON66 100   4     1                      4          5         200
             PET     150   2     3                      2          5         100
             PAN     120   4     4                      2          4         180
             PP      100   5     5                      5          4         80
             GLASS   290   5     2                      2          1         300
            (a)以聚酯 100 為基數,與其他纖維作推算評估

                                           17


PDF 檔案以 "PDF 製作工廠" 試用版建立 http://www.fineprint.com
2.國內外市場現況與發展趨勢
                 近年來,國際環保組織對於臭氧層之保護條款已日趨嚴格,此一趨勢對於高耗能
              之大型化纖工業已愈形不利,故如何尋求低耗能的化纖產品成為今後重要的趨勢。近
              年來,歐美日各化纖廠,如 Daiwabo 之 QUEEN BIRD、CHEMOSVIT FIBROCHEM
              之 PROLEN HVP、WALL ROPE 之 POLYPRO 3 & 8 等產品均已成功開發工業用之高
              強力聚丙烯纖維。而目前台灣尚無廠商投入此一領域生產工業用高強力聚丙烯纖維,
              如特種龍、宏奇、銘寶、瀚慶等公司仍以生產 5g/d 以下之普通強力聚丙烯纖維用於戶
              外織物之用途。

               本著不斷求新求變的研發精神,及專業紡絲的技術人才、整體設備及單元組件設
             計能力各項工程的專業經驗,並累積數十年纖維特殊複合加工開發的經驗;在配合國
             內廠商聚丙烯改質原料的應用,我們有信心可以開發出工業用改質高強力聚丙烯纖維
             ,並克服熱安定性不佳的缺點,成功研發高強力聚丙烯纖維及其相關產品之後續各項
             加工應用技術,並導引下游廠商朝向精緻化及差別化之成品布方向發展,加速我國紡
             織業成為亞太地區高品質、新機能之布種研發設計中心為目標。
               因此,我國之化纖業必需朝向高附加價值之高性能工業用纖維材料發展以補天然
             纖維之短,使之優於天然纖維,這是我國紡織工業產業升級的重要途徑。


          (四)開發計畫架構及開發完成後對公司影響
                1.計畫架構


                                                A1.專利地圖分析        ( 5% )

                                                A2.原料流變分析        ( 15% )

                               A.高強力聚丙烯纖        A3.紡口設計技術開發      ( 15% )
                                 維紡絲技術開發
                                 計畫70%          A4.冷卻及紡絲油劑技術開發   ( 15% )

                                                A5.多段延伸及成型技術開發    ( 20% )

                 高強力聚丙烯        B.高強力聚丙烯纖
                 纖維技術開發          維加工技術開發        B1.強(合)撚加工技術開發    ( 10% )
                 計畫              計畫10%


                               C.高強力聚丙烯織        C1.織物設計與開發       ( 10% )
                                 物應用技術開發
                                 計畫20%          C2.織物機能性評估       ( 10% )




             2.開發完成後對公司影響
               (1)開發高強力 PP 纖維,由每公斤新台幣 XXX 元的聚丙烯粒提高為每公斤 XXX
                  元的高附加價值纖維。將來預計投產後,以量產 XXX 個紡位計算,每年將可
                  帶來的營業收入將高達新台幣 XXXX,對於整個企業的轉型將有莫大的助益。

               (2)執行本計畫後,將可使確立企業由傳統加工絲產業轉換成紡絲的專業化纖廠,
                  對於研發人員素質的提昇、人才的培育皆有向上提升的力量,可促進產業技術
                  升級。
                                           18


PDF 檔案以 "PDF 製作工廠" 試用版建立 ÿ
                         http://www.fineprint.com
3.實施方法
             概述本計畫進行之步驟及研究方法:包含研究範圍、架構示意圖、特性、功能及執行計
             畫之步驟及研究方法。
                 研究步驟與研究方法
                                含水率
                                分子量(MI,MWD)
                文獻蒐集與專利地圖分析     熱分析
                                產品基本性質與機能性評估

                  原料特性及市售成品分析                  形狀
                                               尺寸
                                               原料流變特性
                        紡口設計                   紡溫/速
                                               冷卻風溫/風速
           NO
                                               上油量
                      紡絲技術建立                   紡絲張力
                              YES
                                               A 級率、U%
                                               上油量
                                               含水率
                        紡絲試量產
                                               伸度變異率

                                               捲縮剛性與穩定性、中值
                                               率、絲道設計、張力控制、
                                               摩擦方式與條件結構分
                                               析、柔軟性、光澤性、紗
                                               線品質、錠間控制、U﹪、
                    強(合)撚加工技術                  伸度及變異管制、均勻
                                               度、試織評估



                                               結構設計、織點變化設
                   織物設計、染整加工技術                 計、依終端用途設計織
                                               物、織造製程條件設計、
                                               機能性加工技術開發



                        目標產品                   高強力聚丙烯纖維織物




                                          19


PDF 檔案以 "PDF 製作工廠" 試用版建立 ÿ
                         http://www.fineprint.com
(五)對國內產業關聯性
                 1.替代進口產品,提昇紡織產業的國際競爭力
                    本計畫研發成功後,將使我國正式邁入工業用高強力聚丙烯纖維的製造國,
                    且可使國內織造者進入高強力聚丙烯纖維織物生產國;藉由高強力聚丙烯纖
                    維的推廣,整合國內中游織布業、下游染整業,開發具有實用價值產品,以成
                   品布每公斤美金 XX 元的售價估算,未來每年投產 XXX 噸/年將可為下游織布
                   業者帶來將近新台幣 XXXXX 元的營業收入,將可推動產業高強力織物的國際
                   競爭力。
                 2.環保性:
                    歐美化纖業近年來基於環保需求及「京都公約」之因素,對聚酯及尼龍之兩
                    大主要化纖的擴產已大量減緩,而全力開發具環保及低耗能概念的聚丙烯纖
                    維。因為聚丙烯纖維原著染色絲可減少染整製程中所排放之大量廢水的污染
                   ,更具環保意義。

                 3.產業關聯圖

                    工業用織物                           織     布

                                                 取代進口
                    新素材
                             環   保                            附加價值

                        取代進口                          產業轉型

                                                                     高強力聚丙
                                                帶動原料去化
                                                                     烯纖維織物
               取代進口

                        提昇紡絲技術                            提昇原料技術層次
              附加價值                             取代進口



                紡   絲                           原     料




                                          20


PDF 檔案以 "PDF 製作工廠" 試用版建立 http://www.fineprint.com
三、風險與對策
           (一)產業變化
              國內有關工業用高強力聚丙烯纖維製造技術尚未建立,目前可能之替代技術為自國
            外廠商進行技術引進,但因工業用高強力聚丙烯纖維產品現今仍屬於技術萌芽階段,市
            場成長潛力非常的大,故技術引進之來源受限;且本計劃中有關高強力聚丙烯纖維紡絲
            技術及聚丙烯新素材之應用技術等均需長期投入研究,始能建立完整之高強力聚丙烯纖
            維全製程關鍵技術,因而本計畫建立之工業用高強力聚丙烯纖維製造技術,不僅可提昇
            國內紡織工業之新產品整體開發能力,且可超越國外廠商之技術水準。

              聚丙烯纖維不僅擁有原料成本低廉之競爭優勢,同時具有極佳的輕量性、快乾性、
            保溫性、防污性、抗菌性、耐摩性及耐化學藥品性等優異的纖維特性,目前已廣泛使用
            於工業編織物、過濾材及地工織物等產業用途,近年來歐美及日本等先進國家對聚丙烯
            纖維之使用量均呈現穩定成長之趨勢;而本計畫則為了進一步擴大聚丙烯纖維之使用範
            圍,開發工業用高強力聚丙烯纖維紡絲技術,不僅克服傳統聚丙烯纖維耐熱性、耐日光
            性及染色性不佳之問題。故本計畫之研究開發方向與全球紡織技術發展方向一致,且因
            建立本土化之全製程關鍵技術,並無國外廠商技術壟斷之困擾,進一步可強化我國紡織
            產業之國際競爭力。
         (二)技術能力
            1.技術關聯圖


                        紡絲技術                         原料分析

                  *紡絲                         流變分析
                          *延伸                         MWD 分析
              *紡口設計                        MI 分析
                        *捲取成型                      分子量分析

                                                                  高強力聚丙烯
                                                                  纖維製造技術
              *耐水性分析
                           *耐日光性分析

                                             *強 撚
                *耐熱性分析
                                *染色堅牢度分析                   *合 撚
                *織物強度分析



                        織物機能性評估                       纖維加工技術計




                                               21


PDF 檔案以 "PDF 製作工廠" 試用版建立 ÿ
                         http://www.fineprint.com
2.計畫主持人及關鍵技術人員能力分析〔最高學歷(系所)、經歷及可勝任之理由〕
                             本計畫       公司名稱             學經歷                   重大技術成就
                  姓名
                            擔任職位        職稱                                  (或曾執行計畫經驗)
                                              學位        公司職稱   本業經驗
                                                 xxx 公司課長               xxx 公司假撚工程製程改善
                                                 xxx 公司廠長               xxx 公司染整製程規劃設計
                                                 xxx 公司研發部              經濟部工業局主導性新產品-
                  xxx 主持人           執行副總      學士
                                                 副主任
                                                                   21
                                                                        極超細纖維複合紡絲開發計畫
                                                 xxx 公司總經理              經濟部工業局主導性新產品-
                                                                        彈性纖維開發計畫
                  xxx                            xxx 公司紡織科              耐熱型聚基甲酸酯彈性纖維之
                                                 講師                     濕式紡絲研究協同主持人
                        研究員         研發部經理     碩士                   20
                                                 xx 公司                  計劃編號:
                                                 副總經理                   NCS83-0117-C238-001E
                  xxx 研究員              協理     學士 xx 公司經理           17   製程改善及織物設計開發
                  xxx 副研究員                          xx 公司               經濟部工業局主導性新產品-
                                       副理     碩士                   5
                                                    研發部專員               彈性纖維開發計畫
                  xxx 副研究員                          xx 公司專員             經濟部工業局主導性新產品-
                                       廠長     學士                   8
                                                                        極超細纖維複合紡絲開發計畫
                  xxx                                                   xx 公司 SH-8 紡絲改善
                                                                        xx 公司二廠 HOY 擴建計畫
                                                    xx 公司專員             xx 公司製絲廠紡撚改善
                        助理研究員          經理     高工                   20
                                                    xx 公司經理             xx 公司五廠擴建計畫
                                                                        xx 公司六廠紡絲設計
                                                                        xx 公司送系統、乾燥系統改善




             3.參與本案之人力需求                                                         單位:人

                                                         人     力        需    求
                            職   稱
                                                               xx年度

                 研究員級以上                                             4

                 副研究員級                                              3

                 助理研究員級                                             4

                 研究助理級                                              5

                 其      他                                           2

                        合          計                               18




                                                   22


PDF 檔案以 "PDF 製作工廠" 試用版建立 http://www.fineprint.com
4.主要研發設備用途說明
                 設備名稱              規格及廠牌            數量    說明
                 紡絲試驗機設備                              1   紡絲試驗使用
                 紡口清洗爐                                1   紡絲試驗使用
                 氣紡機                                  1   紡絲試驗使用
                 空壓機及其附屬設備                            1   紡絲試驗使用
                 圓編機                                  1   編檢試驗使用
                 均勻度機                                 1   物性測試
                 拉力試驗機             強達                 1   測強伸度
                 強伸度機                                 1   物性測試
                 天秤                上美                 1   秤重、測丹尼數
                 繞紗機               天祥弘達               2   繞紗、纖度測定使用
                 編檢機                                  6   加工編檢襪帶使用
                 油份分析儀             OXFORD             1   測OPU
                 標準光源箱             天祥                 1   比色用
                 震盪水槽              天祥                 1   加熱溶解試驗
                 繞色卡機              天祥                 1   繞色標卡
                 抗壓強度試驗機           天祥                 1   紙管抗壓檢驗
                 溫度計(表面與紅外線)       天祥                 2   物體非接觸表面測量
                 折射儀               天祥                 1   油品濃度分析
                 張力計                                  1   張力測定使用
                 風速計                                  1   紡絲冷卻風風速量測
                 閃光同步儀             天祥                 1   機台轉速測定使用
                 顯微鏡               元利                 1   分析紡絲斷面使用
                 烘箱                天祥                 1   物品乾燥用
                 溫溼度計                                 1   溫溼度量測使用



         (三)智慧財產權說明
                工 業 用 高 強 力 聚 丙 烯 纖 維 相 關 技 術 之 國 內 外 專 利 , 目 前 有 USP5849409,
             USP4413110, USP4413110, TWP85106023,專利中目前僅限於原料改質及凝膠紡絲之開
             發,由資料中可知工業用高強力聚丙烯纖維製造技術之專利申請非常少,而本計畫開發
             之工業用高強力聚丙烯纖維之製造技術則尚無相關專利申請。本計畫內容有關高強力聚
             丙烯纖維之技術開發均不涉及他人之智慧財產權。因而本計畫之開發方向為全新之技術
             領域,非常值得大力投入研究,以期建立高強力聚丙烯纖維之本土化製造技術。




                                          23


PDF 檔案以 "PDF 製作工廠" 試用版建立 http://www.fineprint.com
(四)產品行銷計畫
             本計畫針對工業用高強力聚丙烯纖維製程之各項關鍵技術進行開發,在研發之規畫
           上除了高強力聚丙烯纖維紡絲技術之開發外,同時機能性聚丙烯織物結構之設計、織造
           技術與染整加工技術等亦在規畫之內,以建立產品之應用研究與評估分析技術;本公司
           預計投資興建工業用高強力聚丙烯纖維製程之紡絲設備,預估紡絲設備投資計 XX 紡
           位,投產後每年約有 XXXX 噸的年產能,若以成品絲每公斤新台幣 XX 元計算,高強
           力聚丙烯纖維年產值可達到新台幣 XXX 元;若是延伸至機能性織物開發,本計畫執行
           成果創造的附加價值將可再增加新台幣 XXX 元,預估總產值將達 XXX 元。而本計畫
           研發之技術成果可直接運用於現場之生產設備,進行大量化生產與推廣,並可整合後段
           相關廠商,開發多樣化工業用之高強力聚丙烯纖維系列產品,發揮最大之經濟效益。


         (五)生產製造
                1. 生產部門組織圖

                           生產部

                               廠務室


                       品   公   假   氣   紡
                       管   用   撚   撚   絲
                       課   課   課   課   課



                2. 製程及生產設備
                    (1)製程
                       •原料特性分析:含水量、分子量(MI MWD)分析、熱分析、產品基
                               本性質與機能評估。
                       ‚紡口設計:紡口形狀尺寸及原料流變特性。
                       ƒ紡絲技術建立:紡溫、紡速控制、冷卻風溫及風速、上油量控制、紡
                               絲張力。
                       „強(合)撚加工技術:捲縮剛性與撚度 T/M 穩定性、絲道設計、張力
                                  控制、加熱器設計、條件結構分析、柔軟性、光
                                  澤性、紗線品質、錠間控制、U﹪、伸度及變異
                                  管制、均勻度、試織評估。

                        …織物設計及染整加工技術:結構設計、織點變化設計、依終端用途設
                                     計織物、織造製程條件設計、機能性加工技
                                   術開發。
                   (2)生產設備:擠壓機、顏料混合機械、紡絲箱體、冷卻系統、延伸捲取機
                      。
                3. 品質管制:根據 ISO9001 品保認證標準檢驗之。
                4. 本產品成本分析:原料 XXX 物料:XXX 製造工繳:XXX,合計 XXX。

                                           24


PDF 檔案以 "PDF 製作工廠" 試用版建立 ÿ
                         http://www.fineprint.com
5.主要零組件來源說明
                                                                 金額單位位:新台幣千元
                                                                              佔產品成本
                   主要零組件     主要提供者      價        格   佔產品成本%   次要提供者   價   格
                                                                                %
                  擠壓機       德國BARMAG XXXX            XXXX     XXXX    XXXX    XXXX
                  顏料混合機械    台灣宇晟      XXXX           XXXX     XXXX    XXXX    XXXX
                  紡絲箱體      日本Toray   XXXX           XXXX     XXXX    XXXX    XXXX
                  冷卻系統      日本Toray   XXXX           XXXX     XXXX    XXXX    XXXX
                  捲取機       日本Toray   XXXX           XXXX     XXXX    XXXX    XXXX




                                            25


PDF 檔案以 "PDF 製作工廠" 試用版建立 http://www.fineprint.com
四、計畫執行說明
              (一)計畫預定進度表
              1. 計畫預定開始日:xx 年 xx 月 xx 日
                 計畫預定完成日:xx 年 xx 月 xx 日
              2. 計畫開發進度表
                                          計畫 預定投                               91 年度
                                  月   份
                                          權重 入人月
                                           %            9x/03~9x/06          9x/07~9x/09         9x/10~9x/11
                          進   度

                工作項目                                 9x /03 9x /04 9x /05 9x /06 9x /07 9x /08 9x /9 9x/ 10 9x/11


                A.高強力聚丙烯纖維紡絲技術開發 70                   A

                 A1 專利地圖分析                 5           A1

                 A2 原料流變分析                15                          A2

                 A3 紡口設計技術開發              15                                      A3

                 A4 冷卻及紡絲油劑技術開發           15                                                    A4

                 A5 多段延伸及成型技術開發           20                                                                   A5

                B.高強力聚丙烯纖維加工技術開發 10

                 B1 強(合)撚加工技術開發                                                                                B1

                C.高強力聚丙烯織物應用技術開發 20

                 C1.織物設計與開發               10                                      C1

                 C2.織物機能性評估               10                                                                   C2

                累計全工程進度                   100 58.0           30                  65                  100

                投入人月數合計經費比例分配             100 58.0           30                  65                  100




                                          26


PDF 檔案以 "PDF 製作工廠" 試用版建立 http://www.fineprint.com
3.預定查核點說明
          查核點   預定完成
                                         查核點敘述           研發人員編號
          編 號    時間
                        完成專利地圖分析:                  007
           A1   9x/04
                        a.高強力聚丙烯纖維紡絲技術國內外專利分析
                        完成聚丙烯原料粒分子量及分子量係數分析、熔融指數分析 010,012
                        及原料流變分析:
                        a.等規度:≧XXX
           A2   9x/06   b.分子量:XXX 以上
                        c.熔融指數 (MI):XXXX
                        d.分子量分布係數:≦XXX
                        e.熔點:XXXX 以上
           A3   9x/08   紡口設計技術開發                   006
                                                         005,011,007,
           A4   9x/10   冷卻及紡絲油劑技術開發
                                                         010
                        完成多段延伸及成型技術開發:                   007,010,,013
                        a.纖維丹尼:XXXX                      016,017
                        b.纖維細度:XXXX
                        c.纖維強度:XXXX
           A5   9x/11
                        d.纖維伸度:XXXX
                        e.纖維均勻度:XXXX
                        f.纖維沸水收縮率:XXXX
                        g.斷絲率 XXXX 次/線•日以下
           B1   9x/11   完成強(合)撚加工技術開發                    008,014,015
           C1   9x/08   完成織物設計 3 組                       001,003,002
                        完成織物機能性評估:                       009,004
                        1.安全帶類:
                        a.耐光性:耐日光 XXXX 強度保留率 XXXX 以上
                        b.染色牢度:耐日光 XXXX 牢度 XXXX 級以上
           C2   9x/11   c.織物拉力:XXXX kg(CNS 3973 D3037)
                        d.耐磨性:XXXX 次(ASTM D4157)
                        2.縫紉線類:XXXX
                        a.縫線拉力:XXXX 以上(400D)
                        b.磨擦係數:XXXX 以下




                                          27


PDF 檔案以 "PDF 製作工廠" 試用版建立 http://www.fineprint.com
(二)參與本計畫研發人員簡歷表
                                            最高學歷     本業        參與分項計畫
             編         號   姓   名   公司職稱                                   投入月數
                                           (學校系所)    年資         及工作項目
                 001       李xx     總經理      高中       15年 計畫督導              -
                 002       陳 xx    執行副總     學士       21 年   計畫主導與協調       3.0
                 003       葉 xx    經理       碩士       20 年   織物加工技術開發      2.0
                 004       陳 xx    協理       大學       17 年   織物應用技術開發      3.0
                 005       王 xx    經理       高中       15 年   機電工程規劃        3.0
                 006       施 xx    副理       碩士        6年    紡絲品質控管、油劑試驗   3.0
                 007       張 xx    副理       碩士        5年    紡絲製程研發規劃      3.0
                 008       張 xx    廠長       學士        8年    品質控管、紗線製程規劃   3.0
                 009       魏 xx    專員       碩士        4年    紗線製程規劃設計      3.0
                 010       馬 xx    課長       學士        5年    紡絲製程設計、       2.0
                 011       牟 xx    副工程師     學士        3年    油劑試驗          4.0
                 012       丁 xx    工程師      學士        3年    紡絲試驗          3.0
                 013       吳 xx    副領班      專科        2年    紡絲工程          4.0
                 014       姚 xx    助理工程師    學士        1年    紗線加工          5.0
                 015       程 xx    助理工程師    學士        1年    紗線加工          5.0
                 016       林 xx    助理工程師    學士        1年    機械保全          6.0
                 017       林 xx    助理工程師    學士        1年    機電工程          6.0
                 018       白 xx    副理       學士        8年    計畫管理           -
                                                                          58.0
            註:(1)待聘人員不得超過全部研發人力之百分之三十。
              (2)主管級以上人員應預計投入比率計算人月數。
                  (3)參與分項計畫及工作項目應與計畫開發進度表所列一致。




                                                    28


PDF 檔案以 "PDF 製作工廠" 試用版建立 http://www.fineprint.com
(三)經費預算
           開發總經費預算表
                                                                   金額單位:仟元
              會計科目            政府補助款               廠商自籌款       合計           比例
         1.人事費
         (1)研發人員                      805             2,277        3,082   40.27%
         (2)顧問                          -                 -            -     0.0%
              小  計                    805             2,277        3,082   40.27%
         2.消耗性器材及原材料費                 499             1,408        1,907   24.92%
         3.研發設備使用費                    599             1,695        2,294   29.98%
         4.研發設備維護費                     97               273          370    4.83%
         5.技術移轉費                        -                 -            -     0.0%
         (1)技術購買費用                      -                 -            -     0.0%
         (2)委託研究費用                      -                 -            -     0.0%
         (3)委託勞務費用                      -                 -            -     0.0%
              小  計                      -                 -            -     0.0%
         6.旅運費
         (1)國外差旅費                        -                -            -     0.0%
         (2)國內差旅費                                                            0.0%
              小  計                                                           0.0%
              合  計                   2,000            5,653        7,653   100.0%




                                             29


PDF 檔案以 "PDF 製作工廠" 試用版建立 http://www.fineprint.com
1. 人事費
                                                                      單位:仟元
                 職務別          平均月薪(A)          人月數(B)          人事費概算(A*B)
           一、研發人員
           1.計畫主持人                     XXX               3.0            XXX
           2.研究員                       XXX               8.0            XXX
           3.副研究員                      XXX              10.8            XXX
           4.助理研究員                     XXX              13.2            XXX
           5.研究助理                      XXX              19.2            XXX
           小計                         *****             51.6          3,082.0
           二、顧問

           小計                         *****                                 -
                     合計                                 51.6          3,082.0
           1.政府補助款分攤數(1)研發人員                    *****                   805.0
                      (2)顧問                     *****                       -
           2..廠商配合款分攤數(1)研發人員                   *****                 2,277.0
                      (2)顧問                     *****                       -




                                          30


PDF 檔案以 "PDF 製作工廠" 試用版建立 http://www.fineprint.com
1. 1 人事費計算工作底稿
                                                                   單位:仟元
                                                參與人員
                         計畫
         分項計畫及工作項目                             投入人月數 平均月數 人事費概算
                         權重    姓名      職級
                                                (A)     (B)     (A*B)
         A.紡絲技術開發         70% xxx   主持人             3.0   XXX       XXX
                              xxx   副研究員            3.0   XXX       XXX
                              xxx   研究員             3.0   XXX       XXX
                              xxx   助理研究員           3.0   XXX       XXX
                              xxx   助理研究員           2.0   XXX       XXX
                              xxx   助理研究員           4.0   XXX       XXX
                              xxx   助理研究員           3.0   XXX       XXX
                              xxx   研究助理            6.0   XXX       XXX
                              xxx   研究助理            6.0   XXX       XXX
                              xxx   研究助理            5.0   XXX       XXX
                              xxx   研究助理            4.0   XXX       XXX
         小計                                        42.0   610.4   2,109.0
         B.強(合)撚加工技       10% xxx   副研究員            3.0   XXX       XXX
         術
                              xxx   研究助理             5.0   XXX        XXX
         小計               10%                        8.0    97.8      355.2
         C.織物應用技術開發       20% xxx   研究員              2.0   XXX        XXX
                              xxx   研究員              3.0   XXX        XXX
                              xxx   副研究員             3.0   XXX        XXX
         小計               20%                        8.0   XXX        XXX
         合計              100%                       58.0   942.0    3,082.0
         註:月薪可按參與之個人薪資計算或按公司職級(如工程師、副工程師級)之平均月薪計算。




                                          31


PDF 檔案以 "PDF 製作工廠" 試用版建立 http://www.fineprint.com
2.消耗性器材及原材料費
                                                             金額單位:仟元
                  項   目         單 位  預估需求數量         預估單價     全程費用概算
         PP 原料粒                   公斤     32,000        XXX        XXX
         色母粒                      公斤      2,000        XXX        XXX
         油劑                       公斤      1,080        XXX        XXX
         紙管                        支      8,500        XXX        XXX
         紡口                        個         16        XXX        XXX
         潤滑油                       瓶         10        XXX        XXX
         機台油品                     公升         50        XXX        XXX
         金屬砂                      公斤        400        XXX        XXX
         濾網                        個      1,200        XXX        XXX

         合計                                                       1,907
         1.政府補助款分攤數              **      ****       ****            499
         2.廠商配合款分攤數              **      ****       ****          1,408
         註:本項經費支出之憑證、發票等,其品名之填寫應完整,並與計畫書上所列一致,勿填列公司代號或簡稱。




                                          32


PDF 檔案以 "PDF 製作工廠" 試用版建立 http://www.fineprint.com
3.研發設備使用費


                                                                  金額單位:仟元
             設備名稱
                         單套購置金額       套數        月使用費
           (加註財產編號)                                      投入月數     使用費用估算
                         (帳面價值)A       B        AxB/60
         一、已有設備
         聚丙烯紡絲設備         3AA001        XXX         XXX      XXX       XXX
         均勻度機            310001        XXX         XXX      XXX       XXX
         強伸度機            310004        XXX         XXX      XXX       XXX
         微電腦加料系統         509435        XXX         XXX      XXX       XXX
         空壓機             348001        XXX         XXX      XXX       XXX
         原料筒槽            308015        XXX         XXX      XXX       XXX
         OPU 分析儀         509424        XXX         XXX      XXX       XXX
         超音波清洗機          509415        XXX         XXX      XXX       XXX
         顯微鏡             509414        XXX         XXX      XXX       XXX
         折射儀             509419        XXX         XXX      XXX       XXX
         拉力試驗機           509320        XXX         XXX      XXX       XXX
         編檢機             351006        XXX         XXX      XXX       XXX
         電動掛絲車           509218        XXX         XXX      XXX       XXX
         搖色卡機            5904233       XXX         XXX      XXX       XXX
         紡織機清洗爐          900033&900028 XXX         XXX      XXX       XXX
         紡口預熱爐           509418        XXX         XXX      XXX       XXX
         品管儀器設備          509417        XXX         XXX      XXX       XXX
         軟水自動化設備         505031        XXX         XXX      XXX       XXX
         小計                 ****       **        **       **          XXX
         二、計畫新增設備

         小計                ****       **         **       **          XXX
         合計                ****       **         **       **          XXX
         1.政府補助款分攤數        ****       **         **       **
         2.廠商配合款分攤數        ****       **         **       **
           註:請加註公司財產目錄上所列示之財產編號。




                                           33


PDF 檔案以 "PDF 製作工廠" 試用版建立 http://www.fineprint.com
4.研發設備維護費
                                                                        金額單位:仟元
                設備名稱                                              維護費用估算
                                   單套購置金額                套數
              (加註財產編號)
         一、已有設備
         聚丙烯紡絲設備(3AA001)                       XXX         1                  10
         空壓機(348001)                           XXX         1                  50
         軟水自動化設備(505031)                       XXX         1                  20
         品管儀器設備(509417)                        XXX         1                   5
         紡織機清洗爐(900033&900028)                 XXX         1                  25
         小計                                    XXX       ******              370
         1.政府補助款分攤數                   ******             ******               97
         2.廠商配合款分攤數                   ******             ******              273
         二、計畫新增設備


         小計                              -               ******                -
         1.政府補助款分攤數                   ******             ******                -
         2.廠商配合款分攤數                   ******             ******                -
         合計                                    XXX       ******              370
         1.政府補助款分攤數                   ******             ******               97
         2.廠商配合款分攤數                   ******             ******              273

            註:請加註公司財產目錄上所列示之財產編號。

         5.技術移轉費:
                                                                      金額單位:千元

                                                     合作金額(不含稅)
            技術移轉項目          合作單位
                                           第一期              第二期         合計

            1.技術購買費                                  0            0                0
                                                     0            0                0
            2.委託研究費                                  0            0                0
                                                     0            0                0
            3.委託勞務費                                  0            0                0
                                                     0            0                0
                    合         計                      0            0                0
                  1.政府補助款分攤數              ****             ****                    0
                  2.廠商配合款分攤數              ****             ****                    0




                                          34


PDF 檔案以 "PDF 製作工廠" 試用版建立 http://www.fineprint.com
五、預期成果及效益
              XXX……………..


         六、附件資料
                (一)技術移轉合約、專利證書、聘書或意願書,顧問任職單位同意函等
                (二)其他參考資料(如:相關產品型錄或國外技轉公司背景資料等)




PDF 檔案以 "PDF 製作工廠" 試用版建立 http://www.fineprint.com

申請計畫書參考範例 -方案教材-詹翔霖教授

  • 1.
    xx 年度 經濟部工業局 協助傳統工業技術開發計畫 xxxxxxxxxxxx 開發計畫 全程計畫:自 9x 年 xx 月 xx 日至 9x 年 xx 月 xx 日止 廠商名稱:xxxxxxxx股份有限公司 主辦單位: 經濟部工業局 中華民國 9x 年 04 月 1 PDF 檔案以 "PDF 製作工廠" 試用版建立 ÿ http://www.fineprint.com
  • 2.
    畫 書 內 容 內 容 頁次 一、公司概況 (一)基本資料 ------------------------------------------------------------------------------- 1 (二)營運狀況 ------------------------------------------------------------------------------- 1 (三)經營團隊 ------------------------------------------------------------------------------- 6 (四)研發能力與實績 ---------------------------------------------------------------------- 8 (五)經營理念及策略 ----------------------------------------------------------------------10 二、開發產品說明 (一)說明 -------------------------------------------------------------------------------------11 (二)應用範圍 -------------------------------------------------------------------------------15 (三)世界市場及國內市場狀況 -----------------------------------------------------------15 (四)開發完成後對公司影響 --------------------------------------------------------------16 (五)對國內產業發展之關聯性 -----------------------------------------------------------18 三、風險與對策 (一)產業變化 --------------------------------------------------------------------------------19 (二)技術能力 --------------------------------------------------------------------------------19 (三)智慧財產權說明 -----------------------------------------------------------------------21 (四)產品行銷 --------------------------------------------------------------------------------22 (五)生產製造 --------------------------------------------------------------------------------23 四、計畫執行說明 (一)預計進度及查核點說明 ------------------------------------------------------------- 24 (二)參與本計畫研發人員簡歷表 ------------------------------------------------------- 26 (三)經費預算 ------------------------------------------------------------------------------- 27 五、預期成果及效益 六、附件資料 (一)技術移轉合約、專利證書、聘書或意願書,顧問任職單位同意函等 (二)其他參考資料(如:相關產品型錄或國外技轉公司背景資料等) 2 PDF 檔案以 "PDF 製作工廠" 試用版建立 http://www.fineprint.com
  • 3.
    一、公司概況 公司名稱:xxxxxx 股份有限公司 (一)基本資料 1.公司簡介 創立日期: xx 年 xx 月 9x 年實收資本額: xxx,xxx 仟元 負責人:王 xx 2.主要股東及持股比例 單位:千股 主要股東名稱 持有股份 持股比例 王 xx 8,336 12.08% 林 xx 6,732 9.76% 林 xx 7,937 11.50% 陳 xx 1,380 2.00% 張 xx 917 1.33% 朱 xx 1,302 1.89% 牟 xx 417 0.60% 施 xx 62 0.09% xx 投資(股)xx 438 0.63% 合 計 27,521 39.88% (二)、營運及財務狀況 1.經營狀況:說明公司主要經營之產品項目、銷售業績及市場佔有率 單位:千元 xx年 xx年 xx年 公司主要產品項目 市 場 市 場 市 場 產 量 銷售額 產量 銷售額 產 量 銷售額 佔有率 佔有率 佔有率 聚酯加工絲 5,509 426,485 6,744 466,758 9,787 712,659 彈性複合紗 1,643 240,615 1,537 214,688 1,257 288,283 尼龍加工絲 -- -- -- -- 其他 190 140,952 904 67,161 35,635 合 計 7,342 808,052 9,184 748,607 11,044 1,036,577 年度營業額(A) 808,052 748,607 1,036,577 年度研發費用(B) 5,436 3,143 1,858 (B)/(A)% 0.67 0.42 0.18 3 PDF 檔案以 "PDF 製作工廠" 試用版建立 http://www.fineprint.com
  • 4.
    2.廠房、設備投資與產能 (1)廠房 工廠 地址 xx 市 xxxxxxx 路 xxx 號 面積 x,xxx 坪 所有權 自有 購入金額 xx,xxx 仟元 台北辦公室 地址 xx 市 xx 區 xxxxxx 路 xx 號 x 樓 面積 xxxxx 坪 所有權 自有 購入金額 xx,xxx 仟元 (2)設備投資與產能 設備名稱 規格廠牌 單位 數量 金額 產能月/噸 備註 1.廠房 坪 3,410 92,592,291 2.假撚機 Seragge 台 20 6,377,204 660 300D 3.假撚機 xx 台 6 2,933,333 198 300D 4.氣撚機 xx 台 10 43,677 400 320D 5.強撚機 xx 台 4 1,350,000 10 6.包紗機 Aiki 台 17 96,840 954.2 7.假撚試驗機 Seragge 台 1 42,605,898 8.筒子機 xx 台 15 2,160 9.氣撚試驗機 Aiki 台 1 743,145 10.空壓機 xx 台 30 38,100 11.冷凍乾燥設備 台 5 1,286 12.紡絲設備 套 1 58,583,349 2,500 200D 3.產品銷售方式、銷售據點及分佈、銷售通路與主要客戶 (1)主要商品、服務之銷售、提供地區: 本公司生產之聚酯加工絲、彈性複合絲主要供應國內外織布廠生產男、女西裝 衣料、女裝薄料及工業用布料,銷售對象遍及國內各大織布廠及外銷東南亞、中東、 歐洲等地區。內銷主要客戶為福懋興業、台灣富綢、宏和精密、及赤崁紡織等。 4 PDF 檔案以 "PDF 製作工廠" 試用版建立 http://www.fineprint.com
  • 5.
    年度 xx 年度 xx 年度 xx 年度 地區 金額 ﹪ 金額 ﹪ 金額 ﹪ 內銷 658,488 62.98 642,885 85.88 703,997 94.18 外 歐洲地區 48,592 6.01 619 0.08 4,709 0.45 亞洲地區 78,529 9.72 91,436 12.21 46,434 4.49 銷 其他 22,443 2.78 13,667 1.83 9,159 0.88 小計 149,564 18.51 105,722 14.12 60,302 5.82 合計 808,052 100.00 748,607 100.00 1,036,597 100.00 (2)最近二年度生產量值 單位:噸;仟元 年度 xx 年度 xx 年度 項目 產量 產值 產量 產值 聚酯加工絲 5,509 411,794 6,744 404,825 彈性複合紗 1,643 247,392 1,537 204,707 其他 190 33,009 904 9,497 合計 7,342 692,195 9,184 619,028 (3)最近二年度銷售量值: 單位:噸;仟元 年度 xx 年度 xx 年度 內銷 外銷 內銷 外銷 項目 量 值 量 值 量 值 量 值 聚酯加工絲 4,484 335,343 956 91,142 5,529 374,927 1,175 91,831 彈性加工絲 1,287 185,171 299 55,444 1,295 210,559 23 4,129 其他 1,800 137,974 45 2,978 1,550 57,399 239 9,762 合計 7,571 658,488 1,300 149,564 8,374 642,885 1,437 105,722 5 PDF 檔案以 "PDF 製作工廠" 試用版建立 http://www.fineprint.com
  • 6.
    4.最近三年財務狀況 (1)財務狀況說明 •簡明資產負債表 單位:新台幣仟元 年 度 最近三年度財務資料 項 目 xx年 xx年 xx年 流動資產 377,317 486,448 553,128 長期投資 310,924 332,097 64,940 固定資產 516,616 507,037 327,372 其他資產 59,203 18,180 10,180 分配前 151,075 103,843 102,984 流動負債 分配後 151,075 105,768 136,921 長期負債 0 0 0 其他負債 16,751 15,055 6,944 股 本 690,000 600,000 300,000 分配前 37,514 198,137 267,914 保留盈餘 分配後 37,514 136,212 133,977 資產總額 1,269,136 1,344,065 956,820 分配前 167,826 118,898 109,928 負債總額 分配後 167,826 120,823 143,865 分配前 1,101,310 1,225,167 846,892 股東權益總額 分配後 1,101,310 1,223,242 812,955 ‚簡明損益表 單位: 新台幣仟元 年 度 最近三年度財務資料 項 目 xx年 xx年 xx年 營業收入淨額 808,052 748,607 1,036,597 營業毛利 32,313 102,857 221,459 營業損益 (24,698) 51,506 174,352 營業外收入 683 4,439 7,091 營業外支出 509 278 88 稅前損益 (108,698) 71,160 186,016 稅後損益 (98,698) 64,160 145,816 每股盈餘(元) (1.43) 0.93 2.89 6 PDF 檔案以 "PDF 製作工廠" 試用版建立 http://www.fineprint.com
  • 7.
    (2)財務分析 年 度 最近三年財務分析 分析項目 xx年 xx年 xx年 財務結構 自有資本比率 86.78 91.15 88.51 (%) 長期資金佔固定資產比率 213.18 241.63 258.69 償還能力 流動比率* 249.75 468.45 537.10 (%) 速動比率 157.50 357.77 463.78 應收款項週轉率(次)* 5.81 5.56 7.27 應收款項收現日數 62.82 65.65 50.21 經營能力 存貨週轉率(次)* 6.35 7.44 12.29 (次;日) 平均售貨日數 57.48 49.06 29.70 固定資產週轉率(次)* 1.56 1.48 3.17 總資產週轉率(次)* 0.64 0.56 1.08 總資產報酬率 (7.52) 5.60 17.81 獲利能力 股東權益報酬率 (8.48) 6.19 20.05 (%) 毛利率 3.99 13.74 21.36 營業利益率 (3.58) 8.58 58.12 稅前純益率 (15.75) 11.86 62.01 生產力 每一員工年營業額 4,537,618 4,158.92 5,758.87 (千元) (年營業額/員工數) 註:「*」之計算公式如下: 流動比率:流動資產/流動負債 應收款項週轉率(次):銷貨額/平均應收帳款 存貨週轉率:銷貨成本/平均存貨成本 固定資產週轉率:銷貨額/平均固定資產 總資產週轉率:銷貨額/平均總資產 7 PDF 檔案以 "PDF 製作工廠" 試用版建立 http://www.fineprint.com
  • 8.
    (三)經營團隊 1.全公司組織圖及各部門工作執掌 (1)全公司組織圖 股東會 董事會 董事長 總經理 營業部 研發部 管理部 生產部 8 PDF 檔案以 "PDF 製作工廠" 試用版建立 ÿ http://www.fineprint.com
  • 9.
    (2)各部門工作執掌 部 門 別工 作 執 掌 1.公司各項制度之規劃、制定、修改等工作。 總 經 理 室 2.負責專案管理、專案進度控制及有關專案之各項行政工作。 3.公司各項制度之稽核工作。 研 發 部 1.負責新產品之研究開發及品質、製程之改善工作。 生 產 部 1.負責紡絲、假撚、合撚產品製造及相關材料等事宜。 管 理 部 1. 各項電腦帳務會計處理之登錄、審核分析及保管、財務報表之編製 、分析;各項稅務處理;預算之編製、推行與差異分析。 2. 負責零用金、銀行存款之保管與收支;票據之收入、開立與保管 ;信用狀之開發、結匯與押匯之工作;資金調度及資產投保作業 等事宜。 3.負責人力資源規劃、資材管理工作、及各項人事總務工作 營 業 部 1.負責國內外原絲、加工絲銷售工作,業務拓展及服務等相關事宜。 x x 部 1.負責國內外針織布銷售工作,業務拓展及服務等相關事宜。 x x 部 1.負責國內外平織胚布銷售工作,業務拓展及服務等相關事宜。 x x 部 1.負責國內外平織成品布銷售工作,業務拓展及服務等相關事宜。 (3)各部門主管學經歷及以往成就說明 職 稱 姓 名 主 要 學 歷主 要 經 歷 總經理 李 xx xx 高級中學 Xx 公司 副總經理 陳 xx xx 公司 xx 部課長 xx 公司 xx 廠廠長 執行副總經理 xx 大學 xx 系 xx 公司 xx 部副主任 xx 公司 總經理 林 xx xx 公司副理 管理部協理 xx 大學會計系 xx 公司經理 平織成品部協理 馬 xx xx 大學紡織系 xx 股份有限公司經理 張 xx xx 公司經理 針織部協理 xx 工專紡織工程科 xx 公司 副總經理 龔 xx xx 公司專員 生產部經理 xx 高工電工科 xx 公司經理 李 xx xx 公司講師 研發部經理 xx 大學紡研所 xx 公司副總經理 繆 xx xx 公司業務部 課長 營業部經理 xx 大學國貿系 xx 公司營業部副理 2.人力分析 職 別 博 士 碩 士 學 士 專 科 其 他 合 計 管理人員 1 5 13 21 40 研發人員 4 6 5 2 17 工程人員 6 10 62 78 其 他 69 69 合 計 6 17 28 154 204 9 PDF 檔案以 "PDF 製作工廠" 試用版建立 http://www.fineprint.com
  • 10.
    (四)研發能力與實績 1.研發部門組織 (1)組織圖 研發部 纖維組 織物組 印染組 專案執行小組 (2)R&D 團隊 • 職稱及專長說明 序號 專職人員 職 稱 學歷 本業經驗 到職日 專 長 001 李 xx 計畫督導人 高中 15 年 75.01.01 計畫督導統籌規劃 002 陳 xx 計畫主持人 大學 21 年 88.03.01 計畫主導與協調 003 葉 xx 研究員 碩士 20 年 87.06.01 織物加工技術開發 004 陳 xx 研究員 專科 15 年 84.10.15 織物應用技術開發 005 王 xx 研究員 大學 17 年 90.12.01 織物應用技術開發 006 施 xx 研究員 碩士 6年 88.06.01 紡絲品質控管、油劑試驗 007 張 xx 副研究員 碩士 5年 88.07.01 紡絲製程研發規劃 008 張 xx 副研究員 大學 8年 88.03.01 品質控管、紗線製程規劃 009 魏 xx 副研究員 碩士 4年 88.06.01 紗線製程規劃設計 010 馬 xx 助理研究員 高中 15 年 88.03.01 機電工程規劃 011 牟 xx 助理研究員 大學 5年 88.08.02 紡絲製程設計、 012 丁 xx 助理研究員 大學 3年 90.09.26 油劑試驗 013 吳 xx 助理研究員 大學 3年 89.04.18 紡絲工程 014 姚 xx 研究助理 大學 1年 90.09.26 紗線加工 015 程 xx 研究助理 大學 1年 90.09.26 紗線加工 016 林 xx 研究助理 大學 1年 90.10.18 機械保全 017 林 xx 研究助理 大學 1年 90.12.05 機電工程 018 白 xx 研究助理 專科 2年 88.07.17 紡絲試驗 019 藍 xx 副研究員 大學 8年 88.07.01 計畫管理 ‚ 學歷說明 本業年資 博 士 碩 士 學 士 專 科 其 他 合 計 2 年以下 - - 4 1 - 4 2~5年 - 2 3 - - 6 6 ~10 年 - 1 2 - - 3 10 年以上 - 1 2 1 2 6 合 計 - 4 11 2 2 19 10 PDF 檔案以 "PDF 製作工廠" 試用版建立 ÿ http://www.fineprint.com
  • 11.
    3.研發成果及發表論文明細 (1)研發成果 本公司唯一專門生產聚酯、尼龍、醋酸纖維等「複合加工新合纖」的聚酯纖維 專業假撚廠,產製錠子式複合新合纖加工絲(CO-TEXTURED YARN)、異型斷 面複合氣撚絲(AIR-TEXTURED YARN)、彈性纖維包芯絲(AIR-COVERING SPANDEX YARN)等,為國內第一家開發及生產 0.5d/f 假撚絲的廠商,並於 88 年與日本 xxxx 公司共同開發經紗用彈性包芯紗,提昇下游廠商的競爭力。 •複合紗假撚工程 陽離子聚酯及聚酯仿羊毛、仿麻紗複合假撚,以不同伸度之陽離子聚酯及聚 酯複合假撚成柔軟雙色調、具毛感之仿羊毛新合成纖維,開創西裝、褲料之 用紗。 ‚針織用空氣變形仿棉加工絲 以細丹尼多條數原絲經由特別空氣變形加工製程,經濕熱定型後成為最佳仿 棉針織用絲。 ƒ針織用仿羊毛空氣變形加工絲 與中國紡織研究中心合作開發絲線用特殊連續磨毛裝置,製成仿美利奴羊毛 針織用紗。 „開發經紗用空氣包覆彈性纖維加工絲 國內首家開發經紗用空氣包覆彈性纖維加工絲,開發彈性纖維於絲織布之運 用,並為國內織造業創造彈性布之廣大市場,奠定台灣成為世界彈性絲織布 之生產基地的基礎。 …開發成衣用細丹尼聚丙烯長纖維 國內首家成功研發高附加價值的細丹尼聚丙烯長纖維,由 1 公斤 1 美元的聚 丙烯粒提高為 1 公斤 7~10 美元的化纖製品。 (2)發表論文明細 •第 17 屆纖維紡織科技研討會 --阻燃聚丙烯纖維可紡性之研究 --抗菌聚丙烯纖維可紡性之研究 ‚織布公會會刊第 27 期--細丹尼聚丙烯纖維開創衣著布料新領域 (3)近五年曾經參與政府相關研發計畫之實績 單位:千元 計畫規模 年度 計畫名稱 類別 人力 金額 89 新纖維應用產品開發輔導計畫 工業局計畫 xxxx CR 級聚丙烯細丹尼長纖維技術開發計 21 xxx,xxx 89 業界科專計畫 畫 88 聚丙烯色絲產品開發輔導計劃 業界合作計畫 7 xxx 87 合成纖維新素材加工技術 業界合作計畫 5 xxxx 86 紡紗技術輔導推廣計劃 業界合作計畫 5 xxx 11 PDF 檔案以 "PDF 製作工廠" 試用版建立 http://www.fineprint.com
  • 12.
    (五)經營理念及策略 1.經營理念 客戶為上、事皆盡心,穩健踏實、持續改善 培育人才、員工為念,分享利潤、共創未來 本公司自創辦以來一直秉持著上述的經營理念為原則,持續研發新的產品,以滿足 客戶的需求,保持領先研創的美譽,再創經營利潤佳績。並且鼓勵員工在作業中把 好的事情一次做好,把對的事情一次做對,提昇職工敬業樂群的工作態度及愛廠愛 家之和諧的人生觀。 2.經營策略 (1) 持續開發各項新產品,提高產品的附加價值以滿足客戶的需求。 (2) 多方面蒐集市場資訊,並與國內研究機構,如紡研中心等單位合作開發新素材, 以提昇產品與下游廠商的市場競爭力。 (3) 重視環境保護的概念,積極提昇產品的環保理念。 (4) 積極培育人才,鼓勵員工在工作中自我成長學習,以提昇管理素質。 12 PDF 檔案以 "PDF 製作工廠" 試用版建立 http://www.fineprint.com
  • 13.
    二、開發產品說明 (一)說明 1.國內發展方向、利益及發展策略分析 (1)聚丙烯纖維不僅擁有原料成本低廉的競爭優勢,同時具有極佳的輕量性、快乾性 、保溫性、防污性、抗菌性、耐磨性及耐化學藥品性等優異的纖維特性,且隨著 聚丙烯產業技術的發展,如耐日光性、耐熱性的改良、纖維物性的提昇、纖維回 收處理製程的改善及生產成本的降低等,目前已廣泛使用於工業編織物、過濾材 及地工織物等產業用途。 (2)近年來,國外一些化纖設備製造廠及工程公司相繼開發出聚丙烯高強力絲專用紡 絲設備及工程技術,如英國的 XXX 公司、義大利的 XXX 公司和 XXX 公司都有 此技術,德國的 XXX 和 XXX 公司都有整機銷售。 (3)聚丙烯高強力絲保持了聚丙烯纖維固有的優良性能,其強力可以與聚酯、聚醯胺 工業用纖維媲美。其強度為一般聚丙烯纖維的兩倍,而成本只比一般聚丙烯纖維 高 XXX%左右。設備投資低,原料價格便宜,消耗能量最少,具有明顯的技術 經濟優勢。 (4)國內產業用纖維發展之 SWOT 分析 優 勢(S) 劣 勢(W) a.纖維紡絲、加工技術及後段染整技術成 a.工業用途之成品開發應用經驗較缺乏。 熟。 b.工業用成品驗證機構少,缺乏公信力。 b.中高階紡織技術人才充沛。 c.特殊產業用織物之設計人才缺乏。 c.快速反應能力強。 d 上中下游整合能力強,成本競爭因素強 。 機 會(O) 威 脅(T) a.入世後,以往之非貿易障礙得以消除, a.國內投資成本高漲,法定工時縮短造成 進入專業及壟斷市場的可行性加大。 企業經營困難。 b.資訊發達加速上中下游一貫化之整合。 b.大陸亦積極投入研發產業用纖維,以其 c.衣著用纖維面臨獲利大量萎縮困境,提 內需市場之龐大,其發展速度可能超越 昇下游廠商投入新產品研發及設計之 台灣。 意願。 c.面臨歐美廠商之市場壟斷策略。 (5)技術可行性 聚丙烯纖維雖然具有輕量性、快乾性及保溫性、耐化學藥性等優異的纖維特性, 但目前仍以不織布等工業用素材為主要用途,而工業用聚丙烯纖維仍以普通強力 (XXXg/d 以下)或短纖維為主,為了擴大工業用聚丙烯纖維的使用範圍,xx 公司開 發工業用高強力聚丙烯纖維製造技術。 工業用高強力聚丙烯纖維製造技術的開發不僅可建立高品質、機能性新纖維的 生產技術,同時藉由建立本土化之機能性纖維製造技術,帶動台灣相關產業的發展 13 PDF 檔案以 "PDF 製作工廠" 試用版建立 http://www.fineprint.com
  • 14.
    ,並掌控高附加價值產品的競爭優勢。本計畫的執行內容包含了高強力聚丙烯纖維 的原料摻合技術、紡絲技術、後段加工技術等,針對工業用高強力聚丙烯纖維進行 全製程關鍵技術的開發,以建立完整上、中、下游製造技術,提昇台灣紡織產業的 競爭力。 2.開發技術目標與規格: 計畫目標—說明計畫執行後,在重要技術指標、產業的變化 目標項目 計畫前狀況 完成後狀況 技術及產業狀況: A.高強力聚丙烯纖維 國內技術僅達 XXX g/d,而 建立 XXX g/d 以上高強力聚丙 紡絲技術 無 XXX g/d 以上 烯纖維冷卻設計、油劑開發、多 1 原料流變分析 段延伸及成型技術 2 紡口設計 3 冷卻設計及油劑開 發 4 多段延伸及成型技 術 B.高強力聚丙烯纖維 國內技術僅達 XXX g/d,而 建立 XXX g/d 以上高強力聚丙烯 加工技術 無 XXX g/d 以上 纖維撚紗加工之生產技術。 1.強(合)撚加工技 術開發 C.高強力聚丙烯織物 結合纖維製造、織布及染整技術 應用技術開發 ,可以製造具有各種機能性之聚 丙烯織物,並開發多樣化之功能 性新素材,提供下游廠商技術性 之服務。 3.細部技術規格 (1)製 程:採用多段 XXXXXXX 構造的延伸技術,以 XXXXX 紡絲製程技 術製得高強力聚丙烯纖維,較目前一般傳統 XXXXX 製程較穩定 且成本低。 (2)種類與用途:XXXD~XXXXD:車縫線 XXXD~XXXXD:各種工業用絲。 4.主要關鍵技術、零組件及其來源 (1)主要關鍵技術 採用 XXXXXX 及 XXXXXX 紡絲製程取代傳統紡絲→XXXX 撚之 XXX 製程,其一段延伸製程採取下列改進特點: a.XXXXXXXX b. XXXXXXXX c. XXXXXXXX d. XXXXXXXX e.XXXXXXXXX 14 PDF 檔案以 "PDF 製作工廠" 試用版建立 http://www.fineprint.com
  • 15.
    一般製程高強力聚丙烯烯為之原料分類為(1)XXXXXXX 及(2) XXXXX,其缺點為工業化困難;以 XXXXX 即可,工業化較為經濟合 適。 (2)主要零組件 零組件 零組件設備 優點 a.擠壓機 XXXXX XXXXX Extruder b.顏料混合機械 XXXXX XXXXX Coloring Machine c.紡絲箱體 XXXXX XXXXX Spin Beam d.紡口組件 XXXXX XXXXX Pack Assembly e.冷卻系統 XXXXX XXXXX Delay Quenching System f.捲取 XXXXX XXXXX Take - Up g.捲機 XXXXX XXXXX Winder 15 PDF 檔案以 "PDF 製作工廠" 試用版建立 http://www.fineprint.com
  • 16.
    5.技術應用範圍(請儘量以圖表配合說明) 工業用高強力聚丙烯纖維 研發項目規劃 專利地圖分析 關鍵技術開發 自行研發 合作研究 聚丙烯粒流變分析 研究方法 原料改質技術 1.進行全製程關鍵技術開 發。 紡絲製程技術 2.建立小型試量產技術。 原料分子量調整技術 3.商品化之整合技術開發。 4.機能性、差異化及多樣化 之新產品開發技術。 5.聚丙烯粒流變分析基礎 研究。 現場量產化技術 成果發表、產品展示 16 PDF 檔案以 "PDF 製作工廠" 試用版建立 http://www.fineprint.com
  • 17.
    (二)應用範圍 帶類 繩纜 過濾布 +船用纜繩 +箱包帶 +洗礦過濾布 +建築安全帶 +登山繩 煉油業過濾布 +蓬蓋布用繩 +汽車安全帶 +高壓水龍帶 +污 處 過 布 水 理 濾 +食品業過濾布 +降落傘繩 +工業用吊帶 +體育運動安全繩 工業用高強 力聚丙烯纖 維製造技術 +鞋子襯裡布 +梭織地工織物 +集裝袋縫紉線 +車用蓬布 帆 布 地工織物 縫紉線 (三)世界市場及國內市場狀況 1.國內外技術現況與發展趨勢分析比較 目前國內業者生產的領域上侷限在尼龍、聚酯兩大類紡織產品,對於聚丙烯纖維 的生產技術亦只是開發一般工業用紗,對於工業用改質高強力的聚丙烯纖維總是望之卻 步。主要的因素在於傳統聚丙烯纖維熱安定性、染色性不佳及國內原料供應商無法配合 後段加工業者需求設計專用原料所致。 台灣合成纖維產業在經歷了數十年的發展之後,無論是尼龍纖維或是聚酯纖維的生 產與銷售都是創造了空前的佳績,外銷紡織品為國內帶來大量的外匯。只是曾幾何時, 東南亞、韓國及大陸的低價紡織商品已使得國內紡織業者面臨了最大的窘境,企業的經 營者面對的問題不再只是利潤的多寡,而是如何在如此劇烈的競爭中生存下去。經濟部 工業局亦洞悉此一發展趨勢,故於 2002 年紡織工業之策略即將產業用纖維之比例由原 來的 15%提昇至 20%,本公司為配合政府政策及考量公司未來之發展,故積極投入工 業用高強力聚丙烯纖維的研製。 PP 與他種纖維之競爭優勢比較表(資料來源:塑膠資訊 1999.5,NO.30) 纖維品種 使用溫度℃ 耐水解等級 耐酸等級 耐鹼等級 耐磨性 價格指數(a) COTTON 90 4 1 4 4 80 WOOL 80 3 4 1 2 400 NYLON66 100 4 1 4 5 200 PET 150 2 3 2 5 100 PAN 120 4 4 2 4 180 PP 100 5 5 5 4 80 GLASS 290 5 2 2 1 300 (a)以聚酯 100 為基數,與其他纖維作推算評估 17 PDF 檔案以 "PDF 製作工廠" 試用版建立 http://www.fineprint.com
  • 18.
    2.國內外市場現況與發展趨勢 近年來,國際環保組織對於臭氧層之保護條款已日趨嚴格,此一趨勢對於高耗能 之大型化纖工業已愈形不利,故如何尋求低耗能的化纖產品成為今後重要的趨勢。近 年來,歐美日各化纖廠,如 Daiwabo 之 QUEEN BIRD、CHEMOSVIT FIBROCHEM 之 PROLEN HVP、WALL ROPE 之 POLYPRO 3 & 8 等產品均已成功開發工業用之高 強力聚丙烯纖維。而目前台灣尚無廠商投入此一領域生產工業用高強力聚丙烯纖維, 如特種龍、宏奇、銘寶、瀚慶等公司仍以生產 5g/d 以下之普通強力聚丙烯纖維用於戶 外織物之用途。 本著不斷求新求變的研發精神,及專業紡絲的技術人才、整體設備及單元組件設 計能力各項工程的專業經驗,並累積數十年纖維特殊複合加工開發的經驗;在配合國 內廠商聚丙烯改質原料的應用,我們有信心可以開發出工業用改質高強力聚丙烯纖維 ,並克服熱安定性不佳的缺點,成功研發高強力聚丙烯纖維及其相關產品之後續各項 加工應用技術,並導引下游廠商朝向精緻化及差別化之成品布方向發展,加速我國紡 織業成為亞太地區高品質、新機能之布種研發設計中心為目標。 因此,我國之化纖業必需朝向高附加價值之高性能工業用纖維材料發展以補天然 纖維之短,使之優於天然纖維,這是我國紡織工業產業升級的重要途徑。 (四)開發計畫架構及開發完成後對公司影響 1.計畫架構 A1.專利地圖分析 ( 5% ) A2.原料流變分析 ( 15% ) A.高強力聚丙烯纖 A3.紡口設計技術開發 ( 15% ) 維紡絲技術開發 計畫70% A4.冷卻及紡絲油劑技術開發 ( 15% ) A5.多段延伸及成型技術開發 ( 20% ) 高強力聚丙烯 B.高強力聚丙烯纖 纖維技術開發 維加工技術開發 B1.強(合)撚加工技術開發 ( 10% ) 計畫 計畫10% C.高強力聚丙烯織 C1.織物設計與開發 ( 10% ) 物應用技術開發 計畫20% C2.織物機能性評估 ( 10% ) 2.開發完成後對公司影響 (1)開發高強力 PP 纖維,由每公斤新台幣 XXX 元的聚丙烯粒提高為每公斤 XXX 元的高附加價值纖維。將來預計投產後,以量產 XXX 個紡位計算,每年將可 帶來的營業收入將高達新台幣 XXXX,對於整個企業的轉型將有莫大的助益。 (2)執行本計畫後,將可使確立企業由傳統加工絲產業轉換成紡絲的專業化纖廠, 對於研發人員素質的提昇、人才的培育皆有向上提升的力量,可促進產業技術 升級。 18 PDF 檔案以 "PDF 製作工廠" 試用版建立 ÿ http://www.fineprint.com
  • 19.
    3.實施方法 概述本計畫進行之步驟及研究方法:包含研究範圍、架構示意圖、特性、功能及執行計 畫之步驟及研究方法。 研究步驟與研究方法 含水率 分子量(MI,MWD) 文獻蒐集與專利地圖分析 熱分析 產品基本性質與機能性評估 原料特性及市售成品分析 形狀 尺寸 原料流變特性 紡口設計 紡溫/速 冷卻風溫/風速 NO 上油量 紡絲技術建立 紡絲張力 YES A 級率、U% 上油量 含水率 紡絲試量產 伸度變異率 捲縮剛性與穩定性、中值 率、絲道設計、張力控制、 摩擦方式與條件結構分 析、柔軟性、光澤性、紗 線品質、錠間控制、U﹪、 強(合)撚加工技術 伸度及變異管制、均勻 度、試織評估 結構設計、織點變化設 織物設計、染整加工技術 計、依終端用途設計織 物、織造製程條件設計、 機能性加工技術開發 目標產品 高強力聚丙烯纖維織物 19 PDF 檔案以 "PDF 製作工廠" 試用版建立 ÿ http://www.fineprint.com
  • 20.
    (五)對國內產業關聯性 1.替代進口產品,提昇紡織產業的國際競爭力 本計畫研發成功後,將使我國正式邁入工業用高強力聚丙烯纖維的製造國, 且可使國內織造者進入高強力聚丙烯纖維織物生產國;藉由高強力聚丙烯纖 維的推廣,整合國內中游織布業、下游染整業,開發具有實用價值產品,以成 品布每公斤美金 XX 元的售價估算,未來每年投產 XXX 噸/年將可為下游織布 業者帶來將近新台幣 XXXXX 元的營業收入,將可推動產業高強力織物的國際 競爭力。 2.環保性: 歐美化纖業近年來基於環保需求及「京都公約」之因素,對聚酯及尼龍之兩 大主要化纖的擴產已大量減緩,而全力開發具環保及低耗能概念的聚丙烯纖 維。因為聚丙烯纖維原著染色絲可減少染整製程中所排放之大量廢水的污染 ,更具環保意義。 3.產業關聯圖 工業用織物 織 布 取代進口 新素材 環 保 附加價值 取代進口 產業轉型 高強力聚丙 帶動原料去化 烯纖維織物 取代進口 提昇紡絲技術 提昇原料技術層次 附加價值 取代進口 紡 絲 原 料 20 PDF 檔案以 "PDF 製作工廠" 試用版建立 http://www.fineprint.com
  • 21.
    三、風險與對策 (一)產業變化 國內有關工業用高強力聚丙烯纖維製造技術尚未建立,目前可能之替代技術為自國 外廠商進行技術引進,但因工業用高強力聚丙烯纖維產品現今仍屬於技術萌芽階段,市 場成長潛力非常的大,故技術引進之來源受限;且本計劃中有關高強力聚丙烯纖維紡絲 技術及聚丙烯新素材之應用技術等均需長期投入研究,始能建立完整之高強力聚丙烯纖 維全製程關鍵技術,因而本計畫建立之工業用高強力聚丙烯纖維製造技術,不僅可提昇 國內紡織工業之新產品整體開發能力,且可超越國外廠商之技術水準。 聚丙烯纖維不僅擁有原料成本低廉之競爭優勢,同時具有極佳的輕量性、快乾性、 保溫性、防污性、抗菌性、耐摩性及耐化學藥品性等優異的纖維特性,目前已廣泛使用 於工業編織物、過濾材及地工織物等產業用途,近年來歐美及日本等先進國家對聚丙烯 纖維之使用量均呈現穩定成長之趨勢;而本計畫則為了進一步擴大聚丙烯纖維之使用範 圍,開發工業用高強力聚丙烯纖維紡絲技術,不僅克服傳統聚丙烯纖維耐熱性、耐日光 性及染色性不佳之問題。故本計畫之研究開發方向與全球紡織技術發展方向一致,且因 建立本土化之全製程關鍵技術,並無國外廠商技術壟斷之困擾,進一步可強化我國紡織 產業之國際競爭力。 (二)技術能力 1.技術關聯圖 紡絲技術 原料分析 *紡絲 流變分析 *延伸 MWD 分析 *紡口設計 MI 分析 *捲取成型 分子量分析 高強力聚丙烯 纖維製造技術 *耐水性分析 *耐日光性分析 *強 撚 *耐熱性分析 *染色堅牢度分析 *合 撚 *織物強度分析 織物機能性評估 纖維加工技術計 21 PDF 檔案以 "PDF 製作工廠" 試用版建立 ÿ http://www.fineprint.com
  • 22.
    2.計畫主持人及關鍵技術人員能力分析〔最高學歷(系所)、經歷及可勝任之理由〕 本計畫 公司名稱 學經歷 重大技術成就 姓名 擔任職位 職稱 (或曾執行計畫經驗) 學位 公司職稱 本業經驗 xxx 公司課長 xxx 公司假撚工程製程改善 xxx 公司廠長 xxx 公司染整製程規劃設計 xxx 公司研發部 經濟部工業局主導性新產品- xxx 主持人 執行副總 學士 副主任 21 極超細纖維複合紡絲開發計畫 xxx 公司總經理 經濟部工業局主導性新產品- 彈性纖維開發計畫 xxx xxx 公司紡織科 耐熱型聚基甲酸酯彈性纖維之 講師 濕式紡絲研究協同主持人 研究員 研發部經理 碩士 20 xx 公司 計劃編號: 副總經理 NCS83-0117-C238-001E xxx 研究員 協理 學士 xx 公司經理 17 製程改善及織物設計開發 xxx 副研究員 xx 公司 經濟部工業局主導性新產品- 副理 碩士 5 研發部專員 彈性纖維開發計畫 xxx 副研究員 xx 公司專員 經濟部工業局主導性新產品- 廠長 學士 8 極超細纖維複合紡絲開發計畫 xxx xx 公司 SH-8 紡絲改善 xx 公司二廠 HOY 擴建計畫 xx 公司專員 xx 公司製絲廠紡撚改善 助理研究員 經理 高工 20 xx 公司經理 xx 公司五廠擴建計畫 xx 公司六廠紡絲設計 xx 公司送系統、乾燥系統改善 3.參與本案之人力需求 單位:人 人 力 需 求 職 稱 xx年度 研究員級以上 4 副研究員級 3 助理研究員級 4 研究助理級 5 其 他 2 合 計 18 22 PDF 檔案以 "PDF 製作工廠" 試用版建立 http://www.fineprint.com
  • 23.
    4.主要研發設備用途說明 設備名稱 規格及廠牌 數量 說明 紡絲試驗機設備 1 紡絲試驗使用 紡口清洗爐 1 紡絲試驗使用 氣紡機 1 紡絲試驗使用 空壓機及其附屬設備 1 紡絲試驗使用 圓編機 1 編檢試驗使用 均勻度機 1 物性測試 拉力試驗機 強達 1 測強伸度 強伸度機 1 物性測試 天秤 上美 1 秤重、測丹尼數 繞紗機 天祥弘達 2 繞紗、纖度測定使用 編檢機 6 加工編檢襪帶使用 油份分析儀 OXFORD 1 測OPU 標準光源箱 天祥 1 比色用 震盪水槽 天祥 1 加熱溶解試驗 繞色卡機 天祥 1 繞色標卡 抗壓強度試驗機 天祥 1 紙管抗壓檢驗 溫度計(表面與紅外線) 天祥 2 物體非接觸表面測量 折射儀 天祥 1 油品濃度分析 張力計 1 張力測定使用 風速計 1 紡絲冷卻風風速量測 閃光同步儀 天祥 1 機台轉速測定使用 顯微鏡 元利 1 分析紡絲斷面使用 烘箱 天祥 1 物品乾燥用 溫溼度計 1 溫溼度量測使用 (三)智慧財產權說明 工 業 用 高 強 力 聚 丙 烯 纖 維 相 關 技 術 之 國 內 外 專 利 , 目 前 有 USP5849409, USP4413110, USP4413110, TWP85106023,專利中目前僅限於原料改質及凝膠紡絲之開 發,由資料中可知工業用高強力聚丙烯纖維製造技術之專利申請非常少,而本計畫開發 之工業用高強力聚丙烯纖維之製造技術則尚無相關專利申請。本計畫內容有關高強力聚 丙烯纖維之技術開發均不涉及他人之智慧財產權。因而本計畫之開發方向為全新之技術 領域,非常值得大力投入研究,以期建立高強力聚丙烯纖維之本土化製造技術。 23 PDF 檔案以 "PDF 製作工廠" 試用版建立 http://www.fineprint.com
  • 24.
    (四)產品行銷計畫 本計畫針對工業用高強力聚丙烯纖維製程之各項關鍵技術進行開發,在研發之規畫 上除了高強力聚丙烯纖維紡絲技術之開發外,同時機能性聚丙烯織物結構之設計、織造 技術與染整加工技術等亦在規畫之內,以建立產品之應用研究與評估分析技術;本公司 預計投資興建工業用高強力聚丙烯纖維製程之紡絲設備,預估紡絲設備投資計 XX 紡 位,投產後每年約有 XXXX 噸的年產能,若以成品絲每公斤新台幣 XX 元計算,高強 力聚丙烯纖維年產值可達到新台幣 XXX 元;若是延伸至機能性織物開發,本計畫執行 成果創造的附加價值將可再增加新台幣 XXX 元,預估總產值將達 XXX 元。而本計畫 研發之技術成果可直接運用於現場之生產設備,進行大量化生產與推廣,並可整合後段 相關廠商,開發多樣化工業用之高強力聚丙烯纖維系列產品,發揮最大之經濟效益。 (五)生產製造 1. 生產部門組織圖 生產部 廠務室 品 公 假 氣 紡 管 用 撚 撚 絲 課 課 課 課 課 2. 製程及生產設備 (1)製程 •原料特性分析:含水量、分子量(MI MWD)分析、熱分析、產品基 本性質與機能評估。 ‚紡口設計:紡口形狀尺寸及原料流變特性。 ƒ紡絲技術建立:紡溫、紡速控制、冷卻風溫及風速、上油量控制、紡 絲張力。 „強(合)撚加工技術:捲縮剛性與撚度 T/M 穩定性、絲道設計、張力 控制、加熱器設計、條件結構分析、柔軟性、光 澤性、紗線品質、錠間控制、U﹪、伸度及變異 管制、均勻度、試織評估。 …織物設計及染整加工技術:結構設計、織點變化設計、依終端用途設 計織物、織造製程條件設計、機能性加工技 術開發。 (2)生產設備:擠壓機、顏料混合機械、紡絲箱體、冷卻系統、延伸捲取機 。 3. 品質管制:根據 ISO9001 品保認證標準檢驗之。 4. 本產品成本分析:原料 XXX 物料:XXX 製造工繳:XXX,合計 XXX。 24 PDF 檔案以 "PDF 製作工廠" 試用版建立 ÿ http://www.fineprint.com
  • 25.
    5.主要零組件來源說明 金額單位位:新台幣千元 佔產品成本 主要零組件 主要提供者 價 格 佔產品成本% 次要提供者 價 格 % 擠壓機 德國BARMAG XXXX XXXX XXXX XXXX XXXX 顏料混合機械 台灣宇晟 XXXX XXXX XXXX XXXX XXXX 紡絲箱體 日本Toray XXXX XXXX XXXX XXXX XXXX 冷卻系統 日本Toray XXXX XXXX XXXX XXXX XXXX 捲取機 日本Toray XXXX XXXX XXXX XXXX XXXX 25 PDF 檔案以 "PDF 製作工廠" 試用版建立 http://www.fineprint.com
  • 26.
    四、計畫執行說明 (一)計畫預定進度表 1. 計畫預定開始日:xx 年 xx 月 xx 日 計畫預定完成日:xx 年 xx 月 xx 日 2. 計畫開發進度表 計畫 預定投 91 年度 月 份 權重 入人月 % 9x/03~9x/06 9x/07~9x/09 9x/10~9x/11 進 度 工作項目 9x /03 9x /04 9x /05 9x /06 9x /07 9x /08 9x /9 9x/ 10 9x/11 A.高強力聚丙烯纖維紡絲技術開發 70 A A1 專利地圖分析 5 A1 A2 原料流變分析 15 A2 A3 紡口設計技術開發 15 A3 A4 冷卻及紡絲油劑技術開發 15 A4 A5 多段延伸及成型技術開發 20 A5 B.高強力聚丙烯纖維加工技術開發 10 B1 強(合)撚加工技術開發 B1 C.高強力聚丙烯織物應用技術開發 20 C1.織物設計與開發 10 C1 C2.織物機能性評估 10 C2 累計全工程進度 100 58.0 30 65 100 投入人月數合計經費比例分配 100 58.0 30 65 100 26 PDF 檔案以 "PDF 製作工廠" 試用版建立 http://www.fineprint.com
  • 27.
    3.預定查核點說明 查核點 預定完成 查核點敘述 研發人員編號 編 號 時間 完成專利地圖分析: 007 A1 9x/04 a.高強力聚丙烯纖維紡絲技術國內外專利分析 完成聚丙烯原料粒分子量及分子量係數分析、熔融指數分析 010,012 及原料流變分析: a.等規度:≧XXX A2 9x/06 b.分子量:XXX 以上 c.熔融指數 (MI):XXXX d.分子量分布係數:≦XXX e.熔點:XXXX 以上 A3 9x/08 紡口設計技術開發 006 005,011,007, A4 9x/10 冷卻及紡絲油劑技術開發 010 完成多段延伸及成型技術開發: 007,010,,013 a.纖維丹尼:XXXX 016,017 b.纖維細度:XXXX c.纖維強度:XXXX A5 9x/11 d.纖維伸度:XXXX e.纖維均勻度:XXXX f.纖維沸水收縮率:XXXX g.斷絲率 XXXX 次/線•日以下 B1 9x/11 完成強(合)撚加工技術開發 008,014,015 C1 9x/08 完成織物設計 3 組 001,003,002 完成織物機能性評估: 009,004 1.安全帶類: a.耐光性:耐日光 XXXX 強度保留率 XXXX 以上 b.染色牢度:耐日光 XXXX 牢度 XXXX 級以上 C2 9x/11 c.織物拉力:XXXX kg(CNS 3973 D3037) d.耐磨性:XXXX 次(ASTM D4157) 2.縫紉線類:XXXX a.縫線拉力:XXXX 以上(400D) b.磨擦係數:XXXX 以下 27 PDF 檔案以 "PDF 製作工廠" 試用版建立 http://www.fineprint.com
  • 28.
    (二)參與本計畫研發人員簡歷表 最高學歷 本業 參與分項計畫 編 號 姓 名 公司職稱 投入月數 (學校系所) 年資 及工作項目 001 李xx 總經理 高中 15年 計畫督導 - 002 陳 xx 執行副總 學士 21 年 計畫主導與協調 3.0 003 葉 xx 經理 碩士 20 年 織物加工技術開發 2.0 004 陳 xx 協理 大學 17 年 織物應用技術開發 3.0 005 王 xx 經理 高中 15 年 機電工程規劃 3.0 006 施 xx 副理 碩士 6年 紡絲品質控管、油劑試驗 3.0 007 張 xx 副理 碩士 5年 紡絲製程研發規劃 3.0 008 張 xx 廠長 學士 8年 品質控管、紗線製程規劃 3.0 009 魏 xx 專員 碩士 4年 紗線製程規劃設計 3.0 010 馬 xx 課長 學士 5年 紡絲製程設計、 2.0 011 牟 xx 副工程師 學士 3年 油劑試驗 4.0 012 丁 xx 工程師 學士 3年 紡絲試驗 3.0 013 吳 xx 副領班 專科 2年 紡絲工程 4.0 014 姚 xx 助理工程師 學士 1年 紗線加工 5.0 015 程 xx 助理工程師 學士 1年 紗線加工 5.0 016 林 xx 助理工程師 學士 1年 機械保全 6.0 017 林 xx 助理工程師 學士 1年 機電工程 6.0 018 白 xx 副理 學士 8年 計畫管理 - 58.0 註:(1)待聘人員不得超過全部研發人力之百分之三十。 (2)主管級以上人員應預計投入比率計算人月數。 (3)參與分項計畫及工作項目應與計畫開發進度表所列一致。 28 PDF 檔案以 "PDF 製作工廠" 試用版建立 http://www.fineprint.com
  • 29.
    (三)經費預算 開發總經費預算表 金額單位:仟元 會計科目 政府補助款 廠商自籌款 合計 比例 1.人事費 (1)研發人員 805 2,277 3,082 40.27% (2)顧問 - - - 0.0% 小 計 805 2,277 3,082 40.27% 2.消耗性器材及原材料費 499 1,408 1,907 24.92% 3.研發設備使用費 599 1,695 2,294 29.98% 4.研發設備維護費 97 273 370 4.83% 5.技術移轉費 - - - 0.0% (1)技術購買費用 - - - 0.0% (2)委託研究費用 - - - 0.0% (3)委託勞務費用 - - - 0.0% 小 計 - - - 0.0% 6.旅運費 (1)國外差旅費 - - - 0.0% (2)國內差旅費 0.0% 小 計 0.0% 合 計 2,000 5,653 7,653 100.0% 29 PDF 檔案以 "PDF 製作工廠" 試用版建立 http://www.fineprint.com
  • 30.
    1. 人事費 單位:仟元 職務別 平均月薪(A) 人月數(B) 人事費概算(A*B) 一、研發人員 1.計畫主持人 XXX 3.0 XXX 2.研究員 XXX 8.0 XXX 3.副研究員 XXX 10.8 XXX 4.助理研究員 XXX 13.2 XXX 5.研究助理 XXX 19.2 XXX 小計 ***** 51.6 3,082.0 二、顧問 小計 ***** - 合計 51.6 3,082.0 1.政府補助款分攤數(1)研發人員 ***** 805.0 (2)顧問 ***** - 2..廠商配合款分攤數(1)研發人員 ***** 2,277.0 (2)顧問 ***** - 30 PDF 檔案以 "PDF 製作工廠" 試用版建立 http://www.fineprint.com
  • 31.
    1. 1 人事費計算工作底稿 單位:仟元 參與人員 計畫 分項計畫及工作項目 投入人月數 平均月數 人事費概算 權重 姓名 職級 (A) (B) (A*B) A.紡絲技術開發 70% xxx 主持人 3.0 XXX XXX xxx 副研究員 3.0 XXX XXX xxx 研究員 3.0 XXX XXX xxx 助理研究員 3.0 XXX XXX xxx 助理研究員 2.0 XXX XXX xxx 助理研究員 4.0 XXX XXX xxx 助理研究員 3.0 XXX XXX xxx 研究助理 6.0 XXX XXX xxx 研究助理 6.0 XXX XXX xxx 研究助理 5.0 XXX XXX xxx 研究助理 4.0 XXX XXX 小計 42.0 610.4 2,109.0 B.強(合)撚加工技 10% xxx 副研究員 3.0 XXX XXX 術 xxx 研究助理 5.0 XXX XXX 小計 10% 8.0 97.8 355.2 C.織物應用技術開發 20% xxx 研究員 2.0 XXX XXX xxx 研究員 3.0 XXX XXX xxx 副研究員 3.0 XXX XXX 小計 20% 8.0 XXX XXX 合計 100% 58.0 942.0 3,082.0 註:月薪可按參與之個人薪資計算或按公司職級(如工程師、副工程師級)之平均月薪計算。 31 PDF 檔案以 "PDF 製作工廠" 試用版建立 http://www.fineprint.com
  • 32.
    2.消耗性器材及原材料費 金額單位:仟元 項 目 單 位 預估需求數量 預估單價 全程費用概算 PP 原料粒 公斤 32,000 XXX XXX 色母粒 公斤 2,000 XXX XXX 油劑 公斤 1,080 XXX XXX 紙管 支 8,500 XXX XXX 紡口 個 16 XXX XXX 潤滑油 瓶 10 XXX XXX 機台油品 公升 50 XXX XXX 金屬砂 公斤 400 XXX XXX 濾網 個 1,200 XXX XXX 合計 1,907 1.政府補助款分攤數 ** **** **** 499 2.廠商配合款分攤數 ** **** **** 1,408 註:本項經費支出之憑證、發票等,其品名之填寫應完整,並與計畫書上所列一致,勿填列公司代號或簡稱。 32 PDF 檔案以 "PDF 製作工廠" 試用版建立 http://www.fineprint.com
  • 33.
    3.研發設備使用費 金額單位:仟元 設備名稱 單套購置金額 套數 月使用費 (加註財產編號) 投入月數 使用費用估算 (帳面價值)A B AxB/60 一、已有設備 聚丙烯紡絲設備 3AA001 XXX XXX XXX XXX 均勻度機 310001 XXX XXX XXX XXX 強伸度機 310004 XXX XXX XXX XXX 微電腦加料系統 509435 XXX XXX XXX XXX 空壓機 348001 XXX XXX XXX XXX 原料筒槽 308015 XXX XXX XXX XXX OPU 分析儀 509424 XXX XXX XXX XXX 超音波清洗機 509415 XXX XXX XXX XXX 顯微鏡 509414 XXX XXX XXX XXX 折射儀 509419 XXX XXX XXX XXX 拉力試驗機 509320 XXX XXX XXX XXX 編檢機 351006 XXX XXX XXX XXX 電動掛絲車 509218 XXX XXX XXX XXX 搖色卡機 5904233 XXX XXX XXX XXX 紡織機清洗爐 900033&900028 XXX XXX XXX XXX 紡口預熱爐 509418 XXX XXX XXX XXX 品管儀器設備 509417 XXX XXX XXX XXX 軟水自動化設備 505031 XXX XXX XXX XXX 小計 **** ** ** ** XXX 二、計畫新增設備 小計 **** ** ** ** XXX 合計 **** ** ** ** XXX 1.政府補助款分攤數 **** ** ** ** 2.廠商配合款分攤數 **** ** ** ** 註:請加註公司財產目錄上所列示之財產編號。 33 PDF 檔案以 "PDF 製作工廠" 試用版建立 http://www.fineprint.com
  • 34.
    4.研發設備維護費 金額單位:仟元 設備名稱 維護費用估算 單套購置金額 套數 (加註財產編號) 一、已有設備 聚丙烯紡絲設備(3AA001) XXX 1 10 空壓機(348001) XXX 1 50 軟水自動化設備(505031) XXX 1 20 品管儀器設備(509417) XXX 1 5 紡織機清洗爐(900033&900028) XXX 1 25 小計 XXX ****** 370 1.政府補助款分攤數 ****** ****** 97 2.廠商配合款分攤數 ****** ****** 273 二、計畫新增設備 小計 - ****** - 1.政府補助款分攤數 ****** ****** - 2.廠商配合款分攤數 ****** ****** - 合計 XXX ****** 370 1.政府補助款分攤數 ****** ****** 97 2.廠商配合款分攤數 ****** ****** 273 註:請加註公司財產目錄上所列示之財產編號。 5.技術移轉費: 金額單位:千元 合作金額(不含稅) 技術移轉項目 合作單位 第一期 第二期 合計 1.技術購買費 0 0 0 0 0 0 2.委託研究費 0 0 0 0 0 0 3.委託勞務費 0 0 0 0 0 0 合 計 0 0 0 1.政府補助款分攤數 **** **** 0 2.廠商配合款分攤數 **** **** 0 34 PDF 檔案以 "PDF 製作工廠" 試用版建立 http://www.fineprint.com
  • 35.
    五、預期成果及效益 XXX…………….. 六、附件資料 (一)技術移轉合約、專利證書、聘書或意願書,顧問任職單位同意函等 (二)其他參考資料(如:相關產品型錄或國外技轉公司背景資料等) PDF 檔案以 "PDF 製作工廠" 試用版建立 http://www.fineprint.com