How Limited Resources Affect
                    Schedule Float
                                3    6    9     9     4    13
                                    C                 I
                                3    0    9     9     0 13
                  0    3    3
                                    3 R              3 R
                      A
                  0    0    3   3    2    5     5     3    8                                  18    0    18
                                                                13    2    15   15   3   18
                      3 R
                                    D                E                J              K         F IN IS H
0      0      0                 8    5    10    10    5    13   13    0 15      15    0 18    18    0    18
    ST AR T                         4 R              2 R             4 R             5 R           0 R
0      0      0
                                                5     3    8
     0 R
                                                      F
                                                10    5    13
                                                     1 R
                                                                                              ES   D     EF
                  0    5    5   5    4    9                     9     5    14
                                                                                               A ctivity
                      B             G                                H
                                                                                              LS    F    LF
                  4    4    9   9    4    13                    13    4    18
                                                                                              R e sou rc e s
                      2 R           3 R                              2 R




Spring 2008,                        Resources Leveling & Allocation                                      1
King Saud University                    Dr. Khalid Al-Gahtani
A    3    3    3


                            C    3    3    3    3    3    3


                                                          I    3    3    3    3


                                                                              J    4    4


                                                                                        K    5    5    5

             B    2    2    2    2    2

                                      G    3    3    3    3

                                                          H    2    2    2    2    2

                            D    4    4

                                      E    2    2    2

                                      F    1    1    1

              t   1    2    3    4    5    6    7    8    9    10   11   12   13   14   15   16   17   18
             R    5    5    5    7    7    9    9    9    6    5    5    5    5    6    4    5    5    5
             R    5    10   15   24   33   42   51   60   66   76   76   81   86   92   96   101 106 111

            10
             9
             8
             7
             6
             5
             4
             3
Spring 2008, 2                         Resources Leveling & Allocation                                      2
King Saud University
             1                             Dr. Khalid Al-Gahtani
A    3   3   3


                             C   3      3   3    3    3    3


                                                           I    3    3    3    3


                                                                               J    4    4


                                                                                         K    5    5    5

                                 B      2   2    2    2    2

                                                           G    3    3    3    3

                                                                               H    2    2    2    2    2

                                                      D    4    4

                                                                E    2    2    2

                                                                F    1    1    1

                 t   1   2   3   4      5   6    7    8    9    10   11   12   13   14   15   16   17   18
                R    3   3   3   3      5   5    5    5    9    10   9    9    9    6    6    7    7    7
                R    3   6   9   12    17   22   27   32   41   51   60   69   78   84   90   97   104 111

               10
                9
                8
                7
                6
                5
                4
                3
Spring 2008,    2
                                      Resources Leveling & Allocation                                        3
King Saud University
                1                         Dr. Khalid Al-Gahtani
Spring 2008,           Resources Leveling & Allocation   4
King Saud University       Dr. Khalid Al-Gahtani
111 to tal units
 A vg. da ily requ ire m e nt =                           = 6.2 units/da y
                                          18 days
 S uppo se the ana lyzed reso urce is ava ila b le at a m a xim u m
  le ve l o f 7 units/da y.

     126 units are requ ired fo r 18 days

                                6 .2
     C ritic a lit y inde x =          = 0.88 < 1         ok
                                7 .0

 S uppo se the ana lyzed reso urce is ava ila b le at a m a xim u m
 le ve l o f 6 unit s/da y.
                              6 .2
     C ritic a lit y inde x =      = 1.03 > 1
                              6 .0
 W here 108 units are requ ired fo r 18 days < 111 units, lea ving
  so m e w o rk unfin ished and thus requ iring a n exte nsio n o f the
  pro ject be yo nd 18 da ys.
Spring 2008,                     Resources Leveling & Allocation             5
King Saud University                 Dr. Khalid Al-Gahtani
Spring 2008,           Resources Leveling & Allocation   6
King Saud University       Dr. Khalid Al-Gahtani
A nalys is o f L ine I:
                                  1,000,000 cu. yds.
A vg. daily requ irem ent =                                     = 5000 cu.yds./day
                                         200 days
< 6000 cu.yds./day           pro ject w ill be o n tim e           m isleading resu lt


A na lys is o f L ine II:
                                  1,000,000 cu. yds.
A vg. da ily requ ire m e nt =                                  = 8333 cu.yds./da y
                                     (185 - 65) days
                             8333
   C ritic a lity inde x =            = 1.39 > 1           pro ject w ill de la y
                             6000




Spring 2008,                  Resources Leveling & Allocation                            7
King Saud University              Dr. Khalid Al-Gahtani
L2   L1
L o w er bo und estim ate o f avg. da ily requ ire m e nt =             reso urce units/da y
                                                              T2   T1


 Spring 2008,                        Resources Leveling & Allocation                           8
 King Saud University                    Dr. Khalid Al-Gahtani
Spring 2008,           Resources Leveling & Allocation   9
King Saud University       Dr. Khalid Al-Gahtani
OVERVIEW OF BASIC
      SCHEDULING PROCEDURES
• Scheduling procedures for dealing with
  resource constraints can be roughly
  divided into 2 major groups, according to
  the problem addressed:
     – (1) resource leveling, and
     – (2) fixed-limits resource scheduling (resource
       allocation).



Spring 2008,           Resources Leveling & Allocation   10
King Saud University       Dr. Khalid Al-Gahtani
Resource Leveling vs. Allocation
• I. Resource Leveling.
   – Using resources in the most efficient
      manner possible when the project
      duration is fixed.
• II. Resource Allocation
   – Scheduling a project with unlimited
      resources and a flexible duration.

Spring 2008,           Resources Leveling & Allocation   11
King Saud University       Dr. Khalid Al-Gahtani
Resource Leveling Algorithm:
S tep 1 . L ist the p ro ject activ it ies in o rd er o f p reced enc e b y arrang in g the arro w head o r no d e
          nu m b ers in a sce nd in g o rd er. W he n u sin g act iv it y -o n-arro w fo rm at and tw o o r m o re
          activ it ies ha ve the sa m e head nu m b er, list the m so that the arro w tail n u m b er s are a lso
          in asce nd in g o rd er.

S tep 2 . Starting w ith the la st activ it y (the o ne at the bo tto m o f the d iag ra m ), sc hed u le it
          p er io d b y p er io d to g ive the lo w es t su m o f sq u ares o f reso u rce re q u ire m e nts fo r each
          tim e u n it. If m o re than o ne sc hed u le g iv es the sa m e to tal su m o f sq u ares, then
          sc hed u le the activ it y as late as po ssib le to g et as m u ch slack a s p o ssib le in a ll
          p reced ing act iv it ies.

S tep 3 . H o ld in g the la st activ it y fix ed , rep eat Step 2 o n the ne xt to the la st activ it y in the
          netw o rk, tak ing ad v a ntag e o f a n y slack that m a y h ave bee n m ad e a va ila b le to it b y the
          resch ed u lin g in S tep 2 .

S tep 4 . C o ntinu e S tep 3 u ntil the first activ it y in the list has b ee n co nsid ered ; th is co m p letes
          the first resched u lin g c yc le.

S tep Spring 2008,u t ad d it io na l re sc hed u lin g c yc les b y & AllocationS tep s 2 thro u g h 4 u ntil no 12
      5 . C arry o                            Resources Leveling rep eating
      King Saud University n in the to tal su m o Khalidares o f reso u rce req u ire m e nts is p o ssib le,
          fu rther red u ctio                        Dr. f sq u Al-Gahtani
p reced ing act iv it ies.

S tep 3 . H o ld in g the la st activ it y fix ed , rep eat Step 2 o n the ne xt to the la st activ it y in the
       Resource Leveling Algorithm:
          netw o rk, tak ing ad v a ntag e o f a n y slack that m a y h ave bee n m ad e a va ila b le to it b y the
          resch ed u lin g in S tep 2 .

S tep 4 . C o ntinu e S tep 3 u ntil the first activ it y in the list has b ee n co nsid ered ; th is co m p letes
          the first resched u lin g c yc le.

S tep 5 . C arry o u t ad d it io na l re sc hed u lin g c yc les b y rep eating S tep s 2 thro u g h 4 u ntil no
          fu rther red u ctio n in the to tal su m o f sq u ares o f reso u rce req u ire m e nts is p o ssib le,
          no ting that o n ly m o ve m e nt o f an act iv it y to the rig ht (sched u le later) is p er m issib le
          u nd er th is sc he m e.

S tep 6 . If th is reso u rce is p articu lar ly cr it ica l, rep eat Step s 1 thro u g h 5 o n a d iffere nt o rd ering
          o f the activ it ies, w h ic h, o f co u rse, m u st still list the activ it ies in o rd er o f p reced en ce.

S tep 7 . C ho o se the best sched u le o f tho se o btained in S tep s 5 and 6 .

S tep 8 . M ak e fin a l ad ju st m e nts to the sched u le c ho se n in S tep 7, tak ing into acco u nt facto rs
          no t co nsid ered in the b asic sc hed u lin g p ro ced u re.




  Spring 2008,                           Resources Leveling & Allocation                                         13
  King Saud University                       Dr. Khalid Al-Gahtani
A    3    3    3


                     C    3   3   3     3    3   3


                                                 I    3   3    3   3

                                                                   J    4   4


                                                                            K   5   5   5

      B    2    2    2    2   2

                                             G   3    3   3    3

                                                              H    2    2   2   2   2

                     D    4   4

                              E   2     2    2

                              F   1     1    1

       t   1    2    3     4   5   6   7   8   9   10 11 12 13 14 15 16 17 18
      R    5    5    5     7   7   6   6   6   6   6   6   6   5   6   6   7   7   5
                                                                                            679
       2
      R    25   50   75   124 173 209 245 281 317 353 389 425 450 486 522 571 620 645
       8                                                                                    779
       7
       6
       5
       4
       3
Spring 2008,
       2
                                      Resources Leveling & Allocation                             14
King Saud University
       1                                  Dr. Khalid Al-Gahtani
Parallel vs. Serial methods
• Serial methods
     – Activities CAN NOT be interrupted.
• Parallel methods
     – It is more widely used.
     – Activities CAN be interrupted.




Spring 2008,           Resources Leveling & Allocation   15
King Saud University       Dr. Khalid Al-Gahtani
Spring 2008,           Resources Leveling & Allocation   16
King Saud University       Dr. Khalid Al-Gahtani
Multiple Resources Allocation
• Select the most CRITICAL resources, and
  then allocate all the critical resources in
  the same time.
• For simplicity, only one resource at a time
  will be considered in this course with no
  interruption for an activity (Serial method).



Spring 2008,           Resources Leveling & Allocation   17
King Saud University       Dr. Khalid Al-Gahtani
Example of Resource Allocation
                  (Serial Method)
                                 3    6    9     9     4    13
                                     C                 I
                                 3    0    9     9     0 13
                   0    3    3
                                     3 R              3 R
                       A
                   0    0    3   3    2    5     5     3    8                                  18    0    18
                                                                 13    2    15   15   3   18
                       3 R
                                     D                E                J              K         FIN ISH
0      0       0                 8    5    10    10    5    13   13    0 15      15    0 18    18    0    18
    ST A R T                         4 R              2 R             4 R             5 R           0 R
0      0       0
                                                 5     3    8
      0 R
                                                       F
                                                 10    5    13
                                                      1 R
                                                                                               ES   D     EF
                   0    5    5   5    4    9                     9     5    14
                                                                                                A ctivity
                       B             G                                H
                                                                                               LS    F    LF
                   4    4    9   9    4    13                    13    4    18
                                                                                               R e sou rc e s
                       2 R           3 R                              2 R




Spring 2008,                         Resources Leveling & Allocation                                     18
King Saud University                     Dr. Khalid Al-Gahtani
A   C   C   C   D   D   D   D      D   D    I    I      J   J   J    J    K    K    K    K
       1
EAS        B   D   D   D   G   G   I   I      I   I    E    E      H   H   H
               G   G   G   I   I                       F    F
           A           C   D   D   D   D      D   D    I    I              H    J         K    K    K
       2
O SS       B           D       G                  I         E
                                                            F

       A   3   3   3

       B   2   2   2   2   2

                   C   3   3   3   3   3      3

                           G   3   3   3      3

                                              D   4    4

                                                       I    3      3   3   3

                                                       E    2      2   2

                                                       F    1      1   1

                                                                       H   2    2    2    2    2

                                                                           J    2    2

                                                                                               K    5    5    5

D ay       1   2   3   4   5   6   7   8      9   10   11
                                                        12 13 14           15   16   17   18   19   20   21   22
   3
UR         6   6   6   6   6   6   6   6      6   6    66    6    6        6    6    6    6    6    6    6    6
           3   3   3   4   4   3   3   3      3   2    23    3    3        3    4    4    4    4    1    1    1
           1   1   1   1   1   0   0   0      0         1    1    1        1    2    2
                                                        0    0    0
  Spring 2008,
   4                               Resources Leveling & Allocation                                       19
AR      5   5   5     5    5   6   6  6   6    4    4   6    6    6        5    4    4    2    2    5    5    5
  King Saud University                     Dr. Khalid Al-Gahtani
Example of Resource Allocation
                 (Parallel Method)
                                3    6    9     9    4    13
                                    C                I
                                3    0    9     9    0 13
                  0    3    3
                                    4 R             3 R
                      A
                  0    0    3   3    2    5     5    3    8                                  18    0    18
                                                               13     2   15   15   3   18
                      3 R
                                    D               E                 J             K         F IN IS H
0      0      0                 8    5    10   10    5    13   13    0 15      15    0 18    18    0    18
    ST AR T                         3 R             2 R             4 R             4 R           0 R
0      0      0
                                                5    3    8
     0 R
                                                     F
                                               10    5    13
                                                    1 R
                                                                                             ES   D     EF
                  0    5    5   5    4    9                     9     5   14
                                                                                              A ctivity
                      B             G                                 H
                                                                                             LS    F    LF
                  4    4    9   9    4    13                   13     4   18
                                                                                             R e sou rc e s
                      3 R           3 R                             2 R




    Spring 2008,                    Resources Leveling & Allocation                               20
    King Saud University                Dr. Khalid Al-Gahtani
A   A   A   C   C   C   C   C   C   B   B   I   I   I   I   E   E    E    J    J    H    H    H
         1
 EAS             B   B   B   B   B   B   B   B   B   D   D   G   G   G   G   F   F    F    H    H    K    K    K
                     C   C   D   D   D   D   D   D   I   I   E   E   E   E       J    J         K
                     D   D   G   I   I   I   I   I   G   G   F   F   F   F       H    H
                     G   G       G   G   G   G   G       E
                                                         F
                 A   A   A   C   C   C   C   C   C   B   B   I   I   I   I   E   E    E    J    J    H    H    H
         2
  O SS           B   B   B   B   B   D   D   D   D   D   D   G   G   G   G   F   F    F    H    H    K    K    K
                             D   D   G   G   G   G   I   I   E   E   E   E
                                                             F   F   F   F

             A   3   3   3

             B   3   3   3                           3   3

                         C   4   4   4   4   4   4

                                                 D   3   3

                                                         I   3   3   3   3

                                                         G   3   3   3   3

                                                                         E   2   2    2

                                                                         F   1   1    1

                                                                                      J    2    2

                                                                                      H    2    2    2    2    2

                                                                                                K    4    4    4

  D ay    1  2   3           4   5   6   7   8   9 10 11 12 13 14 15 16          17   18   19   20   21   22   23
     3
  UR      6  6   6           6   6   6   6   6   6  6  6    6  6   6   6   6     6    6    6    6    6    6    6
          3  3   3           2   2   2   2   2   2  3  3    3  3   3   3   4     4    4    2    2    4    4    4
Spring 2008, 0 0
     4
          0                                Resources Leveling &0Allocation 3
                                                    0  0    0      0   0         3    3    0    0    0    0    0    21
KingRSaud 6 6 6
  A       University         4   4   4   4   4 Dr. Khalid Al-Gahtani 6
                                                4   6  6    6  6   6       3     3    3    6    6    6    6    6

Resources

  • 1.
    How Limited ResourcesAffect Schedule Float 3 6 9 9 4 13 C I 3 0 9 9 0 13 0 3 3 3 R 3 R A 0 0 3 3 2 5 5 3 8 18 0 18 13 2 15 15 3 18 3 R D E J K F IN IS H 0 0 0 8 5 10 10 5 13 13 0 15 15 0 18 18 0 18 ST AR T 4 R 2 R 4 R 5 R 0 R 0 0 0 5 3 8 0 R F 10 5 13 1 R ES D EF 0 5 5 5 4 9 9 5 14 A ctivity B G H LS F LF 4 4 9 9 4 13 13 4 18 R e sou rc e s 2 R 3 R 2 R Spring 2008, Resources Leveling & Allocation 1 King Saud University Dr. Khalid Al-Gahtani
  • 2.
    A 3 3 3 C 3 3 3 3 3 3 I 3 3 3 3 J 4 4 K 5 5 5 B 2 2 2 2 2 G 3 3 3 3 H 2 2 2 2 2 D 4 4 E 2 2 2 F 1 1 1 t 1 2 3 4 5 6 7 8 9 10 11 12 13 14 15 16 17 18 R 5 5 5 7 7 9 9 9 6 5 5 5 5 6 4 5 5 5 R 5 10 15 24 33 42 51 60 66 76 76 81 86 92 96 101 106 111 10 9 8 7 6 5 4 3 Spring 2008, 2 Resources Leveling & Allocation 2 King Saud University 1 Dr. Khalid Al-Gahtani
  • 3.
    A 3 3 3 C 3 3 3 3 3 3 I 3 3 3 3 J 4 4 K 5 5 5 B 2 2 2 2 2 G 3 3 3 3 H 2 2 2 2 2 D 4 4 E 2 2 2 F 1 1 1 t 1 2 3 4 5 6 7 8 9 10 11 12 13 14 15 16 17 18 R 3 3 3 3 5 5 5 5 9 10 9 9 9 6 6 7 7 7 R 3 6 9 12 17 22 27 32 41 51 60 69 78 84 90 97 104 111 10 9 8 7 6 5 4 3 Spring 2008, 2 Resources Leveling & Allocation 3 King Saud University 1 Dr. Khalid Al-Gahtani
  • 4.
    Spring 2008, Resources Leveling & Allocation 4 King Saud University Dr. Khalid Al-Gahtani
  • 5.
    111 to talunits A vg. da ily requ ire m e nt = = 6.2 units/da y 18 days S uppo se the ana lyzed reso urce is ava ila b le at a m a xim u m le ve l o f 7 units/da y. 126 units are requ ired fo r 18 days 6 .2 C ritic a lit y inde x = = 0.88 < 1 ok 7 .0 S uppo se the ana lyzed reso urce is ava ila b le at a m a xim u m le ve l o f 6 unit s/da y. 6 .2 C ritic a lit y inde x = = 1.03 > 1 6 .0 W here 108 units are requ ired fo r 18 days < 111 units, lea ving so m e w o rk unfin ished and thus requ iring a n exte nsio n o f the pro ject be yo nd 18 da ys. Spring 2008, Resources Leveling & Allocation 5 King Saud University Dr. Khalid Al-Gahtani
  • 6.
    Spring 2008, Resources Leveling & Allocation 6 King Saud University Dr. Khalid Al-Gahtani
  • 7.
    A nalys iso f L ine I: 1,000,000 cu. yds. A vg. daily requ irem ent = = 5000 cu.yds./day 200 days < 6000 cu.yds./day pro ject w ill be o n tim e m isleading resu lt A na lys is o f L ine II: 1,000,000 cu. yds. A vg. da ily requ ire m e nt = = 8333 cu.yds./da y (185 - 65) days 8333 C ritic a lity inde x = = 1.39 > 1 pro ject w ill de la y 6000 Spring 2008, Resources Leveling & Allocation 7 King Saud University Dr. Khalid Al-Gahtani
  • 8.
    L2 L1 L o w er bo und estim ate o f avg. da ily requ ire m e nt = reso urce units/da y T2 T1 Spring 2008, Resources Leveling & Allocation 8 King Saud University Dr. Khalid Al-Gahtani
  • 9.
    Spring 2008, Resources Leveling & Allocation 9 King Saud University Dr. Khalid Al-Gahtani
  • 10.
    OVERVIEW OF BASIC SCHEDULING PROCEDURES • Scheduling procedures for dealing with resource constraints can be roughly divided into 2 major groups, according to the problem addressed: – (1) resource leveling, and – (2) fixed-limits resource scheduling (resource allocation). Spring 2008, Resources Leveling & Allocation 10 King Saud University Dr. Khalid Al-Gahtani
  • 11.
    Resource Leveling vs.Allocation • I. Resource Leveling. – Using resources in the most efficient manner possible when the project duration is fixed. • II. Resource Allocation – Scheduling a project with unlimited resources and a flexible duration. Spring 2008, Resources Leveling & Allocation 11 King Saud University Dr. Khalid Al-Gahtani
  • 12.
    Resource Leveling Algorithm: Step 1 . L ist the p ro ject activ it ies in o rd er o f p reced enc e b y arrang in g the arro w head o r no d e nu m b ers in a sce nd in g o rd er. W he n u sin g act iv it y -o n-arro w fo rm at and tw o o r m o re activ it ies ha ve the sa m e head nu m b er, list the m so that the arro w tail n u m b er s are a lso in asce nd in g o rd er. S tep 2 . Starting w ith the la st activ it y (the o ne at the bo tto m o f the d iag ra m ), sc hed u le it p er io d b y p er io d to g ive the lo w es t su m o f sq u ares o f reso u rce re q u ire m e nts fo r each tim e u n it. If m o re than o ne sc hed u le g iv es the sa m e to tal su m o f sq u ares, then sc hed u le the activ it y as late as po ssib le to g et as m u ch slack a s p o ssib le in a ll p reced ing act iv it ies. S tep 3 . H o ld in g the la st activ it y fix ed , rep eat Step 2 o n the ne xt to the la st activ it y in the netw o rk, tak ing ad v a ntag e o f a n y slack that m a y h ave bee n m ad e a va ila b le to it b y the resch ed u lin g in S tep 2 . S tep 4 . C o ntinu e S tep 3 u ntil the first activ it y in the list has b ee n co nsid ered ; th is co m p letes the first resched u lin g c yc le. S tep Spring 2008,u t ad d it io na l re sc hed u lin g c yc les b y & AllocationS tep s 2 thro u g h 4 u ntil no 12 5 . C arry o Resources Leveling rep eating King Saud University n in the to tal su m o Khalidares o f reso u rce req u ire m e nts is p o ssib le, fu rther red u ctio Dr. f sq u Al-Gahtani
  • 13.
    p reced ingact iv it ies. S tep 3 . H o ld in g the la st activ it y fix ed , rep eat Step 2 o n the ne xt to the la st activ it y in the Resource Leveling Algorithm: netw o rk, tak ing ad v a ntag e o f a n y slack that m a y h ave bee n m ad e a va ila b le to it b y the resch ed u lin g in S tep 2 . S tep 4 . C o ntinu e S tep 3 u ntil the first activ it y in the list has b ee n co nsid ered ; th is co m p letes the first resched u lin g c yc le. S tep 5 . C arry o u t ad d it io na l re sc hed u lin g c yc les b y rep eating S tep s 2 thro u g h 4 u ntil no fu rther red u ctio n in the to tal su m o f sq u ares o f reso u rce req u ire m e nts is p o ssib le, no ting that o n ly m o ve m e nt o f an act iv it y to the rig ht (sched u le later) is p er m issib le u nd er th is sc he m e. S tep 6 . If th is reso u rce is p articu lar ly cr it ica l, rep eat Step s 1 thro u g h 5 o n a d iffere nt o rd ering o f the activ it ies, w h ic h, o f co u rse, m u st still list the activ it ies in o rd er o f p reced en ce. S tep 7 . C ho o se the best sched u le o f tho se o btained in S tep s 5 and 6 . S tep 8 . M ak e fin a l ad ju st m e nts to the sched u le c ho se n in S tep 7, tak ing into acco u nt facto rs no t co nsid ered in the b asic sc hed u lin g p ro ced u re. Spring 2008, Resources Leveling & Allocation 13 King Saud University Dr. Khalid Al-Gahtani
  • 14.
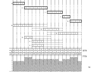
    A 3 3 3 C 3 3 3 3 3 3 I 3 3 3 3 J 4 4 K 5 5 5 B 2 2 2 2 2 G 3 3 3 3 H 2 2 2 2 2 D 4 4 E 2 2 2 F 1 1 1 t 1 2 3 4 5 6 7 8 9 10 11 12 13 14 15 16 17 18 R 5 5 5 7 7 6 6 6 6 6 6 6 5 6 6 7 7 5 679 2 R 25 50 75 124 173 209 245 281 317 353 389 425 450 486 522 571 620 645 8 779 7 6 5 4 3 Spring 2008, 2 Resources Leveling & Allocation 14 King Saud University 1 Dr. Khalid Al-Gahtani
  • 15.
    Parallel vs. Serialmethods • Serial methods – Activities CAN NOT be interrupted. • Parallel methods – It is more widely used. – Activities CAN be interrupted. Spring 2008, Resources Leveling & Allocation 15 King Saud University Dr. Khalid Al-Gahtani
  • 16.
    Spring 2008, Resources Leveling & Allocation 16 King Saud University Dr. Khalid Al-Gahtani
  • 17.
    Multiple Resources Allocation •Select the most CRITICAL resources, and then allocate all the critical resources in the same time. • For simplicity, only one resource at a time will be considered in this course with no interruption for an activity (Serial method). Spring 2008, Resources Leveling & Allocation 17 King Saud University Dr. Khalid Al-Gahtani
  • 18.
    Example of ResourceAllocation (Serial Method) 3 6 9 9 4 13 C I 3 0 9 9 0 13 0 3 3 3 R 3 R A 0 0 3 3 2 5 5 3 8 18 0 18 13 2 15 15 3 18 3 R D E J K FIN ISH 0 0 0 8 5 10 10 5 13 13 0 15 15 0 18 18 0 18 ST A R T 4 R 2 R 4 R 5 R 0 R 0 0 0 5 3 8 0 R F 10 5 13 1 R ES D EF 0 5 5 5 4 9 9 5 14 A ctivity B G H LS F LF 4 4 9 9 4 13 13 4 18 R e sou rc e s 2 R 3 R 2 R Spring 2008, Resources Leveling & Allocation 18 King Saud University Dr. Khalid Al-Gahtani
  • 19.
    A C C C D D D D D D I I J J J J K K K K 1 EAS B D D D G G I I I I E E H H H G G G I I F F A C D D D D D D I I H J K K K 2 O SS B D G I E F A 3 3 3 B 2 2 2 2 2 C 3 3 3 3 3 3 G 3 3 3 3 D 4 4 I 3 3 3 3 E 2 2 2 F 1 1 1 H 2 2 2 2 2 J 2 2 K 5 5 5 D ay 1 2 3 4 5 6 7 8 9 10 11 12 13 14 15 16 17 18 19 20 21 22 3 UR 6 6 6 6 6 6 6 6 6 6 66 6 6 6 6 6 6 6 6 6 6 3 3 3 4 4 3 3 3 3 2 23 3 3 3 4 4 4 4 1 1 1 1 1 1 1 1 0 0 0 0 1 1 1 1 2 2 0 0 0 Spring 2008, 4 Resources Leveling & Allocation 19 AR 5 5 5 5 5 6 6 6 6 4 4 6 6 6 5 4 4 2 2 5 5 5 King Saud University Dr. Khalid Al-Gahtani
  • 20.
    Example of ResourceAllocation (Parallel Method) 3 6 9 9 4 13 C I 3 0 9 9 0 13 0 3 3 4 R 3 R A 0 0 3 3 2 5 5 3 8 18 0 18 13 2 15 15 3 18 3 R D E J K F IN IS H 0 0 0 8 5 10 10 5 13 13 0 15 15 0 18 18 0 18 ST AR T 3 R 2 R 4 R 4 R 0 R 0 0 0 5 3 8 0 R F 10 5 13 1 R ES D EF 0 5 5 5 4 9 9 5 14 A ctivity B G H LS F LF 4 4 9 9 4 13 13 4 18 R e sou rc e s 3 R 3 R 2 R Spring 2008, Resources Leveling & Allocation 20 King Saud University Dr. Khalid Al-Gahtani
  • 21.
    A A A C C C C C C B B I I I I E E E J J H H H 1 EAS B B B B B B B B B D D G G G G F F F H H K K K C C D D D D D D I I E E E E J J K D D G I I I I I G G F F F F H H G G G G G G G E F A A A C C C C C C B B I I I I E E E J J H H H 2 O SS B B B B B D D D D D D G G G G F F F H H K K K D D G G G G I I E E E E F F F F A 3 3 3 B 3 3 3 3 3 C 4 4 4 4 4 4 D 3 3 I 3 3 3 3 G 3 3 3 3 E 2 2 2 F 1 1 1 J 2 2 H 2 2 2 2 2 K 4 4 4 D ay 1 2 3 4 5 6 7 8 9 10 11 12 13 14 15 16 17 18 19 20 21 22 23 3 UR 6 6 6 6 6 6 6 6 6 6 6 6 6 6 6 6 6 6 6 6 6 6 6 3 3 3 2 2 2 2 2 2 3 3 3 3 3 3 4 4 4 2 2 4 4 4 Spring 2008, 0 0 4 0 Resources Leveling &0Allocation 3 0 0 0 0 0 3 3 0 0 0 0 0 21 KingRSaud 6 6 6 A University 4 4 4 4 4 Dr. Khalid Al-Gahtani 6 4 6 6 6 6 6 3 3 3 6 6 6 6 6