Name: Aiden Cavallero
Student Number: 13011423
Course: Chemical Engineering, 3rd Year
Employer: Cassowary Coast Regional Council
Period: 7th December 2015 to 19th February 2016
Introduction
From the 7th December 2015 to the 19th February 2016, I was employed for 11 weeks by the
Cassowary Coast Regional Council to work with both operators and engineers at a number of
water and wastewater treatment plants dotted throughout the region.
During the course of my placement, I was involved in the completion of many tasks that
demonstrated the importance of such an industry in the maintenance of clean drinking water.
Through the completion of these tasks, I was also made aware of many environmental, social
and economic factors that can impact on this industry as well as the effects these can have.
Environmental impacts can be in the form of continuing drought or heavy rainfall events, in
which the incoming flow to these plants may be too great or too little for correct operation or
even contain undesired quantities of certain substances. In these cases, costs associated with
the necessary increased usage of resources and chemicals for treatment can lead to both
social and economic impacts, in the form of increased chemical concentrations in water
effluent and also higher water prices to the public to fund these increases. In addition, water
restrictions may also have to be put in place if there are certain chemicals found to be in the
water supply or if there is only a limited amount of water in the creeks and reservoirs. In this
way there is a necessary balance between the costs of operation of these plants and the final
quality of the water consumed by the public.
I worked directly with the operators at the Tully and Innisfail Activated Sludge Wastewater
Treatment Plants, the Innisfail Water Treatment Plant, and also the coordinator of all water
treatment throughout the region, Shane Bandiera. In addition to this, I was also given the
opportunity to work with agricultural engineer Matthew Driver, who was able to provide me
with invaluable insight to assist me in the completion of various tasks.
Tasks & Duties Performed
During my 11 weeks at the Cassowary Coast Regional Council (CCRC) I was allocated the
following tasks:
1. Familiarisation with Treatment Processes
Throughout the duration of my placement at each of these plants, I was required to complete
many duties that involved a thorough understanding of each of the treatment processes. To
be effective in this area it was therefore necessary to familiarise myself with these processes
and this continued throughout my entire placement as each new task came to my attention.
Initial preparation for this involved discussing the process with the operators, often while
collecting samples at various points in the process. This preparation then continued as I
sought literature from each plant to gain a deeper understanding of the mechanical, chemical
and biological aspects involved. For both the Tully and Innisfail Wastewater Treatment
Plants, this came in the form of the book “Practical Guide to the Operation and Optimisation
of Activated Sludge Wastewater Treatment Plants” written by Brice and Mosse of the Water
Industry Organisation of Australia, which described these properties in detail and reinforced
the information provided by the operators. From these sources, I was then able to sketch a
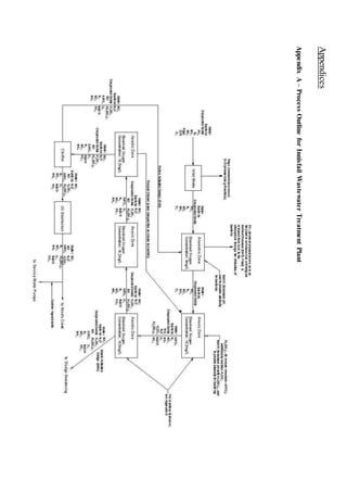
diagram of flows through the plants and detail any chemical reactions taking place (see
Appendices A&B).
In order to further understand the process at the Innisfail Water Treatment Plant it was
necessary to read the internal summary of the process written by Edgerton & McKenzie.
This summary provided the optimal set-points for the process and in addition gave a
schematic of the plant with average flow rates and necessary pressures, further allowing me
to understand the mechanical aspects of the process. From this information I was then able to
sketch a flow diagram of the water through the plant (see Appendix C).
2. Familiarisation with Software
Once familiar with the overall operation of the treatment plants, I was required to familiarise
myself with the usage of several software programs including Citect Supervisory Control &
Data Acquisition (SCADA) and SWIMLocal.
For the task of familiarising myself on the usage of the Citect SCADA control system, it was
first necessary to discuss this software with the operators at the Innisfail Wastewater
Treatment Plant (IWWTP). From this discussion I was able to gain a basic understanding of
the software and its components, which I was then able to build upon through everyday
operations. In addition to this, I was granted access to the SCADA manuals for each plant,
which detailed all operations contained in the software and also contained a glossary for any
alarms and faults that may occur. With this information I was able to become competent in
the use of the software, therefore enabling me to detect undesirable changes in the plants and
notify the operators in advance.
The other major software that I was required to familiarise myself with was SWIMLocal, a
new QLD government initiative designed to improve the communication of reports and test
results between water treatment plants and the state government. For this software, there was
no information readily available, and therefore it was necessary for me to learn through trial
and error. Throughout this process I was also assisted by Shane and Matthew who were able
to provide me with the location of the data to be entered, and thus I was able to utilise the
software to communicate to the government the complete suite of results for all testing of
2015. In addition to this, I was also required to complete a report containing a summary of
both the advantages and disadvantages of the software and submit this to Shane, who would
then use this to decide if the software would be implemented in its entirety at all plants
3. Tully and Innisfail Water & Wastewater Treatment Plant Operations
Once I had become familiar with both the treatment processes and the software utilised by
these treatment plants, I was able to complete everyday operations of these plants and also
engage in consultations with both contractors and consultants in the industry.
The everyday tasks and operations of the plant were mainly those dictated by the regulations
placed on the treatment plants to meet license requirements issued by the Department of
Environment and Heritage Protection (EHP). These licenses are currently in place to regulate
the chemical concentrations that can be released to the receiving body of water, and as a
result regular testing was conducted on the influent, reactor, clarifiers and also the effluent to
ensure these requirements were met. I was thus involved in both the gathering of samples
and lab testing, and in the cases of irregular concentrations being discovered, I discussed
possible causes and solutions with the operators before exceedance occurred.
In the cases where higher concentrations were detected, I was then involved in the creation of
a solution to reduce these to a manageable level. One such example of this occurred when the
dissolved oxygen (D.O) probe in the aerobic reactor of the IWWTP was unable to connect to
SCADA, and thus the aerators responsible for the maintaining of the D.O level were unable
to run on an automatic setting. In addition to this, the manual settings on the aerators were
measured in motor percentages at hourly intervals, and being that there was no link between
these percentages and the D.O level, trial and error methods were used. These methods
involved the observation of historical data of the motor speeds of the aerators at different
times, and also the use of a handheld D.O probe to create a profile of the D.O levels around
the reactor at regular intervals, and this was a process in which I was directly involved. From
this, the motor speeds of the aerators were therefore able to be set with a larger degree of
accuracy,
In addition to chemical concentration exceedances, there were also issues that arose that were
unable to be solved by the operators and, as a result, external assistance was required. This
assistance was provided by contractors, tradesmen, industry consultants and engineers, and
thus I was asked to discuss with them and, where possible, participate in their solutions.
From this participation, I was able to learn a broad range of skills that I continually used
throughout my placement at all plants for both practical purposes and also for theoretical
discussions with the operators.
4. Chemical testing of unknown substance
One extra task that I was required to complete during my time at the IWWTP was the
analytical testing of an unknown substance which had been stained onto a bench more then
12 months prior. After first discussing this with the operators, I found that they believed this
substance to be a crystallised 25% w/v solution of Aluminium Sulphate from the plant’s
supply. Upon first observations of the crystals, I found them to have the characteristic white,
powdery shape of a sulphate, and thus decided to conduct chemical testing to confirm their
identity.
For my initial test, I decided to conduct a pH test to confirm the acidity of the crystal
solution. For this I used Phenol Red indicator in tap water as a reference and compared this
to the colour of the crystal solution upon addition of the same indicator. From the yellow
coloration of the solution compared to the orange/red coloration of the reference, it was
proven that the crystal came from an acidic substance. I then researched a test for sulfates,
and found that the most reliable test, that of the addition of HCl and BaCl to the Metal-SO4
-
solution to create BaSO4 crystals, was unable to be carried out with the laboratory materials
on hand. In order to carry out this test then, I substituted the BaCl with NaCl, and the HCl
with Sodium Hypochlorite to maintain the balance of Cl- ions. After leaving the mixed
solution in the oven for a period of time, a mass of long, thin white crystals then formed
which confirmed the presence of sulfate ions in the crystal solution. Based on these results
and the fact that the only acidic sulphate on hand at the treatment plant was AlSO4, I was able
to deduce that this was in fact the stain on the bench, confirming the operator’s beliefs.
Reflection
This placement provided an invaluably broad understanding of not only the process involved
with the treatment of water and wastewater, but also the work performed by all parties
concerning the economic, environmental and social outcomes of such a plant.
Throughout my 11 weeks of placement I was able to learn about and apply my own
knowledge to the biological and chemical processes involved in the basis of every activated
sludge wastewater treatment plant operation. I was also able to learn about the different
stages of both water and wastewater treatment, and while sampling and testing this water I
constantly discussed with operators possible reasons for any irregular values that were
discovered and solutions to these problems. In doing this then, I was also made aware of
many challenges that may face an engineer in the industry, including managerial,
organisational and also the achievement of sustainability. From my experience at the CCRC,
these challenges centre mainly on the required forethought when constructing a plant, and
thus preparing for any event that may occur. For this process to be effective then, it was
made clear to me that discussions must be had with all parties concerned, and in particular the
operators responsible for the everyday operation of the plant itself. With this in mind,
contingency plans must be applied containing details of all costs involved, the impact on the
local community, and also the final acceptable quality of the water. Once this has been
achieved, the project will not proceed until all parties are accepting of the plans, at which
point teamwork and organisation are the main factors for success. Thus, ideally,
sustainability has been achieved and problems have been solved before they occur.
Conclusion
During my 11 weeks at the Cassowary Coast Regional Council I believe I have gained an
invaluable practical experience. Through the tasks I have completed I have developed a great
understanding regarding the chemical processes of water and wastewater treatment, and, in
doing so, have reinforced my own knowledge of both chemistry and process engineering. In
addition to this, I have also learnt a great amount about the role of engineers in such an
industry and the responsibilities they have to both the public and the environment.
I have thoroughly enjoyed working in my position with the entirety of the CCRC for the
better part of three months, and in particular I would like to thank Glen Campbell and Tony
Bowater, the operators at the Innisfail Wastewater Treatment Plant; Damian McKenzie and
Tyler Edgerton, the operators at the Innisfail Water Treatment Plant; Bob Barratt, Hamish
Crawford and Michael Mills, the operators at the Tully Wastewater Treatment Plant, and also
Shane Bandiera, for providing me with this opportunity.
AppendixA–ProcessOutlineforInnisfailWastewaterTreatmentPlant
Appendices
AppendixB–ProcessOutlineforTullyWastewaterTreatmentPlant
AppendixC–ProcessOutlineforInnisfailWaterTreatmentPlant
Appendix D – Reactions present in Wastewater Treatment Plants
Reaction for the addition of aluminium sulphate to solution:
Al2(SO4)3 + PO4
2-  Al2(PO4)3 + SO4
2-
Reactions taking place in the Aerobic Zone – Nitrification
2NH4
+ + 3O2  4H+ + 2NO2
- + 2H2O --- Nitrosomonous Bacteria
2NO2
- + O2  2NO3
- --- Nitrobacter Bacteria
These reactions are carried out by Chemolithoautotrophic Bacteria through the
consumption of alkalinity supplied by the NaOH/CaCO3.
Reactions taking place in the Anoxic Zone – Denitrification
2NO2
- + 2H+  2NO + 2H2O
2NO3
- + 2H+ + NO  3NO2 + H2O
3NO  N2O + NO2
2N2O  2NO + N2
N2 + O2  2NO
Reactions are catalysed by various
forms of facultative bacteria (e.g.
Pseudomonas) that require energy in
the form of organic material. An
additional by-product of this process
is Carbon Dioxide

Report for CCRC PLacement

  • 1.
    Name: Aiden Cavallero StudentNumber: 13011423 Course: Chemical Engineering, 3rd Year Employer: Cassowary Coast Regional Council Period: 7th December 2015 to 19th February 2016
  • 2.
    Introduction From the 7thDecember 2015 to the 19th February 2016, I was employed for 11 weeks by the Cassowary Coast Regional Council to work with both operators and engineers at a number of water and wastewater treatment plants dotted throughout the region. During the course of my placement, I was involved in the completion of many tasks that demonstrated the importance of such an industry in the maintenance of clean drinking water. Through the completion of these tasks, I was also made aware of many environmental, social and economic factors that can impact on this industry as well as the effects these can have. Environmental impacts can be in the form of continuing drought or heavy rainfall events, in which the incoming flow to these plants may be too great or too little for correct operation or even contain undesired quantities of certain substances. In these cases, costs associated with the necessary increased usage of resources and chemicals for treatment can lead to both social and economic impacts, in the form of increased chemical concentrations in water effluent and also higher water prices to the public to fund these increases. In addition, water restrictions may also have to be put in place if there are certain chemicals found to be in the water supply or if there is only a limited amount of water in the creeks and reservoirs. In this way there is a necessary balance between the costs of operation of these plants and the final quality of the water consumed by the public. I worked directly with the operators at the Tully and Innisfail Activated Sludge Wastewater Treatment Plants, the Innisfail Water Treatment Plant, and also the coordinator of all water treatment throughout the region, Shane Bandiera. In addition to this, I was also given the opportunity to work with agricultural engineer Matthew Driver, who was able to provide me with invaluable insight to assist me in the completion of various tasks.
  • 3.
    Tasks & DutiesPerformed During my 11 weeks at the Cassowary Coast Regional Council (CCRC) I was allocated the following tasks: 1. Familiarisation with Treatment Processes Throughout the duration of my placement at each of these plants, I was required to complete many duties that involved a thorough understanding of each of the treatment processes. To be effective in this area it was therefore necessary to familiarise myself with these processes and this continued throughout my entire placement as each new task came to my attention. Initial preparation for this involved discussing the process with the operators, often while collecting samples at various points in the process. This preparation then continued as I sought literature from each plant to gain a deeper understanding of the mechanical, chemical and biological aspects involved. For both the Tully and Innisfail Wastewater Treatment Plants, this came in the form of the book “Practical Guide to the Operation and Optimisation of Activated Sludge Wastewater Treatment Plants” written by Brice and Mosse of the Water Industry Organisation of Australia, which described these properties in detail and reinforced the information provided by the operators. From these sources, I was then able to sketch a diagram of flows through the plants and detail any chemical reactions taking place (see Appendices A&B). In order to further understand the process at the Innisfail Water Treatment Plant it was necessary to read the internal summary of the process written by Edgerton & McKenzie. This summary provided the optimal set-points for the process and in addition gave a schematic of the plant with average flow rates and necessary pressures, further allowing me to understand the mechanical aspects of the process. From this information I was then able to sketch a flow diagram of the water through the plant (see Appendix C).
  • 4.
    2. Familiarisation withSoftware Once familiar with the overall operation of the treatment plants, I was required to familiarise myself with the usage of several software programs including Citect Supervisory Control & Data Acquisition (SCADA) and SWIMLocal. For the task of familiarising myself on the usage of the Citect SCADA control system, it was first necessary to discuss this software with the operators at the Innisfail Wastewater Treatment Plant (IWWTP). From this discussion I was able to gain a basic understanding of the software and its components, which I was then able to build upon through everyday operations. In addition to this, I was granted access to the SCADA manuals for each plant, which detailed all operations contained in the software and also contained a glossary for any alarms and faults that may occur. With this information I was able to become competent in the use of the software, therefore enabling me to detect undesirable changes in the plants and notify the operators in advance. The other major software that I was required to familiarise myself with was SWIMLocal, a new QLD government initiative designed to improve the communication of reports and test results between water treatment plants and the state government. For this software, there was no information readily available, and therefore it was necessary for me to learn through trial and error. Throughout this process I was also assisted by Shane and Matthew who were able to provide me with the location of the data to be entered, and thus I was able to utilise the software to communicate to the government the complete suite of results for all testing of 2015. In addition to this, I was also required to complete a report containing a summary of both the advantages and disadvantages of the software and submit this to Shane, who would then use this to decide if the software would be implemented in its entirety at all plants
  • 5.
    3. Tully andInnisfail Water & Wastewater Treatment Plant Operations Once I had become familiar with both the treatment processes and the software utilised by these treatment plants, I was able to complete everyday operations of these plants and also engage in consultations with both contractors and consultants in the industry. The everyday tasks and operations of the plant were mainly those dictated by the regulations placed on the treatment plants to meet license requirements issued by the Department of Environment and Heritage Protection (EHP). These licenses are currently in place to regulate the chemical concentrations that can be released to the receiving body of water, and as a result regular testing was conducted on the influent, reactor, clarifiers and also the effluent to ensure these requirements were met. I was thus involved in both the gathering of samples and lab testing, and in the cases of irregular concentrations being discovered, I discussed possible causes and solutions with the operators before exceedance occurred. In the cases where higher concentrations were detected, I was then involved in the creation of a solution to reduce these to a manageable level. One such example of this occurred when the dissolved oxygen (D.O) probe in the aerobic reactor of the IWWTP was unable to connect to SCADA, and thus the aerators responsible for the maintaining of the D.O level were unable to run on an automatic setting. In addition to this, the manual settings on the aerators were measured in motor percentages at hourly intervals, and being that there was no link between these percentages and the D.O level, trial and error methods were used. These methods involved the observation of historical data of the motor speeds of the aerators at different times, and also the use of a handheld D.O probe to create a profile of the D.O levels around the reactor at regular intervals, and this was a process in which I was directly involved. From this, the motor speeds of the aerators were therefore able to be set with a larger degree of accuracy, In addition to chemical concentration exceedances, there were also issues that arose that were unable to be solved by the operators and, as a result, external assistance was required. This assistance was provided by contractors, tradesmen, industry consultants and engineers, and thus I was asked to discuss with them and, where possible, participate in their solutions. From this participation, I was able to learn a broad range of skills that I continually used throughout my placement at all plants for both practical purposes and also for theoretical discussions with the operators.
  • 6.
    4. Chemical testingof unknown substance One extra task that I was required to complete during my time at the IWWTP was the analytical testing of an unknown substance which had been stained onto a bench more then 12 months prior. After first discussing this with the operators, I found that they believed this substance to be a crystallised 25% w/v solution of Aluminium Sulphate from the plant’s supply. Upon first observations of the crystals, I found them to have the characteristic white, powdery shape of a sulphate, and thus decided to conduct chemical testing to confirm their identity. For my initial test, I decided to conduct a pH test to confirm the acidity of the crystal solution. For this I used Phenol Red indicator in tap water as a reference and compared this to the colour of the crystal solution upon addition of the same indicator. From the yellow coloration of the solution compared to the orange/red coloration of the reference, it was proven that the crystal came from an acidic substance. I then researched a test for sulfates, and found that the most reliable test, that of the addition of HCl and BaCl to the Metal-SO4 - solution to create BaSO4 crystals, was unable to be carried out with the laboratory materials on hand. In order to carry out this test then, I substituted the BaCl with NaCl, and the HCl with Sodium Hypochlorite to maintain the balance of Cl- ions. After leaving the mixed solution in the oven for a period of time, a mass of long, thin white crystals then formed which confirmed the presence of sulfate ions in the crystal solution. Based on these results and the fact that the only acidic sulphate on hand at the treatment plant was AlSO4, I was able to deduce that this was in fact the stain on the bench, confirming the operator’s beliefs.
  • 7.
    Reflection This placement providedan invaluably broad understanding of not only the process involved with the treatment of water and wastewater, but also the work performed by all parties concerning the economic, environmental and social outcomes of such a plant. Throughout my 11 weeks of placement I was able to learn about and apply my own knowledge to the biological and chemical processes involved in the basis of every activated sludge wastewater treatment plant operation. I was also able to learn about the different stages of both water and wastewater treatment, and while sampling and testing this water I constantly discussed with operators possible reasons for any irregular values that were discovered and solutions to these problems. In doing this then, I was also made aware of many challenges that may face an engineer in the industry, including managerial, organisational and also the achievement of sustainability. From my experience at the CCRC, these challenges centre mainly on the required forethought when constructing a plant, and thus preparing for any event that may occur. For this process to be effective then, it was made clear to me that discussions must be had with all parties concerned, and in particular the operators responsible for the everyday operation of the plant itself. With this in mind, contingency plans must be applied containing details of all costs involved, the impact on the local community, and also the final acceptable quality of the water. Once this has been achieved, the project will not proceed until all parties are accepting of the plans, at which point teamwork and organisation are the main factors for success. Thus, ideally, sustainability has been achieved and problems have been solved before they occur.
  • 8.
    Conclusion During my 11weeks at the Cassowary Coast Regional Council I believe I have gained an invaluable practical experience. Through the tasks I have completed I have developed a great understanding regarding the chemical processes of water and wastewater treatment, and, in doing so, have reinforced my own knowledge of both chemistry and process engineering. In addition to this, I have also learnt a great amount about the role of engineers in such an industry and the responsibilities they have to both the public and the environment. I have thoroughly enjoyed working in my position with the entirety of the CCRC for the better part of three months, and in particular I would like to thank Glen Campbell and Tony Bowater, the operators at the Innisfail Wastewater Treatment Plant; Damian McKenzie and Tyler Edgerton, the operators at the Innisfail Water Treatment Plant; Bob Barratt, Hamish Crawford and Michael Mills, the operators at the Tully Wastewater Treatment Plant, and also Shane Bandiera, for providing me with this opportunity.
  • 9.
  • 10.
  • 11.
  • 12.
    Appendix D –Reactions present in Wastewater Treatment Plants Reaction for the addition of aluminium sulphate to solution: Al2(SO4)3 + PO4 2-  Al2(PO4)3 + SO4 2- Reactions taking place in the Aerobic Zone – Nitrification 2NH4 + + 3O2  4H+ + 2NO2 - + 2H2O --- Nitrosomonous Bacteria 2NO2 - + O2  2NO3 - --- Nitrobacter Bacteria These reactions are carried out by Chemolithoautotrophic Bacteria through the consumption of alkalinity supplied by the NaOH/CaCO3. Reactions taking place in the Anoxic Zone – Denitrification 2NO2 - + 2H+  2NO + 2H2O 2NO3 - + 2H+ + NO  3NO2 + H2O 3NO  N2O + NO2 2N2O  2NO + N2 N2 + O2  2NO Reactions are catalysed by various forms of facultative bacteria (e.g. Pseudomonas) that require energy in the form of organic material. An additional by-product of this process is Carbon Dioxide