Embed presentation
Download to read offline



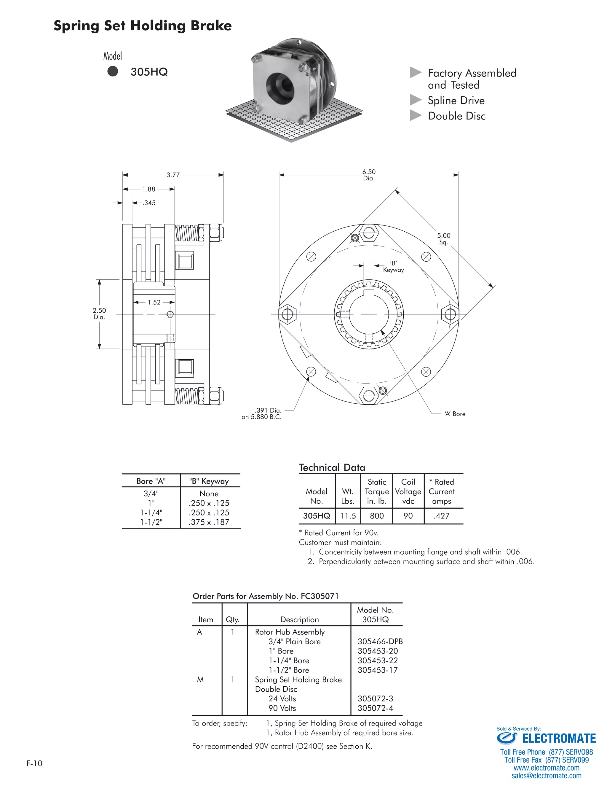
This document provides technical specifications for the Spring Set Holding Brake model 305HQ including its weight, rated torque, voltage, current, mounting requirements, and replacement part numbers. The brake is a double disc, spline drive design for 90V (or 24V) and includes a rotor hub assembly and spring set holding brake that can be ordered separately. Exploded views show the individual replacement parts that are available.

