1
U.S ARMY
   CH-47D
  CHINOOK
T55-GA-714A
 (ECP D 218)
               2
3
SEGMENTED      INCREASERD LIFE
MAGNOSTRICTIVE
                 1ST GP NOZZLE   1ST STAGE TURBINE
 TORQUEMETER
                                          TAILCONE
           RUBBER                    (CONTAINMENT RING)
        ABADABLE SEAL




                                    IMPROVED GP
WATER                                  SPACER
WASH
             STAINLESS
               STEEL       2ND GP NOZZLE
    FADEC   COMPRESSOR   W/COOLED CYLINDER           4
FUEL SUPPLY




       HY
                PRIMARY


         D
            PR
HY

               ES
  DR                                              Y
       TN                                     R

                  S
                                           NA
                                   R SIO
                               E VE
                           R

ACCESSORY


                      P3
                                                      5
6
7
UPPER
                        COMPRESSOR
                          HOUSING
       SEVEN STAGE
          AXIAL
       COMPRESSOR

                           GP SHAFT

COMPRESSOR
  ROTOR
               No. 1
 ASSEMBLY    BEARING         No. 2
                           BEARING




                       SINGLE STAGE
     LOWER             CENTRIFUGAL
  COMPRESSOR           COMPRESSOR
    HOUSING
                                     8
9
10
11
12
No
     .4
          TU
             R   BI
                    N   E




                            13
14
15
16
17
18
19
20
NK
                          TA
                     TO
TO



               RTN
   RE



                           TO FWD COMP
     AR
        CO
         P M




                          OI
                               LI
                                    N
                                        21
22
CHI
    PD
      ETE
         CTO
            R




                23
24
PTIT




       25
26
27
PR
                      ES
                        SU
                          RI
                             ZI
FLO                             NG
    W   DIV                          VA
            IDE                        LV
                R                         E




                                              28
29
30
31
32
OV
     ERS
         PEED
         VAL SOLE
            VE   NO
                      ID

                           33
34
35
A   IR
                                 L INE
                            A SH
                        W
                     ER
              W   AT
                                       EF LUID
                                   N
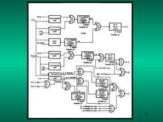
                             ASH LI
                        W
                  A TER
              W



                   NOZZLES


FLUID   AIR




                                                 36
37
38
39
40
41
42
43
44
45
46
FADEC
   SYSTEM
INTRODUCTION

               47
48
HYDROMECHANICAL FUEL CONTROL

• Marginal Starting During Hot Restarts and
  Cold Temperature Operations

• Slow Engine Acceleration Rates

• Compressor Stalls or Surges

• Mismatching of Engine Torque Under
  Heavy Load Conditions

• Rotor Speed Droop During Transient Maneuvers
                                          49
HYDROMECHANICAL FUEL CONTROL

• Lack of Safety Features or Mode Failure Protection


• Lack of Built-In Test or Self-Diagnostics


• Inability to Record Engine Faults, History,
   and Limit Exceedence Values


• High Pilot and Maintenance Workload


• Require a Large Spares Inventory                     50
FADEC ADVANTAGES

• Simplified Hands-Off Engine Starting


• Improved Engine Acceleration/Deceleration Control


• Power Assurance/Overspeed Test


• Independent Electronic Engine Overspeed Protection


• Engine Compressor Surge Detection And Avoidance


• Control System Self-Test, Self-Diagnosis
  And Fault Identification                        51
FADEC ADVANTAGES

• Engine History, Start/Component Cycle
  And Limit Exceedence Recording

• Load Anticipation (Minimizing Rotor Droop)

• Accurate Torque Matching And Limiting Functions

• Automatic Switch-Over to an Independent
  Back-Up Control System

• Engine Over-Temperature Avoidance

• No Field Level, System Adjustments

• On-Condition Maintenance
                                                    52
PRIMARY MODE FUNCTIONS

• Twin Engine Load
Sharing

• Electronic Power Turbine Speed
Governing


• Transient Load Anticipation Using Rotor Speed
And Thrust Rate


• Transient Torque Smoothing Using Power
Turbine Rates                                     53
PRIMARY MODE FUNCTIONS

• Contingency Power To Meet Aircraft
Demands

• Automatic Engine Starting, Sequencing
Ignition, Start Fuel, And Stabilized Engine
Operation At Idle

• Acceleration And Deceleration Using
Closed Loop NDOT* Control

• Engine Temperature And
Temperature Rate Limiting                     54
PRIMARY MODE FUNCTIONS

• Compressor Bleed Valve Control (For
Both Transient And Steady State Surge
Margin)

• Surge Detection/Surge
Recovery

• Fuel Flow Limiting


• Engine Fail Detection
                                        55
PRIMARY MODE FUNCTIONS

• Engine Power Assurance Test

• Engine History/Fault Recording

• Automatic Switch Over To The
Reversionary Channel In The Event Of
Primary Channel Hard Fault

• Data Bus For Decu To Decu Cross
Communication                          56
REVERSIONARY MODE FUNCTIONS

• Automatic Start Sequencing Including
Over Temperature Protection


• Pilot Controlled Start Fuel Enrichment/De-Enrichment,
If Required Through ECL Modulation


• Proportional Power Turbine Governing And Automatic
Power Modulation Response To Thrust Rate Changes


• Engine 1 (2) Increase/Decrease Switch To Input Power
Turbine Changes For Accurate Load Matching Of The
Engines                                             57
REVERSIONARY MODE FUNCTIONS

• Full Contingency Power Capability


• Over Temperature Protection Throughout The Engine
Operational Range


• Engine Shutdown In Response To The ECL


• Tracking Of The Primary Channels Operation Allowing A
Smooth Switch- Over When The Reversionary Channel Is
Selected, Or The Primary Channel Fails             58
FADEC
  SYSTEM
COMPONENTS

             59
60
61
62
63
64
65
66
67
GEAR PUMP

    SEAL DRAIN                                   HMU DRIVE
                                                   SHAFT



   FPU DRIVE                                    PUMP OUTLET
                  JET
                 PUMP                            DISCHARGE
        INLET                                   PRESSURE TAP

 INLET PRESSURE                                  CONTROL BYPASS
       TAP
                                                 CAVITY
     BYPASS RELIEF
        VALVE

BYPASS PRESSURE
   REGULATOR



                        BYPASS        HIGH PRESSURE
                        SCREEN         RELIEF VALVE


                                                              68
REFER TO HMA COLOR HANDOUT




                             69
70
71
72
73
74
75
E
                               LIN
                          P3
                   I NE
            E NG
        R
     AI
      T
    EN
 BI
AM




                                76
P3 FROM HMA

       CU
     DE
 TO




                            GE
                          AU
P3




                        G        CHECK VALVE
                 G HT
            SI




                                                77
78
79
80
81
T1




     82
83
84
85
86
87
88
89
FADEC SYSTEM
 OPERATION


               90
PRIMARY SYSTEM INTERFACE
ENGINE START SWITCH   CONTROL ENGINE START AND
                      IGNITION RELAYS

NR SELECTOR (N2SET)   SETS POWER TURBINE SPEED (N2)

PRI/REV SWITCH        SELECTS OPERATION OF THE
                      PRI OR REV MODE

B/U POWER SWITCH      REMOVES ELECTRICAL POWER
                      FROM THE PRIMARY CHANNEL




                                                 91
PRIMARY SYSTEM INTERFACE
LOAD SHARE SWITCH        SELECTS PTIT OR TORQUE FOR
                         ENGINE LOAD SHARING

ENGINE OVERSPEED TEST    ACTIVATES OVERSPEED TEST
SWITCH                   FUNCTION N2 < 81.3%)

ENGINE POWER ASSURANCE   HEXADECIMAL DISPLAY ENG
TEST SWITCH              TEMP MARGIN




                                                    92
PRIMARY SYSTEM INTERFACE
ENGINE CONDITION      SCHEDULES CORE ENGINE SPEED (N1)
LEVER (ECL)           AND CONTROLS FUEL SHUTOFF




THRUST CONTROL        LOAD ANTICIPATION
POSITION TRANSDUCER
                                                  93
POSITION
                                                          NR SPEED
                      HEX DISPLAY




DECU/DECU             DECU                     DECU/COCKPIT SIGNALS
                                                                      POSITION

                                                                       BEEP TRIM



     HMU                                                                B/U PWR
   SIGNALS                                          IGNITION/START
                                                        RELAYS          PRI/REV

                                                                        NR SEL

                 P1       P3                            DC PWR          LOAD


                                    ENGINE SIGNALS


                                                                        PTIT
                               P3


                                               PTIT



        HMA                                 TORQUE

                                           OVERSPEED
                                            SOLENOID                    FAILURE
                                                                      INDICATION
                                           START FUEL
                                            SOLENOID

            BLEED BAND                         T1
            ACTUATOR           P3


                                                                                   94
95
PRIMARY SYSTEM OPERARIONS

       ENGINE STARTING

      ENGINE SHUTDOWN

      POWER AVAILABLE

ACCELERATION AND DECELERATION

       SURGE RECOVERY

STEADY STATE FLIGHT CONDITIONS
                             96
PRIMARY SYSTEM OPERARIONS
  TRANSIENT FLIGHT CONDITIONS
     TEMPERATURE LIMITING
     TEMPERATURE LIMITING
POWER TURBINE OVERSPEED LIMITING
     POWER ASSURANCE TEST
     FAULT CODE RECORDING
   ENGINE HISTORY RECORDING     97
98
99
REFER TO APPENDIX B1




                       100
101
102
PRIMARY SYSTEM
        Ground Starting, Primary Mode (Normal
                Operation, No Faults)

1. SET THE ECL TO GND

2. HOLD ENG START SWITCH UNTIL N1 = 10%

• PRIMARY CHANNEL WILL AUTOMATICALLY CONTROL
THE START SEQUENCING

     1. STARTER

     2. FUEL FLOW TO START FUEL NOZZLES

     3. IGNITION

     4. FUEL FLOW TO MAIN FUEL NOZZLES          103
PRIMARY SYSTEM
          Ground Starting, Primary Mode (Normal
                  Operation, No Faults)

• TEMPERATURE LIMITING (AFTER LIGHTOFF PTIT 760°C)

       REDUCES FUEL FLOW TO 100 PPH MINIMUM
  • OVERTEMPERATURE DURING START (ABORT)

     • FUEL SHUTOFF IF PTIT > 815.5ºC

     • ENG FAIL INDICATION

     • ECL TO STOP RESETTING THE START MODE

       • AIR STARTS PROCEDURES ARE THE SAME
         AS FOR A GROUND START                    104
PRIMARY MODE
              ENGINE SHUTDOWN
ECL MOVED TO GND TO ALLOW NORMAL
ENGINE COOL DOWN

ECL TO STOP

PRIMARY SYSTEM CLOSES THE METERING VALVE
TO THE 40 PPH POSITION

REVERSIONARY MODE WILL EFFECT COMPLETE
SHUTOFF OF FUEL WHEN THE ECL IS MOVED TO STOP

THE SHUTOFF FEATURE IS THE ONLY FUNCTION OF THE
REVERSIONARY MODE THAT IMPACTS
                                          105
THE PRIMARY MODE.
PRIMARY SYSTEM
                POWER AVAILABLE

                  GROUND IDLE


• ECL AT GND


• IDLE SPEED ADJUSTED FOR ENGINE INLET
  TEMPERATURE


     N1 = 50% - COLD DAY (-65°F)
          55% - STD DAY (59°F)
          59% - HOT DAY (135°F)
                                         106
PRIMARY SYSTEM
                  POWER AVAILABLE




GROUND TO FLIGHT TRANSITION

 • ECL MOVED TO FLT POSITION

   FADEC WILL ACCELERATE ENGINE TO NP
   GOVERNOR SET SPEED (ROTOR RPM SELECTED
   BY THE NR SWITCH ON THE FADEC CONTROL PANEL)

   ECL FLT POSITION SETS NG GOVERNOR
   TO EMERGENCY POWER SPEED LIMIT         107
108
REVERSIONARY CONTROL
          TRANSFER TO REVERSIONARY


     REVERSIONARY CHANNEL (REV 1(2) OFF)

WHEN IN PRIMARY, THE REVERSIONAR
CONTROL TRACKS N1


PILOT SELECTS REVERSIONARY OR
PRIMARY CHANNEL FAILURE

COCKPIT DISPLAY - FADEC 1 (2) ON
NORMAL TRANSITION TO REVERSIONARY WILL BE
SMOOTH, NORMALLY NOT REQUIRING PILOT ACTION
                                        109
REVERSIONARY CONTROL
           TRANSFER TO REVERSIONARY
IF THE REVERSIONARY CHANNEL IS HARD
FAULTED (REV 1 (2) ON)
 PRIMARY SYSTEM FAILS TO FIXED
 FUEL FLOW (FAILED FIXED)
 IF PILOT SELECTS REVERSIONARY, SYSTEM CONTROL
 FAILS FIXED TO REVERSIONARY SETTING

 COCKPIT CONTROLS AND INDICATIONS
    1. COCKPIT DISPLAY FADEC 1 (2) AND
       REV 1( 2) INDICATION ON
    2. THE EFFECTED ENGINE DOES NOT RESPOND
       TO CONTROL CHANGES
                                         110
     3. INDICATED TORQUE SPLITS
111
REVERSIONARY SYSTEM INTERFACE
                    CONTROL REVERSIONARY MODE
ENGINE START SWITCH            CONTROL ENGINE START AND IGNITION RELAYS

ENGINE CONDITION LEVER (ECL)   SCHEDULES CORE ENGINE SPEED (N1) AND
                               CONTROLS FUEL SHUTOFF

THRUST CONTROL POSITION        LOAD SCHEDULING
TRANSDUCER

PRI/REV SWITCH                 SELECTS THE REV MODE

ENGINE OVERSPEED TEST SWITCH   ACTIVATES OVERSPEED TEST FUNCTION N2 < 81.3)

ENGINE POWER ASSURANCE         HEXADECIMAL DISPLAY ENG TEMP MARGIN
TEST SWITCH

INC/DEC SWITCH (BEEP)          TRIMS CORE ENGINE SPEED (N1)




                                                                  112
POSITION
                                                          NR SPEED
                      HEX DISPLAY




DECU/DECU             DECU                     DECU/COCKPIT SIGNALS
                                                                      POSITION

                                                                       BEEP TRIM



     HMU                                                                B/U PWR
   SIGNALS                                          IGNITION/START
                                                        RELAYS          PRI/REV

                                                                        NR SEL

                 P1       P3                            DC PWR          LOAD


                                    ENGINE SIGNALS


                                                                        PTIT
                               P3


                                               PTIT



        HMA                                 TORQUE

                                           OVERSPEED
                                            SOLENOID                    FAILURE
                                                                      INDICATION
                                           START FUEL
                                            SOLENOID

            BLEED BAND                         T1
            ACTUATOR           P3


                                                                                   113
REVERSIONARY SYSTEM
           ENGINE STARTING

           ENGINE SHUTDOWN

     CORE ENGINE SPEED GOVERNOR

PROPORTIONAL POWER TURBINE GOVERNOR

WF/P3DOT ACCELERATION AND DECELERATION

 TEMPERATURE RATE OF CHANGE LIMITING

        TEMPERATURE LIMITING

 HYDROMECHANICAL BLEED BAND CONTROL

         INC/DEC TRIM FUNCTION

        FAULT CODE REPORTING             114
115
116
REFER TO APPENDIX B2




                       117
118
REVERSIONARY
                                  SERVO PISTON              MECHANICAL
                BLEED
                                                               STOP
               ORIFICES                          METERING
REVERSIONARY              LOADING PISTON
                                                   HOLE
 Wf/P3 SERVO
 MECHANISM

                           Wf/P3 LEVER            CONTOUR SLEEVE

                                                 IN PRIMARY




                 IN REVERSIONARY                               119
PISTON BLEED ORIFICE

                        POWER PISTON
 FEEDBACK                           P3 PRESSURE
   SPRING
                                   P3 BELLOWS
MAX STOP

FLAPPER
 VALVE
NOZZLE

                                   EVACUATED BELLOWS


           MIN STOP   P3 LEVER



                                                  120
121
REVERSIONARY MODE
GROUND STARTING
1. PILOT SETS ECL TO GND

2. HOLDS START SWITCH UNTIL N1 > 8%

AUTOMATIC CONTROL OF:

         STARTER MOTOR (ABOVE 8%)
         START FUEL SOLENOID
         IGNITERS
         START FLOW TO MAIN NOZZLES
         Wf/P3 vs. N1 START SCHEDULE TO IDLE

ECL ENRICHMENT IF ENGINE TENDS TO STAGNATE
          HAS NOT BEEN REQUIRED IN DEVELOPMENT ENGINE
TESTS
          (-65º TO 135º F STARTS)
760º C TEMPERATURE LIMIT
FUEL CUTBACK TO 130 PPH MIN FLOW

AIR START
SAME PROCEDURE AS GROUND STARTS
WINDMILL SPEEDS WHERE N1 > 10% WILL START AS ECL IS MOVED FROM STOP

SHUTDOWN
ECL SET TO GND FOR ENGINE COOL DOWN ECL SET TO STOP          122
REVERSIONARY WILL IMMEDIATELY OPEN WINDMILL BYPASS FOR FUEL SHUTOFF
123
124
125
126
PAT
                                    Power Assurance Test
                            Ref. Pg 8-9 0f the TM 55-1529-240-10
Perform First Flight of the Day
  May be deferred to the Hover Check

 a. NR Switch = 100%
 b. ENG 1 ECL - Adjust
 c. Thrust Control Lever - Raise until TRQ reads 60 to 80%. Stabilize for 30 seconds
 d. Test switch ENG 2 - PWR ASSURANCE.
          Check DECU display compare displayed value with PAT Trigger Value.
 e. ENG 1 ECL - FLT
 f. Repeat check with ENG 2 COND lever
 g. THRUST CONT lever - Adjust
 4. RRPM - Set as required
                                                                           127
PAT
                               Power Assurance Test
                     Ref. Pg 2-55 0f the TM 55-1529-240-MTF
Perform First Flight of the Day

 a. NR Switch = 100%
 b. ENG 1 ECL - Adjust
 c. Thrust Control Lever - Raise until TRQ reads 60 to 80%. Stabilize for 30 seconds
 d. Test switch ENG 2 - PWR ASSURANCE.
          Check DECU display (FE) An A means that the engine is operating at a
          cooler temperature than a baseline spec engine. An F means that the
          engine is operating at a warmer temperature than a baseline spec engine. .
          Record Results.
 d. THRUST CONT lever - Adjust
 d. ENG 1 ECL - FLT
 e. Repeat check with ENG 2 ENG COND lever

                                                                           128
PAC
                Power Assurance Check
      Ref. Pg 2-76.1 0f the TM 55-1529-240-MTF
                    Ref. Section IV


Power Assurance Check Maximum Power Chart
Power Assurance Check Maximum Continuous Power Chart
Power Assurance Check engine Temperature Limits Chart
Power Assurance Check N1 Gas Generator Speed
Power Assurance Check Altitude Bands Chart




                                                        129
MONITORING FAULT CHECKS


Power-Up Prestart Checks
Pressure Sensors
Bleed Valve Solenoid
Primary Reversionary Change-Over Solenoid
Primary Switch-Over (Watchdog Timer) Circuitry
Programmable Read Only Memory (Prom)
Electronically Erasable Programmable Read Only Memory (Eeprom)



        CONTINUOUS FAULT CHECKS


Airframe & Engine Interface Sensors
Electromechanical Components
Power Supplies


                                                         130
SOFT FAULT

• Failures Which Will Not Impair Normal Mode Control of the Engine or Aircraft
• Pilot Action Not Required
• No Cockpit Indications
• Fault Information Displayed in the Hexadecimal DECU Display.


                          HARD FAULT
• Failures Which Could Seriously Impair Operation of the Engine or Aircraft
• Primary Will Fail Automatically to Reversionary
• FADEC 1 (2) Will Be Displayed


    REVERSIONARY HARD FAULT (REV 1 (2) ON)

• Automatic Switchover to the Failed Reversionary Will Not Occur and Due to the
  Primary Mode Failure the Engine Is Failed Fixed.
• Fadec 1(2) and Rev 1 (2) Indications Will Be Displayed.
                                                                       131
132
FAULT STORAGE AND READOUT




                            133
REVERSIONARY FAULTS




                      134
135
Tom Mietus
                   (610) 591-4148
                   thomas.r.mietus@boeing.com

Date:   10/18/99

Course:
PILOTS POWERPLANT COURSE (ECP D 218)




                                                136
137

Ga 714 a- classroom presentation

  • 1.
  • 2.
    U.S ARMY CH-47D CHINOOK T55-GA-714A (ECP D 218) 2
  • 3.
  • 4.
    SEGMENTED INCREASERD LIFE MAGNOSTRICTIVE 1ST GP NOZZLE 1ST STAGE TURBINE TORQUEMETER TAILCONE RUBBER (CONTAINMENT RING) ABADABLE SEAL IMPROVED GP WATER SPACER WASH STAINLESS STEEL 2ND GP NOZZLE FADEC COMPRESSOR W/COOLED CYLINDER 4
  • 5.
    FUEL SUPPLY HY PRIMARY D PR HY ES DR Y TN R S NA R SIO E VE R ACCESSORY P3 5
  • 6.
  • 7.
  • 8.
    UPPER COMPRESSOR HOUSING SEVEN STAGE AXIAL COMPRESSOR GP SHAFT COMPRESSOR ROTOR No. 1 ASSEMBLY BEARING No. 2 BEARING SINGLE STAGE LOWER CENTRIFUGAL COMPRESSOR COMPRESSOR HOUSING 8
  • 9.
  • 10.
  • 11.
  • 12.
  • 13.
    No .4 TU R BI N E 13
  • 14.
  • 15.
  • 16.
  • 17.
  • 18.
  • 19.
  • 20.
  • 21.
    NK TA TO TO RTN RE TO FWD COMP AR CO P M OI LI N 21
  • 22.
  • 23.
    CHI PD ETE CTO R 23
  • 24.
  • 25.
  • 26.
  • 27.
  • 28.
    PR ES SU RI ZI FLO NG W DIV VA IDE LV R E 28
  • 29.
  • 30.
  • 31.
  • 32.
  • 33.
    OV ERS PEED VAL SOLE VE NO ID 33
  • 34.
  • 35.
  • 36.
    A IR L INE A SH W ER W AT EF LUID N ASH LI W A TER W NOZZLES FLUID AIR 36
  • 37.
  • 38.
  • 39.
  • 40.
  • 41.
  • 42.
  • 43.
  • 44.
  • 45.
  • 46.
  • 47.
    FADEC SYSTEM INTRODUCTION 47
  • 48.
  • 49.
    HYDROMECHANICAL FUEL CONTROL •Marginal Starting During Hot Restarts and Cold Temperature Operations • Slow Engine Acceleration Rates • Compressor Stalls or Surges • Mismatching of Engine Torque Under Heavy Load Conditions • Rotor Speed Droop During Transient Maneuvers 49
  • 50.
    HYDROMECHANICAL FUEL CONTROL •Lack of Safety Features or Mode Failure Protection • Lack of Built-In Test or Self-Diagnostics • Inability to Record Engine Faults, History, and Limit Exceedence Values • High Pilot and Maintenance Workload • Require a Large Spares Inventory 50
  • 51.
    FADEC ADVANTAGES • SimplifiedHands-Off Engine Starting • Improved Engine Acceleration/Deceleration Control • Power Assurance/Overspeed Test • Independent Electronic Engine Overspeed Protection • Engine Compressor Surge Detection And Avoidance • Control System Self-Test, Self-Diagnosis And Fault Identification 51
  • 52.
    FADEC ADVANTAGES • EngineHistory, Start/Component Cycle And Limit Exceedence Recording • Load Anticipation (Minimizing Rotor Droop) • Accurate Torque Matching And Limiting Functions • Automatic Switch-Over to an Independent Back-Up Control System • Engine Over-Temperature Avoidance • No Field Level, System Adjustments • On-Condition Maintenance 52
  • 53.
    PRIMARY MODE FUNCTIONS •Twin Engine Load Sharing • Electronic Power Turbine Speed Governing • Transient Load Anticipation Using Rotor Speed And Thrust Rate • Transient Torque Smoothing Using Power Turbine Rates 53
  • 54.
    PRIMARY MODE FUNCTIONS •Contingency Power To Meet Aircraft Demands • Automatic Engine Starting, Sequencing Ignition, Start Fuel, And Stabilized Engine Operation At Idle • Acceleration And Deceleration Using Closed Loop NDOT* Control • Engine Temperature And Temperature Rate Limiting 54
  • 55.
    PRIMARY MODE FUNCTIONS •Compressor Bleed Valve Control (For Both Transient And Steady State Surge Margin) • Surge Detection/Surge Recovery • Fuel Flow Limiting • Engine Fail Detection 55
  • 56.
    PRIMARY MODE FUNCTIONS •Engine Power Assurance Test • Engine History/Fault Recording • Automatic Switch Over To The Reversionary Channel In The Event Of Primary Channel Hard Fault • Data Bus For Decu To Decu Cross Communication 56
  • 57.
    REVERSIONARY MODE FUNCTIONS •Automatic Start Sequencing Including Over Temperature Protection • Pilot Controlled Start Fuel Enrichment/De-Enrichment, If Required Through ECL Modulation • Proportional Power Turbine Governing And Automatic Power Modulation Response To Thrust Rate Changes • Engine 1 (2) Increase/Decrease Switch To Input Power Turbine Changes For Accurate Load Matching Of The Engines 57
  • 58.
    REVERSIONARY MODE FUNCTIONS •Full Contingency Power Capability • Over Temperature Protection Throughout The Engine Operational Range • Engine Shutdown In Response To The ECL • Tracking Of The Primary Channels Operation Allowing A Smooth Switch- Over When The Reversionary Channel Is Selected, Or The Primary Channel Fails 58
  • 59.
  • 60.
  • 61.
  • 62.
  • 63.
  • 64.
  • 65.
  • 66.
  • 67.
  • 68.
    GEAR PUMP SEAL DRAIN HMU DRIVE SHAFT FPU DRIVE PUMP OUTLET JET PUMP DISCHARGE INLET PRESSURE TAP INLET PRESSURE CONTROL BYPASS TAP CAVITY BYPASS RELIEF VALVE BYPASS PRESSURE REGULATOR BYPASS HIGH PRESSURE SCREEN RELIEF VALVE 68
  • 69.
    REFER TO HMACOLOR HANDOUT 69
  • 70.
  • 71.
  • 72.
  • 73.
  • 74.
  • 75.
  • 76.
    E LIN P3 I NE E NG R AI T EN BI AM 76
  • 77.
    P3 FROM HMA CU DE TO GE AU P3 G CHECK VALVE G HT SI 77
  • 78.
  • 79.
  • 80.
  • 81.
  • 82.
    T1 82
  • 83.
  • 84.
  • 85.
  • 86.
  • 87.
  • 88.
  • 89.
  • 90.
  • 91.
    PRIMARY SYSTEM INTERFACE ENGINESTART SWITCH CONTROL ENGINE START AND IGNITION RELAYS NR SELECTOR (N2SET) SETS POWER TURBINE SPEED (N2) PRI/REV SWITCH SELECTS OPERATION OF THE PRI OR REV MODE B/U POWER SWITCH REMOVES ELECTRICAL POWER FROM THE PRIMARY CHANNEL 91
  • 92.
    PRIMARY SYSTEM INTERFACE LOADSHARE SWITCH SELECTS PTIT OR TORQUE FOR ENGINE LOAD SHARING ENGINE OVERSPEED TEST ACTIVATES OVERSPEED TEST SWITCH FUNCTION N2 < 81.3%) ENGINE POWER ASSURANCE HEXADECIMAL DISPLAY ENG TEST SWITCH TEMP MARGIN 92
  • 93.
    PRIMARY SYSTEM INTERFACE ENGINECONDITION SCHEDULES CORE ENGINE SPEED (N1) LEVER (ECL) AND CONTROLS FUEL SHUTOFF THRUST CONTROL LOAD ANTICIPATION POSITION TRANSDUCER 93
  • 94.
    POSITION NR SPEED HEX DISPLAY DECU/DECU DECU DECU/COCKPIT SIGNALS POSITION BEEP TRIM HMU B/U PWR SIGNALS IGNITION/START RELAYS PRI/REV NR SEL P1 P3 DC PWR LOAD ENGINE SIGNALS PTIT P3 PTIT HMA TORQUE OVERSPEED SOLENOID FAILURE INDICATION START FUEL SOLENOID BLEED BAND T1 ACTUATOR P3 94
  • 95.
  • 96.
    PRIMARY SYSTEM OPERARIONS ENGINE STARTING ENGINE SHUTDOWN POWER AVAILABLE ACCELERATION AND DECELERATION SURGE RECOVERY STEADY STATE FLIGHT CONDITIONS 96
  • 97.
    PRIMARY SYSTEM OPERARIONS TRANSIENT FLIGHT CONDITIONS TEMPERATURE LIMITING TEMPERATURE LIMITING POWER TURBINE OVERSPEED LIMITING POWER ASSURANCE TEST FAULT CODE RECORDING ENGINE HISTORY RECORDING 97
  • 98.
  • 99.
  • 100.
  • 101.
  • 102.
  • 103.
    PRIMARY SYSTEM Ground Starting, Primary Mode (Normal Operation, No Faults) 1. SET THE ECL TO GND 2. HOLD ENG START SWITCH UNTIL N1 = 10% • PRIMARY CHANNEL WILL AUTOMATICALLY CONTROL THE START SEQUENCING 1. STARTER 2. FUEL FLOW TO START FUEL NOZZLES 3. IGNITION 4. FUEL FLOW TO MAIN FUEL NOZZLES 103
  • 104.
    PRIMARY SYSTEM Ground Starting, Primary Mode (Normal Operation, No Faults) • TEMPERATURE LIMITING (AFTER LIGHTOFF PTIT 760°C) REDUCES FUEL FLOW TO 100 PPH MINIMUM • OVERTEMPERATURE DURING START (ABORT) • FUEL SHUTOFF IF PTIT > 815.5ºC • ENG FAIL INDICATION • ECL TO STOP RESETTING THE START MODE • AIR STARTS PROCEDURES ARE THE SAME AS FOR A GROUND START 104
  • 105.
    PRIMARY MODE ENGINE SHUTDOWN ECL MOVED TO GND TO ALLOW NORMAL ENGINE COOL DOWN ECL TO STOP PRIMARY SYSTEM CLOSES THE METERING VALVE TO THE 40 PPH POSITION REVERSIONARY MODE WILL EFFECT COMPLETE SHUTOFF OF FUEL WHEN THE ECL IS MOVED TO STOP THE SHUTOFF FEATURE IS THE ONLY FUNCTION OF THE REVERSIONARY MODE THAT IMPACTS 105 THE PRIMARY MODE.
  • 106.
    PRIMARY SYSTEM POWER AVAILABLE GROUND IDLE • ECL AT GND • IDLE SPEED ADJUSTED FOR ENGINE INLET TEMPERATURE N1 = 50% - COLD DAY (-65°F) 55% - STD DAY (59°F) 59% - HOT DAY (135°F) 106
  • 107.
    PRIMARY SYSTEM POWER AVAILABLE GROUND TO FLIGHT TRANSITION • ECL MOVED TO FLT POSITION FADEC WILL ACCELERATE ENGINE TO NP GOVERNOR SET SPEED (ROTOR RPM SELECTED BY THE NR SWITCH ON THE FADEC CONTROL PANEL) ECL FLT POSITION SETS NG GOVERNOR TO EMERGENCY POWER SPEED LIMIT 107
  • 108.
  • 109.
    REVERSIONARY CONTROL TRANSFER TO REVERSIONARY REVERSIONARY CHANNEL (REV 1(2) OFF) WHEN IN PRIMARY, THE REVERSIONAR CONTROL TRACKS N1 PILOT SELECTS REVERSIONARY OR PRIMARY CHANNEL FAILURE COCKPIT DISPLAY - FADEC 1 (2) ON NORMAL TRANSITION TO REVERSIONARY WILL BE SMOOTH, NORMALLY NOT REQUIRING PILOT ACTION 109
  • 110.
    REVERSIONARY CONTROL TRANSFER TO REVERSIONARY IF THE REVERSIONARY CHANNEL IS HARD FAULTED (REV 1 (2) ON) PRIMARY SYSTEM FAILS TO FIXED FUEL FLOW (FAILED FIXED) IF PILOT SELECTS REVERSIONARY, SYSTEM CONTROL FAILS FIXED TO REVERSIONARY SETTING COCKPIT CONTROLS AND INDICATIONS 1. COCKPIT DISPLAY FADEC 1 (2) AND REV 1( 2) INDICATION ON 2. THE EFFECTED ENGINE DOES NOT RESPOND TO CONTROL CHANGES 110 3. INDICATED TORQUE SPLITS
  • 111.
  • 112.
    REVERSIONARY SYSTEM INTERFACE CONTROL REVERSIONARY MODE ENGINE START SWITCH CONTROL ENGINE START AND IGNITION RELAYS ENGINE CONDITION LEVER (ECL) SCHEDULES CORE ENGINE SPEED (N1) AND CONTROLS FUEL SHUTOFF THRUST CONTROL POSITION LOAD SCHEDULING TRANSDUCER PRI/REV SWITCH SELECTS THE REV MODE ENGINE OVERSPEED TEST SWITCH ACTIVATES OVERSPEED TEST FUNCTION N2 < 81.3) ENGINE POWER ASSURANCE HEXADECIMAL DISPLAY ENG TEMP MARGIN TEST SWITCH INC/DEC SWITCH (BEEP) TRIMS CORE ENGINE SPEED (N1) 112
  • 113.
    POSITION NR SPEED HEX DISPLAY DECU/DECU DECU DECU/COCKPIT SIGNALS POSITION BEEP TRIM HMU B/U PWR SIGNALS IGNITION/START RELAYS PRI/REV NR SEL P1 P3 DC PWR LOAD ENGINE SIGNALS PTIT P3 PTIT HMA TORQUE OVERSPEED SOLENOID FAILURE INDICATION START FUEL SOLENOID BLEED BAND T1 ACTUATOR P3 113
  • 114.
    REVERSIONARY SYSTEM ENGINE STARTING ENGINE SHUTDOWN CORE ENGINE SPEED GOVERNOR PROPORTIONAL POWER TURBINE GOVERNOR WF/P3DOT ACCELERATION AND DECELERATION TEMPERATURE RATE OF CHANGE LIMITING TEMPERATURE LIMITING HYDROMECHANICAL BLEED BAND CONTROL INC/DEC TRIM FUNCTION FAULT CODE REPORTING 114
  • 115.
  • 116.
  • 117.
  • 118.
  • 119.
    REVERSIONARY SERVO PISTON MECHANICAL BLEED STOP ORIFICES METERING REVERSIONARY LOADING PISTON HOLE Wf/P3 SERVO MECHANISM Wf/P3 LEVER CONTOUR SLEEVE IN PRIMARY IN REVERSIONARY 119
  • 120.
    PISTON BLEED ORIFICE POWER PISTON FEEDBACK P3 PRESSURE SPRING P3 BELLOWS MAX STOP FLAPPER VALVE NOZZLE EVACUATED BELLOWS MIN STOP P3 LEVER 120
  • 121.
  • 122.
    REVERSIONARY MODE GROUND STARTING 1.PILOT SETS ECL TO GND 2. HOLDS START SWITCH UNTIL N1 > 8% AUTOMATIC CONTROL OF: STARTER MOTOR (ABOVE 8%) START FUEL SOLENOID IGNITERS START FLOW TO MAIN NOZZLES Wf/P3 vs. N1 START SCHEDULE TO IDLE ECL ENRICHMENT IF ENGINE TENDS TO STAGNATE HAS NOT BEEN REQUIRED IN DEVELOPMENT ENGINE TESTS (-65º TO 135º F STARTS) 760º C TEMPERATURE LIMIT FUEL CUTBACK TO 130 PPH MIN FLOW AIR START SAME PROCEDURE AS GROUND STARTS WINDMILL SPEEDS WHERE N1 > 10% WILL START AS ECL IS MOVED FROM STOP SHUTDOWN ECL SET TO GND FOR ENGINE COOL DOWN ECL SET TO STOP 122 REVERSIONARY WILL IMMEDIATELY OPEN WINDMILL BYPASS FOR FUEL SHUTOFF
  • 123.
  • 124.
  • 125.
  • 126.
  • 127.
    PAT Power Assurance Test Ref. Pg 8-9 0f the TM 55-1529-240-10 Perform First Flight of the Day May be deferred to the Hover Check a. NR Switch = 100% b. ENG 1 ECL - Adjust c. Thrust Control Lever - Raise until TRQ reads 60 to 80%. Stabilize for 30 seconds d. Test switch ENG 2 - PWR ASSURANCE. Check DECU display compare displayed value with PAT Trigger Value. e. ENG 1 ECL - FLT f. Repeat check with ENG 2 COND lever g. THRUST CONT lever - Adjust 4. RRPM - Set as required 127
  • 128.
    PAT Power Assurance Test Ref. Pg 2-55 0f the TM 55-1529-240-MTF Perform First Flight of the Day a. NR Switch = 100% b. ENG 1 ECL - Adjust c. Thrust Control Lever - Raise until TRQ reads 60 to 80%. Stabilize for 30 seconds d. Test switch ENG 2 - PWR ASSURANCE. Check DECU display (FE) An A means that the engine is operating at a cooler temperature than a baseline spec engine. An F means that the engine is operating at a warmer temperature than a baseline spec engine. . Record Results. d. THRUST CONT lever - Adjust d. ENG 1 ECL - FLT e. Repeat check with ENG 2 ENG COND lever 128
  • 129.
    PAC Power Assurance Check Ref. Pg 2-76.1 0f the TM 55-1529-240-MTF Ref. Section IV Power Assurance Check Maximum Power Chart Power Assurance Check Maximum Continuous Power Chart Power Assurance Check engine Temperature Limits Chart Power Assurance Check N1 Gas Generator Speed Power Assurance Check Altitude Bands Chart 129
  • 130.
    MONITORING FAULT CHECKS Power-UpPrestart Checks Pressure Sensors Bleed Valve Solenoid Primary Reversionary Change-Over Solenoid Primary Switch-Over (Watchdog Timer) Circuitry Programmable Read Only Memory (Prom) Electronically Erasable Programmable Read Only Memory (Eeprom) CONTINUOUS FAULT CHECKS Airframe & Engine Interface Sensors Electromechanical Components Power Supplies 130
  • 131.
    SOFT FAULT • FailuresWhich Will Not Impair Normal Mode Control of the Engine or Aircraft • Pilot Action Not Required • No Cockpit Indications • Fault Information Displayed in the Hexadecimal DECU Display. HARD FAULT • Failures Which Could Seriously Impair Operation of the Engine or Aircraft • Primary Will Fail Automatically to Reversionary • FADEC 1 (2) Will Be Displayed REVERSIONARY HARD FAULT (REV 1 (2) ON) • Automatic Switchover to the Failed Reversionary Will Not Occur and Due to the Primary Mode Failure the Engine Is Failed Fixed. • Fadec 1(2) and Rev 1 (2) Indications Will Be Displayed. 131
  • 132.
  • 133.
    FAULT STORAGE ANDREADOUT 133
  • 134.
  • 135.
  • 136.
    Tom Mietus (610) 591-4148 thomas.r.mietus@boeing.com Date: 10/18/99 Course: PILOTS POWERPLANT COURSE (ECP D 218) 136
  • 137.