Pol Martínez
Circuit mixt( paral·lel de sèrie)
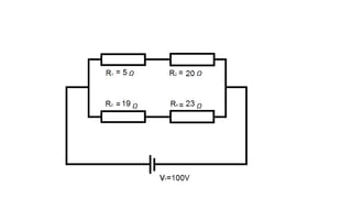
Ω Ω
Ω Ω
Ω Ω Ω
Dades i representació gràfica del circuit de series
de paral·lel.
Conversió del circuit
• Per poder calcular-ho tot haurem de fer un circuit en el qual
ajuntarem les dues resistències i ens quedara un paral·lel.
Calcular la R12 i la R34
• Com que estem fent un circuit de series de paral·lel haurem de
calcular aquestes dues resistències com si fossin en sèrie ja que són
la unió de dos series, per tant sumarem les dues resistències que el
formen.
Calcular la RT
• Com que en l’altre circuit tindrem un paral·lel haurem de calcular la
Rt tal i com ho faríem en un paral·lel. Per tant haurem de sumar les
inverses de les resistències 12 i 34.
Calcular la IT
• Ara ja tindrem dos valors del Total del circuit per tant podrem aplicar
la llei d’ohm per obtenir la IT. Agafarem el VT i la RT i les dividirem i
obtindrem la IT.
Calcular el V12 i el V34
• Com que el segon circuit l’hem convertit en paral·lel, podrem dir que
el Vt és el mateix que tots els voltatges del circuit.
Calcular la I12 i la I34
• Ara com que ja tindrem dos valors d’aquests dos calcularem la I12 i la I34
amb la llei d’ohm. Ja que podrem aplicar la llei que fa I=V/R.
Calcular la I1, I2, I3 i I4
• Com que en el circuit principal la 12 és la unió de la 1 i la 2 i la 34 és la
unió de la 3 i la 4 aquestes estan dividides en dos series per tant ho
calcularém com si foosin series i podrem dir que la I12 i la I34 és igual a
les altres dues.
Calcular el V1, V2, V3 i V4
• Com que ara ja tindrem dues dades en aquests quatre podrem aplicar
la llei d’ohm per poder calcular els voltatges. Ja que al tenir la I i la R
les podrem multiplicar per aconseguir el V. Aleshores ja haurem
obtingut totes les dades del circuit.
VT=
RT =
IT =
V1=
R1=
I1 =
V2=
R2=
I2 =
V3=
R3=
I3=
V4=
R4=
I4=
V12=
R12=
I12 =
100V
15,6Ω
6,38A
20V
5Ω
4A
80V
20Ω
4A
45,23V
19Ω
2,38A
54,76V
23Ω
2,38A
100V
25Ω
4A
100V
42Ω
2,38A
Resultat final del circuit

Circuit mixt(paral·lel de sèries)

  • 1.
    Pol Martínez Circuit mixt(paral·lel de sèrie)
  • 2.
    Ω Ω Ω Ω ΩΩ Ω Dades i representació gràfica del circuit de series de paral·lel.
  • 3.
    Conversió del circuit •Per poder calcular-ho tot haurem de fer un circuit en el qual ajuntarem les dues resistències i ens quedara un paral·lel.
  • 4.
    Calcular la R12i la R34 • Com que estem fent un circuit de series de paral·lel haurem de calcular aquestes dues resistències com si fossin en sèrie ja que són la unió de dos series, per tant sumarem les dues resistències que el formen.
  • 5.
    Calcular la RT •Com que en l’altre circuit tindrem un paral·lel haurem de calcular la Rt tal i com ho faríem en un paral·lel. Per tant haurem de sumar les inverses de les resistències 12 i 34.
  • 6.
    Calcular la IT •Ara ja tindrem dos valors del Total del circuit per tant podrem aplicar la llei d’ohm per obtenir la IT. Agafarem el VT i la RT i les dividirem i obtindrem la IT.
  • 7.
    Calcular el V12i el V34 • Com que el segon circuit l’hem convertit en paral·lel, podrem dir que el Vt és el mateix que tots els voltatges del circuit.
  • 8.
    Calcular la I12i la I34 • Ara com que ja tindrem dos valors d’aquests dos calcularem la I12 i la I34 amb la llei d’ohm. Ja que podrem aplicar la llei que fa I=V/R.
  • 9.
    Calcular la I1,I2, I3 i I4 • Com que en el circuit principal la 12 és la unió de la 1 i la 2 i la 34 és la unió de la 3 i la 4 aquestes estan dividides en dos series per tant ho calcularém com si foosin series i podrem dir que la I12 i la I34 és igual a les altres dues.
  • 10.
    Calcular el V1,V2, V3 i V4 • Com que ara ja tindrem dues dades en aquests quatre podrem aplicar la llei d’ohm per poder calcular els voltatges. Ja que al tenir la I i la R les podrem multiplicar per aconseguir el V. Aleshores ja haurem obtingut totes les dades del circuit.
  • 11.
    VT= RT = IT = V1= R1= I1= V2= R2= I2 = V3= R3= I3= V4= R4= I4= V12= R12= I12 = 100V 15,6Ω 6,38A 20V 5Ω 4A 80V 20Ω 4A 45,23V 19Ω 2,38A 54,76V 23Ω 2,38A 100V 25Ω 4A 100V 42Ω 2,38A Resultat final del circuit