1
Egyptian Academy For Engineering &
Advanced Technology
Basic Components of a Hydraulic System
Hydraulic systems are power-transmitting assemblies
employing pressurized liquid as a fluid for transmitting
energy from an energy-generating source to an energy-using
point to accomplish useful work
2
Egyptian Academy For Engineering &
Advanced Technology
Hydraulic
system
(
1
)
Hydraulic
Fluid (
2
)
Tank
(
3
)
Pipe Lines
(
4
)
Hydraulic
Pump
(
5
)
Control
Valves
(
6
)
Actuators
(
7
)
Accessories
3
Egyptian Academy For Engineering &
Advanced Technology
4
Egyptian Academy For Engineering &
Advanced Technology
Functions of the components are as follows:
1. External power supply (motor) is required to drive the pump.
2. The hydraulic pump is used to force the fluid from the reservoir to rest of the hydraulic
circuit by converting mechanical energy into hydraulic energy.
3. Valves are used to control the direction, pressure and flow rate of a fluid flowing through
the circuit.
4. The hydraulic actuator is a device used to convert the fluid power into mechanical power
to do useful work. The actuator may be of the linear type (e.g., hydraulic cylinder) or rotary
type (e.g., hydraulic motor) to provide linear or rotary motion, respectively
5. Reservoir is used to hold the hydraulic liquid, usually hydraulic oil.
6. Piping system carries the hydraulic oil from one place to another.
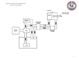
5
 How hydraulic systems work
Egyptian Academy For Engineering &
Advanced Technology
• The pump boosts up the oil pressure. Most hydraulic systems are
equipped with a mechanism for preventing overpressure. One such
method involves returning the pumped hydraulic oil to the oil tank.
• Pumped oil at high pressure flows through a control valve. The control
valve can change the direction of oil flow, depending upon the desired
action on the load. The load can be shifted to the left or to the right by
changing the side of the piston where the oil pressure is exerted. The oil
entering the cylinder applies pressure on the piston, thereby
developing a force on the piston rod. The force on the piston rod
enables the movement of the load. The oil from the other side of the
piston returns to the oil tank.
6
Egyptian Academy For Engineering &
Advanced Technology
7
Egyptian Academy For Engineering &
Advanced Technology
Mathematical equation for hydraulic pistons
- The relationship between pressure and force exerted on a
hydraulic piston is expressed through the following straight-
forward mathematical equation:
Force (F) =Pressure (P) x Cross section area of piston (A)
8
Egyptian Academy For Engineering &
Advanced Technology
 Fluids for Hydraulic Systems
Additives were first used to improve the physical and
chemical properties of hydraulic mineral oils. The first
additives were developed to counter rust and oxidation.
However, mineral oils are highly flammable, and fire risk
increases when operating at high temperatures. This led to
the development of fire-resistant fluids that are mainly water
based, with limitations on the operating conditions. The need
for extremes of operating temperatures and pressures led to
the development of synthetic fluids
9
Egyptian Academy For Engineering &
Advanced Technology
 Functions of Hydraulic Fluids
- The most common liquid that is used as a medium in fluid power
systems is petroleum-based mineral oil.
- In fluid power a system, a hydraulic fluid has to perform various
functions such as the following:
1. Power transmission: To transmit power, this is the primary
function.
2. Lubrication: To lubricate various parts, to avoid metal-to-metal
contact and reduce friction, wear and heat generation.
3. Sealing: To seal the moving elements to avoid leakage.
4. Cooling: To carry away the heat generated in the system and to
dissipate the heat through a reservoir or a heat exchanger.
5. Contaminant removal: To carry along the contaminations to the
tank, where they can be removed through filters.
10
Egyptian Academy For Engineering &
Advanced Technology
 Main Properties Of Ideal Fluid:
1. Ideal viscosity.
2. Good lubrication capability.
3. Good chemical and environmental stability.
4. Incompressibility.
5. Fire resistance.
6. Good heat dissipation.
7. Low density.
11
Egyptian Academy For Engineering &
Advanced Technology
12
Egyptian Academy For Engineering &
Advanced Technology
13
Egyptian Academy For Engineering &
Advanced Technology
14
Egyptian Academy For Engineering &
Advanced Technology
15
Egyptian Academy For Engineering &
Advanced Technology
16
Egyptian Academy For Engineering &
Advanced Technology
 Fluid Viscosity
- It is a measure of the sluggishness with which a fluid moves
17
Egyptian Academy For Engineering &
Advanced Technology
• The absolute viscosity of the oil can be represented
mathematically:
μ = ζ /(u/y)
= (F/A)/ (u/y)
where: ζ :the shear stress in the fluid in units of force per unit
area the shear stress (produced by the force F) causes the
sliding of adjacent layers of oil;
u :velocity of the moving plate (m/s)
y :oil film thickness (m)
μ :the absolute viscosity of the oil (N.s/m2
)
F :force applied to the moving upper plate (N)
A :area of the moving plate surface in contact with the oil(m2
)
18
Egyptian Academy For Engineering &
Advanced Technology
Kinematic viscosity :equals absolute viscosity (μ)
divided by fluid density (ρ)
v = (μ/ρ)
Absolute Viscosity: measures a fluid’s resistance to
flow when an external force is applied.
Kinematic Viscosity: measures the resistive flow of
a fluid under the weight of gravity
19
Egyptian Academy For Engineering &
Advanced Technology
Effect of Temperature on Liquid Viscosity
20
Viscosity index : is a measure of a fluid resistance to
viscosity change with temperature changes. Thus,
viscosity is affected by temperature changes
A fluid that has a relatively stable viscosity at
temperature extremes has a high viscosity index.
A fluid that is very thick while cold and very thin while
hot has a low viscosity index.
Egyptian Academy For Engineering &
Advanced Technology

Basic Components of a Hydraulic System .pptx

  • 1.
    1 Egyptian Academy ForEngineering & Advanced Technology Basic Components of a Hydraulic System Hydraulic systems are power-transmitting assemblies employing pressurized liquid as a fluid for transmitting energy from an energy-generating source to an energy-using point to accomplish useful work
  • 2.
    2 Egyptian Academy ForEngineering & Advanced Technology Hydraulic system ( 1 ) Hydraulic Fluid ( 2 ) Tank ( 3 ) Pipe Lines ( 4 ) Hydraulic Pump ( 5 ) Control Valves ( 6 ) Actuators ( 7 ) Accessories
  • 3.
    3 Egyptian Academy ForEngineering & Advanced Technology
  • 4.
    4 Egyptian Academy ForEngineering & Advanced Technology Functions of the components are as follows: 1. External power supply (motor) is required to drive the pump. 2. The hydraulic pump is used to force the fluid from the reservoir to rest of the hydraulic circuit by converting mechanical energy into hydraulic energy. 3. Valves are used to control the direction, pressure and flow rate of a fluid flowing through the circuit. 4. The hydraulic actuator is a device used to convert the fluid power into mechanical power to do useful work. The actuator may be of the linear type (e.g., hydraulic cylinder) or rotary type (e.g., hydraulic motor) to provide linear or rotary motion, respectively 5. Reservoir is used to hold the hydraulic liquid, usually hydraulic oil. 6. Piping system carries the hydraulic oil from one place to another.
  • 5.
    5  How hydraulicsystems work Egyptian Academy For Engineering & Advanced Technology • The pump boosts up the oil pressure. Most hydraulic systems are equipped with a mechanism for preventing overpressure. One such method involves returning the pumped hydraulic oil to the oil tank. • Pumped oil at high pressure flows through a control valve. The control valve can change the direction of oil flow, depending upon the desired action on the load. The load can be shifted to the left or to the right by changing the side of the piston where the oil pressure is exerted. The oil entering the cylinder applies pressure on the piston, thereby developing a force on the piston rod. The force on the piston rod enables the movement of the load. The oil from the other side of the piston returns to the oil tank.
  • 6.
    6 Egyptian Academy ForEngineering & Advanced Technology
  • 7.
    7 Egyptian Academy ForEngineering & Advanced Technology Mathematical equation for hydraulic pistons - The relationship between pressure and force exerted on a hydraulic piston is expressed through the following straight- forward mathematical equation: Force (F) =Pressure (P) x Cross section area of piston (A)
  • 8.
    8 Egyptian Academy ForEngineering & Advanced Technology  Fluids for Hydraulic Systems Additives were first used to improve the physical and chemical properties of hydraulic mineral oils. The first additives were developed to counter rust and oxidation. However, mineral oils are highly flammable, and fire risk increases when operating at high temperatures. This led to the development of fire-resistant fluids that are mainly water based, with limitations on the operating conditions. The need for extremes of operating temperatures and pressures led to the development of synthetic fluids
  • 9.
    9 Egyptian Academy ForEngineering & Advanced Technology  Functions of Hydraulic Fluids - The most common liquid that is used as a medium in fluid power systems is petroleum-based mineral oil. - In fluid power a system, a hydraulic fluid has to perform various functions such as the following: 1. Power transmission: To transmit power, this is the primary function. 2. Lubrication: To lubricate various parts, to avoid metal-to-metal contact and reduce friction, wear and heat generation. 3. Sealing: To seal the moving elements to avoid leakage. 4. Cooling: To carry away the heat generated in the system and to dissipate the heat through a reservoir or a heat exchanger. 5. Contaminant removal: To carry along the contaminations to the tank, where they can be removed through filters.
  • 10.
    10 Egyptian Academy ForEngineering & Advanced Technology  Main Properties Of Ideal Fluid: 1. Ideal viscosity. 2. Good lubrication capability. 3. Good chemical and environmental stability. 4. Incompressibility. 5. Fire resistance. 6. Good heat dissipation. 7. Low density.
  • 11.
    11 Egyptian Academy ForEngineering & Advanced Technology
  • 12.
    12 Egyptian Academy ForEngineering & Advanced Technology
  • 13.
    13 Egyptian Academy ForEngineering & Advanced Technology
  • 14.
    14 Egyptian Academy ForEngineering & Advanced Technology
  • 15.
    15 Egyptian Academy ForEngineering & Advanced Technology
  • 16.
    16 Egyptian Academy ForEngineering & Advanced Technology  Fluid Viscosity - It is a measure of the sluggishness with which a fluid moves
  • 17.
    17 Egyptian Academy ForEngineering & Advanced Technology • The absolute viscosity of the oil can be represented mathematically: μ = ζ /(u/y) = (F/A)/ (u/y) where: ζ :the shear stress in the fluid in units of force per unit area the shear stress (produced by the force F) causes the sliding of adjacent layers of oil; u :velocity of the moving plate (m/s) y :oil film thickness (m) μ :the absolute viscosity of the oil (N.s/m2 ) F :force applied to the moving upper plate (N) A :area of the moving plate surface in contact with the oil(m2 )
  • 18.
    18 Egyptian Academy ForEngineering & Advanced Technology Kinematic viscosity :equals absolute viscosity (μ) divided by fluid density (ρ) v = (μ/ρ) Absolute Viscosity: measures a fluid’s resistance to flow when an external force is applied. Kinematic Viscosity: measures the resistive flow of a fluid under the weight of gravity
  • 19.
    19 Egyptian Academy ForEngineering & Advanced Technology Effect of Temperature on Liquid Viscosity
  • 20.
    20 Viscosity index :is a measure of a fluid resistance to viscosity change with temperature changes. Thus, viscosity is affected by temperature changes A fluid that has a relatively stable viscosity at temperature extremes has a high viscosity index. A fluid that is very thick while cold and very thin while hot has a low viscosity index. Egyptian Academy For Engineering & Advanced Technology