I	
  
	
  
	
  
	
  	
  
	
  
	
  
Embedded	
  Systems	
  Project	
  
	
  
FINAL	
  REPORT	
  	
  
	
  
Group	
  Number:	
  6	
  
	
  
	
  
GROUP	
  
MEMBERS:	
  
Manyu	
  Dang	
   9566467	
  
	
  
	
  
Eric	
  Mesquita	
   9568669	
  
	
  
	
  
Hani	
  Qadiri	
   9066907	
  
	
  
	
  
Vishisht	
  Tiwari	
   9109605	
  
	
  
	
  
Cai	
  Willis	
   8473412	
  
Tutor:	
  Dr	
  Judith	
  Apsley	
  
	
  
Date:	
  08/05/2014	
  
	
  
School	
  of	
  Electrical	
  and	
  Electronic	
  
Engineering	
  
  II	
  
Table  of  Contents  
Embedded	
  Systems	
  Project	
  ................................................................................................................	
  I	
  
1.0	
  Introduction	
  ....................................................................................................................................	
  1	
  
1.1	
  Executive	
  Summary	
  .............................................................................................................................	
  1	
  
1.2	
  Introduction	
  .........................................................................................................................................	
  1	
  
1.3	
  Aims	
  and	
  Objectives	
  ............................................................................................................................	
  2	
  
2.0	
  Final	
  System	
  Components	
  Summary	
  ................................................................................................	
  3	
  
2.1	
  Mechanical	
  ..........................................................................................................................................	
  3	
  
2.1.1	
  Restructured	
  Components/Features	
  ...........................................................................................	
  3	
  
2.1.2	
  Non-­‐Restructured	
  Components/Features	
  (Successfully	
  Working	
  Components/Features)	
  ..........	
  3	
  
2.2	
  Electronic	
  .............................................................................................................................................	
  4	
  
2.2.1	
  Line	
  Sensing	
  Circuit	
  ......................................................................................................................	
  4	
  
2.2.2	
  Speed	
  Sensing	
  Circuit	
  ..................................................................................................................	
  5	
  
2.2.3	
  Ultrasound	
  Sensor	
  .......................................................................................................................	
  5	
  
2.2.4	
  RF	
  link(Radio-­‐Frequency	
  Link)	
  .....................................................................................................	
  5	
  
2.3	
  Navigation	
  and	
  Control	
  .......................................................................................................................	
  6	
  
2.4	
  Software	
  ..............................................................................................................................................	
  7	
  
2.2.4	
  Programming	
  features	
  ................................................................................................................	
  7	
  
2.2.4	
  Challenges	
  of	
  programming	
  ........................................................................................................	
  8	
  
3.0	
  Team	
  Organisation	
  and	
  Planning	
  .....................................................................................................	
  9	
  
4.0	
  Budget	
  vs.	
  Outturn	
  ........................................................................................................................	
  10	
  
4.1	
  Proposed	
  Budget	
  v/s	
  Final	
  Cost	
  .........................................................................................................	
  10	
  
4.2	
  Total	
  costt	
  of	
  Buggy	
  ..........................................................................................................................	
  11	
  
5.0	
  Race	
  Analysis	
  ................................................................................................................................	
  12	
  
5.1	
  Testing	
  ...............................................................................................................................................	
  12	
  
5.1.1	
  Challenges	
  during	
  testing	
  ..........................................................................................................	
  12	
  
5.2	
  Preparation	
  for	
  first	
  heat	
  ..................................................................................................................	
  12	
  
5.3	
  First	
  Heat	
  ...........................................................................................................................................	
  13	
  
5.4	
  Preparation	
  for	
  second	
  heat	
  ..............................................................................................................	
  13	
  
5.5	
  Second	
  Heat	
  ......................................................................................................................................	
  13	
  
6.0	
  Critical	
  Analysis	
  .............................................................................................................................	
  14	
  
7.0	
  Successful	
  Innovative	
  Feature	
  ........................................................................................................	
  14	
  
8.0	
  Conclusion	
  .....................................................................................................................................	
  15	
  
9.0	
  References	
  ....................................................................................................................................	
  15	
  
10.0	
  Appendix	
  .....................................................................................................................................	
  16	
  
10.1	
  Updated	
  Engineering	
  drawing	
  for	
  Acetal	
  chassis	
  ............................................................................	
  16	
  
10.2	
  Updated	
  Engineering	
  drawing	
  for	
  Upper	
  Plate	
  of	
  the	
  chassis	
  .........................................................	
  17	
  
10.3	
  Updated	
  Line	
  Sensor	
  Board	
  Diagram	
  ..............................................................................................	
  18	
  
10.4	
  Updated	
  Line	
  Sensing	
  Circuit	
  Board	
  Diagram	
  .................................................................................	
  18	
  
10.5	
  UpdatedSpeed	
  Sensing	
  Board	
  Diagram	
  ..........................................................................................	
  19	
  
10.6	
  UpdatedSpeed	
  Sensing	
  Layout	
  Diagram	
  .........................................................................................	
  19	
  
10.7	
  Updated	
  Line	
  Sensing	
  Circuit	
  Layout	
  Diagram	
  ................................................................................	
  20	
  
10.8	
  Updated	
  Line	
  Sensor	
  Layout	
  Diagram	
  .............................................................................................	
  20	
  
10.9	
  Updated	
  Wiring	
  Diagram	
  ................................................................................................................	
  21	
  
10.10	
  Pseudo	
  code	
  ..................................................................................................................................	
  21	
  
	
  
  1	
  
1.0	
  Introduction	
  
1.1  Executive  Summary  
Using	
  innovative	
  techniques	
  such	
  as	
  the	
  inclusion	
  of	
  an	
  ultrasonic	
  sensor,	
  an	
  RF-­‐link	
  and	
  by	
  creating	
  an	
  
overall	
  efficiently	
  compact	
  design,	
  Group	
  6	
  has	
  accomplished	
  the	
  given	
  task	
  of	
  building	
  a	
  line	
  following	
  
autonomous	
  buggy.	
  This	
  documentation	
  is	
  an	
  in	
  depth	
  evaluation	
  of	
  the	
  methods	
  used	
  to	
  complete	
  this	
  
given	
  primary	
  task.	
  Included	
  are	
  detailed	
  sections	
  of	
  how	
  this	
  was	
  accomplished	
  from	
  the	
  mechanical,	
  
electrical,	
  navigational	
  strategy	
  and	
  software	
  aspects	
  of	
  the	
  buggy.	
  The	
  successes	
  and	
  the	
  failures	
  of	
  the	
  
chosen	
   strategies	
   faced	
   during	
   the	
   design	
   and	
   assembling	
   processes	
   are	
   discussed	
   and	
   the	
   solutions	
  
conceived	
  to	
  solve	
  them.	
  By	
  comparing	
  the	
  group’s	
  project	
  plan	
  as	
  proposed	
  in	
  the	
  proposal	
  and	
  the	
  
final	
  outcome	
  of	
  the	
  buggy,	
  the	
  effectiveness	
  of	
  the	
  overall	
  group	
  work	
  is	
  demonstrated.	
  Furthermore,	
  a	
  
detailed	
  report	
  is	
  given	
  on	
  the	
  budget,	
  how	
  much	
  the	
  buggy	
  was	
  proposed	
  to	
  cost,	
  the	
  difference	
  in	
  the	
  
outcome	
  price	
  and	
  the	
  reasons	
  for	
  the	
  increase	
  in	
  price.	
  Finally,	
  there	
  is	
  a	
  detailed	
  analysis	
  on	
  how	
  the	
  
buggy	
  was	
  prepared	
  for	
  the	
  race	
  and	
  exploring	
  the	
  possible	
  reasons	
  for	
  its	
  performance.	
  Overall,	
  the	
  
buggy	
  was	
  ranked	
  at	
  fifth	
  place	
  with	
  two	
  times	
  at	
  8.3	
  and	
  7.1	
  seconds,	
  when	
  a	
  faster	
  time	
  was	
  expected.	
  
During	
  the	
  first	
  semester,	
  the	
  group	
  worked	
  towards	
  the	
  completion	
  of	
  the	
  overall	
  mechanical	
  design	
  
and	
  planning	
  for	
  the	
  manufacture	
  of	
  the	
  buggy.	
  The	
  main	
  obstacles	
  were	
  extracted	
  from	
  the	
  handbook	
  
and	
  the	
  group	
  used	
  these	
  to	
  determine	
  the	
  design	
  of	
  the	
  buggy.	
  An	
  example	
  of	
  this	
  would	
  be	
  the	
  vital	
  
information	
  of	
  the	
  allocated	
  distance	
  at	
  the	
  end	
  of	
  the	
  track	
  within	
  which	
  the	
  buggy	
  had	
  to	
  come	
  to	
  a	
  
stop.	
  An	
  ultrasonic	
  sensor	
  was	
  used	
  to	
  give	
  the	
  buggy	
  sufficient	
  means	
  of	
  stopping	
  within	
  the	
  desired	
  
space.	
   The	
   properties	
   of	
   the	
   gearbox	
   were	
   determined	
   to	
   obtain	
   the	
   desired	
   torque.	
   Research	
   was	
  
undertaken	
  to	
  determine	
  the	
  sensors	
  required	
  for	
  the	
  optimum	
  race	
  performance	
  from	
  the	
  buggy.	
  The	
  
first	
  half	
  of	
  the	
  second	
  semester	
  was	
  used	
  to	
  fully	
  manufacture	
  the	
  buggy.	
  Separately	
  assembling	
  the	
  
different	
  aspects	
  of	
  the	
  buggy	
  –	
  mechanical,	
  electronic	
  and	
  even	
  software	
  –	
  and	
  then	
  combing	
  together	
  
to	
  create	
  a	
  fully	
  functioning	
  system,	
  that	
  meet	
  the	
  requirements	
  of	
  the	
  project	
  deliverables.	
  From	
  week	
  
7,	
  full	
  concentration	
  was	
  given	
  to	
  the	
  completion	
  of	
  the	
  buggy’s	
  software	
  to	
  implement	
  an	
  effective	
  PID	
  
control	
   that	
   would	
   navigate	
   the	
   buggy	
   around	
   the	
   course	
   in	
   the	
   quickest	
   possible	
   time.	
   Overall,	
   the	
  
group	
  was	
  able	
  to	
  achieve	
  all	
  aims;	
  except	
  reaching	
  the	
  finals. 	
  
1.2  Introduction  
During	
   semester	
   2,	
   group	
   6	
   has	
   been	
   working	
  
towards	
   fully	
   completing	
   the	
   manufacturing	
   and	
  
software	
   for	
   the	
   buggy,	
   so	
   that	
   it	
   is	
   sufficiently	
  
ready	
  to	
  give	
  an	
  excellent	
  performance	
  on	
  the	
  day	
  
of	
   the	
   heats.	
   Unfortunately,	
   despite	
   the	
   hard	
  
work	
   and	
   dedication	
   shown	
   by	
   the	
   group	
  
members,	
  group	
  6’s	
  buggy	
  –	
  The	
  Flying	
  Duchess	
  –	
  
did	
  not	
  qualify	
  for	
  the	
  final	
  race.	
  The	
  buggy	
  was	
  
designed	
  to	
  be	
  compact,	
  with	
  a	
  slick,	
  neat	
  design	
  
that	
  distributes	
  the	
  weight	
  sufficiently	
  to	
  keep	
  the	
  
buggy	
  well	
  balanced	
  with	
  a	
  low	
  centre	
  of	
  gravity.	
  
PID	
   control	
   was	
   used	
   to	
   navigate	
   the	
   buggy	
  
around	
   the	
   track,	
   which	
   will	
   be	
   discussed	
   in	
  
further	
  detail	
  in	
  the	
  software	
  aspect	
  of	
  the	
  Final	
  
Components	
  Summary.	
  Having	
  efficiently	
  used	
  the	
  allocated	
  time	
  in	
  the	
  lab	
  per	
  week,	
  personal	
  time	
  
and	
  the	
  supervisors’	
  help	
  to	
  overcome	
  certain	
  problems	
  with	
  the	
  RF-­‐Link,	
  a	
  buggy	
  was	
  built	
  that	
  met	
  the	
  
criteria	
  set	
  by	
  the	
  group	
  and	
  the	
  project’s	
  demands.	
  	
  
Fig. 1. Overview photo of the buggy
  2	
  
1.3  Aims  and  Objectives  
The	
   group	
   was	
   given	
   the	
   initial	
   task	
   to	
   build	
   a	
   line	
   following	
   autonomous	
   buggy	
   able	
   to	
   manoeuvre	
  
obstacles	
   of	
   a	
   constructed	
   course.	
   Following	
   are	
   the	
   projects	
   demands	
   for	
   the	
   specifications	
   of	
   the	
  
desired	
  buggy:	
  	
  
• Driven	
  by	
  batteries	
  
• Navigate	
  by	
  identification	
  of	
  a	
  white	
  line	
  
• Capable	
  of	
  turning,	
  going	
  up	
  the	
  slope,	
  going	
  over	
  the	
  small	
  line	
  gap	
  
• Successful	
  navigation	
  of	
  a	
  full	
  track	
  by	
  overcoming	
  obstacles	
  by	
  using	
  six	
  sensors	
  only	
  
• Stopping	
  within	
  the	
  allocated	
  distance	
  
• Remaining	
  within	
  a	
  budget	
  of	
  £50	
  
With	
  the	
  project	
  demands	
  in	
  mind,	
  an	
  overall	
  of	
  four	
  primary	
  aims	
  were	
  set	
  by	
  the	
  group:	
  
1. Build	
  a	
  line	
  following	
  buggy	
  	
  
2. Competitively	
  complete	
  a	
  given	
  course	
  in	
  order	
  to	
  reach	
  the	
  finals	
  
3. Use	
  only	
  6	
  line	
  sensors	
  or	
  less,	
  abiding	
  to	
  the	
  given	
  constraint	
  	
  
4. Use	
  innovative	
  solutions	
  to	
  decrease	
  the	
  overall	
  buggy	
  size	
  and	
  number	
  of	
  line	
  sensors	
  used,	
  
whilst	
  maintaining	
  a	
  highly	
  efficient	
  product	
  able	
  to	
  meet	
  the	
  specifications	
  of	
  the	
  given	
  task	
  	
  
The	
  following	
  deadlines	
  were	
  set	
  as	
  part	
  of	
  the	
  overall	
  embedded	
  systems	
  project:	
  
1. Tech	
  demo	
  #1	
  -­‐	
  Demonstration	
  of	
  a	
  functional	
  speed	
  sensing	
  circuit	
  
2. Design	
  report	
  #1	
  -­‐	
  a	
  technical	
  report	
  discussing	
  the	
  required	
  combination	
  of	
  gears,	
  based	
  on	
  test	
  
results	
  and	
  calculations	
  from	
  the	
  motor	
  characterisation	
  lab	
  	
  
3. Design	
  report	
  #2	
  –	
  a	
  technical	
  report	
  discussing	
  the	
  given	
  choice	
  and	
  arrangement	
  of	
  sensors,	
  
the	
  design	
  of	
  the	
  sensor	
  interface	
  circuits	
  and	
  the	
  chosen	
  strategy	
  track	
  navigation	
  
4. Proposal	
   report	
   –	
   An	
   official	
   documentation	
   proposing	
   the	
   buggy	
   as	
   a	
   solution	
   to	
   meet	
   the	
  
desired	
  specifications,	
  intending	
  to	
  receive	
  funding	
  for	
  the	
  project	
  
5. Tech	
  demo	
  #2	
  –	
  Demonstration	
  of	
  functioning	
  motor	
  control	
  	
  
6. Tech	
  demo	
  #3	
  –	
  Demonstration	
  of	
  line	
  sensing,	
  by	
  visually	
  presenting	
  the	
  reactions	
  of	
  the	
  line	
  
sensors	
  used	
  	
  
7. Tech	
  demo	
  #4	
  –	
  Demonstration	
  of	
  the	
  buggy	
  following	
  a	
  white	
  line	
  against	
  a	
  dark	
  surface,	
  not	
  as	
  
demanding	
  as	
  the	
  heats	
  or	
  the	
  final	
  race,	
  however,	
  just	
  a	
  simple	
  demonstration	
  that	
  the	
  buggy	
  
is	
  able	
  to	
  follow	
  a	
  line	
  	
  
8. Tech	
  demo	
  #5	
  –	
  The	
  Heats,	
  a	
  three	
  part	
  course	
  determining	
  the	
  buggies	
  sufficient	
  to	
  compete	
  in	
  
the	
  final	
  race	
  on	
  the	
  harder	
  race	
  track	
  
9. The	
  Final	
  Race	
  –	
  competing	
  for	
  the	
  fastest	
  time	
  of	
  completion	
  around	
  a	
  given	
  course	
  containing	
  
several	
  obstacles	
  such	
  as	
  a	
  see-­‐saw	
  ramp	
  and	
  a	
  windy	
  slope	
  
These	
   soft	
   deliverables	
   were	
   at	
   the	
   core	
   of	
   the	
   group’s	
   project	
   plan.	
   They	
   were	
   used	
   as	
   a	
   rough	
  
guideline	
   to	
   set	
   goals,	
   objectives	
   and	
   helped	
   determine	
   deadlines	
   for	
   the	
   completion	
   of	
   different	
  
aspects	
  of	
  the	
  buggy.	
  Using	
  the	
  list	
  of	
  aims,	
  the	
  project	
  demands	
  and	
  the	
  required	
  deliverables,	
  the	
  
following	
  objectives	
  were	
  set:	
  	
  
-­‐ Designing	
  and	
  building	
  an	
  accurate	
  speed	
  sensing	
  circuit	
  to	
  be	
  implemented	
  in	
  the	
  buggy	
  
-­‐ Designing	
  a	
  chassis	
  that	
  is	
  well	
  within	
  the	
  track	
  width	
  decreasing	
  the	
  risk	
  of	
  impact	
  with	
  the	
  
boundaries	
  
-­‐ Designing	
  a	
  battery	
  box	
  that	
  encloses	
  the	
  batteries	
  safely	
  ensuring	
  they	
  will	
  not	
  fall	
  out	
  during	
  
either	
  the	
  heats	
  or	
  the	
  race	
  	
  
-­‐ Designing	
  the	
  necessary	
  PCBs	
  for	
  the	
  speed	
  sensing	
  and	
  line	
  sensing	
  circuit,	
  that	
  will	
  be	
  efficient	
  
in	
  practical	
  use	
  and	
  space	
  	
  
-­‐ Assembling	
  the	
  buggy	
  –	
  putting	
  together	
  each	
  complete	
  aspect	
  of	
  the	
  buggy	
  (the	
  mechanical	
  
and	
  the	
  electronic)	
  	
  
  3	
  
-­‐ Writing	
  a	
  C	
  program	
  implementing	
  PID	
  control	
  that	
  will	
  sufficiently	
  navigate	
  the	
  buggy	
  around	
  
the	
  course	
  following	
  the	
  white	
  line	
  	
  
-­‐ Using	
  the	
  allocated	
  time	
  in	
  labs	
  to	
  the	
  highest	
  degree	
  of	
  efficiency	
  to	
  meet	
  the	
  deadlines	
  set	
  
both	
  personally	
  for	
  the	
  group,	
  and	
  the	
  overall	
  deadlines	
  set	
  for	
  the	
  project	
  (as	
  stated	
  above)	
  	
  
-­‐ Budgetary	
  planning	
  to	
  ensure	
  that	
  the	
  group	
  does	
  not	
  spend	
  over	
  the	
  give	
  budget	
  of	
  £50	
  	
  
2.0	
  Final	
  Systems	
  Components	
  Summary	
  
2.1  Mechanical  
The	
  mechanical	
  aspect	
  of	
  the	
  buggy	
  went	
  through	
  a	
  major	
  overhaul	
  during	
  the	
  second	
  semester	
  of	
  the	
  
project.	
  The	
  buggy	
  now	
  consisted	
  of	
  two	
  levels	
  of	
  acetal	
  plates	
  carrying	
  different	
  components.	
  The	
  first	
  
level(bottom	
   plate)	
   was	
   fitted	
   with	
   the	
   motor	
   drive	
   board	
   and	
   the	
   battery	
   box	
   while	
   the	
   second	
  
level(upper	
  plate)	
  was	
  fitted	
  with	
  the	
  RF	
  link,	
  microcontroller	
  board	
  and	
  breakout	
  board.	
  Battery	
  Box	
  is	
  
another	
   innovative	
   feature	
   that	
   was	
   introduced	
   in	
   the	
   second	
   semester	
   of	
   the	
   buggy	
   to	
   carry	
   and	
  
replace	
  batteries	
  in	
  an	
  easy	
  yet	
  safe	
  way.	
  However,	
  few	
  features	
  of	
  the	
  buggy	
  such	
  as	
  placement	
  of	
  line	
  
sensing	
  circuit	
  board	
  between	
  the	
  two	
  front	
  wheels	
  and	
  gear-­‐ratio	
  worked	
  well	
  for	
  the	
  purpose	
  of	
  line	
  
following,	
  climbing	
  up	
  the	
  slope	
  and	
  descending	
  down	
  the	
  slope	
  and	
  hence	
  was	
  continued	
  to	
  be	
  used	
  in	
  
the	
  buggy.	
  
2.1.1  Restructured  Components/Features  
Components	
   that	
   did	
   not	
   work	
   as	
   planned	
   and	
   have	
   gone	
   through	
   restructuring	
   during	
   the	
   second	
  
semester	
  have	
  been	
  discussed	
  below	
  in	
  detail:	
  
Chassis:	
  
The	
   chassis	
   width	
   size	
   was	
   decreased	
   in	
   order	
   to	
   improve	
   the	
   maneuverability	
   and	
   reduce	
   the	
  
probability	
   of	
   the	
   buggy	
   crashing	
   into	
   pinch-­‐points.	
   Also,	
   the	
   modified	
   shape	
   of	
   the	
   chassis	
   is	
  
symmetrical	
  which	
  provided	
  a	
  better	
  balance	
  to	
  the	
  buggy.	
  
Front	
  Wheels	
  
Initially,	
  the	
  group	
  planned	
  to	
  use	
  a	
  caster	
  wheel	
  for	
  the	
  front	
  wheel,	
  believing	
  it	
  to	
  easily	
  adapt	
  to	
  a	
  
change	
   in	
   direction.	
   After	
   comparing	
   with	
   the	
   other	
   components	
   provided	
   in	
   the	
   workshop,	
   it	
   was	
  
decided	
  instead	
  to	
  use	
  0.5”	
  ball	
  bearing	
  as	
  the	
  front	
  wheel.	
  This	
  was	
  due	
  to	
  two	
  main	
  reasons;	
  first,	
  the	
  
weight	
  of	
  ball	
  bearing	
  is	
  lighter	
  than	
  the	
  caster	
  wheel,	
  reducing	
  the	
  overall	
  load	
  of	
  the	
  buggy.	
  Secondly,	
  
after	
  testing,	
  it	
  was	
  found	
  that	
  the	
  ball	
  bearing	
  could	
  provide	
  smoother	
  turning	
  than	
  the	
  caster	
  wheel.	
  	
  
Battery	
  Box:	
  
According	
  to	
  the	
  proposal	
  report,	
  the	
  battery	
  pack	
  was	
  supposed	
  to	
  be	
  on	
  the	
  upper	
  plate	
  of	
  the	
  buggy.	
  
However,	
  having	
  decided	
  to	
  add	
  an	
  RF	
  link	
  board,	
  there	
  was	
  no	
  longer	
  enough	
  space	
  on	
  the	
  upper	
  plate.	
  
The	
  group	
  sat	
  down	
  together	
  to	
  discuss	
  how	
  to	
  overcome	
  the	
  problem	
  at	
  hand,	
  which	
  was	
  where	
  to	
  
place	
   the	
   batteries.	
   It	
   was	
   concluded	
   by	
   agreeing	
   to	
   place	
   the	
   batteries	
   inside	
   a	
   box	
   that	
   would	
   be	
  
sturdy	
  enough	
  to	
  not	
  open	
  in	
  the	
  middle	
  of	
  a	
  race	
  and	
  that	
  could	
  be	
  easily	
  opened	
  when	
  needs	
  be	
  to	
  
recharge	
  the	
  batteries.	
  The	
  battery	
  box	
  was	
  placed	
  at	
  the	
  bottom	
  of	
  the	
  chassis,	
  and	
  since	
  its	
  weight	
  
was	
  quite	
  large,	
  this	
  change	
  also	
  lowered	
  the	
  centre	
  of	
  gravity	
  of	
  the	
  buggy,	
  making	
  it	
  more	
  stable	
  in	
  a	
  
dynamic	
  system.	
  
2.1.2  Non-­‐Restructured  Components/Features  (Successfully  Working  Components/Features)  
Few	
   components	
   in	
   the	
   buggy	
   worked	
   the	
   way	
   they	
   were	
   expected.	
   These	
   provided	
   an	
   added	
  
advantage	
  to	
  the	
  buggy	
  and	
  hence	
  were	
  continued	
  to	
  be	
  used	
  in	
  the	
  buggy:	
  
  4	
  
Gears:	
  
In	
  the	
  proposal	
  report,	
  it	
  was	
  determined	
  that	
  
the	
  gear	
  ratio	
  of	
  1:15.6	
  would	
  be	
  the	
  optimum	
  
in	
  gear	
  ratio	
  for	
  providing	
  enough	
  torque	
  to	
  go	
  
up	
  the	
  slope	
  and	
  enough	
  speed	
  on	
  the	
  straights.	
  
Gears	
   to	
   be	
   used	
   for	
   the	
   construction	
   of	
   the	
  
gearbox	
   were:	
   16	
   tooth	
   pinions	
   (motor	
   shaft	
  
only);	
   50/10	
   free	
   running	
   gear	
   (grey);	
   50/10	
  
press	
   fit	
   gear	
   (red).	
   This	
   gear	
   combination	
  
provided	
  the	
  right	
  balance	
  between	
  torque	
  and	
  
speed	
  and	
  hence	
  was	
  continued	
  to	
  be	
  used	
  in	
  the	
  buggy.	
  
Sensor	
  Board	
  Placement:	
  
Placement	
   for	
   the	
   sensor	
   board,	
   in	
   the	
   proposal	
   report,	
   was	
   decided	
   to	
   be	
   between	
   the	
   two	
   front	
  
wheels.	
  This	
  feature	
  was	
  expected	
  to	
  provide	
  greater	
  accuracy	
  of	
  line	
  sensing,	
  as	
  the	
  sensors	
  would	
  be	
  
able	
  to	
  detect	
  any	
  slope	
  changes	
  in	
  the	
  course	
  without	
  losing	
  the	
  track.	
  This	
  feature	
  also	
  worked	
  as	
  
expected	
  and	
  was	
  continued	
  to	
  be	
  used	
  in	
  the	
  buggy.	
  The	
  board	
  however	
  was	
  divided	
  into	
  two	
  different	
  
PCBs.	
  One	
  contained	
  the	
  sensors	
  while	
  the	
  other	
  contained	
  the	
  circuit	
  for	
  the	
  sensors.	
  
2.2  Electronic  
The	
   electronic	
   circuits	
   used	
   in	
   the	
   buggy	
   did	
   not	
   see	
   such	
   a	
   drastic	
   overhaul	
   like	
   the	
   mechanical	
  
components	
   of	
   the	
   buggy	
   did.	
   However,	
   one	
   change	
   from	
   the	
   proposal	
   report	
   was	
   the	
   use	
   of	
   PCBs	
  
instead	
  of	
  stripboard.	
  All	
  the	
  circuits	
  used	
  in	
  the	
  buggy	
  including	
  line	
  sensor	
  board,	
  speed	
  sensor	
  board	
  
and	
  circuit	
  board	
  were	
  all	
  designed	
  on	
  Altium	
  software	
  and	
  then	
  constructed	
  on	
  PCBs.	
  This	
  decision	
  was	
  
taken	
   after	
   analysing	
   the	
   reliability,	
   clean	
   and	
   easy	
   arrangement,	
   and	
   quality	
   of	
   the	
   PCBs.	
   Each	
  
electronic	
  component	
  of	
  the	
  buggy	
  has	
  been	
  discussed	
  in	
  detail	
  as	
  follows:	
  
2.2.1  Line  Sensing  Circuit  
As	
   discussed	
   in	
   the	
   proposal	
  
report,	
   the	
   TCRT5000L,	
   a	
   Reflective	
  
Optical	
   Sensor	
   with	
   Transistor	
   Output,	
  
remained	
   as	
   the	
   line	
   sensor	
   in	
   use	
  
for	
  the	
  line	
  sensing	
  circuit.	
  This	
  
choice	
  was	
  made	
  having	
  tested	
  
all	
  other	
  potential	
  sensors.	
  This	
  
sensor	
   proved	
   to	
   be	
   the	
   most	
  
sensitive	
   to	
   reflective	
  
differences	
   in	
   track	
   surfaces	
  
i.e.	
   it	
   was	
   the	
   most	
   effective	
  
at	
  detecting	
  the	
  white	
  line.	
  Furthermore,	
  it	
  was	
  self-­‐illuminating,	
  containing	
  an	
  IR	
  emitter	
  as	
  well	
  as	
  
receiver,	
  in	
  a	
  compact	
  case	
  reducing	
  the	
  space	
  needed	
  for	
  the	
  circuit.	
  5	
  of	
  these	
  sensors	
  were	
  used	
  for	
  
the	
  purpose	
  of	
  line	
  following	
  and	
  were	
  arranged	
  as	
  shown	
  in	
  figure	
  6.	
  The	
  circuit	
  for	
  all	
  the	
  sensors	
  was	
  
unchanged	
  from	
  proposal	
  report.	
  A	
  100Ω	
  resistor	
  was	
  used	
  to	
  convert	
  the	
  maximum	
  amount	
  of	
  light	
  
intensity	
  so	
  that	
  the	
  maximum	
  forward	
  current	
  is	
  60mA.	
  A	
  4.7kΩ-­‐resistor	
  was	
  used	
  in	
  series	
  with	
  the	
  
phototransistor,	
  configured	
  as	
  a	
  potential	
  divider	
  to	
  work	
  out	
  the	
  maximum	
  difference	
  in	
  output	
  values	
  
obtained	
  when	
  sensing	
  white	
  and	
  black	
  surfaces.	
  For	
  digital	
  sensors,	
  comparator	
  LM311	
  was	
  used	
  to	
  
convert	
  the	
  output	
  from	
  sensors	
  to	
  logic	
  level	
  0	
  or	
  1	
  where	
  0	
  logic	
  level	
  means	
  black	
  surface	
  while	
  1	
  
logic	
  level	
  means	
  white	
  surface.	
  The	
  circuit	
  diagram	
  for	
  Digital	
  sensors	
  has	
  been	
  shown	
  in	
  figure	
  3.	
  A	
  full	
  
circuit	
  diagram	
  for	
  all	
  line	
  sensors	
  can	
  be	
  found	
  in	
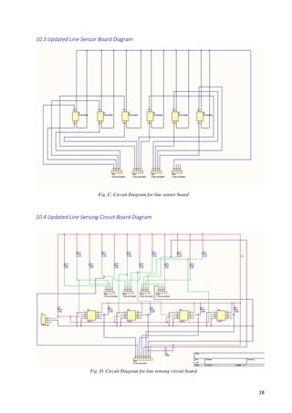
  appendix10.3	
  and	
  10.4.	
  
Fig. 3. Circuit Diagram for Digital Sensors
Fig. 2. Gearbox
	
  
R1
100Ω
R2
4.7kΩ
TCRT5000L
VSS
5V
LM311N-14
B/STBVS+
GND
BAL
VS-
3
4
6
11
9
2
7 839kΩ
100kΩ
Key=A
10 %
300kΩ
Output
  5	
  
The	
  sensors	
  were	
  connected	
  to	
  the	
  breakout	
  interface	
  
(PORTA	
   &PORTJ)	
   as	
   shown	
   in	
   the	
   wiring	
   diagram	
   in	
  
appendix	
   10.9.	
   The	
   analogue	
   sensors	
   were	
   used	
   as	
  
analogue	
  inputs(PORTA)	
  to	
  implement	
  the	
  PID	
  control	
  
while	
   the	
   digital	
   sensors	
   were	
   used	
   as	
   digital	
  
inputs(PORTJ).	
   When	
   designing	
   the	
   PCB	
   for	
   the	
   line	
  
sensor	
  circuit,	
  it	
  was	
  separated	
  into	
  two	
  boards	
  where	
  
one	
   contained	
   five	
   sensors	
   section	
   while	
   the	
   other	
  
contained	
   the	
   rest	
   of	
   the	
   circuit.	
   This	
   change	
  
increased	
  the	
  space	
  efficiency	
  on	
  the	
  buggy	
  and	
  also	
  
meant	
   there	
   was	
   enough	
   space	
   for	
   the	
   ultrasonic	
  
sensor.	
   The	
   two	
   PCBs	
   were	
   connected	
   using	
   Molex	
  
connector.	
  An	
  image	
  of	
  the	
  line	
  sensing	
  circuit	
  has	
  been	
  
shown	
  in	
  figure	
  4.	
  
2.2.2  Speed  Sensing  Circuit    
The	
  circuit	
  for	
  the	
  speed	
  sensing	
  from	
  the	
  proposal	
  report	
  has	
  been	
  unchanged.	
  For	
  the	
  speed	
  sensing	
  
circuit,	
  the	
  IR	
  emitter	
  TEKT5400s	
  and	
  IR	
  receiver	
  TEKS5200s	
  was	
  used.	
  The	
  emitter	
  is	
  connected	
  100Ω	
  
resistor	
  and	
  receiver	
  is	
  connected	
  to	
  4.7kΩ	
  resistor.	
  The	
  output	
  is	
  connected	
  to	
  PORTB	
  in	
  the	
  breakout	
  
interface	
   board.	
   The	
   left	
   wheel	
   speed	
   sensor	
   circuit	
   and	
   right	
   wheel	
   speed	
   sensor	
   circuit	
   were	
  
integrated	
  into	
  one	
  PCB	
  to	
  save	
  space.	
  The	
  circuit	
  diagram	
  for	
  speed	
  sensing	
  circuit	
  can	
  be	
  found	
  in	
  
appendix	
  10.5.	
  
2.2.3  Ultrasonic  Sensor    
The	
   new	
   electronic	
   innovation	
   that	
   has	
   been	
   introduced	
   in	
  
the	
   buggy	
   in	
   second	
   semester	
   is	
   the	
   introduction	
   of	
   the	
  
ultrasound	
   sensor.	
   This	
   was	
   a	
   new	
   idea	
   and	
   was	
   never	
  
discussed	
  in	
  the	
  proposal	
  report.	
  The	
  high	
  mass	
  and	
  hence	
  
high	
  momentum	
  at	
  high	
  speed	
  was	
  proving	
  it	
  to	
  be	
  difficult	
  
for	
  the	
  buggy	
  to	
  stop	
  within	
  the	
  defined	
  range	
  of	
  20cms.	
  The	
  
ultrasonic	
   sensor	
   was	
   used	
   to	
   allow	
   the	
   buggy	
   to	
   go	
   at	
   a	
  
higher	
  duty	
  cycle	
  whilst	
  still	
  having	
  the	
  capability	
  to	
  stop	
  at	
  
the	
  end	
  of	
  the	
  track.	
  It	
  works	
  by	
  transmitting	
  an	
  ultrasound	
  
wave,	
  which	
  is	
  then	
  reflected	
  directly	
  back	
  from	
  the	
  barrier	
  
at	
  the	
  end	
  of	
  the	
  track.	
  Since	
  the	
  speed	
  of	
  the	
  sonic	
  wave	
  is	
  
known	
  it	
  can	
  be	
  used	
  to	
  calculate	
  the	
  distance	
  to	
  the	
  barrier,	
  
assisting	
  the	
  line	
  and	
  speed	
  sensors	
  to	
  provide	
  a	
  higher	
  level	
  
of	
  precisions	
  and	
  navigational	
  control.	
  	
  
2.2.4  RF-­‐Link  (Radio-­‐frequency  link)  
An	
  RF-­‐link	
  (Radio-­‐frequency	
  Link)	
  was	
  also	
  implemented	
  allowing	
  for	
  wireless	
  control	
  under	
  a	
  specific	
  
frequency.	
  The	
  RF-­‐link	
  contains	
  the	
  microchip	
  MRF24J40MB	
  module,	
  which	
  uses	
  the	
  microchip	
  MIWI	
  
protocol.	
  The	
  SPI	
  port	
  is	
  used	
  to	
  transfer	
  data	
  between	
  the	
  PIC	
  and	
  the	
  MRF24J40MB;	
  as	
  a	
  result	
  the	
  
position	
  information	
  can	
  be	
  identified	
  and	
  manipulated.	
  The	
  controller	
  for	
  the	
  buggy	
  was	
  made	
  using	
  
the	
  I/O	
  board	
  used	
  in	
  the	
  microcontroller	
  project	
  in	
  1st
	
  year.	
  The	
  potentiometer	
  in	
  the	
  I/O	
  board	
  was	
  
used	
  for	
  varying	
  straight-­‐line	
  speed	
  while	
  two	
  push	
  buttons	
  were	
  used	
  for	
  turning	
  the	
  buggy.	
  Another	
  
toggle	
  switch	
  was	
  used	
  to	
  change	
  the	
  buggy	
  from	
  line	
  following	
  mode	
  to	
  remote	
  control	
  mode	
  in	
  case	
  it	
  
needed	
  to	
  be	
  used	
  for	
  the	
  final	
  race.	
  The	
  8	
  LEDs	
  and	
  7-­‐segment	
  display	
  on	
  the	
  I/O	
  board	
  were	
  used	
  as	
  a	
  
debugging	
  tool.	
  Important	
  information	
  such	
  as	
  speed	
  of	
  both	
  the	
  motors,	
  the	
  sensitivity	
  of	
  the	
  sensors	
  
etc.	
  was	
  obtained	
  easily	
  using	
  RF.	
  Values	
  of	
  integral	
  and	
  derivative	
  helped	
  to	
  get	
  the	
  PID	
  control	
  of	
  the	
  
buggy	
  better	
  and	
  made	
  the	
  programming	
  process	
  much	
  easier.	
  
Fig. 4. Two different PCBs for line sensors
5	
  
Fig. 5. Ultrasonic Sensors HC-SR04
	
  
  6	
  
2.3  Navigation  and  Control    
  
The	
   final	
   navigation	
   system	
  
implemented	
   on	
   the	
   buggy	
   is	
  
demonstrated	
  by	
  figure	
  6.	
  Navigation	
  
is	
  executed	
  via	
  five	
  TCRT5000L	
  optical	
  
sensors	
   used	
   to	
   determine	
   the	
  
buggy’s	
  position	
  on	
  the	
  line	
  and	
  aid	
  in	
  
tackling	
   obstacles	
   of	
   the	
   course.	
   The	
  
sensor	
   bank	
   consists	
   of	
   a	
   central	
  
digital	
   sensor,	
   two	
   analogue	
   sensors	
  
and	
  two	
  outer	
  digital	
  sensors	
  positioned	
  
less	
   than	
   a	
   line	
   width	
   away	
   from	
   each	
  
analogue	
  sensor	
  to	
  aid	
  in	
  regaining	
  a	
  lost	
  line.	
  
Requirements	
  for	
  the	
  navigation	
  system	
  were	
  determined	
  by	
  a	
  list	
  of	
  likely	
  and	
  worst	
  case	
  scenarios	
  
that	
  the	
  buggy	
  might	
  encounter	
  such	
  as	
  sharp	
  turns,	
  line	
  breaks,	
  long	
  fast	
  straightways	
  and	
  the	
  end	
  of	
  
the	
  track.	
  
The	
  analogue	
  sensors	
  either	
  side	
  of	
  the	
  
line	
   are	
   capable	
   of	
   providing	
   readings	
  
sufficient	
  to	
  determine	
  relative	
  position	
  
of	
   the	
   line	
   and	
   provide	
   a	
   basis	
   to	
  
implement	
   some	
   variation	
   of	
   PID	
  
control.	
  	
  These	
  sensors	
  are	
  read	
  by	
  the	
  
PIC18F8722’s	
   analog	
   to	
   digital	
  
converter,	
   compared	
   and	
   used	
   in	
  
calculations	
   to	
   maintain	
   a	
   steady	
   path	
  
along	
   curves	
   and	
   increase	
   speed	
   along	
  
straight	
  sections	
  of	
  the	
  track.	
  	
  
The	
   outputs	
   of	
   the	
   digital	
   sensors	
   are	
  
fed	
  into	
  comparators	
  in	
  order	
  to	
  create	
  
a	
   digital	
   signal	
   to	
   be	
   read	
   by	
   the	
  
microcontroller.	
   The	
   sensitivity	
   of	
   the	
  
comparators	
   can	
   be	
   adjusted	
   via	
   a	
   potentiometer.	
   The	
   central	
   digital	
   sensor	
   is	
   therefore	
   sensitive	
  
enough	
  to	
  maintain	
  a	
  perception	
  of	
  the	
  line	
  across	
  the	
  maximum	
  line-­‐break	
  distance.	
  This	
  sensor	
  is	
  also	
  
used	
  in	
  deducing	
  the	
  true	
  end	
  of	
  the	
  line.	
  The	
  outer	
  digital	
  sensors	
  are	
  intended	
  for	
  situations	
  in	
  which	
  
the	
  buggy	
  has	
  strayed	
  too	
  far	
  either	
  side	
  of	
  the	
  line	
  or	
  even	
  left	
  the	
  line	
  completely.	
  In	
  the	
  case	
  of	
  either	
  
of	
  the	
  outer	
  digital	
  sensors	
  being	
  the	
  last	
  sensor	
  to	
  give	
  a	
  reading,	
  the	
  buggy	
  will	
  continue	
  turning	
  until	
  
the	
  line	
  has	
  been	
  found	
  again.	
  
The	
  initial	
  design	
  for	
  the	
  layout	
  of	
  the	
  sensors	
  given	
  in	
  the	
  proposal	
  report	
  is	
  shown	
  in	
  figure	
  7.	
  Some	
  
subtle	
  changes	
  have	
  been	
  made	
  to	
  the	
  layout	
  of	
  the	
  sensors	
  and	
  very	
  little	
  has	
  been	
  altered	
  in	
  terms	
  of	
  
overall	
  navigation	
  strategy.	
  The	
  first	
  change	
  made	
  was	
  to	
  remove	
  the	
  second	
  digital	
  line	
  sensor	
  as	
  it	
  was	
  
discovered	
  that	
  the	
  cone	
  of	
  light	
  emitted	
  by	
  a	
  single	
  TCRT5000L	
  sensor	
  was	
  sufficiently	
  large	
  to	
  maintain	
  
a	
  signal	
  across	
  the	
  biggest	
  gap	
  when	
  the	
  sensitivity	
  of	
  the	
  comparator	
  circuit	
  was	
  adjusted.	
  The	
  second	
  
central	
  digital	
  sensor	
  was	
  rendered	
  obsolete	
  and	
  could	
  thus	
  be	
  omitted,	
  simplifying	
  the	
  control	
  program	
  
somewhat	
  with	
  no	
  effect	
  on	
  performance.	
  The	
  positioning	
  of	
  the	
  sensors	
  was	
  also	
  adjusted,	
  bringing	
  the	
  
analogue	
  sensors	
  closer	
  towards	
  the	
  center	
  and	
  adjusting	
  the	
  outer	
  digital	
  sensors	
  accordingly	
  so	
  that	
  
they	
   too	
   were	
   closer	
   to	
   the	
   center	
   and,	
   crucially,	
   less	
   than	
   the	
   line’s	
   width	
   away	
   from	
   the	
   analog	
  
sensors.	
  The	
  analogue	
  sensors	
  are	
  now	
  12mm	
  from	
  the	
  center	
  and	
  the	
  outer	
  digital	
  sensors	
  are	
  18mm	
  
from	
  the	
  respective	
  analogue	
  sensors.	
  The	
  original	
  design	
  had	
  a	
  sensing	
  dead	
  zone	
  physically	
  built	
  in	
  to	
  
Fig. 6. Present Sensor arrangement
Fig. 7. Past Sensor
arrangement
  7	
  
the	
  sensor	
  array,	
  and	
  the	
  adjustment	
  was	
  made	
  to	
  allow	
  a	
  dead	
  zone	
  to	
  be	
  implemented	
  or	
  adjusted	
  as	
  
required	
  in	
  software.	
  The	
  outer	
  digital	
  sensors	
  were	
  originally	
  intended	
  only	
  to	
  provide	
  an	
  increased	
  
response	
   in	
   the	
   case	
   of	
   the	
   analogue	
   sensors	
   using	
   the	
   line,	
   but	
   are	
   also	
   now	
   used	
   in	
   regaining	
   the	
  
position	
  of	
  the	
  line	
  once	
  it	
  is	
  lost.	
  
In	
  addition	
  to	
  the	
  sensor	
  bank,	
  the	
  buggy	
  uses	
  a	
  HC-­‐SR04	
  ultrasound	
  sensor	
  placed	
  at	
  the	
  front	
  of	
  the	
  
chassis	
  which	
  is	
  intended	
  to	
  inform	
  the	
  microcontroller	
  that	
  a	
  barrier	
  is	
  close	
  in	
  front	
  and	
  that	
  the	
  buggy	
  
should	
   slow	
   down.	
   This	
   ensures	
   that	
   the	
   buggy	
   is	
   able	
   to	
   stop	
   within	
   the	
   required	
   20cm,	
   and	
   is	
  
potentially	
  also	
  useful	
  in	
  slowing	
  the	
  buggy	
  for	
  sharp	
  corners.	
  
2.4  Software    
Software	
  programming	
  was	
  one	
  of	
  the	
  most	
  integral	
  and	
  important	
  part	
  of	
  the	
  project.	
  Using	
  the	
  sensor	
  
outputs	
  to	
  make	
  the	
  buggy	
  follow	
  the	
  line	
  was	
  accomplished	
  with	
  the	
  help	
  of	
  software	
  programming.	
  
The	
  main	
  aim	
  of	
  the	
  buggy	
  was	
  to	
  follow	
  the	
  line	
  without	
  the	
  unnecessary	
  oscillations,	
  take	
  the	
  turn	
  
smoothly	
  and	
  use	
  speed	
  sensing	
  to	
  be	
  able	
  to	
  go	
  up	
  a	
  slope.	
  As	
  an	
  extra	
  feature,	
  the	
  buggy	
  also	
  had	
  an	
  
RF	
  link	
  board	
  fitted	
  to	
  it	
  and	
  could	
  be	
  controlled	
  using	
  a	
  remote	
  control.	
  
2.4.1  Programming  Features    
The	
  main	
  features	
  of	
  programming	
  of	
  the	
  buggy	
  has	
  been	
  discussed	
  below:	
  
Line	
  Following:	
  
All	
  the	
  line	
  sensors	
  were	
  used	
  for	
  the	
  purpose	
  of	
  following	
  line.	
  As	
  seen	
  from	
  figure	
  6,	
  the	
  middle	
  digital	
  
sensor	
  was	
  used	
  to	
  detection	
  of	
  the	
  end	
  of	
  the	
  line.	
  The	
  analogue	
  sensors	
  main	
  objective	
  was	
  to	
  reduce	
  
the	
  oscillations	
  in	
  a	
  straight	
  line	
  and	
  provide	
  a	
  smooth	
  turning	
  at	
  curves.	
  The	
  last	
  digital	
  sensors	
  were	
  
programmed	
  to	
  be	
  used	
  as	
  a	
  overshooting	
  sequence.	
  In	
  case	
  the	
  looses	
  the	
  line	
  at	
  a	
  corner,	
  the	
  buggy	
  
was	
  programmed	
  to	
  come	
  back	
  to	
  the	
  line	
  but	
  middle	
  sensor	
  still	
  helped	
  it	
  to	
  stop	
  in	
  the	
  end	
  of	
  the	
  line.	
  
For	
   reducing	
   the	
   oscillations	
   PD(Proportional-­‐Derivative)	
   controller	
   was	
   used.	
   The	
   PD	
   controller	
  
obtained	
  error	
  from	
  the	
  middle	
  two	
  analogue	
  sensors	
  and	
  controlled	
  the	
  duty-­‐cycle	
  to	
  the	
  motor	
  to	
  
obtain	
  oscillation	
  free	
  and	
  fast	
  movement	
  of	
  the	
  buggy.	
  The	
  proportional	
  was	
  used	
  for	
  turning	
  while	
  the	
  
derivative	
  was	
  used	
  for	
  reducing	
  the	
  oscillations.	
  The	
  proportional	
  part	
  of	
  the	
  control	
  systems	
  worked	
  
by	
  multiplying	
  the	
  error	
  by	
  a	
  certain	
  value	
  to	
  be	
  able	
  to	
  make	
  a	
  turn.	
  The	
  derivative	
  on	
  the	
  other	
  hand	
  
finds	
   the	
   difference	
   between	
   last	
   error	
   and	
   present	
   error	
   and	
   tries	
   to	
   minimize	
   this	
   difference.	
   PD	
  
control	
   instead	
   of	
   PID	
   control	
   was	
   decided	
   to	
   use	
   as	
   it	
   was	
   observed	
   that	
   I(integral)	
   control	
   did	
   not	
  
contribute	
  towards	
  either	
  reducing	
  oscillations	
  or	
  improving	
  buggy	
  control	
  and	
  hence	
  was	
  not	
  used.	
  	
  
Speed	
  Sensing:	
  
Maintaining	
  a	
  constant	
  speed	
  up	
  and	
  down	
  the	
  slope	
  was	
  an	
  important	
  requirement	
  for	
  the	
  buggy	
  to	
  be	
  
able	
  to	
  complete	
  the	
  track.	
  Losing	
  or	
  gaining	
  speed	
  on	
  a	
  slope	
  could	
  result	
  in	
  increased	
  oscillations	
  of	
  
the	
  buggy	
  and	
  hence	
  losing	
  the	
  line.	
  For	
  this	
  purpose	
  speed	
  sensing	
  was	
  an	
  important	
  part	
  of	
  the	
  buggy.	
  
Speed	
   sensing	
   was	
   implemented	
   by	
   using	
   interrupts.	
   Every	
   rising	
   edge	
   caused	
   an	
   interrupt	
   and	
  
incremented	
  the	
  counting.	
  After	
  every	
  half	
  a	
  second	
  this	
  value	
  was	
  obtained,	
  RPM	
  was	
  calculated	
  and	
  
speed	
   was	
   changed	
   accordingly.	
   The	
   error	
   obtained	
   used	
   a	
   P(Proportional)	
   controller	
   to	
   control	
   the	
  
speed.	
  
RF	
  link:	
  
Another	
  extra	
  feature	
  of	
  remote	
  control	
  was	
  added	
  in	
  the	
  buggy	
  in	
  case	
  it	
  was	
  not	
  able	
  to	
  complete	
  any	
  
specific	
  part	
  of	
  the	
  final	
  track.	
  The	
  controller	
  for	
  the	
  buggy	
  was	
  made	
  using	
  the	
  I/O	
  board	
  used	
  in	
  the	
  
microcontroller	
  project	
  in	
  1st
	
  year.	
  The	
  potentiometer	
  in	
  the	
  I/O	
  board	
  was	
  used	
  for	
  varying	
  straight-­‐line	
  
speed	
   while	
   two	
   push	
   buttons	
   were	
   used	
   for	
   turning	
   the	
   buggy.	
   Another	
   toggle	
   switch	
   was	
   used	
   to	
  
change	
  the	
  buggy	
  from	
  line	
  following	
  mode	
  to	
  remote	
  control	
  mode	
  in	
  case	
  it	
  needed	
  to	
  be	
  used	
  for	
  the	
  
final	
  race.	
  
  8	
  
2.4.2  Challenges  of  Programming    
Achieving	
   the	
   right	
   values	
   for	
   Kp(proportional	
   constant),	
   Ki(Integral	
   Constant)	
   and	
   Kd(derivative	
  
constant)	
  in	
  PID(Proportional-­‐Integral-­‐Derivative)	
  control	
  for	
  line	
  following:	
  
	
  
	
  Achieving	
  right	
  values	
  of	
  Kp,	
  Ki	
  and	
  Kd	
  in	
  PID	
  control	
  was	
  important	
  in	
  implementation	
  of	
  oscillation	
  
less	
  and	
  fast	
  movement	
  of	
  the	
  buggy.	
  Calculating	
  Kp,	
  Ki	
  and	
  Kd	
  using	
  trial	
  and	
  error	
  was	
  one	
  of	
  the	
  most	
  
difficult	
  part	
  of	
  the	
  programming	
  and	
  needed	
  many	
  iterations	
  before	
  achieving	
  the	
  right	
  values.	
  It	
  is	
  
important	
   to	
   note	
   that	
   the	
   values	
   in	
   table	
   has	
   been	
   deduced	
   for	
   70%	
   straight-­‐line	
   duty-­‐cycle	
   of	
   the	
  
buggy.	
  The	
  values	
  have	
  to	
  be	
  tweaked	
  for	
  changing	
  duty-­‐cycle.	
  
During	
  the	
  initial	
  tests,	
  very	
  high	
  oscillations	
  and	
  large	
  turning	
  radius	
  were	
  observed.	
  The	
  oscillations	
  
were	
  reduced	
  by	
  increasing	
  the	
  values	
  of	
  Kd.	
  It	
  was	
  observed	
  that	
  increasing	
  Ki	
  or	
  Kd	
  to	
  a	
  very	
  high	
  
value	
   increased	
   oscillations	
   as	
   well.	
   Increasing	
   Kp	
   values	
   reduced	
   the	
   turning	
   radius	
   and	
   helped	
   the	
  
buggy	
  take	
  sharper	
  turns	
  with	
  ease	
  and	
  speed.	
  It	
  was	
  also	
  observed	
  that	
  Ki	
  did	
  not	
  contribute	
  towards	
  
reducing	
  turning	
  radius	
  and	
  in	
  some	
  cases,	
  worsened	
  the	
  oscillations.	
  Hence	
  it	
  was	
  decided	
  to	
  not	
  use	
  
integral	
  control	
  and	
  manoeuvre	
  the	
  buggy	
  using	
  just	
  PD	
  control	
  with	
  Kp	
  value	
  as	
  21	
  and	
  Kd	
  value	
  as	
  132.	
  
It	
  is	
  important	
  to	
  note	
  the	
  values	
  of	
  Kd	
  was	
  tweaked	
  according	
  to	
  changing	
  duty-­‐cycle.	
  Increasing	
  duty-­‐
cycle	
  led	
  to	
  increased	
  Kd	
  value	
  to	
  maintain	
  the	
  low	
  oscillations	
  
Implementing	
  RF	
  link	
  and	
  speed	
  sensing	
  simultaneously:	
  
Both,	
  RF	
  link	
  and	
  speed-­‐sensing	
  used	
  interrupts	
  and	
  implementing	
  both	
  the	
  features	
  without	
  interfering	
  
with	
  the	
  movement	
  of	
  buggy	
  was	
  proving	
  difficult	
  to	
  achieve.	
  The	
  buggy	
  seemed	
  to	
  get	
  stuck	
  in	
  a	
  loop	
  
of	
  RF	
  and	
  would	
  not	
  come	
  out	
  of	
  the	
  loop	
  unless	
  the	
  programme	
  is	
  reset.	
  It	
  was	
  found	
  that	
  the	
  loop	
  
involved	
  transmitting	
  data	
  from	
  the	
  buggy.	
  It	
  was	
  deduced	
  that	
  ‘if	
  speed-­‐sensing	
  is	
  used	
  then	
  the	
  buggy	
  
would	
  not	
  be	
  able	
  to	
  send	
  data	
  to	
  remote	
  control	
  and	
  hence	
  the	
  remote	
  control	
  would	
  not	
  be	
  able	
  to	
  
used	
  as	
  a	
  debugging	
  tool’.	
  This	
  problem	
  could	
  not	
  be	
  solved	
  and	
  a	
  decision	
  was	
  taken	
  to	
  use	
  remote-­‐
control	
  as	
  a	
  debugging	
  tool	
  only	
  when	
  needed.	
  At	
  all	
  other	
  times	
  the	
  speed	
  sensing	
  would	
  work	
  in	
  which	
  
the	
  remote	
  control	
  will	
  still	
  be	
  able	
  to	
  control	
  the	
  buggy	
  but	
  would	
  not	
  be	
  able	
  to	
  receive	
  any	
  data	
  from	
  
the	
  buggy.	
  
Implementing	
  overshooting	
  sequence:	
  
Another	
  challenge	
  for	
  the	
  buggy	
  was	
  to	
  take	
  very	
  sharp	
  turns	
  at	
  high	
  speeds.	
  This	
  was	
  normally	
  the	
  case	
  
of	
  an	
  s-­‐bend	
  after	
  a	
  long	
  straight.	
  To	
  be	
  able	
  to	
  overcome	
  this	
  problem,	
  an	
  overshooting	
  tool	
  was	
  used	
  
in	
  the	
  buggy.	
  According	
  to	
  this	
  feature,	
  if	
  the	
  buggy	
  left	
  the	
  white	
  line	
  at	
  a	
  corner	
  then	
  the	
  end	
  digital	
  
Kp	
   Ki	
   Kd	
   Oscillation	
   Turning	
  Radius	
  
2	
   0.4	
   0.1	
   Very	
  High	
  Oscillations	
   Large	
  Radius	
  
5	
   0.4	
   0.5	
   Very	
  High	
  Oscillations	
   Large	
  Radius	
  
10	
   0.8	
   2	
   Very	
  High	
  Oscillations	
   Medium	
  Radius	
  
15	
   0.8	
   10	
   High	
  Oscillations	
   Medium	
  Radius	
  
18	
   0.8	
   30	
   Medium	
  Oscillations	
   Small	
  Radius	
  
20	
   0.8	
   50	
   Medium	
  Oscillations	
   Small	
  Radius	
  
20	
   2	
   50	
   High	
  Oscillations	
   Small	
  Radius	
  
20	
   0.8	
   90	
   Medium-­‐Low	
  Oscillations	
   Small	
  Radius	
  
20	
   0.8	
   120	
   Low	
  oscillations	
   Small	
  Radius	
  
20	
   0.8	
   130	
   Very	
  Low	
  Oscillations	
   Small	
  Radius	
  
20	
   0.8	
   140	
   Medium	
  Oscillations	
   Small	
  Radius	
  
20	
   0.8	
   132	
   Almost	
  No	
  Oscillations	
   Small	
  Radius	
  
21	
   0	
   132	
   Almost	
  No	
  Oscillations	
   Small	
  Radius	
  
Table. 1. Different values of PID constants and their effects
5	
  
  9	
  
sensors	
  would	
  be	
  the	
  last	
  sensor	
  to	
  have	
  sensed	
  the	
  line.	
  In	
  this	
  case,	
  the	
  buggy	
  would	
  try	
  to	
  re-­‐join	
  the	
  
line.	
  However,	
  if	
  any	
  of	
  the	
  middle	
  3	
  sensors	
  were	
  the	
  last	
  sensors	
  to	
  sense	
  the	
  white	
  line,	
  then	
  the	
  
buggy	
  would	
  consider	
  that	
  as	
  the	
  end	
  of	
  the	
  line	
  and	
  would	
  stop.	
  
3.0	
  Team	
  Organisation	
  and	
  Planning	
  
	
  
In	
  terms	
  of	
  requirements,	
  it	
  was	
  quickly	
  determined	
  that	
  the	
  project	
  could	
  be	
  divided	
  into	
  mechanical,	
  
hardware	
  and	
  software	
  components.	
  Each	
  component	
  could	
  be	
  further	
  subdivided	
  into	
  specific	
  tasks	
  
such	
  as	
  assembly	
  of	
  the	
  battery	
  box	
  and	
  gearbox	
  for	
  the	
  mechanical	
  aspect,	
  design	
  and	
  soldering	
  of	
  
PCBs	
  as	
  hardware	
  tasks,	
  and	
  so	
  on.	
  Collective	
  decision	
  of	
  dividing	
  the	
  work	
  among	
  the	
  group	
  members	
  
was	
  taken.	
  Each	
  group	
  member	
  discussed	
  the	
  aspect	
  they	
  were	
  interested	
  in	
  and	
  accordingly	
  work	
  was	
  
divided	
   among	
   the	
   members.	
   During	
   all	
   times,	
   2	
   group	
   members	
   were	
   focused	
   on	
   the	
   software	
  
programming	
  of	
  the	
  buggy	
  while	
  other	
  3	
  members	
  worked	
  on	
  mechanical	
  and	
  electronic	
  aspects	
  if	
  the	
  
buggy.	
   The	
   group	
   had	
   set	
   different	
   goals	
   for	
   completing	
   all	
   the	
   mechanical,	
   electronic	
   and	
   software	
  
requirements.	
  The	
  mechanical	
  aspect	
  of	
  the	
  buggy	
  such	
  as	
  the	
  gearbox,	
  the	
  chassis	
  etc.	
  was	
  aimed	
  to	
  be	
  
finished	
  by	
  the	
  3rd
	
  week	
  while	
  the	
  electronic	
  parts	
  such	
  as	
  the	
  sensor	
  PCB,	
  speed	
  sensing	
  PCB	
  etc.	
  was	
  
aimed	
  to	
  be	
  finished	
  by	
  6th
	
  week	
  of	
  the	
  second	
  semester.	
  Software,	
  on	
  the	
  other	
  hand,	
  was	
  worked	
  on	
  
during	
  the	
  whole	
  semester.	
  
Fig. 8. Gantt Chart
5	
  
  10	
  
Each	
   member	
   was	
   shared	
   into	
   sub-­‐groups	
   to	
   tackle	
   each	
   component	
   while	
   interacting	
   regularly	
   and	
  
reporting	
  to	
  the	
  others.	
  Communication	
  was	
  conducted	
  via	
  WhatsApp,	
  thus	
  quick	
  meetings	
  could	
  be	
  
called	
   at	
   short	
   notice,	
   which	
   proved	
   to	
   be	
   a	
   very	
   efficient	
   process.	
   All	
   the	
   data	
   including	
   PCB	
   files,	
  
software	
  codes,	
  solidworks	
  file	
  were	
  at	
  all	
  times	
  uploaded	
  to	
  the	
  common	
  Dropbox	
  account	
  and	
  was	
  
updated	
  as	
  soon	
  as	
  any	
  changes	
  were	
  made.	
  The	
  available	
  laboratory	
  sessions	
  were	
  used	
  to	
  full	
  affect	
  
with	
  the	
  group	
  split	
  between	
  each	
  of	
  the	
  three	
  laboratories	
  depending	
  on	
  their	
  specific	
  tasks.	
  Meetings	
  
were	
  often	
  held	
  outside	
  laboratory	
  sessions	
  to	
  consolidate	
  the	
  work	
  done	
  in	
  each	
  component	
  and	
  for	
  
each	
   group	
   member	
   to	
   gain	
   and	
   provide	
   insight	
   in	
   every	
   aspect	
   of	
   the	
   buggy.	
   Due	
   to	
   regular	
  
communication	
  and	
  the	
  enthusiasm	
  of	
  the	
  group	
  in	
  general,	
  it	
  was	
  possible	
  for	
  every	
  group	
  member	
  to	
  
be	
  involved	
  in	
  design	
  decisions	
  such	
  as	
  PCB	
  placement	
  and	
  chassis	
  construction.	
  
Towards	
   the	
   end	
   of	
   the	
   semester,	
   when	
   the	
   buggy’s	
   construction	
   was	
   complete	
   and	
   only	
   software	
  
testing	
   remained,	
   very	
   few	
   construction	
   and	
   design	
   modifications	
   were	
   required,	
   which	
   meant	
   that	
  
some	
  group	
  members	
  were	
  left	
  with	
  little	
  to	
  do	
  during	
  laboratory	
  sessions.	
  This	
  was	
  resolved	
  by	
  the	
  
decision	
  to	
  start	
  the	
  writing	
  of	
  the	
  final	
  report	
  early	
  so	
  that	
  all	
  group	
  members	
  could	
  contribute	
  to	
  the	
  
project	
  when	
  the	
  hardware	
  and	
  design	
  aspects	
  of	
  the	
  project	
  were	
  completed.	
  Regular	
  meetings	
  were	
  
still	
  held	
  to	
  discuss	
  the	
  buggy’s	
  progress	
  and	
  make	
  alterations	
  as	
  required.	
  	
  
The	
  Gantt	
  chart	
  constructed	
  in	
  semester	
  1	
  shown	
  in	
  figure	
  8	
  remained	
  largely	
  accurate	
  in	
  terms	
  of	
  its	
  
overall	
  scope.	
  Work	
  in	
  the	
  laboratory	
  sessions	
  was	
  always	
  geared	
  towards	
  completing	
  the	
  next	
  technical	
  
demonstration	
  and	
  each	
  of	
  the	
  deadlines	
  was	
  successfully	
  achieved	
  on	
  or	
  before	
  the	
  specific	
  date.	
  The	
  
group’s	
  achievement	
  of	
  consistently	
  high	
  marks	
  in	
  all	
  technical	
  demonstrations	
  supports	
  this.	
  The	
  only	
  
major	
  difference	
  in	
  the	
  proposed	
  organisation	
  shown	
  in	
  the	
  Gantt	
  chart	
  and	
  its	
  realisation	
  is	
  the	
  number	
  
of	
   hours	
   spent	
   on	
   each	
   task.	
   The	
   group	
   consistently	
   went	
   above	
   and	
   beyond	
   what	
   was	
   merely	
  
“required”	
  by	
  the	
  task	
  in	
  order	
  to	
  perfect	
  everything	
  from	
  the	
  construction	
  of	
  a	
  battery	
  box	
  to	
  drilling	
  
holes	
   and	
   using	
   cable	
   ties	
   to	
   keep	
   the	
   wiring	
   looking	
   neat.	
   Another	
   difference	
   was	
   that	
   the	
   buggy’s	
  
control	
  software	
  was	
  started	
  from	
  the	
  very	
  beginning	
  of	
  the	
  project	
  and	
  was	
  developed	
  alongside	
  the	
  
software	
  required	
  for	
  technical	
  demonstrations.	
  	
  
4.0	
  Budget	
  vs.	
  Outturn	
    
4.1  Proposed  Budget  v/s  Final  Cost    
Comparing	
  changing	
  item	
  price	
  table	
  
Proposal	
  report	
   Final	
  report	
  
Item	
   Quantity	
   Individual	
  
price	
  (£)	
  
Total	
  
cost	
  (£)	
  
Item	
   Quantity	
   Individual	
  
price	
  (£)	
  
Total	
  
cost	
  (3)	
  
Acetal	
  
board	
  
3	
  (total	
  
200mm*2
00mm)	
  
0.575	
  (per	
  
m!
)	
  
2.3	
   Acetal	
  
board	
  
11	
  (total	
  
350mm*3
00mm)	
  
0.575	
  (per	
  
m!
)	
  
6.1	
  
Strip	
  
board	
  
2	
   2	
   4	
   PCB	
  
board	
  
4	
   3	
   12	
  
Caster	
  
wheel	
  
2	
   2	
   4	
   Ball	
  
bearing	
  
2	
   1	
   2	
  
Line	
  
sensor	
  
TCRT500
0	
  
6	
   0.5	
   3	
   Line	
  
sensor	
  
TCRT5000	
  
5	
   0.6	
   3	
  
RF-­‐link	
  
board	
  
1	
   4	
   4	
  
Ultrasonic	
  
sensor	
  
1	
   2.5	
   2.5	
  
Total	
   £13.3	
   Total	
   £29.6	
  
	
  
Table.2. Comparing changing item price table
5	
  
  11	
  
The	
  reason	
  for	
  the	
  difference	
  between	
  the	
  outturn	
  and	
  proposal	
  cost	
  is	
  mainly	
  due	
  to	
  the	
  increase	
  in	
  
the	
  mechanical	
  cost.	
  This	
  is	
  because	
  a	
  lot	
  of	
  acetal	
  was	
  used	
  for	
  creative	
  designs	
  to	
  solve	
  some	
  of	
  the	
  
design	
  problems	
  faced.	
  One	
  example	
  being	
  the	
  battery	
  box;	
  an	
  enclosure	
  that	
  could	
  withstand	
  stress	
  
and	
  protect	
  the	
  batteries	
  during	
  the	
  course	
  of	
  the	
  track	
  effectively	
  whilst	
  still	
  being	
  easily	
  accessible	
  was	
  
needed,	
  and	
  so	
  a	
  boxed	
  compartment	
  was	
  made	
  for	
  them	
  out	
  of	
  acetal.	
  Replacing	
  strip	
  board	
  with	
  PCB	
  
also	
  increased	
  the	
  overall	
  cost.	
  The	
  addition	
  of	
  the	
  RF	
  link	
  and	
  the	
  ultrasonic	
  sensor	
  was	
  decided	
  later	
  in	
  
the	
   design	
   process,	
   and	
   so	
   increased	
   the	
   outturn	
   cost.	
   Despite	
   these	
   changes	
   resulting	
   in	
   a	
   higher	
  
overall	
  cost,	
  it	
  resulted	
  in	
  a	
  buggy	
  that	
  is	
  believed	
  to	
  be	
  more	
  effective	
  and	
  efficient	
  at	
  meeting	
  the	
  aims	
  
set	
  at	
  the	
  beginning	
  of	
  the	
  project.	
  	
  	
  	
  
4.2  Total  cost  of  the  buggy    
Outturn	
  final	
  report	
  
Item	
   Quantity	
   Individual	
  price	
  (£)	
   Total	
  cost	
  (£)	
  
Acetal	
  board	
   11	
  (totally	
  
350mm*300mm)	
  
57.5	
  (per  m!
)	
   6.1	
  
PCB	
  board	
   4	
   3	
   12	
  
Ball	
  bearing	
   2	
   1	
   2	
  
Line	
  sensor	
  TCRT5000	
   5	
   0.6	
   3	
  
IR	
  emitter	
  sensor	
  
TSKT5400S	
  
2	
   0.5	
   1	
  
RF-­‐link	
  board	
   1	
   4	
   4	
  
Ultrasonic	
  sensor	
   1	
   2.5	
   2.5	
  
Resisters	
  &	
  Capacitors	
  
(various	
  value)	
  
50	
   0.03	
   1.5	
  
Comparator	
   6	
   0.02	
   1.2	
  
Molex	
  pin	
  header	
   5	
   0.02	
   0.1	
  
Screw	
   30	
   0.02	
   0.6	
  
Nut	
   30	
   0.02	
   0.6	
  
Washer	
   10	
   0.03	
   0.3	
  
Gear	
   2	
  sets	
   Workshop	
  item	
   	
  
Drive	
  board,	
  breakout	
  
interface,	
  micro-­‐control	
  	
  
board	
  
1	
   Workshop	
  item	
   	
  
Batteries	
  and	
  battery	
  
pack	
  
1	
   Workshop	
  item	
   	
  
Motor	
   2	
   Workshop	
  item	
   	
  
Total	
   £34.9	
  	
  	
  	
  	
  	
  	
  £32	
  
	
  
	
  
Because	
  the	
  budget	
  is	
  strictly	
  limited	
  £50,	
  other	
  methods	
  were	
  found	
  to	
  make	
  sure	
  the	
  budget	
  does	
  not	
  
exceed.	
   This	
   included	
   using	
   recycled	
   items	
   available	
   in	
   the	
   labs	
   such	
   as	
   nuts,	
   screws,	
   washers	
   etc.	
  
Assuming	
  the	
  items	
  mentioned	
  above	
  are	
  recyclable,	
  the	
  overall	
  final	
  outturn	
  is	
  approximately	
  £32	
  and	
  
not	
  £34.9	
  
For	
  manufacturing	
  100	
  buggies,	
  it	
  will	
  be	
  assumed	
  that	
  no	
  recyclable	
  items	
  will	
  be	
  used.	
  Hence	
  cost	
  of	
  
100	
  buggies	
  would	
  be	
  100	
  x	
  £34.9	
  =	
  £3490	
  
Table.3. Total Budget table
5	
  
  12	
  
5.0	
  Race	
  Analysis	
  	
  
5.1  Testing  
Testing	
  of	
  the	
  buggy	
  mainly	
  involved	
  achieving	
  the	
  right	
  values	
  of	
  Kp	
  and	
  Kd	
  for	
  achieving	
  minimum	
  
oscillations	
  and	
  fast	
  movement.	
  As	
  discussed	
  in	
  table	
  1,	
  many	
  iterations	
  of	
  trial	
  and	
  errors	
  were	
  done	
  to	
  
achieve	
   the	
   Kp	
   value	
   of	
   21	
   and	
   Kd	
   value	
   of	
   132.	
   With	
   these	
   values,	
   the	
   buggy	
   was	
   able	
   to	
   achieve	
  
smooth	
  turns	
  and	
  high	
  speed	
  in	
  straight	
  lines	
  in	
  different	
  rooms	
  with	
  different	
  ambient	
  light.	
  Another	
  
important	
  testing	
  criteria	
  was	
  to	
  decide	
  the	
  use	
  of	
  speed-­‐sensing	
  circuit	
  and	
  achieve	
  the	
  right	
  speed	
  
that	
  would	
  be	
  followed	
  through	
  out	
  the	
  track.	
  This	
  was	
  done	
  using	
  the	
  innovative	
  debugging	
  tool	
  that	
  
the	
  team	
  had	
  developed-­‐RF	
  link.	
  After	
  achieving	
  the	
  right	
  values	
  and	
  testing	
  on	
  small	
  tracks,	
  the	
  buggy	
  
was	
  tested	
  on	
  longer	
  tracks(track	
  in	
  C34).	
  On	
  its	
  first	
  few	
  trials,	
  the	
  buggy	
  achieved	
  good	
  speed	
  and	
  was	
  
able	
  to	
  take	
  all	
  turns	
  smoothly.	
  However,	
  few	
  challenges	
  surfaced	
  during	
  this	
  test.	
  The	
  problems	
  have	
  
been	
  discussed	
  below	
  in	
  detail	
  
5.1.1  Challenges  during  testing    
S-­‐bends:	
  
During	
   testing	
   on	
   tracks	
   in	
   C34	
   workshop,	
   it	
   was	
  
observed	
  that	
  the	
  buggy	
  was	
  not	
  able	
  to	
  complete	
  the	
  
s-­‐bends.	
   The	
   buggy	
   was	
   programmed	
   with	
  
overshooting	
  sequence	
  for	
  such	
  turns	
  but	
  the	
  turning	
  
radius	
  was	
  not	
  small	
  enough	
  for	
  the	
  buggy	
  to	
  take	
  the	
  
turn.	
  After	
  decreasing	
  the	
  turning	
  radius	
  by	
  changing	
  
the	
   duty-­‐cycle	
   of	
   the	
   motors,	
   the	
   buggy	
   was	
  
successfully	
   able	
   to	
   take	
   s-­‐bend	
   turns	
   and	
   all	
   other	
  
turns.	
  
Stopping	
  in	
  20cms:	
  	
  
Another	
  challenge	
  that	
  was	
  uncovered	
  during	
  testing	
  was	
  the	
  buggy’s	
  incapability	
  to	
  stop	
  within	
  20cms	
  
at	
  high	
  speeds.	
  At	
  its	
  highest	
  possible	
  straight-­‐line	
  speed	
  the	
  buggy	
  was	
  not	
  able	
  to	
  stop	
  within	
  20cms.	
  
Many	
  different	
  programming	
  ways	
  were	
  tried	
  to	
  tackle	
  the	
  
problem	
  such	
  as	
  turning	
  the	
  buggy	
  or	
  reversing	
  the	
  buggy	
  
at	
   the	
   end.	
   All	
   these	
   ways	
   were	
   either	
   not	
   reliable	
   or	
  
started	
  disturbing	
  buggy’s	
  movement	
  in	
  the	
  middle	
  of	
  the	
  
course.	
  To	
  tackle	
  this	
  problem	
  the	
  team	
  came	
  up	
  with	
  the	
  
idea	
   of	
   using	
   an	
   ultrasonic	
   sensor.	
   The	
   ultrasonic	
   sensor	
  
slowed	
   the	
   buggy	
   down	
   if	
   any	
   wall	
   was	
   sensed	
   within	
  
30cms	
   of	
   the	
   front	
   of	
   the	
   buggy.	
   It	
   is	
   important	
   to	
   note	
  
that	
  the	
  ultrasonic	
  sensor	
  did	
  not	
  stop	
  the	
  buggy	
  but	
  only	
  
slowed	
   the	
   buggy	
   down;	
   the	
   stopping	
   sequence	
   was	
   still	
  
achieved	
   using	
   the	
   line	
   sensors.	
   This	
   feature	
   successfully	
  
worked	
  as	
  the	
  ultrasound	
  sensor	
  slowed	
  the	
  buggy	
  down	
  
before	
   the	
   end	
   of	
   the	
   track	
   and	
   line	
   sensors	
   were	
   able	
   to	
  
stop	
  the	
  within	
  the	
  defined	
  space	
  of	
  20cms.	
  	
  
5.2  Preparation  for  first  heat  
As	
  a	
  group,	
  it	
  was	
  decided	
  to	
  use	
  the	
  first	
  heat	
  to	
  complete	
  the	
  track	
  and	
  not	
  concentrate	
  on	
  setting	
  a	
  
fast	
  time.	
  The	
  following	
  changes	
  were	
  made	
  to	
  the	
  programme	
  of	
  the	
  buggy	
  to	
  make	
  sure	
  the	
  buggy	
  
completes	
  the	
  track:	
  
• The	
   straight-­‐line	
   duty-­‐cycle	
   was	
   reduced	
   to	
   50%	
   and	
   turning	
   duty-­‐cycle	
   was	
   also	
   reduced	
  
accordingly	
  to	
  ensure	
  smooth	
  moving	
  buggy.	
  
• The	
  value	
  of	
  constant	
  Kd	
  was	
  also	
  decreased	
  to	
  ensure	
  oscillation	
  free	
  movement	
  of	
  the	
  buggy.	
  
Fig. 9. Buggy taking the S-bends
Fig. 10. Buggy going up the slope
  13	
  
• For	
  the	
  first	
  heat,	
  the	
  function	
  of	
  ultrasound	
  sensor	
  of	
  slowing	
  down	
  the	
  buggy	
  was	
  not	
  used.	
  
Because	
  it	
  was	
  decided	
  that	
  the	
  buggy	
  would	
  not	
  be	
  running	
  at	
  high	
  speed,	
  there	
  was	
  no	
  need	
  
for	
  the	
  ultrasound	
  sensor	
  to	
  unnecessarily	
  slow	
  the	
  buggy	
  down.	
  The	
  line	
  sensors	
  would	
  be	
  able	
  
to	
  stop	
  the	
  buggy	
  without	
  any	
  help.	
  
5.3  First  Heat  
The	
   buggy	
   was	
   able	
   to	
   overcome	
   every	
   obstacle	
   and	
   stop	
   in	
   the	
   end	
   without	
   any	
   difficulty.	
   Buggy’s	
  
performance	
  through	
  each	
  obstacle	
  has	
  been	
  discussed	
  below:	
  
• Straight	
  section	
  of	
  the	
  track:	
  The	
  buggy	
  showed	
  decent	
  speed	
  and	
  very	
  little	
  oscillations	
  on	
  the	
  
straight	
  section	
  of	
  the	
  track.	
  
• Pinch-­‐Points:	
  The	
  sleek	
  body	
  shape	
  of	
  the	
  buggy	
  and	
  its	
  dexterity	
  in	
  following	
  line	
  proved	
  the	
  
pinch-­‐points	
   to	
   be	
   of	
   no	
   danger	
   and	
   the	
   buggy	
   was	
   successfully	
   able	
   to	
   manoeuvre	
   its	
   way	
  
through	
  the	
  pinch-­‐points.	
  
• Turns:	
  The	
  turns	
  on	
  the	
  track	
  also	
  proved	
  to	
  be	
  of	
  no	
  problem	
  for	
  the	
  buggy.	
  All	
  the	
  turns	
  were	
  
easily	
  taken	
  by	
  the	
  PD	
  controller	
  of	
  the	
  buggy.	
  
• Slope:	
  The	
  speed	
  sensing	
  worked	
  well	
  during	
  the	
  up-­‐slope	
  section	
  of	
  the	
  track	
  and	
  increased	
  the	
  
speed	
   of	
   the	
   buggy	
   accordingly.	
   The	
   change	
   in	
   the	
   speed	
   of	
   the	
   motor	
   was	
   almost	
  
instantaneous	
  showing	
  the	
  working	
  of	
  P(proportional)	
  controller	
  in	
  speed	
  control.	
  This	
  helped	
  
the	
   buggy	
   in	
   maintaining	
   the	
   speed	
   without	
   oscillating	
   and	
   hence	
   was	
   able	
   to	
   complete	
   the	
  
track.	
  
• Stop:	
  	
  The	
  buggy	
  stopped	
  well	
  before	
  the	
  20cms	
  mark.	
  This	
  was	
  due	
  to	
  the	
  slow	
  speed	
  of	
  the	
  
buggy	
  on	
  straight	
  line.	
  
The	
  buggy	
  was	
  successfully	
  able	
  to	
  complete	
  the	
  track	
  in	
  a	
  respectable	
  time	
  of	
  8.3	
  seconds.	
  With	
  
this	
  time	
  the	
  buggy	
  was	
  5th
	
  fastest	
  among	
  all	
  the	
  buggies	
  in	
  stream	
  A.	
  The	
  next	
  step	
  was	
  to	
  make	
  the	
  
buggy	
  faster.	
  
5.4  Preparation  for  second  heat  
For	
  the	
  second	
  stream,	
  the	
  group	
  decided	
  to	
  make	
  the	
  buggy	
  faster	
  to	
  confirm	
  a	
  place	
  in	
  the	
  final	
  race.	
  
The	
  following	
  changes	
  were	
  made	
  to	
  the	
  programme	
  of	
  the	
  buggy	
  to	
  make	
  the	
  buggy	
  faster	
  and	
  still	
  
able	
  to	
  complete	
  the	
  track:	
  
• The	
   straight-­‐line	
   duty-­‐cycle	
   was	
   increased	
   to	
   90%	
   and	
   turning	
   duty-­‐cycle	
   was	
   also	
   increased	
  
accordingly	
  to	
  ensure	
  smooth	
  moving	
  buggy.	
  
• The	
  value	
  of	
  constant	
  Kd	
  was	
  also	
  increased	
  to	
  ensure	
  oscillation	
  free	
  movement	
  of	
  the	
  buggy.	
  
• For	
  the	
  second	
  heat,	
  the	
  function	
  of	
  the	
  ultrasound	
  sensor	
  was	
  decided	
  to	
  be	
  used	
  and	
  hence	
  
was	
  included	
  in	
  the	
  program.	
  
5.5  Second  Heat  
In	
  the	
  second	
  heat,	
  the	
  buggy	
  was	
  able	
  to	
  complete	
  the	
  track	
  and	
  stop	
  in	
  the	
  end	
  with	
  a	
  faster	
  lap-­‐time.	
  
The	
  buggy	
  over-­‐all	
  looked	
  faster	
  in	
  the	
  turns	
  and	
  slope	
  but	
  took	
  greater	
  time	
  to	
  achieve	
  top	
  speed	
  on	
  
straight	
  line.	
  Buggy’s	
  performance	
  through	
  each	
  obstacle	
  has	
  been	
  discussed	
  below:	
  
• Straight	
  section	
  of	
  the	
  track:	
  The	
  main	
  problem	
  for	
  the	
  buggy	
  during	
  the	
  whole	
  course	
  was	
  the	
  
oscillation	
  on	
  straight	
  line.	
  Buggy’s	
  settling	
  time,	
  compared	
  to	
  heat	
  1,	
  was	
  more	
  this	
  time	
  and	
  
hence	
  made	
  the	
  buggy	
  slower	
  on	
  the	
  straight	
  line.	
  
• Pinch-­‐Points	
  and	
  Turns:	
  Pinch-­‐points	
  and	
  turns	
  again	
  did	
  not	
  prove	
  to	
  be	
  any	
  problem	
  for	
  the	
  
buggy	
  and	
  was	
  able	
  to	
  manoeuvre	
  its	
  way	
  through	
  with	
  much	
  more	
  speed	
  this	
  time.	
  
• Slope:	
  Comparatively	
  much	
  less	
  oscillations	
  were	
  observed	
  on	
  straight	
  line	
  of	
  the	
  slope	
  than	
  the	
  
straight	
  line	
  on	
  the	
  flat	
  surface.	
  On	
  the	
  slope	
  the	
  buggy	
  was	
  much	
  faster	
  than	
  in	
  first	
  heat	
  and	
  
made	
  up	
  for	
  the	
  time	
  lost	
  on	
  straight	
  line.	
  
  14	
  
• Stop:	
  	
  Ultrasound	
  sensor	
  worked	
  well	
  for	
  the	
  stopping,	
  as	
  the	
  buggy	
  was	
  able	
  to	
  stop	
  almost	
  
5cms	
  before	
  the	
  end	
  of	
  the	
  wall.	
  The	
  stop	
  was	
  almost	
  perfected	
  and	
  proved	
  that	
  the	
  decision	
  of	
  
using	
  ultrasound	
  sensor	
  was	
  the	
  right	
  one.	
  
The	
  buggy	
  was	
  successfully	
  able	
  to	
  complete	
  the	
  track	
  in	
  a	
  fast	
  time	
  of	
  7.1	
  seconds.	
  Unfortunately	
  the	
  
time	
  was	
  again	
  5th
	
  fastest	
  in	
  stream	
  A	
  and	
  hence	
  was	
  not	
  fast	
  enough	
  to	
  be	
  qualified	
  for	
  the	
  final	
  race.	
  
6.0	
  Critical	
  Analysis	
  	
  
The	
   buggy	
   was	
   able	
   to	
   complete	
   the	
   track	
   with	
   ease;	
   however,	
   not	
   reaching	
   the	
   final	
   race	
   was	
   a	
  
disappointment.	
  Thorough	
  analysis	
  of	
  the	
  heats	
  has	
  been	
  done	
  below:	
  
The	
  buggy	
  was	
  fast	
  everywhere	
  on	
  the	
  track,	
  except	
  on	
  the	
  straights	
  paths.	
  The	
  buggy	
  oscillated	
  more	
  
than	
  expected	
  costing	
  time	
  and	
  place	
  in	
  the	
  finals.	
  The	
  possible	
  reasons	
  for	
  this	
  behaviour	
  might	
  be	
  the	
  
reflected	
  infra-­‐red	
  from	
  the	
  sunlight.	
  The	
  race	
  was	
  the	
  first	
  time	
  the	
  buggy	
  was	
  tested	
  in	
  a	
  room	
  with	
  
sunlight.	
   Because	
   the	
   two	
   analogue	
   sensors	
   were	
   used	
   for	
   keeping	
   the	
   buggy	
   on	
   a	
   straight	
   line,	
  
additional	
   reflected	
   infrared	
   from	
   the	
   sunlight	
   might	
   have	
   affected	
   the	
   PD	
   control	
   systems.	
   An	
  
alternative	
  that	
  could	
  have	
  led	
  to	
  a	
  faster	
  time	
  may	
  have	
  been	
  to	
  run	
  the	
  buggy	
  at	
  a	
  lower	
  duty-­‐cycle.	
  
The	
  buggy	
  would	
  have	
  lost	
  time	
  at	
  the	
  turns	
  and	
  slope	
  but	
  would	
  have	
  made	
  up	
  for	
  it	
  on	
  the	
  straights	
  
and	
  might	
  have	
  posted	
  a	
  faster	
  time.	
  
The	
  buggy,	
  on	
  the	
  turns,	
  was	
  reasonable	
  fast	
  and	
  was	
  able	
  to	
  overcome	
  almost	
  any	
  kind	
  of	
  turns	
  using	
  
the	
  overshooting	
  sequence	
  as	
  discussed	
  before.	
  Buggy,	
  with	
  the	
  help	
  of	
  the	
  speed	
  sensing,	
  was	
  also	
  
very	
  fast	
  on	
  the	
  up	
  slope	
  and	
  it	
  would	
  have	
  been	
  very	
  difficult	
  to	
  make	
  the	
  buggy	
  even	
  faster	
  on	
  the	
  
turns	
  and	
  slopes.	
  
Another	
  big	
  challenge	
  the	
  buggy	
  faced	
  was	
  the	
  stopping	
  of	
  the	
  buggy.	
  The	
  buggy	
  was	
  comparatively	
  a	
  
little	
  bit	
  heavier	
  than	
  expected	
  and	
  this	
  greater	
  mass	
  resulted	
  in	
  difficulty	
  to	
  stop	
  the	
  buggy	
  down.	
  	
  This	
  
greater	
  mass	
  could	
  have	
  been	
  the	
  result	
  of	
  the	
  RF	
  link	
  board	
  and	
  the	
  battery	
  box.	
  The	
  buggy	
  could	
  have	
  
been	
   made	
   lighter	
   but	
   group	
   6	
   found	
   another	
   innovative	
   feature	
   to	
   tackle	
   this	
   problem	
   using	
   the	
  
ultrasound	
  sensor	
  as	
  discussed	
  above.	
  The	
  sensor	
  worked	
  perfectly	
  in	
  stopping	
  the	
  buggy	
  within	
  the	
  
required	
  distance	
  and	
  was	
  one	
  of	
  the	
  best	
  feature	
  of	
  the	
  buggy.	
  
7.0	
  Successful	
  Innovative	
  Feature	
  	
  
Group	
   6	
   introduced	
   many	
   innovative	
   features	
   in	
   the	
   buggy	
   that	
   helped	
   the	
   buggy	
   more	
   reliably	
  
complete	
  the	
  track	
  at	
  a	
  faster	
  speed.	
  The	
  innovative	
  features	
  have	
  been	
  discussed	
  below:	
  
RF	
  link	
  used	
  as	
  debugging	
  tool:	
  
Group	
  6	
  has	
  been	
  able	
  to	
  ease	
  down	
  the	
  process	
  of	
  debugging	
  which	
  otherwise	
  is	
  very	
  difficult	
  with	
  
MPLAB.	
  Group	
  6	
  has	
  used	
  the	
  RF	
  board	
  along	
  with	
  the	
  microcontroller	
  board	
  and	
  I/O	
  board	
  to	
  obtain	
  
important	
   information	
   about	
   the	
   buggy	
   which	
   made	
   the	
   programming	
   process	
   very	
   easy.	
   Important	
  
information	
  such	
  as	
  speed	
  of	
  both	
  the	
  motors,	
  the	
  sensitivity	
  of	
  the	
  sensors	
  etc.	
  can	
  be	
  obtained	
  easily.	
  
Values	
  of	
  integral	
  and	
  derivative	
  have	
  helped	
  to	
  improve	
  the	
  PID	
  control	
  of	
  the	
  buggy.	
  Obtaining	
  timer	
  
information	
  from	
  the	
  microcontroller	
  of	
  the	
  buggy	
  has	
  made	
  the	
  programming	
  process	
  much	
  easier.	
  
After	
  all	
  this,	
  the	
  RF	
  link	
  can	
  simultaneously,	
  change	
  the	
  speed	
  of	
  the	
  buggy,	
  make	
  it	
  go	
  left	
  right	
  or	
  go	
  
back	
  with	
  varying	
  speed.	
  The	
  line	
  following	
  mode	
  and	
  the	
  remote	
  control	
  mode	
  can	
  be	
  changed	
  with	
  
just	
  1	
  switch.	
  
	
  
Ultrasonic	
  Sensor	
  as	
  a	
  means	
  for	
  stopping	
  within	
  20cms:	
  
Stopping	
  the	
  buggy	
  in	
  the	
  limited	
  amount	
  of	
  space	
  was	
  one	
  of	
  the	
  main	
  challenges	
  of	
  the	
  buggy.	
  Group	
  
6	
   has	
   tackled	
   this	
   using	
   an	
   ultrasonic	
   sensor.	
   The	
   ultrasonic	
   sensor	
   is	
   able	
   to	
   measure	
   the	
   distance	
  
between	
  the	
  buggy	
  and	
  the	
  front	
  wall	
  in	
  every	
  10𝜇𝑠.	
  The	
  sensor	
  slows	
  the	
  buggy	
  down	
  if	
  it	
  senses	
  a	
  wall	
  
in	
  30cms	
  from	
  the	
  buggy.	
  It	
  is	
  important	
  to	
  note	
  that	
  the	
  sensor	
  does	
  not	
  stop	
  the	
  buggy	
  but	
  only	
  slows	
  
it	
  down.	
  The	
  stopping	
  feature	
  is	
  still	
  done	
  by	
  the	
  line	
  sensors.	
  
  15	
  
	
  
Overshooting	
  sequence:	
  
Group	
   6	
   had	
   developed	
   a	
   feature	
   to	
   make	
   the	
   buggy	
   complete	
   the	
   track	
   in	
   a	
   more	
   reliable	
   way.	
  
Overshooting	
  sequece	
  is	
  a	
  programming	
  feature	
  that	
  helps	
  the	
  buggy	
  to	
  take	
  sharp	
  turns	
  at	
  high	
  speeds.	
  
This	
  feature	
  relies	
  on	
  the	
  fact	
  that	
  if	
  a	
  buggy	
  overshoots	
  a	
  line	
  at	
  the	
  corner,	
  the	
  last	
  sensor	
  sensing	
  the	
  
line	
  would	
  have	
  been	
  one	
  of	
  the	
  end	
  sensors.	
  If	
  such	
  is	
  the	
  case,	
  the	
  buggy	
  would	
  try	
  to	
  rejoing	
  the	
  track	
  
by	
  taking	
  a	
  sharp	
  turn	
  in	
  the	
  direction	
  depending	
  in	
  the	
  sensor	
  that	
  sensed	
  the	
  line.	
  If	
  ,however,	
  any	
  of	
  
the	
  middle	
  3	
  sensors	
  were	
  the	
  last	
  sensors	
  to	
  detect	
  the	
  line,	
  the	
  buggy	
  would	
  understand	
  that	
  it	
  has	
  
reached	
  the	
  end	
  of	
  the	
  line	
  and	
  hence	
  would	
  stop.	
  
8.0	
  Conclusion	
  	
  
The	
  buggy	
  was	
  able	
  to	
  achieve	
  most	
  of	
  its	
  aim	
  except	
  reaching	
  the	
  final	
  race.	
  It	
  was	
  capable	
  of	
  taking	
  
turns	
   in	
   a	
   smooth	
   and	
   fast	
   way,	
   go	
   up	
   or	
   down	
   the	
   slope	
   while	
   maintaining	
   the	
   speed	
   and	
   stop	
   on	
  
reaching	
  the	
  end	
  of	
  the	
  course.	
  The	
  total	
  cost	
  of	
  the	
  buggy	
  was	
  calculted	
  to	
  be	
  £32	
  including	
  recycable	
  
items	
  which	
  is	
  underr	
  the	
  allocated	
  budget.	
  All	
  aims	
  were	
  accompilshed	
  while	
  abiding	
  by	
  the	
  regulations	
  
of	
  maximum	
  6	
  sensors	
  and	
  budget	
  of	
  £50.	
  Many	
  new	
  innovative	
  features	
  such	
  as	
  RF	
  link	
  debugging	
  tool	
  
and	
   ultrasound	
   sensor	
   not	
   only	
   eased	
   the	
   process	
   of	
   programming	
   but	
   also	
   improved	
   the	
  
manoeuvrability	
  of	
  the	
  buggy	
  through	
  the	
  track.	
  
During	
   the	
   two	
   heats,	
   group	
   6	
   had	
   mixed	
   fortunes.	
   For	
   the	
   first	
   heat,	
   the	
   group	
   concentrated	
   on	
  
completing	
   the	
   track	
   in	
   respectable	
   time.	
   The	
   buggy	
   was	
   able	
   to	
   complete	
   the	
   track	
   without	
   any	
  
difficulty	
  in	
  8.3	
  seconds.	
  In	
  the	
  second	
  heat,	
  the	
  group	
  concentrated	
  on	
  posting	
  a	
  faster	
  time	
  to	
  qualify	
  
for	
  the	
  final	
  race.	
  However	
  the	
  buggy	
  had	
  more	
  oscillations	
  than	
  before	
  which	
  resulted	
  in	
  more	
  time	
  to	
  
settle	
  down	
  on	
  a	
  straight	
  line.	
  This	
  costed	
  time	
  and	
  place	
  in	
  the	
  final	
  race	
  as	
  the	
  best	
  time	
  posted	
  by	
  
group	
  6	
  was	
  only	
  7.1	
  seconds,	
  5th
	
  fastest	
  in	
  the	
  stream.	
  After	
  critical	
  analysis	
  of	
  the	
  race,	
  the	
  following	
  
steps	
  were	
  noted	
  which,	
  if	
  implemented,	
  could	
  have	
  improved	
  the	
  fastest	
  time	
  for	
  the	
  buggy:	
  
• The	
  buggy	
  was	
  heavier	
  than	
  expected	
  which	
  compromised	
  not	
  only	
  the	
  stopping	
  distance	
  but	
  
also	
  the	
  manoeuvrability	
  of	
  the	
  buggy	
  
• One	
  reason	
  for	
  increased	
  oscillation	
  was	
  pointed	
  towards	
  the	
  sunlight	
  in	
  the	
  room	
  of	
  race.	
  The	
  
buggy	
  should	
  have	
  been	
  tested	
  in	
  sunlight	
  before	
  coming	
  to	
  race.	
  
• Better	
  PID	
  control	
  should	
  have	
  been	
  implemented	
  to	
  improve	
  oscillations	
  that	
  were	
  observed	
  in	
  
a	
  straight	
  line.	
  
In	
  conclusion,	
  even	
  though	
  the	
  buggy	
  was	
  not	
  able	
  to	
  reach	
  the	
  finals,	
  it	
  was	
  able	
  to	
  complete	
  the	
  track	
  
in	
  fast	
  time	
  and	
  hence	
  can	
  be	
  declared	
  as	
  a	
  success.	
  
9.0	
  References	
  	
  
[1]	
  Apsley,	
  J,	
  Green	
  PN,	
  Embedded	
  Systems	
  Project:	
  Project	
  Handbook,	
  School	
  of	
  Electrical	
  and	
  
Electronic	
  Engineering	
  (2014),	
  the	
  University	
  of	
  Manchester,	
  Sept	
  2014.	
  
[2]	
  Microchip.	
  (2008)	
  PIC18F8722	
  Family	
  Data	
  Sheet.	
  Available:	
  
http://ww1.microchip.com/downloads/en/DeviceDoc/39646c.pdf.	
  
[3]	
  Vishay.	
  (2009).	
  TCRT5000L	
  Datasheet.	
  Available:	
  http://www.vishay.com/docs/83760/tcrt5000.pdf.	
  
[4]	
  Foster,	
  DA,	
  Breakout	
  Interface	
  Schematic,	
  School	
  of	
  Electrical	
  and	
  Electronic	
  Engineering	
  (2014),	
  the	
  
University	
  of	
  Manchester,	
  Sept	
  2014.	
  
[5]	
  Apsley,	
  J,	
  Drive	
  Board	
  Circuit	
  Diagram,	
  School	
  of	
  Electrical	
  and	
  Electronic	
  Engineering	
  (2014),	
  The	
  
University	
  of	
  Manchester,	
  Sept	
  2014	
  
[6]	
  Farnell.	
  electronic	
  components.	
  Available:	
  http://uk.farnell.com/	
  
[7]	
  Chen,	
  CW,	
  Embedded	
  System	
  Project-­‐Wireless	
  Link	
  Documentation,	
  School	
  of	
  Electrical	
  and	
  
Electronic	
  Engineering	
  (2014),	
  The	
  University	
  of	
  Manchester,	
  Sept	
  2014	
  
[8]	
  ITead	
  Studio.	
  (2010).	
  Ultrasonic	
  ranging	
  module	
  :	
  HC-­‐SR04	
  (Data	
  Sheet).	
  Available:	
  
http://www.electroschematics.com/wp-­‐content/uploads/2013/07/HC-­‐SR04-­‐datasheet-­‐version-­‐2.pdf	
  
  16	
  
10.0	
  Appendix	
  
10.1  Updated  Engineering  drawing  for  Acetal  chassis    
	
  
	
  
	
  
	
  
	
  
	
  
	
  
	
  
	
  
Fig. A. Acetal Chassis Plate
  17	
  
10.2  Updated  Engineering  drawing  for  Upper  Plate  of  the  chassis    
	
  
	
  
	
  
	
  
	
  
Fig. B. Upper Acetal Plate
  18	
  
10.3  Updated  Line  Sensor  Board  Diagram    
  
  
10.4  Updated  Line  Sensing  Circuit  Board  Diagram    
  
Fig. C. Circuit Diagram for line sensor board
Fig. D. Circuit Diagram for line sensing circuit board
  19	
  
10.5  Updated  Speed  Sensing  Board  Diagram  	
  
	
  
  
10.6  Updated  Speed  Sensing  Layout  Diagram	
  
	
  
  
Fig. E. Circuit Diagram for speed sensing circuit board
Fig. F. Layout Diagram for speed sensing circuit board
  20	
  
  
10.7  Updated  Line  sensing  Circuit  Layout  Diagram	
  
	
  
10.8  Updated  Line  sensor  Layout  Diagram  
The	
  line	
  sensor	
  board	
  was	
  designed	
  for	
  six	
  sensors,	
  however,	
  only	
  5	
  bottom	
  sensors	
  are	
  being	
  fitted	
  and	
  
used.	
  
	
  
	
  
Fig. G. Layout Diagram for line sensing circuit board
Fig. H. Layout Diagram for line sensor board
  21	
  
10.9  Updated  Wiring  Diagram	
  
	
  
10.10  Pseudo  code	
  
ConfigureADC()	
  
while(1){	
  
	
   if(Remote	
  control	
  mode	
  is	
  switched	
  on)	
  
{	
  
	
   if(pushbutton	
  1	
  is	
  pressed)	
  
	
   {	
  
	
   	
   Turn_right()	
  
	
   }	
  
RF	
  board	
  
Ultrasonic	
  Sensor	
  
Line	
  
Sensors	
  
Speed	
  
Sensors	
  
Motors	
  
Fig. I. Wiring Diagram
  22	
  
	
   else	
  if(pushbutton	
  2	
  is	
  pressed)	
  
	
   {	
  
	
   	
   Turn_left()	
  
	
   }	
  
	
   else	
  
	
   {	
  
	
   	
   go	
  straight	
  according	
  to	
  potentiometer	
  
	
   	
   }	
  
	
   else	
  if(Line	
  following	
  mode	
  is	
  switched	
  on)	
  
	
   {	
  
	
   	
   Read	
  Sensors()	
  
	
   	
   if(no	
  sensor	
  senses	
  line)	
  
{	
  
	
   	
   	
   stop	
  
	
   	
   }	
  
	
   	
   else	
  if(analogue	
  sensors	
  detect	
  error)	
  
	
   	
   {	
  
	
   	
   	
   Send	
  the	
  error	
  to	
  PD	
  line	
  controller	
  
	
   	
   	
   Turn	
  buggy	
  accordingly	
  
	
   	
   }	
  
	
   	
   else	
  if(end	
  digital	
  sensors	
  detect	
  line)	
  
{	
  
	
   	
   	
   Turn	
  buggy	
  accordingly	
  
	
   	
   }	
  
	
   	
   else	
  
{	
  
	
   	
   	
   Go	
  straight	
  
	
   	
   	
   if(speed	
  is	
  less	
  than	
  it	
  is	
  suppose	
  to	
  be)	
  
{	
  
Send	
  the	
  error	
  to	
  P	
  speed	
  controller	
  
	
   	
   	
   	
   Increase	
  speed	
  accordingly;	
  
	
   	
   	
   }	
  
	
   	
   	
   else	
  if(speed	
  is	
  more	
  than	
  it	
  is	
  suppose	
  to	
  be)	
  
{	
  
Send	
  the	
  error	
  to	
  P	
  speed	
  controller	
  
	
   	
   	
   	
   Decrease	
  speed;	
  
	
   	
   	
   }	
  
	
   	
   }	
  
}	
  
}	
  
	
  
	
  
	
  
	
  
	
  
	
  

Autonomous Linke Following buggy

  • 1.
      I               Embedded  Systems  Project     FINAL  REPORT       Group  Number:  6       GROUP   MEMBERS:   Manyu  Dang   9566467       Eric  Mesquita   9568669       Hani  Qadiri   9066907       Vishisht  Tiwari   9109605       Cai  Willis   8473412   Tutor:  Dr  Judith  Apsley     Date:  08/05/2014     School  of  Electrical  and  Electronic   Engineering  
  • 2.
      II   Table of  Contents   Embedded  Systems  Project  ................................................................................................................  I   1.0  Introduction  ....................................................................................................................................  1   1.1  Executive  Summary  .............................................................................................................................  1   1.2  Introduction  .........................................................................................................................................  1   1.3  Aims  and  Objectives  ............................................................................................................................  2   2.0  Final  System  Components  Summary  ................................................................................................  3   2.1  Mechanical  ..........................................................................................................................................  3   2.1.1  Restructured  Components/Features  ...........................................................................................  3   2.1.2  Non-­‐Restructured  Components/Features  (Successfully  Working  Components/Features)  ..........  3   2.2  Electronic  .............................................................................................................................................  4   2.2.1  Line  Sensing  Circuit  ......................................................................................................................  4   2.2.2  Speed  Sensing  Circuit  ..................................................................................................................  5   2.2.3  Ultrasound  Sensor  .......................................................................................................................  5   2.2.4  RF  link(Radio-­‐Frequency  Link)  .....................................................................................................  5   2.3  Navigation  and  Control  .......................................................................................................................  6   2.4  Software  ..............................................................................................................................................  7   2.2.4  Programming  features  ................................................................................................................  7   2.2.4  Challenges  of  programming  ........................................................................................................  8   3.0  Team  Organisation  and  Planning  .....................................................................................................  9   4.0  Budget  vs.  Outturn  ........................................................................................................................  10   4.1  Proposed  Budget  v/s  Final  Cost  .........................................................................................................  10   4.2  Total  costt  of  Buggy  ..........................................................................................................................  11   5.0  Race  Analysis  ................................................................................................................................  12   5.1  Testing  ...............................................................................................................................................  12   5.1.1  Challenges  during  testing  ..........................................................................................................  12   5.2  Preparation  for  first  heat  ..................................................................................................................  12   5.3  First  Heat  ...........................................................................................................................................  13   5.4  Preparation  for  second  heat  ..............................................................................................................  13   5.5  Second  Heat  ......................................................................................................................................  13   6.0  Critical  Analysis  .............................................................................................................................  14   7.0  Successful  Innovative  Feature  ........................................................................................................  14   8.0  Conclusion  .....................................................................................................................................  15   9.0  References  ....................................................................................................................................  15   10.0  Appendix  .....................................................................................................................................  16   10.1  Updated  Engineering  drawing  for  Acetal  chassis  ............................................................................  16   10.2  Updated  Engineering  drawing  for  Upper  Plate  of  the  chassis  .........................................................  17   10.3  Updated  Line  Sensor  Board  Diagram  ..............................................................................................  18   10.4  Updated  Line  Sensing  Circuit  Board  Diagram  .................................................................................  18   10.5  UpdatedSpeed  Sensing  Board  Diagram  ..........................................................................................  19   10.6  UpdatedSpeed  Sensing  Layout  Diagram  .........................................................................................  19   10.7  Updated  Line  Sensing  Circuit  Layout  Diagram  ................................................................................  20   10.8  Updated  Line  Sensor  Layout  Diagram  .............................................................................................  20   10.9  Updated  Wiring  Diagram  ................................................................................................................  21   10.10  Pseudo  code  ..................................................................................................................................  21    
  • 3.
      1   1.0  Introduction   1.1  Executive  Summary   Using  innovative  techniques  such  as  the  inclusion  of  an  ultrasonic  sensor,  an  RF-­‐link  and  by  creating  an   overall  efficiently  compact  design,  Group  6  has  accomplished  the  given  task  of  building  a  line  following   autonomous  buggy.  This  documentation  is  an  in  depth  evaluation  of  the  methods  used  to  complete  this   given  primary  task.  Included  are  detailed  sections  of  how  this  was  accomplished  from  the  mechanical,   electrical,  navigational  strategy  and  software  aspects  of  the  buggy.  The  successes  and  the  failures  of  the   chosen   strategies   faced   during   the   design   and   assembling   processes   are   discussed   and   the   solutions   conceived  to  solve  them.  By  comparing  the  group’s  project  plan  as  proposed  in  the  proposal  and  the   final  outcome  of  the  buggy,  the  effectiveness  of  the  overall  group  work  is  demonstrated.  Furthermore,  a   detailed  report  is  given  on  the  budget,  how  much  the  buggy  was  proposed  to  cost,  the  difference  in  the   outcome  price  and  the  reasons  for  the  increase  in  price.  Finally,  there  is  a  detailed  analysis  on  how  the   buggy  was  prepared  for  the  race  and  exploring  the  possible  reasons  for  its  performance.  Overall,  the   buggy  was  ranked  at  fifth  place  with  two  times  at  8.3  and  7.1  seconds,  when  a  faster  time  was  expected.   During  the  first  semester,  the  group  worked  towards  the  completion  of  the  overall  mechanical  design   and  planning  for  the  manufacture  of  the  buggy.  The  main  obstacles  were  extracted  from  the  handbook   and  the  group  used  these  to  determine  the  design  of  the  buggy.  An  example  of  this  would  be  the  vital   information  of  the  allocated  distance  at  the  end  of  the  track  within  which  the  buggy  had  to  come  to  a   stop.  An  ultrasonic  sensor  was  used  to  give  the  buggy  sufficient  means  of  stopping  within  the  desired   space.   The   properties   of   the   gearbox   were   determined   to   obtain   the   desired   torque.   Research   was   undertaken  to  determine  the  sensors  required  for  the  optimum  race  performance  from  the  buggy.  The   first  half  of  the  second  semester  was  used  to  fully  manufacture  the  buggy.  Separately  assembling  the   different  aspects  of  the  buggy  –  mechanical,  electronic  and  even  software  –  and  then  combing  together   to  create  a  fully  functioning  system,  that  meet  the  requirements  of  the  project  deliverables.  From  week   7,  full  concentration  was  given  to  the  completion  of  the  buggy’s  software  to  implement  an  effective  PID   control   that   would   navigate   the   buggy   around   the   course   in   the   quickest   possible   time.   Overall,   the   group  was  able  to  achieve  all  aims;  except  reaching  the  finals.   1.2  Introduction   During   semester   2,   group   6   has   been   working   towards   fully   completing   the   manufacturing   and   software   for   the   buggy,   so   that   it   is   sufficiently   ready  to  give  an  excellent  performance  on  the  day   of   the   heats.   Unfortunately,   despite   the   hard   work   and   dedication   shown   by   the   group   members,  group  6’s  buggy  –  The  Flying  Duchess  –   did  not  qualify  for  the  final  race.  The  buggy  was   designed  to  be  compact,  with  a  slick,  neat  design   that  distributes  the  weight  sufficiently  to  keep  the   buggy  well  balanced  with  a  low  centre  of  gravity.   PID   control   was   used   to   navigate   the   buggy   around   the   track,   which   will   be   discussed   in   further  detail  in  the  software  aspect  of  the  Final   Components  Summary.  Having  efficiently  used  the  allocated  time  in  the  lab  per  week,  personal  time   and  the  supervisors’  help  to  overcome  certain  problems  with  the  RF-­‐Link,  a  buggy  was  built  that  met  the   criteria  set  by  the  group  and  the  project’s  demands.     Fig. 1. Overview photo of the buggy
  • 4.
      2   1.3 Aims  and  Objectives   The   group   was   given   the   initial   task   to   build   a   line   following   autonomous   buggy   able   to   manoeuvre   obstacles   of   a   constructed   course.   Following   are   the   projects   demands   for   the   specifications   of   the   desired  buggy:     • Driven  by  batteries   • Navigate  by  identification  of  a  white  line   • Capable  of  turning,  going  up  the  slope,  going  over  the  small  line  gap   • Successful  navigation  of  a  full  track  by  overcoming  obstacles  by  using  six  sensors  only   • Stopping  within  the  allocated  distance   • Remaining  within  a  budget  of  £50   With  the  project  demands  in  mind,  an  overall  of  four  primary  aims  were  set  by  the  group:   1. Build  a  line  following  buggy     2. Competitively  complete  a  given  course  in  order  to  reach  the  finals   3. Use  only  6  line  sensors  or  less,  abiding  to  the  given  constraint     4. Use  innovative  solutions  to  decrease  the  overall  buggy  size  and  number  of  line  sensors  used,   whilst  maintaining  a  highly  efficient  product  able  to  meet  the  specifications  of  the  given  task     The  following  deadlines  were  set  as  part  of  the  overall  embedded  systems  project:   1. Tech  demo  #1  -­‐  Demonstration  of  a  functional  speed  sensing  circuit   2. Design  report  #1  -­‐  a  technical  report  discussing  the  required  combination  of  gears,  based  on  test   results  and  calculations  from  the  motor  characterisation  lab     3. Design  report  #2  –  a  technical  report  discussing  the  given  choice  and  arrangement  of  sensors,   the  design  of  the  sensor  interface  circuits  and  the  chosen  strategy  track  navigation   4. Proposal   report   –   An   official   documentation   proposing   the   buggy   as   a   solution   to   meet   the   desired  specifications,  intending  to  receive  funding  for  the  project   5. Tech  demo  #2  –  Demonstration  of  functioning  motor  control     6. Tech  demo  #3  –  Demonstration  of  line  sensing,  by  visually  presenting  the  reactions  of  the  line   sensors  used     7. Tech  demo  #4  –  Demonstration  of  the  buggy  following  a  white  line  against  a  dark  surface,  not  as   demanding  as  the  heats  or  the  final  race,  however,  just  a  simple  demonstration  that  the  buggy   is  able  to  follow  a  line     8. Tech  demo  #5  –  The  Heats,  a  three  part  course  determining  the  buggies  sufficient  to  compete  in   the  final  race  on  the  harder  race  track   9. The  Final  Race  –  competing  for  the  fastest  time  of  completion  around  a  given  course  containing   several  obstacles  such  as  a  see-­‐saw  ramp  and  a  windy  slope   These   soft   deliverables   were   at   the   core   of   the   group’s   project   plan.   They   were   used   as   a   rough   guideline   to   set   goals,   objectives   and   helped   determine   deadlines   for   the   completion   of   different   aspects  of  the  buggy.  Using  the  list  of  aims,  the  project  demands  and  the  required  deliverables,  the   following  objectives  were  set:     -­‐ Designing  and  building  an  accurate  speed  sensing  circuit  to  be  implemented  in  the  buggy   -­‐ Designing  a  chassis  that  is  well  within  the  track  width  decreasing  the  risk  of  impact  with  the   boundaries   -­‐ Designing  a  battery  box  that  encloses  the  batteries  safely  ensuring  they  will  not  fall  out  during   either  the  heats  or  the  race     -­‐ Designing  the  necessary  PCBs  for  the  speed  sensing  and  line  sensing  circuit,  that  will  be  efficient   in  practical  use  and  space     -­‐ Assembling  the  buggy  –  putting  together  each  complete  aspect  of  the  buggy  (the  mechanical   and  the  electronic)    
  • 5.
      3   -­‐Writing  a  C  program  implementing  PID  control  that  will  sufficiently  navigate  the  buggy  around   the  course  following  the  white  line     -­‐ Using  the  allocated  time  in  labs  to  the  highest  degree  of  efficiency  to  meet  the  deadlines  set   both  personally  for  the  group,  and  the  overall  deadlines  set  for  the  project  (as  stated  above)     -­‐ Budgetary  planning  to  ensure  that  the  group  does  not  spend  over  the  give  budget  of  £50     2.0  Final  Systems  Components  Summary   2.1  Mechanical   The  mechanical  aspect  of  the  buggy  went  through  a  major  overhaul  during  the  second  semester  of  the   project.  The  buggy  now  consisted  of  two  levels  of  acetal  plates  carrying  different  components.  The  first   level(bottom   plate)   was   fitted   with   the   motor   drive   board   and   the   battery   box   while   the   second   level(upper  plate)  was  fitted  with  the  RF  link,  microcontroller  board  and  breakout  board.  Battery  Box  is   another   innovative   feature   that   was   introduced   in   the   second   semester   of   the   buggy   to   carry   and   replace  batteries  in  an  easy  yet  safe  way.  However,  few  features  of  the  buggy  such  as  placement  of  line   sensing  circuit  board  between  the  two  front  wheels  and  gear-­‐ratio  worked  well  for  the  purpose  of  line   following,  climbing  up  the  slope  and  descending  down  the  slope  and  hence  was  continued  to  be  used  in   the  buggy.   2.1.1  Restructured  Components/Features   Components   that   did   not   work   as   planned   and   have   gone   through   restructuring   during   the   second   semester  have  been  discussed  below  in  detail:   Chassis:   The   chassis   width   size   was   decreased   in   order   to   improve   the   maneuverability   and   reduce   the   probability   of   the   buggy   crashing   into   pinch-­‐points.   Also,   the   modified   shape   of   the   chassis   is   symmetrical  which  provided  a  better  balance  to  the  buggy.   Front  Wheels   Initially,  the  group  planned  to  use  a  caster  wheel  for  the  front  wheel,  believing  it  to  easily  adapt  to  a   change   in   direction.   After   comparing   with   the   other   components   provided   in   the   workshop,   it   was   decided  instead  to  use  0.5”  ball  bearing  as  the  front  wheel.  This  was  due  to  two  main  reasons;  first,  the   weight  of  ball  bearing  is  lighter  than  the  caster  wheel,  reducing  the  overall  load  of  the  buggy.  Secondly,   after  testing,  it  was  found  that  the  ball  bearing  could  provide  smoother  turning  than  the  caster  wheel.     Battery  Box:   According  to  the  proposal  report,  the  battery  pack  was  supposed  to  be  on  the  upper  plate  of  the  buggy.   However,  having  decided  to  add  an  RF  link  board,  there  was  no  longer  enough  space  on  the  upper  plate.   The  group  sat  down  together  to  discuss  how  to  overcome  the  problem  at  hand,  which  was  where  to   place   the   batteries.   It   was   concluded   by   agreeing   to   place   the   batteries   inside   a   box   that   would   be   sturdy  enough  to  not  open  in  the  middle  of  a  race  and  that  could  be  easily  opened  when  needs  be  to   recharge  the  batteries.  The  battery  box  was  placed  at  the  bottom  of  the  chassis,  and  since  its  weight   was  quite  large,  this  change  also  lowered  the  centre  of  gravity  of  the  buggy,  making  it  more  stable  in  a   dynamic  system.   2.1.2  Non-­‐Restructured  Components/Features  (Successfully  Working  Components/Features)   Few   components   in   the   buggy   worked   the   way   they   were   expected.   These   provided   an   added   advantage  to  the  buggy  and  hence  were  continued  to  be  used  in  the  buggy:  
  • 6.
      4   Gears:   In  the  proposal  report,  it  was  determined  that   the  gear  ratio  of  1:15.6  would  be  the  optimum   in  gear  ratio  for  providing  enough  torque  to  go   up  the  slope  and  enough  speed  on  the  straights.   Gears   to   be   used   for   the   construction   of   the   gearbox   were:   16   tooth   pinions   (motor   shaft   only);   50/10   free   running   gear   (grey);   50/10   press   fit   gear   (red).   This   gear   combination   provided  the  right  balance  between  torque  and   speed  and  hence  was  continued  to  be  used  in  the  buggy.   Sensor  Board  Placement:   Placement   for   the   sensor   board,   in   the   proposal   report,   was   decided   to   be   between   the   two   front   wheels.  This  feature  was  expected  to  provide  greater  accuracy  of  line  sensing,  as  the  sensors  would  be   able  to  detect  any  slope  changes  in  the  course  without  losing  the  track.  This  feature  also  worked  as   expected  and  was  continued  to  be  used  in  the  buggy.  The  board  however  was  divided  into  two  different   PCBs.  One  contained  the  sensors  while  the  other  contained  the  circuit  for  the  sensors.   2.2  Electronic   The   electronic   circuits   used   in   the   buggy   did   not   see   such   a   drastic   overhaul   like   the   mechanical   components   of   the   buggy   did.   However,   one   change   from   the   proposal   report   was   the   use   of   PCBs   instead  of  stripboard.  All  the  circuits  used  in  the  buggy  including  line  sensor  board,  speed  sensor  board   and  circuit  board  were  all  designed  on  Altium  software  and  then  constructed  on  PCBs.  This  decision  was   taken   after   analysing   the   reliability,   clean   and   easy   arrangement,   and   quality   of   the   PCBs.   Each   electronic  component  of  the  buggy  has  been  discussed  in  detail  as  follows:   2.2.1  Line  Sensing  Circuit   As   discussed   in   the   proposal   report,   the   TCRT5000L,   a   Reflective   Optical   Sensor   with   Transistor   Output,   remained   as   the   line   sensor   in   use   for  the  line  sensing  circuit.  This   choice  was  made  having  tested   all  other  potential  sensors.  This   sensor   proved   to   be   the   most   sensitive   to   reflective   differences   in   track   surfaces   i.e.   it   was   the   most   effective   at  detecting  the  white  line.  Furthermore,  it  was  self-­‐illuminating,  containing  an  IR  emitter  as  well  as   receiver,  in  a  compact  case  reducing  the  space  needed  for  the  circuit.  5  of  these  sensors  were  used  for   the  purpose  of  line  following  and  were  arranged  as  shown  in  figure  6.  The  circuit  for  all  the  sensors  was   unchanged  from  proposal  report.  A  100Ω  resistor  was  used  to  convert  the  maximum  amount  of  light   intensity  so  that  the  maximum  forward  current  is  60mA.  A  4.7kΩ-­‐resistor  was  used  in  series  with  the   phototransistor,  configured  as  a  potential  divider  to  work  out  the  maximum  difference  in  output  values   obtained  when  sensing  white  and  black  surfaces.  For  digital  sensors,  comparator  LM311  was  used  to   convert  the  output  from  sensors  to  logic  level  0  or  1  where  0  logic  level  means  black  surface  while  1   logic  level  means  white  surface.  The  circuit  diagram  for  Digital  sensors  has  been  shown  in  figure  3.  A  full   circuit  diagram  for  all  line  sensors  can  be  found  in  appendix10.3  and  10.4.   Fig. 3. Circuit Diagram for Digital Sensors Fig. 2. Gearbox   R1 100Ω R2 4.7kΩ TCRT5000L VSS 5V LM311N-14 B/STBVS+ GND BAL VS- 3 4 6 11 9 2 7 839kΩ 100kΩ Key=A 10 % 300kΩ Output
  • 7.
      5   The  sensors  were  connected  to  the  breakout  interface   (PORTA   &PORTJ)   as   shown   in   the   wiring   diagram   in   appendix   10.9.   The   analogue   sensors   were   used   as   analogue  inputs(PORTA)  to  implement  the  PID  control   while   the   digital   sensors   were   used   as   digital   inputs(PORTJ).   When   designing   the   PCB   for   the   line   sensor  circuit,  it  was  separated  into  two  boards  where   one   contained   five   sensors   section   while   the   other   contained   the   rest   of   the   circuit.   This   change   increased  the  space  efficiency  on  the  buggy  and  also   meant   there   was   enough   space   for   the   ultrasonic   sensor.   The   two   PCBs   were   connected   using   Molex   connector.  An  image  of  the  line  sensing  circuit  has  been   shown  in  figure  4.   2.2.2  Speed  Sensing  Circuit     The  circuit  for  the  speed  sensing  from  the  proposal  report  has  been  unchanged.  For  the  speed  sensing   circuit,  the  IR  emitter  TEKT5400s  and  IR  receiver  TEKS5200s  was  used.  The  emitter  is  connected  100Ω   resistor  and  receiver  is  connected  to  4.7kΩ  resistor.  The  output  is  connected  to  PORTB  in  the  breakout   interface   board.   The   left   wheel   speed   sensor   circuit   and   right   wheel   speed   sensor   circuit   were   integrated  into  one  PCB  to  save  space.  The  circuit  diagram  for  speed  sensing  circuit  can  be  found  in   appendix  10.5.   2.2.3  Ultrasonic  Sensor     The   new   electronic   innovation   that   has   been   introduced   in   the   buggy   in   second   semester   is   the   introduction   of   the   ultrasound   sensor.   This   was   a   new   idea   and   was   never   discussed  in  the  proposal  report.  The  high  mass  and  hence   high  momentum  at  high  speed  was  proving  it  to  be  difficult   for  the  buggy  to  stop  within  the  defined  range  of  20cms.  The   ultrasonic   sensor   was   used   to   allow   the   buggy   to   go   at   a   higher  duty  cycle  whilst  still  having  the  capability  to  stop  at   the  end  of  the  track.  It  works  by  transmitting  an  ultrasound   wave,  which  is  then  reflected  directly  back  from  the  barrier   at  the  end  of  the  track.  Since  the  speed  of  the  sonic  wave  is   known  it  can  be  used  to  calculate  the  distance  to  the  barrier,   assisting  the  line  and  speed  sensors  to  provide  a  higher  level   of  precisions  and  navigational  control.     2.2.4  RF-­‐Link  (Radio-­‐frequency  link)   An  RF-­‐link  (Radio-­‐frequency  Link)  was  also  implemented  allowing  for  wireless  control  under  a  specific   frequency.  The  RF-­‐link  contains  the  microchip  MRF24J40MB  module,  which  uses  the  microchip  MIWI   protocol.  The  SPI  port  is  used  to  transfer  data  between  the  PIC  and  the  MRF24J40MB;  as  a  result  the   position  information  can  be  identified  and  manipulated.  The  controller  for  the  buggy  was  made  using   the  I/O  board  used  in  the  microcontroller  project  in  1st  year.  The  potentiometer  in  the  I/O  board  was   used  for  varying  straight-­‐line  speed  while  two  push  buttons  were  used  for  turning  the  buggy.  Another   toggle  switch  was  used  to  change  the  buggy  from  line  following  mode  to  remote  control  mode  in  case  it   needed  to  be  used  for  the  final  race.  The  8  LEDs  and  7-­‐segment  display  on  the  I/O  board  were  used  as  a   debugging  tool.  Important  information  such  as  speed  of  both  the  motors,  the  sensitivity  of  the  sensors   etc.  was  obtained  easily  using  RF.  Values  of  integral  and  derivative  helped  to  get  the  PID  control  of  the   buggy  better  and  made  the  programming  process  much  easier.   Fig. 4. Two different PCBs for line sensors 5   Fig. 5. Ultrasonic Sensors HC-SR04  
  • 8.
      6   2.3 Navigation  and  Control       The   final   navigation   system   implemented   on   the   buggy   is   demonstrated  by  figure  6.  Navigation   is  executed  via  five  TCRT5000L  optical   sensors   used   to   determine   the   buggy’s  position  on  the  line  and  aid  in   tackling   obstacles   of   the   course.   The   sensor   bank   consists   of   a   central   digital   sensor,   two   analogue   sensors   and  two  outer  digital  sensors  positioned   less   than   a   line   width   away   from   each   analogue  sensor  to  aid  in  regaining  a  lost  line.   Requirements  for  the  navigation  system  were  determined  by  a  list  of  likely  and  worst  case  scenarios   that  the  buggy  might  encounter  such  as  sharp  turns,  line  breaks,  long  fast  straightways  and  the  end  of   the  track.   The  analogue  sensors  either  side  of  the   line   are   capable   of   providing   readings   sufficient  to  determine  relative  position   of   the   line   and   provide   a   basis   to   implement   some   variation   of   PID   control.    These  sensors  are  read  by  the   PIC18F8722’s   analog   to   digital   converter,   compared   and   used   in   calculations   to   maintain   a   steady   path   along   curves   and   increase   speed   along   straight  sections  of  the  track.     The   outputs   of   the   digital   sensors   are   fed  into  comparators  in  order  to  create   a   digital   signal   to   be   read   by   the   microcontroller.   The   sensitivity   of   the   comparators   can   be   adjusted   via   a   potentiometer.   The   central   digital   sensor   is   therefore   sensitive   enough  to  maintain  a  perception  of  the  line  across  the  maximum  line-­‐break  distance.  This  sensor  is  also   used  in  deducing  the  true  end  of  the  line.  The  outer  digital  sensors  are  intended  for  situations  in  which   the  buggy  has  strayed  too  far  either  side  of  the  line  or  even  left  the  line  completely.  In  the  case  of  either   of  the  outer  digital  sensors  being  the  last  sensor  to  give  a  reading,  the  buggy  will  continue  turning  until   the  line  has  been  found  again.   The  initial  design  for  the  layout  of  the  sensors  given  in  the  proposal  report  is  shown  in  figure  7.  Some   subtle  changes  have  been  made  to  the  layout  of  the  sensors  and  very  little  has  been  altered  in  terms  of   overall  navigation  strategy.  The  first  change  made  was  to  remove  the  second  digital  line  sensor  as  it  was   discovered  that  the  cone  of  light  emitted  by  a  single  TCRT5000L  sensor  was  sufficiently  large  to  maintain   a  signal  across  the  biggest  gap  when  the  sensitivity  of  the  comparator  circuit  was  adjusted.  The  second   central  digital  sensor  was  rendered  obsolete  and  could  thus  be  omitted,  simplifying  the  control  program   somewhat  with  no  effect  on  performance.  The  positioning  of  the  sensors  was  also  adjusted,  bringing  the   analogue  sensors  closer  towards  the  center  and  adjusting  the  outer  digital  sensors  accordingly  so  that   they   too   were   closer   to   the   center   and,   crucially,   less   than   the   line’s   width   away   from   the   analog   sensors.  The  analogue  sensors  are  now  12mm  from  the  center  and  the  outer  digital  sensors  are  18mm   from  the  respective  analogue  sensors.  The  original  design  had  a  sensing  dead  zone  physically  built  in  to   Fig. 6. Present Sensor arrangement Fig. 7. Past Sensor arrangement
  • 9.
      7   the  sensor  array,  and  the  adjustment  was  made  to  allow  a  dead  zone  to  be  implemented  or  adjusted  as   required  in  software.  The  outer  digital  sensors  were  originally  intended  only  to  provide  an  increased   response   in   the   case   of   the   analogue   sensors   using   the   line,   but   are   also   now   used   in   regaining   the   position  of  the  line  once  it  is  lost.   In  addition  to  the  sensor  bank,  the  buggy  uses  a  HC-­‐SR04  ultrasound  sensor  placed  at  the  front  of  the   chassis  which  is  intended  to  inform  the  microcontroller  that  a  barrier  is  close  in  front  and  that  the  buggy   should   slow   down.   This   ensures   that   the   buggy   is   able   to   stop   within   the   required   20cm,   and   is   potentially  also  useful  in  slowing  the  buggy  for  sharp  corners.   2.4  Software     Software  programming  was  one  of  the  most  integral  and  important  part  of  the  project.  Using  the  sensor   outputs  to  make  the  buggy  follow  the  line  was  accomplished  with  the  help  of  software  programming.   The  main  aim  of  the  buggy  was  to  follow  the  line  without  the  unnecessary  oscillations,  take  the  turn   smoothly  and  use  speed  sensing  to  be  able  to  go  up  a  slope.  As  an  extra  feature,  the  buggy  also  had  an   RF  link  board  fitted  to  it  and  could  be  controlled  using  a  remote  control.   2.4.1  Programming  Features     The  main  features  of  programming  of  the  buggy  has  been  discussed  below:   Line  Following:   All  the  line  sensors  were  used  for  the  purpose  of  following  line.  As  seen  from  figure  6,  the  middle  digital   sensor  was  used  to  detection  of  the  end  of  the  line.  The  analogue  sensors  main  objective  was  to  reduce   the  oscillations  in  a  straight  line  and  provide  a  smooth  turning  at  curves.  The  last  digital  sensors  were   programmed  to  be  used  as  a  overshooting  sequence.  In  case  the  looses  the  line  at  a  corner,  the  buggy   was  programmed  to  come  back  to  the  line  but  middle  sensor  still  helped  it  to  stop  in  the  end  of  the  line.   For   reducing   the   oscillations   PD(Proportional-­‐Derivative)   controller   was   used.   The   PD   controller   obtained  error  from  the  middle  two  analogue  sensors  and  controlled  the  duty-­‐cycle  to  the  motor  to   obtain  oscillation  free  and  fast  movement  of  the  buggy.  The  proportional  was  used  for  turning  while  the   derivative  was  used  for  reducing  the  oscillations.  The  proportional  part  of  the  control  systems  worked   by  multiplying  the  error  by  a  certain  value  to  be  able  to  make  a  turn.  The  derivative  on  the  other  hand   finds   the   difference   between   last   error   and   present   error   and   tries   to   minimize   this   difference.   PD   control   instead   of   PID   control   was   decided   to   use   as   it   was   observed   that   I(integral)   control   did   not   contribute  towards  either  reducing  oscillations  or  improving  buggy  control  and  hence  was  not  used.     Speed  Sensing:   Maintaining  a  constant  speed  up  and  down  the  slope  was  an  important  requirement  for  the  buggy  to  be   able  to  complete  the  track.  Losing  or  gaining  speed  on  a  slope  could  result  in  increased  oscillations  of   the  buggy  and  hence  losing  the  line.  For  this  purpose  speed  sensing  was  an  important  part  of  the  buggy.   Speed   sensing   was   implemented   by   using   interrupts.   Every   rising   edge   caused   an   interrupt   and   incremented  the  counting.  After  every  half  a  second  this  value  was  obtained,  RPM  was  calculated  and   speed   was   changed   accordingly.   The   error   obtained   used   a   P(Proportional)   controller   to   control   the   speed.   RF  link:   Another  extra  feature  of  remote  control  was  added  in  the  buggy  in  case  it  was  not  able  to  complete  any   specific  part  of  the  final  track.  The  controller  for  the  buggy  was  made  using  the  I/O  board  used  in  the   microcontroller  project  in  1st  year.  The  potentiometer  in  the  I/O  board  was  used  for  varying  straight-­‐line   speed   while   two   push   buttons   were   used   for   turning   the   buggy.   Another   toggle   switch   was   used   to   change  the  buggy  from  line  following  mode  to  remote  control  mode  in  case  it  needed  to  be  used  for  the   final  race.  
  • 10.
      8   2.4.2 Challenges  of  Programming     Achieving   the   right   values   for   Kp(proportional   constant),   Ki(Integral   Constant)   and   Kd(derivative   constant)  in  PID(Proportional-­‐Integral-­‐Derivative)  control  for  line  following:      Achieving  right  values  of  Kp,  Ki  and  Kd  in  PID  control  was  important  in  implementation  of  oscillation   less  and  fast  movement  of  the  buggy.  Calculating  Kp,  Ki  and  Kd  using  trial  and  error  was  one  of  the  most   difficult  part  of  the  programming  and  needed  many  iterations  before  achieving  the  right  values.  It  is   important   to   note   that   the   values   in   table   has   been   deduced   for   70%   straight-­‐line   duty-­‐cycle   of   the   buggy.  The  values  have  to  be  tweaked  for  changing  duty-­‐cycle.   During  the  initial  tests,  very  high  oscillations  and  large  turning  radius  were  observed.  The  oscillations   were  reduced  by  increasing  the  values  of  Kd.  It  was  observed  that  increasing  Ki  or  Kd  to  a  very  high   value   increased   oscillations   as   well.   Increasing   Kp   values   reduced   the   turning   radius   and   helped   the   buggy  take  sharper  turns  with  ease  and  speed.  It  was  also  observed  that  Ki  did  not  contribute  towards   reducing  turning  radius  and  in  some  cases,  worsened  the  oscillations.  Hence  it  was  decided  to  not  use   integral  control  and  manoeuvre  the  buggy  using  just  PD  control  with  Kp  value  as  21  and  Kd  value  as  132.   It  is  important  to  note  the  values  of  Kd  was  tweaked  according  to  changing  duty-­‐cycle.  Increasing  duty-­‐ cycle  led  to  increased  Kd  value  to  maintain  the  low  oscillations   Implementing  RF  link  and  speed  sensing  simultaneously:   Both,  RF  link  and  speed-­‐sensing  used  interrupts  and  implementing  both  the  features  without  interfering   with  the  movement  of  buggy  was  proving  difficult  to  achieve.  The  buggy  seemed  to  get  stuck  in  a  loop   of  RF  and  would  not  come  out  of  the  loop  unless  the  programme  is  reset.  It  was  found  that  the  loop   involved  transmitting  data  from  the  buggy.  It  was  deduced  that  ‘if  speed-­‐sensing  is  used  then  the  buggy   would  not  be  able  to  send  data  to  remote  control  and  hence  the  remote  control  would  not  be  able  to   used  as  a  debugging  tool’.  This  problem  could  not  be  solved  and  a  decision  was  taken  to  use  remote-­‐ control  as  a  debugging  tool  only  when  needed.  At  all  other  times  the  speed  sensing  would  work  in  which   the  remote  control  will  still  be  able  to  control  the  buggy  but  would  not  be  able  to  receive  any  data  from   the  buggy.   Implementing  overshooting  sequence:   Another  challenge  for  the  buggy  was  to  take  very  sharp  turns  at  high  speeds.  This  was  normally  the  case   of  an  s-­‐bend  after  a  long  straight.  To  be  able  to  overcome  this  problem,  an  overshooting  tool  was  used   in  the  buggy.  According  to  this  feature,  if  the  buggy  left  the  white  line  at  a  corner  then  the  end  digital   Kp   Ki   Kd   Oscillation   Turning  Radius   2   0.4   0.1   Very  High  Oscillations   Large  Radius   5   0.4   0.5   Very  High  Oscillations   Large  Radius   10   0.8   2   Very  High  Oscillations   Medium  Radius   15   0.8   10   High  Oscillations   Medium  Radius   18   0.8   30   Medium  Oscillations   Small  Radius   20   0.8   50   Medium  Oscillations   Small  Radius   20   2   50   High  Oscillations   Small  Radius   20   0.8   90   Medium-­‐Low  Oscillations   Small  Radius   20   0.8   120   Low  oscillations   Small  Radius   20   0.8   130   Very  Low  Oscillations   Small  Radius   20   0.8   140   Medium  Oscillations   Small  Radius   20   0.8   132   Almost  No  Oscillations   Small  Radius   21   0   132   Almost  No  Oscillations   Small  Radius   Table. 1. Different values of PID constants and their effects 5  
  • 11.
      9   sensors  would  be  the  last  sensor  to  have  sensed  the  line.  In  this  case,  the  buggy  would  try  to  re-­‐join  the   line.  However,  if  any  of  the  middle  3  sensors  were  the  last  sensors  to  sense  the  white  line,  then  the   buggy  would  consider  that  as  the  end  of  the  line  and  would  stop.   3.0  Team  Organisation  and  Planning     In  terms  of  requirements,  it  was  quickly  determined  that  the  project  could  be  divided  into  mechanical,   hardware  and  software  components.  Each  component  could  be  further  subdivided  into  specific  tasks   such  as  assembly  of  the  battery  box  and  gearbox  for  the  mechanical  aspect,  design  and  soldering  of   PCBs  as  hardware  tasks,  and  so  on.  Collective  decision  of  dividing  the  work  among  the  group  members   was  taken.  Each  group  member  discussed  the  aspect  they  were  interested  in  and  accordingly  work  was   divided   among   the   members.   During   all   times,   2   group   members   were   focused   on   the   software   programming  of  the  buggy  while  other  3  members  worked  on  mechanical  and  electronic  aspects  if  the   buggy.   The   group   had   set   different   goals   for   completing   all   the   mechanical,   electronic   and   software   requirements.  The  mechanical  aspect  of  the  buggy  such  as  the  gearbox,  the  chassis  etc.  was  aimed  to  be   finished  by  the  3rd  week  while  the  electronic  parts  such  as  the  sensor  PCB,  speed  sensing  PCB  etc.  was   aimed  to  be  finished  by  6th  week  of  the  second  semester.  Software,  on  the  other  hand,  was  worked  on   during  the  whole  semester.   Fig. 8. Gantt Chart 5  
  • 12.
      10   Each   member   was   shared   into   sub-­‐groups   to   tackle   each   component   while   interacting   regularly   and   reporting  to  the  others.  Communication  was  conducted  via  WhatsApp,  thus  quick  meetings  could  be   called   at   short   notice,   which   proved   to   be   a   very   efficient   process.   All   the   data   including   PCB   files,   software  codes,  solidworks  file  were  at  all  times  uploaded  to  the  common  Dropbox  account  and  was   updated  as  soon  as  any  changes  were  made.  The  available  laboratory  sessions  were  used  to  full  affect   with  the  group  split  between  each  of  the  three  laboratories  depending  on  their  specific  tasks.  Meetings   were  often  held  outside  laboratory  sessions  to  consolidate  the  work  done  in  each  component  and  for   each   group   member   to   gain   and   provide   insight   in   every   aspect   of   the   buggy.   Due   to   regular   communication  and  the  enthusiasm  of  the  group  in  general,  it  was  possible  for  every  group  member  to   be  involved  in  design  decisions  such  as  PCB  placement  and  chassis  construction.   Towards   the   end   of   the   semester,   when   the   buggy’s   construction   was   complete   and   only   software   testing   remained,   very   few   construction   and   design   modifications   were   required,   which   meant   that   some  group  members  were  left  with  little  to  do  during  laboratory  sessions.  This  was  resolved  by  the   decision  to  start  the  writing  of  the  final  report  early  so  that  all  group  members  could  contribute  to  the   project  when  the  hardware  and  design  aspects  of  the  project  were  completed.  Regular  meetings  were   still  held  to  discuss  the  buggy’s  progress  and  make  alterations  as  required.     The  Gantt  chart  constructed  in  semester  1  shown  in  figure  8  remained  largely  accurate  in  terms  of  its   overall  scope.  Work  in  the  laboratory  sessions  was  always  geared  towards  completing  the  next  technical   demonstration  and  each  of  the  deadlines  was  successfully  achieved  on  or  before  the  specific  date.  The   group’s  achievement  of  consistently  high  marks  in  all  technical  demonstrations  supports  this.  The  only   major  difference  in  the  proposed  organisation  shown  in  the  Gantt  chart  and  its  realisation  is  the  number   of   hours   spent   on   each   task.   The   group   consistently   went   above   and   beyond   what   was   merely   “required”  by  the  task  in  order  to  perfect  everything  from  the  construction  of  a  battery  box  to  drilling   holes   and   using   cable   ties   to   keep   the   wiring   looking   neat.   Another   difference   was   that   the   buggy’s   control  software  was  started  from  the  very  beginning  of  the  project  and  was  developed  alongside  the   software  required  for  technical  demonstrations.     4.0  Budget  vs.  Outturn     4.1  Proposed  Budget  v/s  Final  Cost     Comparing  changing  item  price  table   Proposal  report   Final  report   Item   Quantity   Individual   price  (£)   Total   cost  (£)   Item   Quantity   Individual   price  (£)   Total   cost  (3)   Acetal   board   3  (total   200mm*2 00mm)   0.575  (per   m! )   2.3   Acetal   board   11  (total   350mm*3 00mm)   0.575  (per   m! )   6.1   Strip   board   2   2   4   PCB   board   4   3   12   Caster   wheel   2   2   4   Ball   bearing   2   1   2   Line   sensor   TCRT500 0   6   0.5   3   Line   sensor   TCRT5000   5   0.6   3   RF-­‐link   board   1   4   4   Ultrasonic   sensor   1   2.5   2.5   Total   £13.3   Total   £29.6     Table.2. Comparing changing item price table 5  
  • 13.
      11   The  reason  for  the  difference  between  the  outturn  and  proposal  cost  is  mainly  due  to  the  increase  in   the  mechanical  cost.  This  is  because  a  lot  of  acetal  was  used  for  creative  designs  to  solve  some  of  the   design  problems  faced.  One  example  being  the  battery  box;  an  enclosure  that  could  withstand  stress   and  protect  the  batteries  during  the  course  of  the  track  effectively  whilst  still  being  easily  accessible  was   needed,  and  so  a  boxed  compartment  was  made  for  them  out  of  acetal.  Replacing  strip  board  with  PCB   also  increased  the  overall  cost.  The  addition  of  the  RF  link  and  the  ultrasonic  sensor  was  decided  later  in   the   design   process,   and   so   increased   the   outturn   cost.   Despite   these   changes   resulting   in   a   higher   overall  cost,  it  resulted  in  a  buggy  that  is  believed  to  be  more  effective  and  efficient  at  meeting  the  aims   set  at  the  beginning  of  the  project.         4.2  Total  cost  of  the  buggy     Outturn  final  report   Item   Quantity   Individual  price  (£)   Total  cost  (£)   Acetal  board   11  (totally   350mm*300mm)   57.5  (per  m! )   6.1   PCB  board   4   3   12   Ball  bearing   2   1   2   Line  sensor  TCRT5000   5   0.6   3   IR  emitter  sensor   TSKT5400S   2   0.5   1   RF-­‐link  board   1   4   4   Ultrasonic  sensor   1   2.5   2.5   Resisters  &  Capacitors   (various  value)   50   0.03   1.5   Comparator   6   0.02   1.2   Molex  pin  header   5   0.02   0.1   Screw   30   0.02   0.6   Nut   30   0.02   0.6   Washer   10   0.03   0.3   Gear   2  sets   Workshop  item     Drive  board,  breakout   interface,  micro-­‐control     board   1   Workshop  item     Batteries  and  battery   pack   1   Workshop  item     Motor   2   Workshop  item     Total   £34.9              £32       Because  the  budget  is  strictly  limited  £50,  other  methods  were  found  to  make  sure  the  budget  does  not   exceed.   This   included   using   recycled   items   available   in   the   labs   such   as   nuts,   screws,   washers   etc.   Assuming  the  items  mentioned  above  are  recyclable,  the  overall  final  outturn  is  approximately  £32  and   not  £34.9   For  manufacturing  100  buggies,  it  will  be  assumed  that  no  recyclable  items  will  be  used.  Hence  cost  of   100  buggies  would  be  100  x  £34.9  =  £3490   Table.3. Total Budget table 5  
  • 14.
      12   5.0  Race  Analysis     5.1  Testing   Testing  of  the  buggy  mainly  involved  achieving  the  right  values  of  Kp  and  Kd  for  achieving  minimum   oscillations  and  fast  movement.  As  discussed  in  table  1,  many  iterations  of  trial  and  errors  were  done  to   achieve   the   Kp   value   of   21   and   Kd   value   of   132.   With   these   values,   the   buggy   was   able   to   achieve   smooth  turns  and  high  speed  in  straight  lines  in  different  rooms  with  different  ambient  light.  Another   important  testing  criteria  was  to  decide  the  use  of  speed-­‐sensing  circuit  and  achieve  the  right  speed   that  would  be  followed  through  out  the  track.  This  was  done  using  the  innovative  debugging  tool  that   the  team  had  developed-­‐RF  link.  After  achieving  the  right  values  and  testing  on  small  tracks,  the  buggy   was  tested  on  longer  tracks(track  in  C34).  On  its  first  few  trials,  the  buggy  achieved  good  speed  and  was   able  to  take  all  turns  smoothly.  However,  few  challenges  surfaced  during  this  test.  The  problems  have   been  discussed  below  in  detail   5.1.1  Challenges  during  testing     S-­‐bends:   During   testing   on   tracks   in   C34   workshop,   it   was   observed  that  the  buggy  was  not  able  to  complete  the   s-­‐bends.   The   buggy   was   programmed   with   overshooting  sequence  for  such  turns  but  the  turning   radius  was  not  small  enough  for  the  buggy  to  take  the   turn.  After  decreasing  the  turning  radius  by  changing   the   duty-­‐cycle   of   the   motors,   the   buggy   was   successfully   able   to   take   s-­‐bend   turns   and   all   other   turns.   Stopping  in  20cms:     Another  challenge  that  was  uncovered  during  testing  was  the  buggy’s  incapability  to  stop  within  20cms   at  high  speeds.  At  its  highest  possible  straight-­‐line  speed  the  buggy  was  not  able  to  stop  within  20cms.   Many  different  programming  ways  were  tried  to  tackle  the   problem  such  as  turning  the  buggy  or  reversing  the  buggy   at   the   end.   All   these   ways   were   either   not   reliable   or   started  disturbing  buggy’s  movement  in  the  middle  of  the   course.  To  tackle  this  problem  the  team  came  up  with  the   idea   of   using   an   ultrasonic   sensor.   The   ultrasonic   sensor   slowed   the   buggy   down   if   any   wall   was   sensed   within   30cms   of   the   front   of   the   buggy.   It   is   important   to   note   that  the  ultrasonic  sensor  did  not  stop  the  buggy  but  only   slowed   the   buggy   down;   the   stopping   sequence   was   still   achieved   using   the   line   sensors.   This   feature   successfully   worked  as  the  ultrasound  sensor  slowed  the  buggy  down   before   the   end   of   the   track   and   line   sensors   were   able   to   stop  the  within  the  defined  space  of  20cms.     5.2  Preparation  for  first  heat   As  a  group,  it  was  decided  to  use  the  first  heat  to  complete  the  track  and  not  concentrate  on  setting  a   fast  time.  The  following  changes  were  made  to  the  programme  of  the  buggy  to  make  sure  the  buggy   completes  the  track:   • The   straight-­‐line   duty-­‐cycle   was   reduced   to   50%   and   turning   duty-­‐cycle   was   also   reduced   accordingly  to  ensure  smooth  moving  buggy.   • The  value  of  constant  Kd  was  also  decreased  to  ensure  oscillation  free  movement  of  the  buggy.   Fig. 9. Buggy taking the S-bends Fig. 10. Buggy going up the slope
  • 15.
      13   •For  the  first  heat,  the  function  of  ultrasound  sensor  of  slowing  down  the  buggy  was  not  used.   Because  it  was  decided  that  the  buggy  would  not  be  running  at  high  speed,  there  was  no  need   for  the  ultrasound  sensor  to  unnecessarily  slow  the  buggy  down.  The  line  sensors  would  be  able   to  stop  the  buggy  without  any  help.   5.3  First  Heat   The   buggy   was   able   to   overcome   every   obstacle   and   stop   in   the   end   without   any   difficulty.   Buggy’s   performance  through  each  obstacle  has  been  discussed  below:   • Straight  section  of  the  track:  The  buggy  showed  decent  speed  and  very  little  oscillations  on  the   straight  section  of  the  track.   • Pinch-­‐Points:  The  sleek  body  shape  of  the  buggy  and  its  dexterity  in  following  line  proved  the   pinch-­‐points   to   be   of   no   danger   and   the   buggy   was   successfully   able   to   manoeuvre   its   way   through  the  pinch-­‐points.   • Turns:  The  turns  on  the  track  also  proved  to  be  of  no  problem  for  the  buggy.  All  the  turns  were   easily  taken  by  the  PD  controller  of  the  buggy.   • Slope:  The  speed  sensing  worked  well  during  the  up-­‐slope  section  of  the  track  and  increased  the   speed   of   the   buggy   accordingly.   The   change   in   the   speed   of   the   motor   was   almost   instantaneous  showing  the  working  of  P(proportional)  controller  in  speed  control.  This  helped   the   buggy   in   maintaining   the   speed   without   oscillating   and   hence   was   able   to   complete   the   track.   • Stop:    The  buggy  stopped  well  before  the  20cms  mark.  This  was  due  to  the  slow  speed  of  the   buggy  on  straight  line.   The  buggy  was  successfully  able  to  complete  the  track  in  a  respectable  time  of  8.3  seconds.  With   this  time  the  buggy  was  5th  fastest  among  all  the  buggies  in  stream  A.  The  next  step  was  to  make  the   buggy  faster.   5.4  Preparation  for  second  heat   For  the  second  stream,  the  group  decided  to  make  the  buggy  faster  to  confirm  a  place  in  the  final  race.   The  following  changes  were  made  to  the  programme  of  the  buggy  to  make  the  buggy  faster  and  still   able  to  complete  the  track:   • The   straight-­‐line   duty-­‐cycle   was   increased   to   90%   and   turning   duty-­‐cycle   was   also   increased   accordingly  to  ensure  smooth  moving  buggy.   • The  value  of  constant  Kd  was  also  increased  to  ensure  oscillation  free  movement  of  the  buggy.   • For  the  second  heat,  the  function  of  the  ultrasound  sensor  was  decided  to  be  used  and  hence   was  included  in  the  program.   5.5  Second  Heat   In  the  second  heat,  the  buggy  was  able  to  complete  the  track  and  stop  in  the  end  with  a  faster  lap-­‐time.   The  buggy  over-­‐all  looked  faster  in  the  turns  and  slope  but  took  greater  time  to  achieve  top  speed  on   straight  line.  Buggy’s  performance  through  each  obstacle  has  been  discussed  below:   • Straight  section  of  the  track:  The  main  problem  for  the  buggy  during  the  whole  course  was  the   oscillation  on  straight  line.  Buggy’s  settling  time,  compared  to  heat  1,  was  more  this  time  and   hence  made  the  buggy  slower  on  the  straight  line.   • Pinch-­‐Points  and  Turns:  Pinch-­‐points  and  turns  again  did  not  prove  to  be  any  problem  for  the   buggy  and  was  able  to  manoeuvre  its  way  through  with  much  more  speed  this  time.   • Slope:  Comparatively  much  less  oscillations  were  observed  on  straight  line  of  the  slope  than  the   straight  line  on  the  flat  surface.  On  the  slope  the  buggy  was  much  faster  than  in  first  heat  and   made  up  for  the  time  lost  on  straight  line.  
  • 16.
      14   •Stop:    Ultrasound  sensor  worked  well  for  the  stopping,  as  the  buggy  was  able  to  stop  almost   5cms  before  the  end  of  the  wall.  The  stop  was  almost  perfected  and  proved  that  the  decision  of   using  ultrasound  sensor  was  the  right  one.   The  buggy  was  successfully  able  to  complete  the  track  in  a  fast  time  of  7.1  seconds.  Unfortunately  the   time  was  again  5th  fastest  in  stream  A  and  hence  was  not  fast  enough  to  be  qualified  for  the  final  race.   6.0  Critical  Analysis     The   buggy   was   able   to   complete   the   track   with   ease;   however,   not   reaching   the   final   race   was   a   disappointment.  Thorough  analysis  of  the  heats  has  been  done  below:   The  buggy  was  fast  everywhere  on  the  track,  except  on  the  straights  paths.  The  buggy  oscillated  more   than  expected  costing  time  and  place  in  the  finals.  The  possible  reasons  for  this  behaviour  might  be  the   reflected  infra-­‐red  from  the  sunlight.  The  race  was  the  first  time  the  buggy  was  tested  in  a  room  with   sunlight.   Because   the   two   analogue   sensors   were   used   for   keeping   the   buggy   on   a   straight   line,   additional   reflected   infrared   from   the   sunlight   might   have   affected   the   PD   control   systems.   An   alternative  that  could  have  led  to  a  faster  time  may  have  been  to  run  the  buggy  at  a  lower  duty-­‐cycle.   The  buggy  would  have  lost  time  at  the  turns  and  slope  but  would  have  made  up  for  it  on  the  straights   and  might  have  posted  a  faster  time.   The  buggy,  on  the  turns,  was  reasonable  fast  and  was  able  to  overcome  almost  any  kind  of  turns  using   the  overshooting  sequence  as  discussed  before.  Buggy,  with  the  help  of  the  speed  sensing,  was  also   very  fast  on  the  up  slope  and  it  would  have  been  very  difficult  to  make  the  buggy  even  faster  on  the   turns  and  slopes.   Another  big  challenge  the  buggy  faced  was  the  stopping  of  the  buggy.  The  buggy  was  comparatively  a   little  bit  heavier  than  expected  and  this  greater  mass  resulted  in  difficulty  to  stop  the  buggy  down.    This   greater  mass  could  have  been  the  result  of  the  RF  link  board  and  the  battery  box.  The  buggy  could  have   been   made   lighter   but   group   6   found   another   innovative   feature   to   tackle   this   problem   using   the   ultrasound  sensor  as  discussed  above.  The  sensor  worked  perfectly  in  stopping  the  buggy  within  the   required  distance  and  was  one  of  the  best  feature  of  the  buggy.   7.0  Successful  Innovative  Feature     Group   6   introduced   many   innovative   features   in   the   buggy   that   helped   the   buggy   more   reliably   complete  the  track  at  a  faster  speed.  The  innovative  features  have  been  discussed  below:   RF  link  used  as  debugging  tool:   Group  6  has  been  able  to  ease  down  the  process  of  debugging  which  otherwise  is  very  difficult  with   MPLAB.  Group  6  has  used  the  RF  board  along  with  the  microcontroller  board  and  I/O  board  to  obtain   important   information   about   the   buggy   which   made   the   programming   process   very   easy.   Important   information  such  as  speed  of  both  the  motors,  the  sensitivity  of  the  sensors  etc.  can  be  obtained  easily.   Values  of  integral  and  derivative  have  helped  to  improve  the  PID  control  of  the  buggy.  Obtaining  timer   information  from  the  microcontroller  of  the  buggy  has  made  the  programming  process  much  easier.   After  all  this,  the  RF  link  can  simultaneously,  change  the  speed  of  the  buggy,  make  it  go  left  right  or  go   back  with  varying  speed.  The  line  following  mode  and  the  remote  control  mode  can  be  changed  with   just  1  switch.     Ultrasonic  Sensor  as  a  means  for  stopping  within  20cms:   Stopping  the  buggy  in  the  limited  amount  of  space  was  one  of  the  main  challenges  of  the  buggy.  Group   6   has   tackled   this   using   an   ultrasonic   sensor.   The   ultrasonic   sensor   is   able   to   measure   the   distance   between  the  buggy  and  the  front  wall  in  every  10𝜇𝑠.  The  sensor  slows  the  buggy  down  if  it  senses  a  wall   in  30cms  from  the  buggy.  It  is  important  to  note  that  the  sensor  does  not  stop  the  buggy  but  only  slows   it  down.  The  stopping  feature  is  still  done  by  the  line  sensors.  
  • 17.
      15     Overshooting  sequence:   Group   6   had   developed   a   feature   to   make   the   buggy   complete   the   track   in   a   more   reliable   way.   Overshooting  sequece  is  a  programming  feature  that  helps  the  buggy  to  take  sharp  turns  at  high  speeds.   This  feature  relies  on  the  fact  that  if  a  buggy  overshoots  a  line  at  the  corner,  the  last  sensor  sensing  the   line  would  have  been  one  of  the  end  sensors.  If  such  is  the  case,  the  buggy  would  try  to  rejoing  the  track   by  taking  a  sharp  turn  in  the  direction  depending  in  the  sensor  that  sensed  the  line.  If  ,however,  any  of   the  middle  3  sensors  were  the  last  sensors  to  detect  the  line,  the  buggy  would  understand  that  it  has   reached  the  end  of  the  line  and  hence  would  stop.   8.0  Conclusion     The  buggy  was  able  to  achieve  most  of  its  aim  except  reaching  the  final  race.  It  was  capable  of  taking   turns   in   a   smooth   and   fast   way,   go   up   or   down   the   slope   while   maintaining   the   speed   and   stop   on   reaching  the  end  of  the  course.  The  total  cost  of  the  buggy  was  calculted  to  be  £32  including  recycable   items  which  is  underr  the  allocated  budget.  All  aims  were  accompilshed  while  abiding  by  the  regulations   of  maximum  6  sensors  and  budget  of  £50.  Many  new  innovative  features  such  as  RF  link  debugging  tool   and   ultrasound   sensor   not   only   eased   the   process   of   programming   but   also   improved   the   manoeuvrability  of  the  buggy  through  the  track.   During   the   two   heats,   group   6   had   mixed   fortunes.   For   the   first   heat,   the   group   concentrated   on   completing   the   track   in   respectable   time.   The   buggy   was   able   to   complete   the   track   without   any   difficulty  in  8.3  seconds.  In  the  second  heat,  the  group  concentrated  on  posting  a  faster  time  to  qualify   for  the  final  race.  However  the  buggy  had  more  oscillations  than  before  which  resulted  in  more  time  to   settle  down  on  a  straight  line.  This  costed  time  and  place  in  the  final  race  as  the  best  time  posted  by   group  6  was  only  7.1  seconds,  5th  fastest  in  the  stream.  After  critical  analysis  of  the  race,  the  following   steps  were  noted  which,  if  implemented,  could  have  improved  the  fastest  time  for  the  buggy:   • The  buggy  was  heavier  than  expected  which  compromised  not  only  the  stopping  distance  but   also  the  manoeuvrability  of  the  buggy   • One  reason  for  increased  oscillation  was  pointed  towards  the  sunlight  in  the  room  of  race.  The   buggy  should  have  been  tested  in  sunlight  before  coming  to  race.   • Better  PID  control  should  have  been  implemented  to  improve  oscillations  that  were  observed  in   a  straight  line.   In  conclusion,  even  though  the  buggy  was  not  able  to  reach  the  finals,  it  was  able  to  complete  the  track   in  fast  time  and  hence  can  be  declared  as  a  success.   9.0  References     [1]  Apsley,  J,  Green  PN,  Embedded  Systems  Project:  Project  Handbook,  School  of  Electrical  and   Electronic  Engineering  (2014),  the  University  of  Manchester,  Sept  2014.   [2]  Microchip.  (2008)  PIC18F8722  Family  Data  Sheet.  Available:   http://ww1.microchip.com/downloads/en/DeviceDoc/39646c.pdf.   [3]  Vishay.  (2009).  TCRT5000L  Datasheet.  Available:  http://www.vishay.com/docs/83760/tcrt5000.pdf.   [4]  Foster,  DA,  Breakout  Interface  Schematic,  School  of  Electrical  and  Electronic  Engineering  (2014),  the   University  of  Manchester,  Sept  2014.   [5]  Apsley,  J,  Drive  Board  Circuit  Diagram,  School  of  Electrical  and  Electronic  Engineering  (2014),  The   University  of  Manchester,  Sept  2014   [6]  Farnell.  electronic  components.  Available:  http://uk.farnell.com/   [7]  Chen,  CW,  Embedded  System  Project-­‐Wireless  Link  Documentation,  School  of  Electrical  and   Electronic  Engineering  (2014),  The  University  of  Manchester,  Sept  2014   [8]  ITead  Studio.  (2010).  Ultrasonic  ranging  module  :  HC-­‐SR04  (Data  Sheet).  Available:   http://www.electroschematics.com/wp-­‐content/uploads/2013/07/HC-­‐SR04-­‐datasheet-­‐version-­‐2.pdf  
  • 18.
      16   10.0  Appendix   10.1  Updated  Engineering  drawing  for  Acetal  chassis                       Fig. A. Acetal Chassis Plate
  • 19.
      17   10.2 Updated  Engineering  drawing  for  Upper  Plate  of  the  chassis               Fig. B. Upper Acetal Plate
  • 20.
      18   10.3 Updated  Line  Sensor  Board  Diagram         10.4  Updated  Line  Sensing  Circuit  Board  Diagram       Fig. C. Circuit Diagram for line sensor board Fig. D. Circuit Diagram for line sensing circuit board
  • 21.
      19   10.5 Updated  Speed  Sensing  Board  Diagram         10.6  Updated  Speed  Sensing  Layout  Diagram       Fig. E. Circuit Diagram for speed sensing circuit board Fig. F. Layout Diagram for speed sensing circuit board
  • 22.
      20     10.7  Updated  Line  sensing  Circuit  Layout  Diagram     10.8  Updated  Line  sensor  Layout  Diagram   The  line  sensor  board  was  designed  for  six  sensors,  however,  only  5  bottom  sensors  are  being  fitted  and   used.       Fig. G. Layout Diagram for line sensing circuit board Fig. H. Layout Diagram for line sensor board
  • 23.
      21   10.9 Updated  Wiring  Diagram     10.10  Pseudo  code   ConfigureADC()   while(1){     if(Remote  control  mode  is  switched  on)   {     if(pushbutton  1  is  pressed)     {       Turn_right()     }   RF  board   Ultrasonic  Sensor   Line   Sensors   Speed   Sensors   Motors   Fig. I. Wiring Diagram
  • 24.
      22     else  if(pushbutton  2  is  pressed)     {       Turn_left()     }     else     {       go  straight  according  to  potentiometer       }     else  if(Line  following  mode  is  switched  on)     {       Read  Sensors()       if(no  sensor  senses  line)   {         stop       }       else  if(analogue  sensors  detect  error)       {         Send  the  error  to  PD  line  controller         Turn  buggy  accordingly       }       else  if(end  digital  sensors  detect  line)   {         Turn  buggy  accordingly       }       else   {         Go  straight         if(speed  is  less  than  it  is  suppose  to  be)   {   Send  the  error  to  P  speed  controller           Increase  speed  accordingly;         }         else  if(speed  is  more  than  it  is  suppose  to  be)   {   Send  the  error  to  P  speed  controller           Decrease  speed;         }       }   }   }