Confidential Copyright © 2011 Nokia Only for training and service purposes
Page 1 (7) | Front page | Asha 300 RM-781 | Board: 3rya_20a | v1.0 | 26.10.2011
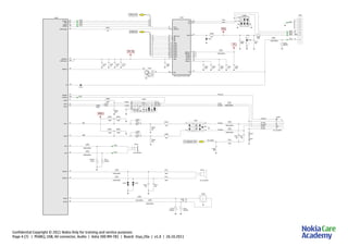
Service
schematics
Contents
IMPORTANT
1.0 First approved version.
While every effort has been made to ensure that the docu-
ment is accurate, some errors may exist. Please always check
for the latest published version for this document.
If you find any errors in the document please
send email to: service.manuals@nokia.com
Version information
This document is intended for use by authorized Nokia servi-
ce centers only. Please use the document together with other
documents such as the Service Manual and Service Bulletins.
Front page
PEARLJ, Charging, SIM, SD card, Keyboard
RAPUYAMA, Display IF, Digital MIC, Touch IF, BT/FM, Camera, Sensor
PEARLJ, USB, AV connector, Audio
Component finder top
Component finder bottom
2
3
4
6
RF part 5
7
1
Nokia Asha 300
RM-781
Confidential Copyright © 2011 Nokia Only for training and service purposes
Page 2 (7) | RAPUYAMA, Display IF, Digital MIC, Touch IF, BT/FM, Camera, Sensor | Asha 300 RM-781 | Board: 3rya_20a | v1.0 | 26.10.2011
C6101
2u2 27p
C6100
UART_WAKE
UART_TX
UART_CTS
I2S/PCM_CLK
UART_RTS
BT_WAKEUP
I2S/PCM_IN
BTH_CLK_REQ
I2S/PCM_SYNC
UART_RX
FM_ANT
BT_RESETX
I2S/PCM_OUT
SLEEP_CLK
BTHostWakeUp
BTUARTIn
BTRTS
BTCLK
BTCTS
BTWakeUp
BTOUT
BT_CLKREQ
BTSYNC
BTUARTOut
BTResetX
BTIN
SLEEP_CLK
GenIO56
GenIO49
GenIO48
GenIO82
GenIO47
GenIO53
GenIO84
GenIO37
GenIO83
GenIO50
GenIO54
GenIO85
SLEEP_CLK
10n
C6020C6011
0u472u2
C6002 C6012
100n 10n
C6006
2u2
C6019C6004
15p
C6001
2u2
L6002
100nH
H4 UART_WAKE
SLEEP_CLKH5
H6 BT_WAKEUP
I2S/PCM_OUTH7
VDD_DIG F7
VDD_FM G2
G3 CLK_REQ(HOST_WAKE)
I2S/PCM_CLKG5
G6 I2S/PCM_IN
UART_RTSE6
E7 UART_CTS
F1
FM_RX
VREG_ENABLE_RSTF4
F5 I2S/PCM_SYNC
D3
D6 UART_RX
D7
G17
D7
D19
M7
V21
P7
M4
R20
R22
D20
L7
N9
D11 UART_TX
C3VDD_AUX
VDD_BT_RADIO
BT_RF
B1
B2
VDD_BT_LO
B3
VDD_ANA
N6000
A3
SYS_CLK
A4HVREGIN_H
L6003
100nH
C6003
2u2
C6005
2u2
IN
C6007
27p
Z6000
OUT
D3
D0
RDX
D1
D2
DCX
WRX
TE
D6
D5
D4
BC
RESX
D7
C2421
100n
J2420
3
4
5
6
7
8
9
12
13
14
15
16
17
18
19
2
20
21
22
23
24
25
X2420
1
10
11
120R/100MHz
L2421
C2420
100n
120R/100MHz
L2420
TS_RESET
XL
XR
YB
YT
I2C2SCL
I2C2SDA
TS_INTJ6011
J6012
J6014
J6013
600R/100MHz
L6100
C6104
1n
C6105
1n
C6103
1n
C6102
1n
X6100
1
2
3
4
C3
D1 SCL
D3 Y-
N6100
VDD/VREF
D2=GND
A2
A3 X+
X- B2AD0
B3 Y+
SDAC1
_RESETC2
_PINTDAVB1
Y9
DISPC_DATA_LCD0
DISPC_VSYNC
Y4
Y7
DISPC_DATA_LCD7
Y8
DISPC_DATA_LCD14
DISPC_DATA_LCD13
W3
W4
DISPC_DATA_LCD16
U3
DISPC_DATA_LCD4
U7
DISPC_DATA_LCD5
AB7
DISPC_DATA_LCD1
AB3
AB4
DISPC_DATA_LCD6
DISPC_DATA_LCD3
RFTemp
N13
DISPC_PCLK
AA7
DISPC_DATA_LCD2
AA9
J2816
J2815
P21
SleepX
N20
PURX
SMPSClk
E21
AC16
SysClk192
0
7
1
5
3
CLK
GenIO27
D15
D16
GenIO28
D2800
0
SIMIOCtrl1
M20
SIMIODa1
M21
L20
SIMClk1
1
I2C2SDA
U15
U16
I2C2SCL
2
J2851
J2852
GenIO16
GenIO86
C2821
100n
C2822
100n
C2823
100n
C2824
100n
C2825
100n
C2826
100n
100n
C2802
VDDH13
VDDA_ACS
F1
GenIO79
N7
100n
C2801
100n
C2800
7
11
8
4
ULPIData2M22
L21 ULPIData4
ULPIClock
K20
K21
ULPIDir
ULPIData3
H21 ULPINxt
ULPIData1J20
ULPIData0J21
H20
ULPIStpG20
E20 ULPIData7
ULPIData6F20
ULPIData5F21
10
9
6
3
0
5
1
2
12 ULPICS GenIO52
6
7
8
VREFN_LINKORXICLK
L4
K3
RXQP_LINKORXIQDA0
K4
TXQN_LINKOTXIQDA1
J3
RXQN_LINKORXIQDA1
J4
RXIP_LINKORXIQDA3
H3
TXQP_LINKOTXIQDA0
IREF_LINKOTXIQDA2
H4
J2
RXIN_LINKORXIQDA2
F4
TXIP_LINKOTXICLK
3
5
2
4
14
0
R2
2 U21 EarDataR
T21
MicData
T22
EarDataL
T20
PMARP
PMARN
R21
AudioClk0
P22
5
3
4
1
0
DigiMICData
DigiMICClk
GenIO39
GenIO72
G23
AC10
V20
VDDA18V7
H9
1u0
C2829
1u0
C2828
VBBNW M15
VDDRAMLDOOUT
M9
C2808 C2809C2805 C2807 C2812C2810 C2811
100n100n100n 100n 100n100n100n 100n
C2814
100n
C2813C2806
100n
C2803
100n
C2804
100n
CCPStrbN0
U14
CCPStrbP0
U13
AA12
T3
G15
L17
E22
L22
G21
H17
U10
U17
AA10
CCPDaP0
AA13
CCPDaN0
J2856
J2803
J2813
Y15
CBusClk
CBusEn1X
AB17
AA16 CBusDa
0
1
2
U11
R1
1
0 ACIRX
ACITX
GenIO31
GenIO32
T17
D13
2
0
4
6
AC20
W20
U22
Y19
AA21
MMCDa3
AC21 MMCDa0
AB19 MMCDa1
MMCClkAB20
MMCCmdAB21
MMCDa2AC19
8
10
3
11
1
5
MMCCmdDir
MMCDaDir0
MMCDaDir1
GenIO70
GenIO69
GenIO11
MMCFbClk
GenIO71
DIF0Da0
DIF0LCDTE
DIF0Da7
DIF0Da6
DIF0Da5
DIF0Da4
DIF0Da2
LCDRstX
DIF0Da1
DIF0Da3
DIF0WRX
DISPC_HSYNC
AA5 DIF0RDX
DIF0A0
GenIO9
1
7
4
6
5
2
0
8
3
ROW0
GenIO26
COL3
COL1
COL2
9
GenIO36Send_key
GenIO2
GenIO1
GenIO24
GenIO58
GenIO59
GenIO60
GenIO61
GenIO62
ROW1
ROW2
ROW3
ROW4
COL0
R2102 100R
R2104 100R
100RR2103
L/R 2
1CLKDATA4
5
3 VDD
J2800
J2801
G3
RFClkP
RFClkN
G2 1
0
TxCClkG12
TxCClk
RFCLKN
RFCLKP
J2805
RFBusClk
P4
RFBusEn1X
N3
RFBusDa
N4 7
6
8
A1,A2,C1,C4,D2,F2,F6,H3=GND
A5,C7,G7,H2=VIO
A4,A5,A7,A9,A10,A12,A15,A16,A17,A18,A21,AA1,AA15,AA23,AC5,AC6,AC7,AC8,AC13,AC15,B3,B19,C12,C18,
C18,C23,D1,D8,D9,D12,D18,D23,E1,E3,E23,F23,G10,H1,H7,H23,J1,K1,L1,N2,N21,P1,T1,T2,U1,V23,Y23=VIO
H14,H15,J8,J9,J10,J11,J12,J15,J16,K8,L8,L16,M8,M16,N8,N15,P8,R8,R9,R11,R12,R13,R14,R15,R16,T8,T9,T10,T12,T15=VCORE
A13,AA2,AA14,AA20,AA22,AB2,AB5,AB8,AB10,AB13,AC4,AC12,B4,B5,B7,B8,B10,B12,B15,B18,B22,C9,C10,C15,C16,
C17,C19,C21,C22,D17,D17,D21,E2,F2,F22,G1,G8,G16,H2,H8,H10,H11,H16,H22,J13,J14,K2,K9,K15,K16,K22,L2,L9,L15,M1,
N16,P2,P9,P15,P16,P20,R10,T11,T14,T16,U2,U23,Y12=GND
B2100
J2820
J2819
J2818
J2817
I2C0SCL
CAM_XSHUTD
CAM_CLK
I2C0SDA
CCP_CLKN_0
CCP_CLKP_0
CCP_DATAN_0
CCP_DATAP_0
C1483
220n
8
9
2
3
4
5
6
7
X1472
1
10
11
12
100n
C1486
L1480
600R/100MHz
C1485
100n
600R/100MHz
L1481
Y10
GenIO3
ProxInt
Y3 MMCCardDetGenIO25
R23
EMInt1
SYS_CLK
100p
C6008
3
5
J6304
J6312
J2207
SPKR_R
E1
E2
SPKR_L
VLED-
VLED+
J2451 1
0
V2420
R2420
2k2
MIC3LPFM_AUDIO_PL
FM_AUDIO_PR MIC3RP
E6350
J6356J6355
J1000
J1100
ANODE1
2=GND
OUT3
N1100
C1001
4u7R1000
100R
L1001
600R/100MHz
4TEST
5VCC
6PROG
C1000
100nE1002
0R
FM_HEADSET_ANT
VIO
RFClkExt(5:0)
AUDIO(13:0)
VBAT_BB
LED(10:0)
VAUX1
VIO
VAUX1
D3000
Combo
memory
on top of
RAPUYAMA
USB(20:0)
DIG_AUDIO(20:0)
ACI(7:0)
CBUS(3:0)
INT_SIM(5:0)
KEYB(15:0)
INT_MMC(13:0)
MMC(15:0)
EMINT(3:0)
VIO
PUSL(15:0)
RFCTRL(11:0)
RFCLK(1:0)
TXC(2:0)
VDigiMic
VIO
VIO
VAUX1
RFCONV(20:0)
VRFC
VCORE
VLED+_KEY
ANT_DET
Confidential Copyright © 2011 Nokia Only for training and service purposes
Page 3 (7) | PEARLJ, Charging, SIM, SD card, Keyboard | Asha 300 RM-781 | Board: 3rya_20a | v1.0 | 26.10.2011
470n
C2051 C2050
27p
2.0A
F2050
V2050
K
A
120R/100MHz
L2050
1Cent
2GND
VCharIn1
T7
R9
VCharIn2
L8
VCharInTest
C2318
4u7
C3206
100p
MMCDET/
1k0
R3205
C2266
2u2
C2077
56p
C2078
56p
VAux1
H13
VR1
E5
C2222
2u2
C2213
2u2
2u2
C2317
C6
VRFC
C2269
2u2
D8
VDigiMic
G7 VRef
VSIM
VSIMK16
VMEM
F16
T13
VCore
P15
VCoreCoil
P16
VCoreCoil
C2231
22u
1uH
L2340
C2268
2u2
C2280
2u2
C3205
100n
C2214
2u2
M3 VDDAudRx3
K1 VDDAudRx1
H2 VDDAudRx2
F2 VDDAudTx
VAna
B7
C2296
2u2
VDD18F10
1uH
C2230
22u
L2310
C15
VIOCoil1
C16
VIOCoil2
A13
VIO
SetCurrKB
N2200
J10
32.768kHz
B2200
B6
CrO
CrI
A6
10k
R2400
B10
PwrOnX
G14
Data1B
Data2B
H14
G15
CMDB
Data3B
J14
K14
ClkB
Data4B
J13
A2,A10,B2,B4,B5,B8,C2,C5,C11,D3,D6,D15,D16,E2,F1,F7,F14,G11,G16,H4,H7,J8,J9,K7,
K8,K11,K13,L7,L9,L15,M13,N12,P7,P13,P14,R4,R6,R14,R15,R16,T
,A1,A14,A15,A16,B1,B9,B15,B16,D1,F8,F15,H15,J15,K15,L13,N10,N15,N16,P5,P6,P11,R7,R8,T3,T10=VBAT_BB4,T11,T14,T15,T16=GND
C2315
2u2
C2316
2u2
A7 VBg
C7 VRTC
47k
R2080
18V/60V
R2070
BTempP12
-
+
G2200
2.6V
N14 VBack
J2201
J2218
J2220
J2221
J2223
J2236
J2227
J2225
J2219
J2200
J2202
D11
MBusRx
B12
MBusTx
0
1
EMInt
A3 J2211
0
10
11
5
1
2
3
6
8
M14
CMDDir
J11
Data4Dir
Data1A
G10
Data3Dir
E15
CMDA
F13
ClkFB
E13ClkA
E14
C13
D12
Data1Dir
D13
D14
Data4A
Data3A
Data2Dir
Data2A
C14 4
0
1
2
SIMDa
C12
SIMIOC
B13
SIMClk
B14
CBusSelX
P8
CBusClk
N7
CBusData N8
0
1
2
J2212
J2214
J2215
J2210
J2216
J2217
0
5
1
2
3
EarDataR
P3
N2
MicData
N3
AudClk
N4PMARN
N5
EarDataL
PMARP
N1 4
P9
VBUS
R2200
0
1
C2245
2u2
C2314
1u0
V2300
L2300
2u2H
LedOut
M15
SetCurrD
K10
OVVLed
H10
L2314
600R/100MHz
C2313
27p
SenseME4
B3 SenseP
1
2 3
4
X2070
+
2
1
3
BGND
C10
BSI
L2080
28R/100MHz
2u2
C2294
D5 VBatVR1
2u2
C2282
2u2
C2326
VBUSCoil
R11
P10 VBUSSMPSOut
C2249
2u2 2u2
C2329
1uH
L2347
V2310
2u2
C2267
H8 VOut
VAux2G13
2u2
C2271
5
3
G4
G3
FM_AUDIO_PR
FM_AUDIO_PL
MIC3RP
MIC3LP
END
S2577
J2590
47R
R2591V2593
J2592
J2591V2591
V2592 V2590 R2590
47R
7
8
1
4
5
E5
Output9
9E4
Output10
C4
Output6
C5
Output5
D4Output8
D5
Output7
A4
Output2
A5
Output1
B4
Output4
B5
Output3
0
2
6
3
Send_keyE1Input10
SEND
S2579
ROW0
ROW2 B2 Input3
A2 Input1
ROW1 A1 Input2
ROW3 B1 Input4
ROW4 C2 Input5
COL0 C1 Input6
COL1 D2 Input7
COL2 D1 Input8
COL3 E2 Input9
COL0
0 *
2
1
ROW2
ROW3
Message
3
6
Lock Key
7
4
5
ROW3
VOL-VOL+
8
ROW1
#
9
COL1
COL2
ROW45
2
3
5
S2575
S2565
100nH
L2575
L2579
100nH
S2566
S25781
L2576
100nH
3
S2568
L2574
100nH
S2567
3
S2574
4
2
4
L2577
100nH
2
S2572S2571
1
1
2
0
S2573
S2569
0
S2550
1 2
S2570
S2551
1 2
S2553
1 2
1k0
R2576
4
3
1k0
R2579
R2578
1k0
1k0
R2577
L2583
100nH
L2578
33nH
5852L4852L
33nH
L2582
33nH
33nH
L2580
L2581
33nH
33nH
S2576
ROW_BUS(5:0)
COL_BUS(3:0)
Z2501
A3,C3,D3,E3=GND
MMCClk
MMCDa3
MMCDa2
MMCDa1
MMCDa
MMCCmd
VMEM 4
5
6
7
8
SW1
1
Vss
SW2
2
3
X3200
SIMRstCSIMRstC
SIMDaCSIMDaC 5
C5
7=GND
X2700
1
C1
C2
3 C3
100n
L16
L14
H11
C2700
SIMClkCSIMClkC
2
C6018
220n 220n
C6017
MIC3LN
MIC3RN J4
F4 MIC3LN
MIC3RN
MMC(15:0)
VIOVAUX1
INT_MMC(13:0)
DIG_AUDIO(20:0)
EMINT(3:0)
INT_SIM(5:0)
CBUS(3:0)
ACI(7:0)
LED(10:0)
VBAT_BB
VBAT_BB VBAT_BB
VBAT
VBUS
VLED+_KEY
VRFC
VR1
VCORE VDigiMic
AUDIO(13:0)
KEYB(15:0)
Confidential Copyright © 2011 Nokia Only for training and service purposes
Page 4 (7) | PEARLJ, USB, AV connector, Audio | Asha 300 RM-781 | Board: 3rya_20a | v1.0 | 26.10.2011
A
C3311
18V/60V
R3303
120R/100MHz
L3300
C=1n0
2k2
25
1k0
2k2
2k0
MicBias
to AS IC
Mic2p
Mic2n
B1
C1
B2
B3
A3 A2 ECI
C2
C3
N2000
100n
C2002
C2001
R2000
100n
220R
C2004
2u2
D3
ID
HeadDet
G6
HookDet
D10
N2200
Mic2N
F3
XearL
K3
XearR
L3
Mic2P G2
MicB2
J3
120R/100MHz
L3307
C2228
2u2
C2281
2u2
C2285
2u2
C2229
2u2
C3306
100n
L10
ID
F3
VBAT
B5
VCC(IO)
B2
VCC(IO)
V3301
11
10
9
12
V3310
REG1V8
CHRG_DETF2
VBUS
F4
XTAL1
F5
D4
PSW
D5
NXT
STP
D6
E3
REG3V3
E5
DIR
E6
DATA6
B6
C1
DM
C3
CHIP_SEL_N
RESET_N
C4
DATA7
C6
D1
DP
A3
A4
CLOCK
A5
DATA4
A6
DATA5
B1
DATA0
B3
CHIP_SEL
B4,C2,C5,D2,E1,E2,E4,F1=GND
D3300
A1
DATA1
DATA2
A2
DATA3
8
7
R3302
1k0
R3307
0R
4u7
C3304
100n
C3303
100n
C3307C3301
4u7
C3300
100n
7
6
5
4
3
2
1
0
N10VBATChacon
USBCharDetX
K9
VBUSCtrl
M4
VBatVAna
D7
J2208
J2207
N11
SMPSClk
SleepX
E3
C4
SleepClk
PURX
A4
J2206
J2213
J2232
J3304
J3303
J3302
J3301
J33000
5
1
3
47k
IN
OUT V3300
4k7
R1
R2
Z3301
B1 B2
Z3300
A1
A2
K
V3303
D-
D+
ID
C3309
100n
F3300
X3300
VBUS
2.0A
15p
220R/100MHz
L2104
L2105
220R/100MHz
IHFSpLP
P4
IHFSpLN
VibraP
VibraN
C2116
56p
C2108
27p
V2108
C2117
56p
220R/100MHz
L2110
L2111
220R/100MHz
+
-
R3
B2104
not_assembled
R2120
18V/60V 18V/60V
R2121
C1
D2
L2113
V2109
L2112
68nH
68nH
+ -
M2100
M
XERL
XERR
HS_MIC
HS_EAR_L
HS_GND
HS_MIC
HS_EAR_L
HS_EAR_R
HS_EAR_R
PLUG_DET
HS_GND
PLUG_DET
22u
C2013
22u
22u
C2153
C2012
22u
C2015
R
Z2000
C
C
R
2A1A
B2
2C1C
6p8
C2020
E2011
1
2
18p
C2011
L2013
68nH
600R/100MHz
L2012
E2013
1
2
L2011
600R/100MHz
L2010
600R/100MHz
MIC
3R
4L
5G
6PL
not_assembled
X2000
1G
2
C2010
18p
R2002
100k
R2004
100k
R2001
100k
R2003
100k
R2008
15R
15R
R2134
R2005
10k
10k
R2006
IMP_50OHM
EarP G1
EarN
K4
L2100
600R/100MHz
R2111
18V/60V
J2100
+
2 -
J2101 not_assembled
B2103
1
600R/100MHz
L2101
R2110
18V/60V
PUSL(15:0)
USB(20:0)
FM_HEADSET_ANT
VAUX2
VBUS
VBAT_BB
VIO
Confidential Copyright © 2011 Nokia Only for training and service purposes
Page 5 (7) | RF part | Asha 300 RM-781 | 3rya_20a | v1.0 | 26.10.2011
6
6
7
7
5
4
0
2
3
3
8
8
14
RXDA0
N9
P10
SCLK
P11
SLE
P12
PURX
P13
N10
RXDA2
SDAT
N11
RFSTROBE N12
N5
TXDA1
N6
TXCLK
M13
M5
TXDA0
M6
TXDA2
SYSCR M7
M9
RXDA1
RXDA3
M10
REFOUTM
L13
REFOUTP
REFOUT_EXT1 K13 REFOUT_EXT1
0
1
RXQN/RXDA1
RXQP/RXDA0
VREFN/RXCLK
RXIN/RXDA2
RFBusDa
RFBusClk
RFBusEn1X
RXCLK
RXIP/RXDA3
TXIP/TXCLK
TXQP/TXDA0
TXQn/TXDA1
IREF/TXDA2
RFSTROBE
RFCLKP
RFCLKN
SleepX
PURX 0
TXHM
N1
M1
TXHP
TXLM
L1
TXLP
K1
RFC1
B2
RFC3B3
RFC4B1
A1 RFC5
A3 RFC2
C7566
1p8
C7570
3p9
220n
C7562
1p2
C7597
3k3R7504
C7565
1p8
Vcc2HB
3
RFinLB+
8
RFinLB-
RFoutHB
26
Vcc1HB
2
RFinHB-
30
RFoutLB
19
17
Ibias
RFinHB+
N7510
9
R7503
C7553
470p
R7502
L7522
5n6H
20
Detector
R7546
3k3
R7551
1k8
470p
C7567
Mode
24
21
22
Band
3k3
R7540
3k3
R7545
Vcc1LB
Vcc2LB
11
15
Vreg
5
Vbat
6
C7559
3p9
F13
VREF
100n
C7575
C7509
L7501
DAT_TP4
P5 CLK_T
SLE_T
N4
M11
DXPD
VTX_LOW4K2
VTX_LOW6
J2
J1
VTX_LOW3
H1
VTX_LOW5
H2 VTX_HI1
F2
VTX_LOW1
ADC1E2
D14 VRX_LOW1
INM21
C14
C2
VTX_LOW7
DACOUTB4
A5 ADC2
A7
INPLB1
A8 INMLB1
INPLB2A9
B12
VRX_LOW3
B14
INP21
A10 INMLB2
A11
INP19
INM19
A12
A13
INP18
A14
INM18
A2 VTX_HI2
A4
VTX_LOW2
120R/100MHz
L7513
L7506
2u2H
Z7518
1842.5MHz
Unbal Bal
Bal
2u2
C7516
2p7
C7541
3n9H
L7511
15nH
C7502
100n
5n6H
L7524
L7516
28R/100MHz
C7548
C7549
3p3
3p3
L7512
C7514
470n
C7507
3p9
C7596
1p2
1p8
1p8
C7545
C7543
C7501
100n100n
C7560
3p9
C7571
C7510
C7505
100n
C7523
2u2
1uH
L7503
2p7
C7542
L7508
68p
C7581
K14
VRX_LOW2
J14
VRX_LOW5
L7507
120R/100MHz
VRX_LOW4
D13
120R/100MHz
1p8
1p8
100n
C7504
10n
C7508
C7511
VIO
H4
H5
CB_SMPS
10n
IND_SMPS
G6
IND_SMPS G7
G8IND_SMPS
H1
FB_SMPS
VXO
D2
IND_DCDC
A7
CB_DCDC
E4
B4
B7
IND_DCDC
FB_DCDC
A1
A4 VIO
C7528
10u
120R/100MHz
VDCDCAVDCDC
L7525
6n8H
L7505
L7510
18nH
XRESET
G1
DATA
F1
F2
ENABLE
SCLK
100n
C7540
120R/100MHz
L7509
120R/100MHz
L7526
120R/100MHz
L7527
VHI
H2
C7531
2u2
TXHB
TXLB
LoadHB
LoadLB
RX_HB
AntLB
BAND_II_RX
BAND_II_RX
BAND_I+IV_RX
BAND_I+IV_RX
VHIA
Ctrl1
Ctrl3
Ctrl2
RFC1
RFC3
RFC2
BAND_VIII_RX
BAND_VIII_RX
4n7H
BAND_V_RX
AntHB
BAND_V_RX
Z7513
R7544
3k3
R7552
47RR7550
47R
R7542
3k3
R7541
3k3
3k3
3k3
R7538
100R
3k3
R7509
G2
SMPS_CNTRL
C1
PA_DAC
C4
MUX1
VREF D1
C7529
10n
10u
C7513
OUT_BOOSTE7
OUT_BOOSTE8
INPUT_SMPS
F6
F7 INPUT_SMPS
INPUT_SMPS
F8
OUT_BOOSTE5
E6
OUT_BOOST
FB_BOOST
B1
C7512
5p6
M14
VBOKO
100n
C7500
1n
C7579
28R/100MHz
L7520
C7520
4u7 100n
C7524
100p
C7583
H3
VBB_VRX
D5IND_BOOST
IND_BOOST
D6
D7IND_BOOST
IND_BOOST
D8
CB_BOOST
A8
VBATT
VBATT
B8
VBB_VRX1
A3
A6
1uH
L7504
10n
C7521
E13
VRX_HI1
N7512
A2,A5,B3,B5,B6,C3,C5,C6,C7,C8,D3,D4,
E1,E2,E3,F3,F5,G3,G4,H6,H7,H8=GND
N7509
B7,B13,C3,C4,C5,C6,C7,C8,C9,C10,C11,C12,C13,D2,D3,D4,D5,D6,D7,D8,D9,D10,D11,D12,E3,E4,E5,E6,E7,E8,E9,E10,E11,E12,
F3,F4,F5,F6,F7,F8,F9,F10,F11,F12,G3,G4,G5,G6,G7,G8,G9,G10,G11,G12,H3,H4,H5,H6,H7,H8,H9,H10,H11,H12,J3,J4,J5,J6,J7,J8,
J8,J9,J10,J11,J12,K3,K4,K5,K6,K7,K8,K9,K10,K11,K12,L2,L3,L4,L5,L6,L7,L8,L9,L10,L11,L12,M2,M3,M4,M8,M12,N2,N3,N8,P1,P2,P3,P6,P8=GND
1,4,7,10,12,13,14,16,18,23,
25,27,28,29,31,32=GND
X6403
1COMANT 2
E6404E6404
1COMANT 2
X6402
E6400E6400
C2912
0p5
C2430
27p
R2612
3k3
R6402
0R
R6403
0R E2910
1k0
C2909
1n
C2908
27p
VBG
G14
100n
C7506
G13
DIODE
G1
OUTCP_TX
F14
OUTCP_RX
F1
VC_TX
E14
VC_RX
820p
C7547
560p
C7546
V7502
P9
VDIG
100n
C7503
D1
CID
R7539
680R
P7
VIO
100n
C7539
XINP
P14
N14
XINM
B7500
38.4 MHz
VBAT
VR1
VIO
ANT_DET
PUSL(15:0)
RFClkExt(5:0)
RFCTRL(11:0)
TXC(2:0)
RFCLK(1:0)
RFCONV(20:0)
VIO
Confidential Copyright © 2011 Nokia Only for training and service purposes
Page 6 (7) | Component finder top | Asha 300 RM-781 | Board: 3rya_20a | v1.0 | 26.10.2011
Top
L2578 C5 R2111 U5
B2103 V5 L2579 C9 R2577 C2
L2580 C1 R2579 C9
C1000 U7 L2581 C5
C1001 U8 L2582 C9 V2590 D7
L2583 C2 V2591 F7
L1001 U7 L2584 C5 V2592 D4
L2100 U4 L2585 C9 V2593 F4
L2101 U5
L2574 C2 N1100 U7 X2060 U8
L2575 C6 X6100 U3
L2576 C9 R1000 V7
L2577 C1 R2110 U5
B
C
L
V
N X
R
Confidential Copyright © 2011 Nokia Only for training and service purposes
Page 7 (7) | Component finder bottom | Asha 300 RM-781 | Board: 3rya_20a | v1.0 | 26.10.2011
Bottom
C1483 T4 C2015 K6 C2116 F3 C2266 I9 C2315 I7 C2803 L4 C2822 I3 C3300 K5 C6003 P7 C6020 P7 C7505 H2 C7523 H8 C7548 F3 C7579 G9 E6401 C7 L2012 Q6 L2340 L7 L7505 H3 L7525 F3 R2104 I8 R2805 L3 R7504 H3 V3303 S7 X3200 N8
A2800 J6 C1484 T4 C2018 P6 C2117 E3 C2267 J9 C2316 I9 C2804 K2 C2823 J2 C3301 K5 C6004 P8 C6100 R2 C7506 F2 C7524 H8 C7549 F3 C7581 F2 E6404 C8 L2013 Q6 L2347 K8 L7506 H8 L7526 F8 R2000 J9 R2120 R4 R2852 L4 R7509 F3 S2550 R1 V3310 J5 X3300 V7
A2801 S8 C1485 T4 C2019 P6 C2153 K6 C2268 I7 C2317 J9 C2805 L3 C2824 L2 C3303 J5 C6005 P7 C6101 R2 C7507 F8 C7528 H9 C7553 G7 C7582 G3 E6405 C7 L2050 S4 L2420 Q9 L7507 F3 L7527 F8 R2001 K6 R2121 R4 R2853 L4 R7538 H7 S2551 N1 V7502 F2 X3310 U3
A6300 P7 C1486 S2 C2020 Q6 C2213 J7 C2269 J9 C2318 K8 C2806 K5 C2825 J2 C3304 J5 C6006 P7 C6102 R2 C7508 G8 C7529 H9 C7559 G7 C7583 F8 L2080 K9 L2421 Q9 L7508 G3 R2002 K6 R2134 K6 R2910 D8 R7539 H3 S2553 K1 X6402 E6
A7501 G3 C1487 T2 C2050 S4 C2214 J7 C2271 J7 C2326 J7 C2807 I5 C2826 I3 C3306 K5 C6007 P7 C6103 R2 C7509 F3 C7531 H7 C7560 F3 C7596 F7 F2050 S4 L2104 R4 L3300 T7 L7509 H7 M2100 R5 R2003 K6 R2200 E9 R3205 N6 R7540 G5 X1000 E4 X6403 D7
A7502 G5 C2001 J9 C2051 R4 C2222 J9 C2280 J7 C2329 K8 C2808 L5 C2828 J2 C3307 J5 C6008 P8 C6104 R3 C7510 F3 C7539 H2 C7561 H5 C7597 F6 F3300 U7 L2105 R4 L3307 J6 L7510 G4 R2004 K6 R2400 I7 R3302 L5 R7541 H4 V2050 S4 X1001 H8
A7503 F9 C2002 J9 C2070 E9 C2228 I9 C2281 K8 C2420 R9 C2809 J5 C2829 K5 C3308 T7 C6011 P8 C6105 R2 C7511 G7 C7540 H5 C7562 F6 L2110 F3 L6002 P7 L7511 G3 N2000 P6 R2005 K6 R2420 O8 R3303 T7 R7542 H4 V2108 F3 X1003 Q6 Z2000 Q6
C2003 K9 C2075 K9 C2229 K7 C2282 K7 C2421 R9 C2810 I2 C2908 D8 C3309 S7 C6012 P7 C6402 D6 C7512 F3 C7541 G3 C7565 F7 D2800 J3 G2200 O6 L2111 F2 L6003 P7 L7512 G3 N2200 J8 R2006 K6 R2576 D8 R3307 J5 R7544 H4 V2109 E3 X1004 L1 Z2501 J5
B2100 D9 C2004 P6 C2076 L9 C2230 I6 C2285 J7 C2430 D8 C2811 I2 C2909 D8 C3310 J5 C6013 Q7 C7500 F2 C7513 G8 C7542 G3 C7566 G7 D3000 J3 L2112 E5 L6100 R2 L7513 H3 N6000 P7 R2008 K6 R2578 E4 R3310 J5 R7545 G5 V2300 K7 X1472 S3 Z3300 R7
B2104 D4 C2010 Q6 C2077 G9 C2231 K7 C2294 J9 C2700 R3 C2812 I4 C2910 D8 C3311 U7 C6014 Q7 C7501 H3 C7514 F7 C7543 G3 C7567 H3 D3300 K5 L1480 S2 L2113 E5 L6351 S2 L7516 F6 N6100 R2 R2070 E7 R2590 H6 R6402 D6 R7546 G5 V2310 L8 X2000 U5 Z3301 Q7
B2200 I8 C2011 Q6 C2078 E8 C2233 M6 C2296 J9 C2800 K2 C2813 L4 C2912 F6 C3312 T7 C6017 P7 C7502 F3 C7516 G7 C7545 G3 C7570 H3 L1481 S4 L2300 K7 L7501 F3 L7520 G9 N7509 G8 R2080 L6 R2591 H4 R6403 D8 R7550 F5 V2420 P8 X2070 E7 Z6000 Q8
B7500 F2 C2012 J6 C2108 R4 C2245 L7 C2313 K6 C2801 J2 C2814 L2 C3205 L9 C6001 P8 C6018 Q7 C7503 H2 C7520 G8 C7546 F3 C7571 H3 E6350 T1 L2010 P6 L2310 I6 L7503 G7 L7522 G7 N7510 G6 R2102 I7 R2612 D8 R7502 G3 R7551 H3 V3300 L5 X2420 R8 Z7513 G5
C2013 K6 C2115 H8 C2249 K8 C2314 J6 C2802 K2 C2821 L4 C3206 N6 C6002 P8 C6019 P8 C7504 H2 C7521 G8 C7547 H2 C7575 G3 E6400 C6 L2011 Q6 L2314 K6 L7504 F8 L7524 G3 N7512 G2 R2103 H7 R2804 L3 R7503 H3 R7552 F5 V3301 L5 X2700 O4 Z7518 F3
A R S
F M
B
L
E
C
X
V
N Z
D G

Asha 300 rm-781-schematics_v1.0

  • 1.
    Confidential Copyright ©2011 Nokia Only for training and service purposes Page 1 (7) | Front page | Asha 300 RM-781 | Board: 3rya_20a | v1.0 | 26.10.2011 Service schematics Contents IMPORTANT 1.0 First approved version. While every effort has been made to ensure that the docu- ment is accurate, some errors may exist. Please always check for the latest published version for this document. If you find any errors in the document please send email to: service.manuals@nokia.com Version information This document is intended for use by authorized Nokia servi- ce centers only. Please use the document together with other documents such as the Service Manual and Service Bulletins. Front page PEARLJ, Charging, SIM, SD card, Keyboard RAPUYAMA, Display IF, Digital MIC, Touch IF, BT/FM, Camera, Sensor PEARLJ, USB, AV connector, Audio Component finder top Component finder bottom 2 3 4 6 RF part 5 7 1 Nokia Asha 300 RM-781
  • 2.
    Confidential Copyright ©2011 Nokia Only for training and service purposes Page 2 (7) | RAPUYAMA, Display IF, Digital MIC, Touch IF, BT/FM, Camera, Sensor | Asha 300 RM-781 | Board: 3rya_20a | v1.0 | 26.10.2011 C6101 2u2 27p C6100 UART_WAKE UART_TX UART_CTS I2S/PCM_CLK UART_RTS BT_WAKEUP I2S/PCM_IN BTH_CLK_REQ I2S/PCM_SYNC UART_RX FM_ANT BT_RESETX I2S/PCM_OUT SLEEP_CLK BTHostWakeUp BTUARTIn BTRTS BTCLK BTCTS BTWakeUp BTOUT BT_CLKREQ BTSYNC BTUARTOut BTResetX BTIN SLEEP_CLK GenIO56 GenIO49 GenIO48 GenIO82 GenIO47 GenIO53 GenIO84 GenIO37 GenIO83 GenIO50 GenIO54 GenIO85 SLEEP_CLK 10n C6020C6011 0u472u2 C6002 C6012 100n 10n C6006 2u2 C6019C6004 15p C6001 2u2 L6002 100nH H4 UART_WAKE SLEEP_CLKH5 H6 BT_WAKEUP I2S/PCM_OUTH7 VDD_DIG F7 VDD_FM G2 G3 CLK_REQ(HOST_WAKE) I2S/PCM_CLKG5 G6 I2S/PCM_IN UART_RTSE6 E7 UART_CTS F1 FM_RX VREG_ENABLE_RSTF4 F5 I2S/PCM_SYNC D3 D6 UART_RX D7 G17 D7 D19 M7 V21 P7 M4 R20 R22 D20 L7 N9 D11 UART_TX C3VDD_AUX VDD_BT_RADIO BT_RF B1 B2 VDD_BT_LO B3 VDD_ANA N6000 A3 SYS_CLK A4HVREGIN_H L6003 100nH C6003 2u2 C6005 2u2 IN C6007 27p Z6000 OUT D3 D0 RDX D1 D2 DCX WRX TE D6 D5 D4 BC RESX D7 C2421 100n J2420 3 4 5 6 7 8 9 12 13 14 15 16 17 18 19 2 20 21 22 23 24 25 X2420 1 10 11 120R/100MHz L2421 C2420 100n 120R/100MHz L2420 TS_RESET XL XR YB YT I2C2SCL I2C2SDA TS_INTJ6011 J6012 J6014 J6013 600R/100MHz L6100 C6104 1n C6105 1n C6103 1n C6102 1n X6100 1 2 3 4 C3 D1 SCL D3 Y- N6100 VDD/VREF D2=GND A2 A3 X+ X- B2AD0 B3 Y+ SDAC1 _RESETC2 _PINTDAVB1 Y9 DISPC_DATA_LCD0 DISPC_VSYNC Y4 Y7 DISPC_DATA_LCD7 Y8 DISPC_DATA_LCD14 DISPC_DATA_LCD13 W3 W4 DISPC_DATA_LCD16 U3 DISPC_DATA_LCD4 U7 DISPC_DATA_LCD5 AB7 DISPC_DATA_LCD1 AB3 AB4 DISPC_DATA_LCD6 DISPC_DATA_LCD3 RFTemp N13 DISPC_PCLK AA7 DISPC_DATA_LCD2 AA9 J2816 J2815 P21 SleepX N20 PURX SMPSClk E21 AC16 SysClk192 0 7 1 5 3 CLK GenIO27 D15 D16 GenIO28 D2800 0 SIMIOCtrl1 M20 SIMIODa1 M21 L20 SIMClk1 1 I2C2SDA U15 U16 I2C2SCL 2 J2851 J2852 GenIO16 GenIO86 C2821 100n C2822 100n C2823 100n C2824 100n C2825 100n C2826 100n 100n C2802 VDDH13 VDDA_ACS F1 GenIO79 N7 100n C2801 100n C2800 7 11 8 4 ULPIData2M22 L21 ULPIData4 ULPIClock K20 K21 ULPIDir ULPIData3 H21 ULPINxt ULPIData1J20 ULPIData0J21 H20 ULPIStpG20 E20 ULPIData7 ULPIData6F20 ULPIData5F21 10 9 6 3 0 5 1 2 12 ULPICS GenIO52 6 7 8 VREFN_LINKORXICLK L4 K3 RXQP_LINKORXIQDA0 K4 TXQN_LINKOTXIQDA1 J3 RXQN_LINKORXIQDA1 J4 RXIP_LINKORXIQDA3 H3 TXQP_LINKOTXIQDA0 IREF_LINKOTXIQDA2 H4 J2 RXIN_LINKORXIQDA2 F4 TXIP_LINKOTXICLK 3 5 2 4 14 0 R2 2 U21 EarDataR T21 MicData T22 EarDataL T20 PMARP PMARN R21 AudioClk0 P22 5 3 4 1 0 DigiMICData DigiMICClk GenIO39 GenIO72 G23 AC10 V20 VDDA18V7 H9 1u0 C2829 1u0 C2828 VBBNW M15 VDDRAMLDOOUT M9 C2808 C2809C2805 C2807 C2812C2810 C2811 100n100n100n 100n 100n100n100n 100n C2814 100n C2813C2806 100n C2803 100n C2804 100n CCPStrbN0 U14 CCPStrbP0 U13 AA12 T3 G15 L17 E22 L22 G21 H17 U10 U17 AA10 CCPDaP0 AA13 CCPDaN0 J2856 J2803 J2813 Y15 CBusClk CBusEn1X AB17 AA16 CBusDa 0 1 2 U11 R1 1 0 ACIRX ACITX GenIO31 GenIO32 T17 D13 2 0 4 6 AC20 W20 U22 Y19 AA21 MMCDa3 AC21 MMCDa0 AB19 MMCDa1 MMCClkAB20 MMCCmdAB21 MMCDa2AC19 8 10 3 11 1 5 MMCCmdDir MMCDaDir0 MMCDaDir1 GenIO70 GenIO69 GenIO11 MMCFbClk GenIO71 DIF0Da0 DIF0LCDTE DIF0Da7 DIF0Da6 DIF0Da5 DIF0Da4 DIF0Da2 LCDRstX DIF0Da1 DIF0Da3 DIF0WRX DISPC_HSYNC AA5 DIF0RDX DIF0A0 GenIO9 1 7 4 6 5 2 0 8 3 ROW0 GenIO26 COL3 COL1 COL2 9 GenIO36Send_key GenIO2 GenIO1 GenIO24 GenIO58 GenIO59 GenIO60 GenIO61 GenIO62 ROW1 ROW2 ROW3 ROW4 COL0 R2102 100R R2104 100R 100RR2103 L/R 2 1CLKDATA4 5 3 VDD J2800 J2801 G3 RFClkP RFClkN G2 1 0 TxCClkG12 TxCClk RFCLKN RFCLKP J2805 RFBusClk P4 RFBusEn1X N3 RFBusDa N4 7 6 8 A1,A2,C1,C4,D2,F2,F6,H3=GND A5,C7,G7,H2=VIO A4,A5,A7,A9,A10,A12,A15,A16,A17,A18,A21,AA1,AA15,AA23,AC5,AC6,AC7,AC8,AC13,AC15,B3,B19,C12,C18, C18,C23,D1,D8,D9,D12,D18,D23,E1,E3,E23,F23,G10,H1,H7,H23,J1,K1,L1,N2,N21,P1,T1,T2,U1,V23,Y23=VIO H14,H15,J8,J9,J10,J11,J12,J15,J16,K8,L8,L16,M8,M16,N8,N15,P8,R8,R9,R11,R12,R13,R14,R15,R16,T8,T9,T10,T12,T15=VCORE A13,AA2,AA14,AA20,AA22,AB2,AB5,AB8,AB10,AB13,AC4,AC12,B4,B5,B7,B8,B10,B12,B15,B18,B22,C9,C10,C15,C16, C17,C19,C21,C22,D17,D17,D21,E2,F2,F22,G1,G8,G16,H2,H8,H10,H11,H16,H22,J13,J14,K2,K9,K15,K16,K22,L2,L9,L15,M1, N16,P2,P9,P15,P16,P20,R10,T11,T14,T16,U2,U23,Y12=GND B2100 J2820 J2819 J2818 J2817 I2C0SCL CAM_XSHUTD CAM_CLK I2C0SDA CCP_CLKN_0 CCP_CLKP_0 CCP_DATAN_0 CCP_DATAP_0 C1483 220n 8 9 2 3 4 5 6 7 X1472 1 10 11 12 100n C1486 L1480 600R/100MHz C1485 100n 600R/100MHz L1481 Y10 GenIO3 ProxInt Y3 MMCCardDetGenIO25 R23 EMInt1 SYS_CLK 100p C6008 3 5 J6304 J6312 J2207 SPKR_R E1 E2 SPKR_L VLED- VLED+ J2451 1 0 V2420 R2420 2k2 MIC3LPFM_AUDIO_PL FM_AUDIO_PR MIC3RP E6350 J6356J6355 J1000 J1100 ANODE1 2=GND OUT3 N1100 C1001 4u7R1000 100R L1001 600R/100MHz 4TEST 5VCC 6PROG C1000 100nE1002 0R FM_HEADSET_ANT VIO RFClkExt(5:0) AUDIO(13:0) VBAT_BB LED(10:0) VAUX1 VIO VAUX1 D3000 Combo memory on top of RAPUYAMA USB(20:0) DIG_AUDIO(20:0) ACI(7:0) CBUS(3:0) INT_SIM(5:0) KEYB(15:0) INT_MMC(13:0) MMC(15:0) EMINT(3:0) VIO PUSL(15:0) RFCTRL(11:0) RFCLK(1:0) TXC(2:0) VDigiMic VIO VIO VAUX1 RFCONV(20:0) VRFC VCORE VLED+_KEY ANT_DET
  • 3.
    Confidential Copyright ©2011 Nokia Only for training and service purposes Page 3 (7) | PEARLJ, Charging, SIM, SD card, Keyboard | Asha 300 RM-781 | Board: 3rya_20a | v1.0 | 26.10.2011 470n C2051 C2050 27p 2.0A F2050 V2050 K A 120R/100MHz L2050 1Cent 2GND VCharIn1 T7 R9 VCharIn2 L8 VCharInTest C2318 4u7 C3206 100p MMCDET/ 1k0 R3205 C2266 2u2 C2077 56p C2078 56p VAux1 H13 VR1 E5 C2222 2u2 C2213 2u2 2u2 C2317 C6 VRFC C2269 2u2 D8 VDigiMic G7 VRef VSIM VSIMK16 VMEM F16 T13 VCore P15 VCoreCoil P16 VCoreCoil C2231 22u 1uH L2340 C2268 2u2 C2280 2u2 C3205 100n C2214 2u2 M3 VDDAudRx3 K1 VDDAudRx1 H2 VDDAudRx2 F2 VDDAudTx VAna B7 C2296 2u2 VDD18F10 1uH C2230 22u L2310 C15 VIOCoil1 C16 VIOCoil2 A13 VIO SetCurrKB N2200 J10 32.768kHz B2200 B6 CrO CrI A6 10k R2400 B10 PwrOnX G14 Data1B Data2B H14 G15 CMDB Data3B J14 K14 ClkB Data4B J13 A2,A10,B2,B4,B5,B8,C2,C5,C11,D3,D6,D15,D16,E2,F1,F7,F14,G11,G16,H4,H7,J8,J9,K7, K8,K11,K13,L7,L9,L15,M13,N12,P7,P13,P14,R4,R6,R14,R15,R16,T ,A1,A14,A15,A16,B1,B9,B15,B16,D1,F8,F15,H15,J15,K15,L13,N10,N15,N16,P5,P6,P11,R7,R8,T3,T10=VBAT_BB4,T11,T14,T15,T16=GND C2315 2u2 C2316 2u2 A7 VBg C7 VRTC 47k R2080 18V/60V R2070 BTempP12 - + G2200 2.6V N14 VBack J2201 J2218 J2220 J2221 J2223 J2236 J2227 J2225 J2219 J2200 J2202 D11 MBusRx B12 MBusTx 0 1 EMInt A3 J2211 0 10 11 5 1 2 3 6 8 M14 CMDDir J11 Data4Dir Data1A G10 Data3Dir E15 CMDA F13 ClkFB E13ClkA E14 C13 D12 Data1Dir D13 D14 Data4A Data3A Data2Dir Data2A C14 4 0 1 2 SIMDa C12 SIMIOC B13 SIMClk B14 CBusSelX P8 CBusClk N7 CBusData N8 0 1 2 J2212 J2214 J2215 J2210 J2216 J2217 0 5 1 2 3 EarDataR P3 N2 MicData N3 AudClk N4PMARN N5 EarDataL PMARP N1 4 P9 VBUS R2200 0 1 C2245 2u2 C2314 1u0 V2300 L2300 2u2H LedOut M15 SetCurrD K10 OVVLed H10 L2314 600R/100MHz C2313 27p SenseME4 B3 SenseP 1 2 3 4 X2070 + 2 1 3 BGND C10 BSI L2080 28R/100MHz 2u2 C2294 D5 VBatVR1 2u2 C2282 2u2 C2326 VBUSCoil R11 P10 VBUSSMPSOut C2249 2u2 2u2 C2329 1uH L2347 V2310 2u2 C2267 H8 VOut VAux2G13 2u2 C2271 5 3 G4 G3 FM_AUDIO_PR FM_AUDIO_PL MIC3RP MIC3LP END S2577 J2590 47R R2591V2593 J2592 J2591V2591 V2592 V2590 R2590 47R 7 8 1 4 5 E5 Output9 9E4 Output10 C4 Output6 C5 Output5 D4Output8 D5 Output7 A4 Output2 A5 Output1 B4 Output4 B5 Output3 0 2 6 3 Send_keyE1Input10 SEND S2579 ROW0 ROW2 B2 Input3 A2 Input1 ROW1 A1 Input2 ROW3 B1 Input4 ROW4 C2 Input5 COL0 C1 Input6 COL1 D2 Input7 COL2 D1 Input8 COL3 E2 Input9 COL0 0 * 2 1 ROW2 ROW3 Message 3 6 Lock Key 7 4 5 ROW3 VOL-VOL+ 8 ROW1 # 9 COL1 COL2 ROW45 2 3 5 S2575 S2565 100nH L2575 L2579 100nH S2566 S25781 L2576 100nH 3 S2568 L2574 100nH S2567 3 S2574 4 2 4 L2577 100nH 2 S2572S2571 1 1 2 0 S2573 S2569 0 S2550 1 2 S2570 S2551 1 2 S2553 1 2 1k0 R2576 4 3 1k0 R2579 R2578 1k0 1k0 R2577 L2583 100nH L2578 33nH 5852L4852L 33nH L2582 33nH 33nH L2580 L2581 33nH 33nH S2576 ROW_BUS(5:0) COL_BUS(3:0) Z2501 A3,C3,D3,E3=GND MMCClk MMCDa3 MMCDa2 MMCDa1 MMCDa MMCCmd VMEM 4 5 6 7 8 SW1 1 Vss SW2 2 3 X3200 SIMRstCSIMRstC SIMDaCSIMDaC 5 C5 7=GND X2700 1 C1 C2 3 C3 100n L16 L14 H11 C2700 SIMClkCSIMClkC 2 C6018 220n 220n C6017 MIC3LN MIC3RN J4 F4 MIC3LN MIC3RN MMC(15:0) VIOVAUX1 INT_MMC(13:0) DIG_AUDIO(20:0) EMINT(3:0) INT_SIM(5:0) CBUS(3:0) ACI(7:0) LED(10:0) VBAT_BB VBAT_BB VBAT_BB VBAT VBUS VLED+_KEY VRFC VR1 VCORE VDigiMic AUDIO(13:0) KEYB(15:0)
  • 4.
    Confidential Copyright ©2011 Nokia Only for training and service purposes Page 4 (7) | PEARLJ, USB, AV connector, Audio | Asha 300 RM-781 | Board: 3rya_20a | v1.0 | 26.10.2011 A C3311 18V/60V R3303 120R/100MHz L3300 C=1n0 2k2 25 1k0 2k2 2k0 MicBias to AS IC Mic2p Mic2n B1 C1 B2 B3 A3 A2 ECI C2 C3 N2000 100n C2002 C2001 R2000 100n 220R C2004 2u2 D3 ID HeadDet G6 HookDet D10 N2200 Mic2N F3 XearL K3 XearR L3 Mic2P G2 MicB2 J3 120R/100MHz L3307 C2228 2u2 C2281 2u2 C2285 2u2 C2229 2u2 C3306 100n L10 ID F3 VBAT B5 VCC(IO) B2 VCC(IO) V3301 11 10 9 12 V3310 REG1V8 CHRG_DETF2 VBUS F4 XTAL1 F5 D4 PSW D5 NXT STP D6 E3 REG3V3 E5 DIR E6 DATA6 B6 C1 DM C3 CHIP_SEL_N RESET_N C4 DATA7 C6 D1 DP A3 A4 CLOCK A5 DATA4 A6 DATA5 B1 DATA0 B3 CHIP_SEL B4,C2,C5,D2,E1,E2,E4,F1=GND D3300 A1 DATA1 DATA2 A2 DATA3 8 7 R3302 1k0 R3307 0R 4u7 C3304 100n C3303 100n C3307C3301 4u7 C3300 100n 7 6 5 4 3 2 1 0 N10VBATChacon USBCharDetX K9 VBUSCtrl M4 VBatVAna D7 J2208 J2207 N11 SMPSClk SleepX E3 C4 SleepClk PURX A4 J2206 J2213 J2232 J3304 J3303 J3302 J3301 J33000 5 1 3 47k IN OUT V3300 4k7 R1 R2 Z3301 B1 B2 Z3300 A1 A2 K V3303 D- D+ ID C3309 100n F3300 X3300 VBUS 2.0A 15p 220R/100MHz L2104 L2105 220R/100MHz IHFSpLP P4 IHFSpLN VibraP VibraN C2116 56p C2108 27p V2108 C2117 56p 220R/100MHz L2110 L2111 220R/100MHz + - R3 B2104 not_assembled R2120 18V/60V 18V/60V R2121 C1 D2 L2113 V2109 L2112 68nH 68nH + - M2100 M XERL XERR HS_MIC HS_EAR_L HS_GND HS_MIC HS_EAR_L HS_EAR_R HS_EAR_R PLUG_DET HS_GND PLUG_DET 22u C2013 22u 22u C2153 C2012 22u C2015 R Z2000 C C R 2A1A B2 2C1C 6p8 C2020 E2011 1 2 18p C2011 L2013 68nH 600R/100MHz L2012 E2013 1 2 L2011 600R/100MHz L2010 600R/100MHz MIC 3R 4L 5G 6PL not_assembled X2000 1G 2 C2010 18p R2002 100k R2004 100k R2001 100k R2003 100k R2008 15R 15R R2134 R2005 10k 10k R2006 IMP_50OHM EarP G1 EarN K4 L2100 600R/100MHz R2111 18V/60V J2100 + 2 - J2101 not_assembled B2103 1 600R/100MHz L2101 R2110 18V/60V PUSL(15:0) USB(20:0) FM_HEADSET_ANT VAUX2 VBUS VBAT_BB VIO
  • 5.
    Confidential Copyright ©2011 Nokia Only for training and service purposes Page 5 (7) | RF part | Asha 300 RM-781 | 3rya_20a | v1.0 | 26.10.2011 6 6 7 7 5 4 0 2 3 3 8 8 14 RXDA0 N9 P10 SCLK P11 SLE P12 PURX P13 N10 RXDA2 SDAT N11 RFSTROBE N12 N5 TXDA1 N6 TXCLK M13 M5 TXDA0 M6 TXDA2 SYSCR M7 M9 RXDA1 RXDA3 M10 REFOUTM L13 REFOUTP REFOUT_EXT1 K13 REFOUT_EXT1 0 1 RXQN/RXDA1 RXQP/RXDA0 VREFN/RXCLK RXIN/RXDA2 RFBusDa RFBusClk RFBusEn1X RXCLK RXIP/RXDA3 TXIP/TXCLK TXQP/TXDA0 TXQn/TXDA1 IREF/TXDA2 RFSTROBE RFCLKP RFCLKN SleepX PURX 0 TXHM N1 M1 TXHP TXLM L1 TXLP K1 RFC1 B2 RFC3B3 RFC4B1 A1 RFC5 A3 RFC2 C7566 1p8 C7570 3p9 220n C7562 1p2 C7597 3k3R7504 C7565 1p8 Vcc2HB 3 RFinLB+ 8 RFinLB- RFoutHB 26 Vcc1HB 2 RFinHB- 30 RFoutLB 19 17 Ibias RFinHB+ N7510 9 R7503 C7553 470p R7502 L7522 5n6H 20 Detector R7546 3k3 R7551 1k8 470p C7567 Mode 24 21 22 Band 3k3 R7540 3k3 R7545 Vcc1LB Vcc2LB 11 15 Vreg 5 Vbat 6 C7559 3p9 F13 VREF 100n C7575 C7509 L7501 DAT_TP4 P5 CLK_T SLE_T N4 M11 DXPD VTX_LOW4K2 VTX_LOW6 J2 J1 VTX_LOW3 H1 VTX_LOW5 H2 VTX_HI1 F2 VTX_LOW1 ADC1E2 D14 VRX_LOW1 INM21 C14 C2 VTX_LOW7 DACOUTB4 A5 ADC2 A7 INPLB1 A8 INMLB1 INPLB2A9 B12 VRX_LOW3 B14 INP21 A10 INMLB2 A11 INP19 INM19 A12 A13 INP18 A14 INM18 A2 VTX_HI2 A4 VTX_LOW2 120R/100MHz L7513 L7506 2u2H Z7518 1842.5MHz Unbal Bal Bal 2u2 C7516 2p7 C7541 3n9H L7511 15nH C7502 100n 5n6H L7524 L7516 28R/100MHz C7548 C7549 3p3 3p3 L7512 C7514 470n C7507 3p9 C7596 1p2 1p8 1p8 C7545 C7543 C7501 100n100n C7560 3p9 C7571 C7510 C7505 100n C7523 2u2 1uH L7503 2p7 C7542 L7508 68p C7581 K14 VRX_LOW2 J14 VRX_LOW5 L7507 120R/100MHz VRX_LOW4 D13 120R/100MHz 1p8 1p8 100n C7504 10n C7508 C7511 VIO H4 H5 CB_SMPS 10n IND_SMPS G6 IND_SMPS G7 G8IND_SMPS H1 FB_SMPS VXO D2 IND_DCDC A7 CB_DCDC E4 B4 B7 IND_DCDC FB_DCDC A1 A4 VIO C7528 10u 120R/100MHz VDCDCAVDCDC L7525 6n8H L7505 L7510 18nH XRESET G1 DATA F1 F2 ENABLE SCLK 100n C7540 120R/100MHz L7509 120R/100MHz L7526 120R/100MHz L7527 VHI H2 C7531 2u2 TXHB TXLB LoadHB LoadLB RX_HB AntLB BAND_II_RX BAND_II_RX BAND_I+IV_RX BAND_I+IV_RX VHIA Ctrl1 Ctrl3 Ctrl2 RFC1 RFC3 RFC2 BAND_VIII_RX BAND_VIII_RX 4n7H BAND_V_RX AntHB BAND_V_RX Z7513 R7544 3k3 R7552 47RR7550 47R R7542 3k3 R7541 3k3 3k3 3k3 R7538 100R 3k3 R7509 G2 SMPS_CNTRL C1 PA_DAC C4 MUX1 VREF D1 C7529 10n 10u C7513 OUT_BOOSTE7 OUT_BOOSTE8 INPUT_SMPS F6 F7 INPUT_SMPS INPUT_SMPS F8 OUT_BOOSTE5 E6 OUT_BOOST FB_BOOST B1 C7512 5p6 M14 VBOKO 100n C7500 1n C7579 28R/100MHz L7520 C7520 4u7 100n C7524 100p C7583 H3 VBB_VRX D5IND_BOOST IND_BOOST D6 D7IND_BOOST IND_BOOST D8 CB_BOOST A8 VBATT VBATT B8 VBB_VRX1 A3 A6 1uH L7504 10n C7521 E13 VRX_HI1 N7512 A2,A5,B3,B5,B6,C3,C5,C6,C7,C8,D3,D4, E1,E2,E3,F3,F5,G3,G4,H6,H7,H8=GND N7509 B7,B13,C3,C4,C5,C6,C7,C8,C9,C10,C11,C12,C13,D2,D3,D4,D5,D6,D7,D8,D9,D10,D11,D12,E3,E4,E5,E6,E7,E8,E9,E10,E11,E12, F3,F4,F5,F6,F7,F8,F9,F10,F11,F12,G3,G4,G5,G6,G7,G8,G9,G10,G11,G12,H3,H4,H5,H6,H7,H8,H9,H10,H11,H12,J3,J4,J5,J6,J7,J8, J8,J9,J10,J11,J12,K3,K4,K5,K6,K7,K8,K9,K10,K11,K12,L2,L3,L4,L5,L6,L7,L8,L9,L10,L11,L12,M2,M3,M4,M8,M12,N2,N3,N8,P1,P2,P3,P6,P8=GND 1,4,7,10,12,13,14,16,18,23, 25,27,28,29,31,32=GND X6403 1COMANT 2 E6404E6404 1COMANT 2 X6402 E6400E6400 C2912 0p5 C2430 27p R2612 3k3 R6402 0R R6403 0R E2910 1k0 C2909 1n C2908 27p VBG G14 100n C7506 G13 DIODE G1 OUTCP_TX F14 OUTCP_RX F1 VC_TX E14 VC_RX 820p C7547 560p C7546 V7502 P9 VDIG 100n C7503 D1 CID R7539 680R P7 VIO 100n C7539 XINP P14 N14 XINM B7500 38.4 MHz VBAT VR1 VIO ANT_DET PUSL(15:0) RFClkExt(5:0) RFCTRL(11:0) TXC(2:0) RFCLK(1:0) RFCONV(20:0) VIO
  • 6.
    Confidential Copyright ©2011 Nokia Only for training and service purposes Page 6 (7) | Component finder top | Asha 300 RM-781 | Board: 3rya_20a | v1.0 | 26.10.2011 Top L2578 C5 R2111 U5 B2103 V5 L2579 C9 R2577 C2 L2580 C1 R2579 C9 C1000 U7 L2581 C5 C1001 U8 L2582 C9 V2590 D7 L2583 C2 V2591 F7 L1001 U7 L2584 C5 V2592 D4 L2100 U4 L2585 C9 V2593 F4 L2101 U5 L2574 C2 N1100 U7 X2060 U8 L2575 C6 X6100 U3 L2576 C9 R1000 V7 L2577 C1 R2110 U5 B C L V N X R
  • 7.
    Confidential Copyright ©2011 Nokia Only for training and service purposes Page 7 (7) | Component finder bottom | Asha 300 RM-781 | Board: 3rya_20a | v1.0 | 26.10.2011 Bottom C1483 T4 C2015 K6 C2116 F3 C2266 I9 C2315 I7 C2803 L4 C2822 I3 C3300 K5 C6003 P7 C6020 P7 C7505 H2 C7523 H8 C7548 F3 C7579 G9 E6401 C7 L2012 Q6 L2340 L7 L7505 H3 L7525 F3 R2104 I8 R2805 L3 R7504 H3 V3303 S7 X3200 N8 A2800 J6 C1484 T4 C2018 P6 C2117 E3 C2267 J9 C2316 I9 C2804 K2 C2823 J2 C3301 K5 C6004 P8 C6100 R2 C7506 F2 C7524 H8 C7549 F3 C7581 F2 E6404 C8 L2013 Q6 L2347 K8 L7506 H8 L7526 F8 R2000 J9 R2120 R4 R2852 L4 R7509 F3 S2550 R1 V3310 J5 X3300 V7 A2801 S8 C1485 T4 C2019 P6 C2153 K6 C2268 I7 C2317 J9 C2805 L3 C2824 L2 C3303 J5 C6005 P7 C6101 R2 C7507 F8 C7528 H9 C7553 G7 C7582 G3 E6405 C7 L2050 S4 L2420 Q9 L7507 F3 L7527 F8 R2001 K6 R2121 R4 R2853 L4 R7538 H7 S2551 N1 V7502 F2 X3310 U3 A6300 P7 C1486 S2 C2020 Q6 C2213 J7 C2269 J9 C2318 K8 C2806 K5 C2825 J2 C3304 J5 C6006 P7 C6102 R2 C7508 G8 C7529 H9 C7559 G7 C7583 F8 L2080 K9 L2421 Q9 L7508 G3 R2002 K6 R2134 K6 R2910 D8 R7539 H3 S2553 K1 X6402 E6 A7501 G3 C1487 T2 C2050 S4 C2214 J7 C2271 J7 C2326 J7 C2807 I5 C2826 I3 C3306 K5 C6007 P7 C6103 R2 C7509 F3 C7531 H7 C7560 F3 C7596 F7 F2050 S4 L2104 R4 L3300 T7 L7509 H7 M2100 R5 R2003 K6 R2200 E9 R3205 N6 R7540 G5 X1000 E4 X6403 D7 A7502 G5 C2001 J9 C2051 R4 C2222 J9 C2280 J7 C2329 K8 C2808 L5 C2828 J2 C3307 J5 C6008 P8 C6104 R3 C7510 F3 C7539 H2 C7561 H5 C7597 F6 F3300 U7 L2105 R4 L3307 J6 L7510 G4 R2004 K6 R2400 I7 R3302 L5 R7541 H4 V2050 S4 X1001 H8 A7503 F9 C2002 J9 C2070 E9 C2228 I9 C2281 K8 C2420 R9 C2809 J5 C2829 K5 C3308 T7 C6011 P8 C6105 R2 C7511 G7 C7540 H5 C7562 F6 L2110 F3 L6002 P7 L7511 G3 N2000 P6 R2005 K6 R2420 O8 R3303 T7 R7542 H4 V2108 F3 X1003 Q6 Z2000 Q6 C2003 K9 C2075 K9 C2229 K7 C2282 K7 C2421 R9 C2810 I2 C2908 D8 C3309 S7 C6012 P7 C6402 D6 C7512 F3 C7541 G3 C7565 F7 D2800 J3 G2200 O6 L2111 F2 L6003 P7 L7512 G3 N2200 J8 R2006 K6 R2576 D8 R3307 J5 R7544 H4 V2109 E3 X1004 L1 Z2501 J5 B2100 D9 C2004 P6 C2076 L9 C2230 I6 C2285 J7 C2430 D8 C2811 I2 C2909 D8 C3310 J5 C6013 Q7 C7500 F2 C7513 G8 C7542 G3 C7566 G7 D3000 J3 L2112 E5 L6100 R2 L7513 H3 N6000 P7 R2008 K6 R2578 E4 R3310 J5 R7545 G5 V2300 K7 X1472 S3 Z3300 R7 B2104 D4 C2010 Q6 C2077 G9 C2231 K7 C2294 J9 C2700 R3 C2812 I4 C2910 D8 C3311 U7 C6014 Q7 C7501 H3 C7514 F7 C7543 G3 C7567 H3 D3300 K5 L1480 S2 L2113 E5 L6351 S2 L7516 F6 N6100 R2 R2070 E7 R2590 H6 R6402 D6 R7546 G5 V2310 L8 X2000 U5 Z3301 Q7 B2200 I8 C2011 Q6 C2078 E8 C2233 M6 C2296 J9 C2800 K2 C2813 L4 C2912 F6 C3312 T7 C6017 P7 C7502 F3 C7516 G7 C7545 G3 C7570 H3 L1481 S4 L2300 K7 L7501 F3 L7520 G9 N7509 G8 R2080 L6 R2591 H4 R6403 D8 R7550 F5 V2420 P8 X2070 E7 Z6000 Q8 B7500 F2 C2012 J6 C2108 R4 C2245 L7 C2313 K6 C2801 J2 C2814 L2 C3205 L9 C6001 P8 C6018 Q7 C7503 H2 C7520 G8 C7546 F3 C7571 H3 E6350 T1 L2010 P6 L2310 I6 L7503 G7 L7522 G7 N7510 G6 R2102 I7 R2612 D8 R7502 G3 R7551 H3 V3300 L5 X2420 R8 Z7513 G5 C2013 K6 C2115 H8 C2249 K8 C2314 J6 C2802 K2 C2821 L4 C3206 N6 C6002 P8 C6019 P8 C7504 H2 C7521 G8 C7547 H2 C7575 G3 E6400 C6 L2011 Q6 L2314 K6 L7504 F8 L7524 G3 N7512 G2 R2103 H7 R2804 L3 R7503 H3 R7552 F5 V3301 L5 X2700 O4 Z7518 F3 A R S F M B L E C X V N Z D G