Wiring Diagram Book
A1
15
B1
B2
16
18
B3
A2
B1 B3 15
16 18
Supply
voltage
L
M
H
2 Levels
B2
L1
F
U
1
460 V
F
U
2
GND
L3
L2
H1 H3 H2 H4
F
U
3
X1A
F
U
4
F
U
5
X2A
R
Power
On
Optional
115 V
X1 X2
230 V
H1 H3 H2 H4
Optional Connection
Electrostatically
Shielded Transformer
F
U
6
OFF
ON
M
L1 L2
2
1
OL
STOP
M
START
3
START
START
STOP
STOP
FIBER OPTIC
TRANSCEIVER
CLASS 9005 TYPE FT
FIBER OPTIC
PUSH BUTTON,
SELECTOR SWITCH,
LIMIT SWITCH, ETC.
FIBER OPTIC CABLE
ELECTRICAL
CONNECTIONS
BOUNDARY SEAL TO BE IN
ACCORDANCE WITH ARTICLE
501-5 OF THE NATIONAL
ELECTRICAL CODE
HAZARDOUS LOCATIONS NONHAZARDOUS LOCATIONS
CLASS I GROUPS A, B, C & D
CLASS II GROUPS E, F & G
CLASS III
FIBER OPTIC CABLE
L1 L2 L3
1 3 5
A1 A2
T1 T2 T3
2 4 6
OR
DISCONNECT
SWITCH
L1
L2
L3
CIRCUIT
BREAKER
START
STOP
M
OT*
T1
T2
T3
M
M
SOLID STATE
OVERLOAD RELAY
1CT
M
M
MOTOR
3CT
TO 120 V
SEPARATE
CONTROL
* OT is a switch that opens
when an overtemperature
condition exists (Type MFO
and MGO only)
T1 T3
MOTOR
3
2
L2
T2
L3
T3
T2
L1
1
T1
13
14
43
44
53
54
31
32
21
22
Status
(N.O. or N.C.)
Location
A1
15
B1
B2
16
18
B3
A2
B1 B3 15
16 18
Supply
voltage
L
M
H
2 Levels
B2
21
22
13
14
X1
X3
AC
L1
L2
LOAD
Orange
X2
Green
AC
1
5
9
2
6
10
4
8
12
14 (+)
13 (–)
A1/+ 15 25 Z1 Z2
16 18 A2/–
Vs
26 28
A1
A2
File 0140
© 1993 Square D. All rights reserved. This document may not be copied in whole or in part, or trans-
ferred to any other media, without the written permission of Square D.
Electrical equipment should be serviced only by qualified electrical maintenance personnel, and this
document should not be viewed as sufficient instruction for those who are not otherwise qualified to
operate, service or maintain the equipment discussed.Although reasonable care has been taken to pro-
vide accurate and authoritative information in this document, no responsibility is assumed by
Square D for any consequences arising out of the use of this material.
COPYRIGHT NOTICE
PLEASE NOTE:
QWIK-STOP® and ALHPA-PAK® are registered trademarks of Square D.
NEC®
is a registered trademark of the National Fire Protection Association.
TRADEMARKS
Table of Contents
i
®
Standard Elementary Diagram Symbols .....................1-3
NEMA and IEC Markings and Schematic Diagrams...... 4
Control and Power Connection Table 4
Terminology...................................................................... 5
Examples of Control Circuits .......................................... 6
2-Wire Control 6
3-Wire Control 6-9
Shunting Thermal Units During Starting Period 10
Overcurrent Protection for 3-Wire Control Circuits 11
AC Manual Starters and Manual Motor
Starting Switches ........................................................... 12
Class 2510 12
Class 2511 and 2512 13
2-Speed AC Manual Starters and
IEC Motor Protectors...................................................... 14
Class 2512 and 2520 14
GV1/GV3 14
Drum Switches................................................................ 15
Class 2601 15
DC Starters, Constant and Adjustable Speed.............. 16
Class 7135 and 7136 16
Reversing DC Starters, Constant and
Adjustable Speed ........................................................... 17
Class 7145 and 7146 17
Mechanically Latched Contactors ................................ 18
Class 8196 18
Medium Voltage Motor Controllers..........................18-25
Class 8198 18-25
Solid State Protective Relays...................................26-27
Class 8430 26-27
General Purpose Relays ................................................ 28
Class 8501 28
NEMA Control Relays..................................................... 29
Class 8501 and 9999 29
General Purpose Relays ................................................ 30
Class 8501 30
Sensing Relays............................................................... 30
RM2 LA1/LG1 30
IEC Relays..................................................................31-32
IEC D-Line Control Relays 31
Class 8501 32
Type P Contactors.....................................................33-35
Class 8502 33-35
Class 8702 35
Type T Overload Relays............................................33-35
Class 9065 33-35
Type S AC Magnetic Contactors..............................36-40
Class 8502 36-40
IEC Contactors ..........................................................41-42
IEC Contactors and Auxiliary Contact Blocks 41
Input Modules and Reversing Contactors 42
Type S AC Magnetic Starters ...................................43-50
Class 8536 43-50
8538 and 8539 45,49
1-Phase, Size 00 to 3 43
2-Phase and 3-Phase, Size 00 to 5 44
3-Phase, Size 6 45
3-Phase, Size 7 46
3-Phase Additions and Special Features 47-50
Integral Self-Protected Starters ...............................51-57
Integral 18 State of Auxiliary Contacts 51-52
Integral 32 and 63 State of Auxiliary Contacts 53-54
Wiring Diagrams 55-57
Type S AC Combination Magnetic Starters ............58-59
Class 8538 and 8539 58-59
3-Phase, Size 0-5 58
3-Phase Additions and Special Features 59
Reduced Voltage Controllers...................................60-66
Class 8606 Autotransformer Type 60-61
Class 8630 Wye-Delta Type 62-63
Class 8640 2-Step Part-Winding Type 64
Class 8647 Primary-Resistor Type 65
Class 8650 and 8651 Wound-Rotor Type 66
Solid State Reduced Voltage Starters.......................... 67
Class 8660 ALPHA PAK®
, Type MD-MG 67
Solid State Reduced Voltage Controllers ...............68-70
Class 8660 Type MH, MJ, MK and MM 68-70
Table of Contents
ii
®
Type S AC Reversing Magnetic Starters71-72
Class 873671-72
2- and 3-Pole71
3- and 4-Pole72
Type S AC 2-Speed Magnetic Starters73-76
Class 881073-76
Special Control Circuits75-76
Multispeed Motor Connections76-77
1- Phase76
3-Phase76-77
Programmable Lighting Controllers78
Class 886578
AC Lighting Contactors79-81
Class 890379-81
Load Connections79
Control Circuit Connections80
Panelboard Type Wiring81
Electronic Motor Brakes81-82
Class 8922 QWIK-STOP®
81-82
Duplex Motor Controllers82
Class 894182
Fiber Optic Transceivers82
Class 900582
Photoelectric and Inductive Proximity Switches83
Class 900683
Photoelectric and Proximity Sensors84-89
XS, XSC, XSF and XSD84
XS and XTA85
SG, ST and XUB86
XUM, XUH, XUG, XUL and XUJ87
XUE, XUR, XUD, XUG and XUE S88
XUV89
Limit Switches and Safety Interlocks90-92
Class 900791
XCK and MS92
Pressure Switches and Transducers93
Class 9012, 9013, 9022 and 902593
Level Sensors and Electric Alternators94
Class 9034 and 903994
Pneumatic Timing Relays and Solid State
Industrial Timing Relays95-96
Class 905095-96
Timers97
Class 905097
Transformer Disconnects98
Class 907098
Enclosure Selection Guide99
Conductor Ampacity and Conduit Tables100-101
Wire Data102
Electrical Formulas103-104
List of Tables
Table 1 Standard Elementary Diagram Symbols 1
Table 2 NEMA and IEC Terminal Markings 4
Table 3 NEMA and IEC Controller Markings and
Elementary Diagrams 4
Table 4 Control and Power Connections for
Across-the-Line Starters, 600 V or less4
Table 5 Motor Lead Connections 64
Table 6 Enclosures for Non-Hazardous Locations 99
Table 7 Enclosures for Hazardous Locations 99
Table 8 Conductor Ampacity100
Table 9 Ampacity Correction Factors 101
Table 10 Adjustment Factors 101
Table 11 Ratings for 120/240 V, 3-Wire,
Single-Phase Dwelling Services101
Table 12 AWG and Metric Wire Data 102
Table 13 Electrical Formulas for Amperes,
Horsepower, Kilowatts and KVA 103
Table 14 Ratings for 3-Phase, Single-Speed,
Full-Voltage Magnetic Controllers
for Nonplugglng and Nonjogging Duty 103
Table 15 Ratings for 3-Phase, Single-Speed,
Full-Voltage Magnetic Controllers for Plug-
Stop, Plug-Reverse or Jogging Duty 104
Table 16 Power Conversions 104
1
Table 1 Standard Elementary Diagram Symbols
SWITCHES SELECTORS
PUSH BUTTONS – MOMENTARY CONTACT PUSH BUTTONS – MAINTAINED
CONTACT
PILOT LIGHTS INSTANT OPERATING CONTACTS TIMED CONTACTS
The diagram symbols in Table 1 are used by Square D and, where applicable, conform to NEMA (National Electrical Manufacturers Association)
standards.
Disconnect Circuit Interrupter Circuit Breakers
w/ Thermal OL
Circuit Breakers
w/ Magnetic OL
Limit Switches
Foot Switches
Pressure &
Vacuum Switches
Liquid Level Switches Temperature
Actuated Switches
Flow Switches
Speed (Plugging)
F F
R
F
R
Anti-Plug
N.O. N.C.
Held Closed Held Open
N.O. N.C.
N.O. N.C. N.O. N.C. N.O. N.C.
N.O. N.C.
J
A1
A2
K
J K
A1
A2
J
A1
K
A2
L
J K
A1
A2
L
A
2
4
B
1
3
Contacts
Selector
Position 1-2 3-4
A
B
Push
Button
Free
Depressed
Free
Depressed
= contact closed
2-Position Selector Switch
3-Position Selector Switch
2-Position Selector Push Button
N.O. N.C. N.O. & N.C.
(double circuit)
Mushroom
Head
Wobble
Stick
R
Illuminated 2 Single
Circuits
1 Double
Circuit
A
Non Push-to-Test
G
Push-to-Test
(indicate color by letter)
N.O. N.C.
w/ Blowout
N.O. N.C.
w/o Blowout
N.O.T.C. N.C.T.O.
Energized
N.O.T.O. N.C.T.C.
Deenergized
Contact action retarded after coil is:
Standard Elementary Diagram Symbols
2
INDUCTORS TRANSFORMERS
OVERLOAD RELAYS AC MOTORS
DC MOTORS
WIRING
CAPACITORS RESISTORS
SEMICONDUCTORS
Table 1 Standard Elementary Diagram Symbols (cont'd)
Iron Core Air Core Auto Iron Core Air Core Current Dual Voltage
Thermal Magnetic Single Phase 3-Phase
Squirrel Cage
2-Phase, 4-Wire Wound Rotor
Armature Shunt Field
(show 4 loops)
Series Field
(show 3 loops)
Commutating or
Compensating Field
(show 2 loops)
Not Connected Connected Power Control Terminal Ground Mechanical
Connection
Mechanical
Interlock
Connection
Adjustable
Fixed Fixed
RES
Heating
Element
H
Adjustable,
by Fixed Taps
RES
Rheostat,
Potentiometer or
Adjustable Taps
RES
Diode or Half
Wave Rectifier
Full Wave
Rectifier
AC
DC
+
DC
AC
Tunnel
Diode
Zener
Diode
Bidirectional
Breakdown Diode
Photosensitive
Cell
Triac SCR PUT
NPN
Transistor
B
C
E
PNP
Transistor
B
C
E
UJT,
N Base
E
B2
B1
UJT,
P Base
E
B2
B1
Gate Turn-Of
Thyristor
G
A
K
Standard Elementary Diagram Symbols
3
OTHER COMPONENTS
SUPPLEMENTARY CONTACT SYMBOLS
IEC SYMBOLS
STATIC SWITCHING CONTROL
Static switching control is a method of switching electrical circuits without the use of contacts,
primarily by solid state devices. To indicate static switching control, use the symbols shown in this
table, enclosing them in a diamond as shown.
TERMS
SPST: Single Pole, Single Throw
SPDT: Single Pole, Double Throw
DPST: Double Pole, Single Throw
DPDT: Double Pole, Double Throw
N.O.: Normally Open
N.C.: Normally Closed
T.O.: Timed Open
T.C.: Timed Closed
PUT: Programmable Unijunction Transistor
SCR: Silicon Controlled Rectifier
Triac: Bidirectional Triode Thyristor
UJT: Unijunction Transistor
Table 1 Standard Elementary Diagram Symbols (cont'd)
Battery
Annunciator
Bell Buzzer Horn, Alarm,
Siren,etc.
Meter (indicate
type by letters)
VM
Meter Shunt
+ –
Fuse Thermocouple
Single Break
SPST, N.O.
Double Break Single Break
SPST, N.C.
Double Break Single Break
SPDT
Double Break
Single Break
DPST, 2 N.O.
Double Break Single Break
DPST, 2 N.C.
Double Break Single Break
DPDT
Double Break
Push Buttons Coil Aux. Contacts
N.O. N.C.
N.O. N.C.
Contactor
Breakers
Limit Switch, N.O., Static Control
Standard Elementary Diagram Symbols
4
Table 2 NEMA and IEC Terminal Markings
Table 3 NEMA and IEC Controller Markings and Elementary Diagrams
NEMA
Power Terminals Control Terminals Coil Terminals
IEC
Power Terminals Control Terminals Coil Terminals
NEMA
Typical Controller Markings Typical Elementary Diagram
IEC
Typical Controller Markings Typical Elementary Diagram
Table 4 Control and Pow er Connections for Across-the-Line Starters, 600 V or less
(From NEMA standard ICS 2-321A.60)
1-Phase 2-Phase, 4-Wire 3-Phase
Line Markings L1, L2
L1, L3: Phase 1
L2, L4: Phase 2
L1, L2, L3
Ground, when used L1 is always ungrounded — L2
Motor Running
Overcurrent,
units in:
1 element
2 element
3 element
L1
—
—
—
L1, L4
—
—
—
L1, L2, L3
Control Circuit Connected to L1, L2 L1, L3 L1, L2
For Reversing, Interchange
Lines
— L1, L3 L1, L3
L1
T1
L2
T2
L3
T3
Alphanumeric, corresponding
to incoming line and motor
terminal designations
No specific
marking
No standard
designation
1
2
3
4
5
6
Single digit numeric,
odd for supply lines,
even for load connections
14 22
2-digit numeric, 1st
designates sequence,
2nd designates function
(1-2 for N.C., 3-4 for N.O.)
A1
A2
A1
A2 A3
A1
A2
A3 A1
A2
B1
B2
One
Winding
Tapped
Winding
Tapped
Winding
Two
Windings
3
2
1/L1
T1
L2
T2
L3
T3
STOP OL
START
1 2 3
L1 L2
M
1
2
3
4
5
6
13
14
21
22
A1
A2
STOP START
11 23 24
12
23 24
A1 A2 95 96
NEMA and IEC Markings and Schematic Diagrams
Control and Power Connection Table
5
WIRING DIAGRAM
A wiring diagram shows, as closely as possible, the actual
location of all component parts of the device. The open
terminals (marked by an open circle) and arrows represent
connections made by the user.
Since wiring connections and terminal markings are
shown, this type of diagram is helpful when wiring the
device or tracing wires when troubleshooting. Bold lines
denote the power circuit and thin lines are used to show the
control circuit. Black wires are conventionally used in
power circuits and red wire in control circuits for AC
magnetic equipment.
A wiring diagram is limited in its ability to completely convey
the controller’s sequence of operation. The elementary
diagram is used where an illustration of the circuit in its
simplest form is desired.
ELEMENTARY DIAGRAM
An elementary diagram is a simplified circuit illustration.
Devices and components are not shown in their actual
positions. All control circuit components are shown as
directly as possible, between a pair of vertical lines
representing the control power supply. Components are
arranged to show the sequence of operation of the devices
and how the device operates. The effect of operating
various auxiliary contacts and control devices can be
readily seen.This helps in troubleshooting, particularly with
the more complex controllers.
This form of electrical diagram is sometimes referred to as
a “schematic” or “line” diagram.
Terminology
6
Low Voltage Release:
2-Wire Control
Low Voltage Protection:
3-Wire Control
FIG. 1 FIG. 2
Low voltage release is a 2-wire control scheme using a
maintained contact pilot device in series with the starter coil.
This scheme is used when a starter is required to function
automatically without the attention of an operator. If a power
failure occurs while the contacts of the pilot device are closed,
the starter will drop out. When power is restored, the starter
will automatically pickup through the closed contacts of the
pilot device.
The term “2-wire” control is derived from the fact that in the
basic circuit, only two wires are required to connect the pilot
device to the starter.
Low voltage protection is a 3-wire control scheme using
momentary contact push buttons or similar pilot devices to
energize the starter coil.
This scheme is designed to prevent the unexpected starting of
motors, which could result in injury to machine operators or
damage to the driven machinery. The starter is energized by
pressing the Start button. An auxiliary holding circuit contact on
the starter forms a parallel circuit around the Start button
contacts, holding the starter in after the button is released. If a
power failure occurs, the starter will drop out and will open the
holding circuit contact.When power is restored, the Start button
must be operated again before the motor will restart.
The term “3-wire” control is derived from the fact that in the
basic circuit, at least three wires are required to connect the
pilot devices to the starter.
2-Wire Control:
Maintained Contact Hand-OFF-Auto Selector Switch
3-Wire Control:
Momentary Contact Multiple Push Button Station
FIG. 3 FIG. 4
A Hand-Off-Auto selector switch is used on 2-wire control
applications where it is desirable to operate the starter manually
as well as automatically. The starter coil is manually energized
when the switch is turned to the Hand position and is
automatically energized by the pilot device when the switch is
in the Auto position.
When a motor must be started and stopped from more than one
location, any number of Start and Stop push buttons may be
wired together. It is also possible to use only one Start-Stop
station and have several Stop buttons at different locations to
serve as an emergency stop.
Low Voltage Release and Low Voltage Protection are the basic control circuits encountered in motor control applications.The simplest schemes
are shown below. Other variations shown in this section may appear more complicated, but can always be resolved into these two basic
schemes.
Note:The control circuits shown in this section may not include overcurrent protective devices required by applicable electrical codes. See page
11 for examples of control circuit overcurrent protective devices and their use.
M
PILOT DEVICE SUCH AS
LIMIT SWITCH,
PRESSURE SWITCH, ETC.
L1 L2
3
1
OL M
L1 L2
2
1
OL
STOP
M
START
3
M
A1
A2
A1
A2
I
HAND OFF
2-WIRE CONTROL DEVICE
I
AUTO
L1 L2
3A
2A
1A
OL
M
L1 L2
2
1
OL
STOP
M
START
3
START
START
STOP
STOP
Examples of Control Circuits
2- and 3-Wire Control
Elementary Diagrams
7
3-Wire Control:
Pilot Light Indicates when Motor is Running
3-Wire Control:
Pilot Light Indicates when Motor is Stopped
FIG. 1 FIG. 2
A pilot light can be wired in parallel with the starter coil to
indicate when the starter is energized, indicating the motor is
running.
A pilot light may be required to indicate when the motor is
stopped.This can be implemented by wiring a normally-closed
auxiliary contact on the starter in series with the pilot light, as
shown above. When the starter is deenergized, the pilot light
illuminates. When the starter picks up, the auxiliary contact
opens, turning off the light.
3-Wire Control:
Push-to-Test Pilot Light Indicates when Motor is
Running
3-Wire Control:
Illuminated Push Button Indicates when Motor is
Running
FIG. 3 FIG. 4
When the Motor Running pilot light is not lit, there may be doubt
as to whether the circuit is open or whether the pilot light bulb
is burned out. To test the bulb, push the color cap of the Push-
to-Test pilot light.
The illuminated push button combines a Start button and pilot
light in one unit. Pressing the pilot light lens operates the Start
contacts. Space is saved by using a two-unit push button
station instead of three.
3-Wire Control:
Fused Control Circuit Transformer
3-Wire Control:
Fused Control Circuit Transformer and Control Relay
FIG. 5 FIG. 6
As an operator safety precaution, a step-down transformer can
be used to provide a control circuit voltage lower than line
voltage. The diagram above shows one way to provide
overcurrent protection for control circuits.
A starter coil with a high VA rating may require a control transform-
er of considerable size.A control relay and a transformer with a low
VA rating can be connected so the normally-open relay contact
controls the starter coil on the primary or line side.Square D Size 5
Combination Starter Form F4T starters use this scheme.
M
L1 L2
2
1
OL
STOP
M
START
3
R
M
L1 L2
2
1
OL
STOP
M
START
3
G
M
M
L1 L2
2
1
OL
STOP
M
START
3
R
TEST
M
L1 L2
2
1
OL
STOP
M
START*
3
R
*
* Pushing on pilot light operates Start contacts.
M
L1
STOP
L2
FU1 FU2
M
OL
GROUND
(If used)
START
CR
L1
STOP
L2
M
OL
START
CR
M
GROUND
(If used)
Examples of Control Circuits
3-Wire Control
Elementary Diagrams
8
Jogging: Selector Switch and Start Push Button Jogging: Selector Push Button
FIG. 1 FIG. 2
Jogging, or inching, is defined by NEMA as the momentary
operation of a motor from rest for the purpose of accomplishing
small movements of the driven machine. One method of jogging
is shown above. The selector switch disconnects the holding
circuit contact and jogging may be accomplished by pressing the
Start push button.
A selector push button may be used to obtain jogging, as shown
above. In the Run position, the selector-push button provides
normal 3-wire control. In the Jog position, the holding circuit is
broken and jogging is accomplished by depressing the
push button.
Jogging: Control Relay Jogging: Control Relay for Reversing Starter
FIG. 3 FIG. 4
When the Start push button is pressed, the control relay is
energized, which in turn energizes the starter coil. The normally-
open starter auxiliary contact and relay contact then form a
holding circuit around the Start push button. When the Jog push
button is pressed, the starter coil is energized (independent of the
relay) and no holding circuit forms, thus jogging can be obtained.
This control scheme permits jogging the motor either in the
forward or reverse direction, whether the motor is at standstill or
rotating.Pressing the Start-Forward or Start-Reverse push button
energizes the corresponding starter coil, which closes the circuit
to the control relay.The relay picks up and completes the holding
circuit around the Start button. As long as the relay is energized,
either the forward or reverse contactor remains energized.
Pressing either Jog push button will deenergize the relay,
releasing the closed contactor. Further pressing of the Jog button
permits jogging in the desired direction.
3-Wire Control:
More than 1 Starter, 1 Push Button Station Controls all
3-Wire Control:
Reversing Starter
FIG. 5 FIG. 6
When one Start-Stop station is required to control more than one
starter, the scheme above can be used.A maintained overload on
any one of the motors will drop out all three starters.
3-wire control of a reversing starter can be implemented with a
Forward-Reverse-Stop push button station as shown above. Limit
switches may be added to stop the motor at a certain point in either
direction. Jumpers 6 to 3 and 7 to 5 must then be removed.
FPO 7-1
FPO 7-2
FPO 7-3 FPO 7-4
FPO 7-5 FPO 7-6
Examples of Control Circuits
3-Wire Control
Elementary Diagrams
9
3-Wire Control:
Reversing Starter Multiple Push Button Station
3-Wire Control: Reversing Starter w/ Pilot Lights to
Indicate Motor Direction
FIG. 1 FIG. 2
More than one Forward-Reverse-Stop push button station may be
required and can be connected in the manner shown above.
Pilot lights may be connected in parallel with the forward and
reverse contactor coils, indicating which contactor is energized
and thus which direction the motor is running.
3-Wire Control:
2-Speed Starter
3-Wire Control: 2-Speed Starter w/ 1 Pilot Light to
Indicate Motor Operation at Each Speed
FIG. 3 FIG. 4
3-wire control of a 2-speed starter with a High-Low-Stop push button
station is shown above. This scheme allows the operator to start the
motor from rest at either speed or to change from low to high speed.
The Stop button must be operated before it is possible to change from
high to low speed. This arrangement is intended to prevent excessive
line current and shock to motor and driven machinery, which results
when motors running at high speed are reconnected for a lower speed.
One pilot light may be used to indicate operation at both low and
high speeds. One extra normally-open auxiliary contact on each
contactor is required. Two pilot lights, one for each speed, may
be used by connecting pilot lights in parallel with high and low
coils (see reversing starter diagram above).
Plugging:
Plugging a Motor to a Stop from 1 Direction Only
Anti-Plugging:
Motor to be Reversed but Must Not be Plugged
FIG. 5 FIG. 6
Plugging is defined by NEMA as a braking system in which the motor
connections are reversed so the motor develops a counter torque, thus
exerting a retarding force. In the above scheme, forward rotation of the
motor closes the normally-open plugging switch contact and
energizing control relay CR. When the Stop push button is operated,
the forward contactor drops out, the reverse contactor is energized
through the plugging switch, control relay contact and normally-closed
forward auxiliary contact.This reverses the motor connections and the
motor is braked to a stop. The plugging switch then opens and
disconnects the reverse contactor. The control relay also drops out.
The control relay makes it impossible for the motor to be plugged in
reverse by rotating the motor rotor closing the plugging switch. This
type of control is not used for running in reverse.
Anti-plugging protection is defined by NEMA as the effect of a
device that operates to prevent application of counter-torque by
the motor until the motor speed has been reduced to an
acceptable value. In the scheme above, with the motor operating
in one direction, a contact on the anti-plugging switch opens the
control circuit of the contactor used for the opposite direction.
This contact will not close until the motor has slowed down, after
which the other contactor can be energized.
Examples of Control Circuits
3-Wire Control
Elementary Diagrams
10
Shunting Thermal Units During Starting Period
Article 430-35 of the NEC describes circumstances under
which it is acceptable to shunt thermal units during
abnormally long accelerating periods.
430-35. Shunting During Starting Period.
(a) Nonautomatically Started. For a nonautomatically
started motor, the overload protection shall be
permitted to be shunted or cut out of the circuit during
the starting period of the motor if the device by which
the overload protection is shunted or cut out cannot be
left in the starting position and if fuses or inverse time
circuit breakers rated or set at not over 400 percent of
the full-load current of the motor are so located in the
circuit as to be operative during the starting period of
the motor.
(b) Automatically Started.The motor overload protection
shall not be shunted or cut out during the starting
period if the motor is automatically started.
Exception. The motor overload protection shall be
permitted to be shunted or cut out during the starting period
on an automatically started motor where:
(1) The motor starting period exceeds the time delay
of available motor overload protective devices, and
(2) Listed means are provided to:
a. Sense motor rotation and to automatically
prevent the shunting or cut out in the event
that the motor fails to start, and
b. Limit the time of overload protection shunting
or cut out to less than the locked rotor time
rating of the protected motor, and
c. Provide for shutdown and manual restart if
motor running condition is not reached.
Figures 1 and 2 show possible circuits for use in
conjunction with 3-wire control schemes. Figure 1 complies
with NEC requirements. Figure 2 exceeds NEC
requirements, but the additional safety provided by the zero
speed switch might be desirable.
Figure 3 shows a circuit for use with a 2-wire, automatically
started control scheme that complies with NEC
requirements. UL or other listed devices must be used in
this arrangement.
FIG. 1
FIG. 2
FIG. 3
FPO 9-1
FPO 9-2
FPO 9-3
Examples of Control Circuits
Shunting Thermal Units During Starting Period
Elementary Diagrams
11
3-Wire Control:
Fusing in 1 Line Only
3-Wire Control:
Fusing in Both Lines
FIG. 1 FIG. 2
Common control with fusing in one line only and with both lines
ungrounded or, if user’s conditions permit, with one line grounded.
Common control with fusing in both lines and with both lines
ungrounded.
3-Wire Control:
Fusing in Both Primary Lines
3-Wire Control:
Fusing in Both Primary and Secondary Lines
FIG. 3 FIG. 4
Control circuit transformer with fusing in both primary lines, no
secondary fusing and all lines ungrounded.
Control circuit transformer with fusing in both primary lines and
both secondary lines, with all lines ungrounded.
3-Wire Control:
Fusing in Both Primary Lines and 1 Secondary Line
3-Wire Control:
Fusing in Both Primary and Secondary Lines
For Large Starters using Small Transformer
FIG. 5 FIG. 6
Control circuit transformer with fusing in one secondary line and
both primary lines, with one line grounded.
Control circuit transformer with fusing in both primary lines and
both secondary lines, with all lines ungrounded. Used for large VA
coils only.
M
L1
STOP
L2
M
OL
GND
START
FU1
M
L1
STOP
L2
M
OL
START
FU1 FU2
M
L1
STOP
L2
FU1 FU2
M
OL
START
PRI
SEC
X1 X2
M
L1
STOP
L2
FU3 FU4
M
OL
START
PRI
SEC
X1 X2
FU1 FU2
M
L1
STOP
L2
FU1 FU2
M
OL
GND
START
FU3
PRI
SEC
CR
L1
STOP
L2
FU3 FU4
M
OL
START
PRI
SEC
X1 X2
FU1 FU2
M
CR
Examples of Control Circuits
Overcurrent Protection for 3-Wire Control Circuits
Elementary Diagrams
12
®
AC Manual Starters and Manual Motor Starting Sw itches
Class 2510
Manual Motor Starting Switches:
Class 2510 Type K
FIG. 1 FIG. 2
2-Pole, 1-Phase 3-Pole, 3-Phase
Fractional Horsepower Manual Starters:
Class 2510 Type F
FIG. 3 FIG. 4 FIG. 5
1-Pole 2-Pole 2-Pole w/ Selector Switch
Integral Horsepower Manual Starters:
Class 2510 Size M0 and M1
FIG. 6 FIG. 7 FIG. 8 FIG. 9 FIG. 10
2-Pole, 1-Phase 3-Pole, DC 3-Pole, 1-Phase 3-Pole, 3-Phase 3-Pole, 3-Phase w/ additional
Interlock (Form X)
R
T1 L1
L1
T3 L3
L2
PILOT
LIGHT
(IF USED)
T1 T3
MOTOR
R
T1
L1
T3
L3
PILOT
LIGHT
(IF USED)
T1 T3
MOTOR
T2
T2
L2
R
T2
L1
T1
L2
PILOT
LIGHT
(IF USED)
T1 T2
MOTOR
R
T2
L1
T1
L2
PILOT
LIGHT
(IF USED)
T1 T2
MOTOR
R
T2
L1
T1
L2
PILOT
LIGHT
(IF USED)
4 T2
MOTOR
2 1
A
4 3
H
2 4
2-WIRE
CONTROL
DEVICE
O
A O H
L1
T1 T2
MOTOR
T1
L2
T2 T1
L1
T1 T2
MOTOR
L2 T2
L1
T1 T3
MOTOR
T1
L3
T3
L2
T2
L1 L2
T1
L1
T1 T3
MOTOR
T2
T2
L2
T3
L3
T1
L1
T1 T3
MOTOR
T2
T2
L2
T3
L3
13
®
AC Manual Starters and Manual Motor Starting Sw itches
Class 2511 and 2512
AC Reversing Manual Starters and Manual Motor Starting Switches:
Class 2511
FIG. 1 FIG. 2
Reversing Manual Motor Starting Switch
Type K, 3-Pole, 3-Phase
Reversing Manual Starter
Sizes M0 and M1, 3-Pole, 3-Phase
AC 2-Speed Manual Motor Starting Switches:
Class 2512 Type K
FIG. 3 FIG. 4
2-Pole, 1-Phase w/ Pilot Lights 3-Pole, 3-Phase
AC 2-Speed Manual Motor Starters:
Class 2512 Type F
FIG. 5 FIG. 6
2-Unit, 2-Pole w/ Mechanical Interlock and Pilot Lights 3-Unit, 2-Pole w/ Selector Switch and Pilot Lights
T1 L1
T3 L3
FWD
T1 T3
MOTOR
T2
T2 L2
REV
T1
L1
T1 T3
MOTOR
T2
T2
L2
T3
L3
FPO
12-6a
FPO
12-6b
FPO
13-1a
FPO 13-1b
14
®
2-Speed AC Manual Starters and IEC Motor Protectors
Class 2512 and 2520 and Telemecanique GV1/GV3
2-Speed AC Manual Motor Starters:
Class 2512 Size M0 and M1
FIG. 1
2-Speed Manual Starter for Wye-Connected, Separate Winding Motor
Motor Protective Switches:
Class 2520
FIG. 2 FIG. 3 FIG. 4
3-Pole, 3-Phase 2-Pole Application 1-Pole Application
IEC Manual Starters:
GV1/GV3
FIG. 5 FIG. 6 FIG. 7
GV3 M• Motor Protector
FIG. 8
GV3 A0• Fault Signalling Contacts GV3 Voltage Trips GV1 A0• Contact Block
T1
L1
T1 T12
MOTOR
T3
T2
L2
T3
L3
T2 T13
T11
T11 T12 T13
2/T1
1/L1
T1 T3
MOTOR
T2
4/T2
3/L2
6/T3
5/L3
2/T1
1/L1
T1 T3
MOTOR
4/T2
3/L2
6/T3
5/L3
2/T1
1/L1
T3
MOTOR
4/T2
3/L2
6/T3
5/L3
I> I> I>
1/L1 3/L2 5/L3
2/T1 4/T2 6/T3
<
D1
D2
C1
C2
GV3 B•
GV3 D•
GV1 A01 GV1 A02
GV1 A03 GV1 A05
GV1 A06 GV1 A07
13 21 13 23
14 22 14 24
13 23 31 13 23 33
14 24 32 14 24 34
13 23 33 13 23 31
14 24 34 14 24 33
I> I>
GV3 A08 GV3 A09
95
96
97
98
15
®
Drum Sw itches
Class 2601
Drum Switches:
Class 2601
FIG. 1 FIG. 2 FIG. 3
Internal Switching 3-Phase, 3-Wire Motor 1-Phase, Capacitor or Split-Phase Motor
FIG. 4 FIG. 5
1-Phase, 4-Lead Repulsion Induction Motor 1-Phase, 3-Lead Repulsion Induction Motor
FIG. 6 FIG. 7
2-Phase, 3-Wire Motor 2-Phase, 4-Wire Motor
FIG. 8 FIG. 9 FIG. 10
DC, Shunt Motor DC, Series Motor DC, Compound Motor
HANDLE END
REVERSE OFF FORWARD
1 2
3 4
5 6
1 2
3 4
5 6
1 2
3 4
5 6
1
3
2
4
MOTOR DRUM SW. LINE
5 6
5 6
MOTOR DRUM SW.
1
3
2
4
LINE
RUN
START
MOTOR DRUM SW.
1
3
5
2
4
6
LINE MOTOR DRUM SW.
1
3
5
2
4
6
LINE
MOTOR DRUM SW.
1
3
5
2
4
6
LINE
COMMON
MOTOR DRUM SW.
1
3
2
4
LINE
5 6
1
3
2
4
LINE
SHUNT
FIELD
ARMATURE
MOTOR DRUM SW.
5 6
1
3
2
4
LINE
SERIES
FIELD
ARMATURE
MOTOR DRUM SW.
5 6
1
3
2
4
LINE
SERIES
FIELD
ARMATURE
MOTOR DRUM SW.
5 6
SHUNT
FIELD
16
®
DC Starters, Constant and Adjustable Speed
Class 7135 and 7136
Constant Speed DC Starter: Class 7135
FIG. 1
Adjustable Speed DC Starter: Class 7136
FIG. 2
Acceleration Contactors: Class 7135, 7136, 7145 and 7146
NEMA Size 1 2 3 4 5
No. of Acceleration Contactors 1 2 2 2 3
FPO 15-1
Typical Elementary Diagram for
NEMA Size 2, 3 and 4
FPO 15-2
Typical Elementary Diagram for
NEMA Size 2, 3 and 4
17
®
Reversing DC Starters, Constant and Adjustable Speed
Class 7145 and 7146
Reversing Constant Speed DC Starter: Class 7145
FIG. 1
Reversing Adjustable Speed DC Starter: Class 7146
FIG. 2
FPO 16-1
Typical Elementary Diagram
for NEMA Size 2, 3 and 4
FPO 16-2
Typical Elementary Diagram
for NEMA Size 2, 3 and 4
18
®
Mechanically Latched Contactors and Medium Voltage Motor Controllers
Class 8196 and 8198
Mechanically Latched Contactor:
Class 8196 Type FL13, FL23, FL12 and FL22
FIG. 1
Full-Voltage, Non-Reversing Squirrel Cage Motor Controller:
Class 8198 Type FC11, FC21, FC13, FC23, FC12 and FC22
FIG. 2
FPO 17-2
150%
FPO 17-1
145%
19
®
Medium Voltage Motor Controllers
Class 8198
Full-Voltage Squirrel Cage Motor Controller:
Class 8198 Type FCR1 and FCR2
FIG. 1
FPO 17-3
160%
20
®
Medium Voltage Motor Controllers
Class 8198
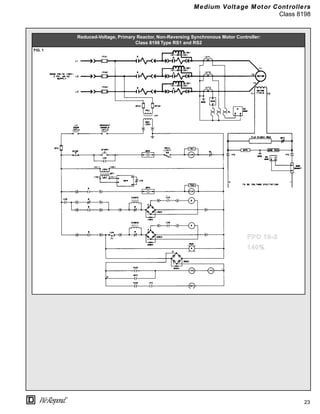
Reduced-Voltage, Primary Reactor, Non-Reversing Squirrel Cage Motor Controller:
Class 8198 Type RCR1 and RCR2
FIG. 1
FPO 18-1
130%
21
®
Medium Voltage Motor Controllers
Class 8198
Reduced-Voltage, Primary Reactor, Autotransformer, Non-Reversing Squirrel Cage Motor Controller:
Class 8198 Type RCA1 and RCA2
FIG. 1
FPO 18-2
150%
22
®
Medium Voltage Motor Controllers
Class 8198
Full Voltage, Non-Reversing Synchronous Motor Controller:
Class 8198 Type FS1 and FS2
FIG. 1
FPO 19-1
170%
23
®
Medium Voltage Motor Controllers
Class 8198
Reduced-Voltage, Primary Reactor, Non-Reversing Synchronous Motor Controller:
Class 8198 Type RS1 and RS2
FIG. 1
FPO 19-2
140%
24
®
Medium Voltage Motor Controllers
Class 8198
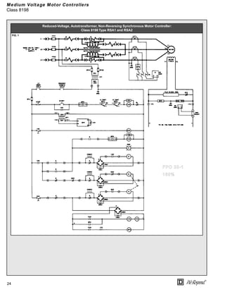
Reduced-Voltage, Autotransformer, Non-Reversing Synchronous Motor Controller:
Class 8198 Type RSA1 and RSA2
FIG. 1
FPO 20-1
160%
25
®
Medium Voltage Motor Controllers
Class 8198
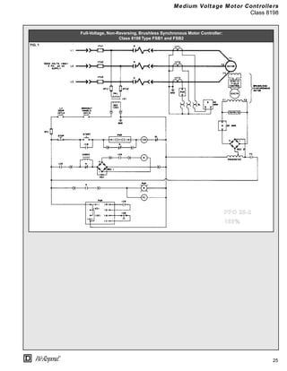
Full-Voltage, Non-Reversing, Brushless Synchronous Motor Controller:
Class 8198 Type FSB1 and FSB2
FIG. 1
FPO 20-2
155%
26
®
Solid State Protective Relays
Class 8430
Solid State Protective Relays:
Class 8430 Type DAS, DASW, DASV and DASVW
FIG. 1
FIG. 2
Solid State Protective Relays:
Class 8430
FIG. 3 FIG. 4 FIG. 5
Type MPS 240V
FIG. 6
Type DIA, DIAW, DUA and DUAW Type MPD Type MPS 480V
L1
L2
L3
START
STOP
M
OL
T1
T2
T3
MOTOR
M OL
M OL
M OL
L1
L2
L3
11
21
12
14
22
24
M
Dashed lines
represent
optional contacts
With the line voltage connections directly at
the motor terminals, the relay will detect all
phase loss conditions ahead of the connection
points. However, the motor may sustain a
momentary “bump” in the reverse condition if
the proper phase sequence is not present.
L1
L2
L3
START
STOP
M
OL
T1
T2
T3
MOTOR
M OL
M OL
M OL
L1
L2
L3
11
21
12
14
22
24 M
Dashed lines represent
optional contacts
With the line voltage connections
ahead of the starter, the motor can
be started in the reverse direction.
The relay cannot detect a phase loss
on the load side of the starter.
A1 11 21 B1 B2
12 14 22 24 A2
Input
Signal
VS
Dashed lines represent optional contacts
(DIAW and DUAW devices only)
1 2 3 4 5 6
7 8 9 10 11 12
L1
L2
L3
1
2
3
L3
L2
L1
4 5
6
7
8
1 2 3
L1
L2
L3
4 5 6
7 8 9
A B
27
®
Solid State Protective Relays
Class 8430
Load Detector Relay:
Class 8430 Type V
FIG. 1
Wiring Diagram
Elementary Diagram (Common Control)
Load Converter Relay:
Class 8430 Type G
FIG. 2
FPO 22-1
FPO 22-3
FPO 22-2
28
®
General Purpose Relays
Class 8501
Control Relays:
Class 8501 Type CO and CDO
FIG. 1 FIG. 2 FIG. 3 FIG. 4 FIG. 5 FIG. 6
Type CO6 and
CDO6
Type CO7 and
CDO7
Type CO8 and
CDO8
Type CO21 and
CDO21
Type CO15 and
CDO15
Type CO16, CDO16, CO22 and
CDO22
Control Relays:
Class 8501 Type UBS
FIG. 7
Control Relays:
Class 8501 Type K
FIG. 8 FIG. 9 FIG. 10
Type KL Type KU, KF, KX, KUD, KFD and KXD
2-Pole
Type KP and KPD
2-Pole
FIG. 11 FIG. 12 FIG. 13
Type KLD Type KU, KF, KX, KUD, KFD and KXD
3-Pole
Type KP and KPD
3-Pole
M
L1
STOP
L2
M
START
9
TERMINAL NUMBERS
10 8 5
1
B
4
A
8
7
3
6
9
COMMON LATCH
RESET
1
B
4
A
7
3
6
9
1
2
3
4 5
6
7
8
1
B
4
A
7
3
6
9
–
+
LATCH
RESET
+
–
1
4
7
2
5
8
3
6
9
B
A 2
3
4
5 7
8
9
10
6
1 11
29
®
NEMA Control Relays
Class 8501 and 9999
10 A Control Relay w/ Convertible Contacts:
Class 8501 Type X
FIG. 1
Timer Attachment:
Class 9999 Type XTD and XTE
FIG. 2
FPO 27-1
* Note: Class 8501 Type XO••••XL, XDO••••XL, XDO••••XDL and
XO••••XDL latch relays use the same diagram except for the
addition of an unlatch coil (8 poles maximum).
14
POLE #14
13
14
13
POLE #13
2 N.O.
14
13
14
13
1 N.C. 1 N.O.
14
13
14
13
2 N.C.
ON
DELAY
(TDE)
OFF
DELAY
(TDD)
TIMED CONTACTS
No. of
Timed
Contacts
Class
9999
Type
Pole No.*
13 14
O 1
XTD
XTE
2
* O = N.O. Contact
1 = N.C. Contact
Note: All contacts are
convertible.
30
®
General Purpose Relays and Sensing Relays
Class 8501 and Telemecanique RM2 LA1/LG1
Miniature Control Relays:
Class 8501 Type RS and RSD
FIG. 1 FIG. 2
Type RS41 and RSD41 Type RS42 and RSD42
FIG. 3 FIG. 4
Type RS43 and RSD43 Type RS4, RSD4, RS14, RSD14, RS24, RSD24,
RS34, RSD34, RS44 and RSD44
Control Relays w/ Intrinsically Safe Terminals:
Class 8501 Type TO41 and TO43
FIG. 5 FIG. 6
Intrinsically Safe Terminals Non-Hazardous Location Terminals
Sensing Relays:
RM2 LA1/LG1
FIG. 7
1
14 (+)
5
13 (–)
9
4
8
12
1
5
9
14 (+)
13 (–)
1
5
9
2
6
10
4
8
12
14 (+)
13 (–)
1
5
9
2
6
10
3
7
11
14 (+)
13 (–)
4
8
12
OFF ON
OFF
ON
1 2 3 4 5 6
7
SUPPLY
VOLTAGE
8 9 10 11 12
A1
15
B1
B2
16
18
B3
A2
B1 B3 15
16 18
Supply
voltage
L
M
H
H
M
B1
B2
A1 15
B1 B3
15
16 18
Supply
voltage
B3 B2
B1
16 18 A2
X X
M
H
L
H = High level
electrode
L = Low level
electrode
M = Reference
electrode
(common)
2 Levels 1 Level
RM2 LG1 RM2 LA1
B2
B2
31
®
Control Relays: CA2 and CA3
FIG. 1 FIG. 2 FIG. 3
4 N.O. Instantaneous
CA2 DN40 and CA3 DN40
3 N.O. & 1 N.C. Instantaneous
CA2 DN31 and CA3 DN31
2 N.O. & 2 N.C. Instantaneous
CA2 DN22 and CA3 DN22
FIG. 4 FIG. 5
2 N.O. & 2 N.C. Instantaneous, w/ 2 Make-Before-Break
CA2 DC22 and CA3 DC22
2 N.O. & 2 N.C. Instantaneous w/ Mechanical Latch
CA2 DK22 and CA3 DK22
Front-Mounted Standard Instantaneous Auxiliary Contact Blocks: LA1
FIG. 6 FIG. 7 FIG. 8 FIG. 9 FIG. 10
1 N.O. & 1 N.C.
LA1 DN11
2 N.O.
LA1 DN20
2 N.C.
LA1 DN02
2 N.O. & 2 N.C.
LA1 DN22
1 N.O. & 3 N.C.
LA1 DN13
FIG. 11 FIG. 12 FIG. 13 FIG. 14
2 N.O. & 2 N.C. w/ 2 Make-Before-Break
LA1 DC22
4 N.O.
LA1 DN40
4 N.C.
LA1 DN04
3 N.O. & 1 N.C.
LA1 DN31
Front-Mounted Damp- and Dust-Protected Instantaneous Auxiliary Contact Blocks: LA1
FIG. 15 FIG. 16 FIG. 17 FIG. 18
2 N.O.
LA1 DX20
2 N.O. w/ Grounding Screw
LA1 DY20
2 Dusttight N.O. & 2 N.O.
LA1 DZ40
2 Dusttight N.O. & 1 N.O. & 1 N.C.
LA1 DZ31
Front-Mounted Time Delay Auxiliary Contacts: LA2 and LA3
FIG. 19 FIG. 20 FIG. 21
On Delay, 1 N.O. & 1 N.C.
LA2 DT
On Delay, 1 N.C. w/ 1 Offset N.O.
LA2 DS
Off Delay, 1 N.O. & 1 N.C.
LA3 DR
Front-Mounted Mechanical Latch Adder Blocks: LA6 Side-Mounted Auxiliary Contact Blocks: LA8
FIG. 22 FIG. 23 FIG. 24 FIG. 25
LA6 DK1 LA6 DK2 1 N.O. & 1 N.C. Instantaneous
LA8 DN11
2 N.O. Instantaneous
LA8 DN20
A1
A2
13
NO
23
NO
33
NO
43
NO
14 24 34 44
A1
13
NO
21
NC
33
NO
43
NO
A2 14 22 34 44
A1
13
NO
21
NC
31
NC
43
NO
A2 14 22 32 44
A1
13
NO
21
NC
35
NC
47
NO
A2 14 22 36 48
A1
13
NO
21
NC
31
NC
43
NO
A2 14 22 32 44
E1
E2
53
NO
61
NC
54 62
53
NO
63
NO
54 64
51
NC
61
NC
52 62
53
NO
61
NC
71
NC
83
NO
54 62 72 84
53
NO
61
NC
71
NC
81
NC
54 62 72 82
53
NO
61
NC
75
NC
87
NO
54 62 76 88
53
NO
63
NO
73
NO
83
NO
54 64 74 84
51
NC
61
NC
71
NC
81
NC
52 62 72 82
53
NO
61
NC
73
NO
83
NO
54 62 74 84
53
NO
63
NO
54 64
53
NO
63
NO
54 64
53
NO
83
NO
54 84
63
NO
73
NO
64 74
53
NO
83
NO
54 84
61
NC
73
NO
62 74
55
NC
67
NO
56 68
55
NC
67
NO
56 68
57
NO
65
NC
58 66
A1
A2
E1
E2
A1
A2
E1
E2
45
46
53/
84
NO
61/
72
NC
54/
83
NO
62/
71
NC
53/
84
NO
63/
74
NO
54/
83
NO
64/
73
NO
IEC Relays
IEC D-Line Control Relays
(for input modules see page 42)
32
®
Miniature IEC Relays:
Class 8501 Type PR 1
FIG. 1 FIG. 2
Type PR 1 and PRD 1 Relays Type PV Adder Decks for PR 1.20 E
Alternating Relays:
Class 8501 Type PHA
FIG. 3
A1
A2
13
NO
23
NO
14 24
A1
13
NO
21
NC
A2 14 22
PRD 1.11 E
PRD 1.20 E
PR 1.11 E
PR 1.20 E
33
NO
41
NC
34 42
33
NO
43
NO
34 44
31
NC
41
NC
32 42
PV 02
PV 11 PV 20
13
14
23
24
A1
A2
13 14
23 24 closed
open
closed
open
energized
deenergized
relay coil
IEC Relays
Class 8501
33
®
Power Terminals Coil Terminals
FIG. 1 FIG. 2
Power terminals on contactors, overloads and switches are single
digits – odd for line side terminals and even for load side terminals.
Coil terminals are designated by a letter and a number. Terminals
for a single winding coil are designated “A1” and “A2”.
Auxiliary Contact Terminals Overload Relay Contact Terminals
FIG. 3 FIG. 4
Auxiliary contacts on contactors, relays and push button contacts
use 2-digit terminal designations, as shown in the diagram above.
The first digit indicates the location of the contact on the device.The
second digit indicates the status of the contacts, N.O. or N.C. “1”
and “2” indicate N.C. contacts. “3” and “4” indicate N.O. contacts.
Overload contact terminals are marked with two digits. The first
digit is “9”. The second digits are “5” and “6” for a N.C. and “7” and
“8” for a N.O. isolated contact. If the device has a non-isolated
alarm contact (single pole), the second digits of the N.O. terminals
are “5” and “8”.
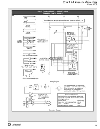
Class 8502 Type PD or PE Contactor
w/ Class 9065 Type TR Overload Relay
FIG. 5
Wiring Diagram
Elementary Diagram
2
1
4
3
6
5 A1
A2
13
14
43
44
53
54
31
32
21
22
Status
(N.O. or N.C.)
Location 95
96
97
98
95
96 98
With Non-Isolated
N.O. Alarm Contact
With Isolated
N.O. Alarm Contact
FPO 30-2 120%
FPO 30-2 120%
Type P Contactors and Type T Overload Relays
Class 8502 and 9065
34
®
Type P Contactors and Type T Overload Relays
Class 8502 and 9065
Class 8502 Type PG or PD Contactor
w/ Class 9065 Type TD Overload Relay
FIG. 1
Wiring Diagram Elementary Diagram
Class 8502 Type PE Contactor
w/ Class 9065 Type TE Overload Relay
FIG. 2
Wiring Diagram Elementary Diagram
Class 8502 Type PF, PG or PJ Contactor
w/ Class 9065 Type TF,TG or TJ Overload Relay
FIG. 3
Wiring Diagram Elementary Diagram
FPO 30-3 120%
FPO 30-3 120%
FPO 30-4 120%
FPO 30-4 120%
FPO 31-1 120%
FPO 31-1 120%
35
®
Class 8502 Type PJ or PK Contactor
w/ Class 9065 Type TJE Overload Relay
FIG. 4
Wiring Diagram Elementary Diagram
Class 8702 Type PDV or PEV Reversing Contactor
w/ Class 9065 Type TR Overload Relay
FIG. 1
Elementary Diagram
Elementary Diagram
FPO 31-2 120%
FPO 31-2 120%
FPO 31-3
FPO 31-3 120%
Type P Reversing Contactors and Type T Overload Relays
Class 8502, 8702 and 9065
36
®
Type S AC Magnetic Contactors
Class 8502
AC Magnetic Contactors:
Class 8502 Type S
FIG. 1 FIG. 2
1-Pole, Size 0 and 1 2-Pole, Size 00, 0 and 1
FIG. 3 FIG. 4
2-Pole, Size 2 to 5 3-Pole, Size 00 to 5
FIG. 5 FIG. 6
4-Pole, Size 0, 1 and 2 5-Pole, Size 0, 1 and 2
FIG. 7 FIG. 8
2- and 3-Wire Control for Figure 1 to 5 Separate Control for Figure 6
T1 L2
MOTOR
3
2
L1
1
L2
T1
T1 T2
MOTOR
3
2
L1
1
T1
L2
T2
T1 T2
MOTOR
3
2
L1
1
T1
L2
T2
T1 T3
MOTOR
3
2
L2
T2
L3
T3
T2
L1
1
T1
T1 T2
MOTOR
3
2
L3
T3
L4
T4
T3
L1
1
T1
T4
L2
T2
T1 T3
MOTOR
3
2
L2
T2
L3
T3
T2
L1
T1
X2
3
X2
TO
SEPARATE
CONTROL
37
®
Type S AC Magnetic Contactors
Class 8502
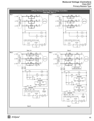
Size 6, 3-Pole Contactor – Common Control
Class 8502 Type SH Series B
FIG. 1
Wiring Diagram
Elementary Diagram
Short-Circuit Protection
Rating of branch circuit protective device must
comply with applicable electrical codes and the
following limitations:
Type of Device Max. Rating
Class K5 or RK5 time-delay fuse 600 A
Class J, T or L fuse 1200 A
Inverse-time circuit breaker 800 A
This symbol denotes the coil function,
provided by a solid-state control module,
30 VA transformer, two fuses in the
secondary of the transformer, N.C.
electrical interlock and DC magnet coil.
38
®
Type S AC Magnetic Contactors
Class 8502
Size 6, 3-Pole Contactor – Separate Control
Class 8502 Type SH Form S Series B
FIG. 1
Wiring Diagram
Elementary Diagram
Short-Circuit Protection
Rating of branch circuit protective device must
comply with applicable electrical codes and the
following limitations:
Type of Device Max. Rating
Class K5 or RK5 time-delay fuse 600 A
Class J, T or L fuse 1200 A
Inverse-time circuit breaker 800 A
This symbol denotes the coil function,
provided by a solid-state control module,
30 VA transformer, two fuses in the
secondary of the transformer, N.C.
electrical interlock and DC magnet coil.
39
®
Type S AC Magnetic Contactors
Class 8502
Size 7, 3-Pole Contactor – Common Control
Class 8502 Type SJ Series A
FIG. 1
Wiring Diagram
Elementary Diagram
Short-Circuit Protection
Rating of branch circuit protective device must
comply with applicable electrical codes and the
following limitations:
Type of Device Max. Rating
Class K5 or RK5 time-delay fuse 600 A
Class J, T or L fuse 1600 A
Inverse-time circuit breaker 2000 A
This symbol denotes the coil function,
provided by a solid-state control module,
30 VA transformer, two fuses in the
secondary of the transformer, N.C.
electrical interlock and DC magnet coil.
40
®
Type S AC Magnetic Contactors
Class 8502
Size 7, 3-Pole Contactor – Separate Control
Class 8502 Type SJ Form S Series A
FIG. 1
Wiring Diagram
Elementary Diagram
Short-Circuit Protection
Rating of branch circuit protective device must
comply with applicable electrical codes and the
following limitations:
Type of Device Max. Rating
Class K5 or RK5 time-delay fuse 600 A
Class J, T or L fuse 1600 A
Inverse-time circuit breaker 2000 A
This symbol denotes the coil function,
provided by a solid-state control module,
30 VA transformer, two fuses in the
secondary of the transformer, N.C.
electrical interlock and DC magnet coil.
41
®
IEC Contactors
IEC Contactors and Auxiliary Contact Blocks
(for Input Modules see page 42)
3- and 4-Pole Contactors: LC1 and LP1
(Terminal markings conform to standards EN 50011 and 50012)
FIG. 1 FIG. 2 FIG. 3
D09 10 to D32 10 D09 01 to D32 01 D40 11 to D95 11
FIG. 4 FIG. 5 FIG. 6
D12 004 to D80 004 D12 008 and D25 008 D40 008 to D80 008
Front-Mounted Standard Instantaneous Auxiliary Contact Blocks: LA1
FIG. 7 FIG. 8 FIG. 9 FIG. 10 FIG. 11 FIG. 12
1 N.O.
LA1 DN 10
1 N.O. & 1 N.C
LA1 DN 11
2 N.O.
LA1 DN 20
2 N.C.
LA1 DN 02
2 N.O. & 2 N.C.
LA1 DN 22
1 N.O. & 3 N.C.
LA1 DN 13
FIG. 13 FIG. 14 FIG. 15 FIG. 16 FIG. 17
1 N.C.
LA1 DN 01
2 N.O. & 2 N.C. w/
2 Make-Before-Break
LA1 DC 22
4 N.O.
LA1 DN 40
4 N.C.
LA1 DN 04
3 N.O. & 1 N.C.
LA1 DN 31
Front-Mounted Damp- and Dust-Protected (IP 54) Instantaneous Auxiliary Contact Blocks: LA1
FIG. 18 FIG. 19 FIG. 20 FIG. 21
2 N.O.
LA1 DX 20
2 N.O. (5-24 V) w/ Grounding Screw
LA1 DY 20
2 Dusttight N.O. (24-50 V) & 2 N.O.
LA1 DZ 40
2 Dusttight N.O. (24-50 V) & 1 N.O. & 1 N.C.
LA1 DZ 31
Front-Mounted Time Delay Auxiliary Contacts: LA2 and LA3
FIG. 22 FIG. 23 FIG. 24
On Delay, 1 N.O. & 1 N.C.
LA2 DT•
On Delay, 1 N.O. w/ 1 Offset N.O.
LA2 DS•
Off Delay, 1 N.O. & 1 N.C.
LA3 DR•
Front-Mounted Mechanical Latch Adder Blocks: LA6 Side-Mounted Auxiliary Contact Blocks: LA8
FIG. 25 FIG. 26 FIG. 27 FIG. 28
LA6 DK 1 LA6 DK 2, LA6 DK 3 1 N.O. & 1 N.C. Instantaneous
LA8 DN 11
2 N.O. Instantaneous
LA8 DN 20
A1
A2
1
L1
3
L2
5
L3
13
NO
T1
2
T2
4
T3
6 14
A1
A2
1
L1
3
L2
5
L3
21
NC
T1
2
T2
4
T3
6 22
1
L1
3
L2
5
L3
13
NO
A1
A2 T1
2
T2
4
T3
6 22
21
NC
14
1
L1
3
L2
5
L3
7
L4
T1
2
T2
4
T3
6
T4
8
A1
A2
A1
A2
1 R1 R3 3
2 R2 R4 4
A1
A2
1
R1 R3
3
2
R2 R4
4
43
44
NO
94
93
53
NO
61
NC
54 62
53
NO
63
NO
54 64
51
NO
61
NO
52 62
53
NO
61
NC
71
NC
83
NO
54 62 72 84
53
NO
61
NC
71
NC
81
NC
54 62 72 82
41
42
NO
92
91
53
NO
61
NC
75
NC
87
NO
54 62 76 88
53
NC
63
NC
73
NC
83
NC
54 64 74 84
51
NC
61
NC
71
NC
81
NC
52 62 72 82
53
NO
61
NC
73
NO
83
NO
54 62 74 84
53
N0
63
NO
54 64
53
N0
63
NO
54 64
53
N0
63
N0
73
N0
83
N0
54 64 74 84
53
N0
61
NC
73
N0
83
N0
54 62 74 84
55
NC
67
NO
56 68
55
NC
67
NO
56 68
57
NO
65
NC
58 66
A1
A2
E1
E2
A1
A2
E1
E2
45
46
53/
84
NO
61/
72
NC
54/
83
NO
62/
71
NC
53/
84
NO
63/
74
NO
54/
83
NO
64/
73
NO
42
®
IEC Contactors
Input Modules and Reversing Contactors
Input Modules:
LA4
FIG. 1 FIG. 2 FIG. 3
On Delay Timer Module
LA4 DT
Off Delay Timer Module
LA4 DR
Auto-Manual-Off Control Module
LA4 DM
FIG. 4 FIG. 5 FIG. 6
Relay Interface Amplifier Module
LA4 DF
Relay Interface Amplifier Module w/
Manual Override, LA4 DL
Solid State Interface Amplifier Module
LA4 DW
Contactors:
LC2, LP2 and LA9
FIG. 7 FIG. 8 FIG. 9
Reversing Contactor
3-Pole, for Motor Control
LC2, LP2 D0901 to D3201
Transfer Contactor,
4-Pole, Mechanically Interlocked
LC2, LP2 D12004 to D8004
Mechanical Interlock w/ Electrical Interlock
LA9 D0902, D4002 and D8002
A1
A1
0 t
A2
A2
K
AC/DC
A1 A2
K
A1 A2
B2
0 t
AC
A/M
1/0
A1 A2
K
A2
B1
A1
PLC
AC/DC
AC
A1
+
E1
-
E2
AC
A2
A1 A2
K
AC
A1
+
E1
-
E2
AC
A2
A1 A2
K
AC
A1
+
E1
-
E2
AC
A2
A1 A2
K
1 3 5
2 4 6
A1
A2
1 3 5
2 4 6
A1
A2
U V W
21
KM2
22
KM1
A2
21
KM2
22
KM1
A2
A1
A2
A1
A2
1 3 5 7
2 4 6 8
1 3 5 7
2 4 6 8
A1
A2
A1
A2
01
01
02
02
43
®
1-Pole, 1-Phase Magnetic Starters, Size 00 to 3:
Class 8536 Type S
FIG. 1
Wiring Diagram Elementary Diagram
Single Phase Starter w/ Single Voltage Motor
FIG. 2
Wiring Diagram Elementary Diagram
Single Phase Starter w/ Dual Voltage Motor
3-Pole, 3-Phase Magnetic Starters, Size 00 to 3, Connected for Single Phase:
Class 8536 Type S
FIG. 3
Wiring Diagram Elementary Diagram
3-Phase Starter Connected for Single Phase, Single Voltage Motor
* Marked “OL” if alarm
contact is supplied
* Marked “OL” if alarm
contact is supplied
Note: Starters are factory-wired with coil connected for
the higher voltage. If starter is used on lower
voltage, connect per coil diagram.
* Marked “OL” if alarm contact is supplied
Type S AC Magnetic Starters
Class 8536
1-Phase, Size 00 to 3
44
®
Type S AC Magnetic Starters
Class 8536
2-Phase and 3-Phase, Size 00 to 5
4-Pole, 2-Phase Magnetic Starters:
Class 8536 Type S
FIG. 1
Wiring Diagram Elementary Diagram
Size 0, 1 and 2
FIG. 2
Wiring Diagram Elementary Diagram
Size 3 and 4
3-Pole, 3-Phase Magnetic Starters:
Class 8536 Type S
FIG. 3
Wiring Diagram Elementary Diagram
Size 00 to 4
FIG. 4
Wiring Diagram Elementary Diagram
Size 5
* Marked “OL” if alarm contact is supplied
* Marked “OL” if alarm contact is supplied
* Marked “OL” if alarm contact is supplied
▲If alarm contact is supplied, a single (3 thermal unit)
overload block is furnished, fed from 3 current transformers.
* Marked “OL” if alarm contact is supplied
45
®
3-Pole, 3-Phase Magnetic Starters, Size 6 – Common Control
Class 8536/8538/8539 Type SH Series B
FIG. 1
Wiring Diagram
Elementary Diagram
This symbol denotes the coil function,
provided by a solid-state control module,
30 VA transformer, two fuses in the
secondary of the transformer, N.C.
electrical interlock and DC magnet coil.
Type S AC Magnetic Starters
Class 8536, 8538 and 8539
3-Phase, Size 6
46
®
3-Pole, 3-Phase Magnetic Starters, Size 7 – Common Control
Class 8536 Type SJ Series A
FIG. 1
Wiring Diagram
Elementary Diagram
This symbol denotes the coil function,
provided by a solid-state control module,
30 VA transformer, two fuses in the
secondary of the transformer, N.C.
electrical interlock and DC magnet coil.
Type S AC Magnetic Starters
Class 8536
3-Phase, Size 7
47
®
Type S AC Magnetic Starters
Class 8536
3-Phase Additions and Special Features
3-Pole, 3-Phase Magnetic Starters, Size 00 to 4:
Class 8536 Type S
FIG. 1
Wiring Diagram Elementary Diagram
Form A – Start-Stop Push Button Mounted in Cover
FIG. 2
Wiring Diagram Elementary Diagram
Form C – Hand-Off-Auto Selector Switch Mounted in Cover
FIG. 3
Wiring Diagram Elementary Diagram
Form F4T – Control Circuit Transformer and Primary Fuses
* Marked “OL” if alarm contact is supplied
* Marked “OL” if alarm
contact is supplied
* Marked “OL” if alarm contact is supplied
∆ Single or dual voltage primary connection
per transformer nameplate. ∆ Single or dual voltage primary connection
per transformer nameplate.
48
®
Type S AC Magnetic Starters
Class 8536
3-Phase Additions and Special Features
3-Pole, 3-Phase Magnetic Starters, Size 00 to 4:
Class 8536 Type S
FIG. 1
Wiring Diagram Elementary Diagram
Form S – Separate Control
FIG. 2
Wiring Diagram Elementary Diagram
Form X – Additional Auxiliary Contacts
3-Pole, 3-Phase Magnetic Starters, Size 5:
Class 8536 Type S
FIG. 3
Wiring Diagram Elementary Diagram
Form F4T – Control Circuit Transformer and Primary Fuses
* Marked “OL” if alarm
contact is supplied
* Marked “OL” if alarm contact is supplied
On NEMA Size 3 and 4 starters, holding circuit contact is in position
#1. Max. of 3 external auxiliary contacts on NEMA Size 00.
* Marked “OL” if alarm contact is supplied
∆ If alarm contact is supplied, a single (3 thermal unit) overload
block is furnished, fed from 3 current transformers
∆
49
®
3-Pole, 3-Phase Magnetic Starters, Size 6 – Separate Control
Class 8536/8538/8539 Type SH Form S Series B
FIG. 1
Wiring Diagram
Elementary Diagram
This symbol denotes the coil function,
provided by a solid-state control module,
30 VA transformer, two fuses in the
secondary of the transformer, N.C.
electrical interlock and DC magnet coil.
Type S AC Magnetic Starters
Class 8536, 8538 and 8539
3-Phase Additions and Special Features
50
®
3-Pole, 3-Phase Magnetic Starters, Size 7 – Separate Control
Class 8536 Type SJ Form S Series A
FIG. 1
Wiring Diagram
Elementary Diagram
This symbol denotes the coil function,
provided by a solid-state control module,
30 VA transformer, two fuses in the
secondary of the transformer, N.C.
electrical interlock and DC magnet coil.
Type S AC Magnetic Starters
Class 8536
3-Phase Additions and Special Features
51
®
Integral Self-Protected Starters
Integral 18
State of Auxiliary Contacts
State of Auxiliary Contacts for LD1
FIG. 1
LA1-LB015 LA1-LB017 LA1-LB019 LA1-
LB001
LA1-
LB031
LA1-LB034
LD1
8
6
5 7
6 8
5 7
8
6
5 7
8
6
5 7
8
6
5 7
8
6
5 7
8
6
5 7
8
6
5 7
13 23 31
14 24 32
13 23 31
14 24 32
13 23 31
14 24 32
13 23 31
14 24 32
13 23 31
14 24 32
13 23 31
14 24 32
13 23 31
14 24 32
13 23 31
14 24 32
13 31
14 32
13 31
14 32
14 32
13 31
13 31
14 32
13 31
14 32
13 31
14 32
13 31
14 32
13 31
14 32
98
97
97
98
97
98
97
98
97
98
97
98
97
98
97
98
96 98
95 97
95 97
96 98
96 98
95 97
96 98
95 97
96 98
95 97
96 98
95 97
96 98
95 97
96 98
95 97
14 32
13 31
13 31
14 32
13 31
14 32
13 31
14 32
13 31
14 32
13 31
14 32
13 31
14 32
13 31
14 32
96
95
96
95
96
95
96
95
96
95
96
95
96
95
96
95
41
42
41
42
41
42
41
42
41
42
41
42
41
42
41
42
L1
1
L2
3
L3
5
2 4 6
T1 T2 T3
A1 A2
AUTO
AUTO
TRIP. +
TRIP. +
TRIP. +
RESET
TRIP. +
AUTO + 0
15
16 18
17
15 17
16 18
15 17
16 18
15 17
16 18
15 17
16 18
15 17
16 18
15 17
16 18
15 17
16 18
AUTO + 0
15
16 18
17
15 17
16 18
15 17
16 18
15 17
16 18
15 17
16 18
15 17
16 18
15 17
16 18
15 17
16 18
Auxiliary contact actuators
Auxiliary contacts
Contact open
Contact closed
Off
On, contactor
open
On, contactor
closed
Tripped on
overload
Tripped on
short circuit
Off after short
circuit
Manual reset
52
®
Integral Self-Protected Starters
Integral 18
State of Auxiliary Contacts
State of Auxiliary Contacts for LD5
FIG. 1
8
6
13 31 95 41
15
RESET
TRIP. +
AUTO
AUTO
AUTO
TRIP. +
TRIP. +
TRIP. +
AUTO + 0
13 23 31
14 24 32
96 98
95 97
13 31
14 32 98
97 13 31
14 32 96
95 41
42
13 23 31
14 24 32
16 18
17
41
42
6 8
5 7
13 23 31
14 24 32
95 97
96 98
14 32
13 31
97
98 14 32 96 42
13 23 31
14 24 32 15 17
16 18 41
42
13 23 31
14 24 32
13 31
14 32
96 98
95 97
8
6
13 31 95 41
5 7
97
98 14 32 96 42
13 23 31
14 24 32 15 17
16 18 41
42
96 98
95 97
13 23 31
14 24 32
13 31
14 32
8
6
13 31 95 41
5 7
97
98 14 32 96 42
13 23 31
14 24 32 15 17
16 18 41
42
96 98
95 97
13 23 31
14 24 32
13 31
14 32
8
6
13 31 95 41
5 7
97
98 14 32 96 42
13 23 31
14 24 32 15 17
16 18 41
42
96 98
95 97
13 23 31
14 24 32
13 31
14 32
8
6
13 31 95 41
5 7
97
98 14 32 96 42
13 23 31
14 24 32 15 17
16 18 41
42
96 98
95 97
13 23 31
14 24 32
13 31
14 32
8
6
13 31 95 41
5 7
97
98 14 32 96 42
13 23 31
14 24 32 15 17
16 18 41
42
96 98
95 97
13 23 31
14 24 32
13 31
14 32
8
6
13 31 95 41
5 7
97
98 14 32 96 42
13 23 31
14 24 32 15 17
16 18 41
42
96 98
95 97
13 23 31
14 24 32
13 31
14 32
8
6
13 31 95 41
5 7
97
98 14 32 96 42
13 23 31
14 24 32 15 17
16 18 41
42
LA1-LB015 LA1-LB017 LA1-LB019 LA1-
LB001
LA1-LB021 LA1-
LB001
LD5
5 7
L1
1
L2
3
L3
5
A1A2
A1A2
2 4 6
T1 T2 T3
On
Integral
Auxiliary contact actuators
Auxiliary contacts
Contact open
Contact closed
Off
On, contactor
open
On, contactor II
closed
On, contactor I
closed
Tripped on
overload
Tripped on
short circuit
Off after short
circuit
Manual reset
53
®
State of Auxiliary Contacts for LD4
FIG. 1
Auxiliary contact actuators
Off + isolation
LA1-LC012
13 23 31
14 24 32
13 23 31
14 24 32
13 23 31
14 24 32
13 23 31
14 24 32
13 23 31
14 24 32
13 23 31
14 24 32
13 23 31
14 24 32
13 23 31
14 24 32
13 23 31
14 24 32
13 23 31
14 24 32
A1 A2
L1 L2 L3
1 3 5
2 4 6
T1 T2 T3
LD4
96 98
95
96 98
95
96 98
95
96 98
95
96 98
95
96 98
95
U
96 98
95
96 98
95
96 98
95
96 98
95
95
98
95
98
95
98
95
98
95
98
98
95
U
95
98
95
98
95
98
95
98
13 23 31
14 24 32
13 23 31
14 24 32
13 23 31
14 24 32
13 23 31
14 24 32
LA1-LC010
13 23 31
14 24 32
13 23 31
14 24 32
13 23 31
14 24 32
13 23 31
14 24 32
13 23 31
14 24 32
13 23 31
14 24 32
16 18
15
16 18
15
16 18
15
1618
15
AUTO + 0
16 18
15
16 18
15
16 18
15
16 18
15
16 18
15
16 18
15
13 23 31
14 24 32
13 23 31
14 24 32
13 23 31
14 24 32
13 23 31
14 24 32
LA1-LC020
13 23 31
14 24 32
13 23 31
14 24 32
13 23 31
14 24 32
13 23 31
14 24 32
13 23 31
14 24 32
13 23 31
14 24 32
53
54
53
54
(63)
53
54
(64)
LA1-LC030
53
54
53
54
53
54
53
54
53
54
53
54
53
54
06 08
05
06 08
05
06 08
05
06 08
05
06 08
05
06 08
05
06 08
05
06 08
05
06 08
05
06 08
05
08
05
08
05
08
05
08
05
08
05
08
05
08
05
08
05
08
05
08
05
LD4
TRIP. +
RESET
TRIP. +
TRIP. +
TRIP. +
TRIP. +
AUTO
AUTO
Contact open
Contact closed
Off
On, contactor open
On, contactor closed
Tripped, on overload
Off, after overload
Tripped, on short circuit
Off, after short circuit
Manual reset
Auxiliary contacts
Integral Self-Protected Starters
Integral 32 and 63
State of Auxiliary Contacts
54
®
State of Auxiliary Contacts for LD5
FIG. 1
LA1-LC012
06 08
05
06 08
05
06 08
05
06 08
05
06 08
05
06 08
05
06 08
05
06 08
05
06 08
05
06 08
05
06 08
05
08
05
08
05
08
05
08
05
08
05
08
05
08
05
08
05
08
05
08
05
08
05
U
96 98
95
95
96 98
96 98
95
96 98
95
96 98
95
96 98
95
95
96 98
95
96 98
95
96 98
95
96 98
96 98
95
U
98
95
95
98
95
98
95
98
95
98
95
98
95
98
95
98
95
98
95
98
95
98
13 23 31
14 24 32
13 23 31
14 24 32
13 23 31
14 24 32
13 23 31
14 24 32
13 23 31
14 24 32
13 23 31
14 24 32
13 23 31
14 24 32
13 23 31
14 24 32
13 23 31
14 24 32
13 23 31
14 24 32
13 23 31
14 24 32
AUTO + 0
1618
15
15
16 18
16 18
15
16 18
15
15
16 18
16 18
15
16 18
15
16 18
15
16 18
15
16 18
15
16 18
15
13 23 31
14 24 32
13 23 31
14 24 32
13 23 31
14 24 32
13 23 31
14 24 32
13 23 31
14 24 32
13 23 31
14 24 32
13 23 31
14 24 32
13 23 31
14 24 32
13 23 31
14 24 32
13 23 31
14 24 32
13 23 31
14 24 32
53
54
63
64
53
54
63
64
53
54
63
64
53
54
63
64
53
54
63
64
53
54
63
64
53
54
63
64
53
54
63
64
53
54
63
64
53
54
63
64
53
54
63
64
13 23 31
14 24 32
13 23 31
14 24 32
13 23 31
14 24 32
13 23 31
14 24 32
13 23 31
14 24 32
13 23 31
14 24 32
13 23 31
14 24 32
13 23 31
14 24 32
13 23 31
14 24 32
13 23 31
14 24 32
13 23 31
14 24 32
LA1-LC021
2 4 6
T1 T2 T3
L1L2 L3
1 3 5
A1
A2 A1
A2
LD5
LA1-LC010 LA1-LC031
TRIP. +
RESET
AUTO
TRIP. +
TRIP. +
TRIP. +
TRIP. +
AUTO
AUTO
LA1-LC020
13 23 31
14 24 32
13 23 31
14 24 32
13 23 31
14 24 32
13 23 31
14 24 32
13 23 31
14 24 32
13 23 31
14 24 32
13 23 31
14 24 32
13 23 31
14 24 32
13 23 31
14 24 32
13 23 31
14 24 32
13 23 31
14 24 32
Off + isolation
Off
On, both contactors open
On, contactor open
On, contactor closed
Tripped on overload
Off, after overload
Tripped on short circuit
Off after short circuit
Manual reset
Auxiliary contact actuators
Auxiliary contacts
Contact open
Contact closed
Integral Self-Protected Starters
Integral 32 and 63
State of Auxiliary Contacts
55
®
Integral 18
FIG. 1 FIG. 2
Self-Protected Starter w/ Protection Module LB•
Integral 18 LD1 L80
Self-Protected Reversing Starter w/ Protection Module LB•
Integral 18 LD5 LB130 + LB1 LB03P
Integral 32
FIG. 3 FIG. 5
Starter w/ Isolator
Integral 32 LD4
FIG. 4
Starter w/o Isolator
Integral 32 LD1
Reversing Starter w/ Isolator
Integral 32 LD5
Protection Modules: LB•
FIG. 6 FIG. 7
Thermal and Magnetic Trip
LB1
Magnetic Trip Only
LB6
5
L3
3
1
L1
A1 A2
T1 T2 T3
6
4
2
L2 L1
1
L2
3
L3
5
A1 A2 A1 A2
2 4 6
T1 T2 T3
I II
L1 L2 L3
1 3 5
A1 A2
T1 T2 T3
2 4 6
g ( )
L1 L2 L3
1 3 5
T1 T2 T3
2 4 6
A1 A2 A1 A2
L1 L2 L3
1 3 5
T1 T2 T3
2 4 6
A1 A2
External
control
circuit
Handle
operator
Protection
module
trip
mechanism
Protection module
Thermal trip
Magnetic trip
Instantaneous
trip
mechanism
(Trip coil)
Control
circuit
contact
T1 T2 T3
2 4 6
T1 T2 T3
2 4 6
Integral Self-Protected Starters
Wiring Diagrams
56
®
Integral Self-Protected Starters
Wiring Diagrams
Auxiliary Contact Blocks
FIG. 1
For LD1 or LD4 and reverser LD5 (mounted on right)
LA1 LC010, LA1 LC012 and LA1 LC020
FIG. 2 FIG. 3 FIG. 4
For LD4 w/ isolating contacts
(mounted on left)
LA1 LC030
For reversing LD5
(mounted on left)
LA1 LC021
Isolating contacts
(mounted on left)
LA1 LC031
Remote Reset Units1
for LD1, LD4 and LD5
Trip Units
for LD1, LD4 and LD5
Interface Modules
FIG. 5 FIG. 6 FIG. 7
LA1 LC180, LA1 LD180
FIG. 8
LA1 LC052 LA1 LC07•• LA1 LC580, LA1 LD580
13 23 31
14 24 32
13 23 31
14 24 32
13 23 31
14 24 32
9698
95
98
95
0608
05
16 18
15
08
05
LA1 LC010 LA1 LC012 LA1 LC020
1
Trip signal
Short-circuit signal
Knob position signal
Auto + O
Contactor signalling placed
on the right
1
(63)
53
54
(64)
(63)
53
54
(64)
1 or 2 LA1 LC030
LA1 LC030
13 23 31
14 24 32
LA1 LC021
2
Contactor signalling placed
on the left
2
LA1 LC031
AC AC
B4
B2
B3
AUTO
+
O
RESET
TRIP
B1
M
Use of the
LA1 LC020
contact
block
prevents the
mounting
of trip or
remote units
For starter and reverser already fitted
with a block, LA1 LC010 or LA1 LC012.
U <
C1
C2
D1
D2
AC A1
E1
+
- E1
A2
AC
A1
A2
AC A1
E1
+
- E1
A2
AC
A1
A2
57
®
Integral Self-Protected Starters
Wiring Diagrams
Add-on Blocks: LA1 LB0••
FIG. 1
For LD1 (mounted on right)
FIG. 2 FIG. 3
For LD1 (mounted on left) For LD5 (mounted on left)
Time Delay Modules Control Module
FIG. 4 FIG. 5 FIG. 6
On Module
LA4 DT
Off Module
LA4 DR
Auto-Man-Stop Module
LA4 DM
Interface Modules
FIG. 7 FIG. 8 FIG. 9
Solid State Module
LA4 DW
Relay Module
LA4 DF
Relay Module w/ Manual Override
LA4 DL
Voltage Converters: LA1 LC080 and LA1 LD080
FIG. 10 FIG. 11 FIG. 12
For 24 or 48 V Supply For 110 V Supply For 24 or 48 V Supply w/ Low Voltage Input
13 23 31
14 24 32
95 97
96 98
LA1 LB015
97
98
13 31
14 32
LA1 LB017
13 31
14 32
95
96
LA1 LB019
41
42
LA1 LB001
and
Trip signal
Contactor breakers
5 7
6 8
LA1 - LB034 LA1 - LB031
15 17
16 18
15
16
17
18
0
Knob position
Short
circuit
signal
Auto
Signal
41
42
LA1 - LB001 LA1 - LB021
5 7
6 8
13 23 31
14 24 32
15 17
16 18
0
Contacts integrated
into device
Contactor breakers
Knob position
Auto
Short
circuit
signal
Signal
K
A1 A2
A1 A2
0 t
AC
K
A1 A2
A1 A2
B2
0 t
AC
K
A1 A2
A1 A2
B1
A/M
1/0
TSX AC
K
A1 A2
E1 E2
+ -
A1 A2
AC AC
K
A1 A2
E1 E2
+ -
A1 A2
AC AC
K
A1 A2
E1 E2
+ -
A1 A2
AC AC
E1
E3
E2
+
- (OV)
A1
A2
DC
AC
Control by supply switching 24 or 48V
E1
E2
DC
AC
+
- (OV)
A1
A2
110V
DC
AC
A1
A2
Supply
Low voltage control 24 or 48V
E1
E2
E3
Low voltage input
+
-
{
58
®
Type S AC Combination Magnetic Starters
Class 8538 and 8539
3-Phase, Size 0-5 (see pages 45 and 49 for Size 6)
3-Pole, 3-Phase Combination Starters:
Class 8538 and 8539 Type S
FIG. 1
Wiring Diagram Elementary Diagram
Size 0-4
FIG. 2
Wiring Diagram Elementary Diagram
Size 5
* Marked “OL” if alarm contact is supplied
* Marked “OL” if alarm contact is supplied
59
®
Type S AC Combination Magnetic Starters
Class 8538 and 8539
3-Phase Additions and Special Features
3-Pole, 3-Phase Combination Starters w/ Control Circuit Transformer and Primary Fuses:
Class 8538 and 8539 Type S Form F4T
FIG. 1
Wiring Diagram Elementary Diagram
Size 0-4
FIG. 2
Wiring Diagram Elementary Diagram
Size 5
PRI
STOP
M
3-WIRE CONTROL
GROUND
(If used)
T1 T3
MOTOR
T2
DISCONNECTING MEANS,
PROVIDED BY USER OR
WITH CONTROLLER
L1 L2 L3
3
2 A A
ALARM (IF
SUPPLIED)
T1 T2 T3
*
COM OL
1
X2
L1 L2 L3
FU1
SEC
FU2
2-WIRE CONTROL
3
1
3
1
2
START
* Marked “OL” if alarm contact is supplied
OL
M
SEC
X2
PRI
FU1 FU2 GROUND
(If used)
STOP
START
3
M OL
M OL
M OL
L1
L2
L3
2-WIRE CONTROL
(If used)
2
1
X1
M
DISCONNECTING
MEANS
PRI
STOP
M
3-WIRE CONTROL
GROUND
(If used)
T1 T3
MOTOR
T2
DISCONNECTING MEANS,
PROVIDED BY USER OR
WITH CONTROLLER
L1 L2 L3
3
2 A A
ALARM (IF
SUPPLIED)
T1 T2 T3
*
COM OL
1
X2
L1 L2 L3
FU1
SEC
FU2
2-WIRE CONTROL
3
1
3
1
2
START
CR
* Marked “OL” if alarm contact is supplied
OL
CR
SEC
X2
PRI
FU1 FU2 GROUND
(If used)
STOP
START
3
M OL
M OL
M OL
L1
L2
L3
2-WIRE CONTROL
(If used)
2
1
X1
M
CR
M
DISCONNECTING
MEANS
60
®
Reduced Voltage Autotransformer Controllers w/ Closed Transition Starting: Class 8606 Size 2-5
FIG. 1
Reduced Voltage Autotransformer Controller w/ Closed Transition Starting: Class 8606 Size 6
FIG. 2
OR
DISCONNECT
SWITCH
L1
L2
L3
CIRCUIT
BREAKER
R
R
R
2S
2S
2S
1S
1S
OL
OL
OL
TR TR 1S
R
R
1S
2S
1S
START
STOP
TR
TR
OL
2 WIRE CONTROL DEVICE (IF USED)
1 2 3
AT
AT
T1
T2
T3
0
50
65
84
100
50
65
84
100
0
2S
MOTOR
OR
DISCONNECT
SWITCH
L1
L2
L3
CIRCUIT
BREAKER
R
R
R
2S
2S
2S
1S
1S
1TR 1TR
1S
R
R
1S
2S
1S
START
STOP
1TR
OL
2 WIRE CONTROL DEVICE (if used)
1 2 3
AT
AT
T1
T2
T3
0
50
65
84
100
50
65
84
100
0
2S
GROUND
(if used)
R
2TR
2TR
1TR
PRI
SEC
(H1)
(X1) (X2)
PRI
SEC
(H1)
(X1) (X2)
1OL
1CT
2OL
2CT
3OL
3CT
MOTOR
Reduced Voltage Controllers
Class 8606
Autotransformer Type, Size 2-6
61
®
Reduced Voltage Autotransformer Controllers w/ Closed Transition Starting:
Class 8606 Size 7
FIG. 1
OR
DISCONNECT
SWITCH
L1
L2
L3
CIRCUIT
BREAKER
R
R
R
2S
2S
2S
1S
1S
1TR 1TR
1S
R
R
1S
2S
1S
START
STOP
1TR
OL
2 WIRE CONTROL DEVICE (If used)
1 2 3
AT
AT
T1
T2
T3
0
50
65
84
100
50
65
84
100
0
GROUND
(If used)
R
2TR
2TR
1TR
PRI
SEC
(H1)
(X1) (X2)
SOLID STATE
OVERLOAD RELAY
SEC
(H1)
(X1) (X2)
1CT
2CT
3CT
2S
SEC
(H1)
(X1) (X2)
SEC
(X1) (X2)
PRI
PRI
PRI
(H1)
MOTOR
Reduced Voltage Controllers
Class 8606
Autotransformer Type, Size 7
62
®
Reduced Voltage Controllers
Class 8630
Wye-Delta Type, Size 1Y∆-5Y∆
Wye-Delta Type Reduced Voltage Controllers, Size 1Y∆-5Y∆:
Class 8630
FIG. 1
Size 1Y∆-5Y∆ Controllers with Open-Transition Starting
FIG. 2
Size 1Y∆-5Y∆ Controllers with Closed-Transition Starting
FPO
46-1
110%
FPO
46-2
110%
63
®
Reduced Voltage Controllers
Class 8630
Wye-Delta Type, Size 6Y∆
Wye-Delta Type Reduced Voltage Controllers, Size 6Y∆:
Class 8630
FIG. 1
Size 6Y∆ Controller with Open-Transition Starting
FIG. 2
Size 6Y∆ Controller with Closed-Transition Starting
FPO
46-3
110%
FPO
46-4
110%
64
®
Reduced Voltage Controllers
Class 8640
2-Step, Part-Winding Type
Table 5 Motor Lead Connections
Part Winding Schemes Lettered Terminals in Panel Part Winding Schemes Lettered Terminals in Panel
A B C D E F A B C D E F
1/2 Wye or Delta 6 Leads T1 T2 T3 T7 T8 T9 2/3 Wye or Delta 6 Leads T1 T2 T9 T7 T8 T3
1/2 Wye 9 Leads [1] T1 T2 T3 T7 T8 T9 2/3 Wye 9 Leads [1] T1 T2 T9 T7 T8 T3
1/2 Delta 9 Leads [2] T1 T8 T3 T6 T2 T9 2/3 Delta 9 Leads [2] T1 T4 T9 T6 T2 T3
[1]
Connect terminals T4, T5 and T6 together at terminal box. [2]
Connect terminals T4 and T8, T5 and T9, T6 and T7 together in 3 separate pairs at terminal box.
Part-Winding Reduced Voltage Controllers: Class 8640, Size 1PW-7PW
FIG. 1 FIG. 2
Size 1PW-4PW, 2-Step Part-Winding Controllers Size 5PW, 2-Step Part-Winding Controller
FIG. 3 FIG. 4
Size 6PW, 2-Step Part-Winding Controller Size 7PW, 2-Step Part-Winding Controller
➀ Disconnect means (optional): 2 required, 1 for each motor winding. ➁ See Table 5 for motor lead connections.
65
®
Reduced Voltage Controllers
Class 8647
Primary-Resistor Type
3-Phase Primary-Resistor Reduced Voltage Controllers:
Class 8647, Size 1-7
FIG. 1 FIG. 2
Size 1-4 Size 5
FIG. 3 FIG. 4
Size 6 Size 7
DISCONNECT
MEANS
(OPTIONAL)
L1
L2
L3
M RES
A
START
STOP
TR
OL
2 WIRE CONTROL DEVICE (if used)
1 2 3
T1
T2
T3
A
M
TR
TR
OL
M RES
A
M RES
A
TR
OL
OL
MOTOR
L1
L2
L3
M RES
A
START
STOP
TR
OL
2 WIRE CONTROL DEVICE (if used)
1 2 3
T1
T2
T3
A
M
TR
TR
OL
M RES
A
M RES
A
TR A
OL
OL
DISCONNECT
MEANS
(OPTIONAL)
MOTOR
L1
L2
L3
M RES
A
FU1
1TR
START
STOP
1TR
OL
2 WIRE CONTROL DEVICE (if used)
1 2 3
T1
T2
T3
M
GROUND
(if used)
M
2TR
2TR
1TR
PRI
SEC
(H1)
(X1) (X2)
PRI
SEC
(H1)
(X1) (X2)
1OL
1CT
2OL
2CT
3OL
3CT
M RES
A
M RES
A
A
A
F
U
2
F
U
3
1TR
DISCONNECT
MEANS
(OPTIONAL)
MOTOR
L1
L2
L3
M RES
A
FU1
1TR
START
STOP
1TR
OL
2 WIRE CONTROL DEVICE (if used)
1 2 3
T1
T2
T3
GROUND
(if used)
M
2TR
2TR
1TR
PRI
SEC
(H1)
(X1) (X2)
PRI
SEC
(H1)
(X1) (X2)
M RES
A
M RES
A
A
A
F
U
2
F
U
3
1TR
SOLID STATE
OVERLOAD RELAY
1CT
2CT
3CT
PRI
SEC
(H1)
(X1) (X2)
M
DISCONNECT
MEANS
(OPTIONAL) MOTOR
66
®
Reduced Voltage Controllers
Class 8650 and 8651
Wound-Rotor Type
Wound-Rotor Reduced Voltage Controllers:
Class 8650 and 8651
FIG. 1
Non-Reversing Wound-Rotor Motor Controller w/ 3 Points of Acceleration
Class 8650
FIG. 2
Reversing Wound-Rotor Motor Controller w/ 3 Points of Acceleration
Class 8651
FPO 49-3
135%
FPO 49-4
135%
67
®
Solid State Reduced Voltage Starters
Class 8660
ALPHA PAK®, Type MD-MG
ALPHA PAK® Solid State Reduced Voltage Starters:
Class 8660 Type MD-MG
FIG. 1
Type MD (16 A), ME (32 A), MF (64 A) and MG (128 A)
FIG. 2
Type MD (16 A), ME (32 A), MF (64 A) and MG (128 A) w/ Isolation Contactor
OR
DISCONNECT
SWITCH
L1
L2
L3
CIRCUIT
BREAKER
START
STOP
M
OT*
T1
T2
T3
M
M
SOLID STATE
OVERLOAD RELAY
1CT
M
M
MOTOR
3CT
TO 120 V
SEPARATE
CONTROL
* OT is a switch that opens
when an overtemperature
condition exists (Type MFO
and MGO only)
OR
DISCONNECT
SWITCH
L1
L2
L3
CIRCUIT
BREAKER
START
STOP
M
OT*
T1
T2
T3
M
M
SOLID STATE
OVERLOAD RELAY
1CT
M
M
MOTOR
3CT
ISO
ISO
ISO
TO 120 V
SEPARATE
CONTROL
CR
ALARM
TR
TR
ISO
CR
* OT is a switch that opens
when an overtemperature
condition exists (Type MFO
and MGO only)
68
®
Solid State Reduced Voltage Controllers
Class 8660
Type MH, MJ, MK and MM
Solid State Reduced Voltage Controllers: Class 8660 Type MH, MJ, MK and MM
FIG. 1
Type MH (200 A), MJ (320 A), MK (500 A) and MM (750 A)
FIG. 2
Type MH (200 A) w/ Shorting Contactor
FIG. 3
Type MJ (320 A), MK (500 A) and MM (750 A) w/ Shorting Contactor
69
®
Solid State Reduced Voltage Controllers
Class 8660
Type MH, MJ, MK and MM
Solid State Reduced Voltage Controllers: Class 8660 Type MH, MJ, MK and MM
FIG. 1
Type MH (200 A) w/ Isolation Contactor
FIG. 2
Type MJ (320 A), MK (500 A) and MM (750 A) w/ Isolation Contactor
FPO
51-1
130%
FPO
51-2
130%
70
®
Solid State Reduced Voltage Controllers: Class 8660 Type MH, MJ, MK and MM
FIG. 1
Type MH (200 A) w/ Isolation Contactor and Shorting Contactor
FIG. 2
Type MJ (320 A), MK (500 A) and MM (750 A) w/ Isolation Contactor and Shorting Contactor
FPO
51-3
130%
FPO
51-4
130%
Solid State Reduced Voltage Controllers
Class 8660
Type MH, MJ, MK and MM
71
®
Type S AC Reversing Magnetic Starters
Class 8736
2- and 3-Pole
Reversing Starters, 2- and 3-Pole, Size 00-1:
Class 8736 Type S
FIG. 1
Wiring Diagram Elementary Diagram
2-Pole, w/ Single Phase, 3-Lead Motor
FIG. 2
Wiring Diagram Elementary Diagram
3-Pole, w/ Single Phase, 4-Lead Repulsion-Induction Motor
FIG. 3
Wiring Diagram Elementary Diagram
3-Pole, w/ Single Phase, 4-Lead Capacitor or Split-Phase Motor
* Marked “OL” if alarm contact is supplied
FPO 52-1
FPO
52-1
* Marked “OL” if alarm contact is supplied
FPO 52-2
FPO
52-2
* Marked “OL” if alarm contact is supplied
FPO 53-1
FPO
53-1
72
®
Reversing Starters, 3- and 4-Pole:
Class 8736 Type S
FIG. 1
Wiring Diagram Elementary Diagram
Size 00-2, 4-Pole, 2-Phase
FIG. 2
Wiring Diagram Elementary Diagram
Size 00-4, 3-Pole, 3-Phase
FIG. 3
Wiring Diagram Elementary Diagram
Size 5, 3-Pole, 3-Phase
* Marked “OL” if alarm contact is supplied
FPO 53-2 FPO
53-2
* Marked “OL” if alarm contact is supplied
FPO 53-3 FPO
53-3
FPO 54-1
FPO
54-1
Type S AC Reversing Magnetic Starters
Class 8736
3- and 4-Pole
73
®
Type S AC 2-Speed Magnetic Starters
Class 8810
Starters for 2-Speed, 2-Winding (Separate Winding), 3-Phase Motors:
Class 8810 Type S
FIG. 1
Wiring Diagram Elementary Diagram
Size 0-4
FIG. 2
Size 5 Wiring Diagram
Starters for 2-Speed, 1-Winding (Consequent Pole), Constant or Variable Torque, 3-Phase Motors:
Class 8810 Type S
FIG. 3
Wiring Diagram Elementary Diagram
Size 0-2
FPO
54-2
FPO
54-2
FPO 54-3
FPO
55-1
* Marked “OL” if alarm contact is supplied
FPO
55-1
74
®
Starters for 2-Speed, 1-Winding (Consequent Pole), Constant or Variable Torque, 3-Phase Motors:
Class 8810 Type S
FIG. 1 FIG. 2
Size 3 and 4 Wiring Diagram Size 5 Wiring Diagram
Starters for 2-Speed, 1-Winding (Consequent Pole), Constant Horsepower, 3-Phase Motors:
Class 8810 Type S
FIG. 3
Wiring Diagram Elementary Diagram
Size 0-2
FIG. 4 FIG. 5
Size 3 and 4 Wiring Diagram Size 0, w/ High-Off-Low Selector Switch (Form C7) Wiring Diagram
FPO
* Marked “OL” if alarm contact is supplied
55-2
FPO
55-3
FPO
55-4
* Marked “OL” if alarm contact is supplied
FPO
55-4
FPO 56-1
* Marked “OL” if alarm contact is supplied
75%
FPO 56-2
75%
* Marked “OL” if alarm contact is supplied
Type S AC Reversing Magnetic Starters
Class 8810
75
®
2-Speed Magnetic Starters
Class 8810
Special Control Circuits
Form R1 Form R2
FIG. 1 FIG. 2
Compelling Relay, Requiring Motor Starting in Low Speed Accelerating Relay, Providing Timed Acceleration to Selected Speed
Form R3 Form R2R3
FIG. 3 FIG. 4
Decelerating Relay, w/ Time Delay During Transfer from
Higher to Lower Speed
Accelerating Relay and Decelerating Relay
Form R1R3 Form A10C
FIG. 5 FIG. 6
Compelling Relay and Decelerating Relay Hand-Off-Auto Selector Switch and High-Low Push Button
Form CC17 Form A10CR1
FIG. 7 FIG. 8
Hand-Off-Auto Selector Switch and High-Low Selector Switch Hand-Off-Auto Selector Switch and High-Low Push Button w/
Compelling Relay/Timer
FPO
57-1
FPO 57-2
FPO
57-3
FPO
57-4
FPO 57-5
FPO
57-6
FPO
57-7 FPO
57-8
76
®
2-Speed Magnetic Starters and Multispeed Motor Connections
Class 8810
Special Control Circuits and 1- and 3-Phase Motor Connections
Form C25 Form CC17 R2R3
FIG. 1 FIG. 2
High-Low-Off-Auto Selector Switch Hand-Off-Auto Selector Switch and High-Low Selector Switch w/
Accelerating and Decelerating Relay/Timer
Multispeed Motor Connections:
1-Phase, 2-Speed Motors
FIG. 3 FIG. 4 FIG. 5
2 Windings 2 Windings 1 Winding
FIG. 6 FIG. 7 FIG. 8
1 Winding 1 Winding 1 Winding
Multispeed Motor Connections:
3-Phase, 2-Speed Motors
FIG. 9 FIG. 10 FIG. 11
1 Winding, Constant Horsepower 1 Winding, Constant Torque 1 Winding, Variable Torque
FIG. 12 FIG. 13 FIG. 14
Separate Windings Separate Windings Separate Windings
FPO
57-9
FPO
57-10
120%
T1 T2 T3 T4
Speed L1 L2 Open Together
Low T1 T2 T3,T4 —
High T3 T4 T1,T2 —
T1 T2 T3 T4
Speed L1 L2 Open Together
Low T3 T4 T1,T2 —
High T1 T2 T3,T4 —
COM A B
Speed L1 L2 Open Together
Low COM A B —
High COM B A —
T1 COM T4
Speed L1 L2 Open Together
Low COM T1 T4 —
High COM T4 T1 —
T1 COM T4
Speed L1 L2 Open Together
Low T1 T4 COM —
High T1 COM — T1,T4
T1 COM T4
Speed L1 L2 Open Together
Low T1 COM — T1,T4
High T1 T4 COM —
T3
T5 T6
T1
T2
T4
Speed L1 L2 Open Together
Low T1 T2 — T4,T5,T6
High T6 T4 All others —
L3
T3
T5
T3
T5 T6
T1
T2
T4
Speed L1 L2 Open Together
Low T1 T2 All others —
High T6 T4 — T1,T2,T3
L3
T3
T5
T3
T5 T6
T1
T2
T4
Speed L1 L2 Open Together
Low T1 T2 All others —
High T6 T4 — T1,T2,T3
L3
T3
T5
T3
T1
T2
Speed L1 L2 Open
Low T1 T2 All others
High T11 T12 All others
L3
T3
T13
T13
T11
T12 T3
T1
T2
Speed L1 L2 Open
Low T1 T2 All others
High T11 T12 All others
L3
T3
T13,T17
T13
T11
T12
T17 T13
T11
T12
Speed L1 L2 Open
Low T1 T2 All others
High T11 T12 All others
L3
T3,T7
T13
T3
T1
T2
T7
77
®
Multispeed Motor Connections
3-Phase
Multispeed Motor Connections:
3-Phase, 2-Speed Motors
FIG. 1 FIG. 2 FIG. 3
Separate Windings 2-Phase, 1 Winding, Variable Torque 2-Phase, Separate Windings
Multispeed Motor Connections:
3-Phase, 3-Speed Motors
FIG. 4 FIG. 5 FIG. 6
2 Windings, Constant Torque 2 Windings, Constant Torque 2 Windings, Constant Torque
FIG. 7 FIG. 8 FIG. 9
2 Windings, Variable Torque 2 Windings, Variable Torque 2 Windings, Variable Torque
Multispeed Motor Connections:
3-Phase, 4-Speed Motors
FIG. 10 FIG. 11 FIG. 12
2 Windings, Constant Horsepower 2 Windings, Constant Horsepower 2 Windings, Constant Torque
FIG. 13 FIG. 14 FIG. 15
2 Windings, Constant Torque 2 Windings, Variable Torque 2 Windings, Variable Torque
Speed L1 L2 Open
Low T1 T2 All others
High T11 T12 All others
L3
T3,T7
T13,T17
T3
T1
T2
T7 T13
T11
T12
T17 T3
T1
T2
Speed L1 L3 Open
Low T1 T5 T3,T4
High T1,T5 T3 —
L2
T2
T2,T6
T4
T6
T5
L4
T6
T4
T3
T1
T2
Speed L1 L3 Open
Low T1 T3 All others
High T11 T13 All others
L2
T2
T12
T4
L4
T4
T14
T13
T11
T12
T14
Speed L1 L2 Open Together
Low T1 T2 All others —
2nd T6 T4 — T1,T2,T3,T7
L3
T3,T7
T5
T13
T11
T12
T7
T5 T6
T1
T2
T4
T3
High T11 T12 All others —
T13
Speed L1 L2 Open Together
Low T1 T2 All others —
2nd T11 T12 All others —
L3
T3,T7
T13
T13
T11
T12
T7
T5 T6
T1
T2
T4
T3
High T6 T4 All others T1,T2,T3,T7
T5
Speed L1 L2 Open Together
Low T1 T2 All others —
2nd T11 T12 All others —
L3
T3
T13,T17
T3
T1
T2
T17
T15 T16
T11
T12
T14
T13
High T16 T14 All others T11,T12,T13,T17
T15
T3
T5 T6
T1
T2
T4
Speed L1 L2 Open Together
Low T1 T2 All others —
2nd T6 T4 All others T1,T2,T3
L3
T3
T5
T13
T11
T12
High T11 T12 All others —
T13
T3
T5 T6
T1
T2
T4
Speed L1 L2 Open Together
Low T1 T2 All others —
2nd T11 T12 All others —
L3
T3
T13
T13
T11
T12
High T6 T4 All others T1,T2,T3
T5
T13
T15 T16
T11
T12
T14
Speed L1 L2 Open Together
Low T1 T2 All others —
2nd T11 T12 All others —
L3
T3
T13
T3
T1
T2
High T16 T14 All others T11,T12,T13
T15
T5
T4
T6
T7 T15
T14
T16
T17
Speed L1 L2 Open Together
Low T1 T2 All others T4,T5,T6,T7
2nd T6 T4 All others —
L3
T3
T5,T7
High T16 T14 All others —
T15,T17
T3 T1
T2 T12
T13 T11
3rd T11 T12 All others T14,T15,T16,T17
T13
T5
T4
T6
T7 T15
T14
T16
T17
Speed L1 L2 Open Together
Low T1 T2 All others T4,T5,T6,T7
2nd T11 T12 All others T14,T15,T16,T17
L3
T3
T13
High T16 T14 All others —
T15,T17
T3 T1
T2 T12
T13 T11
3rd T6 T4 All others —
T5,T7
L1 L2 Open Together
Low T1 T2 All others —
2nd T6 T4 All others T1,T2,T3,T7
L3
T3,T7
T5
High T16 T14 All others T11,T12,T13,T17
T15
3rd T11 T12 All others —
T13,T17
T7
T5 T6
T1
T2
T4
T3
T17
T15 T16
T11
T12
T14
T13
Speed
L1 L2 Open Together
Low T1 T2 All others —
2nd T11 T12 All others —
L3
T3,T7
T13,T17
High T16 T14 All others T11,T12,T13,T17
T15
3rd T6 T4 All others T1,T2,T3,T7
T5
T7
T5 T6
T1
T2
T4
T3
T17
T15 T16
T11
T12
T14
T13
Speed L1 L2 Open Together
Low T1 T2 All others —
2nd T6 T4 All others T1,T2,T3
L3
T3
T5
High T16 T14 All others T11,T12,T13
T15
3rd T11 T12 All others —
T13
Speed
T3
T5 T6
T1
T2
T4
T13
T15 T16
T11
T12
T14
L1 L2 Open Together
Low T1 T2 All others —
2nd T11 T12 All others —
L3
T3
T13
High T16 T14 All others T11,T12,T13
T15
3rd T6 T4 All others T1,T2,T3
T5
Speed
T3
T5 T6
T1
T2
T4
T13
T15 T16
T11
T12
T14
78
®
Programmable Lighting Controllers
Class 8865
Programmable Lighting Controller:
Class 8865 Type TC12
FIG. 1
+ 1 – + 2 – + 3 – + 4 – + 5 – + 6 – + 7 – + 8 – Demand
Input
24 VAC
INPUT
INPUTS
1
CIRCUIT
1
2
3
4
CIRCUIT
2
5
6
7
CIRCUIT
3
8
9
10
CIRCUIT
4
11
12
13
CIRCUIT
5
14
15
16
CIRCUIT
6
17
18
RELAY
OUTPUT
CONNECTIONS
CIRCUITS
1-6
19
CIRCUIT
7
20
21
22
CIRCUIT
8
23
24
25
CIRCUIT
9
26
27
28
CIRCUIT
10
29
30
31
CIRCUIT
11
32
33
34
CIRCUIT
12
35
36
RELAY
OUTPUT
CONNECTIONS
CIRCUITS
7-12
79
®
AC Lighting Contactors
Class 8903
Load Connections
Load Connections for AC Lighting Contactors:
Class 8903
FIG. 1 FIG. 2
1-Phase, 2-Wire, Single Load 1-Phase, 2-Wire, Multiple Loads
FIG. 3 FIG. 4
1-Phase, 3-Wire, Loads Connected Line-to-Neutral 1-Phase, 3-Wire, Load Connected Line-to-Line
FIG. 5 FIG. 6
3-Phase, 3-Wire, Wye-Connected Load 3-Phase, 3-Wire, Delta-Connected Load
FIG. 7
Application Limits:
1. Voltage between line side conductors must not
exceed line-to-line voltage rating of contactor.
2. Vload must not exceed volts-per-load rating of
contactor.
3. Line current carried by any contact must not
exceed ampere rating of contactor.
For contact ratings, refer to the Square D Digest.
3-Phase, 4-Wire, Loads Connected Line-to-Neutral
LOAD
L1 L2
IF
USED
Vload = Vline-tol-line
LOAD
L1 L2
IF
USED
LOAD
LOAD
L1 LN
L2
Vload = Vline-to-line
LOAD
L1 LN
IF
USED
LOAD
L2
Vload = Vline-to-neu-
LOAD
L1 LN
IF
USED
L2
Vload = Vline-to-line
LOAD
L1
LOAD
L2 L3
LOAD
L1 L2 L3 LN
Vload = Vline-to-line
1.732
LOAD
L1 L2 L3
LOAD
LOAD
Vload = Vline-to-line
Iload = Icontacts
1.732
LOAD
L1
LOAD
L2 L3
LOAD
LN
IF
USED
Vload = Vline-to-neu-
80
®
AC Lighting Contactors
Class 8903
Control Circuit Connections
Control Circuit Connections for Electrically-Held Contactors:
Class 8903 Type L and S
FIG. 1 FIG. 4
On-Off Push Button (Form A12)
FIG. 2
Direct Control from Pilot Device
FIG. 3
On-Off Selector Switch (Form C6) Hand-Off-Auto Selector Switch (Form C)
Control Circuit Connections for Mechanically-Held Contactors:
Class 8903 Type LX and S
FIG. 5 FIG. 6
On-Off Push Button (Form A3) On-Off Selector Switch (Form C6)
FIG. 7 FIG. 8
Control from 2-Pole Pilot Device 1-Pole Pilot Device w/ CR relay (Form R6)
COIL
OFF
M
ON
To AC common
or separate
control supply
COIL
To AC common
or separate
control supply
A1
A2
A1
A2
I
HAND OFF
2-WIRE
PILOT
DEVICE
I
AUTO
COIL
2-WIRE
PILOT DEVICE
To AC common
or separate
control supply
COIL
To AC common
or separate
control supply
A1
A2
A1
A2
I
ON
I
OFF
LATCH
ON
To AC common
or separate
control supply
UNLATCH
COIL CLEARING
CONTACTS
(Supplied)
B
A
14
15
17
18
OFF
LATCH
To AC common
or separate
control supply
UNLATCH
COIL CLEARING
CONTACTS
(Supplied)
B
A
14
15
17
18
A1
A2
A1
A2
I
ON
I
OFF
LATCH
To AC common
or separate
control supply
UNLATCH
COIL CLEARING
CONTACTS
(Supplied)
B
A
14
15
17
18
2-POLE
PILOT
DEVICE
LATCH
To AC common
or separate
control supply
UNLATCH
COIL
CLEARING
CONTACTS
(Supplied)
B
A
14
15
17
18
CR
CR
1-POLE
PILOT
DEVICE
CR
81
®
AC Lighting Contactors and Electronic Motor Brakes
Class 8903 and 8922
Panelboard Type Wiring:
Class 8903 Type PB, 30-225 A
FIG. 1 FIG. 3 FIG. 4
Control Circuit – Standard
FIG. 2
Control Circuit – 2-Wire Control
(Form R6)
Control Circuit – Long-Distance Control
(Form R62)
Power Circuit
QWIK-STOP® Electronic Motor Brake:
Class 8922
FIG. 5
Type ETB10, ETB18 and ETBS18 w/ Internal Braking Contactor
FIG. 6
Type ETB20-ETB800 and ETBS20-ETBS800
OFF
L
O
C
ON
L1
L2/N
CR2
L
O
C
CR1
L1
L2/N
CR2
CR1
OFF
ON
L1
T1
C
SO
+ –
L2
T2
L3
T3
L
O
C BR
SC
L = Line (common)
O = Open (unlatch)
C = Close (latch)
Omit middle pole
for 2-pole unit
CR
L
O
C
CR
L1
L2/N
CR
2-Wire
Pilot Device
L1
L2
L3
START
STOP
M
OL
T1
T2
T3
M
M
PLC
MOTOR
CUSTOMER CONTROL CIRCUIT
F1 F1
Xo Xo
ETB 10/18
When controlling electronic motor brake
ETB 10/18 with a PLC (programmable logic
control), terminals Xo-Xo must be jumpered.
[2]
[2]
M
F2 OL
M
F2 OL
M
F2 OL
L+
L1
L–
L2
B–
B+
B1
ETB 10/18
POWER CIRCUIT
F3
F3
24 VDC
+
–
[4]
Connection for ETBS only.
[4]
15 18
[1]
Contacts 15 and 18 close when
L1 and L2 are energized.
[1]
[3]
[3]
Semiconductor fuses.
[3]
L1
L2
L3
START
STOP
M
OL
T1
T2
T3
M
M
PLC
MOTOR
CUSTOMER CONTROL CIRCUIT
F1 F1
Xo Xo
ETB 20/800
When controlling electronic motor brake ETB 20/800 with a PLC
(programmable logic control), terminals Xo-Xo must be jumpered.
[2]
[2]
M
F2 OL
M
F2 OL
M
F2 OL
L+
L1
L–
L2
B–
B+
B1
ETB 20/800
POWER CIRCUIT
F3
F3
24 VDC
+
–
[4]
Connection for ETBS only.
[4]
15 18
[1]
Contacts 15 and 18 close when L1 and L2 are energized.
[1]
[3]
[3]
Semiconductor fuses.
[3]
M
25 28
B
B
B
B
QWIK-STOP is a registered trademark of Square D.
82
®
Electronic Motor Brakes, Duplex Motor Controllers and Fiber Optic Transceivers
Class 8922, 8941 and 9005
QWIK-STOP® Electronic Motor Brake: Class 8922 Type ETBC
FIG. 1
Type ETBC
AC Duplex Motor Controller: Class 8941 Fiber Optic Transceiver: Class 9005
FIG. 2 FIG. 3
Elementary Diagram for Duplex Motor Controller w/
Electric Alternator
Transceiver, Front View
FIG. 4
Location
L1
L2
L3
START
STOP
M
OL
T1
T2
T3
M
M
MOTOR
CUSTOMER CONTROL
CIRCUIT
F1 F1
To control electronic motor
brake ETBC with input B+/B–,
terminals 3 and 4 must be
jumpered.
[1]
M
F2 OL
M
F2 OL
M
F2 OL
T1/2
L1
T2/4
L2
ETBC
F3
F3
[1]
[2]
[2]
Semiconductor fuses.
[2]
B
B
M
PLC
24 VDC INPUT
+
–
1
2
3
4
5
6
7
B+ 9
B– 10
QWIK-STOP is a registered trademark of Square D.
A2
FIBER
A1
FIBER RELEASE
OUTPUT SETUP
GAIN
POWER
11
12
OUTPUT
14
86
OUTPUT
STATUS
LED SETUP
LED
FIBER
RELEASE
LEVER
GAIN
ADJ.
SCREW
INPUT
FIBER OPTIC
TRANSCEIVER
CLASS 9005 TYPE FT
FIBER OPTIC
PUSH BUTTON,
SELECTOR SWITCH,
LIMIT SWITCH, ETC.
FIBER OPTIC CABLE
ELECTRICAL
CONNECTIONS
BOUNDARY SEAL TO BE IN
ACCORDANCE WITH ARTICLE
501-5 OF THE NATIONAL
ELECTRICAL CODE
HAZARDOUS LOCATIONS NONHAZARDOUS LOCATIONS
CLASS I GROUPS A, B, C & D
CLASS II GROUPS E, F & G
CLASS III
FIBER OPTIC CABLE
83
®
Photoelectric Switches:
Class 9006 Type PE1 (Obsolete)
FIG. 1
Connect load in series.To prevent
damage, all switches except
emitters must have load
connected to switch.
FIG. 2
AC thru-beam emitter has no
output switching capability,
therefore leakage current is not
applicable. Thru-beam emitter is
connected directly across the AC
line and typically draws 15 mA.
2-Wire AC, Single Device Operation AC Emitter
FIG. 3
DC switches cannot be wired in
series. To prevent damage, all
switches except emitters must
have load connected to switch.
FIG. 4
DC thru-beam emitter has no
output switching capability,
therefore it requires only a 2-wire
cable connected directly across
the DC. Thru-beam emitter draws
a maximum of 45 mA.
4-Wire DC, Single Device Operation, 10-30 VDC, 250 mA Max. Load DC Emitter
Photoelectric Switches:
Class 9006 Type PE6 and PE7 (Obsolete)
Photoelectric Switches:
Class 9006 Type PEA120 (Obsolete)
FIG. 5
These switches are light
operated only.
Beam broken = load deenergized
Beam unbroken = load energized
FIG. 8
Diagram shows contact arrangement with beam broken.
12-24 VDC, Sinking (NPN)
FIG. 6
12-24 VDC, Sourcing (PNP)
FIG. 7
120 VAC, Emitter Only 120 VAC Amplifier
Inductive Proximity Switches:
Class 9006 Type PS (Obsolete)
FIG. 9 FIG. 10 FIG. 11
2-Wire AC, N.O. 2-Wire AC, N.C. 2-Wire AC, N.O. or N.C.
FIG. 12 FIG. 13 FIG. 14
2-Wire DC, N.O. 4-Wire DC, Sinking (NPN) 4-Wire DC, Sourcing (PNP)
Photoelectric and Inductive Proximity Sw itches
Class 9006
84
®
Inductive Proximity Sensors
XS, XSC, XSF and XSD
XS Tubular Inductive Proximity Sensors
FIG. 1 FIG. 2
2-Wire DC, Non-Polarized 2-Wire AC/DC
FIG. 3 FIG. 4 FIG. 5
3-Wire DC, N.O. or N.C. 3-Wire DC, N.O. and N.C., Complementary 3-Wire DC, Selectable PNP/NPN, N.O./N.C.
XSC Rectangular Inductive Proximity Sensors
FIG. 6 FIG. 7 FIG. 8 FIG. 9
2-Wire DC, Non-Polarized 2-Wire AC, Programmable 2-Wire AC/DC, Programmable 3-Wire DC, N.O. or N.C.
XSF Rectangular Inductive Proximity Sensors
FIG. 10 FIG. 11
2-Wire AC, Programmable N.O. or N.C. 3-Wire DC, N.O. or N.C.
XSD Rectangular Inductive Proximity Sensors
FIG. 12 FIG. 13 FIG. 14
2-Wire DC, Non-Polarized 2-Wire AC, Programmable N.O. or N.C. 3-Wire DC, N.O. or N.C.
NO
BN/3
BU/4
+/–
–/+
BN/2
BU/3
L1 +/–
L2 –/+
for connector version only
AC/DC
PNP
NO
BN/1
BK/4 NO
BK/2 NC
+
–
BU/3
NPN
NO
BN/1
BK/4 NO
BK/2 NC
+
–
BU/3
PNP
NO
BN/1
BK/4
WH/2
+
–
BU/3
NPN
NO
BN/1
WH/2
BK/4
+
–
BU/3
NC
NC
PNP
BN/1 (NO), BU/3 (NC)
BK/4
+
–
NPN
BU/3 (NO), BN/1 (NC)
BK/4
+
–
BN/1 (NO), BU/3 (NC)
NC
3
4
+/–
–/+
NO
3
4
+/–
–/+
NC
5
6
L1
L2
NO
5
6
L1
L2
8 BK
7 BK
NC
5
6
AC/DC
NO
5
6
AC/DC
7 8
7 8
PNP
NO
4
2
+
–
3
NPN
NO
1
2
4
+
–
NC
NC
3
1
NC
1
4
L1
NO
1
2
L1
L2
L2
PNP
NO
4
2
+
–
3
NPN
NO
1
2
4
+
–
NC
NC
3
1
NC
3
4
+/–
–/+
NO
3
4
+/–
–/+
L1
NO
L2
8
7
NC
8
7
LOAD
PNP
NO
4
2
+
–
3
NPN
NO
1
2
4
+
–
NC
NC
3
1
85
®
Inductive and Capacitive Proximity Sensors
XS and XTA
XS Tubular Inductive Proximity NAMUR Sensors
FIG. 1 FIG. 2
Non-Intrinsically Safe Applications (Normal Safe Zone),
Connected to a Solid State Input
With XZD Power Supply/Relay Amplifier Unit
XS Inductive Proximity Sensors w/ Analog Output
FIG. 3
Output current Value of Load R (max.)
@ 24 V:
0-10 mA 1800 Ω
0-16 mA 1125 Ω
@ 48 V:
0-10 mA 4200 Ω
FIG. 4
Output current Value of Load R (max.)
@ 24 V:
4-14 mA 640 Ω
4-20 mA 450 Ω
@ 48 V:
4-14 mA 2350 Ω
These sensors may be wired in
the 2- or 3-wire mode, depending
on the current output
characteristics required.
2-Wire DC 3-Wire DC
XTA Tubular Capacitive Proximity Sensors
FIG. 5 FIG. 6
2-Wire AC 3-Wire DC
ed to a solid state in ut (e.g. : ST1 CC/CS, TSX DET 466)
_
+
BU-2
BN-1
Ri = 1K
I > 3mA
7...12V DC
BU-2
BN-1
Ri = 1K
I < 1mA
7...12V DC
A
A
A
+
+
-
-
+
+
-
-
Object
present
Object
absent
+ _
BN BU
4 2.F 1.+
1 2
(110...240V) AC P=
XZD
A
proximity
sensor
}
Wiring diagram
2.0
(110...240 V)
AC P = 5 VA, 50 Hz
,
BN
BU
L1
L2
Gn*
* Ground for XTA A115 only
BN
+
-
BK
BU
PNP
BN
+
-
BK
BU
NPN
86
®
Magnet Actuated Proximity Sensors and Photoelectric Sensors
SG, ST and XUB
SG Magnet Actuated Proximity Sensors, Surface Mount Style
FIG. 1 FIG. 2 FIG. 3
SGA 8016, SGA 8031, SGA 8182, SGA 8053,
SGA 8176, SGA 8177, SG0 8168 and SG08239
SGB 8175 SG2 8195
SG Magnet Actuated Proximity Sensors, Limit Switch Style
FIG. 4 FIG. 5 FIG. 6
SG0 8003, SG1 8004, SGA 8005 and SGA 8040 SG0 L8003 and SG1 L8004 SGC 8027 and SGC 8025
FIG. 7 FIG. 8
SG0 B8114, SG1 B8147, SG0 BL8114,
SG0 BL8147 and SGC 8142-T-P
SG0 8079 and SG1 8056
SG Magnet Actuated Proximity Sensors,Tubular Style
FIG. 9 FIG. 10
SGA 8057, SGA 8189, SGA 8072, SGA 8179,
SGA 8180 and SGA 8038
SGC 8058 and SGC 8181
SG Magnet Actuated Proximity Sensors, Maintained Contact
FIG. 11 FIG. 12
SGA 8018, SGO 8026 SGO 8110
ST Grounded Probe Switch
FIG. 13 FIG. 14
ST switches may be wired in series or parallel.
For series operation, connect red lead
(terminal 4) to black lead (terminal 1) of other
switch. The voltage drop across each switch
(in the closed state) does not exceed 2 VAC.
Cable Wiring Terminal strip Wiring
XUB Short Range Tubular Photoelectric Sensors
FIG. 15 FIG. 16 FIG. 17
2-Wire AC AC Emitter DC Emitter
LOAD
L1 L2
LOAD
L1 L2
LOAD
LOAD
Red
White
Black
LOAD
L1 L2
LOAD
L1 L2
LOAD
LOAD
Com
NO
NC
LOAD
Com
+
+ –
LOAD
+ -
L
+ SG1 8056 is normally closed. Connect
red terminal (+) to power source.
Connect minus (-) terminal to load.
Housing must be connected to minus.
LOAD
L1 L2
LOAD
LOAD
Com
NO
NC
LOAD
L1 L2
LOAD
L1 L2
6.8k
2
3
1
Blk Gnd Wht Red
L1
hot
L2
neutral
LOAD
Target connected to ground
1 2 3 4
L1 L2
hot
neutral
LOAD
Target connected to ground. Housing
must be grounded for proper operation.
Not
used
housing
87
®
Photoelectric Sensors
XUM, XUH, XUG, XUL and XUJ
XUM Miniature High Performance Photoelectric Sensors XUH and XUG Medium Range
Photoelectric Sensors
FIG. 1 FIG. 2 FIG. 3
PNP Output NPN Output 5-Wire AC
XUL Subcompact Photoelectric Sensors
FIG. 4 FIG. 5
DC AC/DC
XUJ Compact High Performance Photoelectric Sensors
FIG. 6 FIG. 7 FIG. 8 FIG. 9
5-Wire Relay, AC/DC AC/DC Microchange
DC Connector
DC Output DC Output Microchange
DC Connector
BN
BU
BK
LOAD
+ Light
- Dark
Test
W
LOAD
H
Prog.
OG BN
LOAD
+ Light
- Dark
Test
OG
LOAD
J
Prog
.
W
BK
BU
Emitter DC
BN
BU
DC 3 wire
PNP output
BN
BU
OG
BK
+ light
- dark
Prog.
NPN output
BN
BU
BK
OG
+ light
- dark
Prog.
Connector, PNP output
1
3
2
4
+ light
- dark
Prog.
Connector, NPN output
1
3
4
2
+ light
- dark
Prog.
DC connector
1
2 4
prog. Output
+
–
Emitter
BN
BU
AC/DC
AC/DC
BN
BK
BU
RD
OG
Relay output
AC/DC versions
AC/DC
AC/DC
–
+
1
Dark 2
+
Light 3
or
4
5
1 k
6 Test
LOAD
–
NPN
PNP
+
Ω
88
®
Photoelectric Sensors and Security Light Barriers
XUE, XUR, XUD, XUG and XUE S
XUE Long Range Plug-In Photoelectric Sensors
FIG. 1 FIG. 2 FIG. 3
DC Emitter XUE A XUE H, NPN
FIG. 4 FIG. 5 FIG. 6
XUE H, PNP XUE F XUE T
XUR Color Registration Photoelectric Sensors
FIG. 7 FIG. 8
PNP NPN
XUD Amplifiers XUG Amplifiers
FIG. 9 FIG. 10 FIG. 11
XUD H XUD J for XUF N Plastic Fiber Optics – DC models
XUE S Security Light Barriers
FIG. 12 FIG. 13
Emitter Receiver
PNP
BN
H
Light Mode:
Connect to +
OG
+
–
BU
Dark Mode:
Connect to –
BK NPN
BN
J
+
–
BU
BK Light Mode:
Connect to +
OG
Dark Mode:
Connect to –
T1
T2
A1
A2
Open
to
test
L1
L2
5
6
3
4
L1
L2
1
2
89
®
Photoelectric Sensors
XUV
XUV Photoelectric Sensors w/ Separate Optical Heads
FIG. 1 FIG. 2
PNP Output NPN Output
FIG. 3
AC Wiring Diagrams
–
+
+
H
PNP
H
W Test
BU
BK
BN
Grey
Synchro
Gating Sensor
LOAD
LOAD
NPN
W
Test
BU
BK
BN
Grey
Synchro
Gating Sensor
+
–
–
J
J
LOAD
LOAD
13 15 17 19
2 4 6 8
1
2 3
A
2
1
Terminals
Potentiometers
Switches
LED indicators
Terminals
TERMINALS
2 L1 Supply
4 L2 Supply
6-8 Relay output (1 contact)
13 Receiver (white wire)
15 Receiver shielded cable
17 Emitter shield
19 Emitter (red wire)
1 CHANNEL AMPLIFIER
13 15 17 19
2 4 6 8
1 3 5 7
3
3 4
B
4
1
Terminals
Potentiometers
Switches
LED indicators
Terminals
TERMINALS
1 L1 Supply
2 L2 Supply
3 NC output, Channel 2
4 NC output, Channel 1
5 Common, Channel 2
6 Common, Channel 1
7 NO output, Channel 2
8 NO output, Channel 1
9 12 VDC output for synchro sensors
10 12 VDC output for synchro sensors
11 Synchronization, Channel 2, NPN
12 Synchronization, Channel 1, NPN
13 Emitter shield, Channel 1
14 Receiver, Channel 1 (white wire)
15 Emitter, Channel 1 (red wire)
16 Receiver shield, Channel 1
17 Emitter shield, Channel 2
18 Receiver, Channel 2 (white wire)
19 Emitter, Channel 2 (red wire)
20 Receiver shield, Channel 2
2 CHANNEL AMPLIFIER – FORM C RELAY
14 16 18 20
10 12
9 11
2 5
A
1 2
SWITCHES
1 Monostable timer (pulse stretcher), Channel 1
2 Light/Dark, Channel 1
3 Monostable timer (pulse stretcher), Channel 2
4 Light/Dark, Channel 2
A Sensitivity adjustment, Channel 1
B Sensitivity adjustment, Channel 2
1 Green: power supply
2 Red: unstable, Channel 1
3 Yellow: output, Channel 1
4 Red: unstable, Channel 2
5 Yellow: output, Channel 2
POTENTIOMETERS
SWITCHES
1 Light/Dark
2 Monostable timer (pulse stretcher)
1 Green: power supply
2 Red: unstable
3 Yellow: output
A Sensitivity adjustment
POTENTIOMETERS
13 15 17 19
2 4 6 8
1 3 5 7
7
3 4
C
8
1
Terminals
Potentiometers
Switches
LED indicators
Terminals
TERMINALS
1 L1 Supply
2 L2 Supply
3 Output test (1 contact relay)
4 Output test (1 contact relay)
5 Channel 1 output (1 contact relay)
6 Channel 1 output (1 contact relay)
7 Channel 2 output (1 contact relay)
8 Channel 2 output (1 contact relay)
9 12 VDC output for synchro sensors
10 12 VDC output for synchro sensors
11 Synchronization, Channel 2, NPN
12 Synchronization, Channel 1, NPN
13 Emitter shield, Channel 1
14 Receiver, Channel 1 (white wire)
15 Emitter, Channel 1 (red wire)
16 Receiver shield, Channel 1
17 Emitter shield, Channel 2
18 Receiver, Channel 2 (white wire)
19 Emitter, Channel 2 (red wire)
20 Receiver shield, Channel 2
2 CHANNEL LOGIC MODULE
14 16 18 20
10 12
9 11
2
B
5 6
SWITCHES
1 Time delay, Channel 1 (0.05 to 3 s or 1 to 60 s)
2 Time delay, Channel 1 (On/Off)
3 Time delay mode (mono. or adjustable time delay)
4 Leading/Trailing edge selection
A Time delay, Channel 1
B Sensitivity adjustment, Channel 1
1 Green: power supply
2 Red: output test
3 Yellow: output, Channel 1
4 Yellow: output, Channel 2
5 Green: synchronization, Channel 1
LED INDICATORS
POTENTIOMETERS
7 9
5 6 10
8
A
3 4
1 2
6 Yellow: detection, Channel 1
7 Red: unstable, Channel 1
8 Green: synchronization, Channel 2
5 Logic function (And/Or)
6 Logic function (On/Off)
7 Light/Dark, Channel 1
8 Light/Dark, Channel 2
C Sensitivity adjustment, Channel 2
9 Yellow: detection, Channel 2
10 Red: unstable, Channel 2
LED INDICATORS
LED INDICATORS
LED indicators
90
®
Limit Sw itches
Class 9007
Contact Forms for
Class 9007 Limit Switches
FIG. 1
Limit Switches:
Class 9007 Type C
FIG. 2 FIG. 3 FIG. 4
Types C52, C54
1-Pole
Type C62
2-Pole, Same Polarity Each Pole
Type C66
2-Pole, 2-Stage, Same Polarity Each Pole
FIG. 5
[1]
On CR switches, terminals 1-4 on left
side are for CW rotation and terminals
5-8 on right side are for CCW rotation.
FIG. 6
Types C68T5, C68T10, CR67T5 [1]
and CR67T10 [1]
2-Pole Neutral Position, Same Polarity Each Pole
Type C Reeds
Limit Switches:
Class 9007 Type XA
FIG. 7 FIG. 8
Type XA73 Reeds Type XA75 Reeds
91
®
Limit Sw itches
Class 9007
Limit Switches:
Class 9007 Type AW
FIG. 1 FIG. 2
Type AW12 and AW14 Type AW18
FIG. 3
[1]
If lever arm is placed at same end of box as
conduit, N.O. contacts become N.C. and
vice versa.
FIG. 4
[1]
If lever arm is placed at same end of box as
conduit, N.O. contacts become N.C. and vice
versa.
FIG. 5
Type AW16
w/ Lever Arm Opposite Conduit Hole [1]
Type AW19
w/ Lever Arm Opposite Conduit Hole [1]
Type AW32, AW34, AW42
and AW44
FIG. 6 FIG. 7 FIG. 8
Type AW36 and AW46 Type AW38 and AW48 Type AW39 and AW49
Limit Switches:
Class 9007 Type SG – GATE GARDTM Switch
FIG. 9 FIG. 10
Type SGS1DK Type SGP1
92
®
Limit Sw itches and Safety Interlocks
XCK and MS
XCK Limit Switches
FIG. 1 FIG. 2 FIG. 3
SPDT, 1 N.O. and 1 N.C.
Positive Opening, Snap Action
2 SPDT, 2 N.O. and 2 N.C. SPDT, Isolated N.O. and N.C.
Positive Opening, Slow-Make Slow-Break
XCK Safety Interlocks
FIG. 4 FIG. 5 FIG. 6
Note: N.O. and N.C.
contacts are shown with
key inserted and fully
engaged.
SPDT, Positive Opening,
Slow-Make Slow-Break
SPDT, w/ 24 VDC LED, Positive Opening,
Slow-Make Slow-Break
SPDT, w/ 2 Pilot Lights, Positive Opening,
Slow-Make Slow-Break
Contact Blocks for XY2CE Limit Switches
FIG. 7 FIG. 8 FIG. 9 FIG. 10 FIG. 11
XEN P2151, Isolated N.C.
and N.O.
XEN P2141, Isolated N.C.
and N.O.
XEN P2051, N.C./N.O.,
12 and 14 same polarity
Indicator Light, Direct Indicator Light
w/ Resistance
MS Miniature Limit Switches
FIG. 12 FIG. 13
SPST SPDT
21
22
13
14
No polarity
21
22
13
14
X1
X3
LED 24 VDC
24 VDC
0 V
LOAD
Orange
21
22
13
14
X1
X3
AC
L1
L2
LOAD
Orange
X2
Green
AC
21 13
22 14
Zb
21 11
22 12
Zb
11 13
12 14
Za
X1
X2
X1
X2
Black White
Green Red
Black
Red
Orange
White
Green
93
®
Pressure Sw itches and Transducers
Class 9012, 9013, 9022 and 9025
Pressure and Temperature Switches:
Class 9012 and 9025 Type G
FIG. 1 FIG. 2 FIG. 3
Machine Tool, SPDT,
1 N.O. and 1 N.C.
Machine Tool, DPDT,
2 N.O. and 2 N.C.
Industrial, SPST,
1 N.O. and 1 N.C.
FIG. 4 FIG. 5
Machine Tool, SPDT, 1 N.O. and 1 N.C. w/ Form H10 Machine Tool, SPDT, 1 N.O. and 1 N.C. w/ Form H11
Commercial Pressure Switches:
Class 9013 Type CS
FIG. 6
Acceptable Wiring Schematics
Pressure Transducers:
Class 9022 Type PTA and PTB
FIG. 7 FIG. 8 FIG. 9
Type PTA, 2-Wire Type PTA, 3-Wire Type PTA, 4-Wire
FIG. 10 FIG. 11 FIG. 12
Type PTB, 2-Wire Type PTB, 3-Wire Type PTB, 4-Wire
+
TRANSDUCER
DC SUPPLY –
Red Black
LOAD
+
TRANSDUCER
DC SUPPLY –
Red
White or
Brown
LOAD
Black
+
TRANSDUCER
DC SUPPLY –
4
1
LOAD
2
3
+
TRANSDUCER
DC SUPPLY –
Red Green
LOAD
+
TRANSDUCER
DC SUPPLY –
A B
LOAD
C
+
TRANSDUCER
DC SUPPLY –
Red
Black
LOAD
Green
White
94
®
Level Sensors and Electric Alternators
Class 9034 and 9039
Level Sensors:
Class 9034 Types LSD and LSV
FIG. 1 Wiring Diagram Elementary Diagram
Fill Cycle, Tank Full
FIG. 2 Wiring Diagram Elementary Diagram
Drain Cycle, Tank Empty
Electric Alternators:
Class 9039 Type X
FIG. 3
Set pilot device A contacts to close before pilot device
B contacts.
Connections shown are for common control. If motor
line voltage is different from voltage rating stamped on
alternator coil terminals, alternator must be connected
to motor lines thru control transformers.
Control circuit conductors require overcurrent
protection in accordance with applicable electrical
codes.
* Overlapping contact.
Output selection of both sensors in maximum (N.C.
when absent). Both devices at max. setting.
Output selection of both sensors in minimum (N.O.
when absent). Both devices at min. setting.
FPO 69-1
95
®
Pneumatic Timing Relays
Class 9050
Pneumatic Timing Relays:
Class 9050:Type AO
FIG. 1 FIG. 2 FIG. 3 FIG. 4 FIG. 5 FIG. 6
Type AO10E Type AO10D Type AO20E Type AO20D Type AO110DE Type AO120DE
FIG. 7 FIG. 8 FIG. 9 FIG. 10 FIG. 11 FIG. 12
Type AO11E Type AO11D Type AO21E Type AO21D Type AO111DE Type AO121DE
FIG. 13 FIG. 14 FIG. 15 FIG. 16 FIG. 17 FIG. 18
Type AO12E Type AO12D Type AO22E Type AO22D Type AO112DE Type AO122DE
FIG. 19 FIG. 20 FIG. 21 FIG. 22 FIG. 23 FIG. 24
Type AO210DE Type AO211DE Type AO212DE Type AO220DE Type AO221DE Type AO222DE
Pneumatic Timing Relays:
Class 9050:Type HO
Pneumatic Timing Relays:
Class 9050:Types B and C
FIG. 25 FIG. 26 FIG. 27
Off Delay On Delay
FIG. 28
Off Delay On Delay
Type HO10E, On Delay Type HO10D, Off Delay Type B Type C
96
®
Pneumatic Timing Relays and Solid State Industrial Timing Relays
Class 9050
Class 9050 Pneumatic Timing Relays:Typical Elementary Diagrams
FIG. 1 FIG. 2
Interval, Momentary Start
FIG. 3
On Delay Interval, Maintained Start
FIG. 4 FIG. 5
Off Delay Repeat Cycle
Solid State Industrial Timing Relays: Class 9050 Types FS and FSR
FIG. 6 FIG. 7
Elementary Diagram Wiring Diagram
Solid State Industrial Timing Relays: Class 9050 Type FT
FIG. 8 FIG. 9
Elementary Diagram Wiring Diagram
FPO
71-1
L1
Timed
Contacts
L2 C1 C3
C2 C4
L1
Instantaneous
Contacts
(optional)
C5 C7
C6 C8
P1
AC Supply Voltage
L2
External Initiating Contact
FPO
71-2
L1
Timed
Contacts
C3 C5 C7
L1 L2
C1
Instantaneous
Contacts
(optional)
C4
P
C6 C8
C2
AC Supply Voltage
L2
External Initiating Contact
97
®
Timers
Class 9050
Solid State Industrial Timing Relays:
Class 9050 Type JCK
FIG. 1 FIG. 2
Terminals 5 and 10 are internally jumpered.Applying
power to terminal 7 or jumpering from terminal 5 to 7
through an external contact initiates the timer.
FIG. 3
Type JCK 11-19, 31-39 and 51-60 Type JCK 21-29 and 41-49 Type JCK 70
Solid State Timers:
Class 9050 Type D
FIG. 4 FIG. 5 FIG. 6 FIG. 7
Type DER, DZM, DTR, DWE,
DEW and DBR
Type DERP, DERLP, DWEP
and DZMP
Type DAR Type DARP
Solid State Timers:
Class 9050 Type M
FIG. 8 FIG. 9
Type MAN, MBR, MER, MEW,
MTG, MWE and MZM
Type MAR
1
2
3
4 5
7
6
8
Control Power
+ –
Polarity markings are for DC units
only. JCK 60 is AC only.
2
3
4
5 7
8
9
10
6
1 11
Control Power
+ –
Polarity markings are for DC units only.
External Initiating Contact
2
3
4
5 7
8
9
10
6
1 11
External Initiating Contact
(used in one-shot and
off-delay mode only)
Control Power
A1/+ 15 25
16 18 A2/–
Vs
26 28
A1/+ 15 25 Z1 Z2
16 18 A2/–
Vs
26 28
A1 15 25
16 18 A2
Vs
26 28
A1 15 25 Z1 Z2
16 18 A2
Vs
26 28
17 25 A1
18 26
Vs
A2
15 A1
16 18
Vs
A2
98
®
Transformer Disconnects
Class 9070
Transformer Disconnects:
Class 9070
Note: Some factory modifications, depending on enclosure and transformer VA size selected, are not available. Consult factory modification chart.
FIG. 1 FIG. 2
For Size 1 Enclosures except w/ Form E23 For Size 1 Enclosures w/ Form E23
FIG. 3 FIG. 4
For Size 2 Enclosures except w/ Form E23 For Size 2 Enclosures w/ Form E23
L1
F
U
1
460 V
F
U
2
GND
L3
L2
H1 H3 H2 H4
F
U
3
X1A
F
U
5
X1B
F
U
4
X2B X2A
R
Power
On
Optional
115 V
X1 X2
230 V
H1 H3 H2 H4
Optional Connection
OFF
ON
L1
F
U
1
460 V
F
U
2
GND
L3
L2
H1 H3 H2 H4
F
U
3
X1A
F
U
4
F
U
5
X2A
R
Power
On
Optional
115 V
X1 X2
230 V
H1 H3 H2 H4
Optional Connection
Electrostatically
Shielded Transformer
F
U
6
OFF
ON
L1
F
U
1
460 V
F
U
2
GND
L3
L2
H1 H3 H2 H4
F
U
3
X1A
F
U
5
X1B
F
U
4
X2B X2A
R
Power
On
115 V
X1 X2
230 V
H1 H3 H2 H4
Optional Connection
Optional
OFF
ON
L1
F
U
1
460 V
F
U
2
GND
L3
L2
H1 H3 H2 H4
F
U
3
X1A
F
U
8
F
U
5
X2B
R
Power
On
115 V
X1 X2
230 V
H1 H3 H2 H4
Optional Connection
Electrostatically
Shielded Transformer
F
U
6
Optional
F
U
4
X2A
F
U
7
X1B
OFF
ON
99
®
Enclosure Selection Guide
Table 6 Enclosures for Non-Hazardous Locations
Provides Protection Against
NEMA
Type 1
NEMA
Type 3 [1]
NEMA
Type 3R [1]
NEMA
Type 4 [2]
NEMA
Type 4X [2] Type 5
NEMA
Type 12 [3] Type 12K
NEMA
Type 13
Accidental contact w/ enclosed equipment Yes Yes Yes Yes Yes Yes Yes Yes Yes
Falling dirt Yes Yes Yes Yes Yes Yes Yes Yes Yes
Falling liquids and light splashing … Yes Yes Yes Yes … Yes Yes Yes
Dust, lint, fibers and flyings … … … Yes Yes Yes Yes Yes Yes
Hosedown and splashing water … … … Yes Yes … … … …
Oil and coolant seepage … … … … … … Yes Yes Yes
Oil and coolant spraying and splashing … … … … … … … … Yes
Corrosive agents … … … … Yes … … … …
Rain, snow and sleet [4]
… Yes Yes [5]
Yes … … … …
Windblown dust … Yes … [5]
Yes Yes … … …
[1]
Intended for outdoor use.
[2]
Intended for indoor and outdoor use.
[3]
Square D Industrial Control design NEMA Type 12 enclosures may be field modified for outdoor applications.
[4]
External operating mechanisms are not required to be operable when the enclosure is ice covered.
[5]
Square D Industrial Control design NEMA Type 4 enclosures provide protection against these environments.
Table 7 Enclosures for Hazardous Locations
Provides Protection Against Class [1] Group [1]
Enclosure
NEMA Type 7 NEMA Type 9
7B 7C 7D 9E 9F 9G
Hydrogen, manufactured gas I B Yes … … … … …
Ethyl ether, ethylene, cyclopropane I C Yes Yes … … … …
Gasoline, hexane, naphtha, benzine, butane, propane,
alcohol, acetone, benzol, natural gas, lacquer solvent
I D Yes Yes Yes … … …
Metal dust Il E … … … Yes … …
Carbon black, coal dust, coke dust Il F … … … … Yes …
Flour, starch, grain dust Il G … … … … Yes Yes
[1]
As described in Article 500 of the National Electrical Code.
100
®
Conductor Ampacity and Conduit Tables
Based on 1993 National Electrical Code
Table 8 Conductor Ampacity based on NEC Table 310-16
COPPER CONDUCTORS ALUMINUM CONDUCTORS
Wire
Size
AWG
kcmil
75 °C (167 °F)
Conductor Insulation [1]
90 °C (194 °F)
Conductor Insulation [1]
Wire
Size
AWG
kcmil
75 °C (167 °F)
Conductor Insulation [1]
90 °C (194 °F)
Conductor Insulation [1]
Table
310-16
Ampacity
Insulated
Copper
THHW, THW,
RW, USE
THWN, XHHW
Table
310-16
Ampacity
Insulated
Copper
THHN, XHHW
Table
310-16
Ampacity
Insulated
Copper
THHW, THW,
USE
XHHW
Table
310-16
Ampacity
Insulated
Copper
THHN, XHHW
Conduit
3W
Conduit
4W [2]
Conduit
3W
Conduit
4W [2]
Conduit
3W
Conduit
4W [2]
Conduit
3W
Conduit
4W [2]
Conduit
3W
Conduit
4W [2]
Conduit
3W
Conduit
4W [2]
†14 20 … … 1/2 1/2 25 1/2 1/2 … … … … … … … … …
†12 25 … … 1/2 1/2 30 1/2 1/2 †12 20 … … 1/2 1/2 25 1/2 1/2
†10 35 … … 1/2 1/2 40 1/2 1/2 †10 30 … … 1/2 1/2 35 1/2 1/2
8 50 3/4 1 1/2 [3]
3/4 55 1/2 [3]
3/4 8 40 3/4 3/4 1/2 3/4 45 1/2 3/4
6 65 1 1 3/4 3/4 [4]
75 3/4 3/4 [4]
6 50 3/4 1 3/4 3/4 60 3/4 3/4
4 85 1 1-1/4 1 1 95 1 1 4 65 1 1 3/4 1 75 3/4 1
3 100 1-1/4 1-1/4 1 1-1/4 110 1 1-1/4 3 75 … … … … 85 … …
2 115 1-1/4 1-1/4 1 1-1/4 130 1 1-1/4 2 90 1 1-1/4 1 1-1/4 100 1 1-1/4
1 130 1-1/4 1-1/2 1-1/4 1-1/2 150 1-1/4 1-1/2 1 100 1-1/4 1-1/2 1-1/4 1-1/2 115 1-1/4 1-1/2
1/0 150 1-1/2 2 1-1/4 1-1/2 170 1-1/4 1-1/2 1/0 120 1-1/4 1-1/2 1-1/4 1-1/2 135 1-1/4 1-1/2
2/0 175 1-1/2 2 1-1/2 2 195 1-1/2 2 2/0 135 1-1/2 2 1-1/4 1-1/2 150 1-1/4 1-1/2
3/0 200 2 2 1-1/2 2 225 1-1/2 2 3/0 155 1-1/2 2 1-1/2 2 175 1-1/2 2
4/0 230 2 2-1/2 2 2 260 2 2 4/0 180 2 2 1-1 /2 2 205 1-1/2 2
250 255 2-1/2 2-1/2 2 2-1/2 290 2 2-1/2 250 205 2 2-1/2 2 2 230 2 2
300 285 2-1/2 3 2 2-1/2 320 2 2-1/2 300 230 2 2-1/2 2 2-1/2 255 2 2-1/2
350 310 2-1/2 3 2-1/2 3 350 2-1/2 3 350 250 2-1/2 3 2-1/2 3 280 2-1/2 3
400 335 3 3 2-1/2 3 380 2-1/2 3 400 270 2-1/2 3 2-1/2 2-1/2 [5]
305 2-1/2 2-1/2 [5]
500 380 3 3-1/2 3 3 430 3 3 500 310 3 3 2-1/2 3 350 2-1/2 3
600 420 3 3-1/2 3 3-1/2 475 3 3-1/2 600 340 3 3-1/2 3 3 385 3 3
700 460 3-1/2 4 3 3-1/2 520 3 3-1/2 700 375 3 3-1/2 3 3-1/2 420 3 3-1/2
750 475 3-1/2 4 3-1/2 4 535 3-1/2 4 750 385 3 3-1/2 3 3-1/2 435 3 3-1/2
800 490 3-1/2 4 3-1/2 4 555 3-1/2 4 800 395 … … … … 450 … …
900 520 4 5 3-1/2 4 585 3-1/2 4 900 425 … … … … 480 … …
1000 545 4 5 3-1/2 5 615 3-1/2 5 1000 445 3-1/2 4 3-1/2 4 500 3-1/2 4
[1]
Unless otherwise permitted in the Code, the overcurrent protection for conductor types marked
with an with an obelisk (†) shall not exceed 15 A for No. 14, 20 A for No. 12 and 30 A for No. 10
copper, or 15 A for No. 12 and 25 A for No. 10 aluminum after any correction factors for ambient
temperature and number of conductors have been applied
..
[2]
On a 4-wire, 3-phase wye circuit where the major portion of the load consists of nonlinear loads
such as electric discharge lighting, electronic computer/data processing, or similar equipment
there are harmonic currents present in the neutral conductor and the neutral shall be considered
to be a current-carrying conductor.
[3]
#8 XHHW copper wire requires 3/4" conduit for 3W.
[4]
#6 XHHW copper wire requires 1" conduit for 3Ø4W.
[5]
400 kcmil aluminum wire requires 3" conduit for 3Ø4W.
Ampacity Based on NEC® Table 310-16 — Allowable Ampacities of Insulated Conductors Rated 0-2000 Volts, Not More Than Three Conductors
in Raceway or Cable. Based on 30 °C Ambient Temperature. Trade Size of Conduit or Tubing Based on NEC Chapter 9, Table 1 and Tables 3A,
3B, 3C, 4 and 5B. Refer to Chapter 9 for Maximum Number of Conductors in Trade Sizes of Conduit or Tubing. Dimensions of Insulated Con-
ductors for Conduit Fill Determined from NEC Chapter 9 Tables 5 and 5A.
For information on temperature ratings of terminations to equipment, see NEC Section 110-14c. Underlined conductor insulation
types indicates ampacity is for WET locations. See NEC Table 310-13.
NEC is a Registered Trademark of the National Fire Protection Association.
101
®
Conductor Ampacity and Conduit Tables
Based on 1993 National Electrical Code
Ampacity Correction Factors:
For ambient temperatures other than 30 °C (86 °F), multiply the ampacities listed in Table 8 by the appropriate factor listed in Table 9.
Adjustment Factors:
Where the number of current-carrying conductors in a raceway or cable exceeds three, reduce the allowable ampacities as shown in Table 9.
Table 9 Ampacity Correction Factors
Ambient
Temperature (°C)
75 °C (167 °F)
Conductors
90 °C (194 °F)
Conductors
Ambient
Temperature (°F)
21-25 1.05 1.04 70-77
26-30 1.00 1.00 78-86
31-35 .94 .96 87-95
36-40 .88 .91 96-104
41-45 .82 .87 105-113
46-50 .75 .82 114-122
51-55 .67 .76 123-131
56-60 .58 .71 132-140
61-70 .33 .58 141-158
71-80 … .41 159-176
Table 11 Ratings for 120/240 V, 3-Wire, Single-Phase Dw elling Services – see NEC 310-16 Note 3
Rating (A) 100 110 125 150 175 200 225 250 300 350 400
Copper 4 AWG 3 AWG 2 AWG 1 AWG 1/0 AWG 2/0 AWG 3/0 AWG 4/0 AWG 250 kcmil 350 kcmil 400 kcmil
Aluminum 2 AWG 1 AWG 1/0 AWG 2/0 AWG 3/0 AWG 4/0 AWG 250 kcmil 300 kcmil 350 kcmil 500 kcmil 600 kcmil
Ratings for 120/240 V, 3-Wire, Single-Phase Dwelling Services:
The ratings in Table 11 are permitted ratings for dwelling unit service and feeder conductors which carry the total load of the dwelling. The
grounded conductor (neutral) shall be permitted to be not more than 2 AWG sizes smaller than the ungrounded conductors, provided the re-
quirements of 215-2, 220-22 and 230-42 are met.
NEC 240-3 Protection of Conductors:
Conductors, other than flexible cords and fixture wires, shall be protected against overcurrent in accordance with their ampacities as specified
in NEC Section 310-15, unless otherwise permitted in parts (a) through (m).
NEC 220-3 (a) Continuous and Noncontinuous Loads:
The branch circuit rating shall not be less than the noncontinuous load plus 125% of the continuous load (see exception for 100% rated devices).
NEC 220-10 (b) Continuous and Noncontinuous Loads:
Where a feeder supplies continuous loads or any combination of continuous and noncontinuous loads, the rating of the overcurrent device shall
not be less than the noncontinuous load plus 125% of the continuous load (see exception for 100% rated devices).
NEC 430-22 (a) Single Motor Circuit Conductors:
Branch circuit conductors supplying a single motor shall have an ampacity not less than 125% of the motor full-load current rating (see excep-
tions).
NEC is a Registered Trademark of the National Fire Protection Association.
Table 10 Adjustment Factors
No. of Current-Carrying
Inductors
Values in Tables as Adjusted
for Ambient Temperature
4-6 80%
7-9 70%
10-20 50%
21-30 45%
31-40 40%
41 and above 35%
For exceptions, see exceptions to Note 8 of NEC®
Table 310-16.
102
®
Wire Data
Table 12 AWG and Metric Wire Data
AWG
Size
Conductor
dia. (mm)
Conductor
dia. (in)
Resistance @ 20 °C (68 °F) AWG
Size
Conductor
dia. (mm)
Conductor
dia. (in)
Resistance @ 20 °C (68 °F)
Ohm per ft Ohm per m Ohm per ft Ohm per m
29 .01126 .08180 .2684 13 1.900 .07480 .001853 .006081
.315 .01240 .06743 .2212 2.000 .07874 .001673 .005488
28 .01264 .06491 .2130 12 .08081 .001588 .005210
.355 .01398 .05309 .1742 2.120 .08346 .001489 .004884
27 .01420 .05143 .1687 2.240 .08819 .001333 .004375
.400 .01575 .04182 .1372 11 .09074 .001260 .004132
26 .01594 .04082 .1339 2.360 .09291 .001201 .003941
.450 .01772 .03304 .1084 2.500 .09843 .001071 .003512
25 .01790 .03237 .1062 10 .1019 .0009988 .003277
.500 .01969 .02676 .08781 2.650 .1043 .0009528 .003126
24 .02010 .02567 .08781 2.800 .1102 .0008534 .002800
.560 .02205 .02134 .07000 9 .1144 .0007924 .002500
23 .02257 .02036 .06679 3.000 .1181 .0007434 .002439
.630 .02480 .01686 .05531 3.150 .1240 .0006743 .002212
22 .02535 .01614 .05531 8 .1285 .0006281 .002061
.710 .02795 .01280 .04201 3.350 .1319 .0005662 .001956
21 .02846 .01280 .04201 3.550 .1398 .0005309 .001742
.750 .02953 .01190 .03903 7 .1443 .0004981 .001634
.800 .03150 .01045 .03430 3.750 .1476 .0004758 .001561
20 .03196 .01015 .03331 4.000 .1575 .0004182 .001372
.850 .03346 .009261 .05038 6 .1620 .0003952 .001296
.900 .03543 .008260 .02642 4.250 .1673 .0003704 .001215
19 .03589 .008051 .02642 4.500 .1772 .0003304 .001084
.950 .03740 .007414 .02432 5 .1819 .0003134 .001028
1.000 .03937 .006991 .02195 4.750 .1870 .0002966 .0009729
18 .04030 .006386 .02095 5.000 .1968 .0002676 .0008781
1.060 .04173 .005955 .01954 4 .2043 .0002485 .0008152
1.120 .04409 .005334 .01750 5.600 .2205 .0002134 .0007000
17 .04526 .005063 .01661 3 .2294 .0001971 .0006466
1.180 .04646 .004805 .01577 6.300 .2480 .0001686 .0005531
1.250 .04921 .004282 .01405 2 .2576 .0001563 0005128
16 .05082 .004016 .01317 7.100 .2795 .0001327 .0004355
1.320 .05197 .003840 .01260 1 .2893 .0001239 .0004065
1.400 .05512 .004016 .01317 8.000 .3150 .0001045 .0003430
15 .05707 .003414 .01045 0 .3249 .00009825 .0003223
1.500 .05906 .002974 .009756 9.000 .3543 .00008260 .0002710
1.600 .06299 .002526 .008286 2/0 .3648 .00007793 .0002557
14 .06408 .002315 .007596 10.000 .3937 .00006691 .0002195
1.700 .06693 .002315 .007596 3/0 .4096 .00006182 .0002195
1.800 .07087 .002065 .006775 4/0 .4600 .00004901 .0001608
13 .07196 .002003 .006571 11.800 .4646 .00004805 .0001577
103
®
Electrical Formulas
Table 13 Electrical formulas for Amperes, Horsepow er, Kilow atts and KVA
To find Single phase 3-phase Direct current
Kilowatts
I x E x PF
1000
I x E x 1.73 x PF
1000
I x F
1000
KVA
I x E
1000
I x E x 1.73
1000
—
Horsepower (output)
I x E x % Eff x PF
746
I x E x 1.73 x %Eff x PF
746
I x E x %Eff
746
Amperes when Horsepower is
known
HP x 746
E x %Eff x PF
HP x 746
1.73 x E x %Eff x PF
HP x 746
E x %Eff
Amperes when Kilowatts is
known
KW x 1000
E x PF
KW x 1000
1.73 x E x PF
KW x 1000
E
Amperes
KVA x 1000
E
KVA x 1000
1.73 x E
—
E=Volts l = Amperes %Eff = Percent efficiency PF = Power factor HP = Horsepower KVA = Kilovolt-Amps
Table 14 Ratings for 3-Phase, Single-Speed, Full-Voltage Magnetic Controllers
for Nonplugglng and Nonjogging Duty
Size of
Controller
Continous
Current Rating
(A)
Horsepower at [1]
Service-Limit
Current Rating
(A)
60 Hz 200 V 60 Hz 230 V 50 Hz 380 V
60 Hz
460 or 575 V
00 9 1-1/2 1-1/2 1-1/2 2 11
0 18 3 3 5 5 21
1 27 7-1/2 7-1/2 10 10 32
2 45 10 15 25 25 52
3 90 25 30 50 50 104
4 135 40 50 75 100 156
5 270 75 100 150 200 311
6 540 150 200 300 400 621
7 810 — 300 — 600 932
[1]
These horsepower ratings are based on typical locked-rotor current ratings. For motors having higher locked-rotor currents,
use a larger controller to ensure its locked-rotor current rating is not exceeded.
Average Efficiency and Power Factor Values of Motors:
When actual efficiencies and power factors of the motors to be controlled are not known, the following approximations may be used:
Efficiencies:
DC motors, 35 hp and less: 80% to 85%
DC motors, above 35 hp: 85% to 90%
Synchronous motors (at 100% PF): 92% to 95%
“Apparent” efficiencies (Efficiency x PF):
3-phase induction motors, 25 hp and less: 70%
3-phase induction motors above 25 hp: 80%
Decrease these figures slightly for single phase induction motors.
104
®
Electrical Formulas
Table 15 Ratings for 3-Phase, Single-Speed, Full-Voltage Magnetic Controllers
for Plug-Stop, Plug-Reverse or Jogging Duty
Size of
Controller
Continous
Current Rating
(A)
Horsepower at [1]
Service-Limit
Current Rating
(A)
60 Hz 200 V 60 Hz 230 V 50 Hz 380 V
60 Hz
460 or 575 V
0 18 1-1/2 1-1/2 1-1/2 2 21
1 27 3 3 5 5 32
2 45 7-1/2 10 15 15 52
3 90 15 20 30 30 104
4 135 25 30 50 60 156
5 270 60 75 125 150 311
6 540 125 150 250 300 621
[1] These horsepower ratings are based on typical locked-rotor current ratings. For motors having higher locked-rotor currents,
use a larger controller to ensure its locked-rotor current rating is not exceeded.
Table 16 Pow er Conversions
From to kW to PS to hp to ft-lb/s
1 kW (kilowatt) = 1010 erg/s 1 1.360 1.341 737.6
1 PS (metric horsepower) 0.7355 1 0.9863 542.5
1 hp (horsepower) 0.7457 1.014 1 550.0
1 ft-lb/s (foot-pound per sec) 1.356 x 10-3 1.843 x 10-3 1.818 x 10-3 1
Fromsingleproducts
tocompletesystems,lookto
SquareD.
SquareDCompanyisaleadingmanufacturer
and supplier of electrical distribution, automation and
industrial control products. The full line of Square D
and Telemecanique brand products are available from
an extensive network of Square D distributors located
throughout NorthAmerica.
Square D Company is part of Groupe
Schneider, an $11 billion global manufacturer of
electrical distribution, automation and industrial
equipment,acompanywhoseprimarybusinessresides
in those markets.
Square D has been serving industrial and
construction markets, as well as public utilities,
individual consumers and government agencies for
over85years.Weofferunsurpassedquality,innovative
design and a committed staff of trained sales
representativesandservicetechnicianswillingtostand
behind every product we sell.
For further information on how we can help
fillyourelectricalneeds,callyourlocalSquareDfield
representative or authorized Square D distributor.
Square D Company
Automation and Control Business
P.O. Box 27446, Raleigh, N.C. 27611, USA
Square D Canada
6675 Rexwood Road
Mississauga, Ontario L4V 1V1
Square D Company Mexico, SA de C.V.
Calz. Javier Rojo Gomez No. 1121
Col. Guadalupe del Moral, Iztapalapa
09300 Mexico D.F., Mexico
0140CT9201 (Supersedes SM304R10)
Printed in USA © 1993 Square D All Rights Reserved

Wiring_Diagram_Book.pdf

  • 1.
    Wiring Diagram Book A1 15 B1 B2 16 18 B3 A2 B1B3 15 16 18 Supply voltage L M H 2 Levels B2 L1 F U 1 460 V F U 2 GND L3 L2 H1 H3 H2 H4 F U 3 X1A F U 4 F U 5 X2A R Power On Optional 115 V X1 X2 230 V H1 H3 H2 H4 Optional Connection Electrostatically Shielded Transformer F U 6 OFF ON M L1 L2 2 1 OL STOP M START 3 START START STOP STOP FIBER OPTIC TRANSCEIVER CLASS 9005 TYPE FT FIBER OPTIC PUSH BUTTON, SELECTOR SWITCH, LIMIT SWITCH, ETC. FIBER OPTIC CABLE ELECTRICAL CONNECTIONS BOUNDARY SEAL TO BE IN ACCORDANCE WITH ARTICLE 501-5 OF THE NATIONAL ELECTRICAL CODE HAZARDOUS LOCATIONS NONHAZARDOUS LOCATIONS CLASS I GROUPS A, B, C & D CLASS II GROUPS E, F & G CLASS III FIBER OPTIC CABLE L1 L2 L3 1 3 5 A1 A2 T1 T2 T3 2 4 6 OR DISCONNECT SWITCH L1 L2 L3 CIRCUIT BREAKER START STOP M OT* T1 T2 T3 M M SOLID STATE OVERLOAD RELAY 1CT M M MOTOR 3CT TO 120 V SEPARATE CONTROL * OT is a switch that opens when an overtemperature condition exists (Type MFO and MGO only) T1 T3 MOTOR 3 2 L2 T2 L3 T3 T2 L1 1 T1 13 14 43 44 53 54 31 32 21 22 Status (N.O. or N.C.) Location A1 15 B1 B2 16 18 B3 A2 B1 B3 15 16 18 Supply voltage L M H 2 Levels B2 21 22 13 14 X1 X3 AC L1 L2 LOAD Orange X2 Green AC 1 5 9 2 6 10 4 8 12 14 (+) 13 (–) A1/+ 15 25 Z1 Z2 16 18 A2/– Vs 26 28 A1 A2 File 0140
  • 2.
    © 1993 SquareD. All rights reserved. This document may not be copied in whole or in part, or trans- ferred to any other media, without the written permission of Square D. Electrical equipment should be serviced only by qualified electrical maintenance personnel, and this document should not be viewed as sufficient instruction for those who are not otherwise qualified to operate, service or maintain the equipment discussed.Although reasonable care has been taken to pro- vide accurate and authoritative information in this document, no responsibility is assumed by Square D for any consequences arising out of the use of this material. COPYRIGHT NOTICE PLEASE NOTE: QWIK-STOP® and ALHPA-PAK® are registered trademarks of Square D. NEC® is a registered trademark of the National Fire Protection Association. TRADEMARKS
  • 3.
    Table of Contents i ® StandardElementary Diagram Symbols .....................1-3 NEMA and IEC Markings and Schematic Diagrams...... 4 Control and Power Connection Table 4 Terminology...................................................................... 5 Examples of Control Circuits .......................................... 6 2-Wire Control 6 3-Wire Control 6-9 Shunting Thermal Units During Starting Period 10 Overcurrent Protection for 3-Wire Control Circuits 11 AC Manual Starters and Manual Motor Starting Switches ........................................................... 12 Class 2510 12 Class 2511 and 2512 13 2-Speed AC Manual Starters and IEC Motor Protectors...................................................... 14 Class 2512 and 2520 14 GV1/GV3 14 Drum Switches................................................................ 15 Class 2601 15 DC Starters, Constant and Adjustable Speed.............. 16 Class 7135 and 7136 16 Reversing DC Starters, Constant and Adjustable Speed ........................................................... 17 Class 7145 and 7146 17 Mechanically Latched Contactors ................................ 18 Class 8196 18 Medium Voltage Motor Controllers..........................18-25 Class 8198 18-25 Solid State Protective Relays...................................26-27 Class 8430 26-27 General Purpose Relays ................................................ 28 Class 8501 28 NEMA Control Relays..................................................... 29 Class 8501 and 9999 29 General Purpose Relays ................................................ 30 Class 8501 30 Sensing Relays............................................................... 30 RM2 LA1/LG1 30 IEC Relays..................................................................31-32 IEC D-Line Control Relays 31 Class 8501 32 Type P Contactors.....................................................33-35 Class 8502 33-35 Class 8702 35 Type T Overload Relays............................................33-35 Class 9065 33-35 Type S AC Magnetic Contactors..............................36-40 Class 8502 36-40 IEC Contactors ..........................................................41-42 IEC Contactors and Auxiliary Contact Blocks 41 Input Modules and Reversing Contactors 42 Type S AC Magnetic Starters ...................................43-50 Class 8536 43-50 8538 and 8539 45,49 1-Phase, Size 00 to 3 43 2-Phase and 3-Phase, Size 00 to 5 44 3-Phase, Size 6 45 3-Phase, Size 7 46 3-Phase Additions and Special Features 47-50 Integral Self-Protected Starters ...............................51-57 Integral 18 State of Auxiliary Contacts 51-52 Integral 32 and 63 State of Auxiliary Contacts 53-54 Wiring Diagrams 55-57 Type S AC Combination Magnetic Starters ............58-59 Class 8538 and 8539 58-59 3-Phase, Size 0-5 58 3-Phase Additions and Special Features 59 Reduced Voltage Controllers...................................60-66 Class 8606 Autotransformer Type 60-61 Class 8630 Wye-Delta Type 62-63 Class 8640 2-Step Part-Winding Type 64 Class 8647 Primary-Resistor Type 65 Class 8650 and 8651 Wound-Rotor Type 66 Solid State Reduced Voltage Starters.......................... 67 Class 8660 ALPHA PAK® , Type MD-MG 67 Solid State Reduced Voltage Controllers ...............68-70 Class 8660 Type MH, MJ, MK and MM 68-70
  • 4.
    Table of Contents ii ® TypeS AC Reversing Magnetic Starters71-72 Class 873671-72 2- and 3-Pole71 3- and 4-Pole72 Type S AC 2-Speed Magnetic Starters73-76 Class 881073-76 Special Control Circuits75-76 Multispeed Motor Connections76-77 1- Phase76 3-Phase76-77 Programmable Lighting Controllers78 Class 886578 AC Lighting Contactors79-81 Class 890379-81 Load Connections79 Control Circuit Connections80 Panelboard Type Wiring81 Electronic Motor Brakes81-82 Class 8922 QWIK-STOP® 81-82 Duplex Motor Controllers82 Class 894182 Fiber Optic Transceivers82 Class 900582 Photoelectric and Inductive Proximity Switches83 Class 900683 Photoelectric and Proximity Sensors84-89 XS, XSC, XSF and XSD84 XS and XTA85 SG, ST and XUB86 XUM, XUH, XUG, XUL and XUJ87 XUE, XUR, XUD, XUG and XUE S88 XUV89 Limit Switches and Safety Interlocks90-92 Class 900791 XCK and MS92 Pressure Switches and Transducers93 Class 9012, 9013, 9022 and 902593 Level Sensors and Electric Alternators94 Class 9034 and 903994 Pneumatic Timing Relays and Solid State Industrial Timing Relays95-96 Class 905095-96 Timers97 Class 905097 Transformer Disconnects98 Class 907098 Enclosure Selection Guide99 Conductor Ampacity and Conduit Tables100-101 Wire Data102 Electrical Formulas103-104 List of Tables Table 1 Standard Elementary Diagram Symbols 1 Table 2 NEMA and IEC Terminal Markings 4 Table 3 NEMA and IEC Controller Markings and Elementary Diagrams 4 Table 4 Control and Power Connections for Across-the-Line Starters, 600 V or less4 Table 5 Motor Lead Connections 64 Table 6 Enclosures for Non-Hazardous Locations 99 Table 7 Enclosures for Hazardous Locations 99 Table 8 Conductor Ampacity100 Table 9 Ampacity Correction Factors 101 Table 10 Adjustment Factors 101 Table 11 Ratings for 120/240 V, 3-Wire, Single-Phase Dwelling Services101 Table 12 AWG and Metric Wire Data 102 Table 13 Electrical Formulas for Amperes, Horsepower, Kilowatts and KVA 103 Table 14 Ratings for 3-Phase, Single-Speed, Full-Voltage Magnetic Controllers for Nonplugglng and Nonjogging Duty 103 Table 15 Ratings for 3-Phase, Single-Speed, Full-Voltage Magnetic Controllers for Plug- Stop, Plug-Reverse or Jogging Duty 104 Table 16 Power Conversions 104
  • 5.
    1 Table 1 StandardElementary Diagram Symbols SWITCHES SELECTORS PUSH BUTTONS – MOMENTARY CONTACT PUSH BUTTONS – MAINTAINED CONTACT PILOT LIGHTS INSTANT OPERATING CONTACTS TIMED CONTACTS The diagram symbols in Table 1 are used by Square D and, where applicable, conform to NEMA (National Electrical Manufacturers Association) standards. Disconnect Circuit Interrupter Circuit Breakers w/ Thermal OL Circuit Breakers w/ Magnetic OL Limit Switches Foot Switches Pressure & Vacuum Switches Liquid Level Switches Temperature Actuated Switches Flow Switches Speed (Plugging) F F R F R Anti-Plug N.O. N.C. Held Closed Held Open N.O. N.C. N.O. N.C. N.O. N.C. N.O. N.C. N.O. N.C. J A1 A2 K J K A1 A2 J A1 K A2 L J K A1 A2 L A 2 4 B 1 3 Contacts Selector Position 1-2 3-4 A B Push Button Free Depressed Free Depressed = contact closed 2-Position Selector Switch 3-Position Selector Switch 2-Position Selector Push Button N.O. N.C. N.O. & N.C. (double circuit) Mushroom Head Wobble Stick R Illuminated 2 Single Circuits 1 Double Circuit A Non Push-to-Test G Push-to-Test (indicate color by letter) N.O. N.C. w/ Blowout N.O. N.C. w/o Blowout N.O.T.C. N.C.T.O. Energized N.O.T.O. N.C.T.C. Deenergized Contact action retarded after coil is: Standard Elementary Diagram Symbols
  • 6.
    2 INDUCTORS TRANSFORMERS OVERLOAD RELAYSAC MOTORS DC MOTORS WIRING CAPACITORS RESISTORS SEMICONDUCTORS Table 1 Standard Elementary Diagram Symbols (cont'd) Iron Core Air Core Auto Iron Core Air Core Current Dual Voltage Thermal Magnetic Single Phase 3-Phase Squirrel Cage 2-Phase, 4-Wire Wound Rotor Armature Shunt Field (show 4 loops) Series Field (show 3 loops) Commutating or Compensating Field (show 2 loops) Not Connected Connected Power Control Terminal Ground Mechanical Connection Mechanical Interlock Connection Adjustable Fixed Fixed RES Heating Element H Adjustable, by Fixed Taps RES Rheostat, Potentiometer or Adjustable Taps RES Diode or Half Wave Rectifier Full Wave Rectifier AC DC + DC AC Tunnel Diode Zener Diode Bidirectional Breakdown Diode Photosensitive Cell Triac SCR PUT NPN Transistor B C E PNP Transistor B C E UJT, N Base E B2 B1 UJT, P Base E B2 B1 Gate Turn-Of Thyristor G A K Standard Elementary Diagram Symbols
  • 7.
    3 OTHER COMPONENTS SUPPLEMENTARY CONTACTSYMBOLS IEC SYMBOLS STATIC SWITCHING CONTROL Static switching control is a method of switching electrical circuits without the use of contacts, primarily by solid state devices. To indicate static switching control, use the symbols shown in this table, enclosing them in a diamond as shown. TERMS SPST: Single Pole, Single Throw SPDT: Single Pole, Double Throw DPST: Double Pole, Single Throw DPDT: Double Pole, Double Throw N.O.: Normally Open N.C.: Normally Closed T.O.: Timed Open T.C.: Timed Closed PUT: Programmable Unijunction Transistor SCR: Silicon Controlled Rectifier Triac: Bidirectional Triode Thyristor UJT: Unijunction Transistor Table 1 Standard Elementary Diagram Symbols (cont'd) Battery Annunciator Bell Buzzer Horn, Alarm, Siren,etc. Meter (indicate type by letters) VM Meter Shunt + – Fuse Thermocouple Single Break SPST, N.O. Double Break Single Break SPST, N.C. Double Break Single Break SPDT Double Break Single Break DPST, 2 N.O. Double Break Single Break DPST, 2 N.C. Double Break Single Break DPDT Double Break Push Buttons Coil Aux. Contacts N.O. N.C. N.O. N.C. Contactor Breakers Limit Switch, N.O., Static Control Standard Elementary Diagram Symbols
  • 8.
    4 Table 2 NEMAand IEC Terminal Markings Table 3 NEMA and IEC Controller Markings and Elementary Diagrams NEMA Power Terminals Control Terminals Coil Terminals IEC Power Terminals Control Terminals Coil Terminals NEMA Typical Controller Markings Typical Elementary Diagram IEC Typical Controller Markings Typical Elementary Diagram Table 4 Control and Pow er Connections for Across-the-Line Starters, 600 V or less (From NEMA standard ICS 2-321A.60) 1-Phase 2-Phase, 4-Wire 3-Phase Line Markings L1, L2 L1, L3: Phase 1 L2, L4: Phase 2 L1, L2, L3 Ground, when used L1 is always ungrounded — L2 Motor Running Overcurrent, units in: 1 element 2 element 3 element L1 — — — L1, L4 — — — L1, L2, L3 Control Circuit Connected to L1, L2 L1, L3 L1, L2 For Reversing, Interchange Lines — L1, L3 L1, L3 L1 T1 L2 T2 L3 T3 Alphanumeric, corresponding to incoming line and motor terminal designations No specific marking No standard designation 1 2 3 4 5 6 Single digit numeric, odd for supply lines, even for load connections 14 22 2-digit numeric, 1st designates sequence, 2nd designates function (1-2 for N.C., 3-4 for N.O.) A1 A2 A1 A2 A3 A1 A2 A3 A1 A2 B1 B2 One Winding Tapped Winding Tapped Winding Two Windings 3 2 1/L1 T1 L2 T2 L3 T3 STOP OL START 1 2 3 L1 L2 M 1 2 3 4 5 6 13 14 21 22 A1 A2 STOP START 11 23 24 12 23 24 A1 A2 95 96 NEMA and IEC Markings and Schematic Diagrams Control and Power Connection Table
  • 9.
    5 WIRING DIAGRAM A wiringdiagram shows, as closely as possible, the actual location of all component parts of the device. The open terminals (marked by an open circle) and arrows represent connections made by the user. Since wiring connections and terminal markings are shown, this type of diagram is helpful when wiring the device or tracing wires when troubleshooting. Bold lines denote the power circuit and thin lines are used to show the control circuit. Black wires are conventionally used in power circuits and red wire in control circuits for AC magnetic equipment. A wiring diagram is limited in its ability to completely convey the controller’s sequence of operation. The elementary diagram is used where an illustration of the circuit in its simplest form is desired. ELEMENTARY DIAGRAM An elementary diagram is a simplified circuit illustration. Devices and components are not shown in their actual positions. All control circuit components are shown as directly as possible, between a pair of vertical lines representing the control power supply. Components are arranged to show the sequence of operation of the devices and how the device operates. The effect of operating various auxiliary contacts and control devices can be readily seen.This helps in troubleshooting, particularly with the more complex controllers. This form of electrical diagram is sometimes referred to as a “schematic” or “line” diagram. Terminology
  • 10.
    6 Low Voltage Release: 2-WireControl Low Voltage Protection: 3-Wire Control FIG. 1 FIG. 2 Low voltage release is a 2-wire control scheme using a maintained contact pilot device in series with the starter coil. This scheme is used when a starter is required to function automatically without the attention of an operator. If a power failure occurs while the contacts of the pilot device are closed, the starter will drop out. When power is restored, the starter will automatically pickup through the closed contacts of the pilot device. The term “2-wire” control is derived from the fact that in the basic circuit, only two wires are required to connect the pilot device to the starter. Low voltage protection is a 3-wire control scheme using momentary contact push buttons or similar pilot devices to energize the starter coil. This scheme is designed to prevent the unexpected starting of motors, which could result in injury to machine operators or damage to the driven machinery. The starter is energized by pressing the Start button. An auxiliary holding circuit contact on the starter forms a parallel circuit around the Start button contacts, holding the starter in after the button is released. If a power failure occurs, the starter will drop out and will open the holding circuit contact.When power is restored, the Start button must be operated again before the motor will restart. The term “3-wire” control is derived from the fact that in the basic circuit, at least three wires are required to connect the pilot devices to the starter. 2-Wire Control: Maintained Contact Hand-OFF-Auto Selector Switch 3-Wire Control: Momentary Contact Multiple Push Button Station FIG. 3 FIG. 4 A Hand-Off-Auto selector switch is used on 2-wire control applications where it is desirable to operate the starter manually as well as automatically. The starter coil is manually energized when the switch is turned to the Hand position and is automatically energized by the pilot device when the switch is in the Auto position. When a motor must be started and stopped from more than one location, any number of Start and Stop push buttons may be wired together. It is also possible to use only one Start-Stop station and have several Stop buttons at different locations to serve as an emergency stop. Low Voltage Release and Low Voltage Protection are the basic control circuits encountered in motor control applications.The simplest schemes are shown below. Other variations shown in this section may appear more complicated, but can always be resolved into these two basic schemes. Note:The control circuits shown in this section may not include overcurrent protective devices required by applicable electrical codes. See page 11 for examples of control circuit overcurrent protective devices and their use. M PILOT DEVICE SUCH AS LIMIT SWITCH, PRESSURE SWITCH, ETC. L1 L2 3 1 OL M L1 L2 2 1 OL STOP M START 3 M A1 A2 A1 A2 I HAND OFF 2-WIRE CONTROL DEVICE I AUTO L1 L2 3A 2A 1A OL M L1 L2 2 1 OL STOP M START 3 START START STOP STOP Examples of Control Circuits 2- and 3-Wire Control Elementary Diagrams
  • 11.
    7 3-Wire Control: Pilot LightIndicates when Motor is Running 3-Wire Control: Pilot Light Indicates when Motor is Stopped FIG. 1 FIG. 2 A pilot light can be wired in parallel with the starter coil to indicate when the starter is energized, indicating the motor is running. A pilot light may be required to indicate when the motor is stopped.This can be implemented by wiring a normally-closed auxiliary contact on the starter in series with the pilot light, as shown above. When the starter is deenergized, the pilot light illuminates. When the starter picks up, the auxiliary contact opens, turning off the light. 3-Wire Control: Push-to-Test Pilot Light Indicates when Motor is Running 3-Wire Control: Illuminated Push Button Indicates when Motor is Running FIG. 3 FIG. 4 When the Motor Running pilot light is not lit, there may be doubt as to whether the circuit is open or whether the pilot light bulb is burned out. To test the bulb, push the color cap of the Push- to-Test pilot light. The illuminated push button combines a Start button and pilot light in one unit. Pressing the pilot light lens operates the Start contacts. Space is saved by using a two-unit push button station instead of three. 3-Wire Control: Fused Control Circuit Transformer 3-Wire Control: Fused Control Circuit Transformer and Control Relay FIG. 5 FIG. 6 As an operator safety precaution, a step-down transformer can be used to provide a control circuit voltage lower than line voltage. The diagram above shows one way to provide overcurrent protection for control circuits. A starter coil with a high VA rating may require a control transform- er of considerable size.A control relay and a transformer with a low VA rating can be connected so the normally-open relay contact controls the starter coil on the primary or line side.Square D Size 5 Combination Starter Form F4T starters use this scheme. M L1 L2 2 1 OL STOP M START 3 R M L1 L2 2 1 OL STOP M START 3 G M M L1 L2 2 1 OL STOP M START 3 R TEST M L1 L2 2 1 OL STOP M START* 3 R * * Pushing on pilot light operates Start contacts. M L1 STOP L2 FU1 FU2 M OL GROUND (If used) START CR L1 STOP L2 M OL START CR M GROUND (If used) Examples of Control Circuits 3-Wire Control Elementary Diagrams
  • 12.
    8 Jogging: Selector Switchand Start Push Button Jogging: Selector Push Button FIG. 1 FIG. 2 Jogging, or inching, is defined by NEMA as the momentary operation of a motor from rest for the purpose of accomplishing small movements of the driven machine. One method of jogging is shown above. The selector switch disconnects the holding circuit contact and jogging may be accomplished by pressing the Start push button. A selector push button may be used to obtain jogging, as shown above. In the Run position, the selector-push button provides normal 3-wire control. In the Jog position, the holding circuit is broken and jogging is accomplished by depressing the push button. Jogging: Control Relay Jogging: Control Relay for Reversing Starter FIG. 3 FIG. 4 When the Start push button is pressed, the control relay is energized, which in turn energizes the starter coil. The normally- open starter auxiliary contact and relay contact then form a holding circuit around the Start push button. When the Jog push button is pressed, the starter coil is energized (independent of the relay) and no holding circuit forms, thus jogging can be obtained. This control scheme permits jogging the motor either in the forward or reverse direction, whether the motor is at standstill or rotating.Pressing the Start-Forward or Start-Reverse push button energizes the corresponding starter coil, which closes the circuit to the control relay.The relay picks up and completes the holding circuit around the Start button. As long as the relay is energized, either the forward or reverse contactor remains energized. Pressing either Jog push button will deenergize the relay, releasing the closed contactor. Further pressing of the Jog button permits jogging in the desired direction. 3-Wire Control: More than 1 Starter, 1 Push Button Station Controls all 3-Wire Control: Reversing Starter FIG. 5 FIG. 6 When one Start-Stop station is required to control more than one starter, the scheme above can be used.A maintained overload on any one of the motors will drop out all three starters. 3-wire control of a reversing starter can be implemented with a Forward-Reverse-Stop push button station as shown above. Limit switches may be added to stop the motor at a certain point in either direction. Jumpers 6 to 3 and 7 to 5 must then be removed. FPO 7-1 FPO 7-2 FPO 7-3 FPO 7-4 FPO 7-5 FPO 7-6 Examples of Control Circuits 3-Wire Control Elementary Diagrams
  • 13.
    9 3-Wire Control: Reversing StarterMultiple Push Button Station 3-Wire Control: Reversing Starter w/ Pilot Lights to Indicate Motor Direction FIG. 1 FIG. 2 More than one Forward-Reverse-Stop push button station may be required and can be connected in the manner shown above. Pilot lights may be connected in parallel with the forward and reverse contactor coils, indicating which contactor is energized and thus which direction the motor is running. 3-Wire Control: 2-Speed Starter 3-Wire Control: 2-Speed Starter w/ 1 Pilot Light to Indicate Motor Operation at Each Speed FIG. 3 FIG. 4 3-wire control of a 2-speed starter with a High-Low-Stop push button station is shown above. This scheme allows the operator to start the motor from rest at either speed or to change from low to high speed. The Stop button must be operated before it is possible to change from high to low speed. This arrangement is intended to prevent excessive line current and shock to motor and driven machinery, which results when motors running at high speed are reconnected for a lower speed. One pilot light may be used to indicate operation at both low and high speeds. One extra normally-open auxiliary contact on each contactor is required. Two pilot lights, one for each speed, may be used by connecting pilot lights in parallel with high and low coils (see reversing starter diagram above). Plugging: Plugging a Motor to a Stop from 1 Direction Only Anti-Plugging: Motor to be Reversed but Must Not be Plugged FIG. 5 FIG. 6 Plugging is defined by NEMA as a braking system in which the motor connections are reversed so the motor develops a counter torque, thus exerting a retarding force. In the above scheme, forward rotation of the motor closes the normally-open plugging switch contact and energizing control relay CR. When the Stop push button is operated, the forward contactor drops out, the reverse contactor is energized through the plugging switch, control relay contact and normally-closed forward auxiliary contact.This reverses the motor connections and the motor is braked to a stop. The plugging switch then opens and disconnects the reverse contactor. The control relay also drops out. The control relay makes it impossible for the motor to be plugged in reverse by rotating the motor rotor closing the plugging switch. This type of control is not used for running in reverse. Anti-plugging protection is defined by NEMA as the effect of a device that operates to prevent application of counter-torque by the motor until the motor speed has been reduced to an acceptable value. In the scheme above, with the motor operating in one direction, a contact on the anti-plugging switch opens the control circuit of the contactor used for the opposite direction. This contact will not close until the motor has slowed down, after which the other contactor can be energized. Examples of Control Circuits 3-Wire Control Elementary Diagrams
  • 14.
    10 Shunting Thermal UnitsDuring Starting Period Article 430-35 of the NEC describes circumstances under which it is acceptable to shunt thermal units during abnormally long accelerating periods. 430-35. Shunting During Starting Period. (a) Nonautomatically Started. For a nonautomatically started motor, the overload protection shall be permitted to be shunted or cut out of the circuit during the starting period of the motor if the device by which the overload protection is shunted or cut out cannot be left in the starting position and if fuses or inverse time circuit breakers rated or set at not over 400 percent of the full-load current of the motor are so located in the circuit as to be operative during the starting period of the motor. (b) Automatically Started.The motor overload protection shall not be shunted or cut out during the starting period if the motor is automatically started. Exception. The motor overload protection shall be permitted to be shunted or cut out during the starting period on an automatically started motor where: (1) The motor starting period exceeds the time delay of available motor overload protective devices, and (2) Listed means are provided to: a. Sense motor rotation and to automatically prevent the shunting or cut out in the event that the motor fails to start, and b. Limit the time of overload protection shunting or cut out to less than the locked rotor time rating of the protected motor, and c. Provide for shutdown and manual restart if motor running condition is not reached. Figures 1 and 2 show possible circuits for use in conjunction with 3-wire control schemes. Figure 1 complies with NEC requirements. Figure 2 exceeds NEC requirements, but the additional safety provided by the zero speed switch might be desirable. Figure 3 shows a circuit for use with a 2-wire, automatically started control scheme that complies with NEC requirements. UL or other listed devices must be used in this arrangement. FIG. 1 FIG. 2 FIG. 3 FPO 9-1 FPO 9-2 FPO 9-3 Examples of Control Circuits Shunting Thermal Units During Starting Period Elementary Diagrams
  • 15.
    11 3-Wire Control: Fusing in1 Line Only 3-Wire Control: Fusing in Both Lines FIG. 1 FIG. 2 Common control with fusing in one line only and with both lines ungrounded or, if user’s conditions permit, with one line grounded. Common control with fusing in both lines and with both lines ungrounded. 3-Wire Control: Fusing in Both Primary Lines 3-Wire Control: Fusing in Both Primary and Secondary Lines FIG. 3 FIG. 4 Control circuit transformer with fusing in both primary lines, no secondary fusing and all lines ungrounded. Control circuit transformer with fusing in both primary lines and both secondary lines, with all lines ungrounded. 3-Wire Control: Fusing in Both Primary Lines and 1 Secondary Line 3-Wire Control: Fusing in Both Primary and Secondary Lines For Large Starters using Small Transformer FIG. 5 FIG. 6 Control circuit transformer with fusing in one secondary line and both primary lines, with one line grounded. Control circuit transformer with fusing in both primary lines and both secondary lines, with all lines ungrounded. Used for large VA coils only. M L1 STOP L2 M OL GND START FU1 M L1 STOP L2 M OL START FU1 FU2 M L1 STOP L2 FU1 FU2 M OL START PRI SEC X1 X2 M L1 STOP L2 FU3 FU4 M OL START PRI SEC X1 X2 FU1 FU2 M L1 STOP L2 FU1 FU2 M OL GND START FU3 PRI SEC CR L1 STOP L2 FU3 FU4 M OL START PRI SEC X1 X2 FU1 FU2 M CR Examples of Control Circuits Overcurrent Protection for 3-Wire Control Circuits Elementary Diagrams
  • 16.
    12 ® AC Manual Startersand Manual Motor Starting Sw itches Class 2510 Manual Motor Starting Switches: Class 2510 Type K FIG. 1 FIG. 2 2-Pole, 1-Phase 3-Pole, 3-Phase Fractional Horsepower Manual Starters: Class 2510 Type F FIG. 3 FIG. 4 FIG. 5 1-Pole 2-Pole 2-Pole w/ Selector Switch Integral Horsepower Manual Starters: Class 2510 Size M0 and M1 FIG. 6 FIG. 7 FIG. 8 FIG. 9 FIG. 10 2-Pole, 1-Phase 3-Pole, DC 3-Pole, 1-Phase 3-Pole, 3-Phase 3-Pole, 3-Phase w/ additional Interlock (Form X) R T1 L1 L1 T3 L3 L2 PILOT LIGHT (IF USED) T1 T3 MOTOR R T1 L1 T3 L3 PILOT LIGHT (IF USED) T1 T3 MOTOR T2 T2 L2 R T2 L1 T1 L2 PILOT LIGHT (IF USED) T1 T2 MOTOR R T2 L1 T1 L2 PILOT LIGHT (IF USED) T1 T2 MOTOR R T2 L1 T1 L2 PILOT LIGHT (IF USED) 4 T2 MOTOR 2 1 A 4 3 H 2 4 2-WIRE CONTROL DEVICE O A O H L1 T1 T2 MOTOR T1 L2 T2 T1 L1 T1 T2 MOTOR L2 T2 L1 T1 T3 MOTOR T1 L3 T3 L2 T2 L1 L2 T1 L1 T1 T3 MOTOR T2 T2 L2 T3 L3 T1 L1 T1 T3 MOTOR T2 T2 L2 T3 L3
  • 17.
    13 ® AC Manual Startersand Manual Motor Starting Sw itches Class 2511 and 2512 AC Reversing Manual Starters and Manual Motor Starting Switches: Class 2511 FIG. 1 FIG. 2 Reversing Manual Motor Starting Switch Type K, 3-Pole, 3-Phase Reversing Manual Starter Sizes M0 and M1, 3-Pole, 3-Phase AC 2-Speed Manual Motor Starting Switches: Class 2512 Type K FIG. 3 FIG. 4 2-Pole, 1-Phase w/ Pilot Lights 3-Pole, 3-Phase AC 2-Speed Manual Motor Starters: Class 2512 Type F FIG. 5 FIG. 6 2-Unit, 2-Pole w/ Mechanical Interlock and Pilot Lights 3-Unit, 2-Pole w/ Selector Switch and Pilot Lights T1 L1 T3 L3 FWD T1 T3 MOTOR T2 T2 L2 REV T1 L1 T1 T3 MOTOR T2 T2 L2 T3 L3 FPO 12-6a FPO 12-6b FPO 13-1a FPO 13-1b
  • 18.
    14 ® 2-Speed AC ManualStarters and IEC Motor Protectors Class 2512 and 2520 and Telemecanique GV1/GV3 2-Speed AC Manual Motor Starters: Class 2512 Size M0 and M1 FIG. 1 2-Speed Manual Starter for Wye-Connected, Separate Winding Motor Motor Protective Switches: Class 2520 FIG. 2 FIG. 3 FIG. 4 3-Pole, 3-Phase 2-Pole Application 1-Pole Application IEC Manual Starters: GV1/GV3 FIG. 5 FIG. 6 FIG. 7 GV3 M• Motor Protector FIG. 8 GV3 A0• Fault Signalling Contacts GV3 Voltage Trips GV1 A0• Contact Block T1 L1 T1 T12 MOTOR T3 T2 L2 T3 L3 T2 T13 T11 T11 T12 T13 2/T1 1/L1 T1 T3 MOTOR T2 4/T2 3/L2 6/T3 5/L3 2/T1 1/L1 T1 T3 MOTOR 4/T2 3/L2 6/T3 5/L3 2/T1 1/L1 T3 MOTOR 4/T2 3/L2 6/T3 5/L3 I> I> I> 1/L1 3/L2 5/L3 2/T1 4/T2 6/T3 < D1 D2 C1 C2 GV3 B• GV3 D• GV1 A01 GV1 A02 GV1 A03 GV1 A05 GV1 A06 GV1 A07 13 21 13 23 14 22 14 24 13 23 31 13 23 33 14 24 32 14 24 34 13 23 33 13 23 31 14 24 34 14 24 33 I> I> GV3 A08 GV3 A09 95 96 97 98
  • 19.
    15 ® Drum Sw itches Class2601 Drum Switches: Class 2601 FIG. 1 FIG. 2 FIG. 3 Internal Switching 3-Phase, 3-Wire Motor 1-Phase, Capacitor or Split-Phase Motor FIG. 4 FIG. 5 1-Phase, 4-Lead Repulsion Induction Motor 1-Phase, 3-Lead Repulsion Induction Motor FIG. 6 FIG. 7 2-Phase, 3-Wire Motor 2-Phase, 4-Wire Motor FIG. 8 FIG. 9 FIG. 10 DC, Shunt Motor DC, Series Motor DC, Compound Motor HANDLE END REVERSE OFF FORWARD 1 2 3 4 5 6 1 2 3 4 5 6 1 2 3 4 5 6 1 3 2 4 MOTOR DRUM SW. LINE 5 6 5 6 MOTOR DRUM SW. 1 3 2 4 LINE RUN START MOTOR DRUM SW. 1 3 5 2 4 6 LINE MOTOR DRUM SW. 1 3 5 2 4 6 LINE MOTOR DRUM SW. 1 3 5 2 4 6 LINE COMMON MOTOR DRUM SW. 1 3 2 4 LINE 5 6 1 3 2 4 LINE SHUNT FIELD ARMATURE MOTOR DRUM SW. 5 6 1 3 2 4 LINE SERIES FIELD ARMATURE MOTOR DRUM SW. 5 6 1 3 2 4 LINE SERIES FIELD ARMATURE MOTOR DRUM SW. 5 6 SHUNT FIELD
  • 20.
    16 ® DC Starters, Constantand Adjustable Speed Class 7135 and 7136 Constant Speed DC Starter: Class 7135 FIG. 1 Adjustable Speed DC Starter: Class 7136 FIG. 2 Acceleration Contactors: Class 7135, 7136, 7145 and 7146 NEMA Size 1 2 3 4 5 No. of Acceleration Contactors 1 2 2 2 3 FPO 15-1 Typical Elementary Diagram for NEMA Size 2, 3 and 4 FPO 15-2 Typical Elementary Diagram for NEMA Size 2, 3 and 4
  • 21.
    17 ® Reversing DC Starters,Constant and Adjustable Speed Class 7145 and 7146 Reversing Constant Speed DC Starter: Class 7145 FIG. 1 Reversing Adjustable Speed DC Starter: Class 7146 FIG. 2 FPO 16-1 Typical Elementary Diagram for NEMA Size 2, 3 and 4 FPO 16-2 Typical Elementary Diagram for NEMA Size 2, 3 and 4
  • 22.
    18 ® Mechanically Latched Contactorsand Medium Voltage Motor Controllers Class 8196 and 8198 Mechanically Latched Contactor: Class 8196 Type FL13, FL23, FL12 and FL22 FIG. 1 Full-Voltage, Non-Reversing Squirrel Cage Motor Controller: Class 8198 Type FC11, FC21, FC13, FC23, FC12 and FC22 FIG. 2 FPO 17-2 150% FPO 17-1 145%
  • 23.
    19 ® Medium Voltage MotorControllers Class 8198 Full-Voltage Squirrel Cage Motor Controller: Class 8198 Type FCR1 and FCR2 FIG. 1 FPO 17-3 160%
  • 24.
    20 ® Medium Voltage MotorControllers Class 8198 Reduced-Voltage, Primary Reactor, Non-Reversing Squirrel Cage Motor Controller: Class 8198 Type RCR1 and RCR2 FIG. 1 FPO 18-1 130%
  • 25.
    21 ® Medium Voltage MotorControllers Class 8198 Reduced-Voltage, Primary Reactor, Autotransformer, Non-Reversing Squirrel Cage Motor Controller: Class 8198 Type RCA1 and RCA2 FIG. 1 FPO 18-2 150%
  • 26.
    22 ® Medium Voltage MotorControllers Class 8198 Full Voltage, Non-Reversing Synchronous Motor Controller: Class 8198 Type FS1 and FS2 FIG. 1 FPO 19-1 170%
  • 27.
    23 ® Medium Voltage MotorControllers Class 8198 Reduced-Voltage, Primary Reactor, Non-Reversing Synchronous Motor Controller: Class 8198 Type RS1 and RS2 FIG. 1 FPO 19-2 140%
  • 28.
    24 ® Medium Voltage MotorControllers Class 8198 Reduced-Voltage, Autotransformer, Non-Reversing Synchronous Motor Controller: Class 8198 Type RSA1 and RSA2 FIG. 1 FPO 20-1 160%
  • 29.
    25 ® Medium Voltage MotorControllers Class 8198 Full-Voltage, Non-Reversing, Brushless Synchronous Motor Controller: Class 8198 Type FSB1 and FSB2 FIG. 1 FPO 20-2 155%
  • 30.
    26 ® Solid State ProtectiveRelays Class 8430 Solid State Protective Relays: Class 8430 Type DAS, DASW, DASV and DASVW FIG. 1 FIG. 2 Solid State Protective Relays: Class 8430 FIG. 3 FIG. 4 FIG. 5 Type MPS 240V FIG. 6 Type DIA, DIAW, DUA and DUAW Type MPD Type MPS 480V L1 L2 L3 START STOP M OL T1 T2 T3 MOTOR M OL M OL M OL L1 L2 L3 11 21 12 14 22 24 M Dashed lines represent optional contacts With the line voltage connections directly at the motor terminals, the relay will detect all phase loss conditions ahead of the connection points. However, the motor may sustain a momentary “bump” in the reverse condition if the proper phase sequence is not present. L1 L2 L3 START STOP M OL T1 T2 T3 MOTOR M OL M OL M OL L1 L2 L3 11 21 12 14 22 24 M Dashed lines represent optional contacts With the line voltage connections ahead of the starter, the motor can be started in the reverse direction. The relay cannot detect a phase loss on the load side of the starter. A1 11 21 B1 B2 12 14 22 24 A2 Input Signal VS Dashed lines represent optional contacts (DIAW and DUAW devices only) 1 2 3 4 5 6 7 8 9 10 11 12 L1 L2 L3 1 2 3 L3 L2 L1 4 5 6 7 8 1 2 3 L1 L2 L3 4 5 6 7 8 9 A B
  • 31.
    27 ® Solid State ProtectiveRelays Class 8430 Load Detector Relay: Class 8430 Type V FIG. 1 Wiring Diagram Elementary Diagram (Common Control) Load Converter Relay: Class 8430 Type G FIG. 2 FPO 22-1 FPO 22-3 FPO 22-2
  • 32.
    28 ® General Purpose Relays Class8501 Control Relays: Class 8501 Type CO and CDO FIG. 1 FIG. 2 FIG. 3 FIG. 4 FIG. 5 FIG. 6 Type CO6 and CDO6 Type CO7 and CDO7 Type CO8 and CDO8 Type CO21 and CDO21 Type CO15 and CDO15 Type CO16, CDO16, CO22 and CDO22 Control Relays: Class 8501 Type UBS FIG. 7 Control Relays: Class 8501 Type K FIG. 8 FIG. 9 FIG. 10 Type KL Type KU, KF, KX, KUD, KFD and KXD 2-Pole Type KP and KPD 2-Pole FIG. 11 FIG. 12 FIG. 13 Type KLD Type KU, KF, KX, KUD, KFD and KXD 3-Pole Type KP and KPD 3-Pole M L1 STOP L2 M START 9 TERMINAL NUMBERS 10 8 5 1 B 4 A 8 7 3 6 9 COMMON LATCH RESET 1 B 4 A 7 3 6 9 1 2 3 4 5 6 7 8 1 B 4 A 7 3 6 9 – + LATCH RESET + – 1 4 7 2 5 8 3 6 9 B A 2 3 4 5 7 8 9 10 6 1 11
  • 33.
    29 ® NEMA Control Relays Class8501 and 9999 10 A Control Relay w/ Convertible Contacts: Class 8501 Type X FIG. 1 Timer Attachment: Class 9999 Type XTD and XTE FIG. 2 FPO 27-1 * Note: Class 8501 Type XO••••XL, XDO••••XL, XDO••••XDL and XO••••XDL latch relays use the same diagram except for the addition of an unlatch coil (8 poles maximum). 14 POLE #14 13 14 13 POLE #13 2 N.O. 14 13 14 13 1 N.C. 1 N.O. 14 13 14 13 2 N.C. ON DELAY (TDE) OFF DELAY (TDD) TIMED CONTACTS No. of Timed Contacts Class 9999 Type Pole No.* 13 14 O 1 XTD XTE 2 * O = N.O. Contact 1 = N.C. Contact Note: All contacts are convertible.
  • 34.
    30 ® General Purpose Relaysand Sensing Relays Class 8501 and Telemecanique RM2 LA1/LG1 Miniature Control Relays: Class 8501 Type RS and RSD FIG. 1 FIG. 2 Type RS41 and RSD41 Type RS42 and RSD42 FIG. 3 FIG. 4 Type RS43 and RSD43 Type RS4, RSD4, RS14, RSD14, RS24, RSD24, RS34, RSD34, RS44 and RSD44 Control Relays w/ Intrinsically Safe Terminals: Class 8501 Type TO41 and TO43 FIG. 5 FIG. 6 Intrinsically Safe Terminals Non-Hazardous Location Terminals Sensing Relays: RM2 LA1/LG1 FIG. 7 1 14 (+) 5 13 (–) 9 4 8 12 1 5 9 14 (+) 13 (–) 1 5 9 2 6 10 4 8 12 14 (+) 13 (–) 1 5 9 2 6 10 3 7 11 14 (+) 13 (–) 4 8 12 OFF ON OFF ON 1 2 3 4 5 6 7 SUPPLY VOLTAGE 8 9 10 11 12 A1 15 B1 B2 16 18 B3 A2 B1 B3 15 16 18 Supply voltage L M H H M B1 B2 A1 15 B1 B3 15 16 18 Supply voltage B3 B2 B1 16 18 A2 X X M H L H = High level electrode L = Low level electrode M = Reference electrode (common) 2 Levels 1 Level RM2 LG1 RM2 LA1 B2 B2
  • 35.
    31 ® Control Relays: CA2and CA3 FIG. 1 FIG. 2 FIG. 3 4 N.O. Instantaneous CA2 DN40 and CA3 DN40 3 N.O. & 1 N.C. Instantaneous CA2 DN31 and CA3 DN31 2 N.O. & 2 N.C. Instantaneous CA2 DN22 and CA3 DN22 FIG. 4 FIG. 5 2 N.O. & 2 N.C. Instantaneous, w/ 2 Make-Before-Break CA2 DC22 and CA3 DC22 2 N.O. & 2 N.C. Instantaneous w/ Mechanical Latch CA2 DK22 and CA3 DK22 Front-Mounted Standard Instantaneous Auxiliary Contact Blocks: LA1 FIG. 6 FIG. 7 FIG. 8 FIG. 9 FIG. 10 1 N.O. & 1 N.C. LA1 DN11 2 N.O. LA1 DN20 2 N.C. LA1 DN02 2 N.O. & 2 N.C. LA1 DN22 1 N.O. & 3 N.C. LA1 DN13 FIG. 11 FIG. 12 FIG. 13 FIG. 14 2 N.O. & 2 N.C. w/ 2 Make-Before-Break LA1 DC22 4 N.O. LA1 DN40 4 N.C. LA1 DN04 3 N.O. & 1 N.C. LA1 DN31 Front-Mounted Damp- and Dust-Protected Instantaneous Auxiliary Contact Blocks: LA1 FIG. 15 FIG. 16 FIG. 17 FIG. 18 2 N.O. LA1 DX20 2 N.O. w/ Grounding Screw LA1 DY20 2 Dusttight N.O. & 2 N.O. LA1 DZ40 2 Dusttight N.O. & 1 N.O. & 1 N.C. LA1 DZ31 Front-Mounted Time Delay Auxiliary Contacts: LA2 and LA3 FIG. 19 FIG. 20 FIG. 21 On Delay, 1 N.O. & 1 N.C. LA2 DT On Delay, 1 N.C. w/ 1 Offset N.O. LA2 DS Off Delay, 1 N.O. & 1 N.C. LA3 DR Front-Mounted Mechanical Latch Adder Blocks: LA6 Side-Mounted Auxiliary Contact Blocks: LA8 FIG. 22 FIG. 23 FIG. 24 FIG. 25 LA6 DK1 LA6 DK2 1 N.O. & 1 N.C. Instantaneous LA8 DN11 2 N.O. Instantaneous LA8 DN20 A1 A2 13 NO 23 NO 33 NO 43 NO 14 24 34 44 A1 13 NO 21 NC 33 NO 43 NO A2 14 22 34 44 A1 13 NO 21 NC 31 NC 43 NO A2 14 22 32 44 A1 13 NO 21 NC 35 NC 47 NO A2 14 22 36 48 A1 13 NO 21 NC 31 NC 43 NO A2 14 22 32 44 E1 E2 53 NO 61 NC 54 62 53 NO 63 NO 54 64 51 NC 61 NC 52 62 53 NO 61 NC 71 NC 83 NO 54 62 72 84 53 NO 61 NC 71 NC 81 NC 54 62 72 82 53 NO 61 NC 75 NC 87 NO 54 62 76 88 53 NO 63 NO 73 NO 83 NO 54 64 74 84 51 NC 61 NC 71 NC 81 NC 52 62 72 82 53 NO 61 NC 73 NO 83 NO 54 62 74 84 53 NO 63 NO 54 64 53 NO 63 NO 54 64 53 NO 83 NO 54 84 63 NO 73 NO 64 74 53 NO 83 NO 54 84 61 NC 73 NO 62 74 55 NC 67 NO 56 68 55 NC 67 NO 56 68 57 NO 65 NC 58 66 A1 A2 E1 E2 A1 A2 E1 E2 45 46 53/ 84 NO 61/ 72 NC 54/ 83 NO 62/ 71 NC 53/ 84 NO 63/ 74 NO 54/ 83 NO 64/ 73 NO IEC Relays IEC D-Line Control Relays (for input modules see page 42)
  • 36.
    32 ® Miniature IEC Relays: Class8501 Type PR 1 FIG. 1 FIG. 2 Type PR 1 and PRD 1 Relays Type PV Adder Decks for PR 1.20 E Alternating Relays: Class 8501 Type PHA FIG. 3 A1 A2 13 NO 23 NO 14 24 A1 13 NO 21 NC A2 14 22 PRD 1.11 E PRD 1.20 E PR 1.11 E PR 1.20 E 33 NO 41 NC 34 42 33 NO 43 NO 34 44 31 NC 41 NC 32 42 PV 02 PV 11 PV 20 13 14 23 24 A1 A2 13 14 23 24 closed open closed open energized deenergized relay coil IEC Relays Class 8501
  • 37.
    33 ® Power Terminals CoilTerminals FIG. 1 FIG. 2 Power terminals on contactors, overloads and switches are single digits – odd for line side terminals and even for load side terminals. Coil terminals are designated by a letter and a number. Terminals for a single winding coil are designated “A1” and “A2”. Auxiliary Contact Terminals Overload Relay Contact Terminals FIG. 3 FIG. 4 Auxiliary contacts on contactors, relays and push button contacts use 2-digit terminal designations, as shown in the diagram above. The first digit indicates the location of the contact on the device.The second digit indicates the status of the contacts, N.O. or N.C. “1” and “2” indicate N.C. contacts. “3” and “4” indicate N.O. contacts. Overload contact terminals are marked with two digits. The first digit is “9”. The second digits are “5” and “6” for a N.C. and “7” and “8” for a N.O. isolated contact. If the device has a non-isolated alarm contact (single pole), the second digits of the N.O. terminals are “5” and “8”. Class 8502 Type PD or PE Contactor w/ Class 9065 Type TR Overload Relay FIG. 5 Wiring Diagram Elementary Diagram 2 1 4 3 6 5 A1 A2 13 14 43 44 53 54 31 32 21 22 Status (N.O. or N.C.) Location 95 96 97 98 95 96 98 With Non-Isolated N.O. Alarm Contact With Isolated N.O. Alarm Contact FPO 30-2 120% FPO 30-2 120% Type P Contactors and Type T Overload Relays Class 8502 and 9065
  • 38.
    34 ® Type P Contactorsand Type T Overload Relays Class 8502 and 9065 Class 8502 Type PG or PD Contactor w/ Class 9065 Type TD Overload Relay FIG. 1 Wiring Diagram Elementary Diagram Class 8502 Type PE Contactor w/ Class 9065 Type TE Overload Relay FIG. 2 Wiring Diagram Elementary Diagram Class 8502 Type PF, PG or PJ Contactor w/ Class 9065 Type TF,TG or TJ Overload Relay FIG. 3 Wiring Diagram Elementary Diagram FPO 30-3 120% FPO 30-3 120% FPO 30-4 120% FPO 30-4 120% FPO 31-1 120% FPO 31-1 120%
  • 39.
    35 ® Class 8502 TypePJ or PK Contactor w/ Class 9065 Type TJE Overload Relay FIG. 4 Wiring Diagram Elementary Diagram Class 8702 Type PDV or PEV Reversing Contactor w/ Class 9065 Type TR Overload Relay FIG. 1 Elementary Diagram Elementary Diagram FPO 31-2 120% FPO 31-2 120% FPO 31-3 FPO 31-3 120% Type P Reversing Contactors and Type T Overload Relays Class 8502, 8702 and 9065
  • 40.
    36 ® Type S ACMagnetic Contactors Class 8502 AC Magnetic Contactors: Class 8502 Type S FIG. 1 FIG. 2 1-Pole, Size 0 and 1 2-Pole, Size 00, 0 and 1 FIG. 3 FIG. 4 2-Pole, Size 2 to 5 3-Pole, Size 00 to 5 FIG. 5 FIG. 6 4-Pole, Size 0, 1 and 2 5-Pole, Size 0, 1 and 2 FIG. 7 FIG. 8 2- and 3-Wire Control for Figure 1 to 5 Separate Control for Figure 6 T1 L2 MOTOR 3 2 L1 1 L2 T1 T1 T2 MOTOR 3 2 L1 1 T1 L2 T2 T1 T2 MOTOR 3 2 L1 1 T1 L2 T2 T1 T3 MOTOR 3 2 L2 T2 L3 T3 T2 L1 1 T1 T1 T2 MOTOR 3 2 L3 T3 L4 T4 T3 L1 1 T1 T4 L2 T2 T1 T3 MOTOR 3 2 L2 T2 L3 T3 T2 L1 T1 X2 3 X2 TO SEPARATE CONTROL
  • 41.
    37 ® Type S ACMagnetic Contactors Class 8502 Size 6, 3-Pole Contactor – Common Control Class 8502 Type SH Series B FIG. 1 Wiring Diagram Elementary Diagram Short-Circuit Protection Rating of branch circuit protective device must comply with applicable electrical codes and the following limitations: Type of Device Max. Rating Class K5 or RK5 time-delay fuse 600 A Class J, T or L fuse 1200 A Inverse-time circuit breaker 800 A This symbol denotes the coil function, provided by a solid-state control module, 30 VA transformer, two fuses in the secondary of the transformer, N.C. electrical interlock and DC magnet coil.
  • 42.
    38 ® Type S ACMagnetic Contactors Class 8502 Size 6, 3-Pole Contactor – Separate Control Class 8502 Type SH Form S Series B FIG. 1 Wiring Diagram Elementary Diagram Short-Circuit Protection Rating of branch circuit protective device must comply with applicable electrical codes and the following limitations: Type of Device Max. Rating Class K5 or RK5 time-delay fuse 600 A Class J, T or L fuse 1200 A Inverse-time circuit breaker 800 A This symbol denotes the coil function, provided by a solid-state control module, 30 VA transformer, two fuses in the secondary of the transformer, N.C. electrical interlock and DC magnet coil.
  • 43.
    39 ® Type S ACMagnetic Contactors Class 8502 Size 7, 3-Pole Contactor – Common Control Class 8502 Type SJ Series A FIG. 1 Wiring Diagram Elementary Diagram Short-Circuit Protection Rating of branch circuit protective device must comply with applicable electrical codes and the following limitations: Type of Device Max. Rating Class K5 or RK5 time-delay fuse 600 A Class J, T or L fuse 1600 A Inverse-time circuit breaker 2000 A This symbol denotes the coil function, provided by a solid-state control module, 30 VA transformer, two fuses in the secondary of the transformer, N.C. electrical interlock and DC magnet coil.
  • 44.
    40 ® Type S ACMagnetic Contactors Class 8502 Size 7, 3-Pole Contactor – Separate Control Class 8502 Type SJ Form S Series A FIG. 1 Wiring Diagram Elementary Diagram Short-Circuit Protection Rating of branch circuit protective device must comply with applicable electrical codes and the following limitations: Type of Device Max. Rating Class K5 or RK5 time-delay fuse 600 A Class J, T or L fuse 1600 A Inverse-time circuit breaker 2000 A This symbol denotes the coil function, provided by a solid-state control module, 30 VA transformer, two fuses in the secondary of the transformer, N.C. electrical interlock and DC magnet coil.
  • 45.
    41 ® IEC Contactors IEC Contactorsand Auxiliary Contact Blocks (for Input Modules see page 42) 3- and 4-Pole Contactors: LC1 and LP1 (Terminal markings conform to standards EN 50011 and 50012) FIG. 1 FIG. 2 FIG. 3 D09 10 to D32 10 D09 01 to D32 01 D40 11 to D95 11 FIG. 4 FIG. 5 FIG. 6 D12 004 to D80 004 D12 008 and D25 008 D40 008 to D80 008 Front-Mounted Standard Instantaneous Auxiliary Contact Blocks: LA1 FIG. 7 FIG. 8 FIG. 9 FIG. 10 FIG. 11 FIG. 12 1 N.O. LA1 DN 10 1 N.O. & 1 N.C LA1 DN 11 2 N.O. LA1 DN 20 2 N.C. LA1 DN 02 2 N.O. & 2 N.C. LA1 DN 22 1 N.O. & 3 N.C. LA1 DN 13 FIG. 13 FIG. 14 FIG. 15 FIG. 16 FIG. 17 1 N.C. LA1 DN 01 2 N.O. & 2 N.C. w/ 2 Make-Before-Break LA1 DC 22 4 N.O. LA1 DN 40 4 N.C. LA1 DN 04 3 N.O. & 1 N.C. LA1 DN 31 Front-Mounted Damp- and Dust-Protected (IP 54) Instantaneous Auxiliary Contact Blocks: LA1 FIG. 18 FIG. 19 FIG. 20 FIG. 21 2 N.O. LA1 DX 20 2 N.O. (5-24 V) w/ Grounding Screw LA1 DY 20 2 Dusttight N.O. (24-50 V) & 2 N.O. LA1 DZ 40 2 Dusttight N.O. (24-50 V) & 1 N.O. & 1 N.C. LA1 DZ 31 Front-Mounted Time Delay Auxiliary Contacts: LA2 and LA3 FIG. 22 FIG. 23 FIG. 24 On Delay, 1 N.O. & 1 N.C. LA2 DT• On Delay, 1 N.O. w/ 1 Offset N.O. LA2 DS• Off Delay, 1 N.O. & 1 N.C. LA3 DR• Front-Mounted Mechanical Latch Adder Blocks: LA6 Side-Mounted Auxiliary Contact Blocks: LA8 FIG. 25 FIG. 26 FIG. 27 FIG. 28 LA6 DK 1 LA6 DK 2, LA6 DK 3 1 N.O. & 1 N.C. Instantaneous LA8 DN 11 2 N.O. Instantaneous LA8 DN 20 A1 A2 1 L1 3 L2 5 L3 13 NO T1 2 T2 4 T3 6 14 A1 A2 1 L1 3 L2 5 L3 21 NC T1 2 T2 4 T3 6 22 1 L1 3 L2 5 L3 13 NO A1 A2 T1 2 T2 4 T3 6 22 21 NC 14 1 L1 3 L2 5 L3 7 L4 T1 2 T2 4 T3 6 T4 8 A1 A2 A1 A2 1 R1 R3 3 2 R2 R4 4 A1 A2 1 R1 R3 3 2 R2 R4 4 43 44 NO 94 93 53 NO 61 NC 54 62 53 NO 63 NO 54 64 51 NO 61 NO 52 62 53 NO 61 NC 71 NC 83 NO 54 62 72 84 53 NO 61 NC 71 NC 81 NC 54 62 72 82 41 42 NO 92 91 53 NO 61 NC 75 NC 87 NO 54 62 76 88 53 NC 63 NC 73 NC 83 NC 54 64 74 84 51 NC 61 NC 71 NC 81 NC 52 62 72 82 53 NO 61 NC 73 NO 83 NO 54 62 74 84 53 N0 63 NO 54 64 53 N0 63 NO 54 64 53 N0 63 N0 73 N0 83 N0 54 64 74 84 53 N0 61 NC 73 N0 83 N0 54 62 74 84 55 NC 67 NO 56 68 55 NC 67 NO 56 68 57 NO 65 NC 58 66 A1 A2 E1 E2 A1 A2 E1 E2 45 46 53/ 84 NO 61/ 72 NC 54/ 83 NO 62/ 71 NC 53/ 84 NO 63/ 74 NO 54/ 83 NO 64/ 73 NO
  • 46.
    42 ® IEC Contactors Input Modulesand Reversing Contactors Input Modules: LA4 FIG. 1 FIG. 2 FIG. 3 On Delay Timer Module LA4 DT Off Delay Timer Module LA4 DR Auto-Manual-Off Control Module LA4 DM FIG. 4 FIG. 5 FIG. 6 Relay Interface Amplifier Module LA4 DF Relay Interface Amplifier Module w/ Manual Override, LA4 DL Solid State Interface Amplifier Module LA4 DW Contactors: LC2, LP2 and LA9 FIG. 7 FIG. 8 FIG. 9 Reversing Contactor 3-Pole, for Motor Control LC2, LP2 D0901 to D3201 Transfer Contactor, 4-Pole, Mechanically Interlocked LC2, LP2 D12004 to D8004 Mechanical Interlock w/ Electrical Interlock LA9 D0902, D4002 and D8002 A1 A1 0 t A2 A2 K AC/DC A1 A2 K A1 A2 B2 0 t AC A/M 1/0 A1 A2 K A2 B1 A1 PLC AC/DC AC A1 + E1 - E2 AC A2 A1 A2 K AC A1 + E1 - E2 AC A2 A1 A2 K AC A1 + E1 - E2 AC A2 A1 A2 K 1 3 5 2 4 6 A1 A2 1 3 5 2 4 6 A1 A2 U V W 21 KM2 22 KM1 A2 21 KM2 22 KM1 A2 A1 A2 A1 A2 1 3 5 7 2 4 6 8 1 3 5 7 2 4 6 8 A1 A2 A1 A2 01 01 02 02
  • 47.
    43 ® 1-Pole, 1-Phase MagneticStarters, Size 00 to 3: Class 8536 Type S FIG. 1 Wiring Diagram Elementary Diagram Single Phase Starter w/ Single Voltage Motor FIG. 2 Wiring Diagram Elementary Diagram Single Phase Starter w/ Dual Voltage Motor 3-Pole, 3-Phase Magnetic Starters, Size 00 to 3, Connected for Single Phase: Class 8536 Type S FIG. 3 Wiring Diagram Elementary Diagram 3-Phase Starter Connected for Single Phase, Single Voltage Motor * Marked “OL” if alarm contact is supplied * Marked “OL” if alarm contact is supplied Note: Starters are factory-wired with coil connected for the higher voltage. If starter is used on lower voltage, connect per coil diagram. * Marked “OL” if alarm contact is supplied Type S AC Magnetic Starters Class 8536 1-Phase, Size 00 to 3
  • 48.
    44 ® Type S ACMagnetic Starters Class 8536 2-Phase and 3-Phase, Size 00 to 5 4-Pole, 2-Phase Magnetic Starters: Class 8536 Type S FIG. 1 Wiring Diagram Elementary Diagram Size 0, 1 and 2 FIG. 2 Wiring Diagram Elementary Diagram Size 3 and 4 3-Pole, 3-Phase Magnetic Starters: Class 8536 Type S FIG. 3 Wiring Diagram Elementary Diagram Size 00 to 4 FIG. 4 Wiring Diagram Elementary Diagram Size 5 * Marked “OL” if alarm contact is supplied * Marked “OL” if alarm contact is supplied * Marked “OL” if alarm contact is supplied ▲If alarm contact is supplied, a single (3 thermal unit) overload block is furnished, fed from 3 current transformers. * Marked “OL” if alarm contact is supplied
  • 49.
    45 ® 3-Pole, 3-Phase MagneticStarters, Size 6 – Common Control Class 8536/8538/8539 Type SH Series B FIG. 1 Wiring Diagram Elementary Diagram This symbol denotes the coil function, provided by a solid-state control module, 30 VA transformer, two fuses in the secondary of the transformer, N.C. electrical interlock and DC magnet coil. Type S AC Magnetic Starters Class 8536, 8538 and 8539 3-Phase, Size 6
  • 50.
    46 ® 3-Pole, 3-Phase MagneticStarters, Size 7 – Common Control Class 8536 Type SJ Series A FIG. 1 Wiring Diagram Elementary Diagram This symbol denotes the coil function, provided by a solid-state control module, 30 VA transformer, two fuses in the secondary of the transformer, N.C. electrical interlock and DC magnet coil. Type S AC Magnetic Starters Class 8536 3-Phase, Size 7
  • 51.
    47 ® Type S ACMagnetic Starters Class 8536 3-Phase Additions and Special Features 3-Pole, 3-Phase Magnetic Starters, Size 00 to 4: Class 8536 Type S FIG. 1 Wiring Diagram Elementary Diagram Form A – Start-Stop Push Button Mounted in Cover FIG. 2 Wiring Diagram Elementary Diagram Form C – Hand-Off-Auto Selector Switch Mounted in Cover FIG. 3 Wiring Diagram Elementary Diagram Form F4T – Control Circuit Transformer and Primary Fuses * Marked “OL” if alarm contact is supplied * Marked “OL” if alarm contact is supplied * Marked “OL” if alarm contact is supplied ∆ Single or dual voltage primary connection per transformer nameplate. ∆ Single or dual voltage primary connection per transformer nameplate.
  • 52.
    48 ® Type S ACMagnetic Starters Class 8536 3-Phase Additions and Special Features 3-Pole, 3-Phase Magnetic Starters, Size 00 to 4: Class 8536 Type S FIG. 1 Wiring Diagram Elementary Diagram Form S – Separate Control FIG. 2 Wiring Diagram Elementary Diagram Form X – Additional Auxiliary Contacts 3-Pole, 3-Phase Magnetic Starters, Size 5: Class 8536 Type S FIG. 3 Wiring Diagram Elementary Diagram Form F4T – Control Circuit Transformer and Primary Fuses * Marked “OL” if alarm contact is supplied * Marked “OL” if alarm contact is supplied On NEMA Size 3 and 4 starters, holding circuit contact is in position #1. Max. of 3 external auxiliary contacts on NEMA Size 00. * Marked “OL” if alarm contact is supplied ∆ If alarm contact is supplied, a single (3 thermal unit) overload block is furnished, fed from 3 current transformers ∆
  • 53.
    49 ® 3-Pole, 3-Phase MagneticStarters, Size 6 – Separate Control Class 8536/8538/8539 Type SH Form S Series B FIG. 1 Wiring Diagram Elementary Diagram This symbol denotes the coil function, provided by a solid-state control module, 30 VA transformer, two fuses in the secondary of the transformer, N.C. electrical interlock and DC magnet coil. Type S AC Magnetic Starters Class 8536, 8538 and 8539 3-Phase Additions and Special Features
  • 54.
    50 ® 3-Pole, 3-Phase MagneticStarters, Size 7 – Separate Control Class 8536 Type SJ Form S Series A FIG. 1 Wiring Diagram Elementary Diagram This symbol denotes the coil function, provided by a solid-state control module, 30 VA transformer, two fuses in the secondary of the transformer, N.C. electrical interlock and DC magnet coil. Type S AC Magnetic Starters Class 8536 3-Phase Additions and Special Features
  • 55.
    51 ® Integral Self-Protected Starters Integral18 State of Auxiliary Contacts State of Auxiliary Contacts for LD1 FIG. 1 LA1-LB015 LA1-LB017 LA1-LB019 LA1- LB001 LA1- LB031 LA1-LB034 LD1 8 6 5 7 6 8 5 7 8 6 5 7 8 6 5 7 8 6 5 7 8 6 5 7 8 6 5 7 8 6 5 7 13 23 31 14 24 32 13 23 31 14 24 32 13 23 31 14 24 32 13 23 31 14 24 32 13 23 31 14 24 32 13 23 31 14 24 32 13 23 31 14 24 32 13 23 31 14 24 32 13 31 14 32 13 31 14 32 14 32 13 31 13 31 14 32 13 31 14 32 13 31 14 32 13 31 14 32 13 31 14 32 98 97 97 98 97 98 97 98 97 98 97 98 97 98 97 98 96 98 95 97 95 97 96 98 96 98 95 97 96 98 95 97 96 98 95 97 96 98 95 97 96 98 95 97 96 98 95 97 14 32 13 31 13 31 14 32 13 31 14 32 13 31 14 32 13 31 14 32 13 31 14 32 13 31 14 32 13 31 14 32 96 95 96 95 96 95 96 95 96 95 96 95 96 95 96 95 41 42 41 42 41 42 41 42 41 42 41 42 41 42 41 42 L1 1 L2 3 L3 5 2 4 6 T1 T2 T3 A1 A2 AUTO AUTO TRIP. + TRIP. + TRIP. + RESET TRIP. + AUTO + 0 15 16 18 17 15 17 16 18 15 17 16 18 15 17 16 18 15 17 16 18 15 17 16 18 15 17 16 18 15 17 16 18 AUTO + 0 15 16 18 17 15 17 16 18 15 17 16 18 15 17 16 18 15 17 16 18 15 17 16 18 15 17 16 18 15 17 16 18 Auxiliary contact actuators Auxiliary contacts Contact open Contact closed Off On, contactor open On, contactor closed Tripped on overload Tripped on short circuit Off after short circuit Manual reset
  • 56.
    52 ® Integral Self-Protected Starters Integral18 State of Auxiliary Contacts State of Auxiliary Contacts for LD5 FIG. 1 8 6 13 31 95 41 15 RESET TRIP. + AUTO AUTO AUTO TRIP. + TRIP. + TRIP. + AUTO + 0 13 23 31 14 24 32 96 98 95 97 13 31 14 32 98 97 13 31 14 32 96 95 41 42 13 23 31 14 24 32 16 18 17 41 42 6 8 5 7 13 23 31 14 24 32 95 97 96 98 14 32 13 31 97 98 14 32 96 42 13 23 31 14 24 32 15 17 16 18 41 42 13 23 31 14 24 32 13 31 14 32 96 98 95 97 8 6 13 31 95 41 5 7 97 98 14 32 96 42 13 23 31 14 24 32 15 17 16 18 41 42 96 98 95 97 13 23 31 14 24 32 13 31 14 32 8 6 13 31 95 41 5 7 97 98 14 32 96 42 13 23 31 14 24 32 15 17 16 18 41 42 96 98 95 97 13 23 31 14 24 32 13 31 14 32 8 6 13 31 95 41 5 7 97 98 14 32 96 42 13 23 31 14 24 32 15 17 16 18 41 42 96 98 95 97 13 23 31 14 24 32 13 31 14 32 8 6 13 31 95 41 5 7 97 98 14 32 96 42 13 23 31 14 24 32 15 17 16 18 41 42 96 98 95 97 13 23 31 14 24 32 13 31 14 32 8 6 13 31 95 41 5 7 97 98 14 32 96 42 13 23 31 14 24 32 15 17 16 18 41 42 96 98 95 97 13 23 31 14 24 32 13 31 14 32 8 6 13 31 95 41 5 7 97 98 14 32 96 42 13 23 31 14 24 32 15 17 16 18 41 42 96 98 95 97 13 23 31 14 24 32 13 31 14 32 8 6 13 31 95 41 5 7 97 98 14 32 96 42 13 23 31 14 24 32 15 17 16 18 41 42 LA1-LB015 LA1-LB017 LA1-LB019 LA1- LB001 LA1-LB021 LA1- LB001 LD5 5 7 L1 1 L2 3 L3 5 A1A2 A1A2 2 4 6 T1 T2 T3 On Integral Auxiliary contact actuators Auxiliary contacts Contact open Contact closed Off On, contactor open On, contactor II closed On, contactor I closed Tripped on overload Tripped on short circuit Off after short circuit Manual reset
  • 57.
    53 ® State of AuxiliaryContacts for LD4 FIG. 1 Auxiliary contact actuators Off + isolation LA1-LC012 13 23 31 14 24 32 13 23 31 14 24 32 13 23 31 14 24 32 13 23 31 14 24 32 13 23 31 14 24 32 13 23 31 14 24 32 13 23 31 14 24 32 13 23 31 14 24 32 13 23 31 14 24 32 13 23 31 14 24 32 A1 A2 L1 L2 L3 1 3 5 2 4 6 T1 T2 T3 LD4 96 98 95 96 98 95 96 98 95 96 98 95 96 98 95 96 98 95 U 96 98 95 96 98 95 96 98 95 96 98 95 95 98 95 98 95 98 95 98 95 98 98 95 U 95 98 95 98 95 98 95 98 13 23 31 14 24 32 13 23 31 14 24 32 13 23 31 14 24 32 13 23 31 14 24 32 LA1-LC010 13 23 31 14 24 32 13 23 31 14 24 32 13 23 31 14 24 32 13 23 31 14 24 32 13 23 31 14 24 32 13 23 31 14 24 32 16 18 15 16 18 15 16 18 15 1618 15 AUTO + 0 16 18 15 16 18 15 16 18 15 16 18 15 16 18 15 16 18 15 13 23 31 14 24 32 13 23 31 14 24 32 13 23 31 14 24 32 13 23 31 14 24 32 LA1-LC020 13 23 31 14 24 32 13 23 31 14 24 32 13 23 31 14 24 32 13 23 31 14 24 32 13 23 31 14 24 32 13 23 31 14 24 32 53 54 53 54 (63) 53 54 (64) LA1-LC030 53 54 53 54 53 54 53 54 53 54 53 54 53 54 06 08 05 06 08 05 06 08 05 06 08 05 06 08 05 06 08 05 06 08 05 06 08 05 06 08 05 06 08 05 08 05 08 05 08 05 08 05 08 05 08 05 08 05 08 05 08 05 08 05 LD4 TRIP. + RESET TRIP. + TRIP. + TRIP. + TRIP. + AUTO AUTO Contact open Contact closed Off On, contactor open On, contactor closed Tripped, on overload Off, after overload Tripped, on short circuit Off, after short circuit Manual reset Auxiliary contacts Integral Self-Protected Starters Integral 32 and 63 State of Auxiliary Contacts
  • 58.
    54 ® State of AuxiliaryContacts for LD5 FIG. 1 LA1-LC012 06 08 05 06 08 05 06 08 05 06 08 05 06 08 05 06 08 05 06 08 05 06 08 05 06 08 05 06 08 05 06 08 05 08 05 08 05 08 05 08 05 08 05 08 05 08 05 08 05 08 05 08 05 08 05 U 96 98 95 95 96 98 96 98 95 96 98 95 96 98 95 96 98 95 95 96 98 95 96 98 95 96 98 95 96 98 96 98 95 U 98 95 95 98 95 98 95 98 95 98 95 98 95 98 95 98 95 98 95 98 95 98 13 23 31 14 24 32 13 23 31 14 24 32 13 23 31 14 24 32 13 23 31 14 24 32 13 23 31 14 24 32 13 23 31 14 24 32 13 23 31 14 24 32 13 23 31 14 24 32 13 23 31 14 24 32 13 23 31 14 24 32 13 23 31 14 24 32 AUTO + 0 1618 15 15 16 18 16 18 15 16 18 15 15 16 18 16 18 15 16 18 15 16 18 15 16 18 15 16 18 15 16 18 15 13 23 31 14 24 32 13 23 31 14 24 32 13 23 31 14 24 32 13 23 31 14 24 32 13 23 31 14 24 32 13 23 31 14 24 32 13 23 31 14 24 32 13 23 31 14 24 32 13 23 31 14 24 32 13 23 31 14 24 32 13 23 31 14 24 32 53 54 63 64 53 54 63 64 53 54 63 64 53 54 63 64 53 54 63 64 53 54 63 64 53 54 63 64 53 54 63 64 53 54 63 64 53 54 63 64 53 54 63 64 13 23 31 14 24 32 13 23 31 14 24 32 13 23 31 14 24 32 13 23 31 14 24 32 13 23 31 14 24 32 13 23 31 14 24 32 13 23 31 14 24 32 13 23 31 14 24 32 13 23 31 14 24 32 13 23 31 14 24 32 13 23 31 14 24 32 LA1-LC021 2 4 6 T1 T2 T3 L1L2 L3 1 3 5 A1 A2 A1 A2 LD5 LA1-LC010 LA1-LC031 TRIP. + RESET AUTO TRIP. + TRIP. + TRIP. + TRIP. + AUTO AUTO LA1-LC020 13 23 31 14 24 32 13 23 31 14 24 32 13 23 31 14 24 32 13 23 31 14 24 32 13 23 31 14 24 32 13 23 31 14 24 32 13 23 31 14 24 32 13 23 31 14 24 32 13 23 31 14 24 32 13 23 31 14 24 32 13 23 31 14 24 32 Off + isolation Off On, both contactors open On, contactor open On, contactor closed Tripped on overload Off, after overload Tripped on short circuit Off after short circuit Manual reset Auxiliary contact actuators Auxiliary contacts Contact open Contact closed Integral Self-Protected Starters Integral 32 and 63 State of Auxiliary Contacts
  • 59.
    55 ® Integral 18 FIG. 1FIG. 2 Self-Protected Starter w/ Protection Module LB• Integral 18 LD1 L80 Self-Protected Reversing Starter w/ Protection Module LB• Integral 18 LD5 LB130 + LB1 LB03P Integral 32 FIG. 3 FIG. 5 Starter w/ Isolator Integral 32 LD4 FIG. 4 Starter w/o Isolator Integral 32 LD1 Reversing Starter w/ Isolator Integral 32 LD5 Protection Modules: LB• FIG. 6 FIG. 7 Thermal and Magnetic Trip LB1 Magnetic Trip Only LB6 5 L3 3 1 L1 A1 A2 T1 T2 T3 6 4 2 L2 L1 1 L2 3 L3 5 A1 A2 A1 A2 2 4 6 T1 T2 T3 I II L1 L2 L3 1 3 5 A1 A2 T1 T2 T3 2 4 6 g ( ) L1 L2 L3 1 3 5 T1 T2 T3 2 4 6 A1 A2 A1 A2 L1 L2 L3 1 3 5 T1 T2 T3 2 4 6 A1 A2 External control circuit Handle operator Protection module trip mechanism Protection module Thermal trip Magnetic trip Instantaneous trip mechanism (Trip coil) Control circuit contact T1 T2 T3 2 4 6 T1 T2 T3 2 4 6 Integral Self-Protected Starters Wiring Diagrams
  • 60.
    56 ® Integral Self-Protected Starters WiringDiagrams Auxiliary Contact Blocks FIG. 1 For LD1 or LD4 and reverser LD5 (mounted on right) LA1 LC010, LA1 LC012 and LA1 LC020 FIG. 2 FIG. 3 FIG. 4 For LD4 w/ isolating contacts (mounted on left) LA1 LC030 For reversing LD5 (mounted on left) LA1 LC021 Isolating contacts (mounted on left) LA1 LC031 Remote Reset Units1 for LD1, LD4 and LD5 Trip Units for LD1, LD4 and LD5 Interface Modules FIG. 5 FIG. 6 FIG. 7 LA1 LC180, LA1 LD180 FIG. 8 LA1 LC052 LA1 LC07•• LA1 LC580, LA1 LD580 13 23 31 14 24 32 13 23 31 14 24 32 13 23 31 14 24 32 9698 95 98 95 0608 05 16 18 15 08 05 LA1 LC010 LA1 LC012 LA1 LC020 1 Trip signal Short-circuit signal Knob position signal Auto + O Contactor signalling placed on the right 1 (63) 53 54 (64) (63) 53 54 (64) 1 or 2 LA1 LC030 LA1 LC030 13 23 31 14 24 32 LA1 LC021 2 Contactor signalling placed on the left 2 LA1 LC031 AC AC B4 B2 B3 AUTO + O RESET TRIP B1 M Use of the LA1 LC020 contact block prevents the mounting of trip or remote units For starter and reverser already fitted with a block, LA1 LC010 or LA1 LC012. U < C1 C2 D1 D2 AC A1 E1 + - E1 A2 AC A1 A2 AC A1 E1 + - E1 A2 AC A1 A2
  • 61.
    57 ® Integral Self-Protected Starters WiringDiagrams Add-on Blocks: LA1 LB0•• FIG. 1 For LD1 (mounted on right) FIG. 2 FIG. 3 For LD1 (mounted on left) For LD5 (mounted on left) Time Delay Modules Control Module FIG. 4 FIG. 5 FIG. 6 On Module LA4 DT Off Module LA4 DR Auto-Man-Stop Module LA4 DM Interface Modules FIG. 7 FIG. 8 FIG. 9 Solid State Module LA4 DW Relay Module LA4 DF Relay Module w/ Manual Override LA4 DL Voltage Converters: LA1 LC080 and LA1 LD080 FIG. 10 FIG. 11 FIG. 12 For 24 or 48 V Supply For 110 V Supply For 24 or 48 V Supply w/ Low Voltage Input 13 23 31 14 24 32 95 97 96 98 LA1 LB015 97 98 13 31 14 32 LA1 LB017 13 31 14 32 95 96 LA1 LB019 41 42 LA1 LB001 and Trip signal Contactor breakers 5 7 6 8 LA1 - LB034 LA1 - LB031 15 17 16 18 15 16 17 18 0 Knob position Short circuit signal Auto Signal 41 42 LA1 - LB001 LA1 - LB021 5 7 6 8 13 23 31 14 24 32 15 17 16 18 0 Contacts integrated into device Contactor breakers Knob position Auto Short circuit signal Signal K A1 A2 A1 A2 0 t AC K A1 A2 A1 A2 B2 0 t AC K A1 A2 A1 A2 B1 A/M 1/0 TSX AC K A1 A2 E1 E2 + - A1 A2 AC AC K A1 A2 E1 E2 + - A1 A2 AC AC K A1 A2 E1 E2 + - A1 A2 AC AC E1 E3 E2 + - (OV) A1 A2 DC AC Control by supply switching 24 or 48V E1 E2 DC AC + - (OV) A1 A2 110V DC AC A1 A2 Supply Low voltage control 24 or 48V E1 E2 E3 Low voltage input + - {
  • 62.
    58 ® Type S ACCombination Magnetic Starters Class 8538 and 8539 3-Phase, Size 0-5 (see pages 45 and 49 for Size 6) 3-Pole, 3-Phase Combination Starters: Class 8538 and 8539 Type S FIG. 1 Wiring Diagram Elementary Diagram Size 0-4 FIG. 2 Wiring Diagram Elementary Diagram Size 5 * Marked “OL” if alarm contact is supplied * Marked “OL” if alarm contact is supplied
  • 63.
    59 ® Type S ACCombination Magnetic Starters Class 8538 and 8539 3-Phase Additions and Special Features 3-Pole, 3-Phase Combination Starters w/ Control Circuit Transformer and Primary Fuses: Class 8538 and 8539 Type S Form F4T FIG. 1 Wiring Diagram Elementary Diagram Size 0-4 FIG. 2 Wiring Diagram Elementary Diagram Size 5 PRI STOP M 3-WIRE CONTROL GROUND (If used) T1 T3 MOTOR T2 DISCONNECTING MEANS, PROVIDED BY USER OR WITH CONTROLLER L1 L2 L3 3 2 A A ALARM (IF SUPPLIED) T1 T2 T3 * COM OL 1 X2 L1 L2 L3 FU1 SEC FU2 2-WIRE CONTROL 3 1 3 1 2 START * Marked “OL” if alarm contact is supplied OL M SEC X2 PRI FU1 FU2 GROUND (If used) STOP START 3 M OL M OL M OL L1 L2 L3 2-WIRE CONTROL (If used) 2 1 X1 M DISCONNECTING MEANS PRI STOP M 3-WIRE CONTROL GROUND (If used) T1 T3 MOTOR T2 DISCONNECTING MEANS, PROVIDED BY USER OR WITH CONTROLLER L1 L2 L3 3 2 A A ALARM (IF SUPPLIED) T1 T2 T3 * COM OL 1 X2 L1 L2 L3 FU1 SEC FU2 2-WIRE CONTROL 3 1 3 1 2 START CR * Marked “OL” if alarm contact is supplied OL CR SEC X2 PRI FU1 FU2 GROUND (If used) STOP START 3 M OL M OL M OL L1 L2 L3 2-WIRE CONTROL (If used) 2 1 X1 M CR M DISCONNECTING MEANS
  • 64.
    60 ® Reduced Voltage AutotransformerControllers w/ Closed Transition Starting: Class 8606 Size 2-5 FIG. 1 Reduced Voltage Autotransformer Controller w/ Closed Transition Starting: Class 8606 Size 6 FIG. 2 OR DISCONNECT SWITCH L1 L2 L3 CIRCUIT BREAKER R R R 2S 2S 2S 1S 1S OL OL OL TR TR 1S R R 1S 2S 1S START STOP TR TR OL 2 WIRE CONTROL DEVICE (IF USED) 1 2 3 AT AT T1 T2 T3 0 50 65 84 100 50 65 84 100 0 2S MOTOR OR DISCONNECT SWITCH L1 L2 L3 CIRCUIT BREAKER R R R 2S 2S 2S 1S 1S 1TR 1TR 1S R R 1S 2S 1S START STOP 1TR OL 2 WIRE CONTROL DEVICE (if used) 1 2 3 AT AT T1 T2 T3 0 50 65 84 100 50 65 84 100 0 2S GROUND (if used) R 2TR 2TR 1TR PRI SEC (H1) (X1) (X2) PRI SEC (H1) (X1) (X2) 1OL 1CT 2OL 2CT 3OL 3CT MOTOR Reduced Voltage Controllers Class 8606 Autotransformer Type, Size 2-6
  • 65.
    61 ® Reduced Voltage AutotransformerControllers w/ Closed Transition Starting: Class 8606 Size 7 FIG. 1 OR DISCONNECT SWITCH L1 L2 L3 CIRCUIT BREAKER R R R 2S 2S 2S 1S 1S 1TR 1TR 1S R R 1S 2S 1S START STOP 1TR OL 2 WIRE CONTROL DEVICE (If used) 1 2 3 AT AT T1 T2 T3 0 50 65 84 100 50 65 84 100 0 GROUND (If used) R 2TR 2TR 1TR PRI SEC (H1) (X1) (X2) SOLID STATE OVERLOAD RELAY SEC (H1) (X1) (X2) 1CT 2CT 3CT 2S SEC (H1) (X1) (X2) SEC (X1) (X2) PRI PRI PRI (H1) MOTOR Reduced Voltage Controllers Class 8606 Autotransformer Type, Size 7
  • 66.
    62 ® Reduced Voltage Controllers Class8630 Wye-Delta Type, Size 1Y∆-5Y∆ Wye-Delta Type Reduced Voltage Controllers, Size 1Y∆-5Y∆: Class 8630 FIG. 1 Size 1Y∆-5Y∆ Controllers with Open-Transition Starting FIG. 2 Size 1Y∆-5Y∆ Controllers with Closed-Transition Starting FPO 46-1 110% FPO 46-2 110%
  • 67.
    63 ® Reduced Voltage Controllers Class8630 Wye-Delta Type, Size 6Y∆ Wye-Delta Type Reduced Voltage Controllers, Size 6Y∆: Class 8630 FIG. 1 Size 6Y∆ Controller with Open-Transition Starting FIG. 2 Size 6Y∆ Controller with Closed-Transition Starting FPO 46-3 110% FPO 46-4 110%
  • 68.
    64 ® Reduced Voltage Controllers Class8640 2-Step, Part-Winding Type Table 5 Motor Lead Connections Part Winding Schemes Lettered Terminals in Panel Part Winding Schemes Lettered Terminals in Panel A B C D E F A B C D E F 1/2 Wye or Delta 6 Leads T1 T2 T3 T7 T8 T9 2/3 Wye or Delta 6 Leads T1 T2 T9 T7 T8 T3 1/2 Wye 9 Leads [1] T1 T2 T3 T7 T8 T9 2/3 Wye 9 Leads [1] T1 T2 T9 T7 T8 T3 1/2 Delta 9 Leads [2] T1 T8 T3 T6 T2 T9 2/3 Delta 9 Leads [2] T1 T4 T9 T6 T2 T3 [1] Connect terminals T4, T5 and T6 together at terminal box. [2] Connect terminals T4 and T8, T5 and T9, T6 and T7 together in 3 separate pairs at terminal box. Part-Winding Reduced Voltage Controllers: Class 8640, Size 1PW-7PW FIG. 1 FIG. 2 Size 1PW-4PW, 2-Step Part-Winding Controllers Size 5PW, 2-Step Part-Winding Controller FIG. 3 FIG. 4 Size 6PW, 2-Step Part-Winding Controller Size 7PW, 2-Step Part-Winding Controller ➀ Disconnect means (optional): 2 required, 1 for each motor winding. ➁ See Table 5 for motor lead connections.
  • 69.
    65 ® Reduced Voltage Controllers Class8647 Primary-Resistor Type 3-Phase Primary-Resistor Reduced Voltage Controllers: Class 8647, Size 1-7 FIG. 1 FIG. 2 Size 1-4 Size 5 FIG. 3 FIG. 4 Size 6 Size 7 DISCONNECT MEANS (OPTIONAL) L1 L2 L3 M RES A START STOP TR OL 2 WIRE CONTROL DEVICE (if used) 1 2 3 T1 T2 T3 A M TR TR OL M RES A M RES A TR OL OL MOTOR L1 L2 L3 M RES A START STOP TR OL 2 WIRE CONTROL DEVICE (if used) 1 2 3 T1 T2 T3 A M TR TR OL M RES A M RES A TR A OL OL DISCONNECT MEANS (OPTIONAL) MOTOR L1 L2 L3 M RES A FU1 1TR START STOP 1TR OL 2 WIRE CONTROL DEVICE (if used) 1 2 3 T1 T2 T3 M GROUND (if used) M 2TR 2TR 1TR PRI SEC (H1) (X1) (X2) PRI SEC (H1) (X1) (X2) 1OL 1CT 2OL 2CT 3OL 3CT M RES A M RES A A A F U 2 F U 3 1TR DISCONNECT MEANS (OPTIONAL) MOTOR L1 L2 L3 M RES A FU1 1TR START STOP 1TR OL 2 WIRE CONTROL DEVICE (if used) 1 2 3 T1 T2 T3 GROUND (if used) M 2TR 2TR 1TR PRI SEC (H1) (X1) (X2) PRI SEC (H1) (X1) (X2) M RES A M RES A A A F U 2 F U 3 1TR SOLID STATE OVERLOAD RELAY 1CT 2CT 3CT PRI SEC (H1) (X1) (X2) M DISCONNECT MEANS (OPTIONAL) MOTOR
  • 70.
    66 ® Reduced Voltage Controllers Class8650 and 8651 Wound-Rotor Type Wound-Rotor Reduced Voltage Controllers: Class 8650 and 8651 FIG. 1 Non-Reversing Wound-Rotor Motor Controller w/ 3 Points of Acceleration Class 8650 FIG. 2 Reversing Wound-Rotor Motor Controller w/ 3 Points of Acceleration Class 8651 FPO 49-3 135% FPO 49-4 135%
  • 71.
    67 ® Solid State ReducedVoltage Starters Class 8660 ALPHA PAK®, Type MD-MG ALPHA PAK® Solid State Reduced Voltage Starters: Class 8660 Type MD-MG FIG. 1 Type MD (16 A), ME (32 A), MF (64 A) and MG (128 A) FIG. 2 Type MD (16 A), ME (32 A), MF (64 A) and MG (128 A) w/ Isolation Contactor OR DISCONNECT SWITCH L1 L2 L3 CIRCUIT BREAKER START STOP M OT* T1 T2 T3 M M SOLID STATE OVERLOAD RELAY 1CT M M MOTOR 3CT TO 120 V SEPARATE CONTROL * OT is a switch that opens when an overtemperature condition exists (Type MFO and MGO only) OR DISCONNECT SWITCH L1 L2 L3 CIRCUIT BREAKER START STOP M OT* T1 T2 T3 M M SOLID STATE OVERLOAD RELAY 1CT M M MOTOR 3CT ISO ISO ISO TO 120 V SEPARATE CONTROL CR ALARM TR TR ISO CR * OT is a switch that opens when an overtemperature condition exists (Type MFO and MGO only)
  • 72.
    68 ® Solid State ReducedVoltage Controllers Class 8660 Type MH, MJ, MK and MM Solid State Reduced Voltage Controllers: Class 8660 Type MH, MJ, MK and MM FIG. 1 Type MH (200 A), MJ (320 A), MK (500 A) and MM (750 A) FIG. 2 Type MH (200 A) w/ Shorting Contactor FIG. 3 Type MJ (320 A), MK (500 A) and MM (750 A) w/ Shorting Contactor
  • 73.
    69 ® Solid State ReducedVoltage Controllers Class 8660 Type MH, MJ, MK and MM Solid State Reduced Voltage Controllers: Class 8660 Type MH, MJ, MK and MM FIG. 1 Type MH (200 A) w/ Isolation Contactor FIG. 2 Type MJ (320 A), MK (500 A) and MM (750 A) w/ Isolation Contactor FPO 51-1 130% FPO 51-2 130%
  • 74.
    70 ® Solid State ReducedVoltage Controllers: Class 8660 Type MH, MJ, MK and MM FIG. 1 Type MH (200 A) w/ Isolation Contactor and Shorting Contactor FIG. 2 Type MJ (320 A), MK (500 A) and MM (750 A) w/ Isolation Contactor and Shorting Contactor FPO 51-3 130% FPO 51-4 130% Solid State Reduced Voltage Controllers Class 8660 Type MH, MJ, MK and MM
  • 75.
    71 ® Type S ACReversing Magnetic Starters Class 8736 2- and 3-Pole Reversing Starters, 2- and 3-Pole, Size 00-1: Class 8736 Type S FIG. 1 Wiring Diagram Elementary Diagram 2-Pole, w/ Single Phase, 3-Lead Motor FIG. 2 Wiring Diagram Elementary Diagram 3-Pole, w/ Single Phase, 4-Lead Repulsion-Induction Motor FIG. 3 Wiring Diagram Elementary Diagram 3-Pole, w/ Single Phase, 4-Lead Capacitor or Split-Phase Motor * Marked “OL” if alarm contact is supplied FPO 52-1 FPO 52-1 * Marked “OL” if alarm contact is supplied FPO 52-2 FPO 52-2 * Marked “OL” if alarm contact is supplied FPO 53-1 FPO 53-1
  • 76.
    72 ® Reversing Starters, 3-and 4-Pole: Class 8736 Type S FIG. 1 Wiring Diagram Elementary Diagram Size 00-2, 4-Pole, 2-Phase FIG. 2 Wiring Diagram Elementary Diagram Size 00-4, 3-Pole, 3-Phase FIG. 3 Wiring Diagram Elementary Diagram Size 5, 3-Pole, 3-Phase * Marked “OL” if alarm contact is supplied FPO 53-2 FPO 53-2 * Marked “OL” if alarm contact is supplied FPO 53-3 FPO 53-3 FPO 54-1 FPO 54-1 Type S AC Reversing Magnetic Starters Class 8736 3- and 4-Pole
  • 77.
    73 ® Type S AC2-Speed Magnetic Starters Class 8810 Starters for 2-Speed, 2-Winding (Separate Winding), 3-Phase Motors: Class 8810 Type S FIG. 1 Wiring Diagram Elementary Diagram Size 0-4 FIG. 2 Size 5 Wiring Diagram Starters for 2-Speed, 1-Winding (Consequent Pole), Constant or Variable Torque, 3-Phase Motors: Class 8810 Type S FIG. 3 Wiring Diagram Elementary Diagram Size 0-2 FPO 54-2 FPO 54-2 FPO 54-3 FPO 55-1 * Marked “OL” if alarm contact is supplied FPO 55-1
  • 78.
    74 ® Starters for 2-Speed,1-Winding (Consequent Pole), Constant or Variable Torque, 3-Phase Motors: Class 8810 Type S FIG. 1 FIG. 2 Size 3 and 4 Wiring Diagram Size 5 Wiring Diagram Starters for 2-Speed, 1-Winding (Consequent Pole), Constant Horsepower, 3-Phase Motors: Class 8810 Type S FIG. 3 Wiring Diagram Elementary Diagram Size 0-2 FIG. 4 FIG. 5 Size 3 and 4 Wiring Diagram Size 0, w/ High-Off-Low Selector Switch (Form C7) Wiring Diagram FPO * Marked “OL” if alarm contact is supplied 55-2 FPO 55-3 FPO 55-4 * Marked “OL” if alarm contact is supplied FPO 55-4 FPO 56-1 * Marked “OL” if alarm contact is supplied 75% FPO 56-2 75% * Marked “OL” if alarm contact is supplied Type S AC Reversing Magnetic Starters Class 8810
  • 79.
    75 ® 2-Speed Magnetic Starters Class8810 Special Control Circuits Form R1 Form R2 FIG. 1 FIG. 2 Compelling Relay, Requiring Motor Starting in Low Speed Accelerating Relay, Providing Timed Acceleration to Selected Speed Form R3 Form R2R3 FIG. 3 FIG. 4 Decelerating Relay, w/ Time Delay During Transfer from Higher to Lower Speed Accelerating Relay and Decelerating Relay Form R1R3 Form A10C FIG. 5 FIG. 6 Compelling Relay and Decelerating Relay Hand-Off-Auto Selector Switch and High-Low Push Button Form CC17 Form A10CR1 FIG. 7 FIG. 8 Hand-Off-Auto Selector Switch and High-Low Selector Switch Hand-Off-Auto Selector Switch and High-Low Push Button w/ Compelling Relay/Timer FPO 57-1 FPO 57-2 FPO 57-3 FPO 57-4 FPO 57-5 FPO 57-6 FPO 57-7 FPO 57-8
  • 80.
    76 ® 2-Speed Magnetic Startersand Multispeed Motor Connections Class 8810 Special Control Circuits and 1- and 3-Phase Motor Connections Form C25 Form CC17 R2R3 FIG. 1 FIG. 2 High-Low-Off-Auto Selector Switch Hand-Off-Auto Selector Switch and High-Low Selector Switch w/ Accelerating and Decelerating Relay/Timer Multispeed Motor Connections: 1-Phase, 2-Speed Motors FIG. 3 FIG. 4 FIG. 5 2 Windings 2 Windings 1 Winding FIG. 6 FIG. 7 FIG. 8 1 Winding 1 Winding 1 Winding Multispeed Motor Connections: 3-Phase, 2-Speed Motors FIG. 9 FIG. 10 FIG. 11 1 Winding, Constant Horsepower 1 Winding, Constant Torque 1 Winding, Variable Torque FIG. 12 FIG. 13 FIG. 14 Separate Windings Separate Windings Separate Windings FPO 57-9 FPO 57-10 120% T1 T2 T3 T4 Speed L1 L2 Open Together Low T1 T2 T3,T4 — High T3 T4 T1,T2 — T1 T2 T3 T4 Speed L1 L2 Open Together Low T3 T4 T1,T2 — High T1 T2 T3,T4 — COM A B Speed L1 L2 Open Together Low COM A B — High COM B A — T1 COM T4 Speed L1 L2 Open Together Low COM T1 T4 — High COM T4 T1 — T1 COM T4 Speed L1 L2 Open Together Low T1 T4 COM — High T1 COM — T1,T4 T1 COM T4 Speed L1 L2 Open Together Low T1 COM — T1,T4 High T1 T4 COM — T3 T5 T6 T1 T2 T4 Speed L1 L2 Open Together Low T1 T2 — T4,T5,T6 High T6 T4 All others — L3 T3 T5 T3 T5 T6 T1 T2 T4 Speed L1 L2 Open Together Low T1 T2 All others — High T6 T4 — T1,T2,T3 L3 T3 T5 T3 T5 T6 T1 T2 T4 Speed L1 L2 Open Together Low T1 T2 All others — High T6 T4 — T1,T2,T3 L3 T3 T5 T3 T1 T2 Speed L1 L2 Open Low T1 T2 All others High T11 T12 All others L3 T3 T13 T13 T11 T12 T3 T1 T2 Speed L1 L2 Open Low T1 T2 All others High T11 T12 All others L3 T3 T13,T17 T13 T11 T12 T17 T13 T11 T12 Speed L1 L2 Open Low T1 T2 All others High T11 T12 All others L3 T3,T7 T13 T3 T1 T2 T7
  • 81.
    77 ® Multispeed Motor Connections 3-Phase MultispeedMotor Connections: 3-Phase, 2-Speed Motors FIG. 1 FIG. 2 FIG. 3 Separate Windings 2-Phase, 1 Winding, Variable Torque 2-Phase, Separate Windings Multispeed Motor Connections: 3-Phase, 3-Speed Motors FIG. 4 FIG. 5 FIG. 6 2 Windings, Constant Torque 2 Windings, Constant Torque 2 Windings, Constant Torque FIG. 7 FIG. 8 FIG. 9 2 Windings, Variable Torque 2 Windings, Variable Torque 2 Windings, Variable Torque Multispeed Motor Connections: 3-Phase, 4-Speed Motors FIG. 10 FIG. 11 FIG. 12 2 Windings, Constant Horsepower 2 Windings, Constant Horsepower 2 Windings, Constant Torque FIG. 13 FIG. 14 FIG. 15 2 Windings, Constant Torque 2 Windings, Variable Torque 2 Windings, Variable Torque Speed L1 L2 Open Low T1 T2 All others High T11 T12 All others L3 T3,T7 T13,T17 T3 T1 T2 T7 T13 T11 T12 T17 T3 T1 T2 Speed L1 L3 Open Low T1 T5 T3,T4 High T1,T5 T3 — L2 T2 T2,T6 T4 T6 T5 L4 T6 T4 T3 T1 T2 Speed L1 L3 Open Low T1 T3 All others High T11 T13 All others L2 T2 T12 T4 L4 T4 T14 T13 T11 T12 T14 Speed L1 L2 Open Together Low T1 T2 All others — 2nd T6 T4 — T1,T2,T3,T7 L3 T3,T7 T5 T13 T11 T12 T7 T5 T6 T1 T2 T4 T3 High T11 T12 All others — T13 Speed L1 L2 Open Together Low T1 T2 All others — 2nd T11 T12 All others — L3 T3,T7 T13 T13 T11 T12 T7 T5 T6 T1 T2 T4 T3 High T6 T4 All others T1,T2,T3,T7 T5 Speed L1 L2 Open Together Low T1 T2 All others — 2nd T11 T12 All others — L3 T3 T13,T17 T3 T1 T2 T17 T15 T16 T11 T12 T14 T13 High T16 T14 All others T11,T12,T13,T17 T15 T3 T5 T6 T1 T2 T4 Speed L1 L2 Open Together Low T1 T2 All others — 2nd T6 T4 All others T1,T2,T3 L3 T3 T5 T13 T11 T12 High T11 T12 All others — T13 T3 T5 T6 T1 T2 T4 Speed L1 L2 Open Together Low T1 T2 All others — 2nd T11 T12 All others — L3 T3 T13 T13 T11 T12 High T6 T4 All others T1,T2,T3 T5 T13 T15 T16 T11 T12 T14 Speed L1 L2 Open Together Low T1 T2 All others — 2nd T11 T12 All others — L3 T3 T13 T3 T1 T2 High T16 T14 All others T11,T12,T13 T15 T5 T4 T6 T7 T15 T14 T16 T17 Speed L1 L2 Open Together Low T1 T2 All others T4,T5,T6,T7 2nd T6 T4 All others — L3 T3 T5,T7 High T16 T14 All others — T15,T17 T3 T1 T2 T12 T13 T11 3rd T11 T12 All others T14,T15,T16,T17 T13 T5 T4 T6 T7 T15 T14 T16 T17 Speed L1 L2 Open Together Low T1 T2 All others T4,T5,T6,T7 2nd T11 T12 All others T14,T15,T16,T17 L3 T3 T13 High T16 T14 All others — T15,T17 T3 T1 T2 T12 T13 T11 3rd T6 T4 All others — T5,T7 L1 L2 Open Together Low T1 T2 All others — 2nd T6 T4 All others T1,T2,T3,T7 L3 T3,T7 T5 High T16 T14 All others T11,T12,T13,T17 T15 3rd T11 T12 All others — T13,T17 T7 T5 T6 T1 T2 T4 T3 T17 T15 T16 T11 T12 T14 T13 Speed L1 L2 Open Together Low T1 T2 All others — 2nd T11 T12 All others — L3 T3,T7 T13,T17 High T16 T14 All others T11,T12,T13,T17 T15 3rd T6 T4 All others T1,T2,T3,T7 T5 T7 T5 T6 T1 T2 T4 T3 T17 T15 T16 T11 T12 T14 T13 Speed L1 L2 Open Together Low T1 T2 All others — 2nd T6 T4 All others T1,T2,T3 L3 T3 T5 High T16 T14 All others T11,T12,T13 T15 3rd T11 T12 All others — T13 Speed T3 T5 T6 T1 T2 T4 T13 T15 T16 T11 T12 T14 L1 L2 Open Together Low T1 T2 All others — 2nd T11 T12 All others — L3 T3 T13 High T16 T14 All others T11,T12,T13 T15 3rd T6 T4 All others T1,T2,T3 T5 Speed T3 T5 T6 T1 T2 T4 T13 T15 T16 T11 T12 T14
  • 82.
    78 ® Programmable Lighting Controllers Class8865 Programmable Lighting Controller: Class 8865 Type TC12 FIG. 1 + 1 – + 2 – + 3 – + 4 – + 5 – + 6 – + 7 – + 8 – Demand Input 24 VAC INPUT INPUTS 1 CIRCUIT 1 2 3 4 CIRCUIT 2 5 6 7 CIRCUIT 3 8 9 10 CIRCUIT 4 11 12 13 CIRCUIT 5 14 15 16 CIRCUIT 6 17 18 RELAY OUTPUT CONNECTIONS CIRCUITS 1-6 19 CIRCUIT 7 20 21 22 CIRCUIT 8 23 24 25 CIRCUIT 9 26 27 28 CIRCUIT 10 29 30 31 CIRCUIT 11 32 33 34 CIRCUIT 12 35 36 RELAY OUTPUT CONNECTIONS CIRCUITS 7-12
  • 83.
    79 ® AC Lighting Contactors Class8903 Load Connections Load Connections for AC Lighting Contactors: Class 8903 FIG. 1 FIG. 2 1-Phase, 2-Wire, Single Load 1-Phase, 2-Wire, Multiple Loads FIG. 3 FIG. 4 1-Phase, 3-Wire, Loads Connected Line-to-Neutral 1-Phase, 3-Wire, Load Connected Line-to-Line FIG. 5 FIG. 6 3-Phase, 3-Wire, Wye-Connected Load 3-Phase, 3-Wire, Delta-Connected Load FIG. 7 Application Limits: 1. Voltage between line side conductors must not exceed line-to-line voltage rating of contactor. 2. Vload must not exceed volts-per-load rating of contactor. 3. Line current carried by any contact must not exceed ampere rating of contactor. For contact ratings, refer to the Square D Digest. 3-Phase, 4-Wire, Loads Connected Line-to-Neutral LOAD L1 L2 IF USED Vload = Vline-tol-line LOAD L1 L2 IF USED LOAD LOAD L1 LN L2 Vload = Vline-to-line LOAD L1 LN IF USED LOAD L2 Vload = Vline-to-neu- LOAD L1 LN IF USED L2 Vload = Vline-to-line LOAD L1 LOAD L2 L3 LOAD L1 L2 L3 LN Vload = Vline-to-line 1.732 LOAD L1 L2 L3 LOAD LOAD Vload = Vline-to-line Iload = Icontacts 1.732 LOAD L1 LOAD L2 L3 LOAD LN IF USED Vload = Vline-to-neu-
  • 84.
    80 ® AC Lighting Contactors Class8903 Control Circuit Connections Control Circuit Connections for Electrically-Held Contactors: Class 8903 Type L and S FIG. 1 FIG. 4 On-Off Push Button (Form A12) FIG. 2 Direct Control from Pilot Device FIG. 3 On-Off Selector Switch (Form C6) Hand-Off-Auto Selector Switch (Form C) Control Circuit Connections for Mechanically-Held Contactors: Class 8903 Type LX and S FIG. 5 FIG. 6 On-Off Push Button (Form A3) On-Off Selector Switch (Form C6) FIG. 7 FIG. 8 Control from 2-Pole Pilot Device 1-Pole Pilot Device w/ CR relay (Form R6) COIL OFF M ON To AC common or separate control supply COIL To AC common or separate control supply A1 A2 A1 A2 I HAND OFF 2-WIRE PILOT DEVICE I AUTO COIL 2-WIRE PILOT DEVICE To AC common or separate control supply COIL To AC common or separate control supply A1 A2 A1 A2 I ON I OFF LATCH ON To AC common or separate control supply UNLATCH COIL CLEARING CONTACTS (Supplied) B A 14 15 17 18 OFF LATCH To AC common or separate control supply UNLATCH COIL CLEARING CONTACTS (Supplied) B A 14 15 17 18 A1 A2 A1 A2 I ON I OFF LATCH To AC common or separate control supply UNLATCH COIL CLEARING CONTACTS (Supplied) B A 14 15 17 18 2-POLE PILOT DEVICE LATCH To AC common or separate control supply UNLATCH COIL CLEARING CONTACTS (Supplied) B A 14 15 17 18 CR CR 1-POLE PILOT DEVICE CR
  • 85.
    81 ® AC Lighting Contactorsand Electronic Motor Brakes Class 8903 and 8922 Panelboard Type Wiring: Class 8903 Type PB, 30-225 A FIG. 1 FIG. 3 FIG. 4 Control Circuit – Standard FIG. 2 Control Circuit – 2-Wire Control (Form R6) Control Circuit – Long-Distance Control (Form R62) Power Circuit QWIK-STOP® Electronic Motor Brake: Class 8922 FIG. 5 Type ETB10, ETB18 and ETBS18 w/ Internal Braking Contactor FIG. 6 Type ETB20-ETB800 and ETBS20-ETBS800 OFF L O C ON L1 L2/N CR2 L O C CR1 L1 L2/N CR2 CR1 OFF ON L1 T1 C SO + – L2 T2 L3 T3 L O C BR SC L = Line (common) O = Open (unlatch) C = Close (latch) Omit middle pole for 2-pole unit CR L O C CR L1 L2/N CR 2-Wire Pilot Device L1 L2 L3 START STOP M OL T1 T2 T3 M M PLC MOTOR CUSTOMER CONTROL CIRCUIT F1 F1 Xo Xo ETB 10/18 When controlling electronic motor brake ETB 10/18 with a PLC (programmable logic control), terminals Xo-Xo must be jumpered. [2] [2] M F2 OL M F2 OL M F2 OL L+ L1 L– L2 B– B+ B1 ETB 10/18 POWER CIRCUIT F3 F3 24 VDC + – [4] Connection for ETBS only. [4] 15 18 [1] Contacts 15 and 18 close when L1 and L2 are energized. [1] [3] [3] Semiconductor fuses. [3] L1 L2 L3 START STOP M OL T1 T2 T3 M M PLC MOTOR CUSTOMER CONTROL CIRCUIT F1 F1 Xo Xo ETB 20/800 When controlling electronic motor brake ETB 20/800 with a PLC (programmable logic control), terminals Xo-Xo must be jumpered. [2] [2] M F2 OL M F2 OL M F2 OL L+ L1 L– L2 B– B+ B1 ETB 20/800 POWER CIRCUIT F3 F3 24 VDC + – [4] Connection for ETBS only. [4] 15 18 [1] Contacts 15 and 18 close when L1 and L2 are energized. [1] [3] [3] Semiconductor fuses. [3] M 25 28 B B B B QWIK-STOP is a registered trademark of Square D.
  • 86.
    82 ® Electronic Motor Brakes,Duplex Motor Controllers and Fiber Optic Transceivers Class 8922, 8941 and 9005 QWIK-STOP® Electronic Motor Brake: Class 8922 Type ETBC FIG. 1 Type ETBC AC Duplex Motor Controller: Class 8941 Fiber Optic Transceiver: Class 9005 FIG. 2 FIG. 3 Elementary Diagram for Duplex Motor Controller w/ Electric Alternator Transceiver, Front View FIG. 4 Location L1 L2 L3 START STOP M OL T1 T2 T3 M M MOTOR CUSTOMER CONTROL CIRCUIT F1 F1 To control electronic motor brake ETBC with input B+/B–, terminals 3 and 4 must be jumpered. [1] M F2 OL M F2 OL M F2 OL T1/2 L1 T2/4 L2 ETBC F3 F3 [1] [2] [2] Semiconductor fuses. [2] B B M PLC 24 VDC INPUT + – 1 2 3 4 5 6 7 B+ 9 B– 10 QWIK-STOP is a registered trademark of Square D. A2 FIBER A1 FIBER RELEASE OUTPUT SETUP GAIN POWER 11 12 OUTPUT 14 86 OUTPUT STATUS LED SETUP LED FIBER RELEASE LEVER GAIN ADJ. SCREW INPUT FIBER OPTIC TRANSCEIVER CLASS 9005 TYPE FT FIBER OPTIC PUSH BUTTON, SELECTOR SWITCH, LIMIT SWITCH, ETC. FIBER OPTIC CABLE ELECTRICAL CONNECTIONS BOUNDARY SEAL TO BE IN ACCORDANCE WITH ARTICLE 501-5 OF THE NATIONAL ELECTRICAL CODE HAZARDOUS LOCATIONS NONHAZARDOUS LOCATIONS CLASS I GROUPS A, B, C & D CLASS II GROUPS E, F & G CLASS III FIBER OPTIC CABLE
  • 87.
    83 ® Photoelectric Switches: Class 9006Type PE1 (Obsolete) FIG. 1 Connect load in series.To prevent damage, all switches except emitters must have load connected to switch. FIG. 2 AC thru-beam emitter has no output switching capability, therefore leakage current is not applicable. Thru-beam emitter is connected directly across the AC line and typically draws 15 mA. 2-Wire AC, Single Device Operation AC Emitter FIG. 3 DC switches cannot be wired in series. To prevent damage, all switches except emitters must have load connected to switch. FIG. 4 DC thru-beam emitter has no output switching capability, therefore it requires only a 2-wire cable connected directly across the DC. Thru-beam emitter draws a maximum of 45 mA. 4-Wire DC, Single Device Operation, 10-30 VDC, 250 mA Max. Load DC Emitter Photoelectric Switches: Class 9006 Type PE6 and PE7 (Obsolete) Photoelectric Switches: Class 9006 Type PEA120 (Obsolete) FIG. 5 These switches are light operated only. Beam broken = load deenergized Beam unbroken = load energized FIG. 8 Diagram shows contact arrangement with beam broken. 12-24 VDC, Sinking (NPN) FIG. 6 12-24 VDC, Sourcing (PNP) FIG. 7 120 VAC, Emitter Only 120 VAC Amplifier Inductive Proximity Switches: Class 9006 Type PS (Obsolete) FIG. 9 FIG. 10 FIG. 11 2-Wire AC, N.O. 2-Wire AC, N.C. 2-Wire AC, N.O. or N.C. FIG. 12 FIG. 13 FIG. 14 2-Wire DC, N.O. 4-Wire DC, Sinking (NPN) 4-Wire DC, Sourcing (PNP) Photoelectric and Inductive Proximity Sw itches Class 9006
  • 88.
    84 ® Inductive Proximity Sensors XS,XSC, XSF and XSD XS Tubular Inductive Proximity Sensors FIG. 1 FIG. 2 2-Wire DC, Non-Polarized 2-Wire AC/DC FIG. 3 FIG. 4 FIG. 5 3-Wire DC, N.O. or N.C. 3-Wire DC, N.O. and N.C., Complementary 3-Wire DC, Selectable PNP/NPN, N.O./N.C. XSC Rectangular Inductive Proximity Sensors FIG. 6 FIG. 7 FIG. 8 FIG. 9 2-Wire DC, Non-Polarized 2-Wire AC, Programmable 2-Wire AC/DC, Programmable 3-Wire DC, N.O. or N.C. XSF Rectangular Inductive Proximity Sensors FIG. 10 FIG. 11 2-Wire AC, Programmable N.O. or N.C. 3-Wire DC, N.O. or N.C. XSD Rectangular Inductive Proximity Sensors FIG. 12 FIG. 13 FIG. 14 2-Wire DC, Non-Polarized 2-Wire AC, Programmable N.O. or N.C. 3-Wire DC, N.O. or N.C. NO BN/3 BU/4 +/– –/+ BN/2 BU/3 L1 +/– L2 –/+ for connector version only AC/DC PNP NO BN/1 BK/4 NO BK/2 NC + – BU/3 NPN NO BN/1 BK/4 NO BK/2 NC + – BU/3 PNP NO BN/1 BK/4 WH/2 + – BU/3 NPN NO BN/1 WH/2 BK/4 + – BU/3 NC NC PNP BN/1 (NO), BU/3 (NC) BK/4 + – NPN BU/3 (NO), BN/1 (NC) BK/4 + – BN/1 (NO), BU/3 (NC) NC 3 4 +/– –/+ NO 3 4 +/– –/+ NC 5 6 L1 L2 NO 5 6 L1 L2 8 BK 7 BK NC 5 6 AC/DC NO 5 6 AC/DC 7 8 7 8 PNP NO 4 2 + – 3 NPN NO 1 2 4 + – NC NC 3 1 NC 1 4 L1 NO 1 2 L1 L2 L2 PNP NO 4 2 + – 3 NPN NO 1 2 4 + – NC NC 3 1 NC 3 4 +/– –/+ NO 3 4 +/– –/+ L1 NO L2 8 7 NC 8 7 LOAD PNP NO 4 2 + – 3 NPN NO 1 2 4 + – NC NC 3 1
  • 89.
    85 ® Inductive and CapacitiveProximity Sensors XS and XTA XS Tubular Inductive Proximity NAMUR Sensors FIG. 1 FIG. 2 Non-Intrinsically Safe Applications (Normal Safe Zone), Connected to a Solid State Input With XZD Power Supply/Relay Amplifier Unit XS Inductive Proximity Sensors w/ Analog Output FIG. 3 Output current Value of Load R (max.) @ 24 V: 0-10 mA 1800 Ω 0-16 mA 1125 Ω @ 48 V: 0-10 mA 4200 Ω FIG. 4 Output current Value of Load R (max.) @ 24 V: 4-14 mA 640 Ω 4-20 mA 450 Ω @ 48 V: 4-14 mA 2350 Ω These sensors may be wired in the 2- or 3-wire mode, depending on the current output characteristics required. 2-Wire DC 3-Wire DC XTA Tubular Capacitive Proximity Sensors FIG. 5 FIG. 6 2-Wire AC 3-Wire DC ed to a solid state in ut (e.g. : ST1 CC/CS, TSX DET 466) _ + BU-2 BN-1 Ri = 1K I > 3mA 7...12V DC BU-2 BN-1 Ri = 1K I < 1mA 7...12V DC A A A + + - - + + - - Object present Object absent + _ BN BU 4 2.F 1.+ 1 2 (110...240V) AC P= XZD A proximity sensor } Wiring diagram 2.0 (110...240 V) AC P = 5 VA, 50 Hz , BN BU L1 L2 Gn* * Ground for XTA A115 only BN + - BK BU PNP BN + - BK BU NPN
  • 90.
    86 ® Magnet Actuated ProximitySensors and Photoelectric Sensors SG, ST and XUB SG Magnet Actuated Proximity Sensors, Surface Mount Style FIG. 1 FIG. 2 FIG. 3 SGA 8016, SGA 8031, SGA 8182, SGA 8053, SGA 8176, SGA 8177, SG0 8168 and SG08239 SGB 8175 SG2 8195 SG Magnet Actuated Proximity Sensors, Limit Switch Style FIG. 4 FIG. 5 FIG. 6 SG0 8003, SG1 8004, SGA 8005 and SGA 8040 SG0 L8003 and SG1 L8004 SGC 8027 and SGC 8025 FIG. 7 FIG. 8 SG0 B8114, SG1 B8147, SG0 BL8114, SG0 BL8147 and SGC 8142-T-P SG0 8079 and SG1 8056 SG Magnet Actuated Proximity Sensors,Tubular Style FIG. 9 FIG. 10 SGA 8057, SGA 8189, SGA 8072, SGA 8179, SGA 8180 and SGA 8038 SGC 8058 and SGC 8181 SG Magnet Actuated Proximity Sensors, Maintained Contact FIG. 11 FIG. 12 SGA 8018, SGO 8026 SGO 8110 ST Grounded Probe Switch FIG. 13 FIG. 14 ST switches may be wired in series or parallel. For series operation, connect red lead (terminal 4) to black lead (terminal 1) of other switch. The voltage drop across each switch (in the closed state) does not exceed 2 VAC. Cable Wiring Terminal strip Wiring XUB Short Range Tubular Photoelectric Sensors FIG. 15 FIG. 16 FIG. 17 2-Wire AC AC Emitter DC Emitter LOAD L1 L2 LOAD L1 L2 LOAD LOAD Red White Black LOAD L1 L2 LOAD L1 L2 LOAD LOAD Com NO NC LOAD Com + + – LOAD + - L + SG1 8056 is normally closed. Connect red terminal (+) to power source. Connect minus (-) terminal to load. Housing must be connected to minus. LOAD L1 L2 LOAD LOAD Com NO NC LOAD L1 L2 LOAD L1 L2 6.8k 2 3 1 Blk Gnd Wht Red L1 hot L2 neutral LOAD Target connected to ground 1 2 3 4 L1 L2 hot neutral LOAD Target connected to ground. Housing must be grounded for proper operation. Not used housing
  • 91.
    87 ® Photoelectric Sensors XUM, XUH,XUG, XUL and XUJ XUM Miniature High Performance Photoelectric Sensors XUH and XUG Medium Range Photoelectric Sensors FIG. 1 FIG. 2 FIG. 3 PNP Output NPN Output 5-Wire AC XUL Subcompact Photoelectric Sensors FIG. 4 FIG. 5 DC AC/DC XUJ Compact High Performance Photoelectric Sensors FIG. 6 FIG. 7 FIG. 8 FIG. 9 5-Wire Relay, AC/DC AC/DC Microchange DC Connector DC Output DC Output Microchange DC Connector BN BU BK LOAD + Light - Dark Test W LOAD H Prog. OG BN LOAD + Light - Dark Test OG LOAD J Prog . W BK BU Emitter DC BN BU DC 3 wire PNP output BN BU OG BK + light - dark Prog. NPN output BN BU BK OG + light - dark Prog. Connector, PNP output 1 3 2 4 + light - dark Prog. Connector, NPN output 1 3 4 2 + light - dark Prog. DC connector 1 2 4 prog. Output + – Emitter BN BU AC/DC AC/DC BN BK BU RD OG Relay output AC/DC versions AC/DC AC/DC – + 1 Dark 2 + Light 3 or 4 5 1 k 6 Test LOAD – NPN PNP + Ω
  • 92.
    88 ® Photoelectric Sensors andSecurity Light Barriers XUE, XUR, XUD, XUG and XUE S XUE Long Range Plug-In Photoelectric Sensors FIG. 1 FIG. 2 FIG. 3 DC Emitter XUE A XUE H, NPN FIG. 4 FIG. 5 FIG. 6 XUE H, PNP XUE F XUE T XUR Color Registration Photoelectric Sensors FIG. 7 FIG. 8 PNP NPN XUD Amplifiers XUG Amplifiers FIG. 9 FIG. 10 FIG. 11 XUD H XUD J for XUF N Plastic Fiber Optics – DC models XUE S Security Light Barriers FIG. 12 FIG. 13 Emitter Receiver PNP BN H Light Mode: Connect to + OG + – BU Dark Mode: Connect to – BK NPN BN J + – BU BK Light Mode: Connect to + OG Dark Mode: Connect to – T1 T2 A1 A2 Open to test L1 L2 5 6 3 4 L1 L2 1 2
  • 93.
    89 ® Photoelectric Sensors XUV XUV PhotoelectricSensors w/ Separate Optical Heads FIG. 1 FIG. 2 PNP Output NPN Output FIG. 3 AC Wiring Diagrams – + + H PNP H W Test BU BK BN Grey Synchro Gating Sensor LOAD LOAD NPN W Test BU BK BN Grey Synchro Gating Sensor + – – J J LOAD LOAD 13 15 17 19 2 4 6 8 1 2 3 A 2 1 Terminals Potentiometers Switches LED indicators Terminals TERMINALS 2 L1 Supply 4 L2 Supply 6-8 Relay output (1 contact) 13 Receiver (white wire) 15 Receiver shielded cable 17 Emitter shield 19 Emitter (red wire) 1 CHANNEL AMPLIFIER 13 15 17 19 2 4 6 8 1 3 5 7 3 3 4 B 4 1 Terminals Potentiometers Switches LED indicators Terminals TERMINALS 1 L1 Supply 2 L2 Supply 3 NC output, Channel 2 4 NC output, Channel 1 5 Common, Channel 2 6 Common, Channel 1 7 NO output, Channel 2 8 NO output, Channel 1 9 12 VDC output for synchro sensors 10 12 VDC output for synchro sensors 11 Synchronization, Channel 2, NPN 12 Synchronization, Channel 1, NPN 13 Emitter shield, Channel 1 14 Receiver, Channel 1 (white wire) 15 Emitter, Channel 1 (red wire) 16 Receiver shield, Channel 1 17 Emitter shield, Channel 2 18 Receiver, Channel 2 (white wire) 19 Emitter, Channel 2 (red wire) 20 Receiver shield, Channel 2 2 CHANNEL AMPLIFIER – FORM C RELAY 14 16 18 20 10 12 9 11 2 5 A 1 2 SWITCHES 1 Monostable timer (pulse stretcher), Channel 1 2 Light/Dark, Channel 1 3 Monostable timer (pulse stretcher), Channel 2 4 Light/Dark, Channel 2 A Sensitivity adjustment, Channel 1 B Sensitivity adjustment, Channel 2 1 Green: power supply 2 Red: unstable, Channel 1 3 Yellow: output, Channel 1 4 Red: unstable, Channel 2 5 Yellow: output, Channel 2 POTENTIOMETERS SWITCHES 1 Light/Dark 2 Monostable timer (pulse stretcher) 1 Green: power supply 2 Red: unstable 3 Yellow: output A Sensitivity adjustment POTENTIOMETERS 13 15 17 19 2 4 6 8 1 3 5 7 7 3 4 C 8 1 Terminals Potentiometers Switches LED indicators Terminals TERMINALS 1 L1 Supply 2 L2 Supply 3 Output test (1 contact relay) 4 Output test (1 contact relay) 5 Channel 1 output (1 contact relay) 6 Channel 1 output (1 contact relay) 7 Channel 2 output (1 contact relay) 8 Channel 2 output (1 contact relay) 9 12 VDC output for synchro sensors 10 12 VDC output for synchro sensors 11 Synchronization, Channel 2, NPN 12 Synchronization, Channel 1, NPN 13 Emitter shield, Channel 1 14 Receiver, Channel 1 (white wire) 15 Emitter, Channel 1 (red wire) 16 Receiver shield, Channel 1 17 Emitter shield, Channel 2 18 Receiver, Channel 2 (white wire) 19 Emitter, Channel 2 (red wire) 20 Receiver shield, Channel 2 2 CHANNEL LOGIC MODULE 14 16 18 20 10 12 9 11 2 B 5 6 SWITCHES 1 Time delay, Channel 1 (0.05 to 3 s or 1 to 60 s) 2 Time delay, Channel 1 (On/Off) 3 Time delay mode (mono. or adjustable time delay) 4 Leading/Trailing edge selection A Time delay, Channel 1 B Sensitivity adjustment, Channel 1 1 Green: power supply 2 Red: output test 3 Yellow: output, Channel 1 4 Yellow: output, Channel 2 5 Green: synchronization, Channel 1 LED INDICATORS POTENTIOMETERS 7 9 5 6 10 8 A 3 4 1 2 6 Yellow: detection, Channel 1 7 Red: unstable, Channel 1 8 Green: synchronization, Channel 2 5 Logic function (And/Or) 6 Logic function (On/Off) 7 Light/Dark, Channel 1 8 Light/Dark, Channel 2 C Sensitivity adjustment, Channel 2 9 Yellow: detection, Channel 2 10 Red: unstable, Channel 2 LED INDICATORS LED INDICATORS LED indicators
  • 94.
    90 ® Limit Sw itches Class9007 Contact Forms for Class 9007 Limit Switches FIG. 1 Limit Switches: Class 9007 Type C FIG. 2 FIG. 3 FIG. 4 Types C52, C54 1-Pole Type C62 2-Pole, Same Polarity Each Pole Type C66 2-Pole, 2-Stage, Same Polarity Each Pole FIG. 5 [1] On CR switches, terminals 1-4 on left side are for CW rotation and terminals 5-8 on right side are for CCW rotation. FIG. 6 Types C68T5, C68T10, CR67T5 [1] and CR67T10 [1] 2-Pole Neutral Position, Same Polarity Each Pole Type C Reeds Limit Switches: Class 9007 Type XA FIG. 7 FIG. 8 Type XA73 Reeds Type XA75 Reeds
  • 95.
    91 ® Limit Sw itches Class9007 Limit Switches: Class 9007 Type AW FIG. 1 FIG. 2 Type AW12 and AW14 Type AW18 FIG. 3 [1] If lever arm is placed at same end of box as conduit, N.O. contacts become N.C. and vice versa. FIG. 4 [1] If lever arm is placed at same end of box as conduit, N.O. contacts become N.C. and vice versa. FIG. 5 Type AW16 w/ Lever Arm Opposite Conduit Hole [1] Type AW19 w/ Lever Arm Opposite Conduit Hole [1] Type AW32, AW34, AW42 and AW44 FIG. 6 FIG. 7 FIG. 8 Type AW36 and AW46 Type AW38 and AW48 Type AW39 and AW49 Limit Switches: Class 9007 Type SG – GATE GARDTM Switch FIG. 9 FIG. 10 Type SGS1DK Type SGP1
  • 96.
    92 ® Limit Sw itchesand Safety Interlocks XCK and MS XCK Limit Switches FIG. 1 FIG. 2 FIG. 3 SPDT, 1 N.O. and 1 N.C. Positive Opening, Snap Action 2 SPDT, 2 N.O. and 2 N.C. SPDT, Isolated N.O. and N.C. Positive Opening, Slow-Make Slow-Break XCK Safety Interlocks FIG. 4 FIG. 5 FIG. 6 Note: N.O. and N.C. contacts are shown with key inserted and fully engaged. SPDT, Positive Opening, Slow-Make Slow-Break SPDT, w/ 24 VDC LED, Positive Opening, Slow-Make Slow-Break SPDT, w/ 2 Pilot Lights, Positive Opening, Slow-Make Slow-Break Contact Blocks for XY2CE Limit Switches FIG. 7 FIG. 8 FIG. 9 FIG. 10 FIG. 11 XEN P2151, Isolated N.C. and N.O. XEN P2141, Isolated N.C. and N.O. XEN P2051, N.C./N.O., 12 and 14 same polarity Indicator Light, Direct Indicator Light w/ Resistance MS Miniature Limit Switches FIG. 12 FIG. 13 SPST SPDT 21 22 13 14 No polarity 21 22 13 14 X1 X3 LED 24 VDC 24 VDC 0 V LOAD Orange 21 22 13 14 X1 X3 AC L1 L2 LOAD Orange X2 Green AC 21 13 22 14 Zb 21 11 22 12 Zb 11 13 12 14 Za X1 X2 X1 X2 Black White Green Red Black Red Orange White Green
  • 97.
    93 ® Pressure Sw itchesand Transducers Class 9012, 9013, 9022 and 9025 Pressure and Temperature Switches: Class 9012 and 9025 Type G FIG. 1 FIG. 2 FIG. 3 Machine Tool, SPDT, 1 N.O. and 1 N.C. Machine Tool, DPDT, 2 N.O. and 2 N.C. Industrial, SPST, 1 N.O. and 1 N.C. FIG. 4 FIG. 5 Machine Tool, SPDT, 1 N.O. and 1 N.C. w/ Form H10 Machine Tool, SPDT, 1 N.O. and 1 N.C. w/ Form H11 Commercial Pressure Switches: Class 9013 Type CS FIG. 6 Acceptable Wiring Schematics Pressure Transducers: Class 9022 Type PTA and PTB FIG. 7 FIG. 8 FIG. 9 Type PTA, 2-Wire Type PTA, 3-Wire Type PTA, 4-Wire FIG. 10 FIG. 11 FIG. 12 Type PTB, 2-Wire Type PTB, 3-Wire Type PTB, 4-Wire + TRANSDUCER DC SUPPLY – Red Black LOAD + TRANSDUCER DC SUPPLY – Red White or Brown LOAD Black + TRANSDUCER DC SUPPLY – 4 1 LOAD 2 3 + TRANSDUCER DC SUPPLY – Red Green LOAD + TRANSDUCER DC SUPPLY – A B LOAD C + TRANSDUCER DC SUPPLY – Red Black LOAD Green White
  • 98.
    94 ® Level Sensors andElectric Alternators Class 9034 and 9039 Level Sensors: Class 9034 Types LSD and LSV FIG. 1 Wiring Diagram Elementary Diagram Fill Cycle, Tank Full FIG. 2 Wiring Diagram Elementary Diagram Drain Cycle, Tank Empty Electric Alternators: Class 9039 Type X FIG. 3 Set pilot device A contacts to close before pilot device B contacts. Connections shown are for common control. If motor line voltage is different from voltage rating stamped on alternator coil terminals, alternator must be connected to motor lines thru control transformers. Control circuit conductors require overcurrent protection in accordance with applicable electrical codes. * Overlapping contact. Output selection of both sensors in maximum (N.C. when absent). Both devices at max. setting. Output selection of both sensors in minimum (N.O. when absent). Both devices at min. setting. FPO 69-1
  • 99.
    95 ® Pneumatic Timing Relays Class9050 Pneumatic Timing Relays: Class 9050:Type AO FIG. 1 FIG. 2 FIG. 3 FIG. 4 FIG. 5 FIG. 6 Type AO10E Type AO10D Type AO20E Type AO20D Type AO110DE Type AO120DE FIG. 7 FIG. 8 FIG. 9 FIG. 10 FIG. 11 FIG. 12 Type AO11E Type AO11D Type AO21E Type AO21D Type AO111DE Type AO121DE FIG. 13 FIG. 14 FIG. 15 FIG. 16 FIG. 17 FIG. 18 Type AO12E Type AO12D Type AO22E Type AO22D Type AO112DE Type AO122DE FIG. 19 FIG. 20 FIG. 21 FIG. 22 FIG. 23 FIG. 24 Type AO210DE Type AO211DE Type AO212DE Type AO220DE Type AO221DE Type AO222DE Pneumatic Timing Relays: Class 9050:Type HO Pneumatic Timing Relays: Class 9050:Types B and C FIG. 25 FIG. 26 FIG. 27 Off Delay On Delay FIG. 28 Off Delay On Delay Type HO10E, On Delay Type HO10D, Off Delay Type B Type C
  • 100.
    96 ® Pneumatic Timing Relaysand Solid State Industrial Timing Relays Class 9050 Class 9050 Pneumatic Timing Relays:Typical Elementary Diagrams FIG. 1 FIG. 2 Interval, Momentary Start FIG. 3 On Delay Interval, Maintained Start FIG. 4 FIG. 5 Off Delay Repeat Cycle Solid State Industrial Timing Relays: Class 9050 Types FS and FSR FIG. 6 FIG. 7 Elementary Diagram Wiring Diagram Solid State Industrial Timing Relays: Class 9050 Type FT FIG. 8 FIG. 9 Elementary Diagram Wiring Diagram FPO 71-1 L1 Timed Contacts L2 C1 C3 C2 C4 L1 Instantaneous Contacts (optional) C5 C7 C6 C8 P1 AC Supply Voltage L2 External Initiating Contact FPO 71-2 L1 Timed Contacts C3 C5 C7 L1 L2 C1 Instantaneous Contacts (optional) C4 P C6 C8 C2 AC Supply Voltage L2 External Initiating Contact
  • 101.
    97 ® Timers Class 9050 Solid StateIndustrial Timing Relays: Class 9050 Type JCK FIG. 1 FIG. 2 Terminals 5 and 10 are internally jumpered.Applying power to terminal 7 or jumpering from terminal 5 to 7 through an external contact initiates the timer. FIG. 3 Type JCK 11-19, 31-39 and 51-60 Type JCK 21-29 and 41-49 Type JCK 70 Solid State Timers: Class 9050 Type D FIG. 4 FIG. 5 FIG. 6 FIG. 7 Type DER, DZM, DTR, DWE, DEW and DBR Type DERP, DERLP, DWEP and DZMP Type DAR Type DARP Solid State Timers: Class 9050 Type M FIG. 8 FIG. 9 Type MAN, MBR, MER, MEW, MTG, MWE and MZM Type MAR 1 2 3 4 5 7 6 8 Control Power + – Polarity markings are for DC units only. JCK 60 is AC only. 2 3 4 5 7 8 9 10 6 1 11 Control Power + – Polarity markings are for DC units only. External Initiating Contact 2 3 4 5 7 8 9 10 6 1 11 External Initiating Contact (used in one-shot and off-delay mode only) Control Power A1/+ 15 25 16 18 A2/– Vs 26 28 A1/+ 15 25 Z1 Z2 16 18 A2/– Vs 26 28 A1 15 25 16 18 A2 Vs 26 28 A1 15 25 Z1 Z2 16 18 A2 Vs 26 28 17 25 A1 18 26 Vs A2 15 A1 16 18 Vs A2
  • 102.
    98 ® Transformer Disconnects Class 9070 TransformerDisconnects: Class 9070 Note: Some factory modifications, depending on enclosure and transformer VA size selected, are not available. Consult factory modification chart. FIG. 1 FIG. 2 For Size 1 Enclosures except w/ Form E23 For Size 1 Enclosures w/ Form E23 FIG. 3 FIG. 4 For Size 2 Enclosures except w/ Form E23 For Size 2 Enclosures w/ Form E23 L1 F U 1 460 V F U 2 GND L3 L2 H1 H3 H2 H4 F U 3 X1A F U 5 X1B F U 4 X2B X2A R Power On Optional 115 V X1 X2 230 V H1 H3 H2 H4 Optional Connection OFF ON L1 F U 1 460 V F U 2 GND L3 L2 H1 H3 H2 H4 F U 3 X1A F U 4 F U 5 X2A R Power On Optional 115 V X1 X2 230 V H1 H3 H2 H4 Optional Connection Electrostatically Shielded Transformer F U 6 OFF ON L1 F U 1 460 V F U 2 GND L3 L2 H1 H3 H2 H4 F U 3 X1A F U 5 X1B F U 4 X2B X2A R Power On 115 V X1 X2 230 V H1 H3 H2 H4 Optional Connection Optional OFF ON L1 F U 1 460 V F U 2 GND L3 L2 H1 H3 H2 H4 F U 3 X1A F U 8 F U 5 X2B R Power On 115 V X1 X2 230 V H1 H3 H2 H4 Optional Connection Electrostatically Shielded Transformer F U 6 Optional F U 4 X2A F U 7 X1B OFF ON
  • 103.
    99 ® Enclosure Selection Guide Table6 Enclosures for Non-Hazardous Locations Provides Protection Against NEMA Type 1 NEMA Type 3 [1] NEMA Type 3R [1] NEMA Type 4 [2] NEMA Type 4X [2] Type 5 NEMA Type 12 [3] Type 12K NEMA Type 13 Accidental contact w/ enclosed equipment Yes Yes Yes Yes Yes Yes Yes Yes Yes Falling dirt Yes Yes Yes Yes Yes Yes Yes Yes Yes Falling liquids and light splashing … Yes Yes Yes Yes … Yes Yes Yes Dust, lint, fibers and flyings … … … Yes Yes Yes Yes Yes Yes Hosedown and splashing water … … … Yes Yes … … … … Oil and coolant seepage … … … … … … Yes Yes Yes Oil and coolant spraying and splashing … … … … … … … … Yes Corrosive agents … … … … Yes … … … … Rain, snow and sleet [4] … Yes Yes [5] Yes … … … … Windblown dust … Yes … [5] Yes Yes … … … [1] Intended for outdoor use. [2] Intended for indoor and outdoor use. [3] Square D Industrial Control design NEMA Type 12 enclosures may be field modified for outdoor applications. [4] External operating mechanisms are not required to be operable when the enclosure is ice covered. [5] Square D Industrial Control design NEMA Type 4 enclosures provide protection against these environments. Table 7 Enclosures for Hazardous Locations Provides Protection Against Class [1] Group [1] Enclosure NEMA Type 7 NEMA Type 9 7B 7C 7D 9E 9F 9G Hydrogen, manufactured gas I B Yes … … … … … Ethyl ether, ethylene, cyclopropane I C Yes Yes … … … … Gasoline, hexane, naphtha, benzine, butane, propane, alcohol, acetone, benzol, natural gas, lacquer solvent I D Yes Yes Yes … … … Metal dust Il E … … … Yes … … Carbon black, coal dust, coke dust Il F … … … … Yes … Flour, starch, grain dust Il G … … … … Yes Yes [1] As described in Article 500 of the National Electrical Code.
  • 104.
    100 ® Conductor Ampacity andConduit Tables Based on 1993 National Electrical Code Table 8 Conductor Ampacity based on NEC Table 310-16 COPPER CONDUCTORS ALUMINUM CONDUCTORS Wire Size AWG kcmil 75 °C (167 °F) Conductor Insulation [1] 90 °C (194 °F) Conductor Insulation [1] Wire Size AWG kcmil 75 °C (167 °F) Conductor Insulation [1] 90 °C (194 °F) Conductor Insulation [1] Table 310-16 Ampacity Insulated Copper THHW, THW, RW, USE THWN, XHHW Table 310-16 Ampacity Insulated Copper THHN, XHHW Table 310-16 Ampacity Insulated Copper THHW, THW, USE XHHW Table 310-16 Ampacity Insulated Copper THHN, XHHW Conduit 3W Conduit 4W [2] Conduit 3W Conduit 4W [2] Conduit 3W Conduit 4W [2] Conduit 3W Conduit 4W [2] Conduit 3W Conduit 4W [2] Conduit 3W Conduit 4W [2] †14 20 … … 1/2 1/2 25 1/2 1/2 … … … … … … … … … †12 25 … … 1/2 1/2 30 1/2 1/2 †12 20 … … 1/2 1/2 25 1/2 1/2 †10 35 … … 1/2 1/2 40 1/2 1/2 †10 30 … … 1/2 1/2 35 1/2 1/2 8 50 3/4 1 1/2 [3] 3/4 55 1/2 [3] 3/4 8 40 3/4 3/4 1/2 3/4 45 1/2 3/4 6 65 1 1 3/4 3/4 [4] 75 3/4 3/4 [4] 6 50 3/4 1 3/4 3/4 60 3/4 3/4 4 85 1 1-1/4 1 1 95 1 1 4 65 1 1 3/4 1 75 3/4 1 3 100 1-1/4 1-1/4 1 1-1/4 110 1 1-1/4 3 75 … … … … 85 … … 2 115 1-1/4 1-1/4 1 1-1/4 130 1 1-1/4 2 90 1 1-1/4 1 1-1/4 100 1 1-1/4 1 130 1-1/4 1-1/2 1-1/4 1-1/2 150 1-1/4 1-1/2 1 100 1-1/4 1-1/2 1-1/4 1-1/2 115 1-1/4 1-1/2 1/0 150 1-1/2 2 1-1/4 1-1/2 170 1-1/4 1-1/2 1/0 120 1-1/4 1-1/2 1-1/4 1-1/2 135 1-1/4 1-1/2 2/0 175 1-1/2 2 1-1/2 2 195 1-1/2 2 2/0 135 1-1/2 2 1-1/4 1-1/2 150 1-1/4 1-1/2 3/0 200 2 2 1-1/2 2 225 1-1/2 2 3/0 155 1-1/2 2 1-1/2 2 175 1-1/2 2 4/0 230 2 2-1/2 2 2 260 2 2 4/0 180 2 2 1-1 /2 2 205 1-1/2 2 250 255 2-1/2 2-1/2 2 2-1/2 290 2 2-1/2 250 205 2 2-1/2 2 2 230 2 2 300 285 2-1/2 3 2 2-1/2 320 2 2-1/2 300 230 2 2-1/2 2 2-1/2 255 2 2-1/2 350 310 2-1/2 3 2-1/2 3 350 2-1/2 3 350 250 2-1/2 3 2-1/2 3 280 2-1/2 3 400 335 3 3 2-1/2 3 380 2-1/2 3 400 270 2-1/2 3 2-1/2 2-1/2 [5] 305 2-1/2 2-1/2 [5] 500 380 3 3-1/2 3 3 430 3 3 500 310 3 3 2-1/2 3 350 2-1/2 3 600 420 3 3-1/2 3 3-1/2 475 3 3-1/2 600 340 3 3-1/2 3 3 385 3 3 700 460 3-1/2 4 3 3-1/2 520 3 3-1/2 700 375 3 3-1/2 3 3-1/2 420 3 3-1/2 750 475 3-1/2 4 3-1/2 4 535 3-1/2 4 750 385 3 3-1/2 3 3-1/2 435 3 3-1/2 800 490 3-1/2 4 3-1/2 4 555 3-1/2 4 800 395 … … … … 450 … … 900 520 4 5 3-1/2 4 585 3-1/2 4 900 425 … … … … 480 … … 1000 545 4 5 3-1/2 5 615 3-1/2 5 1000 445 3-1/2 4 3-1/2 4 500 3-1/2 4 [1] Unless otherwise permitted in the Code, the overcurrent protection for conductor types marked with an with an obelisk (†) shall not exceed 15 A for No. 14, 20 A for No. 12 and 30 A for No. 10 copper, or 15 A for No. 12 and 25 A for No. 10 aluminum after any correction factors for ambient temperature and number of conductors have been applied .. [2] On a 4-wire, 3-phase wye circuit where the major portion of the load consists of nonlinear loads such as electric discharge lighting, electronic computer/data processing, or similar equipment there are harmonic currents present in the neutral conductor and the neutral shall be considered to be a current-carrying conductor. [3] #8 XHHW copper wire requires 3/4" conduit for 3W. [4] #6 XHHW copper wire requires 1" conduit for 3Ø4W. [5] 400 kcmil aluminum wire requires 3" conduit for 3Ø4W. Ampacity Based on NEC® Table 310-16 — Allowable Ampacities of Insulated Conductors Rated 0-2000 Volts, Not More Than Three Conductors in Raceway or Cable. Based on 30 °C Ambient Temperature. Trade Size of Conduit or Tubing Based on NEC Chapter 9, Table 1 and Tables 3A, 3B, 3C, 4 and 5B. Refer to Chapter 9 for Maximum Number of Conductors in Trade Sizes of Conduit or Tubing. Dimensions of Insulated Con- ductors for Conduit Fill Determined from NEC Chapter 9 Tables 5 and 5A. For information on temperature ratings of terminations to equipment, see NEC Section 110-14c. Underlined conductor insulation types indicates ampacity is for WET locations. See NEC Table 310-13. NEC is a Registered Trademark of the National Fire Protection Association.
  • 105.
    101 ® Conductor Ampacity andConduit Tables Based on 1993 National Electrical Code Ampacity Correction Factors: For ambient temperatures other than 30 °C (86 °F), multiply the ampacities listed in Table 8 by the appropriate factor listed in Table 9. Adjustment Factors: Where the number of current-carrying conductors in a raceway or cable exceeds three, reduce the allowable ampacities as shown in Table 9. Table 9 Ampacity Correction Factors Ambient Temperature (°C) 75 °C (167 °F) Conductors 90 °C (194 °F) Conductors Ambient Temperature (°F) 21-25 1.05 1.04 70-77 26-30 1.00 1.00 78-86 31-35 .94 .96 87-95 36-40 .88 .91 96-104 41-45 .82 .87 105-113 46-50 .75 .82 114-122 51-55 .67 .76 123-131 56-60 .58 .71 132-140 61-70 .33 .58 141-158 71-80 … .41 159-176 Table 11 Ratings for 120/240 V, 3-Wire, Single-Phase Dw elling Services – see NEC 310-16 Note 3 Rating (A) 100 110 125 150 175 200 225 250 300 350 400 Copper 4 AWG 3 AWG 2 AWG 1 AWG 1/0 AWG 2/0 AWG 3/0 AWG 4/0 AWG 250 kcmil 350 kcmil 400 kcmil Aluminum 2 AWG 1 AWG 1/0 AWG 2/0 AWG 3/0 AWG 4/0 AWG 250 kcmil 300 kcmil 350 kcmil 500 kcmil 600 kcmil Ratings for 120/240 V, 3-Wire, Single-Phase Dwelling Services: The ratings in Table 11 are permitted ratings for dwelling unit service and feeder conductors which carry the total load of the dwelling. The grounded conductor (neutral) shall be permitted to be not more than 2 AWG sizes smaller than the ungrounded conductors, provided the re- quirements of 215-2, 220-22 and 230-42 are met. NEC 240-3 Protection of Conductors: Conductors, other than flexible cords and fixture wires, shall be protected against overcurrent in accordance with their ampacities as specified in NEC Section 310-15, unless otherwise permitted in parts (a) through (m). NEC 220-3 (a) Continuous and Noncontinuous Loads: The branch circuit rating shall not be less than the noncontinuous load plus 125% of the continuous load (see exception for 100% rated devices). NEC 220-10 (b) Continuous and Noncontinuous Loads: Where a feeder supplies continuous loads or any combination of continuous and noncontinuous loads, the rating of the overcurrent device shall not be less than the noncontinuous load plus 125% of the continuous load (see exception for 100% rated devices). NEC 430-22 (a) Single Motor Circuit Conductors: Branch circuit conductors supplying a single motor shall have an ampacity not less than 125% of the motor full-load current rating (see excep- tions). NEC is a Registered Trademark of the National Fire Protection Association. Table 10 Adjustment Factors No. of Current-Carrying Inductors Values in Tables as Adjusted for Ambient Temperature 4-6 80% 7-9 70% 10-20 50% 21-30 45% 31-40 40% 41 and above 35% For exceptions, see exceptions to Note 8 of NEC® Table 310-16.
  • 106.
    102 ® Wire Data Table 12AWG and Metric Wire Data AWG Size Conductor dia. (mm) Conductor dia. (in) Resistance @ 20 °C (68 °F) AWG Size Conductor dia. (mm) Conductor dia. (in) Resistance @ 20 °C (68 °F) Ohm per ft Ohm per m Ohm per ft Ohm per m 29 .01126 .08180 .2684 13 1.900 .07480 .001853 .006081 .315 .01240 .06743 .2212 2.000 .07874 .001673 .005488 28 .01264 .06491 .2130 12 .08081 .001588 .005210 .355 .01398 .05309 .1742 2.120 .08346 .001489 .004884 27 .01420 .05143 .1687 2.240 .08819 .001333 .004375 .400 .01575 .04182 .1372 11 .09074 .001260 .004132 26 .01594 .04082 .1339 2.360 .09291 .001201 .003941 .450 .01772 .03304 .1084 2.500 .09843 .001071 .003512 25 .01790 .03237 .1062 10 .1019 .0009988 .003277 .500 .01969 .02676 .08781 2.650 .1043 .0009528 .003126 24 .02010 .02567 .08781 2.800 .1102 .0008534 .002800 .560 .02205 .02134 .07000 9 .1144 .0007924 .002500 23 .02257 .02036 .06679 3.000 .1181 .0007434 .002439 .630 .02480 .01686 .05531 3.150 .1240 .0006743 .002212 22 .02535 .01614 .05531 8 .1285 .0006281 .002061 .710 .02795 .01280 .04201 3.350 .1319 .0005662 .001956 21 .02846 .01280 .04201 3.550 .1398 .0005309 .001742 .750 .02953 .01190 .03903 7 .1443 .0004981 .001634 .800 .03150 .01045 .03430 3.750 .1476 .0004758 .001561 20 .03196 .01015 .03331 4.000 .1575 .0004182 .001372 .850 .03346 .009261 .05038 6 .1620 .0003952 .001296 .900 .03543 .008260 .02642 4.250 .1673 .0003704 .001215 19 .03589 .008051 .02642 4.500 .1772 .0003304 .001084 .950 .03740 .007414 .02432 5 .1819 .0003134 .001028 1.000 .03937 .006991 .02195 4.750 .1870 .0002966 .0009729 18 .04030 .006386 .02095 5.000 .1968 .0002676 .0008781 1.060 .04173 .005955 .01954 4 .2043 .0002485 .0008152 1.120 .04409 .005334 .01750 5.600 .2205 .0002134 .0007000 17 .04526 .005063 .01661 3 .2294 .0001971 .0006466 1.180 .04646 .004805 .01577 6.300 .2480 .0001686 .0005531 1.250 .04921 .004282 .01405 2 .2576 .0001563 0005128 16 .05082 .004016 .01317 7.100 .2795 .0001327 .0004355 1.320 .05197 .003840 .01260 1 .2893 .0001239 .0004065 1.400 .05512 .004016 .01317 8.000 .3150 .0001045 .0003430 15 .05707 .003414 .01045 0 .3249 .00009825 .0003223 1.500 .05906 .002974 .009756 9.000 .3543 .00008260 .0002710 1.600 .06299 .002526 .008286 2/0 .3648 .00007793 .0002557 14 .06408 .002315 .007596 10.000 .3937 .00006691 .0002195 1.700 .06693 .002315 .007596 3/0 .4096 .00006182 .0002195 1.800 .07087 .002065 .006775 4/0 .4600 .00004901 .0001608 13 .07196 .002003 .006571 11.800 .4646 .00004805 .0001577
  • 107.
    103 ® Electrical Formulas Table 13Electrical formulas for Amperes, Horsepow er, Kilow atts and KVA To find Single phase 3-phase Direct current Kilowatts I x E x PF 1000 I x E x 1.73 x PF 1000 I x F 1000 KVA I x E 1000 I x E x 1.73 1000 — Horsepower (output) I x E x % Eff x PF 746 I x E x 1.73 x %Eff x PF 746 I x E x %Eff 746 Amperes when Horsepower is known HP x 746 E x %Eff x PF HP x 746 1.73 x E x %Eff x PF HP x 746 E x %Eff Amperes when Kilowatts is known KW x 1000 E x PF KW x 1000 1.73 x E x PF KW x 1000 E Amperes KVA x 1000 E KVA x 1000 1.73 x E — E=Volts l = Amperes %Eff = Percent efficiency PF = Power factor HP = Horsepower KVA = Kilovolt-Amps Table 14 Ratings for 3-Phase, Single-Speed, Full-Voltage Magnetic Controllers for Nonplugglng and Nonjogging Duty Size of Controller Continous Current Rating (A) Horsepower at [1] Service-Limit Current Rating (A) 60 Hz 200 V 60 Hz 230 V 50 Hz 380 V 60 Hz 460 or 575 V 00 9 1-1/2 1-1/2 1-1/2 2 11 0 18 3 3 5 5 21 1 27 7-1/2 7-1/2 10 10 32 2 45 10 15 25 25 52 3 90 25 30 50 50 104 4 135 40 50 75 100 156 5 270 75 100 150 200 311 6 540 150 200 300 400 621 7 810 — 300 — 600 932 [1] These horsepower ratings are based on typical locked-rotor current ratings. For motors having higher locked-rotor currents, use a larger controller to ensure its locked-rotor current rating is not exceeded. Average Efficiency and Power Factor Values of Motors: When actual efficiencies and power factors of the motors to be controlled are not known, the following approximations may be used: Efficiencies: DC motors, 35 hp and less: 80% to 85% DC motors, above 35 hp: 85% to 90% Synchronous motors (at 100% PF): 92% to 95% “Apparent” efficiencies (Efficiency x PF): 3-phase induction motors, 25 hp and less: 70% 3-phase induction motors above 25 hp: 80% Decrease these figures slightly for single phase induction motors.
  • 108.
    104 ® Electrical Formulas Table 15Ratings for 3-Phase, Single-Speed, Full-Voltage Magnetic Controllers for Plug-Stop, Plug-Reverse or Jogging Duty Size of Controller Continous Current Rating (A) Horsepower at [1] Service-Limit Current Rating (A) 60 Hz 200 V 60 Hz 230 V 50 Hz 380 V 60 Hz 460 or 575 V 0 18 1-1/2 1-1/2 1-1/2 2 21 1 27 3 3 5 5 32 2 45 7-1/2 10 15 15 52 3 90 15 20 30 30 104 4 135 25 30 50 60 156 5 270 60 75 125 150 311 6 540 125 150 250 300 621 [1] These horsepower ratings are based on typical locked-rotor current ratings. For motors having higher locked-rotor currents, use a larger controller to ensure its locked-rotor current rating is not exceeded. Table 16 Pow er Conversions From to kW to PS to hp to ft-lb/s 1 kW (kilowatt) = 1010 erg/s 1 1.360 1.341 737.6 1 PS (metric horsepower) 0.7355 1 0.9863 542.5 1 hp (horsepower) 0.7457 1.014 1 550.0 1 ft-lb/s (foot-pound per sec) 1.356 x 10-3 1.843 x 10-3 1.818 x 10-3 1
  • 109.
    Fromsingleproducts tocompletesystems,lookto SquareD. SquareDCompanyisaleadingmanufacturer and supplier ofelectrical distribution, automation and industrial control products. The full line of Square D and Telemecanique brand products are available from an extensive network of Square D distributors located throughout NorthAmerica. Square D Company is part of Groupe Schneider, an $11 billion global manufacturer of electrical distribution, automation and industrial equipment,acompanywhoseprimarybusinessresides in those markets. Square D has been serving industrial and construction markets, as well as public utilities, individual consumers and government agencies for over85years.Weofferunsurpassedquality,innovative design and a committed staff of trained sales representativesandservicetechnicianswillingtostand behind every product we sell. For further information on how we can help fillyourelectricalneeds,callyourlocalSquareDfield representative or authorized Square D distributor. Square D Company Automation and Control Business P.O. Box 27446, Raleigh, N.C. 27611, USA Square D Canada 6675 Rexwood Road Mississauga, Ontario L4V 1V1 Square D Company Mexico, SA de C.V. Calz. Javier Rojo Gomez No. 1121 Col. Guadalupe del Moral, Iztapalapa 09300 Mexico D.F., Mexico 0140CT9201 (Supersedes SM304R10) Printed in USA © 1993 Square D All Rights Reserved